Профессиональная подготовка водителей транспортных средств категории «ВЕ» — Автошкола ФГАОУ ДПО «Ивановский ЦППК»
К категории «ВЕ» принадлежат те же автотранспортные средства категории «В», сцепленные прицепом, разрешенная максимальная масса которого превышает 750кг. Наша автошкола оказывает услуги по обучению водителей на категорию «Е» и переподготовке с категории «В» на «ВЕ».
Курс обучения на категорию Е (переподготовку с «В на «ВЕ») состоит из двух частей: практической и теоретической.
Стоимость и сроки обученияОбучение на права категории «Е» составляет 1,5 месяца
За это время ученики полностью освоят теоретический и практический курсы вождения.
Для поступления на курсы водителей категории «ВЕ» необходимо предоставить:
- паспорт
- медицинскую справку водителя с разрешенной категорией «Е»
- фото 3х4 см на матовой бумаге
- водительское удостоверение категории «В»
В рамках теоретических занятий ученикам автошколы «Учебно-курсовой комбинат» излагаются те же знания, что и при обучении на категорию «В», а именно:
- лекции по правилам дорожного движения;
- курс по устройству легкового автомобиля, устройству и техническим особенностям прицепа и их обслуживанию;
- основы управления транспортным средством данной категории;
- оказание доврачебной медицинской помощи при ДТП;
- правонарушения в области дорожного движения в РФ и ответственность водителя.

- Экзамен проводится по билетам категории «В».
При подготовке водителей категории «Е» и переподготовке с категории «В» на «ВЕ» проводится ряд практических занятий, на которых отрабатываются навыки управления прицепом и отрабатываются приемы маневрирования с прицепом.
При этом на специально подготовленной площадке ученик обязательно должен выполнить ряд упражнений:
- сцепление и расцепление или расцепление и повторное сцепление прицепа с тягачом,
- маневрирование в ограниченном пространстве,
- остановка для безопасной высадки/посадки пассажиров,
- парковка ТС и выезд с места парковки,
- парковка для погрузки (разгрузки) на погрузочной эстакаде (платформе),
- движение задним ходом по прямой траектории и въезд задним ходом в бокс, перпендикулярно стоящий относительно стартовой линии движения.
Помимо занятия на автодроме ведутся и занятия по езде в городе, в условиях реальной дорожной обстановки, где отрабатываются все тонкости и нюансы управления автомобилем с прицепом.
Вот некоторые из них:
- Траектория движения прицепа и автомобиля не всегда совпадают;
- При езде с прицепом необходима особенная плавность в управлении на зоду и при осуществлении маневров;
- Для разгона и торможения автомобиля с прицепом требуется большее время
- Маневрирование с прицепом затруднено, как и выполнение сложных и резких маневров, а также резких обгонов.
Результатом обучения по данной программе для учащегося будет не только владение теоретическими основами, но и практические умения в управлении транспортными средствами, оснащенными прицепом. Наши ученики могут быстро ориентироваться в нештатных ситуациях на дороге, осуществлять ежедневное техническое обслуживание техники, предвидеть и предупреждать появление опасных ситуаций на дороге, своевременно принимать верные решения и уверенно действовать в непростых обстоятельствах.
Во время сдачи квалификационных экзаменов по переподготовке с категории «В» на «ВЕ» в ГИБДД потребуется подтверждение водительского стажа (не менее 1 года) по категории «В».
Адрес обучения:
— Иваново, проспект Ленина, д. 92, оф. 1 (вечерняя группа)
— Иваново, Посадский пер., д.15 (вечерняя группа)
— Иваново, Минская ул, д.120 (вечерняя группа)
Учебная часть.
Предварительная запись. Консультации.
Пн-чт: 8:45-17:00
Пт: 8:45-16:00
Сб-вс: выходной
Вопрос-ответ – Учебный комбинат
Политика обработки персональных данных
1. Общие положения
Настоящая политика обработки персональных данных составлена в соответствии с требованиями Федерального закона от 27.07.2006. №152-ФЗ «О персональных данных» (далее – Закон о персональных данных) и определяет порядок обработки персональных данных и меры по обеспечению безопасности персональных данных, предпринимаемые Учебным комбинатом (а именно ООО “УК”) (далее – Оператор).
1.1. Оператор ставит своей важнейшей целью и условием осуществления своей деятельности соблюдение прав и свобод человека и гражданина при обработке его персональных данных, в том числе защиты прав на неприкосновенность частной жизни, личную и семейную тайну.
1.2. Настоящая политика Оператора в отношении обработки персональных данных (далее – Политика) применяется ко всей информации, которую Оператор может получить о посетителях веб-сайта https://uk72.ru.
2. Основные понятия, используемые в Политике
2.1. Автоматизированная обработка персональных данных – обработка персональных данных с помощью средств вычислительной техники.
2.2. Блокирование персональных данных – временное прекращение обработки персональных данных (за исключением случаев, если обработка необходима для уточнения персональных данных).
2.3. Веб-сайт – совокупность графических и информационных материалов, а также программ для ЭВМ и баз данных, обеспечивающих их доступность в сети интернет по сетевому адресу https://uk72.ru.
2.4. Информационная система персональных данных — совокупность содержащихся в базах данных персональных данных, и обеспечивающих их обработку информационных технологий и технических средств.
2.5. Обезличивание персональных данных — действия, в результате которых невозможно определить без использования дополнительной информации принадлежность персональных данных конкретному Пользователю или иному субъекту персональных данных.
2.6. Обработка персональных данных – любое действие (операция) или совокупность действий (операций), совершаемых с использованием средств автоматизации или без использования таких средств с персональными данными, включая сбор, запись, систематизацию, накопление, хранение, уточнение (обновление, изменение), извлечение, использование, передачу (распространение, предоставление, доступ), обезличивание, блокирование, удаление, уничтожение персональных данных.
2.7. Оператор – государственный орган, муниципальный орган, юридическое или физическое лицо, самостоятельно или совместно с другими лицами организующие и (или) осуществляющие обработку персональных данных, а также определяющие цели обработки персональных данных, состав персональных данных, подлежащих обработке, действия (операции), совершаемые с персональными данными.
2.8. Персональные данные – любая информация, относящаяся прямо или косвенно к определенному или определяемому Пользователю веб-сайта https://ук72.рф.
2.9.
Персональные данные, разрешенные субъектом персональных данных для распространения, – персональные данные, доступ неограниченного круга лиц к которым предоставлен субъектом персональных данных путем дачи согласия на обработку персональных данных, разрешенных субъектом персональных данных для распространения в порядке, предусмотренном Законом о персональных данных (далее – персональные данные, разрешенные для распространения).
2.10. Пользователь – любой посетитель веб-сайта https://ук72.рф.
2.11. Предоставление персональных данных – действия, направленные на раскрытие персональных данных определенному лицу или определенному кругу лиц.
2.12. Распространение персональных данных – любые действия, направленные на раскрытие персональных данных неопределенному кругу лиц (передача персональных данных) или на ознакомление с персональными данными неограниченного круга лиц, в том числе обнародование персональных данных в средствах массовой информации, размещение в информационно-телекоммуникационных сетях или предоставление доступа к персональным данным каким-либо иным способом.
2.13. Трансграничная передача персональных данных – передача персональных данных на территорию иностранного государства органу власти иностранного государства, иностранному физическому или иностранному юридическому лицу.
2.14. Уничтожение персональных данных – любые действия, в результате которых персональные данные уничтожаются безвозвратно с невозможностью дальнейшего восстановления содержания персональных данных в информационной системе персональных данных и (или) уничтожаются материальные носители персональных данных.
3. Основные права и обязанности Оператора
3.1. Оператор имеет право:
– получать от субъекта персональных данных достоверные информацию и/или документы, содержащие персональные данные;
– в случае отзыва субъектом персональных данных согласия на обработку персональных данных Оператор вправе продолжить обработку персональных данных без согласия субъекта персональных данных при наличии оснований, указанных в Законе о персональных данных;
– самостоятельно определять состав и перечень мер, необходимых и достаточных для обеспечения выполнения обязанностей, предусмотренных Законом о персональных данных и принятыми в соответствии с ним нормативными правовыми актами, если иное не предусмотрено Законом о персональных данных или другими федеральными законами.
3.2. Оператор обязан:
– предоставлять субъекту персональных данных по его просьбе информацию, касающуюся обработки его персональных данных;
– организовывать обработку персональных данных в порядке, установленном действующим законодательством РФ;
– отвечать на обращения и запросы субъектов персональных данных и их законных представителей в соответствии с требованиями Закона о персональных данных;
– сообщать в уполномоченный орган по защите прав субъектов персональных данных по запросу этого органа необходимую информацию в течение 30 дней с даты получения такого запроса;
– публиковать или иным образом обеспечивать неограниченный доступ к настоящей Политике в отношении обработки персональных данных;
– принимать правовые, организационные и технические меры для защиты персональных данных от неправомерного или случайного доступа к ним, уничтожения, изменения, блокирования, копирования, предоставления, распространения персональных данных, а также от иных неправомерных действий в отношении персональных данных;
– прекратить передачу (распространение, предоставление, доступ) персональных данных, прекратить обработку и уничтожить персональные данные в порядке и случаях, предусмотренных Законом о персональных данных;
– исполнять иные обязанности, предусмотренные Законом о персональных данных.
4. Основные права и обязанности субъектов персональных данных
4.1. Субъекты персональных данных имеют право:
– получать информацию, касающуюся обработки его персональных данных, за исключением случаев, предусмотренных федеральными законами. Сведения предоставляются субъекту персональных данных Оператором в доступной форме, и в них не должны содержаться персональные данные, относящиеся к другим субъектам персональных данных, за исключением случаев, когда имеются законные основания для раскрытия таких персональных данных. Перечень информации и порядок ее получения установлен Законом о персональных данных;
– требовать от оператора уточнения его персональных данных, их блокирования или уничтожения в случае, если персональные данные являются неполными, устаревшими, неточными, незаконно полученными или не являются необходимыми для заявленной цели обработки, а также принимать предусмотренные законом меры по защите своих прав;
– выдвигать условие предварительного согласия при обработке персональных данных в целях продвижения на рынке товаров, работ и услуг;
– на отзыв согласия на обработку персональных данных;
– обжаловать в уполномоченный орган по защите прав субъектов персональных данных или в судебном порядке неправомерные действия или бездействие Оператора при обработке его персональных данных;
– на осуществление иных прав, предусмотренных законодательством РФ.
4.2. Субъекты персональных данных обязаны:
– предоставлять Оператору достоверные данные о себе;
– сообщать Оператору об уточнении (обновлении, изменении) своих персональных данных.
4.3. Лица, передавшие Оператору недостоверные сведения о себе, либо сведения о другом субъекте персональных данных без согласия последнего, несут ответственность в соответствии с законодательством РФ.
5. Оператор может обрабатывать следующие персональные данные Пользователя
5.1. Номера телефонов.
5.2. Также на сайте происходит сбор и обработка обезличенных данных о посетителях (в т.ч. файлов «cookie») с помощью сервисов интернет-статистики (Яндекс Метрика и Гугл Аналитика и других).
5.3. Вышеперечисленные данные далее по тексту Политики объединены общим понятием Персональные данные.
5.4. Обработка специальных категорий персональных данных, касающихся расовой, национальной принадлежности, политических взглядов, религиозных или философских убеждений, интимной жизни, Оператором не осуществляется.
5.5. Обработка персональных данных, разрешенных для распространения, из числа специальных категорий персональных данных, указанных в ч. 1 ст. 10 Закона о персональных данных, допускается, если соблюдаются запреты и условия, предусмотренные ст. 10.1 Закона о персональных данных.
5.6. Согласие Пользователя на обработку персональных данных, разрешенных для распространения, оформляется отдельно от других согласий на обработку его персональных данных. При этом соблюдаются условия, предусмотренные, в частности, ст. 10.1 Закона о персональных данных. Требования к содержанию такого согласия устанавливаются уполномоченным органом по защите прав субъектов персональных данных.
5.6.1 Согласие на обработку персональных данных, разрешенных для распространения, Пользователь предоставляет Оператору непосредственно.
5.6.2 Оператор обязан в срок не позднее трех рабочих дней с момента получения указанного согласия Пользователя опубликовать информацию об условиях обработки, о наличии запретов и условий на обработку неограниченным кругом лиц персональных данных, разрешенных для распространения.
5.6.3 Передача (распространение, предоставление, доступ) персональных данных, разрешенных субъектом персональных данных для распространения, должна быть прекращена в любое время по требованию субъекта персональных данных. Данное требование должно включать в себя фамилию, имя, отчество (при наличии), контактную информацию (номер телефона, адрес электронной почты или почтовый адрес) субъекта персональных данных, а также перечень персональных данных, обработка которых подлежит прекращению. Указанные в данном требовании персональные данные могут обрабатываться только Оператором, которому оно направлено.
5.6.4 Согласие на обработку персональных данных, разрешенных для распространения, прекращает свое действие с момента поступления Оператору требования, указанного в п. 5.6.3 настоящей Политики в отношении обработки персональных данных.
6. Принципы обработки персональных данных
6.1. Обработка персональных данных осуществляется на законной и справедливой основе.
6.2. Обработка персональных данных ограничивается достижением конкретных, заранее определенных и законных целей.
Не допускается обработка персональных данных, несовместимая с целями сбора персональных данных.
6.3. Не допускается объединение баз данных, содержащих персональные данные, обработка которых осуществляется в целях, несовместимых между собой.
6.4. Обработке подлежат только персональные данные, которые отвечают целям их обработки.
6.5. Содержание и объем обрабатываемых персональных данных соответствуют заявленным целям обработки. Не допускается избыточность обрабатываемых персональных данных по отношению к заявленным целям их обработки.
6.6. При обработке персональных данных обеспечивается точность персональных данных, их достаточность, а в необходимых случаях и актуальность по отношению к целям обработки персональных данных. Оператор принимает необходимые меры и/или обеспечивает их принятие по удалению или уточнению неполных или неточных данных.
6.7. Хранение персональных данных осуществляется в форме, позволяющей определить субъекта персональных данных, не дольше, чем этого требуют цели обработки персональных данных, если срок хранения персональных данных не установлен федеральным законом, договором, стороной которого, выгодоприобретателем или поручителем по которому является субъект персональных данных.
Обрабатываемые персональные данные уничтожаются либо обезличиваются по достижении целей обработки или в случае утраты необходимости в достижении этих целей, если иное не предусмотрено федеральным законом.
7. Цели обработки персональных данных
7.1. Цель обработки персональных данных Пользователя:
– звонок пользователю по его предварительному согласию.
7.2. Также Оператор имеет право направлять Пользователю уведомления о новых продуктах и услугах, специальных предложениях и различных событиях. Пользователь всегда может отказаться от получения информационных сообщений, направив Оператору письмо на адрес электронной почты [email protected] с пометкой «Отказ от уведомлений о новых продуктах и услугах и специальных предложениях».
7.3. Обезличенные данные Пользователей, собираемые с помощью сервисов интернет-статистики, служат для сбора информации о действиях Пользователей на сайте, улучшения качества сайта и его содержания.
8. Правовые основания обработки персональных данных
8.
1. Правовыми основаниями обработки персональных данных Оператором являются:
– уставные (учредительные) документы Оператора;
– федеральные законы, иные нормативно-правовые акты в сфере защиты персональных данных;
– согласия Пользователей на обработку их персональных данных, на обработку персональных данных, разрешенных для распространения.
8.2. Оператор обрабатывает персональные данные Пользователя только в случае их заполнения и/или отправки Пользователем самостоятельно через специальные формы, расположенные на сайте https://uk72.ru или направленные Оператору посредством электронной почты. Заполняя соответствующие формы и/или отправляя свои персональные данные Оператору, Пользователь выражает свое согласие с данной Политикой.
8.3. Оператор обрабатывает обезличенные данные о Пользователе в случае, если это разрешено в настройках браузера Пользователя (включено сохранение файлов «cookie» и использование технологии JavaScript).
8.4. Субъект персональных данных самостоятельно принимает решение о предоставлении его персональных данных и дает согласие свободно, своей волей и в своем интересе.
9. Условия обработки персональных данных
9.1. Обработка персональных данных осуществляется с согласия субъекта персональных данных на обработку его персональных данных.
9.2. Обработка персональных данных необходима для достижения целей, предусмотренных международным договором Российской Федерации или законом, для осуществления возложенных законодательством Российской Федерации на оператора функций, полномочий и обязанностей.
9.3. Обработка персональных данных необходима для осуществления правосудия, исполнения судебного акта, акта другого органа или должностного лица, подлежащих исполнению в соответствии с законодательством Российской Федерации об исполнительном производстве.
9.4. Обработка персональных данных необходима для исполнения договора, стороной которого либо выгодоприобретателем или поручителем по которому является субъект персональных данных, а также для заключения договора по инициативе субъекта персональных данных или договора, по которому субъект персональных данных будет являться выгодоприобретателем или поручителем.
9.5. Обработка персональных данных необходима для осуществления прав и законных интересов оператора или третьих лиц либо для достижения общественно значимых целей при условии, что при этом не нарушаются права и свободы субъекта персональных данных.
9.6. Осуществляется обработка персональных данных, доступ неограниченного круга лиц к которым предоставлен субъектом персональных данных либо по его просьбе (далее – общедоступные персональные данные).
9.7. Осуществляется обработка персональных данных, подлежащих опубликованию или обязательному раскрытию в соответствии с федеральным законом.
10. Порядок сбора, хранения, передачи и других видов обработки персональных данных
Безопасность персональных данных, которые обрабатываются Оператором, обеспечивается путем реализации правовых, организационных и технических мер, необходимых для выполнения в полном объеме требований действующего законодательства в области защиты персональных данных.
10.1. Оператор обеспечивает сохранность персональных данных и принимает все возможные меры, исключающие доступ к персональным данным неуполномоченных лиц.
10.2. Персональные данные Пользователя никогда, ни при каких условиях не будут переданы третьим лицам, за исключением случаев, связанных с исполнением действующего законодательства либо в случае, если субъектом персональных данных дано согласие Оператору на передачу данных третьему лицу для исполнения обязательств по гражданско-правовому договору.
10.3. В случае выявления неточностей в персональных данных, Пользователь может актуализировать их самостоятельно, путем направления Оператору уведомление на адрес электронной почты Оператора [email protected] с пометкой «Актуализация персональных данных».
10.4. Срок обработки персональных данных определяется достижением целей, для которых были собраны персональные данные, если иной срок не предусмотрен договором или действующим законодательством.
Пользователь может в любой момент отозвать свое согласие на обработку персональных данных, направив Оператору уведомление посредством электронной почты на электронный адрес Оператора admin@uk72.
ru с пометкой «Отзыв согласия на обработку персональных данных».
10.5. Вся информация, которая собирается сторонними сервисами, в том числе платежными системами, средствами связи и другими поставщиками услуг, хранится и обрабатывается указанными лицами (Операторами) в соответствии с их Пользовательским соглашением и Политикой конфиденциальности. Субъект персональных данных и/или Пользователь обязан самостоятельно своевременно ознакомиться с указанными документами. Оператор не несет ответственность за действия третьих лиц, в том числе указанных в настоящем пункте поставщиков услуг.
10.6. Установленные субъектом персональных данных запреты на передачу (кроме предоставления доступа), а также на обработку или условия обработки (кроме получения доступа) персональных данных, разрешенных для распространения, не действуют в случаях обработки персональных данных в государственных, общественных и иных публичных интересах, определенных законодательством РФ.
10.7. Оператор при обработке персональных данных обеспечивает конфиденциальность персональных данных.
10.8. Оператор осуществляет хранение персональных данных в форме, позволяющей определить субъекта персональных данных, не дольше, чем этого требуют цели обработки персональных данных, если срок хранения персональных данных не установлен федеральным законом, договором, стороной которого, выгодоприобретателем или поручителем по которому является субъект персональных данных.
10.9. Условием прекращения обработки персональных данных может являться достижение целей обработки персональных данных, истечение срока действия согласия субъекта персональных данных или отзыв согласия субъектом персональных данных, а также выявление неправомерной обработки персональных данных.
11. Перечень действий, производимых Оператором с полученными персональными данными
11.1. Оператор осуществляет сбор, запись, систематизацию, накопление, хранение, уточнение (обновление, изменение), извлечение, использование, передачу (распространение, предоставление, доступ), обезличивание, блокирование, удаление и уничтожение персональных данных.
11.2. Оператор осуществляет автоматизированную обработку персональных данных с получением и/или передачей полученной информации по информационно-телекоммуникационным сетям или без таковой.
12. Трансграничная передача персональных данных
12.1. Оператор до начала осуществления трансграничной передачи персональных данных обязан убедиться в том, что иностранным государством, на территорию которого предполагается осуществлять передачу персональных данных, обеспечивается надежная защита прав субъектов персональных данных.
12.2. Трансграничная передача персональных данных на территории иностранных государств, не отвечающих вышеуказанным требованиям, может осуществляться только в случае наличия согласия в письменной форме субъекта персональных данных на трансграничную передачу его персональных данных и/или исполнения договора, стороной которого является субъект персональных данных.
13. Конфиденциальность персональных данных
Оператор и иные лица, получившие доступ к персональным данным, обязаны не раскрывать третьим лицам и не распространять персональные данные без согласия субъекта персональных данных, если иное не предусмотрено федеральным законом.
14. Заключительные положения
14.1. Пользователь может получить любые разъяснения по интересующим вопросам, касающимся обработки его персональных данных, обратившись к Оператору с помощью электронной почты [email protected].
14.2. В данном документе будут отражены любые изменения политики обработки персональных данных Оператором. Политика действует бессрочно до замены ее новой версией.
14.3. Актуальная версия Политики в свободном доступе расположена в сети Интернет по адресу https://ук72.рф/privacy.
Новая служба доставки на дом Pilot обслуживает нишу электронной коммерции
Искать:Posted on by pilotfreight
Pilot запустила новую службу доставки на дом, ориентируясь на клиентов электронной коммерции. Поскольку этот продукт для жилых помещений «последней мили» не требует подписи грузополучателя или предварительной записи для успешной доставки, он часто сокращает время от заказа до доставки.
«Мы разработали эту услугу как способ удовлетворить желание потребителя получать доставку на дом гораздо быстрее», — говорит Том Дрейк, исполнительный вице-президент по внутренним/канадским операциям и перевозкам. Эти перевозки интегрированы прямо в ежедневные маршруты станции, а не ждут в очереди на встречу. Том отмечает, что он не предназначен для каждой отправки электронной коммерции, например дорогостоящих товаров, но несколько клиентов уже определили, что он соответствует их профилю доставки. Например, крупные розничные продавцы и интернет-магазины использовали этот вариант обслуживания для товаров, начиная от горок и ограждений для оленей и заканчивая дверцами для бытовой техники и служебными тележками. Услуга Pilot также позволяет сэкономить. «Другие перевозчики могут классифицировать эти предметы как тяжеловесные/крупногабаритные и не подлежащие транспортировке, поэтому с этих отправлений будут взиматься дополнительные сборы», — говорит Том.
Новая услуга Pilot официально запущена в середине апреля, и поставки продолжают увеличиваться, поскольку компании электронной коммерции воспользовались этим предложением.
Категории
КатегорииВыберите категориюБлогФотографии строительстваГлобальные ресурсыПресс-релизыОбновления о переездеВизуализацииАрхивы
Архив Выбрать месяц Ноябрь 2022 Май 2022 Август 2021 Апрель 2021 Март 2021 Январь 2021 Декабрь 2020 Ноябрь 2020 Октябрь 2020 Сентябрь 2020 Август 2020 Июль 2020 Июнь 2020 Май 2020 Апрель 2020 Февраль 2020 Январь 2020 Ноябрь 2019 Октябрь 2019 Сентябрь 2019 август 2019 г. июль 2019 г. июнь 2019 г. май 2019 г. Апрель 2019 Март 2019 Февраль 2019 Январь 2019 Декабрь 2018 Ноябрь 2018 Октябрь 2018 Сентябрь 2018 Август 2018 Июль 2018 Июнь 2018 Май 2018 Апрель 2018 Март 2018 Февраль 2018 Январь 2018 Декабрь 2017 Ноябрь 2017 Октябрь 2017 Сентябрь 2017 Август 2017 г. июль 2017 г. июнь 2017 г. май 2017 г. февраль 2017 г. Ноябрь 2016 Февраль 2016 Июль 2015 Июнь 2015 Май 2015 Январь 2015 Декабрь 2014 Ноябрь 2014 Сентябрь 2014 Август 2014 Июнь 2014 Май 2014 Январь 2014 Декабрь 2013 Ноябрь 2013 Октябрь 2013 Июль 2013 Июнь 2013 Февраль 2013 Сентябрь 2012 Август 2012 г.
июль 2012 г. июнь 2012 г. май 2012 г. март 2012 г. февраль 2012 январь 2012 декабрь 2011 октябрь 2011 сентябрь 2011 август 2011 июль 2011 июнь 2011 май 2011 апрель 2011 февраль 2011 январь 2011 ноябрь 2010 октябрь 2010 сентябрь 2010 август 2010 июль 2010 апрель 2010 октябрь 2009Июль 2009 г. Июнь 2009 г. Январь 2009 г. Октябрь 2008 г. Сентябрь 2008 г. Июль 2008 г.Контакты пилотного пресса
Все запросы прессы о Pilot Freight Services следует направлять по адресу:
Эми ДеПаоли, директор по маркетингу Pilot Freight Services
484-448-2032
Лоррейн Гимблетт
Джоанн Джордан
joanne@food-shelter .com
Food Shelter Связи с общественностью
(215) 254-6601
Категории
КатегорииВыберите категориюБлогФотографии строительстваГлобальные ресурсыПресс-релизыОбновления о переездеВизуализацииАрхивы
Архивы Выбрать месяц Ноябрь 2022 Май 2022 Август 2021 Апрель 2021 Март 2021 Январь 2021 Декабрь 2020 Ноябрь 2020 Октябрь 2020 Сентябрь 2020 Август 2020 Июль 2020 Июнь 2020 Май 2020 Апрель 2020 Февраль 2020 Январь 2020 Ноябрь 2019 Октябрь 2019 Сентябрь 2019 август 2019 г.
Июль 2019 Июнь 2019 Май 2019 Апрель 2019 Март 2019 Февраль 2019 Январь 2019 Декабрь 2018 Ноябрь 2018 Октябрь 2018 Сентябрь 2018 Август 2018 Июль 2018 Июнь 2018 Май 2018 Апрель 2018 Март 2018 Февраль 2018 Январь 2018 Декабрь 2017 Ноябрь 2017 Октябрь 2017 Сентябрь 2017 Август 2017 Июль 2017 Июнь 2017 Май 2017 Февраль 2017 Ноябрь 2016 Февраль 2016 Июль 2015 Июнь 2015 Май 2015 Январь 2015 Декабрь 2014 Ноябрь 2014 Сентябрь 2014 Август 2014 Июнь 2014 Май 2014 Январь 2014 Декабрь 2013 Ноябрь 2013 Октябрь 2013 Июль 2013 Июнь 2013 Февраль 2013 Сентябрь 2012 Август 2012 Июль 2012 Июнь 2012 Май 2012 Март 2012 Февраль 2012 Январь 2012 Декабрь 2011 Октябрь 2011 Сентябрь 2011 Август 2011 Июль 2011 Июнь 2011 Май 2011 Апрель 2011 Февраль 2011 Январь 2011 Ноябрь 2010 Октябрь 2010 Сентябрь 2010 Август 2010 Июль 2010 Апрель 2010 Октябрь 2009Июль 2009 г. Июнь 2009 г. Январь 2009 г. Октябрь 2008 г. Сентябрь 2008 г. Июль 2008 г. Благодаря надежной сети глобальных партнеров в 190 странах, Pilot может доставить ваш груз в любую точку мира.
Pilot Freight Services — это глобальная транспортная и логистическая компания с полным спектром услуг, имеющая более 75 офисов в Северной Америке, операции в Западной Европе и административные офисы в Нидерландах и Испании, а также всемирную сеть зарубежных партнеров.
Для вас это означает глобальный охват 24 часа в сутки, 7 дней в неделю. Мы не только можем перевезти ваш груз в любую точку мира, мы также можем предоставить опыт и индивидуальные услуги по доставке и логистике, которые помогут вашему бизнесу работать более эффективно и продуктивно, чем вы когда-либо могли себе представить.
Политика конфиденциальности
Конфиденциальность данных и соблюдение этики данных
Copyright © Pilot Freight — Все права защищены.
Используя наш сайт, вы подтверждаете, что прочитали и поняли наши правила.×Что такое Uber Comfort? | Информация для водителей-партнеров
Чтобы иметь право получать запросы на поездки с Uber Comfort, вы должны соответствовать указанным ниже критериям.


Затем нанести полученное средство на губку и тщательно растереть по поверхности. За один раз обрабатывать поверхность равную поверхности капота автомобиля. Через 5-10 минут необходимо тщательно располировать желтым полотенцем. После чего окончательно растираем поверхность полировочной салфеткой зеленого цвета, без сильного нажима — задача растереть, а не вытереть защитный состав. Эксплуатацию автомобиля можно начинать через 6 часов после нанесения состава.
Willson Co. Ltd. 6-13, Saginomiya-1-Chome, Nakano-ku, Tokyo.
: 12
58 — Мышьяк
59- ЧЕРНАЯ РОЗА
60 — Чай
61 — Лавандовые поля
62 — ЛАВАНДОВЫЙ МЕД
63 — БОЛЬШОЙ ГОЛО
64 — ОТСУТСТВУЕТ ОФИС
65 — ВСЕГДА МОД
66 — Настроение
67 — ДРОБЛЕННЫЕ АЛМАЗЫ
68 — ХЭМПТОН СОЦИАЛЬНЫЙ
69- САХАРНАЯ ВАТА
70 — ЗАВТРАК С ОДРИ
71 — Маленький пляжный домик
72 — Фисташковый
73 — ЭРЛ ГРЕЙ
74 — ПРОМЫВКА НЕБЕСА
75 — Кабанаб
76 — БОГЕМСКИЙ СИНИЙ
77 — МЭДИСОН-Авеню
78 — Дойттмро
79- Индиго
80 — Рио
81 — Темная комната
82 — БИЛЬЯРДНАЯ
83 — ЗЛО
84 — Мудрец
85 — ГРАБИТЬ БАНК
86 — 24К
87 — ПОП.
ФИЗЗ.ЗВУК.
88 — Алхимия
89- ЧЕРНАЯ МАГИЯ
90 — ХАЛМУС ХАЛИБЕВЫЙ
91 — ЛИТОМАНЦИЯ
92 — МАЛЕНЬКИЙ БУМ
93 — ТРИППИН
94 — ПОЖАЛУЙСТА МЕНЯ
95 — ЖИТЬ ВО СНЕ
96 — ОЧКИ МАРТИНИ
97 — БЕЗУМНО-СЧАСТЛИВЫЙ
Праймер для жидкого стекла и верхнее покрытие.
Грунтовка .




Исходя из этого, необходимо всегда следить за исправностью этих важных деталей. Как правило, осуществлять такой контроль следует на протяжении всего сезона холодов – с приходом осени и до середины весны.
Если свеча неисправна, то контакт на приборе будет отсутствовать.
Свечи накаливания являются одним из таких компонентов. Свечи накаливания играют важную роль в последовательности запуска дизельного двигателя, обеспечивая тепло, необходимое для воспламенения. Но как долго вы можете ожидать, что дизельные свечи накаливания прослужат? Мы провели исследование, чтобы дать вам ответ.
Без дальнейших церемоний, давайте углубимся в это.
Таким образом, в экстремально холодных условиях свечи накаливания могут включаться чаще, что приводит к дополнительному износу.


Если значение равно 1,5 или ниже, это означает, что свеча накаливания исправна. Более высокое значение (что означает большее электрическое сопротивление) указывает на то, что свеча накаливания неисправна.
Таким образом, неудача может быть прямо за углом. Чтобы избежать необходимости выполнять несколько работ по замене свечей накаливания, лучше всего менять их все.
Помните, что свечи накаливания являются неотъемлемой частью системы зажигания дизельного двигателя, поэтому очень важно, чтобы они функционировали должным образом.
Подсоедините один щуп мультиметра к массе на двигателе (желательно возле свечи накаливания). Подсоедините другой провод к клемме (источник питания) в верхней части свечи накаливания. Считайте результат с дисплея мультиметра.
И реле, и модуль управления находятся на крышке клапана двигателя со стороны пассажира за корпусом топливного фильтра с прикрепленными коричневыми и желтыми проводами.





В нашей автошколе вы научитесь распознавать потенциальные опасности, принимать решения в сложных ситуациях и управлять автомобилем с полным контролем.
И автошколу сейчас найти не проблема. Причем, не пойти на любые курсы водителей, а выбрать хорошую, как https://pegas.od.ua/, сравнив цены, расположение, отношение инструкторов и ассортимент автопарка. Но то, чего боятся многие – это сами уроки вождения. Особенно боятся ездить и трогаться с места на механике.
Хотя, на самом деле, опасаться нечего. Ведь все обучение в автошколе проходит под руководством инструктора. И программа составлена так, чтобы вы параллельно отрабатывали полученные на теоретических занятиях знания на практике.
В некоторых ситуациях достаточно просто вставить ключ Drive, однако не всегда.



Но у меня были времена, когда я хотел бы вставить новую лампочку стоп-сигнала, но багажник был так переполнен, что невозможно было снять крышки доступа. Или раз я бы проверил давление воздуха в запасном колесе, если бы смог добраться до него.
Если сломали, то починим. Мы приносим свои извинения. И мы постараемся исправить это. Крики на нас не заставят нас поступать правильно. «Разорви мне новый» перед офисом, полным других клиентов, не улучшит наши отношения в будущем и может не дать того эффекта, на который вы надеялись. И тогда всегда есть вероятность, что мы не испортили вашу машину.



Если бы вы спросили некоторых из наших первоначальных партнеров, они, вероятно, сказали бы вам, что считают нас дополнительным членом своей команды. С нашими новыми сотрудниками мы иногда можем быть их партнерами, которые задают трудные (или простые) вопросы, например: «Кто не участвует в этом разговоре, но должен быть?» Мы также можем подключить их к нашей сети партнеров за пределами мэрии. Иногда мы руководители проектов, иногда организаторы, иногда мы стоим на улице и спрашиваем людей, умеют ли они читать знак парковки, и всегда немного игривы.
и войти в смесь. Мы видим свою роль как:
. Важно иметь стабильный темп «продуктов», который обеспечивает обоснованность работы, приносит пользу жителям и позволяет правительству учиться по-новому.










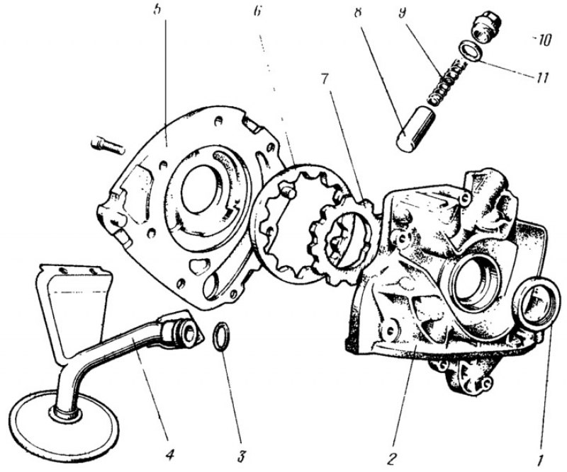
Принцип работы способствует уменьшению габаритных размеров корпуса без потери производительности. Поэтому именно нерегулируемые маслонасосы с внутренним зацеплением чаще всего устанавливаются на современные автомобили.
Объем перекаченного масла зависит от скорости вращения внутреннего ротора и от объема полости между внутренним и внешним ротором, который соединен с подвижным статором. Изменяя объем, мы можем регулировать производительность масляного насоса.
Поскольку насос перекачивает ровно такой объем, который на данном режиме работы необходим для смазывания деталей двигателя, замедляются темпы старения масла.
Соответственно, давление в системе также возрастает.
По характеру управления их делят на два вида: регулируемые и нерегулируемые
Отличается и способ приведения их в действие.
Недостатком данного типа является сложность достижения высокого уровня сжатия, поскольку это провоцирует рост удельных давлений в зоне зацепления зубьев. И хотя благодаря применению специального разгрузочного паза проблему можно решить, насосы с подобным пазом неэффективны для широкого спектра частот вращения и на малых оборотах производительность будет очень мала.
Благодаря этому происходит уплотнение полостей нагнетания и обеспечивается более высокое рабочее давление.
Таким образом обеспечивается давление в системе.
Этот подвижный статор контролирует постоянство давления, изменяя объём полости между внутренним и внешним роторами, поворачивая статор в нужном направлении.
Поэтому в конструкции предусмотрена регулировочная пружина. Она срабатывает сразу же при уменьшении давления в системе – двигает статор, который после этого соприкасается с ведомым ротором. После этого уменьшается объём всасывающей полости и становится меньше производительность насоса.
У него очень простая конструкция, по сути это пружина определенной жесткости, удерживающая клапан на месте. Но даже такая элементарщина может сломаться, и тогда начинаются проблемы с регулировкой давления в системе;
Поэтому важно тщательно следить за их работой и не забывать проверять исправность деталей в ходе проведения ТО автомобиля.
Избегайте общего использования жидких средств уплотнения. Их разрешается использовать и встраивать только там, где это предписано изготовителем двигателя. Крепежные винты насоса должны при установке затягиваться с учетом моментов затяжек, предписанных изготовителем двигателя, и соответствующей последовательности затягивания винтов.
Таким образом, исключаются повреждения, которые могут возникнуть при запуске двигателя с недостаточным давлением масла. После «создания давления» в масляной системе двигатель заполняется до предписанного уровня масла.
Их также называют «форвакуумными» насосами, когда они используются в сочетании с бустерным насосом или как с бустерным, так и с вторичным («высоковакуумным») насосом, как правило, диффузионного типа. Пластинчато-роторный насос также можно использовать отдельно, когда не требуется высокий вакуум и приемлема более медленная откачка.
В этой серии статей будут рассмотрены принципы работы насосов, конструкции насосов, масла для насосов, конструкции одноступенчатых и двухступенчатых насосов, загрязнение и газовый балласт (ручной и автоматический), общие аксессуары, области применения, поиск и устранение неисправностей и техническое обслуживание насосов.
1) сконструированы таким образом, что статор насоса погружен в масло и содержит ротор, установленный эксцентрично. Ротор содержит две лопасти, которые скользят в диаметрально противоположных пазах. Лопасти могут быть подпружинены, но в противном случае полагайтесь на центробежную силу, чтобы толкать наружу стенку статора. При вращении ротора концы лопастей постоянно соприкасаются со стенкой статора.
Давление на выходе может достигать 1000 мбар (750 торр), а на входе — всего 0,01 мбар (0,0075 торр), что означает перепад давления на маслонаполненном уплотнении примерно 100 000:1 (1000:0,01). При большем перепаде давления возникает обратная утечка через уплотнение, что представляет собой один из факторов, ограничивающих предельный вакуум, достигаемый пластинчато-роторными насосами.
Поскольку клапан открывается и закрывается при каждом обороте, он является источником шума и подвержен износу независимо от того, используется эластомер или нет. Например, при скорости вращения насоса 1750 об/мин клапан будет открываться и закрываться 2,5 миллиона раз каждые 24 часа с частотой 29Гц. Клапан работает механически и принудительно открывается давлением, создаваемым насосом, затем закрывается атмосферным давлением.
В других насосах используются подпружиненные манжетные уплотнения вала вокруг вала ротора.Это уплотнение динамического типа. , что также требует смазки.
Независимо от того, используется масляный насос или нет, излишки масла удаляются из насосного механизма через выпускной клапан.
Помимо обеспечения смазки подшипников ротора, он должен:
Кроме того, необходимо учитывать вязкость. Масла с более низкой вязкостью используются для более низких рабочих температур и небольших насосов, а масла со средней вязкостью используются для средних и больших насосов.
Жидкости PFPE доступны под торговыми названиями (например, Fomblin (Solvay Solexis) и Dupont’s Krytox). Если использовать неподходящее масло в химически агрессивной среде, оно разложится и оставит смолоподобный осадок, который заблокирует внутренние проходы и вызовет перегрев насоса и выход из строя из-за недостаточной смазки.



В двухступенчатых пластинчато-роторных насосах запорный клапан расположен на высоковакуумной ступени.
Балластный газ впрыскивается через односторонний («газобалластный») клапан, расположенный в верхней части насоса (рис. 10). Одним из способов использования газобалласта является то, что преднамеренное открытие газобалластного клапана снижает эффективность работы насоса, что, в свою очередь, приводит к нагреву масла в насосе и удалению влаги и других летучих паров из масла туда, куда они могут попасть. быть отправлены вверх по вентиляционной трубе.
Это помогает обеззараживать масло после каждого рабочего цикла.
, автор «Modern Vacuum Practice», 3-е исправленное издание, Kurt J. Lesker Company, 2007)
Даже с конденсатором на входе роторный насос может накапливать в масле конденсированные загрязнители. Поэтому часто используются как входной конденсатор, так и газовый балласт, чтобы обеспечить максимальную способность обработки паров при минимальном снижении производительности насоса.
Харрисом, магистром наук, к. физ., автором «Modern Vacuum Practice», 3-е исправленное издание, Kurt J. Lesker Company, 2007 г.)
Среди них осушительная ловушка, цеолитовая ловушка, каталитическая ловушка, уловитель и пылеуловитель. Выбор ловушек зависит от конкретного применения и состава перекачиваемого газа.
Lesker Company. 2007 г., ISBN 09555150116 (доступно на VLPC и Amazon)
В установленных технических пределах газобалластное устройство позволяет откачивать пары (в частности, водяной пар) без конденсации паров в насосе.
2.6) имеет только две лопасти, смещенные на 180°. Лопасти выталкиваются наружу под действием центробежных сил без использования пружин. При низких температурах окружающей среды может потребоваться использование более жидкого масла. Насосы оснащены шестеренчатым масляным насосом для смазки под давлением. TRIVAC серии B оснащен особенно надежным клапаном против обратного всасывания; горизонтальное или вертикальное расположение впускных и выпускных отверстий. Смотровое стекло уровня масла и привод газового балласта находятся на одной стороне маслобака (удобная конструкция). В сочетании с системой TRIVAC BCS он может быть оснащен очень широким набором принадлежностей, разработанных в основном для полупроводниковых приложений. Масляный резервуар пластинчато-роторного насоса, а также других поршневых насосов с масляным уплотнением служит для смазки и уплотнения, а также для заполнения мертвых зон и щелей. Он отводит теплоту сжатия газа, т. е. для охлаждения. Масло обеспечивает уплотнение между ротором и насосным кольцом.
Эти детали «почти» соприкасаются по прямой линии (линии кожуха цилиндра). Чтобы увеличить площадь маслоуплотняемой поверхности, в насосное кольцо встроен так называемый уплотнительный канал (см. рис. 2.4). Это обеспечивает лучшее уплотнение и позволяет повысить степень сжатия или снизить предельное давление.
2. Пластинчато-роторные насосы TRIVAC производятся как двухступенчатые (TRIVAC D) насосы (см. рис. 2.7). С помощью двухступенчатых насосов с масляным уплотнением можно достичь более низких рабочих и предельных давлений по сравнению с соответствующими одноступенчатыми насосами. Причина этого в том, что в случае одноступенчатых насосов масло неизбежно контактирует с атмосферой снаружи, откуда поглощается газ, который частично уходит в сторону вакуума, тем самым ограничивая достижимое предельное давление. В двухступенчатых поршневых насосах с масляным уплотнением производства Leybold уже дегазированное масло подается на ступень со стороны вакуума (ступень 1 на рис. 2.7): предельное давление лежит почти в области высокого вакуума, самые низкие рабочие давления лежат в диапазоне между средним вакуумом и высоким вакуумом. Примечание: работа так называемой ступени высокого вакуума (ступень 1) с очень небольшим количеством масла или вообще без масла, несмотря на очень низкое предельное давление, на практике приведет к значительным трудностям и значительно ухудшит работу насоса.
Всасываемый насосом газ в конечном итоге попадает в камеру сжатия (4). При вращении поршень сжимает это количество газа до тех пор, пока он не будет выброшен через масляный клапан (5). Как и в случае пластинчато-роторных насосов, масляный резервуар используется для смазки, уплотнения, заполнения мертвых зон и охлаждения. Поскольку насосная камера разделена поршнем на два пространства, каждый оборот совершает рабочий цикл (см. рис. 2.10). Роторно-плунжерные насосы изготавливаются одноступенчатыми и двухступенчатыми. Во многих вакуумных процессах сочетание насоса Рутса с одноступенчатым роторно-плунжерным насосом может дать больше преимуществ, чем использование только двухступенчатого роторно-плунжерного насоса. Если такая комбинация или двухступенчатый насос не подходят, рекомендуется использовать насос Рутса в сочетании с двухступенчатым насосом. Это не относится к комбинациям, включающим пластинчато-роторные насосы и насосы Рутса.
2.10 Рабочий цикл роторно-плунжерного насоса
В пределах фактического рабочего диапазона насоса система привода прогретого насоса должна обеспечивать только около одной трети установленной мощности двигателя (см. рис. 2.11).

И, к сожалению, автомобиль потеряет тот потрясающий блеск, над которым вы так усердно работали. Поэтому если вы живете в районе, где часто идут дожди (или снег), вероятно, вам придется мыть машину еженедельно..jpg)
Данная процедура необходима как для новых автомобилей так и для автомобилей с пробегом, ведь любимый автомобиль нуждается в ласке и защите от неблагоприятных воздействий окружающей среды! Уже в первые дни эксплуатации автомобиль может быть испорчен птичьим пометом, дорожными реагентами, некачественной автомойкой и т.д. в результате цвет автомобиля станет менее насыщенным, а на ЛКП могут появится царапины и сколы. Для уменьшения перечисленных воздействий и сохранения блеска кузова мы рекомендуем воспользоваться услугой нанесения защитного покрытия.
.. Все соcтавы отличает друг от друга цена, твердость, химическая стойкость и блеск.
Уникальные составы и проверенные производители не подведут Вас и Ваш автомобиль даже в самых жестких условиях.
0 (1 слой)
После десятилетий небольших постепенных улучшений таких продуктов, как автомобильный воск, сейчас мы наблюдаем радикально инновационные прорывы, которые помогут вам восстанавливать, сохранять и защищать свой автомобиль лучше, чем когда-либо. И ни один продукт не представляет эту инновацию лучше, чем керамические автомобильные покрытия. Фактически, появление керамики в начале 2000-х годов стало переломным моментом, когда автомобильный мир начал переосмысливать науку, лежащую в основе деталей наших автомобилей. С тех пор у нас был один прорыв за другим, чтобы помочь нам заботиться о наших автомобилях внутри и снаружи!
И точно так же, как продукты и методы применения сильно различаются, так же сильно различаются результаты и затраты. Когда так много нужно учитывать, легко потеряться в ваших вариантах, поэтому давайте проясним это.
В частности, вы получаете невероятную длительную защиту керамики и сногсшибательный блеск традиционного автомобильного воска в одном продукте. Вы можете ожидать, что это покрытие прослужит до 12 месяцев — и все это менее чем за 20 долларов и час или два работы на подъездной дорожке. Обеспечивая потрясающий баланс стоимости, производительности и простоты, эти гибридные продукты представляют собой очень привлекательную альтернативу тому, чтобы отказаться от автомобиля почти на неделю и заплатить тысячи долларов.
Традиционный карнаубский воск с интегрированными гидрофобными полимерами может обеспечить всю необходимую защиту и богатую глянцевую поверхность, которую вы любите.

Вы можете нанести керамическое покрытие на весь автомобиль, включая его стекла, колеса, боковые зеркала и т. д.
Однако он присутствует в наноформе, что делает его размер менее 100 нанометров. Нано подразумевает чрезвычайно малый размер, и в науке любая молекула, измеряемая в нанометрах, почти невидима, и это высококлассное свойство любого химического вещества. Эта молекула нанокерамического покрытия отвечает за тонкий, но твердый и почти невидимый защитный слой.
Они отвечают за эстетическую привлекательность керамических покрытий.
Если кто-то ткнет в ваш автомобиль острым предметом, керамическое покрытие не помешает вашему автомобилю отразить результат этого действия. Чтобы получить максимальную отдачу от керамического покрытия, вы все равно должны быть осторожны при мытье автомобиля, так как агрессивная чистка может оставить на нем вихревые следы.
Шкала начинается с 0 и увеличивается до 9. Более высокие оценки указывают на высокие свойства устойчивости к царапинам, а низкие оценки указывают на обратное.
Они более долговечны, служат до 5 лет и обеспечивают лучшую защиту от непогоды при нанесении на раму вашего автомобиля. Промышленные покрытия используют более высокие проценты SiO2 и других важных химических веществ для улучшения их результатов. Если у вас ограниченный бюджет, керамическое покрытие профессионального уровня может оказаться нереалистичным. Однако доступны и другие доступные варианты, которые гарантируют почти такие же результаты.
Бюджетные спреи для керамического покрытия также попадают в эту категорию. Вы просто распыляете их на раму вашего автомобиля, чтобы улучшить его блеск, но они не продержатся более 6 месяцев. Набор для керамического покрытия, сделанный своими руками, также подпадает под эту категорию, но не является полностью эффективным.
Покрытия обычно служат несколько лет и не избавляют от необходимости регулярной мойки автомобиля. Остерегайтесь поддельных продуктов, которые обещают невероятные преимущества, такие как безумное долголетие. Если у вас есть бюджет, выберите керамические покрытия промышленного класса с рейтингом 9H, позвольте профессиональным специалистам по детализации справиться с процессом нанесения и наслаждайтесь лучшими керамическими покрытиями.
В качестве расходного материала используется тормозная жидкость. В конструкции гидравлического привода входит педаль, цилиндры, бачок для жидкости, соединительные трубки и уплотнители. При выжимании педали происходит активация поршня, который перемещается под воздействием толкателя, что приводит к отходу тормозной жидкости из резервуара к рабочему цилиндру. Из-за наличия жидкости в таком виде сцепления могут появляться воздушные пробки, которые должны своевременно устраняться с помощью специального штуцера.
Постоянно замкнутые агрегаты ранее ставились на классические модели «ВАЗ»
Для фиксации применяются пружинные элементы, а также крепления к валу коробки передач. Особенность данного типа устройств состоит в их универсальности.
Качественная работа сцепления авто обеспечит снижение нагрузок на трансмиссию и позволяет улучшить динамику транспортного средства в целом.
(Лекция 4.1.2)
ДИСК СПОРТИВНОЕ СЦЕПЛЕНИЕ
Фрикционные
Гайка 8 опорной вилки 7 имеет

Эта муфта всегда находится во включенном положении.
Это давление пружин также прижимает диск сцепления к маховику. В свою очередь, он выстраивает связь между двигателем и валом, который передает движение колесам и заставляет их двигаться.
Это позволяет увеличить площадь для создания трения и, таким образом, увеличивает способность передачи крутящего момента. Вы найдете его в автомобилях, грузовиках и многих других машинах.
Вы, вероятно, заметите этот тип системы в автомобилях с автоматической коробкой передач.
Хотя ухудшение неизбежно, вы можете отсрочить его, приняв надлежащие меры предосторожности и заботясь о себе.
Выборгская с Ушаковской, которые в последнее время и так вечно красные, сегодня стали бордовыми и…
Сложность химического состава продукта такова, что он уже и маслом не именуется, это специальная вариаторная жидкость типа CVT. В предельных условиях она перестаёт нормально работать.

Но если он отсутствует, то лучше поберечь коробку и греть её в парковочном положении селектора. Чуть дольше, но безопаснее.
По этой причине важно знать, как прогревать вариатор и АКПП, чтобы продлить срок службы агрегата.

При этом, в отличие от аналогичной процедуры с классической коробкой-автомат, переключать режимы не нужно. Это абсолютно ничего не дает применительно к вариатору.

Внутри достаточно много подвижных и не очень компонентов из разных материалов. Их структура меняется под воздействием метеорологических факторов. Между всеми элементами течёт специальная жидкость. Можно назвать русло вариатора подобием кровеносной системы человека – её объём равен ёмкости циркулирующей по нашему организму крови. А управляем всем этим микрокомпьютер, которое иногда называют сердцем.
Исключение составляют автомобили из гаражей или с активацией прогрева по расписанию.
Тактика АКПП не работает из-за отсутствия кардинальных изменений в распределительной структуре.
ru/kak-progret-variator-zimoj.html
14000000000001
евро
-10%
02
евро
-10%
США

и более.

Если угол развала между двумя частями будет 180 градусов, то это оппозитный двигатель.
В 1920 году баварский автомобильный концерт предложил свою конструкцию оппозитного мотора.


На большинстве двигателей Lycoming цилиндр номер 1 является правым передним цилиндром, если смотреть с места пилота. На этой стороне двигателя назад движется цилиндр номер 3. Цилиндры с номерами 5 и 7 завершают эту сторону в серии с 8 цилиндрами. Напротив цилиндра № 1, с левой стороны двигателя от сиденья пилота, расположен цилиндр № 2. Снова двигаясь назад, мы найдем 4-й, 6-й или 8-й цилиндр, в зависимости от обстоятельств.
(ПРИМЕЧАНИЕ: если бы это был мой самолет, любой работающий над ним должен был бы показать мне, что у них есть все публикации производителей, поддерживающие этот компонент, то есть двигатель, планер и т. д.). Он четко объясняет процедуры, а также причины и причины проведения теста.


Все было именно то, что рекламировалось и идеально подходит. На сайте легко ориентироваться, и вы можете

К ним относятся, например, счетчики радиационных излучений, ионизаторы воздуха, аноды электроннолучевых трубок в осциллографах.
Необходим для понижения/повышения напряжения, а также гальванической развязки выпрямителя от электросети;
Предназначен для понижения/повышения напряжения импульсного тока;
К недостаткам относится необходимость применения двухполярного источника электропитания, удвоенное число высоковольтных конденсаторов. Этот вариант используют обычно для не очень мощных нагрузок (0,5-1 кВт).
К такому оборудованию относятся электродвигатели, насосы, компрессоры;
Также были приведены типовые электросхемы преобразователей напряжения и описаны критерии выбора DC/AC инверторов.
..
Новизна, актуальность и сложность данной научно-исследовательской работы была в том, что данная тема является неосновным, но с более детальным изучением данного явления в курсе физики, приобретенный опыт позволит использовать данный прибор для устройства дополнительного и аварийного освещения непосредственно в темных помещениях, при этом получив аварийное и дополнительное освещение.
То есть была доказана взаимосвязь теории с практикой. Знания и умения, которые мы получили в ходе работы с измерениями оставили огромный след в нашей жизни и чувство эстетического наслаждения. То есть была доказана взаимосвязь теории с практикой.
Это дает возможность применять к исследованиям и расчетам преобразователь напряжения теорию синусоидальных токов. Таким образом, преобразователь напряжения преобразует подведенное к нему напряжение в соответствии с соотношением числа витков его обмоток. Идеализированный преобразователь напряжения передает форму преобразуемого переменного напряжения без искажения. Получается векторная диаграмма идеального трансформатора.
Таким образом, для практического определения КПД преобразователь напряжения при номинальной нагрузке необходимо измерить мощности в первичной и вторичной обмотках. Это измерение можно значительно упростить, включив во вторичную обмотку активную нагрузку. Тогда поток рассеяния невелик и мощность Р2 может быть вычислена по показаниям амперметра и вольтметра, включенным во вторичную цепь. Такой метод определения КПД получил название метода непосредственных измерений. Этот метод весьма прост, но имеет два существенных недостатка: мала точность и он неэкономичен. Малая точность обусловлена тем, что КПД трансформаторов очень высок (до 99% и выше) и в некоторых случаях (особенно у преобразователя напряжения большой мощности) мощности Р2 и Р1 мало отличаются, поэтому незначительные ошибки в показаниях приборов повлекут за собой значительные искажения результата вычисления КПД. Неэкономичность этого способа состоит в большом расходе электроэнергии за время испытания, так как трансформаторы приходится нагружать до номинальных мощностей.
Поэтому метод непосредственных измерений не нашел промышленного применения, но может быть использован для преобразователя напряжения малой мощности с небольшим КПД. На практике КПД преобразователя напряжения определяют косвенным методом, путем раздельного определения потерь, исходя из того, что КПД трансформатора можно представить так: η=Р2/P2+Pст+Рмгде Рст — потери в стали (в сердечнике) и Рм — потери в меди (в обмотках) измеряют в опытах холостого хода и короткого замыкания соответственно. Для определения потерь преобразователя напряжения обычно пользуются двумя опытами — опытом холостого хода и опытом короткого замыкания. В опыте холостого хода, в котором на первичную обмотку I подают номинальное напряжение, а вторичную II оставляют разомкнутой, определяют потери в стали преобразователя напряжения, потери на гистерезис и на вихревые токи. Эти потери зависят от частоты тока и от значения магнитного потока. Так как частота тока постоянна, а магнитный поток при номинальном напряжении на первичной обмотке также практически постоянен, то независимо от того, нагружен преобразователь напряжения или нет, потери в стали — для него величина постоянная.
Таким образом, можно считать, что в холостом режиме энергия, потребляемая преобразователем напряжения из сети, расходуется только на потери в стали, поэтому мощность этих потерь измеряют ваттметром, включенным в первичную цепь. Правда, при этом не учитываются потери нагревания провода первичной обмотки током холостого хода. Но этот ток незначителен и потери от него также незначительны. В этом опыте определяется также коэффициент трансформации k и ток холостого хода. Если вторичную обмотку преобразователь напряжения замкнуть накоротко, а на первичную обмотку подать такое пониженное напряжение (в школьной практике, например, от Рмш), при котором токи в обмотках не превышают их номинальных значений, то энергия, потребляемая трансформатором из сети, расходуется в основном на тепловые потери в проводах обмоток трансформатора. В самом деле, при короткозамкнутой вторичной обмотке к первичной подводится пониженное напряжение, поэтому магнитный поток очень мал и потери в стали, зависящие от значения магнитного потока, также малы.
Этот опыт называют опытом короткого замыкания. Следовательно, ваттметр, включенный в первичную цепь трансформатора в опыте короткого замыкания, покажет мощность, соответствующую потерям в меди.
Диоды VD1, VD2 защищают мощные транзисторы VT3, VT4 от возможных обратных импульсов при переходных процессах генерации. В схему введены конденсаторы фильтра С3, С4. Включается преобразователь с помощью тумблера SA1. По питанию в схему введен предохранитель FU1.
Вместо обычной схемы блокинг-генератора в преобразователе применена схема мощного мультивибратора, что позволило получить синусоиду высокого напряжения, близкую к сетевой, а, следовательно, увеличить КПД устройства (графики рис. 2, рис. 3)
процессы проверки и тестирования, на которые вы можете положиться.
.
Разработаны и изготовлены с целью дать возможность новаторам и мечтателям во всем мире создавать сложные системы, стремящиеся к совершенству в проектировании и производительности. Наши силовые преобразователи производятся в соответствии с модульным подходом к преобразованию, которому следует Zekalabs, что приводит к сложным, но простым в использовании строительным блокам для хранения энергии, электромобилей, интеллектуальных сетей, тестирования аккумуляторов и многих других современных приложений.
Эти двунаправленные устройства являются идеальными преобразователями для электромобилей и зарядных станций. Преобразователи переменного/постоянного тока Zekalabs имеют гальваническую развязку и воздушное охлаждение. Они легко могут стать основой вашей системы. Мы предлагаем агрегаты мощностью 5кВт, 25кВт и 30кВт.
Его надежная работа в сочетании с жидкостным охлаждением и гальванической изоляцией делают его надежной и эффективной частью любой системы.
Кроме того, Zekalabs постоянно внедряет инновации, и наши преобразователи постоянного тока всегда получают обновления программного и аппаратного обеспечения.