Электрик
Чтобы работать в сфере электромонтажных работ в Вашингтоне, вы должны иметь действующий сертификат электрика, выданный L&I.
Торговля электрическими конструкциями включает, но не ограничивается установкой и обслуживанием:
- Электрические провода и оборудование, которые используются для освещения, обогрева или питания.
- Дистанционное управление, сигнализация, ограниченная мощность или цепи или системы связи.
Стать электриком
Чтобы стать сертифицированным электриком общего уровня или специалистом-электриком в Вашингтоне, вы должны начать в качестве стажера-электрика или иметь эквивалентный опыт работы за пределами штата или в армии.
Все электрики должны соответствовать требованиям к опыту и обучению, чтобы иметь право на сдачу экзамена. Существует два уровня сертификации электриков: общий уровень для электриков и специальный уровень. У каждого свои квалификационные требования.
Уровень путешествия Электрик общего уровня (EL01) сертифицирован для работы в коммерческих/промышленных и всех специальных электрических категориях.
- Не менее 8000 часов работы в качестве стажера-электрика под руководством сертифицированного электрика. Не менее 4000 часов должны быть отработаны на коммерческих или промышленных объектах.
- 96 часов базовых занятий в классе.
- Стажеры должны находиться под наблюдением не менее 75% времени.
С 1 июля 2023 г.:
- Чтобы получить право на сдачу экзамена EL01, вы должны пройти признанную программу обучения электрике.
- Для работы на коммерческой строительной площадке стажеры должны быть зарегистрированы в признанной программе обучения электротехнике, если только они не выполняют специализированную работу (например, низковольтное оборудование, знаки и т. д.).
Взаимное соглашение с штатом Орегон
Взаимное соглашение с штатом Орегон
Заинтересованы в взаимной лицензии общего подмастерья штата Орегон?
- Информацию о правах на участие и о том, как подать заявку, можно найти на их веб-странице: .

Как правило, взаимные лицензии штата Орегон предоставляются тем, кто получил сертификаты электрика общего уровня штата Вашингтон (01) после завершения 8000-часового обучения, требующего не менее 576 академических часов обучения, и сдачи экзаменов в Вашингтоне. Любой, у кого есть сертификат электрика общего уровня магистра (01), также имеет право. Если это не относится к вам, вы не имеете права.
Для проверки лицензии в штате Вашингтон отправьте форму взаимной проверки лицензии штата Орегон вместе с заполненным запросом на проверку лицензии на электроснабжение (F500-128-000) и уплатой сбора в размере 27,90 долларов США по адресу, указанному в верхнем левом углу формы запроса. Мы заполним форму подтверждения и отправим ее вам по почте. Почта — единственный вариант, ничего не отправляйте по электронной почте или факсу.
Заинтересованы в взаимном сертификате штата Вашингтон?
- Чтобы подать заявку, подайте заявку на взаимный сертификат электрика общего уровня 01 (F500-148-000)
Взаимные сертификаты штата Вашингтон, как правило, выдаются тем электрикам, которые получили лицензию общего подмастерья электрика штата Орегон (J) после завершения 8000-часового обучения, требующего не менее 576 академических часов обучения, и сдачи экзаменов штата Орегон.
Любой человек, имеющий лицензию главного электрика штата Орегон (S), полученную на экзамене в штате Орегон, также имеет право на участие.
Если это относится к вам, и вы никогда ранее не имели сертификата электрика общего уровня в штате Вашингтон (01) или не сдавали экзамен на один за последние два года, и вы не дисквалифицированы иным образом в соответствии с условиями в WAC 296-46B-940(20), вы, вероятно, имеете право.
- Если это не относится к вам, вы не имеете права. Владельцы лицензии штата Орегон могут подать заявку в любое время после получения лицензии штата Орегон.
Для подтверждения наличия лицензии из штата Орегон отправьте Часть C взаимного заявления Вашингтона в штат Орегон по следующему адресу:
По почте:
Департамент потребительских и коммерческих услуг
Building Codes Division
PO Box 14470
Salem, OR 97309
Орегон не взимает плату за обработку запросов на подтверждение.
После заполнения оригинал формы будет возвращен по почте, если вы не предоставите инструкции, запрашивающие ее возврат по факсу, и номер факса, на который ее следует отправить. Пожалуйста, направляйте вопросы о проверке лицензии штата Орегон по адресу: [email protected].
Других взаимных соглашений не существует.
Электрики по специальностиВ сфере электростроительных работ существует 14 категорий специальностей, каждая из которых имеет определенный объем работ. В зависимости от специальности существуют разные требования к опыту и подготовке.
Специальности с 4000 часов опыта работы
Следующие специальности требуют 4000 часов опыта работы. Стажеры, работающие по этим специальностям, должны находиться под наблюдением электрика-специалиста, сертифицированного для выполнения той или иной работы, или электрика выездного уровня. Они должны находиться под наблюдением не менее 75% времени и пройти 48 часов основных занятий в классе, прежде чем они смогут продлить экзамен или получить право на сдачу экзамена.
- Жилой (02).
- Насос и ирригация (03).
- Знаки (04).
- Ограниченная энергосистема (06).
- Система вентиляции и кондиционирования/охлаждения (06A).
- Обслуживание нежилых помещений (07).
Узнайте больше о специальных объемах работ в WAC 296-46B-920(2).
Специальности с 2000 часов опыта работы
Следующие специальности требуют 2000 часов опыта работы. Стажеры должны находиться под наблюдением электрика-специалиста, сертифицированного для выполнения той или иной работы, или электрика выездного уровня, и находиться под наблюдением 100% времени до тех пор, пока они не сдадут экзамен. Посетите вкладку ПРИМЕНЕНИЕ выше для получения дополнительной информации о специальностях 2000 часов.
- Бытовой колодец (3А).
- HVAC/охлаждение — ограничено (6B).
- Техническое обслуживание и модернизация освещения нежилых помещений (7A).
- Обслуживание жилых помещений (7B).

- Ограниченное техническое обслуживание нежилых помещений (7C).
- Ремонт бытовой техники (7D).
- Ремонт оборудования (7Е).
- Двери, ворота и аналогичные системы (10).
Узнайте больше о специальных объемах работ в WAC 296-46B-920(2).
ПрименятьВ зависимости от даты, когда вы сдали экзамен, и даты вашего рождения, ваша первоначальная сертификация будет действительна в течение минимум 25 месяцев и максимум 36 месяцев для уровня путешествия или специальности электрика.
Кандидаты из других штатов — (01) уровень путешествия или экзамены по специализации продолжительностью 4000 часов:
Узнайте, как вы можете получить квалификацию – см. блок-схему в этой форме: Заявка на электротехническое обследование за пределами штата (F626-009-000).
Определите, где вы лучше всего подходите. Если вы не являетесь кандидатом на уровень общего путешествия 01, посмотрите, указаны ли объемы работ по специальности в Главе 29.
6-46B-920 WAC соответствует вашему опыту. Применить соответственно.
Приложите к заявке документацию, подтверждающую, что вы соответствуете требованиям к опыту и образованию, указанным в блок-схеме.
Отправьте все по адресу, указанному в форме, в одном конверте. Включите плату за подачу заявки – см. форму. Там нет онлайн-оплаты или вариантов отправки.
Ничего не отправлять по электронной почте. Используйте наш инструмент подтверждения, чтобы отслеживать свой статус.
В штате абитуриенты — (01) уровень путешествия или экзамены по специальности 4000 часов:
Прежде чем подавать заявление, отработайте утвержденные классы базовой подготовки по электрике – 96 часов для экзаменов (01), 48 часов для 4000-часовых специальностей.
Используйте наш инструмент проверки, чтобы подтвердить, что у вас есть достаточное количество часов рабочего опыта для прохождения экзамена. Когда вы это сделаете, подайте заявку онлайн.
Если вы отправляете письменные показания под присягой во время подачи заявления, отправьте их вместе с формой Заявления на электротехническое обследование в штате (F626-001-000).
Отправьте все по адресу, указанному в форме, в одном конверте. Включите регистрационные сборы – см. формы. Используйте сертифицированную почту, если хотите отслеживать получение. Там нет онлайн-оплаты или вариантов отправки.
Ничего не отправлять по электронной почте. Используйте наш инструмент подтверждения, чтобы отслеживать свой статус.
В государственных абитуриентах — 2000-часовых специальностей:
Путь к экзамену по 2000-часовым специальностям требует документального подтверждения рабочего стажа под наблюдением электрика в 100 процентах случаев.
Узнайте о требованиях к опыту и о том, как пройти квалификацию для сдачи экзамена: Заявление на получение сертификата об обучении по электротехнике с нулевым надзором и экзамена по специальности (F500-097-000).
Не подавать онлайн.
Отправьте все по адресу, указанному в форме, в одном конверте. Включите регистрационные сборы – см. формы. Нет возможности онлайн-оплаты или онлайн-подачи.
После того, как вы сдадите экзамен, мы вышлем вам невозобновляемый сертификат об обучении с 0% контролем, который позволяет вам работать без контроля по специальности, на которую вы подали заявку, до истечения срока его действия.
До истечения срока действия сертификата об обучении с измененным контролем 0%:
Пройти 24 часа утвержденных базовых занятий по электротехнике. Подайте заявку на получение сертификата по специальности на 2000 часов (F500-098-000), когда у вас будет 2000 часов опыта.
После того, как мы запишем ваши часы, мы отправим вам сертификат по почте.
Ничего не отправлять по электронной почте. Используйте наш инструмент подтверждения, чтобы отслеживать свой статус.
Что будет делать L&I
- Как только ваше заявление будет одобрено, вы получите уведомление с инструкциями о том, как запланировать экзамен в PSI. Узнайте больше об экзаменах, посетив нашу страницу электрических экзаменов.
- Отправьте письмо с указанием причин отказа.

Вы должны продлевать свой сертификат электрика каждые 3 года. Он истекает в день вашего рождения. Плата за продление удваивается после истечения срока действия. Не продлевается, если срок действия истек более 90 дней; повторный тест — ваш единственный вариант.
Изменить или продлить
Чтобы изменить свой адрес или продлить через Интернет, вам потребуется следующее:
- Последние 4 цифры вашего номера социального страхования.
- Ваш 12-значный номер сертификата электрика. Используйте наш инструмент проверки, чтобы найти его, если вам нужно.
- При продлении кредит на 24 часа непрерывного образования. См. требования ниже.
Оплата производится кредитной/дебетовой картой или электронным чеком.
Требования к продлению
Перед продлением убедитесь, что вы соответствуете требованиям:
- Используйте наш инструмент проверки, чтобы узнать, есть ли у вас:
- 24 часа утвержденного кредита непрерывного образования, включая 8 часов обновления кода, 4 часа RCW/WAC.
Свяжитесь со своим поставщиком курсов, если вы не видите кредит. - Неоплаченные или неоплаченные ссылки, о которых вам нужно позаботиться.
- 24 часа утвержденного кредита непрерывного образования, включая 8 часов обновления кода, 4 часа RCW/WAC.
Если вы не работаете в Вашингтоне, вы можете оплатить сбор за продление без выполнения требований к образованию. Это переводит ваш сертификат в неактивный статус до тех пор, пока вы не выполните требования к образованию или не истечет срок его действия.
Проблемы? Свяжитесь с нами по адресу [email protected]. Пожалуйста, укажите номер вашего сертификата и сообщите нам, что вы испытываете.
Что мы будем делать
Отправьте вам письмо о продлении, которое действует как ваш сертификат в течение 30 дней. Ваша карта должна быть доставлена примерно через 30 дней. Ничего не прибудет, если ваш адрес не актуален.
Меняете адрес? Не забудьте изменить его для каждой имеющейся у вас лицензии или сертификата.
Для получения дополнительной информации
- Подпишитесь на электронный бюллетень, чтобы получать электронные письма с информационным бюллетенем Electric Currents и другой важной информацией.

Найдите ближайший к вам офис.
Подтвердите свою квалификацию
Программа иммиграционной визы для иностранцев (DV) требует, чтобы основной заявитель на получение DV имел среднее образование или его эквивалент или два года квалифицированного опыта работы, как это определено в соответствии с положениями законодательства США.
Если у вас нет необходимого образования или необходимого опыта работы, вы не имеете права на получение визы для разнообразия. (Только вы, как основной заявитель, должны соответствовать этому требованию. Ваш супруг и дети не обязаны соответствовать этому требованию.) Вам следует рассмотреть возможность отказа от подачи заявления на получение DV, если вы не соответствуете квалификационным требованиям к образованию или опыту работы, описанным ниже, поскольку вы можете не иметь права на получение разнообразной визы, и любые сборы, уплаченные вами за заявление на получение визы, не будут возмещены.
Среднее школьное образование: Среднее школьное образование означает успешное завершение формального курса начального и среднего образования, сравнимого с 12-летним курсом в США. Только формальные курсы обучения соответствуют этому требованию; сертификаты эквивалентности (такие как GED) не принимаются.
Опыт работы: Если вы соответствуете требованиям с опытом работы, вы должны иметь два года опыта работы за последние пять лет по профессии, которая, согласно определениям Министерства труда США, требует не менее двух лет обучения или опыта, который определяется как рабочая зона 4 или 5, классифицируется по рейтингу специальной профессиональной подготовки (SVP) 7,0 или выше.
Министерство труда США предоставляет информацию о должностных обязанностях, знаниях и навыках, образовании и обучении, а также других профессиональных характеристиках на своем веб-сайте http://www.onetonline.org/. Онлайн-база данных O*Net группирует опыт работы по пяти «рабочим зонам».
Несмотря на то, что перечислено множество профессий, только два года опыта работы в определенных профессиях дают право на получение визы для разнообразия.
Как найти подходящие профессии на веб-сайте Министерства труда: Подходящие профессии DV указаны в онлайн-базе данных O*Net Министерства труда. Выполните следующие шаги, когда вы находитесь в O*Net Online, чтобы узнать, может ли ваша профессия претендовать на получение визы по программе Diversity Visa:
- В разделе «Найти профессии» выберите «Рабочие группы» из раскрывающегося списка;
- Затем выполните поиск по «группе работ». (Например, выберите «Архитектура и проектирование») и нажмите «GO»;
- Затем нажмите на ссылку для вашего конкретного занятия. (Например, выберите «Инженеры аэрокосмической отрасли». В нижней части сводного отчета для инженеров аэрокосмической отрасли в разделе «Рабочая зона» вы найдете обозначенную рабочую зону 4, диапазон SVP, от 7,0 до < 8,0. Это означает, что в этом примере аэрокосмическая промышленность Инженерное дело является квалификационной профессией.
)
Требования к паспорту: Начиная с заявок на DV-2021, правила Государственного департамента требуют, чтобы все абитуриенты предоставляли действительный номер паспорта во время въезда на DV, за исключением случаев, когда они не могут получить паспорт и не подпадают под одну из трех ограниченные исключения. Паспорт должен быть действителен для международных поездок. Внутренние паспорта, выданные некоторыми странами, недействительны для целей въезда DV. Вам следует рассмотреть вопрос о том, чтобы не подавать заявку на получение DV, если вы указали ложный или недействительный номер паспорта в своей записи DV или если вы выбрали освобождение от требования паспорта и не выполнили требования для этого исключения, поскольку вы можете не иметь права для разнообразной визы, и любые сборы, которые вы уплатили за подачу заявления на получение визы, не будут возвращены. (Только вы, как основной заявитель, должны соответствовать этому требованию. Ваш супруг и дети не обязаны соответствовать этому требованию.
)
Исключения из требования паспорта: Правила Государственного департамента предусматривают три ограниченных исключения из требования паспорта. К этим трем исключениям относятся: лица без гражданства, граждане страны, контролируемой коммунистами, которые не могут получить паспорт от правительства страны, контролируемой коммунистами, и лица, пользующиеся индивидуальными исключениями, утвержденными министром внутренней безопасности и министром внутренних дел. Состояние. Если вы выбрали одно из этих исключений в своей записи DV, вам необходимо будет объяснить, как вы выполняете одно из трех исключений. Исключения распространяются только на лиц, которые не могут получить паспорт. Если вы выбрали освобождение из-за задержки в получении паспорта, независимо от того, была ли эта задержка под вашим контролем, вы не имеете права на освобождение и, возможно, не имеете права на получение разнообразной визы. Вам следует рассмотреть вопрос о том, чтобы не подавать заявку на получение DV, если вы выбрали одно из исключений в своей заявке на получение DV и фактически не попадаете ни в одну из освобожденных категорий, поскольку вы можете не иметь права на получение разнообразной визы и любые сборы, которые вы платите за нее.
заявка на получение визы не возвращается.
- Лица без гражданства: В целом безгражданство встречается редко. Если в вашей записи DV вы отметили поле, соответствующее этому освобождению, вы должны предоставить доказательства, подтверждающие, что вы не приобрели гражданство страны вашего рождения в соответствии с законами этой страны и что у вас нет другого гражданства.
- Граждане страны, контролируемой коммунистами: Если в вашей записи DV вы отметили поле, соответствующее этому освобождению, вы должны предоставить доказательства того, что вы не можете получить паспорт от правительства страны вашего гражданства.
- Бенефициары индивидуальных отказов: Если в вашей записи DV вы отметили ячейку, соответствующую этому освобождению, вы должны предоставить доказательства того, что вы не можете получить паспорт, и причину, по которой вы должны получить индивидуальный отказ от паспорта, например, :
1) Предыдущая виза США, выданная вам по форме DS-232, потому что вы не смогли получить паспорт, и что все еще действуют те же причины, по которым вы ранее пытались отказаться от паспорта;
2) Форма I-193, одобренная USCIS, поскольку вы не смогли получить паспорт, и что все еще действуют те же причины, по которым вы ранее пытались отказаться от паспорта; или
3) Документы, свидетельствующие о том, что вам был предоставлен статус беженца в стране, отличной от страны вашего гражданства, потому что вы подвергались преследованиям со стороны правительства страны вашего гражданства, что делает невозможным получение вами паспорта от этого правительства, не испытав дальнейший вред.



Свяжитесь со своим поставщиком курсов, если вы не видите кредит.
)
06.2019 г. (pdf)
03.2023 в 12:05
com › collections › na-t
Скольжение может быть выражено в долях единицы или в процентах:
Взаимодействие тока I2 и потока Ф создает электромагнитные силы F, приводящие ротор во вращение, вслед за вращающимся потоком. Таким образов, асинхронный двигатель представляет собой трансформатор с вращающейся вторичной обмоткой и способный поэтому превращать электрическую мощность E2I2 cos ф в механическую.
Кроме того, эти подушки сводят к минимуму передачу нагрузки на кузов транспортного средства. Двигатель закрепляется к несущим элементам кузова через специальные опоры. Любые проблемы с подушками двигателя приводят к тому, что снижается их функциональность. Это сопровождается появлением сильной вибрации и шума при работе мотора. По нескольким причинам подобная проблема может осложнить эксплуатацию транспортного средства. Рассмотрим, как определить, что подушки двигателя износились.
Главная причина всех проблем — резиновая вставка, которая со временем покрывается трещинами или рвется под нагрузкой. Реже разбиваются сами металлические части опоры. О неисправности подушек мотора могут сказать следующие признаки:

0053 максимальная вместимость для любой данной услуги
Пользователи могут повторять запланированную встречу каждый день, неделю, месяц и год.
Он полностью упакован необходимыми опциями и различными настройками стиля. Внедрите любой, чтобы создать хорошо работающую систему бронирования встреч на WordPress.


Присоединяйтесь ко мне и Крису Дюфи, пока мы поможем вам создать этот двигатель.
Мне посчастливилось работать с замечательным Крисом Дюфи над созданием The Appointment Engine. Он отличный тренер, у которого сейчас все отлично.
У вас также есть вопросы о смазке, которые представляют собой быстрые и простые вопросы, которые упрощают процесс опроса.
И независимо от того, что вы делаете для лидогенерации, все попадут в эту воронку.
Это боеприпасы, которые вы собираетесь зарядить в револьвер.
Мой простой:

А если вы используете четвертую инструкцию, просто привяжите их к своему Facebook Messenger.
Просто делайте то, что лучше всего работает для вас.
Он не должен быть идеальным. Помните, что идеальное — враг готового. Вы можете сделать это снова, если вам это не нравится, но не тратьте целую вечность, пытаясь сделать это идеально.
У вас будет следующее:


Надо ли менять масло в МКПП? (Саша)
Для того, чтобы обеспечить наиболее эффективные характеристики эксплуатации, мы советуем использовать трансмиссионную жидкость концерна Хендай.
Но в последующем промывку все же лучше делать, тем более, если вы не всегда пользуетесь одним и тем же маслом. Когда вся старая смазка вышла, следует закрутить сливную крышку.
Но, как и большинство смазочных материалов, его, возможно, в конечном итоге придется заменить, иначе медленное накопление отложений может привести к засорению фильтра масляного редуктора и потенциальному повреждению его компонентов, что приведет к дорогостоящему ремонту. В этом руководстве вы найдете простые пошаговые инструкции о том, когда и как проверять и заменять трансмиссионное масло и фильтр, чтобы ваша коробка передач работала наилучшим образом.
Если в вашей модели его нет, вам, вероятно, придется поднять автомобиль с помощью домкрата или подъемника, а затем осторожно снять крышку заливной горловины трансмиссии, расположенную на узле трансмиссии.
Если нет, поместите поддон под весь узел редуктора.
Редуктор представляет собой сложный механизм, требующий надлежащей смазки для предотвращения износа и повреждений. Защищает эти компоненты трансмиссионное масло Subaru, которое, как и любая жидкость или масло в вашем автомобиле, со временем выходит из строя и требует замены для оптимальной работы.
Если вы обеспокоены тем, что ваш Subaru не переключается плавно, или если вы заметили скрежет при переключении передач, рекомендуется как можно скорее обратиться к одному из наших технических специалистов, прошедших обучение на заводе, для проверки вашего Subaru. Если проверка показывает, что пришло время заменить трансмиссионное масло в вашем Subaru, стоит сделать это немедленно, чтобы предотвратить дальнейшие повреждения.
Однако водить автомобиль можно только в присутствии кого-либо старше 18-ти лет. Кроме того, обладатель такого документа может ездить только в дневное время суток. Что касается уровня содержания алкоголя в крови (Blood Alcohol Content, ВАС), то он должен равняться нулю.
Такая лицензия дает право водить автомобили до 80-летнего возраста. Однако до возраста 22 года ВАС должен соответствовать нулю (после возраста 22 года — допускается максимальное значение 0,05).
Прежде всего необходимо отметить, что иностранные права международного образца действительны в Канаде от 3-х до 6-ти месяцев, в зависимости от провинции. В частности, в провинции Онтарио этот срок составляет 3 месяца. А обладателям разрешений на обучение (Study Permit) и разрешений на работу (work permit), на срок действия таких разрешений.
В любом случае для получения канадских прав необходимо сдавать теоретическую часть (ее удобно учить по этому учебнику(DSHG.pdf)) и практическое вождение, включающее в себя навыки езды по автомагистрали (highway).
Мы все в равной степени имеем право на наши права человека без дискриминации. Все эти права взаимосвязаны, взаимозависимы и неделимы.
Улучшение одного права способствует развитию других. Точно так же лишение одного права отрицательно сказывается на других.
Государства берут на себя обязательства и обязанности в соответствии с международным правом уважать, защищать и осуществлять права человека. Обязательство уважать означает, что государства должны воздерживаться от вмешательства или ограничения осуществления прав человека. Обязательство защищать требует от государств защиты отдельных лиц и групп от нарушений прав человека. Обязательство выполнять означает, что государства должны предпринимать позитивные действия для облегчения осуществления основных прав человека. На индивидуальном уровне, несмотря на то, что мы наделены своими правами человека, мы также должны уважать права человека других.
Хотя термин «право» часто используется в юридическом контексте, например, в таких документах, как Канадская хартия прав и свобод , мы сосредоточены на неимущественных правах. формулируются юридическими кодексами и обеспечиваются различными правовыми институтами, тогда как это права, которые оправдываются или мотивируются моральными аргументами. В некоторых случаях эти права пересекаются. В конце концов, можно было бы надеяться, что некоторые юридические права стали охраняться законом , потому что существуют веские моральные причины для их защиты. Изучая этику, можно прийти к пониманию того, что конкретное моральное право должно быть защищено законом или что некоторые законы следует отменить или изменить, поскольку они несправедливы или неэтичны по иным причинам. Хотя аргументы на стыке этики и права выходят за рамки этого учебника, мы отмечаем тенденцию к слиянию дискуссий об этических, политических и юридических правах.
Если кто-то имеет право на определенное право, то другие люди или группы обязаны защищать, выполнять, обеспечивать соблюдение или, по крайней мере, не нарушать это право. Предположим, вы утверждаете, что все люди имеют право на питьевую воду. Такое право влечет за собой ответственность кого-либо за обеспечение того или иного человека доступом к питьевой воде. Таким образом, права порождают сильные обязанности, которые у нас есть друг перед другом. Если мы не уважаем чье-то право на что-то, мы совершаем по отношению к ним серьезную несправедливость. Некоторые философы считают, что права важнее всех других моральных притязаний, хотя это спорно. Как мы увидим, мы часто сталкиваемся с проблемой вынесения решения по конкурирующим искам о правах.
Более того, изучение этих различий проясняет, что такое права и как они соотносятся с действиями правообладателей и тех, кто должен уважать, защищать и отстаивать права.
права человека действовать без вмешательства других. И наоборот, права человека не должны рассматриваться определенным образом. Примером первого является право на свободу слова, когда каждый имеет право высказывать свое мнение и говорить то, во что он верит, без того, чтобы кто-то другой заставлял его замолчать. Примером пассивного права является право не подвергаться дискриминации из-за своей культурной, расовой, сексуальной, политической и т. д. идентичности.
Иметь привилегию означает, что человек свободен действовать (или не действовать) по своему желанию, но эта свобода ничем не защищена. Это означает, что она не влечет за собой соответствующих обязанностей. Например, если у вас есть водительские права, вы имеете право управлять автомобилем. Нет соответствующей обязанности по обеспечению того, чтобы у вас были средства для вождения. Никто не обязан предоставлять вам транспортное средство и возможность управлять им. Вы просто можете водить, если у вас есть средства. Кроме того, вы не обязаны водить машину. Привилегия — это не то, что вы обязаны делать.
3). Однако есть и другие, которые считают, что у различных нечеловеческих существ есть права. Чаще всего некоторые предполагают, что те нечеловеческие животные, у которых способности и интересы во многом совпадают с морально значимыми способностями и интересами, присущими людям, должны иметь некоторые из тех же прав, что и люди. Здесь мы снова видим проблему морального статуса. Вопрос о том, кто должен иметь права и какие права они должны иметь, по сути, является вопросом о том, кто имеет моральное значение и как мы должны их учитывать. Чтобы разобраться с такими вопросами, специалисты по этике должны вернуться к моральным теориям (например, к тем, которые обсуждались в части II), чтобы выявить лежащие в их основе обоснования рассматриваемых прав.
Таким образом, основная роль прав в соответствии с теорией воли состоит в том, чтобы гарантировать автономным индивидуумам свободу своих действий и, что важно, обязанность других уважать их автономию (уважая их личность и имущество). Мы можем видеть здесь кантианское происхождение дискурса о правах, поскольку, по сути, считается, что права защищают автономию (или «суверенитет») тех людей, которые считаются самоцелью. И наоборот, подчеркивает важность защиты интересов, которые имеют решающее значение для благополучие . Здесь мы можем подумать, что консеквенциалистские теории (такие как теория Бентама), вероятно, являются наиболее эффективным основанием для обоснования и разъяснения таких утверждений.
С другой стороны, сторонник теории интересов рассматривал бы здоровье как один из набора важных интересов, составляющих благополучие и процветание личности. [3] Эти разные теоретические точки зрения будут иметь тенденцию приводить к очень разным взглядам на цели здравоохранения и на то, как должен быть обеспечен доступ к медицинскому обслуживанию. Например, теоретики воли и интересов могут расходиться во мнениях относительно того, сколько следует облагать налогом для субсидирования системы здравоохранения или какие области системы здравоохранения заслуживают большего объема ресурсов. Обе теории подвергаются различным трудностям и критике, и для разрешения споров часто требуется обращение к более базовой этической теории.
Однако часто бывает трудно понять , кто обязан обеспечивать и защищать данное право. Рассмотрим утверждение о том, что все люди имеют право на чистую питьевую воду. Чья обязанность обеспечивать, чтобы люди в нашем собственном сообществе или где-либо еще имели доступ к воде? Есть ли у нас обязательства перед соседями по обеспечению их питьевой водой? Ответственность за это несет местное или национальное правительство? Или международное сообщество несет ответственность за то, чтобы все люди имели доступ к чистой воде? Если да, значит ли это, что те из нас, кто является студентами университетов и профессорами, имеют моральное обязательство обеспечивать чистой водой других людей по всему миру? Если оставить в стороне практические проблемы мотивации людей к защите прав чужаков с другой стороны земного шара и политическую опасность вмешательства во внутреннюю политику другого народа, остается теоретическая проблема, как определить, кто обязан защищать это право.
Как упоминалось выше (раздел 9.1), некоторые активные права часто ограничиваются пассивными правами. Однако это становится более сложным, когда теоретики интересов и теоретики воли обсуждают различные виды прав, которые следует уважать, защищать, поддерживать или расставлять приоритеты. Оба подхода имеют свои слабые стороны. Ни один из них не имеет решительных ответов на проблемы другого. Как правило, неразрешимые дебаты о конкурирующих правах требуют от нас возвращения к этическим теориям, которые их обосновывают, оставляя язык прав для политических дискурсов и правовых контекстов.
«Убунту как моральная теория и права человека в Южной Африке». African Human Rights Law Journal 11, вып. 2 (2011): 532-559. https://www.ahrlj.up.ac.za/metz-t
Высокое давление PX включает наш золотой стандарт серии PX Q.
Благодаря теплообменнику давления PX можно рециркулировать до 60 % энергии, потраченной впустую, что обеспечивает существенную экономию и сокращение выбросов. Кроме того, можно уменьшить место и/или количество насосов высокого давления.

PX 65 — это центрифуга среднего размера в этой линейке центрифуг. Области применения Непрерывное рафинирование, нейтрализация, депарафинизация и промывка жирных масел, таких как растительные масла, сало, жир и рыбий жир. Производительность В таблице ниже показаны номинальные мощности. Фактическая производительность варьируется в зависимости от типа масла и жира, подлежащих обработке. Обессмоливание, нейтрализация, промывка 8 500 кг/ч Депарафинизация 4 200 кг/ч Стандартная конструкция Машина состоит из рамы с основанием, которое содержит горизонтальный приводной вал, червячную передачу, смазочную масляную ванну и полый вертикальный шпиндель барабана. Чаша закреплена сверху на шпинделе внутри пространства, образованного верхней частью рамы, крышкой для сбора твердых частиц и кожухом рамы. Капот несет систему сброса жидкости. Все детали, контактирующие с технологической жидкостью, изготовлены из нержавеющей стали. Дежа дискового типа для выброса твердых частиц с автоматической гидравлической системой «стрельбы».
Стандартный электродвигатель подходит для частотно-регулируемого привода. Конструктивные особенности PX 65 основан на уникальной концепции полугерметичной конструкции. Герметичный впускной патрубок с нижней подачей обеспечивает мягкое, неразрушающее ускорение подачи сырья до полной скорости барабана. Выходы тяжелой и легкой фаз открыты, что снижает перепад давления на сепараторе. Таким образом, требование к давлению подачи машины низкое. Розетки оборудованы стационарными разделителями для отвода разных фаз. Очистной диск на легкой фазе является фиксированным, а разделительные трубки на тяжелой фазе регулируются. PX 65 в сборе с двигателем Регулируя позиционер на выходе тяжелой фазы, оператор может уменьшить или увеличить диаметр разделительных трубок. Эта запатентованная инновация позволяет регулировать положение интерфейса сепарации во время работы, способствуя оптимальному сепарации. Принимая во внимание рабочую среду, PX 65 спроектирован так, чтобы работать с низким уровнем шума. Это достигается за счет подшипникового узла с резиновым демпфированием, рамы с рубашкой и конструкции внешней чаши, разработанной для снижения шума ветра.

инструкцию по ремонту).
В рядной четверке с поперечным расположением поршневые кольца можно довольно «удобно» заменить без демонтажа двигателя.



Желательно измерить диаметр и геометрию стенок цилиндра. Возможно, потребуется просверлить и отточить поверхность. В этом случае необходимо приобрести комплект ремонтных колец.
Как заменить поршневые кольца не снимая двигатель 900 02 Как Замена поршневых колец без снятия двигателя Укороченные способы замены поршневых колец без снятия двигателя · Во-первых, необходимо слить масло. · Знаете ли вы о «Cap Nuts»?
Возьмите щуп, чтобы проверить, все ли кольцевые канавки находятся на поршне. Если вы увидите, что канавки изношены, вам потребуют новый поршень вместо замены поршневых колец. Если у вас возникли трудности с перемещением колец, le…
Для замены поршневых колец …
Неисправность поршня легко обнаружить, но часто ее можно легко избежать при наличии необходимых знаний.
Всегда используйте плоскогубцы для поршневых колец для монтажа и …
Как заменить поршневые кольца на любом двигателе – nomaallim.com
Маркировка «ТОР» должна указывать на днище поршня…
Вы действительно можете почувствовать гребень внутри цилиндра пальцем. Когда вы проверяете цилиндры на предмет износа и замечаете выступ, который в бывшем…
Затем вытолкните поршневой палец с другой стороны. Вытащив поршневой палец, можно снять поршень с шатуна. Проверьте, не обгорела ли скользящая часть поршневого пальца шатуна и не изменила ли цвет.
При низком …
Войдите, чтобы удалить большую часть рекламы.
Вы захотите заново отточить стенки цилиндра, если на них есть царапины или канавки. Если они есть, вам нужно будет вытащить его и отточить.
По сути, стандартный 1,8 будет быстрее, чем ваша машина. ЭБУ и форсунки настроены на 9Сжатие: 1, а не 7,8: 1, которое вы ставите. Вы правильно делаете турбо-своп?

. Поменяю поршни с блоком в машине. Я немного сомневался, потому что думал, что буду снимать блок, чтобы обновить сцепление, но вместо этого местный магазин сделает для меня работу сцепления, чтобы сократить время проекта.
поэтому я подумал, что они поджарены, вынул их, и они казались в порядке. Залил их горячим, почистил каналы маслосъемных колец и отверстия в поршнях под маслосъемные кольца, сам отточил цилиндры, поставил новые шатунные вкладыши и поршневые кольца, а также полностью отремонтировал головку. работа была совсем не плохой. провел около 20-30 минут на спине под блоком, и все прошло довольно гладко. теперь у меня есть компрессия только что построенного двигателя, и я получил довольно хороший прирост мощности за счет увеличения компрессии.

.. я видел больше сложенных колец, чем я могу сосчитать от первых установщиков… если вы Я уже делал это раньше, это легко сделать, не снимая двигатель … как на плакате выше, у меня был обрыв ремня ГРМ, и я снял клапана … но, к сожалению, клапаны прошли прямо через поршни и оказались в мой масляный поддон (для тех, кто сомневается, я могу скинуть фотографии) … во всяком случае, я провел несколько часов под машиной на липучке, а мой приятель опускал поршни и шатуны вниз, пока я выстраивал их на кривошипе. .сэкономил мне как минимум 8 часов на рывке, если бы я снял двигатель с машины…
просто мой .02, хотя.
Помпа и корпус чаще металлические — надежнее, чем пластиковые, такие мини-мойки работают до часа без перерывов. Оптимальный вариант для владельцев загородных домов. Для таких задач подойдет, например, Ресанта МР-200БП.
Если у вас нет возможности подключить устройство к водопроводу, проверьте в характеристиках, что модель умеет забирать воду из внешней емкости.
Другое название такой насадки — грязевая фреза. Она есть, например, у Carver CW-1801D.
Начнём с истории. Подобное устройство отнюдь не является новинкой. Его изобрели еще в первой половине 20 века. В 1935 г. фирма под названием Керхер представила первый выпуск таких моек. С того времени они значительно усовершенствовались, однако принцип работы остался неизменным.
Они широко используются в сельском хозяйстве, на стройке и в производстве.
Их наличие значительно увеличивает функциональность прибора.
Автомойки самообслуживания




Эта услуга во многом зависит от мощности очистителя и напора воды.
Когда вы будете готовы сделать свой выбор, не забудьте повысить успех своего бизнеса, инвестируя в высококачественные расходные материалы.
транспортное средство. Мытье вашего автомобиля — это не просто рутина; это уход за автомобилем, поэтому, если вы ищете автомойку самого высокого качества, давайте сравним лазерную и ручную мойку.

Тщательное внимание наших техников к деталям, трению и уровням давления невозможно воссоздать с помощью лазерной промывки. Кроме того, хотя такие стратегии, как детализация салона, могут показаться излишними или даже чрезмерными для установки лазерной мойки, они являются неотъемлемой частью нашей профессиональной комплексной услуги по уходу за автомобилем.
Одним из важных пунктов в этом есть оклейка кузова защитной пленкой. Наши клиенты при этом стоят перед нелегким вопросом: пленка или керамика? Ведь кроме защитных функций важны и эстетические.
Полировать или нет — это решает клиент. Если автомобиль новый, необходимость в полировке отпадает. Если остались мелкие риски от моек, это не страшно, пленка скроет такие дефекты. В случае более серьезных повреждений может потребоваться полировка.
Вот и все!
А также не пользоваться агрессивной химией на мойке. И вообще очень тщательно выбирать мойщиков. А еще не пользоваться зимними щетками и исключить механические контакты, ничего и никогда не тереть влажной тряпкой, не тереть пальцами и парковаться так, чтобы пешеходы не дотянулись.
От лучшего обзора на дороге до улучшенного внешнего вида пленка для стекол может принести вашему автомобилю несколько преимуществ. С таким количеством доступных сегодня вариантов, как узнать, какая пленка лучше всего подходит для ваших конкретных потребностей?

Вы получите защиту от ультрафиолета и инфракрасного излучения благодаря прозрачному покрытию.
Можно с уверенностью сказать, что дополнительные затраты на серию Crystalline от 3M того стоят. Но если вы ищете более доступный вариант, обратите внимание на серии Ceramic IR и Obsidian с некоторыми большими преимуществами и более доступной ценой.
Блокировка до 92% видимого света, конфиденциальность — это огромное преимущество для вас и ваших ценностей.
Он блокирует до 44% солнечной энергии, попадающей в ваши окна, в том числе 99% защита от ультрафиолета. Вы также можете рассчитывать на снижение бликов на 91%, что поможет вам видеть и оставаться в безопасности на дороге.
Прежде всего, подумайте, сколько денег вы хотите потратить. Хотя многие разновидности тонировки окон предлагают аналогичные преимущества, они не имеют одинаковых ценовых категорий.
Доверьтесь экспертам The Tint Guy за их высококачественное обслуживание клиентов и услуги по установке тонировки окон в Атланте, штат Джорджия.
В настоящее время у нас есть два офиса; один в Вудстоке и один в Кеннесо.
Кроме того, они не так дороги, как вы думаете. Разница в стоимости между металлическим красителем и керамическим достаточно близка, так что некоторые мастерские по тонировке окон теперь устанавливают только керамическую пленку.
Действительно, пленки также обладают более высокой стабильностью цвета и превосходными свойствами отвода тепла по сравнению с окрашенными и металлизированными оконными пленками. Хотя нанотехнологии в керамических оконных пленках существуют уже более десяти лет, несколько производителей вернулись в лабораторию и разработали новые составы с лучшими свойствами.
Его скромное начало в 1902 выросла из небольшого горнодобывающего предприятия в районе Верхнего Среднего Запада Великих озер, официально названного Minnesota Mining and Manufacturing Company. Сегодня это глобальная компания с сотнями общепризнанных продуктов.
В дополнение к процедурам всесторонних испытаний компании и ограниченной пожизненной гарантии, 5-дневный курс обучения и сертификации монтажников доступен у дистрибьюторов и в авторизованных магазинах 3M.
Поэтому XPEL предлагает комплексный 5-дневный курс обучения для своих установщиков и дилерской сети. Инвестиции в разработку продукта, профессиональное обучение и конференции дилеров приравниваются к превосходному продукту и довольным клиентам. Кроме того, оконные пленки поставляются с пожизненной передаваемой ограниченной гарантией.
Их линейка продуктов из автомобильной керамики разбита на четыре класса с вариантами градиентов, отражательной способности и уровней отвода тепла.
Запатентованная двухслойная нанокерамическая пленка, впервые изобретенная в 1995 году, отлично справляется с задачей рассеивания солнечного тепла, света и УФ-лучей, не ухудшая видимость снаружи. Уникальной особенностью является покрытие из нитрида титана (TiN), которое повышает устойчивость к коррозии и выцветанию.
История его продукта включает в себя улучшения, которые помогли решить ранние проблемы с «дублированием» и дедовщиной.
Знаменитая серия керамики VortexIR бренда имеет неотражающий глубокий черный вид, который поглощает лучистую энергию, а не отражает ее наружу. Передовая нанокерамическая технология, встроенная в VortexIR, отбраковывает до 96% инфракрасных лучей и имеет TSER до 65%.
Компания является подразделением Saint-Gobain, мирового лидера на рынке жилья и строительства, с проверенными углеродно-отрицательными решениями, направленными на сокращение глобальных выбросов парниковых газов.



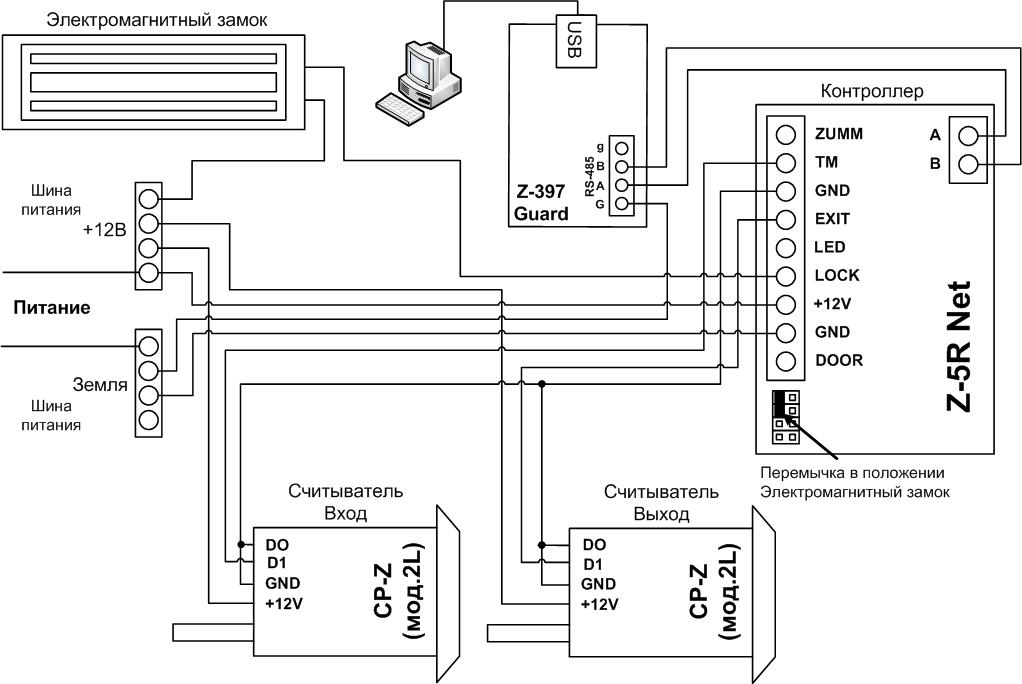
Наоборот, длительная подача напряжения может пагубно повлиять на электромеханический замок и вывести его из строя.
Также нередко встречаются устройства, где выбор типа контактов осуществляется перестановкой перемычки, переключением тумблера, замыканием определённых проводов и т.д.
Тем самым слабый входной ток обмотки полностью изолирован от цепи питания замка, что позволяет управлять практически любыми нагрузками (замками) в зависимости от модели реле. Признаком срабатывания электромеханического реле являются щелчки при замыкании или размыкании контактов. По этим щелчкам можно легко определить, работает реле или нет.
Также твердотельное реле работает бесшумно, и его состояние нельзя изменить сильным постоянным магнитом. У такого реле отсутствует искрение, что особенно актуально для взрывоопасных объектов.
При использовании отказы связаны одинаково с обеими частями замка зажигания, где на клеммную колодку приходится немного больше неполадок в процентном отношении.
Заменить можно ее всегда, так как подобная запчасть продается в любом магазине для машин.

Используете ли вы профессиональные услуги, такие как уборщица или садовник? Умные замки дают вам возможность разрешать вход в ваш дом удаленно и/или только в определенные периоды времени.
Обычно это удерживается с помощью одного или нескольких винтов Philips. Вы найдете их на внутренней стороне двери.
Следующим шагом будет установка этих новых деталей на место.
SECURAM включает в себя два набора винтов для этой установки: более короткий набор для стандартной двери толщиной 1 3/8 дюйма и более длинный набор для немного более толстой двери от 1 1/2 дюйма до 1 3/4 дюйма.

Обычно они работают от батареек и имеют какой-то электронный метод доступа, будь то ключ-карта или считыватель карт, пин-пад или что-то в этом роде. В этой статье мы рассмотрим процедуры установки и разблокировки беспроводного замка.


Это значительно упростит процесс установки.
Есть много соображений для разных замков, поэтому убедитесь, что вы следуете инструкциям до тройника!
В этом разделе мы рассмотрим эти два метода разблокировки и рассмотрим конкретный вариант использования беспроводных замков Allegion и контроля доступа Kisi. Для получения более подробных руководств по беспроводным замкам NFC и беспроводным замкам Bluetooth ознакомьтесь с этими ссылками.