Конструкция, принцип действия и установка турбокомпрессора
17.04.2012 #Турбокомпрессор
Конструкция, принцип действия и установка турбокомпрессораКаждый автолюбитель хоть раз, но слышал слова «турбокомпрессор», «турбина» или, по-другому, – «газотурбинный нагнетатель». При упоминании турбокомпрессора или турбонаддува автовладелец сразу же думает о мощности и быстроте, ведь именно с этими словами и связан турбокомпрессор.
Что именно происходит под капотом Вашего автомобиля и в двигателе, снабженном турбиной, мы и расскажем в данной статье.
Турбокомпрессор аналогичен воздушному насосу. То есть турбокомпрессор – это конструкция, состоящая из самого компрессора и газовой турбины.
Компрессор состоит из ротора и корпуса. Лопатки ротора компрессора имеют особенную форму, которая позволяет им засасывать воздух через центр ротора и отбрасывать его на стенки корпуса компрессора.
Благодаря этому происходит сжатие воздуха, и через впускной коллектор он попадает в двигатель. Габариты компрессора зависят от скорости вращения турбины и от количества воздуха, необходимого двигателю.
Газовая турбина также состоит из ротора и корпуса. Горячие отработанные газы, выходящие из выпускного коллектора, проходят по внутреннему каналу газовой турбины и попадают в турбокомпрессор. Этот канал постепенно начинает сужаться, и газы, проходящие через него, ускоряются и попадают в корпус, который выполнен в форме улитки. Оттуда отработанные газы направляются к ротору турбины и приводят ее во вращение.
Принцип работы турбокомпрессора
Принцип работы турбокомпрессора заключается в следующем: энергия, которая необходима для сжатия воздуха, поступает от турбины, что совершает обороты за счет энергии потока отработанных газов.
При максимальной энергии отработанных газов и турбина будет вращаться гораздо быстрее. В свою очередь, компрессор тоже будет вращаться быстрее и закачивать больше воздуха.
Коэффициент полезного действия двигателя внутреннего сгорания напрямую зависит от того, какое количество воздуха попадет в цилиндры ДВС. Чем больше воздуха в цилиндрах, тем больше сгорает топлива, за счёт этого влияния турбокомпрессора на двигатель и повышается мощность мотора.
Несмотря на то, что принцип работы турбокомпрессора очень прост, сам агрегат представляет собой довольно тонкое устройство. Для турбокомпрессора требуется исключительно точная подгонка деталей внутри самого устройства и идеально слаженная работа турбокомпрессора и двигателя. При отсутствии слаженной работы между этими деталями последний не только будет работать неэффективно, но и может быть испорчен. Поэтому очень важно следовать технологии установки и обслуживания.
В нашем ассортименте представлен широкий выбор турбокомпрессоров от лидеров производства в этой области. В розничных магазинах и на территории оптовых центров Вы можете приобрести турбокомпрессоры БЗА,чешские турбокомпрессоры CZ Strakonice, турбокомпрессоры ЯМЗ, турбокомпрессоры HYUNDAI, а также скачать подробную инструкцию по установке турбокомпрессора.
ИНСТРУКЦИЯ ПО УСТАНОВКЕ ТУРБОКОМПРЕССОРА |
Внимание!
Запрещается применять любые герметики. Куски и обрывки герметика выводят турбину из строя.
Исключите попадание песка и пыли в маслоподающую и маслосливную магистраль. Песок из турбины не вымывается. Он измельчается, оставаясь в подшипниках скольжения.
Соблюдайте правила пожарной безопасности.
Помните:
Несоблюдение правил установки турбокомпрессора ведет к его поломке!
Воздушный фильтр:
- проверьте герметичность коробки и крепления крышки воздушного фильтра;
- почистите коробку фильтра и заборный патрубок;
- промойте воздушные патрубки от фильтра к турбине, от турбины к всасывающему коллектору двигателя и коллектор двигателя от пыли и налипшего песка.

Турбокомпрессор:
- Приведите ротор турбины в движение пальцами и запомните, с каким усилием он вращается. При последующих работах периодически прокручивайте ротор, сравнивая усилие вращения.
- Перед соединением с турбиной промойте бензином маслоподающую магистраль.
- Перед монтажом маслоподающего патрубка залейте в турбину масло, пользуясь шприцом и прокручивая ротор рукой.
- Не затягивайте основательно маслоподающую трубку, чтобы получить визуальное подтверждение наличия подачи масла.
- Убедитесь в том, что есть свободный слив масла в поддон картера продувкой магистрали.
- Прикрутите все патрубки от фильтра к турбине, кроме воздуховодного, для того, чтобы можно было контролировать вращение ротора визуально.
- Запустите двигатель на 10-20 секунд. Контролируйте появление масла из незатянутого до конца стыка маслоподающего шланга.

- Проверьте усилие вращения ротора турбины (п.2).
- Если масло не появилось, повторите п.п.8,9 два-три раза до появления масла.
- Затяните маслоподающий шланг, заведите двигатель на одну минуту.
- Проверьте, как крутится ротор турбины рукой.
- Если нет изменений усилия вращения ротора, наденьте воздуховодный патрубок от фильтра к турбине, затяните и проверьте крепление хомутов, запустите двигатель, прогрейте двигатель на холостом ходу, проверьте работу турбины на различных режимах двигателя.
- При появлении посторонних звуков, исходящих от турбины (вой, свист и т.д.) на различных оборотах двигателя, а также при появлении масла в воздуховодных патрубках, немедленно заглушите двигатель и обратитесь к специалистам. Не принимайте никаких действий по разборке турбины.
Практические советы по обслуживанию турбокомпрессора
Если двигатель нуждается в ремонте, а признаки указывают, что неисправность связана с турбокомпрессором, важно точно установить, поврежден турбокомпрессор или нет.
Это можно сделать, пользуясь таблицей, приведенной на стр. 5. Если точно установлено, что турбокомпрессор неисправен, нужно обязательно отыскать причину этого. Если ее не устранить, новый турбокомпрессор, установленный взамен неисправного, тоже выйдет из строя; иногда это происходит впервые же секунды после запуска двигателя.
Чтобы быть уверенным в качестве приобретаемого нового или отремонтированного турбокомпрессора, рекомендуется покупать его у официальных дилеров производителя, а ремонтировать только в фирмах, имеющих специальное оборудование и разрешение, подтвержденное сертификатом соответствия. При самостоятельной установке турбокомпрессора следует выполнять приведенные указания:
- Сливные маслопроводы: снять и полностью прочистить. Убедиться в отсутствии вмятин, повреждений, пережатий. Случается, что шланги и резиновые патрубки через некоторое время разбухают изнутри, что затрудняет движение масла. В случае сомнений рекомендуется заменить резиновые части новыми деталями.
- Сапун двигателя: снять и полностью очистить. Нужно следовать тем же указаниям, что и для маслопроводов. Проверить, при необходимости заменить клапаны (если они есть). На сапуне часто устанавливают небольшой конденсатор масла. Его также нужно очистить и проверить.
- Герметик: не использовать жидкий герметик вокруг подающих и сливных маслопроводов. Большинство материалов этого типа могут растворяться в горячем масле, загрязняя его, что вызывает повреждение подшипников турбокомпрессора.
- Масло и фильтр: заменить масло в двигателе, а также воздушный и масляный фильтры.
- Предварительная смазка: перед окончательной установкой соединений системы смазки турбокомпрессор должен быть предварительно смазан через отверстие для подвода масла.
- Запуск: после установки турбокомпрессора запустите двигатель и дайте ему поработать две минуты на холостом ходу.

Затем постепенно увеличивайте число оборотов. Совершите пробную поездку. Проверьте установку, чтобы выявить возможные утечки воздуха, отработанных газов или масла.
НЕИСПРАВНОСТИ
| А | Двигатель глохнет при разгоне |
|---|---|
| Б | Недостаток мощности двигателя |
| В | Черный выхлоп |
| Г | Чрезмерный расход масла |
| Д | Голубой выхлоп |
| Е | Шум в турбокомпрессоре |
| Ж | Повторяющийся звук в ТКР |
| 3 | Утечка масла через уплотнение компрессора |
| И | Утечка масла через уплотнение турбины |
| А | Б | В | Г | Д | Е | Ж | 3 | И | Причина | Способ устранения |
|---|---|---|---|---|---|---|---|---|---|---|
| • | • | • | • | • | Элемент воздушного фильтра забит | Замените фильтрующий элемент | ||||
| • | • | • | • | • | • | Помехи во впускном канале компрессора | Удалите помехи или замените поврежденные детали | |||
| • | • | • | Помехи в выпускном канале компрессора | Удалите помехи или замените поврежденные детали | ||||||
| • | • | • | Помехи во впускном коллекторе двигателя | В соответствии с инструкцией по эксплуатации двигателя удалите помехи во впускном «коллекторе двигателя | ||||||
| Утечка воздуха в канале, соединяющем воздушный фильтр и впускной канал компрессора | Либо замените прокладки, либо подтяните соединение | |||||||||
| • | • | • | • | • | Утечка воздуха в канале, соединяющем выпускной канал компрессора и впускной коллектор двигателя | Либо замените прокладки, либо подтяните соединение | ||||
| • | • | • | • | • | Утечка воздуха в соединении впускного коллектора и двигателя | В соответствии с инструкцией по эксплуатации двигателя либо замените прокладки, либо подтяните соединение | ||||
| • | • | • | • | • | • | Помеха в выпускном коллекторе | В соответствии с инструкцией по эксплуатации двигателя удалите помеху | |||
| • | • | • | Помеха в выпускной системе | Либо удалите помеху, либо замените неисправные элементы | ||||||
| • | • | • | • | Утечка газов в соединениях выпускного коллектора и двигателя | В соответствии с инструкцией по эксплуатации двигателя либо замените прокладки, либо подтяните соединение | |||||
| • | • | • | • | Утечка газов из входного канала турбины в соединении с выпускным коллектором | Либо замените прокладку, либо подтяните соединение | |||||
| • | Утечка газов в системе после выпускного канала турбины | В соответствии с инструкцией по эксплуатации двигателя исправьте утечку газов | ||||||||
| • | • | • | • | Помехи в сливной гидролинии ТКР | Либо удалите помехи, либо замените патрубок сливной гидролинии | |||||
| • | • | • | • | Помехи в системе вентиляции картера двигателя | В соответствии с инструкцией по эксплуатации двигателя удалите помехи из системы вентиляции | |||||
| • | • | • | • | Картридж ТКР либо закоксован, либо в нем произошло отложение осадка | Замените масло, масляный фильтр и отремонтируйте или замените ТКР | |||||
| • | • | Топливная система либо вышла из строя, либо плохо отрегулирована | В соответствии с инструкцией по эксплуатации двигателя отрегулируйте топливную систему и замените поврежденные детали | |||||||
| • | • | Некорректная работа распредвала | В соответствии с инструкцией по эксплуатации двигателя замените изношенные детали | |||||||
| • | • | • | • | • | • | Изношены либо поршневые кольца, либо цилиндры (прорыв газов) | В соответствии с инструкцией по эксплуатации отремонтируйте двигатель | |||
| • | • | • | • | • | • | Внутренние неполадки в двигателе (клапаны, поршни) | В соответствии с инструкцией по эксплуатации отремонтируйте двигатель | |||
| • | • | • | • | • | • | • | • | Грязь пригорела к колесу компрессора или к лопастям диффузора | Очистите колесо, найдите и удалите источник грязного воздуха, замените масло и масляный фильтр | |
| • | • | • | • | • | • | • | Поврежден ТКР | Определите причину повреждения и замените ТКР | ||
| • | Неисправность перепускного клапана | Проверьте правильность работы перепускного клапана и его привода | ||||||||
| • | Высокое давление наддува, отключение зажигания | Проверьте правильность работы перепускного клапана и его привода, замените неисправные детали |
Поиск неисправностей в турбокомпрессорах
На нормально работающем двигателе, который своевременно и качественно обслуживается, турбокомпрессор может безотказно работать в течение долгих лет.
Проявление неисправностей может быть следствием:
- плохой регулировки топливной аппаратуры;
- недостаточного давления в масляной системе;
- попадания в турбокомпрессор посторонних предметов;
- загрязненного масла;
- разбалансировки ротора;
- длительной работы двигателя на минимальных оборотах;
- неправильной остановки двигателя;
- загрязнения воздушного и масляного фильтров.
Часто турбокомпрессоры снимают с двигателя без предварительной проверки необходимости этого. Ремонт турбокомпрессора можно производить, лишь убедившись в отсутствии неисправностей в двигателе. В большинстве случаев это позволяет избежать бесполезной замены турбокомпрессора.
Чаще всего встречаются следующие признаки неисправностей, связанных с турбокомпрессором:
- двигатель не развивает полную мощность;
- черный дым из выхлопной трубы;
- синий дым из выхлопной трубы;
- повышенный расход масла;
- шумная работа турбокомпрессора.

1. Низкая мощность двигателя, черный дым из выхлопной трубы
Оба признака являются следствием недостаточного поступления воздуха в двигатель, причиной чего может быть засорение канала подвода воздуха либо его утечка из впускного или выпускного коллектора. Для этого необходимо проверить следующие элементы:
- воздушный фильтр;
- крепления воздуховодов;
- выпускной коллектор, его уплотнения, систему выпуска;
- турбокомпрессор (следы трения роторов турбины и турбокомпрессора).
Для начала нужно запустить двигатель, после чего прослушать шум, производимый турбокомпрессором.
Имея некоторый опыт, можно довольно быстро определить утечку воздуха между выходом турбокомпрессора и двигателем по свисту, который возникает при этом. После этого проверьте, не засорен ли воздушный фильтр.
Проверьте (в случае необходимости) количество поступающего воздуха, пользуясь техническими данными турбокомпрессора.
Затем заглушите двигатель, снимите уплотнение между воздушным фильтром и турбокомпрессором и проверьте отсутствие или наличие выброса масла из турбокомпрессора.
Проверьте отсутствие повреждений гофры соединения воздушного фильтра и турбокомпрессора, продуйте или замените воздушный фильтр.
Кассета воздушного фильтра должна быть сухой. Промойте и продуйте воздухом охладитель воздуха, расположенный между турбокомпрессором и воздуховодом подачи воздуха на двигатель. Убедитесь в отсутствии прорывов выхлопных газов из-под креплений выхлопного коллектора, проверьте надежность крепления резьбовых соединений выхлопного коллектора.
Теперь повращайте вал турбокомпрессора, чтобы установить, свободно ли он вращается, нет ли повышенного износа или повреждения ротора турбины или турбокомпрессора. Обычно ось всегда имеет небольшой люфт, но если при вращении турбокомпрессора рукой ротор турбины и турбокомпрессора задевает или трется о корпус, налицо явный износ, требующий капитального ремонта турбокомпрессора.
Если после проверки всех элементов неисправности не обнаружены, значит падение мощности возникло не из-за турбокомпрессора. Необходимо искать неисправности в самом двигателе.
2. Синий дым из выхлопной трубы
Появление синего дыма является следствием сгорания масла, причиной которого может быть либо его утечка в турбокомпрессоре, либо неисправности в двигателе.
Нужно проверить следующие элементы:
- воздушный фильтр;
- трубу сливного маслопровода и сапун двигателя.
Прежде всего проверьте воздушный фильтр: любое препятствие на пути воздуха к турбокомпрессору может стать причиной утечки масла со стороны турбокомпрессора. В этом случае за ротором турбокомпрессора образуется разряжение, что вызывает засасывание масла из среднего корпуса.
Следующим этапом проверки будет снятие корпусов турбины и турбокомпрессора для проверки свободного вращения вала и отсутствия повреждений роторов.
Затем проверьте сливной маслопровод от турбокомпрессора к корпусу двигателя на отсутствие повреждений, сужений и пробок.
Засорение этого маслопровода или повышенное давление в картере двигателя (в большинстве случаев вызываемое засорением системы вентиляции картера) приводит к тому, что масло из турбокомпрессора не возвращается в масляный картер двигателя. Проверьте, не повышено ли давление газов в картере.
Используйте масло, рекомендуемое производителем для двигателей с турбонаддувом!
Не следует упускать из виду тот факт, что в масляный картер сливается не только масло, в нем присутствует также часть отработанных газов и сжатого воздуха, из турбины и турбокомпрессора. В этой смеси на одну часть масла приходится 4-5 частей газов.
В последнюю очередь снимите выпускной коллектор двигателя и проверьте наличие следов масла. Если следы масла не обнаружены — ищите неисправность в двигателе.
3. Повышенный расход масла (без синего дыма)
Проверьте воздушный фильтр, а затем крепления корпуса турбины турбокомпрессора и давление в нем. Оцените люфт в роторе турбокомпрессора, проверьте отсутствие следов износа от трения ротора турбокомпрессора и турбины о стенки соответствующих корпусов.
Это обнаруживается по люфту вала ротора турбокомпрессора.
Если ничего необычного не выявлено, следует искать неисправность за пределами турбокомпрессора. Иногда постоянная утечка масла происходит через турбину турбокомпрессора, притом, что она находится в исправном состоянии. Практика показывает, что «виноват» в этом засоренный сливной маслопровод или повышенное давление в масляном картере двигателя. Как уже разъяснялось выше, по этому маслопроводу течет не только масло, но и большое количество газов. Поэтому идеальной формой для этого маслопровода была бы прямая труба, отходящая от турбокомпрессора и без изгибов идущая в масляный картер двигателя, вывод которой в картере располагался бы чуть выше нормального уровня масла в нем.
Важным является также диаметр маслопровода. В случае турбокомпрессоров небольшого размера, таких как Garret 73, 704B или 3LD Holset-KKK-Shwitzer, диаметр маслопровода составляет 20 мм.
Как говорилось выше, в идеале труба маслопровода должна напрямую, без изгибов и горизонтальных частей, соединять турбокомпрессор с картером двигателя. Однако большинство сливных маслопроводов очень редко бывают подобной формы. При значительном износе двигателя возникают трудности со сливом масла.
4. Шумная работа турбокомпрессора
Если турбокомпрессор шумит при работе, следует проверить следующие элементы:
- крепление воздуховодов;
- систему выпуска;
- подшипники (отсутствие повреждений из-за нехватки масла или загрязненного масла).
Проверьте все трубопроводы, находящиеся под давлением: вход и выход турбокомпрессора, систему выпуска.
Полностью снимите сливной маслопровод и трубку сапуна. Тщательно проверьте, не засорились и не пережаты ли они.
Проверьте легкость вращения оси турбины и отсутствие трения роторов турбины и турбокомпрессора и их повреждения посторонними предметами.
Если установлено, что роторы трутся или повреждены, снимите и замените турбокомпрессор.
Ни в коем случае не используйте герметик для крепления подающего и сливного маслопроводов турбокомпрессора. Большинство герметиков при контакте с горячим маслом растворяются в нем. Такое загрязненное масло может повредить подшипники и кольца турбокомпрессора.
Очень часто остатки герметика вызывают засорение масляных каналов внутри турбокомпрессора.
Не забудьте смазать турбокомпрессор перед его установкой. Промойте двигатель, замените масло, установите новые масляный и воздушный фильтры.
Следует обращать внимание на правильность запуска и остановки двигателя с турбокомпрессором. Если заглушить двигатель, работающий на высоких оборотах, турбокомпрессор продолжает вращаться без смазки, потому что давление моторного масла почти равно нулю. При этом повреждаются подшипники и кольца турбокомпрессора.
Другие статьи
#Планка генератора
Планка генератора: фиксация и регулировка генератора автомобиля
14.
09.2022 | Статьи о запасных частях
В автомобилях, тракторах, автобусах и иной технике электрические генераторы монтируются к двигателю посредством кронштейна и натяжной планки, обеспечивающей регулировку натяжения ремня. О планках генератора, их существующих типах и конструкции, а также выборе и замене этих деталей — читайте в статье.
#Переходник для компрессора
Переходник для компрессора: надежные соединения пневмосистем
31.08.2022 | Статьи о запасных частях
Даже простая пневматическая система содержит несколько соединительных деталей — фитингов, или переходников для компрессора. О том, что такое переходник для компрессора, каких типов он бывает, зачем необходим и как устроен, а также о верном подборе фитингов для той или иной системы — читайте в статье.
#Стойка стабилизатора Nissan
Стойка стабилизатора Nissan: основа поперечной устойчивости «японцев»
22.06.2022 | Статьи о запасных частях
Ходовая часть многих японских автомобилей Nissan оснащается стабилизатором поперечной устойчивости раздельного типа, соединенным с деталями подвески двумя отдельными стойками (тягами).
Все о стойках стабилизатора Nissan, их типах и конструкции, а также о подборе и ремонте — читайте в данной статье.
#Ремень приводной клиновой
Ремень приводной клиновой: надежный привод агрегатов и оборудования
15.06.2022 | Статьи о запасных частях
Для привода агрегатов двигателя и в трансмиссиях различного оборудования широко применяются передачи на основе резиновых клиновых ремней. Все о приводных клиновых ремнях, их существующих типах, особенностях конструкции и характеристиках, а также о правильном выборе и замене ремней — читайте в статье.
Вернуться к списку статей
Турбокомпрессор автомобильный
Авто схемы
admin Send an email 16.11.2013
0 453 3 минут
Описание принципа работы турбокомпрессора на автомобиле: схемы, фото и видео материалы. Основы автомеханики.Описание принципа работы турбокомпрессора на автомобиле: схемы, фото и видео материалы.
Основы автомеханики.
Содержание статьи:
- Описание турбокомпрессора
- Принцип работы
- Устройство
- Схема устройства турбины
- Видео
Турбина в двигателе или как бывает называют турбокомпрессов дает больше мощности агрегату. Чтоб понять как устроен и принцип работы системы, рассмотрим это все в деталях.
Немного о турбокомпрессоре
Турбокомпрессор или его ещё называют «газотурбинный нагнетатель» (Centrifugal compressors или очень популярно называть «Turbocharger») — это осевой или центробежный компрессор, что функционирует вместе с турбиной. Это конструктивный основной элемент в автомобилях с газотурбированными двигателями.
Давление во впускной системе можно повысить при помощи установки турбокомпрессора, использующего энергию отработавших газов. При его использовании масса воздуха, имеющегося в камерах сгорания, увеличивается. Механический нагнетатель не так эффективен, как турбированный компрессор газов, потому что мощность двигателя не используется для привода.
Тем не менее, после установки центробежной турбины некоторые потери мощности неизбежны. Отработавшие газы из цилиндров не находят выхода, так как турбина преграждает их путь наружу. На двигатель приходится большая нагрузка по очистке цилиндров, вследствие того, что в выпускном тракте создаётся огромное давление. На эту задачу тратится некоторая часть мощности двигателя авто. Конечно, эта потеря ничтожна в сравнении с приростом мощности двигателя объёмом в 30–40%.
После установки центробежной турбины, можно столкнуться с ещё одной проблемой, которая в обиходе называется турбояма. Выходная мощность двигателя изменяется с отставанием от смены давления отработавших газов. Главными факторами, из-за которых образуется турбояма, являются силы трения, инерционность и нагрузка турбины.
Работа турбокомпрессора автомобиля (турбонагнетателя двигателя)
Схема турбонагнетателя
Тремя основными элементами, содержащимися в конструкции турбокомпрессора являются: центробежный компрессор, турбина и центральный корпус.
Кинетическая энергия отработанных газов под воздействием турбины преобразуется во вращательное движение компрессора. Также турбина соединяет турбинное колесо, помещённое в специальный корпус в форме улитки.
Поступая в улитку, отработавшие газы перемещаются по каналу, а затем попадают на лопасти турбинного колеса. Затем оно набирает скорость в пределах 250 000 оборотов в минуту. Вал, к которому приварено турбинное колесо, передаёт на колесо компрессора энергию, которая придаёт его вращению. Лопасти турбинного колеса становятся проводниками отработавших газов, которые затем покидают турбину через отверстие в центре турбокомпрессора и выходят в выпускную систему.
Составляющие турбины изготавливаются из жароустойчивых металлов, так как внутри турбокомпрессора достигается невероятная температура. В состав турбинного колеса входит железоникелевый сплав, а в состав центрального корпуса — жаропрочная сталь.
От формы и размера турбины напрямую зависит производительность турбокомпрессора.
Больший размер турбины увеличивает производительность компрессора. Значительный прирост мощности наблюдается в турбинах большего размера, потому что они могут использовать большее давление отработавших газов. Однако в таких турбокомпрессорах, на низких оборотах, значительна вероятность возникновения турбоямы. Номинальная скорость достигается гораздо быстрее при использовании турбокомпрессора меньшего размера, но они показывают меньшую производительность.
Перепускной клапан устанавливается в корпус турбины для управления уровнем давления наддува. Регулировка клапана производится при помощи системы управления двигателем. Клапан оснащён пневматическим приводом.
Вал располагается в центральном корпусе. Это позволяет ему достигать максимальной скорости вращения при минимальном трении. Вращение происходит в одном или двух подшипниках. Для этой цели подойдут различные конструкции подшипников скольжения. Шарикоподшипники используются редко.Система смазки двигателя обеспечивает полную смазку подшипников и вала.
Промеж корпусом и подшипником имеется много пропускных каналов, через которые протекает масло. Помимо функции смазки, масло оказывает охлаждающий эффект на нагретые детали. Лучше всего охлаждение происходит в двигателях с искровым зажиганием, в которых центральный корпус турбины входит в систему охлаждения двигателя.
Дополнительный объем давления во впускной системе создаётся при воздействии центробежного компрессора. Его конструкция похожа на аналогичные механические нагнетатели. Составляющими центробежного компрессора являются корпус и компрессорное колесо. В ЦК (центробежный компрессор) поток воздуха проходит путь от центра колеса до корпуса. Резкое понижение скорости потока воздуха позволяет преобразовать его кинетическую энергию в давление. Впускной коллектор пропускает сжатые потоки воздуха в двигатель. При изготовлении компрессорного колеса и корпуса используется алюминий.
Для снижения последствий турбоямы и повышения производительности, конструкция турбокомпрессора постоянно совершенствуется.
Наиболее востребованными техническими решениями являются — постоянная модернизация конструкции турбокомпрессора позволяет уменьшить последствия турбоямы и повысить его производительность. Ниже можно посмотреть список самых эффективных способов модернизации:
- При использовании прочных и лёгких материалов достигается значительное снижение массы турбины. Например, керамики.
- Установка новых подшипников с пониженным уровнем трения.
- Раздельный турбокомпрессор
- Турбина с изменяемой геометрией
Поговорим подробнее о последних двух пунктах этого списка.
Конструкция раздельного турбокомпрессора
Для отработавших газов в раздельном турбокомпрессоре есть два входных отверстия. Также в нем имеются два сопла, предусмотренных для каждой пары цилиндров. Первое сопло обеспечивает быстрое реагирование, а второе — максимальную производительность. Конструкция раздельного турбокомпрессора разработана для предотвращения перекрытия выпускных каналов, при прохождении через них отработавших газов.
Схема турбины с изменяемой геометрией (VNT)
Она также известна под названием – трубина с переменным соплом. Данный тип турбины используется в дизельных двигателях. Девять подвижных лопастей, установленных в турбокомпрессоре, регулируют прохождение потока газов к турбине. Увеличение и блокировка потока газов достигается при помощи привода, регулирующего угол наклона девяти лопастей. Скорость потока газов и давление нагнетаемого воздуха согласуются с количеством оборотов двигателя во время изменения угла наклона лопастей.
Следует напомнить о том, что некоторые двигатели используют несколько турбокомпрессоров. Возможно использование двух (Твин Турбо), трех или же четырёх. В таких конструкциях они устанавливаются последовательно. Первый используется при низких оборотах, а второй — при высоких. Также существует схема установки компрессоров, при которой они располагаются параллельно друг другу. Она используется на V-образных двигателях. На каждый ряд цилиндров приходится по компрессору.
Бытует мнение, что один большой турбокомпрессор менее производителен, чем два маленьких.
Видео про принцип работы турбокомпрессора:
Похожие
Как работает турбокомпрессор. Схема, основные узлы и принцип действия — Оборудование
Автор Admin На чтение 5 мин. Просмотров 17 Опубликовано
Рассмотрим широко как работают распространенные турбокомпрессоры К-250–61–1 и К-250–61–2 производительностью 250 м3/мин по всасыванию и давлением (конечным) 0,9 МПа. Частота вращения турбокомпрессоров соответственно 11 230 и 10 300 об/мин; они приводятся через повышающий редуктор от двигателя 1500 кВт с частотой вращения 3000 мин-1.
Турбокомпрессор (рис. 1) оборудован двумя промежуточными холодильниками, находящимися под компрессором. Охлаждение происходит после каждой пары ступеней давления. Компрессор оборудован 6 ступенями давления и устройством для уменьшения осевой нагрузки на вал компрессора – думисом.
Содержание
- Система смазки компрессора
- Система контроля
- Подшипники скольжения компрессора
- Корпус компрессора
- Ротор
- Редуктор
- Система гидравлики
Система смазки компрессора
Система смазки компрессора включает рабочий и пусковой насосы, маслобак, холодильники и систему регулирования давления. Гидравлическая система управления состоит из регулятора производительности и противопомпажного устройства.
Система контроля
Система контроля состоит из реле осевого сдвига, электроконтактных термометров контроля температуры подшипников масла, охлаждающей воды и воздуха (по ступеням давления, указателей производительности и давления по ступеням и в импульсопроводе.
Корпус турбокомпрессора, отлитый из чугуна, имеет разъемы в вертикальной и горизонтальной плоскостях. Разъемы в вертикальной плоскости соединены на заводе-изготовителе и не подлежат разборке при монтаже и последующей эксплуатации. Для доступа к ротору корпус имеет разъем в горизонтальной плоскости. В верхнюю и нижнюю часть корпуса вставлены и закреплены от выпадания и проворачивания направляющий аппарат и диафрагмы. На нижнем горизонтальном разъеме установлены четыре направляющих колонки для точной установки верхней части корпуса. Для облегчения отрыва верхней части корпуса предусмотрены четыре отжимных болта. Корпуса подшипников отлиты вместе с корпусом проточной части компрессора. Всасывающий патрубок, нагнетательный патрубок, а также подводы к промежуточным холодильникам отлиты в нижней части корпуса и направлены вниз. От того, как работает компрессор, зависит его производительность.
Рисунок 1. ТурбокомпрессорКомпрессор снабжен внутренним (между ступенями и по думису) и концевыми лабиринтовыми уплотнениями, которые уменьшают перетечки, утечки и подсосы воздуха.
Радиальные зазоры в уплотнениях по валу, по думису 0,3 – 0,5 мм. В корпусах подшипников устанавливаются маслозащитные уплотнения с зазором 0,15 – 0,25 мм. Лабиринтовые уплотнения изготовлены из специальных сортов алюминия, чтобы при касании с валом не повредить его.
Подшипники скольжения компрессора
Подшипники скольжения компрессора – одни из самых ответственных узлов агрегата. Ввиду большого числа оборотов подшипники работают в режиме жидкостного трения, т. е. при полном разделении трущихся поверхностей слоем масла. Co стороны всасывания устанавливается опорный вкладыш, со стороны нагнетания – опорно-упорный, воспринимающий также осевую нагрузку вала. Подшипник состоит из само – устанавливающегося стального вкладыша, залитого баббитом Б-83. Центровка вкладыша по оси машины осуществляется пятью подушечками, крепящимися к вкладышу через прокладки. Число прокладок во вкладыше обеспечивает натяг при установке в корпус. 0,03 – 0,06 мм.
Диаметральный масляный зазор по валу ротора должен составлять 0,1 – 0,15 мм.
Упорный подшипник состоит из 8 установочных и 8 рабочих колодочек. Колодочки с рабочей стороны залиты баббитом, со стороны крепления к полукольцу имеют пазы для выравнивания давления. Осевой разбег ротора 0,25 – 0,35 мм.
Корпус компрессора
Корпус компрессора устанавливают на фундаменте рамы тремя опорными лапами. Co стороны всасывания имеются две лапы: одна крепится неподвижно к фундаментной раме штифтом, а другая имеет подвижное соединение. Лапа со стороны нагнетания устанавливается на шпонку, установленную по оси ротора. Благодаря этому при расширении корпуса от нагревания центровка между редуктором и компрессором не сбивается.
Ротор
Ротор компрессора состоит из 6 рабочих колес, посаженных на вал по горячей посадке и на шпонке. На роторе также посажен специальный диск – думис для уменьшения осевого давления на подшипнике.
Ротор подвергается динамической балансировке на заводе-изготовителе. Двигатель с редуктором и редуктор с компрессором соединяют зубчатыми муфтами.
Зубчатая муфта со стороны компрессора имеет принудительную жидкую смазку.
Редуктор
Редуктор компрессора предназначен для повышения частоты вращения ротора. Корпус редуктора отлит из чугуна и имеет горизонтальный разъем. Быстроходная вал-шестерня откована из цельного куска. Колесо ротора составное, из зубчатого венца и вала. Шестерня и колесо имеют двойное косозубое зацепление, благодаря которому шестерня самоустанавливается в осевом направлении по колесу. Зубчатое колесо имеет с одной стороны опорно-упорный подшипник, обеспечивающий осевой разбег вала 0,25 – 0,35 мм. Все остальные подшипники скольжения редуктора опорного типа имеют масляный зазор 0,2 – 0,25 мм.
Масло в подшипниках подается к нижним вкладышам, к зубчатому зацеплению через брызгала.
Система гидравлики
Система гидравлики для работы регулятора производительности и противопомпажного устройства и смазка двигателя, редуктора и компрессора обеспечиваются от общего насоса. В системе гидравлики обеспечивается давление 0,5 МПа; на смазку масло поступает под давлением 0,075 – 0,05 МПа.
На компрессоре К-250–61–2 опорно-упорный подшипник турбины смазывается под давлением 0,5 МПа.
Масло из бака через фильтр поступает к главному масляному насосу. Давление 0,5 МПа поддерживается переливным клапаном. К трубопроводам смазки масло подходит через редукционный клапан. Главный насос шестеренчатого типа установлен на корпусе редуктора, его подача 250 л/мин. К системе смазки масло подается через водомасляный холодильник. В момент пуска и остановки поступление масла обеспечивается от пускового насоса, оборудованного электроприводом.
Автомобильный турбокомпрессор: принцип работы и назначение
С момента появления двигателя внутреннего сгорания и использования его на автомобильном транспорте, конструкторы бились обеспечением максимально возможно выхода мощности при минимальных переработках силовой установки.
Назначение автомобильного турбокомпрессораПринцип работы турбокомпрессора
На данный момент решением данной проблемы является использование турбокомпрессора, он же турбонаддув, турбонагнетатель.
Суть работы данного устройства – обеспечение повышенного давления воздуха, подаваемого в цилиндры силовой установки. Благодаря применению турбокомпрессора конструкторам удалось повысить выходную мощность без надобности в конструктивном изменении двигателя, увеличении объема камер сгорания и оборотов коленчатого вала. При этом потребление топлива у турбированного мотора будет ниже за счет более полного его сгорания в цилиндрах.
Турбокомпрессор на данный момент устанавливается и на бензиновые, и на дизельные моторы. Но при этом установка нагнетателя более эффективна на дизельных установках. Связано это с особенностями работы такого мотора – у дизеля степень сжатия в цилиндрах почти вдвое больше, чем у бензиновых, а скорость вращения коленчатого вала – меньше.
Риск использования нагнетателя на бензиновом моторе связан с возможным образованием детонационного сгорания в цилиндрах из-за резкого возрастания количества оборотов коленчатого вала. При этом в бензиновом моторе наддув работает в более жестких температурных условиях.
Температура отработавших газов в бензиновом моторе выше, чем у дизеля, а поскольку наддув использует энергию отработанных газов, то у бензинового агрегата нагнетатель больше разогревается.
Существующие турбонаддувы могут конструктивно отличаться, но все они включают в себя определенные составные части.
Конструкция турбокомпрессора
Принцип работы системы турбонаддува
Турбонаддув включает в свою конструкцию воздухозаборник с воздушным фильтром, дроссельную заслонку, турбокомпрессор, интеркулер (охладитель наддувочного воздуха), впускной коллектор и элементы управления. Все эти элементы связаны между собой патрубками и напорными шлангами.
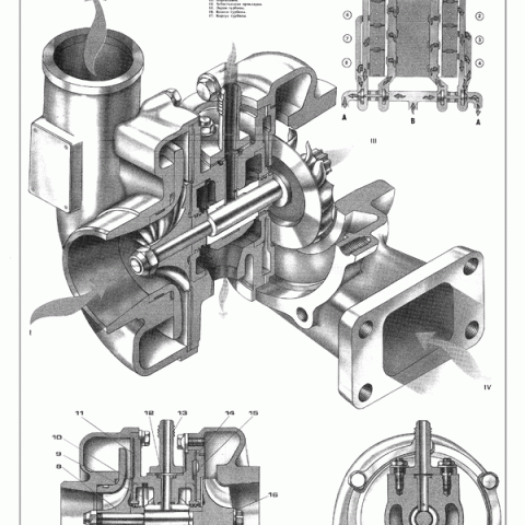
Основным элементом всей этой системы является турбокомпрессор, поскольку он обеспечивает нагнетание воздуха под давлением в систему. Состоит он из двух колес, посаженных на один ротор. Корпус компрессора состоит из двух камер, в каждую из которых помещено свое колесо.
Автомобильный турбокомпрессор в разрезе
Первое колесо компрессора – турбинное.
Оно воспринимает на себя энергию отработавших газов и через ротор передает его на другое колесо. То есть, турбинное колесо является ведущим. Поскольку оно работает с разогретыми газами, то изготавливается это колесо, и также его камера из жаропрочных материалов.
Второе колесо – компрессорное. Оно получает вращение от ведущего колеса и является ведомым. Данное колесо засасывает через воздухозаборник воздух, сжимает его, повышая давление, и перепускает его дальше.
Свободное вращение ротора обеспечивается наличием подшипников скольжения. Данные подшипники – плавающие, то есть между ними, ротором и корпусом обеспечивается зазор. Смазка этих подшипников производится от системы смазки мотора. Чтобы масло не вытекало наружу, и не попадало в воздух или обработанные газы, в конструкции используются уплотнительные кольца.
1 – крыльчатка турбины; 2 – крыльчатка компрессора; 3 – вал; 4 – подшипниковый узел; 5 – штуцер подачи масла; 6 –регулятор. давления наддува.
В большинстве турбонаддувов используется воздушная система охлаждения, но на некоторых бензиновых двигателях встречается и жидкостная система охлаждения компрессора, входящая с состав системы охлаждения двигателя.
Интеркулер включен в систему турбонаддува для обеспечения охлаждения сжатого воздуха. Во время работы турбокомпрессора воздух разогревается, что приводит к снижению его плотности. При охлаждении плотность снова возрастает и повышается давление. Интеркулер представляет собой обычный радиатор. Он может охлаждать воздух как при помощи воздушного, так и жидкостного охлаждения. После интеркулера воздух подается во впускной коллектор, а затем уже – в цилиндры.
В турбонаддув входят элементы управления, которые обеспечивают правильное функционирование. Главным элементом управления является регулятор давления. Данный регулятор представляет собой перепускной клапан. Этот клапан регулирует количество подаваемых отработанных газов на турбинное колесо. Данный клапан работает на основе показаний датчика давления наддува, входящий в систему управления двигателем. Этот клапан обеспечивает подачу только необходимого количества отработанных газов, остальные пуская в обход турбокомпрессора.
Также в систему управления турбонаддува могут входить еще один клапан– предохранительный, который устанавливается за компрессором.
Он обеспечивает защиту от возможных скачков давления в системе при резком закрытии дросселя. Этот клапан может либо стравливать избыток давления, либо перегонять лишний воздух на вход в турбокомпрессор.
Принцип работы турбокомпрессора и его недостатки
Видео: Принцип работы турбокомпрессора (турбины)
Принцип работы турбонаддува достаточно прост: выхлопные газы поступают в камеру турбинного колеса и заставляет его вращаться. Вращаясь, он чрез ротор приводит в движение турбокомпрессор. Тот в свою очередь засасывает воздух, сжимает его и подает в интеркулер для охлаждения. После прохождения интеркулера воздух под давлением подается во впускной коллектор. Работа наддува контролируется и регулируется регулятором давления, который дозирует количество отработанных газов, поступающих в камеру турбинного колеса. Благодаря этому осуществляется возможность изменения производительности турбонаддува в зависимости от вращения коленчатого вала.
Но такая конструкция имеет один существенный недостаток – при резком открытии дроссельной заслонки турбонаддув не успевает обеспечить необходимое количество воздуха для подачи в цилиндры. Для этого ему требуется определенное время. Выливается это в образование негативного эффекта, который получил название «турбояма». То есть, водитель резко нажимает на педаль газа, рассчитывая резко ускориться, но из-за нехватки воздуха ускорения сразу не происходит. Автомобиль начнет набирать обороты только после того, как наддув обеспечит необходимое количество воздуха. Вслед за «турбоямой» возникает еще один негативный эффект – «турбоподхват». Происходит он после «турбоямы» и сопровождается увеличенным давлением в турбонаддуве из-за интенсивной работы компрессора.
Для решения проблемы появления существует несколько способов. Первый из них – использование комбинированного наддува (состоящего из механического нагнетателя и турбонагнетателя). На начальном этапе при резком нажатии на педаль газа давление в выпускном коллекторе обеспечивает механический нагнетатель, работа которого не зависит от выхлопных газов, после в работу вступает турбонагнетатель, а механический отключается.
Видео: Устройство и неисправности турбины
Вторым способом преодоления «турбоямы» является использование двойного турбонаддува, так называемого «twin-turbo». Двойной турбонаддув обычно применяется на V-образных двигателях.
И третий способ – использование турбонаддува с изменяемой геометрией. В такой турбине воздушный поток оптимизируется за счет изменения площади канала, по которому подается воздух.
Неисправности и их диагностика
При своей достаточно простой конструкции, у турбокомпрессора может возникнуть большое количество неисправностей. Основными из них являются:
- Утечка масла через уплотнительные кольца и попадание его в воздух, подаваемый в цилиндры;
- Утечка воздуха в местах соединения патрубков;
- Засорение канала отвода масла из компрессора;
- Засорение подающего масляного канала;
- Неисправности системы управления;
- Трещины и деформация корпуса компрессора;
- Засорение воздушного фильтра;
О многих возникших проблемах с работой турбонаддува могут просигнализировать выхлопные газы.
Синий дым из трубы будет указывать на попадание масла в воздух, черный – на утечку воздуха, а белый – на засорение отводного масляного канала.
Также о неисправностях может рассказать сам двигатель и турбонаддув. Потеря динами разгона будет указывать на проблемы с управлением турбиной, свист при работе мотора будет сигнализировать об утечке воздуха между компрессором и двигателем, а деформация корпуса будет сопровождаться скрежетом.
Несмотря на свои недостатки и неисправности все больше автомобилей оснащаются турбокомпрессорами, поскольку данное устройство – действительно полезное.
Принцип работы турбокомпрессора — основы функционирования турбокомпрессора
Турбокомпрессор автомобиля, имеющий также название газотурбинный нагнетатель, представляет собой осевой либо центробежный компрессор, который функционирует совместно с турбиной. Это, пожалуй, главный конструктивный элемент, применяемый в газотурбинных силовых агрегатах.
Принцип работы автомобильного турбокомпрессора
Схема турбокомпрессора
Турбокомпрессор является сложным устройством, используемым в целях увеличения мощностных характеристик двигателя благодаря большему количеству воздуха, который подается в цилиндры.
Принцип работы турбокомпрессора сводится к следующему:
- при попадании в мотор топливовоздушной смеси происходит ее сгорание, которая затем выходит через выхлопную трубу. В начале выпускного коллектора установлена крыльчатка, крепко соединенная с другой крыльчаткой, расположенной уже во впускном коллекторе;
- поток выходящих из двигателя выхлопных газов раскручивает крыльчатку, находящуюся в выпускном коллекторе, которая в свою очередь приводит в движение крыльчатку, установленную на впуске;
- так, в мотор поступает большее количество воздушной массы, а значит, в него подается и больше топлива. Как известно, чем больше сгорает топливной смеси, тем мощнее становится двигатель. Задача автомобильного турбокомпрессора как раз и состоит в том, чтобы поставлять в силовой агрегат больше воздуха для сжигания большего количества топлива, за счет чего и достигается значительная прибавка мощности.
Что такое турбо-яма?
Стоит добавить, что крыльчатка турбокомпрессора способна развивать до двухсот тысяч оборотов в минуту, благодаря чему данное устройство отличается большой инерционностью или, говоря иначе, имеет «турбо-яму», которая проявляется при резком нажатии на педаль газа.
В этот момент крыльчатка медленно приводится в движение, и приходится некоторое время ждать, чтобы автомобиль начал набирать скорость.
Автомобиль медленно набирает скорость
Этот эффект имеет продолжительность всего несколько секунд, но, тем не менее, он не доставляет особого удовольствия при разгоне машины. На сегодняшний день производители, так или иначе, смогли устранить эффект «турбо-ямы» путем установки двух перепускных клапанов. Один предназначен для выработанных газов, задача второго состоит в том, чтобы перепускать избыток воздуха в трубопровод турбокомпрессора из впускного коллектора.
Благодаря этой системе обороты крыльчатки при сбросе газа уменьшаются в замедленном темпе, в то время как при резком нажатии на педаль акселератора происходит поступление воздушной массы в двигатель в полном объеме.
«Битурбо» и «Твинтурбо»
Битурбо и твинтурбо
Немногие автомобилисты знакомы с такими понятиями, как «битурбо» и «твинтурбо». Первое означает, что в машине установлено два турбокомпрессора, которые расположены параллельно друг другу.
Второе указывает на то, что автомобиль оснащен тремя турбокомпрессорами. Как правило, такое дополнительное оснащение встречается на спортивных автомобилях.
Работа сразу нескольких турбокомпрессоров, которые отличаются разными размерами, приводит к тому, что один из них характеризуется большей инерцией, а другой – меньшей. Это дает значительный приток мощности мотору, поскольку первый газотурбинный нагнетатель функционирует при малых оборотах двигателя, а второй и третий – при оборотах, приближенных к максимальным.
При установке нескольких турбокомпрессоров не обойтись без интеркулера, задача которого состоит в охлаждении подаваемого во впускной коллектор воздуха. Подача воздушной массы в двигатель не может осуществляться бесконечно, поскольку при нагреве повышается ее плотность. Интеркулер, который представляет собой дополнительный радиатор, как раз и предусмотрен для того, чтобы охлаждать поступающий в мотор воздух.
Когда стоит устанавливать турбокомпрессор?
Установка оборудования
Как правило, намерение установить газотурбинный нагнетатель на автомобиль вызвано желанием улучшить его мощностные характеристики.
Машины, которые комплектуются силовыми агрегатами с большим количеством лошадиных сил (как правило, от 100 л.с. и выше), не нуждаются в оснащении турбокомпрессором. Они и без него характеризуются хорошей динамикой и прекрасно проявляют себя как в условиях города, так и на трассе.
Наиболее часто такое оборудование устанавливается на модели отечественного автопрома, поскольку они не отличаются большой мощностью. Целесообразно внедрять турбокомпрессор в малолитражки. Прирост лошадиных сил будет хоть и не слишком существенным, но, тем не менее, даже пара единиц к мощности автомобиля позволят немного улучшить его разгон.
Разгон улучшится
Турбокомпрессоры являются весьма популярным приобретением для тех, кто занимается автомобильным тюнингом. Пожалуй, под капотом любой профессионально тюнингованной машины можно увидеть газотурбинный нагнетатель и не один, потому что это одно из эффективных средств, позволяющих значительно увеличить мощность автомобиля.
Итак, узнав о том, как работает турбокомпрессор, вы можете принять решение о его установке на свою машину.
Если вы далеки от автомобильного тюнинга, и у вас нет желания усовершенствовать технические возможности своего личного транспорта, который полностью устраивает вас и в стоковом варианте, то его, безусловно, следует оставить в первозданном виде.
Если же вы не можете обойтись без экспериментов над улучшением характеристик своего автомобиля и ищите способы увеличения его динамики, то установка дополнительного турбокомпрессора частично поможет вам в этом. Это эффективное и сравнительно недорогое средство, позволяющее добавить несколько единиц к мощности своей машины, чтобы чувствовать себя более уверенно при совершении обгона других транспортных средств, что довольно часто требуется на скоростных трассах.
Видео
Интересное видео о производстве турбокомпрессора:
Работа турбокомпрессора в деталях показана ниже:
Турбокомпрессор: устройство,принцип работы,фото,видео.

Nevada 1976Турбокомпрессор: устройство,принцип работы,фото,видео. 0 Comment
Содержание статьи
Турбина в двигателе или как бывает называют турбокомпрессов дает больше мощности агрегату. Чтоб понять как устроен и принцип работы системы, рассмотрим это все в деталях.
Немного о турбокомпрессоре
Турбокомпрессор или его ещё называют «газотурбинный нагнетатель» (Centrifugal compressors или очень популярно называть «Turbocharger») — это осевой или центробежный компрессор, что функционирует вместе с турбиной. Это конструктивный основной элемент в автомобилях с газотурбированными двигателями.
Давление во впускной системе можно повысить при помощи установки турбокомпрессора, использующего энергию отработавших газов. При его использовании масса воздуха, имеющегося в камерах сгорания, увеличивается. Механический нагнетатель не так эффективен, как турбированный компрессор газов, потому что мощность двигателя не используется для привода.
Тем не менее, после установки центробежной турбины некоторые потери мощности неизбежны. Отработавшие газы из цилиндров не находят выхода, так как турбина преграждает их путь наружу. На двигатель приходится большая нагрузка по очистке цилиндров, вследствие того, что в выпускном тракте создаётся огромное давление. На эту задачу тратится некоторая часть мощности двигателя авто. Конечно, эта потеря ничтожна в сравнении с приростом мощности двигателя объёмом в 30–40%.
После установки центробежной турбины, можно столкнуться с ещё одной проблемой, которая в обиходе называется турбояма. Выходная мощность двигателя изменяется с отставанием от смены давления отработавших газов. Главными факторами, из-за которых образуется турбояма, являются силы трения, инерционность и нагрузка турбины.
Принцип работы автомобильного турбокомпрессора
Турбокомпрессор является сложным устройством, используемым в целях увеличения мощностных характеристик двигателя благодаря большему количеству воздуха, который подается в цилиндры.
Принцип работы турбокомпрессора сводится к следующему:
- при попадании в мотор топливовоздушной смеси происходит ее сгорание, которая затем выходит через выхлопную трубу. В начале выпускного коллектора установлена крыльчатка, крепко соединенная с другой крыльчаткой, расположенной уже во впускном коллекторе;
- поток выходящих из двигателя выхлопных газов раскручивает крыльчатку, находящуюся в выпускном коллекторе, которая в свою очередь приводит в движение крыльчатку, установленную на впуске;
- так, в мотор поступает большее количество воздушной массы, а значит, в него подается и больше топлива. Как известно, чем больше сгорает топливной смеси, тем мощнее становится двигатель. Задача автомобильного турбокомпрессора как раз и состоит в том, чтобы поставлять в силовой агрегат больше воздуха для сжигания большего количества топлива, за счет чего и достигается значительная прибавка мощности.
Что такое турбо-яма?
Стоит добавить, что крыльчатка турбокомпрессора способна развивать до двухсот тысяч оборотов в минуту, благодаря чему данное устройство отличается большой инерционностью или, говоря иначе, имеет «турбо-яму», которая проявляется при резком нажатии на педаль газа.
В этот момент крыльчатка медленно приводится в движение, и приходится некоторое время ждать, чтобы автомобиль начал набирать скорость.
Этот эффект имеет продолжительность всего несколько секунд, но, тем не менее, он не доставляет особого удовольствия при разгоне машины. На сегодняшний день производители, так или иначе, смогли устранить эффект «турбо-ямы» путем установки двух перепускных клапанов. Один предназначен для выработанных газов, задача второго состоит в том, чтобы перепускать избыток воздуха в трубопровод турбокомпрессора из впускного коллектора.
Благодаря этой системе обороты крыльчатки при сбросе газа уменьшаются в замедленном темпе, в то время как при резком нажатии на педаль акселератора происходит поступление воздушной массы в двигатель в полном объеме.
Функция турбины, настройка и ее дефекты
Функция турбокомпрессора заключается в том, чтобы увеличивать выходную мощность и крутящий момент двигателя. Благодаря турбине производители могут уменьшать количество рабочих цилиндров в двигателе без снижения мощности и крутящего момента.
Например, только трехцилиндровый 1,0 литровый турбомотор может выдавать мощность в 90 л.с. Добиться такой же производительности обычный бензиновый трехцилиндровый мотор без дорогостоящих модификаций не сможет ни один автопроизводитель.
Также 1,0 литровый турбированный трехцилиндровый двигатель имеет более низкий расход топлива и небольшой уровень выхлопных газов СО2.
Именно поэтому турбированные моторы стали очень распространенными в малолитражных бензиновых автомобилях за последние несколько лет.
Также все чаще стали выпускаться дизельные двигатели с двумя турбинами (Bi-Turbo), что позволяет производителям не только добиваться потрясающий мощности от дизельных автомобилей, но снижать уровень вредных веществ в выхлопе до рекордных значений.
В большинстве случаев работа современных турбокомпрессоров основана на тех же принципах, которые создал Швейцарский изобретатель Альфред Бучи. То есть большинство турбин в современных автомобилях работают от давления, образующего от выхлопных газах в камере сгорания двигателя.
Недавно также стали появляться турбины, которые могут работать, как от электричества, так и традиционно от газа, поступающего из выхлопной системы. Благодаря этому инженеры добились максимальной мощности и крутящего момента при небольших оборотах двигателя. Например, подобная турбо технология используется в дизельном 4,0 литровом моторе Audi V8 TDI, который устанавливается на кроссовер SQ7.
Эксплуатация и техническое обслуживание автомобильных турбин
С каждым годом во всем мире ужесточаются экологические требования к выхлопу современных автомобилей. В результате все больше новых автомобилей оснащаются турбинами. Таким образом автопроизводители пытаются выпускать автомобили, которые будут соответствовать жёстким экологическим нормам. Увы, без использования турбин в современных автомобилях добиться сокращения уровня вредных веществ в выхлопе без миллиардных инвестиций невозможно.
Виды и срок службы турбокомпрессоров
Основным недостатком работы турбины является возникающий на малых оборотах двигателя эффект «турбоямы».
Он представляет собой временную задержку отклика системы на изменение оборотов двигателя. Для устранения этого недостатка разработаны различные виды турбокомпрессоров:
- Система twin-scroll, или раздельный турбокомпрессор. Конструкция имеет два канала, которые разделяют камеру турбины и, соответственно, поток отработавших газов. Это обеспечивает более быстрое реагирование, максимальную производительность турбины, а также предотвращает перекрытие выпускных каналов.
- Турбина с изменяемой геометрией (с переменным соплом). Такая конструкция чаще используется на дизеле. Она предусматривает изменение сечения входа в колесо турбины за счет подвижности ее лопастей. Смена угла поворота позволяет регулировать поток отработавших газов, благодаря чему происходит согласование скорости отработавших газов и рабочих оборотов двигателя. На бензиновом двигателе турбина с изменяемой геометрией часто устанавливается на спортивных автомобилях.К минусам турбокомпрессоров можно отнести и небольшой срок службы турбины.
Для бензиновых двигателей он в среднем составляет 150 000 километров пробега машины. В свою очередь, ресурс турбины дизельного двигателя несколько больше и в среднем достигает 250 000 километров. При постоянной езде на высоких оборотах, а также при неправильном подборе масла сроки эксплуатации могут сократиться в два или даже в три раза.В зависимости от того, как работает турбина, на бензиновом или дизельном двигателе, можно судить о ее исправности. Сигналом о необходимости проверки узла является появление синего или черного дыма, снижение мощности двигателя, а также появление свиста и скрежета. Для профилактики неисправностей необходимо вовремя менять масло, воздушные фильтры и регулярно проходить техобслуживание.
ПРЕИМУЩЕСТВА И НЕДОСТАТКИ ПРИМЕНЕНИЯ ТУРБОНАДДУВА
1. Турбокомпрессор широко используется ввиду простоты конструкции и хороших эксплуатационных параметров. Турбонаддув позволяет увеличить мощность двигателя на 20-35%. Двигатель, вырабатывая повышенные крутящие моменты на средних и высоких оборотах, увеличивает скорость и экономичность автомобиля.
2. Турбокомпрессор в большинстве случаев не может быть причиной неисправностей двигателя, так как его работа зависит от работоспособности газораспределительной, воздушной и топливной систем.
3. Двигатель с турбокомпрессором имеет меньший выброс вредных газов в атмосферу, так как вырабатываются дополнительные выхлопные газы в двигатель. У сгораемого топлива становится меньше отходов.
4. Происходит экономия топлива на 5-20%. В небольших двигателях энергия сжигаемого топлива используется эффективней, увеличивается КПД.
5. На высокогорных дорогах такие двигатели работают более стабильно и с меньшими потерями мощности, чем их атмосферные аналоги.
6. Турбокомпрессор сам по себе является глушителем шума в системе выпуска.
О НЕДОСТАТКАХ
У турбированных двигателей кроме возникновения явлений «турбояма» и «турбоподхват» есть и другие недостатки.
Обслуживание их дороже в сравнении с «классическими». При эксплуатации приходится применять моторное масло специального назначения — его приходится регулярно менять.
Двигатель с турбокомпрессором перед пуском должен несколько минут проработать на холостых оборотах. Также сразу не рекомендуется глушить мотор до остывания турбины.
На некоторые двигатели устанавливается два турбокомпрессора разного размера. Малый турбокомпрессор быстрее набирает обороты, снижая тем самым задержку ускорения, а большой обеспечивает больший наддув при высокой скорости вращения двигателя.
Когда воздух сжимается, он нагревается, а при нагревании воздух расширяется. Поэтому повышение давления от турбокомпрессора происходит в результате нагревания воздуха до его впуска в двигатель. Для того, чтобы увеличить мощность двигателя, необходимо впустить в цилиндр как можно больше молекул воздуха, при этом не обязательно сжимать воздух сильнее.
Охладитель воздуха или охладитель наддувочного воздуха является дополнительным устройством, которое выглядит как радиатор, только воздух проходит как внутри, так и снаружи охладителя.
При впуске воздух проходит через герметичный канал в охладитель, при этом более холодный воздух подается снаружи по ребрам при помощи вентиляторов охлаждения двигателя.
Охладитель увеличивает мощность двигателя, охлаждая сжатый воздух от компрессора перед его подачей в двигатель. Это значит, что если турбокомпрессор сжимает воздух под давлением 7 фунт/дюйм2 (0,5 бар), охладитель осуществит подачу охлажденного воздуха под давлением 7 фунт/дюйм2 (0,5 бар), который является более плотним и содержит больше молекул, чет теплый воздух.
Турбокомпрессоры также обладают преимуществом на большой высоте, где плотность воздуха ниже. Обычные двигатели будут работать слабее на большой высоте над уровнем моря, т.к. на каждый ход поршня подаваемая масса воздуха будет меньше. Мощность двигателя с турбокомпрессором также снизится, но менее заметно, т.к. разреженный воздух легче сжимать.
В старых автомобилях с карбюраторами автоматически увеличивается подачу топлива в соответствии с увеличением подачи воздуха.
В современных автомобилях происходит то же самое. Система впрыска топлива ориентируется на данные датчика кислорода в выхлопе для определения необходимого соотношения топлива и воздуха, так что система автоматически увеличивает подачу топлива при установленном турбокомпрессоре.
При установке мощного турбокомпрессора на двигатель с впрыском топлива, система может не обеспечить необходимое количество топлива — либо программное обеспечение контроллера не допустит, либо инжекторы и насос не смогут осуществить необходимую подачу. В этом случае необходимо осуществлять уже другие модификации для максимального использования преимуществ турбокомпрессора.
Схема турбины с изменяемой геометрией (VNT)
Она также известна под названием – трубина с переменным соплом. Данный тип турбины используется в дизельных двигателях. Девять подвижных лопастей, установленных в турбокомпрессоре, регулируют прохождение потока газов к турбине. Увеличение и блокировка потока газов достигается при помощи привода, регулирующего угол наклона девяти лопастей.
Скорость потока газов и давление нагнетаемого воздуха согласуются с количеством оборотов двигателя во время изменения угла наклона лопастей.
P0238 Турбокомпрессор/нагнетатель, датчик наддува A, высокий уровень входного сигнала
Код неисправности OBD-II, техническое описание
Статья автора
GM: Высокое напряжение в цепи датчика наддува турбонагнетателя
Dodge Chrysler: Слишком высокое напряжение на датчике MAP
Что это значит?
Это общий диагностический код неисправности трансмиссии (DTC), применимый ко всем автомобилям, оснащенным турбокомпрессором. Марки транспортных средств могут включать, помимо прочего, VW, Dodge, Mercedes, Isuzu, Chrysler, Jeep и т. д.
Модуль управления силовым агрегатом (PCM) использует соленоид управления наддувом для управления величиной давления наддува, создаваемого турбокомпрессором.
PCM контролирует фактическое давление с помощью датчика давления наддува турбонагнетателя. Чтобы помочь вам понять этот код, мне сначала нужно объяснить, как работает датчик давления наддува.
Датчик турбонаддува представляет собой переменный резистор. PCM подает опорный сигнал 5 вольт на датчик наддува. Когда давление наддува низкое, сопротивление датчика высокое, поэтому в PCM возвращается только небольшой процент опорного сигнала. По мере увеличения давления сопротивление уменьшается, поэтому большая часть опорного сигнала возвращается в PCM. PCM использует это переменное напряжение для расчета фактического давления наддува. Нулевое давление наддува составляет около 0,5 вольт, максимальное давление наддува составляет около 4,5 вольт.
DTC P0238 устанавливается, когда PCM видит напряжение давления наддува выше 4 вольт в то время, когда команда наддува не подается.
Симптомы
Когда P0238 установлен, PCM включит контрольную лампу двигателя и заменит общее значение фактического давления наддува и проигнорирует датчик.
Когда PCM заменяет общее значение давления наддува, он также ограничивает количество наддува и динамическое время подачи топлива до минимального значения. Это состояние иногда называют режимом «хромого дома», и оно наиболее заметно по серьезному отсутствию ускорения.
Из-за повышенного риска повреждения каталитического нейтрализатора условие, вызвавшее этот код, должно быть исправлено как можно скорее.
Причины
Возможные причины установки этого кода:
- Коды DTC, относящиеся к датчику температуры впускного воздуха (IAT), датчику температуры охлаждающей жидкости двигателя (ECT) или эталонному напряжению 5 В
- Периодические проблемы с проводкой
- Неисправен датчик наддува «А»
- Короткое замыкание на напряжение в цепи датчика
- Неисправность PCM
Процедуры диагностики и ремонта
Если присутствуют какие-либо другие из перечисленных выше кодов неисправности, их НЕОБХОДИМО исправить перед диагностикой P0238.
Хорошей отправной точкой всегда является проверка бюллетеней технического обслуживания (TSB) для вашего конкретного автомобиля. Ваша проблема может быть известной проблемой с известным решением, выпущенным производителем, и может сэкономить ваше время и деньги во время диагностики.
На своем опыте я видел несколько неправильных диагнозов, потому что технический специалист не смог ответить на это, казалось бы, простое предупреждение. Периодически возникающие проблемы могут стать худшим кошмаром для технического специалиста, но один простой способ найти неисправное соединение на датчике или рядом с ним — провести тест на покачивание. При работающем двигателе возьмитесь за жгут проводов и потяните его. Если вы можете воссоздать состояние неисправности, вам нужно будет внимательно посмотреть на соединения датчиков в этом жгуте проводов. Вам не нужно сильно тянуть, достаточно, чтобы он двигался или «шевелился».
С помощью цифрового вольтметра вы можете проверить несколько вещей, которые могут привести вас к источнику проблемы.
При отсоединенном датчике давления наддува «А», ключе при выключенном двигателе (KOEO) измерьте величину напряжения, подаваемого на входную сторону датчика наддува. Должно быть 5 вольт, если нет подозрения на неисправность PCM. Если напряжение в норме, снова подключите датчик наддува и измерьте напряжение на противоположной стороне разъема. Напряжение KOEO должно быть около 0,5 вольта, если нет подозрения на неисправность датчика наддува.
Не используйте контрольную лампу накаливания для проверки чего-либо в цепи датчика наддува!
Связанные обсуждения DTC
Зарегистрируйтесь сейчас, чтобы задать вопрос (бесплатно)
- 2014 Ford Escape P26B7, P0238, P0234, P0453, P007D, P0236
так как я беспокоюсь, что это может повредить каталитический нейтрализатор. Пробег автомобиля всего 55 тысяч миль….
- P0238 — Carro sem fora nao passa das 2 mil rotaoes
Друзья друзей Tenho um Peugeot 307 SW 1.6 л.с. 110 дизель, который quando acelero nao passa das 3 mil rotacoes.
…
J Mudei a egr, a maf e continua tudo igual. Algum me pode ajudar?
Na oficina diagnostiram o cdigo p0238……
- 2016 Jetta 1.8t tsi P0238
Здравствуйте! У меня Jetta 2016 года выпуска с кодом P0238. На машине всего 4,5к. Он участвовал в легком лобовом столкновении. Требовалась замена кронштейна радиатора капота и левой фары. Я борюсь с этим кодом уже несколько дней. Я не уверен, что это за датчик. Я удалил ту, что на инта…
- Код Skoda Fabia p0238
Может ли кто-нибудь сказать мне, что этот код предназначен только для привлечения внимания или я должен принять меры? Моя машина skoda fabia 1.2TDI…
- 2006 ram 2500 cummins дизель P0238 P0237 P2149 P0513
My 06 ram cummins выдал этот код, пока тянул кемпер, разгонялся и работал на холостом ходу, затем грубо выключил двигатель и перезапустил его. побежал нормально. Коды P0238, P0237, P2149 и P0513. Я сбрасывал коды с помощью моего краевого чипа, и они так и не вернулись, но я хотел бы знать, как.
..
- Jeep Renegade 2.0 дизель P0238
Sofreu uma pequena coliso. Apareceu или Cod. P0238. Foi trocado или карта датчика, датчик турбокомпрессора, датчик потока по модулю турбины. Foi реализует regenerao do filtro. O codigo continua presente. O que devo fazer?…
- A 14 NET P0236 i P0238 astra j
Здравствуйте, как указано в заголовке, у меня есть ошибки P0236 и P0238 датчика турбонаддува. Упоминается соленоид турбокомпрессора. Автомобиль имеет чуть меньшую мощность и при переключении передач обороты падают с задержкой. Подушка всасывания регенерирована, клапанная крышка новая. Ошибка появляется при включении зажигания без звезды…
- 2010 Hyundai Golden Starex Royale P0238 Низкий уровень сигнала в цепи датчика давления наддува
Hia, добрый день… У меня проблема с P0238 — низкий уровень сигнала в цепи датчика давления наддува.. но я не смог найти, где находится датчик давления наддува… срочно нужна помощь.
..
надеюсь получить ответ в ближайшее время
спасибо…
- 2000 GMC 6,5 л Дизель 4×4, код неисправности P0272 и P0380 P1216 P0238 P0251
Итак, это говорит о вкладе / балансе цилиндра 4. Что может вызвать проблему? Он начал издавать громкий шум, который звучит так, как будто он исходит из области воздухозаборника. Сначала я думал, что это был клапан горения, но теперь я думаю, что это может быть неисправная форсунка. Есть идеи? Есть еще несколько…
Нужна дополнительная помощь с кодом p0238?
Если вам все еще нужна помощь по коду неисправности P0238, напишите свой вопрос на наших БЕСПЛАТНЫХ форумах по ремонту автомобилей.
ПРИМЕЧАНИЕ. Эта информация представлена только в ознакомительных целях. Это не совет по ремонту, и мы не несем ответственности за любые действия. вы берете любой автомобиль. Вся информация на этом сайте защищена авторским правом.
Коды неисправностей шагового двигателя электрического привода турбонагнетателя.
Что тебе нужно знать. Что делать, если ЭБУ выдает код неисправности шагового двигателя электронного актуатора турбонагнетателя?
хорошо, стоит очистить код, чтобы посмотреть, вернется ли код снова. Иногда это может быть просто разовый «глюк» в системе.
Однако если код неисправности шагового двигателя электрического привода турбокомпрессора сохраняется…
Каковы распространенные коды неисправности шаговых двигателей?
P004C: Низкий уровень сигнала в цепи управления наддувом «B» турбонагнетателя/нагнетателя.
С этим кодом рекомендуется проверить сопротивление на приводе, чтобы убедиться, что в нем нет обрыва цепи.
Обрыв цепи (ток не может протекать) обычно означает, что привод шагового двигателя необходимо заменить.
Если вы недавно ездили на автомобиле по глубокой воде, это может создать такую проблему.
P2563: Общий код OBD-II.
Этот код указывает на проблему, обнаруженную в управлении изменяемой геометрией лопаток.
Таким образом, это может означать, что производительность выходит за пределы диапазона или датчик положения не соответствует спецификации.
По сути, исполнительный механизм обнаружил неправильное положение лопасти для заданной величины наддува турбонагнетателя.
Причины кода ошибки P2363:
- Этот код может указывать на заедание регулируемых лопастей (обычно из-за чрезмерного накопления углерода в лопастях и связанном с ними узле VNT).
Кстати, поэтому при установке новой турбины выпускной коллектор двигателя нужно тщательно чистить.
Неправильное сгорание из-за таких проблем, как проблемы с уплотнением форсунки, приводит к тому, что избыток «сажи» выталкивается через выхлопную систему и через узел VNT. - В качестве альтернативы это может быть связано с неисправным датчиком наддува электропривода.
Симптомы кода неисправности P2363 включают:
- Низкий наддув, приводящий к недостатку мощности, особенно когда автомобиль находится под нагрузкой или во время ускорения.

- Блок управления двигателем переводит двигатель в «автоматический режим», чтобы защитить двигатель и компоненты (например, турбокомпрессор) от дальнейшего повреждения.
Диагностика кода неисправности P2363
Рекомендуется сначала проверить лопасти и сборку. Проверьте, сняв рычаг привода с рычага сбоку на корпусе турбины, перемещая рычаг из стороны в сторону.
Рычаг должен свободно перемещаться в полном диапазоне с небольшим сопротивлением.
Если имеется умеренное сопротивление на протяжении всего или неполного движения диапазона, его можно устранить с помощью турбонаддува на месте. Это достигается подключением автомобиля к специализированной машине для очистки от сажи.
Машины способны пропускать через двигатель раствор, который разрушает нагарообразование, удаляя его только в виде пара.
Очистит от начала системы впуска до кончика выхлопа.
К сожалению, эти машины не везде можно найти, они дорогие, а полный цикл очистки может занять 4 часа.
Также могут не починить турбокомпрессор ВНТ в сборе сильно закоксованный, а значит и полностью заклинивший. Этот момент особенно актуален, когда накопление углерода было настолько сильным и интенсивным, что вызвало небольшое «точечное» повреждение поверхностей лопастей.
В таких случаях лучше всего снять турбокомпрессор, очистить коллектор, проверить и устранить проблему, вызывающую избыточный нагар.
Затем замените турбокомпрессор, так как восстановление турбокомпрессора и блока лопастей будет стоить больше, чем один из наших новых турбокомпрессоров вторичного рынка.
Вы также сможете воспользоваться нашей эксклюзивной 2-летней гарантией на наши новые турбокомпрессоры, в отличие от 3 или 6 месяцев, которые обычно даются на восстановленные турбокомпрессоры.
Если неисправность не связана с перечисленными выше проблемами, проверьте жгут проводов шагового двигателя на предмет обрыва или замыкания проводов.
И если ни одна из вышеперечисленных проблем не присутствует, замена шагового двигателя с электрическим актуатором может решить проблему.
Но как только проблема будет признана решенной, сотрите код неисправности ECU и повторите проверку, чтобы подтвердить решение проблемы.
P0046: Общий код OBD-II.
Этот код неисправности выдается блоком управления двигателем для клапана управления наддувом турбонагнетателя/соленоида/диапазона/рабочих характеристик цепи двигателя.
У производителей есть различные определения этого кода неисправности. Но чаще всего это связано с показаниями вне допустимого диапазона в цепи управления наддувом турбокомпрессора.
И обычно отображается как: «P0046 Turbo/Supercharger Boost Control ‘A’ Circuit Range Performance»
«А» указывает на проблему в части системной цепи, а не на конкретный симптом или компонент.
Причины кода неисправности P0046:
- Попадание воды в шаговый двигатель электрического привода турбокомпрессора из-за пересечения глубокой воды или очистки моторного отсека под давлением.
- Утечки или ослабление соединений во впускном коллекторе.

- Негерметичные прокладки на выпускном коллекторе.
- Ограничивает поток воздуха через воздушный фильтр.
- Заедание регулируемых лопаток / перепускного клапана.
- Неверное определение наддува датчиком.
- Обрыв или замыкание проводов в цепи датчика наддува.
Симптомы кода неисправности P2363 включают в себя:
- Чаще всего нормальный холостой ход, но незначительное ускорение или его отсутствие, с потерей мощности при ускорении.
- Блок управления двигателем переводит двигатель в «автоматический режим», чтобы защитить двигатель и компоненты, такие как турбонагнетатель, от дальнейшего повреждения.
Диагностика кода неисправности P0046
Сначала проверьте проводку к датчику наддува и от него на наличие повреждений и ослабленных соединений. Затем осмотрите турбокомпрессор и подсистемы на наличие утечек воздуха или вакуума в шлангах, фланцах и прокладках. А что, если ваш автомобиль оснащен пневматическим вакуумным (механическим) приводом и турбонагнетателем с регулируемыми лопастями (VNT)? Также проверьте правильность работы электромагнитного клапана перепускной заслонки.
Если нет, попробуйте сначала заменить этот компонент.
Если все в порядке, выполните проверку давления наддува, когда автомобиль движется с обычной рабочей скоростью. Заводское давление наддува для немодифицированных турбокомпрессоров колеблется от 9 до 12 фунтов на квадратный дюйм. Давление наддува не должно резко повышаться (избыточное наддув) и быстро падать.
Наконец, проверьте работу регулируемых лопастей, как описано выше в «Диагностике кода неисправности P2363».
И если ни один из вышеуказанных кодов неисправности шагового двигателя электрического привода турбокомпрессора не присутствует, замена привода может решить проблему.
Но как только проблема будет признана решенной, сотрите код неисправности ECU и повторите проверку, чтобы подтвердить решение проблемы.
Здесь вы также найдете больше кодов проблем с электронным приводом.
Если вы обнаружите, что вам требуется замена шагового двигателя с электрическим приводом турбокомпрессора, у нас есть ассортимент по чрезвычайно доступным ценам, все с нашей эксклюзивной 24-месячной гарантией.
И если у вас есть какие-либо другие вопросы по подбору деталей турбокомпрессора для вашего автомобиля, обращайтесь в нашу службу поддержки по телефону: 0490 059 316.
Социальные сети Поделиться этой страницей
P0047 — интерпретатор диагностических кодов
|
P2563 Датчик положения наддува наддува турбонагнетателя Диапазон/характеристики цепи
Код неисправности OBD-II Техническое описание
Цепь датчика положения наддува наддува Диапазон/характеристики
Что это значит?
Этот диагностический код неисправности (DTC) является общим кодом трансмиссии, что означает, что он применяется к автомобилям с OBD-II и турбонагнетателем (Ford, GMC, Chevrolet, Hyundai, Dodge, Toyota и т.
д.). Несмотря на то, что они общие, конкретные этапы ремонта могут различаться в зависимости от марки/модели.
Этот код неисправности обычно относится ко всем двигателям с OBDII с турбонаддувом, но чаще появляется в некоторых автомобилях Hyundai и Kia. Датчик положения управления наддувом наддува (TBCPS) преобразует давление наддува наддува в электрический сигнал для модуля управления трансмиссией (PCM).
Датчик положения управления наддувом наддува (TBCPS) передает дополнительную информацию о давлении наддува в модуль управления трансмиссией или PCM. Эта информация обычно используется для точной настройки наддува, обеспечиваемого двигателем турбокомпрессором.
Датчик давления наддува предоставляет PCM остальную информацию, необходимую для расчета давления турбонаддува. Каждый раз, когда возникает электрическая проблема с TBCPS, в зависимости от того, как производитель хочет определить неисправность, PCM устанавливает код P2563. Этот код считается только неисправностью электрической цепи.
Он также проверяет сигнал напряжения от датчика TBCPS, чтобы определить, является ли он правильным при начальном включении зажигания при выключенном двигателе. Этот код мог быть установлен из-за механических (обычно ограничения противодавления выхлопных газов/впуска) или электрических (цепь датчика давления наддува/датчика положения управления наддувом) проблем.
Действия по устранению неполадок могут различаться в зависимости от производителя, типа датчика и цвета проводов к датчику.
Симптомы
Симптомы кода P2563 могут включать в себя:
Вызывает
потенциальные причины для этого.
Процедуры диагностики и ремонта
Хорошей отправной точкой всегда является проверка наличия бюллетеней технического обслуживания (TSB) для вашего конкретного автомобиля.
Ваша проблема может быть известной проблемой с известным решением, выпущенным производителем, и может сэкономить ваше время и деньги во время диагностики.
Затем найдите датчик TBCPS на вашем конкретном автомобиле. Этот датчик обычно прикручивается непосредственно к корпусу турбокомпрессора. После обнаружения визуально осмотрите разъем и проводку. Ищите царапины, потертости, оголенные провода, пятна ожогов или расплавленный пластик. Разъедините разъем и внимательно осмотрите клеммы (металлические части) внутри разъема. Посмотрите, не выглядят ли они обожженными или имеют зеленый оттенок, указывающий на коррозию. Используйте очиститель электрических контактов и щетку с пластиковой щетиной, если требуется очистка клемм. Дайте высохнуть и нанесите электрическую смазку в местах контакта клемм.
Если у вас есть диагностический прибор, удалите диагностические коды неисправностей из памяти и посмотрите, возвращается ли код P2563. Если это не так, то, скорее всего, проблема была в соединениях.
Если код P2563 возвращается, убедитесь, что у вас хорошее давление турбонаддува, проверив его с помощью механического манометра. Ознакомьтесь с техническими характеристиками производителя вашего автомобиля. Если давление наддува не проходит, определите основную проблему низкого давления наддува (возможные ограничения выхлопа, проблема с перепускным клапаном, неисправный турбокомпрессор, утечки на впуске и т. д.), сотрите коды и повторите проверку. Если P2563 теперь нет, то проблема была механическая.
Если код P2563 возвращается, нам необходимо проверить датчик TBCPS и связанные с ним цепи. При выключенном ключе отсоедините электрический разъем датчика TBCPS. Подсоедините черный провод цифрового вольтметра к клемме заземления на разъеме жгута проводов датчика TBCPS. Подсоедините красный провод цифрового вольтметра к клемме питания разъема жгута проводов датчика TBCPS. Включите ключ, двигатель выключен. Проверьте спецификации производителя; вольтметр должен показывать либо 12 вольт, либо 5 вольт.
В противном случае устраните разрыв проводки на проводе питания или заземления или замените PCM.
Если предыдущая проверка прошла успешно, нам нужно проверить сигнальный провод. При отсоединенном разъеме переместите красный провод вольтметра с клеммы провода питания на клемму сигнального провода. Теперь вольтметр должен показывать 5 вольт. Если нет, устраните разрыв на сигнальном проводе или замените PCM.
Если все предыдущие тесты пройдены, а вы продолжаете получать ошибку P2563, это, скорее всего, указывает на неисправный датчик TBCPS, хотя неисправность PCM нельзя исключить, пока датчик TBCPS не будет заменен. Если вы не уверены, обратитесь за помощью к обученному автомобильному диагносту. Для правильной установки PCM должны быть запрограммированы или откалиброваны для автомобиля.
Профессиональная служба
Конечно, мы всегда советуем решать эту проблему механически. Однако, если по какой-то причине это кажется невозможным, у нас есть возможность навсегда удалить этот конкретный код неисправности.
Все остальные коды продолжаем работать. Если вы хотите этого, пожалуйста, загрузите файл ECU на наш портал.
Замена датчика наддува турбонагнетателя Volkswagen
2010-для SEAT ALHAMBRA (710) 1,4 TSI Otto 1390 110 150 4 MPV2010-для SEAT ALHAMBRA (710) 2,0 TDI дизель 1968 103 140 4 MPV2010-для SEAT 10DIHAMBRA2 (70,70 дизель)68 125 170 4 MPV2011-для SEAT ALHAMBRA (710) 2,0 TDI Diesel 1968 85 115 4 MPV2011-для SEAT ALHAMBRA (710) 2,0 TDI полноприводный дизель 1968 103 140 4 MPV
2010-201105 Для SEAT ALHAMBRA (710) 2,0 TDI Diesel 1968 100 136 4 MPV
2010-Для SEAT IBIZA V SPORTCOUPE (6J1) 1,2 TDI Diesel 1199 55 75 3 Coupe
2009-для SEAT IBIZA V SPORTCOUPE (6J1) 1,4 TSI Otto 1390 110 150 4 купе
2009-для SEAT IBIZA V SPORTCOUPE (6J1) 1,4 TSI Otto 1390 132 180 4 купе
2009-Для SEAT IBIZA V SPORTCOUPE (6J1) 1,6 TDI Diesel 1598 66 90 4 Coupe
2009-Для SEAT IBIZA V SPORTCOUPE (6J1) 1,6 TDI Diesel 1598 77 105 4 Coupe
2010-Для SEAT IBIZA V SPORTCOUPE (6J1) 2,0 TDI Diesel 1968 105 143 4 купе
2009-для SEAT IBIZA V (6J5) 1,4 TSI Otto 1390 110 150 4 хэтчбек
2009-для SEAT IBIZA V (6J5) 1,6 TDI дизель 1598 66 90 4 хэтчбек
2009-Для SEAT IBIZA V (6J5) 1,6 TDI дизель 1598 77 105 4 хэтчбек
2010-для SEAT IBIZA V (6J5) 2,0 TDI дизель 1968 105 143 4 хэтчбек
2010-Для SEAT IBIZA V (6J5) 1,2 TDI дизель 1199 55 75 3 хэтчбек
2010-Для SEAT IBIZA V ST (6J8) 1,2 TDI Diesel 1199 55 75 3 Estate
2010-Для SEAT IBIZA V ST (6J8) 1,6 TDI Diesel 1598 66 90 4 Estate
2010-Для SEAT IBIZA V ST (6J8) 1,6 TDI Diesel 1598 77 105 4 Estate
2010-Для SEAT LEON (1P1) 1,6 TDI дизель 1598 66 90 4 хэтчбек
2010-Для SEAT LEON (1P1) 1,6 TDI Diesel 1598 77 105 4 Хэтчбек
2005-для SEAT LEON (1P1) 2,0 TDI 16V Diesel 1968 103 140 4 хэтчбек
2006-для SEAT LEON (1P1) 2,0 TDI Diesel 1968 125 170 4 хэтчбек
2010-Для SKODA ROOMSTER (5J) 1,2 TDI Дизель 1199 55 75 3 MPV
2010-для SKODA SUPERB (3T4) 1,6 TDI дизель 1598 77 105 4 хэтчбек
2010-для SKODA SUPERB (3T4) 2,0 TDI 16V 4×4 дизель 1968 103 140 4 хэтчбек
2008-для SKODA SUPERB (3T4) 2,0 TDI дизель 1968 125 170 4 хэтчбек
2008-для SKODA SUPERB (3T4) 2,0 TDI 4×4 дизель 1968 125 170 4 хэтчбек
2009-для SKODA SUPERB (3T4) 2,0 TDI 16V дизель 1968 103 140 4 хэтчбек
2010-Для SKODA SUPERB Estate (3T5) 1,6 TDI Diesel 1598 77 105 4 Estate
2010-для SKODA SUPERB Estate (3T5) 2,0 TDI 16V 4×4 Diesel 1968 103 140 4 Estate
2009-Для SKODA SUPERB Estate (3T5) 2,0 TDI 16V Diesel 1968 103 140 4 Estate
2009-Для SKODA SUPERB Estate (3T5) 2,0 TDI Diesel 1968 125 170 4 Универсал
2009-Для SKODA SUPERB Estate (3T5) 2,0 TDI 4 × 4 Дизель 1968 125 170 4 Estate
2010-Для SKODA YETI (5L) 1,6 TDI Diesel 1598 77 105 4 закрытый внедорожник
2009-Для SKODA YETI (5L) 2.
0 TDI Diesel 1968 81 110 4 Закрытый внедорожник
2009-Для SKODA YETI (5L) 2.0 TDI 4×4 Дизель 1968 81 110 4 Закрытый внедорожник
2009-для SKODA YETI (5L) 2,0 TDI 4×4 дизель 1968 103 140 4 закрытый внедорожник
2009-для SKODA YETI (5L) 2,0 TDI 4 × 4 дизель 1968 125 170 4 закрытый внедорожник
2010-Для SKODA ROOMSTER Praktik (5J) 1,2 TDI дизель 1199 55 75 3 коробка
2010-Для SKODA FABIA 1,6 TDI Diesel 1598 66 90 4 хэтчбек
2010-Для SKODA FABIA 1,6 TDI дизель 1598 77 105 4 хэтчбек
2010-Для SKODA FABIA 1,6 TDI Diesel 1598 55 75 4 хэтчбек
2010 для SKODA FABIA 1.4 TSI Otto 1390 132 180 4 хэтчбек
2010-Для SKODA FABIA 1,2 TDI Дизель 1199 55 75 3 Хэтчбек
2010-Для SKODA FABIA Combi 1,6 TDI Diesel 1598 66 90 4 Estate
2010-Для SKODA FABIA Combi 1,6 TDI Diesel 1598 77 105 4 Estate
2010-Для SKODA FABIA Combi 1,6 TDI Diesel 1598 55 75 4 Estate
2010-для SKODA FABIA Combi 1,4 TSI Otto 1390 132 180 4 Estate
2010-Для SKODA FABIA Combi 1,2 TDI Diesel 1199 55 75 3 Estate
2014 Для Audi A8 Quattro L TDI Седан 4 двери 3.
0L 2967CC 181Cu. В. V6 ДИЗЕЛЬНЫЙ DOHC с турбонаддувом
2014 Для Audi Q7 Elite Sport Utility 4-дверный 3.0L 2967CC 181Cu. В. ДИЗЕЛЬ V6 DOHC с турбонаддувом
2014 Для Audi Q7 TDI Premium Plus Sport Utility 4-дверный 3.0L 2967CC 181Cu. В. ДИЗЕЛЬ V6 DOHC с турбонаддувом
2014 Для Audi Q7 TDI Premium Sport Utility 4-дверный 3.0L 2967CC 181Cu. В. ДИЗЕЛЬ V6 DOHC с турбонаддувом
2014 Для Audi Q7 TDI Prestige Sport Utility 4-дверный 3.0L 2967CC 181Cu. В. ДИЗЕЛЬ V6 DOHC с турбонаддувом
2014 Для Audi Q7 TDI Sport Utility 4-дверный 3.0L 2967СС 181Cu. В. ДИЗЕЛЬ V6 DOHC с турбонаддувом
2014 для Audi TT Quattro S Convertible 2-дверный 2.0L 1984CC 121Cu. В. л4 ГАЗ DOHC с турбонаддувом
2014 Для Audi TT Quattro S Coupe 2-дверный 2.0L 1984CC 121Cu. В. л4 ГАЗ DOHC с турбонаддувом
2014 для Volkswagen Beetle Comfortline TDI Convertible 2-дверный 2.0L 1968CC 120Cu. В. л4 ДИЗЕЛЬ DOHC с турбонаддувом
2014 для Volkswagen Beetle Comfortline TDI хэтчбек 2-дверный 2.
0L 1968CC 120Cu. В. l4 ДИЗЕЛЬНЫЙ DOHC с турбонаддувом
2014 для Volkswagen Beetle Highline TDI Convertible 2-дверный 2.0L 1968CC 120Cu. В. л4 ДИЗЕЛЬ DOHC с турбонаддувом
2014 для Volkswagen Beetle Highline TDI хэтчбек 2-дверный 2.0L 1968CC 120Cu. В. л4 ДИЗЕЛЬ DOHC с турбонаддувом
2014 для Volkswagen Beetle TDI Convertible 2-Door 2.0L 1968CC 120Cu. В. л4 ДИЗЕЛЬ DOHC с турбонаддувом
2014 для Volkswagen Beetle TDI хэтчбек 2-дверный 2.0L 1968CC 120Cu. В. л4 ДИЗЕЛЬ DOHC с турбонаддувом
2014 для Volkswagen Touareg Base Sport Utility 4-дверный 3.0L 2967СС 181Cu. В. ДИЗЕЛЬ V6 DOHC с турбонаддувом
2014 для Volkswagen Touareg Comfortline TDI Sport Utility 4-дверный 3.0L 2967CC 181Cu. В. ДИЗЕЛЬ V6 DOHC с турбонаддувом
2014 Для Volkswagen Touareg Execline TDI Sport Utility 4-дверный 3.0L 2967CC 181Cu. В. ДИЗЕЛЬ V6 DOHC с турбонаддувом
2014 для Volkswagen Touareg Highline TDI Sport Utility 4-дверный 3.0L 2967CC 181Cu. В. ДИЗЕЛЬ V6 DOHC с турбонаддувом
2014 Для Volkswagen Touareg TDI Edition X Sport Utility 4-дверный 3.
0L 2967СС 181Cu. В. ДИЗЕЛЬ V6 DOHC с турбонаддувом
2014 для Volkswagen Touareg TDI Executive Sport Utility 4-дверный 3.0L 2967CC 181Cu. В. ДИЗЕЛЬ V6 DOHC с турбонаддувом
2014 для Volkswagen Touareg TDI Lux Sport Utility 4-дверный 3.0L 2967CC 181Cu. В. ДИЗЕЛЬ V6 DOHC с турбонаддувом
2014 для Volkswagen Touareg TDI R-Line Sport Utility 4-дверный 3.0L 2967CC 181Cu. В. ДИЗЕЛЬ V6 DOHC с турбонаддувом
2014 для Volkswagen Touareg TDI Sport Utility 4-дверный 3.0L 2967CC 181Cu. В. V6 ДИЗЕЛЬНЫЙ DOHC с турбонаддувом
2014 Для Volkswagen Touareg TDI Sport Utility 4-дверный 3.0L 2967CC 181Cu. В. ДИЗЕЛЬ V6 DOHC с турбонаддувом
2013 Для Audi Q7 Elite Sport Utility 4-дверный 3.0L 2967CC 181Cu. В. ДИЗЕЛЬ V6 DOHC с турбонаддувом
2013 Для Audi Q7 Luxury Sport Utility 4-дверный 3.0L 2967CC 181Cu. В. ДИЗЕЛЬ V6 DOHC с турбонаддувом
2013 Для Audi Q7 TDI Premium Plus Sport Utility 4-дверный 3.0L 2967CC 181Cu. В. ДИЗЕЛЬ V6 DOHC с турбонаддувом
2013 Для Audi Q7 TDI Premium Sport Utility 4-дверный 3.
0L 2967СС 181Cu. В. ДИЗЕЛЬ V6 DOHC с турбонаддувом
2013 Для Audi Q7 TDI Prestige Sport Utility 4-дверный 3.0L 2967CC 181Cu. В. ДИЗЕЛЬ V6 DOHC с турбонаддувом
2013 для Audi TT Quattro Base Convertible 2-Door 2.0L 1984CC 121Cu. В. л4 ГАЗ DOHC с турбонаддувом
2013 для Audi TT Quattro Base Coupe 2-дверный 2.0L 1984CC 121Cu. В. л4 ГАЗ DOHC с турбонаддувом
2013 для Audi TT Quattro Premium Plus кабриолет 2-дверный 2.0L 1984CC 121Cu. В. л4 ГАЗ DOHC с турбонаддувом
2013 для Audi TT Quattro Premium Plus Coupe 2-дверный 2.0L 1984CC 121Cu. В. л4 ГАЗ DOHC с турбонаддувом
2013 для Audi TT Quattro Prestige Convertible 2-дверный 2.0L 1984CC 121Cu. В. л4 ГАЗ DOHC с турбонаддувом
2013 для Audi TT Quattro Prestige Coupe 2-дверный 2.0L 1984CC 121Cu. В. л4 ГАЗ DOHC с турбонаддувом
2013 для Audi TT Quattro RS кабриолет 2-дверный 2.5L 2480CC 151Cu. В. л5 ГАЗ DOHC с турбонаддувом
2013 для Audi TT Quattro RS Coupe 2-дверный 2.
5L 2480CC 151Cu. В. л5 ГАЗ DOHC с турбонаддувом
2013 для Audi TT Quattro S Convertible 2-дверный 2.0L 1984CC 121Cu. В. л4 ГАЗ DOHC с турбонаддувом
2013 Для Audi TT Quattro S Coupe 2-дверный 2.0L 1984CC 121Cu. В. л4 ГАЗ DOHC с турбонаддувом
2013 для Volkswagen Beetle TDI Convertible 2-Door 2.0L 1968CC 120Cu. В. л4 ДИЗЕЛЬ DOHC с турбонаддувом
2013 для Volkswagen Beetle TDI хэтчбек 2-дверный 2.0L 1968CC 120Cu. В. л4 ДИЗЕЛЬ DOHC с турбонаддувом
2013 Для Volkswagen Golf GTI Хэтчбек 2-дверный 2.0L 1984СС 121Cu. В. л4 ГАЗ DOHC с турбонаддувом
2013 для Volkswagen Golf GTI хэтчбек 4-дверный 2.0L 1984CC 121Cu. В. л4 ГАЗ DOHC с турбонаддувом
2013 для Volkswagen Golf R хэтчбек 2-дверный 2.0L 1984CC 121Cu. В. л4 ГАЗ DOHC с турбонаддувом
2013 для Volkswagen Golf R хэтчбек 4-дверный 2.0L 1984CC 121Cu. В. л4 ГАЗ DOHC с турбонаддувом
2013 для Volkswagen Touareg Base Sport Utility 4-дверный 3.0L 2967CC 181Cu. В. ДИЗЕЛЬ V6 DOHC с турбонаддувом
2013 Для Volkswagen Touareg Execline TDI Sport Utility 4-дверный 3.
0L 2967СС 181Cu. В. ДИЗЕЛЬ V6 DOHC с турбонаддувом
2013 для Volkswagen Touareg Highline TDI Sport Utility 4-дверный 3.0L 2967CC 181Cu. В. ДИЗЕЛЬ V6 DOHC с турбонаддувом
2013 для Volkswagen Touareg TDI Executive Sport Utility 4-дверный 3.0L 2967CC 181Cu. В. ДИЗЕЛЬ V6 DOHC с турбонаддувом
2013 для Volkswagen Touareg TDI Lux Sport Utility 4-дверный 3.0L 2967CC 181Cu. В. ДИЗЕЛЬ V6 DOHC с турбонаддувом
2013 Для Volkswagen Touareg TDI Sport Sport Utility 4-дверный 3.0L 2967СС 181Cu. В. ДИЗЕЛЬ V6 DOHC с турбонаддувом
2012 Для Audi Q7 Elite Sport Utility 4-дверный 3.0L 2967CC 181Cu. В. ДИЗЕЛЬ V6 DOHC с турбонаддувом
2012 Для Audi Q7 Luxury Sport Utility 4-дверный 3.0L 2967CC 181Cu. В. ДИЗЕЛЬ V6 DOHC с турбонаддувом
2012 для Audi Q7 TDI Premium Plus Sport Utility 4-дверный 3.0L 2967CC 181Cu. В. ДИЗЕЛЬ V6 DOHC с турбонаддувом
2012 Для Audi Q7 TDI Premium Sport Utility 4-дверный 3.0L 2967CC 181Cu. В. ДИЗЕЛЬ V6 DOHC с турбонаддувом
2012 Для Audi Q7 TDI Prestige Sport Utility 4-дверный 3.
0L 2967CC 181Cu. В. ДИЗЕЛЬ V6 DOHC с турбонаддувом
2012 для Audi TT Quattro Base Convertible 2-Door 2.0L 1984CC 121Cu. В. л4 ГАЗ DOHC с турбонаддувом
2012 для Audi TT Quattro Base Coupe 2-дверный 2.0L 1984CC 121Cu. В. л4 ГАЗ DOHC с турбонаддувом
2012 для Audi TT Quattro Premium Plus кабриолет 2-дверный 2.0L 1984CC 121Cu. В. л4 ГАЗ DOHC с турбонаддувом
2012 для Audi TT Quattro Premium Plus Coupe 2-дверный 2.0L 1984СС 121Cu. В. л4 ГАЗ DOHC с турбонаддувом
2012 для Audi TT Quattro Prestige Convertible 2-дверный 2.0L 1984CC 121Cu. В. л4 ГАЗ DOHC с турбонаддувом
2012 для Audi TT Quattro Prestige Coupe 2-дверный 2.0L 1984CC 121Cu. В. л4 ГАЗ DOHC с турбонаддувом
2012 для Audi TT Quattro RS кабриолет 2-дверный 2.5L 2480CC 151Cu. В. л5 ГАЗ DOHC с турбонаддувом
2012 для Audi TT Quattro RS Coupe 2-дверный 2.5L 2480CC 151Cu. В. л5 ГАЗ DOHC с турбонаддувом
2012 для Audi TT Quattro S Convertible 2-дверный 2.0L 1984СС 121Cu.
В. л4 ГАЗ DOHC с турбонаддувом
2012 Для Audi TT Quattro S Coupe 2-дверный 2.0L 1984CC 121Cu. В. л4 ГАЗ DOHC с турбонаддувом
2012 для Volkswagen Golf R хэтчбек 2-дверный 2.0L 1984CC 121Cu. В. л4 ГАЗ DOHC с турбонаддувом
2012 для Volkswagen Golf R хэтчбек 4-дверный 2.0L 1984CC 121Cu. В. л4 ГАЗ DOHC с турбонаддувом
2012 для Volkswagen Jetta Comfortline TDI Sedan 4-дверный 2.0L 1968CC 120Cu. В. л4 ДИЗЕЛЬ DOHC с турбонаддувом
2012 для Volkswagen Jetta Comfortline TDI Wagon 4-дверный 2.0L 1968CC 120Cu. В. л4 ДИЗЕЛЬ DOHC с турбонаддувом
2012 для Volkswagen Jetta Highline TDI Sedan 4-дверный 2.0L 1968CC 120Cu. В. л4 ДИЗЕЛЬ DOHC с турбонаддувом
2012 для Volkswagen Jetta Highline TDI Wagon 4-дверный 2.0L 1968CC 120Cu. В. л4 ДИЗЕЛЬ DOHC с турбонаддувом
2012 для Volkswagen Jetta TDI Premium Sedan 4-дверный 2.0L 1968CC 120Cu. В. л4 ДИЗЕЛЬ DOHC с турбонаддувом
2012 для Volkswagen Jetta TDI Sedan 4-дверный 2.0L 1968CC 120Cu.
В. l4 ДИЗЕЛЬНЫЙ DOHC с турбонаддувом
2012 для Volkswagen Jetta TDI Wagon 4-дверный 2.0L 1968CC 120Cu. В. л4 ДИЗЕЛЬ DOHC с турбонаддувом
2012 для Volkswagen Touareg Base Sport Utility 4-дверный 3.0L 2967CC 181Cu. В. ДИЗЕЛЬ V6 DOHC с турбонаддувом
2012 для Volkswagen Touareg Comfortline TDI Sport Utility 4-дверный 3.0L 2967CC 181Cu. В. ДИЗЕЛЬ V6 DOHC с турбонаддувом
2012 для Volkswagen Touareg Execline TDI Sport Utility 4-дверный 3.0L 2967CC 181Cu. В. ДИЗЕЛЬ V6 DOHC с турбонаддувом
2012 Для Volkswagen Touareg Highline TDI Sport Utility 4-дверный 3.0L 2967СС 181Cu. В. ДИЗЕЛЬ V6 DOHC с турбонаддувом
2012 для Volkswagen Touareg TDI Executive Sport Utility 4-дверный 3.0L 2967CC 181Cu. В. ДИЗЕЛЬ V6 DOHC с турбонаддувом
2012 для Volkswagen Touareg TDI Lux Sport Utility 4-дверный 3.0L 2967CC 181Cu. В. ДИЗЕЛЬ V6 DOHC с турбонаддувом
2012 для Volkswagen Touareg TDI Sport Sport Utility 4-дверный 3.0L 2967CC 181Cu. В. ДИЗЕЛЬ V6 DOHC с турбонаддувом
2011 Для Audi Q7 Base Sport Utility 4-дверный 3.
0L 2967CC 181Cu. В. V6 ДИЗЕЛЬНЫЙ DOHC с турбонаддувом
2011 Для Audi Q7 Elite Sport Utility 4-дверный 3.0L 2967CC 181Cu. В. ДИЗЕЛЬ V6 DOHC с турбонаддувом
2011 Для Audi Q7 Luxury Sport Utility 4-дверный 3.0L 2967CC 181Cu. В. ДИЗЕЛЬ V6 DOHC с турбонаддувом
2011 Для Audi Q7 TDI Premium Plus Sport Utility 4-дверный 3.0L 2967CC 181Cu. В. ДИЗЕЛЬ V6 DOHC с турбонаддувом
2011 Для Audi Q7 TDI Premium Sport Utility 4-дверный 3.0L 2967CC 181Cu. В. ДИЗЕЛЬ V6 DOHC с турбонаддувом
2011 Для Audi Q7 TDI Prestige Sport Utility 4-дверный 3.0L 2967СС 181Cu. В. ДИЗЕЛЬ V6 DOHC с турбонаддувом
2011 Для Audi Q7 TDI Sport Utility 4-дверный 3.0L 2967CC 181Cu. В. ДИЗЕЛЬ V6 DOHC с турбонаддувом
2011 для Audi TT Quattro Base Convertible 2-Door 2.0L 1984CC 121Cu. В. л4 ГАЗ DOHC с турбонаддувом
2011 для Audi TT Quattro Base Coupe 2-дверный 2.0L 1984CC 121Cu. В. л4 ГАЗ DOHC с турбонаддувом
2011 Для Audi TT Quattro S Convertible 2-дверный 2.
0L 1984CC 121Cu. В. л4 ГАЗ DOHC с турбонаддувом
2011 Для Audi TT Quattro S Coupe 2-дверный 2.0L 1984СС 121Cu. В. л4 ГАЗ DOHC с турбонаддувом
2011 для Volkswagen Jetta TDI Comfortline Sedan 4-дверный 2.0L 1968CC 120Cu. В. л4 ДИЗЕЛЬ DOHC с турбонаддувом
2011 Для Volkswagen Jetta TDI Comfortline Wagon 4-дверный 2.0L 1968CC 120Cu. В. л4 ДИЗЕЛЬ DOHC с турбонаддувом
2011 для Volkswagen Jetta TDI Highline Sedan 4-дверный 2.0L 1968CC 120Cu. В. л4 ДИЗЕЛЬ DOHC с турбонаддувом
2011 Для Volkswagen Jetta TDI Highline Wagon 4-дверный 2.0L 1968CC 120Cu. В. l4 ДИЗЕЛЬНЫЙ DOHC с турбонаддувом
2011 для Volkswagen Jetta TDI Sedan 4-дверный 2.0L 1968CC 120Cu. В. л4 ДИЗЕЛЬ DOHC с турбонаддувом
2011 Для Volkswagen Jetta TDI Wagon 4-дверный 2.0L 1968CC 120Cu. В. л4 ДИЗЕЛЬ DOHC с турбонаддувом
2011 для Volkswagen Touareg Base Sport Utility 4-дверный 3.0L 2967CC 181Cu. В. ДИЗЕЛЬ V6 DOHC с турбонаддувом
2011 Для Volkswagen Touareg TDI Sport Utility 4-дверный 3.
0L 2967CC 181Cu. В. ДИЗЕЛЬ V6 DOHC с турбонаддувом
2010 Для Audi Q7 TDI Sport Utility 4-дверный 3.0L 2967СС 181Cu. В. ДИЗЕЛЬ V6 DOHC с турбонаддувом
2010 для Audi TT Quattro S Convertible 2-дверный 2.0L 1984CC 121Cu. В. л4 ГАЗ DOHC с турбонаддувом
2010 Для Audi TT Quattro S Coupe 2-дверный 2.0L 1984CC 121Cu. В. л4 ГАЗ DOHC с турбонаддувом
2010 для Volkswagen Golf TDI хэтчбек 2-дверный 2.0L 1968CC 120Cu. В. л4 ДИЗЕЛЬ DOHC с турбонаддувом
2010 для Volkswagen Golf TDI хэтчбек 4-дверный 2.0L 1968CC 120Cu. В. л4 ДИЗЕЛЬ DOHC с турбонаддувом
2010 Для Volkswagen Jetta TDI Cup Edition Седан 4-дверный 2.0L 1968CC 120Cu. В. л4 ДИЗЕЛЬ DOHC с турбонаддувом
2010 для Volkswagen Jetta TDI Sedan 4-дверный 2.0L 1968CC 120Cu. В. л4 ДИЗЕЛЬ DOHC с турбонаддувом
2010 для Volkswagen Jetta TDI Wagon 4-дверный 2.0L 1968CC 120Cu. В. l4 ДИЗЕЛЬНЫЙ DOHC с турбонаддувом
Электронный контроль давления наддува – проверка привода турбокомпрессора
Электронный контроль давления наддува/дефект регулятора
Отказ электромеханического привода турбокомпрессора может произойти следующим образом:
- Потеря производительности
- Плохое или недостаточное ускорение
- Загорается сигнальная лампа двигателя
- Снижение скорости автомобиля
- Автомобиль работает в аварийном режиме неисправности
Причинами неисправности привода турбокомпрессора могут быть:
- Стержень регулирующего устройства или направляющий аппарат жесткий или дефектный
- Коррозия электрических компонентов в результате воздействия окружающей среды (вода&запятая; соль&запятая; и т.
д.) - Механические повреждения в результате внешнего воздействия
Дефекту редуктора привода турбокомпрессора обычно предшествует дефект регулировки направляющего аппарата на турбокомпрессоре. Со временем&запятая; поток выхлопных газов создает сильное загрязнение внутри турбонагнетателя. Такое образование сажи ухудшает работу направляющих лопаток. Это приводит к более высокому крутящему моменту для всего привода и, в конечном счете, к повреждению коробки передач привода и записи ошибки в блоке управления двигателем.
Поиск и устранение неисправностей и ремонт электронного управления/регулятора давления наддува: Примечания по ремонту
В рамках поиска и устранения неисправностей&запятая; визуальный осмотр турбонагнетателя в моторном отсеке следует проводить после диагностики ЭБУ.
Турбокомпрессор с его отдельными компонентами всегда следует рассматривать и диагностировать как единое целое. Большинство производителей транспортных средств не поставляют запасные части для турбокомпрессоров VNT/VTG.
Это не потому, что техническим специалистам в мастерской не доверяют замену или доработку отдельных компонентов&запятая; но поскольку турбокомпрессор и электромеханический привод должны быть точно согласованы друг с другом перед установкой в транспортное средство. Эта калибровка выполняется в разобранном состоянии на стенде для турбонагнетателей. На этом специальном испытательном стенде, Скорость потока для конкретного транспортного средства (МИН./МАКС. расход) определяется и устанавливается как часть базовой регулировки. Для этого & запятая; в зависимости от модели&запятая; это может быть необходимо для некоторых приводов&запятая; до калибровки&запятая; должны быть сначала активированы с помощью специальной карты, чтобы затем их можно было распознать в автомобиле блоком управления двигателем.Насколько полезна эта статья для вас?
Совершенно бесполезно
Очень полезно
Расскажите, пожалуйста, что вам не понравилось.

Для получения бесплатного информационного бюллетеня HELLA TECH WORLD.
Ваш отзыв**
Капча*
Большое спасибо. Но прежде чем ты уйдешь.
Подпишитесь на нашу бесплатную рассылку новостей HELLA TECH WORLD, чтобы получать последние технические видеоролики, советы по ремонту автомобилей, информацию о курсах обучения, сведения о маркетинговых кампаниях и советы по диагностике.
Благодарим вас за интерес к новостному бюллетеню HELLA TECH WORLD – для мастерских!
На указанный вами адрес электронной почты будет отправлено уведомление.
Обратите внимание: Ваша подписка будет завершена только после того, как вы подтвердите получение этого электронного письма.
Это делается для того, чтобы никто не мог подписаться на вас по ошибке.

Ваша личная информация хранится и обрабатывается исключительно с целью отправки информационного бюллетеня. Ни при каких обстоятельствах ваши данные не будут переданы третьим лицам.
Дополнительная информация о конфиденциальности.
Благодарим вас за интерес к новостному бюллетеню HELLA TECH WORLD — для автомастерских!
На указанный вами адрес электронной почты будет отправлено уведомление.
Обратите внимание: Ваша подписка будет завершена только после того, как вы подтвердите получение этого электронного письма.
Это делается для того, чтобы никто не мог подписаться на вас по ошибке.
Ваша личная информация хранится и обрабатывается исключительно с целью отправки информационного бюллетеня. Ни при каких обстоятельствах ваши данные не будут переданы третьим лицам.
Дополнительная информация о конфиденциальности.
Вы уже подписаны
Ваш адрес электронной почты ожидает подтверждения
Неверный новый адрес электронной почты.
Новый адрес электронной почты недействителен. Подписчик не обновленНеверный адрес электронной почты. Адрес электронной почты отсутствует или имеет неправильный формат.
Проблема со статусом электронной почты
Процесс регистрации не запущен.
Ошибка:
Для получения бесплатного информационного бюллетеня HELLA TECH WORLD.
Благодарим вас за интерес к новостному бюллетеню HELLA TECH WORLD — для автомастерских!
На указанный вами адрес электронной почты будет отправлено уведомление.
Обратите внимание: Ваша подписка будет завершена только после того, как вы подтвердите получение этого электронного письма.
Это делается для того, чтобы никто не мог подписаться на вас по ошибке.
Ваша личная информация хранится и обрабатывается исключительно с целью отправки информационного бюллетеня. Ни при каких обстоятельствах ваши данные не будут переданы третьим лицам.
Дополнительная информация о конфиденциальности.

