| С101 (контакт 21, белый) | Кузов — блок предохранителей в моторном отсеке | Блок предохранителей в моторном отсеке |
| С104 (контакт 24, белый) | Передняя часть кузова — блок предохранителей в моторном отсеке | Блок предохранителей в моторном отсеке |
| С105 (контакт 4, белый) | Кузов — блок предохранителей в моторном отсеке | Блок предохранителей в моторном отсеке |
| С201 (контакт 76, черный) | Приборная панель — блок предохранителей на приборной панели | Блок предохранителей на приборной панели |
| С202 (контакт 89, белый) | Приборная панель — кузов | Левая часть пространства для ног водителя |
| С403 (контакт 6, белый) | Удл. задней двери — кузов | Внутренняя сторона левой задней стойки |
| С405 (контакт 8(10), белый) | Удл. задней двери — задняя дверь | С левой стороны рядом с двигателем заднего стеклоочистителя |
| С406 (контакт 6, белый) | Удл. задней двери — задняя дверь | С левой стороны рядом с двигателем заднего стеклоочистителя |
| s201 (черн.) | Приборная панель | За комбинацией приборов |
| s202 (черн.) | Приборная панель | За комбинацией приборов |
s204 (пурпур. ) | Приборная панель | За кронштейном аудиосистемы |
| g101 | ПЕРЕДНЯЯ ЧАСТЬ | За левой фарой |
| g102 | ПЕРЕДНЯЯ ЧАСТЬ | За правой фарой |
| g201 | Приборная панель | С левой стороны блока предохранителей на приборной панели |
| g402 | Удл. задней двери | Внутренняя сторона задней стойки со стороны водителя |
| Обозначение | Ток | Цепь |
| MF1 | 15 | Элемент обогрева зоны остановки щеток стеклоочистителя ветрового стекла и сигнализатора включения обогрева |
| MF2 | 15 | Электрическая розетка |
| MF3 | 15 | Прикуриватель |
| MF4 | 10 | Головное устройство звуковоспроизведения, блок управления системы электронного ключа, блок управления автоматической коробкой передач, регулятор управления электроприводами наружных зеркал заднего вида |
| MF5 | 10 | Сигнализатор подушек безопасности |
| MF6 | 10 | Блок управления подушками безопасности |
| MF7 | 10 | Лампы указателей поворота (в режиме указателей поворота) |
| MF8 | – | Не используется |
| MF9 | – | Не используется |
| MF10 | 15 | Очиститель и омыватель стекла двери багажного отделения |
| MF11 | – | Не используется |
| MF12 | 10 | Лампа (лампы) противотуманного света в заднем фонаре (задних фонарях) |
| MF13 | 10 | Противотуманные фары |
| MF14 | 10 | Лампы плафонов освещения салона |
| MF15 | 15 | Выключатель сигналов торможения, колодка диагностики системы управления двигателем, лампы сигналов торможения в задних фонарях, дополнительный сигнал торможения |
| MF16 | 10 | Блок управления электропакетом, датчик положения педали тормоза и выключатель сигналов торможения, сигнализаторы в комбинации приборов |
| MF17 | 10 | Блок управления автоматической коробкой передач, блок управления ESP, зуммер парктроника, датчики парктроника, регулятор яркости подсветки комбинации приборов и выключателей, датчик положения педали тормоза и выключатель сигналов торможения, блок управления обогревом сидений |
| MF18 | 10 | Блок управления ABS, блок управления ESP, выключатель ESP |
| MF19 | 10 | Лампы света заднего хода в задних фонарях |
| MF20 | 10 | ЭБУ, блок управления системы электронного ключа |
| MF21 | 10 | Левая блок-фара (ближний и дальний свет) |
| MF22 | 10 | Блок управления электропакетом |
| MF23 | 15 | Лампы указателей поворота (в режиме аварийной сигнализации) |
| MF24 | 25 | Блок управления системы электронного ключа |
| MF25 | – | Не используется |
| MF26 | 10 | Блок управления системы электронного ключа, кнопка «START/STOP» |
| MF27 | 15 | Датчик скорости автомобиля, датчик положения селектора АКП |
| MF28 | 15 | Катушки зажигания |
| MF29 | 10 | Блок управления электропакетом, обмотка реле К10, блок управления системы электронного ключа, блок управления кондиционером, комбинация приборов, регулятор корректора фар, мотор-редукторы в блок-фарах |
| MF30 | 25 | Очиститель ветрового стекла, омыватель стекол |
| MF31 | 20 | Центральный замок |
| MF32 | 25 | Блок автоматического управления стеклоподъемником двери водителя |
| MF33 | 15 | Элементы обогрева сидений |
| MF34 | – | Не используется |
| MF35 | 10 | Сигнализатор состояния иммобилайзера, часы, блок управления электропакетом, блок управления климат-контролем, плафон освещения багажника |
| MF36 | 20 | Головное устройство системы звуковоспроизведения |
| MF37 | 10 | Лампы габаритного света в левой блок-фаре и левом заднем фонаре, фонари освещения номерного знака |
| MF38 | 10 | Лампы габаритного света в правой блок-фаре и правом заднем фонаре, сигнализатор включения габаритных огней |
| MF39 | 10 | Выключатель блокировки стартера (механическая коробка передач), датчик положения селектора АКП |
| MF40 | 10 | Правая блок-фара (ближний и дальний свет), сигнализатор включения дальнего света фар |
| MF41 | 25 | Мотор-редуктор стеклоподъемника двери водителя, мотор-редуктор стеклоподъемника левой задней двери |
| MF42 | 25 | Мотор-редуктор стеклоподъемника правой задней двери, мотор-редуктор стеклоподъемника правой передней двери |
| MF43 | 10 | Сигнализатор включения обогрева заднего стекла, элементы обогрева наружных зеркал заднего вида, ЭБУ |
| MF44 | 10 | Блок управления климат-контролем |
| MF45 | – | Не используется |
| Номер на крышке монтажного блока (см. рис. 10.1) | Защищаемая цепь (номинальный ток) |
| Плавкие вставки | |
| 1 | Группа 1 потребителей, получающих питание при включенном зажигании (20 А) |
| 2 | Система ABS (30 А) |
| 3 | Питание предохранителей 34 и 35 (30 А) |
| 4 | Группа 2 потребителей, получающих питание при включенном зажигании (30 А) |
| 5 | Стартер (20 А) |
| 6 | Питание предохранителей 15 и 20 (30 А) |
| 7 | Вентилятор системы охлаждения двигателя (30 А) |
| 8 | Вентилятор системы отепления и кондиционирования (20 А) |
| Предохранители | |
| 9 | Стартер (10 А) |
| 10 | Вентилятор отопителя (30 А) |
| 11 | Кондиционер (30 А) |
| 12 | Электрокорректор свэта фар (10 А) |
| 13 | Аварийная сигнализация (15 А) |
| 14 | Центральный замок (25 А) |
| 15 | Система ABS (30 А) |
| 16 | Электропривод люка в крыше (15 А) |
| 17 | Электростеклоподъёмники правых дверей (25 А) |
| 18 | Электростеклоподъёмники левых дверей (25 А) |
| 19 | Стеклоочиститель и омыватель заднего стекла (15 А) |
| 20 | Плафон освещения салона (10 А) |
| 21 | Фары (25 А) |
| 22 | Катушка зажигания (15 А) |
| 23 | — |
| 24 | Фары (15 А) |
| 25 | Диагностический датчик концентрации кислорода (10 А) |
| 26 | Датчик концентрации кислорода (10 А) |
| 27 | Топливный насос (10 А) |
| 28 | Инжектор (10 А) |
| 29 | Кондиционер воздуха (10 А) |
| 30 | Электрообогрев наружных зеркал заднего вида (10 А) |
| 31 | Автоматическое включение габаритного света (10 А) |
| 32 | Задний противотуманный фонарь (10 А) |
| 33 | Передние противотуманные фары (10 А) |
| 34 | Габаритные огни правого борта {10 А) |
| 35 | Габаритные огни левого борта (10 А) |
| 36 | Ближний свет фар (15 А) |
| 37 | Дальний свет фар (15 А) |
| 38 | Звуковой сигнал (15 А) |
| 39 | Электрообогрев заднего стекла (30 А) |
| 41 | Запасной (10 А) |
| 42 | Запасной (15 А) |
| 43 | Запасной (20 А) |
| 44 | Запасной (25 А) |
| 45 | Запасной (30 А) |
| Микрореле | |
| 50 | Фары |
| 51 | Фары |
| 52 | Топливный насос |
| 53 | — |
| 54 | Кондиционер воздуха |
| 55 | Звуковой сигнал |
| 56 | Питание предохранителей 34 и 35 |
| Мини-реле | |
| 60 | Электростеклоподъёмники |
| 61 | Вентилятор отопителя |
| 62 | Стартер |
| 63 | Вентилятор системы охлаждения двигателя |
| 64 | Вентилятор системы отопления и кондиционирования |
| 65 | Электрообогрев заднего стекла |
Реле противотуманных фар гранта
Здравствуйте дорогие друзья!
Наконец – то я нашёл время, что – бы дописать третью часть про подключение ПТФ.
Итак, давайте разберёмся, как это можно сделать.
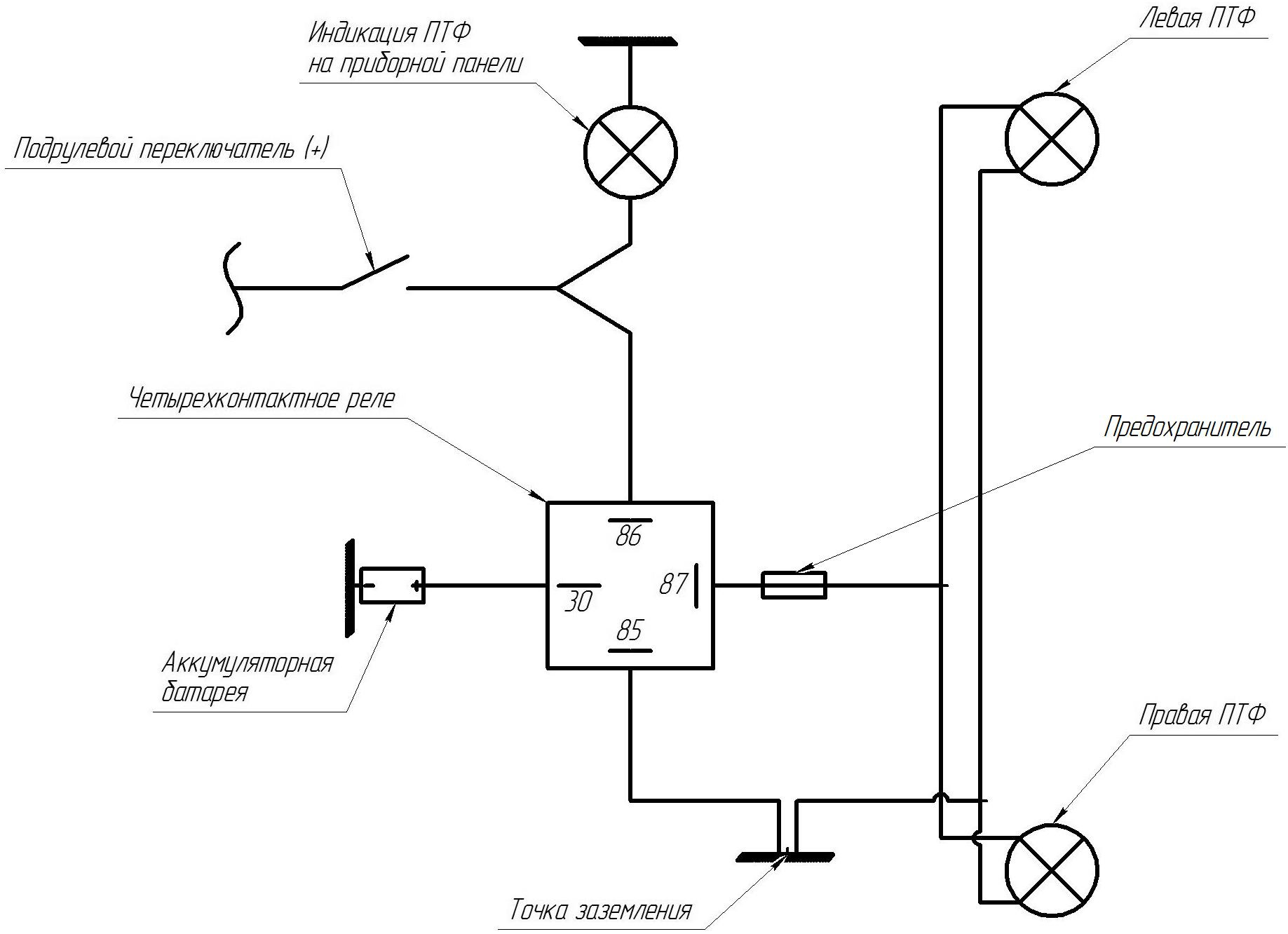
Первый способ:
Он наиболее простой. Я его подробно описывать не буду, т. к. в сети, да и на драйве, уж очень много подробнейших инструкций как его реализовать. Изначально я тоже так – же подключил ПТФ, но после решил сделать всё «по уму».
Как Вы уже наверно догадались, я про подключение через кнопку, входящую в комплекте к проводке для ПТФ. Тут всё довольно просто. Следуйте рекомендациям и схемам, прилагающимся к комплекту проводки. Хочу только отметить несколько моментов, на которых нужно обязательно обратить внимание:
1. Сразу же меняйте предохранители, входящие в комплект, на предохранители хорошего качества. Для хорошего контакта, подожмите клеммы под предохранители плоскогубцами, чтобы новые предохранители плотно заходили. Ток на ПТФ довольно большой. При работе фар, он достигает порядка 30 – 35 Ампер. И если использовать плохие предохранители, то может произойти следующее:
2.
Обязательно используйте дополнительное силовое реле для коммутации ПТФ. Кнопка не выдержит такие нагрузки. Расположить реле удобно под панелью, за модулем управления светом. Плюс для коммутации ПТФ нужен силовой. Взять его можно с блока предохранителей (Толстый розовый провод), или протянуть непосредственно от АКБ.
3. Питание для кнопки можно взять с разъёма управления вентилятором отопителя. Там же можно запитать плюс подсветки. (+12В от зажигания – синий; -12В чёрный; +12В от габаритов белый)
Для наглядности, я набросал оптимальную схему подключения ПТФ с кнопкой:
Этот способ наиболее правильный, но гораздо более сложный и дорогой. Под ним подразумевается установка предохранителей ПТФ в штатный блок предохранителей, и управление с модуля управления светом (далее МУС) от Гранты, в комплектации «Люкс». А так – же индикацию работы передних ПТФ на комбинации приборов.
Для его реализации нам потребуется приобрести:
1.
Клеммы типа «Лира», как на фотографии. Маленького размера и большого. Их довольно трудно найти, но без них не обойтись. В блоке предохранителей и в «МУС»е используются именно такие клеммы.
2. Блок «МУС» от Гранты в комплектации «Люкс». Они бывают двух типов. С положением переключателя «А» (автосвет), и без него. Цена отличается довольно сильно. МУС с «автосветом» обойдётся Вам около 1100 р. Без «автосвета» цена будет около 700 р. Для наших целей можно использовать и первый, и второй блок. Но я выбрал более дорогой блок, что — бы в будущем реализовать функцию «автосвет». Какой блок приобретать – решать Вам.
3. Два предохранителя на 15 А.
4. Два силовых реле с колодками. (Почему два, объясню чуть позже)
5. Провода сечением 1,5 кв, и 2,5 кв.
6. Разъём питания дисковода (флоппика). Его можно отрезать от старого блока питания системного блока.
Из инструментов нам понадобится:
1. Паяльник. Ну, соответственно припой и канифоль.
2. Инструмент для обжимки клемм.
3. Изоляционная лента.
4. Крестовая и плоская отвёртка.
5. Длинная головка на 22 мм.
Первые четыре пункта без фотографий, т. к. я не уложился в лимит фото. Но я думаю, что исходя их текста, всё итак предельно понятно.
1. Снимаем крышку блока предохранителей. Она крепиться на клипсах. Что – бы её снять, просто тянем её на себя.
2. Снимаем щиток комбинации приборов. Щиток закреплён тремя винтами и одной клипсой. Два винта расположены сверху, и ещё один спрятан под щитком блока предохранителей.
3. Снимаем комбинацию приборов. Для этого откручиваем четыре винта крепления комбинации приборов к панели. Аккуратно отодвигаем комбинацию приборов в сторону, и отсоединяем от неё разъём.
Разъём фиксируется пластиковой качелькой, и для его снятия нужно повернуть эту качельку.
4. Снимаем обшивку рулевой колонки.
5. Снимаем МУС. Для этого откручиваем один винт.
Отводим его в сторону. Нажав на обе защёлки разъёма, вытаскиваем его из блока.
6. Откручиваем и снимаем гидрокорректор фар. Для этого сначала нужно отсоединить ручку управления. Она просто стягивается на себя. Если не получается её стянуть, то можно её немного поддеть ножом или плоской отвёрткой. Затем нужно открутить длинной головкой на 22мм. гайку крепления гидрокорректора к панели. Потом просто утопите его во внутрь и опустите вниз.
7. Откручиваем болт крепления блока предохранителей.
Для этого поднимаем рулевую колонку в максимально высокое положение. Можно попробовать его открутить длинной отвёрткой под углом. Я открутил следующим способом, как на картинке:
8.
Далее освобождаем блок предохранителей от двух креплений, смещая его влево.
9. Пробуем аккуратно перевернуть блок предохранителей обратной стороной. Для этого нужно снять навесные реле, которые навешаны с левой стороны.
10. Сначала нужно вывести силовой провод питания. Его можно взять от реле зажигания. (Постоянные +12В – розовый провод; +12 В от зажигания – синий провод) Соединение проводов обязательно нужно пропаять, и тщательно заизолировать.
Примечание: Я сразу вывел из блока предохранителей постоянный плюс и плюс от зажигания на отдельную колодку. В будущем, при подключения доп. устройств, будет очень удобно брать питание для них. Можете сделать так – же.
11. Далее крутим блок предохранителей в другую сторону. Ищем пустые места под наши предохранители F16 и F17.
Примечание: Пока есть доступ к клеммам предохранителя F18 (Обогрев передних сидений), желательно заранее вывести провода под обогрев.
Если в будущем нет планов на установку обогрева передних сидений, то соответственно этого делать не нужно.
12. Обжимаем клеммами два провода, идущие от ПТФ, и вставляем их в соответствующие места в блок предохранителей. F16 – правая ПТФ. F17 – левая ПТФ.
13. Два оставшихся провода тянем к силовому реле, и подключаем согласно схеме, которая находится ниже по тексту.
Примечание: В блоке МУС есть своё силовое реле. Два оставшихся провода можно подключить к контакту №3 «МУС»а и всё будет работать. Но по моему мнению, такое подключение не надёжное. Попробую объяснить почему: Питающий плюс на ПТФ берётся с МУСа, а у него сечение очень маленькое, и штатная проводка «Нормы» не рассчитана на подключение ПТФ. Так что лучше использовать доп. реле и мощный провод на питание.
14. Так – же не забудьте вывести по схеме провод, отвечающий за индикацию включённых ПТФ на комбинацию приборов.
Подключить провод к разъёму КП можно с помощью клеммы с питания «флоппика», как уже говорилось выше. Подключается она к контакту №15 разъёма КП. Далее провод от разъёма спаивается с протянутым ранее проводом.
Примечание: В Комбинации приборов отсутствует светодиод для индикации включённых ПТФ. Так что индикация на панели работать не будет. Для того, что бы она заработала, необходимо разобрать панель и впаять светодиод с резисторами. На драйве есть темы об этой доработке. Я этого не делал, т. к. поменял свою комбинацию приборов на альтернативную КП Gamma GF 851. Чуть позже я опишу её в своём БЖ.
15. Вроде как всё подключено и всё работает. Но после небольшого наблюдения, я заметил что при включении ЗПФ, реле в «МУС»е не щёлкает, а фара горит. Я не долго думая разобрал блок, чтобы проверить наличие реле. Так вот, мои ожидания подтвердились. Реле для питания ЗПФ отсутствовало. А в родном блоке оно было. Пришлось запитывать и ЗПФ от доп.
реле. Всем советую тоже проверить наличие реле в своём новом блоке. И при его отсутствии установить доп. реле. Подсоединяется очень просто. Вот набросал схемку:
16. Ну а далее, собираем всё в обратной последовательности.
Вот собственно и всё!
Всем желаю ровных дорог! И удачи!
PS: Если Вам статья понравилась, жмите кнопочку «нравиться». Вам не сложно, а мне приятно!)))
Предохранители и реле в Лада Гранта, электрические схемы
Если вы купили Гранту и у вас начались проблемы с электрикой, возможно вы столкнулись с заводским браком. Но не пугайтесь раньше времени, первым делом нужно проверить предохранители и реле в Лада Гранта и выяснить причину неисправности. Если вам повезёт, то отделаетесь простой заменой предохранителя.
Если нет, то возможно придётся ехать в автосервис или же устранять неполадки электроники самому. Запомните — главное в таких случаях полностью разобраться в проблеме, не жалейте на это времени, ведь любой автовладелец должен знать как можно больше про свой автомобиль (тем более отечественный).
Блок предохранителей
Блок предохранителей в Гранте находится слева от рулевой колонки, около ручек включения света. Чтобы снять крышку и добраться до предохранителей и реле, потяните верхнюю левую часть крышки на себя. Сделано удобно, всё находится под рукой и не надо никуда лезть, вставая с водительского сиденья. Может быть это намёк на то, что их часто придётся менять, а может просто удобство — разработчикам виднее.
F1 (15 А) — блок управления двигателем, форсунки, катушка зажигания, реле вентилятора охлаждения, КЗ 2х2.
Если у вас проблемы с электроникой, и замена этого предохранителя не помогает, в худшем случае придётся перепрошивать ЭБУ или менять его. Также при перегорании этого предохранителя перестают работать форсунки и катушка зажигания, что делает работу двигателя невозможной. Поэтому если Гранта не заводится, проверьте первым делом данный предохранитель.
F2 (30 А) — электростеклоподъемники.
Если не работают и замена предохранителя не помогает, попробуйте выдернуть его совсем или снять клемму с аккумулятора на пару минут, затем подключите снова.
Таким способом должны сброситься все временные ошибки и если дело в них, стеклоподъёмники снова заработают.
F3 (15 А) — аварийная сигнализация. Если не работает, проверьте этот предохранитель, а также кнопку включения «аварийки», её контакты и работоспособность ламп.
F4 (20 А) — стеклоочиститель, подушка безопасности.
Если на приборной панели загорелась контрольная лампа отсутствия подушки безопасности, проверьте этот предохранитель. Дело может быть либо в нём, либо в электронном блоке, либо в самих подушках.
Если не работает стеклоочиститель и данный предохранитель целый, проверьте также реле K6, ручку включения, надёжность подключения к ней разъёмов, а также сам электропривод стеклоочистителя.
F5 (7,5 А) — клемма 15 замка зажигания. Если проблемы с включением зажигания, проверьте этот предохранитель, а также надёжность соединений проводов к клеммам замка.
F6 (7,5 А) — лампа заднего хода.
Если она не работает, но этот предохранитель целый, проверьте саму лампу, а также контакты подключения разъёмов к блок-фаре.
F7 (7,5 А) — ДМРВ, клапан адсорбера, датчик кислорода, датчик скорости.
Если двигатель работает неустойчиво, не держит холостые обороты или самопроизвольно глохнет, дело может быть в этом предохранителе либо соответствующем датчике. О том, как проверить ДМРВ у нас уже была статья.
F8 (30 А) — обогрев заднего стекла. Если он не работает, проверьте этот предохранитель, клеммы подключения проводов к обогревателю, а также целлостность его элементов.
F9 (5 А) — правые габаритные лампы
F10 (5 А) — левые габаритные лампы. Если не горят габариты, дело может быть в этих предохранителях или в самих лампах, а также их разъёмах. Не помешает проверить переключатель габаритов на приборной панели.
F11 (5 А) — задние противотуманные фары. Если они не работают, но данный предохранитель целый, дело может быть в переключателе на приборной панели или в самих лампах, а также их разъёмах
F12 (7,5 А) — правая лампа ближнего света
F13 (7,5 А) — левая лампа ближнего света.
Если не работает ближний свет в двух фарах одновременно, дело может быть в реле K9, либо в ручке включения ближнего света и её контактах. Если не горит только одна лампа, скорее всего дело в этом предохранителе или в самой лампе, которую нужно заменить.
F14 (10 А) — правая лампа дальнего света
F15 (10 А) — левая лампа дальнего света. Если не работают обе фары дальнего света, дело может быть в реле K7. Если только одна — заменить предохранитель и/или лампу.
F16 (10 А) — Передняя правая противотуманная фара
F17 (10 А) — Передняя левая противотуманная фара. Если они не работают, проверьте переключатель на приборной панели, а также его контакты. Если не работает одна противотуманная фара, скорее всего сгорела лампа и нужно её заменить.
F18 (15 А) — обогрев передних сидений. Если он не работает, но данный предохранитель целый, проверьте кнопку включения обогрева на приборной панели.
F19 (10 А) — ABS. Если при нажатии на педаль тормоза на скользкой дороге колёса блокируются и педаль не «отпружинивает» назад, значит ABS не работает и дело может быть в этом предохранителе или в механических элементах системы торможения.
F20 (15 А) — диагностический разъём, звуковой сигнал, замок багажника, КПП, прикуриватель. Очень частое перегорание данного предохранителя обычно вызывается замыканием или неправильным подключением приборов в разъём прикуривателя. Если не открывается багажник, это может быть связано с прикуривателем. Заменив данный предохранитель, проблема должа решиться.
F21 (15 А) — электрический бензонасос. Если автомобиль неожиданно заглох посередине дороги и бензина в баке очень мало, может быть сгорел этот предохранитель. Без нагрузки (без бензина) работа бензонасоса может привести к его выходу из строя. Поэтому заправьтесь и проверьте данный предохранитель.
F22 (15 А) — центральный замок.
Если например работает только центральный замок водительской двери, а остальные не запираются, дело может быть в этом предохранителе, а также в блоке управления. Лучше доверить диагностику и ремонт специалистам, если нет опыта.
F23 (10 А) — лампы дневных ходовых огней. Если не работают огни с обоих сторон, скорее всего дело в этом предохранителе или в переключателе на приборной панели. Если не работает лампа только с одной стороны, скорее всего дело в самой лампе.
F24 (7,5 А) — кондиционер. Если он не работает и этот предохранитель целый, возможно дело в ручке включения на приборной панели. Диагностику системы кондиционера лучше доверить специалистам. Может быть требуется его заправка или обслуживание.
F25 (10 А) — освещение салона, лампы стоп-сигналов. Если не работают стоп-сигналы и данный предохранитель целый, дело может быть в самих лампах и их разъёмах или в выключателе стоп-сигналов в педальном приводе.
F26 (25 А) — ABS. Аналогично F19
F27 — резерв
F28 — резерв
F29 — резерв
F30 — резерв
F31 (50 А) — обогрев лобового стекла
F32 (30 А) — печка, электроусилитель руля. Если при повороте руля наблюдается неравномерная работа усилителя или руль поворачивается с трудом, проверьте данный предохранитель. Также дело может быть в электронном блоке управления или недостаточном уровне тормозной жидкости в бачке электроусилителя.
Блок реле Лада Гранта
Реле находятся в том же блоке предохранителей и реле, который расположен слева от рулевой колонки под крышкой.
K1 — реле вентилятора печки
K2 — реле электростеклоподъемников. Если они не работают, проверьте также предохранитель F2, если не поможет, то дело может быть в блоке управления.
K3 — реле стартера. Если он не работает (не крутит) и данное реле рабочее, проверьте уровень заряда аккумулятора.
Также дело может быть во втягивающем или в замке зажигания и его контактах.
K4 — реле клеммы 15 замка зажигания
K5 — реле поворотников и аварийной сигнализации. Если поворотники горят и не выключаются, возможно замкнуло это реле. Проверьте также предохранитель F3 (режим «аварийки»).
K6 — реле стеклоочистителя. Проверьте также предохранитель F4.
K7 — реле дальнего света. Проверьте также предохранители F14 и F15 и сами лампы.
K8 — реле звукового сигнала. Проверьте также предохранитель F20, контакты выключателя сигнала на руле.
K9 — реле ближнего света. Проверьте также предохранители F12 и F13 и сами лампы.
K10 — реле обогрева заднего стекла. Если не работает обогрев, дело может быть и в предохранителе F8.
K11 — реле блока управления двигателем. Проверьте также предохранитель F1.
K12 — реле электрического бензонасоса.
Проверьте также предохранитель F21.
Силовые предохранители
Блок силовых предохранителей находится под капотом и расположен между аккумулятором, опорой стойки и бачком охлаждающей жидкости. Выглядит в виде вертикально установленной коробки. Сняв с неё верхнюю крышку, появляется доступ к силовым предохранителям.
F1 (50 A) — электроусилитель руля. Если руль крутится туго, проверьте также предохранитель F32.
F2 (30 A) — вентилятор отопителя
F3 (60 A) — генератор. Если происходит быстрый разряд аккумулятора или горит лампа разряда, проверьте данный предохранитель, а также работу самого генератора и его щётки.
F4 (60 A) — генератор
F5 (30 A) — ближний свет фар. Проверьте также реле K9 и предохранители F12, F13.
При устранении любых неполадок, связанных с электрикой, будьте осторожны. Замену предохранителей и реле выполняйте только на заглушённом двигателе с выключенным зажиганием.
Если в вашем автопарке имеются не только Гранты, можете прочитать также про предохранители и реле Калины.
Большинство электрических цепей в современных автомобилях защищаются предохранителями. В-первую очередь это защищает от поломки само электрическое устройство, во-вторую предотвращает угрозу пожара из-за перегрева или короткого замыкания.
Получаем доступ к блоку предохранителей в салоне
В Лада Гранта блок предохранителей, или как его ещё называют «в народе» монтажный блок, находится слева от водителя. Чтобы получить к нему доступ, необходимо опустить вниз защитную декоративную заглушку.
Снятие декоративной заглушки
Месторасположение фиксаторов декоративной заглушки монтажного блока
Сняли с одного крепления
Для удобства работы, я рекомендую полностью снять декоративную заглушку и убрать её в сторону. Для этого Вам необходимо извлечь фишку с кнопки открытия багажника.
Фишка снимается просто, фиксаторов, которые удерживают фишку не предусмотрено.
Снимаем фишку с кнопки багажника
Также фишка сделана «на дурака», одеть не верно её не получится, поэтому не надо запоминать её посадочное положение.
Извлечение предохранителей и контактного реле
Для замены (извлечения) предохранителей и контактного реле монтажный блок оснащён специальными пинцетами. Для предохранителей — пинцет маленького размера, для контактных реле — пинцет большой.
Схема расположения предохранителей в монтажном блоке
Схема монтажного блока
Блок предохранителей (наносил цифры весь день)
Подсказка. На обратной стороне декоративной заглушки, есть схема расположения предохранителей и контактного реле в монтажном блоке!
| № предохранителя | Сила тока, А | Защищаемые электрические цепи |
|---|---|---|
| F1 | 15 | Контроллер, реле вентилятора охлаждения двигателя, КЗ 2х2, форсунки |
| F2 | 30 | Стеклоподъемники |
| F3 | 15 | Аварийный сигнал |
| F4 | 20 | Стеклоочиститель, НПБ |
| F5 | 7. 5 | 15 клемма |
| F6 | 7.5 | Свет заднего хода |
| F7 | 7.5 | Клапан адсорбера, ДМРВ, ДК1/2, датчик скорости |
| F8 | 30 | Обогрев заднего стекла |
| F9 | 5 | Габаритный огонь правый |
| F10 | 5 | Габаритный огонь левый |
| F11 | 5 | Задний противотуманный огонь |
| F12 | 7.5 | Ближний свет правый |
| F13 | 7.5 | Ближний свет левый |
| F14 | 10 | Дальний свет правый |
| F15 | 10 | Дальний свет левый |
| F16 | — | — |
| F17 | — | — |
| F18 | — | — |
| F19 | — | — |
| F20 | 15 | Звуковой сигнал, замок багажника, КП, прикуриватель, диагностический разъем |
| F21 | 15 | Бензонасос |
| F22 | 15 | Центральный замок |
| F23 | 10 | ДХО |
| F24 | — | — |
| F25 | 10 | Плафон освещения салона, стоп-сигнал |
| F26 | — | — |
| F27 | — | — |
| F28 | — | — |
| F29 | — | — |
| F30 | — | — |
| F31 | — | — |
| F32 | 30 | Отопитель, ЭУР |
Схема контактных реле
| Реле | Описание |
|---|---|
| K1 | Реле вентилятора отопителя.![]() |
| K2 | Реле электростеклоподъемников |
| K3 | Реле стартера |
| K4 | Реле клеммы 15 замка зажигания |
| K5 | Реле указателей поворотов и аварийной сигнализации |
| K6 | Реле стеклоочистителя |
| K7 | Реле дальнего света фар |
| K8 | Реле звукового сигнала |
| K9 | Реле ближнего света фар |
| K10 | Реле обогрева заднего стекла |
| K11 | Реле контроллера(блока управления двигателем) |
| K12 | Реле электробензонасоса |
Разница в комплектациях: стандарт, норма, люкс
Монтажный блок одинаков для всех комплектаций автомобиля: стандарт, норма, люкс. В зависимости от комплектации и оснащённости автомобиля в блоке предохранителя могут отсутствовать некоторые реле.
Блок предохранителей нового образца
Блок предохранителей нового образца
Схема блока предохранителей нового образца
Блок предохранителей под капотом автомобиля
В автомобиле Лада Гранта существует ещё один блок «мощных» предохранителей под капотом автомобиля.
Номинал предохранителей от 30А до 60А, поэтому данный блок называют силовым.
Блок предохранителей обозначен стрелочкой
Для доступа к предохранителям необходимо потянуть защитную крышку наверх. Она легко снимается. После окончания работ не забудьте вернуть крышку на место.
Схема блока в комплектациях: Стандарт, Норма
| № предохранителя | Номинал, А | Описание |
|---|---|---|
| F1 | 30 | Ближний свет фар или главное реле, цепи защищаемые предохранителями F1 и F21 монтажного блока в салоне |
| F2 | 60 | Генератор |
| F3 | 60 | Генератор |
| F4 | 30 | Вентилятор отопителя (предохранитель печки гранты) |
| F5 | 50 | Электроусилитель рулевого управления |
Схема блока в комплектации Люкс
| № предохранителя | Номинал | Описание |
|---|---|---|
| F1 | 50A | Обогреватель ветрового стекла |
| F2 | 60A | Генератор |
| F3 | 60A | Генератор |
| F4 | 40A (в комплектации без климатической установки — 30А) | Электровентиляторы охлаждения радиатора |
| F5 | 50A | Электромеханический усилитель рулевого управления |
| F6 | 40A | Блок управления антиблокировочной системой тормозов (ABS) |
Полезные рекомендации
Если предохранитель постоянно перегорает, то это повод задуматься о правильной работе этой цепи.
Также мы не рекомендуем вносить изменения в конструкцию без особой надобности.
| № | А | Символ | Наименование | Защищаемая цепь |
| F1 | 15 | FRT DEICER | Рестайлинг 2014 г: Реле обогревателя переднего стеклоочистителя | |
| F1 | — | — | — | До 2014 г: Не используется |
| F2 | 15 | POWER OUTLET | P/OUTLET | Розетка электропитания |
| F3 | 15 | C/LIGHT | Прикуриватель | |
| F4 | 10 | ACC | ACC | Магнитола, Блок ВСМ, Блок управления системой смарт-ключа, Переключатель регулировки наружных зеркал (рестайлинг 2014 г), Блок управления блокировкой переключения передач АКПП (до 2014 г) |
| F5 | 10 | A/BAG IND | Комбинация приборов (индикатор подушки безопасности) | |
| F6 | 10 | A/BAG | Блок управления системой SRS | |
| F7 | 10 | T/SIG | Выключатель аварийной сигнализации, многофункциональный переключатель (рестайлинг 2014 г) | |
| F8 | — | — | — | — |
| F9 | — | — | — | — |
| F10 | 15 | R/WPR | Многофункциональный переключатель, Электродвигатель заднего стеклоочистителя, реле заднего стеклоочистителя (рестайлинг 2014 г) | |
| F11 | 15 | HTD STRG | Спиральный контакт (Обогрев руля, рестайлинг 2014 г) | |
| F12 | 10 | R/FOG | Реле заднего противотуманного фонаря | |
| F13 | 10 | F/FOG | Реле передних противотуманных фар | |
| F14 | 10 | ROOM2 | Реле автоматического отключения (до 2014 г) | |
| F14 | 10 | DRL | Реле DRL (рестайлинг 2014 г) | |
| F15 | 15 | STOP LP | STOP | Выключатель стоп-сигнала, Реле стоп-сигнала, Блок управления системой смарт-ключа, Диагностический разъем, Электронный модуль стоп-сигнала (рестайлинг 2014 г) |
| F16 | 10 | CLUSTER | CLUSTER | Комбинация приборов, Блок ВСМ |
| F17 | 10 | IG1 | IG1_1 | Зуммер системы парковки задним ходом, Выключатель
стоп-сигнала, Реостат, Подогреватель сиденья водителя/пассажира, Датчик
системы помощи при парковке боковой левый/правый, Датчик системы помощи
при парковке боковой/центральный левый/правый, Блок управления блокировкой переключения передач АКПП, Электрохромное зеркало, Подсветка переключателя селектора передач АКПП, Индикатор непристегнутого ремня, Модуль управления SRS, модуль Управления ESP |
| F18 | 10 | ABS | Блок управления ABS, Блок управления ESP, Выключатель ESP, Предохранитель диагностического разъема (блок предохранителей в моторном отсеке) | |
| F19 | 10 | B/UP LP | B/UP LP | Выключатель фонаря заднего хода |
| F20 | 10 | PCU | Блок управления двигателем, Блок управления системой смарт-ключа | |
| F21 | 10 | H/LP-LH SPARE | Фара левая (до 2014 г) Не используется (рестайлинг 2014 г) | |
| F22 | 10 | DRL | До 2014 г: Блок управления DRL5 | |
| F22 | 10 | IG2 | IG2_2 | Рестайлинг 2014 г: Блок управления системой электронного ключа, Блок управления кондиционером, Блок BCM, Блок управления стеклоочистителем |
| F23 | 15 | HAZARD | Реле аварийной сигнализации, Выключатель аварийной сигнализации, Прерыватель | |
| F24 | 25 | SMK_1 | Блок управления системой смарт-ключа | |
| F25 | — | — | — | — |
| F26 | 10 | SMK_2 | Блок управления системой смарт-ключа, Выключатель кнопки пуска/остановки | |
| F27 | 15 | TCU | Генератор импульсов ‘A’/’B’, Датчик скорости автомобиля (до 2014 г), Переключатель режимов трансмиссии | |
| F28 | 15 | IGN COIL | IGN COIL | До 2014 г: Катушка зажигания #1,#2, #3, #4, Конденсатор |
| F28 | 10 | FRT HTD | Рестайлинг 2014 г: Распределительная коробка обогревателя ветрового стекла | |
| F29 | 10 | IG2 | IGN2 | Блок ВСМ, Реле электрического стеклоподъемника,
Блок управления системой смарт-ключа, Блок управления кондиционером,
Комбинация приборов, Переключатель устройства регулировки света фар,
Фара левая/правая, Блок управления DRL, Фара головного света левая/правая (рестайлинг 2014 г), Распределительная коробка моторного отсека (RLY. 10) (рестайлинг 2014 г). |
| F30 | 25 | F/WPR | Многофункциональный переключатель, Электродвигатель переднего стеклоочистителя, Распределительная коробка моторного отсека (RLY. 13) (рестайлинг 2014 г). | |
| F31 | 20 | DOOR LOCK | Реле блокировки/разблокировки двери, Реле разблокировки двери задка, Привод замка двери водителя | |
| F32 | 25 | SAFETY P/WINDOW | Блок управления предохранительным устройством электрического стеклоподъемника водителя | |
| F33 | 25 | S/WARMER | Рестайлинг 2014 г: Обогреватель сиденья водителя/пассажира До 2014 г: Не используется | |
| F34 | — | — | — | — |
| F35 | 10 | ROOM1 | Комбинация приборов, Блок ВСМ, Блок управления кондиционером, Лампа багажника, Центральная лампа освещения салона, Лампа индивидуального освещения, Лампа потолочной консоли | |
| F36 | 20 | AUDIO | AUDIO | Магнитола |
| F37 | 10 | TAIL LH | Фара левая, Лампа освещения номерного знака левая/правая, Блок управления DRL, Задний комбинированный фонарь левый, Противотуманная фара левая (рестайлинг 2014 г). | |
| F38 | 10 | TAIL RH | Фара правая, Задний комбинированный фонарь правый, Реостат,
Переключатель устройства регулировки света фар, Выключатель аварийной сигнализации, Магнитола, Гнездо AUX & USB,
Выключатель системы ESP, Комбинация приборов, Многофункциональный переключатель
(дистанцион. управление) (до 2014 г), Блок управления DRL, Выключатель
заднего противотуманного фонаря (до 2014 г), Блок управления кондиционером, Переключатель
обогревателя переднего стеклоочистителя, Подсветка переключателя селектора
передач АКПП, Спиральный контакт (рестайлинг 2014 г), Переключатель стеклоподъемника пассажира (рестайлинг 2014 г), Выключатель обогревателя рулевого колеса (рестайлинг 2014 г), Выключатель обогревателя заднего стекла (рестайлинг 2014 г), Переключатель заднего стеклоподъемника левый/правый (рестайлинг 2014 г),Главный переключатель электрического стеклоподъемника (рестайлинг 2014 г). | |
| F39 | 10 | START | Блок предохранителей и реле моторного отсека (RLY. 7), Блок ЕСМ, Выключатель замка зажигания, Переключатель режимов трансмиссии | |
| F40 | 10 | H/LP-RH | Комбинация приборов, Фара правая (до 2014 г), Распределительная коробка моторного отсека (RLY. 2, RLY. 6) (рестайлинг 2014 г). | |
| F41 | 25 | P/W DW LH | Главный переключатель электрического стеклоподъемника, Переключатель заднего стеклоподъемника левый | |
| F42 | 25 | P/W DW RH | Главный переключатель электрического стеклоподъемника, Ппереключатель заднего стеклоподъемника правый, Переключатель стеклоподъемника пассажира | |
| F43 | 10 | HTD MIRR | Блок ЕСМ, Выключатель обогревателя заднего стекла, Наружное зеркало водителя/пассажира с электроприводом | |
| F44 | 10 | A/CON_2 | Блок управления кондиционером (Автоматический) | |
| F45 | 10 | BLOWER_2 | Рестайлинг 2014 г: Переключатель вентилятора, резистор вентилятора,блок управления кондиционером | |
| F45 | — | — | — | До 2014 г: Не используется |
| Реле | ||||
| 1 | Реле обогревателя заднего стекла | |||
| 2 | Реле противотуманных фар | |||
| 3 | Реле заднего противотуманного фонаря | |||
| 4 | Реле заднего фонаря | |||
| 5 | Реле DRL | |||
| 6 | Реле обогревателя переднего стеклоочистителя | |||
| 7 | Реле блокировки/разблокировки двери | |||
| 8 | Реле разблокировки двери задка | |||
| 9 | Реле разблокировки поворота 2 | |||
| 10 | Реле аварийной сигнализации | |||
| 11 | Реле электрического стеклоподъемника | |||
| 12 | Реле звукового сигнала | |||
Схема предохранителей и реле Lifan X60
Блок предохранителей в салоне
| № | А | Назначение |
| FS42 | 15 | Аудиосистема (CD/DVD) |
| FS43 | 10 | Комбинация приборов |
| FS20 | 10 | Блок управления сигнализацией (иммобилайзер) |
| FS27 | 5 | BCM |
| FS29 | 20 | Люк |
| FS46 | 10 | Обогрев зеркал |
| FS47 | 25 | Обогрев заднего стекла |
| FS17 | 20 | Центральный замок |
| FS14 | 10 | Лампы заднего хода |
| FS16 | 10 | Многофункциональный дисплей, комбинация приборов, люк |
| FS37 | 15 | Обогрев сидений |
| FS24 | 15 | Кондиционер |
| FS39 | 15 | SRS |
| FS34 | 25 | Передний стеклоочиститель |
| FS21 | 5 | Блок управления сигнализацией (иммобилайзер) |
| FS33 | 15 | Прикуриватель |
| FS36 | 7. 5 | Зеркало заднего вида |
| FS41 | 5 | Аудиосистема (CD/DVD) |
| FS15 | 10 | Освещение салона |
| FS35 | 20 | Задний стеклоочиститель |
| FS13 | 15 | Указатели поворота |
| FS30 | 10 | Стоп-сигналы |
| FS32 | 15 | Вспомогательный источник питания |
| FS26 | 30 | Стеклоподъемники |
| SB11 | 30 | Отопитель |
| SB07 | 40 | AM1 |
| SB08 | 40 | AM2 |
| Реле | ||
| K14 | Реле заднего противотуманного фонаря | |
| K16 | Реле обогрева заднего стекла | |
| K10 | Реле отопителя | |
Блок предохранителей в моторном отсеке
| № | А | Назначение |
| SB09 | 30 | Основной вентилятор |
| SB10 | 30 | Дополнительный вентилятор |
| FS01 | 5 | Вентилятор |
| FS03 | 10 | Блок управления двигателем |
| FS04 | 25 | Главное реле |
| FS05 | 25 | Генератор, катушки зажигания (IG2) |
| FS06 | 15 | Топливный насос |
| FS09 | 10 | Компрессор кондиционера |
| FS10 | 15 | Дальний свет |
| FS11 | 15 | Ближний свет |
| FS12 | 10 | IG2 |
| FS22 | 15 | Передние противотуманные фары |
| FS31 | 15 | Звуковой сигнал |
| FS40 | 15 | Габаритные огни |
| FS45 | 10 | Задний противотуманный фонарь |
| Реле | ||
| K2 | Главное реле | |
| K3 | Реле топливного насоса | |
| K4 | Реле скорости вентилятора | |
| K5 | Реле главного вентилятора | |
| K6 | Реле дополнительного вентилятора | |
| K7 | Реле компрессора кондиционера | |
| K8 | Реле дальнего света фар | |
| K9 | Реле ближнего света фар | |
| K11 | Реле звукового сигнала | |
| K13 | Реле габаритных огней | |
| K15 | Реле передних противотуманных фар | |
| K17 | Реле сигнализации дальним светом фар | |
Где находится реле противотуманок на ВАЗ-2114: расположение – Taxi Bolt
Большая часть предохранителей и реле находится в монтажном блоке моторного отсека.
На изображении показано где именно располагается реле противотуманок на ВАЗ-2114:
Расшифровка дополнительного блока предохранителей и реле
Для включения главных систем любого автомобиля, производителем запроектирована установка вспомогательных предохранителей. Они располагают в районе центральной консоли. Каждый вспомогательный модуль состоит из нескольких реле и электропредохранителей.
В конкретном случае, коробка находится слева от бардачка, за боковой обшивкой центральной консоли. Для быстрого доступа к коробке, нужно отодвинуть часть пластиковой защиты. Защита крепится на крестовые болты, поэтому нужно подготовить соответствующую отвертку.
Дополнительная информация
Реле стартера, зажигания, задних противотуманных фонарей
С целью проведения быстрой проверки и ремонта, реле системы зажигания, устанавливают под передней торпедой салона авто, за ручкой открывания капота. Оно находится чуть ниже центральной приборной панели.
Модуль закрыт пластиковой заглушкой, которую необходимо приоткрыть для проведения проверки на работоспособность.
Основная задача реле зажигая – уменьшать подаваемую нагрузку на контакты. Во время запуска двигателя, реле отключает некоторые электрические цепи в системе ТС. Система используется не только в инжекторных, но и карбюраторных двигателях.
В случае неисправности или сбоев в системе зажигания, необходимо провести контроль работы реле. Для этой цели, открываем коробку и аккуратно вынимаем нужный элемент. Он крепится при помощи контактов в специальные пазы. Первое, что нужно сделать, посмотреть на окисление контактов, при необходимости очистить их мягкой тканью или обработать специальной жидкостью.
Для проверки работоспособности, нужно использовать обычный мультиметр. Подключаем к входящим соединениям и проверяем цифры. Если при подаче тока, отсутствует замыкание, значит, элемент не работает.
Замена производится в аналогичном порядке. Использовать необходимо типовой элемент с указанным на корпусе количеством ампер.
Реле передних противотуманных фар
Передние противотуманные фары не являются стандартным оборудованием модели и оснащаются в зависимости от комплектации. Само реле (при наличии противотуманных фар) располагается в отсеке двигателя на левом брызговике.
Реле передних противотуманных фар.
[attention type=yellow]Для доступа к реле, необходимо снять аккумудяьло! Без выполнения данной манипуляции, сложно будет снять и проверить его на работоспособность.[/attention]
Замена неисправного элемента проводится очень просто. Необходимо взять крестовую отвертку (с короткой ручкой), открутить болт крепления реле к кузову автомобиля, проверить элемент на неисправность. В случае выхода из строя, приобретаем новое и ставим все в обратном порядке.
[attention type=yellow]Расположение предохранителей и реле в блоках могут отличаться в зависимости от года выпуска и комплектации автомобилей[/attention]
Основная часть предохранителей и реле находится в монтажном блоке моторного отсека.
Чтобы добраться до него нужно нажать на две защелки и снять крышку.
Щипцами вынимаем предохранители, они расположены в блоке.
На внутренней стороне крышки находится сама схема расположения реле и предохранителей.
Расшифровка монтажного блок предохранителей 2114-3722010-60:
| № реле/ предохранителя | Расшифровка |
| К1 | Реле включения очистителей фар |
| К2 | Реле-прерыватель указателей поворота и аварийной сигнализации |
| К3 | Реле очистителя ветрового стекла |
| К4 | Реле контроля исправности ламп стоп-сигнала и габаритных огней |
| К5 | Реле включения стеклоподъемников |
| К6 | Реле включения звуковых сигналов |
| К7 | Реле включения обогрева заднего стекла |
| К8 | Реле включения дальнего света фар |
| К9 | Реле включения ближнего света фар |
| F1-F16 | Плавкие предохранители |
| F1-F20 | Запасные предохранители |
Схема предохранителей ВАЗ 2114, 2115Расшифровка схемы (наружная цифра в обозначении наконечника провода — номер колодки, внутренняя — условный номер наконечника):Монтажный блок предохранителей 2114-3722010-18Расшифровка:
| № реле/ предохранителя | Расшифровка |
| К1 | Реле включения очистителей фар |
| К2 | Реле-прерыватель указателей поворота и аварийной сигнализации |
| К3 | Реле очистителя ветрового стекла |
| К4 | Реле контроля исправности ламп |
| К5 | Реле включения стеклоподъемников (в вариантном исполнении автомобиля) |
| К6 | Реле включения звуковых сигналов |
| К7 | Реле включения обогрева заднего стекла |
| К8 | Реле включения дальнего света фар |
| К9 | Реле включения ближнего света фар |
| F1-F16 | Плавкие предохранители |
Схема подключения реле противотуманных фар
Если вы пытаетесь найти компонент на схеме подключения, и вы не знаете, в какой конкретной системе он расположен, используйте этот удобный локатор компонентов, чтобы найти схему подключения системы, в которой расположен компонент.
Откройте блок предохранителей и попробуйте посмотреть, есть ли неиспользуемые гнезда 4-контактного мини-реле или 4-контактного микрореле.
2000 Противотуманные фары Dodge Dakota
Выключатель противотуманных фар Ebay
Как подключить реле противотуманных фар Youtube
Реле Spst и SPDT.
Схема подключения реле противотуманных фар . Это реле будет идентифицировано как имеющее среднюю лопату 87b или вообще без средней лопаты. Расположение компонентов электрической схемы. Прикоснитесь к светодиодной дневной ходовой лампе на блок предохранителей, найдя сложность переключения с напряжением 12 В. Удаление диода из провода, который входит в ваши фонари заднего хода, приведет к тому, что ваши фонари заднего хода будут включаться всякий раз, когда включается переключатель для ваших дополнительных фонарей. Сначала устанавливаются противотуманные фары, затем — выключатель, а в последнюю — реле.
Он не полагается на сигнализацию или вход без ключа для его работы, только простой мгновенный контактный переключатель, обычно открытый, чтобы отключить его. Поскольку переключатель будет на приборной панели, а противотуманные фары — в передней части автомобиля, единственное решение, которое следует принять, касается реле. Например несколько основных тегов. Пассивное отключение стартера со схемой подключения реле выключателя. У вашего комплекта лампы есть провода разного цвета. Это простой способ. Автомобильная электрическая схема Основная схема для установки реле подключения точечного света установка противотуманных фар автомобильные электрические схемы основные символы Автомобильные электрические схемы содержат символы, которые представляют функции компонентов цепи.Используйте только для справки. Системы проводки, такие как шина CAN, были разработаны для того, чтобы стать более простой и более экономичной альтернативой традиционному жгуту проводов. Многие современные автомобили имеют мультиплексную или шинную проводку.
Однополюсный односторонний спст. Это самостоятельное стартовое убийство. Страница 1 электрическая схема тип 928 s модель 87 стр. 1 ряд ламп стр. 2 лампы сша стр. 3 кузов стр. 4 приборы и индикаторы вентиляция обогрев переменного тока стр. 5 регулировка сиденья зеркала стр. 6 стр. 7 память сиденья и зеркала стр. 8 магнитола стр. 9 абс сигнализация .Это общая электрическая схема для автомобильных приложений.
Как подключить противотуманные фары, он все еще работает
18 Простые идеи подключения выключателя света Hella Tone Tastic
Как подключить свет Практическая схема подключения реле противотуманных фар
Схема подключения противотуманных фар Tacoma Заводской выключатель противотуманных фар Hella
Схема подключения противотуманных фар Fundacaoaristidesousamendes Com
Схема подключения противотуманных фар с реле Замечательный монтаж реле противотуманных фар Bosch
000
000
000
000 Реле противотуманных фар Блог Mudit
Схема подключения противотуманных фар с реле Добро пожаловать на мой сайт
Схема подключения реле противотуманных фар
Fogaru Light Schematic and Diy
2009 Туман Форумы Light Install Ranger Ultimate Ford Ranger
Схема подключения противотуманных фар Ford Данные по электропроводке
Противотуманные фары Установить 2 реле 2 триггера Все о схемах
Правый монтаж противотуманных фар Ih8mud Is This Forum
Схема подключения противотуманных фар со схемами подключения реле
Противотуманные фары выключены с включенным дальним светом Схема подключения реле
Десятки самых популярных схем подключения реле 12 В, созданные для нашего сайта и участников в одном месте.
Если вам нужна схема реле, которой нет в схемах подключения реле 76 , показанных ниже,
пожалуйста, поищите на нашем форуме или
разместите запрос на новую схему реле на нашем форуме реле.
| Выберите схему реле или выберите из списка ниже. (Доступно 76 схем реле) |
Выберите схему реле: 1 — Подключение дополнительных устройств к проводу дистанционного включения2 — Постоянный на мгновенный выход — Отрицательный вход / отрицательный выход 3 — Постоянный на мгновенный выход — Отрицательный вход / положительный выход 4 — Постоянный на мгновенный выход — Положительный вход / отрицательный выход 5 — Постоянный на мгновенный выход — Положительный вход / Положительный выход 6 — Преобразование отрицательного выхода в положительный выход 7 — Преобразование положительного выхода в отрицательный выход 8 — Дверные замки — 3-проводной отрицательный (тип B) 9 — Дверные замки — 3-проводный положительный вывод (тип A ) 10 — Дверные замки — 4-проводное переключение 11 — Дверные замки — 5-проводное переменное напряжение, 12 В, положительное (тип C) 12 — дверные замки — приводы / обратная полярность — отрицательный переключатель / триггер (тип D) (a) 13 — дверные замки — приводы / Обратная полярность — Отрицательный переключатель / Триггер (Тип D) (b) 14 — Дверные замки — Приводы / Обратная полярность — Положительный переключатель / Триггер (Тип D) 15 — Дверные замки — Добавить автоматический замок без сигнализации или системы доступа без ключа 16 — Дверь Замки — добавить автоматическую разблокировку без будильника или ключа Система входа без доступа 17 — Дверные замки — Dodge Caravan (1996 — 2000) (Тип H) 18 — Дверные замки — Dodge Caravan (2001 — 2005) (Тип H) 19 — Дверные замки — Ford Probe (Тип G) 20 — Дверные замки — Nissan Maxima 1995-1997, Схема двойного импульсного реле заземления 21 — Дверные замки — Однопроводная система Nissan ’91-’95 с использованием 1 реле и 1 диода (тип F) 22 — Дверные замки — Однопроводная система Nissan ’91-’95 с использованием 2 реле ( Тип F) 23 — Дверные замки — Одиночный импульс для запирания и отпирания — Отрицательный импульс 24 — Дверные замки — Одиночный импульс для запирания и отпирания — Положительный импульс 25 — Дверные замки — Toyota с системой блокировки дверей для детей26 — Дверные замки — Вакуумный тип (Тип E ) 27 — Противотуманные фары выключены с включенным дальним светом 28 — Противоугонная система автомобиля GM — Ключ доступа 29 — Противоугонная система автомобиля GM — Ключ доступа II30 — Фары и стояночные огни включены с дворниками — Отрицательный вход / положительный выход31 — Фары и стояночные огни включены с Стеклоочистители — Положительный вход / Положительный выход 32 — Вход с подсветкой для автомобилей с отрицательными дверными триггерами 33 — Вход с подсветкой для r Транспортные средства с положительными дверными триггерами 34 — Выход с фиксацией включения / выключения с использованием одного мгновенного отрицательного импульса — Положительный выход 35 — Выход с фиксацией включения / выключения с использованием одного мгновенного отрицательного импульса — Положительный выход — Без диодов36 — Выход с фиксацией включения / выключения с использованием одного мгновенного положительного Импульсный — отрицательный выход 37 — выход включения / выключения с фиксацией с использованием двух мгновенных отрицательных импульсов — 2 отрицательных выхода — создание заземления при постановке на охрану 38 — выход с фиксацией включения / выключения с использованием двух мгновенных отрицательных импульсов — отрицательный выход (3 реле) 39 — выход с фиксацией включения / выключения с использованием Два мгновенных отрицательных импульса — положительный выход (3 реле) 40 — Выход с фиксацией включения / выключения с использованием двух мгновенных положительных импульсов — отрицательный выход (3 реле) 41 — Выход с фиксацией включения / выключения с использованием двух мгновенных положительных импульсов — положительный выход (2 реле, 1 диод) 42 — Выход с фиксацией включения / выключения с использованием двух мгновенных положительных импульсов — Положительный выход (3 реле, без диода) 43 — Выход с фиксацией включения / выключения с использованием двух мгновенных импульсов, 1 положительный, 1 отрицательный — Положительный выход (2 реле, 1 диод).
e) 44 — Выход с фиксацией — Мгновенный переход к постоянному выходу — Отрицательный вход / положительный выход 45 — Выход с фиксацией — Мгновенный к постоянному выходу — Положительный вход / положительный выход 46 — Световая вспышка — Базовый — Отрицательный вход / Положительный выход 47 — Световая вспышка — Двухпроводный Транспортные средства) — Отрицательный выход от сигнализации / бесключевого доступа 48 — Световая вспышка — Двухпроводная (немецкие автомобили) — Отрицательный выход от сигнализации / бесключевого входа (двойное реле SPST) 49 — Световая вспышка — Двухпроводная (немецкие автомобили) — Положительный выход от сигнализации / Бесключевой доступ 50 — Световая вспышка — Двухпроводная (Немецкие автомобили) — Положительный выход от сигнализации / Бесключевой доступ (Двойное реле SPST) 51 — Световая вспышка — Двухпроводная (Немецкие автомобили) — Слабый отрицательный выход сигнализации / Бесключевой доступ 52 — Световая вспышка — Использование выхода сирены53 — Мгновенный отрицательный выход, когда отрицательный переключатель выключен54 — Мгновенный отрицательный выход, когда положительный переключатель выключен55 — Мгновенный положительный выход, когда отрицательный переключатель отключен56 — Мгновенный положительный выход, когда положительный переключатель выключен f57 — Один канал на несколько выходов 58 — Отбор мощности (ВОМ) — Два входа, один выход только один раз 59 — Импульсный выход на устойчивый выход (выход сигнала поворота на устойчивый выход на время сигнала поворота) 60 — Радио включено, пока дверь не откроется (сохраняется Питание аксессуаров) — Отрицательный триггер двери 61 — Радио включено до открытия двери (Сохраненное питание аксессуаров) — Положительный триггер двери 62 — Схема реле дистанционного пуска — только базовый режим63 — Прерывание стартера — Нормально замкнутое 64 — Прерывание стартера — Нормально разомкнутое 65 — Прерывание стартера — Пассивное с гудком Выход и прерывание звукового сигнала66 — Прерывание стартера — Пассивный с проводом дистанционного включения67 — Прерывание стартера — Пассивный с переключателем68 — Переключаемые выходы из стерео в мостовое моно 69 — Переключение с последовательного на параллельный и обратно70 — Переключение со стерео на мостовое моно и последовательное на параллельное71 — Слабый отрицательный Выход на сильное заземление.
Выход 72 — Слабый положительный выход на сильноточный положительный выход 73 — Мигающие индикаторы вигвага — Отрицательный вход / положительный выход 74 — Мигающие индикаторы вигвага — Отрицательный вход / Положительный выход tput — изолировать левый и правый свет 75 — мигающие огни вигвага — положительный вход / положительный выход 76 — мигающие огни вигваг — положительный вход / положительный выход — изолировать левый и правый свет
Ваш блокировщик рекламы препятствует правильному отображению этой страницы.
|
Следите за the12volt.com
Воскресенье, 28 февраля 2021 г. • Авторские права © 1999-2021 the12volt.com, Все права защищены. • Политика конфиденциальности и использование файлов cookie
Заявление об отказе от ответственности: * Вся информация на этом сайте (the12volt.com) предоставляется «как есть» без каких-либо явных или подразумеваемых гарантий, включая, помимо прочего, пригодность для конкретного использования.Любой пользователь принимает на себя весь риск в отношении точности и использования этой информации. Пожалуйста
проверьте все цвета проводов и схемы перед нанесением любой информации.
Признаки неисправного или неисправного реле противотуманных фар
Реле противотуманных фар — это электрическое реле, которое отвечает за управление питанием противотуманных фар. Противотуманные фары — это фонари под фарами, которые предназначены для улучшения видимости в условиях густого тумана или дождя. Они призваны помочь водителю видеть края дороги в условиях плохой видимости.Когда реле противотуманных фар выходит из строя или имеет какие-либо проблемы, это может вызвать проблемы с работой противотуманных фар. Обычно неисправное или неисправное реле вызывает несколько симптомов, которые могут предупредить водителя о потенциальной проблеме.
1. Звук щелчка с реле
Одним из первых признаков неисправности реле противотуманных фар является слышимый щелчок реле. Многие реле издают тихий слышимый щелчок при включении, однако чрезмерно громкий щелчок может указывать на то, что реле может иметь внутренние проблемы.
2. Противотуманные фары всегда включены
Противотуманные фары, которые остаются включенными постоянно, являются еще одним признаком неисправности реле противотуманных фар.
Если реле противотуманных фар закорачивает внутри или имеет какие-либо проблемы с проводкой, это может привести к тому, что противотуманные фары будут оставаться включенными все время. Это, очевидно, проблема, поскольку она разряжает аккумулятор автомобиля, а также значительно сокращает срок службы ламп.
3. Не включаются противотуманные фары
Еще одним частым признаком неисправности реле противотуманных фар являются противотуманные фары, которые вообще не включаются.Реле противотуманных фар — это переключатель, который управляет питанием противотуманных фар, и обычно он управляется либо автоматически компьютером, либо водителем вручную. Если реле выйдет из строя, оно отключит питание противотуманных фар и выведет их из строя.
Хотя противотуманные фары обычно не используются в обычных условиях движения, их полезно иметь в условиях плохой видимости, например, во время сильного дождя или густого тумана. Если вы подозреваете, что с вашими противотуманными фарами или реле могут возникнуть проблемы, обратитесь к профессиональному специалисту, например, из YourMechanic, для осмотра автомобиля, чтобы определить, нуждается ли автомобиль в замене реле противотуманных фар.
Признаки неисправности или неисправности реле противотуманных фар
Реле противотуманных фар — это электрическое реле, которое отвечает за управление питанием противотуманных фар. Противотуманные фары — это фонари под фарами, которые предназначены для улучшения видимости в условиях густого тумана или дождя. Они призваны помочь водителю видеть края дороги в условиях плохой видимости. Когда реле противотуманных фар выходит из строя или имеет какие-либо проблемы, это может вызвать проблемы с работой противотуманных фар. Обычно неисправное или неисправное реле вызывает несколько симптомов, которые могут предупредить водителя о потенциальной проблеме.
1. Звук щелчка с реле
Одним из первых признаков неисправности реле противотуманных фар является слышимый щелчок реле. Многие реле издают тихий слышимый щелчок при включении, однако чрезмерно громкий щелчок может указывать на то, что реле может иметь внутренние проблемы.
2. Противотуманные фары всегда включены
Противотуманные фары, которые остаются включенными постоянно, являются еще одним признаком неисправности реле противотуманных фар.
Если реле противотуманных фар закорачивает внутри или имеет какие-либо проблемы с проводкой, это может привести к тому, что противотуманные фары будут оставаться включенными все время. Это, очевидно, проблема, поскольку она разряжает аккумулятор автомобиля, а также значительно сокращает срок службы ламп.
3. Не включаются противотуманные фары
Еще одним частым признаком неисправности реле противотуманных фар являются противотуманные фары, которые вообще не включаются. Реле противотуманных фар — это переключатель, который управляет питанием противотуманных фар, и обычно он управляется либо автоматически компьютером, либо водителем вручную.Если реле выйдет из строя, оно отключит питание противотуманных фар и выведет их из строя.
Хотя противотуманные фары обычно не используются в обычных условиях движения, их полезно иметь в условиях плохой видимости, например, во время сильного дождя или густого тумана. Если вы подозреваете, что с вашими противотуманными фарами или реле могут возникнуть проблемы, обратитесь к профессиональному специалисту, например, из YourMechanic, для осмотра автомобиля, чтобы определить, нуждается ли автомобиль в замене реле противотуманных фар.
Реле и предохранители фар
MGA With An AttitudeФАРНЫЕ РЕЛЕ и ПРЕДОХРАНИТЕЛИ — ET-206A
Возможно, вы уже знаете, что я не большой поклонник установки ненужных реле или предохранителей.Однако бывают случаи, когда реле абсолютно необходимо, и при этом может быть удобно установить предохранитель. Судя по книге, оригинальный переключатель противотуманных фар и провод от этого переключателя до передней части автомобиля предназначены только для питания одной противотуманной фары или одной фары дальнего света. Если вы устанавливаете более одной лампы, вы должны использовать реле и провод питания большего диаметра, чтобы выдерживать повышенную токовую нагрузку. По многочисленным просьбам я публикую эту статью, чтобы охватить множество вопросов, связанных с установкой противотуманных фар и фар, добавлением реле и предохранителей в систему освещения.Надеюсь, я смогу сделать одну схему, охватывающую все основы, вместе с некоторыми заметками о различных вариантах.
Прежде чем идти дальше, ПОЖАЛУЙСТА, ознакомьтесь с «Правилами обновления освещения» в ET-204 (и постарайтесь не делать ничего незаконного).
Я не показываю здесь исходные соединения переключателя освещения и переключателя противотуманных фар, потому что ничего не меняется, и вам не нужно прикасаться к этим переключателям. Эта установка добавляет четыре реле, четыре предохранителя и один новый переключатель на приборной панели для фар дальнего света.
Учтите, что в течение долгого времени асимметричное освещение было незаконным в Северной Америке. Могут быть некоторые исключения, если это был оригинальный выпуск с завода, когда автомобиль был построен (в то время, когда это было законно). Также может быть исключение, если асимметричное освещение было установлено в качестве аксессуара дилера или послепродажного обслуживания в течение того же периода времени (согласно закону). Вот как вам может сойти с рук установка одного 9-дюймового дальнего света Lucas Flamethrower, потому что он широко известен как принадлежность той эпохи.
Чтобы соответствовать законам симметричного освещения, вам необходимо установить новые лампы попарно, и в этом случае вы должны использовать реле.
Также учтите, что в течение долгого времени использование 100-ваттных фар на дорогах общего пользования в Северной Америке было незаконным. Я думаю, что единственное исключение из этого могло бы быть, если бы они были оригинальным заводским выпуском в качестве стандартного оборудования на некоторых автомобилях, не включая какое-либо дополнительное дополнительное освещение, даже если это был аксессуар того времени. Значит, не на MG. Винтажные лампы накаливания в качестве стандартного оборудования раньше были в основном в диапазоне мощности 35-50 Вт.Современные (дешевые) галогенные фары с герметичным светом обычно имеют диапазон 45-60 Вт, а иногда и 65 Вт (при немного меньшем сроке службы лампы). Предполагая, что мощность предварительной лампы не превышает 60 Вт, тогда (2×60 Вт) / 12 В = 10 А. Вот почему моя схема требует реле на 10 ампер.
Предохранители называются на 15 ампер, поскольку предохранитель или автоматический выключатель должны быть рассчитаны как минимум на 20% выше ожидаемой нагрузки, чтобы избежать перегорания предохранителя при нормальной эксплуатации. Если по какой-либо причине вы устанавливаете лампы мощностью более 60 Вт, увеличьте мощность реле, предохранителей и сечения проводов соответственно.
По закону необходимо включать свет фар для встречного движения. Фары дальнего света (не противотуманные) считаются дополнительными фарами дальнего света. Поэтому также требуется, чтобы фары дальнего света были подключены таким образом, чтобы они погасли, когда вы включите фары. Это показано на моей схеме, и есть несколько способов сделать это. Я расскажу о паре альтернатив позже (если я не забуду включить их в эту статью).
Если бы все переключатели, провода и разъемы были правильно подобраны для протекания тока, то в реле не было бы необходимости.В исходное оборудование реле не входят, и эти автомобили десятилетиями неплохо выживали без них.
При обновлении осветительного оборудования чрезвычайно сложно разорвать и восстановить исходный жгут проводов для увеличения размеров проводов. Оригинальные переключатели также могут не справиться с предполагаемым увеличением тока. Основная причина использования реле заключается в том, что они пропускают больше тока, чем были рассчитаны оригинальные переключатели и проводка. Реле позволят установить несколько больших проводов, не разрывая исходный жгут и не перегружая оригинальные переключатели.
Основная формула установки реле заключается в установке реле между переключателем и нагрузкой и использовании оригинального переключателя только для срабатывания реле. Затем протяните провод питания большего диаметра от аккумулятора к реле, чтобы обойти проводку оригинального жгута. Если нагрузочные устройства могут быть подключены непосредственно к реле, а исходная проводка между нагрузкой и реле достаточна для переноса нового тока, тогда вам могут не понадобиться никакие новые провода между реле и нагрузкой.
Вот почему реле освещения обычно имеет двойные выходные клеммы, поэтому вы можете подключить две лампы непосредственно к реле.Если две лампы были соединены с помощью разъема с защелкой, и у вас есть только один провод от этого разъема до реле, то этот провод будет пропускать удвоенный ток, что может потребовать использования провода большего размера для этого проводника. Помните, что одна 60-ваттная лампа потребляет всего 5 ампер при 12 вольт. Таким образом, размещение реле (а) рядом с местом, где изначально был разветвлен провод нагрузки, может уменьшить количество необходимых новых проводов.
Для MGA этот подход может потребовать размещения реле в довольно неудобном месте обслуживания в глухом углу перед радиатором.Более жизнеспособной альтернативой может быть установка реле (а) на внутреннем крыле за радиатором и проложить несколько удлинительных проводов нагрузки от реле к разъемам устройства нагрузки спереди (вместо оригинальных защелкивающихся разъемов 4-контактного разветвителя).
). В этом случае для моей схемы, приведенной выше, потребуется еще 8 проводов и разъемов между реле и исходными разъемами лампы. Трубчатые защелкивающиеся соединители оригинального типа с круглыми концами проводов создают по два соединения на каждом стыке, что означает, что 8 удлинительных проводов могут привести к увеличению количества соединителей на 16.Если бы вы хорошо понимали, что здесь происходит, вы могли бы сделать новый поперечный жгут для переднего конца с более длинными проводами, чтобы разместить удлинители без необходимости в дополнительных промежуточных разъемах.
По мере того, как вы добавляете больше ламп, провод питания становится больше и пропускает больше тока. Риск короткого замыкания где-то увеличивается с количеством ламп и проводов. Риск короткого замыкания на первичном питающем проводе не увеличивается с размером провода, но последствия короткого замыкания на этом проводе или на любом из следующих распределительных проводов возрастают с более высоким токонесущим потенциалом первичного провода.
По этой причине разумно установить хотя бы один предохранитель в месте, которое может перегореть в случае короткого замыкания на любом из проводов нагрузки. Проблема в том, что предохранитель, рассчитанный на нагрузку около 30 А для 6 ламп, должен быть предохранителем не менее 35 или 40 А. Это защитит большой провод первичного источника питания, но меньшие провода распределительной нагрузки ниже по потоку могут по-прежнему сгореть в результате короткого замыкания без сгорания предохранителя главной линии большой емкости. Тогда решение состоит в том, чтобы установить несколько предохранителей меньшего размера в линию перед проводами меньшего размера.
Если вы вообще устанавливаете какие-либо предохранители, я бы порекомендовал отдельные предохранители для фар дальнего и ближнего света, чтобы в случае короткого замыкания и сгорания предохранителя у вас все еще оставался свет (лучше, чем не светить). Если бы вы были немного изобретательны, вы могли бы подключить схему «сброса нагрузки».
Вы можете подключить его, чтобы противотуманные фары и фары дальнего света не могли включаться одновременно, что снизило максимальную общую нагрузку до 20 ампер, а не 30 ампер. Если вы немного подумаете об этом, вы можете настроить его так, чтобы он гасил дальний свет фар, когда он включен, уменьшая эту комбинированную нагрузку.Если вы настроите его так, чтобы в любое время могла работать только одна пара из трех наборов ламп, тогда первичный провод должен быть достаточно большим, чтобы выдерживать 20 ампер, и вы можете обойтись одним первичным предохранителем. Но это возвращает нас к возможности вообще не иметь никаких огней, если бы перегорел единственный предохранитель.
После того, как вы обязуетесь физически установить хотя бы одно реле и хотя бы один предохранитель, дополнительные реле будет значительно проще устанавливать одновременно, а дополнительные предохранители по сравнению с ними выглядят очень просто.Если вы собираете все реле и предохранители на одной монтажной платформе (что удобно для обслуживания), вероятно, будет проще использовать один предохранитель с каждым реле, чем пытаться выяснить, как устранить один или два предохранителя.
Точно так же, вероятно, проще установить провод первичного питания большего диаметра, чем включить схему отключения нагрузки. Если бы вы были действительно чокнутыми и хотели плавить каждую нить накала фары отдельно, вы могли бы установить восемь предохранителей после реле, а не четыре предохранителя перед реле.
Вы можете заметить, что моя схема требует использовать оригинальные жгуты проводов от переключателя рычага управления и противотуманного света, а также оригинальные провода от реле к фарам ближнего и дальнего света. Распределительный провод одиночной противотуманной фары (или одиночной фары дальнего света) всегда добавлялся вместе с одиночной лампой. Таким образом, все распределительные провода от реле к противотуманным фарам и фарам дальнего света являются дополнениями вместе с лампами.
Есть один из этих логических приемов «снятия шкуры кошки», где я предлагаю короткую перемычку от выхода реле дальнего света к пусковой катушке реле дальнего света, а затем заземлить новый выключатель дальнего света.
Это приведет к отключению питания триггера реле дальнего света и отключению дальнего света, когда фары переключаются на ближний свет, даже если дальний свет включен вручную. Альтернативой этому является заземление триггерной катушки реле дальнего света так же, как и других реле, срабатывание реле DL от переключателя DL и отвод питания переключателя DL от выхода дальнего света переключателя рычага управления. Этот выбор оставляет вам разобраться, как провести новый провод от выхода дальнего света переключателя рычага управления к новому переключателю DL, где, как мне кажется, легче заземлить переключатель DL.
Вы можете использовать аналогичный трюк для реле противотуманных фар, подключив катушку триггера к клемме входа питания, а затем заземлив переключатель противотуманных фар. Это предварительный шаг к отключению противотуманных фар при включенных фарах. Вы можете сделать это, используя реле двойного хода для фар дальнего света и используя нормально замкнутую выходную клемму для питания триггерной катушки реле противотуманных фар.
Тогда противотуманные фары будут работать только при выключенных фарах, а функция сброса нагрузки не требует ничего, кроме двойного реле вместо одинарного.
Моя диаграмма соответствует принципу KISS с четырьмя реле и четырьмя предохранителями, и я бы бросил вызов любому, чтобы найти более простой способ сделать это (кроме как оставить что-то незакрепленным). Однако, как я сказал вначале, я не большой поклонник установки ненужных реле или предохранителей, поэтому я считаю, какая часть этого пакета реле действительно не нужна. Цепи дальнего и ближнего света фар имеют более крупную проводку, так что эти два реле на самом деле не нужны (если мощность лампы не превышает 60 Вт).Когда дело доходит до двойных противотуманных фар или дальнего света, вместо того, чтобы прокладывать толстый провод питания шины и дополнительный сигнальный провод и реле на передней панели, может быть так же легко проложить два провода немного большего размера для питания ламп непосредственно от переключателей на приборной панели и забудьте о реле.
Если вы это сделаете, вы можете установить все новые предохранители, которые вам нравятся, на удобной новой панели, скрытой от глаз за приборной панелью. Для обсуждения того, сколько предохранителей на самом деле может быть полезно и где их разместить, см. Статью ET-201B.
Toyota Sienna Service Manual: Цепь передних противотуманных фар — Диагностическая таблица кодов неисправностей — Система освещения
ОПИСАНИЕ
Кузовной ЭБУ мультиплексной сети управляет реле FOG при получении сигнала. от диммера фар переключатель в сборе.
ЭЛЕКТРИЧЕСКАЯ СХЕМА
ПРОЦЕДУРА ПРОВЕРКИ
1 ВЫПОЛНИТЬ АКТИВНЫЙ ТЕСТ С ПОМОЩЬЮ ИНТЕЛЛЕКТУАЛЬНОГО ТЕСТЕРА
- Подключите интеллектуальный тестер к DLC3.
- Включите зажигание и нажмите интеллектуальный Главный выключатель тестера включен.
- Выберите элемент ниже в АКТИВНОМ ТЕСТЕ, а затем
убедитесь, что реле работает.

2 ПРОВЕРЬТЕ РЕЛЕ ПРОТИВОТУМАННЫХ ФАР
- Проверьте целостность реле противотуманных фар.
Стандарт
3 ПРОВЕРЬТЕ СОЕДИНИТЕЛЬНЫЙ БЛОК ПРИБОРНОЙ ПАНЕЛИ
- Измерьте напряжение между выводами B8-7 ЭБУ кузова мультиплексной сети в панели приборов монтажный блок и масса кузова.
Напряжение
4 ПРОВЕРЬТЕ СОЕДИНИТЕЛЬНЫЙ БЛОК ПРИБОРНОЙ ПАНЕЛИ В СБОРЕ
- Снимите соединительный блок панели приборов.
- Измерьте напряжение между каждой из клемм как показано в таблице ниже.
Напряжение
ОТРЕМОНТИРУЙТЕ ИЛИ ЗАМЕНИТЕ ЖГУТ ПРОВОДОВ ИЛИ РАЗЪЕМ
Цепь реле ДХО
ОПИСАНИЕ Кузовной ЭБУ мультиплексной сети управляет номером DRL.
2 реле
ЭЛЕКТРИЧЕСКАЯ СХЕМА ПОРЯДОК ПРОВЕРКИ
1 ВЫПОЛНИТЬ АКТИВНЫЙ ТЕСТ ИНТЕЛЛЕКТУАЛЬНЫМ ТЕСТЕРОМ Подключите интеллектуальный тестер к DLC …Цепь переключателя управления освещением
ОПИСАНИЕ Эта схема определяет состояние переключателя света фар. ЭЛЕКТРИЧЕСКАЯ СХЕМА ПОРЯДОК ПРОВЕРКИ 1 ЧИТАТЬ ЗНАЧЕНИЕ ИНТЕЛЛЕКТУАЛЬНОГО ТЕСТЕРА Подключите интеллектуальный тестер к DLC3. …Другие материалы:
Неисправность цепи переключателя пряжки со стороны пассажира
DTC B1771 Неисправность цепи переключателя пряжки со стороны пассажира
ОПИСАНИЕ
Цепь переключателя замка замка со стороны пассажира состоит из пассажира.
Классификация ЭБУ и переднего сиденья
внутренний ремень в сборе правый.DTC B1771 регистрируется при обнаружении неисправности со стороны пассажира.
пряжка переключателя ci …
Меры предосторожности
1. Убедитесь, что кабели аккумулятора подключены к
правильные клеммы. 2. Отсоедините кабели аккумулятора, когда аккумулятор
дали быструю зарядку.
3. Не проводите испытания с высоковольтной изоляцией.
тестер сопротивления. 4. Никогда не отсоединяйте кабели аккумуляторной батареи при работающем двигателе.
бежит …
Замыкание на GND пиропатрона правой задней шторки
Цепь
DTC B1632 / 81: короткое замыкание на массу в пиропатроне правой задней шторки
Схема
ОПИСАНИЕ
Цепь пиропатрона правой задней шторки состоит из центрального датчика подушки безопасности.
сборка и занавес
правый щиток подушки безопасности в сборе.Схема дает команду SRS развернуться, когда выполняются условия развертывания. DTC …
Toyota RAV4 Service Manual: Цепь передних противотуманных фар — Список данных / активный тест — Система освещения
Описание
Главный ЭБУ кузова управляет реле передних противотуманных фар (маркировка: fr fog), когда сигнал получен от переключатель света фар.
Схема подключения
Порядок проверки
- Выполнение активного теста с помощью интеллектуального тестера
- Подключите интеллектуальный тестер (с CAN VIM) к
dlc3.

- Поверните ключ зажигания в положение включения и нажмите кнопку главный выключатель интеллектуального тестера.
- Выберите элемент ниже в активном тесте, а затем проверьте работу реле.
Хорошо: загорается передняя противотуманная фара.
- Задний фонарь
- Убедитесь, что задний фонарь загорается при включении света переключатель включен (хвост).
Хорошо: загорается задний фонарь.
- Проверить предохранитель (от тумана)
- Снять предохранитель передней противотуманки с панели приборов. соединительный блок.
- Измерьте сопротивление предохранителей.
Стандартное сопротивление: ниже 1
- Проверить лампу противотуманных фар
- Снимите лампу противотуманной фары.

- Подключите положительный (+) провод от аккумулятора к клемме. 2 и отрицательный (-) вывод к клемме 1, затем проверьте, что лампочка горит.
Хорошо: лампочка горит.
- Проверить реле передних противотуманных фар (маркировка: fr fog)
- Снимите реле передних противотуманных фар с №. 6 реле блокировать.
- Измерьте сопротивление реле.
Стандартное сопротивление
- Проверить жгут проводов (аккумулятор — основной блок управления)
- Отсоедините разъем e17 ecu.
- Измерьте напряжение на боковом разъеме жгута проводов.
Стандартное напряжение
- Проверить жгут проводов (реле передних противотуманных фар — аккумулятор)
- Снимите реле передних противотуманных фар с №.
6 реле
блокировать. - Измерьте напряжение блока реле.
Стандартное напряжение
- Проверить жгут проводов (реле передних противотуманных фар — передние противотуманные фары и кузов земля)
- Снимите реле передних противотуманных фар с №. 6 реле блокировать.
- Отсоедините разъемы a11 и a28 передних противотуманных фар.
- Измерьте сопротивление жгута проводов со стороны разъемы.
Стандартное сопротивление
Заменить соединительный блок панели приборов (ЭБУ основного корпуса)
- Проверьте жгут проводов (переключатель освещения — главный ЭБУ кузова и масса кузова)
- Отсоедините разъем переключателя света фар e12.
- Отсоедините разъем e17 ЭБУ основного корпуса.

- Измерьте сопротивление жгута проводов со стороны разъемы.
Стандартное сопротивление
- Проверить выключатель противотуманных фар
- Снимите переключатель регулятора яркости фар.
- Измерьте сопротивление переключателя.
Стандартное сопротивление
Отремонтировать или заменить жгут и разъем (переключатель света фар — кузов земля)
Схема фары (дальнего света)
Описание Кузовной ЭБУ управляет реле фар, нет.2 реле дневных ходовых огней (маркировка: ДРЛ № 2) И нет. 4 Реле дневных ходовых огней (маркировка: drl № 4). Схема подключения Я …Цепь указателя поворота
Описание Включается реле указателя поворота (маркировка: flsh) в главном блоке управления когда он получает сигналы от переключателя света фар, интегрированного с переключателем указателей поворота, вызывая .
..Прочие материалы:
Цепь соленоида компрессора (2005 / 11-2006 / 01)
Описание
В этом контуре компрессор получает запрос на сжатие хладагента.
сигнал от кондиционера
усилитель мощности.На основе этого сигнала компрессор изменяет степень
сжатие хладагента. Схема подключения Порядок осмотра Прочтите значение умных …
Схема освещения пространства для ног
Описание
ЭБУ основного корпуса получает информацию о положении дверного замка.
выключатель и выключатель зажигания, и
включает каждую ногу свет.
Схема подключения Порядок осмотра Выполните активный тест с помощью интеллектуального тестера (основной блок управления) Подключите интеллектуальный тестер (с can vim…
Испытания механической системы
Тест скорости сваливания Намекать:
Этот тест предназначен для проверки общей производительности
двигатель и трансмиссия.
Уведомление: Не выполняйте проверку скорости сваливания дольше 5 раз.

задней двери — кузов
)
рис. 10.1)
5
10) (рестайлинг 2014 г).
5
Когда на катушку реле подано напряжение (12 В + от переключателя дальнего света к клемме 86, масса на клемме 85), нормально замкнутые контакты размыкаются, прерывая 12 В + к противотуманным фарам. Клемма 87 не используется.