ΠΠΈΠ°Π³Π½ΠΎΡΡΠΈΠΊΠ° ΠΈ ΡΠ΅ΠΌΠΎΠ½Ρ ΡΠΈΡΡΠ΅ΠΌΡ ΡΡΠ»Π΅Π²ΠΎΠ³ΠΎ ΡΠΏΡΠ°Π²Π»Π΅Π½ΠΈΡ Π² ΠΠ°Π·Π°Π½ΠΈ
Π ΡΠ»Π΅Π²ΠΎΠ΅ ΡΠΏΡΠ°Π²Π»Π΅Π½ΠΈΠ΅ ΡΠΎΡΡΠΎΠΈΡ ΠΈΠ· ΡΡΠ»Π΅Π²ΠΎΠΉ ΠΊΠΎΠ»ΠΎΠ½ΠΊΠΈ Ρ ΡΡΠ»Π΅Π²ΡΠΌ ΠΊΠΎΠ»Π΅ΡΠΎΠΌ, ΡΡΠ»Π΅Π²ΠΎΠ³ΠΎ ΠΏΡΠΈΠ²ΠΎΠ΄Π° ΠΈ ΡΡΠ»Π΅Π²ΡΡ ΡΡΠ³.
Π ΡΠ΅Π»ΡΡ ΠΎΠ±Π΅ΡΠΏΠ΅ΡΠ΅Π½ΠΈΡ Π±Π΅Π·ΠΎΠΏΠ°ΡΠ½ΠΎΡΡΠΈ Π΄Π²ΠΈΠΆΠ΅Π½ΠΈΡ Π°Π²ΡΠΎΠΌΠΎΠ±ΠΈΠ»Ρ Π½Π΅ΠΎΠ±Ρ ΠΎΠ΄ΠΈΠΌΠΎ ΠΏΡΠΎΠ²Π΅ΡΡΡΡ ΡΠΎΡΡΠΎΡΠ½ΠΈΠ΅ ΡΡΠ»Π΅Π²ΠΎΠ³ΠΎ ΡΠΏΡΠ°Π²Π»Π΅Π½ΠΈΡ ΠΏΡΠΈ ΡΠ΅Ρ Π½ΠΈΡΠ΅ΡΠΊΠΈΡ ΠΎΡΠΌΠΎΡΡΠ°Ρ Π²ΡΠ΅Ρ Π²ΠΈΠ΄ΠΎΠ².
ΠΠΎΠ΄ Π΄Π΅ΠΉΡΡΠ²ΠΈΠ΅ΠΌ ΡΠ΄Π°ΡΠ½ΡΡ Π½Π°Π³ΡΡΠ·ΠΎΠΊ, ΡΡΠ΅Π½ΠΈΡ ΠΈ Π΄ΡΡΠ³ΠΈΡ ΡΠ°ΠΊΡΠΎΡΠΎΠ² ΡΠ΅Ρ Π½ΠΈΡΠ΅ΡΠΊΠΎΠ΅ ΡΠΎΡΡΠΎΡΠ½ΠΈΠ΅ ΡΠ»Π΅ΠΌΠ΅Π½ΡΠΎΠ² ΡΡΠ»Π΅Π²ΠΎΠ³ΠΎ ΡΠΏΡΠ°Π²Π»Π΅Π½ΠΈΡ ΠΈΠ·ΠΌΠ΅Π½ΡΠ΅ΡΡΡ. ΠΠΎΡΠ²Π»ΡΡΡΡΡ Π»ΡΡΡΡ Π² ΡΠΎΡΠ»Π΅Π½Π΅Π½ΠΈΡΡ , ΡΠΏΠΎΡΠΎΠ±ΡΡΠ²ΡΡΡΠΈΠ΅ ΠΏΠΎΠ²ΡΡΠ΅Π½Π½ΠΎΠΌΡ ΠΈΠ·Π½Π°ΡΠΈΠ²Π°Π½ΠΈΡ Π΄Π΅ΡΠ°Π»Π΅ΠΉ. ΠΠ·Π½Π°ΡΠΈΠ²Π°Π½ΠΈΠ΅ ΠΈΠ»ΠΈ Π½Π΅ΠΏΡΠ°Π²ΠΈΠ»ΡΠ½ΡΠ΅ Π·Π°ΡΡΠΆΠΊΠΈ ΠΈ ΡΠ΅Π³ΡΠ»ΠΈΡΠΎΠ²ΠΊΠΈ ΠΏΡΠΈΠ²ΠΎΠ΄ΡΡ ΠΊ ΡΠ²Π΅Π»ΠΈΡΠ΅Π½ΠΈΡ ΡΠΈΠ»Ρ ΡΡΠ΅Π½ΠΈΡ Π² ΡΡΠ»Π΅Π²ΠΎΠΌ ΡΠΏΡΠ°Π²Π»Π΅Π½ΠΈΠΈ, ΡΡΠΎ Π²Π»ΠΈΡΠ΅Ρ Π½Π° ΡΠΏΡΠ°Π²Π»ΡΠ΅ΠΌΠΎΡΡΡ Π°Π²ΡΠΎΠΌΠΎΠ±ΠΈΠ»Ρ ΠΈ Π±Π΅Π·ΠΎΠΏΠ°ΡΠ½ΠΎΡΡΡ Π΄Π²ΠΈΠΆΠ΅Π½ΠΈΡ.
ΠΡΠ½ΠΎΠ²Π½ΡΠ΅ Π½Π΅ΠΈΡΠΏΡΠ°Π²Π½ΠΎΡΡΠΈ ΡΡΠ»Π΅Π²ΠΎΠ³ΠΎ ΡΠΏΡΠ°Π²Π»Π΅Π½ΠΈΡ ΠΈ ΠΈΡ ΠΏΡΠΈΡΠΈΠ½Ρ
ΠΡΠΈ ΡΡΠ³ΠΎΠΌ Π²ΡΠ°ΡΠ΅Π½ΠΈΠΈ ΡΡΠ»Π΅Π²ΠΎΠ³ΠΎ ΠΊΠΎΠ»Π΅ΡΠ° ΠΎΡΠ½ΠΎΠ²Π½ΡΠΌΠΈ ΠΏΡΠΈΡΠΈΠ½Π°ΠΌΠΈ ΠΌΠΎΠ³ΡΡ Π±ΡΡΡ:
- Π΄Π΅ΡΠΎΡΠΌΠ°ΡΠΈΡ Π΄Π΅ΡΠ°Π»Π΅ΠΉ ΡΡΠ»Π΅Π²ΠΎΠ³ΠΎ ΠΏΡΠΈΠ²ΠΎΠ΄Π°;
- Π½Π΅ΠΏΡΠ°Π²ΠΈΠ»ΡΠ½Π°Ρ ΡΡΡΠ°Π½ΠΎΠ²ΠΊΠ° ΡΠ³Π»ΠΎΠ² ΠΏΠ΅ΡΠ΅Π΄Π½ΠΈΡ ΠΊΠΎΠ»Π΅Ρ,
- Π½ΠΈΠ·ΠΊΠΎΠ΅ Π΄Π°Π²Π»Π΅Π½ΠΈΠ΅ Π² ΡΠΈΠ½Π°Ρ ΠΏΠ΅ΡΠ΅Π΄Π½ΠΈΡ ΠΊΠΎΠ»Π΅Ρ;
- ΠΎΡΡΡΡΡΡΠ²ΠΈΠ΅ ΠΌΠ°ΡΠ»Π° Π² ΠΊΠ°ΡΡΠ΅ΡΠ΅ ΡΡΠ»Π΅Π²ΠΎΠ³ΠΎ ΠΌΠ΅Ρ Π°Π½ΠΈΠ·ΠΌΠ°;
- ΠΏΠΎΠ²ΡΠ΅ΠΆΠ΄Π΅Π½ΠΈΠ΅ Π΄Π΅ΡΠ°Π»Π΅ΠΉ ΡΠ°ΡΠΎΠ²ΡΡ ΡΠ°ΡΠ½ΠΈΡΠΎΠ², ΠΏΠΎΠ΄ΡΠΈΠΏΠ½ΠΈΠΊΠ° Π²Π΅ΡΡ Π½Π΅ΠΉ ΡΡΠΎΠΉΠΊΠΈ ΠΎΠΏΠΎΡΡ;
- ΠΏΠΎΠ²ΡΠ΅ΠΆΠ΄Π΅Π½ΠΈΠ΅ Π΄Π΅ΡΠ°Π»Π΅ΠΉ ΡΠ΅Π»Π΅ΡΠΊΠΎΠΏΠΈΡΠ΅ΡΠΊΠΎΠΉ ΡΡΠΎΠΉΠΊΠΈ ΠΏΠΎΠ΄Π²Π΅ΡΠΊΠΈ.

Π Π΄Π»Ρ ΠΌΠ΅Ρ Π°Π½ΠΈΠ·ΠΌΠΎΠ² ΡΠ΅ΡΠ²ΡΡΠ½ΠΎΠ³ΠΎ ΡΠΈΠΏΠ°:
- ΠΏΠ΅ΡΠ΅ΡΡΠΆΠΊΠ° ΡΠ΅Π³ΡΠ»ΠΈΡΠΎΠ²ΠΎΡΠ½ΠΎΠΉ Π³Π°ΠΉΠΊΠΈ ΠΎΡΠΈ ΠΌΠ°ΡΡΠ½ΠΈΠΊΠΎΠ²ΠΎΠ³ΠΎ ΡΡΡΠ°Π³Π°;
- Π½Π°ΡΡΡΠ΅Π½ΠΈΠ΅ Π·Π°Π·ΠΎΡΠ° Π² Π·Π°ΡΠ΅ΠΏΠ»Π΅Π½ΠΈΠΈ ΡΠΎΠ»ΠΈΠΊΠ° Ρ ΡΠ΅ΡΠ²ΡΠΊΠΎΠΌ.
ΠΡΠ½ΠΎΠ²Π½ΡΠΌΠΈ ΠΏΡΠΈΡΠΈΠ½Π°ΠΌΠΈ ΡΠ²Π΅Π»ΠΈΡΠ΅Π½Π½ΠΎΠ³ΠΎ Ρ ΠΎΠ»ΠΎΡΡΠΎΠ³ΠΎ Ρ ΠΎΠ΄Π° ΠΌΠΎΠ³ΡΡ Π±ΡΡΡ:
- ΠΎΡΠ»Π°Π±Π»Π΅Π½ΠΈΠ΅ Π±ΠΎΠ»ΡΠΎΠ² ΡΡΠ»Π΅Π²ΠΎΠ³ΠΎ ΠΌΠ΅Ρ Π°Π½ΠΈΠ·ΠΌΠ° (Π΄Π»Ρ ΡΡΠ»Π΅Π²ΡΡ ΠΌΠ΅Ρ Π°Π½ΠΈΠ·ΠΌΠΎΠ² ΡΠ΅ΡΠ²ΡΡΠ½ΠΎΠ³ΠΎ ΡΠΈΠΏΠ°), Π³Π°Π΅ΠΊ ΡΠ°ΡΠΎΠ²ΡΡ ΠΏΠ°Π»ΡΡΠ΅Π² ΡΡΠ»Π΅Π²ΡΡ ΡΡΠ³,
- ΡΠ²Π΅Π»ΠΈΡΠ΅Π½ΠΈΠ΅ Π·Π°Π·ΠΎΡΠΎΠ² Π² ΡΠ°ΡΠΎΠ²ΡΡ ΡΠ°ΡΠ½ΠΈΡΠ°Ρ , ΠΏΠΎΠ΄ΡΠΈΠΏΠ½ΠΈΠΊΠ°Ρ ΡΡΡΠΏΠΈΡ ΠΏΠ΅ΡΠ΅Π΄Π½ΠΈΡ ΠΊΠΎΠ»Π΅Ρ.
ΠΡΠΎΠ²Π΅ΡΠΊΠ° ΡΡΠ»Π΅Π²ΠΎΠ³ΠΎ ΡΠΏΡΠ°Π²Π»Π΅Π½ΠΈΡ
ΠΡΠΎΠ²Π΅ΡΠΊΡ ΡΠ΅Ρ Π½ΠΈΡΠ΅ΡΠΊΠΎΠ³ΠΎ ΡΠΎΡΡΠΎΡΠ½ΠΈΡ ΡΡΠ»Π΅Π²ΠΎΠ³ΠΎ ΡΠΏΡΠ°Π²Π»Π΅Π½ΠΈΡ ΠΏΡΠΎΠΈΠ·Π²ΠΎΠ΄ΡΡ ΠΏΠΎ ΡΡΠΌΠΌΠ°ΡΠ½ΠΎΠΉ Π²Π΅Π»ΠΈΡΠΈΠ½Π΅ Π»ΡΡΡΠ° ΠΈ ΡΡΠΈΠ»ΠΈΡ, Π½Π΅ΠΎΠ±Ρ ΠΎΠ΄ΠΈΠΌΠΎΠΌΡ Π΄Π»Ρ ΠΏΠΎΠ²ΠΎΡΠΎΡΠ° ΡΡΠ»Π΅Π²ΠΎΠ³ΠΎ ΠΊΠΎΠ»Π΅ΡΠ°. ΠΠ±ΡΠ°Ρ Π²Π΅Π»ΠΈΡΠΈΠ½Π° Π»ΡΡΡΠΎΠ² ΡΡΠ»Π΅Π²ΠΎΠ³ΠΎ ΠΊΠΎΠ»Π΅ΡΠ° ΡΠΊΠ»Π°Π΄ΡΠ²Π°Π΅ΡΡΡ ΠΈΠ· Π²Π΅Π»ΠΈΡΠΈΠ½Ρ Π»ΡΡΡΠΎΠ² Π² ΠΏΠΎΠ΄ΡΠΈΠΏΠ½ΠΈΠΊΠ°Ρ ΡΡΡΠΏΠΈΡ ΠΏΠ΅ΡΠ΅Π΄Π½ΠΈΡ ΠΊΠΎΠ»Π΅Ρ ΠΈ ΡΠΎΠ΅Π΄ΠΈΠ½Π΅Π½ΠΈΡΡ ΡΠ°ΡΠ½ΠΈΡΠ½ΡΡ ΡΡΠ³, ΡΠΊΠ²ΠΎΡΠ½Π΅Π²ΡΡ ΡΡΠ³, ΡΠ»Π΅ΠΌΠ΅Π½ΡΠΎΠ² ΠΈ ΡΡΡΠ°Π³ΠΎΠ² ΡΡΠ»Π΅Π²ΠΎΠ³ΠΎ ΡΠΏΡΠ°Π²Π»Π΅Π½ΠΈΡ.
ΠΠ΄ΠΈΠ½ ΡΠ°Π· Π² Π³ΠΎΠ΄ Π½Π΅ΠΎΠ±Ρ
ΠΎΠ΄ΠΈΠΌΠΎ ΠΏΡΠΎΠ²Π΅ΡΡΡΡ ΡΠΎΡΡΠΎΡΠ½ΠΈΠ΅ ΡΡΠ»Π΅Π²ΡΡ
ΡΡΠ³, ΠΈΡ
Π½Π°ΠΊΠΎΠ½Π΅ΡΠ½ΠΈΠΊΠΎΠ², ΡΠ°ΡΠ½ΠΈΡΠΎΠ² ΠΈ Π·Π°ΡΠΈΡΠ½ΡΡ
ΠΊΠΎΠ»ΠΏΠ°ΡΠΊΠΎΠ². Π ΠΏΡΠΎΠ²Π΅ΡΠΊΠ΅ Π½ΡΠΆΠ΄Π°ΡΡΡΡ Π²ΡΠ΅ Π·Π°ΡΠΈΡΠ½ΡΠ΅ ΡΠ΅Ρ
Π»Ρ ΡΡΠ»Π΅Π²ΠΎΠ³ΠΎ ΠΌΠ΅Ρ
Π°Π½ΠΈΠ·ΠΌΠ°.
ΠΡΠ»ΠΈ ΠΏΠΎΠ΄ ΠΊΠΎΠ»ΠΏΠ°ΡΠΊΠΈ ΠΈ ΡΠ΅Ρ
Π»Ρ ΠΏΡΠΎΠ½ΠΈΠΊΠ°Π΅Ρ Π²ΠΎΠ΄Π°, ΠΏΡΠ»Ρ ΠΈ Π³ΡΡΠ·Ρ, ΡΠΎ ΡΠ°ΡΠΎΠ²ΡΠ΅ ΡΠ°ΡΠ½ΠΈΡΡ ΡΡΠ³ Π±ΡΡΡΡΠΎ ΠΈΠ·Π½Π°ΡΠΈΠ²Π°ΡΡΡΡ. ΠΠ΅ΠΈΡΠΏΡΠ°Π²Π½ΠΎΡΡΡ ΠΊΠΎΠ»ΠΏΠ°ΡΠΊΠ° ΠΈΠ»ΠΈ ΡΠ΅Ρ
Π»Π° ΠΎΠ±Π½Π°ΡΡΠΆΠΈΠ²Π°ΡΡ ΠΏΠΎ ΡΡΠ΅ΡΠΊΠ΅ ΡΠΌΠ°Π·ΠΊΠΈ ΠΈΠ· ΡΠ°ΡΠΎΠ²ΠΎΠ³ΠΎ ΡΠ°ΡΠ½ΠΈΡΠ°.
ΠΡΠΎΠ±Π΅Π½Π½ΠΎΡΡΠΈ ΡΠ΅Ρ Π½ΠΈΡΠ΅ΡΠΊΠΎΠ³ΠΎ ΠΎΠ±ΡΠ»ΡΠΆΠΈΠ²Π°Π½ΠΈΡ ΡΡΠ»Π΅Π²ΠΎΠ³ΠΎ ΡΠΏΡΠ°Π²Π»Π΅Π½ΠΈΡ Ρ Π³ΠΈΠ΄ΡΠΎΡΡΠΈΠ»ΠΈΡΠ΅Π»Π΅ΠΌ
ΠΠ΅Ρ Π°Π½ΠΈΠ·ΠΌ ΡΡΠ»Π΅Π²ΠΎΠ³ΠΎ ΡΠΏΡΠ°Π²Π»Π΅Π½ΠΈΡ Ρ Π³ΠΈΠ΄ΡΠΎΡΡΠΈΠ»ΠΈΡΠ΅Π»Π΅ΠΌ ΠΎΡΠ»ΠΈΡΠ°Π΅ΡΡΡ Π²ΡΡΠΎΠΊΠΎΠΉ Π½Π°Π΄Π΅ΠΆΠ½ΠΎΡΡΡΡ ΠΈ Π½Π΅ ΡΡΠ΅Π±ΡΠ΅Ρ ΠΎΡΠΎΠ±ΠΎΠ³ΠΎ ΡΠ΅Ρ Π½ΠΈΡΠ΅ΡΠΊΠΎΠ³ΠΎ ΠΎΠ±ΡΠ»ΡΠΆΠΈΠ²Π°Π½ΠΈΡ. ΠΠ°ΠΆΠ΅ ΠΏΡΠΈ ΠΎΡΠΊΠ°Π·Π΅ Π½Π°ΡΠΎΡΠ° Π³ΠΈΠ΄ΡΠ°Π²Π»ΠΈΡΠ΅ΡΠΊΠΎΠ³ΠΎ ΡΡΠΈΠ»ΠΈΡΠ΅Π»Ρ ΠΌΠΎΠΆΠ½ΠΎ ΠΏΡΠΎΠ΄ΠΎΠ»ΠΆΠ°ΡΡ Π΄Π²ΠΈΠΆΠ΅Π½ΠΈΠ΅.
ΠΠ΅ΡΠ²ΠΎΠΉ ΠΏΡΠΈΡΠΈΠ½ΠΎΠΉ ΠΎΡΠΊΠ°Π·Π° Π³ΠΈΠ΄ΡΠ°Π²Π»ΠΈΡΠ΅ΡΠΊΠΎΠ³ΠΎ ΡΡΠΈΠ»ΠΈΡΠ΅Π»Ρ ΡΠ°ΡΠ΅ Π²ΡΠ΅Π³ΠΎ ΡΠ²Π»ΡΠ΅ΡΡΡ ΠΎΠ±ΡΡΠ² ΠΏΡΠΈΠ²ΠΎΠ΄Π½ΠΎΠ³ΠΎ ΡΠ΅ΠΌΠ½Ρ Π½Π°ΡΠΎΡΠ°. ΠΡΠΈΠ·Π½Π°ΠΊΠΎΠΌ ΡΠ»Π°Π±ΠΎΠ³ΠΎ Π½Π°ΡΡΠΆΠ΅Π½ΠΈΡ ΡΠ΅ΠΌΠ½Ρ ΡΠ²Π»ΡΠ΅ΡΡΡ ΠΏΠΎΡΠ²Π»Π΅Π½ΠΈΠ΅ ΠΎΡΠ΄Π°ΡΠΈ (ΠΎΠ±ΡΠ°ΡΠ½ΠΎΠ³ΠΎ ΡΠΎΠ»ΡΠΊΠ°) Π½Π° ΡΡΠ»Π΅Π²ΠΎΠΌ ΠΊΠΎΠ»Π΅ΡΠ΅. ΠΠ±ΡΡΠ½ΠΎ ΡΡΠΎ Π·Π°ΠΌΠ΅ΡΠ½Π΅Π΅ Π²ΡΠ΅Π³ΠΎ ΠΏΡΠΈ ΡΡΠΎΠ³Π°Π½ΠΈΠΈ Π°Π²ΡΠΎΠΌΠΎΠ±ΠΈΠ»Ρ Ρ ΠΌΠ΅ΡΡΠ°, ΠΊΠΎΠ³Π΄Π° ΠΊΠΎΠ»Π΅ΡΠ° ΠΏΠΎΠ²Π΅ΡΠ½ΡΡΡ Π΄ΠΎ ΠΎΡΠΊΠ°Π·Π°.
Π Π°Π±ΠΎΡΠ°Ρ ΠΆΠΈΠ΄ΠΊΠΎΡΡΡ ΡΠ²Π»ΡΠ΅ΡΡΡ ΠΎΠ΄Π½ΠΎΠ²ΡΠ΅ΠΌΠ΅Π½Π½ΠΎ ΠΈ ΡΠΌΠ°Π·ΠΎΡΠ½ΡΠΌ ΠΌΠ°ΡΠ΅ΡΠΈΠ°Π»ΠΎΠΌ, ΠΏΠΎΡΡΠΎΠΌΡ ΠΎΡΠ΅Π½Ρ Π²Π°ΠΆΠ½ΠΎ, ΡΡΠΎΠ±Ρ Π΅Π΅ ΡΡΠΎΠ²Π΅Π½Ρ Π½Π΅ ΠΎΠΏΡΡΠΊΠ°Π»ΡΡ Π½ΠΈΠΆΠ΅ ΡΡΡΠ°Π½ΠΎΠ²Π»Π΅Π½Π½ΠΎΠ³ΠΎ ΡΡΠΎΠ²Π½Ρ, ΠΈΠ½Π°ΡΠ΅ Π½Π°ΡΠΎΡ ΠΌΠΎΠΆΠ΅Ρ Π²ΡΠΉΡΠΈ ΠΈΠ· ΡΡΡΠΎΡ.
ΠΡΠΈ Π½Π°Π»ΠΈΡΠΈΠΈ Π³ΠΈΠ΄ΡΠ°Π²Π»ΠΈΡΠ΅ΡΠΊΠΎΠ³ΠΎ ΡΡΠΈΠ»ΠΈΡΠ΅Π»Ρ β ΡΠ΅ΡΠ²ΠΎΡΠΈΡΡΠ΅ΠΌΡ Π½Π΅ΠΎΠ±Ρ
ΠΎΠ΄ΠΈΠΌΠΎ ΠΏΠ΅ΡΠΈΠΎΠ΄ΠΈΡΠ΅ΡΠΊΠΈ ΠΏΡΠΎΠ²Π΅ΡΡΡΡ ΡΡΠΎΠ²Π΅Π½Ρ ΠΌΠ°ΡΠ»Π°, ΠΎΠ½ Π΄ΠΎΠ»ΠΆΠ΅Π½ Π±ΡΡΡ ΠΏΠΎ Π²Π΅ΡΡ
Π½Π΅ΠΉ ΠΎΡΠΌΠ΅ΡΠΊΠ΅.
ΠΡΠ»ΠΈ Π½ΡΠΆΠ½ΠΎ Π΄ΠΎΠ»ΠΈΡΡ ΠΌΠ°ΡΠ»ΠΎ, ΡΠΎ ΡΡΡ ΠΏΡΠΎΡΠ΅Π΄ΡΡΡ Π½Π΅ΠΎΠ±Ρ
ΠΎΠ΄ΠΈΠΌΠΎ ΠΏΡΠΎΠΈΠ·Π²ΠΎΠ΄ΠΈΡΡ ΠΌΠ΅Π΄Π»Π΅Π½Π½ΠΎ, ΡΠ°ΠΊ, ΡΡΠΎΠ±Ρ Π½Π΅ ΠΎΠ±ΡΠ°Π·ΠΎΠ²ΡΠ²Π°Π»ΠΈΡΡ ΠΏΡΠ·ΡΡΡΠΊΠΈ Π²ΠΎΠ·Π΄ΡΡ
Π°.
Π’Π°ΠΊΠΆΠ΅ ΠΏΠ΅ΡΠΈΠΎΠ΄ΠΈΡΠ΅ΡΠΊΠΈ Π½ΡΠΆΠ½ΠΎ ΠΏΡΠΎΠ²Π΅ΡΡΡΡ ΡΠ»Π°Π½Π³ΠΈ Π½Π° Π½Π°Π»ΠΈΡΠΈΠ΅ ΡΡΠ΅ΡΠ΅ΠΊ, ΠΈΡΡΠΈΡΠ°Π½ΠΈΠΉ, ΠΎΡΠ»Π°Π±Π»Π΅Π½ΠΈΠ΅ ΠΊΡΠ΅ΠΏΠ»Π΅Π½ΠΈΠΉ.
ΠΡΠΎΠ²Π΅ΡΠΊΠ° Π³ΠΈΠ΄ΡΠΎΡΠΈΡΡΠ΅ΠΌΡ
ΠΡΠΎΠ²Π΅ΡΠΊΠ° ΠΏΡΠΎΠΈΡΡ ΠΎΠ΄ΠΈΡ ΡΠ»Π΅Π΄ΡΡΡΠΈΠΌ ΠΎΠ±ΡΠ°Π·ΠΎΠΌ:
- ΠΠ΅ΡΠ΅Π΄ ΠΏΡΠΎΠ²Π΅ΡΠΊΠΎΠΉ Π³ΠΈΠ΄ΡΠΎΡΠΈΡΡΠ΅ΠΌΡ ΠΏΡΠΎΠ²Π΅ΡΡΠ΅ΡΡΡ Π½Π°ΡΡΠΆΠ΅Π½ΠΈΠ΅ ΠΏΡΠΈΠ²ΠΎΠ΄Π½ΠΎΠ³ΠΎ ΡΠ΅ΠΌΠ½Ρ Π½Π°ΡΠΎΡΠ°, ΠΏΡΠΎΠ²Π΅ΡΡΠ΅ΡΡΡ ΡΠ΅Ρ Π½ΠΈΡΠ΅ΡΠΊΠΎΠ΅ ΡΠΎΡΡΠΎΡΠ½ΠΈΠ΅ ΡΠΊΠΈΠ²Π° ΠΈ ΠΈΠ·ΠΌΠ΅ΡΡΠ΅ΡΡΡ Π΄Π°Π²Π»Π΅Π½ΠΈΠ΅ Π²ΠΎΠ·Π΄ΡΡ Π° Π² ΡΠΈΠ½Π°Ρ .
- ΠΠ΅ΠΆΠ΄Ρ Π½Π°ΡΠΎΡΠΎΠΌ ΠΈ ΠΏΡΠΈΠ²ΠΎΠ΄ΠΎΠΌ ΠΏΠΎΠ΄ΠΊΠ»ΡΡΠ°Π΅ΡΡΡ ΠΌΠ°Π½ΠΎΠΌΠ΅ΡΡ Π΄Π»Ρ ΠΏΡΠΎΠΊΠ°ΡΠΊΠΈ ΡΠΈΡΡΠ΅ΠΌΡ ΠΈ ΠΏΠΎΠ»Π½ΠΎΠ³ΠΎ ΡΠ΄Π°Π»Π΅Π½ΠΈΡ Π²ΠΎΠ·Π΄ΡΡ Π°.
- ΠΠ²ΠΈΠ³Π°ΡΠ΅Π»Ρ Π·Π°ΠΏΡΡΠΊΠ°Π΅ΡΡΡ, ΡΠ΅ΠΌΠΏΠ΅ΡΠ°ΡΡΡΠ° ΡΠ°Π±ΠΎΡΠ΅ΠΉ ΠΆΠΈΠ΄ΠΊΠΎΡΡΠΈ Π΄ΠΎΠ²ΠΎΠ΄ΠΈΡΡΡ Π΄ΠΎ 65β80 Π³ΡΠ°Π΄ΡΡΠΎΠ².
- Π ΡΠ»Π΅Π²ΠΎΠ΅ ΠΊΠΎΠ»Π΅ΡΠΎ Π½ΡΠΆΠ½ΠΎ ΠΏΠΎΠ²ΠΎΡΠ°ΡΠΈΠ²Π°ΡΡ Π²ΠΏΡΠ°Π²ΠΎ ΠΈ Π²Π»Π΅Π²ΠΎ Π΄ΠΎ ΡΠΏΠΎΡΠ° ΠΏΡΠΈ ΡΠ°Π±ΠΎΡΠ°ΡΡΠ΅ΠΌ Π΄Π²ΠΈΠ³Π°ΡΠ΅Π»Π΅ Ρ ΡΠ°ΡΡΠΎΡΠΎΠΉ Π²ΡΠ°ΡΠ΅Π½ΠΈΡ ΠΊΠΎΠ»Π΅Π½ΡΠ°ΡΠΎΠ³ΠΎ Π²Π°Π»Π° 1000 ΠΎΠ±/ΠΌΠΈΠ½, ΠΏΡΠΈ ΡΡΠΎΠΌ Π½Π°ΡΠΎΡ Π³ΠΈΠ΄ΡΠΎΡΡΠΈΠ»ΠΈΡΠ΅Π»Ρ ΡΠΎΠ·Π΄Π°Π΅Ρ Π΄Π°Π²Π»Π΅Π½ΠΈΠ΅ 79β85 ΠΊΠ³Ρ/ΡΠΌ2. Π ΡΠ΅ΡΠ΅Π½ΠΈΠ΅ Π²ΡΠ΅ΠΉ ΠΏΡΠΎΡΠ΅Π΄ΡΡΡ ΠΊΡΠ°Π½ Π΄ΠΎΠ»ΠΆΠ΅Π½ Π±ΡΡΡ ΠΎΡΠΊΡΡΡ Π²ΠΎ ΠΈΠ·Π±Π΅ΠΆΠ°Π½ΠΈΠ΅ ΠΏΠΎΠ²ΡΡΠ΅Π½ΠΈΡ ΡΠ΅ΠΌΠΏΠ΅ΡΠ°ΡΡΡΡ.
ΠΡΠ»ΠΈ ΠΏΡΠΈ Π·Π°ΠΊΡΡΡΠΎΠΌ ΠΊΡΠ°Π½Π΅ Π΄Π°Π²Π»Π΅Π½ΠΈΠ΅ Π½ΠΈΠ·ΠΊΠΎΠ΅, ΡΠΎ ΡΡΠΎ Π³ΠΎΠ²ΠΎΡΠΈΡ ΠΎ Π½Π΅ΠΈΡΠΏΡΠ°Π²Π½ΠΎΡΡΠΈ Π½Π°ΡΠΎΡΠ°, Π΅ΡΠ»ΠΈ Π²ΡΡΠΎΠΊΠΎΠ΅ β ΡΠΎ Π½Π΅ΠΈΡΠΏΡΠ°Π²Π΅Π½ ΠΏΡΠ΅Π΄ΠΎΡ
ΡΠ°Π½ΠΈΡΠ΅Π»ΡΠ½ΡΠΉ ΠΊΠ»Π°ΠΏΠ°Π½ Π½Π°ΡΠΎΡΠ°.
ΠΠΎΡΠ»Π΅ ΠΏΡΠΎΠ²Π΅ΡΠΊΠΈ Π³ΠΈΠ΄ΡΠΎΡΠΈΡΡΠ΅ΠΌΡ ΠΌΠ°Π½ΠΎΠΌΠ΅ΡΡ ΠΏΠΎΠ΄Π»Π΅ΠΆΠΈΡ ΠΎΡΡΠΎΠ΅Π΄ΠΈΠ½Π΅Π½ΠΈΡ. ΠΡΠΈ Π½Π΅ΠΎΠ±Ρ ΠΎΠ΄ΠΈΠΌΠΎΡΡΠΈ Π΄ΠΎΠ»ΠΈΠ²Π°Π΅ΡΡΡ ΡΠ°Π±ΠΎΡΠ°Ρ ΠΆΠΈΠ΄ΠΊΠΎΡΡΡ ΠΈ ΡΠ΄Π°Π»ΡΠ΅ΡΡΡ Π²ΠΎΠ·Π΄ΡΡ ΠΈΠ· ΡΠΈΡΡΠ΅ΠΌΡ.
Π‘ΡΠ°Π½Π΄Π°ΡΡΠ½ΡΠ΅ Π½Π΅ΠΈΡΠΏΡΠ°Π²Π½ΠΎΡΡΠΈ ΡΡΠ»Π΅Π²ΠΎΠ³ΠΎ ΡΠΏΡΠ°Π²Π»Π΅Π½ΠΈΡ Ρ Π³ΠΈΠ΄ΡΠΎΡΡΠΈΠ»ΠΈΡΠ΅Π»Π΅ΠΌ:
- ΠΏΠΎΠ²ΡΡΠ΅Π½Π½ΡΠΉ ΡΡΠΌ ΠΏΡΠΈ ΡΠ°Π±ΠΎΡΠ΅ ΡΡΠ»Π΅Π²ΠΎΠ³ΠΎ ΡΠΏΡΠ°Π²Π»Π΅Π½ΠΈΡ ΠΏΠΎ ΠΏΡΠΈΡΠΈΠ½Π΅ ΡΠ°Π·ΡΠ΅Π³ΡΠ»ΠΈΡΠΎΠ²ΠΊΠΈ ΡΡΠ»Π΅Π²ΠΎΠ³ΠΎ ΠΌΠ΅Ρ Π°Π½ΠΈΠ·ΠΌΠ° ΠΈΠ»ΠΈ Π½Π΅ΠΈΡΠΏΡΠ°Π²Π½ΠΎΡΡΠΈ Π½Π°ΡΠΎΡΠ°;
- Π·Π°ΡΡΡΠ΄Π½Π΅Π½Π½ΠΎΠ΅ ΡΠΏΡΠ°Π²Π»Π΅Π½ΠΈΠ΅ Π°Π²ΡΠΎΠΌΠΎΠ±ΠΈΠ»Π΅ΠΌ , Π²ΠΎΠ·Π½ΠΈΠΊΠ°ΡΡΠ΅Π΅ ΠΈΠ·βΠ·Π° Π½Π΅ΠΏΠΎΠ»Π°Π΄ΠΎΠΊ Π³ΠΈΠ΄ΡΠΎΡΡΠΈΠ»ΠΈΡΠ΅Π»Ρ β ΠΎΡΠ»Π°Π±Π»Π΅Π½ΠΈΡ ΡΠ΅ΠΌΠ½Ρ ΠΈΠ»ΠΈ Π½ΠΈΠ·ΠΊΠΎΠ³ΠΎ ΡΡΠΎΠ²Π½Ρ ΠΆΠΈΠ΄ΠΊΠΎΡΡΠΈ Π² Π±Π°ΡΠΊΠ΅, Β ΠΈΠ·βΠ·Π° Π½Π΅ΠΈΡΠΏΡΠ°Π²Π½ΠΎΡΡΠΈ Π½Π°ΡΠΎΡΠ° ΠΈΠ»ΠΈ Π΅Π³ΠΎ ΠΊΠ»Π°ΠΏΠ°Π½Π°;
- Π±ΠΎΠ»ΡΡΠΎΠΉ Π»ΡΡΡ, ΠΏΠΎΠ»ΡΡΠ°ΡΡΠΈΠΉΡΡ Π² ΡΠ»ΡΡΠ°Π΅ ΠΈΠ·Π½ΠΎΡΠ΅Π½Π½ΠΎΡΡΠΈ Π³Π»Π°Π²Π½ΠΎΠ³ΠΎ ΠΈ ΠΏΡΠΎΠΌΠ΅ΠΆΡΡΠΎΡΠ½ΠΎΠ³ΠΎ Π²Π°Π»ΠΎΠ² ΡΡΠ»Π΅Π²ΠΎΠΉ ΠΊΠΎΠ»ΠΎΠ½ΠΊΠΈ, ΠΏΠΎΠ²ΡΠ΅ΠΆΠ΄Π΅Π½ΠΈΡ ΡΡΠ»Π΅Π²ΠΎΠ³ΠΎ ΠΌΠ΅Ρ Π°Π½ΠΈΠ·ΠΌΠ° ΠΈΠ»ΠΈ Π΅Π³ΠΎ ΡΠ°Π·ΡΠ΅Π³ΡΠ»ΠΈΡΠΎΠ²ΠΊΠΈ.
ΠΡΠΎΠ±Π΅Π½Π½ΠΎΡΡΡΡ ΡΠ°Π±ΠΎΡΡ ΠΏΠΎ ΡΠ΅ΠΌΠΎΠ½ΡΡ ΠΈ ΡΠ΅Ρ Π½ΠΈΡΠ΅ΡΠΊΠΎΠΌΡ ΠΎΠ±ΡΠ»ΡΠΆΠΈΠ²Π°Π½ΠΈΡ Π³ΠΈΠ΄ΡΠΎΡΡΠΈΠ»ΠΈΡΠ΅Π»Ρ ΡΠ²Π»ΡΠ΅ΡΡΡ ΠΏΠΎΡΡΠΎΡΠ½Π½ΡΠΉ ΠΊΠΎΠ½ΡΡΠΎΠ»Ρ Π·Π° ΠΏΠΎΠΏΠ°Π΄Π°Π½ΠΈΠ΅ΠΌ Π²ΠΎΠ·Π΄ΡΡ Π° Π² ΡΠΈΡΡΠ΅ΠΌΡ, ΠΊΠΎΡΠΎΡΡΠΉ ΠΌΠΎΠΆΠ΅Ρ Π΅Π΅ ΡΠ°Π·ΡΡΡΠΈΡΡ.
| Π Π°Π±ΠΎΡΡ | Π¦Π΅Π½Π° |
| Π΄ΠΈΠ°Π³Π½ΠΎΡΡΠΈΠΊΠ° ΡΡΠ»Π΅Π²ΠΎΠ³ΠΎ ΡΠΏΡΠ°Π²Π»Π΅Π½ΠΈΡ | ΠΎΡ 315-00 |
*ΠΠ°Π½Π½Π°Ρ ΠΈΠ½ΡΠΎΡΠΌΠ°ΡΠΈΡ Π½Π΅ ΡΠ²Π»ΡΠ΅ΡΡΡ ΠΎΡΠ΅ΡΡΠΎΠΉ, ΠΎΠΏΡΠ΅Π΄Π΅Π»ΡΠ΅ΠΌΠΎΠΉ ΠΏΠΎΠ»ΠΎΠΆΠ΅Π½ΠΈΡΠΌΠΈ ΡΡΠ°ΡΠ΅ΠΉ 435, 437 ΠΡΠ°ΠΆΠ΄Π°Π½ΡΠΊΠΎΠ³ΠΎ ΠΠΎΠ΄Π΅ΠΊΡΠ° Π Π€
ΠΠΈΠ΄ΡΠΎΠΎΠ±ΡΠ΅ΠΌΠ½ΠΎΠ΅ ΡΡΠ»Π΅Π²ΠΎΠ΅ ΡΠΏΡΠ°Π²Π»Π΅Π½ΠΈΠ΅
ΠΠ°ΡΠ΅Π³ΠΎΡΠΈΡ:
Β Β Β Π’ΡΠ°ΠΊΡΠΎΡΡ
ΠΡΠ±Π»ΠΈΠΊΠ°ΡΠΈΡ:
Β Β Β ΠΠΈΠ΄ΡΠΎΠΎΠ±ΡΠ΅ΠΌΠ½ΠΎΠ΅ ΡΡΠ»Π΅Π²ΠΎΠ΅Β ΡΠΏΡΠ°Π²Π»Π΅Π½ΠΈΠ΅
Π§ΠΈΡΠ°ΡΡ Π΄Π°Π»Π΅Π΅:
ΠΠΈΠ΄ΡΠΎΠΎΠ±ΡΠ΅ΠΌΠ½ΠΎΠ΅ ΡΡΠ»Π΅Π²ΠΎΠ΅Β ΡΠΏΡΠ°Π²Π»Π΅Π½ΠΈΠ΅
Π£ΡΡΡΠΎΠΉΡΡΠ²ΠΎ.
Π ΡΠ»Π΅Π²ΠΎΠ΅ ΡΠΏΡΠ°Π²Π»Π΅Π½ΠΈΠ΅ ΡΠΎΡΡΠΎΠΈΡ ΠΈΠ· Π½Π°ΡΠΎΡΠ°-Π΄ΠΎΠ·Π°ΡΠΎΡΠ° (ΡΠΈΡ. 109) Ρ Π±Π»ΠΎΠΊΠΎΠΌ ΠΊΠ»Π°ΠΏΠ°Π½ΠΎΠ² Π°ΠΊΡΠΈΠ°Π»ΡΠ½ΠΎ-ΠΏΠΎΡΡΠ½Π΅Π²ΠΎΠ³ΠΎ ΡΠΈΠΏΠ° ΠΈ ΡΠ°ΡΠΎΠ²ΡΠΌΠΈ ΠΏΠΎΡΡΠ½ΡΠΌΠΈ. ΠΠ°ΡΠΎΡ-Π΄ΠΎΠ·Π°ΡΠΎΡ ΠΏΡΠΈΠ²ΠΎΠ΄ΠΈΡΡΡ Π² Π΄Π΅ΠΉΡΡΠ²ΠΈΠ΅ ΡΡΠ»Π΅Π²ΡΠΌ ΠΊΠΎΠ»Π΅ΡΠΎΠΌ ΠΌΠ΅Ρ
Π°Π½ΠΈΠ·ΠΌΠ°, ΠΈΠΌΠ΅ΡΡΠ΅Π³ΠΎ Π΄Π²Π° ΡΠΈΠ»ΠΈΠ½Π΄ΡΠ°, ΡΠ°ΡΠΏΠΎΠ»ΠΎΠΆΠ΅Π½Π½ΡΡ
ΠΎΠ΄ΠΈΠ½ ΠΏΡΠΎΡΠΈΠ² Π΄ΡΡΠ³ΠΎΠ³ΠΎ, Ρ ΠΏΠΎΡΡΠ½ΡΠΌΠΈ, ΡΠΎΠ΅Π΄ΠΈΠ½Π΅Π½Π½ΡΠΌΠΈ ΠΌΠ΅ΠΆΠ΄Ρ ΡΠΎΠ±ΠΎΠΉ ΡΡΠΎΠΊΠΎΠΌ. Π¨ΡΠΎΠΊ ΡΠ΅ΡΠ΅Π· ΡΡΡ
Π°ΡΡ ΠΈ ΠΏΠ°Π»Π΅Ρ Π²ΠΎΠ·Π΄Π΅ΠΉΡΡΠ²ΡΠ΅Ρ Π½Π° ΠΏΠΎΠ²ΠΎΡΠΎΡΠ½ΡΠΉ Π²Π°Π», Π½Π° ΠΊΠΎΡΠΎΡΠΎΠΌ ΡΠΊΡΠ΅ΠΏΠ»Π΅Π½Π° ΡΡΠ»Π΅Π²Π°Ρ ΡΠΎΡΠΊΠ° ΠΌΠ΅Ρ
Π°Π½ΠΈΠ·ΠΌΠ° ΠΏΠΎΠ²ΠΎΡΠΎΡΠ°. ΠΠ°ΡΠ»ΡΠ½ΡΠΉ Π½Π°ΡΠΎΡ ΠΏΡΠΈΠ²ΠΎΠ΄ΠΈΡΡΡ Π² Π΄Π΅ΠΉΡΡΠ²ΠΈΠ΅ ΠΎΡ Π΄ΠΈΠ·Π΅Π»Ρ Π³ΠΈΠ΄ΡΠΎΠ°ΠΊΠΊΡΠΌΡΠ»ΡΡΠΎΡΠ° 3, ΠΏΡΠ΅Π΄Π½Π°Π·Π½Π°ΡΠ΅Π½ Π΄Π»Ρ ΠΏΠΎΠ΄Π΄Π΅ΡΠΆΠ°Π½ΠΈΡ Π΄Π°Π²Π»Π΅Π½ΠΈΡ ΠΌΠ°ΡΠ»Π° Π² ΡΠΈΡΡΠ΅ΠΌΠ΅ ΡΠΏΡΠ°Π²Π»Π΅Π½ΠΈΡ ΠΏΡΠΈ Π½Π΅ΡΠ°Π±ΠΎΡΠ°ΡΡΠ΅ΠΌ Π΄Π²ΠΈΠ³Π°ΡΠ΅Π»Π΅. Π’ΡΡΠ±ΠΎΠΏΡΠΎΠ²ΠΎΠ΄Ρ ΡΠΎΠ΅Π΄ΠΈΠ½ΡΡΡ ΡΠ°ΡΡΠΈ ΡΡΠ»Π΅Π²ΠΎΠ³ΠΎ ΡΠΏΡΠ°Π²Π»Π΅Π½ΠΈΡ.
Π ΠΈΡ. 109. ΠΠΈΠ΄ΡΠΎΠΎΠ±ΡΠ΅ΠΌΠ½ΠΎΠ΅ ΡΡΠ»Π΅Π²ΠΎΠ΅ ΡΠΏΡΠ°Π²Π»Π΅Π½ΠΈΠ΅: 1 β Π½Π°ΡΠΎΡ; 2 β Π±Π°ΠΊ; 3 β Π³ΠΈΠ΄ΡΠΎΠ°ΠΊΠΊΡΠΌΡΠ»ΡΡΠΎΡ; 4 β ΡΡΠ»Π΅Π²ΠΎΠ΅ ΠΊΠΎΠ»Π΅ΡΠΎ; 5 β Π½Π°ΡΠΎΡ-Π΄ΠΎΠ·Π°ΡΠΎΡ; 6 β ΡΡΠ»Π΅Π²ΠΎΠΉ ΠΌΠ΅Ρ Π°Π½ΠΈΠ·ΠΌ; 7 β ΠΏΠΎΡΡΠ½ΠΈ; 8 β ΠΏΠΎΠ²ΠΎΡΠΎΡΠ½ΡΠΉ Π²Π°Π» Ρ ΡΠΎΡΠΊΠΎΠΉ.
Π Π΅ΠΊΠ»Π°ΠΌΠ½ΡΠ΅ ΠΏΡΠ΅Π΄Π»ΠΎΠΆΠ΅Π½ΠΈΡ Π½Π° ΠΎΡΠ½ΠΎΠ²Π΅ Π²Π°ΡΠΈΡ ΠΈΠ½ΡΠ΅ΡΠ΅ΡΠΎΠ²:
ΠΠ΅ΠΉΡΡΠ²ΠΈΠ΅. ΠΡΠΈ ΡΠ°Π±ΠΎΡΠ΅ Π΄ΠΈΠ·Π΅Π»Ρ ΡΡΠ°ΠΊΡΠΎΡΠ° ΠΌΠ°ΡΠ»ΠΎ ΠΈΠ· Π±Π°ΠΊΠ° Π·Π°Ρ
Π²Π°ΡΡΠ²Π°Π΅ΡΡΡ Π½Π°ΡΠΎΡΠΎΠΌ ΠΈ ΠΏΠΎΠ΄Π°Π΅ΡΡΡ ΠΊ Π½Π°ΡΠΎΡΡ-Π΄ΠΎΠ·Π°ΡΠΎΡΡ.
ΠΡΠΎΠΉΠ΄Ρ ΡΠ΅ΡΠ΅Π· ΠΊΠ°Π½Π°Π»Ρ Π·ΠΎΠ»ΠΎΡΠ½ΠΈΠΊΠ°, ΠΎΠ½ΠΎ ΠΏΠΎΠΏΠ°Π΄Π°Π΅Ρ Π² Π³ΠΈΠ΄ΡΠΎΠ°ΠΊΠΊΡΠΌΡΠ»ΡΡΠΎΡ ΠΈ ΠΎΠ±ΡΠ°ΡΠ½ΠΎ Π²ΠΎΠ·Π²ΡΠ°ΡΠ°Π΅ΡΡΡ Π² Π±Π°ΠΊ. ΠΠΎΠ»ΠΎΡΡΠΈ ΡΠΈΠ»ΠΈΠ½Π΄ΡΠΎΠ² ΠΏΡΠΈ ΡΡΠΎΠΌ ΠΎΠΊΠ°Π·ΡΠ²Π°ΡΡΡΡ Π·Π°ΠΏΠ΅ΡΡΡΠΌΠΈ.
ΠΡΠ»ΠΈ ΠΏΡΠΈ ΡΠ°Π±ΠΎΡΠ°ΡΡΠ΅ΠΌ Π΄Π²ΠΈΠ³Π°ΡΠ΅Π»Π΅ ΡΡΠ»Π΅Π²ΠΎΠ΅ ΠΊΠΎΠ»Π΅ΡΠΎ ΠΏΠΎΠ²Π΅ΡΠ½ΡΡΡ Π² Π½ΡΠΆΠ½ΠΎΠΌ Π½Π°ΠΏΡΠ°Π²Π»Π΅Π½ΠΈΠΈ, Π·ΠΎΠ»ΠΎΡΠ½ΠΈΠΊ Π½Π°ΡΠΎΡΠ°-Π΄ΠΎΠ·Π°ΡΠΎΡΠ° ΡΠΌΠ΅ΡΡΠΈΡΡΡ Π² ΡΡΠΎΡΠΎΠ½Ρ ΠΈ Π½Π°ΠΏΡΠ°Π²ΠΈΡ ΠΌΠ°ΡΠ»ΠΎ ΠΎΡ Π½Π°ΡΠΎΡΠ° Π² ΡΠΈΠ»ΠΎΠ²ΠΎΠΉ ΡΠΈΠ»ΠΈΠ½Π΄Ρ ΡΡΠ»Π΅Π²ΠΎΠ³ΠΎ ΠΌΠ΅Ρ Π°Π½ΠΈΠ·ΠΌΠ° Π² ΠΊΠΎΠ»ΠΈΡΠ΅ΡΡΠ²Π΅, ΠΏΡΠΎΠΏΠΎΡΡΠΈΠΎΠ½Π°Π»ΡΠ½ΠΎΠΌ ΡΠ³Π»Ρ ΠΏΠΎΠ²ΠΎΡΠΎΡΠ° ΡΡΠ»Π΅Π²ΠΎΠ³ΠΎ ΠΊΠΎΠ»Π΅ΡΠ°. ΠΡΠΈ ΡΡΠΎΠΌ ΠΏΠΎΡΡΠ΅Π½Ρ ΡΠΈΠ»ΠΈΠ½Π΄ΡΠ° Π½Π°ΡΠ½Π΅Ρ ΠΏΠ΅ΡΠ΅ΠΌΠ΅ΡΠ°ΡΡΡΡ, ΠΏΠΎΠ²Π΅ΡΠ½Π΅Ρ ΡΡΠ»Π΅Π²ΠΎΠΉ Π²Π°Π», Π° ΡΠ»Π΅Π΄ΠΎΠ²Π°ΡΠ΅Π»ΡΠ½ΠΎ, ΠΈ ΠΊΠΎΠ»Π΅ΡΠ°. ΠΡΠΈ ΠΏΠ΅ΡΠ΅ΠΌΠ΅ΡΠ΅Π½ΠΈΠΈ ΠΏΠΎΡΡΠ½Ρ ΡΠΈΠ»ΠΈΠ½Π΄ΡΠ°, Π² ΠΊΠΎΡΠΎΡΡΠΉ ΠΏΠΎΠ΄Π°Π΅ΡΡΡ ΠΏΠΎΠ΄ Π΄Π°Π²Π»Π΅Π½ΠΈΠ΅ΠΌ ΠΌΠ°ΡΠ»ΠΎ, ΡΠ΅ΡΠ΅Π· ΡΡΠΎΠΊ ΠΏΠ΅ΡΠ΅ΠΌΠ΅ΡΡΠΈΡΡΡ ΠΏΠΎΡΡΠ΅Π½Ρ Π²ΠΎ Π²ΡΠΎΡΠΎΠΌ ΡΠΈΠ»ΠΈΠ½Π΄ΡΠ΅, ΠΌΠ°ΡΠ»ΠΎ ΠΈΠ· ΠΊΠΎΡΠΎΡΠΎΠ³ΠΎ ΠΏΡΠΈ ΡΡΠΎΠΌ Π±ΡΠ΄Π΅Ρ Π²ΡΡΠ°Π»ΠΊΠΈΠ²Π°ΡΡΡΡ Π² Π½Π°ΡΠΎΡ-Π΄ΠΎΠ·Π°ΡΠΎΡ.
ΠΡΠ»ΠΈ Π²ΡΠ°ΡΠ°ΡΡ ΡΡΠ»Π΅Π²ΠΎΠ΅ ΠΊΠΎΠ»Π΅ΡΠΎ, ΠΏΡΠΈ Π½Π΅ΡΠ°Π±ΠΎΡΠ°ΡΡΠ΅ΠΌ Π΄ΠΈΠ·Π΅Π»Π΅ Π΄ΠΎΠ·Π°ΡΠΎΡ ΡΠ°Π±ΠΎΡΠ°Π΅Ρ ΠΊΠ°ΠΊ Π½Π°ΡΠΎΡ, ΠΏΠ΅ΡΠ΅ΠΊΠ°ΡΠΈΠ²Π°Ρ ΠΌΠ°ΡΠ»ΠΎ ΠΈΠ· ΠΎΠ΄Π½ΠΎΠ³ΠΎ ΡΠΈΠ»ΠΈΠ½Π΄ΡΠ° Π² Π΄ΡΡΠ³ΠΎΠΉ, ΠΏΠΎΠ²ΠΎΡΠ°ΡΠΈΠ²Π°Ρ ΠΏΡΠΈ ΡΡΠΎΠΌ ΠΏΠ΅ΡΠ΅Π΄Π½ΠΈΠ΅ ΠΊΠΎΠ»Π΅ΡΠ° ΡΡΠ°ΠΊΡΠΎΡΠ°.
Π ΠΈΡ. 110. ΠΠ΅Ρ
Π°Π½ΠΈΠ·ΠΌ ΠΏΠΎΠ²ΠΎΡΠΎΡΠ° Π³ΡΡΠ΅Π½ΠΈΡΠ½ΠΎΠ³ΠΎ ΡΡΠ°ΠΊΡΠΎΡΠ°:
Π° β ΡΡΡΡΠΎΠΉΡΡΠ²ΠΎ; Π± β Π΄Π΅ΡΠ°Π»ΠΈ ΠΌΠ΅Ρ
Π°Π½ΠΈΠ·ΠΌΠ° ΠΏΠΎΠ²ΠΎΡΠΎΡΠ°; 1 β Π»Π΅Π½ΡΠΎΡΠ½ΡΠΉ ΡΠΎΡΠΌΠΎΠ·; 2, 8, 14 -β Π²Π°Π»Ρ; 3β ΠΊΠΎΡΠΎΠ±ΠΊΠ° ΠΏΠ΅ΡΠ΅Π΄Π°Ρ; 4 β ΠΌΡΡΡΡ ΠΏΠΎΠ²ΠΎΡΠΎΡΠ°; 5 β ΡΠ΅ΡΡΠ΅ΡΠ½ΠΈ ΠΊΠΎΠ½Π΅ΡΠ½ΠΎΠΉ ΠΏΠ΅ΡΠ΅Π΄Π°ΡΠΈ; 6 β Π²Π΅Π΄ΡΡΠΈΠΉ Π΄ΠΈΡΠΊ; 7 β Π²Π΅Π΄ΠΎΠΌΡΠΉ Π±Π°ΡΠ°Π±Π°Π½; 9 β ΠΏΡΡΠΆΠΈΠ½Π°; 10 β Π²Π΅Π΄ΡΡΠΈΠΉ Π±Π°ΡΠ°Π±Π°Π½; 11 β Π²Π΅Π΄ΠΎΠΌΡΠΉ Π΄ΠΈΡΠΊ; 12 β ΡΡΡΠ°Π³; 13 β Π½Π°ΠΆΠΈΠΌΠ½ΠΎΠΉ Π΄ΠΈΡΠΊ.
Π£ΡΡΡΠΎΠΉΡΡΠ²ΠΎ. ΠΠ° Π²Π΅Π΄ΡΡΠ΅ΠΌ Π±Π°ΡΠ°Π±Π°Π½Π΅ 10 (ΡΠΌ. ΡΠΈΡ. 110,6), Π½Π΅ΠΏΠΎΠ΄Π²ΠΈΠΆΠ½ΠΎ ΡΠΊΡΠ΅ΠΏΠ»Π΅Π½Π½ΠΎΠΌ Π½Π° Π²Π°Π»Ρ, Π½Π°Π΄Π΅ΡΡ Π²Π΅Π΄ΡΡΠΈΠ΅ Π΄ΠΈΡΠΊΠΈ, Π²Ρ ΠΎΠ΄ΡΡΠΈΠ΅ ΡΠ²ΠΎΠΈΠΌΠΈ Π·ΡΠ±ΡΡΠΌΠΈ Π² Π·Π°ΡΠ΅ΠΏΠ»Π΅Π½ΠΈΠ΅ Ρ ΡΡΠΈΠΌ Π±Π°ΡΠ°Π±Π°Π½ΠΎΠΌ. ΠΠ΅ΠΆΠ΄Ρ Π²Π΅Π΄ΡΡΠΈΠΌΠΈ Π΄ΠΈΡΠΊΠ°ΠΌΠΈ ΡΠ°ΡΠΏΠΎΠ»ΠΎΠΆΠ΅Π½Ρ Π²Π΅Π΄ΠΎΠΌΡΠ΅ Π΄ΠΈΡΠΊΠΈ, Π·ΡΠ±ΡΡ ΠΊΠΎΡΠΎΡΡΡ Π²Ρ ΠΎΠ΄ΡΡ Π² Π·Π°ΡΠ΅ΠΏΠ»Π΅Π½ΠΈΠ΅ Ρ Π²Π΅Π΄ΠΎΠΌΡΠΌ Π±Π°ΡΠ°Π±Π°Π½ΠΎΠΌ. ΠΠ΅Π΄ΠΎΠΌΡΠ΅ Π΄ΠΈΡΠΊΠΈ Π΄Π»Ρ ΡΠ²Π΅Π»ΠΈΡΠ΅Π½ΠΈΡ ΡΡΠ΅Π½ΠΈΡ ΠΏΠΎΠΊΡΡΡΡ ΡΡΠΈΠΊΡΠΈΠΎΠ½Π½ΡΠΌΠΈ Π½Π°ΠΊΠ»Π°Π΄ΠΊΠ°ΠΌΠΈ. ΠΡΠ΅ Π΄ΠΈΡΠΊΠΈ ΠΏΡΠΈ ΠΏΠΎΠΌΠΎΡΠΈ Π½Π°ΠΆΠΈΠΌΠ½ΠΎΠ³ΠΎ Π΄ΠΈΡΠΊΠ° ΠΈ ΠΏΡΡΠΆΠΈΠ½ ΡΠΈΠ»ΡΠ½ΠΎ ΡΠΆΠ°ΡΡ ΠΌΠ΅ΠΆΠ΄Ρ ΡΠΎΠ±ΠΎΠΉ, Π² ΡΠ΅Π·ΡΠ»ΡΡΠ°ΡΠ΅ ΡΠ΅Π³ΠΎ ΠΏΡΠΈ Π²ΡΠ°ΡΠ΅Π½ΠΈΠΈ Π²Π°Π»Π° ΠΊΡΡΡΡΡΠΈΠΉ ΠΌΠΎΠΌΠ΅Π½Ρ ΡΠ΅ΡΠ΅Π· Π²Π°Π» ΠΏΠ΅ΡΠ΅Π΄Π°Π΅ΡΡΡ Π½Π° ΠΎΠ±Π΅ Π³ΡΡΠ΅Π½ΠΈΡΡ ΡΡΠ°ΠΊΡΠΎΡΠ° ΠΈ ΠΎΠ½ Π΄Π²ΠΈΠΆΠ΅ΡΡΡ ΠΏΠΎ ΠΏΡΡΠΌΠΎΠΉ Π»ΠΈΠ½ΠΈΠΈ.
ΠΠ΅ΠΉΡΡΠ²ΠΈΠ΅. ΠΠ»Ρ ΠΏΠ»Π°Π²Π½ΠΎΠ³ΠΎ ΠΏΠΎΠ²ΠΎΡΠΎΡΠ° ΡΡΠ°ΠΊΡΠΎΡΠ° ΡΡΠ°ΠΊΡΠΎΡΠΈΡΡ Π΄ΠΎΠ»ΠΆΠ΅Π½ Π²ΡΠΊΠ»ΡΡΠΈΡΡ ΡΠΎΠΎΡΠ²Π΅ΡΡΡΠ²ΡΡΡΡΡ ΠΌΡΡΡΡ, Ρ. Π΅. ΠΏΠΎΠ²Π΅ΡΠ½ΡΡΡ ΡΡΡΠ½ΠΎΠΉ ΡΡΡΠ°Π³, Π½Π°Ρ
ΠΎΠ΄ΡΡΠΈΠΉΡΡ Π² ΠΊΠ°Π±ΠΈΠ½Π΅, Π½Π° ΡΠ΅Π±Ρ. ΠΡΠΈ ΡΡΠΎΠΌ ΡΠΈΡΡΠ΅ΠΌΠΎΠΉ ΡΡΠ³ ΠΏΠΎΠ²Π΅ΡΠ½Π΅ΡΡΡ ΡΡΡΠ°Π³ ΠΈ ΠΎΡΠ²Π΅Π΄Π΅Ρ ΠΊ ΡΠ΅Π½ΡΡΡ ΡΡΠ°ΠΊΡΠΎΡΠ° Π½Π°ΠΆΠΈΠΌΠ½ΠΎΠΉ Π΄ΠΈΡΠΊ. ΠΡΡΠΆΠΈΠ½Ρ ΠΏΡΠΈ ΡΡΠΎΠΌ ΡΠΎΠΆΠΌΡΡΡΡ, Π° Π΄ΠΈΡΠΊΠΈ ΠΎΠΊΠ°ΠΆΡΡΡΡ ΡΠ²ΠΎΠ±ΠΎΠ΄Π½ΡΠΌΠΈ. Π’ΠΎΠ³Π΄Π° ΡΠ° Π³ΡΡΠ΅Π½ΠΈΡΠ°, Π½Π° ΠΊΠΎΡΠΎΡΡΡ Π½Π΅ Π±ΡΠ΄Π΅Ρ ΠΏΠ΅ΡΠ΅Π΄Π°Π²Π°ΡΡΡΡ ΠΊΡΡΡΡΡΠΈΠΉ ΠΌΠΎΠΌΠ΅Π½Ρ, Π±ΡΠ΄Π΅Ρ ΠΎΡΡΡΠ°Π²Π°ΡΡ, ΠΈ ΡΡΠ°ΠΊΡΠΎΡ ΠΌΠ΅Π΄Π»Π΅Π½Π½ΠΎ Π½Π°ΡΠ½Π΅Ρ ΠΎΡΠΊΠ»ΠΎΠ½ΡΡΡΡΡ Π² ΡΡΠΎΡΠΎΠ½Ρ ΠΎΡ ΠΏΡΡΠΌΠΎΠ»ΠΈΠ½Π΅ΠΉΠ½ΠΎΠ³ΠΎ Π΄Π²ΠΈΠΆΠ΅Π½ΠΈΡ β Π±ΡΠ΄Π΅Ρ ΡΠΎΠ²Π΅ΡΡΠ°ΡΡ ΠΏΠΎΠ²ΠΎΡΠΎΡ.
ΠΠ»Ρ ΠΊΡΡΡΠΎΠ³ΠΎ ΠΏΠΎΠ²ΠΎΡΠΎΡΠ° ΡΡΠ°ΠΊΡΠΎΡΠΈΡΡ ΠΏΠΎΡΠ»Π΅ Π²ΡΠΊΠ»ΡΡΠ΅Π½ΠΈΡ ΠΌΡΡΡΡ Π΄ΠΎΠ»ΠΆΠ΅Π½ Π½Π°ΠΆΠ°ΡΡ Π½ΠΎΠ³ΠΎΠΉ Π½Π° ΡΠΎΡΠΌΠΎΠ·Π½ΡΡ ΠΏΠ΅Π΄Π°Π»Ρ ΠΈ ΡΠ΅ΠΌ ΡΠ°ΠΌΡΠΌ Π·Π°ΡΡΠ½ΡΡΡ Π»Π΅Π½ΡΠΎΡΠ½ΡΠΉ ΡΠΎΡΠΌΠΎΠ· (ΡΠΌ. ΡΠΈΡ. 110, Π°) Π²ΠΎΠΊΡΡΠ³ Π²Π΅Π΄ΠΎΠΌΠΎΠ³ΠΎ Π±Π°ΡΠ°Π±Π°Π½Π°.
Π£ΡΠΈΠ»ΠΈΠ΅ Π½Π° ΡΡΡΠ°Π³Π°Ρ ΡΠΏΡΠ°Π²Π»Π΅Π½ΠΈΡ, ΠΏΠΎΡΡΠ΅Π±Π½ΠΎΠ΅ Π΄Π»Ρ Π²ΡΠΊΠ»ΡΡΠ΅Π½ΠΈΡ ΠΌΡΡΡ ΠΏΠΎΠ²ΠΎΡΠΎΡΠ°, Π΄ΠΎΡΡΠΈΠ³Π°Π΅Ρ ΠΏΡΠΈΠΌΠ΅ΡΠ½ΠΎ 120β¦ 150 Π, ΡΡΠΎ Π·Π½Π°ΡΠΈΡΠ΅Π»ΡΠ½ΠΎ Π²ΡΡΠ΅ ΡΡΠΈΠ»ΠΈΠΉ, ΠΏΡΠ΅Π΄ΡΡΠΌΠΎΡΡΠ΅Π½Π½ΡΡ ΡΠ΅Ρ Π½ΠΈΡΠ΅ΡΠΊΠΈΠΌΠΈ ΡΡΠ»ΠΎΠ²ΠΈΡΠΌΠΈ. ΠΠ»Ρ ΡΠ½ΠΈΠΆΠ΅Π½ΠΈΡ ΡΡΠΎΠ³ΠΎ ΡΡΠΈΠ»ΠΈΡ ΠΌΠ΅ΠΆΠ΄Ρ ΡΡΡΠ°Π³Π°ΠΌΠΈ ΠΈ ΠΌΡΡΡΠ°ΠΌΠΈ ΠΏΠΎΠ²ΠΎΡΠΎΡΠ° Π½Π° ΡΡΠ΄Π΅ ΡΡΠ°ΠΊΡΠΎΡΠΎΠ² ΡΡΡΠ°Π½Π°Π²Π»ΠΈΠ²Π°ΡΡ Π³ΠΈΠ΄ΡΠΎΡΡΠΈΠ»ΠΈΡΠ΅Π»ΠΈ (ΡΠΈΡ. 111,Π°).
ΠΠΈΠ΄ΡΠΎΡΡΠΈΠ»ΠΈΡΠ΅Π»Ρ ΡΠΎΡΡΠΎΠΈΡ ΠΈΠ· ΠΊΠΎΡΠΏΡΡΠ° (ΡΠΌ. ΡΠΈΡ. 111, Π²) Ρ Π΄Π²ΡΠΌΡ ΠΎΡΠ²Π΅ΡΡΡΠΈΡΠΌΠΈ Π΄Π»Ρ ΠΏΠΎΠ΄Π²ΠΎΠ΄Π° ΠΈ ΠΎΡΠ²ΠΎΠ΄Π° ΡΠ°Π±ΠΎΡΠ΅ΠΉ ΠΆΠΈΠ΄ΠΊΠΎΡΡΠΈ (Π΄ΠΈΠ·Π΅Π»ΡΠ½ΠΎΠ³ΠΎ ΠΌΠ°ΡΠ»Π°), ΠΏΠΎΡΡΠ½Ρ, ΡΠΎΠ΅Π΄ΠΈΠ½Π΅Π½Π½ΠΎΠ³ΠΎ Ρ Π²ΠΈΠ»ΠΊΠΎΠΉ, ΠΈ Π·ΠΎΠ»ΠΎΡΠ½ΠΈΠΊΠ°, ΡΠ²ΡΠ·Π°Π½Π½ΠΎΠ³ΠΎ Ρ Π²ΠΈΠ»ΠΊΠΎΠΉ.
Π ΡΠΎΡΡΠΎΠ²ΡΠΌ ΠΏΠΎΠ²Π΅ΡΡ Π½ΠΎΡΡΡΠΌ ΡΡΠ³ΡΠ½Π½ΠΎΠ³ΠΎ ΠΊΠΎΡΠΏΡΡΠ° Π³ΠΈΠ΄ΡΠΎΡΠΈΠ»ΠΈΠ½Π΄ΡΠ° ΠΊΡΠ΅ΠΏΡΡΡΡ ΠΊΡΡΡΠΊΠΈ, Π² ΠΊΠΎΡΠΎΡΡΡ ΡΠ°ΡΠΏΠΎΠ»Π°Π³Π°ΡΡΡΡ ΡΠΏΠ»ΠΎΡΠ½ΠΈΡΠ΅Π»ΡΠ½ΡΠ΅ ΠΊΠΎΠ»ΡΡΠ°, Π° ΡΠ²Π΅ΡΡ Ρ ΠΊΡΡΡΠΊΠΈ Π·Π°ΠΊΡΡΡΡ ΠΏΡΠ»Π΅Π·Π°ΡΠΈΡΠ½ΡΠΌΠΈ ΠΌΠ°Π½ΠΆΠ΅ΡΠ°ΠΌΠΈ.
ΠΠ°ΡΠ»ΠΎ Π½Π°ΡΠΎΡΠΎΠΌ ΠΏΠΎ ΠΌΠ°ΡΠ»ΠΎΠΏΡΠΎΠ²ΠΎΠ΄Ρ ΠΏΠΎΠ΄Π²ΠΎΠ΄ΠΈΡΡΡ Π² ΠΏΠΎΠ»ΠΎΡΡΡ Π ΠΊΠΎΡΠΏΡΡΠ° Π³ΠΈΠ΄ΡΠΎΡΡΠΈΠ»ΠΈΡΠ΅Π»Ρ, Π·Π°ΡΠ΅ΠΌ ΠΏΡΠΎΡ
ΠΎΠ΄ΠΈΡ ΠΏΠΎ ΡΠ²Π΅ΡΠ»Π΅Π½ΠΈΡΠΌ Π² ΠΏΠΎΠ»ΠΎΡΡΡ Π ΠΈ Π΄Π°Π»ΡΡΠ΅ ΡΠ»ΠΈΠ²Π°Π΅ΡΡΡ Π² Π±Π°ΠΊ 4 (ΠΏΠΎΠΊΠ°Π·Π°Π½ΠΎ Π½Π° ΡΠΈΡΡΠ½ΠΊΠ΅ 111).
ΠΡΠΈ Π½Π°ΠΆΠ°ΡΠΈΠΈ Π½Π° ΡΡΡΠ°Π³ (ΠΊΠ°ΠΊ ΠΏΠΎΠΊΠ°Π·Π°Π½ΠΎ ΡΡΡΠ΅Π»ΠΊΠΎΠΉ) Π·ΠΎΠ»ΠΎΡΠ½ΠΈΠΊ ΠΏΠ΅ΡΠ΅ΠΌΠ΅ΡΡΠΈΡΡΡ Π²Π»Π΅Π²ΠΎ ΠΈ ΠΏΠ΅ΡΠ΅ΠΊΡΠΎΠ΅Ρ ΠΏΠ΅ΡΠ²ΡΠΉ ΡΡΠ΄ ΠΎΡΠ²Π΅ΡΡΡΠΈΠΉ Π² ΠΏΠΎΡΡΠ½Π΅ (ΡΠΌ. ΡΠΈΡ. 111,6). ΠΡΠΈ ΡΡΠΎΠΌ Π΄Π°Π²Π»Π΅Π½ΠΈΠ΅ ΠΌΠ°ΡΠ»Π° Π² ΠΏΠΎΠ»ΠΎΡΡΠΈ Π Π²ΠΎΠ·ΡΠ°ΡΡΠ΅Ρ, ΠΈ ΠΏΠΎΡΡΠ΅Π½Ρ Π½Π°ΡΠ½Π΅Ρ ΠΏΠ΅ΡΠ΅ΠΌΠ΅ΡΠ°ΡΡΡΡ Π²ΡΠ»Π΅Π΄ Π·Π° Π·ΠΎΠ»ΠΎΡΠ½ΠΈΠΊΠΎΠΌ ΠΏΠΎΠ΄ Π΄Π°Π²Π»Π΅Π½ΠΈΠ΅ΠΌ ΠΌΠ°ΡΠ»Π°, Π²ΡΠΊΠ»ΡΡΠ°Ρ ΠΌΡΡΡΡ ΠΏΠΎΠ²ΠΎΡΠΎΡΠ°.
ΠΠ°ΠΊ ΡΠΎΠ»ΡΠΊΠΎ Π²ΠΎΠ·Π΄Π΅ΠΉΡΡΠ²ΠΈΠ΅ Π½Π° ΡΡΡΠ°Π³ ΠΏΡΠ΅ΠΊΡΠ°ΡΠΈΡΡΡ, Π·ΠΎΠ»ΠΎΡΠ½ΠΈΠΊ ΠΏΡΡΠΆΠΈΠ½ΠΎΠΉ (ΡΠΌ. ΡΠΈΡ. 111, Π²) Π²ΠΎΠ·Π²ΡΠ°ΡΠΈΡΡΡ Π² ΠΈΡΡ ΠΎΠ΄Π½ΠΎΠ΅ ΠΏΠΎΠ»ΠΎΠΆΠ΅Π½ΠΈΠ΅ ΠΈ Π³ΠΈΠ΄ΡΠΎΡΡΠΈΠ»ΠΈΡΠ΅Π»Ρ ΠΏΠ΅ΡΠ΅ΡΡΠ°Π½Π΅Ρ Π΄Π΅ΠΉΡΡΠ²ΠΎΠ²Π°ΡΡ. ΠΡΠΈ ΠΏΠΎΠ²ΡΡΠ΅Π½ΠΈΠΈ Π΄Π°Π²Π»Π΅Π½ΠΈΡ ΠΌΠ°ΡΠ»Π° Π² ΡΠΈΡΡΠ΅ΠΌΠ΅ ΡΠ²Π΅ΡΡ Π½ΠΎΡΠΌΡ ΠΎΡΠΊΡΠΎΠ΅ΡΡΡ ΠΏΡΠ΅Π΄ΠΎΡ ΡΠ°Π½ΠΈΡΠ΅Π»ΡΠ½ΡΠΉ ΠΊΠ»Π°ΠΏΠ°Π½ 5 ΠΈ ΠΌΠ°ΡΠ»ΠΎ Π±ΡΠ΄Π΅Ρ ΠΏΠ΅ΡΠ΅ΡΠ΅ΠΊΠ°ΡΡ Π² Π±Π°ΠΊ.
Π ΠΈΡ. 111. ΠΠΈΠ΄ΡΠΎΡΡΠΈΠ»ΠΈΡΠ΅Π»Ρ:
Π° β ΠΎΠ±ΡΠΈΠΉ Π²ΠΈΠ΄; Π±, Π² β ΡΡ
Π΅ΠΌΡ Π΄Π΅ΠΉΡΡΠ²ΠΈΡ; 1β ΠΏΡΠ»Π΅Π·Π°ΡΠΈΡΠ½Π°Ρ ΠΌΠ°Π½ΠΆΠ΅ΡΠ°; 2β Π·ΠΎΠ»ΠΎΡΠ½ΠΈΠΊ; 3β ΠΏΠΎΡΡΠ΅Π½Ρ; 4 β Π±Π°ΠΊ; 5.β ΠΏΡΠ΅Π΄ΠΎΡ
ΡΠ°Π½ΠΈΡΠ΅Π»ΡΠ½ΡΠΉ ΠΊΠ»Π°ΠΏΠ°Π½; 6 β Π½Π°ΡΠΎΡ; 7, 10, β Π²ΠΈΠ»ΠΊΠΈ; 8 β ΠΊΠΎΡΠΏΡΡ; 9 β ΠΏΡΡΠΆΠΈΠ½Π°; 11 β ΡΡΡΠ°Π³.
ΠΡΠΈΠΌΠ΅Π½Π΅Π½ΠΈΠ΅ Π³ΠΈΠ΄ΡΠΎΡΡΠΈΠ»ΠΈΡΠ΅Π»Ρ ΡΠ½ΠΈΠΆΠ°Π΅Ρ ΡΡΠΈΠ»ΠΈΠ΅, ΠΏΡΠΈΠ»Π°Π³Π°Π΅ΠΌΠΎΠ΅ ΠΊ ΡΡΡΠ°Π³Π°ΠΌ ΡΠΏΡΠ°Π²Π»Π΅Π½ΠΈΡ, Π΄ΠΎ 40β¦20 Π.
ΠΠΎΠ²ΠΎΡΠΎΡ ΠΏΡΠΈ ΠΏΠΎΠΌΠΎΡΠΈ ΠΏΠ»Π°Π½Π΅ΡΠ°ΡΠ½ΠΎΠ³ΠΎ ΠΌΠ΅Ρ
Π°Π½ΠΈΠ·ΠΌΠ° ΡΠ°ΠΊ ΠΆΠ΅, ΠΊΠ°ΠΊ ΠΈ ΠΌΡΡΡΠ°ΠΌΠΈ ΠΏΠΎΠ²ΠΎΡΠΎΡΠ°, ΠΎΡΡΡΠ΅ΡΡΠ²Π»ΡΠ΅ΡΡΡ ΠΏΡΡΠ΅ΠΌ ΠΎΡΠΊΠ»ΡΡΠ΅Π½ΠΈΡ ΠΎΠ΄Π½ΠΎΠΉ ΠΈΠ· Π³ΡΡΠ΅Π½ΠΈΡ ΠΎΡ ΠΊΠΎΡΠΎΠ±ΠΊΠΈ ΠΏΠ΅ΡΠ΅Π΄Π°Ρ, Π° ΠΊΡΡΡΠΎΠΉ ΠΏΠΎΠ²ΠΎΡΠΎΡ β Π΄ΠΎΠΏΠΎΠ»Π½ΠΈΡΠ΅Π»ΡΠ½ΡΠΌ Π΅Π΅ Π·Π°ΡΠΎΡΠΌΠ°ΠΆΠΈΠ²Π°Π½ΠΈΠ΅ΠΌ.
Π£ΡΡΡΠΎΠΉΡΡΠ²ΠΎ. ΠΠ»Π°Π½Π΅ΡΠ°ΡΠ½ΡΠΉ ΠΌΠ΅Ρ Π°Π½ΠΈΠ·ΠΌ ΡΠΎΡΡΠΎΠΈΡ ΠΈΠ· Π΄Π²ΠΎΠΉΠ½ΠΎΠΉ ΠΊΠΎΡΠΎΠ½Π½ΠΎΠΉ ΡΠ΅ΡΡΠ΅ΡΠ½ΠΈ (ΡΠΈΡ. 112, Π°, Π±), ΠΈΠ·Π³ΠΎΡΠΎΠ²Π»Π΅Π½Π½ΠΎΠΉ Π² ΡΡΡΠΏΠΈΡΠ΅ Π²Π΅Π΄ΠΎΠΌΠΎΠΉ ΡΠ΅ΡΡΠ΅ΡΠ½ΠΈ 6 Π³Π»Π°Π²Π½ΠΎΠΉ ΠΏΠ΅ΡΠ΅Π΄Π°ΡΠΈ. ΠΠ½ΡΡΡΠΈ ΠΊΠΎΡΠΎΠ½Π½ΠΎΠΉ ΡΠ΅ΡΡΠ΅ΡΠ½ΠΈ ΡΠ°ΡΠΏΠΎΠ»ΠΎΠΆΠ΅Π½Ρ Π΄Π²Π° Π²ΠΎΠ΄ΠΈΠ»Π°: ΠΎΠ΄Π½ΠΎ Π΄Π»Ρ ΠΏΠ΅ΡΠ΅Π΄Π°ΡΠΈ ΠΌΠΎΠΌΠ΅Π½ΡΠ° Π½Π° ΠΏΡΠ°Π²ΡΡ Π³ΡΡΠ΅Π½ΠΈΡΡ, Π΄ΡΡΠ³ΠΎΠ΅ β Π½Π° Π»Π΅Π²ΡΡ.
ΠΠ° ΠΊΠ°ΠΆΠ΄ΠΎΠΌ Π²ΠΎΠ΄ΠΈΠ»Π΅ ΡΡΡΠ°Π½ΠΎΠ²Π»Π΅Π½Ρ ΡΠ²ΠΎΠ±ΠΎΠ΄Π½ΠΎ Π²ΡΠ°ΡΠ°ΡΡΠΈΠ΅ΡΡ Π½Π° ΠΏΠ°Π»ΡΡΠ°Ρ (ΠΎΡΡΡ ) ΠΏΠΎ ΡΡΠΈ ΡΠΈΠ»ΠΈΠ½Π΄ΡΠΈΡΠ΅ΡΠΊΠΈΠ΅ ΡΠ΅ΡΡΠ΅ΡΠ½ΠΈ β ΡΠ°ΡΠ΅Π»Π»ΠΈΡΡ, Π²Ρ ΠΎΠ΄ΡΡΠΈΠ΅ ΡΠ²ΠΎΠΈΠΌΠΈ Π·ΡΠ±ΡΡΠΌΠΈ Π² Π·Π°ΡΠ΅ΠΏΠ»Π΅Π½ΠΈΠ΅ Ρ Π·ΡΠ±ΡΡΠΌΠΈ ΠΊΠΎΡΠΎΠ½Π½ΠΎΠΉ ΡΠ΅ΡΡΠ΅ΡΠ½ΠΈ ΠΈ ΠΎΠ΄Π½ΠΎΠ²ΡΠ΅ΠΌΠ΅Π½Π½ΠΎ Ρ Π·ΡΠ±ΡΡΠΌΠΈ ΡΠΎΠ»Π½Π΅ΡΠ½ΠΎΠΉ ΡΠ΅ΡΡΠ΅ΡΠ½ΠΈ.
Π ΠΈΡ. 112. ΠΠ΅Ρ
Π°Π½ΠΈΠ·ΠΌ ΡΠΏΡΠ°Π²Π»Π΅Π½ΠΈΡ Π³ΡΡΠ΅Π½ΠΈΡΠ½ΠΎΠ³ΠΎ ΡΡΠ°ΠΊΡΠΎΡΠ° ΠΏΠ»Π°Π½Π΅ΡΠ°ΡΠ½ΠΎΠ³ΠΎ ΡΠΈΠΏΠ°:
Π° β ΡΡΡΡΠΎΠΉΡΡΠ²ΠΎ; Π± β ΡΡ
Π΅ΠΌΠ° Π΄Π΅ΠΉΡΡΠ²ΠΈΡ; 1. 6, 7, 8, 13 β ΡΠ΅ΡΡΠ΅ΡΠ½ΠΈ; 2,4 β ΡΠΎΡΠΌΠΎΠ·Π½ΡΠ΅ ΡΠΊΠΈΠ²Ρ; 3βΠΏΡΡΠΆΠΈΠ½Π°; 5βΠ²Π°Π»; 9 β Π²ΠΎΠ΄ΠΈΠ»ΠΎ; 10 β ΡΠ°ΡΠ΅Π»Π»ΠΈΡΡ; 11, 12 β ΡΠΎΡΠΌΠΎΠ·Π½ΡΠ΅ Π»Π΅Π½ΡΡ.
Π‘ΠΎΠ»Π½Π΅ΡΠ½Π°Ρ ΡΠ΅ΡΡΠ΅ΡΠ½Ρ 8 ΠΆΠ΅ΡΡΠΊΠΎ ΡΠΎΠ΅Π΄ΠΈΠ½Π΅Π½Π° Ρ ΡΠΎΡΠΌΠΎΠ·Π½ΡΠΌ ΡΠΊΠΈΠ²ΠΎΠΌ, Π²ΠΎΠΊΡΡΠ³ ΠΊΠΎΡΠΎΡΠΎΠ³ΠΎ ΡΠΈΠ»ΠΎΠΉ ΠΏΡΡΠΆΠΈΠ½Ρ Π·Π°ΡΡΠ½ΡΡΠ° ΡΠΎΡΠΌΠΎΠ·Π½Π°Ρ Π»Π΅Π½ΡΠ°.
ΠΠΎΠ΄ΠΈΠ»ΠΎ ΠΆΠ΅ΡΡΠΊΠΎ ΠΏΠΎΡΠ°ΠΆΠ΅Π½ΠΎ Π½Π° Π²Π°Π»Ρ, Π½Π° Π½Π΅ΠΌ ΡΠ°ΠΊΠΆΠ΅ Π·Π°ΠΊΡΠ΅ΠΏΠ»Π΅Π½Ρ Π²Π΅Π΄ΡΡΠ°Ρ ΡΠ΅ΡΡΠ΅ΡΠ½Ρ ΠΊΠΎΠ½Π΅ΡΠ½ΠΎΠΉ ΠΏΠ΅ΡΠ΅Π΄Π°ΡΠΈ ΠΈ ΡΠΎΡΠΌΠΎΠ·Π½ΠΎΠΉ ΡΠΊΠΈΠ², Π²ΠΎΠΊΡΡΠ³ ΠΊΠΎΡΠΎΡΠΎΠ³ΠΎ Π½Π°Ρ
ΠΎΠ΄ΠΈΡΡΡ ΡΠΎΡΠΌΠΎΠ·Π½Π°Ρ Π»Π΅Π½ΡΠ°.
ΠΠ»Π°Π½Π΅ΡΠ°ΡΠ½ΡΠΉ ΠΌΠ΅Ρ Π°Π½ΠΈΠ·ΠΌ ΠΎΡΠ»ΠΈΡΠ°Π΅ΡΡΡ ΠΊΠΎΠΌΠΏΠ°ΠΊΡΠ½ΠΎΡΡΡΡ, Π»Π΅Π³ΠΊΠΎΡΡΡΡ ΡΠΏΡΠ°Π²Π»Π΅Π½ΠΈΡ, ΠΎΠ±Π»Π°Π΄Π°Π΅Ρ Π΄ΠΎΠ»Π³ΠΎΠ²Π΅ΡΠ½ΠΎΡΡΡΡ ΠΈ ΠΎΠ±Π΅ΡΠΏΠ΅ΡΠΈΠ²Π°Π΅Ρ ΠΏΡΡΠΌΠΎΠ»ΠΈΠ½Π΅ΠΉΠ½ΠΎΠ΅ Π΄Π²ΠΈΠΆΠ΅Π½ΠΈΠ΅ ΡΡΠ°ΠΊΡΠΎΡΠ°. Π ΡΠΈΡΠ»Π΅ Π½Π΅Π΄ΠΎΡΡΠ°ΡΠΊΠΎΠ² ΡΠ»Π΅Π΄ΡΠ΅Ρ ΠΎΡΠΌΠ΅ΡΠΈΡΡ ΡΡΡΠ΄Π½ΠΎΡΡΡ ΡΠ΅Π³ΡΠ»ΠΈΡΠΎΠ²ΠΊΠΈ Π³Π»Π°Π²Π½ΠΎΠΉ ΠΏΠ΅ΡΠ΅Π΄Π°ΡΠΈ.
ΠΠ΅ΠΉΡΡΠ²ΠΈΠ΅. ΠΡΠΈ Π΄Π²ΠΈΠΆΠ΅Π½ΠΈΠΈ ΡΡΠ°ΠΊΡΠΎΡΠ° ΠΏΠΎ ΠΏΡΡΠΌΠΎΠΉ ΡΠΎΡΠΌΠΎΠ·Π½Π°Ρ Π»Π΅Π½ΡΠ° ΠΎΡΠΏΡΡΠ΅Π½Π°, Π° ΡΠΎΡΠΌΠΎΠ·Π½Π°Ρ Π»Π΅Π½ΡΠ° Π·Π°ΡΡΠ½ΡΡΠ°. ΠΡΠ°ΡΠ΅Π½ΠΈΠ΅ ΠΎΡ ΠΊΠΎΡΠΎΠ±ΠΊΠΈ ΠΏΠ΅ΡΠ΅Π΄Π°Ρ ΠΏΠ΅ΡΠ΅Π΄Π°Π΅ΡΡΡ Π½Π° ΡΠ΅ΡΡΠ΅ΡΠ½Ρ, Π·Π°ΡΠ΅ΠΌ Π½Π° ΡΠ΅ΡΡΠ΅ΡΠ½Ρ. ΠΡΠΈ ΡΡΠΎΠΌ Π²ΡΠ°ΡΠ°ΡΡΠ°ΡΡΡ ΠΊΠΎΡΠΎΠ½Π½Π°Ρ ΡΠ΅ΡΡΠ΅ΡΠ½Ρ Π·Π°ΡΡΠ°Π²Π»ΡΠ΅Ρ ΡΠ°ΡΠ΅Π»Π»ΠΈΡΡ ΠΎΠ±ΠΊΠ°ΡΡΠ²Π°ΡΡΡΡ Π²ΠΎΠΊΡΡΠ³ Π½Π΅ΠΏΠΎΠ΄Π²ΠΈΠΆΠ½ΠΎΠΉ ΡΠΎΠ»Π½Π΅ΡΠ½ΠΎΠΉ ΡΠ΅ΡΡΠ΅ΡΠ½ΠΈ ΠΈ ΡΠ΅ΡΠ΅Π· Π²Π°Π» ΠΏΠ΅ΡΠ΅Π΄Π°Π²Π°ΡΡ ΠΊΡΡΡΡΡΠΈΠΉ ΠΌΠΎΠΌΠ΅Π½Ρ Π½Π° Π²Π΅Π΄ΡΡΡΡ ΡΠ΅ΡΡΠ΅ΡΠ½Ρ ΠΊΠΎΠ½Π΅ΡΠ½ΠΎΠΉ ΠΏΠ΅ΡΠ΅Π΄Π°ΡΠΈ.
ΠΠ»Ρ ΠΏΠ»Π°Π²Π½ΠΎΠ³ΠΎ ΠΏΠΎΠ²ΠΎΡΠΎΡΠ° ΡΡΠ°ΠΊΡΠΎΡΠ°, Π½Π°ΠΏΡΠΈΠΌΠ΅Ρ, Π²Π»Π΅Π²ΠΎ Π½ΡΠΆΠ½ΠΎ ΠΏΠΎΡΡΠ½ΡΡΡ Π½Π° ΡΠ΅Π±Ρ Π»Π΅Π²ΡΠΉ ΡΡΡΠ°Π³ ΠΏΠΎΠ²ΠΎΡΠΎΡΠ°, ΡΠ°ΡΠΏΠΎΠ»ΠΎΠΆΠ΅Π½Π½ΡΠΉ Π² ΠΊΠ°Π±ΠΈΠ½Π΅ ΡΡΠ°ΠΊΡΠΎΡΠ°. ΠΡΠΈ ΡΡΠΎΠΌ ΠΏΡΡΠΆΠΈΠ½Π° ΡΠΎΠΆΠΌΠ΅ΡΡΡ, Π° ΡΠΎΡΠΌΠΎΠ·Π½Π°Ρ Π»Π΅Π½ΡΠ°. ΠΏΡΠ΅ΠΊΡΠ°ΡΠΈΡ ΡΠΎΡΠΌΠΎΠΆΠ΅Π½ΠΈΠ΅ ΡΠΊΠΈΠ²Π°. Π’ΠΎΠ³Π΄Π° ΡΠΎΠ»Π½Π΅ΡΠ½Π°Ρ ΡΠ΅ΡΡΠ΅ΡΠ½Ρ Π½Π°ΡΠ½Π΅Ρ Π²ΡΠ°ΡΠ°ΡΡΡΡ, Π° Π»Π΅Π²Π°Ρ Π³ΡΡΠ΅Π½ΠΈΡΠ° ΠΎΡΡΡΠ°Π²Π°ΡΡ ΠΎΡ ΠΏΡΠ°Π²ΠΎΠΉ, ΠΏΠΎΠ»ΡΡΠ°Ρ ΠΌΠ΅Π½ΡΡΠ΅Π΅ ΡΠΈΡΠ»ΠΎ ΠΎΠ±ΠΎΡΠΎΡΠΎΠ², ΠΈ ΡΡΠ°ΠΊΡΠΎΡ Π±ΡΠ΄Π΅Ρ ΠΏΠ»Π°Π²Π½ΠΎ Π΄Π²ΠΈΠ³Π°ΡΡΡΡ Π² Π»Π΅Π²ΡΡ ΡΡΠΎΡΠΎΠ½Ρ.
ΠΠ»Ρ ΠΊΡΡΡΠΎΠ³ΠΎ ΠΏΠΎΠ²ΠΎΡΠΎΡΠ° Π½ΡΠΆΠ½ΠΎ ΠΏΠΎΡΠ»Π΅ Π²ΡΠΊΠ»ΡΡΠ΅Π½ΠΈΡ ΡΠΎΡΠΌΠΎΠ·Π° ΡΠΎΠ»Π½Π΅ΡΠ½ΠΎΠΉ ΡΠ΅ΡΡΠ΅ΡΠ½ΠΈ ΡΡΡΠ½ΡΠΌ ΡΡΡΠ°Π³ΠΎΠΌ Π½Π°ΠΆΠ°ΡΡ Π½Π° Π»Π΅Π²ΡΡ Π½ΠΎΠΆΠ½ΡΡ ΠΏΠ΅Π΄Π°Π»Ρ ΠΈ ΡΠ΅ΠΌ ΡΠ°ΠΌΡΠΌ Π·Π°ΡΡΠ½ΡΡΡ ΠΎΡΡΠ°Π½ΠΎΠ²ΠΎΡΠ½ΡΡ ΡΠΎΡΠΌΠΎΠ·Π½ΡΡ Π»Π΅Π½ΡΡ.
ΠΠ»Ρ ΠΏΠΎΠ²ΠΎΡΠΎΡΠ° ΡΡΠ°ΠΊΡΠΎΡΠ° Π²ΠΏΡΠ°Π²ΠΎ Π²ΡΠ΅ ΡΡΠΈ Π΄Π΅ΠΉΡΡΠ²ΠΈΡ Π½ΡΠΆΠ½ΠΎ ΡΠΎΠ²Π΅ΡΡΠΈΡΡ Ρ ΠΏΡΠ°Π²ΡΠΌ ΡΡΡΠ°Π³ΠΎΠΌ ΠΈ ΠΏΡΠ°Π²ΠΎΠΉ ΠΏΠ΅Π΄Π°Π»ΡΡ. ΠΡΠ»ΠΈ ΠΆΠ΅ Π·Π°ΡΡΠ½ΡΡΡ ΡΠΎΡΠΌΠΎΠ·Π½ΡΡ Π»Π΅Π½ΡΡ, Π½Π΅ Π²ΡΠΊΠ»ΡΡΠΈΠ² Π»Π΅Π½ΡΡ, ΠΌΠΎΠΆΠ΅Ρ ΠΎΠ±ΠΎΡΠ²Π°ΡΡΡΡ ΠΎΠ΄Π½Π° ΠΈΠ· Π»Π΅Π½Ρ ΠΈΠ»ΠΈ Π² Π»ΡΡΡΠ΅ΠΌ ΡΠ»ΡΡΠ°Π΅ Π΄Π²ΠΈΠ³Π°ΡΠ΅Π»Ρ ΡΡΠ°ΠΊΡΠΎΡΠ° Π·Π°Π³Π»ΠΎΡ Π½Π΅Ρ.
ΠΠΎΠ²ΠΎΡΠΎΡ ΠΏΡΠΈ ΠΏΠΎΠΌΠΎΡΠΈ ΠΊΠΎΡΠΎΠ±ΠΊΠΈ ΠΏΠ΅ΡΠ΅Π΄Π°Ρ Ρ Π³ΠΈΠ΄ΡΠ°Π²Π»ΠΈΡΠ΅ΡΠΊΠΈΠΌ ΠΏΠ΅ΡΠ΅ΠΊΠ»ΡΡΠ΅Π½ΠΈΠ΅ΠΌ Π²ΠΎΠ·ΠΌΠΎΠΆΠ΅Π½ Π΄Π²ΡΠΌΡ ΡΠΏΠΎΡΠΎΠ±Π°ΠΌΠΈ: ΠΏΠ΅ΡΠ²ΡΠΉ β Π·Π°ΡΡΠ°Π²ΠΈΡΡ ΡΡΠ°ΠΊΡΠΎΡ Π΄Π²ΠΈΠ³Π°ΡΡΡΡ ΠΏΠΎ ΠΎΠΊΡΡΠΆΠ½ΠΎΡΡΠΈ ΡΡΡΠΎΠ³ΠΎ ΠΎΠΏΡΠ΅Π΄Π΅Π»Π΅Π½Π½ΠΎΠ³ΠΎ ΡΠ°Π΄ΠΈΡΡΠ°, Π²ΡΠΎΡΠΎΠΉ β ΠΏΠΎΠ²Π΅ΡΠ½ΡΡΡ ΠΏΠΎ Π»ΡΠ±ΠΎΠΉ ΡΡΠ°Π΅ΠΊΡΠΎΡΠΈΠΈ Π²ΠΏΠ»ΠΎΡΡ Π΄ΠΎ ΠΏΠΎΠ²ΠΎΡΠΎΡΠ° ΡΡΠ°ΠΊΡΠΎΡΠ° Π½Π° ΠΌΠ΅ΡΡΠ΅.
ΠΠ΅ΡΠ²ΡΠΉ ΡΠΏΠΎΡΠΎΠ± Π²ΡΠΏΠΎΠ»Π½ΡΠ΅ΡΡΡ ΡΠ΅Π³ΡΠ»ΠΈΡΠΎΠ²ΠΊΠΎΠΉ ΡΠ°Π·Π»ΠΈΡΠ½ΠΎΠΉ ΡΠΊΠΎΡΠΎΡΡΠΈ Π΄Π²ΠΈΠΆΠ΅Π½ΠΈΡ ΠΏΡΠ°Π²ΠΎΠΉ ΠΈ Π»Π΅Π²ΠΎΠΉ Π³ΡΡΠ΅Π½ΠΈΡ. ΠΠ°ΠΏΡΠΈΠΌΠ΅Ρ, Π΅ΡΠ»ΠΈ ΠΏΡΠΈ ΠΏΠΎΠ²ΠΎΡΠΎΡΠ΅ Π²ΠΏΡΠ°Π²ΠΎ Π½Π° Π²Π°Π»Ρ 2 (ΡΠΈΡ. 113) Π²ΠΊΠ»ΡΡΠΈΡΡ ΠΏΠ΅ΡΠ²ΡΡ ΠΏΠ΅ΡΠ΅Π΄Π°ΡΡ, Π° Π½Π° Π²Π°Π»Ρ β ΡΠ΅ΡΠ²Π΅ΡΡΡΡ ΠΏΠ΅ΡΠ΅Π΄Π°ΡΡ, ΡΠΎ ΡΡΠ°ΠΊΡΠΎΡ Π½Π°ΡΠ½Π΅Ρ Π΄Π²ΠΈΠ³Π°ΡΡΡΡ ΠΏΠΎ ΠΎΠΊΡΡΠΆΠ½ΠΎΡΡΠΈ ΡΠ°Π΄ΠΈΡΡΠΎΠΌ 5 ΠΌ. ΠΡΠ»ΠΈ ΠΆΠ΅ ΠΏΡΠΈ Π²ΠΊΠ»ΡΡΠ΅Π½Π½ΠΎΠΉ ΠΏΠ΅ΡΠ²ΠΎΠΉ ΠΏΠ΅ΡΠ΅Π΄Π°ΡΠ΅ Π½Π° Π²Π°Π»Ρ Π²ΠΊΠ»ΡΡΠΈΡΡ ΡΡΠ΅ΡΡΡ ΠΏΠ΅ΡΠ΅Π΄Π°ΡΡ Π½Π° Π²Π°Π»Ρ, ΡΠΎ ΡΠ°Π΄ΠΈΡΡ ΠΎΠΊΡΡΠΆΠ½ΠΎΡΡΠΈ, ΠΏΠΎ ΠΊΠΎΡΠΎΡΠΎΠΉ Π±ΡΠ΄Π΅Ρ Π΄Π²ΠΈΠ³Π°ΡΡΡΡ ΡΡΠ°ΠΊΡΠΎΡ, ΡΠΎΡΡΠ°Π²ΠΈΡ 7 ΠΌ, Π° Π΅ΡΠ»ΠΈ Π²ΠΊΠ»ΡΡΠΈΡΡ Π²ΡΠΎΡΡΡ ΠΏΠ΅ΡΠ΅Π΄Π°ΡΡ β 13 ΠΌ.
Π ΠΈΡ. 113. Π‘Ρ
Π΅ΠΌΠ° ΠΊΠΎΡΠΎΠ±ΠΊΠΈ ΠΏΠ΅ΡΠ΅Π΄Π°Ρ ΠΈ ΡΠΎΡΠΌΠΎΠ·ΠΎΠ², ΠΏΡΠΈΠΌΠ΅Π½ΡΠ΅ΠΌΡΡ
Π΄Π»Ρ ΠΏΠΎΠ²ΠΎΡΠΎΡΠ° Π³ΡΡΠ΅Π½ΠΈΡΠ½ΠΎΠ³ΠΎ ΡΡΠ°ΠΊΡΠΎΡΠ°:
1, 2, 4 β Π²Π°Π»Ρ; 3 β Π»Π΅Π½ΡΠΎΡΠ½ΡΠ΅ ΡΠΎΡΠΌΠΎΠ·Π°; Π β Π΄Π²ΠΈΠ³Π°ΡΠ΅Π»Ρ.
ΠΡΠΎΡΠΎΠΉ ΡΠΏΠΎΡΠΎΠ± Π²ΠΎΠ·ΠΌΠΎΠΆΠ΅Π½ ΠΏΡΠΈ ΠΏΠΎΠ²ΠΎΡΠΎΡΠ΅ ΡΡΠ»Π΅Π²ΠΎΠ³ΠΎ ΠΊΠΎΠ»Π΅ΡΠ°. ΠΡΠ»ΠΈ Π΅Π³ΠΎ Π²ΡΠ°ΡΠ°ΡΡ Π² ΡΡΠΎΡΠΎΠ½Ρ, ΠΊΡΠ΄Π° Π½ΡΠΆΠ½ΠΎ ΠΏΠΎΠ²Π΅ΡΠ½ΡΡΡ, Π½Π°ΠΏΡΠΈΠΌΠ΅Ρ Π²ΠΏΡΠ°Π²ΠΎ, Π²Π½Π°ΡΠ°Π»Π΅ (ΡΠ΅ΡΠ΅Π· 42Β°) ΠΏΡΠΎΠΈΡΡ ΠΎΠ΄ΠΈΡ ΠΏΠ»Π°Π²Π½ΡΠΉ ΡΠ±ΡΠΎΡ Π΄Π°Π²Π»Π΅Π½ΠΈΡ ΠΌΠ°ΡΠ»Π° Π² ΠΊΠ°Π½Π°Π»Π°Ρ Π²Π°Π»Π° 2 ΠΈ ΠΏΠΎΠ»Π½ΠΎΠ΅ ΡΠ°Π·ΠΌΡΠΊΠ°Π½ΠΈΠ΅ Π³ΠΈΠ΄ΡΠΎΠΏΠΎΠ΄ΠΆΠΈΠΌΠ½ΡΡ ΠΌΡΡΡ, ΡΠΈΠ΄ΡΡΠΈΡ Π½Π° ΡΡΠΎΠΌ Π²Π°Π»Ρ. ΠΡΠΈ Π΄Π°Π»ΡΠ½Π΅ΠΉΡΠ΅ΠΌ Π²ΡΠ°ΡΠ΅Π½ΠΈΠΈ ΡΡΠ»Π΅Π²ΠΎΠ³ΠΎ ΠΊΠΎΠ»Π΅ΡΠ° Π·Π°ΡΡΠ³ΠΈΠ²Π°Π΅ΡΡΡ Π»Π΅Π½ΡΠΎΡΠ½ΡΠΉ ΡΠΎΡΠΌΠΎΠ· 3, ΠΈ ΡΡΠ°ΠΊΡΠΎΡ Π΄Π΅Π»Π°Π΅Ρ ΠΊΡΡΡΠΎΠΉ ΠΏΠΎΠ²ΠΎΡΠΎΡ Π²ΠΎΠΊΡΡΠ³ ΠΎΡΡΠ°Π½ΠΎΠ²Π»Π΅Π½Π½ΠΎΠΉ Π³ΡΡΠ΅Π½ΠΈΡΡ Ρ ΡΠ°Π΄ΠΈΡΡΠΎΠΌ, ΡΠ°Π²Π½ΡΠΌ ΡΠΈΡΠΈΠ½Π΅ ΡΡΠ°ΠΊΡΠΎΡΠ°. ΠΠ½Π°Π»ΠΎΠ³ΠΈΡΠ½ΠΎ Π²ΡΠΏΠΎΠ»Π½ΡΠ΅ΡΡΡ ΠΏΠΎΠ²ΠΎΡΠΎΡ ΡΡΠ°ΠΊΡΠΎΡΠ° Π²Π»Π΅Π²ΠΎ.
ΠΡΠΈ ΡΠΎΡΠ½ΠΎΠΌ Π²ΠΎΠΆΠ΄Π΅Π½ΠΈΠΈ ΡΡΠ°ΠΊΡΠΎΡΠ° (Π²Π΄ΠΎΠ»Ρ Π»ΠΈΠ½ΠΈΠΈ ΠΏΡΠ΅Π΄ΡΠ΄ΡΡΠ΅Π³ΠΎ ΠΏΡΠΎΡ
ΠΎΠ΄Π°, Π½Π°ΠΏΡΠΈΠΌΠ΅Ρ Π²Π΄ΠΎΠ»Ρ Π±ΠΎΡΠΎΠ·Π΄Ρ ΠΏΡΠΈ ΠΏΠ°Ρ
ΠΎΡΠ΅), Π° ΡΠ°ΠΊΠΆΠ΅ ΠΏΡΠΈ ΠΊΡΡΡΠΎΠΌ ΠΏΠΎΠ²ΠΎΡΠΎΡΠ΅ ΠΎΡΠ½ΠΎΡΠΈΡΠ΅Π»ΡΠ½ΠΎ Π·Π°ΡΠΎΡΠΌΠΎΠΆΠ΅Π½Π½ΠΎΠΉ Π³ΡΡΠ΅Π½ΠΈΡΡ ΡΠΏΡΠ°Π²Π»ΡΡΡ Π½ΡΠΆΠ½ΠΎ Π²ΡΠΎΡΡΠΌ ΡΠΏΠΎΡΠΎΠ±ΠΎΠΌ. ΠΠΎ Π²ΡΠ΅Ρ
ΠΎΡΡΠ°Π»ΡΠ½ΡΡ
ΡΠ»ΡΡΠ°ΡΡ
ΠΏΠ΅ΡΠ²ΡΠΌ. ΠΡΠΈ ΡΡΠΎΠΌ ΠΏΠΎΠ²ΡΡΠ°Π΅ΡΡΡ ΡΡΠ΅Π΄Π½ΡΡ ΡΠΊΠΎΡΠΎΡΡΡ Π΄Π²ΠΈΠΆΠ΅Π½ΠΈΡ ΡΡΠ°ΠΊΡΠΎΡΠ° ΠΈ ΡΠΌΠ΅Π½ΡΡΠ°Π΅ΡΡΡ Π΅Π³ΠΎ Π±ΡΠΊΡΠΎΠ²Π°Π½ΠΈΠ΅, Π±Π»Π°Π³ΠΎΠ΄Π°ΡΡ ΡΠ΅ΠΌΡ Π²ΠΎΠ·ΡΠ°ΡΡΠ°Π΅Ρ ΠΏΡΠΎΠΈΠ·Π²ΠΎΠ΄ΠΈΡΠ΅Π»ΡΠ½ΠΎΡΡΡ Π°Π³ΡΠ΅Π³Π°ΡΠ°. ΠΡΠΎΠΌΠ΅ ΡΠΎΠ³ΠΎ, ΠΏΡΠΈ ΠΏΠ΅ΡΠ²ΠΎΠΌ ΡΠΏΠΎΡΠΎΠ±Π΅ ΠΏΠΎΠ²ΠΎΡΠΎΡΠ° ΠΏΠΎΠ²ΡΡΠ°Π΅ΡΡΡ ΠΏΡΠΎΡ
ΠΎΠ΄ΠΈΠΌΠΎΡΡΡ ΡΡΠ°ΠΊΡΠΎΡΠ° Π² ΡΡΠ»ΠΎΠ²ΠΈΡΡ
ΠΏΠ»ΠΎΡ
ΠΎΠ³ΠΎ ΡΡΠ΅ΠΏΠ»Π΅Π½ΠΈΡ Π³ΡΡΠ΅Π½ΠΈΡ Ρ ΠΏΠΎΡΠ²ΠΎΠΉ ΠΈ ΡΠ²Π΅Π»ΠΈΡΠΈΠ²Π°Π΅ΡΡΡ Π΄ΠΎΠ»Π³ΠΎΠ²Π΅ΡΠ½ΠΎΡΡΡ ΡΠ°Π±ΠΎΡΡ ΡΠΎΡΠΌΠΎΠ·Π½ΡΡ
Π»Π΅Π½Ρ.
ΠΡΠΈ Π΄Π²ΠΈΠΆΠ΅Π½ΠΈΠΈ ΠΏΠΎΠ΄ Π½Π°Π³ΡΡΠ·ΠΊΠΎΠΉ Π½Π΅ ΡΠ΅ΠΊΠΎΠΌΠ΅Π½Π΄ΡΠ΅ΡΡΡ ΠΏΠΎΠ²ΠΎΡΠ°ΡΠΈΠ²Π°ΡΡ ΡΡΠ°ΠΊΡΠΎΡ Π²ΠΎΠΊΡΡΠ³ Π·Π°ΡΠΎΡΠΌΠΎΠΆΠ΅Π½Π½ΠΎΠΉ Π³ΡΡΠ΅Π½ΠΈΡΡ. ΠΡΠΎ ΠΏΡΠΈΠ²ΠΎΠ΄ΠΈΡ ΠΊ ΡΡΠ΅Π·ΠΌΠ΅ΡΠ½ΠΎΠΉ Π½Π°Π³ΡΡΠ·ΠΊΠ΅ ΠΌΠ΅Ρ
Π°Π½ΠΈΠ·ΠΌΠΎΠ² ΡΡΠ°ΠΊΡΠΎΡΠ° ΠΈ ΡΠ½ΠΈΠΆΠ΅Π½ΠΈΡ ΠΏΡΠΎΠΈΠ·Π²ΠΎΠ΄ΠΈΡΠ΅Π»ΡΠ½ΠΎΡΡΠΈ Π°Π³ΡΠ΅Π³Π°ΡΠ°. Π‘ΠΎΠ²Π΅ΡΡΠ°ΡΡ ΠΊΡΡΡΠΎΠΉ ΠΏΠΎΠ²ΠΎΡΠΎΡ ΠΌΠΎΠΆΠ½ΠΎ ΡΠΎΠ»ΡΠΊΠΎ Π² ΡΠ»ΡΡΠ°Π΅ ΠΎΡΡΡΠΎΠΉ Π½Π΅ΠΎΠ±Ρ
ΠΎΠ΄ΠΈΠΌΠΎΡΡΠΈ ΠΈ ΡΠΎΠ»ΡΠΊΠΎ ΠΏΠΎΡΠ»Π΅ ΡΠΎΠ³ΠΎ, ΠΊΠ°ΠΊ Π½Π°Π²Π΅ΡΠ΅Π½Π½Π°Ρ ΠΌΠ°ΡΠΈΠ½Π° Π±ΡΠ΄Π΅Ρ ΠΏΠΎΠ΄Π½ΡΡΠ° Π² ΡΡΠ°Π½ΡΠΏΠΎΡΡΠ½ΠΎΠ΅ ΠΏΠΎΠ»ΠΎΠΆΠ΅Π½ΠΈΠ΅.
Π Π΅ΠΊΠ»Π°ΠΌΠ½ΡΠ΅ ΠΏΡΠ΅Π΄Π»ΠΎΠΆΠ΅Π½ΠΈΡ:
Π§ΠΈΡΠ°ΡΡ Π΄Π°Π»Π΅Π΅: Π’Π΅Ρ Π½ΠΈΡΠ΅ΡΠΊΠΎΠ΅ ΠΎΠ±ΡΠ»ΡΠΆΠΈΠ²Π°Π½ΠΈΠ΅ ΠΌΠ΅Ρ Π°Π½ΠΈΠ·ΠΌΠΎΠ² ΡΠΏΡΠ°Π²Π»Π΅Π½ΠΈΡ ΠΏΠΎΠ²ΠΎΡΠΎΡΠΎΠΌ ΠΈ ΡΠΎΡΠΌΠΎΠ·ΠΎΠ²
ΠΠ°ΡΠ΅Π³ΠΎΡΠΈΡ: — Π’ΡΠ°ΠΊΡΠΎΡΡ
ΠΠ»Π°Π²Π½Π°Ρ β Π‘ΠΏΡΠ°Π²ΠΎΡΠ½ΠΈΠΊ β Π‘ΡΠ°ΡΡΠΈ β Π€ΠΎΡΡΠΌ
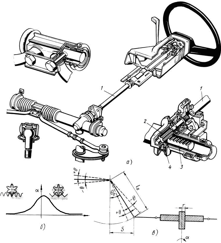
Π£ΡΡΡΠΎΠΉΡΡΠ²ΠΎ Π°Π²ΡΠΎΠΌΠΎΠ±ΠΈΠ»Ρ: ΡΡΠ»Π΅Π²ΠΎΠ΅ ΡΠΏΡΠ°Π²Π»Π΅Π½ΠΈΠ΅
Π ΡΠ»Π΅Π²ΠΎΠ΅ ΡΠΏΡΠ°Π²Π»Π΅Π½ΠΈΠ΅
Π ΡΠ»Π΅Π²ΠΎΠ΅ ΡΠΏΡΠ°Π²Π»Π΅Π½ΠΈΠ΅ ΠΎΠ±Π΅ΡΠΏΠ΅ΡΠΈΠ²Π°Π΅Ρ Π΄Π²ΠΈΠΆΠ΅Π½ΠΈΠ΅ Π°Π²ΡΠΎΠΌΠΎΠ±ΠΈΠ»Ρ Π² Π·Π°Π΄Π°Π½Π½ΠΎΠΌ Π²ΠΎΠ΄ΠΈΡΠ΅Π»Π΅ΠΌ Π½Π°ΠΏΡΠ°Π²Π»Π΅Π½ΠΈΠΈ. ΠΠ»Π΅ΠΌΠ΅Π½ΡΠ°ΠΌΠΈ ΡΡΠ»Π΅Π²ΠΎΠ³ΠΎ ΡΠΏΡΠ°Π²Π»Π΅Π½ΠΈΡ ΡΠ²Π»ΡΡΡΡΡ ΡΡΠ»Π΅Π²ΠΎΠΉ ΠΌΠ΅Ρ Π°Π½ΠΈΠ·ΠΌ ΠΈ ΡΡΠ»Π΅Π²ΠΎΠΉ ΠΏΡΠΈΠ²ΠΎΠ΄.
Π‘ ΠΏΠΎΠΌΠΎΡΡΡ ΡΡΠ»Π΅Π²ΠΎΠ³ΠΎ ΠΌΠ΅Ρ
Π°Π½ΠΈΠ·ΠΌΠ° ΠΏΡΠΎΠΈΡΡ
ΠΎΠ΄ΠΈΡ ΡΠ²Π΅Π»ΠΈΡΠ΅Π½ΠΈΠ΅ ΠΈ ΠΏΠ΅ΡΠ΅Π΄Π°ΡΠ° Π½Π° ΡΡΠ»Π΅Π²ΠΎΠΉ ΠΏΡΠΈΠ²ΠΎΠ΄ ΡΡΠΈΠ»ΠΈΡ, ΠΊΠΎΡΠΎΡΠΎΠ΅ Π²ΠΎΠ΄ΠΈΡΠ΅Π»Ρ ΠΏΡΠΈΠ»Π°Π³Π°Π΅Ρ ΠΊ ΡΡΠ»Π΅Π²ΠΎΠΌΡ ΠΊΠΎΠ»Π΅ΡΡ, ΠΊΠΎΠ³Π΄Π° ΡΠΎΠ²Π΅ΡΡΠ°Π΅Ρ ΠΏΠΎΠ²ΠΎΡΠΎΡ Π°Π²ΡΠΎΠΌΠΎΠ±ΠΈΠ»Ρ.
Π Π ΠΎΡΡΠΈΠΈ ΠΏΡΠΎΠΈΠ·Π²ΠΎΠ΄ΡΡ Π°Π²ΡΠΎΠΌΠΎΠ±ΠΈΠ»ΠΈ Ρ ΠΌΠ΅Ρ
Π°Π½ΠΈΠ·ΠΌΠ°ΠΌΠΈ ΡΠ΅ΡΠ²ΡΡΠ½ΠΎΠ³ΠΎ ΠΈ ΡΠ΅Π΅ΡΠ½ΠΎΠ³ΠΎ ΡΠΈΠΏΠ°.
ΠΠ° ΡΠΈΡΡΠ½ΠΊΠ΅ 17.1 ΠΏΡΠ΅Π΄ΡΡΠ°Π²Π»Π΅Π½Π° ΡΡ Π΅ΠΌΠ° ΡΠΏΡΠ°Π²Π»Π΅Π½ΠΈΡ ΠΌΠ΅Ρ Π°Π½ΠΈΠ·ΠΌΠΎΠΌ ΡΠ΅ΡΠ²ΡΡΠ½ΠΎΠ³ΠΎ ΡΠΈΠΏΠ°.
- ΠΠ»Π΅ΠΌΠ΅Π½ΡΠ°ΠΌΠΈ ΡΡΠΎΠ³ΠΎ ΠΌΠ΅Ρ
Π°Π½ΠΈΠ·ΠΌΠ° ΡΠ²Π»ΡΡΡΡΡ:
- ΡΡΠ»Π΅Π²ΠΎΠ΅ ΠΊΠΎΠ»Π΅ΡΠΎ Ρ Π²Π°Π»ΠΎΠΌ,
- ΠΊΠ°ΡΡΠ΅Ρ ΡΠ΅ΡΠ²ΡΡΠ½ΠΎΠΉ ΠΏΠ°ΡΡ,
- ΠΏΠ°ΡΠ° Β«ΡΠ΅ΡΠ²ΡΠΊ-ΡΠΎΠ»ΠΈΠΊΒ»,
- ΡΡΠ»Π΅Π²Π°Ρ ΡΠΎΡΠΊΠΈ.
Π ΠΈΡ. 17.1. Π‘Ρ Π΅ΠΌΠ° ΡΡΠ»Π΅Π²ΠΎΠ³ΠΎ ΡΠΏΡΠ°Π²Π»Π΅Π½ΠΈΡ Ρ ΠΌΠ΅Ρ Π°Π½ΠΈΠ·ΠΌΠΎΠΌ ΡΠΈΠΏΠ° Β«ΡΠ΅ΡΠ²ΡΠΊ-ΡΠΎΠ»ΠΈΠΊΒ» 1 — ΡΡΠ»Π΅Π²ΠΎΠ΅ ΠΊΠΎΠ»Π΅ΡΠΎ; 2 — ΡΡΠ»Π΅Π²ΠΎΠΉ Π²Π°Π» Ρ Β«ΡΠ΅ΡΠ²ΡΠΊΠΎΠΌΒ»; 3 β Β«ΡΠΎΠ»ΠΈΠΊΒ» Ρ Π²Π°Π»ΠΎΠΌ ΡΠΎΡΠΊΠΈ; 4 — ΡΡΠ»Π΅Π²Π°Ρ ΡΠΎΡΠΊΠ°; 5 — ΡΡΠ΅Π΄Π½ΡΡ ΡΡΠ³Π°; 6 — Π±ΠΎΠΊΠΎΠ²ΡΠ΅ ΡΡΠ³ΠΈ; 7 — ΠΏΠΎΠ²ΠΎΡΠΎΡΠ½ΡΠ΅ ΡΡΡΠ°Π³ΠΈ; 8 — ΠΏΠ΅ΡΠ΅Π΄Π½ΠΈΠ΅ ΠΊΠΎΠ»Π΅ΡΠ° Π°Π²ΡΠΎΠΌΠΎΠ±ΠΈΠ»Ρ; 9 — ΠΌΠ°ΡΡΠ½ΠΈΠΊΠΎΠ²ΡΠΉ ΡΡΡΠ°Π³; 10 — ΡΠ°ΡΠ½ΠΈΡΡ ΡΡΠ»Π΅Π²ΡΡ ΡΡΠ³
ΠΠ°ΡΠ° Β«ΡΠ΅ΡΠ²ΡΠΊ-ΡΠΎΠ»ΠΈΠΊΒ» ΡΠ°ΡΠΏΠΎΠ»Π°Π³Π°Π΅ΡΡΡ Π² ΠΊΠ°ΡΡΠ΅ΡΠ΅ ΠΈ Π½Π°Ρ
ΠΎΠ΄ΠΈΡΡΡ Π² ΠΏΠΎΡΡΠΎΡΠ½Π½ΠΎΠΌ Π²Π·Π°ΠΈΠΌΠΎΠ΄Π΅ΠΉΡΡΠ²ΠΈΠΈ Π΄ΡΡΠ³ Ρ Π΄ΡΡΠ³ΠΎΠΌ. ΠΠΎ ΠΎΡΠ΄Π΅Π»ΡΠ½ΠΎΡΡΠΈ ΡΠ΅ΡΠ²ΡΠΊ ΠΏΡΠ΅Π΄ΡΡΠ°Π²Π»ΡΠ΅Ρ ΡΠΎΠ±ΠΎΠΉ Π½ΠΈΠΆΠ½ΠΈΠΉ ΠΊΠΎΠ½Π΅Ρ ΡΡΠ»Π΅Π²ΠΎΠ³ΠΎ Π²Π°Π»Π°, Π° ΡΠΎΠ»ΠΈΠΊ ΡΠ°ΡΠΏΠΎΠ»ΠΎΠΆΠ΅Π½ Π½Π° Π²Π°Π»Ρ ΡΡΠ»Π΅Π²ΠΎΠΉ ΡΠΎΡΠΊΠΈ. ΠΠΎΠ³Π΄Π° ΡΡΠ»Π΅Π²ΠΎΠ΅ ΠΊΠΎΠ»Π΅ΡΠΎ ΠΊΡΡΡΠΈΡΡΡ, ΡΠΎΠ»ΠΈΠΊ ΡΠΊΠΎΠ»ΡΠ·ΠΈΡ ΠΏΠΎ Π·ΡΠ±ΡΡΠΌ ΡΠ΅ΡΠ²ΡΠΊΠ°, ΠΈ ΠΈΠ·-Π·Π° ΡΡΠΎΠ³ΠΎ ΡΡΠ»Π΅Π²Π°Ρ ΡΠΎΡΠΊΠ° Π½Π°ΡΠΈΠ½Π°Π΅Ρ ΠΏΠΎΠ²ΠΎΡΠΎΡ. Π£ΡΠΈΠ»ΠΈΠ΅ ΡΠ»Π΅Π΄ΡΠ΅Ρ ΠΏΠΎ ΠΏΡΡΠΈ ΠΊ ΡΡΠ»Π΅Π²ΠΎΠΌΡ ΠΏΡΠΈΠ²ΠΎΠ΄Ρ, Π° ΠΎΡ Π½Π΅Π³ΠΎ Π½Π° ΡΠΏΡΠ°Π²Π»ΡΠ΅ΠΌΡΠ΅ ΠΊΠΎΠ»Π΅ΡΠ°.
Π‘ ΠΏΠΎΠΌΠΎΡΡΡ ΡΡΠ»Π΅Π²ΠΎΠ³ΠΎ ΠΏΡΠΈΠ²ΠΎΠ΄Π° ΠΏΡΠΎΠΈΡΡ ΠΎΠ΄ΠΈΡ ΠΏΠ΅ΡΠ΅Π΄Π°ΡΠ° ΡΡΠΈΠ»ΠΈΡ ΠΎΡ ΡΡΠ»Π΅Π²ΠΎΠ³ΠΎ ΠΌΠ΅Ρ Π°Π½ΠΈΠ·ΠΌΠ° Π½Π° ΡΠΏΡΠ°Π²Π»ΡΠ΅ΠΌΡΠ΅ ΠΊΠΎΠ»Π΅ΡΠ°. Π£ΠΏΡΠ°Π²Π»ΡΠ΅ΠΌΡΠ΅ ΠΊΠΎΠ»Π΅ΡΠ° ΠΏΠΎΠ²ΠΎΡΠ°ΡΠΈΠ²Π°ΡΡΡΡ Π½Π° Π½Π΅ΠΎΠ΄ΠΈΠ½Π°ΠΊΠΎΠ²ΡΠ΅ ΡΠ³Π»Ρ. ΠΡΠΎ Π½ΡΠΆΠ½ΠΎ Π΄Π»Ρ ΡΠΎΠ³ΠΎ, ΡΡΠΎΠ±Ρ ΠΊΠΎΠ»Π΅ΡΠ° Π½Π΅ ΠΏΡΠΎΡΠΊΠ°Π»ΡΠ·ΡΠ²Π°Π»ΠΈ ΠΏΠΎ Π΄ΠΎΡΠΎΠ³Π΅. ΠΡΠΈ ΠΏΠΎΠ²ΠΎΡΠΎΡΠ΅ ΠΊΠΎΠ»Π΅ΡΠ° ΠΎΠΏΠΈΡΡΠ²Π°ΡΡ ΡΠ°Π·Π½ΡΠ΅ ΠΎΠΊΡΡΠΆΠ½ΠΎΡΡΡ, ΡΠ΅Π½ΡΡ ΠΏΠΎΠ²ΠΎΡΠΎΡΠ° Ρ Π½ΠΈΡ ΠΎΠ΄ΠΈΠ½, ΠΏΠΎΡΡΠΎΠΌΡ Π²Π½Π΅ΡΠ½Π΅Π΅ ΠΊΠΎΠ»Π΅ΡΠΎ Π΄ΠΎΠ»ΠΆΠ½ΠΎ Π±ΡΡΡ ΠΏΠΎΠ²Π΅ΡΠ½ΡΡΠΎ Π½Π° Π±ΠΎΠ»ΡΡΠΈΠΉ ΡΠ³ΠΎΠ». Π’Π°ΠΊΠΎΠΉ ΠΏΠΎΠ²ΠΎΡΠΎΡ Π΄ΠΎΡΡΠΈΠ³Π°Π΅ΡΡΡ ΡΡΠ»Π΅Π²ΠΎΠΉ ΡΡΠ°ΠΏΠ΅ΡΠΈΠ΅ΠΉ. Π’ΡΠ°ΠΏΠ΅ΡΠΈΡ ΡΠΎΡΡΠΎΠΈΡ ΠΈΠ· ΡΡΠ»Π΅Π²ΡΡ ΡΡΠ³ Ρ ΡΠ°ΡΠ½ΠΈΡΠ°ΠΌΠΈ ΠΈ ΠΏΠΎΠ²ΠΎΡΠΎΡΠ½ΡΡ ΡΡΡΠ°Π³ΠΎΠ².
- ΠΡΠ°ΠΊ, ΡΡΠ»Π΅Π²ΠΎΠΉ ΠΏΡΠΈΠ²ΠΎΠ΄ β ΡΡΠΎ ΠΌΠ΅Ρ
Π°Π½ΠΈΠ·ΠΌ Π°Π²ΡΠΎΠΌΠΎΠ±ΠΈΠ»Ρ, ΠΊΠΎΡΠΎΡΡΠΉ ΡΠΎΡΡΠΎΠΈΡ ΠΈΠ·:
- ΠΏΡΠ°Π²ΡΡ ΠΈ Π»Π΅Π²ΡΡ Π±ΠΎΠΊΠΎΠ²ΡΠ΅ ΡΡΠ³ΠΈ,
- ΡΡΠ΅Π΄Π½ΡΡ ΡΡΠ³Ρ,
- ΠΌΠ°ΡΡΠ½ΠΈΠΊΠΎΠ²ΡΠΉ ΡΡΡΠ°Π³,
- ΠΏΡΠ°Π²ΡΠΉ ΠΈ Π»Π΅Π²ΡΠΉ ΠΏΠΎΠ²ΠΎΡΠΎΡΠ½ΡΠ΅ ΡΡΡΠ°Π³ΠΈ ΠΊΠΎΠ»Π΅Ρ.
Π ΠΈΡ. 17.2. Π‘Ρ Π΅ΠΌΠ° ΡΡΠ»Π΅Π²ΠΎΠ³ΠΎ ΡΠΏΡΠ°Π²Π»Π΅Π½ΠΈΡ Ρ ΠΌΠ΅Ρ Π°Π½ΠΈΠ·ΠΌΠΎΠΌ ΡΠΈΠΏΠ° Β«ΡΠ΅ΡΡΠ΅ΡΠ½Ρ-ΡΠ΅ΠΉΠΊΠ°Β» 1 — ΡΡΠ»Π΅Π²ΠΎΠ΅ ΠΊΠΎΠ»Π΅ΡΠΎ; 2 — Π²Π°Π» Ρ ΠΏΡΠΈΠ²ΠΎΠ΄Π½ΠΎΠΉ ΡΠ΅ΡΡΠ΅ΡΠ½Π΅ΠΉ; 3 — ΡΠ΅ΠΉΠΊΠ° ΡΡΠ»Π΅Π²ΠΎΠ³ΠΎ ΠΌΠ΅Ρ Π°Π½ΠΈΠ·ΠΌΠ°; 4 — ΠΏΡΠ°Π²Π°Ρ ΠΈ Π»Π΅Π²Π°Ρ ΡΡΠ»Π΅Π²ΡΠ΅ ΡΡΠ³ΠΈ; 5 — ΠΏΠΎΠ²ΠΎΡΠΎΡΠ½ΡΠ΅ ΡΡΡΠ°Π³ΠΈ; 6 — Π½Π°ΠΏΡΠ°Π²Π»ΡΡΡΠΈΠ΅ ΠΊΠΎΠ»Π΅ΡΠ°
Π’Π΅ΠΏΠ΅ΡΡ ΠΏΠ΅ΡΠ΅ΠΉΠ΄Π΅ΠΌ ΠΊ ΡΠ°ΡΡΠΌΠΎΡΡΠ΅Π½ΠΈΡ ΡΡΠ»Π΅Π²ΠΎΠ³ΠΎ ΠΌΠ΅Ρ
Π°Π½ΠΈΠ·ΠΌΠ° ΡΠ΅Π΅ΡΠ½ΠΎΠ³ΠΎ ΡΠΈΠΏΠ° (ΡΠΈΡΡΠ½ΠΎΠΊ 17.
2). ΠΡΠ»ΠΈΡΠΈΠ΅ ΠΎΡ ΡΠ΅ΡΠ²ΡΡΠ½ΠΎΠ³ΠΎ Π·Π°ΠΊΠ»ΡΡΠ°Π΅ΡΡΡ Π² ΠΏΡΠΈΠΌΠ΅Π½Π΅Π½ΠΈΠΈ ΠΏΠ°ΡΡ Β«ΡΠ΅ΡΡΠ΅ΡΠ½ΡβΡΠ΅ΠΉΠΊΠ°Β». Π’ΠΎ Π΅ΡΡΡ, ΠΊΠΎΠ³Π΄Π° Π²ΠΎΠ΄ΠΈΡΠ΅Π»Ρ ΠΏΠΎΠ²ΠΎΡΠ°ΡΠΈΠ²Π°Π΅Ρ ΡΡΠ»Ρ, ΡΠΎ ΠΎΠ½ ΠΏΠΎΠ²ΠΎΡΠ°ΡΠΈΠ²Π°Π΅Ρ ΡΠ΅ΡΡΠ΅ΡΠ½Ρ, Π° ΠΎΠ½Π° ΠΏΠ΅ΡΠ΅ΠΌΠ΅ΡΠ°Π΅Ρ ΡΠ΅ΠΉΠΊΡ Π²ΠΏΡΠ°Π²ΠΎ/Π²Π»Π΅Π²ΠΎ ΠΈ ΠΏΠ΅ΡΠ΅Π΄Π°Π΅Ρ ΡΡΠΈΠ»ΠΈΠ΅ Π½Π° ΡΡΠ»Π΅Π²ΠΎΠΉ ΠΏΡΠΈΠ²ΠΎΠ΄.
Π ΡΠ»Π΅Π²ΠΎΠΉ ΠΏΡΠΈΠ²ΠΎΠ΄ Π² ΡΡΠΎΠΌ ΠΌΠ΅Ρ Π°Π½ΠΈΠ·ΠΌΠ΅ Π±ΠΎΠ»Π΅Π΅ ΠΏΡΠΎΡΡ ΠΈ ΡΠΎΡΡΠΎΠΈΡ ΠΈΠ· Π΄Π²ΡΡ ΡΡΠ³. ΠΡΠΈ ΡΡΠ³ΠΈ ΡΠ»ΡΠΆΠ°Ρ Π΄Π»Ρ ΠΏΠ΅ΡΠ΅Π΄Π°ΡΠΈ ΡΡΠΈΠ»ΠΈΡ Π½Π° ΠΏΠΎΠ²ΠΎΡΠΎΡΠ½ΡΠ΅ ΡΡΡΠ°Π³ΠΈ ΠΈ ΠΊΠΎΠ»Π΅ΡΠ° Π²ΡΠ°ΡΠ°ΡΡΡΡ Π²ΠΏΡΠ°Π²ΠΎ/Π²Π»Π΅Π²ΠΎ.
ΠΡΠ½ΠΎΠ²Π½ΡΠ΅ Π½Π΅ΠΈΡΠΏΡΠ°Π²Π½ΠΎΡΡΠΈ ΡΡΠ»Π΅Π²ΠΎΠ³ΠΎ ΡΠΏΡΠ°Π²Π»Π΅Π½ΠΈΡ
Π£Π²Π΅Π»ΠΈΡΠ΅Π½Π½ΡΠΉ Π»ΡΡΡ ΡΡΠ»Π΅Π²ΠΎΠ³ΠΎ ΠΊΠΎΠ»Π΅ΡΠ°, ΡΡΡΠΊΠΈ. ΠΡΠΈΡΠΈΠ½Π°: ΠΎΡΠ»Π°Π±Π»Π΅Π½ΠΈΠ΅ ΠΊΡΠ΅ΠΏΠ»Π΅Π½ΠΈΡ ΠΊΠ°ΡΡΠ΅ΡΠ° ΡΡΠ»Π΅Π²ΠΎΠ³ΠΎ ΠΌΠ΅Ρ Π°Π½ΠΈΠ·ΠΌΠ°, ΡΡΠ»Π΅Π²ΠΎΠΉ ΡΠΎΡΠΊΠΈ ΠΈΠ»ΠΈ ΠΊΡΠΎΠ½ΡΡΠ΅ΠΉΠ½Π° ΠΌΠ°ΡΡΠ½ΠΈΠΊΠΎΠ²ΠΎΠ³ΠΎ ΡΡΡΠ°Π³Π°, ΠΈΠ·Π½ΠΎΡ ΡΠ°ΡΠ½ΠΈΡΠΎΠ² ΡΡΠ»Π΅Π²ΡΡ ΡΡΠ³ ΠΈΠ»ΠΈ Π²ΡΡΠ»ΠΎΠΊ ΠΌΠ°ΡΡΠ½ΠΈΠΊΠΎΠ²ΠΎΠ³ΠΎ ΡΡΡΠ°Π³Π°, ΠΈΠ·Π½ΠΎΡ ΠΏΠ°ΡΡ Β«ΡΠ΅ΡΠ²ΡΠΊ-ΡΠΎΠ»ΠΈΠΊΒ» ΠΈΠ»ΠΈ Β«ΡΠ΅ΡΡΠ΅ΡΠ½Ρ-ΡΠ΅ΠΉΠΊΠ°Β», Π½Π°ΡΡΡΠ΅Π½ΠΈΠ΅ ΡΠ΅Π³ΡΠ»ΠΈΡΠΎΠ²ΠΊΠΈ Π΅Π΅ Π·Π°ΡΠ΅ΠΏΠ»Π΅Π½ΠΈΡ. Π‘ΠΏΠΎΡΠΎΠ± ΡΡΡΡΠ°Π½Π΅Π½ΠΈΡ: ΡΠ΅Π³ΡΠ»ΠΈΡΠΎΠ²ΠΊΠ° ΠΊΡΠ΅ΠΏΠ»Π΅Π½ΠΈΡ ΠΈ Π·Π°ΡΠ΅ΠΏΠ»Π΅Π½ΠΈΡ Π² ΠΏΠ΅ΡΠ΅Π΄Π°ΡΡΠ΅ΠΉ ΠΏΠ°ΡΠ΅, Π·Π°ΠΌΠ΅Π½Π° ΠΈΠ·Π½ΠΎΡΠ΅Π½Π½ΡΡ Π΄Π΅ΡΠ°Π»Π΅ΠΉ.
Π’ΡΠ³ΠΎΠ΅ Π²ΡΠ°ΡΠ΅Π½ΠΈΠ΅ ΡΡΠ»Π΅Π²ΠΎΠ³ΠΎ ΠΊΠΎΠ»Π΅ΡΠ°. ΠΡΠΈΡΠΈΠ½Π°: Π½Π΅ΠΏΡΠ°Π²ΠΈΠ»ΡΠ½Π°Ρ ΡΠ΅Π³ΡΠ»ΠΈΡΠΎΠ²ΠΊΠ° Π·Π°ΡΠ΅ΠΏΠ»Π΅Π½ΠΈΡ Π² ΠΏΠ΅ΡΠ΅Π΄Π°ΡΡΠ΅ΠΉ ΠΏΠ°ΡΠ΅, ΠΎΡΡΡΡΡΡΠ²ΠΈΠ΅ ΡΠΌΠ°Π·ΠΊΠΈ Π² ΠΊΠ°ΡΡΠ΅ΡΠ΅ ΡΡΠ»Π΅Π²ΠΎΠ³ΠΎ ΠΌΠ΅Ρ
Π°Π½ΠΈΠ·ΠΌΠ°, Π½Π°ΡΡΡΠ΅Π½ΠΈΠ΅ ΡΠ³Π»ΠΎΠ² ΡΡΡΠ°Π½ΠΎΠ²ΠΊΠΈ ΠΏΠ΅ΡΠ΅Π΄Π½ΠΈΡ
ΠΊΠΎΠ»Π΅Ρ.
Π‘ΠΏΠΎΡΠΎΠ± ΡΡΡΡΠ°Π½Π΅Π½ΠΈΡ: ΡΠ΅Π³ΡΠ»ΠΈΡΠΎΠ²ΠΊΠ° Π·Π°ΡΠ΅ΠΏΠ»Π΅Π½ΠΈΡ, Π½Π°ΠΏΠΎΠ»Π½Π΅Π½ΠΈΠ΅ ΡΠΌΠ°Π·ΠΊΠΎΠΉ ΠΊΠ°ΡΡΠ΅ΡΠ°, ΡΠ΅Π³ΡΠ»ΠΈΡΠΎΠ²ΠΊΠ° ΡΠ³Π»ΠΎΠ² ΡΡΡΠ°Π½ΠΎΠ²ΠΊΠΈ ΠΏΠ΅ΡΠ΅Π΄Π½ΠΈΡ
ΠΊΠΎΠ»Π΅Ρ.
Π ΡΠ»Π΅Π²ΠΎΠ΅ ΡΠΏΡΠ°Π²Π»Π΅Π½ΠΈΠ΅ Π°Π²ΡΠΎΠΌΠΎΠ±ΠΈΠ»Ρ ΡΠ΅Π΅ΡΠ½ΠΎΠ΅, Ρ Π³ΠΈΠ΄ΡΠΎΡΡΠΈΠ»ΠΈΡΠ΅Π»Π΅ΠΌ. Π‘ΠΎΡΡΠΎΒΠΈΡ ΠΈΠ· ΡΡΠ»Π΅Π²ΠΎΠ³ΠΎ ΠΊΠΎΠ»Π΅ΡΠ° Ρ ΠΏΠΎΠ΄ΡΡΠΊΠΎΠΉ Π±Π΅Π·ΠΎΠΏΠ°ΡΠ½ΠΎΡΡΠΈ, ΡΡΠ»Π΅Π²ΠΎΠΉ ΠΊΠΎΠ»ΠΎΠ½ΠΊΠΈ, ΡΡΒΠ»Π΅Π²ΠΎΠ³ΠΎ ΠΌΠ΅Ρ Π°Π½ΠΈΠ·ΠΌΠ° Ρ ΡΡΠ»Π΅Π²ΡΠΌ
Π ΡΠ»Π΅Π²ΠΎΠ΅ ΡΠΏΡΠ°Π²Π»Π΅Π½ΠΈΠ΅
ΠΠΠΠ‘ΠΠΠΠ ΠΠΠΠ‘Π’Π Π£ΠΠ¦ΠΠ
Π ΡΠ»Π΅Π²ΠΎΠ΅ ΡΠΏΡΠ°Π²Π»Π΅Π½ΠΈΠ΅ Π°Π²ΡΠΎΠΌΠΎΠ±ΠΈΠ»Ρ β ΡΠ΅Π΅ΡΠ½ΠΎΠ΅, Ρ Π³ΠΈΠ΄ΡΠΎΡΡΠΈΠ»ΠΈΡΠ΅Π»Π΅ΠΌ. Π‘ΠΎΡΡΠΎΒΠΈΡ ΠΈΠ· ΡΡΠ»Π΅Π²ΠΎΠ³ΠΎ ΠΊΠΎΠ»Π΅ΡΠ° Ρ ΠΏΠΎΠ΄ΡΡΠΊΠΎΠΉ Π±Π΅Π·ΠΎΠΏΠ°ΡΠ½ΠΎΡΡΠΈ, ΡΡΠ»Π΅Π²ΠΎΠΉ ΠΊΠΎΠ»ΠΎΠ½ΠΊΠΈ, ΡΡΒΠ»Π΅Π²ΠΎΠ³ΠΎ ΠΌΠ΅Ρ Π°Π½ΠΈΠ·ΠΌΠ° Ρ ΡΡΠ»Π΅Π²ΡΠΌΠΈ ΡΡΠ³Π°ΒΠΌΠΈ ΠΈ Π½Π°ΠΊΠΎΠ½Π΅ΡΠ½ΠΈΠΊΠ°ΠΌΠΈ, Π½Π°ΡΠΎΡΠ° Π³ΠΈΠ΄ΡΠΎΒΡΡΠΈΠ»ΠΈΡΠ΅Π»Ρ ΡΡΠ»Π΅Π²ΠΎΠ³ΠΎ ΡΠΏΡΠ°Π²Π»Π΅Π½ΠΈΡ, ΠΎΡ ΒΠ»Π°Π΄ΠΈΡΠ΅Π»Ρ ΠΈ Π±Π°ΡΠΊΠ° ΡΠΎ ΡΠ»Π°Π½Π³Π°ΠΌΠΈ. Π ΡΠ»Π΅Π²ΠΎΠ΅ ΠΊΠΎΠ»Π΅ΡΠΎ β Ρ ΠΏΠΎΠ΄ΡΡΠΊΠΎΠΉ Π±Π΅Π·ΒΠΎΠΏΠ°ΡΠ½ΠΎΡΡΠΈ.
Π ΡΠ»Π΅Π²Π°Ρ ΠΊΠΎΠ»ΠΎΠ½ΠΊΠ° β ΡΡΠ°Π²ΠΌΠΎΠ±Π΅Π·ΠΎΠΏΠ°Ρ-Π½Π°Ρ, Ρ ΡΠ½Π΅ΡΠ³ΠΎΠΏΠΎΠ³Π»ΠΎΡΠ°ΡΡΠΈΠΌ ΡΠ»Π΅ΒΠΌΠ΅Π½ΡΠΎΠΌ ΠΈ ΠΌΠ΅Ρ
Π°Π½ΠΈΠ·ΠΌΠΎΠΌ ΡΠ΅Π³ΡΠ»ΠΈΡΠΎΠ²ΠΊΠΈ ΠΏΠΎΠ»ΠΎΠΆΠ΅Π½ΠΈΡ ΡΡΠ»Π΅Π²ΠΎΠ³ΠΎ ΠΊΠΎΠ»Π΅ΡΠ°. Π ΡΡΠ°Π³ ΠΌΠ΅Ρ
Π°Π½ΠΈΠ·ΠΌΠ° Π½Π°Ρ
ΠΎΠ΄ΠΈΡΡΡ Π½Π° ΡΡΠ»Π΅Π²ΠΎΠΉ ΠΊΠΎΠ»ΠΎΠ½ΠΊΠ΅ (ΡΠ»Π΅Π²Π° ΠΏΠΎΠ΄ ΡΡΠ»Π΅Π²ΡΠΌ ΠΊΠΎΠ»Π΅ΒΡΠΎΠΌ). ΠΡΠΈ ΠΏΠ΅ΡΠ΅ΠΌΠ΅ΡΠ΅Π½ΠΈΠΈ ΡΡΡΠ°Π³Π° Π²Π½ΠΈΠ· ΠΌΠΎΠΆΠ½ΠΎ ΠΈΠ·ΠΌΠ΅Π½ΠΈΡΡ ΡΠ³ΠΎΠ» Π½Π°ΠΊΠ»ΠΎΠ½Π° ΡΡΠ»Π΅Π²ΠΎΠΉ ΠΊΠΎΠ»ΠΎΠ½ΠΊΠΈ ΠΈ, ΡΠΎΠΎΡΠ²Π΅ΡΡΡΠ²Π΅Π½Π½ΠΎ, ΠΏΠΎΠ»ΠΎΠΆΠ΅Π½ΠΈΠ΅ ΡΡΠ»Π΅Π²ΠΎΠ³ΠΎ ΠΊΠΎΠ»Π΅ΡΠ°. ΠΠ°Π» ΡΡΒΠ»Π΅Π²ΠΎΠΉ ΠΊΠΎΠ»ΠΎΠ½ΠΊΠΈ ΡΠΎΠ΅Π΄ΠΈΠ½Π΅Π½ Ρ ΡΡΠ»Π΅Π²ΡΠΌ ΠΌΠ΅Ρ
Π°Π½ΠΈΠ·ΠΌΠΎΠΌ ΠΏΡΠΎΠΌΠ΅ΠΆΡΡΠΎΡΠ½ΡΠΌ Π²Π°ΒΠ»ΠΎΠΌ Ρ ΠΊΠ°ΡΠ΄Π°Π½Π½ΡΠΌΠΈ ΡΠ°ΡΠ½ΠΈΡΠ°ΠΌΠΈ.
Π ΡΠ»Π΅Π²ΠΎΠΉ ΠΌΠ΅Ρ
Π°Π½ΠΈΠ·ΠΌ ΡΠΈΠΏΠ° ΡΠ΅ΡΡΠ΅ΡΠ½Ρ-ΡΠ΅ΠΉΠΊΠ°. ΠΠ°ΡΡΠ΅Ρ ΡΡΠ»Π΅Π²ΠΎΠ³ΠΎ ΠΌΠ΅Ρ
Π°Π½ΠΈΠ·ΠΌΠ° ΠΊΡΠ΅ΠΏΠΈΡΡΡ ΠΊ Π·Π°Π΄Π½Π΅ΠΉ ΠΏΠΎΠΏΠ΅ΡΠ΅ΡΠΈΠ½Π΅ ΠΏΠΎΠ΄ΒΡΠ°ΠΌΠ½ΠΈΠΊΠ° (Ρ Π»Π΅Π²ΠΎΠΉ ΡΡΠΎΡΠΎΠ½Ρ β Π΄Π²ΡΠΌΡ Π±ΠΎΠ»ΡΠ°ΠΌΠΈ ΡΠ΅ΡΠ΅Π· ΡΠ΅Π·ΠΈΠ½ΠΎΠ²ΡΠ΅ Π²ΡΡΠ»ΠΊΠΈ, Π²ΡΡΠ°Π²Π»Π΅Π½Π½ΡΠ΅ Π² ΠΎΡΠ²Π΅ΡΡΡΠΈΡ ΠΊΠ°ΡΡΠ΅ΡΠ°, Π° Ρ ΠΏΡΠ°Π²ΠΎΠΉ ΡΡΠΎΡΠΎΠ½Ρ β Π΄Π²ΡΠΌΡ Π±ΠΎΠ»ΡΠ°ΒΠΌΠΈ ΡΠ΅ΡΠ΅Π· ΡΠΊΠΎΠ±Ρ Ρ ΡΠ΅Π·ΠΈΠ½ΠΎΠ²ΠΎΠΉ ΠΏΠΎΠ΄ΡΡΒΠΊΠΎΠΉ, Π½Π°Π΄Π΅ΡΠΎΠΉ Π½Π° ΠΊΠ°ΡΡΠ΅Ρ). Π₯ΠΎΠ΄ ΡΠ΅ΠΉΠΊΠΈ ΡΠΎΡΡΠ°Π²Π»ΡΠ΅Ρ 134 ΠΌΠΌ, ΡΡΠΎ ΡΠΎΠΎΡΠ²Π΅ΡΡΡΒΠ²ΡΠ΅Ρ ΠΏΠΎΠ²ΠΎΡΠΎΡΡ ΡΡΠ»Π΅Π²ΠΎΠ³ΠΎ ΠΊΠΎΠ»Π΅ΡΠ° ΠΎΡ ΡΠΏΠΎΡΠ° Π΄ΠΎ ΡΠΏΠΎΡΠ° Π½Π° 2,93 ΠΎΠ±ΠΎΡΠΎΡΠ°. Π ΡΠ΅Π·ΡΠ±ΠΎΠ²ΡΠ΅ ΠΎΡΠ²Π΅ΡΡΡΠΈΡ ΠΏΡΠ°Π²ΠΎΠ³ΠΎ ΠΈ Π»Π΅Π²ΠΎΠ³ΠΎ ΡΠΎΡΡΠΎΠ² ΡΠ΅ΠΉΠΊΠΈ Π²Π²Π΅ΡΠ½ΡΡΡ ΠΊΠΎΡΠΏΡΡΡ ΡΠ°ΡΠ½ΠΈΡΠΎΠ² ΡΡΠ»Π΅Π²ΡΡ
ΡΡΠ³. ΠΠ° Π½Π°ΡΡΠΆΠ½ΡΠ΅ ΠΊΠΎΠ½ΡΡ ΡΡΠ»Π΅Π²ΡΡ
ΡΡΠ³ Π½Π°Π²Π΅ΡΒΠ½ΡΡΡ Π½Π°ΠΊΠΎΠ½Π΅ΡΠ½ΠΈΠΊΠΈ, ΡΠ°ΡΠΎΠ²ΡΠ΅ ΠΏΠ°Π»ΡΒΡΡ ΠΊΠΎΡΠΎΡΡΡ
ΡΠΎΠ΅Π΄ΠΈΠ½Π΅Π½Ρ Ρ ΡΡΡΠ°Π³Π°ΠΌΠΈ ΠΏΠΎΠ²ΠΎΡΠΎΡΠ½ΡΡ
ΠΊΡΠ»Π°ΠΊΠΎΠ² ΠΊΠΎΠ»Π΅Ρ. Π ΡΠΈΡΡΠ΅ΠΌΡ Π³ΠΈΠ΄ΡΠ°Π²Π»ΠΈΡΠ΅ΡΠΊΠΎΠ³ΠΎ ΡΡΠΈΠ»ΠΈΒΡΠ΅Π»Ρ Π²Ρ
ΠΎΠ΄ΡΡ: Π±Π°ΡΠΎΠΊ Π΄Π»Ρ ΡΠ°Π±ΠΎΡΠ΅ΠΉ ΠΆΠΈΠ΄ΠΊΠΎΡΡΠΈ, Π»ΠΎΠΏΠ°ΡΡΠ½ΡΠΉ Π½Π°ΡΠΎΡ, ΡΡΡΠ±ΒΠΊΠΈ ΠΏΠΎΠ΄Π²ΠΎΠ΄Π° ΠΈ ΠΎΡΠ²ΠΎΠ΄Π° ΠΆΠΈΠ΄ΠΊΠΎΡΡΠΈ, ΡΡΒΠ»Π΅Π²ΠΎΠΉ ΠΌΠ΅Ρ
Π°Π½ΠΈΠ·ΠΌ ΠΈ ΠΎΡ
Π»Π°Π΄ΠΈΡΠ΅Π»Ρ. ΠΠ°ΡΠΎΡ Π³ΠΈΠ΄ΡΠΎΡΡΠΈΠ»ΠΈΡΠ΅Π»Ρ ΡΡΠ»Π΅Π²ΠΎΠ³ΠΎ ΡΠΏΒΡΠ°Π²Π»Π΅Π½ΠΈΡ Π·Π°ΠΊΡΠ΅ΠΏΠ»Π΅Π½ Π½Π° ΠΊΡΠΎΠ½ΡΡΠ΅ΠΉΠ½Π΅ Π² ΠΏΡΠ°Π²ΠΎΠΉ Π²Π΅ΡΡ
Π½Π΅ΠΉ ΡΠ°ΡΡΠΈ Π³ΠΎΠ»ΠΎΠ²ΠΊΠΈ Π±Π»ΠΎΠΊΠ° ΡΠΈΠ»ΠΈΠ½Π΄ΡΠΎΠ² Π΄Π²ΠΈΠ³Π°ΡΠ΅Π»Ρ, ΠΏΡΠΈΠ²ΠΎΒΠ΄ΠΈΡΡΡ ΠΊΠ»ΠΈΠ½ΠΎΠ²ΡΠΌ ΡΠ΅ΠΌΠ½Π΅ΠΌ ΠΎΡ ΡΠΊΠΈΠ²Π°
Π½Π°ΡΠΎΡΠ° ΠΎΡ
Π»Π°ΠΆΠ΄Π°ΡΡΠ΅ΠΉ ΠΆΠΈΠ΄ΠΊΠΎΡΡΠΈ. ΠΠ°ΡΠΎΠΊ Ρ Π³ΠΈΠ΄ΡΠ°Π²Π»ΠΈΡΠ΅ΡΠΊΠΎΠΉ ΠΆΠΈΠ΄ΠΊΠΎΒΡΡΡΡ ΡΠ°Π·ΠΌΠ΅ΡΠ΅Π½ Π² ΠΌΠΎΡΠΎΡΠ½ΠΎΠΌ ΠΎΡΡΠ΅ΠΊΠ΅ Π½Π° ΠΏΡΠ°Π²ΠΎΠΌ Π±ΡΡΠ·Π³ΠΎΠ²ΠΈΠΊΠ΅.
ΠΠ°ΡΠΎΠΊ ΡΠΎΒΠ΅Π΄ΠΈΠ½Π΅Π½ ΡΠ»Π°Π½Π³ΠΎΠΌ Ρ Π½Π°ΡΠΎΡΠΎΠΌ Π³ΠΈΠ΄ΡΠΎΒΡΡΠΈΠ»ΠΈΡΠ΅Π»Ρ ΡΡΠ»Π΅Π²ΠΎΠ³ΠΎ ΡΠΏΡΠ°Π²Π»Π΅Π½ΠΈΡ, ΠΎΡ ΠΊΠΎΡΠΎΡΠΎΠ³ΠΎ ΠΆΠΈΠ΄ΠΊΠΎΡΡΡ ΠΏΠΎΠ΄ Π²ΡΡΠΎΠΊΠΈΠΌ Π΄Π°Π²Π»Π΅Π½ΠΈΠ΅ΠΌ ΠΏΠΎΠ΄Π²ΠΎΠ΄ΠΈΡΡΡ ΠΊ ΡΠ°ΡΠΏΡΠ΅Π΄Π΅ΒΠ»ΠΈΡΠ΅Π»ΡΠ½ΠΎΠΌΡ ΠΊΠ»Π°ΠΏΠ°Π½Π½ΠΎΠΌΡ ΡΡΡΡΠΎΠΉΡΡΠ²Ρ (ΡΠ°ΡΠΏΡΠ΅Π΄Π΅Π»ΠΈΡΠ΅Π»Ρ), ΠΏΡΠΈΠΊΡΠ΅ΠΏΠ»Π΅Π½Π½ΠΎΠΌΡ ΡΠ²Π΅ΡΡ
Ρ ΠΊ ΠΊΠ°ΡΡΠ΅ΡΡ ΡΡΠ»Π΅Π²ΠΎΠ³ΠΎ ΠΌΠ΅Ρ
Π°Π½ΠΈΠ·ΒΠΌΠ°. Π Π°ΡΠΏΡΠ΅Π΄Π΅Π»Π΅Π½ΠΈΠ΅ΠΌ ΠΆΠΈΠ΄ΠΊΠΎΡΡΠΈ ΡΠΏΒΡΠ°Π²Π»ΡΠ΅Ρ Π±Π»ΠΎΠΊ ΡΠ΅ΡΡΠ΅ΡΠ½ΠΈ ΠΈ ΠΊΠ»Π°ΠΏΠ°ΒΠ½ΠΎΠ², ΠΌΠ΅Ρ
Π°Π½ΠΈΡΠ΅ΡΠΊΠΈ ΡΠΎΠ΅Π΄ΠΈΠ½Π΅Π½Π½ΡΠΉ Ρ ΡΡΠ»Π΅Π²ΠΎΠΉ ΠΊΠΎΠ»ΠΎΠ½ΠΊΠΎΠΉ. ΠΠΎΠ·Π²ΡΠ°ΡΠ°Π΅ΡΡΡ ΠΆΠΈΠ΄ΠΊΠΎΡΡΡ Π² Π±Π°ΡΠΎΠΊ ΡΠ΅ΡΠ΅Π· ΠΎΡ
Π»Π°Π΄ΠΈΡΠ΅Π»Ρ Π² Π²ΠΈΠ΄Π΅ Π·ΠΌΠ΅Π΅Π²ΠΈΠΊΠ°, ΡΡΡΠ°Π½ΠΎΠ²Π»Π΅Π½Π½ΡΠΉ ΠΏΠ΅ΒΡΠ΅Π΄ ΡΠ°Π΄ΠΈΠ°ΡΠΎΡΠΎΠΌ ΡΠ΅ΠΏΠ»ΠΎΠΎΠ±ΠΌΠ΅Π½Π½ΠΈΠΊΠ° ΠΊΠΎΠ½Π΄Π΅Π½ΡΠ°ΡΠΎΡΠ° ΡΠΈΡΡΠ΅ΠΌΡ ΠΊΠΎΠ½Π΄ΠΈΡΠΈΠΎΠ½ΠΈΒΡΠΎΠ²Π°Π½ΠΈΡ.
ΠΡΠΈ ΠΏΠΎΠ²ΠΎΡΠΎΡΠ΅ ΡΡΠ»Π΅Π²ΠΎΠ³ΠΎ ΠΊΠΎΠ»Π΅ΡΠ° ΠΊΠ»Π°ΒΠΏΠ°Π½Π½ΠΎΠ΅ ΡΡΡΡΠΎΠΉΡΡΠ²ΠΎ ΡΠΎΠ΅Π΄ΠΈΠ½ΡΠ΅Ρ ΠΎΠ΄Π½Ρ ΠΈΠ· ΠΏΠΎΠ»ΠΎΡΡΠ΅ΠΉ Π³ΠΈΠ΄ΡΠΎΡΠΈΠ»ΠΈΠ½Π΄ΡΠ° Ρ Π½Π°ΒΠ³Π½Π΅ΡΠ°ΡΠ΅Π»ΡΠ½ΠΎΠΉ ΠΌΠ°Π³ΠΈΡΡΡΠ°Π»ΡΡ Π½Π°ΡΠΎΡΠ°, Π° Π΄ΡΡΠ³ΡΡ ΠΏΠΎΠ»ΠΎΡΡΡ β ΡΠΎ ΡΠ»ΠΈΠ²ΠΎΠΌ. ΠΠΎΡΡΠ΅Π½Ρ Π³ΠΈΠ΄ΡΠΎΡΠΈΠ»ΠΈΠ½Π΄ΡΠ°, Π·Π°ΠΊΡΠ΅ΠΏΒΠ»Π΅Π½Π½ΡΠΉ Π½Π° ΡΠ΅ΠΉΠΊΠ΅, ΠΏΡΠ΅ΠΎΠ±ΡΠ°Π·ΡΠ΅Ρ ΡΠ°Π·ΒΠ½ΠΎΡΡΡ Π΄Π°Π²Π»Π΅Π½ΠΈΠΉ ΡΠ°Π±ΠΎΡΠ΅ΠΉ ΠΆΠΈΠ΄ΠΊΠΎΡΡΠΈ Π² ΡΠΈΠ»Ρ, ΠΏΠ΅ΡΠ΅ΠΌΠ΅ΡΠ°ΡΡΡΡ ΡΠ΅ΠΉΠΊΡ Π²Π»Π΅Π²ΠΎ ΠΈ Π²ΠΏΡΠ°Π²ΠΎ, ΠΈ ΡΠ΅ΡΠ΅Π· ΡΡΠ»Π΅Π²ΡΠ΅ ΡΡΠ³ΠΈ ΠΈ ΡΡΒΡΠ°Π³ΠΈ ΠΏΠΎΠ²ΠΎΡΠ°ΡΠΈΠ²Π°Π΅Ρ ΡΠΏΡΠ°Π²Π»ΡΠ΅ΠΌΡΠ΅ ΠΊΠΎΒΠ»Π΅ΡΠ° Π°Π²ΡΠΎΠΌΠΎΠ±ΠΈΠ»Ρ. ΠΡΠΈ ΠΎΡΠΊΠ°Π·Π΅ Π³ΠΈΠ΄ΡΠ°ΒΠ²Π»ΠΈΡΠ΅ΡΠΊΠΎΠ³ΠΎ ΡΡΠΈΠ»ΠΈΡΠ΅Π»Ρ Π²ΠΎΠ·ΠΌΠΎΠΆΠ½ΠΎΡΡΡ ΡΠΏΡΠ°Π²Π»Π΅Π½ΠΈΡ Π°Π²ΡΠΎΠΌΠΎΠ±ΠΈΠ»Π΅ΠΌ ΡΠΎΡ
ΡΠ°Π½ΡΒΠ΅ΡΡΡ, Π½ΠΎ ΠΏΡΠΈ ΡΡΠΎΠΌ ΡΠ²Π΅Π»ΠΈΡΠΈΠ²Π°Π΅ΡΡΡ ΡΡΠΈΠ»ΠΈΠ΅ Π½Π° ΡΡΠ»Π΅Π²ΠΎΠΌ ΠΊΠΎΠ»Π΅ΡΠ΅.
Π‘ΠΠ―Π’ΠΠ ΠΠΠΠΠΠΠ§ΠΠΠΠ Π Π£ΠΠΠΠΠ Π’Π―ΠΠ
ΠΠ°ΡΡΠ°ΡΠΈΠΆΠ°ΠΌΠΈ Π²ΡΠ½ΠΈΠΌΠ°Π΅ΠΌ ΡΠΏΠ»ΠΈΠ½Ρ Π³Π°ΠΉΠΊΠΈ ΡΠ°ΡΠΎΠ²ΠΎΠ³ΠΎ ΠΏΠ°Π»ΡΡΠ° Π½Π°ΠΊΠΎΒΠ½Π΅ΡΠ½ΠΈΠΊΠ°.
Π‘Π½ΠΈΠΌΠ°Π΅ΠΌ ΠΏΠ΅ΡΠ΅Π΄Π½Π΅Π΅ ΠΊΠΎΠ»Π΅ΡΠΎ.
ΠΠ»ΡΡΠΎΠΌ Β«Π½Π° 17Β» ΠΎΡΠ²ΠΎΡΠ°ΡΠΈΠ²Π°Π΅ΠΌ Π³Π°ΠΉΠΊΡ ΡΠ°ΡΠΎΠ²ΠΎΠ³ΠΎ ΠΏΠ°Π»ΡΡΠ°.
Π‘ΡΠ΅ΠΌΠ½ΠΈΠΊΠΎΠΌ Π²ΡΠΏΡΠ΅ΡΡΠΎΠ²ΡΠ²Π°Π΅ΠΌ ΠΏΠ°Π»Π΅Ρ ΠΈΠ· ΠΏΡΠΎΡΡΠΈΠ½Ρ ΡΡΡΠ°Π³Π°.
ΠΡΠΈ ΠΎΡΡΡΡΡΡΠ²ΠΈΠΈ ΡΡΠ΅ΠΌΠ½ΠΈΠΊΠ°, Π° ΡΠ°ΠΊΠΆΠ΅, Π΅ΡΠ»ΠΈ Π·Π°ΠΌΠ΅Π½Π° Π½Π°ΠΊΠΎΠ½Π΅ΡΠ½ΠΈΠΊΠ° ΠΈΠ»ΠΈ Π΅Π³ΠΎ ΠΏΡΠ»ΡΠ½ΠΈΠΊΠ° Π½Π΅ ΠΏΡΠ΅Π΄ΠΏΠΎΠ»Π°Π³Π°Π΅ΡΡΡ, Π³Π°ΠΉΒΠΊΡ ΠΏΠ°Π»ΡΡΠ° ΠΎΡΠ²ΠΎΡΠ°ΡΠΈΠ²Π°Π΅ΠΌ Π½Π΅ Π΄ΠΎ ΠΊΠΎΠ½ΒΡΠ° (ΠΎΡΡΠ°Π²ΠΈΠ² Π½Π° Π½Π΅ΡΠΊΠΎΠ»ΡΠΊΠΈΡ Π²ΠΈΡΠΊΠ°Ρ ΡΠ΅Π·ΡΠ±Ρ). ΠΡΡΠ°Π²Π»ΡΠ΅ΠΌ ΠΌΠΎΠ½ΡΠ°ΠΆΠ½ΡΡ Π»ΠΎΠΏΠ°ΡΠΊΡ Π²ΡΠ°ΡΠΏΠΎΡ ΠΌΠ΅ΠΆΠ΄Ρ ΡΡΠ»Π΅Π²ΠΎΠΉ ΡΡΠ³ΠΎΠΉ ΠΈ ΠΏΠΎΠ²ΠΎΡΠΎΡΠ½ΡΠΌ ΠΊΡΠ»Π°ΠΊΠΎΠΌ.
ΠΠΎΠ»ΠΎΡΠΊΠΎΠΌ Π½Π°Π½ΠΎΡΠΈΠΌ ΡΠ΄Π°ΡΡ ΠΏΠΎ ΡΠΎΡΡΡ ΡΡΡΠ°Π³Π° ΠΏΠΎΠ²ΠΎΡΠΎΡΠ½ΠΎΠ³ΠΎ ΠΊΡΒΠ»Π°ΠΊΠ°, ΠΎΠ΄Π½ΠΎΠ²ΡΠ΅ΠΌΠ΅Π½Π½ΠΎ Π½Π°ΠΆΠΈΠΌΠ°Ρ ΠΌΠΎΠ½ΡΠ°ΠΆΠ½ΠΎΠΉ Π»ΠΎΠΏΠ°ΡΠΊΠΎΠΉ Π½Π° ΡΡΠ»Π΅ΒΠ²ΡΡ ΡΡΠ³Ρ Π²Π²Π΅ΡΡ
.
ΠΡΠ½ΠΈΠΌΠ°Π΅ΠΌ ΠΏΠ°Π»Π΅Ρ ΠΈΠ· ΠΏΡΠΎΡΡΠΈΠ½Ρ.
ΠΠΎΡΠ»Π΅ ΡΠΎΠ³ΠΎ ΠΊΠ°ΠΊ ΠΊΡΠ΅ΠΏΠ»Π΅Π½ΠΈΠ΅ ΠΏΠ°Π»ΡΡΠ° Π² ΠΏΡΠΎΡΡΠΈΠ½Π΅ ΡΡΡΠ°Π³Π° ΠΏΠΎΠ²ΠΎΡΠΎΡΠ½ΠΎΠ³ΠΎ ΠΊΡΒΠ»Π°ΠΊΠ° ΠΎΡΠ»Π°Π±Π½Π΅Ρ, ΠΎΡΠ²ΠΎΡΠ°ΡΠΈΠ²Π°Π΅ΠΌ Π³Π°ΠΉΠΊΡ.
ΠΠ»Ρ Π·Π°ΠΌΠ΅Π½Ρ Π½Π°ΠΊΠΎΠ½Π΅ΡΠ½ΠΈΠΊΠ°…
…ΠΊΠ»ΡΡΠΎΠΌ Β«Π½Π° 22Β» ΠΎΡΠ»Π°Π±Π»ΡΠ΅ΠΌ Π·Π°ΡΡΠΆΠΊΡ Π΅Π³ΠΎ ΠΊΠΎΠ½ΡΡΠ³Π°ΠΉΠΊΠΈ, ΡΠ΄Π΅ΡΒΠΆΠΈΠ²Π°Ρ Π½Π°ΠΊΠΎΠ½Π΅ΡΠ½ΠΈΠΊ Π·Π° Π³ΡΠ°Π½ΠΈ ΠΊΠ»ΡΡΠΎΠΌ ΡΠΎΠ³ΠΎ ΠΆΠ΅ ΡΠ°Π·ΠΌΠ΅ΡΠ°.
Π§ΡΠΎΠ±Ρ ΠΏΡΠΈΠ±Π»ΠΈΠ·ΠΈΡΠ΅Π»ΡΠ½ΠΎ ΡΠΎΡ ΡΠ°Π½ΠΈΡΡ ΡΡ ΠΎΠΆΠ΄Π΅Π½ΠΈΠ΅ ΠΊΠΎΠ»Π΅Ρ ΠΏΡΠΈ ΡΡΡΠ°Π½ΠΎΠ²ΠΊΠ΅ Π½ΠΎΠ²ΠΎΠ³ΠΎ Π½Π°ΠΊΠΎΠ½Π΅ΡΠ½ΠΈΠΊΠ° ΠΎΡΠ²ΠΎΡΠ°ΡΠΈΠ²Π°Π΅ΠΌ ΠΊΠΎΠ½ΡΡΠ³Π°ΠΉΠΊΡ Π΄ΠΎ ΠΊΠΎΠ½ΡΠ° ΡΠ΅Π·ΡΠ±Ρ ΠΈ Π½Π°ΒΠΌΠ°ΡΡΠ²Π°Π΅ΠΌ ΠΈΠ·ΠΎΠ»ΡΡΠΈΠΎΠ½Π½ΡΡ Π»Π΅Π½ΡΡ Π½Π° ΡΠ΅Π·ΡΠ±Ρ Π·Π°ΠΏΠΎΠ΄Π»ΠΈΡΠΎ Ρ ΡΠΎΡΡΠΎΠΌ Π½Π°ΠΊΠΎΒΠ½Π΅ΡΠ½ΠΈΠΊΠ° (ΡΠ°ΠΊΠΆΠ΅ ΠΌΠΎΠΆΠ½ΠΎ ΠΏΠΎΠ΄ΡΡΠΈΡΠ°ΡΡ ΠΊΠΎΠ»ΠΈΡΠ΅ΡΡΠ²ΠΎ ΠΎΠ±ΠΎΡΠΎΡΠΎΠ² ΠΏΡΠΈ ΠΎΡΠ²ΠΎΡΠ°ΒΡΠΈΠ²Π°Π½ΠΈΠΈ Π½Π°ΠΊΠΎΠ½Π΅ΡΠ½ΠΈΠΊΠ°).
ΠΡΠ²ΠΎΡΠ°ΡΠΈΠ²Π°Π΅ΠΌ Π½Π°ΠΊΠΎΠ½Π΅ΡΠ½ΠΈΠΊ.
ΠΠ΅ΡΠ΅Π΄ ΡΡΡΠ°Π½ΠΎΠ²ΠΊΠΎΠΉ ΠΏΡΠΎΠ²Π΅ΡΡΠ΅ΠΌ Π½ΠΎΒΠ²ΡΠΉ Π½Π°ΠΊΠΎΠ½Π΅ΡΠ½ΠΈΠΊ: Π·Π°ΡΠΈΡΠ½ΡΠΉ ΡΠ΅Ρ ΠΎΠ» Π½Π΅ Π΄ΠΎΠ»ΠΆΠ΅Π½ ΠΈΠΌΠ΅ΡΡ ΠΏΠΎΠ²ΡΠ΅ΠΆΠ΄Π΅Π½ΠΈΠΉ, Π° Π΅Π³ΠΎ ΠΊΡΠΎΠΌΠΊΠΈ ΠΏΠ»ΠΎΡΠ½ΠΎ ΠΏΡΠΈΠ»Π΅Π³Π°ΡΡ ΠΊ ΠΊΠΎΡΠΏΡΡΡ ΠΈ ΠΏΠ°Π»ΡΡΡ ΡΠ°ΡΠ½ΠΈΡΠ°. Π¨Π°ΡΠΎΒΠ²ΠΎΠΉ ΠΏΠ°Π»Π΅Ρ Π΄ΠΎΠ»ΠΆΠ΅Π½ ΠΏΠΎΠ²ΠΎΡΠ°ΡΠΈΠ²Π°ΡΡΡΡ Π² Π½Π°ΠΊΠΎΠ½Π΅ΡΠ½ΠΈΠΊΠ΅ Π±Π΅Π· Π·Π°Π΅Π΄Π°Π½ΠΈΠΉ ΠΈ Π½Π΅ ΠΈΠΌΠ΅ΡΡ Π»ΡΡΡΠΎΠ².
ΠΠ°Π²ΠΎΡΠ°ΡΠΈΠ²Π°Π΅ΠΌ Π½ΠΎΠ²ΡΠΉ Π½Π°ΠΊΠΎΠ½Π΅ΡΠ½ΠΈΠΊ Π½Π° ΠΏΠΎΠ΄ΡΡΠΈΡΠ°Π½Π½ΠΎΠ΅ ΠΊΠΎΠ»ΠΈΡΠ΅ΡΡΠ²ΠΎ ΠΎΠ±ΠΎΒΡΠΎΡΠΎΠ² ΠΈΠ»ΠΈ Π΄ΠΎ ΠΊΡΠ°Ρ ΠΈΠ·ΠΎΠ»ΡΡΠΈΠΎΠ½Π½ΠΎΠΉ Π»Π΅Π½ΡΡ. ΠΠ²ΠΎΠ΄ΠΈΠΌ ΡΠ°ΡΠΎΠ²ΠΎΠΉ ΠΏΠ°Π»Π΅Ρ Π½Π°ΠΊΠΎΠ½Π΅ΡΠ½ΠΈΠΊΠ° Π² ΠΏΡΠΎΡΡΠΈΠ½Ρ ΡΡΡΠ°Π³Π° ΠΏΠΎΠ²ΠΎΡΠΎΡΠ½ΠΎΠ³ΠΎ ΠΊΡΠ»Π°ΠΊΠ° ΠΈ Π·Π°ΡΡΠ³ΠΈΠ²Π°Π΅ΠΌ Π³Π°ΠΉΠΊΡ Π΅Π³ΠΎ ΠΊΡΠ΅ΠΏΠ»Π΅Π½ΠΈΡ. Π€ΠΈΠΊΡΠΈΡΡΠ΅ΠΌ Π½Π°ΠΊΠΎΠ½Π΅ΡΠ½ΠΈΠΊ Π½Π° ΡΡΠ»Π΅Π²ΠΎΠΉ ΡΡΠ³Π΅ ΠΊΠΎΠ½ΡΡΠ³Π°ΠΉΠΊΠΎΠΉ. Π£ΡΡΠ°Π½Π°Π²Π»ΠΈΠ²Π°Π΅ΠΌ ΠΊΠΎΒΠ»Π΅ΡΠΎ.
ΠΡΠΎΠ²Π΅ΡΡΠ΅ΠΌ ΠΈ ΠΏΡΠΈ Π½Π΅ΠΎΠ±Ρ ΠΎΠ΄ΠΈΠΌΠΎΡΡΠΈ ΡΠ΅Π³ΡΠ»ΠΈΡΡΠ΅ΠΌ ΡΡ ΠΎΠΆΠ΄Π΅Π½ΠΈΠ΅ ΠΏΠ΅ΡΠ΅Π΄Π½ΠΈΡ ΠΊΠΎΠ»Π΅Ρ (ΡΠΌ. Β«Π£Π³Π»Ρ ΡΡΡΠ°Π½ΠΎΠ²ΠΊΠΈ ΠΏΠ΅ΡΠ΅Π΄ΒΠ½ΠΈΡ ΠΊΠΎΠ»Π΅ΡΒ», Ρ. 100).
ΠΠΠΠΠΠ Π§ΠΠ₯ΠΠ Π Π£ΠΠΠΠΠ Π’Π―ΠΠ
ΠΠ°ΠΌΠ΅Π½ΡΠ΅ΠΌ ΡΠ΅Ρ
ΠΎΠ» ΠΏΡΠΈ ΠΎΠ±Π½Π°ΡΡΠΆΠ΅Π½ΠΈΠΈ Π² Π½Π΅ΠΌ ΡΡΠ΅ΡΠΈΠ½ ΠΈ ΡΠ°Π·ΡΡΠ²ΠΎΠ².
Π Π°Π±ΠΎΡΡ ΠΏΡΠΎΠ²ΠΎΠ΄ΠΈΠΌ Π½Π° ΡΠΌΠΎΡΡΠΎΠ²ΠΎΠΉ ΠΊΠ°Π½Π°Π²Π΅ ΠΈΠ»ΠΈ ΡΡΡΠ°ΠΊΠ°Π΄Π΅. Π‘Π½ΠΈΠΌΠ°Π΅ΠΌ ΠΏΠ΅ΡΠ΅Π΄Π½Π΅Π΅ ΠΊΠΎΠ»Π΅ΡΠΎ.
Π‘ΠΆΠ°Π² ΠΏΠ°ΡΡΠ°ΡΠΈΠΆΠ°ΠΌΠΈ ΠΊΠΎΠ½ΡΡ ΠΌΠ°Π»ΠΎΒΠ³ΠΎ Ρ ΠΎΠΌΡΡΠ°, ΡΠ΄Π²ΠΈΠ³Π°Π΅ΠΌ Π΅Π³ΠΎ Ρ ΡΠ΅Ρ Π»Π° Π½Π° ΡΡΠ³Ρ.
ΠΠ»ΡΡΠΎΠΌ Β«Π½Π° 22Β» ΠΎΡΠ»Π°Π±Π»ΡΠ΅ΠΌ Π·Π°ΒΡΡΠΆΠΊΡ ΠΊΠΎΠ½ΡΡΠ³Π°ΠΉΠΊΠΈ Π½Π°ΠΊΠΎΠ½Π΅ΡΠ½ΠΈΠΊΠ° ΡΡΠ»Π΅Π²ΠΎΠΉ ΡΡΠ³ΠΈ, ΡΠ΄Π΅ΡΠΆΠΈΠ²Π°Ρ Π½Π°ΠΊΠΎΒΠ½Π΅ΡΠ½ΠΈΠΊ Π·Π° Π³ΡΠ°Π½ΠΈ ΠΊΠ»ΡΡΠΎΠΌ ΡΠΎΠ³ΠΎ ΠΆΠ΅ ΡΠ°Π·ΠΌΠ΅ΡΠ°.
Π§ΡΠΎΠ±Ρ ΡΠΎΡ ΡΠ°Π½ΠΈΡΡ ΡΡ ΠΎΠΆΠ΄Π΅Π½ΠΈΠ΅ ΠΊΠΎΠ»Π΅Ρ, ΠΏΠΎΠΌΠ΅ΡΠ°Π΅ΠΌ ΡΠ³Π»ΠΎΠ²ΠΎΠ΅ ΠΏΠΎΠ»ΠΎΠΆΠ΅Π½ΠΈΠ΅ ΡΡΠ³ΠΈ ΠΎΡΠ½ΠΎΡΠΈΡΠ΅Π»ΡΠ½ΠΎ Π½Π°ΠΊΠΎΠ½Π΅ΡΠ½ΠΈΠΊΠ°.
ΠΠ»ΡΡΠΎΠΌ Β«Π½Π° 13Β» Π²ΡΠ²ΠΎΡΠ°ΡΠΈΠ²Π°Π΅ΠΌ ΡΡΠ³Ρ ΠΈΠ· Π½Π°ΠΊΠΎΠ½Π΅ΡΠ½ΠΈΠΊΠ°, ΡΡΠΈΡΠ°Ρ ΠΏΡΠΈ ΡΡΠΎΠΌ ΠΊΠΎΠ»ΠΈΡΠ΅ΡΡΠ²ΠΎ ΠΎΠ±ΠΎΡΠΎΡΠΎΠ².
ΠΡΠ²ΠΎΡΠ°ΡΠΈΠ²Π°Π΅ΠΌ ΠΈ ΡΠ½ΠΈΠΌΠ°Π΅ΠΌ ΠΊΠΎΠ½ΡΡΒΠ³Π°ΠΉΠΊΡ Π½Π°ΠΊΠΎΠ½Π΅ΡΠ½ΠΈΠΊΠ°. ΠΡΠ²ΠΎΠ±ΠΎΠΆΠ΄Π°Π΅ΠΌ Π±ΠΎΠ»ΡΡΠΎΠΉ Ρ ΠΎΠΌΡΡ ΡΠ΅Ρ ΒΠ»Π° ΡΡΠ³ΠΈ…
…ΠΈ ΡΠ½ΠΈΠΌΠ°Π΅ΠΌ Ρ ΡΡΠ³ΠΈ ΡΠ΅Ρ ΠΎΠ».
ΠΡΠΌΠ°ΡΡΠΈΠ²Π°Π΅ΠΌ ΡΠ°ΡΠΎΠ²ΠΎΠΉ ΡΠ°ΡΠ½ΠΈΡ ΡΡΠ»Π΅Π²ΠΎΠΉ ΡΡΠ³ΠΈ. ΠΡΠ»ΠΈ Π² Π½Π΅Π³ΠΎ ΠΏΠΎΠΏΠ°Π»Π° Π³ΡΡΠ·Ρ ΠΈ ΠΏΠΎΡΠ²ΠΈΠ»ΡΡ Π»ΡΡΡ, Π·Π°ΠΌΠ΅Π½ΡΠ΅ΠΌ ΡΡΠ»Π΅Π²ΡΡ ΡΡΠ³Ρ (ΡΠΌ. Β«ΠΠ°ΠΌΠ΅Π½Π° ΡΡΠ»Π΅Π²ΠΎΠΉ ΡΡΠ³ΠΈΒ»).
ΠΡΠ»ΠΈ ΡΠ°ΡΠΎΠ²ΠΎΠΉ ΡΠ°ΡΠ½ΠΈΡ Π½Π°Ρ
ΠΎΠ΄ΠΈΡΡΡ Π² ΡΠ΄ΠΎΠ²Π»Π΅ΡΠ²ΠΎΡΠΈΡΠ΅Π»ΡΠ½ΠΎΠΌ ΡΠΎΡΡΠΎΡΒΠ½ΠΈΠΈ, Π½Π°Π½ΠΎΡΠΈΠΌ Π½Π° Π½Π΅Π³ΠΎ ΡΠΌΠ°Π·ΠΊΡ, Π½Π°ΒΠ΄Π΅Π²Π°Π΅ΠΌ Π½ΠΎΠ²ΡΠΉ ΡΠ΅Ρ
ΠΎΠ» ΠΈ Π²Π²ΠΎΡΠ°ΡΠΈΠ²Π°ΒΠ΅ΠΌ ΡΡΠ³Ρ Π² Π½Π°ΠΊΠΎΠ½Π΅ΡΠ½ΠΈΠΊ, ΠΎΡΠΈΠ΅Π½ΡΠΈΡΡΒΡΡΡ ΠΏΠΎ ΠΌΠ΅ΡΠΊΠ°ΠΌ. ΠΠ°ΠΊΡΠ΅ΠΏΠ»ΡΠ΅ΠΌ ΡΠ΅Ρ
ΠΎΠ» Ρ
ΠΎΠΌΡΡΠ°ΠΌΠΈ. ΠΡΠΎΡ ΡΠΏΠΎΡΠΎΠ± ΠΏΠΎΠ·Π²ΠΎΠ»ΡΠ΅Ρ Π½Π΅ Π½Π°ΡΡΡΠΈΡΡ ΡΡ
ΠΎΠΆΠ΄Π΅Π½ΠΈΠ΅ ΠΊΠΎΠ»Π΅Ρ.
ΠΠΎ Π² ΡΠ»ΡΡΠ°Π΅ ΡΠΎΠΌΠ½Π΅Π½ΠΈΠΉ ΠΌΠΎΠΆΠ½ΠΎ ΠΏΡΠΎΠ²Π΅ΒΡΠΈΡΡ ΡΠ³Π»Ρ ΡΡΡΠ°Π½ΠΎΠ²ΠΊΠΈ ΠΏΠ΅ΡΠ΅Π΄Π½ΠΈΡ
ΠΊΠΎΒΠ»Π΅Ρ Π½Π° Π‘Π’Π.
ΠΠΠΠΠΠ Π Π£ΠΠΠΠΠ Π’Π―ΠΠ
Π Π°Π±ΠΎΡΡ ΠΏΡΠΎΠ²ΠΎΠ΄ΠΈΠΌ Π½Π° ΡΠΌΠΎΡΡΠΎΠ²ΠΎΠΉ ΠΊΠ°ΒΠ½Π°Π²Π΅ ΠΈΠ»ΠΈ ΡΡΡΠ°ΠΊΠ°Π΄Π΅. Π‘Π½ΠΈΠΌΠ°Π΅ΠΌ ΠΏΠ΅ΒΡΠ΅Π΄Π½Π΅Π΅ ΠΊΠΎΠ»Π΅ΡΠΎ. Π‘Π½ΠΈΠΌΠ°Π΅ΠΌ ΡΠ΅Ρ ΠΎΠ» ΡΡΒΠ»Π΅Π²ΠΎΠΉ ΡΡΠ³ΠΈ (ΡΠΌ. Β«ΠΠ°ΠΌΠ΅Π½Π° ΡΠ΅Ρ Π»Π° ΡΡΒΠ»Π΅Π²ΠΎΠΉ ΡΡΠ³ΠΈΒ»).
ΠΡΠ±ΠΈΠ»ΠΎΠΌ ΡΠ°ΡΠΊΠΎΠ½ΡΡΠΈΠ²Π°Π΅ΠΌ ΡΡΠΎΒΠΏΠΎΡΠ½ΡΡ ΡΠ°ΠΉΠ±Ρ ΠΊΠΎΡΠΏΡΡΠ° ΡΠ°ΡΠΎΒΠ²ΠΎΠ³ΠΎ ΡΠ°ΡΠ½ΠΈΡΠ° ΡΡΠ³ΠΈ.
ΠΠ»ΡΡΠΎΠΌ Β«Π½Π° 36Β»…
…ΠΈΠ»ΠΈ ΡΡΡΠ±Π½ΡΠΌ ΠΊΠ»ΡΡΠΎΠΌ ΠΎΡΠ²ΠΎΡΠ°ΡΠΈΒΠ²Π°Π΅ΠΌ ΡΡΠ³Ρ, Π²ΡΠ°ΡΠ°Ρ ΠΊΠΎΡΠΏΡΡ ΡΠ°ΡΠ½ΠΈΡΠ°.
Π Π°Π·ΠΆΠ°Π² Π΄Π²Π° ΡΠΈΠΊΡΠ°ΡΠΎΡΠ°, Π²ΡΠ½ΠΈΠΌΠ°Π΅ΠΌ ΠΊΠΎΠ»ΠΎΠ΄ΠΊΠΈ ΠΏΡΠΎΠ²ΠΎΠ΄ΠΎΠ² ΠΏΠΎΠ΄ΡΡΠΊΠΈ.
ΠΡΡΠΎΠ΅Π΄ΠΈΠ½ΡΠ΅ΠΌ ΡΡΠ³Ρ ΠΎΡ ΡΠ΅ΠΉΠΊΠΈ ΡΡΒΠ»Π΅Π²ΠΎΠ³ΠΎ ΠΌΠ΅Ρ Π°Π½ΠΈΠ·ΠΌΠ°.
Π£ΡΡΠ°Π½Π°Π²Π»ΠΈΠ²Π°Π΅ΠΌ Π½ΠΎΠ²ΡΡ ΡΡΠ³Ρ Π² ΠΎΠ±ΒΡΠ°ΡΠ½ΠΎΠΉ ΠΏΠΎΡΠ»Π΅Π΄ΠΎΠ²Π°ΡΠ΅Π»ΡΠ½ΠΎΡΡΠΈ. ΠΠ°Π½ΠΎΒΡΠΈΠΌ Π½Π° ΡΠ°ΡΠ½ΠΈΡ ΡΠΌΠ°Π·ΠΊΡ.
Π‘ΠΠ―Π’ΠΠ ΠΠΠΠ£Π¨ΠΠ
ΠΠΠΠΠΠΠ‘ΠΠΠ‘Π’Π
Π Π Π£ΠΠΠΠΠΠ ΠΠΠΠΠ‘Π
ΠΡΠΈ ΡΠ½ΡΡΠΈΠΈ ΡΡΠ»Π΅Π²ΠΎΠ³ΠΎ ΠΊΠΎΒΠ»Π΅ΡΠ° Π±ΡΠ΄ΡΡΠ΅ ΠΎΡΡΠΎΡΠΎΠΆΠ½Ρ: ΠΏΠΎΠ΄ ΠΊΠ½ΠΎΠΏΠΊΠΎΠΉ Π·Π²ΡΠΊΠΎΠ²ΠΎΠ³ΠΎ ΡΠΈΠ³Π½Π°Π»Π° ΡΡΡΠ°Π½ΠΎΠ²Π»Π΅Π½Π° ΠΏΠΎΒΠ΄ΡΡΠΊΠ° Π±Π΅Π·ΠΎΠΏΠ°ΡΠ½ΠΎΡΡΠΈ!
ΠΠ΅ΡΠ΅Π΄ ΡΠ½ΡΡΠΈΠ΅ΠΌ ΡΡΠ»Π΅Π²ΠΎΠ³ΠΎ ΠΊΠΎΠ»Π΅ΡΠ° ΠΎΡΒΡΠΎΠ΅Π΄ΠΈΠ½ΡΠ΅ΠΌ ΠΊΠ»Π΅ΠΌΠΌΡ Β«ΠΌΠΈΠ½ΡΡΠΎΠ²ΠΎΠ³ΠΎΒ» ΠΏΡΠΎΠ²ΠΎΠ΄Π° ΠΎΡ Π²ΡΠ²ΠΎΠ΄Π° Π°ΠΊΠΊΡΠΌΡΠ»ΡΡΠΎΡΠ½ΠΎΠΉ Π±Π°ΡΠ°ΡΠ΅ΠΈ.
ΠΠΎΡΠ»Π΅ ΡΡΠΎΠ³ΠΎ Π½Π΅ΠΎΠ±Ρ
ΠΎΠ΄ΠΈΠΌΠΎ Π²ΡΠΆΠ΄Π°ΡΡ Π½Π΅ ΠΌΠ΅Π½Π΅Π΅ 5 ΠΌΠΈΠ½, Π΄Π»Ρ ΡΠΎΠ³ΠΎ ΡΡΠΎΠ±Ρ ΡΠ°Π·ΡΡΠ΄ΠΈΠ»ΡΡ ΠΊΠΎΠ½Π΄Π΅Π½ΡΠ°ΡΠΎΡ Π°ΠΊΒΡΠΈΠ²Π°ΡΠΎΡΠ° ΠΏΠΎΠ΄ΡΡΠΊΠΈ Π±Π΅Π·ΠΎΠΏΠ°ΡΠ½ΠΎΡΡΠΈ.
ΠΠ»ΡΡΠΎΠΌ Β«TorxΒ» T-40 ΠΎΡΠ²ΠΎΡΠ°ΡΠΈΠ²Π°ΒΠ΅ΠΌ Π²ΠΈΠ½Ρ ΠΊΡΠ΅ΠΏΠ»Π΅Π½ΠΈΡ Π½Π°ΠΊΠ»Π°Π΄ΠΊΠΈ Π·Π²ΡΒΠΊΠΎΠ²ΠΎΠ³ΠΎ ΡΠΈΠ³Π½Π°Π»Π°, Π²ΡΠΏΠΎΠ»Π½Π΅Π½Π½ΠΎΠΉ Π·Π°ΒΠΎΠ΄Π½ΠΎ Ρ ΠΏΠΎΠ΄ΡΡΠΊΠΎΠΉ Π±Π΅Π·ΠΎΠΏΠ°ΡΠ½ΠΎΡΡΠΈ.
ΠΠ½Π°Π»ΠΎΠ³ΠΈΡΠ½ΠΎ ΠΎΡΠ²ΠΎΡΠ°ΡΠΈΠ²Π°Π΅ΠΌ Π²ΠΈΠ½Ρ Ρ ΠΏΡΠΎΡΠΈΠ²ΠΎΠΏΠΎΠ»ΠΎΠΆΠ½ΠΎΠΉ ΡΡΠΎΡΠΎΠ½Ρ.
ΠΡΠ²ΠΎΠ΄ΠΈΠΌ Π½Π°ΠΊΠ»Π°Π΄ΠΊΡ Π·Π²ΡΠΊΠΎΠ²ΠΎΠ³ΠΎ ΡΠΈΠ³Π½Π°Π»Π° Ρ ΠΏΠΎΠ΄ΡΡΠΊΠΎΠΉ Π±Π΅Π·ΠΎΠΏΠ°ΡΠ½ΠΎΒΡΡΠΈ ΠΎΡ ΡΡΠ»Π΅Π²ΠΎΠ³ΠΎ ΠΊΠΎΠ»Π΅ΡΠ°.
Π‘Π΄Π²ΠΈΠ½ΡΠ² Π·Π°ΠΏΠΎΡΠ½ΡΡ ΠΏΠ»Π°ΡΡΠΈΠ½Ρ, ΡΠ°Π·ΡΠ΅Π΄ΠΈΠ½ΡΠ΅ΠΌ ΠΊΠΎΠ»ΠΎΠ΄ΠΊΠΈ ΠΏΡΠΎΠ²ΠΎΒΠ΄ΠΎΠ²…
…ΠΈ ΡΠ½ΠΈΠΌΠ°Π΅ΠΌ Π½Π°ΠΊΠ»Π°Π΄ΠΊΡ Π·Π²ΡΠΊΠΎΠ²ΠΎΠ³ΠΎ ΡΠΈΠ³Π½Π°Π»Π° Ρ ΠΏΠΎΠ΄ΡΡΠΊΠΎΠΉ Π±Π΅Π·ΠΎΠΏΠ°ΡΠ½ΠΎΡΡΠΈ. ΠΠ»Ρ ΡΠ½ΡΡΠΈΡ ΡΡΠ»Π΅Π²ΠΎΠ³ΠΎ ΠΊΠΎΠ»Π΅ΡΠ° Π½Π°ΠΆΠΈΒΠΌΠ°Π΅ΠΌ Π½Π° ΡΠΈΠΊΡΠ°ΡΠΎΡ ΠΈ ΠΎΡΡΠΎΠ΅Π΄ΠΈΠ½ΡΠ΅ΠΌ ΠΊΠΎΠ»ΠΎΠ΄ΠΊΡ ΠΏΡΠΎΠ²ΠΎΠ΄ΠΎΠ² Π·Π²ΡΠΊΠΎΠ²ΠΎΠ³ΠΎ ΡΠΈΠ³ΒΠ½Π°Π»Π°.
ΠΠ°ΡΠΊΠ΅ΡΠΎΠΌ ΠΏΠΎΠΌΠ΅ΡΠ°Π΅ΠΌ ΠΏΠΎΠ»ΠΎΠΆΠ΅Π½ΠΈΠ΅ ΡΡΠ»Π΅Π²ΠΎΠ³ΠΎ ΠΊΠΎΠ»Π΅ΡΠ° ΠΎΡΠ½ΠΎΡΠΈΡΠ΅Π»ΡΠ½ΠΎ Π²Π°Π»Π°.
ΠΠΎΠ»ΠΎΠ²ΠΊΠΎΠΉ Β«Π½Π° 19Β» ΠΎΡΠ²ΠΎΡΠ°ΡΠΈΠ²Π°Π΅ΠΌ (Π½Π΅ Π΄ΠΎ ΠΊΠΎΠ½ΡΠ°) Π³Π°ΠΉΠΊΡ ΠΊΡΠ΅ΠΏΠ»Π΅Π½ΠΈΡ ΡΡΠ»Π΅Π²ΠΎΠ³ΠΎ ΠΊΠΎΠ»Π΅ΡΠ° ΠΊ Π²Π°Π»Ρ.
ΠΠΎΠΊΠ°ΡΠΈΠ²Π°Ρ, ΡΡΠ½Π΅ΠΌ Π½Π° ΡΠ΅Π±Ρ ΡΡΠ»Π΅Π²ΠΎΠ΅ ΠΊΠΎΠ»Π΅ΡΠΎ ΠΈ ΡΠ½ΠΈΠΌΠ°Π΅ΠΌ Π΅Π³ΠΎ ΡΠΎ ΡΠ»ΠΈΡΠ΅Π² ΡΡΠ»Π΅Π²ΠΎΠ³ΠΎ Π²Π°Π»Π°. ΠΠΊΠΎΠ½ΡΠ°ΡΠ΅Π»ΡΠ½ΠΎ ΠΎΡΒΠ²ΠΎΡΠ°ΡΠΈΠ²Π°Π΅ΠΌ Π³Π°ΠΉΠΊΡ…
…ΠΈ ΡΠ½ΠΈΠΌΠ°Π΅ΠΌ ΡΡΠ»Π΅Π²ΠΎΠ΅ ΠΊΠΎΠ»Π΅ΡΠΎ, Π²ΡΠ²ΠΎΠ΄Ρ ΠΊΠΎΠ»ΠΎΠ΄ΠΊΡ ΠΏΡΠΎΠ²ΠΎΠ΄ΠΎΠ² ΠΏΠΎΒΠ΄ΡΡΠΊΠΈ Π±Π΅Π·ΠΎΠΏΠ°ΡΠ½ΠΎΡΡΠΈ ΠΈΠ· ΠΎΡΠ²Π΅ΡΒΡΡΠΈΡ ΡΡΡΠΏΠΈΡΡ.
Π£ΡΡΠ°Π½ΠΎΠ²ΠΊΡ ΡΡΠ»Π΅Π²ΠΎΠ³ΠΎ ΠΊΠΎΠ»Π΅ΡΠ° ΠΏΡΠΎΠ²ΠΎΒΠ΄ΠΈΠΌ Π² ΠΎΠ±ΡΠ°ΡΠ½ΠΎΠΉ ΠΏΠΎΡΠ»Π΅Π΄ΠΎΠ²Π°ΡΠ΅Π»ΡΠ½ΠΎΒΡΡΠΈ, ΠΎΡΠΈΠ΅Π½ΡΠΈΡΡΡΡΡ ΠΏΠΎ ΡΠ°Π½Π΅Π΅ ΡΡΡΠ°-
Π½ΠΎΠ²Π»Π΅Π½Π½ΡΠΌ ΠΌΠ΅ΡΠΊΠ°ΠΌ. ΠΠΎΠ΄ΡΠΎΠ΅Π΄ΠΈΠ½ΡΒΠ΅ΠΌ ΠΊΠΎΠ»ΠΎΠ΄ΠΊΠΈ ΠΏΡΠΎΠ²ΠΎΠ΄ΠΎΠ² ΠΏΠΎΠ΄ΡΡΠΊΠΈ ΠΈ Π·Π²ΡΠΊΠΎΠ²ΠΎΠ³ΠΎ ΡΠΈΠ³Π½Π°Π»Π°. Π£ΡΡΠ°Π½Π°Π²Π»ΠΈΠ²Π°ΒΠ΅ΠΌ Π½Π°ΠΊΠ»Π°Π΄ΠΊΡ Ρ ΠΏΠΎΠ΄ΡΡΠΊΠΎΠΉ Π±Π΅Π·ΠΎΠΏΠ°ΡΒΠ½ΠΎΡΡΠΈ Π² ΠΎΠ±ΡΠ°ΡΠ½ΠΎΠΉ ΠΏΠΎΡΠ»Π΅Π΄ΠΎΠ²Π°ΡΠ΅Π»ΡΒΠ½ΠΎΡΡΠΈ.
ΠΠ ΠΠΠΠ§ΠΠ Π‘ΠΠ‘Π’ΠΠΠ« ΠΠΠΠ ΠΠ£Π‘ΠΠΠΠ’ΠΠΠ― Π Π£ΠΠΠΠΠΠ Π£ΠΠ ΠΠΠΠΠΠΠ―
ΠΡΠΈ ΠΎΡΡΠ°Π½ΠΎΠ²Π»Π΅Π½Π½ΠΎΠΌ Π΄Π²ΠΈΠ³Π°ΡΠ΅Π»Π΅ ΠΎΡΒΠΊΡΡΠ²Π°Π΅ΠΌ ΠΊΡΡΡΠΊΡ Π±Π°ΡΠΊΠ° Π³ΠΈΠ΄ΡΠΎΡΡΠΈΒΠ»ΠΈΡΠ΅Π»Ρ ΡΡΠ»Π΅Π²ΠΎΠ³ΠΎ ΡΠΏΡΠ°Π²Π»Π΅Π½ΠΈΡ ΠΈ Π΄ΠΎΒΠ»ΠΈΠ²Π°Π΅ΠΌ ΠΆΠΈΠ΄ΠΊΠΎΡΡΡ Π² Π±Π°ΡΠΎΠΊ Π΄ΠΎ ΠΎΡΠΌΠ΅ΡΒΠΊΠΈ Β«MINΒ» (ΡΠΌ. Β«ΠΡΠΎΠ²Π΅ΡΠΊΠ° ΡΡΠΎΠ²Π½Ρ ΠΆΠΈΠ΄ΠΊΠΎΡΡΠΈ Π² Π±Π°ΡΠΊΠ΅ Π³ΠΈΠ΄ΡΠΎΡΡΠΈΠ»ΠΈΡΠ΅Π»Ρ ΡΡΠ»Π΅Π²ΠΎΠ³ΠΎ ΡΠΏΡΠ°Π²Π»Π΅Π½ΠΈΡΒ», Ρ. 36). ΠΡΡΠΊΠ°Π΅ΠΌ Π΄Π²ΠΈΠ³Π°ΡΠ΅Π»Ρ ΠΈ Π½Π° Ρ ΠΎΠ»ΠΎΡΡΠΎΠΌ Ρ ΠΎΠ΄Ρ ΠΏΡΠΎΠ²Π΅ΡΡΠ΅ΠΌ ΡΡΠΎΠ²Π΅Π½Ρ ΠΆΠΈΠ΄ΠΊΠΎΡΡΠΈ Π² Π±Π°ΡΠΊΠ΅. ΠΡΠΈ ΠΏΠ°Π΄Π΅Π½ΠΈΠΈ ΡΡΠΎΠ²Π½Ρ ΠΆΠΈΠ΄ΒΠΊΠΎΡΡΠΈ Π΄ΠΎΠ»ΠΈΠ²Π°Π΅ΠΌ Π΅Π΅ Π΄ΠΎ ΠΎΡΠΌΠ΅ΡΠΊΠΈ Β«MINΒ».
ΠΠ΅ΡΠΊΠΎΠ»ΡΠΊΠΎ ΡΠ°Π· ΠΏΠΎΠ²ΠΎΡΠ°ΡΠΈΠ²Π°Π΅ΠΌ ΡΡΠ»Π΅ΒΠ²ΠΎΠ΅ ΠΊΠΎΠ»Π΅ΡΠΎ Π²Π»Π΅Π²ΠΎ ΠΈ Π²ΠΏΡΠ°Π²ΠΎ Π΄ΠΎ ΡΠΏΠΎΒΡΠ°, ΡΠ»Π΅Π΄Ρ ΠΏΡΠΈ ΡΡΠΎΠΌ, ΡΡΠΎΠ±Ρ ΡΡΠΎΠ²Π΅Π½Ρ ΠΆΠΈΠ΄ΠΊΠΎΡΡΠΈ Π² Π±Π°ΡΠΊΠ΅ Π½Π°Ρ ΠΎΠ΄ΠΈΠ»ΡΡ Π½Π° ΠΎΡΒΠΌΠ΅ΡΠΊΠ΅ Β«MINΒ».
ΠΠΎΠ·Π²ΡΠ°ΡΠ°Π΅ΠΌ ΡΠΏΡΠ°Π²Π»ΡΠ΅ΠΌΡΠ΅ ΠΊΠΎΠ»Π΅ΡΠ° Π² ΠΏΠΎΠ»ΠΎΠΆΠ΅Π½ΠΈΠ΅ ΠΏΡΡΠΌΠΎΠ»ΠΈΠ½Π΅ΠΉΠ½ΠΎΠ³ΠΎ Π΄Π²ΠΈΠΆΠ΅Π½ΠΈΡ Π°Π²ΡΠΎΠΌΠΎΠ±ΠΈΠ»Ρ ΠΈ Π΄Π°Π΅ΠΌ ΠΏΠΎΒΡΠ°Π±ΠΎΡΠ°ΡΡ Π΄Π²ΠΈΠ³Π°ΡΠ΅Π»Ρ Π΅ΡΠ΅ Π΄Π²Π΅-ΡΡΠΈ ΠΌΠΈΠ½ΡΡΡ.
ΠΠΎΡΠΌΠ°Π»ΡΠ½Π°Ρ ΡΠ°Π±ΠΎΡΠ° Π³ΠΈΠ΄ΡΠΎΡΡΠΈΠ»ΠΈΡΠ΅Π»Ρ Π½Π΅ Π΄ΠΎΠ»ΠΆΠ½Π° ΡΠΎΠΏΡΠΎΠ²ΠΎΠΆΠ΄Π°ΡΡΡΡ ΡΡΠΌΠΎΠΌ.
ΠΠ½ΠΎΠ²Ρ ΠΏΠΎΠ²ΠΎΡΠ°ΡΠΈΠ²Π°Π΅ΠΌ ΡΡΠ»Π΅Π²ΠΎΠ΅ ΠΊΠΎΠ»Π΅ΒΡΠΎ Π΄ΠΎ ΡΠΏΠΎΡΠ° Π²Π»Π΅Π²ΠΎ ΠΈ Π²ΠΏΡΠ°Π²ΠΎ ΠΈ ΠΏΡΠΈ Π½Π΅ΠΎΠ±Ρ
ΠΎΠ΄ΠΈΠΌΠΎΡΡΠΈ Π΄ΠΎΠ»ΠΈΠ²Π°Π΅ΠΌ ΠΆΠΈΠ΄ΒΠΊΠΎΡΡΡ Π² Π±Π°ΡΠΎΠΊ Π΄ΠΎ ΠΎΡΠΌΠ΅ΡΠΊΠΈ Β«MINΒ». ΠΡΡΠ°Π½Π°Π²Π»ΠΈΠ²Π°Π΅ΠΌ Π΄Π²ΠΈΠ³Π°ΡΠ΅Π»Ρ ΠΈ ΡΠ½ΠΎΠ²Π° ΠΏΡΠΎΠ²Π΅ΡΡΠ΅ΠΌ ΡΡΠΎΠ²Π΅Π½Ρ ΠΆΠΈΠ΄ΠΊΠΎΡΡΠΈ Π² Π±Π°ΡΠΊΠ΅.
ΠΠΎΡΠ»Π΅ ΠΏΡΠΎΠ³ΡΠ΅Π²Π° ΠΈ ΡΡΠ°Π±ΠΈΠ»ΠΈΠ·Π°ΡΠΈΠΈ ΡΠ΅ΠΌΠΏΠ΅ΡΠ°ΡΡΡΡ ΡΠ°Π±ΠΎΡΠ΅ΠΉ ΠΆΠΈΠ΄ΠΊΠΎΡΡΠΈ Π΅Π΅ ΡΡΠΎΠ²Π΅Π½Ρ Π΄ΠΎΠ»ΠΆΠ΅Π½ Π½Π°Ρ ΠΎΠ΄ΠΈΡΡΡΡ Π½Π° ΠΎΡΒΠΌΠ΅ΡΠΊΠ΅ Β«ΠΠΠ₯Β», Π° Π² Ρ ΠΎΠ»ΠΎΠ΄Π½ΠΎΠΌ ΡΠΎΡΡΠΎΒΡΠ½ΠΈΠΈ β Π½Π΅ ΠΎΠΏΡΡΠΊΠ°ΡΡΡΡ Π½ΠΈΠΆΠ΅ ΠΎΡΠΌΠ΅ΡΒΠΊΠΈ Β«MINΒ».
ΠΠ°ΠΊΡΡΠ²Π°Π΅ΠΌ ΠΊΡΡΡΠΊΡ Π±Π°ΡΠΊΠ° Π³ΠΈΠ΄ΡΠΎΒΡΡΠΈΠ»ΠΈΡΠ΅Π»Ρ ΡΡΠ»Π΅Π²ΠΎΠ³ΠΎ ΡΠΏΡΠ°Π²Π»Π΅Π½ΠΈΡ.
Π’ΠΎΡΠΌΠΎΠ·Π½Π°Ρ ΡΠΈΡΡΠ΅ΠΌΠ°
ΠΠΠΠ‘ΠΠΠΠ ΠΠΠΠ‘Π’Π Π£ΠΠ¦ΠΠ
Π Π°Π±ΠΎΡΠ°Ρ ΡΠΎΡΠΌΠΎΠ·Π½Π°Ρ ΡΠΈΡΡΠ΅ΠΌΠ° Π³ΠΈΠ΄ΡΠ°ΒΠ²Π»ΠΈΡΠ΅ΡΠΊΠ°Ρ, Π΄Π²ΡΡ
ΠΊΠΎΠ½ΡΡΡΠ½Π°Ρ (Ρ Π΄ΠΈΠ°Π³ΠΎΒΠ½Π°Π»ΡΠ½ΡΠΌ ΡΠ°Π·Π΄Π΅Π»Π΅Π½ΠΈΠ΅ΠΌ ΠΊΠΎΠ½ΡΡΡΠΎΠ²), Ρ Π²Π°ΠΊΡΡΠΌΠ½ΡΠΌ ΡΡΠΈΠ»ΠΈΡΠ΅Π»Π΅ΠΌ ΠΈ Π΄Π°ΡΡΠΈΒΠΊΠΎΠΌ Π½Π΅Π΄ΠΎΡΡΠ°ΡΠΎΡΠ½ΠΎΠ³ΠΎ ΡΡΠΎΠ²Π½Ρ ΠΆΠΈΠ΄ΒΠΊΠΎΡΡΠΈ Π² Π±Π°ΡΠΊΠ΅ Π³Π»Π°Π²Π½ΠΎΠ³ΠΎ ΡΠΎΡΠΌΠΎΠ·Π½ΠΎΠ³ΠΎ ΡΠΈΠ»ΠΈΠ½Π΄ΡΠ°. Π Π½ΠΎΡΠΌΠ°Π»ΡΠ½ΠΎΠΌ ΡΠ΅ΠΆΠΈΠΌΠ΅ (ΠΊΠΎΠ³Π΄Π° ΡΠΈΡΡΠ΅ΠΌΠ° ΠΈΡΠΏΡΠ°Π²Π½Π°) ΡΠ°Π±ΠΎΡΠ°ΒΡΡ ΠΎΠ±Π° ΠΊΠΎΠ½ΡΡΡΠ°. ΠΡΠΈ ΠΎΡΠΊΠ°Π·Π΅ (ΡΠ°Π·ΒΠ³Π΅ΡΠΌΠ΅ΡΠΈΠ·Π°ΡΠΈΠΈ) ΠΎΠ΄Π½ΠΎΠ³ΠΎ ΠΈΠ· ΠΊΠΎΠ½ΡΡΡΠΎΠ² Π²ΡΠΎΡΠΎΠΉ ΠΎΠ±Π΅ΡΠΏΠ΅ΡΠΈΠ²Π°Π΅Ρ ΡΠΎΡΠΌΠΎΠΆΠ΅Π½ΠΈΠ΅ Π°Π²ΡΠΎΠΌΠΎΠ±ΠΈΠ»Ρ, Ρ
ΠΎΡΡ ΠΈ Ρ ΠΌΠ΅Π½ΡΡΠ΅ΠΉ ΡΡΒΡΠ΅ΠΊΡΠΈΠ²Π½ΠΎΡΡΡΡ. Π§Π°ΡΡΡ Π°Π²ΡΠΎΠΌΠΎΠ±ΠΈΠ»Π΅ΠΉ ΠΎΡΠ½Π°ΡΠ°Π΅ΡΡΡ Π°Π½ΡΠΈΠ±Π»ΠΎΠΊΠΈΡΠΎΠ²ΠΎΡΠ½ΠΎΠΉ ΡΠΈΡΡΠ΅ΠΌΠΎΠΉ ΡΠΎΡΠΌΠΎΠ·ΠΎΠ² (ΠΠΠ‘). ΠΠ΅Π΄Π°Π»Ρ ΡΠΎΡΠΌΠΎΠ·Π° β ΠΏΠΎΠ΄Π²Π΅ΡΠ½ΠΎΠ³ΠΎ ΡΠΈΒΠΏΠ°, ΡΠ½Π°Π±ΠΆΠ΅Π½Π° Π²ΠΎΠ·Π²ΡΠ°ΡΠ½ΠΎΠΉ ΠΏΡΡΠΆΠΈΒΠ½ΠΎΠΉ.
ΠΠ°Π΄ ΠΏΠ΅Π΄Π°Π»ΡΡ ΡΠ°ΡΠΏΠΎΠ»ΠΎΠΆΠ΅Π½ Π²ΡΒΠΊΠ»ΡΡΠ°ΡΠ΅Π»Ρ ΡΠΈΠ³Π½Π°Π»ΠΎΠ² ΡΠΎΡΠΌΠΎΠΆΠ΅Π½ΠΈΡ; Π΅Π³ΠΎ ΠΊΠΎΠ½ΡΠ°ΠΊΡΡ Π·Π°ΠΌΡΠΊΠ°ΡΡΡΡ ΠΏΡΠΈ Π½Π°ΒΠΆΠ°ΡΠΈΠΈ ΠΏΠ΅Π΄Π°Π»ΠΈ. Π‘Π²ΠΎΠ±ΠΎΠ΄Π½ΡΠΉ Ρ
ΠΎΠ΄ ΠΏΠ΅ΒΠ΄Π°Π»ΠΈ ΡΠΎΡΠΌΠΎΠ·Π° Π΄ΠΎΠ»ΠΆΠ΅Π½ ΡΠΎΡΡΠ°Π²Π»ΡΡΡ 3-8 ΠΌΠΌ.
ΠΠ»Ρ ΡΠ½ΠΈΠΆΠ΅Π½ΠΈΡ ΡΡΠΈΠ»ΠΈΡ Π½Π° ΠΏΠ΅Π΄Π°Π»ΠΈ ΡΠΎΡΠΌΠΎΠ·Π° ΡΠ»ΡΠΆΠΈΡ Π²Π°ΠΊΡΡΠΌΠ½ΡΠΉ ΡΡΠΈΠ»ΠΈΒΡΠ΅Π»Ρ, ΠΈΡΠΏΠΎΠ»ΡΠ·ΡΡΡΠΈΠΉ ΡΠ°Π·ΡΠ΅ΠΆΠ΅Π½ΠΈΠ΅ Π²ΠΎ Π²ΠΏΡΡΠΊΠ½ΠΎΠΌ ΡΡΡΠ±ΠΎΠΏΡΠΎΠ²ΠΎΠ΄Π΅ ΡΠ°Π±ΠΎΡΠ°ΡΒΡΠ΅Π³ΠΎ Π΄Π²ΠΈΠ³Π°ΡΠ΅Π»Ρ. ΠΠ°ΠΊΡΡΠΌΠ½ΡΠΉ ΡΡΠΈΠ»ΠΈΒΡΠ΅Π»Ρ ΡΠ°ΡΠΏΠΎΠ»ΠΎΠΆΠ΅Π½ ΠΌΠ΅ΠΆΠ΄Ρ ΡΠΎΠ»ΠΊΠ°ΡΠ΅ΒΠ»Π΅ΠΌ ΠΏΠ΅Π΄Π°Π»ΠΈ ΠΈ Π³Π»Π°Π²Π½ΡΠΌ ΡΠΎΡΠΌΠΎΠ·Π½ΡΠΌ ΡΠΈΠ»ΠΈΠ½Π΄ΡΠΎΠΌ ΠΈ ΠΊΡΠ΅ΠΏΠΈΡΡΡ ΡΠ΅ΡΡΡΡΠΌΡ Π³Π°ΠΉΠΊΠ°ΠΌΠΈ ΠΊ ΡΠΈΡΠΊΡ ΠΏΠ΅ΡΠ΅Π΄ΠΊΠ° Π² ΠΌΠΎΒΡΠΎΡΠ½ΠΎΠΌ ΠΎΡΡΠ΅ΠΊΠ΅. ΠΠ°ΠΊΡΡΠΌΠ½ΡΠΉ ΡΡΠΈΠ»ΠΈΒΡΠ΅Π»Ρ β Π½Π΅ΡΠ°Π·Π±ΠΎΡΠ½ΡΠΉ, ΠΏΡΠΈ Π²ΡΡ ΠΎΠ΄Π΅ ΠΈΠ· ΡΡΡΠΎΡ Π΅Π³ΠΎ Π·Π°ΠΌΠ΅Π½ΡΡΡ. ΠΠ»Π°Π²Π½ΡΠΉ ΡΠΎΡΠΌΠΎΠ·Π½ΠΎΠΉ ΡΠΈΠ»ΠΈΠ½Π΄Ρ ΠΊΡΠ΅ΒΠΏΠΈΡΡΡ ΠΊ ΠΊΠΎΡΠΏΡΡΡ Π²Π°ΠΊΡΡΠΌΠ½ΠΎΠ³ΠΎ ΡΡΠΈΠ»ΠΈΒΡΠ΅Π»Ρ Π½Π° Π΄Π²ΡΡ ΡΠΏΠΈΠ»ΡΠΊΠ°Ρ . Π‘Π²Π΅ΡΡ Ρ Π½Π° ΡΠΈΠ»ΠΈΠ½Π΄ΡΠ΅ ΡΡΡΠ°Π½ΠΎΠ²Π»Π΅Π½ Π±Π°ΡΠΎΠΊ, ΠΈΠ· ΠΊΠΎΒΡΠΎΡΠΎΠ³ΠΎ Π² ΡΠΈΠ»ΠΈΠ½Π΄Ρ ΠΏΠΎΡΡΡΠΏΠ°Π΅Ρ ΡΠΎΡΒΠΌΠΎΠ·Π½Π°Ρ ΠΆΠΈΠ΄ΠΊΠΎΡΡΡ. ΠΠ° Π±Π°ΡΠΊΠ΅ Π½Π°Π½Π΅ΒΡΠ΅Π½Ρ ΠΌΠ΅ΡΠΊΠΈ ΠΌΠ°ΠΊΡΠΈΠΌΠ°Π»ΡΠ½ΠΎΠ³ΠΎ ΠΈ ΠΌΠΈΒΠ½ΠΈΠΌΠ°Π»ΡΠ½ΠΎΠ³ΠΎ ΡΡΠΎΠ²Π½Π΅ΠΉ ΠΆΠΈΠ΄ΠΊΠΎΡΡΠΈ, Π° Π² Π±Π°ΡΠΊΠ΅ ΡΠΌΠΎΠ½ΡΠΈΡΠΎΠ²Π°Π½ΠΎ ΡΠΈΠ³Π½Π°Π»ΡΒΠ½ΠΎΠ΅ ΡΡΡΡΠΎΠΉΡΡΠ²ΠΎ Ρ ΠΏΠΎΠΏΠ»Π°Π²ΠΊΠΎΠΌ, Π·Π°ΒΠΌΡΠΊΠ°ΡΡΠΈΠΌ ΠΊΠΎΠ½ΡΠ°ΠΊΡΡ ΠΏΡΠΈ ΠΏΠΎΠ½ΠΈΠΆΠ΅ΒΠ½ΠΈΠΈ ΡΡΠΎΠ²Π½Ρ ΠΆΠΈΠ΄ΠΊΠΎΡΡΠΈ. ΠΡΠΈ ΠΎΡΠ½Π°ΡΠ΅Π½ΠΈΠΈ Π°Π²ΡΠΎΠΌΠΎΠ±ΠΈΠ»Ρ ΠΠΠ‘ Π² ΠΎΡΠ²Π΅ΡΡΡΠΈΡ Ρ ΠΏΡΠ°Π²ΠΎΠΉ ΡΡΠΎΡΠΎΠ½Ρ Π³Π»Π°Π²Π½ΠΎΠ³ΠΎ ΡΠΎΡΠΌΠΎΠ·Π½ΠΎΠ³ΠΎ ΡΠΈΠ»ΠΈΠ½Π΄ΡΠ° Π²Π²Π΅ΡΠ½ΡΡΡ Π΄Π²Π° ΡΡΡΡΠ΅ΡΠ° ΡΡΡΠ±ΠΎΠΊ, ΠΏΠΎΠ΄Π²ΠΎΠ΄ΡΡΠΈΡ ΠΆΠΈΠ΄ΠΊΠΎΡΡΡ ΠΊ Π³ΠΈΠ΄ΡΠ°Π²Π»ΠΈ-
Π’ΠΎΡΠΌΠΎΠ·Π½ΠΎΠΉ ΠΌΠ΅Ρ Π°Π½ΠΈΠ·ΠΌ ΠΏΠ΅ΡΠ΅Π΄Π½Π΅Π³ΠΎ ΠΊΠΎΠ»Π΅ΡΠ°: 1 βΡΠΎΡΠΌΠΎΠ·Π½ΠΎΠΉ Π΄ΠΈΡΠΊ; 2 β Π²Π½ΡΡΡΠ΅Π½ΒΠ½ΡΡ ΡΠΎΡΠΌΠΎΠ·Π½Π°Ρ ΠΊΠΎΠ»ΠΎΠ΄ΠΊΠ°; 3 β Π½Π°ΠΏΡΠ°Π²Π»ΡΡΡΠΈΠΉ ΠΏΠ°Π»Π΅Ρ ΡΡΠΏΠΏΠΎΡΡΠ°; 4 β ΡΡΠΏΠΏΠΎΡΡ Ρ ΡΠ°Π±ΠΎΡΠΈΠΌ ΡΠΈΠ»ΠΈΠ½Π΄ΡΠΎΠΌ; 5 β Π½Π°ΠΊΠΎΠ½Π΅ΡΠ½ΠΈΠΊ ΡΠ»Π°Π½Π³Π° ΡΠΎΡΠΌΠΎΠ·Π½ΠΎΠ³ΠΎ ΠΌΠ΅Ρ Π°Π½ΠΈΠ·ΠΌΠ° ΠΏΠ΅ΡΠ΅Π΄Π½Π΅Π³ΠΎ ΠΊΠΎΠ»Π΅ΡΠ°
Π’ΠΎΡΠΌΠΎΠ·Π½ΠΎΠΉ ΠΌΠ΅Ρ
Π°Π½ΠΈΠ·ΠΌ Π·Π°Π΄Π½Π΅Π³ΠΎ ΠΊΠΎΠ»Π΅ΡΠ°: 1 β Π·Π°Π΄Π½ΡΡ ΠΊΠΎΠ»ΠΎΠ΄ΠΊΠ°; 2 β ΠΎΠΏΠΎΡΠ½Π°Ρ ΡΡΠΎΠΉΠΊΠ°; 3 β ΡΡΡΠ°Π³ ΠΏΡΠΈΠ²ΠΎΠ΄Π° ΡΡΠΎΡΠ½ΠΎΡΠ½ΠΎΠ³ΠΎ ΡΠΎΡΠΌΠΎΠ·Π°; 4 β Π½ΠΈΠΆΠ½ΡΡ ΡΡΡΠΆΠ½Π°Ρ ΠΏΡΡΠΆΠΈΠ½Π°; 5 β Π½Π°ΠΊΠΎΠ½Π΅ΡΠ½ΠΈΠΊ ΡΡΠΎΡΠ° ΠΏΡΠΈΠ²ΠΎΠ΄Π° ΡΡΠΎΡΠ½ΠΎΡΠ½ΠΎΠ³ΠΎ ΡΠΎΡΠΌΠΎΠ·Π°; 6 β ΡΠΎΡΠΌΠΎΠ·Π½ΠΎΠΉ ΡΠΈΡ; 7 β ΠΏΠ΅ΒΡΠ΅Π΄Π½ΡΡ ΠΊΠΎΠ»ΠΎΠ΄ΠΊΠ°; 8 β Π΄Π°ΡΡΠΈΠΊ ΡΠΊΠΎΡΠΎΡΡΠΈ Π²ΡΠ°ΡΠ΅Π½ΠΈΡ ΠΊΠΎΠ»Π΅ΡΠ°; 9 β ΠΏΡΡΠΆΠΈΠ½Π° ΡΡΡΠ°Π³Π° ΡΠ΅Π³ΡΒΠ»ΡΡΠΎΡΠ°; 10 β ΡΡΡΠ°Π³ ΡΠ΅Π³ΡΠ»ΡΡΠΎΡΠ°; 11 β ΡΠ°ΡΠΏΠΎΡΠ½Π°Ρ ΠΏΠ»Π°Π½ΠΊΠ°; 12 β Π²Π΅ΡΡ
Π½ΡΡ ΡΡΡΠΆΠ½Π°Ρ ΠΏΡΡΠΆΠΈΠ½Π°; 13 β ΡΠ°Π±ΠΎΡΠΈΠΉ ΡΠΈΠ»ΠΈΠ½Π΄Ρ
ΡΠ΅ΡΠΊΠΎΠΌΡ Π±Π»ΠΎΠΊΡ ΠΠΠ‘, ΠΎΡ ΠΊΠΎΡΠΎΡΠΎΠ³ΠΎ ΠΏΠΎ ΠΊΠ°Π½Π°Π»Π°ΠΌ ΠΎΠ½Π° ΠΏΠΎΠ΄Π°Π΅ΡΡΡ ΠΊ ΡΠ°Π±ΠΎΒΡΠΈΠΌ ΡΠΈΠ»ΠΈΠ½Π΄ΡΠ°ΠΌ.
ΠΠ° Π°Π²ΡΠΎΠΌΠΎΠ±ΠΈΠ»Π΅ Π±Π΅Π· ΠΠΠ‘ Π½Π° Π³Π»Π°Π²Π½ΠΎΠΌ ΡΠΎΡΠΌΠΎΠ·Π½ΠΎΠΌ ΡΠΈΠ»ΠΈΠ½Π΄ΡΠ΅ ΡΡΡΠ°Π½ΠΎΠ²Π»Π΅Π½Ρ ΡΠ΅Π³ΡΠ»ΡΡΠΎΡΡ Π΄Π°Π²Π»Π΅Π½ΠΈΡ. ΠΠ½ΠΈ ΠΏΡΠ΅Π΄Π½Π°ΒΠ·Π½Π°ΡΠ΅Π½Ρ Π΄Π»Ρ ΠΎΠ³ΡΠ°Π½ΠΈΡΠ΅Π½ΠΈΡ ΡΠΎΡΡΠ° Π΄Π°ΒΠ²Π»Π΅Π½ΠΈΡ ΠΆΠΈΠ΄ΠΊΠΎΡΡΠΈ Π² Π³ΠΈΠ΄ΡΠΎΠΏΡΠΈΠ²ΠΎΠ΄Π°Ρ
Π·Π°Π΄Π½ΠΈΡ
ΠΊΠΎΠ»Π΅Ρ ΠΏΠΎΡΠ»Π΅ Π΄ΠΎΡΡΠΈΠΆΠ΅Π½ΠΈΡ ΠΎΠΏΡΠ΅Π΄Π΅Π»Π΅Π½Π½ΠΎΠΉ Π²Π΅Π»ΠΈΡΠΈΠ½Ρ Π΄Π°Π²Π»Π΅Π½ΠΈΡ Π² Π³Π»Π°Π²Π½ΠΎΠΌ ΡΠΎΡΠΌΠΎΠ·Π½ΠΎΠΌ ΡΠΈΠ»ΠΈΠ½Π΄ΡΠ΅. ΠΡΠΎ ΠΎΠ³ΡΠ°Π½ΠΈΡΠΈΠ²Π°Π΅Ρ ΡΠΎΡΠΌΠΎΠ·Π½ΡΠ΅ ΠΌΠΎΒΠΌΠ΅Π½ΡΡ Π·Π°Π΄Π½ΠΈΡ
ΠΊΠΎΠ»Π΅Ρ ΠΈ ΡΠ½ΠΈΠΆΠ°Π΅Ρ Π²Π΅ΒΡΠΎΡΡΠ½ΠΎΡΡΡ ΠΈΡ
ΠΎΠΏΠ΅ΡΠ΅ΠΆΠ°ΡΡΠ΅ΠΉ Π±Π»ΠΎΠΊΠΈΒΡΠΎΠ²ΠΊΠΈ ΠΏΠΎ ΠΎΡΠ½ΠΎΡΠ΅Π½ΠΈΡ ΠΊ ΠΏΠ΅ΡΠ΅Π΄Π½ΠΈΠΌ ΠΊΠΎΠ»Π΅ΡΠ°ΠΌ ΠΏΡΠΈ ΡΠ΅Π·ΠΊΠΎΠΌ ΡΠΎΡΠΌΠΎΠΆΠ΅Π½ΠΈΠΈ. Π’ΠΎΡΠ½ΠΎΠ΅ ΡΠ΅ΡΡΠΈΡΠΎΠ²Π°Π½ΠΈΠ΅ ΡΠ΅Π³ΡΠ»ΡΡΠΎΡΠ° Π΄Π°Π²Π»Π΅Π½ΠΈΡ Π½Π΅Π²ΠΎΠ·ΠΌΠΎΠΆΠ½ΠΎ Π±Π΅Π· ΡΠΏΠ΅ΡΠΈΒΠ°Π»ΡΠ½ΠΎΠ³ΠΎ ΠΎΠ±ΠΎΡΡΠ΄ΠΎΠ²Π°Π½ΠΈΡ. ΠΠ½ΡΠΈΠ±Π»ΠΎΠΊΠΈΡΠΎΠ²ΠΎΡΠ½Π°Ρ ΡΠΈΡΡΠ΅ΠΌΠ° ΠΎΠ±Π΅ΡΒΠΏΠ΅ΡΠΈΠ²Π°Π΅Ρ ΡΡΠ°Π±ΠΈΠ»ΡΠ½ΠΎΡΡΡ ΡΠΏΡΠ°Π²Π»Π΅Π½ΠΈΡ Π°Π²ΡΠΎΠΌΠΎΠ±ΠΈΠ»Π΅ΠΌ ΠΏΡΠΈ ΡΠΎΡΠΌΠΎΠΆΠ΅Π½ΠΈΠΈ Π·Π° ΡΡΠ΅Ρ ΠΈΡΠΊΠ»ΡΡΠ΅Π½ΠΈΡ Π±Π»ΠΎΠΊΠΈΡΠΎΠ²ΠΊΠΈ ΠΊΠΎΒΠ»Π΅Ρ. ΠΠΈΠ΄ΡΠ°Π²Π»ΠΈΡΠ΅ΡΠΊΠΈΠΉ Π±Π»ΠΎΠΊ ΠΠΠ‘, ΡΠΎΒΡΡΠΎΡΡΠΈΠΉ ΠΈΠ· ΠΌΠΎΠ΄ΡΠ»ΡΡΠΎΡΠ°, Π½Π°ΡΠΎΡΠ° ΠΈ Π±Π»ΠΎΠΊΠ° ΡΠΏΡΠ°Π²Π»Π΅Π½ΠΈΡ, ΠΊΡΠ΅ΠΏΠΈΡΡΡ ΠΊ ΡΠΈΡΠΊΡ ΠΏΠ΅ΡΠ΅Π΄ΠΊΠ° Π² ΠΌΠΎΡΠΎΡΠ½ΠΎΠΌ ΠΎΡΡΠ΅ΒΠΊΠ΅ ΠΏΠΎΠ΄ Π²Π°ΠΊΡΡΠΌΠ½ΡΠΌ ΡΡΠΈΠ»ΠΈΡΠ΅Π»Π΅ΠΌ ΡΠΎΡΒΠΌΠΎΠ·ΠΎΠ². ΠΠΠ‘ Π΄Π΅ΠΉΡΡΠ²ΡΠ΅Ρ Π² Π·Π°Π²ΠΈΡΠΈΠΌΠΎΒΡΡΠΈ ΠΎΡ ΡΠΈΠ³Π½Π°Π»ΠΎΠ² Π΄Π°ΡΡΠΈΠΊΠΎΠ² ΡΠΊΠΎΡΠΎΡΡΠΈ Π²ΡΠ°ΡΠ΅Π½ΠΈΡ ΠΊΠΎΠ»Π΅Ρ, ΡΡΡΠ°Π½ΠΎΠ²Π»Π΅Π½Π½ΡΡ
Π½Π° ΠΊΠΎΠ»Π΅ΡΠ°Ρ
. ΠΡΠΈ ΡΠΎΡΠΌΠΎΠΆΠ΅Π½ΠΈΠΈ Π°Π²ΡΠΎΠΌΠΎΒΠ±ΠΈΠ»Ρ Π±Π»ΠΎΠΊ ΡΠΏΡΠ°Π²Π»Π΅Π½ΠΈΡ ΠΠΠ‘ ΠΎΠΏΡΠ΅Π΄Π΅ΒΠ»ΡΠ΅Ρ Π½Π°ΡΠ°Π»ΠΎ Π±Π»ΠΎΠΊΠΈΡΠΎΠ²ΠΊΠΈ ΠΊΠΎΠ»Π΅ΡΠ° ΠΈ ΠΎΡΠΊΡΡΠ²Π°Π΅Ρ ΡΠΎΠΎΡΠ²Π΅ΡΡΡΠ²ΡΡΡΠΈΠΉ ΡΠ»Π΅ΠΊΒΡΡΠΎΠΌΠ°Π³Π½ΠΈΡΠ½ΡΠΉ ΠΊΠ»Π°ΠΏΠ°Π½ ΠΌΠΎΠ΄ΡΠ»ΡΡΠΎΡΠ° Π΄Π»Ρ ΡΠ±ΡΠΎΡΠ° Π΄Π°Π²Π»Π΅Π½ΠΈΡ ΡΠΎΡΠΌΠΎΠ·Π½ΠΎΠΉ ΠΆΠΈΠ΄ΠΊΠΎΡΡΠΈ Π² ΠΊΠ°Π½Π°Π»Π΅.
ΠΠ»Π°ΠΏΠ°Π½ ΠΎΡΠΊΡΡΒΠ²Π°Π΅ΡΡΡ ΠΈ Π·Π°ΠΊΡΡΠ²Π°Π΅ΡΡΡ Π½Π΅ΡΠΊΠΎΠ»ΡΠΊΠΎ ΡΠ°Π· Π² ΡΠ΅ΠΊΡΠ½Π΄Ρ, ΠΏΠΎΡΡΠΎΠΌΡ ΡΠ±Π΅Π΄ΠΈΡΡΡΡ Π² ΡΠΎΠΌ, ΡΡΠΎ ΠΠΠ‘ ΡΠ°Π±ΠΎΡΠ°Π΅Ρ, ΠΌΠΎΠΆΠ½ΠΎ ΠΏΠΎ ΡΠ»Π°Π±ΠΎΒΠΌΡ Π΄ΡΠΎΠΆΠ°Π½ΠΈΡ ΠΏΠ΅Π΄Π°Π»ΠΈ ΡΠΎΡΠΌΠΎΠ·Π°. ΠΡΠΈ Π²ΠΎΠ·Π½ΠΈΠΊΠ½ΠΎΠ²Π΅Π½ΠΈΠΈ Π½Π΅ΠΈΡΠΏΡΠ°Π²Π½ΠΎΡΡΠΈ Π² ΠΠΠ‘ ΡΠΎΡΠΌΠΎΠ·Π½Π°Ρ ΡΠΈΡΡΠ΅ΠΌΠ° ΡΠΎΡ
ΡΠ°Π½ΡΒΠ΅Ρ ΡΠ°Π±ΠΎΡΠΎΡΠΏΠΎΡΠΎΠ±Π½ΠΎΡΡΡ, Π½ΠΎ ΠΏΡΠΈ ΡΡΠΎΠΌ Π²ΠΎΠ·ΠΌΠΎΠΆΠ½Π° Π±Π»ΠΎΠΊΠΈΡΠΎΠ²ΠΊΠ° ΠΊΠΎΠ»Π΅Ρ. Π ΠΏΠ°ΒΠΌΡΡΡ Π±Π»ΠΎΠΊΠ° ΡΠΏΡΠ°Π²Π»Π΅Π½ΠΈΡ Π·Π°ΠΏΠΈΡΡΠ²Π°ΒΠ΅ΡΡΡ ΡΠΎΠΎΡΠ²Π΅ΡΡΡΠ²ΡΡΡΠΈΠΉ ΠΊΠΎΠ΄ Π½Π΅ΠΈΡΒΠΏΡΠ°Π²Π½ΠΎΡΡΠΈ, ΠΊΠΎΡΠΎΡΡΠΉ ΡΡΠΈΡΡΠ²Π°Π΅ΡΡΡ Ρ ΠΏΠΎΠΌΠΎΡΡΡ ΡΠΏΠ΅ΡΠΈΠ°Π»ΡΠ½ΠΎΠ³ΠΎ ΠΎΠ±ΠΎΡΡΒΠ΄ΠΎΠ²Π°Π½ΠΈΡ Π² ΡΠ΅ΡΠ²ΠΈΡΠ½ΠΎΠΌ ΡΠ΅Π½ΡΡΠ΅. Π’ΠΎΡΠΌΠΎΠ·Π½ΠΎΠΉ ΠΌΠ΅Ρ
Π°Π½ΠΈΠ·ΠΌ ΠΏΠ΅ΡΠ΅Π΄Π½Π΅Π³ΠΎ ΠΊΠΎΠ»Π΅ΡΠ° β Π΄ΠΈΡΠΊΠΎΠ²ΡΠΉ, ΠΎΠ΄Π½ΠΎΠΏΠΎΡΡΠ½Π΅-Π²ΠΎΠΉ, Ρ ΠΏΠ»Π°Π²Π°ΡΡΠΈΠΌ ΡΡΠΏΠΏΠΎΡΡΠΎΠΌ ΠΈ Π°ΠΊΡΡΡΠΈΡΠ΅ΡΠΊΠΈΠΌ ΠΈΠ½Π΄ΠΈΠΊΠ°ΡΠΎΡΠΎΠΌ ΠΈΠ·ΒΠ½ΠΎΡΠ° Π½Π° Π²Π½ΡΡΡΠ΅Π½Π½Π΅ΠΉ ΠΊΠΎΠ»ΠΎΠ΄ΠΊΠ΅. Π‘ΡΠ°Π½Π΄Π°ΡΡΠ½Π°Ρ ΡΠΎΠ»ΡΠΈΠ½Π° ΡΠΎΡΠΌΠΎΠ·Π½ΠΎΠ³ΠΎ Π΄ΠΈΡΠΊΠ° Π΄ΠΎΠ»ΠΆΠ½Π° ΡΠΎΡΡΠ°Π²Π»ΡΡΡ 19,0 ΠΌΠΌ, ΠΌΠΈΠ½ΠΈΠΌΠ°Π»ΡΠ½Π°Ρ β 17,0 ΠΌΠΌ. ΠΠ°ΠΊΡΠΈΒΠΌΠ°Π»ΡΠ½ΠΎ Π΄ΠΎΠΏΡΡΡΠΈΠΌΠΎΠ΅ ΡΠΎΡΡΠ΅Π²ΠΎΠ΅ Π±ΠΈΠ΅-
Π½ΠΈΠ΅ ΡΠΎΡΠΌΠΎΠ·Π½ΠΎΠ³ΠΎ Π΄ΠΈΡΠΊΠ° ΡΠ°Π²Π½ΡΠ΅ΡΡΡ 0,05 ΠΌΠΌ. Π’ΠΎΠ»ΡΠΈΠ½Π° Π½Π°ΠΊΠ»Π°Π΄ΠΊΠΈ Π½ΠΎΠ²ΠΎΠΉ ΡΠΎΡΠΌΠΎΠ·Π½ΠΎΠΉ ΠΊΠΎΠ»ΠΎΠ΄ΠΊΠΈ ΡΠ°Π²Π½ΡΠ΅ΡΡΡ 9,0 ΠΌΠΌ, ΠΌΠΈΠ½ΠΈΠΌΠ°Π»ΡΠ½Π°Ρ β 2,0 ΠΌΠΌ. ΠΡΠΈ ΡΠΎΠ»ΡΠΈΠ½Π΅ Π½Π°ΠΊΠ»Π°Π΄ΠΊΠΈ Π²Π½ΡΡΡΠ΅Π½ΒΠ½Π΅ΠΉ ΠΊΠΎΠ»ΠΎΠ΄ΠΊΠΈ ΠΌΠ΅Π½Π΅Π΅ 2,0 ΠΌΠΌ ΠΈΠ½Π΄ΠΈΒΠΊΠ°ΡΠΎΡ ΠΈΠ·Π½ΠΎΡΠ° Π½Π°ΡΠΈΠ½Π°Π΅Ρ ΠΈΠ·Π΄Π°Π²Π°ΡΡ ΡΠΊΡΠΈΠΏ, ΠΏΡΠ΅Π΄ΡΠΏΡΠ΅ΠΆΠ΄Π°ΡΡΠΈΠΉ Π²ΠΎΠ΄ΠΈΡΠ΅ΒΠ»Ρ ΠΎ Π½Π΅ΠΎΠ±Ρ
ΠΎΠ΄ΠΈΠΌΠΎΡΡΠΈ Π·Π°ΠΌΠ΅Π½Ρ ΠΊΠΎΠ»ΠΎΒΠ΄ΠΎΠΊ. Π’ΠΎΡΠΌΠΎΠ·Π½ΡΠ΅ ΠΊΠΎΠ»ΠΎΠ΄ΠΊΠΈ Π»Π΅Π²ΠΎΠ³ΠΎ ΠΈ ΠΏΡΠ°Π²ΠΎΠ³ΠΎ ΠΊΠΎΠ»Π΅Ρ Π·Π°ΠΌΠ΅Π½ΡΡΡΡΡ ΠΎΠ΄Π½ΠΎΒΠ²ΡΠ΅ΠΌΠ΅Π½Π½ΠΎ.
ΠΠ° Π°Π²ΡΠΎΠΌΠΎΠ±ΠΈΠ»Π΅ Ρ ΠΠΠ‘ Π² ΠΎΡΠ²Π΅ΡΒΡΡΠΈΠΈ ΠΏΠΎΠ²ΠΎΡΠΎΡΠ½ΠΎΠ³ΠΎ ΠΊΡΠ»Π°ΠΊΠ° ΡΡΡΠ°ΒΠ½ΠΎΠ²Π»Π΅Π½ Π΄Π°ΡΡΠΈΠΊ ΡΠΊΠΎΡΠΎΡΡΠΈ Π²ΡΠ°ΡΠ΅ΒΠ½ΠΈΡ ΠΊΠΎΠ»Π΅ΡΠ° (Π), Π° Π½Π° ΠΊΠΎΡΠΏΡΡ Π½Π°ΒΡΡΠΆΠ½ΠΎΠ³ΠΎ ΡΠ°ΡΠ½ΠΈΡΠ° ΠΏΡΠΈΠ²ΠΎΠ΄Π° Π½Π°ΠΏΡΠ΅ΡΡΠΎΠ²Π°Π½ Π·ΡΠ±ΡΠ°ΡΡΠΉ Π²Π΅Π½Π΅Ρ (Π). Π’ΠΎΡΠΌΠΎΠ·Π½ΠΎΠΉ ΠΌΠ΅Ρ
Π°Π½ΠΈΠ·ΠΌ Π·Π°Π΄Π½Π΅Π³ΠΎ ΠΊΠΎΠ»Π΅ΒΡΠ° β Π±Π°ΡΠ°Π±Π°Π½Π½ΡΠΉ, Ρ Π΄Π²ΡΡ
ΠΏΠΎΡΡΠ½Π΅-Π²ΡΠΌ ΠΊΠΎΠ»Π΅ΡΠ½ΡΠΌ ΡΠΈΠ»ΠΈΠ½Π΄ΡΠΎΠΌ ΠΈ Π΄Π²ΡΠΌΡ ΡΠΎΡΠΌΠΎΠ·Π½ΡΠΌΠΈ ΠΊΠΎΠ»ΠΎΠ΄ΠΊΠ°ΠΌΠΈ, Ρ Π°Π²ΡΠΎΠΌΠ°ΒΡΠΈΡΠ΅ΡΠΊΠΎΠΉ ΡΠ΅Π³ΡΠ»ΠΈΡΠΎΠ²ΠΊΠΎΠΉ Π·Π°Π·ΠΎΡΠ° ΠΌΠ΅ΒΠΆΠ΄Ρ ΠΊΠΎΠ»ΠΎΠ΄ΠΊΠ°ΠΌΠΈ ΠΈ Π±Π°ΡΠ°Π±Π°Π½ΠΎΠΌ. Π‘ΡΠ°Π½ΒΠ΄Π°ΡΡΠ½Π°Ρ ΡΠΎΠ»ΡΠΈΠ½Π° Π½Π°ΠΊΠ»Π°Π΄ΠΊΠΈ ΠΊΠΎΠ»ΠΎΠ΄ΒΠΊΠΈ Π΄ΠΎΠ»ΠΆΠ½Π° ΡΠΎΡΡΠ°Π²Π»ΡΡΡ 4,8 ΠΌΠΌ, ΠΌΠΈΠ½ΠΈΠΌΠ°Π»ΡΠ½Π°Ρ β 1,0 ΠΌΠΌ. Π‘ΡΠ°Π½Π΄Π°ΡΡΒΠ½ΡΠΉ Π²Π½ΡΡΡΠ΅Π½Π½ΠΈΠΉ Π΄ΠΈΠ°ΠΌΠ΅ΡΡ ΡΠΎΡΠΌΠΎΠ·ΒΠ½ΠΎΠ³ΠΎ Π±Π°ΡΠ°Π±Π°Π½Π° ΡΠ°Π²Π΅Π½ 180 ΠΌΠΌ, ΠΌΠ°ΠΊΒΡΠΈΠΌΠ°Π»ΡΠ½ΡΠΉ β 182 ΠΌΠΌ. ΠΠ΅ΡΠΈΠ»ΠΈΠ½Π΄-ΡΠΈΡΠ½ΠΎΡΡΡ ΡΠ°Π±ΠΎΡΠ΅ΠΉ ΠΏΠΎΠ²Π΅ΡΡ
Π½ΠΎΡΡΠΈ ΡΠΎΡΠΌΠΎΠ·Π½ΠΎΠ³ΠΎ Π±Π°ΡΠ°Π±Π°Π½Π° Π½Π΅ Π΄ΠΎΠ»ΠΆΠ½Π° ΠΏΡΠ΅Π²ΡΡΠ°ΡΡ 0,15 ΠΌΠΌ. ΠΡΠΈΠ²ΠΎΠ΄ ΡΡΠΎΡΠ½ΠΎΡΠ½ΠΎΠΉ ΡΠΎΡΠΌΠΎΠ·Π½ΠΎΠΉ ΡΠΈΡΒΡΠ΅ΠΌΡ β ΠΌΠ΅Ρ
Π°Π½ΠΈΡΠ΅ΡΠΊΠΈΠΉ, ΡΡΠΎΡΠΎΠ²ΡΠΉ, Π½Π° Π·Π°Π΄Π½ΠΈΠ΅ ΠΊΠΎΠ»Π΅ΡΠ°.
ΠΠ½ ΡΠΎΡΡΠΎΠΈΡ ΠΈΠ· ΡΡΒΡΠ°Π³Π°, ΡΡΠ³ΠΈ Ρ ΡΠ΅Π³ΡΠ»ΠΈΡΠΎΠ²ΠΎΡΠ½ΠΎΠΉ Π³Π°ΠΉΠΊΠΎΠΉ ΠΈ Π΄Π²ΡΡ
ΡΡΠΎΡΠΎΠ². ΠΠ°Π΄Π½ΠΈΠ΅ Π½Π°ΠΊΠΎΠ½Π΅ΡΠ½ΠΈΠΊΠΈ ΡΡΠΎΡΠΎΠ² ΡΠΎΠ΅Π΄ΠΈΠ½Π΅Π½Ρ Ρ ΡΡΡΠ°Π³Π°ΠΌΠΈ ΠΏΡΠΈΒΠ²ΠΎΠ΄Π° ΡΡΠΎΡΠ½ΠΎΡΠ½ΠΎΠ³ΠΎ ΡΠΎΡΠΌΠΎΠ·Π°, ΡΡΡΠ°Π½ΠΎΒΠ²Π»Π΅Π½Π½ΡΠΌΠΈ Π½Π° Π·Π°Π΄Π½ΠΈΡ
ΠΊΠΎΠ»ΠΎΠ΄ΠΊΠ°Ρ
. Π ΡΒΡΠ°Π³, Π·Π°ΠΊΡΠ΅ΠΏΠ»Π΅Π½Π½ΡΠΉ ΠΌΠ΅ΠΆΠ΄Ρ ΠΏΠ΅ΡΠ΅Π΄Π½ΠΈΒΠΌΠΈ ΡΠΈΠ΄Π΅Π½ΡΡΠΌΠΈ Π½Π° ΡΡΠ½Π½Π΅Π»Π΅ ΠΏΠΎΠ»Π°, ΠΎΠ±ΠΎΡΡΠ΄ΠΎΠ²Π°Π½ ΠΌΠ΅Ρ
Π°Π½ΠΈΠ·ΠΌΠΎΠΌ ΡΠ΅Π³ΡΠ»ΠΈΒΡΠΎΠ²ΠΊΠΈ Π½Π°ΡΡΠΆΠ΅Π½ΠΈΡ ΡΡΠΎΡΠΎΠ². ΠΠ΅ΡΠ΅Π΄Π½ΠΈΠ΅ Π½Π°ΠΊΠΎΠ½Π΅ΡΠ½ΠΈΠΊΠΈ ΡΡΠΎΡΠΎΠ² ΡΠΎΠ΅Π΄ΠΈΠ½Π΅Π½Ρ Ρ ΡΡΠ°Π²Π½ΠΈΡΠ΅Π»Π΅ΠΌ ΠΌΠ΅Ρ
Π°Π½ΠΈΠ·ΠΌΠ° Π½Π°ΡΡΠΆΠ΅ΒΠ½ΠΈΡ. ΠΠΎΠ»Π½ΡΠΉ Ρ
ΠΎΠ΄ ΡΡΡΠ°Π³Π° ΠΏΠΎΡΠ»Π΅ ΡΠ΅Π³ΡΒΠ»ΠΈΡΠΎΠ²ΠΊΠΈ Π΄ΠΎΠ»ΠΆΠ΅Π½ ΡΠΎΠΎΡΠ²Π΅ΡΡΡΠ²ΠΎΠ²Π°ΡΡ ΠΏΠΎΠ΄ΡΠ΅ΠΌΡ Π½Π° 6-7 Π·ΡΠ±ΡΠΎΠ² ΠΏΠΎ ΡΠ΅ΠΊΡΠΎΡΡ.
ΠΠΠΠΠΠ ΠΠΠΠΠΠΠ Π’ΠΠ ΠΠΠΠΠ«Π₯ ΠΠΠ₯ΠΠΠΠΠΠΠ ΠΠΠ ΠΠΠΠΠ₯ ΠΠΠΠΠ‘
Π’ΠΎΡΠΌΠΎΠ·Π½ΡΠ΅ ΠΊΠΎΠ»ΠΎΠ΄ΠΊΠΈ ΠΌΠ΅Ρ Π°ΒΠ½ΠΈΠ·ΠΌΠΎΠ² ΠΏΠ΅ΡΠ΅Π΄Π½ΠΈΡ ΠΊΠΎΠ»Π΅Ρ Π½Π΅ΒΠΎΠ±Ρ ΠΎΠ΄ΠΈΠΌΠΎ Π·Π°ΠΌΠ΅Π½ΡΡΡ ΡΠΎΠ»ΡΠΊΠΎ ΠΊΠΎΠΌΠΏΠ»Π΅ΠΊΡΠΎΠΌ β ΡΠ΅ΡΡΡΠ΅ ΡΡΡΒΠΊΠΈ. ΠΠ°ΠΌΠ΅Π½Π° ΠΊΠΎΠ»ΠΎΠ΄ΠΎΠΊ ΡΠΎΠ»ΡΠΊΠΎ ΠΎΠ΄Π½ΠΎΠ³ΠΎ ΡΠΎΡΠΌΠΎΠ·Π½ΠΎΠ³ΠΎ ΠΌΠ΅Ρ Π°Π½ΠΈΠ·ΒΠΌΠ° ΠΌΠΎΠΆΠ΅Ρ ΠΏΡΠΈΠ²Π΅ΡΡΠΈ ΠΊ ΡΠ²ΠΎΠ΄Ρ Π°Π²ΡΠΎΠΌΠΎΠ±ΠΈΠ»Ρ Π² ΡΡΠΎΡΠΎΠ½Ρ ΠΏΡΠΈ ΡΠΎΡΠΌΠΎΠΆΠ΅Π½ΠΈΠΈ.
ΠΡΠ»ΠΈ ΡΡΠΎΠ²Π΅Π½Ρ ΡΠΎΡΠΌΠΎΠ·Π½ΠΎΠΉ ΠΆΠΈΠ΄ΠΊΠΎΡΡΠΈ Π² Π±Π°ΡΠΊΠ΅ Π½Π°Ρ
ΠΎΠ΄ΠΈΡΡΡ Π½Π° ΠΎΡΠΌΠ΅ΡΠΊΠ΅ Β«ΠΠΠ₯Β», ΠΌΠ΅Π΄ΠΈΡΠΈΠ½ΡΠΊΠΈΠΌ ΡΠΏΡΠΈΡΠ΅ΠΌ ΠΈΠ»ΠΈ ΡΠ΅Π·ΠΈΠ½ΠΎΠ²ΠΎΠΉ Π³ΡΡΡΠ΅ΠΉ ΠΎΡΠΊΠ°ΡΠΈΠ²Π°Π΅ΠΌ ΠΈΠ· Π±Π°ΡΠΊΠ° ΡΠ°ΡΡΡ ΠΆΠΈΠ΄ΠΊΠΎΡΡΠΈ, ΡΡΠΎΠ±Ρ ΠΏΡΠΈ ΡΡΠ°ΠΏΠ»ΠΈΠ²Π°Π½ΠΈΠΈ ΠΏΠΎΡΡΠ½Ρ Π² ΡΠΈΒΠ»ΠΈΠ½Π΄Ρ ΠΆΠΈΠ΄ΠΊΠΎΡΡΡ Π½Π΅ Π²ΡΡΠ΅ΠΊΠ»Π° ΠΈΠ·-ΠΏΠΎΠ΄ ΠΊΡΡΡΠΊΠΈ Π±Π°ΡΠΊΠ°.
Π‘Π½ΠΈΠΌΠ°Π΅ΠΌ ΠΏΠ΅ΡΠ΅Π΄Π½Π΅Π΅ ΠΊΠΎΠ»Π΅ΡΠΎ.
ΠΡΡΠ°Π²ΠΈΠ² ΠΎΡΠ²Π΅ΡΡΠΊΡ Ρ ΡΠΈΡΠΎΠΊΠΈΠΌ Π»Π΅Π·ΒΠ²ΠΈΠ΅ΠΌ ΠΌΠ΅ΠΆΠ΄Ρ ΡΠΎΡΠΌΠΎΠ·Π½ΡΠΌ Π΄ΠΈΡΠΊΠΎΠΌ ΠΈ Π²Π½ΡΡΡΠ΅Π½Π½Π΅ΠΉ ΠΊΠΎΠ»ΠΎΠ΄ΠΊΠΎΠΉ, ΡΠ°Π·Π΄Π²ΠΈΒΠ³Π°Π΅ΠΌ ΡΠΎΡΠΌΠΎΠ·Π½ΡΠ΅ ΠΊΠΎΠ»ΠΎΠ΄ΠΊΠΈ ΠΈ ΡΡΠ°ΠΏΒΠ»ΠΈΠ²Π°Π΅ΠΌ ΠΏΠΎΡΡΠ΅Π½Ρ Π² ΡΠΈΠ»ΠΈΠ½Π΄Ρ.
ΠΠΎΠ»ΠΎΠ²ΠΊΠΎΠΉ Β«Π½Π° 12Β» ΠΎΡΠ²ΠΎΡΠ°ΡΠΈΠ²Π°ΒΠ΅ΠΌ Π½Π°ΠΏΡΠ°Π²Π»ΡΡΡΠΈΠΉ ΠΏΠ°Π»Π΅Ρ ΡΡΠΏΒΠΏΠΎΡΡΠ°…
…ΠΈ Π²ΡΠ½ΠΈΠΌΠ°Π΅ΠΌ ΠΏΠ°Π»Π΅Ρ.
ΠΠΎΠ²ΠΎΡΠ°ΡΠΈΠ²Π°Π΅ΠΌ ΡΡΠΏΠΏΠΎΡΡ Π²ΠΎΠΊΡΡΠ³ Π²Π΅ΡΡ Π½Π΅Π³ΠΎ Π½Π°ΠΏΡΠ°Π²Π»ΡΡΡΠ΅Π³ΠΎ ΡΡΠΈΡΒΡΠ° ΠΈ ΠΏΠΎΠ΄Π²ΡΠ·ΡΠ²Π°Π΅ΠΌ ΡΡΠΏΠΏΠΎΡΡ ΠΏΡΠΎΒΠ²ΠΎΠ»ΠΎΠΊΠΎΠΉ ΠΈΠ»ΠΈ ΡΠ½ΡΡΠΎΠΌ ΠΊ ΠΏΡΡΠΆΠΈΠ½Π΅ ΠΏΠ΅ΡΠ΅Π΄Π½Π΅ΠΉ ΠΏΠΎΠ΄Π²Π΅ΡΠΊΠΈ.
…ΠΈ Π²Π½ΡΡΡΠ΅Π½Π½ΡΡ ΠΊΠΎΠ»ΠΎΠ΄ΠΊΠΈ.
ΠΡΠ½ΠΈΠΌΠ°Π΅ΠΌ ΠΈΠ· Π½Π°ΠΏΡΠ°Π²Π»ΡΡΡΠ΅ΠΉ Π½Π°ΡΡΠΆΠ½ΡΡ…
Π‘Π½ΠΈΠΌΠ°Π΅ΠΌ ΠΏΡΡΠΆΠΈΠ½Π½ΡΠ΅ Π΄Π΅ΡΠΆΠ°ΡΠ΅ΒΠ»ΠΈ ΠΊΠΎΠ»ΠΎΠ΄ΠΎΠΊ.
ΠΡΠΈΡΠ°Π΅ΠΌ ΠΎΡ Π³ΡΡΠ·ΠΈ ΠΈ ΠΊΠΎΡΡΠΎΠ·ΠΈΠΈ Π΄Π΅ΒΡΠ°Π»ΠΈ ΡΠΎΡΠΌΠΎΠ·Π½ΠΎΠ³ΠΎ ΠΌΠ΅Ρ
Π°Π½ΠΈΠ·ΠΌΠ°, ΠΎΡΠΎΒΠ±Π΅Π½Π½ΠΎ ΠΏΠΎΡΠ°Π΄ΠΎΡΠ½ΡΠ΅ ΠΌΠ΅ΡΡΠ° ΡΠΎΡΠΌΠΎΠ·ΒΠ½ΡΡ
ΠΊΠΎΠ»ΠΎΠ΄ΠΎΠΊ Π² ΡΡΠΏΠΏΠΎΡΡΠ΅ ΠΈ Π² Π½Π°ΠΏΡΠ°ΒΠ²Π»ΡΡΡΠ΅ΠΉ ΠΊΠΎΠ»ΠΎΠ΄ΠΎΠΊ.
ΠΠ»Ρ ΠΎΡΠΈΡΡΠΊΠΈ ΡΠΎΡΠΌΠΎΠ·Π½ΡΡ ΠΌΠ΅Ρ Π°Π½ΠΈΠ·ΠΌΠΎΠ² Π·Π°ΠΏΡΠ΅ΡΠ΅Π½ΠΎ ΠΏΡΠΈΠΌΠ΅Π½ΡΡΡ Π±Π΅Π½Π·ΠΈΠ½ ΠΈ Π΄ΠΈΒΠ·Π΅Π»ΡΠ½ΠΎΠ΅ ΡΠΎΠΏΠ»ΠΈΠ²ΠΎ.
Π£ΡΡΠ°Π½Π°Π²Π»ΠΈΠ²Π°Π΅ΠΌ ΠΊΠΎΠ»ΠΎΠ΄ΠΊΠΈ Π² ΠΎΠ±ΡΠ°ΡΒΠ½ΠΎΠΉ ΠΏΠΎΡΠ»Π΅Π΄ΠΎΠ²Π°ΡΠ΅Π»ΡΠ½ΠΎΡΡΠΈ.
ΠΠ° ΠΎΠ±ΠΎΠΈΡ Π²Π½ΡΡΡΠ΅Π½Π½ΠΈΡ ΠΊΠΎΠ»ΠΎΠ΄ΠΊΠ°Ρ ΡΡΡΠ°Π½ΠΎΠ²Π»Π΅Π½Ρ Π°ΠΊΡΡΡΠΈΡΠ΅ΡΠΊΠΈΠ΅ ΠΈΠ½Π΄ΠΈΠΊΠ°ΡΠΎΡΡ ΠΈΠ·Π½ΠΎΡΠ°.
ΠΠΎΡΠ»Π΅ Π·Π°ΠΌΠ΅Π½Ρ ΠΊΠΎΠ»ΠΎΠ΄ΠΎΠΊ Π½Π° ΠΎΠ±ΠΎΠΈΡ ΠΏΠ΅ΡΠ΅Π΄Π½ΠΈΡ ΠΊΠΎΠ»Π΅ΡΠ°Ρ Π½Π΅ΡΠΊΠΎΠ»ΡΠΊΠΎ ΡΠ°Π· Π½Π°ΠΆΠΈΠΌΠ°Π΅ΠΌ ΠΏΠ΅Π΄Π°Π»Ρ ΡΠΎΡΠΌΠΎΠ·Π° Π΄Π»Ρ ΡΡΒΡΠ°Π½ΠΎΠ²ΠΊΠΈ Π·Π°Π·ΠΎΡΠΎΠ² ΠΌΠ΅ΠΆΠ΄Ρ ΠΊΠΎΠ»ΠΎΠ΄ΠΊΠ°ΒΠΌΠΈ ΠΈ Π΄ΠΈΡΠΊΠ°ΠΌΠΈ.
ΠΡΠΎΠ²Π΅ΡΡΠ΅ΠΌ ΡΡΠΎΠ²Π΅Π½Ρ ΠΆΠΈΠ΄ΠΊΠΎΡΡΠΈ Π² Π±Π°ΡΒΠΊΠ΅ ΠΈ ΠΏΡΠΈ Π½Π΅ΠΎΠ±Ρ ΠΎΠ΄ΠΈΠΌΠΎΡΡΠΈ Π΄ΠΎΠ²ΠΎΠ΄ΠΈΠΌ Π΅Π³ΠΎ Π΄ΠΎ Π½ΠΎΡΠΌΡ.
ΠΠΠΠΠΠ ΠΠΠΠΠΠΠ Π’ΠΠ ΠΠΠΠΠ«Π₯ ΠΠΠ₯ΠΠΠΠΠΠΠ ΠΠΠΠΠΠ₯ ΠΠΠΠΠ‘
Π’ΠΎΡΠΌΠΎΠ·Π½ΡΠ΅ ΠΊΠΎΠ»ΠΎΠ΄ΠΊΠΈ ΠΌΠ΅Ρ Π°ΒΠ½ΠΈΠ·ΠΌΠΎΠ² Π·Π°Π΄Π½ΠΈΡ ΠΊΠΎΠ»Π΅Ρ Π½Π΅ΒΠΎΠ±Ρ ΠΎΠ΄ΠΈΠΌΠΎ Π·Π°ΠΌΠ΅Π½ΡΡΡ ΡΠΎΠ»ΡΒΠΊΠΎ ΠΎΠ΄Π½ΠΎΠ²ΡΠ΅ΠΌΠ΅Π½Π½ΠΎ β ΠΊΠΎΠΌΠΏΒΠ»Π΅ΠΊΡΠΎΠΌ ΠΈΠ· ΡΠ΅ΡΡΡΠ΅Ρ ΠΊΠΎΠ»ΠΎΠ΄ΠΎΠΊ. ΠΠ°ΠΌΠ΅Π½Π° ΠΊΠΎΠ»ΠΎΠ΄ΠΎΠΊ ΡΠΎΠ»ΡΠΊΠΎ ΠΎΠ΄ΒΠ½ΠΎΠ³ΠΎ ΡΠΎΡΠΌΠΎΠ·Π½ΠΎΠ³ΠΎ ΠΌΠ΅Ρ Π°Π½ΠΈΠ·ΠΌΠ° ΠΌΠΎΠΆΠ΅Ρ ΠΏΡΠΈΠ²Π΅ΡΡΠΈ ΠΊ ΡΠ²ΠΎΠ΄Ρ Π°Π²ΒΡΠΎΠΌΠΎΠ±ΠΈΠ»Ρ Π² ΡΡΠΎΡΠΎΠ½Ρ ΠΏΡΠΈ ΡΠΎΡΒΠΌΠΎΠΆΠ΅Π½ΠΈΠΈ.
ΠΡΠ»ΠΈ ΡΡΠΎΠ²Π΅Π½Ρ ΡΠΎΡΠΌΠΎΠ·Π½ΠΎΠΉ ΠΆΠΈΠ΄ΠΊΠΎΡΡΠΈ Π² Π±Π°ΡΠΊΠ΅ Π½Π°Ρ ΠΎΠ΄ΠΈΡΡΡ Π½Π° ΠΎΡΠΌΠ΅ΡΠΊΠ΅ Β«ΠΠΠ₯Β», ΠΌΠ΅Π΄ΠΈΡΠΈΠ½ΡΠΊΠΈΠΌ ΡΠΏΡΠΈΡΠ΅ΠΌ ΠΈΠ»ΠΈ ΡΠ΅Π·ΠΈΠ½ΠΎΠ²ΠΎΠΉ Π³ΡΡΡΠ΅ΠΉ ΠΎΡΠΊΠ°ΡΠΈΠ²Π°Π΅ΠΌ ΠΈΠ· Π±Π°ΡΠΊΠ° ΡΠ°ΡΡΡ ΠΆΠΈΠ΄ΠΊΠΎΡΡΠΈ, ΡΡΠΎΠ±Ρ ΠΏΡΠΈ ΡΡΠ°ΠΏΠ»ΠΈΠ²Π°Π½ΠΈΠΈ ΠΏΠΎΡΡΠ½Ρ Π² ΡΠΈΒΠ»ΠΈΠ½Π΄Ρ ΠΆΠΈΠ΄ΠΊΠΎΡΡΡ Π½Π΅ Π²ΡΡΠ΅ΠΊΠ»Π° ΠΈΠ·-ΠΏΠΎΠ΄ ΠΊΡΡΡΠΊΠΈ Π±Π°ΡΠΊΠ°.
Π ΡΡΠ°Π³ ΡΡΠΎΡΠ½ΠΎΡΠ½ΠΎΠ³ΠΎ ΡΠΎΡΠΌΠΎΠ·Π° Π΄ΠΎΠ»ΒΠΆΠ΅Π½ Π±ΡΡΡ ΠΎΠΏΡΡΠ΅Π½ Π΄ΠΎ ΡΠΏΠΎΡΠ° (Π°Π²ΡΠΎΒΠΌΠΎΠ±ΠΈΠ»Ρ ΡΠ°ΡΡΠΎΡΠΌΠΎΠΆΠ΅Π½* Π‘Π½ΠΈΠΌΠ°Π΅ΠΌ Π·Π°Π΄Π½Π΅Π΅ ΠΊΠΎΠ»Π΅ΡΠΎ.
ΠΡΠ²Π΅ΡΠ΅Π½Π½Π°Ρ ΡΠ°ΡΡΡ Π°Π²ΡΠΎΒΠΌΠΎΠ±ΠΈΠ»Ρ Π΄ΠΎΠ»ΠΆΠ½Π° Π±ΡΡΡ ΡΡΡΠ°ΒΠ½ΠΎΠ²Π»Π΅Π½Π° Π½Π° Π½Π°Π΄Π΅ΠΆΠ½ΠΎΠΉ ΠΏΠΎΠ΄ΡΡΠ°Π²ΠΊΠ΅ Π·Π°Π²ΠΎΠ΄ΡΠΊΠΎΠ³ΠΎ ΠΈΠ·Π³ΠΎΡΠΎΒΠ²Π»Π΅Π½ΠΈΡ.
ΠΡΠ΅ΡΡΠΎΠΎΠ±ΡΠ°Π·Π½ΠΎΠΉ ΠΎΡΠ²Π΅ΡΡΠΊΠΎΠΉ ΠΎΡΠ²ΠΎΒΡΠ°ΡΠΈΠ²Π°Π΅ΠΌ Π²ΠΈΠ½Ρ ΠΊΡΠ΅ΠΏΠ»Π΅Π½ΠΈΡ ΡΠΎΡΒΠΌΠΎΠ·Π½ΠΎΠ³ΠΎ Π±Π°ΡΠ°Π±Π°Π½Π°…
…ΠΈ ΡΠ½ΠΈΠΌΠ°Π΅ΠΌ Π±Π°ΡΠ°Π±Π°Π½.
Π ΡΠ»ΡΡΠ°Π΅ Π·Π°ΡΡΡΠ΄Π½Π΅Π½ΠΈΡ ΠΏΡΠΈ ΠΎΡΠ²ΠΎΡΠ°ΒΡΠΈΠ²Π°Π½ΠΈΠΈ Π²ΠΈΠ½ΡΠ° ΠΌΠΎΠΆΠ½ΠΎ Π²ΠΎΡΠΏΠΎΠ»ΡΠ·ΠΎΒΠ²Π°ΡΡΡΡ ΡΠ΄Π°ΡΠ½ΠΎΠΉ ΠΎΡΠ²Π΅ΡΡΠΊΠΎΠΉ. ΠΡΠ»ΠΈ Π² ΡΠ΅Π·ΡΠ»ΡΡΠ°ΡΠ΅ ΠΈΠ·Π½ΠΎΡΠ° Π½Π° ΡΠ°Π±ΠΎΡΠ΅ΠΉ ΠΏΠΎΠ²Π΅ΡΡ Π½ΠΎΡΡΠΈ Π±Π°ΡΠ°Π±Π°Π½Π° ΠΎΠ±ΡΠ°Π·ΠΎΠ²Π°Π»ΡΡ Π²ΡΡΠΎΠΊΠΈΠΉ Π±ΡΡΡΠΈΠΊ, ΡΠ½ΡΡΡ Π±Π°ΡΠ°Π±Π°Π½, Π²ΠΎΠ·ΠΌΠΎΠΆΠ½ΠΎ, Π±ΡΠ΄Π΅Ρ ΡΠ»ΠΎΠΆΠ½ΠΎ. Π ΡΡΠΎΠΌ ΡΠ»ΡΡΠ°Π΅ Π½Π΅ΠΎΠ±Ρ ΠΎΠ΄ΠΈΠΌΠΎ ΠΎΡΠ»Π°Π±ΠΈΡΡ Π½Π°ΡΡΒΠΆΠ΅Π½ΠΈΠ΅ ΡΡΠΎΡΠ° ΡΡΠΎΡΠ½ΠΎΡΠ½ΠΎΠ³ΠΎ ΡΠΎΡΠΌΠΎΠ·Π° (ΡΠΌ. Β«Π‘Π½ΡΡΠΈΠ΅ ΡΠ»Π΅ΠΌΠ΅Π½ΡΠΎΠ² ΡΡΠΎΡΠ½ΠΎΡΠ½ΠΎΠΉ ΡΠΎΡΠΌΠΎΠ·Π½ΠΎΠΉ ΡΠΈΡΡΠ΅ΠΌΡΒ», Ρ. 124). ΠΠΎΠΆΠ½ΠΎ ΡΠ½ΡΡΡ ΡΠΎΡΠΌΠΎΠ·Π½ΠΎΠΉ Π±Π°ΡΠ°Π±Π°Π½…
…ΡΠ°Π²Π½ΠΎΠΌΠ΅ΡΠ½ΠΎ ΠΏΠΎΠ²ΠΎΡΠ°ΡΠΈΠ²Π°Ρ Π΅Π³ΠΎ ΠΈ Π½Π°Π½ΠΎΡΡ ΡΠ΄Π°ΡΡ ΠΌΠΎΠ»ΠΎΡΠΊΠΎΠΌ ΡΠ΅ΡΠ΅Π· Π΄Π΅ΡΠ΅Π²ΡΠ½Π½ΡΠΉ Π±ΡΡΡΠΎΠΊ ΠΏΠΎ ΡΠΎΡΡΡ Π±Π°ΡΠ°Π±Π°Π½Π°.
ΠΠ΅ Π½Π°ΠΆΠΈΠΌΠ°ΠΉΡΠ΅ ΠΏΠ΅Π΄Π°Π»Ρ ΡΠΎΡΒΠΌΠΎΠ·Π° ΠΏΠΎΡΠ»Π΅ ΡΠ½ΡΡΠΈΡ ΡΠΎΡΠΌΠΎΠ·ΒΠ½ΠΎΠ³ΠΎ Π±Π°ΡΠ°Π±Π°Π½Π°, Ρ. ΠΊ. ΠΏΠΎΡΡΒΠ½ΠΈ ΠΌΠΎΠ³ΡΡ ΠΏΠΎΠ»Π½ΠΎΡΡΡΡ Π²ΡΠΉΡΠΈ ΠΈΠ· ΡΠΈΠ»ΠΈΠ½Π΄ΡΠΎΠ².
ΠΡΠΈΡΠ°Π΅ΠΌ ΠΈ ΠΏΡΠΎΠΌΡΠ²Π°Π΅ΠΌ Π² ΡΠ°ΡΡΠ²ΠΎΒΡΠΈΡΠ΅Π»Π΅ Π²ΡΠ΅ Π΄Π΅ΡΠ°Π»ΠΈ ΡΠΎΡΠΌΠΎΠ·Π½ΠΎΠ³ΠΎ ΠΌΠ΅ΒΡ Π°Π½ΠΈΠ·ΠΌΠ°.
ΠΠΎΠ΄Π΄Π΅Π² ΠΎΡΠ²Π΅ΡΡΠΊΠΎΠΉ…
ΠΠ»Ρ ΠΎΡΠΈΡΡΠΊΠΈ ΡΠΎΡΠΌΠΎΠ·Π½ΡΡ ΠΌΠ΅Ρ Π°Π½ΠΈΠ·ΠΌΠΎΠ² Π·Π°ΠΏΡΠ΅ΡΠ΅Π½ΠΎ ΠΏΡΠΈΠΌΠ΅Π½ΡΡΡ Π±Π΅Π½Π·ΠΈΠ½ ΠΈ Π΄ΠΈΒΠ·Π΅Π»ΡΠ½ΠΎΠ΅ ΡΠΎΠΏΠ»ΠΈΠ²ΠΎ.
…ΡΠ½ΠΈΠΌΠ°Π΅ΠΌ Π²Π΅ΡΡ
Π½ΡΡ ΡΡΡΠΆΠ½ΡΡ ΠΏΡΡΠΆΠΈΠ½Ρ.
Π½ΠΈΠΆΠ½ΡΡ
ΠΠ½Π°Π»ΠΎΠ³ΠΈΡΠ½ΠΎ ΡΠ½ΠΈΠΌΠ°Π΅ΠΌ ΡΡΡΠΆΠ½ΡΡ ΠΏΡΡΠΆΠΈΠ½Ρ.
…ΠΈ ΡΠ½ΠΈΠΌΠ°Π΅ΠΌ ΠΏΡΡΠΆΠΈΠ½Ρ.
Π‘Π½ΠΈΠΌΠ°Π΅ΠΌ ΡΡΡΠ°Π³ ΡΠ΅Π³ΡΠ»ΡΡΠΎΡΠ°.
ΠΡΠΈΠ΄Π΅ΡΠΆΠΈΠ²Π°Ρ ΠΎΠΏΠΎΡΠ½ΡΡ ΡΡΠΎΠΉΠΊΡ ΠΏΠ΅ΡΠ΅Π΄Π½Π΅ΠΉ ΠΊΠΎΠ»ΠΎΠ΄ΠΊΠΈ Ρ ΠΎΠ±ΡΠ°ΡΠ½ΠΎΠΉ ΡΡΠΎΡΠΎΠ½Ρ ΡΠΎΡΠΌΠΎΠ·Π½ΠΎΠ³ΠΎ ΡΠΈΡΠ°, Π½Π°ΒΠΆΠΈΠΌΠ°Π΅ΠΌ Π½Π° ΡΠ°ΠΉΠ±Ρ ΠΈ ΠΏΠΎΠ²ΠΎΡΠ°ΡΠΈΒΠ²Π°Π΅ΠΌ Π΅Π΅ Π΄ΠΎ ΡΠΎΠ²ΠΌΠ΅ΡΠ΅Π½ΠΈΡ ΠΏΡΠΎΡΠ΅ΒΠ·ΠΈ ΡΠ°ΠΉΠ±Ρ Ρ Ρ Π²ΠΎΡΡΠΎΠ²ΠΈΠΊΠΎΠΌ ΡΡΠΎΠΉΠΊΠΈ.
Π‘Π½ΠΈΠΌΠ°Π΅ΠΌ ΡΠ°ΡΠΏΠΎΡΠ½ΡΡ ΠΏΠ»Π°Π½ΠΊΡ.
Π‘Π½ΠΈΠΌΠ°Π΅ΠΌ Ρ ΡΠΎΡΠΌΠΎΠ·Π½ΠΎΠ³ΠΎ ΡΠΈΡΠ° Π·Π°Π΄ΒΠ½ΡΡ ΠΊΠΎΠ»ΠΎΠ΄ΠΊΡ ΡΠ°ΠΊ ΠΆΠ΅, ΠΊΠ°ΠΊ ΠΏΠ΅ΡΠ΅Π΄ΒΠ½ΡΡ…
…ΠΈ ΠΎΡΡΠΎΠ΅Π΄ΠΈΠ½ΡΠ΅ΠΌ Π½Π°ΠΊΠΎΠ½Π΅ΡΠ½ΠΈΠΊ ΡΡΠΎΡΠ° ΠΎΡ ΡΡΡΠ°Π³Π° ΠΏΡΠΈΠ²ΠΎΠ΄Π° ΡΡΠΎΡΒΠ½ΠΎΡΠ½ΠΎΠ³ΠΎ ΡΠΎΡΠΌΠΎΠ·Π°.
ΠΠ΅ΡΠ΅Π΄ ΡΡΡΠ°Π½ΠΎΠ²ΠΊΠΎΠΉ ΠΊΠΎΠ»ΠΎΠ΄ΠΎΠΊ Π½Π΅ΠΎΠ±ΒΡ ΠΎΠ΄ΠΈΠΌΠΎ ΡΠΌΠ΅Π½ΡΡΠΈΡΡ Π΄Π»ΠΈΠ½Ρ ΡΠ°ΡΠΏΠΎΡΒΠ½ΠΎΠΉ ΠΏΠ»Π°Π½ΠΊΠΈ, Π·Π°Π²Π΅ΡΠ½ΡΠ² ΡΠ΅Π³ΡΠ»ΠΈΡΠΎΒΠ²ΠΎΡΠ½ΡΡ Π³Π°ΠΉΠΊΡ Π΄ΠΎ ΡΠΏΠΎΡΠ°. Π£ΡΡΠ°Π½Π°Π²Π»ΠΈΠ²Π°Π΅ΠΌ Π½ΠΎΠ²ΡΠ΅ ΠΊΠΎΠ»ΠΎΠ΄ΠΊΠΈ Π² ΠΎΠ±ΡΠ°ΡΠ½ΠΎΠΉ ΠΏΠΎΡΠ»Π΅Π΄ΠΎΠ²Π°ΡΠ΅Π»ΡΠ½ΠΎΡΡΠΈ. ΠΡΠΈ ΡΡΡΠ°Π½ΠΎΠ²ΠΊΠ΅ ΡΠΎΡΠΌΠΎΠ·Π½ΠΎΠ³ΠΎ Π±Π°ΡΠ°Π±Π°ΒΠ½Π° ΡΠ»Π΅Π΄ΡΠ΅Ρ ΠΎΠ±ΡΠ°ΡΠΈΡΡ Π²Π½ΠΈΠΌΠ°Π½ΠΈΠ΅…
ΠΠΎΠ΄Π΄Π΅Π² ΠΎΡΠ²Π΅ΡΡΠΊΠΎΠΉ, ΠΎΡΡΠΎΠ΅Π΄ΠΈΠ½ΡΒΠ΅ΠΌ ΠΎΡ ΡΡΡΠ°Π³Π° ΡΠ΅Π³ΡΠ»ΡΡΠΎΡΠ° Π²Π΅ΡΡ ΒΠ½ΠΈΠΉ ΠΊΠΎΠ½Π΅Ρ Π΅Π³ΠΎ ΠΏΡΡΠΆΠΈΠ½Ρ …
Π‘Π½ΠΈΠΌΠ°Π΅ΠΌ ΡΠ°ΠΉΠ±Ρ Ρ ΠΏΡΡΠΆΠΈΠ½ΠΎΠΉ…
…ΠΈ ΠΎΠΏΠΎΡΠ½ΡΡ ΡΡΠΎΠΉΠΊΡ.
Π‘Π½ΠΈΠΌΠ°Π΅ΠΌ ΠΏΠ΅ΡΠ΅Π΄Π½ΡΡ ΡΠΎΡΠΌΠΎΠ·Π½ΡΡ ΠΊΠΎΠ»ΠΎΠ΄ΠΊΡ.
…Π½Π° ΡΠΎΠ²ΠΏΠ°Π΄Π΅Π½ΠΈΠ΅ ΠΎΡΠ²Π΅ΡΡΡΠΈΠΉ Π² ΡΡΡΠΏΠΈΡΠ΅ ΠΈ Π±Π°ΡΠ°Π±Π°Π½Π΅.
ΠΠΎΡΠ»Π΅ Π·Π°ΠΌΠ΅Π½Ρ ΠΊΠΎΠ»ΠΎΠ΄ΠΎΠΊ Π½Π° ΠΎΠ±ΠΎΠΈΡ Π·Π°Π΄Π½ΠΈΡ ΠΊΠΎΠ»Π΅ΡΠ°Ρ Π½Π΅ΒΡΠΊΠΎΠ»ΡΠΊΠΎ ΡΠ°Π· Π½Π°ΠΆΠΈΠΌΠ°Π΅ΠΌ ΠΏΠ΅ΒΠ΄Π°Π»Ρ ΡΠΎΡΠΌΠΎΠ·Π° Π΄Π»Ρ ΡΡΡΠ°Π½ΠΎΠ²ΒΠΊΠΈ ΠΏΠΎΡΡΠ½Π΅ΠΉ Π² ΡΠ°Π±ΠΎΡΠ΅Π΅ ΠΏΠΎΠ»ΠΎΒΠΆΠ΅Π½ΠΈΠ΅.
ΠΡΠΎΠ²Π΅ΡΡΠ΅ΠΌ ΡΡΠΎΠ²Π΅Π½Ρ ΠΆΠΈΠ΄ΠΊΠΎΡΡΠΈ Π² Π±Π°ΡΒΠΊΠ΅ ΠΈ ΠΏΡΠΈ Π½Π΅ΠΎΠ±Ρ
ΠΎΠ΄ΠΈΠΌΠΎΡΡΠΈ Π΄ΠΎΠ²ΠΎΠ΄ΠΈΠΌ Π΅Π³ΠΎ Π΄ΠΎ Π½ΠΎΡΠΌΡ.
Π‘ΠΠ―Π’ΠΠ ΠΠΠΠΠΠΠΠ
Π’ΠΠ ΠΠΠΠΠΠΠ
Π¦ΠΠΠΠΠΠ Π
ΠΡΠ²ΠΎΡΠ°ΡΠΈΠ²Π°Π΅ΠΌ ΠΊΡΡΡΠΊΡ Π±Π°ΡΠΊΠ° ΠΈ ΡΠ΅ΒΠ·ΠΈΠ½ΠΎΠ²ΠΎΠΉ Π³ΡΡΡΠ΅ΠΉ ΠΈΠ»ΠΈ ΡΠΏΡΠΈΡΠ΅ΠΌ ΠΎΡΠΊΠ°ΡΠΈΠ²Π°Π΅ΠΌ ΠΈΠ· Π½Π΅Π³ΠΎ ΡΠΎΡΠΌΠΎΠ·Π½ΡΡ ΠΆΠΈΠ΄ΠΊΠΎΡΡΡ.
ΠΠΎΠ΄ΠΊΠ»Π°Π΄ΡΠ²Π°Π΅ΠΌ ΠΏΠΎΠ΄ ΡΡΡΡΠ΅ΡΡ ΡΡΡΒΠ±ΠΎΠΊ Π²Π΅ΡΠΎΡΡ Π΄Π»Ρ ΡΠ±ΠΎΡΠ° ΠΎΡΡΠ°ΡΠΊΠΎΠ² Π²ΡΒΡΠ΅ΠΊΠ°ΡΡΠ΅ΠΉ ΠΆΠΈΠ΄ΠΊΠΎΡΡΠΈ.
ΠΠ»ΡΡΠΎΠΌ Β«Π½Π° 11Β» (Π΄Π»Ρ ΡΠΎΡΠΌΠΎΠ·ΒΠ½ΡΡ
ΡΡΡΠ±ΠΎΠΊ) ΠΎΡΠ²ΠΎΡΠ°ΡΠΈΠ²Π°Π΅ΠΌ Π΄Π²Π° ΡΡΡΡΠ΅ΡΠ° ΡΠΎΡΠΌΠΎΠ·Π½ΡΡ
ΡΡΡΠ±ΠΎΠΊ…
ΠΠ°ΠΆΠ°Π² Π½Π° ΡΠΈΠΊΡΠ°ΡΠΎΡ…
…ΠΈ ΠΎΡΠ²ΠΎΠ΄ΠΈΠΌ ΠΈΡ ΠΎΡ ΡΠΈΠ»ΠΈΠ½Π΄ΡΠ°.
…ΠΎΡΡΠΎΠ΅Π΄ΠΈΠ½ΡΠ΅ΠΌ ΠΊΠΎΠ»ΠΎΠ΄ΠΊΡ ΠΏΡΠΎΠ²ΠΎΒΠ΄ΠΎΠ² Π΄Π°ΡΡΠΈΠΊΠ° Π½Π΅Π΄ΠΎΡΡΠ°ΡΠΎΡΠ½ΠΎΠ³ΠΎ ΡΡΠΎΠ²Π½Ρ ΡΠΎΡΠΌΠΎΠ·Π½ΠΎΠΉ ΠΆΠΈΠ΄ΠΊΠΎΡΡΠΈ.
ΠΠΎΠ»ΠΎΠ²ΠΊΠΎΠΉ Β«Π½Π° 12Β» Ρ ΡΠ΄Π»ΠΈΠ½ΠΈΡΠ΅ΒΠ»Π΅ΠΌ ΠΎΡΠ²ΠΎΡΠ°ΡΠΈΠ²Π°Π΅ΠΌ Π΄Π²Π΅ Π³Π°ΠΉΠΊΠΈ ΠΊΡΠ΅ΠΏΠ»Π΅Π½ΠΈΡ Π³Π»Π°Π²Π½ΠΎΠ³ΠΎ ΡΠΎΡΠΌΠΎΠ·Π½ΠΎΒΠ³ΠΎ ΡΠΈΠ»ΠΈΠ½Π΄ΡΠ° ΠΊ Π²Π°ΠΊΡΡΠΌΠ½ΠΎΠΌΡ ΡΡΠΈΒΠ»ΠΈΡΠ΅Π»Ρ…
…ΠΈ ΡΠ½ΠΈΠΌΠ°Π΅ΠΌ ΡΠΈΠ»ΠΈΠ½Π΄Ρ.
ΠΠ»Ρ ΡΠ½ΡΡΠΈΡ Π±Π°ΡΠΊΠ° ΠΏΠΎΠ΄Π΄Π΅Π²Π°Π΅ΠΌ Π΅Π³ΠΎ ΠΎΡΠ²Π΅ΡΡΠΊΠΎΠΉ ΡΠ½ΠΈΠ·Ρ, ΠΏΡΠ΅ΠΎΠ΄ΠΎΠ»Π΅Π²Π°Ρ ΡΠΎΒΠΏΡΠΎΡΠΈΠ²Π»Π΅Π½ΠΈΠ΅ ΡΠ΅Π·ΠΈΠ½ΠΎΠ²ΡΡ ΡΠΎΠ΅Π΄ΠΈΠ½ΠΈΒΡΠ΅Π»ΡΠ½ΡΡ Π²ΡΡΠ»ΠΎΠΊ…
…ΠΈ ΡΠ½ΠΈΠΌΠ°Π΅ΠΌ Π±Π°ΡΠΎΠΊ.
ΠΠ»Ρ Π·Π°ΠΌΠ΅Π½Ρ ΡΠΎΠ΅Π΄ΠΈΠ½ΠΈΡΠ΅Π»ΡΠ½ΠΎΠΉ Π²ΡΡΠ»ΠΊΠΈ…
…Π²ΡΠ½ΠΈΠΌΠ°Π΅ΠΌ Π΅Π΅ ΠΈΠ· ΠΊΠΎΡΠΏΡΡΠ° ΡΠΎΡΒΠΌΠΎΠ·Π½ΠΎΠ³ΠΎ ΡΠΈΠ»ΠΈΠ½Π΄ΡΠ°.
ΠΠ½Π°Π»ΠΎΠ³ΠΈΡΠ½ΠΎ Π²ΡΠ½ΠΈΠΌΠ°Π΅ΠΌ Π΄ΡΡΠ³ΡΡ ΡΠΎΒΠ΅Π΄ΠΈΠ½ΠΈΡΠ΅Π»ΡΠ½ΡΡ Π²ΡΡΠ»ΠΊΡ.
ΠΠ΅ΡΠ°Π»ΠΈ Π³Π»Π°Π²Π½ΠΎΠ³ΠΎ ΡΠΎΡΠΌΠΎΠ·Π½ΠΎΠ³ΠΎ ΡΠΈΠ»ΠΈΠ½Π΄ΡΠ°: 1 β Π±Π°ΡΠΎΠΊ; 2 β ΡΠΎΠ΅Π΄ΠΈΠ½ΠΈΒΡΠ΅Π»ΡΠ½Π°Ρ Π²ΡΡΠ»ΠΊΠ°; 3 β ΠΊΠΎΡΠΏΡΡ
Π£ΡΡΠ°Π½Π°Π²Π»ΠΈΠ²Π°Π΅ΠΌ Π³Π»Π°Π²Π½ΡΠΉ ΡΠΈΠ»ΠΈΠ½Π΄Ρ Π² ΠΎΠ±ΡΠ°ΡΠ½ΠΎΠΉ ΠΏΠΎΡΠ»Π΅Π΄ΠΎΠ²Π°ΡΠ΅Π»ΡΠ½ΠΎΡΡΠΈ. ΠΠΎΡΠ»Π΅ ΡΡΡΠ°Π½ΠΎΠ²ΠΊΠΈ ΠΏΡΠΎΠΊΠ°ΡΠΈΠ²Π°Π΅ΠΌ ΡΠΈΒΡΡΠ΅ΠΌΡ Π³ΠΈΠ΄ΡΠΎΠΏΡΠΈΠ²ΠΎΠ΄Π° ΡΠΎΡΠΌΠΎΠ·ΠΎΠ² (ΡΠΌ. Β«ΠΡΠΎΠΊΠ°ΡΠΊΠ° Π³ΠΈΠ΄ΡΠΎΠΏΡΠΈΠ²ΠΎΠ΄Π° ΡΠΎΡΒΠΌΠΎΠ·ΠΎΠ², Π·Π°ΠΌΠ΅Π½Π° ΡΠΎΡΠΌΠΎΠ·Π½ΠΎΠΉ ΠΆΠΈΠ΄ΠΊΠΎΒΡΡΠΈΒ», Ρ. 34).
Π ΠΠΠ£ΠΠΠ ΠΠΠΠ Π‘ΠΠΠΠΠΠΠΠΠ Π₯ΠΠΠ ΠΠΠΠΠΠ Π’ΠΠ ΠΠΠΠ
Π‘Π²ΠΎΠ±ΠΎΠ΄Π½ΡΠΉ Ρ ΠΎΠ΄ ΠΏΠ΅Π΄Π°Π»ΠΈ ΡΠΎΡΠΌΠΎΠ·Π° Π΄ΠΎΠ»ΠΆΠ΅Π½ ΡΠΎΡΡΠ°Π²Π»ΡΡΡ 3-8 ΠΌΠΌ.
ΠΡΠ»ΠΈ ΡΠ²ΠΎΠ±ΠΎΠ΄Π½ΡΠΉ Ρ ΠΎΠ΄ ΠΏΠ΅Π΄Π°Π»ΠΈ ΡΠΎΡΒΠΌΠΎΠ·Π° Π½Π΅ ΡΠΎΠΎΡΠ²Π΅ΡΡΡΠ²ΡΠ΅Ρ Π½ΠΎΡΠΌΠ΅, ΡΠ΅ΒΠ³ΡΠ»ΠΈΡΡΠ΅ΠΌ Π΅Π³ΠΎ. ΠΠ»Ρ ΡΡΠΎΠ³ΠΎ Π² ΡΠ°Π»ΠΎΠ½Π΅ ΠΏΠΎΠ΄ ΠΏΠ°Π½Π΅Π»ΡΡ ΠΏΡΠΈΠ±ΠΎΡΠΎΠ² (ΡΠΌ. ΡΠΎΡΠΎ Π½ΠΈΠΆΠ΅) ΠΎΡΡΠΎΠ΅Π΄ΠΈΠ½ΡΠ΅ΠΌ ΠΊΠΎΠ»ΠΎΠ΄ΠΊΡ ΠΏΡΠΎΒΠ²ΠΎΠ΄ΠΎΠ² 1 Π²ΡΠΊΠ»ΡΡΠ°ΡΠ΅Π»Ρ ΡΠΈΠ³Π½Π°Π»ΠΎΠ² ΡΠΎΡΠΌΠΎΠΆΠ΅Π½ΠΈΡ 3 ΠΎΡ ΠΊΠΎΠ»ΠΎΠ΄ΠΊΠΈ ΠΆΠ³ΡΡΠ° ΠΏΡΠΎΠ²ΠΎΠ΄ΠΎΠ². ΠΡΠ²ΠΎΠ±ΠΎΠΆΠ΄Π°Π΅ΠΌ ΠΏΠ»Π°ΡΡΒΠΌΠ°ΡΡΠΎΠ²ΡΠΉ Π΄Π΅ΡΠΆΠ°ΡΠ΅Π»Ρ ΠΏΡΠΎΠ²ΠΎΠ΄ΠΎΠ² 2. ΠΠ»ΡΡΠΎΠΌ Β«Π½Π° 17Β» ΠΎΡΠ²ΠΎΡΠ°ΡΠΈΠ²Π°Π΅ΠΌ ΠΊΠΎΠ½ΡΡΠ³Π°ΠΉΠΊΡ 4 Π²ΡΠΊΠ»ΡΡΠ°ΡΠ΅Π»Ρ ΡΠΈΠ³Π½Π°ΒΠ»ΠΎΠ² ΡΠΎΡΠΌΠΎΠΆΠ΅Π½ΠΈΡ.
ΠΡΠ°ΡΠ°Ρ Π²ΡΠΊΠ»ΡΡΠ°ΡΠ΅Π»Ρ, ΡΠ΅Π³ΡΠ»ΠΈΡΡΠ΅ΠΌ Π΅Π³ΠΎ ΠΏΠΎΠ»ΠΎΠΆΠ΅Π½ΠΈΠ΅ ΠΎΡΠ½ΠΎΡΠΈΡΠ΅Π»ΡΠ½ΠΎ ΠΊΡΠΎΠ½ΒΡΡΠ΅ΠΉΠ½Π° 5. ΠΠ°ΡΡΠ³ΠΈΠ²Π°Π΅ΠΌ ΠΊΠΎΠ½ΡΡΠ³Π°ΠΉΠΊΡ ΠΈ ΡΠ½ΠΎΠ²Π° ΠΏΡΠΎΠ²Π΅ΡΡΠ΅ΠΌ ΡΠ²ΠΎΠ±ΠΎΠ΄Π½ΡΠΉ Ρ ΠΎΠ΄ ΠΏΠ΅Π΄Π°Π»ΠΈ ΡΠΎΡΠΌΠΎΠ·Π°.
ΠΡΠΎΠ±Π΅Π½Π½ΠΎΡΡΠΈ ΡΡΠ»Π΅Π²ΠΎΠ³ΠΎ ΡΠΏΡΠ°Π²Π»Π΅Π½ΠΈΡ Π°Π²ΡΠΎΠΌΠΎΠ±ΠΈΠ»Ρ ΠΠ°Π·Π΅Π»Ρ
ΠΠ° Π°Π²ΡΠΎΠΌΠΎΠ±ΠΈΠ»Π΅ ΠΠ°Π·Π΅Π»Ρ ΠΌΠΎΠΆΠ΅Ρ Π±ΡΡΡ ΡΡΡΠ°Π½ΠΎΠ²Π»Π΅Π½ΠΎ ΡΡΠ»Π΅Π²ΠΎΠ΅ ΡΠΏΡΠ°Π²Π»Π΅Π½ΠΈΠ΅ ΠΊΠ°ΠΊ Π±Π΅Π· Π³ΠΈΠ΄ΡΠΎΡΡΠΈΠ»ΠΈΡΠ΅Π»Ρ, ΡΠ°ΠΊ ΠΈ Ρ Π³ΠΈΠ΄ΡΠΎΡΡΠΈΠ»ΠΈΡΠ΅Π»Π΅ΠΌ ΡΡΠ»Ρ.
Π ΡΠ»Π΅Π²ΠΎΠ΅ ΡΠΏΡΠ°Π²Π»Π΅Π½ΠΈΠ΅ Π±Π΅Π· Π³ΠΈΠ΄ΡΠΎΡΡΠΈΠ»ΠΈΡΠ΅Π»Ρ
ΠΠ° Π°Π²ΡΠΎΠΌΠΎΠ±ΠΈΠ»Π΅ ΡΡΡΠ°Π½ΠΎΠ²Π»Π΅Π½ΠΎ ΡΡΠ»Π΅Π²ΠΎΠ΅ ΡΠΏΡΠ°Π²Π»Π΅Π½ΠΈΠ΅, ΡΠΎΡΡΠΎΡΡΠ΅Π΅ ΠΈΠ· ΡΡΠ»Π΅Π²ΠΎΠΉ ΠΊΠΎΠ»ΠΎΠ½ΠΊΠΈ Ρ ΠΊΠΎΠ»Π΅ΡΠΎΠΌ, ΡΡΠ»Π΅Π²ΠΎΠ³ΠΎ ΠΌΠ΅Ρ Π°Π½ΠΈΠ·ΠΌΠ° ΠΈ ΠΏΡΠΈΠ²ΠΎΠ΄Π° ΡΡΠ»Π΅Π²ΠΎΠ³ΠΎ ΡΠΏΡΠ°Π²Π»Π΅Π½ΠΈΡ.
Π ΡΠ»Π΅Π²Π°Ρ ΠΊΠΎΠ»ΠΎΠ½ΠΊΠ° ΠΏΠΎΠ·Π²ΠΎΠ»ΡΠ΅Ρ ΠΈΠ·ΠΌΠ΅Π½ΡΡΡ ΠΏΠΎΠ»ΠΎΠΆΠ΅Π½ΠΈΠ΅ ΡΡΠ»Π΅Π²ΠΎΠ³ΠΎ ΠΊΠΎΠ»Π΅ΡΠ° ΠΏΠΎ Π²ΡΡΠΎΡΠ΅ ΠΈ ΡΠ³Π»Ρ Π½Π°ΠΊΠ»ΠΎΠ½Π°.
ΠΠ΅ΡΡ Π½ΠΈΠΉ ΠΊΠΎΠ½Π΅Ρ Π²Π°Π»Π° ΡΡΠ»Π΅Π²ΠΎΠΉ ΠΊΠΎΠ»ΠΎΠ½ΠΊΠΈ ΡΠΎΠ΅Π΄ΠΈΠ½Π΅Π½ Ρ ΡΡΠ»Π΅Π²ΡΠΌ ΠΊΠΎΠ»Π΅ΡΠΎΠΌ ΠΊΠΎΠ½ΠΈΡΠ΅ΡΠΊΠΈΠΌΠΈ ΡΠ»ΠΈΡΠ°ΠΌΠΈ, Π° Π½ΠΈΠΆΠ½ΠΈΠΉ β ΡΠ΅ΡΠ΅Π· ΠΊΠ°ΡΠ΄Π°Π½Π½ΡΠ΅ ΡΠ°ΡΠ½ΠΈΡΡ ΡΠ²ΡΠ·Π°Π½ Ρ Π²ΠΈΠ½ΡΠΎΠΌ ΡΡΠ»Π΅Π²ΠΎΠ³ΠΎ ΠΌΠ΅Ρ Π°Π½ΠΈΠ·ΠΌΠ°.
Π ΡΠ»Π΅Π²ΠΎΠΉ ΠΌΠ΅Ρ Π°Π½ΠΈΠ·ΠΌ ΡΠΎΡΡΠΎΠΈΡ ΠΈΠ· Π°Π»ΡΠΌΠΈΠ½ΠΈΠ΅Π²ΠΎΠ³ΠΎ ΠΊΠ°ΡΡΠ΅ΡΠ°, Π²ΠΈΠ½ΡΠ° Ρ ΡΠ°ΡΠΈΠΊΠΎΠ²ΠΎΠΉ Π³Π°ΠΉΠΊΠΎΠΉ ΠΈ Π²Π°Π»Π°-ΡΠ΅ΠΊΡΠΎΡΠ°.
ΠΠΈΠ½Ρ ΡΡΡΠ°Π½ΠΎΠ²Π»Π΅Π½ Π² ΠΊΠ°ΡΡΠ΅ΡΠ΅ Π½Π° Π΄Π²ΡΡ ΡΠ°Π΄ΠΈΠ°Π»ΡΠ½ΠΎ-ΡΠΏΠΎΡΠ½ΡΡ ΡΠ°ΡΠΈΠΊΠΎΠ²ΡΡ ΠΏΠΎΠ΄ΡΠΈΠΏΠ½ΠΈΠΊΠ°Ρ . ΠΠ° Π²ΠΈΠ½ΡΠ΅ ΡΡΡΠ°Π½ΠΎΠ²Π»Π΅Π½Π° ΡΠ°ΡΠΈΠΊΠΎΠ²Π°Ρ Π³Π°ΠΉΠΊΠ°, ΠΈΠΌΠ΅ΡΡΠ°Ρ Π²Π½ΡΡΡΠΈ Π²ΠΈΠ½ΡΠΎΠ²ΡΡ ΠΊΠ°Π½Π°Π²ΠΊΡ.
ΠΠ΅ΠΆΠ΄Ρ Π³Π°ΠΉΠΊΠΎΠΉ ΠΈ Π²ΠΈΠ½ΡΠΎΠΌ ΡΠ°Π·ΠΌΠ΅ΡΠ΅Π½ Π½Π°Π±ΠΎΡ ΡΠ°ΡΠΈΠΊΠΎΠ².
ΠΡΠΈ Π²ΡΠ°ΡΠ΅Π½ΠΈΠΈ Π²ΠΈΠ½ΡΠ° ΡΠ°ΡΠΈΠΊΠΈ ΠΏΠ΅ΡΠ΅ΠΊΠ°ΡΡΠ²Π°ΡΡΡΡ ΠΏΠΎ Π²ΠΈΠ½ΡΠΎΠ²ΠΎΠΉ ΠΊΠ°Π½Π°Π²ΠΊΠ΅ ΠΈ ΡΠ°ΡΠΈΠΊΠΎΠ²Π°Ρ Π³Π°ΠΉΠΊΠ° ΠΏΠ΅ΡΠ΅ΠΌΠ΅ΡΠ°Π΅ΡΡΡ Π²Π΄ΠΎΠ»Ρ Π²ΠΈΠ½ΡΠ°. ΠΡΠΈ ΡΡΠΎΠΌ ΡΠ²ΠΎΠΈΠΌΠΈ Π·ΡΠ±ΡΡΠΌΠΈ Π³Π°ΠΉΠΊΠ° ΠΏΠΎΠ²ΠΎΡΠ°ΡΠΈΠ²Π°Π΅Ρ Π²Π°Π»-ΡΠ΅ΠΊΡΠΎΡ, ΡΡΡΠ°Π½ΠΎΠ²Π»Π΅Π½Π½ΡΠΉ Π² ΠΊΠ°ΡΡΠ΅ΡΠ΅ Π½Π° Π΄Π²ΡΡ ΡΠΎΠ»ΠΈΠΊΠΎΠ²ΡΡ ΠΏΠΎΠ΄ΡΠΈΠΏΠ½ΠΈΠΊΠ°Ρ .
ΠΠ° ΠΊΠΎΠ½ΠΈΡΠ΅ΡΠΊΠΈΡ ΡΠ»ΠΈΡΠ°Ρ Π²Π°Π»Π°-ΡΠ΅ΠΊΡΠΎΡΠ° Π·Π°ΠΊΡΠ΅ΠΏΠ»Π΅Π½Π° ΡΡΠ»Π΅Π²Π°Ρ ΡΠΎΡΠΊΠ°.
ΠΠΈΠ½Ρ Ρ ΡΠ°ΡΠΈΠΊΠΎΠ²ΠΎΠΉ Π³Π°ΠΉΠΊΠΎΠΉ ΠΈ Π½Π°Π±ΠΎΡ ΡΠ°ΡΠΈΠΊΠΎΠ² ΠΏΠΎΠ΄ΠΎΠ±ΡΠ°Π½Ρ Π΄ΡΡΠ³ ΠΊ Π΄ΡΡΠ³Ρ ΠΈ ΠΏΡΠΈ Π½Π΅ΠΎΠ±Ρ ΠΎΠ΄ΠΈΠΌΠΎΡΡΠΈ Π·Π°ΠΌΠ΅Π½ΡΡΡΡΡ ΡΠΎΠ»ΡΠΊΠΎ Π² ΡΠ±ΠΎΡΠ΅.
Π Π΅Π³ΡΠ»ΠΈΡΠΎΠ²ΠΊΠ° Π·Π°ΡΠ΅ΠΏΠ»Π΅Π½ΠΈΡ ΡΠ°ΡΠΈΠΊΠΎΠ²ΠΎΠΉ Π³Π°ΠΉΠΊΠΈ Ρ Π²Π°Π»ΠΎΠΌ- ΡΠ΅ΠΊΡΠΎΡΠΎΠΌ ΠΏΡΠΎΠΈΠ·Π²ΠΎΠ΄ΠΈΡΡΡ ΠΏΠΎΠ²ΠΎΡΠΎΡΠΎΠΌ ΡΠΊΡΡΠ΅Π½ΡΡΠΈΠΊΠΎΠ²ΡΡ ΠΎΠ±ΠΎΠΉΠΌ ΠΏΠΎΠ΄ΡΠΈΠΏΠ½ΠΈΠΊΠΎΠ² Π²Π°Π»Π°-ΡΠ΅ΠΊΡΠΎΡΠ°.
Π ΡΠ»Π΅Π²ΠΎΠΉ ΠΌΠ΅Ρ Π°Π½ΠΈΠ·ΠΌ ΡΠΌΠ°Π·ΡΠ²Π°Π΅ΡΡΡ ΡΡΠ°Π½ΡΠΌΠΈΡΡΠΈΠΎΠ½Π½ΡΠΌ ΠΌΠ°ΡΠ»ΠΎΠΌ (0,5 Π»), Π·Π°Π»ΠΈΡΡΠΌ Π² ΠΊΠ°ΡΡΠ΅Ρ ΡΠ΅ΡΠ΅Π· ΠΏΡΠΎΠ±ΠΊΡ Ρ ΠΊΠΎΠ½ΠΈΡΠ΅ΡΠΊΠΎΠΉ ΡΠ΅Π·ΡΠ±ΠΎΠΉ.
Π ΡΠ»Π΅Π²ΠΎΠΉ ΠΏΡΠΈΠ²ΠΎΠ΄ ΡΠΎΡΡΠΎΠΈΡ ΠΈΠ· ΡΠΎΡΠΊΠΈ, ΠΏΡΠΎΠ΄ΠΎΠ»ΡΠ½ΠΎΠΉ ΠΈ ΠΏΠΎΠΏΠ΅ΡΠ΅ΡΠ½ΠΎΠΉ ΡΡΠ»Π΅Π²ΡΡ ΡΡΠ³, ΡΡΡΠ°Π³ΠΎΠ² ΠΏΠΎΠ²ΠΎΡΠΎΡΠ½ΡΡ ΠΊΡΠ»Π°ΠΊΠΎΠ² ΠΊΠΎΠ»Π΅Ρ ΠΈ ΡΠ°ΡΠ½ΠΈΡΠΎΠ² ΡΡΠ»Π΅Π²ΡΡ ΡΡΠ³.
Π ΡΠ»Π΅Π²Π°Ρ ΡΠΎΡΠΊΠ° ΠΏΡΠΎΠ΄ΠΎΠ»ΡΠ½ΠΎΠΉ ΡΡΠ³ΠΎΠΉ ΡΠ²ΡΠ·Π°Π½Π° Ρ ΡΡΡΠ°Π³ΠΎΠΌ ΠΏΠΎΠ²ΠΎΡΠΎΡΠ½ΠΎΠ³ΠΎ ΠΊΡΠ»Π°ΠΊΠ° Π»Π΅Π²ΠΎΠ³ΠΎ ΠΏΠ΅ΡΠ΅Π΄Π½Π΅Π³ΠΎ ΠΊΠΎΠ»Π΅ΡΠ°.
ΠΠΎΠΏΠ΅ΡΠ΅ΡΠ½Π°Ρ ΡΡΠ»Π΅Π²Π°Ρ ΡΡΠ³Π° ΡΠ²ΡΠ·ΡΠ²Π°Π΅Ρ ΡΡΡΠ°Π³ΠΈ ΠΎΠ±ΠΎΠΈΡ ΠΊΠΎΠ»Π΅Ρ, ΡΠΈΠ½Ρ ΡΠΎΠ½ΠΈΠ·ΠΈΡΡΡ ΠΈΡ ΠΏΠΎΠ²ΠΎΡΠΎΡ. ΠΠ΅ Π΄Π»ΠΈΠ½Π° ΠΌΠΎΠΆΠ΅Ρ Π±ΡΡΡ ΠΎΡΡΠ΅Π³ΡΠ»ΠΈΡΠΎΠ²Π°Π½Π°, ΡΡΠΎ ΠΏΠΎΠ·Π²ΠΎΠ»ΡΠ΅Ρ ΠΈΠ·ΠΌΠ΅Π½ΡΡΡ ΡΠ³ΠΎΠ» ΡΡ ΠΎΠΆΠ΄Π΅Π½ΠΈΡ ΠΊΠΎΠ»Π΅Ρ.
Π£Π³ΠΎΠ» ΠΏΡΠΎΠ΄ΠΎΠ»ΡΠ½ΠΎΠ³ΠΎ ΠΈ ΠΏΠΎΠΏΠ΅ΡΠ΅ΡΠ½ΠΎΠ³ΠΎ Π½Π°ΠΊΠ»ΠΎΠ½Π° ΠΎΡΠΈ ΠΏΠΎΠ²ΠΎΡΠΎΡΠ° ΠΈ ΡΠ°Π·Π²Π°Π» ΠΏΠ΅ΡΠ΅Π΄Π½ΠΈΡ ΠΊΠΎΠ»Π΅Ρ Π·Π°Π΄Π°Π½Ρ ΠΊΠΎΠ½ΡΡΡΡΠΊΡΠΈΠ΅ΠΉ ΠΏΠ΅ΡΠ΅Π΄Π½Π΅ΠΉ ΠΏΠΎΠ΄Π²Π΅ΡΠΊΠΈ ΠΈ Π² ΠΏΡΠΎΡΠ΅ΡΡΠ΅ ΡΠΊΡΠΏΠ»ΡΠ°ΡΠ°ΡΠΈΠΈ Π½Π΅ ΡΠ΅Π³ΡΠ»ΠΈΡΡΡΡΡΡ. ΠΡΠ΅ ΡΠ°ΡΠ½ΠΈΡΡ, ΡΠΎΠ΅Π΄ΠΈΠ½ΡΡΡΠΈΠ΅ ΡΠ»Π΅ΠΌΠ΅Π½ΡΡ ΡΡΠ»Π΅Π²ΠΎΠ³ΠΎ ΠΏΡΠΈΠ²ΠΎΠ΄Π°, ΡΠ½ΠΈΡΠΈΡΠΈΡΠΎΠ²Π°Π½Π½ΡΠ΅, Π½Π΅ΡΠ°Π·Π±ΠΎΡΠ½ΡΠ΅ ΠΈ Π½Π΅ ΡΡΠ΅Π±ΡΡΡ ΠΎΠ±ΡΠ»ΡΠΆΠΈΠ²Π°Π½ΠΈΡ Π² ΡΠΊΡΠΏΠ»ΡΠ°ΡΠ°ΡΠΈΠΈ.
Π ΡΠ»Π΅Π²ΠΎΠ΅ ΡΠΏΡΠ°Π²Π»Π΅Π½ΠΈΠ΅ Ρ Π³ΠΈΠ΄ΡΠΎΡΡΠΈΠ»ΠΈΡΠ΅Π»Π΅ΠΌ, ΡΠΎΠ²ΠΌΠ΅ΡΠ΅Π½Π½ΡΠΌ Ρ ΡΡΠ»Π΅Π²ΡΠΌ ΠΌΠ΅Ρ Π°Π½ΠΈΠ·ΠΌΠΎΠΌ
Β Π ΡΡΠ»Π΅Π²ΠΎΠΌ ΠΌΠ΅Ρ Π°Π½ΠΈΠ·ΠΌΠ΅ ΡΠΎ Π²ΡΡΡΠΎΠ΅Π½Π½ΡΠΌ Π³ΠΈΠ΄ΡΠΎΡΡΠΈΠ»ΠΈΡΠ΅Π»Π΅ΠΌ Π²ΠΌΠ΅ΡΡΠΎ ΡΠΎΠ»ΠΈΠΊΠ° Π½Π° Π²Π°Π»Ρ ΡΠΎΡΠΊΠΈ Π½Π°ΡΠ΅Π·Π°Π½ ΡΡΠ΅Ρ Π·ΡΠ±ΡΠΉ ΡΠ΅ΠΊΡΠΎΡ, Π° ΡΠΎΠ»Ρ ΡΠ΅ΡΠ²ΡΠΊΠ° Π²ΡΠΏΠΎΠ»Π½ΡΠ΅Ρ Π²ΠΈΠ½Ρ, ΡΠ²ΡΠ·Π°Π½Π½ΡΠΉ Ρ ΠΏΠΎΡΡΠ½Π΅ΠΌ-ΡΠ΅ΠΉΠΊΠΎΠΉ, ΡΡΡΠ°Π½ΠΎΠ²Π»Π΅Π½Π½ΡΠΉ Π½Π° Π΄Π²ΡΡ ΡΠΏΠΎΡΠ½ΡΡ ΠΏΠΎΠ΄ΡΠΈΠΏΠ½ΠΈΠΊΠ°Ρ , ΠΏΡΠ΅Π΄Π½Π°ΡΡΠ³ ΠΊΠΎΡΠΎΡΡΡ ΡΠ΅Π³ΡΠ»ΠΈΡΡΠ΅ΡΡΡ Π³Π°ΠΉΠΊΠΎΠΉ.
Π ΠΊΠ°ΡΡΠ΅ΡΠ΅ ΡΡΠ»Π΅Π²ΠΎΠ³ΠΎ ΠΌΠ΅Ρ Π°Π½ΠΈΠ·ΠΌΠ° Π²ΡΠΏΠΎΠ»Π½Π΅Π½ ΡΠΈΠ»ΠΈΠ½Π΄Ρ Π³ΠΈΠ΄ΡΠΎΡΡΠΈΠ»ΠΈΡΠ΅Π»Ρ, Π² ΠΊΠΎΡΠΎΡΠΎΠΌ ΠΏΠΎ Π²ΠΈΠ½ΡΡ ΠΏΠ΅ΡΠ΅ΠΌΠ΅ΡΠ°Π΅ΡΡΡ ΠΏΠΎΡΡΠ΅Π½Ρ-ΡΠ΅ΠΉΠΊΠ°.
ΠΠΎΡΡΠ΅Π½Ρ Π²ΡΠΏΠΎΠ»Π½Π΅Π½ Π·Π°ΠΎΠ΄Π½ΠΎ Ρ ΡΠ°ΡΠΈΠΊΠΎΠ²ΠΎΠΉ Π³Π°ΠΉΠΊΠΎΠΉ ΠΈ ΠΈΠΌΠ΅Π΅Ρ Π·ΡΠ±ΡΡ, Π²Ρ ΠΎΠ΄ΡΡΠΈΠ΅ Π² Π·Π°ΡΠ΅ΠΏΠ»Π΅Π½ΠΈΠ΅ Ρ Π·ΡΠ±ΡΡΠΌΠΈ ΡΠ΅ΠΊΡΠΎΡΠ° Π²Π°Π»Π° ΡΠΎΡΠΊΠΈ.
ΠΠΎΡΡΠ΅Π½Ρ Π΄Π΅Π»ΠΈΡ ΡΠΈΠ»ΠΈΠ½Π΄Ρ Π½Π° Π΄Π²Π΅ ΠΏΠΎΠ»ΠΎΡΡΠΈ. ΠΡΠΈ Π½Π΅ΠΏΠΎΠ΄Π²ΠΈΠΆΠ½ΠΎΠΌ ΡΡΠ»Π΅Π²ΠΎΠΌ ΠΊΠΎΠ»Π΅ΡΠ΅ Π΄Π°Π²Π»Π΅Π½ΠΈΠ΅ Π² Π½ΠΈΡ ΠΎΠ΄ΠΈΠ½Π°ΠΊΠΎΠ²ΠΎΠ΅.
Π Π·Π°Π²ΠΈΡΠΈΠΌΠΎΡΡΠΈ ΠΎΡ Π½Π°ΠΏΡΠ°Π²Π»Π΅Π½ΠΈΡ Π²ΡΠ°ΡΠ΅Π½ΠΈΡ ΡΡΠ»Π΅Π²ΠΎΠ³ΠΎ ΠΊΠΎΠ»Π΅ΡΠ°, ΡΠΎΠΎΡΠ²Π΅ΡΡΡΠ²ΡΡΡΠ°Ρ ΠΏΠΎΠ»ΠΎΡΡΡ ΡΠΈΠ»ΠΈΠ½Π΄ΡΠ° ΡΠΎΠ΅Π΄ΠΈΠ½ΡΠ΅ΡΡΡ ΡΠ΅ΡΠ΅Π· Π³ΠΈΠ΄ΡΠΎΡΠ°ΡΠΏΡΠ΅Π΄Π΅Π»ΠΈΡΠ΅Π»Ρ Ρ Π½Π°Π³Π½Π΅ΡΠ°ΡΡΠ΅ΠΉ ΠΌΠ°Π³ΠΈΡΡΡΠ°Π»ΡΡ Π²ΡΡΠΎΠΊΠΎΠ³ΠΎ Π΄Π°Π²Π»Π΅Π½ΠΈΡ, Π° Π΄ΡΡΠ³Π°Ρ β Ρ ΠΎΡΠ²ΠΎΠ΄ΡΡΠ΅ΠΉ.
ΠΠ°Π²Π»Π΅Π½ΠΈΠ΅ ΠΆΠΈΠ΄ΠΊΠΎΡΡΠΈ (ΠΌΠ°ΡΠ»Π°) Π² Π³ΠΈΠ΄ΡΠΎΡΠΈΡΡΠ΅ΠΌΠ΅ ΡΡΠ»Π΅Π²ΠΎΠ³ΠΎ ΡΡΠΈΠ»ΠΈΡΠ΅Π»Ρ ΡΠΎΠ·Π΄Π°Π΅Ρ Π½Π°ΡΠΎΡ Π»ΠΎΠΏΠ°ΡΡΠ½ΠΎΠ³ΠΎ ΡΠΈΠΏΠ° Ρ ΡΠ΅ΠΌΠ΅Π½Π½ΡΠΌ ΠΏΡΠΈΠ²ΠΎΠ΄ΠΎΠΌ ΠΎΡ ΡΠΊΠΈΠ²Π° ΠΊΠΎΠ»Π΅Π½ΡΠ°ΡΠΎΠ³ΠΎ Π²Π°Π»Π°, ΡΡΡΠ°Π½ΠΎΠ²Π»Π΅Π½Π½ΡΠΉ Π½Π° ΠΏΠ΅ΡΠ΅Π΄Π½Π΅ΠΉ ΡΠ°ΡΡΠΈ Π΄Π²ΠΈΠ³Π°ΡΠ΅Π»Ρ.
Π ΡΠ°ΡΡΠΈΡΠΈΡΠ΅Π»ΡΠ½ΠΎΠΌ Π±Π°ΡΠΊΠ΅ Π³ΠΈΠ΄ΡΠΎΡΠΈΡΡΠ΅ΠΌΡ ΡΡΠ»Π΅Π²ΠΎΠ³ΠΎ ΡΡΠΈΠ»ΠΈΡΠ΅Π»Ρ ΡΠ°Π·ΠΌΠ΅ΡΠ΅Π½ ΡΠΈΠ»ΡΡΡΡΡΡΠΈΠΉ ΡΠ»Π΅ΠΌΠ΅Π½Ρ, Π·Π°Π΄Π΅ΡΠΆΠΈΠ²Π°ΡΡΠΈΠΉ ΡΠ°ΡΡΠΈΡΡ ΡΠ°Π·ΠΌΠ΅ΡΠΎΠΌ Π±ΠΎΠ»Π΅Π΅ 45 ΠΌΠΊΠΌ. Π ΡΠ»Π΅Π²ΠΎΠΉ ΠΏΡΠΈΠ²ΠΎΠ΄ ΡΠΎΡΡΠΎΠΈΡ ΠΈΠ· ΡΡΠ³ ΡΡΠ»Π΅Π²ΠΎΠΉ ΡΡΠ°ΠΏΠ΅ΡΠΈΠΈ, ΡΡΠ³ΠΈ ΡΠΎΡΠΊΠΈ ΠΈ ΡΡΡΠ°Π³ΠΎΠ².
Π ΠΏΡΠΎΡΡΠΈΠ½Ρ ΠΌΠ°ΡΡΠ½ΠΈΠΊΠΎΠ²ΠΎΠ³ΠΎ ΡΡΡΠ°Π³Π° ΠΈ Π² Π½Π°ΠΊΠΎΠ½Π΅ΡΠ½ΠΈΠΊΠΈ ΡΡΠ³ Π·Π°ΠΏΡΠ΅ΡΡΠΎΠ²Π°Π½Ρ ΡΠ°ΠΌΠΎΠΏΠΎΠ΄ΠΆΠΈΠΌΠ°ΡΡΠΈΠ΅ΡΡ ΡΠ°Π·Π±ΠΎΡΠ½ΡΠ΅ ΡΠ°ΡΠ½ΠΈΡΡ Ρ ΠΏΠΎΠ»ΡΡΡΠ΅ΡΠΈΡΠ΅ΡΠΊΠΈΠΌΠΈ ΠΏΠ°Π»ΡΡΠ°ΠΌΠΈ.
Π’ΡΠ³ΠΈ ΡΡΠ»Π΅Π²ΠΎΠΉ ΡΡΠ°ΠΏΠ΅ΡΠΈΠΈ ΠΈΠΌΠ΅ΡΡ ΡΠ΅Π³ΡΠ»ΠΈΡΠΎΠ²ΠΎΡΠ½ΡΠ΅ ΡΡΡΠ±ΠΊΠΈ, Π° Π½Π° Π±ΡΡΡΠΈΠΊΠ°Ρ ΠΈΡ Π½Π°ΠΊΠΎΠ½Π΅ΡΠ½ΠΈΠΊΠΎΠ² Π½Π°ΠΏΡΠ΅ΡΡΠΎΠ²Π°Π½Ρ Π³ΠΎΡΡΠΈΡΠΎΠ²Π°Π½Π½ΡΠ΅ ΡΠ΅Π·ΠΈΠ½ΠΎΠ²ΡΠ΅ ΡΠΏΠ»ΠΎΡΠ½ΠΈΡΠ΅Π»ΠΈ Ρ ΠΌΠ΅ΡΠ°Π»Π»ΠΈΡΠ΅ΡΠΊΠΎΠΉ ΠΎΠ±ΠΎΠΉΠΌΠΎΠΉ.
Π¨Π°ΡΠ½ΠΈΡΡ ΡΡΠ³ΠΈ ΡΠΎΡΠΊΠΈ ΠΈ ΠΌΠ°ΡΡΠ½ΠΈΠΊΠΎΠ²ΠΎΠ³ΠΎ ΡΡΡΠ°Π³Π° Π·Π°ΡΠΈΡΠ΅Π½Ρ ΠΊΠΎΠ»ΠΏΠ°ΡΠΊΠΎΠ²ΡΠΌΠΈ ΡΠ΅Π·ΠΈΠ½ΠΎΠ²ΡΠΌΠΈ ΡΠΏΠ»ΠΎΡΠ½ΠΈΡΠ΅Π»ΡΠΌΠΈ.
ΠΠΎΠ·ΠΌΠΎΠΆΠ½ΡΠ΅ Π½Π΅ΠΈΡΠΏΡΠ°Π²Π½ΠΎΡΡΠΈ ΡΡΠ»Π΅Π²ΠΎΠ³ΠΎ ΡΠΏΡΠ°Π²Π»Π΅Π½ΠΈΡ Π±Π΅Π· Π³ΠΈΠ΄ΡΠΎΡΡΠΈΠ»ΠΈΡΠ΅Π»Ρ
— ΠΡΠΈΡΠΈΠ½Π° Π½Π΅ΠΈΡΠΏΡΠ°Π²Π½ΠΎΡΡΠΈ
ΠΠ΅ΡΠΎΠ΄ ΡΡΡΡΠ°Π½Π΅Π½ΠΈΡ
Π£Π²Π΅Π»ΠΈΡΠ΅Π½Π½ΡΠΉ ΡΠ³ΠΎΠ» ΡΠ²ΠΎΠ±ΠΎΠ΄Π½ΠΎΠ³ΠΎ Ρ ΠΎΠ΄Π° ΡΡΠ»Π΅Π²ΠΎΠ³ΠΎ ΠΊΠΎΠ»Π΅ΡΠ°:
— Π£Π²Π΅Π»ΠΈΡΠ΅Π½Π½ΡΠΉ Π·Π°Π·ΠΎΡ Π² Π·Π°ΡΠ΅ΠΏΠ»Π΅Π½ΠΈΠΈ ΠΏΠ°ΡΡ Π³Π°ΠΉΠΊΠ°-ΡΠ΅ΠΊΡΠΎΡ
ΠΡΡΠ΅Π³ΡΠ»ΠΈΡΠΎΠ²Π°ΡΡ Π·Π°ΡΠ΅ΠΏΠ»Π΅Π½ΠΈΠ΅ ΠΏΠ°ΡΡ Π³Π°ΠΉΠΊΠ°-ΡΠ΅ΠΊΡΠΎΡ
— ΠΠΎΡΠ²Π»Π΅Π½ΠΈΠ΅ Π·Π°Π·ΠΎΡΠ° Π² ΠΏΠΎΠ΄ΡΠΈΠΏΠ½ΠΈΠΊΠ°Ρ Π²ΠΈΠ½ΡΠ°
ΠΡΡΠ΅Π³ΡΠ»ΠΈΡΠΎΠ²Π°ΡΡ ΠΏΠΎΠ΄ΡΠΈΠΏΠ½ΠΈΠΊ Π²ΠΈΠ½ΡΠ°
— Π§ΡΠ΅Π·ΠΌΠ΅ΡΠ½ΡΠΉ ΠΈΠ·Π½ΠΎΡ Π΄Π΅ΡΠ°Π»ΠΈ ΡΠ°ΡΠ½ΠΈΡΠΎΠ² ΡΡΠ³ ΠΈ ΠΈΡ ΠΊΡΠ΅ΠΏΠ»Π΅Π½ΠΈΡ
ΠΠ°ΠΌΠ΅Π½ΠΈΡΡ ΠΈΠ·Π½ΠΎΡΠ΅Π½Π½ΡΠ΅ Π΄Π΅ΡΠ°Π»ΠΈ
— ΠΠΎΠ²ΡΡΠ΅Π½Π½ΡΠΉ Π»ΡΡΡ ΡΡΡΠΏΠΈΡ ΠΊΠΎΠ»Π΅Ρ
ΠΡΡΠ΅Π³ΡΠ»ΠΈΡΠΎΠ²Π°ΡΡ Π·Π°Π·ΠΎΡ Π² ΠΏΠΎΠ΄ΡΠΈΠΏΠ½ΠΈΠΊΠ°Ρ ΡΡΡΠΏΠΈΡ ΠΊΠΎΠ»Π΅Ρ
— ΠΡΠ»Π°Π±Π»Π΅Π½ΠΈΠ΅ ΠΊΠ»ΠΈΠ½ΡΠ΅Π² ΠΊΡΠ΅ΠΏΠ»Π΅Π½ΠΈΡ Π²ΠΈΠ»ΠΎΠΊ ΠΈ Π³Π°ΠΉΠΊΠΈ ΠΊΡΠ΅ΠΏΠ»Π΅Π½ΠΈΡ ΡΠΎΡΠΊΠΈ
ΠΠ°ΡΡΠ½ΡΡΡ ΠΎΡΠ»Π°Π±Π»Π΅Π½Π½ΡΠ΅ Π³Π°ΠΉΠΊΠΈ
ΠΠ°Π΅Π΄Π°Π½ΠΈΠ΅, ΡΠΊΡΠΈΠΏΡ ΠΈΠ»ΠΈ ΡΠ΅Π»ΡΠΊΠΈ Π² ΡΡΠ»Π΅Π²ΠΎΠΌ ΠΌΠ΅Ρ Π°Π½ΠΈΠ·ΠΌΠ΅:
— Π§ΡΠ΅Π·ΠΌΠ΅ΡΠ½ΡΠΉ ΠΈΠ·Π½ΠΎΡ Π²ΠΈΠ½ΡΠ° ΠΈΠ»ΠΈ Π²Π°Π»Π°-ΡΠ΅ΠΊΡΠΎΡΠ°, Π²ΡΠΊΡΠ°ΡΠΈΠ²Π°Π½ΠΈΡ ΠΈΠ»ΠΈ Π²ΠΌΡΡΠΈΠ½Ρ Π½Π° ΠΈΡ ΠΏΠΎΠ²Π΅ΡΡ Π½ΠΎΡΡΠΈ
ΠΠ°ΠΌΠ΅Π½ΠΈΡΡ Π²ΠΈΠ½Ρ-Π³Π°ΠΉΠΊΡ ΠΈΠ»ΠΈ Π²Π°Π»-ΡΠ΅ΠΊΡΠΎΡ
Π‘Π»Π°Π±Π°Ρ ΡΠΈΠΊΡΠ°ΡΠΈΡ ΡΡΠ»Π΅Π²ΠΎΠΉ ΠΊΠΎΠ»ΠΎΠ½ΠΊΠΈ:
— ΠΡΠ»Π°Π±Π»Π΅Π½ΠΈΠ΅ ΠΌΠ΅Ρ Π°Π½ΠΈΠ·ΠΌΠ° ΡΠΈΠΊΡΠ°ΡΠΈΠΈ ΠΊΠΎΠ»ΠΎΠ½ΠΊΠΈ
ΠΡΡΠ΅Π³ΡΠ»ΠΈΡΠΎΠ²Π°ΡΡ ΠΌΠ΅Ρ Π°Π½ΠΈΠ·ΠΌ ΡΠΈΠΊΡΠ°ΡΠΈΠΈ ΠΊΠΎΠ»ΠΎΠ½ΠΊΠΈ
ΠΠΎΠ²ΡΡΠ΅Π½Π½ΠΎΠ΅ ΡΡΠΈΠ»ΠΈΠ΅ ΠΏΠΎΠ²ΠΎΡΠΎΡΠ° ΡΡΠ»Π΅Π²ΠΎΠ³ΠΎ ΠΊΠΎΠ»Π΅ΡΠ° «ΡΡΠΆΠ΅Π»ΡΠΉ ΡΡΠ»Ρ»:
— ΠΠ°Π΄ΠΈΡ Π²ΡΡΠ»ΠΎΠΊ ΡΠΊΠ²ΠΎΡΠ½Ρ
ΠΠ°ΠΌΠ΅Π½ΠΈΡΡ Π²ΡΡΠ»ΠΊΠΈ ΠΈ ΡΠΊΠ²ΠΎΡΠ΅Π½ΡΒ Β Β Β Β Β Β Β Β Β Β Β Β Β Β Β Β Β Β Β Β Β Β Β Β Β
— ΠΡΠΎΠ²ΠΎΡΠ°ΡΠΈΠ²Π°Π½ΠΈΠ΅ Π²ΡΡΠ»ΠΎΠΊ ΡΠΊΠ²ΠΎΡΠ½Ρ Π² Π±ΠΎΠ±ΡΡΠΊΠ°Ρ ΠΊΡΠ»Π°ΠΊΠ°Β Β Β Β Β Β Β Β Β Β Β
ΠΠ°ΠΌΠ΅Π½ΠΈΡΡ Π²ΡΡΠ»ΠΊΠΈ ΠΈ ΡΠΊΠ²ΠΎΡΠ΅Π½Ρ
— ΠΠ°Π³ΡΡΠ·Π½Π΅Π½ΠΈΠ΅ ΠΎΠΏΠΎΡΠ½ΠΎΠ³ΠΎ ΠΏΠΎΠ΄ΡΠΈΠΏΠ½ΠΈΠΊΠ° ΡΠΊΠ²ΠΎΡΠ½Ρ (ΠΏΡΠΈ ΠΏΠΎΠ²ΠΎΡΠΎΡΠ΅ ΠΊΠΎΠ»Π΅Ρ ΡΠ»ΡΡΠ΅Π½ ΡΠΊΡΠΈΠΏ Π² ΠΎΠΏΠΎΡΠ½ΠΎΠΌ ΠΏΠΎΠ΄ΡΠΈΠΏΠ½ΠΈΠΊΠ΅)
ΠΡΠΎΠΌΡΡΡ ΠΎΠΏΠΎΡΠ½ΡΠΉ ΠΏΠΎΠ΄ΡΠΈΠΏΠ½ΠΈΠΊ ΡΠ΅ΡΠ΅Π· ΠΏΡΠ΅ΡΡ-ΠΌΠ°ΡΠ»Π΅Π½ΠΊΡ ΡΠΌΠ΅ΡΡΡ ΠΈΠ· 50% ΠΊΠ΅ΡΠΎΡΠΈΠ½Π° ΠΈ 50% ΡΡΠ°Π½ΡΠΌΠΈΡΡΠΈΠΎΠ½Π½ΠΎΠ³ΠΎ ΠΌΠ°ΡΠ»Π°.
Π‘ΠΌΠ°Π·Π°ΡΡ ΠΎΠΏΠΎΡΠ½ΡΠΉ ΠΏΠΎΠ΄ΡΠΈΠΏΠ½ΠΈΠΊ ΡΠ΅ΡΠ΅Π· ΠΏΡΠ΅ΡΡ-ΠΌΠ°ΡΠ»Π΅Π½ΠΊΡ Π΄ΠΎ ΠΏΠΎΡΠ²Π»Π΅Π½ΠΈΡ ΡΠΌΠ°Π·ΠΊΠΈ ΠΈΠ·-ΠΏΠΎΠ΄ ΡΠΏΠ»ΠΎΡΠ½ΠΈΡΠ΅Π»Ρ
Π’Π΅ΡΡ ΡΠΌΠ°Π·ΠΊΠΈ ΠΈΠ· ΡΡΠ»Π΅Π²ΠΎΠ³ΠΎ ΠΌΠ΅Ρ Π°Π½ΠΈΠ·ΠΌΠ°:
— ΠΠ·Π½ΠΎΡ ΠΈΠ»ΠΈ ΠΏΠΎΡΠ΅ΡΡ ΡΠ»Π°ΡΡΠΈΡΠ½ΠΎΡΡΠΈ ΡΠ°Π»ΡΠ½ΠΈΠΊΠ° ΠΈ ΡΠΏΠ»ΠΎΡΠ½Π΅Π½ΠΈΠΉ ΡΡΠ»Π΅Π²ΠΎΠ³ΠΎ ΠΌΠ΅Ρ Π°Π½ΠΈΠ·ΠΌΠ°
ΠΠ°ΠΌΠ΅Π½ΠΈΡΡ ΠΈΠ·Π½ΠΎΡΠ΅Π½Π½ΡΠ΅ ΡΠ°Π»ΡΠ½ΠΈΠΊ ΠΈ ΡΠΏΠ»ΠΎΡΠ½ΠΈΡΠ΅Π»ΡΠ½ΡΠ΅ ΡΠ΅Π·ΠΈΠ½ΠΎΠ²ΡΠ΅ ΠΊΠΎΠ»ΡΡΠ°
ΠΡΡΡ ΡΡΠ»Π΅Π²ΠΎΠΉ ΠΊΠΎΠ»ΠΎΠ½ΠΊΠΈ:
— ΠΡΠ΅Π²ΠΎΠ΅ ΠΏΠ΅ΡΠ΅ΠΌΠ΅ΡΠ΅Π½ΠΈΠ΅ Π²Π°Π»Π° ΡΡΠ»Π΅Π²ΠΎΠ³ΠΎ ΠΊΠΎΠ»Π΅ΡΠ° ΠΎΡΠ½ΠΎΡΠΈΡΠ΅Π»ΡΠ½ΠΎ ΠΊΠΎΠΆΡΡ ΠΎΠ²Β
ΠΠ°ΠΌΠ΅Π½ΠΈΡΡ ΠΈΠ·Π½ΠΎΡΠ΅Π½Π½ΡΠ΅ Π²ΡΡΠ»ΠΊΠΈ ΠΏΠΎΠ΄ΡΠΈΠΏΠ½ΠΈΠΊΠΎΠ² Π²Π°Π»Π° ΡΡΠ»Π΅Π²ΠΎΠΉ ΠΊΠΎΠ»ΠΎΠ½ΠΊΠΈ
ΠΠΈΠ°Π³Π½ΠΎΡΡΠΈΠΊΠ° Π½Π΅ΠΈΡΠΏΡΠ°Π²Π½ΠΎΡΡΠ΅ΠΉ Π³ΠΈΠ΄ΡΠΎΡΡΠΈΠ»ΠΈΡΠ΅Π»Ρ ΡΡΠ»Π΅Π²ΠΎΠ³ΠΎ ΡΠΏΡΠ°Π²Π»Π΅Π½ΠΈΡ
— ΠΡΠΈΡΠΈΠ½Π° Π½Π΅ΠΈΡΠΏΡΠ°Π²Π½ΠΎΡΡΠΈ
ΠΠ΅ΡΠΎΠ΄ ΡΡΡΡΠ°Π½Π΅Π½ΠΈΡ
ΠΠΎΡΡΠΎΡΠ½Π½ΡΠΉ ΡΡΠΌ ΡΠΎ ΡΡΠΎΡΠΎΠ½Ρ Π½Π°ΡΠΎΡΠ°:
— ΠΠ·Π½ΠΎΡΠ΅Π½Ρ ΠΏΠΎΠ΄ΡΠΈΠΏΠ½ΠΈΠΊΠΈ
ΠΠ°ΠΌΠ΅Π½ΠΈΡΠ΅ ΠΏΠΎΠ΄ΡΠΈΠΏΠ½ΠΈΠΊΠΈ
Π£ΡΠΈΠ»ΠΈΡΠ΅Π»Ρ Π½Π΅ ΡΠ°Π±ΠΎΡΠ°Π΅Ρ ΠΈΠ»ΠΈ ΠΌΠ°Π»Π° Π΅Π³ΠΎ ΡΡΡΠ΅ΠΊΡΠΈΠ²Π½ΠΎΡΡΡ (ΠΏΠΎΠ²ΡΡΠ΅Π½Π½ΠΎΠ΅ ΡΡΠΈΠ»ΠΈΠ΅ Π½Π° ΡΡΠ»Π΅Π²ΠΎΠΌ ΠΊΠΎΠ»Π΅ΡΠ΅):
— ΠΠ°ΡΠΎΡΠ΅Π½ ΡΠΈΠ»ΡΡΡ Π² Π±Π°ΡΠΊΠ΅
ΠΠ°ΠΌΠ΅Π½ΠΈΡΠ΅ ΡΠΈΠ»ΡΡΡ (Π½Π° ΡΠ°ΡΡΠΈ Π΄Π²ΠΈΠ³Π°ΡΠ΅Π»Π΅ΠΉ ΡΠΈΠ»ΡΡΡ Π·Π°ΠΌΠ΅Π½ΡΠ΅ΡΡΡ Ρ Π±Π°ΡΠΊΠΎΠΌ Π² ΡΠ±ΠΎΡΠ΅) ΠΈ, ΠΆΠ΅Π»Π°ΡΠ΅Π»ΡΠ½ΠΎ, ΠΆΠΈΠ΄ΠΊΠΎΡΡΡ
— ΠΠ°ΡΠΎΡΠΈΠ»ΠΈΡΡ ΡΠ°ΡΡ ΠΎΠ΄Π½ΡΠΉ ΠΈ ΠΏΡΠ΅Π΄ΠΎΡ ΡΠ°Π½ΠΈΡΠ΅Π»ΡΠ½ΡΠΉ ΠΊΠ»Π°ΠΏΠ°Π½Ρ
ΠΡΠΎΠΌΠΎΠΉΡΠ΅ ΠΊΠ»Π°ΠΏΠ°Π½Ρ ΠΈ Π½Π°ΡΠΎΡ
— Π Π΅ΠΌΠ΅Π½Ρ ΠΏΡΠΎΡΠΊΠ°Π»ΡΠ·ΡΠ²Π°Π΅Ρ ΠΏΠΎ ΡΠΊΠΈΠ²Ρ Π½Π°ΡΠΎΡΠ°
ΠΠΎΠ΄ΡΡΠ½ΠΈΡΠ΅ ΠΈΠ»ΠΈ Π·Π°ΠΌΠ΅Π½ΠΈΡΠ΅ ΡΠ΅ΠΌΠ΅Π½Ρ
— ΠΠ°Π»ΠΈΡΠ° ΠΆΠΈΠ΄ΠΊΠΎΡΡΡ Π½Π΅ΡΠΎΠΎΡΠ²Π΅ΡΡΡΠ²ΡΡΡΠ΅ΠΉ Π²ΡΠ·ΠΊΠΎΡΡΠΈ (ΠΊΠ°ΠΊ ΠΏΡΠ°Π²ΠΈΠ»ΠΎ, Π΅Π΅ Π²ΡΠ·ΠΊΠΎΡΡΡ ΠΌΠ°Π»Π°)
ΠΠ°ΠΌΠ΅Π½ΠΈΡΠ΅ ΠΆΠΈΠ΄ΠΊΠΎΡΡΡ
Π ΡΠ»Ρ Π² ΠΎΠ΄Π½Ρ ΡΡΠΎΡΠΎΠ½Ρ ΠΏΠΎΠ²ΠΎΡΠ°ΡΠΈΠ²Π°Π΅ΡΡΡ Π·Π½Π°ΡΠΈΡΠ΅Π»ΡΠ½ΠΎ Π»Π΅Π³ΡΠ΅, ΡΠ΅ΠΌ Π² Π΄ΡΡΠ³ΡΡ:
— ΠΠ°ΡΠΎΡΠ΅Π½ΠΈΠ΅ Π³ΠΈΠ΄ΡΠΎΡΠΈΡΡΠ΅ΠΌΡ
ΠΡΠΎΠΌΡΡΡ Π³ΠΈΠ΄ΡΠΎΡΠΈΡΡΠ΅ΠΌΡ ΠΈ ΡΡΠΈΠ»ΠΈΡΠ΅Π»Ρ
— ΠΠ΅ΡΠ΅ΠΊΡ ΡΡΠΈΠ»ΠΈΡΠ΅Π»Ρ: ΡΠ°Π·ΡΡΡΠ΅Π½ΠΈΠ΅ Π΅Π³ΠΎ Π΄Π΅ΡΠ°Π»Π΅ΠΉ, Π½Π΅Π³Π΅ΡΠΌΠ΅ΡΠΈΡΠ½ΠΎΡΡΡ ΠΊΠ»Π°ΠΏΠ°Π½ΠΎΠ²
ΠΠ°ΠΌΠ΅Π½ΠΈΡΠ΅ ΡΡΠΈΠ»ΠΈΡΠ΅Π»Ρ Π² ΡΠ±ΠΎΡΠ΅
Π£ΡΠ΅ΡΠΊΠ° ΠΆΠΈΠ΄ΠΊΠΎΡΡΠΈ ΠΈΠ· ΡΠΈΡΡΠ΅ΠΌΡ:
— ΠΠ·Π½ΠΎΡΠ΅Π½Ρ ΡΠ°Π»ΡΠ½ΠΈΠΊΠΈ
ΠΠ°ΠΌΠ΅Π½ΠΈΡΠ΅ ΡΠ°Π»ΡΠ½ΠΈΠΊΠΈ
— Π’ΡΠ΅ΡΠΈΠ½Ρ ΡΠ»Π°Π½Π³ΠΎΠ², Π½Π΅ΠΏΠ»ΠΎΡΠ½ΠΎ Π·Π°ΡΡΠ½ΡΡΡ ΠΈΡ Ρ ΠΎΠΌΡΡΡ
ΠΠΎΠ΄ΡΡΠ½ΠΈΡΠ΅ Ρ ΠΎΠΌΡΡΡ, Π·Π°ΠΌΠ΅Π½ΠΈΡΠ΅ ΡΡΠ°Π½Π³ΠΈ
— Π’Π΅ΡΡ ΠΈΠ·-ΠΏΠΎΠ΄ ΠΊΡΡΡΠ΅ΠΊ ΡΡΠΈΠ»ΠΈΡΠ΅Π»Ρ ΠΈΠ»ΠΈ Π½Π°ΡΠΎΡΠ°
ΠΠ°ΠΌΠ΅Π½ΠΈΡΠ΅ ΠΏΡΠΎΠΊΠ»Π°Π΄ΠΊΠΈ, ΡΠ΅Π·ΠΈΠ½ΠΎΠ²ΡΠ΅ ΠΊΠΎΠ»ΡΡΠ°
— Π’Π΅ΡΡ ΡΠ΅ΡΠ΅Π· ΡΠ΅Ρ Π½ΠΎΠ»ΠΎΠ³ΠΈΡΠ΅ΡΠΊΠΈΠ΅ ΠΎΡΠ²Π΅ΡΡΡΠΈΡ Π² ΠΊΠΎΡΠΏΡΡΠ΅ Π½Π°ΡΠΎΡΠ° (Π²ΡΠ΄Π°Π²ΠΈΠ»ΠΎ Π·Π°Π³Π»ΡΡΠΊΠΈ)
ΠΠ°ΠΏΡΠ΅ΡΡΡΠΉΡΠ΅ Π½ΠΎΠ²ΡΠ΅ Π·Π°Π³Π»ΡΡΠΊΠΈ ΠΈΠ»ΠΈ Π·Π°ΠΌΠ΅Π½ΠΈΡΠ΅ Π½Π°ΡΠΎΡ
— ΠΠΎΠ²ΡΡΠ΅Π½Π½ΠΎΠ΅ Π΄Π°Π²Π»Π΅Π½ΠΈΠ΅ Π² ΡΠΈΡΡΠ΅ΠΌΠ΅ ΠΈΠ·-Π·Π° Π·Π°ΠΊΠ»ΠΈΠ½ΠΈΠ²Π°Π½ΠΈΡ ΡΠ°ΡΡ ΠΎΠ΄Π½ΠΎΠ³ΠΎ ΠΊΠ»Π°ΠΏΠ°Π½Π° Π² Π·Π°ΠΊΡΡΡΠΎΠΌ ΠΏΠΎΠ»ΠΎΠΆΠ΅Π½ΠΈΠΈ
Π£ΡΡΡΠ°Π½ΠΈΡΠ΅ Π½Π΅ΠΈΡΠΏΡΠ°Π²Π½ΠΎΡΡΡ ΠΈΠ»ΠΈ Π·Π°ΠΌΠ΅Π½ΠΈΡΠ΅ Π½Π°ΡΠΎΡ
— Π§ΡΠ΅Π·ΠΌΠ΅ΡΠ½ΡΠΉ ΡΡΠΎΠ²Π΅Π½Ρ ΠΆΠΈΠ΄ΠΊΠΎΡΡΠΈ Π² Π±Π°ΡΠΊΠ΅
ΠΡΠ±Π΅ΡΠΈΡΠ΅ ΠΈΠ·Π»ΠΈΡΠΊΠΈ ΠΆΠΈΠ΄ΠΊΠΎΡΡΠΈ ΡΠΏΡΠΈΡΠ΅ΠΌ ΠΈΠ»ΠΈ ΡΠ΅Π·ΠΈΠ½ΠΎΠ²ΠΎΠΉ Π³ΡΡΡΠ΅ΠΉ
ΠΠΈΠ·ΠΊΠ°Ρ ΠΊΡΡΡΠΎΠ²Π°Ρ ΡΡΡΠΎΠΉΡΠΈΠ²ΠΎΡΡΡ Π½Π° Π±ΠΎΠ»ΡΡΠΎΠΉ ΡΠΊΠΎΡΠΎΡΡΠΈ:
— ΠΠ°ΡΡΡΠ΅Π½ΠΈΠ΅ ΡΠ΅Π³ΡΠ»ΠΈΡΠΎΠ²ΠΊΠΈ ΠΏΠΎΠ΄ΡΠΈΠΏΠ½ΠΈΠΊΠΎΠ² Π²ΠΈΠ½ΡΠ° ΠΈ Π² ΠΏΠ°ΡΠ΅ Π³Π°ΠΉΠΊΠ°-ΡΠ΅ΠΉΠΊΠ° β Π²Π°Π»-ΡΠ΅ΠΊΡΠΎΡ ΡΡΠ»Π΅Π²ΠΎΠ³ΠΎ ΠΌΠ΅Ρ Π°Π½ΠΈΠ·ΠΌΠ°
ΠΡΡΠ΅Π³ΡΠ»ΠΈΡΡΠΉΡΠ΅ Π·Π°Π·ΠΎΡΡ ΠΌΠ΅ΠΆΠ΄Ρ Π΄Π΅ΡΠ°Π»ΡΠΌΠΈ
ΠΠ· ΠΊΠ°ΠΊΠΈΡ ΠΎΡΠ½ΠΎΠ²Π½ΡΡ ΡΠ°ΡΡΠ΅ΠΉ ΡΠΎΡΡΠΎΡΡ ΠΎΡΠ³Π°Π½Ρ ΡΡΒΠ»Π΅Π²ΠΎΠ³ΠΎ ΡΠΏΡΠ°Π²Π»Π΅Π½ΠΈΡ ΠΊΠΎΠ»Π΅ΡΠ½ΡΡ ΡΡΠ°ΠΊΡΠΎΡΠΎΠ²
ΠΡΠ½ΠΎΠ²Π½ΡΠ΅ ΡΠ°ΡΡΠΈ ΠΎΡΠ³Π°Π½ΠΎΠ² ΡΡΒΠ»Π΅Π²ΠΎΠ³ΠΎ ΡΠΏΡΠ°Π²Π»Π΅Π½ΠΈΡ ΠΊΠΎΠ»Π΅ΡΠ½ΡΡ ΡΡΠ°ΠΊΡΠΎΡΠΎΠ²
Π ΡΠ»Π΅Π²ΠΎΠ΅ ΡΠΏΡΠ°Π²Π»Π΅Π½ΠΈΠ΅ ΡΠΎΡΡΠΎΠΈΡ ΠΈΠ· ΡΡΠ»Π΅Π²ΠΎΠΉ ΠΊΠΎΠ»ΠΎΠ½ΠΊΠΈ Ρ ΡΡΠ»Π΅Π²ΡΠΌ ΠΊΠΎΠ»Π΅ΡΠΎΠΌ, ΡΡΠ»Π΅Π²ΠΎΠΉ ΠΏΠ΅ΡΠ΅Π΄Π°ΡΠΈ ΠΈ ΡΡΠ»Π΅Π²ΠΎΠ³ΠΎ ΠΌΠ΅Ρ Π°Π½ΠΈΠ·ΒΠΌΠ°. ΠΠ°ΠΈΠ±ΠΎΠ»ΡΡΠ΅ΠΌΡ ΡΠ³Π»Ρ ΠΏΠΎΠ²ΠΎΡΠΎΡΠ° ΠΏΠ΅ΡΠ΅Π΄Π½ΠΈΡ ΠΊΠΎΠ»Π΅Ρ, ΠΊΠΎΡΠΎΒΡΡΠΉ ΠΎΠ±ΡΡΠ½ΠΎ Π½Π΅ ΠΏΡΠ΅Π²ΡΡΠ°Π΅Ρ 45Β°, ΡΠΎΠΎΡΠ²Π΅ΡΡΡΠ²ΡΠ΅Ρ 2,5-3 ΠΎΠ±ΠΎΒΡΠΎΡΠ° ΡΡΠ»Π΅Π²ΠΎΠ³ΠΎ ΠΊΠΎΠ»Π΅ΡΠ°. Π’Π°ΠΊΠΎΠ΅ ΡΡΡΡΠΎΠΉΡΡΠ²ΠΎ ΠΏΠ΅ΡΠ΅Π΄Π°ΡΠΈ ΡΠΌΠ΅Π½ΡΒΡΠ°Π΅Ρ ΡΡΠΈΠ»ΠΈΡ Π½Π° ΡΡΠ»Π΅Π²ΠΎΠΌ ΠΊΠΎΠ»Π΅ΡΠ΅.
ΠΠ΅Π΄ΠΎΠΌΡΠΉ Π²Π°Π» ΡΡΠ»Π΅Π²ΠΎΠΉ ΠΏΠ΅ΡΠ΅Π΄Π°ΡΠΈ Π½Π΅ΡΠ΅Ρ Π½Π° ΡΠ΅Π±Π΅ ΡΡΠ»Π΅ΒΠ²ΡΡ ΡΠΎΡΠΊΡ ΠΈ Π½Π°Π·ΡΠ²Π°Π΅ΡΡΡ Π²Π°Π»ΠΎΠΌ ΡΠΎΡΠΊΠΈ. ΠΠΎΠ½Π΅Ρ Π΅Π΅ ΡΠ²ΡΠ·Π°Π½ Ρ ΠΏΠ΅ΡΠ΅Π΄Π½ΠΈΠΌΠΈ ΠΊΠΎΠ»Π΅ΡΠ°ΠΌΠΈ ΡΡΠ»Π΅Π²ΡΠΌ ΠΌΠ΅Ρ Π°Π½ΠΈΠ·ΠΌΠΎΠΌ, ΡΠΎΡΡΠΎΡΡΠΈΠΌ ΠΈΠ· ΡΡΠ³ ΠΈ ΡΡΡΠ°Π³ΠΎΠ² ΠΈ ΡΡΡΡΠΎΠ΅Π½Π½ΡΠΌ ΡΠ°ΠΊ, ΡΡΠΎ Π²Π½Π΅ΡΠ½Π΅Π΅ (ΠΏΠΎ ΠΎΡΒΠ½ΠΎΡΠ΅Π½ΠΈΡ ΠΊ ΡΠ΅Π½ΡΡΡ ΠΏΠΎΠ²ΠΎΡΠΎΡΠ°) ΠΊΠΎΠ»Π΅ΡΠΎ ΠΏΠΎΠ²ΠΎΡΠ°ΡΠΈΠ²Π°Π΅ΡΡΡ Π½Π° ΠΌΠ΅Π½ΡΡΠΈΠΉ ΡΠ³ΠΎΠ», ΡΠ΅ΠΌ Π²Π½ΡΡΡΠ΅Π½Π½Π΅Π΅.
ΠΠ° ΡΡΠ°ΠΊΡΠΎΡΠ°Ρ Π½ΠΎΠ²ΡΡ ΡΠΈΠΏΠΎΠ² Π’-40, ΠΠ’Π-50, ΠΠ’Π-50ΠΠ ΠΈ ΠΠ’Π-52 ΡΡΡΠ°Π½ΠΎΠ²Π»Π΅Π½ Π³ΠΈΠ΄ΡΠ°Π²Π»ΠΈΡΠ΅ΡΠΊΠΈΠΉ ΡΡΠΈΠ»ΠΈΡΠ΅Π»Ρ ΡΡΠ»Π΅ΒΠ²ΠΎΠ³ΠΎ ΡΠΏΡΠ°Π²Π»Π΅Π½ΠΈΡ.
ΠΠ°ΠΊ ΡΡΡΡΠΎΠ΅Π½ΠΎ Π²Π΅Π΄ΡΡΠ΅Π΅ ΠΊΠΎΠ»Π΅ΡΠΎ ΡΡΠ°ΠΊΡΠΎΡΠ° ΠΠ’-20?
Π ΠΎΠ±ΠΎΠ΄Ρ Π²Π΅Π΄ΡΡΠ΅Π³ΠΎ ΠΊΠΎΠ»Π΅ΡΠ° ΠΏΡΠΈΠ²Π°ΡΠ΅Π½ΠΎ ΡΠ΅ΡΡΡ ΡΡΠΎΠ΅ΠΊ, ΠΊ
ΠΠΎΡΠΎΡΡΠΌ ΠΏΡΠΈΠΊΡΠ΅ΠΏΠ»Π΅Π½ Π΄ΠΈΡΠΊ; ΠΎΠ½, Π² ΡΠ²ΠΎΡ ΠΎΡΠ΅ΡΠ΅Π΄Ρ, ΠΏΡΠΈΠΊΡΠ΅ΠΏΒΠ»Π΅Π½ ΠΊ ΡΠ»Π°Π½ΡΡ ΠΎΡΠΈ ΠΊΠΎΠ»Π΅ΡΠ°.
ΠΠ°ΠΊ ΡΡΡΡΠΎΠ΅Π½ΠΎ ΠΏΠ΅ΡΠ΅Π΄Π½Π΅Π΅ ΠΊΠΎΠ»Π΅ΡΠΎ ΡΡΠ°ΠΊΡΠΎΡΠ° ΠΠ’-20?
Π‘ΡΡΠΏΠΈΡΠ° ΠΊΠΎΠ»Π΅ΡΠ° Π²ΡΠ°ΡΠ°Π΅ΡΡΡ Π½Π° Π΄Π²ΡΡ
ΠΊΠΎΠ½ΠΈΡΠ΅ΡΠΊΠΈΡ
ΡΠΎΠ»ΠΈΒΠΊΠΎΠ²ΡΡ
ΠΏΠΎΠ΄ΡΠΈΠΏΠ½ΠΈΠΊΠ°Ρ
, ΡΡΡΠ°Π½ΠΎΠ²Π»Π΅Π½Π½ΡΡ
Π½Π° ΡΠ°ΠΏΡΠ΅ ΠΏΠΎΠ²ΠΎΡΠΎΡΒΠ½ΠΎΠ³ΠΎ ΠΊΡΠ»Π°ΠΊΠ°. ΠΠ° ΠΎΠ΄Π½ΠΎ ΡΠΎ ΡΡΡΠΏΠΈΡΠ΅ΠΉ ΠΎΡΠ»ΠΈΡΡ ΡΡΠΈ ΡΠΏΠΈΡΡ ΠΈ ΠΊΡΡΠ³ΠΎΠ²Π°Ρ ΡΠ΅Π±ΠΎΡΠ΄Π°. ΠΠ±ΠΎΠ΄ ΡΡΡΠ°Π½ΠΎΠ²Π»Π΅Π½ Π½Π° Π²ΡΡΠΎΡΠΊΡ ΡΠ΅Π±ΠΎΡΒΠ΄Ρ ΠΈ ΠΏΡΠΈΡΡΠ½ΡΡ ΠΊ Π½Π΅ΠΉ Π±ΠΎΠ»ΡΠ°ΠΌΠΈ ΡΠ΅ΡΠ΅Π· ΡΡΠΈ Π½Π°ΠΆΠΈΠΌΠ½ΡΠ΅ ΠΏΠ»Π°Β
ΡΡΠΈΠ½Ρ. ΠΠΎΠ½Π΅Ρ ΡΠ°ΠΏΡΡ Ρ ΡΠ΅Π³ΡΠ»ΠΈΡΠΎΠ²ΠΎΡΠ½ΠΎΠΉ Π³Π°ΠΉΠΊΠΎΠΉ Π·Π°ΠΊΡΡΡ Π·Π°ΡΠΈΡΠ½ΡΠΌ ΠΊΠΎΠ»ΠΏΠ°ΠΊΠΎΠΌ.
ΠΠ°Π»Π»Π°ΡΡΠ½ΡΠΉ Π³ΡΡΠ· ΠΊΠΎΠ»ΡΡΠ΅Π²ΠΎΠΉ ΡΠΎΡΠΌΡ Π²Π΅ΡΠΈΡ 20 ΠΊΠ³ ΠΈ ΠΏΡΠΈΠΊΡΠ΅ΠΏΠ»Π΅Π½ ΠΊ ΡΡΡΠΏΠΈΡΠ΅ ΡΡΠ΅ΠΌΡ Π±ΠΎΠ»ΡΠ°ΠΌΠΈ, ΡΠ°ΡΠΏΠΎΠ»ΠΎΠΆΠ΅Π½Π½ΡΠΌΠΈ Π² ΠΏΡΠΎΠΌΠ΅ΠΆΡΡΠΊΠ°Ρ ΠΌΠ΅ΠΆΠ΄Ρ Π±ΠΎΠ»ΡΠ°ΠΌΠΈ ΠΎΠ±ΠΎΠ΄Π°.
ΠΠ°ΠΊ ΡΡΡΡΠΎΠ΅Π½ ΠΏΠ΅ΡΠ΅Π΄Π½ΠΈΠΉ ΠΌΠΎΡΡ ΡΡΠ°ΠΊΡΠΎΡΠ° ΠΠ’-20?
ΠΠ΅ΡΠ΅Π΄Π½ΠΈΠΉ ΠΌΠΎΡΡ ΡΠΎΡΡΠΎΠΈΡ ΠΈΠ· ΡΠ°Π·Π΄Π²ΠΈΠΆΠ½ΠΎΠΉ ΡΡΡΠ±ΡΠ°ΡΠΎΠΉ ΠΊΠ°ΒΡΠ°ΡΡΠ΅ΠΉΡΡ ΠΎΡΠΈ, ΡΡΠ»Π΅Π²ΠΎΠΉ ΡΡΠ°ΠΏΠ΅ΡΠΈΠΈ, Π΄Π²ΡΡ ΠΏΠΎΠ²ΠΎΡΠΎΡΠ½ΡΡ ΠΊΡΒΠ»Π°ΠΊΠΎΠ² ΠΈ Π΄Π²ΡΡ ΠΏΠ΅ΡΠ΅Π΄Π½ΠΈΡ ΠΊΠΎΠ»Π΅Ρ.
ΠΠ°Π»Π°Π½ΡΠΈΡ ΡΠ°Π·Π΄Π²ΠΈΠΆΠ½ΠΎΠΉ ΠΎΡΠΈ ΡΡΡΠ°Π½ΠΎΠ²Π»Π΅Π½ Π½Π° ΠΎΡΠΈ ΠΊΠ°ΡΠ°ΒΠ½ΠΈΡ. Π ΠΏΠΎΠ»ΡΠ΅ ΡΠ°Π·ΡΠ΅Π·Π½ΡΠ΅ ΠΊΠΎΠ½ΡΡ Π±Π°Π»Π°Π½ΡΠΈΡΠ° Π²ΡΡΠ°Π²Π»Π΅Π½Ρ ΠΊΠΎΡΠΏΡΡΡ ΠΏΠΎΠ²ΠΎΡΠΎΡΠ½ΡΡ ΠΊΡΠ»Π°ΠΊΠΎΠ², ΠΊΠΎΡΠΎΡΡΠ΅ Π·Π°ΡΠΈΠΊΡΠΈΡΠΎΠ²Π°Π½Ρ ΡΡΠΈΡΡΠ°ΠΌΠΈ ΠΈ Π·Π°ΠΊΡΠ΅ΠΏΠ»Π΅Π½Ρ ΡΡΡΠΆΠ½ΡΠΌΠΈ Π±ΠΎΠ»ΡΠ°ΠΌΠΈ.
Π Π½Π°ΠΊΠ»ΠΎΠ½Π½ΠΎΠ΅ ΠΎΡΠ²Π΅ΡΡΡΠΈΠ΅ ΠΊΠΎΡΠΏΡΡΠ° ΠΏΠΎΠ²ΠΎΡΠΎΡΠ½ΠΎΠ³ΠΎ ΠΊΡΠ»Π°ΠΊΠ° Π·Π°ΠΏΡΠ΅ΡΡΠΎΠ²Π°Π½Ρ Π΄Π²Π΅ Π²ΡΡΠ»ΠΊΠΈ; Π² Π½ΠΈΡ Π²ΡΡΠ°Π²Π»Π΅Π½Π° ΠΎΡΡ ΠΏΠΎΠ²ΠΎΡΠΎΡΒΠ½ΠΎΠ³ΠΎ ΠΊΡΠ»Π°ΠΊΠ°. Π€Π»Π°Π½ΡΡ ΡΠ°ΠΏΡ ΠΏΠΎΠ²ΠΎΡΠΎΡΠ½ΡΡ ΠΊΡΠ»Π°ΠΊΠΎΠ² ΡΠΎΠ΅Π΄ΠΈΒΠ½Π΅Π½Ρ Ρ ΡΠ»Π°Π½ΡΠ°ΠΌΠΈ ΠΎΡΠΈ Π½Π° Π±ΠΎΠ»ΡΠ°Ρ , ΡΡΠΎ Π΄Π°Π΅Ρ Π²ΠΎΠ·ΠΌΠΎΠΆΠ½ΠΎΡΡΡ ΡΠ΅Π³ΡΠ»ΠΈΡΠΎΠ²Π°ΡΡ Π΄ΠΎΡΠΎΠΆΠ½ΡΠΉ ΠΏΡΠΎΡΠ²Π΅Ρ.
ΠΠ°ΠΊ ΡΡΡΡΠΎΠ΅Π½ ΠΏΠ΅ΡΠ΅Π΄Π½ΠΈΠΉ ΠΌΠΎΡΡ ΡΠ°ΠΌΠΎΡ ΠΎΠ΄Π½ΠΎΠ³ΠΎ ΡΠ°ΡΡΠΈ Π’-16?
ΠΠ½ ΠΈΠΌΠ΅Π΅Ρ ΡΠ΅Π»Π΅ΡΠΊΠΎΠΏΠΈΡΠ΅ΡΠΊΠΎΠ΅ ΡΡΡΡΠΎΠΉΡΡΠ²ΠΎ, ΠΊΠ°ΠΊ ΠΈ Ρ ΡΡΠ°ΠΊΒΡΠΎΡΠ° ΠΠ’-20, Π½ΠΎ Π΄ΠΎΡΠΎΠΆΠ½ΡΠΉ ΠΏΡΠΎΡΠ²Π΅Ρ Π½Π΅ ΡΠ΅Π³ΡΠ»ΠΈΡΡΠ΅ΡΡΡ. Π ΡΒΠ»Π΅Π²Π°Ρ ΡΡΠ°ΠΏΠ΅ΡΠΈΡ ΡΠΎΠ΅Π΄ΠΈΠ½Π΅Π½Π° ΠΏΠΎΠΏΠ΅ΡΠ΅ΡΠ½ΠΎΠΉ ΡΡΠ³ΠΎΠΉ Ρ ΡΡΡΠ°Π³ΠΎΠΌ, Π·Π°ΠΊΡΠ΅ΠΏΠ»Π΅Π½Π½ΡΠΌ Π½Π° ΠΏΠ΅ΡΠ΅Π΄Π½Π΅ΠΌ ΠΊΠΎΠ½ΡΠ΅ ΠΏΡΠΎΠ΄ΠΎΠ»ΡΠ½ΠΎΠ³ΠΎ Π²Π°Π»Π° ΡΡΒΠ»Π΅Π²ΠΎΠ³ΠΎ ΡΠΏΡΠ°Π²Π»Π΅Π½ΠΈΡ, ΡΠ°ΡΠΏΠΎΠ»ΠΎΠΆΠ΅Π½Π½ΠΎΠ³ΠΎ Π²Π½ΡΡΡΠΈ ΠΏΡΠ°Π²ΠΎΠ³ΠΎ Π»ΠΎΠ½ΠΆΠ΅ΡΠΎΠ½Π° ΡΠ°ΠΌΡ.
Π ΠΎΡΠ»ΠΈΡΠΈΠ΅ ΠΎΡ ΡΡΠ°ΠΊΡΠΎΡΠ° ΠΠ’-20 Π΄ΠΈΡΠΊ ΠΈ ΡΡΡΠΏΠΈΡΠ° ΠΏΠ΅ΡΠ΅Π΄ΒΠ½Π΅Π³ΠΎ ΠΊΠΎΠ»Π΅ΡΠ° ΡΠ°ΠΌΠΎΡ ΠΎΠ΄Π½ΠΎΠ³ΠΎ ΡΠ°ΡΡΠΈ Π’-16 Π²ΡΠΏΠΎΠ»Π½Π΅Π½Ρ ΡΠ°Π·ΒΠ΄Π΅Π»ΡΠ½ΠΎ ΠΈ ΡΠΎΠ΅Π΄ΠΈΠ½Π΅Π½Ρ Π±ΠΎΠ»ΡΠ°ΠΌΠΈ.
Π ΡΠ΅ΠΌ ΡΠΎΡΡΠΎΠΈΡ ΡΡ ΠΎΠ΄ Π·Π° ΠΏΠ΅ΡΠ΅Π΄Π½ΠΈΠΌ ΠΌΠΎΡΡΠΎΠΌ ΡΡΠ°ΠΊΒΡΠΎΡΠ° ΠΠ’-20 ΠΈ ΡΠ°ΠΌΠΎΡ ΠΎΠ΄Π½ΠΎΠ³ΠΎ ΡΠ°ΡΡΠΈ Π’-16?
ΠΡΠΆΠ½ΠΎ ΡΠ»Π΅Π΄ΠΈΡΡ Π·Π° Π·Π°ΡΡΠΆΠΊΠΎΠΉ ΡΡΡΠΆΠ½ΡΡ Π±ΠΎΠ»ΡΠΎΠ² Π±Π°Π»Π°Π½ΒΡΠΈΡΠ°, ΠΊΡΠ΅ΠΏΠ»Π΅Π½ΠΈΠΉ ΠΏΠΎΠΏΠ΅ΡΠ΅ΡΠ½ΠΎΠΉ ΡΡΠ»Π΅Π²ΠΎΠΉ ΡΡΠ³ΠΈ, ΠΊΠΎΠ»Π΅ΡΠ° ΠΈ ΡΡΒΠ»Π΅Π²ΡΡ ΡΡΡΠ°Π³ΠΎΠ².
ΠΠ»Ρ ΠΏΡΠΎΠ²Π΅ΡΠΊΠΈ ΠΏΡΠΈ ΡΠ΅Ρ Π½ΠΈΡΠ΅ΡΠΊΠΎΠΌ ΡΡ ΠΎΠ΄Π΅ β 3 Π·Π°Π·ΠΎΡΠ° ΠΏΠΎΠ΄ΡΠΈΠΏΠ½ΠΈΠΊΠΎΠ² ΠΏΠ΅ΡΠ΅Π΄Π½Π΅Π³ΠΎ ΠΊΠΎΠ»Π΅ΡΠ° Π½ΡΠΆΠ½ΠΎ ΠΏΠΎΠ΄Π½ΡΡΡ ΠΊΠΎΠ»Π΅ΡΠΎ Π΄ΠΎΠΌΠΊΡΠ°ΡΠΎΠΌ ΠΈ ΠΏΡΠΎΠ²Π΅ΡΠΈΡΡ ΠΏΠ΅ΡΠ΅ΠΌΠ΅ΡΠ΅Π½ΠΈΠ΅ ΠΊΠΎΠ»Π΅ΡΠ° Π²Π΄ΠΎΠ»Ρ ΠΎΡΠΈ. ΠΡΠ»ΠΈ ΠΎΡΠ΅Π²ΠΎΠΉ Π·Π°Π·ΠΎΡ ΡΠ²Π΅Π»ΠΈΡΠΈΠ»ΡΡ Π΄ΠΎ 0,5 ΠΌΠΌ, ΠΏΠΎΠ΄ΡΠΈΠΏΠ½ΠΈΠΊΠΈ ΡΠ»Π΅Π΄ΡΠ΅Ρ ΠΎΡΡΠ΅Π³ΡΠ»ΠΈΡΠΎΠ²Π°ΡΡ. ΠΠ»Ρ ΡΡΠΎΠ³ΠΎ Π½ΡΠΆΠ½ΠΎ ΡΠ»ΠΈΡΡ ΠΌΠ°ΡΠ»ΠΎ ΠΈΠ· ΡΡΡΠΏΠΈΡΡ, ΡΠ½ΡΡΡ Π΅Π΅ ΠΊΡΡΡΠΊΡ, ΡΠ°ΡΡΠΏΠ»ΠΈΠ½ΡΠΎΠ²Π°ΡΡ ΠΊΠΎΡΠΎΠ½ΡΠ°ΒΡΡΡ Π³Π°ΠΉΠΊΡ, ΠΏΠΎΠ΄Π²ΠΈΠ½ΡΠΈΡΡ Π³Π°ΠΉΠΊΡ ΡΠ°ΠΊ, ΡΡΠΎΠ±Ρ ΠΎΡΠ΅Π²ΠΎΠΉ Π·Π°Π·ΠΎΡ Π½Π΅ ΠΏΡΠ΅Π²ΡΡΠ°Π» 0,1-0,2 ΠΌΠΌ, Π½ΠΎ ΠΊΠΎΠ»Π΅ΡΠΎ Π»Π΅Π³ΠΊΠΎ ΠΈ ΠΏΠ»Π°Π²Π½ΠΎ Π²ΡΠ°ΒΡΠ°Π»ΠΎΡΡ Π² ΠΏΠΎΠ΄ΡΠΈΠΏΠ½ΠΈΠΊΠ°Ρ .
Π£ΡΠΎΠ²Π΅Π½Ρ ΡΠΌΠ°Π·ΠΊΠΈ Π² ΡΡΡΠΏΠΈΡΠ°Ρ ΠΏΠ΅ΡΠ΅Π΄Π½ΠΈΡ ΠΊΠΎΠ»Π΅Ρ ΠΏΡΠΎΠ²Π΅ΡΡΒΡΡ ΠΏΡΠΈ ΡΠ΅Ρ Π½ΠΈΡΠ΅ΡΠΊΠΎΠΌ ΡΡ ΠΎΠ΄Π΅ β 2. ΠΠ»Ρ ΡΡΠΎΠ³ΠΎ ΡΡΠ°ΠΊΡΠΎΡ ΡΡΡΠ°ΒΠ½Π°Π²Π»ΠΈΠ²Π°ΡΡ ΡΠ°ΠΊ, ΡΡΠΎΠ±Ρ ΠΊΠΎΠ½ΡΡΠΎΠ»ΡΠ½Π°Ρ ΠΏΡΠΎΠ±ΠΊΠ° Π±ΡΠ»Π° Π½Π° ΠΎΠ΄ΒΠ½ΠΎΠΌ ΡΡΠΎΠ²Π½Π΅ Ρ ΠΎΡΡΡ ΠΊΠΎΠ»Π΅ΡΠ°.
ΠΠΎΠ²ΠΎΡΠΎΡΠ½ΡΠ΅ ΠΊΡΠ»Π°ΠΊΠΈ Π΅ΠΆΠ΅ΡΠΌΠ΅Π½Π½ΠΎ ΡΠΌΠ°Π·ΡΠ²Π°ΡΡ Π³ΡΡΡΠΎΠΉ ΡΠΌΠ°Π·ΠΊΠΎΠΉ, Π½Π°Π³Π½Π΅ΡΠ°Ρ Π΅Π΅ ΡΡΠΎΠΊΠΎΠ²ΡΠΌ ΡΠΏΡΠΈΡΠ΅ΠΌ.
ΠΡΠΆΠ½ΠΎ ΡΠ»Π΅Π΄ΠΈΡΡ Π·Π° ΡΠΎΡΡΠΎΡΠ½ΠΈΠ΅ΠΌ ΡΠΏΠ»ΠΎΡΠ½Π΅Π½ΠΈΠΉ ΠΏΠ΅ΡΠ΅Π΄Π½ΠΈΡ ΠΊΠΎΠ»Π΅Ρ. ΠΡΠ»ΠΈ Π·Π°ΠΌΠ΅ΡΠ΅Π½Π° ΡΠ΅ΡΡ ΠΌΠ°ΡΠ»Π° Ρ Π²Π½ΡΡΡΠ΅Π½Π½Π΅ΠΉ ΡΡΠΎΡΠΎΠ½Ρ ΠΊΠΎΠ»Π΅ΡΠ°, Π½ΡΠΆΠ½ΠΎ Π΅Π³ΠΎ ΡΠ½ΡΡΡ, ΠΎΡΠΌΠΎΡΡΠ΅ΡΡ ΠΈ ΠΈΡΠΏΡΠ°Π²ΠΈΡΡ ΡΠΏΠ»ΠΎΡΒΠ½Π΅Π½ΠΈΠ΅.
Π ΡΠ»Π΅Π²ΠΎΠ΅ ΡΠΏΡΠ°Π²Π»Π΅Π½ΠΈΠ΅ ΠΠΠ 2115 | Π£ΡΡΡΠΎΠΉΡΡΠ²ΠΎ ΠΈ ΡΠΈΡΡΠ΅ΠΌΡ Π°Π²ΡΠΎΠΌΠΎΠ±ΠΈΠ»Ρ
Π ΡΠ»Π΅Π²ΠΎΠ΅ ΡΠΏΡΠ°Π²Π»Π΅Π½ΠΈΠ΅ Π°Π²ΡΠΎΠΌΠΎΠ±ΠΈΠ»Ρ ΠΠΠ 2115-14 ΡΡΠ°Π²ΠΌΠΎΠ±Π΅Π·ΠΎΠΏΠ°ΡΠ½ΠΎΠ΅, Ρ ΡΠ΅Π³ΡΠ»ΠΈΡΡΠ΅ΠΌΡΠΌ ΡΠ³Π»ΠΎΠΌ Π½Π°ΠΊΠ»ΠΎΠ½Π° ΡΡΠ»Π΅Π²ΠΎΠΉ ΠΊΠΎΠ»ΠΎΠ½ΠΊΠΈ, Ρ ΡΠ΅Π΅ΡΠ½ΡΠΌ ΡΡΠ»Π΅Π²ΡΠΌ ΠΌΠ΅Ρ Π°Π½ΠΈΠ·ΠΌΠΎΠΌ, Ρ Π΄Π²ΡΠΌΡ Β ΡΡΠ³Π°ΠΌΠΈ, ΠΈΠΌΠ΅ΡΡΠΈΠΌΠΈ ΡΠ΅Π·ΠΈΠ½ΠΎΠΌΠ΅ΡΠ°Π»Π»ΠΈΡΠ΅ΡΠΊΠΈΠ΅ ΡΠ°ΡΠ½ΠΈΡΡ ΡΠΎ ΡΡΠΎΡΠΎΠ½Ρ ΡΡΠ»Π΅Π²ΠΎΠ³ΠΎ ΠΌΠ΅Ρ Π°Π½ΠΈΠ·ΠΌΠ° ΠΈ ΡΠ°ΡΠΎΠ²ΡΠ΅ ΡΠ°ΡΠ½ΠΈΡΡ ΡΠΎ ΡΡΠΎΡΠΎΠ½Ρ ΠΏΠΎΠ²ΠΎΡΠΎΡΠ½ΡΡ ΡΡΡΠ°Π³ΠΎΠ².
Π ΠΈΡ.1 Π ΡΠ»Π΅Π²ΠΎΠ΅ ΡΠΏΡΠ°Π²Π»Π΅Π½ΠΈΠ΅
1-ΡΠ°ΡΠΎΠ²ΡΠΉ ΡΠ°ΡΠ½ΠΈΡ Π½Π°ΠΊΠΎΠ½Π΅ΡΠ½ΠΈΠΊΠ° ΡΡΠ»Π΅Π²ΠΎΠΉ ΡΡΠ³ΠΈ, 2-ΠΏΠΎΠ²ΠΎΡΠΎΡΠ½ΡΠΉ ΡΡΡΠ°Π³, 3-Π½Π°ΠΊΠΎΠ½Π΅ΡΠ½ΠΈΠΊ ΡΡΠ»Π΅Π²ΠΎΠΉ ΡΡΠ³ΠΈ, 4-ΠΊΠΎΠ½ΡΡΠ³Π°ΠΉΠΊΠ°, 5-ΡΡΠ³Π°, 6 ΠΈ 11-Π²Π½ΡΡΡΠ΅Π½Π½ΠΈΠ΅ Π½Π°ΠΊΠΎΠ½Π΅ΡΠ½ΠΈΠΊΠΈ ΡΡΠ»Π΅Π²ΡΡ ΡΡΠ³, 7-ΠΏΠ°Π»Π΅Ρ ΡΠ°ΡΠΎΠ²ΠΎΠ³ΠΎ ΡΠ°ΡΠ½ΠΈΡΠ°, 8-Π·Π°ΡΠΈΡΠ½ΡΠΉ ΠΊΠΎΠ»ΠΏΠ°ΡΠΎΠΊ, 9-Π²ΠΊΠ»Π°Π΄ΡΡ ΡΠ°ΡΠΎΠ²ΠΎΠ³ΠΎ ΠΏΠ°Π»ΡΡΠ°, 10-Π±ΠΎΠ»ΡΡ ΠΊΡΠ΅ΠΏΠ»Π΅Π½ΠΈΡ ΡΡΠ»Π΅Π²ΡΡ ΡΡΠ³ ΠΊ ΡΠ΅ΠΉΠΊΠ΅, 12-ΡΠΊΠΎΠ±Π° ΠΊΡΠ΅ΠΏΠ»Π΅Π½ΠΈΡ ΡΡΠ»Π΅Π²ΠΎΠ³ΠΎ ΠΌΠ΅Ρ Π°Π½ΠΈΠ·ΠΌΠ°, 13-ΠΎΠΏΠΎΡΠ° ΡΡΠ»Π΅Π²ΠΎΠ³ΠΎ ΠΌΠ΅Ρ Π°Π½ΠΈΠ·ΠΌΠ°, 14-ΡΠΎΠ΅Π΄ΠΈΠ½ΠΈΡΠ΅Π»ΡΠ½Π°Ρ ΠΏΠ»Π°ΡΡΠΈΠ½Π°, 15-Π·Π°ΡΠΈΡΠ½ΡΠΉ ΡΠ΅Ρ ΠΎΠ», 16-ΡΡΠΎΠΏΠΎΡΠ½Π°Ρ ΠΏΠ»Π°ΡΡΠΈΠ½Π°, 17-ΠΊΠ°ΡΡΠ΅Ρ ΡΡΠ»Π΅Π²ΠΎΠ³ΠΎ ΠΌΠ΅Ρ Π°Π½ΠΈΠ·ΠΌΠ°, 18-ΡΡΡΠΆΠ½ΠΎΠΉ Π±ΠΎΠ»Ρ, 19-ΡΠΎΠ΅Π΄ΠΈΠ½ΠΈΡΠ΅Π»ΡΠ½Π°Ρ ΡΠ»Π°ΡΡΠΈΡΠ½Π°Ρ ΠΌΡΡΡΠ°, 20-ΡΠ΅ΠΉΠΊΠ°, 21-ΠΎΠΏΠΎΡΠ½Π°Ρ Π²ΡΡΠ»ΠΊΠ° ΡΠ΅ΠΉΠΊΠΈ, 22-Π΄Π΅ΠΌΠΏΡΠΈΡΡΡΡΠ΅Π΅ ΠΊΠΎΠ»ΡΡΠΎ, 23-ΡΠ΅Π·ΠΈΠ½ΠΎΠΌΠ΅ΡΠ°Π»Π»ΠΈΡΠ΅ΡΠΊΠΈΠΉ ΡΠ°ΡΠ½ΠΈΡ, 24-ΠΎΠ±Π»ΠΈΡΠΎΠ²ΠΎΡΠ½ΡΠΉ ΠΊΠΎΠΆΡΡ (Π²Π΅ΡΡ Π½ΡΡ ΡΠ°ΡΡΡ), 25-ΡΡΠ»Π΅Π²ΠΎΠ΅ ΠΊΠΎΠ»Π΅ΡΠΎ, 26-ΡΡΡΠ°Π³ ΡΠ΅Π³ΡΠ»ΠΈΡΠΎΠ²ΠΊΠΈ ΠΏΠΎΠ»ΠΎΠΆΠ΅Π½ΠΈΡ ΡΡΠ»Π΅Π²ΠΎΠΉ ΠΊΠΎΠ»ΠΎΠ½ΠΊΠΈ, 27-ΠΊΡΠΎΠ½ΡΡΠ΅ΠΉΠ½ ΠΊΡΠ΅ΠΏΠ»Π΅Π½ΠΈΡ Π²Π°Π»Π° ΡΡΠ»Π΅Π²ΠΎΠ³ΠΎ ΡΠΏΡΠ°Π²Π»Π΅Π½ΠΈΡ, 28-ΠΎΠ±Π»ΠΈΡΠΎΠ²ΠΎΡΠ½ΡΠΉ ΠΊΠΎΠΆΡΡ (Π½ΠΈΠΆΠ½ΡΡ ΡΠ°ΡΡΡ), 29-ΠΏΡΠΎΠΌΠ΅ΠΆΡΡΠΎΡΠ½ΡΠΉ Π²Π°Π» ΡΡΠ»Π΅Π²ΠΎΠ³ΠΎ ΡΠΏΡΠ°Π²Π»Π΅Π½ΠΈΡ, 30-Π·Π°ΡΠΈΡΠ½ΡΠΉ ΠΊΠΎΠ»ΠΏΠ°ΡΠΎΠΊ, Π-ΠΏΠΎΠ²Π΅ΡΡ Π½ΠΎΡΡΡ ΠΊΠΎΡΠΏΡΡΠ° ΡΠ°ΡΠΎΠ²ΠΎΠ³ΠΎ ΡΠ°ΡΠ½ΠΈΡΠ°, Π-ΠΏΠΎΠ²Π΅ΡΡ Π½ΠΎΡΡΡ ΠΏΠΎΠ²ΠΎΡΠΎΡΠ½ΠΎΠ³ΠΎ ΡΡΡΠ°Π³Π°
Π ΡΠ»Π΅Π²ΠΎΠ΅ ΡΠΏΡΠ°Π²Π»Π΅Π½ΠΈΠ΅ Π°Π²ΡΠΎΠΌΠΎΠ±ΠΈΠ»Ρ ΠΊΡΠ΅ΠΏΠΈΡΡΡ ΠΊ ΡΠΈΡΠΊΡ ΠΏΠ΅ΡΠ΅Π΄ΠΊΠ° ΠΊΡΠ·ΠΎΠ²Π° Π΄Π²ΡΠΌΡ ΡΠΊΠΎΠ±Π°ΠΌΠΈ 12 Π½Π° ΡΠ΅Π·ΠΈΠ½ΠΎΠ²ΡΡ ΠΎΠΏΠΎΡΠ°Ρ 13. Π ΠΊΠ°ΡΡΠ΅ΡΠ΅ 17 ΡΡΠ»Π΅Π²ΠΎΠ³ΠΎ ΠΌΠ΅Ρ Π°Π½ΠΈΠ·ΠΌΠ° Π½Π° ΡΠΎΠ»ΠΈΠΊΠΎΠ²ΠΎΠΌ ΠΈ ΡΠ°ΡΠΈΠΊΠΎΠ²ΠΎΠΌ ΠΏΠΎΠ΄ΡΠΈΠΏΠ½ΠΈΠΊΠ°Ρ ΡΡΡΠ°Π½ΠΎΠ²Π»Π΅Π½Π° ΠΏΡΠΈΠ²ΠΎΠ΄Π½Π°Ρ ΡΠ΅ΡΡΠ΅ΡΠ½Ρ, ΠΊΠΎΡΠΎΡΠ°Ρ Π½Π°Ρ ΠΎΠ΄ΠΈΡΡΡ Π² Π·Π°ΡΠ΅ΠΏΠ»Π΅Π½ΠΈΠΈ Ρ ΡΠ΅ΠΉΠΊΠΎΠΉ 20. Π Π΅ΠΉΠΊΠ° ΠΏΠΎΠ΄ΠΆΠΈΠΌΠ°Π΅ΡΡΡ ΠΊ ΡΠ΅ΡΡΠ΅ΡΠ½Π΅ ΠΏΡΡΠΆΠΈΠ½ΠΎΠΉ ΡΠ΅ΡΠ΅Π· ΠΌΠ΅ΡΠ°Π»Π»ΠΎΠΊΠ΅ΡΠ°ΠΌΠΈΡΠ΅ΡΠΊΠΈΠΉ ΡΠΏΠΎΡ, ΠΊΠΎΡΠΎΡΡΠΉ ΡΠΏΠ»ΠΎΡΠ½Π΅Π½ Π² ΠΊΠ°ΡΡΠ΅ΡΠ΅ ΡΠ΅Π·ΠΈΠ½ΠΎΠ²ΡΠΌ ΠΊΠΎΠ»ΡΡΠΎΠΌ. ΠΡΡΠΆΠΈΠ½Π° ΡΠΏΠΈΡΠ°Π΅ΡΡΡ Π² Π³Π°ΠΉΠΊΡ ΡΠΎ ΡΡΠΎΠΏΠΎΡΠ½ΡΠΌ ΠΊΠΎΠ»ΡΡΠΎΠΌ, ΡΠΎΠ·Π΄Π°ΡΡΠΈΠΌ ΡΠΎΠΏΡΠΎΡΠΈΠ²Π»Π΅Π½ΠΈΠ΅ ΠΎΡΠ²ΠΎΡΠ°ΡΠΈΠ²Π°Π½ΠΈΡ Π³Π°ΠΉΠΊΠΈ.
Π¨Π°ΡΠΈΠΊΠΎΠ²ΡΠΉ ΠΏΠΎΠ΄ΡΠΈΠΏΠ½ΠΈΠΊ ΡΠ΅ΡΡΠ΅ΡΠ½ΠΈ ΠΏΠΎΠ΄ΠΆΠΈΠΌΠ°Π΅ΡΡΡ Π³Π°ΠΉΠΊΠΎΠΉ Ρ ΡΠΏΠ»ΠΎΡΠ½ΠΈΡΠ΅Π»ΡΠ½ΡΠΌ ΠΊΠΎΠ»ΡΡΠΎΠΌ. ΠΠ°ΠΉΠΊΠ° ΡΡΠΎΠΏΠΎΡΠΈΡΡΡ Π² ΠΊΠ°ΡΡΠ΅ΡΠ΅ ΡΠ°ΠΉΠ±ΠΎΠΉ ΠΈ Π·Π°ΠΊΡΡΠ²Π°Π΅ΡΡΡ ΠΏΡΠ»ΡΠ½ΠΈΠΊΠΎΠΌ, Π½Π°ΡΠ°ΠΆΠ΅Π½Π½ΡΠΌ Π½Π° Π²Π°Π» ΠΏΡΠΈΠ²ΠΎΠ΄Π½ΠΎΠΉ ΡΠ΅ΡΡΠ΅ΡΠ½ΠΈ. ΠΠ° ΠΊΠ°ΡΡΠ΅ΡΠ΅ ΡΡΠ»Π΅Π²ΠΎΠ³ΠΎ ΠΌΠ΅Ρ Π°Π½ΠΈΠ·ΠΌΠ° ΠΈ Π½Π° ΠΏΡΠ»ΡΠ½ΠΈΠΊΠ΅ ΠΈΠΌΠ΅ΡΡΡΡ ΠΌΠ΅ΡΠΊΠΈ Π΄Π»Ρ ΠΏΡΠ°Π²ΠΈΠ»ΡΠ½ΠΎΠΉ ΡΠ±ΠΎΡΠΊΠΈ ΡΡΠ»Π΅Π²ΠΎΠ³ΠΎ ΠΌΠ΅Ρ Π°Π½ΠΈΠ·ΠΌΠ°.
ΠΠ° ΠΊΠ°ΡΡΠ΅Ρ ΡΡΠ»Π΅Π²ΠΎΠ³ΠΎ ΠΌΠ΅Ρ Π°Π½ΠΈΠ·ΠΌΠ° Ρ Π»Π΅Π²ΠΎΠΉ ΡΡΠΎΡΠΎΠ½Ρ Π½Π°Π΄Π΅Π²Π°Π΅ΡΡΡ Π·Π°ΡΠΈΡΠ½ΡΠΉ ΠΊΠΎΠ»ΠΏΠ°ΡΠΎΠΊ 30, Ρ ΠΏΡΠ°Π²ΠΎΠΉ β Π½Π°ΠΏΡΠ΅ΡΡΠΎΠ²ΡΠ²Π°Π΅ΡΡΡ ΡΡΡΠ±Π°, ΠΈΠΌΠ΅ΡΡΠ°Ρ ΠΏΡΠΎΠ΄ΠΎΠ»ΡΠ½ΡΠΉ ΠΏΠ°Π·. Π§Π΅ΡΠ΅Π· ΠΏΠ°Π· ΡΡΡΠ±Ρ ΠΈ ΠΎΡΠ²Π΅ΡΡΡΠΈΡ Π·Π°ΡΠΈΡΠ½ΠΎΠ³ΠΎ ΡΠ΅Ρ Π»Π° 15 ΠΏΡΠΎΡ ΠΎΠ΄ΡΡ ΡΠ°ΡΠΏΠΎΡΠ½ΡΠ΅ Π²ΡΡΠ»ΠΊΠΈ ΡΠ΅Π·ΠΈΠ½ΠΎΠΌΠ΅ΡΠ°Π»Π»ΠΈΡΠ΅ΡΠΊΠΈΡ ΡΠ°ΡΠ½ΠΈΡΠΎΠ² Π²Π½ΡΡΡΠ΅Π½Π½ΠΈΡ Π½Π°ΠΊΠΎΠ½Π΅ΡΠ½ΠΈΠΊΠΎΠ² 6 ΠΈ 11 ΡΡΠ»Π΅Π²ΡΡ ΡΡΠ³. Π’ΡΠ³ΠΈ ΡΡΠ»Π΅Π²ΠΎΠ³ΠΎ ΠΏΡΠΈΠ²ΠΎΠ΄Π° ΠΊΡΠ΅ΠΏΡΡΡΡ ΠΊ ΡΠ΅ΠΉΠΊΠ΅ Π±ΠΎΠ»ΡΠ°ΠΌΠΈ 10, ΠΊΠΎΡΠΎΡΡΠ΅ ΠΏΡΠΎΡ ΠΎΠ΄ΡΡ ΡΠ΅ΡΠ΅Π· ΡΠΎΠ΅Π΄ΠΈΠ½ΠΈΡΠ΅Π»ΡΠ½ΡΡ ΠΏΠ»Π°ΡΡΠΈΠ½Ρ 14 ΠΈ ΡΠ°ΡΠΏΠΎΡΠ½ΡΠ΅ Π²ΡΡΠ»ΠΊΠΈ ΡΠ΅Π·ΠΈΠ½ΠΎΠΌΠ΅ΡΠ°Π»Π»ΠΈΡΠ΅ΡΠΊΠΈΡ ΡΠ°ΡΠ½ΠΈΡΠΎΠ² 23. Π€ΠΈΠΊΡΠΈΡΡΡΡΡΡ Π±ΠΎΠ»ΡΡ ΡΡΠΎΠΏΠΎΡΠ½ΠΎΠΉ ΠΏΠ»Π°ΡΡΠΈΠ½ΠΎΠΉ 16.
Π ΡΠ»Π΅Π²ΠΎΠΉ ΠΏΡΠΈΠ²ΠΎΠ΄ ΡΠΎΡΡΠΎΠΈΡ ΠΈΠ· Π΄Π²ΡΡ ΡΡΠ»Π΅Π²ΡΡ ΡΡΠ³ ΠΈ ΠΏΠΎΠ²ΠΎΡΠΎΡΠ½ΡΡ ΡΡΡΠ°Π³ΠΎΠ² 2 ΡΠ΅Π»Π΅ΡΠΊΠΎΠΏΠΈΡΠ΅ΡΠΊΠΈΡ ΡΡΠΎΠ΅ΠΊ ΠΏΠ΅ΡΠ΅Π΄Π½Π΅ΠΉ ΠΏΠΎΠ΄Π²Π΅ΡΠΊΠΈ. ΠΠ°ΠΆΠ΄Π°Ρ ΡΡΠ»Π΅Π²Π°Ρ ΡΡΠ³Π° ΡΠΎΡΡΠΎΠΈΡ ΠΈΠ· Π²Π½ΡΡΡΠ΅Π½Π½Π΅Π³ΠΎ Π½Π°ΠΊΠΎΠ½Π΅ΡΠ½ΠΈΠΊΠ° 6 ΠΈΠ»ΠΈ 11, Π½Π°ΠΊΠΎΠ½Π΅ΡΠ½ΠΈΠΊΠ° 3 ΠΈ ΡΡΡΠ±ΡΠ°ΡΠΎΠΉ ΡΡΠ³ΠΈ 5. ΠΠ»ΠΈΠ½Π° ΠΊΠ°ΠΆΠ΄ΠΎΠΉ ΡΡΠ³ΠΈ ΠΈΠ·ΠΌΠ΅Π½ΡΠ΅ΡΡΡ ΡΡΡΠ±ΡΠ°ΡΠΎΠΉ ΡΡΠ³ΠΎΠΉ 5, ΠΊΠΎΡΠΎΡΠ°Ρ Π½Π°Π²Π΅ΡΡΡΠ²Π°Π΅ΡΡΡ Π½Π° Π½Π°ΠΊΠΎΠ½Π΅ΡΠ½ΠΈΠΊΠΈ ΡΡΠ³ ΠΈ ΠΊΠΎΠ½ΡΡΠΈΡΡΡ Π³Π°ΠΉΠΊΠ°ΠΌΠΈ 4. Π Π³ΠΎΠ»ΠΎΠ²ΠΊΠ΅ Π½Π°ΡΡΠΆΠ½ΠΎΠ³ΠΎ Π½Π°ΠΊΠΎΠ½Π΅ΡΠ½ΠΈΠΊΠ° ΡΠ°ΡΠΏΠΎΠ»ΠΎΠΆΠ΅Π½Ρ Π΄Π΅ΡΠ°Π»ΠΈ ΡΠ°ΡΠΎΠ²ΠΎΠ³ΠΎ ΡΠ°ΡΠ½ΠΈΡΠ°: Π²ΠΊΠ»Π°Π΄ΡΡ 9, ΠΏΠ°Π»Π΅Ρ 7 ΠΈ ΠΏΡΡΠΆΠΈΠ½Π° Π²ΠΊΠ»Π°Π΄ΡΡΠ°. ΠΠΎΠ²ΠΎΡΠΎΡΠ½ΡΠ΅ ΡΡΡΠ°Π³ΠΈ 2 ΠΏΡΠΈΠ²Π°ΡΠ΅Π½Ρ ΠΊ ΡΡΠΎΠΉΠΊΠ°ΠΌ ΠΏΠ΅ΡΠ΅Π΄Π½Π΅ΠΉ ΠΏΠΎΠ΄Π²Π΅ΡΠΊΠΈ.
Π ΠΈΡ.2 Π ΡΠ»Π΅Π²Π°Ρ ΠΊΠΎΠ»ΠΎΠ½ΠΊΠ° Π² ΡΠ±ΠΎΡΠ΅
1-Π½ΠΈΠΆΠ½ΠΈΠΉ ΡΠ»Π°Π½Π΅Ρ ΡΠ»Π°ΡΡΠΈΡΠ½ΠΎΠΉ ΠΌΡΡΡΡ, 2-ΡΠ»Π°ΡΡΠΈΡΠ½Π°Ρ ΠΌΡΡΡΠ°, 3-ΠΏΡΠΎΠΌΠ΅ΠΆΡΡΠΎΡΠ½ΡΠΉ Π²Π°Π» ΡΡΠ»Π΅Π²ΠΎΠ³ΠΎ ΡΠΏΡΠ°Π²Π»Π΅Π½ΠΈΡ, 4-ΠΊΡΠΎΠ½ΡΡΠ΅ΠΉΠ½ ΠΊΡΠ΅ΠΏΠ»Π΅Π½ΠΈΡ Π²Π°Π»Π° ΡΡΠ»Π΅Π²ΠΎΠ³ΠΎ ΡΠΏΡΠ°Π²Π»Π΅Π½ΠΈΡ, 5-Π²Π΅ΡΡ Π½ΠΈΠΉ Π²Π°Π» ΡΡΠ»Π΅Π²ΠΎΠ³ΠΎ ΡΠΏΡΠ°Π²Π»Π΅Π½ΠΈΡ, 6-ΠΎΡΡΡΠΆΠ½Π°Ρ ΠΏΡΡΠΆΠΈΠ½Π°, 7-ΠΎΠ±Π»ΠΈΡΠΎΠ²ΠΎΡΠ½ΡΠΉ ΠΊΠΎΠΆΡΡ (Π½ΠΈΠΆΠ½ΡΡ ΡΠ°ΡΡΡ), 8-ΡΡΠΎΠΏΠΎΡΠ½ΠΎΠ΅ ΠΊΠΎΠ»ΡΡΠΎ, 9-ΡΡΡΠ°Π³ ΡΠ΅Π³ΡΠ»ΠΈΡΠΎΠ²ΠΊΠΈ ΠΏΠΎΠ»ΠΎΠΆΠ΅Π½ΠΈΡ ΡΡΠ»Π΅Π²ΠΎΠΉ ΠΊΠΎΠ»ΠΎΠ½ΠΊΠΈ, 10-ΡΠ΅Π³ΡΠ»ΠΈΡΠΎΠ²ΠΎΡΠ½Π°Ρ Π²ΡΡΠ»ΠΊΠ° ΡΡΡΠ°Π³Π°, 11-ΡΠ°ΡΠΏΠΎΡΠ½Π°Ρ Π²ΡΡΠ»ΠΊΠ°, 12-ΡΡΡΠΆΠ½ΠΎΠΉ Π±ΠΎΠ»Ρ, 13-ΡΡΡΠ±Π° ΠΊΡΠΎΠ½ΡΡΠ΅ΠΉΠ½Π° Π²Π°Π»Π° ΡΡΠ»Π΅Π²ΠΎΠ³ΠΎ ΡΠΏΡΠ°Π²Π»Π΅Π½ΠΈΡ, 14-Π΄Π΅ΡΠΆΠ°ΡΠ΅Π»Ρ ΠΊΠΎΠ½ΡΠ°ΠΊΡΠ½ΡΡ ΠΏΠ»Π°ΡΡΠΈΠ½, 15-Π³Π°ΠΉΠΊΠ° ΠΊΡΠ΅ΠΏΠ»Π΅Π½ΠΈΡ ΡΡΠ»Π΅Π²ΠΎΠ³ΠΎ ΠΊΠΎΠ»Π΅ΡΠ°, 16-ΡΡΠ»Π΅Π²ΠΎΠ΅ ΠΊΠΎΠ»Π΅ΡΠΎ, 17-ΠΎΠ±Π»ΠΈΡΠΎΠ²ΠΎΡΠ½ΡΠΉ ΠΊΠΎΠΆΡΡ (Π²Π΅ΡΡ Π½ΡΡ ΡΠ°ΡΡΡ), 18-ΠΏΠΎΠ΄ΡΠΈΠΏΠ½ΠΈΠΊ Π²Π°Π»Π° ΡΡΠ»Π΅Π²ΠΎΠ³ΠΎ ΡΠΏΡΠ°Π²Π»Π΅Π½ΠΈΡ, 19-Π²ΡΡΠ»ΠΊΠ° ΠΎΠΏΠΎΡΠ½ΠΎΠΉ ΠΏΠ»Π°ΡΡΠΈΠ½Ρ, 20-ΡΠ°ΡΠΏΠΎΡΠ½Π°Ρ Π²ΡΡΠ»ΠΊΠ°, 21-ΠΊΡΠ΅ΡΡΠΎΠ²ΠΈΠ½Π° ΠΊΠ°ΡΠ΄Π°Π½Π½ΠΎΠ³ΠΎ ΡΠ°ΡΠ½ΠΈΡΠ°, Π‘ ΠΈ Π-ΠΎΠΊΠ½Π° ΡΠ΅Π³ΡΠ»ΠΈΡΠΎΠ²ΠΊΠΈ ΠΏΠΎΠ»ΠΎΠΆΠ΅Π½ΠΈΡ ΡΡΠ»Π΅Π²ΠΎΠΉ ΠΊΠΎΠ»ΠΎΠ½ΠΊΠΈ.
ΠΠ°Π» ΡΡΠ»Π΅Π²ΠΎΠ³ΠΎ ΡΠΏΡΠ°Π²Π»Π΅Π½ΠΈΡ ΡΠΎΡΡΠΎΠΈΡ ΠΈΠ· Π²Π΅ΡΡ Π½Π΅Π³ΠΎ Π²Π°Π»Π° 5 ΠΈ ΠΏΡΠΎΠΌΠ΅ΠΆΡΡΠΎΡΠ½ΠΎΠ³ΠΎ Π²Π°Π»Π° 3. ΠΠ΅ΡΡ Π½ΠΈΠΉ ΠΈ ΠΏΡΠΎΠΌΠ΅ΠΆΡΡΠΎΡΠ½ΡΠΉ Π²Π°Π»Ρ ΡΠΎΠ΅Π΄ΠΈΠ½Π΅Π½Ρ ΠΌΠ΅ΠΆΠ΄Ρ ΡΠΎΠ±ΠΎΠΉ ΠΊΠ°ΡΠ΄Π°Π½Π½ΡΠΌ ΡΠ°ΡΠ½ΠΈΡΠΎΠΌ Ρ ΠΊΡΠ΅ΡΡΠΎΠ²ΠΈΠ½ΠΎΠΉ 21. ΠΡΠΎΠΌΠ΅ΠΆΡΡΠΎΡΠ½ΡΠΉ Π²Π°Π» 3 ΠΊΡΠ΅ΠΏΠΈΡΡΡ ΠΊ ΠΏΡΠΈΠ²ΠΎΠ΄Π½ΠΎΠΉ ΡΠ΅ΡΡΠ΅ΡΠ½Π΅ ΡΡΠ»Π΅Π²ΠΎΠ³ΠΎ ΠΌΠ΅Ρ Π°Π½ΠΈΠ·ΠΌΠ° ΡΠ΅ΡΠ΅Π· ΡΠ»Π°ΡΡΠΈΡΠ½ΡΡ ΠΌΡΡΡΡ 2 Π½ΠΈΠΆΠ½ΠΈΠΌ ΡΠ»Π°Π½ΡΠ΅ΠΌ 1. Π Π²Π΅ΡΡ Π½Π΅ΠΌΡ Π²Π°Π»Ρ 5 ΠΊΡΠ΅ΠΏΠΈΡΡΡ ΡΡΠ»Π΅Π²ΠΎΠ΅ ΠΊΠΎΠ»Π΅ΡΠΎ 16 Π³Π°ΠΉΠΊΠΎΠΉ 15. ΠΠ΅ΡΡ Π½ΠΈΠΉ Π²Π°Π» ΡΠ°ΡΠΏΠΎΠ»ΠΎΠΆΠ΅Π½ Π½Π° ΠΏΠΎΠ΄ΡΠΈΠΏΠ½ΠΈΠΊΠ°Ρ 18 Π² ΡΡΡΠ±Π΅ 13. ΠΡΠΎΠ½ΡΡΠ΅ΠΉΠ½ 4 ΠΊΡΠ΅ΠΏΠ»Π΅Π½ΠΈΡ Π²Π°Π»Π° ΡΡΠ»Π΅Π²ΠΎΠ³ΠΎ ΡΠΏΡΠ°Π²Π»Π΅Π½ΠΈΡ Π·Π°ΠΊΡΠ΅ΠΏΠ»Π΅Π½ Π² ΡΠ΅ΡΡΡΠ΅Ρ ΠΌΠ΅ΡΡΠ°Ρ ΠΊ ΠΊΡΠΎΠ½ΡΡΠ΅ΠΉΠ½Ρ ΠΊΡΠ·ΠΎΠ²Π°, ΠΏΡΠΈΡΠ΅ΠΌ ΠΏΠ΅ΡΠ΅Π΄Π½ΡΡ ΡΠ°ΡΡΡ ΠΊΡΠΎΠ½ΡΡΠ΅ΠΉΠ½Π° ΠΊΡΠ΅ΠΏΠΈΡΡΡ Π΄Π²ΡΠΌΡ Π±ΠΎΠ»ΡΠ°ΠΌΠΈ , Π° Π·Π°Π΄Π½ΡΡ ΡΠ°ΡΡΡ ΠΊΡΠΎΠ½ΡΡΠ΅ΠΉΠ½Π° β Π³Π°ΠΉΠΊΠ°ΠΌΠΈ.
ΠΡΠΎΠ½ΡΡΠ΅ΠΉΠ½ 4 ΠΈ ΡΡΡΠ±Π° 13 ΡΠΎΠ΅Π΄ΠΈΠ½Π΅Π½Ρ ΠΌΠ΅ΠΆΠ΄Ρ ΡΠΎΠ±ΠΎΠΉ ΡΠ°ΡΠ½ΠΈΡΠ½ΠΎ Π΄Π²ΡΠΌΡ ΠΏΠ»Π°ΡΡΠΈΠ½Π°ΠΌΠΈ Ρ ΠΏΠΎΠΌΠΎΡΡΡ ΡΠ΅ΡΡΡΠ΅Ρ Π±ΠΎΠ»ΡΠΎΠ², ΡΠ°ΡΠΏΠΎΠ»ΠΎΠΆΠ΅Π½Π½ΡΡ Π² ΠΏΠ»Π°ΡΡΠΌΠ°ΡΡΠΎΠ²ΡΡ Π²ΡΡΠ»ΠΊΠ°Ρ 19 ΠΈ ΡΠ°ΡΠΏΠΎΡΠ½ΡΡ Π²ΡΡΠ»ΠΊΠ°Ρ 20. ΠΡΠΈ ΡΠ°ΠΊΠΎΠΌ ΡΠΎΠ΅Π΄ΠΈΠ½Π΅Π½ΠΈΠΈ ΡΡΡΠ±Π° 13 ΠΈ Π²Π°Π» 5 ΠΎΡΠ½ΠΎΡΠΈΡΠ΅Π»ΡΠ½ΠΎ ΠΊΡΠΎΠ½ΡΡΠ΅ΠΉΠ½Π° 4 ΠΈΠΌΠ΅ΡΡ ΡΠ³Π»ΠΎΠ²ΠΎΠ΅ ΠΈ ΠΎΡΠ΅Π²ΠΎΠ΅ ΠΏΠ΅ΡΠ΅ΠΌΠ΅ΡΠ΅Π½ΠΈΡ, ΠΊΠΎΡΠΎΡΡΠ΅ ΠΎΠ³ΡΠ°Π½ΠΈΡΠ΅Π½Ρ ΠΎΠΊΠ½Π°ΠΌΠΈ Β Β«CΒ» ΠΈ Β«ΠΒ». ΠΠ»Ρ ΡΠΈΠΊΡΠ°ΡΠΈΠΈ ΡΡΡΠ±Ρ 13 ΠΎΡΠ½ΠΎΡΠΈΡΠ΅Π»ΡΠ½ΠΎ ΠΊΡΠΎΠ½ΡΡΠ΅ΠΉΠ½Π° 4 ΠΈΠΌΠ΅Π΅ΡΡΡ ΡΡΡΠ°Π³ 9.
Π ΡΡΡΠΏΠΈΡΠ΅ ΡΡΡΠ°Π³Π° 9 ΠΈΠΌΠ΅ΡΡΡΡ ΡΠ»ΠΈΡΡ, Ρ ΠΏΠΎΠΌΠΎΡΡΡ ΠΊΠΎΡΠΎΡΡΡ ΠΎΠ½ ΡΠΎΠ΅Π΄ΠΈΠ½ΡΠ΅ΡΡΡ Ρ ΡΠ΅Π³ΡΠ»ΠΈΡΠΎΠ²ΠΎΡΠ½ΠΎΠΉ Π²ΡΡΠ»ΠΊΠΎΠΉ 10. ΠΡΡΠ»ΠΊΠ° 10 ΡΠ°ΡΠΏΠΎΠ»ΠΎΠΆΠ΅Π½Π° Π½Π° ΡΡΡΠΆΠ½ΠΎΠΌ Π±ΠΎΠ»ΡΠ΅ 12, ΠΊΠΎΡΠΎΡΡΠΉ ΠΏΡΠΎΡ ΠΎΠ΄ΠΈΡ ΡΠ΅ΡΠ΅Π· ΠΏΡΠΎΡΠ΅Π·ΠΈ Π½Π°ΠΏΡΠ°Π²Π»ΡΡΡΠΈΡ ΠΏΠ»Π°ΡΡΠΈΠ½ ΡΡΡΠ±Ρ 13 ΠΈ ΠΊΡΠΎΠ½ΡΡΠ΅ΠΉΠ½Π° 4 (ΡΠ΅ΡΠ΅Π· ΠΎΠΊΠ½Π° Β«CΒ» ΠΈ Β«ΠΒ»). ΠΡΠΈ ΠΏΠΎΠ²ΠΎΡΠΎΡΠ΅ ΡΡΡΠ°Π³Π° 9 Π²Π½ΠΈΠ· ΠΎΡΠ»Π°Π±Π»ΡΠ΅ΡΡΡ ΡΠΈΠΊΡΠ°ΡΠΈΡ ΡΡΡΠ±Ρ 13 Π² ΠΊΡΠΎΠ½ΡΡΠ΅ΠΉΠ½Π΅ 4, ΡΡΠΎ ΠΏΠΎΠ·Π²ΠΎΠ»ΡΠ΅Ρ Π²ΡΡΡΠ½ΡΡ ΠΈΠ·ΠΌΠ΅Π½ΠΈΡΡ ΡΠ³ΠΎΠ» Π½Π°ΠΊΠ»ΠΎΠ½Π° ΡΡΠ»Π΅Π²ΠΎΠΉ ΠΊΠΎΠ»ΠΎΠ½ΠΊΠΈ.
ΠΡΠ½ΠΎΠ²Π½ΡΠ΅ Π΄Π΅ΡΠ°Π»ΠΈ Π³ΠΈΠ΄ΡΠΎΡΡΠΈΠ»ΠΈΡΠ΅Π»Ρ ΡΡΠ»Π΅Π²ΠΎΠ³ΠΎ ΡΠΏΡΠ°Π²Π»Π΅Π½ΠΈΡ ΠΈ ΠΈΡ Π½Π°Π·Π½Π°ΡΠ΅Π½ΠΈΠ΅
ΠΠ° Π±ΠΎΠ»Π΅Π΅ Π½ΠΎΠ²ΡΡ Π°Π²ΡΠΎΠΌΠΎΠ±ΠΈΠ»ΡΡ Ρ ΡΠ΅Π΅ΡΠ½ΡΠΌ ΡΡΠ»Π΅Π²ΡΠΌ ΡΠΏΡΠ°Π²Π»Π΅Π½ΠΈΠ΅ΠΌ ΠΈΠΌΠ΅ΡΡΡΡ Π΄Π²Π΅ ΠΎΡΠ½ΠΎΠ²Π½ΡΠ΅ Π΄Π΅ΡΠ°Π»ΠΈ Π³ΠΈΠ΄ΡΠΎΡΡΠΈΠ»ΠΈΡΠ΅Π»Ρ ΡΡΠ»Ρ , Π½Π°ΡΠΎΡ, ΡΠ΅Π΅ΡΠ½ΡΠΉ Π±Π»ΠΎΠΊ ΠΈ ΡΠ»Π°Π½Π³ΠΈ. ΠΠΈΠΆΠ΅ ΠΏΠ΅ΡΠ΅ΡΠΈΡΠ»Π΅Π½Ρ Π²ΡΠ΅ ΠΊΠΎΠΌΠΏΠΎΠ½Π΅Π½ΡΡ ΡΠΎΠ²ΡΠ΅ΠΌΠ΅Π½Π½ΠΎΠΉ ΡΠΈΡΡΠ΅ΠΌΡ ΡΡΠ»Π΅Π²ΠΎΠ³ΠΎ ΡΠΏΡΠ°Π²Π»Π΅Π½ΠΈΡ Ρ ΡΡΠΈΠ»ΠΈΡΠ΅Π»Π΅ΠΌ ΠΈ ΡΡΠ½ΠΊΡΠΈΠΈ, ΠΊΠΎΡΠΎΡΡΠ΅ ΠΎΠ½ΠΈ Π²ΡΠΏΠΎΠ»Π½ΡΡΡ.
ΠΠ±ΡΠΈΠ΅ ΡΠΈΡΡΠ΅ΠΌΠ½ΡΠ΅ ΡΡΠ½ΠΊΡΠΈΠΈ
Π ΡΠΎΠ²ΡΠ΅ΠΌΠ΅Π½Π½ΠΎΠΉ ΡΠΈΡΡΠ΅ΠΌΠ΅ ΡΡΠ»Π΅Π²ΠΎΠ³ΠΎ ΡΠΏΡΠ°Π²Π»Π΅Π½ΠΈΡ Ρ Π³ΠΈΠ΄ΡΠΎΡΡΠΈΠ»ΠΈΡΠ΅Π»Π΅ΠΌ Π½Π°ΡΠΎΡ ΠΏΠΎΠ΄Π°Π΅Ρ ΠΆΠΈΠ΄ΠΊΠΎΡΡΡ ΡΡΠ»Π΅Π²ΠΎΠ³ΠΎ ΡΠΏΡΠ°Π²Π»Π΅Π½ΠΈΡ Ρ Π³ΠΈΠ΄ΡΠΎΡΡΠΈΠ»ΠΈΡΠ΅Π»Π΅ΠΌ ΠΏΠΎΠ΄ Π΄Π°Π²Π»Π΅Π½ΠΈΠ΅ΠΌ Π² Π±Π»ΠΎΠΊ Π·ΡΠ±ΡΠ°ΡΠΎΠΉ ββΡΠ΅ΠΉΠΊΠΈ.ΠΠΎΠ³Π΄Π° Π²ΠΎΠ΄ΠΈΡΠ΅Π»Ρ ΠΎΠ±Π΅ΡΠΏΠ΅ΡΠΈΠ²Π°Π΅Ρ ΡΡΠ»Π΅Π²ΠΎΠ΅ ΡΠΏΡΠ°Π²Π»Π΅Π½ΠΈΠ΅, ΠΏΠΎΠ²ΠΎΡΠ°ΡΠΈΠ²Π°Ρ ΡΡΠ»Π΅Π²ΠΎΠ΅ ΠΊΠΎΠ»Π΅ΡΠΎ, ΡΠΏΡΠ°Π²Π»ΡΡΡΠΈΠΉ ΠΊΠ»Π°ΠΏΠ°Π½ ΡΡΠ»Π΅Π²ΠΎΠ³ΠΎ ΡΠΏΡΠ°Π²Π»Π΅Π½ΠΈΡ Ρ ΡΡΠΈΠ»ΠΈΡΠ΅Π»Π΅ΠΌ ΠΏΡΠΈΠΊΠ»Π°Π΄ΡΠ²Π°Π΅Ρ Π΄Π°Π²Π»Π΅Π½ΠΈΠ΅ ΠΆΠΈΠ΄ΠΊΠΎΡΡΠΈ ΠΊ ΠΎΠ΄Π½ΠΎΠΉ ΡΡΠΎΡΠΎΠ½Π΅ ΠΏΠΎΡΡΠ½Ρ, ΡΡΠΎ ΠΏΠΎΠΌΠΎΠ³Π°Π΅Ρ Π²ΠΎΠ΄ΠΈΡΠ΅Π»Ρ ΠΏΠΎΠ²ΠΎΡΠ°ΡΠΈΠ²Π°ΡΡ ΠΊΠΎΠ»Π΅ΡΠΎ. ΠΠΎΠ³Π΄Π° ΠΊΠΎΠ»Π΅ΡΠΎ ΠΏΠΎΠ²ΠΎΡΠ°ΡΠΈΠ²Π°Π΅ΡΡΡ, ΡΠ΅ΡΡΠ΅ΡΠ½Ρ ΠΏΠΎΠ²ΠΎΡΠ°ΡΠΈΠ²Π°Π΅ΡΡΡ ΠΏΡΠΎΡΠΈΠ² ΡΠ΅ΠΉΠΊΠΈ, ΠΈ ΠΎΠ±Π΅ ΡΠ΅ΡΡΠ΅ΡΠ½ΠΈ ΡΠΎΠ»ΠΊΠ°ΡΡ ΡΠ΅ΠΉΠΊΡ Π² ΠΆΠ΅Π»Π°Π΅ΠΌΠΎΠΌ Π½Π°ΠΏΡΠ°Π²Π»Π΅Π½ΠΈΠΈ, ΡΡΠΎ ΠΏΠΎΠ²ΠΎΡΠ°ΡΠΈΠ²Π°Π΅Ρ ΠΊΠΎΠ»Π΅ΡΠ°.
ΠΠ°ΡΠΎΡ Π³ΠΈΠ΄ΡΠΎΡΡΠΈΠ»ΠΈΡΠ΅Π»Ρ
ΠΠ°ΡΠΎΡ Π³ΠΈΠ΄ΡΠΎΡΡΠΈΠ»ΠΈΡΠ΅Π»Ρ ΡΡΠ»Π΅Π²ΠΎΠ³ΠΎ ΡΠΏΡΠ°Π²Π»Π΅Π½ΠΈΡ Π²ΡΠ°ΡΠ°Π΅ΡΡΡ ΡΠ΅ΠΌΠ½Π΅ΠΌ ΠΏΡΠΈΠ²ΠΎΠ΄Π° Π²ΡΠΏΠΎΠΌΠΎΠ³Π°ΡΠ΅Π»ΡΠ½ΡΡ Π°Π³ΡΠ΅Π³Π°ΡΠΎΠ² ΠΈΠ»ΠΈ Π·ΠΌΠ΅Π΅Π²ΠΈΠΊΠΎΠΌ Π΄Π»Ρ ΡΠΎΠ·Π΄Π°Π½ΠΈΡ Π΄Π°Π²Π»Π΅Π½ΠΈΡ ΠΆΠΈΠ΄ΠΊΠΎΡΡΠΈ Π² ΡΠ»Π°Π½Π³Π΅ Π³ΠΈΠ΄ΡΠΎΡΡΠΈΠ»ΠΈΡΠ΅Π»Ρ ΡΡΠ»Π΅Π²ΠΎΠ³ΠΎ ΡΠΏΡΠ°Π²Π»Π΅Π½ΠΈΡ Π½Π° ΡΡΠΎΡΠΎΠ½Π΅ Π²Ρ ΠΎΠ΄Π° ΠΊΠ»Π°ΠΏΠ°Π½Π° ΡΠΏΡΠ°Π²Π»Π΅Π½ΠΈΡ Π³ΠΈΠ΄ΡΠΎΡΡΠΈΠ»ΠΈΡΠ΅Π»Π΅ΠΌ ΡΡΠ»Π΅Π²ΠΎΠ³ΠΎ ΡΠΏΡΠ°Π²Π»Π΅Π½ΠΈΡ.
Π Π΅ΠΉΠΊΠ° ΠΈ ΡΠ΅ΡΡΠ΅ΡΠ½Ρ
Π Π΅ΠΉΠΊΠ° ΠΈ ΡΠ΅ΡΡΠ΅ΡΠ½Ρ — ΡΡΠΎ Π±Π»ΠΎΠΊ, ΠΊΠΎΡΠΎΡΡΠΉ ΠΏΡΠ΅ΠΎΠ±ΡΠ°Π·ΡΠ΅Ρ ΡΡΠ»Π΅Π²ΠΎΠ΅ ΡΠΏΡΠ°Π²Π»Π΅Π½ΠΈΠ΅ Π²ΠΎΠ΄ΠΈΡΠ΅Π»Ρ Π² Π΄Π²ΠΈΠΆΠ΅Π½ΠΈΠ΅ ΠΏΠ΅ΡΠ΅Π΄Π½ΠΈΡ ΠΊΠΎΠ»Π΅Ρ Π΄Π»Ρ ΠΏΠΎΠ²ΠΎΡΠΎΡΠ°. Π ΠΊΠΎΠ½ΡΡ ΠΏΠ΅ΡΠ²ΠΈΡΠ½ΠΎΠ³ΠΎ Π²Π°Π»Π° ΡΡΠ»Π΅Π²ΠΎΠ³ΠΎ ΡΠΏΡΠ°Π²Π»Π΅Π½ΠΈΡ ΠΏΡΠΈΠΊΡΠ΅ΠΏΠ»Π΅Π½Π° Π²Π΅Π΄ΡΡΠ°Ρ ΡΠ΅ΡΡΠ΅ΡΠ½Ρ. ΠΡΠ° ΡΠ΅ΡΡΠ΅ΡΠ½Ρ ΠΏΡΠΈΠΆΠΈΠΌΠ°Π΅ΡΡΡ ΠΊ ΡΡΠ»Π΅Π²ΠΎΠΉ ΡΠ΅ΠΉΠΊΠ΅. ΠΠΎΠ³Π΄Π° ΡΡΠ»Π΅Π²ΠΎΠ΅ ΠΊΠΎΠ»Π΅ΡΠΎ ΠΏΠΎΠ²ΠΎΡΠ°ΡΠΈΠ²Π°Π΅ΡΡΡ, ΡΠ΅ΡΡΠ΅ΡΠ½Ρ Π²ΡΠ°ΡΠ°Π΅ΡΡΡ ΠΈ ΡΠΎΠ»ΠΊΠ°Π΅Ρ ΡΠ΅ΠΉΠΊΡ Π² ΠΆΠ΅Π»Π°Π΅ΠΌΠΎΠΌ Π½Π°ΠΏΡΠ°Π²Π»Π΅Π½ΠΈΠΈ. ΠΠΎ ΠΎΠ±Π΅ΠΈΠΌ ΡΡΠΎΡΠΎΠ½Π°ΠΌ ΡΡΠ»Π΅Π²ΠΎΠΉ ΡΠ΅ΠΉΠΊΠΈ ΡΠ°ΡΠΏΠΎΠ»ΠΎΠΆΠ΅Π½Ρ ΠΏΡΠΎΡΠ΅Π·ΠΈΠ½Π΅Π½Π½ΡΠ΅ ΠΏΠ»Π°ΡΡΠΈΠΊΠΎΠ²ΡΠ΅ ΡΠΈΠ»ΡΡΠΎΠ½Ρ, ΠΊΠΎΡΠΎΡΡΠ΅ ΠΊΡΠ΅ΠΏΡΡΡΡ ΠΊ ΠΊΠΎΡΠΏΡΡΡ ΡΠ΅ΠΉΠΊΠΈ ΠΈ ΠΏΠΎΠ΄Π²ΠΈΠΆΠ½ΠΎΠΉ ΡΠ°ΡΡΠΈ ΡΠ΅ΠΉΠΊΠΈ, ΡΡΠΎΠ±Ρ ΠΏΡΠ»Ρ Π½Π΅ ΠΏΠΎΠΏΠ°Π΄Π°Π»Π° Π² Π±Π»ΠΎΠΊ Π·ΡΠ±ΡΠ°ΡΠΎΠΉ ββΡΠ΅ΠΉΠΊΠΈ.
Π ΡΠ»Π΅Π²ΠΎΠ΅ ΠΊΠΎΠ»Π΅ΡΠΎ
ΠΠ΅ΠΆΠ΄Ρ Π²Π΅Π΄ΡΡΠΈΠΌ Π²Π°Π»ΠΎΠΌ ΡΠ΅Π΅ΡΠ½ΠΎΠΉ ΠΏΠ΅ΡΠ΅Π΄Π°ΡΠΈ ΠΈ ΡΡΠ»Π΅Π²ΠΎΠΉ ΠΊΠΎΠ»ΠΎΠ½ΠΊΠΎΠΉ Π½Π°Ρ ΠΎΠ΄ΠΈΡΡΡ ΡΡΠ»Π΅Π²ΠΎΠΉ Π΄Π΅ΠΌΠΏΡΠ΅Ρ. ΠΡΠΎ ΡΠΎΠ»ΡΡΡΠΉ ΡΠ΅Π·ΠΈΠ½ΠΎΠ²ΡΠΉ ΡΠ»Π΅ΠΌΠ΅Π½Ρ, ΠΊΠΎΡΠΎΡΡΠΉ ΠΏΠΎΠ³Π»ΠΎΡΠ°Π΅Ρ Π΄ΠΎΡΠΎΠΆΠ½ΡΠ΅ ΡΠ΄Π°ΡΡ ΠΈ ΠΏΡΠ΅Π΄ΠΎΡΠ²ΡΠ°ΡΠ°Π΅Ρ ΠΈΡ ΠΏΠ΅ΡΠ΅Π΄Π°ΡΡ Π²ΠΎΠ΄ΠΈΡΠ΅Π»Ρ ΡΠ΅ΡΠ΅Π· ΡΡΠ»Π΅Π²ΠΎΠ΅ ΠΊΠΎΠ»Π΅ΡΠΎ.
ΠΡΡΡΠ° ΡΡΠ»Π΅Π²ΠΎΠ³ΠΎ ΠΌΠ΅Ρ Π°Π½ΠΈΠ·ΠΌΠ°
ΠΡΠΎ ΡΠ°ΡΠ½ΠΈΡ, ΠΊΠΎΡΠΎΡΡΠΉ ΠΏΠΎΠ·Π²ΠΎΠ»ΡΠ΅Ρ ΡΡΠ»Π΅Π²ΠΎΠΌΡ ΠΊΠΎΠ»Π΅ΡΡ Π²ΡΠ°ΡΠ°ΡΡΡΡ Π±Π΅Π· Π·Π°Π΅Π΄Π°Π½ΠΈΡ Π² ΠΊΠΎΠ»ΠΎΠ½ΠΊΠ΅ ΠΈΠ·-Π·Π° ΡΠΎΠ³ΠΎ, ΡΡΠΎ ΠΏΠ΅ΡΠ²ΠΈΡΠ½ΡΠΉ Π²Π°Π» ΠΈ ΡΡΠ»Π΅Π²Π°Ρ ΠΊΠΎΠ»ΠΎΠ½ΠΊΠ° Π½Π΅ ΠΈΠ΄Π΅Π°Π»ΡΠ½ΠΎ ΡΠΎΠ²ΠΌΠ΅ΡΠ΅Π½Ρ, Π° Π½Π°Ρ ΠΎΠ΄ΡΡΡΡ ΠΏΠΎΠ΄ Π½Π΅Π±ΠΎΠ»ΡΡΠΈΠΌ ΡΠ³Π»ΠΎΠΌ Π΄ΡΡΠ³ ΠΊ Π΄ΡΡΠ³Ρ.
ΠΠΎΠ½ΡΡ ΡΡΠ»Π΅Π²ΠΎΠΉ ΡΡΠ³ΠΈ
ΠΡΠΎ ΠΊΠΎΠΌΠΏΠΎΠ½Π΅Π½ΡΡ, ΠΊΠΎΡΠΎΡΡΠ΅ ΠΏΡΠΈΠΊΡΠ΅ΠΏΠ»ΡΡΡ ΠΊΠΎΠ½ΡΡ ΡΡΠ»Π΅Π²ΠΎΠΉ ΡΠ΅ΠΉΠΊΠΈ ΠΊ ΠΏΠΎΠ²ΠΎΡΠΎΡΠ½ΠΎΠΌΡ ΠΊΡΠ»Π°ΠΊΡ ΠΈ ΠΏΠΎΠ·Π²ΠΎΠ»ΡΡΡ ΠΏΡΠ΅ΠΎΠ±ΡΠ°Π·ΠΎΠ²Π°ΡΡ Π΄Π²ΠΈΠΆΠ΅Π½ΠΈΠ΅ ΡΠ΅ΠΉΠΊΠΈ Π² ΠΏΠΎΠ²ΠΎΡΠΎΡΠ½ΠΎΠ΅ Π΄Π²ΠΈΠΆΠ΅Π½ΠΈΠ΅ ΠΏΠ΅ΡΠ΅Π΄Π½ΠΈΡ ΠΊΠΎΠ»Π΅Ρ. ΠΡΠΈ ΡΠ°ΡΡΠΈ Π²ΡΠ°ΡΠ°ΡΡΡΡ Π³ΠΎΡΠΈΠ·ΠΎΠ½ΡΠ°Π»ΡΠ½ΠΎ Π΄Π»Ρ ΠΏΠ΅ΡΠ΅ΠΌΠ΅ΡΠ΅Π½ΠΈΡ ΡΡΠ»Π΅Π²ΠΎΠ³ΠΎ ΡΠΏΡΠ°Π²Π»Π΅Π½ΠΈΡ ΠΈ ΠΏΠΎΠ²ΠΎΡΠ°ΡΠΈΠ²Π°ΡΡΡΡ ΠΊΠ°ΠΊ ΠΏΠΎ Π²Π΅ΡΡΠΈΠΊΠ°Π»ΠΈ, ΡΠ°ΠΊ ΠΈ ΠΏΠΎ Π΄ΠΈΠ°Π³ΠΎΠ½Π°Π»ΠΈ, ΠΊΠΎΠ³Π΄Π° Π°Π²ΡΠΎΠΌΠΎΠ±ΠΈΠ»Ρ ΡΡΠ°Π»ΠΊΠΈΠ²Π°Π΅ΡΡΡ Ρ Π½Π΅ΡΠΎΠ²Π½ΠΎΡΡΡΠΌΠΈ Π΄ΠΎΡΠΎΠ³ΠΈ ΠΈ ΠΊΠΎΠ»Π΅ΡΠ° ΠΎΡΡΠΊΠ°ΠΊΠΈΠ²Π°ΡΡ.
Π¨Π»Π°Π½Π³ΠΈ Π³ΠΈΠ΄ΡΠΎΡΡΠΈΠ»ΠΈΡΠ΅Π»Ρ ΡΡΠ»Ρ
ΠΠΌΠ΅Π΅ΡΡΡ Π΄Π²Π° ΠΎΡΠ½ΠΎΠ²Π½ΡΡ ΡΠ»Π°Π½Π³Π° Π³ΠΈΠ΄ΡΠΎΡΡΠΈΠ»ΠΈΡΠ΅Π»Ρ ΡΡΠ»Π΅Π²ΠΎΠ³ΠΎ ΡΠΏΡΠ°Π²Π»Π΅Π½ΠΈΡ, ΡΡΠΎΡΠΎΠ½Π° Π²ΡΡΠΎΠΊΠΎΠ³ΠΎ ΠΈ Π½ΠΈΠ·ΠΊΠΎΠ³ΠΎ Π΄Π°Π²Π»Π΅Π½ΠΈΡ.ΠΠ±Π° ΠΊΡΠ΅ΠΏΡΡΡΡ ΠΊ ΡΡΠΎΠΉΠΊΠ΅ ΠΈ ΡΠ΅ΡΡΠ΅ΡΠ½Π΅ Ρ ΠΏΠΎΠΌΠΎΡΡΡ Π»Π°ΡΡΠ½Π½ΡΡ ΡΠΈΡΠΈΠ½Π³ΠΎΠ² Ρ ΡΠ΅Π·ΡΠ±ΠΎΠΉ. Π¨Π»Π°Π½Π³ ΡΠΎ ΡΡΠΎΡΠΎΠ½Ρ Π²ΡΡΠΎΠΊΠΎΠ³ΠΎ Π΄Π°Π²Π»Π΅Π½ΠΈΡ ΠΏΡΠΈΠΊΡΠ΅ΠΏΠ»Π΅Π½ ΠΊ Π½Π°ΡΠΎΡΡ Π³ΠΈΠ΄ΡΠΎΡΡΠΈΠ»ΠΈΡΠ΅Π»Ρ ΡΡΠ»Π΅Π²ΠΎΠ³ΠΎ ΡΠΏΡΠ°Π²Π»Π΅Π½ΠΈΡ Ρ ΠΏΠΎΠΌΠΎΡΡΡ Π»Π°ΡΡΠ½Π½ΠΎΠ³ΠΎ ΡΠΈΡΠΈΠ½Π³Π° Ρ ΡΠ΅Π·ΡΠ±ΠΎΠΉ, Π° ΡΠ»Π°Π½Π³ ΡΠΎ ΡΡΠΎΡΠΎΠ½Ρ Π½ΠΈΠ·ΠΊΠΎΠ³ΠΎ Π΄Π°Π²Π»Π΅Π½ΠΈΡ ΡΠΊΠΎΠ»ΡΠ·ΠΈΡ ΠΏΠΎ Π½Π΅Π±ΠΎΠ»ΡΡΠΎΠΉ ΡΡΡΠ±Π΅ ΠΈ ΡΠΈΠΊΡΠΈΡΡΠ΅ΡΡΡ Ρ ΠΎΠΌΡΡΠΎΠΌ. Π¨Π»Π°Π½Π³ ΡΠΎ ΡΡΠΎΡΠΎΠ½Ρ Π²ΡΡΠΎΠΊΠΎΠ³ΠΎ Π΄Π°Π²Π»Π΅Π½ΠΈΡ ΠΏΠ΅ΡΠ΅Π½ΠΎΡΠΈΡ ΠΆΠΈΠ΄ΠΊΠΎΡΡΡ Π³ΠΈΠ΄ΡΠΎΡΡΠΈΠ»ΠΈΡΠ΅Π»Ρ ΡΡΠ»Π΅Π²ΠΎΠ³ΠΎ ΡΠΏΡΠ°Π²Π»Π΅Π½ΠΈΡ ΠΏΠΎΠ΄ Π΄Π°Π²Π»Π΅Π½ΠΈΠ΅ΠΌ ΠΊ ΡΡΠΎΠΉΠΊΠ΅, ΡΡΠΎΠ±Ρ ΡΡΠΈΠ»ΠΈΡΡ ΡΡΠΈΠ»ΠΈΡΠ΅Π»Ρ ΡΡΠ»Π΅Π²ΠΎΠ³ΠΎ ΡΠΏΡΠ°Π²Π»Π΅Π½ΠΈΡ. Π¨Π»Π°Π½Π³ ΡΠΎ ΡΡΠΎΡΠΎΠ½Ρ Π½ΠΈΠ·ΠΊΠΎΠ³ΠΎ Π΄Π°Π²Π»Π΅Π½ΠΈΡ ΠΏΠ΅ΡΠ΅Π½ΠΎΡΠΈΡ ΠΆΠΈΠ΄ΠΊΠΎΡΡΡ ΠΏΠΎΠ΄ Π½ΠΈΠ·ΠΊΠΈΠΌ Π΄Π°Π²Π»Π΅Π½ΠΈΠ΅ΠΌ ΠΎΠ±ΡΠ°ΡΠ½ΠΎ Π² Π½Π°ΡΠΎΡ.
ΠΡΠΎΡΠΈΡΠ°Π² ΠΏΡΠ΅Π΄ΡΠ΄ΡΡΡΡ ΠΈΠ½ΡΠΎΡΠΌΠ°ΡΠΈΡ, Π²Ρ Π΄ΠΎΠ»ΠΆΠ½Ρ Π»ΡΡΡΠ΅ ΠΏΠΎΠ½ΡΡΡ ΠΊΠΎΠΌΠΏΠΎΠ½Π΅Π½ΡΡ ΠΈ ΡΡΠ½ΠΊΡΠΈΠΈ ΡΠΈΡΡΠ΅ΠΌΡ ΡΡΠ»Π΅Π²ΠΎΠ³ΠΎ ΡΠΏΡΠ°Π²Π»Π΅Π½ΠΈΡ Ρ ΡΡΠΈΠ»ΠΈΡΠ΅Π»Π΅ΠΌ Π½Π° Π²Π°ΡΠ΅ΠΌ Π°Π²ΡΠΎΠΌΠΎΠ±ΠΈΠ»Π΅.
Π ΡΠ»Π΅Π²ΠΎΠ΅ ΡΠΏΡΠ°Π²Π»Π΅Π½ΠΈΠ΅ | Boggs Automotive
Π‘ΠΈΡΡΠ΅ΠΌΠ° ΡΡΠ»Π΅Π²ΠΎΠ³ΠΎ ΡΠΏΡΠ°Π²Π»Π΅Π½ΠΈΡ Ρ Π³ΠΈΠ΄ΡΠΎΡΡΠΈΠ»ΠΈΡΠ΅Π»Π΅ΠΌ Π² Π²Π°ΡΠ΅ΠΌ Π°Π²ΡΠΎΠΌΠΎΠ±ΠΈΠ»Π΅ ΠΏΠΎΠ·Π²ΠΎΠ»ΡΠ΅Ρ Π²Π°ΠΌ Π½Π°ΠΏΡΠ°Π²Π»ΡΡΡ Π°Π²ΡΠΎΠΌΠΎΠ±ΠΈΠ»Ρ Π² ΠΆΠ΅Π»Π°Π΅ΠΌΠΎΠΌ Π½Π°ΠΏΡΠ°Π²Π»Π΅Π½ΠΈΠΈ. Π ΡΠ»Π΅Π²ΠΎΠ΅ ΡΠΏΡΠ°Π²Π»Π΅Π½ΠΈΠ΅ Ρ Π³ΠΈΠ΄ΡΠΎΡΡΠΈΠ»ΠΈΡΠ΅Π»Π΅ΠΌ — ΡΡΠΎ Π΄Π΅ΠΉΡΡΠ²ΠΈΡΠ΅Π»ΡΠ½ΠΎ ΡΡΠ»Π΅Π²ΠΎΠ΅ ΡΠΏΡΠ°Π²Π»Π΅Π½ΠΈΠ΅ Ρ ΡΡΠΈΠ»ΠΈΡΠ΅Π»Π΅ΠΌ. Π ΡΠ»Π΅Π²ΠΎΠ΅ ΡΠΏΡΠ°Π²Π»Π΅Π½ΠΈΠ΅ Ρ ΡΡΠΈΠ»ΠΈΡΠ΅Π»Π΅ΠΌ ΠΏΠΎΠ·Π²ΠΎΠ»ΠΈΡ Π²Π°ΠΌ ΡΠΏΡΠ°Π²Π»ΡΡΡ Π°Π²ΡΠΎΠΌΠΎΠ±ΠΈΠ»Π΅ΠΌ Π²ΡΡΡΠ½ΡΡ, ΠΊΠΎΠ³Π΄Π° Π΄Π²ΠΈΠ³Π°ΡΠ΅Π»Ρ Π½Π΅ ΡΠ°Π±ΠΎΡΠ°Π΅Ρ ΠΈΠ»ΠΈ Π΅ΡΠ»ΠΈ Ρ Π²Π°Ρ Π΅ΡΡΡ Π½Π΅ΠΈΡΠΏΡΠ°Π²Π½ΠΎΡΡΡ Π² ΡΠΈΡΡΠ΅ΠΌΠ΅ ΡΡΠ»Π΅Π²ΠΎΠ³ΠΎ ΡΠΏΡΠ°Π²Π»Π΅Π½ΠΈΡ Ρ ΡΡΠΈΠ»ΠΈΡΠ΅Π»Π΅ΠΌ, ΠΊΠΎΡΠΎΡΠ°Ρ Π²ΡΠ²ΠΎΠ΄ΠΈΡ Π΅Π³ΠΎ ΠΈΠ· ΡΡΡΠΎΡ.
ΠΠ½Π°Π½ΠΈΡ ΠΎ Π³ΠΈΠ΄ΡΠΎΡΡΠΈΠ»ΠΈΡΠ΅Π»Π΅ ΡΡΠ»Π΅Π²ΠΎΠ³ΠΎ ΡΠΏΡΠ°Π²Π»Π΅Π½ΠΈΡ
Π Π³ΠΈΠ΄ΡΠΎΡΡΠΈΠ»ΠΈΡΠ΅Π»Π΅ ΡΡΠ»Π΅Π²ΠΎΠ³ΠΎ ΡΠΏΡΠ°Π²Π»Π΅Π½ΠΈΡ ΠΈΡΠΏΠΎΠ»ΡΠ·ΡΠ΅ΡΡΡ Π³ΠΈΠ΄ΡΠ°Π²Π»ΠΈΡΠ΅ΡΠΊΠΈΠΉ Π½Π°ΡΠΎΡ, ΡΠ°Π±ΠΎΡΠ°ΡΡΠΈΠΉ ΠΎΡ ΡΠ΅ΠΌΠ½Ρ, ΠΏΡΠΈΠ²ΠΎΠ΄ΠΈΠΌΠΎΠ³ΠΎ Π² Π΄Π²ΠΈΠΆΠ΅Π½ΠΈΠ΅ Π΄Π²ΠΈΠ³Π°ΡΠ΅Π»Π΅ΠΌ, ΡΡΠΎΡ Π½Π°ΡΠΎΡ ΠΏΠΎΠ·Π²ΠΎΠ»ΡΠ΅Ρ Π½Π΅Π±ΠΎΠ»ΡΡΠΎΠΌΡ ΠΊΠΎΠ»ΠΈΡΠ΅ΡΡΠ²Ρ ΠΆΠΈΠ΄ΠΊΠΎΡΡΠΈ Π½Π°Ρ ΠΎΠ΄ΠΈΡΡΡΡ ΠΏΠΎΠ΄ Π΄Π°Π²Π»Π΅Π½ΠΈΠ΅ΠΌ.ΠΡΠΎ Π΄Π°Π²Π»Π΅Π½ΠΈΠ΅, Π² ΡΠ²ΠΎΡ ΠΎΡΠ΅ΡΠ΅Π΄Ρ, ΠΏΠΎΠΌΠΎΠ³Π°Π΅Ρ ΡΡΠ»Π΅Π²ΠΎΠΌΡ ΠΌΠ΅Ρ Π°Π½ΠΈΠ·ΠΌΡ Π½Π°ΠΏΡΠ°Π²Π»ΡΡΡ ΡΠΈΠ½Ρ ΠΏΡΠΈ ΠΏΠΎΠ²ΠΎΡΠΎΡΠ΅ ΡΡΠ»Π΅Π²ΠΎΠ³ΠΎ ΠΊΠΎΠ»Π΅ΡΠ°. Π‘ΠΈΡΡΠ΅ΠΌΠ° ΡΡΠ»Π΅Π²ΠΎΠ³ΠΎ ΡΠΏΡΠ°Π²Π»Π΅Π½ΠΈΡ Ρ Π³ΠΈΠ΄ΡΠΎΡΡΠΈΠ»ΠΈΡΠ΅Π»Π΅ΠΌ ΠΎΠ±ΡΡΠ½ΠΎ Π²ΠΊΠ»ΡΡΠ°Π΅Ρ Π² ΡΠ΅Π±Ρ Π½Π°ΡΠΎΡ, ΠΆΠΈΠ΄ΠΊΠΎΡΡΡ Π΄Π»Ρ Π³ΠΈΠ΄ΡΠΎΡΡΠΈΠ»ΠΈΡΠ΅Π»Ρ ΡΡΠ»Π΅Π²ΠΎΠ³ΠΎ ΡΠΏΡΠ°Π²Π»Π΅Π½ΠΈΡ, ΡΠ·Π΅Π» Π½Π°ΠΏΠΎΡΠ½ΠΎΠ³ΠΎ ΡΠ»Π°Π½Π³Π°, ΡΠ΅Π³ΡΠ»ΠΈΡΡΡΡΠΈΠΉ ΠΊΠ»Π°ΠΏΠ°Π½ ΠΈ Π²ΠΎΠ·Π²ΡΠ°ΡΠ½ΡΡ Π»ΠΈΠ½ΠΈΡ.
ΠΠ° ΡΡΠ°Π½ΡΠΏΠΎΡΡΠ½ΡΡ ΡΡΠ΅Π΄ΡΡΠ²Π°Ρ ΠΈΡΠΏΠΎΠ»ΡΠ·ΡΡΡΡΡ Π΄Π²Π° ΠΎΡΠ½ΠΎΠ²Π½ΡΡ ΡΠΈΠΏΠ° ΡΠΈΡΡΠ΅ΠΌ ΡΡΠ»Π΅Π²ΠΎΠ³ΠΎ ΡΠΏΡΠ°Π²Π»Π΅Π½ΠΈΡ Ρ ΡΡΠΈΠ»ΠΈΡΠ΅Π»Π΅ΠΌ. Π Π΅Π΅ΡΠ½Π°Ρ ΡΠΈΡΡΠ΅ΠΌΠ° ΡΡΠ»Π΅Π²ΠΎΠ³ΠΎ ΡΠΏΡΠ°Π²Π»Π΅Π½ΠΈΡ ΠΈ ΠΎΠ±ΡΡΠ½Π°Ρ / Π²ΡΡΡΠΎΠ΅Π½Π½Π°Ρ ΡΠΈΡΡΠ΅ΠΌΠ° ΡΡΠ»Π΅Π²ΠΎΠ³ΠΎ ΡΠΏΡΠ°Π²Π»Π΅Π½ΠΈΡ, ΡΠ°ΠΊΠΆΠ΅ ΠΈΠ·Π²Π΅ΡΡΠ½Π°Ρ ΠΊΠ°ΠΊ ΡΠΈΡΡΠ΅ΠΌΠ° ΡΡΠ»Π΅Π²ΠΎΠ³ΠΎ ΡΠΏΡΠ°Π²Π»Π΅Π½ΠΈΡ Ρ ΡΠ΅ΡΠΈΡΠΊΡΠ»ΡΡΠΈΠ΅ΠΉ ΡΠ°ΡΠΈΠΊΠΎΠ². Π Π΅Π΅ΡΠ½Π°Ρ ΡΠΈΡΡΠ΅ΠΌΠ° ΡΡΠ»Π΅Π²ΠΎΠ³ΠΎ ΡΠΏΡΠ°Π²Π»Π΅Π½ΠΈΡ ΡΠ²Π»ΡΠ΅ΡΡΡ Π½Π°ΠΈΠ±ΠΎΠ»Π΅Π΅ ΡΠ°ΡΡΠΎ ΠΈΡΠΏΠΎΠ»ΡΠ·ΡΠ΅ΠΌΠΎΠΉ ΡΠΈΡΡΠ΅ΠΌΠΎΠΉ ΡΡΠ»Π΅Π²ΠΎΠ³ΠΎ ΡΠΏΡΠ°Π²Π»Π΅Π½ΠΈΡ Ρ ΡΡΠΈΠ»ΠΈΡΠ΅Π»Π΅ΠΌ Π½Π° ΡΠΎΠ²ΡΠ΅ΠΌΠ΅Π½Π½ΡΡ Π°Π²ΡΠΎΠΌΠΎΠ±ΠΈΠ»ΡΡ .Π ΡΠ»Π΅Π²ΠΎΠΉ Π²Π°Π» Π²ΡΠ°ΡΠ°Π΅Ρ ΡΠ΅ΡΡΠ΅ΡΠ½Ρ, ΠΊΠΎΡΠΎΡΠ°Ρ ΠΏΠ΅ΡΠ΅ΠΌΠ΅ΡΠ°Π΅Ρ ΡΠ΅ΠΉΠΊΡ ΠΈΠ· ΡΡΠΎΡΠΎΠ½Ρ Π² ΡΡΠΎΡΠΎΠ½Ρ, ΠΈΡΠΏΠΎΠ»ΡΠ·ΡΡ ΡΠΈΠ»ΠΎΠ²ΠΎΠΉ Π°Π³ΡΠ΅Π³Π°Ρ, Π²ΡΡΡΠΎΠ΅Π½Π½ΡΠΉ Π½Π΅ΠΏΠΎΡΡΠ΅Π΄ΡΡΠ²Π΅Π½Π½ΠΎ Π² ΡΠ±ΠΎΡΠΊΡ ΡΠ΅ΠΉΠΊΠΈ. Π‘ΠΈΡΡΠ΅ΠΌΠ° ΡΡΠ»Π΅Π²ΠΎΠ³ΠΎ ΠΌΠ΅Ρ Π°Π½ΠΈΠ·ΠΌΠ° ΠΎΠ±ΡΡΠ½ΠΎ ΠΈΡΠΏΠΎΠ»ΡΠ·ΡΠ΅ΡΡΡ ΡΠ°ΡΠ΅ Π²ΡΠ΅Π³ΠΎ Π½Π° Π³ΡΡΠ·ΠΎΠ²ΠΈΠΊΠ°Ρ , ΠΎΠ½Π° ΠΈΠΌΠ΅Π΅Ρ ΡΠ΅ΡΠΈΡ ΡΡΠ°Π»ΡΠ½ΡΡ ΡΠ°ΡΠΈΠΊΠΎΠ², ΠΊΠΎΡΠΎΡΡΠ΅ Π΄Π΅ΠΉΡΡΠ²ΡΡΡ ΠΊΠ°ΠΊ ΠΊΠ°ΡΡΡΠΈΠ΅ΡΡ ΡΠ΅Π·ΡΠ±Ρ ΠΌΠ΅ΠΆΠ΄Ρ ΡΡΠ»Π΅Π²ΡΠΌ Π²Π°Π»ΠΎΠΌ ΠΈ ΠΏΠΎΡΡΠ½Π΅ΠΌ ΡΠ΅ΠΉΠΊΠΈ. ΠΠ°Π» ΡΡΠ»Π΅Π²ΠΎΠ³ΠΎ ΠΊΠΎΠ»Π΅ΡΠ° ΡΠΎΠ΅Π΄ΠΈΠ½ΡΠ΅ΡΡΡ Ρ Π·ΡΠ±ΡΠ°ΡΡΠΌ ΠΊΠΎΠ»Π΅ΡΠΎΠΌ ΠΈ ΡΡΠ΄ΠΎΠΌ Π·Π²Π΅Π½ΡΠ΅Π² ΠΈ / ΠΈΠ»ΠΈ ΡΡΡΠ°Π³ΠΎΠ², ΠΊΠΎΡΠΎΡΡΠ΅ ΠΏΠΎΠ²ΠΎΡΠ°ΡΠΈΠ²Π°ΡΡ ΠΊΠΎΠ»Π΅ΡΠ° Π²Π»Π΅Π²ΠΎ ΠΈΠ»ΠΈ Π²ΠΏΡΠ°Π²ΠΎ.
ΠΡΡΡΠΈΠΉ ΡΠΏΠΎΡΠΎΠ± ΠΏΠΎΠ΄Π΄Π΅ΡΠΆΠΈΠ²Π°ΡΡ ΡΠΈΡΡΠ΅ΠΌΡ ΡΡΠ»Π΅Π²ΠΎΠ³ΠΎ ΡΠΏΡΠ°Π²Π»Π΅Π½ΠΈΡ Ρ Π³ΠΈΠ΄ΡΠΎΡΡΠΈΠ»ΠΈΡΠ΅Π»Π΅ΠΌ Π²Π°ΡΠ΅Π³ΠΎ Π°Π²ΡΠΎΠΌΠΎΠ±ΠΈΠ»Ρ — ΡΡΠΎ ΡΠ΅Π³ΡΠ»ΡΡΠ½ΠΎ ΠΏΡΠΎΠ²Π΅ΡΡΡΡ ΡΡΠΎΠ²Π΅Π½Ρ ΠΈ ΡΠΎΡΡΠΎΡΠ½ΠΈΠ΅ ΠΆΠΈΠ΄ΠΊΠΎΡΡΠΈ ΡΡΠ»Π΅Π²ΠΎΠ³ΠΎ ΡΠΏΡΠ°Π²Π»Π΅Π½ΠΈΡ Ρ Π³ΠΈΠ΄ΡΠΎΡΡΠΈΠ»ΠΈΡΠ΅Π»Π΅ΠΌ.ΠΠΈΠ·ΠΊΠΈΠΉ ΡΡΠΎΠ²Π΅Π½Ρ ΡΠ°Π±ΠΎΡΠ΅ΠΉ ΠΆΠΈΠ΄ΠΊΠΎΡΡΠΈ ΠΌΠΎΠΆΠ΅Ρ Π²ΡΠ·Π²Π°ΡΡ ΠΏΠΎΠ²ΡΠ΅ΠΆΠ΄Π΅Π½ΠΈΠ΅ Π½Π΅ΠΊΠΎΡΠΎΡΡΡ ΠΊΠΎΠΌΠΏΠΎΠ½Π΅Π½ΡΠΎΠ² ΡΠΈΡΡΠ΅ΠΌΡ ΡΡΠ»Π΅Π²ΠΎΠ³ΠΎ ΡΠΏΡΠ°Π²Π»Π΅Π½ΠΈΡ. ΠΠΎΠΌΠΏΠ°Π½ΠΈΡ Boggs Automotive ΡΠ΅ΠΊΠΎΠΌΠ΅Π½Π΄ΡΠ΅Ρ ΡΡΡΡΠ°Π½ΡΡΡ ΡΡΠ΅ΡΠΊΠΈ, Π΅ΡΠ»ΠΈ ΠΎΠ½ΠΈ Π²ΠΎΠ·Π½ΠΈΠΊΠ°ΡΡ, ΠΈ ΠΏΡΠΎΠΌΡΠ²Π°ΡΡ ΠΆΠΈΠ΄ΠΊΠΎΡΡΡ ΠΏΡΠΈΠΌΠ΅ΡΠ½ΠΎ ΠΊΠ°ΠΆΠ΄ΡΠ΅ 50 000 ΠΌΠΈΠ»Ρ, ΡΡΠΎΠ±Ρ ΠΎΡΠΈΡΡΠΈΡΡ Π΅Π΅ ΠΎΡ Π·Π°Π³ΡΡΠ·Π½Π΅Π½ΠΈΠΉ. ΠΡΠ° ΠΆΠΈΠ΄ΠΊΠΎΡΡΡ ΡΠ²Π»ΡΠ΅ΡΡΡ ΠΊΠ»ΡΡΠΎΠΌ ΠΊ ΠΏΠΎΠ΄Π΄Π΅ΡΠΆΠ°Π½ΠΈΡ ΡΠΌΠ°Π·ΠΊΠΈ Π½Π°ΡΠΎΡΠ° ΡΡΠ»Π΅Π²ΠΎΠ³ΠΎ ΡΠΏΡΠ°Π²Π»Π΅Π½ΠΈΡ Ρ Π³ΠΈΠ΄ΡΠΎΡΡΠΈΠ»ΠΈΡΠ΅Π»Π΅ΠΌ, ΡΡΠ»Π΅Π²ΠΎΠ³ΠΎ ΠΌΠ΅Ρ Π°Π½ΠΈΠ·ΠΌΠ° ΠΈΠ»ΠΈ ΡΠ·Π»Π° ΡΠ΅Π΅ΡΠ½ΠΎΠΉ ΠΏΠ΅ΡΠ΅Π΄Π°ΡΠΈ ΠΈ ΡΠ²Π»ΡΠ΅ΡΡΡ Π³ΠΈΠ΄ΡΠ°Π²Π»ΠΈΡΠ΅ΡΠΊΠΈΠΌ ΡΠ»Π΅ΠΌΠ΅Π½ΡΠΎΠΌ ΡΠΈΡΡΠ΅ΠΌΡ ΡΡΠ»Π΅Π²ΠΎΠ³ΠΎ ΡΠΏΡΠ°Π²Π»Π΅Π½ΠΈΡ Ρ Π³ΠΈΠ΄ΡΠΎΡΡΠΈΠ»ΠΈΡΠ΅Π»Π΅ΠΌ.
ΠΡΠΊΠ°Π· Π³ΠΈΠ΄ΡΠΎΡΡΠΈΠ»ΠΈΡΠ΅Π»Ρ ΡΡΠ»Π΅Π²ΠΎΠ³ΠΎ ΡΠΏΡΠ°Π²Π»Π΅Π½ΠΈΡ ΠΎΠ±ΡΡΠ½ΠΎ ΠΏΡΠΎΠΈΡΡ ΠΎΠ΄ΠΈΡ ΠΏΠΎΡΡΠ΅ΠΏΠ΅Π½Π½ΠΎ ΠΈ ΠΏΠΎΠ΄Π°Π΅Ρ ΠΏΡΠ΅Π΄ΡΠΏΡΠ΅ΠΆΠ΄Π°ΡΡΠΈΠ΅ Π·Π½Π°ΠΊΠΈ ΠΏΠ΅ΡΠ΅Π΄ ΡΠ΅ΠΌ, ΠΊΠ°ΠΊ Π²ΡΠΉΡΠΈ ΠΈΠ· ΡΡΡΠΎΡ ΠΏΠΎΠ»Π½ΠΎΡΡΡΡ, Π½ΠΎ ΡΠΈΡΡΠ΅ΠΌΡ ΡΡΠ»Π΅Π²ΠΎΠ³ΠΎ ΡΠΏΡΠ°Π²Π»Π΅Π½ΠΈΡ Ρ Π³ΠΈΠ΄ΡΠΎΡΡΠΈΠ»ΠΈΡΠ΅Π»Π΅ΠΌ ΠΌΠΎΠ³ΡΡ Π²ΡΠΉΡΠΈ ΠΈΠ· ΡΡΡΠΎΡ Π²Π½Π΅Π·Π°ΠΏΠ½ΠΎ, Π΄Π°ΠΆΠ΅ Π΅ΡΠ»ΠΈ ΠΎΠ½ΠΈ Π΄ΠΎΠ»ΠΆΠ½ΡΠΌ ΠΎΠ±ΡΠ°Π·ΠΎΠΌ ΠΎΠ±ΡΠ»ΡΠΆΠΈΠ²Π°ΡΡΡΡ.
ΠΡΡΠ°Π½ΠΎΠ²ΠΈΡΠ΅ΡΡ Π²
Boggs Automotive Π΄Π»Ρ Π±Π΅ΡΠΏΠ»Π°ΡΠ½ΠΎΠ³ΠΎ ΠΎΡΠΌΠΎΡΡΠ° , Π΅ΡΠ»ΠΈ Π²Π°Ρ Π°Π²ΡΠΎΠΌΠΎΠ±ΠΈΠ»Ρ Π½Π°ΡΠΈΠ½Π°Π΅Ρ ΠΏΡΠΎΡΠ²Π»ΡΡΡ Π½Π΅ΠΊΠΎΡΠΎΡΡΠ΅ ΠΈΠ· ΡΠ»Π΅Π΄ΡΡΡΠΈΡ ΡΠΈΠΌΠΏΡΠΎΠΌΠΎΠ²:- ΠΠ΅ΡΡΠΊΠΎΠ΅ ΡΡΠ»Π΅Π²ΠΎΠ΅ ΡΠΏΡΠ°Π²Π»Π΅Π½ΠΈΠ΅
- Π’ΡΠΆΠ΅Π»ΠΎΠ΅ ΠΈΠ»ΠΈ Π½Π΅Π²ΠΎΡΠΏΡΠΈΠΈΠΌΡΠΈΠ²ΠΎΠ΅ ΡΡΠ»Π΅Π²ΠΎΠ΅ ΡΠΏΡΠ°Π²Π»Π΅Π½ΠΈΠ΅ Π½Π° Π½ΠΈΠ·ΠΊΠΈΡ ΡΠΊΠΎΡΠΎΡΡΡΡ ΠΈΠ»ΠΈ Π²ΠΎ Π²ΡΠ΅ΠΌΡ ΠΌΠ°Π½Π΅Π²ΡΠΎΠ² Π½Π° ΠΏΠ°ΡΠΊΠΎΠ²ΠΊΠ΅
- Π ΡΠ»Π΅Π²ΠΎΠ΅ ΠΊΠΎΠ»Π΅ΡΠΎ, ΠΊΠΎΡΠΎΡΠΎΠ΅ Π½Π΅ Π²ΠΎΠ·Π²ΡΠ°ΡΠ°Π΅ΡΡΡ Π² Β«ΡΠ΅Π½ΡΡΒ» Π΄ΠΎΠ»ΠΆΠ½ΡΠΌ ΠΎΠ±ΡΠ°Π·ΠΎΠΌ.
- ΠΡΠΈΡΠ»ΡΡΠΈΠ²Π°ΠΉΡΠ΅ΡΡ ΠΊ ΡΡΠΌΠ°ΠΌ ΠΏΡΠΈ ΠΏΠΎΠ²ΠΎΡΠΎΡΠ΅ ΡΡΠ»Π΅Π²ΠΎΠ³ΠΎ ΠΊΠΎΠ»Π΅ΡΠ°. ΠΡΠ»ΠΈ Π²Ρ ΡΠ»ΡΡΠΈΡΠ΅ Π½ΡΡΡΠ΅, ΡΡΠΎΠ½ ΠΈΠ»ΠΈ Π²ΠΈΠ·Π³, Π²ΠΎΠ·ΠΌΠΎΠΆΠ½ΠΎ, Π² Π²Π°ΡΠ΅ΠΌ Π½Π°ΡΠΎΡΠ΅ ΡΠΈΡΡΠ΅ΠΌΡ Π³ΠΈΠ΄ΡΠΎΡΡΠΈΠ»ΠΈΡΠ΅Π»Ρ ΡΡΠ»Π΅Π²ΠΎΠ³ΠΎ ΡΠΏΡΠ°Π²Π»Π΅Π½ΠΈΡ ΠΎΡΠ΅Π½Ρ Π½ΠΈΠ·ΠΊΠΈΠΉ ΡΡΠΎΠ²Π΅Π½Ρ ΠΆΠΈΠ΄ΠΊΠΎΡΡΠΈ.
- ΠΠ±ΡΠ°ΡΠΈΡΠ΅ Π²Π½ΠΈΠΌΠ°Π½ΠΈΠ΅, Π½Π°ΡΠΊΠΎΠ»ΡΠΊΠΎ ΡΠ²ΠΎΠ±ΠΎΠ΄Π½ΠΎ Π²ΡΠ°ΡΠ°Π΅ΡΡΡ ΡΡΠ»Π΅Π²ΠΎΠ΅ ΠΊΠΎΠ»Π΅ΡΠΎ. ΠΠ±ΡΡΠ½ΠΎ Π²Ρ Π΄ΠΎΠ»ΠΆΠ½Ρ ΠΈΠΌΠ΅ΡΡ Π²ΠΎΠ·ΠΌΠΎΠΆΠ½ΠΎΡΡΡ ΠΏΠΎΠ²Π΅ΡΠ½ΡΡΡ ΡΡΠ»Π΅Π²ΠΎΠ΅ ΠΊΠΎΠ»Π΅ΡΠΎ Ρ Π½Π΅Π±ΠΎΠ»ΡΡΠΈΠΌ ΡΡΠΈΠ»ΠΈΠ΅ΠΌ, ΠΊΠΎΠ³Π΄Π° Π²Ρ Ρ ΠΎΡΠΈΡΠ΅ ΠΏΠΎΠ²Π΅ΡΠ½ΡΡΡ Π°Π²ΡΠΎΠΌΠΎΠ±ΠΈΠ»Ρ Π½Π° ΠΏΠΎΠ²ΠΎΡΠΎΡΠ΅ ΠΈΠ»ΠΈ ΠΏΠΎΠ²ΠΎΡΠΎΡΠ΅. ΠΡΠ»ΠΈ Π²Ρ ΠΎΠ±Π½Π°ΡΡΠΆΠΈΡΠ΅, ΡΡΠΎ ΠΏΠΎΠ²ΠΎΡΠΎΡ ΡΡΠ»Π΅Π²ΠΎΠ³ΠΎ ΠΊΠΎΠ»Π΅ΡΠ° Π΄Π»Ρ ΠΏΠΎΠ²ΠΎΡΠΎΡΠ° Π°Π²ΡΠΎΠΌΠΎΠ±ΠΈΠ»Ρ ΡΡΠ΅Π±ΡΠ΅Ρ Π±ΠΎΠ»ΡΡΠΈΡ ΡΡΠΈΠ»ΠΈΠΉ, Π²Π°ΡΠ° ΡΠΈΡΡΠ΅ΠΌΠ° ΡΡΠ»Π΅Π²ΠΎΠ³ΠΎ ΡΠΏΡΠ°Π²Π»Π΅Π½ΠΈΡ Ρ Π³ΠΈΠ΄ΡΠΎΡΡΠΈΠ»ΠΈΡΠ΅Π»Π΅ΠΌ Π²ΡΡ ΠΎΠ΄ΠΈΡ ΠΈΠ· ΡΡΡΠΎΡ.
- ΠΡΠΎΠ²Π΅ΡΠΈΡΡ Π½Π° ΡΡΠ΅ΡΠΊΠΈ ΠΆΠΈΠ΄ΠΊΠΎΡΡΠΈ ΡΡΠ»Π΅Π²ΠΎΠ³ΠΎ ΡΠΏΡΠ°Π²Π»Π΅Π½ΠΈΡ Ρ Π³ΠΈΠ΄ΡΠΎΡΡΠΈΠ»ΠΈΡΠ΅Π»Π΅ΠΌ. ΠΡΠ»ΠΈ Π²Ρ Π·Π°ΠΌΠ΅ΡΠΈΠ»ΠΈ ΠΏΡΡΠ½ΠΎ Π½Π° Π·Π΅ΠΌΠ»Π΅ ΠΏΠΎΠ΄ Π°Π²ΡΠΎΠΌΠΎΠ±ΠΈΠ»Π΅ΠΌ, ΠΊΠΎΠ³Π΄Π° ΠΎΠ½ ΠΏΡΠΎΡΡΠΎΡΠ» Π΄ΠΎΠ»Π³ΠΎΠ΅ Π²ΡΠ΅ΠΌΡ, Π²ΠΎΠ·ΠΌΠΎΠΆΠ½ΠΎ, ΠΈΠ· Π²Π°ΡΠ΅Π³ΠΎ Π°Π²ΡΠΎΠΌΠΎΠ±ΠΈΠ»Ρ Π²ΡΡΠ΅ΠΊΠ°Π΅Ρ ΠΆΠΈΠ΄ΠΊΠΎΡΡΡ.ΠΡΠ»ΠΈ ΠΏΡΡΠ½ΠΎ ΠΆΠ΅Π»ΡΠΎΠ³ΠΎ, ΡΠΎΠ·ΠΎΠ²ΠΎΠ³ΠΎ ΠΈΠ»ΠΈ ΠΊΡΠ°ΡΠ½ΠΎΠ³ΠΎ ΡΠ²Π΅ΡΠ°, ΡΡΠΎ ΠΌΠΎΠΆΠ΅Ρ Π±ΡΡΡ ΠΆΠΈΠ΄ΠΊΠΎΡΡΡ Π΄Π»Ρ Π³ΠΈΠ΄ΡΠΎΡΡΠΈΠ»ΠΈΡΠ΅Π»Ρ ΡΡΠ»Ρ.
ΠΠ ΠΠΠΠ§ΠΠΠΠ: ΠΡΠ»ΠΈ Π²Ρ Π½Π΅ ΠΌΠΎΠΆΠ΅ΡΠ΅ ΠΎΠΏΡΠ΅Π΄Π΅Π»ΠΈΡΡ, ΠΊΠ°ΠΊΠΎΠ³ΠΎ ΡΠ²Π΅ΡΠ° ΠΏΡΡΠ½ΠΎ, ΠΏΠΎΠ»ΠΎΠΆΠΈΡΠ΅ Π»ΠΈΡΡ Π±Π΅Π»ΠΎΠΉ ΠΌΡΡΠ½ΠΎΠΉ Π±ΡΠΌΠ°Π³ΠΈ ΠΏΠΎΠ΄ ΠΌΠ°ΡΠΈΠ½Ρ, ΠΊΠΎΠ³Π΄Π° ΠΎΡΡΠ°Π²ΠΈΡΠ΅ Π΅Π΅ Π½Π° Π½Π΅ΡΠΊΠΎΠ»ΡΠΊΠΎ ΡΠ°ΡΠΎΠ². Π¦Π²Π΅Ρ Π±ΡΠ΄Π΅Ρ Π»Π΅Π³ΡΠ΅ ΡΠ²ΠΈΠ΄Π΅ΡΡ Π½Π° Π±Π΅Π»ΠΎΠΌ ΡΠΎΠ½Π΅.
ΠΡΠ»ΠΈ Π³ΠΈΠ΄ΡΠΎΡΡΠΈΠ»ΠΈΡΠ΅Π»Ρ ΡΡΠ»Ρ Π² Π²Π°ΡΠ΅ΠΌ Π°Π²ΡΠΎΠΌΠΎΠ±ΠΈΠ»Π΅ Π²ΡΠΊΠ»ΡΡΠ°Π΅ΡΡΡ Π²ΠΎ Π²ΡΠ΅ΠΌΡ Π΄Π²ΠΈΠΆΠ΅Π½ΠΈΡ:
- ΠΡΠ΅Π΄ΡΠΏΡΠ΅Π΄ΠΈΡΡ Π΄ΡΡΠ³ΠΈΡ Π²ΠΎΠ΄ΠΈΡΠ΅Π»Π΅ΠΉ. ΠΡΠ»ΠΈ Π²Π°Ρ Π³ΠΈΠ΄ΡΠΎΡΡΠΈΠ»ΠΈΡΠ΅Π»Ρ ΡΡΠ»Ρ Π²ΡΡ ΠΎΠ΄ΠΈΡ ΠΈΠ· ΡΡΡΠΎΡ ΠΏΡΠΈ Π΄Π²ΠΈΠΆΠ΅Π½ΠΈΠΈ Π½Π° Π²ΡΡΠΎΠΊΠΎΠΉ ΡΠΊΠΎΡΠΎΡΡΠΈ, Π²Π°ΡΠΈΠΌ ΠΏΠ΅ΡΠ²ΡΠΌ ΠΈΠ½ΡΡΠΈΠ½ΠΊΡΠΎΠΌ Π±ΡΠ΄Π΅Ρ ΠΏΠ°Π½ΠΈΠΊΠ°.ΠΠΌΠ΅ΡΡΠΎ ΡΡΠΎΠ³ΠΎ Π²ΠΊΠ»ΡΡΠΈΡΠ΅ ΠΌΠΈΠ³Π°Π»ΠΊΠΈ ΠΈ Π³ΡΠ΄ΠΈΡΠ΅, ΡΡΠΎΠ±Ρ Π΄ΡΡΠ³ΠΈΠ΅ Π²ΠΎΠ΄ΠΈΡΠ΅Π»ΠΈ Π·Π½Π°Π»ΠΈ, ΡΡΠΎ Ρ Π²Π°Ρ Π²Π½Π΅Π·Π°ΠΏΠ½ΡΠ΅ ΠΏΡΠΎΠ±Π»Π΅ΠΌΡ Ρ Π°Π²ΡΠΎΠΌΠΎΠ±ΠΈΠ»Π΅ΠΌ. ΠΡΠΎ Π·Π°ΡΡΠ°Π²ΠΈΡ ΠΈΡ ΡΠΉΡΠΈ Ρ Π²Π°ΡΠ΅Π³ΠΎ ΠΏΡΡΠΈ.
- ΠΠ²ΠΈΠ³Π°ΠΉΡΠ΅ΡΡ ΠΊ ΠΎΠ±ΠΎΡΠΈΠ½Π΅ Π΄ΠΎΡΠΎΠ³ΠΈ. Π‘Π΄Π΅Π»Π°ΠΉΡΠ΅ ΡΡΠΎ ΠΊΠ°ΠΊ ΠΌΠΎΠΆΠ½ΠΎ ΠΎΡΡΠΎΡΠΎΠΆΠ½Π΅Π΅; Π±Π΅Π· ΠΌΠΎΡΠ½ΠΎΡΡΠΈ ΡΠΏΡΠ°Π²Π»ΡΡΡ Π°Π²ΡΠΎΠΌΠΎΠ±ΠΈΠ»Π΅ΠΌ Π±ΡΠ΄Π΅Ρ Π½Π°ΠΌΠ½ΠΎΠ³ΠΎ ΡΠ»ΠΎΠΆΠ½Π΅Π΅.
- ΠΠΎΡΡΠ΅ΠΏΠ΅Π½Π½ΠΎ ΠΎΡΡΠ°Π½ΠΎΠ²ΠΈΡΠ΅ Π°Π²ΡΠΎΠΌΠΎΠ±ΠΈΠ»Ρ, ΠΏΠΎΡΡΠ΅ΠΏΠ΅Π½Π½ΠΎ Π·Π°ΠΌΠ΅Π΄Π»ΡΡ Π΅Π³ΠΎ. ΠΡΠΈ Π½Π°ΠΆΠ°ΡΠΈΠΈ Π½Π° ΠΏΠ΅Π΄Π°Π»Ρ ΡΠΎΡΠΌΠΎΠ·Π° Π°Π²ΡΠΎΠΌΠΎΠ±ΠΈΠ»Ρ ΠΌΠΎΠΆΠ΅Ρ ΠΏΠΎΠΏΠ°ΡΡΡ Π² Π·Π°Π½ΠΎΡ, ΠΈΠ· ΠΊΠΎΡΠΎΡΠΎΠ³ΠΎ Π±ΡΠ΄Π΅Ρ ΡΡΡΠ΄Π½ΠΎ Π²ΡΠΉΡΠΈ Ρ ΡΡΠΈΠ»ΠΈΡΠ΅Π»Π΅ΠΌ ΡΡΠ»Π΅Π²ΠΎΠ³ΠΎ ΡΠΏΡΠ°Π²Π»Π΅Π½ΠΈΡ ΠΈ ΠΏΠΎΡΡΠΈ Π½Π΅Π²ΠΎΠ·ΠΌΠΎΠΆΠ½ΠΎ Π²ΡΠ΅Ρ Π°ΡΡ Π±Π΅Π· Π½Π΅Π³ΠΎ.
ΠΠ ΠΠΠΠ§ΠΠΠΠ: ΠΡΠ»ΠΈ Π³ΠΈΠ΄ΡΠΎΡΡΠΈΠ»ΠΈΡΠ΅Π»Ρ ΡΡΠ»Ρ Π²Π°ΡΠ΅Π³ΠΎ Π°Π²ΡΠΎΠΌΠΎΠ±ΠΈΠ»Ρ Π²ΡΡ ΠΎΠ΄ΠΈΡ ΠΈΠ· ΡΡΡΠΎΡ ΠΈΠ·-Π·Π° ΠΎΡΡΠ°Π½ΠΎΠ²ΠΊΠΈ Π΄Π²ΠΈΠ³Π°ΡΠ΅Π»Ρ, Π²Π°ΡΠΈ ΡΠΎΡΠΌΠΎΠ·Π° Π±ΡΠ΄ΡΡ ΠΊΠ°Π·Π°ΡΡΡΡ Π±ΠΎΠ»Π΅Π΅ ΠΆΠ΅ΡΡΠΊΠΈΠΌΠΈ, Π΅ΡΠ»ΠΈ Ρ Π²Π°Ρ Π΅ΡΡΡ ΡΡΠΈΠ»Π΅Π½Π½ΡΠ΅ ΡΠΎΡΠΌΠΎΠ·Π°, Π·Π°ΡΡΠ°Π²Π»ΡΡ Π²Π°Ρ Π½Π°ΠΆΠΈΠΌΠ°ΡΡ Π½Π° ΠΏΠ΅Π΄Π°Π»Ρ ΡΠΈΠ»ΡΠ½Π΅Π΅ ΠΈ Π½Π°ΠΆΠΈΠΌΠ°ΡΡ Π΅Π΅ Π½ΠΈΠΆΠ΅, ΡΠ΅ΠΌ ΠΎΠ±ΡΡΠ½ΠΎ. ΠΠΎΠ·ΠΌΠΎΠΆΠ½ΠΎ, Π²Π°ΠΌ ΡΠ°ΠΊΠΆΠ΅ ΠΏΡΠΈΠ΄Π΅ΡΡΡ ΠΏΠ΅ΡΠ΅ΠΊΠ»ΡΡΠΈΡΡΡΡ Π½Π° Π±ΠΎΠ»Π΅Π΅ Π½ΠΈΠ·ΠΊΡΡ ΠΏΠ΅ΡΠ΅Π΄Π°ΡΡ ΠΈΠ»ΠΈ ΠΈΡΠΏΠΎΠ»ΡΠ·ΠΎΠ²Π°ΡΡ ΡΡΠ΅Π½ΠΈΠ΅ ΠΎ ΠΏΠ΅ΡΠΈΠ»Π°, Π³ΡΠ°Π²ΠΈΠΉΠ½ΡΡ ΠΎΠ±ΠΎΡΠΈΠ½Ρ ΠΈΠ»ΠΈ ΡΠ°Π·Π΄Π΅Π»ΠΈΡΠ΅Π»Ρ ΡΠ΅ΠΌΠ΅Π½ΡΠ°, ΡΡΠΎΠ±Ρ Π·Π°ΠΌΠ΅Π΄Π»ΠΈΡΡ Π°Π²ΡΠΎΠΌΠΎΠ±ΠΈΠ»Ρ Π½Π°ΡΡΠΎΠ»ΡΠΊΠΎ, ΡΡΠΎΠ±Ρ ΡΠΎΡΠΌΠΎΠ·Π° ΡΠ΄Π΅Π»Π°Π»ΠΈ Π²ΡΠ΅ ΠΎΡΡΠ°Π»ΡΠ½ΠΎΠ΅.
- ΠΠ΅ΡΠ΅Π·Π°ΠΏΡΡΡΠΈΡΠ΅ Π΄Π²ΠΈΠ³Π°ΡΠ΅Π»Ρ, Π΅ΡΠ»ΠΈ ΠΎΠ½ Π·Π°Π³Π»ΠΎΡ . ΠΠΎΠ²Π΅ΡΠ½ΠΈΡΠ΅ ΡΡΠ»Π΅Π²ΠΎΠ΅ ΠΊΠΎΠ»Π΅ΡΠΎ Π² Π»ΡΠ±ΠΎΠΌ Π½Π°ΠΏΡΠ°Π²Π»Π΅Π½ΠΈΠΈ, ΡΡΠΎΠ±Ρ ΠΏΠΎΡΠΌΠΎΡΡΠ΅ΡΡ, Π½Π°ΡΠΊΠΎΠ»ΡΠΊΠΎ Ρ ΠΎΡΠΎΡΠΎ ΠΎΠ½ΠΎ ΠΏΠΎΠ²ΠΎΡΠ°ΡΠΈΠ²Π°Π΅ΡΡΡ.ΠΡΠ»ΠΈ ΠΎΠ½ ΠΏΠΎΠ²ΠΎΡΠ°ΡΠΈΠ²Π°Π΅Ρ ΡΠ°ΠΊ ΠΆΠ΅ ΡΠ²ΠΎΠ±ΠΎΠ΄Π½ΠΎ, ΠΊΠ°ΠΊ ΠΎΠ±ΡΡΠ½ΠΎ, Π²ΡΠ΅Π·ΠΆΠ°ΠΉΡΠ΅ Π½Π° ΠΏΡΠΎΠ΅Π·ΠΆΡΡ ΡΠ°ΡΡΡ ΠΈ ΠΏΡΠΎΠ΄ΠΎΠ»ΠΆΠ°ΠΉΡΠ΅ Π΄Π²ΠΈΠΆΠ΅Π½ΠΈΠ΅ Π² ΠΎΠ±ΡΡΠ½ΠΎΠΌ ΡΠ΅ΠΆΠΈΠΌΠ΅. ΠΡΠ»ΠΈ ΡΡΠΎΠ³ΠΎ Π½Π΅ ΠΏΡΠΎΠΈΠ·ΠΎΡΠ»ΠΎ, Π»ΠΈΠ±ΠΎ ΠΌΠ΅Π΄Π»Π΅Π½Π½ΠΎ ΠΏΠΎΠ΅Π·ΠΆΠ°ΠΉΡΠ΅ ΠΊ Π±Π»ΠΈΠΆΠ°ΠΉΡΠ΅ΠΌΡ ΠΌΠ΅Ρ Π°Π½ΠΈΠΊΡ, Π»ΠΈΠ±ΠΎ Π²ΡΠ·ΠΎΠ²ΠΈΡΠ΅ ΡΠ²Π°ΠΊΡΠ°ΡΠΎΡ.
Π§ΡΠΎ ΡΠ°ΠΊΠΎΠ΅ ΡΡΠ»Π΅Π²ΠΎΠ΅ ΡΠΏΡΠ°Π²Π»Π΅Π½ΠΈΠ΅? ΠΊΠΎΠΌΠΏΠΎΠ½Π΅Π½ΡΡ, ΡΡΠ½ΠΊΡΠΈΠΈ ΠΈ ΠΏΡΠΈΠΌΠ΅Ρ
Π§ΡΠΎ ΡΠ°ΠΊΠΎΠ΅ ΡΠΈΡΡΠ΅ΠΌΠ° ΡΡΠ»Π΅Π²ΠΎΠ³ΠΎ ΡΠΏΡΠ°Π²Π»Π΅Π½ΠΈΡ ?. ΠΠ°ΠΆΠ΄ΡΠΉ Π½Π°Π²Π΅ΡΠ½ΡΠΊΠ° Π·Π°Ρ ΠΎΡΠ΅Ρ ΡΠ·Π½Π°ΡΡ ΠΎ ΡΠΈΡΡΠ΅ΠΌΠ΅ ΡΡΠ»Π΅Π²ΠΎΠ³ΠΎ ΡΠΏΡΠ°Π²Π»Π΅Π½ΠΈΡ. ΠΠ΄Π΅ΡΡ, Π² ΡΡΠΎΠΉ ΡΡΠ°ΡΡΠ΅, ΠΎΠ½ΠΈ ΡΠ·Π½Π°ΡΡ ΠΎ ΡΠΈΡΡΠ΅ΠΌΠ΅ ΡΡΠ»Π΅Π²ΠΎΠ³ΠΎ ΡΠΏΡΠ°Π²Π»Π΅Π½ΠΈΡ, ΠΈΡ ΠΊΠΎΠΌΠΏΠΎΠ½Π΅Π½ΡΠ°Ρ , ΡΡΠ½ΠΊΡΠΈΡΡ , Π° ΡΠ°ΠΊΠΆΠ΅ Π½Π° ΠΏΡΠΈΠΌΠ΅ΡΠ΅.
Π§ΡΠΎ ΡΠ°ΠΊΠΎΠ΅ ΡΠΈΡΡΠ΅ΠΌΠ° ΡΡΠ»Π΅Π²ΠΎΠ³ΠΎ ΡΠΏΡΠ°Π²Π»Π΅Π½ΠΈΡ?
ΠΡΠΎΡΠ΅ Π³ΠΎΠ²ΠΎΡΡ, ΡΠΈΡΡΠ΅ΠΌΠ° ΡΡΠ»Π΅Π²ΠΎΠ³ΠΎ ΡΠΏΡΠ°Π²Π»Π΅Π½ΠΈΡ Π²Π°ΡΠ΅Π³ΠΎ Π°Π²ΡΠΎΠΌΠΎΠ±ΠΈΠ»Ρ — ΡΡΠΎ Π²ΡΠ΅, ΠΎΡ ΡΡΠ»Π΅Π²ΠΎΠ³ΠΎ ΠΊΠΎΠ»Π΅ΡΠ° Π΄ΠΎ ΡΡΠ»Π΅Π²ΠΎΠ³ΠΎ Π²Π°Π»Π°, ΡΠ΅ΠΉΠΊΠΈ ΠΈ ΡΠ΅ΡΡΠ΅ΡΠ½ΠΈ (ΡΠ°ΠΊΠΆΠ΅ ΠΈΠ·Π²Π΅ΡΡΠ½ΠΎΠΉ ΠΊΠ°ΠΊ ΠΊΠΎΡΠΎΠ±ΠΊΠ° ΠΏΠ΅ΡΠ΅Π΄Π°Ρ), Π²ΠΏΠ»ΠΎΡΡ Π΄ΠΎ ΡΡΡΠ°ΠΆΠ½ΠΎΠ³ΠΎ ΠΌΠ΅Ρ Π°Π½ΠΈΠ·ΠΌΠ°, ΠΊΠΎΡΠΎΡΡΠΉ ΡΠΎΠ΅Π΄ΠΈΠ½ΡΠ΅ΡΡΡ Ρ ΡΠ°ΠΌΠΈΠΌΠΈ ΠΊΠΎΠ»Π΅ΡΠ°ΠΌΠΈ.
Π Π°Π²ΡΠΎΠΌΠΎΠ±ΠΈΠ»ΡΡ ΠΎΠ½ ΡΠ°ΠΊΠΆΠ΅ ΠΈΠ·Π²Π΅ΡΡΠ΅Π½ ΠΊΠ°ΠΊ ΡΡΠ»Π΅Π²ΠΎΠ΅ ΠΊΠΎΠ»Π΅ΡΠΎ, ΡΡΠ»Π΅Π²ΠΎΠ΅ ΠΊΠΎΠ»Π΅ΡΠΎ, ΡΠ΅ΡΡΠ΅ΡΠ½ΠΈ, ΡΡΡΠ°Π³ΠΈ ΠΈ Π΄ΡΡΠ³ΠΈΠ΅ ΠΊΠΎΠΌΠΏΠΎΠ½Π΅Π½ΡΡ, ΠΈΡΠΏΠΎΠ»ΡΠ·ΡΠ΅ΠΌΡΠ΅ Π΄Π»Ρ ΡΠΏΡΠ°Π²Π»Π΅Π½ΠΈΡ Π½Π°ΠΏΡΠ°Π²Π»Π΅Π½ΠΈΠ΅ΠΌ Π΄Π²ΠΈΠΆΠ΅Π½ΠΈΡ ΡΡΠ°Π½ΡΠΏΠΎΡΡΠ½ΠΎΠ³ΠΎ ΡΡΠ΅Π΄ΡΡΠ²Π°.
Π‘ΠΈΡΡΠ΅ΠΌΠ° ΡΠΎΠ΄Π΅ΡΠΆΠΈΡ Π³ΠΈΠ΄ΡΠΎΡΡΠΈΠ»ΠΈΡΠ΅Π»Ρ, ΠΊΠΎΡΠΎΡΡΠΉ ΡΠ°Π±ΠΎΡΠ°Π΅Ρ ΠΏΡΠΈ ΡΠ°Π±ΠΎΡΠ°ΡΡΠ΅ΠΌ Π΄Π²ΠΈΠ³Π°ΡΠ΅Π»Π΅ ΠΈ ΠΎΠ±Π΅ΡΠΏΠ΅ΡΠΈΠ²Π°Π΅Ρ Π±ΠΎΠ»ΡΡΡΡ ΡΠ°ΡΡΡ Π½Π΅ΠΎΠ±Ρ ΠΎΠ΄ΠΈΠΌΠΎΠΉ ΡΠΈΠ»Ρ, ΠΊΠΎΠ³Π΄Π° Π²ΠΎΠ΄ΠΈΡΠ΅Π»Ρ ΠΏΠΎΠ²ΠΎΡΠ°ΡΠΈΠ²Π°Π΅Ρ ΠΊΠΎΠ»Π΅ΡΠΎ.
ΠΡΡΠΎΡΠ½ΠΈΠΊ: ΠΠ°ΡΠΈΠ½ΠΎΡΡΡΠΎΠ΅Π½ΠΈΠ΅Π’ΠΈΠΏΡ ΡΡΠ»Π΅Π²ΠΎΠΉ ΡΠΈΡΡΠ΅ΠΌΡ:
ΠΠΎΡΡΡΠΏΠ½Ρ Π΄Π²Π° ΡΠΈΠΏΠ° ΡΡΠ»Π΅Π²ΠΎΠ³ΠΎ ΡΠΏΡΠ°Π²Π»Π΅Π½ΠΈΡ. ΠΡ :
- ΠΠΈΠ΄ΡΠ°Π²Π»ΠΈΠΊΠ°
- ΠΠ»Π΅ΠΊΡΡΠΈΡΠ΅ΡΠΊΠΈΠΉ / ΡΠ»Π΅ΠΊΡΡΠΎΠ½Π½ΡΠΉ
1.ΠΠΈΠ΄ΡΠ°Π²Π»ΠΈΡΠ΅ΡΠΊΠ°Ρ ΡΠΈΡΡΠ΅ΠΌΠ° ΡΡΠ»Π΅Π²ΠΎΠ³ΠΎ ΡΠΏΡΠ°Π²Π»Π΅Π½ΠΈΡ:
ΠΠΈΠ΄ΡΠ°Π²Π»ΠΈΡΠ΅ΡΠΊΠΈΠ΅ ΡΠΈΡΡΠ΅ΠΌΡ ΡΡΠ»Π΅Π²ΠΎΠ³ΠΎ ΡΠΏΡΠ°Π²Π»Π΅Π½ΠΈΡ Ρ ΡΡΠΈΠ»ΠΈΡΠ΅Π»Π΅ΠΌ ΡΠ°Π±ΠΎΡΠ°ΡΡ Π·Π° ΡΡΠ΅Ρ ΠΈΡΠΏΠΎΠ»ΡΠ·ΠΎΠ²Π°Π½ΠΈΡ Π³ΠΈΠ΄ΡΠ°Π²Π»ΠΈΡΠ΅ΡΠΊΠΎΠΉ ΡΠΈΡΡΠ΅ΠΌΡ Π΄Π»Ρ ΡΠΌΠ½ΠΎΠΆΠ΅Π½ΠΈΡ ΡΠΈΠ»Ρ, ΠΏΡΠΈΠ»Π°Π³Π°Π΅ΠΌΠΎΠΉ ΠΊ Π²Ρ ΠΎΠ΄Π°ΠΌ ΡΡΠ»Π΅Π²ΠΎΠ³ΠΎ ΠΊΠΎΠ»Π΅ΡΠ° Π½Π° ΡΠΏΡΠ°Π²Π»ΡΠ΅ΠΌΡΠ΅ (ΠΎΠ±ΡΡΠ½ΠΎ ΠΏΠ΅ΡΠ΅Π΄Π½ΠΈΠ΅) ΠΎΠΏΠΎΡΠ½ΡΠ΅ ΠΊΠΎΠ»Π΅ΡΠ° ΡΡΠ°Π½ΡΠΏΠΎΡΡΠ½ΠΎΠ³ΠΎ ΡΡΠ΅Π΄ΡΡΠ²Π°.
ΠΠΈΠ΄ΡΠ°Π²Π»ΠΈΡΠ΅ΡΠΊΠΎΠ΅ Π΄Π°Π²Π»Π΅Π½ΠΈΠ΅ ΠΎΠ±ΡΡΠ½ΠΎ ΠΈΡΡ ΠΎΠ΄ΠΈΡ ΠΎΡ Π³Π΅Π½Π΅ΡΠ°ΡΠΎΡΠ° ΠΈΠ»ΠΈ ΠΏΠ»Π°ΡΡΠΈΠ½ΡΠ°ΡΠΎ-ΡΠΎΡΠΎΡΠ½ΠΎΠ³ΠΎ Π½Π°ΡΠΎΡΠ°, ΠΏΡΠΈΠ²ΠΎΠ΄ΠΈΠΌΠΎΠ³ΠΎ Π² Π΄Π΅ΠΉΡΡΠ²ΠΈΠ΅ Π΄Π²ΠΈΠ³Π°ΡΠ΅Π»Π΅ΠΌ ΡΡΠ°Π½ΡΠΏΠΎΡΡΠ½ΠΎΠ³ΠΎ ΡΡΠ΅Π΄ΡΡΠ²Π°.
ΠΡΠΎ Π½Π°Π·ΡΠ²Π°Π΅ΡΡΡ Π³ΠΈΠ΄ΡΠ°Π²Π»ΠΈΡΠ΅ΡΠΊΠΎΠΉ ΡΠΈΡΡΠ΅ΠΌΠΎΠΉ ΡΡΠ»Π΅Π²ΠΎΠ³ΠΎ ΡΠΏΡΠ°Π²Π»Π΅Π½ΠΈΡ.
2. ΠΠ»Π΅ΠΊΡΡΠΈΡΠ΅ΡΠΊΠ°Ρ / ΡΠ»Π΅ΠΊΡΡΠΎΠ½Π½Π°Ρ ΡΠΈΡΡΠ΅ΠΌΠ° ΡΡΠ»Π΅Π²ΠΎΠ³ΠΎ ΡΠΏΡΠ°Π²Π»Π΅Π½ΠΈΡ:
ΠΠ»Π΅ΠΊΡΡΠΈΡΠ΅ΡΠΊΠ°Ρ / ΡΠ»Π΅ΠΊΡΡΠΎΠ½Π½Π°Ρ ΡΠΈΡΡΠ΅ΠΌΠ° ΡΡΠ»Π΅Π²ΠΎΠ³ΠΎ ΡΠΏΡΠ°Π²Π»Π΅Π½ΠΈΡ ΡΠ°ΠΊΠΆΠ΅ ΠΈΠ·Π²Π΅ΡΡΠ½Π° ΠΊΠ°ΠΊ ΡΠΈΡΡΠ΅ΠΌΠ° ΡΡΠ»Π΅Π²ΠΎΠ³ΠΎ ΡΠΏΡΠ°Π²Π»Π΅Π½ΠΈΡ Ρ ΡΡΠΈΠ»ΠΈΡΠ΅Π»Π΅ΠΌ.
Π Π°Π²ΡΠΎΠΌΠΎΠ±ΠΈΠ»ΡΡ ΡΠΈΡΡΠ΅ΠΌΠ° ΡΡΠ»Π΅Π²ΠΎΠ³ΠΎ ΡΠΏΡΠ°Π²Π»Π΅Π½ΠΈΡ Ρ ΡΡΠΈΠ»ΠΈΡΠ΅Π»Π΅ΠΌ ΠΏΠΎΠΌΠΎΠ³Π°Π΅Ρ Π²ΠΎΠ΄ΠΈΡΠ΅Π»ΡΠΌ ΡΠΏΡΠ°Π²Π»ΡΡΡ ΡΡΠ°Π½ΡΠΏΠΎΡΡΠ½ΡΠΌ ΡΡΠ΅Π΄ΡΡΠ²ΠΎΠΌ, ΡΠ²Π΅Π»ΠΈΡΠΈΠ²Π°Ρ ΡΡΠΈΠ»ΠΈΠ΅ Π½Π° ΡΡΠ»Π΅Π²ΠΎΠΌ ΠΊΠΎΠ»Π΅ΡΠ΅, Π½Π΅ΠΎΠ±Ρ ΠΎΠ΄ΠΈΠΌΠΎΠ΅ Π΄Π»Ρ ΠΏΠΎΠ²ΠΎΡΠΎΡΠ° ΡΡΠ»Π΅Π²ΠΎΠ³ΠΎ ΠΊΠΎΠ»Π΅ΡΠ°, ΡΡΠΎ ΡΠΏΡΠΎΡΠ°Π΅Ρ ΠΏΠΎΠ²ΠΎΡΠΎΡ ΠΈΠ»ΠΈ ΠΌΠ°Π½Π΅Π²ΡΠΈΡΠΎΠ²Π°Π½ΠΈΠ΅ Π°Π²ΡΠΎΠΌΠΎΠ±ΠΈΠ»Ρ. Π ΡΠΈΡΡΠ΅ΠΌΠ°Ρ ΡΡΠ»Π΅Π²ΠΎΠ³ΠΎ ΡΠΏΡΠ°Π²Π»Π΅Π½ΠΈΡ Ρ ΡΠ»Π΅ΠΊΡΡΠΎΡΡΠΈΠ»ΠΈΡΠ΅Π»Π΅ΠΌ Π²ΠΌΠ΅ΡΡΠΎ Π³ΠΈΠ΄ΡΠ°Π²Π»ΠΈΡΠ΅ΡΠΊΠΈΡ ΡΠΈΡΡΠ΅ΠΌ ΠΈΡΠΏΠΎΠ»ΡΠ·ΡΡΡΡΡ ΡΠ»Π΅ΠΊΡΡΠΎΠ΄Π²ΠΈΠ³Π°ΡΠ΅Π»ΠΈ.
ΠΡΠΎ ΠΈΠ·Π²Π΅ΡΡΠ½ΠΎ ΠΊΠ°ΠΊ ΡΠ»Π΅ΠΊΡΡΠΈΡΠ΅ΡΠΊΠ°Ρ / ΡΠ»Π΅ΠΊΡΡΠΎΠ½Π½Π°Ρ ΡΠΈΡΡΠ΅ΠΌΠ° ΡΡΠ»Π΅Π²ΠΎΠ³ΠΎ ΡΠΏΡΠ°Π²Π»Π΅Π½ΠΈΡ.
Π’Π°ΠΊΠΆΠ΅ ΡΠΈΡΠ°ΠΉΡΠ΅: Π Π΅ΡΡΡΡΡ Π‘Π΅Π²Π΅ΡΠ½ΠΎΠΉ ΠΠΌΠ΅ΡΠΈΠΊΠΈ: ΠΠΈΠΎΠ»ΠΎΠ³ΠΈΡΠ΅ΡΠΊΠΈΠ΅ ΠΈ ΠΌΠΈΠ½Π΅ΡΠ°Π»ΡΠ½ΡΠ΅ ΡΠ΅ΡΡΡΡΡ
ΠΠ΅ΡΠ°Π»ΠΈ ΡΡΠ»Π΅Π²ΠΎΠΉ ΡΠΈΡΡΠ΅ΠΌΡ:
ΠΠΎΡΡΡΠΏΠ½ΡΠ΅ ΡΠ°ΡΡΠΈ ΡΠΈΡΡΠ΅ΠΌΡ ΡΡΠ»Π΅Π²ΠΎΠ³ΠΎ ΡΠΏΡΠ°Π²Π»Π΅Π½ΠΈΡ:
- Π¨Π°ΡΠΎΠ²ΡΠ΅ ΠΎΠΏΠΎΡΡ
- ΠΡΡΠ»ΠΊΠΈ
- ΠΠ²Π΅Π½ΡΡ ΡΡΠ°Π±ΠΈΠ»ΠΈΠ·Π°ΡΠΎΡΠ° ΠΏΠΎΠΏΠ΅ΡΠ΅ΡΠ½ΠΎΠΉ ΡΡΡΠΎΠΉΡΠΈΠ²ΠΎΡΡΠΈ
- Π¦Π΅Π½ΡΡΠ°Π»ΡΠ½ΡΠ΅ Π·Π²Π΅Π½ΡΡ
- Idler Arms / Pitman Arms
- Π Π΅Π΅ΡΠ½ΡΠ΅ ΠΈ ΡΠ΅ΡΡΠ΅ΡΠ½ΠΈ
- ΠΠΎΠ½ΡΡ / ΡΡΠΊΠ°Π²Π° ΡΡΠ»Π΅Π²ΠΎΠΉ ΡΡΠ³ΠΈ
- Π¨Π Π£Π‘Ρ / ΡΠ°ΠΏΠΎΠ³ΠΈ
- ΠΠΎΠ»ΡΠΎΡΠΈ ΠΏΠΎΠ»ΡΠΎΡΠΈ CV
- ΠΠΌΠΎΡΡΠΈΠ·Π°ΡΠΎΡΡ
- Π‘ΡΠΎΠΉΠΊΠΈ / ΠΊΠ°ΡΡΡΠΈΠ΄ΠΆΠΈ
ΠΡΠΎ ΡΠ°ΡΡΠΈ ΡΠΈΡΡΠ΅ΠΌΡ ΡΡΠ»Π΅Π²ΠΎΠ³ΠΎ ΡΠΏΡΠ°Π²Π»Π΅Π½ΠΈΡ.
ΠΠΎΠΌΠΏΠΎΠ½Π΅Π½ΡΡ ΡΠΈΡΡΠ΅ΠΌΡ ΡΡΠ»Π΅Π²ΠΎΠ³ΠΎ ΡΠΏΡΠ°Π²Π»Π΅Π½ΠΈΡ:
ΠΠΎΠΌΠΏΠΎΠ½Π΅Π½ΡΡ ΡΠΈΡΡΠ΅ΠΌΡ ΡΡΠ»Π΅Π²ΠΎΠ³ΠΎ ΡΠΏΡΠ°Π²Π»Π΅Π½ΠΈΡ ΠΏΠ΅ΡΠ΅ΡΠΈΡΠ»Π΅Π½Ρ Π½ΠΈΠΆΠ΅. ΠΡ :
1. Π ΡΠ»Π΅Π²ΠΎΠ΅ ΠΊΠΎΠ»Π΅ΡΠΎ
2. Π ΡΠ»Π΅Π²Π°Ρ ΠΊΠΎΠ»ΠΎΠ½ΠΊΠ° ΠΈΠ»ΠΈ Π²Π°Π».
3. Π ΡΠ»Π΅Π²ΠΎΠΉ ΠΌΠ΅Ρ
Π°Π½ΠΈΠ·ΠΌ
4. ΠΠΎΠ½ΠΈΠΆΠ°ΡΡΠΈΠΉ ΡΡΡΠ°Π³ ΠΈΠ»ΠΈ ΡΡΡΠ°Π³ ΠΏΠΎΠ΄ΡΠ΅ΠΌΠ½ΠΈΠΊΠ°
5. Π¨Π°ΡΠΎΠ²ΡΠ΅ ΡΠ°ΡΠ½ΠΈΡΡ
6. Π’ΡΠ³Π°
7. Π ΡΠ»Π΅Π²ΠΎΠΉ ΡΡΡΠ°Π³
8. ΠΠΎΠ²ΠΎΡΠΎΡΠ½ΡΠΉ Π²Π°Π»
9. ΠΠ΅Π²ΡΠΉ ΡΠΏΠΈΠ½Π΄Π΅Π»Ρ ΠΈ ΡΠΊΠ²ΠΎΡΠ΅Π½Ρ
10. ΠΠ΅Π²ΡΠΉ ΡΡΡΠ°Π³ ΡΡΠ»Π΅Π²ΠΎΠΉ ΡΡΠ³ΠΈ
1. Π ΡΠ»Π΅Π²ΠΎΠ΅ ΠΊΠΎΠ»Π΅ΡΠΎ:
Π ΡΠ»Π΅Π²ΠΎΠ΅ ΠΊΠΎΠ»Π΅ΡΠΎ — ΡΡΠΎ ΠΊΠΎΠ»Π΅ΡΠΎ ΡΠΏΡΠ°Π²Π»Π΅Π½ΠΈΡ, ΠΊΠΎΡΠΎΡΡΠΌ Π²ΠΎΠ΄ΠΈΡΠ΅Π»Ρ ΡΠΏΡΠ°Π²Π»ΡΠ΅Ρ.ΠΠ½ ΡΠΎΠ΄Π΅ΡΠΆΠΈΡ ΠΏΠ΅ΡΠ΅ΠΊΠ»ΡΡΠ°ΡΠ΅Π»Ρ ΠΈΠ½Π΄ΠΈΠΊΠ°ΡΠΎΡΠ° Π΄Π²ΠΈΠΆΠ΅Π½ΠΈΡ, ΠΏΠ΅ΡΠ΅ΠΊΠ»ΡΡΠ°ΡΠ΅Π»Ρ ΡΠ²Π΅ΡΠ°, ΠΏΠ΅ΡΠ΅ΠΊΠ»ΡΡΠ°ΡΠ΅Π»Ρ ΡΡΠ΅ΠΊΠ»ΠΎΠΎΡΠΈΡΡΠΈΡΠ΅Π»Ρ ΠΈ Ρ. Π. ΠΠ³ΠΎ ΡΠ°ΠΊΠΆΠ΅ Π½Π°Π·ΡΠ²Π°ΡΡ Π²Π΅Π΄ΡΡΠΈΠΌ ΠΊΠΎΠ»Π΅ΡΠΎΠΌ ΠΈΠ»ΠΈ ΠΌΠ°Ρ ΠΎΠ²ΠΈΠΊΠΎΠΌ — ΡΡΠΎ ΡΠΈΠΏ ΡΡΠ»Π΅Π²ΠΎΠ³ΠΎ ΡΠΏΡΠ°Π²Π»Π΅Π½ΠΈΡ Π² ΡΡΠ°Π½ΡΠΏΠΎΡΡΠ½ΡΡ ΡΡΠ΅Π΄ΡΡΠ²Π°Ρ .
Π ΡΠ»Π΅Π²ΡΠ΅ ΠΊΠΎΠ»Π΅ΡΠ° ΠΈΡΠΏΠΎΠ»ΡΠ·ΡΡΡΡΡ Π² Π±ΠΎΠ»ΡΡΠΈΠ½ΡΡΠ²Π΅ ΡΠΎΠ²ΡΠ΅ΠΌΠ΅Π½Π½ΡΡ Π½Π°Π·Π΅ΠΌΠ½ΡΡ ΡΡΠ°Π½ΡΠΏΠΎΡΡΠ½ΡΡ ΡΡΠ΅Π΄ΡΡΠ², Π²ΠΊΠ»ΡΡΠ°Ρ Π²ΡΠ΅ Π°Π²ΡΠΎΠΌΠΎΠ±ΠΈΠ»ΠΈ ΠΌΠ°ΡΡΠΎΠ²ΠΎΠ³ΠΎ ΠΏΡΠΎΠΈΠ·Π²ΠΎΠ΄ΡΡΠ²Π°, Π° ΡΠ°ΠΊΠΆΠ΅ Π°Π²ΡΠΎΠ±ΡΡΡ, Π»Π΅Π³ΠΊΠΈΠ΅ ΠΈ ΡΡΠΆΠ΅Π»ΡΠ΅ Π³ΡΡΠ·ΠΎΠ²ΠΈΠΊΠΈ ΠΈ ΡΡΠ°ΠΊΡΠΎΡΡ.
2. Π ΡΠ»Π΅Π²Π°Ρ ΠΊΠΎΠ»ΠΎΠ½ΠΊΠ° ΠΈΠ»ΠΈ Π²Π°Π»:
Π ΡΠ»Π΅Π²Π°Ρ ΠΊΠΎΠ»ΠΎΠ½ΠΊΠ°, ΡΠ°ΠΊΠΆΠ΅ ΠΈΠ·Π²Π΅ΡΡΠ½Π°Ρ ΠΊΠ°ΠΊ Π²Π°Π», ΡΡΡΠ°Π½ΠΎΠ²Π»Π΅Π½Π° ββΠ²Π½ΡΡΡΠΈ ΠΏΠΎΠ»ΠΎΠΉ ΡΡΠ»Π΅Π²ΠΎΠΉ ΠΊΠΎΠ»ΠΎΠ½ΠΊΠΈ. ΠΠΎΠ³Π΄Π° ΡΡΠ»Π΅Π²ΠΎΠ΅ ΠΊΠΎΠ»Π΅ΡΠΎ ΠΏΠΎΠ²ΠΎΡΠ°ΡΠΈΠ²Π°Π΅ΡΡΡ, ΡΡΠ»Π΅Π²ΠΎΠΉ Π²Π°Π» ΡΠ°ΠΊΠΆΠ΅ Π±ΡΠ΄Π΅Ρ Π²ΡΠ°ΡΠ°ΡΡΡΡ.ΠΠ° ΡΡΠ΅Ρ ΡΡΠΎΠ³ΠΎ Π΄Π²ΠΈΠΆΠ΅Π½ΠΈΠ΅ ΠΏΠ΅ΡΠ΅Π΄Π°Π΅ΡΡΡ Π½Π° ΡΡΠ»Π΅Π²ΠΎΠΉ ΠΌΠ΅Ρ Π°Π½ΠΈΠ·ΠΌ.
Π ΡΠ»Π΅Π²Π°Ρ ΠΊΠΎΠ»ΠΎΠ½ΠΊΠ° ΡΠ°ΡΠΏΠΎΠ»ΠΎΠΆΠ΅Π½Π° Π² Π²Π΅ΡΡ Π½Π΅ΠΉ ΡΠ°ΡΡΠΈ ΡΠΈΡΡΠ΅ΠΌΡ ΡΡΠ»Π΅Π²ΠΎΠ³ΠΎ ΡΠΏΡΠ°Π²Π»Π΅Π½ΠΈΡ ΠΈ ΠΊΡΠ΅ΠΏΠΈΡΡΡ Π½Π΅ΠΏΠΎΡΡΠ΅Π΄ΡΡΠ²Π΅Π½Π½ΠΎ ΠΊ ΡΡΠ»Π΅Π²ΠΎΠΌΡ ΠΊΠΎΠ»Π΅ΡΡ. ΠΠ°ΡΠ΅ΠΌ ΡΡΠ»Π΅Π²Π°Ρ ΠΊΠΎΠ»ΠΎΠ½ΠΊΠ° ΠΏΡΠΈΠΊΡΠ΅ΠΏΠ»ΡΠ΅ΡΡΡ ΠΊ ΠΏΡΠΎΠΌΠ΅ΠΆΡΡΠΎΡΠ½ΠΎΠΌΡ Π²Π°Π»Ρ ΠΈ ΡΠ½ΠΈΠ²Π΅ΡΡΠ°Π»ΡΠ½ΡΠΌ ΡΠ°ΡΠ½ΠΈΡΠ°ΠΌ.
3. Π ΡΠ»Π΅Π²ΠΎΠΉ ΠΌΠ΅Ρ Π°Π½ΠΈΠ·ΠΌ:
Π ΡΡΠ°Π³ ΡΠ°ΠΌΠΎΡΠ²Π°Π»Π° Π½Π° ΠΎΠ΄Π½ΠΎΠΌ ΠΊΠΎΠ½ΡΠ΅ ΠΈΠΌΠ΅Π΅Ρ ΡΠ»ΠΈΡΠ΅Π²ΠΎΠ΅ ΡΠΎΠ΅Π΄ΠΈΠ½Π΅Π½ΠΈΠ΅ Ρ ΠΊΠΎΡΠΎΠΌΡΡΠ»ΠΎΠΌ ΡΡΠ»Π΅Π²ΠΎΠ³ΠΎ ΡΠ΅Π΄ΡΠΊΡΠΎΡΠ°, Π° Π΄ΡΡΠ³ΠΎΠΉ ΠΊΠΎΠ½Π΅Ρ ΡΠΎΠ΅Π΄ΠΈΠ½Π΅Π½ Ρ ΡΡΠ³ΠΎΠ²ΡΠΌ ΡΡΡΠ°Π³ΠΎΠΌ Ρ ΠΏΠΎΠΌΠΎΡΡΡ ΡΠ°ΡΠΎΠ²ΠΎΠ³ΠΎ ΡΠ°ΡΠ½ΠΈΡΠ°.
Π ΡΠ»Π΅Π²ΠΎΠΉ ΡΠ΅Π΄ΡΠΊΡΠΎΡ ΡΠΎΠ΄Π΅ΡΠΆΠΈΡ ΡΠ΅ΡΡΠ΅ΡΠ½ΠΈ, ΠΊΠΎΡΠΎΡΡΠ΅ ΠΏΠ΅ΡΠ΅Π΄Π°ΡΡ ΡΠΏΡΠ°Π²Π»ΡΡΡΠΈΠ΅ ΡΠΈΠ³Π½Π°Π»Ρ Π²ΠΎΠ΄ΠΈΡΠ΅Π»Ρ Π½Π° ΡΡΠ»Π΅Π²ΡΡ ΡΡΠ³Ρ, ΠΊΠΎΡΠΎΡΠ°Ρ ΠΏΠΎΠ²ΠΎΡΠ°ΡΠΈΠ²Π°Π΅Ρ ΠΊΠΎΠ»Π΅ΡΠ°, ΠΈ ΡΠΌΠ½ΠΎΠΆΠ°Π΅Ρ ΠΈΠ·ΠΌΠ΅Π½Π΅Π½ΠΈΡ ΡΡΠ»Π΅Π²ΠΎΠ³ΠΎ ΡΠΏΡΠ°Π²Π»Π΅Π½ΠΈΡ, Π²ΡΠΏΠΎΠ»Π½ΡΠ΅ΠΌΡΠ΅ Π²ΠΎΠ΄ΠΈΡΠ΅Π»Π΅ΠΌ, ΡΠ°ΠΊ ΡΡΠΎ ΠΏΠ΅ΡΠ΅Π΄Π½ΠΈΠ΅ ΠΊΠΎΠ»Π΅ΡΠ° ΠΏΠ΅ΡΠ΅ΠΌΠ΅ΡΠ°ΡΡΡΡ Π±ΠΎΠ»ΡΡΠ΅, ΡΠ΅ΠΌ ΡΡΠ»Π΅Π²ΠΎΠ΅ ΠΊΠΎΠ»Π΅ΡΠΎ.
4. ΠΠΎΠ΄Π²Π΅ΡΠ½ΠΎΠΉ ΡΡΡΠ°Π³ ΠΈΠ»ΠΈ ΡΡΠΊΠ° ΠΏΠΈΡΠΌΠ΅Π½Π°:
ΠΠΎΠ³Π΄Π° ΡΡΠ»Π΅Π²ΠΎΠ΅ ΠΊΠΎΠ»Π΅ΡΠΎ ΠΏΠΎΠ²ΠΎΡΠ°ΡΠΈΠ²Π°Π΅ΡΡΡ Π²ΠΏΡΠ°Π²ΠΎ ΠΈΠ»ΠΈ Π²Π»Π΅Π²ΠΎ, ΡΠ°ΠΌΠΎΡΠ²Π°Π» ΠΏΠ΅ΡΠ΅Π΄Π°Π΅Ρ Π΄Π²ΠΈΠΆΠ΅Π½ΠΈΠ΅, ΠΊΠΎΡΠΎΡΠΎΠ΅ ΠΎΠ½ ΠΏΠΎΠ»ΡΡΠ°Π΅Ρ ΠΎΡ ΡΡΠ»Π΅Π²ΠΎΠ³ΠΎ ΡΠ΅Π΄ΡΠΊΡΠΎΡΠ°, Π½Π° ΡΡΠ»Π΅Π²ΡΡ ΡΡΠ³Ρ. Β«Π ΡΡΠ°Π³ ΡΠ°ΠΌΠΎΡΠ²Π°Π»Π°Β» ΠΈΡΠΏΠΎΠ»ΡΠ·ΡΠ΅ΡΡΡ Π΄Π»Ρ ΠΊΠΎΡΡΠ΅ΠΊΡΠΈΡΠΎΠ²ΠΊΠΈ ΡΡΠ»Π΅Π²ΠΎΠ³ΠΎ ΡΠΏΡΠ°Π²Π»Π΅Π½ΠΈΡ, ΠΊΠΎΠ³Π΄Π° Π°Π²ΡΠΎΠΌΠΎΠ±ΠΈΠ»Ρ ΠΈΠΌΠ΅Π΅Ρ Π»ΠΈΡΡ ΠΏΠΎΠ΄Π²Π΅ΡΠΊΠΈ.
5. Π¨Π°ΡΠΎΠ²Π°Ρ ΠΎΠΏΠΎΡΠ°:
Π¨Π°ΡΠΎΠ²ΡΠ΅ ΠΎΠΏΠΎΡΡ ΠΏΡΠ΅Π΄ΡΡΠ°Π²Π»ΡΡΡ ΡΠΎΠ±ΠΎΠΉ ΡΡΠ΅ΡΠΈΡΠ΅ΡΠΊΠΈΠ΅ ΠΏΠΎΠ΄ΡΠΈΠΏΠ½ΠΈΠΊΠΈ, ΠΊΠΎΡΠΎΡΡΠ΅ ΡΠΎΠ΅Π΄ΠΈΠ½ΡΡΡ ΡΡΡΠ°Π³ΠΈ ΡΠΏΡΠ°Π²Π»Π΅Π½ΠΈΡ Ρ ΠΏΠΎΠ²ΠΎΡΠΎΡΠ½ΡΠΌΠΈ ΠΊΡΠ»Π°ΠΊΠ°ΠΌΠΈ. Π¨ΠΏΠΈΠ»ΡΠΊΠ° ΠΏΠΎΠ΄ΡΠΈΠΏΠ½ΠΈΠΊΠ° ΠΈΠΌΠ΅Π΅Ρ ΠΊΠΎΠ½ΠΈΡΠ΅ΡΠΊΡΡ ΡΠΎΡΠΌΡ Ρ ΡΠ΅Π·ΡΠ±ΠΎΠΉ ΠΈ Π²Ρ ΠΎΠ΄ΠΈΡ Π² ΠΊΠΎΠ½ΠΈΡΠ΅ΡΠΊΠΎΠ΅ ΠΎΡΠ²Π΅ΡΡΡΠΈΠ΅ ΠΏΠΎΠ²ΠΎΡΠΎΡΠ½ΠΎΠ³ΠΎ ΠΊΡΠ»Π°ΠΊΠ°.ΠΠ°ΡΠΈΡΠ½ΡΠΉ ΠΊΠΎΠΆΡΡ ΠΏΡΠ΅Π΄ΠΎΡΠ²ΡΠ°ΡΠ°Π΅Ρ ΠΏΠΎΠΏΠ°Π΄Π°Π½ΠΈΠ΅ Π³ΡΡΠ·ΠΈ Π² ΡΠ·Π΅Π» ΡΠ°ΡΠ½ΠΈΡΠ°.
6. ΠΠ΅ΡΠ΅ΡΠ°ΡΠΈΡΠ΅ ΡΡΡΠ»ΠΊΡ:
Π’ΡΠ³Π° ΠΏΠ΅ΡΠ΅ΡΠ°ΡΠΊΠΈΠ²Π°Π½ΠΈΡ ΠΏΡΠ΅ΠΎΠ±ΡΠ°Π·ΡΠ΅Ρ ΠΏΠΎΠ²ΠΎΡΠΎΡΠ½ΡΡ Π΄ΡΠ³Ρ ΡΡΠ»Π΅Π²ΠΎΠ³ΠΎ ΡΡΡΠ°Π³Π° Π² Π»ΠΈΠ½Π΅ΠΉΠ½ΠΎΠ΅ Π΄Π²ΠΈΠΆΠ΅Π½ΠΈΠ΅ Π² ΠΏΠ»ΠΎΡΠΊΠΎΡΡΠΈ Π΄ΡΡΠ³ΠΈΡ ΡΡΠ»Π΅Π²ΡΡ ΡΡΠ³. Β«Π‘ΠΊΠΎΠ±Π° ΡΠΎΠ΅Π΄ΠΈΠ½ΡΠ΅Ρ ΡΡΠ°Π½Π³Ρ ΡΠ°ΡΡΠ½Π° Ρ ΡΡΠ»Π΅Π²ΡΠΌ ΡΡΡΠ°Π³ΠΎΠΌ ΠΈΠ»ΠΈ, Π² Π½Π΅ΠΊΠΎΡΠΎΡΡΡ ΡΠ»ΡΡΠ°ΡΡ , ΡΠΎΠ΅Π΄ΠΈΠ½ΡΠ΅ΡΡΡ Ρ ΡΠ·Π»ΠΎΠΌ ΠΏΠΎΠΏΠ΅ΡΠ΅ΡΠ½ΠΎΠΉ ΡΡΠ»Π΅Π²ΠΎΠΉ ΡΡΠ³ΠΈ.
7. Π ΡΡΠ°Π³ ΡΡΠ»Π΅Π²ΠΎΠ³ΠΎ ΡΠΏΡΠ°Π²Π»Π΅Π½ΠΈΡ:
Π ΡΠ»Π΅Π²ΠΎΠΉ ΡΡΡΠ°Π³ — ΡΡΠΎ ΡΡΡΠ°Π³ Π΄Π»Ρ ΠΏΠ΅ΡΠ΅Π΄Π°ΡΠΈ ΠΏΠΎΠ²ΠΎΡΠΎΡΠ½ΠΎΠ³ΠΎ ΡΡΠΈΠ»ΠΈΡ ΠΎΡ ΡΡΠ»Π΅Π²ΠΎΠ³ΠΎ ΠΌΠ΅Ρ Π°Π½ΠΈΠ·ΠΌΠ° Π½Π° ΡΡΠ³ΠΎΠ²ΡΡ ΡΡΠ³Ρ, ΠΎΡΠΎΠ±Π΅Π½Π½ΠΎ Π°Π²ΡΠΎΠΌΠΎΠ±ΠΈΠ»ΡΠ½ΠΎΠ³ΠΎ ΡΡΠ°Π½ΡΠΏΠΎΡΡΠ½ΠΎΠ³ΠΎ ΡΡΠ΅Π΄ΡΡΠ²Π°.
ΠΡΠ½ΠΎΠ²Π½Π°Ρ ΡΡΠ½ΠΊΡΠΈΡ ΡΡΠ»Π΅Π²ΠΎΠ³ΠΎ ΡΠΏΡΠ°Π²Π»Π΅Π½ΠΈΡ — ΠΏΠΎΠ·Π²ΠΎΠ»ΠΈΡΡ Π²ΠΎΠ΄ΠΈΡΠ΅Π»Ρ Π±Π΅Π·ΠΎΠΏΠ°ΡΠ½ΠΎ ΠΈ ΡΠΎΡΠ½ΠΎ ΡΠΏΡΠ°Π²Π»ΡΡΡ Π°Π²ΡΠΎΠΌΠΎΠ±ΠΈΠ»Π΅ΠΌ. ΠΠΎΠΌΠΈΠΌΠΎ ΡΡΠΎΠ³ΠΎ, ΡΠΈΡΡΠ΅ΠΌΠ° ΡΡΠ»Π΅Π²ΠΎΠ³ΠΎ ΡΠΏΡΠ°Π²Π»Π΅Π½ΠΈΡ ΡΠ°ΠΊΠΆΠ΅ ΠΏΠΎΠ·Π²ΠΎΠ»ΡΠ΅Ρ ΡΠ½ΠΈΠ·ΠΈΡΡ ΡΡΠΈΠ»ΠΈΡ Π²ΠΎΠ΄ΠΈΡΠ΅Π»Ρ, ΠΎΠ±Π»Π΅Π³ΡΠ°Ρ ΡΠΏΡΠ°Π²Π»Π΅Π½ΠΈΠ΅ Π°Π²ΡΠΎΠΌΠΎΠ±ΠΈΠ»Π΅ΠΌ.
8. ΠΠΎΠ²ΠΎΡΠΎΡΠ½ΡΠΉ ΠΌΠΎΡΡ:
ΠΠΎΠ³Π΄Π° ΡΡΠ»Π΅Π²ΠΎΠ΅ ΠΊΠΎΠ»Π΅ΡΠΎ Π²ΡΠ°ΡΠ°Π΅ΡΡΡ, Π΄Π²ΠΈΠΆΠ΅Π½ΠΈΠ΅ ΠΏΠ΅ΡΠ΅Π΄Π°Π΅ΡΡΡ Π½Π° ΡΡΠΊΡ ΡΠ°ΡΡΠ½Π° ΡΠ΅ΡΠ΅Π· ΠΊΠΎΡΠΎΠ±ΠΊΡ ΠΏΠ΅ΡΠ΅Π΄Π°Ρ. ΠΡΠΎ Π΄Π²ΠΈΠΆΠ΅Π½ΠΈΠ΅ ΠΏΠ΅ΡΠ΅Π΄Π°Π΅ΡΡΡ Π½Π° ΠΏΠ΅ΡΠ΅ΡΠ°ΡΠΊΠΈΠ²Π°Π½ΠΈΠ΅. Π’ΠΎΡΠΌΠΎΠ·Π½ΠΎΠ΅ Π·Π²Π΅Π½ΠΎ ΠΏΠ΅ΡΠ΅Π΄Π°Π΅Ρ ΡΡΠΎ Π΄Π²ΠΈΠΆΠ΅Π½ΠΈΠ΅ Π½Π° ΠΏΠΎΠ²ΠΎΡΠΎΡΠ½ΡΡ ΠΎΡΡ, ΠΊΠΎΡΠΎΡΠ°Ρ Π²ΡΠ°ΡΠ°Π΅ΡΡΡ Π²ΠΎΠΊΡΡΠ³ ΡΠΊΠ²ΠΎΡΠ½Ρ.ΠΡΠΎ ΠΏΠΎΠ²ΠΎΡΠ°ΡΠΈΠ²Π°Π΅Ρ ΠΏΡΠ°Π²ΠΎΠ΅ ΠΊΠΎΠ»Π΅ΡΠΎ.
9. ΠΠ΅Π²ΡΠΉ ΡΠΏΠΈΠ½Π΄Π΅Π»Ρ ΠΈ ΠΏΠΎΠ²ΠΎΡΠΎΡΠ½ΡΠΉ ΡΡΡΠ°Π³:
Π Π°Π²ΡΠΎΠΌΠΎΠ±ΠΈΠ»ΡΠ½ΠΎΠΉ ΠΏΠΎΠ΄Π²Π΅ΡΠΊΠ΅ ΠΏΠΎΠ²ΠΎΡΠΎΡΠ½ΡΠΉ ΠΊΡΠ»Π°ΠΊ — ΡΡΠΎ ΡΠ° ΡΠ°ΡΡΡ, ΠΊΠΎΡΠΎΡΠ°Ρ ΡΠΎΠ΄Π΅ΡΠΆΠΈΡ ΡΡΡΠΏΠΈΡΡ ΠΈΠ»ΠΈ ΡΠΏΠΈΠ½Π΄Π΅Π»Ρ ΠΊΠΎΠ»Π΅ΡΠ° ΠΈ ΠΏΡΠΈΠΊΡΠ΅ΠΏΠ»ΡΠ΅ΡΡΡ ΠΊ ΠΊΠΎΠΌΠΏΠΎΠ½Π΅Π½ΡΠ°ΠΌ ΠΏΠΎΠ΄Π²Π΅ΡΠΊΠΈ ΠΈ ΡΡΠ»Π΅Π²ΠΎΠ³ΠΎ ΡΠΏΡΠ°Π²Π»Π΅Π½ΠΈΡ. ΠΠ³ΠΎ ΡΠ°ΠΊΠΆΠ΅ Π½Π°Π·ΡΠ²Π°ΡΡ ΠΏΠΎΠ²ΠΎΡΠΎΡΠ½ΡΠΌ ΠΊΡΠ»Π°ΠΊΠΎΠΌ, ΡΠΏΠΈΠ½Π΄Π΅Π»Π΅ΠΌ, ΡΡΠΎΠΉΠΊΠΎΠΉ ΠΈΠ»ΠΈ ΡΡΡΠΏΠΈΡΠ΅ΠΉ.
ΠΠΎΠ»Π΅ΡΠΎ ΠΈ ΡΠΈΠ½Π° Π² ΡΠ±ΠΎΡΠ΅ ΠΏΡΠΈΠΊΡΠ΅ΠΏΠ»ΡΡΡΡΡ ΠΊ ΡΡΡΠΏΠΈΡΠ΅ ΠΈΠ»ΠΈ ΡΠΏΠΈΠ½Π΄Π΅Π»Ρ ΠΏΠΎΠ²ΠΎΡΠΎΡΠ½ΠΎΠ³ΠΎ ΠΊΡΠ»Π°ΠΊΠ°, Π³Π΄Π΅ ΡΠΈΠ½Π° / ΠΊΠΎΠ»Π΅ΡΠΎ Π²ΡΠ°ΡΠ°Π΅ΡΡΡ, ΡΠ΄Π΅ΡΠΆΠΈΠ²Π°ΡΡΡ Π² ΡΡΡΠΎΠΉΡΠΈΠ²ΠΎΠΉ ΠΏΠ»ΠΎΡΠΊΠΎΡΡΠΈ Π΄Π²ΠΈΠΆΠ΅Π½ΠΈΡ ΠΊΡΠ»Π°ΠΊΠΎΠΌ / ΠΏΠΎΠ΄Π²Π΅ΡΠΊΠΎΠΉ Π² ββΡΠ±ΠΎΡΠ΅.
10. ΠΠ΅Π²ΡΠΉ ΡΡΡΠ°Π³ ΡΡΠ»Π΅Π²ΠΎΠΉ ΡΡΠ³ΠΈ:
ΠΡΠ°Π²Π°Ρ ΠΈ Π»Π΅Π²Π°Ρ ΠΏΠΎΠΏΠ΅ΡΠ΅ΡΠ½ΡΠ΅ ΡΡΠ»Π΅Π²ΡΠ΅ ΡΡΠ³ΠΈ ΡΠΎΠ΅Π΄ΠΈΠ½Π΅Π½Ρ Π΄ΡΡΠ³ Ρ Π΄ΡΡΠ³ΠΎΠΌ ΡΠ΅Π½ΡΡΠ°Π»ΡΠ½ΠΎΠΉ ΡΡΠ³ΠΎΠΉ, ΠΊΠΎΡΠΎΡΠ°Ρ ΡΠ°ΠΊΠΆΠ΅ ΠΊΡΠ΅ΠΏΠΈΡΡΡ ΠΊ ΡΡΡΠ°Π³Ρ ΠΠΈΡΠΌΠ°Π½Π° Π½Π° ΡΡΠ»Π΅Π²ΠΎΠΌ ΠΌΠ΅Ρ Π°Π½ΠΈΠ·ΠΌΠ΅ ΠΈ ΡΡΡΠ°Π³Ρ Ρ ΠΎΠ»ΠΎΡΡΠΎΠ³ΠΎ Ρ ΠΎΠ΄Π° Π½Π° ΡΡΠΎΡΠΎΠ½Π΅ ΠΏΠ°ΡΡΠ°ΠΆΠΈΡΠ° ΡΡΠ°Π½ΡΠΏΠΎΡΡΠ½ΠΎΠ³ΠΎ ΡΡΠ΅Π΄ΡΡΠ²Π°.
Π Π΅Π΅ΡΠ½ΠΎΠ΅ ΡΡΠ»Π΅Π²ΠΎΠ΅ ΡΠΏΡΠ°Π²Π»Π΅Π½ΠΈΠ΅ Π² Π½Π°ΡΡΠΎΡΡΠ΅Π΅ Π²ΡΠ΅ΠΌΡ ΡΠ²Π»ΡΠ΅ΡΡΡ Π½Π°ΠΈΠ±ΠΎΠ»Π΅Π΅ ΡΠ°ΡΠΏΡΠΎΡΡΡΠ°Π½Π΅Π½Π½ΠΎΠΉ ΠΈΠ· Π΄Π²ΡΡ ΡΠΈΡΡΠ΅ΠΌ ΡΡΠ»Π΅Π²ΠΎΠΉ ΡΡΠ³ΠΈ.
ΠΡΠΎ ΠΊΠΎΠΌΠΏΠΎΠ½Π΅Π½ΡΡ ΡΠΈΡΡΠ΅ΠΌΡ ΡΡΠ»Π΅Π²ΠΎΠ³ΠΎ ΡΠΏΡΠ°Π²Π»Π΅Π½ΠΈΡ.
Π€ΡΠ½ΠΊΡΠΈΡ ΡΡΠ»Π΅Π²ΠΎΠ³ΠΎ ΡΠΏΡΠ°Π²Π»Π΅Π½ΠΈΡ:
Π€ΡΠ½ΠΊΡΠΈΠΈ ΡΡΠ»Π΅Π²ΠΎΠ³ΠΎ ΡΠΏΡΠ°Π²Π»Π΅Π½ΠΈΡ:
Π€ΡΠ½ΠΊΡΠΈΡ ΡΡΠ»Π΅Π²ΠΎΠ³ΠΎ ΡΠΏΡΠ°Π²Π»Π΅Π½ΠΈΡ Π·Π°ΠΊΠ»ΡΡΠ°Π΅ΡΡΡ Π² ΠΏΡΠ΅ΠΎΠ±ΡΠ°Π·ΠΎΠ²Π°Π½ΠΈΠΈ Π²ΡΠ°ΡΠ°ΡΠ΅Π»ΡΠ½ΠΎΠ³ΠΎ Π΄Π²ΠΈΠΆΠ΅Π½ΠΈΡ ΡΡΠ»Π΅Π²ΠΎΠ³ΠΎ ΠΊΠΎΠ»Π΅ΡΠ° Π² ΡΡΠΊΠ΅ Π²ΠΎΠ΄ΠΈΡΠ΅Π»Ρ Π² ΡΠ³Π»ΠΎΠ²ΠΎΠΉ ΠΏΠΎΠ²ΠΎΡΠΎΡ ΠΏΠ΅ΡΠ΅Π΄Π½ΠΈΡ ΠΊΠΎΠ»Π΅Ρ Π½Π° Π΄ΠΎΡΠΎΠ³Π΅.
ΠΡΠΎΠΌΠ΅ ΡΠΎΠ³ΠΎ, ΡΠΈΡΡΠ΅ΠΌΠ° ΡΡΠ»Π΅Π²ΠΎΠ³ΠΎ ΡΠΏΡΠ°Π²Π»Π΅Π½ΠΈΡ Π΄ΠΎΠ»ΠΆΠ½Π° ΠΎΠ±Π΅ΡΠΏΠ΅ΡΠΈΠ²Π°ΡΡ ΠΌΠ΅Ρ Π°Π½ΠΈΡΠ΅ΡΠΊΠΎΠ΅ ΠΏΡΠ΅ΠΈΠΌΡΡΠ΅ΡΡΠ²ΠΎ ΠΏΠ΅ΡΠ΅Π΄ ΠΏΠΎΠ²ΠΎΡΠΎΡΠ½ΡΠΌΠΈ ΠΊΡΠ»Π°ΠΊΠ°ΠΌΠΈ ΠΏΠ΅ΡΠ΅Π΄Π½ΠΈΡ ΠΊΠΎΠ»Π΅Ρ, ΠΏΡΠ΅Π΄Π»Π°Π³Π°Ρ Π²ΠΎΠ΄ΠΈΡΠ΅Π»Ρ Π»Π΅Π³ΠΊΠΈΠΉ ΠΏΠΎΠ²ΠΎΡΠΎΡ ΠΏΠ΅ΡΠ΅Π΄Π½ΠΈΡ ΠΊΠΎΠ»Π΅Ρ Ρ ΠΌΠΈΠ½ΠΈΠΌΠ°Π»ΡΠ½ΡΠΌ ΡΡΠΈΠ»ΠΈΠ΅ΠΌ Π² Π»ΡΠ±ΠΎΠΌ ΠΆΠ΅Π»Π°Π΅ΠΌΠΎΠΌ Π½Π°ΠΏΡΠ°Π²Π»Π΅Π½ΠΈΠΈ.
Π‘ΠΈΡΡΠ΅ΠΌΠ° ΡΡΠ»Π΅Π²ΠΎΠ³ΠΎ ΡΠΏΡΠ°Π²Π»Π΅Π½ΠΈΡ ΠΎΠ±Π΅ΡΠΏΠ΅ΡΠΈΠ²Π°Π΅Ρ ΠΈΠ·ΠΌΠ΅Π½Π΅Π½ΠΈΠ΅ Π½Π°ΠΏΡΠ°Π²Π»Π΅Π½ΠΈΡ Π΄Π²ΠΈΠΆΠ΅Π½ΠΈΡ Π°Π²ΡΠΎΠΌΠΎΠ±ΠΈΠ»Ρ ΠΈ ΠΏΠΎΠ΄Π΄Π΅ΡΠΆΠΈΠ²Π°Π΅Ρ ΠΏΠΎΠ»ΠΎΠΆΠ΅Π½ΠΈΠ΅ Π² ΡΠΎΠΎΡΠ²Π΅ΡΡΡΠ²ΠΈΠΈ Ρ ΡΠ΅ΡΠ΅Π½ΠΈΠ΅ΠΌ Π²ΠΎΠ΄ΠΈΡΠ΅Π»Ρ Π±Π΅Π· ΠΎΡΠΎΠ±ΠΎΠΉ Π½Π°Π³ΡΡΠ·ΠΊΠΈ Π½Π° Π½Π΅Π³ΠΎ.
ΠΡΠ° ΡΠΈΡΡΠ΅ΠΌΠ° ΠΏΡΠ΅ΠΎΠ±ΡΠ°Π·ΡΠ΅Ρ Π²ΡΠ°ΡΠ°ΡΠ΅Π»ΡΠ½ΠΎΠ΅ Π΄Π²ΠΈΠΆΠ΅Π½ΠΈΠ΅ ΡΡΠ»Π΅Π²ΠΎΠ³ΠΎ ΠΊΠΎΠ»Π΅ΡΠ° Π² ΡΠ³Π»ΠΎΠ²ΠΎΠ΅ Π΄Π²ΠΈΠΆΠ΅Π½ΠΈΠ΅ ΠΏΠ΅ΡΠ΅Π΄Π½ΠΈΡ ΠΊΠΎΠ»Π΅Ρ.ΠΡΠΎ ΡΠΌΠ½ΠΎΠΆΠ°Π΅Ρ ΡΡΠΈΠ»ΠΈΡ Π²ΠΎΠ΄ΠΈΡΠ΅Π»Ρ Π½Π° ΠΌΠ΅Ρ Π°Π½ΠΈΡΠ΅ΡΠΊΠΎΠ΅ ΠΏΡΠ΅ΠΈΠΌΡΡΠ΅ΡΡΠ²ΠΎ, ΠΏΠΎΠ·Π²ΠΎΠ»ΡΡ Π΅ΠΌΡ Π»Π΅Π³ΠΊΠΎ ΠΏΠΎΠ²ΠΎΡΠ°ΡΠΈΠ²Π°ΡΡ ΠΊΠΎΠ»Π΅ΡΠ°.
ΠΡΠΎ ΡΡΠ½ΠΊΡΠΈΡ ΡΡΠ»Π΅Π²ΠΎΠ³ΠΎ ΡΠΏΡΠ°Π²Π»Π΅Π½ΠΈΡ.
ΠΡΠΎΡΠΈΡΠ°Π² ΡΡΠΎ, Π²Ρ Π²ΡΠ΅ Π·Π°Ρ ΠΎΡΠΈΡΠ΅ ΠΏΡΠΎΠ΄ΠΎΠ»ΠΆΠΈΡΡ ΡΡΠ΅Π½ΠΈΠ΅ ΠΎ ΡΠΈΡΡΠ΅ΠΌΠ΅ ΡΡΠ»Π΅Π²ΠΎΠ³ΠΎ ΡΠΏΡΠ°Π²Π»Π΅Π½ΠΈΡ. Π£ Π²ΡΠ΅Ρ Π±ΡΠ΄ΡΡ ΠΈΠ½ΡΠ΅ΡΠ΅ΡΡ Π² ΡΠ°Π·Π½ΡΡ ΡΡΠ΅ΡΠ°Ρ . Π’Π΅ΠΌ, ΠΊΠΎΠΌΡ ΠΈΠ½ΡΠ΅ΡΠ΅ΡΠ½Π° ΡΡΠ° ΡΠ΅ΠΌΠ°, ΠΎΠ±ΡΠ·Π°ΡΠ΅Π»ΡΠ½ΠΎ ΠΏΠΎΠ½ΡΠ°Π²ΠΈΡΡΡ ΠΏΡΠΎΠ΄ΠΎΠ»ΠΆΠΈΡΡ ΡΠΈΡΠ°ΡΡ ΠΎ ΡΠΈΡΡΠ΅ΠΌΠ΅ ΡΡΠ»Π΅Π²ΠΎΠ³ΠΎ ΡΠΏΡΠ°Π²Π»Π΅Π½ΠΈΡ.
ΠΠ°ΠΊ ΡΠ°ΡΡΠΎ ΡΠ»Π΅Π΄ΡΠ΅Ρ ΠΏΡΠΎΠ²Π΅ΡΡΡΡ ΡΠΈΡΡΠ΅ΠΌΡ ΡΡΠ»Π΅Π²ΠΎΠ³ΠΎ ΡΠΏΡΠ°Π²Π»Π΅Π½ΠΈΡ?
ΠΠ±ΡΡΠ½ΠΎ Π»ΡΡΡΠ΅ ΡΡΡΡΠ°Π½ΠΈΡΡ Π°Π²ΡΠΎΠΌΠΎΠ±ΠΈΠ»ΡΠ½ΡΡ ΠΏΡΠΎΠ±Π»Π΅ΠΌΡ Π·Π°ΡΠ°Π½Π΅Π΅, ΡΠ΅ΠΌ ΠΆΠ΄Π°ΡΡ, ΠΏΠΎΠΊΠ° ΠΎΠ½Π° Π²ΡΠ·ΠΎΠ²Π΅Ρ Π΅ΡΠ΅ Π±ΠΎΠ»ΡΡΠΈΠΉ ΡΡΠ΅ΡΠ± ΠΈΠ»ΠΈ Π΄Π°ΠΆΠ΅ Π°Π²Π°ΡΠΈΡ.Π ΡΡΠΎΡ ΠΎΠ±ΡΠΈΠΉ ΠΏΡΠΈΠ½ΡΠΈΠΏ ΠΏΡΠΈΠΌΠ΅Π½ΠΈΠΌ ΠΊ ΡΠΈΡΡΠ΅ΠΌΠ΅ ΡΡΠ»Π΅Π²ΠΎΠ³ΠΎ ΡΠΏΡΠ°Π²Π»Π΅Π½ΠΈΡ. Π ΡΡΠ°ΡΡΡΡ, ΠΏΠ΅ΡΠΈΠΎΠ΄ΠΈΡΠ΅ΡΠΊΠΈΠΉ ΠΎΡΠΌΠΎΡΡ ΠΈ ΠΎΠ±ΡΠ»ΡΠΆΠΈΠ²Π°Π½ΠΈΠ΅ ΡΠΈΡΡΠ΅ΠΌΡ ΡΡΠ»Π΅Π²ΠΎΠ³ΠΎ ΡΠΏΡΠ°Π²Π»Π΅Π½ΠΈΡ ΠΎΡΠ½ΠΎΡΠΈΡΠ΅Π»ΡΠ½ΠΎ Π½Π΅ΡΠ»ΠΎΠΆΠ½Ρ.
Π§ΡΠΎΠ±Ρ ΠΏΠΎΠ½ΡΡΡ, ΠΊΠ°ΠΊΠΎΠ΅ ΡΠ΅Ρ Π½ΠΈΡΠ΅ΡΠΊΠΎΠ΅ ΠΎΠ±ΡΠ»ΡΠΆΠΈΠ²Π°Π½ΠΈΠ΅ ΡΠ΅Π»Π΅ΡΠΎΠΎΠ±ΡΠ°Π·Π½ΠΎ ΠΈ ΠΊΠ°ΠΊ ΡΠ°ΡΡΠΎ Π΅Π³ΠΎ ΡΠ»Π΅Π΄ΡΠ΅Ρ ΠΏΡΠΎΠ²ΠΎΠ΄ΠΈΡΡ, ΠΏΠΎΠ»Π΅Π·Π½ΠΎ ΠΏΠΎΠ½ΡΡΡ, ΠΊΠ°ΠΊΠΈΠ΅ ΡΠ°ΡΡΠΈ ΡΠΎΡΡΠ°Π²Π»ΡΡΡ ΡΠΈΡΡΠ΅ΠΌΡ ΡΡΠ»Π΅Π²ΠΎΠ³ΠΎ ΡΠΏΡΠ°Π²Π»Π΅Π½ΠΈΡ ΡΠΎΠ²ΡΠ΅ΠΌΠ΅Π½Π½ΠΎΠ³ΠΎ ΡΡΠ°Π½ΡΠΏΠΎΡΡΠ½ΠΎΠ³ΠΎ ΡΡΠ΅Π΄ΡΡΠ²Π°:
Π ΡΠ»Π΅Π²ΠΎΠ΅ ΠΊΠΎΠ»Π΅ΡΠΎ ΠΈ Π΅Π³ΠΎ ΡΠ±ΠΎΡΠΊΠ° : Π ΡΠ»Π΅Π²ΠΎΠ΅ ΠΊΠΎΠ»Π΅ΡΠΎ — ΡΡΠΎ ΡΠ° Π΄Π΅ΡΠ°Π»Ρ, ΠΊΠΎΡΠΎΡΡΡ Π²ΠΈΠ΄ΠΈΡ Π±ΠΎΠ»ΡΡΠΈΠ½ΡΡΠ²ΠΎ ΠΈΠ· Π½Π°Ρ. ΠΠ½ ΡΠΎΡΡΠΎΠΈΡ ΠΈΠ· ΡΠ°ΠΌΠΎΠ³ΠΎ ΡΡΠ»Π΅Π²ΠΎΠ³ΠΎ ΠΊΠΎΠ»Π΅ΡΠ° ΠΈ Π²Π°Π»Π°, ΡΠΎΠ΅Π΄ΠΈΠ½ΡΡΡΠ΅Π³ΠΎ ΡΡΠ»Π΅Π²ΠΎΠ΅ ΠΊΠΎΠ»Π΅ΡΠΎ Ρ ΡΡΠ»Π΅Π²ΡΠΌ ΠΌΠ΅Ρ Π°Π½ΠΈΠ·ΠΌΠΎΠΌ
Β«ΠΠΎΡΠΎΠ±ΠΊΠ°Β» ΡΡΠ»Π΅Π²ΠΎΠ³ΠΎ ΡΠΏΡΠ°Π²Π»Π΅Π½ΠΈΡ : ΠΠ΅ΠΎΡΠΈΡΠΈΠ°Π»ΡΠ½ΡΠΉ ΡΠ΅ΡΠΌΠΈΠ½ Β«ΠΊΠΎΡΠΎΠ±ΠΊΠ° ΡΡΠ»Π΅Π²ΠΎΠ³ΠΎ ΡΠΏΡΠ°Π²Π»Π΅Π½ΠΈΡΒ» ΠΎΠ±ΠΎΠ·Π½Π°ΡΠ°Π΅Ρ ΡΠ·Π΅Π», ΠΊΠΎΡΠΎΡΡΠΉ ΠΏΡΠ΅ΠΎΠ±ΡΠ°Π·ΡΠ΅Ρ ΠΊΡΡΠ³ΠΎΠ²ΠΎΠ΅ Π΄Π²ΠΈΠΆΠ΅Π½ΠΈΠ΅ Π²Π°Π»Π° ΡΡΠ»Π΅Π²ΠΎΠ³ΠΎ ΠΊΠΎΠ»Π΅ΡΠ° Π² Π΄Π²ΠΈΠΆΠ΅Π½ΠΈΠ΅ ΠΈΠ· ΡΡΠΎΡΠΎΠ½Ρ Π² ΡΡΠΎΡΠΎΠ½Ρ, ΠΊΠΎΡΠΎΡΠΎΠ΅ ΠΏΠΎΠ²ΠΎΡΠ°ΡΠΈΠ²Π°Π΅Ρ ΠΊΠΎΠ»Π΅ΡΠ° Π°Π²ΡΠΎΠΌΠΎΠ±ΠΈΠ»Ρ.ΠΡΠΏΠΎΠ»ΡΠ·ΡΡΡΡΡ ΠΊΠΎΡΠΎΠ±ΠΊΠΈ Π½Π΅ΡΠΊΠΎΠ»ΡΠΊΠΈΡ ΡΠΈΠΏΠΎΠ²; Π½Π°ΠΈΠ±ΠΎΠ»Π΅Π΅ ΡΠ°ΡΠΏΡΠΎΡΡΡΠ°Π½Π΅Π½Ρ ΡΠ°ΡΠΎΠ²ΡΠ΅ ΠΈ ΡΠ΅Π΅ΡΠ½ΡΠ΅ ΠΊΠΎΠ½ΡΡΡΡΠΊΡΠΈΠΈ Ρ ΡΠ΅ΡΠΈΡΠΊΡΠ»ΡΡΠΈΠ΅ΠΉ. Π ΡΠ»Π΅Π²ΠΎΠΉ ΠΌΠ΅Ρ Π°Π½ΠΈΠ·ΠΌ ΡΠ²Π»ΡΠ΅ΡΡΡ Π°Π²ΡΠΎΠ½ΠΎΠΌΠ½ΡΠΌ, ΠΏΠΎΡΡΠΎΠΌΡ Π΄Π΅ΡΠ°Π»ΠΈ Π²Π½ΡΡΡΠΈ Π½Π΅ Π²ΠΈΠ΄Π½Ρ, Π΄Π°ΠΆΠ΅ Π΅ΡΠ»ΠΈ Π²Ρ Π·Π°Π³Π»ΡΠ½Π΅ΡΠ΅ ΠΏΠΎΠ΄ ΠΊΠ°ΠΏΠΎΡ.
Π‘ΠΈΡΡΠ΅ΠΌΠ° ΡΡΠ»Π΅Π²ΠΎΠ³ΠΎ ΡΠΏΡΠ°Π²Π»Π΅Π½ΠΈΡ Ρ ΡΡΠΈΠ»ΠΈΡΠ΅Π»Π΅ΠΌ : ΠΠΎΠ»ΡΡΠΈΠ½ΡΡΠ²ΠΎ ΡΠΎΠ²ΡΠ΅ΠΌΠ΅Π½Π½ΡΡ Π»Π΅Π³ΠΊΠΎΠ²ΡΡ Π°Π²ΡΠΎΠΌΠΎΠ±ΠΈΠ»Π΅ΠΉ ΠΈ ΠΏΠΎΡΡΠΈ Π²ΡΠ΅ Π³ΡΡΠ·ΠΎΠ²ΠΈΠΊΠΈ ΠΈ Π³ΡΡΠ·ΠΎΠ²ΡΠ΅ Π°Π²ΡΠΎΠΌΠΎΠ±ΠΈΠ»ΠΈ ΠΎΡΠ½Π°ΡΠ΅Π½Ρ ΡΡΠΈΠ»ΠΈΡΠ΅Π»Π΅ΠΌ ΡΡΠ»Π΅Π²ΠΎΠ³ΠΎ ΡΠΏΡΠ°Π²Π»Π΅Π½ΠΈΡ. ΠΡΠΈΠΌΠ΅ΡΠ½ΠΎ ΠΏΠΎΠ»ΠΎΠ²ΠΈΠ½Π° ΡΡΠΈΡ ΡΠΈΡΡΠ΅ΠΌ — Π³ΠΈΠ΄ΡΠ°Π²Π»ΠΈΡΠ΅ΡΠΊΠΈΠ΅, Π΄ΡΡΠ³Π°Ρ ΠΏΠΎΠ»ΠΎΠ²ΠΈΠ½Π° — ΡΠ»Π΅ΠΊΡΡΠΈΡΠ΅ΡΠΊΠΈΠ΅.
- Π Π°Π²ΡΠΎΠΌΠΎΠ±ΠΈΠ»ΡΡ Ρ Π³ΠΈΠ΄ΡΠΎΡΡΠΈΠ»ΠΈΡΠ΅Π»Π΅ΠΌ ΡΡΠ»Π΅Π²ΠΎΠ³ΠΎ ΡΠΏΡΠ°Π²Π»Π΅Π½ΠΈΡ ΠΈΡΠΏΠΎΠ»ΡΠ·ΡΠ΅ΡΡΡ Π½Π°ΡΠΎΡ Π΄Π»Ρ ΠΏΠΎΠ²ΡΡΠ΅Π½ΠΈΡ Π΄Π°Π²Π»Π΅Π½ΠΈΡ ΠΆΠΈΠ΄ΠΊΠΎΡΡΠΈ ΡΡΠ»Π΅Π²ΠΎΠ³ΠΎ ΡΠΏΡΠ°Π²Π»Π΅Π½ΠΈΡ Ρ Π³ΠΈΠ΄ΡΠΎΡΡΠΈΠ»ΠΈΡΠ΅Π»Π΅ΠΌ, Π½Π΅ΠΊΠΎΡΠΎΡΡΠ΅ ΡΡΠ΅Π΄ΡΡΠ²Π° Π΄Π»Ρ ΠΏΡΠΈΠ²Π΅Π΄Π΅Π½ΠΈΡ Π² Π΄Π΅ΠΉΡΡΠ²ΠΈΠ΅ ΡΡΠΎΠ³ΠΎ Π½Π°ΡΠΎΡΠ° (ΠΎΠ±ΡΡΠ½ΠΎ ΡΠ΅ΠΌΠ΅Π½Ρ), Π° ΡΠ°ΠΊΠΆΠ΅ ΡΠΈΡΡΠ΅ΠΌΠ° ΠΊΠ»Π°ΠΏΠ°Π½ΠΎΠ² ΠΈ ΡΡΡΠ±ΠΎΠΊ, ΠΊΠΎΡΠΎΡΡΠ΅ Π½Π°ΠΏΡΠ°Π²Π»ΡΡΡ ΠΆΠΈΠ΄ΠΊΠΎΡΡΡ ΠΏΠΎΠ΄ Π²ΡΡΠΎΠΊΠΈΠΌ Π΄Π°Π²Π»Π΅Π½ΠΈΠ΅ΠΌ Π² ΡΡΠ»Π΅Π²ΡΡ ΠΊΠΎΡΠΎΠ±ΠΊΡ. .
- ΠΠ²ΡΠΎΠΌΠΎΠ±ΠΈΠ»ΠΈ Ρ ΡΠ»Π΅ΠΊΡΡΠΎΡΡΠΈΠ»ΠΈΡΠ΅Π»Π΅ΠΌ ΡΡΠ»Π΅Π²ΠΎΠ³ΠΎ ΡΠΏΡΠ°Π²Π»Π΅Π½ΠΈΡ Π½Π΅ ΠΈΠΌΠ΅ΡΡ Π½Π°ΡΠΎΡΠ° ΠΈΠ»ΠΈ ΡΡΡΠ±ΠΎΠΏΡΠΎΠ²ΠΎΠ΄ΠΎΠ² Π΄Π»Ρ ΠΆΠΈΠ΄ΠΊΠΎΡΡΠΈ, Π° Π²ΠΌΠ΅ΡΡΠΎ ΡΡΠΎΠ³ΠΎ ΠΎΡΠ½Π°ΡΠ΅Π½Ρ ΡΠ»Π΅ΠΊΡΡΠΈΡΠ΅ΡΠΊΠΈΠΌΠΈ ΠΏΡΠΈΠ²ΠΎΠ΄Π°ΠΌΠΈ (Π΄Π²ΠΈΠ³Π°ΡΠ΅Π»ΡΠΌΠΈ), Π²ΡΡΡΠΎΠ΅Π½Π½ΡΠΌΠΈ Π² ΡΡΠ»Π΅Π²ΡΡ ΠΊΠΎΡΠΎΠ±ΠΊΡ.
Π ΡΠ»Π΅Π²Π°Ρ ΡΡΠ³Π° ΠΈ ΡΠ²ΡΠ·Π°Π½Π½ΡΠ΅ Π΄Π΅ΡΠ°Π»ΠΈ : Π ΡΠ»Π΅Π²Π°Ρ ΡΡΠ³Π° (Π²ΠΌΠ΅ΡΡΠ΅ Ρ Π½Π΅ΠΊΠΎΡΠΎΡΡΠΌΠΈ Π΄ΡΡΠ³ΠΈΠΌΠΈ ΠΌΠ΅ΡΠ°Π»Π»ΠΈΡΠ΅ΡΠΊΠΈΠΌΠΈ ΡΡΠ΅ΡΠΆΠ½ΡΠΌΠΈ, Π½Π°Π·Π²Π°Π½ΠΈΡ ΠΊΠΎΡΠΎΡΡΡ Π·Π°Π²ΠΈΡΡΡ ΠΎΡ ΡΠΈΠΏΠ° ΡΡΠ»Π΅Π²ΠΎΠΉ ΠΊΠΎΡΠΎΠ±ΠΊΠΈ) ΡΠΎΠ΅Π΄ΠΈΠ½ΡΠ΅Ρ ΡΡΠ»Π΅Π²ΡΡ ΠΊΠΎΡΠΎΠ±ΠΊΡ Ρ ΠΊΠ°ΠΆΠ΄ΡΠΌ ΠΊΠΎΠ»Π΅ΡΠΎΠΌ Π² ΡΠ±ΠΎΡΠ΅ ΠΈ ΠΏΠ΅ΡΠ΅Π΄Π°Π΅Ρ Π²ΡΠ°ΡΠ°ΡΡΠ΅Π΅ ΡΡΠΈΠ»ΠΈΠ΅ ΠΎΡ ΠΊΠΎΡΠΎΠ±ΠΊΠΈ ΠΊ ΠΊΠΎΠ»Π΅ΡΡ. ΠΠΎΡΠΊΠΎΠ»ΡΠΊΡ ΠΊΠΎΠ»Π΅ΡΠΎ Π΄ΠΎΠ»ΠΆΠ½ΠΎ ΠΏΠ΅ΡΠ΅ΠΌΠ΅ΡΠ°ΡΡΡΡ Π²Π²Π΅ΡΡ ΠΈ Π²Π½ΠΈΠ·, ΠΊΠΎΠ³Π΄Π° Π°Π²ΡΠΎΠΌΠΎΠ±ΠΈΠ»Ρ ΠΏΡΠΎΠ΅Π·ΠΆΠ°Π΅Ρ ΠΏΠΎ Π½Π΅ΡΠΎΠ²Π½ΠΎΡΡΡΠΌ, Π° ΡΠ°ΠΊΠΆΠ΅ Π΄Π»Ρ ΠΊΠΎΠΌΠΏΠ΅Π½ΡΠ°ΡΠΈΠΈ ΠΈΠ·ΠΌΠ΅Π½Π΅Π½ΠΈΠΉ ΡΠ³Π»ΠΎΠ² ΡΡΡΠ°Π½ΠΎΠ²ΠΊΠΈ ΠΊΠΎΠ»Π΅Ρ, ΠΏΠΎΠΏΠ΅ΡΠ΅ΡΠ½Π°Ρ ΡΡΠ»Π΅Π²Π°Ρ ΡΡΠ³Π° ΠΏΡΠΈΠΊΡΠ΅ΠΏΠ»Π΅Π½Π° Π½Π° ΠΊΠ°ΠΆΠ΄ΠΎΠΌ ΠΊΠΎΠ½ΡΠ΅ Ρ ΠΏΠΎΠΌΠΎΡΡΡ Π³ΠΈΠ±ΠΊΠΎΠ³ΠΎ ΡΠ°ΡΠ½ΠΈΡΠ°.ΠΡΠΎ ΡΠΎΠ΅Π΄ΠΈΠ½Π΅Π½ΠΈΠ΅, Π½Π°Π·ΡΠ²Π°Π΅ΠΌΠΎΠ΅ ΠΊΠΎΠ½ΡΠΎΠΌ ΡΡΠ»Π΅Π²ΠΎΠΉ ΡΡΠ³ΠΈ, ΠΈΠΌΠ΅Π΅Ρ ΡΠ΅Π½Π΄Π΅Π½ΡΠΈΡ ΠΈΠ·Π½Π°ΡΠΈΠ²Π°ΡΡΡΡ ΡΠ°Π½ΡΡΠ΅ Π΄ΡΡΠ³ΠΈΡ ΡΠ°ΡΡΠ΅ΠΉ ΡΠΈΡΡΠ΅ΠΌΡ ΡΡΠ»Π΅Π²ΠΎΠ³ΠΎ ΡΠΏΡΠ°Π²Π»Π΅Π½ΠΈΡ.
ΠΠΎΠ²ΠΎΡΠΎΡΠ½ΡΠΉ ΠΊΡΠ»Π°ΠΊ : ΠΠΎΠ²ΠΎΡΠΎΡΠ½ΡΠΉ ΠΊΡΠ»Π°ΠΊ — ΡΡΠΎ ΡΠ°ΠΊΡΠΈΡΠ΅ΡΠΊΠΈΠΉ ΡΡΠ΅ΡΠΆΠ΅Π½Ρ, Π²ΠΎΠΊΡΡΠ³ ΠΊΠΎΡΠΎΡΠΎΠ³ΠΎ Π²ΡΠ°ΡΠ°ΡΡΡΡ ΠΊΠΎΠ»Π΅ΡΠ° Π°Π²ΡΠΎΠΌΠΎΠ±ΠΈΠ»Ρ. ΠΠ°ΠΆΠ΄ΡΠΉ ΠΏΠΎΠ²ΠΎΡΠΎΡΠ½ΡΠΉ ΠΊΡΠ»Π°ΠΊ ΠΊΡΠ΅ΠΏΠΈΡΡΡ ΠΊ Π°Π²ΡΠΎΠΌΠΎΠ±ΠΈΠ»Ρ Ρ ΠΏΠΎΠΌΠΎΡΡΡ ΠΎΠ΄Π½ΠΎΠ³ΠΎ ΠΈΠ»ΠΈ Π΄Π²ΡΡ ΡΠ°ΡΠΎΠ²ΡΡ ΡΠ°ΡΠ½ΠΈΡΠΎΠ².
Π₯ΠΎΡΡ Π»ΡΠ±Π°Ρ ΠΈΠ· ΡΡΠΈΡ Π΄Π΅ΡΠ°Π»Π΅ΠΉ ΠΌΠΎΠΆΠ΅Ρ ΠΈΠ·Π½Π°ΡΠΈΠ²Π°ΡΡΡΡ, Π»ΠΈΡΡ Π½Π΅ΠΊΠΎΡΠΎΡΡΠ΅ ΠΈΠ· Π½ΠΈΡ Π½ΡΠΆΠ΄Π°ΡΡΡΡ Π² ΡΠ΅Π³ΡΠ»ΡΡΠ½ΠΎΠΌ ΠΎΡΠΌΠΎΡΡΠ΅ ΠΈ ΠΎΠ±ΡΠ»ΡΠΆΠΈΠ²Π°Π½ΠΈΠΈ. Π ΡΠ°ΡΡΠ½ΠΎΡΡΠΈ:
ΠΡΠΎΠ²Π΅ΡΠΊΠ° ΠΊΠΎΠ½ΡΠ° ΡΡΠ»Π΅Π²ΠΎΠΉ ΡΡΠ³ΠΈ : ΠΠ°ΠΆΠ΄ΡΠΉ ΠΊΠΎΠ½Π΅Ρ ΡΡΠ»Π΅Π²ΠΎΠΉ ΡΡΠ³ΠΈ ΠΏΡΠ΅Π΄ΡΡΠ°Π²Π»ΡΠ΅Ρ ΡΠΎΠ±ΠΎΠΉ ΡΠ°ΡΠ½ΠΈΡ, ΠΊΠΎΡΠΎΡΡΠΉ Π΄ΠΎΠ»ΠΆΠ΅Π½ ΠΏΠ΅ΡΠ΅ΠΌΠ΅ΡΠ°ΡΡΡΡ ΠΊΠ°ΠΆΠ΄ΡΠΉ ΡΠ°Π·, ΠΊΠΎΠ³Π΄Π° ΡΡΠ°Π½ΡΠΏΠΎΡΡΠ½ΠΎΠ΅ ΡΡΠ΅Π΄ΡΡΠ²ΠΎ ΡΠ΄Π°ΡΡΠ΅ΡΡΡ ΠΎ Π½Π΅ΡΠΎΠ²Π½ΠΎΡΡΡ ΠΈΠ»ΠΈ ΠΏΡΠΎΠ²Π°Π», ΠΈ ΠΊΠ°ΠΆΠ΄ΡΠΉ ΡΠ°Π·, ΠΊΠΎΠ³Π΄Π° ΠΎΠ½ΠΎ ΠΏΠΎΠ²ΠΎΡΠ°ΡΠΈΠ²Π°Π΅ΡΡΡ — ΡΡΠΎ ΠΌΠ½ΠΎΠ³ΠΎ Π΄Π²ΠΈΠΆΠ΅Π½ΠΈΠΉ, ΠΈ ΠΊΠΎΠ½ΡΡ Π΄Π΅ΠΉΡΡΠ²ΠΈΡΠ΅Π»ΡΠ½ΠΎ ΠΈΠ·Π½Π°ΡΠΈΠ²Π°ΡΡΡΡ.ΠΠΎΡΠΊΠΎΠ»ΡΠΊΡ Π½Π΅ΠΈΡΠΏΡΠ°Π²Π½ΡΠΉ ΠΊΠΎΠ½Π΅Ρ ΡΡΠ»Π΅Π²ΠΎΠΉ ΡΡΠ³ΠΈ Π½Π°ΡΡΠΎΠ»ΡΠΊΠΎ ΡΠ΅ΡΡΠ΅Π·Π΅Π½ (Π²Π½Π΅Π·Π°ΠΏΠ½ΠΎ Π°Π²ΡΠΎΠΌΠΎΠ±ΠΈΠ»Ρ Π²ΠΎΠΎΠ±ΡΠ΅ ΠΏΠ΅ΡΠ΅ΡΡΠ°Π΅Ρ ΡΠΏΡΠ°Π²Π»ΡΡΡ), Π²Π°ΠΆΠ½ΠΎ Π΄ΠΎΠ²ΠΎΠ»ΡΠ½ΠΎ ΡΠ°ΡΡΠΎ ΠΏΡΠΎΠ²Π΅ΡΡΡΡ ΠΈΡ Π½Π° ΠΏΡΠ΅Π΄ΠΌΠ΅Ρ ΠΎΡΠ»Π°Π±Π»Π΅Π½ΠΈΡ ΠΈΠ»ΠΈ ΠΏΠΎΠ²ΡΠ΅ΠΆΠ΄Π΅Π½ΠΈΠΉ — ΠΎΠ±ΡΡΠ½ΠΎ ΠΏΡΠΈ ΠΊΠ°ΠΆΠ΄ΠΎΠΉ Π·Π°ΠΌΠ΅Π½Π΅ ΠΌΠ°ΡΠ»Π° ΠΈ ΠΊΠ°ΠΆΠ΄ΠΎΠΉ ΡΠ΅Π³ΡΠ»ΠΈΡΠΎΠ²ΠΊΠ΅. ΠΡΠΎΠΌΠ΅ ΡΠΎΠ³ΠΎ, ΠΏΠΎΡΠ»Π΅ Π»ΡΠ±ΠΎΠΉ Π°Π²Π°ΡΠΈΠΈ Ρ ΠΏΠ΅ΡΠ΅Π΄Π½Π΅ΠΉ ΠΏΠΎΠ΄Π²Π΅ΡΠΊΠΎΠΉ ΡΠ»Π΅Π΄ΡΠ΅Ρ ΠΏΡΠΎΠ²Π΅ΡΠΈΡΡ Π²Π΅ΡΡ ΡΡΠ»Π΅Π²ΠΎΠΉ ΠΌΠ΅Ρ Π°Π½ΠΈΠ·ΠΌ, ΠΎΡΠΎΠ±Π΅Π½Π½ΠΎ ΡΡΠ»Π΅Π²ΡΠ΅ ΡΡΠ³ΠΈ. ΠΡΠ»ΠΈ ΡΡΠ³Π° ΠΎΡΠ»Π°Π±Π»Π΅Π½Π°, Π΅Π΅ ΡΠ»Π΅Π΄ΡΠ΅Ρ Π½Π΅ΠΌΠ΅Π΄Π»Π΅Π½Π½ΠΎ Π·Π°ΠΌΠ΅Π½ΠΈΡΡ, ΡΠ°ΠΊ ΠΊΠ°ΠΊ ΠΎΡΠ»Π°Π±Π»Π΅Π½Π½ΡΠΉ ΠΊΠΎΠ½Π΅Ρ ΠΏΡΠ΅Π΄ΡΡΠ°Π²Π»ΡΠ΅Ρ ΡΠ³ΡΠΎΠ·Ρ Π±Π΅Π·ΠΎΠΏΠ°ΡΠ½ΠΎΡΡΠΈ.
ΠΡΠΎΠ²Π΅ΡΠΊΠ° ΡΠ°ΡΠΎΠ²ΡΡ ΡΠ°ΡΠ½ΠΈΡΠΎΠ² : ΠΠ°ΠΊ ΠΈ ΠΊΠΎΠ½ΡΡ ΡΡΠ»Π΅Π²ΡΡ ΡΡΠ³, ΡΠ°ΡΠΎΠ²ΡΠ΅ ΡΠ°ΡΠ½ΠΈΡΡ ΠΏΡΠ΅Π΄ΡΡΠ°Π²Π»ΡΡΡ ΡΠΎΠ±ΠΎΠΉ ΡΠ°ΡΠ½ΠΈΡΡ, ΠΊΠΎΡΠΎΡΡΠ΅ ΠΏΠ΅ΡΠ΅ΠΌΠ΅ΡΠ°ΡΡΡΡ ΠΏΠΎΡΡΠΈ ΠΊΠ°ΠΆΠ΄ΡΠΉ ΡΠ°Π·, ΠΊΠΎΠ³Π΄Π° Π°Π²ΡΠΎΠΌΠΎΠ±ΠΈΠ»Ρ Π΄Π²ΠΈΠΆΠ΅ΡΡΡ, ΠΏΠΎΡΡΠΎΠΌΡ ΡΠΎ Π²ΡΠ΅ΠΌΠ΅Π½Π΅ΠΌ ΠΎΠ½ΠΈ ΠΈΠ·Π½Π°ΡΠΈΠ²Π°ΡΡΡΡ.ΠΡΠΌΠΎΡΡ ΡΠ°ΠΊΠΎΠΉ ΠΆΠ΅, ΠΊΠ°ΠΊ ΠΈ Π΄Π»Ρ ΠΊΠΎΠ½ΡΠΎΠ² ΡΡΠ»Π΅Π²ΠΎΠΉ ΡΡΠ³ΠΈ: ΠΏΡΠΎΠ²Π΅ΡΠΊΠ° Π½Π° ΠΎΡΠ»Π°Π±Π»Π΅Π½ΠΈΠ΅ ΠΈΠ»ΠΈ ΠΏΠΎΠ²ΡΠ΅ΠΆΠ΄Π΅Π½ΠΈΠ΅. ΠΠ°ΠΊ ΠΈ Π² ΡΠ»ΡΡΠ°Π΅ ΡΡΠ»Π΅Π²ΡΡ ΡΡΠ³, ΡΠ°ΡΠΎΠ²ΡΠ΅ ΡΠ°ΡΠ½ΠΈΡΡ ΡΠ»Π΅Π΄ΡΠ΅Ρ ΠΏΡΠΎΠ²Π΅ΡΡΡΡ ΠΏΡΠΈ ΠΊΠ°ΠΆΠ΄ΠΎΠΉ Π·Π°ΠΌΠ΅Π½Π΅ ΠΈΠ»ΠΈ ΡΠ΅Π³ΡΠ»ΠΈΡΠΎΠ²ΠΊΠ΅ ΠΌΠ°ΡΠ»Π°, Π° ΡΠ°ΠΊΠΆΠ΅ ΠΏΠΎΡΠ»Π΅ Π»ΡΠ±ΠΎΠΉ ΡΠ΅ΡΡΠ΅Π·Π½ΠΎΠΉ Π°Π²Π°ΡΠΈΠΈ.
Π‘ΠΌΠ°Π·ΠΊΠ° ΡΡΠ»Π΅Π²ΠΎΠΉ ΡΡΠ³ΠΈ ΠΈ ΡΠ°ΡΠΎΠ²ΠΎΠ³ΠΎ ΡΠ°ΡΠ½ΠΈΡΠ° : ΠΏΠΎΠΊΠΎΠ»Π΅Π½ΠΈΠ΅ Π½Π°Π·Π°Π΄ ΠΊΠΎΠ½ΡΡ ΡΡΠ»Π΅Π²ΠΎΠΉ ΡΡΠ³ΠΈ ΠΈ ΡΠ°ΡΠΎΠ²ΡΠ΅ ΡΠ°ΡΠ½ΠΈΡΡ Π½ΡΠΆΠ½ΠΎ Π±ΡΠ»ΠΎ ΡΠ΅Π³ΡΠ»ΡΡΠ½ΠΎ ΡΠΌΠ°Π·ΡΠ²Π°ΡΡ ΠΊΠΎΠ½ΡΠΈΡΡΠ΅Π½ΡΠ½ΠΎΠΉ ΡΠΌΠ°Π·ΠΊΠΎΠΉ, ΠΈ Π΅ΡΠ»ΠΈ Π² Π²Π°ΡΠ΅ΠΌ Π°Π²ΡΠΎΠΌΠΎΠ±ΠΈΠ»Π΅ Π΅ΡΡΡ ΡΠ°ΠΊΠΈΠ΅ ΡΠ°ΡΠ½ΠΈΡΡ, ΠΎΡΠ΅Π½Ρ Π²Π°ΠΆΠ½ΠΎ, ΡΡΠΎΠ±Ρ Π²Ρ ΡΠΎΠ±Π»ΡΠ΄Π°Π»ΠΈ ΡΠ΅ΠΊΠΎΠΌΠ΅Π½Π΄ΡΠ΅ΠΌΡΠΉ ΠΏΡΠΎΠΈΠ·Π²ΠΎΠ΄ΠΈΡΠ΅Π»Π΅ΠΌ Π³ΡΠ°ΡΠΈΠΊ Π΄Π»Ρ ΡΠ°ΠΊΠ°Ρ ΡΠΌΠ°Π·ΠΊΠ°. ΠΠ΄Π½Π°ΠΊΠΎ ΡΠ΅Π³ΠΎΠ΄Π½Ρ Π±ΠΎΠ»ΡΡΠΈΠ½ΡΡΠ²ΠΎ Π»Π΅Π³ΠΊΠΎΠ²ΡΡ ΠΈ Π³ΡΡΠ·ΠΎΠ²ΡΡ Π°Π²ΡΠΎΠΌΠΎΠ±ΠΈΠ»Π΅ΠΉ ΠΈΠΌΠ΅ΡΡ Π³Π΅ΡΠΌΠ΅ΡΠΈΡΠ½ΡΠ΅ Π½Π°ΠΊΠΎΠ½Π΅ΡΠ½ΠΈΠΊΠΈ ΡΡΠ»Π΅Π²ΡΡ ΡΡΠ³ ΠΈ ΡΠ°ΡΠΎΠ²ΡΠ΅ ΠΎΠΏΠΎΡΡ — Π²Π°ΠΌ Π½Π΅ ΡΠΎΠ»ΡΠΊΠΎ Π½Π΅ Π½ΡΠΆΠ½ΠΎ Π±Π΅ΡΠΏΠΎΠΊΠΎΠΈΡΡΡΡ ΠΎ ΠΈΡ ΡΠΌΠ°Π·ΠΊΠ΅, ΡΡΠΎ Π΄Π°ΠΆΠ΅ Π½Π΅Π²ΠΎΠ·ΠΌΠΎΠΆΠ½ΠΎ.
ΠΡΠΎΠ²Π΅ΡΠΊΠ° ΠΆΠΈΠ΄ΠΊΠΎΡΡΠΈ ΡΡΠ»Π΅Π²ΠΎΠ³ΠΎ ΡΠΏΡΠ°Π²Π»Π΅Π½ΠΈΡ Ρ Π³ΠΈΠ΄ΡΠΎΡΡΠΈΠ»ΠΈΡΠ΅Π»Π΅ΠΌ : ΠΡΠΈ ΠΊΠ°ΠΆΠ΄ΠΎΠΉ Π·Π°ΠΌΠ΅Π½Π΅ ΠΌΠ°ΡΠ»Π° Π²Π°Ρ ΠΌΠ΅Ρ Π°Π½ΠΈΠΊ Π΄ΠΎΠ»ΠΆΠ΅Π½ ΠΏΡΠΎΠ²Π΅ΡΡΡΡ ΡΡΠΎΠ²Π΅Π½Ρ ΠΆΠΈΠ΄ΠΊΠΎΡΡΠΈ ΡΡΠ»Π΅Π²ΠΎΠ³ΠΎ ΡΠΏΡΠ°Π²Π»Π΅Π½ΠΈΡ Ρ Π³ΠΈΠ΄ΡΠΎΡΡΠΈΠ»ΠΈΡΠ΅Π»Π΅ΠΌ, Π΅ΡΠ»ΠΈ Ρ Π²Π°Ρ Π΅ΡΡΡ ΡΠΈΡΡΠ΅ΠΌΠ° ΡΡΠ»Π΅Π²ΠΎΠ³ΠΎ ΡΠΏΡΠ°Π²Π»Π΅Π½ΠΈΡ Ρ Π³ΠΈΠ΄ΡΠΎΡΡΠΈΠ»ΠΈΡΠ΅Π»Π΅ΠΌ. ΠΡΠ»ΠΈ ΡΡΠΎΠ²Π΅Π½Ρ ΠΆΠΈΠ΄ΠΊΠΎΡΡΠΈ Π½ΠΈΠ·ΠΊΠΈΠΉ, Π΄ΠΎΠ±Π°Π²ΡΡΠ΅ Π΅ΡΠ΅ ΠΏΡΠΈ Π½Π΅ΠΎΠ±Ρ ΠΎΠ΄ΠΈΠΌΠΎΡΡΠΈ.
ΠΠ°ΠΌΠ΅Π½Π° ΠΆΠΈΠ΄ΠΊΠΎΡΡΠΈ ΡΡΠ»Π΅Π²ΠΎΠ³ΠΎ ΡΠΏΡΠ°Π²Π»Π΅Π½ΠΈΡ Ρ Π³ΠΈΠ΄ΡΠΎΡΡΠΈΠ»ΠΈΡΠ΅Π»Π΅ΠΌ : Π Π½Π΅ΠΊΠΎΡΠΎΡΡΡ ΡΠΈΡΡΠ΅ΠΌΠ°Ρ ΡΡΠ»Π΅Π²ΠΎΠ³ΠΎ ΡΠΏΡΠ°Π²Π»Π΅Π½ΠΈΡ Ρ Π³ΠΈΠ΄ΡΠΎΡΡΠΈΠ»ΠΈΡΠ΅Π»Π΅ΠΌ ΠΆΠΈΠ΄ΠΊΠΎΡΡΡ Π½Π΅ΠΎΠ±Ρ ΠΎΠ΄ΠΈΠΌΠΎ ΠΏΠ΅ΡΠΈΠΎΠ΄ΠΈΡΠ΅ΡΠΊΠΈ ΠΌΠ΅Π½ΡΡΡ (ΠΈΠ½ΠΎΠ³Π΄Π° ΠΊΠ°ΠΆΠ΄ΡΠ΅ Π΄Π²Π° Π³ΠΎΠ΄Π° ΠΈΠ»ΠΈ 30 000 ΠΌΠΈΠ»Ρ), Π½ΠΎ Π½Π΅ Π²ΡΠ΅ ΡΡΠΎ Π΄Π΅Π»Π°ΡΡ; ΠΏΡΠΎΠ²Π΅ΡΡΡΠ΅ ΡΡΠΊΠΎΠ²ΠΎΠ΄ΡΡΠ²ΠΎ ΠΏΠΎ ΡΠΊΡΠΏΠ»ΡΠ°ΡΠ°ΡΠΈΠΈ.
ΠΡΠΎΠ²Π΅ΡΠΊΠ° ΡΠ΅ΠΌΠ½Ρ : ΠΡΠ»ΠΈ Π²Π°Ρ Π½Π°ΡΠΎΡ Π³ΠΈΠ΄ΡΠΎΡΡΠΈΠ»ΠΈΡΠ΅Π»Ρ ΡΡΠ»Π΅Π²ΠΎΠ³ΠΎ ΡΠΏΡΠ°Π²Π»Π΅Π½ΠΈΡ Ρ ΡΠ΅ΠΌΠ΅Π½Π½ΡΠΌ ΠΏΡΠΈΠ²ΠΎΠ΄ΠΎΠΌ, Π΄Π»Ρ Π½Π΅Π³ΠΎ ΠΌΠΎΠΆΠ΅Ρ Π±ΡΡΡ ΡΠΏΠ΅ΡΠΈΠ°Π»ΡΠ½ΡΠΉ ΠΏΡΠΈΠ²ΠΎΠ΄Π½ΠΎΠΉ ΡΠ΅ΠΌΠ΅Π½Ρ ΠΈΠ»ΠΈ ΠΎΠ½ ΠΌΠΎΠΆΠ΅Ρ ΠΏΡΠΈΠ²ΠΎΠ΄ΠΈΡΡΡΡ Π² Π΄Π²ΠΈΠΆΠ΅Π½ΠΈΠ΅ ΠΎΡ Β«Π·ΠΌΠ΅Π΅Π²ΠΈΠ΄Π½ΠΎΠ³ΠΎΒ» ΡΠ΅ΠΌΠ½Ρ ΡΡΠ°Π½ΡΠΏΠΎΡΡΠ½ΠΎΠ³ΠΎ ΡΡΠ΅Π΄ΡΡΠ²Π°; Π² Π»ΡΠ±ΠΎΠΌ ΡΠ»ΡΡΠ°Π΅ ΠΌΠ΅Ρ Π°Π½ΠΈΠΊ Π΄ΠΎΠ»ΠΆΠ΅Π½ ΠΏΡΠΎΠ²Π΅ΡΡΡΡ Π½Π°ΡΡΠΆΠ΅Π½ΠΈΠ΅ ΡΠ΅ΠΌΠ½Ρ ΠΏΡΠΈ ΠΊΠ°ΠΆΠ΄ΠΎΠΉ Π·Π°ΠΌΠ΅Π½Π΅ ΠΌΠ°ΡΠ»Π°.
ΠΠ±ΡΠΈΠΉ ΠΎΡΠΌΠΎΡΡ ΡΠΈΡΡΠ΅ΠΌΡ : ΠΡΡ ΡΠΈΡΡΠ΅ΠΌΠ° ΡΡΠ»Π΅Π²ΠΎΠ³ΠΎ ΡΠΏΡΠ°Π²Π»Π΅Π½ΠΈΡ Π΄ΠΎΠ»ΠΆΠ½Π° ΠΏΡΠΎΠ²Π΅ΡΡΡΡΡΡ Π΅ΠΆΠ΅Π³ΠΎΠ΄Π½ΠΎ ΠΈΠ»ΠΈ ΠΎΠΊΠΎΠ»ΠΎ ΡΠΎΠ³ΠΎ Π½Π° ΠΏΡΠ΅Π΄ΠΌΠ΅Ρ ΡΡΠ΅ΡΠ΅ΠΊ (Π² ΡΠΈΡΡΠ΅ΠΌΠ°Ρ ΡΡΠ»Π΅Π²ΠΎΠ³ΠΎ ΡΠΏΡΠ°Π²Π»Π΅Π½ΠΈΡ Ρ Π³ΠΈΠ΄ΡΠΎΡΡΠΈΠ»ΠΈΡΠ΅Π»Π΅ΠΌ) ΠΈΠ»ΠΈ Π½Π΅ΠΏΠ»ΠΎΡΠ½ΠΎΡΡΠΈ. Π ΠΊΠΎΠ½Π΅ΡΠ½ΠΎΠΌ ΠΈΡΠΎΠ³Π΅ ΡΡΠ»Π΅Π²ΠΎΠΉ ΠΌΠ΅Ρ Π°Π½ΠΈΠ·ΠΌ ΠΈΠ·Π½Π°ΡΠΈΠ²Π°Π΅ΡΡΡ ΠΈ ΡΡΠ΅Π±ΡΠ΅Ρ Π·Π°ΠΌΠ΅Π½Ρ, Π½ΠΎ ΡΡΠΎΠ³ΠΎ ΠΌΠΎΠΆΠ΅Ρ Π½Π΅ ΠΏΡΠΎΠΈΠ·ΠΎΠΉΡΠΈ, ΠΏΠΎΠΊΠ° Π°Π²ΡΠΎΠΌΠΎΠ±ΠΈΠ»Ρ Π½Π΅ ΠΏΡΠ΅ΠΎΠ΄ΠΎΠ»Π΅Π΅Ρ 100 000 ΠΌΠΈΠ»Ρ ΠΈΠ»ΠΈ Π±ΠΎΠ»Π΅Π΅.
ΠΠΎΠΌΠ½ΠΈΡΠ΅: ΠΊΠ°ΠΆΠ΄ΡΠΉ ΡΠ°Π·, ΠΊΠΎΠ³Π΄Π° ΡΡΠ°Π½ΡΠΏΠΎΡΡΠ½ΠΎΠ΅ ΡΡΠ΅Π΄ΡΡΠ²ΠΎ ΠΏΠΎΠΏΠ°Π΄Π°Π΅Ρ Π² Π°Π²Π°ΡΠΈΡ Ρ ΡΡΠ°ΡΡΠΈΠ΅ΠΌ ΠΏΠ΅ΡΠ΅Π΄Π½ΠΈΡ ΠΊΠΎΠ»Π΅Ρ ΠΈΠ»ΠΈ ΠΏΠΎΠ΄Π²Π΅ΡΠΊΠΈ, ΠΎΡΠ΅Π½Ρ Π²Π°ΠΆΠ½ΠΎ ΠΏΡΠΎΠ²Π΅ΡΠΈΡΡ ΡΠΈΡΡΠ΅ΠΌΡ ΡΡΠ»Π΅Π²ΠΎΠ³ΠΎ ΡΠΏΡΠ°Π²Π»Π΅Π½ΠΈΡ Π½Π° Π½Π°Π»ΠΈΡΠΈΠ΅ ΠΏΠΎΠ²ΡΠ΅ΠΆΠ΄Π΅Π½ΠΈΠΉ.ΠΠ°ΠΌ ΡΠ°ΠΊΠΆΠ΅ ΡΠ»Π΅Π΄ΡΠ΅Ρ ΠΏΡΠΎΠ²Π΅ΡΠΈΡΡ ΡΠΈΡΡΠ΅ΠΌΡ, Π΅ΡΠ»ΠΈ Π²Ρ Π·Π°ΠΌΠ΅ΡΠΈΠ»ΠΈ ΠΈΠ·ΠΌΠ΅Π½Π΅Π½ΠΈΡ Π² ΡΡΠ»Π΅Π²ΠΎΠΌ ΡΠΏΡΠ°Π²Π»Π΅Π½ΠΈΠΈ ΡΡΠ°Π½ΡΠΏΠΎΡΡΠ½ΠΎΠ³ΠΎ ΡΡΠ΅Π΄ΡΡΠ²Π°, ΠΈΠ»ΠΈ Π΅ΡΠ»ΠΈ ΡΡΠ»Π΅Π²ΠΎΠ΅ ΠΊΠΎΠ»Π΅ΡΠΎ ΠΊΠ°ΠΆΠ΅ΡΡΡ ΡΠ°ΡΡΠ°ΡΠ°Π½Π½ΡΠΌ, Π½Π°ΡΠΈΠ½Π°Π΅Ρ ΡΡΡΡΡΠΈΡΡ ΠΈΠ»ΠΈ Π΄Π²ΠΈΠ³Π°ΡΡΡΡ ΡΠ°ΠΌΠΎ ΠΏΠΎ ΡΠ΅Π±Π΅.
ΠΡΠΈΠ²Π΅Π΄Π΅Π½Π½ΡΠΉ Π²ΡΡΠ΅ ΡΠΏΠΈΡΠΎΠΊ ΠΌΠΎΠΆΠ΅Ρ ΠΏΠΎΠΊΠ°Π·Π°ΡΡΡΡ ΡΡΡΡΠ°ΡΠ°ΡΡΠΈΠΌ, Π½ΠΎ Ρ ΠΎΡΠΎΡΠ°Ρ Π½ΠΎΠ²ΠΎΡΡΡ Π·Π°ΠΊΠ»ΡΡΠ°Π΅ΡΡΡ Π² ΡΠΎΠΌ, ΡΡΠΎ Π²ΡΠ΅ ΠΏΠ΅ΡΠ΅ΡΠΈΡΠ»Π΅Π½Π½ΡΠ΅ Π²ΡΡΠ΅ ΠΏΡΠΎΠ²Π΅ΡΠΊΠΈ ΡΠ²Π»ΡΡΡΡΡ ΡΠ°ΡΡΡΡ ΡΠΈΠΏΠΈΡΠ½ΠΎΠΉ Π·Π°ΠΌΠ΅Π½Ρ ΠΌΠ°ΡΠ»Π° ΠΏΡΠΈ ΠΏΠΎΠ»Π½ΠΎΠΌ ΠΎΠ±ΡΠ»ΡΠΆΠΈΠ²Π°Π½ΠΈΠΈ (ΠΈ Π²ΡΠ΅, ΠΊΡΠΎΠΌΠ΅ ΠΏΡΠΎΠ²Π΅ΡΠΊΠΈ ΠΆΠΈΠ΄ΠΊΠΎΡΡΠΈ ΠΈ ΡΠ΅ΠΌΠ½Ρ, ΡΠ²Π»ΡΡΡΡΡ ΡΠ°ΡΡΡΡ ΡΡΠ»ΡΠ³ΠΈ ΠΏΠΎ ΡΠ΅Π³ΡΠ»ΠΈΡΠΎΠ²ΠΊΠ΅ ΡΠ³Π»ΠΎΠ² ΡΡΡΠ°Π½ΠΎΠ²ΠΊΠΈ ΠΊΠΎΠ»Π΅Ρ), ΠΏΠΎΡΡΠΎΠΌΡ Π²Π°ΠΌ Π½Π΅ ΡΠ»Π΅Π΄ΡΠ΅Ρ ΡΡΠΎΠ³ΠΎ Π΄Π΅Π»Π°ΡΡ. ΠΠ΅ Π½ΡΠΆΠ½ΠΎ ΠΎ Π½ΠΈΡ Π±Π΅ΡΠΏΠΎΠΊΠΎΠΈΡΡΡΡ, Π΅ΡΠ»ΠΈ ΠΌΠ°ΡΠ»ΠΎ Π±ΡΠ΄Π΅Ρ Π·Π°ΠΌΠ΅Π½ΡΡΡ ΠΊΠ²Π°Π»ΠΈΡΠΈΡΠΈΡΠΎΠ²Π°Π½Π½ΡΠΉ ΠΌΠ΅Ρ Π°Π½ΠΈΠΊ Π½Π΅ ΡΠ΅ΠΆΠ΅, ΡΠ΅ΠΌ ΠΊΠ°ΠΆΠ΄ΡΠ΅ 5000 ΠΌΠΈΠ»Ρ.ΠΡΠ»ΠΈ Π² ΡΡΠΊΠΎΠ²ΠΎΠ΄ΡΡΠ²Π΅ ΠΏΠΎΠ»ΡΠ·ΠΎΠ²Π°ΡΠ΅Π»Ρ ΡΠΊΠ°Π·Π°Π½ Π³ΠΎΡΠ°Π·Π΄ΠΎ Π±ΠΎΠ»Π΅Π΅ Π΄Π»ΠΈΡΠ΅Π»ΡΠ½ΡΠΉ ΠΈΠ½ΡΠ΅ΡΠ²Π°Π» Π·Π°ΠΌΠ΅Π½Ρ ΠΌΠ°ΡΠ»Π°, ΡΡΠΎ ΡΠΏΡΠ°Π²Π΅Π΄Π»ΠΈΠ²ΠΎ Π΄Π»Ρ Π½Π΅ΠΊΠΎΡΠΎΡΡΡ Π°Π²ΡΠΎΠΌΠΎΠ±ΠΈΠ»Π΅ΠΉ, ΠΈΡΠΏΠΎΠ»ΡΠ·ΡΡΡΠΈΡ ΡΠΏΠ΅ΡΠΈΠ°Π»ΠΈΠ·ΠΈΡΠΎΠ²Π°Π½Π½ΠΎΠ΅ ΡΠΈΠ½ΡΠ΅ΡΠΈΡΠ΅ΡΠΊΠΎΠ΅ ΠΌΠ°ΡΠ»ΠΎ, ΠΎΠ±ΡΠ°ΡΠΈΡΠ΅ΡΡ ΠΊ ΡΡΠΊΠΎΠ²ΠΎΠ΄ΡΡΠ²Ρ ΠΏΠΎ ΠΏΠΎΠ²ΠΎΠ΄Ρ Π³ΡΠ°ΡΠΈΠΊΠ° ΠΏΡΠΎΠ²Π΅ΡΠΊΠΈ ΠΈ ΡΠ΅Ρ Π½ΠΈΡΠ΅ΡΠΊΠΎΠ³ΠΎ ΠΎΠ±ΡΠ»ΡΠΆΠΈΠ²Π°Π½ΠΈΡ ΡΠΈΡΡΠ΅ΠΌΡ ΡΡΠ»Π΅Π²ΠΎΠ³ΠΎ ΡΠΏΡΠ°Π²Π»Π΅Π½ΠΈΡ.
Π ΡΠ»Π΅Π²ΠΎΠ΅ ΡΠΏΡΠ°Π²Π»Π΅Π½ΠΈΠ΅ ΠΠΊΠ΅ΡΠΌΠ°Π½Π° β’ ΠΠ½ΡΠΎΡΠΌΠ°ΡΠΈΠΊΠ° ΠΈ ΠΌΠ°ΡΠΈΠ½Π½ΠΎΠ΅ ΠΎΠ±ΡΡΠ΅Π½ΠΈΠ΅
Π ΡΠ»Π΅Π²ΠΎΠ΅ ΡΠΏΡΠ°Π²Π»Π΅Π½ΠΈΠ΅ ΠΠΊΠ΅ΡΠΌΠ°Π½Π° ΠΈΡΠΏΠΎΠ»ΡΠ·ΡΠ΅ΡΡΡ Π² Π°Π²ΡΠΎΠΌΠΎΠ±ΠΈΠ»ΡΡ , ΠΏΠΎΠ΄ΠΎΠ±Π½ΡΡ Π°Π²ΡΠΎΠΌΠΎΠ±ΠΈΠ»Ρ. ΠΡΠ½ΠΎΠ²Π½Π°Ρ ΠΈΠ΄Π΅Ρ ΡΠΎΡΡΠΎΠΈΡ Π² ΡΠΎΠΌ, ΡΡΠΎΠ±Ρ ΠΏΠΎΠ²Π΅ΡΠ½ΡΡΡ Π²Π½ΡΡΡΠ΅Π½Π½Π΅Π΅ ΠΊΠΎΠ»Π΅ΡΠΎ Π½Π΅ΠΌΠ½ΠΎΠ³ΠΎ ΠΎΡΡΡΠ΅Π΅, ΡΠ΅ΠΌ Π²Π½Π΅ΡΠ½Π΅Π΅, ΡΡΠΎΠ±Ρ ΡΠΌΠ΅Π½ΡΡΠΈΡΡ ΠΏΡΠΎΡΠΊΠ°Π»ΡΠ·ΡΠ²Π°Π½ΠΈΠ΅ ΡΠΈΠ½Ρ.
Π‘ ΡΠΈΡΠΈΠ½ΠΎΠΉ ΠΊΠΎΠ»Π΅ΠΈ \ (w \) (ΠΏΠΎΠΏΠ΅ΡΠ΅ΡΠ½ΠΎΠ΅ ΡΠ°ΡΡΡΠΎΡΠ½ΠΈΠ΅ ΠΌΠ΅ΠΆΠ΄Ρ ΠΊΠΎΠ»Π΅ΡΠ°ΠΌΠΈ), ΠΊΠΎΠ»Π΅ΡΠ½ΠΎΠΉ Π±Π°Π·ΠΎΠΉ \ (l \) (ΠΏΡΠΎΠ΄ΠΎΠ»ΡΠ½ΠΎΠ΅ ΡΠ°ΡΡΡΠΎΡΠ½ΠΈΠ΅ ΠΌΠ΅ΠΆΠ΄Ρ ΠΊΠΎΠ»Π΅ΡΠ°ΠΌΠΈ), \ (\ phi_i \) ΠΎΡΠ½ΠΎΡΠΈΡΠ΅Π»ΡΠ½ΡΠΌ ΡΠ³Π»ΠΎΠΌ ΠΏΠΎΠ²ΠΎΡΠΎΡΠ° Π²Π½ΡΡΡΠ΅Π½Π½Π΅Π³ΠΎ ΠΊΠΎΠ»Π΅ΡΠ°, \ (\ phi_o \) ΠΎΡΠ½ΠΎΡΠΈΡΠ΅Π»ΡΠ½ΡΠΉ ΡΠ³ΠΎΠ» ΠΏΠΎΠ²ΠΎΡΠΎΡΠ° Π²Π½Π΅ΡΠ½Π΅Π³ΠΎ ΠΊΠΎΠ»Π΅ΡΠ° ΠΈ \ (r \) ΡΠ°ΡΡΡΠΎΡΠ½ΠΈΠ΅ ΠΌΠ΅ΠΆΠ΄Ρ ICC (ΠΌΠ³Π½ΠΎΠ²Π΅Π½Π½ΡΠΉ ΡΠ΅Π½ΡΡ ΠΊΡΠΈΠ²ΠΈΠ·Π½Ρ) ΠΈ ΡΠ΅Π½ΡΡΠΎΠΌ Π°Π²ΡΠΎΠΌΠΎΠ±ΠΈΠ»Ρ.
Π£ΡΠ°Π²Π½Π΅Π½ΠΈΠ΅ ΡΠΏΡΠ°Π²Π»Π΅Π½ΠΈΡ ΠΠΊΠ΅ΡΠΌΠ°Π½ΠΎΠΌ ΠΌΠΎΠΆΠ΅Ρ Π±ΡΡΡ ΠΏΠΎΠ»ΡΡΠ΅Π½ΠΎ Π΄ΠΎΠ²ΠΎΠ»ΡΠ½ΠΎ Π»Π΅Π³ΠΊΠΎ, ΡΠ°ΡΡΠΌΠ°ΡΡΠΈΠ²Π°Ρ ΡΡΠΈ ΡΡΠ΅ΡΠ³ΠΎΠ»ΡΠ½ΠΈΠΊΠ°, ΠΎΠ±ΡΠ°Π·ΠΎΠ²Π°Π½Π½ΡΠ΅ Π²Π΅ΡΡΠΈΠΊΠ°Π»ΡΠ½ΠΎΠΉ ΡΡΠΎΡΠΎΠ½ΠΎΠΉ \ (l \) ΠΈ ΡΡΠΎΡΠΎΠ½ΠΎΠΉ \ (r \) ΠΏΠ»ΡΡ ΠΈΠ»ΠΈ ΠΌΠΈΠ½ΡΡ \ (\ frac {w} {2} \) . ΠΡΠ°ΠΊ, ΠΌΡ ΠΏΠΎΠ»ΡΡΠ°Π΅ΠΌ
\ [\ begin {array} {rl} \ tan \ phi & = \ frac {l} {r} \\\ tan \ phi_i & = \ frac {l} {rw / 2} \\\ tan \ phi_o & = \ frac {l} {r + w / 2} \\\ end {array} \]
ΠΡΡΠΈΡΠ°Ρ ΠΎΠ±ΡΠ°ΡΠ½ΡΡ Π²Π΅Π»ΠΈΡΠΈΠ½Ρ Π΄Π²ΡΡ ΠΏΠΎΡΠ»Π΅Π΄Π½ΠΈΡ ΡΡΠ°Π²Π½Π΅Π½ΠΈΠΉ, ΠΌΡ ΠΏΡΠΈΡ ΠΎΠ΄ΠΈΠΌ ΠΊ ΡΡΠ°Π²Π½Π΅Π½ΠΈΡ ΡΠΏΡΠ°Π²Π»Π΅Π½ΠΈΡ ΠΠΊΠ΅ΡΠΌΠ°Π½Π°:
\ [ \ frac {1} {\ tan \ phi_o} — \ frac {1} {\ tan \ phi_i} = \ cot \ phi_o — \ cot \ phi_i = \ frac {r + w / 2} {l} — \ frac { rw / 2} {l} = \ frac {w} {l} \]
ΠΠΊΠ²ΠΈΠ²Π°Π»Π΅Π½ΡΠ½ΠΎ Π΄Π²Π° ΠΊΠΎΡΠ°Π½Π³Π΅Π½ΡΠ° ΠΌΠΎΠ³ΡΡ Π±ΡΡΡ Π²ΡΡΠ°ΠΆΠ΅Π½Ρ Π±Π°Π·ΠΎΠ²ΡΠΌ ΡΠ³Π»ΠΎΠΌ \ (\ phi \) ΡΠ»Π΅Π΄ΡΡΡΠΈΠΌ ΠΎΠ±ΡΠ°Π·ΠΎΠΌ:
\ [\ begin {array} { rl} \ cot \ phi_i — \ cot \ phi & = \ frac {rw / 2} {l} — \ frac {r} {l} = — \ frac {w} {2l} \ Leftrightarrow \ cot \ phi_i = \ cot \ phi — \ frac {w} {2l} \\\ cot \ phi_o — \ cot \ phi & = \ frac {r + w / 2} {l} — \ frac {r} {l} = + \ frac {w} {2l} \ Leftrightarrow \ cot \ phi_o = \ cot \ phi + \ frac {w} {2l} \\\ end {array} \]
Π£ ΡΡΠΈΡ ΡΡΠ°Π²Π½Π΅Π½ΠΈΠΉ Π΅ΡΡΡ ΠΏΡΠΎΠ±Π»Π΅ΠΌΠ° Π΄Π»Ρ ΡΠ»ΡΡΠ°Ρ \ (\ phi = 0 \), ΠΏΠΎΡΠΊΠΎΠ»ΡΠΊΡ \ (\ cot (0) \) Π½Π΅ ΠΎΠΏΡΠ΅Π΄Π΅Π»Π΅Π½ΠΎ.{-1} \ left (\ frac {2l \ sin \ phi} {2l \ cos \ phi + w \ sin \ phi} \ right) \\\ end {array} \]
ΠΠ΅ΡΠ΅Π΄Π½ΡΡ ΠΊΠΈΠ½Π΅ΠΌΠ°ΡΠΈΠΊΠ° Π΄Π»Ρ Π°Π²ΡΠΎΠΌΠΎΠ±ΠΈΠ»Π΅ΠΉ, ΠΏΠΎΠ΄ΠΎΠ±Π½ΡΡ Π°Π²ΡΠΎΠΌΠΎΠ±ΠΈΠ»Ρ
ΠΡΡΠΌΠ°Ρ ΠΊΠΈΠ½Π΅ΠΌΠ°ΡΠΈΠΊΠ° Π΄Π»Ρ Π°Π²ΡΠΎΠΌΠΎΠ±ΠΈΠ»Ρ, ΠΏΠΎΠ΄ΠΎΠ±Π½ΠΎΠ³ΠΎ Π°Π²ΡΠΎΠΌΠΎΠ±ΠΈΠ»Ρ, ΠΊΠΎΡΠΎΡΠ°Ρ ΡΠ²Π»ΡΠ΅ΡΡΡ ΠΏΡΠ΅Π΄ΡΠΊΠ°Π·Π°Π½ΠΈΠ΅ΠΌ Π±ΡΠ΄ΡΡΠ΅Π³ΠΎ ΡΠΎΡΡΠΎΡΠ½ΠΈΡ, Ρ ΡΡΠ΅ΡΠΎΠΌ ΠΊΠΎΠ½ΡΠΈΠ³ΡΡΠ°ΡΠΈΠΈ, ΠΌΠΎΠΆΠ΅Ρ Π±ΡΡΡ ΡΡΠΎΡΠΌΡΠ»ΠΈΡΠΎΠ²Π°Π½Π° ΡΠ»Π΅Π΄ΡΡΡΠΈΠΌ ΠΎΠ±ΡΠ°Π·ΠΎΠΌ. Π£ΡΠΈΡΡΠ²Π°Ρ, ΡΡΠΎ ΡΠΎΡΡΠΎΡΠ½ΠΈΠ΅ ΡΡΠ°Π½ΡΠΏΠΎΡΡΠ½ΠΎΠ³ΠΎ ΡΡΠ΅Π΄ΡΡΠ²Π° ΠΏΡΠ΅Π΄ΡΡΠ°Π²Π»Π΅Π½ΠΎ Π² Π²ΠΈΠ΄Π΅ ΡΠ΅ΡΠ²Π΅ΡΠΊΠΈ \ ((x, y, \ theta, \ phi) \), Π³Π΄Π΅ \ (\ theta \) ΡΠ²Π»ΡΠ΅ΡΡΡ Π·Π°Π³ΠΎΠ»ΠΎΠ²ΠΊΠΎΠΌ, Π° \ ((x, y) \) ΡΠ²Π»ΡΠ΅ΡΡΡ ΠΏΠΎΠ»ΠΎΠΆΠ΅Π½ΠΈΠ΅ΠΌ Π² ΠΌΠΈΡ. Π‘Π°ΠΌΠΎΠ΅ Π³Π»Π°Π²Π½ΠΎΠ΅ Π² ΡΡΠ»Π΅Π²ΠΎΠΌ ΡΠΏΡΠ°Π²Π»Π΅Π½ΠΈΠΈ ΠΠΊΠ΅ΡΠΌΠ°Π½Π° — ΡΠΎ, ΡΡΠΎ ΡΠ΅Π½ΡΡ Π²ΡΠ°ΡΠ΅Π½ΠΈΡ Π½Π°Ρ ΠΎΠ΄ΠΈΡΡΡ Π½Π΅ Π² ΡΠ΅Π½ΡΡΠ΅ Π°Π²ΡΠΎΠΌΠΎΠ±ΠΈΠ»Ρ, Π° ΠΌΠ΅ΠΆΠ΄Ρ Π·Π°Π΄Π½ΠΈΠΌΠΈ ΠΊΠΎΠ»Π΅ΡΠ°ΠΌΠΈ.\ circ \) Π±Π»ΠΎΠΊΠΈΡΠΎΠ²ΠΊΠ° ΡΡΠ»Π΅Π²ΠΎΠ³ΠΎ ΡΠΏΡΠ°Π²Π»Π΅Π½ΠΈΡ)
ΠΠ°ΠΆΠΈΠΌΠ°ΠΉΡΠ΅ ΠΊΠ»Π°Π²ΠΈΡΠΈ ΡΠΎ ΡΡΡΠ΅Π»ΠΊΠ°ΠΌΠΈ!
Β«ΠΠ΅ΡΠ½ΡΡΡΡΡ ΠΊ ΠΎΠ±Π·ΠΎΡΡ ΠΊΠ½ΠΈΠ³ΠΈ
Π‘ΠΈΡΡΠ΅ΠΌΡ ΡΡΠ»Π΅Π²ΠΎΠ³ΠΎ ΡΠΏΡΠ°Π²Π»Π΅Π½ΠΈΡ Π½ΠΎΡΠΎΠ²ΡΠΌ ΠΊΠΎΠ»Π΅ΡΠΎΠΌ
ΠΠ° Π±ΠΎΠ»ΡΡΠΈΠ½ΡΡΠ²Π΅ ΡΠ°ΠΌΠΎΠ»Π΅ΡΠΎΠ² ΡΠΏΡΠ°Π²Π»Π΅Π½ΠΈΠ΅ Π½ΠΎΡΠΎΠ²ΡΠΌ ΠΊΠΎΠ»Π΅ΡΠΎΠΌ ΠΎΡΡΡΠ΅ΡΡΠ²Π»ΡΠ΅ΡΡΡ ΠΈΠ· ΠΊΠ°Π±ΠΈΠ½Ρ ΠΏΠΈΠ»ΠΎΡΠ° ΡΠ΅ΡΠ΅Π· ΡΠΈΡΡΠ΅ΠΌΡ ΡΡΠ»Π΅Π²ΠΎΠ³ΠΎ ΡΠΏΡΠ°Π²Π»Π΅Π½ΠΈΡ Π½ΠΎΡΠΎΠ²ΡΠΌ ΠΊΠΎΠ»Π΅ΡΠΎΠΌ. ΠΡΠΎ ΠΏΠΎΠ·Π²ΠΎΠ»ΡΠ΅Ρ ΡΠΏΡΠ°Π²Π»ΡΡΡ ΡΠ°ΠΌΠΎΠ»Π΅ΡΠΎΠΌ Π²ΠΎ Π²ΡΠ΅ΠΌΡ Π½Π°Π·Π΅ΠΌΠ½ΡΡ ΠΎΠΏΠ΅ΡΠ°ΡΠΈΠΉ. ΠΠ΅ΠΊΠΎΡΠΎΡΡΠ΅ ΠΏΡΠΎΡΡΡΠ΅ ΡΠ°ΠΌΠΎΠ»Π΅ΡΡ ΠΈΠΌΠ΅ΡΡ ΠΏΠ΅ΡΠ΅Π΄Π°ΡΠΎΡΠ½ΡΠ΅ ΠΊΠΎΠ»Π΅ΡΠ° Π² ΡΠ±ΠΎΡΠ΅. Π£ΠΏΡΠ°Π²Π»Π΅Π½ΠΈΠ΅ ΡΠ°ΠΊΠΈΠΌΠΈ ΡΠ°ΠΌΠΎΠ»Π΅ΡΠ°ΠΌΠΈ Π²ΠΎ Π²ΡΠ΅ΠΌΡ ΡΡΠ»Π΅Π½ΠΈΡ ΠΎΡΡΡΠ΅ΡΡΠ²Π»ΡΠ΅ΡΡΡ Π·Π° ΡΡΠ΅Ρ Π΄ΠΈΡΡΠ΅ΡΠ΅Π½ΡΠΈΠ°Π»ΡΠ½ΠΎΠ³ΠΎ ΡΠΎΡΠΌΠΎΠΆΠ΅Π½ΠΈΡ.
ΠΠ°Π»ΡΠΉ ΡΠ°ΠΌΠΎΠ»Π΅Ρ
ΠΠΎΠ»ΡΡΠΈΠ½ΡΡΠ²ΠΎ Π½Π΅Π±ΠΎΠ»ΡΡΠΈΡ ΡΠ°ΠΌΠΎΠ»Π΅ΡΠΎΠ² ΠΈΠΌΠ΅ΡΡ Π²ΠΎΠ·ΠΌΠΎΠΆΠ½ΠΎΡΡΠΈ ΡΠΏΡΠ°Π²Π»Π΅Π½ΠΈΡ Π·Π° ΡΡΠ΅Ρ ΠΈΡΠΏΠΎΠ»ΡΠ·ΠΎΠ²Π°Π½ΠΈΡ ΠΏΡΠΎΡΡΠΎΠΉ ΡΠΈΡΡΠ΅ΠΌΡ ΠΌΠ΅Ρ Π°Π½ΠΈΡΠ΅ΡΠΊΠΈΡ ΡΠΎΠ΅Π΄ΠΈΠ½Π΅Π½ΠΈΠΉ, ΡΠΎΠ΅Π΄ΠΈΠ½Π΅Π½Π½ΡΡ Ρ ΠΏΠ΅Π΄Π°Π»ΡΠΌΠΈ ΡΡΠ»Ρ Π½Π°ΠΏΡΠ°Π²Π»Π΅Π½ΠΈΡ.Π’ΡΡΠ±ΠΊΠΈ Π΄Π²ΡΡ ΡΠ°ΠΊΡΠ½ΠΎΠ³ΠΎ ΡΠΈΠΏΠ° ΡΠΎΠ΅Π΄ΠΈΠ½Π΅Π½Ρ Ρ ΠΏΠ΅Π΄Π°Π»ΡΠ½ΡΠΌΠΈ ΡΡΡΠ°Π³Π°ΠΌΠΈ Π½Π° Π½ΠΈΠΆΠ½Π΅ΠΌ ΡΠΈΠ»ΠΈΠ½Π΄ΡΠ΅ ΡΡΠΎΠΉΠΊΠΈ. ΠΠΎΠ³Π΄Π° ΠΏΠ΅Π΄Π°Π»ΠΈ Π½Π°ΠΆΠ°ΡΡ, Π΄Π²ΠΈΠΆΠ΅Π½ΠΈΠ΅ ΠΏΠ΅ΡΠ΅Π΄Π°Π΅ΡΡΡ Π½Π° ΠΎΡΡ ΠΏΠΎΡΡΠ½Ρ ΡΡΠΎΠΉΠΊΠΈ ΠΈ ΠΊΠΎΠ»Π΅ΡΠΎ Π² ΡΠ±ΠΎΡΠ΅, ΠΊΠΎΡΠΎΡΠΎΠ΅ Π²ΡΠ°ΡΠ°Π΅ΡΡΡ Π²Π»Π΅Π²ΠΎ ΠΈΠ»ΠΈ Π²ΠΏΡΠ°Π²ΠΎ. [Π ΠΈΡΡΠ½ΠΎΠΊ 13-50] Π ΠΈΡΡΠ½ΠΎΠΊ 13-50. ΠΠ»Ρ ΡΠΏΡΠ°Π²Π»Π΅Π½ΠΈΡ Π½ΠΎΡΠΎΠ²ΡΠΌ ΠΊΠΎΠ»Π΅ΡΠΎΠΌ Π½Π° Π»Π΅Π³ΠΊΠΈΡ ΡΠ°ΠΌΠΎΠ»Π΅ΡΠ°Ρ ΡΠ°ΡΡΠΎ ΠΈΡΠΏΠΎΠ»ΡΠ·ΡΠ΅ΡΡΡ ΡΠΈΡΡΠ΅ΠΌΠ° ΡΡΠ³ΠΈ-ΡΠΎΠ»ΠΊΠ°ΡΠ΅Π»Ρ, ΡΠΎΠ΅Π΄ΠΈΠ½Π΅Π½Π½Π°Ρ Ρ ΠΏΠ΅Π΄Π°Π»ΡΠΌΠΈ ΡΡΠ»Ρ Π½Π°ΠΏΡΠ°Π²Π»Π΅Π½ΠΈΡ.
ΠΠΎΠ»ΡΡΠΎΠΉ ΡΠ°ΠΌΠΎΠ»Π΅Ρ
ΠΠ·-Π·Π° ΡΠ²ΠΎΠ΅ΠΉ ΠΌΠ°ΡΡΡ ΠΈ Π½Π΅ΠΎΠ±Ρ ΠΎΠ΄ΠΈΠΌΠΎΡΡΠΈ ΡΠΎΡΠ½ΠΎΠ³ΠΎ ΡΠΏΡΠ°Π²Π»Π΅Π½ΠΈΡ Π±ΠΎΠ»ΡΡΠΈΠ΅ Π»Π΅ΡΠ°ΡΠ΅Π»ΡΠ½ΡΠ΅ Π°ΠΏΠΏΠ°ΡΠ°ΡΡ ΠΈΡΠΏΠΎΠ»ΡΠ·ΡΡΡ ΠΈΡΡΠΎΡΠ½ΠΈΠΊ ΡΠ½Π΅ΡΠ³ΠΈΠΈ Π΄Π»Ρ ΡΠΏΡΠ°Π²Π»Π΅Π½ΠΈΡ Π½ΠΎΡΠΎΠ²ΡΠΌ ΠΊΠΎΠ»Π΅ΡΠΎΠΌ.ΠΠΈΠ΄ΡΠ°Π²Π»ΠΈΡΠ΅ΡΠΊΠ°Ρ ΡΠΈΠ»Π° ΠΏΡΠ΅ΠΎΠ±Π»Π°Π΄Π°Π΅Ρ. Π‘ΡΡΠ΅ΡΡΠ²ΡΠ΅Ρ ΠΌΠ½ΠΎΠΆΠ΅ΡΡΠ²ΠΎ ΡΠ°Π·Π»ΠΈΡΠ½ΡΡ ΠΊΠΎΠ½ΡΡΡΡΠΊΡΠΈΠΉ ΡΠΈΡΡΠ΅ΠΌ ΡΡΠ»Π΅Π²ΠΎΠ³ΠΎ ΡΠΏΡΠ°Π²Π»Π΅Π½ΠΈΡ Π½ΠΎΡΠΎΠΌ Π±ΠΎΠ»ΡΡΠΈΡ ΡΠ°ΠΌΠΎΠ»Π΅ΡΠΎΠ². ΠΠΎΠ»ΡΡΠΈΠ½ΡΡΠ²ΠΎ ΠΈΠ· Π½ΠΈΡ ΠΈΠΌΠ΅ΡΡ ΡΡ ΠΎΠΆΠΈΠ΅ Ρ Π°ΡΠ°ΠΊΡΠ΅ΡΠΈΡΡΠΈΠΊΠΈ ΠΈ ΠΊΠΎΠΌΠΏΠΎΠ½Π΅Π½ΡΡ. Π£ΠΏΡΠ°Π²Π»Π΅Π½ΠΈΠ΅ ΡΡΠ»Π΅Π²ΡΠΌ ΡΠΏΡΠ°Π²Π»Π΅Π½ΠΈΠ΅ΠΌ ΠΎΡΡΡΠ΅ΡΡΠ²Π»ΡΠ΅ΡΡΡ ΠΈΠ· ΠΊΠ°Π±ΠΈΠ½Ρ ΡΠΊΠΈΠΏΠ°ΠΆΠ° Ρ ΠΏΠΎΠΌΠΎΡΡΡ Π½Π΅Π±ΠΎΠ»ΡΡΠΎΠ³ΠΎ ΠΊΠΎΠ»Π΅ΡΠ°, ΡΡΠΌΠΏΠ΅Π»Ρ ΠΈΠ»ΠΈ Π΄ΠΆΠΎΠΉΡΡΠΈΠΊΠ°, ΠΎΠ±ΡΡΠ½ΠΎ ΡΡΡΠ°Π½ΠΎΠ²Π»Π΅Π½Π½ΠΎΠ³ΠΎ Π½Π° Π»Π΅Π²ΠΎΠΉ Π±ΠΎΠΊΠΎΠ²ΠΎΠΉ ΡΡΠ΅Π½ΠΊΠ΅. ΠΠΊΠ»ΡΡΠ΅Π½ΠΈΠ΅ ΠΈ Π²ΡΠΊΠ»ΡΡΠ΅Π½ΠΈΠ΅ ΡΠΈΡΡΠ΅ΠΌΡ Π²ΠΎΠ·ΠΌΠΎΠΆΠ½ΠΎ Π½Π° Π½Π΅ΠΊΠΎΡΠΎΡΡΡ ΡΠ°ΠΌΠΎΠ»Π΅ΡΠ°Ρ . ΠΠ΅Ρ Π°Π½ΠΈΡΠ΅ΡΠΊΠΈΠ΅, ΡΠ»Π΅ΠΊΡΡΠΈΡΠ΅ΡΠΊΠΈΠ΅ ΠΈΠ»ΠΈ Π³ΠΈΠ΄ΡΠ°Π²Π»ΠΈΡΠ΅ΡΠΊΠΈΠ΅ ΡΠΎΠ΅Π΄ΠΈΠ½Π΅Π½ΠΈΡ ΠΏΠ΅ΡΠ΅Π΄Π°ΡΡ Π²Ρ ΠΎΠ΄Π½ΠΎΠ΅ Π΄Π²ΠΈΠΆΠ΅Π½ΠΈΠ΅ ΠΊΠΎΠ½ΡΡΠΎΠ»Π»Π΅ΡΠ° Π½Π° Π±Π»ΠΎΠΊ ΡΠΏΡΠ°Π²Π»Π΅Π½ΠΈΡ ΡΡΠ»Π΅Π²ΡΠΌ ΡΠΏΡΠ°Π²Π»Π΅Π½ΠΈΠ΅ΠΌ. ΠΠ»ΠΎΠΊ ΡΠΏΡΠ°Π²Π»Π΅Π½ΠΈΡ — ΡΡΠΎ Π³ΠΈΠ΄ΡΠ°Π²Π»ΠΈΡΠ΅ΡΠΊΠΈΠΉ Π΄ΠΎΠ·ΠΈΡΡΡΡΠΈΠΉ ΠΈΠ»ΠΈ ΡΠ΅Π³ΡΠ»ΠΈΡΡΡΡΠΈΠΉ ΠΊΠ»Π°ΠΏΠ°Π½.ΠΠ½ Π½Π°ΠΏΡΠ°Π²Π»ΡΠ΅Ρ Π³ΠΈΠ΄ΡΠ°Π²Π»ΠΈΡΠ΅ΡΠΊΡΡ ΠΆΠΈΠ΄ΠΊΠΎΡΡΡ ΠΏΠΎΠ΄ Π΄Π°Π²Π»Π΅Π½ΠΈΠ΅ΠΌ ΠΊ ΠΎΠ΄Π½ΠΎΠΌΡ ΠΈΠ»ΠΈ Π΄Π²ΡΠΌ ΠΏΡΠΈΠ²ΠΎΠ΄Π°ΠΌ Ρ ΡΠ°Π·Π»ΠΈΡΠ½ΡΠΌΠΈ ΡΡΡΠ°ΠΆΠ½ΡΠΌΠΈ ΠΌΠ΅Ρ Π°Π½ΠΈΠ·ΠΌΠ°ΠΌΠΈ Π΄Π»Ρ Π²ΡΠ°ΡΠ΅Π½ΠΈΡ Π½ΠΈΠΆΠ½Π΅ΠΉ ΡΡΠΎΠΉΠΊΠΈ. ΠΠΊΠΊΡΠΌΡΠ»ΡΡΠΎΡ ΠΈ ΠΏΡΠ΅Π΄ΠΎΡ ΡΠ°Π½ΠΈΡΠ΅Π»ΡΠ½ΡΠΉ ΠΊΠ»Π°ΠΏΠ°Π½ ΠΈΠ»ΠΈ Π°Π½Π°Π»ΠΎΠ³ΠΈΡΠ½ΡΠΉ ΡΠ·Π΅Π» Π½Π°Π³Π½Π΅ΡΠ°Π½ΠΈΡ Π΄Π°Π²Π»Π΅Π½ΠΈΡ ΠΏΠΎΡΡΠΎΡΠ½Π½ΠΎ ΡΠ΄Π΅ΡΠΆΠΈΠ²Π°ΡΡ ΠΆΠΈΠ΄ΠΊΠΎΡΡΡ Π² ΠΏΡΠΈΠ²ΠΎΠ΄Π°Ρ ΠΈ ΡΠΈΡΡΠ΅ΠΌΠ΅ ΠΏΠΎΠ΄ Π΄Π°Π²Π»Π΅Π½ΠΈΠ΅ΠΌ. ΠΡΠΎ ΠΏΠΎΠ·Π²ΠΎΠ»ΡΠ΅Ρ Π³ΠΈΠ΄ΡΠΎΡΠΈΠ»ΠΈΠ½Π΄ΡΠ°ΠΌ ΡΡΠ»Π΅Π²ΠΎΠ³ΠΎ ΡΠΏΡΠ°Π²Π»Π΅Π½ΠΈΡ ΡΠ°ΠΊΠΆΠ΅ Π΄Π΅ΠΉΡΡΠ²ΠΎΠ²Π°ΡΡ ΠΊΠ°ΠΊ Π°ΠΌΠΎΡΡΠΈΠ·Π°ΡΠΎΡΡ. Π‘Π»Π΅Π΄ΡΡΠΈΠΉ ΠΌΠ΅Ρ Π°Π½ΠΈΠ·ΠΌ ΡΠΎΡΡΠΎΠΈΡ ΠΈΠ· ΡΠ°Π·Π»ΠΈΡΠ½ΡΡ ΡΠ΅ΡΡΠ΅ΡΠ΅Π½, ΡΡΠΎΡΠΎΠ², ΡΡΠ΅ΡΠΆΠ½Π΅ΠΉ, Π±Π°ΡΠ°Π±Π°Π½ΠΎΠ² ΠΈ / ΠΈΠ»ΠΈ ΠΊΠΎΠ»Π΅Π½ΡΠ°ΡΠΎΠ³ΠΎ ΡΡΡΠ°Π³Π° ΠΈ Ρ. Π. ΠΠ½ Π²ΠΎΠ·Π²ΡΠ°ΡΠ°Π΅Ρ Π΄ΠΎΠ·ΠΈΡΡΡΡΠΈΠΉ ΠΊΠ»Π°ΠΏΠ°Π½ Π² Π½Π΅ΠΉΡΡΠ°Π»ΡΠ½ΠΎΠ΅ ΠΏΠΎΠ»ΠΎΠΆΠ΅Π½ΠΈΠ΅ ΠΏΠΎΡΠ»Π΅ Π΄ΠΎΡΡΠΈΠΆΠ΅Π½ΠΈΡ ΡΠ³Π»Π° ΠΏΠΎΠ²ΠΎΡΠΎΡΠ°.ΠΠ½ΠΎΠ³ΠΈΠ΅ ΡΠΈΡΡΠ΅ΠΌΡ Π²ΠΊΠ»ΡΡΠ°ΡΡ Π² ΡΠ΅Π±Ρ ΠΏΠΎΠ΄ΡΠΈΡΡΠ΅ΠΌΡ Π²Π²ΠΎΠ΄Π° ΠΎΡ ΠΏΠ΅Π΄Π°Π»Π΅ΠΉ ΡΡΠ»Ρ Π½Π°ΠΏΡΠ°Π²Π»Π΅Π½ΠΈΡ Π΄Π»Ρ Π½Π΅Π±ΠΎΠ»ΡΡΠΈΡ ΡΠ³Π»ΠΎΠ² ΠΏΠΎΠ²ΠΎΡΠΎΡΠ°, Π²ΡΠΏΠΎΠ»Π½ΡΠ΅ΠΌΡΡ ΠΏΡΠΈ ΡΠΏΡΠ°Π²Π»Π΅Π½ΠΈΠΈ ΡΠ°ΠΌΠΎΠ»Π΅ΡΠΎΠΌ Π½Π° Π²ΡΡΠΎΠΊΠΎΠΉ ΡΠΊΠΎΡΠΎΡΡΠΈ Π²ΠΎ Π²ΡΠ΅ΠΌΡ Π²Π·Π»Π΅ΡΠ° ΠΈ ΠΏΠΎΡΠ°Π΄ΠΊΠΈ. ΠΡΠ΅Π΄ΠΎΡ ΡΠ°Π½ΠΈΡΠ΅Π»ΡΠ½ΡΠ΅ ΠΊΠ»Π°ΠΏΠ°Π½Ρ ΠΎΠ±ΡΡΠ½ΠΎ ΠΈΡΠΏΠΎΠ»ΡΠ·ΡΡΡΡΡ Π²ΠΎ Π²ΡΠ΅Ρ ΡΠΈΡΡΠ΅ΠΌΠ°Ρ Π΄Π»Ρ ΡΠ±ΡΠΎΡΠ° Π΄Π°Π²Π»Π΅Π½ΠΈΡ Π²ΠΎ Π²ΡΠ΅ΠΌΡ ΠΎΡΠΊΠ°Π·Π° Π³ΠΈΠ΄ΡΠ°Π²Π»ΠΈΡΠ΅ΡΠΊΠΎΠΉ ΡΠΈΡΡΠ΅ΠΌΡ, ΡΡΠΎΠ±Ρ ΠΏΠ΅ΡΠ΅Π΄Π½Π΅Π΅ ΠΊΠΎΠ»Π΅ΡΠΎ ΠΌΠΎΠ³Π»ΠΎ ΠΏΠΎΠ²ΠΎΡΠ°ΡΠΈΠ²Π°ΡΡΡΡ.
Π ΠΈΡΡΠ½ΠΎΠΊ 13-51. ΠΡΠΈΠΌΠ΅Ρ Π³ΠΈΠ΄ΡΠ°Π²Π»ΠΈΡΠ΅ΡΠΊΠΎΠΉ ΡΠΈΡΡΠ΅ΠΌΡ ΡΡΠ»Π΅Π²ΠΎΠ³ΠΎ ΡΠΏΡΠ°Π²Π»Π΅Π½ΠΈΡ Π½ΠΎΡΠΎΠ²ΡΠΌ ΠΊΠΎΠ»Π΅ΡΠΎΠΌ Π±ΠΎΠ»ΡΡΠΎΠ³ΠΎ ΡΠ°ΠΌΠΎΠ»Π΅ΡΠ° Ρ Π³ΠΈΠ΄ΡΠ°Π²Π»ΠΈΡΠ΅ΡΠΊΠΈΠΌΠΈ ΠΈ ΠΌΠ΅Ρ Π°Π½ΠΈΡΠ΅ΡΠΊΠΈΠΌΠΈ ΡΠ·Π»Π°ΠΌΠΈ. [ΡΠ΅Π»ΠΊΠ½ΠΈΡΠ΅ ΠΈΠ·ΠΎΠ±ΡΠ°ΠΆΠ΅Π½ΠΈΠ΅, ΡΡΠΎΠ±Ρ ΡΠ²Π΅Π»ΠΈΡΠΈΡΡ]Π‘Π»Π΅Π΄ΡΡΡΠ΅Π΅ ΠΎΠ±ΡΡΡΠ½Π΅Π½ΠΈΠ΅ ΡΠΎΠΏΡΠΎΠ²ΠΎΠΆΠ΄Π°Π΅Ρ Π ΠΈΡΡΠ½ΠΊΠΈ 13-51, 13-52 ΠΈ 13-53, ΠΊΠΎΡΠΎΡΡΠ΅ ΠΈΠ»Π»ΡΡΡΡΠΈΡΡΡΡ ΡΠΈΡΡΠ΅ΠΌΡ ΠΈ ΠΊΠΎΠΌΠΏΠΎΠ½Π΅Π½ΡΡ ΡΡΠ»Π΅Π²ΠΎΠ³ΠΎ ΡΠΏΡΠ°Π²Π»Π΅Π½ΠΈΡ Π½ΠΎΡΠΎΠ²ΡΠΌ ΠΊΠΎΠ»Π΅ΡΠΎΠΌ Π±ΠΎΠ»ΡΡΠΎΠ³ΠΎ ΡΠ°ΠΌΠΎΠ»Π΅ΡΠ°.ΠΡΠΈ ΡΠΈΡΡΠ½ΠΊΠΈ ΠΈ ΠΏΠΎΡΡΠ½Π΅Π½ΠΈΡ ΠΏΡΠ΅Π΄Π½Π°Π·Π½Π°ΡΠ΅Π½Ρ ΡΠΎΠ»ΡΠΊΠΎ Π΄Π»Ρ ΡΡΠ΅Π±Π½ΡΡ ΡΠ΅Π»Π΅ΠΉ.
Π ΠΈΡΡΠ½ΠΎΠΊ 13-52. ΠΠ»ΠΎΠΊ-ΡΡ Π΅ΠΌΠ° Π³ΠΈΠ΄ΡΠ°Π²Π»ΠΈΡΠ΅ΡΠΊΠΎΠΉ ΡΠΈΡΡΠ΅ΠΌΡ ΡΡΠ»Π΅Π²ΠΎΠ³ΠΎ ΡΠΏΡΠ°Π²Π»Π΅Π½ΠΈΡ Π½ΠΎΡΠΎΠ²ΡΠΌ ΠΊΠΎΠ»Π΅ΡΠΎΠΌ Π±ΠΎΠ»ΡΡΠΎΠ³ΠΎ ΡΠ°ΠΌΠΎΠ»Π΅ΡΠ°. [ΡΠ΅Π»ΠΊΠ½ΠΈΡΠ΅ ΠΈΠ·ΠΎΠ±ΡΠ°ΠΆΠ΅Π½ΠΈΠ΅, ΡΡΠΎΠ±Ρ ΡΠ²Π΅Π»ΠΈΡΠΈΡΡ] Π ΡΠ»Π΅Π²ΠΎΠ΅ ΠΊΠΎΠ»Π΅ΡΠΎ Π½ΠΎΡΠΎΠ²ΠΎΠ³ΠΎ ΠΊΠΎΠ»Π΅ΡΠ° ΡΠΎΠ΅Π΄ΠΈΠ½ΡΠ΅ΡΡΡ Π²Π°Π»ΠΎΠΌ Ρ ΡΡΠ»Π΅Π²ΡΠΌ Π±Π°ΡΠ°Π±Π°Π½ΠΎΠΌ, ΡΠ°ΡΠΏΠΎΠ»ΠΎΠΆΠ΅Π½Π½ΡΠΌ Π²Π½ΡΡΡΠΈ ΠΏΠΎΡΡΠ°ΠΌΠ΅Π½ΡΠ° ΡΠΏΡΠ°Π²Π»Π΅Π½ΠΈΡ ΠΊΠ°Π±ΠΈΠ½ΠΎΠΉ ΠΏΠΈΠ»ΠΎΡΠ°. ΠΡΠ°ΡΠ΅Π½ΠΈΠ΅ ΡΡΠΎΠ³ΠΎ Π±Π°ΡΠ°Π±Π°Π½Π° ΠΏΠ΅ΡΠ΅Π΄Π°Π΅Ρ ΡΠΈΠ³Π½Π°Π» ΡΡΠ»Π΅Π²ΠΎΠ³ΠΎ ΡΠΏΡΠ°Π²Π»Π΅Π½ΠΈΡ ΠΏΠΎΡΡΠ΅Π΄ΡΡΠ²ΠΎΠΌ ΡΡΠΎΡΠΎΠ² ΠΈ ΡΠΊΠΈΠ²ΠΎΠ² Π½Π° ΡΠΏΡΠ°Π²Π»ΡΡΡΠΈΠΉ Π±Π°ΡΠ°Π±Π°Π½ Π΄ΠΈΡΡΠ΅ΡΠ΅Π½ΡΠΈΠ°Π»Π° Π² ΡΠ±ΠΎΡΠ΅. ΠΠ΅ΡΠ΅ΠΌΠ΅ΡΠ΅Π½ΠΈΠ΅ Π΄ΠΈΡΡΠ΅ΡΠ΅Π½ΡΠΈΠ°Π»Π° ΠΏΠ΅ΡΠ΅Π΄Π°Π΅ΡΡΡ ΠΏΠΎ Π΄ΠΈΡΡΠ΅ΡΠ΅Π½ΡΠΈΠ°Π»ΡΠ½ΠΎΠΉ ΡΠ²ΡΠ·ΠΈ Π½Π° ΡΠ·Π΅Π» Π΄ΠΎΠ·ΠΈΡΡΡΡΠ΅Π³ΠΎ ΠΊΠ»Π°ΠΏΠ°Π½Π°, Π³Π΄Π΅ ΠΎΠ½ ΠΏΠ΅ΡΠ΅ΠΌΠ΅ΡΠ°Π΅Ρ ΡΠ΅Π»Π΅ΠΊΡΠΎΡΠ½ΡΠΉ ΠΊΠ»Π°ΠΏΠ°Π½ Π² Π²ΡΠ±ΡΠ°Π½Π½ΠΎΠ΅ ΠΏΠΎΠ»ΠΎΠΆΠ΅Π½ΠΈΠ΅.ΠΡΠΎ ΠΎΠ±Π΅ΡΠΏΠ΅ΡΠΈΠ²Π°Π΅Ρ Π³ΠΈΠ΄ΡΠ°Π²Π»ΠΈΡΠ΅ΡΠΊΡΡ ΠΌΠΎΡΠ½ΠΎΡΡΡ Π΄Π»Ρ ΠΏΠΎΠ²ΠΎΡΠΎΡΠ° ΠΏΠ΅ΡΠ΅Π΄Π½Π΅Π³ΠΎ ΡΠ°ΡΡΠΈ. Π ΠΈΡΡΠ½ΠΎΠΊ 13-53. ΠΠ»ΠΎΠΊ-ΡΡ Π΅ΠΌΠ° Π³ΠΈΠ΄ΡΠ°Π²Π»ΠΈΡΠ΅ΡΠΊΠΎΠΉ ΡΠΈΡΡΠ΅ΠΌΡ ΡΡΠ»Π΅Π²ΠΎΠ³ΠΎ ΡΠΏΡΠ°Π²Π»Π΅Π½ΠΈΡ Π½ΠΎΡΠΎΠ²ΡΠΌ ΠΊΠΎΠ»Π΅ΡΠΎΠΌ Π±ΠΎΠ»ΡΡΠΎΠ³ΠΎ ΡΠ°ΠΌΠΎΠ»Π΅ΡΠ°.ΠΠ°ΠΊ ΠΏΠΎΠΊΠ°Π·Π°Π½ΠΎ Π½Π° ΡΠΈΡ. 13-52, Π΄Π°Π²Π»Π΅Π½ΠΈΠ΅ ΠΈΠ· Π³ΠΈΠ΄ΡΠ°Π²Π»ΠΈΡΠ΅ΡΠΊΠΎΠΉ ΡΠΈΡΡΠ΅ΠΌΡ ΡΠ°ΠΌΠΎΠ»Π΅ΡΠ° Π½Π°ΠΏΡΠ°Π²Π»ΡΠ΅ΡΡΡ ΡΠ΅ΡΠ΅Π· ΠΎΡΠΊΡΡΡΡΠΉ ΠΏΡΠ΅Π΄ΠΎΡ ΡΠ°Π½ΠΈΡΠ΅Π»ΡΠ½ΡΠΉ Π·Π°ΠΏΠΎΡΠ½ΡΠΉ ΠΊΠ»Π°ΠΏΠ°Π½ Π² Π»ΠΈΠ½ΠΈΡ, Π²Π΅Π΄ΡΡΡΡ ΠΊ Π΄ΠΎΠ·ΠΈΡΡΡΡΠ΅ΠΌΡ ΠΊΠ»Π°ΠΏΠ°Π½Ρ. ΠΠ°ΡΠ΅ΠΌ Π΄ΠΎΠ·ΠΈΡΡΡΡΠΈΠΉ ΠΊΠ»Π°ΠΏΠ°Π½ Π½Π°ΠΏΡΠ°Π²Π»ΡΠ΅Ρ ΠΆΠΈΠ΄ΠΊΠΎΡΡΡ ΠΏΠΎΠ΄ Π΄Π°Π²Π»Π΅Π½ΠΈΠ΅ΠΌ ΠΈΠ· ΠΏΠΎΡΡΠ° A ΡΠ΅ΡΠ΅Π· ΡΠ΅ΡΠ΅Π΄ΡΡΡΡΡΡΡ Π»ΠΈΠ½ΠΈΡ ΠΏΡΠ°Π²ΠΎΠ³ΠΎ ΠΏΠΎΠ²ΠΎΡΠΎΡΠ° Π² ΡΠΈΠ»ΠΈΠ½Π΄Ρ ΡΡΠ»Π΅Π²ΠΎΠ³ΠΎ ΡΠΏΡΠ°Π²Π»Π΅Π½ΠΈΡ A. ΠΡΠΎ ΡΠΈΠ»ΠΈΠ½Π΄Ρ Ρ ΠΎΠ΄Π½ΠΈΠΌ ΠΎΡΠ²Π΅ΡΡΡΠΈΠ΅ΠΌ, ΠΈ Π΄Π°Π²Π»Π΅Π½ΠΈΠ΅ Π²ΡΠ½ΡΠΆΠ΄Π°Π΅Ρ ΠΏΠΎΡΡΠ΅Π½Ρ Π½Π°ΡΠ°ΡΡ Π²ΡΠ΄Π²ΠΈΠΆΠ΅Π½ΠΈΠ΅.ΠΠΎΡΠΊΠΎΠ»ΡΠΊΡ ΡΡΠΎΠΊ ΡΡΠΎΠ³ΠΎ ΠΏΠΎΡΡΠ½Ρ ΡΠΎΠ΅Π΄ΠΈΠ½ΡΠ΅ΡΡΡ Ρ ΠΏΠ΅ΡΠ΅Π΄Π½ΠΈΠΌ ΡΠΏΠΈΠ½Π΄Π΅Π»Π΅ΠΌ ΡΡΠ»Π΅Π²ΠΎΠ³ΠΎ ΡΠΏΡΠ°Π²Π»Π΅Π½ΠΈΡ Π½Π° Π°ΠΌΠΎΡΡΠΈΠ·Π°ΡΠΎΡΠ΅ ΠΏΠ΅ΡΠ΅Π΄Π½Π΅ΠΉ ΡΠ΅ΡΡΠ΅ΡΠ½ΠΈ, ΠΊΠΎΡΠΎΡΡΠΉ ΠΏΠΎΠ²ΠΎΡΠ°ΡΠΈΠ²Π°Π΅ΡΡΡ Π² ΡΠΎΡΠΊΠ΅ X, Π²ΡΡΡΡΠΏ ΠΏΠΎΡΡΠ½Ρ ΠΏΠΎΡΡΠ΅ΠΏΠ΅Π½Π½ΠΎ ΠΏΠΎΠ²ΠΎΡΠ°ΡΠΈΠ²Π°Π΅Ρ ΡΠΏΠΈΠ½Π΄Π΅Π»Ρ ΡΡΠ»Π΅Π²ΠΎΠ³ΠΎ ΡΠΏΡΠ°Π²Π»Π΅Π½ΠΈΡ Π²ΠΏΡΠ°Π²ΠΎ. ΠΠΎΠ³Π΄Π° ΠΏΠ΅ΡΠ΅Π΄Π½Π΅Π΅ ΠΊΠΎΠ»Π΅ΡΠΎ ΠΏΠΎΠ²ΠΎΡΠ°ΡΠΈΠ²Π°Π΅ΡΡΡ, ΠΆΠΈΠ΄ΠΊΠΎΡΡΡ Π²ΡΡΠ΅ΡΠ½ΡΠ΅ΡΡΡ ΠΈΠ· ΡΠΈΠ»ΠΈΠ½Π΄ΡΠ° ΡΡΠ»Π΅Π²ΠΎΠ³ΠΎ ΡΠΏΡΠ°Π²Π»Π΅Π½ΠΈΡ B ΡΠ΅ΡΠ΅Π· ΡΠ΅ΡΠ΅Π΄ΡΡΡΡΡΡΡ Π»ΠΈΠ½ΠΈΡ Π»Π΅Π²ΠΎΠ³ΠΎ ΠΏΠΎΠ²ΠΎΡΠΎΡΠ° Π² ΠΏΠΎΡΡ B Π΄ΠΎΠ·ΠΈΡΡΡΡΠ΅Π³ΠΎ ΠΊΠ»Π°ΠΏΠ°Π½Π°. ΠΠΎΠ·ΠΈΡΡΡΡΠΈΠΉ ΠΊΠ»Π°ΠΏΠ°Π½ Π½Π°ΠΏΡΠ°Π²Π»ΡΠ΅Ρ ΡΡΡ Π²ΠΎΠ·Π²ΡΠ°ΡΠ½ΡΡ ΠΆΠΈΠ΄ΠΊΠΎΡΡΡ Π² ΠΊΠΎΠΌΠΏΠ΅Π½ΡΠ°ΡΠΎΡ, ΠΊΠΎΡΠΎΡΡΠΉ Π½Π°ΠΏΡΠ°Π²Π»ΡΠ΅Ρ ΠΆΠΈΠ΄ΠΊΠΎΡΡΡ Π² Π²ΠΎΠ·Π²ΡΠ°ΡΠ½ΡΠΉ ΠΊΠΎΠ»Π»Π΅ΠΊΡΠΎΡ Π³ΠΈΠ΄ΡΠ°Π²Π»ΠΈΡΠ΅ΡΠΊΠΎΠΉ ΡΠΈΡΡΠ΅ΠΌΡ ΡΠ°ΠΌΠΎΠ»Π΅ΡΠ°.
ΠΠ°ΠΊ ΠΎΠΏΠΈΡΠ°Π½ΠΎ, Π³ΠΈΠ΄ΡΠ°Π²Π»ΠΈΡΠ΅ΡΠΊΠΎΠ΅ Π΄Π°Π²Π»Π΅Π½ΠΈΠ΅ Π·Π°ΠΏΡΡΠΊΠ°Π΅Ρ Π²ΡΠ°ΡΠ΅Π½ΠΈΠ΅ ΠΏΠ΅ΡΠ΅Π΄Π½Π΅ΠΉ ΡΠ΅ΡΡΠ΅ΡΠ½ΠΈ.ΠΠ΄Π½Π°ΠΊΠΎ Π½Π΅ ΡΠ»Π΅Π΄ΡΠ΅Ρ ΠΊΡΡΡΠΈΡΡ ΠΏΠ΅ΡΠ΅Π΄Π°ΡΡ ΡΠ»ΠΈΡΠΊΠΎΠΌ Π΄Π°Π»Π΅ΠΊΠΎ. Π‘ΠΈΡΡΠ΅ΠΌΠ° ΡΡΠ»Π΅Π²ΠΎΠ³ΠΎ ΡΠΏΡΠ°Π²Π»Π΅Π½ΠΈΡ ΠΏΠ΅ΡΠ΅Π΄Π½Π΅ΠΉ ΡΡΠΎΠΉΠΊΠΈ ΡΠ°ΡΡΠΈ ΡΠΎΠ΄Π΅ΡΠΆΠΈΡ ΡΡΡΡΠΎΠΉΡΡΠ²Π°, ΠΏΠΎΠ·Π²ΠΎΠ»ΡΡΡΠΈΠ΅ ΠΎΡΡΠ°Π½Π°Π²Π»ΠΈΠ²Π°ΡΡ ΡΠ΅Π΄ΡΠΊΡΠΎΡ ΠΏΡΠΈ Π²ΡΠ±ΡΠ°Π½Π½ΠΎΠΌ ΡΠ³Π»Π΅ ΠΏΠΎΠ²ΠΎΡΠΎΡΠ° ΠΈ ΡΠ΄Π΅ΡΠΆΠΈΠ²Π°ΡΡ Π΅Π³ΠΎ ΡΠ°ΠΌ. ΠΡΠΎ Π΄ΠΎΡΡΠΈΠ³Π°Π΅ΡΡΡ Ρ ΠΏΠΎΠΌΠΎΡΡΡ ΠΏΠΎΡΠ»Π΅Π΄ΡΡΡΠ΅ΠΉ ΡΠ²ΡΠ·ΠΈ. ΠΠ°ΠΊ ΡΠΊΠ°Π·Π°Π½ΠΎ, ΠΏΠ΅ΡΠ΅Π΄Π½ΡΡ ΡΠ΅ΡΡΠ΅ΡΠ½Ρ ΠΏΠΎΠ²ΠΎΡΠ°ΡΠΈΠ²Π°Π΅ΡΡΡ ΡΠΏΠΈΠ½Π΄Π΅Π»Π΅ΠΌ ΡΡΠ»Π΅Π²ΠΎΠ³ΠΎ ΡΠΏΡΠ°Π²Π»Π΅Π½ΠΈΡ ΠΏΡΠΈ Π²ΡΠ΄Π²ΠΈΠΆΠ΅Π½ΠΈΠΈ ΠΏΠΎΡΡΠ½Ρ ΡΠΈΠ»ΠΈΠ½Π΄ΡΠ° Π. ΠΠ°Π΄Π½ΡΡ ΡΠ°ΡΡΡ ΡΠΏΠΈΠ½Π΄Π΅Π»Ρ ΡΠΎΠ΄Π΅ΡΠΆΠΈΡ Π·ΡΠ±ΡΡ ΡΠ΅ΡΡΠ΅ΡΠ½ΠΈ, ΠΊΠΎΡΠΎΡΡΠ΅ Π²Ρ ΠΎΠ΄ΡΡ Π² Π·Π°ΡΠ΅ΠΏΠ»Π΅Π½ΠΈΠ΅ Ρ ΡΠ΅ΡΡΠ΅ΡΠ½Π΅ΠΉ Π½Π° Π΄Π½Π΅ ΡΡΠ΅ΡΠΆΠ½Ρ Ρ Π΄ΠΈΠ°ΡΡΠ°Π³ΠΌΠΎΠΉ. [Π ΠΈΡ. 13-51] ΠΠΎΠ³Π΄Π° ΠΏΠ΅ΡΠ΅Π΄Π½ΡΡ ΡΠ΅ΡΡΠ΅ΡΠ½Ρ ΠΈ ΡΠΏΠΈΠ½Π΄Π΅Π»Ρ ΠΏΠΎΠ²ΠΎΡΠ°ΡΠΈΠ²Π°ΡΡΡΡ, ΡΡΠΎΠΊ Π΄ΠΈΠ°ΡΡΠ°Π³ΠΌΡ ΡΠ°ΠΊΠΆΠ΅ ΠΏΠΎΠ²ΠΎΡΠ°ΡΠΈΠ²Π°Π΅ΡΡΡ, Π½ΠΎ Π² ΠΏΡΠΎΡΠΈΠ²ΠΎΠΏΠΎΠ»ΠΎΠΆΠ½ΠΎΠΌ Π½Π°ΠΏΡΠ°Π²Π»Π΅Π½ΠΈΠΈ.ΠΡΠΎ Π²ΡΠ°ΡΠ΅Π½ΠΈΠ΅ ΠΏΠ΅ΡΠ΅Π΄Π°Π΅ΡΡΡ Π΄Π²ΡΠΌΡ ΡΠ΅ΠΊΡΠΈΡΠΌΠΈ ΡΡΠ΅ΡΠΆΠ½Ρ Ρ Π΄ΠΈΠ°ΡΡΠ°Π³ΠΌΠΎΠΉ Π½Π° Π½ΠΎΠΆΠ½ΠΈΡΠ½ΡΠ΅ ΡΠ»Π΅Π΄ΡΡΠΈΠ΅ Π·Π²Π΅Π½ΡΡ, ΡΠ°ΡΠΏΠΎΠ»ΠΎΠΆΠ΅Π½Π½ΡΠ΅ Π² Π²Π΅ΡΡ Π½Π΅ΠΉ ΡΠ°ΡΡΠΈ ΡΡΠΎΠΉΠΊΠΈ ΠΏΠ΅ΡΠ΅Π΄Π½Π΅ΠΉ ΡΠ΅ΡΡΠ΅ΡΠ½ΠΈ. ΠΠΎΠ³Π΄Π° ΡΠ»Π΅Π΄ΡΡΠΈΠ΅ Π·Π²Π΅Π½ΡΡ Π²ΠΎΠ·Π²ΡΠ°ΡΠ°ΡΡΡΡ Π² ΠΈΡΡ ΠΎΠ΄Π½ΠΎΠ΅ ΠΏΠΎΠ»ΠΎΠΆΠ΅Π½ΠΈΠ΅, ΠΎΠ½ΠΈ Π²ΡΠ°ΡΠ°ΡΡ ΠΏΠΎΠ΄ΡΠΎΠ΅Π΄ΠΈΠ½Π΅Π½Π½ΡΠΉ ΡΠ»Π΅Π΄ΡΡΠΈΠΉ Π±Π°ΡΠ°Π±Π°Π½, ΠΊΠΎΡΠΎΡΡΠΉ ΠΏΠ΅ΡΠ΅Π΄Π°Π΅Ρ Π΄Π²ΠΈΠΆΠ΅Π½ΠΈΠ΅ ΠΏΠΎ ΡΡΠΎΡΠ°ΠΌ ΠΈ ΡΠΊΠΈΠ²Π°ΠΌ Π½Π° Π΄ΠΈΡΡΠ΅ΡΠ΅Π½ΡΠΈΠ°Π» Π² ΡΠ±ΠΎΡΠ΅. Π Π°Π±ΠΎΡΠ° Π΄ΠΈΡΡΠ΅ΡΠ΅Π½ΡΠΈΠ°Π»Π° Π² ΡΠ±ΠΎΡΠ΅ Π·Π°ΡΡΠ°Π²Π»ΡΠ΅Ρ ΡΡΡΠ°Π³ Π΄ΠΈΡΡΠ΅ΡΠ΅Π½ΡΠΈΠ°Π»Π° ΠΈ Π·Π²Π΅Π½ΡΡ ΠΏΠ΅ΡΠ΅ΠΌΠ΅ΡΠ°ΡΡ Π΄ΠΎΠ·ΠΈΡΡΡΡΠΈΠΉ ΠΊΠ»Π°ΠΏΠ°Π½ ΠΎΠ±ΡΠ°ΡΠ½ΠΎ Π² Π½Π΅ΠΉΡΡΠ°Π»ΡΠ½ΠΎΠ΅ ΠΏΠΎΠ»ΠΎΠΆΠ΅Π½ΠΈΠ΅.
ΠΠΎΠ·ΠΈΡΡΡΡΠΈΠΉ ΠΊΠ»Π°ΠΏΠ°Π½ ΠΈ ΠΊΠΎΠΌΠΏΠ΅Π½ΡΠ°ΡΠΎΡ ΡΠΈΡΡΠ΅ΠΌΡ ΡΡΠ»Π΅Π²ΠΎΠ³ΠΎ ΡΠΏΡΠ°Π²Π»Π΅Π½ΠΈΡ Π½ΠΎΡΠΎΠ²ΡΠΌ ΠΊΠΎΠ»Π΅ΡΠΎΠΌ ΠΏΠΎΠΊΠ°Π·Π°Π½Ρ Π½Π° Π ΠΈΡΡΠ½ΠΊΠ΅ 13-53.Π‘ΠΈΡΡΠ΅ΠΌΠ° ΠΊΠΎΠΌΠΏΠ΅Π½ΡΠ°ΡΠΎΡΠ° ΠΏΠΎΡΡΠΎΡΠ½Π½ΠΎ ΠΏΠΎΠ΄Π΄Π΅ΡΠΆΠΈΠ²Π°Π΅Ρ Π΄Π°Π²Π»Π΅Π½ΠΈΠ΅ ΠΆΠΈΠ΄ΠΊΠΎΡΡΠΈ Π² ΡΠΈΠ»ΠΈΠ½Π΄ΡΠ°Ρ ΡΡΠ»Π΅Π²ΠΎΠ³ΠΎ ΡΠΏΡΠ°Π²Π»Π΅Π½ΠΈΡ. ΠΡΠΎΡ Π³ΠΈΠ΄ΡΠ°Π²Π»ΠΈΡΠ΅ΡΠΊΠΈΠΉ Π±Π»ΠΎΠΊ ΡΠΎΡΡΠΎΠΈΡ ΠΈΠ· ΡΡΠ΅Ρ Ρ ΠΎΠ΄ΠΎΠ²ΠΎΠ³ΠΎ ΠΊΠΎΡΠΏΡΡΠ°, Π² ΠΊΠΎΡΠΎΡΠΎΠΌ Π½Π°Ρ ΠΎΠ΄ΡΡΡΡ ΠΏΠΎΠ΄ΠΏΡΡΠΆΠΈΠ½Π΅Π½Π½ΡΠΉ ΠΏΠΎΡΡΠ΅Π½Ρ ΠΈ ΡΠ°ΡΠ΅Π»ΠΊΠ°. ΠΠ΅Π²ΡΠΉ ΠΏΠΎΡΡ ΠΏΡΠ΅Π΄ΡΡΠ°Π²Π»ΡΠ΅Ρ ΡΠΎΠ±ΠΎΠΉ Π²Π΅Π½ΡΠΈΠ»ΡΡΠΈΠΎΠ½Π½ΠΎΠ΅ ΠΎΡΠ²Π΅ΡΡΡΠΈΠ΅, ΠΊΠΎΡΠΎΡΠΎΠ΅ ΠΏΡΠ΅Π΄ΠΎΡΠ²ΡΠ°ΡΠ°Π΅Ρ ΠΏΠΎΠΏΠ°Π΄Π°Π½ΠΈΠ΅ Π²ΠΎΠ·Π΄ΡΡ Π°, Π·Π°Ρ Π²Π°ΡΠ΅Π½Π½ΠΎΠ³ΠΎ Π² Π·Π°Π΄Π½Π΅ΠΉ ΡΠ°ΡΡΠΈ ΠΏΠΎΡΡΠ½Ρ, Π΄Π²ΠΈΠΆΠ΅Π½ΠΈΡ ΠΏΠΎΡΡΠ½Ρ. ΠΡΠΎΡΠΎΠΉ ΠΏΠΎΡΡ, ΡΠ°ΡΠΏΠΎΠ»ΠΎΠΆΠ΅Π½Π½ΡΠΉ Π² Π²Π΅ΡΡ Π½Π΅ΠΉ ΡΠ°ΡΡΠΈ ΠΊΠΎΠΌΠΏΠ΅Π½ΡΠ°ΡΠΎΡΠ°, ΡΠ΅ΡΠ΅Π· ΡΡΡΠ±ΠΎΠΏΡΠΎΠ²ΠΎΠ΄ ΡΠΎΠ΅Π΄ΠΈΠ½ΡΠ΅ΡΡΡ Ρ ΠΎΠ±ΡΠ°ΡΠ½ΡΠΌ ΠΏΠΎΡΡΠΎΠΌ Π΄ΠΎΠ·ΠΈΡΡΡΡΠ΅Π³ΠΎ ΠΊΠ»Π°ΠΏΠ°Π½Π°. Π’ΡΠ΅ΡΠΈΠΉ ΠΏΠΎΡΡ ΡΠ°ΡΠΏΠΎΠ»ΠΎΠΆΠ΅Π½ Ρ ΠΏΡΠ°Π²ΠΎΠΉ ΡΡΠΎΡΠΎΠ½Ρ ΠΊΠΎΠΌΠΏΠ΅Π½ΡΠ°ΡΠΎΡΠ°.ΠΡΠΎΡ ΠΏΠΎΡΡ ΠΏΠΎΠ΄ΠΊΠ»ΡΡΠ°Π΅ΡΡΡ ΠΊ Π²ΠΎΠ·Π²ΡΠ°ΡΠ½ΠΎΠΌΡ ΠΊΠΎΠ»Π»Π΅ΠΊΡΠΎΡΡ Π³ΠΈΠ΄ΡΠ°Π²Π»ΠΈΡΠ΅ΡΠΊΠΎΠΉ ΡΠΈΡΡΠ΅ΠΌΡ. ΠΠ½ Π½Π°ΠΏΡΠ°Π²Π»ΡΠ΅Ρ Π²ΠΎΠ·Π²ΡΠ°ΡΠ½ΡΡ ΠΆΠΈΠ΄ΠΊΠΎΡΡΡ ΡΠΈΡΡΠ΅ΠΌΡ ΡΡΠ»Π΅Π²ΠΎΠ³ΠΎ ΡΠΏΡΠ°Π²Π»Π΅Π½ΠΈΡ Π² ΠΊΠΎΠ»Π»Π΅ΠΊΡΠΎΡ, ΠΊΠΎΠ³Π΄Π° ΡΠ°ΡΠ΅Π»ΡΡΠ°ΡΡΠΉ ΠΊΠ»Π°ΠΏΠ°Π½ ΠΎΡΠΊΡΡΡ.
Π’Π°ΡΠ΅Π»ΡΡΠ°ΡΡΠΉ ΠΊΠ»Π°ΠΏΠ°Π½ ΠΊΠΎΠΌΠΏΠ΅Π½ΡΠ°ΡΠΎΡΠ° ΠΎΡΠΊΡΡΠ²Π°Π΅ΡΡΡ, ΠΊΠΎΠ³Π΄Π° Π΄Π°Π²Π»Π΅Π½ΠΈΠ΅, Π΄Π΅ΠΉΡΡΠ²ΡΡΡΠ΅Π΅ Π½Π° ΠΏΠΎΡΡΠ΅Π½Ρ, ΡΡΠ°Π½ΠΎΠ²ΠΈΡΡΡ Π΄ΠΎΡΡΠ°ΡΠΎΡΠ½ΠΎ Π²ΡΡΠΎΠΊΠΈΠΌ Π΄Π»Ρ ΡΠΆΠ°ΡΠΈΡ ΠΏΡΡΠΆΠΈΠ½Ρ. Π ΡΡΠΎΠΉ ΡΠΈΡΡΠ΅ΠΌΠ΅ ΡΡΠ΅Π±ΡΠ΅ΡΡΡ 100 ΡΡΠ½ΡΠΎΠ² Π½Π° ΠΊΠ²Π°Π΄ΡΠ°ΡΠ½ΡΠΉ Π΄ΡΠΉΠΌ. Π‘Π»Π΅Π΄ΠΎΠ²Π°ΡΠ΅Π»ΡΠ½ΠΎ, ΠΆΠΈΠ΄ΠΊΠΎΡΡΡ Π² ΠΎΠ±ΡΠ°ΡΠ½ΠΎΠΉ Π»ΠΈΠ½ΠΈΠΈ Π΄ΠΎΠ·ΠΈΡΡΡΡΠ΅Π³ΠΎ ΠΊΠ»Π°ΠΏΠ°Π½Π° Π½Π°Ρ ΠΎΠ΄ΠΈΡΡΡ ΠΏΠΎΠ΄ ΡΡΠΈΠΌ Π΄Π°Π²Π»Π΅Π½ΠΈΠ΅ΠΌ. ΠΠ°Π²Π»Π΅Π½ΠΈΠ΅ 100 ΡΡΠ½ΡΠΎΠ² Π½Π° ΠΊΠ²Π°Π΄ΡΠ°ΡΠ½ΡΠΉ Π΄ΡΠΉΠΌ ΡΠ°ΠΊΠΆΠ΅ ΡΡΡΠ΅ΡΡΠ²ΡΠ΅Ρ Π²ΠΎ Π²ΡΠ΅ΠΌ Π΄ΠΎΠ·ΠΈΡΡΡΡΠ΅ΠΌ ΠΊΠ»Π°ΠΏΠ°Π½Π΅ ΠΈ ΠΎΠ±ΡΠ°ΡΠ½ΠΎ ΡΠ΅ΡΠ΅Π· Π²ΠΎΠ·Π²ΡΠ°ΡΠ½ΡΠ΅ Π»ΠΈΠ½ΠΈΠΈ ΡΠΈΠ»ΠΈΠ½Π΄ΡΠ°.ΠΡΠΎ ΠΏΠΎΡΡΠΎΡΠ½Π½ΠΎ ΡΠΎΠ·Π΄Π°Π΅Ρ Π΄Π°Π²Π»Π΅Π½ΠΈΠ΅ Π² Π³ΠΈΠ΄ΡΠΎΡΠΈΠ»ΠΈΠ½Π΄ΡΠ°Ρ ΡΡΠ»Π΅Π²ΠΎΠ³ΠΎ ΡΠΏΡΠ°Π²Π»Π΅Π½ΠΈΡ ΠΈ ΠΏΠΎΠ·Π²ΠΎΠ»ΡΠ΅Ρ ΠΈΠΌ ΡΠ°Π±ΠΎΡΠ°ΡΡ ΠΊΠ°ΠΊ Π°ΠΌΠΎΡΡΠΈΠ·Π°ΡΠΎΡΡ.
Π¨ΠΈΠΌΠΌΠΈ-Π°ΠΌΠΎΡΡΠΈΠ·Π°ΡΠΎΡΡ
Π’ΠΎΡΠΌΠΎΠ·Π½ΡΠ΅ Π·Π²Π΅Π½ΡΡ, ΠΏΡΠΈΠΊΡΠ΅ΠΏΠ»Π΅Π½Π½ΡΠ΅ ΠΎΡ Π½Π΅ΠΏΠΎΠ΄Π²ΠΈΠΆΠ½ΠΎΠ³ΠΎ Π²Π΅ΡΡ Π½Π΅Π³ΠΎ ΡΠΈΠ»ΠΈΠ½Π΄ΡΠ° ΡΡΠΎΠΉΠΊΠΈ ΠΏΠ΅ΡΠ΅Π΄Π½Π΅Π³ΠΎ ΠΊΠΎΠ»Π΅ΡΠ° ΠΊ Π½ΠΈΠΆΠ½Π΅ΠΌΡ ΠΏΠΎΠ΄Π²ΠΈΠΆΠ½ΠΎΠΌΡ ΡΠΈΠ»ΠΈΠ½Π΄ΡΡ ΠΈΠ»ΠΈ ΠΏΠΎΡΡΠ½Ρ ΡΡΠΎΠΉΠΊΠΈ, Π½Π΅Π΄ΠΎΡΡΠ°ΡΠΎΡΠ½Ρ Π΄Π»Ρ ΠΏΡΠ΅Π΄ΠΎΡΠ²ΡΠ°ΡΠ΅Π½ΠΈΡ ΡΠ΅Π½Π΄Π΅Π½ΡΠΈΠΈ Π±ΠΎΠ»ΡΡΠ΅ΠΉ ΡΠ°ΡΡΠΈ ΠΏΠ΅ΡΠ΅Π΄Π½Π΅ΠΉ ΡΠ΅ΡΡΠ΅ΡΠ½ΠΈ ΠΊ Π±ΡΡΡΡΡΠΌ ΠΊΠΎΠ»Π΅Π±Π°Π½ΠΈΡΠΌ ΠΈΠ»ΠΈ Π²ΠΈΠ±ΡΠ°ΡΠΈΠΈ ΠΏΡΠΈ ΠΎΠΏΡΠ΅Π΄Π΅Π»Π΅Π½Π½ΡΠ΅ ΡΠΊΠΎΡΠΎΡΡΠΈ. ΠΡΡ Π²ΠΈΠ±ΡΠ°ΡΠΈΡ Π½Π΅ΠΎΠ±Ρ ΠΎΠ΄ΠΈΠΌΠΎ ΠΊΠΎΠ½ΡΡΠΎΠ»ΠΈΡΠΎΠ²Π°ΡΡ Ρ ΠΏΠΎΠΌΠΎΡΡΡ ΡΠ΅Π³ΡΠ»ΠΈΡΡΠ΅ΠΌΠΎΠ³ΠΎ Π΄Π΅ΠΌΠΏΡΠ΅ΡΠ°. Π Π΅Π³ΡΠ»ΠΈΡΡΡΡΠΈΠΉ Π΄Π΅ΠΌΠΏΡΠ΅Ρ ΡΠΏΡΠ°Π²Π»ΡΠ΅Ρ Π²ΠΈΠ±ΡΠ°ΡΠΈΠ΅ΠΉ Π½ΠΎΡΠΎΠ²ΠΎΠ³ΠΎ ΠΊΠΎΠ»Π΅ΡΠ° ΠΏΠΎΡΡΠ΅Π΄ΡΡΠ²ΠΎΠΌ Π³ΠΈΠ΄ΡΠ°Π²Π»ΠΈΡΠ΅ΡΠΊΠΎΠ³ΠΎ Π΄Π΅ΠΌΠΏΡΠΈΡΠΎΠ²Π°Π½ΠΈΡ.ΠΠΌΠΎΡΡΠΈΠ·Π°ΡΠΎΡ ΠΌΠΎΠΆΠ΅Ρ Π±ΡΡΡ Π²ΡΡΡΠΎΠ΅Π½ Π² ΠΏΠ΅ΡΠ΅Π΄Π½ΡΡ ΡΡΠΎΠΉΠΊΡ ΡΠ°ΡΡΠΈ, Π½ΠΎ ΡΠ°ΡΠ΅ Π²ΡΠ΅Π³ΠΎ ΡΡΠΎ Π²Π½Π΅ΡΠ½ΠΈΠΉ Π±Π»ΠΎΠΊ, ΠΏΡΠΈΠΊΡΠ΅ΠΏΠ»Π΅Π½Π½ΡΠΉ ΠΌΠ΅ΠΆΠ΄Ρ Π²Π΅ΡΡ Π½Π΅ΠΉ ΠΈ Π½ΠΈΠΆΠ½Π΅ΠΉ ΡΡΠΎΠΉΠΊΠ°ΠΌΠΈ Π°ΠΌΠΎΡΡΠΈΠ·Π°ΡΠΎΡΠ°. ΠΠ½ Π°ΠΊΡΠΈΠ²Π΅Π½ Π½Π° Π²ΡΠ΅Ρ ΡΡΠ°ΠΏΠ°Ρ Π½Π°Π·Π΅ΠΌΠ½ΡΡ ΠΎΠΏΠ΅ΡΠ°ΡΠΈΠΉ, ΠΎΠ±Π΅ΡΠΏΠ΅ΡΠΈΠ²Π°Ρ Π½ΠΎΡΠΌΠ°Π»ΡΠ½ΡΡ ΡΠ°Π±ΠΎΡΡ ΡΠΈΡΡΠ΅ΠΌΡ ΡΡΠ»Π΅Π²ΠΎΠ³ΠΎ ΡΠΏΡΠ°Π²Π»Π΅Π½ΠΈΡ ΠΏΠ΅ΡΠ΅Π΄Π½ΠΈΠΌ ΡΠ°ΡΡΠΈ.
ΠΠΌΠΎΡΡΠΈΠ·Π°ΡΠΎΡ ΡΡΠ»Π΅Π²ΠΎΠ³ΠΎ ΡΠΏΡΠ°Π²Π»Π΅Π½ΠΈΡ
ΠΠ°ΠΊ ΡΠΏΠΎΠΌΠΈΠ½Π°Π»ΠΎΡΡ Π²ΡΡΠ΅, Π±ΠΎΠ»ΡΡΠΎΠΉ ΡΠ°ΠΌΠΎΠ»Π΅Ρ Ρ Π³ΠΈΠ΄ΡΠ°Π²Π»ΠΈΡΠ΅ΡΠΊΠΈΠΌ ΡΠ΄Π΅ΡΠΆΠ°Π½ΠΈΠ΅ΠΌ Π΄Π°Π²Π»Π΅Π½ΠΈΡ Π² ΡΡΠ»Π΅Π²ΠΎΠΌ ΡΠΈΠ»ΠΈΠ½Π΄ΡΠ΅ Π΄Π»Ρ ΠΎΠ±Π΅ΡΠΏΠ΅ΡΠ΅Π½ΠΈΡ ΡΡΠ΅Π±ΡΠ΅ΠΌΠΎΠ³ΠΎ Π΄Π΅ΠΌΠΏΡΠΈΡΠΎΠ²Π°Π½ΠΈΡ. ΠΡΠΎ Π½Π°Π·ΡΠ²Π°Π΅ΡΡΡ Π΄Π΅ΠΌΠΏΡΠΈΡΠΎΠ²Π°Π½ΠΈΠ΅ΠΌ ΡΡΠ»Π΅Π²ΠΎΠ³ΠΎ ΡΠΏΡΠ°Π²Π»Π΅Π½ΠΈΡ.ΠΠ΅ΠΊΠΎΡΠΎΡΡΠ΅ ΡΠ°ΠΌΠΎΠ»Π΅ΡΡ Π±ΠΎΠ»Π΅Π΅ ΡΡΠ°ΡΠΎΠΉ ΡΡΠ°Π½ΡΠΏΠΎΡΡΠ½ΠΎΠΉ ΠΊΠ°ΡΠ΅Π³ΠΎΡΠΈΠΈ ΠΈΠΌΠ΅ΡΡ ΡΡΠ»Π΅Π²ΡΠ΅ Π΄Π΅ΠΌΠΏΡΠ΅ΡΡ ΡΠ»ΡΠ³Π΅ΡΠ½ΠΎΠ³ΠΎ ΡΠΈΠΏΠ°. Π’Π΅ΠΌ Π½Π΅ ΠΌΠ΅Π½Π΅Π΅, ΠΎΠ½ΠΈ ΡΠ»ΡΠΆΠ°Ρ Π΄Π»Ρ ΡΠΏΡΠ°Π²Π»Π΅Π½ΠΈΡ ΠΏΠ΅ΡΠ΅Π΄Π½ΠΈΠΌ ΠΊΠΎΠ»Π΅ΡΠΎΠΌ, Π° ΡΠ°ΠΊΠΆΠ΅ Π΄Π»Ρ Π³Π°ΡΠ΅Π½ΠΈΡ Π²ΠΈΠ±ΡΠ°ΡΠΈΠΈ.
ΠΠΎΡΡΠ½Π΅Π²ΠΎΠ³ΠΎ ΡΠΈΠΏΠ°
Π ΡΠ°ΠΌΠΎΠ»Π΅ΡΠ°Ρ , Π½Π΅ ΠΎΠ±ΠΎΡΡΠ΄ΠΎΠ²Π°Π½Π½ΡΡ Π³ΠΈΠ΄ΡΠ°Π²Π»ΠΈΡΠ΅ΡΠΊΠΈΠΌ ΡΡΠ»Π΅Π²ΡΠΌ ΡΠΏΡΠ°Π²Π»Π΅Π½ΠΈΠ΅ΠΌ Π½ΠΎΡΠΎΠ²ΡΠΌ ΠΊΠΎΠ»Π΅ΡΠΎΠΌ, ΠΈΡΠΏΠΎΠ»ΡΠ·ΡΠ΅ΡΡΡ Π΄ΠΎΠΏΠΎΠ»Π½ΠΈΡΠ΅Π»ΡΠ½ΡΠΉ Π²Π½Π΅ΡΠ½ΠΈΠΉ Π±Π»ΠΎΠΊ Π°ΠΌΠΎΡΡΠΈΠ·Π°ΡΠΎΡΠ°. ΠΠΎΡΠΏΡΡ ΠΏΡΠΎΡΠ½ΠΎ ΠΏΡΠΈΠΊΡΠ΅ΠΏΠ»Π΅Π½ ΠΊ ΡΠΈΠ»ΠΈΠ½Π΄ΡΡ Π²Π΅ΡΡ Π½Π΅ΠΉ ΡΡΠΎΠΉΠΊΠΈ Π°ΠΌΠΎΡΡΠΈΠ·Π°ΡΠΎΡΠ°. ΠΠ°Π» ΠΏΡΠΈΠΊΡΠ΅ΠΏΠ»Π΅Π½ ΠΊ Π½ΠΈΠΆΠ½Π΅ΠΌΡ ΡΠΈΠ»ΠΈΠ½Π΄ΡΡ Π°ΠΌΠΎΡΡΠΈΠ·Π°ΡΠΈΠΎΠ½Π½ΠΎΠΉ ΡΡΠΎΠΉΠΊΠΈ ΠΈ ΠΊ ΠΏΠΎΡΡΠ½Ρ Π²Π½ΡΡΡΠΈ ΡΠ΅Π³ΡΠ»ΠΈΡΠΎΠ²ΠΎΡΠ½ΠΎΠ³ΠΎ Π΄Π΅ΠΌΠΏΡΠ΅ΡΠ°.ΠΠΎΠ³Π΄Π° Π½ΠΈΠΆΠ½ΠΈΠΉ ΡΠΈΠ»ΠΈΠ½Π΄Ρ ΡΡΠΎΠΉΠΊΠΈ Π°ΠΌΠΎΡΡΠΈΠ·Π°ΡΠΎΡΠ° ΠΏΡΡΠ°Π΅ΡΡΡ Π²ΠΈΠ±ΡΠΈΡΠΎΠ²Π°ΡΡ, Π³ΠΈΠ΄ΡΠ°Π²Π»ΠΈΡΠ΅ΡΠΊΠ°Ρ ΠΆΠΈΠ΄ΠΊΠΎΡΡΡ ΠΏΡΠΎΡΠ°Π»ΠΊΠΈΠ²Π°Π΅ΡΡΡ ΡΠ΅ΡΠ΅Π· ΡΠΏΡΡΠΊΠ½ΠΎΠ΅ ΠΎΡΠ²Π΅ΡΡΡΠΈΠ΅ Π² ΠΏΠΎΡΡΠ½Π΅. ΠΠ³ΡΠ°Π½ΠΈΡΠ΅Π½Π½ΡΠΉ ΠΏΠΎΡΠΎΠΊ ΡΠ΅ΡΠ΅Π· ΡΠ»ΠΈΠ²Π½ΠΎΠ΅ ΠΎΡΠ²Π΅ΡΡΡΠΈΠ΅ Π³Π°ΡΠΈΡ ΠΊΠΎΠ»Π΅Π±Π°Π½ΠΈΡ. [Π ΠΈΡΡΠ½ΠΎΠΊ 13-54] Π ΠΈΡΡΠ½ΠΎΠΊ 13-54. ΠΠΌΠΎΡΡΠΈΠ·Π°ΡΠΎΡ Π½Π° Π½ΠΎΡΠΎΠ²ΠΎΠΉ ΡΡΠΎΠΉΠΊΠ΅ Π½Π΅Π±ΠΎΠ»ΡΡΠΎΠ³ΠΎ ΡΠ°ΠΌΠΎΠ»Π΅ΡΠ°. ΠΠ° ΡΡ Π΅ΠΌΠ΅ ΠΏΠΎΠΊΠ°Π·Π°Π½ΠΎ ΠΎΡΠ½ΠΎΠ²Π½ΠΎΠ΅ Π²Π½ΡΡΡΠ΅Π½Π½Π΅Π΅ ΡΡΡΡΠΎΠΉΡΡΠ²ΠΎ Π±ΠΎΠ»ΡΡΠΈΠ½ΡΡΠ²Π° ΡΠΈΠΌΠΌΠΈ-Π°ΠΌΠΎΡΡΠΈΠ·Π°ΡΠΎΡΠΎΠ². ΠΠ΅ΠΌΠΏΡΠ΅Ρ Π½Π° ΡΠΎΡΠΎΠ³ΡΠ°ΡΠΈΠΈ ΠΏΡΠ°ΠΊΡΠΈΡΠ΅ΡΠΊΠΈ ΡΠ°ΠΊΠΎΠΉ ΠΆΠ΅, Π·Π° ΠΈΡΠΊΠ»ΡΡΠ΅Π½ΠΈΠ΅ΠΌ ΡΠΎΠ³ΠΎ, ΡΡΠΎ Π²Π°Π» ΠΏΠΎΡΡΠ½Ρ ΠΏΡΠΎΡ ΠΎΠ΄ΠΈΡ ΡΠ΅ΡΠ΅Π· ΠΎΠ±Π° ΠΊΠΎΠ½ΡΠ° ΠΊΠΎΡΠΏΡΡΠ° ΡΠΈΠ»ΠΈΠ½Π΄ΡΠ° Π΄Π΅ΠΌΠΏΡΠ΅ΡΠ°.
Π Π΅Π³ΡΠ»ΠΈΡΡΠ΅ΠΌΡΠΉ Π΄Π΅ΠΌΠΏΡΠ΅Ρ ΠΏΠΎΡΡΠ½Π΅Π²ΠΎΠ³ΠΎ ΡΠΈΠΏΠ° ΠΌΠΎΠΆΠ΅Ρ ΡΠΎΠ΄Π΅ΡΠΆΠ°ΡΡ Π·Π°Π»ΠΈΠ²Π½ΠΎΠ΅ ΠΎΡΠ²Π΅ΡΡΡΠΈΠ΅ Π΄Π»Ρ Π΄ΠΎΠ±Π°Π²Π»Π΅Π½ΠΈΡ ΠΆΠΈΠ΄ΠΊΠΎΡΡΠΈ ΠΈΠ»ΠΈ ΠΌΠΎΠΆΠ΅Ρ Π±ΡΡΡ Π³Π΅ΡΠΌΠ΅ΡΠΈΡΠ½ΡΠΌ.Π’Π΅ΠΌ Π½Π΅ ΠΌΠ΅Π½Π΅Π΅, Π°Π³ΡΠ΅Π³Π°Ρ ΡΠ»Π΅Π΄ΡΠ΅Ρ ΡΠ΅Π³ΡΠ»ΡΡΠ½ΠΎ ΠΏΡΠΎΠ²Π΅ΡΡΡΡ Π½Π° Π³Π΅ΡΠΌΠ΅ΡΠΈΡΠ½ΠΎΡΡΡ. ΠΠ»Ρ ΠΎΠ±Π΅ΡΠΏΠ΅ΡΠ΅Π½ΠΈΡ ΠΏΡΠ°Π²ΠΈΠ»ΡΠ½ΠΎΠΉ ΡΠ°Π±ΠΎΡΡ Π³ΠΈΠ΄ΡΠ°Π²Π»ΠΈΡΠ΅ΡΠΊΠΈΠΉ Π°ΠΌΠΎΡΡΠΈΠ·Π°ΡΠΎΡ ΠΏΠΎΡΡΠ½Π΅Π²ΠΎΠ³ΠΎ ΡΠΈΠΏΠ° Π΄ΠΎΠ»ΠΆΠ΅Π½ Π±ΡΡΡ Π·Π°ΠΏΠΎΠ»Π½Π΅Π½ Π΄ΠΎ ΠΎΡΠΊΠ°Π·Π°.
ΠΠ»Π°ΡΡΠΈΠ½ΡΠ°ΡΡΠΉ
ΠΠ½ΠΎΠ³Π΄Π° ΠΈΡΠΏΠΎΠ»ΡΠ·ΡΠ΅ΡΡΡ ΠΏΠ»Π°ΡΡΠΈΠ½ΡΠ°ΡΡΠΉ Π΄Π΅ΠΌΠΏΡΠ΅Ρ. [Π ΠΈΡΡΠ½ΠΎΠΊ 13-55] Π Π½Π΅ΠΌ ΠΈΡΠΏΠΎΠ»ΡΠ·ΡΡΡΡΡ ΠΊΠ°ΠΌΠ΅ΡΡ Π΄Π»Ρ ΠΆΠΈΠ΄ΠΊΠΎΡΡΠΈ, ΡΠΎΠ·Π΄Π°Π½Π½ΡΠ΅ Π»ΠΎΠΏΠ°ΡΠΊΠ°ΠΌΠΈ, ΡΠ°Π·Π΄Π΅Π»Π΅Π½Π½ΡΠΌΠΈ ΠΎΡΠ²Π΅ΡΡΡΠΈΠ΅ΠΌ ΠΊΠ»Π°ΠΏΠ°Π½Π° Π² ΡΠ΅Π½ΡΡΠ°Π»ΡΠ½ΠΎΠΌ Π²Π°Π»Ρ. ΠΠΎΠ³Π΄Π° ΠΏΠ΅ΡΠ΅Π΄Π½ΡΡ ΡΠ΅ΡΡΠ΅ΡΠ½Ρ ΠΏΡΡΠ°Π΅ΡΡΡ ΠΊΠΎΠ»Π΅Π±Π°ΡΡΡΡ, Π»ΠΎΠΏΠ°ΡΡΠΈ Π²ΡΠ°ΡΠ°ΡΡΡΡ, ΡΡΠΎΠ±Ρ ΠΈΠ·ΠΌΠ΅Π½ΠΈΡΡ ΡΠ°Π·ΠΌΠ΅Ρ Π²Π½ΡΡΡΠ΅Π½Π½ΠΈΡ ΠΊΠ°ΠΌΠ΅Ρ, Π·Π°ΠΏΠΎΠ»Π½Π΅Π½Π½ΡΡ ΠΆΠΈΠ΄ΠΊΠΎΡΡΡΡ. Π Π°Π·ΠΌΠ΅Ρ ΠΊΠ°ΠΌΠ΅ΡΡ ΠΌΠΎΠΆΠ΅Ρ ΠΈΠ·ΠΌΠ΅Π½ΡΡΡΡΡ ΡΠΎΠ»ΡΠΊΠΎ Ρ ΡΠΎΠΉ ΡΠΊΠΎΡΠΎΡΡΡΡ, Ρ ΠΊΠΎΡΠΎΡΠΎΠΉ ΠΆΠΈΠ΄ΠΊΠΎΡΡΡ ΠΏΡΠΎΡΠ°Π»ΠΊΠΈΠ²Π°Π΅ΡΡΡ ΡΠ΅ΡΠ΅Π· ΠΎΡΠ²Π΅ΡΡΡΠΈΠ΅.Π’Π°ΠΊΠΈΠΌ ΠΎΠ±ΡΠ°Π·ΠΎΠΌ, ΠΊΠΎΠ»Π΅Π±Π°Π½ΠΈΡ Π·ΡΠ±ΡΠ°ΡΠΎΠΉ ββΠΏΠ΅ΡΠ΅Π΄Π°ΡΠΈ ΡΠ°ΡΡΠ΅ΠΈΠ²Π°ΡΡΡΡ Π·Π° ΡΡΠ΅Ρ ΡΠΊΠΎΡΠΎΡΡΠΈ ΠΏΠΎΡΠΎΠΊΠ° ΠΆΠΈΠ΄ΠΊΠΎΡΡΠΈ. ΠΠ½ΡΡΡΠ΅Π½Π½ΠΈΠΉ ΠΏΠΎΠ΄ΠΏΡΡΠΆΠΈΠ½Π΅Π½Π½ΡΠΉ ΡΠ΅Π·Π΅ΡΠ²ΡΠ°Ρ Π΄Π»Ρ ΠΏΠΎΠΏΠΎΠ»Π½Π΅Π½ΠΈΡ ΡΠ΄Π΅ΡΠΆΠΈΠ²Π°Π΅Ρ ΠΆΠΈΠ΄ΠΊΠΎΡΡΡ ΠΏΠΎΠ΄ Π΄Π°Π²Π»Π΅Π½ΠΈΠ΅ΠΌ Π² ΡΠ°Π±ΠΎΡΠΈΡ ΠΊΠ°ΠΌΠ΅ΡΠ°Ρ , Π° ΡΠ°ΠΊΠΆΠ΅ ΠΏΡΠ΅Π΄ΡΡΠΌΠΎΡΡΠ΅Π½Π° ΡΠ΅ΠΏΠ»ΠΎΠ²Π°Ρ ΠΊΠΎΠΌΠΏΠ΅Π½ΡΠ°ΡΠΈΡ ΡΠ°Π·ΠΌΠ΅ΡΠ° ΠΎΡΠ²Π΅ΡΡΡΠΈΡ. ΠΠ°ΠΊ ΠΈ Π² ΡΠ»ΡΡΠ°Π΅ ΡΠ΅Π³ΡΠ»ΠΈΡΠΎΠ²ΠΎΡΠ½ΠΎΠ³ΠΎ Π΄Π΅ΠΌΠΏΡΠ΅ΡΠ° ΠΏΠΎΡΡΠ½Π΅Π²ΠΎΠ³ΠΎ ΡΠΈΠΏΠ°, ΠΏΠ»Π°ΡΡΠΈΠ½ΡΠ°ΡΡΠΉ Π΄Π΅ΠΌΠΏΡΠ΅Ρ ΡΠ»Π΅Π΄ΡΠ΅Ρ ΠΏΡΠΎΠ²Π΅ΡΡΡΡ Π½Π° Π³Π΅ΡΠΌΠ΅ΡΠΈΡΠ½ΠΎΡΡΡ ΠΈ ΠΎΠ±ΡΠ»ΡΠΆΠΈΠ²Π°ΡΡ. ΠΠ½Π΄ΠΈΠΊΠ°ΡΠΎΡ ΡΡΠΎΠ²Π½Ρ ΠΆΠΈΠ΄ΠΊΠΎΡΡΠΈ Π²ΡΡΡΡΠΏΠ°Π΅Ρ ΠΈΠ· ΡΡΠΎΡΠΎΠ½Ρ ΡΠ΅Π·Π΅ΡΠ²ΡΠ°ΡΠ° ΡΡΡΡΠΎΠΉΡΡΠ²Π°.
Π ΠΈΡΡΠ½ΠΎΠΊ 13-55. Π’ΠΈΠΏΠΈΡΠ½ΡΠΉ ΡΠΈΠΌΠΌΠΈ-Π΄Π΅ΠΌΠΏΡΠ΅Ρ ΠΏΠ»Π°ΡΡΠΈΠ½ΡΠ°ΡΠΎΠ³ΠΎ ΡΠΈΠΏΠ°. [ΡΠ΅Π»ΠΊΠ½ΠΈΡΠ΅ ΠΈΠ·ΠΎΠ±ΡΠ°ΠΆΠ΅Π½ΠΈΠ΅, ΡΡΠΎΠ±Ρ ΡΠ²Π΅Π»ΠΈΡΠΈΡΡ] ΠΠ΅Π³ΠΈΠ΄ΡΠ°Π²Π»ΠΈΡΠ΅ΡΠΊΠΈΠΉ Π°ΠΌΠΎΡΡΠΈΠ·Π°ΡΠΎΡ Ρ ΡΠ΅Π³ΡΠ»ΠΈΡΡΠ΅ΠΌΠΎΠΉ ΠΏΠΎΠ΄Π²Π΅ΡΠΊΠΎΠΉΠΠ΅Π³ΠΈΠ΄ΡΠ°Π²Π»ΠΈΡΠ΅ΡΠΊΠΈΠ΅ Π°ΠΌΠΎΡΡΠΈΠ·Π°ΡΠΎΡΡ Ρ ΡΠ΅Π³ΡΠ»ΠΈΡΡΠ΅ΠΌΠΎΠΉ ΠΏΠΎΠ΄Π²Π΅ΡΠΊΠΎΠΉ Π² ββΠ½Π°ΡΡΠΎΡΡΠ΅Π΅ Π²ΡΠ΅ΠΌΡ ΡΠ΅ΡΡΠΈΡΠΈΡΠΈΡΠΎΠ²Π°Π½Ρ Π΄Π»Ρ ΠΌΠ½ΠΎΠ³ΠΈΡ ΡΠ°ΠΌΠΎΠ»Π΅ΡΠΎΠ².ΠΠΎ Π²Π½Π΅ΡΠ½Π΅ΠΌΡ Π²ΠΈΠ΄Ρ ΠΈ ΠΏΠΎΡΠ°Π΄ΠΊΠ΅ ΠΎΠ½ΠΈ ΠΏΠΎΡ ΠΎΠΆΠΈ Π½Π° Π°ΠΌΠΎΡΡΠΈΠ·Π°ΡΠΎΡΡ ΠΏΠΎΡΡΠ½Π΅Π²ΠΎΠ³ΠΎ ΡΠΈΠΏΠ°, Π½ΠΎ Π½Π΅ ΡΠΎΠ΄Π΅ΡΠΆΠ°Ρ ΠΆΠΈΠ΄ΠΊΠΎΡΡΠΈ Π²Π½ΡΡΡΠΈ. ΠΠΌΠ΅ΡΡΠΎ ΠΌΠ΅ΡΠ°Π»Π»ΠΈΡΠ΅ΡΠΊΠΎΠ³ΠΎ ΠΏΠΎΡΡΠ½Ρ ΡΠ΅Π·ΠΈΠ½ΠΎΠ²ΡΠΉ ΠΏΠΎΡΡΠ΅Π½Ρ ΠΏΡΠΈΠΆΠΈΠΌΠ°Π΅ΡΡΡ ΠΊ Π²Π½ΡΡΡΠ΅Π½Π½Π΅ΠΌΡ Π΄ΠΈΠ°ΠΌΠ΅ΡΡΡ ΠΊΠΎΡΠΏΡΡΠ° Π΄Π΅ΠΌΠΏΡΠ΅ΡΠ°, ΠΊΠΎΠ³Π΄Π° Π²ΠΈΠ±ΡΠΈΡΡΡΡΠ΅Π΅ Π΄Π²ΠΈΠΆΠ΅Π½ΠΈΠ΅ Π²ΠΎΡΠΏΡΠΈΠ½ΠΈΠΌΠ°Π΅ΡΡΡ ΡΠ΅ΡΠ΅Π· Π²Π°Π». Π Π΅Π·ΠΈΠ½ΠΎΠ²ΡΠΉ ΠΏΠΎΡΡΠ΅Π½Ρ ΡΠΊΠΎΠ»ΡΠ·ΠΈΡ ΠΏΠΎ ΠΎΡΠ΅Π½Ρ ΡΠΎΠ½ΠΊΠΎΠΌΡ ΡΠ»ΠΎΡ ΡΠΌΠ°Π·ΠΊΠΈ, Π° ΡΡΠ΅Π½ΠΈΠ΅ ΠΌΠ΅ΠΆΠ΄Ρ ΠΏΠΎΡΡΠ½Π΅ΠΌ ΠΈ ΠΊΠΎΡΠΏΡΡΠΎΠΌ ΠΎΠ±Π΅ΡΠΏΠ΅ΡΠΈΠ²Π°Π΅Ρ Π΄Π΅ΠΌΠΏΡΠΈΡΠΎΠ²Π°Π½ΠΈΠ΅.
Π ΠΈΡΡΠ½ΠΎΠΊ 13-56. Π Π½Π΅Π³ΠΈΠ΄ΡΠ°Π²Π»ΠΈΡΠ΅ΡΠΊΠΎΠΌ ΡΠ΅Π³ΡΠ»ΠΈΡΡΠ΅ΠΌΠΎΠΌ Π΄Π΅ΠΌΠΏΡΠ΅ΡΠ΅ ΠΈΡΠΏΠΎΠ»ΡΠ·ΡΠ΅ΡΡΡ ΡΠ΅Π·ΠΈΠ½ΠΎΠ²ΡΠΉ ΠΏΠΎΡΡΠ΅Π½Ρ ΡΠΎ ΡΠΌΠ°Π·ΠΊΠΎΠΉ, ΠΊΠΎΡΠΎΡΠ°Ρ ΠΏΡΠΈ Π΄Π²ΠΈΠΆΠ΅Π½ΠΈΠΈ Π°ΠΌΠΎΡΡΠΈΠ·ΠΈΡΡΠ΅Ρ Π²Π½ΡΡΡΠ΅Π½Π½ΠΈΠΉ Π΄ΠΈΠ°ΠΌΠ΅ΡΡ ΠΊΠΎΡΠΏΡΡΠ° Π°Π³ΡΠ΅Π³Π°ΡΠ°.ΠΡΠΎ ΠΈΠ·Π²Π΅ΡΡΠ½ΠΎ ΠΊΠ°ΠΊ Π΄Π΅ΠΌΠΏΡΠΈΡΠΎΠ²Π°Π½ΠΈΠ΅ ΠΏΠΎΠ²Π΅ΡΡ Π½ΠΎΡΡΠ½ΠΎΠ³ΠΎ ΡΡΡΠ΅ΠΊΡΠ°. ΠΠ°ΡΠ΅ΡΠΈΠ°Π»Ρ, ΠΈΠ· ΠΊΠΎΡΠΎΡΡΡ ΠΈΠ·Π³ΠΎΡΠΎΠ²Π»Π΅Π½ ΡΡΠΎΡ ΡΠΈΠΏ ΡΠ΅Π³ΡΠ»ΠΈΡΡΠ΅ΠΌΠΎΠ³ΠΎ Π΄Π΅ΠΌΠΏΡΠ΅ΡΠ°, ΠΎΠ±Π΅ΡΠΏΠ΅ΡΠΈΠ²Π°ΡΡ Π΄Π»ΠΈΡΠ΅Π»ΡΠ½ΡΠΉ ΡΡΠΎΠΊ ΡΠ»ΡΠΆΠ±Ρ Π±Π΅Π· Π½Π΅ΠΎΠ±Ρ ΠΎΠ΄ΠΈΠΌΠΎΡΡΠΈ Π΄ΠΎΠ±Π°Π²Π»Π΅Π½ΠΈΡ ΠΆΠΈΠ΄ΠΊΠΎΡΡΠΈ Π² ΡΡΡΡΠΎΠΉΡΡΠ²ΠΎ. [Π ΠΈΡΡΠ½ΠΎΠΊ 13-56]
ΠΠΎΡΡΠΎΠ²ΠΎΠΉ ΠΌΠ΅Ρ Π°Π½ΠΈΠΊ ΡΠ΅ΠΊΠΎΠΌΠ΅Π½Π΄ΡΠ΅Ρ
3 ΠΎΠ±ΡΠΈΡ ΡΠΈΠΌΠΏΡΠΎΠΌΠ° Π½Π΅ΠΈΡΠΏΡΠ°Π²Π½ΠΎΡΡΠΈ ΡΡΠ»Π΅Π²ΠΎΠΉ ΡΠ΅ΠΉΠΊΠΈ
ΠΡΠ°ΠΊΡΠΈΡΠ΅ΡΠΊΠΈ ΠΊΠ°ΠΆΠ΄ΡΠΉ Π°Π²ΡΠΎΠΌΠΎΠ±ΠΈΠ»Ρ, Π³ΡΡΠ·ΠΎΠ²ΠΈΠΊ ΠΈ Π²Π½Π΅Π΄ΠΎΡΠΎΠΆΠ½ΠΈΠΊ, ΠΏΡΠΎΠΈΠ·Π²ΠΎΠ΄ΠΈΠΌΡΠ΅ ΡΠ΅Π³ΠΎΠ΄Π½Ρ, ΠΈΠΌΠ΅ΡΡ ΡΠ΅Π΅ΡΠ½ΡΡ ΡΠΈΡΡΠ΅ΠΌΡ ΡΡΠ»Π΅Π²ΠΎΠ³ΠΎ ΡΠΏΡΠ°Π²Π»Π΅Π½ΠΈΡ. Π Π΅ΠΉΠΊΠ° ΠΈ ΡΠ΅ΡΡΠ΅ΡΠ½Ρ ΠΏΡΠ΅ΠΎΠ±ΡΠ°Π·ΡΡΡ Π²ΡΠ°ΡΠ΅Π½ΠΈΠ΅ Π²Π°ΡΠ΅Π³ΠΎ ΡΡΠ»Π΅Π²ΠΎΠ³ΠΎ ΠΊΠΎΠ»Π΅ΡΠ° Π² ΡΠΎΠΎΡΠ²Π΅ΡΡΡΠ²ΡΡΡΠ΅Π΅ Π»ΠΈΠ½Π΅ΠΉΠ½ΠΎΠ΅ Π΄Π²ΠΈΠΆΠ΅Π½ΠΈΠ΅ Π²Π°ΡΠΈΡ ΠΊΠΎΠ»Π΅Ρ.ΠΠΎΠ³Π΄Π° Π²Π΅Π΄ΡΡΠ°Ρ ΡΠ΅ΡΡΠ΅ΡΠ½Ρ Π²ΡΠ°ΡΠ°Π΅ΡΡΡ Π²ΠΌΠ΅ΡΡΠ΅ Ρ ΡΡΠ»Π΅Π²ΠΎΠΉ ΠΊΠΎΠ»ΠΎΠ½ΠΊΠΎΠΉ, ΠΎΠ½Π° Π·Π°ΡΡΠ°Π²Π»ΡΠ΅Ρ ΡΡΠ»Π΅Π²ΡΡ ΡΠ΅ΠΉΠΊΡ ΠΏΠ΅ΡΠ΅ΠΌΠ΅ΡΠ°ΡΡΡΡ ΠΈΠ· ΡΡΠΎΡΠΎΠ½Ρ Π² ΡΡΠΎΡΠΎΠ½Ρ.Π‘ΠΎ Π²ΡΠ΅ΠΌΠ΅Π½Π΅ΠΌ ΠΎΡΠΊΡΡΡΠΎΠ΅ ΠΏΠΎΠ»ΠΎΠΆΠ΅Π½ΠΈΠ΅ ΡΡΠ»Π΅Π²ΠΎΠΉ ΡΠ΅ΠΉΠΊΠΈ ΡΠ°ΡΡΠΎ ΠΏΡΠΈΠ²ΠΎΠ΄ΠΈΡ ΠΊ Π΅Π΅ ΠΏΠΎΠ²ΡΠ΅ΠΆΠ΄Π΅Π½ΠΈΡ ΠΈ ΠΈΠ·Π½ΠΎΡΡ. Π ΠΊΠΎΠ½ΡΠ΅ ΠΊΠΎΠ½ΡΠΎΠ² ΡΡΠΎΠΉΠΊΠ° ΠΌΠΎΠΆΠ΅Ρ ΠΏΠ΅ΡΠ΅ΡΡΠ°ΡΡ ΡΠ°Π±ΠΎΡΠ°ΡΡ Π΄ΠΎΠ»ΠΆΠ½ΡΠΌ ΠΎΠ±ΡΠ°Π·ΠΎΠΌ. Π ΡΠΎΠΆΠ°Π»Π΅Π½ΠΈΡ, ΠΌΠ½ΠΎΠ³ΠΈΠ΅ Π»ΡΠ΄ΠΈ ΠΏΡΠΎΠ΄ΠΎΠ»ΠΆΠ°ΡΡ Π΅Π·Π΄ΠΈΡΡ Ρ ΠΏΠΎΠ²ΡΠ΅ΠΆΠ΄Π΅Π½Π½ΠΎΠΉ ΡΡΠ»Π΅Π²ΠΎΠΉ ΡΠ΅ΠΉΠΊΠΎΠΉ ΠΏΡΠΎΡΡΠΎ ΠΏΠΎΡΠΎΠΌΡ, ΡΡΠΎ Π½Π΅ ΠΏΠΎΠ½ΠΈΠΌΠ°ΡΡ ΡΠΈΠΌΠΏΡΠΎΠΌΠΎΠ² ΡΡΠΎΠΉ ΡΠ°ΡΠΏΡΠΎΡΡΡΠ°Π½Π΅Π½Π½ΠΎΠΉ ΠΏΡΠΎΠ±Π»Π΅ΠΌΡ. Π£Π·Π½Π°ΠΉΡΠ΅ ΠΎ ΡΠ΅ΡΡΡΠ΅Ρ ΡΠ°ΡΠΏΡΠΎΡΡΡΠ°Π½Π΅Π½Π½ΡΡ ΡΠΈΠΌΠΏΡΠΎΠΌΠ°Ρ Π½Π΅ΠΈΡΠΏΡΠ°Π²Π½ΠΎΡΡΠΈ ΡΡΠ»Π΅Π²ΠΎΠΉ ΡΠ΅ΠΉΠΊΠΈ.
1.ΠΡΡΠ·Π½Π°Ρ ΠΆΠΈΠ΄ΠΊΠΎΡΡΡ Π΄Π»Ρ ΡΡΠ»Π΅Π²ΠΎΠ³ΠΎ ΡΠΏΡΠ°Π²Π»Π΅Π½ΠΈΡ
ΠΠΎΠ΄Π°Π²Π»ΡΡΡΠ΅Π΅ Π±ΠΎΠ»ΡΡΠΈΠ½ΡΡΠ²ΠΎ Π°Π²ΡΠΎΠΌΠΎΠ±ΠΈΠ»Π΅ΠΉ Π½Π° Π΄ΠΎΡΠΎΠ³Π°Ρ ΡΠ΅Π³ΠΎΠ΄Π½Ρ ΠΎΡΠ½Π°ΡΠ΅Π½Ρ ΡΠΈΡΡΠ΅ΠΌΠ°ΠΌΠΈ ΡΡΠ»Π΅Π²ΠΎΠ³ΠΎ ΡΠΏΡΠ°Π²Π»Π΅Π½ΠΈΡ Ρ Π³ΠΈΠ΄ΡΠΎΡΡΠΈΠ»ΠΈΡΠ΅Π»Π΅ΠΌ, ΠΊΠΎΡΠΎΡΡΠ΅ Π·Π½Π°ΡΠΈΡΠ΅Π»ΡΠ½ΠΎ ΡΠ½ΠΈΠΆΠ°ΡΡ ΡΡΠΈΠ»ΠΈΠ΅, Π½Π΅ΠΎΠ±Ρ ΠΎΠ΄ΠΈΠΌΠΎΠ΅ Π΄Π»Ρ ΠΏΠΎΠ²ΠΎΡΠΎΡΠ° ΠΊΠΎΠ»Π΅Ρ Π°Π²ΡΠΎΠΌΠΎΠ±ΠΈΠ»Ρ. ΠΠΈΠ΄ΠΊΠΎΡΡΡ Π΄Π»Ρ Π³ΠΈΠ΄ΡΠΎΡΡΠΈΠ»ΠΈΡΠ΅Π»Ρ ΡΡΠ»Π΅Π²ΠΎΠ³ΠΎ ΡΠΏΡΠ°Π²Π»Π΅Π½ΠΈΡ Π½Π΅ ΡΠΎΠ»ΡΠΊΠΎ ΠΏΠΎΠΌΠΎΠ³Π°Π΅Ρ ΠΏΠ΅ΡΠ΅ΠΌΠ΅ΡΠ°ΡΡ ΡΡΠ»Π΅Π²ΡΡ ΡΠ΅ΠΉΠΊΡ, Π½ΠΎ ΡΠ°ΠΊΠΆΠ΅ Π΄Π΅ΠΉΡΡΠ²ΡΠ΅Ρ ΠΊΠ°ΠΊ ΠΆΠΈΠ·Π½Π΅Π½Π½ΠΎ Π²Π°ΠΆΠ½Π°Ρ ΡΠΌΠ°Π·ΠΊΠ° ΠΈ ΠΎΡ Π»Π°ΠΆΠ΄Π°ΡΡΠ°Ρ ΠΆΠΈΠ΄ΠΊΠΎΡΡΡ. Π‘ΠΎ Π²ΡΠ΅ΠΌΠ΅Π½Π΅ΠΌ Π² ΠΆΠΈΠ΄ΠΊΠΎΡΡΠΈ Π΄Π»Ρ ΡΡΠ»Π΅Π²ΠΎΠ³ΠΎ ΡΠΏΡΠ°Π²Π»Π΅Π½ΠΈΡ Π½Π°ΠΊΠ°ΠΏΠ»ΠΈΠ²Π°ΡΡΡΡ ΡΠ°ΡΡΠΈΡΡ Π³ΡΡΠ·ΠΈ ΠΈ ΠΌΡΡΠΎΡΠ°, ΠΊΠΎΡΠΎΡΡΠ΅ ΠΎΡΡΠΈΡΠ°ΡΠ΅Π»ΡΠ½ΠΎ ΡΠΊΠ°Π·ΡΠ²Π°ΡΡΡΡ Π½Π° Π΅Π΅ Ρ Π°ΡΠ°ΠΊΡΠ΅ΡΠΈΡΡΠΈΠΊΠ°Ρ .
ΠΡΡΠ·Π½Π°Ρ ΠΆΠΈΠ΄ΠΊΠΎΡΡΡ ΡΡΠΊΠΎΡΡΠ΅Ρ Π²ΡΡ ΠΎΠ΄ ΠΈΠ· ΡΡΡΠΎΡ ΡΡΠ»Π΅Π²ΠΎΠΉ ΡΠ΅ΠΉΠΊΠΈ Π·Π° ΡΡΠ΅Ρ ΡΠ²Π΅Π»ΠΈΡΠ΅Π½ΠΈΡ ΡΠΈΠ»Ρ ΡΡΠ΅Π½ΠΈΡ, Π΄Π΅ΠΉΡΡΠ²ΡΡΡΠ΅Π³ΠΎ Π½Π° Π½Π΅Π΅.ΠΠ»Ρ ΠΎΠ±Π΅ΡΠΏΠ΅ΡΠ΅Π½ΠΈΡ ΠΏΡΠ°Π²ΠΈΠ»ΡΠ½ΠΎΠ³ΠΎ ΡΡΠ½ΠΊΡΠΈΠΎΠ½ΠΈΡΠΎΠ²Π°Π½ΠΈΡ Π½Π΅ΠΎΠ±Ρ ΠΎΠ΄ΠΈΠΌΠΎ ΠΏΠ΅ΡΠΈΠΎΠ΄ΠΈΡΠ΅ΡΠΊΠΈ ΠΏΡΠΎΠΌΡΠ²Π°ΡΡ ΠΆΠΈΠ΄ΠΊΠΎΡΡΡ Π΄Π»Ρ Π³ΠΈΠ΄ΡΠΎΡΡΠΈΠ»ΠΈΡΠ΅Π»Ρ ΡΡΠ»Ρ ΠΈ Π·Π°ΠΌΠ΅Π½ΡΡΡ Π΅Π΅ Π½ΠΎΠ²ΠΎΠΉ. ΠΠ΄Π½Π°ΠΊΠΎ Π³ΡΡΠ·Π½Π°Ρ ΠΆΠΈΠ΄ΠΊΠΎΡΡΡ ΠΌΠΎΠΆΠ΅Ρ ΡΠ°ΠΊΠΆΠ΅ ΡΠΊΠ°Π·ΡΠ²Π°ΡΡ Π½Π° ΡΠΎ, ΡΡΠΎ ΡΡΠΎΠΊ ΡΠ»ΡΠΆΠ±Ρ Π²Π°ΡΠ΅ΠΉ ΡΡΠ»Π΅Π²ΠΎΠΉ ΡΠ΅ΠΉΠΊΠΈ ΠΏΠΎΠ΄ΠΎΡΠ΅Π» ΠΊ ΠΊΠΎΠ½ΡΡ.
Π ΡΠ»Π΅Π²Π°Ρ ΡΠ΅ΠΉΠΊΠ°, ΠΊΠΎΡΠΎΡΠ°Ρ, Π½Π°ΠΏΡΠΈΠΌΠ΅Ρ, ΠΏΠΎΠ΄Π²Π΅ΡΠ³Π»Π°ΡΡ ΡΡΠ΅Π·ΠΌΠ΅ΡΠ½ΠΎΠΉ ΠΊΠΎΡΡΠΎΠ·ΠΈΠΈ, Π±ΡΠ΄Π΅Ρ Π½Π°ΠΊΠ°ΠΏΠ»ΠΈΠ²Π°ΡΡ ΡΡΠ΅Π·ΠΌΠ΅ΡΠ½ΠΎΠ΅ ΠΊΠΎΠ»ΠΈΡΠ΅ΡΡΠ²ΠΎ ΠΌΡΡΠΎΡΠ° Π΄Π°ΠΆΠ΅ Π² ΡΠ°ΠΌΠΎΠΉ ΡΠ²Π΅ΠΆΠ΅ΠΉ ΠΆΠΈΠ΄ΠΊΠΎΡΡΠΈ Π΄Π»Ρ ΡΡΠ»Π΅Π²ΠΎΠ³ΠΎ ΡΠΏΡΠ°Π²Π»Π΅Π½ΠΈΡ. ΠΠ½Π°Π»ΠΎΠ³ΠΈΡΠ½ΡΠΌ ΠΎΠ±ΡΠ°Π·ΠΎΠΌ, Π΅ΡΠ»ΠΈ Π²Π½ΡΡΡΠ΅Π½Π½ΠΈΠ΅ ΡΠΏΠ»ΠΎΡΠ½Π΅Π½ΠΈΡ ΠΈΠ»ΠΈ ΠΏΠΎΠ΄ΡΠΈΠΏΠ½ΠΈΠΊΠΈ Π½Π°ΡΠ°Π»ΠΈ ΡΠ°Π·ΡΡΡΠ°ΡΡΡΡ, ΡΠ΅Π·ΡΠ»ΡΡΠ°ΡΡ ΡΠ°ΡΡΠΎ ΠΌΠΎΠΆΠ½ΠΎ ΡΠ²ΠΈΠ΄Π΅ΡΡ ΠΏΠΎ ΠΊΠ°ΡΠ΅ΡΡΠ²Ρ Π²Π°ΡΠ΅ΠΉ ΠΆΠΈΠ΄ΠΊΠΎΡΡΠΈ.ΠΡΠ»ΠΈ ΠΆΠΈΠ΄ΠΊΠΎΡΡΡ Π΄Π»Ρ Π³ΠΈΠ΄ΡΠΎΡΡΠΈΠ»ΠΈΡΠ΅Π»Ρ ΡΡΠ»Ρ ΠΊΠ°ΠΆΠ΅ΡΡΡ ΡΠ΅ΠΌΠ½ΠΎΠΉ ΠΈΠ»ΠΈ ΠΌΡΡΠ½ΠΎΠΉ, ΠΎΠ±ΡΠ°ΡΠΈΡΠ΅ΡΡ ΠΊ ΡΠ΅Ρ Π½ΠΈΡΠ΅ΡΠΊΠΎΠΌΡ ΡΠΏΠ΅ΡΠΈΠ°Π»ΠΈΡΡΡ Π΄Π»Ρ ΠΏΡΠΎΡΠ΅ΡΡΠΈΠΎΠ½Π°Π»ΡΠ½ΠΎΠΉ ΠΎΡΠ΅Π½ΠΊΠΈ.
2. Π£ΡΠ΅ΡΠΊΠ° ΠΆΠΈΠ΄ΠΊΠΎΡΡΠΈ
ΠΡ ΠΌΠΎΠΆΠ΅ΡΠ΅ ΠΏΠΎΠ»ΡΡΠΈΡΡ ΠΌΠ°ΡΡΡ ΡΠ΅Π½Π½ΠΎΠΉ ΠΈΠ½ΡΠΎΡΠΌΠ°ΡΠΈΠΈ ΠΎ ΡΠΎΡΡΠΎΡΠ½ΠΈΠΈ Π²Π°ΡΠ΅Π³ΠΎ Π°Π²ΡΠΎΠΌΠΎΠ±ΠΈΠ»Ρ, ΡΠ»Π΅Π΄Ρ Π·Π° ΠΏΠΎΠ»ΠΎΠΌ Π²Π°ΡΠ΅Π³ΠΎ Π³Π°ΡΠ°ΠΆΠ° ΠΈΠ»ΠΈ ΠΏΠΎΠ΄ΡΠ΅Π·Π΄Π½ΠΎΠΉ Π΄ΠΎΡΠΎΠΆΠΊΠΈ. ΠΡΠ»ΠΈ Π²Ρ Π·Π°ΠΌΠ΅ΡΠΈΠ»ΠΈ ΠΏΠΎΠ΄ Π°Π²ΡΠΎΠΌΠΎΠ±ΠΈΠ»Π΅ΠΌ ΠΊΡΠ°ΡΠ½ΡΠ΅ ΠΈΠ»ΠΈ ΠΊΡΠ°ΡΠ½ΠΎΠ²Π°ΡΠΎ-ΠΊΠΎΡΠΈΡΠ½Π΅Π²ΡΠ΅ Π»ΡΠΆΠΈ, Π²ΠΎΠ·ΠΌΠΎΠΆΠ½ΠΎ, ΠΏΡΠΎΠΈΠ·ΠΎΡΠ»Π° ΡΡΠ΅ΡΠΊΠ° ΠΆΠΈΠ΄ΠΊΠΎΡΡΠΈ ΡΡΠ»Π΅Π²ΠΎΠ³ΠΎ ΡΠΏΡΠ°Π²Π»Π΅Π½ΠΈΡ Ρ Π³ΠΈΠ΄ΡΠΎΡΡΠΈΠ»ΠΈΡΠ΅Π»Π΅ΠΌ. ΠΡΡ Π³ΠΈΠΏΠΎΡΠ΅Π·Ρ ΡΠ°ΡΡΠΎ ΠΌΠΎΠΆΠ½ΠΎ ΠΏΡΠΎΠ²Π΅ΡΠΈΡΡ, Π½Π°Π±Π»ΡΠ΄Π°Ρ Π·Π° ΡΡΠΎΠ²Π½Π΅ΠΌ ΠΆΠΈΠ΄ΠΊΠΎΡΡΠΈ Π² Π³ΠΈΠ΄ΡΠΎΡΡΠΈΠ»ΠΈΡΠ΅Π»Π΅ ΡΡΠ»Ρ.
Π£ΡΠ΅ΡΠΊΠ° ΠΆΠΈΠ΄ΠΊΠΎΡΡΠΈ ΠΌΠΎΠΆΠ΅Ρ ΠΏΡΠΎΠΈΠ·ΠΎΠΉΡΠΈ Π² ΡΠ°Π·Π»ΠΈΡΠ½ΡΡ ΠΌΠ΅ΡΡΠ°Ρ Π²Π°ΡΠ΅ΠΉ ΡΠΈΡΡΠ΅ΠΌΡ ΡΡΠ»Π΅Π²ΠΎΠ³ΠΎ ΡΠΏΡΠ°Π²Π»Π΅Π½ΠΈΡ Ρ Π³ΠΈΠ΄ΡΠΎΡΡΠΈΠ»ΠΈΡΠ΅Π»Π΅ΠΌ, Π²ΠΊΠ»ΡΡΠ°Ρ ΡΡΠ»Π΅Π²ΡΡ ΡΠ΅ΠΉΠΊΡ.Π£ ΡΡΠ»Π΅Π²ΡΡ ΡΠ΅Π΅ΠΊ ΡΡΠ΅ΡΠΊΠΈ ΡΠ°ΡΠ΅ Π²ΡΠ΅Π³ΠΎ Π²ΠΎΠ·Π½ΠΈΠΊΠ°ΡΡ Π² ΠΌΠ΅ΡΡΠ΅ ΠΈΡ ΠΊΡΠ΅ΠΏΠ»Π΅Π½ΠΈΡ ΠΊ ΡΡΠ»Π΅Π²ΡΠΌ ΡΡΠ³Π°ΠΌ. Π₯ΠΎΡΡ ΡΡΠ° ΡΠΎΡΠΊΠ° ΡΠΎΠ΅Π΄ΠΈΠ½Π΅Π½ΠΈΡ ΡΠΎΠ΄Π΅ΡΠΆΠΈΡ Π²ΠΎΠ΄ΠΎΠ½Π΅ΠΏΡΠΎΠ½ΠΈΡΠ°Π΅ΠΌΠΎΠ΅ ΡΠΏΠ»ΠΎΡΠ½Π΅Π½ΠΈΠ΅, ΠΏΠ΅ΡΠ΅ΠΏΠ°Π΄Ρ ΡΠ΅ΠΌΠΏΠ΅ΡΠ°ΡΡΡΡ, ΠΏΠΎΠ²ΡΠ΅ΠΆΠ΄Π΅Π½ΠΈΠ΅ ΠΎΠ±Π»ΠΎΠΌΠΊΠ°ΠΌΠΈ ΠΈ Ρ ΠΈΠΌΠΈΡΠ΅ΡΠΊΠΎΠ΅ Π²ΠΎΠ·Π΄Π΅ΠΉΡΡΠ²ΠΈΠ΅ ΡΠ°ΡΡΠΎ ΠΏΡΠΈΠ²ΠΎΠ΄ΡΡ ΠΊ Π²ΡΡ ΠΎΠ΄Ρ ΡΠΏΠ»ΠΎΡΠ½Π΅Π½ΠΈΡ ΠΈΠ· ΡΡΡΠΎΡ.
Π ΡΠΎΠΆΠ°Π»Π΅Π½ΠΈΡ, ΡΠΏΠ»ΠΎΡΠ½Π΅Π½ΠΈΡ, ΠΈΡΠΏΠΎΠ»ΡΠ·ΡΠ΅ΠΌΡΠ΅ ΠΌΠ΅ΠΆΠ΄Ρ ΡΡΠ»Π΅Π²ΠΎΠΉ ΡΠ΅ΠΉΠΊΠΎΠΉ ΠΈ ΡΡΠ»Π΅Π²ΡΠΌΠΈ ΡΡΠ³Π°ΠΌΠΈ, Π½Π΅ ΠΏΠΎΠ΄Π»Π΅ΠΆΠ°Ρ Π·Π°ΠΌΠ΅Π½Π΅. ΠΠ΄Π½Π°ΠΊΠΎ ΡΠ΅Ρ Π½ΠΈΡΠ΅ΡΠΊΠΈΠ΅ ΡΠΏΠ΅ΡΠΈΠ°Π»ΠΈΡΡΡ ΡΠ°ΡΡΠΎ ΠΌΠΎΠ³ΡΡ ΡΡΡΡΠ°Π½ΠΈΡΡ ΠΎΡΠ½ΠΎΡΠΈΡΠ΅Π»ΡΠ½ΠΎ Π½Π΅Π±ΠΎΠ»ΡΡΠΈΠ΅ ΡΡΠ΅ΡΠΊΠΈ, Π²ΠΎΡΡΡΠ°Π½ΠΎΠ²ΠΈΠ² ΡΡΡΠ΅ΡΡΠ²ΡΡΡΠΈΠ΅ ΡΠΏΠ»ΠΎΡΠ½Π΅Π½ΠΈΡ. Π‘ Π΄ΡΡΠ³ΠΎΠΉ ΡΡΠΎΡΠΎΠ½Ρ, Π±ΠΎΠ»Π΅Π΅ ΡΠ΅ΡΡΠ΅Π·Π½ΡΠ΅ ΡΠΎΡΠΌΡ ΠΏΠΎΠ²ΡΠ΅ΠΆΠ΄Π΅Π½ΠΈΡ ΡΠΏΠ»ΠΎΡΠ½Π΅Π½ΠΈΡ ΠΎΠ±ΡΡΠ½ΠΎ ΡΡΠ΅Π±ΡΡΡ Π·Π°ΠΌΠ΅Π½Ρ Π²ΡΠ΅ΠΉ ΡΡΠ»Π΅Π²ΠΎΠΉ ΡΠ΅ΠΉΠΊΠΈ.
3. ΠΠ΅ΡΡΠ²Π°Ρ Π·ΠΎΠ½Π° ΡΡΠ»Π΅Π²ΠΎΠ³ΠΎ ΡΠΏΡΠ°Π²Π»Π΅Π½ΠΈΡ
Π ΡΠ»Π΅Π²Π°Ρ ΡΠ΅ΠΉΠΊΠ° ΡΠΎΡΡΠΎΠΈΡ ΠΈΠ· Π΄Π»ΠΈΠ½Π½ΠΎΠΉ ΠΌΠ΅ΡΠ°Π»Π»ΠΈΡΠ΅ΡΠΊΠΎΠΉ ΡΡΠ°Π½Π³ΠΈ, Π½Π° ΠΏΠΎΠ²Π΅ΡΡ Π½ΠΎΡΡΠΈ ΠΊΠΎΡΠΎΡΠΎΠΉ ΡΠ°ΡΠΏΠΎΠ»ΠΎΠΆΠ΅Π½Ρ ΡΠΈΡΠ»Π΅Π½ΡΠ΅ Π·ΡΠ±ΡΡ. ΠΡΠΎ ΠΏΠΎΠ·Π²ΠΎΠ»ΡΠ΅Ρ ΡΡΠ»Π΅Π²ΠΎΠΉ ΡΠ΅ΠΉΠΊΠ΅ ΡΡΠ΅ΠΏΠ»ΡΡΡΡΡ Ρ Π»ΠΈΡΠ΅Π²ΠΎΠΉ ΡΡΠΎΡΠΎΠ½ΠΎΠΉ ΡΠ΅ΡΡΠ΅ΡΠ½ΠΈ.

