Как подключить сигнализацию к центральному замку на Приоре самостоятельно
Содержание
- Две схемы (простая и сложная)
- Подключаем сигналку простым способом
- Наилучший вариант подключения к ЦЗ
- Замечания по реализации схем
- Почему всё так сложно?
- Программируем штатный блок управления
Подробно разберем, как подключить сигнализацию к центральному замку на Приоре. Существует два варианта: простая схема предусматривает, что автоматически закрываются 4 замка, а открыть можно только один, ну а сложный вариант этого недостатка лишён. Оба варианта подключения рассматриваются дальше. Дополнительно будет указано, какие детали и комплектующие можно купить, чтобы реализовать любую из схем.
Две схемы (простая и сложная)
Прежде всего, перед подключением сигналки нужно изучить инструкцию, прилагаемую к ней. В основном блоке всегда установлены реле: одно из них замыкается в момент запирания замков, второе действует на открывание.
Тот разъём, к которому подключены контакты реле, обычно имеет 6 выводов. Здесь нет ничего сложного.
Из инструкция к сигналке
В первом случае, мы будем использовать только данный разъём. Во второй схеме используется ещё один контакт, называемый так: «сигнальный выход 2-шагового открывания замков». Найдите его на основном блоке.
Подключаем сигналку простым способом
В двери водителя «Лады Приоры» установлен кнопочный модуль. Обшивку двери необходимо снять и найти разъём этого модуля:
Кнопочный блок, левая дверь
Нам понадобится коричневый шнур из разъёма. Он является сигнальным, а реле сигнализации включается в его разрыв:
Схема 1, простое подключение
Два провода, соединённые с каждой из сторон разрезанного шнура, придётся тянуть к основному блоку. С одним из проводов соединяются общие контакты реле.
Необходимо помнить, что проводя любые монтажные работы, предварительно отключают минусовую клемму АКБ.
Вся проводка в рассмотренной схеме является сигнальной, но из этого не следует, что точки соединений можно не изолировать.
Провода не должны касаться металлических частей авто. Если же касание имеет место, необходимо использовать дополнительную защиту: изоленту, термостойкую трубку и т.д.
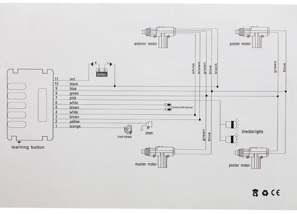
Наилучший вариант подключения к ЦЗ
Выполнив подключение, как рассмотрено у нас выше, можно заметить следующее: с брелока на закрытие срабатывают все замки, на отпирание – один, водительский. Устранить указанный недочёт можно на 100%, для чего потребуется 2 либо 3 дополнительных реле. Прежде, рассмотрим, где находятся точки подключения:
Блок БУС, Лада Приора
Тот блок, который виден на фото, обозначен как БУС-2170. Он снабжён тремя разъёмами, а нам понадобится один (трёхрядный).
В разъёме X1 найдите три провода:
- Шестой (красно-чёрный). Шнур идёт к актуаторам и является силовым.
- Тринадцатый (зелёно-чёрный). Управляющий кабель переднего правого стеклоподъёмника.
- Одиннадцатый. То же, что «13», но для заднего стеклоподъёмника.
Как выполнить подключение сигнализации к центральному замку Приора Люкс? Разрывают три провода (все указанные), а кабели от точек разрыва тянут к блоку сигналки.![]()
Блок БУС будет установлен за торпедо, возле педали «газ». Чтобы извлечь его, демонтируют боковые панели и откручивают две гайки на 10. Эти гайки крепят блок с двух сторон. От каждой из точек разрыва прокладывают кабель к сигналке, что относится и к коричневому шнуру, идущему из блока двери:
Схема 2, идеальный вариант
Здесь у нас используются дополнительные реле (К1-К3), предохранитель на 15 Ампер и больше ничего.
Замечания по реализации схем
Сразу заметим: если стеклоподъёмников нет, вторая схема не будет содержать детали К2/К3. Разрезать тогда требуется один провод. Иногда отсутствуют только задние стеклоподъёмники. Значит, исключается реле К3. А диоды, включаемые параллельно с обмоткой, могут быть совершенно любыми.
Диод, стабилитрон – подойдёт всё
Теперь перечислим требования, предъявляемые к элементу с названием «реле»:
- Напряжение срабатывания – 12 Вольт;
- Коммутируемый ток – 10 А или выше;
- Ток, потребляемый всеми обмотками реле, не должен превышать значение, указанное в инструкции к сигналке.
Обычно оно равняется 200-300 мА.
Часто нарушают именно последнее требование.
Диод с реле, готовый модуль
Чтобы «схема 2» стала работать, необходимо не только собрать её, но и запрограммировать основной блок: нужно включить опцию «2-шаговое отпирание». И как бы то ни было, нельзя управляющие импульсы делать слишком длительными. Используйте значения 0,7-1,1 секунды.
Соединять силовые кабели (шнур X1-6) можно только с использованием скруток.
Площадь сечения провода должна быть достаточной, чтобы выдержать ток «10 Ампер» (к сигнальным цепям это не относится). Предохранитель, защищающий силовые цепи, следует установить обязательно. И конечно, перед монтажом снимают минусовую клемму АКБ.
Почему всё так сложно?
Казалось бы, нам нужно только управлять замками. Зачем тогда подключаться к двигателям стеклоподъёмников?
Все реле срабатывают одновременно
Открытие пассажирских дверей ведётся вторым импульсом (срабатывает реле К1).
А элементы К2 и К3 в этот момент блокируют стеклоподъёмники. Если же их не блокировать, стёкла в дверях будут опускаться в течение всего управляющего импульса. И даже за 0,8 секунды они приоткроются заметно.
Конечно, сигналку в «Приоре» подключить сложнее, чем на многих отечественных авто. В то же время на «Гранте» в комплектации «Норма» используется похожая схема. Как бы то ни было, автомобиль «Лада Приора» – флагман ВАЗ. И наверное, сложности с электрической частью не должны смутить грамотного автовладельца. Также известно, что штатный управляющий блок можно перепрограммировать, и тогда отпирание идёт за один шаг. В этом случае подключение производят по «схеме 1».
Программируем штатный блок управления
Niva Chevrolet не работает центральный замок ~ AUTOTEXNIKA.RU
На
Chevrolet Niva не работает центральный замок: фотоСоветы для автомобилистов
Как я понял импульс на «Норма» подается отрицательной полярностью, поэтому провода «сине-красный» и «зелено-красный» прикручены на массу.
Закрыл двери с сигналки, все отработало как и положено. Пока возился с «Норма» перечитал кучу всякого материала, понял что не так сложно заменить ключ в обходчике иммобилайзера на простой чип, иначе приходится возить там красный обучающий ключ.
Чтоб переобучить ключ, пришлось снять приборную доску и залезть в обходчик иммобилайзера.
Неоднократно, проблемой неработоспособности центрального замка становилась проводка. Так, короткое замыкание или поломка провода не проводит сигнал на блок управления центральным замком.
Чтобы определить отсутствие контакта необходимо мультиметром прозвонить каждый провод. Если обнаружилось, что существует разрыв цепи, то стоит заменить поломанный элемент на новый.
Но, как показывает практика, большинства автомобилистов просто разрезает проводку в месте потери контакта, зачищает и изолирует провода. Реле Полетело реле — один из признаков неисправности центрального замка.
Даже при активации охранной сигнализации её отключение проводится путем отпирания дверных замков дистанционным пультом управления.
Охранная сигнализация не может быть отключена путем отпирания дверей обычным ключом.
КАК ПОДКЛЮЧИТЬ
ЦЕНТРАЛЬНЫЙ ЗАМОК 2 схемы подключения Китайского блока управления замками автоПравда, иногда с такой операцией будут возникать трудности, особенно когда дверь необходимо открыть. Провода открытия и закрытия дверей, от сигнализации, подключаются ко второму и седьмому контакту блока, были припаяны напрямую к плате, но довольно качественно, в корпусе выломали две дырки под провода. Выключение системы охраны авто Выключение противоугонной системы ведет за собой вспыхивание фонарей аварийки на Niva.
В некоторых комплектациях «ВАЗ 2121—Chevrolet» установлен центральный замок. Управление штатным ЦЗ, схема. Наверняка читатель знает, где…
Правда, иногда с такой операцией будут возникать трудности, особенно когда дверь необходимо открыть.
Продолжительность импульса на нём нужно выставить в пределах 0,8.
То есть в отличие от традиционной сигналки, штатная противоугонная установка не оснащается сиреной.
Что касается датчика удара, то оптимальней всего его установить на кронштейн рулевого вала. Также на этом этапе осуществляется установка и сервисной кнопки — ее желательно установить в удобное, но недоступное для преступника место.
Далее, устанавливается управляющий модуль сигналки — в районе приборной панели. После этого вам остается только произвести подключение проводов и настроить датчик удара, чтобы он не срабатывал без необходимости.
Проводка подключается в соответствии со схемой, которая идет в комплекте. Цена вопроса В зависимости от системы, ее
После обучения брелок заработал в штатном режиме, открывает и закрывает двери. Вытащил из разъёма ISO для подключения муз.
Центральный замокВ деактивации противоугонки поможет пульт управления дистанционного образца либо ключ 2. Также в этом поможет выключатель 3, расположенный в вещевом отсеке.
Также обращают внимание на состояние контактов разъёмов с проводами. Из-за неисправности мотора в водительской двери, будет отказ всей системы блокировки дверей.
Также следует проверять поступление питающего напряжения на разъёмы с проводами электромоторов, так как случаются обрывы в этих цепях. Вдобавок потребуется найти ещё один шнур, питающий актуаторы пассажирских дверей.
Масса и все кабели ЦЗ Кабель, о котором мы говорим, является силовым и обычно покрыт жёлтой изоляцией. Схема подключения дополнительной сигнализации Чтобы управлять всеми замками, а не только актуатором водителя, нужно реализовать следующий вариант подключения: Управление штатным ЦЗ, схема Перечислим особенности этого варианта: Контакты реле, встроенных в основной блок, включаются в разрывы сигнальных проводов см. Этот выход управляет ещё одним, третьим по счёту реле.
Почему не работает центральный
замок на Chevrolet NivaНаверное, многие автолюбители и владельцы Chevrolet Niva сталкивались с тем, что переставал работать центральный замок.
У этой неисправности есть несколько причин, но вот как их устранить знают не все автомобилисты.
Моторчики привода
Неисправность моторчика привода.
Случаются случаи, когда перегорают приводные моторчики в дверях автомобиля. Эта неисправность достаточно редкая, но её не стоит исключать.
Для устранения неисправности придётся поэтапно разобрать каждую дверь и демонтировать для диагностики каждый моторчик. Определить работоспособность элементов можно при помощи обычного мультиметра, или в его отсутствие – подключить привод к АКБ. Если после проверки оказалось, что моторчики рабочие, то стоит искать причину в другом месте.
Не работает центральный замок на
Niva ChevroletВыход со строя центрального замка автомобиля больше связан с неисправностью в электрической части, нежили, чем в механике. Так, большинство автомобилистов, для устранения неисправности отправляется к автоэлектрикам, поскольку не предполагают, причин по которым это проблема может появиться.
Блок управления центральным замком
Блок управления центральным замком со следами выхода из строя отдельных её запчастей.
Короткое замыкание в бортовой системе палит не только проводку и предохранитель, но и может стать причиной получения неисправности блока управления центральным замком. Так, для диагностики этого элемента управления, его необходимо достать с двери. Потом, при помощи тестера прозвонить контактные соединения. Зачастую, если блок управления центральным замком вышел со строя, то его меняют, но есть «кулибины», которые перепаивают элемент и он вновь работоспособный.
Проводка
Неисправность вызванная проблемой с проводкой.
Неоднократно, проблемой неработоспособности центрального замка становилась проводка.
Так, короткое замыкание или поломка провода не проводит сигнал на блок управления центральным замком. Чтобы определить отсутствие контакта необходимо мультиметром прозвонить каждый провод. Если обнаружилось, что существует разрыв цепи, то стоит заменить поломанный элемент на новый.
Но, как показывает практика, большинства автомобилистов просто разрезает проводку в месте потери контакта, зачищает и изолирует провода.
Полетело реле — один из признаков неисправности центрального замка.
Ещё одной причиной неработающего центрального замка может стать выход со строя реле в монтажном блоке. Так, необходимо достать элемент и провести диагностику при помощи тестера. Если диагностические операции показали, что реле «умерло», его необходимо сменить на новое.
Бортовой компьютер
Электронный блок управления уже давно перестал отвечать только за двигатель и контролирует многие автомобильные процессы.
Так, на более поздних моделях Chevrolet Niva причиной неисправности центрального замка может послужить непосредственно ЭБУ. Так, накопившиеся в нём ошибки основных систем могут сказаться и на работоспособности центрального замка.
Устранить причину можно двумя путями. Первый – это подключение к электронному блоку управления для сброса накопившихся ошибок и преднастройке.
Второй, более сложный – прошивка самого бортового компьютера.
Факторы
Итак, рассмотрим, какие факторы влияют на неисправность узла центрального замка:
- Предохранитель.
- Моторчики привода.
- Проводка.
- Реле.
- Блок управления центральным замком.
- Бортовой компьютер.
Современный автомобиль Niva Chevrolet состоит из различных сложных электронных систем. Центральный замок состоит из 6 компонентов. Выход одной из цепей приводит к отказу всей системы, при этом поломки самого железа крайне редки.
Для быстрого решения проблемы необходимо представлять схему ЦЗ и действовать последовательно в устранении неисправности. В сложных случаях, когда не помогает узловая замена, стоит обратиться к профессиональному автоэлектрику, который хорошо разбирается в Niva Chevrolet.
Минутку.
Включите файлы cookie и перезагрузите страницу.
Этот процесс автоматический. Ваш браузер в ближайшее время перенаправит вас на запрошенный контент.
Подождите до 5 секунд…
Способы решения проблем с центральным замком Niva
ChevroletПеред началом работ рекомендуется оценить свои навыки ремонта и опыт работы с электропроводкой в автомобиле. Возможно, потребуется специальное оборудование, а для диагностики электрических цепей необходим как минимум тестер. Поиск неисправностей всегда начинают от простых к сложным.
Моторедукторы
Их поломка происходит не часто, но ремонт или замена моторчиков в дверях происходит с частичной разборкой двери и снятием обивки. Обнаружить неисправный мотор можно по тишине с его стороны во время срабатывания ЦЗ или некорректной работе (открывается не до конца, срабатывает через раз, посторонние звуки).
Работоспособность проверяют мультиметром или подключением к АКБ напрямую. Моторедукторы заменяет на новый в сборе если старый не подлежит ремонту.
Совет! Бывает так, что звуки срабатывания мотора слышны, а дверь не реагирует на сигналы с ключа. В этом случае необходимо проверить тяги, идущие от замков к моторедукторам и дверным ручкам.
Причины неисправностей ЦЗ
Чаще всего из строя выходит электрическая часть управления соленоидами, а сами замки считаются относительно надежными.Центральный замок автомобиля Шеви Niva работает по следующему принципу: сигнал открытия или закрытия дверей передается с нажатием кнопки на ключе или поворотом личинки в водительской двери, при этом сигнал проходит через блок управления ЦЗ и бортовой компьютер.
В этой схеме есть свои слабые места, а основными причинами отказа становятся следующие факторы:
Нива Шевроле
центральный замок- короткое замыкание в цепи и выход предохранителя из строя;
- перетирание проводки в гибкой гофре, потеря контакта в местах соединения из-за вибраций и попадания влаги;
- неисправность реле ЦЗ;
- ошибка в блоке управления центральным замком;
- поломка электродвигателя замка.
Совет! Если в машине установлена сигнализация, то центральный замок может не открываться из-за неисправностей сигналки.
Минутку.
Включите файлы cookie и перезагрузите страницу.
Этот процесс автоматический. Ваш браузер в ближайшее время перенаправит вас на запрошенный контент.
Нива шевроле не работает
центральный замокПодождите до 5 секунд…
Проводка
Наверное, это самое слабое место во всей электрической цепи центрального замка. Проблема заключается в том, что дверь — подвижный элемент, поэтому жгуты проводов постоянно работают на скручивание в этих местах.
Кроме ЦЗ в дверь заходят провода сигнализации, концевиков, аудиосистемы, электростеклоподъемников. Несмотря на рациональный S-образный изгиб дверной проводки в гофре, случаются повреждения одного или нескольких проводов. Второе слабое место – это контакты внутри двери.
Целостность проводки проверяют путем «прозвона» подозрительных участков цепи. Найденный обрыв зачищают и соединяют пайкой или обжимными втулками.
Замена сломанного провода целиком на новый не всегда целесообразна из-за трудоемкости работ.
Место нахождения блока управления
Блок управления электропакетом размещен в доступном месте сразу за блоком предохранителей с левой стороны от педального узла. Доступ к нему возможен снизу или после частичного демонтажа блока предохранителей.
Монтажный блок с реле и предохранителем расположен под откидной крышкой слева от рулевой колонки. Номер предохранителя F10, положение реле отмечено на схеме значком.
Дверной замок с биометрическим кодом, производители систем контроля доступа
Hune имеет 27-летний опыт работы в нише цифровых замков Hune smart фабрика цифровых дверных замков , HUNE стала 3-м ведущим производителем цифровых замков и поставщиком замков для шкафов в Китае. Мы гонконгская группа, у нас есть производство на материковой части Китая. Например, фабрика умных цифровых дверных замков . На нашем заводе мы можем предложить гостиничный карточный замок, замок с клавиатурой, замок с отпечатком пальца, кодовый дверной замок, дверной замок без ключа, биометрический дверной замок.
HUNE, кажется, является первым поставщиком гостиничных замков и smart завод цифровых дверных замков в Китае, который запустил магнитную систему дверных замков отеля в 1991 году. Благодаря 26-летнему опыту работы в нише цифровых замков HUNE вошла в тройку ведущих брендов смарт-замков в Китае. Но мы никогда не перестаем совершенствоваться, поэтому продолжаем выпускать наши серийные продукты для систем контроля доступа, такие как дверной замок с кодом, дверной замок без ключа .0004 , биометрический дверной замок, управление лифтом и считыватель магнитных замков.
Почему HUNE может так быстро расти в нише интеллектуальных замков, потому что мы строили нашу сеть установки и послепродажного обслуживания в начале 21 века всего через несколько лет после нашего основания.
HUNE может предложить вам подходящее до и после продажи обслуживание, кроме того, у нас есть большие производственные возможности в интеллектуальных замках, которые несут ваши 300 сотрудников. Автоматическая производственная линия, стандарт управления ISO 9001-2015 вместе с системой ERP гарантируют, что мы можем предоставить вам качественную продукцию вовремя. Сроки, качество и стоимость всегда являются основными факторами при выборе поставщика.
И наша опытная команда R & D всегда готова к вашему специальному продукту. Средний опыт работы нашей команды более 8 лет. Мы разделили их на механические, электронные, внешний вид, программное обеспечение и группу тестирования, чтобы обеспечить функциональность.
Преимущество в том, что мы говорим с вами на одном языке в технической части. Мы знаем техническую тенденцию и поможем вам реализовать вашу идею после общения. Мы также являемся партнерами многих известных брендов в их проектах OEM и ODM.
HUNE всегда считала, что хорошее качество — это только пропуск на рынок, и нам нужно создавать превосходные продукты, чтобы завоевать рынок. Таким образом, вне зависимости от внешнего вида, механики, функциональности и программы, мы потратим много времени и усилий, чтобы найти идеальное решение. HUNE выпускает новые продукты или новое программное обеспечение не реже двух раз в год. Это также поможет вам расширить рынок и удовлетворить потребности большего количества потенциальных клиентов.
Сертификаты должны быть лучшим подтверждением бренда. Большинство замков HUNE получили сертификаты мирового уровня, такие как CE, EN14846, UL и ANSI/BHMA. Соответствие требованиям страны — лучшая защита, которую мы можем вам предложить, и экономия ваших средств.
Замок также является кратким описанием вашего дизайна интерьера, поэтому HUNE понимает вашу озабоченность дизайном. У HUNE есть широкий список продуктов на ваш выбор. Нержавеющая сталь или сплав, хром, золотой или черный цвет, упрощенный или роскошный дизайн, европейский или врезной ANSI, вы всегда можете найти подходящие модели гостиничных замков для дизайна вашего дома.
Приходите в HUNE, если вы хотите выбрать продукты для вашей системы контроля доступа или системы блокировки электронных карт . Вот универсальный магазин для вас.Array 23502-119 Cooper WiFi Connected Door Lock Satin Nickel —
2,7 из 5 звезд 16 оценок
В настоящее время недоступен.
Мы не знаем, когда и будет ли этот товар снова в наличии.
Размер: Купер
Цвет: Сатин Никель
Add voice control by combining with an Alexa device
| Brand | Array |
| Lock Type | Keypad Lock |
| Item Dimensions LxWxH | 1 x 2. 75 x 5.5 inches |
| Материал | Металл |
| Стиль | Современный |
- Убедитесь, что он подходит, введя номер модели.
- Интеллектуальный засов с поддержкой облака Wi-Fi и приложений; концентратор не требуется
- Блокируйте и открывайте дверь из любого места с помощью смартфона или планшета
- Отправляйте запланированные электронные ключи или электронные коды авторизованным пользователям с помощью смартфона или планшета
- Совместимость со смартфонами, планшетами и смарт-часами Apple или Android Wear на базе Android и iOS (Apple)
- Работает с Amazon Echo, просто скажите «Alexa, закрой мою дверь»
Подходит для вашего .
См. дополнительные сведения о продукте
Недорогой альтернативный вариант
Amazon Basics Contemporary Electronic Keypad Deadbolt Дверной замок с проходным рычагом — сатиновый никель
(662)
83,04 $
Примечание.

Обычно оно равняется 200-300 мА.
75 x 5.5 inches