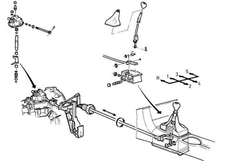
Π Π΅Π³ΡΠ»ΠΈΡΠΎΠ²ΠΊΠ° ΠΏΠ΅ΡΠ΅ΠΊΠ»ΡΡΠ΅Π½ΠΈΡ ΠΊΠΎΡΠΎΠ±ΠΊΠΈ ΠΏΠ΅ΡΠ΅Π΄Π°Ρ (ΠΠΠ) ΠΠΏΠ΅Π»Ρ ΠΡΡΡΠ° Opel Astra
ΠΠΎΡΠ»Π΅ Π²ΡΠΏΠΎΠ»Π½Π΅Π½ΠΈΡ ΡΠ°Π±ΠΎΡ, ΡΠ²ΡΠ·Π°Π½Π½ΡΡ
Ρ ΡΠ°Π·ΡΠ΅Π΄ΠΈΠ½Π΅Π½ΠΈΠ΅ΠΌ ΠΏΡΠΈΠ²ΠΎΠ΄Π° ΠΏΠ΅ΡΠ΅ΠΊΠ»ΡΡΠ΅Π½ΠΈΡ ΠΏΠ΅ΡΠ΅Π΄Π°Ρ, ΠΈ ΠΏΡΠΈ Π½Π΅ΡΡΡΠΊΠΎΠΌ ΠΏΠ΅ΡΠ΅ΠΊΠ»ΡΡΠ΅Π½ΠΈΠΈ ΠΏΠ΅ΡΠ΅Π΄Π°Ρ Π² ΡΠΊΡΠΏΠ»ΡΠ°ΡΠ°ΡΠΈΠΈ ΠΎΡΡΠ΅Π³ΡΠ»ΠΈΡΡΠΉΡΠ΅ ΠΏΡΠΈΠ²ΠΎΠ΄ ΠΠΠ.
ΠΠ°ΠΌ ΠΏΠΎΡΡΠ΅Π±ΡΡΡΡΡ: ΠΊΠ»ΡΡΠΈ Β«Π½Π° 12Β», Β«Π½Π° 14Β».
1. ΠΠ΅ΡΠ΅ΠΊΠ»ΡΡΠΈΡΠ΅ ΠΊΠΎΡΠΎΠ±ΠΊΡ ΠΏΠ΅ΡΠ΅Π΄Π°Ρ Π² Π½Π΅ΠΉΡΡΠ°Π»ΡΠ½ΠΎΠ΅ ΠΏΠΎΠ»ΠΎΠΆΠ΅Π½ΠΈΠ΅ ΠΈ Π½Π°ΠΆΠΌΠΈΡΠ΅ Π½Π° ΡΠ΅Π³ΡΠ»ΠΈΡΠΎΠ²ΠΎΡΠ½ΡΠΉ ΡΠΈΠΊΡΠ°ΡΠΎΡ ΠΌΠ΅Ρ Π°Π½ΠΈΠ·ΠΌΠ° ΠΏΠ΅ΡΠ΅ΠΊΠ»ΡΡΠ΅Π½ΠΈΡ ΠΏΠ΅ΡΠ΅Π΄Π°Ρ Π΄ΠΎ ΡΠ΅Π»ΡΠΊΠ°, Π·Π°Π±Π»ΠΎΠΊΠΈΡΠΎΠ²Π°Π² ΡΠ΅ΠΌ ΡΠ°ΠΌΡΠΌ Π²Π°Π» ΠΌΠ΅Ρ Π°Π½ΠΈΠ·ΠΌΠ°.
2. Π ΠΌΠΎΡΠΎΡΠ½ΠΎΠΌ ΠΎΡΡΠ΅ΠΊΠ΅ ΠΎΡΠ»Π°Π±ΡΡΠ΅ Π·Π°ΡΡΠΆΠΊΡ ΠΊΠ»Π΅ΠΌΠΌΠΎΠ²ΠΎΠ³ΠΎ ΡΠΎΠ΅Π΄ΠΈΠ½Π΅Π½ΠΈΡ ΠΏΡΠΈΠ²ΠΎΠ΄Π° ΠΏΠ΅ΡΠ΅ΠΊΠ»ΡΡΠ΅Π½ΠΈΡ ΠΏΠ΅ΡΠ΅Π΄Π°Ρ, ΠΎΠ±Π΅ΡΠΏΠ΅ΡΠΈΠ² ΡΠ²ΠΎΠ±ΠΎΠ΄Π½ΠΎΠ΅ Π²Π·Π°ΠΈΠΌΠ½ΠΎΠ΅ ΠΏΠ΅ΡΠ΅ΠΌΠ΅ΡΠ΅Π½ΠΈΠ΅ Π½Π°ΠΊΠΎΠ½Π΅ΡΠ½ΠΈΠΊΠ° ΡΡΡΠ°Π³Π° ΠΏΠ΅ΡΠ΅ΠΊΠ»ΡΡΠ΅Π½ΠΈΡ ΠΏΠ΅ΡΠ΅Π΄Π°Ρ ΠΈ ΡΡΠ³ΠΈ.
3. ΠΠ·Π²Π»Π΅ΠΊΠΈΡΠ΅ ΡΠ°ΠΌΠΊΡ ΡΠ΅Ρ Π»Π° ΡΡΡΠ°Π³Π° ΠΏΠ΅ΡΠ΅ΠΊΠ»ΡΡΠ΅Π½ΠΈΡ ΠΏΠ΅ΡΠ΅Π΄Π°Ρ ΠΈΠ· Π³Π½Π΅Π·Π΄Π° ΠΎΠ±Π»ΠΈΡΠΎΠ²ΠΊΠΈ ΡΠΎΠ½Π½Π΅Π»Ρ ΠΏΠΎΠ»Π°, ΠΏΡΠ΅ΠΎΠ΄ΠΎΠ»Π΅Π²Π°Ρ ΡΠΏΡΡΠ³ΠΎΠ΅ ΡΠΎΠΏΡΠΎΡΠΈΠ²Π»Π΅Π½ΠΈΠ΅ Π΅Π΅ ΡΠΈΠΊΡΠ°ΡΠΎΡΠΎΠ², ΠΈ ΠΏΡΠΈΠΏΠΎΠ΄Π½ΠΈΠΌΠΈΡΠ΅ ΡΠ΅Ρ ΠΎΠ» ΠΏΠΎ ΡΡΡΠ°Π³Ρ.
4. Π£ΡΡΠ°Π½ΠΎΠ²ΠΈΡΠ΅ ΡΡΡΠ°Π³ ΠΏΠ΅ΡΠ΅ΠΊΠ»ΡΡΠ΅Π½ΠΈΡ ΠΏΠ΅ΡΠ΅Π΄Π°Ρ Π² ΠΏΠΎΠ»ΠΎΠΆΠ΅Π½ΠΈΠ΅ Π²ΡΠ±ΠΎΡΠ° I ΠΈΠ»ΠΈ II ΠΏΠ΅ΡΠ΅Π΄Π°ΡΠΈ ΠΈ, ΡΠΎΠ²ΠΌΠ΅ΡΡΠΈΠ² ΠΎΡΠ²Π΅ΡΡΡΠΈΡ Π² ΡΠΏΠΎΡΠ½ΠΎΠΉ Π²ΡΡΠ»ΠΊΠ΅ ΡΡΡΠ°Π³Π°
ΠΏΠ΅ΡΠ΅ΠΊΠ»ΡΡΠ΅Π½ΠΈΡ ΠΏΠ΅ΡΠ΅Π΄Π°Ρ ΠΈ ΠΊΡΠ»ΠΈΡΠ΅ ΡΡΡΠ°Π³Π°, Π·Π°ΡΠΈΠΊΡΠΈΡΡΠΉΡΠ΅ ΡΡΡΠ°Π³, Π²ΡΡΠ°Π²ΠΈΠ² Π² ΡΠΎΠ²ΠΌΠ΅ΡΠ΅Π½Π½ΡΠ΅
ΠΎΡΠ²Π΅ΡΡΡΠΈΡ ΡΡΠ΅ΡΠΆΠ΅Π½Ρ Π΄ΠΈΠ°ΠΌΠ΅ΡΡΠΎΠΌ 5,0 ΠΌΠΌ.
5. ΠΠ°ΡΡΠ½ΠΈΡΠ΅ ΠΊΠ»Π΅ΠΌΠΌΠΎΠ²ΠΎΠ΅ ΡΠΎΠ΅Π΄ΠΈΠ½Π΅Π½ΠΈΠ΅ ΠΏΡΠΈΠ²ΠΎΠ΄Π° ΠΏΠ΅ΡΠ΅ΠΊΠ»ΡΡΠ΅Π½ΠΈΡ ΠΏΠ΅ΡΠ΅Π΄Π°Ρ, Π²ΡΠ½ΡΡΠ΅ ΡΡΠ΅ΡΠΆΠ΅Π½Ρ ΠΈΠ· ΡΡΡΠ°Π½ΠΎΠ²ΠΎΡΠ½ΠΎΠ³ΠΎ ΠΎΡΠ²Π΅ΡΡΡΠΈΡ Π½Π° ΡΡΡΠ°Π³Π΅ ΠΏΠ΅ΡΠ΅ΠΊΠ»ΡΡΠ΅Π½ΠΈΡ ΠΏΠ΅ΡΠ΅Π΄Π°Ρ ΠΈ Π²Π΅ΡΠ½ΠΈΡΠ΅ ΡΠΈΠΊΡΠ°ΡΠΎΡ ΠΌΠ΅Ρ Π°Π½ΠΈΠ·ΠΌΠ° ΠΏΠ΅ΡΠ΅ΠΊΠ»ΡΡΠ΅Π½ΠΈΡ ΠΏΠ΅ΡΠ΅Π΄Π°Ρ Π² ΠΈΡΡ ΠΎΠ΄Π½ΠΎΠ΅ ΠΏΠΎΠ»ΠΎΠΆΠ΅Π½ΠΈΠ΅.
6. ΠΡΠΎΠ²Π΅ΡΡΡΠ΅ ΡΠ΅ΡΠΊΠΎΡΡΡ Π²ΠΊΠ»ΡΡΠ΅Π½ΠΈΡ ΠΏΠ΅ΡΠ΅Π΄Π°Ρ. ΠΡΠΈ Π½Π΅ΠΎΠ±Ρ ΠΎΠ΄ΠΈΠΌΠΎΡΡΠΈ ΠΏΠΎΠ²ΡΠΎΡΠΈΡΠ΅ ΡΠ΅Π³ΡΠ»ΠΈΡΠΎΠ²ΠΊΡ.
Β
ΠΠ»Ρ Astra G
Π Π°Π±ΠΎΡΠ°Ρ Π² ΠΌΠΎΡΠΎΡΠ½ΠΎΠΌ ΠΎΡΠ΄Π΅Π»Π΅Π½ΠΈΠΈ, ΠΎΡΠ»Π°Π±ΡΡΠ΅ Π±ΠΎΠ»Ρ ΠΊΡΠ΅ΠΏΠ»Π΅Π½ΠΈΡ ΡΡΠ΅ΡΠΆΠ½Ρ ΡΡΡΠ°Π³Π° ΠΏΠ΅ΡΠ΅ΠΌΠ΅Π½Ρ ΠΏΠ΅ΡΠ΅Π΄Π°Ρ ΠΊ Π²ΡΡΠ»ΠΊΠ΅.
ΠΠ·Π²Π»Π΅ΠΊΠΈΡΠ΅ ΠΏΡΠΎΠ±ΠΊΡ ΠΈΠ· ΠΎΡΠ²Π΅ΡΡΡΠΈΡ ΡΠ΅Π³ΡΠ»ΠΈΡΠΎΠ²ΠΎΡΠ½ΠΎΠ³ΠΎ ΠΌΠ΅Ρ Π°Π½ΠΈΠ·ΠΌΠ° Π² ΠΊΡΡΡΠΊΠ΅ ΡΡΡΠ°Π³Π° ΠΏΠ΅ΡΠ΅ΠΌΠ΅Π½Ρ ΠΏΠ΅ΡΠ΅Π΄Π°Ρ.
ΠΠ»ΡΠ΄Ρ Π½Π° ΠΏΠ΅ΡΠ΅Π³ΠΎΡΠΎΠ΄ΠΊΡ ΠΌΠΎΡΠΎΡΠ½ΠΎΠ³ΠΎ ΠΎΡΠ΄Π΅Π»Π΅Π½ΠΈΡ, Π²ΠΎΠ·ΡΠΌΠΈΡΠ΅ΡΡ Π·Π° ΡΡΡΠ°Π³ ΠΏΠ΅ΡΠ΅ΠΌΠ΅Π½Ρ ΠΏΠ΅ΡΠ΅Π΄Π°Ρ ΠΈ ΠΏΠΎΠ²Π΅ΡΠ½ΠΈΡΠ΅ Π΅Π³ΠΎ ΠΏΠΎ ΡΠ°ΡΠΎΠ²ΠΎΠΉ ΡΡΡΠ΅Π»ΠΊΠ΅ Π΄ΠΎ ΠΏΠΎΠ»ΠΎΠΆΠ΅Π½ΠΈΡ, ΠΊΠΎΠ³Π΄Π° ΡΠΏΠΈΡΠ°Π»ΡΠ½ΠΎΠ΅ ΡΠ²Π΅ΡΠ»ΠΎ Π΄ΠΈΠ°ΠΌΠ΅ΡΡΠΎΠΌ 4,5 ΠΌΠΌ ΠΌΠΎΠΆΠ½ΠΎ Π±ΡΠ΄Π΅Ρ Π²ΡΡΠ°Π²ΠΈΡΡ Π² ΠΎΡΠ²Π΅ΡΡΡΠΈΠ΅ ΡΠ΅Π³ΡΠ»ΠΈΡΠΎΠ²ΠΎΡΠ½ΠΎΠ³ΠΎ ΠΌΠ΅Ρ Π°Π½ΠΈΠ·ΠΌΠ° Π² ΠΊΡΡΡΠΊΠ΅ ΡΡΡΠ°Π³Π° ΠΏΠ΅ΡΠ΅ΠΌΠ΅Π½Ρ ΠΏΠ΅ΡΠ΅Π΄Π°Ρ.
Π Π°Π±ΠΎΡΠ°Ρ Π²Π½ΡΡΡΠΈ Π°Π²ΡΠΎΠΌΠΎΠ±ΠΈΠ»Ρ, ΠΏΠΎΡΡΠ½ΠΈΡΠ΅ ΠΊ ΡΠ΅Π±Π΅ ΠΏΠ΅ΡΠ΅Π΄Π½ΠΈΠΉ ΠΊΡΠ°ΠΉ Π³ΠΎΡΡΠΈΡΠΎΠ²Π°Π½Π½ΠΎΠ³ΠΎ ΡΠ΅Ρ Π»Π° ΡΡΡΠ°Π³Π° ΠΏΠ΅ΡΠ΅ΠΌΠ΅Π½Ρ ΠΏΠ΅ΡΠ΅Π΄Π°Ρ ΠΈ ΠΎΠ±Π΅ΡΠΏΠ΅ΡΡΡΠ΅ Π΄ΠΎΡΡΡΠΏ ΠΊ ΠΎΡΠ½ΠΎΠ²Π°Π½ΠΈΡ ΡΡΡΠ°Π³Π°.
Π’Π΅ΠΏΠ΅ΡΡ Π½ΡΠΆΠ΅Π½ ΠΏΠΎΠΌΠΎΡΠ½ΠΈΠΊ Π΄Π»Ρ ΡΠΎΠ³ΠΎ, ΡΡΠΎΠ±Ρ Π΄Π΅ΡΠΆΠ°ΡΡ ΡΡΡΠ°Π³ ΠΏΠ΅ΡΠ΅ΠΌΠ΅Π½Ρ ΠΏΠ΅ΡΠ΅Π΄Π°Ρ Π² Π½Π΅ΠΉΡΡΠ°Π»ΡΠ½ΠΎΠΉ ΠΏΠΎΠ·ΠΈΡΠΈΠΈ 1-ΠΉ/2-ΠΉ ΠΏΠ΅ΡΠ΅Π΄Π°ΡΠΈ.
Π ΡΡΠ°Π³ Π΄ΠΎΠ»ΠΆΠ΅Π½ ΠΎΠΏΠΈΡΠ°ΡΡΡΡ ΠΎΠ± ΠΎΠ³ΡΠ°Π½ΠΈΡΠΈΡΠ΅Π»Ρ Π·Π°Π΄Π½Π΅Π³ΠΎ Ρ
ΠΎΠ΄Π°, Π° ΡΡΡΠ΅Π»ΠΊΠ° ΠΈ Π²ΡΡΠ΅Π· Π΄ΠΎΠ»ΠΆΠ½Ρ Π±ΡΡΡ ΡΠΎΠ²ΠΌΠ΅ΡΠ΅Π½Ρ (ΡΠΈΡ. 7.5).
ΠΠ΅ Π΄Π²ΠΈΠ³Π°Ρ ΡΡΡΠ°Π³ ΠΏΠ΅ΡΠ΅ΠΌΠ΅Π½Ρ ΠΏΠ΅ΡΠ΅Π΄Π°Ρ, Π·Π°ΡΡΠ½ΠΈΡΠ΅ Π±ΠΎΠ»Ρ, Π·Π°ΠΊΡΠ΅ΠΏΠ»ΡΡ ΡΡΠ΅ΡΠΆΠ΅Π½Ρ ΡΡΡΠ°Π³Π° ΠΊ Π²ΡΡΠ»ΠΊΠ΅ Π² ΠΌΠΎΡΠΎΡΠ½ΠΎΠΌ ΠΎΡΠ΄Π΅Π»Π΅Π½ΠΈΠΈ.
ΠΡΠΎΠ²Π΅ΡΡΡΠ΅, ΡΠΎΠΎΡΠ²Π΅ΡΡΡΠ²ΡΠ΅Ρ Π»ΠΈ ΡΡΠ΅Π±ΠΎΠ²Π°Π½ΠΈΡΠΌ ΡΠΏΠ΅ΡΠΈΡΠΈΠΊΠ°ΡΠΈΠΈ (ΠΌΠ°ΠΊΡΠΈΠΌΡΠΌ 3 ΠΌΠΌ) ΡΠ²ΠΎΠ±ΠΎΠ΄Π½ΡΠΉ Ρ ΠΎΠ΄ ΡΡΡΠ°Π³Π° ΠΏΠ΅ΡΠ΅ΠΌΠ΅Π½Ρ ΠΏΠ΅ΡΠ΅Π΄Π°Ρ ΠΌΠ΅ΠΆΠ΄Ρ ΠΊΡΡΠΊΠΎΠΌ (Π) ΠΈ ΠΎΠ³ΡΠ°Π½ΠΈΡΠΈΡΠ΅Π»Π΅ΠΌ (Π) Ρ ΠΎΡΠ½ΠΎΠ²Π°Π½ΠΈΡ ΡΡΡΠ°Π³Π° (ΡΠΈΡ. 7.6).
Π ΠΈΡ. 7.5. Π‘ΡΡΠ΅Π»ΠΊΠ° Π½Π° ΡΡΡΠ°Π³Π΅ ΠΏΠ΅ΡΠ΅ΠΌΠ΅Π½Ρ ΠΏΠ΅ΡΠ΅Π΄Π°Ρ ΡΠΎΠ²ΠΌΠ΅ΡΠ°Π΅ΡΡΡ Ρ Π²ΡΡΠ΅Π·ΠΎΠΌ Π½Π° ΠΎΠ³ΡΠ°Π½ΠΈΡΠΈΡΠ΅Π»Π΅ Π·Π°Π΄Π½Π΅Π³ΠΎ Ρ ΠΎΠ΄Π° .Π ΠΈΡ. 7.6. Π‘Π²ΠΎΠ±ΠΎΠ΄Π½ΡΠΉ Ρ ΠΎΠ΄ ΡΡΡΠ°Π³Π° ΠΏΠ΅ΡΠ΅ΠΌΠ΅Π½Ρ ΠΏΠ΅ΡΠ΅Π΄Π°Ρ ΠΌΠ΅ΠΆΠ΄Ρ ΠΊΡΡΠΊΠΎΠΌ (Π) ΠΈ ΠΎΠ³ΡΠ°Π½ΠΈΡΠΈΡΠ΅Π»Π΅ΠΌ (Π) Π½Π΅ Π΄ΠΎΠ»ΠΆΠ΅Π½ Π±ΡΡΡ Π±ΠΎΠ»Π΅Π΅ 3,0 ΠΌΠΌ |
Π£ΡΡΠ°Π½ΠΎΠ²ΠΈΡΠ΅ Π³ΠΎΡΡΠΈΡΠΎΠ²Π°Π½Π½ΡΠΉ ΡΠ΅Ρ ΠΎΠ» ΡΡΡΠ°Π³Π° ΠΏΠ΅ΡΠ΅ΠΌΠ΅Π½Ρ ΠΏΠ΅ΡΠ΅Π΄Π°Ρ Π½Π° ΡΠ΅Π½ΡΡΠ°Π»ΡΠ½ΠΎΠΉ ΠΊΠΎΠ½ΡΠΎΠ»ΠΈ.
ΠΠ·Π²Π»Π΅ΠΊΠΈΡΠ΅ ΡΠΏΠΈΡΠ°Π»ΡΠ½ΠΎΠ΅ ΡΠ²Π΅ΡΠ»ΠΎ ΠΈΠ· ΠΎΡΠ²Π΅ΡΡΡΠΈΡ ΡΠ΅Π³ΡΠ»ΠΈΡΠΎΠ²ΠΎΡΠ½ΠΎΠ³ΠΎ ΠΌΠ΅Ρ Π°Π½ΠΈΠ·ΠΌΠ° Π² ΠΊΡΡΡΠΊΠ΅ ΡΠ΅Π»Π΅ΠΊΡΠΎΡΠ° ΠΈ Π·Π°Π³Π»ΡΡΠΈΡΠ΅ ΠΎΡΠ²Π΅ΡΡΡΠΈΠ΅ Π½ΠΎΠ²ΠΎΠΉ ΠΏΡΠΎΠ±ΠΊΠΎΠΉ.
Π ΠΊΠΎΠ½ΡΠ΅ ΡΠ°Π±ΠΎΡΡ ΠΏΡΠΎΠ²Π΅ΡΡΡΠ΅, Π²ΡΠ΅ Π»ΠΈ ΡΠ΅ΡΡΠ΅ΡΠ½ΠΈ ΠΌΠΎΠ³ΡΡ Π»Π΅Π³ΠΊΠΎ Π²Ρ
ΠΎΠ΄ΠΈΡΡ Π² Π·Π°ΡΠ΅ΠΏΠ»Π΅Π½ΠΈΠ΅ (Π½Π° Π½Π΅ΠΏΠΎΠ΄Π²ΠΈΠΆΠ½ΠΎΠΌ Π°Π²ΡΠΎΠΌΠΎΠ±ΠΈΠ»Π΅), Π½ΠΎ ΠΏΡΠΈ ΡΠ°Π±ΠΎΡΠ°ΡΡΠ΅ΠΌ Π΄Π²ΠΈΠ³Π°ΡΠ΅Π»Π΅ ΠΈ Π½Π°ΠΆΠ°ΡΠΎΠΉ ΠΏΠ΅Π΄Π°Π»ΠΈ ΡΡΠ΅ΠΏΠ»Π΅Π½ΠΈΡ.
ΠΡΠΎΠ±Π»Π΅ΠΌΡ ΠΠΠΠ Opel F23
04.05.2021
9662
ΠΠ΅Ρ Π°Π½ΠΈΡΠ΅ΡΠΊΠ°Ρ ΠΊΠΎΡΠΎΠ±ΠΊΠ° F23 ΡΠΎΠ·Π΄Π°Π½Π° ΠΊΠΎΠΌΠΏΠ°Π½ΠΈΠ΅ΠΉ Getrag Π΄Π»Ρ Π°Π²ΡΠΎΠΌΠΎΠ±ΠΈΠ»Π΅ΠΉ ΠΊΠΎΠ½ΡΠ΅ΡΠ½Π° GM ΠΈ ΠΏΡΠΈΠΌΠ΅Π½ΡΠ»Π°ΡΡ Ρ 1998 Π³ΠΎΠ΄Π°. ΠΠ΅ ΡΡΡΠ°Π½Π°Π²Π»ΠΈΠ²Π°Π»ΠΈ Π½Π° 10 ΠΌΠΎΠ΄Π΅Π»Π΅ΠΉ Π°Π²ΡΠΎΠΌΠΎΠ±ΠΈΠ»Π΅ΠΉ Opel, ΠΎΡ Astra G ΠΈ H, Combo Π‘ ΠΈ Corsa C Π΄ΠΎ Vectra B ΠΈ C, Signum ΠΈ Zafira A. ΠΠΎΡΠΎΠ±ΠΊΠ° F23 ΡΠ°Π±ΠΎΡΠ°Π»Π° Π² ΠΏΠ°ΡΠ΅ Ρ Π±Π΅Π½Π·ΠΈΠ½ΠΎΠ²ΡΠΌΠΈ Π΄Π²ΠΈΠ³Π°ΡΠ΅Π»ΡΠΌΠΈ ΠΎΠ±ΡΠ΅ΠΌΠΎΠΌ ΠΎΡ 2 Π΄ΠΎ 2,6 Π»ΠΈΡΡΠΎΠ²,Π° ΡΠ°ΠΊΠΆΠ΅Β Π΄ΠΈΠ·Π΅Π»ΡΠΌΠΈ ΠΎΠ±ΡΠ΅ΠΌΠΎΠΌ 1,7 ΠΈ 2,0 Π»ΠΈΡΡΠ°. Π’Π°ΠΊΠΆΠ΅ Π΅Π΅ ΡΡΡΠ°Π½Π°Π²Π»ΠΈΠ²Π°Π»ΠΈ Π½Π° Π½Π΅ΠΊΠΎΡΠΎΡΡΠ΅ ΠΌΠΎΠ΄Π΅Π»ΠΈ Chevrolet, Saturn, Pontiac.
Β
ΠΠΎΠ½ΡΡΡΡΠΊΡΠΈΠ²Π½ΠΎ ΠΊΠΎΡΠΎΠ±ΠΊΠ° F23 ΡΡΠ΅Ρ Π²Π°Π»ΡΠ½Π°Ρ, 5-ΡΡΡΠΏΠ΅Π½ΡΠ°ΡΠ°Ρ. ΠΡΠ΅ ΠΏΠ΅ΡΠ΅Π΄Π°ΡΠΈ Π² Π½Π΅ΠΉ, Π²ΠΊΠ»ΡΡΠ°Ρ Π·Π°Π΄Π½ΡΡ, ΡΠΈΠ½Ρ ΡΠΎΠ½ΠΈΠ·ΠΈΡΠΎΠ²Π°Π½Ρ. ΠΠΠ ΠΎΡΠ½Π°ΡΠ΅Π½Π° ΡΡΠΎΡΠΎΠ²ΡΠΌ ΠΏΡΠΈΠ²ΠΎΠ΄ΠΎΠΌ ΠΌΠ΅Ρ Π°Π½ΠΈΠ·ΠΌΠ° Π²ΡΠ±ΠΎΡΠ° ΠΏΠ΅ΡΠ΅Π΄Π°Ρ. ΠΡΠΆΠΈΠΌΠ½ΠΎΠΉ ΠΏΠΎΠ΄ΡΠΈΠΏΠ½ΠΈΠΊ β Ρ Π³ΠΈΠ΄ΡΠ°Π²Π»ΠΈΡΠ΅ΡΠΊΠΈΠΌ Π²ΡΠΆΠΈΠΌΠΎΠΌ.
Β
ΠΠΎΠ΄ΡΠΎΠ±Π½ΡΠΉ ΡΠ°ΡΡΠΊΠ°Π· ΠΎ ΠΊΠΎΡΠΎΠ±ΠΊΠ΅ ΠΏΠ΅ΡΠ΅Π΄Π°Ρ Opel F23 Ρ Opel Zafira A 2.0 DTI (F23WR SJ, AK, AJ) Π²Ρ ΠΌΠΎΠΆΠ΅ΡΠ΅ ΠΏΠΎΡΠΌΠΎΡΡΠ΅ΡΡ Π½Π° Π½Π°ΡΠ΅ΠΌ YouTube-ΠΊΠ°Π½Π°Π»Π΅.
Β
Β
ΠΡΠ±ΡΠ°ΡΡ Β ΠΈ ΠΊΡΠΏΠΈΡΡ ΠΊΠΎΡΠΎΠ±ΠΊΡ ΠΏΠ΅ΡΠ΅Π΄Π°Ρ Opel Π²Ρ ΠΌΠΎΠΆΠ΅ΡΠ΅ Π² Π½Π°ΡΠ΅ΠΌ ΠΊΠ°ΡΠ°Π»ΠΎΠ³Π΅ ΠΠΠ.
Β
ΠΠ°ΡΠΊΠΈΡΠΎΠ²ΠΊΠ° ΠΊΠΎΡΠΎΠ±ΠΎΠΊ ΠΏΠ΅ΡΠ΅Π΄Π°Ρ F23
ΠΠ»Ρ ΠΊΠΎΡΠΎΠ±ΠΊΠΈ F23 ΠΏΡΠ΅Π΄ΡΡΠΌΠΎΡΡΠ΅Π½ΠΎ ΡΡΠΈ ΠΎΡΠ½ΠΎΠ²Π½ΡΠ΅ ΠΌΠΎΠ΄ΠΈΡΠΈΠΊΠ°ΡΠΈΠΈ: Π΄Π»Ρ ΡΡΡΠ±ΠΎΠ΄ΠΈΠ·Π΅Π»Π΅ΠΉ (F23WR), Π΄Π»Ρ Π±Π΅Π½Π·ΠΈΠ½ΠΎΠ²ΡΡ Π°ΡΠΌΠΎΡΡΠ΅ΡΠ½ΠΈΠΊΠΎΠ² F23SR ΠΈ Π΄Π»Ρ ΡΡΡΠ±ΠΎΠ±Π΅Π½Π·ΠΈΠ½ΠΎΠ²ΠΎΠ³ΠΎ Π΄Π²ΠΈΠ³Π°ΡΠ΅Π»Ρ F23SRT. ΠΠ΅ΡΡΠΈΡ Π΄Π»Ρ ΡΡΡΠ±ΠΎΠ΄ΠΈΠ·Π΅Π»Π΅ΠΉ ΠΎΡΠ»ΠΈΡΠ°Π΅ΡΡΡ ΡΠ°ΡΡΠΈΡΠ΅Π½Π½ΡΠΌΠΈ ΠΏΠ΅ΡΠ΅Π΄Π°ΡΠΎΡΠ½ΡΠΌΠΈ ΡΠΈΡΠ»Π°ΠΌΠΈ, Π° Ρ Π±Π΅Π½Π·ΠΈΠ½ΠΎΠ²ΡΡ ΠΌΠΎΠ΄ΠΈΡΠΈΠΊΠ°ΡΠΈΠΉ Π±ΠΎΠ»Π΅Π΅ ΡΠ·ΠΊΠΈΠΉ ΠΏΠ΅ΡΠ΅Π΄Π°ΡΠΎΡΠ½ΡΠΉ Π΄ΠΈΠ°ΠΏΠ°Π·ΠΎΠ½.
ΠΠΎΠ½ΠΊΡΠ΅ΡΠ½Π°Ρ ΠΌΠΎΠ΄ΠΈΡΠΈΠΊΠ°ΡΠΈΡ Π·Π°ΡΠΈΡΡΠΎΠ²Π°Π½Π° Π² ΠΊΠΎΠ΄Π΅, ΠΊΠΎΡΠΎΡΡΠΉ Π½Π°Π½Π΅ΡΠ΅Π½ Π½Π° ΠΊΠΎΡΠΏΡΡ ΠΠΠΠ. Π‘ΡΡΠ΅ΡΡΠ²ΡΠ΅Ρ Π΄Π²Π° ΡΠΈΠΏΠ° ΠΌΠ°ΡΠΊΠΈΡΠΎΠ²ΠΊΠΈ.
Β
Β
ΠΠ΄Π΅ΡΡ Π½Π°Ρ ΠΈΠ½ΡΠ΅ΡΠ΅ΡΡΡΡ ΠΎΠ±Π΅ ΡΠΈΡΡΡ ΠΏΠΎΡΠ»Π΅ ΡΠΎΡΠΊΠΈ. Π‘Π°ΠΌΠ°Ρ ΠΏΠ΅ΡΠ²Π°Ρ ΡΠΈΡΡΠ° ΡΠΈΡΡΡΠ΅Ρ ΡΠΈΠΏ ΠΏΠ΅ΡΠ΅Π΄Π°ΡΠΎΡΠ½ΡΡ ΡΠΈΡΠ΅Π»:
Β
ΠΠ΅ΡΠ²Π°Ρ ΡΠΈΡΡΠ° ΡΠΈΡΡΡΠ΅Ρ ΡΠΈΠΏ ΠΏΠ΅ΡΠ΅Π΄Π°ΡΠΎΡΠ½ΡΡ ΡΠΈΡΠ΅Π»
0 = SR (ΡΠ±Π»ΠΈΠΆΠ΅Π½Π½ΡΠΉ ΡΡΠ΄)
1 = WR (ΡΠ°ΡΡΠΈΡΠ΅Π½Π½ΡΠΉ ΡΡΠ΄)
4 = SRT (ΡΠ±Π»ΠΈΠΆΠ΅Π½Π½ΡΠΉ ΡΡΠ΄ Π΄Π»Ρ ΡΡΡΠ±ΠΎΠΌΠΎΡΠΎΡΠ°)
Β
ΠΡΠΎΡΠ°Ρ ΡΠΈΡΡΠ° ΡΠΈΡΡΡΠ΅Ρ ΠΏΠ΅ΡΠ΅Π΄Π°ΡΠΎΡΠ½ΠΎΠ΅ ΡΠΈΡΠ»ΠΎ Π³Π»Π°Π²Π½ΠΎΠΉ ΠΏΠ΅ΡΠ΅Π΄Π°ΡΠΈ:
0 = 3,74
1 = 3,84
2 = 3,95
3 = 4,17
4 = 3,63
ΠΠ²Π΅ ΡΠ»Π΅Π΄ΡΡΡΠΈΠ΅ Π·Π° Π½ΠΈΠΌΠΈ ΡΠΈΡΡΡ ΡΠΊΠ°Π·ΡΠ²Π°ΡΡ Π½Π° Π³ΠΎΠ΄ Π²ΡΠΏΡΡΠΊΠ° ΠΠΠΠ.
Β
ΠΡΠΎΡΠΎΠΉ ΡΠΈΠΏ ΠΌΠ°ΡΠΊΠΈΡΠΎΠ²ΠΊΠΈ Π²ΡΡΡΠ΅ΡΠ°Π΅ΡΡΡ Π½Π° Π±ΠΎΠ»Π΅Π΅ ΠΏΠΎΠ·Π΄Π½ΠΈΡ ΠΠΠΠ F23 Ρ ΡΡΡΠ±ΠΎΠ΄ΠΈΠ·Π΅Π»ΡΠΌΠΈ ΠΈ Π±Π΅Π½Π·ΠΈΠ½ΠΎΠ²ΡΠΌΠΈ Π°ΡΠΌΠΎΡΡΠ΅ΡΠ½ΠΈΠΊΠ°ΠΌΠΈ.
Β
ΠΠ²ΡΠ·Π½Π°ΡΠ½ΠΎΠ΅ ΡΠΈΡΠ»ΠΎ ΠΏΠΎΡΠ»Π΅ Π±ΡΠΊΠ²Ρ:
01 = WR (ΡΠ°ΡΡΠΈΡΠ΅Π½Π½ΡΠΉ ΡΡΠ΄)
02 = SR (ΡΠ±Π»ΠΈΠΆΠ΅Π½Π½ΡΠΉ ΡΡΠ΄)
Β
Π‘Π»Π΅Π΄ΡΡΡΠ΅Π΅ ΡΠΈΡΠ»ΠΎ ΠΎΠ±ΠΎΠ·Π½Π°ΡΠ°Π΅Ρ Π³ΠΎΠ΄ Π²ΡΠΏΡΡΠΊΠ°.
Β
ΠΡΠΈ Π²ΡΠ±ΠΎΡΠ΅ ΠΊΠΎΡΠΎΠ±ΠΊΠΈ ΠΏΠ΅ΡΠ΅Π΄Π°Ρ F23 Π²ΡΠ΅Π³Π΄Π° Π½ΡΠΆΠ½ΠΎ ΡΡΠΈΡΡΠ²Π°ΡΡ Π½Π°Π½Π΅ΡΠ΅Π½Π½ΠΎΠ΅ Π±ΡΠΊΠ²Π΅Π½Π½ΠΎΠ΅ ΠΎΠ±ΠΎΠ·Π½Π°ΡΠ΅Π½ΠΈΠ΅. ΠΠΎΠ΄ ΠΈΠ· Π΄Π²ΡΡ Π»Π°ΡΠΈΠ½ΡΠΊΠΈΡ Π±ΡΠΊΠ² Π½Π°Π½Π΅ΡΠ΅Π½ ΠΊΡΡΠΏΠ½ΠΎ Π½Π° ΠΊΠΎΡΠΏΡΡ ΠΊΠΎΡΠΎΠ±ΠΊΠΈ ΠΏΠ΅ΡΠ΅Π΄Π°Ρ. Π Π½Π΅ΠΌ ΡΡΠ»ΠΎΠ²Π½ΠΎ Π·Π°ΡΠΈΡΡΠΎΠ²Π°Π½ΠΎ ΠΏΠ΅ΡΠ΅Π΄Π°ΡΠΎΡΠ½ΠΎΠ΅ ΠΎΡΠ½ΠΎΡΠ΅Π½ΠΈΠ΅ Π³Π»Π°Π²Π½ΠΎΠΉ ΠΏΠ΅ΡΠ΅Π΄Π°ΡΠΈ. ΠΠ»Ρ ΠΊΠΎΡΠΎΠ±ΠΎΠΊ F23 ΠΏΡΠ΅Π΄ΡΡΠΌΠΎΡΡΠ΅Π½ΠΎ 5 ΡΠ°Π·Π½ΡΡ Π³Π»Π°Π²Π½ΡΡ ΠΏΠ°Ρ. ΠΡΠ΅ Π²Π°ΡΠΈΠ°Π½ΡΡ Π³Π»Π°Π²Π½ΡΡ ΠΏΠ°Ρ ΠΏΠΎΠ΄ΠΎΠ±ΡΠ°Π½Ρ Π΄Π»Ρ ΡΠΎΠΎΡΠ²Π΅ΡΡΡΠ²ΡΡΡΠΈΡ Π°Π²ΡΠΎΠΌΠΎΠ±ΠΈΠ»Π΅ΠΉ ΠΈ ΠΈΡ Π΄Π²ΠΈΠ³Π°ΡΠ΅Π»Π΅ΠΉ.
Β
|
Π¨ΠΈΡΡ ΠΏΠ΅ΡΠ΅Π΄Π°ΡΠΎΡΠ½ΡΡ ΠΎΡΠ½ΠΎΡΠ΅Π½ΠΈΠΉ Π³Π»Π°Π²Π½ΡΡ ΠΏΠ°Ρ ΠΠΠΠ F23 |
||||
|
TR, AF, QF, AF |
SH, XU, SR, XU |
SA, QG, SK, SL |
TS, SC, SF, AH, TN, SS, ST, SM, XX, DZ |
XY, SQ, SG, SJ, AK, AJ |
|
3,632 |
3,737 |
3,842 |
3,947 |
4,167 |
Β
ΠΡΠΎΠ±Π»Π΅ΠΌΡ ΠΊΠΎΡΠΎΠ±ΠΊΠΈ ΠΏΠ΅ΡΠ΅Π΄Π°Ρ F23
ΠΠΎΡΠΎΠ±ΠΊΠ° ΠΏΠ΅ΡΠ΅Π΄Π°Ρ F23 ΠΎΡΠ΅Π½Ρ Π½Π°Π΄Π΅ΠΆΠ½Π°Ρ ΠΈ ΠΏΡΠΎΠ΄ΡΠΌΠ°Π½Π½Π°Ρ.
Π‘Π΅ΡΡΠ΅Π·Π½ΡΡ
ΠΈ ΠΏΠΎΠ²ΡΠΎΡΡΡΡΠΈΡ
ΡΡ ΠΏΡΠΎΠ±Π»Π΅ΠΌ Ρ Π½Π΅ΠΉ Π½Π΅ ΡΠ»ΡΡΠ°Π΅ΡΡΡ. ΠΠ±ΡΡΠ½ΠΎ Π²Π½ΠΈΠΌΠ°Π½ΠΈΡ ΡΡΠ΅Π±ΡΠ΅Ρ ΠΊΡΠ»ΠΈΡΠ° ΠΈ ΠΌΠ΅Ρ
Π°Π½ΠΈΠ·ΠΌ Π²ΡΠ±ΠΎΡΠ° ΠΏΠ΅ΡΠ΅Π΄Π°Ρ.
Β
Β
ΠΠ»ΠΎΡ ΠΎΠ΅ Π²ΠΊΠ»ΡΡΠ΅Π½ΠΈΠ΅ ΠΏΠ΅ΡΠ΅Π΄Π°Ρ, ΡΠΎ Π΅ΡΡΡ ΡΠΈΠ»ΡΠ½ΡΠ΅ Π·Π°Π΅Π΄Π°Π½ΠΈΡ, Π²ΠΌΠ΅ΡΡΠ΅ Ρ ΡΠΈΠ»ΡΠ½ΡΠΌ Π»ΡΡΡΠΎΠΌ ΡΠ°ΠΌΠΎΠ³ΠΎ ΡΡΡΠ°Π³Π° ΠΠΠ. ΠΡΠΎ ΡΠ°ΠΌΠ°Ρ ΡΠ°ΡΠΏΡΠΎΡΡΡΠ°Π½Π΅Π½Π½Π°Ρ ΠΏΡΠΎΠ±Π»Π΅ΠΌΠ° ΠΊΠΎΡΠΎΠ±ΠΊΠΈ Opel F23, ΠΈ Π²ΡΠ·Π²Π°Π½Π° ΠΎΠ½Π° ΠΈΠ·Π½ΠΎΡΠΎΠΌ ΡΡΠΎ ΠΈΠ·Π½ΠΎΡ ΠΏΠ»Π°ΡΡΠΈΠΊΠΎΠ²ΠΎΠΉ ΠΎΠ±ΠΎΠΉΠΌΡ ΠΈ Π²ΡΡΠ»ΠΎΡΠΊΠΈ ΠΊΡΠ»ΠΈΡΡ ΠΠΠΠ. Π ΡΡΠΎΠΌ ΡΠ»ΡΡΠ°Π΅ ΠΊΡΠ»ΠΈΡΠ° ΠΏΠΎΠ΄Π΄Π°Π΅ΡΡΡ Π²ΠΎΡΡΡΠ°Π½ΠΎΠ²Π»Π΅Π½ΠΈΡ β Π΄ΠΎΡΡΠ°ΡΠΎΡΠ½ΠΎ ΡΡΡΠ°Π½ΠΎΠ²ΠΈΡΡ ΡΠ΅ΠΌΠΊΠΎΠΌΠΏΠ»Π΅ΠΊΡ ΠΊΡΠ»ΠΈΡΡ.
Β
ΠΡΠ»ΠΈ ΡΡΡΠ°Π³ Π½Π΅ Π»ΡΡΡΠΈΡ, Π½ΠΎ Π½Π΅ΠΊΠΎΡΠΎΡΡΠ΅ ΠΏΠ΅ΡΠ΅Π΄Π°ΡΠΈ, ΠΎΠ±ΡΡΠ½ΠΎ 1-Ρ, 2-Ρ ΠΈ Π·Π°Π΄Π½ΡΡ, Π²ΠΊΠ»ΡΡΠ°ΡΡΡΡ ΠΏΠ»ΠΎΡ ΠΎ ΠΈΠ»ΠΈ Π²ΠΎΠΎΠ±ΡΠ΅ Π½Π΅ Π²ΠΊΠ»ΡΡΠ°ΡΡΡΡ, ΡΠΎ Π½ΡΠΆΠ½ΠΎ ΠΎΡΡΠ΅ΠΌΠΎΠ½ΡΠΈΡΠΎΠ²Π°ΡΡ ΠΌΠ΅Ρ Π°Π½ΠΈΠ·ΠΌ Π²ΡΠ±ΠΎΡΠ° ΠΏΠ΅ΡΠ΅Π΄Π°Ρ, ΡΡΡΠ°Π½ΠΎΠ²Π»Π΅Π½Π½ΡΠΉ Π½Π° ΡΠ°ΠΌΠΎΠΉ ΠΠΠΠ. ΠΡΠΎΡ ΠΌΠ΅Ρ Π°Π½ΠΈΠ·ΠΌ, ΠΈΠ·Π²Π΅ΡΡΠ½ΡΠΉ Π² Π½Π°ΡΠΎΠ΄Π΅ ΠΊΠ°ΠΊ Β«Π²Π΅ΡΡΠΎΠ»Π΅ΡΒ» Π·Π°ΠΊΠΈΡΠ°Π΅Ρ, Π·Π°Π³ΡΡΠ·Π½ΡΠ΅ΡΡΡ, Π² Π½Π΅ΠΌ ΠΈΠ·Π½Π°ΡΠΈΠ²Π°Π΅ΡΡΡ ΠΏΠ»Π°ΡΡΠΈΠΊΠΎΠ²Π°Ρ Π²ΡΡΠ»ΠΊΠ°. Β«ΠΠ΅ΡΡΠΎΠ»Π΅ΡΒ» ΡΠΎΠΆΠ΅ ΠΏΠΎΠ΄Π΄Π°Π΅ΡΡΡ Π²ΠΎΡΡΡΠ°Π½ΠΎΠ²Π»Π΅Π½ΠΈΡ ΠΈ ΡΠ΅ΠΌΠΎΠ½ΡΡ.
Β
Β
Π¨ΡΠΌ ΠΊΠΎΡΠΎΠ±ΠΊΠΈ F23 Π½Π° Π½Π΅ΠΉΡΡΠ°Π»ΠΈ, ΠΏΡΠΎΠΏΠ°Π΄Π°ΡΡΠΈΠΉ ΠΏΡΠΈ Π²ΡΠΆΠΈΠΌΠ΅ ΡΡΠ΅ΠΏΠ»Π΅Π½ΠΈΡ.
Β
Π’Π°ΠΊΠΆΠ΅ ΠΊΠΎΠΌΠΏΠ°Π½ΠΈΡ GM Π² ΡΠ²ΠΎΠ΅ΠΌ Π»ΠΈΡΠ΅ ΠΏΡΠΈΠ·Π½Π°Π»Π° Π΄Π²Π΅ ΠΏΡΠΎΠ±Π»Π΅ΠΌΡ, ΠΊΠΎΡΠΎΡΡΠ΅ ΡΠ»ΡΡΠ°Π»ΠΈΡΡ Ρ ΠΊΠΎΡΠΎΠ±ΠΊΠΎΠΉ F23 Π½Π° ΡΠ΅Π²Π΅ΡΠΎΠ°ΠΌΠ΅ΡΠΈΠΊΠ°Π½ΡΠΊΠΎΠΌ ΡΡΠ½ΠΊΠ΅.
Β
Β
ΠΠ΄Π½Π° ΠΏΡΠΎΠ±Π»Π΅ΠΌΠ° ΡΠ²ΡΠ·Π°Π½Π° Ρ ΠΏΠΎΡΡΠΎΡΠΎΠ½Π½ΠΈΠΌ ΡΡΠΌΠΎΠΌ, ΠΊΠΎΡΠΎΡΡΠΉ ΠΌΠΎΠΆΠ΅Ρ Π²ΠΎΠ·Π½ΠΈΠΊΠ°ΡΡ ΠΏΠΎΡΠ»Π΅ ΠΊΡΡΡΠΎΠ³ΠΎ Π»Π΅Π²ΠΎΠ³ΠΎ ΡΠ°Π·Π²ΠΎΡΠΎΡΠ°. ΠΡΠΎΡ ΡΡΠΌ ΠΈΠ½ΠΆΠ΅Π½Π΅ΡΡ Π½Π°Π·Π²Π°Π»ΠΈ Π²ΡΠΎΠΆΠ΄Π΅Π½Π½ΡΠΌ ΠΈ Π΄Π»Ρ Π΅Π³ΠΎ ΡΠ½ΠΈΠΆΠ΅Π½ΠΈΡ ΡΠ΅ΠΊΠΎΠΌΠ΅Π½Π΄ΡΡΡ Π·Π°Π»ΠΈΠ²Π°ΡΡ Π² ΠΊΠΎΡΠΎΠ±ΠΊΡ Π΄ΠΎΠΏΠΎΠ»Π½ΠΈΡΠ΅Π»ΡΠ½ΡΠΉ ΠΎΠ±ΡΠ΅ΠΌ ΡΡΠ°Π½ΡΠΌΠΈΡΡΠΈΠΎΠ½Π½ΠΎΠ³ΠΎ ΠΌΠ°ΡΠ»Π°. Π‘ΡΠ°Π½Π΄Π°ΡΡΠ½ΠΎ Π² F23 Π·Π°ΠΏΡΠ°Π²Π»ΡΠ΅ΡΡΡ 1,75 Π»ΠΈΡΡΠ° ΠΌΠ°ΡΠ»Π°. ΠΠ½ΠΆΠ΅Π½Π΅ΡΡ GM ΡΠ΅ΠΊΠΎΠΌΠ΅Π½Π΄ΡΡΡ Π·Π°Π»ΠΈΠ²Π°ΡΡ Π² Π½Π΅Π΅ ΠΏΠΎΡΡΠΈ 2,5 Π»ΠΈΡΡΠ° β ΡΡΠΎΡ ΠΎΠ±ΡΠ΅ΠΌ ΡΠ΅Π»ΠΈΠΊΠΎΠΌ Π² Π½Π΅ΠΉ ΠΏΠΎΠΌΠ΅ΡΠ°Π΅ΡΡΡ, ΠΌΠ°ΡΠ»ΠΎ Π½ΡΠΆΠ½ΠΎ Π·Π°Π»ΠΈΠ²Π°ΡΡ Ρ Π·Π°Π³Π»ΡΡΠ΅Π½Π½ΡΠΌ ΠΊΠΎΠ½ΡΡΠΎΠ»ΡΠ½ΡΠΌ ΠΎΡΠ²Π΅ΡΡΡΠΈΠ΅ΠΌ. ΠΠ΄Π½Π°ΠΊΠΎ Π²ΡΡΡΠ½ΠΈΠ»ΠΎΡΡ, ΡΡΠΎ ΠΈ ΠΏΠΎΡΠ»Π΅ ΡΠ°ΠΊΠΎΠΉ Π·Π°ΠΏΡΠ°Π²ΠΊΠΈ ΠΠΠ F23 ΠΌΠΎΠ³Π»Π° ΠΏΡΠΎΠ΄ΠΎΠ»ΠΆΠ°ΡΡ ΡΡΠΌΠ΅ΡΡ ΠΈ ΡΡΡΡΠ°ΡΡ. Π ΡΡΠΎΠΌ ΡΠ»ΡΡΠ°Π΅ ΠΏΡΠΎΠΈΠ·Π²ΠΎΠ΄ΠΈΠ»ΠΎΡΡ Π²ΡΠΊΡΡΡΠΈΠ΅ ΠΊΠΎΡΠΎΠ±ΠΊΠΈ ΠΈ ΡΡΡΠ°Π½ΠΎΠ²ΠΊΠ° Π΄Π²ΡΡ Π²ΠΎΠ»Π½ΠΎΠ²ΡΡ ΠΏΡΡΠΆΠΈΠ½ Π² ΡΠΈΠ½Ρ ΡΠΎΠ½ΠΈΠ·Π°ΡΠΎΡΡ 3- ΠΈ 4-ΠΉ ΠΏΠ΅ΡΠ΅Π΄Π°ΡΠΈ.
Β
Β
Π Π½Π°ΡΠ΅ΠΌ ΠΊΠ°ΡΠ°Π»ΠΎΠ³Π΅ ΠΠΠ Π±ΠΎΠ»ΡΡΠΎΠΉ Π²ΡΠ±ΠΎΡ ΠΊΠΎΡΠΎΠ±ΠΎΠΊ ΠΏΠ΅ΡΠ΅Π΄Π°Ρ Π΄Π»Ρ Opel Ρ Π½Π°ΡΠΈΡ
ΡΠΎΠ±ΡΡΠ²Π΅Π½Π½ΡΡ
Π°Π²ΡΠΎΡΠ°Π·Π±ΠΎΡΠΎΠΊ.
ΠΠ΄Π΅ΡΡ Π²Ρ Π½Π°ΠΉΠ΄Π΅ΡΠ΅ ΠΏΠ΅ΡΠ΅ΡΠ΅Π½Ρ Π°Π²ΡΠΎΠΌΠΎΠ±ΠΈΠ»Π΅ΠΉ Opel Π½Π° Π½Π°ΡΠ΅ΠΉ ΡΠ°Π·Π±ΠΎΡΠΊΠ΅ ΠΈ ΡΠΌΠΎΠΆΠ΅ΡΠ΅ Π·Π°ΠΊΠ°Π·Π°ΡΡ Ρ Π½ΠΈΡ
Π·Π°ΠΏΡΠ°ΡΡΠΈ.
ΠΠ΅ΡΠ½ΡΡΡΡΡ ΠΊ ΡΠΏΠΈΡΠΊΡ Π½ΠΎΠ²ΠΎΡΡΠ΅ΠΉ
04.05.20219662
Vauxhall Astra ΠΏΡΠΈΡΠΈΠ½Ρ ΠΌΠ΅Π΄Π»Π΅Π½Π½ΠΎΠ³ΠΎ ΡΡΠΊΠΎΡΠ΅Π½ΠΈΡ ΠΈ ΠΊΠ°ΠΊ ΡΡΠΎ ΠΈΡΠΏΡΠ°Π²ΠΈΡΡ
ΠΠΎΠΆΠ΄Π΅Π½ΠΈΠ΅ Π²Π°ΡΠ΅Π³ΠΎ Vauxhall Astra Ρ ΠΊΠΎΠ»Π΅Π±Π°Π½ΠΈΡΠΌΠΈ Π΄Π²ΠΈΠ³Π°ΡΠ΅Π»Ρ ΠΈΠ»ΠΈ ΠΌΠ΅Π΄Π»Π΅Π½Π½ΡΠΌ ΡΡΠΊΠΎΡΠ΅Π½ΠΈΠ΅ΠΌ Π½Π΅ ΡΠΎΠ»ΡΠΊΠΎ ΠΏΡΠΈΠ²ΠΎΠ΄ΠΈΡ Π² Π±Π΅ΡΠ΅Π½ΡΡΠ²ΠΎ, Π½ΠΎ ΠΈ ΠΌΠΎΠΆΠ΅Ρ Π±ΡΡΡ ΠΎΠΏΠ°ΡΠ½ΡΠΌ ΠΏΡΠΈ ΠΎΠ±Π³ΠΎΠ½Π΅ ΠΈΠ»ΠΈ ΠΏΠ΅ΡΠ΅ΡΠ΅ΡΠ΅Π½ΠΈΠΈ ΠΏΠ΅ΡΠ΅ΠΊΡΠ΅ΡΡΠΊΠ°. ΠΠ΅Π΄Π»Π΅Π½Π½ΠΎΠ΅ ΡΡΠΊΠΎΡΠ΅Π½ΠΈΠ΅ ΡΠ²Π»ΡΠ΅ΡΡΡ ΡΠΈΠΌΠΏΡΠΎΠΌΠΎΠΌ ΠΎΡΠ½ΠΎΠ²Π½ΠΎΠΉ ΠΏΡΠΎΠ±Π»Π΅ΠΌΡ Ρ Π²Π°ΡΠ΅ΠΉ Astra, ΠΊΠΎΡΠΎΡΡΡ Π½Π΅ΠΎΠ±Ρ ΠΎΠ΄ΠΈΠΌΠΎ ΡΡΠΎΡΠ½ΠΎ ΡΠ΅ΡΠΈΡΡ, ΠΏΡΠ΅ΠΆΠ΄Π΅ ΡΠ΅ΠΌ ΠΎΠ½Π° ΠΏΡΠΈΡΠΈΠ½ΠΈΡ Π±ΠΎΠ»ΡΡΠ΅ Π²ΡΠ΅Π΄Π° Π²Π°ΡΠ΅ΠΌΡ Π°Π²ΡΠΎΠΌΠΎΠ±ΠΈΠ»Ρ.
Vauxhall Astra β (James Hime / Shutterstock) ΠΠ°ΠΈΠ±ΠΎΠ»Π΅Π΅ ΡΠ°ΡΠΏΡΠΎΡΡΡΠ°Π½Π΅Π½Π½ΡΠΌΠΈ ΠΏΡΠΈΡΠΈΠ½Π°ΠΌΠΈ ΠΌΠ΅Π΄Π»Π΅Π½Π½ΠΎΠ³ΠΎ ΡΡΠΊΠΎΡΠ΅Π½ΠΈΡ Vauxhall Astra ΡΠ²Π»ΡΡΡΡΡ Π·Π°Π±ΠΈΡΡΠΉ Π²ΠΎΠ·Π΄ΡΡΠ½ΡΠΉ ΡΠΈΠ»ΡΡΡ, Π·Π°Π³ΡΡΠ·Π½Π΅Π½Π½ΡΠΉ Π΄Π°ΡΡΠΈΠΊ ΠΌΠ°ΡΡΠΎΠ²ΠΎΠ³ΠΎ ΡΠ°ΡΡ
ΠΎΠ΄Π° Π²ΠΎΠ·Π΄ΡΡ
Π° (MAF), Π·Π°Π±ΠΈΡΡΠΉ ΡΠΎΠΏΠ»ΠΈΠ²Π½ΡΠΉ ΡΠΈΠ»ΡΡΡ, Π½Π΅ΠΈΡΠΏΡΠ°Π²Π½ΠΎΡΡΡ ΡΠΎΠΏΠ»ΠΈΠ²Π½ΠΎΠ³ΠΎ Π½Π°ΡΠΎΡΠ°, Π½Π΅ΠΈΡΠΏΡΠ°Π²Π½ΡΠΉ ΠΊΠΈΡΠ»ΠΎΡΠΎΠ΄Π½ΡΠΉ Π΄Π°ΡΡΠΈΠΊ, Π³ΡΡΠ·Π½ΡΠΉ ΠΊΠΎΡΠΏΡΡ Π΄ΡΠΎΡΡΠ΅Π»ΡΠ½ΠΎΠΉ Π·Π°ΡΠ»ΠΎΠ½ΠΊΠΈ, ΠΈΠ·Π½ΠΎΡΠ΅Π½Π½ΡΠ΅ ΡΠ²Π΅ΡΠΈ Π·Π°ΠΆΠΈΠ³Π°Π½ΠΈΡ ΠΈ Π·Π°Π±ΠΈΡΡΠΉ ΠΊΠ°ΡΠ°Π»ΠΈΡΠΈΡΠ΅ΡΠΊΠΈΠΉ Π½Π΅ΠΉΡΡΠ°Π»ΠΈΠ·Π°ΡΠΎΡ.
ΠΠ΅Π½Π΅Π΅ ΡΠ°ΡΠΏΡΠΎΡΡΡΠ°Π½Π΅Π½Π½ΡΠΌΠΈ ΠΏΡΠΈΡΠΈΠ½Π°ΠΌΠΈ ΡΠ²Π»ΡΡΡΡΡ Π½Π΅ΠΈΡΠΏΡΠ°Π²Π½ΡΠΉ Π΄Π°ΡΡΠΈΠΊ ΠΏΠΎΠ»ΠΎΠΆΠ΅Π½ΠΈΡ Π΄ΡΠΎΡΡΠ΅Π»ΡΠ½ΠΎΠΉ Π·Π°ΡΠ»ΠΎΠ½ΠΊΠΈ (TPS), Π½Π΅ΠΈΡΠΏΡΠ°Π²Π½ΡΠ΅ ΠΊΠ°ΡΡΡΠΊΠΈ Π·Π°ΠΆΠΈΠ³Π°Π½ΠΈΡ, Π³ΡΡΠ·Π½ΡΠ΅ ΡΠΎΠΏΠ»ΠΈΠ²Π½ΡΠ΅ ΡΠΎΡΡΡΠ½ΠΊΠΈ, Π·Π°Π±ΠΈΡΡΠΉ ΠΌΠ°ΡΠ»ΡΠ½ΡΠΉ ΡΠΈΠ»ΡΡΡ Π΄Π²ΠΈΠ³Π°ΡΠ΅Π»Ρ, ΠΏΡΠΎΠ±Π»Π΅ΠΌΡ Ρ ΡΡΠ°Π½ΡΠΌΠΈΡΡΠΈΠ΅ΠΉ, ΠΈΠ·Π½ΠΎΡΠ΅Π½Π½ΡΠ΅ ΠΏΠΎΡΡΠ½Π΅Π²ΡΠ΅ ΠΊΠΎΠ»ΡΡΠ° ΠΈ ΠΏΡΠΎΠ±ΠΈΡΠ°Ρ ΠΏΡΠΎΠΊΠ»Π°Π΄ΠΊΠ° ΠΠΠ¦.
1. ΠΠ°ΡΠΎΡΠ΅Π½ΠΈΠ΅ Π²ΠΎΠ·Π΄ΡΡΠ½ΠΎΠ³ΠΎ ΡΠΈΠ»ΡΡΡΠ°
ΠΡΠ»ΠΈ Π²ΠΎΠ·Π΄ΡΡΠ½ΡΠΉ ΡΠΈΠ»ΡΡΡ Π°Π²ΡΠΎΠΌΠΎΠ±ΠΈΠ»Ρ Vauxhall Astra Π·Π°Π³ΡΡΠ·Π½Π΅Π½, ΡΡΠΎ ΠΌΠΎΠΆΠ΅Ρ ΠΎΡΡΠΈΡΠ°ΡΠ΅Π»ΡΠ½ΠΎ ΡΠΊΠ°Π·Π°ΡΡΡΡ Π½Π° ΡΠ°Π±ΠΎΡΠ΅ Π΄Π²ΠΈΠ³Π°ΡΠ΅Π»Ρ, ΡΠ°ΠΊ ΠΊΠ°ΠΊ ΡΠ΅ΡΠ΅Π· Π³ΡΡΠ·Π½ΡΠΉ ΡΠΈΠ»ΡΡΡ ΠΏΡΠΎΡ ΠΎΠ΄ΠΈΡ ΠΌΠ΅Π½ΡΡΠ΅ Π²ΠΎΠ·Π΄ΡΡ Π°, ΡΡΠΎ ΠΏΡΠΈΠ²ΠΎΠ΄ΠΈΡ ΠΊ ΡΠ΄ΡΡΡΡ Π΄Π²ΠΈΠ³Π°ΡΠ΅Π»Ρ. Π ΠΊΠΎΠ½Π΅ΡΠ½ΠΎΠΌ ΠΈΡΠΎΠ³Π΅ ΡΡΠΎ ΡΠ°ΠΊΠΆΠ΅ ΡΠ²Π΅Π»ΠΈΡΠΈΠ²Π°Π΅Ρ ΡΠ°ΡΡ ΠΎΠ΄ ΡΠΎΠΏΠ»ΠΈΠ²Π°. Π Ρ ΡΠ΄ΡΠ΅ΠΌ ΡΠ»ΡΡΠ°Π΅ Π΄Π²ΠΈΠ³Π°ΡΠ΅Π»Ρ ΠΌΠΎΠΆΠ΅Ρ Π·Π°Π³Π»ΠΎΡ Π½ΡΡΡ, Π΅ΡΠ»ΠΈ Π²ΠΎΠ·Π΄ΡΡΠ½ΡΠΉ ΡΠΈΠ»ΡΡΡ ΡΠΈΠ»ΡΠ½ΠΎ Π·Π°Π±ΠΈΡ.
ΠΠ°ΠΌΠ΅Π½Π° ΡΠΈΠ»ΡΡΡΠ° Π½Π° Π²Π°ΡΠ΅ΠΉ ΠΡΡΡΠ΅ Π·Π°Π½ΠΈΠΌΠ°Π΅Ρ Π½Π΅ΡΠΊΠΎΠ»ΡΠΊΠΎ ΠΌΠΈΠ½ΡΡ ΠΈ Π½Π΅ ΡΡΠ΅Π±ΡΠ΅Ρ ΡΠΏΠ΅ΡΠΈΠ°Π»ΡΠ½ΡΡ Π·Π½Π°Π½ΠΈΠΉ. Π’Π°ΠΊ ΡΡΠΎ ΡΡΠΎ ΠΏΠ΅ΡΠ²ΠΎΠ΅, ΡΡΠΎ Π²Ρ Π΄ΠΎΠ»ΠΆΠ½Ρ ΠΏΡΠΎΠ²Π΅ΡΠΈΡΡ.
2. ΠΡΡΠ·Π½ΡΠΉ ΠΈΠ»ΠΈ Π½Π΅ΠΈΡΠΏΡΠ°Π²Π½ΡΠΉ Π΄Π°ΡΡΠΈΠΊ ΠΌΠ°ΡΡΠΎΠ²ΠΎΠ³ΠΎ ΡΠ°ΡΡ ΠΎΠ΄Π° Π²ΠΎΠ·Π΄ΡΡ Π° (ΠΠΠ Π)
ΠΠ΅ΠΈΡΠΏΡΠ°Π²Π½ΡΠΉ ΠΈΠ»ΠΈ Π³ΡΡΠ·Π½ΡΠΉ Π΄Π°ΡΡΠΈΠΊ ΠΌΠ°ΡΡΠΎΠ²ΠΎΠ³ΠΎ ΡΠ°ΡΡ
ΠΎΠ΄Π° Π²ΠΎΠ·Π΄ΡΡ
Π° (ΠΠΠ Π) Π² Π²Π°ΡΠ΅ΠΌ Π°Π²ΡΠΎΠΌΠΎΠ±ΠΈΠ»Π΅ Vauxhall Astra ΠΌΠΎΠΆΠ΅Ρ ΠΏΡΠΈΠ²Π΅ΡΡΠΈ ΠΊ ΠΏΠΎΡΠ΅ΡΠ΅ ΠΌΠΎΡΠ½ΠΎΡΡΠΈ, Π½Π΅ΡΠ°Π²Π½ΠΎΠΌΠ΅ΡΠ½ΠΎΠΉ ΡΠ°Π±ΠΎΡΠ΅ Π΄Π²ΠΈΠ³Π°ΡΠ΅Π»Ρ, Π½Π΅ΡΡΠ°Π±ΠΈΠ»ΡΠ½ΠΎΠΉ ΡΠ°Π±ΠΎΡΠ΅ Π½Π° Ρ
ΠΎΠ»ΠΎΡΡΠΎΠΌ Ρ
ΠΎΠ΄Ρ, ΠΏΡΠΎΠΏΡΡΠΊΠ°ΠΌ Π·Π°ΠΆΠΈΠ³Π°Π½ΠΈΡ, ΠΏΠ»ΠΎΡ
ΠΈΠΌ Π·Π½Π°ΡΠ΅Π½ΠΈΡΠΌ Π²ΡΠ±ΡΠΎΡΠΎΠ² Π²ΡΡ
Π»ΠΎΠΏΠ½ΡΡ
Π³Π°Π·ΠΎΠ².
Π²ΠΊΠ»ΡΡΠ°Ρ ΡΠ΅ΡΠ½ΡΠΉ Π΄ΡΠΌ. ΠΠ°ΡΡΠΈΠΊ ΠΌΠ°ΡΡΠΎΠ²ΠΎΠ³ΠΎ ΡΠ°ΡΡ
ΠΎΠ΄Π° Π²ΠΎΠ·Π΄ΡΡ
Π° ΡΠ²Π»ΡΠ΅ΡΡΡ ΡΠ°ΡΡΡΡ Π²ΠΏΡΡΠΊΠ½ΠΎΠΉ ΡΠΈΡΡΠ΅ΠΌΡ Π΄Π²ΠΈΠ³Π°ΡΠ΅Π»Ρ ΠΈ ΡΠ°ΡΠΏΠΎΠ»ΠΎΠΆΠ΅Π½ ΠΌΠ΅ΠΆΠ΄Ρ ΠΊΠΎΡΠΏΡΡΠΎΠΌ Π²ΠΎΠ·Π΄ΡΡΠ½ΠΎΠ³ΠΎ ΡΠΈΠ»ΡΡΡΠ° ΠΈ Π΄ΡΠΎΡΡΠ΅Π»ΡΠ½ΠΎΠΉ Π·Π°ΡΠ»ΠΎΠ½ΠΊΠΎΠΉ. ΠΡΠΎ Π²Π°ΠΆΠ½ΠΎ Π½Π΅ ΡΠΎΠ»ΡΠΊΠΎ Π΄Π»Ρ ΠΎΠ±Π΅ΡΠΏΠ΅ΡΠ΅Π½ΠΈΡ ΠΌΠΎΡΠ½ΠΎΡΡΠΈ Π²Π°ΡΠ΅ΠΉ Astra, Π½ΠΎ ΠΈ Π΄Π»Ρ ΠΌΠΈΠ½ΠΈΠΌΠ°Π»ΡΠ½ΠΎ Π²ΠΎΠ·ΠΌΠΎΠΆΠ½ΡΡ
Π²ΡΠ±ΡΠΎΡΠΎΠ² Π·Π°Π³ΡΡΠ·Π½ΡΡΡΠΈΡ
Π²Π΅ΡΠ΅ΡΡΠ².
Π§ΡΠΎ ΠΏΡΠΎΠΈΡΡ ΠΎΠ΄ΠΈΡ ΠΏΡΠΈ Π½Π΅ΠΈΡΠΏΡΠ°Π²Π½ΠΎΡΡΠΈ Π΄Π°ΡΡΠΈΠΊΠ° ΠΌΠ°ΡΡΠΎΠ²ΠΎΠ³ΠΎ ΡΠ°ΡΡ ΠΎΠ΄Π° Π²ΠΎΠ·Π΄ΡΡ Π° Π² Π°Π²ΡΠΎΠΌΠΎΠ±ΠΈΠ»Π΅ Opel Astra?
ΠΡΠ»ΠΈ Π΄Π°ΡΡΠΈΠΊ ΠΌΠ°ΡΡΠΎΠ²ΠΎΠ³ΠΎ ΡΠ°ΡΡ ΠΎΠ΄Π° Π²ΠΎΠ·Π΄ΡΡ Π° Π½Π΅ΠΈΡΠΏΡΠ°Π²Π΅Π½ ΠΈΠ»ΠΈ Π·Π°Π³ΡΡΠ·Π½Π΅Π½, ΠΎΠ½ Π½Π΅ ΠΎΡΠΏΡΠ°Π²Π»ΡΠ΅Ρ ΠΏΡΠ°Π²ΠΈΠ»ΡΠ½ΡΠ΅ ΠΈΠ·ΠΌΠ΅ΡΠ΅Π½Π½ΡΠ΅ Π·Π½Π°ΡΠ΅Π½ΠΈΡ Π½Π° Π±Π»ΠΎΠΊ ΡΠΏΡΠ°Π²Π»Π΅Π½ΠΈΡ ΠΡΡΡΡ. ΠΠΏΡΠΈΠΌΠ°Π»ΡΠ½ΠΎΠ΅ ΠΊΠΎΠ»ΠΈΡΠ΅ΡΡΠ²ΠΎ ΡΠΎΠΏΠ»ΠΈΠ²Π° Π±ΠΎΠ»ΡΡΠ΅ Π½Π΅ ΠΌΠΎΠΆΠ΅Ρ Π±ΡΡΡ ΡΠ°ΡΡΡΠΈΡΠ°Π½ΠΎ, ΡΡΠΎ ΠΏΡΠΈΠ²ΠΎΠ΄ΠΈΡ ΠΊ ΡΠΎΠΌΡ, ΡΡΠΎ Π² ΠΊΠ°ΠΌΠ΅ΡΡ ΡΠ³ΠΎΡΠ°Π½ΠΈΡ Π²ΠΏΡΡΡΠΊΠΈΠ²Π°Π΅ΡΡΡ Π»ΠΈΠ±ΠΎ ΡΠ»ΠΈΡΠΊΠΎΠΌ ΠΌΠ°Π»ΠΎ, Π»ΠΈΠ±ΠΎ ΡΠ»ΠΈΡΠΊΠΎΠΌ ΠΌΠ½ΠΎΠ³ΠΎ ΡΠΎΠΏΠ»ΠΈΠ²Π°. ΠΠ²ΠΈΠ³Π°ΡΠ΅Π»Ρ ΡΠ°Π±ΠΎΡΠ°Π΅Ρ ΡΠ»ΠΈΡΠΊΠΎΠΌ Β«Π±Π΅Π΄Π½ΠΎΒ» ΠΈΠ»ΠΈ ΡΠ»ΠΈΡΠΊΠΎΠΌ Β«Π±ΠΎΠ³Π°ΡΠΎΒ». ΠΡΠΎ ΠΌΠΎΠΆΠ΅Ρ ΠΏΡΠΈΠ²Π΅ΡΡΠΈ ΠΊ ΡΠΎΠΌΡ, ΡΡΠΎ Π½Π° ΠΊΠΎΠΌΠ±ΠΈΠ½Π°ΡΠΈΠΈ ΠΏΡΠΈΠ±ΠΎΡΠΎΠ² Π·Π°Π³ΠΎΡΠΈΡΡΡ ΠΊΠΎΠ½ΡΡΠΎΠ»ΡΠ½Π°Ρ Π»Π°ΠΌΠΏΠ° Π΄Π²ΠΈΠ³Π°ΡΠ΅Π»Ρ, Π° Π½Π΅ΠΈΡΠΏΡΠ°Π²Π½ΠΎΡΡΡ ΠΌΠΎΠΆΠ΅Ρ Π±ΡΡΡ ΡΡΠΈΡΠ°Π½Π° Π΄ΠΈΠ°Π³Π½ΠΎΡΡΠΈΡΠ΅ΡΠΊΠΈΠΌ ΡΡΡΡΠΎΠΉΡΡΠ²ΠΎΠΌ.
ΠΠ·-Π·Π° ΡΠ΅Π³ΠΎ Π²ΡΡ ΠΎΠ΄ΠΈΡ ΠΈΠ· ΡΡΡΠΎΡ Π΄Π°ΡΡΠΈΠΊ ΠΌΠ°ΡΡΠΎΠ²ΠΎΠ³ΠΎ ΡΠ°ΡΡ ΠΎΠ΄Π° Π²ΠΎΠ·Π΄ΡΡ Π° Π² ΠΡΡΡΠ΅?
ΠΠ°ΡΡΠΈΠΊ ΠΌΠ°ΡΡΠΎΠ²ΠΎΠ³ΠΎ ΡΠ°ΡΡ
ΠΎΠ΄Π° Π²ΠΎΠ·Π΄ΡΡ
Π° ΡΠ²Π»ΡΠ΅ΡΡΡ ΠΈΠ·Π½Π°ΡΠΈΠ²Π°Π΅ΠΌΠΎΠΉ Π΄Π΅ΡΠ°Π»ΡΡ.
ΠΠΎ ΠΌΠ΅ΡΠ΅ ΡΠ²Π΅Π»ΠΈΡΠ΅Π½ΠΈΡ ΠΏΡΠΎΠ±Π΅Π³Π° Π²Π°ΡΠ΅ΠΉ Astra ΠΌΠΎΠΆΠ΅Ρ ΡΠ»ΡΡΠΈΡΡΡΡ ΡΠ°ΠΊ, ΡΡΠΎ Π½Π° Π±Π»ΠΎΠΊ ΡΠΏΡΠ°Π²Π»Π΅Π½ΠΈΡ Π΄Π²ΠΈΠ³Π°ΡΠ΅Π»Π΅ΠΌ Π±ΡΠ΄ΡΡ ΠΎΡΠΏΡΠ°Π²Π»ΡΡΡΡΡ Π²ΡΠ΅ Π±ΠΎΠ»Π΅Π΅ Π½Π΅ΡΠΎΡΠ½ΡΠ΅ Π·Π½Π°ΡΠ΅Π½ΠΈΡ. ΠΡΠΈ Π·Π°ΠΌΠ΅ΡΠ½ΠΎΠΉ ΠΏΠΎΡΠ΅ΡΠ΅ ΠΏΡΠΎΠΈΠ·Π²ΠΎΠ΄ΠΈΡΠ΅Π»ΡΠ½ΠΎΡΡΠΈ ΠΈ Π±ΠΎΠ»ΡΡΠΎΠΌ ΠΏΡΠΎΠ±Π΅Π³Π΅ ΠΎΠ±ΡΠ·Π°ΡΠ΅Π»ΡΠ½ΠΎ ΡΠ»Π΅Π΄ΡΠ΅Ρ ΡΠ°ΡΡΠΌΠ°ΡΡΠΈΠ²Π°ΡΡ Π½Π΅ΠΈΡΠΏΡΠ°Π²Π½ΡΠΉ Π΄Π°ΡΡΠΈΠΊ ΠΌΠ°ΡΡΠΎΠ²ΠΎΠ³ΠΎ ΡΠ°ΡΡ
ΠΎΠ΄Π° Π²ΠΎΠ·Π΄ΡΡ
Π°. ΠΠ΄Π½Π°ΠΊΠΎ Π΄Π°ΡΡΠΈΠΊ ΠΌΠΎΠΆΠ΅Ρ Π²ΡΠΉΡΠΈ ΠΈΠ· ΡΡΡΠΎΡ ΠΈ ΡΠ°Π½ΡΡΠ΅. ΠΡΠΈ Π±ΡΡΡΡΠΎΠΉ Π΅Π·Π΄Π΅ Π² ΡΠΈΠ»ΡΠ½ΡΠΉ Π΄ΠΎΠΆΠ΄Ρ ΡΠ΅ΡΠ΅Π· Π²ΠΎΠ·Π΄ΡΡΠ½ΡΠΉ ΡΠΈΠ»ΡΡΡ ΠΌΠΎΠΆΠ΅Ρ Π²ΡΠ΅ΠΌΡ ΠΎΡ Π²ΡΠ΅ΠΌΠ΅Π½ΠΈ ΠΏΡΠΎΡ
ΠΎΠ΄ΠΈΡΡ Π²ΠΎΠ΄Π°, ΡΡΠΎ ΠΌΠΎΠΆΠ΅Ρ ΡΠ΅ΡΡΠ΅Π·Π½ΠΎ ΡΡ
ΡΠ΄ΡΠΈΡΡ ΡΠ°Π±ΠΎΡΡ Π΄Π°ΡΡΠΈΠΊΠ° ΠΌΠ°ΡΡΠΎΠ²ΠΎΠ³ΠΎ ΡΠ°ΡΡ
ΠΎΠ΄Π° Π²ΠΎΠ·Π΄ΡΡ
Π°. Π ΡΠ΅Π΄ΠΊΠΈΡ
ΡΠ»ΡΡΠ°ΡΡ
Π΄Π°ΡΡΠΈΠΊ MAF ΡΠ°ΠΊΠΆΠ΅ ΠΌΠΎΠΆΠ΅Ρ Π±ΡΡΡ ΠΏΠΎΠ²ΡΠ΅ΠΆΠ΄Π΅Π½ ΠΏΠ°ΡΠ°ΠΌΠΈ ΠΌΠ°ΡΠ»Π°, Π²ΡΡΠ΅ΠΊΠ°ΡΡΠΈΠΌΠΈ ΠΈΠ· Π²Π΅Π½ΡΠΈΠ»ΡΡΠΈΠΈ ΠΊΠ°ΡΡΠ΅ΡΠ° ΠΏΠΎΡΠ»Π΅ Π²ΡΠΊΠ»ΡΡΠ΅Π½ΠΈΡ Π΄Π²ΠΈΠ³Π°ΡΠ΅Π»Ρ.
ΠΠ°ΠΊ ΠΏΡΠΎΠ²Π΅ΡΠΈΡΡ, Π½Π΅ΠΈΡΠΏΡΠ°Π²Π΅Π½ Π»ΠΈ Π΄Π°ΡΡΠΈΠΊ MAF Π² Opel Astra?
Π‘ΡΠΈΡΡΠ²Π°Π½ΠΈΠ΅ ΠΊΠΎΠ΄ΠΎΠ² Π½Π΅ΠΈΡΠΏΡΠ°Π²Π½ΠΎΡΡΠ΅ΠΉ Ρ ΠΏΠΎΠΌΠΎΡΡΡ Π΄ΠΈΠ°Π³Π½ΠΎΡΡΠΈΡΠ΅ΡΠΊΠΎΠ³ΠΎ ΡΡΡΡΠΎΠΉΡΡΠ²Π° ΠΎΡΠ½ΠΎΡΠΈΡΠ΅Π»ΡΠ½ΠΎ Π½Π°Π΄Π΅ΠΆΠ½ΠΎ. ΠΡΠ»ΠΈ Π²Ρ Π²ΠΈΠ΄ΠΈΡΠ΅ ΠΊΠΎΠ΄ P0100, P0101, P0102, P0103 ΠΈΠ»ΠΈ P0104 Π² ΡΠΊΠ°Π½Π΅ΡΠ΅ OBD2, ΡΡΠΎ ΡΠΊΠ°Π·ΡΠ²Π°Π΅Ρ Π½Π° ΠΏΡΠΎΠ±Π»Π΅ΠΌΡ Ρ Π΄Π°ΡΡΠΈΠΊΠΎΠΌ ΠΌΠ°ΡΡΠΎΠ²ΠΎΠ³ΠΎ ΡΠ°ΡΡ
ΠΎΠ΄Π° Π²ΠΎΠ·Π΄ΡΡ
Π°. ΠΠ΄Π½Π°ΠΊΠΎ ΠΌΠΎΠΆΠ΅Ρ ΡΠ»ΡΡΠΈΡΡΡΡ ΡΠ°ΠΊ, ΡΡΠΎ ΠΊΠΎΠ΄ΠΎΠ² ΠΎΡΠΈΠ±ΠΎΠΊ Π½Π΅Ρ. Π ΡΠ»ΡΡΠ°Π΅ ΡΠΎΠΌΠ½Π΅Π½ΠΈΠΉ, Π²ΠΎΠ·ΠΌΠΎΠΆΠ½ΠΎ, ΠΏΡΠΈΠ΄Π΅ΡΡΡ Π·Π°ΠΌΠ΅Π½ΠΈΡΡ Π΄Π°ΡΡΠΈΠΊ.
ΠΠΎ ΡΡΠΎ ΡΠ»Π΅Π΄ΡΠ΅Ρ Π΄Π΅Π»Π°ΡΡ ΡΠΎΠ»ΡΠΊΠΎ ΠΏΠΎΡΠ»Π΅ ΡΡΠ°ΡΠ΅Π»ΡΠ½ΠΎΠ³ΠΎ Π°Π½Π°Π»ΠΈΠ·Π°, ΠΏΠΎΡΠΊΠΎΠ»ΡΠΊΡ Π΄Π°ΡΡΠΈΠΊ ΠΌΠ°ΡΡΠΎΠ²ΠΎΠ³ΠΎ ΡΠ°ΡΡ
ΠΎΠ΄Π° Π²ΠΎΠ·Π΄ΡΡ
Π° ΠΌΠΎΠΆΠ΅Ρ Π½Π΅ Π±ΡΡΡ ΠΏΡΠΈΡΠΈΠ½ΠΎΠΉ ΡΠΈΠΌΠΏΡΠΎΠΌΠΎΠ² ΠΏΠ»ΠΎΡ
ΠΎΠ³ΠΎ ΡΡΠΊΠΎΡΠ΅Π½ΠΈΡ Π²Π°ΡΠ΅ΠΉ Astra.
ΠΠΎΠΆΠ½ΠΎ Π»ΠΈ ΠΏΠΎΡΠΈΡΡΠΈΡΡ Π³ΡΡΠ·Π½ΡΠΉ Π΄Π°ΡΡΠΈΠΊ ΠΌΠ°ΡΡΠΎΠ²ΠΎΠ³ΠΎ ΡΠ°ΡΡ ΠΎΠ΄Π° Π²ΠΎΠ·Π΄ΡΡ Π° Π² Vauxhall Astra?
Π Π½Π΅ΠΊΠΎΡΠΎΡΡΡ ΡΠ»ΡΡΠ°ΡΡ ΠΎΡΠΈΡΡΠΊΠ° Π΄Π°ΡΡΠΈΠΊΠ° ΠΌΠ°ΡΡΠΎΠ²ΠΎΠ³ΠΎ ΡΠ°ΡΡ ΠΎΠ΄Π° Π²ΠΎΠ·Π΄ΡΡ Π° ΠΌΠΎΠΆΠ΅Ρ ΠΏΠΎΠΌΠΎΡΡ Π΄Π°ΡΡΠΈΠΊΡ ΡΠ½ΠΎΠ²Π° ΠΈΠ·ΠΌΠ΅ΡΠΈΡΡ ΠΏΡΠ°Π²ΠΈΠ»ΡΠ½ΡΠ΅ Π·Π½Π°ΡΠ΅Π½ΠΈΡ. ΠΠ΄Π½Π°ΠΊΠΎ Π·Π΄Π΅ΡΡ ΡΠ΅ΠΊΠΎΠΌΠ΅Π½Π΄ΡΠ΅ΡΡΡ ΡΠΎΠ±Π»ΡΠ΄Π°ΡΡ ΠΎΡΡΠΎΡΠΎΠΆΠ½ΠΎΡΡΡ, ΡΠ°ΠΊ ΠΊΠ°ΠΊ ΡΠ΅Π½ΡΠΎΡΠ½ΡΠ΅ ΡΠ°ΡΡΠΈ ΠΎΡΠ΅Π½Ρ ΡΡΠ²ΡΡΠ²ΠΈΡΠ΅Π»ΡΠ½Ρ ΠΊ ΠΏΡΠΈΠΊΠΎΡΠ½ΠΎΠ²Π΅Π½ΠΈΡ. ΠΠ°ΠΉΠ΄ΠΈΡΠ΅ ΠΌΠ΅ΡΡΠΎΠ½Π°Ρ ΠΎΠΆΠ΄Π΅Π½ΠΈΠ΅ Π΄Π°ΡΡΠΈΠΊΠ° ΠΌΠ°ΡΡΠΎΠ²ΠΎΠ³ΠΎ ΡΠ°ΡΡ ΠΎΠ΄Π° Π²ΠΎΠ·Π΄ΡΡ Π° Π² Π²Π°ΡΠ΅ΠΉ Astra, ΠΎΡΡΠΎΠ΅Π΄ΠΈΠ½ΠΈΡΠ΅ ΡΠ»Π΅ΠΊΡΡΠΈΡΠ΅ΡΠΊΠΈΠ΅ ΡΠ°Π·ΡΠ΅ΠΌΡ ΠΈ ΠΈΠ·Π²Π»Π΅ΠΊΠΈΡΠ΅ Π΄Π°ΡΡΠΈΠΊ ΠΈΠ· ΠΊΠΎΡΠΏΡΡΠ°. Π Π°ΡΠΏΡΠ»ΠΈΡΠ΅ Π½Π΅ ΠΌΠ΅Π½Π΅Π΅ 10 ΡΡΡΡΠΉ ΠΎΡΠΈΡΡΠΈΡΠ΅Π»Ρ MAF Π½Π° Π΄Π°ΡΡΠΈΠΊ, Π° Π·Π°ΡΠ΅ΠΌ Π΄Π°ΠΉΡΠ΅ Π΅ΠΌΡ Π²ΡΡΠΎΡ Π½ΡΡΡ Π½Π° Π²ΠΎΠ·Π΄ΡΡ Π΅ Π² ΡΠ΅ΡΠ΅Π½ΠΈΠ΅ ΡΠ°ΡΠ° ΠΈΠ»ΠΈ Π΄ΠΎ ΠΏΠΎΠ»Π½ΠΎΠ³ΠΎ Π²ΡΡΡΡ Π°Π½ΠΈΡ. ΠΠ΅ ΠΈΡΠΏΠΎΠ»ΡΠ·ΡΠΉΡΠ΅ ΡΠΊΠ°Π½Ρ ΠΈΠ»ΠΈ Π²Π°ΡΠ½ΡΠ΅ ΠΏΠ°Π»ΠΎΡΠΊΠΈ Π΄Π»Ρ ΠΎΡΠΈΡΡΠΊΠΈ Π΄Π°ΡΡΠΈΠΊΠ°, ΡΠ°ΠΊ ΠΊΠ°ΠΊ ΡΡΠΎ ΠΌΠΎΠΆΠ΅Ρ ΠΏΡΠΈΠ²Π΅ΡΡΠΈ ΠΊ Π΅Π³ΠΎ ΠΏΠΎΠ²ΡΠ΅ΠΆΠ΄Π΅Π½ΠΈΡ.
Π Π΅ΠΊΠΎΠΌΠ΅Π½Π΄ΡΠ΅ΠΌΠΎΠ΅ Π²ΠΈΠ΄Π΅ΠΎ:
ΠΡΠΈΠΌΠ΅ΡΠ°Π½ΠΈΠ΅ (ΠΠ°ΡΡΠΈΠΊ MAP): ΠΡΠ»ΠΈ Π²Ρ Π½Π΅ ΠΌΠΎΠΆΠ΅ΡΠ΅ Π½Π°ΠΉΡΠΈ Π΄Π°ΡΡΠΈΠΊ MAF Π² ΡΠ²ΠΎΠ΅ΠΌ Π°Π²ΡΠΎΠΌΠΎΠ±ΠΈΠ»Π΅, Π²ΠΎΠ·ΠΌΠΎΠΆΠ½ΠΎ, Π² Π²Π°ΡΠ΅ΠΌ Π°Π²ΡΠΎΠΌΠΎΠ±ΠΈΠ»Π΅ Π΅Π³ΠΎ Π½Π΅Ρ, ΠΎΡΠΎΠ±Π΅Π½Π½ΠΎ Π΅ΡΠ»ΠΈ ΡΡΠΎ Π±ΠΎΠ»Π΅Π΅ ΡΡΠ°ΡΡΠΉ Π°Π²ΡΠΎΠΌΠΎΠ±ΠΈΠ»Ρ. ΠΠΌΠ΅ΡΡΠΎ ΡΡΠΎΠ³ΠΎ ΠΌΠ°ΡΡΠΎΠ²ΡΠΉ ΡΠ°ΡΡ ΠΎΠ΄ Π²ΠΎΠ·Π΄ΡΡ Π° ΡΠ°ΡΡΡΠΈΡΡΠ²Π°Π΅ΡΡΡ Π±Π»ΠΎΠΊΠΎΠΌ ΡΠΏΡΠ°Π²Π»Π΅Π½ΠΈΡ Ρ ΠΈΡΠΏΠΎΠ»ΡΠ·ΠΎΠ²Π°Π½ΠΈΠ΅ΠΌ Π΄Π°Π½Π½ΡΡ Π΄Π°ΡΡΠΈΠΊΠ° MAP. ΠΠ΅ΠΈΡΠΏΡΠ°Π²Π½ΡΠΉ Π΄Π°ΡΡΠΈΠΊ MAP ΠΈΠΌΠ΅Π΅Ρ Π±ΠΎΠ»Π΅Π΅ ΠΈΠ»ΠΈ ΠΌΠ΅Π½Π΅Π΅ ΡΠ΅ ΠΆΠ΅ ΡΠΈΠΌΠΏΡΠΎΠΌΡ, ΡΡΠΎ ΠΈ Π½Π΅ΠΈΡΠΏΡΠ°Π²Π½ΡΠΉ Π΄Π°ΡΡΠΈΠΊ ΠΌΠ°ΡΡΠΎΠ²ΠΎΠ³ΠΎ ΡΠ°ΡΡ ΠΎΠ΄Π° Π²ΠΎΠ·Π΄ΡΡ Π°.
3. ΠΠ°ΡΠΎΡΠ΅Π½ΠΈΠ΅ ΡΠΎΠΏΠ»ΠΈΠ²Π½ΠΎΠ³ΠΎ ΡΠΈΠ»ΡΡΡΠ°
ΠΡΠ»ΠΈ ΡΠΎΠΏΠ»ΠΈΠ²Π½ΡΠΉ ΡΠΈΠ»ΡΡΡ Π°Π²ΡΠΎΠΌΠΎΠ±ΠΈΠ»Ρ Vauxhall Astra Π·Π°Π±ΠΈΡ, Π² Π΄Π²ΠΈΠ³Π°ΡΠ΅Π»Ρ ΠΌΠΎΠΆΠ΅Ρ ΠΏΠΎΠΏΠ°ΡΡΡ Π½Π΅Π΄ΠΎΡΡΠ°ΡΠΎΡΠ½ΠΎ ΡΠΎΠΏΠ»ΠΈΠ²Π°. ΠΡΠΎ ΠΏΡΠΈΠ²ΠΎΠ΄ΠΈΡ ΠΊ ΠΏΠΎΡΠ΅ΡΠ΅ ΠΌΠΎΡΠ½ΠΎΡΡΠΈ ΠΈ ΡΡΠ²ΠΊΠ°ΠΌ Π°Π²ΡΠΎΠΌΠΎΠ±ΠΈΠ»Ρ ΠΏΡΠΈ ΡΡΠΊΠΎΡΠ΅Π½ΠΈΠΈ. Π Ρ ΡΠ΄ΡΠ΅ΠΌ ΡΠ»ΡΡΠ°Π΅ Π΄Π²ΠΈΠ³Π°ΡΠ΅Π»Ρ Π³Π»ΠΎΡ Π½Π΅Ρ Π²ΠΎ Π²ΡΠ΅ΠΌΡ Π΄Π²ΠΈΠΆΠ΅Π½ΠΈΡ ΠΈΠ·-Π·Π° Π½Π΅Π΄ΠΎΡΡΠ°ΡΠΎΡΠ½ΠΎΠΉ ΠΏΠΎΠ΄Π°ΡΠΈ ΡΠΎΠΏΠ»ΠΈΠ²Π°.
Π ΡΡΠΎΠΌ ΡΠ»ΡΡΠ°Π΅ Π±Π»ΠΎΠΊ ΡΠΏΡΠ°Π²Π»Π΅Π½ΠΈΡ Π² Astra ΠΌΠΎΠΆΠ΅Ρ ΠΎΠ±Π½Π°ΡΡΠΆΠΈΡΡ ΠΏΡΠΎΠ±Π»Π΅ΠΌΡ Π½Π΅Ρ
Π²Π°ΡΠΊΠΈ ΡΠΎΠΏΠ»ΠΈΠ²Π°, ΠΈ Π·Π°Π³ΠΎΡΠΈΡΡΡ ΠΊΠΎΠ½ΡΡΠΎΠ»ΡΠ½Π°Ρ Π»Π°ΠΌΠΏΠ° Π΄Π²ΠΈΠ³Π°ΡΠ΅Π»Ρ.
ΠΡ ΠΌΠΎΠΆΠ΅ΡΠ΅ ΡΠ²ΠΈΠ΄Π΅ΡΡ ΠΊΠΎΠ΄ ΠΎΡΠΈΠ±ΠΊΠΈ P0087 ΠΏΡΠΈ ΠΏΠΎΠ΄ΠΊΠ»ΡΡΠ΅Π½ΠΈΠΈ ΡΠΊΠ°Π½Π΅ΡΠ° OBD2 ΠΊ Π²Π°ΡΠ΅ΠΌΡ Π°Π²ΡΠΎΠΌΠΎΠ±ΠΈΠ»Ρ, ΡΡΠΎ ΡΠΊΠ°Π·ΡΠ²Π°Π΅Ρ Π½Π° Π½Π΅ΠΈΡΠΏΡΠ°Π²Π½ΠΎΡΡΡ Π² ΡΠΈΡΡΠ΅ΠΌΠ΅ ΠΏΠΎΠ΄Π°ΡΠΈ ΡΠΎΠΏΠ»ΠΈΠ²Π°.
ΠΠ°ΠΊ Π·Π°Π±ΠΈΠ²Π°Π΅ΡΡΡ ΡΠΎΠΏΠ»ΠΈΠ²Π½ΡΠΉ ΡΠΈΠ»ΡΡΡ Π² ΠΡΡΡΠ΅?
Π’ΠΎΠΏΠ»ΠΈΠ²Π½ΡΠΉ ΡΠΈΠ»ΡΡΡ ΠΏΡΠ΅Π΄Π½Π°Π·Π½Π°ΡΠ΅Π½ Π΄Π»Ρ ΠΏΡΠ΅Π΄ΠΎΡΠ²ΡΠ°ΡΠ΅Π½ΠΈΡ ΠΏΠΎΠΏΠ°Π΄Π°Π½ΠΈΡ ΡΠ°ΡΡΠΈΡ ΡΠΆΠ°Π²ΡΠΈΠ½Ρ ΠΈ Π΄ΡΡΠ³ΠΎΠ³ΠΎ ΠΌΡΡΠΎΡΠ° ΠΈΠ· ΡΠΎΠΏΠ»ΠΈΠ²Π½ΠΎΠ³ΠΎ Π±Π°ΠΊΠ° Π²Π°ΡΠ΅Π³ΠΎ Π°Π²ΡΠΎΠΌΠΎΠ±ΠΈΠ»Ρ Π² Π΄Π²ΠΈΠ³Π°ΡΠ΅Π»Ρ, Π³Π΄Π΅ ΠΎΠ½ΠΈ ΠΌΠΎΠ³ΡΡ Π½Π°Π½Π΅ΡΡΠΈ Π΄ΠΎΡΠΎΠ³ΠΎΡΡΠΎΡΡΠΈΠΉ ΡΡΠ΅ΡΠ±. ΠΡΠ»ΠΈ Π²Ρ Π½Π΅ ΡΠΎΠ±Π»ΡΠ΄Π°Π΅ΡΠ΅ Π³ΡΠ°ΡΠΈΠΊ ΡΠ΅Ρ Π½ΠΈΡΠ΅ΡΠΊΠΎΠ³ΠΎ ΠΎΠ±ΡΠ»ΡΠΆΠΈΠ²Π°Π½ΠΈΡ ΡΠ²ΠΎΠ΅ΠΉ ΠΡΡΡΡ ΠΈ Π²ΠΎΠ²ΡΠ΅ΠΌΡ Π½Π΅ ΠΌΠ΅Π½ΡΠ΅ΡΠ΅ ΡΠΎΠΏΠ»ΠΈΠ²Π½ΡΠΉ ΡΠΈΠ»ΡΡΡ, ΠΏΠ°Π΄Π°Π΅Ρ ΠΏΡΠΎΡ ΠΎΠ΄ΠΈΠΌΠΎΡΡΡ ΡΠΈΠ»ΡΡΡΠ°, Π° Π²ΠΌΠ΅ΡΡΠ΅ Ρ Π½ΠΈΠΌ ΠΈ Π΄Π°Π²Π»Π΅Π½ΠΈΠ΅ ΡΠΎΠΏΠ»ΠΈΠ²Π° Π² Π΄Π²ΠΈΠ³Π°ΡΠ΅Π»Π΅. Π ΠΊΠ°ΠΊΠΎΠΉ-ΡΠΎ ΡΡΠ΅ΠΏΠ΅Π½ΠΈ ΡΡΠΎ Π½Π΅ ΠΈΠΌΠ΅Π΅Ρ Π·Π½Π°ΡΠ΅Π½ΠΈΡ, Π½ΠΎ Π΅ΡΠ»ΠΈ ΡΠΎΠΏΠ»ΠΈΠ²Π½ΡΠΉ ΡΠΈΠ»ΡΡΡ ΡΡΠ°Π½Π΅Ρ ΡΠ»ΠΈΡΠΊΠΎΠΌ Π³ΡΡΠ·Π½ΡΠΌ, ΠΌΠΎΡΠ½ΠΎΡΡΡ Π΄Π²ΠΈΠ³Π°ΡΠ΅Π»Ρ ΡΠ½ΠΈΠ·ΠΈΡΡΡ.
4. ΠΠ°Π±ΠΈΡΡΠΉ ΠΊΠ°ΡΠ°Π»ΠΈΡΠΈΡΠ΅ΡΠΊΠΈΠΉ Π½Π΅ΠΉΡΡΠ°Π»ΠΈΠ·Π°ΡΠΎΡ
ΠΠ°ΡΠ°Π»ΠΈΡΠΈΡΠ΅ΡΠΊΠΈΠΉ Π½Π΅ΠΉΡΡΠ°Π»ΠΈΠ·Π°ΡΠΎΡ ΡΠ²Π»ΡΠ΅ΡΡΡ ΡΠ°ΡΡΡΡ Π²ΡΡ
Π»ΠΎΠΏΠ½ΠΎΠΉ ΡΠΈΡΡΠ΅ΠΌΡ Π°Π²ΡΠΎΠΌΠΎΠ±ΠΈΠ»Ρ Vauxhall Astra, ΠΈ Π΅Π³ΠΎ ΠΎΡΠ½ΠΎΠ²Π½Π°Ρ ΡΠ΅Π»Ρ Π·Π°ΠΊΠ»ΡΡΠ°Π΅ΡΡΡ Π² ΠΏΡΠ΅ΠΎΠ±ΡΠ°Π·ΠΎΠ²Π°Π½ΠΈΠΈ Π²ΡΡ
Π»ΠΎΠΏΠ½ΡΡ
Π³Π°Π·ΠΎΠ², Π²ΡΠ΅Π΄Π½ΡΡ
Π΄Π»Ρ Π·Π΄ΠΎΡΠΎΠ²ΡΡ ΠΈ ΠΎΠΊΡΡΠΆΠ°ΡΡΠ΅ΠΉ ΡΡΠ΅Π΄Ρ, Π² ΠΌΠ΅Π½Π΅Π΅ Π²ΡΠ΅Π΄Π½ΡΠ΅ ΠΏΠΎΠ±ΠΎΡΠ½ΡΠ΅ ΠΏΡΠΎΠ΄ΡΠΊΡΡ. Π‘ΠΎ Π²ΡΠ΅ΠΌΠ΅Π½Π΅ΠΌ ΡΠΎΠΊΡΠΈΠ½Ρ Π½Π°ΠΊΠ°ΠΏΠ»ΠΈΠ²Π°ΡΡΡΡ ΠΈ Π·Π°ΡΠΎΡΡΡΡ ΠΊΠ°ΡΠ°Π»ΠΈΡΠΈΡΠ΅ΡΠΊΠΈΠΉ Π½Π΅ΠΉΡΡΠ°Π»ΠΈΠ·Π°ΡΠΎΡ, ΠΎΡΠΎΠ±Π΅Π½Π½ΠΎ Π΅ΡΠ»ΠΈ Π°Π²ΡΠΎΠΌΠΎΠ±ΠΈΠ»Ρ ΠΏΡΠΎΠ΅Ρ
Π°Π» ΠΌΠ½ΠΎΠ³ΠΎ ΠΊΠΈΠ»ΠΎΠΌΠ΅ΡΡΠΎΠ².
ΠΠ°ΠΊΠΎΠ²Ρ ΠΏΡΠΈΠ·Π½Π°ΠΊΠΈ Π½Π΅ΠΈΡΠΏΡΠ°Π²Π½ΠΎΡΡΠΈ ΠΊΠ°ΡΠ°Π»ΠΈΡΠΈΡΠ΅ΡΠΊΠΎΠ³ΠΎ Π½Π΅ΠΉΡΡΠ°Π»ΠΈΠ·Π°ΡΠΎΡΠ° Π² Vauxhall Astra?
ΠΠ±ΡΡΠ½ΡΠΌΠΈ ΠΏΡΠΈΠ·Π½Π°ΠΊΠ°ΠΌΠΈ Π·Π°ΡΠΎΡΠ΅Π½ΠΈΡ ΠΊΠ°ΡΠ°Π»ΠΈΡΠΈΡΠ΅ΡΠΊΠΎΠ³ΠΎ Π½Π΅ΠΉΡΡΠ°Π»ΠΈΠ·Π°ΡΠΎΡΠ° Π² Π°Π²ΡΠΎΠΌΠΎΠ±ΠΈΠ»ΡΡ Astra ΡΠ²Π»ΡΡΡΡΡ Π½Π΅ΡΠ°Π²Π½ΠΎΠΌΠ΅ΡΠ½Π°Ρ ΡΠ°Π±ΠΎΡΠ° Π΄Π²ΠΈΠ³Π°ΡΠ΅Π»Ρ, Π½Π΅ΠΎΠ±ΡΡΠ½ΡΠΉ Π·Π°ΠΏΠ°Ρ Π²ΡΡ Π»ΠΎΠΏΠ½ΡΡ Π³Π°Π·ΠΎΠ², ΠΏΠ»ΠΎΡ Π°Ρ ΡΠΊΠΎΠ½ΠΎΠΌΠΈΡ ΡΠΎΠΏΠ»ΠΈΠ²Π°, Π³ΠΎΡΡΡΠ°Ρ ΠΊΠΎΠ½ΡΡΠΎΠ»ΡΠ½Π°Ρ Π»Π°ΠΌΠΏΠΎΡΠΊΠ° Π΄Π²ΠΈΠ³Π°ΡΠ΅Π»Ρ, ΠΎΠ³ΡΠ°Π½ΠΈΡΠ΅Π½Π½Π°Ρ ΠΏΡΠΎΠΈΠ·Π²ΠΎΠ΄ΠΈΡΠ΅Π»ΡΠ½ΠΎΡΡΡ Π²ΡΡΠ΅ ΠΎΠΏΡΠ΅Π΄Π΅Π»Π΅Π½Π½ΠΎΠΉ ΡΠΊΠΎΡΠΎΡΡΠΈ ΠΈΠ»ΠΈ ΠΏΠΎΡΠ΅ΡΡ ΠΏΡΠΎΠΈΠ·Π²ΠΎΠ΄ΠΈΡΠ΅Π»ΡΠ½ΠΎΡΡΠΈ, Π° ΠΈΠ½ΠΎΠ³Π΄Π° ΠΈ Π΄ΡΠ΅Π±Π΅Π·ΠΆΠ°ΡΠΈΠ΅ Π·Π²ΡΠΊΠΈ.
Π‘ΠΊΠΎΠ»ΡΠΊΠΎ ΡΠ»ΡΠΆΠΈΡ ΠΊΠ°ΡΠ°Π»ΠΈΡΠΈΡΠ΅ΡΠΊΠΈΠΉ Π½Π΅ΠΉΡΡΠ°Π»ΠΈΠ·Π°ΡΠΎΡ Π² Vauxhall Astra?
ΠΠ° ΡΡΠΎΠΊ ΡΠ»ΡΠΆΠ±Ρ Π²Π»ΠΈΡΠ΅Ρ ΠΌΠ½ΠΎΠΆΠ΅ΡΡΠ²ΠΎ ΡΠ°ΠΊΡΠΎΡΠΎΠ², Π½ΠΎ ΠΎΠ±ΡΡΠ½ΠΎ ΠΊΠ°ΡΠ°Π»ΠΈΡΠΈΡΠ΅ΡΠΊΠΈΠΉ Π½Π΅ΠΉΡΡΠ°Π»ΠΈΠ·Π°ΡΠΎΡ Π² Astra ΡΠ»ΡΠΆΠΈΡ ΠΎΡ 70 000 Π΄ΠΎ 100 000 ΠΌΠΈΠ»Ρ. ΠΠ΄Π½Π°ΠΊΠΎ ΠΎΠ½ ΠΌΠΎΠΆΠ΅Ρ Π²ΡΠΉΡΠΈ ΠΈΠ· ΡΡΡΠΎΡ Π³ΠΎΡΠ°Π·Π΄ΠΎ ΡΠ°Π½ΡΡΠ΅ ΠΈΠ·-Π·Π° Π΄ΡΡΠ³ΠΈΡ Π½Π΅ΠΈΡΠΏΡΠ°Π²Π½ΠΎΡΡΠ΅ΠΉ, Π½Π°ΠΏΡΠΈΠΌΠ΅Ρ: ΠΏΡΠΎΠΏΡΡΠΊΠΈ Π·Π°ΠΆΠΈΠ³Π°Π½ΠΈΡ Π² Π΄Π²ΠΈΠ³Π°ΡΠ΅Π»Π΅, ΠΏΠ»ΠΎΡ Π°Ρ ΡΠΎΠΏΠ»ΠΈΠ²ΠΎΠ²ΠΎΠ·Π΄ΡΡΠ½Π°Ρ ΡΠΌΠ΅ΡΡ, Π½Π΅ΠΈΡΠΏΡΠ°Π²Π½ΡΠΉ ΠΊΠΈΡΠ»ΠΎΡΠΎΠ΄Π½ΡΠΉ Π΄Π°ΡΡΠΈΠΊ ΠΈΠ»ΠΈ ΠΎΡ Π»Π°ΠΆΠ΄Π°ΡΡΠ°Ρ ΠΆΠΈΠ΄ΠΊΠΎΡΡΡ Π² ΠΊΠ°ΠΌΠ΅ΡΠ°Ρ ΡΠ³ΠΎΡΠ°Π½ΠΈΡ ΠΌΠΎΠ³ΡΡ ΠΏΡΠΈΠ²Π΅ΡΡΠΈ ΠΊ Π²ΡΡ ΠΎΠ΄Ρ ΠΈΠ· ΡΡΡΠΎΡ ΠΊΠ°ΡΠ°Π»ΠΈΡΠΈΡΠ΅ΡΠΊΠΎΠ³ΠΎ Π½Π΅ΠΉΡΡΠ°Π»ΠΈΠ·Π°ΡΠΎΡΠ°.
5. ΠΠ΅ΠΈΡΠΏΡΠ°Π²Π΅Π½ Π΄Π°ΡΡΠΈΠΊ ΠΊΠΈΡΠ»ΠΎΡΠΎΠ΄Π°
ΠΠ°ΡΡΠΈΠΊ ΠΊΠΈΡΠ»ΠΎΡΠΎΠ΄Π° Π² Π°Π²ΡΠΎΠΌΠΎΠ±ΠΈΠ»Π΅ Opel Astra ΠΊΠΎΠ½ΡΡΠΎΠ»ΠΈΡΡΠ΅Ρ ΡΡΠΎΠ²Π΅Π½Ρ Π·Π°Π³ΡΡΠ·Π½ΡΡΡΠΈΡ
Π²Π΅ΡΠ΅ΡΡΠ² Π² Π²ΡΡ
Π»ΠΎΠΏΠ½ΡΡ
Π³Π°Π·Π°Ρ
Π΄Π²ΠΈΠ³Π°ΡΠ΅Π»Ρ ΠΈ ΠΏΠ΅ΡΠ΅Π΄Π°Π΅Ρ Π΄Π°Π½Π½ΡΠ΅ Π½Π° Π±Π»ΠΎΠΊ ΡΠΏΡΠ°Π²Π»Π΅Π½ΠΈΡ, ΠΊΠΎΡΠΎΡΡΠΉ ΠΏΠΎΡΡΠΎΡΠ½Π½ΠΎ ΡΠ΅Π³ΡΠ»ΠΈΡΡΠ΅Ρ ΡΠΎΠΎΡΠ½ΠΎΡΠ΅Π½ΠΈΠ΅ Π²ΠΎΠ·Π΄ΡΡ
Π° ΠΈ ΡΠΎΠΏΠ»ΠΈΠ²Π° Π² Π΄Π²ΠΈΠ³Π°ΡΠ΅Π»Π΅.
ΠΡΠ»ΠΈ ΠΊΠΈΡΠ»ΠΎΡΠΎΠ΄Π½ΡΠΉ Π΄Π°ΡΡΠΈΠΊ Π²ΡΡΠ²Π»ΡΠ΅Ρ Π½Π΅ΠΈΡΠΏΡΠ°Π²Π½ΠΎΡΡΡ, ΠΎΠ½ ΠΎΡΠΏΡΠ°Π²Π»ΡΠ΅Ρ Π½Π΅Π²Π΅ΡΠ½ΡΠ΅ ΠΏΠΎΠΊΠ°Π·Π°Π½ΠΈΡ Π² Π±Π»ΠΎΠΊ ΡΠΏΡΠ°Π²Π»Π΅Π½ΠΈΡ, ΡΡΠΎ ΠΌΠΎΠΆΠ΅Ρ ΠΏΡΠΈΠ²Π΅ΡΡΠΈ ΠΊ ΠΌΠ΅Π΄Π»Π΅Π½Π½ΠΎΠΌΡ ΡΡΠΊΠΎΡΠ΅Π½ΠΈΡ, ΠΏΠΎΡΠ΅ΡΠ΅ ΠΌΠΎΡΠ½ΠΎΡΡΠΈ, Π½Π΅ΡΠ°Π²Π½ΠΎΠΌΠ΅ΡΠ½ΠΎΠΌΡ Ρ
ΠΎΠ»ΠΎΡΡΠΎΠΌΡ Ρ
ΠΎΠ΄Ρ, ΠΊΠΎΠ»Π΅Π±Π°Π½ΠΈΡΠΌ ΠΈΠ»ΠΈ ΠΎΡΡΠ°Π½ΠΎΠ²ΠΊΠ΅ Π΄Π²ΠΈΠ³Π°ΡΠ΅Π»Ρ.
ΠΠΎΠΆΠ΅Ρ Π»ΠΈ Π½Π΅ΠΈΡΠΏΡΠ°Π²Π½ΡΠΉ Π΄Π°ΡΡΠΈΠΊ O2 ΠΏΡΠΈΠ²Π΅ΡΡΠΈ ΠΊ ΠΎΡΠΊΠ°Π·Ρ ΠΊΠ°ΡΠ°Π»ΠΈΡΠΈΡΠ΅ΡΠΊΠΎΠ³ΠΎ Π½Π΅ΠΉΡΡΠ°Π»ΠΈΠ·Π°ΡΠΎΡΠ° Π² Vauxhall Astra?
ΠΠ΅ΠΈΡΠΏΡΠ°Π²Π½ΡΠ΅ ΠΊΠΈΡΠ»ΠΎΡΠΎΠ΄Π½ΡΠ΅ Π΄Π°ΡΡΠΈΠΊΠΈ ΡΠ²Π»ΡΡΡΡΡ ΠΎΡΠ½ΠΎΠ²Π½ΠΎΠΉ ΠΏΡΠΈΡΠΈΠ½ΠΎΠΉ Π²ΡΡ ΠΎΠ΄Π° ΠΈΠ· ΡΡΡΠΎΡ ΠΊΠ°ΡΠ°Π»ΠΈΡΠΈΡΠ΅ΡΠΊΠΎΠ³ΠΎ Π½Π΅ΠΉΡΡΠ°Π»ΠΈΠ·Π°ΡΠΎΡΠ°. ΠΡΠ»ΠΈ Π²Ρ ΠΏΠΎΠ΄ΠΎΠ·ΡΠ΅Π²Π°Π΅ΡΠ΅, ΡΡΠΎ ΠΏΡΠΎΠ±Π»Π΅ΠΌΠ° Ρ Π΄Π°ΡΡΠΈΠΊΠΎΠΌ O2, Π²Ρ Π΄ΠΎΠ»ΠΆΠ½Ρ Π΄Π΅ΠΉΡΡΠ²ΠΎΠ²Π°ΡΡ Π½Π΅ΠΌΠ΅Π΄Π»Π΅Π½Π½ΠΎ ΠΈ ΠΏΡΠΎΠ²Π΅ΡΠΈΡΡ Π΅Π³ΠΎ Ρ ΠΏΡΠΎΡΠ΅ΡΡΠΈΠΎΠ½Π°Π»ΡΠ½ΠΎΠ³ΠΎ ΠΌΠ΅Ρ Π°Π½ΠΈΠΊΠ°. ΠΠ°ΡΡΠΈΠΊΠΈ O2 ΠΎΡΠ½ΠΎΡΠΈΡΠ΅Π»ΡΠ½ΠΎ Π΄Π΅ΡΠ΅Π²Ρ ΠΏΠΎ ΡΡΠ°Π²Π½Π΅Π½ΠΈΡ Ρ ΡΠ΅Π½ΠΎΠΉ ΠΊΠ°ΡΠ°Π»ΠΈΡΠΈΡΠ΅ΡΠΊΠΈΡ Π½Π΅ΠΉΡΡΠ°Π»ΠΈΠ·Π°ΡΠΎΡΠΎΠ², Π·Π°ΠΌΠ΅Π½Π° ΠΊΠΎΡΠΎΡΡΡ ΠΌΠΎΠΆΠ΅Ρ ΡΡΠΎΠΈΡΡ Π²Π°ΠΌ Π±ΠΎΠ»Π΅Π΅ ΡΡΡΡΡΠΈ Π΄ΠΎΠ»Π»Π°ΡΠΎΠ².
ΠΠ°ΠΊ ΠΏΡΠΎΠ²Π΅ΡΠΈΡΡ Π½Π΅ΠΈΡΠΏΡΠ°Π²Π½ΠΎΡΡΡ ΠΊΠΈΡΠ»ΠΎΡΠΎΠ΄Π½ΠΎΠ³ΠΎ Π΄Π°ΡΡΠΈΠΊΠ° Π² ΠΡΡΡΠ΅?
ΠΡΠΈ Π½Π΅ΠΈΡΠΏΡΠ°Π²Π½ΠΎΡΡΠΈ ΠΊΠΈΡΠ»ΠΎΡΠΎΠ΄Π½ΠΎΠ³ΠΎ Π΄Π°ΡΡΠΈΠΊΠ° ΠΎΠ±ΡΡΠ½ΠΎ Π·Π°Π³ΠΎΡΠ°Π΅ΡΡΡ ΠΊΠΎΠ½ΡΡΠΎΠ»ΡΠ½Π°Ρ Π»Π°ΠΌΠΏΠ° Π΄Π²ΠΈΠ³Π°ΡΠ΅Π»Ρ Π² ΠΊΠΎΠΌΠ±ΠΈΠ½Π°ΡΠΈΠΈ ΠΏΡΠΈΠ±ΠΎΡΠΎΠ² ΠΡΡΡΡ. ΠΡ ΠΌΠΎΠΆΠ΅ΡΠ΅ Π΄ΠΈΠ°Π³Π½ΠΎΡΡΠΈΡΠΎΠ²Π°ΡΡ ΠΏΡΠΎΠ±Π»Π΅ΠΌΡ, ΠΏΠΎΠ΄ΠΊΠ»ΡΡΠΈΠ² ΡΠΊΠ°Π½Π΅Ρ OBD2 ΠΊ Π²Π°ΡΠ΅ΠΌΡ Π°Π²ΡΠΎΠΌΠΎΠ±ΠΈΠ»Ρ. ΠΡΠ»ΠΈ Π²Ρ Π²ΠΈΠ΄ΠΈΡΠ΅ ΠΊΠ°ΠΊΠΎΠΉ-Π»ΠΈΠ±ΠΎ ΠΊΠΎΠ΄ ΠΎΡΠΈΠ±ΠΊΠΈ ΠΎΡ P0130 Π΄ΠΎ P0135 ΠΈΠ»ΠΈ ΠΎΡ P0150 Π΄ΠΎ P0155, ΡΡΠΎ ΡΠΊΠ°Π·ΡΠ²Π°Π΅Ρ Π½Π° ΠΏΡΠΎΠ±Π»Π΅ΠΌΡ Ρ Π²Π΅ΡΡ
Π½ΠΈΠΌ ΠΊΠΈΡΠ»ΠΎΡΠΎΠ΄Π½ΡΠΌ Π΄Π°ΡΡΠΈΠΊΠΎΠΌ.
Π Π΅ΠΊΠΎΠΌΠ΅Π½Π΄ΡΠ΅ΠΌΠΎΠ΅ Π²ΠΈΠ΄Π΅ΠΎ:
6. ΠΡΡΠ·Π½ΡΠΉ ΠΊΠΎΡΠΏΡΡ Π΄ΡΠΎΡΡΠ΅Π»ΡΠ½ΠΎΠΉ Π·Π°ΡΠ»ΠΎΠ½ΠΊΠΈ
ΠΡΡΠ·Π½ΡΠΉ ΠΊΠΎΡΠΏΡΡ Π΄ΡΠΎΡΡΠ΅Π»ΡΠ½ΠΎΠΉ Π·Π°ΡΠ»ΠΎΠ½ΠΊΠΈ ΡΠ°ΠΊΠΆΠ΅ ΠΌΠΎΠΆΠ΅Ρ Π±ΡΡΡ ΠΏΡΠΈΡΠΈΠ½ΠΎΠΉ ΠΌΠ΅Π΄Π»Π΅Π½Π½ΠΎΠ³ΠΎ ΡΡΠΊΠΎΡΠ΅Π½ΠΈΡ Π²Π°ΡΠ΅Π³ΠΎ Π°Π²ΡΠΎΠΌΠΎΠ±ΠΈΠ»Ρ Vauxhall Astra. ΠΠ±ΡΠΈΠΌΠΈ ΠΏΡΠΈΠ·Π½Π°ΠΊΠ°ΠΌΠΈ Π·Π°Π³ΡΡΠ·Π½Π΅Π½ΠΈΡ ΠΊΠΎΡΠΏΡΡΠ° Π΄ΡΠΎΡΡΠ΅Π»ΡΠ½ΠΎΠΉ Π·Π°ΡΠ»ΠΎΠ½ΠΊΠΈ ΡΠ²Π»ΡΡΡΡΡ ΠΏΠ»ΠΎΡ Π°Ρ ΡΠ°Π±ΠΎΡΠ° Π΄Π²ΠΈΠ³Π°ΡΠ΅Π»Ρ, Π½Π΅ΡΡΡΠΎΠΉΡΠΈΠ²ΡΠΉ Ρ ΠΎΠ»ΠΎΡΡΠΎΠΉ Ρ ΠΎΠ΄, Π΄Π²ΠΈΠ³Π°ΡΠ΅Π»Ρ ΠΏΠ»ΠΎΡ ΠΎ ΡΠ΅Π°Π³ΠΈΡΡΠ΅Ρ Π½Π° Π΄Π²ΠΈΠΆΠ΅Π½ΠΈΡ ΠΏΠ΅Π΄Π°Π»ΠΈ Π°ΠΊΡΠ΅Π»Π΅ΡΠ°ΡΠΎΡΠ°, Π΄Π²ΠΈΠ³Π°ΡΠ΅Π»Ρ Π³Π»ΠΎΡ Π½Π΅Ρ ΠΈΠ»ΠΈ Π³Π»ΠΎΡ Π½Π΅Ρ.
ΠΠΎΡΠΏΡΡ Π΄ΡΠΎΡΡΠ΅Π»ΡΠ½ΠΎΠΉ Π·Π°ΡΠ»ΠΎΠ½ΠΊΠΈ ΠΎΠ±ΡΡΠ½ΠΎ Π·Π°Π³ΡΡΠ·Π½ΡΠ΅ΡΡΡ ΠΏΠΎΡΠ»Π΅ 70 000 ΠΌΠΈΠ»Ρ ΠΏΡΠΎΠ±Π΅Π³Π°, ΠΎΡΠΎΠ±Π΅Π½Π½ΠΎ Π² Π°Π²ΡΠΎΠΌΠΎΠ±ΠΈΠ»ΡΡ , ΠΊΠΎΡΠΎΡΡΠ΅ Π² ΠΎΡΠ½ΠΎΠ²Π½ΠΎΠΌ ΡΠΊΡΠΏΠ»ΡΠ°ΡΠΈΡΡΡΡΡΡ Π² Π³ΠΎΡΠΎΠ΄ΡΠΊΠΈΡ ΡΡΠ»ΠΎΠ²ΠΈΡΡ Ρ ΡΠ°ΡΡΡΠΌΠΈ ΠΎΡΡΠ°Π½ΠΎΠ²ΠΊΠ°ΠΌΠΈ. Π Π²ΠΎΡ ΠΏΠΎΠ΄ΡΠΎΡ Π²ΠΎΠ·Π΄ΡΡ Π° Π²ΠΎ Π²ΠΏΡΡΠΊΠ½ΠΎΠΉ ΡΠΈΡΡΠ΅ΠΌΠ΅ ΠΈΠ»ΠΈ Π½Π΅ΠΈΡΠΏΡΠ°Π²Π½ΠΎΡΡΡ Π΄Π²ΠΈΠ³Π°ΡΠ΅Π»Ρ ΠΌΠΎΠ³ΡΡ Π·Π°Π³ΡΡΠ·Π½ΠΈΡΡ Π΄ΡΠΎΡΡΠ΅Π»ΡΠ½ΡΡ Π·Π°ΡΠ»ΠΎΠ½ΠΊΡ Π³ΠΎΡΠ°Π·Π΄ΠΎ ΡΠ°Π½ΡΡΠ΅.
ΠΠ΄Π½ΠΎΠΉ ΠΈΠ· ΠΎΡΠ½ΠΎΠ²Π½ΡΡ ΠΏΡΠΈΡΠΈΠ½ Π½Π΅ΠΈΡΠΏΡΠ°Π²Π½ΠΎΡΡΠΈ Π΄ΡΠΎΡΡΠ΅Π»ΡΠ½ΠΎΠΉ Π·Π°ΡΠ»ΠΎΠ½ΠΊΠΈ ΡΠ²Π»ΡΠ΅ΡΡΡ Π²Π½ΡΡΡΠ΅Π½Π½Π΅Π΅ Π·Π°Π³ΡΡΠ·Π½Π΅Π½ΠΈΠ΅. ΠΡΠΎΡΡΠ΅Π»ΡΠ½Π°Ρ Π·Π°ΡΠ»ΠΎΠ½ΠΊΠ° ΡΠ΅Π³ΡΠ»ΠΈΡΡΠ΅Ρ ΠΏΠΎΠ΄Π°ΡΡ Π²ΠΎΠ·Π΄ΡΡ Π° Π² Π΄Π²ΠΈΠ³Π°ΡΠ΅Π»Ρ Π²Π½ΡΡΡΠ΅Π½Π½Π΅Π³ΠΎ ΡΠ³ΠΎΡΠ°Π½ΠΈΡ. Π‘ΠΎ Π²ΡΠ΅ΠΌΠ΅Π½Π΅ΠΌ Π² ΠΊΠΎΡΠΏΡΡΠ΅ Π΄ΡΠΎΡΡΠ΅Π»ΡΠ½ΠΎΠΉ Π·Π°ΡΠ»ΠΎΠ½ΠΊΠΈ ΠΌΠΎΠΆΠ΅Ρ ΡΠΊΠ°ΠΏΠ»ΠΈΠ²Π°ΡΡΡΡ Π³ΡΡΠ·Ρ ΠΈ ΠΊΠΎΠΏΠΎΡΡ, Π²ΡΡ ΠΎΠ΄ΡΡΠΈΠ΅ ΡΠ΅ΡΠ΅Π· Π²ΠΎΠ·Π΄ΡΡΠ½ΡΠΉ ΡΠΈΠ»ΡΡΡ, ΡΡΠΎ ΠΏΡΠΈΠ²ΠΎΠ΄ΠΈΡ ΠΊ Π½Π΅ΠΏΡΠ°Π²ΠΈΠ»ΡΠ½ΠΎΠΌΡ ΠΏΠ΅ΡΠ΅ΠΌΠ΅ΡΠ΅Π½ΠΈΡ Π΄ΡΠΎΡΡΠ΅Π»ΡΠ½ΠΎΠΉ Π·Π°ΡΠ»ΠΎΠ½ΠΊΠΈ, ΠΈΠ·-Π·Π° ΡΠ΅Π³ΠΎ Π²ΠΎΠ·Π½ΠΈΠΊΠ°ΡΡ ΠΏΡΠΎΠ±Π»Π΅ΠΌΡ Ρ ΠΊΠΎΠ½ΡΡΠΎΠ»Π΅ΠΌ ΠΏΠΎΠ΄Π°ΡΠΈ Π²ΠΎΠ·Π΄ΡΡ Π°.
7. ΠΠ΅ΠΈΡΠΏΡΠ°Π²Π΅Π½ Π΄Π°ΡΡΠΈΠΊ ΠΏΠΎΠ»ΠΎΠΆΠ΅Π½ΠΈΡ Π΄ΡΠΎΡΡΠ΅Π»ΡΠ½ΠΎΠΉ Π·Π°ΡΠ»ΠΎΠ½ΠΊΠΈ (ΠΠΠΠ)
ΠΠ°ΡΡΠΈΠΊ ΠΏΠΎΠ»ΠΎΠΆΠ΅Π½ΠΈΡ Π΄ΡΠΎΡΡΠ΅Π»ΡΠ½ΠΎΠΉ Π·Π°ΡΠ»ΠΎΠ½ΠΊΠΈ ΠΈΠ»ΠΈ ΠΠΠΠ ΠΈΡΠΏΠΎΠ»ΡΠ·ΡΠ΅ΡΡΡ Π΄Π»Ρ ΠΎΠΏΡΠ΅Π΄Π΅Π»Π΅Π½ΠΈΡ ΡΠ³Π»Π° ΠΎΡΠΊΡΡΡΠΈΡ Π΄ΡΠΎΡΡΠ΅Π»ΡΠ½ΠΎΠΉ Π·Π°ΡΠ»ΠΎΠ½ΠΊΠΈ. ΠΠΎΠ»ΡΡΠ΅Π½Π½Π°Ρ ΠΈΠ½ΡΠΎΡΠΌΠ°ΡΠΈΡ ΠΎΡΠΏΡΠ°Π²Π»ΡΠ΅ΡΡΡ Π² Π±Π»ΠΎΠΊ ΡΠΏΡΠ°Π²Π»Π΅Π½ΠΈΡ ΠΈ ΡΠΏΠΎΡΠΎΠ±ΡΡΠ²ΡΠ΅Ρ ΡΠ°ΡΡΠ΅ΡΡ Π½Π΅ΠΎΠ±Ρ ΠΎΠ΄ΠΈΠΌΠΎΠ³ΠΎ ΠΊΠΎΠ»ΠΈΡΠ΅ΡΡΠ²Π° ΡΠΎΠΏΠ»ΠΈΠ²Π°. Π‘ΠΈΠΌΠΏΡΠΎΠΌΠ°ΠΌΠΈ Π½Π΅ΠΈΡΠΏΡΠ°Π²Π½ΠΎΡΡΠΈ Π΄Π°ΡΡΠΈΠΊΠ° ΠΏΠΎΠ»ΠΎΠΆΠ΅Π½ΠΈΡ Π΄ΡΠΎΡΡΠ΅Π»ΡΠ½ΠΎΠΉ Π·Π°ΡΠ»ΠΎΠ½ΠΊΠΈ Π² ΠΡΡΡΠ΅ ΠΎΠ±ΡΡΠ½ΠΎ ΡΠ²Π»ΡΡΡΡΡ ΡΠ½ΠΈΠΆΠ΅Π½ΠΈΠ΅ ΠΌΠΎΡΠ½ΠΎΡΡΠΈ Π΄Π²ΠΈΠ³Π°ΡΠ΅Π»Ρ, ΡΡΠ²ΠΊΠΈ Π΄Π²ΠΈΠ³Π°ΡΠ΅Π»Ρ, ΠΊΠΎΠ»Π΅Π±Π°Π½ΠΈΡ ΠΎΠ±ΠΎΡΠΎΡΠΎΠ² Π½Π° Ρ ΠΎΠ»ΠΎΡΡΠΎΠΌ Ρ ΠΎΠ΄Ρ ΠΈ ΠΌΠ΅Π΄Π»Π΅Π½Π½ΠΎΠ΅ ΠΏΠ°Π΄Π΅Π½ΠΈΠ΅ ΡΠΊΠΎΡΠΎΡΡΠΈ ΠΏΠΎΡΠ»Π΅ ΠΎΡΠΏΡΡΠΊΠ°Π½ΠΈΡ Π²ΠΎΠ΄ΠΈΡΠ΅Π»Π΅ΠΌ Π°ΠΊΡΠ΅Π»Π΅ΡΠ°ΡΠΎΡΠ°.
ΠΡΠ»ΠΈ Π²Ρ Π²ΠΈΠ΄ΠΈΡΠ΅ ΠΊΠ°ΠΊΠΎΠΉ-Π»ΠΈΠ±ΠΎ ΠΊΠΎΠ΄ ΠΎΡΠΈΠ±ΠΊΠΈ ΠΎΡ P0120 Π΄ΠΎ P0124 Π½Π° ΡΠΊΠ°Π½Π΅ΡΠ΅ OBD2, ΡΡΠΎ ΡΠΊΠ°Π·ΡΠ²Π°Π΅Ρ Π½Π° ΠΏΡΠΎΠ±Π»Π΅ΠΌΡ Ρ Π΄Π°ΡΡΠΈΠΊΠΎΠΌ TPS.
8. ΠΠ΅ΠΈΡΠΏΡΠ°Π²Π½ΠΎΡΡΡ ΡΠΎΠΏΠ»ΠΈΠ²Π½ΠΎΠ³ΠΎ Π½Π°ΡΠΎΡΠ°
Π’ΠΎΠΏΠ»ΠΈΠ²Π½ΡΠΉ Π½Π°ΡΠΎΡ Π²Π°ΡΠ΅Π³ΠΎ Π°Π²ΡΠΎΠΌΠΎΠ±ΠΈΠ»Ρ Vauxhall Astra ΠΏΠΎΡ ΠΎΠΆ Π½Π° Π±ΡΡΡΠ΅Π΅ΡΡ ΡΠ΅ΡΠ΄ΡΠ΅, ΠΊΠΎΡΠΎΡΠΎΠ΅ ΠΏΠ΅ΡΠ΅ΠΊΠ°ΡΠΈΠ²Π°Π΅Ρ ΡΠΎΠΏΠ»ΠΈΠ²ΠΎ Π² Π΄Π²ΠΈΠ³Π°ΡΠ΅Π»Ρ Π²ΠΎ Π²ΡΠ΅ΠΌΡ Π΄Π²ΠΈΠΆΠ΅Π½ΠΈΡ Π°Π²ΡΠΎΠΌΠΎΠ±ΠΈΠ»Ρ. ΠΠ΅ΠΈΡΠΏΡΠ°Π²Π½ΡΠΉ ΡΠΎΠΏΠ»ΠΈΠ²Π½ΡΠΉ Π½Π°ΡΠΎΡ ΠΌΠΎΠΆΠ΅Ρ ΠΏΡΠΈΠ²Π΅ΡΡΠΈ ΠΊ Π½Π΅ΡΠ°Π²Π½ΠΎΠΌΠ΅ΡΠ½ΠΎΠΌΡ ΠΈΠ»ΠΈ ΡΠΌΠ΅Π½ΡΡΠ΅Π½Π½ΠΎΠΌΡ ΡΡΠΊΠΎΡΠ΅Π½ΠΈΡ, ΠΏΠ»ΠΎΡ ΠΎΠΌΡ Π·Π°ΠΏΡΡΠΊΡ Π΄Π²ΠΈΠ³Π°ΡΠ΅Π»Ρ, ΡΡΠ²ΠΊΠ°ΠΌ ΠΈΠ»ΠΈ ΠΎΡΡΠ°Π½ΠΎΠ²ΠΊΠ΅ Π΄Π²ΠΈΠ³Π°ΡΠ΅Π»Ρ Π²ΠΎ Π²ΡΠ΅ΠΌΡ Π΄Π²ΠΈΠΆΠ΅Π½ΠΈΡ ΠΈ ΡΠ½ΠΈΠΆΠ΅Π½ΠΈΡ ΡΡΡΠ΅ΠΊΡΠΈΠ²Π½ΠΎΡΡΠΈ ΠΈΡΠΏΠΎΠ»ΡΠ·ΠΎΠ²Π°Π½ΠΈΡ ΡΠΎΠΏΠ»ΠΈΠ²Π°.
Π’ΠΎΠΏΠ»ΠΈΠ²Π½ΡΠ΅ Π½Π°ΡΠΎΡΡ ΡΡΠΎΡΡ Π½Π΅Π΄Π΅ΡΠ΅Π²ΠΎ, ΠΏΠ΅ΡΠ΅Π΄ Π·Π°ΠΌΠ΅Π½ΠΎΠΉ ΡΠ±Π΅Π΄ΠΈΡΠ΅ΡΡ, ΡΡΠΎ Π½Π΅ΠΈΡΠΏΡΠ°Π²Π½ΠΎΡΡΡ Π΄Π΅ΠΉΡΡΠ²ΠΈΡΠ΅Π»ΡΠ½ΠΎ ΡΠ²ΡΠ·Π°Π½Π° Ρ ΡΠΎΠΏΠ»ΠΈΠ²Π½ΡΠΌ Π½Π°ΡΠΎΡΠΎΠΌ.Π Π°ΡΠΏΡΠΎΡΡΡΠ°Π½Π΅Π½Π½ΡΠΌΠΈ ΠΏΡΠΈΡΠΈΠ½Π°ΠΌΠΈ Π½Π΅ΠΈΡΠΏΡΠ°Π²Π½ΠΎΠ³ΠΎ ΡΠΎΠΏΠ»ΠΈΠ²Π½ΠΎΠ³ΠΎ Π½Π°ΡΠΎΡΠ° ΡΠ²Π»ΡΡΡΡΡ ΡΡΠ΅ΡΠΊΠΈ ΠΈΠ»ΠΈ Π·Π°Π³ΡΡΠ·Π½Π΅Π½ΠΈΠ΅ Π²Π½ΡΡΡΠΈ Π½Π°ΡΠΎΡΠ°, ΡΡΠΎ ΠΌΠΎΠΆΠ΅Ρ Π·Π°ΠΆΠ΅ΡΡ ΠΊΠΎΠ½ΡΡΠΎΠ»ΡΠ½ΡΡ Π»Π°ΠΌΠΏΠΎΡΠΊΡ Π΄Π²ΠΈΠ³Π°ΡΠ΅Π»Ρ Π² Π²Π°ΡΠ΅ΠΉ Astra. ΠΠΈΠ°Π³Π½ΠΎΡΡΠΈΡΠ΅ΡΠΊΠΈΠ΅ ΠΊΠΎΠ΄Ρ, ΠΊΠΎΡΠΎΡΡΠ΅ ΠΌΠΎΠΆΠ΅Ρ Π²ΡΠ·Π²Π°ΡΡ Π½Π΅ΠΈΡΠΏΡΠ°Π²Π½ΡΠΉ ΡΠΎΠΏΠ»ΠΈΠ²Π½ΡΠΉ Π½Π°ΡΠΎΡ: P0230, P0231, P0232 ΠΈ P0087.
9. ΠΠ»ΠΎΡ ΠΈΠ΅ ΡΠ²Π΅ΡΠΈ Π·Π°ΠΆΠΈΠ³Π°Π½ΠΈΡ ΠΈΠ»ΠΈ ΠΊΠ°ΡΡΡΠΊΠΈ Π·Π°ΠΆΠΈΠ³Π°Π½ΠΈΡ
ΠΡΠ»ΠΈ ΡΠ²Π΅ΡΠΈ Π·Π°ΠΆΠΈΠ³Π°Π½ΠΈΡ Π² Π²Π°ΡΠ΅ΠΉ Astra Π½Π΅ Π΄Π°ΡΡ ΠΈΡΠΊΡΡ Π΄ΠΎΠ»ΠΆΠ½ΡΠΌ ΠΎΠ±ΡΠ°Π·ΠΎΠΌ, Π΄Π²ΠΈΠ³Π°ΡΠ΅Π»Ρ Π±ΠΎΠ»ΡΡΠ΅ Π½Π΅ Π±ΡΠ΄Π΅Ρ ΡΠ°Π±ΠΎΡΠ°ΡΡ ΠΎΠΏΡΠΈΠΌΠ°Π»ΡΠ½ΠΎ. ΠΡΠΎ ΡΠ°ΡΡΠΎ Π·Π°ΠΌΠ΅ΡΠ½ΠΎ ΠΏΠΎ ΠΏΠΎΡΠ΅ΡΠ΅ ΠΏΡΠΎΠΈΠ·Π²ΠΎΠ΄ΠΈΡΠ΅Π»ΡΠ½ΠΎΡΡΠΈ ΠΈ ΡΠ²Π΅Π»ΠΈΡΠ΅Π½ΠΈΡ ΡΠ°ΡΡ
ΠΎΠ΄Π° ΡΠΎΠΏΠ»ΠΈΠ²Π°.
ΠΡ ΡΠ°ΠΊΠΆΠ΅ ΠΌΠΎΠΆΠ΅ΡΠ΅ Π·Π°ΠΌΠ΅ΡΠΈΡΡ, ΡΡΠΎ Π΄Π²ΠΈΠ³Π°ΡΠ΅Π»Ρ ΡΠ°Π±ΠΎΡΠ°Π΅Ρ Π½Π΅ΡΠΎΠ²Π½ΠΎ ΠΈΠ»ΠΈ Π΄Π²ΠΈΠ³Π°ΡΠ΅Π»Ρ Π΄Π΅ΡΠ³Π°Π΅ΡΡΡ Π²ΠΎ Π²ΡΠ΅ΠΌΡ Π΄Π²ΠΈΠΆΠ΅Π½ΠΈΡ β ΠΈΠ½ΠΎΠ³Π΄Π° Π΄Π²ΠΈΠ³Π°ΡΠ΅Π»Ρ ΠΏΡΠΎΡΡΠΎ Π³Π»ΠΎΡ
Π½Π΅Ρ. ΠΡΠ»ΠΈ Π²Ρ ΠΏΡΠΎΠ΄ΠΎΠ»ΠΆΠΈΡΠ΅ Π΅Π·Π΄ΠΈΡΡ Ρ Π½Π΅ΠΈΡΠΏΡΠ°Π²Π½ΠΎΠΉ ΡΠ²Π΅ΡΠΎΠΉ Π·Π°ΠΆΠΈΠ³Π°Π½ΠΈΡ, Π²Ρ ΡΠΈΡΠΊΡΠ΅ΡΠ΅ ΠΏΠΎΠ»ΡΡΠΈΡΡ ΠΎΡΠ΅Π½Ρ Π΄ΠΎΡΠΎΠ³ΠΎΡΡΠΎΡΡΠΈΠΉ ΠΊΠΎΡΠ²Π΅Π½Π½ΡΠΉ ΡΡΠ΅ΡΠ±, Π½Π°ΠΏΡΠΈΠΌΠ΅Ρ, Π²ΡΡ
ΠΎΠ΄ ΠΈΠ· ΡΡΡΠΎΡ ΠΊΠ°ΡΠ°Π»ΠΈΡΠΈΡΠ΅ΡΠΊΠΎΠ³ΠΎ Π½Π΅ΠΉΡΡΠ°Π»ΠΈΠ·Π°ΡΠΎΡΠ°.
ΠΠ°ΡΡΡΠΊΠΈ Π·Π°ΠΆΠΈΠ³Π°Π½ΠΈΡ ΡΠ²Π»ΡΡΡΡΡ ΡΠ°ΡΡΡΡ ΡΠΈΡΡΠ΅ΠΌΡ Π·Π°ΠΆΠΈΠ³Π°Π½ΠΈΡ Π²Π°ΡΠ΅Π³ΠΎ Π°Π²ΡΠΎΠΌΠΎΠ±ΠΈΠ»Ρ Astra ΠΈ ΠΎΡΠ²Π΅ΡΠ°ΡΡ Π·Π° ΡΡΠΈΠ»Π΅Π½ΠΈΠ΅ ΠΎΡΠ½ΠΎΡΠΈΡΠ΅Π»ΡΠ½ΠΎ Π½ΠΈΠ·ΠΊΠΎΠ³ΠΎ Π½Π°ΠΏΡΡΠΆΠ΅Π½ΠΈΡ Π°ΠΊΠΊΡΠΌΡΠ»ΡΡΠΎΡΠ½ΠΎΠΉ Π±Π°ΡΠ°ΡΠ΅ΠΈ Ρ 12 Π Π΄ΠΎ Π²ΡΡΠΎΠΊΠΎΠ³ΠΎ Π½Π°ΠΏΡΡΠΆΠ΅Π½ΠΈΡ Π² Π΄Π΅ΡΡΡΠΊΠΈ ΡΡΡΡΡ Π²ΠΎΠ»ΡΡ Π΄Π»Ρ ΡΠ²Π΅ΡΠ΅ΠΉ Π·Π°ΠΆΠΈΠ³Π°Π½ΠΈΡ. ΠΠ΅ΠΈΡΠΏΡΠ°Π²Π½ΠΎΡΡΡ ΠΊΠ°ΡΡΡΠΊΠΈ Π·Π°ΠΆΠΈΠ³Π°Π½ΠΈΡ ΠΌΠΎΠΆΠ΅Ρ Π²ΡΠ·Π²Π°ΡΡ ΡΠ»Π°Π±ΠΎΠ΅ ΠΈΡΠΊΡΠΎΠΎΠ±ΡΠ°Π·ΠΎΠ²Π°Π½ΠΈΠ΅, ΡΡΠΎ ΠΌΠΎΠΆΠ΅Ρ ΠΏΡΠΈΠ²Π΅ΡΡΠΈ ΠΊ ΡΡ ΡΠ΄ΡΠ΅Π½ΠΈΡ ΡΠ°Π±ΠΎΡΡ Π΄Π²ΠΈΠ³Π°ΡΠ΅Π»Ρ. Π‘ΠΈΠΌΠΏΡΠΎΠΌΡ Π½Π΅ΠΈΡΠΏΡΠ°Π²Π½ΠΎΠΉ ΠΊΠ°ΡΡΡΠΊΠΈ Π·Π°ΠΆΠΈΠ³Π°Π½ΠΈΡ Π±ΠΎΠ»Π΅Π΅ ΠΈΠ»ΠΈ ΠΌΠ΅Π½Π΅Π΅ ΡΠ°ΠΊΠΈΠ΅ ΠΆΠ΅, ΠΊΠ°ΠΊ ΠΈ Π½Π΅ΠΈΡΠΏΡΠ°Π²Π½Π°Ρ ΡΠ²Π΅ΡΠ° Π·Π°ΠΆΠΈΠ³Π°Π½ΠΈΡ.
10. ΠΠ°Π³ΡΡΠ·Π½Π΅Π½Π½ΡΠ΅ ΡΠΎΠΏΠ»ΠΈΠ²Π½ΡΠ΅ ΡΠΎΡΡΡΠ½ΠΊΠΈ
Π’ΠΎΠΏΠ»ΠΈΠ²Π½ΡΠ΅ ΡΠΎΡΡΡΠ½ΠΊΠΈ ΡΠ²Π»ΡΡΡΡΡ ΡΠ°ΡΡΡΡ ΡΠΈΡΡΠ΅ΠΌΡ ΠΏΠΎΠ΄Π°ΡΠΈ ΡΠΎΠΏΠ»ΠΈΠ²Π°, ΠΊΠΎΡΠΎΡΠ°Ρ ΡΠ°ΡΠΏΡΠ»ΡΠ΅Ρ ΡΠΎΠΏΠ»ΠΈΠ²ΠΎ Π² Π²ΠΈΠ΄Π΅ ΡΡΠΌΠ°Π½Π° ΠΏΠΎΠ΄ Π²ΡΡΠΎΠΊΠΈΠΌ Π΄Π°Π²Π»Π΅Π½ΠΈΠ΅ΠΌ. Π‘ΠΎ Π²ΡΠ΅ΠΌΠ΅Π½Π΅ΠΌ ΠΎΠ½ΠΈ ΠΌΠΎΠ³ΡΡ Π·Π°ΡΠΎΡΠΈΡΡΡΡ ΠΈΠ·-Π·Π° ΡΠ³Π»Π΅Π²ΠΎΠ΄ΠΎΡΠΎΠ΄ΠΎΠ², ΠΎΡΠ»ΠΎΠΆΠ΅Π½ΠΈΠΉ ΠΈ Π΄ΡΡΠ³ΠΈΡ
ΡΠ»Π΅ΠΌΠ΅Π½ΡΠΎΠ² Π² ΡΠΎΠΏΠ»ΠΈΠ²Π΅.
ΠΠΎΠ³Π΄Π° ΡΡΠΎ ΠΏΡΠΎΠΈΡΡ
ΠΎΠ΄ΠΈΡ, Π½Π°Π΄Π»Π΅ΠΆΠ°ΡΠ΅Π΅ ΠΊΠΎΠ»ΠΈΡΠ΅ΡΡΠ²ΠΎ ΡΠΎΠΏΠ»ΠΈΠ²Π° Π±ΠΎΠ»ΡΡΠ΅ Π½Π΅ ΠΌΠΎΠΆΠ΅Ρ Π±ΡΡΡ Π΄ΠΎΡΡΠ°Π²Π»Π΅Π½ΠΎ Π² ΠΊΠ°ΠΌΠ΅ΡΡ ΡΠ³ΠΎΡΠ°Π½ΠΈΡ ΠΏΡΠΈ ΠΏΡΠ°Π²ΠΈΠ»ΡΠ½ΠΎΠΌ Π΄Π°Π²Π»Π΅Π½ΠΈΠΈ.
ΠΠ±ΡΡΠ½ΡΠΌΠΈ ΡΠΈΠΌΠΏΡΠΎΠΌΠ°ΠΌΠΈ Π·Π°ΡΠΎΡΠ΅Π½ΠΈΡ ΡΠΎΠΏΠ»ΠΈΠ²Π½ΡΡ ΡΠΎΡΡΡΠ½ΠΎΠΊ Π² Vauxhall Astra ΡΠ²Π»ΡΡΡΡΡ ΠΌΠ΅Π΄Π»Π΅Π½Π½ΠΎΠ΅ ΡΡΠΊΠΎΡΠ΅Π½ΠΈΠ΅, Π½Π΅ΡΠΎΠ²Π½ΡΠΉ Ρ ΠΎΠ»ΠΎΡΡΠΎΠΉ Ρ ΠΎΠ΄, Π½Π΅ΡΠ°Π²Π½ΠΎΠΌΠ΅ΡΠ½Π°Ρ ΡΠ°Π±ΠΎΡΠ° Π΄Π²ΠΈΠ³Π°ΡΠ΅Π»Ρ, ΠΏΠΎΠ²ΡΡΠ΅Π½Π½ΡΠΉ ΡΠ°ΡΡ ΠΎΠ΄ ΡΠΎΠΏΠ»ΠΈΠ²Π°, ΠΊΠΎΠ»Π΅Π±Π°Π½ΠΈΡ Π΄Π²ΠΈΠ³Π°ΡΠ΅Π»Ρ ΠΈ ΠΏΡΠΎΠΏΡΡΠΊΠΈ Π·Π°ΠΆΠΈΠ³Π°Π½ΠΈΡ.
ΠΠ΅Π·ΠΎΠΏΠ°ΡΠ½ΠΎ Π»ΠΈ ΠΈΡΠΏΠΎΠ»ΡΠ·ΠΎΠ²Π°ΡΡ ΠΎΡΠΈΡΡΠΈΡΠ΅Π»ΠΈ ΡΠΎΠΏΠ»ΠΈΠ²Π½ΡΡ ΡΠΎΡΡΡΠ½ΠΎΠΊ Π² Π°Π²ΡΠΎΠΌΠΎΠ±ΠΈΠ»Π΅ Vauxhall Astra?
ΠΡΠΈΡΡΠΊΠ° ΡΠΎΡΡΡΠ½ΠΎΠΊ ΡΠΎΠΏΠ»ΠΈΠ²Π½ΡΡ ΡΠΎΡΡΡΠ½ΠΎΠΊ Ρ ΠΈΡΠΏΠΎΠ»ΡΠ·ΠΎΠ²Π°Π½ΠΈΠ΅ΠΌ ΠΏΡΠΈΡΠ°Π΄ΠΎΠΊ ΠΊ ΡΠΎΠΏΠ»ΠΈΠ²Ρ ΠΏΠΎΡΡΠΈ Π²ΡΠ΅Π³Π΄Π° ΠΏΡΠΈΠ²ΠΎΠ΄ΠΈΡ ΠΊ ΡΠ»ΡΡΡΠ΅Π½ΠΈΡ Ρ Π°ΡΠ°ΠΊΡΠ΅ΡΠΈΡΡΠΈΠΊ Π²ΠΏΡΡΡΠΊΠ°, ΠΏΠΎΡΠΊΠΎΠ»ΡΠΊΡ ΠΏΡΠΈΡΠ°Π΄ΠΊΠ° ΡΠ°ΡΡΠ²ΠΎΡΡΠ΅Ρ ΠΎΡΠ»ΠΎΠΆΠ΅Π½ΠΈΡ Π½Π° ΡΠΎΡΡΡΠ½ΠΊΠ°Ρ . ΠΠΎ ΠΏΡΠ΅ΠΆΠ΄Π΅ ΡΠ΅ΠΌ ΠΈΡΠΏΠΎΠ»ΡΠ·ΠΎΠ²Π°ΡΡ ΠΏΡΠ΅Π΄ΠΏΠΎΡΡΠΈΡΠ΅Π»ΡΠ½ΡΠΉ ΠΎΡΠΈΡΡΠΈΡΠ΅Π»Ρ ΡΠΈΡΡΠ΅ΠΌΡ Π²ΠΏΡΡΡΠΊΠ° Π² Π²Π°ΡΠ΅ΠΉ Astra, ΡΠ΅ΠΊΠΎΠΌΠ΅Π½Π΄ΡΠ΅ΡΡΡ Π·Π°ΡΠ°Π½Π΅Π΅ ΡΠ·Π½Π°ΡΡ, ΠΎΠ΄ΠΎΠ±ΡΠ΅Π½ Π»ΠΈ ΠΎΠ½ Vauxhall. ΠΠΎΡΠΎΠΌΡ ΡΡΠΎ ΠΏΡΠΈΡΠ°Π΄ΠΊΠ° Π·Π°Π»ΠΈΠ²Π°Π΅ΡΡΡ Π² ΡΠΎΠΏΠ»ΠΈΠ²Π½ΡΠΉ Π±Π°ΠΊ ΠΈ ΠΏΡΠΎΡ ΠΎΠ΄ΠΈΡ ΡΠ΅ΡΠ΅Π· Π²ΡΡ ΡΠΎΠΏΠ»ΠΈΠ²Π½ΡΡ ΡΠΈΡΡΠ΅ΠΌΡ ΠΈ Π΄Π²ΠΈΠ³Π°ΡΠ΅Π»Ρ. ΠΠ΅ΠΊΠΎΡΠΎΡΡΠ΅ ΠΎΡΠΈΡΡΠΈΡΠ΅Π»ΠΈ ΠΈΠ½ΠΆΠ΅ΠΊΡΠΎΡΠΎΠ² ΠΌΠΎΠ³ΡΡ ΠΏΠΎΠ²ΡΠ΅Π΄ΠΈΡΡ ΠΊΠΈΡΠ»ΠΎΡΠΎΠ΄Π½ΡΠΉ Π΄Π°ΡΡΠΈΠΊ.
11. ΠΠ°Π±ΠΈΡΡΠΉ ΠΌΠ°ΡΠ»ΡΠ½ΡΠΉ ΡΠΈΠ»ΡΡΡ Π΄Π²ΠΈΠ³Π°ΡΠ΅Π»Ρ
ΠΠ°ΡΠ»ΡΠ½ΡΠΉ ΡΠΈΠ»ΡΡΡ Π΄Π²ΠΈΠ³Π°ΡΠ΅Π»Ρ Π°Π²ΡΠΎΠΌΠΎΠ±ΠΈΠ»Ρ Vauxhall Astra ΠΎΡΠΈΡΠ°Π΅Ρ ΠΌΠΎΡΠΎΡΠ½ΠΎΠ΅ ΠΌΠ°ΡΠ»ΠΎ ΠΎΡ ΡΠ°ΡΡΠΈΡ Π³ΡΡΠ·ΠΈ, ΠΌΠ΅ΡΠ°Π»Π»ΠΈΡΠ΅ΡΠΊΠΎΠΉ ΡΡΡΡΠΆΠΊΠΈ, ΡΠ°ΠΆΠΈ ΠΈΠ»ΠΈ Π½Π΅ΡΠ³ΠΎΡΠ΅Π²ΡΠ΅Π³ΠΎ ΡΠΎΠΏΠ»ΠΈΠ²Π°, ΡΡΠΎ ΠΏΡΠ΅Π΄ΠΎΡΠ²ΡΠ°ΡΠ°Π΅Ρ ΠΏΠΎΠ²ΡΠ΅ΠΆΠ΄Π΅Π½ΠΈΡ.
ΠΡΠ»ΠΈ ΡΠΈΠ»ΡΡΡ Π·Π°ΡΠΎΡΠΈΡΡΡ, ΡΡΠΎ ΠΌΠΎΠΆΠ΅Ρ ΠΏΡΠΈΠ²Π΅ΡΡΠΈ ΠΊ ΡΠΎΠΌΡ, ΡΡΠΎ Π΄Π²ΠΈΠ³Π°ΡΠ΅Π»Ρ Π±ΡΠ΄Π΅Ρ ΡΠΈΡ
Π°ΡΡ, ΠΈ ΡΠ΅ΠΌ Π±ΡΡΡΡΠ΅Π΅ Π²Ρ Π΅Π΄Π΅ΡΠ΅, ΡΠ΅ΠΌ Π±ΠΎΠ»ΡΡΠ΅ ΠΎΠ½ Π±ΡΠ΄Π΅Ρ ΡΠ°ΡΠ°Ρ
ΡΠ΅ΡΡ.
Π₯ΠΎΡΡ Π±ΠΎΠ»ΡΡΠΈΠ½ΡΡΠ²ΠΎ ΠΌΠ°ΡΠ»ΡΠ½ΡΡ ΡΠΈΠ»ΡΡΡΠΎΠ² ΠΈΠΌΠ΅ΡΡ ΠΏΠ΅ΡΠ΅ΠΏΡΡΠΊΠ½ΠΎΠΉ ΠΊΠ»Π°ΠΏΠ°Π½ ΠΈΠ»ΠΈ ΠΊΠ»Π°ΠΏΠ°Π½ ΡΠ±ΡΠΎΡΠ° Π΄Π°Π²Π»Π΅Π½ΠΈΡ, ΠΊΠΎΡΠΎΡΡΠΉ ΡΡΠ°Π±Π°ΡΡΠ²Π°Π΅Ρ ΠΏΡΠΈ Π·Π°ΡΠΎΡΠ΅Π½ΠΈΠΈ ΡΠΈΠ»ΡΡΡΠ° ΠΏΠΎΡΠ»Π΅ Π΅Π³ΠΎ Π½Π΅ΡΠ²ΠΎΠ΅Π²ΡΠ΅ΠΌΠ΅Π½Π½ΠΎΠΉ Π·Π°ΠΌΠ΅Π½Ρ, Π² ΡΠ΅Π΄ΠΊΠΈΡ ΡΠ»ΡΡΠ°ΡΡ ΠΏΠ΅ΡΠ΅ΠΏΡΡΠΊΠ½ΠΎΠΉ ΠΊΠ»Π°ΠΏΠ°Π½ ΠΌΠΎΠΆΠ΅Ρ Π²ΡΠΉΡΠΈ ΠΈΠ· ΡΡΡΠΎΡ.
12. ΠΡΠΎΠ±Π»Π΅ΠΌΠ° Ρ ΠΊΠΎΡΠΎΠ±ΠΊΠΎΠΉ ΠΏΠ΅ΡΠ΅Π΄Π°Ρ
ΠΠ΅ΠΈΡΠΏΡΠ°Π²Π½ΠΎΡΡΡ Π² ΠΊΠΎΡΠΎΠ±ΠΊΠ΅ ΠΏΠ΅ΡΠ΅Π΄Π°Ρ ΡΠ°ΠΊΠΆΠ΅ ΠΌΠΎΠΆΠ΅Ρ Π±ΡΡΡ ΠΏΡΠΈΡΠΈΠ½ΠΎΠΉ ΠΌΠ΅Π΄Π»Π΅Π½Π½ΠΎΠ³ΠΎ ΡΠ°Π·Π³ΠΎΠ½Π° Π²Π°ΡΠ΅ΠΉ Astra. Π’ΡΠ°Π½ΡΠΌΠΈΡΡΠΈΡ β ΡΠ»ΠΎΠΆΠ½ΡΠΉ ΠΊΠΎΠΌΠΏΠΎΠ½Π΅Π½Ρ, ΠΎΠ½Π° ΠΎΡΠ²Π΅ΡΠ°Π΅Ρ Π·Π° ΠΏΠ΅ΡΠ΅Π΄Π°ΡΡ ΠΌΠΎΡΠ½ΠΎΡΡΠΈ ΠΎΡ Π΄Π²ΠΈΠ³Π°ΡΠ΅Π»Ρ ΠΊ ΠΊΠΎΠ»Π΅ΡΠ°ΠΌ. Π‘ΡΡΠ΅ΡΡΠ²ΡΠ΅Ρ ΠΌΠ½ΠΎΠΆΠ΅ΡΡΠ²ΠΎ ΡΠ΅ΡΡΠ΅ΡΠ΅Π½, ΠΊΠΎΡΠΎΡΡΠ΅ Π²Ρ ΠΎΠ΄ΡΡ Π² Π·Π°ΡΠ΅ΠΏΠ»Π΅Π½ΠΈΠ΅ Π΄ΡΡΠ³ Ρ Π΄ΡΡΠ³ΠΎΠΌ. Π Π°Π½ΠΎ ΠΈΠ»ΠΈ ΠΏΠΎΠ·Π΄Π½ΠΎ ΡΡΠΎ ΡΡΠ΅Π½ΠΈΠ΅ ΠΏΡΠΈΠ²ΠΎΠ΄ΠΈΡ ΠΊ ΠΈΠ·Π½ΠΎΡΡ ΠΊΠΎΠΌΠΏΠΎΠ½Π΅Π½ΡΠΎΠ², ΠΎΡΠΎΠ±Π΅Π½Π½ΠΎ Π΅ΡΠ»ΠΈ Π²Π°ΡΠ° ΠΡΡΡΠ° Π½Π°ΠΌΠΎΡΠ°Π»Π° ΠΌΠ½ΠΎΠ³ΠΎ ΠΊΠΈΠ»ΠΎΠΌΠ΅ΡΡΠΎΠ² ΠΈΠ»ΠΈ Π²Ρ Π²ΠΎΠ²ΡΠ΅ΠΌΡ Π½Π΅ ΠΌΠ΅Π½ΡΠ»ΠΈ ΡΡΠ°Π½ΡΠΌΠΈΡΡΠΈΠΎΠ½Π½ΡΡ ΠΆΠΈΠ΄ΠΊΠΎΡΡΡ.
ΠΠ΅ΠΈΡΠΏΡΠ°Π²Π½Π°Ρ ΡΡΠ°Π½ΡΠΌΠΈΡΡΠΈΡ ΠΎΠ±ΡΡΠ½ΠΎ ΠΈΠΌΠ΅Π΅Ρ Π΄ΡΡΠ³ΠΈΠ΅ ΠΏΡΠΈΠ·Π½Π°ΠΊΠΈ, Π²ΠΊΠ»ΡΡΠ°Ρ ΡΠΊΡΠ΅ΠΆΠ΅Ρ ΠΈΠ»ΠΈ Π»ΡΠ·Π³, ΡΠ΅Π·ΠΊΠΎΠ΅ ΡΡΠΊΠΎΡΠ΅Π½ΠΈΠ΅ ΠΈ Π·Π°ΠΏΠ°Ρ Π³Π°ΡΠΈ.
13. ΠΠ·Π½ΠΎΡΠ΅Π½Π½ΡΠ΅ ΠΏΠΎΡΡΠ½Π΅Π²ΡΠ΅ ΠΊΠΎΠ»ΡΡΠ° ΠΈΠ»ΠΈ ΠΌΠ°ΡΠ»ΠΎΡΡΠ΅ΠΌΠ½ΡΠ΅ ΠΊΠΎΠ»ΠΏΠ°ΡΠΊΠΈ
ΠΠΎΡΡΠ½Π΅Π²ΡΠ΅ ΠΊΠΎΠ»ΡΡΠ° ΡΠ²Π»ΡΡΡΡΡ ΡΠΏΠ»ΠΎΡΠ½ΠΈΡΠ΅Π»ΡΠ½ΡΠΌ ΡΠ»Π΅ΠΌΠ΅Π½ΡΠΎΠΌ ΠΏΠΎΡΡΠ½Π΅ΠΉ Π΄Π²ΠΈΠ³Π°ΡΠ΅Π»Ρ Π²Π½ΡΡΡΠ΅Π½Π½Π΅Π³ΠΎ ΡΠ³ΠΎΡΠ°Π½ΠΈΡ Π°Π²ΡΠΎΠΌΠΎΠ±ΠΈΠ»Π΅ΠΉ Opel Astra.
ΠΠ°Π·Π½Π°ΡΠ΅Π½ΠΈΠ΅ ΠΊΠ°ΠΊ ΡΠ°Π»ΡΠ½ΠΈΠΊΠΎΠ² ΠΊΠ»Π°ΠΏΠ°Π½ΠΎΠ², ΡΠ°ΠΊ ΠΈ ΠΏΠΎΡΡΠ½Π΅Π²ΡΡ
ΠΊΠΎΠ»Π΅Ρ ΡΠΎΡΡΠΎΠΈΡ Π² ΡΠΎΠΌ, ΡΡΠΎΠ±Ρ Π½Π΅ Π΄ΠΎΠΏΡΡΠΊΠ°ΡΡ ΠΏΠΎΠΏΠ°Π΄Π°Π½ΠΈΡ ΠΌΠΎΡΠΎΡΠ½ΠΎΠ³ΠΎ ΠΌΠ°ΡΠ»Π° Π² ΠΊΠ°ΠΌΠ΅ΡΡ ΡΠ³ΠΎΡΠ°Π½ΠΈΡ. ΠΡΠΈ ΠΈΠ·Π½ΠΎΡΠ΅ ΠΈΠ»ΠΈ ΠΏΠΎΠ²ΡΠ΅ΠΆΠ΄Π΅Π½ΠΈΠΈ ΠΏΠΎΡΡΠ½Π΅Π²ΡΡ
ΠΊΠΎΠ»Π΅Ρ ΠΊΠ°ΠΌΠ΅ΡΠ° ΡΠ³ΠΎΡΠ°Π½ΠΈΡ Π΄Π²ΠΈΠ³Π°ΡΠ΅Π»Ρ ΡΠ΅ΡΡΠ΅Ρ Π΄Π°Π²Π»Π΅Π½ΠΈΠ΅. ΠΡΠΎ ΠΏΡΠΈΠ²ΠΎΠ΄ΠΈΡ ΠΊ ΡΠ½ΠΈΠΆΠ΅Π½ΠΈΡ ΠΌΠΎΡΠ½ΠΎΡΡΠΈ Π΄Π²ΠΈΠ³Π°ΡΠ΅Π»Ρ, ΠΏΠΎΡΠΊΠΎΠ»ΡΠΊΡ ΠΏΠΎΡΡΠ΅Π½Ρ Π½Π΅ ΠΌΠΎΠΆΠ΅Ρ ΠΏΠΎΠ»Π½ΠΎΡΡΡΡ ΡΠΆΠ°ΡΡ ΡΠΎΠΏΠ»ΠΈΠ²Π½ΠΎ-Π²ΠΎΠ·Π΄ΡΡΠ½ΡΡ ΡΠΌΠ΅ΡΡ. ΠΠΎΡΡΠ½Π΅Π²ΡΠ΅ ΠΊΠΎΠ»ΡΡΠ°
ΠΠ°ΠΈΠ±ΠΎΠ»Π΅Π΅ ΡΠ°ΡΠΏΡΠΎΡΡΡΠ°Π½Π΅Π½Π½ΡΠΌΠΈ ΡΠΈΠΌΠΏΡΠΎΠΌΠ°ΠΌΠΈ ΠΈΠ·Π½ΠΎΡΠ° ΠΏΠΎΡΡΠ½Π΅Π²ΡΡ ΠΊΠΎΠ»Π΅Ρ Π² ΠΡΡΡΠ΅ ΡΠ²Π»ΡΡΡΡΡ: Π΄ΡΠΌ ΡΠΈΠ½Π΅Π³ΠΎ ΡΠ²Π΅ΡΠ° ΠΈΠ· Π²ΡΡ Π»ΠΎΠΏΠ½ΠΎΠΉ ΡΡΡΠ±Ρ, ΠΎΡΡΡΡΡΡΠ²ΠΈΠ΅ ΡΠ°Π·Π³ΠΎΠ½Π½ΠΎΠΉ ΠΌΠΎΡΠ½ΠΎΡΡΠΈ, ΡΡΠ΅Π·ΠΌΠ΅ΡΠ½ΡΠΉ ΡΠ°ΡΡ ΠΎΠ΄ ΠΌΠ°ΡΠ»Π° ΠΈ ΠΏΡΠΎΠΏΡΡΠΊΠΈ Π·Π°ΠΆΠΈΠ³Π°Π½ΠΈΡ Π² Π΄Π²ΠΈΠ³Π°ΡΠ΅Π»Π΅.
14. ΠΡΠΎΠΊΠ»Π°Π΄ΠΊΠ° Π³ΠΎΠ»ΠΎΠ²ΠΊΠΈ Π±Π»ΠΎΠΊΠ° ΡΠΈΠ»ΠΈΠ½Π΄ΡΠΎΠ²
ΠΡΠΎΠΊΠ»Π°Π΄ΠΊΠ° Π³ΠΎΠ»ΠΎΠ²ΠΊΠΈ ΠΎΠ±Π΅ΡΠΏΠ΅ΡΠΈΠ²Π°Π΅Ρ Π³Π΅ΡΠΌΠ΅ΡΠΈΡΠ½ΠΎΡΡΡ ΠΌΠ΅ΠΆΠ΄Ρ Π±Π»ΠΎΠΊΠΎΠΌ ΡΠΈΠ»ΠΈΠ½Π΄ΡΠΎΠ² ΠΈ Π³ΠΎΠ»ΠΎΠ²ΠΊΠ°ΠΌΠΈ ΡΠΈΠ»ΠΈΠ½Π΄ΡΠΎΠ². ΠΠ³ΠΎ ΡΠ΅Π»Ρ ΡΠΎΡΡΠΎΠΈΡ Π² ΡΠΎΠΌ, ΡΡΠΎΠ±Ρ Π³Π΅ΡΠΌΠ΅ΡΠΈΠ·ΠΈΡΠΎΠ²Π°ΡΡ ΠΏΡΠΎΠ΄ΡΠΊΡΡ ΡΠ³ΠΎΡΠ°Π½ΠΈΡ Π²Π½ΡΡΡΠΈ ΡΠΈΠ»ΠΈΠ½Π΄ΡΠΎΠ² ΠΈ ΠΏΡΠ΅Π΄ΠΎΡΠ²ΡΠ°ΡΠΈΡΡ ΡΡΠ΅ΡΠΊΡ ΠΎΡ
Π»Π°ΠΆΠ΄Π°ΡΡΠ΅ΠΉ ΠΆΠΈΠ΄ΠΊΠΎΡΡΠΈ ΠΈΠ»ΠΈ ΠΌΠΎΡΠΎΡΠ½ΠΎΠ³ΠΎ ΠΌΠ°ΡΠ»Π° Π² ΡΠΈΠ»ΠΈΠ½Π΄ΡΡ. Π£ΡΠ΅ΡΠΊΠΈ Π² ΠΏΡΠΎΠΊΠ»Π°Π΄ΠΊΠ΅ Π³ΠΎΠ»ΠΎΠ²ΠΊΠΈ Π±Π»ΠΎΠΊΠ° ΡΠΈΠ»ΠΈΠ½Π΄ΡΠΎΠ² ΠΌΠΎΠ³ΡΡ Π²ΡΠ·Π²Π°ΡΡ Π²ΡΠ΅Π²ΠΎΠ·ΠΌΠΎΠΆΠ½ΡΠ΅ ΠΏΡΠΎΠ±Π»Π΅ΠΌΡ, Π²ΠΊΠ»ΡΡΠ°Ρ ΠΏΠ»ΠΎΡ
ΡΡ ΡΠ°Π±ΠΎΡΡ Π΄Π²ΠΈΠ³Π°ΡΠ΅Π»Ρ ΠΈ/ΠΈΠ»ΠΈ ΠΏΠ΅ΡΠ΅Π³ΡΠ΅Π².
ΠΠ±ΡΡΠ½ΡΠΌΠΈ ΠΏΡΠΈΠ·Π½Π°ΠΊΠ°ΠΌΠΈ Π½Π΅Π³Π΅ΡΠΌΠ΅ΡΠΈΡΠ½ΠΎΡΡΠΈ ΠΏΡΠΎΠΊΠ»Π°Π΄ΠΊΠΈ ΠΠΠ¦ Π² ΠΡΡΡΠ΅ ΡΠ²Π»ΡΡΡΡΡ Π±Π΅Π»ΡΠΉ Π΄ΡΠΌ, Π²ΡΡ ΠΎΠ΄ΡΡΠΈΠΉ ΠΈΠ· Π²ΡΡ Π»ΠΎΠΏΠ½ΠΎΠΉ ΡΡΡΠ±Ρ, ΠΏΠ°Π΄Π΅Π½ΠΈΠ΅ ΡΡΠΎΠ²Π½Ρ ΠΎΡ Π»Π°ΠΆΠ΄Π°ΡΡΠ΅ΠΉ ΠΆΠΈΠ΄ΠΊΠΎΡΡΠΈ ΠΏΠΎ ΠΌΠ΅ΡΠ΅ Π΅Π΅ ΡΠ³ΠΎΡΠ°Π½ΠΈΡ Π² Π΄Π²ΠΈΠ³Π°ΡΠ΅Π»Π΅, ΠΌΠ°ΡΠ»ΠΎ Π² Π±Π°ΡΠΊΠ΅ ΠΎΡ Π»Π°ΠΆΠ΄Π°ΡΡΠ΅ΠΉ ΠΆΠΈΠ΄ΠΊΠΎΡΡΠΈ ΠΈ ΠΌΠ°ΡΠ»ΠΎ ΡΠ²Π΅ΡΠ° ΠΌΠΎΠ»ΠΎΡΠ½ΠΎΠ³ΠΎ ΠΊΠΎΠΊΡΠ΅ΠΉΠ»Ρ Π² Π΄Π²ΠΈΠ³Π°ΡΠ΅Π»Π΅ ΠΈΠ·-Π·Π° ΡΠΌΠ΅ΡΠΈΠ²Π°Π½ΠΈΡ ΠΌΠ°ΡΠ»Π° ΠΈ ΠΎΡ Π»Π°ΠΆΠ΄Π°ΡΡΠ΅ΠΉ ΠΆΠΈΠ΄ΠΊΠΎΡΡΠΈ.
ΠΠ°ΠΊ ΠΏΡΠΎΠ²Π΅ΡΠΈΡΡ Π½Π΅ ΡΠ΅ΡΠ΅Ρ Π»ΠΈ ΠΏΡΠΎΠΊΠ»Π°Π΄ΠΊΠ° ΠΠΠ¦ Π² ΠΡΡΡΠ΅?
ΠΠ°ΠΌ Π½Π΅ Π½ΡΠΆΠ½ΠΎ ΠΈΠ΄ΡΠΈ Π² ΠΌΠ°ΡΡΠ΅ΡΡΠΊΡΡ, ΡΡΠΎΠ±Ρ ΠΏΡΠΎΠ²Π΅ΡΠΈΡΡ ΠΏΡΠΎΡΠ΅ΠΊΠ°ΡΡΡΡ ΠΏΡΠΎΠΊΠ»Π°Π΄ΠΊΡ Π³ΠΎΠ»ΠΎΠ²ΠΊΠΈ Π±Π»ΠΎΠΊΠ° ΡΠΈΠ»ΠΈΠ½Π΄ΡΠΎΠ² Π² Π²Π°ΡΠ΅ΠΉ Astra. ΠΠ° ΡΡΠ½ΠΊΠ΅ Π΄ΠΎΡΡΡΠΏΠ½Ρ ΡΠ΅ΡΡΠΎΠ²ΡΠ΅ Π½Π°Π±ΠΎΡΡ, Π² ΠΊΠΎΡΠΎΡΡΡ Π²Π°ΠΌ ΠΏΡΠΎΡΡΠΎ Π½ΡΠΆΠ½ΠΎ Π²ΡΡΠ°Π²ΠΈΡΡ ΡΡΡΠ±ΠΊΡ, Π½Π°ΠΏΠΎΠ»Π½Π΅Π½Π½ΡΡ ΡΠ²Π΅ΡΠ½ΠΎΠΉ ΠΆΠΈΠ΄ΠΊΠΎΡΡΡΡ, Π² ΡΠ°Π΄ΠΈΠ°ΡΠΎΡ (Π²ΠΌΠ΅ΡΡΠΎ ΠΊΡΡΡΠΊΠΈ ΡΠ°Π΄ΠΈΠ°ΡΠΎΡΠ°), Π° Π·Π°ΡΠ΅ΠΌ Π·Π°ΠΏΡΡΡΠΈΡΡ Π΄Π²ΠΈΠ³Π°ΡΠ΅Π»Ρ. ΠΡΠ»ΠΈ ΠΆΠΈΠ΄ΠΊΠΎΡΡΡ ΠΌΠ΅Π½ΡΠ΅Ρ ΡΠ²Π΅Ρ, Π·Π½Π°ΡΠΈΡ Π½Π΅Π³Π΅ΡΠΌΠ΅ΡΠΈΡΠ½Π° ΠΏΡΠΎΠΊΠ»Π°Π΄ΠΊΠ° ΠΠΠ¦.
ΠΡΠΏΠΎΠ»ΡΠ·ΡΠΉΡΠ΅ ΡΠΊΠ°Π½Π΅Ρ OBD2 Π΄Π»Ρ Π΄ΠΈΠ°Π³Π½ΠΎΡΡΠΈΠΊΠΈ
ΠΠΎΡΠΊΠΎΠ»ΡΠΊΡ Vauxhall Astra ΠΎΡΠ½Π°ΡΠ΅Π½ Π±ΠΎΡΡΠΎΠ²ΠΎΠΉ ΡΠΈΡΡΠ΅ΠΌΠΎΠΉ Π΄ΠΈΠ°Π³Π½ΠΎΡΡΠΈΠΊΠΈ (OBD), Π΄ΠΈΠ°Π³Π½ΠΎΡΡΠΈΠΊΠ° Π½Π΅ΠΈΡΠΏΡΠ°Π²Π½ΠΎΡΡΠ΅ΠΉ ΠΌΠΎΠΆΠ΅Ρ Π΄Π°ΡΡ ΠΏΠ΅ΡΠ²ΠΎΠ½Π°ΡΠ°Π»ΡΠ½ΡΠ΅ ΡΠΊΠ°Π·Π°Π½ΠΈΡ Π½Π° ΡΠΎ, Π³Π΄Π΅ Π½Π°Ρ
ΠΎΠ΄ΠΈΡΡΡ Π½Π΅ΠΈΡΠΏΡΠ°Π²Π½ΠΎΡΡΡ.
Π‘ΠΊΠ°Π½Π΅ΡΡ
Π§ΡΠΎΠ±Ρ Π½Π°ΡΠ°ΡΡ ΡΡΡΡΠ°Π½Π΅Π½ΠΈΠ΅ Π½Π΅ΠΏΠΎΠ»Π°Π΄ΠΎΠΊ, Π²Ρ Π΄ΠΎΠ»ΠΆΠ½Ρ ΡΠ½Π°ΡΠ°Π»Π° ΠΏΠΎΠ΄ΠΊΠ»ΡΡΠΈΡΡ Π΄ΠΈΠ°Π³Π½ΠΎΡΡΠΈΡΠ΅ΡΠΊΠΈΠΉ ΠΏΡΠΈΠ±ΠΎΡ ΠΊ Π²Π°ΡΠ΅ΠΉ Astra. Π Π°Π·ΡΠ΅ΠΌ OBDII ΠΎΠ±ΡΡΠ½ΠΎ Π½Π°Ρ ΠΎΠ΄ΠΈΡΡΡ ΠΏΠΎΠ΄ ΠΏΡΠΈΠ±ΠΎΡΠ½ΠΎΠΉ ΠΏΠ°Π½Π΅Π»ΡΡ. ΠΡΠΈ ΠΏΠΎΠ΄ΠΊΠ»ΡΡΠ΅Π½Π½ΠΎΠΌ ΠΈΠ½ΡΡΡΡΠΌΠ΅Π½ΡΠ΅ Π²ΠΊΠ»ΡΡΠΈΡΠ΅ Π·Π°ΠΆΠΈΠ³Π°Π½ΠΈΠ΅. ΠΠ°ΡΠ΅ΠΌ Π±ΠΎΠ»ΡΡΠΈΠ½ΡΡΠ²ΠΎ Π΄ΠΈΠ°Π³Π½ΠΎΡΡΠΈΡΠ΅ΡΠΊΠΈΡ ΡΡΡΡΠΎΠΉΡΡΠ² Π·Π°ΠΏΡΠ°ΡΠΈΠ²Π°ΡΡ Π½Π΅ΠΊΠΎΡΠΎΡΡΡ ΠΈΠ½ΡΠΎΡΠΌΠ°ΡΠΈΡ ΠΎΠ± Π°Π²ΡΠΎΠΌΠΎΠ±ΠΈΠ»Π΅. ΠΠ°ΠΆΠ½ΠΎ, ΡΡΠΎΠ±Ρ Π²Ρ Π²Π²ΠΎΠ΄ΠΈΠ»ΠΈ ΡΡΠΎ Π½Π° 100% ΠΏΡΠ°Π²ΠΈΠ»ΡΠ½ΠΎ, ΠΈΠ½Π°ΡΠ΅ ΡΠ΅Π·ΡΠ»ΡΡΠ°Ρ ΠΏΠΎΠΈΡΠΊΠ° ΠΌΠΎΠΆΠ΅Ρ Π±ΡΡΡ Π½Π΅ΡΠΎΡΠ½ΡΠΌ. Π Π΄ΠΎΠΏΠΎΠ»Π½Π΅Π½ΠΈΠ΅ ΠΊ ΠΌΠ°ΡΠΊΠ΅ Π°Π²ΡΠΎΠΌΠΎΠ±ΠΈΠ»Ρ, ΠΌΠΎΠ΄Π΅Π»ΠΈ ΠΈ ΡΠΈΠΏΡ Π΄Π²ΠΈΠ³Π°ΡΠ΅Π»Ρ Π²Π°ΠΌ ΠΎΠ±ΡΡΠ½ΠΎ ΡΠ°ΠΊΠΆΠ΅ Π½Π΅ΠΎΠ±Ρ ΠΎΠ΄ΠΈΠΌΠΎ Π²Π²Π΅ΡΡΠΈ ΠΈΠ΄Π΅Π½ΡΠΈΡΠΈΠΊΠ°ΡΠΈΠΎΠ½Π½ΡΠΉ Π½ΠΎΠΌΠ΅Ρ Π°Π²ΡΠΎΠΌΠΎΠ±ΠΈΠ»Ρ (VIN). ΠΠΎΡΠΊΠΎΠ»ΡΠΊΡ Π½Π΅ΠΊΠΎΡΠΎΡΡΠ΅ ΠΊΠΎΠ΄Ρ OBD Π·Π°Π²ΠΈΡΡΡ ΠΎΡ ΠΏΡΠΎΠΈΠ·Π²ΠΎΠ΄ΠΈΡΠ΅Π»Ρ, ΡΠΊΠ°Π½Π΅Ρ ΡΠΌΠΎΠΆΠ΅Ρ Π΄Π°ΡΡ Π²Π°ΠΌ Π±ΠΎΠ»Π΅Π΅ ΡΠΎΡΠ½ΡΡ ΠΈΠ½ΡΠΎΡΠΌΠ°ΡΠΈΡ, Π΅ΡΠ»ΠΈ Π²Ρ Π²Π²Π΅Π΄Π΅ΡΠ΅ Π±ΠΎΠ»Π΅Π΅ ΠΏΠΎΠ΄ΡΠΎΠ±Π½ΡΡ ΠΈΠ½ΡΠΎΡΠΌΠ°ΡΠΈΡ ΠΎ ΡΠ²ΠΎΠ΅ΠΉ Astra.
ΠΠ°ΠΊΠ»ΡΡΠ΅Π½ΠΈΠ΅
Π‘ΡΡΠ΅ΡΡΠ²ΡΠ΅Ρ ΠΌΠ½ΠΎΠΆΠ΅ΡΡΠ²ΠΎ ΠΏΡΠΈΡΠΈΠ½, ΠΏΠΎ ΠΊΠΎΡΠΎΡΡΠΌ Π²Π°Ρ Vauxhall Astra Π½Π΅ ΡΠ°Π·Π³ΠΎΠ½ΡΠ΅ΡΡΡ Π΄ΠΎΠ»ΠΆΠ½ΡΠΌ ΠΎΠ±ΡΠ°Π·ΠΎΠΌ.
ΠΡΠΈ ΠΏΠΎΠΈΡΠΊΠ΅ ΠΏΡΠΈΡΠΈΠ½Ρ Π²ΡΠ΅Π³Π΄Π° ΡΠ»Π΅Π΄ΡΠ΅Ρ Π½Π°ΡΠΈΠ½Π°ΡΡ Ρ Π½Π°ΠΈΠ±ΠΎΠ»Π΅Π΅ ΠΎΡΠ΅Π²ΠΈΠ΄Π½ΡΡ
ΠΏΡΠΈΡΠΈΠ½, ΠΏΡΠΎΠ±Π»Π΅ΠΌΡ Ρ Π²ΠΏΡΡΠΊΠΎΠΌ Π²ΠΎΠ·Π΄ΡΡ
Π° ΠΈΠ»ΠΈ ΠΏΠΎΠ΄Π°ΡΠ΅ΠΉ ΡΠΎΠΏΠ»ΠΈΠ²Π°.
Π Π»ΡΠ±ΠΎΠΌ ΡΠ»ΡΡΠ°Π΅ Π½Π΅ΡΠΏΠ΅ΡΠΈΠ°Π»ΠΈΡΡΠ°ΠΌ ΠΆΠ΅Π»Π°ΡΠ΅Π»ΡΠ½ΠΎ ΠΏΠΎΡΠ΅ΡΠΈΡΡ ΠΌΠ°ΡΡΠ΅ΡΡΠΊΡΡ. ΠΡΠΎΡΠ΅ΡΡΠΈΠΎΠ½Π°Π»ΡΠ½ΡΠΉ ΠΌΠ΅Ρ Π°Π½ΠΈΠΊ ΠΌΠΎΠΆΠ΅Ρ Π±ΡΡΡΡΠΎ Π΄ΠΈΠ°Π³Π½ΠΎΡΡΠΈΡΠΎΠ²Π°ΡΡ ΠΏΡΠΎΠ±Π»Π΅ΠΌΡ Π²ΡΠ»ΠΎΠ³ΠΎ ΡΡΠΊΠΎΡΠ΅Π½ΠΈΡ Π΄Π»Ρ Π²Π°Ρ.
Π£Ρ ΡΠ΄ΡΠ΅Π½ΠΈΠ΅ ΡΠ°ΡΡ ΠΎΠ΄Π° ΡΠΎΠΏΠ»ΠΈΠ²Π° Π½Π° ΡΠΈΠ»ΡΡΡΠ°Ρ Opel Astra G 2000 Π³ΠΎΠ΄Π°…
Π£Ρ ΡΠ΄ΡΠ΅Π½ΠΈΠ΅ ΡΠ°ΡΡ ΠΎΠ΄Π° ΡΠΎΠΏΠ»ΠΈΠ²Π° Π½Π° ΡΠΈΠ»ΡΡΡΠ°Ρ Opel Astra G 2000 Π³ΠΎΠ΄Π°…ΠΠ°Π΄Π°ΠΉΡΠ΅ Π²ΠΎΠΏΡΠΎΡ, ΠΏΠΎΠ»ΡΡΠΈΡΠ΅ ΠΎΡΠ²Π΅Ρ ΠΊΠ°ΠΊ ΠΌΠΎΠΆΠ½ΠΎ ΡΠΊΠΎΡΠ΅Π΅!
β° ΓΠΠΠΠ ΠΠ‘ΠΠ’Π¬ Π¦ΠΠΠ£
ΡΠΏΡΠΎΡΠΈΠ»ΠΠΈΠ»ΠΈΠ°Π½ Π
Π½Π° 13 Π°ΠΏΡΠ΅Π»Ρ 2016 Π³.Π£ ΠΌΠ΅Π½Ρ Opel Astra G 2000 Π³ΠΎΠ΄Π° Π²ΡΠΏΡΡΠΊΠ°. Π Π°ΡΡ ΠΎΠ΄ ΡΠΎΠΏΠ»ΠΈΠ²Π° Π½Π°ΡΠΈΠ½Π°Π΅Ρ ΡΡ ΡΠ΄ΡΠ°ΡΡΡΡ. Π― ΡΠΎΠ»ΡΠΊΠΎ ΡΡΠΎ ΠΎΠ±ΡΠ»ΡΠΆΠΈΠ²Π°Π» Π΅Π³ΠΎ. Π§ΡΠΎ Ρ ΠΌΠΎΠ³Ρ ΠΏΡΠΎΠ²Π΅ΡΠΈΡΡ Π² ΠΏΠ΅ΡΠ²ΡΡ ΠΎΡΠ΅ΡΠ΅Π΄Ρ?
| Π‘ΡΠΊΠΎΠ½ΠΎΠΌΡΡΠ΅ Π½Π° ΡΠ΅ΠΌΠΎΠ½ΡΠ΅ Π°Π²ΡΠΎΠΌΠΎΠ±ΠΈΠ»Π΅ΠΉ | ΠΠΎΠ»ΡΡΠΈΡΡ ΠΏΡΠ΅Π΄Π»ΠΎΠΆΠ΅Π½ΠΈΠ΅ |
ΠΠ²ΡΠΎΠΌΠΎΠ±ΠΈΠ»ΡΠ½ΡΠΉ ΠΌΠ΅Ρ Π°Π½ΠΈΠΊ
53 Π³ΠΎΠ΄Π° ΠΎΠΏΡΡΠ°
ΠΠ°ΠΊ ΠΏΡΠ°Π²ΠΈΠ»ΠΎ, Π²Ρ ΠΏΠΎΠ»ΡΡΠ°Π΅ΡΠ΅ ΠΏΠ»ΠΎΡ
ΠΎΠΉ ΡΠ°ΡΡ
ΠΎΠ΄ ΡΠΎΠΏΠ»ΠΈΠ²Π° Π»ΠΈΠ±ΠΎ ΠΈΠ·-Π·Π° Π·Π°Π±ΠΈΡΠΎΠ³ΠΎ Π²ΠΎΠ·Π΄ΡΡΠ½ΠΎΠ³ΠΎ ΡΠΈΠ»ΡΡΡΠ°, Π»ΠΈΠ±ΠΎ ΠΈΠ·-Π·Π° Π΄Π°ΡΡΠΈΠΊΠ° ΠΌΠ°ΡΡΠΎΠ²ΠΎΠ³ΠΎ ΡΠ°ΡΡ
ΠΎΠ΄Π° ΡΠΎΠΏΠ»ΠΈΠ²Π°, ΠΊΠΎΡΠΎΡΡΠΉ ΠΈΠ·ΠΌΠ΅ΡΡΠ΅Ρ ΠΊΠΎΠ»ΠΈΡΠ΅ΡΡΠ²ΠΎ ΠΏΠΎΡΡΡΠΏΠ°ΡΡΠ΅Π³ΠΎ ΡΠΎΠΏΠ»ΠΈΠ²Π°, ΡΡΠΎΠ±Ρ ΠΎΠΏΡΠ΅Π΄Π΅Π»ΠΈΡΡ, Π½Π΅ Π·Π°Π³ΡΡΠ·Π½Π΅Π½ Π»ΠΈ ΠΎΠ½ ΠΈΠ»ΠΈ Π½Π΅ Π½ΡΠΆΠ΄Π°Π΅ΡΡΡ Π»ΠΈ ΠΎΠ½ Π² Π·Π°ΠΌΠ΅Π½Π΅.
Π’ΠΎΠΏΠ»ΠΈΠ²Π½ΡΠ΅ ΡΠΎΡΡΡΠ½ΠΊΠΈ ΠΌΠΎΠ³ΡΡ Π±ΡΡΡ Π·Π°Π³ΡΡΠ·Π½Π΅Π½Ρ. ΠΠΎΡΠΌΠΎΡΡΠΈΡΠ΅ ΠΌΠΎΠ΅ Π²ΠΈΠ΄Π΅ΠΎ «ΠΊΠ°ΠΊ ΠΏΠΎΡΠΈΡΡΠΈΡΡ ΡΠΎΡΡΡΠ½ΠΊΠΈ Π½Π° ΡΠ²ΠΎΠ΅ΠΌ Π°Π²ΡΠΎΠΌΠΎΠ±ΠΈΠ»Π΅». ΠΡΡΡ ΠΌΠ½ΠΎΠ³ΠΎ Π²Π΅ΡΠ΅ΠΉ, ΠΊΠΎΡΠΎΡΡΠ΅ ΠΌΠΎΠ³ΡΡ ΠΏΡΠΈΠ²Π΅ΡΡΠΈ ΠΊ ΠΏΠ»ΠΎΡ
ΠΎΠΉ ΡΠΊΠΎΠ½ΠΎΠΌΠΈΠΈ ΡΠΎΠΏΠ»ΠΈΠ²Π° Π² Π°Π²ΡΠΎΠΌΠΎΠ±ΠΈΠ»ΡΡ
, Π½ΠΎ Π²Ρ Π΄ΠΎΠ»ΠΆΠ½Ρ ΡΠ½Π°ΡΠ°Π»Π° ΠΏΡΠΎΠ²Π΅ΡΠΈΡΡ Π²ΡΠ΅ ΡΡΠΈ Π²Π΅ΡΠΈ. Π’Π΅ΠΏΠ΅ΡΡ ΡΡΠΎ 2000, ΡΠ°ΠΊ ΡΡΠΎ Π²Ρ ΠΌΠΎΠΆΠ΅ΡΠ΅ ΠΈΠΌΠ΅ΡΡ ΠΏΠΎΡΠΎΠΊ Π΄Π°Π½Π½ΡΡ
. ΠΠΎΠΏΡΠΎΡΠΈΡΠ΅ Ρ
ΠΎΡΠΎΡΠ΅Π³ΠΎ ΠΌΠ΅Ρ
Π°Π½ΠΈΠΊΠ° ΠΏΠΎΠ΄ΠΊΠ»ΡΡΠΈΡΡ ΡΠΊΠ°Π½Π΅Ρ ΠΈ ΠΏΡΠΎΠ²Π΅ΡΠΈΡΡ ΠΏΠΎΡΠΎΠΊ Π΄Π°Π½Π½ΡΡ
. ΠΡΠΎΠ²Π΅ΡΡΡΠ΅, ΡΠ°Π±ΠΎΡΠ°Π΅Ρ Π»ΠΈ Π΄Π°ΡΡΠΈΠΊ, ΠΈ ΠΏΠΎΡΠΌΠΎΡΡΠΈΡΠ΅, ΠΊΠ°ΠΊ ΡΠ°Π±ΠΎΡΠ°ΡΡ ΡΠΎΠΏΠ»ΠΈΠ²Π½ΡΠ΅ ΡΠΎΡΡΡΠ½ΠΊΠΈ. ΠΠ΅Ρ
Π°Π½ΠΈΠΊ ΠΌΠΎΠΆΠ΅Ρ ΠΏΠΎΠ»ΡΡΠΈΡΡ ΠΌΠ½ΠΎΠ³ΠΎ ΠΈΠ½ΡΠΎΡΠΌΠ°ΡΠΈΠΈ ΠΈΠ· ΡΠ°ΠΌΠΈΡ
Π΄Π°Π½Π½ΡΡ
Π°Π²ΡΠΎΠΌΠΎΠ±ΠΈΠ»Ρ. ΠΡΠ»ΠΈ Π²Ρ Ρ
ΠΎΡΠΈΡΠ΅, ΡΠ΅Ρ
Π½ΠΈΡΠ΅ΡΠΊΠΈΠΉ ΡΠΏΠ΅ΡΠΈΠ°Π»ΠΈΡΡ ΠΈΠ· YourMechanic ΠΌΠΎΠΆΠ΅Ρ ΠΎΡΠΌΠΎΡΡΠ΅ΡΡ Π²Π°Ρ Π°Π²ΡΠΎΠΌΠΎΠ±ΠΈΠ»Ρ, ΡΡΠΎΠ±Ρ ΡΠ·Π½Π°ΡΡ, ΠΊΠ°ΠΊ Π²Ρ ΠΌΠΎΠΆΠ΅ΡΠ΅ ΡΠ΅ΡΠΈΡΡ Π»ΡΠ±ΡΠ΅ ΠΏΡΠΎΠ±Π»Π΅ΠΌΡ, ΠΊΠΎΡΠΎΡΡΠ΅ ΠΌΠΎΠ³ΡΡ Π²ΡΠ·ΡΠ²Π°ΡΡ ΠΏΠ»ΠΎΡ
ΡΡ ΡΠΊΠΎΠ½ΠΎΠΌΠΈΡ ΡΠΎΠΏΠ»ΠΈΠ²Π°.
ΠΠ°ΡΠ²Π»Π΅Π½ΠΈΡ, ΠΏΡΠΈΠ²Π΅Π΄Π΅Π½Π½ΡΠ΅ Π²ΡΡΠ΅, ΠΏΡΠ΅Π΄Π½Π°Π·Π½Π°ΡΠ΅Π½Ρ ΡΠΎΠ»ΡΠΊΠΎ Π΄Π»Ρ ΠΈΠ½ΡΠΎΡΠΌΠ°ΡΠΈΠΎΠ½Π½ΡΡ ΡΠ΅Π»Π΅ΠΉ ΠΈ ΡΡΠ΅Π±ΡΡΡ Π½Π΅Π·Π°Π²ΠΈΡΠΈΠΌΠΎΠΉ ΠΏΡΠΎΠ²Π΅ΡΠΊΠΈ. ΠΠΎΠΆΠ°Π»ΡΠΉΡΡΠ°, ΡΠΌΠΎΡΡΠΈΡΠ΅ Π½Π°Ρ Π£ΡΠ»ΠΎΠ²ΠΈΡ ΠΈΡΠΏΠΎΠ»ΡΠ·ΠΎΠ²Π°Π½ΠΈΡ ΠΏΠΎΠ΄ΡΠΎΠ±Π½Π΅Π΅
ΠΠΎΠ»ΡΡΠΈΡΠ΅ ΠΌΠ³Π½ΠΎΠ²Π΅Π½Π½ΡΡ ΡΠΌΠ΅ΡΡ Π΄Π»Ρ Π²Π°ΡΠ΅Π³ΠΎ Π°Π²ΡΠΎΠΌΠΎΠ±ΠΈΠ»Ρ
Π Π²Π°ΠΌ ΠΏΡΠΈΠ΅Π΄ΡΡ Π½Π°ΡΠΈ ΡΠ΅ΡΡΠΈΡΠΈΡΠΈΡΠΎΠ²Π°Π½Π½ΡΠ΅ ΠΌΠ΅Ρ Π°Π½ΠΈΠΊΠΈ γ»ΠΠ°ΡΠ°Π½ΡΠΈΡ Π½Π° 12 ΠΌΠ΅ΡΡΡΠ΅Π² ΠΈ ΠΏΡΠΎΠ±Π΅Π³ 12 000 ΠΌΠΈΠ»Ργ»Π‘ΠΏΡΠ°Π²Π΅Π΄Π»ΠΈΠ²ΡΠ΅ ΠΈ ΠΏΡΠΎΠ·ΡΠ°ΡΠ½ΡΠ΅ ΡΠ΅Π½Ρ
Π£Π·Π½Π°ΡΡ ΡΠ΅Π½Ρ
ΠΠ΅Ρ Π°Π½ΠΈΠΊ ΡΠΎ ΡΡΠ°ΠΆΠ΅ΠΌ?
ΠΠ°ΡΠ°Π±Π°ΡΡΠ²Π°ΠΉΡΠ΅ Π΄ΠΎ $70/ΡΠ°Ρ
ΠΠΎΠ΄Π°ΡΡ Π·Π°ΡΠ²ΠΊΡ
Π§ΡΠΎ ΡΠΏΡΠ°ΡΠΈΠ²Π°ΡΡ Π΄ΡΡΠ³ΠΈΠ΅
Π£ ΠΌΠ΅Π½Ρ ΠΏΠΎΠ²ΡΡΠ΅Π½Π½ΡΠΉ ΡΠ°ΡΡ ΠΎΠ΄ ΡΠΎΠΏΠ»ΠΈΠ²Π° 125 ΠΊΠΌ Π½Π° 20 Π»ΠΈΡΡΠΎΠ² Π½Π΅Ρ ΠΏΡΠΎΠ²Π΅ΡΠΊΠΈ Π΄Π²ΠΈΠ³Π°ΡΠ΅Π»Ρ ΡΠ²Π΅Ρ ΠΌΠ°ΡΠΈΠ½Π° ΡΠ°Π±ΠΎΡΠ°Π΅Ρ ΡΠΎΠ²Π½ΠΎ Π½Π΅Ρ Π²ΡΠ±ΡΠΎΡΠΎΠ²? Π² ΡΠ΅ΠΌ ΠΏΡΠΎΠ±Π»Π΅ΠΌΠ° ΠΠΎΡ
ΠΎΠΆΠ΅, Π²Ρ Π½Π΅ ΠΏΠ΅ΡΠ΅ΠΊΠ»ΡΡΠ°Π΅ΡΠ΅ ΠΏΠ΅ΡΠ΅Π΄Π°ΡΡ Π² Π½ΡΠΆΠ½ΠΎΠ΅ Π²ΡΠ΅ΠΌΡ.
Π’ΡΠ°Π½ΡΠΏΠΎΡΡΠ½ΠΎΠ΅ ΡΡΠ΅Π΄ΡΡΠ²ΠΎ Π½Π΅ ΠΏΠΎΠ»ΡΡΠΈΡ ΠΎΠΏΡΠΈΠΌΠ°Π»ΡΠ½ΠΎΠΉ ΡΠΊΠΎΠ½ΠΎΠΌΠΈΠΈ ΡΠΎΠΏΠ»ΠΈΠ²Π°, Π΅ΡΠ»ΠΈ Π²Ρ Β«Π·Π°Π²ΡΡΠ°Π΅ΡΠ΅ ΠΎΠ±ΠΎΡΠΎΡΡΒ» Π΄Π²ΠΈΠ³Π°ΡΠ΅Π»Ρ. Π§ΡΠΎΠ±Ρ ΠΌΠ°ΠΊΡΠΈΠΌΠΈΠ·ΠΈΡΠΎΠ²Π°ΡΡ ΡΠΊΠΎΠ½ΠΎΠΌΠΈΡ ΡΠΎΠΏΠ»ΠΈΠ²Π°, Ρ ΠΏΡΠ΅Π΄Π»Π°Π³Π°Ρ ΠΏΠ΅ΡΠ΅ΠΊΠ»ΡΡΠ°ΡΡ ΠΏΠ΅ΡΠ΅Π΄Π°ΡΠΈ Π½Π° Π½ΠΈΠ·ΠΊΠΈΡ
ΠΎΠ±ΠΎΡΠΎΡΠ°Ρ
(2500…
ΠΡ, Π²ΠΎ-ΠΏΠ΅ΡΠ²ΡΡ , Ρ Π½Π°Π΄Π΅ΡΡΡ, ΡΡΠΎ Π²Ρ Π½Π° ΡΠ°ΠΌΠΎΠΌ Π΄Π΅Π»Π΅ Π½Π΅ Π΅Π΄Π΅ΡΠ΅ ΡΠΎ ΡΠΊΠΎΡΠΎΡΡΡΡ 120 ΠΌΠΈΠ»Ρ Π² ΡΠ°Ρ Π½Π° ΡΠ²ΠΎΠ΅ΠΉ Toyota Camry 2004 Π³ΠΎΠ΄Π°. ΠΠΎΠ»ΡΡΠΈΠ½ΡΡΠ²ΠΎ ΠΏΡΠΎΠ±Π»Π΅ΠΌ Ρ ΡΡΡΡΠΊΠΎΠΉ Π΄Π²ΠΈΠ³Π°ΡΠ΅Π»Ρ ΠΏΡΠΈ ΡΡΠΊΠΎΡΠ΅Π½ΠΈΠΈ Π²ΡΠ·Π²Π°Π½Ρ ΠΎΡΠ»Π°Π±Π»Π΅Π½ΠΈΠ΅ΠΌ ΠΊΡΠ΅ΠΏΠ»Π΅Π½ΠΈΡ Π΄Π²ΠΈΠ³Π°ΡΠ΅Π»Ρ (https://www.yourmechanic.com/services/engine-mount-replacement) ΠΈΠ»ΠΈ Π²ΡΡΠ»ΠΎΠΊ ΡΡΠ°Π±ΠΈΠ»ΠΈΠ·Π°ΡΠΎΡΠ° ΠΏΠΎΠΏΠ΅ΡΠ΅ΡΠ½ΠΎΠΉ ΡΡΡΠΎΠΉΡΠΈΠ²ΠΎΡΡΠΈ (https://www.yourmechanic.com/services/ΡΡΠ°Π±ΠΈΠ»ΠΈΠ·Π°ΡΠΎΡ-Π±Π°Ρ-Π²ΡΡΠ»ΠΊΠΈ-replacement) , ΠΡΠΎ ΡΠ°ΠΊΠΆΠ΅ ΠΌΠΎΠΆΠ΅Ρ Π±ΡΡΡ Π²ΡΠ·Π²Π°Π½ΠΎ…
Π£ ΠΌΠ΅Π½Ρ ΡΠΏΡΡΡΠΈΠ»ΠΎ ΠΊΠΎΠ»Π΅ΡΠΎ, Π° ΡΠΎΡΠΊΠ° Π΄ΠΎΠΌΠΊΡΠ°ΡΠ° Π·Π°ΡΠΆΠ°Π²Π΅Π»Π°.ΠΡΠΈΠ²Π΅Ρ. ΠΡΠ»ΠΈ Π²Ρ ΠΏΠΎΡΠΌΠΎΡΡΠΈΡΠ΅ ΠΏΡΠΈΠΌΠ΅ΡΠ½ΠΎ ΠΎΡ ΡΠ΅ΡΡΠΈ Π΄ΡΠΉΠΌΠΎΠ² Π΄ΠΎ ΡΡΡΠ° Π·Π° ΡΠΎΡΠΊΠΎΠΉ Π΄ΠΎΠΌΠΊΡΠ°ΡΠ°, ΠΊΡΠ·ΠΎΠ² Π°Π²ΡΠΎΠΌΠΎΠ±ΠΈΠ»Ρ Π½Π°Ρ ΠΎΠ΄ΠΈΡΡΡ ΡΠ°ΠΌ ΠΈ Π΄ΠΎΡΡΠ°ΡΠΎΡΠ½ΠΎ Π±Π΅Π·ΠΎΠΏΠ°ΡΠ΅Π½, ΡΡΠΎΠ±Ρ ΠΈΡΠΏΠΎΠ»ΡΠ·ΠΎΠ²Π°ΡΡ Π΅Π³ΠΎ Π² ΠΊΠ°ΡΠ΅ΡΡΠ²Π΅ ΡΠΎΡΠΊΠΈ Π΄ΠΎΠΌΠΊΡΠ°ΡΠ° Π΄Π»Ρ Π°Π²ΡΠΎΠΌΠΎΠ±ΠΈΠ»Ρ. ΠΠ²ΡΠΎΠΌΠΎΠ±ΠΈΠ»ΡΠ½ΡΠΉ Π΄ΠΎΠΌΠΊΡΠ°Ρ ΠΌΠΎΠΆΠ΅Ρ Π½Π΅ ΠΏΠΎΠ΄ΠΎΠΉΡΠΈ…
ΠΠ°Π» ΡΡΠ»Π΅Π²ΠΎΠΉ ΠΊΠΎΠ»ΠΎΠ½ΠΊΠΈ ΠΏΡΠΈ ΠΏΠΎΠ²ΠΎΡΠΎΡΠ΅ ΡΠΏΠΈΡΠ°Π΅ΡΡΡ Π² ΡΡΠ΅Π½Ρ ΡΠ»Π΅Π²Π° ΠΈ ΡΠΏΡΠ°Π²Π°.
ΠΡΠΈΠ²Π΅Ρ. ΠΡΠΎΠ²Π΅ΡΡΡΠ΅ ΡΡΠΎΠΏΠΎΡΠ½ΡΠΉ ΡΡΠΈΡΡ Π½Π° Π²Π°Π»Ρ ΡΡΠ»Π΅Π²ΠΎΠΉ ΠΊΠΎΠ»ΠΎΠ½ΠΊΠΈ ΠΈ ΡΠ±Π΅Π΄ΠΈΡΠ΅ΡΡ, ΡΡΠΎ ΠΎΠ½ Π·Π°ΡΠΈΠΊΡΠΈΡΠΎΠ²Π°Π½ Π½Π° Π²Ρ ΠΎΠ΄Π½ΠΎΠΌ Π²Π°Π»Ρ ΡΠ΅Π΅ΡΠ½ΠΎΠΉ ΠΏΠ΅ΡΠ΅Π΄Π°ΡΠΈ. ΠΡΠ»ΠΈ Π·Π°ΠΌΠΎΠΊ Π·Π°Π±Π»ΠΎΠΊΠΈΡΠΎΠ²Π°Π½, Π° Π²Π°Π» Π²ΡΠΏΠ°Π΄Π°Π΅Ρ…
ΠΠΎΡΠ΅ΠΌΡ ΠΌΠΎΡ ΠΌΠ°ΡΠΈΠ½Π° ΡΠ΅Π³ΠΎΠ΄Π½Ρ Π·Π°Π²ΠΎΠ΄ΠΈΡΡΡ, Π° Π½Π° ΡΠ»Π΅Π΄ΡΡΡΠΈΠΉ Π΄Π΅Π½Ρ Π½Π΅ Π·Π°Π²ΠΎΠ΄ΠΈΡΡΡ? ΠΠ²ΡΠΎΠΌΠΎΠ±ΠΈΠ»Ρ Π·Π°Π²ΠΎΠ΄ΠΈΡΡΡ, Π½ΠΎ Π½Π΅ ΠΏΠ΅ΡΠ΅Π²ΠΎΡΠ°ΡΠΈΠ²Π°Π΅ΡΡΡΠΠ΄ΡΠ°Π²ΡΡΠ²ΡΠΉΡΠ΅, ΡΠΏΠ°ΡΠΈΠ±ΠΎ, ΡΡΠΎ Π½Π°ΠΏΠΈΡΠ°Π»ΠΈ. ΠΡΠΈ Π½Π΅ΠΏΠΎΡΡΠΎΡΠ½Π½ΡΡ ΡΠΈΠΌΠΏΡΠΎΠΌΠ°Ρ Π΄ΠΈΠ°Π³Π½ΠΎΡΡΠΈΠΊΠ° ΠΌΠΎΠΆΠ΅Ρ Π·Π°Π½ΡΡΡ Π±ΠΎΠ»ΡΡΠ΅ Π²ΡΠ΅ΠΌΠ΅Π½ΠΈ, Π½ΠΎ, ΠΊΠ°ΠΊ ΠΏΡΠ°Π²ΠΈΠ»ΠΎ, ΡΡΠΎ ΡΠΎ ΠΆΠ΅ ΡΠ°ΠΌΠΎΠ΅, ΡΡΠΎ ΠΈ Π΄ΠΈΠ°Π³Π½ΠΎΡΡΠΈΠΊΠ° Π»ΡΠ±ΠΎΠΉ Π΄ΡΡΠ³ΠΎΠΉ ΠΏΡΠΎΠ±Π»Π΅ΠΌΡ Ρ Π·Π°ΠΏΡΡΠΊΠΎΠΌ Π΄Π²ΠΈΠ³Π°ΡΠ΅Π»Ρ. ΠΡΠ½ΠΎΠ²Π½Π°Ρ ΠΏΡΠΎΠ±Π»Π΅ΠΌΠ° Π·Π°ΠΊΠ»ΡΡΠ°Π΅ΡΡΡ Π² ΡΠΎΠΌ, ΡΡΠΎ Π²Ρ ΠΌΠΎΠΆΠ΅ΡΠ΅ Π²ΡΠΏΠΎΠ»Π½ΠΈΡΡ Π½Π΅ΠΎΠ±Ρ ΠΎΠ΄ΠΈΠΌΠΎΠ΅ ΡΠ΅ΡΡΠΈΡΠΎΠ²Π°Π½ΠΈΠ΅ ΡΠΎΠ»ΡΠΊΠΎ ΡΠΎΠ³Π΄Π°, ΠΊΠΎΠ³Π΄Π° ΠΏΡΠΎΠ±Π»Π΅ΠΌΠ°…
ΠΡΠ°ΡΠ½ΡΠΉ ΠΌΠΈΠ³Π°ΡΡΠΈΠΉ ΠΈΠ½Π΄ΠΈΠΊΠ°ΡΠΎΡ ΠΏΠΎΠ΄ ΠΏΡΠΈΠ±ΠΎΡΠ½ΠΎΠΉ ΠΏΠ°Π½Π΅Π»ΡΡΠΠ΄ΡΠ°Π²ΡΡΠ²ΡΠΉΡΠ΅, ΡΠΏΠ°ΡΠΈΠ±ΠΎ, ΡΡΠΎ Π½Π°ΠΏΠΈΡΠ°Π»ΠΈ. ΠΡΠ»ΠΈ Π½Π° ΠΏΡΠΈΠ±ΠΎΡΠ½ΠΎΠΉ ΠΏΠ°Π½Π΅Π»ΠΈ Π½Π΅ Π³ΠΎΡΡΡ ΡΠΈΠ³Π½Π°Π»ΡΠ½ΡΠ΅ Π»Π°ΠΌΠΏΡ, Ρ Π²Π°Ρ Π΄ΠΎΠ»ΠΆΠ΅Π½ Π±ΡΡΡ Π½Π΅ ΠΎ ΡΠ΅ΠΌ Π±Π΅ΡΠΏΠΎΠΊΠΎΠΈΡΡΡΡ. ΠΡΠΈ ΡΡΠΎΠΌ ΠΌΠΈΠ³Π°ΡΡΠ°Ρ Π»Π°ΠΌΠΏΠΎΡΠΊΠ° ΠΏΠΎΠ΄ ΠΏΡΠΈΠ±ΠΎΡΠ½ΠΎΠΉ ΠΏΠ°Π½Π΅Π»ΡΡ, ΡΠΊΠΎΡΠ΅Π΅ Π²ΡΠ΅Π³ΠΎ, ΡΠ²Π»ΡΠ΅ΡΡΡ ΠΏΡΠ΅Π΄ΡΠΏΡΠ΅ΠΆΠ΄Π΅Π½ΠΈΠ΅ΠΌ ΡΠΈΡΡΠ΅ΠΌΡ Π±Π΅Π·ΠΎΠΏΠ°ΡΠ½ΠΎΡΡΠΈ…
Π’ΡΠΎΡΡ ΠΏΠ΅ΡΠ΅ΠΊΠ»ΡΡΠ΅Π½ΠΈΡ ΠΏΠ΅ΡΠ΅Π΄Π°Ρ ΠΎΡΠΎΡΠ²Π°Π»ΠΈΡΡ. ΠΡΠΌΠΎΡΡΠΈΡΠ΅ ΠΊΠΎΡΠΎΠ±ΠΊΡ ΠΏΠ΅ΡΠ΅Π΄Π°Ρ ΠΈ ΠΏΠΎΡΠΌΠΎΡΡΠΈΡΠ΅, Π³Π΄Π΅ ΠΏΡΠΈΠΊΡΠ΅ΠΏΠ»Π΅Π½ ΡΡΠΎΡ ΠΏΠ΅ΡΠ΅ΠΊΠ»ΡΡΠ΅Π½ΠΈΡ ΠΏΠ΅ΡΠ΅Π΄Π°Ρ.
ΠΡΡΠΏΠ°ΠΉΡΠ΅ ΡΡΠΎΡ ΠΏΠ΅ΡΠ΅ΠΊΠ»ΡΡΠ΅Π½ΠΈΡ ΠΏΠ΅ΡΠ΅Π΄Π°Ρ ΠΈ ΠΏΠΎΡΠΌΠΎΡΡΠΈΡΠ΅, Π΄Π΅ΠΉΡΡΠ²ΠΈΡΠ΅Π»ΡΠ½ΠΎ Π»ΠΈ ΠΎΠ½ ΠΏΠΎΠ²ΡΠ΅ΠΆΠ΄Π΅Π½ ΠΈΠ»ΠΈ ΡΠ»ΠΎΠΌΠ°Π½. ΠΡΠ»ΠΈ ΠΊΠ°Π±Π΅Π»Ρ ΠΏΠΎΡΠ²Π°Π»ΡΡ, ΡΠΎ Π΅Π³ΠΎ Π½ΡΠΆΠ½ΠΎ Π±ΡΠ΄Π΅Ρ Π·Π°ΠΌΠ΅Π½ΠΈΡΡ. ΠΡΠ»ΠΈ…
ΠΠΎΠ΄Ρ ΠΏΡΠΎΠΏΡΡΠΊΠΎΠ² Π·Π°ΠΆΠΈΠ³Π°Π½ΠΈΡ ΠΌΠΎΠ³ΡΡ Π±ΡΡΡ Π²ΡΠ·Π²Π°Π½Ρ ΡΡΠ΄ΠΎΠΌ ΡΠ±ΠΎΠ΅Π². Π‘Π²Π΅ΡΠΈ Π·Π°ΠΆΠΈΠ³Π°Π½ΠΈΡ, ΠΊΠ°ΡΡΡΠΊΠΈ, ΡΠΎΡΡΡΠ½ΠΊΠΈ, ΠΏΡΠΎΠΊΠ»Π°Π΄ΠΊΠΈ ΠΊΠΎΠ»Π»Π΅ΠΊΡΠΎΡΠ° ΠΌΠΎΠ³ΡΡ Π±ΡΡΡ ΠΏΠΎΠ΄ΠΎΠ·ΡΠΈΡΠ΅Π»ΡΠ½ΡΠΌΠΈ. ΠΠΎΠ³Π΄Π° Π³ΠΎΡΠΈΡ Π»Π°ΠΌΠΏΠΎΡΠΊΠ° ΠΏΡΠΎΠ²Π΅ΡΠΊΠΈ Π΄Π²ΠΈΠ³Π°ΡΠ΅Π»Ρ, Π° Π² ΠΌΠ°ΡΠΈΠ½Π΅ ΡΠΎΡ ΡΠ°Π½Π΅Π½Ρ ΠΊΠΎΠ΄Ρ, Π²Π°ΡΠ° ΠΏΠ΅ΡΠ²Π°Ρ ΡΠ΅Π°ΠΊΡΠΈΡ β Π·Π°ΠΌΠ΅Π½ΠΈΡΡ…
ΠΠΎΠΆΠ½ΠΎ Π»ΠΈ ΠΏΡΠΈΠΊΡΠ΅ΠΏΠΈΡΡ ΠΊΡΡΡΠΊΡ ΠΊ ΠΏΠΎΠ΄ΡΡΠ°Π²ΠΊΠ΅ Π΄Π»Ρ Π½ΠΎΠ³ Π½Π° Kia Soul EX 2021 Π³ΠΎΠ΄Π° Π²ΡΠΏΡΡΠΊΠ°? ΠΠΎΠ΅ΠΉ Π»Π΅Π²ΠΎΠΉ Π½ΠΎΠ³Π΅ Π½ΡΠΆΠ½ΠΎ ΠΌΠ΅Π½ΡΡΠ΅ COF. Π‘ΠΏΠ°ΡΠΈΠ±ΠΎ. Π― Π·Π°ΠΌΠ΅ΡΠΈΠ», ΡΡΠΎ ΠΌΠΎΠ΄Π΅Π»ΠΈ 2017-18 Π³ΠΎΠ΄ΠΎΠ² ΠΏΠΎΠ·Π²ΠΎΠ»ΡΡΡ ΡΠ²Π΅ΡΠ»ΠΈΡΡ Π·Π°Π²ΠΎΠ΄ΡΠΊΡΡ ΠΏΠΎΠ΄Π½ΠΎΠΆΠΊΡ.Π‘ΡΠ°ΡΡΠΈ ΠΏΠΎ Π’Π΅ΠΌΠ΅
ΠΠ°ΠΊ Π΄Π°ΡΡΠΈΠΊΠΈ Π·Π°Π³ΡΡΠ·Π½ΡΡΡΡΡ ΠΈΠ»ΠΈ ΠΏΠΎΠ²ΡΠ΅ΠΆΠ΄Π°ΡΡΡΡ? ΠΠ²ΡΠΎΠΌΠΎΠ±ΠΈΠ»ΡΠ½ΡΠ΅ Π΄Π°ΡΡΠΈΠΊΠΈ ΠΈΠ·ΠΌΠ΅ΡΡΡΡ ΠΈ ΠΏΠ΅ΡΠ΅Π΄Π°ΡΡ Π²Π°ΠΆΠ½ΡΡ ΠΈΠ½ΡΠΎΡΠΌΠ°ΡΠΈΡ Π² ΠΠΠ£. ΠΠ΅ΠΊΠΎΡΠΎΡΡΠ΅ Π΄Π°ΡΡΠΈΠΊΠΈ ΠΌΠΎΠ³ΡΡ Π·Π°Π³ΡΡΠ·Π½ΠΈΡΡΡΡ ΠΏΡΠΈ ΠΎΠ±ΡΡΠ½ΠΎΠΌ ΠΈΡΠΏΠΎΠ»ΡΠ·ΠΎΠ²Π°Π½ΠΈΠΈ ΠΈΠ»ΠΈ Π²ΡΠΉΡΠΈ ΠΈΠ· ΡΡΡΠΎΡ, Π΅ΡΠ»ΠΈ Π°Π²ΡΠΎΠΌΠΎΠ±ΠΈΠ»Ρ ΠΏΠ΅ΡΠ΅Π³ΡΠ΅Π΅ΡΡΡ ΠΈΠ»ΠΈ Π²ΠΎΠ·Π½ΠΈΠΊΠ½Π΅Ρ ΠΏΡΠΎΠ±Π»Π΅ΠΌΠ°.
