Направляющее устройство — подвеска — Большая Энциклопедия Нефти и Газа, статья, страница 1
Направляющее устройство — подвеска
Cтраница 1
Направляющее устройство подвески передает толкающие, тормозные и боковые усилия от колес на раму или корпус автомобиля. При пружинной подвеске роль направляющего устройства выполняют рычаги и штанги подвески, при рессорной — сама листовая рессора обладает свойством передавать продольные и боковые усилия, вследствие чего конструкция такой подвески упрощается. [2]
По типу направляющего устройства подвески делятся на зависимые ( левое и правое колеса связаны жесткой балкой) и независимые. Благоприятная характеристика направляющего устройства способствует реализации основного условия хорошей подвески — значительных перемещений колес и малой жесткости упругого устройства. [3]
По типу направляющего устройства подвески
[5]Передний мост автобуса ЛиАЗ — 677 ( рис. 86) состоит из цельной кованой балки / двутаврового сечения, на которой имеются четыре площадки с отверстиями для крепления пневматических баллонов и направляющего устройства подвески. В концевых бобышках оси выполнены отверстия под шкворни 4 и приливы, служащие ограничителями поворотных цапф. В отверстиях цапфы 9 запрессованы втулки 6 из томпака, которые смазывают через две пресс-масленки. [6]
Все нагрузки, действующие на автомобиль в условиях эксплуатации, передаются на его несущую систему. К ним относятся: вес агрегатов и полезной нагрузки, усилия, действующие от амортизаторов, упругих элементов и направляющего устройства подвески
, а также силы инерции, возникающие при колебаниях, разгоне, торможении и повороте автомобиля. При движении автомобиля с прицепом ( полуприцепом) на несущую систему действуют нагрузки от тягово-сцепного или опорно-сцепного устройства.
[7]Направляющее устройство не только передает продольные и поперечные силы и их моменты. Оно определяет характер движения колес автомобиля. По типу направляющего устройства подвески делят на две основные группы: зависимые и независимые. Отличительной особенностью зависимой подвески является наличие жесткой балки, связывающей левое и правое колеса оси ( рис. 127, а), вследствие чего перемещение одного из них в поперечной плоскости передается-другому. [9]
Направляющее устройство не только передает продольные и поперечные силы и их моменты. Оно определяет характер перемещения колес относительно рамы ( кузова) автомобиля. По типу
[10]
Различают шкворневую и бесшкворневую независимые подвески. На стойке при помощи шкворня 9 укреплен поворотный кулак 10 колеса. Рычаги 7 и 12 и стойка 11 подвески образуют направляющее устройство подвески, служащее для передачи сил от колеса раме. Упругим элементом является пружина 8, установленная между нижними рычагами 7 и поперечиной 13 подрамника. [11]
Для обеспечения движения автомобиля на его раму и кузов необходимо передать от ведущих колес тяговую силу Рт, которая возникает под действием момента Мк. Рассмотрим, каким образом происходит эта передача. Приложим к центру колеса две равные по величине Рг, но противоположные по направлению силы Р т и РТ — Сила Р т не может быть передана на раму и кузов упругим устройством 10, выполненным в виде спиральной пружины. Для передачи этой силы предназначен рычаг 9, который называется направляющим устройством подвески.
[13]Страницы: 1
Направляющее устройство колеса — направляющее устройство подвески
Сегодня мы предлагаем вам перевод обучающего модуля «Направляющее устройство колеса», представленного на LCMS ELECTUDE. Изучение этого материала крайне важно для любого будущего автомеханика и автодиагноста. Именно направляющее устройство определяет характер движения колес, а также передает продольные и поперечные усилия, а осмотр направляющего устройства является важной операцией при диагностике подвески. Направляющее устройство подвески передает тормозные, боковые и толкающие усилия от колес на корпус или раму транспортного средства.
Направляющие устройства колеса ограничивают эти перемещения. Это значит, что колесо не может перемещаться во всех направлениях.
Оно удерживается и может перемещаться только в одном направлении. Этим направлением является перемещение колеса вверх или вниз в направлении сжатия или расширения упругих элементов подвески.
Рывки
Если шасси движется в продольном направлении относительно колес, то образуется так называемый рывок.Рывок — это результат воздействия продольных сил на транспортное средство.
Продольные силы обычно поглощаются направляющим устройством колеса. Для этого необходимо использовать продольные направляющие устройства.
Варианты продольных связей:
- Продольные радиальные рычаги. Они могут быть одинарным или двойным.
- Листовые рессоры. Они могут поглощать силы, действующие в продольном и поперечном направлении.
Шатание
Если шасси движется в поперечном направлении относительно колес, то образуется так называемое шатание.Шатание является результатом действия поперечных сил на грузовик. Поперечные силы должны также поглощаться направляющим устройством колеса с помощью поперечного управления.
Виды поперечных направляющих устройств:
Поперечный рычаг подвески.Он может быть одинарным или двойным.
Листовая рессора.Она может поглощать продольные и поперечные силы.
Крен
Наклон шасси автомеханики называют креном. Крен образуется в результате сил, действующих на автомобиль в повороте. Данные силы поглощаются подвеской.
Для предотвращения крена необходимо использовать стабилизатор поперечной устойчивости, который устанавливается на двух опорах в нижней части шасси.
Стабилизатор поперечной устойчивости испытывает скручивание, если на одном плече нагрузка больше, чем на его втором плече.
Сила упругости стабилизатора поглощает действующую силу. Упругое противодействие уменьшает разницу хода подвески по её сторонам при крене. Стабилизатор поперечной устойчивости не подвергается скручиванию при симметричном ходе подвески.
Устройство и назначение подвески. Направляющая, упругая и демпфирующая функции подвески
Подвеска служит для улучшения плавности хода, чем обеспечивается возможность длительного движения без быстрой утомляемости людей и повреждения перевозимых грузов.
Упругое устройство подвески служит для уменьшения динамических нагрузок, обусловленных главным образом действием вертикальных сил. При наезде колеса на неровность дороги упругое устройство деформируется, значительно смягчая ударную нагрузку от колеса на кузов автомобиля. В результате работы упругого устройства уменьшаются перемещения рамы автомобиля, копирующие профиль дорожных неровностей, и улучшается плавность хода автомобиля.
В качестве упругих устройств на автомобилях КамАЗ-5320 и Урал-4320 применяют металлические листовые рессоры.
Направляющее устройство подвески определяет характер перемещения колеса при деформации упругого устройства относительно рамы автомобиля, а также передает силы и моменты, действующие между колесом и рамой (силу тяги, тормозную силу, боковые силы и их моменты).
Функции направляющих устройств на автомобилях КамАЗ-5320 и Урал-4320 выполняют рессоры, балансиры и рычаги.
Гасящие устройства предназначены для быстрого гашения колебаний кузова автомобиля, возникших под воздействием упругого устройства подвески. Отсутствие гасящих устройств при больших скоростях движения автомобиля по неровной дороге может привести к резонансным колебаниям и как следствие этого к пробоям подвески (удары рессор в ограничители).
Гашение колебаний сводится к превращению механической энергии колебаний рамы и закрепленных на нем составных частей в тепловую энергию благодаря трению в узлах подвески с последующим ее рассеиванием в окружающую среду. Трение в деталях упругого устройства (в листовых рессорах) в какой-то мере обеспечивает гашение колебаний (производит амортизирующее действие). Однако трение между листами рессор преобразует в тепло весьма незначительное количество кинетической энергии вертикальных колебаний остова, и толчки со стороны неровностей дороги передаются от колес к нему в достаточно большой степени.
Поэтому для гашения колебаний применяются специальные устройства, амортизаторы, работа которых основана на наличии внутреннего трения в вязкой жидкости, проходящей через отверстие ограниченного сечения, зазор или приоткрытый клапан.
Внимание!
Если вам нужна помощь в написании работы, то рекомендуем обратиться к профессионалам. Более 70 000 авторов готовы помочь вам прямо сейчас. Бесплатные корректировки и доработки. Узнайте стоимость своей работы.
Основным преимуществом листовых рессор является их способность выполнять одновременно функции направляющего, упругого и гасящего устройств.
Передняя подвеска автомобилей состоит из двух листовых рессор и двух телескопических амортизаторов.
|
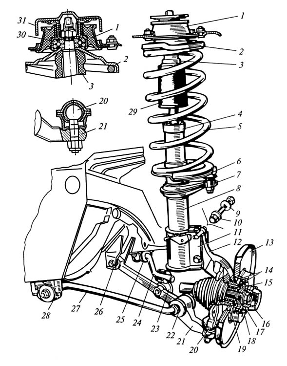
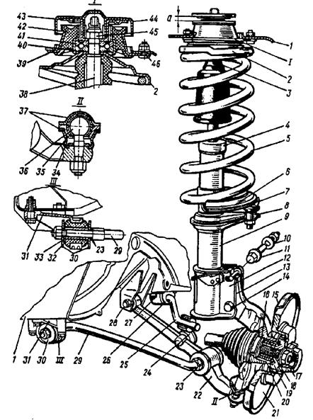
Рис. 11.1. Рессора передней подвески автомобиля КамАЗ-5320: 1 – отъемное ушко; 2 – болт; 3 – втулка; 4 – пресс-масленка; 5 – передний кронштейн; 6 – болт; 7 – накладка передней рессоры; 8 – чашка основного буфера; 9 – стремянка; 10 – накладка листа; 11 – задний кронштейн; 12 – сухарь; 13 – вкладыш заднего кронштейна; 14 – палец сухаря; 15 – болт; 16 – втулка болта; 17 – кронштейн амортизатора; 18 – палец; 19 – болт; 20 – накладка ушка. |
Рессора передней подвески автомобиля КамАЗ-5320 (рис. 11.1) набрана из 15 листов. Коренной лист рессоры прямоугольного сечения, а остальные Т-образного. Это позволяет уменьшить массу рессоры на 7—10% при сохранении ее характеристик.
Передний конец рессоры с помощью ушка 1 и пальца 18 соединен с кронштейном 5 рамы. Отъемное ушко 1 прикреплено к коренному листу рессоры болтом 2 и накладкой 20, которая закреплена на ушке двумя болтами 19. В ушко запрессована втулка 3. Палец 18, соединяющий ушко с кронштейном, зафиксирован двумя болтами 6. Смазка пальца производится через масленку 4. Задний конец рессоры скользящий и через наклепанную на коренной лист накладку опирается на сменный сухарь 12, напрессованный на кронштейн. Для предохранения от износа стенок кронштейна 11 на пальцах 14 сухарей установлены вкладыши 13, стянутые болтом 15 через распорную втулку 16.
В средней части рессоры установлена накладка 7, через которую рессора двумя стремянками 9 крепится к переднему мосту. Накладка имеет выштамповку, которая входит в углубление первого листа. Каждый лист рессоры своей выдавкой входит в углубление нижележащего листа, причем выдавка последнего листа входит в соответствующее углубление кронштейна амортизатора 17, зафиксированного, в свою очередь, на балке переднего моста. От бокового смещения листы рессоры дополнительно скреплены хомутами.
Для исключения жестких ударов переднего моста о раму к нижним полкам лонжеронов привернуты резиновые буфера 8.
Рессора передней подвески автомобиля Урал-4320 (рис.11.2) набрана из 10 листов. Коренной и подкоренной листы рессоры прямоугольного сечения, а остальные Т-образного.
Ход моста вверх ограничивается резиновым буфером 5, закрепленным в накладке 12 рессоры, и дополнительным буфером 10 на лонжероне рамы. Дополнительный буфер также уменьшает напряжение в рессоре при резком торможении автомобиля, ограничивая ее закрутку.
Механическая подвеска — подвеска, не использующая пневматических устройств, только механические — рессорная, пружинная или торсионная подвеска.
1) Рессорная подвеска — механическая подвеска, упругим элементом которой является листовая рессора. Рессоры обычно применяются в зависимой подвеске грузовых автомобилей, а также в задней подвеске некоторых легковых. Листовые рессоры применяются по всей день, в основном на тяжелой технике и типичных «рабочих лошадках».
Когда-то это был самый распространенный тип упругих элементов. Преимущества рессор заключаются в том, что они могут выступать в качестве конструктивных элементов, крепящих ось к раме, и за счет трения между листами обладают небольшими амортизирующими свойствами. В основном используются там, где требуется высокая грузоподъемность, и почти всегда в задней подвеске современных пикапов.
2) Пружинная подвеска — механическая подвеска, упругим элементом которой является пружина подвески. На сегодняшний день витые пружины почти полностью вытеснили рессоры, ведь пружинная подвеска лучше «отслеживает» профиль дороги, а значит положительно влияет на комфорт и управляемость и обеспечивает лучшую артикуляцию подвески, что, в свою очередь, позитивно сказывается на проходимости. Пружины легче и меньше, с их помощью можно по-разному компоновать подвеску, они проще и дешевле в производстве. А столь распространенная сегодня подвеска, как McPherson, вообще была бы немыслима без пружин.
3) Торсионная подвеска — механическая подвеска, упругим элементом которой является торсион.
Торсион – это стальной стержень определенной длины, который работает на скручивание. Если взять в руки металлический прут и попробовать его скрутить, то он будет упруго сопротивляться. Так, например, автомобили Toyota Land Cruiser 100VX, Mitsubishi Pajero II и Pajero Sport оснащены передней независимой подвеской, где в качестве упругих элементов применяются торсионы. Они крепятся к рычагу подвески и располагаются вдоль рамы, не занимая места под капотом. Если торсион по причине износа начнет проседать, то его реально подтянуть, другие упругие элементы (рессоры, пружины) можно лишь заменить. Один из концов торсиона (этого стального стержня)жестко закреплен на раме или несущем кузове автомобиля, а на другом конце установлен рычаг. Усилие на свободном конце рычага создает момент, закручивающий торсион. Продольная и боковая силы на торсион практически не действуют, поскольку воспринимаются его опорами. Если сравнивать торсион с витой пружиной подвески, широко применяемой в подвесках современных авто, то можно заметить, что характер деформации материала в этих упругих элементах совершенно идентичен. Для подтверждения этого обстоятельства рассмотрим половину обособленного витка пружины. При возрастании общей силы сжатия пружины к концам такого полувитка приложена пара сил, создающая в сечении закручивающий момент. Характер деформаций стержня торсиона подобен деформации материала пружины. Вертикальная сила, действующая на рычаг подвески, создает момент, закручивающий торсион. Следовательно, стержень торсиона можно рассматривать как витки пружины, растянутые в одну линию. Получается, что при одинаковой длине и поперечном сечении прутка, из которого изготовлена пружина, и стержня торсиона характеристики их упругих свойств будут одинаковы. В то же время конструктивные возможности торсионов более широки, чем у витой пружины. Ничто не мешает сделать стержень торсиона составным. Обычно это набор плоских пластин, как и в листовых рессорах. Распространены также торсионы из многогранных стержней, собранных в пучок. Известны и конструкции из пучка круглых стержней, соединенных по концам. Витую же пружину почти всегда изготавливают из сплошного круглого стержня, поэтому, при равных с торсионом диаметре и длине жесткость пружины оказывается больше, а долговечность ниже.

Упругие элементы в виде пружин и торсионов используются в независимой передней подвеске легковых автомобилей.
Подвеска может быть рессорной, пружинной, торсионной и пневматической.
Поможем написать любую работу на аналогичную тему
Получить выполненную работу или консультацию специалиста по вашему учебному проекту
Узнать стоимостьУстройство автомобиля в схемах — Подвеска
Подвеска
Подвеской называется совокупность устройств, осуществляющих упругую связь колес с несущей системой автомобиля (рамой или кузовом). Подвеска служит для обеспечения плавности хода автомобиля и повышения безопасности его движения.
Подвеска разделяет все массы автомобиля на две части:
подрессоренные — опирающиеся на подвеску — кузов, рама и закрепленные на них механизмы;
неподрессоренные — опирающиеся на дорогу — мосты, колеса,
юрмозные механизмы.
Схема подвески (а) и стабилизатора (б) поперечной устойчивости:
1— направляющее устройство; 2 — упругое устройство; 3 — гасящее устройство;
4 — стабилизирующее устройство; О1 и О2 — центры качания колеса; Рх — толкающая сила; Мк— крутящий момент; Рт — тяговая сила
Направляющее устройство определяет характер перемещения колеса относительно кузова и дороги, передает продольные и поперечные силы и моменты, возникающие между колесом и кузовом автомобиля.
Упругое устройство смягчает толчки и удары, передаваемые от колеса на кузов автомобиля при наезде на дорожные неровности, исключает копирование кузовом неровностей дороги и улучшает плавность хода автомобиля.
Гасящее устройство уменьшает колебания кузова и колес автомобиля при движении по неровностям дороги и приводит к их затуханию, превращает механическую энергию колебаний в тепловую
шергию с последующим ее рассеиванием в окружающую среду.
Стабилизирующее устройство уменьшает боковой крен и поперечные угловые колебания кузова автомобиля.
На автомобилях в зависимости от их класса и назначения применяются различные типы подвесок
Типы подвесок
Схемы зависимой (а) и независимой (б) подвесок:
1 и 3 — колеса; 2 — балка
Зависимой называется подвеска, при использовании которой колеса одного моста связаны между собой жесткой балкой, вследствие чего перемещение одного из колес вызывает перемещение другого колеса. На легковых автомобилях зависимые подвески применяют обычно для задних колес. Они просты по конструкции и в обслуживании, имеют малую стоимость.
Независимой называется подвеска, при использовании которой колеса одного моста не имеют между собой непосредственной связи, подвешены независимо друг от друга, и перемещение одного колеса не вызывает перемещения другого.
По направлению движения колес относительно дороги и кузова автомобиля независимые подвески могут быть с перемещением колес в
поперечной, продольной и одновременно в продольной и поперечной плоскостях. Независимые подвески в легковых автомобилях
применяют для передних и задних колес. Они обеспечивают более
пысокую плавность хода, чем зависимые подвески, но сложнее по
конструкции, требуют больших затрат при изготовлении и в эксплуатации.
В соответствии с типом упругого устройства подвески называются рессорными, пружинными, торсионными и пневматическими.
Упругие устройства подвесок:
а — рессора; б — пружина; в — торсион; г — пневмобаллон; 1— коренной лист; 2 — стяжной болт; 3 — хомут; 4 — прокладка; 5 — болт; 6 и 7 — кольца; 8 — оболочка
Конструкции подвесок
Передняя подвеска легкового автомобиля ВАЗ повышенной проходимости независимая, пружинная, с гидравлическими
амортизаторами и стабилизатором поперечной устойчивости.
Передняя подвеска легкового автомобиля ВАЗ повышенной проходимости:
1 — щит; 2 — тормозной диск; 3 — ступица; 4 — шпилька; 5 — втулка; 6 — колпак; 7— хвостовик; 8 — подшипники; 9 — манжета; 10 — кулак; 11 — растяжка, 12, 18, 25 и 39 — шарниры, 13 — подушки; 14, 15, 28 и 34 — кронштейны; 16 и 31 — буфера; 17 и 27— рычаги; 19 и 26— оси, 20— регулировочные шайбы; 21, 32 и 37— опоры; 22 и 29— опорные чашки; 23— прокладка; 24 — поперечина; 30 —пружина; 33 — упор, 35 — амортизатор; 36 — обойма; 38— стабилизатор
Передняя подвеска переднеприводного легкового автомобиля ВАЗ независимая, телескопическая, с амортизаторными стойками и стабилизатором поперечной устойчивости.
Передняя подвеска переднеприводного легкового автомобиля ВАЗ.
1, 2, 4, 6 и 25 — опоры, 3 — буфер; 5 — пружина, 7 и 21 — рычаги; 8 и 23 — стойки; 9 — шайба, 10 — регулировочный болт; 11, 26 и 28 — кронштейны; 12 — кулак; 13 — тормозной диск, 14 — кольцо; 15 — ступица; 16 и 31 — колпаки; 17 — хвостовик; 18— штифт; 19 и 30— подшипники; 20— шарнир, 22— регулировочные шайбы; 24 — стабилизатор; 27 — растяжка; 29 — кожух
Задняя подвеска легкового автомобиля ВАЗ зависимая, пружинная, с гидравлическими амортизаторами.
Задние колеса автомобиля связаны между собой балкой заднего моста.
Задняя подвеска легкового автомобиля ВАЗ:
1 — шарнир; 2 — задний мост; 3, 17и 20— штанги; 4 и11 — прокладки; 5, 10
и 12 — чашки; 6 и 16 — буфера; 7 и 14 — пальцы; 8 — кронштейн; 9 — пружина;
13 — тяга; 15 — поперечина; 18 — регулятор; 19 — торсион; 21 — амортизатор
Задняя подвеска переднеприводного легкового автомобиля ВАЗ независимая, пружинная, с гидравлическими амортичаторами.
Задняя подвеска переднеприводного легкового автомобиля ВАЗ:
1 — ступица; 2 — рычаг; 3 и 22— шарниры; 4 и 14— кронштейны; 5 — опора;
6 — прокладка; 7 — подушки; 8 — буфер; 9 — пружина; 10 — кожух; 11 — опорная чашка; 12 — соединитель; 13 — амортизатор; 15 — ось; 16 — колпак; 17— гайка; 18 — подшипник; 19— щит; 20— кольцо; 21 — фланец
Задняя подвеска легкового автомобиля малого класса зависимая, рессорная, с гидравлическими амортизаторами.
Подвеска выполнена на двух продольных полуэллиптических рессорах, работающих совместно с гидравлическими телескопическими амортизаторами.
Задняя подвеска легкового автомобиля малого класса:
1— амортизатор; 2 — серьга; 3 — рессора; 4 и 5— буфера; 6 — втулка; 7 — палец; 8 — стремянка; 9 — накладка; 10 — балка
Амортизаторы
Амортизаторами называются устройства, преобразующие механическую энергию колебаний в тепловую с последующим ее рассеиванием в окружающую среду.
Амортизаторы служат для гашения колебаний кузова и колес автомобиля и повышения безопасности движения автомобиля.
На автомобилях в передних и задних подвесках применяют гидравлические амортизаторы телескопического типа.
Типы амортизаторов
Двухтрубные амортизаторы имеют рабочий цилиндр и резервуар, жидкость и воздух в них соприкасаются между собой, а внутреннее давление воздуха составляет 0,08.
..0,1 МПа. Однотрубные
амортизаторы имеют только рабочий цилиндр, амортизаторная
жидкость и газ разделены и не соприкасаются друг с другом.
В амортизаторах низкого давления внутреннее давление газа составляет 0,1 МПа или несколько больше, а в амортизаторах высокого давления — 1 МПа и выше. Однотрубные амортизаторы высокого давления называются газонаполненными.
Однотрубные газонаполненные амортизаторы по сравнению с двухтрубными лучше охлаждаются, имеют меньшее рабочее давление, проще по конструкции, легче по массе, более надежны в работе и могут устанавливаться на автомобиле в любом положении — от горизонтального до вертикального. Однако они имеют большую длину, высокую стоимость и требуют большой точности изготовления и надежного уплотнения соединений.
Гидравлический телескопический двухтрубный амортизатор
низкого давления и двустороннего действия гасит колебания кузова и колес как при ходе сжатия (колеса и кузов сближаются), так и при ходе отдачи (колеса и кузов расходятся).
Гидравлический амортизатор
1— проушина; 2 — днище; 3, 4, 25 и 28 — диски; 5, 9 и 23 — пружины; 6 и 19 — обоймы; 7 и 22— тарелки, 8 и15— гайки; 10- поршень; 11 — резервуар, 12 — цилиндр; 13 — шток; 14 — кожух; 16 и 27 — кольца; 17, 18 и 20 — уплотнения; 21 — втулка, 24 и 29 — клапаны; 26 — шайба;
30— камера
Однотрубный газонаполненный амортизатор высокого давления
Газонаполненный амортизатор:
1— шток; 2 — уплотнение; 3 и 5 — клапаны; 4 и 6— поршни; 7— цилиндр, А — камера; Б — полость
Назначение, устройство и виды подвесок автомобиля
Подвеска автомобиля представляет собой совокупность элементов, обеспечивающих упругую связь между кузовом (рамой) и колесами (мостами) автомобиля. Главным образом подвеска предназначена для снижения интенсивности вибрации и динамических нагрузок (ударов, толчков), действующих на человека, перевозимый груз или элементы конструкции автомобиля при его движении по неровной дороге.
В то же время она должна обеспечивать постоянный контакт колеса с дорожной поверхностью и эффективно передавать ведущее усилие и тормозную силу без отклонения колес от соответствующего положения. Правильная работа подвески делает управление автомобилем комфортным и безопасным. Несмотря на кажущуюся простоту, подвеска является одной из важнейших систем современного автомобиля и за историю своего существования претерпела значительные изменения и усовершенствования.
История появления
Попытки сделать передвижение транспортного средства мягче и комфортнее предпринимались еще в каретах. Изначально оси колес жестко крепились к корпусу, и каждая неровность дороги передавалась сидящим внутри пассажирам. Повысить уровень комфорта могли лишь мягкие подушки на сиденьях.
Зависимая подвеска с поперечным расположением рессоры
Первым способом создать упругую “прослойку” между колесами и кузовом кареты стало применение эллиптических рессор. Позже данное решение было позаимствовано и для автомобиля.
Однако рессора уже стала полуэллиптической и могла устанавливаться поперечно. Автомобиль с такой подвеской плохо управлялся даже на небольшой скорости. Поэтому вскоре рессоры стали устанавливать продольно на каждое колесо.
Развитие автомобилестроения повлекло и эволюцию подвески. В настоящее время насчитываются десятки их разновидностей.
Основные функции и характеристики подвески автомобиля
У каждой подвески существуют свои особенности и рабочие качества, которые напрямую влияют на управляемость, комфорт и безопасность пассажиров. Однако любая подвеска вне зависимости от своего типа должна выполнять следующие функции:
- Поглощение ударов и толчков со стороны дороги для снижения нагрузок на кузов и повышения комфорта движения.
- Стабилизация автомобиля во время движения за счет обеспечения постоянного контакта шины колеса с дорожным покрытием и ограничения чрезмерных кренов кузова.
- Сохранение заданной геометрии перемещения и положения колес для сохранения точности рулевого управления во время движения и торможения.

Дрифт-кар с жесткой подвеской
Жесткая подвеска автомобиля подходит для динамичной езды, при которой требуется мгновенная и точная реакция на действия водителя. Она обеспечивает небольшой дорожный просвет, максимальную устойчивость, сопротивляемость крену и раскачиванию кузова. Применяется в основном на спортивных автомобилях.
Автомобиль класса “Люкс” с энергоемкой подвеской
В большинстве легковых авто применяется мягкая подвеска. Она максимально сглаживает неровности, однако делает автомобиль несколько валким и хуже управляемым. Если требуется регулируемая жесткость, на автомобиль монтируется винтовая подвеска. Она представляет собой стойки-амортизаторы с изменяемой силой натяжения пружины.
Внедорожник с длинноходной подвеской
Ход подвески – расстояние от крайнего верхнего положения колеса при сжатии до крайнего нижнего при вывешивании колес. Ход подвески во многом определяет “внедорожные” возможности автомобиля. Чем больше его величина, тем большее препятствие можно преодолеть без удара об ограничитель или без провисания ведущих колес.
Устройство подвески
Любая подвеска автомобиля состоит из следующих основных элементов:
- Упругое устройство – воспринимает нагрузки от неровностей дорожной поверхности. Виды: пружины, рессоры, торсионы, пневмоэлементы и т.д.
- Демпфирующее устройство – гасит колебания кузова при проезде через неровности. Виды: все типы амортизаторов.
- Направляющее устройство – обеспечивает заданное перемещение колеса относительно кузова. Виды: рычаги, поперечные и реактивные тяги, рессоры. Для изменения направления воздействия на демпфирующий элемент в спортивных подвесках pull-rod и push-rod применяются рокеры.
- Стабилизатор поперечной устойчивости – уменьшает поперечный крен кузова.
- Резино-металлические шарниры – обеспечивают упругое соединение элементов подвески с кузовом. Частично амортизируют, смягчают удары и вибрации. Виды: сайлент-блоки и втулки.

- Ограничители хода подвески – ограничивают ход подвески в крайних положениях.
Классификация подвесок
В основном подвески подразделяются на два больших типа: зависимые и независимые. Данная классификация определяется кинематической схемой направляющего устройства подвески.
Зависимая подвеска
Колеса жестко связаны посредством балки или неразрезного моста. Вертикальное положение пары колес относительно общей оси не изменяется, передние колеса – поворотные. Устройство задней подвески аналогичное. Бывает рессорная, пружинная или пневматическая. В случае установки пружин или пневмобаллонов необходимо применение специальных тяг для фиксирования мостов от перемещения.
Отличия зависимой и независимой подвески
- простая и надежная в эксплуатации;
- высокая грузоподъемность.
- плохая управляемость;
- плохая устойчивость на больших скоростях;
- меньшая комфортабельность.
Независимая подвеска
Колеса могут изменять вертикальное положение относительно друг друга, оставаясь в той же плоскости.
- хорошая управляемость;
- хорошая устойчивость автомобиля;
- большая комфортабельность.
- более дорогая и сложная конструкция;
- меньшая надежность при эксплуатации.
Полузависимая подвеска
Полузависимая подвеска или торсионная балка – это промежуточное решение между зависимой и независимой подвеской. Колеса по прежнему остаются связанными, однако существует возможность их небольшого перемещения относительно друг друга. Данное свойство обеспечивается за счет упругих свойств П-образной балки, соединяющей колеса. Такая подвеска в основном применяется в качестве задней подвески бюджетных автомобилей.
Виды независимых подвесок
МакФерсон
Подвеска McPherson – самая распространенная подвеска передней оси современных автомобилей. Нижний рычаг соединен со ступицей посредством шаровой опоры. В зависимости от его конфигурации может применяться продольная реактивная тяга. К ступичному узлу крепится амортизационная стойка с пружиной, ее верхняя опора закрепляется на кузове.
Двухрычажная передняя подвеска
Поперечная тяга, закрепленная на кузове и соединяющая оба рычага, является стабилизатором, противодействует крену автомобиля. Нижнее шаровое соединение и подшипник чашки стойки-амортизатора дают возможность для поворота колеса.
Детали задней подвески выполнены по тому же принципу, отличие заключается лишь в отсутствии возможности поворота колес. Нижний рычаг заменен на продольные и поперечные тяги, фиксирующие ступицу.
- простота конструкции;
- компактность;
- надежность;
- недорогая в производстве и ремонте.
Двухрычажная передняя подвеска
Более эффективная и сложная конструкция. Верхней точкой крепления ступицы выступает второй поперечный рычаг. В качестве упругого элемента может использоваться пружина или торсион. Задняя подвеска имеет аналогичное строение. Подобная схема подвески обеспечивает лучшую управляемость автомобиля.
Пневматическая подвеска
Роль пружин в этой подвеске выполняют пневмобаллоны со сжатым воздухом. При пневматической подвеске есть возможность регулировки высоты кузова. Также она улучшает показатели плавности хода. Используется на автомобилях класса люкс.
Гидравлическая подвеска
Амортизаторы подключены к единому замкнутому контуру с гидравлической жидкостью. Гидравлическая подвеска дает возможность регулировать жесткость и высоту дорожного просвета. При наличии в автомобиле управляющей электроники, а также функции адаптивной подвески она самостоятельно подстраивается под условия дороги и вождения.
Спортивные независимые подвески
Винтовая подвеска, или койловеры – амортизационные стойки с возможностью настройки жесткости прямо на автомобиле. Благодаря резьбовому соединению нижнего упора пружины можно регулировать ее высоту, а также величину дорожного просвета.
Подвески типа push-rod и pull-rod
Данные устройства разрабатывались для гоночных автомобилей с открытыми колесами. В основе – двухрычажная схема. Основная особенность заключается в том, что демпфирующие элементы расположены внутри кузова.
Конструкция данных типов подвески очень схожа, отличие заключается лишь в расположении воспринимающих нагрузку элементов.
Различие спортивных подвесок push-rod и pull-rod
Спортивная подвеска push-rod: воспринимающий нагрузку элемент – толкатель, работает на сжатие.
Спортивная подвеска pull-rod: воспринимающий нагрузку элемент работает на растяжение.
Такая конструкция снижает центр тяжести и обеспечивает лучшую устойчивость автомобиля. Подвеска pull-rod имеет более низкий центр тяжести, чем push-rod. Однако на практике их общая эффективность примерно одинакова.
Видео: Общее устройство подвески автомобиля. 3D анимация. Проверка подвески автомобиля, диагностика своими руками. Чем отличается подвеска Макферсон от многорычажной, и какие автомобильные подвески бывают. Балка или многорычажная подвеска — что лучше? Что такое пневмоподвеска и как она устроена. Торсионная подвеска автомобиля
Что такое подвеска?
Подвеска — это совокупность устройств, обеспечивающих упругую связь между подрессоренной и неподрессоренными массами Подвеска уменьшает динамические нагрузки, действующие на подрессоренную массу.
Она состоит из трех устройств:
Упругим устройством 5 на подрессоренную массу передаются вертикальные силы, действующие со стороны дороги, уменьшаются динамические нагрузки и улучшается плавность хода.
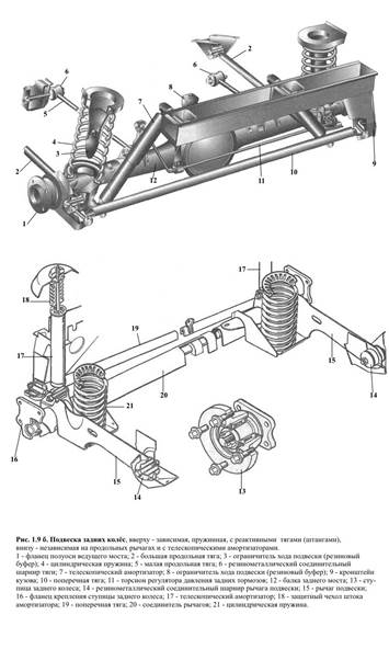
Рис. Задняя подвеска на косых рычагах автомобилей БМВ:
1 – карданный вал ведущего моста; 2 – опорный кронштейн; 3 – полуось; 4 – стабилизатор; 5 – упругий элемент; 6 – амортизатор; 7 – рычаг направляющего устройства подвески; 8 – опорная стойка кронштейна
Направляющее устройство 7 – механизм, воспринимающий действующие на колесо продольные и боковые силы и их моменты. Кинематика направляющего устройства определяет характер перемещения колеса относительно несущей системы.
Демпфирующее устройство (амортизатор) 6 предназначено для гашения колебаний кузова и колес путем преобразования энергии колебаний в тепловую и рассеивания ее в окружающую среду.
Конструкция подвески должна обеспечивать требуемую плавность хода иметь кинематические характеристики, отвечающие требованиям устойчивости и управляемости автомобиля.
Зависимая подвеска
Зависимая подвеска характеризуется зависимостью перемещения одного колеса моста от перемещения другого колеса.
Рис. Схема зависимой подвески колес
Передача сил и моментов от колес на кузов при такой подвеске может осуществляться непосредственно металлическими упругими элементами – рессорами, пружинами или с помощью штанг – штанговая подвеска.
Металлические упругие элементы имеют линейную упругую характеристику и изготавливаются из специальных сталей, обладающих высокой прочностью при больших деформациях. К таким упругим элементам относятся листовые рессоры, торсионы и пружины.
Листовые рессоры на современных легковых автомобилях практически не применяются, за исключением некоторых моделей автомобилей многоцелевого назначения. Можно отметить модели легковых автомобилей, выпускавшиеся ранее с листовыми рессорами в подвеске, которые продолжают эксплуатироваться и в настоящее время. Продольные листовые рессоры устанавливались в основном в зависимой подвеске колес и выполняли функцию упругого и направляющего устройства.
На легковых автомобилях и грузовых или микроавтобусах применяются рессоры без подрессорников, на грузовых автомобилях – с подрессорниками.
Рис. Рессоры:
а) – без подрессорника; б) – с подрессорником
Пружины как упругие элементы применяются в подвеске многих легковых автомобилей. В передней и задней подвесках, выпускаемых различными фирмами большинства легковых автомобилей применяются винтовые цилиндрические пружины с постоянными сечением прутка и шагом навивки. Такая пружина имеет линейную упругую характеристику, а необходимые характеристики обеспечиваются дополнительными упругими элементами из полиуретанового эластомера и резиновыми буферами отбоя.
На легковых автомобилях Российского производства в подвесках применяют цилиндрические винтовые пружины с постоянными сечением прутка и шагом в сочетании с резиновыми отбойными буферами. На автомобилях производителей других стран, например, БМВ 3-й серии в задней подвеске устанавливают бочкообразную (фасонную) пружину с прогрессивной характеристикой, достигаемой за счет формы пружины и применения прутка переменного сечения.
Рис. Спиральные пружины:
а) цилиндрическая пружина; б) бочкообразная пружина
На ряде автомобилей для обеспечения прогрессивной характеристики применяется комбинация цилиндрических и фасонных пружин с переменной толщиной прутка. Фасонные пружины имеют прогрессивную упругую характеристику и называются «миниблоками» за небольшие размеры по высоте. Такие фасонные пружины применяют, например в задней подвеске автомобилей «Фольксваген», «Ауди», «Опель» и др. Фасонные пружины имеют различные диаметры в средней части пружины и по краям, а пружины «миниблок» имеют и различный шаг навивки.
Торсионы, как правило, круглого сечения применяются на автомобилях в качестве упругого элемента и стабилизатора.
Упругий крутящий момент передается торсионом через шлицевые или четырехгранные головки, расположенные на его концах. Торсионы на автомобиле могут быть установлены в продольном или поперечном направлении. К недостаткам торсионов следует отнести их большую длину, необходимую для создания требуемых жесткости и рабочего хода подвески, а также высокую соосность шлицов на концах торсиона.
Однако следует отметить, что торсионы имеют небольшую массу и хорошую компактность, что позволяет успешно применять их на легковых автомобилях среднего и высокого классов.
Независимая подвеска
Независимая подвеска обеспечивает независимость перемещения одного колеса моста от перемещения другого колеса. По типу направляющего устройства независимые подвески делятся на рычажные, и подвески Макферсона.
Рис. Схема независимой рычажной подвески колес
Рис. Схема независимой подвески Макферсона
Рычажная подвеска – подвеска, направляющее устройство которой представляет собой рычажный механизм. В зависимости от количества рычагов могут быть двухрычажные и однорычажные подвески, а в зависимости от плоскости качания рычагов – поперечно-рычажные, диагонально-рычажные и продольно-рычажные.
Подвеска Макферсона, основным элементом которой служит амортизаторная стойка, является развитием подвески на двойных поперечных рычагах, но имеет только снизу один или два поперечных рычага.
Снизу амортизаторная стойка крепится к поворотному кулаку, а сверху – к кузову автомобиля.
При повороте управляемых колес амортизаторная стойка поворачивается вместе с закрепленной на ней пружиной, что требует применения в верхней опоре подшипника качения или скольжения с низким значением трения. Винтовые пружины, расположенные вокруг амортизаторной стойки, обычно устанавливаются под некоторым углом к ее оси. Такой способ установки обеспечивает снижение величины «пороговой жесткости» подвески, когда сначала при небольших вертикальных усилиях со стороны колеса не происходит сжатия пружины а затем она сжимается довольно резко. Это позволяет устранить неприятные ощущения при движении по относительно ровным дорогам. Подвеска Макферсона обеспечивает незначительное, по сравнению с подвеской на двойных рычагах, изменение развала колес при их вертикальном перемещении.
К основным преимуществам подвески Макферсона следует отнести то, что она занимает небольшой объем и создает удобства при поперечном размещении силового агрегата, что обусловило ее широкое применение.
Рычаги направляющего устройства подвески соединяются с колесом и кузовом с помощью шаровых шарниров и втулок. Шарниры могут быть направляющими и несущими. Например, в независимой подвеске на поперечных рычагах на нижний рычаг опирается упругий элемент. Шаровой шарнир такого рычага воспринимает силы, действующие в различных направлениях, следовательно, шарнир должен быть несущим. Шарнир на верхних рычагах не воспринимает вертикальные силы, а передает в основном поперечные. В этом случае применяется направляющий шарнир. На рисунке показаны несущие шаровые шарниры и направляющий шарнир, применяющиеся на автомобилях.
Рис. Несущие и направляющие шаровые шарниры направляющего устройства подвески:
а – прямой несущий шарнир с цельным пластмассовым вкладышем; б – несущий шарнир с дополнительной шумоизоляцией; в – направляющий шарнир с поджатием нижней половины вкладыша к сферической головке
Следует отметить, что аналогичные шарниры применяются и на рулевых тягах.
Шарниры имеют цилиндрический или конусный направляющий хвостовик, шаровая головка охватывается пластмассовым (из ацетильной смолы) вкладышем, защитный чехол заполняется специальной смазкой. Такие шарниры (фирмы-изготовители «Эренрайх», «Лемфёрдер Метальварен») обладают хорошей герметичностью от попадания грязи и практически не требуют обслуживания. Обращает на себя внимание несущий шарнир, имеющий дополнительную шумоизоляцию в виде упругих резиновых вкладышей, используемый фирмой «Даймлер-Бенц» для изоляции шумов от качения радиальных шин.
Опорные узлы направляющего устройства подвески должны иметь небольшое трение, быть достаточно жесткими и обладать шумопоглощающими свойствами. Для обеспечения этих требований в конструкцию опорных элементов вводятся резиновые или пластмассовые вкладыши. В качестве материалов вкладышей применяют такие, которые не требуют обслуживания в процессе эксплуатации, например, полиуретан, полиамид, тефлон и др. Использование резиновых вкладышей во втулках обеспечивает хорошую шумоизоляцию, эластичность при кручении и упругое смещение под нагрузкой.
Наибольшее распространение в опорных элементах получили сайлент-блоки, состоящие из резиновой цилиндрической втулки, запрессованной с большим обжатием между наружной и внутренней металлическими втулками. Эти втулки допускают углы закручивания ±15° и перекос до 8°. Втулка применяется на автомобиле БМВ, изготовлена методом вулканизации резины между двумя стальными втулками, обладает хорошими шумопоглощающими свойствами и достаточной жесткостью. Втулка нашла широкое применение в поперечных тягах и амортизаторах.
Рис. Опорные втулки элементов подвески:
а – сайлент-блок; б – сайлент-блок качающейся опоры автомобиля БМВ; в – шарнирная втулка, применяемая в тягах Панара и амортизаторах
На поперечных рычагах автомобилей «Даймлер-Бенц» и «Фольксваген» устанавливают так называемые скользящие опоры, в которых промежуточная втулка может скользить по внутренней, обеспечивая малую жесткость при кручении (деформация не превышает 0,5 мм при боковой силе 5 кН).
Опору смазывают, а подвижную часть герметизируют торцевыми уплотнениями.
При повороте автомобиля его кузов наклоняется на определенный угол, называемый углом крена. В подвесках легковых автомобилей автобусов и некоторых грузовых автомобилей применяется дополнительное устройство – стабилизатор поперечной устойчивости. Он способствует уменьшению бокового крена и поперечных угловых колебаний кузова автомобиля и перераспределяет вес по колесам автомобиля.
Стабилизатор поперечной устойчивости автомобиля представляет собой упругую штангу из пружинной стали в виде растянутой буквы П, прямые, дугообразные и т.п. Штанга закреплена шарнирно в средней части на кузове или подрамнике, а своими концами соединяется с подвижными элементами подвески. Упругие свойства стабилизатора проявляются при его закручивании, как у торсиона. Если при движении автомобиля левое и правое колесо перемещаются одновременно и на одинаковое расстояние, стабилизатор практически не оказывает влияния на жесткость основных упругих элементов подвески.
При повороте автомобиля стабилизатор закручивается и изменяет жесткость, уменьшая тем самым величину крена автомобиля. Большинство современных легковых автомобилей оборудуются как минимум передним стабилизатором поперечной устойчивости.
Стабилизатор может устанавливаться как в передней, так и в задней части автомобиля на резиновых втулках для обеспечения упругой деформации в опорах. Как правило, стабилизаторы изготавливают из пружинной стали.
Рис. Стабилизатор поперечной устойчивости
Зависимая подвеска на легковых автомобилях устанавливается на задних колесах. Отличительной особенностью конструкции применяющихся зависимых подвесок является наличие упругих элементов, передающих вертикальные нагрузки и не имеющих трения, жестких тяг и рычагов, воспринимающих поперечные (боковые) нагрузки и обеспечивающих колесу и кузову определенную кинематику.
Характерной конструкцией задней зависимой подвески заднеприводного автомобиля (классическая компоновка) является подвеска автомобиля ВАЗ.
Рис. Подвеска задних колес:
1 – распорная втулка шарнира; 2 – резиновая втулка; 3, 17 – нижняя и верхняя продольные штанги; 4 – нижняя изолирующая прокладка пружины; 5 – нижняя опорная чашка пружины; 6 – буфер хода сжатия; 7, 8 – болт и кронштейн крепления верхней продольной штанги; 9 – пружина подвески; 10, 11 – верхние чашки и изолирующая прокладка пружины; 12 – опорная чашка пружины; 13 – тяга рычага привода регулятора давления; 14, 15 – резиновая втулка и кронштейн крепления амортизатора; 16 – дополнительный буфер хода сжатия; 18 – кронштейн крепления нижней продольной штанги; 19 – кронштейн крепления поперечной штанги к кузову; 20 – регулятор давления; 21 – амортизатор; 22 – поперечная штанга; 23 – рычаг привода регулятора давления; 24 – обойма опорной втулки; 25 – опорная втулка; 26 – шайбы; 27 – дистанционная втулка
В подвеску установлены под углом к вертикальной оси автомобиля два амортизатора. Такое расположение амортизаторов обеспечивает дополнительно к гашению вертикальных колебаний повышение поперечной устойчивости кузова.
Аналогичная установка амортизаторов принята в подвесках автомобилей «Фольксваген», «Опель», «Форд», «Фиат» и др.
На автомобилях «Ауди», «Мицубиси», «Тойота» и др. применяется подвеска задних ведомых колес с двумя продольными рычагами работающими на изгиб. Через широко разнесенные рычаги, жестко связанные с поперечной балкой передаются тяговый и тормозной моменты, а за счет восприятия изгибающего момента рычагами и скручивающих нагрузок поперечной балкой уменьшается продольный и поперечный крены кузова.
Рис. Задняя подвеска переднеприводного автомобиля «Мицубиси Галант» со скручиваемой поперечной балкой:
1 – продольный рычаг; 2 – несущая балка подвески; 3 – резиновая втулка; 4 – стабилизатор; 5 – поперечная тяга; 6 – амортизатор с пружиной; Б – опора стабилизатора; В – резиновая втулка крепления рычага к кузову
Широкое распространение на легковых автомобилях получила конструкция подвески (в ряде случаев ее называют полузависимой) со связанными продольными рычагами.
Простейшим вариантом такой конструкции может служить подвеска задних колес переднеприводных автомобилей ВАЗ ЗАЗ-1102, «Рено», «Фольксваген Поло», «Сирокко», «Пассат», «Гольф», «Аскона» и др.
Рис. Задняя подвеска переднеприводных автомобилей ВАЗ
Балка задней подвески состоит из двух продольных рычагов 15 и соединителя 14, которые сварены между собой через усилители. В задней части к рычагам подвески приварены кронштейны 16 с проушинами для крепления амортизаторов, а также фланцы 2, к которым крепятся болтами оси задних колес. Спереди рычаги подвески имеют приварные втулки 3, в которые запрессованы резинометаллические шарниры 4. Через шарнир проходит болт, соединяющий рычаг подвески со штампованно-сварным кронштейном 5, который крепится к лонжерону кузова приварными болтами Пружина 12 подвески опирается одним концом на чашку амортизатора 1, а другим через изолирующую прокладку 13 в опору, приваренную к внутренней арке (брызговику) кузова.
На шток амортизатора задней подвески устанавливается буфер 7 хода сжатия закрываемый крышкой 8 с кожухом 6, и детали крепления амортизатора — распорная втулка 11, подушки 10 и опорная шайба 9.
Такая подвеска в переднеприводных автомобилях обеспечивает легкость компоновки всех элементов подвески, небольшое количество деталей в подвеске, отсутствие направляющих рычагов и штанг, оптимальное передаточное отношение от кузова к упругому устройству подвески исключение стабилизатора, высокую стабилизацию схода и колеи при разных ходах подвески, благоприятное расположение центров крена, уменьшающих возможность перераспределения массы кузова при торможении.
Подвеска с виртуальной осью поворота колеса
Такая подвеска применяется на легковых автомобилях Фольксваген Фаэтон. При подвеске переднего колеса на четырех рычагах ось его поворота проходит не через верхний и нижний шарниры поворотной стойки, как это имеет место у известных конструкций подвески, а через точки пересечения продленных осей верхних и нижних рычагов.![]()
Рис. Подвеска с виртуальной осью поворота колеса:
1…4 — направления продольных осей рычагов; R — центр колеса; A — центр опорной поверхности колеса; n — вынос оси поворота по отношению к центру опорной поверхности; nv — вынос оси поворота по отношению к центру колеса; p — плечо обката; a — плечо действия возмущающих сил; AS — точка пересечения оси поворота колеса с плоскостью дороги
Таким образом ось поворота колеса расположена как бы в свободном пространстве и меняет свое местоположение при повороте колеса. Поэтому такую ось поворота колеса называют виртуальной. Данная конструкция позволяет существенно приблизить ось поворота колеса к его средней плоскости. Это положительно сказывается на величинах плеча обката и плеча действия возмущающих сил, благодаря чему улучшаются характеристики управляемости и устойчивости автомобиля.
Список видов подвесок легковых автомобилей
В настоящей статье рассмотрены лишь основные виды подвесок автомобилей, в то время как их видов и подвидов на самом деле существует намного больше и, к тому же инженерами постоянно разрабатываются новые модели и дорабатываются старые.
Для удобства приведем список наиболее распространенных. В последующем каждая из подвесок будет рассмотрена подробней.
- Зависимые подвески
- На поперечной рессоре
- На продольных рессорах
- С направляющими рычагами
- С упорной трубой или дышлом
- «Де Дион»
- Торсионно-рычажная (со связанными или с сопряжёнными рычагами)
- Активные подвески
- Пневматические подвески
Назначение и основные элементы подвески
Подвеска колес появилась значительно раньше автомобиля.
Впервые она появилась еще на конных экипажах, предназначенных для более комфортного передвижения на большие расстояния. Количество колес таких экипажей было не менее четырех, поэтому их конструкторы вынуждены были предусмотреть возможность вертикального перемещения колес относительно кузова для преодоления неровных дорог.
Именно тогда появились первые конструкции подвесок, которые потом практически без изменений использовались в самых первых автомобилях, скорость которых не превышала 30 км/час. Но автомобили совершенствовались, скорости их движения быстро возрастали, и подход к конструкциям подвесок менялся.
Если на начальном этапе автомобилестроения подвеска рассматривалась только в качестве средства повышения комфортабельности движения, то с ростом скорости автомобилей всѐ большее внимание приходилось уделять вопросам управляемости. В третьем десятилетии 20 века проявилась тенденция создания независимой системы сначала передних, а впоследствии и задних колес автомобилей.
В настоящее время на легковых автомобилях применяется только независимая подвеска передних колес, которая может сочетаться с независимой, полунезависимой и зависимой системой задних. Несмотря на обилие применяемых в настоящее время схем, все они в настоящее время содержат следующие основные элементы:
- Направляющие элементы, обеспечивающие заданную траекторию перемещения колес относительно кузова;
- Упругие элементы, обеспечивающие необходимое усилие перемещения колес;
- Элементы, обеспечивающие гашение колебаний.
К направляющим элементам можно отнести рычаги, стойки, шаровые опоры и резинометаллические шарниры.
К упругим элементам можно отнести пружины, рессоры, торсионы и пневматические камеры.
К элементам, гасящим колебания можно отнести амортизаторы всех типов.
Изложенная выше классификация элементов в значительной мере условна, так как в разных типах подвесок некоторые детали могут совмещать несколько функций.
В качестве примера можно рассмотреть рессору, которая применялась ещё в каретах.
Рессора может выполнять роль сразу всех трех основных элементов, так как взаимное трение ее листов позволяет достичь эффекта гашения колебаний, а участки рессор несимметричной формы можно использовать в качестве рычагов.
Именно этими свойствами рессор и объясняется их широкое распространение. Тем не менее, такое разделение основных элементов позволяет лучше понять зависимость изменения ее характеристик от замены какого-либо из вышеперечисленных элементов. То есть положение колес зависит от направляющих элементов, жесткость устройства подвески зависит от упругих элементов, а эффективность гашения колебаний – от амортизаторов.
Наиболее распространенные конструкции и устройство передней подвески
В настоящее время на легковых автомобилях малого и среднего классов наиболее распространенной является устройство типа Мак – Ферсон.
Устройство переднего узла такого типа показана на рисунке.
Главная особенность подвесок этого типа – совместное использование нижнего рычага и телескопической вертикальной стойки.
В этой системе основная нагрузка от веса автомобиля передается на кузов в месте верхнего крепления телескопической стойки, так как упругий элемент (на рисунке пружина) располагается непосредственно на стойке.
Нижний рычаг треугольной формы контролирует траекторию перемещения колеса и передает на силовые элементы кузова продольные и поперечные усилия, возникающие при движении автомобиля. Такая система очень хорошо сочетается с приводом передних колес, так как ось вращения колеса проходит выше нижнего ее рычага.
Преимущества узла типа Мак – Ферсон следующие:
- Простота конструкции, позволяющая уменьшить количество деталей и их массу;
- Возможность увеличения ширины моторного отсека;
- Относительно малая трудоемкость обслуживания и ремонта.
Однако такой узел не лишен недостатков:
- Характер изменения угла развала при работе не оптимальный;
- Значительное изменение углов установки колес при изменении загрузки автомобиля;
- Верхняя точка крепления стоек ограничивает возможность понижения линии капота.

В автомобилях, на которых устанавливается такая передняя подвеска, чаще всего используют пружины в качестве упругих элементов. Амортизатор телескопического типа конструктивно выполняет дополнительно функцию направляющего элемента, поэтому штоки амортизаторов Мак – Ферсон имеют увеличенный диаметр.
Для компенсации изгибающих усилий, действующих на амортизатор, пружину на нем часто устанавливают под углом к оси штока (см. рисунок). Для уменьшения крена автомобиля при прохождении поворота предусматривается стабилизатор поперечной устойчивости. Чаще всего применяют стабилизатор торсионного типа из изогнутого стального прутка круглого сечения. Загнутые концы стабилизатора шарнирно соединяют с рычагами или стойками левого и правого колес.
Промежуточные опоры стабилизатора закрепляют на кузове или специальном подрамнике. При крене автомобиля балка стабилизатора работает на скручивание и перераспределяет часть усилия с наиболее нагруженного колеса на менее нагруженное, уменьшая таким образом крен автомобиля.
Соединение нижнего рычага с поворотным кулаком осуществляется через шаровую опору. Такое соединение позволяет не только изменять угол между поворотным кулаком и рычагом, но и поворачивать колесо при изменении направления движения.
Устройство шаровой опоры показано на рисунке:
Для того чтобы облегчить усилие поворота передних колес, в верхней опоре стойки применяют специальный опорный подшипник. Наиболее часто применяют упорный шарикоподшипник.
Для того чтобы стойка в процессе работы имела свободное угловое перемещение, опора содержит либо эластичный резиновый элемент, либо специальный шарнир. Схема устройства верхней опоры и действующих на нее сил показана на рисунке.
Под воздействием ударных знакопеременных нагрузок на подшипник может происходить усталостное разрушение деталей подшипника, что приводит к нарушению его работы.
Внешними признаками неисправности подшипника являются посторонние звуки при повороте колес под нагрузкой.
В этом случае подшипник необходимо заменить. Кроме того, в процессе эксплуатации автомобиля может произойти разрушение резиновых элементов опоры.
Подвеска на двойных поперечных рычагах
Менее распространенной в настоящее время является подвеска на двойных поперечных рычагах. Она чаще всего используется на автомобилях классов выше среднего. Один из вариантов такой конструкции показан на рисунке. Подвеска на двойных поперечных рычагах имеет следующие преимущества:
- Большие компоновочные возможности;
- Возможность получения оптимальной характеристики изменения развала колес при работе;
- Возможность значительно понизить линию капота автомобиля.
Наряду с достоинствами такого типа, они имеют следующие недостатки:
- Увеличенные габариты, масса и количество деталей;
- Увеличенная трудоемкость обслуживания и ремонта;
- Повышенные нагрузки в местах соединения рычагов с кузовом и другими деталями, что приводит к необходимости использовать усиленные шаровые опоры и резино-металлические шарниры.

Подвеска любого современного автомобиля – это особый элемент, служащий переходным звеном между дорогой и кузовом. И сюда входят не только передние и задние мосты и колёса, но и целая совокупность механизмов, деталей, пружин и различных узлов.
Чтобы провести профессиональный ремонт, автомобилисту необходимо знать, из чего состоит подвеска автомобиля. В этом случае он сможет быстро обнаружить неисправность, провести замену детали или провести отладку.
Основные функции подвески
Подвеска любого современного автомобиля призвана выполнять несколько основных функций:
- Соединение мостов и колёс с основной несущей системой – рамой и кузовом.
- Передача крутящего момента от двигателя и основной несущей силы.
- Обеспечение необходимой плавности хода.
- Сглаживание дорожных неровностей.
Все производители работают над повышением эффективности, надёжности и прочности подвески, внедряя более продвинутые решения.
Типы подвесок
Рассмотрим наиболее распространенные типы подвесок автомобиля.
Подвеска зависимого типа
Самая старый тип подвесок, зависимая подвеска применяется и сегодня, а ее главной отличительной особенностью неизменно остается достаточно жесткая связь колесных осей посредством простой балки или картера моста. Изначально в качестве направляющих и упругих элементов применялись рессоры, но в современных автомобилях связующая колеса поперечина фиксируется двумя продольными рычагами и поперечной тягой, которая воспринимает боковые силы. Используется на задней оси переднеприводных бюджетных автомобилей, а также многих внедорожников.
Принято считать, что кроме невысокой стоимости, простоты использования преимуществами зависимая подвеска автомобиля не обладает – это совершенно не так. Ее плюсы – небольшой вес, если разговор идет о ведомой оси, достаточно высокий центр поперечного крена и самое главное – постоянство развала и колеи. Независимо от крена и раскачки на ровной дороге угол наклона колес к дорожной поверхности не изменяется, это значит, что в любых режимах машина имеет наилучшее сцепление с поверхностью.
Хотелось бы сказать, что больше ни одна подвеска не может похвастаться подобными свойствами.
К сожалению, ситуация ухудшается на плохом дорожном покрытии – провал колеса в яму способствует изменению развала другого, а это уменьшает сцепные свойства. При движении прямо это не сильно ощутимо, но при повороте может привести к неожиданному заносу.
Также существуют значительные проблемы с управляемостью автомобиля. Разнонаправленный ход колес происходит с поворотом балки моста, что провоцирует плохую поворачиваемость и полное отсутствие стабильности на прямой. Также здесь тяга Панара дергает ось влево-вправо, что ухудшает ситуацию.
К счастью, это поправимо. Для того чтобы поперечина перестала разворачиваться, с каждой стороны вместо одного продольного рычага можно использовать два, расположенных по системе механизма Уатта. Устранить проблему осевых смещений поможет монтаж продольного рычага, удерживающего балку по центру вместо тяги Панара. Но на практике становится ясно, что такое изменение бессмысленно – конструкция заметно усложняется и требует больше места в высоту.
А ведь главная область применения подвески зависимого типа – бюджетные автомобили.
Типичным представителем данной конструкции может быть задняя подвеска с винтовыми цилиндрическими пружинами в роли упругих элементов. В качестве примера можно рассмотреть конструкцию задних подвесок классических моделей «Жигули». Здесь с помощью двух винтовых пружин балка заднего моста «подвешивается», а также дополнительно прикрепляется к кузову автомобиля благодаря четырем продольным рычагам. Вдобавок к этому для увеличения плавности хода, повышения управляемости и уменьшения крена кузова при поворотах монтируется реактивная поперечная штанга.
Независимая подвеска
Имеет независимую связь между колёсами и более сложную конструкцию. Примером служит подвеска на продольных рычагах. Колесо присоединяется к рычагу и крепится шарнирами к кузову. При этом довольно прочный продольный рычаг с широкой опорной базой обуславливает чёткую параллельность колёс. Втулки уменьшают удары, наклоны на поворотах происходят одновременно с кузовом, центр крена располагается вровень с дорогой. Автомобиль стабильно управляем на прямой дороге, но при повороте скорость надо занижать.
Торсионно-рычажная
Такая полузависимая подвеска объединяет предыдущие две. Торсион применяется в такой подвеске в качестве элемента упругости. С одной стороны торсион закреплён на раме, с другой — на движущем элементе. Торсионная балка работает под давлением от скручивания. Сечение торсиона может быть квадратным или круглым. Такая подвеска привлекает компактностью и удачно используется в небольших автомобилях, хотя в этом случае центр крена находится ниже, чем при использовании зависимой подвески. При такой подвеске колесо более наклоняется к внешнему повороту.
Макферсон
Распространенный тип ходовой. Другие названия — «подвеска Чемпена» и «качающаяся свеча». Так как моторные отсеки относительно небольшие, небольшие размеры дают макферсону преимущество. Макферсон применяется и на передних, и на задних колёсах. Изготовление его дешево, он компактен, обладает большим расстоянием между опорными узлами (это снижает силы там, где крепится кузов).
Минусы этого устройства. Развал меняется, если большой ход, присутствуют дорожные шумы, возникает трение между штоком и направляющей. Конструкция больше подходит для хороших дорог, потому что на брызговик крыла и кузов происходит передача усилия, и это особенно заметно на кочках.
Двухрычажная
Еще в 30-е годы такая подвеска применялась на спортивных автомобилях. Два поперечных рычага крепятся к кузову или подрамнику. При такой конструкции комфортно регулировать угол наклона рычага, определяя высоту крена, менять развал и колею. Колёса имеют возможность быть независимо вертикальными при преодолении неровностей. Недостатком является, пожалуй, большое количество элементов.
Многорычажная
Эта подвеска унаследовала лучшие качества двухрычажной предшественницы: плавность автомобиля и лёгкость в управлении. В легковой машине многорычажная подвеска располагается на задней оси. Модели Audi используют многорычажный механизм на передней оси. Чаще всего такая технология применяется в дорогих моделях.
Дороговизна изготовления перекрывается отсутствием шума и удобством управления. Являясь следующей ступенькой развития после двухрычажной, такая подвеска имеет в устройстве не менее четырёх рычагов, что обеспечивает независимость продольной и поперечной регулировки. Механизм состоит из подрамника, поперечного, продольного рычага, ступичной опоры, амортизатора, пружины и стабилизатора поперечной устойчивости. Недостатком считается не самая лучшая фильтрация неровностей и сложность конструкции.
Неисправности передней подвески
Причины стука в подвеске
Стук в подвске может быть вызван разными причинами, среди которых можо выделить следующие: возможно ослаблено крепление скоб крепления штанги стабилизатора поперечной устойчивости, или её крепления к рычагу подвески, возможно износились резиновые подушки стабилизатора и их нужно заменить, возможен износ резинового основания верхней опоры амортизатора, возможен износ шаровых шарниров, возможен износ подшипника ступицы, или ослаблена гайка его крепления, бывает что ломается амортизаторная пружина, возможно биение из-за не отбалансированных колёс.
Работа подвески автомобиля
Разобрав принцип работы подвески автомобиля, рассмотрим ее элементы отдельно и подробнее.
Гасящим элементом в подвеске автомобиля является амортизатор. Это — трубка, в которой находится жидкость, поршень ( см. работа поршня ) , входящий в трубку и пружина, расположенная на поршне. Чтобы нагляднее понять принцип работы амортизатора, вспомните обыкновенный велосипедный насос. Если перекрыть подачу воздуха ему и попытаться его прокачать – вы ощутите сопротивление воздуха, и ручка насоса после надавливания будет возвращаться обратно. Примерно то же происходит с амортизатором. При резком ударе (наезде на неровность) пружина сжимается, смягчая резкую нагрузку, делая ее более плавной, а жидкость в трубке, перетекая из одной полости в полость с поршнем эту нагрузку (колебание) полностью гасит. Для примера: каждый хоть раз видел, как хозяин любой машины пытался резко надавить на один из краев кузова и тут же отпускал его. Это элементарная проверка работы амортизатора.
Если автомобиль после этой процедуры качнется 1-2 раза – амортизатор исправен, если больше – надо искать неисправность, так как амортизатор не гасит колебания пружины.
Направляющим элементом служит рычажно-шарнирные соединения. То есть это — несколько рычагов, имеющих как жесткое, так и шарнирное соединение, которые своей работой «заставляют» перемещаться колесо при колебаниях в нужном направлении, о чем мы упомянули ранее. Для примера можно взять ладонь человека. Пальцы – это и есть рычаги, а места сгибов – это шарниры. И если пальцы можно сжать в кулак, то выгнуть их фаланги наоборот или в сторону уже нельзя. Вот примерно по такому принципу и работает направляющий элемент.
Ну и наконец, упругий элемент. В зависимости от вида транспортного средства эти элементы имеют индивидуальные конструкции, основные виды которых представлены на рисунке ниже.
Так, у большегрузных машин, где нагрузка на оси довольно велика, применяют рессоры. Это вогнутые железные пластины, которые центром крепятся к креплению колеса, а краями – к раме автомобиля.
За счет своей упругости они при прогибании все равно возвращаются в исходное положение, ослабляя резкую нагрузку на колесо. Количество и толщина пластин зависит от максимально возможной массы автомобиля с перевозимым грузом.
Про пружины мы уже говорили, когда рассматривали амортизатор. Разница в том, что у тяжелых машин пружины более мощные, и они крепятся рядом с амортизатором.
Ну и еще один тип упругого элемента – это пневмобаллон. Это — полость, накачанная воздухом, давление которого регулируется компрессором. Его работа основана на принципе любого мяча, который можно накачать до предела, а можно приспустить, чтобы он был мягче. Такой вариант применяется для большегрузных автомобилей, перевозящих различные грузы. Например, сегодня он везет крупногабаритный груз весом в 1 тонну, а завтра уже другой, массой в 10 тонн. Соответственно, и нагрузка на упругие элементы будет различаться в 10 раз. Вот чтобы не было таких перепадов, и применяют пневмобаллоны с регулированием давления воздуха.
Это только типичные варианты подвески, с которыми мы ознакомились. Современные конструкторы и инженеры придумывают еще более совершенные варианты, которые мы опустим. Поэтому переходим к заключительному элементу ходовой части, которое уже не раз упоминалось – это колеса.
BMW E36 — передняя подвеска
Рессоры как направляющее устройство передней подвески
Рессора как направляющее устройство задней подвески |
Преимущество рессоры в простоте конструкции и следующей отсюда
дешевизне т.
к. она одновременно является и упругим элементом и
направляющим устроством подвески (устройством, задающим положение
моста относительно шасси автомобиля и кинематику подвески).
Так же податливость рессоры обеспечивает отсутствие разсогласований кинематики подвески при разноименных ходах.
В гаражной среде бытует мнение что если рессора выпрямилась то значит она просела. Для не наклоненной, расположенной над мостом рессоры это не так. В статическом положении подвески она должна быть прямой или даже наоборот выгнутой в сторону большего прогиба. Вот изображение задней подвески УАЗа Хантер или Патриот:
Как видно на рисунке, рессора абсолютно прямая. Это необходимое
условие того чтобы при крене в повороте задняя ось подвески не
разворачивалась в сторону избыточной поворачиваемости, не усугубляла
избуточную поворачиваемость, к которой и без того склонен заднеприводный
автомобиль.
Рис. Рессора, сжатая не до прямого состояния над мостом при крене
доворачивает мост в сторону, противоположную повороту, усугубляя
избыточную поворачиваемость
Рис. Если рессора прямая, то при крене кузова мост при крене чуть
сдвигается в базу но не доворачивается. (Для получения эффекта
компенсации избыточной поворачиваемости рессору можно наклонить
вперед)
Если рессора ещё более выгнута в сторону сжатия, или наклонена вперед, то она может даже компенсировать избыточную поворачиваемость разворачивая мост в сторону поворота (в сторону недостаточной поворачиваемости).
Рессора может быть установлена как над балкой моста, так и под.
Преимущество распложения рессоры под мостом в меньшей подверженности
к S-образному изгибу т.к. мост непосредственно прижат к коренному
листу и плечо силы, изгибающей рессору меньше. Т.е. Можно использовать
более мягкую рессору без применения дополнительных средств предотрващения
S-образного изгиба (реактивных тяг). Недостаток в более низком
ценре крена подвески и соответственно большем плече крена. Рессора,
установленная под мостом может быть выгнута не до прямого состояния
при статической подвеске (отсюда возможно и пошла гаражная легенда
о «прямых рессорах»). Дело в том что кинематика такой подвески
отличается от кинематики подвески с рессорой над мостом. Во-первых
рессора как правило наклонена, во-вторых ось моста как правило
либо на одном уровне, либо выше передней оси рессоры.
Получем
тот же необходимый эффект разворота оси в сторону поворота.
Кинематика подвески с не прямой рессорой, но наклонной и под мостом
Для уменьшения склонности мягкой рессоры к S-образному изгибу возможно применение специальных реактивных тяг. Один конец тяги крепится к мосту жестко, второй на раму/шасси через серьгу для того чтобы тяга оказывала минимально возможное влияние на кинематику подвески.
Реактивная тяга
Вид на подрамник
Автор: MOHCTPOXOD
Источник: http://monstrohod.ru
include»inc_foot.php»; ?>
Все обо всем.
Подвески современных автомобилейОдин из самых важных узлов конструкции любого автомобиля является подвеска, которая выполняет множество различных функций. От нее зависит плавность хода, устойчивость и управляемость машины; именно это устройство связывает воедино кузов и колеса. Подвеска состоит из трех базовых элементов: гасящего, упругого и направляющего. Роль первого, как правило, выполняют амортизаторы, а вот о других узлах мы поговорим подробней.
Направляющее устройство
Это обычно рычаги подвески, которые соединяют кузов автомобиля с колесами. Но у рычагов есть и более важная функция.
Благодаря ним определяется кинематика подвески, то есть траектория перемещения колеса, соответственно — устойчивость и управляемость машины на дороге.
В зависимости от вида направляющего элемента специалисты выделяют зависимые и независимые подвески. У зависимых, колеса, находящиеся на одной оси, жестко соединены друг с другом балкой или мостом, а при независимой подвеске колеса могут двигаться отдельно.
Зависимая подвеска
Зависимые подвески обладают большими ходами колес и высокой прочностью, но не обеспечивают высокую плавность хода и хорошую управляемость по ряду причин (неудачная кинематика, большие неподрессоренные массы). Поэтому такая ходовая часть практически не устанавливается на современных легковых транспортных средствах. Её можно найти лишь на пикапах, «Nissan Navara», или на внедорожниках, например, «Land Rover Defender».
Независимая подвеска
Классическая подвеска, то есть система на сдвоенных поперечных рычагах, используется уже более полувека. Устройство, казалось бы, простое: кузов соединен с колесом двумя рычагами, размещенными друг над другом, а амортизатор с пружиной располагаются отдельно. Но при всем этом такая подвеска способна отлично настраивать кинематику, то есть управляемость автомобиля.
Главный минус подвески на поперечных рычагах — это, то, что она очень громоздка, и поэтому её сложно устанавливать на компактных моделях.![]()
Именно поэтому такую систему чаще всего можно встретить на спортивных автомобилях, кстати здесь можно посмотреть спортивные площадки https://zsk.kiev.ua/uk/category/300-sport-place или на больших машинах бизнес-класса.
Что касается многорычажной подвески, здесь несколько звеньев отвечают за связь колеса с кузовом. Объединить эту схему с рулевым управлением — очень сложная задача. Поэтому многорычажная подвеска чаще устанавливается на задней оси машины.
Полунезависимая подвеска
На некоторых современных марках можно встретить полунезависимую подвеску. Она представляет собой продольные рычаги, которые соединены друг с другом поперечной упругой балкой.
Полунезависимая схема надежна и проста, обеспечивает хорошую плавность хода и управляемость.
Одной из самых распространенных схем в современных легковых автомобилях является «подвеска МакФерсона» или так называемая «качающаяся свеча», где упругий элемент и амортизатор объединены в одну стойку, которая связывает колесо с кузовом нижним рычагом.
Такая схема очень компактна и отлично подходит для переднеприводных авто с поперечным расположением двигателя. Минус — неоптимальная кинематика, а так же повышенная нагрузка на кузов.
Упругие элементы
Эти элементы обеспечивают автомобилю плавность хода. Они играют роль буфера между кузовом и подвеской, как бы сглаживая толчки и удары от неровностей и ухабов дороги.
Рессоры
Долгое время в подвеске для легковых машин главным упругим элементом была листовая рессора — набор длинных пластин из металла, скрепленных между собой. Такой подвеске не нужны рычаги, их функцию выполняет сама рессора.
Трение между пластинами так велико, что успешно гасит колебания кузова и позволяет обойтись без амортизаторов. Но ее масса, размеры и плохая плавность хода со временем перестали удовлетворять запросам автолюбителей. Сегодня такая система используется редко: её можно встретить, например, на «Сhevrolet Corvette».
Резина
Утратил популярность и еще один упругий компонент — резина.
Благодаря низкой цене этот материал часто использовали на марках типа легендарного «Mini». Что примечательно, резиновые подвески гарантировали хорошую плавность хода, но только в определенных условиях.
В жару и мороз этот упругий элемент не может эффективно функционировать и быстро изнашивается. Надо заметить, что на современных автомобилях резина всё же используется — в буферах отбоя и сжатия.
Пружина
Сегодня большой популярностью пользуется пружинная подвеска. Функция упругого элемента лежит на витой пружине — легкой, дешевой и компактной. Здесь обязательно требуются рычаги, а плавность хода находится не на самом высшем уровне.
Торсион
Нужно отметить еще один компонент — торсион, то есть упругий длинный стержень, который работает на кручение. Он надежнее и легче пружины, но требует слишком много места. Именно поэтому торсионы устанавливаются только на рамных автомобилях, где таким упругим элементам можно разместиться в лонжеронах.
Пневматика
Гидропневматические и пневматические упругие элементы обеспечивают лучшую плавность хода. Толчки от дороги воспринимаются воздухом или специальным газом, который заключен в специальные баллоны. Регулируя давление жидкости для гидропневматики (или газа), обеспечивается высокий комфорт для пассажиров и сохраняется постоянный дорожный просвет.
Давайте посмотрим видеоматериал о типах подвесок:
Мы рассказали об основных типах подвесок. Выбор за вами, главное — это определиться, для чего вам нужен автомобиль и как вы на нем будете ездить.
В статье использованы изображения с сайтов www.stav-autojapan.forum-express.com
Руководство по установке— Как отрегулировать подвеску горного велосипеда для достижения оптимальных характеристик
Сдувает ли жесткость пружины? Вы чувствуете, что не можете отскочить достаточно быстро? Пришло время настроить подвеску горного велосипеда за час или два с помощью нашего основного руководства по настройке подвески.
Подвеска, зачем ее настраивать?
Правильно настроенная подвеска может сделать хороший мотоцикл прекрасным, но плохая настройка может сделать отличный мотоцикл ужасным.Мы проведем вас через основные шаги по оптимизации вашего велосипеда для вашего стиля езды и трасс, которые вам нравятся. Потратив пару часов на настройку подвески, вы получите больше удовольствия от езды, а также доставите массу удовольствия.
Вы не число!
Цель этого руководства по настройке — помочь вам достичь оптимальной настройки подвески. Настройка подвески динамична — существует так много переменных, как ваш вес, где вы едете, на чем вы едете и как вы едете, что означает, что простое копирование настроек ваших товарищей или, что еще хуже, настроек профи приведет к неоптимальным характеристикам. .В то время как большинство производителей сейчас предлагают печатные инструкции, которые дадут вам хорошую базовую настройку, следование этому руководству даст вам навыки для персонализации этой настройки.
Подвеска — всегда компромисс
Идеальной настройки подвески не бывает. Если вы оптимизируете подвеску, чтобы обеспечить надежную поддержку, пострадает чувствительность к небольшим ударам. Настройка подвески — это всегда компромисс, нахождение баланса между чувствительностью и поддержкой. Поэтому важно найти баланс подвески, который подходит для вашей езды и трассы.
Перед тем, как начать
Прежде чем тратить время на оптимизацию подвески, необходимо убедиться, что вилка подвески и амортизатор находятся в хорошем рабочем состоянии. Нет смысла тратить время на настройку, если ваши подвески пыхтят и хрипят, спускаясь с холма. Большинство производителей подвески рекомендуют заменять масло каждые 50 часов езды и полное обслуживание амортизаторов каждые 100-200 часов. Скажите честно, когда вы в последний раз проверяли свое? Если вы настраиваете новый велосипед, вам не о чем беспокоиться, но если с вашим байком произошли какие-то действия, важно, чтобы ваши устройства обслуживали профессионалы — это изменит характеристики вашего велосипеда!
Чтобы следовать этому руководству, вам понадобится обычная одежда для верховой езды, вплоть до шлема и рюкзака.
Чтобы оптимизировать ходовые качества вашего велосипеда, вам понадобится короткий отрезок вашего любимого технического маршрута, амортизатор, измерительное устройство (линейка или лента), калькулятор и помощник.
Для того, чтобы ваша подвеска работала наилучшим образом, она должна быть способной реагировать на каждый контур следа. Когда вы ударяете по объекту, ваша вилка и амортизатор сжимаются, поглощая энергию удара. Это, в свою очередь, высвобождается путем повторного вытягивания.Чтобы поддерживать сцепление с дорогой, вилки подвески и амортизаторы должны не только поглощать удары, но и расширяться, заполняя ямы и удерживая шины на земле. Чтобы подвеска могла сжиматься и растягиваться, мы предварительно нагружаем подвеску собственным весом. Величина предварительной нагрузки известна как прогиб, буквально величина прогиба подвески при движении, когда вы садитесь на байк. Если прогибается слишком мало, велосипеду не хватает сцепления, так как он не может растягиваться при сжатии, слишком большой — он будет валяться и плохо реагировать на повторяющиеся удары.
Когда мы садимся на велосипед, величина сжатия подвески в ходе ее хода называется прогибом и определяет манеру езды на велосипеде.
Регулировка прогиба заднего амортизатора
Перед тем, как начать, убедитесь, что ваш задний амортизатор находится в «полностью открытом» режиме (если у вас есть регулятор сжатия на низкой скорости, полностью поверните его в направлении [-]). Попросите помощника поддерживать велосипед на ровной поверхности, когда вы поднимаетесь на него.
- Сильно подпрыгните вверх и вниз, чтобы зарядить отрицательную пружину и освободить ход.
- Примите свое обычное положение сидя и после того, как велосипед успокоится в течение не менее 5 секунд, попросите вашего помощника подтолкнуть резиновое уплотнительное кольцо на стойке амортизатора вверх (или вниз) к резиновому уплотнению стеклоочистителя.
- Осторожно наклоните свой вес вперед и слезайте с велосипеда, не нарушая уплотнительного кольца.
- Измерьте расстояние, на которое уплотнительное кольцо было отжато от грязесъемного уплотнения, в мм.

- Разделите это число на общий ход удара (часто меньше, чем длина вала физического удара, проверьте в руководстве к велосипеду), а затем умножьте на 100, чтобы получить прогиб в процентах, т.е.грамм. (15 мм / 50 мм) x 100 = 30%.
- Чтобы добиться правильного провисания, при необходимости добавьте или удалите воздух из пневматической рессоры и повторите операцию.
Многие производители предлагают настройку прогиба, но в противном случае мы рекомендуем базовую настройку 30%. Если вам нужно меньше прогиба, просто добавьте воздуха в амортизатор, если вам нужно больше прогиба, уменьшите давление воздуха. Добавляйте воздух с шагом 10 фунтов на квадратный дюйм и каждый раз повторяйте процесс, пока не достигнете требуемого прогиба.
Pro-Tip: При настройке прогиба держите только один тормоз, а не оба, иначе вы получите неверные показания.
Регулировка прогиба вилки
После того, как задний амортизатор настроен правильно, пора настроить амортизаторную вилку.
Убедитесь, что амортизатор подвески полностью открыт, и отрегулируйте давление пневматической рессоры в соответствии с рекомендациями производителя. Ваш помощник должен поддерживать велосипед, когда вы садитесь на него.
- Сильно подпрыгните вверх и вниз, чтобы зарядить отрицательную пружину и освободить уплотнения.
- Примите обычное положение для атаки стоя, а затем, после того, как велосипед успокоится в течение не менее 5 секунд, попросите вашего помощника сдвинуть резиновое уплотнительное кольцо на стойке вилки вниз к резиновому уплотнению дворника.
- Осторожно поверните вес назад и слезьте с велосипеда, не повредив уплотнительное кольцо.
- Измерьте расстояние, на которое уплотнительное кольцо было отжато от грязесъемного уплотнения, в мм. Разделите это число на общий ход (например, 160 мм), а затем на 100, чтобы получить процент прогиба.
- Чтобы добиться правильного провисания, при необходимости добавьте или удалите воздух из пневматической рессоры и повторите операцию.

Начните с рекомендации производителя, или, если таковой нет, мы бы предложили 20%. Если вам нужно меньше прогиба, просто добавьте воздуха в вилку, если вам нужно больше прогиба, выпустите немного воздуха.Добавляйте воздух с шагом 10 фунтов на квадратный дюйм и каждый раз повторяйте процесс, пока не достигнете требуемого прогиба.
Расширенная настройка
Пришло время оптимизировать базовые настройки. Выберите короткий участок местной тропы, который включает в себя функции, по которым вы регулярно ездите. Скалы, падения, прыжки, бермы и перегибы — все, что вам нравится кататься — чем больше возможностей, тем лучше. Выберите маршрут, по крайней мере, с одним участком, где вы ожидаете использовать полный ход, и тот, который вам удобен, где вы можете повторять одни и те же линии снова и снова.Перед тем, как начать настройку, убедитесь, что все внешние настройки отбоя и сжатия соответствуют рекомендованным производителем характеристикам. Таким образом, все настройки будут соответствовать вашему весу.
Если у гонщика есть трасса, по которой он ездит еженедельно и которую он очень хорошо знает, ему следует время от времени использовать все свое путешествие. Часто случается, что всадник отправляется на новую тропу или на ту, которую он тоже не знает, и не добьется полного пути. Это нормально, потому что они не будут ехать так быстро, как по знакомым трассам. Марк Фитцсиммонс , менеджер программы подвески FOX
Шаг 2: Оптимизация жесткости пневморессорыХотя 20% прогиб вилки и 30% амортизатора являются хорошей базовой настройкой, она может быть не оптимальной. для вашего стиля езды и конструкции подвески велосипеда. Жесткость пружины (сила, необходимая для сжатия пружины) всегда представляет собой баланс между сильной опорой и чувствительностью к небольшим ударам. Оптимальные настройки для вас будут зависеть от вашего стиля езды и трассы, по которой вы катаетесь.
После нескольких пробежек, чтобы почувствовать себя комфортно, надавите на уплотнительные кольца вилки и амортизатора до их уплотнения дворника и катайтесь по трассе, концентрируясь на том, насколько сильные удары и падения ощущаются, когда ваш байк резко опускается на дно, ощущается ли он резким на малых неровности, вы добираетесь до места, где ожидаете?
Если задняя часть вашего велосипеда кажется вялой и прилипшей к земле, она легко опускается до дна
Жесткость пружины амортизатора слишком низкая.
Добавьте давление на задний амортизатор, 10 фунтов на квадратный дюйм за раз, и повторите след.Прекратите подливать воздух, когда велосипед чувствует себя хорошо, и при этом продолжайте полный ход, когда это необходимо. Запишите оптимизированное давление.
Если задняя часть велосипеда кажется жесткой из-за небольших неровностей и не дает вам полного хода в желаемом направлении.
Жесткость пружины амортизатора слишком высока. Снимите давление с заднего амортизатора на 10 фунтов на квадратный дюйм за раз и повторите след. Остановитесь, когда велосипед хорошо себя чувствует на небольших неровностях и сохраняет сцепление с дорогой. Запишите оптимизированное давление.
Если ваша амортизационная вилка ныряет при торможении или езде по очень крутым трассам
Слишком низкая жесткость пневматической пружины вилки.Увеличивайте давление в амортизирующей вилке по 5 фунтов на квадратный дюйм за раз и повторяйте след. Остановитесь, когда вилка меньше ныряет и дает хорошую опору.
Запишите оптимизированное давление.
Если амортизационная вилка жестко ощущается на небольших неровностях и не хватает сцепления
Давление пневматической пружины вашей вилки слишком велико. Снимите давление с вилки на 5 фунтов на квадратный дюйм за раз и повторите след. Остановитесь, когда вилка чувствует себя чувствительной к небольшим неровностям, но все еще имеет хорошую поддержку. Запишите оптимизированное давление.
Pro-Tip: Если вы обнаружите, что единственный способ предотвратить частое опускание вилки амортизатора или амортизатора до дна — это использовать высокое давление пружины, которое кажется очень резким при небольших ударах, вам может потребоваться увеличить прогрессию жесткости пружины, см. шаг 3.
Шаг 3: Увеличение скорости пружины Теперь мы должны рассмотреть, насколько вы сильны как гонщик и насколько сложны ваши трассы. Если вы сильный гонщик и чувствуете, что задняя подвеска часто опускается до дна, или ваша вилка работает на низком ходу из-за резкого торможения и быстрых поворотов, даже если в целом байк не кажется мягким, вам может потребоваться отрегулировать прогрессивность пружины.
Для более прогрессивной жесткости пружины вам необходимо добавить объемные проставки (или удалить, если вы не используете достаточный ход).Добавление объемных прокладок сделает последнюю часть хода подвески более жесткой, что потребует большего усилия для достижения нижней точки.
Если вы чувствуете, что слишком часто опускаете подвеску, несмотря на правильное давление в пневморессоре
Уменьшите объем воздуха в вилке или камере пневмопружины амортизатора с помощью 1-2 редукторов объема.
Если вы чувствуете, что вам трудно достичь полного хода, где вы ожидаете
Увеличьте объем воздуха в камере пневмопружины вилки или амортизатора, сняв 1-2 редуктора объема.
Pro-Tip: Если вы вносите большие изменения в настройку вилки, например, более жесткую жесткость пружины или добавление большего количества жетонов объема, вернитесь и настройте жесткость пружины и прогрессивность заднего амортизатора в соответствии с ними.
Вероятно, что с улучшенной уверенностью переднего колеса вы будете ездить более мощно, и вам потребуется перенастроить амортизатор. Вернитесь на трассу и начните снова.
Демпфирование отбоя контролирует скорость, с которой сжатая подвеска выдвигается после удара.
Если демпфирование отбоя слишком низкое (-), подвеска будет выдвигаться слишком быстро и будет казаться упругой и неконтролируемой. Если демпфирование отскока слишком велико (+), подвеска не будет достаточно быстро восстанавливаться после повторяющихся ударов и «паковаться», опускаясь все ниже в ход и плохо работая.
Настройка демпфирования отбоя на амортизаторе
- Начните с добавления амортизатора полного демпфирования отбоя (+).
- Выберите небольшой перепад для медленной езды и сосредоточьтесь на том, как задняя подвеска отскакивает после удара.
- Повторите тест, каждый раз уменьшая демпфирование отбоя на один щелчок (-) и посмотрите, как удар начинает восстанавливаться быстрее.

- Остановитесь, когда задний амортизатор восстанавливается так быстро, что он немного пролетает мимо. Это хорошая базовая настройка. Теперь повторите весь участок следа при этой настройке. Поэкспериментируйте еще два раза с двумя щелчками с каждой стороны и посмотрите, какой из них лучше всего контролируется с хорошим захватом.
Настройка демпфирования отбоя на вилке
- Чтобы установить отскок базовой вилки, начните с полностью закрытого отскока (+).Встаньте рядом с велосипедом и сожмите вилку всем своим весом. Быстро отпустите вилку и дайте ей отскочить.
- Отрегулируйте отскок так, чтобы вилка отскочила как можно быстрее, не заставляя переднее колесо «отскакивать» от земли.
- После того, как базовая настройка установлена, повторите весь участок трассы с этой настройкой. Теперь повторите весь участок следа при этой настройке. Поэкспериментируйте еще дважды с двумя щелчками с каждой стороны и посмотрите, какой из них лучше всего контролируется с хорошим захватом.

А как насчет демпфирования отскока на высокой скорости? Большинство вилок и амортизаторов подвески имеют единственный регулятор отбоя, который фактически является регулятором отбоя на низкой скорости. Некоторые узлы подвески очень высокого класса также имеют высокоскоростной регулятор отбоя, контролирующий скорость отбоя на высоких скоростях вала. Тем не менее, мы видели, что между высокой и низкой скоростью отскока существует много пересечений, любое изменение одного напрямую влияет на другое. Если у вас есть высокоскоростной регулятор отбоя, мы рекомендуем установить его в соответствии с рекомендациями производителя, а затем настроить отскок, как описано выше, с помощью низкоскоростного регулятора отбоя.
Pro-Tip: Если вы много ездите по легкому бездорожью или медленно, тогда более медленный отскок поначалу может показаться более комфортным. Однако при движении по более быстрому бездорожью, например, во время отпуска в Альпах, у вас будут болеть руки и ноги, поскольку ваш велосипед не сможет достаточно быстро восстановиться после ударов.
Бегите так быстро, насколько это удобно для максимальной производительности.
Демпфирование сжатия на низких скоростях влияет на характеристики подвески на низких скоростях вала (не на велосипедных скоростях), преимущественно влияя на среднюю часть хода подвески.
Если вы чувствуете, что достигли хорошей жесткости пружины с хорошими характеристиками небольших неровностей и хорошей управляемостью на дне, но вы чувствуете, что байку не хватает поддержки в середине хода, так как мотоцикл глубоко погружается в ход при резком торможении, катайтесь по крутым трассам или толкайте байк в углы и прыжки, вам нужно добавить больше демпфирования сжатия на низких скоростях. Добавление демпфирования сжатия на низких скоростях снижает чувствительность подвески, поэтому вам нужно добавить только минимальный уровень для достижения достаточной поддержки. Начните с полностью открытым (без добавления дополнительного демпфирования).
Если вы чувствуете, что ваш велосипед слишком быстро проходит середину своего хода
- Начав без демпфирования сжатия на низких скоростях, пройдите по тестовой трассе, каждый раз увеличивая сжатие на низких скоростях на два щелчка (+).
- Сосредоточьтесь на том, как мотоцикл чувствует себя при больших перемещениях веса, торможении, поворотах и трамплинах. Остановитесь, когда велосипед почувствует поддержку в середине пути.
- Повторите для вилки.
Pro-Tip: Постарайтесь сохранить сбалансированные настройки демпфирования сжатия на низкой скорости.Например, если вы используете очень сильное сжатие на низкой скорости на вилке, а не на заднем амортизаторе, мотоцикл будет иметь тенденцию переносить больший вес на заднее колесо во время езды, и наоборот. Сбалансированная установка — ключ к успеху.
Шаг 6: Демпфирование высокоскоростного сжатия Самые дорогие вилки и задние амортизаторы имеют высокоскоростную регулировку демпфирования сжатия (HSC), контролирующую демпфирование при сжатии подвески при высоких скоростях вала (большие, быстрые удары ).
Если вы обнаружите, что ваша вилка или амортизатор все еще слишком легко опускаются до дна, и у вас есть высококачественный амортизатор и вилка с опцией, вы можете отрегулировать демпфирование сжатия на высокой скорости.Добавление более высокоскоростного демпфирования сжатия снижает величину хода вилки при ударах на высокой скорости (скорость вала, а не скорость велосипеда). Низкие уровни высокоскоростного сжатия приводят к отклоняющемуся демпфированию, которое обеспечивает легкий полный ход в ответ на большие быстрые удары, тогда как высокие уровни приводят к прогрессивному демпфированию, уменьшая величину хода, доступную в ответ на большие быстрые удары.
Если вы чувствуете, что вашему велосипеду требуется больше поддержки в конце гребка во время высокоскоростных ударов
- Начав без добавления амортизатора высокоскоростного сжатия, пройдите по испытательной трассе, каждый раз увеличивая его на один-два (если диапазон большой) клик.

- Сосредоточьтесь на том, как мотоцикл чувствует себя при ударах на высокой скорости, таких как прыжки при приземлении или большие препятствия на высокой скорости. Остановитесь, когда велосипед почувствует поддержку в конце поездки.
- Повторите для вилки.
Когда дело доходит до отбоя и демпфирования, почти во всех случаях сбалансированная настройка подвески важна для оптимальной производительности.
В качестве последней проверки найдите ровную площадку и медленно пройдите по ней на своем велосипеде.Из позиции атаки качайте несколько раз вверх и вниз так сильно, как можете. Велосипед должен чувствовать себя поддерживающим, а скорость отскока должна быть сбалансированной как спереди, так и сзади. Если велосипед кажется неуравновешенным, определите, откуда возникает дисбаланс, и внесите соответствующие корректировки.
Сбалансированная настройка подвески очень важна.
Сцепление происходит не только от шин и поверхности дороги, но и от силы, которую гонщик прикладывает к передней и задней шинам. Сбалансированная настройка важна для этого элемента тяги. Марк Фитцсиммонс , FOX Fahrwerksprogramm-Manager
Если вы последуете этому руководству, вы не только найдете настройки подвески, оптимизированные для вашего стиля езды и местности, но и получите более глубокое понимание того, как работает каждое свойство вашей подвески. и взаимодействует. Хорошие характеристики подвески — это баланс, даже компромисс между множеством различных факторов. Если вы вносите какие-либо большие изменения в одну настройку подвески, вам необходимо сбалансировать другие настройки, чтобы они соответствовали.
Words: Trev Worsey Photos: Finlay Anderson
Настройка подвески горного велосипеда | Наше полное руководство
Правильная настройка подвески может иметь решающее значение. Большинство современных блоков подвески могут работать блестяще, если их правильно отрегулировать, но с таким количеством регулировок и регуляторов поиск правильных настроек может быть минным полем.
Если вы сделаете это правильно, ваш велосипед будет работать в лучшем виде, улучшая управляемость, комфорт и сцепление с дорогой.
Подробнее о подвеске горных велосипедов
Чтобы максимально наглядно объяснить, как это сделать, мы сняли два видеоролика. Первый показывает вам, как получить хорошую базовую настройку всего за несколько минут, а второй объясняет, как точно настроить эту базовую настройку в соответствии с вашей поездкой.
Даже если вы уже довольны настройкой, мы настоятельно рекомендуем сначала просмотреть базовое видео. Это должно привести вашу подвеску в надлежащее состояние. После просмотра второго видео будет гораздо больше смысла.
Как настроить подвеску на горный велосипед
Шаг 1. Как настроить подвеску за десять минут
Вот как наш постоянный гуру подвески Себ настраивает свои тестовые байки.
Это должно привести вашу подвеску в рабочее состояние еще до того, как вы покинете автостоянку.
В этом видео объясняется, как настроить прогиб, проверить, насколько прогрессивной должна быть подвеска, и как точно настроить демпфирование отскока.
Если после проведения этих испытаний вы решите, что вам нужно добавить или удалить какие-либо объемные распорки, посмотрите наши видеоролики о замене проставок на амортизаторах Fox и замене распорок на вилках.Вы также можете обратиться в местный сервисный центр приостановки.
Шаг 2. Как отрегулировать подвеску для достижения максимальной производительности
Для большинства гонщиков первое видео должно подобрать подвеску велосипеда для трассы, и вы можете обнаружить, что это все, что вам нужно сделать.
В этом втором видео мы рассмотрим, что делать, если эта настройка вам не подходит или если вы хотите дополнительно настроить ее в соответствии с вашим конкретным стилем езды и местностью.
Это все о поиске правильного компромисса между поддержкой и чувствительностью, путем точной настройки жесткости пружины, количества объемных прокладок, низкоскоростного сжатия и высокоскоростного сжатия (если оно есть на вашем велосипеде), а также регулировки демпфирование отскока, чтобы найти баланс между спокойствием и живостью.
Каковы эффекты различных регулировок подвески?
Увеличение жесткости пружины (в зависимости от давления воздуха или жесткости винтовой пружины)
+ Больше поддержки, меньше погружений / приседаний, больше дорожный просвет
+ Труднее достичь дна
— Жестче на кочках
— Меньше прогиб, меньше тяги, больше дорожный просвет
Добавление разделителей объема
+ Более жесткий конец хода
+ Труднее достичь дна
— Жестче при попаданиях средней и большой силы при меньшем перемещении
— Добавляет поддержку только к концу путешествия
Более низкоскоростное сжатие
+ Более стабильное и предсказуемое ощущение, поскольку байк медленнее погружается или наклоняется при изменении веса водителя
+ Больше толкаться в поворотах и в прыжках с лица
+ Более приглушенное ощущение, поскольку больше энергии рассеивается в демпфере, а не в пружине
+ Подвеска остается выше при движении на неровных участках
— Пониженная чувствительность, особенно на мелких и средних неровностях
— Меньше тяги
— Повышенная утомляемость, особенно боль в руках
Более высокоскоростное сжатие
+ Меньше хода при сильных ударах
+ Труднее достичь дна
+ Подвеска остается выше при движении на неровных участках
— Более резкое ощущение «шипа», особенно при средних и сильных ударах или приземлениях
Более низкая скорость демпфирования отбоя
+ Более спокойное и предсказуемое ощущение
+ Задняя подвеска более устойчивая на крутых спусках
+ Меньше шансов подпрыгнуть при прыжке или подпрыгнуть при приземлении
— Если установлено слишком медленно, чувствительность и тяга могут быть снижены
— Подвеска может «упасть» во время высокочастотных ударов
Более высокая скорость демпфирования отбоя
+ Ощущение спокойствия и безопасности, особенно при длительных поездках, e.
грамм. прыжковые взлеты и приземления
+ Более жесткий HSR позволяет устанавливать LSR быстрее (для лучшей чувствительности к небольшим ударам), не вызывая перекатов при прыжках
— Медленнее восстанавливается, особенно после глубокого удара
— Более легкая HSR позволяет сделать LSR более жестким без уплотнения амортизатора. Это замедлит отскок в начале гребка, так что вы сможете чувствовать себя спокойнее на крутых спусках.
А как насчет пружинной подвески?
Чтобы упростить задачу, в этих видеороликах мы сосредоточились на пневмоподвеске, потому что в наши дни она гораздо более распространена, чем винтовая подвеска.Если у вас есть катушечная вилка или амортизатор, большинство советов все равно применимо.![]()
Основное отличие состоит в том, что вместо регулировки жесткости пружины путем изменения давления воздуха вам потребуется поменять местами цилиндрическую пружину.
Кроме того, если ваша спиральная подвеска слишком легко опускается до дна, вы не можете просто добавить объемные прокладки для увеличения усилия пружины в конце хода, как в пневматической рессоре.
Вместо этого либо замените жесткость пружины на более жесткую (что приведет к меньшему провисанию), либо, если возможно, увеличьте демпфирование сжатия на высоких скоростях.
Не поддавайтесь соблазну использовать предварительный натяг, чтобы сделать его более жестким. Предварительная нагрузка на катушку приведет к меньшему провисанию, поскольку увеличивает дорожный просвет, но не повлияет на жесткость пружины.
Предварительная нагрузка на амортизатор также снижает чувствительность подвески к началу хода и может привести к ее превышению. Хомут предварительного натяга должен быть достаточно тугим, чтобы пружина не дребезжала.
Мы надеемся, что эти видео помогут вам получить больше от горного велосипеда. Дайте нам знать, как вы поживаете, в разделе комментариев ниже.
Руководство по подвеске мотоцикла— Superbike-Coach — Школа езды на мотоцикле в Калифорнии
Приведенный здесь процесс настройки подвески представляет собой «Базовое» методическое руководство, которое позволяет обновить текущую подвеску в соответствии со стилем езды, который наилучшим образом соответствует вашим потребностям. Когда подвеска работает правильно, ездить на велосипеде будет намного приятнее. Мы в Superbike-Coach знаем о ценности, и мы готовы поделиться этими знаниями с этим руководством и на наших курсах «Мастерская по приостановке и отслеживание времени».
Одним из основных ключей к успешной настройке подвески является состояние компонентов. Прежде чем пытаться изменить какие-либо настройки, убедитесь, что вилка и амортизатор вашего велосипеда находятся в хорошем рабочем состоянии. Это включает в себя замену негерметичных уплотнений, смазку липких втулок рычагов и замену старого масла в вилке или амортизаторе.
Если на ваших текущих компонентах пробег более 15000 миль, вы можете поспорить, что пришло время для восстановления. Проверьте подшипники рулевой колонки на предмет зазубрин или затяжки и при необходимости замените их.И что наиболее важно, квадратные или изношенные шины скроют практически любое изменение подвески, которое вы сделаете.
Ниже приводится краткое описание основных шагов, которые необходимо предпринять, чтобы привести ваш велосипед в хорошую настройку для езды, которая поможет вам получить удовольствие от езды.
Обратите внимание на типы езды Легкий тур улица Трек / Гонка Отрегулируйте натяжение цепи Регулировка углов установки колес Установить давление воздуха в шинах Отрегулируйте ручное управление Настройка передаточного отношения шестерни / звездочки Установить давление воздуха в шинах Знайте доступный диапазон настроек для велосипеда Установить статический прогиб С включенной передачей Задний амортизатор Передняя вилка Получить начальную точку настроек Восстановить заводские настройки или получить предыдущие настройки или начать с нуля Диапазон для велосипеда Настроить сжатие Настроить отскок Поездка по известной дорожной петле или треку Поездка, чтобы согреть шины Прокомментируйте, где видите проблемы Просмотр корректировки для облегчения Обратите внимание на ПОЛОЖИТЕЛЬНЫЕ и ОТРИЦАТЕЛЬНЫЕ эффекты от корректировок.Повторяйте настройки, пока не будете полностью удовлетворены
Шаги в игре
В следующих разделах этой статьи рассматривается динамика того, что происходит при внесении изменений в приостановку.Я утверждаю, что процесс корректировки — это игра, поскольку приходится идти на компромиссы. При каждой настройке велосипеда можно идти на компромисс. Этот компромисс должен быть сбалансирован с выгодами, которые дает конкретная корректировка для улучшения вашей подвески.
ТИПЫ ЕЗДЫ
Типы катания определяют ваши ожидаемые настройки. Поскольку уличный гонщик обычно ожидает более послушную и мягкую подвеску, которая должна выдерживать более неровные дороги и быть более комфортной во время езды.Эта более расслабленная устойчивая установка действительно поможет в длительной уличной езде, так как райдер меньше устает от конюшни. Езда по треку преследует разные цели — толкать байк, поэтому он обеспечивает оптимальную эффективность для трека. Трасса не превращается в хороший уличный байк, и наоборот.
Определение стиля райдера также влияет на то, как ваша установка реагирует на конкретного человека. У гладкого райдера будет другая настройка по сравнению со стилем катания «наведи и стреляй».Все зависит от вас и вашего велосипеда.
Важно делать хорошие заметки — и много их, особенно для трека. Наряду с вашими начальными настройками вы также должны записать некоторые базовые цифры для таких вещей, как вес и количество масла в вилке, высота дорожного просвета, жесткость пружины и так далее. Запишите все внесенные вами изменения, чтобы вы могли использовать их позже. Кроме того, делайте заметки для различных типов уличных гонок, туров, треков — так как ваша установка будет меняться в зависимости от того, где вы находитесь и в каких условиях.Как только вы найдете эту «волшебную» схему, не бойтесь отклоняться от нее и экспериментировать; вы можете улучшить то, что у вас есть, и вы всегда можете вернуться к тому, что записали в своих заметках.
НАСТРОЙКА УЛИЦЫ
Первым шагом к хорошей настройке является установка статического провеса .
Для уличных целей прогиб спереди обычно должен составлять от 30 до 35 мм, а прогиб сзади от 25 до 30 мм. Не отклоняйтесь от этих цифр, если вы тяжелее или легче — в этом вся идея измерения прогиба во время езды на велосипеде.Простой способ проверить, соответствует ли жесткость пружины вашего амортизатора примерному, — это измерить «свободный» прогиб задней части, то есть прогиб без вашего веса на велосипеде. Это число должно быть от 0 до 5 мм — когда велосипед находится отдельно от стойки, вы должны иметь возможность слегка приподнять заднюю часть и надеть подвеску. Если ваш велосипед в состоянии покоя заправлен доливом, вам потребуется более жесткая пружина, потому что для достижения правильного статического прогиба у вас есть большая предварительная нагрузка. В качестве альтернативы, если у вашего велосипеда много свободного прогиба (вы можете приподнять заднюю часть, прежде чем она разовьется), вам понадобится более мягкая пружина.
Демпфирование сжатия может быть изначально установлено следующим образом.
: Трудно установить демпфирование сжатия, не катаясь на мотоцикле и не чувствуя, как работает его подвеска. То, что кажется приятным и мягким в неподвижном состоянии, может оказаться слишком резким на скорости, а демпфирование сжатия иногда устанавливается личными предпочтениями, а не определенным оптимумом. Начните с регуляторов компрессии в середине их диапазона регулировки и прокатитесь на велосипеде. Работая с передней и задней частью по отдельности, смягчите регулировку демпфирования и снова попробуйте свой велосипед на той же дороге.Ваша управляемость лучше? Хуже? Такой же? Попробуйте еще раз, на этот раз с более жестким демпфированием, чем вы начали. Продолжайте экспериментировать, внося соответствующие корректировки. Как и в случае с демпфированием отскока, всегда лучше ошибаться в сторону света с компрессией, и по тем же причинам.
Демпфирование отскока может быть изначально установлено следующим образом: Правильно отрегулировав прогиб, велосипед находится в состоянии покоя и не на подставке, сильно нажмите на тройной зажим (не держитесь за тормоз и не нажимайте на руль) или на сиденье.
Когда вы отпускаете, подвеска должна быстро вернуться в исходное положение, но не дальше. Если для возврата подвески в исходное положение требуется более одной секунды, требуется меньшее демпфирование отбоя. Если вилка или амортизатор выходит за пределы своего свободного провисания, а затем снова сжимается, требуется большее демпфирование отскока. Уличная езда влечет за собой множество различных характеристик дорожного покрытия, и дорога, как правило, ухабистая по сравнению с гоночной трассой, поэтому лучше ошибиться в сторону мягкости, если вы не уверены.Это также даст вам дополнительное преимущество плавной езды при повседневном использовании; вы всегда можете набрать чуть больше отскока, когда доберетесь до любимой дороги, где поверхность более известна.
Последняя проверка — не снимая велосипед со стоек, положите руки около задней части бака и надавите. В хорошо сбалансированной установке оба конца велосипеда будут сжиматься и возвращаться примерно с одинаковой скоростью при этом толчке.
Если передняя часть сжимается или отскакивает иначе, чем задняя, попытайтесь сопоставить их, соблюдая параметры, установленные индивидуально.
НАСТРОЙКА ГУСЕНИЦ
Как и в случае с уличной настройкой, сначала убедитесь, что компоненты подвески вашего велосипеда находятся в хорошем рабочем состоянии, а у вас установлены относительно новые шины. Одно предостережение относительно настройки и шин: не отвлекайтесь на настройку подвески с учетом износа шин в течение трек-дня, не делая заметок. Вы будете поражены тем, как плохо управляется ваш велосипед, если вы снова установите новые шины и сохраните настройки подвески с оборванными шинами.
В целом, гусеничный велосипед жестче, чем стритбайк, из-за повышенных сил ускорения, торможения и прохождения поворотов. Статический прогиб трековых велосипедов должен быть в диапазоне от 25 до 30 мм, что на вилке несколько меньше, чем у уличных велосипедов. Точно так же демпфирование сжатия и отбоя должно быть несколько более жестким.
Избегайте произвольного затягивания отскока; вы по-прежнему хотите, чтобы подвеска отскочила в течение одной секунды до своего статического положения после нажатия на байк, но не перескакивала.
Высота посадки может быть изначально установлена следующим образом. : Если у вас есть регулятор высоты посадки на амортизатор послепродажного обслуживания, установите его для начала на ту же длину, что и у стандартной единицы. Точно так же начните с вилки на высоте ложи в тройных зажимах. Используйте сценарии управления и таблицу, чтобы определить, нужно ли вам изменить положение велосипеда. Как правило, для трекового велосипеда с рулевым демпфером вам нужно максимально ускорить рулевое управление, опуская переднюю часть или поднимая заднюю часть, при этом сохраняя стабильность и не жертвуя тяговым усилием задней части.
Перед внесением изменений в подвеску
Есть несколько настроек настройки вашего велосипеда, которые должны быть выполнены до внесения изменений в подвеску.
Эти настройки могут в определенной степени повлиять на управляемость и помешать получению надлежащей обратной связи. Как было сказано ранее в этой статье, важно, чтобы ваш велосипед был в надлежащем рабочем состоянии.
Заполните контрольный лист
Проверьте выравнивание цепи. В противном случае износ звездочки увеличивается.
Правильная балансировка и давление в шинах.В случае нарушения баланса будет вибрация любого колеса.
Подшипники рулевой головки и характеристики крутящего момента. Если слишком ослабить, головка будет качаться на высоких скоростях.
Выравнивание передней части. Проверить соосность колес с помощью тройных фиксаторов. В случае несоосности геометрия вилки будет неправильной, и рулевое управление пострадает.
Регулировка цепи:
Правильная регулировка цепи минимально влияет на общую длину заднего маятника. Хотя это несущественно, это фактор, потому что правильное натяжение цепи может повлиять на реакцию подвески.
Этот негативный эффект стал менее выраженным с новыми моделями мотоциклов, так как ось подвески расположена так близко к промежуточному валу.
МАКСИМАЛЬНОЕ УДЛИНЕНИЕ. Проверяйте натяжение цепи, когда велосипед стоит на колесах, и желательно, когда кто-то сидит на нем. Вам нужно, чтобы цепь была максимально вытянутой — или чтобы передняя звездочка, маятник и задняя звездочка были на одной линии.
Возможно, он не будет идеально выстроен в линию, но сесть в седло и использовать свой собственный вес (или вес друга) — хорошее начало.Покачивайте нижнюю часть цепи как можно ближе к середине. У вас должно быть около 15-20 мм провисания вверх и вниз.
ПОЧЕМУ ДРУГАЯ? Хороший вопрос. Натянутая цепь создает излишнюю нагрузку на себя, звездочки и даже подшипники коробки передач. Если держать цепи слишком туго натянутыми, вы можете нанести большой ущерб. Слишком ослабьте его, и вы рискуете, что цепь будет раскачиваться и вызывать повышенный износ звездочки или, в худшем случае, вообще соскочить со звездочек и вызвать аварию.
Хорошо отрегулированная и смазанная цепь плавно передает мощность (вы действительно можете увидеть разницу на динамометрическом стенде), продлевает срок службы, плавно переключает передачи и заставляет велосипед чувствовать себя лучше при езде.
Регулировка углов установки колес:
Если у вас обычный велосипед с цепным приводом, вы увидите, что положение заднего колеса можно изменить с помощью регуляторов. Каждый раз, когда вы натягиваете цепь или перемещаете колесо по какой-либо причине, вы обычно просто выравниваете его по отметкам совмещения, нанесенным на маятник.Если ось имеет три с половиной выемки с одной стороны, убедитесь, что она с другой стороны — три с половиной выемки. Простой.
Уловка состоит в том, чтобы получить клубок шпагата, или вы можете выполнить это упражнение, если каким-то образом найдете два прямых края, которые длиннее велосипеда. Последнее — важный вызов, поэтому мы будем придерживаться строкового метода — да, это старая «строковая строчка», о которой вы, возможно, слышали, что говорили ваши товарищи.
Обычно это проще всего, когда велосипед стоит на боковой подножке (центральная подножка обычно мешает) и приподнят как можно ближе к вертикали.Стенд для соревнований часто является хорошим вариантом.
Оберните шнур вокруг передней части переднего колеса как можно выше, не задевая обтекатели и связанное с ним оборудование под велосипед, когда вы пропустите каждый конец шпагата под машиной. Фотографии дадут вам представление.
Оттуда план состоит в том, чтобы выровнять переднее колесо, а затем отрегулировать заднее колесо, чтобы оно стало прямым. В итоге вы хотите получить то, что мы показали на основной диаграмме — где расстояния «А» (зазор между струной и краем шины) и «В» (то же самое) на задней кромке шины. передние колеса равны друг другу; И расстояния «А» и «В» по задней кромке заднего колеса равны друг другу.(Примечание: A / B спереди не обязательно должно совпадать с A / B сзади.)
Часто лучше всего это делать с двумя людьми, по одному с каждой стороны велосипеда. Наличие канистр / кирпичей / подставок для масла, чтобы удерживать свободные концы веревки для вас, пока вы играете на скрипке, очень помогает.
Выровнять все это будет непросто, но достаточно просто, если байк прямой. Точный метод не имеет значения, если вы получите результат, похожий на нашу диаграмму.
Если вы не можете заставить их выровняться, вероятно, рама не прямая, или велосипед мог даже быть спроектирован со смещением заднего колеса относительно переднего.
Давление в шинах:
Вы услышите множество мнений о том, какое давление в шинах использовать, но правильное давление в шинах для вас — это не вопрос опроса мнения других гонщиков. Вот основные принципы, которые вам нужно решить для себя. «Деннис Смит из Dunlop’s Sport Tire Services рекомендует увеличить на два-четыре фунта передних шин и на шесть-восемь фунтов задних (sportsrider.com)». Хотя наиболее научным способом определения того или иного давления является использование пирометра для оценки того, достигла ли резина рекомендованной производителем температуры, отображение увеличения давления в шине после гонок на треке даст хорошее представление о том, насколько жесткая шина.
работающий.
На внешней стороне многих шин указан рекомендуемый диапазон давления в шинах. (По крайней мере, верхний предел.) Для продления срока службы шин я рекомендую вам стараться поддерживать их на верхнем пределе этих рекомендаций (независимо от того, что в руководстве владельца мотоцикла говорится об обратном). Кроме того, это давление должно быть определяется, пока шины холодные, то есть не использовались пару часов.
Начните с рекомендации производителя велосипеда в руководстве по эксплуатации или наклейке под сиденьем.Это число они считают лучшим балансом между управляемостью, сцеплением и износом шин. Кроме того, если вы используете легкосплавные диски на плохом асфальте, подумайте о том, чтобы добавить 2 фунта на квадратный дюйм к рекомендуемому давлению в шинах, чтобы снизить вероятность повреждения на выбоинах. Как и в случае с автомобилем, увеличьте давление на 2 фунта на квадратный дюйм или около того для длительной работы на высокой скорости (или езды вдвоем), чтобы уменьшить трение качения, увеличить срок службы шин и прогиб картера.
Для оптимальной управляемости шина должна прогреться до оптимальной температуры, которая различается для каждой марки шин и разных областей применения.У большинства из нас нет оборудования, необходимого для прямого измерения температуры в шинах, поэтому мы измеряем ее косвенно, проверяя давление в шинах, поскольку давление в шинах увеличивается с увеличением температуры в шинах. Температуру шин важно знать, потому что слишком большой прогиб каркаса недостаточно накачанной шины для данного стиля езды и дороги приведет к перегреву, что приведет к неоптимальному сцеплению. Избыточное давление в шине уменьшит изгиб каркаса и не даст шине разогреться до оптимальной рабочей температуры, и производительность снова ухудшится.
Street
Техника для тех, кто хочет максимально использовать свои шины на УЛИЦЕ, — это использовать правило 10/20%.
Сначала проверьте давление в шинах, когда шина холодная. Затем совершите 30-40 минутную поездку по любимому извилистому участку дороги, чтобы повысить температуру в шинах, а затем измерьте давление в шинах сразу после остановки.
Если давление выросло менее чем на 10% спереди или менее чем на 20% сзади, гонщик должен удалить воздух из шины (для увеличения теплового эффекта изгиба каркаса).Так, например, начиная с давления в передних шинах 32,5 фунтов на квадратный дюйм, вы должны нагреться до 36 фунтов на квадратный дюйм. Как только вы получите это повышение давления для данного гонщика, велосипеда, шины, дороги и комбинации температуры дороги, проверьте давление в шинах еще раз в холодном состоянии и запишите его для использования в будущем.
Каждый производитель индивидуален. Каждая модель шин индивидуальна.
- Шина, работающая при более низкой температуре, должна работать при более низком давлении (2–3 фунта на квадратный дюйм спереди) для достижения оптимальной температуры. Помните, что каркас изгибается, чтобы генерировать дополнительное тепло.
- Задняя шина нагревается сильнее, чем передняя, как на дороге, так и на треке. Таким образом, увеличение температуры задней шины от холода к теплу больше.

- Падение давления воздуха имеет дополнительный побочный эффект, заключающийся в очистке большей площади резины, и может дополнительно добавить больше сцепления за счет небольшой стабильности.
В качестве примера для Aprilia RSV Mille 2004 года рекомендуемые начальные температуры для уличного использования составляют.
- Шина передняя 34,8 град. Холод, который в свою очередь должен быть примерно 37.5 -38,5 градуса горячего (увеличение на 3-4 фунта на квадратный дюйм)
- Задняя шина 39,4 градуса холода, что, в свою очередь, должно быть примерно 45-47 градусов тепла (увеличение на 7-9 фунтов на квадратный дюйм)
- Обратите внимание, что эти числа, как правило, слишком высоки для максимальная тяга, но, в свою очередь, увеличивает срок службы шины.
Гусеница
Давление в шинах гусеницы — это совсем другое дело. С учетом требований к трассе, давление в шинах составляет +/- , цель которого — достичь надлежащей температуры и давления, чтобы обеспечить максимальное сцепление, ощущение и стабильность.
- Слишком большое давление приводит к меньшему пятну контакта и снижению сцепления
- Большее давление дает большую стабильность (меньше покачивания сзади)
- Слишком большое давление приводит к неоптимальному сцеплению шин (но с покачиванием шины)
- Слишком мало давление приводит к перенапряжению каркаса и чрезмерному нагреву (посинение шины)
- Слишком низкое или слишком большое давление приводит к неоптимальной температуре в шинах
Для трека вам придется снизить давление в холодных шинах дополнительно на 10/20% .При работе гусеницы шины нагреваются (увеличивая диапазон давления от холодного до горячего), поэтому, начиная, скажем, с 32/30 фунтов на квадратный дюйм, вы должны достичь надлежащей рабочей температуры И создать достаточное давление в шинах, чтобы максимизировать пятно контакта И создать достаточное ощущение и стабильность для трека. С учетом этих целей давление в шине должно составлять примерно 35/36 фунтов на квадратный дюйм при полном нагреве (при оптимальной температуре шины).
Так как езда по треку создает огромные нагрузки на «УЛИЧНУЮ» шину, шина нагревается сильнее, чем если бы она была на улице.«Гоночные» шины будут иметь разные тепловые характеристики и способны противостоять более высоким нагрузкам на трассе лучше (то есть более прохладной), чем уличные шины. Чем ниже давление в шине, тем сильнее деформируется шина. Чем больше деформируется шина, тем больше трение между шиной и дорожным покрытием. Чем больше трение, тем больше тепла. Чем больше тепла, тем больше у шины возможностей для самовосстановления, сбрасывая «использованные» слои резины (до определенной точки). Эта деформация шины также создает большее пятно контакта за счет небольшой стабильности (например, покачивание задней части).
У разных гонщиков разное стартовое давление. У вас есть два гонщика, «супербыстрый Джон» и «средний Джо», которые выходят на рекомендованное давление 31 фунт / кв.дюйм, а шины «среднего Джо» приходят с правильным горячим давлением (скажем, 34-35 фунтов на квадратный дюйм, например, с использованием рекомендованного Pirelli горячего давления.
) Вы можете поспорить, что, поскольку этот «сверхбыстрый Джон» будет работать с шиной сильнее, раскручивая ее больше, и его шина может иметь значение 37psi.
Это будет означать, что для достижения целевого давления 34 фунтов на квадратный дюйм, которое является давлением, а также температурой, при которой шина работает наилучшим образом, «сверхбыстрому Джону» нужно будет снять 3 фунта на квадратный дюйм из своих шин и начать с 28 фунтов на квадратный дюйм в холодном состоянии.
Циклы нагрева шин
Еще одна хорошая идея — отслеживать количество циклов нагрева шин. Каждый раз, когда шины TRACK нагреваются, они выделяют химические вещества из глубины резины. Когда химикаты высвобождаются, шины частично теряют сцепление с дорогой. Вы можете увидеть, что изношенные шины теряют сцепление с дорогой из-за тепловых циклов. Подсчитайте количество циклов нагрева, которые проходят ваши шины, и вы можете найти повторяющийся рисунок, который позволит вам узнать, когда получить новый комплект.
Уличные шины специально разработаны для того, чтобы иметь много циклов нагрева, тогда как шины Race будут иметь меньше доступных тепловых циклов, прежде чем шина станет жесткой. Хорошим признаком того, что шины имеют слишком много циклов нагрева, является то, что они выглядят нормально, если шины не изношены слишком сильно, но имеют синий / фиолетовый цвет по краю шины. Это не означает, что вы больше не можете их использовать, но вам просто нужно быть готовым к тому, что они будут иметь чуть меньший захват, чем раньше.
В: Что такое тепловой цикл гоночных шин? Как это влияет на износ и сцепление шины с дорогой?
A: Цикл нагрева шины «ГОНКА» — это когда шину нагревают до рабочей температуры и пробегают несколько кругов, а затем дают остыть.Прохождение шины через тепловой цикл меняет ее химический состав. В большинстве случаев он стабилизирует состав шины, уменьшая тепловыделение. Но этот процесс также немного увеличивает твердость шины по дюрометру. Таким образом, чистка шин (один цикл нагрева) поможет шинам немного охладиться и износится немного лучше. Последовательные циклы нагрева продолжат этот процесс отверждения. В конце концов, шины не будут обеспечивать достаточного сцепления, потому что они стали слишком жесткими, но они будут изнашиваться, как железо.Каждый тепловой цикл отверждает резину шины больше и делает ее более твердой. Ведите записи о каждой из ваших шин, чтобы знать, сколько использования — и сколько циклов нагрева — имеет каждая из ваших шин.
Циклы нагрева: нагрев шин для практики и последующее включение грелок между тренировками сохраняет циклы нагрева (количество раз, когда шина нагревается, а затем остывает), которые состаривают ваши шины (шина отключается, что означает лучшее сцепление с дорогой. ушел). Если правильная рабочая температура для вашей шины составляет 180 ° F (просто цифра, которую я вытащил из воздуха), а с новой шиной требуется 2 круга, чтобы прогреть шины до рабочей температуры, то на следующий день (я интервал больше, чем сеанс) это может занять 3 круга, затем 4 круга и т. д.при определенной температуре состав шин вступает в химическую реакцию, которая делает шину липкой и дает ей большее сцепление с дорогой.
После каждого цикла нагрева шина затвердевает, и затем требуется больше времени, чтобы достичь этой температуры. Каждый цикл нагрева приводит к закалке шины (как объяснялось ранее), если охладить шину очень медленно, вероятность того, что она затвердеет так сильно, как если бы вы съехали с трассы, припарковала байк на подставке и позволила температуре окружающей среды охладить шины, меньше. Вот почему многие гонщики / гонщики надевают свои грелки для шин, но не подключают их к электросети, теплоизолированное одеяло замедлит охлаждающий эффект.У нагревателей шин Chickenhawk также есть настройка низкой температуры, при которой вы можете почти весь день держать нагреватели на низкой настройке.
Уход за шинами
Если вы учитываете свой стиль езды и то, как разные дни, улицы, трассы можно учитывать. Все велосипеды будут иметь разные характеристики, а это значит, что моя начальная температура для езды отличается от вашей.
Кроме того, в холодные месяцы года давление в шинах и влияние температуры могут значительно повлиять на общее давление.
Время и внешняя температура влияют на давление в ваших шинах. Это НОРМАЛЬНО, когда шина теряет около 1 фунта на квадратный дюйм (psi) в месяц. Однако внешние температуры влияют на давление в шинах гораздо сильнее. Давление в шине может изменяться на 1 фунт / кв. Дюйм на каждые 10 градусов по Фаренгейту изменения температуры. Как температура, так и давление.
Например, если давление в шине составляет 38 фунтов на квадратный дюйм в середине лета с температурой 80 градусов, она может потерять достаточно воздуха, чтобы иметь внутреннее давление 26 фунтов на квадратный дюйм в день с 20 градусами шесть месяцев спустя.Это представляет собой потерю на 6 фунтов на квадратный дюйм за шесть месяцев и дополнительную потерю на 6 фунтов на квадратный дюйм из-за снижения температуры на 60 градусов.
При давлении 26 фунтов на квадратный дюйм ваша шина сильно недокачана и опасна!
Здесь проиллюстрировано, что вы ДОЛЖНЫ проверять давление в шинах на регулярной основе (разумно примерно раз в неделю) и особенно обращать на это внимание в холодные дни.
В качестве дополнительного предостережения: новые шины имеют тенденцию быть очень скользкими при первой поездке.Рекомендуется легкая чистка на протяжении более 20-50 миль езды. Это позволит шине избавиться от катилиста формы, используемого для снятия шины, и обеспечить начальный нагрев, который высвобождает слой резины для обеспечения оптимального сцепления.
Ссылка Джеймса Р. Дэвиса, sportsrider.com, Ларри Келли mad-ducati.com, Clarkie
Ход подвески
Спортбайк обычно не должен использовать полный ход подвески, хотя на некоторых трассах есть одна или две большие неровности или выбоины. может привести к падению подвески.Кроме того, посадка переднего колеса после задних колес может вызвать чрезмерное использование хода передней вилки. Если подвеска упирается в большую неровность или ямку, это не должно автоматически означать, что подвеска должна быть установлена более жесткой. Однако, если нижняя часть подвески находится в том месте, где необходимо максимальное сцепление с дорогой, шина не может обеспечить наилучшее сцепление с дорогой, потому что она также должна работать как пружина.
Необходимо отрегулировать настройку. Во время каждой поездки следует тщательно проверять ход подвески. Когда сцепление шин с дорогой и время прохождения круга улучшаются, подвеске становится сложнее.Таким образом, настройки должны быть установлены более жестко. Напротив, когда начинается дождь, сцепление шин с дорогой и время круга сокращаются, в этом случае следует применить более мягкую настройку.
Давайте займемся настройкой подвески
Типы регулировки
На большинстве вилок
Демпфирование отбоя (1) — регулировка винта в верхней части демпфирования отбоя ( (не путать с регулятором предварительного натяга пружины большего размера)
Регулятор предварительного натяга (3) — Находится ли большая гайка в верхней части передней вилки (не путать с меньшим демпфером отбоя).Перемещение вилок в тройных зажимах может быть заменено регулятором предварительного натяга.
Демпфирование сжатия (2) — тот, который находится внизу возле оси, демпфирует сжатие.
Задний амортизатор
Регулятор предварительного натяга (3 и 4) — Регулируется с помощью С-образного гаечного ключа или соответствующего гаечного ключа.
Демпфирование сжатия (2) — это регулятор на резервуаре, обычно ручка или винт.
Демпфирование отбоя (1) — ручка регулятора на валу.
Предварительная нагрузка пружины — Ослабьте кольцевую гайку (4) с помощью соответствующего гаечного ключа. Отрегулируйте (B) с помощью регулировочной кольцевой гайки (3) После регулировки затяните кольцевую гайку (4).
Демпфирование отбоя — Затяните кольцевую гайку (1), чтобы настроить демпфирование отбоя амортизатора.
Демпфирование сжатия — Регулировка осуществляется поворотом ручки или винта (2) в зависимости от типа модели.
Регулировка задней дорожной высоты , действуйте следующим образом:
Слегка ослабьте стопорную гайку (5).
Поверните регулятор (6), чтобы изменить общую длину амортизатора задней подвески (A) (расстояние между центрами).
Удерживая регулятор (6) соответствующим гаечным ключом, затяните контргайку (5) (aprilia 40Nm)
Разное
В отличие от элементов управления вилкой, демпфирование отбоя сзади изменяется снизу амортизатора.
Измените демпфирование сжатия амортизатора на резервуаре.
Регулятор отбоя вилки, как и все органы управления демпфированием, вкручивается для большей жесткости и выкручивается для более мягкой.
Регулятор демпфирования сжатия обычно находится в нижней части вилки.
Независимо от того, какой у вас амортизатор или вилка, все они требуют правильной регулировки для работы с максимальным потенциалом. Настройка подвески — это не ракетостроение, и если вы будете следовать пошаговым инструкциям, вы сможете значительно улучшить управляемость своего велосипеда.
Первый шаг к настройке любого велосипеда — это настроить прогиб пружины и определить, есть ли у вас пружины с правильной регулировкой.Провисание пружины — это величина, на которую пружины сжимаются между полностью выдвинутым верхом и полностью загруженным, когда райдер находится на борту в положении для езды. Это также называется статическим клиренсом или статическим прогибом.
Если вы когда-либо раньше измеряли прогиб, вы могли заметить, что если вы проверите его три или четыре раза, вы можете получить три или четыре раза, вы можете получить три или четыре разных числа без каких-либо изменений. Мы расскажем вам, почему это происходит и как с этим бороться.
Инструмент для защиты от прогиба велосипеда BikeMaster
ЗАДНИЙ КОНЕЦ
Шаг 1: Полностью выдвиньте подвеску и измерьте. Отрывая колесо от земли. Помогает иметь рядом друзей. На велосипедах с боковыми подножками велосипед обычно можно осторожно поднять на стойке, чтобы разгрузить подвеску.
Большинство гоночных трибун не будут работать, потому что подвеска будет по-прежнему нагружена маятником, а не колесом. Измерьте расстояние от оси по вертикали до некоторой точки на шасси (метрические числа проще и точнее; отметьте эту контрольную точку, потому что вам нужно будет снова к ней обратиться.Это измерение L1. Если измерение не совсем вертикальное, значения прогиба будут неточными (слишком низкими).
Что вы собираетесь сделать, так это получить среднее сжатие с райдером на велосипеде в двух разных направлениях
Шаг 2: Подвеска сжатия вниз с райдером на велосипеде и измерить . Снимите велосипед со стенда и поместите райдера на борт в положение для езды. Попросите третьего человека балансировать мотоцикл спереди. Если для вас важна точность, вы должны принять во внимание трение рычажного механизма.Здесь наша процедура отличается: мы делаем два дополнительных измерения. Сначала нажмите на задний конец примерно на 25 мм (1 дюйм) и дайте ему очень медленно выдвинуться.
В месте остановки снова измерьте расстояние между осью и меткой на шасси. Если бы в рычаге не было торможения, байк продвинулся бы немного дальше. Важно, чтобы вы не отскочили от ! Это измерение L2.
Шаг 3: Сжатие вверх подвески с райдером на велосипеде и измерение .Попросите вашего помощника приподнять заднюю часть велосипеда примерно на 25 мм и очень медленно опустить его. Там, где он останавливается, измерьте его. Если бы не было перетаскивания, он бы опустился немного дальше. Помните, не подпрыгивайте! Это измерение это L3.
Шаг 4: Выполните числовое сжатие: Провисание пружины находится в середине этих двух измерений. Фактически, если бы в соединении не было перетаскивания, L2 и L3 были бы одинаковыми. Чтобы получить фактическое значение прогиба, вы найдете среднюю точку, усреднив два числа и вычтя их из полностью развернутого измерения L1: статический прогиб пружины = L1 — [(L2 + L3) / 2].
Шаг 5: Отрегулируйте предварительную нагрузку любым методом, применимым к вашему велосипеду.
Пружинные хомуты являются обычным явлением, и для некоторых можно использовать специальные инструменты. В крайнем случае вы можете использовать тупое зубило, чтобы разблокировать хомуты и повернуть основной регулировочный хомут. Если у вас слишком большой прогиб, вам нужно больше предварительного натяга; если у вас слишком маленький прогиб, вам понадобится меньшая предварительная нагрузка. Для шоссейных гоночных велосипедов прогиб задней части обычно составляет от 25 до 30 мм. Уличные райдеры обычно используют от 30 до 35 мм. Велосипеды, настроенные для трека, являются компромиссом при езде по улице.Более жесткие настройки, обычно используемые на тракте, обычно не рекомендуются (или нежелательны) для дорожных работ.
На изображениях можно заметить измерительный инструмент Sag Master (доступный в Race Tech). Это специальный инструмент, созданный для того, чтобы помочь вам измерить прогиб, позволяя определять прогиб напрямую, без вычитания. Его также можно использовать как стандартную рулетку.
Измерение прогиба передней части очень похоже на измерение задней части. Однако гораздо важнее учитывать сопротивление уплотнения на передней части, потому что оно более выражено.
SAG ПЕРЕДНЯЯ КОНЦЕВАЯ
Шаг 1: Полностью выдвиньте подвеску и произведите измерения. Полностью выдвиньте вилку, оторвав велосипед от земли, и измерьте расстояние от дворника (пылезащитное уплотнение на слайдере) до нижней части тройного зажима (или нижнего литья вилки на перевернутой вилке; Рисунок 2). Это измерение L1.
Шаг 2: Компрессионная подвеска вниз с райдером на велосипеде и размер . Снимите велосипед с боковой подножки и поместите водителя в положение для езды.Возьмите и помощника, чтобы сбалансировать велосипед сзади, затем нажмите на переднюю часть и дайте ему очень медленно выдвинуться.
В месте остановки снова измерьте расстояние между грязесъемником и нижней частью тройного зажима. Не подпрыгивайте. Это измерение L2.
Шаг 3: Сжатие вверх подвески с райдером на велосипеде и измерение . Поднимите переднюю часть и дайте ей очень медленно опуститься. На месте остановки измерьте еще раз. Не подпрыгивайте. Это измерение L3. Опять же, L2 и L3 отличаются из-за залипания или сопротивления уплотнений и втулок, что особенно велико для телескопических передних концов.
Шаг 4: Выполните числовое сжатие: Как и в случае с передней частью, на полпути между L2 и L3 будет прогиб без сопротивления или заедания. Поэтому L2 и L3 должны быть усреднены и вычтены из L1 для расчета истинного прогиба пружины: статический прогиб пружины = L1 — [l2 + l3) / 2].
Шаг 5: Отрегулируйте предварительный натяг . Чтобы отрегулировать прогиб, используйте регуляторы предварительного натяга, если они есть, или измените длину промежутков предварительного натяга внутри вилки.
Уличные велосипеды проходят от 25 до 33 процентов от общего пути, что составляет от 30 до 35 мм.
Велосипеды Roadrace обычно имеют длину от 25 до 30 мм.
Этот метод проверки провисания и учета прилипания также позволяет вам проверить сопротивление сцепления и уплотнений. Отсюда следует, что чем больше разница между измерениями (надавливание и подтягивание), тем хуже прилипание. У хорошего рычага (заднего прогиба) разница составляет менее 3 мм (0,12 дюйма), а у плохого — более 10 мм (0,39 дюйма). У хороших вилок разница составляет менее 15 мм, а мы видели вилки с разницей более 50 мм. (Интересно, почему они резкие?)
Важно подчеркнуть, что магического числа не существует.Если вам нравится ощущение велосипеда с меньшим или большим прогибом, чем эти рекомендации, отлично. Ваш личный провис и перекос спереди назад будет зависеть от геометрии шасси, трассы или дорожных условий, выбора шин, веса водителя и предпочтений вождения.
Использование различного прогиба спереди и сзади сильно повлияет на характеристики рулевого управления. Больше прогиба спереди или меньше прогиба сзади заставит байк поворачиваться медленнее.
Увеличение прогиба также снизит сопротивление дну, хотя жесткость пружины имеет больший эффект, чем прогиб.Гонщики часто используют меньший прогиб, чтобы сохранить зазор велосипеда, а поскольку дорожные гонки работают лучше, чем мы видим на улице, им требуется более жесткая настройка. Конечно, установка прогиба пружины — это только первый шаг в настройке вашей подвески, поэтому следите за новостями в следующих статьях о жесткости пружины и демпфировании.
Типовая установка для Sag
| Тип велосипеда | Передний% | Передний мм | Задний% | Задний мм | Задний мм | Уличные велосипеды | 28-33% | 30-35 мм | 28-33% | 30-35 мм | 0-5 мм |
| Шоссейные велосипеды | 23-27% | 25-30 мм | 23-27% | 25-30 мм | 0-5 мм |
Coach Can Akkaya, Superbike-Coach Corp
СИМПТОМЫ ДЕМПФИРОВАНИЯ ПОДВЕСКИ
Вот некоторые основные симптомы демпфирования подвески.
находка влияет на ваш велосипед.Помните, что это крайние примеры; ваши симптомы могут быть более тонкими. Возможно, вам также придется найти приемлемый компромисс на любом конце диапазона регулировки. Все зависит от того, как вам «кажется» управляемость мотоцикла.
Передняя вилка
ОТСУТСТВИЕ ДЕМПФИРОВАНИЯ ВОЗВРАТА (ВИЛКА)
Вилка обеспечивает в высшей степени мягкую езду, особенно при движении прямо вверх. Однако когда темп увеличивается, чувство контроля теряется. Вилка мягкая, сцепление плохое.После наезда на кочках на скорости переднее колесо имеет тенденцию вибрировать или подпрыгивать. При повороте мотоцикла на скорости переднее колесо начинает стучать и теряет сцепление с дорогой. Это приводит к нестабильности на клипсах. По мере того, как скорость увеличивается и рулевое управление становится более агрессивным, начинает проявляться нехватка контроля. Положение шасси и его наклон становятся настоящей проблемой, поскольку передняя часть отказывается стабилизироваться после того, как байк резко повернул в поворот.
— Недостаточная поворачиваемость!
— Передняя часть может казаться нестабильной.
Признаки: Вилки мягкие, но увеличение скорости приводит к потере контроля и сцепления.
Мотоцикл кувыркается и имеет тенденцию к широкому разбегу на выходе из поворота, вызывая снижение тяги и потерю контроля.
При прохождении поворота на скорости вы ощущаете вибрацию передней части, потерю тяги и управляемости.
Агрессивный ввод на скорость, контроль уроков и отношение шасси страдают.
Передняя часть не восстанавливается после агрессивного воздействия на неровную поверхность.
Решение: недостаточный отскок.Увеличивайте отскок «постепенно» до тех пор, пока контроль и сцепление не будут оптимизированы, а вибрация не исчезнет.
СЛИШКОМ БОЛЬШОЕ ДЕМПФИРОВАНИЕ ОТВОДА (ВИЛКА)
Поездка довольно резкая — полная противоположность мягкому ощущению слишком малого отскока. На неровном асфальте вилка ощущается так, как будто она заедает из-за трения и резкости.
При резком ускорении на выезде из ухабистых поворотов передняя часть чувствует себя так, как будто хочет «покачиваться» или «хлопать по танку». Кажется, что шина не соприкасается с дорожным покрытием при нажатии на педаль газа.Суровая, неумолимая езда затрудняет управление мотоциклом при езде по уклонам и неровностям на высокой скорости. Нежелание подвески поддерживать сцепление шин с дорогой на этих участках подрывает уверенность водителя.
— Перегрузка!
— Это ухудшит сцепление переднего колеса с дорогой.
— Такое ощущение, что передние колеса проворачиваются в поворотах.
Симптомы: Передняя часть сильно ныряет, иногда опускается на дно на тяжелых неровностях или во время агрессивного торможения.
Передняя часть кажется мягкой или расплывчатой, похожей на отсутствие отскока.
При спуске на дно слышен лязг. Это связано с достижением нижней точки хода вилки.
Решение: недостаточное сжатие. Увеличивайте «постепенно» до тех пор, пока контроль и тяга не будут оптимизированы.
ОТСУТСТВИЕ ДЕМПФИРОВАНИЯ СЖАТИЯ (ВИЛКА)
Погружение передней части при нажатии на тормоза становится чрезмерным. Задняя часть мотоцикла хочет «уйти» при агрессивном использовании передних тормозов. Передняя подвеска «выходит из строя» при сильном ударе при резком торможении и после наезда на неровности.Передняя часть имеет мягкое и полутемное ощущение, подобное отсутствию демпфирования отскока.
— Сильный пикировщик фронта.
Рекомендации по настройке: Демпфирование сжатия следует регулировать вместе с уровнем масла в передней вилке.
Симптомы: Передняя часть сильно ныряет, иногда опускается на дно на тяжелых неровностях или во время агрессивного торможения.
Передняя часть кажется мягкой или расплывчатой, похожей на отсутствие отскока.
При спуске на дно слышен лязг. Это связано с достижением нижней точки хода вилки.
Решение: недостаточное сжатие. Увеличивайте «постепенно» до тех пор, пока контроль и тяга не будут оптимизированы.
СЛИШКОМ БОЛЬШОЕ ДЕМПФИРОВАНИЕ СЖАТИЯ (ВИЛКА)
Поездка слишком резкая, особенно в том месте, где переднее колесо соприкасается с неровностями и волнами. Прямо ощущаются неровности и рябь; Первоначальный «удар» проходит через шасси мгновенно, с большими неровностями, отскакивающими шину от тротуара. Высота посадки мотоцикла отрицательно сказывается — передняя часть скручивается слишком высоко в поворотах.Резко сокращается клевок при торможении, хотя шасси значительно опрокидывается из-за неровностей, возникающих при торможении.
— Хороший результат при торможении.
— На неровностях ощущается резкость.
Симптом: Передняя часть проезжает высоко в поворотах, заставляя байк широко поворачивать. Он должен поддерживать заданный прогиб, который позволит геометрии рулевого управления оставаться постоянной.
Решение: Уменьшайте компрессию «постепенно» до тех пор, пока байк не перестанет опускаться и не поднимется высоко.
Признак: передняя часть стучит или трясется при входе в поворот.
Это происходит из-за неправильной высоты масла и / или слишком сильного демпфирования сжатия на низких оборотах.
Решение: сначала убедитесь, что высота масла правильная. Если все в порядке, уменьшите сжатие «постепенно», пока не прекратятся вибрации и тряски.
Признак: неровности и рябь ощущаются непосредственно в тройных зажимах и через шасси. Это заставляет переднее колесо подпрыгивать на неровностях.
Решение: Уменьшайте сжатие «постепенно» до восстановления контроля.
Симптом: Езда, как правило, тяжелая и становится еще тяжелее при торможении или входе в поворот.
Решение: Уменьшайте сжатие «постепенно» до восстановления контроля.
ЗАДНИЙ УДАР
ОТСУТСТВИЕ ДЕМПФИРОВАНИЯ ОТКЛОНЕНИЯ (ЗАДНИЙ УДАР)
Поездка на крейсерских скоростях мягкая, но по мере того, как скорость увеличивается, шасси начинает катиться по ухабистым поворотам. Это приводит к плохому сцеплению с неровностями при резком ускорении; задняя шина начинает дребезжать из-за того, что колеса не контролируются.
Чрезмерный уклон шасси из-за больших неровностей и провалов на скорости, а задняя часть отскакивает слишком быстро, опрокидывая шасси из-за действия рычага управления.
— Задняя часть слишком быстро «выскакивает» при торможении, в результате чего заднее колесо подпрыгивает.
— Велосипед чувствует себя неустойчивым.
Симптомы: поездка будет мягкой или неопределенной, а по мере увеличения скорости задняя часть будет валяться и / или плыть по неровной поверхности, что ухудшает сцепление с дорогой.
Потеря сцепления вызовет вибрацию задней части или вибрацию из-за слишком быстрого возврата ударов при выходе из поворота.
Решение: Недостаточный отскок: увеличивайте отскок до тех пор, пока не исчезнет раскачивание и ткачество, а также не улучшится управление и тяга.
СЛИШКОМ БОЛЬШОЕ ДЕМПФИРОВАНИЕ НАЗАД (ЗАДНИЙ УДАР)
Это создает неравномерную езду. Податливость задней подвески оставляет желать лучшего, а «ощущение» нечеткое. Слабое сцепление на кочках при резком разгоне (из-за недостаточной податливости подвески).
Мотоцикл хочет выезжать на поворотах, так как задняя часть «забивается»; это заставляет шасси располагаться высоко носом, что замедляет управляемость. Задняя часть хочет подпрыгивать и подпрыгивать, когда дроссельная заслонка режется во время агрессивных входов в поворот.
— Задняя часть «прыгает» на неровностях вместо того, чтобы следовать по поверхности.
— Задняя часть «дёргается» при торможении.
— Он удерживает заднюю часть вниз, что приводит к недостаточной поворачиваемости мотоцикла!
— Это может вызвать перегрев гидравлической системы амортизатора
и привести к его исчезновению, другими словами, он потеряет демпфирование.
в горячем состоянии.
Симптомы: жесткая езда, ограниченное управление подвеской и потеря сцепления.
Задняя часть будет складываться, заставляя байк широко раскрываться в поворотах из-за приседаний сзади.Это замедлит рулевое управление, потому что передняя часть едет высоко.
Когда задняя часть забивается, шины обычно перегреваются и пропускают неровности.
При резком нажатии на педаль газа задняя часть будет прыгать или подпрыгивать при входе.
Решение: слишком сильный отскок. Уменьшайте отскок «постепенно», пока не исчезнет резкая езда и не восстановится сцепление с дорогой. Уменьшите отскок, чтобы предотвратить уплотнение задней части.
ОТСУТСТВИЕ ДЕМПФИРОВАНИЯ СЖАТИЯ (ЗАДНИЙ УДАР)
Слишком сильное «приседание» задней части при ускорении; байк хочет проходить широкие выезды из поворотов (поскольку шасси едет низко сзади / высоко).При столкновении с неровностями на скорости задняя часть опускается до дна, что опрокидывает шасси. На положение шасси слишком сильно влияют большие провалы и перегибы. Рулевое управление и контроль становятся затруднительными из-за чрезмерного движения подвески.
— Заднее колесо начинает натыкаться на бок при ускорении на выходе из поворота.
— Велосипед будет слишком сильно двигаться (задняя часть слишком низка), что приведет к ослаблению сцепления передней части.
Симптомы: Велосипед не поворачивается при входе в поворот.
При опускании на дно теряются контроль и тяга.
Из-за чрезмерного приседания задним концом при ускорении на выходе из поворотов байк будет широко поворачивать.
Решение: недостаточное сжатие. Увеличивайте компрессию постепенно, пока тяга и контроль не будут оптимизированы и / или не исчезнут чрезмерные приседания сзади.
СЛИШКОМ БОЛЬШОЕ ДЕМПФИРОВАНИЕ КОМПРЕССИИ (ЗАДНИЙ УДАР)
Поездка резкая, хотя и не такая плохая, как слишком большой отскок; Однако чем быстрее вы идете, тем хуже становится. Резкость ухудшает сцепление задних шин с неровностями, особенно при замедлении.При ускорении возникает небольшое «приседание» задней части. Неровности от среднего до большого ощущаются непосредственно через шасси; при ударе на скорости задняя часть вздымается.
— Заднее колесо скользит при ускорении.
— Может резко проехать по ухабам.
Признаки: езда резкая, но не такая плохая, как слишком большой отскок.
По мере увеличения скорости увеличивается и резкость.
Приседания сзади очень маленькие. Это приведет к потере сцепления / скольжению. Шина перегреется.
Задняя часть будет пытаться ударить по неровностям среднего и большого размера.
Решение: Уменьшайте сжатие до тех пор, пока не исчезнет резкость. Уменьшайте сжатие до тех пор, пока скольжение не прекратится и сцепление не восстановится.
Передаточное число пружины
Заднее
Слишком жесткое передаточное отношение пружины:
— Обеспечивает легкий поворот в поворотах.
— Задняя часть становится жесткой.
— Из-за плохого сцепления с дорогой задними колесами.
Слишком мягкое передаточное отношение пружины:
— Обеспечивает хорошее сцепление с дорогой при разгоне.
— Создает недостаточную поворачиваемость при входе в поворот.
— Делает слишком большой ход подвески, из-за чего трудно «перебросить» байк с одной стороны на другую в шикане.
— Придаст ощущение легкости спереди.
Передняя часть
Слишком жесткое передаточное отношение пружины:
— Хорошее торможение.
— Создает недостаточную поворачиваемость.
— В поворотах ощущается резкость.
Слишком мягкое передаточное отношение пружины:
— Обеспечивает легкий поворот в поворотах.
— Создает избыточную поворачиваемость.
— Может вызвать подгибание передней части.
— Плохое торможение (ныряние).
Уровень масла в передней вилке
Сначала см. Руководство. Современная передняя вилка картриджного типа очень чувствительна к изменениям уровня масла из-за небольшого объема воздуха. Воздух внутри передней вилки работает как пружина.Различный уровень масла влияет на передаточное отношение пружины с середины хода и имеет очень сильное влияние в конце хода.
Когда уровень масла повышен: Пневматическая рессора на более поздней половине хода сильнее, и, следовательно, передняя вилка сжимается сильнее.
Когда уровень масла понижен: Пневматическая рессора на последней половине хода ослабевает, и, таким образом, передние вилки становятся более мягкими. Уровень масла наиболее эффективно работает в конце хода вилки.
Руководство по настройке подвески — Обработка Как это получить
Ограничения настройки стоковой
Заводы планируют разработать велосипед, который удовлетворительно подходит для большой группы гонщиков и пользователей.Чтобы сделать это как можно более экономичным, производители устанавливают клапаны с очень маленькими Вентури. Затем они сопоставляются с очень простым набором прокладок, который создает кривую демпфирования для данного компонента подвески. На более низких скоростях эта конструкция может работать умеренно хорошо, но на более высоких скоростях, когда подвеска должна реагировать более быстро, в подвеске не будет поступать достаточно масла и возникнет гидравлическая блокировка.
С гидравлической блокировкой вилка и / или амортизатор не могут должным образом амортизироваться, что ухудшает управляемость.Решение состоит в том, чтобы повторно распределить активные компоненты, чтобы получить правильную кривую демпфирования. Неважно, какие компоненты у вас есть (Ohlins, Fox, KYB, Showa), их соответствие вашему предполагаемому использованию и весу значительно улучшит их действие. Более того, если вы можете получить необходимую кривую демпфирования, не имеет значения, какой бренд указан на компоненте. Часто со стандартными компонентами, когда вы полностью или полностью выкручиваете регуляторы, вы не замечаете разницы. Отчасти это связано с тем, что производитель поместил кривую демпфирования за пределы вашего идеального диапазона.Кроме того, поскольку клапаны имеют такие маленькие Вентури, изменение регулятора имеет очень мало значения. После перенастройки клапанов будут задействованы регуляторы, и когда вы произведете регулировку, вы сможете заметить, что это влияет на работу вилки или амортизатора.
Попытка решить проблему с обращением может быть сложной задачей. Достаточно сложно справиться с тонкостями предварительной нагрузки пружины, демпфирования отбоя и т. Д., Но когда определенная проблема вынуждает вас отказаться от газа и обратить внимание, попытка определить основную причину проблемы с управлением может быть совершенно непонятной.Причина в передней или задней части? И как мне узнать, помогут ли регулировки демпфирования отбоя или сжатия?
В этом разделе мы рассмотрели некоторые из наиболее распространенных жалоб при управлении автомобилем, с которыми сталкивается средний гонщик. Некоторые из этих проблем возникают при входе в угол, некоторые из них возникают в середине угла, а другие могут даже вызвать трудности при выходе из угла. Внимательно посмотрите на различные сценарии проблем, которые мы перечислили, и посмотрите, не похож ли один из них на дилемму, с которой вы боретесь.Затем попробуйте наши предлагаемые решения, чтобы увидеть, улучшают ли они. Помните, делайте это шаг за шагом, совершайте пробную поездку после каждого изменения и записывайте, повлияло ли это изменение на разницу.
TANKSLAPPER
Проблема: мотоцикл, бьющий по танку, кажется нестабильным, особенно при входе в повороты. Стержни кажутся чрезмерно «дергающимися» всякий раз, когда встречаются неровности в середине угла. Рукоятки часто сильно раскачиваются вперед и назад несколько раз (или больше), когда мотоцикл с ударами танка агрессивно ускоряется на неровностях при выходе из поворота — другими словами, «танковый удар».«Байк управляется очень легко, хотя иногда сзади заметно отсутствие тяги, когда он пытается ускориться при умеренных углах наклона. Байк также кажется опущенным, «нос опущен, зад — высоко» во время езды.
Причина : Если велосипед ощущается таким образом, то, вероятно, имеется слишком большое смещение веса передней части
Решение: Самым большим отличительным фактором в этом случае является шасси «низко-низко / заднее-высоко» чувство отношения.. Это не только ухудшает сцепление с дорогой сзади, но также влияет на геометрию рулевого управления (более крутой угол наклона / меньший след) и может вызвать проблемы с устойчивостью.
Если уровень статического прогиба подвески велосипеда установлен правильно, первым делом нужно попробовать уменьшить предварительную нагрузку на заднюю пружину и / или увеличить предварительную нагрузку на переднюю до точки, непосредственно перед тем, как они начнут отрицательно влиять на управляемость; Вы должны не забыть отрегулировать его демпфирование отбоя, если необходимо (фактически, он должен проверить, помогает ли уменьшение переднего демпфирования отбоя с небольшими приращениями; вилки могут быть слишком жесткими, что затрудняет сцепление).В случае частичного успеха более радикальным шагом было бы изменение дорожного просвета шасси; для этого потребуется поднять переднюю часть за счет опускания трубок вилки в тройные зажимы (если над верхним зажимом выступает достаточно материала для обеспечения структурной целостности передней вилки) и / или опускание задней части путем укорочения заднего амортизатора (если возможно) .
Примечание. Мы также наблюдали тенденцию к ударам танка из-за слишком большого отклонения веса назад.
Велосипед может попытаться работать противоположным предыдущему абзацу, или проверить сценарий проблемы недостаточной поворачиваемости / отсутствия переднего сцепления для получения дополнительных предложений.
FLOATING RIDE
Проблема: несмотря на то, что байк может очень плавно ездить по ухабам и т. Д. В городе, в каньонах кажется, что байк «плывет» по тротуару, как роскошный автомобиль. практически без обратной связи с дорожным покрытием. Когда он начинает агрессивно ездить, байк чрезмерно раскачивается взад и вперед, особенно при переключениях между тормозом и газом, и ощущение «плавающего» становится еще более явным. В крутых поворотах мотоцикл кажется неуверенным, как если бы он имел шарнир посередине.Шины Майка могут начать стучать в середине поворота при столкновении с неровностями, и при ускорении на этих неровностях мотоцикл начинает раскачиваться или раскачиваться.
Причина: Обычно проблема заключается в недостаточном демпфировании отскока.
Решение : Поездка плавная и податливая на низких скоростях, но более высокие скорости генерируют большее количество энергии, которая не может быть рассеяна при небольшом доступном демпфировании. Как правило, если какой-либо конец надежно и быстро нажимается рукой, подвеска должна возвращаться плавно, контролируемым образом, без «отскока» один или два раза, прежде чем успокоиться.Попробуйте усилить демпфирование отскока небольшими шагами и не забудьте делать переднюю и заднюю части по отдельности, а не одновременно; таким образом он может легко увидеть, имеет ли то или иное значение. Если демпфирование отбоя увеличено до максимума, а мотоцикл по-прежнему кажется мягким и разбитым, вам может потребоваться восстановить компоненты подвески.
ЗАДНИЙ ПЕРЕКЛЮЧЕНИЕ
Проблема: когда Ричард агрессивно тормозит при приближении к повороту, задняя часть мотоцикла начинает качаться из стороны в сторону, и кажется, что он хочет повернуться вокруг передней части.
Причина: Причина — слишком большая передача веса передней части при торможении. Передняя часть сжимается так низко, что вес мотоцикла пытается повернуться вокруг рулевой колонки, вызывая движение из стороны в сторону.
Решение : Самыми быстрыми решениями здесь являются увеличение предварительного натяга пружины передней вилки и / или увеличение высоты переднего дорожного просвета путем опускания трубок вилки в тройные зажимы или уменьшение высоты заднего дорожного просвета путем укорочения амортизатора (если возможно) .Попробуйте сначала увеличить предварительную нагрузку пружины вилки и постепенно увеличивать ее до тех пор, пока не начнется негативное влияние на управляемость (не забудьте следить за демпфированием отскока при увеличении предварительной нагрузки пружины). Если это не помогает, попробуйте изменить высоту дорожного просвета; при этом следите за нежелательными реакциями при управлении в других местах, поскольку изменение высоты дорожного просвета резко влияет на повороты велосипеда. Другие решения, которые стоит попробовать, хотя и менее эффективные, — это увеличить демпфирование сжатия в вилках (если возможно) или уменьшить демпфирование отскока в задней части (чтобы задняя шина быстрее следовала по асфальту).Опять же, во время тестовой езды обратите внимание на нежелательные реакции при маневрировании в других ситуациях.
ШИРОКАЯ ЕЗДА
Проблема: велосипед неудобный, и он чувствует каждую неровность дороги. У него нет уверенности, потому что его мотоцикл нервничает и дергается, особенно на неровных участках, где он не поглощает неровности, а его шины легко теряют сцепление с дорогой. Погружаясь в повороты во время трек-дней, байк нестабилен и прыгает через каждую неровность и трещину на асфальте.
Причина: Неровная езда, скорее всего, из-за слишком жесткой настройки — слишком сильного сжатия и демпфирования отскока.
Решение : Во-первых, регуляторы отбоя, как описано в разделе настройки, и верните регуляторы сжатия не более чем в середину их диапазона. Это даст отправную точку для работы и даст возможность получить достаточное демпфирование отскока. Более точного набора отскока можно добиться, проехав на велосипеде по неровному участку тротуара; подвеска не должна сжиматься (слишком жесткая), и байк не должен быть вялым, как Cadillac (слишком мягким).Многократная езда на велосипеде по одной и той же дороге после внесения небольших изменений в регуляторы демпфирования — хороший способ различить характеристики и определить правильную настройку. После того, как отскок установлен правильно, демпфирование сжатия можно настроить в соответствии с разделом настройки. Еще раз, внесите небольшие изменения между тестовыми сессиями на одной и той же дороге, чтобы почувствовать и сравнить разные настройки.
НИЖНЕЕ
Проблема: при резком торможении на приближении к повороту передняя вилка сильно выскакивает вниз, особенно на неровностях.Тем не менее, действие вилки и общая управляемость велосипеда хороши везде.
Причина : Проблема здесь в том, что дорожный просвет настроен правильно для его стиля езды, но действие вилки явно слишком мягкое всякий раз, когда вес переносится на переднюю часть (например, при резком торможении).
Решение : ранее усиливалось предварительное натяжение пружины вилки, и, хотя это помогло с проблемой опускания, к сожалению, сделало положение его мотоцикла слишком высоко передним, что отрицательно сказалось на управляемости.Решением здесь было бы поднять трубы вилки в тройных зажимах (начиная с шагом 4 мм), что опускает переднюю часть; тогда вы можете увеличить предварительную нагрузку пружины вилки, не вызывая упомянутых ранее проблем с дорожным просветом. Необходимо следить за тем, чтобы переднее колесо / крыло не приближалось слишком близко к нижнему тройному зажиму или радиатору при опускании переднего колеса или подъеме труб вилки. Если регулятор предварительного натяга исчерпал себя во время тестирования и подключения, может потребоваться набор более тяжелых пружин или более крупная проставка предварительного натяга (внутри вилки).
ТЯЖЕЛОЕ РУЛЕВОЕ УПРАВЛЕНИЕ
Проблема : рулевое управление мотоцикла кажется очень тяжелым на низких скоростях, и как только он заставляет свой байк поворачивать, используя много мускулов, он практически падает в повороты.
Причина : Эти характеристики могут быть результатом прямоугольной задней шины (слишком прямолинейная езда) или зазубренных или слишком тугих подшипников рулевой колонки;
Решение : если на велосипеде установлен демпфер рулевого управления, он может быть отрегулирован слишком туго.С точки зрения подвески, тяжелое рулевое управление является типичным результатом слишком низкой заданной высоты дорожного просвета, из-за которой шасси сгребает, как чоппер.
Если такие же проблемы возникают после испытания этого велосипеда с выключенным демпфером рулевого управления, проверки его шины и регулировки подшипников рулевой колонки, проблема, скорее всего, связана с отношением шасси велосипеда. Передний и задний прогиб необходимо проверить и правильно отрегулировать, а затем еще раз заехать на предмет изменений в управляемости. Если изменений мало или нет, постепенно измените геометрию, либо поднимая трубы вилки в тройных зажимах, либо — и имеет задний регулятор дорожного просвета — поднимая заднюю часть велосипеда.При опускании передней части велосипеда, регулируя высоту вилки, рекомендуется следить за зазором между передним колесом и радиатором, а также — на обычной вилке — чтобы ползунки не опускались до нижнего предела. тройной зажим.
ПОД РУЛЕВОМ
Проблема: проблемы с передней частью велосипеда, особенно на выходе из поворотов, когда передняя шина теряет сцепление с дорогой и толкается до точки, где она размывается. Рулевое управление немного тяжелое, а на неровных участках дороги передняя шина проскакивает неровности и грозит сложиться при слишком сильном нажатии.
Причина : Проблема, вероятно, связана с комбинацией настроек прогиба и дорожного просвета, из-за которых мотоцикл едет высоко впереди.
Решение : проскакивание передней шины через неровности на выходе из поворота является признаком того, что вилка достигает максимума — без достаточного количества мешка, чтобы подвеска провалилась в углубления на дороге.
Проверьте настройки прогиба передней и задней части велосипеда, чтобы убедиться в правильности предварительной нагрузки пружины. Установив предварительную нагрузку, покатайтесь на велосипеде, чтобы определить, есть ли какие-либо изменения в его поведении.Если проблема не исчезнет, то при уменьшении переднего предварительного натяга передняя часть мотоцикла немного опускается, что ускоряет рулевое управление и позволяет колесу более эффективно преодолевать неровности. Если, однако, вилка начинает опускаться при торможении с уменьшенным предварительным натягом, трубки вилки можно поднять с помощью тройных зажимов, чтобы заточить рулевое управление при сохранении исходной настройки предварительного натяга.
| Регулировка | Настройка | Эффект | ||
Уровень масла слишком низкий для 9 | Вилка выдвигается снизу при резком торможении или больших неровностях | |||
| Слишком высокий уровень масла | Переднее колесо проскакивает на неровностях | |||
Демпфирование сжатия 1| Велосипед трудно поворачивать, и он будет широко рулить в повороте | Переднее колесо проскакивает на неровностях Вилка дрожит при торможении на прямой Передняя часть кажется жесткой на небольших ухабах | |||
| Недостаточно | Вилка пикирует слишком быстро , возможно, достигнет дна Задний конец хочет развернуться в течение га торможение передним ходом Передняя часть имеет мягкое и полутонное ощущение, подобное отсутствию демпфирования отбоя | |||
| Демпфирование отбоя | Слишком много | Дребезжание передней части, выходящее из углов Вилка сложена. быстрое неровное покрытие покачивание передней части или удары танка при резком ускорении из ухабистых поворотов Жесткая езда из-за забивания вилок | ||
| Недостаточно | Чрезмерное движение из-за шиканов Дрожание передней части (не трясется) ) в поворотах Передняя часть слишком быстро взлетает после торможения Чувствуется плюшевой при езде по прямой, но мягкая в поворотах и плохое сцепление с дорогой При повороте на скорости мотоцикл покачивается или немного валяется перед тем, как успокоиться | |||
| Клиренс | Слишком низкий | Отсутствие устойчивости на высоких скоростях Легкость поворота внутри o углы | ||
| Слишком высокое | Медленное или высокое усилие вхождение в углы | |||
| Жесткость пружины | Слишком мягкое | Слишком мягкое сжатие | выскакивает вниз при резком торможении или на больших неровностях Создает избыточную поворачиваемость Может привести к перекосу передней части Легко входит в повороты | |
| Слишком жесткий | Создает недостаточную поворачиваемость Потеря передней части при входе в поворот Жесткий в поворотах концевые дребезжания выходят из поворотов Велосипед плохо поворачивает Хорошо себя чувствует при торможении Переднее колесо проскакивает на неровностях | |||
Задний амортизатор | ||||
| Демпфирование сжатия | 90 Слишком много Амортизатор жесткий и резкий, но не такой плохой, как слишком сильное демпфирование отскока Проскакивает заднее колесо при торможении на неровном асфальте Очень мало приседания задним концом при ускорении | |||
| Недостаточно | Удары снижаются на средних неровностях Приседания задним концом при ускорении Возможны удары мотоцикла на выходе из поворотов (низкий задний, высокий нос) | |||
| Демпфирование отбоя | Слишком много | Заднее колесо подпрыгивает на поворотах с небольшими неровностями, особенно стиральная доска Проскакивает заднее колесо при торможении на неровном асфальте Задняя часть складывается из-за серии неровностей Задняя часть кажется жесткой Велосипед поворачивает на широких выходных углах (задняя низкая, нос высоко) | ||
| Недостаточно | Слишком сильный толчок при резком торможении Велосипед качается, когда на выходе из поворотов или в длинных уклонах на подметально-уборочных машинах Заднее колесо стучит при резком ускорении на неровностях Слишком много шасси p зуд / пого-джойстик | |||
| Высота посадки | Слишком низкая | Недостаточная поворачиваемость мотоцикла на поворотах Трудно изменить направление Плохое сцепление передних шин на поворотах Слишком высоко | Отсутствие устойчивости на высоких скоростях | Плохое сцепление с задней шиной Нестабильное при резком торможении |
| Жесткость пружины | Слишком мягкая | Езда мягкая Задние приседания 24 “Легкое ускорение ”Ощущение на передних колесах | ||
| Слишком жестко | Легкое прохождение поворотов Жесткая езда Плохое сцепление с задними колесами | |||
DI свой собственный язык.Иногда кажется, что освоение нового навыка требует масштабирования кривой лингвистического обучения, которая заставляет преодолевать гору. Эверест кажется дневным походом. Непосвященным — не то чтобы читателя Sport Rider можно было обвинить в этом — язык мотоциклистов может показаться столь же устрашающим. Итак, чтобы убедиться, что мы все стоим на вершине одного холма, внимательно изучите приведенную ниже терминологию, чтобы ускориться к просветлению о приостановке.
Дно (также называется выходом за нижнюю часть) — когда компонент подвески достигает конца своего хода при сжатии.Дно — противоположность долива. Вилка с картриджем — сложный тип вилки, которая проталкивает масло через изгибные прокладки, установленные на поверхности демпфирующих поршней, находящихся внутри корпуса вилки. Основное преимущество вилок с картриджами в том, что они менее прогрессивны, чем вилки с амортизирующими стержнями. Прокладки позволяют управлять демпфированием на очень низких скоростях подвески, в то время как высокие скорости отклоняют прокладки в большей степени, вызывая меньшее демпфирование на высоких скоростях, чем стержни демпфирования с фиксированными отверстиями. В результате поездка становится более устойчивой, с меньшим клеванием при торможении, одновременно уменьшая силу, передаваемую на шасси при неровностях с прямоугольными краями.
Демпфирование Общее — вязкое трение. Это вызвано тем, что жидкости подвергаются каким-либо ограничениям. Главное, что нужно помнить о демпфировании, это то, что оно зависит от движения жидкости. Это означает, что амортизатор не создает демпфирующую силу, если только не происходит движение-движение демпфера при сжатии или отскоке, в отличие от движения велосипеда. Демпфирование заботится о вертикальной скорости колеса, а не о скорости велосипеда.
Compression Damping — контролирует начальный «удар» подвески.Когда колесо толкается вверх из-за неровностей, контур сжатия регулирует скорость сжатия подвески, помогая удерживать пружину от чрезмерного перемещения или опускания подвески. Демпфирование — вязкое трение, вызванное проталкиванием жидкости через какое-либо ограничение. Демпфирующая сила определяется скоростью движения жидкости, а не расстоянием перемещения подвески. Это DAMPENING
Вилка с амортизирующей штангой — простой тип вилки, в которой используется трубка с отверстиями для создания демпфирования сжатия и отбоя, обеспечивающая чрезвычайно прогрессивную кривую демпфирования.Чем быстрее колесо движется по вертикали, тем больше масла протекает через отверстия. Как правило, вилки демпфирующего стержня имеют очень слабое демпфирование на низких скоростях и большое демпфирование на высоких скоростях. Поездка характеризуется чрезмерным клеванием вилки при торможении и гидравлической блокировкой при столкновении с неровностями с прямоугольными краями. Любые изменения в системе демпфирующих стержней, такие как изменение размера отверстий или изменение вязкости масла, влияют на весь диапазон скоростей.
High-Speed Damping –демпфирование для управления быстрыми вертикальными перемещениями компонентов подвески, вызванными дорожными характеристиками, такими как неровности с прямоугольными краями.Амортизация на высоких скоростях не зависит от скорости мотоцикла.
Демпфирование на низких скоростях — демпфирование для управления медленными вертикальными движениями подвески, например, вызванными рябью на дорожном покрытии. (Это также не зависит от скорости мотоцикла.)
Демпфирование отскока — контролирует выдвижение вилки или амортизатора после того, как она сжимается на неровности — отсюда и термин «отскок».
Уровень масла в вилке — уровень масла в вилке, измеренный при полном сжатии без установленной пружины.Он используется для настройки количества воздуха, содержащегося внутри вилки. Поскольку сжатый воздух заставляет его действовать как пружина, повышение уровня масла оставляет меньше места для воздуха, что приводит к увеличению скорости на протяжении всего хода вилки. Снижение уровня масла снижает усилие внизу, обеспечивая более линейную скорость.
Free Sag — величина оседания велосипеда под собственным весом. И для уличных, и для гоночных велосипедов требуется свободное провисание задней части от 0 до 5 мм. Велосипед не должен сильно перегружаться.
Packing — явление, вызванное чрезмерным демпфированием отскока.Когда встречается серия неровностей, таких как рябь, подвеска не отскакивает полностью между неровностями и сжимается (уплотняется) ниже на каждой последующей неровности. Это может резко изменить геометрию рулевого управления, если уплотнение происходит только на одном конце мотоцикла.
Предварительная нагрузка — расстояние, на которое пружина сжимается от ее свободной длины, когда она установлена с полностью выдвинутой подвеской. Регулятор преднатяга — метод внешней регулировки преднатяга компонентов подвески.Они могут быть наклонными или резьбовыми.
Прокладка предварительного натяга — материал, используемый для внутренней регулировки предварительного натяга вилки. Обычно используются тонкостенные алюминиевые или поливинилхлоридные трубки.
Грабли — угол наклона рулевой колонки (не угол вилки) относительно вертикали, который меняется с изменением дорожного просвета. Например, передний угол уменьшается, когда передняя часть сжимается или опускается. Изменение диаметра шины также может повлиять на угол наклона колес за счет изменения дорожного просвета.
Ride Heigh t — регулировка подвески (подъем или опускание вилки, удлинение или укорачивание амортизатора) для изменения положения шасси мотоцикла.
Предварительный натяг амортизатора можно изменить с помощью гаечного ключа или проверенного временем молотка и пробойника.
Sag — величина сжатия передней или задней части велосипеда между полностью загруженным и полностью загруженным райдером (и всем его снаряжением) на борту в положении для езды. Провисание также может повлиять на геометрию рулевого управления. Дополнительный прогиб передней части уменьшит эффективный угол поворота рулевой колонки, ускоряя рулевое управление, а слишком небольшой прогиб передней части замедлит управление. Однако слишком большой прогиб передней части в сочетании со слишком маленьким прогибом задней части может сделать байк нестабильным.Как настроить прогиб
Пружина — механическое устройство, обычно в виде спирали, которое накапливает энергию. При сжатии сохраняется больше энергии. Пружины чувствительны к положению, заботясь только о том, насколько они сжаты, а не о том, как быстро (как в случае демпфирования).
Suspension Fluid — используется внутри амортизатора для создания демпфирования при прохождении через отверстия или клапаны. Жидкость также используется для смазки и не должна сжиматься.
Topping Ou t — происходит, когда приостановка достигает своего предела.Амортизатор с установленной пружиной соответствующей нормы должен обладать достаточной силой, чтобы достичь максимума без всадника на борту.
Trail — расстояние по горизонтали между точкой вращения переднего конца (т.е. там, где линия, проведенная через рулевую колонку, пересекала бы землю) и пятном контакта шины. Поскольку след зависит от угла наклона, это переменный размер, который изменяется пропорционально изменению угла наклона во время действия подвески. Например, след резко обрывается, когда байк достигает полного пикирования при торможении, что дает водителю больше возможностей для включения рулевого управления.
Смещение тройного зажима — расстояние от центра трубок вилки до центра рулевого штока. Чем больше смещение, тем меньше размер следа.
Вес без рессоры — вес каждой части мотоцикла, находящейся между дорогой и подвеской (т.е. колеса, тормоза, компоненты подвески под рессорами и т. Д.).
Клапан — механическое оборудование, создающее демпфирование. Клапан — это комбинация обратных клапанов, отверстий, портов, прокладок, пружин и т. Д.
Итак, мы надеемся, что это подробное руководство по установке поможет вам в долгосрочной перспективе. Занимайтесь этим и найдите прочную базу, с которой можно начать. Экспериментировать — это весело, и в то же время это дает вам драйв / сосредоточенность на катании. Мы будем рады видеть вас в одной из наших 100% уникальных программ.
Superbike-Coach Corp
Как настроить прогиб горного велосипеда и настроить подвеску
Sag
Это также называется настройкой «предварительного натяга» или «пружины».Когда вы садитесь на хлыст, подвеска немного сжимается под вами (и буррито, которые вы прятали в рюкзаке). Это нормально и помогает подвеске соответствовать тропе, когда вы ее проезжаете; вы будете преодолевать не только неровности, которые сжимают подвеску, но и отверстия, в которые подвеска выступает для сохранения контакта с землей.Эта процедура более или менее одинакова, независимо от того, какой у вас тип пружины (воздушная или спиральная). Единственное предостережение заключается в том, что винтовые пружины имеют ограниченный диапазон регулировки, и вам нужно убедиться, что у вас есть пружина правильного веса.
Вам понадобится шестерня — Велосипед
— Амортизатор
— Рулетка
— Друг, который поможет вам сбалансировать велосипед и измерить сжатый удар.
Шаг 1: Найдите свой амортизатор или длину хода вилки
Амортизаторы
Вы увидите такие числа, как 200 x 50 (метрическая система) или 7,875 x 2,0 (метрическая система).
Первое число — это расстояние между глазами (как долго, в целом) вашего шока.
Вторая цифра — ударный ход. Это важный номер.
Вилы
Достаточно путешествовать. На некоторых вилках есть градиенты, чтобы показать провисание, что упрощает процесс.
Шаг 2: Приготовьтесь к поездке
Если вы носите рюкзак (поясной или другой), наденьте его. Шлем, защитные очки, накладки, все.Шаг 3. Установите велосипед на таком уровне, чтобы вы могли полностью опереться на велосипед при балансировке
Вы можете делать это сидя или стоя, в зависимости от того, какая позиция для вас важнее.Шаг 4. Сядьте на велосипед и убедитесь, что амортизатор или вилка находятся в широко открытом положении
Сделайте пару прыжков, чтобы немного преодолеть жесткость подвески.Шаг 5: потянитесь вниз и переместите уплотнительное кольцо к стороне воздушной камеры стойки (только для пневматических амортизаторов)
Это создает заполнитель после того, как вы накачаете амортизатор, чтобы вы знали, насколько подвеска сжимается под вашим весом.Если у вас есть амортизатор катушки, уплотнительного кольца нет. Возможно, вам понадобится друг, чтобы измерить расстояние между глазами, чтобы увидеть, насколько оно сжато.
Если у вас нет уплотнительного кольца на вашем воздушном амортизаторе, то вам поможет стяжка-молния.
Шаг 6: сойдите с велосипеда и измерьте величину провисания
Сходить с велосипеда нужно очень осторожно, чтобы амортизатор и вилка не сжимались сильнее, чем требует вес при езде.Количество сжатого под вами амортизатора, разделенное на общий ход амортизатора, даст вам текущий процент провисания амортизатора. Например, у амортизатора с ходом 2 дюйма, который сжал 1/2 дюйма дюйма, прогиб составляет 25%. Математика сложна, но подвеска от нее зависит.
Шаг 7. Отрегулируйте давление воздуха амортизатора или вилки, или предварительную нагрузку пружины, если необходимо
Меньшее давление воздуха означает большее провисание. Начните с шага в 5 фунтов на квадратный дюйм, чтобы не перескочить с места.Если у вас есть катушки шок, поверните стопорное кольцо для компресса. Начинайте с пол-оборота за раз.
Стремитесь к провисанию суспензии от 25% до 30%. Это хорошие начальные значения, но они должны корректироваться с учетом рекомендаций производителя и личных предпочтений.
Вот и все! Теперь вам нужно выбраться, покататься на велосипеде и решить, чувствуется ли ваш прогиб правильным, или вы хотите добавить более или менее прогиб подвески.
Постарайтесь сохранять последовательность по мере продвижения к своей цели провисания. В этом тоже есть субъективный компонент. Чем быстрее и жестче вы едете, тем жестче вам потребуется настроить подвеску. У самых быстрых парней в мире подвеска мотоциклов DH более жесткая, чем у гоночных мотоциклов XC. Это потому, что им нужно больше сопротивления, чтобы противостоять ударам о камни на их невероятных скоростях.
Рельеф, по которому вы едете, может зависеть от ваших предпочтений. Более мягкая подвеска обычно быстрее последовательных ударов, а более жесткая подвеска обеспечивает больший контроль над более крупными ударами, прыжками и падениями.Начните с рекомендуемого прогиба и работайте оттуда, чтобы лучше узнать свой велосипед и свой стиль езды.
Как настроить подвеску горного велосипеда
Настройка вилки подвески и амортизатора (если они у вас есть) абсолютно необходимы для получения максимального комфорта и контроля во время езды по бездорожью.
>>> Лучшие вилки для горных велосипедов
Совершите ошибку, и вы будете вести постоянную борьбу с мотоциклом и бездорожьем. Сделайте это правильно, и вы попадете в совершенно новый мир контроля.И хотя это может показаться очень сложным, понять основы на самом деле просто. Читайте дальше и узнайте, как настроить подвеску горного велосипеда.
Мы покрываем как вилку подвески, так и задние амортизаторы. Вот что охватывает это руководство…
- Базовая теория подвески
- Настройка прогиба
- Настройка демпфирования отбоя
- Настройка демпфирования сжатия
- Регулировка хода пружины
- Как ухаживать за подвеской
Как настроить подвеску горного велосипеда
Настроить приостановку — непросто, но и не так уж и сложно.Ты можешь это сделать. Не торопись. Не спешите на парковке перед поездкой.
При настройке подвески вы, по сути, устанавливаете две вещи: насколько жесткая пружина и как контролируется движение этой пружины (демпфирование).
Регулировка жесткости пружины
В подвеске с цилиндрической пружиной жесткость пружины определяется используемой винтовой пружиной. Если вам нужна более жесткая или мягкая пружина, купите новую спиральную пружину. Вот и все.
Винтовая пружина использует спиральную проволоку, обычно стальную, и бывает разной длины и скорости, чтобы подходить к разным велосипедам и весам велосипедистов.
Использование слишком мягкой пружины (т. Е.слишком низкое давление воздуха) приведет к тому, что подвеска будет слишком глубоко валяться в своем движении и слишком легко опускаться вниз.
Использование слишком жесткой пружины (слишком высокое давление воздуха) приведет к жесткой поездке, которая никогда не даст достаточного хода.
>>> Лучшая длинноходная амортизационная вилка
Используйте ударный насос для регулировки давления воздуха
В подвеске с пневматической рессорой (которая в наши дни используется для большинства подвесок) жесткость пружины определяется давлением воздуха.Давление воздуха в воздушной камере. Если вам нужна более жесткая или более мягкая пружина, вы регулируете давление в этой камере с помощью ударного насоса.
Для этого руководства мы будем предполагать, что у вас есть подвеска на пневморессоре, но если у вас есть подвеска на спиральных рессорах, это руководство все равно стоит прочитать, поскольку принципы все еще актуальны.
>>> Повысьте производительность вилки Fox CTD
Регулировка управления движением пружины
Движение пружины — то, как она сжимается и как она растягивается (отскакивает) — контролируется демпфированием вашей подвески.
Демпфирование — это, по сути, прохождение жидкости через отверстие или серию металлических прокладок (очень тонких шайб). Жидкость будет проходить через небольшое отверстие медленнее, чем через отверстие большего размера, или через более толстую / жесткую прокладку, чем через более тонкую. При большем отверстии жидкость будет проходить быстрее. Регулируя демпфирование, вы меняете размер отверстий, через которые проходит жидкость.
Степень контроля и регулировки демпфирования подвески будет зависеть от вашей вилки или заднего амортизатора.Некоторые вилки и амортизаторы имеют только регулировку демпфирования отбоя. Некоторые вилки и амортизаторы также имеют регулировку демпфирования сжатия.
Некоторые более высокие вилки и амортизаторы имеют отдельные регулировки демпфирования для ударов / усилий на низкой и высокой скорости. Мы поговорим об этом позже в этом руководстве.
Настройка прогиба
Это первое, что вам нужно сделать с подвеской. К счастью, это также самое простое, что вам нужно сделать. Для этого вам понадобится специальный шоковый насос.
Что такое провисание? Прогиб — это то, насколько ваш велосипед принимает ход подвески, когда вы садитесь на него и отрываетесь от земли.
Подвескаразработана для наилучшей работы с прогибом от 25 до 35% (он же от четверти до трети). Например, на 100-миллиметровом туристическом велосипеде вы хотите добиться 25-33-миллиметрового прогиба, когда вы садитесь на велосипед.
>>> RockShox Pike: 5 способов идеальной настройки
По нашему опыту, лучше всего настраивать провисание стоя на велосипеде.Вам нужно будет прислониться к чему-нибудь, например, к стене. Если вы установите прогиб, когда сидите, ваш задний амортизатор будет установлен слишком жестко, а вилка окажется слишком мягкой.
Сверните все демпфирование отбоя и сжатия (если оно у вас есть) до минимальных настроек. Вы не хотите, чтобы демпфирование мешало настройке провисания.
Сдвиньте маркер хода резинового уплотнительного кольца подвески к уплотнению.
Поставьте ваш провис, прислонившись к чему-нибудь
Встаньте на педали, слегка прислонившись к стене (дереву, фургону и т. Д.).Старайтесь не дергаться и не подпрыгивать при этом или когда садитесь с велосипеда.
Сняв с велосипеда, измерьте рулеткой, насколько далеко уплотнительное кольцо отошло от уплотнения.
Резиновое уплотнительное кольцо этой вилки красного цвета
С вилками это просто. Насколько сместилось уплотнительное кольцо в миллиметрах, можно быстро определить как процент от общего хода вилки.
Предупреждение: по нашему опыту вилки могут быть устойчивы к провисанию, поэтому не устанавливайте провисание более 20% -25%, иначе вилка будет слишком мягкой при движении по тропе.
Провисание заднего амортизатора
С задними амортизаторами все немного сложнее, потому что мм хода уплотнительного кольца не равняется мм хода заднего колеса. Вам нужно будет измерить длину хода вашего амортизатора (сколько вала показывает при полном выдвижении, например, ход 50 мм). Затем измерьте, на сколько мм ваше уплотнительное кольцо переместилось под провисание. Затем вы разделите результат измерения длины хода на результат измерения прогиба.
Например, на заднем амортизаторе с ходом 50 мм при прогибе 12,5 мм прогиб составляет 25%.
Используйте свой амортизатор, чтобы накачать или сдуть подвеску, пока не добьетесь 25% провисания хода (25% — это хорошая отправная точка по нашему опыту, поскольку большинство мотоциклов сконструировано с учетом этого показателя).
После катания, если вы обнаружите, что не получаете приличного количества хода, используемого для больших ударов и приземлений, не стесняйтесь попробовать увеличить величину провисания, т. Е. выпустите воздух из суспензии, попробуйте 10 фунтов на квадратный дюйм за раз. Вам также следует отменить демпфирование отскока на один или два щелчка после того, как вы выпустили воздух.
У многих брендов теперь есть калькуляторы настройки подвески, которые помогут вам начать работу. Это может быть очень полезно, но всегда сверяйте с собственными измерениями провисания, чтобы убедиться, насколько они точны. Большинство просят вас ввести свой рост и вес и дают давление для амортизатора, а иногда и вилки. Более сложные калькуляторы также предоставят вам настройки демпфера и рекомендации по разделению объема.
Настройка демпфирования отбоя
Циферблат отбоя находится внизу правой ноги этой вилки
НЕ ПЫТАЙТЕСЬ установить демпфирование отскока до тех пор, пока вы не настроите провисание правильно.
Демпфирование отскока — это то, что контролирует скорость, с которой ваша подвеска повторно растягивается после сжатия, то есть после поглощения удара.
Недостаточный отскок приведет к тому, что ваша подвеска будет колебаться и рикошетить от больших ударов.
Слишком сильный отскок приведет к складыванию подвески, что приведет к жесткой поездке. Это также испортит геометрию и управляемость вашего велосипеда.
Хотя отскок может быть личным предпочтением — некоторые гонщики любят «быструю» подвеску, некоторые предпочитают «медленную» — определенно существует правильный диапазон, чтобы быть в пределах.
Красный циферблат отбивается на этом заднем амортизаторе
Чтобы настроить амортизацию отбоя подвески, найдите бордюр.
Установите минимальное демпфирование отскока.
Съезжайте с обочины, стоя на педалях, на медленной или средней скорости. Ваша подвеска, вероятно, сожмется, быстро расширится (после точки прогиба), снова сожмется, а затем снова расширится. Другими словами, он будет подпрыгивать, как батут, а затем оседать.
Цель состоит в том, чтобы добиться достаточного демпфирования отскока, чтобы свести к минимуму этот эффект прыжков с трамплина.
Набор на пару кликов отскока. Снова съезжайте с обочины. Добавляйте щелчки отскока до тех пор, пока подвеска не растянется только один раз после сжатия.
Выйдя из поездки, если вы чувствуете, что ваш байк упаковывается и едет слишком глубоко в свой ход, сделайте пару щелчков отскока.
Настройка демпфирования сжатия
Не все вилки подвески или задние амортизаторы имеют регулируемое демпфирование сжатия, поэтому этот раздел может быть неприменим к вам.
Если в вашей подвеске есть регулируемое демпфирование сжатия, вам НЕ ОБЯЗАТЕЛЬНО его регулировать, если вы чувствуете, что в данный момент это может быть вам не по силам. отлично. Иди катайся на велосипеде.
Демпфирование сжатия влияет на то, как ваша подвеска сжимается.
Недостаточное демпфирование сжатия приведет к тому, что подвеска будет раскачиваться и нырять во время движения при вращении педалей, спуске и / или торможении.
Слишком сильное демпфирование сжатия не позволит вашей подвеске эффективно поглощать удары.Вы почувствуете, как он отвечает вам, это также известно как «шип». Если в конце спуска чувствуется боль в ладонях, возможно, вилка имеет слишком сильное демпфирование сжатия.
Демпфирование сжатия — это снова дело личных предпочтений. Некоторым гонщикам нравится легкая подвижная подвеска, другие предпочитают сверхустойчивую подвеску, которая не двигается быстро. Подумайте о жесткой подвеске раллийного автомобиля или удобном семейном универсале.
Вообще говоря, многие гонщики не имеют достаточного демпфирования сжатия.Их подвеска раскачивается и сильно ныряет.
Предустановленные режимы демпфирования сжатия
Многие задние амортизаторы (и некоторые вилки) имеют встроенные настройки демпфирования сжатия. Вилки и амортизаторы Fox, например, часто имеют режим педальной платформы с большим демпфированием сжатия и открытый режим с меньшим.
Режим педальной платформы означает сильное демпфирование сжатия, в результате чего получается уверенная езда, которая сопротивляется движению при педалировании (качанию), но не теряет достаточного хода подвески на неровностях.
Открытый режим означает минимальное демпфирование сжатия, в результате чего получается мягкая и мягкая езда, но при этом она может быть грубой из-за чрезмерного покачивания.
Для этого амортизатора в настоящее время установлено предустановленное значение «След».
Режим следа — это универсальная настройка. Достаточно твердый, чтобы избежать лишних ударов, но все же способен поглощать приличные удары.
Подобные пресеты есть уRockShox и других компаний.
Низкая скорость сжатия
Если у вас есть подвеска с правильно регулируемой компрессией (в отличие от встроенных пресетов), то стоит узнать, как она работает.
В основном низкоскоростное сжатие влияет на то, как подвеска сжимается на низких скоростях и при малой амплитуде сил.
Набирайте компрессию на низкой скорости, пока ваша подвеска не перестанет сильно раскачиваться при нажатии на педали. Некоторый боб — это нормально (что на самом деле часто неизбежно), но приятно избавиться от вашей подвески, которая скачет вокруг, отнимая у вас энергию и контроль.
Не беспокойтесь о том, что слишком сильно потеряете поглощение мелких неровностей; Ваши шины предназначены для того, чтобы впитывать мелочь.
Если правильно выбрана низкая скорость сжатия, вы также обнаружите, что ваша вилка не ныряет и не тонет во время крутых спусков, особенно тех, где вы сильно тормозите.
Регулировка демпфирования на высоких скоростях
Не многие вилки подвески или задние амортизаторы имеют регулируемое демпфирование высокой скорости (отскок или сжатие). Он предназначен для высококлассных моделей, предназначенных для опытных гонщиков и гонщиков.
Установка высокоскоростного демпфирования — своего рода мрачное искусство.Большинство райдеров отключают сжатие на высоких скоростях. Они также набирают за несколько кликов высокоскоростной отскок, если едут по бездорожью с множеством прыжков и падений.
>>> Как установить задний амортизатор Cane Creek
В этом руководстве мы не будем углубляться в регулировку демпфирования на высоких скоростях. Если у вас амортизатор с высокоскоростной регулировкой демпфирования, лучше всего обратиться к руководству по эксплуатации и / или на веб-сайте производителя.
Регулировка хода пружины
Вы не поверите, но в настоящее время на многих подвесках вы можете заставить ее вести себя определенным образом в первой части своего движения, в то же время заставляя ее вести себя по-другому на последней стадии своего движения.
Другими словами, вы можете иметь гибкое линейное действие на первой трети (приблизительно) хода вашей подвески, а также иметь более устойчивое, увеличивающее действие на последней трети вашего хода подвески.
Регулировка жесткости пружины подвески осуществляется с помощью проставок.
Установка проставок объема в вилку (например, RockShox’s Bottomless Tokens) или задний амортизатор влияет только на то, как ваша подвеска ощущается на последней части ее хода. Это не повлияет на поведение подвески в точке прогиба или в средней части ее хода.
Если вы легкий гонщик или гонщик, который едет относительно спокойно по более мягкому бездорожью, вам подойдет и ваша подвеска. Вам не нужны объемные распорки. Просто катайся на велосипеде.
Если вы более тяжелый или более агрессивный гонщик, преодолевая сложный рельеф на высоких скоростях, вы действительно можете извлечь выгоду из увеличения прогрессивности вашей подвески.
>>> Как установить проставки заднего амортизатора Fox Float
С установленными объемными прокладками вы можете работать с более низким давлением воздуха в подвеске и / или с более низким демпфированием сжатия на низких скоростях и иметь гибкое, свободное движение на ранних этапах хода подвески, в то же время избегая вилки, которая дует / ныряет через последнюю стадию своего путешествия слишком нетерпеливо.
Burp!
Это несущественная вещь, но вы можете захотеть это сделать просто потому, что. Что мы подразумеваем под «отрыжкой»? Обычно воздух может попасть под дворники вилки. Это не имеет большого эффекта, но может заставить их немного потерять гибкость.
Как избавиться от застрявшего воздуха? Возьмитесь за небольшую стяжку-молнию и осторожно протолкните ее между стойкой вилки и уплотнениями очистителя пыли. Вставьте застежку-молнию только на сантиметр или два. Вы можете услышать небольшое шипение выходящего воздуха.Если вы это сделаете, медленно снимите застежку-молнию и вернитесь к настройке подвески, как раньше. Если вы не слышите шипения воздуха, не беда. Там не было никаких ловушек. Медленно снимите застежку-молнию и продолжайте другие настройки. Если вилка кажется немного липкой, вероятно, она нуждается в быстрой смазке.
И, наконец, позаботьтесь о подвеске!
Не пренебрегайте приостановкой. Если вы это сделаете, он быстро ухудшится, особенно в грязных условиях. Это в большей степени относится к вилкам, чем к задним амортизаторам (хотя вы все равно должны следить за своим задним амортизатором).
>>> Настройте свой воздушный амортизатор Fox Float за 30 минут
Вы будете удивлены, насколько легко и быстро можно выполнить базовую очистку и смазку вилки и заднего амортизатора.
Вам, вероятно, не понадобятся какие-то странные специальные инструменты, но вам понадобится жидкость для подвески, предназначенная для вашей конкретной марки подвески.
Как настроить подвеску горного велосипеда
Подвеска MTB 101: прогиб и отскок
Итак, у вас есть горный велосипед с полной подвеской.Это потрясающе! Когда вы едете на велосипеде с полной подвеской, а не на горном велосипеде с хардтейлом, вы обычно можете кататься по технической местности с меньшими усилиями, и у вас будет больше тяги на неровных или рыхлых поверхностях … если ваша подвеска настроена правильно.
Неправильная настройка подвески — одна из основных причин, по которой гонщики плохо ездят на своем горном велосипеде.
Условия подвески
Ход : Степень сжатия подвески или, другими словами, длина хода подвески.Например, Liv Hail имеет ход 160 мм, а Pique — 120 мм.
Вилка : передняя подвеска горного велосипеда.
Амортизатор : Задняя подвеска горного велосипеда.
Стойка : Блестящая часть вилки или амортизатора, которая входит в «опоры» на вилке и корпусе амортизатора.
Sag : величина хода, которая используется, просто сидя на велосипеде. Выполнение теста на провисание — это способ измерения, достаточно ли воздуха в вилке или амортизаторе.В идеале, вы хотите, чтобы путешествие составляло около 25-35% от общего времени путешествия.
Shock Pump : Устройство, которое вы используете для нагнетания воздуха в амортизатор и вилку. Ваш обычный велосипедный насос для шин не будет работать!
Демпфирование сжатия: Некоторые вилки и амортизаторы имеют ручку, которая позволяет контролировать поток масла через небольшие отверстия во внутренних деталях подвески. Чем больше демпфирование сжатия вы используете, тем тверже будет ощущаться амортизатор или вилка.
Демпфирование отбоя : Ручка регулировки отбоя регулирует скорость, с которой вилка или амортизатор возвращается в естественное положение.Чем больше вы используете демпфирование отскока, тем медленнее вилка или амортизатор вернутся в свое естественное положение.
Как установить провисание на горном велосипеде
- Хватай друга! Гораздо легче проверить провисание, если у вас есть приятель, который будет держать переднее колесо.
- Если у вас есть ручки демпфирования сжатия, убедитесь, что они находятся в полностью «открытом» положении.
- Встаньте на педали и несколько раз подпрыгните. Это заставит масло проходить через вашу подвеску и гарантирует, что вилка или амортизатор не «застряли» на месте.При подпрыгивании убедитесь, что вы слегка надавливаете на переднюю часть велосипеда, как если бы вы действительно ехали.
- Стоя на байке в «нейтральном» положении, попросите друга установить резиновые уплотнительные кольца на вашей стойке.
- Осторожно сядьте в седло и слезьте с велосипеда.
- Посмотрите на свою стойку. Вы можете использовать линейку, но обычно вы можете сказать, просто взглянув на нее. Если уплотнительное кольцо находится примерно на четверти длины стойки, подвеска установлена правильно.Если уплотнительное кольцо опущено менее чем на четверть, в амортизаторе или вилке СЛИШКОМ СЛИШКОМ воздуха; используйте ударный насос для удаления воздуха. Если уплотнительное кольцо находится более чем на четверть длины вашей стойки, у вас СЛИШКОМ МАЛЕНЬКИЙ воздух в амортизаторе или вилке; используйте ударный насос для добавления воздуха.
Как отрегулировать демпфирование отскока
Отскок всегда следует регулировать после проверки правильности провисания. Регулируя отскок, имейте в виду, что это личный выбор, но если ваш отскок будет слишком быстрым или слишком медленным, это может быть очень плохо для вашей езды.Как правило, начните с определения количества «щелчков» отскока, с которым вам нужно работать. Поверните ручку отскока до упора влево (к шакалопу на RockShox или к знаку минус на Fox), чтобы полностью удалить демпфирование. Затем подсчитайте количество щелчков, поворачивая ручку вправо (к черепахе на RockShox или к знаку плюса на Fox). Когда у вас будет номер, нажмите наполовину в обратном направлении.
Отсюда вы можете «почувствовать» величину отскока, который у вас есть, сжимая и отпуская седло, чтобы проверить отскок амортизатора, или сжимая и отпуская рукоятки, чтобы проверить вилку.Убедитесь, что вы не держитесь за руль или седло, а вместо этого нажимаете открытыми руками, чтобы получить точное ощущение. Подвеска должна быстро вернуться в свое естественное положение, но не так быстро, чтобы шина отскочила от земли. При необходимости добавляйте или уменьшайте количество кликов. Для более «медленного» отскока добавьте демпфирование (черепаха / знак плюса). Для «более быстрого» отскока удалите демпфирование (знак «минус»).
Лучший способ улучшить отскок — это по-настоящему обратить на него внимание во время езды. Если вы чувствуете, что ваш байк пытается катапультироваться, когда вы приземляетесь в прыжке или падаете, или ваша поездка кажется действительно грубой по технической местности, вы можете замедлить свой отскок / добавить больше демпфирования отскока.Если вы чувствуете, что ваша подвеска «упаковывается» / не возвращается в свое естественное положение при быстрой смене нескольких неровностей, то вам нужно ускорить отскок / убрать демпфирование отскока.
Когда использовать демпфирование сжатия
Все вилки и амортизаторы разные. У некоторых есть демпфирование сжатия на высокой и низкой скорости, у некоторых есть две настройки, у некоторых — три, а у других нет! Итак, познакомьтесь с вашей подвеской и просмотрите схемы и предложения производителя на их веб-сайте или в брошюре, прилагаемой к вашему велосипеду!
Мы дадим вам небольшой совет: если ваша вилка или амортизатор имеет положение демпфирования сжатия «заблокировано», используйте эту настройку только при движении по дороге, гравию или гладкой одиночной гусенице.Если ваш прогиб настроен правильно, вам понадобится активная подвеска при прохождении технической одиночной трассы. Точно так же, как вы хотите, чтобы ваша подвеска была максимально активной при спуске по скалам и корням, при подъеме по тем же особенностям подвеска поможет вашим шинам оставаться на земле и, следовательно, увеличит сцепление с дорогой!
Голова еще кружится? Подвеска довольно техническая, а поверхность мы просто заделали! В итоге, поиграйте с ручками вилки и амортизатора.Выясните, что делают все настройки, и узнайте, что вам больше всего нравится!
Направляющая подвески для бездорожья | Как настроить подвеску для мотокросса | Настройка Sag
Мы считаем, что понимание базовой настройки подвески может дать вам преимущество перед конкурентами или просто улучшить ваши впечатления от езды. По этой причине мы собрали краткое изложение базовой настройки подвески и общих проблем, возникающих при настройке вашего велосипеда для различных условий местности и езды.
Начало работы с настройкой подвески для мотокросса
Для разных условий требуются небольшие изменения настроек. Могут быть значительные различия в том, какие настройки, жесткость пружины и т. Д. Могут улучшить настройку подвески гонщика. Начнем с установки вилок.
Установка вилкиУстановка вилок чаще всего выполняется неправильно. Вы должны убедиться, что трубки вилки не связаны. Сначала вставьте трубки вилки в зажимы.Убедитесь, что стяжные болты ослаблены, трубки должны легко входить (если они не гарантируют, что у вас нет поврежденного или погнутого зажима) после вставления трубок вилки в зажим установите желаемую высоту вилки. Затяните стяжные болты вручную. Затем с помощью динамометрического ключа затяните стяжные болты до нужной регулировки. (См. характеристики крутящего момента в руководстве). Теперь установите колесо и убедитесь, что ваша ось чистая и покрыта смазкой. Установите ось на место. Теперь вручную затяните гайку оси и болты только с этой стороны.Здесь вам нужно убедиться, что вилки не связаны. С помощью отвертки нужно развести стяжные болты с противоположной стороны. Это позволяет ножке вилки свободно перемещаться по оси, чтобы обеспечить правильное выравнивание. Вращайте колесо с крутящим моментом, ударяющим по тормозу, чтобы трубки встали на место на оси. Затем приступайте к затяжке стяжных болтов. (см. руководство для правильных характеристик)
Ударная установкаПри установке амортизатора очень важно, чтобы рычажный механизм был проверен и находился в хорошем рабочем состоянии.(характеристики крутящего момента см. в руководстве)
После установки вилки и амортизатора самое время установить прогиб.
Настройка прогиба
Статический прогиб для удараИспользуйте метрическую рулетку для следующих шагов. Следующие два шага — НАИБОЛЕЕ ВАЖНЫЕ для получения максимальной отдачи от приостановки. Для этого измерения вы начнете с велосипеда на подставке, чтобы оба колеса были подвешены. Лучше всего это сделать после того, как вы прокатитесь на велосипеде и прогреете амортизатор.Найдите точку от центра задней оси до заднего крыла и измерьте эти две точки. Запишите размер и поставьте велосипед на землю. (гонщик не на велосипеде) Используя те же две точки, возьмите другое измерение, разница должна быть (35-40 мм БЕЗ СОЕДИНЕНИЯ) (30-35 мм С ТЯГОМ). В противном случае вам нужно будет отрегулировать натяжение пружины. Вы делаете это, ослабляя стопорную муфту амортизатора, затем увеличивая предварительную нагрузку пружины, затягивая (по часовой стрелке) амортизирующую муфту, или уменьшая предварительную нагрузку пружины, ослабляя (против часовой стрелки) амортизатор, чтобы получить правильные измерения.
Race SagRace Sag — это измерение, проводимое для определения правильной жесткости пружины для вашего веса, и его необходимо проводить после установки статического прогиба. Теперь с вашим снаряжением для верховой езды, верблюжьим рюкзаком, инструментами и т. Д. Снимите велосипед со стойки и сядьте на велосипед в стоячем положении, поставив ступни на подножки с прямыми ногами, и возьмитесь за одну рукоятку руля одной рукой, слегка удерживая кончики пальцев другой руки на стене для равновесия. Таким образом, всадник получит лучшее измерение.(Причина СТОЯНИЯ проста, последовательна)
(Размер 1) Водитель на велосипеде
Слегка приподнимите заднюю часть (около 20 мм) и МЕДЛЕННО отпустите ее вниз. Запишите результат измерения.
(Размер 2) Водитель на велосипеде
Слегка сожмите заднюю подвеску (около 20 мм) и затем МЕДЛЕННО отпустите. Запишите результат измерения.
(Размер 3) Велосипед на полностью выдвинутой подставке
Разница между подъемом и опусканием возникает из-за трения.Чем больше Stiction, тем больше трение. Если оно больше 4 или 5 мм, рычаг требует внимания.
Фактический прогиб рассчитывается путем усреднения Измерения1 и Измерения2 и вычитания его из полностью растянутого.
Статический прогиб = M3 — (M1 — M2) / 2)
Примечание: FREE SAG — это величина, на которую велосипед сжимает только вес велосипеда — без водителя. Используйте тот же метод, что и для прогиба.
Размер на велосипеде без рычажного механизма должен составлять 105-115 мм, а если у вашего велосипеда есть рычаг, общий прогиб должен составлять 100-110 мм. Вы получаете это измерение, вычитая размер велосипеда на велосипеде из измерения велосипеда на подставке. Если число меньше указанных размеров, пружина слишком жесткая. Если размер больше, пружина слишком мягкая.
Настройка сжатия и отскока
Настройка отбоя вилкиДемпфирование отбоя отвечает за устойчивость и характеристики мотоцикла на поворотах.Найдите короткую подметальную машину. Когда вилы сжимаются для поворота, скорость, с которой они возвращаются, представляет собой энергию, которая толкает ваше переднее колесо в землю. Если вилка отскочит слишком быстро, энергия будет израсходована, и байк будет широко дрейфовать или стираться. Если отскок будет слишком медленным, байк перевернется и слишком быстро повернется внутрь. Если велосипед хорошо поворачивается, колесо должно быстро вернуться на землю и не отклоняться от последовательных ударов. Если это так, уменьшите отскок. (Получиться)
Настройка отскока амортизатораНайдите относительно быструю трассу с тормозными неровностями, камнями или корнями, ведущую ко входу в поворот.Уменьшите демпфирование отбоя, повернув регулятор отбоя (нижний регулятор на амортизаторе) против часовой стрелки, пока задний конец не начнет подпрыгивать или чувствовать себя свободно. Затем поверните регулятор по часовой стрелке на несколько щелчков, чтобы увеличить демпфирование отскока до тех пор, пока ощущение не исчезнет. Найдите бревно или выступ, которые могут подпрыгивать мотоциклом после удара. Если задняя часть бесконтрольно подпрыгивает, убедитесь, что статический прогиб правильный. Если статический прогиб в норме, поверните регулятор сжатия (верхний) против часовой стрелки на 3 щелчка и поверните регулятор отбоя (по часовой стрелке) на 3 щелчка.Найдите несколько громких возгласов. Мотоцикл должен двигаться прямо сквозь крики, при этом заднее колесо должно доходить до земли до следующего удара. Если он не работает так, как описано выше, то это набивка, и необходимо уменьшить демпфирование отскока! (Выключите кликер) (Перейдите в раздел для настройки песка, так как эти правила не применяются для песка.) Найдите угол с неровностями ускорения, камнями или корнями на выходе. Задняя часть мотоцикла должна соответствовать земле. Если задняя часть «ломается», уменьшите отскок.(Выключите кликер) (Если это не помогло, уменьшите сжатие двумя щелчками мыши.) (Выключите кликер)
Если велосипед вращается хорошо, колесо должно быстро вернуться на землю и не отклоняться от последовательных ударов. Если это так, уменьшите отскок. (Получиться)
Настройка сжатия вилкиВилки должны реагировать на все изменения трассы. Если вилка кажется жесткой на небольших неровностях, ямах, камнях или корнях, смягчите сжатие. (Выверните кликер) Если они относительно гладкие, сделайте жестче (Включите кликер.) до тех пор, пока они не станут резкими, а затем поверните назад на один-два щелчка. Теперь снова найдите грубую часть тропы. Вилка должна преодолевать худший перегиб или прыжок.
Установка ударного сжатияНайдите грубые участки, большой прыжок или пару «G-Outs». Удар должен достигать самого грубого участка, но не должен вызывать ощущения хлопка. Добавьте сжатие, чтобы уменьшить дно. (Включите кликер.) Но не заходите слишком далеко, так как способность подвески реагировать на небольшие изменения поверхности и камней будет принесена в жертву при торговле.Помните, что регуляторы в первую очередь влияют на низкую скорость, поэтому даже большое изменение настройки может лишь незначительно повлиять на сопротивление на дне.
Помните, что опускание подвески — не обязательно плохо. Вы должны стремиться преодолеть самое большое препятствие с нижней нагрузкой на тропе. Если вы этого не сделаете, подвеска не даст вам максимальной мягкости. Управляйте подвеской настолько мягко, насколько это возможно, но помните, что если на трассе есть участки с песком или много провалов, это сработает против вас.
Рекомендации для различных условийДля жестких и средних размеров: установите более мягкое сжатие (выверните кликер) спереди и сзади, чтобы обеспечить максимальный контакт колес и мягкость.
Условия песка(неровности с неквадратными краями) Необходимы более низкое сжатие и отскок. Начните с добавления 2 щелчков (включите кликер) отскока, а по мере того, как трек станет грубым, добавьте сжатие 4 щелчка. (Включите кликер.Жесткость — результат упаковки в вилы. Не забудьте добавить компрессию (поверните кликер), чтобы не допустить уплотнения передней части. Задняя подвеска будет иметь уплотнение при замене местами. Чтобы исключить подкачку, начните добавлять компрессию (включите кликер) до тех пор, пока велосипедные дорожки не станут прямыми, а затем добавьте отскок (включите кликер), чтобы задняя часть двигалась в соответствии с ландшафтом каждого крика.
Камни и корниКамни и корни заставят вашу подвеску работать в худшую сторону. Попробуйте уменьшить сжатие и отскок, чтобы подвеска могла реагировать и не отклоняться от каждого удара.
Покачивание головойОтрегулируйте вилки вилки ниже в тройных зажимах. Если это не улучшит подвеску, уменьшите отскок передней вилки. (Получиться)
Чрезмерный удар задним концомПроверить набивку, которая определяется по удару в сторону в тяжелых суглинистых условиях. Если вы наблюдаете набухание, смягчите отскок. (Выверните кликер.) Этого нельзя избежать, если вы неправильно затормозите и заблокируете заднее колесо вверх и / или потянете сцепление на входе в повороты.
Примечание: Сохраняйте записи об условиях и различных настройках, если вы едете в разных местах. Таким образом, вы можете начать с точки, которая хорошо работала в предыдущие разы.
Общие идеи
Помните, что если вы сделаете подвеску слишком мягкой, вы потратите много энергии только на поддержание направления и контроля. Будьте осторожны при установке, есть разница между мягким и плюшевым. Мягкий часто трудно контролировать и резкий, в то время как плюш гладкий и управляемый.Цель состоит в том, чтобы обеспечить максимальный контроль и комфорт. Подумайте обо всем участке трассы или о средних условиях трассы. Учитывайте свои навыки гонщика, а затем выберите настройку, которая обеспечит наилучшие общие характеристики езды. Учтите, что при езде по бездорожью вы столкнетесь с невероятно широким диапазоном условий, и вам нужно будет стараться найти золотую середину, иначе ваша подвеска будет очень хорошей на одних участках и средней на других.
Амортизация подвески изменяется по мере использования компонентов.Это вызвано износом и снижением вязкости масла. Важно, чтобы ваша подвеска регулярно проходила техническое обслуживание. Неправильная сборка или неподходящие жидкости резко изменят способ работы этих компонентов. Масло амортизатора следует менять каждые 3 месяца при интенсивной эксплуатации. Уплотнения обычно служат в течение одного сезона, поэтому мы рекомендуем их заменять раз в год. Для вилок мы рекомендуем сбрасывать давление воздуха перед каждой поездкой. Полное обслуживание предлагается каждые 3 месяца в зависимости от того, сколько песка или грязи вы катаетесь.
Очистка уплотнений вилки от пыли и сальника- Очистите всю область вокруг пылеуловителя и снимите ограждение вилки.
- Используйте небольшую отвертку с плоской головкой, чтобы отодвинуть ПЫЛЕВОЕ уплотнение, обнажая МАСЛЯНОЕ уплотнение.
- Очистите всю область вокруг МАСЛЯНОГО уплотнения. Используйте распылитель с мыльной водой (для этого хорошо подходит средство для мытья посуды Dawn) и мягкую щетку, чтобы удалить мусор. Смывайте мусор пресной водой. Используйте низкое давление воздуха и полотенце, чтобы удалить воду, стараясь ничего не повредить.Осторожно вставьте ЗАДНИЙ КОНЕЦ SEAL MATE TOOL или Seal Doctor между уплотнением и трубкой вилки. Он должен быть вставлен примерно на 1/2 дюйма глубиной.
- Осторожно поверните УПЛОТНИТЕЛЬ вокруг трубы вилки, убедившись, что КРЮЧОЧНЫЙ КОНЦ является передним краем.
- После полного вращения ПРОДОЛЖАЙТЕ вращать УПЛОТНЕНИЕ, пока оно удаляется.
- Протрите всю поверхность (трубку вилки и уплотнение).
- Возьмитесь за передний тормоз и СЖАТЬ (прокачать) вилки несколько раз.
- Протрите всю поверхность (трубку вилки и уплотнение).
- Насос снова
- Проверить трубку вилки на наличие излишков масла. Если присутствует избыток масла, повторите шаги 8-11.
