Что такое ABS? Для чего нужно АБС и как ей пользоваться.
Здравствуйте, уважаемые гости и постоянные читатели. Современный автомобиль буквально напичкан различными системами безопасности. Причем мало кто понимает их прямого назначения, не считая подушек и ремней безопасности. Название ABS, для нашего слуха, уже стало привычным, многие автолюбители знают, что эта система есть на их машинах, но не все понимают, как она работает. Так что же означает данная аббревиатура, для чего нужна эта система и как она работает?
ABS – (Anti-lock breaking system), либо просто АБС, это антиблокировочная система, целью которой служит предотвращение блокировки колес при торможении. К примеру, когда при торможении, одно или несколько колес машины заблокируются и станут скользить по дороге, система ослабит давление в тормозной магистрали колеса, и оно снова начнет вращение. И пока педаль тормоза постоянно и сильно нажата, процесс блокировки и разблокировки будет продолжаться, пока идет процесс торможения.
Система ABS появилась в 80-х годах прошлого века, и с тех пор стала важнейшей частью системы безопасности автомобиля. Устанавливают ее не только на легковые автомобили, но и на грузовики, и даже на мотоциклы.
Для чего нужно ABS?
Как уже было сказано, АБС предназначается для предотвращения блокировки колес и для сохранения возможности управлять автомобилем во время торможения, даже в экстренных случаях. Опасность блокировки колес в том, что при резком торможении, на скользкой дороге, можно потерять управление над авто. При отсутствии АБС, при экстренном нажатии на тормоз, у неопытных водителей будут заблокированы управляющие колеса, и повороты руля, в любую из сторон, не будут иметь никакого эффекта, машина просто продолжит движение прямо, пока снова не появится сцепление с дорогой.
Именно эту задачу и решает ABS. Система непрерывно контролирует вращение колес и, если необходимо, разблокирует их. Тем самым обеспечивается постоянное сцепление с дорогой, что позволяет выполнять маневры во время стрессовых ситуаций.
Часто, в паре с ABS, устанавливается и EBD (система по распределению тормозных усилий). Представим ситуацию, что автомобиль, одной стороной, попал на мокрую поверхность асфальта, а другой на сухую. Если в нем нет антиблокировочной системы, то при экстренном торможении одна сторона будет тормозить эффективнее другой, что приведет к развороту авто и уходу в неуправляемый занос. Опаснее всего эта ситуация складывается при поворотах, когда на авто уже действует боковое усилие. Система АБС же, вместе с EBD, обеспечит прямолинейное, безопасное и равномерное торможение на дорогах с неоднородным сцеплением.
Из чего состоит система АБС и принцип ее работы.
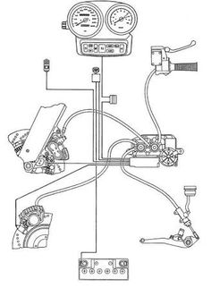
За время своего существования система претерпела значительные изменения и улучшения, но принцип действия и основной функционал, по сути, не поменялся. ABS состоит из нескольких датчиков ускорения, устанавливающихся в ступицах колес, модуляторов давления, которые встраиваются в магистраль тормозной системы, и ЭБУ (электронный блок управления), который управляет сигналами от клапанов, а также получает их от датчиков ускорения.
Все это работает так: каждый из датчиков, расположенных на ступицах, измеряет скорость вращения колес. Если на датчик пришла информация о резком замедлении, либо вовсе об остановке, то с блока управления подается команда о кратковременном открытии клапана для уменьшения давления в тормозной магистрали, что снова заставит колеса вращаться. Весь этот процесс управления датчиками происходит очень быстро, до нескольких десятков раз за секунду. Ощутить работу АБС водитель может, почувствовав слабые вибрации на педали тормоза.
В системе может быть различное число датчиков и клапанов, исходя из этого, и АБС могут быть одно-, двух-, трех- и четырехканальными. «Многоканальность» определяется числом клапанов, управляющих давлением в тормозной магистрали. Если у каждого колеса свой клапан, то это четырехканальная АБС, если по одному на каждое переднее колесо и один на всю заднюю ось, это трехканальная, по клапану на оси – двухканальная, и одноканальная, если стоит единственный клапан на всю систему.
Все современные автомобили комплектуются четырехканальными ABS, остальные же можно встретить только на старых авто.Кроме всех вышеописанных компонентов, в состав антиблокировочной системы может входить насос, который восстанавливает давление в тормозной магистрали, после снижения из-за открытия клапанов.
Как пользоваться ABS.
Наверное, ни один водитель не сможет очень часто нажимать на педаль тормоза, чтобы погасить скорость и не потерять управление. Система АБС была для того и создана, она способна выполнять данное действие с интервалом до пятнадцати раз в секунду. Она не дает колесам полностью заблокироваться, что улучшает управляемость автомобиля и устойчивость на дороге.
Езда на автомобиле с ABS имеет свои особенности. Эффект торможение, с данной системой, само собой увеличивается. Но нужно помнить, что автомобиль не меняет своего прямолинейного движения. Поэтому забудьте о плавном торможении, на автомобиле с ABS по тормозам нужно именно «бить». То есть, во время экстренного торможения, к педали нужно прикладывать большое усилие.
Кроме того, не нужно тормозить двигателем, АБС любит работать сам. То есть, при экстренном торможении, надо отключать двигатель от трансмиссии, нажимая педали тормоза и сцепления одновременно.
Минусы ABS.
Один из минусов – человеческий фактор. Многие автолюбители, у которых есть автомобиль с антиблокировочной системой, начинают чувствовать иллюзию полной безопасности, и постепенно теряют концентрацию. Вследствие этого, автомобили с ABS попадают в ДТП чаще, чем автомобили без него.
ABS действительно уменьшает тормозной путь на скользких дорогах. Но если говорить о сухих и ровных дорожных поверхностях, то здесь, наоборот, тормозной путь может увеличиваться.
Проблема ремонта и эксплуатации ABS также стоит остро. К примеру, датчики ускорения. Они сильно загрязняются, так как находятся в самой близости от вращающихся деталей.
Также, вывести их из строя, или дать сбои в их работе, может люфт подшипников. Стоит только отметить, что система работает почти без перебоев на современных машинах, а сломаться она может только лишь по вине самых автомобилистов, которые пренебрегают правилами безопасности.
И еще одна проблема, связанная с АБС, это то, что датчики не всегда верно могут среагировать на ситуацию на дороге. Например, представим подъем, потеря на полпути сцепления с дорогой, и резкое нажатие на тормоз. Система может воспринять это как блокировку колес, и даже до упора выжатая педаль газа не поможет удержать автомобиль на склоне. Такая ситуация случается редко, но вполне может быть.
Сложнее будет тормозить на льду, снеге и песке, с установленными шипованными шинами, так как система может нейтрализовать полезные свойства резины.
Что ж, после всего сказанного, можно уверенно сказать, что ABS значительно улучшает активную безопасность автомобиля. Сегодня автомобиль, это часть быта и, соответственно, производители стараются упростить его управление как можно больше.
Что делает современных водителей менее профессиональными, чем те, которые были лет 30-40 назад. Современный автомобиль должен быть максимально удобным и безопасным для начинающих автолюбителей. И недаром, с 2004 года, оснащение системой АБС, стало обязательным в странах Евросоюза.
ABS, конечно, вещь полезная, но не следует возлагать на электронику слишком много надежды. Лучше не допускать на дороге таких случаев, когда может включиться антиблокировочная система. Безопасных Вам дорог!
Похожие статьи:
С наступлением зимы напряженность на дорогах существенно возрастает, поскольку двигаться по заснеженной и местами обледенелой дороге в «летнем» режиме уже невозможно, а быстро изменить стиль вождения получается далеко не у каждого автовладельца. Ввиду отсутствия постоянного и качественного сцепления колес с дорожным покрытием, торможение, особенно в экстренных ситуациях, может привести к потере контроля над транспортным средством. Опытные автовладельцы с многолетним стажем именно так и поступают, начинающие же учатся на своих ошибках. Для того чтобы чувствовать себя более уверенно на скользкой и обледенелой дороге, необходима постоянная практика, поскольку все вместе взятые теоретические советы не позволят обрести требуемый опыт, чувствовать автомобиль, интуитивно чувствовать приближающуюся опасность. При этом следует понимать, что несмотря на оснащение современных автомобилей разнообразными системами, помогающими в управлении, к примеру, ABS, слепо рассчитывать на них не следует. ABS – ПОМОЩЬ ИЛИ ПОМЕХА НА ЛЬДУОснащение автомобилей системами помощи в управлении привело к тому, что многие, особенно неопытные водители, стали слишком много доверять ей, забывая многие моменты безопасного вождения. Не следует забывать и о том, что с наступлением морозов следует заменить резину на шипованные варианты – это существенно сокращает тормозной пусть на скользкой дороге. При попытке резкого торможения на стандартном авто без АБС колеса просто блокируются, что приводит к резкому снижению управляемости и заносу ТС. Стоит отметить, что между заблокированной покрышкой и дорожным покрытием сила трения будет достаточно слабой, поэтому быстрая остановка автомобиля практически невозможна на скользкой дороге. Торможение, которое осуществляется без блокировки отличается большей эффективностью, нежели скольжение по обледенелому покрытию дороги. К тому же, это предотвращает неконтролируемое скольжение и занос автомобиля. Чтобы знать, как тормозить с АБС с максимальной эффективностью нужно понимать принцип работы этой системы, который достаточно прост. На каждой из ступиц автомобиля с АБС имеются специальные выступы по типу зубцов шестеренки. При движении авто они перемещаются под индуктивными датчиками, которые передают в систему управления авто импульсы. Датчиков несколько, и когда колесо при торможении перестает вращаться, передача импульсов прекращается, срабатывают перепускные клапаны и тормозное усилие ослабевает. Именно в этот момент водитель слышит характерный треск. Таким образом система АБС предотвращает стопорение колес, позволяя водителю контролировать процесс управление автомобилем. КАК ПРАВИЛЬНО ТОРМОЗИТЬ НА АВТОМОБИЛЕ, ОСНАЩЕННЫМ ABSПеред тем как разбираться с вопросом – как правильно тормозить зимой на переднем приводе, следует вспомнить нехитрые правила «зимнего» поведения на дороге, которыми часто пренебрегают современные водители:
Последний пункт особенно актуален для автомобилей с АБС. Не стоит наивно полагать, что, если автомобиль новый и дорогой, все имеющиеся в нем системы безопасности и помощь водителю помогут сохранить управляемость в критичной ситуации, когда сам водитель не проявляет элементарного внимания к дорожной ситуации. Кроме того, существуют некоторые особенности, кроме вышеперечисленных, которые позволят тормозить на льду с АБС более корректно. К ним можно отнести следующие:
Внимание! Безусловная эффективность АБС резко снижается на таких покрытиях, как песок, лед, выраженные неровности – торможение на них должно проводится с учетом того, что АБС может сработать некорректно. КАК ПРАВИЛЬНО ТОРМОЗИТЬ ЗИМОЙ НА МЕХАНИКЕПри торможении в зимнее время, когда дорога обледенелая или заснежена, необходимо понимать, что тормозной путь существенно увеличивается, и мероприятия по остановке автомобиля следует начинать заблаговременно. Наиболее оптимально использовать комбинированный способ торможения, то есть помимо педали тормоза, следует использовать коробку передач, особенно если позволяет дистанция. Такое торможение включает в себя не только нажатие на педаль тормоза, но и переход на пониженные передачи. Но следует понимать, что понижать передачи следует постепенно, при соответствующих показателях на спидометре – если резко перейти на низкую передачу, когда скорость авто высока, есть вероятность «сбить» двигатель, что приведет к полной потере управляемости. Зимой необходимо полностью забыть о такой технике торможения, как «педаль в пол». Это не только неэффективно, но и опасно, поскольку при блокировке колес управление автомобилем становится практически невозможным. Чтобы знать, как тормозить на льду, если автомобиль не оборудован АБС, следует вспомнить, как эта система работает. Достаточно часто и прерывисто нажимать на тормоз, когда требуется быстро снизить скорость, чтобы избежать потери управляемости и притормозить. Находясь на скользкой дороге очень важно сохранять спокойствие и избегать резких нажатий на педаль тормоза и движений рулевым колесом, помня о том, что такие действия в большинстве случаев способствуют потере контроля над автомобилем. ОСОБОЕ ВНИМАНИЕ СЛОЖНЫМ УЧАСТКАМ ДОРОГИЕсли движение происходит преимущественно в городской черте, особую внимательность необходимо соблюдать на перекрестках. Они представляют повышенную опасность даже в летний период, зимой же риск ДТП здесь многократно повышается. Чтобы правильно тормозить с АБС зимой, процесс необходимо начинать за несколько десятков метров до самого перекрестка. Достаточно слегка нажать на педаль тормоза, позволив все остальное сделать АБС. Важно! Если машина тормозит рывками не стоит паниковать – это нормальное явление, и любые действия водителя в этот момент могут помешать быстрой остановке. На перекрестах соблюдать особую аккуратность необходимо не только в момент остановки. Не следует стремиться стартовать одним из первых, едва красный начнет мигать. Другие участники дорожного движения могут запросто не успеть закончить маневр и полностью прекратить движение, особенно, если их автомобиль не оснащен АБС. Источник: mashintop.ru Если Ваш автомобиль оснащён системой ABS, но на приборной панели горит значок, как на картинке В целях безопасности, Вам необходимо обратиться в ближайший официальный СТО для прохождения компьютерной диагностики и устранения неполадок в системе торможения, ведь тормоза это не только личная безопасность, но и безопасность пассажиров, пешеходов и других водителей! |
Опасная защита. В каких случаях система ABS может привести к аварии | Об автомобилях | Авто
a[style] {position:fixed !important;} ]]]]]]]]]]>]]]]]]]]>]]]]]]>]]]]>]]> aif.
ru
aif.ru
Федеральный АиФ- ФЕДЕРАЛЬНЫЙ
- САНКТ-ПЕТЕРБУРГ
- Адыгея
- Архангельск
- Барнаул
- Беларусь
- Белгород
- Брянск
- Бурятия
- Владивосток
- Владимир
- Волгоград
- Вологда
- Воронеж
- Дагестан
- Иваново
- Иркутск
- Казань
- Казахстан
- Калининград
- Калуга
- Камчатка
- Карелия
- Киров
- Кострома
- Коми
- Краснодар
- Красноярск
- Крым
- Кузбасс
- Кыргызстан
- Мурманск
- Нижний Новгород
- Новосибирск
- Омск
- Оренбург
- Пенза
- Пермь
- Псков
- Ростов-на-Дону
- Рязань
- Самара
- Саратов
- Смоленск
- Ставрополь
- Тверь
- Томск
- Тула
- Тюмень
- Удмуртия
- Украина
- Ульяновск
- Урал
- Уфа
- Хабаровск
- Чебоксары
- Челябинск
- Черноземье
- Чита
- Югра
- Якутия
- Ямал
- Ярославль
- Спецпроекты
- Все о коронавирусе
- Мой район
- Академический
- Внуково
- Гагаринский
- Дорогомилово
- Зюзино
- Коньково
- Котловка
- Крылатское
- Кунцево
- Куркино
- Ломоносовский
- Митино
- Можайский
- Ново-Переделкино
- Обручевский
- Очаково-Матвеевское
- Покровское-Стрешнево
- Проспект Вернадского
- Раменки
- Северное Бутово
- Северное Тушино
- Солнцево
- Строгино
- Теплый стан
- Тропарево-Никулино
- Филевский парк
- Фили-Давыдково
- Хорошёво-Мнёвники
- Черемушки
- Щукино
- Южное Бутово
- Южное Тушино
- Ясенево
- Изменения в Конституцию
- Антивирус
- Казахстан сегодня
- Общество
- 75 лет Победе
- Просто о сложном
- Сеть
- Наука
- Здравоохранение
- Армия
- Безопасность
- Образование
- Право
- Конкурс «Регионы России»
- Арктика — территория развития
- Экология
- МЧС России
- Мусора.
нет - Агроновости
- История
- Люди
- Религия
- Общественный транспорт
- СМИ
- Природа
- Туризм
- Благотворительность
- Социальное страхование
- Измени одну жизнь
- Галереи
- Мнение
- Происшествия
- Политика
- В России
- Московские выборы
- В мире
- Итоги пятилетки.
Курская область - Выборы в Приднестровье
- Галереи
- Мнения
- Деньги
- Экономика
- Коррупция
- Карьера и бизнес
- Личные деньги
- Компании
- Рынок
- Москва
- Здоровье школьника
- На страже зрения
- Гигиена зрения
- Защита иммунитета
- Профилактика болезней горла
- Культура
- Кино
- Театр
- Книги
- Искусство
- Шоу-бизнес
- Персона
- Проблема
- Куда пойти
- Галереи
- Актуальная классика
- Спорт
- Футбол
- Хоккей
- Зимние виды
- Летние виды
- Другие виды
- Олимпиада
- Инфраструктура
- Персона
- Фото
- Кухня
- Рецепты
- Рецепты в инфографике
- Продукты и напитки
- Питание и диеты
- Кулинарные хитрости
- Мастер-классы
- Детское питание
- Кухни мира
- Бытовая техника
- Дебаты
- журнал АиФ ПРО кухню
- Вкусы России
- Дача
- Огород
- Сад
- Стройка и дизайн
- Помощь юриста
- Здоровье
- Все о коронавирусе
- Здоровый голос
- Здоровая жизнь
- Правильное питание
- Здоровье ребенка
- Секреты красоты
- Лазерная эпиляция
- Психология жизни
- Время здоровья
- Мужское здоровье
- Лекарственный справочник
- Газета АиФ Здоровье
- журнал АиФ ПРО Здоровье
- Авто
- ГИБДД
- Об автомобилях
- Обслуживание
- Практические советы
- Пробки/дороги
- Безопасность
- Фото
- Безопасная дорога
- Наука
- Конкурсы и тесты
- Фотоголосования
- Техника
- Индустрия
- Сеть
- Гаджеты
- Приложения
- Компьютеры
- Технологии
- Фото
- Виртуальные серверы
- Реновация в Москве
- Мнения
- Усадьба Барышникова
- Живые истории
- Счастье — это.
.. - Недвижимость
- Город
- Загород
- Дом/ремонт
- ЖКХ
- Цены и рынок
Как отключить АБС: порядок работ. Антиблокировочная система
Практически на каждом современном автомобиле установлена антиблокировочная система.
Основная задача — предотвратить аварию во время торможения, когда автомобиль теряет устойчивость. Устройство помогает сохранить водителю контроль над автомашиной и уменьшить тормозной путь. Не всем водителям пришлась по душе эта система. Приходится подумать над вопросом, как отключить АБС, что особенно часто интересует опытных водителей.
Некоторые причины для отключения антиблокировки
Вопрос, как отключить АБС, волнует автомобилистов, двигающихся по бездорожью. Устройство наилучшим образом показало себя только в условиях гладкой поверхности дорожного покрытия. Российские дорожные условия далеки от совершенства: автотрассы с ухабами, заснеженные, грязные — антиблокировка бесполезна в таких случаях. Ее наличие, наоборот, усугубляет ситуацию, увеличивая тормозное расстояние. Не меньше раздражает тот факт, что даже на маленькой скорости автомобиля антиблокировочная система срабатывает.
Странная проблема
Почему происходит срабатывание ABS на небольшой скорости автомобиля, независимо от марки и страны-производителя? Случаются трудности с автомобилями с большим пробегом и на новеньких агрегатах.
Распространенной причиной инженеры считают выход из строя датчиков или наличие неустойчивых контактов. В этом деле поможет первичная диагностика.
Исправление ситуации
Необязательно задаваться темой, как отключить АБС, при постоянном вождении в городских условиях. Для этого можно снять проблемный датчик, почистить его и отшкурить посадочное место. Неплохо поможет очистка от грязи электроконтактов, разъемов и плотное их подтягивание. При стабильной эксплуатации автомашины в условиях бездорожья придется все-таки задуматься над вопросом отключения антиблокировочной конструкции.
Реально ли отключение без последствий
Задумываясь над тем, как отключить АБС на «Гранте», важно помнить: «самоуправство» приведет к некоторым вопросам при прохождении техобслуживания, о чем будет видно мастерам по бортовому компьютеру. При обращении в сервис во время гарантийного периода факт отключения ABS самостоятельно является причиной отказа в бесплатном ремонте.
Как провести процедуру правильно?
- Для начала открывается монтажный блок, где находятся предохранители.
Он находится вблизи АКБ. Иногда приходится извлекать 15-амперный предохранитель, однако уточнить этот вопрос поможет инструкция к автомобилю. - Дальше ненадолго включается зажигание, при этом важно, чтобы лампочки тормозной системы и ABS не гасли. После звукового сигнала зажигание нужно выключить.
- Затем идет съем блока с нижней крышкой. Электропровод от предохранителя разрезается вдоль и зачищаются его концы примерно на 2 см.
Проблема, как отключить АБС, решается легко: понадобится пятиконтактное реле, его можно приобрести в любом автомагазине. Тщательное изучение схемы контактов поможет провести процедуру без негативных результатов.
Начинается работа с контактов обмотки 86 и 85. К ним необходимо подключить провод, идущий на массу. Второй проводок отвечает за подачу сигнала. Контакт с маркировкой «30» должен соединиться с проводом, идущим от предохранителя, при этом 88 должен подключиться АБС. Кнопку выключения можно поставить в любой точке салона.
О временной блокировке работы
При условии эксплуатации автомашины в городской инфраструктуре делать это необязательно. При нормальных условиях использование технического ноу-хау действительно сокращает путь торможения, позволяет водителю взять контроль руля в свои руки в сложных ситуациях. Можно блокировать функционал ABS на некоторое время. При необходимости отсутствия времени на отключение системы можно прибегнуть к следующему способу.
К временной блокировке приведет резкое дергание ручного тормоза, блокирование задней колесной пары. Автотранспортное средство остановится без проблем. Не все понимают целесообразность устройства, поэтому стоит разобраться, что такое АБС на автомобиле и стоит ли спешить ее отключать.
Кратко о сути функционирования антиблокировки
Потеря рулевого контроля – распространенная причина автокатастрофы. Активация тормозных дисков возникает при нажатии тормоза. Неконтролируемое скольжение шин ведет к потере управления транспортом. Антиблокировочная конструкция была придумана для предотвращения подобной ситуации. Срабатывание ее дает водителю почувствовать пульсацию тормозной педали. Здесь главное — корректно воспользоваться неплохой инженерной разработкой.
Особенности торможения на автомашинах с АБС
О прерывистом, плавном торможении можно забыть. Автомобилисту не требуется постоянно следить за колесным сцеплением. Педаль тормоза нужно нажимать не слабо, не жалея приложить усилия. В данном случае отпадает необходимость использования моторной части. Установка предпочитает работать самостоятельно. В ситуации экстренного торможения приходится говорить об одновременном нажатии педалей тормоза и сцепления. Важно отключить двигатель от коробки передач. Большие надежды на электронику возлагать не стоит.
О самых частых причинах поломок
На приборной панели загорелась АБС, слышен посторонний шум в тормозном узле, чересчур мягкой стала педаль тормоза, значит, высока вероятность серьезной неисправности. Первоначально автолюбителю предстоит убедиться в отсутствии воздуха в тормозной системе, в том, нет ли утечки масла, в нормальном уровне тормозной жидкости.
С какими «болезнями» приходится столкнуться в СТО?
- Колесные датчики не хотят работать.
- Повреждены элементы механическим путем.
- Вышел из рабочего режима насос ABS.
- Отказал блок управления.
- Последняя трудность вызывает множество нюансов.
Несмотря на сложности, стоит хорошенько подумать, оправдано ли отключение АБС конкретно для самого автособственника. Решаясь на подобный шаг, надо взвесить за и против, присмотреться к условиям вождения. Критерии во многом предопределены тонкостями конкретной дороги, по которой часто вынужден колесить «стальной конь».
«Приводим в чувство» блок управления
Отказ в работоспособности агрегата – следствие перегорания контактов, к чему ведет повышенное напряжение. Второй причиной, что контакт отсутствует, служит механическое или химическое воздействие. При продуманном подходе ремонт блока ABS простой. Удобно расположив деталь на верстаке, необходимо вскрыть аккуратными действиями корпус, используя строительный ножик.
Слишком глубоко его запускать не стоит, иначе можно повредить электропровода.
Выявив место обрыва, используя импульсный паяльник, выполняется перепайка поврежденных проводков. Можно использовать паяльную станцию Weller. Не рекомендуется перегревать керамическое основание, чтобы не испортить плату. Поврежденная плата ведет к замене. После этого остается собрать блок и установить его обратно.
Не всегда проблема заключается в блоке. Порой приходится менять датчики, размещенные на колесных дисках. При желании восстановить самостоятельно работоспособность прежнего прибора, не прибегая к установке нового, возникает необходимость в перемотке катушки, встроенной внутри датчика. Работа по восстановлению системы неблагодарная, поэтому рекомендуется обратиться в сервисные центры. Это намного сэкономить силы, нервы и денежные капиталы.
Что такое ABS в автомобиле
Благодаря антиблокировочной системе, или ABS, обеспечивается устойчивость и управляемость автомобиля при торможении, а также укорачивается тормозной путь.
Объяснить принцип действия данной системы достаточно просто:
- на автомобилях без ABS при сильном нажатии на педаль тормоза колеса полностью блокируются – то есть они не вращаются и не слушаются руля. Часто возникают ситуации, когда при торможении нужно сменить траекторию движения, на машине без антиблокировочной системы это невозможно сделать если нажата педаль тормоза, придется отпустить на короткое время педаль, повернуть руль в нужном направлении и вновь жать на тормоз;
- если же стоит ABS, то колеса никогда полностью не блокируются, то есть можно спокойно изменять траекторию движения.
Еще один немаловажный плюс, который дает наличие АБС, устойчивость автомобиля. Когда колеса полностью обездвижены, предугадать траекторию движения автомобиля очень сложно, на нее может подействовать любая мелочь – смена дорожного покрытия (съехали с асфальта на грунт или брусчатку), небольшой уклон трассы, столкновение с преградой.
ABS позволяет контролировать траекторию тормозного пути.
ABS дает еще одно преимущество – тормозной путь более короткий. Это достигается за счет того, что колеса не блокируются полностью, а немного проскальзывают – продолжают вращаться на грани блокировки. Благодаря этому увеличивается пятно контакта колеса с дорожной поверхностью, соответственно автомобиль быстрее останавливается. Стоит однако помнить, что такое возможно только на сухой трассе, если же едете по мокрой дороге, песку или грунту, то использование ABS приводит наоборот к тому, что тормозной путь становится более длинным.
Отсюда видим, что антиблокировочная система дает следующие преимущества:
- возможность контролировать траекторию движения во время торможения;
- тормозной путь становится более коротким;
- автомобиль сохраняет устойчивость на трассе.
Устройство антиблокировочной системы
Впервые ABS начали использовать еще в конце 70-х годов, хотя сам принцип был известен еще на заре автомобилестроения.
Первые машины оборудованные антиблокировочной системой – это Mercedes S-Klasse, они сошли с конвейера в 1979 году.
Понятно, что с тех пор в систему было внесено множество модификаций, а с 2004 года все европейские автомобили выпускаются только с ABS.
Также с этой системой часто используют EBD – систему распределения тормозных усилий. Также антиблокировочная система интегрируется с антипробуксовочной системой.
ABS состоит из:
- блока управления;
- гидравлического блока;
- датчиков скорости вращения колес и давления в тормозной системе.
Датчики собирают информацию о параметрах движения автомобиля и передают ее на блок управления. Как только у водителя возникает необходимость затормозить, датчики анализируют скорость движения автомобиля. В блоке управления вся эта информация анализируется с помощью специальных программ, импульсы-команды передаются на гидравлический блок, который уже в свою очередь понижает или повышает давление в тормозной системе автомобиля с помощью электромагнитных клапанов.
Гидравлический блок связан с тормозными цилиндрами каждого колеса, а изменение давления происходит с помощью впускных и выпускных клапанов.
Загрузка…Поделиться в социальных сетях
Что такое система ABS — устройство и принцип работы
Многие автомобилисты не раз слышали аббревиатуру ABS (или АБС). Она уже давно стала привычной: системой оснащаются почти все легковые машины. Но далеко не все знают, что означает аббревиатура. Поговорим более подробно, что такое ABS и какие функции выполняет.
Что такое ABS в автомобиле
Итак, что значит ABS? Какова расшифровка этого термина? Он представляет собой сокращение от английского словосочетания Anti-block braking system (или немецкого слова Antiblockiersystem, так как родина технологии – именно Германия). Оно переводится как антиблокировочная система торможения. Однако в русском языке общеупотребительным стало более простое, короткое обозначение – антиблокировочная система.
Главное назначение этого узла автомобиля – улучшение управляемости транспортным средством и стабилизация его движения во время торможения. Например, без АВS тормозной путь машину будет больше на определенное расстояние.
Сегодня АБС устанавливается на 80% транспортных средств, которые поступают в продажу. Причем это касается не только автомобилей – она присутствует на любом транспорте, который имеет колеса и систему торможения (например, на мотоциклах, самолетах, прицепах, железнодорожных составах).
Современная АБС представляет собой сложное устройство, состоящее из нескольких датчиков, которые подсоединены к электронному блоку управления транспортного средства.
Краткая история антиблокировочной системы
Первые АБС появились в начале ХХ века на железной дороге. Ранее поезда останавливали с помощью полной блокировки колес, которая производилась посредством специальных стальных деталей.
Однако такой способ торможения имел один существенный недостаток. При полной остановке колес они создавали сильное трение. В результате изнашивались обода, оси и рельсы. Тогда в 1910 – 1920 годах на осях колес начали устанавливать электромагнит, который не полностью их останавливал, а постепенно замедлял их вращение. В середине 1920-х годов такую конструкцию также стали монтировать на осях самолетных шасси.
Первые попытки применения АБС на автомобилях предприняла известная немецкая корпорация Bosch в 1930-х годах. Правда, успехом они не увенчались – для эффективной работы системой должна была управлять электроника, но тогда не было соответствующих технологий.
Похожие статьи
Нормально функционирующие ABS появились в 1970-х годах после того, как произошел рывок в развитии полупроводников. Первую подобную систему продемонстрировала общественности немецкая автомобильная компания Daimler-Benz AG. «Подтянулся» и Bosch – он тоже наладил выпуск АБС.
После создания рабочего варианта АБС его устанавливали на автомобили опционально, за дополнительную плату.
В обязательном порядке ее монтировали только на дорогие модели Mercedes Benz.
Однако ситуация изменилась в 2004 году. В соответствии с принятым тогда общеевропейским законом все авто, которые продавались на территории ЕС, должны были быть оснащены АБС. Чтобы остаться на рынке Старого Света, почти все производители стали оснащать свою продукцию системой. В результате по состоянию на 2020 год ее имеют около 85% автомобилей в мире.
Как устроен датчик АБС
Информация о том, нужно замедлять скорость вращения колеса или нет, поступает на электронный блок управления с датчика. Он может работать:
- по принципу индукционной катушки;
- на основе эффекта Холла.
В первом случае на колесе размещают зубчатый ротор круглой формы, а вблизи него – индукционную катушку с сердечником. При этом детали не соприкасаются между собой. При вращении колеса начинает вращаться и ротор. В результате этого магнитное поле сердечника изменяется и в обмотке катушке возникает электрический ток.
Он поступает на электронный блок управления.
Датчики, основанные на эффекте Холла, работают схожим образом. Однако вместо индукционной катушки в них устанавливают плоскую пластину, которая расположена между двумя постоянными магнитами. При вращении колеса начинает вращаться и ротор. Под воздействием его движения в пластине возникает электрический ток, который передается на блок управления. Иногда между датчиком и ЭБУ устанавливают дополнительную микросхему, которая очищает сигнал от всего лишнего.
В настоящее время наиболее распространены устройства, которые работают на основе эффекта Холла. Это обусловлено их большей точностью. Ток в пластине более стабилен и равномерен, благодаря чему электронный блок управления лучше его распознает и регулирует торможение.
Таким образом, датчики ABS являются бесконтактными и измеряют скорость вращения колеса на расстоянии, а затем передают полученную информацию на электронный блок управления. Понять, как они работают, будет проще, если посмотреть соответствующее видео.
Обычно в автомобиле присутствует 4 датчика АБС – по каждому на колесо.
Принцип работы ABS
Функционирование АБС построено на взаимодействии датчиков и электронного блока управления. Вот как оно происходит.
- Если вращение колеса становится слишком медленным, ЭБУ на основе сведений, полученных с датчика, на короткое время открывает клапан гидравлического блока. В результате давление тормозной жидкости уменьшается и колесо начинает вращаться несколько быстрее.
- Если датчик показывает, что колесо вращается слишком быстро, блок управления повышает давление тормозной жидкости, уменьшая просвет клапана.
АБС в большинстве случаев не реагирует на плавное снижение скорости во время торможения – система начинает работать только при ее резком изменении.
Также на АБС передается информация о разнице в скорости вращения разных колес. Она также учитывает это в своей работе.
ЭБУ запрашивает информацию с датчиков несколько раз в секунду. Иногда из-за этого можно ощутить легкую вибрацию педали тормоза. Такая частота необходима для наиболее эффективного регулирования процесса торможения.
Клапанов, с помощью которых изменяется давление тормозной жидкости, может быть от 1 до 4:
- если клапан 1, то он регулирует торможение только одной оси;
- если клапана 2, то каждый отвечает за свою ось;
- если клапана 3, то 2 из них отвечают за ведущие колеса, а 1 за оставшуюся ось;
- при наличии 4 клапанов каждый из них регулирует торможение своего колеса.

Плюсы и минусы системы ABS
Система антиблокировки торможения имеет как преимущества, так и недостатки. К ее плюсам можно отнести следующие.
- Улучшение управляемости транспортного средства. Благодаря регулировке скорости вращения колес автомобиль остается управляемым даже при выполнении экстренного торможения. Это значительно повышает безопасность передвижения на машине.
- Уменьшение продолжительности тормозного пути. В большинстве случаев при использовании АБС уменьшается тормозной путь. Это также делает управление транспортным средством несколько проще.
- Улучшение поведения машины при поворотах. Если водитель допустил ошибку и автомобиль занесло, при наличии на транспортном средстве АБС риск опрокидывания гораздо меньше.
- Для управления авто нужно меньше навыков. АБС существенно «облегчает жизнь» неопытным водителям, которые только недавно получили права сели за руль. Ведь использование системы позволяет не продумывать некоторые шаги, так как это делает за автомобилиста электронный блок управления.
Кроме того, при наличии АБС прощаются многие ошибки (например, упомянутый резкий поворот, способный вызвать занос). Таким образом, система делает управление машиной гораздо проще.
Но у системы есть и минусы. К основным можно отнести следующие.
- Неэффективность на небольших скоростях. Уже упоминалось, что АБС не учитывает незначительное изменение интенсивности вращения колес. Это приводит к тому, что система неэффективна на низких скоростях. Например, при плавном спуске с горы со скоростью 4 – 6 км/ч транспортное средство, на котором установлена антиблокировочная система, будет вести себя точно так же, как автомобиль без нее. Также это касается продолжительного небыстрого движения по инерции. Это нужно учитывать.
- Неэффективность на некоторых дорожных покрытиях. Система хорошо работает далеко не на всех дорогах. Например, на грунтовках или асфальте с большим количеством неровностей (что в нашей стране не редкость), АБС функционирует гораздо хуже. Это объясняется частым перемещением колес в вертикальной плоскости, которое влияет на работу датчиков.
В результате существенно увеличивается тормозной путь, меняется поведение транспортного средства при торможении. - Неэффективность на обледеневшей дороге. Также АБС не очень хорошо работает на дороге, с которой не убран лед, снег, другие посторонние покрытия. Из-за разности сцепных свойств асфальта и, например, наледи, датчики также не могут нормально снимать информацию о скорости передвижения с колеса.
Возможные неисправности АБС и их причины
О неисправности модуля АБС могут свидетельствовать следующие «симптомы»:
- сигнал датчика на приборной панели;
- существенное увеличение тормозного пути автомобиля;
- ухудшение поведения на поворотах.
Чаще всего встречаются следующие неисправности.
- Обрыв или замыкание кабеля. Датчик системы и электронный блок управления авто соединяются между собой с использованием кабеля. В случае нарушения его целостности происходит полная потеря контакта, подача тока меньшего напряжения на ЭБУ или замыкание.
В результате блок управления получает недостоверную информацию с колес, и система перестает работать надлежащим образом. «Лечится» проблема заменой кабеля. - Поломка датчиков. Из строя могут выйти непосредственно датчики. Причин поломки может быть очень много: окисление контактов, перегорание обмотки на индукционном устройстве, порча пластины на датчике Холла. Обычно в перечисленных ситуациях ЭБУ распознает приборы как рабочие. В результате он не получает необходимой информации и АБС перестает нормально функционировать. Устраняют проблему заменой вышедшего из строя датчика.
- Разный рисунок протектора или давление шин. При спуске или более грубом протекторе колесо начинает притормаживать. Если этот процесс будет достаточно интенсивным, то его распознают датчики. В результате в системе произойдет ложное срабатывание. Проблему устраняют подкачкой колеса или заменой покрышки.
- Механические повреждения колеса. В результате дефектов сепараторов подшипников ступицы, решетки вблизи ротора или других дефектов считывание информации о скорости происходит некорректно.
В результате на ЭБУ поступает недостоверная информация и система работает неправильно. Для устранения проблемы устраняют неисправности колес.
Вконтакте
Одноклассники
Функция ABS с примерами формул
В этом учебном пособии объясняется концепция абсолютного значения числа и показаны некоторые практические применения функции ABS для вычисления абсолютных значений в Excel: сумма, среднее, поиск максимального / минимального абсолютного значения в наборе данных.
Одна из основных вещей, которые мы знаем о числах, — это то, что они могут быть положительными и отрицательными. Но иногда вам может потребоваться использовать только положительные числа, и здесь может пригодиться абсолютное значение.
Абсолютное значение числа
Проще говоря, абсолютное значение числа — это расстояние этого числа от нуля на числовой прямой, независимо от направления.
Например, абсолютное значение чисел 3 и -3 одинаково (3), потому что они одинаково далеки от нуля:
Из изображения выше видно, что:
- Абсолютное значение положительного числа — это само число.

- Абсолютное значение отрицательного числа — это число без отрицательного знака.
- Абсолютное значение нуля равно 0.
Легко!
В математике абсолютное значение x обозначается как & vert; x & vert; как в этих примерах:
& vert; -10 & vert; = 10 & vert; 10 & vert; = 10
В Excel нет символа абсолютного значения, но есть специальная функция для получения абсолютного значения — функция ABS.
Примечание. Абсолютное значение Excel не следует путать с абсолютной ссылкой на ячейку.Последний представляет собой особую форму адреса ячейки, которая блокирует ссылку на данную ячейку. Дополнительные сведения см. В разделе Абсолютные ссылки на ячейки в Excel.Функция ABS в Excel
Функция ABS в Excel предназначена только для одной цели — получить абсолютное значение числа.
АБС (номер)
Где число — это число, для которого требуется получить абсолютное значение.
Он может быть представлен значением, ссылкой на ячейку или другой формулой.
Например, чтобы найти абсолютное значение числа в ячейке A2, используйте следующую формулу:
= ABS (A2)
На следующем снимке экрана показана наша абсолютная формула в Excel:
Как рассчитать абсолютное значение в Excel
Теперь вы знаете понятие абсолютного значения и то, как его вычислить в Excel.Но можете ли вы представить себе применение абсолютной формулы в реальной жизни? Надеемся, что следующие примеры помогут вам лучше понять, что вы действительно обнаруживаете.
Преобразование отрицательных чисел в положительные
В ситуациях, когда вам нужно заменить отрицательное число на положительное, функция Excel ABS — простое решение.
Предположим, вы вычисляете разницу между двумя числами, вычитая одно число из другого. Проблема в том, что некоторые результаты являются отрицательными числами, в то время как вы хотите, чтобы разница всегда была положительным числом:
Оберните формулу в функцию ABS:
= ABS (A2-B2)
И преобразовать отрицательные числа в положительные, не затрагивая положительные числа:
Определить, находится ли значение в пределах допуска
Еще одно распространенное применение функции ABS в Excel — определить, находится ли заданное значение (число или процент) в пределах ожидаемого допуска или нет.
Используя фактическое значение в A2, ожидаемое значение в B2 и допуск в C2, вы строите формулу следующим образом:
- Вычтите ожидаемое значение из фактического значения (или наоборот) и получите абсолютное значение разницы: ABS (A2-B2)
- Убедитесь, что абсолютное значение меньше или равно допустимому допуску: ABS (A2-B2) <= C2
- Используйте оператор IF для возврата желаемых сообщений. В этом примере мы возвращаем «Да», если разница находится в пределах допуска, в противном случае — «Нет»:
= ЕСЛИ (ABS (A2-B2) <= C2, «Да», «Нет»)
Как суммировать абсолютные значения в Excel
Чтобы получить абсолютную сумму всех чисел в диапазоне, используйте одну из следующих формул:
Формула массива:
СУММ (ABS ( диапазон ))
Обычная формула:
СУММПРОИЗВ (ABS (диапазон ))
В первом случае вы используете формулу массива, чтобы заставить функцию СУММ суммировать все числа в указанном диапазоне.
СУММПРОИЗВ по своей природе является функцией типа массива и может обрабатывать диапазон без дополнительных манипуляций.
С числами, которые нужно суммировать в ячейках A2: B5, подойдет любая из следующих формул:
Формула массива, завершенная нажатием Ctrl + Shift + Enter:
= СУММ (ABS (A2: B5))
Обычная формула, завершаемая обычным нажатием клавиши Enter:
= СУММПРОИЗВ (ABS (A2: B5))
Как показано на скриншоте ниже, обе формулы суммируют абсолютные значения положительных и отрицательных чисел, игнорируя знак:
Как найти максимальное / минимальное абсолютное значение
Самый простой способ получить минимальное и максимальное абсолютное значение в Excel - использовать следующие формулы массива.
Максимальное абсолютное значение:
MAX (ABS (диапазон ))
Минимальное абсолютное значение:
МИН (ABS (диапазон ))
В нашем примере набора данных в A2: B5 формулы принимают следующую форму:
Чтобы получить максимальное абсолютное значение:
= МАКС (АБС (A2: B5))
Чтобы найти минимальное абсолютное значение:
= МИН (АБС (A2: B5))
Не забудьте правильно заполнить формулы массива, нажав Ctrl + Shift + Enter.
Если вам не нравится использовать формулы массива в своих таблицах, вы можете обманом заставить функцию ABS обработать диапазон, вложив его в аргумент массива функции ИНДЕКС, как показано ниже.
Чтобы получить максимальное абсолютное значение:
= МАКС (ИНДЕКС (АБС (A2: B5), 0,0))
Чтобы получить минимальное абсолютное значение:
= МИН (ИНДЕКС (ABS (A2: B5), 0,0))
Это работает, потому что формула ИНДЕКС с аргументами row_num и column_num , установленными в 0 или опущенными, сообщает Excel, что нужно возвращать весь массив, а не отдельное значение.
Как усреднить абсолютные значения в Excel
Формулы, которые мы использовали для вычисления минимального / максимального абсолютного значения, также могут усреднять абсолютные значения. Вам просто нужно будет заменить MAX / MIN на функцию AVERAGE:
Формула массива:
= MAX (ABS ( диапазон ))
Обычная формула:
= СРЕДНИЙ (ИНДЕКС (ABS ( диапазон ), 0,0))
Для нашего образца данных формулы будут выглядеть следующим образом:
Формула массива для усреднения абсолютных значений (вводится нажатием Ctrl + Shift + Enter):
= MAX (ABS (A2: B5))
Обычная формула для усреднения абсолютных значений:
= СРЕДНИЙ (ИНДЕКС (ABS (A2: B5), 0,0))
Другие примеры формул абсолютного значения
Помимо типичного использования абсолютного значения, продемонстрированного выше, функцию Excel ABS можно использовать в сочетании с другими функциями для обработки задач, для которых нет встроенного решения.
Ниже вы можете найти несколько примеров таких формул.
Получить дату, ближайшую к сегодняшнему дню - для получения даты, ближайшей к сегодняшнему дню, используется абсолютное значение.
Вычислить ранг по абсолютной величине - ранжировать числа по их абсолютным значениям без учета знака.
Извлечь десятичную часть числа - получить дробную часть числа как абсолютное значение.
Получите квадратный корень из отрицательного числа - извлеките квадратный корень из отрицательного числа, как если бы это было положительное число.
Вот как вычислить абсолютное значение в Excel с помощью функции ABS.Формулы, обсуждаемые в этом руководстве, очень просты, и у вас вряд ли возникнут трудности с их корректировкой для ваших листов. Чтобы получить более подробное представление, вы можете загрузить наш образец книги Excel Absolute Value.
Благодарю вас за чтение и надеюсь увидеть вас в нашем блоге на следующей неделе!
Вас также может заинтересовать
abs () в Python - GeeksforGeeks
abs () в Python
Функция abs () используется для возврата абсолютного значения числа.
Синтаксис:
абс (число) число: Может быть целым числом с плавающей точкой число или комплексное число
Функция abs () принимает только один аргумент, число, абсолютное значение которого должно быть возвращено. Аргумент может быть целым числом, числом с плавающей запятой или комплексным числом.
- Если аргумент является целым числом или числом с плавающей запятой, abs () возвращает абсолютное значение в виде целого числа или числа с плавающей запятой.
- В случае комплексного числа abs () возвращает только часть величины, которая также может быть числом с плавающей запятой.
|
Выход:
Абсолютное значение float: 54.26 Абсолютное значение целого числа: 94 Абсолютное значение или величина комплекса: 5.0
Внимание компьютерщик! Укрепите свои основы с помощью курса Python Programming Foundation и изучите основы.
Для начала подготовьтесь к собеседованию. Расширьте свои концепции структур данных с помощью курса Python DS .
Окончательное руководство A-Z без BS!
Если вы хотите узнать, как тренировать пресс, вы попали в нужное место.В этой статье я представлю простое пошаговое руководство.
Но ВНИМАНИЕ - я не буду приукрашивать это для вас. По большей части у вас нет пресса, потому что вам врали другие «эксперты».
Все хотят по шесть пачек, но они есть у очень немногих - почему? Потому что фитнес-индустрия питается этим желанием и ежедневно реализует его.
Истина в том, что для получения пакета из шести штук потребуется много чертовой работы , но с правильным советом и руководством это произойдет легче, чем вы думаете.
Эта статья представляет собой руководство по получению абс. Это не какая-то дурацкая статья, написанная каким-то толстым, толстым врачом, который даже не занимается спортом.
Написано настоящим фитнес-экспертом, у которого есть упаковка из шести кубиков. Итак, с этой напыщенной речью, позвольте мне научить вас, как получить такую, как я.
Правда о Six Pack Abs
Если вам нужны доказательства того, что я действительно знаю, как получить пресс, просто взгляните на изображение выше.Это мои фотографии, сделанные после тренировки.
Как видите, я не только говорю, но и иду пешком. Итак, имея это в виду, как именно получить шесть кубиков пресса? Что ж, не все так просто.
Не существует « one thing », который даст вам измельченное ядро с точеными мускулами - это сочетание множества мелких вещей.
Это один из самых больших фитнес-мифов. Маркетологи обещают, что у них есть какие-то специальные таблетки, упражнения, тренировки или диета, хотя на самом деле это требует времени и усилий.
Получение пресса сводится к двум различным вещам:
- Правильная диета
- Как правильно тренироваться
Вот и все. Нет волшебных таблеток или секретных упражнений, которые дадут вам упаковку из шести штук. Это изменение образа жизни: вы едите здоровую пищу и регулярно поднимаете вес.
А теперь, можете ли вы использовать маленькие хитрости и подсказки, чтобы набрать обороты и быстрее собрать свой набор из шести кубиков? Конечно, но основы всегда будут №1.
Правильное мышление
Прежде чем говорить о тренировке пресса, я хочу кое-что уточнить - вам нужно иметь правильного мышления , иначе вы сдадитесь слишком рано.
Поймите, что для наращивания мышечной массы, сжигания жира на животе и получения изящного телосложения потребуется время. Это не произойдет в одночасье.
Если вы готовы поработать, вы получите результаты, но не ожидайте, что ваша упаковка из шести кубиков волшебным образом появится всего через 2 недели.
В среднем, чтобы достичь высокого уровня телосложения, обычно требуется 6–12 месяцев действительно тяжелой работы (если вы не принимаете стероиды).
Самое главное - быть последовательным.Придерживайтесь тренировок, продолжайте выполнять эти скручивания, следите за своим питанием и регулярно тренируйтесь.
Помните, что в жизни нет «коротких путей» ни к чему хорошему.
Соблюдайте правильную диету
Прежде всего, и это самое важное во всем этом списке, это правильная диета. Если вы хотите набрать шесть кубиков пресса, вы должны следить за едой как ястреб.
Стремитесь получать 40-50 граммов белка за один прием пищи и убедитесь, что вы едите продукты с высоким содержанием клетчатки, чтобы утолить голод (лучше всего для этого подходят овощи).
Лично я предпочитаю прерывистое голодание как образ жизни. Однако вы можете использовать любую диету, если она поможет вам избавиться от жира на животе.
Неважно, сколько вы поднимаете - если у вас избыточный вес, мышцы пресса не будут видны. Главное - просто снизить содержание жира в организме до 8%.
Ваш пресс начнет показывать около 12% жира, но на самом деле он начнет выделять около 8% жира. Спуститься так низко сложно, но при достаточном количестве времени и усилий это может сделать каждый.
Как правильно питаться
Когда вы пытаетесь получить упаковку из шести упаковок, вы хотите искать продукты с высоким содержанием белка, клетчатки и низким содержанием простых углеводов.
Употребление в пищу продуктов с высоким содержанием белка поможет вам набрать мышечную массу и одновременно похудеть, поэтому очень важно соблюдать диету.
Продукты для поиска (продукты с высоким содержанием белка)
Старайтесь есть много куриной грудки, стейка, свиной корейки и рыбы, чтобы получать достаточно белка.В частности, куриная грудка - отличный источник белка.
В дополнение к этому, ищите сложные углеводы.
Вот несколько продуктов, которые помогут вам похудеть:
- Сладкий картофель и ямс
- Овсяные хлопья и овсяные хлопья
- Цельнозерновой хлеб, макаронные изделия и т. Д.
- Киноа и коричневый рис
Все эти продукты являются отличным источником сложных углеводов, а это означает, что они медленно перевариваются (и не превращаются в жир сразу, как пончики).
Продукты, которых следует избегать (любой ценой)
В дополнение к этому, вы хотите избегать продуктов с высоким содержанием простых углеводов. Итак, все, что действительно сладкое, заставит вас набрать вес.
Вот некоторые продукты, которые заставляют вас набирать вес (избегайте их):
- Пончики
- Печенье
- Мороженое
- Чипсы
По большей части это здравый смысл, но вы удивитесь, как мало людей осознают это.Простые углеводы очень быстро превращаются в жиры, поэтому лучше есть сложные углеводы.
Это также одни из худших продуктов, убивающих тестостерон, поэтому вы должны любой ценой избегать простых углеводов, таких как пончики и печенье.
Найдите эффективный режим подъема
Если вы хотите получить шесть пачек, вам нужно пойти в спортзал - точка. В идеале вы хотите, чтобы программа тренировок включала в себя много сложных упражнений.
Хотите верьте, хотите нет, но вы действительно можете получить пресс, просто выполняя много сложных упражнений.Почему? Потому что комплексные упражнения, такие как приседания , прорабатывают мышцы кора .
Они могут не прорабатывать ваши мышцы живота напрямую, но сложные упражнения задействуют ваш корпус в качестве «поддерживающих мышц» для подъема тяжелого веса.
Одна из лучших тренировок, которая поможет вам получить пресс, называется «Тело альфы» - это программа, которую я лично разработал и использую каждый день.
Программа разработана специально для того, чтобы помочь вам построить стройное телосложение, которое привлекает внимание на пляже и вызывает у женщин слюни.
Руководство по ежедневным тренировкам
Если вы хотите похудеть и быстрее избавиться от лишнего веса, то тренировки 3-5 раз в неделю - ваш лучший друг. Чем больше упражнений, тем лучше.
Однако не все программы тренировок одинаковы. Некоторые из них предназначены для похудения, а другие - для более быстрого наращивания мышечной массы.
Если вы пытаетесь похудеть, старайтесь делать больше подходов и меньше повторений. Если вы пытаетесь получить максимальную отдачу от затраченных средств, попробуйте программу «Начальная сила».
Тренируйте мышцы брюшного пресса
Когда уровень жира в организме снизится примерно до 15%, пора сразу приступить к тренировке кора. Это действительно заставит мышцы живота напрячься.
В Интернете можно найти множество различных тренировок пресса, как бесплатных, так и платных, но основы в основном те же: выполняйте упражнения, которые напрямую прорабатывают мышцы живота, чтобы они растут.
Я большой поклонник комбинирования упражнений с отягощениями и невзвешенных упражнений для пресса, поэтому вы тренируете пресс на , на выносливость и силу.
Лучшие тренировки пресса часто самые простые - вам не нужно ничего усложнять. Достаточно всего 2-3 упражнений по 2-3 подхода.
Вот несколько хороших упражнений для пресса, которые вы можете делать:
- Приседания
- Скручивания
- Подъем ног
- Подъем колена
Вы также можете добавить дополнительный вес к этим упражнениям, чтобы тренировать силу, а не выносливость. Например, во время приседаний попробуйте удерживать за головой 5-фунтовый груз.
Скручивания - это мой хлеб с маслом, потому что выполнять их очень просто. Вы также можете выполнять их в любом месте для быстрой тренировки.
Полезные советы и подсказки
Вы можете легко получить упаковку из шести штук, следуя приведенным выше советам. Просто соблюдайте хорошую диету и регулярно тренируйтесь, и у вас будет пресс в кратчайшие сроки.
При этом есть много маленьких советов и приемов, которые используют фитнес-эксперты, чтобы избавиться от жира на животе и получить измельченное тело за рекордных сроков .
Вот несколько советов из шести пакетов, которые я рекомендую:
- Делайте больше кардио
- Попробуйте стек ECA
- Рассмотрите возможность использования SARM
Как я уже сказал, основы - это 90% того, на чем вы должны сосредоточиться, но если у вас хорошая диета и режим тренировок, обратите внимание на эти советы.
Делай больше Кардио
Один из отличных способов быстрее избавиться от жира на животе - просто заняться бегом. Это сожжет калории, которые ваше тело получает из жировых клеток в качестве топлива.
Бег - отличный способ сжечь жир на животе, потому что он увеличивает скорость метаболизма, а это означает, что вы сжигаете больше калорий каждый день.
Есть много разных видов кардио, которыми вы можете заниматься:
Все виды кардиопомощи, но лучший результат - это HIIT, сокращение от интервальных тренировок высокой интенсивности. Здесь вы делаете спринт с коротким интервалом, а затем идете с более длинным интервалом.
Лично я считаю, что лучше всего начать с ходьбы, просто чтобы выработать привычку регулярно делать кардио.Затем, если хотите, можете сделать еще , еще .
При этом высокоинтенсивные интервальные тренировки - один из лучших способов избавиться от тренировок, поскольку в целом они имеют множество преимуществ.
Попробуйте стек ECA
Если вы хотите как можно скорее избавиться от упрямого жира на животе, подумайте об использовании пакета ECA, сокращенно от эфедрина, аспирина и кофеина.
Этот мощный набор стимуляторов сжигает жир быстрее, чем вы можете естественным образом, поэтому он поможет вам получить те шесть кубиков пресса, которые вы так отчаянно желаете .
Имейте в виду, что стек ECA подходит не всем, и есть некоторые потенциальные побочные эффекты - при этом у меня не было проблем с ним.
Используя стек ECA, вы, вероятно, сможете набрать шесть кубиков пресса примерно на 15-20% быстрее, чем обычно, потому что это ускоряет потерю жира.
Рассмотрите возможность использования SARM
Если вы действительно хотите перейти на новый уровень, вы можете рассмотреть возможность использования SARM, которые представляют собой новую форму исследовательского химического вещества на рынке.
SARM, сокращение от селективных модуляторов рецепторов андрогенов, являются чрезвычайно сильными анаболическими соединениями. На самом деле их часто сравнивают со стероидами.
Используя SARM, вы можете буквально в 3 раза быстрее набрать абс, чем обычно - просто посмотрите на изображения выше, чтобы убедиться в этом.
Вам все равно придется придерживаться хорошей программы тренировок и придерживаться отличной диеты, но воспринимайте это как дополнительный импульс, который поможет вам нарастить мышцы в 3 раза быстрее .
Хотите полный план бодибилдинга?
Теперь я знаю, о чем вы думаете ... тренировка пресса, тренировка и правильное питание могут сбивать с толку.Иногда это ужасно подавляюще, не правда ли?
Что ж, если вы хотите как можно быстрее набрать пресс и получить точеное тело в процессе, то не ждите ничего, кроме моего чертежа «Тело альфы».
В нем есть все, что вам нужно знать о тренировках, режимах тренировок, правильном питании, наращивании пресса, наращивании мышц и сжигании жира.
Если вы сегодня купите программу упражнений «Тело альфы», вот вам лишь небольшой пример того, что вы получите внутри:
- «Ускоренный» метод измельчения жира без скучной диеты, состоящей только из куриной грудки и риса
- Мой «План построения мышц», чтобы вы могли набрать в 5 раз мышечную массу всего за половину времени, чем раньше
- Полный «протокол добавок», который я использовал, чтобы получить шесть упаковок пресса менее чем за 3 месяца для моей недавней фотосессии
- … и многое, многое другое.
Если вы все же решите получить программу, сделайте это как можно скорее. Сейчас он у меня в продаже, и я не знаю, сколько еще я продержу его по этой цене.
В целом, получить пакет из шести штук намного проще, чем вы думаете. Просто сократитесь примерно до 15% жира в организме, выполните программу тренировок, в которой есть несколько сложных упражнений, и начните выполнять мою программу упражнений на пресс.
По мере того, как вы теряете все больше и больше жира, ваш пресс будет показывать все больше и больше. На 12% они будут очень заметными, а на 8% будут появляться.Однако я бы не стал придерживаться диеты намного ниже этой, потому что это не самое полезное занятие (хотя многие парни делают это временно для фотосессий).
Если у вас есть какие-либо вопросы, комментарии или замечания, обязательно дайте мне знать… и, как всегда, увидимся в следующий раз!
ABS свет остается включенным! Действия по устранению сигнальной лампы ABS
У вас горит контрольная лампа ABS? Не волнуйся! Каждый раз, когда возникает проблема в тормозной системе ABS, загорается сигнальная лампа.Фактически, индикатор ABS остается на , если вы не устраните основную проблему. Как правило, сигнальная лампа предупреждает водителя о том, что система безопасности больше не активна. Итак, давайте узнаем, как работает система ABS, и узнаем , как выключить свет ABS прямо сейчас!
Как работает система ABS?
Антиблокировочная тормозная система (АБС) хорошо знакома современным автомобилям. Эта система имеет функции поддержания управляемости и курсовой устойчивости автомобиля при экстремальном торможении. Когда одна или несколько шин начинают буксовать, они теряют сцепление, позволяя автомобилю двигаться в любом направлении, даже полностью боком.Исследования доказали, что автомобиль с системой ABS может снизить риск дорожно-транспортного происшествия на 18 процентов, контролируя скорость вращения каждого колеса.
Расположенный рядом с колесом датчик скорости вращения колеса используется для контроля скорости вращения колеса. Эта информация отправляется в компьютерный модуль, который измеряет все данные с 4 колесных датчиков. Если компьютер обнаруживает, что одно или несколько колес вращаются медленнее, чем другие, он предупреждает клапан о снижении давления в тормозной магистрали, а затем заставляет насос поддерживать это давление, чтобы колесо снова начало вращаться.Вот почему вы можете почувствовать вибрацию педали тормоза, если система активирована.
Если система АБС обнаруживает проблему, генерируется код неисправности, который затем сохраняется в системной памяти для включения сигнальной лампы. По сути, большинство систем ABS работают в режиме реального времени, поэтому, когда код был запущен, а затем исправлен, код должен очиститься через несколько минут работы. Если это не работает, вы должны знать несколько советов по сбросу индикатора ABS.
Хотя ранние модели включали в себя множество деталей, большинство современных систем являются базовыми и состояли из 4 датчиков скорости вращения колес, главного компьютерного модуля, клапана и узла гидравлического насоса на каждом колесе.Это позволяет сделать стоимость деталей более доступной, а также упростить ремонт.
Ваш индикатор ABS горит? 7 причин и как их исправить
Чтобы начать с , как починить лампу ABS , припаркуйте автомобиль над сценой с выключенным двигателем и включите трансмиссию и аварийный тормоз. Если вы не найдете сцену, припаркуйте машину на любом ровном месте и используйте домкраты, чтобы поднять ее для замены или снятия шин или модуля управления.
Если тогда ваша лампа ABS остается на , ниже приведены рекомендации, связанные с , знайте , как сбросить свет ABS без диагностического прибора .
1. Перегорел предохранитель АБС
Когда индикатор ABS не гаснет , большинство людей не знают, что предохранитель ABS похож на любую другую электрическую систему. Он защищен предохранителем, который со временем может перегореть. Сначала замените неисправный предохранитель. Если он срабатывает неоднократно, можно сделать вывод, что проблема в двигателе насоса или ЭБУ АБС.
2. Поврежден датчик АБС
Датчик колеса ABS контролирует вращение колеса, управляемое его компьютером. Этот датчик работает в сочетании со статором колеса, прикрепленным к ротору тормоза оси, ступице подшипника или ШРУСу.Со временем эти датчики могут выйти из строя, поскольку они подвержены вибрации или дорожным условиям.
Рассмотрите возможность проверки датчика ABSСМОТРЕТЬ БОЛЬШЕ:
3. Неисправен компьютерный модуль АБС
Контроллер АБС контролирует скорость вращения колес и может перестать работать, как любое другое электронное устройство. Вы можете увидеть компьютер в верхней части двигателя насоса, прикрепленный примерно к пяти крепежным болтам. Если вы слышите гудение из системы или видите перегоревшую управляющую катушку, пора заменить модуль, когда горит сигнальная лампа ABS.
4. Повреждено кольцо статора
Датчик скорости вращения колеса и другой датчик работают вместе, чтобы контролировать скорость вращения колеса. Поврежденное колесное кольцо вызывает проблемы во всей системе. В любом случае кольцо повреждается или смещается так, что зубы остаются отсутствующими, это активирует систему. Кроме того, система остается включенной, если колесо вращается медленнее, чем все остальные.
Если это так, осмотрите кольца физически.
Осмотрите кольцо, чтобы обнаружить проблему5. Потеря гидравлического давления
Одна из причин, по которой световой сигнал ABS остается на , - это потеря гидравлического давления. Когда вы проверяете, почему ваша сигнальная лампа ABS горит на , вам необходимо проверить уровни в вашем тормозном бачке, чтобы увидеть, не было ли потеряно значительное количество тормозной жидкости. Возможная причина, по которой сигнальная лампа продолжает гореть, - низкий уровень тормозной жидкости.
С другой стороны, если уровни не идеальны, возможно, вы теряете давление с одной стороны транспортного средства, что может быть очень опасно.Потеря гидравлического давления может привести к отказу тормозов, и по мере увеличения скорости автомобиля тормозная система не будет столь же эффективной при остановке автомобиля. Таким образом, вы должны попытаться узнать , как сбросить тормозную систему ABS .
6. Поврежденные гидравлические цепи
Каждая машина имеет 2 гидравлических контура, и вам также необходимо проверить их оба. Они могут быть , что может вызвать загорание индикатора пресса. В ситуации, когда основная магистраль выходит из строя, двойная гидравлическая система работает как отказоустойчивая, поэтому остается вероятность того, что второй комплект тормозов сработает и позволит машине остановиться.Они встроены в систему обратных клапанов, которая позволяет одному переключаться, когда другой выключается.
Таким образом, если вы обнаружите поврежденные детали в гидравлических контурах, вы можете их заменить, но если индикатор ABS остается на , у вас может быть более опасная проблема в самих тормозных магистралях.
7. Недостаточно глубокий аварийный тормоз
Другая причина, по которой индикатор ABS продолжает гореть на , - это аварийный тормоз. В некоторых случаях аварийный тормоз не опускается достаточно далеко, чтобы свет оставался включенным, хотя вы фактически не нажимаете на тормоза.
Аварийный тормоз не работает в той же системе, что и основная тормозная магистраль, но, когда основные магистрали выходят из строя, аварийный тормоз (который находится в рабочем состоянии) все еще может быть задействован. Также на крутых склонах в качестве профилактической меры можно использовать E-тормоз. Однако, если вы не отключите ручку точно, свет загорится.
Поэтому, когда индикатор ABS не погаснет, , обязательно проверьте, находится ли ваш аварийный тормоз в правильном нижнем положении или нет.Отрегулируйте его несколько раз и посмотрите, не погаснет ли индикатор ABS.
Немедленное наблюдение после ремонта вашей системы ABS имеет решающее значение. В дополнение к этому прислушайтесь к неизвестным звукам и проверьте производительность системы, чтобы выяснить проблему для дальнейшего изучения. Большинство американских автомобилей не требуют очистки кода. В то время как некоторые старинные модели европейской и японской моделей все же нуждаются в очистке считывателя кода ABS. Если индикатор ABS загорелся на даже после очистки кода, это означает, что проблема сохраняется.
Да, иногда АБС свет остается на . Нет ничего особенного; однако проверка неисправности важна. Изучите несколько советов по обслуживанию, чтобы поддерживать автомобиль в наилучшем состоянии.
Часто задаваемые вопросы
1. Что вызывает загорание и выключение света ABS?
Вот почему свет ABS остается на в большинстве случаев:
- Перегорел предохранитель в системе
- Датчик частоты вращения колеса, поврежденный или покрытый дорожной пылью
- Неисправность проводки между датчиками и контроллером АБС
- Контроллер ABS, который больше не работает
После того, как сломанная АБС (антиблокировочная тормозная система) будет исправлена и снова заработает, индикатор погаснет.







