Как своими руками сделать автоподъемник для гаража, виды и конструкции, чертежи и инструменты
Немалая часть автомобилистов пытается самостоятельно ремонтировать свое транспортное средство. При ремонте машин часто используется автомобильный подъемник. Такое устройство можно приобрести в специализированном магазине. Однако некоторые для экономии денежных средств занимаются изготовлением автоподъемника своими руками.
Виды подъемников
Прежде чем установить на яму в гараже автоподъемник для КПП, детальнее изучают его основные разновидности. Это поможет разобраться с тем, каким может быть ямный подъемник.
По типу привода
Домкраты для поднятия автомобилей отличаются типом привода, который в них устанавливается. В этой классификации выделяют две основные модели:
- гидравлический домкрат;
- устройства с ручными механическими приводами.
Специалисты советуют пользоваться гидравлическими моделями, так как они более эффективны. Однако самостоятельно изготовить такое устройство непросто, и поэтому многие делают ручные автоподъемники.
По типу подъемников
Еще одной отличительной особенностью автомобильных домкратов считают используемый в них тип подъемника:
- Винтовой. Для установки такого оборудования используют две прочные стойки, в которые установлены специальные винты. Именно они отвечают за подъем и опускание транспортного средства. Работа установленных винтов контролируется электродвигателем.
- Мини. При изготовлении таких моделей применяют гидравлические или механические приводы. Особенностью оборудования считают его небольшие размеры. Поэтому для поднятия грузового транспорта мини-подъемники не используют.
По электромеханической технике
В некоторых моделях применяют различную электромеханическую технику. Исходя из этого, выпускают автоподъемники:
- Одностоечные.
Опытные автомобилисты советуют пользоваться такими моделями в небольших гаражах, так как они компактные. Они состоят из электрического двигателя, каретки подвижного типа, а также вертикальной опоры. - Ножничные. Ножничные автоподъемники могут быть передвижными или стационарными. Они оснащены крепкой рамой для крепления шарниров и компрессорным устройством.
По количеству плунжеров
Исходя из количества плунжеров различают многоплунжерные, двух-плунжерные и одноплунжерные модели. В моделях с несколькими плунжерами устанавливается специальная траверса, которая отвечает за эффективность оборудования.
Выбор наиболее подходящей конструкции
Перед изготовлением автомобильного автоподъемника выбирают наиболее подходящую конструкцию.
Для легкового авто
Часто для работы с легковыми автомобилями выбирают одностоечные модели. К достоинствам таких автоподъемников относят:
- простоту эксплуатации;
- компактность, благодаря которой оборудование не занимает много места в гараже;
- современную систему смазки, которая не нуждается в постоянном обслуживании;
- надежную защиту, направленную на предотвращение опрокидывания авто во время ремонта.
Также для ремонта легковых авто используют оборудование ножничного типа. С его помощью автомеханик сможет быстро поднять или опустить транспортное средство на нужную высоту.
Для грузовой машины
Главной особенностью любого грузового автомобиля является его размер и вес. Из-за нестандартных габаритов и большой массы поднять такие авто могут не все подъемники.
Для ремонта такого транспорта пользуются грузовыми устройствами, отличающимися высокой грузоподъемностью. Они могут быть подкатными, стационарными и платформенными. Их используют только в СТО, которые специализируются на ремонте тракторов или грузовиков.
Как сделать надежный автоподъемник своими руками
Самостоятельно изготовить автоподъемник из домкрата непросто, и поэтому надо заранее ознакомиться с инструкцией.
Расчет размеров и создание чертежа
Сначала необходимо определиться с размерами оборудования для работы с автомобилями.
Выбор габаритов автоподъемника зависит от площади гаража, в котором он будет использоваться. Средняя высота устройства составляет три с половиной метра, а ширина — три метра. Оборудование с такими габаритами способно поднять транспортное средство, масса которого достигает 3-4 тонны.
Необходимые компоненты и инструменты
Определившись с размерами автоподъемника, можно приступить к подготовке нужных инструментов и материалов. Для работы понадобятся:
- сварочный аппарат для соединения железных компонентов;
- сверла;
- дрель;
- рулетка для измерения размеров деталей устройства.
К материалам, из которых изготавливается устройство, относят:
- стельные уголки шириной восемь сантиметров;
- железные плиты, толщина которых должна быть 1-2 сантиметра;
- редуктор червячного типа.
Инструкция по сборке
На начальном этапе создания подъемника в стенки гаражной ямы устанавливают уголки из стали. После этого на их полки устанавливают металлическую плиту и прикрепляют ее к поверхности. Сверху устанавливается редуктор, после чего на приводном валу фиксируется шпонка.
После установки редуктора на поверхности плиты делают отверстия, через которые будет пропускаться цепь. Когда цепь будет установлена, на вал надевают звездочку. Для установки второй цепи с противоположной стороны плиты проделывают такие же отверстия.
Полученная конструкция выдерживает нагрузку 2-3 тонны.
Трудности при изготовлении подъемника
При изготовлении самодельного автоподъемника могут появиться сложности, с которыми надо ознакомиться. Часто проблемы появляются с изготовлением деталей, которые сложно сделать своими руками. Поэтому некоторые компоненты для подъемника придется покупать. К таким деталям относят ходовые винты или электрический двигатель, который устанавливают в некоторые модели.
Также трудности появляются на этапе расчета габаритов подъемного оборудования. Довольно сложно самостоятельно определить оптимальные размеры для такого устройства.
Заключение
Автомобилисты, которые регулярно ремонтируют свою машину, часто пользуются автоподъемниками. Некоторые предпочитают изготавливать их самостоятельно. Однако перед этим лучше разобраться с типами подъемников и с нюансами их изготовления.
Автомобили имеют свойство ломаться, требуют периодичного технического обслуживания, как любая техника. Доступ к нижней части в гаражных условиях зачастую невозможен из-за отсутствия подъемного устройства. Имея весь необходимый инструмент, оборудованный и готовый к работе подъемник возможно произвести замену расходников ходовой части, трансмиссии, двигателя. Несмотря на то, что устройство востребовано при ремонте своими руками авто, приобрести его для использования в собственных нуждах очень накладно. Техническое обслуживание может производиться не чаще двух раз в год, поэтому агрегаты и узлы лучше изготовить своими руками.
Какие типы подъемников бывают
Подъемники существуют различных вариаций исполнения, отличающиеся по способу поднятия автомобиля и типу привода. Для ремонта автотранспорта основными применяются три вида приводов:
- цепные механизмы;
- винтовые;
- гидравлические системы.
Способ поднятия автомобиля играет немаловажную роль в конструкции, подъемник для гаража может быть вилочным, ножничным, либо платформенным исполнением. Наиболее популярными являются вилочные винтовые агрегаты, основой которых является длинный вал с резьбой из инструментальной стали. Детали агрегата способны выдерживать нагрузку среднестатистического автомобиля, сделать своими руками механизм практически невозможно, ввиду сложной конструкции вилок.
Виды подъемников для ремонта автомобилей
Своими руками проще всего изготовить подъемник платформенной конструкции с применением винтового механизма.
Параллельно уложенные балки, прикрепленные к механизму способны поднимать авто массой до 3 тонн.
Выбираем конструкцию
Для изготовления агрегата для подъема автотранспорта своими руками важно ознакомиться с конструкциями, представляемыми на рынке. Стоимость готового оборудования может быть приравнена к цене автомобиля. В автомастерских можно встретить самый распространенный вариант – винтовой двух стоечный домкрат, конструкция может быть выполнена с гидравлическим или электрическим приводом. Конструкция может быть выполнена с применением дополнительных балок, в зависимости от предполагаемых нагрузок.
Ножничный подъемник имеет платформу, в движение приводится механизмом, похожим на ножницы. Самодельный подъемник такого типа приводится к работе механическим усилием, производит поднятие гидравлическим приводом, соединенным с электромотором. Перед изготовлением такого рода конструкций важно не забывать про технику безопасности. При работе, детали могут самопроизвольно опуститься, что приведет к необратимым последствиям. Самодельный автомобильный подъемник должен быть изготовлен с запасом силы агрегатной мощности, при использовании важно знать массу поднимаемого элемента.
При внештатных ситуациях с гаражным подъемником, позволяют удержать автомобиль стопорные механизмы. Во избежание критических моментов, необходимо проверять состояние электродвигателя и шлангов. Основная проблема изготовления винтового подъемника своими руками состоит в сложности сборки и изготовлении механизма. Гидравлические детали стоят дорого, приобретение новой конструкции нецелесообразно.
Для гаражного использования подойдет модификация механизма, позволяющая приподнимать автомобиль с определенной стороны. Своими руками возможно изготовить гидравлический лифт, который поднимает авто на угол до 60 градусов, такая конструкция именуется опрокидывателем.
Подъемник в гараж своими руками
Для использования в гараже возможно изготовить комплект для подъема авто своими руками. Понадобятся необходимые компоненты, инструмент и слесарные навыки.
Самодельный подъемник изготавливается с применением следующих деталей:
- Стальные уголки размером 8х8х1 см, для изготовления устойчивой конструкции.
- Редуктор червячного типа. Новое изделие может стоить дорого, обычно подбирается на разборах или снимается с нерабочего механизма. Необходимо обратить внимание на грузоподъемность, показатель начинается от 350 кг, показатель передаточной силы – 60 кг.
- Плита из стали, минимальной толщиной 1 см, изымается со старого оборудования.
- Комплект болтов, крепежный крюк, шпонки формой звездочки.
- Несколько железных цепей с диаметром звеньев от 2 см. Слабые цепи не выдержат нагрузку, следует обратить внимание на качество изделия, некоторые материалы могут растягиваться при процессе работы.
- Стальной трос, толщиной 5 мм.
Сборка и установка узлов происходит в обязательной последовательности, следуя предлагаемой инструкции. Крепление стальных уголков происходит на стенах, противоположным расположением от капота машины. Поверх уголков для подъемника, своими руками устанавливается стальная плита. Соединение производится подготовленными болтами. Далее необходимо установить червячный редуктор, зафиксировав шпонкой на приводном вале. Шпонка меньшего диаметра устанавливается на выходном вале редуктора.
Подъемник цепной своими руками
В плите проделываются отверстия, подходящие диаметру цепи, после этого происходит монтаж цепного механизма. Важно уделить внимание безопасности, в раме изготавливаются отверстия через определенное расстояние, ими вставляется стопорный механизм.
Особенности эксплуатации такого подъемника
Использование при работе агрегата червячного типа подходит для подъема двигателя автомобиля или несущих частей.
Порядок применения автоподъемника, изготовленного своими руками прост, необходимо следовать следующим действиям:
- Демонтировать крепления двигателя, болты, гайки.
- После происходит подвод петель из стального троса, сцепление конструкции.
- Вращение приводного вала производится путем перебора цепи, небольшими усилиями можно медленно приподнимать деталь до нужного положения.
Подъемник в гараж червячного типа
После подъема, необходимо удалить автомобиль из зоны проводимых работ, подставив под двигатель стол. Подставку или стол возможно изготовить своими руками, конструкция должна быть прочной, выдерживать большие нагрузки. Удобным при использовании является стол на колесах, который позволяет перемещать деталь в необходимых направлениях.
Если автомобиль слишком большой
Ремонт крупных автомобилей не редкость, размер колес и высота клиренса могут не дать поднять необходимые части на нужную высоту. Процесс происходит с помощником, который оттягивает деталь на заранее подготовленный стол. Вращение редуктора происходит противоположной стороной к установленному элементу.
Автоподъемник для больших автомобилей
Такие ситуации приводят к мыслям об улучшении и модернизации автомобильного подъемника для гаража своими руками. Возможно изготовить подвижную конструкцию, которая будет давать возможность двигать поднимаемую часть на необходимые расстояния. Возможно изготовить агрегатную установку с электродвигателем на понижающем редукторе, при этом случае может получиться настоящий кран для подъема крупногабаритных механизмов.
Изготовление опрокидывателя своими руками
Опрокидыватель используется для поднятия одной из сторон авто на необходимый градус. Более простой вариант, который не потребует специальных приспособлений по примеру редуктора и цепей.
Самодельный опрокидыватель для авто
Процесс производства опрокидывателя своими руками включает несколько этапов.
- Башмак изготавливается для работы виде опоры будущего домкрата. Важно следовать подготовленным по чертежу размерам, чтобы ход был свободным.
- Стойка для подъема изготавливается из уголков длинной 1.5 метра, сборка осуществляется в форме квадратов, крепление сварочным аппаратом. Стойки используются в количестве двух штук, важно учитывать расстояние, через которое будет ходить балка.
- Отверстия высверливаются для крепления опорной трубы, также необходимые для стопорного механизма.
- Площадка для балки производится из листа стали, края загибаются, тогда результатом получается коробка, к которой привариваются боковые стороны.
- Поддержание автомобиля с противоположной подняв стороны производится путем изготовленной своими руками конструкции из балок. Квадратный профиль изготавливается из уголка длинной, соответствующей автомобилю.
При отсутствии времени, возможно обратиться к специалистам, которые изготовят опрокидывающий механизм в гараже при соответствии к требованиям.
Простой подъемник для переворачивания машины
Для использования на открытом пространстве, возможно изготовить простой подъемник для переворачивания автомобиля. Ходовая часть авто требует технического обслуживания и ремонта своевременно, при отсутствии подъемного устройства или смотровой ямы этого сделать не представляется возможным, работы будут остановлены.
Применение мини подъемника в гараже потребует усилия нескольких человек, результатом чего может быть покорябан бок авто. Немногие осмеливаются ремонтировать автомобиль под сильным углом, однако при отсутствии других способов выхода не предоставляется. Изготовить возможно путем использования уголков с тросовым механизмом от старой лебедки.
Трудности при изготовлении подъемника
Стоимость автоподъемника в готовом виде высока, однако изготовленный своими руками вариант может повредить работающего под ним человека при ненадежной конструкции.
Вес автомобиля не должен превышать более тонны, при падении конструкции на человека, можно получить необратимые травмы.
Самодельный подъемник для автомобиля изготавливается по подготовленным чертежам, или используются версии готовых изделий. При последнем случае приходится надеяться на высокие к вычислению навыки автора. Неверный расчет основания или одного из скрепляемых узлов может привести к необратимым последствиям, при лучшем случае, порче поднимаемого агрегата.
Для самодельного комплекта, изготовленного своими руками понадобятся детали и узлы, без которых сборка невозможна. Найти такого вида комплектующие можно в больших магазинах по реализации строительной техники. Если средств на новые детали недостаточно, необходимо отправится на пункты приема металлолома и предприятия, списывающие старые детали.
Для проведения ремонта и обслуживания транспортных средств зачастую требуется подъемник. Подобная конструкция предназначена для фиксации автомобиля и его подъема на определенную высоту, что обеспечивает доступ к подвеске, ходовой и многим другим элементам транспортного средства. Подобная конструкция часто встречается на станциях технического обслуживания, реже в частных гаражах из-за высокой стоимости. При желании можно сделать самодельный подъемник для автомобиля. Он обойдется относительно недорого и практически ничем не уступает покупным моделям по эксплуатационным качествам.
Выбор наиболее подходящей конструкции
Для начала следует определиться с тем, какого типа будет создаваться конструкция. Для этого достаточно уделить внимание на подъемники заводского происхождения — именно они становятся основной базой при создании самодельной конструкции.
Наибольшее распространение получили:
- Подъемные механизмы с двумя стойками. Они встречаются практически в каждой автомобильной мастерской.
Для создания усилия подобный механизм может иметь электромеханический или электрогидравлический привод. Самодельный вариант исполнения, как правило, имеет электромеханический привод, так как он проще в изготовлении. - Существуют варианты исполнения с несколькими стойками. Они лишь отличаются тем, что лучше распределяют оказываемую нагрузку.
- Ножничный тип конструкции представлен платформой с системой рычагов. Подобный подъемник также может иметь электромеханический и гидравлический привод, при помощи которого будет передаваться усилие.
По способу поднятия автомобиля выделяют следующие разновидности конструкции:
Усилие может передаваться от винтового, цепного или гидравлического привода.
Самодельный подъемник для авто своими руками следует создавать с учетом того, что конструкция должна быть безопасной, надежно фиксировать транспортное средство. Не стоит забывать о том, что во время выполнения практически любых работ мастер находится под транспортным средством, вес которого составляет больше тонны.
Трудности при изготовлении подъемника
Установленный автомобиль может сорваться по следующим причинам:
- Вес транспортного средства оказывает нагрузку, которую приводной или исполнительный механизм не может выдержать.
- Механизм фиксации работает неправильно.
- Опорное устройство не выдерживает оказываемые нагрузки.
- Опоры у подъемника неправильно расположены или закреплены.
Сложности при изготовлении возникают по причине того, что некоторые конструктивные элементы своими руками не сделать. Примером можно назвать ходовые винты большой протяженности. Поэтому редко изготавливают ножничный подъемник своими руками. Чертежи самодельных конструкций зачастую предусматривают создание опрокидывателя, который намного проще в изготовлении. Подъёмник ножничный своими руками чертежи при необходимости можно скачать в интернете, но стоит учитывать, что большую часть деталей придется приобретать, за счет чего стоимость готовой конструкции не снизится.
Кроме этого, придется проводить просчет прочность всех используемых элементов.
Подобную работу может выполнить качественно исключительно инженер, который имеет большой опыт. При допущении ошибок на момент проведения расчетов есть вероятность, что подъемный механизм не выдержит оказываемую нагрузку. Поэтому при отсутствии уверенности в том, что навыков и знаний хватит для реализации сложного проекта, лучше всего создать менее сложные механизмы, которые будут обладать большей надежностью.
Создание подъемника
Своими руками подъёмник для авто в гараже можно изготовить следующим образом:
- Проводится создание опор при использовании стальных уголков, который забиваются в стену с высокими несущими способностями. На уголки ставится плита толщиной около одного сантиметра, которая крепится болтами.
- Передача усилия будет проводиться по средству червячного редуктора. Его сегодня можно встретить крайне часто, так как подобный механизм ранее применялся при создании самых различных устройств. В плите проделываются отверстия для цепи, после чего она пропускается и замыкается. На выходном валу червячного редуктора надевается шпонка.
- На выходном валу надевается звездочка, подходящая для работы с используемой цепью.
- В плите создаются еще два отверстия для пропуска цепи, которая будет заканчиваться стальным крюком.
Подобная конструкция больше всего подходит для подъема двигателя и других тяжелых агрегатов. Для подъема транспортного средства она подходит в меньшей степени.
В заключение отметим, что создать с подручных материалов классическое подъемное устройство, которое встречается на СТО практически невозможно. Для работы с ходовой частью или днищем автомобиля можно создать опрокидыватель.
Не все владельцы личных авто загоняют свои машины на обслуживание в сервис.
Многие предпочитают делать это своими руками. А в хорошем гараже для качественной работы надо создать все условия, наиглавнейшим из которых является набор инструментов и оборудования. А на первом месте будет подъёмник для авто, который, при должных знаниях, можно сделать своими руками.
Виды самодельных подъёмных механизмов для гаража
Для гаража на одну машину автолюбители придумали множество различных подъёмных устройств. Это блоки, домкраты, тали, тельферы и другие.
Домкрат является самым популярным устройством. Такое оборудование малого размера должно обязательно лежать в багажнике, чтобы была возможность приподнять машину при смене колеса. Большие домкраты могут находиться в гараже для выполнения серьёзных работ.
Один блок, подвешенный к потолочной балке гаража, позволяет вдвое уменьшить усилие, необходимое для поднятия конкретного груза. Комбинация таких механизмов уменьшает потребную силу в геометрической прогрессии от количества задействованных блоков. Например, с помощью четырёх подвешенных к потолку гаража блоков можно за четыре угла поднять всю машину.
Таль представляет собой конструктивно оформленную совокупность блоков. А тельфер является комбинацией тали и тележки, которая передвигается по потолочной балке над машиной. Тельфер можно оснастить двумя электромоторами: один предназначен для перемещения тележки, другой – для вращения барабана с тросом. В результате, получится подъёмный кран в миниатюре.
Другие конструкции основаны на принципах превращения горизонтального перемещения тяги в вертикальное перемещение платформы с машиной.
Как сделать подъёмник для авто
Подавляющее большинство самодельных подъёмников можно отнести к «ножничному типу». Это и с точки зрения эксплуатации, и с точки зрения обслуживания наиболее удобная конструкция. И, главное, изготовить его в «домашних» условиях проще всего. В собранном виде эти подъёмники довольно компактны, они не занимают много места.
Ручной подъёмник для авто
На рисунке 4 приводится кинематическая схема простого подъёмника ножничного типа. На основании, сваренном из прочного профиля (трубы, швеллера или уголка) установлены две П-образные прямоугольные рамы, которые могут «качаться» на основании. Одна рама нижним краем через шарнир прикреплена к основанию. Её верхний конец тоже через шарнир соединён с верхним концом другой рамы. Нижний край второй рамы в специальных желобах перемещается вдоль основания. Для этого на раме, на поперечине, неподвижно установлена гайка. Тяга с резьбой, проходящая вдоль продольной оси подъёмника, при вращении ввинчивается или вывинчивается из неподвижной гайки. Дальний конец тяги шарнирно сцеплен с нижним краем подвижной рамы. При своём горизонтальном движении тяга перемещает по горизонтали нижний край подвижной рамы, которая своим нижним краем на роликах катится по направляющим, закреплённым на боковинах внутри основания. При этом, она вращается вокруг оси нижнего шарнира. Верхний край этой рамы поднимается или опускается. Вместе с ним, соответственно, вверх или вниз ходит верхний край первой рамы и установленная на сочленении двух рам платформа.
Чертёж
Принцип действия подъёмника поясняет его кинематическая схема. Размеры изделия в целом и его деталей определяются в конкретных условиях.
Кинематическая схема самодельного подъёмника
ФОТО: Леонид Шальман
На иллюстрации ниже представлен подъёмник, у которого привод от рукоятки или электродрели через отдельные редуктора крутит два горизонтальных стержня с резьбой. По каждому из них движется гайка, которая приварена к нижнему концу подвижной рамы. В этой конструкции более равномерное распределение усилий.
Самодельный подъёмник с винтовым приводом
ФОТО: youtube.com
Инструкция по изготовлению
Работу нужно начинать с создания чертежа изделия. Затем подбираются необходимые материалы и инструменты. Иногда и чертёж приходится корректировать в зависимости от того, какие материалы и комплектующие удалось добыть.
Изготовление этих подъёмников следует начинать с основания. Его надо сварить в виде прямоугольника из профильных труб сечением примерно 60×80 мм или более. Ширина рамы должна быть немного больше ширины того автомобиля, для которого подъёмник делается. Потом из швеллеров или профильных труб свариваются рамы. Их ширина определяется основанием, а высота – желаемой высотой подъёма автомобиля. Тягу с резьбой надо делать из прутка качественной стали диаметром не менее 2 дюймов. Резьба должна быть трапецеидальная или упорная, так как ей предстоит воспринимать большие усилия. Соответствующая резьба нарезается в неподвижной гайке.
Подобный подъёмник не является «винтовым». У него нет вертикальной нагрузки вдоль оси винта.
Такой порядок действий можно применить к изготовлению устройства любого конструктивного варианта.
Подъёмник автомобильный ножничный своими руками
Ещё одна версия ножничного подъёмника представлена на рисунке №6. В этой конструкции основание и грузовая платформа являются нижней и верхней сторонами параллелограмма, а две качающиеся рамы – боковыми. Под поперечину, приваренную к одной раме, установлен домкрат. Он меняет её наклон, а вся конструкция меняет свою высоту. Грузовая платформа поднимается или опускается.
Самодельный подъёмник ножничного типа с приводом от домкрата
ФОТО: youtube.com
Чертежи
Чертежи любой конструкции подъёмника показывают принцип его работы. Для мастера важны и чертежи всех его деталей, а также сборочный чертёж. Поскольку при изготовлении устройства ориентируются на размер своего автомобиля, реальное наличие комплектующих и материалов, а также на своё умение, то универсального чертежа сделать невозможно. Надо приспосабливаться к реалиям и следить за тем, чтобы соответствующие детали стыковались.
Чертёж самодельного автоподъёмника с домкратом
ФОТО: vseinstrumenti.ru
Инструкция по изготовлению
Технология выполнения основных слесарных и сварочных операций мало зависит от конструкции.
В основном они идентичны.
- подбираются материалы и инструменты;
- нарезаются детали в соответствии чертежами;
- свариваются верхние платформы;
- собираются на шплинтах «ножницы»;
- устанавливается домкрат;
- проверяется работа всего изделия.
Гидравлический подъёмник своими руками
Сначала нужно договориться, что считать «гидравлическим» подъёмником. В соответствии с Большим энциклопедическим словарём, гидравлический подъёмник (гидроподъёмник) – это механизм циклического действия с гидравлическим приводом, обычно в виде цилиндра с поршнем. Применяется для перемещения грузов по вертикали или под углом.
Самодельный гидроподъёмник сделать трудно, да и нецелесообразно. Потребуется прецизионная стыковка поршня с цилиндром, уплотнение всех соединений гидравлического тракта. Проще взять фирменный гидравлический домкрат и использовать его в своей конструкции в качестве силового привода. В устройстве использован гидравлический домкрат с ходом поршня 200 мм для подъёма стрелы.
Чертёж
Устройство подъёмного крана и способ установки гидравлического домкрата хорошо видны из фотографий, а размеры определяются конкретными требованиями.
Инструкция по изготовлению
При изготовлении нужно проследить за обеспечением устойчивости крана. Это достигается выбором правильных размеров и геометрией основания. Под основанием крана смонтированы колёса для удобства перемещения по рабочему пространству. В таблице приведена пошаговая инструкция по изготовлению и сборке подъёмника.
| Описание действия |
Квадратные трубы для постройки подъёмного крана
ФОТО: youtube.com
Колёса для постройки подъёмного крана
ФОТО: youtube.com
Гидравлический домкрат для подъёмника
ФОТО: youtube.com
Основание подъёмника
ФОТО: youtube.
com
Узел сочленения основной стойки и стрелы
ФОТО: youtube.com
Сборка телескопической стрелы
ФОТО: youtube.com
Установка гидравлического домкрата на стойку
ФОТО: youtube.com
Общий вид крана с гидравлическим приводом
ФОТО: youtube.com
Винтовой подъёмник может быть выполнен в двух вариантах:
- винт вращается сквозь неподвижную гайку и перемещается вверх или вниз, на нём установлена платформа для груза;
- вращается винт, а по нему вверх или вниз движется гайка с платформой.
Винт в любом случае располагается в стойке. А для подъёмника их необходимо две.
Для самостоятельного изготовления такие подъёмники не рекомендуются. Чем выше требуется подъём, тем больше потребуется диаметр винта и гайки. А изготовить их можно только на серьёзных станках. Вращение винтов должно происходить синхронно, иначе будет перекос платформы и груз упадёт. Синхронизация обеспечивается либо сложной кинематической схемой, либо профессиональным электронным оборудованием. Подобные решения используются на прокатных станах для управления положением верхнего валка. Эта работа не для самодельщика.
Чертёж
Винтовой двухстоечный подъёмник
ФОТО: vseinstrumenti.ru
Инструкция по изготовлению
Изготавливать самостоятельно не рекомендуется в виду сложности расчётов и технологии.
Подъёмник для двигателя своими руками
Кран с гидравлическим приводом очень удобен для изъятия двигателя из автомобиля. Стрела располагается над моторным отсеком, опущенный крюк цепляется за заранее протянутые стропы, домкратом поднимается стрела вместе с двигателем. Кран легко передвинуть на колёсах в нужное для работы место. Достаточно использовать домкрат грузоподъёмностью не более 2000 кг, лишь бы хватало высоты подъёма рабочего штока.
Чертёж
Чертежи делаются под конкретные размеры изделия. За основу следует взять описание работ, приведённое выше.
Инструкция по изготовлению
На строительство такого крана идут квадратные трубы сечением 80×60×3 мм, 70×50×3 мм, труба диаметром 100 мм. При изготовлении используются стандартные технологии обработки и сварки металла. Технология изготовления и сборки приведена выше.
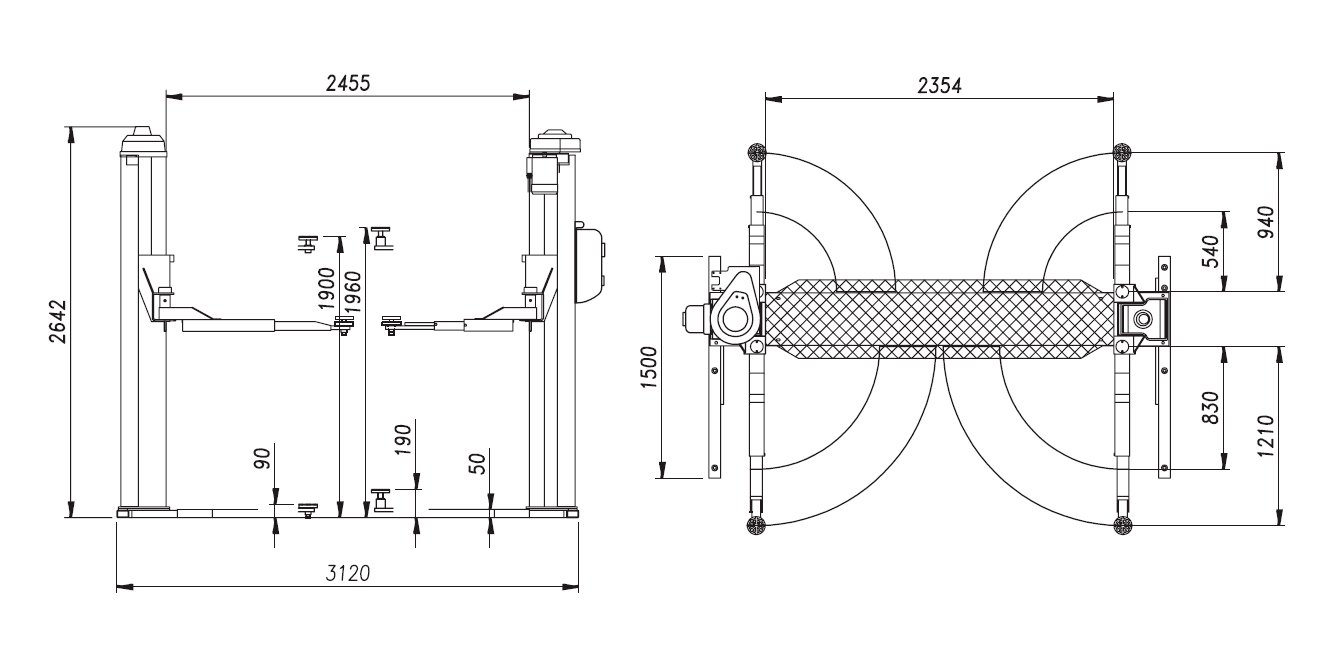
Самостоятельный монтаж подъемника Launch TLT-235SB
Вы решили купить двухстоечный автомобильный подъемник. Неизбежно встает вопрос: «как его смонтировать»? Конечно же, наша сервисная служба всегда рада предложить свои услуги по монтажу и настройке подъемника. Но если вы решили смонтировать подъемник самостоятельно — мы будем рады помочь вам и делом, и советом.
Автомобильные подъемники Launch достаточно просты в монтаже в первую очередь благодаря тому, что все необходимое входит в комплект поставки, включая анкеры и регулировочные пластины. Также в комплекте помимо стандартной инструкции по использованию есть подробная инструкция по монтажу. Подъемники изготовлены точно и качественно, поэтому при их монтаже нет необходимости сверлить крепежные отверстия или варить какие-либо детали.
Двухстоечный подъемник приобретен! С чего начать монтаж?
Требования к помещению
Выберите место, где будет установлен подъемник. Оно не должно быть слишком тесным, минимальные размеры площадки для установки духстоечного подъемника — 6х4 м (при работе с автомобилями среднего размерного класса). Высота помещения — не менее 3,5 м.
Во-первых, Пол помещения, где устанавливается подъемник, должен быть обязательно бетонным и хорошего качества. Нельзя устанавливать автомобильный подъемник на неплотное основание (асфальт, пустотные плиты, керамзитобетон).
Если имеется чистовая
отделка – нужно убедиться в том, что она подходит по допустимой нагрузке (250 кг/кв. см). Например, устанавливать двухстоечный подъемник на керамогранит можно, а на простую плитку для пола – нет.
Второе – бетон должен быть обязательно армирован в два слоя арматурной сеткой 150х150 диаметром 8-10 мм. Толщина бетонного основания – не менее 150-200 мм. Если это не выполнено, или вы не знаете какой пол в том месте где будет установлен автомобильный подъемник – лучше не рисковать и изготовить пол в этом месте заново. Да, это потребует времени и дополнительных затрат, но вы будете уверены, что ваш автоподъемник будет закреплен надежно и не подведет. Это особенно важно, если предполагается монтировать двухстоечный автомобильный подъемник с нижней синхронизацией, т.к. нагрузка на пол у такого подъемника несколько выше, чем у автоподъемника с верхней синхронизацией и значительно выше, чем у четырехстоечного или ножничного подъемника.
Общие требования к площадке для монтажа оборудования:
- Размер площадки для монтажа 2-х стоечного подъемника должен обеспечивать свободное пространство по бокам подъемника не менее 600 мм от габаритных размеров и не менее 3000 мм по фронту от оси установки колонн подъемника. Размер по тылу должен обеспечивать свободный проход в 600 мм сзади с учетом длины обслуживаемых автомобилей.
- Площадка для установки подъемника должна быть бетонирована. Марка бетона не менее 250 (желательно 300). Бетон должен быть армирован в два слоя арматурной сеткой с ячейкой 150х150 мм, диаметр арматуры 8-10 мм.
- Фактическое фундаментное задание зависит от модели подъемника, формы опор стоек и размеров подъемника, однако общий формат бетонируемой области для двухстоечного подъемника грузоподъемностью до 4 тонн может быть определен следующей схемой (приведен пример для моделей Launch TLT-235/240-SB/SBA):
- При наличии поверх бетона выравнивающей стяжки или керамической плитки толщина этой стяжки вместе с плиткой не должна превышать 50 мм.
Толщина стяжки не учитывается при расчете толщины бетонного основания. Плитка и материал стяжки должны выдерживать
нагрузку не менее 250 кг/см². - Пол должен быть выровнен таким образом, чтобы разность уровней между местами установки любых двух колонн (соседних или по диагонали) не превышала 5 мм. Высота отдельных неровностей не должна превышать 3 мм. Не допускается уклон и наличие в полу в местах установки подъемника смотровых ям, кессонов, а также инженерных коммуникаций (канализации, водопровода, силовых или сигнальных кабелей).
- Бетон пола, выравнивающая стяжка и клеевой слой плитки должны быть хорошо просушены и иметь соответствующую выдержку (обычно не менее 16 дней, но желательно более 23 дней).
При возникновении любых вопросов эксплуатации приобретенного у нас оборудования — мы будем рады оказать техническую консультацию по бесплатной телефонной линии (при звонке с территории РФ): 8 800 700-5-789 (офис работает с понедельника по пятницу, с 10:00 до 18:30 по московскому времени), а также организовать соответствующее сервисное обслуживание.
Приведенные данные носят общий рекомендательный характер. Просим уточнять требования электропитанию соответственно документации на оборудование.
Требования к линиям электропитания и пневмолиниям
- Необходимо обеспечить подведение линий электропитания к точкам подключения в соответствии с документацией на оборудование.
- Прокладка кабеля должна осуществляться преимущественно по стенам или потолку. Допустима прокладка кабеля в металлической трубе в полу. В последнем случае недопустима прокладка кабеля в местах установки колонн. Длина кабеля должна быть достаточна для ввода в щит подъемника с запасом 1-1,5 м.
- В общем случае электрическое подключение осуществляется по 5-ти проводной и 3-х проводной схеме подключения для трехфазной и однофазной сети соответственно.
В обоих случаях кабель питания должен иметь жилу заземления, подключенную со стороны распределительного
щита к контуру заземления. - Сечение кабеля должно соответствовать мощности, потребляемой электродвигателями. В общем случае достаточно кабеля с сечением 2,5 мм² на одну жилу.
- Электросистема подъемника должна быть защищена со стороны распределительного щита автоматическим выключателем соответствующего номинала (обычно 16-25 А). Использование промежуточных розеток не желательно.
Бетон не так хорош, как требуется? Есть выход — купить двухстоечный подъемник с напольной рамой:
Напольная рама значительно снижает нагрузку на фундамент и позволит обезопасить работу в случае, если вы не уверены в качестве и составе бетона.
Третье – бетон должен быть «выдержан» и набрать требуемую прочность. Обычно при нормальной температуре и влажности и хорошем качестве бетона для этого необходимо 3-4 недели. Площадка для установки двухстоечного автомобильного подъемника должна быть горизонтальной с максимально допустимым перепадом высот не более 5 мм от стойки до стойки.
Монтаж
Все это у вас есть? Можно начинать монтаж.
Вам потребуется следующий инструмент:
- перфоратор с буром по бетону Ø20 мм;
- набор инструмента с ключами до 30 мм;
- молоток или кувалда 1-3 кг;
- рулетка с пределом измерения 5-7,5 м;
- строительный уровень.
В инструкции по монтажу есть чертеж с размерами крепежных отверстий. Например для автомобильного двухстоечного подъемника LAUNCH TLT235 и TLT240 он выглядит так:
Не стоит брать этот чертеж и размечать отверстия на полу. Во-первых точно выполнить отверстия в бетоне по разметке будет непросто! При сверлении перфоратором сверло неизбежно «уведет» в сторону.
Во вторых – точно разметить отверстия на бетонном полу при
значительных размерах (более трех метров) довольно трудно.
Мы рекомендуем выполнять монтаж в следующей последовательности:
- Стойки подъемника устанавливаются вертикально в те места, где подъемник будет стоять. Если пол ровный – стойки стоят довольно уверенно (естественно на них нельзя опираться), передвигая их нужно соблюдать осторожность. Отметим, что стойки у двухстоечного подъемника разные, на одной будет закреплена гидростанция и к ней необходимо подвести электропитание. (Если монтируется двухстоечный подъемник с верхней синхронизацией — до подъема стоек нужно закрепить на них удлинители.)
- Между стойками подъемника с нижней синхронизацией укладывается трап так, чтобы между ним и каждой стойкой оставался небольшой (1-2 мм) зазор.
- Стойки автоподъемника выравниваются «в черновую» по вертикали и точно по направлению напротив друг друга. Для последней операции желательно использовать лазерный уровень.
- Проверьте размеры по площадкам (3370 мм и 2610 мм).
- Проверьте, что штуцеры или отверстия в гидроцилиндрах защищены от попадания грязи и пыли.
- Прямо через отверстие в подошве подъемника буром 20 мм засверливаем по одному отверстию в центре задней части подошвы. Глубина отверстия должна быть на 20-30 мм больше рабочей длины анкера. При сверлении не допускайте смещения подошвы автоподъемника. Удалите пыль после сверления, получившееся отверстие нужно прочистить.
-
Забиваем в отверстие анкер. Гайка и шайбы на нем должны быть установлены заранее. Подтягиваем гайку на нем от руки. Еще раз проверяем размеры по подошвам двухстоечного подъемника и расположение стоек подъемника напротив друг друга.
Если необходимо стойки
можно немного повернуть вокруг забитого анкера.
- Сверлим остальные отверстия и забиваем анкеры. Протягиваем все анкеры крест-накрест. Проверяем вертикальность стоек двухстоечного подъемника. Если необходимо – регулируем входящими в комплект регулировочными прокладками, подкладывая их под подошву. Стойки двухстоечного автомобильного подъемника с нижней синхронизацией нужно устанавливать строго вертикально, допустимо установить стойки с небольшим развалом наружу (3 — 5 мм на каждую стойку). Недопустим наклон внутрь подъемника.
- Стойки двухстоечного автоподъемника с верхней синхронизацией устанавливаются строго вертикально. Перед окончательной затяжкой анкеров автоподъемника с верхней синхронизацией нужно закрепить верхнюю перекладину. Окончательно протягиваем анкеры динамометрическим ключом требуемым моментом.
- Стойки установлены и закреплены, теперь на них можно опираться и навешивать оснастку.
- Если двухстоечный подъемник имеет электрическое управление стопорами (модели LAUNCH 235-240 SBA и LAUNCH 240SCA) — устанавливаем стопорные механизмы и катушки электромагнитов.
- Для удобства поднимаем каждую каретку автоподъемника до срабатывания стопора. Одну каретку (любую) поднимаем чуть выше (до следующего фиксированного положения).
-
Согласно схеме в инструкции заводим тросы синхронизации. Вначале следует завести трос, который закреплен на каретке, которая расположена выше. Накручиваем гайку с шайбой до выхода резьбы из гайки. Контргайку пока не устанавливаем. Затем приподняв каретку,
которая располагается выше освобождаем стопор на ней и плавно опускаем каретку. Каретка должна повиснуть на тросе.
Трос при этом натягивается, тем самым облегчая натяжку второго троса. Повторяем операцию для второго троса. ВАЖНО!!! Тросы ни в
коем случае не должны перехлестываться или касаться элементов конструкции автоподъемника.
- Монтируем на каретки двухстоечного подъемника лапы и стопорные механизмы. Перед монтажом следует слегка смазать оси кареток густой смазкой (Литол, ЦИАТИМ).
- Монтируем на колонну автоподъемника гидростанцию и пульт управления (при его наличии).
- Собираем гидросистему двухстоечного автомобильного подъемника. ВАЖНО!!! При сборке гидросистемы соблюдать чистоту и не допускать попадания в соединения грязи и пыли. Все соединения гидросистемы затягивать ДВУМЯ ключами, удерживая штуцеры от проворота. Шланг гидравлики между стойками двухстоечного подъемника не должен пересекаться с тросами синхронизации или касаться их.
- Если монтируется двухстоечный автоподъемник LAUNCH с электрическим управлением стопорами (серии SBA и SCA) собираем электросистему управления стопорами и устанавливаем концевые выключатели. Подключаем систему к пульту управления.
- Заполняем бак гидростанции автоподъемника требуемым количеством масла. Обычно 12 л.
-
Подключаем электропитание двухстоечного подъемника. ВАЖНО!!! Автомобильные двухстоечные подъемники LAUNCH выпускаются в разных модификациях напряжения питания – однофазное (220 В) и трехфазное (380 В). Убедитесь, что ваша сеть соответствует требуемым
параметрам. Подключение заземления для автомобильного двухстоечного подъемника является ОБЯЗАТЕЛЬНЫМ!!! Так, как подъемник механически крепится к бетонному основанию и это крепление не является изолированным использование в качестве заземления
нулевого провода — недопустимо.
Подключать к сети автомобильный подъемник нужно через автомат защиты. Использование промежуточных розеток – нежелательно.
- Итак, ваш автомобильный двухстоечный подъемник LAUNCH установлен, заполнен маслом и подключен к электросети. Если подъемник питается от трехфазной сети 380 В кратковременно нажимаем на кнопку «ВВЕРХ». Если порядок фаз правильный – гидроцилиндры должны начать двигаться вверх. Если гидростанция автоподъемника работает, а подъема не происходит – нужно поменять местами любые две фазы. Естественно перед этим автоподъемник нужно обесточить. Продолжительная (более 10-15 сек) работа мотора гидростанции в неправильном направлении недопустима!
- В двухстоечном подъемнике на 220 В правильное направление вращения мотора гидростанции установлено на заводе.
-
Нажав кнопку «ВВЕРХ» немного поднимите штоки гидроцилиндров. Отпустите кнопку и убедитесь, что цепи кареток автоподъемника лежат на роликах гидроцилиндров, ничего не перехлёстнуто, тросы синхронизации, шланги гидравлики, электропроводка не касаются друг
друга. Нажмите кнопку «ВВЕРХ» и удерживайте ее пока каретки не придут в движение. Еще раз проверьте, что все в порядке. Поднимите каретки на полную высоту. Дайте подъемнику постоять с поднятыми каретками 5-10 минут. Внимательно осмотрите всю гидросистему
на предмет отсутствия утечек масла. Освободите стопоры и опустите каретки автоподъемника вниз. После опускания кареток до пола удерживайте рычаг или кнопку опускания (в зависимости от конкретной модели автомобильного подъемника LAUNCH) нажатыми
и потяните поочередно за цепь гидроцилиндра для того, чтобы шток гидроцилиндра опустился вниз до упора. Начинать нужно с дальнего от гидростанции гидроцилиндра. Это позволит «прокачать» гидросистему, вытолкнув из нее воздух. Повторите операцию
прокачки (подъем на полную высоту и опускание гидроцилиндров до упора) несколько раз, делая паузы между шагами, чтобы исключить вспенивание масла.
После прокачки опустите каретки до пола и долейте масло в бак по уровню.
- Поднимите каретки двухстоечного подъемника на высоту 150-200 мм от пола. НЕ ОПУСКАЙТЕ каретки на стопоры. Отрегулируйте натяжение тросов синхронизации. Если тросы натянуты правильно – их можно свести между собой ощутимым усилием руки. Перетянутые тросы изнашиваются быстрее, прослабленные приводят к перекосам кареток подъемника и нечеткой работе стопоров. Также натяжкой того или иного троса регулируется синхронность работы стопоров двухстоечного подъемника. Признаком правильной регулировки тросов синхронизации является одновременный «щелчок» стопоров автоподъемника. После регулировки установите и затяните контргайки на резьбовых штоках тросов.
- Смазывать или нет? Существует два полярных мнения нужно смазывать тросы или нет. Наше мнение – автомобильные двухстоечные подъемники LAUNCH имеют двойную защиту тросов (снизу и сверху), поэтому на тросы налипает значительно меньше грязи, а, следовательно, смазывать можно. Смазка ощутимо «продлевает жизнь» тросам, если только она не способствует сбору песка и грязи. Смазывать можно любой консистентной смазкой (Литол, «графитка», смазка для седел тягачей и т.п.), удобнее использовать смазку в аэрозольных баллонах. Конечно, существует специальная смазка для тросов, однако в продаже она встречается редко.
- Итак – автоподъемник собран, заправлен, прокачан, отрегулирован и смазан.
- Устанавливаем защитные резиновые накладки и крышки.
- Если монтируется двухстоечный подъемник с нижней синхронизацией – устанавливаем защитный трап и закрепляем его.
-
Приступаем к испытаниям. Загоняем на подъемник автомобиль (желательно потяжелее и подешевле).
Заводим под точки подъема лапы автоподъемника и нажимаем кнопку «ВВЕРХ» до соприкосновения опор с точками подъема. Проверяем, что лапы подъемника стоят на своих
местах и приподнимаем автомобиль до начала отрыва колес. При начале подъема внимательно следим за тем, что стойки остаются на своих местах, анкеры держат, каретки идут без перекоса, звук гидростанции подъемника не меняется. Оставляем автомобиль
слегка приподнятым и проверяем, что стойки стоят по уровню и закреплены надежно. Поднимаем автомобиль на полную высоту. Вновь контролируем уровень стоек и надежность крепления. Если все хорошо – опускаем автомобиль. Проверяем момент затяжки
анкеров.
Все! Монтаж закончен. Успехов и безопасной работы.
Данное описание никоим образом не подменяет инструкций по эксплуатации и монтажу, а лишь дополняет их. Также все вышесказанное не претендует на истину в последней инстанции. Мы лишь хотели поделиться накопленным опытом.
Если вам покажется все это сложным или непонятным – мы с удовольствием смонтируем купленный вами подъемник LAUNCH силами нашей сервисной службы, однако мы не можем ограничить вас в желании выполнить эту работу своими силами.
Довольно частый вопрос: сохраняется ли гарантия на автомобильный подъемник при его самостоятельном монтаже? Ответ: Если вы покупали подъемник у нас — да, сохраняется. Естественно, монтаж подъемника должен быть выполнен качественно. Также естественно, что всю работу по электрике должен делать квалифицированный электрик.
Конструктивная разработка ножничного подъемника
Предлагается внедрить и разработать подъемник ножничного типа для подъема автомобилей массой до 20 тонн. Высота подъема составляет 1900 мм, что обеспечивает хороший доступ к нижней части автомобиля и делает работу мастера удобной и комфортной.
Подъемники ножничной конструкции используются для совместной работы со стендами установки углов колес, а также для общесервисных работ.
Существенным преимуществом этих подъемников является то, что в нерабочем положении они не занимают места (в модификациях с заглублением трапов). При наземной установке на поверхности располагаются лишь трапы и въездные аппарели. Ножничные подъемники, как правило, оснащены гидравлическими приводами, что обеспечивает бесшумность и долговечность работы оборудования. Синхронизация между обеими сторонами ножничного подъемника осуществляется либо при помощи гидравлики, которая является очень надежной, бесшумной и предельно точной, либо электронным способом. Ножничные подъемники комплектуются дополнительными подъемными столами для вывешивания колес и комплектом для стенда «развал-схождение».
При подъеме платформы максимальное усилие гидроцилиндра возникает при отрыве платформы от пола.
- 2.1 Обзор конструкций грузовых подъемников
- 2.2 Конструирование подъемника
- 2.2.1 Определение усилия гидроцилиндра
- 2.2.2 Выбор рабочего давления
- 2.2.3 Определение параметров насоса
- 2.2.4 Расчёт трубопроводов
- 2.2.5 Выбор гидрораспределителя
- 2.2.6 Выбор предохранительного клапана
- 2.2.7 Выбор фильтра
- 2.2.8 Выбор дросселя
- 2.2.9 Расчет тяги
- 2.2.10 Расчет пальца соединения тяг
- 2.2.11 Расчет втулки
Общий вид автомобильного подъемника:
Классификация подъемников:
Обзор подъемного оборудования:
Электро и гидросхемы подъемника:
Гидроцилиндр:
Деталеровка:
Глава диплома 17 страниц, 6 листов А1 чертежей.
Экономический расчет подъемника.
Ножничный подъемник своими руками чертежи
чертежи, автомобильный, для авто, самодельный
Для небольших помещений, гаражей, автомастерских многие устанавливают гидравлический подъемный механизм. Сейчас некоторые мастера изготавливают ножничный подъемник своими руками.
Выбираем конструкцию
Рассмотрим, как сделать подъемник для автомобиля. Это приспособление применяют для фиксации автомобиля и его подъема на некоторую высоту, чтобы обеспечить доступ к ходовой части, подвеске, механизмам машины.
Сначала выбирают схему подъемника. Наиболее популярны приспособления с 2 стойками. Такая конструкция может иметь электромеханический привод. Бывают конструкции с несколькими стойками, они лучше распределяют нагрузку. Ножничная конструкция представляет собой платформу с системой рычагов.
Это приспособление может иметь электромеханический привод, который будет передавать нагрузку. Делать самодельный подъемник нужно с учетом того, чтобы устройство было безопасным и надежно удерживало автомобиль. Необходимо учитывать, что при выполнении работ мастер будет находиться под машиной, масса которой превышает тонну.
Создание подъемника
Прежде чем изготовить ножничный подъемник своими руками, чертежи и схемы конструкции нужно составить обязательно. На чертеже должны быть указаны размеры всех деталей и показаны места сварки узлов и систем создаваемой конструкции.
Инструкция по изготовлению своими руками конструкции подъемника ножничного автомобильного:
- Сначала создают опоры с применением стальных уголков, которые забивают в прочную стену.
- На эти уголки устанавливают плиту толщиной 1 см и фиксируют ее болтами.
- Передача нагрузки будет осуществляться посредством системы гидравлических цилиндров. Сейчас легко можно найти такие механизмы, так как они используются в разных устройствах.
- В плите проделывают отверстия для цепи, потом ее вдевают и замыкают.
- На валу редуктора устанавливают шпонку.
- Затем на выходной вал устанавливают звездочку, которая подходит для работы с цепью.
- В плите выполняют 2 отверстия для пропуска цепи, на конце которой устанавливают стальной крюк.
Полученную конструкцию можно использовать в частном гараже для подъема небольшого автомобиля.
Подъемное устройство позволит самостоятельно выполнять осмотр и ремонт ходовой части автомобиля и других механизмов и систем.
Что лучше: собрать подъемник самостоятельно или купить
Люди часто собирают подъемник самостоятельно, потому что новая заводская конструкция стоит дорого. При этом нужно учитывать, что сделать самодельный подъемник — не всегда простая задача. Кроме того, если конструкция собрана неправильно, то ее использование может быть опасно.
Установленный автомобиль падает с устройства, если:
- вес автомобиля показывает нагрузку, которую самодельный подъемный агрегат не может удержать;
- плохо работает механизм фиксации;
- опорное устройство не выдерживает имеющуюся нагрузку;
- у самодельного устройства неправильно установлены опоры, или они слабо закреплены.
Также сложности при создании устройства возникают потому, что некоторые элементы конструкции нельзя выполнить без специального оборудования. Например, трудно изготовить ходовые винты большой протяженности. Поэтому самостоятельно выполнить данную конструкцию достаточно трудно. Многие мастера вместо этого приспособления делают опрокидыватель для автомобиля, так как он проще изготавливается.
При создании приспособления большую часть деталей нужно будет покупать в магазинах, поэтому окончательная стоимость готового устройства может быть немалой.
К тому же понадобится точный расчет всех узлов, который сможет сделать только инженер, имеющий опыт выполнения подобных работ. Если у вас нет таких знаний, то придется заказывать проект со всеми расчетами в специальной организации, на что потребуются финансовые затраты. Если в расчетах будет допущена ошибка, то устройство не сможет выдержать большую нагрузку.
Поэтому если вы не уверены, что сможете воплотить такой сложный проект в реальность, лучше создать опрокидыватель для транспортного средства, который будет более безопасным.
specmahina.ru
Установка ножничного подъемника своими руками — DRIVE2
Ножничный подъемник это лучший гидравлический подъемники для малых помещений, отлично подходит для гаражей с узкими проемыми, именно такой универсальный ножничный подъемник подходит для наших гаражных кооперативов. В данной статье мы рассмотрим полную установку гидравлического подъемника в наш гараж:
Ножничный подъемника пример
Начинаем.
Первое что нам нужно это купить ножничный подъемник, самому конечно сделать можно, конструкция не сложная, подъемник сделан из компановки системы рычагов (которые и называют «ножницы») гидравлический привод, ну и конечно само питание которого осуществляется от сети переменного тока, только следует помнить что компоненты для создания подъемника своими руками будут стоять дороже 2двух новых подъемников. Поэтому наш выбор покупка нового.
Как правильно выбрать ножничный гидравлический подъемник
Выбирая подъемник данного типа следует обратить внимание на 2 фактора это грузоподъёмность как правила это 3 тонны, но есть и слабее 2.3 и даже 1.9 тонны, такие подъемники покупать не следует по причине того что средний вес легкового автомобиля это 1.5 тонны, заявленная грузоподъемность от производителя как правила не всегда правдива, зачастую подъемники с малым тоннажем долго не служат. Хотя цена привлекает, но помните скупой платит дважды.
Второй факт это максимальная высота подъёма платформы, это тоже один из важных факторов по причине что слишком низкая высота, не даст вам должнего просвета для осмотра днища автомобиля.Как правило данной проблемой страдают Китайские подъемники. Нормальная высота для осмотра будет примерна 1850 мм Высоту подъема следует учитывать по вашему росту.
Следует не забывать и о безопасности, поэтому подъемник должен иметь парашютный клапан, предусмотренный в конструкции он предотвращает резкое опускание подъемника.
Наш выбор пал на подъемник фирмы ever-eternal спасибо ребятам из shop korch что помогли привезти.
Подготавливаем пол гаража для ножничного подъемника
Полный размер
Проделываем яму в полу нашего гаража
Яму для подъемника нужно делать исходя из размеров вашего подъемника.
Полный размер
Делаем каркас в полу для ножничного подъемника
Полный размер
Заливаем наш каркас и даем высохнуть битону
Полный размер
Убираем не нужное с поверхностей площадки для подъемника
Полный размер
Вставляем подъемник в битоные проемы
Полный размер
Смотрим как все работает=))Не где ли не выпирает ровно ложится в пазы
Смотрим на подъемник ПРИМЕРКА
Измеряем высоту
Полный размер
Замеры, проверка
Полный размер
Кстати вот тут стоит обратить внимание что зубья вернее толщина метала хорошая Главное что переход зубьев имеет 2 зуба, у некоторых подъемников он один
Полный размер
Здесь нагляднее видно
Полный размер
Что дает нам силу.
Полный размер
Внутри нашей силы.На удивление производитель сделал все аккуратно.
Полный размер
Наш маленький счетчик.Предохранители.
Полный размер
Электрика
И чуть не забыл провода, трубки и т д которые должны выходить от ножничного подъемника, находятся под полом и выведены они через спец водосточную антикорозийную трубу, к сожалению фотографий нету.Так как делал это еще до покупки самого подъемника. После покупки и установки данного подъемника решились миллион проблем, которые раньше были не решаемы и приходилось ехать на СТО.
www.drive2.ru
Самодельный подъемник для авто своими руками: разновидности, чертежи, особенности работы
Для проведения ремонта и обслуживания транспортных средств зачастую требуется подъемник. Подобная конструкция предназначена для фиксации автомобиля и его подъема на определенную высоту, что обеспечивает доступ к подвеске, ходовой и многим другим элементам транспортного средства. Подобная конструкция часто встречается на станциях технического обслуживания, реже в частных гаражах из-за высокой стоимости.
При желании можно сделать самодельный подъемник для автомобиля. Он обойдется относительно недорого и практически ничем не уступает покупным моделям по эксплуатационным качествам.
Выбор наиболее подходящей конструкции
Для начала следует определиться с тем, какого типа будет создаваться конструкция. Для этого достаточно уделить внимание на подъемники заводского происхождения — именно они становятся основной базой при создании самодельной конструкции.
Наибольшее распространение получили:
- Подъемные механизмы с двумя стойками. Они встречаются практически в каждой автомобильной мастерской. Для создания усилия подобный механизм может иметь электромеханический или электрогидравлический привод. Самодельный вариант исполнения, как правило, имеет электромеханический привод, так как он проще в изготовлении.
- Существуют варианты исполнения с несколькими стойками. Они лишь отличаются тем, что лучше распределяют оказываемую нагрузку.
- Ножничный тип конструкции представлен платформой с системой рычагов. Подобный подъемник также может иметь электромеханический и гидравлический привод, при помощи которого будет передаваться усилие.
По способу поднятия автомобиля выделяют следующие разновидности конструкции:
- Вилочные.
- Ножничные.
- Платформенные.
Усилие может передаваться от винтового, цепного или гидравлического привода.
Самодельный подъемник для авто своими руками следует создавать с учетом того, что конструкция должна быть безопасной, надежно фиксировать транспортное средство. Не стоит забывать о том, что во время выполнения практически любых работ мастер находится под транспортным средством, вес которого составляет больше тонны.
Трудности при изготовлении подъемника
Установленный автомобиль может сорваться по следующим причинам:
- Вес транспортного средства оказывает нагрузку, которую приводной или исполнительный механизм не может выдержать.

- Механизм фиксации работает неправильно.
- Опорное устройство не выдерживает оказываемые нагрузки.
- Опоры у подъемника неправильно расположены или закреплены.
Сложности при изготовлении возникают по причине того, что некоторые конструктивные элементы своими руками не сделать. Примером можно назвать ходовые винты большой протяженности. Поэтому редко изготавливают ножничный подъемник своими руками. Чертежи самодельных конструкций зачастую предусматривают создание опрокидывателя, который намного проще в изготовлении. Подъёмник ножничный своими руками чертежи при необходимости можно скачать в интернете, но стоит учитывать, что большую часть деталей придется приобретать, за счет чего стоимость готовой конструкции не снизится. Кроме этого, придется проводить просчет прочность всех используемых элементов.
Подобную работу может выполнить качественно исключительно инженер, который имеет большой опыт. При допущении ошибок на момент проведения расчетов есть вероятность, что подъемный механизм не выдержит оказываемую нагрузку. Поэтому при отсутствии уверенности в том, что навыков и знаний хватит для реализации сложного проекта, лучше всего создать менее сложные механизмы, которые будут обладать большей надежностью.
Создание подъемника
Своими руками подъёмник для авто в гараже можно изготовить следующим образом:
- Проводится создание опор при использовании стальных уголков, который забиваются в стену с высокими несущими способностями. На уголки ставится плита толщиной около одного сантиметра, которая крепится болтами.
- Передача усилия будет проводиться по средству червячного редуктора. Его сегодня можно встретить крайне часто, так как подобный механизм ранее применялся при создании самых различных устройств. В плите проделываются отверстия для цепи, после чего она пропускается и замыкается. На выходном валу червячного редуктора надевается шпонка.

- На выходном валу надевается звездочка, подходящая для работы с используемой цепью.
- В плите создаются еще два отверстия для пропуска цепи, которая будет заканчиваться стальным крюком.
Подобная конструкция больше всего подходит для подъема двигателя и других тяжелых агрегатов. Для подъема транспортного средства она подходит в меньшей степени.
В заключение отметим, что создать с подручных материалов классическое подъемное устройство, которое встречается на СТО практически невозможно. Для работы с ходовой частью или днищем автомобиля можно создать опрокидыватель.
tokar.guru
виды и конструкции, подготовка чертежей и инструментов
Немалая часть автомобилистов пытается самостоятельно ремонтировать свое транспортное средство. При ремонте машин часто используется автомобильный подъемник. Такое устройство можно приобрести в специализированном магазине. Однако некоторые для экономии денежных средств занимаются изготовлением автоподъемника своими руками.
Виды подъемников
Прежде чем установить на яму в гараже автоподъемник для КПП, детальнее изучают его основные разновидности. Это поможет разобраться с тем, каким может быть ямный подъемник.
По типу привода
Домкраты для поднятия автомобилей отличаются типом привода, который в них устанавливается. В этой классификации выделяют две основные модели:
- гидравлический домкрат;
- устройства с ручными механическими приводами.
Специалисты советуют пользоваться гидравлическими моделями, так как они более эффективны. Однако самостоятельно изготовить такое устройство непросто, и поэтому многие делают ручные автоподъемники.
По типу подъемников
Еще одной отличительной особенностью автомобильных домкратов считают используемый в них тип подъемника:
- Винтовой.
Для установки такого оборудования используют две прочные стойки, в которые установлены специальные винты. Именно они отвечают за подъем и опускание транспортного средства. Работа установленных винтов контролируется электродвигателем. - Мини. При изготовлении таких моделей применяют гидравлические или механические приводы. Особенностью оборудования считают его небольшие размеры. Поэтому для поднятия грузового транспорта мини-подъемники не используют.
По электромеханической технике
В некоторых моделях применяют различную электромеханическую технику. Исходя из этого, выпускают автоподъемники:
- Одностоечные. Опытные автомобилисты советуют пользоваться такими моделями в небольших гаражах, так как они компактные. Они состоят из электрического двигателя, каретки подвижного типа, а также вертикальной опоры.
- Ножничные. Ножничные автоподъемники могут быть передвижными или стационарными. Они оснащены крепкой рамой для крепления шарниров и компрессорным устройством.
По количеству плунжеров
Исходя из количества плунжеров различают многоплунжерные, двух-плунжерные и одноплунжерные модели. В моделях с несколькими плунжерами устанавливается специальная траверса, которая отвечает за эффективность оборудования.
Выбор наиболее подходящей конструкции
Перед изготовлением автомобильного автоподъемника выбирают наиболее подходящую конструкцию.
Для легкового авто
Часто для работы с легковыми автомобилями выбирают одностоечные модели. К достоинствам таких автоподъемников относят:
- простоту эксплуатации;
- компактность, благодаря которой оборудование не занимает много места в гараже;
- современную систему смазки, которая не нуждается в постоянном обслуживании;
- надежную защиту, направленную на предотвращение опрокидывания авто во время ремонта.

Также для ремонта легковых авто используют оборудование ножничного типа. С его помощью автомеханик сможет быстро поднять или опустить транспортное средство на нужную высоту.
Для грузовой машины
Главной особенностью любого грузового автомобиля является его размер и вес. Из-за нестандартных габаритов и большой массы поднять такие авто могут не все подъемники.
Для ремонта такого транспорта пользуются грузовыми устройствами, отличающимися высокой грузоподъемностью. Они могут быть подкатными, стационарными и платформенными. Их используют только в СТО, которые специализируются на ремонте тракторов или грузовиков.
Как сделать надежный автоподъемник своими руками
Самостоятельно изготовить автоподъемник из домкрата непросто, и поэтому надо заранее ознакомиться с инструкцией.
Расчет размеров и создание чертежа
Сначала необходимо определиться с размерами оборудования для работы с автомобилями.
Выбор габаритов автоподъемника зависит от площади гаража, в котором он будет использоваться. Средняя высота устройства составляет три с половиной метра, а ширина — три метра. Оборудование с такими габаритами способно поднять транспортное средство, масса которого достигает 3-4 тонны.
Необходимые компоненты и инструменты
Определившись с размерами автоподъемника, можно приступить к подготовке нужных инструментов и материалов. Для работы понадобятся:
- сварочный аппарат для соединения железных компонентов;
- сверла;
- дрель;
- рулетка для измерения размеров деталей устройства.
К материалам, из которых изготавливается устройство, относят:
- стельные уголки шириной восемь сантиметров;
- железные плиты, толщина которых должна быть 1-2 сантиметра;
- редуктор червячного типа.
Инструкция по сборке
На начальном этапе создания подъемника в стенки гаражной ямы устанавливают уголки из стали. После этого на их полки устанавливают металлическую плиту и прикрепляют ее к поверхности.
Сверху устанавливается редуктор, после чего на приводном валу фиксируется шпонка.
После установки редуктора на поверхности плиты делают отверстия, через которые будет пропускаться цепь. Когда цепь будет установлена, на вал надевают звездочку. Для установки второй цепи с противоположной стороны плиты проделывают такие же отверстия.
Полученная конструкция выдерживает нагрузку 2-3 тонны.
Трудности при изготовлении подъемника
При изготовлении самодельного автоподъемника могут появиться сложности, с которыми надо ознакомиться. Часто проблемы появляются с изготовлением деталей, которые сложно сделать своими руками. Поэтому некоторые компоненты для подъемника придется покупать. К таким деталям относят ходовые винты или электрический двигатель, который устанавливают в некоторые модели.
Также трудности появляются на этапе расчета габаритов подъемного оборудования. Довольно сложно самостоятельно определить оптимальные размеры для такого устройства.
Заключение
Автомобилисты, которые регулярно ремонтируют свою машину, часто пользуются автоподъемниками. Некоторые предпочитают изготавливать их самостоятельно. Однако перед этим лучше разобраться с типами подъемников и с нюансами их изготовления.
garazhyk.ru
Подъемник для мгновенного поддомкрачивания автомобиля
С помощью гидравлического или винтового домкрата оперативно заменить колеса машины не удастся, т. к. эти механизмы не относятся к быстродействующим. Если вы дорожите своим временем, то в придачу к домкрату или упору, сделайте простую штуковину, которая поможет ускорить процесс снятия и установки автомобильных колес. Тем более, для этого не нужны дефицитные и дорогостоящие материалы, инструменты и приспособления.Понадобится
Для изготовления самодельного подъемника нам необходимо приготовить следующие материалы:
- отрезок стальной трубы;
- профильную трубу;
- стальной Т-образный профиль;
- стальной стержень с резьбой и 4 гайки;
- два бескамерных колеса.

Для изготовления деталей и сборки нашей самоделки нам не обойтись без:
- маятниковой пилы;
- полуавтоматического сварочного оборудования;
- сверлильного станка со сверлильной головкой.
Изготовление быстродействующего подъемника
Начнем работу с основного узла, который будет воспринимать вес автомобиля, и через колеса передавать его на землю. Для этого с помощью маятниковой пилы отрезаем кусок стальной круглой трубы и точно такой же по длине отрезок профильной трубы.
Понятно, что размеры этих деталей должны заранее рассчитываться, чтобы выдержать поднимаемый груз – в нашем случае, по крайней мере, половину массы автомобиля.
Вставляем круглую трубу в профильную и, выровняв торцы, надежно свариваем их с двух сторон по линиям соприкосновения в поперечном и продольном направлениях. Это будет горизонтальный силовой элемент нашего приспособления.
Отрезаем еще один кусок профильной трубы и привариваем его вертикально в центре горизонтального узла, состоящего из профильной и круглой трубы.
Отмеряем и по разметке отрезаем еще одну расчетную длину профильной трубы. С одного конца на станке сверлильной головкой выполняем сквозное отверстие.
Эта деталь – будущий рычаг для подъема машины, и чем он длиннее, тем меньше усилий для этого потребуется.
От профильной трубы, установленной под углом к диску маятниковой пилы, отрезаем фрагмент, который привариваем к верхнему торцу стойки скосом наружу.
Это позволит элементу, взаимодействующему с узлом машины в приподнятом положении, обеспечивать горизонтальность.
К косому фрагменту привариваем отрезок Т-образного профиля параллельно основанию, состоящему из профильной и круглой трубы.
Сбоку к горизонтальной профильной трубе под вертикальным элементом под углом привариваем ручку-рычаг.
В отверстие на другом ее конце вставляем отрезок круглой трубы и привариваем с двух сторон. Этот поперечный элемент нужен для приложения усилия рук к рычагу при поднятии машины.
В круглую трубу, приваренную внутри профильной, вставляем стальную шпильку соответствующего диаметра и такой длины, чтобы ее концы выступали наружу.
На оба конца навинчиваем до упора по гайке, затем устанавливаем бескамерные колеса и затягиваем их двумя другими гайками. Наш самодельный подъемник готов к работе.
Испытание подъемника
Подводим его под автомобиль и налегаем на ручку весом своего тела. Если, например, соотношение плеч нашего подъемника составляет 10:1 (150 см:15 см), то при массе тела 75 кг усилие подъема составит 750 кг, чего вполне достаточно для поднятия автомобиля средних размеров.
После подъема, удерживая наше приспособление, устанавливаем под машину домкрат или упор и опускаем на них вес машины.
После завершения работ, вновь приподнимаем нашим приспособлением авто и убираем домкрат или упор.
Смотрите видео
sdelaysam-svoimirukami.ru
Подъемник своими руками автомобильный в гараж: гидравлический, ручной
Автомобили имеют свойство ломаться, требуют периодичного технического обслуживания, как любая техника. Доступ к нижней части в гаражных условиях зачастую невозможен из-за отсутствия подъемного устройства. Имея весь необходимый инструмент, оборудованный и готовый к работе подъемник возможно произвести замену расходников ходовой части, трансмиссии, двигателя. Несмотря на то, что устройство востребовано при ремонте своими руками авто, приобрести его для использования в собственных нуждах очень накладно. Техническое обслуживание может производиться не чаще двух раз в год, поэтому агрегаты и узлы лучше изготовить своими руками.
Автомобильный подъемник для гаражаКакие типы подъемников бывают
Подъемники существуют различных вариаций исполнения, отличающиеся по способу поднятия автомобиля и типу привода. Для ремонта автотранспорта основными применяются три вида приводов:
- цепные механизмы;
- винтовые;
- гидравлические системы.

Способ поднятия автомобиля играет немаловажную роль в конструкции, подъемник для гаража может быть вилочным, ножничным, либо платформенным исполнением. Наиболее популярными являются вилочные винтовые агрегаты, основой которых является длинный вал с резьбой из инструментальной стали. Детали агрегата способны выдерживать нагрузку среднестатистического автомобиля, сделать своими руками механизм практически невозможно, ввиду сложной конструкции вилок.
Виды подъемников для ремонта автомобилей
Своими руками проще всего изготовить подъемник платформенной конструкции с применением винтового механизма.
Параллельно уложенные балки, прикрепленные к механизму способны поднимать авто массой до 3 тонн.
Выбираем конструкцию
Для изготовления агрегата для подъема автотранспорта своими руками важно ознакомиться с конструкциями, представляемыми на рынке. Стоимость готового оборудования может быть приравнена к цене автомобиля. В автомастерских можно встретить самый распространенный вариант – винтовой двух стоечный домкрат, конструкция может быть выполнена с гидравлическим или электрическим приводом. Конструкция может быть выполнена с применением дополнительных балок, в зависимости от предполагаемых нагрузок.
Ножничный подъемник имеет платформу, в движение приводится механизмом, похожим на ножницы. Самодельный подъемник такого типа приводится к работе механическим усилием, производит поднятие гидравлическим приводом, соединенным с электромотором. Перед изготовлением такого рода конструкций важно не забывать про технику безопасности. При работе, детали могут самопроизвольно опуститься, что приведет к необратимым последствиям. Самодельный автомобильный подъемник должен быть изготовлен с запасом силы агрегатной мощности, при использовании важно знать массу поднимаемого элемента.
При внештатных ситуациях с гаражным подъемником, позволяют удержать автомобиль стопорные механизмы.
Во избежание критических моментов, необходимо проверять состояние электродвигателя и шлангов. Основная проблема изготовления винтового подъемника своими руками состоит в сложности сборки и изготовлении механизма. Гидравлические детали стоят дорого, приобретение новой конструкции нецелесообразно.
Для гаражного использования подойдет модификация механизма, позволяющая приподнимать автомобиль с определенной стороны. Своими руками возможно изготовить гидравлический лифт, который поднимает авто на угол до 60 градусов, такая конструкция именуется опрокидывателем.
Подъемник в гараж своими руками
Для использования в гараже возможно изготовить комплект для подъема авто своими руками. Понадобятся необходимые компоненты, инструмент и слесарные навыки.
Самодельный подъемник изготавливается с применением следующих деталей:
- Стальные уголки размером 8х8х1 см, для изготовления устойчивой конструкции.
- Редуктор червячного типа. Новое изделие может стоить дорого, обычно подбирается на разборах или снимается с нерабочего механизма. Необходимо обратить внимание на грузоподъемность, показатель начинается от 350 кг, показатель передаточной силы – 60 кг.
- Плита из стали, минимальной толщиной 1 см, изымается со старого оборудования.
- Комплект болтов, крепежный крюк, шпонки формой звездочки.
- Несколько железных цепей с диаметром звеньев от 2 см. Слабые цепи не выдержат нагрузку, следует обратить внимание на качество изделия, некоторые материалы могут растягиваться при процессе работы.
- Стальной трос, толщиной 5 мм.
Сборка и установка узлов происходит в обязательной последовательности, следуя предлагаемой инструкции.
Крепление стальных уголков происходит на стенах, противоположным расположением от капота машины. Поверх уголков для подъемника, своими руками устанавливается стальная плита. Соединение производится подготовленными болтами. Далее необходимо установить червячный редуктор, зафиксировав шпонкой на приводном вале. Шпонка меньшего диаметра устанавливается на выходном вале редуктора.
Подъемник цепной своими руками
В плите проделываются отверстия, подходящие диаметру цепи, после этого происходит монтаж цепного механизма. Важно уделить внимание безопасности, в раме изготавливаются отверстия через определенное расстояние, ими вставляется стопорный механизм.
Особенности эксплуатации такого подъемника
Использование при работе агрегата червячного типа подходит для подъема двигателя автомобиля или несущих частей. Порядок применения автоподъемника, изготовленного своими руками прост, необходимо следовать следующим действиям:
- Демонтировать крепления двигателя, болты, гайки.
- После происходит подвод петель из стального троса, сцепление конструкции.
- Вращение приводного вала производится путем перебора цепи, небольшими усилиями можно медленно приподнимать деталь до нужного положения.
Подъемник в гараж червячного типа
После подъема, необходимо удалить автомобиль из зоны проводимых работ, подставив под двигатель стол. Подставку или стол возможно изготовить своими руками, конструкция должна быть прочной, выдерживать большие нагрузки. Удобным при использовании является стол на колесах, который позволяет перемещать деталь в необходимых направлениях.
Если автомобиль слишком большой
Ремонт крупных автомобилей не редкость, размер колес и высота клиренса могут не дать поднять необходимые части на нужную высоту. Процесс происходит с помощником, который оттягивает деталь на заранее подготовленный стол. Вращение редуктора происходит противоположной стороной к установленному элементу.
Автоподъемник для больших автомобилей
Такие ситуации приводят к мыслям об улучшении и модернизации автомобильного подъемника для гаража своими руками.
Возможно изготовить подвижную конструкцию, которая будет давать возможность двигать поднимаемую часть на необходимые расстояния. Возможно изготовить агрегатную установку с электродвигателем на понижающем редукторе, при этом случае может получиться настоящий кран для подъема крупногабаритных механизмов.
Изготовление опрокидывателя своими руками
Опрокидыватель используется для поднятия одной из сторон авто на необходимый градус. Более простой вариант, который не потребует специальных приспособлений по примеру редуктора и цепей.
Самодельный опрокидыватель для авто
Процесс производства опрокидывателя своими руками включает несколько этапов.
- Башмак изготавливается для работы виде опоры будущего домкрата. Важно следовать подготовленным по чертежу размерам, чтобы ход был свободным.
- Стойка для подъема изготавливается из уголков длинной 1.5 метра, сборка осуществляется в форме квадратов, крепление сварочным аппаратом. Стойки используются в количестве двух штук, важно учитывать расстояние, через которое будет ходить балка.
- Отверстия высверливаются для крепления опорной трубы, также необходимые для стопорного механизма.
- Площадка для балки производится из листа стали, края загибаются, тогда результатом получается коробка, к которой привариваются боковые стороны.
- Поддержание автомобиля с противоположной подняв стороны производится путем изготовленной своими руками конструкции из балок. Квадратный профиль изготавливается из уголка длинной, соответствующей автомобилю.
При отсутствии времени, возможно обратиться к специалистам, которые изготовят опрокидывающий механизм в гараже при соответствии к требованиям.
Простой подъемник для переворачивания машины
Для использования на открытом пространстве, возможно изготовить простой подъемник для переворачивания автомобиля.
Ходовая часть авто требует технического обслуживания и ремонта своевременно, при отсутствии подъемного устройства или смотровой ямы этого сделать не представляется возможным, работы будут остановлены.
Применение мини подъемника в гараже потребует усилия нескольких человек, результатом чего может быть покорябан бок авто. Немногие осмеливаются ремонтировать автомобиль под сильным углом, однако при отсутствии других способов выхода не предоставляется. Изготовить возможно путем использования уголков с тросовым механизмом от старой лебедки.
Трудности при изготовлении подъемника
Стоимость автоподъемника в готовом виде высока, однако изготовленный своими руками вариант может повредить работающего под ним человека при ненадежной конструкции. Вес автомобиля не должен превышать более тонны, при падении конструкции на человека, можно получить необратимые травмы.
Самодельный подъемник для автомобиля изготавливается по подготовленным чертежам, или используются версии готовых изделий. При последнем случае приходится надеяться на высокие к вычислению навыки автора. Неверный расчет основания или одного из скрепляемых узлов может привести к необратимым последствиям, при лучшем случае, порче поднимаемого агрегата.
Для самодельного комплекта, изготовленного своими руками понадобятся детали и узлы, без которых сборка невозможна. Найти такого вида комплектующие можно в больших магазинах по реализации строительной техники. Если средств на новые детали недостаточно, необходимо отправится на пункты приема металлолома и предприятия, списывающие старые детали.
stankiexpert.ru
Как сделать автомобильный подъёмник для гаража своими руками? 2 простых для исполнения устройства
Детали автомобиля подвергаются износу.
По этой причине в частном гараже пригодится подъёмник для легкового автомобиля, который можно собрать из подручных средств. Выпускаемые разными компаниями агрегаты зачастую имеют высокую стоимость, поэтому собранный в собственной мастерской домкрат поможет быстро произвести ремонт машины без лишних финансовых вложений.
Содержание статьи
Домкрат домашней сборки
Наиболее экономным вариантом бытового подъёмного механизма является агрегат двухстоечной конструкции, оснащённой электрическим, электрогидравлическим или гидравлическим приводом. В подъёмнике с первым типом привода в стойках размещаются резьбовые валы с перемещающейся несущей гайкой, закреплённой на подъёмной стальной лапе. Существуют другие модели винтовой конструкции, в составе которых содержится 1, 3, 4 стойки.
Чтобы собрать дешёвое, но производительное устройство для собственного пользования, необходимо понять принцип действия прибора заводского изготовления. Изготовить подъёмник автомобильный для гаража своими руками можно из следующих компонентов:
- 3 стальных уголка 750×750×8 мм;
- редуктор червячный;
- стальная плита толщиной 10 мм;
- 2 цепи с крупными тонкими звеньями из проволоки диаметром 30 мм;
- крюк;
- трос толщиной 5 мм;
- две шпонки «звёздочка».
При выборе составляющих элементов следует учесть, что минимальная грузоподъёмность агрегата с передаточным показателем 60 кг должна быть 300 кг.
Сборка подъёмного устройства
Самодельный подъёмник в автосервисную мастерскую собирается быстро и просто. Рабочий процесс состоит из 8 шагов:
- стальные гнутые уголки нужно закрепить на противоположных плоских стенках помещения так, чтобы капот легкового автомобиля оказывался под ними;
- на уголки необходимо установить стальную плиту и закрепить болтами М8;
- установить на плиту редуктор;
- закрепить шпонку на приводном редукторе вала;
- в плите просверлить отверстие и пропустить цепь, замкнуть в форме кольца;
- закрепить шпонку меньшего размера на выходном вале редуктора;
- просверлить в плите два отверстия, пропустить вторую цепь;
- первый конец приводной цепи зафиксировать на малой шпонке, второй оснастить крюком.

Используя профессиональные чертежи, ножничный подъёмник своими руками можно изготовить очень легко и быстро. Самодельный подъёмник в гараж имеет рычажную систему передач в виде ножниц. Рабочие моменты осуществляются гидравлическим приводом, работающим от электрического двигателя.
В процессе сборки конструкции мастер может столкнуться с рядом проблем относительно техники безопасности. Исключить падение, прогиб и поломку домкрата поможет правильный выбор материала для комплектующих деталей.
Гаражное подъёмное устройство собственной сборки должно обладать запасом грузоподъёмности и легко выдерживать вес авто в течение длительного времени.
При изготовлении оборудования следует установить стопорный механизм, с помощью которого изготовленный своими руками автомобильный подъёмник удерживает груз в случае возникновения нештатной ситуации. Периодически должен производиться технический осмотр и обслуживание резьбовых валов, несущих гаек, шлангов и цилиндров. Настройка рабочих параметров устройства осуществляется следующим образом:
- удалить крепления, фиксирующие раму и двигатель автомобиля;
- подвести трос под мотор, набросить петли на крюк;
- перебирая цепь, натянуть трос, медленно поднять груз на нужную высоту;
- переместить двигатель на ремонтный стол.

Автомобильный подъёмник-опрокидыватель
Если отсутствует возможность оборудовать в гараже смотровую яму с подъёмником, механики рекомендуют устроить опрокидыватель-подъёмник для авто своими руками. Чертежи установки лучше заказать у профессионала. Изготавливается приспособление из листового металла и квадратного профиля с помощью сварки. Грузоподъёмная конструкция обладает прочностью, безопасностью и простотой в эксплуатации.
В качестве основного рабочего агрегата автоподъёмник-опрокидыватель содержит реечный, гидравлический или червячный домкрат. Пятка прибора с большими рёбрами жёсткости может наклонить авто весом 2.5 тонны на 45°. Для прочности платформа устройства с подвижными механизмами оснащается рёбрами жёсткости толщиной металла до 7 мм, уголками и квадратным толстостенным профилем. Из металла также изготавливается опорный гнутый уголок, нижняя площадка и опорный брус.
Изготовить механический опрокидыватель можно из набора необходимых компонентов:
- толстостенная квадратная труба 0,5×0,5 см или уголок с полкой;
- два пальца;
- четыре втулки;
- фрагменты металла для косынок.

Детали скрепляются между собой сваркой, кронштейны с шарнирами соединяются с платформой, после этого подъёмник готов к работе.
Вывод
Для частной станции технического обслуживания идеально подойдет недорогой и производительный гидравлический автоподъёмник ножничного типа. Имея конструкцию в собственном распоряжении, владелец легкового автомобиля получает возможность проводить ремонтные и профилактические работы на кузове, заменять ходовую часть, подвеску, тормозные колодки и детали трансмиссии. Сделать подъёмник своими руками можно по специально разработанной технологии.
auto-gl.ru
Пластиковые ходовые гайки на подъемник из немецкого материала ZEDEX
Для изготовления грузовых и ходовых гаек мы используем только немецкий пластик ZEDEX производства Wolf Kunststoff-Gleitlager GmbH. Как официальный представитель в Украине немецкого производителя предоставляем клиентам партнерские скидки, технические консультации по применению и обработке и паспорта на продукцию.
Почему ходовая гайка из высокопрочного полимера Zedex работает дольше чем бронзовая или полиамидная
Кого удивляет в наш век замена бронзы и стали на полимерные материалы? Но кажется невероятным, что срок службы грузовой (ходовой) гайки Zedex в два раза (это минимум!) превышает время работы бронзовой. Никакой мистики – только наука. Грузовые или ходовые гайки подъемника из пластика стали стандартнми на стоечных автоподъемниках Maha, Slift, Zippo и др., втом числе разборные и стопорные гайки.
Выбор ZX-100K обусловлен уникальными свойствами этого термополимера
Гайки подъемника из ZX-100K:
- – Не боятся загрязнений, пыли и металлической стружки, а бронзовые надо постоянно очищать.
- – Гайки работают при высокой влажности без изменения размеров и деформации, так как не разбухают от воды, масла и других нефтепродуктов, что есть самый большой недостаток полиамида ПА6 или ПА66.

- – При необходимости, гайки изготавливают с посадкой в «натяг» и они не требуют приработки по валу. Такая гайка не изнашивает вал автоподъемника и продлевает его срок службы. Вал не нуждается в проточке.
- Гайки нарезаются с любыми видами резьб, в том числе с трапецеидальной резьбой.
- – Трибологические свойства полимера делают ход подъемного механизма плавным без рывков и задиров и надежно работают в условиях недостаточной смазки или при ее отсутствии. Гайка подъмника из Zedex работает «всухую».
Гайка смазывается только один раз в момент установки
Поэтому полимер Zedex ZX-100K используется для изготовления ходовой гайки подъемника или автоподъемника для СТО.
Сравнение стоимости материала заготовки для гайки
из бронзы и Zedex 100K
Сделаем расчет стоимости материала. Вдруг эти прекрасные свойства ZX-100K слишком дороги? Возьмем, для примера, цилиндрическую гайку с внешним диаметром 80 мм и с внутренним – 40 мм. Цены проверены на 10.07.2020 г. Стоимость изготовления зависит от сложности и конструкции гайки.
| Материал | Вес, кг | Цена 1 кг | Стоимость, без работы, грн. |
| Пруток бронза БрАЖ | 3,1 | 245 | 737,45 |
| Пруток бронза БрОЦС | 3,62 | 190 | 687,80 |
| Труба ZEDEX ZX-100K | 0,45 | 1663 | 735 |
Бронза ОЦС не рекомендована ГОСтом или ДСТУ для ходовых гаек и приведена как пример самой дешевой бронзы. Она легко обрабатывается и есть «знатоки», которые делают такие гайки. Рекомендованные бронзы для гаек стоят в полтора раза дороже БрОЦС. БрАЖ дана для сравнения как самый дешевый и рекомендованный материал для подъемных гаек
Бронза БрОЦС выигрывает по стоимости, а БрАЖ — нет. Но Zedex минимум!!! работает вдвое дольше и стоимость уже падает в два раза.
Даже если удасться найти остродифицитную бронзовую трубу, это только сравняет гайки по цене. Отнимите из стоимости потери на простой и лишний ремонт оборудования и убедитесь – гайка из Zedex обойдется дешевле в разы. Гайка из Zedex не изнашивает вал, даже при работе в загрязненных условиях.
с 9-00 до 22-00
Ольга Васильевна ☎+38(067)404-83-53
На изготовление гаек подъемника с пятками часть материала идет в стружку. Мы предлагаем делать составную гайку: в корпус отработанной гайки запрессовывать цилиндрическую резьбовую втулку из Zedex. Такая конструкция экономит материал и снижает стоимость конечного изделия. Есть ограничения на комбинированные гайки: стенки пластиковой втулки должны быть не менее 8 мм
Особенность нашего производства.
К нам обращаются клиенты, которые не знают марку подъемника. Может его выпуск прекращен и поиск по Интернету не дает результата, утеряна документация, а то и вовсе такой не было. Ремонт автоподъемника усложняется, так как чрезвычайно затруднительно найти запчасти без знания каталожного номера, года изготовления и номера оборудования. Наши опытные токаря с высокой точностью вытачивают гайку аналогичную отработанной. Чаще всего, на гайке нарезана стандартная трапецеидальная резьба. Мы вытачиваем новую резьбу с учетом износа вала так, чтобы гайка из ZEDEX имела посадку внатяг для увеличения площади контакта и уменьшении локального давления.
Изготовливаем гайки с высокой точностью по отработанным старым образцам.
Восстанавливаем внутреннюю резьбу в червячном колесе для винтовых домкратов
Трубы и прутки для самостоятельного изготовления гайки при ремонте автоподъемника
Заказать и получить от нас гайку просто и быстро
Просим очищать гайки от смазки при пересылке
- Для этого вы присылаете чертеж или эскиз от руки с размерами.

- Чаще всего мы получаем отработанную гайку и стопорную (страховочную) как образец и по ним вытачиваем новую. На стопорной гайке сохраняется исходная резьба и по ней определяем резьбу на ходовой
- Изготовление длится 3-5 дней. Основное время уходит на пересылку Можно и быстрее, если очень нужно, если вы завезете гайку на производство.
- При необходимости клиент вносит изменения в конструкцию гайки для улучшения её работы
- Если у вас есть возможность самостоятельно выточить гайку, подберем заготовку нужного размера.
Ручной подъемник для ремонта автомобилей, устройство, размеры
При техническом обслуживании и ремонте легковых автомобилей, как правило, используются двухстоечный электромеханический или ручной подъемник и смотровые канавы. При работе с автомобилем на канаве приходится спускаться в нее и подниматься из нее, эстакада — громоздкое сооружение, обычно находящееся вне помещения. В этих случаях не обойтись без домкрата.
Ручной подъемник для обслуживания и ремонта легковых автомобилей, устройство, размеры, чертежи.
Длительная практика с использованием канавы, подъемника и наружной эстакады навела на мысль создать что-то «среднее» своими силами. К тому же, двухстоечные подъемники очень дорогие. А бронзовые вкладыши основных гаек с трапецевидной резьбой 44×6 изнашиваются примерно за год при работе в одну смену, что неудобно и небезопасно.
Ручной подъемник грузоподъемностью 2 тс (20 кН) с двумя колоннами (стойками), показанный на рисунке ниже, устанавливается у смотровой канавы глубиной всего 0,5 метра, высота подъема составляет 1 метр. В нем использованы два старых редуктора ВАЗ и две полуоси.
Ручной подъемник грузоподъемностью 2 тс (20 кН) с двумя колоннами (стойками).
Основные сварные узлы подъемника — колонна, тележка, опора редуктора и лапа. Колонна может быть целиком сварной, возможно использование гнутого профиля. Основные размеры, которые необходимо обеспечить при сварке — это 160 и 120 мм (размеры роликов тележки).
Колонна под ручной подъемник, вид со стороны лап.
Колонна ручного подъемника в сборе, вид сбоку.
Остов колонны ручного подъемника.
Приварка остова колонны ручного подъемника к основанию и ребер к остову колонны и основанию.
Приварка платиков к остову колонны ручного подъемника.
Листы 20x89x1382 мм привариваются с двух сторон швами длиной 40-60 мм с шагом 100-150 мм. Лист 12x298x1382 мм приваривается снаружи и на концах изнутри. Приварку платиков лучше производить, воспользовавшись опорой редуктора. Катеты швов примерно равны толщине наиболее тонкого из свариваемых листов. При сварке толстых листов (20 мм) катет сварного шва 8-10 мм.
Тележка под ручной подъемник для обслуживания и ремонта легковых автомобилей.
Тележка под ручной подъемник имеет неразборную конструкцию. Пальцы (сталь 35) с надетыми роликами привариваем к соответствующим листам. Отверстия под пальцы лучше обрабатывать, когда тележка сварена. Сварку опоры редуктора производим, закрепив стойки на редукторе (корпусе). Сварку лапы осуществляем швом с катетом 10 мм по всей высоте пластины.
Тележка под ручной подъемник в сборе и ее детали.
Остов тележки ручного подъемника.
Опора редуктора ручного подъемника.
Лапа ручного подъемника.
Сборка колонн ручного подъемника производится через верх при снятой опоре редуктора. Предварительно тележка собирается с опорой, гайками — основной и страхующей, винтом. На винте закрепляем гайкой доработанную старую полуось. Под винт устанавливаем подшипник и шарик. Все трущиеся детали смазываем графитовой смазкой. Последними на колонне закрепляются опора и редуктор.
Рычаг крепится к фланцу ведущей шестерни редуктора болтами с гайками М8. Плечо рычага можно изменить. Резьба бронзового вкладыша основной гайки рассчитана на длительный срок службы (при своевременной смазке срок не ограничен). Однако, с целью полной безопасности в тележки колонн установлены предохранительные стальные гайки.
По мере износа резьбы основной гайки она будет смещаться по винту вниз, уменьшая контролируемый зазор А. Исчезновение зазора А означает, что нагрузку приняла на себя предохранительная гайка. В этом случае необходима замена бронзового вкладыша основной гайки. Длительная работа с использованием стальной гайки приведет к износу винта.
По материалам книги «Приспособления для ремонта автомобилей».
Росс Твег.
Похожие статьи:
- Почему в машине плохо работает отопитель, причины, способы устранения неисправности, как правильно пользоваться отопителем зимой.
- Как правильно выбрать моторное масло для автомобиля, допуски моторного масла, определение уровня содержания присадок в моторном масле и его класса вязкости.
- Схема самодельной охранной системы автомобиля, принцип работы, датчики, инвертор напряжения, сборка схемы и эксплуатация охранной системы.
- Доводка-притирка поверхности детали, абразивная и химико-механическая, составы притирочных паст и суспензий для доводки-притирки поверхностей деталей.
- Обработка поверхностей без снятия стружки, калибрование, дорнование, обкатывание, раскатывание, алмазное выглаживание, центробежно-ударный наклеп поверхностей без снятия стружки.
- Сигнализатор перегоревшей лампы в автомобиле, назначение, принцип работы, принципиальная схема, сборка и настройка сигнализатора.
Автоподъемник самодельный чертежи
Автомобильный подъемник в гараж своими руками, чертежи
МТЗ-80- Модельный ряд
- Двигатель
- Ходовая часть
- Трансмиссия
- Навесная система
- Другие системы
Содержание
Пневматический автомобильный подъемник с полной гидравлической системой питания
Б / у пневматический подъемник с полной гидравлической системой питания
Описание предмета
| Наименование товара: | автоподъемник автомат |
| Фирменное наименование: | MT |
| Порт доставки: | ДАЛЯНЬ, Китай |
| Возможность поставки: | 500 шт. / Шт. В месяц |
| Условия оплаты: | т / т |
| Детали упаковки: | Фанера |
| Срок поставки: | Поставляется через 3-20 дней после сдачи на хранение |
| Срок гарантии: | 18 месяцев |
Описание продукта
Б / у пневматический автомобильный подъемник с полной гидравлической системой питания
Этот автомобильный подъемник с гидравлическим подъемником для обслуживания автомобилей, красоты, покраски, быстрой замены шин и т.
Д.это хороший выбор для домашнего гаража, автомастерской, мастерской, авторемонтной мастерской и т. д. этот автомобильный подъемник полностью приземлился, имеет длину 110 мм, поэтому не волнуйтесь, он займет у вас так много места, этот автомобильный подъемник так экономит место, ультратонкий, Легко перемещаемая портативная машина. Если у вас нет большого магазина, не беспокойтесь, она водонепроницаема, поэтому вы можете использовать ее на открытом воздухе.
ТЕХНИЧЕСКИЕ ХАРАКТЕРИСТИКИ супертонкого ножничного подъемника MT-SL100 | |||
Грузоподъемность | |||
Подземный автоматический гидравлический подъемник для электромобилей
Подземный автоматический гидравлический электрический автомобильный подъемник
Детали товара
| Название продукта: | Автоматизированный автомобильный подъемник |
| Фирменное наименование: | MT |
| Доставка Порт: | ДАЛИАН, Китай |
| Возможность поставки: | 500 единиц / единиц в месяц |
| Условия оплаты: | T / T |
| Детали упаковки: | Фанера |
| Срок поставки: | Поставляется через 3-20 дней после депозита |
| Срок гарантии: | 18 месяцев |
Описание продукта
Подземный автоматический гидравлический электромобиль подъемник
Этот автомобильный подъемник гидравлический автомобильный подъемник для технического обслуживания автомобилей, красоты, покраски, быстрой замены шин и т.
д.это хороший выбор для домашнего гаража, автомастерской, мастерской, авторемонтной мастерской и т. д. этот автомобильный подъемник полностью приземлился, имеет длину 110 мм, поэтому не волнуйтесь, он займет у вас так много места, этот автомобильный подъемник так экономит место, ультратонкий, Легко перемещаемая портативная машина. Если у вас нет большого магазина, не беспокойтесь, она водонепроницаема, поэтому вы можете использовать ее на открытом воздухе.
ТЕХНИЧЕСКИЕ ХАРАКТЕРИСТИКИ супертонкого ножничного автомобильного подъемника MT-SL100 | ||||
Грузоподъемность | кг / фунт | 3500/7716 | ||
мм | 637/1800 | |||
Мин. высота | мм | 6.494 | ||
длина платформы 45 | 1520-2020 | |||
ширина платформы | мм | 600 | ||
Ширина между площадками | мм | 800 | 800 | |
кВт | 2.2 | |||
Электропитание | В | 100/110/220/230/380/400 В | ||
Подземный автоматический гидравлический электрический подъемник
.Стоянка передвижная пассажирская хозяйственная постройка Самодельный автоподъемник
парковка передвижное пассажирское хозяйственное здание самодельный автоподъемник
Описание продукта
Основные технологии
1. STEP 2. GERMAN INFINEON 3. GERMAN SIEMENS 4. GERMAN 9000 HEIDEN. DEEOO
Функции парковки передвижного пассажирского хозяйственного здания самодельный автомобильный подъемник
| Привод двери VVVF | Привод лифта VVVF | Автономный ход | Автоматический проход без остановки |
| Автоматическая регулировка времени открытия двери | повторное открытие с вызовом из зала | Быстрое закрытие двери | Остановка автомобиля и открытие двери |
| Гонг прибытия автомобиля | Отмена регистра команд | Защита занавеса | Назначенная остановка |
| Защита от перегрузки | An-ti защита таймера остановки ция | Управление защитой при запуске | Операция проверки |
| Самодиагностика неисправности | Повторное закрытие двери | Верхнее / нижнее управление и конечная защита | Устройство защиты от превышения скорости при понижении |
| Защита от превышения скорости при повышении устройство | Микро-сенсорная кнопка для вызова автомобиля и холла | Индикатор пола и направления | Индикатор пола и направления в салоне автомобиля |
| Аварийное освещение автомобиля | Пусковой ход | Пятисторонняя переговорная связь | Звонок |
| Возврат при пожаре | Вентиляция автомобиля, автоматическое отключение света | Дистанционное отключение |
Изображение продукта автостоянка передвижная пассажирская хозяйственная постройка самодельный автоподъемник
Мы можем отправить нашего инженера И работник за границу, чтобы сделать в остановка и отладка.
Вы можете отправить своего инженера на наш завод для обучения.
Мы можем предоставить вам чертеж строительства.
Производство стандартных лифтов может быть завершено за 20 дней.
Перед упаковкой произведем испытания машин и сборку кабины лифта.
Примеры проектов Deeoo
Наши преимущества
1.Профессиональные услуги У нас есть профессиональная команда R&D и отдел продаж, мы предоставляем профессиональные консультации от предложения до завершения установки лифта. |
2. Высокие технологии и максимальная безопасность У нас есть более 30 уникальных патентов для обеспечения безопасности и качества |
3. Конкурентоспособная цена Мы делаем лифт более 30 лет и мы можем предложить вам конкурентоспособную цену. |
4.Хорошее послепродажное обслуживание и простота обслуживания Мы обеспечиваем быстрое и профессиональное послепродажное обслуживание при установке и наладке лифта. |
установки 5.Easy basebord тяговой машины был сварен с тяговой машиной поддержки луча, прежде чем покинуть завод. Это означает, что наш пассажирский лифт установить проще, чем у других компаний, и он стоит меньше. |
Основные продукты
| 1 | Пассажирский лифт | |||
| 2 | Пассажирский лифт без машинного помещения | |||
| 3 | панорамный лифт | 4 | лифт для виллы | |
| 5 | больничный лифт | |||
| 6 | эскалатор | |||
| 7 | движущийся тротуар | |||
| 8 | грузовой лифт | |||
| 9 | грузовой лифт без машинного помещения лифт | |||
| 10 | автомобильный лифт | |||
| 11 | лифт кухонного лифта |
Основные продукты
Упаковка и доставка
упаковка: фанерный пакет для дальнего морского рейса
0005 г: 35-55 дней после получения депозитаИнформация о компании
DEEOO Расположен в Дунгуане, Гуандун, Китай.
Заводское название: Guangdong DEEOO Elevator Technology Co., Ltd.
Адрес: Промышленная зона Хевудзи, город Шицзе, город Дунгуань, провинция Гуандун, Китай
Мастерская5000 квадратных метров.
Персонал: более 200 человек, около 25% — технические и управляющие сотрудники.
Сертификаты:
a.Лицензия на производство спецтехники
б. Лицензия на установку, переоборудование, ремонт и техническое обслуживание специального оборудования
c. Все наши продукты соответствуют стандарту GB7588-2003 (китайский стандарт, эквивалентный EN81).
Основные рынки: Благодаря отличной сети продаж и послепродажного обслуживания как дома, так и за рубежом, лифты Deeoo продаются по всему миру. Страны экспорта: Сингапур, Австралия, Индонезия, Казахстан, Шри-Ланка, Мальдивы, Иран, Саудовская Аравия, Гана, Армения, Марокко, Нигерия, а также районы Гонконг и Макао.
Завод
Клиент
СОП
Сертификат
000
000
000 Нам будет больно, когда он внезапно закроется?
A: Дверь холла с инфракрасным лучом, при прикосновении к инфракрасному лучу дверь автоматически перезапускается без какой-либо опасности. Это действие делает невозможным закрытие и даже повторное открытие лифта.Кроме того, здесь также доступна сила закрывания.
Q2. Прочные ли канаты лифта?
A: Трос лифта имеет особые положения и требования. Конфигурация не только для троса и номинальной нагрузки, но также учитывается размер тяги; в результате предел прочности на разрыв троса превышает вес подъемника. Фактор безопасности снабжен более чем четырьмя тросами. Так что при этом он не сломается.
Q3. Как работает лифт?
A: Лифты управляются с тросом противовеса через тяговый привод (трактора), совершая подъемы и опускания на направляющей.
Q4. У вас есть сертификаты?
Да, мы используем сертификаты CE, KLA, CSA и UL для u.
Q5. Опасно ли внезапное отключение электроэнергии во время работы лифта?
A: Если это произойдет, лифт автоматически остановится из-за электрического и механического предохранительного устройства. В случае отключения электроэнергии автоматически сработают тормоза лифта. Кроме того, работают отделы электроснабжения, такие как плановые отключения, предварительное уведомление.
Q6.Если ваш инженер приедет в нашу страну, чтобы починить лифт и пройти обучение, сколько это будет стоить?
A: В стоимость в основном входит стоимость авиабилетов в оба конца, питания и проживания, а также визовый сбор.Стоимость персонала обычно составляет 100 долларов США в день на человека. Но это будет зависеть от крупного оборудования или установки и отладки всего лифта.
Q7. Принимает ли ваша компания индивидуальное предложение, у нас есть особые потребности?
A: DEEOO — это компания, имеющая более 10 лет опыта работы с OEM-производителями и сильные возможности в области исследования и производства лифтов. Мы очень готовы предложить вам высокоэффективный индивидуальный лифт, если у вас есть определенные потребности.
Q8. Легко ли установить?
A: Да, установка лифта может быть сложным процессом, но мы здесь для того, чтобы упростить его, помогая вам в реализации вашего проекта, предоставляя технические консультации и поддержку, чтобы убедиться, что ваша установка работает без сбоев.
Q9. Вашей компании нужен агент?
A: Да, добро пожаловать, опытная лифтовая компания выступает в качестве наших дистрибьюторов / агента, чтобы сотрудничать с нами на долгосрочной основе. В качестве вознаграждения за сотрудничество мы хотели бы предоставить рекламную цену нашего дистрибьютора / агента. если вы заинтересованы,
ПРОСМОТРЕТЬ БОЛЬШЕ
Связаться с Eky
Имя: Eky
Компания: Guangdong Deeoo Elevator Tehcnology Co., LTD
Телефон / Whatsapp / Wechat: 86-18912-158269309
Skype: eky liang
Электронная почта: eky at daiselevator.
com.cn
QQ: 2329513988
Интернет: http://deeoolift.en.alibaba.com/
http://www.deeoo-elevator.com
Адрес завода: Промышленная зона Hewuji No. 2, Sijia , Город Шицзе, Дунгуань, Гуандун, Китай
.портативный ножничный автомобильный подъемник / ножничный подъемник для автомобиля с маркировкой CE / scissor автомобильный подъемник
Портативный ножничный автомобильный подъемник / ножничный дизайн Автомобильный подъемник с CE / ножничным подъемником
Детали товара
| Название продукта: | Автоматизировать автомобильный подъемник |
| Фирменное наименование: | MT |
| Порт доставки: | DALIAN, Китай |
| Возможность поставки: | 500 единиц / единиц в месяц |
| Условия оплаты: | T / T |
| Детали упаковки: | Фанера |
| Срок поставки: | Поставляется через 3-20 дней после депозита |
| Срок гарантии: | 18 месяцев |
Описание продукта
Портативный ножничный автомобиль Подъемник / ножничный дизайн Автомобильный подъемник с CE / ножничным подъемником
Этот автомобильный подъемник гидравлический автомобильный подъемник для технического обслуживания, красоты, покраски, быстрой замены шин и т. Д.это хороший выбор для домашнего гаража, автомастерской, мастерской, авторемонтной мастерской и т. д. этот автомобильный подъемник полностью приземлился, имеет длину 110 мм, поэтому не волнуйтесь, он займет у вас так много места, этот автомобильный подъемник так экономит место, ультратонкий, Легко перемещаемая портативная машина.
Если у вас нет большого магазина, не беспокойтесь, она водонепроницаема, поэтому вы можете использовать ее на открытом воздухе.
ТЕХНИЧЕСКИЕ ХАРАКТЕРИСТИКИ супертонкого ножничного автомобильного подъемника MT-SL100 | ||||
Грузоподъемность | кг / фунт | 3500/7716 | ||
мм | 637/1800 | |||
Мин. высота | мм | 6.494 | ||
длина платформы 45 | 1520-2020 | |||
ширина платформы | мм | 600 | ||
Ширина между площадками | мм | 800 | 800 | |
кВт | 2.2 | |||
Источник питания | В | 100/110/220/230/380/400 В | ||
Переносной ножничный автомобильный подъемник / ножничный дизайн Автомобильный подъемник с CE / ножничным механизмом Автоподъемник
.Теперь доступны габаритные чертежи четырехстоечного подъемника BendPak
Недавно мы выпустили габаритные чертежи всех наших двухстоечных подъемников BendPak, и они нам очень помогли. Клиенты были в восторге от этого, потому что было очень полезно определить, какой подъемник подойдет для их применения. Что ж, теперь у нас есть габаритные чертежи всех моделей четырехстоечного подъемника BendPak.
Это может быть важно для определения того, поместится ли конкретный автомобиль на него или под ним, и поместится ли он в вашем гараже.Это также поможет вам определить лучшее место для автомобильного подъемника в вашем гараже. Допустим, у вас очень ограниченное пространство в гараже, и у вас также есть препятствие где-то сбоку от гаража.
Например, боковая дверь, ведущая в ваш дом. Убедитесь, что вы можете установить автоподъемник в правильное положение, чтобы он не мешал открывать дверь. Это габаритный чертеж, на котором указаны все необходимые всем ключевые размеры. Общая высота, общая ширина, конечно, но намного, намного больше.
Многие производители предоставляют определенные основные размеры и спецификации для своих лифтов, но BendPak предоставляет чертежи с размерами, которые иллюстрируют наиболее важные, а иногда и непонятные размеры, которые могут быть важны только для нескольких избранных клиентов. Допустим, вы хотите знать расстояние от внешней стороны взлетно-посадочной полосы до внешней стороны взлетно-посадочной полосы. Несмотря на то, что BendPak не предоставляет этот конкретный размер, они предоставляют вам подходящие инструменты для его определения. Возьмите габаритный чертеж ниже. Просто умножьте размер I на 2, а затем прибавьте это число к размеру J.Это покажет вам ширину от внешней стороны взлетно-посадочной полосы до внешней стороны взлетно-посадочной полосы. Если вам нужен конкретный параметр, но вы его не видите, просто свяжитесь с нами, и мы предоставим вам необходимые ответы.
Если вы прокрутите вниз до раздела ДОПОЛНИТЕЛЬНАЯ ИНФОРМАЦИЯ на любой из страниц наших продуктов, вы найдете ссылку на габаритный чертеж подъемника, который можно открыть в формате PDF.
Конечно, если у вас возникнут вопросы, вы всегда можете связаться с нами. Мы продаем подъемники BendPak более 20 лет и знаем эту продукцию лучше, чем кто-либо.Мы позаботимся о том, чтобы с первого раза вы получили должный подъем для вашего приложения.
Требования к бетонному полу — двухстоечные и четырехстоечные подъемники
Загрузить Требования к бетонным перекрытиям 2019 (pdf)
Существующие минимальные требования к этажу:
| ДВЕ МОДЕЛИ | МИН. ТОЛЩИНА | МИН. КОМП. ПРОЧНОСТЬ | УСИЛЕНИЕ | РАССТОЯНИЕ |
| МОДЕЛИ СЕРИИ GP ‐ 7 | 4-1 / 4 « | 3000 фунтов на квадратный дюйм / 28 дней выдержки | # 6 Арматура | 12 в |
| МОДЕЛИ СЕРИИ XPR ‐ 9 | 4-1 / 4 « | 3000 фунтов на квадратный дюйм / 28 дней выдержки | # 6 Арматура | 12 в |
| МОДЕЛИ СЕРИИ XPR ‐ 10 | 4-1 / 4 « | 3000 фунтов на квадратный дюйм / 28 дней выдержки | # 6 Арматура | 12 в |
| МОДЕЛИ СЕРИИ XPR ‐ 12 | 6 1/2 « | 3000 фунтов на квадратный дюйм / 28 дней выдержки | # 6 Арматура | 10 в |
| МОДЕЛИ СЕРИИ XPR ‐ 15 | 8 « | 3000 фунтов на квадратный дюйм / 28 дней выдержки | # 6 Арматура | 10 в |
| МОДЕЛИ СЕРИИ XPR ‐ 18 | 8 « | 3000 фунтов на квадратный дюйм / 28 дней выдержки | # 6 Арматура | 10 в |
| 4-ПОЯСНЫЕ ПОДЪЕМНИКИ | МИН.ТОЛЩИНА | МИН. КОМП. ПРОЧНОСТЬ | УСИЛЕНИЕ | РАССТОЯНИЕ |
| МОДЕЛИ СЕРИИ HD ‐ 7 | 4-1 / 4 « | 3000 фунтов на квадратный дюйм / 28 дней выдержки | Только температура ACI * | Только температура ACI * |
| МОДЕЛИ СЕРИИ HD ‐ 9 | 4-1 / 4 « | 3000 фунтов на квадратный дюйм / 28 дней выдержки | Только температура ACI * | Только температура ACI * |
| МОДЕЛИ СЕРИИ GP ‐ 9 | 4-1 / 4 « | 3000 фунтов на квадратный дюйм / 28 дней выдержки | Только температура ACI * | Только температура ACI * |
| МОДЕЛИ СЕРИИ PL ‐ 6K | 4-1 / 4 « | 3000 фунтов на квадратный дюйм / 28 дней выдержки | Только температура ACI * | Только температура ACI * |
| МОДЕЛИ СЕРИИ HDS ‐ 14 | 4-1 / 4 « | 3000 фунтов на квадратный дюйм / 28 дней выдержки | Только температура ACI * | Только температура ACI * |
| МОДЕЛИ СЕРИИ HDS ‐ 18 | 4-1 / 4 « | 3000 фунтов на квадратный дюйм / 28 дней выдержки | Только температура ACI * | Только температура ACI * |
| МОДЕЛИ СЕРИИ HDS ‐ 27 | 4-1 / 4 « | 3000 фунтов на квадратный дюйм / 28 дней выдержки | Только температура ACI * | Только температура ACI * |
| МОДЕЛИ СЕРИИ HDSO ‐ 14 | 4-1 / 4 « | 3000 фунтов на квадратный дюйм / 28 дней выдержки | # 6 Арматура | 12 в |
| HD-973P | 6-1 / 2 « | 3000 фунтов на квадратный дюйм / 28 дней выдержки | Только температура ACI * | Только температура ACI * |
| МОДЕЛИ СЕРИИ HDS-35 | 6-1 / 2 « | 3000 фунтов на квадратный дюйм / 28 дней выдержки | Только температура ACI * | Только температура ACI * |
| МОДЕЛИ СЕРИИ HDS-40 | 6-1 / 2 « | 3000 фунтов на квадратный дюйм / 28 дней выдержки | Только температура ACI * | Только температура ACI * |
* Пол должен быть выдержан в соответствии со спецификациями Американского института бетона.
Пол не требует армирования, но рекомендуется использовать минимум проволочной сетки.
Существующие бетонные полы необходимо просверлить для проверки минимальной толщины пола и подтверждения строительных чертежей. Необходимо получить образец керна и испытать его для проверки минимальной прочности пола на сжатие. При исследовании свойств пола сверьтесь с чертежами здания, чтобы убедиться в правильности армирования пола. Для всех двухстоечных подъемников требуется сплошная одинарная плита. Наложение расширительных швов или позиционирование стоек на отдельных плитах недопустимо.
- НЕ УСТАНАВЛИВАЙТЕ подъемники BendPak на любой поверхности, кроме бетона, с соблюдением минимальных значений прочности на сжатие, старения, армирования и толщины, указанных в таблица выше. ВСЕ ПОДЪЕМНИКИ BENDPAK ДОЛЖНЫ УСТАНОВИТЬСЯ ТОЛЬКО НА БЕТОН.
- НЕ устанавливайте подъемники BendPak на компенсационные швы, а также на потрескавшийся или дефектный бетон. Все анкеры диаметром 3/4 дюйма должны находиться на расстоянии не менее 6 дюймов от любого компенсационные швы, контрольные швы или другие несоответствия в бетоне.
- Все анкеры должны располагаться на расстоянии не менее 6 дюймов от любых компенсационных швов, контрольных швов или других дефектов в бетоне. Обратитесь к производителю анкера. спецификации для конкретной информации, касающейся расстояний до кромок и требований к расстоянию между болтами.
- НИКОГДА не устанавливайте подъемник BendPak на бетон, смешанный вручную.
- ЗАПРЕЩАЕТСЯ устанавливать какие-либо лифты BendPak на уровне второго этажа или на любом первом этаже с подвалом под ним без письменного разрешения архитектора здания. и предварительная консультация и одобрение BendPak.
- Если пол не соответствует этим минимальным требованиям к ранее существовавшему перекрытию, предлагается построить плиту, как указано ниже в Рекомендациях по новым плитам.
Если
расположение подъемника в сейсмической зоне, свяжитесь с BendPak для проектирования сейсмических плит.
Рекомендации по новым бетонным перекрытиям:
Информация, содержащаяся в этом дополнении, заменяет любую другую информацию, содержащуюся в прилагаемом руководстве. Эта информация представлена для рекомендаций по проектированию новой бетонной плиты в случае, если уже существующий этаж не соответствует минимальным требованиям применимого типа лифта.Пожалуйста, внимательно прочтите все приведенные ниже инструкции перед изготовлением новой плиты.
НОВАЯ БЕТОННАЯ ПЛИТА ТРЕБОВАНИЯ К БЕТОНУ:
| Минимальная прочность бетона на разрыв: | 4,000 фунтов на квадратный дюйм |
| Минимальное старение новой бетонной плиты: | 28 дней (время отверждения) |
| Минимальная толщина бетонной плиты: | См. Новую таблицу перекрытий и рисунки ниже |
| Минимальная ширина и длина плиты: | См. Новую таблицу перекрытий и рисунки ниже |
| ПОДЪЕМНЫЕ МОДЕЛИ | МИН.ТОЛЩИНА ПЛИТЫ | Вт МИН. ШИРИНА ПЛИТЫ | L МИН. ДЛИНА ПЛИТЫ | R РАЗМЕР УСИЛЕНИЯ (СМ. ПРИМ. 1 и 2) | S1 и S2 РАССТОЯНИЕ ДЛЯ УСИЛЕНИЯ (СМ. ПРИМ. 3) | D ДИАМЕТР АНКЕРА | I ДЛИНА АНКЕРА |
| GP ‐ 7 СЕРИИ | 12 « | 48 дюймов мин. | 12 дюймов, ширина подъемника на 12 дюймов | 8 — # 4 — Основные стержни 21 — # 4 — Температурные стержни | 6 дюймов — длинные стержни 8 дюймов — короткие стержни | 3/4 « | 5 « |
| XPR ‐ 9 СЕРИИ | 12 « | 48 дюймов мин.![]() | 12 дюймов, ширина подъемника на 12 дюймов | 8 — # 4 — Основные стержни 21 — # 4 — Температурные стержни | 6 дюймов — длинные стержни 8 дюймов — короткие стержни | 3/4 « | 5 « |
| XPR ‐ 10 СЕРИИ | 12 « | 48 дюймов мин. | 12 дюймов, ширина подъемника на 12 дюймов | 8 — # 4 — Основные стержни 21 — # 4 — Температурные стержни | 6 дюймов — длинные стержни 8 дюймов — короткие стержни | 3/4 « | 5 « |
| XPR ‐ 12 СЕРИИ | 12 « | 72 «Мин. | 12 дюймов, ширина подъемника на 12 дюймов | 12 — # 4 — Основные стержни 23 — # 4 — Температурные стержни | 6 дюймов — длинные стержни 8 дюймов — короткие стержни | 3/4 « | 7 « |
| XPR ‐ 15 СЕРИИ | 12 « | 72 «Мин. | 12 дюймов, ширина подъемника на 12 дюймов | 12 — # 4 — Основные стержни 23 — # 4 — Температурные стержни | 6 дюймов — длинные стержни 8 дюймов — короткие стержни | 3/4 « | 7 « |
| XPR ‐ 18 СЕРИИ | 12 « | 72 «Мин. | 12 дюймов, ширина подъемника на 12 дюймов | 12 — # 4 — Основные стержни 23 — # 4 — Температурные стержни | 6 дюймов — длинные стержни 8 дюймов — короткие стержни | 3/4 « | 7 « |
| HD ‐ 7 СЕРИИ | 12 « | мин. 24 дюйма * | мин. 24 дюйма * | 8 — # 4 Слитки | 6 дюймов — в каждую сторону / крест-накрест | 3/4 « | 5 « |
| HD ‐ 9 СЕРИИ | 12 « | мин. 24 дюйма * | мин. 24 дюйма * | 8 — # 4 Слитки | 6 дюймов — в каждую сторону / крест-накрест | 3/4 « | 5 « |
| GP ‐ 9 СЕРИИ | 12 « | мин. 24 дюйма * | мин. 24 дюйма * | 8 — # 4 Слитки | 6 дюймов — в каждую сторону / крест-накрест | 3/4 « | 5 « |
| PL ‐ 6K СЕРИИ | 12 « | мин. 24 дюйма * | мин. 24 дюйма * | 8 — # 4 Слитки | 6 дюймов — в каждую сторону / крест-накрест | 3/4 « | 6 « |
| HDS ‐ 14 СЕРИИ | 12 « | мин. 24 дюйма * | мин. 24 дюйма * | 8 — # 4 Слитки | 6 дюймов — в каждую сторону / крест-накрест | 3/4 « | 5 « |
| HDS ‐ 18 СЕРИИ | 12 « | мин. 24 дюйма * | мин. 24 дюйма * | 8 — # 4 Слитки | 6 дюймов — в каждую сторону / крест-накрест | 3/4 « | 7 « |
| HDS ‐ 27 СЕРИИ | 12 « | 48 дюймов Мин. * | 48 дюймов Мин. * | 16 — № 4 стержней | 6 дюймов — в каждую сторону / крест-накрест | 3/4 « | 7 « |
| HDSO ‐ 14 СЕРИИ | 12 « | 48 дюймов Мин. * | 48 дюймов Мин. * | 16 — № 4 стержней | 6 дюймов — в каждую сторону / крест-накрест | 3/4 « | 5 « |
| HD-973P | 12 « | 48 дюймов Мин. * | 48 дюймов Мин. * | 16 — № 4 стержней | 6 дюймов — в каждую сторону / крест-накрест | 3/4 « | 5 « |
| HDS-35 СЕРИИ | 12 « | 48 дюймов Мин. * | 48 дюймов Мин. * | 16 — № 4 стержней | 6 дюймов — в каждую сторону / крест-накрест | 3/4 « | 7 « |
| HDS-40 СЕРИИ | 12 « | 48 дюймов Мин. * | 48 дюймов Мин. * | 16 — № 4 стержней | 6 дюймов — в каждую сторону / крест-накрест | 3/4 « | 7 « |
* Четыре отдельных плиты сформированы на каждой стойке.
Температурные стержни — это стальные стержни, расположенные горизонтально (по длине) в бетонных плитах для предотвращения трещин из-за перепадов температуры или высыхания; размещены перпендикулярно основным арматурным стержням (короткий пролет). Температурные стержни размещаются под прямым углом к основным арматурным стержням.
Примечание 1: Температурные стержни — это стальные стержни, расположенные горизонтально (по длине) в бетонных плитах для предотвращения трещин из-за изменений температуры или высыхания; размещены перпендикулярно основным арматурным стержням (короткий пролет).Температурные стержни размещаются под прямым углом к основным арматурным стержням.
Дополнительный слой 6 x 6 — 10/10 WWF на средней высоте новой плиты рекомендуется в любом чрезвычайно жарком или холодном климате для контроля растрескивания из-за колебаний температуры и усадки. В местах расположения анкерных болтов сетку WWF держите только ниже отметки анкерного крепления, чтобы избежать столкновения с проволокой при сверлении.
Примечание 2: Основная арматурная и низкотемпературная сталь должна быть из деформированных стержней класса 60
Примечание 3: Допуск на расстояние между стержнями в каждом направлении должен соответствовать указанному значению плюс или минус 1 дюйм.Кроме того, необходимо использовать количество стержней, указанное в таблице.
Примечание 4: Указанные габаритные размеры бетона и арматура приведены для допустимой несущей способности фундаментного основания не менее 2 000 фунтов / кв. Фут (1 тонна на квадратный фут). Многие глины, и большинство из них твердая глина, твердая глина, песчано-глинистые смеси, сухой песок, крупнозернистый сухой песок, сухой песок и иловые смеси, песчано-гравийные смеси и грунты гравийного типа соответствуют или превышают эту допустимую несущую способность. Если есть вопросы относительно допустимой несущей способности фундамента, следует проконсультироваться с инженером по испытанию грунтов.Особого внимания требуют ситуации, когда допустимая несущая способность ниже этого значения.
Новые бетонные плиты должны соответствовать вышеуказанным свойствам, прежде чем установка лифта будет признана приемлемой. Новая плита должна быть полностью окружена существующим асфальтовым или бетонным полом. Сертифицированную документацию по прочности следует получить у фирмы, поставляющей бетонную смесь во время заливки. Эти новые бетонные плиты спроектированы как «автономные» и не учитывают вклад прочности окружающего бетона.Может быть желательно привязать и укрепить новую плиту к ранее существовавшему окружающему полу. Следует проявлять осторожность, чтобы расположить арматурные стержни вдали от позиций анкеров конкретного подъемника.
Эти новые бетонные плиты не учитывают установку второго этажа или установку на первом этаже с подвалом под ним. В этом случае нельзя устанавливать лифт без письменного разрешения архитектора здания.
Все анкеры диаметром 3/4 дюйма должны находиться на расстоянии не менее 6 дюймов от любых компенсационных швов, контрольных швов или других дефектов в бетоне.
НИКОГДА не замешивайте бетон вручную.
Загрузить Требования к бетонным перекрытиям 2019 (pdf)
РЕКОМЕНДАЦИИ ПО НОВЫМ БЕТОННЫМ ПЛИТАМ
МОДЕЛИ С ДВУМЯ ПОДЪЕМНИКАМИ
РЕКОМЕНДАЦИИ ПО НОВЫМ БЕТОННЫМ ПЛИТАМ
МОДЕЛИ С ЧЕТЫРЕМЯ ПОДЪЕМНИКА
Совершенно секретное оборудование — Парковочный подъемник с двухстоечной платформой на 6000 фунтов
Описание продуктаДеталь № PPL-6
Парковочный подъемник Olympic PPL-6 Platform является частью модульной парковочной системы.Он позволяет припарковать от двух до шести автомобилей или более в гараже, который обычно вмещает вдвое меньше. Используйте его как автономный двухстоечный штабелеукладчик с двумя опорами или комбинируйте их , разделяя стойки, чтобы максимально увеличить пространство для хранения. Эта компактная конструкция позволяет установить парковочный подъемник в большем количестве мест, чем когда-либо прежде.
И он прочный! При испытаниях на динамическую нагрузку и на 150% при статической нагрузке он превысил 120% мощности. Гарантирует вам высочайшее качество и наиболее технически совершенное решение для парковки автомобилей.Эта рабочая лошадка в коммерческих, частных и жилых помещениях, а также идеальный вариант для гаража, о котором мечтает автолюбитель.
Это отличный выбор в условиях ограниченного пространства от потолка и высоты автомобиля. Если вы хотите получить как можно больше места на вашем частном навесе или в гараже, этот парковочный подъемник премиум-класса с автоматическим штабелеукладчиком отлично справится со своей задачей, максимально увеличивая рабочее пространство.
Характеристики- Олимпийская 5-летняя гарантия
- Грузоподъемность 6000 фунтов
- Посты можно делить, увеличивая пространство и устойчивость
- Подходит для всех автомобилей и небольших внедорожников нижнего (уровня) уровня
- Вмещает большие внедорожники и минивэны на верхнем уровне (если позволяет высота потолка)
- Долговечное порошковое покрытие
- Доступны ручное открывание замка и автоматическое управление на 24 В
- Доступны варианты электропитания 220 В для жилых помещений и коммерческих предприятий
- Доступны ручное открывание замка и автоматическое управление 24 В
- Система выравнивания цепи
- Одиночные ручные или электронные системы разблокировки безопасны и надежны
- Износостойкая, термостойкая и высокопрочная макромолекулярная конструкция
- ползунки полиэтиленовые
- Двойные гидравлические подъемные цилиндры
- Электромагнитный клапан с функцией аварийной ручной разблокировки
- Стандартный блок питания 220 В
- Ручной насос на блоке питания при пропадании мощности (+99 $)
- Блок управления 24 В, электромагнитный клапан и электромагнит (+99 $)
- Сверхкрасная сигнализация предотвращает несанкционированное использование (+190 долларов США)
- Питание 110 В (+99 $)
частный… — Бесплатная загрузка CAD Site-Autocad Blocks, Details
Дэвид Чипперфилд проектирует красный бетонный и кирпичный многоквартирный дом для Нью-Йорка
Британская компания David Chipperfield Architects реализовала 11-19 Jane Street, многоквартирный дом в Нью-Йорке с румяным цветом. -крашеный фасад из кирпича и цветного бетона.
Новое шестиэтажное здание, которое заменяет гараж, построенный в 1920-х годах, находится в городском районе Гринвич-Виллидж.
11-19 Джейн-стрит находится в Гринвич-Виллидж
Чтобы дополнить сочетание зданий 19-го и 20-го веков, архитекторы Дэвида Чипперфилда разработали изюминку традиционных фасадов таунхаусов для 11-19 Джейн-стрит.
На уровне земли блок придает смелый и современный вид за счет стены из бетона с красными пигментами. Такой же красный бетон появляется на перемычках и столбах верхних этажей.
Жилой дом имеет фасад из красного кирпича и бетона.
Современный бетон смягчается более традиционными римскими кирпичами, которыми облицованы верхние этажи. Эти длинные узкие кирпичи создают текстуру и полосатые полосы на фасаде здания.
На первом этаже скрытые входы с обоих концов ведут в двухуровневые таунхаусы, занимающие нижние этажи.Центральный вход обеспечивает доступ к другим квартирам и гаражу на цокольном этаже.
Красные бетонные и бронзовые перила
Различные стили окон и дверей обозначают сочетание типов квартир в блоке. Двухэтажные таунхаусы имеют французские балконы, в то время как боковые квартиры наверху имеют более широкие окна, очерченные красными бетонными башнями.
Красный бетонный пентхаус занимает верхний этаж, немного в стороне от улицы, с большими окнами, выходящими в сад.
Длинные стройные кирпичи и столбы из цветного бетона
Балконные и дверные перила сделаны из темной бронзы, чтобы дополнить румяные внешние материалы. Внутри общие зоны имеют полы из терраццо.
Для отдельных квартир компания David Chipperfield Architects выбрала полы из натурального дуба и облицовала стены ванных комнат каррерским мрамором.
Бельгийский ландшафтный архитектор Питер Вирц спроектировал террасу на крыше и сад за домом.
Сад, спроектированный Питером Виртцем
Дэвид Чипперфилд основал свою архитектурную практику в 1985 году. Последние проекты его фирмы в Нью-Йорке включают штаб-квартиру Rolex на углу 5-й авеню и жилую башню в центре Манхэттена под названием The Byrant.
Фотография сделана Джеймсом Юингом / JBSA.
Авторы проекта:
Заказчик: Эдвард Дж. Minskoff Equities
Архитектор: David Chipperfield Architects
Ответственные директора: Дэвид Чипперфилд, Билли Прендергаст
Архитектор проекта: Гонсало Баптиста, Маттиас Кунц, команда Peter Jurschitzka Project 9000 Габриэль Фернандес, Клеменс Герритцен, Йоханнес Лескин, Маттиа Лузиньяни, Ана Мартинс, Фрэнсис Нейдлер,
Тобиас Рабольд, Мартин Рейнольдс
Ландшафтный архитектор: Wirtz International
Освещение: Arup
Контактный архитектор: Montroy Andersen
Исраэль А.SeinukMEP: Buro Happold
Конструкция здания: Wiss, Janney, Elstner Associates
Инженер-строитель: Philip Habib & Associates
Консультант LPC: Higgins Quasebarth & Partners
Строительство: Sciame Construction3
E Менеджер проекта:
E Менеджер проекта Сообщение Дэвида Чипперфилда о дизайне красных бетонных и кирпичных многоквартирных домов для Нью-Йорка впервые появилось на Dezeen.
【Сайт бесплатной загрузки САПР】 — Блоки Autocad, детали, 3D-модели, PSD, вектор, загрузка эскизов (https: // www.cad-download.com) ■ Загрузить архитектурные блоки Cad, чертежи САПР для дизайна интерьера, модели Sketchup, PSD-файлы Photoshop # cad_drawings # autocad #architect #architecture # details # cad # interiordesign # externaldesign #section # рисунки # 3dmax # cadmodel
3D Виртуальные дизайнерские чертежи Обновленные настройки стационарного ножничного подъемного стола
Когда покупатели или потенциальные клиенты планируют купить нестандартный стационарный ножничный подъемный стол на мировом рынке, они часто сталкиваются с вопросом, может ли производитель ножничного подъемника предоставить действительно подходящее оборудование для своих бизнес.В конце концов, производитель не может лично увидеть среду установки и сценарий работы, особенно в международной торговле.
Но теперь все изменилось: мы ввели технологию виртуального 3D-дизайна для моделирования реального рабочего места каждого клиента, на котором будет установлен стационарный ножничный подъемник . Чтобы прояснить ситуацию, давайте посмотрим, как технология виртуального 3D-дизайна работает на практике.
Во-первых, после того, как клиенты присылают нам цитату о https: // www.mornlift.com/scissor-lift/stationary scissor-lift столы, наша техническая группа продаж немедленно свяжется с ними, чтобы подтвердить, для какого использования они покупают подъемник, и тем временем попросить у них HD-изображение среды, в которой они установлены.
Затем, получив изображение рабочего места заказчика, наши профессиональные инженеры и дизайнеры стационарных ножничных подъемных столов внимательно его изучат и нарисуют трехмерное изображение проекта в заданном масштабе с помощью программного обеспечения CAD или SolidWorks. После этого виртуальная модель стационарного ножничного подъемника будет добавлена в указанное место на 3D-чертеже.
После этого заказчику будет отправлен хорошо спроектированный трехмерный чертеж, который затем проверит, соответствует ли место установки виртуального стационарного ножничного подъемного стола предполагаемым потребностям. В таком случае мы организуем заводских рабочих для изготовления стола ножничного подъемника после подтверждения всех остальных параметров и конфигураций. Если необходимо внести некоторые поправки для улучшения чертежа 3D-дизайна, наши дизайнеры подробно проанализируют предложения клиентов, на основании которых поправки будут правильно реализованы до тех пор, пока они не будут соответствовать потребностям клиента.
Трехмерные виртуальные дизайнерские чертежи эффективно уменьшили беспокойство клиентов или сомнения относительно того, сможет ли производитель стационарных ножничных подъемников предоставить индивидуальные продукты, которые лучше всего подходят для их бизнеса.
Для получения дополнительной информации о настройке стационарного ножничного подъемного стола или другой информации о подъемном оборудовании посетите связанный веб-сайт или свяжитесь с нами напрямую для получения решений для мгновенного подъема.
Чертеж ножничных подъемников | Продукты и поставщики
Продажа самоходных выдвижных ножничных подъемников.
У одного есть эти четыре Sehnitte geftihrt, так что потрите кожу на спине, верхний Eek с помощью пинцета и sehneidet gekrt ~ mmten с помощью этих ножниц под gleiehzeitigem, рисуя и поднимайте мускулатуру настолько животную, как mSglieh, jedoeh без …
Ножницы забирают Лизу, Симона убирает руку, и она поднимается к ушам.
… Точка их происхождения от изолированного шнура пучки корешков длиной пять и шесть сантиметров легко достать: их перевязывают, разрезают ножницами и хорошо приподнимают верхними концами из канала, проведенного между точками…
Стало препаратом FuBmuskulatur оболочкой с мешком для кишечника, голландцы подняли протяженное ползающее животное легким поездом от головной части Ful3 и отделили с помощью быстрого ножничного разреза.
Размеры, точки подключения, массовые характеристики и центр масс (ЦМ) каждой части ножничного подъемника был полученный из соответствующих компонентов или сборок в технические чертежи.
Благодаря цепочке петель сосудов они могут быть подняты, чтобы разделить хорошо видимые структуры с помощью ножниц.
Пациентов спрашивали, какой рукой они используется для следующих предметов или действий: письмо, рисование- бросать, чиркать спичкой, поднимать крышку ящика и ножницами, зубной щеткой, ножом и ложкой.
Пока ассистент приподнимает нижнюю губу раны конъюнктивы, радужку сфинктер вытягивают вперед щипцами для радужной оболочки, а ножницы Уикера помещают в положение для радиальной иридотомии.
Мобильная башня УВД Установленный на тягач-прицеп, он может быть поднят на максимальную рабочую высоту 6 м с помощью гидравлического ножничного подъемника.
Требуется переоборудование гаража для автоподъемника
Джерри Людвиг Опубликовано 8:03 а.м. ET 27 января 2017 г.
Купить фотоОбозреватель Джерри Людвиг (Фото: Фото из архива) Купить фото
Основные моменты истории
- «Я думаю, что вам действительно нужен лицензированный инженер-строитель. Архитектор часто может обратиться к инженеру по вопросам конструкции, поэтому имеет смысл начать с инженера ».
Уважаемый Джерри: Вы часто предлагаете людям обратиться к архитектору за ответами на некоторые вопросы. У меня есть ранчо в Irondequoit, построенное в 1966 году.Он имеет гараж на 2½ машины с двускатной крышей спереди, которая переходит в шатровую крышу сзади (без ферм).
Недавно я установил автомобильный подъемник в гараже, и мне нужно больше места для головы, чтобы поднять машину достаточно высоко, чтобы под ней можно было пройти. Для этого мне нужно удалить некоторые поперечные стяжки 2×4, которые охватывают ширину гаража от верхней пластины левой стены до верхней пластины правой стены.
Большинство архитекторов, с которыми я общаюсь, хотят больших денег, чтобы просто выйти и посмотреть на это.Есть идеи относительно разумного человека или компании, которые могли бы мне посоветовать? Был бы такой колледж, как RIT, возможным ресурсом? Любая помощь будет оценена по достоинству. Спасибо.
— L.W., Irondequoit
Ну, я завидую. Я всегда хотел автомобильный подъемник, но никогда не удосужился его установить. Однако с удаленными шпалами нужно что-то делать. Без них стены гаража могли прогнуться. Нехорошо.
Большинство известных мне архитекторов не взимают плату за первый визит.Оказавшись на месте, они обычно предлагают вам свои услуги. Их варианты могут включать в себя некоторые черновые наброски, полные рабочие чертежи, выбор подрядчиков, надзор за проектом и т. Д. Затем вы можете выбрать, насколько вы хотите, чтобы архитектор был вовлечен в ваш проект.
Однако я думаю, что вам действительно нужен лицензированный инженер-строитель. Архитектор часто может обратиться к инженеру по поводу структурных проблем, поэтому имеет смысл в первую очередь начать с инженера, поскольку работы по архитектурному проектированию, если таковые имеются, будут минимальными.
Инженер может предложить изменения существующей конструкции, которые будут соответствовать действующим строительным нормам. Не глядя на ваш гараж, я не знаю, насколько сложными будут эти модификации, но я сомневаюсь, что они будут слишком обширными или дорогими. Есть подрядчики, которые также могут назначить исправление, но, возможно, лучше иметь чертеж с печатью, который удовлетворит местного строительного инспектора. Чертеж также убедит будущих владельцев в том, что модификации гаража были выполнены правильно, а здание конструктивно прочно.
Меня беспокоит пол, на котором стоит лифт. Учитывая сосредоточенный вес подъемника на опорах столба вместе с транспортным средством на подъемнике, может потребоваться дополнительное усиление гаражной плиты. Инженер может просчитать, какие модификации пола целесообразны.
Я позвонил профессиональному инженеру Джо Розенстилу из Jensen Associates, которого я использовал в прошлом для структурного проектирования, и он сказал, что ваша ситуация не должна быть очень дорогой консультацией.Однако это сопровождается отказом от ответственности, что никто из нас не видел гараж. Возможно, то, что было построено в 1966 году, не соответствует действующим строительным нормам. В таком случае могут потребоваться более обширные изменения.
Я позвонил в архитектурную школу в RIT, и хотя студенты могут выполнять общественные работы, у них нет лицензии на консультирование по отдельным проектам.

Для создания усилия подобный механизм может иметь электромеханический или электрогидравлический привод. Самодельный вариант исполнения, как правило, имеет электромеханический привод, так как он проще в изготовлении.
Толщина стяжки не учитывается при расчете толщины бетонного основания. Плитка и материал стяжки должны выдерживать
нагрузку не менее 250 кг/см².
В обоих случаях кабель питания должен иметь жилу заземления, подключенную со стороны распределительного
щита к контуру заземления.
Если необходимо стойки
можно немного повернуть вокруг забитого анкера.
Трос при этом натягивается, тем самым облегчая натяжку второго троса. Повторяем операцию для второго троса. ВАЖНО!!! Тросы ни в
коем случае не должны перехлестываться или касаться элементов конструкции автоподъемника.
Подключать к сети автомобильный подъемник нужно через автомат защиты. Использование промежуточных розеток – нежелательно.
После прокачки опустите каретки до пола и долейте масло в бак по уровню.


Для установки такого оборудования используют две прочные стойки, в которые установлены специальные винты. Именно они отвечают за подъем и опускание транспортного средства. Работа установленных винтов контролируется электродвигателем.







ТОЛЩИНА
Если
расположение подъемника в сейсмической зоне, свяжитесь с BendPak для проектирования сейсмических плит.
24 дюйма *
*