Тюнинг Тойота / Toyota — тюнинг ателье Soundspeed: запчасти и аксессуары для Тойота в Москве
Главная
О нас
Портфолио
Гарантии
Законы
Оплата
Доставка
Контакты
Дополнительное оборудование, тюнинг, ремонт, тех. обслуживание автомобилей ТОЙОТА/ЛЕКСУС, а также других автомобилей японского и корейского производства
Многоканальные
+7 495 775-43-84 +7 495 775-43-85
Мы работаем
Пн-Вс: 9:00 — 19:00
Консультант онлайн
В вашей корзине
нет товаровОформить заказ
Наши последние работы
Электро-привод крышки багажника на Camry 70
Работает как при нажатии кнопки багажника, так и кнопки из салона.
Новые темы на нашем форуме
Портфолио: фотогалереи наших работ
Аэродинамические обвесы и комплектующие
Пошив салонов
Видеорегистраторы/радар-детекторы
Тонирование/бронирование
Тюнинг подсветки
Салонные шторки
Дополнительные мониторы
Малярный участок
Салонная ярко-белая светодиодная подсветка
Установка радиостанций
Силовые обвесы
Прочее
Тюнинг автомобилей Тойота
О нашем тюнинг центре
Автоцентр широкого профиля «SoundSpeed» образовался из одноименной тюнинг студии «Скорость звука», которая была основана в далеком 2001 г. Отцами-основателями студии, ее основной рабочей единицей, а в последствии и руководящим составом, стала группа товарищей и специалистов в области авто безопасности, авто звука и авто тюнинга, за плечами которых к моменту основания собственного бизнеса уже был многолетний опыт работы по данным направлениям. Команда подобралась творческая, и по началу каждая новая работа была уникальной. Со временем удалось выработать и свой фирменный стиль работы, где доминирующими факторами стали такие критерии, как неординарность решений во всех без исключения направлениях деятельности и стремление к высокому качеству проведения работ. Подробнее
Наши гарантии
На все без исключения работы, проводимые нашим центром, предоставляется фирменная гарантия.
Фирменная гарантия на работы заключается в бесплатном и внеочередном (в день обращения) обслуживании клиента, с автомобилем которого возникло рекламационное обстоятельство.
Подробнее
Наши партнёры
Хотите получать новости о новинках тюнинга, наших акциях и скидках?
Тогда подписывайтесь!
Ваш email:
Конфиденциальность гарантирована
Популярные услуги Тойота
Мы принимаем к оплате
Мы в социальных сетях
ЛИКВИДАЦИЯ СКЛАДА
Защитные и тонировочные пленки
Аудио-видео
Сопутствующие товары
Тюнинг экстерьера
Дополнительное оборудование
Шумоизоляция
Навесное и защитное оборудование
Противоугонное оборудование
Краска, косметика, парфюмерия
Контакты
Дополнительное оборудование, тюнинг, ремонт, тех. обслуживание автомобилей ТОЙОТА/ЛЕКСУС, а также других автомобилей японского и корейского производства
Многоканальные
+7 495 775-43-84 +7 495 775-43-85
Мы работаем
Пн-Вс: 9:00 — 19:00
Консультант онлайн
В вашей корзине
нет товаровОформить заказ
ГлавнаяКонтакты
Наш адрес: г. Москва, ул. Молодогвардейская, д. 58, стр.13, этаж 1, офис.1 (Территория компании Совтрансавто)
Тюнинг экстерьера
Дополнительное оборудование
Шумоизоляция
Навесное и защитное оборудование
Противоугонное оборудование
Краска, косметика, парфюмерия
Скорость звука
Скорость звука
Менеджер скорости звука
Упростите управление своими профилями!
Функции приложения
Диспетчер скорости звука
Sound Speed Manager (SSM) призван объединить имеющиеся функции
в трех существующих приложениях, обрабатывающих профили скорости звука (SSP)
для подводных акустических систем: NOAA Velocipy, MAC SVP Editor и
Диспетчер SSP HydrOffice.
Sound Speed Manager был разработан для облегчения интеграции в существующие рабочие процессы сбора данных.
Либеральная лицензия с открытым исходным кодом, используемая проектом (в частности, GNU LGPL), обеспечивает понимание
выбранных решений обработки за счет готовой проверки исходного кода, а также возможность
адаптировать приложение к потребностям конкретной организации.
Эта адаптация упрощается за счет модульной конструкции приложения со специфичным для NOAA
функции организованы таким образом, чтобы их можно было легко деактивировать для пользователей, не являющихся пользователями NOAA.
Основные функции включают в себя: широкую поддержку широко используемых форматов профилей скорости звука,
полная интеграция с распространенными приложениями сбора/интеграции данных (например, Kongsberg SIS),
улучшение профиля на основе моделей реального времени и климатологических моделей, а также управление базой данных
собранные данные со встроенными функциями для анализа и визуализации. Благодаря долгосрочной поддержке и плану развития Sound Speed Manager представляет собой готовое приложение «под ключ».
для использования (и расширения) профессионалами и учреждениями гидрографического сообщества.
Приложение разработано совместно Центром картографирования прибрежных и океанских районов, UNH и
Лаборатория разработки береговой съемки NOAA (CSDL). Sound Speed Manager написан на Python 3, текущая версия — 2023.0.1.
Контакты: Г. Мазетти (UNH, CCOM);
Б.Галлахер (NOAA,OCS),
К.Чжан (NOAA,OCS)
Онлайн-документы
Руководство в формате PDF
Поддержка
ССЫЛКИ
Границы 2020 бумага
Бумага US Hydro 2017
Статья ММСП
Презентация на AMS100 2020.
Презентация на INMARTECH 2018.
Учебное пособие по настройке Sound Speed Manager.
Учебник по использованию Sound Speed Manager.
Sound Speed Manager
Первичный интерфейс Sound Speed Manager. В этом конкретном примере импортируется приведение XBT.
На правой панели отображается единственное значение солености, сохраненное в слепке (сплошным синим цветом),
но ожидается, что она будет заменена соленостью, полученной с помощью модели (выделено оранжевым пунктиром).
Эта операция также запускает пересчет значений скорости звука.
Диспетчер скорости звука
Пример ежедневного графика профиля скорости звука на основе выборок, хранящихся в диспетчере скорости звука.
Диспетчер скорости звука
Набор данных профиля скорости звука, хранящийся в базе данных SSM,
экспортируется вместе с метаданными в формат KML для визуализации в Google Earth.
Гидрография | Поставщик гидропогружной техники
Мы предлагаем решения для декорирования до производственных клиентов и малых предприятий по всему миру.
Производство
ИЛИ
Малый бизнес
Решения для декорирования
Аутсорсинг декорирования
Вы хотите придать своим продуктам уникальный вид, но не хотите вкладывать капитал в покупку оборудования и завершать процесс собственными силами? Не беспокойтесь, мы можем порекомендовать технологическое предприятие, которое нанесет любое из наших покрытий на вашу продукцию. Мы будем работать с вами, чтобы обеспечить визуальная оценка образцов и переход к полному производству.
Найти процессор
Интеграция внутри компании
У вас есть объем и вы готовы внедрить водотрансферную печать внутри компании? TWN предлагает набор решений для автоматизированного оборудования, которые обеспечивают эффективность декорирования в любом масштабе. Узнайте больше о наших вариантах оборудования и запланируйте звонок с одним из наших консультантов, чтобы обсудить, какой вариант оборудования лучше всего подходит для вашего уникального применения.
Просмотр оборудования
Пленки для переноса воды
Камуфляж
Более 160+ премиальных камуфляжей. Лицензия не требуется.
Посмотреть камуфляж
Углеродное волокно
Безумно реалистичное углеродное волокно, которое выведет ваши автомобильные проекты на совершенно новый уровень.
Вид Углеродное волокно
Дизайнер
Потрясающие узоры черепов, американские флаги и многое другое.
Конструктор представлений
Wood Grain
Красивые узоры под древесину для автомобилей и проектов по переоборудованию.
Посмотреть Древесное зерно
Металл
Модели из нержавеющей стали, разработанные для высокотехнологичной бытовой техники и многого другого.
Вид Металл
Камень
Исключительный мрамор и гранит для роскошных архитектурных изделий.
Вид камня
Услуги
Обучение гидрографии
Наша сертификационная программа является наиболее углубленным курсом по печати с переносом воды на рынке. Он включает 2 дня практического обучения в нашей лаборатории в Принстоне, Флорида. Все покупки оборудования включают бесплатное обучение.
Обучение гидрографии
Проявление гидрографической пленки
Наш Художественный отдел обладает высокими навыками в настройке файлов и оптимизации графических изображений для производства пленки для гидроокунания, что обеспечивает своевременный и плавный переход к Water Transfer Printing .
Пластиковый бак или бочка, используемые в быту, являются резервуаром, в котором хорошо сохранять запас воды. Эти удобные и практичные емкости при неосторожном использовании или ударе могут дать течь. Это не повод, чтобы выбрасывать нужный бак или бочку. Необходимо дать им вторую жизнь. Устранить образовавшийся дефект можно различными способами.
Пластиковые бочки для воды
Особенности пластика
Материал, из которого сделаны пластиковые емкости, имеют свои особенности. Это проявляется в виде его плохой крепости, если воздействие на бочку происходит механическим путем. Неровность площадки под бочку или бак могут привести к перекосу емкости и формированию мелкого зазора, который под давлением воды со временем даст течь и превратится в большой дефект.
Каждая пластиковая емкость имеет свою маркировку, которая отражает температурный диапазон использования и свойство пластика. Пластмассовую емкость из полиэтилена низкого давления маркируют знаком “PE-HD”, который выдерживает колебания температуры от -50°С до +80°С и не изменяет свои свойства. По своей структуре эта пластмасса имеет высокий коэффициент твердости, что делает изделия из нее устойчивыми к влиянию химических веществ органического и неорганического происхождения.
Маркировка “PVC-U” наносится на изделия из поливинилхлорида. Пластиковую бочку из такого материала нельзя использовать при температуре ниже 0°С, так как несоответствие термическим показателям от 0°С до +60° С изменяет ее параметры, что может привести к нарушению целостности пластикового изделия. Этот вид материала отличается существенной прочностью и значительной устойчивостью к воздействию окислительных и иных веществ.
Полипропилен (РР-Н), из которого делают значительные по объему емкости для воды, отличается крепостью, стойкостью к разрыву, агрессивному действию бытовой химии. За счет неуязвимости к повышенной инсоляции, вода в такой бочке может храниться длительное время и не портиться.
Новые пластиковые бочки для воды
Способы устранения течи
Если емкость дала течь, то как заклеить пластиковый бак для воды, чтобы он и дальше выполнял свои функции? За счет того, что полимерные материалы имеют низкий коэффициент сцепления с разнородными веществами, ремонт таких изделий имеет свои отличительные черты. Если вы не надумали покупать новую пластиковую емкость, то приведем несколько способов ремонта.
Битумная лента
Если на поверхности бочки появилось незначительное повреждение, похожее на мелкую, в виде паутины, сетку, то встает вопрос: как восстановить целостность поврежденной поверхности и чем заклеить пластиковый бак для воды? Самым простым способом является использование специальной клейкой ленты на битумной основе. Она представляет собой синтетическое средство для ремонта, структура которого состоит из нескольких слоев. Такая лента идеально повторяет контуры бака или бочки и дает хорошее сцепление с пластиком.
Перед тем, как заклеивать дефект, необходимо:
Подготовить поверхность емкости, то есть очистить от загрязнений и обезжирить область повреждения.
Протереть рабочий участок сухой ветошью.
Отрезать достаточной длины кусок ленты так, чтобы ее размер выступал за края дефекта на 2-3 см.
Снять защитную пленку.
Наклеить заплатку на трещину, плотно прижав ее к наружной поверхности бочки.
Несложная в техническом исполнении ремонтная операция позволяет сохранить пластиковую емкость в рабочем состоянии для ее дальнейшего использования.
Лучшим обезжиривающим средством при ремонте пластиковой бочки является ацетон, который отлично удаляет сложные загрязнения и не наносит ущерба ее синтетической поверхности.
Эпоксидный клей
Синтетический клей обладает выраженной влагостойкостью и идеально подходит для того, чтобы заклеить пластиковый бак. Практически все его разновидности являются 2-х компонентными. С его помощью можно быстро решить эту проблему. Клей отличается не только устойчивостью к воде, но и к различным химическим веществам. Синтетическое средство имеет короткий срок полимеризации (1 час). Чтобы устранить трещину, следует:
Отрезать необходимое количество клея.
Размять его руками до получения однородной массы, схожей по консистенции с пластилином.
Придать полученному объему форму конуса.
Заполнить им образовавшийся дефект в бочке как можно плотнее, оставив на 1-2 часа для просушки.
Следует также воспользоваться клеем “Контакт”, которым можно отремонтировать бак даже без слива воды. Его особенность заключается в том, что при контакте с жидкостью клей твердеет и восстанавливает форму емкости.
Это синтетическое средство отличается быстротой действия и способностью герметично заполнять пустоты в пластике. Готовность пластической массы происходит быстро, в пределах 3-х минут, а полимеризация длится до получаса. По истечении этого времени остатки клея в области ремонта можно убирать различными методами, то есть соскабливать, стачивать, срезать острым ножом.
Сварка строительным феном
Бак для хранения воды можно отремонтировать не только используя различные клеи на синтетической основе. Также следует воспользоваться сваркой поврежденных поверхностей. Ее действие основано на способности пластика менять свое физическое состояние, то есть подвергаться размягчению под действием высоких температур.
Для ремонта пластиковой емкости этим способом, бочка должна быть пустой. Работы по устранению дефекта выполняют в следующем порядке:
Емкость освобождают от жидкости.
Проблемный участок очищают от загрязнений и обезжиривают.
Разогревают пластик с помощью строительного фена в области повреждения, используя небольшую мощность прибора, и оплавляют его на определенную глубину.
Заполняют полученное углубление нагретым куском полимера той стороной, которая прилегает к дефекту.
Продолжают делать нагрев, увеличивая его интенсивность.
Фрагмент полимера на ремонтируемой поверхности, по мере остывания, разглаживают пальцами.
После охлаждения шов необходимо выровнять и зашкурить от излишков пластика.
Свежую трещину, которая не успела разойтись и оформиться в дырку, можно легко удалить жалом паяльника, которым необходимо провести по всей длине трещины, по наружной и внутренней стороне бочки. Расплавленный пластик заполнит дефект и восстановит герметичность емкости.
С помощью сетки
Дефекты в пластиковой емкости можно устранить, используя сетку из алюминия, меди или нержавеющей стали с мелкой ячеей. К необходимому набору инструментов для работы следует добавить паяльник на 100 вт, ножницы и нож. Этот способ больше подходит для восстановления повреждений в емкостях большого размера.
Для ремонта значительного размера трещин необходимо:
Ножницами нарезать сетку на полоски или квадраты в несколько сантиметров, соответствующих размеру дырки или трещины, но с припуском на 1-2 см.
Приготовленный фрагмент сетки наложить на дефект.
Жалом нагретого паяльника погрузить сетку в пластик на глубину ее сечения.
Прижать расплавленный участок ножом, продвигать который необходимо за жалом паяльника, что дает возможность сетке проникать в пластик на большую глубину.
Работать следует аккуратно, не торопливо и паять сетку с пластиком по несколько сантиметров. Когда они станут единым целым, можно соединять следующие сантиметры. Сетка на трещину накладывается по ее направлению. Сначала ремонтируют одну сторону дефекта, затем другую. Образовавшиеся наплывы шва необходимо разгладить, используя паяльник. Такое действие дает более плотное соединение конструкции.
Сетка, в этом случае, выполняет роль добавочного армирования, стягивая противоположные стороны дефекта. Можно получить еще больший эффект от ремонтных работ, проделав те же манипуляции во внутренней стороне бочки. В этом случае качество заделки трещины или дырки в поврежденной емкости возрастает на порядок выше.
Пластиковые баки и бочки для воды, имеющие высокие эксплуатационные характеристики, могут служить длительное время. Их повреждения, образовавшиеся во времени, можно устранить своими руками без больших финансовых и временных затрат, получив при этом моральное удовлетворение, навык в ремонтных работах и вещь, годную для дальнейшего использования.
Где запаять пластиковый бак? — Народ, подскажи !!!
#1
ВНЕ САЙТА
Толстяк
Отправлено 08 September 2016 — 20:21
Где запаять пластиковый бак? Бак мотоциклетный протерся на креплении. Может кто знает проверенных мастеров?
Grss это нравится
Наверх
↓
↑
#2
ВНЕ САЙТА
победа
Отправлено 09 September 2016 — 00:04
Дай фото.
Наверх
↓
↑
#3
ВНЕ САЙТА
Толстяк
Отправлено 10 September 2016 — 14:49
Фото
9N1B4683. jpg95.83К 0 Количество загрузок:
9N1B4684.jpg80.48К 0 Количество загрузок:
9N1B4686.jpg272.78К 0 Количество загрузок:
9N1B4687.jpg48.47К 0 Количество загрузок:
9N1B4688.jpg185.98К 0 Количество загрузок:
9N1B46871.jpg154.43К 0 Количество загрузок:
Наверх
↓
↑
#4
ВНЕ САЙТА
rut
Отправлено 10 September 2016 — 17:23
Может быть проще латку наложить (армировать стекловолокном, и клей какой нибудь, типа эпоксидки). А то заморачиваться с пайкой пластика — это гембель еще тот. Материал для пайки нужно подобрать соответствующий, типа «припой», правильно прорезать фаски, чтобы схватился припой. Ну вообщем это гембель. Да и взрывоопасно немного, все таки бак.
Ну еще плюс — это все можно сделать в домашних условиях, самому 🙂
Сообщение отредактировал rut: 10 September 2016 — 17:27
Наверх
↓
↑
#5
ВНЕ САЙТА
oktechq
Отправлено 10 September 2016 — 17:53
холодна зварка не варіант?
Наверх
↓
↑
#6
ВНЕ САЙТА
Толстяк
Отправлено 10 September 2016 — 18:29
Клей к полиэтилену не липнет, во всяком случае я такого не знаю. Может кто знает? Я раньше пробовал и эпоксидки всякие, и замазки двухкомпонентные типа холодной сварки — через день-два все отвалиается. Пары бензина не проблемма каждая мастерская по пайке баков имеет парогенератор или химические деактиваторы. На фото есть марка полиэтилена.
Наверх
↓
↑
#7
ВНЕ САЙТА
победа
Отправлено 10 September 2016 — 18:44
Слегка заматуй 80-й,100-й,наждачкой или надфилем,пробоину и вокруг на мм 5-6.
Латка больше пробоины на мм 5 по периметру из обычной пластмассовой крышки для банок 1-2-3-10 литров.
Наложи ее на пробоину,через 4 слоя газеты прогрей кончиком утюга,слегка прижимая,расплав латки почувствуешь…делов на 1-2 минуты.
Греть только латку!
После остывания,наждачкой подправить форму и в путь.
На моцике ,шабером или подобным,подшлифуй места контакта бака с железом,или,что там есть.Вклей туда резинки из камеры велика.Или нанеси герметик для,стекол,или подобное,застынет и вперед.
ulan это нравится
Наверх
↓
↑
#8
ВНЕ САЙТА
Толстяк
Отправлено 10 September 2016 — 19:10
Утюгом температуру не проконтролируешь. Там 250-290 градусов нужно. Меньше — не сварится, больше — идет деградация молекулярной цепочки. Опыт есть — инструмента и материалов нет. Символ «Х» обозначает сеточный. Там без сварочной станции и прутка с присадкой нечего делать. Сложная поверхность. Новый бак 450Є плюс доставка.
Наверх
↓
↑
#9
ВНЕ САЙТА
победа
Отправлено 10 September 2016 — 23:31
Утюгом температуру не проконтролируешь. Там 250-290 градусов нужно. Меньше — не сварится, больше — идет деградация молекулярной цепочки. Опыт есть — инструмента и материалов нет. Символ «Х» обозначает сеточный. Там без сварочной станции и прутка с присадкой нечего делать. Сложная поверхность. Новый бак 450Є плюс доставка.
Ген,потренируйся на канистрах,на них закарлюченых поверхностей хватает,и толщина стенок подходящая,и у все получится.
Можно сделать из куска люминия насадку на утюг, повторяющую свариваемую поверхность.Ее прикрутишь к утюгу,отверстия с резьбой на «жале» есть.С другой стороны «жала» пришпандорь подобие ручки для удобства.
Утюг используй для пластиковых труб отопления,водопровода,там есть регулировки по температуре.
Найти такой утюг не проблема.
Аккумуляторы паял обычным для шмоток-им их просто удобнее.
Прикрепленные файлы
Clip2net_160910232741.png695.06К 0 Количество загрузок:
Сообщение отредактировал победа: 10 September 2016 — 23:34
Наверх
↓
↑
#10
ВНЕ САЙТА
ROLF
Отправлено 11 September 2016 — 11:51
а клеевым пистолетом попробовать?
Наверх
↓
↑
#11
ВНЕ САЙТА
rut
Отправлено 11 September 2016 — 13:34
Клей к полиэтилену не липнет, во всяком случае я такого не знаю. Может кто знает? Я раньше пробовал и эпоксидки всякие, и замазки двухкомпонентные типа холодной сварки — через день-два все отвалиается. Пары бензина не проблемма каждая мастерская по пайке баков имеет парогенератор или химические деактиваторы. На фото есть марка полиэтилена.
А клей «дихлорэтан» тоже не берет ? Это как раз получилось бы что то типа холодной сварки, он плавит пластик, и латка как-бы вживляется в основную поверхность.
Наверх
↓
↑
#12
ВНЕ САЙТА
Толстяк
Отправлено 11 September 2016 — 14:18
Дихлорэтан прекрасно хранится в полиэтиленовой таре. Полиэтилен жирный полимер, к нему ничего не прилипает, его можно только заварить имея необходимый инструмент и материал. Я же спрашиваю, может кто слышал или натыкался на информацию, где сваривают профессионально пластик.
Наверх
↓
↑
#13
ВНЕ САЙТА
ROLF
Отправлено 11 September 2016 — 18:46
тогда гуглите » ремонт пластиковых бамперов»,там запаяют….
Наверх
↓
↑
#14
ВНЕ САЙТА
Des
Отправлено 11 September 2016 — 18:53
Далеко не все пластиковые бампера можно нормально спаять. Там разные виды пластика. Но попробовать, как вариант…
Наверх
↓
↑
#15
ВНЕ САЙТА
Толстяк
Отправлено 11 September 2016 — 19:00
Я гуглю, в основном ABS пластик или ПВХ, или акрил паяют. Нашел в Запорожье мастерскую где берутся сделать и дают три года гарантию на место сварки. Они всякими полиэтиленовыми емкостями и занимаются. Но, думал может кто из своих знает проверенных.
Наверх
↓
↑
#16
ВНЕ САЙТА
rut
Отправлено 12 September 2016 — 11:39
Далеко не все пластиковые бампера можно нормально спаять. Там разные виды пластика. Но попробовать, как вариант…
Да почти все можно. Отрезаешь кусочки от ребра жесткости бампера для «припоя», и вот тебе тот же самый вид пластика.
Я себе запаивал бампер таким образом.
Но тут проблема в герметичности.
Бамперу пофиг, герметично или нет, а для бака это важно.
Наверх
↓
↑
#17
НА САЙТЕ
Eduardo
Отправлено 12 September 2016 — 11:49
Гена, палочками(карандашами клеевыми) которые используются в клеевых пистолетах прекрасно можно заклеить полиэтилен. Там природа его очень близка к ПЭ и прекрасная адгезия к нему и даже они друг в друга проникают при нагреве. Им вполне легко заклеить и расширительный бачек(в т.ч и в месте где сосок под шланг) и бачек для омывайки. Сам лично это однажды делал не на своей машине. Паяльником. Для надежности армировать место склейки латкой из серпянки тоже нужно, вплавив серпянку(стеклосетку) в пластик паяльником и добавив клеевой компаунд с карандаша. единственное что, клеевой карандаш при хорошем нагреве размягчается, поэтому сильного нагрева там не должно быть. Хотя после хорошего прогрева и сплавления с ПЭ можно отметить заметное повышение Т размягчения этого компаунда. Впрочем, и карандаши бывают разного качества, мягкости и Т размягчения. «Потренироваться на кошечках» предварительно стоит. Бак особо не нагревается, так что можно попробовать и самому.
Наверх
↓
↑
#18
ВНЕ САЙТА
Des
Отправлено 12 September 2016 — 12:01
Да почти все можно. Отрезаешь кусочки от ребра жесткости бампера для «припоя», и вот тебе тот же самый вид пластика.
Я себе запаивал бампер таким образом.
То что ты суперспециалист во всех вопросах, это мы давно в курсе 😉 Запаяй Гене бак, все ведь так просто. .. )
Важняк и AxiD это нравится
Наверх
↓
↑
#19
ВНЕ САЙТА
rut
Отправлено 12 September 2016 — 12:43
То что ты суперспециалист во всех вопросах, это мы давно в курсе 😉 Запаяй Гене бак, все ведь так просто… )
Я не против. Привози бак из Рахова в Киев, запаяю.
Сообщение отредактировал rut: 12 September 2016 — 12:44
Наверх
↓
↑
#20
ВНЕ САЙТА
Толстяк
Отправлено 12 September 2016 — 15:37
Я не против. Привози бак из Рахова в Киев, запаяю.
Гарантия? Бак 450Є. Если не получиться, другая контора не возьмется, так и сказали: «Заварим, если никто не колхозничал»
Наверх
↓
↑
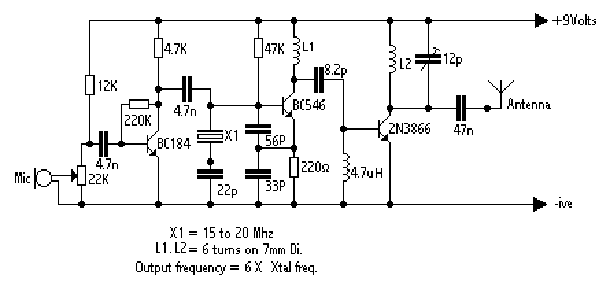
Пластмассовая сварка небольшого топливного бака……
Шаг 3 — Практика ==============
Я твердо верю в практическую резку, практическую сварку и т. д. так что я пошел искать другой объект HDPE, который уже был сломан, или который я мог бы взломать просто для теста.
Дно нашего большого синего мусорного бака треснуло. Я НЕ смог найти на нем отметку, показывающую тип пластика, однако старый «тест на запах» показал, что он пах так же, как пластик топливного бака при прикосновении к раскаленной проволоке.
Вот нижняя часть синего ящика после некоторой практики:
и несколько крупных планов:
Черный наполнитель — это настоящий пластиковый наполнитель, показанный в первом посте. Я НЕ заботился об этом. Он оказался слишком большим для толщины пластика, который я пытаюсь сварить. Видно, что она легла на поверхность и не слилась с базовым пластиком.
Белый материал — рекомендуемая изоляция коаксиального кабеля. Я нашел несколько деталей в мусоре на работе, поискал продавца и проверил тип изоляции в техпаспорте. После нескольких минут снятия оболочки, заземления, а затем и центрального провода у меня было это:
Он был тоньше и лучше вплавлялся в основной пластик.
Я использовал фен и сначала нагрел базовый пластик. Затем вводили наполнитель, втирая, пока оба не достигли хорошей температуры. Затем я начал закладывать шпаклевку, вдавливая ее в трещину, пока я танцевал вокруг с горячим воздухом. Я просто поддерживал вентилятор горячего воздуха, пока два материала соединились.
Затем я вернулся с паяльником и моими новыми наконечниками для выравнивания и смешивания. Похоже, это сработало.
Шаг 4 — Погружение! ==============
Одна хитрость, которую я прочитал во время исследования, заключалась в том, чтобы промыть бак ацетоном, чтобы удалить остатки топлива и улучшить сварку пластика. Итак, за несколько дней до попытки я тщательно промыл аквариум и оставил его сушиться на солнце.
Далее; обнажить рану… так как трещина была прямо на этом фланце, я беспокоился, что не смогу хорошо попасть в трещину. К счастью, этот фланец используется только в других целях, мне фланец не нужен. Мой резервуар крепится винтами к верхней части с другой стороны.
Итак, я отрезал часть фланца:
и поле для подготовки к сварке:
…а затем, как и в моей практике, я нагрел базовый пластик, добавил наполнитель и нагрел оба до тех пор, пока они хорошо не сплавились. Я продолжал подпирать вентилятор горячего воздуха, но держал его направленным на соединение между основанием и пластиком. Мне удалось обогнуть угол бака. Я продолжал заталкивать шпатлевку в трещину и оказался здесь:
Вы можете видеть глянцевую поверхность рядом со сварным швом, где поверхность основного материала стекала.
Затем я приступил к очистке, сглаживанию, добавлению наполнителя и выравниванию с помощью паяльника и треугольного наконечника.
Как видите, к тому времени, как я закончил, весь наполнитель был черным. Спалил ли я его или просто получил действительно хорошее соединение белого наполнителя с базовым пластиком. Не знаю, скажем так, последнее……
Я еще добавил отпиленный кусок фланца в качестве наполнителя. Казалось, все очень хорошо срослось, и я постарался убедиться, что все это действительно одно целое, а не просто тонкая пластиковая накладка, которая может отклеиться.
Тест: ======
В отличие от синей коробки, этот танк имел значение. Он должен содержать жидкость. .. легковоспламеняющуюся жидкость.
Я проверил на наличие утечек и был очень рад увидеть, что из этого угла бака НИКАКАЯ жидкость не вытекает!!
Это хороший проект, где я могу: i) научиться чему-то новому, ii) сделать новые инструменты и iii) успешно отремонтировать.
(Обратите внимание, что я провел тест на утечку также с ацетоном вместо газа, потому что, если он протечет, я не хотел загрязнять его и снова промывать!)
Спасибо за внимание! -brino
Ремонт пластикового бензобака: загерметизируйте утечку сейчас
Все, что вам нужно, это бензобак, который хорошо служит вам и выдерживает испытание временем. Однако бензобак со временем изнашивается или покрывается царапинами и протечками. Даже если это дешевая деталь для замены в автомобиле, это не означает, что вам нужно проходить замену каждый раз. В результате происходит ремонт, заключающийся в герметизации течи различными методами. Сегодня мы собираемся обсудить методы о пластиковый бензобак ремонт и как вы можете действовать с каждым из них.
Ремонт пластикового бензобака: изучите различные методы устранения утечки
В основном существует три метода, с помощью которых можно устранить утечку или устранить царапины на бензобаке. Эти методы включают использование эпоксидного клея, сварочного аппарата для пластика и паяльного пистолета. Вы можете попробовать решить проблему любым удобным для вас способом, давайте все три здесь:
Подготовка резервуара
Прежде чем приступить к ремонту пластикового бензобака , важно подготовить бензобак, чтобы этот метод мог работать на нем. Чтобы подготовить резервуар, сначала нужно его слить и дать ему высохнуть. Поместите содержимое в контейнер и отложите его в сторону. Используйте ткань, чтобы вытереть, если она кажется жирной; оставить его открытым на солнце. Ну, опорожнение контейнера не обязательно, если вы используете эпоксидный клей.
Нанесение эпоксидного клея
Перед тем, как продолжить « как отремонтировать пластиковый бензобак », вам понадобится тряпка для протирки, спирт, эпоксидный клей, заплатка из стекловолокна и, наконец, наждачная бумага. После опорожнения бака оставьте его сохнуть примерно на 5–6 часов. Когда он кажется полностью сухим, возьмите наждачную бумагу и отшлифуйте место, где есть трещина. Протрите область, взяв немного спирта на ткань. Протирание спиртом поврежденного участка гарантирует, что на нем не останется ни грязи, ни грязи. Это помогает эпоксидному клею дольше оставаться на поверхности.
Теперь пора взять замазку и хорошенько ее перемешать. Вы также можете надеть перчатки, замешивая две части замазки. Делайте это в течение нескольких минут, пока он не приобретет один цвет и не станет твердым и готовым к нанесению.
Эпоксидный клей лучше всего подходит для вашего автомобиля.
Почему в разных автомобилях газовые двери расположены с разных сторон?
Возьмите шпаклевку и начните наносить на дырявую поверхность. Приложите достаточное давление, чтобы вы могли растянуть его достаточно, чтобы он образовал тонкий слой. Он должен быть достаточно плоским, чтобы некоторая его часть попала в место утечки и осталась вокруг места утечки.
Далее, чтобы зафиксировать протечку, тем более, вам понадобится волокнистая ткань, которую нужно нанести на шпаклевку. Аккуратно срежьте ножом или ножницами в перчатках. Нанесите ткань на клей и плотно прижмите.
Когда вы закончите с шагами, возьмите оставшийся клей и нанесите его на ткань из стекловолокна и хорошо покройте всю область. Подождите 4-5 часов, чтобы клей полностью высох. После этого возьмите наждачную бумагу и отшлифуйте область, чтобы сгладить ее.
Совет: Используйте метод замазки, если вы хотите устранить утечку через уплотнение самым безопасным и простым способом.
Использование сварочного аппарата для пластика
Второй из процедур ремонта пластикового топливного бака требует использования сварочного аппарата для пластика. Чтобы метод сварки работал, вам понадобятся сварочные стержни, защита для глаз и головы, а также перчатки. Используйте наждачную бумагу, чтобы соскоблить лишний материал с поверхности.
Убедитесь, что вы покупаете сварочный инструмент, который подходит для вашей задачи. Вы также можете отправиться в магазин сварочных аппаратов и сдать его в аренду. Попросите рекомендацию о сварочных прутьях также с продавцом.
Когда речь идет о сварке, вам нужно опорожнить контейнер и поставить его на открытое пространство. Убедитесь, что вы слили содержимое и тщательно высушили его, прежде чем продолжить. Наденьте все средства защиты перед сваркой!
Набор для сварки пластика для вашего автомобиля (Источник фотографии: masterappliance)
Начните использовать стержень таким образом, чтобы он хорошо заполнил протекающую область, не оставив ничего недоделанным. Если вы не уверены в сварке, посмотрите несколько видео о том же или наймите профессионала. Подождите, пока вся прокладка высохнет, или от 6 до 8 часов, и закончите наждачной бумагой, удалив излишки прокладки.
Если вы хотите избавиться от любого ремонта бензобака, вы также можете предпочесть металлический бак. Эти баки достаточно прочны, чтобы служить вам дольше; однако у них также есть свои ограничения, такие как возможность коррозии и вес. Убедитесь, что вы заметили как плюсы, так и минусы металлического бензобака по сравнению с пластиковым бензобаком .
Использование паяльного пистолета
Последний метод описывает процесс использования паяльного пистолета для заполнения зазора и герметизации бака. Для работы вам понадобится эпоксидный клей, пластиковая заплатка, наждачная бумага и, конечно же, паяльник. Прочтите сборник «Советы по обслуживанию» и никогда не оставляйте проблему с автомобилем нерешенной.
Для пайки вам понадобится полностью очищенный и высушенный бак. Вот почему убедитесь, что вы опорожняете бак и очищаете его внутри и снаружи. Используйте наждачную бумагу на области, которая нуждается в уплотнении, чтобы сгладить ее.
Возьмите пластиковую заплатку или кусок пластика, аналогичный материалу вашего бензобака. Используйте кусок пластика немного большего размера, чем область, которую нужно запечатать.
Выше, дальше, сильнее, быстрее… Больше ста лет изобретатели и рационализаторы пытаются приручить двигатель внутреннего сгорания и получить от него максимальную мощность при минимальном потреблении топлива. Собственно, все это, тех же сто лет назад, предложил электродвигатель, но ему пришлось подвинуться. Тем не менее, одним из самых продуктивных изобретений для увеличения крутящего момента ДВС остается турбонаддув. О его конструкции всерьез задумывались еще Рудольф Дизель вместе с Готтлибом Даймлером, но в конце 19 века не нашлось ни сил, ни возможности на реализацию этой идеи.
Содержание:
Зачем нужен наддув
Технологии турбонаддува вчера и сегодня
Проблемы турбонаддува в бензиновом двигателе
Дизель и турбонаддув
Зачем нужен наддув
Если не слишком углубляться в историю, то уже к 1905 году мощность двигателей внутреннего сгорания вплотную подбиралась к сотне лошадиных сил. Как следствие, росли объемы моторов, размеры автомобильных шасси, но самым страшным врагом скорости был вес. Тяжелый двигатель на тяжелом шасси съедал сам себя. Чем мощнее был мотор, тем больше был его объем, а следовательно, и вес, и расход топлива. Поэтому-то и возникла необходимость в устройстве, которое смогло бы поднять мощность без прироста веса и увеличения расхода топлива. А это положительно сказалось бы на скоростных показателях автомобиля, к чему тогда в основном и стремились.
Было придумано масса всяких устройств, среди которых были и абсурдные конструкции, но одна идея все-таки получила воплощение и была подкреплена патентом «1006907 October 1911 Buсhi». Она принадлежала швейцарскому инженеру Альфреду Бьюхи и была проста, как песня альпийского пастуха. Заключалась она в следующем: двигатель внутреннего сгорания представляет собой насос, который самостоятельно всасывает рабочую смесь в камеру сгорания. только происходит это страшно неэффективно, потому что на пути у воздуха встает масса преград — воздушные фильтры, кожухи, резкие повороты впускных коллекторов и остые грани не аэродинамичных впускных клапанов. Не говоря уже о неточностях соединений и паразитных завихрениях во впускном тракте. Для того чтобы воздуха в дизеле, а в бензиновом моторе, смеси, поместилось как можно больше, необходимо создать дополнительное давление. Так появится возможность повысить эффективность энергии взрыва в камере сгорания. Все это позволяло изобретение Бьюхи, которое сегодня называют турбонаддувом.
Технологии турбонаддува вчера и сегодня
В начале ХХ века технологии просто не позволяли изготовить настолько точный и производительный прибор, который обеспечивал бы достойный прирост мощности, да и сам двигатель не был готов к такому обновлению. Средний ресурс мотора тогда был на уровне 20 тысяч км, поэтому ни о каких дополнительных примочках речи быть не могло. Турбонаддув начал появляться только в 30-е годы на самых дорогих автомобилях, и то, в качестве эксперимента. Принцип работы турбонаддува с тех пор не изменился. Это обычный центробежный насос с таким алгоритмом работы: турбина приводится в движение выхлопными газами, а на одной оси с приводной турбиной стоит нагнетательная. Она и нагнетает в камеру сгорания воздух под высоким давлением. Со временем конструкция стала обрастать новыми подробностями, но в общих чертах, нагнетатель состоит из:
корпуса;
вала;
двух крыльчаток, жестко прикрепленных к валу;
ограничительного клапана, который контролирует обороты турбины.
Клапан просто необходим, потому что без него могут возникнуть неконтролируемые процессы в двигателе, схожие по эффекту с детонацией. Чем больше выхлопных газов проходит через ведущую турбину, тем быстрее она вращается, и тем сильнее давление в камере сгорания. Бесконечно так продолжаться не может, поэтому поток выхлопных газов необходимо контролировать. Для этого и установлен ограничительный клапан.
А одним из первых автомобилей, на которые устанавливали турбонаддув был Oldsmobile Jetfire. Вот этот красавец.
Проблемы турбонаддува в бензиновом двигателе
125% прироста мощности. Эту цифру заявили еще тогда, когда испытали первый турбонаддув в начале века. КПД наддутых двигателей продолжает расти, поскольку применяются новые материалы для подшипников турбины, снижающие ее вес и уменьшающие сопротивление качения. Это дает возможность тратить на вращение турбины еще меньшее количество энергии, меньше топлива и получать выше КПД.
Только есть у бензинового двигателя с турбиной один нюанс — турбояма. Это значит, что до определенных оборотов турбина вращается почти вхолостую, а после 3-3,5 тысяч начинает работать все активнее, подхватывает динамичнее, и чем выше будут обороты мотора, тем выше его КПД. Переход происходит не слишком мягко, поэтому турбины до 60-х годов ставили только на спортивные машины. Водитель явно был ориентирован на спортивный стиль вождения и был готов к такому повороту событий. Сейчас с этим борются, устанавливая две турбины разных размеров или две одинаковых, тогда такую систему называют битурбо.
Дизель и турбонаддув
Дизельные моторы просто созданы для турбонаддува по двум причинам как минимум: температура выхлопных газов гораздо ниже, чем у бензиновых; степень сжатия у дизельного двигателя гораздо выше, чем у бензинового, поэтому турбина работает эффективнее. Кроме того, практически все эксперименты над турбинами проводятся именно на дизельных двигателях, потому что температура прогрева турбины меньше, а это значит, что материалы, применяемые для изготовления турбины, могут быть попроще, чем для бензиновой. Практически все новшества, такие, как турбина с изменяемой геометрией, были опробованы именно на дизельных серийных двигателях.
Турбина имеет светлое будущее и ей еще есть куда развиваться. Она недостаточно надежна, а моторы с турбонаддувом, хоть и имеют высокий КПД, расплачиваются повышенным расходом топлива. Для спортивных автомобилей пока альтернативы нет. Только турбина может дать такой прирост мощности и такое увеличение крутящего момента. Вовремя охлаждайте свои турбины, не превышайте давления, и удачных всем дорог!
Читайте также Ремонт топливного насоса высокого давления дизельного двигателя
Читайте также:
Принцип работы турбонаддува
4. 1 — Оценок: 71
Как работает бензиновый двигатель | Энергия
Преимущества бензинового двигателя связаны с тем, что бензин является легковоспламеняющимся веществом, и это его свойство используется для того, чтобы обеспечить генерацию механической энергии. Основной принцип работы бензинового двигателя очень упрощенно иллюстрируется функциональной схемой. Бензин смешивается с воздухом в карбюраторе так, чтобы образовался бензино-воздушный «туман» (смесь). Эта смесь впрыскивается в закрытый цилиндр, в котором находится подвижный поршень. Электрическая искра от свечи зажигания воспламеняет смесь, вызывая мини взрыв, что приводит к сильному расширению продуктов сгорания в цилиндре, вследствие чего поршень опускается. Искра и вызванный ею мини-взрыв называются зажиганием. Поршень соединен с вращающимся коленчатым валом с помощью шатуна и подшипников. Конец шатуна, соединенный с поршнем, движется вниз в результате опускания поршня, а другой конец шатуна, соединенный с коленчатым валом, заставляет его начать вращение. Узел шатун -коленчатый вал обладает крутящим моментом, поэтому даже после того, как цилиндр и шатун достигли нижней точки, вал продолжает вращение, увлекая за собой соединенный с ним конец шатуна, который в результате описывает полный оборот. При этом конец шатуна, соединенный с поршнем, толкает его вверх, в результате чего поршень поднимается в цилиндре обратно в верхнее положение. Каждое движение поршня вверх или вниз называется тактом. Когда поршень находится возле верхнего положения в каждом цикле возвратно-поступательного движения, снова бензино-воздушная смесь впрыскиваются в цилиндр, и в этот самый момент очередная искра поджигает их. В двухтактном двигателе зажигание происходит каждый раз, когда поршень поднимается в верхнее положение, поэтому двум ходам поршня (вниз-вверх) соответствует одно зажигание. В четырехтактном двигателе зажигание происходит через раз, так что одно зажигание соответствует четырем ходам поршня (вниз-вверх и снова вниз-вверх).
Если впрыск бензино-воздушной смеси и ее воспламенение происходят ритмично и если во времени повторяются согласованно все описанные действия, то коленчатый вал вращается с достаточным крутящим моментом для того, чтобы с помощью редуктора или ременной передачи заставить вращаться колесо, пропеллер, вал электрического генератора или другое вращающееся устройство. Согласованный временной цикл важен для того, чтобы двигатель работал с оптимальным коэффициентом полезного действия. В двигателях коэффициент полезного действия — это отношение реальной механической энергии на выходе к полной потенциальной энергии, полученной от сжигания топлива. Нарушение временного цикла уменьшает коэффициент полезного действия и может привести к возрастанию механического напряжения в деталях двигателя. Но это; в конечном счете, может стать причиной его поломки.
Большинство двигателей внутреннего сгорания имеют более одного цилиндра. Такты чередуются друг за другом со сдвигом во времени, чтобы обеспечить более плавную работу двигателя, чем это происходит при использовании одного цилиндра. Поэтому созданы двухцилиндровые, четырехцилиндровые, шестицилиндровые и восьмицилиндровые двигатели. Вы можете услышать и о двигателях с более чем восемью цилиндрами. Вообще говоря, с увеличением числа цилиндров растет и механическая энергия, которую может вырабатывать двигатель внутреннего сгорания.
Что такое газовый двигатель? | Linquip
Вы поставщик?
Привлечение потенциальных клиентов, предоставление предложений и привлечение новых предприятий
Начало работы
Что такое газовый двигатель?
Газовый двигатель — это двигатель внутреннего сгорания, работающий на газообразном топливе, таком как угольный газ, биогаз, генераторный газ, свалочный газ или природный газ. Иногда из-за широкого использования слова «газ» в качестве аббревиатуры для бензина газовый двигатель также можно назвать двигателем, работающим на газе, или двигателем, работающим на природном газе, или двигателем с искровым зажиганием.
Первый газовый двигатель был создан в 1860 году французом Ленуаром, но поскольку он был в значительной степени разработан доктором Отто, его цикл операций назван его именем. Он построил первый газовый двигатель в 1876 году. В цикле Отто используется источник воспламенения, такой как искра или небольшое количество пилотного топлива, чтобы заставить газовое топливо гореть.
Обычно в современных приложениях термин «газовый двигатель» относится к мощному промышленному двигателю, способному непрерывно работать с полной нагрузкой в течение периодов, близких к высокой доле 8760 часов в год, в отличие от легких бензиновых автомобильных двигателей, которые обычно работают в течение не более 4000 часов за всю жизнь. Типичный диапазон мощности газового двигателя составляет от 10 кВт (13 л.с.) до 4 МВт (5364 л.с.).
Тепловой КПД газового двигателя
Газовые двигатели, работающие на природном газе, обычно имеют тепловой КПД в пределах 35-45%. По состоянию на 2018 год двигатели с лучшими характеристиками могут достигать теплового КПД до 50%, которые часто относятся к среднеоборотным типам. Энергия топлива на выходном валу увеличивается; остальное появляется как отработанное тепло. КПД больших двигателей выше, чем малых. Газовые двигатели, работающие на биогазе, несколько менее эффективны (около 1-2%), а синтез-газ еще больше снижает КПД.
Тепло, выделяемое двигателем, можно использовать для обогрева здания или технологического процесса. В двигателе примерно половина отработанного тепла (от кожуха двигателя, масляного радиатора и контуров доохладителя) вырабатывается в виде горячей воды, температура которой может достигать 110°С. Остальное проявляется в виде высокотемпературного тепла, которое может создавать горячую воду или пар под давлением с помощью теплообменника отработавших газов.
Типичные области применения газовых двигателей
Газовые двигатели обычно используются в стационарных или транспортных целях.
Стационарные установки
Обычные стационарные установки включают в себя конструкции с базовой нагрузкой или системы выработки электроэнергии в течение большого количества часов, включая комбинированное производство тепла и электроэнергии, шахтный газ и биогаз, где отработанное тепло двигателя может использоваться для обогрева метантенков.
Газовые двигатели обычно не используются в качестве резервных, в таких случаях обычно используются дизельные двигатели. Исключением является небольшой аварийный генератор (<150 кВт), который часто устанавливается на фермах, в музеях и жилых домах. Эти генераторы подключаются к природному газу от коммунальных служб или к пропану из местных складов и могут автоматически регулироваться после отключения электроэнергии.
Транспортное применение
Двигатели, работающие на сжиженном природном газе (СПГ), развиваются для морского рынка, поскольку они могут удовлетворить новые потребности в выбросах без какой-либо дополнительной обработки топлива или систем очистки выхлопных газов. Расширяется также использование двигателей, работающих на компримированном природном газе (СПГ), в автобусном секторе.
Принцип работы газового двигателя
Работа газовых двигателей основана на законе идеального газа. В нем говорится, что повышение температуры газа повышает давление, которое заставляет газ расширяться. Газовый двигатель имеет камеру с добавленным в нее топливом, которая воспламеняется для повышения температуры газа.
Когда система нагревается, газ вынужден расширяться. В поршневых двигателях это поднимает поршень. Однако в газовой турбине горячий воздух нагнетается в камеру турбины и вращает турбину. Присоединив поршень или турбину к распределительному валу, двигатель может часть энергии, поступающей в систему, преобразовывать в полезную работу.
Затем двигатель выбрасывает газ для сжатия поршня в системе, называемой двигателем внутреннего сгорания прерывистого действия. Затем используется радиатор, поддерживающий работу системы при постоянной температуре. Газовая турбина в ДВС просто выбрасывает газ непрерывно, а не по циклу.
Четырехтактный поршневой двигатель является одним из наиболее распространенных типов газовых двигателей, широко используемых в различных автомобилях, использующих бензин в качестве топлива, например, в автомобилях. Различные этапы процесса описаны ниже:
1- Впрыск топлива в камеру
2- Возгорание топлива (воспламенение)
3- Движение поршня огнем (расширение; на этом этапе выполняется работа)
4- Удаление химических отходов, которые в основном представляют собой водяной пар и двуокись углерода. Кроме того, это может включать загрязняющие вещества, такие как окись углерода в случаях неполного сгорания.
Компоненты газового двигателя
Существует ряд компонентов, общих для газовых двигателей, которые кратко перечислены здесь.
Камера сгорания
Двигатели внутреннего сгорания могут иметь любое количество цилиндров сгорания, обычно от одного до двенадцати, хотя также используется до 36 цилиндров.
Система зажигания
В газовом двигателе смесь топлива и воздуха воспламеняется электрической искрой от свечи зажигания. Время этого процесса точно контролируется.
Топливная форсунка
Добавляет топливо таким образом, что оно образует однородную смесь с воздухом.
Топливные насосы
Впрыск топлива осуществляется при атмосферном давлении (или ниже). Эти насосы обычно имеют электрический привод.
Клапаны
Все четырехтактные двигатели внутреннего сгорания используют клапаны для регулирования количества топлива и воздуха, поступающих в камеру сгорания.
Выхлопные системы
Газовые двигатели должны эффективно контролировать выпуск охлажденных продуктов сгорания из двигателя. Выхлопные системы часто содержат механизмы для контроля химического и шумового загрязнения. Кроме того, выхлопная система часто регулируется для улучшения разрядки камеры сгорания. Большинство выхлопных газов также предотвращают попадание тепла в места, где они могут быть повреждены, например, к чувствительным к теплу компонентам.
Системы охлаждения
Системы охлаждения обычно охлаждают воздух или жидкость (обычно воду), чтобы высокая температура не повреждала тело.
Поршень
Поршень является частью поршневых двигателей для передачи мощности от газа, расширяющегося в цилиндре, к коленчатому валу с помощью поршневого штока или шатуна.
Система смазки
Для газовых двигателей требуется система смазки, чтобы движущиеся части плавно скользили друг по другу.
Блоки управления двигателем
Большинству двигателей требуется одна или несколько систем для включения и выключения двигателя, а также для управления такими параметрами, как скорость, крутящий момент, температура сгорания и КПД, для стабилизации двигателя в режимах работы, которые могут вызвать самовозгорание. повреждения, такие как преждевременное зажигание.
Разница между газовым двигателем и дизельным двигателем
Как бензиновый, так и дизельный двигатель преобразуют энергию топлива в работу посредством серии взрывов или сгорания. Основное различие между дизельными двигателями и газовыми двигателями заключается в том, как происходит сгорание. В газовом двигателе топливо смешивается с воздухом, сжимается в цилиндре поршнем и воспламеняется свечами зажигания. Однако в дизельном двигателе сначала сжимается воздух, а затем впрыскивается топливо. Поскольку воздух нагревается при сжатии, топливо воспламеняется.
Прикладная физика бензиновых двигателей, часть 1
См.
также: Прикладная физика бензиновых двигателей, часть 2 лаборатория трупов». [1] В отличие от биологов, мы собираем наши трупы вместе, потому что мы препарируем моторы газонокосилок (рис. 1)! Этот опыт неизменно доставлял массу удовольствия. В дополнение к новым открытиям в физике, большинство студентов сообщают, что, выйдя из нее, они стали больше ценить свои автомобили и глубоко восхищаться проницательными умами, которые предвидели, как все эти системы, сделанные из неодушевленной материи, могут быть организованы, чтобы дать машине жизнь. своего собственного.
За редкими исключениями, большинство студентов приступают к этому упражнению, не имея ни малейшего представления о том, что происходит внутри автомобильного двигателя. (Те, у кого есть опыт работы с механикой, получают роли помощников преподавателя.) Большинство взаимодействий учащихся с автомобилем состоит в том, чтобы заправить бак бензином и направить машину на дорогу. Эта небрежность предполагает, что в нашем обществе мы воспринимаем наши машины как должное, довольствуясь тем, что не понимаем, как они работают, даже несмотря на то, что мы все больше зависим от них. Я уверен, что такое отсутствие любопытства совершенно чуждо студентам-физикам.
В этой статье мы исследуем внутреннюю работу бензинового четырехтактного двигателя внутреннего сгорания, который приводит в действие большинство автомобилей, легких грузовиков, мотоциклов, легких самолетов и газонокосилок. Базовый дизайн датируется примерно 1890 годом; его долговечность указывает на его надежность. С тех пор четырехтактные бензиновые двигатели стали намного более эффективными и мощными, становясь все более сложными по мере того, как мы предъявляем к ним все более высокие, часто противоречивые требования. Но основная конструкция двигателя Ferrari V12 имеет много общего с двухцилиндровым двигателем 189.9 Фиат. Основные идеи, лежащие в основе двигателя, можно понять, изучив простейший из двигателей, одноцилиндровый двигатель газонокосилки с воздушным охлаждением и клапанами в блоке, который оснащен зажиганием от магнето, ручным пуском и смазкой разбрызгиванием. Вариации этого двигателя десятилетиями производились такими марками, как Briggs & Stratton, Jacobsen и Tecumseh. В силу своей простоты эти машины без излишеств предлагают всем двигателям уровень понимания, аналогичный по глубине тому, который предлагает атом водорода для всех атомов.[2]
На примере двигателя газонокосилки в этой первой части серии, состоящей из двух частей, мы обрисовываем базовую структуру четырехтактного бензинового двигателя, а также его смазку и охлаждение. Мы также определяем термодинамический верхний предел эффективности четырехтактного бензинового двигателя. Попутно отмечаем отличия одноцилиндрового двигателя косилки от более сложных четырехтактных двигателей.
Часть 2, которая будет опубликована в следующем номере журнала, посвящена воздушной и топливной системам двигателя, а также системе зажигания с ее магнето, RLC-схемой и свечой зажигания. За этими техническими примечаниями последуют наблюдения о наших отношениях с нашими автомобилями. К ним относятся ценить и уважать эти чудесные машины, одновременно осознавая высокую цену, которую платит общество и окружающая среда, чтобы поддерживать их огромное количество. Мы закончим кратким обзором отношений между известными физиками и их моторизованными товарищами.
Устройство двигателя и четырехтактный цикл
Двигатель получает энергию путем теплопередачи от источника при одной или нескольких высоких температурах, преобразует часть подводимого тепла в работу и отдает оставшуюся энергию в виде тепла в окружающую среду при низких температура.[3] В бензиновом двигателе подвод тепла происходит за счет периодического взрывного горения порции испарившегося бензина. Энергия каждого взрыва толкает поршень в цилиндр (названия деталей и процессов при первом упоминании выделены курсивом). Вместо того, чтобы вылететь из цилиндра через гараж, линейное движение поршня преобразуется в угловой момент коленчатым валом. Чтобы увидеть коленчатый вал в действии, представьте, что вы едете на велосипеде; линейное движение ваших коленей вверх-вниз преобразуется во вращение педалями, которые смещены относительно оси вращения звездочки.
Основной корпус двигателя представляет собой экзоскелет, называемый блоком, удивительно сложное литье, которое поддерживает вращающиеся или скользящие детали на критических поверхностях, обработанных с точностью до тысячной доли дюйма (рис. 2). Доминантой в блоке являются одно или несколько крупных отверстий, упомянутых выше цилиндров. Мотор косилки, который мы здесь разбираем, имеет один цилиндр. Поршень соединен с коленчатым валом шатуном (рис. 3; в аналогии с велосипедом шатуном служит голень). Верхний конец штока крепится внутри поршня поршневым штифтом, от которого шток качается туда-сюда, как маятник. Нижний конец шатуна имеет съемный колпачок, который плотно прилегает к шатунной шейке, смещенной части коленчатого вала. Поскольку массы поршня, шатуна и шатунной шейки лежат вне оси вращения коленчатого вала, в коленчатый вал врезаны противовесы, чтобы сбалансировать весь узел относительно этой оси. Коленчатый вал удерживается на месте коренными подшипниками в блоке под цилиндром.
В последующем обсуждении мы представляем себе цилиндр, ориентированный вертикально, и коленчатый вал, расположенный под цилиндром горизонтально. На многих косилках двигатель устанавливается с горизонтальным цилиндром и вертикальным коленчатым валом, чтобы лезвие вращалось горизонтально. Большинство автомобилей имеют четыре или более цилиндров с коленчатым валом, расположенным горизонтально. Цилиндры могут располагаться вертикально по прямой линии (например, Pontiac «прямой-8» 1954 года выпуска), они могут быть наклонены в два ряда, образуя букву V (например, Corvette «V8»), или они могут располагаться горизонтально или « плоский», чтобы понизить центр тяжести (например, Porsche 911 «Квартира-6»).
Движение поршня из нижней точки цилиндра (нижняя мертвая точка, или НМТ) в верхнюю точку (верхняя мертвая точка, или ВМТ) или в обратном направлении от ВМТ к НМТ, составляет один такт работы двигателя . Во время каждого такта коленчатый вал поворачивается на пол-оборота. Термин «ход» также относится к расстоянию между ВМТ и НМТ. Диаметр цилиндра называется отверстием. Объем, определяемый ходом и диаметром цилиндра, объем, вытесняемый верхней поверхностью поршня за один ход, является рабочим объемом этого цилиндра. Рабочий объем всех цилиндров двигателя является одним из показателей его производительности. Если у вас «Корвет 427», рабочий объем его восьми цилиндров равен 427 кубическим дюймам. Разработчики двигателей, использующие метрические единицы измерения, описывают рабочий объем в литрах или кубических сантиметрах.
Энергетическая плотность бензина составляет около 45 мегаджоулей на килограмм.[4] Чем больше бензина поступает в двигатель за цикл его работы, тем большую мощность он может выдать. Среди двигателей одинаковой конструкции выходная мощность зависит от рабочего объема. Автомобили с бензиновым двигателем первого поколения, построенные в 1890-х годах, производили примерно столько же энергии, сколько двигатель нашей косилки, а машины, на которых они работали, работали примерно так же, как одна из сегодняшних небольших газонокосилок. Участники первой в мире автогонки 189 г.5, из Парижа в Бордо и обратно, включал 15 автомобилей с бензиновым двигателем (специализированных гоночных автомобилей еще не существовало), один электромобиль и шесть пароходов. Гонку выиграл Эмиль Левассор на своем Panhard-Levassor с двигателем Daimler объемом 1200 куб. См (73 куб. Дюйма) мощностью 3,5 лошадиных силы (1 л.с. = 745,7 Вт). Левассор проехал 723 мили практически без остановок со средней скоростью 14,9 миль в час. Мотор газонокосилки, предназначенный для мотокос, выдает около 3,75 л.с. при рабочем объеме около 12 куб. дюйм[6] Его столетняя конструкция все еще производится сегодня, потому что для его предполагаемого использования доминирующим достоинством является простота.
Для увеличения мощности были быстро увеличены объемы двигателей первого поколения. Первый Гран-при для специализированных гоночных автомобилей состоялся в Ле-Мане, Франция, в 1906 году. Двигатель победившего Renault имел рабочий объем 12,8 л (781 куб. Дюйм), развивал 105 л.с. и разгонял автомобиль до средней скорости 62,88. миль в час, что означает, что он ехал около 100 миль в час на прямых. Но революция в эффективности была не за горами, когда мощность на рабочий объем стала бы столь же важной, как и сам рабочий объем. Peugeot, выигравший 1912 Гран-при Франции с двигателем всего 7,6 литра, конкурируя с огромными 14-литровыми Fiat и 15-литровыми Lorraine-Dietrichs. Некоторые из конструктивных изменений, которые привели к более высокому соотношению мощности к рабочему объему, будут описаны ниже, поскольку мы исследуем простую конструкцию двигателя косилки, которая перекликается с автомобильными двигателями первого поколения.
В верхней части цилиндра находится головка (рис. 4), с прокладкой головки, расположенной между блоком и головкой для обеспечения герметичности при затягивании болтов головки (примерно до 12 футо-фунтов). Пространство между поршнем в ВМТ и выемкой головки над цилиндром образует камеру сгорания. Подача искры на летучую смесь бензина и воздуха в камере сгорания толкает поршень вниз по цилиндру, чтобы раскрутить коленчатый вал благодаря шатуну. Как топливно-воздушная смесь попадает в цилиндр, как из него удаляются продукты сгорания и как подается искра в ответственный момент?
Двигатель нашей косилки имеет два клапана, обеспечивающих проход в цилиндр, впускной клапан и выпускной клапан. Рассмотрим двигатель, работающий на скорости (частота вращения двигателя измеряется в об/мин, угловая скорость коленчатого вала — в оборотах в минуту). Начнем с момента, когда оба клапана закрыты и поршень мгновенно находится в ВМТ. Это состояние знаменует собой начало четырехтактного цикла работы двигателя: такты впуска, сжатия, рабочего хода и такта выпуска.
(1) Такт впуска: при вращении коленчатого вала поршень движется вниз и открывается впускной клапан. Разница давлений внутри цилиндра и наружного воздуха выталкивает воздушно-топливную смесь в цилиндр, когда поршень опускается. Когда поршень достигает НМТ, впускной клапан закрывается.
(2) Такт сжатия: Поршень движется обратно вверх при закрытых обоих клапанах, сжимая топливно-воздушную смесь. Пусть V2 — объем газа внутри цилиндра, когда поршень находится в НМТ, а V1 — объем, при котором поршень находится в ВМТ. Степень сжатия V2/V1 предлагает еще один показатель производительности двигателя. Двигатели, предназначенные для работы в течение длительного времени, такие как двигатели косилок, должны работать с низкой нагрузкой и обычно иметь степень сжатия около 4 или 5; двигатели для соревнований могут иметь степень сжатия 10 или выше. Так как такт сжатия происходит быстро, во время такта во внешний мир отводится незначительное количество тепла («адиабатический» процесс), а температура топливовоздушной смеси повышается.
(3) Рабочий ход: Когда поршень достигает ВМТ в конце такта сжатия, зажигается свеча зажигания, воспламеняющая топливовоздушную смесь. Пламя стремительно проносится через камеру сгорания, повышая температуру и совершая работу, толкая поршень вниз в рабочем такте. Хотя воспламенение топлива высвобождает огромную внутреннюю энергию в цилиндр, незначительная энергия уходит в виде теплопроводности во время быстрого рабочего такта, поэтому этот такт также является адиабатическим.
(4) Такт выпуска: когда поршень движется вверх от НМТ, открывается выпускной клапан, и поршень выталкивает выхлопные газы из цилиндра. Они вытекают через глушитель (с перегородками для гашения шума) в атмосферу. Двигатель обменивается теплом с окружающей средой во время тактов выпуска и впуска, выбрасывая горячие выхлопные газы и втягивая относительно холодные впускные газы. В конце такта выпуска поршень возвращается в ВМТ, оба клапана закрыты, и цилиндр готов к повторению четырехтактного цикла.
Что открывает и закрывает клапаны и дает искру в нужный момент? Параллельно коленчатому валу движется распределительный вал, который имеет выступы или кулачки (рис. 5). Через пару зацепленных зубчатых колес, по одному на конце каждого вала, вращающийся коленчатый вал вращает распределительный вал. В нашем двигателе косилки шестерня коленчатого вала имеет 20 зубьев, а шестерня распределительного вала имеет 40 зубьев, вращая распределительный вал со скоростью, равной половине угловой скорости коленчатого вала. Перпендикулярно распределительному валу и на кулачках расположены толкатели клапанов, а сами клапаны стоят над толкателями. Когда распределительный вал вращается, кулачок поднимает толкатель и клапан, открывая проход в камеру сгорания. Когда кулачок выкатывается из-под толкателя, пружины клапана снова закрывают клапан (рис. 6). На распредвале нашего одноцилиндрового мотора с двумя клапанами кулачки ориентированы 90 градусов друг от друга, потому что впускной и выпускной клапаны открываются на соседних ходах. Один ход равен половине оборота коленчатого вала и, следовательно, четверти оборота распределительного вала. На обеих зубчатых шестернях есть метки, которые необходимо совместить, чтобы клапаны открывались в нужное время в течение цикла (рис. 7).
В четырехтактном цикле одноцилиндровый двигатель обеспечивает один рабочий такт на каждые два оборота коленчатого вала.[8] С двумя цилиндрами рабочий ход происходит каждый оборот. Четыре цилиндра производят рабочий ход каждые пол-оборота. Восемь цилиндров обеспечивают один рабочий такт за четверть оборота и так далее. Увеличение числа цилиндров делает машину более сложной, но выигрыш в том, что мощность прикладывается более равномерно. Большинство автомобилей имеют четыре, шесть или восемь цилиндров; у некоторых их 10 (например, Dodge Viper), у некоторых 12 (например, у большинства Ferrari и Lamborghini, а также у Lincoln и Auburns 19-го поколения).30), а у некоторых 16 (например, Cadillac 1932 года, Marmon 1933 года и современный Bugatti Veyron).
Прикрепленный к внешнему концу коленчатого вала на конце, противоположном приводному механизму, находим маховик (рис. 8). Наиболее важной задачей маховика в любом двигателе является создание большого момента инерции для максимально плавного вращения коленчатого вала с его шатунно-поршневым узлом между рабочими тактами. В двигателях косилок маховик также играет роль в системах охлаждения и зажигания, как будет описано ниже.
Объемный КПД, отношение объема паров воздуха и топлива, поступающих в двигатель во время такта впуска, к рабочему объему цилиндра, предлагает еще один дескриптор характеристик двигателя. Говоря простым языком, это показатель того, насколько хорошо двигатель «дышит». Движущийся воздух обладает инерцией, и при турбулентности сила сопротивления воздуха пропорциональна квадрату скорости воздуха. Размер и расположение клапанов, а также гладкость внутренних поверхностей, через которые проходят газы, существенно влияют на работу двигателя. Двигатель нашего газонокосилки представляет собой конструкцию с «плоской» или «г-образной» головкой, названную так потому, что клапаны проходят через блок параллельно цилиндру, и, таким образом, камера сгорания должна располагаться не только над поршнем, но и над областью в головке к одной стороне цилиндра, где выскакивают клапаны (рис. 8). Через 19В 40-х годах большинство автомобильных двигателей имели конструкцию с плоской головкой. Примерно в 1950 году производители начали производить конструкции с верхним расположением клапанов (OHV). Перемещение клапанов над поршнем увеличивает расход и объемную эффективность, поскольку воздушно-топливная смесь поступает в камеру сгорания непосредственно над поршнем, а не сбоку. Теперь, когда клапаны нужно нажимать сверху вниз, а коленчатый вал и распределительные шестерни все еще соединены своими распределительными шестернями, длинные толкатели размещаются над толкателями клапанов и коромыслами, которые качаются вперед и назад на горизонтальном валу, как качели. , теперь сядьте на макушку. Кулачок поднимает толкатель, который поднимает одну сторону коромысла, а другая сторона коромысла давит на клапан, открывая его. Пружины под коромыслами закрывают клапан, когда кулачок выходит из-под толкателя и толкателя.
Если бы толкатели и коромысла можно было убрать, а распределительный вал расположить на верхней стороне головки, механическая энергия, потребляемая двигателем, приводящим в движение его внутренние части, была бы значительно снижена. Это достигается в двигателях с верхним распределительным валом (OHC). (Логотип «DOHC», который можно увидеть на значках некоторых автомобилей, обозначает двойные верхние кулачки, один для группы впускных клапанов, а другой для выпускных клапанов.) Когда коленчатый и распределительный валы находятся слишком далеко друг от друга, чтобы быть соединенными синхронизирующими шестернями, коленчатый вал вращает распределительного вала ремнем ГРМ или цепью ГРМ. Ремни ГРМ изготовлены из синтетического каучука, армированного проволокой, и их необходимо менять через регулярные промежутки времени, обычно около 9 часов.0000 миль. При обрыве ремня ГРМ открытие клапанов больше не будет зависеть от положения поршня. Столкновение клапана с поршнем приводит к дорогому шуму!
Для дальнейшего увеличения объемного КПД некоторые двигатели имеют четыре клапана на цилиндр, два впускных и два выпускных клапана. Добавление нагнетателя (или «нагнетателя») значительно увеличивает объемную эффективность. Нагнетатель представляет собой компрессор, приводимый в действие ремнем от шкива коленчатого вала, который нагнетает в двигатель за цикл больше воздуха, чем это было бы возможно только за счет атмосферного всасывания. Нагнетатели использовались на гоночных автомобилях Гран-при к началу 19 века.20 с. Турбокомпрессор использует поток выхлопных газов для привода небольшого компрессора с той же целью.
Смазка и охлаждение
Внутри нашего скромного двигателя косилки, работающего со скромными 800 об/мин, царит оживленная атмосфера. Поршень перемещается между ВМТ и НМТ 1600 раз в минуту; коленчатый и распределительный валы вращаются в своих подшипниках со скоростью 800 и 400 об / мин соответственно, вступая в зацепление друг с другом через жужжащие зацепленные шестерни; кулачки кулачка открывают клапаны, которые захлопываются пружинами; а пары бензина взрываются 200 раз в минуту. Некоторые спортивные мотоциклы разгоняются до 14 000 об/мин и более! Чтобы выдержать более нескольких секунд, это шоу должно иметь достаточную смазку, которая не дает металлическим поверхностям сплавляться вместе, когда они вращаются или скользят друг относительно друга. Избыточное тепло необходимо отводить для поддержания постоянной температуры.
В двигателе нашей косилки масло (1 кварта 30 Вт) разбрызгивается на движущиеся части внутри картера с помощью маслоотражателя (рис. 7), шестерни, находящейся в зацеплении с распределительным валом, и с маленькими лопастными колесами по периметру. Несмотря на то, что она примитивна, она обеспечивает достаточную смазку даже в гонках на картах, в которых двигатели испытывают гораздо большую нагрузку, чем при стрижке газонов. В более крупных двигателях масляный насос, приводимый в действие распределительным валом, подает масло непосредственно к подшипникам через каналы в блоке и головке. Масло не только обеспечивает смазку, предотвращающую слипание движущихся частей металла, но и помогает отводить тепло. Масло блокируется от протекания мимо поршня в камеру сгорания (где оно может засорить свечу и образовать сизый дым), а воздушно-топливная смесь не может продавливаться мимо поршня, чтобы разбавить масло в картере с помощью набора поршней. кольца, круги из пружинистого сплава (с небольшим зазором для установки и теплового расширения), которые ездят в канавках у верха поршня (рис. 2).
Двигатель газонокосилки имеет воздушное охлаждение (рис. 2, 4). Головка и блок, выполненные из алюминия, эффективно проводящего тепло, имеют залитые ребра охлаждения, которые обеспечивают большую площадь поверхности для теплообмена с окружающим воздухом. Маховик на двигателе косилки выполняет функцию охлаждающего вентилятора. Окруженный кожухом из листового металла (рис. 1) с проволочной сеткой, позволяющей втягивать воздух внутрь, маховик имеет залитые в него лопасти, которые при вращении обеспечивают циркуляцию воздуха над ребрами охлаждения на блоке (рис. 9).). Пластмассовая лопасть, называемая регулятором (рис. 9), соединенная пружиной с дроссельной заслонкой, находится между периметром маховика и кожухом, где она поворачивается в ответ на изменения давления воздуха, возникающие при изменении частоты вращения двигателя из-за переменной нагрузки на двигатель. Простой регулятор помогает поддерживать постоянную скорость двигателя при заданной настройке дроссельной заслонки и предотвращает случайное увеличение оборотов двигателя оператором.
Большинство автомобильных двигателей имеют водяное охлаждение; в блоке и головке залиты каналы, называемые водяными рубашками, по которым циркулирует охлаждающая жидкость. От двигателя охлаждающая жидкость поступает в радиатор, где проходит по длинным трубкам, окруженным охлаждающими ребрами, прежде чем вернуться в двигатель. В дополнение к движению автомобиля вперед, вентилятор, приводимый в действие либо ремнем вентилятора, либо поликлиновым ремнем, либо электродвигателем, помогает проталкивать воздух через радиатор. Охлаждающая жидкость проходит между двигателем и радиатором через верхний и нижний шланги радиатора и проталкивается водяным насосом, который обычно приводится в действие ремнем вентилятора или зубчатым ремнем. Охлаждающая жидкость обычно состоит на 50 % из дистиллированной воды и на 50 % из этиленгликоля; более низкая температура замерзания этой смеси по сравнению с чистой водой предотвращает растрескивание блоков в холодную погоду (поскольку вода при замерзании расширяется), а также смесь обеспечивает коррозионную стойкость.
Термодинамика Эффективность
В контексте двигателей «эффективность» означает отношение выполненной работы (что вы хотите) к подводимой тепловой энергии (сколько это стоит). Второй закон термодинамики говорит, что эффективность никогда не может достичь единицы, что поднимает вопрос о том, насколько большой она может быть, ограничиваясь только вторым законом. Паровые двигатели получают свою энергию от перегретого пара, впрыскиваемого при температуре TH в цилиндр. Они совершают работу и выбрасывают отработавший пар в окружающий воздух при температуре ТС. Цикл Карно был изобретен Сади Карно (179 г.6-1832) в 1824 году для создания идеализированной версии паровой машины. При этом достигается максимальная эффективность, в принципе достижимая двухтемпературным двигателем. В каждом цикле двигатель Карно изотермически получает энергию в виде тепла от горячего резервуара при абсолютной температуре TH, совершает работу и изотермически отдает тепло в холодный резервуар при температуре TC. Два изотермических теплообмена связаны адиабатическими процессами. Обычное упражнение по общей физике требует показать, что эффективность двигателя Карно равна 1 – TC/TH.
Концептуальный цикл, называемый циклом Отто (ок. 1880 г.), выполняет те же теоретические функции для четырехтактного бензинового двигателя. Этот идеализированный цикл назван в честь Николауса Отто (1832-1891), который построил первые коммерчески успешные четырехтактные двигатели. Как и цикл Карно, цикл Отто термодинамически обратим (т. е. отклонения от равновесия пренебрежимо малы), а рабочим телом служит идеальный газ. Но шаги в цикле отличаются от шагов Карно. Давайте продумаем их и отобразим изменения их состояния на диаграмме давление-объем (рис. 10), начиная с рабочего хода, который мы разобьем на две части. Начнем с события, срабатывания свечи зажигания в точке а на PV-диаграмме, которое происходит при объеме V1 с поршнем в ВМТ. Это событие повышает температуру и давление с точки а до точки b на PV-диаграмме, в то время как объем остается равным V1. Остальная часть рабочего хода моделируется адиабатическим давлением поршня вниз до НМТ (от b до c) по мере увеличения объема газов от V1 до V2. Затем такт выпуска выбрасывает горячие выхлопные газы, когда поршень движется от НМТ к ВМТ, а такт впуска вводит более холодную топливно-воздушную смесь, когда поршень возвращается в НМТ. В пространстве PV чистый эффект тактов выпуска и впуска заключается в падении температуры и давления при постоянном объеме V2, переходя от цикла с к d. Такт сжатия адиабатически уменьшает объем от V2 до V1, повышая температуру и давление и возвращая представление цикла на диаграмме PV из d обратно в точку a.
Эффективность этого цикла, как вы могли показать на вводном курсе термодинамики, равна 1 – (V2/V1)1−γ. V2/V1 — степень сжатия, а γ — отношение удельной теплоемкости при постоянном давлении к теплоемкости при постоянном объеме. Для воздуха γ ≈ 1,4. Двигатели косилок имеют степень сжатия около 5, что соответствует теоретическому верхнему пределу эффективности 0,47. Напротив, двигатель для соревнований со степенью сжатия 15 имеет верхний предел эффективности 0,66. Реальный двигатель менее эффективен, чем его идеальный верхний предел, поскольку в нем присутствуют не только диссипативные воздействия, такие как трение, но и теплообмены, выходящие за рамки требований второго закона, потери работы при перемещении его внутренних масс и т. д., не говоря уже о качении. и сопротивление воздуха, работающее против движения машины. Как правило, автомобиль работает хорошо, если четверть выходной мощности, измеренной на маховике, преобразуется в кинетическую энергию всего центра масс автомобиля.[9]]
Теперь, когда мы вступаем в сезон покоса, проявите уважение к двигателю газонокосилки, побаловав его заменой масла и промытым или новым воздушным фильтром, очистив охлаждающие ребра от грязи и взаимодействуя с вашей машиной с энтузиазмом!
Во второй части мы обсудим, как топливо смешивается с воздухом перед сгоранием и как в эту смесь подается искра в решающий момент между тактом сжатия и рабочим тактом. Эта статья также будет включать несколько заметок об обслуживании, и мы увидим некоторых известных исторических физиков, взаимодействующих со своими автомобилями и мотоциклами. //
Благодарность
Большое спасибо Девину Пауэллу за внимательное редактирование этой статьи.
Ссылки и примечания
[1] Лаборатория трупов двигателей с фотографиями студентов, работающих над двигателями, описана в «Техническое обслуживание мотоциклов и оценка физики», Radiations (осень 2007 г.), стр. 5-11. Веб-сайт с интерактивным моделированием всех видов двигателей можно найти по адресу http://www.animatedengines.com/index.html. [2] Тот факт, что мы вообще можем понять атомы благодаря существованию простейшего из них, водорода, элегантно изложен Джоном Ригденом в книге «Водород, основной элемент» (издательство Гарвардского университета, Кембридж, Массачусетс, 2002). [3] Выработка работы обязательно должна быть меньше подводимой теплоты, что является утверждением второго закона термодинамики. См. «Второй закон термодинамики и несохранение энтропии», Информационный бюллетень SPS (июнь 1998 г.), стр. 9–13. [4] Гленн Элерт, изд., Справочник по физике, http://hypertextbook.com/facts/2003/ArthurGolnik.shtml. [5] Брэд Кинг, All Color Book of Racing Cars (Crescent Books, New York, NY, 1972), стр. 5-7. [6] Объем одноцилиндровых двигателей Brigg & Stratton варьируется от 5 до 32 кубических дюймов; эта и другие спецификации двигателя косилки из книги Пола Демпси, «Как отремонтировать двигатели Briggs & Stratton» (Tab Books, Blue Summit, PA, 19).78), с. 9. [7] Чтобы двигаться быстрее, рабочий объем ранних гоночных автомобилей становился все больше. Fiat S79 1910 года выпуска имел, возможно, самый большой 4-цилиндровый двигатель из когда-либо существовавших: 28,3 литра от дирижабля и в 1913 году развил скорость 132,37 миль в час. Кинг, исх. 5, стр. 5-7, 22. [8] В двухтактных двигателях поршень используется в качестве клапана с отверстиями или портами, выточенными в боковых сторонах цилиндра, впуск и выпуск на противоположных сторонах.
Практически каждый автомобилист постоянно слушает радио и музыку со смартфона в машине. Разработчики атвотоваров уже давно создали устройство для прослушивания любимой музыки через мобильный телефон в салоне авто.
Об этом девайсе знают многие владельцы авто. Для правильного выбора ФМ модулятора в машину необходимо рассмотреть важные критерии, которые принесут максимальную пользу от данного устройства.
Что из себя представляет ФМ модулятор?
«Модулятор» или «Трансмиттер» — это автомобильный гаджет, предназначение которого заключается в воспроизведении различных аудиофайлов. Эти файлы записываются на переносные накопители памяти (флэшка или карта SD) с помощью радиоприемника.
Основной принцип работы такого устройства заключается в преобразовании нужных файлов, непосредственно, в радиоволны определенной частоты. Магнитола способна улавливать эти волны и воспроизводить их, также, как и любые сигналы любимых радиостанций.
ФМ трансмиттер — это, своего рода, личная «радиостанция» мини формата, транслирующая исключено выбранные пользователем треки.
Преимущества ФМ трансмиттера
Одним из прекрасных качеств автомобильного гаджета является то, что он способен воспроизводить любые аудиофайлы. ФМ модулятор очень полезен тем, что позволяет не только слушать музыку, но и изучать в дороге иностранный язык, прослушивать аудиокниги, подкасты и так далее.
Современные модели устройств вполне справляются с воспроизведением музыкальных треков с мобильного телефона, планшетов, карт SD и так далее. Также девайс в процессе использования способен зарядить смартфон.
Такие девайсы, как правило, имеют максимальную компактность в размерах, симпатичный и современный дизайн, наличие дисплея и USB-разъемы.
ФМ модулятор работает, подключившись к автомобильному прикуривателю и управляется удобными клавишами.
Как выбрать ФМ модулятор?
Основные критерии для правильного выбора автомобильного гаджета и пользы от него:
Обязательная совместимость необходимых устройств с модулятором.
Поддержка аудиоформатов.
Собственная память устройства либо наличие слота.
Информативный дисплей девайса.
Напряжение входа (12V или 24V).
Безопасный прием входящих вызовов.
Громкая связь.
Правильная установка ФМ модулятора
После покупки устройства ему необходима правильная установка и настройка для корректной работы. Некоторые модели ФМ гаджетов позволяют использовать аудиофайлы с SD карт либо с самого модулятора.
Размещение музыкальных файлов лучше осуществлять в основной папке, в связи с тем, что модулятор может некорректно их прочитать.
Перед установкой ФМ трансмиттера необходимо осуществить проверку на исправность прикуривателя, а также на целостность предохранителей и проводов.
Примечание: в случаях неисправности есть риски повредить новый ФМ модулятор.
После этих шагов необходимо также проверить напряжение в электросети автомобиля, которой должно хватать для включения смарт устройства. В случае отсутствия неисправностей можно приступить к подключению ФМ трансмиттера к прикуривателю и его включению.
Настройка ФМ трансмиттера
Для начала необходимо совместить частоты ФМ девайса и радиоприемника. Для изменения частоты транслятора необходимо нажать на основные кнопки. Установка тех же частот схожа с их установкой на магнитолах. Этот фактор является обязательным условием для правильной работы устройства.
Примечание: Для выбора правильно транслируемых частот нужного сигнала необходимо подобрать пустой диапазон. Это нужно во избежание помех, включая потерю качества звука.
ФМ модуляторы Gelius
Украинский бренд предоставляет ассортимент качественных продуктов с 2018 года. К этим продуктам также относятся и автомобильные аксессуары.
Основные преимущества ФМ трансмиттеров от Gelius:
Надежность и прочность корпуса устройства.
Компактные размеры.
Подключение девайса к смартфону с помощью Bluetooth.
Прием входящих вызовов со смартфона.
Громкая связь в салоне авто.
Воспроизведение аудиофайлов.
Наличие нескольких USB-разъемов.
Совместимость с автомобилями разного типа.
Простой интерфейс и управление.
ТОП лучших ФМ трансмиттеров Gelius
Где можно приобрести ФМ девайсы для авто в Украине?
Купить ФМ трансмиттеры, повербанки, держатели для смартфона, автомобильные зарядные устройства и кабели можно в нашем интернет-магазине Gelius. Заказы оформляются на сайте через корзину или по контактным номерам колл-центра.
Мы работаем по всей Украине (Львов, Одесса, Киев, Харьков, Запорожье, Днепр и так далее), осуществляя доставку через Новую почту. Доставка происходит от 1 до 3 дней с момента оформления заказа.
рейтинг лучших, по отзывам покупателей, как и какой выбрать — Ozon Клуб
FM-трансмиттеры, или, как их ещё называют, FM-модуляторы — это автомобильные гаджеты для считывания и воспроизведения музыки с карт памяти, телефонов или других носителей. Устройство функционирует от прикуривателя и транслирует звук через автомобильную акустическую систему.
В статье собрали основные критерии, которые помогут выбрать лучший Fm-трансмиттер с подходящим функционалом для автомобиля.
Fm-трансмиттеры: критерии выбора
Поддержка устройств (разъёмы). Чем больше устройств поддерживает трансмиттер, тем лучше. В продаже бывают мономодели, например, с функцией Bluetooth для сопряжения с телефоном и планшетом или с разъёмом под карту памяти. Многофункциональные модели оснащаются USB-портами, слотами под карты памяти, разъёмами под AUX кабель (3,5 мм), Type-C, Bluetooth. Чем больше портов и разъёмов, тем больше возможностей — но такие устройства будут стоить дороже моделей с 1–2 функциями.
При покупке учитывайте объёмы и форматы карт памяти, которые может прочесть Fm-трансмиттер. Параметры совместимости производители указывают на упаковке, корпусе устройства или в инструкции. Ищите маркировку — форматы SD, micro-SD, SDHC и объёмы 1 до 128 ГБ.
Bluetooth. От Bluetooth зависит скорость и чистота передачи данных от телефона или планшета. Чем новее модификация, тем лучше: то есть Bluetooth версии 1.2 или 4.2 слабее версии 5.
Сравним версию Bluetooth 5 с 4.2: у первой в два раза быстрее скорость передачи данных, объём одновременной передачи увеличен в восемь раз, а радиус охвата в четыре раза больше. То есть можно отходить от машины на 10 и более метров без потери сигнала. При этом качество звука и скорость передачи будет в несколько раз выше.
Функция Hands Free. Большинство моделей Fm-трансмиттеров можно использовать в качестве выносной гарнитуры для разговоров по телефону. Модулятор со встроенным микрофоном воспринимает сигнал и транслирует его через аудиосистему автомобиля.
В продаже можно найти беспроводные устройства, которые работают через Bluetooth, или проводные модели. Первые более удобные, так как для подключения не понадобятся провода и другие дополнительные девайсы. Но на проводных устройствах качество связи лучше, так как сигнал идёт по кабелю, нет посторонних радиопомех и шума.
Диапазон частот. FM-трансмиттеры в основном работают на частоте от 87,5 до 108 МГц. Их легко настроить с помощью кнопок +- на устройстве. Но некоторые модели работают в диапазоне от 87,5 до 92 МГц. Сокращённый диапазон охватывает меньше частот, поэтому найти чистый канал будет сложнее. Если частоты заняты, то при воспроизведении будут помехи и радиошумы — поэтому лучше присмотреться к гаджетам с расширенным диапазоном. Однако не все производители указывают эти параметры в инструкции.
Рейтинг автомагнитол: топ-10 моделей и их характеристики
Читать
Входное напряжение. Ещё один критерий — это тип питания, допустимое входное напряжение. В продаже есть адаптивные устройства, которые работают от 12 и 24 В. Но некоторые модели могут работать только от 24 или 12 В. Например, трансмиттеру с входящим напряжением на 24 В не хватит питания от 12 В аккумулятора. А 12 В гаджет может сгореть, если его включить в прикуриватель на 24 В.
Аккумуляторы на 24 В чаще встречаются на грузовых авто, автобусах и производственной технике. А легковые автомобили оснащают аккумуляторами на 12 В.
На Ozon также есть устройства, работающие от встроенных аккумуляторов и батарей. В отличие от прочих моделей, их нужно подключать не через прикуриватель, а через AUX-разъём.
Лучшие трансмиттеры: топ-10, по мнению покупателей Ozon
Изучили отзывы и оценки пользователей на Ozon и составили рейтинг Fm-трансмиттеров с USB-портами, Bluetooth, micro-SD и другим удобным функционалом.
Baseus T typed S-13 CCTM-B01
FM-трансмиттер Baseus T typed S-13 Wireless MP3 Car charger (PPS Quick Charger-EU) 2USB + Type-C, CCTM-B01, черный
1 359₽ 2 200₽
Автомобильный трансмиттер Baseus с функцией беспроводного разговора по телефону. Подойдёт практически для любых авто, так как может адаптироваться под напряжение от 12 до 24 В. Есть два USB-порта для считывания флешек и подзарядки гаджетов. А также Type-C для быстрой зарядки адаптированных устройств (планшет, телефон, наушники).
Предусмотрен разъём под microSD. Работает в расширенном диапазоне от 87,5 до 108 МГц, это поможет настроить устройство на свободную волну даже в условиях сильных радиопомех (в пробке, в городе).
Что учесть: некоторые покупатели пишут, что устройство шипит в режиме Bluetooth.
Отзывы покупателей:
«Неплохой микрофон, говорить комфортно. Подсветка синяя, не мешает. Звук тихий, на входящем проговаривает номер на английском».
«Музыка с флешки теперь слышна отлично. С Bluetooth подружился быстро. При разговоре я слышу хорошо, но меня слышат не очень».
Hoco E65
ФМ трансмиттер, FM модулятор автомобильный, Bluetooth трансмиттер,Hoco E65, Автомобильный FM-модулятор
897₽ 1 599₽
Компактный и функциональный трансмиттер от популярного китайского бренда Hoco. Выполнен в минималистичном дизайне, размер всего 45*45*16 мм. В отличие от большинства моделей, работает не от прикуривателя, а от USB 2.0-разъёма. В комплекте есть длинный кручёный кабель (135 см) для подключения устройства к бортовой системе авто.
Поддерживает BT, TF, micro-SD карты до 32 ГБ, а также устройства, требующие подключения через AUX (3,5 мм). Bluetooth 5.0 можно подсоединить к двум гаджетам одновременно: будет чёткий сигнал в радиусе до 10 м. Есть встроенный микрофон для общения по громкой связи.
Что учесть: некоторые пользователь пишут, что при прослушивании песен есть помехи.
Отзывы покупателей:
«Без проводов можно слушать. Есть шумы при переключении песен. Сразу подключается к блютусу».
«Компактный, действительно можно поговорить через него по телефону. Карту памяти с MP3 музыкой читает. В городе, где много радиоволн иногда выдаёт помехи».
Carowell
FM трансмиттер автомобильный. FM модулятор с bluetooth. Зарядное устройство.
526₽ 1 979₽
Функциональный FM-модулятор от Carowell. Оснащён LED-дисплеем, на котором отображается FM-частота, двумя USB-разъёмами типа 1.0А и 2.1А для одновременной зарядки двух гаджетов или считывания аудиофайлов с носителей объёмом до 16 ГБ. Есть слот для microSD карты.
Также есть Bluetooth версии 1.2 для беспроводного подключения телефона и разговоров на громкой связи через аудиосистему авто.
Что учесть: Bluetooth старой версии.
Отзывы покупателей:
«Очень хорошо работает. Соединение с телефоном моментальное. Музыка через Bluetooth играет, по телефону можно говорить, помех практически нет».
«Можно переключать музыку и радио, отвечать на звонки и набирать последний набранный номер. Очень удобно, когда нужно перезвонить. К прикуривателю подошёл без проблем. Связь нормальная, помехи бывают редко».
Ofopro CEPA17
Автомобильный модулятор / MP3-плеер FM-передатчик с зарядкой и Bluetooth
324₽ 550₽
Компактный недорогой FM-трансмиттер с набором базовых функций от бренда Ofopro. Оснащён AUX (3,5 мм) и комбинированным USB-портом версии 2.0 для считывания файлов и подзарядки гаджетов. Есть Bluetooth и функция Hands-free для общения по телефону через динамики авто и встроенный микрофон.
Кнопки для принятия и завершения вызова расположены на передней стороне устройства — получится принять или отклонить звонок в одно нажатие. На боковой стороне есть кнопки для настройки волны, а также тумблер для включения и отключения модулятора.
Что учесть: один USB-порт.
Отзывы покупателей:
«Нормальный девайс. Всё работает. Через USB телефон заряжает. Качество звука приемлемое».
«Отличный трансмиттер, подключается без проблем. Компактный и практичный».
Hoco E51
HOCO / Гарнитура bluetooth для телефона, блютуз, адаптер aux для автомобиля, зарядка для авто, модулятор FM, трансмиттер, голосовое устройство
966₽ 1 999₽
Многофункциональный FM-трансмиттер от Hoco. Подходит для прослушивания музыки, подзарядки гаджетов и бесконтактного разговора по телефону. Оснащён двумя USB разъёмами типа «А» для считывания файлов и зарядки устройств с мощностью 5 В/3,1 А. А также Type-C портом для быстрой зарядки телефонов, планшетов, наушников и подключения навигаторов.
Есть Bluetooth 5.0 и микрофон с системой шумоподавления, которые обеспечивают чистый звук во время телефонного разговора. Считывает карты объёмом до 32 ГБ. Подходит для авто с аккумуляторами на 12 и 24 В.
Что учесть: некоторые покупатели отмечают, что во время разговора по телефону и громком прослушивании музыки появляются шумы.
Отзывы покупателей:
«Качество звука хорошее, почти без помех. Корпус ударопрочный, уронил с двух метров — даже не поцарапал. На слабых приёмниках могут появиться шумы».
«Работает, всё воспроизводит, флешку читает, телефон заряжает, соответствует заявленному».
Hoco E66
ФМ трансмиттер, FM модулятор автомобильный, Bluetooth трансмиттер,Hoco E66, Автомобильный FM-модулятор
762₽ 1 700₽
Ещё один автомобильный FM-трансмиттер Hoco, нестандартной прямоугольной формы в оригинальном прозрачном корпусе. Поддерживает BT, TF, AUX режимы воспроизведения. Оснащён Bluetooth модулем 5.0 с радиусом действия до 10 м. В комплекте AUX (3.5 мм) для подключения к аудиосистеме автомобиля.
В отличие от прочих моделей, Hoco E66 работает от собственной батареи (ёмкость 200 мА/ч), а не от бортовой сети авто. Одного заряда хватает примерно на 10 часов телефонного разговора или прослушивания треков. USB-порт версии 2.0 подходит для считывания флешки и подзарядки гаджетов.
Что учесть: при переключении песен могут быть помехи.
Отзывы покупателей:
«Компактный. Есть Bluetooth. Неплохой микрофон. Можно подключить 2 телефона, звук нормальный».
«Хороший микрофон, всё слышно при разговоре по громкой связи. Звучание чёткое, соединение быстрое. Всё отлично работает. В комплекте нет инструкции на русском».
Baseus Car Charger S-09
Автомобильный модулятор BASEUS Bluetooth FM 2USB 3. 4A / FM трансмиттер / ФМ модулятор / АЗУ Black
1 615₽ 1 990₽
FM-модулятор с адаптивным типом питания от бренда Baseus. Подойдёт практически для любого авто с аккумуляторами на 12/24 В. Оснащён двумя USB-портами с функцией быстрой подзарядки гаджетов (2,4/1 А), слотом под TF-карту и модулем Bluetooth версии 4.2. Воспроизводит музыку с флеш-карт, накопителей с разъёмами USB, телефонов, планшетов. При одновременном включении двух телефонов считывает музыку с выбранного устройства, но переключается на второй при входящих звонках.
Работает на частоте от 87,5 до 108 МГц. Может проигрывать треки в режиме онлайн через телефон или радио авто. Встроенный модуль Bluetooth позволяет подключаться к двум гаджетам одновременно.
Что учесть: нет инструкции на русском
Отзывы покупателей:
«Всё работает, запускается сразу после включения зажигания. Звук нормальный, без помех. Когда включаешь, болтает на китайском. Вещь хорошая, особенно когда нет Bluetooth в машине. Подключать телефон легко, можно слушать музыку или говорить по громкой связи».
«Теперь могу слушать музыку с интернета на старенькой аудиосистеме. Немного фонит, приходится крутить громкость. В целом неплохая вещь».
MelStore T829S
Автомобильный FM-трансмиттер, зарядное устройство с режимом Handsfree (FM-модулятор, трансмиттер в машину)
680₽ 2 600₽
Многофункциональный FM-трансмиттер MelStore с двумя USB-разъёмами для считывания аудио с флешки и одновременной подзарядки двух гаджетов. Устройство оснащено информационным дисплеем, на котором отображается частота. Подсветка голубая. В обычном режиме светит беспрерывно, при входящем звонке начинает мерцать.
Трансмиттер оснащён встроенным микрофоном и Bluetooth-модулем версии 5.0 для беспроводной связи. Есть слот для SD-карты, встроенные защиты от перегрузки, скачков напряжения, перегрева и короткого замыкания.
Что учесть: нельзя полностью выключить подсветку.
Отзывы покупателей:
«Хороший переходник. Работает без нареканий. Подключился к телефону с первого раза без проблем. Миниатюрный, ничего лишнего».
«Покупаю уже третий на подарок тем, у кого нет Bluetooth в машине. Плюсов больше, чем минусов. Своим пользуюсь 4 месяца, всё хорошо».
Borofone BC26
ФМ трансмиттер, FM модулятор автомобильный, Bluetooth трансмиттер, Громкая связь в автомобиль, Автомобильный FM-модулятор Borofone BC26
696₽ 1 599₽
Универсальный автомобильный FM-трансмиттер Borofone с входным напряжением 12/24 В подходит для любого типа авто. Оснащён двумя USB-разъёмами версии 2.0, один для считывания флешки до 32 ГБ и подзарядки, второй для зарядки гаджетов. Есть Bluetooth 5.0, который поддерживает беспроводную связь. А благодаря встроенному микрофону можно отвечать на звонки без рук.
Работает в расширенном диапазоне частот от 87,5 до 108 МГц. Оснащён информационным экраном, на котором отображается частота FM-волны. Подойдёт для считывания и воспроизведения аудио с флешек, телефонов или планшетов.
Что учесть: нет разъёма под microSD
Отзывы покупателей:
«Компактный, есть инструкция на русском. Подключается просто, достаточно широкий функционал. Есть шумы при проигрывании музыки с телефона, флешку читает без помех».
«Лучший трансмиттер за эту цену. Играет качественно и громко».
ACV FMT-128B
FM трансмиттер Bluetooth ACV FMT-128B / Модулятор автомобильный / Адаптер Bluetooth /
590₽ 1 490₽
Многофункциональный FM-трансмиттер от ACV с настраиваемой RGB-подсветкой для считывания и воспроизведения звуковых файлов. Оснащён микрофоном, может работать как беспроводная гарнитура для приёма звонков с телефона или планшета. Функционирует от прикуривателя, передаёт аудио на 206 каналах в расширенном диапазоне от 87,5 до 108 МГц.
Есть два USB-порта — один для чтения аудиофайлов (флешки до 32 ГБ), второй для зарядки гаджетов (5 В/3 А), а также Type-C для быстрой подзарядки телефонов, планшетов и других совместимых устройств. Встроенный Bluetooth поддерживает функцию Hands-free и принимает сигналы на расстоянии от 3 до 5 метров.
Что учесть: некоторые покупатели пишут, что устройство работает не на полную громкость.
Отзывы покупателей:
«Удобный гаджет. Всё под рукой. Работает чётко. Сразу настроил, ничего сложного. Прикольная подсветка».
«Отличный трансмиттер. По Bluetooth подключается автоматически, сразу, когда включаешь зажигание. Флешку воспроизводит без проблем».
Топ Fm-трансмиттеров: сводная таблица
Baseus T typed S-13 CCTM-B01
Поддержка устройств
USB-порт (2 шт.), Bluetooth, micro-SD, Type-C
Bluetooth
н/д
Hands Free
да
Диапазон частот, МГц
87,5–108
Входное напряжение, В
12/24
Hoco E65
Поддержка устройств
USB-порт, Bluetooth, micro-SD, BT, TF, AUX (3,5 мм)
Bluetooth
5
Hands Free
да
Диапазон частот, МГц
87,5–108
Входное напряжение, В
—
Carowell
Поддержка устройств
USB-порт (2 шт. ), Bluetooth, micro-SD
Bluetooth
1.2
Hands Free
да
Диапазон частот, МГц
н/д
Входное напряжение, В
12
Ofopro CEPA17
Поддержка устройств
USB-порт, Bluetooth, AUX (3.5 мм)
Bluetooth
н/д
Hands Free
да
Диапазон частот, МГц
н/д
Входное напряжение, В
н/д
Hoco E51
Поддержка устройств
USB-порт (2 шт.), Bluetooth, TF-карта, Type-C
Bluetooth
5
Hands Free
да
Диапазон частот, МГц
н/д
Входное напряжение, В
12/24
Hoco E66
Поддержка устройств
Bluetooth, micro-SD, AUX (3.5 мм)
Bluetooth
5
Hands Free
да
Диапазон частот, МГц
87,5–108
Входное напряжение, В
—
Baseus Car Charger S-09
Поддержка устройств
USB-порт (2 шт.), Bluetooth, TF-карта
Bluetooth
4.2
Hands Free
да
Диапазон частот, МГц
87,5–108
Входное напряжение, В
12/24
MelStore T829S
Поддержка устройств
USB-порт (2 шт. ), Bluetooth, SD-карта
Bluetooth
5
Hands Free
да
Диапазон частот, МГц
н/д
Входное напряжение, В
12/24
Borofone BC26
Поддержка устройств
USB-порт (2 шт.), Bluetooth
Bluetooth
5
Hands Free
да
Диапазон частот, МГц
87,5–108
Входное напряжение, В
12/24
ACV FMT-128B
Поддержка устройств
USB-порт (2 шт.), Type-C, Bluetooth
Bluetooth
5
Hands Free
да
Диапазон частот, МГц
87,5–108
Входное напряжение, В
н/д
Фото: shutterstock
Как работает FM-передатчик?
Windupradio поддерживается своей аудиторией. Когда вы покупаете по нашим ссылкам, мы можем получить комиссию. Узнать больше
Для тех, кто интересуется электромагнетизмом, FM-передатчик — отличный инструмент для рассмотрения. Это маломощный радиопередатчик, который посылает сигнал на обычное FM-радио с портативных аудиоустройств (таких как MP3-плеер).
Этот радиосигнал имеет решающее значение для работы современного высокоскоростного Интернета и мобильных технологий. Как вы, возможно, знаете, Bluetooth FM-передатчики являются новинкой в этой области, позволяя современным и старым автомобилям слушать высококачественную музыку, транслируемую в прямом эфире через FM-радио.
Продолжайте читать до конца, если вам интересно, как работает FM-передатчик.
Содержание
Как работают FM-передатчики
Что делает FM-передатчик
Диапазон FM-передатчика
Часто задаваемые вопросы
1. Работает ли FM-передатчик без антенны?
2. Какая частота лучше всего подходит для FM-передатчиков?
Заключение
Как работают FM-передатчики
FM-передатчики работают с преобразователем, который преобразует аудиовыход от ранее существовавшего источника, например стереосистемы вашего автомобиля, в аналоговые аудиосигналы. Затем сигналы преобразуются в FM-сигналы, что позволяет автомобилистам изменять радиочастоту своего автомобиля в соответствии с передатчиком.
Эти передатчики обычно подключаются к разъему для наушников на устройстве, а затем транслируют сигнал в FM-диапазоне, позволяя любому ближайшему радиоприемнику его уловить.
Работа радиопередатчика зависит от генератора, который генерирует несущий сигнал на определенной частоте. Модулятор напряжения используется, когда необходимо отрегулировать определенный сигнал.
Частота транслируется на заданной частоте сигнала, если модулятор отсутствует. Затем через антенну FM-сигнал впоследствии отправляется в космос.
Путь сигнала начинается с синусоид. В нем нет зашифрованной информации до того, как он начнет свое путешествие. Когда он получает электромагнитные волны, информация кодируется.
Когда звук преобразуется в синусоиду и отправляется, происходит процесс отправки радиосигналов. Чтобы транслировать синусоидальные волны на FM-приемники, люди используют модификацию частоты для изменения их длины.
Скорость, с которой электрические сигналы проходят через передающую антенну, близка к несущей частоте. Это движение создает электромагнитное поле, которое излучает электромагнитные волны.
Эти сгенерированные несущие волны передаются на частоте, улавливаемой определенной приемной антенной. Таким образом, антенна, несомненно, получает значительное количество радиосигнала.
Предусмотренный канал может быть отрегулирован или нужная частота радиостанции может быть установлена с помощью тюнера. Затем детектор радиостанции преобразует синусоидальную волну этой радиостанции в звук, который усиливается усилителем. Покрытие радиостанции с более мощной вышкой скорее всего будет лучше.
В настоящее время радиоприемники со встроенными антеннами доступны и недороги. Есть также радио, которые можно транслировать через Интернет. Радиоволны необходимы для навигационных спутников и сети GPS, начиная с базовой радиопередачи.
FM-передатчики Bluetooth являются конкретными примерами расширения технологии базовой частотной модуляции (FM). Они позволяют вам получить доступ к ретранслируемой частоте для приема желаемых сигналов для увеличения аудиовыхода. Итак, как же работает Bluetooth FM-передатчик?
Все, что вам нужно сделать, это найти новую FM-станцию на вашем автомобильном радиоприемнике и настроить на нее радио. Ваши автомобильные динамики помогут вам добиться нужного уровня громкости, и вы сможете слушать музыку на своем смартфоне.
Что делает FM-передатчик
Персональные FM-передатчики часто воспроизводят музыку на автомобильных радиоприемниках без дополнительного входного разъема «AUX» или аудиосовместимости Bluetooth. Их также можно использовать для трансляции звука из стационарного источника, такого как компьютер или телевизор, в доме.
Их также можно использовать для маломощной передачи и пиратского радио, но только для местной аудитории. Их также можно использовать в качестве «говорящего знака» в таких ситуациях, как сделки с недвижимостью. Устройствами можно управлять, подключив их к источнику звука или собственному порту разработанного ими устройства.
Вот несколько конкретных применений FM-передатчиков:
Передача музыки и новостей: подключайте FM-передатчики к домашним аудиосистемам, телевизорам, автомобильным радиоприемникам или iPod/MP3-плеерам, смартфонам для воспроизведения музыки или прослушивания новостей. .
Организация шоу и мероприятий: интегрируйте световое шоу/видеошоу с передатчиком для одновременной демонстрации изображений и звука.
Уменьшение шумового загрязнения: В тюрьмах звук с телевизора передается на переносные FM-радиоприемники заключенных через передатчик. Затем заключенные используют наушники для прослушивания телевизионного звука.
Наслаждайтесь караоке: Вы можете транслировать свой голос на любое FM-радио, используя FM-передатчики с петличным микрофоном.
Диапазон FM-передатчика
Диапазон FM-передатчика различен в зависимости от мощности каждого типа. Однако FM-передатчики обычно передают на любой частоте FM в диапазоне от 87,5 до 108,0 МГц по всему миру, 76,0–95,0 МГц в Японии, 87,5–108 МГц в России и от 88,1 до 107,9 МГц в США и Канаде.
Если передатчики маломощные, их радиус действия ограничен 100–300 футами (30–100 м) в зависимости от качества приемника, препятствий и высоты над уровнем моря.
Часто задаваемые вопросы 1. Работает ли FM-передатчик без антенны?
Да. Автомобильное радио может работать без антенны, используя соединение Bluetooth, аналоговый кабель, FM-передатчик и телефон Android. Если антенна в вашем автомобиле сломана или в вашем автомобильном радиоприемнике отсутствует антенна, вы все равно можете слушать радиостанции.
2. Какая частота лучше всего подходит для FM-передатчиков?
Диапазон частот FM-вещания, используемый радиостанциями для вещания FM-радиостанций, зависит от ваших предпочтений. Он колеблется от 87,5 до 108 мегагерц (МГц) в Европе, Австралии и Африке и также известен как VHF Band II.
В Северной и Южной Америке работает на частотах от 88 до 108 МГц. От 76 до 95 МГц — это диапазон FM-вещания в Японии. В Восточной Европе диапазон OIRT составляет от 65,9 до 74,0 МГц; однако в настоящее время эти страны преимущественно используют диапазон от 87,5 до 108 МГц.
Диапазон OIRT уже был прекращен в нескольких странах и заменен диапазоном от 87,5 до 108 МГц.
Заключение
Автомобильный FM-передатчик может предоставить вам множество творческих и удобных функций в наш век современных технологий. Учитывайте характеристики, которые будут наиболее полезными для вашего конкретного набора требований к вождению, когда решаете, какую модель радио купить.
Прочитав эту статью, вы должны понять, как работает FM-передатчик, и всю необходимую информацию. Мы надеемся, что эта информация окажется для вас полезной и придаст вам больше уверенности при выборе.
Амаро Франк
Привет, я Амаро Франк, редактор и автор контента Wind Up Radio. Работать с Адамом очень весело, поскольку его истории и опыт обогащают мои знания о радиосвязи и радиоаксессуарах. Мои основные задачи в Wind Up Radio — создание контента и создание отличных статей на различные темы, связанные с радиоаксессуарами.
Как работает Bluetooth FM-передатчик
Как устранить эхо в наушниках
10 августа 2019 г. от кабеля к беспроводной в последние годы. Это ощущение связи без соединительных проводов произвело революцию в использовании устройств. Одним из последних достижений в этой области являются передатчики Bluetooth FM, которые позволяют не только современным, но и старым автомобилям наслаждаться музыкой самого высокого качества, транслируемой в прямом эфире через FM-радио. Ваш любимый автомобиль может помочь вам слушать все виды музыки, используя технологию передачи Bluetooth FM. Прежде чем мы перейдем к изучению продукта, давайте найдем как работает передатчик Bluetooth FM ?
Ключевым моментом здесь является простота. Вы можете подключить этот Bluetooth FM-передатчик даже к разъему прикуривателя вашего автомобиля и слушать кристально чистую музыку по вашему выбору, пока вы наслаждаетесь долгой поездкой с любимым человеком.
Используя технологию базовой частотной модуляции (FM), передатчики Bluetooth FM — это просто расширение, которое поможет вам получить доступ к ретранслируемой частоте, чтобы вы могли получать желаемые сигналы для усиления аудиовыхода. В эпоху компактности, когда в вашем смартфоне хранятся сотни песен, эта технология позволяет вашему телефону подключаться к устройству с помощью мощной технологии Bluetooth. Он преобразует акустику вашего смартфона в FM-сигнал.
Все, что вам нужно сделать, это найти неиспользуемую FM-станцию, доступную в вашей автомобильной стереосистеме, и настроить радио на эту станцию. Ваши автомобильные динамики помогут вам получить желаемую громкость. Это не так; Вы можете транслировать музыку с помощью своего смартфона. Кроме того, вам не придется беспокоиться о сроке службы батареи, поскольку почти все FM-передатчики подключаются непосредственно к зарядному порту. Кроме того, эти передатчики Bluetooth FM относительно дешевы и просты в использовании.
Если мы понимаем Bluetooth, который представляет собой не что иное, как беспроводную технологию, которая позволяет двум электронным устройствам связываться друг с другом и общаться на небольшом расстоянии. Как и везде, автомобильный Bluetooth также работает таким же образом, что позволяет вашему телефону подключаться к автомобильному устройству для желаемой цели.
Bluetooth FM-передатчик использует маломощную частоту ближнего действия для отправки и получения информации с помощью радиоволн. Как только ваш телефон будет сопряжен с автомобильным устройством, он автоматически позволит вам использовать нужные функции, в данном случае музыку.
Полировка фар | Кузовной ремонт автомобиля в Тюмени
что входит
в услугу
Подготавливаем фары: моем, при необходимости снимаем с автомобиля
Наносим крупнозернистую пасту и снимаем поврежденный слой и налет
Полируем среднезернистой пастой, чтобы сгладить поверхность
Наносим пасту с мелким абразивом и опять полируем до идеально ровной поверхности
Вручную обрабатываем полиролью,
это обеспечит необходимую прозрачность
Поздравляем, ваши фары как новые и сохранят этот вид еще очень долго!
нам доверяют
потому что
У нас опытные
специалисты
Стаж специалистов в нашей
компании не менее 7 лет
Более 1000
довольных клиентов
Наши клиенты рекомендуют нас
своим друзьям и близким
Оперативная
помощь
Высокая скорость оформления,
оценки и выполнения работ
Профессиональное
оборудование
Строго выполняем все аспекты технологического процесса
примеры
наших работ
Что говорят наши клиенты
о полученных услугах
Мы вам поможем в любой ситуации
flump.
ru
Читайте отзывы о нас на flump.ru
2gis.ru
Читайте отзывы о нас на 2gis.ru
yandex.ru
Читайте отзывы о нас на yandex.ru
google.ru
Читайте отзывы о нас google.ru
При слабом ударе в стык крыла и бампера под «раздачу» попала фара, бампер и крыло. Страховая выплатила деньги, и я начал искать отзывы по кузовным мастерам, ибо цены везде разные, ровно как и уровень проведенных работ. Уже чуть было не загнал в гаражи, но наткнулся на акцию по кузовному ремонту у Фабрике Кузовного Ремонта…
Ford Focus 2
Пермяков Алексей
При слабом ударе в стык крыла и бампера под «раздачу» попала фара, бампер и крыло. Страховая выплатила деньги, и я начал искать отзывы по кузовным мастерам, ибо цены везде разные, ровно как и уровень проведенных работ. Уже чуть было не загнал в гаражи, но наткнулся на акцию по кузовному ремонту у Фабрике Кузавного Ремонта. Приехал на дефектовку — все подтвердилось по ценникам, а через три дня я забрал машину как новую. Зазоры идеально ровные, в цвет попали, под лаком песка нет В целом проделанной работой доволен, поэтому на кузовной ремонт теперь только туда, хоть и надеюсь, что больше не понадобится.
читать полностью
Не гараж! Серьёзный подход. Всё аккуратно, парни вежливые. Мне удобно было к ним приехать, живу в Тарманах. Ценник и сроки адекватные назвали. Очень удивило и понравилось, что менеджер информировал о всех этапах работы и присылал фотки машины в работе. Такого мне нигде не предлагали, рекомендую.
Kia Seed
Григорьев Иван
Не гараж! Серьёзный подход. Всё аккуратно, парни вежливые. Мне удобно было к ним приехать, живу в Тарманах. Ценник и сроки адекватные назвали. Очень удивило и понравилось, что менеджер информировал о всех этапах работы и присылал фотки машины в работе. Такого мне нигде не предлагали, рекомендую.
читать полностью
Сегодня забрала машину из ремонта, изначально были большие сомнения, так как поехала на ремонт по направлению из Югории. Начиталась форумов про китайские запчасти и плохое качество ремонта по направлению из страховых компаний. На деле оказалась хорошая компания, менеджера мне дали девушку, даже не знала, что на таких СТО бывают…
Toyota RAV4
Мальцева Ксения
Сегодня забрала машину из ремонта, изначально были большие сомнения, так как поехала на ремонт по направлению из Югории. Начиталась форумов про китайские запчасти и плохое качество ремонта по направлению из страховых компаний. На деле оказалась хорошая компания, менеджера мне дали девушку, даже не знала, что на таких СТО бывают менеджеры девушки. Сначала пригласили меня на осмотр, потом рассказали, что будут согласовывать сумму с Югорией и только после этого ремонт. Через две недели позвонили, сказали, что запчасти привезли и можно заезжать в ремонт. Сдала машину в среду, забрала сегодня. Очень хорошо сделали, цвет не отличается. Большое спасибо!
читать полностью
где мы находимся
Посмотреть на карте Тюмени
Фотографии компании
Найти проезд до Фабрика кузовного ремонта, ООО
Виджет карты использует JavaScript. Включите его в настройках вашего браузера.
Полировка фар во Владивостоке по низкой цене
от 500 руб
Восстановление первоначального блеска фар по выгодным ценам!
По мере эксплуатации автомобиля головная оптика постепенно мутнеет и приобретает желтоватый оттенок. Это последствия тысяч мелких царапин, которые неизбежно появляются на фарах независимо от вашего стиля езды и климата. Светопроницаемость фар может снизиться вплоть до 30-50% — в таких условиях комфортная езда в темное время суток невозможна и попросту опасна.
Полировка авто и, в частности, оптики восстанавливает изначальную прозрачность и блеск фар, устраняет царапины, сколы и ореолы. Процедура полировки фар актуальна, если вы хотите перепродать автомобиль. Внешний вид оптики – один из ключевых параметров, по которому определяется возраст и состояние машины.
Цены на услуги полировки фар
Полировка фар
500 руб
Наши услуги
Мы занимаемся полировкой фар автомобиля с использованием современных материалов и профессионального инструмента. Мы устраняем:
Следы абразивного истирания.
Негативные воздействия гравийной крошки (сколы, царапины).
Отложения химических реагентов.
Последствия халатной работы непрофессионалов (ореолы, потертости)
В работе мы применяем специальные абразивные пасты от американской компании 3M и немецкой Wurth. Процедура полировки подразумевает последовательное применение абразивной и мягкой полироли до полного восстановления изначального вида фар.
Когда нужна замена фар
Полировка фар автомобиля – не панацея, она не способна устранить серьезный износ оптики и крупные повреждения (трещины, изломы). Если защитный слой лака полностью истощился (об этом свидетельствуют пятна с желтоватыми краями), дальнейшие работы малоэффективны – пластик неминуемо начнет мутнеть буквально через 2-3 недели. Нанесение нового слоя лака нецелесообразно из-за дороговизны процедуры – дешевле купить новую фару.
Профессиональная полировка фар
Полировка оптики в нашем техцентре восстановит внешний вид фар автомобиля, избавит их от возрастного износа и полностью вернет им изначальную светопроницаемость. Путем последовательного использования разных абразивов и полировальных кругов наши мастера способны скрыть даже глубокие царапины. Работа трудоемкая и требует большого опыта, самостоятельно устранить такие дефекты у вас не получится.
3д наклейка на капот Astart3d Цветок Fl 1200х1500х0.15мм
На складе
Доставка по Украине
888 грн
Купить
3д наклейка на капот Astart3d Ангел 1200х1500х0.15мм
На складе
Доставка по Украине
888 грн
Купить
Виниловые наклейки на авто » На капот DG » 60х60 см
На складе
Доставка по Украине
336 грн
Купить
Виниловые наклейки на авто » На капот линии 009 » 98х40 см
На складе
Доставка по Украине
304 грн
Купить
Наклейка на капот Двухлитровым бывает только сок
На складе
Доставка по Украине
по 180 грн
от 2 продавцов
180 грн
200 грн
Купить
Виниловая наклейка Полоса на капот Рено Дастер 100*15 см
На складе
Доставка по Украине
по 180 грн
от 2 продавцов
180 грн
200 грн
Купить
Аbarth Шильдик Наклейка эмблема капот багажник колпачки на диски
Доставка по Украине
99 грн
Купить
Наклейки автомобильные универсальные на капот /120 см*50 см/ бульдог
Доставка по Украине
по 100 грн
от 6 продавцов
100 грн
Купить
Наклейки автомобильные универсальные на капот /120 см*50 см/
Доставка по Украине
по 121 грн
от 6 продавцов
121 грн
Купить
Наклейка — Sports Mind на капот — Белая с красным 28х8 см
Доставка из г. Полтава
45 грн
Купить
Полтава
Наклейка на капот MMC — MZ553141EX
Доставка по Украине
1 222 грн
Купить
Наклейка на авто/машину двери 2 полоски 245*12см, стайлинг, тюнинг
На складе
Доставка по Украине
659 грн
Купить
Виниловые наклейки на авто » Узор на капот » 70х20 см
На складе
Доставка по Украине
304 грн
Купить
Виниловые наклейки на авто » Девушка на капот » 50х60 см
На складе
Доставка по Украине
304 грн
Купить
Виниловые наклейки на капот автомобиля
Каждый владелец транспортного средства старается сделать все для того, чтобы он выделялся среди серой массы других автомобилей. По этой причине на первых этапах очень модна была аэрография. Но технологии не стоят на месте и теперь ее место начали занимать виниловые наклейки. Они имеют такие положительные черты как яркость, долговечность, гибкость и многое другое.
Существует множество классификаций наклеек по различным критериям, но все же стоит выделить самую основную из них:
Виниловые наклейки на капот автомобиля
Графические наклейки. Обладают высокой популярностью и могут содержать на себе любые изображения, которые будут интересны владельцу транспортного средства. Кроме размещения на капоте, могут располагаться и на других элементах автомобиля.
Виниловые наклейки на капот автомобиля
Содержание юмористической направленности. Сюда входит не только изображение, но и абсолютно любой текст. Чаще всего имеют незначительные размеры.
Виниловые наклейки на капот автомобиля
Рекламные наклейки. Из самого названия понятно, что создаются с целью рекламы того или иного вида деятельности.
Виниловые наклейки на капот автомобиля
Карбоновые, виниловые наклейки. Наибольшую популярность имеют в качестве наклейки на капоты автомобилей.
Виниловые наклейки на капот автомобиля
Прочие. Это такие наклейки, которые указывают на принадлежность автомобиля какой-либо организации или фирмы.
Виниловые наклейки на капот автомобиля
Кроме этого существуют и разнообразные вилы пленки, которые могут использоваться для наклеивания на капоты транспортного средства. Это универсальные самоклейки, имеющие приемлемую стоимость, светоотражающие, светонакапливающие, специальные (при накладывании нескольких слоев друг на друга можно получить какой-либо оттенок).
Виниловые наклейки на капот автомобиля
Преимущества и недостатки виниловых наклеек
Виниловые наклейки имеют как свои достоинства, так и недостатки. Именно на них и стоит обратить особое внимание, чтобы получить желаемый результат и сделать правильный выбор.
Среди преимуществ выделяют:
Приемлемая стоимость. Это заметно и ощутимо, если брать в сравнение покраску, аэрографию. К тому же только на капот пленка будет значительно меньше по стоимости, чем на весь автомобиль.
Визуальный эффект. Качество рисунка будет заметно издалека.
При необходимости наклейку можно снять. При этом никакого вреда лакокрасочному покрытию принесено не будет.
Служит своего рода маскировкой таких моментов, как сколы, царапины, даже вмятины.
Рисунок на протяжении длительного времени остается в прекрасном виде. При этом сохраняется и яркость, цветность.
Хорошо сцепление с капотом.
Защита от внешних факторов (грязь, влага, реагенты, которые в основном используются в зимнее время). Не смотря на все это, имеются и недостатки. Но их настолько мизерное количество, да и незначительность, что мало кто на них обращает внимание.
Аккуратная мойка капота, а также применение лишь специальных химических средств.
Незначительная деформация лакокрасочного покрытия, если оно было некачественным при наклеивании.
После снятия наклейки покрытие капота будет иметь несколько отличный цвет от цвета всего остального кузова автомобиля.
Большое количество любого вида виниловых наклеек можно встретить от производителей из Германии, Китая и США. Каждая из них имеет свои особенности и нюансы, что следует учитывать при выборе.
Наклейки на капот | Xtreme Digital GraphiX
все наклейки для капота автомобиляамериканская графика для грузовиковавтогоночные наклейкиавтомобильные наклейкибелоголовый орланнаклейка белоголовый орланбольшая наклейка белоголового орланаклейка белоголового орланаклейка камароавтомобильные наклейкиавтомобильная графиканаклейка орла на капоте автомобилянаклейка с клетчатым флагомнаклейка с шашечным флагомхромированный черепнаклейки на капот автомобилядраконы виниловая графикапламенная графиканаклейка на капот орел наклейка на капоте виниловая графикаcisбольшая полунаклейканаклейка лепреконадлинный рог черепагоночный декальпатриотическая наклейка графикаполосы капота раллираллийные гоночные полосыполунаклейкинаклейки с полуприцепамиграфика черепачереп с рогамичерепнаклейка со змеейзадняя дверь виниловая графикаслезанаклейка на прицепеграфика на прицепеграфика орла грузовикаграфика грузовикаполоса грузовикагрузовик США наклейкафлаг СШАнаклейки на транспортное средствографика автомобиляволк лунный вой
ПопулярныеЛучшие продажиВ алфавитном порядке: A-ZВ алфавитном порядке: Z-APЦена: от низкой до высокойЦена: от высокой до низкойДата: от новой к старойДата: от старой к новой
Заинтересованы в наклейке на капот автомобиля? У нас есть лучший сногсшибательный, крутой выбор! Любите ли вы черепа, змей, драконов или даже лепреконов, вы можете найти именно то, что вам нужно, чтобы вашу поездку заметили во время круиза в этом году. Просмотрите нашу коллекцию, и вы найдете Мрачного жнеца, крылатые черепа, хромированные черепа, кобры, черепа длиннорогих, классические слезы клетчатого флага, слезы дракона, сражающихся ирландских лепреконов, белоголовых орланов в США и многое другое.
Компания Xtreme Digital GraphiX серьезно относится к качеству своей продукции. Вот почему мы предлагаем только лучшее из лучшего, чтобы наши клиенты были более чем довольны внешним видом своего автомобиля. Мы используем экосольвентный принтер, который является современным оборудованием, а также винил самого высокого качества, который мы можем достать. Каждая наклейка также включает в себя специальный ламинат и клей, которые позволяют легко перемещать наклейку до тех пор, пока она не станет идеальной. Это означает, что вы можете легко настроить и исправить любые ошибки в процессе подачи заявки.
Каждая наша графика создается с использованием высококачественной 2-мильной пленки, которая делает наши изображения такими яркими, глянцевыми и совершенно впечатляющими. А со специальным покрытием для защиты от ультрафиолета они могут прослужить до 8 лет без выцветания. Так что вам не придется беспокоиться о своей наклейке даже в жаркие солнечные дни, путешествуя по городу.
Мы также максимально упростили нанесение нашей продукции и прилагаем к каждому заказу скребок, чтобы помочь вам разобраться с любыми перегибами, чтобы убедиться, что все гладко и именно так, как вам нравится. Вы также можете ознакомиться с прилагаемыми инструкциями или зайти на наш сайт, чтобы просмотреть наши полезные обучающие видеоролики. Мы рекомендуем использовать профессиональный установщик наклеек, если вы совершенно не знакомы или не уверены в процессе установки. Это особенно касается любых бинтов, длина которых превышает восемь футов, поскольку их может быть сложнее правильно применить.
Xtreme Digital GraphiX всегда рада помочь вам с любыми вашими вопросами, будь то во время вашего выбора или процесса подачи заявки. Просто позвоните нам или напишите нам по электронной почте, и мы сделаем все возможное, чтобы найти ответы, которые вам нужны.
Поэтому, когда вы будете готовы украсить свой автомобиль к лету, доверьтесь профессионалам из Xtreme!
Наклейки на крышу и капот автомобиля
Сохранить 15%
Наклейка на крышу с флагом «Мини-Юнион Джек»
106,00 € 125,00 € Вы экономите: 19,00 €
Наклейка на крышу Мини Английский флаг, Юнион Джек (без фона) Дизайн вашей наклейки на крышу с флагом Юнион Джек для Мини задуман в традиционном…
Сохранить 20%
Наклейка с логотипом Alfa Romeo на крыше
99,95 € 125,00 € Вы экономите: 25,05 €
Наклейка с логотипом Alfa Romeo на крышу Наклейка с логотипом Alfa Romeo на крышу идеально подходит для вашего автомобиля. Как и все наши наклейки, он выигрывает от…
Скидка 15%
Набор наклеек Dodge General Lee
156,00 € 183,00 € Вы экономите: 27,00 €
Декоративная наклейка
1 наклейка на крышу 95 x 110 см
2x «01» 50 см
профессиональный очень стойкий винил (вода, газ, жара, холод)
| //
Скидка 15%
Наклейка Venom на капот автомобиля
201,00 € 237,00 € Вы экономите: 36,00 €
Наклейка для автомобиля — Total Covering
печатный клей с ламинированной защитой
профессиональный очень стойкий винил (вода, газ, тепло, холод,. ..
Скидка 15%
JDM Наклейка на капот автомобиля аниме
201,00 € 237,00 € Вы экономите: 36,00 €
Наклейка для автомобиля — Total Covering
печатный клей с ламинированной защитой
профессиональный очень стойкий винил (вода, газ, тепло, холод,…
Скидка 15%
Аниме Манга наклейка на капот автомобиля
201,00 € 237,00 € Вы экономите: 36,00 €
Наклейка для автомобиля — Total Covering
печатный клей с ламинированной защитой
профессиональный очень стойкий винил (вода, газ, тепло, холод,…
Скидка 15%
Наклейка в горошек на крышу автомобиля
106,00 € 125,00 € Вы экономите: 19,00 €
Наклейка на крышу автомобиля
клеевая отделка для любых типов крыш автомобилей (в т. ч.
кабриолет с жесткой крышей)
нестандартный размер круга (3 см, 5 см, 8 см или…
Скидка 15%
kia soul Вануату Наклейка на крышу 2
276,00 € 325,00 € Вы экономите: 49,00 €
Наклейка на крышу Swift Union Jack 2
1x флаг 205 см x 110 см
профессиональная печать, очень стойкий винил (вода, газ, жара, холод)
легко…
Скидка 15%
Наклейка на крышу kia soul Вануату
195,00 € 230,00 € Вы экономите: 35,00 €
Наклейка на крыше Swift Union Jack
1x флаг 160 см x 100 см (красный и темно-синий)
профессиональная печать, очень стойкий винил (вода, газ, жара, холод). ..
Скидка 15%
Наклейка на капот автомобиля Trinity Blood
201,00 € 237,00 € Вы экономите: 36,00 €
Наклейка для автомобиля — Total Covering
печатный клей с ламинированной защитой
профессиональный очень стойкий винил (вода, газ, тепло, холод,…
Скидка 15%
Бэтмен наклейка на капот
201,00 € 237,00 € Вы экономите: 36,00 €
Наклейка для автомобиля — Total Covering
печатный клей с ламинированной защитой
профессиональный очень стойкий винил (вода, газ, тепло, холод,…
Сохранить 15%
Наклейка на капот автомобиля Assassin Creed
201,00 € 237,00 € Вы экономите: 36,00 €
Наклейка для автомобиля — Total Covering
печатный клей с ламинированной защитой
профессиональный очень стойкий винил (вода, газ, тепло, холод,. ..
Сэкономить 15%
Наклейка на капот автомобиля JDM Japan
201,00 € 237,00 € Вы экономите: 36,00 €
Наклейка для автомобиля — Total Covering
печатный клей с ламинированной защитой
профессиональный очень стойкий винил (вода, газ, тепло, холод,…
Скидка 15%
Felin Tiger Наклейка на капот автомобиля
201,00 € 237,00 € Вы экономите: 36,00 €
Наклейка для автомобиля — Total Covering
печатный клей с ламинированной защитой
профессиональный очень стойкий винил (вода, газ, тепло, холод,. ..
Скидка 15%
Наклейка на крышу автомобиля Fiat 500 Gucci Style
201,00 € 237,00 € Вы экономите: 36,00 €
Наклейка на крышу автомобиля — Total Covering печатный клей с многослойным защитным профессиональным очень стойким винилом (вода, газ, жара, холод,…
Скидка 15%
JDM Мультяшная наклейка на капот автомобиля
201,00 € 237,00 € Вы экономите: 36,00 €
Наклейка для автомобиля — Total Covering
печатный клей с ламинированной защитой
профессиональный очень стойкий винил (вода, газ, тепло, холод,. ..
Скидка 15%
Наклейка с полосами на крыше автомобиля
90,00 € 106,00 € Вы экономите: 16,00 €
Наклейка на крышу автомобиля
размер: 26 см х 200 см
клеевая отделка для любых типов крыш автомобилей (в т.ч.
кабриолет с жесткой крышей)
профессиональный вырез…
Скидка 15%
Цельная наклейка на крышу автомобиля
201,00 € 237,00 € Вы экономите: €36,00
Наклейка на крышу автомобиля — Total Covering печатный клей с многослойным защитным профессиональным очень стойким винилом (вода, газ, жара, холод,. ..
Скидка 15%
Наклейка на капот JDM
201,00 € 237,00 € Вы экономите: 36,00 €
Наклейка для автомобиля — Total Covering
печатный клей с ламинированной защитой
профессиональный очень стойкий винил (вода, газ, тепло, холод,…
Скидка 15%
Наклейка на капот автомобиля One Piece Law
201,00 € 237,00 € Вы экономите: 36,00 €
Наклейка для автомобиля — Total Covering
печатный клей с ламинированной защитой
профессиональный очень стойкий винил (вода, газ, тепло, холод,…
Скидка 15%
Lion Splash наклейка на капот автомобиля
201,00 € 237,00 € Вы экономите: 36,00 €
Наклейка для автомобиля — Total Covering
печатный клей с ламинированной защитой
профессиональный очень стойкий винил (вода, газ, тепло, холод,. ..
Сохранить 15%
Наклейка Zebra на крышу автомобиля
201,00 € 237,00 € Вы экономите: 36,00 €
Наклейка на крышу автомобиля — Total Covering печатный клей с ламинированной защитой профессиональный высокостойкий винил (вода, газ,…
Скидка 15%
Наклейка на капот JDM Mania
201,00 € 237,00 € Вы экономите: 36,00 €
Наклейка для автомобиля — Total Covering
печатный клей с ламинированной защитой
профессиональный очень стойкий винил (вода, газ, тепло, холод,…
Скидка 15%
Наклейка на капот автомобиля Eat Sleep JDM
201,00 € 237,00 € Вы экономите: 36,00 €
Наклейка для автомобиля — Total Covering
печатный клей с ламинированной защитой
профессиональный очень стойкий винил (вода, газ, тепло, холод,. ..
Скидка 15%
Наклейка на крышу автомобиля One Piece Luffy
201,00 € 237,00 € Вы экономите: 36,00 €
Наклейка на крышу автомобиля — Total Covering печатный клей с многослойным защитным профессиональным очень стойким винилом (вода, газ, жара, холод,…
Сэкономить 15%
(1)
Наклейка с часами на крышу автомобиля
201,00 € 237,00 € Вы экономите: 36,00 €
Наклейка на крышу автомобиля — Total Covering печатный клей с ламинированной защитой профессиональный высокостойкий винил (вода, газ,. ..
Сохранить 15%
Кожаная наклейка на крышу автомобиля
201,00 € 237,00 € Вы экономите: 36,00 €
Наклейка на крышу автомобиля — Total Covering печатный клей с ламинированной защитой профессиональный высокостойкий винил (вода, газ,…
Скидка 15%
Наклейка на крышу автомобиля в леопардовой шкуре
201,00 € 237,00 € Вы экономите: 36,00 €
Наклейка на крышу автомобиля — Total Covering печатный клей с ламинированной защитой профессиональный высокостойкий винил (вода, газ,…
Скидка 15%
Наклейка на крышу автомобиля в коже далматина
201,00 € 237,00 € Вы экономите: 36,00 €
Наклейка на крышу автомобиля — Total Covering печатный клей с ламинированной защитой профессиональный высокостойкий винил (вода, газ,. ..
Скидка 15%
Наклейка на крышу автомобиля One Piece Tiger
201,00 € 237,00 € Вы экономите: 36,00 €
Наклейка на крышу автомобиля — Total Covering печатный клей с многослойным защитным профессиональным очень стойким винилом (вода, газ, жара, холод,…
Скидка 15%
Наклейка на крышу автомобиля из кожи жирафа
201,00 € 237,00 € Вы экономите: €36,00
Наклейка на крышу автомобиля — печатный клей Total Covering с ламинированной защитой, профессиональный высокостойкий винил (вода, газ,…
Скидка 15%
Наклейка на крышу автомобиля One Piece Zorro
201,00 € 237,00 € Вы экономите: 36,00 €
Наклейка на крышу автомобиля — Total Covering печатный клей с многослойным защитным профессиональным очень стойким винилом (вода, газ, жара, холод,…
Скидка 15%
Наклейка One Piece Sanji на крышу автомобиля
201,00 € 237,00 € Вы экономите: 36,00 €
Наклейка на крышу автомобиля — Total Covering печатный клей с многослойным защитным профессиональным очень стойким винилом (вода, газ, жара, холод,. ..
Скидка 15%
Наклейка на крышу автомобиля One Piece Sabo
201,00 € 237,00 € Вы экономите: 36,00 €
Наклейка на крышу автомобиля — Total Covering печатный клей с многослойным защитным профессиональным очень стойким винилом (вода, газ, жара, холод,…
Сохранить 15%
Наклейка на крышу автомобиля Alligator
201,00 € 237,00 € Вы экономите: 36,00 €
Наклейка на крышу автомобиля — Total Covering печатный клей с ламинированной защитой профессиональный высокостойкий винил (вода, газ,…
Скидка 15%
Наклейка на крышу автомобиля с шелковым узором
201,00 € 237,00 € Вы экономите: 36,00 €
Наклейка на крышу автомобиля — Total Covering печатный клей с ламинированной защитой профессиональный высокостойкий винил (вода, газ,.
org/Article»>
Обзор модели нового Range Rover Sport
Mitsubishi Pajero Sport: меняется облик, но не характер
Geely и Renault создадут совместное производство
Коробка и двигатель будут дольше служить: простейшие рекомендации
Основные причины неисправностей форсунок бензиновых двигателей
Блог о продаже автомобиля
1201
Как поменять маслосъемнеые колпачки без специалистов
Сальники клапанов, ещё именуемые за свою характерную форму маслосъёмными колпачками, выполняют в двигателе две противоположные функции. С одной стороны, они уплотняют масляный переход от верхней части стебля клапана, расположенной в пространстве масляного тумана зоны распределительных валов, а с другой – должны всё же пропускать небольшую часть масла для смазки пары трения клапан-втулка. Тепловой зазор там минимален, и при работе двигателя за счёт нагрева стебля выбирается практически в ноль, что без масляной плёнки привело бы к подклиниванию клапана в направляющей втулке.
Пропускать через зазор излишки масла очень нежелательно. Разность давлений способна перенести через втулку значительное его количество, в результате чего масло будет поступать в рабочую смесь, образуя нагар и увеличивая расход.
Конструкция сальника
Посадка клапана в направляющей втулке в определённой степени плавающая, поскольку, как уже упоминалось, там присутствует тепловой зазор. Отсюда к сальнику предъявляются высокие требования по упругости материала, что дополнительно усложняется его небольшими размерами. Типовой диаметр стебля варьируется у разных двигателей в диапазоне 6-8 миллиметров. Уплотнение обеспечивается за счёт упругой деформации синтетической резины сальника, а его рабочая кромка поджата кольцевой пружиной. При старении в условиях высокой температуры и агрессивной среды материал твердеет и теряет свои изначальные свойства.
По способу фиксации сальники подразделяются на два типа:
Колпачок имеет цилиндрическую форму и напрессован на верхнюю выступающую кромку втулки. Для снятия и аккуратной запрессовки на место потребуются специализированные приспособления. Так устроено большинство клапанных уплотнений;
Конструкция сальника имеет вид цилиндра с выступающим плоским фланцем, который поджимается нижней частью клапанной пружины. Такой тип упрощает установку и демонтаж. Дополнительным преимуществом является меньший нагрев арматуры колпачка за счёт отсутствия непосредственного контакта с втулкой, что актуально для уплотнения выпускного клапана.
Детали разных производителей отличаются качеством материала упругого уплотнения. Для лучших применяется фторсодержащий каучук.
Читайте также:Как продать авто в Могилеве выгодно и быстро
Периодичность замены уплотнений
Срок службы сальника сильно зависит от его качества и от конкретного мотора, в котором он применён. В среднем можно назвать ориентировочную цифру в 100 тысяч километров пробега. Но практически сальники заменяются либо при переборке головки двигателя, либо когда тест на определение причин повышенного масляного угара определит вину маслосъёмных колпачков.
Чаще всего это проявляется, когда после сброса газа или в первый момент перехода двигателя на режим принудительного холостого хода из выхлопной трубы вылетает комок сизого дыма. В отличии от расхода масла через кольца, когда дымление имеет стабильный характер и зависит от оборотов установившегося режима. Также при расходе через втулки клапанов больше страдают свечи, на них появляется характерный масляный нагар, он более светлый, чем при нарушениях в смесеобразовании, и обладает структурой.
Операции демонтажа перед заменой сальников клапанов без съёма головки
При отсутствии других неисправностей головку блока с двигателя снимать нет необходимости. Достаточно демонтировать клапанную крышку, разобрать привод механизма газораспределения, снять распредвалы и толкатели или коромысла клапанов, в зависимости от исполнения мотора.
Помимо стандартного набора инструмента, используемого при ремонте автомобилей, потребуется некоторое количество специализированных приспособлений:
Съёмник клапанных пружин, обычно называемый рассухаривателем. Это приспособление позволит нагрузить пружины для удаления сухарей, удерживающих верхние тарелки пружин;
Съёмник колпачков. Обычно он представляет собой зажим цангового типа, плотно охватывающий сальник и снабжённый силовым механизмом в виде винта или обратного молотка;
Для удаления и установки сухарей со стебля клапана потребуется пинцет;
Оправка для запрессовки новых колпачков. Удары по ним должны наносится строго в предусмотренный места, на которые и опирается оправка.
Порядок действий
Снять верхнюю крышку клапанного привода и кожухи передней стороны двигателя. Установить коленчатый вал в положение, предусмотренное для замены ремня;
Ослабить натяжение ремня ГРМ, снять его с ведомых шкивов распределительных валов и отсоединить шкивы;
Отвернуть крепления и снять распредвалы. При необходимости заменить сальники распредвалов;
Удалить толкатели клапанов, гидрокомпенсаторы или коромысла, чтобы получить свободный доступ к клапанным пружинам. Вывернуть свечи;
На некоторых двигателях придётся применить специальное приспособления для фиксации клапана через свечное отверстие. Можно использовать отрезок толстой верёвки. На других моторах достаточно поджать клапан мощной отвёрткой;
Установив рассухариватель, создать усилие на верхнюю тарелку пружины, после чего слегка пристукнуть по ней молотком. Пружина сожмётся и можно будет пинцетом удалить сухарики. Обращаться с ними осторожно, они имеют свойство подбрасываться пружиной и безвозвратно теряться. Лучше иметь несколько запасных;
Сняв пружины и их тарелки, надеть цанговый съёмник и демонтировать колпачок;
Аккуратно, с помощью приспособления напрессовать новый;
Установить в обратном порядке пружины, сухарики и убедиться, что они встали на своё место. Если клапан рассухарится при работе мотора, последствия будут затратными;
Проделать операции для всех прочих клапанов;
Сборка осуществляется в обратном порядке, уплотнения клапанной крышки заменяются на новые. Следует проверить состояние ремня ГРМ и его роликов, при появлении подозрений лучше сразу заменить и эти детали. Тщательно проверить установку ремня по контрольным меткам.
На качестве сальников лучше не экономить. Замена их занимает много времени и требует определённого уровня квалификации. Лучше использовать изделия проверенных фирм, тем более, что цена деталей даже в этом случае достаточно низкая. Несравнимо с затратами на проведение внеплановой работы по их замене. Использовать оригинал необязательно, как правило, в фирменной упаковке лежат те же детали, которые под маркировкой производителя в разы дешевле.
Нельзя демонтировать колпачки плоскогубцами. Направляющая втулка клапана обычно изготовлена из хрупкого материала и её легко повредить. А замена втулки является сложной операцией.
При запрессовке сальника на место надо чётко убедиться, что он дошёл до упора. Это легко определить по изменению характера реакции оправки на удары молотка. Крайности тут неуместны, как недопустимо лишь наживить сальник, так и перестараться с силой удара, маленький колпачок легко деформируется. Если такое случится, его надо снова заменить. Поэтому покупать сальники следует с небольшим запасом.
При надевании сальника на стебель клапана важно не повредить его рабочую кромку. Обычно в комплекте прилагается специальная технологическая накладка на стебель, по которой легко надевается смазанный моторным маслом колпачок.
Читайте также
Продажа авто при разводе, особенности и «подводные камни»
04 октября 2016
26102
У нас часто спрашивают, как же продавать машину, если она была приобретена в браке, развод не за горами или уже состоялся.
Подробнее…
Что делать, если дым из-под капота
24 августа 2021
1420
Сейчас уже не редкость, когда современные автомобилисты обладают знанием, умением и опытом в уходе, а также в простом ремонте своей машины. Но в экстренной и напряжённой обстановке они теряются, не понимая, что предпринимать и как поступать. Неожиданное возникновение задымления из-под капота — одна из таких ситуаций.
Объясним, что делать, если это случилось, а также что в таких обстоятельствах советуют делать знатоки, специалисты. И какие действия не нужно совершать, чтобы не ухудшить ситуацию.
Подробнее…
Первые симптомы поломки МКПП
05 июля 2018
30797
Первые симптомы поломки МКПП
Довольно часто автолюбители в силу неосведомленности не различают признаки поломки МКПП и неисправности сцепления. Механическая коробка менее требовательна в обслуживании, чем другие. Но даже самые надежные устройства в процессе эксплуатации подлежат износу – издают шум на холостых оборотах и при движении, а также плохо переключаются скорости. Причины, способные вызвать поломку МКПП:
нарушение правил эксплуатации;
низкое качество деталей;
максимальный срок службы КПП;
неумелый ремонт и ТО коробки передач.
Подробнее. ..
Почему аккумуляторная батарея выходит из строя
03 мая 2018
1825
Еще Шекспир писал, что ничего вечного «под Луной» не существует и это непосредственно относится к деталям и механизмам, которые находятся в постоянном движении, например, работают в автомобилях. Это понятно и без особых объяснений.
Подробнее…
Бензиновый или дизельный двигатель?
04 октября 2019
1997
Дизель или бензин: какой двигатель выбрать?
Один из критериев выбора авто для покупки – вид топлива, на котором работает мотор. Бензиновые и дизельные двигатели работают по одному принципу, основанному на внутреннем сгорании топлива. Технические характеристики и конструктивное устройство агрегатов отличается. Для правильного выбора автомобиля его будущий автовладелец должен понимать особенности обоих типов двигателя, которые имеют значение для эксплуатации машины в определенных условиях.
Подробнее…
Причины, по которым лучше воздержаться от кожаного салона в авто
14 марта 2019
1245
Почему не рекомендуется приобретать автомобили с кожаным салоном?
При выборе нового автомобиля многие отдают предпочтение кожаному салону, который воспринимается в качестве практичного, долговечного и привлекательного внешне решения. Но кожаный салон требует довольно внимательного ухода, а потерявшая свой внешний вид обивка нуждается в достаточно дорогостоящем восстановлении. Есть и другие причины отказаться от покупки авто с кожаным салоном, о которых речь пойдет ниже.
Подробнее…
Как лучше проезжать перекресток на «мигающий зеленый»
21 июня 2018
5760
Одной из самых распространенных аварийных ситуаций на дороге является проезд транспортного средства на мигающий зеленый сигнал светофора. Правила разрешают проезжать перекресток в такой ситуации, однако безопасно ли это? Для того, чтобы ответить на этот сложный вопрос необходимо осознавать все нюансы, которые влечет за собой то или иное действие водителя.
Подробнее…
Система пассивной безопасности автомобиля
12 октября 2018
4234
Любое транспортное средство, в том числе легковой автомобиль, всегда управляется водителем. Поэтому сейчас большое внимание уделяется системам защиты и безопасности. Но многие не знают, что различают две системы безопасности: активная и пассивная. Об активной безопасности известно всем, о ней всегда подробно рассказывают продавцы автомобилей, часто пишут в СМИ. Но на вопросы о пассивной безопасности немногие могут ответить правильно.
Подробнее…
В чем опасность перегрева тормозных дисков
11 июня 2018
2632
Большинство водителей с многолетним стажем за рулём, наверное, замечали, что после длительных поездок тормозные диски автомобиля нагреваются. И это неудивительно, потому что фрикционные поверхности испытывают большую силу трения при торможении.
Подробнее…
Машину уводит в сторону. Причины
12 августа 2019
2116
Почему машину может уводить в сторону
При активном использовании автомобиля, имеется вероятность возникновения неисправностей разного характера. Одна из таких распространенных неисправностей — это уход машины в одну из сторон при движении прямо. Проблема может проявляться по разному. В каком-то случае, автомобиль будет кренить вправо (или влево), в другом — слегка заносить в бок. Иногда, может даже сносить в сторону при снижении скорости. Для устранения проблемы необходимо выявить причины поломки автомобиля.
Подробнее…
Оценка стоимости автомобилей
Заполните форму онлайн-оценки рыночной стоимости автомобиля
Укажите все данные Вашего автомобиля . ..
марку и модель
год выпуска и состояние авто
технические характеристики
добавьте фото
… и получите достойную и реальную рыночную цену автомобиля
Оцените Ваш авто
Уходит легенда. Ностальгируем по былым временам авторынка в Малиновке, ныне выставленного на продажу
Спящие в салонах машин продавцы, ночные очереди …
Читать полностью в источнике
Выкуп автомобиля Вольво в Гомеле: автомобиль с целым списком проблем
Вам, наверное, кажется, что выкуп авто – это совершенно нудная и неинтересная процедура …
Читать полностью в источнике
Как у нас получилось выкупить BMW X5 E53, и что вообще из этого вышло
В один из дней перед Новым годом мы получили предложение на срочный выкуп авто марки BMW . ..
Читать полностью в источнике
Каким образом выгодно и надежно продать свой автомобиль в Бобруйске
Как срочно и дорого продать авто в Бобруйске, обращайтесь в специализированную фирму…
Читать полностью в источнике
Компания Автовыкуп бай — история выкупа откровенно проблемного авто
Сегодня мы хотим рассказать о выкупе проблемного автомобиля Пежо 807 с двигателем 2.0 HDI …
Читать полностью в источнике
Компания Автовыкуп бай — история выкупа Пежо 406 — леший с идеальным кузовом
На днях по услуге «Срочный выкуп авто» нам попался довольно интересный экземпляр …
Читать полностью в источнике
Наша компания имеет представительства во всех крупных городах Беларуси, поэтому автоскупка в Вашем городе происходит в самые короткие сроки. Опытные оценщики автомобилей готовы бесплатно выехать в самые отдаленные точки РБ. Мы осуществляем выезд на осмотр автомобиля по всей территории Беларуси.
Минск и Минская область
Борисов
Солигорск
Молодечно
Слуцк
Дзержинск
Вилейка
Марьина Горка
Брест и Брестская область
Барановичи
Пинск
Кобрин
Береза
Лунинец
Ивацевичи
Витебск и Витебская область
Орша
Новополоцк
Полоцк
Поставы
Глубокое
Лепель
Гомель и Гомельская область
Мозырь
Жлобин
Светлогорск
Речица
Калинковичи
Рогачев
Гродно и Гродненская область
Лида
Слоним
Волковыск
Сморгонь
Новогрудок
Ошмяны
Могилев и Могилевская область
Бобруйск
Горки
Осиповичи
Кричев
Быхов
Климовичи
Иван-16. 05.2022
Хочу сказать спасибо этой компании за работу. Продавал свой Додж Гранд. Состояние машины было нормальное. И естественно не хотелось продешевить и хотелось быстро продать. Поэтому и решил обратиться к скупщикам авто. Быстро договорились о встрече и в течение 2-х часов машина была продана. Деньги были выплачены сразу после заключения договора. Большое спасибо за отличный сервис!
Вадим-04.05.2022
Решил продать свою Киа Рио 2001 года. Позвонил в вашу компанию. Приехали на следующий день. Ребята управились всего за час. С меня требовалось только согласие. Сергей и Дмитрий немного поторговались, обрисовали рыночную ценовую политику. Все честно и позитивно. Спасибо вам за оперативную помощь! Если что, обращаться буду только к вам. Удачи вам, вы молодцы!
Дмитрий-25.04.2022
Пришлось срочно продать автомобиль BMW 7 2007 г. выпуска. Представители фирмы «Автовыкуп» приехали в день обращения, согласовав со мной конкретное время. Автомобиль проверили оперативно, быстро заключили договор купли-продажи, сразу выдали приемлемую сумму наличными. Благодарю за оперативность!
Ольга-18.04.2022
Срочно продавала Mazda 3, 2006 г. с большим пробегом. Долго искала перекупщиков через интернет. Случайно попалась на глаза ваша компания «Автовыкуп». Быстро пошли на контакт, машина продалась за 2 часа. Наличные получила на руки сразу же после заключения договора. Было приятно что Максим (директор фирмы) проявил личную заинтересованность в выкупе автомобиля по адекватной цене. Благодарю «Автовыкуп» за отличное обслуживание и желаю дальнейшего процветания вашей фирме!
Станислав-04.04.2022
Сервис супер! Для тех, кто хочет срочно продать машину, да еще и по справедливым расценкам. Приезжает грамотный оценщик. Ведет себя нормально, назначает хорошую цену. На рынке так выгодно точно не продать. Все сделали за пару часов. Не стал звонить, сразу поехал в фирму «Автовыкуп». Меня вежливо встретили. Через несколько минут подошел оценщик, осмотрел авто и через 15 минут назвал цену. Цена за Опель Астру выше средней неожиданно приятно удивила. Спасибо! Всем рекомендую!
Денис-30.03.2022
Когда продавал свой Ниссан Альмера Классик, звонил во все автовыкупы Минска. Эта фирма «Автовыкуп» предложила самую адекватную цену за авто. Обслуживание организовано на высоком уровне. Большое спасибо за качественную и быструю работу!
Никита-22.03.2022
Долго не мог продать свой Opel Astra 2007 года выпуска. Знакомый посоветовал обратиться в компании по автовыкупу. Обзвонил несколько фирм, и выбрал вашу. Выкупили машину по цене близкой к той, на которую я и рассчитывал. Деньги получил сразу. Удобно и быстро. Спасибо, буду рекомендовать вашу компанию своим друзьям и знакомым.
Николай-10.03.2022
Нужно было срочно продать мой автомобиль Volkswagen Polo, 2006 года выпуска. Рад, что обратился в эту компанию. Сделку оформили грамотно и оперативно. Не обманули. Цену выкупа назначили адекватную. Меня все устроило – и уровень обслуживания, и вежливое обращение.
Екатерина-17.02.2022
Нужно было срочно продать автомобиль Audi A5 (2001 г. в.). Обратилась в фирму «Автовыкуп». Сама продать не смогла бы, не было свободного времени. Позвонила в компании, занимающиеся срочным выкупом машин в Минске. Выбрала данную, поскольку устроила высокая сумма выкупа. Покупку оформили оперативно, деньги выдали сразу. Остались приятные впечатления о работе сотрудников фирмы, советую обращаться.
Андрей-05.02.2022
Пришло время продать старый автомобиль КИА Рио 2007 года выпуска и купить новую машину. Сам не стал заниматься продажей, быстрее это сделать с помощью интернета. Позвонил в несколько компаний, сделал выбор в пользу этой. Оценщик приехал вечером в день обращения, тогда же обо всем договорились и заключили сделку. Все получилось, спасибо!
Антон-12.01.2022
Обратился в эту компанию «Автовыкуп», чтобы выкупили мою битую Volvo S 30. Машину взяли в этот же день. В начале дня оставил заявку, договорились о встрече, обсудили тонкости оформления сделки. Вечером того же дня авто было продано за приемлемую сумму. Купля-продажа длилась не больше часа. Расплатились сразу, наличными. Доволен обслуживанием, благодарю!
Сергей- 08.12.2021
Надолго уезжаем жить за границу. Нужно было продать Mercedes s500, 2009 г. и Lexus RX 350, 2014 г. Обращались в несколько фирм по выкупу. Сумма выкупа устроила только в этой. О цене, которая нас устроила, заранее договорились по телефону. В назначенный нами день сотрудники фирмы приехали и выкупили наши машины. Профессионально сработано!
Егора-09.08.2021
Спасибо компании за срочный выкуп автомобиля Мазда 626 1999 г.в., несмотря на его плохое состояние. Действуют оперативно. Выкупили автомобиль через пару часов после того, как оставил заявку.
Вероники-09.06.2021
Услугами компании пользуюсь уже не первый раз. Некоторое время назад продала им свое б/у авто Ситроен Xsara. Теперь снова хочу обновить средство передвижения. В прошлый раз мне понравилась работа сотрудников компании. Поэтому решила обратиться снова. Продать авто получилось опять без проблем, сработали оперативно. Рекомендую всем! Огромное спасибо!!!
Владимира-17.06.2021
Выражаю компании искреннюю благодарность за срочный выкуп автомобиля БМВ 3-Series (E36) 2002 г. выпуска! Работу выполнили в кратчайшие сроки, быстро и качественно! Отдельное спасибо Маскиму и Дмитрию за оперативную работу.
Виктора-17.08.2021
Благодарен парням за профессионализм, быстрый отклик и дружелюбное отношение к клиентам. Помогли продать мой поломанный БМВ 2010 года выпуска. Ребята приехали в день обращения. Провели тщательный осмотр машины, сделали оценку. Расплатились сразу, всю сумму отдали наличными. Рекомендую!
Артема-20.08.2021
Спасибо компании «Автовыкуп» и лично Максиму за то, что сделали выходную оценку моему автомобилю Пежо 2000-го года, оперативно выкупили машину. Спасибо за профессионализм и вежливость!
Ирины-22.06.2021
Спасибо за срочный выкуп моего автомобиля Citroen 2014 года. Ребята откликнулись сразу, приехали через некоторое время после моего звонка. Осмотрели машину, проверили функции, назначили неплохую цену. После того, как оформили все документы, довезли меня до дома. Спасибо за качественное обслуживание и вежливое обращение!
Читать больше отзывов
Как поменять маслосъемные колпачки на ВАЗ-2106 своими руками – инструкция
Маслосъемные колпачки предотвращают попадание масла из двигателя в камеру сгорания через специальные отверстия, в которых двигаются клапаны газораспределительного механизма. Установка оси клапана в специальное отверстие, имеющее тепловой зазор, может быть причиной появления смазки в среду камеры сгорания.
По этой причине необходимо уплотнение отверстий, для чего предусматриваются маслосъемные колпачки из силикона.
Содержание
Признаки, говорящие о протекании масла в камеру сгорания
При проникновении в места высокого температурного режима масло сгорает, тем самым превращаясь в дым голубоватого оттенка. Если появление масла в месте высокой температуры случается именно через отверстия, в которых двигаются клапаны, дым появляется в момент запуска двигателя и прекращает с его прогревом.
При этом может обнаружиться излишний расход масла, а также появляется на свечах маслянистый налет.
Оборудование и инструмент для работы
Замена маслосъемных колпачков ВАЗ-2106 следует проводить прямо на транспортном средстве, что существенно упрощает и может ускорить работу. Выполнение данных действий не требует снимать, потом устанавливать на место элемент блока ГРМ. Достаточно запарковать автомобиль в место, которое защищено от пыли, грязи и атмосферных осадков.
Затягиваем ручной тормоз и ставим кулису переключения передач в нейтральное положение.
Для замены маслосъемных сальников на автомобиле ВАЗ-2106 необходимо иметь комплект новых маслосъемных колпачков и новой прокладки под крышку ГРМ, набор рожковых ключей и некоторое приспособление.
Подготовка к работе:
Перед тем как начинать работу, рекомендуется ознакомиться с видео по замене маслосъемных колпачков на вашем автомобиле. С самого начала следует хорошо протереть верхнюю часть ГРМ, а также крышку механизма.
Чтобы было более удобно, необходимо открутить корпус воздушного фильтра, замотать пленкой либо тканью карбюратор от попадания в него посторонних предметов, влаги и грязи во время работы. Открутить свечи и убрать крышку с прокладкой.
4-й цилиндр необходимо переместить в ВМТ (верхняя мертвая точка) в такт сжатия. Для этой цели следует вращать коленчатый вал до того положения, при котором впускной и выпускной клапан 4-го цилиндра останутся в закрытом положении перед прохождением и после прохождения ВМТ. Такое нахождение поршня следует определять по расстоянию между клапанами и коромыслами.
Выяснить, в каком положении находиться поршень, можно любым стержнем, замеряя расстояние в отверстии для свечи. Также следует проверить, совпадают ли метки на звездочке и корпусе.
Читайте также: Как научиться чувствовать габариты машины
После снятия звездочки с распределительного вала проводим следующие действия:
откручиваем гайки, что удерживают корпус распредвала, и снимаем его вместе с валом;
при помощи отвертки приподнимаем прижимную пружину, с небольшим усилием вытаскиваем нажимной рычаг, выдвигаем пружину из-под стопора и выбираем наружу;
при помощи свечного отверстия между днищем поршня и клапаном необходимо вставить мягкую проволоку, чтобы клапан не опускался в момент нажатия на пружину;
на самую ближнюю к клапану шпильку корпуса распределительного вала следует накрутить гайку, за которую при помощи захвата цепляем специальный съемник либо конец приспособления, сделанного своими руками. Оно с обеих сторон охватывает шпильку, упираясь в нижнюю плоскость гайки, ложится на верхнюю тарелку над пружиной;
шток клапана с сухарями пропускаются между пластинами съемника;
нажать на рычаг приспособления, пружины должны сжаться, сухарики с тарелкой опускаются вниз, сухарики попадают в место более узкой части на штоке, а затем выходят из отверстия тарелки. Далее необходимо при помощи пинцета либо плоскогубцев выбрать их;
если сухарик залип и не выходит при сильном сжатии пружины, необходимо легким ударом молоточка по тарелке выбить их.
Освобождаем наше приспособление и снимаем его. Затем следует выполнить следующее:
снимаем тарелку, а затем наружную и внутреннюю пружины;
достаем нижнюю шайбу внутренней и наружной пружины;
при помощи плоскогубцев захватываем маслосъемный колпачок, покачивая, вытягиваем его по штоку клапана;
устанавливаем новый силиконовый колпачок, после чего собираем клапан в обратной последовательности;
последовательно разбираем и собираем с новыми маслосъемными колпачками клапаны 4-го и 1-го цилиндров;
после этого, удерживая звездочку, проворачиваем коленвал до перехода в верхнюю мертвую точку поршней 2-го и 3-го цилиндров. Проводим на их клапанах аналогичную процедуру.
После всей работы собираем двигатель в обратном порядке.
Как вам статья?
Почему мой масляный фильтр протекает?
В результате утечки масла под двигателем может остаться несколько капель или большая лужа. Игнорирование протекающего масляного фильтра может быстро привести к дорогостоящему повреждению двигателя.
Существует семь распространенных причин, по которым протекает масляный фильтр. Знание возможных причин поможет вам определить, какие шаги следует предпринять для устранения проблемы.
Для удаления загрязнений до начала цикла смазки моторное масло подается непосредственно от масляного насоса через масляный фильтр. При полном давлении масла кажущаяся незначительной утечка масляного фильтра может быстро обернуться катастрофой. Если масло не хлещет из масляного фильтра, в большинстве случаев замена масляного фильтра — это операция своими руками. Никогда не пытайтесь ремонтировать или повторно использовать масляный фильтр.
На этой странице
Двойная прокладка
Наиболее распространенной ошибкой при замене масляного фильтра является «двойная прокладка». Это происходит при замене масляного фильтра. Старая прокладка фильтра приклеивается к двигателю, а новый масляный фильтр и прокладка устанавливаются поверх старого.
После снятия старого фильтра убедитесь, что его прокладка все еще установлена на фильтре. Если вы случайно проложите масляный фильтр двойной прокладкой, есть надежда, что он лопнет (создав неприятный беспорядок), как только двигатель запустится, а не во время движения по дороге.
Прокладка масляного фильтра
Проверьте резиновую монтажную прокладку, чтобы убедиться, что она не порезана, не надрезана, не перекручена и не повреждена каким-либо образом, а также правильно установлена и плотно прилегает к основанию фильтра. Всегда устанавливайте новый фильтр, если прокладка плохая.
Обязательно очистите место, где прокладка соприкасается с двигателем, от грязи и пыли и полностью удалите весь старый материал прокладки, который может прилипнуть к монтажной поверхности. Используйте обезжириватель для очистки поверхности контакта с прокладкой и пальцем нанесите тонкий слой нового масла на прокладку перед установкой нового фильтра.
Чрезмерное или недостаточное затягивание
Помимо того, что при замене масляного фильтра его сложно снять, чрезмерное затягивание может привести к повреждению прокладки фильтра, что приведет к утечке. Если не затянуть должным образом, любая деталь автомобиля, предназначенная для герметизации от утечек, ослабнет из-за обычной вибрации двигателя или движения и вызовет утечки.
Масляные фильтры должны быть затянуты вручную, а затем повернуты на четверть оборота, чтобы надежно закрепить их, но не слишком туго. Никогда не используйте ключ для масляного фильтра для затягивания масляного фильтра — только для его снятия.
Переходник для крепления масляного фильтра (корпус фильтра)
Для установки масляного фильтра некоторые производители используют переходник или корпус фильтра, который крепится болтами к двигателю, а не прикрепляется непосредственно к двигателю. Чрезмерная затяжка фильтра может повредить не только прокладку масляного фильтра, но и прокладку между адаптером и двигателем.
Убедитесь, что ниппель, на который навинчивается фильтр, затянут внутри адаптера. Ниппели могут иметь резьбу с обеих сторон и могут ослабевать при откручивании старого масляного фильтра. Прокладка фильтра может не полностью прилегать, если резьба ослаблена и протекает. Оставьте это исправление вашему механику.
Поврежденная резьба
Резьба опорной плиты масляного фильтра мягче, чем резьба на монтажном ниппеле, и может иметь перекрестную резьбу, если масляный фильтр при установке закручен криво. Вам нужно будет установить новый фильтр, если резьба повреждена. Если вы без проблем закрутите новый фильтр и нет явных утечек масла, это все еще , неплохо, чтобы ваш механик проверил резьбу ниппеля крепления фильтра на наличие повреждений.
Неправильный фильтр
Проверьте в руководстве пользователя правильный номер фильтра для вашего конкретного двигателя. Фильтр может показаться тугим при установке, но резьба может не совпадать с резьбой монтажного ниппеля. Это приведет к тому, что фильтр со временем ослабнет и начнет течь.
Кроме того, неправильный фильтр может иметь неправильный перепускной клапан. Значение байпаса открывается, чтобы защитить двигатель от масляного голодания, если фильтр засорится. Если вы не уверены, что устанавливаете правильный фильтр, доверьте это своему механику.
Повреждение корпуса масляного фильтра
Камни, камни или дорожный мусор могут пробить внешнюю оболочку корпуса масляного фильтра. Если из фильтра вытекает масло, выключите двигатель и немедленно вызовите эвакуатор в ремонтную мастерскую.
Это фильтр?
Масло из датчика давления масла или практически любой другой прокладки или уплотнения двигателя может вытекать через масляный фильтр. Если сам масляный фильтр не протекает, важно, чтобы ваш механик проверил, какое уплотнение или прокладка являются виновниками.
Наиболее частая причина утечек масла — отсутствие технического обслуживания. Слишком длинные интервалы между заменами масла приводят к тому, что масло разрушается и загрязняется. Загрязненное масло разъедает и разрушает прокладки и уплотнения, что приводит к утечкам масла.
Масляный фильтр удаляет загрязнения из моторного масла. Замена масляного фильтра при каждой замене масла является одним из наименее дорогих и наиболее эффективных способов продлить срок службы двигателя. Всегда следуйте местным инструкциям по правильной утилизации отработанного моторного масла и фильтров. Если вы не уверены, что вызывает утечку, попросите вашего механика проверить это. Устранение течи убережет вас от дорогостоящего ремонта.
Боб Лацивита
Боб Лацивита — отмеченный наградами автомобильный техник ASE и General Motors, преподаватель и независимый писатель, который писал о ремонте автомобилей своими руками и темах обслуживания транспортных средств. Его работы были представлены в The Family Handyman, книге Reader’s Digest и журнале Classic Bike Rider. Он был карьерным и техническим педагогом в течение 25 лет, преподает автомобильные технологии, а также пишет гранты для государственных, федеральных и организационных фондов. Он также помог разработать уникальную модель учебного плана, которая органично интегрирует строгие, актуальные академические стандарты в профессиональное и техническое образование.
Устранение утечки масла своими руками
– Power Oil Center
Обнаружение утечки масла под автомобилем определенно вызывает беспокойство. Утечки масла часто являются симптомами более серьезной проблемы, и вы не можете позволить себе их игнорировать. Хорошей новостью является то, что также довольно легко выяснить, что вызывает утечку масла, что дает вам варианты, как это исправить.
Главное, ни в коем случае нельзя игнорировать утечку масла. Не нужно просто доливать новое масло и идти своей дорогой. Утечки масла требуют немедленного внимания. Давайте посмотрим, что может быть причиной утечки и как вы можете это исправить.
Признаки утечки масла
Темная лужа в вашем гараже или на подъездной дорожке, вероятно, является наиболее очевидным признаком утечки масла. Но если вы не привыкли заглядывать под свой автомобиль или проверять, когда вы уезжаете, эта лужа не всегда является первой вещью, которую вы замечаете.
Если вы относитесь к самым осторожным автовладельцам, вы, вероятно, регулярно проверяете уровень масла. Если у вас более современный автомобиль, у вас может быть индикатор на приборной панели, который предупредит вас о низком уровне масла. Скорее всего, это первое, что вы заметите.
Еще одним признаком утечки масла является сизый дым, выходящий из выхлопной трубы. Это означает, что масло свободно находится в моторном отсеке.
Вы также можете заметить запах горелого масла. Если вы обнаружили лужу под автомобилем, важно внимательно ее осмотреть. Если при проверке пальцем жидкость красного цвета, вероятно, это трансмиссионная жидкость. Если жидкость выглядит зеленой или оранжевой, скорее всего, это охлаждающая жидкость. Жидкость от коричневого до черного цвета указывает на утечку масла.
Общие причины утечки масла
Наиболее распространенной причиной утечки масла является изношенная или треснутая прокладка двигателя. Прокладка двигателя работает как уплотнение, чтобы масло не вытекало из двигателя. Другие причины утечек масла включают течь масляного поддона, течи клапанной крышки, изношенные сальники или плохие соединения.
Чтобы точно выяснить причину утечки, вам необходимо исследовать каждую из этих областей. Как и в случае любой механической работы своими руками, всегда полезно сначала проверить самое простое и дешевое решение. В этом случае вам нужно исключить незакрепленную или отсутствующую масляную пробку и незакрепленный масляный фильтр.
Проверьте сливную пробку и при необходимости затяните ее, но не перетягивайте. Следующий шаг — проверить фильтр и убедиться, что он не ослаблен.
Обнаружение утечки масла
После того, как вы убедились, что масляный фильтр или сливная пробка не виноваты в вашей утечке, пришло время начать поиск в другом месте. Первый шаг — открыть капот и поискать масляные пятна.
Сначала посмотрите на клапанную крышку, чтобы убедиться, что вокруг этой области нет масла. Прокладки и сальники клапанных крышек являются распространенными местами утечек масла. Если здесь есть масло, вам просто нужно будет снова уплотнить прокладку клапанной крышки.
Для этого выполните следующие действия:
Дайте двигателю полностью остыть, если он ранее работал.
Снимите клапанную крышку и палаточную газету над открытым двигателем, чтобы ничего не упало внутрь.
Снимите старую прокладку клапанной крышки и замените ее новой.
Нанесите силикон, если это требуется в руководстве по эксплуатации или инструкциях по прокладкам. Перед нанесением силикона обязательно удалите все масло с поверхностей. Перед запуском двигателя дайте силикону высохнуть в соответствии с инструкциями.
Установите на место клапанную крышку и затяните болты с требуемым моментом затяжки для вашего двигателя. Замените все, что вам, возможно, пришлось удалить, прежде чем снимать клапанную крышку.
Чтобы удостовериться, что причина утечки именно в этом, рекомендуется заменить новое масло, а затем некоторое время следить за уровнем масла, чтобы увидеть, не вернется ли утечка.
Жидкость для устранения утечек моторного масла
Еще один распространенный способ быстро остановить утечки масла, не тратя много времени на их поиск, помимо комбинации фильтра и заглушки, упомянутой выше, — использовать жидкость для устранения утечек. На рынке есть много разных, но они, как правило, служат одной цели: проникнуть внутрь вашего двигателя и привести в порядок уплотнения.
Жидкости, такие как Bar’s Leaks Oil Seal, могут остановить утечки, исходящие из вашего основного уплотнения, уплотнения крышки привода ГРМ, уплотнения крышки клапана и т. д. Эти жидкости лучше всего использовать, когда вы впервые обнаруживаете утечку масла, но они также могут работать с утечками, которые были там в течение некоторого времени.
Если вы определили, что ваша утечка исходит из заднего главного уплотнения, вам нужно найти формулу, которая явно работает в этой области, например, Bar’s Leaks Rear Main Seal Repair. Утечки заднего главного уплотнения трудно устранить из-за того, что к ним трудно получить доступ.
Тем не менее, прежде чем прибегать к формулам для устранения утечек, рекомендуется попытаться найти реальную утечку масла. Помните также, что формула «стоп-течь» может занять несколько миль, поэтому вам все равно нужно будет следить за уровнем масла.
После локализации и устранения утечки масла рекомендуется произвести замену масла. Используйте комплект для замены масла от Power Oil Center, чтобы быстро вернуть свой автомобиль на дорогу.
В наших комплектах для замены масла с фильтром есть все необходимое, чтобы легко заменить масло в гараже или на дороге.
Компактный внешне и удивительно просторный внутри. Быстрый, но экономичный. Способный одинаково успешно ездить
в любых погодных условиях и в городе, и на трассе, и по проселку. Красивый, комфортный, недорогой. Казалось бы,
автомобиль не может сочетать в себе так много плюсов, но LADA Granta — это под силу.
Уникальное сочетание динамичного дизайна и вместительности
LADA Granta
Сочетая самое лучшее
Народный автомобиль стал ярче и привлекательнее: Granta получила черты современной ДНК стиля LADA. «Икс»-графика переднего бампера, выразительная светотехника, рельеф багажника и, конечно, множество практичных
улучшений — это LADA Granta, любимая.
Онлайн-заказ
Узнать об акциях
Запись на тест-драйв
Аксессуары
Большие зеркала — гарантия отличной обзорности.
Задние датчики парковки — более надежная страховка при маневрировании задним ходом.
Забота о каждом
Что может сравниться с той радостью, когда дарят подарок, который ты давно хотел? Только радость человека,
которому даришь то, о чем он давно мечтал. Но потребности даже близких людей иногда понять непросто. Хорошо,
что есть машина, умеющая учитывать самые разные запросы.
Loading…
This content requires HTML5 with CSS3 3D Transforms or WebGL.
Please enable Javascript!
Новое в знакомом
А ведь правда, мы становимся лучше, умнее, опытнее, сильнее. Мы радуемся, открывая что-то новое в себе и рядом
с собой. Замечаем, когда меняется действительно что-то важное — стиль, комфорт, возможности любимого
автомобиля.
Настройка сиденья водителя
Удобная настройка сиденья водителя по высоте: регулировка в диапазоне 40 мм.
Датчик дождя
Помогает при нестабильной и слякотной погоде, позволяет не отвлекаться на очистку стекол.
Повысит комфорт и поможет избежать нарушений скоростного режима во время дальних поездок.
Автоматическая коробка передач
Обеспечивает классический функционал АТ, максимально комфортное переключение передач и движение в
городском потоке.
Обогрев ветрового стекла
Простое нажатие кнопки заменяет 10 минут ручной очистки обледенелого стекла.
Спортивный режим АМТ
Добавить драйва можно простым нажатием кнопки.
Климат–контроль
2 градуса — такова точность автоматического поддержания температуры в салоне.
Комбинация приборов с белой подсветкой.
Система экстренного оповещения ЭРА-ГЛОНАСС.
Ответственность и безопасность
Мир скоростей требует повышенного внимания. И повышенной отдачи: я слежу не только за собой, но и помогаю
близким. А технологии помогают мне — ощутимо и эффективно! Особенно когда это комплекс электронных
помощников водителя. Благодаря проработанной силовой структуре кузова и современным системам безопасности LADA Granta лифтбек
выполняет российские и европейские требования по защите водителя, пассажиров и пешеходов.
Подушки безопасности
Две фронтальные подушки безопасности — необходимая защита водителя и пассажира
Система торможения ABS+BAS
Система ABS сокращает тормозной путь автомобиля и сохраняет управляемость при экстренном торможении
Курсовая устойчивость ESC
В случае заноса автомобиля система распознает его, и, притормаживая отдельными колесами, стабилизирует
направление движения
Помощник на подъеме HSA
Служит для предотвращения откатывания автомобиля при начале движения на подъеме, заносов при трогании с
места под уклон
Движение к мечте
Острая управляемость — неотъемлемое свойство современного динамичного автомобиля. Поэтому для LADA
Granta специалисты АВТОВАЗа и Альянса Renault-Nissan разработали особые характеристики подвески: амортизаторов,
пружин, сайлент-блоков и стабилизаторов поперечной устойчивости.
Жизнь, приправленная мощностью
Гамма двигателей мощностью 87, 98 и 106 л.с. позволяет выбрать автомобиль в соответствии со своим стилем
вождения. Все моторы оснащены облегченной шатунно-поршневой группой, что улучшает характеристики и повышает
ресурс.
Рабочий объем 1596 см Мощность 87 л.с. (64 кВт) при 5100 об/мин Момент крутящий 140 Нм при 3800 об/мин Топливо Бензин, min 95
Рабочий объем 1596 см Мощность 98 л.с. (72 кВт) при 5600 об/мин Момент крутящий 145 Нм при 4000 об/мин Топливо Бензин, min 95
Рабочий объем 1596 см Мощность 106 л.с. (78 кВт) при 5800 об/мин Момент крутящий 148 Нм при 4200 об/мин Топливо Бензин, min 95
Цветовая гамма
Узнайте больше интересной и полезной информации о модели LADA Granta лифтбек
Скачать брошюру
Придайте своему автомобилю индивидуальность с оригинальными аксессуарами
Данные по расходу топлива определены в стандартизованных условиях с применением специального
измерительного оборудования, в соответствии с требованиями ГОСТ Р41.101–99 (Правила ЕЭК ООН №101).
Служат для сравнения автомобилей различных автопроизводителей. Эксплуатационной нормой не являются.
Volkswagen представил новый лифтбек. Фото :: Autonews
adv.rbc.ru
adv.rbc.ru
adv.rbc.ru
Autonews
Телеканал
Pro
Инвестиции
Мероприятия
+
Новая экономика
Тренды
Недвижимость
Спорт
Стиль
Национальные проекты
Город
Крипто
Дискуссионный клуб
Исследования
Кредитные рейтинги
Франшизы
Газета
Спецпроекты СПб
Конференции СПб
Спецпроекты
Проверка контрагентов
Библиотека
Подкасты
ESG-индекс
Политика
Экономика
Бизнес
Технологии и медиа
Финансы
РБК КомпанииРБК Life
adv. rbc.ru
Фото: Volkswagen
adv.rbc.ru
Читайте также
Компания Volkswagen рассекретила Lamando нового поколения для китайского рынка. Эта модель выпускается с 2014 г. совместным предприятием SAIC-VW. После смены поколения машина переехала на новую платформу и превратилась в настоящий лифтбек. До этого автомобиль представлял собой среднеразмерный седан. Кроме этого, изменилось и название модели на Lamando L.
Lamando второго поколения обзавелся оптикой в стиле немецких электрокаров ID. Family. Также лифтбек получил спортивные бамперы, рельефный капот и большой воздухозаборник. Кроме этого автомобиль оборудовали, безрамочными дверьми и широкой решеткой радиатора.
adv.rbc.ru
В салоне машины установили цифровую приборную панель, которая визуально объединена с экраном мультимедийной системы. Лифтбек оснастили камерой заднего вида, проекционным дисплеем и панорамным люком.
Новинку построили на платформе MQB Evo. Это же шасси использует, например, хэтчбек Golf восьмого поколения. Длина машины составляет 4784 миллиметров. Таким образом, по своим габаритным размерам Lamando уступает лифтбеку Arteon.
Пока новинка получила безальтернативный 1,4-литровый бензиновый мотор мощностью 150 лошадиных сил. Агрегат работает совместно с семиступенчатым «роботом». В будущем гамма моторов автомобиля будет расширена.
adv.rbc.ru
adv.rbc.ru
фотографий лифтбека на Flickr | Фликр
Кемпинг Сьерра Деннис Мэттис
29
Ford Sierra в Бремене.
Тойота Корона Лифтбэк от млокрен
29
Снято примерно с расстояния 360 мм (эквивалент 35 мм). Обрезано до соотношения сторон 21:9 для «кинематографического» вида.
Британский Эленд Деннис Мэттис
32
(Leyland) Princess 2200 HLS на Oldtimermarkt Bockhorn.
Редкая немецкая экспортная версия.
Из-за низкого качества и ужасного снабжения запчастями его быстро стали презирать в Германии.
Вскоре он получил прозвище «Британский Эленд» («Эленд» в переводе с немецкого означает «страдание»).
Мустанг II Деннис Мэттис
30
Ford Mustang II на выставке автомобилей США в Бремене.
Сьерра Деннис Мэттис
25
Ford Sierra на Олдтаймермаркт Бокхорн.
1802 гастроли Деннис Мэттис
35
BMW 1802 Touring в Гамбурге.
Солнечный Деннис Мэттис
24
Nissan Sunny на Schuppen 1 в Бремене.
Toyota Celica 1600 ST Лифтбэк 1977 Автор Воутер Брегман
31
Japan Classic Sunday 2022
Gemert, Нидерланды.
ГС Деннис Мэттис
24
Citroën GS на выставке Oldtimertage Nordenham.
Додж Стелс Р/Т 3.0 V6 1992 Автор Воутер Брегман
26
Зутервуде-Рейндейк, Нидерланды.
1 из 600 toyota celica gt liftback us grand prix edition usgp 1980 Джефф Годдин
46
Шевроле Камаро по D70
17
Кокитлам, Британская Колумбия, Канада,
Третье поколение (1982–1992 гг.)
Пони-кар,
Мускулкар,
2-дверный лифтбэк,
Сьерра Деннис Мэттис
22
Ford Sierra на Олдтаймермаркт Бокхорн.
Скорпион Деннис Мэттис
19
Ford Scorpio на Олдтаймермаркт Бокхорн.
МГ Б ГТ JLG850L Эндрю 2.8i
24
Автомобиль: MG B GT.
Год выпуска: 1972.
Дата первой регистрации в Великобритании: 1 августа 1972 года.
Альбом: Pembrokeshire County Car Run Сентябрь 2022
2000 Хонда Инсайт по D70
17
Для моего видео; youtu.be/dcEgvKfs1X0,
5th Annual, Great Bear Pub, Show & Shine, 5565, Kingsway, Burnaby, British Columbia, Canada
Metrotown, Burnaby, British Columbia
Машина для зрителей.
Основанный на концепт-каре Honda J-VX, представленном на Токийском автосалоне 1997 года, Insight был представлен в Японии в ноябре 1999 года как первый серийный автомобиль с интегрированной системой помощи при движении Honda. В следующем месяце, в декабре 1999 года, Insight стал первым гибридом, доступным в Северной Америке, а семь месяцев спустя последовал Toyota Prius.
Малолитражный автомобиль
3-дверный лифтбэк
Двигатель 1,0 л ECA1 I3
Электродвигатель
144 V
10 кВт (13 л.с.) при 3000 об/мин
Ulev/Sulev
5-ступенчатая ручная передача
CVT Automatic
Hybrid Dravetrainparalle Hybrid (Honda Integrated Motor Assist)
Saab 900 начал свою жизнь в 1968 году как Saab 99. В 1978 году модели Combi-Coupé с лифтбеком были переименованы в 900. Эта модель производилась до 1993 года. Это модель, существовавшая до фейслифтинга 1987 года.
1987 Plymouth Horizon Turismo Duster от Фоден Альфа
40
Я ожидал, что это будет Dodge Daytona или Chrysler Laser… но нет! Это Плимут Туризмо Дастер! Из Вашингтона этот хэтчбек/лифтбек почти в идеальном состоянии. Я бы предположил, что это редкая машина сегодня. Я не помню эту машину. Они продавались в Канаде? Мы получили все три версии этого автомобиля?
МГ Б ГТ UOT6H Эндрю 2.8i
18
Автомобиль: MG B GT.
Год выпуска: 1969.
Дата первой регистрации в Великобритании: 9 января 1970 года.
Последний зарегистрированный пробег: Нет истории ТО, в настоящее время на SORN.
Дата съемки: 13 июня 2018 г.
Альбом: Брошенные и заброшенные автомобили
Ford Capri 2.8 Впрыск Специальный B204YUH Эндрю 2.8i
20
Автомобиль: Ford Capri 2.8 Injection Special.
Год выпуска: 1984.
Дата первой регистрации в Великобритании: 7 августа 1984 года.
Место регистрации: Хаддерсфилд.
Дата последнего ТО: 10 марта 2018 г.
Пробег на последнем ТО: 39 647.
Последняя смена хранителя: 28 августа 2014 г.
Дата съемки: 12 февраля 2017 г.
Место: Квин-сквер, Бристоль, Великобритания.
Альбом: Avenue Drivers Club Февраль 2017
Бьюик Скайхок 1985 года выпуска от Фоден Альфа
32
Это единственный 2-дверный J-Body 80-х годов, который я видел за все годы наблюдения за автомобилями.
Я еще не видел хэтчбек/лифтбек J-Body.
Год: 1985
Марка: Buick
Model: Skyhawk
VIN: 1G4JS27P9FK470436
Mileage: 316,864 km (CarFax calculated)
Other info: 2.0L 4Cyl
AirCare 11/21/2013 — 178,999 km,
06/06/2012 — 173,999 km ,
06/06/2011 — 168 999 км,
06/11/2010 — 163 999 км,
21.06.2009 — 157 000 км,
06/06/2008 — 149 999 км,
12/07. 07/07. /2006 г. — 138 999 км,
25.11.2005 г. — 130 999 км,
29.01.2004 г. — 123 000 км,
23.01.2002 — 120 000 км,
28.01.2002 ——,
22.01.2000 — 109 000 км,
18.01.1999 — 3 104 000 км /26.1998 — 95000 км,
12.01.1997 — 86000 км,
01.02.1996 ——,
22.10.1995 — 80000 км,
10/10/10/10/1995 1994 — 75 000 км,
19.10.1993 — 71 000 км,
18.10.1992 ——,
05.10.1992 — 62 000 км (как ни странно, одно испытание провалено)
МГ Б ГТ TYB160M Эндрю 2.8i
30
Автомобиль: MG B GT.
Дата первой регистрации: 7 августа 1973 г.
Регион регистрации: Сомерсет.
Последний зарегистрированный пробег: 70 610 (ТО 1 сентября 2017 г.).
Дата последней версии V5: 7 апреля 2014 г.
Дата съемки: 8 февраля 2015 г.
Место: Queen Square, Бристоль, Великобритания.
Альбом: Avenue Drivers Club Февраль 2015
1981 Toyota Celica (RA40) 2000 LT Лифтбэк А Ю
19
Регистрация отменена 01.07.2017.
Возможно, сейчас на клубных тарелках.
Hatchback Stock-Fotos und Bilder — Getty Images
CREATIVE
EDITORIAL
VIDEOS
Beste Übereinstimmung
Neuestes
Ältestes
Am beliebtesten
Alle Zeiträume24 Stunden48 Stunden72 Stunden7 Tage30 Tage12 MonateAngepasster Zeitraum
Lizenzfrei
Lizenzpflichtig
RF und RM
Durchstöbern Sie 6.723
hatchback Stock-Fotografie und Bilder. Oder starten Sie eine neuesuche, um noch mehr Stock-Photografie und Bilder zu entdecken. собака в задней части автомобиля, упакованного для отпуска — хэтчбек стоковые фото и фото семейства авто — хэтчбек стоковые фото и фото — хэтчбек со стоковыми фотографиями и билдерсити и семейными автомобилями — хэтчбек со стоковыми изображениями, -клипарт, -мультфильмы и -символы ландлихен драйв — хэтчбек со стоковыми фотографиями и билдерсемейные отправляются в отпуск погрузка универсал — хэтчбек со стоковыми фотографиями и билдеркар с открытым хэтчбеком — хэтчбек стоковые фотографии и фотографии французских бульдогов, доберман и пфютце сидят в кофеварке — хэтчбек стоковые фотографии и фотографии 3 — хэтчбек стоковые фотографии и фотографии2023 mini cooper jcw im herbst park land — хэтчбек стоковые фотографии и фотографии женщина выгружает покупки из машины — хэтчбек сток -fotos und bilderautotyp-symbole bearbeitbarer strich. enthält symbole wie transport, elektroauto, lkw, limousine, cuv — хэтчбек сток-графика, -клипарт, -мультфильмы и -symbolejunger mann hilft freund in neues zuhause zu ziehen — хэтчбек сток-фотографии и бильдеравто-унд моторрад-иконен — хэтчбек сток- grafiken, -clipart, -cartoons und -symboleseat leon fr roten kleinwagen auf der straße — хэтчбек стоковые фото и бильярдный кофе. — хэтчбек сток-фото и фотовыходные выходные на морской пляж на машине — хэтчбек сток-фото и бильярдное поколение mini cooper s — хэтчбек сток-фото и фотографии на берегу — хэтчбек сток-фото и фото alfa romeo auto model mito auf der straße geparkt — хэтчбек сток-фотографии и транспортировка — набор векторных иконок — хэтчбек сток-графика, -клипарт, -мультфильмы и -символыклассические фсо-полонезы на выставке — хэтчбек сток-фото и бильдеральтерес, которые можно найти в кофейне и найти в магазине — хэтчбек Stock-fotos und bilderälteras paar glückliche reisende sitzen im auto öffnen kofferraum — хэтчбек stock-fotos und bilderluggage in a car boot — хэтчбек stock-fotos und bilderfamily распаковка багажа из машины — хэтчбек stock-fotos un d bildersilbernes mini cooper in toronto — хэтчбек стоковые фотографии и фотографии mini countryman auf der farm — хэтчбек стоковые фотографии und bildermazda 3 — хэтчбек стоковые фотографии и фотографии megane e-tech auf einem parkplatz geparkt — хэтчбек стоковые фотографии и фотографии 2023 mini cooper jcw im herbst parkland — хэтчбек стоковые фото и фотографии2023 mini cooper jcw на городской улице в дер abenddämmerung — хэтчбек стоковые фото и фотографии2023 mini cooper jcw im parkland — хэтчбек стоковые фото и фотографии toyota prius plug-in hybrid auf einem parkplatz — хэтчбек сток -fotos und bildermazda2 auf einem parkplatz — хэтчбек сток-fotos und bilderfiat tipo cross auf einer straße — хэтчбек сток-fotos und bilderroter liftback opel insignia grand sport auf einem parkplatz — хэтчбек сток-fotos und bildertoyota corolla hybridauto auf einem parkplatz — хэтчбек сток- fotos und bildercurbside pickup keine kontaktlieferung von merchandise автомобиль багажник или люк — хэтчбек сток-график, -cli часть, -мультфильмы и -symboleauto-iconen.
«Можно ли полировать лобовое стекло автомобиля?» — Яндекс Кью
Анонимный вопрос · ·
41,7 K
Detailing Master’s
Детейлинг студия по уходу за экстерьером и… · 2 нояб 2019 · detailing-master.ru
Отвечает
Detailing Master’s
Отполировать лобовое стекло можно, но есть ограничения по полировке — на стекле не должно быть сколов и трещин, во время полировки лобовое стекло нагревается и от перепада температур они могут разойтись.
При полировке лобового стекла уходят мелкие и средние повреждения. Глубокие пореждения (щербины, глубокие царапины) остаются. Подробне информацию по полировке лобового стекла можно посмотреть у нас на сайте: http://detailing-master.ru/polirovka-avtostekol
1 оценил
·
7,7 K
Комментировать ответ…Комментировать…
Pamila Clemence
26 февр 2020
Что касается сколов и трещин, то для устранения этих дефектов также существуют определенные способы и средства. Чаще всего такие повреждения доверяются профессионалам, так как их устранение своими руками в домашних условиях… Читать далее
Нет оценок ·
5,0 K
Комментировать ответ…Комментировать…
CarBoys
Заменить лобовое стекло? Легко! Только в компании… · 25 сент 2020 · carboys.ru
Отвечает
Karen Agamiryan
Не рекомендуем данный процесс, так как неоднократно люди отполировавшие стекло лобовое обращались к нам на замену так как оно после полировки начинало искажать. В этом есть доля логики, от точечного нагревания структура пленки… Читать далее
Лобовое стекло можно полировать. Но. Процесс долгий, дорогостоящий и мало эффективный.
Полировка стекла — это обработка поверхности направленная на удаление повреждённого слоя при сохранении определённого уровня шероховатости… Читать далее
2 оценили
·
4,0 K
Комментировать ответ…Комментировать…
Валентин Ф.
13 нояб 2019
Отполировать стекло, конечно, можно, но следует использовать специальные средства и соблюдать повышенную аккуратность. Если на стекле уже имеются какие-то сколы и трещины, то тут не до полировки, в ремонт надо. На http://www.ste… Читать далее
Нет оценок ·
4,8 K
Комментировать ответ…Комментировать…
Юлия Кручинина
14 апр 2022
Полировать лобовое стекло автомобиля можно, но тут главное какую цель Вы преследуете. Если на лобовом стекле присутствуют повреждения, трещины, то полировка может только усугубить проблему, но не решить ее. При трещинах и любых… Читать далее
Нет оценок ·
Комментировать ответ…Комментировать…
Валерия Магинева
19 янв 2022
Можно, но только аккуратно и применяя правильные средства, иначе вам потом придется производить замену стекла. Если все же доведете стекло до такого состояния, то новое, притом с установкой, у leader-avtoglass ru получить сможете.
Нет оценок ·
Комментировать ответ…Комментировать…
Андрей Фалалеев
22 апр 2021
Можно — и нужно! Лобовое стекло легко поцарапать налипшими на автомобильные дворники песчинками. Некачественная мойка также способна оставлять потертости, а дорожные реагенты и смола деревьев способствуют появлению сложно… Читать далее
1 оценил
·
629
Комментировать ответ…Комментировать…
Арсений Филнев
17 дек 2020
Да. полировать лобовое стекло можно, а иногда даже нужно. Лобовое стекло легко поцарапать налипшими на автомобильные дворники песчинками. Некачественная мойка также способна оставлять потертости, а дорожные реагенты и смола… Читать далее
1 оценил
·
661
Комментировать ответ…Комментировать…
Вы знаете ответ на этот вопрос?
Поделитесь своим опытом и знаниями
Войти и ответить на вопрос
1 ответ скрыт(Почему?)
Мифы и реальные факты о полировки стёкол
Ремонт вмятин
Чистка салона паром
Керамическая обработка кузова
Тонировка стекол
Реставрация кожаного салона
Бронирование фар
Удаление сколов на стеклах
Оклейка авто пленкой
Покраска кузова
Полировка автостекол
Кузовной ремонт
Устранение вмятин на кузове
Удаление прожогов
Полировка кузова автомобиля
Оклейка автомобиля
Удаление царапин
Оценка по фото
Прикрепите файл
* Телефон
Выберите адресПланернаяАвиамоторнаяМичуринский проспектСтрогиноВодный стадионСокольникиОзернаяПражскаяБухарестская (СПб)Московские Ворота (СПб)МытищиЗвенигородНахабино
Персональные менеджеры нашей компании смогут сопровождать Вас на всех этапах обслуживания. При возникновении вопросов, Вы можете напрямую связаться с Вашим менеджером и быстро получить нужную информацию. Вас порадует вежливое человеческое отношение, индивидуальные скидки и приятные бонусы.
Алина (консультант)
+7(964)640-55-14
* Телефон
Заказать звонок
Яна (консультант)
+7(900)555-12-22
* Телефон
Заказать звонок
Александр (консультант)
+7(964)647-15-07
* Телефон
Заказать звонок
Поделиться:
На сегодняшний день существует мнение, что полировка автостекол является ненужным процессом или даже может нанести некоторый вред автомобилю. Хотя любой человек, который испытал полировку лобового стекла на практике, может заверить в обратном. По этому поводу существует ряд мифов, которые могут остановить автомобилиста при выборе этой услуги.
Миф первый говорит о том, что полировка автомобильных стекол убирает только потертости и не может справиться с царапинами. Однако полировка, которая выполнена на профессиональном уровне может убрать не только любой дефект со стекол, но и вывести царапины на кузове автомобиля. Заявление о том, что полировка лобового стекла не может привести к улучшению работы дворников тоже является заблуждением. При применении полировки, стекла автомобиля становится более гладкими, что способствует дворникам легко сметать грязь и влагу.
Неправдой является также то, что стекло может потерять свои свойства в результате нагрева при полировке. На самом деле температура, при которой проходит процесс полировки, является меньшей от той, при которой автомобиль может находиться на солнце в жаркий день. Утверждение о том, что полировка может негативно повлиять на прозрачность стекла намного преувеличены. Можно даже сказать об обратном эффекте. При полировке стекол автомобиля, они становятся более гладкими и прозрачными.
Существует ряд преимуществ полировки автостекл. Обработка стекла специалистами придаст стеклу первоначальной прозрачности. Некоторые водители сразу же стараются избавиться от старого лобового стекла и заменить его новым. Однако такой вариант будет стоить дороже, чем его обработка. При полировке лобового стекла стоимость процедуры полировки будет дешевле, чем замена самого стекла. Необходимо также отметить, что одним из главных преимуществ полировки также является быстрота проведения этого процесса.
Каждый водитель также должен учесть, что при выборе полировки лобового стекла цена не должна играть главную роль. В первую очередь, необходимо заботится о состоянии здоровья и аварийной ситуации, которую водитель может создать при наличии дефектов на лобовом стекле. Мельчайшие повреждения на лобовом стекле могут спровоцировать аварию, а слабая прозрачность может влиять на самочувствие человека за рулем. В любом случае, каждый владелец автомобиля должен сам выбирать между полировкой или заменой лобового стекла.
Возврат к списку
Чтобы мы могли связаться с Вами и обсудить все интересующие Вас вопросы, заполните необходимые поля в форме. После того, как мы получим Ваши данные, с Вами свяжется наш консультант.
СПб
Москва
Телефон *
Выберите адресПланернаяАвиамоторнаяМичуринский проспектСтрогиноВодный стадионСокольникиОзернаяПражскаяБухарестская (СПб)Московские Ворота (СПб)МытищиЗвенигородНахабино
Отправить
Отправьте заявку
Персональные менеджеры нашей компании смогут сопровождать Вас на всех этапах обслуживания. При возникновении вопросов, Вы можете напрямую связаться с Вашим менеджером и быстро получить нужную информацию. Вас порадует вежливое человеческое отношение, индивидуальные скидки и приятные бонусы.
Алина (консультант)
+7(964)640-55-14
* Телефон
Заказать звонок
Яна (консультант)
+7(900)555-12-22
* Телефон
Заказать звонок
Александр (консультант)
+7(964)647-15-07
* Телефон
Заказать звонок
ЧТО ДЕЛАТЬ С ВЕТРОВЫМИ ЯМКАМИ
В Атланте, штат Джорджия, сейчас лето, а это значит, что вы, скорее всего, будете мыть машину дома или отвозите ее на автоматическую мойку. Если вы планируете использовать мойку высокого давления или автомобильную мойку, важно знать о любых существующих повреждениях ветрового стекла. Струи воды под высоким давлением, используемые для очистки вашего автомобиля, могут нанести еще больший ущерб, например питтинг на лобовом стекле . Если вы не будете осторожны, вам может понадобиться замена или ремонт ветрового стекла раньше, чем позже. В этом посте мы рассмотрим точечную коррозию на лобовом стекле, как она влияет на лобовое стекло вашего автомобиля и подходящие способы его ремонта.
Точечная коррозия на ветровом стекле
Точечная коррозия на ветровом стекле — это распространенная форма повреждения ветрового стекла, возникающая всякий раз, когда загрязняющие вещества с дороги, такие как песок, грязь, гравий и другой мусор, контактируют с транспортным средством на высокой скорости. Мусор очень абразивный, и со временем он изнашивает поверхность стекла. Транспортные средства, которые используются ежедневно, и транспортные средства, движущиеся на более высоких скоростях, будут быстрее испытывать точечную коррозию на лобовом стекле, поскольку они регулярно подвергаются воздействию элементов и другой деятельности. К сожалению, кроме отказа от использования автомобиля, ничего нельзя сделать для предотвращения точечной коррозии лобового стекла.
Простой способ определить, есть ли на лобовом стекле ямки, — посмотреть сквозь него, когда на него падает солнечный свет. Если он создает блики, то стекло точеное. Очень важно следить за состоянием своего стекла. Если не принять меры, лобовое стекло с ямками может стать трудноразличимым, что создает угрозу безопасности. Кроме того, ваше лобовое стекло является важной частью системы безопасности вашего автомобиля, и очень важно содержать его в чистоте, чтобы вы могли быть в безопасности на дороге.
Проблема с полировкой витринного стекла
Если на лобовом стекле есть ямки, вам может быть интересно, можно ли его отремонтировать? И да и нет. В зависимости от того, насколько серьезна точечная коррозия, может быть возможно восстановить поверхность стекла. При этом восстановление разбитого лобового стекла – непростая задача. Это очень трудоемко и требует специальных инструментов и протирочных составов. Услуги по восстановлению стекла используют буферы и полируют стекло для устранения повреждений, но замена ветрового стекла всегда является лучшим вариантом. Полировка стекла может ослабить его и сделать его неровным. Это может поставить под угрозу его безопасность и исказить обзор через стекло. Квалифицированные автостекольные мастерские, такие как Glass Inc., не полируют питтинг и советуют полностью заменить ветровое стекло.
Замена ветрового стекла с выбоинами
Небольшие трещины и сколы, как правило, можно отремонтировать, но, как уже говорилось ранее, правильный способ устранения ветрового стекла с сильными выбоинами — полная замена ветрового стекла. В зависимости от размера и формы стекла замена лобового стекла может стоить от 200 до 1500 долларов. Кроме того, технологии помощи водителю, такие как системы предупреждения о выходе из полосы движения, могут увеличить стоимость, поскольку системы требуют повторной калибровки, а их установка требует больше усилий.
Если на вашем ветровом стекле есть небольшие трещины или сколы, автомагазины обычно могут исправить эти типы повреждений, нанеся связующую смолу, которая заполнит область. После отверждения смолы под действием источника ультрафиолетового света поврежденное стекло расплавляется. В некоторых случаях это решение может дать отличные результаты, потому что восстановление прозрачно и его почти невозможно обнаружить. Тем не менее, использование связующей смолы для выполнения ремонта в конечном итоге зависит от того, где находится повреждение. В некоторых случаях ремонт может исказить вид через стекло. Поэтому, если бы повреждение было прямо в поле зрения водителя, смола не была бы подходящим вариантом ремонта.
Точечная коррозия на лобовом стекле может показаться не большой проблемой, но этим летом она может стать угрозой для вас и других автомобилистов. Если вы планируете поездку или просто выходите из дома, самое время оценить состояние ветрового стекла вашего автомобиля, чтобы проверить его на наличие точечной коррозии и любых других повреждений. Мусор с дороги, автомойки под высоким давлением, пробки на дорогах и ветреная погода могут привести к тому, что существующие повреждения на лобовом стекле станут еще большей проблемой. Если вы обнаружите ямки, сколы или трещины на лобовом стекле, Glass Inc. может помочь вам с ремонтом или полной заменой лобового стекла. Мы предлагаем услуги по ремонту и замене мобильных телефонов, а также услуги на месте в нашем офисе. Позвоните нам сегодня или получите бесплатную оценку онлайн.
Нужны рекомендации по полировке и подушечкам для ветрового стекла
Добро пожаловать в Tesla Motors Club
Обсудите Tesla Model S, Model 3, Model X, Model Y, Cybertruck, Roadster и многое другое.
Регистр
Хотите удалить рекламу? Зарегистрируйте учетную запись и войдите в систему, чтобы видеть меньше рекламы, и станьте участником поддержки, чтобы удалить почти всю рекламу.
JavaScript отключен. Для лучшего опыта, пожалуйста, включите JavaScript в вашем браузере, прежде чем продолжить.
#1
#1
В эти выходные я планирую использовать полировальную машинку DA для полировки и очистки лобового стекла. Я никогда раньше не полировал стекло, и мне нужны рекомендации как по полиру, так и по паду. У меня есть под рукой Ultimate Polish от Meguiar, а также Ultimate Compound. Я предполагаю, что состав будет слишком абразивным, поэтому подумал, что лучше всего подойдет Ultimate Polish. Или есть полироли для стекла, которые я должен использовать вместо этого?
А что люди говорят о накладке? Я подумывал об использовании легкой полировальной подушки, которая практически не имеет «режущей» способности. Я использую колодки с шестигранной логикой и думал о белой или синей колодке.
Буду рад любым рекомендациям/предложениям, особенно от тех, у кого есть опыт полировки лобового стекла с помощью полировальной машины DA.
Спасибо, joebruin77
#2
#2
Первый пост! Я получил свою новую модель 3 и заметил, что дворники были ужасными. Много полос и пропусков на лобовом стекле. Я использовала полироль megs Ultimate и стандартную оранжевую подушечку, используя штриховку. Сделал огромную разницу. После того, как я нанесла два слоя rain-x, теперь все отлично. Отменил встречу с мобильным рейнджером из-за того, что дворник задел тело.
Реакции:
#3
#3
SlyOne сказал:
Первый пост! Я получил свою новую модель 3 и заметил, что дворники были ужасными. Много полос и пропусков на лобовом стекле. Я использовала полироль megs Ultimate и стандартную оранжевую подушечку, используя штриховку. Сделал огромную разницу. После того, как я нанесла два слоя rain-x, теперь все отлично. Отменил встречу с мобильным рейнджером из-за того, что дворник задел тело.
Нажмите, чтобы развернуть…
Добро пожаловать и поздравляю с M3 и вашим первым постом!
И спасибо за ответ. Приятно знать, что Ultimate Polish и стандартная оранжевая подушка для резки сделали свое дело. У меня дворники работают нормально. Я сделал ошибку новичка, использовав стандартное полотенце MF на стекле, так что теперь у меня есть все эти маленькие ворсинки по всему ветровому стеклу, поэтому я пытаюсь найти способ удалить их, не рискуя поцарапать стекло.
Еще раз спасибо.
#4
#4
Я никогда не полировал свое стекло. Я только ударил его глиняным бруском, и все. В прошлом я слышал, что люди используют стальную вату для очистки лобового стекла. А вот насчет плотности шерсти не уверен.
Кроме того, в руководстве сказано, что нельзя наносить на ветровое стекло какой-либо герметик, так как это вызовет шум дворников (я заметил, что это правда в моем случае).
#5
#5
Глиняный стержень или его аналог — это то, что нужно для обработки стекла. Полировка — это перебор.
Реакции:
Kleenerth4 , до завершения и mswlogo
#6
#6
TrooperCA сказал:
Я никогда не полировал свое стекло. Я только ударил его глиняным бруском, и все. В прошлом я слышал, что люди используют стальную вату для очистки лобового стекла. А вот насчет плотности шерсти не уверен.
Кроме того, в руководстве сказано, что нельзя наносить на ветровое стекло какой-либо герметик, так как это вызовет шум дворников (я заметил, что это правда в моем случае).
Нажмите, чтобы развернуть…
Я, конечно, не стал бы использовать стальную вату, но полировка стекла довольно распространена, хотя глиняный брусок обычно помогает. На моем, должно быть, было немного избыточного распыления, так как он был почти липким. Что касается нанесения герметика, вы можете получить шум дворников от использования керамического или полимерного герметика на ветровом стекле, к счастью, дешевый старый Rain-X хорошо справляется (который прямо сейчас продается на Amazon).
#7
#7
В эти выходные я собирался покрыть лобовое стекло керамическим покрытием, и я обеспокоен после прочтения вышеизложенного, но также слышал хорошие отзывы о rain-x, так что могу попробовать сначала. Это «обработка лобового стекла» https://www.amazon.com/Rain-X-50802…f=sr_1_6?keywords=rainx&qid=1579210407&sr=8-6
Оба по разумной цене на Amazon, как упоминалось выше.
#8
#8
Модель 3 у меня уже около месяца, и на лобовом стекле есть крапчатое покрытие, а также на стекле крыши, которое я никак не могу отчистить. Это избыточное распыление краски или другого производства? При определенном освещении я вижу круглые чистые участки диаметром 6 дюймов на крыше с мелкими крапинками по всему другому стеклу. Мне интересно, были ли это следы от присосок? Кажется, мои дворники работают нормально. но при определенном освещении, лобовое стекло выглядит «запыленным». Поможет ли глиняный брусок или полировочная паста? Спасибо за обсуждение, оно беспокоит меня с тех пор, как я получил машину.
#9
#9
Я попробовал глиняный стержень на лобовом стекле (Griots сделал для стекла), и этого оказалось недостаточно. Наконец-то отполировал его, и с тех пор все отлично. И Model 3, и X были ужасны.
Я использовал полироль для стекла Griots с DA и герметиком.
Однако с герметиками нужно быть осторожнее. Они могут вызвать вибрацию дворников. Это связано с тем, что лезвие лучше захватывает стекло. Возможно, вам придется заменить лезвия, если вы используете герметик.
Можно попробовать отполировать отдельно, но у меня были странные результаты на одной машине, когда я не загерметизировал ее после полировки.
Определенно стоит поработать над правильным стеклом, а то, что поставляет Тесла, просто ужасно.
Некоторым повезло с Bon Ami, но убедитесь, что вы выбрали именно тот, который подходит для стекла.
Реакции:
TLLMRRJ
#10
#10
JBailey895 сказал:
На этих выходных я собирался покрыть лобовое стекло керамическим покрытием, и я обеспокоен после прочтения вышеизложенного, но также слышал хорошие отзывы о rain-x, так что могу сначала попробовать. Это «обработка лобового стекла» https://www.amazon.com/Rain-X-50802…f=sr_1_6?keywords=rainx&qid=1579210407&sr=8-6
Оба по разумной цене на Amazon, как упоминалось выше.
Нажмите, чтобы развернуть. ..
Вам нужна обработка ветрового стекла, а не очиститель/репеллент.
#11
#11
У меня были пятна от воды на потолочном и заднем стеклах. Я использовал пятновыводитель Pinnacle GlassWork от Autogeek. Сначала я попытался удалить пятна вручную, используя поролоновую подушечку, но это ничего не дало. Затем я использовал полировальную машинку с оранжевой подушечкой Lake County CCS Orange, и пятна довольно легко удалились. Я решил заклеить остальную часть машины и сделать все окна. Подушка Lake County CCS Orange была рекомендована Autogeek. Затем я использовал оконный герметик Pinnacle GlassCoat с репеллентом от дождя, и он отлично сработал. Дворники не стучат, щетки работают нормально. На скорости по трассе вода стекает по лобовому стеклу без дворников….
Реакции:
Я удалил пятно со своих черных сидений волшебным ластиком, теперь оно немного светлее остальных. Как это исправить?
Прыжок с парашютом85
Модель 3: Интерьер и экстерьер
Ответы
4
просмотров
545
Модель 3: Интерьер и экстерьер
joebruin77
Мой опыт очистки стекла от грязи с помощью орбитальной полировальной машины
GroovaEV
Модель S: Интерьер и экстерьер
Ответы
5
просмотров
767
Модель S: интерьер и экстерьер
Перемешиватель
Дерьмо на лобовом стекле! это похоже на блеск или мыльную пену
8. Поисково-спасательное обеспечение полетов и парашютно-десантная подготовка авиационных специалистов
Организационно-методические указания ДОСААФ в 2018-2020 годах
Организационно-методические указания ДОСААФ в 2018-2020 годах
Поисково-спасательное обеспечение (далее — ПСО) полетов организуется согласно требованиям Федеральных авиационных правил поиска и спасания в Российской Федерации, утвержденных постановлением Правительства Российской Федерации от 15 июля 2008 г. № 530, Руководства по парашютной подготовке авиации ДОСААФ России 2010 г., указаний Центрального совета ДОСААФ России, иных служебных документов, регламентирующих деятельность авиационного комплекса ДОСААФ России.
К дежурству по ПСО полетов и выполнению поисково-спасательных работ допускаются воздушные суда, оснащенные специальным оборудованием, а летные экипажи, прошедшие специальную подготовку и имеющие допуск к указанным полетам и работам.
Экипажи, привлекаемые к ПСО полетов готовить к:
выполнению радиотехнического и визуального поиска ВС, терпящих или потерпевших бедствие, их пассажиров и экипажей;
десантированию СПДГ и аварийно-спасательного имущества и снаряжения;
выполнению посадок на площадки подобранные с воздуха (экипажи вертолетов).
Для поддержания устойчивых навыков по вынужденному покиданию ВС с использованием средств спасения и жизнеобеспечения, до начала учебного года, с летным составом проводится комплекс мероприятий, согласно требованиям Руководства по парашютной подготовке.
Комплекс мероприятий включает:
подготовка к вынужденному покиданию ВС с парашютом;
выработка навыков использования аварийно-спасательного снаряжения;
отработка действий после вынужденной посадки или приземления (приводнения) с парашютом;
выработка навыков оказания само и взаимопомощи, выживания в условиях автономного существования и действиям при эвакуации.
Прыжки с парашютом учащимися, воспитанниками ШИ с ПЛП и другими категориями лиц, впервые приступающими к летному обучению, выполняются на аэродромах аэроклубов по окончании теоретической подготовки по дисциплине «Парашютная подготовка», согласно требованиям программы № 11 СПП-2010 г.
На теоретическую (наземную) подготовку личного состава по вопросам ПСО полетов планировать:
для летного состава — 15 часов;
для летного состава выделяемого для дежурства по ПСО — 50 часов;
для личного состава СПДГ — 50 часов;
для личного состава НПСК — 25 часов.
Выполнение полетов всеми категориями летного состава (постоянного и переменного) на воздушных судах, где РЛЭ (Инструкцией экипажу) предусмотрено применение спасательных парашютов, разрешается при условии наличия (выполнения) не менее 2 (двух) прыжков с парашютом:
постоянного летного состава — не реже 12 месяцев;
других категорий летного состава — до начала полетов.
Максимальный перерыв в выполнении прыжков с парашютом летным составом всех категорий не должен превышать 12 месяцев. В случае превышения указанного срока летный состав от полетов отстраняется до выполнения установленного количества прыжков с парашютом.
Специалистам ПС и ПДС в соответствии с задачами, стоящими перед поисково-спасательными службами авиационных организаций, достигнутым и планируемым уровнем подготовки, годовые нормы парашютных прыжков определяются приказом руководителя АО «Об определении годовых норм парашютных прыжков» и устанавливаются в пределах 2-60 прыжков.
Подготовку парашютистов-спортсменов сборной команды ДОСААФ России проводить на учебно-тренировочных сборах 2 раза в год.
Планировать на каждого спортсмена сборной команды ДОСААФ России не менее 250 прыжков с парашютом.
Парашютистам, старше 18 лет, имеющим положительную характеристику, выполнившим 100 прыжков с парашютом, в том числе с задержкой раскрытия ранца не менее 30 прыжков, хорошо знающим ПДИ, порядок ее подготовки и эксплуатации, прошедшим программу подготовки СПП-2010, по ходатайству руководителя АО приказом Председателя ДОСААФ России присваивается звание «Инструктор ПДП».
Инструктор ПДП, выполнивший 500 прыжков с парашютом, имеющий допуск к работе в качестве выпускающего (оформленный приказом по авиационной организации после сдачи зачетов) может назначаться выпускающим парашютистов из ВС при выполнении прыжков с парашютом спортсменами.
Планирование тренировочных занятий и парашютных прыжков:
тренировки с летным составом по вынужденному покиданию воздушного судна, использованию аварийных средств связи и визуальной сигнализации — один раз в квартал;
по использованию спасательных плавательных средств — один раз в год;
зачетный тренаж по вынужденному покиданию ВС с парашютом, действиям при снижении под куполом парашюта и после приземления (приводнения) или вынужденной посадки — один раз в 1 год, с записью в летную книжку;
ежегодный учебно-методический сбор начальников ПС и ПДС авиационных организаций ДОСААФ России;
ежегодный учебно-методический сбор специалистов ПС и ПДС в рамках Всероссийской конференции по безопасности парашютной деятельности в России на допуск к выполнению функциональных обязанностей на текущий год в качестве «Тандем-инструктора-экзаменатора» и «Инструктора-экзаменатора прогрессивного обучения свободному падению»;
ежегодный учебно-методический сбор специалистов ПС и ПДС — укладчиков парашютных систем;
учебно-методический сбор по первоначальной подготовке специалистов по парашютным страхующим приборам — по заявкам авиационных организаций.
Для выполнения ПСО полетов и поисково-спасательных работ, готовить экипажи на вертолетах и самолетах Ан-2 и В-35А.
Летному составу, привлекаемому к выполнению поисково-спасательных работ, планировать дополнительный налет в количестве 5 часов для подготовки и поддержания натренированности по указанной задаче.
С экипажами, лицами ГРП и личным составом НПСК привлекаемых к дежурству по ПСО полетов в ЕС АКПС, один раз в период обучения проводятся комплексные тренировки по организации поисково-спасательных работ и отработке взаимодействия при их проведении. Планы проведения тренировок с материалами разбора хранятся в АО не менее одного года.
Подготовка граждан — Центр ДОСААФ России г. Павлово
Программы профессиональной подготовки:
1. Водитель автомобиля категории «М» — мопеды с рабочим объемом двигателя внутреннего сгорания, не превышающим 50 кубических сантиметров, и максимальной скоростью, не превышающей 50 километров в час.
2. Водитель автомобиля категории «А1» — мотоциклы с рабочим объемом двигателя внутреннего сгорания, не превышающим 125 кубических сантиметров, и максимальной мощностью, не превышающей 11 киловатт; Подкатегория А1 позволяет управлять мотоциклами с небольшим объемом двигатели и небольшой максимальной мощностью. Водители, имеющие в правах категорию А могут управлять и транспортными средствами подкатегории А1.
3. Водитель автомобиля категории «В»
4. Водитель автомобиля категории «С»
5. Водитель автомобиля категории «Е» (для лиц, имеющих категорию «С»)
Программы профессиональной переподготовки:
1. Обучение по охране труда и проверка знаний требований охраны труда работников организаций
2. Программа подготовки электротехнологического и электротехнического персонала
3. Подготовка водителей транспортных средств категории «А» оборудованных устройствами для подачи специальных световых и звуковых сигналов
4. Подготовка водителей транспортных средств категории «В» оборудованных устройствами для подачи специальных световых и звуковых сигналов
5. Подготовка водителей транспортных средств категории «С» оборудованных устройствами для подачи специальных световых и звуковых сигналов
6. Подготовка водителей транспортных средств категории «D» оборудованных устройствами для подачи специальных световых и звуковых сигналов
7. Программа переподготовки водителей транспортных средств с категории «С» на категорию «В»
8. Программа переподготовки водителей транспортных средств с категории «В» на категорию «С»
9. Программа переподготовки водителей транспортных средств с категории «С» на категорию «D»
10. Повышение квалификации водителей для получения права на обучение вождения
11. Ежегодные занятия с водителями автотранспортных организаций
12. Пожарно-технический минимум для руководителей организаций и лиц, ответственных за пожарную безопасность,и проведение противопожарного инструктажа пожароопасных производств
13. Пожарно-технический минимум для руководителей подразделений пожароопасных производств
14. Пожарно-технический минимум для газоэлектросварщиков
15. Пожарно-технический минимум для киномехаников
16. Пожарно-технический минимум для работников, осуществляющих пожароопасные работы
17. Пожарно-технический минимум для работников, осуществляющих круглосуточную охрану организаций
18. Пожарно-технический минимум для руководителей сельскохозяйственных организаций и ответственных за пожарную безопасность
19. Пожарно-технический минимум для работников на сельскохозяйственных объектах
20. Пожарно-технический минимум для ответственных за пожарную безопасность на вновь строящихся и реконструируемых объектах
21. Пожарно-технический минимум для руководителей и ответственных за пожарную безопасность в дошкольных учреждениях и общеобразовательных школах
22. Пожарно-технический минимум для воспитателей дошкольных учреждений
23. Пожарно-технический минимум для руководителей и ответственных за пожарную безопасность в организациях бытового обслуживания
24. Пожарно-технический минимум для руководителей и ответственных за пожарную безопасность в организациях торговли, общественного питания, на базах и складах
25. Пожарно-технический минимум для руководителей и ответственных за пожарную безопасность в жилых домах
26. Пожарно-технический минимум для руководителей и ответственных за пожарную безопасность в лечебных учреждениях
27. Пожарно-технический минимум для руководителей и ответственных за пожарную безопасность в театрально зрелищных и культурно-просветительных учреждениях
28. Пожарно-технический минимум для руководителей и ответственных за пожарную безопасность в учреждениях(офисах)
29. Проведение аттестации рабочих мест по условиям труда
30. Осуществление функций службы охраны труда или специалиста по охране труда работодателя, численность работников которого не превышает 50 человек
31. Повышение квалификации специалистов по охране труда и лиц, ответственных за состояние охраны труда в организации
32. Обучение по программе: «Подготовка лиц, ответственных за безопасную эксплуатацию бытового газоиспользующего оборудования и проверку состояния дымоходов и вентиляционных каналов в административных, общественных и жилых зданиях»
33. Обучение по подготовке специалистов теплохозяйства
34. Обучение судоводителей маломерных моторных судов, гидроциклов
Десантно-штурмовые войска [ВДВ] — Обучение
Советские воздушно-десантные войска являются одними из наиболее подготовленных солдат в вооруженных силах России. Обучение, которое они получают, является физически строгим и требует умственных усилий. Он проводится в условиях, имитирующих реальный бой, включая обширную подготовку по использованию оружия массового поражения. Воздушно-десантная подготовка объединяет специальные воздушно-десантные приемы с базовой тактикой мотострелкового оружия.
Личный состав, прикомандированный к воздушно-десантным частям, повышает качество подготовки в этих частях. Персонал воздушно-десантных войск тщательно отбирается. Многие из них были военнослужащими по контракту, прошедшими строгий процесс проверки, в котором подчеркивается высокий уровень физической подготовки, образования и подготовки, а также политическая надежность.
Поскольку прыжки с парашютом являются одним из основных видов спорта в России, многие новобранцы уже были опытными парашютистами на момент призыва. Допризывная парашютная подготовка проводилась в спортивных клубах и довоенных школах, проводимых по всему Советскому Союзу Добровольным обществом сотрудничества с армией, авиацией и флотом (ДОСААФ). Большинство призывников, отобранных для службы в воздушно-десантных войсках, направляются непосредственно в регулярные воздушно-десантные дивизии.
Большинство офицеров ВДВ являются выпускниками подмосковного Рязанского высшего воздушно-десантного командного училища. Младшие офицеры также предоставляются другими высшими командными (четырехлетними) школами, высшими техническими (трехлетними) школами и гражданскими университетами с программами ввода в строй офицеров запаса.
Выпускники Рязанского высшего воздушно-десантного командного училища обычно всю свою служебную жизнь проходят в воздушно-десантных войсках. Действительная военная служба начинается в сентябре или октябре после их летнего выпуска и ввода в эксплуатацию.
Как и прапорщики во всех вооруженных силах, прапорщики в воздушно-десантных войсках отбираются и отправляются в школы подготовки прапорщиков после обучения и службы в качестве унтер-офицеров. Прапорщики служат командирами взводов; техники роты или первые сержанты роты.
Практически все унтер-офицеры ВДВ начинали службу двухлетними призывниками, проявившими высокую мотивацию и политическую благонадежность. Многие отбираются для подготовки унтер-офицеров районным военным комиссариатом во время призыва. Затем их направляют непосредственно в воздушно-десантное учебное подразделение на не менее 6 месяцев специализированной подготовки. По завершении этой подготовки им присваивается звание унтер-офицера и они распределяются в одну из регулярных воздушно-десантных дивизий.