Таблица жиклеров карбюратора солекс и тарировочные данные
Если вам необходима настройка и регулировка карбюратора солекс, тогда вам понадобятся тарировочные данные и параметры жиклеров. В этой статье я постарался собрать необходимые данные которые помогут вам без труда настроить карбюратор солекс. Тут вы найдете таблицы жиклеров, маркировку жиклеров, узнаете какие жиклеры должны стоять на карбюраторе солекс 21083.

Относительные значения топливных жиклеров для карбюраторов солекс
| Соотношение | Диаметры диффузора | |||||||||
| Экономичный | 14 | 95,0 | 102,0 | 107,0 | 115,0 | |||||
| Экономично мощностной | 13,5 | 98,5 | 105,8 | 111,0 | 119,3 | |||||
| Мощностной умеренный | 13 | 102,3 | 109,8 | 115,2 | 123,8 | |||||
| Мощностной нормальный | 12,5 | 106,4 | 114,2 | 119,8 | 128,8 | |||||
| Мощностной динамичный | 12 | 110,8 | 119 | 124,8 | 134,2 | |||||
| Спорт | 11,5 | 115,7 | 124,2 | 130,3 | 140 | |||||
| Заводские значения | 14 | 95,0 | 102,0 | 107,0 | 115,0 | |||||
| Количество воздуха в диффузоре | 1330 | 1428 | 1498 | 1610,0 | ||||||
Тарировочные данные карбюратора солекс соотношения больших диффузоров и жиклёров (завода изготовителя)
| Модель карбюратора | 2108 | 21081 | 21083 | 21073 | 21051 | 21083-31 | 21083-35 | 21412 | 21083-62 |
| Диаметр диффузора, мм | 21/23 | 21/23 | 21/23 | 24/24 | 23/23 | 21/23 | 23/23 | 23/23 | 21/23 |
| Главный топливный жиклер (ГТЖ) | 97,5/97,5 | 95/97,5 | 95/97,5 | 107,5/117,5 | 105/110 | 95/100 | 95/100 | 95/95 | 80/100 |
| Главный воздушный жиклёр (ГВЖ) | 165/125 | 165/135 | 155/125 | 150/135 | 155/135 | 155/125 | 150/125 | 160/100 | 165/125 |
| Зазор дроссельной заслонки при запуске на холодную | 0,85 | 1,0 | 1,1 | 1,1 | 1,1 | 1,1 | 1,1 | 1,6 | 1,1 |
| Зазор воздушной заслонки при запуске на холодную | 2,7 | 2,5 | 3,0 | 3,0 | 2,5 | 2,5-5,5 | 2,2 | 2,5-5,5 | |
| Кулачек ускорительного насоса | 7 | 4 | 7 | 4 | 4 | 7 | 7 | 4 | 7 |
| Распылитель ускорительного насоса (слоник) | 35-40 | 35-40 | 35-40 | 45-? | 35-40 | 35-40 | 35-40 | 35-40 | 35-40 |
| Желательный объём двигателя | ад | 1,3 | 1,5 | 1,7-и более | 1,1-1,3 | 1,5 | 1,5 Микропроцессорная система зажигания | 1,5-1,8 | 1,5 С нейтрализатором газов и датчиком |
Какие жиклеры должны стоять на карбюраторе 21083
| Маркировка карбюратора | Топливный жиклер главной системы | Воздушный жиклер главной системы | Топливный жиклер холостого хода | Воздушный жиклер холостого хода | Жиклер ускорительного насоса | |||||
| I кам. | II кам. | I кам. | II кам. | I кам. | II кам. | I кам. | II кам. | топливный | перепускной | |
| 2101-1107010 | 135 | 135 | 170 | 190 | 45 | 60 | 180 | 70 | 40 | 40 |
| 2101-1107010-02 | 130 | 130 | 150 | 190 | 50 | 45 | 170 | 170 | 40 | 40 |
| 2101-1107010-03: 2101-1107010-30 | 130 | 130 | 150 | 200 | 45 | 60 | 170 | 70 | 40 | 40 |
| 2103-1107010 | 135 | 140 | 170 | 190 | 50 | 80 | 170 | 70 | 50 | 40 |
| 2103-1107010-01: 2106-1107010 | 130 | 140 | 150 | 150 | 45 | 60 | 170 | 70 | 40 | 40 |
| 2105-1107010-10 | 109 | 162 | 170 | 170 | 50 | 60 | 170 | 70 | 40 | 40 |
| 2105-1107010: 2105-1107010; 2105-1107010-20 | 107 | 162 | 170 | 170 | 50 | 60 | 170 | 70 | 40 | 40 |
| 2107-1107010: 2107-1107010-20 | 112 | 150 | 150 | 150 | 50 | 60 | 170 | 70 | 40 | 40 |
| 2107-1107010-10 | 125 | 150 | 190 | 150 | 50 | 60 | 170 | 70 | 40 | 40 |
| 2108-1107010 | 97; 5 | 97,5 | 165 | 125 | 42±3 | 50 | 170 | 120 | 35/40 | — |
Размеры воздушного и топливного жиклера карбюратора солекс
| диаметр жиклера, ед. | ВОЗДУШНОГО | ||||||||
| 100 | 125 | 135 | 145 | 150 | 155 | 160 | 165 | ||
| Т О П Л И В Н О Г О | 80 | 0,800 | 0,640 | 0,693 | 0,562 | 0,633 | 0,516 | 0,500 | 0,485 |
| 92,5 | 0,926 | 0,740 | 0,686 | 0,638 | 0,617 | 0,597 | 0,678 | 0,661 | |
| 95 | 0,950 | 0,704 | 0,656 | 0,633 | 0,613 | 0,694 | 0,576 | ||
| 97,5 | 0,975 | 0,780 | 0,722 | 0,672 | 0,650 | 0,629 | 0,609 | 0,591 | |
| 100 | 1,000 | 0,800 | 0,741 | 0,690 | 0,667 | 0,645 | 0,625 | 0,606 | |
| 102,5 | 1,025 | 0,820 | 0,759 | 0,707 | 0,683 | 0,661 | 0,641 | 0,621 | |
| 105 | 1,050 | 0,840 | 0,778 | 0,728 | 0,700 | 0,677 | 0,656 | 0,636 | |
| 107,6 | 1,075 | 0,860 | 0,796 | 0,741 | 0,717 | 0,694 | 0,672 | 0,662 | |
| 110 | 1,100 | 0,880 | 0,816 | 0,769 | 0,733 | 0,710 | 0,688 | 0,667 | |
| 115 | 1,150 | 0,920 | 0,852 | 0,793 | 0,767 | 0,742 | 0,719 | 0,697 | |
| 117,5 | 1,175 | 0,940 | 0,870 | 0,810 | 0,783 | 0,768 | 0,734 | 0,712 | |
| 120 | 1,200 | 0,960 | 0,889 | 0,826 | 0,800 | 0,774 | 0,750 | 0,727 | |
| 125 | 1,250 | 1,000 | 0,926 | 0,862 | 0,833 | 0,806 | 0,781 | 0,759 | |
| при избытке воздуха 30% смесь (не воспламеняется) переобеднена | < 0,52 | ||||||||
| минимальный расход при избытке воздуха 10 — 20% , то есть 17,1 к 1 | — 0,58 | ||||||||
| нормальное (стехиометрическое) соотношение -14,9 к 1 | — 0,67 | ||||||||
| максимальная мощность при 5 — 15% нехватке воздуха, то есть 12,7 к 1 | — 0,76 | ||||||||
| при избытке бензина 15% смесь (не воспламеняется) переобогащена | > 0,79 | ||||||||
prokarbyrator.ru
Регулировка карбюратора Солекс 21083 своими руками
На рынке существует большое количество разновидностей карбюраторов Солекс. Карбюратор — одна из наиважнейших частей в процессе подачи топлива, обеспечивающая качество работы автомобиля.
Карбюратор Солекс 21083 — это очень популярная модель, которую можно встретить на большом количестве отечественных автомобилейКарбюратор Солекс 21083 — базовый вариант, оснащённый диффузорами минимального сечения, благодаря которым эта серия и заполучила огромную популярность, так как позволяет осуществлять разного рода модификации, например проточку.
С чего начать
Начать настройку карбюратора Солекс 21083 следует с регулировки топливного уровня в поплавковой камере. Это подразумевает непосредственный запуск двигателя и его прогрев на протяжении пяти минут. Затем мотор отключается и выполняются дальнейшие действия:
- Аккуратно отделяется шланг, подающий топливо, чтобы избежать попадание бензина в камеру при дальнейшей работе.
- Убираются винты, фиксирующие крышку, в количестве пяти штук.
- Удаляется трос системы подсоса.
- С особой осторожностью приподнимается крышка в горизонтальном направлении, дабы не повредились поплавки.
- В самой камере производится замер уровня топлива линейкой или штангенциркулем.
Расстояние от верхнего уровня бензина до края привалочной плоскости крышки должно составлять от двадцати трёх до двадцати пяти миллиметров. Необходимо подобрать значение среднего характера, так как топливный уровень не способен находиться в постоянном состоянии из-за коллектора, который сам по себе не имеет возможности всё время быть в горизонтальном положении. Если же случился отход от нормы параметров, заданных ранее, то достаточно сделать подгибы поплавковых держателей, чтобы исправить ситуацию.
Затем некоторое количество бензина удаляется, и начинается обратный сборочный процесс карбюратора. Ключевое слово здесь обратный, которое подразумевает под собой выполнение того же самого процесса, но начиная с конца.
На этапе контрольной проверки двигателя необходимо, естественно, его запустить, а потом около тридцати секунд наблюдать за поступлением топлива в камеры со стороны малых диффузоров, используя небольшой фонарь для лучшего обозрения. Если бензин прибывает, то случился перелив и требуется очередная регулировка уровня топлива. Чтобы её провести, необходимо отключить двигатель и в камерах заново осуществить топливные замеры.
Если параметры находятся в районе дозволенных норм, то регулировка карбюратора Солекс на этом заканчивается. Затем осуществляется переход на следующий этап.
Режим холостого хода — второй этап
Завершив настройку уровня топлива в поплавковых камерах, двигатель снова подвергается прогреву, приходя в рабочее состояние. Дальнейшая работа происходит таким образом:
- Обнаруживается винт качества смеси, располагающийся в углублении нижней части карбюратора, а затем заворачивается до самого упора против часовой стрелки.
- Во время закрутки указанной детали очень важно контролировать собственную силу, так как чрезмерное упорство способно привести к резьбовому срыву.
- Делается пять или шесть оборотов по часовой стрелке, чтобы выкрутить винт.
- Двигатель снова заводится, а подсос убирается.
- Винт количества позволяет задать минимальную частоту для работы мотора без помех.
- Если прибор работает исправно, то обороты совершаются в количестве от пятисот штук в минуту до одной тысячи двухсот.
- Винт качества заворачивается в достаточно медленном темпе до начала неустойчивой моторной работы.
- Затем за один или полтора оборота он вновь отворачивается назад для стабильной частотной деятельности.
- Обороты холостого хода регулируются винтом количества в пределах от восьмисот пятидесяти до девятисот штук в минуту, если не удаётся наладить процесс, то на помощь приходит винт качества.
Итогом настройки холостого хода является грамотное соотношение, где работа мотора выполняется предельно устойчиво и с разрежением, носящим минимальный характер.
Неполадки, возникающие при настройке холостого хода
При правильном стечении обстоятельств двигатель должен уменьшать количество оборотов, а в конце и вовсе заглохнуть. Но если винт количества не вызывает у двигателя никакой отдачи, то это прямиком указывает на наличие проблемы. А заключается она в чрезмерном поступлении топлива в канал холостого хода, что не позволяет винту качества его перегородить.
Факторы, вызвавшие проблему:
- Установленный жиклёр холостого хода обладает бо́льшим размером, нежели необходимо.
- Заглушка недостаточно хорошо завинчена или электромагнитный клапан плохо закреплён, что и вызывает подсос бензина мимо отверстия для дозировки топлива.
- Деформирован сам жиклёр или место под него.
Чтобы найти неполадку, нужно отсоединить от клапана провод во время работы двигателя и посмотреть на результат. Если мотор заглох, то реальная проблема кроется в неправильно подобранном размере жиклёра. При работающем же двигателе недочёт заключён в обходе топливом системы холостого хода.
Чтобы преодолеть эти трудности, избавляемся от клапана с заглушкой и смотрим на состояние жиклёра, а также место, где он должен сидеть, для нахождения различных локальных искажений.
Крышка карбюратора подлежит замене, если удалось обнаружить места деформации в районе посадочного места. В случае если повреждения не удалось обнаружить, жиклёр помещается на клапан, а уплотнительное кольцо покрывается маслом.
После этого жиклёр завинчивается ключом без применения силы.
Правильный жиклёр для Солекс 21083
На подборку уместного жиклёра для регулировки карбюратора Солекс 21083 влияет объём самого мотора. Для первичной камеры следует приобретать топливные образцы, только затем к найденной модели подбирается необходимый воздушный аналог. И под конец рекомендуется заняться поиском прибора для вторичной камеры.
Жиклёры, идущие в комплекте с родным карбюратором, считаются образцовыми моделями для дальнейших приобретений. Их опытные мастера и советуют взять с собой на поиски новых деталей.
Надо принять во внимание тот факт, что для обеднения смеси берётся жиклёр большего диаметра на одну позицию, а для обогащения — на такую же позицию меньше.
Для контроля состава топливной смеси в отношении двигательных оборотов используются эмульсионные шланги. Их существует три вида:
Необходимо заметить, что подобный механизм не устанавливается на двигатели с объёмами от 1,5 литра. Это вызывает нарушения в работе при чрезмерных оборотах.
Проблемы с ускорительным насосом
Ускорительный насос служит для стойкой и своевременной подачи топливной струи сквозь неприкрытую карбюраторную заслонку. Лишённый силы поток или капание не считаются нормой. Растёкшееся топливо по стенкам диффузора также принимается за отклонение.
Носы насоса ускорения вставляются в разные камерные отсеки. Однако для резвости их можно установить только в первичную, что в исключительных случаях будет сулить чрезмерным переливом.
Проблемы в применении переходного режима
В особых условиях область высокого разрежения образовывается под закрытыми заслонками карбюратора. При их резком открытии разрежение способно моментально снизиться, что вызывает нарушения в работе первичной камеры, образуя провал, так как на холостых оборотах бензин был высосан через жиклёры из канала.
Для устранения последствий настраивается жиклёр холостого хода или носики насоса, меняющиеся в порядке очереди, дабы убрать образовавшиеся трудности с провалами и задержками при скором и отрывистом нажатии на педаль газа.
Стоит всегда помнить, что подобного рода манипуляции проводятся исключительно при предварительно нагретом двигателе.
Какие неприятности могут случиться со второй камерой
Вторичная камерная система не поддаётся регулированию из-за родных жиклёров, произведённых на заводе, а также эконостата, расположившегося в её плоскостях, так как именно он поставляет дополнительное количество топлива для обогащения смеси при образовании в карбюраторе разрежения, вызванного высокими оборотами.
Носик насоса ускорения является, пожалуй, единственным элементом, способным подвергнуться небольшим изменениям в случаях, когда поток бензина не попадает в предназначенное для него место.
Дальнейшее поддержание карбюратора
Чтобы карбюратор в дальнейшем серьёзно не барахлил, необходимо тщательно следить за его работой и не запускать до критического состояния, которое исключает самостоятельный ремонт.
Будет уместно приобрести необходимые детали аналогичной модели карбюратора, разобранной на части специально для этих целей.
Для лучшей моторной производительности рекомендуется избавиться от экономайзера принудительного холостого хода. А своевременная профилактика и точно подобранные жиклёры обеспечат максимально надёжную работу агрегата.
Статья полностью отражает главную цель регулировки пускового устройства карбюратора Солекс, основанную на многолетней практике и заключающуюся в устойчивом старте двигателя на холостом ходу, который обеспечивает стандартную работу пусковой системы.
carextra.ru
Неисправности карбюратора Солекс 21083 и их устранение
Как и любой другой узел автомобиля, топливная система при определенных обстоятельствах потребует ремонта. Неисправности карбюратора солекс 21083, как правило, случаются из-за неправильной настройки работы топливной системы, некачественного топлива, условий эксплуатации и т.д.

Рассмотрим основные причины неисправности карбюратора Солекс 21083 и как их можно определить.
- Провал – во время нажатия на педаль газа, авто какое-то время продолжает ехать с той же скоростью, или начинает с замедлением ускорятся;
- Рывок – кратковременная пауза перед ускорением;
- Подергивание – одновременно несколько рывков, которые следуют один за другим;
- Раскачивание – следующие несколько один за другим провалы;
- Вялый разгон – авто начинает разгон медленно.
В карбюраторе Солекс 21083 неисправности могут возникать при изношенных деталях, когда пары масла поршневой группы, а также картерные газы начинают попадать в полость над карбюратором, что приводит к засорению фильтрующего элемента, далее все это оседает на жиклерах и остальных элементах карбюратора, что и затрудняет их работу.

Неисправности в ускорительном насосе карбюратора Солекс 21083
Если есть протекание топлива с крышки насоса, то в этом случае, вероятно, есть, провыв диафрагмы в ускорительном насосе, которую нужно заменить.
Может забиваться распылитель ускорительного насоса, это можно проверить простым нажатием на педаль газа при неработающем двигателе, если в момент нажатия из-под распределителя не появилась ровная струйка топлива без пузырьков воздуха, то причина очевидна.
Как правило, это может быть из-за:
- отсутствия в поплавковой камере карбюратора топлива;
- распылитель забивается ускорительного насоса;
- неисправность обратного клапана в распылителе ускорительного насоса (следует продуть систему).
Отсутствие в поплавковой камере топлива определяется проверкой наличие смеси на входе в карбюратор Солекс 21083. Далее если топливо подается, необходимо проверить запорную иглу и сетчатый фильтр в карбюраторе, после чего проверяем бензонасос и т.д.

Разборка и сборка карбюратора Солекс 21083 в этом случае должна выполняться аккуратно и в правильно порядке. Иначе в процессе сборки вы сможете нарушить правильность установки жиклеров карбюратора Солекс 21083, фильтра, заслонок и т.д. Что приведет впоследствии к нестабильной работе карбюратора или его поломке.
Обедненная смесь определяется по следующим причинам:
При отсутствии топлива в камере поплавковой и исправном топливном насосе можно проверить пропускную способность карбюратора, и непосредственно шланга подводящего топливо к карбюратору.
Далее проверяют сетчатый фильтр и исправность иглы клапана топливного. Маловероятно что, игла может быть заклинена в закрытом положении, это только возможно при отсутствии скобы оттяжной, которая соединяет поплавок с иглой клапана, или сильном износе иглы.

Промывается сетчатый засоренный фильтр растворителем или ацетоном, и предварительно вынимают его из корпуса карбюратора, сжатым воздухом продувают фильтр и устанавливают на место. Топливный неисправный клапан необходимо заменить в сборе на новый.
Ремкомплект карбюратора Солекс 21083
Ремкомплект карбюратора Солекс 21083 лучше всего иметь запасной, чтобы в случаях неисправности он находился под рукой. Он пригодится не только во время ремонта карбюратора, а и в процессе тюнинга карбюратора Солекс 21083, если будет такая необходимость и желание.
Далее нарушение подачи состава смеси можно определить положением воздушной заслонки. Возможные заедание ее тяги привода, рычага, оси, неисправности связанные с пусковым устройством или неправильной регулировке.
Обеднение смеси может быть вызвано как во время работы, так и при пуске двигателя, низким уровнем топлива непосредственно в поплавковой камере. Также может иметь место подсос воздуха в выпускном коллекторе, где он соединяется с карбюратором.

В зимнее время, при отрицательных температурах воздуха, есть вероятность замерзания воды непосредственно в топливопроводе и каналах карбюратора, закупорки ледяными пробками, или обмерзания в зоне диффузоров смесительных камер. В результате чего, будет наблюдаться остановка или падение мощности двигателя.
Неустойчивые обороты или отсутствие холостого хода
При исправной работе систем карбюратора Солекс 21083, возможно засорение каналов или жиклеров холостого хода. Поврежденные резиновые уплотнители колец винтов количества и качества, неплотно закрученный электромагнит клапана: это все вероятные причина нестабильной работы авто.
Если есть система ЭПХХ (электронная система подстройки холостого хода), то также возможны неисправности из-за неполного закручивания топливного держателя жиклера, поломка электромагнитного клапана или блока управления, а также повреждение диафрагмы экономайзера.

Так как переходная система холостого хода совмещена с системой первой камеры, то при нестабильных оборотах холостого хода вероятность остановки или провала двигателя при начале плавном движении авто. Засоренные каналы продувают и промывают после частичной разборки данного карбюратора.
Все неисправные детали заменяют на новые. Ремкомплект карбюратора Солекс 21083, цена которого остается приемлемой для автовладельцев, позволяет не прибегать к попыткам поставить уже изношенные прокладки, пружинки и т.д. Таким образом, вы обезопасите себя от преждевременных поломок и неисправностей.
Пониженные или повышенные обороты, нестабильная работа мотора в режиме холостого хода
Эти причины могут быть вызваны неправильной регулировкой уровня топлива, холостых оборотов, или подсосом лишнего воздуха. На это может и повлиять износ и неправильная регулировка заслонок, как в первой, так и во второй камерах карбюратора.

Невозможный или затрудненный пуск холодного двигателя: вероятней всего неправильно выполнена регулировка пускового устройства, а также может быть изношенна диафрагма в пусковом устройстве.
Затрудненный запуск прогретого мотора
Наиболее частой причиной является, повышенный уровень топлива или переобогащение смеси. Это может быть вызвано не герметичностью топливного клапана или неправильной регулировкой поплавкового механизма. Обычно при неправильном тюнинге своими руками такое может случиться.
Именно поэтому стоит обращаться за помощью к квалифицированным специалистам, которые правильно и аккуратно выполнят все работы по ремонту, настройке карбюратора Солекс 21083, потому что именно профессионалы знают толк в карбюраторах различных модификаций, таких как Солекс 21083 1107010 и других.
Также можно просмотреть подробное описание и видео про ремонт карбюратора Солекс 21083, где наглядно представлен весь процесс по сборке, разборке и ремонту карбюратора.
Также на эту тему вы можете почитать:
Поделитесь в социальных сетях
Alex S Ноябрь 11th, 2013
Опубликовано в: Полезные советы и устройство авто
Метки: Как устроен автомобиль, Советы автомобилистам
avto-all.com
Карбюратор Cолекс 21083 жиклеры: разновидности и правильный подбор
Жиклеры карбюратора Солекс 21083 представлены в виде двух видов: топливные и воздушные.

Воздушные и топливные жиклеры противоположные по своему взаимодействию на состав и качество горючей смеси. В процессе увеличения площади сечения жиклера топливного будет наблюдаться обогащение горючей смеси, а в случае с воздушным жиклером – обеднение.
Следует учесть, что степень их воздействия не одинакова при разных режимах работы карбюратора Солекс 21083. Если изменить сечение основного жиклера состав топливной смеси начнет изменяться прямо пропорционально для всех режимов дроссерирования от низких нагрузок до полного открытия дросселя.
Также воздействие жиклера воздушного больше ощущается в процессе увеличения угла открытия заслонки дроссельной.
Таким образом, при необходимости выполнить изменение состава топливной смеси на всем диапазон характеристик, то потребуется изменить производительность топливного главного жиклера. Для изменения характеристики кривой состава горючей смеси, необходимо воспользоваться жиклером воздушным.

Из экономических показанных характеристик авто с разной производительностью воздушного и топливного жиклеров основной системы карбюратора следует, что в случае увеличения производительность топливного главного жиклера, расход топлива соответственно увеличиться на всех скоростных режимах автомобиля.
Изменение производительно жиклера воздушного позволяет увеличить расход топлива только при высоких скоростных режимах авто. Подбирая наиболее подходящую производительность воздушного и топливного жиклеров, важно выбрать оптимальный состав подающейся топливной смеси для определенного режима работы мотора автомобиля.
Правильный выбор необходимых характеристик дозирующей главной системы будет в дальнейшем определять плавность и стабильность работы двигателя, это особенно будет заметно при частичных нагрузках. Авто в процессе движения по городу 65% времени работает с немного прикрытой заслонкой дроссельной в момент разряжения трубопровода впускного выше 450 мм рт.ст, а также расходует до 35% всего количества топлива.
Таблица топливных жиклеров карбюратора Солекс 21083
В процессе дросселирования карбюратора можно наблюдать нестабильный состав топливной смеси по времени в рабочих зарядах, нет идентичности циклов. Это существенное оказывает влияние на состав газов отработанных.
Также на неоднородный состав горючей смеси по циклам могут воздействовать три фактора:
- характера распределения смеси по сечению потока;
- дисперсность топлива;
- характер распределения смеси вдоль потока.
Существенное воздействие на структуру потока могут оказывать вид течения эмульсии смеси из канала главной системы распылителя. В зависимости от соотношения производительности в дозирующей системе жиклеров и скорости истечении эмульсии можно получить такие виды течения: ламинарное, пробковое, грубоэмульсионное, осесимметричное и волновое.
Таким образом, в зависимости от изменения вида течения из распылителя главной системы эмульсии в значительной степени будет изменяться однородность состава топливной смеси в рабочих циклах мотора авто. Осесимметричный режим является наиболее оптимальным для стабильной работы двигателя авто. Это удается достичь благодаря равномерной подачи топлива.

Воздушные жиклеры карбюратора Солекс 21083 позволяют отрегулировать совместно с топливными жиклерами оптимальную работу карбюратора. Следует помнить, что расположение воздушного жиклера основной системы внутри бензовоздушного главного тракта нежелательно из-за возможности засорения или засмоления жиклера, что может привести к неисправностям карбюратора.
Часто это наблюдается в случае пропуска картерных газов мотора через карбюратор. Правильней всего разместить жиклеры воздушные в специальных карманах, которые буду защищать их от воздействия потока прямого воздуха.
В случае доработки или тюнинга карбюратора Солекс 21083 необходимо уделить должное внимание подбору жиклеров. Этот процесс должен осуществляться в зависимости от объема мотора авто. Таким образом, под большие объемы двигателя, к примеру 1.5-1.7 лучше всего использовать маленькие жиклеры.

Из-за того, что большой объем, за единицу времени проходить будет много воздуха через диффузор, и как следствие будет расходоваться значительно больше топлива. Конечно если вы не собираетесь прокачать свое авто для быстрой езды, тогда для вас это не будет столь существенно. В противном случае лучше установить жиклеры с меньшим сечением.
Начинать подбор жиклера наиболее правильно с топливного, а затем перейти в выбору воздушного. Также следует учесть, что сначала необходимо выбрать жиклеры для первой камеры, а после того как установили на нее жиклеры, следует перейти ко второй камере карбюратора. Только таким способом считается наиболее правильная установка или замена жиклеров.
Квалифицированные специалисты советуют перед тем, как начать работы найти оригинальный карбюратор заводской Солекс 21083, который рассчитан на такой же объем двигателя, который установлен на вашем авто, и попробовать установить на него эти жиклеры. Ниже приведена таблица жиклеров карбюратора Солекс 21083.

В зависимости от предпочитаемого стиля вождения, вы сможете подобрать для себя наиболее оптимальный размер жиклеров. Но учтите, что при использовании жиклеров серии «спорт» расход топлива вашего авто может увеличиться в два раза.
Поэтому если вы предпочитаете оптимальный расход и динамичное авто, то лучше выбрать средний вариант, к примеру «мощностной нормальный» или «мощностной умеренный». Для тех, кто предпочитает размеренный спокойный стиль вождения лучше всего подойдут жиклеры «экономичные». Кстати, есть также еще одна модификация: карбюратор Солекс 21083 1107010, у него есть свои плюсы.
А на видео показано, как правильно подбирать жиклеры для карбюратора Солекс 21083:
Также на эту тему вы можете почитать:
Поделитесь в социальных сетях
Alex S Ноябрь 14th, 2013
Опубликовано в: Полезные советы и устройство авто
Метки: Как устроен автомобиль, Советы автомобилистам
avto-all.com
Регулировка качества смеси карбюратора «Солекс»

Карбюратор Солекс (ДААЗ) является одним из самых популярных устройств в списке карбюраторных дозирующих систем, так как при правильном подходе реализована возможность достаточно гибкой настройки карбюраторов данного типа. По этой причине карбюраторы Solex автолюбители устанавливают на разные двигатели, после чего дополнительно подстраивают, добиваясь необходимых показателей топливной экономичности, качества смесеобразования на мощностных и других режимах работы ДВС.
Рекомендуем также прочитать статью о том, как можно сделать тюнинг карбюратора своими руками. Из этой статьи вы узнаете о различных способах самостоятельной доработки карбюраторных дозирующих систем.После установки Солекс на двигатель зачастую необходима настройка данного устройства. Для решения задачи можно обратиться в сервис, где специалист по настройке карбюратора выполнит все необходимые операции. Также можно настроить карбюратор самому. В этой статье мы поговорим о том, как отрегулировать качество смеси на карбюраторе Солекс, каким образом производится регулировка уровня топлива и регулировка поплавковой камеры карбюратора Солекс, настраивается холостой ход и т.д.
Читайте в этой статье
Карбюратор Солекс: настройка и регулировка
Перед началом работ по настройке, если необходима регулировка воздушной заслонки карбюратора, уровня топлива в камерах, выставление холостого хода и другие манипуляции, необходимо отдельно изучить схему устройства карбюраторной системы, место расположения жиклеров и других базовых элементов (эконостат, экономайзер, поплавок, первая и вторая камера, заслонки и т.д.) Также следует уделить внимание тому, как снимается крышка и разбирается карбюратор.
Начинать настройку необходимо с того, что в поплавковых камерах выставляется уровень топлива. Рекомендованным способом является выставление указанного уровня по тому положению, которое поплавки имеют по отношению к крышке карбюратора. Все манипуляции осуществляются путем использования отдельного шаблона. Отметим, что как показывает практика, данный метод никак нельзя считать оптимальным, так как при установке Солекс на автомобиль следует учесть, что бензонасос на одном конкретном ТС может отличаться от топливного насоса на другой машине. Также могут быть и другие отличия в системе питания. Результатом становится то, что давление на иглу карбюратора (запорный клапан карбюратора) тоже оказывается разное. Чаще всего после настройки по шаблону топливо попадает в карбюратор в большом избытке. Чтобы точно выставить уровень бензина в карбюраторе и регулировка поплавка карбюратора Солекс была успешной, необходимо выполнять описанные ниже действия.
- Обычно сразу после установки Солекса на разные ДВС с различным рабочим объемом даже без предварительных регулировок двигатель все равно должен запускаться. Мотор необходимо завести, после чего силовой агрегат должен работать около 10 минут. Во время работы на ХХ можно слегка нажимать на газ и повышать обороты, чтобы избежать того, что двигатель стреляет в карбюратор или в систему выхлопа.
- Затем силовую установку можно заглушить, после чего необходимо снять шланг для подачи топлива. Рекомендуется заготовить ветошь, чтобы удалить остатки бензина, который разбрызгивается после снятия указанного шланга. Шланг снимают для того, чтобы после снятия крышки карбюратора бензин, который находится в шланге под давлением, не проливался в камеру карбюратора. Другими словами, излишки топлива, попадающие в камеру, могут нарушить точность замеров.
- Теперь можно выкрутить винты крепления крышки карбюратора, затем нужно снять трос, управляющий «подсосом». Следующим шагом становится аккуратный подъем крышки карбюратора. Указанную крышку следует поднимать в строго горизонтальном положении, чтобы не причинить повреждений самим поплавкам.
- Далее следует приготовить линейку или штангенциркуль. Данными инструментами нужно произвести замер расстояния, которое получается от самого горючего в камере до прилегающей поверхности крышки карбюратора. Указанное расстояние от поверхности крышки до поверхности топлива должно быть около 2.5 см. Добавим, что промерять расстояние нужно в обеих камерах. Это расстояние может быть разным с учетом того, что коллектор не находится в строго горизонтальном положении. Исходя из разницы расстояний в обеих камерах выбирается усредненное значение.
В том случае, если уровень горючего недостаточен или превысит необходимый показатель, тогда язычок поплавков необходимо очень деликатно подгибать для меньшего или большего наполнения. Затем излишки бензина нужно убрать из камер для более точного определения полученного после регулировок уровня при очередном замере. Карбюратор следует собрать, после чего запуск мотора повторяется.
- После того, как двигатель был заведен, необходимо подсветить камеры карбюратора контрольной лампой или фонарем, наблюдая за малыми диффузорами. За время от 30 секунд до 1 минуты горючее не должно капать с диффузоров. Если вы заметили даже небольшую каплю, тогда это говорит о том, что в камере имеет место перелив. Отметим, что газовать во время наблюдения за диффузорами нельзя, мотор должен работать только на холостых. Дело в том, что неожиданный прострел или чихание в карбюратор при подгазовках может привести к травме глаз.
Если капель топлива не было замечено, тогда остается повторно промерить уровень горючего в камере уже известным способом. В случае положительного результата эту часть настройки можно считать завершенной. Если же уровень снова отличается от нормы, тогда следует настраивать уровень повторно. Отметим, что настройка уровня на заглушенном двигателе при ручной подкачке не является правильной, так как после запуска ДВС карбюратор все равно будет переливать, особенно на моторах, где «обратка» была перекрыта.
Карбюратор Солекс: регулировка холостого хода
Следующим шагом после настройки уровня топлива в поплавковой камере карбюратора является регулировка оборотов ХХ. Для настройки необходимо сначала прогреть мотор до выхода на рабочую температуру. После прогрева агрегат следует заглушить.
В самом начале необходимо найти винт качества топливно-воздушной смеси, который вращается при помощи плоской отвертки. Указанный винт находится в отверстии, которое выполнено в нижней части карбюратора.
- Винт качества нужно закрутить до упора. Заворачивание осуществляется по часовой стрелке, при этом усилия применять не нужно, так как можно повредить резьбу. После того, как винт уперся, следует отвернуть его назад от положения упора на 4-6 оборотов.
- Теперь двигатель следует завести, подсос должен быть убран. Затем следует выставить минимально допустимые обороты при помощи вращения винта количества. Такими минимальными оборотами можно считать показатель, когда двигатель работает стабильно и устойчиво. Также в штуцере вакуумного опережения разряжение должно быть минимальным. Достаточно простым способом для определение разряжения является перекрытие языком трубки, которая идет в так называемый вакуумный опередитель. Если обороты ХХ находятся в диапазоне от 600-1200, карбюратор в порядке.
- Далее винт качества нужно медленно закручивать до того момента, пока работа агрегата не начнет терять устойчивость. Как только двигатель начнет нестабильно работать, следует отвернуть винт обратно на один или полтора оборота, улавливая положение, когда мотор снова работает стабильно
- Снова возвращаемся к винту количества, которым обороты холостого хода следует выставить до отметки 800-950 об/мин. Выставляем винтом количества обороты ХХ около 850-900. Если при выставлении таких оборотов двигатель глохнет, тогда нужно выкручивать винт качества.
- Настройка винтов качества и количества производится до того момента, пока не удастся выставить нужные обороты ХХ, разрежение в трубке опередителя при этом будет минимальным, а сам ДВС будет способен работать стабильно.
Отметим, что в процессе настройки можно столкнуться с определенными сложностями. Например, работа двигателя может никак не меняться при попытках закрутить винт количества (в норме обороты должны падать, двигатель начинает работать неровно, затем глохнет по мере закручивания винта). Если этого не происходит, тогда в канал холостого хода происходит поступление большого количества топлива, которое не удается перекрыть винтом качества.
Возникает такая проблема по ряду причин. Прежде всего, может быть установлен большой жиклер холостого хода. Также следует обратить внимание на то, насколько плотно закручен электромагнитный клапан или заглушка. При неплотной посадке лишний бензин может подсасывать в обход жиклера холостого хода. Также не следует исключать и возможные неполадки с самим жиклером, а также с его посадочным местом. Чтобы точнее понять причину, понадобится на заведенном моторе, который работает на холостых, снять провод электромагнитного клапана. В этом случае после снятия агрегат должен быстро глохнуть. Если происходит именно так, тогда причиной, вероятнее всего, является большой жиклер холостого хода. Для решения потребуется установка жиклера меньшего размера.
Если же двигатель после снятия провода с клапана не глохнет, тогда эта проблема может возникать в результате перелива бензина в поплавковую камеру. Также возможно, что на работающем ДВС горючее идет в обход жиклера или даже всей системы холостого хода. Прежде всего, снова проверяем правильность выставленного уровня в поплавковой камере. Если с уровнем все в норме, тогда электромагнитный клапан/заглушку следует открутить, после чего нужно осмотреть жиклер и место его установки. Никаких дефектов быть не должно. Если таковые имеются, тогда может понадобиться замена крышки карбюратора. В том случае, если дефектов не обнаружено, тогда жиклер надевается на клапан, уплотнительное кольцо смазывается моторным маслом, после чего производится закручивание ключом без усилий.
Жиклеры и ускорительный насос
Владельцы карбюраторных авто знают, что жиклеры меняются, но далеко не всегда понимают, для чего необходимы жиклеры и как их размер влияет на работу карбюратора. Начнем с того, что двигатель засасывает воздух через специальное отверстие, выполненное в большом диффузоре. Параллельно с этим через топливный жиклер затягивается некоторое количество горючего. Рабочий объем двигателя напрямую влияет на то, сколько воздуха через диффузор затянет двигатель за определенное время, а также на количество бензина, засасываемое параллельно с воздухом.
Именно по этой причине на двигателях с большим объемом стоят карбюраторы, в которых жиклеры маленькие. Установка такого карбюратора на мотор с меньшим объемом будет означать, что «родные» жиклеры в этом карбюраторе будут давать слишком обедненную смесь для нормальной работы мотора. Для решения указанной задачи следует найти жиклеры от карбюратора, который изначально рассчитан на конкретный объем ДВС или максимально близкий к нему. Подбирать жиклеры нужно начиная с топливного, под топливный затем подбирается воздушный. Подбор производится с группы жиклеров для первой камеры, вторую камеру настраивают только после первой.
Теперь поговорим об ускорительном насосе. Насос-ускоритель обеспечивает подачу дополнительного количества топлива в момент открытия дроссельной заслонки, что позволяет более эффективно ускориться. Задействуется насос при помощи специального кулачка. На моторах с установленным карбюратором Солекс указанный кулачек ускорительного насоса необходимо ставить самый большой.
Также следует уделить внимание и так называемому «носику» ускорительного насоса. Во время открытия заслонок топливо должно подаваться явной струей, а не капать даже при небольшом открытии дросселя. Важно и то, какое положение занимает носик. Струя бензина должна попадать точно в область между стенкой диффузора и дроссельной заслонкой, то есть горючее струей подается напрямую в коллектор. Не допускается попадание струи на диффузор или заслонку. Если так происходит, тогда после резкого нажатия на педаль акселератора автомобиль не будет сразу разгоняться, возникнет провал. Самостоятельная доработка карбюратора предполагает установку двух носиков в камеры для получения лучшей отдачи от мотора или только одного носика в первую камеру карбюратора для более экономичного режима.
Настройка переходного режима карбюратора
В то время, когда двигатель работает в режиме холостого хода, дроссельные заслонки перекрыты. Под заслонками образуется вакуум (разрежение). Благодаря указанному разрежению происходит высасывание бензина через небольшой канал холостого хода и жиклер, а сам двигатель ровно работает на холостых. Если резко открыть заслонку, тогда разрежение тоже слабеет. Более того, этого разрежения недостаточно для нормальной работы ГДС (главная дозирующая система) в первой камере, а система холостого хода и ускорительный насос еще не способны нормализовать работу мотора. Другими словами, при резком нажатии на газ после холостого хода отмечается задержка реакции на нажатие педали акселератора.
Чтобы указанный провал минимизировать или полностью убрать в устройстве карбюратора используется переходная система. Данная схема представляет собой отверстие-щель, выполненное над дроссельной заслонкой в первой камере. В момент нажатия на педаль газа щелевидное отверстие оказывается в зоне большого разряжения, благодаря чему происходит интенсивный подсос топлива параллельно его подаче через жиклер холостого хода.
Вернемся к настройкам. После того, как карбюратор был установлен, на многих автомобилях возникает провал при трогании с места, замедлены реакции на нажатие педали газа, двигатель может начать стрелять в карбюратор или заглохнуть. В такой ситуации может быть виновата переходная система. Для того чтобы нормализовать работу карбюратора, необходимо правильно подобрать сечение «носика» ускорительного насоса и размер жиклера холостого хода.
Дело в том, что именно во время работы на переходном режиме горючее поступает как из ускорительного насоса, так и от переходной системы. В результате топливно-воздушная смесь может получаться слишком обогащенной или, наоборот, обедненной, что не позволяет двигателю нормально работать и набрать обороты.
При этом важно знать, что жиклеры в первой камере трогать не нужно, а также указанные провалы не следует пытаться устранить путем замены жиклеров главной дозирующей системы. Для решения задачи следует на ранее отстроенном карбюраторе правильно подобрать жиклер холостого хода и носик ускорительного насоса. Подбор нужно осуществлять после прогрева ДВС, подсос должен быть убран.
На практике это выглядит следующим образом:
Уровень в поплавковой камере предварительно был выставлен, отрегулирован холостой ход. Прогретый двигатель нормально работает на холостых без подсоса. Струя бензина из носика ускорительного насоса попадает точно в коллектор. Теперь можно резко нажать на педаль газа. Необходима именно резкость нажатия, а не то, насколько сильно была нажата педаль (до пола, половина хода или ¼). В норме мотор должен сразу реагировать и раскручиваться, то есть набор оборотов происходит без задержек или провалов. В том случае, если реакции на резкое нажатие на акселератор замедлены или есть ощутимая пауза перед ростом оборотов, тогда следует перейти к настройкам.
Для точного определения причины на педаль газа нужно нажать повторно, но уже плавно, а не резко. Если в этом случае идет ровный набор оборотов (без пауз, провалов и задержек), тогда следует обратить внимание на жиклер холостого и носик насоса, та как главная дозирующая система к провалу не имеет отношения. Если же при плавном нажатии на газ двигатель раскручивается плохо, сам агрегат начинает работать рывками, гудит, сильно вибрирует и т.п., тогда проблема заключается в подборе жиклеров первой камеры. Другими словами, происходит излишнее обогащение или обеднение смеси после перехода карбюратора в мощностной режим работы после нажатия на акселератор. Косвенным признаком слишком «богатой» смеси во время работы на переходном режиме является то, что двигатель дымит черным дымом, из системы выхлопа идет запах бензина. Указанный дым и запах появляются после резкого дросселирования.
Чтобы убрать провал, необходимо тщательно подбирать жиклеры холостого хода под носик насоса или наоборот. Это делается до того момента, пока исчезнуть задержки при резком нажатии на педаль акселератора. Параллельно с этим может понадобиться повторная регулировка холостого хода, так как замена жиклера ХХ внесет свои изменения в работу системы холостого хода. Добавим, что если смесь остается обедненной и есть провал, а жиклер холостого хода слишком большой и не получается настроить холостой ход, тогда можно поставить спаренный носик насоса, после чего обе трубочки загибаются в первую поплавковую камеру.
Регулировка второй камеры карбюратора Солекс
Начнем с того, что во время настройки карбюратора вторая камера обычно не затрагивается, так как зачастую стандартных жиклеров будет достаточно. Также в устройстве карбюратора имеется эконостат, который способен корректировать возможные нюансы. Эконостат представляет собой трубку, которая находится во второй камере под небольшим наклоном.
Задачей эконостата является то, что при полном открытии дросселя разряжение в карбюраторе позволяет засосать через эконостат горючее. Эконостат задействуется тогда, когда двигатель работает на повышенных оборотах и позволяет обогатить топливно-воздушную смесь. Для доработки второй камеры, которая позволяет реализовать «подхват», устанавливают жиклеры для обогащения смеси. Подбор жиклеров в этом случае ничем не отличается от подбора для первой камеры.
Подведем итоги
Описанные выше шаги по настройке и регулировке карбюратора Солекс являются базовыми. Другими словами, при желании вы можете настроить карбюратор своими руками, опираясь на данную информацию. Отметим, что точность настроек можно далее проверить на газоанализаторе, после чего самому внести необходимые коррективы вместо постоянного обращения к специалистам. Напоследок добавим, что дозирующее устройство данного типа поддается различным видам тюнинга, всевозможных доработок и улучшений. По этой причине при выборе карбюратора на ВАЗ многие автолюбители не зря отдают предпочтение Солекс.
Читайте также
krutimotor.ru
Настройка карбюратора солекс 21083: регулировка с видео
Карбюратор Солекс – это одна из основных составляющих в системе подачи топлива, от которой зависит эффективность работы всего автомобиля. Эти карбюраторы на сегодняшний день очень популярны.

Основными причинами их популярности является экономичность расхода топлива и высокая эффективность работы Вашего силового агрегата. Однако чтобы добиться таких показателей необходимо проводить его настройку.
Установка уровня поплавковой камеры
В первую очередь, необходимо обратить внимание на уровень топлива в поплавковой камере.
Даже в новом карбюраторе необходимо проводить данную процедуру, поскольку на каждом автомобиле установлены разные бензонасосы, количество прокладок под ними также может варьировать, что может привести к разным показателям давления на запорный клапан или иглу карбюратора, а это в свою очередь приводит к чрезмерно богатой смеси (переливу).
Процедура регулировки следующая:
- Необходимо завести двигатель и аккуратно подавать газ, чтобы проверить эффективность работы карбюратора;
- Снимаем воздушный фильтр с карбюратора и топливный шланг.
- Отвинчиваем 5 болтов и снимаем крышку карбюратора. Обязательно вертикально, дабы не повредить его поплавки. Размещаем данную крышка на какой-либо ровной поверхности.
- При снятии крышки карбюратора уровень топлива должен быть на отметке красных линий. Необходимо измерить глубину топлива. Этот показатель должен составлять около 29 мм. Процедуру следует проводить сразу после снятия крышки карбюратора, поскольку бензин имеет свойства испаряться.
- Необходимо отрегулировать высоту поплавков. Измеряем расстояние от картонной прокладки крышки карбюратора до верхней части каждого поплавка.
- Рекомендуемый показатель составляет 34 мм. При необходимости нужно подгибать рычаги и язычок поплавка.
- Приступаем к регулировке полного хода поплавков. Допустимый подъем нижнего угла поплавка составляет 15 мм, а полный ход поплавка – 25 мм.
Обратите внимание, чтобы кромки поплавков находились параллельно привалочной поверхности крышки.
Установка холостого хода
После установки уровня в поплавковой камере собираем карбюратор и прогреваем двигатель автомобиля до рабочей температуры. В данном видео, вам расскажут и покажут как устанавливается холостой ход в карбюраторе Солекс, а так же основные причины его отсутствия.
Далее глушим его и проводим следующие операции:
- При помощи плоской отвертки необходимо закрутить винт качества смеси до упора (позиция 7).
- Отворачиваем его с этого положения на 4 – 5 оборотов назад.
- Запускаем двигатель, при этом не забудьте полностью убрать подсос, и при помощи винта количества смеси (позиция 6) устанавливаем минимальные обороты двигателя около 800 в минуту, чтобы двигатель работал устойчиво.
- Закручиваем винт качества смеси, пока двигатель не начнет работать неустойчиво. После отворачиваем его назад на 0,5 – 1 оборот, что должно привести работу двигателя в относительно устойчивое положение.
- Винтом количество смеси устанавливаем обороты двигателя около 800 – 900 в минуту. Если двигатель начинает глохнуть, то открутите еще немного винт качество смеси.
При установке холостого хода могут возникнуть некоторые проблемы:
Двигатель не сбрасывает обороты при закручивании винта количество смеси (в канал холостого хода попадает очень много топливо и данный винт не может его перекрыть).
Причины:
- установлены большие жиклеры;
- плохо закручен электромагнитный клапан, и топливо подсасывает мимо жиклера;
- деформация посадочного места жиклера или его самого.
Так, к примеру, если при снятии провода с электромагнитного клапана двигатель глохнет, то это означает, что установлен слишком большой жиклер.
Подбор жиклеров
Некоторые параметры серийных карбюраторов далеки от эталонных, поскольку размеры некоторых деталей имеют производственные отклонения. Интересное и очень полезное видео, из которого вы узнаете, как можно доработать карбюратор Солекс 21083.
Так, разброс параметров некоторых серийных деталей карбюратора может достигать до 5%. Поэтому в процессе настройки карбюратора убедитесь в исправности жиклеров. Подбор жиклеров осуществляется с учетом рабочего объема автомобиля.
Если у двигателя большой объем двигателя, то необходимо устанавливать маленькие жиклеры, так как увеличение объема требует больше воздуха, проходящего через диффузор, что отражается на расходе бензина. Их настройку следует начинать с топливного жиклера, после, при необходимости, переходить к воздушному.
В наличии нужно иметь несколько жиклеров с большей и меньшей производительностью, чем установленный.
Наши действия:
- С помощью проволоки зафиксируйте дроссельную заслонку второй камеры, чтобы исключить ее влияние.
- Далее подбираем жиклеры, например, жиклер маркировки «107,5», который у нас базовый, меняем на «105», а потом «97,5». Пропускная способность жиклеров уменьшаем до тех пор, пока не появиться провалы при отрытой дроссельной заслонке или подергивании при движении. При появлении этих признаков, следует выкрутить этот жиклер, и поменять его на предыдущий, у которого производительность была немного больше.
- При появлении провалов при трогании машины следует немного обогатить смесь с помощью регулировки системы холостого хода.
Если Вы стремитесь повысить экономичность Вашего автомобиля, то не рекомендуется уменьшать проходное сечение главного топливного жиклера второй камеры, так как процесс разгона будет значительно длиннее, и вся экономия свидеться к нулю.
Регулировка ускорительного насоса

Дозирующие системы ускорительного насоса
Основная задача ускорительного насоса – это подача ровной и мощной струи бензина через открытую дроссельную заслонку карбюратора (капание и вялая струя не допускается). Струя бензина должна попадать напрямую в коллектор, не касаясь стенок диффузора и дроссельной заслонки.
Стекание бензина по стеке диффузора или дроссельной заслонки не допускается, так как автомобиль при резком нажатии на газ будет сильно тупить и дергаться.
Устанавливать ускорительный насос с двумя носиками необходимо в разные камеры. Можно завести два носика в первичную камеру – это может повысит резвость автомобиля, но и также привести к чрезмерному «переливу».
Настройка переходного режима работы карбюратора
На холостых оборотах дроссельные заслонки карбюратора закрываются и под ними создается область высокого разряжения, что позволяет «высосать» бензин из канала холостого хода через жиклер. Если заслонку резко открыть, то разряжение резко снижается, что нарушает нормальную работу главной дозирующей системы первой камеры и появляется провал.
Чтобы устранить эти признаки, проводят настройку жиклера холостого хода или носиков ускорительного насоса. Регулировку необходимо осуществлять на прогретом двигателе автомобиля.
Поочередно меняются жиклеры холостого хода или ускорительный насос, чтобы предотвратить наличие провалов и задержек при резком нажатии на газ.
Возможно, немного понадобиться отрегулировать обороты холостого хода. Переобогащение не переходном режиме отображается в виде черного дыма, идущего из выхлопной трубы.
Тюнинг салона своими руками. Как это сделать и что для этого нужно, можно узнать из нашего уникального сайта.
Отсюда, можно узнать, как сделать тюнинг Нивы Шевроле своими руками.
В этой познавательной статье, вы узнаете, как можно выполнить полировку лобового стекла, своими руками.
Рекомендуется устанавливать ускорительный насос с носиками 40х40, а жиклер холостого хода от с параметрами от 35 до 40. Если есть провалы от бедной смеси и не удается настроить холостой ход по причине слишком большого жиклера холостого хода, то тогда оба носика ускорительного насоса можно занести в первую камеру, как изображено на картинке.
Настройка второй камеры
Как правило, вторая камера карбюратора не регулируется, поскольку все недостатки заводских жиклеров компенсируются эконостатом. Дело в том, что при высоких оборотах, когда возникает разряжение в карбюраторе, через эконостат поставляется дополнительный бензин, что дает возможность обогатить смесь.
Регулировке может подвергнуться только носик ускорительного насоса, в случае если его струя не попадает между стенкой диффузора и дроссельной заслонкой.
Все вышеизложенные приемы настройки карбюратора являются основными в его регулировании, однако некоторые умельцы могут делать дополнительно засверливание каналов и дроссельных заслонок, запаивать эпульсионные трубки.
Исходя из многолетней практики наших водителей, карбюраторы солекс – это надежная разработка, которая на отменно выполняет возложенные на нее задачи и даже без каких-либо модификаций.
natapku.ru
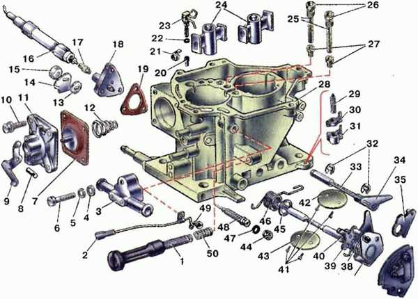
Устройство карбюратора Солекс 21083 1107010 с автоподсосом
Существует одна из модификаций карбюратора Солекс 21083, которая оснащена автоподсосом, благодаря чему топливная система автоматически заполняется.

Водителю не придется подкачивать с помощью акселератора или клапана на карбюраторе заполнение топливной системы. Карбюратор Солекс 21083 1107010 позволяет легко и быстро выполнить запуск двигателя, а также демонстрирует лучшие технические показатели.
Такой карбюратор нашел широкое свое применение в отечественных моделях LADA, которые выпускались в момент переходного периода на инжекторную систему. Эти карбюраторы более устойчивы к поломкам и прочим неисправностям. Рассмотрим более подробно устройство карбюратора Солекс 21083 1107010.

1. Сектор подогрева карбюратора;
2. Заслонка дроссельная первой камеры;
3. Штуцер (патрубок) для отсоса отводящих картерных газов;
4. Приводной рычаг для ускорительного насоса;
5. Приводной кулачок ускорительного насоса;
6. ускорительного насоса диафрагм;
7. Жиклер топливный экономайзера режимов мощностных;
8. Корпус насоса;
9. Специальная диафрагма экономайзера режимов мощностных;
10. Клапан запорный электромагнитный;
11. Жиклер топливный холостого хода;
12. Крышка для карбюратора;
13. Воздушный главный жиклер первой камеры;
14. Заслонка воздушная;
15. Распылители насоса ускорительного с клапаном подачи топливной смеси;
16. Диафрагма устройства пускового;
17. Винт регулировочный устройства пускового;
18. Винт регулировочный устройства количества смеси для холостого хода;
19. Специальный рычаг для блокировки второй камеры;
20. Штуцер (патрубок) для подачи вакуумному регулятору разрежения к распределителю зажигания;
21. Винт регулировочный качества подающей смеси для холостого хода;
22. Блок управления заслонками дроссельными;
23. Рычаг привода заслонок дроссельных;
24. Винт регулировочный для открывания заслонки дроссельной первой камеры;
25. Рычаг управления заслонкой воздушной;
26. Шток устройства пускового;
27. Провод электрического выключателя концевого для экономайзера принудительного холостого хода;
28. Воздушной заслонки рычаг;
29. Воздушный главный жиклер второй камеры;
30. Трубка эмульсионная;
31. Распылитель дозирующей главной системы второй камеры;
32. Штуцер (патрубок) подачи топлива;
33. Сливной патрубок топлива в бак;
34. Фильтр топливный;
35. Клапан игольчатый;
36. Заслонка дроссельная второй камеры;
37. Рычаг заслонки дроссельной второй камеры;
38. Топливный главный жиклер второй камеры;
39. Рычаг привода заслонки дроссельной второй камеры;
40. Поплавок
Карбюратор Солекс 21083 1107010 устанавливается на отечественные автомобили с системой бесконтактного зажигания подаваемой горючей смеси. Данный карбюратор двухкамерный эмульсионного типа, с открытием последовательным дроссельных заслонок.

В нем располагает сбалансированная поплавковая камера, подогрев для дроссельной заслонки непосредственно первой камеры, а также система отсоса отходящих картерных газов непосредственно за дроссельную заслонку.
В карбюраторе Солекс 21083 1107010 располагаются две основные дозирующие системы, второй и первой камер, система переходная второй камеры, холостого хода с переходной системой первой камеры. Эконостат, экономайзер режимов мощностных, пусковое полуавтоматическое устройство и ускорительный диафрагменный насос.

На холостом ходу в автоматическом режиме запускается в работу экономайзер регулирования холостого хода. Все авто оснащаемые датчиками расхода топлива, как правило работают с карбюратором Солекс 21083 1107010-31, который отличается от базовой версии отсутствием сливного патрубка топлива.
Многие автовладельцы стараются заменить свой родной карбюратор «Вебер», «Озон» на более современный карбюратор Солекс 21083 с автоподсосом. Благодаря своей улучшенной конструкции более длинных диффузоров, карбюратор Солекс 21083 позволяет снизить расход, и при этом двигатель работает стабильно при любых нагрузках и температурных режимах.

Здесь применяется отдельная система регулирования холостого хода, которая значительно проще в настройке.
Также если вы решили провести настройку, доработку, тюнинг карбюратора Солекс, то следует обратить внимание на жиклеры, подобное описание и сравнительная таблица которых, представлена в нашей следующей статье.
Небольшое видео про автоподсос карбюратора Солекс 21083 1107010.
Также на эту тему вы можете почитать:
Поделитесь в социальных сетях
Alex S Ноябрь 13th, 2013
Опубликовано в: Полезные советы и устройство авто
Метки: Как устроен автомобиль, Советы автомобилистам
avto-all.com
