Точечная сварка инвертором
Контактная сварка, помимо технологических достоинств применения, обладает еще одним важным преимуществом — несложное оборудование для нее можно изготовить самостоятельно, а его эксплуатация не потребует специфических навыков и первоначального опыта. Контактная сварка, своими руками собранная, может быть использована для решения довольно широкого спектра задач несерийного и непромышленного характера по ремонту и изготовлению изделий, механизмов, оборудования из различных металлов как в домашних условиях, так и в небольших мастерских. Контактная сварка обеспечивает создание сварного соединения деталей за счет нагрева области их соприкосновения проходящим через них электрическим током при одновременном приложении сжимающего усилия к зоне соединения. В зависимости от материала его теплопроводности и геометрических размеров деталей, а также мощности используемого для их сваривания оборудования процесс контактной сварки должен протекать при следующих параметрах:.
Поиск данных по Вашему запросу:
Точечная сварка инвертором
Схемы, справочники, даташиты:
Прайс-листы, цены:
Обсуждения, статьи, мануалы:
Дождитесь окончания поиска во всех базах.
По завершению появится ссылка для доступа к найденным материалам.
ПОСМОТРИТЕ ВИДЕО ПО ТЕМЕ: Сварка кузовщины электродом — Территория сварки youtube.com/embed/SqZhEiFNHAM» frameborder=»0″ allowfullscreen=»»/>Содержание:
- Точечная сварка инвертором
- Мини точечная сварка своими руками
- Методы и аппараты точечной сварки
- Точечная сварка из инвертора своими руками
- Изготовление точечной сварки из инвертора
- Особенности точечной сварки и аппарат для нее
Точечная сварка инвертором
Их применяют в самолетостроении, производстве вагонов, автомобилестроении и во многих других отраслях. Для того, чтобы правильно выбрать данное устройство необходимо учитывать специфику работ, которые планируется производить, а также характеристики самой техники. При точечной сварке металлов детали привариваются друг к другу в одной либо нескольких точках — отсюда и название.
Прочность соединения зависит от структуры и размеров точки, которые, в свою очередь, определяются свойствами электродов, сварочного тока, времени протекания тока через детали, усилия сжатия и самих поверхностей соединяемых деталей.
Аппарат точечной сварки воздействует на материал нагретым электродом. Между двумя медными электродами протекает ток и зажатые металлические листы, под тепловым воздействием, начинают плавиться.
Там, где металлы соединяются, образуется сварная точка, которая зависит от силы протекания тока. Соответственно, чем больше сила тока тем, более толстые листы металла можно сварить. Допустимая толщина свариваемого металла может быть от 0,5 до 8 мм, а при использовании больших промышленных моделей до 30 мм.
Перед началом процесса детали необходимо очистить от грязи, пыли и любых других загрязнений, которые могут помещать качественной сварке. Затем необходимо выбрать режим работы. Для того, чтобы понять качество готового шва на производствах берут несколько образцов соединений и разрушают их. Если процесс был проведен качественно, то на одной детали будет кратер, а на другой ядро сварной точки.
Если же этого нет, то сварка проведена не качественно и необходимо увеличить усилие сжатия или время сварки. Размер ядра у качественной сварной работы должен равняться тройной толщине более тонкой детали. Если же оно меньше, то деталь недостаточно проварилась. При выборе аппарата точечной сварки необходимо учитывать его основные характеристики и материалы, с которыми Вы будете работать, поскольку именно от этого зависит то, какая модель Вам подойдет.
Выделяют следующие разновидности:. Перед покупкой сварочного аппарата не стоит забывать и о том с какими изделиями планируется работать. Так, например, существует 2 способа воздействия на металлические детали:. Двухсторонний — свариваются большие элементы, открытые соединения и узлы.
Детали свариваются одновременно с двух сторон. Это осуществляется с помощью щипцов, которые плотно держат металл. Главным преимуществом данного метода является то, что шов получается качественным и крепким. Недостаток заключается в том, что длина щипцов ограничена, что создает определенные требования к размеру узлов, которые можно сварить таким методом. Материалы в этом случае могут быть любых размеров.
Чтобы улучшить качество и надежность шва используют медную прокладку. Она повышает параметры тока, и место сварки становится более прочным. Если же детали разной толщины, то ток следует подавать к более толстой детали.
Главное преимущество — повышенная производительность, низкое энергопотребление и снижение деформации деталей.
Недостатком же является то, что шов получается более низкого качества, чем при двухсторонней сварке. Выбор аппарата точечной сварки во многом зависит от того, в какой специфике он будет работать.
Точечная контактная сварка характеризуется высокой производительностью — точек за минуту. При этом возможна работа с деталями толщиной до 2 мм. Все устройства делятся на 2 большие группы:.
Стационарные — это мощные станки, способные выдавать ток более 10 А. Они могут обрабатывать листы толщиной от 2,5 до 5 мм. Чаще всего используются в промышленности. Они удобны, когда необходимо проварить детали большого размера;.
Переносные — эти модели способные работать с материалами толщиной от 0,5 до 6 мм. Данное оборудование предназначено для осуществления работ с небольшими деталями в автомастерских или на стройке.
Рассматриваемые устройства довольно неприхотливы и работать с ними могут даже неподготовленные люди. Такое оборудование дает массу преимуществ, например:.
Помимо самого аппарата для точечной сварки необходимо выбрать и расходные материалы к нему.
Другой немаловажной деталью являются консоли. Это специальные элементы, которые предназначены данные элементы для фиксации электродов и подачи электрического тока. Существует верхняя и нижняя консоли. Верхняя консоль представляет собой короткий стержень ли жесткую шину с отверстием для вставки электрода.
Там она соединяется с трансформатором. Нижняя консоль подводит ток к электродам. В небольших моделях она воспринимает подаваемую нагрузку от усилия сжатия. Эти консоли изготавливаются в виде полой трубки обладающей высокой прочностью и электропроводностью.
На крупном производстве, где сварку необходимо осуществить в труднодоступном месте, невозможно обойтись без сварочных клещей.
Данные приспособления соединяются со сварочным инвертором специальными проводами.
Это позволяет сделать соединение, находясь на большой высоте, при этом не нужно переносить трансформатор. Пистолет для сварки позволяет подключить его к одному концу обмотки сварочного трансформатора, а второй конец подсоединить к детали. Это оборудование полностью заменяет нижнюю консоль и позволяет не подводить электрод к обратной части соединения. Для аппаратов точной сварки существуют специальные шайбы, гвозди и проволока, позволяющие ликвидировать вмятины на различных объектах.
Особенно данное оборудование актуально для автомобилей, где нередки вмятины на кузове. Устройство позволяет приварить токопроводящие, шайбы, гвозди и проволоки к поврежденному месту, а затем вытянуть деформированный участок. Для того, чтобы выбрать оптимальный аппарат точечной сварки необходимо знать в легкодоступных или труднодоступных местах Вы будете проводить сварочные работы, а также из какого материала изготовлены детали.
Ознакомиться с ассортиментом сварочного оборудования можно в каталоге нашего сайта. Наша компания уже не один год занимается поставками различной техники для сварки от зарубежных и отечественных производителей. А наши специалисты всегда помогут Вам определиться с выбором наиболее походящей модели!
Звоните нам по бесплатному телефону: 8 , или пишите на эл. У вас должен быть включен JavaScript для просмотра. Как осуществляется точечная сварка своими руками, какой аппарат при этом используется, можно ли его сделать самому — ниже постараемся ответить на все эти вопросы. В промышленном масштабе выбор падает на такой вид сварки, когда нужно соединить сплавы цветных металлов, стали различных марок, когда листы имеют разную толщину, при создании профильных заготовок, например, уголков и др.
В домашних условиях точечная сварка нашла свое применение в ремонте бытовой техники, аккумуляторов, кабелей. Сам процесс сваривания заключается в нагревании металлического предмета до состояния пластичности, после чего он деформируется, то есть соединяется.
Для создания более качественного шва необходимо обеспечить постоянство процесса, то есть постоянно поддерживать одну скорость обработки предмета, следить за давлением.
Эти требования больше относятся к ручной сварке, поскольку на предприятиях данный процесс выполняется автоматически. Нагревание металлических предметов происходит за счет пропускания электрического тока, от которого генерируется тепло на поверхности. В том месте, в котором произошел контакт электрода с поверхностью, начинает появляться жидкое ядро, образованное от плавления двух деталей.
Когда ток перестает поступать 0,,1 сек , тогда ядро начинает застывать, позволяя, тем самым, удерживать обе части деталей.
Для осуществления сжатия металлического листа используются клещи, которые подразделяются на ручные и подвесные. Ручные клещи способствуют выработке тока, который в дальнейшем подается на электроды, зажимающие заготовку. Подвесные клещи используются в промышленности, отличаются высокой производительностью.
Контактная точечная сварка — процесс несложный: ток проходит через точечное соединение, вырабатывая тепло. При этом состояние контактов влияет на качество сварки, любая шероховатость или окись может сказаться неблагоприятным образом.
При сваривании необходимо учитывать такие свойства металлов как теплопроводность, сопротивление и точка плавления, поскольку они различны, например, железо будет плавиться при температуре градусов Цельсия, медь — , алюминий — , цинк — и пр.
Чтобы продлить жизнь электродов, рекомендуется в процессе работы делать охлаждение при помощи воды. Чтобы визуально правильно подобрать диаметр электрода для обрабатываемого листа, необходимо его толщину умножить на два.
Чтобы в домашних условиях не приходилось использовать громоздкое оборудование, производители выпустили компактное устройство, пригодное для небольшого ремонта, например, бытовой техники, аккумуляторов либо автомобиля. Устройство называется споттером. Он имеет два вывода, один из которых крепится непосредственно к предмету, а второй — к электроду.
Клещи в данном случае не нужны. Для обеспечения лучшего рабочего процесса, желательно источник тока выбирать таким образом, чтобы он находился как можно ближе к месту сварки. Самые простые приборы, использующие однофазный ток, отличаются надежностью и простотой, но металлические листы толщиной более 0,8 мм соединить уже не получится.
Более сложные и мощные модели идут с использованием трансформатора, надо отметить, что они являются более дорогими. Но самым дорогим споттером является инверторный. Точечная сварка характеризуется крепостью шва, который иногда приходится убирать путем высверливания. Сверло применяется обычно в случае ремонта автомобиля. Нужно отметить, что существует специальное сверло для высверливания точечной сварки.
Мини точечная сварка своими руками
В некоторых случаях при ремонте в домашних условиях требуется соединение двух тонкостенных металлических деталей. Для этого можно использовать точечную сварку. Промышленность выпускает большое количество различных аппаратов для точечной сварки.
Но эти устройства, как правило, довольно громоздкие и дорогие. Поэтому домашние мастера часто пытаются сделать аппарат для точечной сварки своими руками. Содержание 1 Варианты точечной сварки 2 Инверторный аппарат для точечной сварки 3 Схема и необходимые элементы 4 Достоинства и недостатки конструкции Варианты точечной сварки Основными элементами при создании аппарата для точечной сварки обычно являются трансформатор довольно большой мощности не менее 1 кВт и самодельного устройства прижима, состоящее из двух рычагов с электродами. В качестве первого элемента могут быть выбраны, например, трансформатор от микроволновой печи или сварочный трансформатор.
Аппарат точечной сварки представляет собой своеобразный сварочный станок, который оснащен инвертором, в его состав обязательно входит.
Методы и аппараты точечной сварки
В магазинах аппараты точечной сварки стоят не дешево, а этот инструмент пригодиться в хозяйстве каждого настоящего мужчины. Поэтому многие решают изготовить это оборудование самостоятельно, используя подручные материалы.
Готовый аппарат позволит быстро и надежно соединить различные металлические элементы. Таким образом, ремонт разных конструкций можно будет провести дома, сэкономив на услугах профессионала. Главное преимущество изготовления своими руками — значительная экономия средств на приобретении. Его можно использовать как для ремонта старых конструкций из металла, так и для создания новых. Такой аппарат позволит с легкостью справиться с изготовлением ворот, лестниц, конструктивных элементов из металла. Работа устройства напрямую зависит от электрического тока, который нагревает до определенной температуры некоторые участки стальных деталей, соприкасающихся между собой. В данный момент образуется сварное соединение, которое специалисты называют швом.
Точечная сварка из инвертора своими руками
В качестве разновидности контактного метода соединения металлов односторонняя точечная сварка достаточно востребована в современном производстве и широко применяется при сборке самых различных листовых изделий.
Для тех, кто интересуется методом, интересно будет узнать о принципах организации точечной сварки, а также о том, как собрать аппарат точечной сварки своими руками. Формируемое по методу точечной сварки соединение образуется за счёт нагревания металла в зоне контакта и последующем сжатии. Нагревание происходит от воздействия электрического тока. Для того чтобы варить заготовки точечной сваркой было удобнее, их плотно обжимают посредством специальных приспособлений, а при сваривании крепят между собой сразу в нескольких в точках.
Слово споттер пришло к нам из английского языка.
Изготовление точечной сварки из инвертора
Как осуществляется [точечная сварка своими руками] , какой аппарат при этом используется, можно ли его сделать самому — ниже постараемся ответить на все эти вопросы. В промышленном масштабе выбор падает на такой вид сварки, когда нужно соединить сплавы цветных металлов, стали различных марок, когда листы имеют разную толщину, при создании профильных заготовок, например, уголков и др.
В домашних условиях точечная сварка нашла свое применение в ремонте бытовой техники, аккумуляторов, кабелей. Сам процесс сваривания заключается в нагревании металлического предмета до состояния пластичности, после чего он деформируется, то есть соединяется. Для создания более качественного шва необходимо обеспечить постоянство процесса, то есть постоянно поддерживать одну скорость обработки предмета, следить за давлением.
Особенности точечной сварки и аппарат для нее
Последние двадцать лет подиум сварочного оборудования для домашних мастеров занимают инверторы. Одни модели позволяют ремонтировать автомобиль точечной сваркой, другие обладают аргонно-дуговой функцией для соединения двух деталей без проволоки электрода. Есть также полуавтоматы для серьезных монтажных работ. Какой инвертор купить? Такие устройства оснащены инверторными схемами управления, которые повышают частоту тока, передаваемую от электросети, с 50 Гц частота переменного тока сети до нескольких тысяч герц.
Затем ток повышенной частоты подается на обмотку понижающего трансформатора. Наиболее простой тип сварки, который выполняется с помощью электрической дуги и металлического электрода с покрытием. Во время работы проволока электрода плавится, ложится слоем на свариваемые детали, превращаясь в шов.
Многие ошибочно полагают, что изготовление аппарата для точечной сварки из инвертора своими руками — очень сложный технологический процесс.
Введите электронную почту и получайте письма с новыми самоделками. Не более одного письма в день. Войти Чужой компьютер.
Здравствуйте, гость Вход Регистрация. Правила Форума «Электрик». Файловый архив форумов. Искать только в этом форуме? Дополнительные параметры.
В настоящее время [точечная сварка] получила широкое распространение, как в промышленной сфере, так и быту, так как позволяет решать даже самые сложные задачи по своему прямому назначению.
На рынке инвертор представлен в большом ассортименте, где любой желающий сможет подобрать для сварочных работ дома необходимое оборудование.
Альтернативным вариантом является его изготовление своими руками. Следует ознакомиться с конструкцией и особенностями инвертора, нюансами контактной сварки, детальной инструкцией о самостоятельном проведении сварочных работ. Также мы узнаем о выполнении самодельного сварочного устройства из автомобильных батарей и микроволновки. Не только для автолюбителей и владельцев домов требуются сварочные работы.
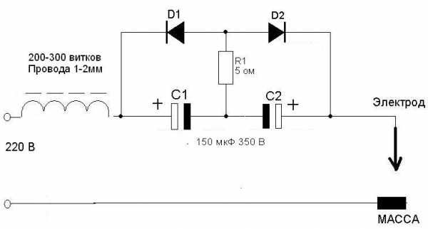
Самодельная точечная сварка Самыми простыми в изготовлении являются сварочные аппараты контактной точечной сварки переменного тока с нерегулируемой силой тока. Управление процессом сварки осуществляется изменением продолжительности электрического импульса — с использованием реле времени или вручную с помощью выключателя. Самодельный аппарат точечной сварки. Это значит, что при токе А на плохо выполненных соединениях и тонких проводах теряется примерно в раз больше энергии, чем при токе 10А.
Точечная сварка своими руками: аппарат, схема, чертежи (видео)
Точечная сварка, своими руками изготовленная, позволяет осуществлять соединение путем сваривания небольших заготовок из разнообразных металлов и их сплавов в домашних условиях.
Схема точечной сварки.
Использование сварочника для точечной сварки
Точечную сварку в промышленных условиях используют для проведения сваривания листов из цветного металла, заготовок из разнообразных материалов, стержней и профилированных заготовок. В быту ее применяют для проведения ремонтных работ с бытовой техникой и починки кабелей. Процесс сварки включает в себя несколько этапов. Сначала делается совмещение заготовок в нужном положении, затем они помещаются межу электродами, которые прижимаются.
Схема создания сварочного аппарата на основе старого трансформатора.
Детали разогревают, пока они не приобретут пластичность. Это достигается тем, что сварочный ток действует, как кратковременный импульс (всего 0,01-1 с). Благодаря короткому импульсу в области действия металл расплавляется, формируется жидкое ядро, имеющее диаметр от 4 до 12 мм. После прекращения действия электроимпульса начинают деформацию деталей: их удерживают до тех пор, пока ядро не кристаллизируется.
В промусловиях удается сделать до 600 свариваний в минуту. Если точечная сварка проводится в домашних условиях, необходимо поддерживать на одном уровне скорость движения электродов, оптимальное давление и постоянный контакт деталей, подвергающихся сварке. Как и любой другой вид работ, точечная сварка имеет свои недостатки. Основной из них – нет возможности обеспечить оптимальную герметичность шва. К положительным моментам относятся прочность швов, экономичность, а также возможность автоматизации сварочных работ.
Время нагрева деталей может варьироваться от сотой доли секунды до десятка секунд. Этот показатель напрямую зависит от условий процесса и мощности сварки. При работе с углеродистой сталью (или сталью другого вида, склонной к образованию трещин или закалке) время нагрева должно быть больше – за счет этого увеличится и время остывания жидкого ядра.
Вернуться к оглавлению
Режимы точечных сварочных работ
Изделия из нержавеющей стали долго нагревать не рекомендуется: при превышении определенной температуры произойдут структурные превращения, что может плохо сказаться на антикоррозийных свойствах детали.
Поддержание оптимального давления позволяет создать в местах соединения деталей надежный контакт. При выборе давления нужно ориентироваться на:
Схема изготовления точечной сварки.
- вид металла;
- толщину деталей.
После нагрева давление определяет образование в месте сварки мелкозернистой структуры. При правильно подобранном давлении прочность точек будет такой же, как у металлов до сварочных работ. Прижатие деталей позволяет получить уплотняющий пояс вокруг расплавленного металла. Этот пояс не дает металлу вытекать из места сварки. Чтобы улучшить процесс кристаллизации металла, электроды нужно удалять не сразу, а через некоторый период времени после прохождения электроимпульса.
Изготовленный самостоятельно аппарат для точечной сварки вполне подойдет для работы в домашних условиях. С его помощью можно быстро отремонтировать бытовую технику или некоторые детали автомобиля. При работе не стоит забывать о технике безопасности: обязательно нужно надевать специальные защитные очки и перчатки.
Ток нужно включать только тогда, когда электроды сварочника прижаты, иначе возникает искрение, и электроды будут подгорать.
Не стоит допускать перегрева электродов, трансформатора и других деталей. Желательно иногда охлаждать сварочник вентилятором. Если вентилятора под рукой нет, температуру элементов аппарата нужно контролировать.
Вернуться к оглавлению
Изготовление сварочника для проведения точечной сварки
Принцип работы точечной сварки.
Для проведения сварных работ понадобится специальный инструмент, который можно приобрести в магазине или изготовить самостоятельно. Процесс сборки аппарата для точечной сварки своими руками не представляет особой сложности. В домашних условиях можно сделать сварочный аппарат разной конструкции – от небольшого агрегата до весьма габаритного аппарата. Обычно для работы дома достаточно настольного устройства, с помощью которого можно проводить сварку черных и цветных металлов.
Перед тем как начать сборку, нужно вспомнить закон Ленца-Джоуля.
При движении по проводнику тока количество выделяемой теплоты прямо пропорционально сопротивлению проводнику, квадрату тока и времени протекания тока. То есть, при токе 10 А будет теряться в 10000 раз меньше энергии, чем при токе 1000 А. Это значит, что качеством электроцепи пренебрегать не следует. Для агрегата следует подготовить набор электродов. Электроды в первую очередь должны гарантировать:
- высокую теплопроводность;
- прочность, электропроводность;
- легкий и быстрый процесс обработки.
Этим качествам соответствуют электроды с включением кобальта и сплавов вольфрама. Самым лучшим вариантом станет сплав ЭВ, состоящий из меди с небольшим включением хрома и цинка. Чистая медь отличается хорошими показателями электропроводности, но износостойкость значительно ниже, поэтому чистую медь для электродов использовать не рекомендуется. Чтобы продлить срок службы электродов, необходимо охлаждать их водой.
Вернуться к оглавлению
Изготовление трансформатора сварочного агрегата
Основная часть, которую имеет самодельная установка для проведения контактной сварки – трансформатор.
Сделать его можно из электротрансформатора микроволновки. Лучше всего выбирать печь большого размера, так как в них обычно устанавливается более мощный электротрансформатор. Взятого из микроволновки электротрансформатора вполне достаточно, чтобы сварить лист толщиной 1 мм. Если такой мощности недостаточно, можно взять не один, а два и более трансформатора. Разбирать микроволновку нужно очень осторожно, в ней установлено несколько элементов, которые могут нанести сильный электроудар, даже если сам агрегат выключен.
Сердечник и электротрансформатор скреплены швом. Чтобы его удалить, нужна болгарка. Добраться до электрообмотки можно при помощи молотка и долота. Извлекать обмотку электротрансформатора нужно очень осторожно, чтобы не повредить, т.к. в дальнейшем она пригодится для работы. Вторичная обмотка наматывается обычно очень плотно, поэтому ее можно удалить по частям. В итоге должны получиться следующие детали: разделенный надвое сердечник и первичная обмотка.
Далее нужно сделать вторичную обмотку. Для этого понадобится медный провод толщиной 7 мм, т.е. диаметром как отверстия в сердечнике. Провод наматывается в 2 витка. Сердечник крепится к основанию. Это можно сделать с помощью эпоксидной смолы. После приклейки сердечник нужно сжать в тисках и оставить на некоторое время.
Вернуться к оглавлению
Сборка корпуса устройства
Последний этап – изготовление корпуса. Его можно сделать из дерева или другого подходящего материала. Все части корпуса вырезаются, концы затачиваются с помощью фрезы. На верхнем рычаге нужно сделать выемку, тогда он не будет упираться в корпус сварочного аппарата. На задней части корпуса нужно вырезать отверстия для провода и включателя. Наконец все детали нужно загрунтовать и покрасить. Чтобы краска хорошо просохла, нужно подождать хотя бы 2 дня.
После этого можно переходить к сборке аппарата.
Для изготовления электродов нужно отрезать 2 куска медного провода, каждый по 2,5 см. Вставить электроды в держатель и затянуть как можно плотнее с помощью отвертки. На панели в отверстия вставляются провод и выключатель. Трансформатор закрепляется с помощью саморезов. Можно прикрепить клемму на один из них и присоединить к заземлению. На каждую сторону прикручивают по 6 саморезов, закрепляют рычаги. На торцах рычагов устанавливаются контактные электроды. Обратите внимание, что электроды после сборки должны становиться точно друг на друга. В случае, если этого не происходит, то положение можно исправить путем подгибания электродов.
При наличии определенного объема знаний в области электротехники можно собственными руками изготовить споттер.
Это устройство, обеспечивающее проведение процесса точечной сварки за счет электрического импульса, получаемого от конденсатора большой емкости. При использовании этого устройства разряд тока, обеспечивающий процесс сварки, является настолько коротким, что не происходит даже обгорания красящего покрытия на обратной стороне заготовки.
:: Pro Spot
Инверторный точечный сварочный аппарат i4 предназначен для сварки трудносвариваемых материалов, таких как борсодержащие стали и усовершенствованные высокопрочные стали ( AHSS ). Эти новые металлы быстро становятся предпочтительным материалом среди производителей автомобилей. i4 включает в себя программируемую функцию OEM с подробными иллюстрациями ремонта и индивидуальными программами сварки.
Найти дистрибьютора ›
Точечный пистолет двойного действия
Новый инновационный точечный пистолет от Pro Spot оснащен цилиндром двойного действия, широко расставленными электродами и самоустанавливающимися электродами.

Удлинители
Pro Spot i4 поставляется с различными удлинителями для выполнения любых сварочных работ.
Односторонняя сварка
10 различных приложений для односторонней сварки дают вам мощность и универсальность для выполнения любой работы.
Панель управления
Модель i4 оснащена большим монитором размером 4 x 6 дюймов, способным отображать инструкции и процедуры ремонта OEM.
Программное обеспечение i4
Программное обеспечение i4 хранится на обновляемой флэш-карте. Мы постоянно выпускаем новейшие процедуры и функции ремонта, чтобы держать вас в курсе последних событий.
i4 Combi: встроенный сварочный аппарат MIG
Модель i4 можно легко модернизировать, включив в нее сварочный аппарат PR-155 MIG. Его можно установить позже в качестве пакета обновления или заказать на заводе со встроенным сварочным аппаратом MIG.

Потолочная установка i4
Pro Spot i4 доступен в потолочной версии. Потолочная версия подвешивается к потолку на расстоянии 20 футов от кронштейна, что дает вам дополнительное пространство на полу и доступность.
PS-500 Точечный пистолет двойного действия Наверх
Нажмите одну кнопку, чтобы широко открыть электроды, затем нажмите другую кнопку, чтобы закрыть электроды и начать сварку. Система точечной пушки Pro Spot PS-500 обеспечивает давление электрода более 600 фунтов. со всеми размерами удлинителя.
Смена консолей на наших сварочных горелках выполняется быстро и легко.
PS-503 (дополнительно) ПС-305 PS-306 (дополнительно) PS-403 (дополнительно) ПС-302 ПС-52-5/8 U-образный рычаг 600 мм U-образный рычаг 508 мм С-дуга, глубокая (280 мм) X-адаптер С-дуга Рычаг рулевой рубки В стандартной комплектации i4 поставляется с несколькими различными типами удлинителей сварных рычагов (508-мм U-образный, С-образный рычаг, рычаг рулевой рубки), а другие доступны по запросу, так что вы можете решить любую проблему сварки с максимальной легкостью и точностью.

i4 может выполнять различные виды односторонней сварки, в том числе: шайбу
, гайку и болт, гвоздь, заклепку и стежок.
i4 имеет четкую, эргономичную компоновку интерфейса с выключателем питания и ручками давления электрода, все они установлены в удобной и простой форме. Он также оснащен большим монитором 4×6 дюймов, способным отображать изображения и процедуры ремонта OEM.
- Выключатель питания
- 3-фазные индикаторы питания
- Электродный манометр
- Ручка регулировки давления электрода
- Экран дисплея
Система охлаждения для i4:
i4 имеет как водяное, так и воздушное охлаждение. Воздушное охлаждение начинается, когда температура достигает 42°С, и автоматически отключается при 37°С. Сварка может продолжаться при включенном воздушном охлаждении.
Водяное охлаждение представляет собой петлевую систему, которая охлаждает сварочные кабели трансформатора и точечную горелку.
Пока работает водяное охлаждение, сварочный аппарат может работать в обычном режиме.
Причина использования двух систем охлаждения заключается в том, что Pro Spot сочла ее наиболее эффективной и продлит рабочий цикл сварщика.
Программное обеспечение i4 легко обновляется с помощью съемной флэш-карты по мере поступления новых данных и информации. Последнее программное обеспечение i4 содержит более 3000 ремонтных экранов GM OEM , включая Dodge, Toyota, Lexus, Volvo и другие.
Функция журнала данных i4 — это простой способ управления историей сварки, качеством сварки и мощностью, подаваемой на каждую сварку. Подробная информация хранится в файле Excel на съемном USB-накопителе.
- Программа Weld-Bonding
для сложных применений стали. Ток контролируется с помощью сохраненных параметров. Дисплей обратной связи по силе тока: показывает точную величину тока, используемого сварщиком для каждого сварного шва.

Доступ к более чем 3000 экранов ремонта OEM (в том числе: GM, Toyota, Lexus, Volvo, Dodge и другие!), а также общая помощь сварщикам и техническое обслуживание на борту.
Пакет i4 может включать сварочный аппарат MIG в качестве опции. Его также можно установить позже в качестве обновления. Эта функция обеспечивает удобство сварки STRSW и MIG в одном аппарате.
Характеристики MIG
- 220 В, 1 фаза, готовый к использованию
- Разъем Binzel: универсальный адаптер для быстрого подключения
- Идеально подходит для сварки после столкновений
У i4 есть вариант установки над головой. При установке над головой сварочный аппарат висит на системе направляющих, которая может охватывать до 14 отсеков.
Накладные функции
- Все функции портативного сварочного аппарата i4.
(Дополнительный сварочный аппарат MIG входит в комплект.) - Удобная потолочная система крепления.
- Никаких кабелей, воздушных шлангов или оборудования на полу.
- Всегда подключен, готов к сварке.
- Хранит в стороне, когда не используется.
- Легко передвигается по магазину.
- Экономит ценное пространство в магазине.
Технические характеристики
| Входное напряжение: |
|
| Сварочный ток: | 12500A макс. (3 фазы) |
| Длина кабеля: |
|
| Давление электрода: | 7 бар (90 фунтов/кв. дюйм) – 280 даН (616 фунтов) |
| Система охлаждения: |
|
| Микропроцессор: | Обновляемая программная платформа i4 |
| Защита: | ИП 21 |
| Патенты (3): |
|
| Вес в упаковке: | 373 фунта (169 кг) |
Особенности
- Инверторная технология, 2000 Гц.
- С жидкостным охлаждением
- Полностью обновляемое программное обеспечение, хранящееся на съемной флэш-карте
- Разработан для новых улучшенных сталей: AHSS, HSS, T.R.I.P, BORON
- Технология измерения тока
- Процедуры ремонта OEM на борту
- Несколько языков, изменение на лету
- 4-х тросовая система
- 3-фазный вход
- Точечный пистолет двойного действия
- Двусторонняя точечная сварка
- Односторонняя сварка
- X-Gun Adaptive (дополнительно)
- Возможность модернизации до потолочной установки (дополнительно)
- Доступен встроенный сварочный аппарат MIG (дополнительно)
Сварщик | Хакадей
17 октября 2022 г.
, Наварра Барц
Самодельные точечные сварочные аппараты часто используют мощные компоненты, которые могут быть немного пугающими, учитывая возможность опасных неисправностей. [Войцех «Адальберт» Дж.] разработал свой аппарат для точечной сварки с емкостным разрядом, чтобы он был безопасным, простым в сборке и отказался от микроконтроллера.
Многие проекты прекрасно работают с одним литий-ионным аккумулятором, но когда вам нужно больше энергии, вам нужно начать соединять больше элементов в аккумулятор. Аппарат для точечной сварки [Войцеха] спроектирован так, чтобы быть достаточно мощным, чтобы приваривать никелевые выступы к ячейке без каких-либо излишеств. В конденсаторной батарее используются девятнадцать конденсаторов Nichicon UBY 7500 мкФ/35 В, все они соединены параллельно с использованием пропитанного припоем фитиля. Они сидят на перфорированной плате с металлизированными отверстиями для пропускания сильного тока.
[Wojciech] подробно описал каждый шаг сборки сварочного аппарата, включая изменения стандартной платы реле и добавление потенциометра на плату повышающего преобразователя.
Уровень детализации делает это хорошей отправной точкой, если вы надеетесь окунуться в мир точечной сварки своими руками. Безопасный — всегда относительный термин при работе с мощными устройствами, поэтому будьте осторожны, если вы попытаетесь собрать эту сборку!
Самодельные точечные сварщики украшали эти цифровые страницы много раз, включая этот, созданный с учетом требований безопасности, и другой, который определенно не был таким.
Posted in Аккумуляторные хаки, конкурсы, практические советы, Ремонтные лайфхакипомеченный вкладка батареи, батарея конденсаторов, конденсаторы, точечная сварка своими руками, точечная сварка, сварщик14 сентября 2021 г., Райан Флауэрс
Поднимите руку, если вы когда-либо паяли аккумулятор напрямую, даже если вы знаете лучше. Мы все были там. Иногда нам это сходит с рук, когда у нас небольшая упаковка и нас не волнует долговечность. Но когда [Роберту Данну] нужно было собрать аккумуляторную батарею примерно из 120 литий-ионных элементов, он знал, что должен сделать это правильно и использовать аккумуляторный точечный сварочный аппарат.
Конечно, купить его слишком просто для такого хакера, как [Роберт]. И вот он решил построить аппарат для точечной сварки из старой микроволновой печи и слишком большого количества красного дерева, которое вы можете увидеть ниже.
Для тех, кто не знает, аккумуляторная точечная сварка — это волшебное устройство, которое прикрепляет язычки к аккумуляторным батареям. Вы заметите, что все батарейные блоки с цилиндрическими элементами имеют язычок с двумя небольшими углублениями. В этих углублениях электричество высокой силы тока быстро нагревает клемму аккумулятора и язычок, пока они не раскалятся докрасна, спаивая их вместе. Операция выполняется и заканчивается менее чем за секунду, задолго до того, как может быть нанесено какое-либо тепловое повреждение. Затем язычок можно припаять или приварить точечной сваркой к другому элементу.
Одной из наиболее важных частей аккумуляторов для точечной сварки является синхронизация.
Хотя [Роберт Данн] признает, что таймер 555 или даже просто ручной переключатель и реле могли бы справиться с задачей, он выбрал Arduino Uno с 4-символьным 7-сегментным светодиодным дисплеем, который показывает время сварки в миллисекундах. Триггер, напечатанный на 3D-принтере, и ручка сварщика красиво оборачивают оборудование.
Сборка завершена специальным корпусом из красного дерева, который немного преувеличен. Но если у вас есть дерево, время, инструменты и навыки (и, возможно, канал на YouTube?), нет причин не прилагать дополнительные усилия! Итоговый билд [Роберта] почти тоже неплохо, но со своей задачей он точно справится.
Конечно, здесь, в Hackaday, точечные сварщики — почти стандартная плата за проезд, и мы рассмотрели «Хороший», «Плохой» и «Солнечный». У вас есть проект аккумуляторной сварки, который заслуживает места в ротации Hackaday? Во что бы то ни стало, отправьте его в Tip Line!
Читать далее «Великолепный аккумуляторный сварочный аппарат попал в точку» →
Опубликовано в Взломы Arduino, классические хаки, с практическими рекомендациямиTagged arduino, аккумуляторная сварка, литий-ионный, красное дерево, пятно, точечная сварка, сварщик, деревообработка 16 апреля 2021 г.
Дэн Мэлони
На первый взгляд точечный сварочный аппарат — простое устройство. Если вы очень быстро пропустите достаточный ток через два куска металла, они нагреются достаточно, чтобы расплавиться и сплавиться вместе. Но, как и во многих других случаях, дьявол кроется в деталях, и создание надлежащего аппарата для точечной сварки может заключаться не только в изучении основ, но и в учете этих деталей.
Мы не публиковали ничего от наших друзей из [Make It Extreme], где они столько же занимаются созданием инструментов, сколько используют их для создания других вещей, если не больше. Однако мы ожидаем, что этот крепкий на вид аппарат для точечной сварки появится в будущем видео, потому что он действительно выглядит деловым и работает очень хорошо. Электроника обманчиво проста — только перемотанные трансформаторы микроволновки и простой таймер для управления импульсом тока. Что интересно, они использовали пару трансформаторов для значительного увеличения тока — они считают ток равным 1000 А, что позволяет машине сваривать заготовки толщиной до 4 мм.
Когда электрическая часть была готова, остальная часть сборки сосредоточилась на корпусе. Ключом к хорошему качеству точечной сварки является сильное физическое давление между электродами, которое обеспечивается рычажным соединением, а также длинными электродами из твердой меди. Мы должны сказать, что поворот ручки блокировки выглядит очень эргономично, и нам нравится, как закрытие ручки активирует ток. Дополнительные баллы за карбоновый вид готовой версии. Видео ниже показывает сборку и демонстрацию того, что она может сделать.
Большинство точечных сварщиков, которых мы видим, находятся дальше по пищевой цепочке, чем этот, специализируясь на сварке батарейных блоков и тому подобного. Однако мы помним еще одного очень профессионально выглядящего точечного сварщика.
Продолжить чтение «Амбициозный точечный сварщик действительно продвигает усилители» →
Posted in Tool HacksTagged электрод, металлоконструкции, трансформатор СВЧ, ТО, точечная сварка, сварщик 4 ноября 2019 г.
Дэн Мэлони
Если вы вращаетесь в определенных темных кругах, вы, возможно, заметили, что в наши дни на рынке появляется множество невероятно дешевых «карманных сварочных аппаратов». Все они представляют собой вариации на тему, большинство из них с дико оптимистичными характеристиками и минимальными аксессуарами самого низкого качества. Но их крошечный размер и соответствующая цена делают их неотразимыми для потенциальных сварщиков, а также привлекательными для аппаратных хакеров.
С розеткой на 220 В в гараже, ожидающей заполнения, и хорошо понимая риски, [г-н. RC-Cam] приобрела один из этих миниатюрных сварочных аппаратов. Сразу же выявились его недостатки, и была предпринята полная переделка сварочного аппарата. После решения проблем безопасности, таких как отсутствие заземления, [Mr. RC-Cam] добавил цветной капюшон, напечатанный на 3D-принтере, для размещения модного нового сенсорного ЖК-дисплея. Подкреплением этого является ESP32 с Bluetooth, который поддерживает дистанционное управление через брелок.
Он также добавил плату измерения тока, которая использует токовый шунт сварщика для измерения сварочного тока. Целесообразно откалиброванный с помощью вафельницы и миллиомметра, датчик показал, что макс. 200А, заявленные для сварщика, больше походили на 100А. Он попытался добавить немного больших электролитов, чтобы исправить текущие проблемы, но не смог. С приличным жалом и заземляющим зажимом модифицированный сварочный аппарат достаточно хорош для своих нужд, и в процессе он многому научился. Мы называем это хакерской победой.
Кстати, [Этот Старый Тони] недавно делал обзор похожего сварочного аппарата, если вам нужна дополнительная информация о его внутренностях. Недавно мы также рассмотрели преобразование жужжащей коробки в сварочный аппарат TIG, если это больше подходит вашему стилю.
Читать далее «Невероятно дешевый карманный сварочный аппарат получил новый облик ESP32» →
Posted in Взломы инструментовTagged дуга, bluetooth, ESP32, igbt, инвертор, сварщик, сварка23 сентября 2019 года Дженни Лист
Мы все видели дешевые сварочные аппараты в обычных интернет-магазинах, небольшие инверторные сварочные аппараты по очень заманчивой цене.
Но так ли они хороши? Когда в моем местном супермаркете появился один из них, я рискнул и положил его в свою тележку вместе с обычным недельным запасом Marmite. Это было где-то в начале года.
То, что я купил у своего местного Aldi, было Workzone WWIW-80, блок на 80 А, который стоил мне где-то чуть более 60 фунтов стерлингов (около 75 долларов США) и поставлялся со сварочными проводами и защитной маской довольно низкого качества. Немецкие сети дисконтных супермаркетов специализируются на периодических предложениях всевозможных интересных вещей, поэтому очень похожий магазин также продается под брендом Parkside от их конкурента Lidl. Эти небольшие инверторные сварочные аппараты довольно универсальны, поэтому их можно найти с различными брендами и спецификациями по более низкой цене в Интернете, если вы не возражаете отказаться от щедрой трехлетней гарантии Aldi. Самый дешевый, который я видел, стоил около 35 фунтов стерлингов или 44 доллара, но в эту цену входил только инвертор без сварочных проводов.
Как работающий кузнец, мой отец использовал высококачественный инверторный сварочный аппарат с 1990-х годов, поэтому моя система взглядов основана на нем. Он попробовал один из первых крошечных инверторов, когда они впервые появились на рынке в последнее десятилетие, но он не мог соответствовать требованиям профессионального сварщика и был упакован. Таким образом, у меня не было больших ожиданий от этого устройства, но мне нужно было свое собственное, и по цене оно того стоило. Я использовал его для случайных тяжелых сварочных работ общего назначения, ремонта частей сельскохозяйственной техники и арматуры, а также для восстановления некоторых ступеней на узкой лодке из 7-миллиметрового листа. С этими задачами он хорошо себя зарекомендовал, тем более, что я не квалифицированный сварщик и работа у меня не самая аккуратная, но он позволил мне выполнить работу удовлетворительно.
Продолжить чтение «Стоит ли дешевый инверторный сварочный аппарат?» →
Posted in Hackaday Columns, Slider, Tool HacksTagged дешевый сварщик, китайский сварщик, сварочный аппарат, сварщик 26 июля 2019 г.
, Шэрон Лин
[Hyna] семь лет работала с электронными микроскопами и пять лет с 3D-принтерами. Теперь цель состоит в том, чтобы объединить опыт обеих сфер в металлическом 3D-принтере на основе электронно-лучевого плавления (EBM). Концепция представляет собой что-то вроде устройства «все в одном», которое сочетает в себе черты электронно-лучевого сварочного аппарата, 3D-принтера FDM и электронного микроскопа. В условиях высокого вакуума электронный луч будет использоваться для плавления металла (либо проволоки, либо порошка) для создания объектов слой за слоем. Эта конечная цель все еще в будущем, но [Hyna] добилась значительного прогресса в вакуумной камере и системе высокого напряжения.
Устройство построено вокруг конструкции из экструдированного алюминия 80/20. На главной платформе демонстрируется электронная пушка, заключенная в стеклянную банку, которая дополнительно заключена в металлическую сетку, чтобы стекло не растеклось слишком далеко в случае взрыва.
Вакуумная камера, заключенная в сетку (показана новая прокладка)
Форма для изготовления силиконовой прокладки
Конструкция самодельного высоковольтного источника питания включает разделительный трансформатор (рассчитан на 60 кВ) с использованием полумостовой топологии для предотвратить высокую индуктивность рассеяния. Трансформатор подключен к понижающему преобразователю для нагрева нити накала и повышения. Сеть системы также подключена к преобразователю напряжения, который может питаться током или напряжением, чтобы работать либо как электронно-лучевой сварочный аппарат, либо как сканирующий электронный микроскоп (СЭМ). Во время работы источник питания подключается к входу 24 В и подает пучок через цилиндр Венельта, электрод напротив анода, который фокусирует и контролирует электронный пучок. Вся система в настоящее время управляется FPGA и STM32.
Сама вакуумная камера находится довольно далеко. [Hyna] фрезеровала плату с двумя выходами для твердотельного реле (SSR) для предварительного вакуумного насоса 230 В и клапана предварительного вакуумного насоса 230 В, двумя выходами для вентиляционных клапанов и входами от манометра Пиранни и манометра с холодным катодом.
, а также порт для контроллера TMP. После демонстрации проекта на Maker Faire Prague [Hyna] вернулась и вырезала форму для силиконовой прокладки, лучшего вакуумного уплотнения для электронного луча.
Хотя мы много слышали о различных методах 3D-печати металлом, мы впервые видим проект EBM за пределами промышленности. И это может быть первая попытка объединить три отдельных использования высоковольтного электронного луча в одной конструкции.
Опубликовано в Взломы 3d-принтеров, ПЛИС, Премия Hackadayпомеченный Премия Hackaday 2019, 3D-печать, EBM, электронный луч, электронно-лучевое плавление, электронно-лучевая сварка, fpga, физика, прага, сварщик6 ноября 2018 г., Адам Фабио
Раньше говорили, что слишком грязную или опасную для человека работу возьмут на себя роботы. Именно это имел в виду [Джоэл Салливан], когда создавал этого сварочного робота. [Джоэл] разработал робота для производства OSB. Нет, это не новая операционная система, это сокращение от Oriented Strand Board.
Инженерные пиломатериалы OSB изготавливаются из стружки (или щепы) древесины. Он похож на фанеру, но не требует больших тонких листов пиломатериалов. Чтобы сделать панель OSB, мат из древесной стружки толщиной 5 дюймов смешивают с клеем и сжимают до 5/16 дюйма при 7500 фунтов на квадратный дюйм и 400 ° F.
Прессы, используемые для производства OSB, представляют собой массово-параллельную операцию. Одновременно можно прессовать 20 и более досок. Твоя пресса также является главной областью для повреждений. Гайка или болт, спрятанные в древесине, впиваются в пресс, вызывая вмятину, которая будет появляться на каждом листе, проходящем через эту секцию. Единственный способ починить пресс — выключить его, частично разобрать и заполнить пустоту сварочным аппаратом. Робот [Джоэла] устраняет большую часть времени простоя, выполняя сварку на еще горячем, еще собранном прессе.
Робот выглядит так, как будто он был вдохновлен BattleBots, что подходит, поскольку среда, в которой он работает, больше похожа на поле боя.






(Дополнительный сварочный аппарат MIG входит в комплект.)
6 706 990