Радиосхемы. — Светодиодный автомобильный стробоскоп
категория
материалы в категории
П. БЕЛЯЦКИЙ, г. Бердск Новосибирской обл
Радио, 2000 год, № 9
Известно, насколько важна оптимальная установка момента зажигания горючей смеси в цилиндрах бензинового двигателя для обеспечения его максимальной мощности, экономичности и правильного температурного режима. Выполнение этой работы без приборов требует определенного опыта, отнимает немало времени, да и точность установки может оказаться невысокой.
Простой стробоскоп на светодиодах позволит быстро, точно и с минимумом хлопот установить угол опережения зажигания.
Светоизлучателем в стробоскопических приборах заводского изготовления служит безынерционная импульсная лампа, обеспечивающая настолько яркие световые вспышки, что устанавливать опережение зажигания можно даже в условиях большой внешней освещенности. К сожалению, срок службы импульсных ламп невелик, да и приобрести новую, нужного типа, непросто.
С появлением на рынке отечественных светодиодов с силой света более 2000 мкд (для сравнения — у светодиодов серии АЛ307-М при таком же токе значение этого параметра 10… 16 мкд) стало возможным использование их в любительских стробоскопических приборах. В описываемой ниже конструкции использована группа из девяти светодиодов КИПД21П-К красного свечения. Прототипом прибора послужило устройство, опубликованное в болгарском журнале «Радио, телевизия, электроника», 1988, № 8, с. 37.
Работа стробоскопа основана на так называемом стробоскопическом эффекте. Суть его состоит в следующем: если осветить движущийся в темноте объект очень короткой яркой вспышкой, он зрительно будет казаться как бы неподвижно «застывшим» в том положении, в каком его застала вспышка. Освещая, например, вращающееся колесо вспышками, следующими с частотой, равной частоте его вращения, можно зрительно «остановить» колесо, что легко заметить по положению какой-либо метки на нем.
Для установки момента зажигания запускают двигатель на холостые обороты и стробоскопом освещают специальные установочные метки.
Одна из них — подвижная — размещена на коленчатом валу (либо на маховике, либо на шкиве привода генератора), а другая — на корпусе двигателя. Вспышки синхронизируют с моментами новообразования в запальной свече первого цилиндра, для чего емкостный датчик стробоскопа крепят на ее высоковольтном проводе.
В свете вспышек будут видны обе метки, причем, если они находятся точно одна против другой, угол опережения зажигания оптимален, если же подвижная метка смещена, корректируют положение прерывателя-распределителя до совпадения меток. Если на автомобиле установлен электронный октан-корректор, совпадения меток добиваются соответствующей ручкой регулировки. О том, как подготовить двигатель для этой операции, можно прочитать в книге «Электрооборудование автомобилей» (Справочник), под ред. Чижкова Ю. П. — М.: Транспорт. 1993.
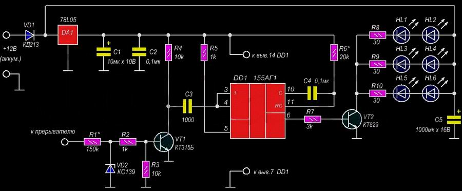
Схема стробоскопа
Питают прибор от бортовой сети автомобиля. Диод VD1 (см. схему на рис. 1) защищает стробоскоп от ошибочной перемены полярности напряжения питания.
Емкостным датчиком прибора служит обычный зажим «крокодил», который прицепляют на высоковольтный провод первой запальной свечи двигателя. Импульс напряжения с датчика, пройдя через цепь C1R1R2. поступает на тактовый вход триггера DD1.1, включенного одновибратором.
До прихода импульса одновибратор находится в исходном состоянии, на прямом выходе триггера — низкий уровень, на инверсном — высокий. Конденсатор СЗ заряжен (плюс со стороны инверсного выхода), заряжается он через резистор R3.
Импульс высокого уровня запускает одновибратор, при этом триггер переключается и конденсатор начинает перезаряжаться через тот же резистор R3 с прямого выхода триггера. Примерно через 15 мс конденсатор зарядится настолько, что триггер будет снова переключен в нулевое состояние по входу R.
Таким образом, одновибратор на последовательность импульсов емкостного датчика реагирует генерацией синхронной последовательности прямоугольных импульсов высокого уровня постоянной длительностью — около 15 мс.
Длительность импульсов определяют номиналы цепи R3C3. Плюсовые перепады этой последовательности запускают второй одновибратор, собранный по такой же схеме на триггере DD1.2.
Длительность импульсов второго одновибратора — до 1,5 мс. На это время открываются транзисторы VT1 — VT3, составляющие электронный коммутатор, и через группу светодиодов HL1 — HL9 протекают мощные импульсы тока — 0,7…0,8 А.
Этот ток значительно превышает паспортное значение максимально допустимого импульсного прямого гока (100 мА), установленное для светодиодов. Однако, поскольку длительность импульсов мала, а их скважность в нормальном режиме не менее 15. перегрева и выхода из строя светодиодов не отмечено. Яркость же вспышек, которую обеспечивает группа из девяти светодиодов, оказывается вполне достаточной для работы со стробоскопом даже днем.
Для того чтобы убедиться в надежности прибора, был проведен контрольный электропрогон светоизлуча-теля при токе в импульсе 1 А в течение часа. Все светодиоды выдержали испытания, при этом их перегревания не было обнаружено.
Заметим, что обычно время пользования прибором не превышает пяти минут.
Экспериментально установлено, что длительность вспышек должна быть в пределах 0.5…0.8 мс. При меньшей длительности увеличивается ощущение недостатка яркости освещения меток, а при большей — увеличивается их «размытость». Необходимую длительность легко подобрать визуально во время работы со стробоскопом подстроечным резистором R4. входящим во времязадающую цепь R4C4 второго одновибратора.
Назначение первого одновибратора — защитить светодиоды от выхода из строя при случайном увеличении частоты вращения коленчатого вала двигателя в процессе пользования стробоскопом. Обычно установку угла опережения зажигания проводят на оборотах двигателя, близких к холостым. Если частота искрообразования будет увеличиваться, начнет уменьшаться скважность вспышек (так как их длительность фиксирована). При большой частоте искрообразования выделение тепла в светодиодах может стать чрезмерно большим, что приведет к выходу их из строя.
Длительность импульсов первого одновибратора выбрана такой, чтобы при достижении частоты вращения коленчатого вала около 2000 мин-1 скважность выходных импульсов этого одновибратора приблизилась к 1. При дальнейшем увеличении входной частоты работа триггера DD1 выходит из синхронизма с ней и одновибратор начинает вырабатывать импульсы случайных длительности и частоты. Усредненная частота срабатывания второго одновибратора в этом режиме существенно меньше опасного предела.
Резистор R9 способствует более полному закрыванию мощного транзистора VT3 в паузах между вспышками. Этот транзистор необходимо выбрать с минимальным напряжением насыщения коллектор—эмиттер, тогда гораздо легче будет обеспечить требуемую яркость вспышек.
Если яркость окажется все же недостаточной, можно попробовать собрать выходной транзисторный коммутатор по схеме, показанной на рис. 2. В этом случае, кстати, будет ограничен на безопасном уровне коллекторный ток транзисторов VT1 и VT2.
Резисторы R6—R8 ограничивают ток через светодиоды.
Конденсатор С2 подавляет импульсы напряжения в цепи питания прибора, могущие вызывать сбои в работе триггеров. Резистор R5 ограничивает базовый ток транзистора VT1.
Микросхему К561ТМ2 можно заменить на К176ТМ2. а также на 564ТМ2 с учетом особенностей ее корпуса. Вместо диода КД209А подойдет КД208А. но лучший результат дадут диоды КД226А, КД213А-КД213Г, КД2997В, КД2999В, так как у них меньше прямое падение напряжения. Подстроенный резистор — СПЗ-196 или СП5-1. Кон денсаторы — КМ-5, К73-9 или другие; С1 должен выдерживать напряжение до 200 В.
Транзисторы КТ315Б могут быть заменены любыми из серий КТ3102. КТ342, а КТ815А — любым из серий КТ815, КТ817.
Проводник от датчика до прибора должен быть не слишком длинным и обязательно экранированным, поскольку чувствительность прибора весьма высока. Выключатель SA1 — любой автомобильный или тумблер ТВ2-1.
Стробоскоп удобнее всего собрать в пластмассовом корпусе от карманного фонаря. Светодиоды монтируют на диске толщиной 1 мм из фольгированного стеклотекстолита вплотную один к другому, крепят диск на место лампы фонаря.
Ручку резистора R4 можно вывести на одну из стенок корпуса вблизи от выключателя питания SA1.
Правильно собранный прибор налаживания не требует. Нужно только установить оптимальную яркость освещения и четкость наблюдаемых меток резистором R4.
Светодиодный стробоскоп. Виды и сферы применения
Содержание статьи:
- 1 Типы стробоскопов
- 2 Области применения стробоскопов
- 3 Преимущества светодиодных стробоскопов
Стробоскопический эффект известен довольно давно. Действие стробоскопического прибора (стробоскопа) основано на особенностях восприятия зрением человека движения предмета при вспышках источника света. При этом в случае совпадения частоты вспышек света с частотой движения вращающегося предмета для человека-наблюдателя предмет кажется неподвижным. Существует несколько видов стробоскопов.
Например, еще в прошлом веке для регулировки скорости вращения диска проигрывателя грампластинок использовался стробоскоп с газоразрядной лампой.
Типы стробоскопов
По своей конструкции стробоскопы разделяются на:
- оптико-механические,
- электронно-оптические;
- осциллографические;
- электронные.
В оптико-механических стробоскопах (тахометрах) в качестве прерывателя света используются диски со щелями.
В оптико-электронных стробоскопах используются затворы света, работа которых основана на различных оптико-электронных эффектах.
Осциллографические стробоскопы предназначены для различных исследований электронных цепей.
Наиболее распространенными являются электронные стробоскопы. Такой стробоскоп состоит из электронной схемы, представляющей из себя собой импульсный генератор с регулируемой частотой импульсов, и источника света.
В качестве источника света могут использоваться газоразрядные лампы или светодиоды.
Области применения стробоскопов
Современные стробоскопы могут применяться в различных областях.
- автомобильные стробоскопы;
- стробоскопы для ночных клубов, дискотек;
- стробоскопы для наружной рекламы;
- фонарь-стробоскоп.
Автомобильные стробоскопы
Для нормальной работы автомобиля очень важным является правильная установка начального момента зажигания, а также правильная работа центробежного и вакуумного регуляторов опережения зажигания. Неправильные установки этих операций приводят к лишнему расходу топлива и преждевременному выходу из строя двигателя. Для правильной регулировки этих процессов часто используются стробоскопы на машину.
Автомобильный стробоскоп
В качестве примеров существующих схем автомобильных электронных стробоскопов можно рассмотреть схему с использованием газоразрядной лампы и схему с использованием светодиодов.
В состав схемы стробоскопа на газоразрядной лампе входят импульсная безинерционная газоразрядная лампа, цепи поджига которой подключены к свече первого цилиндра двигателя, преобразователя напряжения, выпрямителя, а также формирующих напряжения конденсаторов и резисторов.
В момент образования в цилиндре двигателя искры лампа выдает импульс света. По нанесенным на движущиеся части двигателя меткам можно контролировать и настраивать правильность установки момента зажигания и работу регуляторов опережения зажигания.
Схема светодиодного стробоскопа для авто отличается от схемы на газоразрядной лампе. Особенностью ее является то, что в этом случае нет необходимости использовать преобразователь бортового напряжения автомобиля. О характеристиках светодиодных ламп читайте тут.
Для питания светодиодов достаточно напряжения аккумулятора в 12 В.
В этом случае в качестве задающего генератора импульсного источника питания светодиодов используется одновибратор, который синхронизируется сигналом, поступающим с цилиндра двигателя при образовании искры. Импульс с задающего каскада подается на электронный коммутатор, состоящий из мощных транзисторов, что необходимо для питания группы светодиодов.
Стробоскопы для дискотек
Стробоскопы для дискотек позволяют создать в помещении прерывистое освещение, которое как бы останавливает движущиеся предметы.
Эти устройства позволяют реализовать в зале или на сцене различные спецэффекты. При этом из пяти основных цветов создаются различные оттенки, которые рассеиваются с помощью матового стекла. О правилах освещения дискотеки читайте в этой статье.
Светодиодный стробоскоп для дискотеки
Помимо этого стробоскопы используются для сценического освещения, но их использование ограничено определенными правилами расположения и направления светового потока. Прочитать об этом можно здесь.
В продаже имеется очень большое количество стробоскопов для сцены, рекламы и дискотек. Выпускаются как светодиодные, так и ламповые стробоскопы.
Примером такого лазерного стробоскопа может служить светодиодный стробоскоп IMLIGHTFlash. Этот стробоскоп включает световую панель из 16 светодиодов, систему управления, позволяющую создавать стробоскопический эффект с частотой от 0 до 20 вспышек в секунду, эффект «бегущих огней», музыкальный режим с вспышками в такт музыки. Кроме того, этот прибор позволяет регулировать яркость свечения и имеет несколько различных программ автоматического изменения освещения.
Благодаря использованию светодиодов и импульсного источника питания стробоскоп является очень экономичным устройством.
Стробоскопы для наружной рекламы и архитектурной подсветки
Для наружной рекламы часто используются лампы стробоскопы, которые хаотично вспыхивая, привлекают внимание покупателей. В таких стробоскопах отсутствуют контроллеры и другие дополнительные устройства. При этом для придачи привлекательного вида достаточно появления нескольких мерцающих стробов на здании, рекламе или вывеске.
Для наружной рекламы и архитектурного освещения используются светодиодные стробоскопы двух видов:
- накладные стробоскопы, состоящие из группы в 20 светодиодов, помещенных в герметичный корпус с прозрачным плафоном;
- флеш-лампы, которые представляют собой группу светодиодов, размещенных в корпусе с цоколем Е-27.
Стробоскопы для подсветки здания
При монтаже светодиодных стробоскопов для наружной рекламы желательно выполнять правила:
- из-за малой прочности накладных стробоскопов при монтаже их надо крепить на твердой площадке;
- подвод питания от основной шины к стробоскопам надо производить проводами с герметизацией;
- подключение стробоскопов производить к разным линиям питания.
Благодаря этому при сгорании одной группы стробоскопов другие будут продолжать светиться;
Для экономии расходов на питание стробоскопов электроэнергией и увеличения их срока службы необходимо предусмотреть выключение наружной рекламы днем. Для этого надо использовать фотореле с программируемым таймером.
Фонарь-стробоскоп
В продаже имеются фонари- стробоскопы, например, тактический фонарь FenixTK15.
Такие фонари наряду с режимом обычного освещения имеют стробоскопический режим работы. Как сообщается в рекламе на такой фонарь, при воздействии на нападающего света фонаря, работающего в режиме стробоскопа, возможны следующие последствия:
- дезориентация нападающего;
- нарушение прямого и периферийного зрения;
- увеличение время адаптации к угрозе;
- возникновение кратковременного страха, смятения;
- увеличение времени восстановления зрения;
- создание препятствия для агрессии.

Такое действие света связано с воздействием на мозг слишком быстро изменяющихся световых изображений, которые перегружают мозг и вызывают дезориентацию человека.
Фонари такого типа используются полицейскими службами и могут быть использованы для самозащиты от нападения.
Фонарь-стробоскоп для самозащиты
Преимущества светодиодных стробоскопов
Преимущества светодиодных стробоскопов связаны, в первую очередь, с самими источниками света. Действительно, светодиоды имеют массу преимуществ перед газоразрядными лампами. Светодиоды не боятся вибрации, долговечны, безопасны, имеют малые габариты, экономичны. Кроме того, для их использования не нужны источники высокого напряжения для питания и поджига. Благодаря малым габаритам и весу их легко поместить в герметичный корпус и использовать на улице для рекламы и подсветки зданий. Поэтому светодиодные стробоскопы имеют очень широкий диапазон применения.
Светодиодный стробоскоп легко собрать своими руками.
Такими схемами заполнен весь Интернет.
Выводы:
- Стробоскоп – прибор, использующий стробоскопический эффект восприятия человеком движущегося предмета при импульсном освещении.
- Существует несколько типов стробоскопов, но наиболее распространены электронные стробоскопы с использованием источников света в виде ламп или светодиодов.
- Стробоскопы используются как в технике, так и в рекламе, на дискотеках и в правоохранительных органах.
- Более простыми, надежными и экономичными являются стробоскопы на светодиодах.
Как самому сделать стробоскоп — Строй Обзор
Содержание
- Собираем автомобильный стробоскоп своими руками
- Построение схемы на основе микропроцессора
- Полицейский стробоскоп своими руками на логическом счетчике
- Как сделать стробоскоп своими руками на простых запчастях
- Итог, или оформление светодиодов стробоскопа для авто
Подробнее у меня в Бортжурнале
После очередной возни с машиной, сбился уоз.
После поиска вариантов выхода из данной ситуации, решил сделать его сам! Единственная беспроблемная схема с простотой монтажа и без различной настройки, был автомобильный стробоскоп из лазерной указки автора Н. ЗАЕЦ «Светодиодный автомобильный стробоскоп» («Радио», 2000, № 9).
Так его в последнее время перерисовали для более удобного чтения.
Ища сведения о работоспособности данной схемы, наткнулся на блог EverGrand У него выложена «печатка» в SL6, для сведения и последующего травления на плате, с очень компактной компоновкой
СПАСИБО ЕМУ ОГРОМНОЕ! Очень приятный и отзывчивый парень! Довелось с ним пообщаться, по причине постоянной подачи напряжения на транзисторы (стробоскоп постоянно горел при подключении к аккумулятору).
Причина была не в схеме, а в нерабочих микросхемах К561ЛЕ5. Коих клепают «узкоглазые» без проверки! Заработала только третья! Купленная микросхема!
Что потребуется для сборки:
1. Микросхема — К561ЛЕ5 (я брал аналог HCF4001BE)Транзисторы:
2. КТ315А — 1 шт.
3. КТ815А — 1 шт.
Резисторы:
4. 15к — 1 шт.
5. 3к — 1 шт.
6. 100к — 1 шт.
7. 4,7к — 1 шт.
8. 430 Ом — 1 шт. (я поставил 100 Ом, так как с предыдущим светил тускло)
9. 1к — 1 шт.
Конденсаторы:
10. 68 pF — 1 шт.
11. 3300 pF — 1 шт.
12. Кабель антенный для телевизора.
13. Прищепка
14. Светодиоды в различном исполнении.
Переводил используя технологию «ЛУТ», после травил, сверлил, паял 🙂
При воспроизведении данного устройства, очень внимательно относитесь к микросхемам! Как показал опыт, их брак очень велик!
Интерес современного автомобилиста не ограничивается вниманием к авто как средству перемещения.
Во многом важен тот эффект и впечатление, которые можно произвести на всех участников движения. После повсеместного запрета на имитаторы мигалок правоохранителей и служебных авто, как-то неожиданно мода на стробоскоп на решетке и двойной сигнал стала набирать силу.
Большинство приведенных схем не предназначены для полной имитации сигналов служебных авто, это, скорее, чисто спортивный интерес. А кому и за что платить штрафы, решает каждый сам, исходя из своих возможностей.
Существует несколько простых способов организовать стробоскоп на авто, все зависит от количества сил и средств, которые позволительно потратить для постройки автомобильного стробоскопа. Чаще всего стараются получить максимально реалистичное мерцание ламп стробоскопа.
Проверено на практике несколько простых схем светодиодных стробоскопов для авто:
- по самой простой схеме с использованием двух реле 494.3787;
- на основе таймера 555 и схемы к561ие8;
- на микроконтроллере PIC12F675;
- на элементной базе транзисторах 315 серии.

Собираем автомобильный стробоскоп своими руками
Самым простым способом построить надежную схему на авто будет использование парочки реле от системы индикации поворотов газели, стартерного реле и парочки подстроечных резисторов. Такую схему стробоскопа легко собрать своими руками, при этом не потребуется даже специальных знаний или навыков.
Указанная схема предусматривает подключение к системе дневных огней авто. При желании можно переключать подключенные дневные ходовые огни или мигалки стробоскопа. Преимуществом подобного подхода является отсутствие в схеме чувствительных к перегрузке электронных компонентов. Релюшки, даже в случае перегрузки электроцепи, в большинстве случаев останутся целыми, хотя могут привести к перегоранию предохранителей.
Для построения схемы стробоскопа требуется следующее.
- Вначале разбираем корпус реле поворотов и аккуратно удаляем постоянный резистор белого цвета с многочисленными поперечными цветными полосками.

- В переменном сопротивлении в 20-25 кОм подпаиваем средний электрод к одному из боковых.
- Впаиваем переменное сопротивление вместо удаленного элемента таким образом, чтобы после обратной сборки поворотный шток переменного резистора можно было бы свободно вращать.
- Собираем схему, аналогичную процедуру проводим со вторым реле.
- Собираем изображенную на рисунке схему, и после подачи питающего напряжения поворотом управляющих штоков, подбираем и синхронизируем частоту мигания лампочек стробоскопа на авто.
Если использовать переменное сопротивление в 450 кОм, частота миганий будет значительно меньше, но для более точного подбора частоты мигания можно подобрать несколько разных сопротивлений и добиться необходимой частоты.
Построение схемы на основе микропроцессора
Наиболее «продвинутые» в основах микроэлектроники автолюбители считают, что самой эффективной будет схема стробоскопа на основе контроллера. На микроконтроллере PIC12F675 схема будет иметь возможность обеспечить импульсы тока до одного ампера с регулируемой длительностью.![]()
Схема стробоскопа для авто проста в сборке своими руками. В качестве нагрузки чаще всего применяют пакет из светоэлементов, с возможностью изменять частоту мерцаний стробоскопа на светодиодах. Сам процессор управляет двумя мощными транзисторами КТ817 и может выдать семь различных комбинаций сигналов. Сама система достаточно распространена в промышленных схемах служебных мигалок, особенно для простых систем стробоскопов на решетке радиатора авто.
Самым неприятным в подключении подобных схем является высокая чувствительность любых микропроцессоров к превышению напряжения или возникновению режима короткого замыкания. Поэтому при сборке и пайке обязательным условием является использование хорошего заземления. Кроме того, в работе обязательно использование стабилизированного питания, обычно для этих целей используется схема на спаренном низковольтном стабилитроне.
При подключении схемы стробоскопа в цепь электропроводки авто необходимо предварительно полностью отключить питание от аккумуляторной батареи, запуск и испытание схемы категорически запрещается проводить при отсутствии нагрузки.
Полицейский стробоскоп своими руками на логическом счетчике
Для получения эффекта, сходного с мерцанием светодиодов в стробоскопе на служебных моторах правоохранителей, можно воспользоваться интересным вариантом на логическом счетчике 561 серии и 555 таймера. Схема получается несколько сложнее предыдущих разработок, но при наличии пары часиков свободного времени и умения паять, можно собрать небольшую самоделку на печатной плате.
В качестве нагрузки используются пакеты из светодиодов с общим потребляемым током не более 3А, при желании можно заменить маломощными галогенными лампами с общей потребляемой мощностью до 30 Вт.
Спецификой построения подобной схемы стробоскопа на светодиодах является интересная особенность формирования управляющего сигнала. Микросхема на 555 сборке выступает в роли источника управляющего сигнала, поступающего на вход счетчика. Не вдаваясь в особенности работы стробоскопа, можно только отметить, что схема зажигания и гашения светодиодов скопирована с стробоскопа полицейского авто.
Импульсы прямоугольной формы подаются на счетчик и суммируются. После определенного программируемого времени потенциал на управляющем контакте меняется с высокого на низкий.
Работает стробоскоп примерно так: каждый из пакетов светодиодов вспыхивает, дает некоторое запрограммированное количество вспышек и гаснет, далее сигнал передается следующему пакету светодиодов и так в циклическом режиме.
Для питания 555 микросхемы максимальное напряжение питания нельзя увеличивать более 18 Вольт, на больший диапазон работы стабилизатор не рассчитан, и сохраняет работоспособность схемы даже при падении напряжения до 5 В.
Как сделать стробоскоп своими руками на простых запчастях
Самым бюджетным способом построить стробоскоп на светодиодах своими руками будет не покупать кучу запчастей на радиорынке за пару тысяч, а попытаться использовать старые советские или китайские запчасти.
В качестве источника сигнала используем микруху 155 серии, можно АГ1. После подачи питания микросхема устанавливает на управляющем выводе положительный потенциал, и по мере зарядки конденсатора потенциал падает и открывает управляющий сигнал на КТ315.
Емкость конденсатора определяет длину вспышки, при 0,1 мкФ это примерно составит 0,01 сек, что вполне достаточно для получения необходимого оптического эффекта.
На 6-й ноге 155 микросборки будет формироваться серия импульсов, сопряженная с импульсами системы зажигания. Они попадают на управляющие электроды двух транзисторов КТ 829. Далее транзистор открывается, и через нагрузку из светодиодов потечет значительный по величине ток.
Если схема стробоскопа потребляет более 60 Вт, для охлаждения транзисторов используйте штатные алюминиевые радиаторы.
Итог, или оформление светодиодов стробоскопа для авто
Для большинства любителей самодельных стробоскопов иногда важнее скрыть факт обладания самодельной светоиллюминацией, сходной с полицейской. Поэтому зачастую сам пакет лампочек или светодиодов выполняют съемным, чтобы легко установить на капот или крышу авто. Иногда для пущей маскировки сверху такого блока одевают легкосъемный пластиковый чехол, по внешнему виду сильно напоминающий фонарь такси.
Преимуществом подобного конструктивного решения является то, что приспособление стробоскопа легко снять и даже выбросить. Стробоскоп с одетым поверх пластиковым чехлом будет напоминать фонарь таксиста и не привлечет внимания полицейских на стоянке или при случайной остановке авто на дороге.
Вторым вариантом установки является монтаж пакета светодиодов стробоскопа в область радиаторной решетки авто или в полость лампы-фары. Это более дорогой и эффектный способ, так как потребует некоторой переделки оптики авто, и в случае конфликта с правоохранителями может стать основанием для помещения машины на штрафстоянку.
Вот нашел решение, как сделать самые простые стробоскопы своими руками, возможно кто-то скажет зачем это нужно…но не все такие, может наоборот кто-то ищет именно такую схему, но так или иначе я всё же решил выложить такую схему, тем более, что проще варианта вы навряд ли найдёте. Итак, что нам понадобится :
- два реле поворотов 494.
3787 - два переменных резистора на 20КОм.
- одно пятиконтактное простое автомобильное реле.
Теперь берем реле поворотов разбираем его и находим резистор (он обозначен на фото) выпаиваем его и вместо него впаиваем переменный резистор 20 Ком.
Со вторым реле проделываем тоже самое. Резисторы конечно лучше вывести потом в удобное для вас место так как ими вы будете регулировать скорость вспышек лампочек или светодиодов (противотуманок или ДХО) и скорость переключения между собой (правым и левым фонарем). Лучший вариант конечно подключить данную схему к ДХО .
Вот упращенный вариант схемы..
R1,R2 -переменные резисторы
РП1, РП2 – реле поворотов 494.3787
РС5 – простое 5-контактное реле (типа от стартера)
Но лучше конечно сделать вот такую схему (что ниже), немного посложней, но на ней вы можете будете пользоваться дневными огнями, а когда вам необходимо переключиться на стробоскопы, вы просто включаете выключатель и всё.
R1,R2 -переменные резисторы
РП1, РП2 – реле поворотов 494.3787
РС5 – простое 5-контактное реле (типа от стартера)
| Что и зачем стробоскоп и как им пользоваться | |
Википедия скажет нам, что стробоскоп: — это инструмент, используемый для создания циклически движущегося объекта (нашего маховика). быть медленным или неподвижным. Стробоскопы используются в синхронизаторах для динамически устанавливать угол опережения зажигания двигателя внутреннего сгорания с циклом Отто. Лампа синхронизации подключена к цепи зажигания (в основном индуктивно) и используется для подсветки меток ГРМ с двигателем Бег. Видимое положение меток, зафиксированное стробоскопическим эффект, указывает текущую синхронизацию искры по отношению к поршню должность. | |
Эти инструменты бывают разных форм, большинство
или форма факела. Всем нужен источник питания (230В или 12В) и у них есть звукосниматель (в основном индукционный зажим, который нужно поставить вокруг кабеля HT для датчика импульса) | |
Для стробоскопа двигателя устанавливается стробоскоп (мощность питание и высоковольтный зажим) и запустите двигатель. Строб будет быстро мигать. Если он не мигает, поверните зажим на 180 градусов (то есть в сторону раньше к свече зажигания теперь должен быть направлен к зажиганию катушка). Теперь вы направляете вспышку на маркировка на маховике и двигателе. В связи с описанным выше стробоскопический эффект маркировки кажутся неподвижными или в случае системы с опережающими механизмами, движущимися в зависимости от частоты вращения двигателя. Вы заметите
еще мерцание на положении стробоскопической маркировки — и это НЕ какой-то
неисправность зажигания. | |
| Практически: | |
В противном случае вам придется установить эти метки, как описано ниже. Обратите внимание, что хотя большинство наших систем имеют маркировку, они
для статического хронометража, и они не очень полезны для динамического (стробоскопического)
сроки. | |
| Необходимые данные о зажигании можно получить из руководства по эксплуатации вашего мотоцикла. В качестве
ссылка: 2 удара из 60-х-80-х использовали около 27 градусов, что
находится на 2,5–3,5 мм до верхней мертвой точки (ВМТ — самая высокая точка
может достигать). Мотоциклам 30-х годов потребовалось бы гораздо больше аванса.
(5-7мм). Старые 4-тактные требуют более 40 градусов в качестве ранней настройки и
около 2 или 8 за опоздание. | |
| Вынуть свечу(и) зажигания. Найдите ВМТ (для 4 тактов тот, что в силе Инсульт). Поверните рукоятку (лучше всего использовать маховик в качестве рукоятки) назад. (проверьте, вращаются ли у вас маховики по часовой или против часовой стрелки!) пока поршень не опустится до нужного значения. | |
Конечно, вам придется работать точно. В качестве импровизированного устройства, чтобы вообще запустить эту штуку, используйте карандаш или
отвертку, удерживаемую в отверстии заглушки, чтобы проверить положение поршня. | |
| Теперь вам нужно будет пометить маховик положением кривошипа в зажигании. положение (2 такта) или (4 такта) раннее и позднее зажигание против некоторую неподвижную точку на двигателе. Распорка двигателя, как здесь на рисунке, или винт и т. д. Всегда делайте это, когда кривошип находится в требуемом зажигании. должность. | |
Установите свечи зажигания на место. Подключите стробоскоп согласно инструкции.
поставляемый с инструментом, и запустите двигатель.![]() Вещь должна начать быстро мигать. Если он не мигает или мигает прерывисто, снимите зажим с
Провод HT, переверните его (сторона, которая была раньше к штекеру, теперь обращена к
катушка зажигания). | |
Из-за описанного выше стробоскопического эффекта маркировка кажется стационарный ПРЕДУПРЕЖДЕНИЕ. Несмотря на то, что маховик кажется быть в тупике, это, конечно, не так. Он вращается с довольно большой скоростью, и вы следует воздержаться от прикосновения к этому ротору, казалось бы, в невинной остановке! | |
Следующее будет зависеть от того, есть ли у вас 2-тактный,
4-тактный маховик с вращением по часовой стрелке или против часовой стрелки. Однако принцип всегда один и тот же. | |
| Проверить, находится ли маркировка на роторе напротив метки на
двигатель, поскольку он был в статическом положении во время настройки. На этом рисунке (для маховика, вращающегося по часовой стрелке) совмещение с светло-зеленая линия указывает на ОК. Большее совмещение с красной линией означает, что искра запаздывает, ну в любом случае позже чем хотел. Совпадение с синей линией означает, что искра слишком ранняя, в любом случае раньше, чем хотел. | пример для вала, вращающегося по часовой стрелке! |
| Если маркировка не совпадает на 100%, не паникуйте. Как упомянутые стробоскопы
не на 100% точны, возможно, вы читаете немного со стороны и
большинство старых двигателей вполне снисходительны. Если это утешение: | Примечание по 4-тактным двигателям с доступом только к распределительному валу: Поскольку кулачок вращается на половине скорости кривошипа, углы синхронизации
изменения уменьшаются вдвое. |
| Важно, чтобы двигатель работал ровно и имел тяговое усилие. ЕСЛИ
в таком случае перестаньте возиться с зажиганием. Вы делаете только хуже. Если вы хотите изменить настройки после стробоскопических опытов, которые вы делаете следующим образом: a) Запишите, сколько (мм) и в каком направлении вы сделали маркировку
на маховике появляется сдвинутый во вспышке. b) Если опорная плита не допускает изменений, вам придется вытащить ротор (без изменения положения кривошипа) и переустановите его таким образом, чтобы исправить смещение, которое вы видели во время стробирования. c) Надежно зафиксируйте ротор и повторите стробоскоп. Надеюсь, теперь у вас есть то, что вы хотел, в противном случае повторите упражнение (в этом случае тесто сначала выпейте пива) | При 4-х тактах маркировка смещается при ускорении двигателя (из-за автоматическое продвижение) Маркировка должна постепенно меняться от поздней к ранней метке. Вы можете посмотреть короткое видео это здесь |
| в базу знаний | |
Цветной стробоскоп Arduino RGB | Elektor Magazine
Почему бы нам не превратить что-то полезное, например, стробоскоп, во что-то бесполезное, но познавательное и интересное! Посмотрите видео.
В 80-х годах и до сих пор стробоскопы обычно использовались для проверки и установки угла опережения зажигания автомобильных двигателей путем регулировки положения прерывателя контактов. Их также называли временными огнями. Для проверки момента зажигания стробоскоп был подключен к свече зажигания цилиндра, который является эталоном момента зажигания.
Это соединение осуществляется с помощью индуктивного датчика, который крепится к кабелю свечи зажигания и таким образом улавливает импульс высокого напряжения, который используется для создания искры зажигания. Каждый раз, когда зажигается свеча зажигания, стробоскоп вспыхивает ксеноновой или неоновой импульсной лампой в течение очень короткого периода времени. Эта вспышка стробоскопа направлена на установочную метку на шкиве коленчатого вала двигателя.
Также имеется неподвижный указатель, расположенный на кронштейне, установленном над шкивом. Когда импульс зажигания приходит точно в нужный момент, стробоскоп будет мигать каждый раз как раз в тот момент, когда вращающаяся установочная метка на шкиве находится в непосредственной близости от неподвижного указателя.
Вращающаяся временная метка кажется неподвижной рядом с неподвижным указателем. Это означает, что угол опережения зажигания в порядке. Когда установочная метка кажется неподвижной перед неподвижным указателем или за ним, необходимо отрегулировать зажигание путем регулировки распределителя.
В подобных стробоскопах входной сигнал используется для синхронизации стробоскопа с вращением, которое мы хотим измерить. Но вы также можете использовать стробоскоп без использования триггерного сигнала. В этом случае мы регулируем частоту вспышек до тех пор, пока метка на вращающемся объекте не станет (почти) неподвижной и будет видна только одна метка. Когда несколько меток видны и (почти) стоят на месте, это означает, что частота вспышек либо кратна скорости вращения, либо скорость вращения кратна частоте вспышек.
Если вращение происходит по часовой стрелке и кажется, что метка медленно движется по часовой стрелке, это означает, что частота мигания слишком низкая. Вспышка появляется слишком поздно, это означает, что метка движется в направлении вращения.
Если вращение происходит против часовой стрелки и кажется, что метка медленно движется против часовой стрелки, это означает, что частота мигания слишком высока. В этом случае вспышка появляется слишком рано, поэтому метка смещается против направления вращения.
Таким образом можно измерить скорость вращения, регулируя частоту вспышек стробоскопа до тех пор, пока метка на вращающемся объекте не будет казаться неподвижной и будет четко видна только одна метка. Ширина вспышки должна быть достаточно короткой по отношению к частоте, чтобы мы получили четкое отражение. Когда ширина вспышки будет слишком большой, отражение будет смазанным, и вместо четкого отражения мы получим своего рода размытое отражение.
Но давайте превратим стробоскоп во что-нибудь повеселее.
Что, если мы создадим несколько вспышек с одинаковой частотой, но разных цветов и со сдвигом фаз между разными вспышками? Что, если мы используем красивый блестящий отражающий белый объект, который вращается с помощью двигателя постоянного тока с постоянной скоростью, и мы изменим частоту, фазовый сдвиг или ширину разных цветовых вспышек?
Все это можно легко сделать с помощью микроконтроллера, так что давайте попробуем.
Когда можно использовать светодиод RGB для генерации цветных вспышек. Мы можем использовать несколько светодиодов RGB параллельно, чтобы увеличить мощность вспышки и получить хорошее видимое отражение.
Для управления частотой, фазой и шириной вспышек мы используем Arduino Pro Mini, потому что у него достаточно входов/выходов, чтобы играть с ним более чем достаточно быстро для нашей цели. Мы могли бы использовать три выделенных модуля ШИМ Arduino Pro Mini для выполнения этой работы, но эти модули ШИМ работают на трех разных таймерах, что затрудняет их синхронизацию или программирование фазовых сдвигов между ними. Кроме того, нам нужны довольно низкочастотные ШИМ-сигналы и нет необходимости в разрешениях до 16 бит.
Более адекватным методом генерации сигналов ШИМ является так называемый программный ШИМ или softPWM. С softPWM мы генерируем сигналы PWM, используя общие цифровые выходы, которые мы устанавливаем и сбрасываем, используя значение счетчика, которое обновляется с помощью прерывания переполнения таймера.
Переполнение таймера устанавливается на временной интервал, который достаточно мал, чтобы соответствовать наименьшему временному интервалу, необходимому для точной настройки ширины или фазового сдвига ШИМ-сигнала.
В нашем случае двигатель работает со скоростью около 2000 об/мин, что соответствует частоте вращения 2000/60 = 33,3 Гц. Это означает, что нам нужна частота вспышки около 33,3 Гц. Но тогда наши глаза увидят мерцание мигающих светодиодов. Поэтому мы выбираем двойную частоту около 67 Гц, чтобы не видеть мерцания светодиодов. Это означает, что сигнал ШИМ имеет период 1/67 Гц = 14,9РС. Чтобы получить четкое отражение без чрезмерного размытия, нам нужен рабочий цикл около 5%, что означает ширину импульса 14,9 * 5/100 = около 0,8 мс. Когда наш таймер ШИМ настроен на интервал 0,1 мс, этого достаточно, чтобы установить любую ширину импульса (рабочий цикл) или фазовый сдвиг, который нам нужен.
Ниже вы можете найти видео на YouTube, в котором вы можете увидеть три ШИМ-сигнала красного, зеленого и синего светодиодов на осциллографе вместе с вращающимся объектом, поэтому вы можете увидеть, как различные эффекты реализуются путем изменения частоты, рабочий цикл и фаза трех сигналов PWM.
Последователи проекта
Следующий проект
Связанные предметы
НА НАМЕЧЕНИЯ
Повестка
Последние комментарии
92928888Последние комментарии
92928988 .Имя *
Фамилия *
Псевдоним
Электронная почта *
Пароль *
Подтвердить пароль *
Off Road Led Light Bars Руководство по установке — Nilight Led Light
Многие владельцы внедорожников любят путешествовать, особенно по менее населенным районам.
при резких изменениях климата. Некоторым владельцам внедорожников нравится стильный стиль фонарей на крыше. Даже если они редко сходят с ума, когда они едут в пригород с друзьями на выходные и устраивают вечеринку, включите в это время светодиодный фонарь на крыше, и он осветит всю площадь, что позволит им и их друзьям насладиться карнавал. Это также стандартное оборудование.
Для некоторых людей установка световой панели может оказаться сложной задачей. Некоторые люди могут отказаться от идеи установки световой панели из-за сложных этапов установки. Послушайте меня, вот простое руководство по установке световой панели автомобиля, которое может упростить установку вашей собственной световой панели. Самостоятельная установка не только позволяет сэкономить на найме людей для установки, но и является очень интересным процессом. После установки световой панели мы можем наслаждаться ночью, освещенной световой панелью, во время путешествия. Теперь давайте сделаем это вместе!
Подготовка к установке световой панели
1.
Осмотр при распаковке
Когда вы заказываете светодиодную панель в компании Nilight, она поставляется с соответствующим набором болтов и гаек, которые помогут вам закрепить ее на любом транспортном средстве. выбирать. Эти внешние фитинги очень важны, они могут поставляться или не поставляться с некоторыми внешними фитингами, они могут поставляться или не поставляться со жгутом проводов. Таким образом, вам нужно будет проверить каждый отдельный свет для этих частей. Вы можете заказать комбинированный комплект световой полосы и провода, потому что он более доступен по цене, а провод специально изготовлен для световой полосы. Если вы купите комбо-набор, то в него войдут эти вещи, крепления, специальные жгуты, светодиодная световая панель, гарантийный талон, дисконтная карта на следующие покупки или дополнительные подарки.
2. Убедитесь, что ваш автомобиль готов.
Перед установкой выключите двигатель и питание.
Сначала снимите клемму заземления, а затем снимите плюсовую клемму. Если вы только что проехали на автомобиле, необходимо дождаться, пока автомобиль остынет. Убедитесь, что это делается в безопасной среде.
3. Выберите положение установки световой панели
В соответствии с их любимым стилем выберите правильные светодиодные рабочие фары и световую панель. Световая полоса в основном устанавливается в верхней части автомобиля, некоторые светодиодные полосы меньшего размера, вы можете установить автомобиль на решетке воздухозаборника. Передняя и центральная части автомобиля или расположение бампера облегчают установку световой полосы. .
Если вы хотите установить светодиодные рабочие фары меньшего размера, их обычно устанавливают парами либо на переднем кронштейне безопасности автомобиля, либо перед зеркалом заднего вида. Обычно устанавливаются на крышу в 3-4 ряда, при наличии багажника можно установить и на багажник.
Давайте перейдем к делу. Выбор места установки световой полосы является очень важным вопросом, на этот раз вам необходимо точно измерить место установки световой полосы, чтобы убедиться, что у них нет проблемы с зазором, если вы хотите установить световую планку на крышу, то вам лучше знать высоту вашего автомобиля, потому что во многих местах теперь гараж, предел высоты столба составляет 2,2 метра или даже 2 метра, а сам внедорожник очень высокий, соединенный со многими людьми и осуществляется подъем и модификация больших шин, поэтому в положении световой панели на крыше легко быть высоким. Это доставит много хлопот при повседневном использовании. Многие люди даже не могут попасть на свои подземные парковочные места, что смущает.
4. Инструменты, необходимые
Электрическая лента
Наборы сокетов
Строил и буровые биты
. установка стержня
Шаг 1: Сверление отверстия
Шаг 2: Монтажные кронштейны
Шаг 3: Монтаж жгута проводов
Шаг 4: Установка коммутатора
Шаг 5: Подключите провода к световой полосу и тесту
Шаг 6: Дважды Проверьте свою работу
Шаг 7: Теплая подсказка
1.
РАБОТА А. ОТКРЫТ лучше надеть защитные очки при сверлении отверстий. Поместите кусок скотча на выбранное место и отметьте отверстия маркером на ленте. Мы будем использовать биты правильного размера для этого отверстия, такие как сверло на четверть дюйма. Причина, по которой мы используем ленту, заключается в том, что когда мы сверлим отверстия, мы получаем пластиковые или металлические сверла, которые могут поцарапать краску или, возможно, бампер. Это позволяет нам сверлить, не царапая краску и не попадая в отверстие. После сверления отверстий необходимо проверить соответствие световой балки и кронштейна в сборе.
Совет: лучше не сверлить крышу. Если вы не хотите использовать багажник на крыше, но хотите использовать винты, убедитесь, что крыша зарезервирована для установки интерфейса багажника на крыше. Если принудительно просверлить и установить, произойдет утечка воды, ржавчина и т. д., что повлияет на использование автомобиля в будущем.
2. Монтажные кронштейны
Если вам не нужно сверлить отверстие для установки световой панели, вы можете пропустить этот шаг и сразу установить кронштейн, чтобы зафиксировать световую панель в нужном положении.
У разных марок установка брекетов может немного отличаться, но разница не слишком велика. Этот шаг должен следовать шагам в руководстве по эксплуатации. Как правило, сборку можно выполнить в соответствии со следующими шагами. Установите кронштейн с помощью болтов и гаек, используйте плоскую шайбу под головкой болта, используйте плоскую шайбу под гайкой и используйте ближайшую к гайке стопорную шайбу. Большинство комплектов кронштейнов поставляются с застежками и специальными шайбами. Будьте осторожны, чтобы не затянуть полностью какие-либо крепления, чтобы отрегулировать их позже.
Существует два способа крепления кронштейна: один — боковой монтаж, а винты крепятся непосредственно сбоку. Преимущество такого способа установки в том, что удобно регулировать угол наклона световой полосы. Другой — база. На задней панели световой панели есть ползунок с резьбовым отверстием. Винт проходит через основание и устанавливается в пространство. Преимущество этого метода монтажа заключается в том, что световая панель может перемещаться влево и вправо и регулировать положение вверх и вниз.
3. Расположение жгута проводной жгута
3.1 Положение . функции этих частей. После понимания этого, это будет большим подспорьем для нашего подключения жгута проводов. Обычно в жгуте есть реле, переключатель, красный провод питания и черный провод заземления (с кольцевой клеммой), пара соединительных проводов (отрицательный и положительный).
3.2 Прокладка кабеля
Первый шаг – пропустить жгут проводов через брандмауэр и оставить часть сегмента переключателя в автомобиле. Пропустив его, протяните его через резиновое кабельное кольцо и установите где-нибудь рядом с аккумулятором, чтобы к аккумулятору можно было подключить кабели питания и заземления. Затем вы можете установить предохранительное реле, подключить предохранитель в любом месте, подключить красный положительный кабель непосредственно к аккумулятору или 12-вольтовой цепи, затем установить отрицательный кабель и прикрепить его к массе кузова или аккумулятору.
При сборке не натягивайте жгут проводов слишком туго (особенно при поперечном расположении жгута проводов), во избежание смещения точек крепления жгута проводов при тряске автомобиля, что может привести к мгновенное увеличение расстояния между двумя фиксированными точками, что удлиняет жгут проводов, что приводит к оттягиванию/виртуальному соединению внутренних контактов жгута проводов, изменению параметров проводов и даже обрыву проводов.
После сборки жгута проводов вокруг него должен быть достаточный зазор, чтобы он не был сдавлен другими частями и не сдавлен другими частями и их креплениями. Избегайте замыканий на землю, вызванных обрезанием, износом или разрывом изоляционного слоя кабельного жгута.
Наконечники:
- Жгут проводов должен идти непосредственно к аккумулятору, чтобы избежать касания провода и возгорания.
- Шнур питания светодиодного фонаря на крыше оснащен водонепроницаемой вилкой, его также необходимо обернуть, протянуть в автомобиль, чтобы дверь не открывалась и не закрывалась, не оставляйте слишком долго снаружи автомобиля, чтобы случайно не повесить трубку.
будущее. - Закрепите сверхдлинный жгут проводов в автомобиле нейлоновой стяжной лентой после соединения, не забывайте избегать жгута проводов в месте со слишком высокой температурой.
- Следуйте принципу связывания и закрепления позже: если несколько жгутов кабелей параллельны или слишком длинны, сложите их пополам и свяжите в пучок. Затем закрепите их надлежащим образом.
- Перед подсоединением разъемов жгута проводов проверьте, нет ли на контактах разъемов токопроводящих веществ, таких как вода. Если есть, удалите их.
- Если жгут проводов слишком длинный, определите положение клемм и длину жгута проводов и привяжите длинную часть к предыдущей процедуре использования клемм.
- Схема должна быть стандартизирована в соответствии с направлением объекта, прикрепленного к жгуту проводов. Если прикрепленный объект представляет собой большой самолет, жгут проводов должен иметь горизонтальное, плоское и вертикальное направление и стараться избегать перекоса.

4. Монтаж коммутатора
Более простой способ – установить тумблер в нужное положение в кабине, закрепить его клеем, а затем подсоединить оставшуюся часть жгута проводов к одному концу переключателя. Достаточная длина должна быть зарезервирована для разъема, соединяющего выключатель и жгут проводов панели приборов. В соответствии с глубиной установки выключателя, положением розетки, направлением открытия розетки и задним пространством после сборки выключателя, в соответствии с удобством эксплуатации зарезервированная длина разъема на жгуте проводов должна быть соответствующей. вырос.
5. Подключите w ires к световой полосе и проверьте
. Сначала подключите провод от световой панели к переключателю реле. Подсоедините красный провод лампочки к красному проводу на выключателе, а черный провод лампочки к черному проводу на выключателе.
После того, как провода подключены, закройте все оголенные провода изоляционной лентой или термоусаживаемыми трубками, чтобы предотвратить опасность утечки тока. Затем вы можете включить выключатель, чтобы проверить свет, помните, что нельзя находиться перед автомобилем, чтобы не повредить твои глаза.
6 . Дважды проверьте свою работу
Перед проверкой мощности можно отрегулировать угол освещения. Дальность действия светодиодных рабочих фар и светодиодной световой полосы составляет около 50-100 метров. Чтобы отрегулировать угол, необходимо соответствовать требованиям освещения. Не забудьте зафиксировать крепежные винты. При обычном использовании необходимо регулярно проверять, не ослаблены ли винты.
7. Теплая подсказка
- Подумайте, сколько у вас места. Обязательно измерьте и выберите правильную световую полосу.
- Выберите аккумулятор для освещения, который не будет вас разряжать.
Некоторые бренды используют больше энергии, чем другие, для получения более яркого света. - Ищите бренды с длительной гарантией. Некоторые предлагают только шесть месяцев покрытия, в то время как другие предлагают двухлетнюю гарантию, которая может дать вам душевное спокойствие.
Проблемы, которые могут возникнуть из-за нестандартной установки световой балки
Наиболее распространенная проблема в процессе установки заключается в том, что в цепи всегда присутствует ток из-за неправильной проводки жгута. Это приведет к постоянному или прерывистому протеканию небольшого тока внутри реле, что приведет к многократному притягиванию контактов реле и перегреву, а затем и к выходу из строя всего реле.
Поэтому, если есть неисправность абляции жгута, мы должны сначала проверить диаметр провода и выбор предохранителя. Большинство этих проблем вызвано предохранителем, который не может защитить провод. Во-вторых, при выборе времени расположения плавких предохранителей, если позволяют условия, постарайтесь расположить плавкие предохранители одного и того же типа источника питания в одинаковых местах.
Еще одна очень важная проблема, которую легко упустить из виду, — намотка жгута ленты. Некоторые люди не получают хорошего клеевого эффекта из-за грязных рук или нестандартных методов намотки при намотке жгута ленты. Это приведет к тому, что клейкая лента отвалится, так что подвеска не сможет быть хорошо защищена. Правильный способ — не касаться конца ленты пальцами при намотке ленты. Когда будете наматывать ленту, старайтесь быть как можно плотнее, а лучше всего сделать так, чтобы они перекрывались. Наконец, относительно стабильным состоянием является перемотка ленты три раза в конце.
Факторы, влияющие на срок службы пролет световой полосы
На самом деле не только световая полоса, но и все светодиодные светильники являются одинаково важными влияющими факторами.
В первую очередь напряжение, стабильная по напряжению световая панель может не только продлить срок ее службы, но и быть более безопасной для автомобилей.
Представьте, что когда вы включаете свет, свет сразу становится особенно ярким, но через некоторое время возвращается к нормальной яркости, и он начинает мигать вместе с частотой запуска двигателя автомобиля. Не думаю, что такое состояние понравится автовладельцам.
Второй — температура. Когда вы используете свет в течение длительного времени, температура света обязательно повысится. В настоящее время функция рассеивания тепла световой панели очень важна. Если рассеивание тепла световой полосы плохое, температура будет продолжать расти, что не только повлияет на срок службы световой полосы, но даже сожжет ее.
Наконец, он водонепроницаем. Для фонарей, устанавливаемых на внедорожники, очень важна водонепроницаемость. Внедорожники часто ездят по безлюдным местам и часто сталкиваются с экстремально плохой погодой. После дождя внутри корпуса лампы легко запотеть. После воздействия влаги в светильниках легко происходит короткое замыкание, поэтому при выборе световой панели следует обратить внимание на ее водонепроницаемую конструкцию.
Немного знаний о вспомогательном освещении
Люкс, официальное обозначение лк) — единица измерения освещенности. Когда световой поток объекта, равномерно освещенного светом на площади 1 квадратный метр, равен 1 световому потоку, его освещенность равна 1 лк. Освещенность, пригодная для чтения и шитья, составляет около 500 люкс.
Общая классификация размеров вспомогательных огней: круглые или прямоугольные квадратные: все выражены в дюймах, 1 дюйм, 3 дюйма, 5 дюймов, 6 дюймов, 7 дюймов, 9дюйм и т. д.
Источник света: галоген, ксенон, светодиод, лазер, галоген, хотя это было давно, все еще широко используется из-за его низкой цены, удобной замены и низкой стоимости;
Преимущества галогенного светильника, низкая цена, малый вес светящегося корпуса, отсутствие необходимости в дополнительном пусковом оборудовании, простой способ замены и возможность переноса большого количества в режиме ожидания;
Яркость явно ниже, чем у других передовых источников света, срок службы короткий, а яркость будет уменьшаться в более поздний период срока службы.

Такими схемами заполнен весь Интернет.
Строб действует как в начале, так и в конце
искра. Иногда он использует начало, иногда конец, чтобы вызвать вспышку.
поэтому мерцает. Кроме того, когда вы пробуете 3 разных производителя стробоскопов на
один и тот же двигатель, вы можете получить 3 разных результата. Стробы не 100%
точный — но все же лучший, который вы можете получить, и лучше, чем статический тайминг
что в магнетосистемах все равно невозможно (за исключением следующей настройки
правила доверием)
Теоретически до 0,1 мм или менее
точность. Для этого вы используете какой-нибудь манометр.
Однако принцип всегда один и тот же. 