Как установить дополнительную печку на Газель
Покатавшись в холодное время года на пассажирской или грузовой Газели, многие наши автоумельцы задумываются над вопросом установки дополнительной печки на Газель. Если радиатор находится в работоспособном состоянии и функционирует кран подачи антифриза, то даже штатная печка обязана поддерживать комфортную температуру внутри салона. Но в наиболее суровых климатических условиях её может оказаться недостаточно — в этом случае даже при максимально прогретом движке в салоне может быть прохладно.
Как правильно продумать схему подключения новой печки
Оптимальное решение в этом случае заключается в поиске и установке дополнительного источника тепла. Если не принимать во внимание автономный электрообогреватель, то можно пойти по пути монтажа дополнительной печки в салон Газели. Она устанавливается прямо в салоне и подсоединяется к штатной системе охлаждения транспортного средства. В этом случае не будет отдельного потребления топлива, зато такой теплообменник существенно повысит температуру в салоне.
Основные элементы такой конструкции — это дополнительный радиатор и вентилятор. Как только это оборудование приобретено, можно определяться с местом установки для салона Газель. Чаще всего водители выбирают под пассажирским передним сидением, либо между передними креслами, либо под бардачком. Далее мы будем рассматривать именно первый вариант, как наиболее популярный.
Немаловажно обратить внимание на схему подключения — новый радиатор будет врезаться последовательно к заводскому варианту. В этом случае заводской радиатор выступает в роли впускного патрубка для вновь приобретённого. Но в этом случае на высокую теплоотдачу рассчитывать не приходится. Другой вариант — параллельное подключение. Для этого слив и подача с радиатора вспомогательного подключаются к соответствующим патрубкам основного. Основной теплообмен будет отдавать один из радиаторов, а второй будет греть слабее, однако этого должно хватить для обогрева.
В примерную комплектацию может входить дополнительный отопитель печки, а также инструкция и крепления. Основное предназначение — отопление кабин этих автомобилей. Отопитель имеет широкий температурный диапазон применения и рассчитан на то, что его будут использовать от минус 45 до плюс 10 градусов по Цельсию. Теплопроизводительность (то есть, способность вырабатывать тепло) должна составлять не менее 4,2 кВт, при наибольшей скорости вращения вентилятора. Для этого температура воздуха должна составлять 20 °С, а воды — 80 °С.
Порядок выполнения работ по монтажу доп печки Газели
Как только закуплено следующее оборудование (вторая печка, врезные тройники, магистрали и кран полного перекрытия первого радиатора), можно приступать к проведению непосредственно монтажных работ. Если следовать нижеприведенному порядку действий и выполнить его правильно, то нагретый силовой агрегат даст внутрь салона хороший теплопоток.
Итак, установить даже своими руками дополнительный отопитель салона на Газели достаточно несложно.
Для этого следует прибегнуть к такому вот алгоритму действий:
- Отключается аккумуляторная батарея.
- Сливается охлаждающая жидкость, которая уже есть в системе.
- Теперь требуется снять пассажирское сиденье справа от водителя.
- Сначала опоры крепления садятся на предусмотренные в комплекте крепления.
- Дополнительная печка вместе с опорами ставится на крепёжные шпильки, расположенные на сидении. Патрубки должны смотреть в ту сторону, где размещается моторный отсек.
- Можно устанавливать на прежнее место сидение, под которым будет находиться дополнительная печка на Газели.
- Теперь необходимо подключить радиатор вспомогательной печки к охлаждающей системе. Для этого нам понадобятся шланги, переходники и хомуты. Также необходимо соединить в одну систему новую и старую печки.
- После этого производится монтаж электрической части — провода и переключатель режимов работы моторчика выполняются в соответствии с электросхемой.
- Можно устанавливать в подкапотное пространство автомобильный аккумулятор.

- Система охлаждения заполняется антифризом до нужного уровня. Запускается двигатель обеих печек и проверяется их работоспособность.
- Выполняется проверка герметичности системы в целом.
Из чего собрать своими руками
Многие автолюбители любят конструировать в гараже своими руками. Как собрать дополнительную печку на Газель в таком случае из подручных средств? Сначала нам нужно найти корпус, в котором будут размещаться все узлы и элементы отопителя. Для этих целей подойдёт даже корпус от компьютерного блока питания. Его нужно разобрать полностью, убрав даже разъёмы и переключатель, поскольку корпус будет подвергаться сильному перегреву.
Вторым важнейшим узлом будет выступать нагревательный элемент, который как раз и будет находиться внутри этого корпуса. С этой целью приобретём кусок нихромового провода или поищем его в гараже. В качестве подсказки — такой материал служит основой для изготовления различных пружинок и зажимов. Такой провод мы должны намотать на любой конусовидный предмет.
Осталось правильно рассчитать нагрузку, которая появится дополнительно к штатной электросети.
Как уже говорилось, радиатор или печку чаще всего фиксируют под правым пассажирским передним сидением. Чтобы запускать готовое оборудование в работу, следует вывести кнопку на переднюю панель — она обеспечит подключение оборудования. Сразу отметим, что водителю нужно быть готовым к тому, что работает оно достаточно шумно. Зато оно и обойдётся дешевле, чем покупка фирменной печки в автомагазине.
Сравнение достоинств и недостатков нового обогревателя
Прежде чем начинать установочные работы, на которые точно уйдёт несколько часов, необходимо взвесить очевидные «за» и «против» такого решения. Преимущества монтажа дополнительной печки на Газель будут следующими:
- гарантия комфортной температуры в любые холода, при которых только возможно запустить двигатель;
- салон прогревается в 2 раза быстрее;
- даже ноги пассажиров на задних сидениях будут находиться в тепле;
- установку можно выполнить самостоятельно и без значительных вложений;
- дополнительная печка не повлияет на работу всей системы охлаждения в целом.

Не так уже и мало недостатков у такого решения. Их можно выделить таким списком:
- теплоёмкость всей системы всё-таки возрастает, поэтому больше времени будет уходить на нагревание антифриза в магистралях и радиаторе;
- уровень шума также однозначно возрастает, и это будет заметно внутри салона;
- не всегда удаётся достичь заданных производителем параметров температуры после таких переделок;
- свободное пространство под сидениями после монтажа уменьшится;
- не во всех направлениях будет происходить равномерный подогрев воздушных масс.
Тем не менее тысячи владельцев этого популярного на просторах нашей страны автомобиля прибегают к такому решению в преддверии заморозков. А некоторые ищут свой уникальный вариант борьбы с холодом внутри салона. Например, каждая третья проблема с теплом происходит из-за засорившегося радиатора. Их следует периодически чистить, а также применять порошковые герметики для защиты от протекания.
Ни в коем случае не стоит использовать воду в качестве альтернативы охлаждающей жидкости. Из-за нее тонкие стенки алюминиевых магистралей начинают быстрее разрушаться и происходит разгерметизация. Ускоряют износ элементов системы и антифризы сомнительного происхождения.
Приобретение и установка дополнительной печки для Газели особенно будет полезно в районах с традиционно суровыми морозами и неблагоприятными климатическими условиями зимой. Недостаточная теплоизоляция и значительные щели в салоне приводят к выдуванию наружу драгоценного тепла. Дополнительная печка в Газель поможет за сравнительно малые затраты решить эту проблему.
Схема подключения доп насоса на печку – Защита имущества
Установка дополнительного электронасоса системы отопления Волги нередко рекомендуется как средство для повышения эффективности циркуляции охлаждающей жидкости (ОЖ) через радиатор печки и, как следствие, улучшение работы отопителя.
- шланги к радиатору отопителя заменены с диаметра 16 на диаметр 18;
- заменен штуцер забора ОЖ с головки блока цилиндров (т.н. «танчик») на газелевский, с диаметров 18 мм;
- кран печки заменен на подходящий с большим сечением, например, шаровый водопроводный;
- радиатор печки – медный трехрядный;
- установлена помпа со штуцером на 18 мм;
- установлена втулка в малый круг для дросселирования потока ОЖ и большего отбора на печку;
- в конструкции и водуховодов печки устранены все щели и неровности.
- установлен исправно работающий термостат (у меня стоит термостат от «Нива-Шевроле»).
После того, как все предыдущие пункты выполнены, в качестве последней меры можно установить дополнительную электропомпу от отопителя «Газели». Процедура несложная, однако, для новичков некоторые моменты могут быть не вполне очевидными.
Понадобятся следующие детали:
- Собственно, электропомпа от автомобиля «Газель»;
- Уголок;
- Два коротких отрезка шланга 18 мм;
- Четыре хомута;
- Две резиновых втулки от сайлент-блоков передней подвески;
- Два винта или шпильки М5, я предпочитаю шпильки, т.к. на них проще крепить помпу, а также гайки и шайбы большого диаметра;
- Реле на 30А, клеммы и провода.
Для начала подготавливаем место и убираем бачок омывателя:
Можно предварительно слить пару литров тосола, либо при известной сноровке, можно сдернуть шланг с радиатора печки и подставить обрезанную бутылку. Снимаем шланг с радиатора отопителя салона:
Как понятно из фотто, ставить помпу будем на верхний патрубок печки. Некоторые придерживаются точки зрения, что она должна стоять на подаче, но я считаю такое расположение не самым удачным, и вот почему поставил ее на выходе:
- на выходе из радиатора отопителя у ОЖ меньшая температура, что благоприятно скажется на ресурсе помпы;
- ставить помпу на выход печки гораздо удобнее, т.
к. на входе пространство сильно ограничено, к тому же там еще нужно найти место еще и под кран; - помпа находится не в верхней точке системы и ее завоздушивание маловероятно;
- в замкнутой системе вообще не принципиально, работает насос на нагнетание или на разрежение, т.к. он создает лишь круговую циркуляцию замкнутого потока.
Для начала, подготавливаем крепление. В качестве демпфирующих элементов были выбраны втулки сайлент-блоков верхних рычагов передней подвески, как наиболее доступные, недорогие, стандартные и распространенные элементы. Можно заменить их на любые толстые резинки, которые есть под рукой, главное не прикручивать насос жестко, т.к. иначе все его вибрации будут передаваться на корпус автомобиля, и доходить до салона в виде жужжания.
Втулки необходимо надрезать под пояском, примерно на 2/3 диаметра:
Примеряем на лапки помпы:
Таким образом у нас получается сразу и втулка, и резиновая шайба в одном бутерброде, который не будет разваливаться прямо в руках во время установки.
Поскольку корпус электронасоса будет изолирован от корпуса автомобиля, необходимо гальванически подключить его к массе, для чего обжимаем клеммы на концах небольшого куска провода и прикручиваем:
Теперь необходимо надеть куски шлангов на уголок, и один из них – на вход электронасоса. Берем весь этот наш адов колхоз и примеряем его по месту, чтобы разметить точки крепления:
Учтите, что корпус помпы не должен соприкасаться с окружающими поверхностями подкапотного пространства. Также, не забывайте, что пружины и кронштейны, удерживающие крышку капота в открытом положении, при закрывании уходят назад, к моторному щиту и могут упираться в помпу. Причем, обнаружите вы это уже по окончании всех работ, когда с удовлетворением и чувством выполненного долга будете захлопывать капот.
Далее, необходимо разметить отверстия под крепления, с учетом того, чтобы можно было подлезть туда дрелью или шуруповертом.
Сверлим два отверстия сверлом диаметром 4.2 мм и нарезаем резьбу М5.
Вкручиваем шпильки и контрим их гайками:
На шпильки насаживаем два отрезка тонкой резиновой трубки, чтобы компенсировать разницу в диаметрах тонких шпилек и отверстия в резиновых втулках:
После этого надеваем шланг на выход радиатора отопителя, затягиваем их хомутами и закрепляем электропомпу, не забыв подключить к ней массу:
Механическая часть работ на этом окончена, осталась электрика.
Ввиду сравнительно большого потребляемого тока (около 5 А), помпу необходимо подключить через разгрузочное реле на подкапотный предохранитель. Также, необходимо определиться, какую кнопку для включения вы будете использовать. Я подключил кнопку включения противотуманных фар, которыми не пользуюсь, т.к. еще более редко используемая кнопка включения задних противотуманных огней у меня уже задействована под ручное включение электровентилятора охлаждения радиатора.
Реле монтируется следующим образом:
- один вывод контактной группы подключается к «+» электронасоса
- второй вывод подключается к общему питанию на подкапотный предоранитель.
Поскольку провод будет проложен по моторному щиту, вблизи двигателя и прочих опасных для электрики частей, желательно взять провод в двойной изоляции. Я просто дополнительно обмотал его синей изолентой, на которой, как известно, держится весь мир. - один вывод обмотки подключается к массе, можно использовать винт, которым будет закреплено реле
- второй вывод обмотки идет на кнопку включения электронасоса.
- на второй вывод кнопки включения электронасоса необходимо подать +12В, таким образом, чтобы напряжение появлялось только при включенном зажигании. Ближайшая точка с искомым напряжением находится на среднем выводе кнопки включения электровентилятора печки (на автомобилях с отопителем старого образца).
По завершении монтажа все это будет выглядеть примерно так:
Проверяем работу электронасоса кратковременным включением, чтобы не гонять его насухую. Если все работает, заливаем ОЖ в систему, включаем электронасос и несколько раз сильно газуем, чтобы выгнать возможные воздушные пробки.
Не забудьте поставить обратно и подключить бачок омывателя лобового стекла.
Одним из преимуществ такого дополнения является возможность работы печки на предварительно прогретом, но заглушенном двигателе, т.к. электронасос обеспечит циркуляцию горячей ОЖ через радиатор печки. Также, наблюдается значительное улучшение работы отопителя на холостых оборотах, когда производительности основной помпы недостаточно для эффективной прокачки ОЖ через печку.
На этом все. В следующий раз я расскажу, как самостоятельно сделать и установить предпусковой электрообогреватель двигателя.
Исправленный правильный вариант
Решил установить дополнительную помпу, чтоб теплее было и заодно сменить вечно текущий родной кран печки на водопроводный.
Плюсы
1. Теплый воздух начинает дуть уже от 40 градусов.
2. При включении насоса поток воздуха становится внушительней горячее.
3. Машина стала прогреваться чуть быстрей
Эффект достигнут в машине при включенной помпе Ташкент как в «путных жигулях » даже в 30 градусный мороз=)
Спасибо за внимание=) Комментарии приветствуются=)
Цена вопроса: 800 ₽
ГАЗ 31 1998, двигатель бензиновый 2.
4 л., 150 л. с., задний привод, механическая коробка передач — тюнингМашины в продаже
ГАЗ 3110 Волга, 2003
ГАЗ 31029 Волга, 1993
ГАЗ 31029 Волга, 1988
ГАЗ 31029 Волга, 1997
Комментарии 51
А где находится родной провод?
Машину взял недавно а помпы нет. Хочу вернуть
Спасай друг, кинт фото подробное в личку плиз а то не могу допередь что куда((
Уже давно другая печка и схема другая. С четвёртого цилиндра тянеш на печку на верхний сосок печки, с нижниго соска печки тянеш на допносос с него на трубку которая идёт на помпу.
Немного не понял, но попробую спасибо)
Что именно не понял?
Да я видишь в волгах еще не особо шарю)) по этому что, где, куда не очень понимаю😀
Самый нижний шланг который выходит с блока вот от него и тяни на радиатор отопителя на верхний сосок
Почему сделал на выходе из радиатора печки? Как себя основная помпа чувствует спустя время? Я это к тому что я раньше ставил на вход в радиатор печки, но не так давно задумался о том что бы сделать так же как и у тебя.
помпа до сих пор заводская
есть 2 вопроса: 1. насос запитал через реле от замка зажигания? т.е. при вкл. зажигания насос начинает постоянно работать? и 2. сильно гудит он при работе? я на своей установил на правой стороне, при работе идет сильный гул и вибрация. как это лечил?
Нет включение идет через клавишу, если зажигание выключено клавиша не работает. слабо закрепил от туда и гул. Насос слышно только если машина не заведена
чувак. выручай. сделал все тоже самое буквально сегодня. (доп.помпа) тепла как не было так и нет. может быть из-за радиатора? у меня стоит какой то большой. возможно от автономки. 5 трубок на входвыход. 30 колен получается между входом и выходом. что то подобное. может быть не хватает давления?
Если у тебя стоит радиатор как на картинке то дело скорей всего в нем, так как на на нем нереально большое сечение.
Разобрался. Радиатор предыдущий хозяин ( долбоеб) убрал.
И пустил печку через испаритель кондиционера, который там когда то был рабочим
Я решил забор на печку с ГБЦ сделать — посмотрим как будет.
При помощи дополнительной помпы на печку ВАЗ можно решить проблему с низкой производительностью системы охлаждения. Сделать это возможно практически на любом отечественном автомобиле. Печка нормально функционируют в усредненных условиях эксплуатации, но она может давать сбой при чрезмерно низких либо же очень высоких температурах окружающей среды. В том случае, если температура за бортом будет очень высокая, двигатель начнет перегреваться. Если же температура будет слишком низкой, то в салоне будет очень холодно. Происходит это ввиду того, что отопитель плохо работает и не может обеспечить нормальную температуру воздуха в автомобиле.
Что такое помпа?
Помпа – это жидкостный насос, который создает в системе охлаждения избыточное давление. При помощи этого давления жидкость циркулирует по всем патрубкам системы, равномерно забирает тепло от всех прогретых элементов.
На большей части автомобилей помпы имеют механический привод от ремней газораспределительного механизма или генератора.
Что касается дополнительных помп, то конструкция у них примерно такая же, как стандартных, пот только привод производится от электрического двигателя. Это намного лучше, так как даже при небольших оборотах коленчатого вала (т. е, в режиме холостого хода) можно сделать эффективное охлаждение. Вся жидкость при этом будет циркулировать по каналам с максимальной скоростью, что улучшит работу всей системы.
Обратите внимание на то, что к этой скорости еще нужно прибавить напор, который создается штатной помпой – ее же никто не снимает при модернизации. Ведь задача заключается не в замене насоса другим, а в улучшении показателей.
Когда стоит задуматься об установке второй помпы
Дополнительная помпа на печку ВАЗ-2114 способна существенно улучшить комфорт в автомобиле зимой. Зачастую устанавливать дополнительный насос в системе охлаждения в следующих случаях:
- Если температура воздуха более 30 градусов, а двигатель в таких условиях перегревается до критически высоких значений.
Но только в том случае, если вся система охлаждения находится в исправном состоянии. Поэтому, прежде чем устанавливать дополнительную помпу, необходимо убедиться в том, что система охлаждения работает правильно. - В том случае, если в морозы печка дует холодным в режиме холостого хода, а температура двигателя, согласно указателю приборной панели, в рабочем диапазоне.
Но такие проблемы возникают далеко не всегда и не на всех автомобилях. Главный критерий – полная исправность всех элементов охлаждения. Если термостат вышел из строя, то никакая дополнительная помпа в этом случае не поможет. Сначала полностью нужно перебрать систему, поставить новые патрубки и хомуты, обработать стыки герметиком. И только после этого выполнять модернизацию.
На каких машинах могут возникнуть проблемы?
Очень часто такие проблемы можно встретить в автомобилях 9-го семейства, а также 14-го, «десятках», а также «Газелях» и «Волгах». Исключением является только модель ГАЗ-31105.
На этом автомобиле перечисленные неисправности могут проявить себя даже в режиме нормальных температур. Проблема в том, что жидкости в системе очень много, а мощности помпы просто не хватает.
Обратите внимание на то, что устанавливать дополнительную помпу на печку «Газель» не нужно, если происходит чрезмерный нагрев двигателя либо же отказ работы печки в нормальном режиме температур. Если температура колеблется от -25 до 25 градусов, то штатная исправная система охлаждения в этом случае будет нормально функционировать. Если же происходит сбой, то необходимо искать поломку, которая, как правило, кроется в штатной помпе либо же термостате. Иногда происходит засорение радиаторов.
Выбор помпы
Штатные помпы используют привод от ремня газораспределительного механизма, генератора и так далее. А вот дополнительные помпы на печку 2114 обычно изготавливаются на основе электрического насоса. Часто автомобилисты используют электрические помпы, которые устанавливаются на автомобили марки «Газель».
У этого агрегата очень высокая производительность, вот только не всегда качество сборки очень хорошее. Поэтому, прежде чем устанавливать такую помпу, ее нужно полностью разобрать, все уплотнения смазать герметиком, затем собрать и выждать не менее суток, чтобы все соединения высохли.
Все, что было сказано выше, стоит относить только к насосам старого образца. Что касается новых насосов на «Газелях», то у них достаточно хорошее качество. Но спустя некоторое время они все равно могут дать течь.
Неплохой альтернативой помпе «Газель» является аналогичная, выпускаемая фирмой Bosch. У этих агрегатов очень высокое качество, а также несколько иное функционирование. Вращение крыльчатки производится под действием магнитной муфты. В помпах используется электрический двигатель постоянного тока. Так как используется такая схема, получилось избавиться от уплотнительных соединений. В этом случае полностью исключается вероятность протечки.
Но есть и недостатки. В первую очередь, это высокая цена, а также низкая производительность.
Давайте сравним дополнительную помпу на печку «Бош» с агрегатом «Газели». Если у помпы «Газели» производительность около 1200 литров за 1 час работы, то у насоса Bosch всего 700 л.
Как производится установка помпы
Лучше всего произвести установку дополнительной помпы для печки можно как в подкапотном пространстве, так и под приборной панелью. Лучше всего, конечно же, устанавливать ее под капотом, так как лишний звук при работе не будет проникать в салон. Кроме того, вы полностью избавляете себя от риска попадания антифриза внутрь салона, если вдруг произойдет протечка. Крепление агрегата можно производить при помощи дополнительных кронштейнов. На все автомобили ВАЗ и ГАЗ дополнительная помпа устанавливается в подающий патрубок печки. Следовательно, у вас получится достигнуть нагнетания охлаждающей жидкости в радиатор, при этом существенно увеличивается теплоотдача.
Обратите внимание на то, что в этом случае при работе существенно повысится давление в системе охлаждения.
Это может привести к тому, что произойдет срыв плохо закрепленных патрубков либо же пробьется радиатор. Поэтому, прежде чем устанавливать дополнительное оборудование, необходимо полностью провести диагностику системы охлаждения, все неисправности обязательно устранить.
Подготовка к установке помпы
Прежде чем устанавливать дополнительную помпу на печку ВАЗ-2110, необходимо полностью слить из системы антифриз. После этого необходимо разрезать при помощи лезвия патрубок, на котором предполагается установка насоса. В разрыв устанавливается насос. Следите за тем, чтобы стрелка, которая нарисована на одном из выходов помпы, смотрела на радиатор печки. Она обозначает направление движения жидкости.
Патрубки, которые надеваются на выходы, необходимо зафиксировать при помощи надежных хомутов. Рекомендуется использовать хомуты винтового типа Norma, так как они более надежные, нежели все остальные. В продаже можно встретить продукцию менее известных производителей, на которых очень острые края.
Они при затяжке попросту разрезают патрубок, это является причиной появления течи.
Схемы подключения
Обратите внимание на то, что схема подключения к электросети может использоваться практически любая. Зависит она от того, какие вы перед собой ставите цели. В том случае, если вы ставите помпу для того, чтобы сильнее охладить двигатель, то рекомендуется подключать ее так, чтобы она функционировала всегда при включении зажигания. Помпу можно запитать сразу от аккумуляторной батареи. Но нужно сделать так, чтобы цепь замыкалась только лишь при помощи электромагнитного реле, которое будет активироваться исключительно после поворота ключа в замке зажигания.
В том случае, если дополнительная помпа устанавливается только лишь для того, чтобы улучшить работу печки в режиме холостого хода, лучше всего подключить питание через кнопку. При этом необходимо в цепь питания включить такие элементы, как предохранитель, реле, кнопка включения, аккумулятор. Подвести электричество можно при помощи однопроводной схемы.
В качестве «минуса» выступает кузов автомобиля. Если использовать такую схему, то у вас получится возможность включать насос тогда, когда в этом появится необходимость.
Какая схема лучше?
Обратите внимание на то, что лучше всего устанавливать дополнительный насос и использовать схему, описанную последней. В первом случае, если автомобиль будет эксплуатироваться в сильный холод, длительная работа помпы приведет к тому, что мотор не будет прогреваться нормально. В этом случае появятся соответствующие неисправности.
Что ожидать в итоге?
Когда все элементы будут установлены и по схеме подключены, необходимо выполнить испытания в работе. Обязательно нужно залить в систему антифриз – запуск помпы без него строго запрещен, так как это приведет к тому, что она выйдет из строя. Минимальное время работы помпы при испытаниях – 1 час. При этом обязательно осматривайте все стыки и соединения, чтобы выявить протечки. Если они не будут обнаружены, необходимо проверить работу системы на ходу.
Ведь может быть такое, что помпа в режиме холостого хода работает стабильно, но при увеличении давления она просто отказывает. В том случае, если все работы выполнены правильно, в салон будет поступать более теплый воздух. Кроме того, даже при повышенной нагрузке мотор будет качественно охлаждаться.
Дополнительная помпа на печку схема подключения
При помощи дополнительной помпы на печку ВАЗ можно решить проблему с низкой производительностью системы охлаждения. Сделать это возможно практически на любом отечественном автомобиле. Печка нормально функционируют в усредненных условиях эксплуатации, но она может давать сбой при чрезмерно низких либо же очень высоких температурах окружающей среды. В том случае, если температура за бортом будет очень высокая, двигатель начнет перегреваться. Если же температура будет слишком низкой, то в салоне будет очень холодно. Происходит это ввиду того, что отопитель плохо работает и не может обеспечить нормальную температуру воздуха в автомобиле.
Что такое помпа?
Помпа – это жидкостный насос, который создает в системе охлаждения избыточное давление. При помощи этого давления жидкость циркулирует по всем патрубкам системы, равномерно забирает тепло от всех прогретых элементов. На большей части автомобилей помпы имеют механический привод от ремней газораспределительного механизма или генератора.
Что касается дополнительных помп, то конструкция у них примерно такая же, как стандартных, пот только привод производится от электрического двигателя. Это намного лучше, так как даже при небольших оборотах коленчатого вала (т. е, в режиме холостого хода) можно сделать эффективное охлаждение. Вся жидкость при этом будет циркулировать по каналам с максимальной скоростью, что улучшит работу всей системы.
Обратите внимание на то, что к этой скорости еще нужно прибавить напор, который создается штатной помпой – ее же никто не снимает при модернизации. Ведь задача заключается не в замене насоса другим, а в улучшении показателей.
Когда стоит задуматься об установке второй помпы
Дополнительная помпа на печку ВАЗ-2114 способна существенно улучшить комфорт в автомобиле зимой. Зачастую устанавливать дополнительный насос в системе охлаждения в следующих случаях:
- Если температура воздуха более 30 градусов, а двигатель в таких условиях перегревается до критически высоких значений. Но только в том случае, если вся система охлаждения находится в исправном состоянии. Поэтому, прежде чем устанавливать дополнительную помпу, необходимо убедиться в том, что система охлаждения работает правильно.
- В том случае, если в морозы печка дует холодным в режиме холостого хода, а температура двигателя, согласно указателю приборной панели, в рабочем диапазоне.
Но такие проблемы возникают далеко не всегда и не на всех автомобилях. Главный критерий – полная исправность всех элементов охлаждения. Если термостат вышел из строя, то никакая дополнительная помпа в этом случае не поможет. Сначала полностью нужно перебрать систему, поставить новые патрубки и хомуты, обработать стыки герметиком.
И только после этого выполнять модернизацию.
На каких машинах могут возникнуть проблемы?
Очень часто такие проблемы можно встретить в автомобилях 9-го семейства, а также 14-го, «десятках», а также «Газелях» и «Волгах». Исключением является только модель ГАЗ-31105. На этом автомобиле перечисленные неисправности могут проявить себя даже в режиме нормальных температур. Проблема в том, что жидкости в системе очень много, а мощности помпы просто не хватает.
Обратите внимание на то, что устанавливать дополнительную помпу на печку «Газель» не нужно, если происходит чрезмерный нагрев двигателя либо же отказ работы печки в нормальном режиме температур. Если температура колеблется от -25 до 25 градусов, то штатная исправная система охлаждения в этом случае будет нормально функционировать. Если же происходит сбой, то необходимо искать поломку, которая, как правило, кроется в штатной помпе либо же термостате. Иногда происходит засорение радиаторов.
Выбор помпы
Штатные помпы используют привод от ремня газораспределительного механизма, генератора и так далее.
А вот дополнительные помпы на печку 2114 обычно изготавливаются на основе электрического насоса. Часто автомобилисты используют электрические помпы, которые устанавливаются на автомобили марки «Газель». У этого агрегата очень высокая производительность, вот только не всегда качество сборки очень хорошее. Поэтому, прежде чем устанавливать такую помпу, ее нужно полностью разобрать, все уплотнения смазать герметиком, затем собрать и выждать не менее суток, чтобы все соединения высохли.
Все, что было сказано выше, стоит относить только к насосам старого образца. Что касается новых насосов на «Газелях», то у них достаточно хорошее качество. Но спустя некоторое время они все равно могут дать течь.
Неплохой альтернативой помпе «Газель» является аналогичная, выпускаемая фирмой Bosch. У этих агрегатов очень высокое качество, а также несколько иное функционирование. Вращение крыльчатки производится под действием магнитной муфты. В помпах используется электрический двигатель постоянного тока.
Так как используется такая схема, получилось избавиться от уплотнительных соединений. В этом случае полностью исключается вероятность протечки.
Но есть и недостатки. В первую очередь, это высокая цена, а также низкая производительность. Давайте сравним дополнительную помпу на печку «Бош» с агрегатом «Газели». Если у помпы «Газели» производительность около 1200 литров за 1 час работы, то у насоса Bosch всего 700 л.
Как производится установка помпы
Лучше всего произвести установку дополнительной помпы для печки можно как в подкапотном пространстве, так и под приборной панелью. Лучше всего, конечно же, устанавливать ее под капотом, так как лишний звук при работе не будет проникать в салон. Кроме того, вы полностью избавляете себя от риска попадания антифриза внутрь салона, если вдруг произойдет протечка. Крепление агрегата можно производить при помощи дополнительных кронштейнов. На все автомобили ВАЗ и ГАЗ дополнительная помпа устанавливается в подающий патрубок печки.
Следовательно, у вас получится достигнуть нагнетания охлаждающей жидкости в радиатор, при этом существенно увеличивается теплоотдача.
Обратите внимание на то, что в этом случае при работе существенно повысится давление в системе охлаждения. Это может привести к тому, что произойдет срыв плохо закрепленных патрубков либо же пробьется радиатор. Поэтому, прежде чем устанавливать дополнительное оборудование, необходимо полностью провести диагностику системы охлаждения, все неисправности обязательно устранить.
Подготовка к установке помпы
Прежде чем устанавливать дополнительную помпу на печку ВАЗ-2110, необходимо полностью слить из системы антифриз. После этого необходимо разрезать при помощи лезвия патрубок, на котором предполагается установка насоса. В разрыв устанавливается насос. Следите за тем, чтобы стрелка, которая нарисована на одном из выходов помпы, смотрела на радиатор печки. Она обозначает направление движения жидкости.
Патрубки, которые надеваются на выходы, необходимо зафиксировать при помощи надежных хомутов.
Рекомендуется использовать хомуты винтового типа Norma, так как они более надежные, нежели все остальные. В продаже можно встретить продукцию менее известных производителей, на которых очень острые края. Они при затяжке попросту разрезают патрубок, это является причиной появления течи.
Схемы подключения
Обратите внимание на то, что схема подключения к электросети может использоваться практически любая. Зависит она от того, какие вы перед собой ставите цели. В том случае, если вы ставите помпу для того, чтобы сильнее охладить двигатель, то рекомендуется подключать ее так, чтобы она функционировала всегда при включении зажигания. Помпу можно запитать сразу от аккумуляторной батареи. Но нужно сделать так, чтобы цепь замыкалась только лишь при помощи электромагнитного реле, которое будет активироваться исключительно после поворота ключа в замке зажигания.
В том случае, если дополнительная помпа устанавливается только лишь для того, чтобы улучшить работу печки в режиме холостого хода, лучше всего подключить питание через кнопку.
При этом необходимо в цепь питания включить такие элементы, как предохранитель, реле, кнопка включения, аккумулятор. Подвести электричество можно при помощи однопроводной схемы. В качестве «минуса» выступает кузов автомобиля. Если использовать такую схему, то у вас получится возможность включать насос тогда, когда в этом появится необходимость.
Какая схема лучше?
Обратите внимание на то, что лучше всего устанавливать дополнительный насос и использовать схему, описанную последней. В первом случае, если автомобиль будет эксплуатироваться в сильный холод, длительная работа помпы приведет к тому, что мотор не будет прогреваться нормально. В этом случае появятся соответствующие неисправности.
Что ожидать в итоге?
Когда все элементы будут установлены и по схеме подключены, необходимо выполнить испытания в работе. Обязательно нужно залить в систему антифриз – запуск помпы без него строго запрещен, так как это приведет к тому, что она выйдет из строя. Минимальное время работы помпы при испытаниях – 1 час.
При этом обязательно осматривайте все стыки и соединения, чтобы выявить протечки. Если они не будут обнаружены, необходимо проверить работу системы на ходу. Ведь может быть такое, что помпа в режиме холостого хода работает стабильно, но при увеличении давления она просто отказывает. В том случае, если все работы выполнены правильно, в салон будет поступать более теплый воздух. Кроме того, даже при повышенной нагрузке мотор будет качественно охлаждаться.
С Новым годом и Рождеством 🙂
Эта доработчка очень пригодится тем людям у кого плохо греет печка в зимний период времени. И это не зависит от автомобиля — я себе так делал на Жигуле 2101 и на Волге 3110. Впринципе без разницы на какую машину ставить доп пому — по патрубкам они бывают и 16 и 18 мм — это как раз размер патрубков на большинстве автомобилей. И на Ладе в том числе.
Добившись хорошей работы от термостата, и подключив редуктор ГБО последовательно к печке решил все же добавить электро помпу.
Тем более по жигулям, и установленным насосам на машинах друзей опыт был.
Знал на 99% какую надо брать чтобы не текла. Ожидания подтвердились. Выбрал дополнительный насос отопителя фирмы Truckman — вот сдела на него видео-обзор. Там описал его основные преимущества — латунные вставки в трубки, большой мотор, относительно качественно сделанный корпус чтобы не тек.
Теперь осталась задача его правильно установить и подключить. Обо всем этом рассказываю в этом видео.
Исправленный правильный вариант
Решил установить дополнительную помпу, чтоб теплее было и заодно сменить вечно текущий родной кран печки на водопроводный.
Плюсы
1. Теплый воздух начинает дуть уже от 40 градусов.
2. При включении насоса поток воздуха становится внушительней горячее.
3. Машина стала прогреваться чуть быстрей
Эффект достигнут в машине при включенной помпе Ташкент как в «путных жигулях » даже в 30 градусный мороз=)
Спасибо за внимание=) Комментарии приветствуются=)
Цена вопроса: 800 ₽
ГАЗ 31 1998, двигатель бензиновый 2.
4 л., 150 л. с., задний привод, механическая коробка передач — тюнингМашины в продаже
ГАЗ 3110 Волга, 2003
ГАЗ 31029 Волга, 1993
ГАЗ 3102 Волга, 2003
ГАЗ 3102 Волга, 2000
Комментарии 51
А где находится родной провод?
Машину взял недавно а помпы нет. Хочу вернуть
Спасай друг, кинт фото подробное в личку плиз а то не могу допередь что куда((
Уже давно другая печка и схема другая. С четвёртого цилиндра тянеш на печку на верхний сосок печки, с нижниго соска печки тянеш на допносос с него на трубку которая идёт на помпу.
Немного не понял, но попробую спасибо)
Что именно не понял?
Да я видишь в волгах еще не особо шарю)) по этому что, где, куда не очень понимаю😀
Самый нижний шланг который выходит с блока вот от него и тяни на радиатор отопителя на верхний сосок
Почему сделал на выходе из радиатора печки? Как себя основная помпа чувствует спустя время? Я это к тому что я раньше ставил на вход в радиатор печки, но не так давно задумался о том что бы сделать так же как и у тебя.
помпа до сих пор заводская
есть 2 вопроса: 1. насос запитал через реле от замка зажигания? т.е. при вкл. зажигания насос начинает постоянно работать? и 2. сильно гудит он при работе? я на своей установил на правой стороне, при работе идет сильный гул и вибрация. как это лечил?
Нет включение идет через клавишу, если зажигание выключено клавиша не работает. слабо закрепил от туда и гул. Насос слышно только если машина не заведена
чувак. выручай. сделал все тоже самое буквально сегодня. (доп.помпа) тепла как не было так и нет. может быть из-за радиатора? у меня стоит какой то большой. возможно от автономки. 5 трубок на входвыход. 30 колен получается между входом и выходом. что то подобное. может быть не хватает давления?
Если у тебя стоит радиатор как на картинке то дело скорей всего в нем, так как на на нем нереально большое сечение.
Разобрался. Радиатор предыдущий хозяин ( долбоеб) убрал.
И пустил печку через испаритель кондиционера, который там когда то был рабочим
Я решил забор на печку с ГБЦ сделать — посмотрим как будет.
lab4x4.ru — Подключение мотора печки
Подключение мотора печки
Не редко встаёт вопрос о добавлении функциональности и эффективности работы бортового оборудования незатратными или мало затратными средствами. Как говорится, «дёшево и сердито». Под это подпадает возможность подключения мотора отопителя для работы в различных режимах. Как правило пользователи автомобилей «НИВА» стараются усовершенствовать работу этого устройства «как получится». Но, как говорится, «не надо изобретать велосипед» всё уже давно придумано. Приведём простую и в то же время функциональную схему подключения мотора печки от ВАЗ 2108. На нашем сайте наличествует кожух отопителя, но нет схемы подключения мотора. Заполним этот пробел. Представим здесь эту схему, что бы она всегда была «под рукой».
В данном примере используется пакет добавочных сопротивлений 2123-8118.
022 и переключатель режимов 1118 (33.3769). Данная схема обеспечивает 4 режима работы мотора отопителя при 5 положениях переключателя. Клемму «+» нужно подключить после выключателя зажигания. Штатное сопротивление не используется, но при желании его можно добавить в эту схему и изменить скорость вращения мотора которое обуславливается пакетом сопротивлений 2123-8118.022. Конечно, можно подбирать другие скорости вращения мотора и использовать различные органы управления и регулировки которые возможно будет найти, но эта схема представлена как широко используемая и достаточно функциональная.
Обозначение: 2123-8118 022
Резистор добавочный предназначен для включения последовательно в цепь электровентиляторов отопителей автомобилей ВАЗ с целью ступенчатого управления частотой вращения электродвигателя отопителя.
Применение: Шевроле-Нива, автомобили семейства 2110 с модифицированным отпителем 2111.8101012, имеет закрытые спирали и оснащён термопредохранителем
Аналог: 2123-8118022-01 (КЗТА, г.
Калуга)
Вес, кг: 0.085
Технические характеристики
Резистор должен работать в цепи постоянного тока с номинальным напряжением 12 В
Номинальный ток через сопротивления резистора:
5,1 А — при работе на первой частоте-
9,0 А — при работе на второй частоте-
14,0 A — при работе на третьей частоте.
Режим работы резистора — продолжительный номинальный S1 по ГОСТ 3940 при постоянном обдуве воздухом вентилятора отопителя.
Резистор должен выдерживать воздействие:
А) предельных температур окружающей среды от -50° до +100°С-
Б) повышенной относительной влажности 90…95% при температуре окружающей среды воздуха +40°С-
В) циклические изменения температуры окружающей
среды от -40°С до +100°С.
Подсоединение резистора в электрическую цепь осуществляется посредством штыревой колодки.
Обозначение: 33.3769
Переключатель отопителя предназначен для коммутации электрических цепей управления мотором вентилятора отопителя.
Вес, кг: 0,03
Использование в цепи постоянного тока с номинальным напряжением 12 В
Ток нагрузки (при индуктивности нагрузки 2 мГн):
контакты 1-2 — 6 А
контакты 1-3 — 9 А
контакты 1-4 — 15 А
контакты 1-5 — 20 А
Падение напряжения, мВ/А — <10
Момент переключения, Н-м — 0,1
Система охлаждения двигателя ЗМЗ 405 Газель: характеристика, схема, устройство, ремонт
Дополнительный отопитель
В системе отопления автомобилей с двумя рядами сидений, автобусов и автомобилей скорой медицинской помощи установлен дополнительный отопитель.
При включении его электровентилятора происходит циркуляция воздуха салона через радиатор дополнительного отопителя.
Это обеспечивает высокую интенсивность прогрева кабины (салона).
Вентилятор дополнительного отопителя имеет минимальную и максимальную скорости вращения.
Радиатор дополнительного отопителя соединен с радиатором основного отопителя шлангами. Они проложены по полу и защищены пластмассовым кожухом.
Второй радиатор вызывает снижение скорости циркуляции жидкости в системе отопления.
Поэтому вместе с дополнительным отопителем устанавливается электронасос.
Он увеличивает расход жидкости в системе, что улучшает нагрев воздуха, проходящего через радиаторы отопителей.
Электронасос включен в сливную магистраль системы отопления и установлен в моторном отсеке на правом лонжероне.
Пользоваться электронасосом рекомендуется на стоянке и при малой частоте вращения коленчатого вала (скорость движения до 50 км/ч).
На больших оборотах насос системы охлаждения двигателя развивает достаточную производительность для циркуляции жидкости через дополнительный отопитель.
Дополнительный отопитель устанавливается в автобусах (вместимостью до 9 мест), фургонах с двумя рядами сидений и в автомобиле ГАЗ-32214 — на полу, за пассажирским сиденьем кабины, а в автобусах на 12 (13) мест — на полу, в передней части пассажирского салона.
Для отопления салона микроавтобусов медицинских модификаций дополнительно установлен независимый отопитель пламенного типа, работающий на бензине, подаваемом из бака автомобиля.
Отопитель может работать на стоянке и в движении, независимо от работы двигателя.
Для правильной диагностики и ремонта необходимо знать устройство и принцип работы отопителя, чтобы при первых признаках неисправности диагностировать поломку или произвести ремонт, не допуская выхода из строя всего агрегата в целом. Большинство неисправностей можно прогнозировать по косвенным признакам и не допускать их прогрессирования. Для этого необходимо знать и понимать, за что отвечает каждый из элементов и каков принцип его работы.
Система охлаждения автомобиля
В Газель Бизнес печка является составной частью системы охлаждения двигателя. При работе двигателя выделяется большое количество тепла, которое необходимо отводить. Тепло выделяется из-за сгорания топлива и от трущихся поверхностей. Если тепло не отводить, то двигатель очень быстро нагреется и выйдет из строя. Система охлаждения имеет два контура (малый и большой круг), их разделяет термостат. Когда жидкость холодная, она циркулирует по малому, а когда нагревается, то по большому кругу.
Это позволяет быстро набирать рабочую температуру и не перегреваться. В тёплое время года тепло отводится в атмосферу, а при наступлении холодного времени часть тепла тратится на отопление салона.
Читать также: Патрон для дрели быстрозажимной
Ремонт основных узлов
Ремонт деталей и всей системы охлаждения двигателя можно найти в мануалах по ремонту ЗМЗ 405. Самыми частыми поломками системы становятся — водяной насос и термостат. Замена помпы проводится достаточно просто:
- Сливаем охлаждающую жидкость.
- Демонтируется приводной ремень.
- Откручиваются болты крепления водяного насоса.
- Демонтируется старая помпа и устанавливается новый насос. Важно не забыть установить прокладку.
- Устанавливаем ремень на посадочное место.
- Заливаем ОЖ в систему.
Замена термостата проводится по аналогии с помпой, только сам элемент расположен в корпусе, который состоит из двух элементов. Чтобы поменять необходимо всего лишь слить жидкость и отсоединить патрубок.
Затем снимаем крышку и меняем непосредственно термостат.
В последнее время частой неисправностью стали радиаторы, которые пробиваются камешками на трассах, когда достаточно большая скорость. Обычно автомобилисты стараются запаять этот элемент, но не всегда получается.
Отопление
После того как мы разобрались, как работает система охлаждения, можно перейти к отоплению салона. Схема печки на автомобиле Газель идентична отопителям других авто, которые имеют жидкостное охлаждение двигателя. Жидкость может циркулировать по радиатору отопителя независимо от того, открыт термостат или нет. Для лучшего отопления жидкость для печки поступает из самой горячей части двигателя (из головки блока цилиндров). Поэтому на двигателе, ещё не успевшем набрать рабочую температуру, из дефлекторов всё равно идёт тёплый воздух. Отопитель имеет в своей конструкции кран, который либо пропускает жидкость в радиатор, либо сбрасывает её обратно. И от того, насколько сильно он открыт, зависит температура воздуха, выходящего из дефлекторов.
Регулировка положения крана осуществляется с панели управления отопителем. Кран оборудован электроприводом, который меняет положение заслонки. Также с панели управления возможно изменять интенсивность обдува и направления. За интенсивность отвечает моторчик с крыльчаткой, от скорости вращения которой изменяется интенсивность обдува.
Изменение положения заслонок изменяет направления обдува (в лицо, на ноги, на грудь, на стекло). Нагретая ОЖ из двигателя по магистралям попадает в радиатор печки, от этого он нагревается. В это время через него проходит воздух, нагнетаемый вентилятором. Далее он проходит по воздуховодам ,заслонки которых открыты. Затем горячий воздух попадает в салон автомобиля и обогревает его. Для ремонта или диагностики неисправности этого оборудования существует электросхема, на которой обозначены все узлы электрических устройств. И при поломках или при некорректной работе устройств необходимо подробно её прочесть, чтобы понять, откуда запитано и чем регулируется вышедшее из строя устройство.
Когда знаешь принцип работы и устройство, гораздо проще ориентироваться при поломках. Ведь для успешного выполнения ремонта важно понимать причину неисправности, иначе ремонт не будет выполнен успешно. Для правильной диагностики также важно понимать алгоритм действия всего механизма в целом. В настоящее время водителю необязательно уметь ремонтировать автомобиль, есть станции технического обслуживания, которые занимаются починками любой сложности. Но ведь бывает, что поломка застала вас в дороге, и нет возможности воспользоваться услугами специалистов. Вот тогда-то и пригодится знание устройства автомобиля и его механизмов. Когда знаешь, как устроена печка Газель, то при возникновении неисправности на другом авто будет проще ориентироваться при ремонте или диагностике, поскольку во всех автомобилях они почти одинаковые, за исключением небольших нюансов. И вы с лёгкостью можете диагностировать неисправность.
Инструкция по замене мотора печки
Устройство и обозначение элементов отопительного узла Газели
О работе и особенностях отопительной системы мы рассказывать не будем, поскольку и так понятно, как она функционирует и в каких режимах может работать.
Если печка Газель не работает, то вполне возможно, что причиной тому является электрический мотор отопителя.
Как отремонтировать систему отопления с такой проблемой:
- Сначала приступаем к демонтажу центральной консоли. Когда она будет демонтирована полностью, вы сможете увидеть резистор регулятор скорости движения электродвигателя. Даже если резистор выгорел, не факт, что проблему решит его замена.
- Чтобы получить доступ к электродвигателю, необходимо демонтировать железный фиксатор самого отопителя и центральной консоли. Разумеется, для этого потребуется также отключить все провода от блока управления отопителем.
- Сделав это, вы сможете снять отопительный узел. Чтобы получить доступ непосредственно к электродвигателю, нужно разобрать корпус печки.
- Когда вы увидите электромотор, просто отключите его и отсоедините от всех креплений, поменяйте на новый. При демонтаже отопителя вы можете столкнуться с проблемой заводского брака — патрубок, к которому подключен радиатор отопителя, может быть наглухо перетянут фиксатором.
Из-за этого антифриз будет с трудом поступать в радиатор. Исправьте проблему. - Если в процессе ремонта вы заметили другие проблемы, к примеру, электрокран отопителя протекает, то сам краник необходимо будет заменить (автор видео о замене электродвигателя отопительной системы газели — Дмитрий Кутин).
Почему может не греть печка на Газели и что делать водителю
Отечественный автопром есть за что хватить и за что ругать. Преимуществ и недостатков у машин российского производства примерно одинаковое количество.
Среди коммерческих транспортных средств особое место занимает Газель. Как и любой другой автомобиль, Газель имеет склонность к возникновению тех или иных неисправностей. Но неоспоримым достоинством является то, что на такой машине практически все проблемы можно решить своими руками.
Перед наступлением холодов особенно важно проверить, как работает отопительная система, и сможет ли водитель получить необходимое количество тепла в салоне, запуская печку в период заморозков.
Довольно часто случается так, что отопитель не греет, из воздуховодов плохо дует подогретый воздух, либо вовсе при уже хорошо прогретом моторе в салон поступает совершенно холодный забортный воздух.
Советы для автомобилистов
Одной из самых распространенных и неприятных поломок на автомобилях ГАЗель в зимнее время является неисправность печки. Причин такой неприятности может быть несколько. Первым делом следует проверить не слетел ли подающий или обратный патрубок отопления. При этом горячий воздух будет греть не салон автомобиля, а улицу. Если такая поломка подтвердилась, патрубок следует надеть на его место и закрепить хомутом.
В случае если ни один из патрубков не слетел, необходимо проверить их температуру. Обратный патрубок должен быть холоднее патрубка подачи. Однако определить разницу температур двух патрубков путем прикосновения к ним рукой довольно сложно.
Еще одной из причин неисправного отопления ГАЗели может стать засоренный радиатор печки, который следует снять и как следует продуть.
Радиатор может быть засорен как снаружи различным мусором, попадающим в него при движении автомобиля, так и внутри образовавшейся накипью, ржавчиной и т.п. После демонтажа радиатора необходимо обратить внимание на его температуру. Если радиатор холодный, то его следует отремонтировать или вовсе заменить.
Если и радиатор отопления исправен, то необходимо проверить шланги на наличие расслоений, которое может быть незаметно при внешнем осмотре. Завод-производитель рекомендует производить замену всех патрубков автомобиля ГАЗель каждые 3 года.
Диагностика и ремонт
Конструкция отопителя продумана таким образом, чтобы проверить работоспособность любой его детали, не говоря уже о диагностике, необходимо полностью извлекать весь корпус печки и разбирать его, предварительно демонтировав всю переднюю панель в салоне.
Без снятия торпеды, замене поддается только радиатор, т.к. к нему есть доступ через бардачок
.
По выражению одного из водителей, чтобы заменить тот же моторчик заслонки крана, нужно «насобирать ведро саморезов», пока снимешь переднюю панель.
Чтобы по возможности максимально оградить себя от этой трудоемкой операции, лучше в первую очередь проверить электрическую цепь подачи
напряжения на печку. Питание на отопитель поступает через блок предохранителей и реле включения вентилятора.
Вначале проверяется целостность предохранителя, без подачи напряжения. После этого нужно проверить работоспособность реле. Известны случаи, когда реле имело плохое контактное соединение и постоянно отходило.
Нужно подать питание и пошевелить корпусом реле. Если чудо не произошло, и вентилятор не загудел, тогда необходима его замена.
Проверить электропривод заслонки можно на слух
. При включенном питании и повороте регулятора установки температуры, должен быть слышен звук работающего моторедуктора. При крайней необходимости, когда моторедуктор отказал в дороге и необходимо направить воздух на стекла, необходимо снять тягу с заслонки и установить ее в необходимое положение вручную.
Communities › ГАЗ Волга › Blog › Почему по трассе печка плохо греет?
Собственно пришла прохлада в наш город… днем -10… Закрыл радиатор картоном, двигатель укутал дарнитом… Температура двигателя стала постоянно держаться 80гр.
по датчику в салоне… в машине после часа езды жесть как жарко =) Но на днях поехал в Нефтеюганск и по трассе заметил что при скорости 90+ печка то не греет нифига… слегка теплым дует, вообщем терпимо но не приятно… Ехал за фурой со скоростью
40 — 50 кмч печка ожила опять теплом задула… ну и начал эксперементировать… так и есть на скорости нифига не греет, а при снижении скорости норм… температура ОЖ держиться на одном уровне… Начал у знакомых интересоваться почему так… все поголовно говорят что есть такая херня… но у всех по разному, у кого вообще ледянным дует и кого просто прохладой… Друзья, может кто знает в чем проблема? или это заводской косяк нашемарок?
Из чего собрать своими руками
Многие автолюбители любят конструировать в гараже своими руками. Как собрать дополнительную печку на Газель в таком случае из подручных средств? Сначала нам нужно найти корпус, в котором будут размещаться все узлы и элементы отопителя. Для этих целей подойдёт даже корпус от компьютерного блока питания.
Его нужно разобрать полностью, убрав даже разъёмы и переключатель, поскольку корпус будет подвергаться сильному перегреву.
Вторым важнейшим узлом будет выступать нагревательный элемент, который как раз и будет находиться внутри этого корпуса. С этой целью приобретём кусок нихромового провода или поищем его в гараже. В качестве подсказки — такой материал служит основой для изготовления различных пружинок и зажимов. Такой провод мы должны намотать на любой конусовидный предмет. Осталось правильно рассчитать нагрузку, которая появится дополнительно к штатной электросети.
Как уже говорилось, радиатор или печку чаще всего фиксируют под правым пассажирским передним сидением. Чтобы запускать готовое оборудование в работу, следует вывести кнопку на переднюю панель — она обеспечит подключение оборудования. Сразу отметим, что водителю нужно быть готовым к тому, что работает оно достаточно шумно. Зато оно и обойдётся дешевле, чем покупка фирменной печки в автомагазине.
Диагностика и ремонт
Конструкция отопителя продумана таким образом, чтобы проверить работоспособность любой его детали, не говоря уже о диагностике, необходимо полностью извлекать весь корпус печки и разбирать его, предварительно демонтировав всю переднюю панель в салоне.
Без снятия торпеды, замене поддается только радиатор, т.к. к нему есть доступ через бардачок
.
По выражению одного из водителей, чтобы заменить тот же моторчик заслонки крана, нужно «насобирать ведро саморезов», пока снимешь переднюю панель.
Проверить электропривод заслонки можно на слух
. При включенном питании и повороте регулятора установки температуры, должен быть слышен звук работающего моторедуктора. При крайней необходимости, когда моторедуктор отказал в дороге и необходимо направить воздух на стекла, необходимо снять тягу с заслонки и установить ее в необходимое положение вручную.
Конструкция
На Газели Бизнес управление системой отопления салона комбинированное и осуществляется как в ручном режиме посредством рычажков, так и при помощи кнопочного управления с панели приборов.
Схема работы отопления стандартная – поступление воздуха происходит через лобовые воздухозаборники путем всасывания вентилятором с электромотором, после чего проходит по системе дефлекторов и поступает непосредственно в кабину автомобиля.
Поступление охладителя в радиатор отопителя
контролируется заслонкой, угол положения которой осуществляется приводом от электромоторчика. Электромотор привода заслонки итальянского производства, что совершенно не гарантирует от его поломки, которые на этой марке Газели с ним случаются часто.
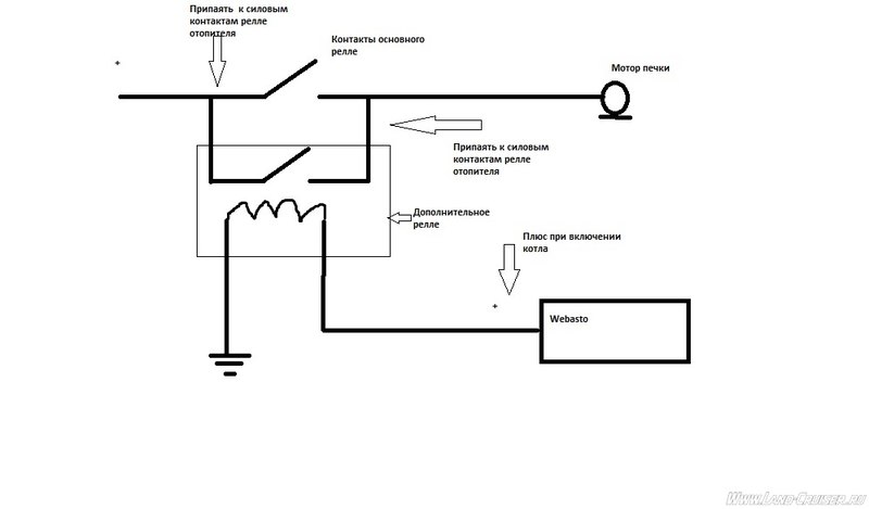
Установка дополнительной помпы для печки
Новая бессальниковая помпа для печки (фото 1). Пластина регуляторов печки (фото 2).
| 1. Помпа для печки |
| 2. Пластину регуляторов |
Схема подключения дополнительного насоса к печке (фото 3).
3. Схема подключения |
Крючки-захваты на пластине (фото 4). Установка патрубка(фото 5).
| 4. Крючки-захваты |
| 5. Установка патрубка |
Установка креплений (фото 6). Подключение магистралей к аппаратной части (фото 7).
| 6. Крепления |
| 7. Аппаратная часть |
Изображение процесса срабатывания МикРИК, микропроцессорного регулятора-измерителя (фото 8, 9).
8. МикРИК |
| 9. МикРИК |
Подводящий патрубок отопителя (фото 10). Патрубок одевается на помпу (фото 11).
| 10. Патрубок отопителя |
| 11. Одеваем патрубок на помпу |
Место для крепления помпы (фото 12). Крепление для помпы (фото 13).
| 12. Место крепления помпы |
| 13. Крепление |
Прорезь на крепежном уголке для удобства монтажв (фото 14).
Одеваем крепление на помпу (фото 15).
| 14. Монтажная прорезь |
| 15. Одеваем крепление на помпу |
Одеваем на помпу патрубок (фото 16). Сгибаем патрубок до нужных размеров (фото 17).
| 16. Патрубок помпы |
| 17. Снибаем патрубок |
Помпа в разобранном виде (фото 18). Защита помпы (фото 19).
| 18. Помпа разобранная |
19. Защита помпы |
Готовый комплект для установки (фото 20). Врезка помпы в магистраль (фото 21).
| 20. Комплект для установки |
| 21. Врезка помпы в магистраль |
Отсоединяем хомут от выходного патрубка (фото 22). Вместо него присоединяем край патрубка помпы (фото 23).
| 22. Отсоединяем хомут вых.магистрали |
| 23. Присоединяем патрубок помпы |
Очистка патрубков (фото 24). Замена краников (фото 25).
24. Очистка патрубков |
| 25. Замена краников |
Подключаем электроснабжение (фото 26). Протяжка кабеля в салон (фото 27).
| 26. Электроснабжение |
| 27. Протяжка электрокабеля |
На поверхности корпуса нет корректирующих выступов (фото 28). Изготавливаем и приклеиваем выступы (фото 29).
| 28. Поверхность корпуса |
29. Приклеиваем выступы |
Примерка шаблона крепежной пластины (фото 30). Симметричные рычаги краников (фото 31).
| 30. Шаблон крепежной пластины |
| 31. Рычажки краников |
Рабочий комплект помпы до обработки (фото 32). Помпа после обработки (фото 33).
| 32. Комплект до обработки |
| 33. Готовый к установке |
Установка дополнительной помпы на ВАЗ 2114 в домашних условиях
Всем привет.
Сегодня расскажу о полезной доработке печки, которая позволит улучшить КПД печки, а вместе с тем и климат салона. Вы узнаете, как установить дополнительную помпу на ВАЗ 2114 в домашних условиях.
Обладатели «четырнадцатых и пятнадцатых» хорошо знают, как не хватает тепла в холодное время, причем речь не о глобальном сезонном похолодании, а о климате внутри любимой ласточки. Во время движения производительности печки вполне хватает, однако только стоит остановиться где-нибудь на светофоре или в пробке, печка тут же начинает плохо греть, из воздуховодов идет чуть теплый поток воздуха, от которого сложно согреться. Опытным путем было установлено, что помпе не хватает мощности или скорости для того, чтобы разогнать горячий антифриз.
На самом деле не многие знают, что «косяк» с печкой и помпой, который наблюдается во всех «наших» машинах, довольно легко устраняется, главное знать последовательность действий. Как вариант некоторые устанавливают дополнительный радиатор, однако более эффективным является вариант установки дополнительной электрической помпы, которая повышает производительность печки и ускоряет теплоотдачу.
Актуально: Почему не греет печка? Основные причины, по которым плохо греет печка
Для своих «опытов» решено было использовать дополнительный насос от «Газели», ее решено было установить на «обратку» печки. Кроме того, нам понадобилось:
- Кнопка (в моем случае «рециркуляции») плюс разъем;
- Четырехконтактное реле, плюс разъем к нему;
- Несколько патрубков плюс хомуты к ним;
- Проводка;
- Гнездо для предохранителя;
- Герметик;
- Кронштейн в виде металлического уголка плюс пару болтов;
- Ну и, как я уже говорил, сама помпа, в моем случае от «Газели».
Когда все в наличии можно преступать!
Установка дополнительной помпы на ВАЗ 2114 — пошаговая инструкция
- Первым делом необходимо разобрать нашу доп. помпу, делается это с целью улучшения герметичности соединений. Снимаем резиновую прокладку и обильно промазываем герметиком. Как пишут многие проделавшие данную процедуру, со временем резиновая прокладка начинает течь, поэтому необходимо все «посадить» на герметик.
Вместо штатных креплений решил использовать шпильки с гайками подходящего диаметра.
- Установка дополнительной помпы. В большинстве случаев все рекомендуют слить антифриз, однако у меня получилось выполнить установку без необходимости слива ОЖ. Подключение выглядит следующим образом: берем «родной» патрубок, который идет от печки до помпы и подсоединяем, Г-образную часть шланга та что идет на блок пришлось отрезать, а выход помпы соединил другим шлангом. Все шланги крепятся хомутами, а сама помпа удобно расположилась на одном из крепежей КПП, все, что потребовалось это изогнутый кронштейн. Более наглядно как это выглядит можно увидеть на фото.
- Схема подключения дополнительной помпы хорошо видна на схеме расположенной ниже, я думаю объяснения здесь излишни.
На этом у меня все, дополнительная помпа на ВАЗ 2114 установлена и готова к эксплуатации. Проверяем уровень антифриза и проверяем работу.
Спасибо за внимание и до встреч на ВАЗ Ремонт. Пока.
Источник: Бортжурнал
 Схема подключениядля сетевой вилки
Схема подключения сетевой вилки
Имейте в виду, что это четырехжильный шнур и розетка для печи / духовки.
Это очень легко сделать, но да, это может показаться очень устрашающим. Вы только что пришли домой с новой печкой, которую так ждала жена. Вы идете и вытаскиваете старую печь, и, к своему удивлению, обнаруживаете, что она была подключена жестко. Первое, что нужно сделать.
1) Не перемещайте плиту.Старые провода могут оборваться при включенном питании.
2) Теперь выключите питание на панели выключателя, если вы этого еще не сделали. Проверьте и убедитесь, что вы действительно выключили правый прерыватель.
3) Теперь, когда питание отключено, отсоедините провод от плиты / духовки.
4) Итак, теперь вы хотите приступить к креплению вашей новой розетки на 50 ампер к стене. Убедитесь, что вы будете устанавливать его достаточно низко, чтобы плиту / духовку можно было прижать к стене.
Вам нужно перерезать провод, чтобы не болталась тонна провода.Теперь вы будете использовать либо поверхностный монтаж, либо утопленную коробку с розеткой. См. Изображения ниже.
Краткое руководство. Красная линия (120 вольт), а черная также линия (120 вольт), белая — нейтраль, а зеленая — земля. G Земля. Линия L1. Линия L2. Белый N
Хорошо, теперь, когда у вас есть розетка, вам нужно подключить шнур питания к новой плите. Эта картинка сама по себе должна рассказать вам все.
Помните зеленый провод, ЗАЗЕМЛЕНИЕ — самый важный провод.Почему, потому что это защищает вашу жизнь.
Как установить заглушку для электрической плиты
Для большинства новых печей с духовками требуется ток на 50 А. Так что вам действительно нужно убедиться, требует ли ваша плита / духовка 50 ампер или нет. И сделайте так, чтобы у вас был провод на 50 А и прерыватель на 50 А.
Я не говорю, что это не сработает, если вы этого не сделаете, но как только вы приготовите эту индейку на День Благодарения и все хорошее на плите, и все ваши поиски будут выполнены через час или около того, вот тогда и начнутся проблемы.
Провода для духовки
Подключение к электрической духовке
Трехпроводная розетка для плиты
https://amzn.to/35kfeWN
Трехпроводная розетка для печи
Как подключить плиту
Первый шаг в том, как подключить печь, — это сделать убедитесь, что у вас есть надлежащее электрическое обслуживание. Обычно для печей требуется специальный Автоматический выключатель на 50 А, 240 В. Провод питания от Панель выключателя к вашей розетке, как правило, будет 6/3 Romex кабель (черный провод — горячий, красный провод — горячий, белый провод — нейтральный, неизолированный медный провод — земля).
Новые печи не комплектуются шнуром питания.
Это потому, что до недавнего времени дома были подключены двумя разными
Типы розеток: 3-контактные и 4-контактные.
Знаю это
в домах были разные типы розеток, это не имело смысла для
производителей бытовой техники, чтобы предварительно соединить плиту с тем или другим.
4-контактная вилка добавляет провод защитного заземления в дополнение к двум
горячая и нейтраль на 3-контактной вилке. Ниже представлены фотографии
вилки с 3 и 4 контактами с соответствующими маркировками.
С помощью вольтметра вы можете проверить правильность напряжения в розетке.
прежде чем решить, как подключить плиту. Если существующие
розетка с 3 контактами, вы можете приобрести шнур с 3 контактами для своего нового
плита. Переход на новую 4-контактную розетку неплохо
идея, особенно если заземляющий провод уже подключен к
розетка. Это потребует немного больше работы, и если вы
не знакомы с электропроводкой, возможно, вы не захотите пытаться
Это. Вы должны измерить
220-240 В переменного тока между точками, и половина этого напряжения, если вы измеряете
между горячими и нейтральными.
Инструкции по подключению новой плиты:
|
|
|
|
|
|
|
Обратите внимание, что красный и черный провода — это «горячие» провода.Есть 240 вольт электрического потенциала между двумя горячими проводами и 120 напряжение между горячим проводом и белым нейтральным проводом. Зеленый земля.
|
|
Домашние мастера могут легко разместить свои инструменты в сверхмощный металл верстак с ящиками или шкафами.
|
|
|
|
|
|
|
|
|
|
Вернуться на главную страницу «Электросхемы»
Как подключить розетку 120/240 В к электрической плите
Электрические плиты (плиты) нуждаются в специальной проводке, потому что для них требуется цепь и розетка на 120/240 вольт.В то время как газовые плиты также подключаются к электросети, чтобы обеспечить питание таймеров, вентиляторов и других принадлежностей, в этих плитах используются простые бытовые электрические цепи на 120 В.
Электрическая плита, с другой стороны, использует ток 120 В для тех же целей, но также использует ток 240 В для нагрева нагревательных элементов плиты и нагревательных катушек духовки. Следовательно, для этого требуется розетка на 120/240 В и цепь с независимым нейтральным проводом, который обеспечивает обратный путь для 120-вольтовой части схемы.В этом отношении электрическая плита очень похожа на электрическую сушилку для белья, в которой также используется розетка на 120/240 вольт. В случае сушилки для белья таймер и камера барабана питаются от тока напряжением 120 вольт, а нагревательный блок сушилки питается от тока 240 вольт.
Отдельно стоящие и сменные диапазоны
Розетка обычно требуется только для отдельно стоящих вертикальных плит. Выдвижные варочные панели или настенные духовые шкафы обычно имеют проводное соединение, а — электрическая проводка, подключенная непосредственно к коммутационной панели прибора, без использования шнура и розетки.Следующие ниже инструкции обычно используются только для отдельно стоящих вертикальных плит / духовых шкафов.
Цепи для электрических диапазонов
Перед подключением концевой розетки, в которую вы будете включать диапазон, необходимо выполнить несколько предварительных действий. Во-первых, необходимо провести 240-вольтовую цепь с надлежащей номинальной силой тока от главной панели автоматического выключателя к месту, где вы хотите установить розетку. В то время как некоторые домашние мастера обладают необходимыми навыками для запуска новых электрических цепей с панели прерывания цепи, для большинства людей это работа профессионального электрика.Такая работа может быть довольно опасной, если вы не знаете, что делаете. Он включает в себя установку нового 240-вольтового автоматического выключателя и прокладку электрического кабеля через стены к месту, где будет располагаться розетка.
Электрическая цепь, питающая электрическую плиту, должна иметь достаточную силу тока для подачи необходимой мощности на плиту. Потребляемая мощность диапазонов варьируется в зависимости от номинальной мощности устройства, но в большинстве случаев требуется цепь на 50 А и 240 В, соединенная проводом № 6.
Для меньших диапазонов может потребоваться схема на 40 А, соединенная проводом № 8. В любом случае схема соединена трехжильным кабелем, включая белый, черный и красный провода, а также голый медный провод заземления.
Правила NEC
У NEC разные правила для разных типов диапазонов. Диапазоны включения обычно являются жесткими, а размеры проводов цепи должны точно соответствовать номинальной мощности, указанной на паспортной табличке прибора. Но схемы для съемных автономных диапазонов на самом деле могут быть ниже номинальных значений, указанных на паспортной табличке.Если номинальная мощность составляет 12000 Вт или меньше, схема может быть рассчитана только на 8000 Вт. Это означает, что для этой духовки на 12000 ватт вы можете снабдить свою новую розетку кабелем №8 AWG и автоматическим выключателем на 40 А, а не кабелем № 6 и 50-амперным выключателем.
NEC делает это допущение, потому что номинальные характеристики на паспортной табличке основаны на том, что духовка и конфорки находятся в ВЫСОКОМ состоянии одновременно, что случается нечасто.
Но если вы когда-нибудь устраивали большой ужин, вы знаете, что увольнение всего сразу и на длительные периоды иногда случается.Поэтому рекомендуется подключать цепь диапазона с помощью выключателя на 50 А и кабеля калибра №6.
Подключение кабеля питания к диапазону
Еще одна предварительная подготовка — подключение шнура питания прибора к плите. К большинству диапазонов шнур питания не прилагается; это компонент, который вам нужно будет купить отдельно и подключить самостоятельно. В отличие от монтажа самой схемы, подключить шнур питания относительно несложно, поэтому большинство домашних мастеров могут сделать это самостоятельно.Хотя размер схемы может быть разным, не может отличаться только тип шнура питания и розетки: с 1996 года Национальный электрический кодекс (NEC) требует 4-проводных цепей для электрических плит, духовок и варочных панелей. Это означает, что в розетке есть четыре гнезда для 4-контактной вилки шнура. Установка новой розетки, предназначенной для трехконтактных шнуров старого образца, является нарушением правил.
Этот предварительный этап включает в себя снятие задней панели доступа на плите, продевание кабеля питания в панель, а затем подключение проводов к соответствующим винтовым клеммам.
Смотреть сейчас: Как подключить шнур питания к электрической плите
3-контактные и 4-контактные вилки
Похожая история с сериями и сушилками для одежды. До 1996 года (фактически это было ближе к 2000 году, когда новые правила были широко приняты) электрические плиты и сушилки были подключены с тремя проводниками: двумя «горячими» и одним нейтральным. Корпус или корпус прибора был заземлен через нейтраль, так что шнур и розетка сушилки не имели отдельного заземления. После смены кода приборы стали продаваться с заземлением корпуса, отделенным от нейтрали.Для этой конфигурации требуется 4-жильный шнур питания с отдельным проводом заземления, который подключается к винту заземления на приборе. Старая система работала нормально, но новая более безопасна.
Правило 4-проводников применяется только при установке новой розетки, например, при новом строительстве или во время капитального ремонта кухни.
NEC по-прежнему позволяет использовать существующие 3-контактные розетки, которые работают с 3-контактными шнурами старого образца. Если вы просто заменяете линейку и уже имеете розетку на 3 разъема, вы можете установить вилку с 3 контактами.Однако необходимо настроить проводку диапазона так, чтобы заземление корпуса было связано с клеммой нейтрали. Многие диапазоны продаются с металлической лентой или проводом именно для этой цели. За инструкциями обращайтесь к руководству пользователя или к производителю диапазона.
DIY: Как установить газовую плиту | Домашние дела
Идеи и советы по ремонту и обслуживанию дома
Не пора ли заменить газовую плиту или установить новую духовку? Вы можете установить свою газовую плиту самостоятельно, следуя советам экспертов по установке DIY.
Если вы ремонтировали свою газовую плиту слишком много раз, вероятно, пора ее заменить.
Наем профессионала для установки газовой духовки может стоить вам несколько сотен долларов, но вы можете сэкономить на этих расходах, сделав это самостоятельно. Следуйте приведенным ниже инструкциям, чтобы безопасно заменить и установить газовую плиту, и вы быстро вернетесь к жарке бекона.
СТОП: Перед тем, как начать замену газовой плиты, ознакомьтесь с местными правилами и постановлениями, чтобы убедиться, что установка домовладельца разрешена.
Материалы:
- Гибкий гофрированный газовый патрубок
- Гаечный ключ
- Желтая тефлоновая соединительная лента
- Детектор утечки газа или жидкое мыло
Шаг 1: Купите правильный разъем газовой плиты
Совет по безопасности: Когда вы устанавливаете газовую плиту, вы никогда не захотите повторно использовать разъем. Поэтому прежде чем начать, сходите в домашний центр или хозяйственный магазин и купите новый разъем. Покупка подходящего разъема — самый важный шаг к безопасной установке.
Ищите эти вещи:
- Убедитесь, что на нем четко обозначен «диапазон».
- Купите соединитель с необходимыми концевыми фитингами. Обычно газовая линия имеет диаметр 1/2 дюйма. труба с черной резьбой, и соединение с печью будет наружным (внешняя резьба) или внутренней резьбой (внутренняя резьба) 1/2 дюйма. примерка. Если вы не можете найти соединитель с необходимыми концевыми фитингами, используйте черный газовый патрубок на линии для установки концевых фитингов.
- Купите соединитель достаточной длины, чтобы у вас было место для работы между плитой и стеной.
Шаг 2: Вытяните диапазон
Вытяните диапазон и закройте газовый кран (он отключается, когда рычаг находится под прямым углом к трубе). Запорная арматура будет расположена либо за полигоном, либо в подвале чуть ниже. Если у вас нет выключателя, это лучшее время, чтобы добавить его для вашей безопасности.
Шаг 3: Намотайте трубную резьбу
Оберните желтую тефлоновую ленту для стыков труб дважды вокруг резьбы по часовой стрелке.
1/2 дюйма. x 3/4 дюйма муфта вмещает 3/4 дюйма.концевой фитинг соединителя, так как соединители с 1/2 дюйма. концевые фитинги на обоих концах не всегда доступны.
Шаг 4. Присоедините разъем к газовой линии
Снимите концевой соединительный элемент, оберните нескошенный конец тефлоновой лентой и прикрутите его к газовой линии. Совет по безопасности: ВСЕГДА используйте оба концевых фитинга и НИКОГДА не привинчивайте соединительные гайки к черным газовым фитингам или трубам, иначе утечка будет гарантирована. Кроме того, будьте осторожны, чтобы не перегибать разъем и не допускать резких изгибов.
Шаг 5. Используйте колено для улицы
Винт 1/2 дюйма. x 1/2 дюйма уличный локоть в газовый порт дальности. Затем ввинтите другой концевой фитинг соединителя в уличный колено. Используйте тефлоновую ленту на каждом фитинге и будьте осторожны, чтобы не перетянуть.
Шаг 6: Затяните гайки
Затяните гайки соединителя на двух концевых фитингах соединителя, удерживая трубку прямо напротив фитинга.
Совет по безопасности: НЕ используйте тефлоновую ленту для этой резьбы, так как она может повредить уплотнение.
Шаг 7. Проверьте герметичность
ВАЖНО: Всегда проверяйте свою работу на предмет утечек. Включите газовый кран (вертикальное положение) и зажгите конфорки плиты примерно на минуту, чтобы выпустить воздух из газовой линии. Затем опрыскайте все стыки детектором утечки газа (продается в домашних центрах). Вы также можете использовать теплую мыльную воду. Если вокруг стыка есть пузырьки, это указывает на утечку. Для дополнительной безопасности вы можете позвонить в местную газовую компанию, чтобы проверить свою работу.
Шаг 8: Установите новую печь на место
Если утечек не обнаружено, вставьте новую печь на место и убедитесь, что все выровнено.Когда все готово, пора готовить!
Источники:
https://www.familyhandyman.com/project/how-to-install-a-gas-stove-without-dangerous-leaks/
http://www.
diyonline.com/servlet/GIB_BaseT /diylib_article.html?session.docid=1483
Как правильно подключить электроплиту, подключить электрические платы
Сегодня мы рассмотрим электрическую розетку для кухонной плиты, а также правильность подключения электрических щитов своими руками.
Бытовые приборы и особенно печи потребляют значительное количество электроэнергии, что требует обязательного заземления тела. Компонент бытовой плиты при продаже чаще всего представляет собой разъемы РШ-ВШ — пару электрических розеток и вилок. Этот тип разъема был создан еще в советское время. Как способ монтажа розеток он относится к изделиям с открытой проводкой, но в наше время мы и доработали флеш-проводку.
Конструктивное решение пар исключает возможность неправильного подключения при использовании.Максимальный заявленный рабочий ток — 32 ампера (средняя мощность 7 кВт). Однако общая мощность нагревательных приборов современной варочной панели в среднем составляет 8-10 кВт и выше, что для такого разъема недопустимо.
Одновременная работа всех устройств коннектора приводит к летальному исходу. Сегодня производство РСХ-ВС Украина, цена и качество продукции невысокие.
розетка плита
Довольно неплохие вилки-розетки белорусского производства.Они имеют современный дизайн и больше подходят для импортных электрических плит, в комплект которых не входят шнуры и розетки.
Белорусские разъемыБелорусские разъемы выдерживают большие количества электроэнергии, чем 32А, удобны в эксплуатации и установке. Устанавливается в двух вариантах — для скрытой и для открытой проводки. По цене немного дороже украинского, но намного дешевле европейского.
Разъем французского образца для электрических розеток устанавливается так же, как и обычная розетка.При установке в стене пустотелого углубления заподлицо, в которое с помощью специального раствора устанавливаются гипсокартонные щитки любой формы.
К подразетнику стены Hollow Stroebe и проложили линии питания, прикрепив их к клеммам розетки. Важно подключать заземляющий провод к клемме строго по обозначению.
Затем патрубок механизма встраивается в специальные винты накладки, в отключение ставится крышка. Монтаж проводки сопровождается открытым крепление механизма гнездо непосредственно к несущей поверхности стены без дополнительных Розеток.Обязательно подключите заземляющий провод.
В квартире новопостроенный провод заземления виден сразу, его изоляция зеленого (желто-зеленого) цвета. В старых домах все провода и однотонные, как правило, белого цвета. Чтобы найти правильный провод, сначала в квартире полностью отключите электричество. Затем берем омметр и одним его щупом цепляем или радиатор отопления за водопроводную трубу, а вторым касанием перекручиваем все силовые кабели. Если на заземляющем проводе показать небольшое сопротивление омметром, не более пары десятков Ом, сопротивление остальных проводов будет бесконечно сильнее.
Таким образом, обнаруженный маркер или лента заземляющего провода маркируются для большей простоты. Как подключить остальные провода, не важно. Смотрите статью о новых и старых способах подключения электрических проводов, будет полезно всем. Теперь рассмотрим, как выглядит схема электрического подключения пластин в описании примеров и фотографий.
Как правильно подключить электроплиту
Для подключения электроплиты потребуется:
- разъемы. При наличии розетки требуется только соответствующая вилка.
- Катушка проводов ПВА 3 * 4 мм 2 . Гибкий, трехжильный, длиной 1,5-2 м.
На задней панели под пластиковой накладкой расположены электрические клеммы, имеющие несколько медных перемычек. открыв крышку, рядом можно увидеть картинку, обычно изображено 3 варианта подключения:
- трехфазная сеть — L1, L2, L3.N.PE.
- двухфазная сеть — L1, L2.N1, N2.PE.
- однофазная сеть — L1.N.PE.
Подходящий вариант — в-третьих, мы сможем правильно подключить электроплиту.
Перемычки устанавливаются согласно рисунку. Затем провод с двух сторон от ПВС снимается в верхней оболочке 75 мм и изоляция с концов жил на 30 мм, заделывается кольцом. Изолированный зеленый заземляющий разъем под напряжением присоединяется к PE, оставаясь попеременно к клеммам L1 и N (фаза и ноль). Желательно присоединять провода к фазным проводам, изолированным коричневым или белым, а для синего — нулевым, но это не критично.
После подключается к электрической вилке. Провод с зеленой изоляцией крепится к клемме заземления, остальной — к фазе и нулю.
Схема подключения, розетки и клеммы прибора.Мультиметр проверен правильно подключен: сопротивление заземляющего контакта между вилкой и металлическим кожухом печи равно нулю. Допускается совпадение вилки заземления и розетки. Если все как должно быть, клеммы заглушены. Посмотрите, как установить правильную розетку.
Рекомендуется вынуть розетку, прежде чем вставлять вилку в нее, отключив автоматику в распределительной коробке.
При этом проверяется прикосновением к поверхности дисплея металлический корпус отвертки без фазовой пластины. Если заказ, дальнейшие проверки проводятся во всех режимах работы.
Кухонная электрическая плита в какой-то степени устройство стационарное, так как с годами она не перемещается с одного и того же места. И вообще, есть вариант подключить без розетки.Он представлен на рисунке ниже. Электрическая плита подключается через керамическую или карболитовую клеммную колодку, расположенную в распределительной коробке.
Электромонтаж через карболитовую пластину или керамическую клеммную колодку. При наличии трехфазной линии питания для подключения электроплиты лучше всего к ней. Это необходимо особенно при высоких нагрузках на плиты, например в уютных ресторанах при небольшой суммарной мощности устройства намного выше 10 кВт, что однофазная вилка не может позволить себе долгую работу.Трехфазный разъем RSH-HS рассчитан на максимальный ток в 25А и позволяет запитать устройство мощностью 15 кВт.
И вполне себе медный кабель сечением 2,5 мм 2 . Чтобы рассчитать необходимый размер провода, воспользуйтесь нашим бесплатным онлайн-калькулятором.
| Топливо Биомасса Уголь Электрический Газ Масло Пеллет Дерево Стиль Материал | Цвет Черный Серый Белый Красный Коричневый Мыльный камень Золото Никель Зеленый Синий Материал варочной панели | Опции водяного отопления Гидравлическая плита Бытовая горячая вода Резервуар для воды Ориентация дымохода Характеристики Вентиляция (газовые плиты) | Дизайн Высокая эффективность Декоративные Область обзора Стиль интерьера |
Как закрепить проволоку для вытяжек | Руководства по дому
Несмотря на то, что многие вытяжки поставляются с возможностью установки их в качестве устройства, подключаемого через шнур и вилку, либо в качестве проводного устройства, предпочтительным методом является проводной.
Это метод, одобренный всеми строительными нормами и правилами, и метод, используемый всеми профессиональными установщиками. Жесткий монтаж вытяжки не представляет особой сложности, но требует тщательного планирования и упорядоченного выполнения этого плана. Хорошая новость заключается в том, что почти любой человек, хорошо разбирающийся в инструментах, может успешно выполнить эту работу.
Найдите удобное место для подключения проводки вытяжки, например, к розетке на кухонной столешнице. При установке вытяжки над газовой плитой наиболее удобной розеткой будет розетка непосредственно за плитой, розетка на 110 вольт, к которой подключается газовая плита.
Выключите автоматический выключатель, подающий электроэнергию в розетку, к которой вы будете подключаться. Убедитесь, что вы отключили правильный автоматический выключатель, поднеся бесконтактный тестер напряжения к гнездам в розетке. Тестер издаст громкий звуковой сигнал, если вы отключили не тот прерыватель, и промолчу, если цепь безопасна для работы.
Снимите лицевую панель розетки и выверните два винта, фиксирующие розетку в коробке. Осмотрите электрические соединения.Вы будете делать трехсторонние косички для соединения черных и белых проводов цепи.
Найдите и отметьте место на стене, где должна быть установлена вытяжка. Используйте электронный поиск стоек, чтобы убедиться, что вы не будете сверлить шпильку стены, а затем просверлите отверстие диаметром 1 дюйм в полости стены.
Протяните кусок кабеля Romex 12/2 с заземлением через отверстие в коробку устройства, где вы будете подключаться. Обрежьте этот кабель так, чтобы он выступал на шесть-восемь дюймов от розетки и на 36 дюймов от стены на конце вытяжки печи.
С помощью универсального ножа снимите внешнюю оболочку кабеля там, где он выходит из выходной коробки, и снимите 3/4 дюйма изоляции с черных и белых изолированных проводов.
Сделайте провода для сращивания пигтейлов, отрезав 6-дюймовые куски черного и проволочного проводов от другого куска кабеля, удалив 3/4 дюйма с обоих концов этих проводов.
С помощью плоскогубцев сделайте разомкнутые петли на одном конце черного и белого проводов.
Удалите один из черного и одного белого проводов из розетки, ослабив винты клемм и вытащив провода из-под них.
Обрежьте старые петли и снимите 3/4 дюйма изоляции.
Приготовьте косички. Удерживая зачищенные концы белых проводов рядом, навинтите пластиковую гайку. Повторите то же самое с черными проводами и оголенными проводами заземления.
Подсоедините кабели к розетке и снова установите розетку в коробку.
Закрепите другой конец кабеля в распределительной коробке на кожухе, затянув два зажимных винта.
Подключите черный и белый провода кабеля к черному и белому проводам кожуха с помощью гаек.Подключите оголенный провод к винту заземления вытяжки.
Закрепите кожух на месте и верните автоматический выключатель во включенное положение.
Ссылки
Биография писателя
Джерри Уолч, базирующийся в Колорадо-Спрингс, штат Колорадо, пишет статьи для рынка DIY с 1974 года.



к. на входе пространство сильно ограничено, к тому же там еще нужно найти место еще и под кран;
Поскольку провод будет проложен по моторному щиту, вблизи двигателя и прочих опасных для электрики частей, желательно взять провод в двойной изоляции. Я просто дополнительно обмотал его синей изолентой, на которой, как известно, держится весь мир.
Но только в том случае, если вся система охлаждения находится в исправном состоянии. Поэтому, прежде чем устанавливать дополнительную помпу, необходимо убедиться в том, что система охлаждения работает правильно.
Из-за этого антифриз будет с трудом поступать в радиатор. Исправьте проблему.
Схема подключения
МикРИК
Защита помпы
Очистка патрубков
Приклеиваем выступы
Вместо штатных креплений решил использовать шпильки с гайками подходящего диаметра.
Вы можете повторно использовать шнур от вашего
предыдущая печка, если хотите.
в «коробку» подключения.
.. но ТОЛЬКО при
основная панель.

