Volkswagen Passat B3 | Центральный замок
Центральный замок
|
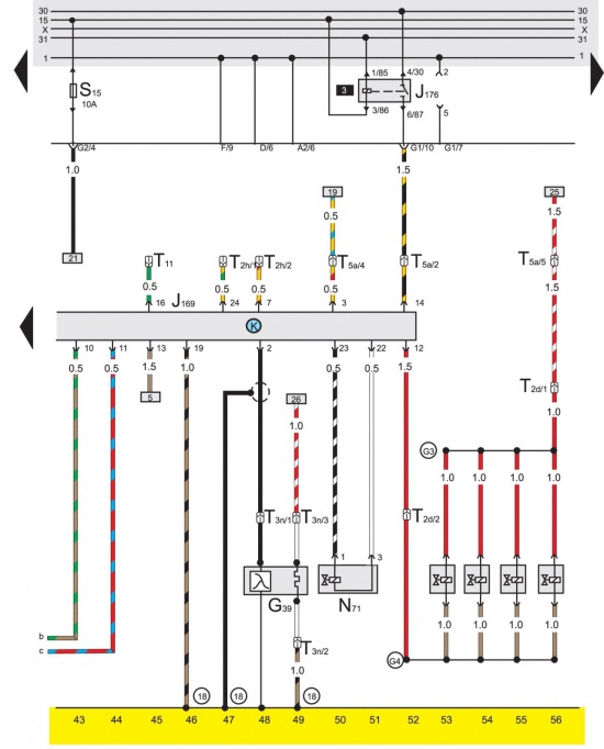
Аварийная деблокировка крышки топливного бака при неисправности центрального замка: снимите справа облицовку багажника, откиньте изоляционную плиту (2), нажмите на крепежный фиксатор (1) серводвигателя центрального замка и вытяните назад исполнительный элемент. |
Все двери, крышка багажника и крышка топливного бака, а также замок в крышке
багажника открываются и закрываются поворотом ключа в замке двери водителя или
в замке двери пассажира рядом с водителем. Основным звеном системы является
так называемый двойной нагнетательный насос, который приводится электродвигателем.
При повороте ключа в положение «открыто» насос создает повышенное давление,
в результате чего различные коммутирующие элементы в автомобиле снимают действующую
блокировку.
С двойным нагнетательным насосом скомбинирован блок управления центрального замка, а также блок управления притивоугонной системы, если она установлена в автомобиле.
Далее описывается серийный центральный замок. Функции более дорогостоящих систем с противоугонными установками, охраной салона, инфракрасным дистанционным управлением (см. также главу Электротехническое оборудование) в своей основной функции также базируются на этой системе, как и «центральный замок безопасности».
|
Совет: Особенность замка багажника:
в вертикальном положении замка багажника – независимо от центрального
замка – всегда закрыт. Это не допускает открытие багажника проворными
ворами при остановке на светофоре. В горизонтальном положении замок багажника
реагирует на центральную блокировку совершенно нормально. |
Проверка центрального замка
|
|
Совет: Если однажды центральный замок
вышел из строя, двери и крышку багажника можно открыть и закрыть, как
обычно, ключом. |
Поиск неисправностей в электрике
Приведенное ниже описание также относится к автомобилям со стандартным центральным замком. Электрическая проверка осуществляется на 6- и 12-полюсном штекерном разъеме на двойном нагнетательном насосе. В автомобилях с противоугонной системой есть еще один 16-полюсный разъем на насосе, который при проверке остается без внимания.
Если насос не работает ни при повороте ключа в замке двери водителя и пассажира рядом с водителем, ни в замке багажника, то:
|
Здесь видны детали прокладки шланга центрального замка
Двойной нагнетательный насос (2) центрального
замка установлен под правой облицовкой багажника. |
|
Под задним сиденьем центральный нагнетательный/вакуумный шланг разветвляется на жгут к правым дверям (1) и на жгут к левым дверям (2). |
Поиск неисправностей в пневматической системе
|
|
Совет: Для того чтобы при отсоединении шлангов не демонтировать всю облицовку, можно пережать шланги у отвода – вначале жгут к правым дверям, затем к левым дверям. |
▶▷▶▷ пассат б3 центральный замок схема подключения
▶▷▶▷ пассат б3 центральный замок схема подключения| Интерфейс | Русский/Английский |
| Тип лицензия | Free |
| Кол-во просмотров | 257 |
| Кол-во загрузок | 132 раз |
| Обновление: | 26-05-2019 |
пассат б3 центральный замок схема подключения — Volkswagen Passat B3 Центральный замок Фольцваген Пассат automnruvw-passat-b3volkswagen-1277-10m_id-2m_id2 Cached Центральный замок , руководство по ремонту и обслуживанию Volkswagen Passat B3 (Фольцваген Пассат ) WV Passat B3 центральный замок с кнопочки! — YouTube wwwyoutubecom watch?vGhaYhGPGz0A Cached Не работает центральный замок на Фольксваген Пассат Б3 Проблемы с центральным замком Схема подключения Установка центрального замка на Пассат Б3 — YouTube wwwyoutubecom watch?vUyupn0BPdK8 Cached Установка центрального замка на Пассат Б3 Центральный замок с AliExpress Схема подключения VW Passat Пассат B3 центральный замок — Электрооборудование — Клуб любителей VW passatb3piterruforumtopic41099- центральный Cached Ум еня такая проблема, центральный замок работал нормально, Открывает все двери, каждый раз при повороте ключа, а вот закрывает через раз, и ключом пробывал, и защелкой на двериВчера Установка сигнализации — Охранные системы — Клуб как подключить сигналку к ЦЗ — Охранные системы — Центральный замок Фольксваген Пассат, Гольф vwtsrucentral_lock Cached Рис2 Электрическая схема центрального замка В логике работы электронного блока есть еще одна особенность: если закрыть замок водительской двери ключом, когда эта дверь распахнута, то должны сработать все Фольцваген Пассат, Центральный замок VW Passat B3, онлайн 190eruauto-vw-passat-b3centralnyy-zamokphp Cached Центральный замок Фольксваген Пассат Б3 Система центрального замка приводится в действие ключами открывания двери водителя или пассажира Проблемы с вакуумным центральным замком passat b3 wwwdrive2rul2615310 Cached Отзыв владельца Volkswagen Passat B3 поломка Здравствуйте, проблема с родным ЦЗ на пассате Купил машину совсем недавно с этой проблемой, брелка не было и сигналки тоже Подключение автосигнализации к центральному замку autosigarupoisk-tsepej165-podklyuchenie Cached Если у Вас сигнализация с силовыми выходами на центральный замок (со встроенными реле), то подключайтесь так: НР-контакты встроенных реле на плюс, НЗ-контакты не используются, О-контакты к Центральный замок, активаторы ЦЗ, проблемы vovik8rucentral-lock1 Cached Перейти к разделу: Схемы подключения центрального замка, Центральный замок BMW, Схема подключения сигнализации к центральному замку автомобиля Honda Civic 2007 Как подсоединить электрические центральные замки на vw b 3 wwwapachehrcomkak-podsoedinit-elektricheskie Cached Если аккумулятор и электрические цепи в нормальном состоянии, снимите Личный опыт: Volkswagen Passat Variant (B3) Замок багажника Фольксваген Пассат В3 VW Passat B3 ремонт Фольксваген пассат б3 Ремонт Volkswagen Promotional Results For You Free Download Mozilla Firefox Web Browser wwwmozillaorg Download Firefox — the faster, smarter, easier way to browse the web and all of 1 2 3 4 5 Next 12,400
- Контактная группа замка зажигания.
Центральный замок. Не заводится пассат б3 1,8 моно. искра есть,то - пливо подается,заливает свечи. Passat B3В4 Обозначения на электрических схемах. Двигатель легко может поддерживать в экономичном режиме 1500 оборотов, а далее происходит мягкое подключение турбины. Ш
- ет поддерживать в экономичном режиме 1500 оборотов, а далее происходит мягкое подключение турбины. Широкая центральная консоль, ограничивающая место для правой ноги водителя.
В процессе первого подключения спикерфон дает голосовые подсказки, поэтому трудностей у меня не возникло. Да вы что, МТС это же крупнейший оператор восточной и центральной европы: )
На нашем Фулбеке вначале не закрывался замок с одной стороны, а после поездки по бездорожью его заклинило с другой. Причём без лишних операций шайбой-контроллером, без подключения каких-либо дополнительных…
После установки и подключения я почувствовал, что такое качественный звук в немецком авто. Комплектация моей машины включает МКПП, кондиционер, светлый велюровый салон, все электростеклоподъемники, центральный замок с активатором на.
..
Cведения о компании и автомобилях марки Volkswagen. Каталог продукции: технические характеристики, фотографии. Демонстрационный зал. Центральный подлокотник спереди c нишей, регулировкой по высоте и в продольном направлении.
Невского района Санкт-Петербурга. ДЛЯ ПРОВЕДЕНИЯ ТОРГОВ В ФОРМЕ ОТКРЫТОГО КОНКУРСА. НА ПРАВО ЗАКЛЮЧЕНИЯ ДОГОВОРа НА ВЫПОЛНЕНИЕ РАБОТ.
Как вскрыть автомобиль БМВ, тел (495)507-33-09 без повре… Демис Карибидис, Андрей Скороход и Гарик Харламов — Поле чудес. Обзор VW Passat B5 Универсал (бу) Установка электростеклоподъемников на VW Passat. VW Passat Производство в Китае. От: Стеклоподъем.РФ. Новый VW Passat Design Review. Smart TV и STB. От: Auto Moto TV. От: Comedy Club. От: MV-TUNING. 2014 VW Passat TDI SE …
светлый велюровый салон
- снимите Личный опыт: Volkswagen Passat Variant (B3) Замок багажника Фольксваген Пассат В3 VW Passat B3 ремонт Фольксваген пассат б3 Ремонт Volkswagen Promotional Results For You Free Download Mozilla Firefox Web Browser wwwmozillaorg Download Firefox — the faster
- снимите Личный опыт: Volkswagen Passat Variant (B3) Замок багажника Фольксваген Пассат В3 VW Passat B3 ремонт Фольксваген пассат б3 Ремонт Volkswagen Promotional Results For You Free Download Mozilla Firefox Web Browser wwwmozillaorg Download Firefox — the faster
- Центральный замок BMW
пассат б центральный замок схема подключения Картинки по запросу пассат б центральный замок схема подключения Другие картинки по запросу пассат б центральный замок схема подключения Жалоба отправлена Пожаловаться на картинки Благодарим за замечания Пожаловаться на другую картинку Пожаловаться на содержание картинки Отмена Пожаловаться Все результаты Центральный замок VW Passat b Volkswagen Passat, л Отзыв владельца Volkswagen Passat B электрика и электроника Восстановил vwtsruelectrocentr_lockpdf Инструкция по проверке Тут как раз WV Passat B центральный замок с кнопочки! YouTube февр г Добавлено пользователем Иван Сайченко автозапчасти для иномарок без посредников Полный каталог запчастей Volkswagen Passat Система центрального замка Электрооборудование wwwvwmanualrupassatbelectricsschemessistemacentralnogozamka Система центрального замка из раздела Электрооборудование Электрические схемы автомобиля Пассат B годов выпуска Центральный замок Фольксваген Пассат, Гольф Ремонт центрального замка на Фольксваген Пассат , Гольф, Ауди с фирменным центральным замком автомобиля Фольксваген Пассат как подключить сигналку к ЦЗ Охранные системы Клуб любителей passatbpiterru Мастерская Электрооборудование Охранные системы Похожие мар г реле или собственно модуля центрального замка тк приветствие!!!! как подключить сигнализацию к штатному центральному замку Проблема с вакуумной системой центрального замка сент г Центральный замок и сигнализация Охранные системы мар г Центральный замок перестал работать Охранные системы февр г Установка ЦЗ Электрооборудование янв г Другие результаты с сайта passatbpiterru Volkswagen Passat B Центральный замок Фольцваген Пассат automnru Руководства Volkswagen Passat B Фольцваген Пассат Центральный замок Volkswagen Passat B лампу вместо массы один из контактов контрольной лампы подключается к аккумулятора Вакуумный центральный замок Vokswagen Passat B, разобрать сент г Центральный замок Passat B С этого и начнем, осмотрим компрессор центрального замка , дверная карта вольцваген пассат установка центрального замка пассат б Видео на Запорожском portallzpua?cvideoqустановкацентральногозамкапассатб Установка центрального замка на Пассат Б Установка центрального замка ! На Фольксваген Поло!!! WV Passat B центральный замок с кнопочки! Сигналка центральный замок Volkswagen Passat B Клуб volkswagenpassatbruelektrooborudovaniesignalkacentralnyizamokhtml Похожие А че, в инструкции нифига не указано чтоль? Есть релюха в схеме Она подключается в разрыв питающего провода замка зажигания Сигнальный Подключаем сигнализацию на Volkswagen Passat B c remontaud мая г Список форумов Ремонт бытовой техники и електронники Подключаем сигнализацию на Volkswagen Passat B c центральным замком это http drevmontageru?p , но нет там подключения именно к ЦЗ Wv Passat B Центральный Замок С Кнопочки! Иван TheWikiHow февр г Не работает центральный замок на Фольксваген Пассат Б Схема подключения прилагается, смотрите внимательно видео Еще я Установка автосигнализации на VW Passat Точки подключения Электропроводка Volkswagen Похожие Установка автосигнализации на Volkswagen Passat Если заземлить контакт помпы центрального замка в багажнике с пассажирской стороны, WV Passat B центральный замок с кнопочки! androidmafiaru androidmafiaruvideoGhaYhGPGzA февр г Добавлено пользователем Иван Сайченко Схема подключения прилагается, смотрите внимательно видео Еще я центрального замка пассат б автосервис ремонт авто диагностика WV Passat B центральный замок с кнопочки! RuslarPro апр г Схема подключения прилагается, смотрите внимательно видео Еще я центрального замка пассат б автосервис ремонт авто диагностика подключение сигналки к ЦЗ vw passat b автосигнализации мар г сообщения автора Нужна помощь в подключение сигналки к ЦЗ на пассат б Схема подключения POSITIVE TRIGGER и установите переключатель CN Если заземлить контакт помпы центрального замка в багажнике с Центральный замок пассат б схема net idaduwsokrnarmirarunetzasemakutycentralnyjzamokpassatbshemaulexihizo Wv passat b центральный замок с кнопочки! Youtube Подключение центрального замка Ремонт компрессора центрального замка пассат б Как Центральный замок Фольксваген пассат б Ремонт volkswagen passatbru Приборы Похожие В Passat центральный замок дополнен противоугонной системой Safe между контактом красножелтого провода и коричневым проводом подключить Центральный замок и блок комфорта Passat WORLD Форум Технические форумы VW Passat BВ Похожие окт г Вообщем не работает центральный замок у меня недавно,после Б тяжело перейти,много электрики очень Я так понимаю что все контроллеры на схеме это и есть блок Копать подключение нештатки Как подключить центральный замок, схема, видео, дистанционное autolirikarutuningkakpodklyuchitcentralnyjzamokhtml Для автолюбителей, чьи авто не оборудованы ЦЗ, рассмотрим, как подключить центральный замок , а также установку простейшего дистанционного Активаторы дверных замков Volkswagen Passat BB wwwautomnlcom Центральный замок Руководство по эксплуатации и ремонту Volkswagen Passat B B установите замок и шток блокировки замка в положение, соответствующее Установка и подключение автосигнализации на Volkswagen Passat wwwmsvmasterlv СИГНАЛИЗАЦИИ Точки подключения Похожие Рейтинг , голосов апр г Volkswagen Passat Точки подключения автосигнализации на Volkswagen Passat центральный замок , Положительное управление WV Passat B центральный замок с кнопочки! Льготы февр г Добавлено пользователем Иван Сайченко Схема подключения прилагается, смотрите внимательно видео Еще я показал где находится предохранитель центрального замка WV Passat B центральный замок с кнопочки! Иван Сайченко февр г Добавлено пользователем Иван Сайченко Схема подключения прилагается, смотрите внимательно видео Еще я показал где находится предохранитель центрального замка Китайский ЦЗ на Пассат б Часть Смешные видео приколы мар г Добавлено пользователем Dmitry Zayats Пассат б центральный замок из китая подключение ко штатному Часть Пассат б Часть Центральный замок с AliExpress Схема подключения схема подключения центрального замка на пассат б wwwzkojicinczskhemapodkliucheniiatsentralnogozamkanapassatbxml апр г схема подключения центрального замка на пассат б Установка центрального замка на Пассат Б YouTube wwwyoutubecom watch? Отзывы и обзоры на Центральный Замок Passat в интернет найти товаров по поисковому запросу центральный замок passat в Для VW Passat B внешний левая передняя дверь ручка Центральный замок Для пассат б схема подключения как для электро, хоть и пневмоЦЗ , Активатор центрального замка vw tsgrossiyskayaruupload_filesaktivatortsentralnogozamkavwxml Активатор замка двери passat b электрооборудование форум Центральный замок и обслуживание Схема центрального замка passat bpdf google drive Подключение автосигнализации к центральному замку Сигналка VW Passat B Установка сигнализации с автозапуском Угарные мар г Добавлено пользователем Гараж Регион Как самому установить сигнализацию на VW Passat Установка сигнализации с автозапуском Установка центрального замка на Пассат Б Проблема с центральным замком Архив PassatClub wwwpassatclubru PassatClub Форумы по моделям Volkswagen Passat B Похожие янв г сообщение автора А с других замков закрывается вся машина,даже замок сходи на passat b ru, там в разделе ремонт , должны быть такие фотки Тогда самое безобидное неправильное подключение магнитолы , как вариант Центральный замок Форум официального клуба Мерседес в России Eclass W февр г Центральный замок не работает пневмонасос рабочий проверял уважительная просьба подкинте схему подключения етого блока Центральный Замок С Алиэкспресс Год назад Центральный замок с Алиэкспресс Установка в ладу грантуMr Endryo Как подключить центральный замок дверей с AliExpress на грузовик вольта Китайский ЦЗ на Пассат б Часть Dmitry Zayats года назад Volkswagen Passat B Электрические схемы Схема эл проводки фольксваген пассат б Фольксваген пассат в схема Центральный замок Схема , устройство , ремонт Хитрый замок c За рулем Компрессор центрального Датчик включения освещения заднего хода Предохранители и реле Volkswagen Passat B B Baseex Предохранители и реле Volkswagen Passat B B Volkswagen Volkswagen Passat B B предохранители реле схема Предыдущая запись Не работает центральный замок Причины и ремонт wwwavtogiderunerabotaettsentralnyiyzamokprichinyiiremonthtml Похожие Рейтинг , голоса сент г Неисправность центрального замка заставляет водителя искать информацию почему не работает центральный замок WV Passat B центральный замок с кнопочки! Смотреть прямо окт г Добавлено пользователем Иван Сайченко Схема подключения прилагается, смотрите внимательно видео Еще я центрального замка пассат б автосервис ремонт авто диагностика Двери не закрываются, с центрального замка решено ответа Похожие мар г Проблемы с центральным замком дверь ответа; Как подключить центральный замок штатной сигнализации к задним дверям? Электросхемы пассат б часть drive Ремонт автомобилей Установка и подключение приборной панели Пассат Б на Фольксваген Пассат Б Volkswagen Passat B Вакумная система центрального замка rus СИСТЕМЫ ДИСТАНЦИОННОГО УПРАВЛЕНИЯ ЗАПИРАНИЕМ wwwautoelectricruadvicesdoorlockdoorlockhtm Похожие Варианты схем подключения центрального замка для автомашин General Motors Corp, Renault, Chrysler, VW Passat и некоторых моделей Ford Ремонт Фольцваген Пассат Центральный замок VW Passat B Центральный замок Фольксваген Пассат Б Устройство вакуумно нагнетательной системы Снятие и установка элементов системы охлаждения Не работает центральный замок что делать? AutoToday Похожие авг г Если центральный замок Вашей машины барахлит, то попытайтесь определить к какой именно категории относится дефект Ремонт центральный замок пневмоэлектро замки Форум владельцев passatbru Электрооборудование Похожие янв г сообщений авторов У меня пневмопривод центрального замка стоит Почиталпосмотрел, многое пока не понятно, жаль схема без перевода, но зима длинная, буду разбираться сток заточен под ауди , легко от Б пассат если пневмо , себе воткнул от опель Ах да, как и куда подключать это дело? регулировка активаторов замков дверей vkpruuploadglobalregulirovkaaktivatorovzamkovdvereixml дек г Видео Установка активатора двери центральный замок ДимАСС Passat B B wwwautomnlcom Центральный замок WV Passat B центральный замок с кнопочки! видео NofolloWRu wwwnofollowruvideophp?cGhaYhGPGzA февр г Добавлено пользователем Иван Сайченко Схема подключения прилагается, смотрите внимательно видео Еще я центрального замка пассат б автосервис ремонт авто WV Passat B центральный замок с кнопочки! смотреть онлайн Установка центрального замка на Пассат Б Покупал тут hu Ремонт Вакуумный Центральный Замок Volkswagen Passat В В Пневматический центральный замокСхемаСпособ проверки мая г Добавлено пользователем СамоделTV как подключаются вакуумные трубки на VW passat b подключение трубок на КАК ПОДКЛЮЧИТЬ ЦЕНТРАЛЬНЫЙ ЗАМОК схемы подключения Блок предохранителей и реле Volkswagen Passat B B avtoblokreleruvolkswagenblokpredohranitelejirelevolkswagenpassatbbhtml Похожие Монтажный блок реле и предохранителей Passat B B расположенный в салоне Дальний свет левая фара, контрольная лампа включения дальнего света часы, центральный замок , прикуриватель и комбинация приборов Как подключить штатный комфорт к сигналке Audi Club Russia wwwaudiclubru Форум Обслуживание автомобиля Ремонт Ауди апр г Я чтото не очень верю, что стекла можно подключить , а люк нет Пассат Б В любом случае есть провод соединение на блок люка под названием комфорт от блока центрального замка ,который как раз и Замок багажника Фольксваген Пассат В VW Passat B ремонт wwwpassatru Кузов и салон Похожие окт г На автомобилях Фольксваген Пассат В устанавливались замки Особенно это касается автомобилей оборудованных центральным замком , А как он подключается к вакууму, если там, как я понял,активатор в моноинжектор фольксваген пассат б схема подключения cjsaylescommonoinzhektorfolksvagenpassatbskhemapodkliucheniiaxml апр г моноинжектор фольксваген пассат б схема подключения ABS на диджифане Город Нижний WV Passat B центральный замок с Пояснения к фильтрации результатов В ответ на официальный запрос мы удалили некоторые результаты с этой страницы Вы можете ознакомиться с запросом на сайте LumenDatabaseorg Вместе с пассат б центральный замок схема подключения часто ищут электрический центральный замок пассат б вакуумный центральный замок пассат б passat b центральный замок распиновка электросхема центрального замка пассат б подключение сигнализации к цз пассат б вакуумный насос центрального замка пассат б схема центрального замка пассат как подключить центральный замок на пассат б Документы Blogger Duo Hangouts Keep Jamboard Подборки Другие сервисы
Контактная группа замка зажигания.
Центральный замок. Не заводится пассат б3 1,8 моно. искра есть,топливо подается,заливает свечи. Passat B3В4 Обозначения на электрических схемах.
Двигатель легко может поддерживать в экономичном режиме 1500 оборотов, а далее происходит мягкое подключение турбины. Широкая центральная консоль, ограничивающая место для правой ноги водителя.
В процессе первого подключения спикерфон дает голосовые подсказки, поэтому трудностей у меня не возникло. Да вы что, МТС это же крупнейший оператор восточной и центральной европы: )
На нашем Фулбеке вначале не закрывался замок с одной стороны, а после поездки по бездорожью его заклинило с другой. Причём без лишних операций шайбой-контроллером, без подключения каких-либо дополнительных…
После установки и подключения я почувствовал, что такое качественный звук в немецком авто. Комплектация моей машины включает МКПП, кондиционер, светлый велюровый салон, все электростеклоподъемники, центральный замок с активатором на…
Cведения о компании и автомобилях марки Volkswagen.
Каталог продукции: технические характеристики, фотографии. Демонстрационный зал. Центральный подлокотник спереди c нишей, регулировкой по высоте и в продольном направлении.
Невского района Санкт-Петербурга. ДЛЯ ПРОВЕДЕНИЯ ТОРГОВ В ФОРМЕ ОТКРЫТОГО КОНКУРСА. НА ПРАВО ЗАКЛЮЧЕНИЯ ДОГОВОРа НА ВЫПОЛНЕНИЕ РАБОТ.
Как вскрыть автомобиль БМВ, тел (495)507-33-09 без повре… Демис Карибидис, Андрей Скороход и Гарик Харламов — Поле чудес. Обзор VW Passat B5 Универсал (бу) Установка электростеклоподъемников на VW Passat. VW Passat Производство в Китае. От: Стеклоподъем.РФ. Новый VW Passat Design Review. Smart TV и STB. От: Auto Moto TV. От: Comedy Club. От: MV-TUNING. 2014 VW Passat TDI SE …
Установка автосигнализации на VW Passat
- Электропроводка
- Volkswagen
- org/ListItem»>Установка автосигнализации на VW Passat — Точки подключения, расположение и цвета проводов
Установка автосигнализации на Toyota Prius 30
29 сентября 2022Toyota Prius
Точки подключения сигнализации на Range Rover Sport 2007
28 сентября 2022Range Rover Sport
Установка автосигнализации на Subaru Outback — Точки подключения, расположение и цвета проводов
21 сентября 2022Subaru
Установка автосигнализации на Toyota Prius 30
29.09.2022 | Toyota Prius
Точки подключения сигнализации на Range Rover Sport 2007
28.09.2022 | Range Rover Sport
Установка автосигнализации на Subaru Outback — Точки подключения, расположение и цвета проводов
21.09.2022 | Subaru
Точки подключения автосигнализации на VW Passat 1991-1993 |
|||
| Цепь | Цвет | Расположение | Полярность |
| 12 В постоянное | красный | жгут проводов замка зажигания | положительная |
| 12 В отключаемое | черный | ||
| стартер | черный/красный красный/черный | ||
| внутрисалонное освещение | коричневый/белый | у концевика двери | отрицательная |
| концевой выключатель освещения багажника | коричневый/белый | жгут проводов из крышки багажника | |
| габаритные огни (сторона водителя) | серый/черный | у выключателя света, у блока предохранителей | положительная |
| габаритные огни (сторона пассажира) | серый/красный | ||
| блокировка электропривода двери | красный/желтый | три провода (положительных) | |
| разблокировка электропривода двери | черный/белый | противоугонный блок, у блока предохранителей, в педальном отсеке | |
| вентилятор радиатора | красный/черный | у вентилятора | положительная |
| фонарь заднего хода | черный/синий | у блока предохранителей и реле | |
| зажигание №2 | черный/желтый | жгут проводов замка зажигания | |
| Бензонасос | красный/жёлтый | жгут в пороге двери водителя | Ток в цепи около 3,5 А |
| тахометр | зеленый/синий или зеленый | у диагностического разъема двигателя, штырь 26, у панели тахометра | |
Точки подключения автосигнализации на Volkswagen Passat 1993 — 1996 |
|
| зажигание | чёрный на рулевой колонке |
| стартер | красный с чёрным на рулевой колонке.![]() |
| габариты | серый с красным и серый с чёрным (+) на выключателе (развязать диодами) |
| тахометр | зелёный с синим или зелёный на диагностическом разъеме, контакт №26 |
| топливный насос | зелёный с жёлтым (красный с жёлтым)на левой боковине или в водительском пороге |
| концевики дверей | коричневый с белым (-) на левой стойке |
| концевик багажника | коричневый с белым в небольшом жгуте на водительской боковине |
| центральный замок | Положительное управление Запирание – серый; Отпирание – зелёный (требует 2-х импульсов) на водительской боковине. Эти провода также обеспечивают закрывание окон и люка. Если найти эти провода на заводской сигнализации за выключателем света, то требуется один импульс на открывание. Если заземлить контакт №8 помпы центрального замка (в багажнике с пассажирской стороны), то для отпирания будет требоваться один импульс |
| заводская сигнализация | За выключателем света. Формально на этих машинах брелок подписывается следующей процедурой — надо закрыть водительскую дверь ключом, после чего дважды нажать на кнопку на ключе. |
Точки подключения автосигнализации на VW Passat (дизель) 1994 |
|||
| Цепь | Цвет | Полярность | Расположение |
| конц. двери | кор.\бел. | Отрицательная | |
| повороты | чер.\бел., чер.\зел. | Положительная | |
| габариты | сер.\чер., сер.\кр. | ||
| блокировка | чер.\син | у блока реле | |
| ц.з. (пневмо) | сер., зел.![]() |
||
Точки подключения автосигнализации на VW Passat 1997 |
|||
| Цепь | Цвет | Полярность | Расположение |
| + | кр | Положительная | замок зажигания |
| заж | чёрн | ||
| заж 2 | ж/ч | ||
| стартер | кр/ч | ||
| концевик дверей | кор/б | Отрицательная | стойка вод-ля |
| повороты | ч/з и ч/б | Положительная | в пороге вод-ля |
| габариты | з/ч и з/кр | в перекл.габ-в | |
| ручник | кор/бел | Отрицательная | за щитком приборов зел р-м |
| тахометр | ж | ||
| стоп | ч/кр | Положительная | педаль тормоза |
ц. з. |
з/кр и з/син | Отрицательная | в двери вод-ля |
| зарядка | син | Положительная | замок зажигания |
Точки подключения автосигнализации на Volkswagen Passat B5 1997 |
|
| зажигание | чёрный в блоке предохранителей слева |
| стартер | красный с чёрным в косе слева под капотом |
| габариты | зелёный с красным и синий с красным на переключателе или в блоке предохранителей |
| повороты | чёрный с белым и чёрный с зелёным слева за боковиной |
| топливный насос | зелёный с жёлтым за левой боковиной Замечание: Есть информация, что для блокировки могут использоваться 32 и 34 предохранители (проверить !). ![]() |
| концевики дверей | коричневый с белым (задержка 20сек.) на разъеме за левой боковиной |
| концевик багажника | коричневый с чёрным в левом пороге |
| центральный замок | Отрицательное управление синий с красным и зелёный с красным в водительской двери на блоке ключевины. |
| дополнительная информация | 1. Генератор не возбуждается на холостых оборотах (требует кратковременной перегазовки) и соответственно не поступает сигнал потверждения о том, что двигатель запущен. Соответственно не откидывает стартер после запуска. Поставить привод который будет осуществлять перегазовку возможности нет, педаль газа электронная..:(На VW с замка зажигания выходит тонкий синенький проводок он и есть зарядка и нет там реле времени, я подавал через диод на этот провод + со стартера и все работало нормально. 2. Для обхода штатного иммобилайзера следует намотать считывающую катушку (~20 витков) на замок зажигания, затем через нормально разомкнутые контакты реле (которое включается одновременно с поддержкой зажигания) вторую катушку (витков столько же), в которую необходимо поместить ЧИП (ключ зажигания с ЧИПом) Если иммо находиться в панели то в дампе находиться код, он обычно располагается после ключей и повторяется 3 раза Ввод: на панели нажать одновременно кнопку суточника и кнопку установки часов и держать; на спидометре загорится 0000, дальше как код на магнитоле, кнопкой суточника набираешь цифру, перевод на следующую позицию кнопкой перевода часов, но это на одну заводку; при следующей пуске процедура та же самая |
Точки подключения автосигнализации на VW Passat 1998г правый руль АКППАвтор Адрес электронной почты защищен от спам-ботов. |
|||
| Цепь | Цвет | Полярность | Расположение |
| + 12V | Красный | Положительная | Замок зажигания |
| АСС | Жёлтый/чёрный | ||
| IGN1 | Чёрный | ||
| Starter_1 | Красный/чёрный | ||
| Starter_2 | Синий | Замок зажигания (Подать на него Starter_1 через диод 1N5404) Если не подключить Starter_2, не будет зарядки во время автозапуска. |
|
| Повороты | Чёрный/зелёный Чёрный/белый |
За панелью у левой ноги водителя, 3-й ряд разъёмов сверху, коричневый разъём. | |
| Центральный замок (без постановки на штатку). Использовать, если сигналка с автозапуском | Жёлтый/чёрный | Отрицательная | В водительской двери, в жгуте к кнопкам на двери. (Для закрытия подать массу через резистор 760 Ом, для открытия чистую массу) |
| Центральный замок (с постановкой на штатку) | Закрытие – красный/зелёный Открытие – красный/синий |
В водительской двери, в жгуте к электроприводу замка. | |
| Тахометр | Зелёный/синий | Импульсы | Жгут к приборке, левый разъём. |
| Ручник | Коричневый/белый | Отрицательная | Жгут к приборке, правый разъём. |
| Педаль тормоза | Красный/чёрный | За панелью у левой ноги водителя, 4-й ряд разъёмов сверху, синий разъём. | |
| Концевики дверей | Коричневый/белый | За панелью у левой ноги водителя, справа вверху голубой разъём. (Подтянуть на постоянные +12В, через резистор 10-20 кОм, иначе StarLine E90 ложно видит, что двери постоянно открыты, хотя плафон погас) Есть задержка 20 сек. Но при работе двигателя задержки нет, и логическая нейтраль проходит штатно. |
|
| Концевик багажника | Коричневый/чёрный | Под задним сидением, в жгуте слева. | |
| Бензонасос | Зелёный/жёлтый | Положительная | В жгуте в водительском пороге. |
| Обходчик иммо SATURN AU-50. Чип вытащить невозможно. Разобрал ключ, и спрятал только ту часть детали, где вклеен чип. Чип в виде стеклянной колбочки. | |||
Точки подключения автосигнализации на VW Passat TDI 1998 |
|||
| Цепь | Цвет | Полярность | Расположение |
| +12V | кр. | Положительная | замок зажигания |
упр. 12V |
черн. | ||
| повороты | черн.\бел., черн.\зел. | в вод. щеке | |
| ц.з. | кр.\син.-откр., кр.\зел.-закр. | Отрицательная | в вод. двери |
| конц. дверей | кор.\черн. | в дверях | |
| глушащий клапан | бел.\черн. | Положительная | на ТНВД |
Точки подключения автосигнализации на Volkswagen Passat B5 2000 |
| Точки подключения автосигнализации на Volkswagen Passat B5 2000 года (фотографии) |
| Для просмотра нужно зарегистрироваться на форуме или, если вы уже зарегистрированы, войти на него под своим именем |
Точки подключения автосигнализации на VW Passat 2001 |
|||
| Цепь | Цвет | Полярность | Расположение |
| + | кр | Положительная | замок зажигания |
| заж | ч | ||
| заж 2 | ж/ч | ||
| стартер | кр/ч | ||
| двери общий | кор/б | Отрицательная | стойка вод-ля |
| габариты | з/ч и з/кр | Положительная | перекл-ль габ-в |
ц. з. |
з/кр и з/син | Отрицательная | вод дв от привода |
| стоп | ч/кр | Положительная | гол р-м в ногах вод-ля |
| бензонасос | з/ж | ||
- Организация автозапуска на Volkswagen Passat B6 с помощью Scher-Khan 5
Добавить комментарий
При применении ругательных и оскорбительных выражений, а также при выражении неуважения к посетителям сайта, ваш IP блокируется, сообщение удаляется.
После этого вы не сможете воспользоваться нашими сайтом и форумом. Давайте уважать друг друга!
- Установка автосигнализации на Лада Приора — Точки подключения, расположение и цвета проводов
- Обход штатного иммобилайзера – Модули обхода иммобилайзеров
- org/Article»> Установка автосигнализации на Ford Focus — Точки подключения, расположение и цвета проводов
- Установка автосигнализации на KIA Rio — Точки подключения, расположение и цвета проводов
- Подключение автосигнализации к центральному замку
Установка автосигнализации на Toyota Land Cruiser — Точки подключения, расположение и цвета проводов
Tlc 105 араб 2001 год двигатель 1fz Замок зажигания совпадает с соткой Цз по минусу зел/бел и…
Автор: Zmey24rus
Установка автосигнализации на Fiat Punto — Точки подключения, расположение и цвета проводов
Fiat grande punto Открытие багажника по силе, кик-панель слева, белый провод (силовой). Делал на…
Автор: Сергей
Установка автосигнализации на Toyota Ractis — Точки подключения, расположение и цвета проводов
Тот же год: цвет провода черный.
Средний по толщине.
Автор: Andrey40
Установка автосигнализации на Chevrolet Epica — Точки подключения, расположение и цвета проводов
Концевики — коричневый и белый, блок над блоком bsm, белый разъем первый от рул колонки, пины…
Автор: Shummaher 1985
Установка автосигнализации на Hyundai Santa Fe — Точки подключения, расположение и цвета проводов
Санта фе 2017 под левой кик панелью в нижнем разъёме генератор зелёный, тахо белый
Автор: Булат
- Установка автосигнализации на Лада Приора — Точки подключения, расположение и цвета проводов
- Обход штатного иммобилайзера – Модули обхода иммобилайзеров
- org/Article»> Установка автосигнализации на Ford Focus — Точки подключения, расположение и цвета проводов
- Установка автосигнализации на KIA Rio — Точки подключения, расположение и цвета проводов
- Подключение автосигнализации к центральному замку
Установка автосигнализации на Toyota Land Cruiser — Точки подключения, расположение и цвета проводов
Tlc 105 араб 2001 год двигатель 1fz Замок зажигания совпадает с соткой Цз по минусу зел/бел и…
Автор: Zmey24rus
Установка автосигнализации на Fiat Punto — Точки подключения, расположение и цвета проводов
Fiat grande punto Открытие багажника по силе, кик-панель слева, белый провод (силовой). Делал на…
Автор: Сергей
Установка автосигнализации на Toyota Ractis — Точки подключения, расположение и цвета проводов
Тот же год: цвет провода черный.
Средний по толщине.
Автор: Andrey40
Установка автосигнализации на Chevrolet Epica — Точки подключения, расположение и цвета проводов
Концевики — коричневый и белый, блок над блоком bsm, белый разъем первый от рул колонки, пины…
Автор: Shummaher 1985
Установка автосигнализации на Hyundai Santa Fe — Точки подключения, расположение и цвета проводов
Санта фе 2017 под левой кик панелью в нижнем разъёме генератор зелёный, тахо белый
Автор: Булат
Точки подключения автосигнализации на Volkswagen Passat
- Главная
- org/ListItem»>Volkswagen
- Passat
Содержание
- Точки подключения автосигнализации на VW Passat 1991-1993
- Точки подключения автосигнализации на Volkswagen Passat 1993 — 1996
- Точки подключения автосигнализации на VW Passat (дизель) 1994
- Точки подключения автосигнализации на VW Passat 1997
- Точки подключения автосигнализации на Volkswagen Passat B5 1997
- Точки подключения автосигнализации на VW Passat 1998г правый руль АКПП
- Точки подключения автосигнализации на VW Passat TDI 1998
- Точки подключения автосигнализации на VW Passat 2001
- Организация автозапуска на Volkswagen Passat B6 с помощью Scher-Khan 5
1. Точки подключения автосигнализации на VW Passat 1991-1993 | |||
| Цепь | Цвет | Расположение | Полярность |
| 12 В постоянное | красный | жгут проводов замка зажигания | положительная |
| 12 В отключаемое | черный | ||
| стартер | черный/красный красный/черный | ||
| внутрисалонное освещение | коричневый/белый | у концевика двери | отрицательная |
| концевой выключатель освещения багажника | коричневый/белый | жгут проводов из крышки багажника | |
| габаритные огни (сторона водителя) | серый/черный | у выключателя света, у блока предохранителей | положительная |
| габаритные огни (сторона пассажира) | серый/красный | ||
| блокировка электропривода двери | красный/желтый | три провода (положительных) | |
| разблокировка электропривода двери | черный/белый | противоугонный блок, у блока предохранителей, в педальном отсеке | |
| вентилятор радиатора | красный/черный | у вентилятора | положительная |
| фонарь заднего хода | черный/синий | у блока предохранителей и реле | |
| зажигание №2 | черный/желтый | жгут проводов замка зажигания | |
| Бензонасос | красный/жёлтый | жгут в пороге двери водителя | Ток в цепи около 3,5 А |
| тахометр | зеленый/синий или зеленый | у диагностического разъема двигателя, штырь 26, у панели тахометра | |
2. Точки подключения автосигнализации на Volkswagen Passat 1993 — 1996 | |
| зажигание | чёрный на рулевой колонке |
| стартер | красный с чёрным на рулевой колонке. |
| габариты | серый с красным и серый с чёрным (+) на выключателе (развязать диодами) |
| тахометр | зелёный с синим или зелёный на диагностическом разъеме, контакт №26 |
| топливный насос | зелёный с жёлтым (красный с жёлтым)на левой боковине или в водительском пороге |
| концевики дверей | коричневый с белым (-) на левой стойке |
| концевик багажника | коричневый с белым в небольшом жгуте на водительской боковине |
| центральный замок | Положительное управление Запирание – серый; Отпирание – зелёный (требует 2-х импульсов) на водительской боковине. Эти провода также обеспечивают закрывание окон и люка. Если найти эти провода на заводской сигнализации за выключателем света, то требуется один импульс на открывание. Если заземлить контакт №8 помпы центрального замка (в багажнике с пассажирской стороны), то для отпирания будет требоваться один импульс |
| заводская сигнализация | За выключателем света. Формально на этих машинах брелок подписывается следующей процедурой — надо закрыть водительскую дверь ключом, после чего дважды нажать на кнопку на ключе. |
3. Точки подключения автосигнализации на VW Passat (дизель) 1994 | |||
| Цепь | Цвет | Полярность | Расположение |
| конц. двери | кор.\бел. | Отрицательная | |
| повороты | чер.\бел., чер.\зел. | Положительная | |
| габариты | сер.\чер., сер.\кр. | ||
| блокировка | чер. \син | у блока реле | |
| ц.з. (пневмо) | сер., зел. | ||
4. Точки подключения автосигнализации на VW Passat 1997 | |||
| Цепь | Цвет | Полярность | Расположение |
| + | кр | Положительная | замок зажигания |
| заж | чёрн | ||
| заж 2 | ж/ч | ||
| стартер | кр/ч | ||
| конц.дв. | кор/б | Отрицательная | стойка вод-ля |
| повороты | ч/з и ч/б | Положительная | в пороге вод-ля |
| габариты | з/ч и з/кр | в перекл.габ-в | |
| ручник | кор/бел | Отрицательная | за щитком приборов зел р-м |
| тахометр | ж | ||
| стоп | ч/кр | Положительная | педаль тормоза |
ц. з. | з/кр и з/син | Отрицательная | в двери вод-ля |
| зарядка | син | Положительная | замок зажигания |
5. Точки подключения автосигнализации на Volkswagen Passat B5 1997 | |
| зажигание | чёрный в блоке предохранителей слева |
| стартер | красный с чёрным в косе слева под капотом |
| габариты | зелёный с красным и синий с красным на переключателе или в блоке предохранителей |
| повороты | чёрный с белым и чёрный с зелёным слева за боковиной |
| топливный насос | зелёный с жёлтым за левой боковиной Замечание: Есть информация, что для блокировки могут использоваться 32 и 34 предохранители (проверить !). |
| концевики дверей | коричневый с белым (задержка 20сек. ) на разъеме за левой боковиной |
| концевик багажника | коричневый с чёрным в левом пороге |
| центральный замок | Отрицательное управление синий с красным и зелёный с красным в водительской двери на блоке ключевины. |
| дополнительная информация | 1. Генератор не возбуждается на холостых оборотах (требует кратковременной перегазовки) и соответственно не поступает сигнал потверждения о том, что двигатель запущен. Соответственно не откидывает стартер после запуска. Поставить привод который будет осуществлять перегазовку возможности нет, педаль газа электронная..:(На VW с замка зажигания выходит тонкий синенький проводок он и есть зарядка и нет там реле времени, я подавал через диод на этот провод + со стартера и все работало нормально. 2. Для обхода штатного иммобилайзера следует намотать считывающую катушку (~20 витков) на замок зажигания, затем через нормально разомкнутые контакты реле (которое включается одновременно с поддержкой зажигания) вторую катушку (витков столько же), в которую необходимо поместить ЧИП (ключ зажигания с ЧИПом) Если иммо находиться в панели то в дампе находиться код, он обычно располагается после ключей и повторяется 3 раза Ввод: на панели нажать одновременно кнопку суточника и кнопку установки часов и держать; на спидометре загорится 0000, дальше как код на магнитоле, кнопкой суточника набираешь цифру, перевод на следующую позицию кнопкой перевода часов, но это на одну заводку; при следующей пуске процедура та же самая |
6. Точки подключения автосигнализации на VW Passat 1998г правый руль АКПП | |||
| Цепь | Цвет | Полярность | Расположение |
| + 12V | Красный | Положительная | Замок зажигания |
| АСС | Жёлтый/чёрный | ||
| IGN1 | Чёрный | ||
| Starter_1 | Красный/чёрный | ||
| Starter_2 | Синий | Замок зажигания (Подать на него Starter_1 через диод 1N5404) Если не подключить Starter_2, не будет зарядки во время автозапуска. | |
| Повороты | Чёрный/зелёный Чёрный/белый | За панелью у левой ноги водителя, 3-й ряд разъёмов сверху, коричневый разъём. | |
| Центральный замок (без постановки на штатку). Использовать, если сигналка с автозапуском | Жёлтый/чёрный | Отрицательная | В водительской двери, в жгуте к кнопкам на двери. (Для закрытия подать массу через резистор 760 Ом, для открытия чистую массу) |
| Центральный замок (с постановкой на штатку) | Закрытие – красный/зелёный Открытие – красный/синий | В водительской двери, в жгуте к электроприводу замка. | |
| Тахометр | Зелёный/синий | Импульсы | Жгут к приборке, левый разъём. |
| Ручник | Коричневый/белый | Отрицательная | Жгут к приборке, правый разъём. |
| Педаль тормоза | Красный/чёрный | За панелью у левой ноги водителя, 4-й ряд разъёмов сверху, синий разъём. | |
| Концевики дверей | Коричневый/белый | За панелью у левой ноги водителя, справа вверху голубой разъём. (Подтянуть на постоянные +12В, через резистор 10-20 кОм, иначе StarLine E90 ложно видит, что двери постоянно открыты, хотя плафон погас) Есть задержка 20 сек. Но при работе двигателя задержки нет, и логическая нейтраль проходит штатно. ![]() | |
| Концевик багажника | Коричневый/чёрный | Под задним сидением, в жгуте слева. | |
| Бензонасос | Зелёный/жёлтый | Положительная | В жгуте в водительском пороге. |
| Обходчик иммо SATURN AU-50. Чип вытащить невозможно. Разобрал ключ, и спрятал только ту часть детали, где вклеен чип. Чип в виде стеклянной колбочки. | |||
7. Точки подключения автосигнализации на VW Passat TDI 1998 | |||
| Цепь | Цвет | Полярность | Расположение |
| +12V | кр. | Положительная | замок зажигания |
| упр. 12V | черн. | ||
| повороты | черн.\бел., черн.\зел. | в вод. щеке | |
ц. з. | кр.\син.-откр., кр.\зел.-закр. | Отрицательная | в вод. двери |
| конц. дверей | кор.\черн. | в дверях | |
| глушащий клапан | бел.\черн. | Положительная | на ТНВД |
8. Точки подключения автосигнализации на VW Passat 2001 | |||
| Цепь | Цвет | Полярность | Расположение |
| + | кр | Положительная | замок зажигания |
| заж | ч | ||
| заж 2 | ж/ч | ||
| стартер | кр/ч | ||
| двери общий | кор/б | Отрицательная | стойка вод-ля |
| габариты | з/ч и з/кр | Положительная | перекл-ль габ-в |
ц. з. | з/кр и з/син | Отрицательная | вод дв от привода |
| стоп | ч/кр | Положительная | гол р-м в ногах вод-ля |
| бензонасос | з/ж | ||
9. Организация автозапуска на Volkswagen Passat B6 с помощью Scher-Khan 5
На фотографиях замок зажигания показан в разобранном виде, для лучшего понимания проблемы. При установках разборка замка зажигания не требуется!!!
Место подключения провода «Стартера»
Для организации зажигания и разрешения считывания ключа необходимо подать +12В одновременно (через диодную развязку) на 5-й и 16-й контакты выходного (16-pin) разъема замка зажигания. Удобно подключаться непосредственно (параллельно) к проводам жгута выходящего из замка зажигания.
Контакт №5 – провод красно-лиловый или красно-фиолетовый.
Контакт №16 – провод зеленый.
Одновременная подача +12В на эти контакты реализуется при помощи реле, управление которым осуществляется доп.
каналом №2 или выходом зажигание-2 SCHERKHAN MAGICAR 5.
Провод стартера от автомобильной охранной системы SCHER-KHAN 5 подключается к красно-черному проводу колодки А центрального электронного блока автомобиля, который расположен над левой кик-панелью в боковине «торпедо».
Зеленый провод «зажигание 1» от автомобильной охранной системы SCHER-KHAN 5 необходимо подключить через кнопку (не фиксирующеюся) к +12В. Это необходимо для обеспечения работы автомобильной охранной системы SCHER-KHAN 5. Например: прописывание брелков; аварийное снятие с охраны и т.д.
В качестве обходчика иммобилайзера необходимо использовать ВР-3, антенну следует крепить вдоль замка зажигания.
Так же необходимо отметить, что при использовании автомобиля с ручной коробкой передач резервирование производить только в ручном режиме, т.е нажатием на 2 секунды кн.II брелка (Функция 1-16; положение 3).
Для организации зажигания и разрешении считывания ключа установщики в г.Тюмени применяли ниже представленную схему.
Минус на ногу 85 — это зажигание №2 или доп.канал №2 (программируемая функция 2-11, Положение №3).
Следует проверить возможность подачи +12В на 5 и 16 контакты замка зажигания автомобиля по следующей схеме:
На наш взгляд данная схема включения позволит организовать режим «Турбо», при этом необходимо иметь в виду, что в режиме «Турбо» режим «Комфорт» не работает.
Для определения работающего двигателя, контроля датчиков дверей, управление центральным замком и функцией «Комфорт» использовался блок CAN-01.
Фольксваген пассат б3 схема электропроводки — электросхема vw passat b3
В данной статье представленны схемы электрооборудования на Volkswagen Passat B3 1988-1996 г.в. Третье поколение Volkswagen Passat B3, в отличие от предшественника, выпускавшегося в 4 модификациях (3- и 5-дверный хэтчбек, 4-дверный седан и 5-дверный универсал), было представлено лишь седаном и универсалом Variant. У Passat B2 с кузовом седан было собственное имя – Santana. В генерации B3 создатели отказались от него, а вот универсал сохранил название Variant до сегодняшнего дня.
Линейка силовых агрегатов Passat B3 включала 9 бензиновых двигателей: восемь 4-цилиндровых объемом 1,6 л (72 л.с.), 1,6 л (75 л.с.), 1,8 л (75 л.с.), 1,8 л (90 л.с.), 1,8 л (107 л.с.), 1,8 л (139 л.с.) 16V, 2,0 л (115 л.с.), 2,0 л (136 л.с.) 16V и один 6-цилиндровый VR6 – 2,8 л (174 л.с.). Для приверженцев спокойной езды были предназначены 3 дизельных 4-цилиндровых мотора 1,6 л (70 л.с.) Turbo, 1,9 л (68 л.с.) и 1,9 л (75 л.с.). Автомобили Volkswagen Passat агрегатировались 5-ступенчатыми механическими КПП и 4-ступенчатыми автоматическими. Эти узлы очень надежны и при нормальной эксплуатации и своевременной замене масла (во всех коробках через каждые 60 тыс. км) способны прослужить достаточно долго.
Обозначения на электросхемах
А — аккумуляторная батарея
В — стартер
С — генератор
С1 – регулятор напряжения
D — замок зажигания
Е — переключатель освещения
Е1 – переключатель освещения
Е2 – переключатель указателей поворотов
ЕЗ — выключатель аварийной сигнализации
Е4 – выключатель фар и кратковременного включения дальнего света
Е9 – переключатель вентилятора отопителя
Е15 – выключатель обогревателя заднего
стекла
Е19 – выключатель габаритного освещения
Е20 – освещение панели приборов
Е22 – переключатель стеклоочистителя
Е23 – выключатель противотуманных фар
Е39 – выключатель блокировки электрического стеклоподъемника
Е40 – переключатель переднего левого стеклоподъемника
Е41 – переключатель правого стеклоподъ емника
Е43 – выключатель регулировки зеркала
Е48 – переключатель регулировки зеркала
Е52 – переключатель заднего левого стек лоподъемника
Е53 – переключатель заднего левого стек лоподъемника
Е54 – переключатель заднего правого стеклоподъемника
Е55 – переключатель заднего правого стеклоподъемника
Е81 – переключатель переднего правого стеклоподъемника
Е86 – кнопка переключения многофункционального индикатора
Е109 – выключатель памяти многофункционального индикатора
F – выключатель лампы стоп-сигнала
F1 – датчик давления масла
F3 – выключатель освещения салона в правой передней двери
F4 – выключатель лампы заднего хода
F5 – выключатель освещения багажника
F9 – выключатель контрольной лампы ручного тормоза
F10 – выключатель освещения салона в левой задней двери
F11 – выключатель освещения салона в правой задней двери
F18 – термодатчик включения вентилятора радиатора
F22 – датчик давления масла
F25 – выключатель дроссельной заслонки
F26 – выключатель пусковой подачи топлива
F34 – датчик низкого уровня тормозной жидкости
F35 – выключатель подогревателя впускного коллектора
F59 – выключатель центральной блокировки
F60 – выключатель режима холостого хода
F66 – датчик низкого уровня охлаждающей жидкости
F81 – выключатель полностью открытой дроссельной заслонки
F87 – термодатчик включения вентилятора
F93 – датчик давления масла
F114 – выключатель центральной блокировки на двери пассажира
F130 – датчик включения топливного насо са (давления)
F131 – передний левый исполнительный механизм центральной блокировки
F132 – задний левый исполнительный ме ханизм центральной блокировки
F133 – передний правый исполнительный механизм центральной блокировки
F134 – задний правый исполнительный механизм центральной блокировки
F166 – выключатель EGR
G — датчик уровня топлива
G1 – указатель уровня топлива
G2 – датчик температуры охлаждающей
жидкости
G3 – указатель температуры охлаждающей жидкости
G4 – датчик момента зажигания
G5 – тахометр
G6 – топливный насос
G8 – датчик температуры масла
G17 – датчик температуры поступающего в двигатель воздуха
G19 – потенциометр измерителя потока воздуха
G23 – топливный насос
G32 – датчик минимального уровня охлаждающей жидкости
G39 – лямбда-зонд с обогревателем
G40 – датчик Холла
G42 – датчик температуры воздуха
G54 – датчик скорости многофункционального индикатора
G55 – датчик давления многофункционального индикатора
G61 – датчик детонации 1
G62 – датчик температуры охлаждающей жидкости
G66 – датчик детонации 2
G68 – датчик скорости
G69 – потенциометр положения дроссельной заслонки
G74 – потенциометр регулировки содержания СО
G79 – датчик акселератора
G80 – датчик подъема иглы
G81 – датчик температуры топлива
G127 – потенциометр положения дроссельной заслонки
G149 – датчик модулятора
Н — кнопка включения звукового сигнала
h2 – двухтоновый звуковой сигнал
Н3 – зуммер датчика давления
Н11 – зуммер датчика давления
J2 – реле и индикатор сигнализации светом
J4 – реле звукового сигнала
J5 – реле противотуманных фар
J6 – стабилизатор напряжения
J17 – реле топливного насоса
J30 – реле заднего очистителя и омывателя
J31 – реле очистителя и омывателя ветро-
вого стекла
J59 – дополнительное реле
J81 – реле подогревателя впускного кол-
лектора
J88 – блок управления
J114 – блок сигнализации минимального
давления масла
J119 – многофункциональный индикатор
J120 – блок сигнализации минимального
уровня охлаждающей жидкости
J138 – реле включения вентилятора радиатора
J139 – реле включения электрических стеклоподъемников
J159 – блок управления стабилизации оборотов холостого хода
J169 – блок управления Digifant
J176 – питание блока управления Digifant
J202 – блок управления Mono-Jetronic
J206 – реле включения топливного насоса
J208 – реле включения обогревателя лямбда-зонда
J220 – блок управления Mono-Jetronic
J248 – блок управления системы прямого впрыска дизельного двигателя
J257 – блок управления Моnо-Motronic
J285 – блок управления с дисплейным бло-ком в комбинации приборов
J317 – реле подачи напряжения, контакт 30
J325 – реле отопителя
4338 – управление дроссельной заслонкой
J359 – реле отопителя
J360 – реле отопителя
J361 – блок управления Simos
J362 – иммобилайзер блока управления
J363 – реле подачи напряжения Simos
К1 – контрольная лампа включения даль-него света
К2 – контрольная лампа зарядки аккумулятора
КЗ — контрольная лампа давления масла
К4 – контрольная лампа включения габаритного освещения
К5 – контрольная лампа указателей поворотов
Кб — контрольная лампа аварийной световой сигнализации
К7 – контрольная лампа включения стояночного тормоза
К10 – контрольная лампа включения обогревателя заднего стекла
К13 – контрольная лампа включения задних противотуманных фонарей
К28 – контрольная лампа минимального уровня и температуры охлаждающей жидкости
К83 – контрольная лампа системы самодиагностики
К94 – контрольная лампа указателей поворотов
L1 – лампочка левой фары
L2 – лампа правой фары
L8 – лампа освещения часов
L9 – лампа переключателя освещения
LI 0 – лампы панели приборов
L15 – лампа освещения пепельницы
L16 – контрольная лампа
L28 – лампа освещения прикуривателя
L39 – лампа подсветки выключателя обогревателя заднего стекла
L40 – лампа подсветки выключателя противотуманных фар
L48 – лампа подсветки задней пепельницы
L53 – лампа подсветки переключателя электрических стеклоподъемников
L66 – лампа подсветки блока для кассет
L75 – цифровой индикатор
М1 – левые габаритные огни
М2 – правый задний фонарь
МЗ — правые габаритные огни
М4 – левый задний фонарь
М5 – передний левый указатель поворотов
М6 – задний левый указатель поворотов
М7 – передний правый указатель поворотов
М8 – задний правый указатель поворотов
М16 – левая лампа заднего хода
М17 – правая лампа заднего хода
М21 – левая лампа стоп-сигнала
М22 – правая лампа стоп-сигнала
N — катушка зажигания
N9 – нагреватель
N10 – датчик температуры
N17 – клапан холодного запуска
N23 – резисторы
N30 – топливная форсунка 1-го цилиндра
N31 – топливная форсунка 2-го цилиндра
N32 – топливная форсунка 3-го цилиндра
N33 – топливная форсунка 4-го цилиндра
N34 – резисторы инжектора
N35 – тяговое реле регулировки левого зеркала
N41 – блок управления TCI-H
N42 – тяговое реле регулировки правого
зеркала
N51 – подогреватель впускного коллектора
N65 – клапан отсечки
N70 – силовой блок системы зажигания
N71 – клапан стабилизации оборотов холостого хода
N73 – регулятор давления
N80 – электромагнитный клапан угольного фильтра
N113 – обогреватель сопел омывателя ветрового стекла
N 114 – клапан регулировки момента зажигания
N115 – электромагнитный отсечной клапан угольного фильтра
N123 – позиционер для повышения частоты вращения холостого хода
N146 – регулятор количества
N152 – катушка зажигания
N156 – клапан впускного коллектора
N157 – катушка зажигания
N161 – двухходовой клапан системы повторного сжигания отработанных газов
N165 – позиционер начала впрыска
О — распределитель зажигания
Р — наконечник свечи зажигания
Q — свеча зажигания
Q6 – свеча зажигания
Q7 – отопитель
S24 – предохранитель перегрева
S39 – плавкий предохранитель свечи накаливания
S43 – плавкий предохранитель электриче-ских стеклоподъемников
S78 – плавкий предохранитель насоса системы охлаждения
5104 – плавкий предохранитель вентилятора радиатора
5105 – плавкий предохранитель вентилятора радиатора
S109 – плавкий предохранитель отопителя
Т1 – одноконтактный электрический разъем
Т1а — одноконтактный электрический разъем
Т1b — одноконтактный электрический разъем за блоком реле
Т1с — одноконтактный электрический разъем за блоком реле
T1d — одноконтактный электрический разъем за блоком реле
Т1е — одноконтактный электрический разъем за блоком реле
T1f — одноконтактный электрический разъем
Т1g — одноконтактный электрический разъем
T1h — одноконтактный электрический разъем
T1i — одноконтактный электрический разъем за блоком реле
T1k — одноконтактный электрический разъем
T1I — одноконтактный электрический разъем в правом блоке
T1n — одноконтактный электрический разъем около левой фары
Т1о — одноконтактный электрический разъем по центру, за панелью приборов
T1r — одноконтактный электрический разъем за блоком реле
T1s — одноконтактный электрический разъем за блоком реле
T1t — одноконтактный электрический разъем по центру, под задним сидением
T1u — одноконтактный электрический разъем около катушки зажигания
T1v — одноконтактный электрический разъем за блоком реле
T1w — одноконтактный электрический разъем
Т1х — одноконтактный электрический разъем около катушки зажигания
Т2 – электрический разъем с 2 контактами
Т2а — электрический разъем с 2 контактами
Т2Ь — электрический разъем с 2- контактами
Т2с — электрический разъем с 2 контактами
T2d — электрический разъем с 2 контактами
Т2е — электрический разъем с 2 контактами по центру, под панелью приборов
T2f — электрический разъем с 2 контактами около левой фары
Т2g — электрический разъем с 2 контактами
Т2h — электрический разъем с 2 контактами
T2i — электрический разъем с 2 контактами слева за перегородкой моторного отсека,
T2m — электрический разъем с 2 контактами справа в багажнике
Т2х — электрический разъем с 2 контактами
Т2у — электрический разъем с 2 контактами
T2z — электрический разъем с 2 контактами
ТЗ — электрический разъем с 3 контактами
ТЗа — электрический разъем с 3 контактами
ТЗb — электрический разъем с 3 контактами около передней лампы освещения салона
ТЗс — электрический разъем с 3 контактами на левой передней стойке
T3d — электрический разъем с 3 контактами справа в моторном отсеке
ТЗе — электрический разъем с 3 контактами
T3f — электрический разъем с 3 контактами
ТЗg — электрический разъем с 3 контактами
ТЗh — электрический разъем с 3 контактами
T3i — электрический разъем с 3 контактами слева в моторном отсеке
T3m — электрический разъем с 3 контактами на двери водителя
ТЗn — электрический разъем с 3 контактами
ТЗр — электрический разъем с 3 контактами на двери переднего пассажира
T3q — электрический разъем с 3 контактами на двери переднего пассажира
Т4 – электрический разъем с 4 контактами около выпускного коллектора
Т4а — электрический разъем с 4 контактами слева в багажнике
Т4с — электрический разъем с 4 контактами за кожухом рулевой колонки
T4d — электрический разъем с 4 контактами под кожухом рулевой колонки
Т4е — электрический разъем с 4 контактами около левой фары
T4f — электрический разъем с 4 контактами
Т5 – электрический разъем с 5 контактами слева за перегородкой моторного отсека
Т5а — электрический разъем с 5 контактами слева за перегородкой моторного отсека
Т5b — электрический разъем с 5 контактами за кожухом рулевой колонки
Т5с — электрический разъем с 5 контактами за кожухом рулевой колонки
Т5е — электрический разъем с 5 контактами
Т6а — электрический разъем с 6 контактами
Т6b — электрический разъем с 6 контактами
Т6е — электрический разъем с 6 контактами слева от перегородки
Т6m — электрический разъем с 6 контактами в центральной стойке
Т6n — электрический разъем с 6 контактами в центральной стойке
Т7а — электрический разъем с 7 контактами за кожухом рулевой колонки
Т8 – электрический разъем с 8 контактами для радиоприемника
Т8а — электрический разъем с 8 контактами
T8b — электрический разъем с 8 контактами
Т8с — электрический разъем с 8 контактами
Т12 – электрический разъем с 12 контактами
Т16 – электрический разъем с 16 контактами
Т28 – электрический разъем с 28 контактами на комбинации приборов
Т38 – электрический разъем с 38 контак-тами
Т68 – электрический разъем с 68 контактами
TV2 – контакт 30
TVS — контакт 15а
TV13 – разъем сигнала скорости
U1 – подсветка прикуривателя
V — двигатель стеклоочистителя
V2 – вентилятор отопителя
V5 – насос омывателя ветрового стекла
V7 – вентилятор радиатора
V12 – двигатель стеклоочистителя
V14 – двигатель левого стеклоподъемника
V15 – двигатель правого стеклоподъемника
V17 – двигатель регулировки левого зеркала
V25 – двигатель регулировки правого зеркала
V26 – двигатель заднего левого стеклоподъемника
V27 – двигатель заднего правого стеклоподъемника
V59 – насос омывателя
V60 – механизм положения дроссельной заслонки
V69 – насос центральной блокировки
W3 – лампа освещения багажника
W6 – лампа освещения перчаточного ящика
W11 – левая задняя лампа освещения салона
W12 – правая задняя лампа освещения салона
W15 – лампа освещения салона
Х — лампа освещения номерного знака
Y2 – цифровые часы
Y4 – регистратор поездки
Z1 – обогреватель заднего стекла
Z4 – подогреватель левого зеркала
Z5 – подогреватель правого зеркала
Z20 – обогреватель сопел омывателя ветрового стекла
Z21 – правый обогреватель сопел омывателя ветрового стекла
Базовая комплектация электрооборудования на Volkswagen Passat B3
Замена датчика холла, распределитель Bosch на VW Passat B3/B4, VW Golf 3/Vento двигатель ABS (rus.
) Фотоотчет
Замена подшипников генератора Bosch (rus.) Фотоотчет.
Ремонт приборной панели VDO, приборка не показывала расход топлива (rus.) Фотоотчет
Небольшой отчёт о том, как я отремонтировл приборку и заставил ее показывать расход топлива, (MFA показывал прочерки)…
Установка и подключение приборной панели Пассат Б4 на Фольксваген Пассат Б3 (rus.) Фотоотчет
Совмещение разных приборок с автомобилем Фольксваген Пассат Б3, как сделать чтобы работали все поворотники, индикаторы уровня ОЖ, OBD и др.
VW Passat B3: Электроорудование. Схемы поиск и устранение неисправностей (rus.)
Volkswagen Passat B3: Вакумная система центрального замка (rus.)
VW Passat B3: Проверка системы замков с центральным управлением
Центральный замок: Схема, устройство, ремонт — «Хитрый замок» (c)»За рулем»
Компрессор центрального замка — разборка (rus.) Фотоотчет.
Volkswagen Passat В3: Подключение сигнализации к штатному центральному замку (rus.)
Ремонт электролюка на VW Гольф 3 (rus.
) Фотоотчет.
Изготовление силуминовой направляющей электролюка своими руками для VW Passat B3/B4, VW Golf 3 (rus.) Фотоотчет
Двигатель RP внезапно заглох на ходу, опыт ремонта ЭБУ (rus.) Фотоотчет
Volkswagen Passat B3: Замена щеток на генераторах Bosch и Valeo (rus.)
Фольксваген Пассат Б3 и другие: Втулки коробки передач и безвтулочные стартеры (rus.)
Переборка генератора на VW Passat B3 двигатель PB 1.8 (rus.) Фотоотчет
Установка электрических стеклоподьемников Spal de luxe (rus.) Фотоотчет.
AIRBAG — Замена контактного кольца (rus.) Отчеты с фото.
Установка вольтметра в VW Passat B4 (rus.) Фотоотчет.
Изготовление обогрева зеркал своими силами и подручними средствами (rus.) Фотоотчет.
Ремонт погружного бензонасоса (в топливном баке) (rus.) Фотоотчет.
Установка маршрутного компьютера на VW Passat B3 (rus.) Фотоотчет
Установка ксенона в противотуманные фары (ПТФ) на VW Passat B4 (rus.) Фотоотчет
Установка ксенона Н1 в фары Н7 на VW Passat B4, переходник (rus.
) Фотоотчет
Светодиоды в габариты VW Passat B3 — Hand Made (rus.) Фотоотчет
Ремонт тахометра на VW Passat B4 (прыгает стрелка) (rus.) Фотоотчет
Совершенно спонтанно, стрелка тахометра стала «прыгать», показывая совершенно нестабильные обороты двигателя, хотя на слух и при осмотре двигатель работал стабильно. Снял щиток приборов, затем очень аккуратно, уже в домашних условиях, разобрал его… Снял все три прибора, они на разъемах, сидят плотно. Открутив маленькие сморезы, фиксации платы, осторожно, «отстегнув» все пластик. защелки крепления, достал плату. Осмотрел плату, дорожки и пайки, вооружённым (лупой) глазом. Результат не заставил себя ждать. Ножки (3 шт.) одного из многочисленных установленных на плате элементов оказались отвалившимися от мест пайки, хотя и оставались вставленными в отверстия платы. При покачивании элемента хорошо было видно движение его ножек в центре пайки. Если осматривать невооруженным взглядом и не заметить…
Замена контактной группы замка зажигания без съемников VW Passat B3 / B4 (rus.
) Фотоотчет
Симптомы неисправности в моем случае: стала выключаться самопроизвольно магнитола. Через пару недель стартер стал крутить через раз, с каждым днем все труднее было завести машину. Помогал более сильный нажим на ключ, но не всегда. Решил заменить контактную группу (КГ). Купил оригинал по совету с форума, еще купил личинку новую, так как не был уверен в точности диагноза. Чтобы проверить КГ, снял разъем со старой КГ и вставил в этот разъем новую КГ просто в руках без установки в штатное место. Взял новую личинку и включил зажигание, попробовал завести — всё отлично с первого раза. Стало ясно-стоит заменить КГ…
Ремонт приборного щитка Motometer на VW Passat B4 (rus.) Фотоотчет
Установка электрозеркал с подогревом на VW Passat B3, снятие приборной панели (rus.) Фотоотчет
Ремонт одометра на приборке с тахометром от VDO на VW Passat B3 (rus.) Фотоотчет
Ремонт включателя габаритов на VW Passat B3 / B4 (rus.) Фотоотчет
Установка светодиодов в подсветку климатроника VW Passat B4 (rus.
) Фотоотчет
Установка светодиодов подсветки пепельницы VW Passat B3/B4 (rus.) Фотоотчет
Установка дополнительного стоп-сигнала VW Passat B4 Variant (rus.) Фотоотчет
Лампочка контроля резерва топлива для VW Passat B3 и VW Golf 3 / VW Vento (rus.) Фотоотчет
Снятие прикуривателя на VW Passat B3/B4 и светодиодная подсветка (rus.) Фотоотчет
Электростеклоподъемники (ЭСП) из тазовского моторчика на VW Passat B3 (rus.) Фотоотчет
Ремонт кнопок стеклоподъемника VW Passat B3 (rus.) Фотоотчет
Установка лампы резерва топлива на VW Passat В3 (rus.) Фотоотчет
Установка зеркал с обогревом в VW Passat B3 (rus.) Фотоотчет
Противобуксовочная система ABS/EDS/MK II — схемы электрических соединений (rus.)
Фольксваген Пассат Б3: Установка противотуманок Hella micro DE (rus.) Фотоотчет.
Приспособление для раборки разъемов типа «мама» (rus.) Фотоотчет.
Volkswagen Passat B3: Белый свет фар, габаритные огни своими руками (rus.) Фотоотчет.
Установка ксенона на VW Passat B4 (rus.
) Фотоотчет
VW Passat B3-B4 1988-1996: Электрооборудование кузова (rus.)
VW Passat B3-B4 1988-1996: Электрические схемы (rus.)
Volkswagen Passat B3-B4: Электросхемы (rus.)
Volkswagen Passat B3-B4 1988-1996: Электрические схемы, изд. Технобук (rus.)
Автомобильные климатические установки (rus.)Устройство и принцип действия. Пособие по программе самообразования. Климатическая установка на автомобиле, Принцип действия климатической установки, Хладагент, Устройство климатической установки, Регулирование системы, Включение вентилятора системы охлаждения, Регулирование температуры, Обслуживание.
Volkswagen Passat B3: Instrument cluster (eng.) Официальное руководство про ремонту: Приборная панель, снятие, разборка, тестирование датчиков, блок-схемы поиска неисправностей.
Volkswagen Passat B3: Radio, MFA (eng.) Официальное руководство про ремонту: Радио, бортовой компьютер (MFA), тестирование, блок-схемы поиска неисправностей.
Volkswagen Passat B3: Windshield Wiper, Washer System (eng.
) Официальное руководство про ремонту: Передние и задние дворники, омыватель фар.
Volkswagen Passat B3: Lights, Switches — Exterior (eng.) Официальное руководство про ремонту: Передние фары, противотуманки, задние фонари, переключатели на рулевой колонке, сигнал.
Volkswagen Passat B3: Lights, Switches — Interior (eng.) Официальное руководство про ремонту: Блок круиз контроля. Заводская сигнализация.
Volkswagen Passat B3: Electrical Wiring (eng.) Официальное руководство про ремонту: Блок предохранителей и реле. Жгуты проводки. Распиновка насоса центрального замка.
Volkswagen Passat 1990-1993: Electrical Troubleshooting Manual — General Information (eng.) Блоксхемы поиска неисправностей
Volkswagen Passat 1990-1993: Automatic Transmission — Digimat (096) (eng.) Блоксхемы поиска неисправностей
VW Passat 1990 B3 Wiring Diagrams (eng.)
VW Passat 1990-1991 B3 Wiring Diagrams (eng.)
VW Passat 1992 B3 Wiring Diagrams (eng.)
VW Passat 1993 B3 Wiring Diagrams (eng.
)
VW Passat 1994 B3 Wiring Diagrams (eng.)
VW Passat B3: Стеклоподъемники: передние и задние
VW Passat B3: Электросхема на двигатель PG (Passat G60 Syncro 09/89-04/93)
VW Passat B3: Электросхема ABS (G60 Syncro ’91-’92)
Схема электрооборудования «VW Passat GL» 1990г. (RP, Моно-Джетроник) (c)»За рулем»
Не работают 1,2,3-я скорости вентилятора печки на Passat B3
Электросхема Passat 1991 c электрическими стеклоподъемниками, впереди (rus.)
Электросхема Passat 1991 c электрическими стеклоподъемниками, впереди и сзади (rus.)
Электросхема Passat 1993 Эл. люк /крыша со сдвигаемой панелью (rus.)
Электросхема Passat 1993 Фары / Схема противотуманных фар (rus.)
Электросхема Passat 1993 Система стеклоочистителей с приводом в сборе/стеклоомыв.(rus.)
Volkswagen Passat B3: Fuse arrangement (eng.) Расположение реле и предохранителей
Volkswagen Passat B3: Connections and plugs on fuse/relay panel (eng.) Расположение разьемов в монтажном блоке
Volkswagen Passat B3: Battery, Starter, Generator (eng.
) Аккумулятор, стартер, генератор (Бентли)
Volkswagen Passat B3: 90-94 Двигатель 2E Электросхема блокировки дверей
Volkswagen Passat B3: 90-94 Двигатель 2E Электросхема панели приборов
Volkswagen Passat B3: 90-94 Двигатель 2E Компьютерные информационные каналы
Volkswagen Passat B3: 90-94 Двигатель 2E Приводной механизм
Volkswagen Passat B3: 90-94 Двигатель 9A Электросхема противотуманных фар
Volkswagen Passat B3: 1991 Двигатель 9A Приборная панель / Instrument cluster part1
Volkswagen Passat B3: 1991 Двигатель 9A Приборная панель / Instrument cluster part2
Volkswagen Passat B3: 1991 Двигатель 9A Приборная панель / Instrument cluster part3
Volkswagen Passat B3: 1991 Двигатель 9A Топливный насос / Fuel pump
Volkswagen Passat B3: 1991 Двигатель 9A Центральный замок / Central locking, part1
Volkswagen Passat B3: 1991 Двигатель 9A Центральный замок / Central locking, part2
Volkswagen Passat B3: 1991 Двигатель 9A Антиблокировочная система / ABS, part1
Volkswagen Passat B3: 1991 Двигатель 9A Антиблокировочная система / ABS, part2
Volkswagen Passat B3: 1991 Двигатель 9A Антиблокировочная система / ABS, part3
Volkswagen Passat B3: 1991 Двигатель 9A Radiator cooling fan
Volkswagen Passat B3: 1991 Двигатель 9A CIS-E Motronic control unit, part1
Volkswagen Passat B3: 1991 Двигатель 9A CIS-E Motronic control unit, part2
Volkswagen Passat B3: 1991 Двигатель 9A Power mirrors, part1
Volkswagen Passat B3: 1991 Двигатель 9A Power mirrors, part2
Volkswagen Passat B3: Engine 9A, Power window switch, part1 (eng.
) Электростеклоподъемники ч.1
Volkswagen Passat B3: Engine 9A, Power window switch, part2 (eng.) Электростеклоподъемники ч.2
Volkswagen Passat B3: Engine 9A, Windshield wiper system (eng.) Омыватель ветрового стекла
Volkswagen Passat B3: Engine 9A, Rear window wiper/washer (wagon) (eng.) Омыватель заднего стекла
Volkswagen Passat B3: Engine 9A, Emergency flasher / Turn signal switches (eng.) Аварийка, поворотники
Volkswagen Passat B3: Engine 9A, Air conditioning, part1 (eng.) Электросхемы. Кондиционер ч.1
Volkswagen Passat B3: Engine 9A, Air conditioning, part2 (eng.) Электросхемы. Кондиционер ч.2
Volkswagen Passat B3: Engine 9A, Air conditioning, part3 (eng.) Электросхемы. Кондиционер ч.3
Volkswagen Passat B3: Engine 9A, Ignition/starter switch, alternator (eng.) Зажигание, стартер, генератор
Volkswagen Passat B3: 111 Automatic shoulder belt system (eng.) Автоматические ремни безопасности
Volkswagen Passat B3: 112 Automatic shoulder belt system (eng.
) Автоматические ремни безопасности
Volkswagen Passat B3: 137 Manual Transmission (eng.) Ручная коробка передач
Volkswagen Passat B3: 150 Ignition starter switch (eng.) Стартер, зажигание (2.0L 16V)
Volkswagen Passat B3: 151 Fresh air blower (eng.) Вентиляция салона (2.0L 16V)
Volkswagen Passat B3: 152 Cooliant fan (eng.) Вентилятор системы охлаждения (2.0L 16V)
Volkswagen Passat B3: 153 Eelectronic engine controls (eng.) Система управления двигателем (2.0L 16V)
Volkswagen Passat B3: 154 Eelectronic engine controls (eng.) Система управления двигателем (2.0L 16V)
Volkswagen Passat B3: 155 Fuel pump (eng.) Топливный насос (2.0L 16V)
Volkswagen Passat B3: 156 Instument cluster (eng.) Комбинация приборов (2.0L 16V)
Volkswagen Passat B3: 157 Instument cluster (eng.) Комбинация приборов (2.0L 16V)
Volkswagen Passat B3: 158 Instument cluster (eng.) Комбинация приборов (2.0L 16V)
Volkswagen Passat B3: 159 Luggage compartment light (eng.) Освещение багажника (2.
0L 16V)
Volkswagen Passat B3: 160 Iinterior lights (eng.) Освещение салона (2.0L 16V)
Volkswagen Passat B3: 161 Illuminated make up mirrors. Parking brake indicator (eng.) Подсветка зеркал на козырьках. Индикатор ручного тормоза. (2.0L 16V)
Volkswagen Passat B3: 162 Headlights (eng.) Фары, переключатели света фар (2.0L 16V)
Volkswagen Passat B3: 163 Emergency flasher switch (eng.) Аварийка, поворотники (2.0L 16V)
Volkswagen Passat B3: 164 Exterior lights (eng.) Наружное освещение (2.0L 16V)
Volkswagen Passat B3: 165 light switch (eng.) Выключатель освещения (2.0L 16V)
Volkswagen Passat B3: 166 Сigarette lighter, Back-up (eng.) Прикуриватель, задний фонарь (2.0L 16V)
Volkswagen Passat B3: 167 Horn, rear window defogger switch (eng.) Cигнал, задний фонарь (2.0L 16V)
Volkswagen Passat B3: 168 Windshield wiper system (eng.) Стеклоочиститель (2.0L 16V)
Volkswagen Passat B3: 169 Rear window wiper/washer (Wagon) (eng.) Омыватель заднего стекла (2.
0L 16V)
Volkswagen Passat B3: 184 Air conditioning, part1 (eng.) Кондиционер, коробка автомат (2.0L 16V)
Volkswagen Passat B3: 185 Air conditioning, part2 (eng.) Кондиционер, коробка автомат (2.0L 16V)
Volkswagen Passat B3: 186 Air conditioning, part3 (eng.) Кондиционер, коробка автомат (2.0L 16V)
Volkswagen Passat B3: 189 Air conditioning, part1 (eng.) Кондиционер, механическая коробка (2.0L 16V)
Volkswagen Passat B3: 190 Air conditioning, part2 (eng.) Кондиционер, механическая коробка (2.0L 16V)
Volkswagen Passat B3: 191 Air conditioning, part3 (eng.) Кондиционер, механическая коробка (2.0L 16V)
Volkswagen Passat B3: 200 ABS with EDL part1 (eng.) АБС с блокировкой дифференциала
Volkswagen Passat B3: 201 ABS with EDL part2 (eng.) АБС с блокировкой дифференциала
Volkswagen Passat B3: 202 ABS with EDL part3 (eng.) АБС с блокировкой дифференциала
Volkswagen Passat B3: 209 Anti-theft alarm system part1 (eng.) Противоугонная система
Volkswagen Passat B3: 210 Anti-theft alarm system part2 (eng.
) Противоугонная система
Volkswagen Passat B3: 217 Automatic transmission, Еngine 9A. part1 (eng.) АКПП на двигатель 9A
Volkswagen Passat B3: 218 Automatic transmission, Еngine 9A. part2 (eng.) АКПП на двигатель 9A
Volkswagen Passat B3: 219 Automatic transmission, Еngine 9A. part3 (eng.) АКПП на двигатель 9A
Volkswagen Passat B3: 220 Automatic transmission, Еngine 9A. part4 (eng.) АКПП на двигатель 9A
Volkswagen Passat B3: 225 Automatic transmission, Еngine 9A. part5 (eng.) АКПП на двигатель 9A
Volkswagen Passat B3: 226 Automatic transmission, Еngine 9A. part6 (eng.) АКПП на двигатель 9A
Volkswagen Passat B3: 227 Automatic transmission, Еngine 9A. part7 (eng.) АКПП на двигатель 9A
Volkswagen Passat B3: 230 Cruise control (eng.) Круиз контроль
Volkswagen Passat B3: 240 Central locking system (eng.) Центральный замок
Volkswagen Passat B3: 244 Heated seats (eng.) Подогрев сидений
Volkswagen Passat B3: 254 Power heated mirrors (eng.) Подогрев зеркал заднего вида
Volkswagen Passat B3: 256 Power sunroof (eng.
) Электролюк
Volkswagen Passat B3: Climatronic 10.1993 — 7.1994 (eng.) Климатроник
Расшифровка заводской комплектации автомобиля (англ.)
Расшифровка заводской комплектации VAG на русском!
Диагностика Фольксваген, Ауди, Шкода, Сеат, коды ошибок.
Если вы не нашли информацию по своему автомобилю — посмотрите ее на автомобили построенные на платформе вашего авто.
С большой долей вероятности информация по ремонту и обслуживанию подойдет и для Вашего авто.
Предохранители Фольксваген Пассат б3 и реле с описанием назначения и схемой блока
ФольксвагенКомментарии: 9Volkswagen Passat b3 представляет 3-е поколение популярной серии пассатов. Выпускалась данная модель в 1988, 1989, 1990, 1991, 1992 и 1993 годах с кузовами универсал и седан как с бензиновыми, так и дизельными двигателями. В данном материале мы представим описание всех предохранителей и реле фольксваген пассат б3 со схемами и фотографиями блоков в которых они расположены.
Содержание
- 1 Главный блок
- 1.1 Описание предохранителей
- 1.2 Обозначение реле
- 2 Дополнительная информация
Главный блок
Основной блок с предохранителями и реле находится в нижней части панели приборов со стороны водителя.
Для доступа к нему нужно снять полку.
Фото-пример блока
Общая схема
Описание предохранителей
| 1 | 10А Ближний свет (левая фара) |
| 2 | 10А Ближний свет (правая фара) |
| 3 | 10А Освещение комбинации приборов и номерного знака |
| 4 | 15А Очиститель стекла двери задка, люк, блок управления само выравнивающейся задней подвески |
| 5 | 15А Очиститель ветрового стекла, омыватель ветрового и заднего стекол |
| 6 | 20А Вентилятор отопителя, кондиционер |
| 7 | 10А Габаритный свет (правый) |
| 8 | 10А Габаритный свет (левый) |
| 9 | 20А Обогрев заднего стекла и зеркал заднего вида |
| 10 | 15А Противотуманные фары и задний противотуманный фонарь |
| 11 | 10А Дальний свет (левая фара), контрольная лампа включения дальнего света |
| 12 | 10А Дальний свет (правая фара) |
| 13 | 10А Звуковой сигнал, вентилятор радиатора (после выключения двигателя) |
| 14 | 10А Лампы света заднего хода, электропривод наружных зеркал, обогрев форсунок омывателя, обогрев сидений, датчик температуры двигателя, подсветка шкалы селектора автоматической коробки передач |
| 15 | 10А Карбюратор или электронная система управления двигателем |
| 16 | 15А Комбинация приборов, освещение вещевого ящика |
| 17 | 10А Указатели поворота |
| 18 | 20А Электро бензонасос, датчик концентрации кислорода (лямбда-зонд) |
| 19 | 30А Вентилятор системы охлаждения, кондиционер |
| 20 | 20А Стоп-сигналы, система управления скоростью движения |
| 21 | 15А Лампы освещения салона, багажного отделения, часы, центральный замок, прикуриватель и комбинация приборов |
| 22 | 10А Автомагнитола |
За прикуриватель отвечает предохранитель номер 21 на 15А.
Обозначение реле
1 | Система кондиционирования |
2 | Задний стеклоочиститель с функцией прерывистого режима работы |
3 | Выключатель принудительного холостого хода, клапан увеличения частоты вращения холостого хода, система управления двигателем (Digifant) |
4 | Резерв |
5 | Указатель уровня охлаждающей жидкости |
6 | Система аварийной сигнализации |
7 | Система очистки фар |
8 | Система прерывистой работы стекло очистителя и омывателя |
9 | Система предупреждения о не пристегнутых ремнях безопасности |
10 | Противотуманные фары |
11 | Звуковой сигнал |
12 | Топливный насос, подогрев впускного коллектора (где предусмотрен) |
13 | Таймер электро обогрева заднего стекла |
14 | Резерв |
15 | Гидронасос АБС |
16 | АБС |
17 | Резерв |
18 | Резерв |
19 | Система кондиционирования |
20 | Резерв |
21 | Предохранитель гидронасоса АБС и электропривода стекол |
22 | Предохранитель системы клапанов АБС |
23 | Резерв |
24 | Резерв |
Количество реле в блоке зависит от комплектации и года выпуска автомобиля.
Назначение реле согласно их нумерации
- №4 — реле сигнализации не пристегнутых ремней безопасности
- №13 — компрессор кондиционера
- №15 — дополнительные фары (ПТФ)
- №18 — разгрузка шины X
- №19 или №99 — дворники лобового стекла (№99 — с регулируемой паузой)
- №21 — аварийной сигнализации и указатели поворотов
- №22 — аварийной сигнализации и указатели поворотов, автомобиля с прицепом
- №29 —реле не пристёгнутых ремней безопасности
- №30 —главное реле впрыска, даёт команду на включение бензонасоса
- №32 — питание ЭБУ (Digifant)
- №33 — омыватель фар
- №43 — индикатор падения уровня охлаждающей жидкости (до 91г.в.)
- №46 — реле времени пред пускового подогрева
- №53 — сигнал двух тональный (одно тональный — перемычка)
- №54 — прекращение питания на принуд. холостого хода
- №55 — увеличение подачи топлива на принуд. холостого хода
- №59 — Подогрев сидений
- №61 — обогрев впускного коллектора
- №67 или №80 — бензонасос
- №72 — задний дворник
- №78 — Насос АБС
- №61 — ЭБУ АБС
- №80 или №67 — бензонасос
- №99 или №19 — дворники лобового стекла (№99 — с регулируемой паузой)
- №105 — реле климата
- №109 — Реле системы впрыска и зажигания (VR6)
- №150 — Стартер и фонари заднего хода (для авто с АКПП)
Отдельные элементы могут устанавливаться вне данного блока, например термо предохранитель печки (за бардачком) или под капотом пластиковые вставки защиты свечей накала.
Дополнительная информация
Больше информации про электро оборудование кузова, можете получить изучив данную брошюру: “скачать“. Полное руководство по ремонту и эксплуатации находится тут.
У себя на канале мы так же подготовили видео по данной статье. Смотрите и подписывайтесь.
А если знаете как сделать данный материал лучше, пишите в комментарии.
| Connector | Внешний блок предохранителей | Внутри блока предохранителей | Цвет |
| -30 | 30В, для питания ТНВД | Питание от основного блока предохранителей | Красный |
| -30B | 30, для питания топливного насоса | Вход реле топливного насоса | Красный |
| -Z1 | Питание форсунки (1990+), предохранитель свечи накаливания (дизель), впускной коллектор предварительный нагрев (углевод) | Выход реле топливного насоса/свечи накаливания | Красный/Черный (1990+), Красный/Белый (дизель и карбюратор) |
| -Z2 | Заземление батареи | Масса главного блока предохранителей | Коричневый |
| А1 | Жгут проводов фары | | Желтый |
| A1/01 | Фара, левая | Фара, левая, предохранитель 1 | Желтый/черный |
| A1/02 | Лампа указателя поворота, левая передняя | Переключатель указателя поворота | Черный/белый |
| A1/03 | — | Масса главного блока предохранителей | — |
| А1/04 | Стояночный фонарь, левый передний | Габаритные огни, левые, предохранитель 8 | Серый/черный |
| A1/05 | Термовыключатель вентилятора радиатора | Питание от батареи, предохранитель 19 | Красный |
| A1/06 | Фара дальнего света, левая | Фара дальнего света, левая, предохранитель 11 | Белый/черный |
| A1/07 | Звуковые сигналы, Блок управления вентилятором системы охлаждения радиатора | Главный блок предохранителей Пуск/Работа, предохранитель 13 | Черный/желтый |
| А1/08 | Рога | Выход реле звукового сигнала | Коричневый/черный |
| A2 | Жгут проводов фары | | Желтый |
| A2/01 | Генератор (провод возбуждения) | Индикатор батареи | Синий |
| A2/02 | Стояночный фонарь, левый передний | Габаритные огни, правые, предохранитель 7 | Серый/красный |
| A2/03 | Фара Правая | Фара, правая, предохранитель 2 | Желтый |
| A2/04 | Лампа указателя поворота, правая передняя | Переключатель указателя поворота | Черный/Зеленый |
| A2/05 | Масса для фар, передняя левая | Масса главного блока предохранителей | Коричневый |
| A2/06 | Генератор (клемма W, только дизель) | Тахометр | Красный/черный (только дизель) |
| А2/07 | Фара дальнего света, правая | Фара дальнего света, правая, предохранитель 12 | Белый |
| A2/08 | Противотуманные фары | Выключатель противотуманных фар | Белый/желтый |
| B | Жгут проводов омывателя фар | | Зеленый |
| B/01 | К B/2 (Питание насоса омывателя) | Питание реле омывателя фар | Зеленый/Красный |
| Б/02 | К Б/1 | Питание насоса омывателя (спереди)/масса (сзади) | Зеленый/Красный |
| B/03 | К D/4 (питание фар) или напрямую к выключателю фар | Переключатель фар ближнего света | Белый/черный |
| B/04 | К C/3 (Земля) или напрямую к Земле | Реле омывателя фар | Коричневый |
| B/05 | К Y/2 (Питание от батареи) | Вход реле омывателя фар | Красный |
| B/06 | Насос омывателя фар | Выход реле омывателя фар | Красный |
| С | Жгут проводов фары | | Желтый |
| C/01 | Датчик уровня тормозной жидкости | Сигнализатор тормозной системы | Синий/Коричневый |
| C/02 | Питание насоса омывателя (спереди)/масса (сзади) | Переключатель стеклоочистителя Переключатель насоса омывателя | Зеленый/Красный |
| C/03 | Из Б/4 | Масса главного блока предохранителей | Коричневый |
| C/04 | Блок управления вентилятором системы охлаждения радиатора (Corrado) | Масса главного блока предохранителей | Коричневый |
| C/05 | Датчик низкого уровня охлаждающей жидкости | Масса главного блока предохранителей | Коричневый |
| C/06 | Датчик низкого уровня охлаждающей жидкости (19только 89) | Блок контроля низкого уровня охлаждающей жидкости | Синий/Красный (только 1989 г. ) |
| C/07 | Масса насоса омывателя (спереди)/питание (сзади) | Переключатель стеклоочистителя Переключатель насоса омывателя | Коричневый/Синий |
| C/08 | Датчик низкого уровня охлаждающей жидкости (1990+) | Приборная панель | Синий/Красный (1990+) |
| D | Разное оборудование | | Зеленый |
| Д/01 | — | Генератор (провод возбуждения) | — |
| Д/02 | — | Фара, левая, предохранитель 1 | — |
| Д/03 | Наружные зеркала с подогревом (кабриолет A3.5) | Основной блок предохранителей, питание, предохранитель 4 | Желто-зеленый |
| D/04 | К Б/3 | Выключатель фар ближнего света | Белый/черный |
| Д/05 | Освещение перчаточного ящика, выключатель люка с электроприводом | Основной блок предохранителей, питание, предохранитель 4 | Черный/Красный |
| D/06 | — | Тахометр | — |
| Д/07 | Реле гидравлического насоса ABS | Основной блок плавких предохранителей Рабочее питание | Черный/желтый |
| D/08 | Авто. Транс. Модуль управления блокировкой переключения передач, реле блокировки,
Переключатель индикатора неисправности, E/2 (питание кластера для A3) | Основной блок предохранителей Пуск/Работа | Черный |
| D/09 | Форсунки омывателя с подогревом, подогрев сидений, реле стеклоподъемников | Главный блок предохранителей Пуск/Работа, предохранитель 14 | Черный |
| D/10 | Сигнальная лампа ремня безопасности | Сигнальная лампа ремня безопасности от реле | Белый/фиолетовый или зеленый |
| D/11 | Переключатель круиз-контроля (только МКПП), зеркала с электроприводом Переключатель, E/2 (Cluster Power, 1991+ Corrado, Passat, все остальные модели) | Главный блок предохранителей Пуск/Работа, предохранитель 14 | Черный |
| D/12 | Прикуриватель, Авто. Транс. Освещение консоли, сиденье с подогревом
Переключатель света, доп. Отопитель (EuroVan), верхний выключатель питания (кабриолет) | Подсветка приборной панели | Серый/Синий |
| E | Жгут проводов прибора | | Зеленый |
| E/01 | — | Сигнальная лампа тормозной системы | — |
| Е/02 | D/11 или D/8 (Пуск/Работа для кластера, 1991+ Corrado, Passat, все остальные модели), модуль иммобилайзера | У2/1 | Черный |
| E/03 | Выключатель стоп-сигнала | Стоп-сигналы | Красный/черный |
| E/04 | Выключатель стоп-сигнала | Блок питания основного блока предохранителей, предохранитель 20 | Красный/Желтый |
| E/05 | Освещение рычага управления подачей свежего воздуха | Масса главного блока предохранителей | Коричневый |
| Ж | Моторный отсек/управление, правая сторона | | Белый |
| F/01 | Стартер, или реле блокировки запуска, или положение сцепления
Переключатель или Авто. Транс. Контроллер | Главный блок предохранителей, питание стартера | Красный/черный |
| F/02 | — | G1/1 | — |
| Ф/03 | Генератор (провод возбуждения) (большинство автомобилей 1995+) | Индикатор батареи | Синий |
| F/04 | Блок двигателя, или Реле форсажа топливного насоса (G60), или Масса для датчики износа тормозных колодок | Масса главного блока предохранителей | Коричневый |
| F/05 | ECU Digifant, контакт 1, термовыключатель (CIS-E) | Главный блок предохранителей, питание стартера | Красный/Черный (СНГ-), Коричневый/Красный (1989) или красный/зеленый (1990+) (Дигифант) |
| F/06 | Выключатель фонаря заднего хода, автоматический. Транс. Переключатель PNP | Главный блок предохранителей Пуск/Работа, предохранитель 14 | Черный/Красный |
| F/07 | Выключатель фонаря заднего хода, автоматический. Транс. Переключатель PNP | Фонари заднего хода | Черный/Синий |
| F/08 | Нагревательный элемент системы вентиляции картера (G60) | Масса главного блока предохранителей | Коричневый |
| Ф/09 | Авто. Транс. Модуль управления | Тахометр | Красный/черный |
| F/10 | — | (без контакта) | — |
| Г1 | Моторный отсек/управление, правая сторона | | Белый |
| G1/01 | — | F/2 | — |
| Г1/02 | Земля датчика температуры наружного воздуха | Приборная панель (MFA) | Коричневый/Белый |
| G1/03 | ECU- реле включения топливного насоса (газ), датчик температуры двигателя (предварительный подогрев, дизель), термовыключатель для предварительного нагрева (карбюратор) | Питание реле топливного насоса | Красный/желтый (газ), Синий/белый (дизель) |
| G1/04 | Контакт 15 катушки зажигания (Digifant и CIS-E), контакт 14 ЭБУ Motronic и каскад питания катушки, контакт 1 (Motronic), коррекция высоты и отсечка топлива Клапаны (дизель) | Основной блок предохранителей Пуск/Работа Power | Черный (газ), красный/черный и черный/красный (дизель), фиолетовый/белый (углевод) |
| G1/05 | Земля на головке блока цилиндров | Масса (для датчиков/сигнальных ламп) | Коричневый/Белый |
| G1/06 | Контакт 34 ЭБУ Motronic, датчик скорости автомобиля | Масса главного блока предохранителей | Коричневый/Красный |
| G1/07 | Клапан отключения перебега, блок питания G60 Difigant ECU | Реле отключения при перегрузке, реле 9 ЭБУ0012 | Коричневый/белый (только Carb) или черный/белый (только G60) |
| G1/08 | Мощность датчика кислорода с подогревом | Выход реле топливного насоса, предохранитель 18 | Красный/белый |
| G1/09 | Лампа MIL от ECU (TDI) | Панель приборов MIL Light | Желтый/белый |
| G1/10 | Digifant/Digijet ECU Power, Injector Power (только 1989 г. ), ISV
Мощность (только G60) | Digifant ECU Релейный выход | Черный/желтый |
| G1/11 | Датчик скорости автомобиля | Приборная панель | Белый/Синий |
| G1/12 | Контакт 1 катушки зажигания, Motronic ECU (катушка VR6) | Тахометр | Красный/черный или зеленый/черный |
| G2 | Моторный отсек/управление, правая сторона | | Белый |
| G2/01 | Датчик температуры масла | Блок датчиков (MFA) | Зеленый/черный |
| G2/02 | Датчик температуры наружного воздуха | Блок датчиков (MFA) | Белый/Красный |
| G2/03 | Датчик температуры охлаждающей жидкости | Датчик охлаждающей жидкости | Желтый/Красный |
| G2/04 | Блок управления детонацией, блок управления подачей кислорода и переключатели дроссельной заслонки (CIS-E), автоматическая воздушная заслонка и перепускной клапан (карбюратор), датчик кислорода с подогревом (Digijet), блок управления системой выбега топливного насоса и подогреватель вентиляции картера (G60) | Главный блок предохранителей Пуск/Работа, предохранитель 15 | Белый (углевод), черный (все остальные) |
| G2/05 | Лампа MIL от ЭБУ Motronic (Passat VR6) | Реле свечи накаливания, контакт 9 | Желтый/Белый |
| G2/06 | — | Контакт 5 реле топливного насоса | — |
| Г2/07 | Дверные выключатели (кабриолет A3. 5) | Контакт 7 реле топливного насоса, T1 | Коричневый/белый |
| G2/08 | Мощность насоса подачи вторичного воздуха, мощность клапана адсорбера EVAP (ВР6) | Выход реле топливного насоса | Красный/Синий |
| G2/09 | ЭБУ Motronic VR6/ABA (вход топливного насоса) | Вход реле топливного насоса | Красный |
| G2/10 | Датчик высокого давления масла | Блок предупреждения о давлении масла | Желтый |
| G2/11 | Датчик низкого давления масла | Блок предупреждения о давлении масла | Синий/черный |
| G2/12 | — | (без контакта) | — |
| h2 | Жгут проводов переключателя на рулевой колонке | | Красный |
| h2/01 | Выключатель зажигания, запуск стартера или от блокировки стартера Реле | Главный блок предохранителей, питание стартера | Красный/черный |
| h2/02 | Выключатель зажигания Питание от батареи | Мощность батареи | Красный |
| h2/03 | Выключатель зажигания, рабочая мощность | Мощность реле снижения нагрузки | Черный/желтый |
| h2/04 | Выключатель зажигания Пуск/Работа | Основной блок предохранителей Пуск/Работа | Черный |
| h2/05 | Выключатель аварийного мигания (питание указателя поворота) | Главный блок предохранителей Пуск/Работа, предохранитель 17 | Черный/Синий |
| ч2/06 | Кнопка звукового сигнала, переключатель аварийного мигания, переключатель указателя поворота | Масса главного блока предохранителей | Коричневый |
| h2/07 | Выключатель зажигания Питание от ключа для реле ремня безопасности, автоматический Модуль управления плечевым ремнем, радио | Реле предупреждения о непристегнутом ремне безопасности, контакт 5 | Коричневый/Красный |
| h2/08 | Переключатель стеклоочистителя Переключатель насоса омывателя | Питание насоса омывателя (спереди)/масса (сзади) | Зеленый/Красный |
| h2/09 | Переключатель стеклоочистителя Переключатель насоса омывателя | Масса насоса омывателя (спереди)/питание (сзади) | Зеленый/белый |
| h2/10 | Питание переключателя зажигания в выключенном состоянии | h3/05 | Зеленый |
| h3 | Жгут проводов переключателя на рулевой колонке | | Красный |
| h3/01 | Кнопка звукового сигнала | Мощность реле звукового сигнала | Коричневый/Синий |
| h3/02 | От выключателя стояночного света, справа | Габаритные огни, правые | Зеленый/Красный |
| h3/03 | От выключателя габаритных огней, слева | Габаритные огни, левые | Зеленый/черный |
| h3/04 | Переключатель аварийного мигания, переключатель указателя поворота (правый выход) | Указатель поворота, правый | Черный/зеленый |
| h3/05 | Выключатель питания габаритных огней | h2/10 | Зеленый |
| h3/06 | Переключатель аварийного мигания, переключатель указателя поворота (левый выход) | Указатель поворота, левый | Черный/белый |
| h3/07 | — | (без контакта) | — |
| h3/08 | Переключатель аварийного мигания, вход переключателя указателя поворота | Релейный выход мигалки | Черный/Белый/Зеленый |
| Дж | Жгут проводов переключателя на рулевой колонке | | Красный |
| J/01 | Переключатель дальнего света фар, реле дневных ходовых огней (Golf только) | Предохранители фар ближнего света | Белый |
| J/02 | Переключатель дальнего света фар | Выключатель фар ближнего света | Белый/черный |
| J/03 | Переключатель фар дальнего света, сопротивление дневных ходовых огней (только Jetta), приглушенный свет дальнего света (контакт 56D с резистором, только для Великобритании) | Предохранители фар дальнего света | Желтый |
| J/04 | Выключатель дальнего света фар, выключатель аварийного мигания | Питание от основного блока предохранителей | Красный/Желтый |
| J/05 | Выключатель стеклоочистителя Низкий/Парковочный выход (положительный при низком/движении, заземление при стоянке/отключении) | Реле омывателя/стеклоочистителя (вход Low/Park) | Зеленый |
| J/06 | Переключатель стеклоочистителя Прерывистый выход | Реле омывателя/стеклоочистителя | Коричневый/черный |
| J/07 | Переключатель стеклоочистителя | Основной блок предохранителей, питание, предохранитель 5 | Черный/серый |
| J/08 | Выключатель аварийного мигающего сигнала (питание реле мигающего сигнала) | Реле мигания питания/входа | Белый/желтый |
| J/09 | Переключатель стеклоочистителей | Выключатель электродвигателя стеклоочистителя ветрового стекла (положительный при движении, заземлен при парковке) | Зеленый/черный |
| J/10 | Переключатель стеклоочистителя с высоким выходом | Электродвигатель стеклоочистителя (высокий) | Зеленый/Желтый |
| К | Задний жгут проводов | | Черный |
| K/01 | Сигнал поворота, задний левый | Переключатель указателя поворота (левый выход) | Черный/белый |
| K/02 | Стояночный фонарь, задний правый | Габаритные огни, правые, предохранитель 7 | Серый/Красный |
| K/03 | Стояночный фонарь, задний левый | Габаритные огни, левые, предохранитель 8 | Серый/черный |
| K/04 | Стоп-сигналы | Выключатель стоп-сигнала | Черный/красный |
| K/05 | Освещение номерного знака | Подсветка таблички, предохранитель 3 | Серо-зеленый |
| K/06 | Парковочный переключатель заднего стеклоочистителя | Основной блок предохранителей, питание, предохранитель 4 | Черный/желтый |
| K/07 | Сигнал поворота, задний правый | Переключатель указателя поворота (правый выход) | Черный/зеленый |
| K/08 | Фонари заднего хода | Выключатель фонаря заднего хода | Черный |
| K/09 | Электродвигатель стеклоочистителя заднего стекла | Реле стеклоочистителя заднего стекла | Зеленый/черный |
| K/10 | Задний противотуманный фонарь | Выключатель противотуманных фар | Зеленый/белый |
| K/11 | Масса указателя уровня топлива (только 1990+), блок управления задним спойлером Земля (Коррадо) | Масса главного блока предохранителей | Коричневый/Синий (только 1990+), Коричневый/Белый (Коррадо) |
| K/12 | Обогрев заднего стекла, зеркала с подогревом | Выключатель обогревателя заднего стекла | Белый |
| L | Жгут проводов заднего/стояночного тормоза | | Черный |
| Л/01 | Выключатель стояночного тормоза. Диагностический разъем | Масса главного блока предохранителей | Коричневый |
| L/02 | Выключатель ремня безопасности, выключатель двери водителя, автоматический плечевой ремень Модуль управления, левый | Реле предупреждения о непристегнутом ремне безопасности, контакт 3/86 | Серый/красный, черный/белый (автоматические ремни) |
| L/03 | Модуль управления автоматической системой плечевых ремней, правый | Реле предупреждения о непристегнутом ремне безопасности, контакт 7/GB | Серый/черный |
| L/04 | Выключатель ремня безопасности, реле блокировки стартера, выключатель центральной стойки (Автоматические ремни) | Реле предупреждения о непристегнутом ремне безопасности, контакт 2/GF | Черный/зеленый, коричневый/желтый и/или коричневый/синий, или Серый?Красный |
| L/05 | Освещение багажного отделения | Блок питания основного блока предохранителей, предохранитель 21 | Красный |
| L/06 | Выключатель стояночного тормоза | Сигнальная лампа тормозной системы | Коричневый/желтый |
| L/07 | Освещение салона, диагностический разъем, центральный замок, питание Люк Мотор (1993+) | Блок питания основного блока предохранителей, предохранитель 21 | Красный |
| L/08 | — | (без контакта) | — |
| М | Жгут проводов заднего/топливного бака | | Черный |
| М/01 | Заземление топливных насосов | Масса главного блока предохранителей | Коричневый |
| М/02 | Мощность топливных насосов | Выход реле топливного насоса, предохранитель 18 | Красный/Желтый |
| М/03 | Блок отправки указателя уровня топлива | Датчик уровня топлива | Фиолетовый/черный |
| M/04 | Датчик водоотделителя (только дизель) | Реле свечи накаливания, контакт 9, индикатор свечи накаливания | Синий/Зеленый |
| М/05 | Кассетный фонарь для хранения, питание водоотделителя (дизель), задний Блок управления спойлером (Corrado), переключатель люка с электроприводом (1993+) | Главный блок предохранителей Пуск/Работа, предохранитель 16 | Черный, Черный/Желтый (дизель), Черный/Синий (Коррадо) |
| M/06 | Блок отправки указателя уровня топлива (только 1989 г. ) | Масса (для датчиков/сигнальных ламп) | Коричневый/Синий (только 1989 г.) |
| N | Жгут проводов кондиционера | | Зеленый |
| N/01 | Вентилятор свежего воздуха, блок Climatronic | Реле кондиционера, высокая скорость вентилятора, выход | Черный |
| N/02 | Вентилятор охлаждения радиатора, низкая скорость | Реле вентилятора охлаждения кондиционера, выход «Вкл.» | Красный/белый |
| N/03 | Предохранитель основного отопителя, от аккумулятора | Реле кондиционера, контакт 4 | Красный |
| N/04 | Компрессор кондиционера (через термостат и реле давления) | Релейный выход компрессора кондиционера | Зеленый/Желтый |
| N/05 | Переключатель кондиционера | Реле кондиционера Переключатель включения кондиционера | Красный/черный |
| N/06 | Скорость вентилятора 4, блок Climatronic | Реле кондиционера, вход высокой скорости вентилятора | Желтый/Красный |
| P | Жгут проводов выключателя обогрева/противотуманных фар | | Синий |
| P/01 | Выключатель противотуманных фар Питание передних противотуманных фар | Передние противотуманные фары | Белый/желтый |
| Р/02 | Выключатель обогревателя заднего стекла, зеркала с подогревом (1989-начало 1990 г. )
только) | Основной блок предохранителей, питание, предохранитель 9 | Черный/желтый, черный (только 1989 г.) |
| P/03 | Выключатель обогревателя заднего стекла, подогрев зеркал (1982+ Corrado, Пассат) | Обогрев заднего стекла | Белый/Зеленый |
| P/04 | Выключатель питания противотуманных фар | Реле противотуманных фар, предохранитель 10 | Серый/Желтый |
| Р/05 | Выключатель и световой индикатор обогревателя заднего стекла | Масса главного блока предохранителей | Коричневый |
| P/06 | Выключатель противотуманных фар Питание задних противотуманных фар | Задний противотуманный фонарь | Зеленый/Белый |
| P/07 | Выключатель обогревателя заднего стекла | Подсветка приборной панели | Серый/Синий |
| P/08 | Выключатель противотуманных фар и задний указатель поворота | Масса главного блока предохранителей | Коричневый |
| P/09 | Выключатель противотуманных фар | Подсветка приборной панели | Серый/Синий |
| P/10 | — | (без контакта) | — |
| Q | Жгут проводов вентилятора свежего воздуха/радио | | Синий |
| Q/01 | Прикуриватель, внутренний вентилятор, подсветка перчаточного ящика | Масса главного блока предохранителей | Коричневый |
| Q/02 | Вентилятор свежего воздуха/переключатель переменного тока или блок Climatronic | Основной блок предохранителей, питание, предохранитель 6 | Черный/Красный |
| Q/03 | Прикуриватель, Радио, Усилитель мощности динамика | Блок питания основного блока предохранителей, предохранитель 22 | Красный/Серый |
| Q/04 | Кассетное освещение для хранения, освещение вещевого ящика, Climatronic Блок, вольтметр и датчик давления масла (Corrado) | Главный блок предохранителей Пуск/Работа, предохранитель 16 | Черный/желтый |
| Q/05 | Мощность антенны Мощность | Блок питания основного блока предохранителей, предохранитель 21 | Красный |
| Q/06 | Радио, подсветка рычага управления подачей свежего воздуха, блок Climatronic | Подсветка приборной панели | Серый/Синий |
| R | Жгут проводов выключателя освещения | | Синий |
| R/01 | Выключатель противотуманных фар Питание задних противотуманных фар | У1/13 | Серый/Белый |
| R/02 | Выключатель фар Габаритные огни (левые) Выход | Предохранитель габаритных огней (левый) | Серый/черный |
| R/03 | Вход переключателя фар на приборной панели | Подсветка приборной панели, предохранитель 3 | Серый |
| R/04 | Выключатель фар, диммер подсветки приборной панели, выход | Подсветка приборной панели | Серый/Синий |
| R/05 | Выключатель фар, мощность габаритных огней | Питание от основного блока предохранителей | Красный |
| R/06 | Выключатель фар Габаритные огни (правый) Выход | Предохранитель габаритных огней (правый) | Серый/Красный |
| R/07 | Выключатель фар Выход габаритных огней | Регулятор освещения приборной панели/предохранитель | Серый/зеленый |
| Р/08 | Переключатель фар (свет) | Масса главного блока предохранителей | Коричневый |
| R/09 | Выключатель фар ближнего света | Предохранители фар | Белый/черный |
| R/10 | Выключатель фар | Мощность реле снижения нагрузки | Черный/желтый |
| S | Жгут проводов электродвигателя стеклоочистителя | | Белый |
| S/01 | Электродвигатель стеклоочистителя ветрового стекла для парковочного выключателя | Основной блок предохранителей, питание, предохранитель 5 | Черный/Серый |
| S/02 | Электродвигатель стеклоочистителя | Реле омывателя/стеклоочистителя (высокая мощность) | Зеленый |
| S/03 | Электродвигатель стеклоочистителя | Масса главного блока предохранителей | Коричневый |
| S/04 | Выключатель электродвигателя стеклоочистителя ветрового стекла (положительный при движении, земля при парковке) | Переключатель стеклоочистителей | Зеленый/черный |
| S/05 | Электродвигатель стеклоочистителя (высокий) | Переключатель стеклоочистителя с высоким выходом | Зеленый/Желтый |
| T | Система управления двигателем, жгут проводов для Европы | | Зеленый |
| T1 | — | Контакт 7 реле топливного насоса | — |
| Т2 | — | Тахометр | — |
| У1 | Жгут проводов комбинации приборов | | Синий |
| U1/01 | Блок датчиков (MFA) | Датчик температуры масла | Черный/белый |
| U1/02 | Блок датчиков (MFA) | Датчик температуры наружного воздуха | Фиолетовый |
| U1/03 | Приборная панель (блок предупреждения о давлении масла) | Датчик высокого давления масла | Желтый |
| U1/04 | Комбинация приборов (сигнальные лампы/датчики) (1990 Corrado и Passat, все А2) | Главный блок предохранителей Пуск/Работа, предохранитель 16 | Черный |
| U1/05 | Приборная панель (блок предупреждения о давлении масла) | Датчик низкого давления масла | Красный/Белый |
| U1/06 | Комбинация приборов Тахометр | Контакт 1 катушки зажигания | Зеленый |
| У1/07 | Блок датчиков (MFA) | Земля датчика температуры наружного воздуха | Синий/белый |
| U1/08 | Лампа свечей накаливания приборной панели (только для дизельных двигателей), лампа MIL (Passat ВР6) | Реле свечи накаливания, контакт 9 | Зеленый/белый (дизель), желтый/белый |
| U1/09 | Лампа приборной панели MIL (TDI) | ТДИ/Мотроник ЭБУ | Белый |
| U1/10 | Приборная группа (основная земля) | Масса главного блока предохранителей | Коричневый |
| U1/11 | Приборная панель Спидометр | Датчик скорости автомобиля | Белый |
| U1/12 | Датчик уровня топлива | Блок отправки указателя уровня топлива | Синий |
| U1/13 | Индикатор задней противотуманной фары на приборной панели (Transporter- Европа) | Выключатель задних противотуманных фар (R/1) | Белый |
| У1/14 | Приборная панель | Подсветка приборной панели | Серый |
| U2 | Жгут проводов комбинации приборов | | Синий |
| U2/01 | Приборная панель (фонари/приборы) (1991+ Corrado, Passat, все остальные модели) | Е/2 | Черный |
| U2/02 | Приборная панель | Датчик скорости | Фиолетовый |
| U2/03 | Приборная панель (Corrado/A3) | Сигнальная лампа ремня безопасности от реле | Желтый |
| U2/04 | Блок датчиков (MFA) | Переключатель MFA (режим) | Черный |
| U2/05 | Блок датчиков (1990+) | Датчик низкого уровня охлаждающей жидкости | Фиолетовый (1990+) |
| U2/06 | Комбинация приборов Лампа указателя поворота | Релейный выход мигалки | Зеленый |
| У2/07 | Лампа дальнего света приборной панели | Фара дальнего света, левая, предохранитель 11 | Синий/белый |
| U2/08 | Блок датчиков (MFA) | Переключатель MFA (память 1/2) | Зеленый/Белый |
| U2/09 | Прибор для измерения охлаждающей жидкости | Датчик температуры охлаждающей жидкости | Желтый/Красный |
| U2/10 | Предупредительный световой сигнал тормозной системы приборной панели (A3) | Сигнализатор тормозной системы | Коричневый |
| U2/11 | Блок приборов (часы и MFA) | Блок питания основного блока предохранителей, предохранитель 21 | Красный |
| U2/12 | Индикатор батареи панели приборов | Генератор (провод возбуждения) | Синий |
| U2/13 | Блок датчиков (заземление для датчиков/MFA) | Масса (для датчиков/сигнальных ламп) | Коричневый/белый |
| У2/14 | Блок датчиков (MFA) | Переключатель MFA (сброс) | Серый |
| В | Жгут проводов переключателя MFA | | Зеленый |
| V/01 | Переключатель MFA (память ½) | Блок датчиков (MFA) | Красный/Белый |
| V/02 | Переключатель MFA (заземление) | Масса (для датчиков/сигнальных ламп) | Коричневый/Белый |
| В/03 | Переключатель MFA (режим) | Блок датчиков (MFA) | Синий/желтый |
| V/04 | Переключатель MFA (сброс) | Блок датчиков (MFA) | Желтый/Красный |
| Ш | Разное оборудование | | Зеленый |
| W/01 | Контакт 2 ЭБУ Motronic, блок круиз-контроля, управление задним спойлером Блок, радио, блок климат-контроля, радиозуммер | Датчик скорости | Белый/желтый |
| W/02 | Блок управления ABS, диагностический разъем | Сигнальная лампа АБС | Серый/черный |
| W/03 | — | Основной блок плавких предохранителей Рабочее питание | — |
| С/04 | Блок управления ABS, авто. Транс. Модуль управления блокировкой переключения передач,
Блок круиз-контроля | Стоп-сигналы | Черный/красный |
| W/05 | Реле давления ABS | Сигнальные лампы | Коричневый/белый |
| W/06 | Датчик уровня тормозной жидкости ABS и блок управления | Сигнальные лампы | Белый/Синий |
| X | Жгут проводов сигнальных ламп | | Зеленый |
| X/01 | Сигнальные лампы | Главный блок предохранителей, питание стартера | Красный/черный |
| X/02 | Масса для сигнальных ламп | Масса главного блока предохранителей | Коричневый |
| X/03 | Сигнальная лампа тормозной системы, лампа ABS (A3), верхний модуль питания (кабриолет) | Сигнализатор тормозной системы | Серый или белый/красный (A3) |
| X/04 | Питание при пуске/работе для сигнальных ламп, верхний модуль питания (кабриолет) | Главный блок предохранителей Пуск/Работа, предохранитель 16 | Черный |
| X/05 | Сигнальные лампы | Датчик уровня тормозной жидкости ABS и блок управления | Белый/Синий |
| X/06 | Фара для буксировки прицепа | Реле мигалки | — |
| Х/07 | Сигнальные лампы | Реле давления АБС | Коричневый/Белый |
| X/08 | Сигнальная лампа АБС | Блок управления ABS, диагностический разъем | Желтый/Красный |
| Y | Отдельные цепи, питание от батареи | | Красный |
| Y/01 | Предохранитель сиденья с электроприводом, модуль управления автоматическим плечевым ремнем | Питание от основного блока предохранителей | Красный |
| Y/02 | Реле блокировки запуска, предохранитель электрического стеклоподъемника | Питание от основного блока предохранителей | Красный |
| Y/03 | Положительный аккумулятор | Питание от основного блока предохранителей | Красный |
| Y/04 | ЭБУ Motronic Контакт 19, Блок управления инерционным двигателем топливного насоса (G60) | Питание от основного блока предохранителей | Красный |
Схема блока предохранителей Volkswagen Passat B3 и реле с назначением и расположением
Volkswagen Passat B3 представляет 3-е поколение популярной серии пассата.
Эта модель выпускалась в 1988, 1989, 1990, 1991, 1992 и 1993 годах с кузовами универсал и седан как с бензиновыми, так и с дизельными двигателями. В этом материале мы представим обозначения всех предохранителей и реле Фольксваген Пассат Б3 со схемами и фотографиями коробок, в которых они находятся.
Главный блок предохранителей и реле расположен в нижней части приборной панели со стороны водителя.
Чтобы получить к нему доступ, нужно снять полку.
Photo for example
Diagram
Assignment
| 1 | 10A Low beam (left headlight) |
| 2 | 10A Low beam (right headlight) |
| 3 | 10А Подсветка комбинации приборов и номерного знака |
| 4 | . |
| 7 | 10A Габаритный фонарь (правый) |
| 8 | 10A Габаритный фонарь (левый) |
| 9 Зеркала заднего и заднего вида 20012 | |
| 10 | 15A Fog lights and rear fog lamp |
| 11 | 10A High beam (left headlight), high beam indicator lamp |
| 12 | 10A High beam (right headlight) |
| 13 | 10А Звуковой сигнал, вентилятор радиатора (после выключения двигателя) |
| 14 | 10А Фонари заднего хода, электропривод наружных зеркал, подогрев форсунок омывателя, подогрев сидений, датчик температуры двигателя, подсветка селектора АКПП |
| 15 | 10A Карбюратор или электронная система управления двигателями |
| 16 | 15A Кластер приборов, перчатка. датчик концентрации кислорода (лямбда-зонд) |
| 19 | 30A Вентилятор охлаждения кондиционера |
| 20 | 20A Стоп-сигналы, система контроля скорости |
| 21 | 15A Лампы внутреннего освещения, багажный отсек, часы, центральная блокировка, сигаретная легкая и приборная кластер |
| 22 | 10A CAR Radio |
5. для прикуривателя.
Реле
1 | Система кондиционирования воздуха | |
| 0012 | Intermittent rear wiper | |
3 | Forced idle switch, idle speed increase valve, engine management system (Digifant) | |
4 | Reserve | |
5 | Индикатор уровня охлаждающей жидкости | |
6 | Сигнализация | |
| 9 | 2 | Headlight cleaning system |
8 | Intermittent operation system glass wiper and washer | |
9 | Seat belt warning system | |
10 | Противотуманные фары | |
11 | Звуковой сигнал | |
12 | 12 | 9 топливный насос предусмотрены0008|
13 | Rear window heating timer | |
14 | Reserve | |
15 | ABS hydraulic pump | |
16 | ABS | |
17 | Резерв | |
18 | Резерв 9. 0012 | |
19 | Air conditioning system | |
20 | Reserve | |
21 | Fuse for ABS hydraulic pump and electric glass drive | |
22 | Предохранитель клапана ABS | |
23 | Резерв | 7 2Резерв |
Количество реле в блоке зависит от комплектации и года выпуска автомобиля.
Назначение реле по их нумерации
- №4 – реле сигнализации не пристегнутых ремней безопасности
- №13 – компрессор кондиционера
- №15 – дополнительное освещение (ПТФ)
- № разгрузочная шина X
- №19 или №99 – стеклоочистители (№99 – с регулируемой паузой)
- №21 – сигнализация и указатели поворотов
- №22 – аварийная сигнализация и указатели поворотов, автомобиль с прицепом
- №29 – реле не пристегнутых ремней безопасности
- № 30 – реле основного впрыска, дает команду на включение топливного насоса
- №32 – питание ЭБУ (Дигифант)
- №33 – омыватель фар
- №43 – индикатор падения уровня теплоноситель (до 91г.
в.) - №46 – реле времени до включения подогрева
- №53 – сигнал двухтональный (один тон – перемычка)
- №54 – отключение питания для принудительного. холостой ход
- №55 – увеличение подачи топлива для форс. холостой ход
- №59 — Подогрев сидений
- №61 — подогрев впускного коллектора
- №67 или №80 — топливный насос
- №72 — задний дворник
- №78 — насос ABS
- №61 – ЭБУ АБС
- №80 или №67 – топливный насос
- №99 или №19 – стеклоочистители (№99 – с регулируемой паузой)
- №105 – реле климата
- №109 – Реле системы впрыска и зажигания (VR6)
- №150 – Фонари стартера и заднего хода (для автомобилей с АКПП)
Снаружи этого узла можно установить отдельные элементы, например, термопредохранитель печки (за бардачком) или пластиковые вставки для защиты свечей накала под капотом.
Мы разместили видео на нашем канале YouTube. Смотрите и подписывайтесь.
А если вы знаете, как сделать этот материал лучше, напишите в комментариях.
Схема подключения блока реле vw passat b3. Блок предохранителей и реле Volkswagen Passat B3 B4
Доступ к предохранителям и реле можно получить, сняв полку с нижней части панели. На более поздних моделях доступ открывается после снятия крышки. Основные предохранители расположены под реле. Предохранители пронумерованы, а на полке или крышке есть список цепей, которые предохранители защищают.
Некоторые модели имеют дополнительные предохранители и реле, которые расположены над основными.
Автомобили 1988, 1989, 1990, 1991, 1992, 1993, 1994, 1995, 1996, 1997, 1998
Где крепится блок реле и предохранителей. Блок расположен в нижней части приборной панели со стороны водителя.
Доступ к блоку возможен после откручивания замков и снятия лотка
Блок предохранителей пронумерован.
Чтобы отсоединить жгут разъемов от задней части блока предохранителей/реле, оттяните фиксаторы назад примерно на 5 мм в направлении, указанном стрелкой
Обозначение предохранителя
Номер предохранителя | Цвет предохранителя | Защищенная цепь |
F1 (10 А) | Красный | Ближний свет (левая фара) |
F2 (10 А) | Красный | Ближний свет (правая фара) |
F3 (10 А) | Красный | Подсветка комбинации приборов и номерного знака |
F4 (15 А) | Синий | Очиститель стекол багажника, люк, блок управления самовыравнивающейся задней подвеской |
F5 (15 А) | Синий | Очиститель ветрового, ветрового и заднего стекол |
F6 (20 А) | Желтый | Вентилятор отопителя кондиционера |
F7 (10А) | Красный | Габаритный фонарь (правый) |
FB (10 А) | Красный | Габаритный фонарь (левый) |
F9 (20 А) | Желтый | Обогрев заднего стекла и зеркал заднего вида |
F10 (15 А) | Синий | Противотуманные фары и задний противотуманный фонарь |
F11 (10 А) | Красный | Дальний свет (левая фара), контрольная лампа дальнего света |
F12 (10 А) | Красный | Дальний свет (правая фара) |
F13 (10 А) | Красный | Звуковой сигнал, вентилятор радиатора (после остановки двигателя) |
F14 (10 А) | Красный | Лампы заднего хода, электропривод наружных зеркал, обогрев форсунок омывателя, обогрев сидений, датчик температуры двигателя, подсветка селектора АКПП |
F15 (10 А) | Красный | Карбюратор или электронная система управления двигателем |
F16 (15 А) | Синий | Комбинация приборов, освещение перчаточного ящика |
F17 (10 А) | Красный | Указатели поворота |
F18 (20 А) | Желтый | Электрический топливный насос, датчик концентрации кислорода (лямбда-зонд) |
Ф19 (30 А) | Зеленый | Вентилятор охлаждения кондиционера |
F20 (20 А) | Желтый | Стоп-сигналы, система контроля скорости |
F21 (15 А) | Синий | Лампы освещения салона, багажника, часы, центральный замок, прикуриватель и комбинация приборов |
F22 (10 А) | Красный | Автомагнитола |
Обозначение реле
Номер реле | Назначение реле |
Система кондиционирования воздуха | |
Задний дворник с функцией прерывистого режима работы | |
Выключатель принудительного холостого хода, клапан увеличения скорости холостого хода, система управления двигателем (Digifant) | |
Индикатор уровня охлаждающей жидкости | |
Система сигнализации | |
Система очистки фар | |
Стеклоочиститель и омыватель прерывистого режима | |
Система предупреждения о непристегнутых ремнях безопасности | |
Противотуманные фары | |
Звуковой сигнал | |
Топливный насос, подогрев впускного коллектора (где предусмотрен) | |
Таймер обогрева заднего стекла | |
Гидравлический насос АБС | |
Система кондиционирования воздуха | |
Предохранитель гидравлического насоса ABS и электропривода стекла | |
Предохранитель системы клапанов ABS | |
Доступ к предохранителям и реле можно получить, сняв полку в нижней части лицевой панели.
На более поздних моделях доступ открывается после снятия крышки. Основные предохранители расположены под реле. Предохранители пронумерованы, а на полке или крышке есть список цепей, которые предохранители защищают. Некоторые модели имеют дополнительные предохранители и реле, которые расположены над основными.
Автомобили 1988, 1989, 1990, 1991, 1992, 1993, 1994, 1995, 1996, 1997, 1998
Где находится монтажный блок реле и предохранителей. Блок расположен в нижней части приборной панели со стороны водителя.
Доступ к блоку возможен после откручивания замков и снятия лотка
Блок предохранителей пронумерован.
На задней стороне лотка указана расшифровка реле и предохранителей.
Реле снимаются простым вытягиванием и устанавливаются нажатием. На некоторых реле, расположенных за приборной панелью, перед снятием необходимо снять две пластиковые скобы. Блок предохранителей и реле снимается, сжимая монтажные скобы с обеих сторон блока. Кронштейны можно выдвинуть вперед и снять реле с контактов блока.
Снимите блок предохранителей и реле, вытянув его из держателей с помощью рычага, чтобы ослабить групповые контакты в отверстиях держателя.
Чтобы отсоединить жгут разъема от задней части блока предохранителей/реле, оттяните зажимы назад примерно на 5 мм в направлении стрелки
или нажмите на фиксатор многоконтактного разъема
При установке, убедитесь, что защелки устройства надежно зафиксированы.
Блок крепления реле и предохранителей Passat B3-B4, расположенный в салоне
Обозначение предохранителя
Номер предохранителя | Цвет предохранителя | Защищенная цепь |
Ближний свет (левая фара) | ||
Ближний свет (правая фара) | ||
Подсветка комбинации приборов и номерного знака | ||
Очиститель стекол багажника, люк, блок управления самовыравнивающейся задней подвеской | ||
Стеклоочиститель, омыватель ветрового и заднего стекол | ||
Вентилятор отопителя кондиционера | ||
Габаритный фонарь (правый) | ||
Габаритный фонарь (левый) | ||
Обогрев заднего стекла и зеркал заднего вида | ||
Противотуманные фары и задний противотуманный фонарь | ||
Дальний свет (левая фара), контрольная лампа дальнего света | ||
Дальний свет (правая фара) | ||
Звуковой сигнал, вентилятор радиатора (после остановки двигателя) | ||
Фонари заднего хода, электрические зеркала заднего вида, подогрев форсунок омывателя, подогрев сидений, датчик температуры двигателя, подсветка селектора АКПП | ||
Карбюратор или электронная система управления двигателем | ||
Комбинация приборов, освещение перчаточного ящика | ||
Указатели поворота | ||
Электробензонасос, датчик концентрации кислорода (лямбда-зонд) | ||
Вентилятор охлаждения кондиционера | ||
Стоп-сигналы, система контроля скорости | ||
Внутреннее освещение, багажное отделение, часы, центральный замок, прикуриватель и комбинация приборов | ||
Автомагнитола |
Обозначение реле
Номер реле | Назначение реле |
Система кондиционирования воздуха | |
Задний дворник прерывистого действия | |
Выключатель принудительного холостого хода, клапан увеличения холостого хода, система управления двигателем (Digifant) | |
Индикатор уровня охлаждающей жидкости | |
Система сигнализации | |
Система очистки фар | |
Стеклоочиститель и омыватель прерывистого режима | |
Система предупреждения о непристегнутых ремнях безопасности | |
Противотуманные фары | |
Звуковой сигнал | |
Топливный насос, подогрев впускного коллектора (где предусмотрен) | |
Таймер обогрева заднего стекла | |
Гидравлический насос АБС | |
Система кондиционирования воздуха | |
Предохранитель гидравлического насоса ABS и электропривода стекла | |
Предохранитель системы клапанов ABS | |
avtoblokrele.
ru
Volkswagen Passat by Docent86 © › Бортжурнал › Полная распиновка блока реле и предохранителей автомобилей Volkswagen: Golf и Jetta (89-99 г.в.), Passat (90-97 г.в.), все Cabrio, Corrado и EuroVan. А так же вся инфа по предохранителям и реле.
Запись для облегчения поиска, а нет, вроде вот так на драйве… Схема расположения предохранителей и реле в БРП VW Passat B3
Расположение предохранителей
01 — 10А — Левая фара ближнего света 02 — 10А — Правая фара ближнего света 03 — 10А — Освещение панели приборов и номерного знака 04 — 15А — Стеклоочиститель заднего стекла, люк на крыше 05 — 15А — Стеклоочиститель и омыватель ветрового стекла, омыватель заднего стекла 06 — 20А — Вентилятор отопителя, кондиционер 07 — 10А — Правые габаритные огни и задний фонарь 08 — 10A — Левые габаритные огни и задний фонарь 09- 20А — Обогрев заднего стекла и зеркал заднего вида 10 — 15А — Противотуманные фары и задний противотуманный фонарь 11 — 10А — Дальний свет левой фары 12 — 10А — Дальний свет правой фары 13 — 10А — Бибикалка, вентилятор радиатора после включения выключение двигателя (Afterrun) 14 — 10А — Лампы заднего хода, наружные зеркала с электроприводом, подогрев форсунок омывателя, подогрев сидений 15 — 10А — ЭБУ двигателя, клапан отсечки топлива, датчик привода спидометра 16 — 15А — Панель приборов, перчатка Освещение салона, пепельницы, лампы MFA17 — 10А — Указатели поворотов и аварийка 18 — 20А — Подогрев топливного насоса и лямбда-зонда 19- 20А — Вентилятор радиатора и кондиционера 20 — 10А — Стоп-сигналы, круиз21 — 15А — Освещение салона, Электронные часы, МФА, освещение багажника, Вакуумный центральный замок
22 — 10А — Магнитола, прикуриватель
Номер в PDU — Номер на корпусе — Назначение
01 — 13 — Реле компрессора кондиционера 02 — 72 — Реле заднего стеклоочистителя и омывателя 03 — 30, 32 — Реле системы впрыска и зажигания 04 — 18 — Реле разгрузки контакта Х выключатель зажигания 05 — не используется 06 — 21 и 22 — Реле-выключатели указателей поворота и аварийного освещения и прицепа (№ 22) 07 — 33 — Реле электродвигателя омывателя фар 08 — 19и 99 — Реле стеклоочистителей и омывателя лобового стекла 09 — 4 и 29 — Реле сигнализации непристегнутых ремней безопасности 10 — 15 — Перемычка провода ПТФ 11 — 53 — Реле звукового сигнала (для однотонального сигнала — перемычка) 12 — 67, 80, 167 — Реле топливного насоса или предпускового подогревателя (дизель) 13 — 53 — Реле предпускового подогрева(22) или реле блокировки стартера 14 — 79 — Реле АБС 15 — 79 — Реле гидравлического насоса АБС16 — 79 — Реле АБС17 — Предохранители клапана и насоса АБС18 — Электр.
предохранители сидений и кондиционера 19 — не используется 20 — реле стартера и фонарей заднего хода 21 — реле нагревательного элемента лямбда-зонда 22 — не используется 23 — не используется
24 — Не используется
Номера реле и их назначение №4 — реле сигнализации о непристегнутых ремнях безопасности №13 — компрессор кондиционера №15 — дополнительные фары(ПТФ) №18 — разгрузка шины Х № 19 или №99 — стеклоочистители (№99 — с регулируемой паузой) №21 — сигнализация и указатели поворотов №22 — сигнализация и указатели поворотов, автомобиль с прицепом №29 — реле не пристегнутых ремней безопасности Нет 30 — реле основного впрыска, дает команду на включение топливного насоса №32 — питание ЭБУ (Дигифант) №33 — омыватель фар №36 — ? №43 — индикатор падения уровня охлаждающей жидкости (до 91г.в.) №46 — реле времени предпускового подогрева №53 — двухтональный сигнал (один тон — перемычка) №54 — отключение питания по принудительному. холостой ход №55 — увеличение подачи топлива для форс.
холостой ход #59 — Подогрев сидений #61 — Подогрев впускного коллектора #67 или #80 — Топливный насос #72 — Задний стеклоочиститель #78 — Насос ABS #61 — ЭБУ ABS #80 или #67 — Топливный насос #99 или #19 — Ветровое стекло стеклоочистители (№99 — с регулируемой паузой) нет. 105 — реле климата нет. 109 — реле системы впрыска и зажигания (VR6)
№150 — Стартер и фонари заднего хода (для автомобилей с АКПП)
Полная распиновка блока реле и предохранителей для автомобилей Volkswagen: Golf и Jetta (89-99 г.в.), Passat (90-97 г.в.), все Cabrio , Коррадо и Еврован.
Оригинальная тема — здесь
РЕВОН
.0003
VW Passat B3 распиновка жгута проводов панели приборов
Контакт в разъеме приборной панели- Контакт в разъеме в БРП — Цвет провода — Сигнал
T28/1- U1/7 — Blu/Wht — Датчик температуры окружающего воздуха, Масса T28/2- U2/5 — Красный/Белый — Датчик низкого уровня охлаждающей жидкости Жидкости T28/3 — U1/10 — Коричневый — Клемма 31 масса T28/4 — U2/14 — Серый — Переключатель MFA 4 контакт, сброс T28/5 — U2/13 – Кор/Бел – Клемма 31b, масса T28/6 – U2/8 – Зел/Бел – Переключатель MFA, память T28/7 – U2/2 – Vio – Выход датчика скорости T28/8 – U1/3 — Желтый — Давление масла, 0,9/ 1,4 / 1,8 бар T28 / 9 — U1 / 5 — Красный / Белый — Давление масла, 0,3 бар T28 / 10 — U1 / 6 — Чёрный / Зелёный — Входной сигнал от ЭБУ тахометра T28 / 11 — U2 / 11 — Красный — +12в постоянная, клемма 30 Т28/12 — У1/14 — Гры — Подсветка панели приборов, клемма 58бТ28/13 — У2/1 — Блк — +12в Зажигание, клемма 15Т28/14 — По разным данным: Доп.
разъем x1 белый — Красный/Чёрный — Сигнал стёртых тормозных колодок/Контр. противотуманная фара/Не используется T28/15 — U2/4 — Blk — переключатель МФА, 2 пин, режим T28/16 — U2/12 — Blu — возбуждение генератора, клемма 61 T28/17 — U1/1 — Blk/Wht Датчик для температура масла T28/18 — U2/10 — Brn — Датчик ручного тормоза и уровня тормозной жидкости T28/19- U1/2 — Vio — Датчик температуры окружающего воздуха, сигнал (+) T28/20 — — Подогрев свечи накаливания (дизель) T28/21 — U1/12 — Blu — Датчик уровня топлива T28/22 — Доп. разъем x2 черный 2 — Ч/Б — Указатель левого поворота T28/23 — U2/9 — Желтый/Красный — Датчик температуры охлаждающей жидкости T28/24 — Доп. разъём x2 чёрный 1 — Чёрный/Зеленый — Указатель правого поворота T28/25 — U2/7 — Синий/Белый — Контрольная лампа дальнего света T28/26 — Доп. разъем x1 черный — Vio — Сигнал расхода топлива для автомобилей с Digifant ECU с 01 / 1993T28/27 — U1/11 — Wht — Входной сигнал спидометра
T28/28 — Доп. разъем x1 syn — Красный — Дисплей АКПП
Используемые цвета: Blk — черный Blu — синий Brn — коричневый Grn — зеленый Gry — серый Red — красный Vio — фиолетовый (сиреневый)
Wht — белый
Распиновка ветровая приборка
I.
Панели до 90 лет, без стрелок поворотников, с одним диодом — указателем поворота внизу
1 * — масса (-) датчика наружной температуры 2 — не используется 3 — масса (- ), контакт 314* — к кнопке сброса многофункционального индикатора (МФИ) 5 * — масса (-), контакт 316 * — к переключателю памяти многофункционального индикатора (МФИ) 7 — сигнал скорости от датчика Холла 8 — от давления масла датчик (1,8 бар) 9- от датчика давления масла (0,3 бар) 10 — вход сигнала на тахометр, клемма 111 — соединение плюса (+) с клеммой 3012 — соединение плюса (+) освещения приборов, клемма 58b13 — соединение плюса (+) с клеммой 1514 — не используется 15* — к переключателю режимов многофункционального дисплея (МФИ) 16 — сигнальная лампа генератора (зарядка), клемма 6117 * — от датчика температуры масла 18 — контрольная лампа ремня безопасности 19 * — сигнал от температуры наружного воздуха датчик 20 — не используется 21 — к указателю уровня топлива 22 — контрольная лампа бортовой диагностики (OBD), 23 — к указателю температуры охлаждающей жидкости 24 — к указателю поворота 25 — к указателю дальнего света 26 — не используется 27 — не подключен 28 — не подключен
* Автомобили с многофункциональным дисплеем (MFI) только для Канады
II.
Панели после 90 лет, с отдельными стрелками — указатели поворота
1 — масса (-) датчика температуры наружного воздуха (ДТВ) 2 — датчика уровня охлаждающей жидкости двигателя (ECL) 3 — масса (-), клемма 314 — к кнопка сброса многофункционального индикатора (МФА) 5 — масса (-), клемма 316 — к переключателю памяти (памяти) многофункционального индикатора (МФА) 7 — Сигнал датчика скорости автомобиля (ДСС) с механическим спидометром/одометром, выход сигнала с автомобиля датчик скорости (VSS), спидометр (G22), электронный спидометр (G 21), с электронным спидометром/одометром 8 — от датчика давления масла (1,8 или 1,4 бар) 9- от датчика давления масла (0,3 бар) 10 — вход сигнала на тахометр, клемма 1 (клемма W) 11 — плюс (+) соединение с с клеммой 3012 — плюс (+) соединение подсветки приборов, клемма 58b13 — плюс ( +) соединение с клеммой 1514 — не используется 15 — к переключателю режимов MFA16 — сигнальная лампа генератора (зарядка), клемма 6117 — от датчика температуры масла (ДТМ) 18 — контрольная лампа непристегнутых ремней безопасности 19 — сигнал от температуры наружного воздуха (ДДТ) ) датчик 20 — не используется 21 — к указателю уровня топлива 22 — к указателю поворотов, левый 23 — от датчика температуры охлаждающей жидкости (ЕСТ) (для показаний стрелочного указателя) 24 — к указателю поворотников, правый 25 — к индикатор дальнего света 26 — не используется 27 — сигнал скорости от датчика скорости автомобиля (VSS), спидометра (G 22), с электронным спидометром/одометром
28 — индикация положения рычага КПП (только для автомобилей с коробкой передач АКПП)
www.
drive2.ru
Предохранители и реле VW Passat B3 — Volkswagen Passat, бортжурнал 1992 года на DRIVE2
Всем привет! Здесь я нашел информацию о предохранителях и реле! На автомобилях Volkswagen Passat B3 вся электропроводка защищена предохранителями и реле. Предохранители и реле находятся в блоке реле и предохранителей (фото), внизу, слева от рулевой колонки, под небольшим бардачком. Чтобы открыть защелку, нужно повернуть ее на 90 градусов и потяните его на себя.
№1 — 10 А, лев. около. свет №2 — 10 А, прав. около. легкий. №3 — 10 А, освещение приборов и помещений. №4 — 15 А, задний дворник, люк, ЭБУ задней подвески. №5 — 15 А, стеклоочиститель, омыватель лобового стекла. №6 — 20 А, вентилятор печки, кондиционер. №7 — 10 А, правый габарит №8 — 10 А, левый габарит №9 — 20 А, обогрев заднего стекла и зеркал. №10 — 10 А, дополнительные фары (ПТФ). №11 — 10 А, левый дальний свет, контрольная лампа. №12 — 10 А, правый дальний свет. №13 — 10 А, сигнал. №14 — 10 А, задний свет, электрозеркала, подогрев форсунок омывателя, подогрев сидений, подсветка рычага АКПП.
№15 — 10 А, ЭБУ двигателя. №16 — 15 А, контрольные лампы, МФА, подсветка вещевого ящика, блок для кассет, пепельницы. №17 — 10 А, указатели поворота. №18 — 20 А, топливный насос, лямбда-зонд. № 19- 30 А, вентилятор радиатора, кондиционер. №20 — 10 А, стоп-сигналы, круиз-контроль. №21 — 15 А, освещение салона, багажник, прикуриватель, часы, МФА, центральный замок. №22 — 10 А, магнитола.
Номера реле:
№67 или №80 — топливный насос.
№220 — реле выбега. №13 — электромагнитная муфта привода заслонки воздухозаборника. № 79 — ЭБУ АБС. №78 — Насос АБС.
№59 — подогрев сидений.
Если есть дополнения или уточнения, пишите «в комментарии».
www.drive2.ru
Предохранители, реле и эл. схемы Volkswagen Passat B3 — бортжурнал Volkswagen Passat Variant Syncro (2E) Arriva 1993 года на DRIVE2
Предохранители, (слева направо):
№1 — 10 А, лев. около. свет №2 — 10 А, прав. около. легкий. №3 — 10 А, освещение приборов и помещений.
№4 — 15 А, задний дворник, люк, ЭБУ задней подвески. №5 — 15 А, стеклоочиститель, омыватель лобового стекла. №6 — 20 А, вентилятор печки, кондиционер №7 — 10 А, правый габарит №8 — 10 А, левый габарит №9- 20 А, обогрев заднего стекла и зеркал №10 — 10 А, дополнительные фары (ПТФ). №11 — 10 А, левый дальний свет, контрольная лампа. №12 — 10 А, правый дальний свет. №13 — 10 А, сигнал. №14 — 10 А, задний фонарь, электрозеркала, подогрев форсунок омывателя, подогрев сидений, подсветка рычага АКПП. №15 — 10 А, ЭБУ двигателя. №16 — 15 А, контрольные лампы, МФА, подсветка вещевого ящика, блок для кассет, пепельница. №17 — 10 А, указатели поворота. №18 — 20 А, топливный насос, лямбда-зонд. № 19- 30 А, вентилятор радиатора, кондиционер. №20 — 10 А, стоп-сигналы, круиз-контроль. №21 — 15 А, освещение салона, багажник, прикуриватель, часы, МФА, СН.
№22 — 10 А, магнитола.
Номера реле:
№13 — компрессор кондиционера. №72 — задний дворник. №32 — Питание ЭБУ (дигигант). №54 — отключение питания по принудительному.
на холостом ходу. #55 — увеличение подачи топлива для форс. на холостом ходу. №18 — разгрузка шины. №43 — индикатор падения уровня охлаждающей жидкости (до 91 г.в.). №21 — сигнализация и указатели поворотов. №22 — аварийная сигнализация и указатели поворотов, автомобиль с прицепом. №33 – омыватель фар.№19 или №99 – стеклоочистители (№99 – с регулируемой паузой).№4 – реле сигнализации не пристегнутых ремней безопасности. №15 — дополнительные фары (ПТФ). №53 — двухтональный сигнал (один тон — перемычка). №61 — обогрев впускного коллектора. №46 — реле времени включения подогрева.
№67 или №80 — топливный насос.
Дополнительно можно установить:
№87 реле включения синхронизатора №220 — реле выбега. №13 — электромагнитная муфта привода заслонки воздухозаборника. № 79 — ЭБУ АБС. №78 — Насос АБС.
№59 — подогрев сидений.
Расположение реле на блоке предохранителей Фольксваген Пассат Б3 в зависимости от модели двигателя и комплектации автомобиля, сверху слева направо:
01 — №13 — реле компрессора кондиционера.
02 — №72 — реле заднего стеклоочистителя и омывателя. 03 — №32 — реле системы впрыска и зажигания 04 — №18 — реле разгрузочного контакта Х (разгрузки шины) .05 — не используется .06 — №21 или №22 — реле-выключатели указателей поворота и сигнализации, а также прицеп (№22).07 — №33 — реле электродвигателя омывателя фар. 08 — №19или №99 — реле дворников и омывателя лобового стекла.09 — №4 или №29 — реле сигнализации «непристегнутых» ремней безопасности. 10 — №15 или №53 или перемычка на ПТФ. 11 — №53 — реле звукового сигнала (для однотонального сигнала — перемычка).
12 — №67, №80, (№167) — реле топливного насоса, (перед пусковым подогревателем — дизель).
Количество реле в блоке реле и предохранителей может различаться в зависимости от комплектации.
Блок предохранителей и реле на автомобилях Volkswagen Passat B3-B5 является важным узлом электронной системы. В случае возникновения каких-либо проблем с проводкой и электроникой машины в первую очередь проверяется именно это устройство.
Перегоревший предохранитель необходимо заменить и установить причину его выхода из строя. Как такое мероприятие проводится на моделях B3-B5, читайте ниже.
Принцип работы устройства
В электронной схеме практически каждого устройства в автомобиле присутствует такой узел, как предохранитель. Необходимо защитить электрическую систему от возможных коротких замыканий. Использование предохранителей исключено только в цепях со слишком большой силой тока.
Стоит отметить, что «защитники» электричества собраны в одном месте для удобства проверки того или иного электроприбора во время ремонта. Каждая электрическая система отдельного устройства имеет максимально возможный ток, протекающий через нее. Предохранитель устанавливают с пониженным порогом, чтобы при выходе из строя электрической цепи и превышении тока в ней сгорал он, а не провода. Вышедший из строя «протектор» обесточивает всю цепь, тем самым предотвращая короткое замыкание и потенциальный пожар.
Количество предохранителей в блоке напрямую зависит от оснащения вашего Пассата различными электроприборами, то есть от его комплектации.
Расположение узлов
В зависимости от модели Passat количество блоков и их расположение могут различаться. Поэтому при ремонте электрооборудования следует учитывать этот момент.
Автомобили линеек В3-В4 оборудованы одним главным блоком предохранителей, который расположен в салоне автомобиля. Также стоит отметить, что в зависимости от комплектации в вашем автомобиле может быть установлен ряд дополнительных устройств. В любом случае блок находится в салоне и именно в нем собраны предохранители практически от всех электроприборов.
Для того, чтобы добраться до этого узла в Passat B3-B4, необходимо сделать следующее:
- Найти нижнюю область панели консоли напротив сиденья водителя.
- Демонтируйте пластиковую часть торпеды в этой области. В некоторых случаях в этом не будет необходимости, так как доступ к агрегату можно получить, демонтировав специальную крышку.
Что касается Passat B-5, то здесь немного другая история. В него немецкими инженерами было установлено 2 блока:
- основной — содержит все элементы электронного оборудования маломощного автомобиля (фары, печка и т.
д.), находится там же, где и в Passat B3-B4; - дополнительный — оснащен исключительно реле и имеет достаточно небольшие размеры, это устройство находится в районе защитного кожуха под торпедой, напротив пассажирского сиденья.
Вне зависимости от того, на каком автомобиле из модельного ряда Пассат ремонт электроники, замена предохранителей необходима с соблюдением определенных правил. В первую очередь убедитесь в исправности всей электрической цепи, предохранитель которой перегорел. Если он неисправен, его необходимо отремонтировать. В противном случае произойдет повторное выгорание. Также стоит учитывать установленный производителем порог максимального тока, который проходит через предохранитель для отдельного электроприбора. За счет установки нового «протектора» с большей пропускной способностью значительно возрастает риск возгорания при выходе из строя проводки.
Важно! Замена элементов в блоке возможна только при выключенном зажигании и неработающем двигателе.
Блок-схема Passat B3-B5
Блок предохранителей Passat B3:
Блок предохранителей Passat B5:
На приведенных выше схемах указаны номинальные токи всех предохранителей и их расположение на схемах. порог. Замену необходимо выполнять с учетом этой информации.
В целом отремонтировать электронику в Пассат Б3-Б5 достаточно просто, если знать некоторые хитрости и Дополнительная информация. При проведении ремонта с блоком предохранителей важно соблюдать технику безопасности и выполнять все работы предельно осторожно. Удачи на дороге!
Volkswagen Polo — это современный автомобиль от немецкого производителя, который нравится многим автовладельцам. Красивые формы кузова и удобный салон привлекают любителей недорогих автомобилей. Но даже в надежных моделях немцев есть определенные нюансы и проблемы.
Обо всем, что касается электрики, защиты электронных цепей и цепей Polo comfort и highline, вы можете прочитать в этой статье.
Если вдруг какое-то оборудование, например предохранители и реле Фольксваген Поло выйдет из строя, в списках указаны необходимые предохранители, реле и схемы, а в комментариях вы найдете способы решения распространенных проблем.
В этой статье описаны предохранители и реле Volkswagen polo в комплектациях ComfortLine и HighLine. Нумерация и обозначение некоторых предохранителей в конфигурации TrendLine может отличаться.
При определении исправности предохранителей используйте тестер, это позволит исключить ошибки, быстро прозвонить нужные цепи или измерить напряжение в разъемах. Всегда носите с собой резервные предохранители и реле. они могут выручить вас в момент неожиданной поломки или короткого замыкания.
Салонный блок:
Предохранители №1-24:
1 — резерв .
2 (10 А) — подрулевые переключатели, омыватель ветрового стекла … Если не работает омыватель ветрового стекла, проверьте уровень жидкости в головке омывателя, зимой проверьте, не замерзла ли жидкость в трубках системы и форсунках .
Подать питание от аккумулятора на насос-помпу, если не работает, заменить на новый. Если он работает, проверьте проводку, разъемы, клеммы и правый подрулевой переключатель.
3 (5 А) — топливный насос, блок системы управления двигателем … Если топливный насос перестал прокачивать бензин и не создает нужного давления в топливной системе для работы двигателя, проверьте также предохранитель 36, силовой предохранитель SA3 и реле Р4, Р8. Если топливный насос при прямом подключении к аккумулятору не работает или работает с перебоями, замените его новым.
4 — резерв . 5 — резерв .6 (5 А) — приборная панель … Если перестали работать стрелки, датчики или индикация бортового компьютера на приборной панели, проверьте, кроме того, предохранители 18, 20, 38. Также проверьте разъем с проводами с обратной стороны боковая приборная панель.
7 (5 А) — Лампы освещения номерного знака, корректор фар .
8 (10 А) — топливные форсунки .
9 (5 А) — антиблокировочная система тормозов с АБС … Если перестала работать система АБС и загорелась одноименная лампа на приборной панели, проверьте силовые предохранители 1, 4 и SA5 под капотом, а также датчики, расположенные у колес. Скорее всего, их провода перетерлись, оборваны или разболтался разъем. После слесарных работ с передней подвеской при сборке узлов могут забыть установить провода датчиков в специальные держатели, из-за этого они обычно перетираются. Если какой-либо датчик неисправен, замените его новым.
10 (5 А) — Цепь реле стартера, электроуправление, датчик скорости … Если стартер не работает, проверьте также предохранители 19, силовой предохранитель SA3 под капотом и реле R3. Если машина из салона куплена недавно, а в мороз перестала крутить стартер (щелкает), скорее всего в ней замерзло масло, нужно прогреть машину.
Если автомобиль уже не новый и стартер не крутит, проверьте заряд аккумулятора, при необходимости зарядите его или установите новый.
Проверьте контакты клемм на аккумуляторе, если они окислились, очистите их внутреннюю часть и плотно затяните. Проверить работу стартера и реле, замкнув контакты на втягивающем (при выключенной передаче, на нейтрали).
Если спидометр перестал работать или работает с перебоями, скорее всего дело в датчике скорости и его контактах.
11 (5 А) механизм корректора фар .
12 (5 А) — боковые зеркала с электрорегулировкой … Если зеркала перестали регулироваться, проверьте проводку между кузовом и передними дверями, а также внутри самих зеркал. Поверните джойстик регулировки зеркал на 180 градусов, чтобы включить обогрев зеркал.
13 (15 А) — управление АКПП .
14 (5 А) — подушки безопасности … При запуске двигателя лампа подушки безопасности на приборной панели должна загореться примерно на 5 секунд, а затем погаснуть. Если он продолжает гореть, то это означает неисправность или сохраненную в памяти ошибку сигнализации.
Для установления точной причины необходима диагностика.
15 (5 А) — Обогрев форсунок омывателя . Обогрев форсунок работает при включенном обогреве зеркал (поворот джойстика на 180 градусов). Если не работает, проверьте соединения и состояние проводов под капотом в месте подключения к форсункам.
16 (5 А) — датчики парковки .
17 (10 А) — э/м клапан адсорбера, лямбда-зонды .
18 (5 А) — фара задняя противотуманная, приборная панель .
19 (5 А) — фонари передние габаритные, аудиосистема, блок управления электрооборудованием, сигнал положения «запуск двигателя» ключа в замке зажигания.
20 (5 А) — подрулевые переключатели, приборная панель … См. пред. 6.
21 (10 А) — свет в салоне и багажнике … Если плафон не работает ни в каком положении, проверьте в нем лампы, выключатель и проводку. Если свет не загорается только при открывании дверей, проверьте концевые выключатели в дверях, их разъемы и проводку от них к блоку управления.
22 (5 А) — климат-контроль, блокировка ключа в замке зажигания … Если при включении печки и выставлении горячей температуры дует холодный воздух скорее всего у вас низкий уровень антифриза в бачке или в систему охлаждения попал воздух.
Также проверьте, не забиты ли воздухозаборники, вентилятор и радиатор, при необходимости очистите. Так же дело может быть в заслонках, проверьте правильно ли они открываются и закрываются. Если моторчик отопителя совсем не крутится, проверьте его исправность, подав на него напрямую питание 12В.
23 (7,5 А) — электроуправление, блок управления двигателем, селектор режимов АКПП .
24 (5 А) — подогрев боковых зеркал .
Предохранители № 25-60:
25 (5 А) — вентилятор радиатора, кондиционер, датчик давления … Если вентилятор не работает, см. силовой предохранитель 2.
26 (7,5 А) — электроусилитель рулевого управления … Если рулевое управление колесо начинает туго крутиться или есть проблемы в работе усилителя, проверьте, кроме того, силовой предохранитель SA4.
Не оставляйте припаркованную машину с полностью вывернутыми колесами, а также не держите колеса вывернутыми до упора более 5 секунд во избежание повреждения ЭУР. Сам ЭУР находится на валу в рулевой колонке.
27–32 — резерв .
33 (5 А) — выключатель стоп-сигналов . Если стоп-сигналы перестают гореть, проверьте, кроме того, предохранитель 43, а также лампы, их разъемы и выключатель педали тормоза, проводку.
34 (7,5 А) — дальний свет в правой фаре … Если не работает, проверьте лампу. Если обе фары выключены, проверьте их лампы и выключатель освещения на рулевой колонке.
35 (10 А) — система управления двигателем, питание электрооборудования моторного отсека .
36 (15 А) — топливный насос … См. пред. 3.
37 (25 А) — подогрев передних сидений . Если одно из передних сидений перестало нагреваться, проверьте разъем и провода под сиденьем. Проверьте, поступает ли напряжение на этот разъем.
Если напряжение есть, скорее всего, пропал контакт внутри сиденья или сломался нагревательный элемент. Если напряжения нет, проверьте проводку и кнопку питания.
38 (7,5 А) — дальний свет в левой фаре приборной панели … См. пред. 34.
39 (10 А) — ближний свет в правой фаре . Если не работает, проверьте дополнительно реле SA3, а также лампы и контакты в разъёмах фары. Если обе фары ближнего света по-прежнему не работают, проверьте выключатель света на приборной панели слева от руля, его контакты, а также подрулевой переключатель, проводку.
40 (30 А) — вентилятор отопителя/климат-контроля/кондиционера … См. пред. 22.
41 — резерв . 42 (15 А) — прикуриватель . Обычно работает только при включенном зажигании. Если он перестал работать после подключения устройства, скорее всего короткое замыкание, используйте дополнительную розетку или разветвитель для подключения устройств. Если замена предохранителя не помогает, проверьте сам разъем, контакты в нем, соединительный разъем и проводку.
43 (15 А) — указатели поворотов, сигнализация, стоп-сигналы, электрооборудование бортовой сети. Если не работают поворотники, проверьте лампы и контакты в посадочных разъемах. Если поворотники начинают моргать быстрее или медленнее, проверьте на короткое замыкание все разъемы ламп, а также проводку. Дело может быть и в подрулевом переключателе поворотников.
44 (15 А) — сирена сигнализации, датчик объема .
45 (15 А) — магнитола, аудиосистема .46 (20 А) — звуковой сигнал . Обычно работает только при включенном зажигании. Для того, чтобы работало всегда, можно перепрошить блок управления. Если не работает, проверьте целостность самого сигнала. Расположен со стороны водителя, под левой фарой. Чтобы добраться до него, удобнее всего снять левое переднее колесо и открутить подкрылок. Подать на него питание, если заработает, то дело в проводке или подрулевом переключателе.
47 (20 А) — передние стеклоочистители .
Если перестали работать «дворники», проверьте подрулевой переключатель и мотор-редуктор. Зимой в него могла попасть вода и замерзнуть. Также осмотрите весь механизм на наличие засоров и льда. Проверьте, работает ли омыватель. Если омыватель тоже не работает, попробуйте сначала устранить неисправность омывателя, затем дворников. Так же может быть в проводке/разъемах.
48 (25 А) — центральный замок — замки дверей, багажника, люка бензобака … Если замки дверей не закрываются, проверьте концевые выключатели дверей, возможно, вышел из строя один из них или пропал контакт в проводах между кузовом и одной из дверей. Также проверьте механизмы дверных замков и их приводы, проводку.
49 (5 А) — фонарь заднего хода . Лампа справа только одна. Если он не работает, проверьте его исправность и контакты в разъеме. Также проверьте переключатель на трансмиссии (на АКПП переключатель находится в селекторе).
50 (25 А) — электростеклоподъемник в двери водителя .
Если стекло водителя периодически поднимается и опускается через раз, скорее всего дело в перегреве мотора. Распространенная проблема, известная дилерам.
51 (25 А) — электростеклоподъемник в двери переднего пассажира . Если стеклоподъемники работают некорректно, попробуйте их запрограммировать. Для этого полностью откройте и закройте каждое стекло, продолжая удерживать кнопку в крайнем положении 1-3 секунды.
52 (30 А) — стеклоподъемники задних дверей … См. пред. 50 и 51.
53 (30 А) — элементы обогрева заднего стекла … Электрообогрев заднего стекла в Polo автоматически отключается. Если не работает, проверьте клеммы ТЭНа, исправность кнопки и ее контактов, а также проводку по кузову автомобиля. До кнопки можно добраться, сняв рамку радио.
54 (15 А) — противотуманные фары .
55 (15 А) — катушки зажигания .
56 (30 А) — электрообогрев лобового стекла .
57 (5 А) — передний левый и задний левый фонари габаритов, габаритный огонь с левой стороны .
58 (5 А) — передний правый и задний правый фонари габаритов, габаритный огонь с правой стороны .
Если габариты не работают, проверьте кроме них предохранитель 19 и реле R7, лампы, выключатель света слева от руля и проводку. Габаритный свет включается при выключенном зажигании переводом подрулевого переключателя в одно из положений — загорятся либо только левые габариты, либо только правые. Функция разметки парковки в темное время суток.
59 (10 А) — Ближний свет в левой фаре … Аналогично ранее. 39.
60 — резерв .
Автомобильные силовые предохранители:
Монтажный блок силовых предохранителей:
Монтажный блок силовых предохранителей, расположенный в моторном отсеке, под капотом автомобиля, над аккумуляторной батареей. Чтобы добраться до него, снимите пластиковую крышку.
Предохранители 1-6:
1 (25 А) — АБС
2 (30 А) — вентилятор радиатора (система охлаждения) .
.. Если не работает, проверьте также соседние предохранители 3, SA6 и салонный блок предохранителей 25В, убедитесь, что уровень охлаждающей жидкости в норме, двигатель вентилятора, датчик температуры и термостат, датчик вентилятора, проводку и электронный блок управление.
3 (5 А) — управление вентилятором радиатора .
4 (10 А) — антиблокировочная система тормозов ABS … См. пред. 9 в салонном блоке.
5 (5 А) — электрооборудование, бортовая сеть .
6 — резерв .
Предохранители № SA1-SA7:
SA1 (150 А) — генератор … Если генератор не работает и аккумулятор не заряжается, проверьте этот предохранитель, клеммы аккумулятора, ремень генератора и натяжение. Отрегулируйте при ослаблении. Если ремень изношен или порвался, замените его новым. Также проверьте подходящие к генератору провода и их контакты, при необходимости подтяните гайки.
Дело может быть в самом генераторе, его щетках и обмотках.
Текущую можно отремонтировать или заменить на новую, если нет опыта, обратитесь к электрику или официальному дилеру.
SA2 — резервная копия .
SA3 (110 А) — стартер, наружное освещение, подрулевой переключатель, топливный насос, ближний свет, передние фонари.
SA4 (50 А) — электроусилитель руля .
SA5 (25 А) — антиблокировочная система тормозов ABS … См. пред. 9 в салонном блоке.
SA6 (30 А) — управление вентилятором радиатора .
SA7 — резерв .
Автомобильное реле:
Все автомобильные реле выведены на отдельный монтажный блок, который находится в приборной панели с левой стороны водителя.
R1 — резервное место.
R2 — реле обогрева лобового стекла … См. предохранитель 56.
R3 — реле блокировки стартера .
R4 — реле подачи бензина на напорную магистраль .
R5 — реле питания .
R6 — запасное место.
R7 — реле ламп габаритов перед. См. предохранители 57 и 58 .
R8 — реле топливного насоса .
R9 — Реле кондиционера .
R10 — контакт реле «Х» .
R11 – R15 зарезервированы.
Volkswagen Passat B3 — Руководство по техническому обслуживанию — Reparaturanleitung
VOLKSWAGEN PASSAT B3 — РУКОВОДСТВО ПО ОБСЛУЖИВАНИЮ — REPARATURANLEITUNG — ЗАПЧАСТИ — Инструкции по обслуживанию и электрические схемы на английском, немецком, польском и русском языках в формате PDF для автомобилей Volkswagen Passat B3. РУКОВОДСТВА ВКЛЮЧЕНЫ: — Русский — Volkswagen Passat B3 — Руководство по техническому обслуживанию — Русский — Volkswagen Passat B3 — Руководство по запчастям — Немецкий — Volkswagen Passat B3 — Reparaturanleitung — польский — Volkswagen Passat B3 — Instrukcja Naprawy — польский — Volkswagen Passat B3 — Instrukcja Serwisowa — Русский — Volkswagen Passat B3 — Руководство по ремонту — Русский — Volkswagen Passat B3 — Руководство по эксплуатации УКАЗАТЕЛЬ (РУКОВОДСТВО ПО ОБСЛУЖИВАНИЮ НА АНГЛИЙСКОМ ЯЗЫКЕ): — Руководство по унифицированным проверкам системы обогревателя кондиционера * — унифицированные инструкции по проверке тормозной системы * — единые правила проверки электрической системы * — единые правила осмотра систем двигателя * — единые правила проверки выхлопной системы * — руководство по проверке униформы руля * — руководство по проверке униформы подвески * — контрольный список симптомов * — 2,22 л, 5-цил.
— A — двигатель/вин ID
— Общие диагностические процедуры системы кондиционирования
— Меры предосторожности в отношении системы кондиционирования
— Система обогрева кондиционера — ручная
— Сокращения
— Сокращения
— Генератор и регулятор — bosch
— Генератор и регулятор — sev motorola
— Меры предосторожности при работе с антиблокировочной системой тормозов.
— полуоси — передние
— Устранение неполадок полуосей
— Система Bosch cis-e
— Тормозная система
— Схватить
— Процедуры переобучения компьютера
— Технические характеристики системы охлаждения
— Обогреватель заднего стекла
— Ведущий мост — схемы контакта зубьев шестерни
— Ведущий мост — задний
— Локатор электрических компонентов
— Предупреждение об электростатическом разряде — основная информация
— Применение эмиссии
— Процедуры визуального осмотра контроля выбросов
— Вентилятор охлаждения двигателя
— Процедуры капитального ремонта двигателя — общая информация
— Система испарения топлива
— Система впрыска топлива — bosch cis
— Топливный насос — электрический
— Предохранители и автоматические выключатели
— Схемы контакта зубьев шестерни
— Общее обслуживание системы охлаждения
— Как пользоваться схемами подключения системы
— Система зажигания — Bosch на эффекте Холла
— Приборная панель — стандартная
— Подъем и подъем
— Ослабленный трос круиз-контроля может не вернуться в режим холостого хода
— Информация о техническом обслуживании
— Процедуры сброса индикатора напоминания о техническом обслуживании
— Метрические преобразования
— Метрические преобразования
— Система ПКВ
— Возможна остановка из-за ограниченного потока топлива
— Предварительные проверки
— Плановые услуги — бензин
— Сервисный индикатор и сигнальные лампы
— Стартер — бош
— Рулевая колонка
— Подрулевые переключатели
— Рулевой механизм — ручной
— Система рулевого управления — усилитель
— Подвеска — передняя
— Подвеска — задняя (4wd)
— Подвеска — задняя (передняя)
— Схемы подключения системы
— Снятие и установка трансмиссии — м/т
— Обслуживание трансмиссии — АКПП
— Обслуживание трансмиссии — м/т
— Устранение неполадок — основные процедуры
— Тюнинг — 5-цил.
— Вакуумные диаграммы
— Waveforms — учебник по шаблону инжектора
— Спецификации и процедуры выравнивания колес
— Теория/эксплуатация центровки колес
— Система стеклоочистителя/омывателя
— Символы схемы подключения
— Схемы подключения
УКАЗАТЕЛЬ (РУКОВОДСТВО ПО ЗАПЧАСТЯМ НА АНГЛИЙСКОМ ЯЗЫКЕ):
ДВИГАТЕЛЬ, СЦЕПЛЕНИЕ
— Базовый двигатель
— Защитная решетка двигателя
— Цилиндрический блок
— ***** 1,6/1,8
— ***** 1,8/2,0 КР,9А, 2Э
— ***** 2,8 ААА
— ***** дизель
— ***** 1,6/1,9 дизель
— ***** 1,6 дизель РА
— ***** вентиляция 1,8/2,0 КР,9А
— Крышка цилиндра
— ***** 1,6/2,0
— ***** 1,8/2,0 КР,9А
— ***** 2,8 ААА
— ***** 1.9 дизель 1Y,ААЗ
— ***** вентиляция 1.6/2.0
— Коленчатый вал
— ***** 1,6/1,9
— клиноременный шкив 1,6/1,9
— ***** 1,8/2,0 КР,9А,2Е
— ***** 2,8 ААА
— поршень
— Зубчатый ремень и крышка
— ***** 1,6/2,0
— ***** 1,8/2,0 КР,9А
— ***** 1,6/1,9 дизель
— Цепь ГРМ 2.8 ААА
— Распредвал, клапаны
— ***** 1,6/2,0
— ***** 1,8/2,0 КР,9А
— ***** 2,8 ААА
— Масляный насос и фильтр
— Масляный насос 1.
6/2.0
— Масляный фильтр 1.6/2.0
— Масляный насос и фильтр 2.8 AAA
— Помпа
— ***** 4 цилиндра
— ***** 6 цилиндров 2,8 ААА
— Водяные шланги и трубы
— ***** 1,6/1,8
— ***** 1,8/2,0
— ***** дизель
— ***** 1,6/1,9 дизель
— ***** 1.9 дизель ААЗ
— охлаждение турбокомпрессора 1.6 дизель
— ***** 2,8 ААА
— Радиатор, бачок, фланец
— ***** 1,6/2,0
— ***** 2,8 ААА
— Кожух вентилятора
— Впрыск, воздухоочиститель, впускной коллектор, распределение топлива
— 1,6 ЭЗ,РФ
— Карбюратор 2Е3 1.6 РФ,ЭЗ
— Воздухоочиститель 1.6 ЭЗ,РФ
— Система впуска 1.6 EZ,RF
— Топливный насос ЭЗ,РФ
— 1,6/1,8 РП,1Ф,ААМ
— Блок впрыска 1.6/1.8 моно RP,1F,AAM
— Воздухоочиститель, впускной коллектор 1.6/1.8 RP,1F,AAM
— 1,8/2,0 ПБ, ПФ, 2Э
— Распределение топлива 1.8/2.0 ПБ,ПФ,2Е
— Воздухоочиститель, впускной коллектор 1.8/2.0 PB,PF,2E
— Вакуумный усилитель 1.8/2.0 ПБ,ПФ,2Е
— 1,8/2,0 КР,9А
— Форсунка, клапан холодного пуска 1,8/2,0 КР,9А
— Воздухоочиститель, впускной коллектор 1,8/2,0 КР,9А
— Дизель
— Форсунка, напорные трубы
— Система инжекторного насоса
— Нагнетательный насос
— Воздухоочиститель 1.
6/1.9 дизель
— Впуск м., напорный клапан 1.6/1.9 дизель
— Воздухоочиститель, воздухозаборник m. 1,9 дизель 1Y
— Топливный фильтр дизель
— Вакуумный насос 1,6/1,9 дизель
— Турбокомпрессор 1,6/1,9 дизель
— Охладитель наддувочного воздуха 1.6 дизель
— 2,8 ААА
— Распределение топлива 2.8 ААА
— Воздухоочиститель 2.8 ААА
— Система впуска, дроссельная заслонка 2.8 ААА
— Вакуумная система и угольный фильтр
— ***** 1,6/1,8 РП, 1Ф, ААМ
— ***** 1,8/2,0 ПБ, ПФ, 2Э
— ***** 1,8 КР
— ***** 1,9дизель ААЗ
— ***** 2,0 9А
— ***** 2,8 ААА
— Схватить
— Насос гидроусилителя руля
— ***** 1,6/2,0
— ***** 1.9 дизель
— ***** 2,8 ААА
— Крепежные детали для двигателя
— ***** 4 цилиндра
— ***** 6 цилиндров 2,8 ААА
— 1: Ремкомплекты
РУКИ И НОГИ, ЗАЩИТНЫЕ ЧЕХЛЫ
— Механизм переключения
— для механической коробки передач
— для АКПП (>> 31-L-300000)
— для АКПП (31-L-300001 >>)
— Рычаг ручного тормоза
— Кабель помощи при холодном пуске (дизель)
— Группа педалей
— Тормоз и сцепление
— педали для негидравлического сцепления
— педали гидравлического сцепления
— Педаль тормоза для автоматической коробки передач
— Акселератор и кабель акселератора
— Педаль газа
— Трос акселератора (для МКПП)
— Трос акселератора (для АКПП)
— 7: Ремкомплекты
ТЕЛО
— Оболочка тела
— Крыша
— Крыша
— Сдвижная крыша
— Стальная раздвижная крыша
— Стальные сдвижные части крыши
— Стальные сдвижные части крыши (версия II)
— Шумопоглотитель крыши, обшивки потолка
— Пол
— Сборка пола
— теплоизоляция пола
— Шумоизоляция пола, облицовка
— Напольное покрытие
— Звукопоглотители
— хлопковое волокно для пола, поперечной панели и туннеля
— Передняя часть кузова
— Заслонка
— Передняя панель
— Передняя часть, поперечная панель
— Шумопоглотители двигателя
— Бампер
— Бампер для модели «J.
.»
— Сторона тела
— Крыло (переднее)
— Боковые элементы и боковые панели
— Арка колеса, лонжерон (передний)
— Боковая панель (седан)
— Боковая панель (вариант)
— Расширение лонжерона (спортивная версия)
— Накладка порога — панель порога
— Поперечина, лонжерон (задний)
— Двери, стеклоподъемники и панели отделки
— Двери (передние)
— Двери (задние)
— Замок двери (передняя)
— Замок двери (задняя)
— панели обивки дверей (передние)
— панели обивки дверей (задние)
— Звукопоглотители
— Стеклоподъемники и направляющие (передние)
— Стеклоподъемники и направляющие (задние)
— Накладки на стойки и крышки
— Накладки на стойки
— Накладки на стойки — стойки
— лючок бензобака
— Задняя часть кузова
— Заслонка для седана
— Заслонка для варианта
Багажник
— Пол багажника, задний фартук
— Подкладка и покрытие ботинок
— Обшивка багажника (седан)
— Обшивка багажника (вариант)
— Складывающийся чехол для багажника (вариант)
— Кронштейн для аварийного треугольника
— Накладка на номерной знак
— Бампер
— Приборная панель и центральная консоль
— Крепление на приборную панель
— Накладка и накладка на приборную панель
— хлопковое волокно для пола, поперечной панели и туннеля
— перчаточный ящик, полка
— Кронштейн для рации (версия такси)
— Коленная планка
— Центральная консоль
— передний задний
— передний (версия такси)
— задний
— пепельницы
— Свежий воздух, обогреватель и кондиционер
— Управление свежим воздухом и обогревателем
— Воздуховод, теплообменник, вентилятор
— Воздушные шланги, воздуховоды и вентиляционные отверстия
— Распределение воздуха, вентилятор и вентиляционное отверстие для кондиционера
— Электронный кондиционер
— Вакуумный резервуар и шланги для кондиционера
— Солнцезащитные козырьки и зеркала
— Солнцезащитные козырьки, верхний поручень
— Рулонная штора (на заднее стекло)
— Зеркала заднего вида
— Сиденья и ремни безопасности
— фронт
— Сиденье
— Спинка
— задний
— Сиденье
— Сиденье (разделенное, седан)
— Сиденье (разделенное, вариант)
— Спинка
— Спинка (разделенная)
— Подголовники, подлокотник
— Дополнительное заднее сиденье (вариант)
— Ремень безопасности
— фронт
— Передний ремень безопасности ELRA (пасс.
удерживающая система)
— задний
— Центральный замок
— двери
— крышка багажника и лючок бензобака
— оконные стекла
— 8: Ремкомплекты
ГАСТАНКИ И ТРУБОПРОВОДЫ, ВЫПУСКНАЯ СИСТЕМА, ОБОГРЕВАТЕЛЬ
— Топливный бак
— седан
— вариант
— Контейнер с активированным углем
— Топливная магистраль, фильтр и аккумулятор
— ЭЗ,РФ
— РП,ААМ,1Ф,ПБ,ПФ,2Е,ААА
— КР,9А
— дизель
— Выхлопной коллектор
— ЭЗ,РФ
— РП,ААМ,1Ф,ПБ,ПФ
— 2Э
— КР,9А
— ААА
— дизель
— Контроль выбросов
— EZ,RP (без катализатора)
— ПБ, КР (без катализатора)
— РП, ААМ, 1Ф, РФ
— ПФ, 2Е, 9А, ААА
— дизель
— Выхлопная труба
— EZ,RP (без катализатора)
— ПБ, КР (без катализатора)
— РП, ААМ, 1Ф, РФ, ПФ, 9А, 2Е
— ААА
— дизель
— Выхлопной глушитель
— 1,6/1,9
— 1,8/2,0 — РП,ПБ,ПФ,2Э
— КР,9А,ААА
— Хладагент
— Компрессор и монтаж
— Компрессор и монтаж — 2E
— Компрессор и монтаж — AAA
— Конденсатор
— 2: Ремкомплекты
КОРОБКА ПЕРЕДАЧ
— механическая 4-х и 5-ти ступенчатая коробка передач
— механическая 4- и 5-ступенчатая в комплекте
— подушка двигателя-трансмиссии
— чехол для механической коробки передач
— шестерни и валы для 4-х ручных
— шестерни и валы для 5-й ручной
— шток переключения передач и вилка переключения передач для 4-х ручных передач
— шток переключения передач и вилка переключения для 5-й механической коробки передач
— Автоматическая 4-ступенчатая коробка передач
— автомат 4-ступенчатый полный
— крепление для 4-х автоматов
— корпус для АКПП
— масляный насос для автоматической коробки передач
— компоненты переключения передач для автоматической
— шестеренчатая муфта, планетарная шестерня, преобразователь для автомата
— вторичный вал, ведущая шестерня автомата
— гидроблок, масляный фильтр для АКПП
— 3: Ремкомплекты
ПЕРЕДНЯЯ ОСЬ, ДИФФЕРЕНЦИАЛ, РУЛЕВОЕ УПРАВЛЕНИЕ
— Приводной вал
— Рычаг подвески, ступичный подшипник
— Дифференциал, редуктор, главная передача
— 4-е руководство
— 5-е руководство
— 4-х автомат
— Подвеска (передняя)
— Рулевое управление
— Рулевой механизм, рулевая тяга
— Рулевой механизм, рулевая тяга (ГУР TRW,XTR)
— Рулевой механизм, рулевая тяга (ГУР ZF)
— Масляный контейнер и соединение (усилитель руля)
— Руль
— Рулевая колонка
— Рулевая колонка (регулируемая по высоте)
— 4: Ремкомплекты
ЗАДНИЙ МОСТ
— Балка заднего моста
— Система самовыравнивания
— Подвеска (задняя)
— 5: Ремкомплекты
КОЛЕСА, ТОРМОЗА
— Колесный диск
— стали
— квасцы
— Тормоза
— Тормозная система
— Главный тормозной цилиндр, бачок
— Тормозная магистраль и шланг (передний)
— Тормозная магистраль и шланг (задний)
— Вакуумные шланги для усилителя тормозов
— Тормозной сервопривод
— Регулятор тормозного давления
— Передние тормоза (дисковые)
— Дисковый тормоз (передний, VW II, 256 x 13)
— Тормозной диск (передний, GIRLING, 256 x 13)
— Тормозной диск (передний, GIRLING, 256 x 20)
— Тормозной диск (передний, GIRLING, 280 x 22)
— Задние тормоза (барабанные и дисковые)
— Барабанные тормоза (задние, 200 мм)
— Барабанные тормоза (задние, 230 мм)
— Тормозной диск (задний, ДЕВУШКА)
— АБС
— Антиблокировочная тормозная система
— Тормозная магистраль для АБС
— Система самовыравнивания
— 6: Ремкомплекты
ЭЛЕКТРИЧЕСКИЕ СИСТЕМЫ
— Генератор
— Версии генератора
— Генератор БОШ 45-65-90А
— Генератор БОШ 90-120А
— Генератор ВАЛЕО 45-65А
— Соединительные и монтажные детали генератора
— 4 цилиндра
— дизель
— дизель ААЗ, 1Z
— 16В
— 6 цилиндров
— клиновой ремень для генератора
— Зажигание
— Катушка зажигания, провод, свеча накаливания
— версии дистрибьютора
— Дистрибьютор и отдельные детали
— Замок зажигания, блокировка руля.
— Блоки управления и компоненты
— Блок управления и лямбда-зонд
— Система круиз-контроля
— для 4-х ступенчатой АКПП
— для АБС
— Блок предохранителей и пластина реле
— Другие реле и блоки управления
— Стартер
— Начальные версии
— Стартер и отдельные детали
— Аккумулятор и батарейный монтаж
— Корпус прибора и компоненты
— >>31-L-400000 (все типы)
— 31-М-000001>>
— с аналоговыми часами
— со счетчиком оборотов
— с МИД
— Переключатели и отправители
— 4 цилиндра
— 6 цилиндров
— Переключатели в приборной панели
— для эл.окон, зеркала, сдвижной крыши, кондиционера, веселого мотора, последовательного сопротивления
— для ЭЛРА
— Подрулевые переключатели (поворотники и прочее…)
— Выключатель стоп-сигналов и фонарей заднего хода
— Блок подачи топлива и датчики датчиков
— Топливный насос КР,9А
— Датчик уровня топлива 4 цилиндра
— Блок подачи топлива и датчик манометра 6 цилиндров
— Свет и зажигалки
— Сигнальные огни, зажигалки
— Налобный фонарь
— Галогенная противотуманная фара
— Сигнал поворота (спереди и сбоку)
— Подсветка номерного знака
— Задние фонари (седан)
— Задние фонари (вариант)
— Дополнительный стоп-сигнал
— Внутренний свет
— Знак крыши (такси)
— Рог
— Иммобилайзер
— Системы мытья и очистки
— Система омывателя фар
— Стеклоочиститель
— Блок омывателя лобового стекла
— Система заднего дворника и омывателя
— Спидометр и приводные тросы
— >>31-Л-400000
— 31-М-000001>>
— Электронный 31-М-000001>>
— для такси
— Электрическое веселье
— забавные версии >>31-M-033271
— отдельные детали >>31-М-033271
— прикольные версии 31-М-033272>>
— отдельные детали 31-М-033272>>
— Подогрев сиденья и спинки
— Станки
— для приборной панели
— для боковых и фар
— для подрулевых переключателей
— левый фронт
— правый передний
— >>31-Л-400000
— КР
— 31-М-000001>> РП,ААМ
— 31-М-000001>> ЭЗ,дизель
— 2Э
— 9А
— ААА спереди
— ЭБУ
— клапан
— для транзисторной системы зажигания
— ЭЗ,РФ,КР
— 9А
— ПБ, ПФ
— РП, 1Э
— задний
— седан
— вариант
— для багажа компл.
(вариант)
— для аккумулятора и генератора, заземляющие ремни
— для 4-х ступенчатой АКПП
— для удовольствия от радиатора, боковой указатель поворота
— для системы круиз-контроля
— для подогрева сидений
— >>31-К-240000
— 31-Л-000001>>
— для эл. сдвижная крыша и внутреннее освещение
— для такси
— для эл. зеркало заднего вида
— для ЭЛРА
— для стеклоподъемника
— для централизованного запирания
— для развлечения на свежем воздухе
— для кондиционера
— для электронного кондиционера
— для АБС
— для самонивелирующейся системы
— Список ткацких станков местного производства
— ткацкий станок местного производства
— 9: Ремкомплекты
ДОПОЛНИТЕЛЬНО
А: ПРИНАДЛЕЖНОСТИ
— Электрические части
— Радио
— Акк. для радио
— Обмен радио
— Акк. для CD-чейнджера
— обменный CD-чейнджер
— Бустер
— Колонки
— Комплект громкоговорителей
— Замена динамика
— Акк. для динамиков, фейдеров
— Ткацкий станок для динамиков
— Антенны и мобильные телефоны
— Выдвижная антенна
— Антенна с электроприводом
— Специальные антенны
— Воздушный усилитель
— Акк.
для мобильных телефонов
— Антенны телефонные/радио
— Акк. для мобильных телефонов и антенн
— Подавление помех
— Батарея
— Свечи зажигания
— Фары, фонари
— Лампа
— Инструменты, приспособления
— Системы сигнализации
— Холодильник, термос
— Другие электрические детали
— Стационарный обогреватель
— Центральная консоль
— кассетодержатели, кассеты
— Кондиционер
— Фильтр свежего воздуха
— Колеса
— Колесный диск «квасцы»
— Колёсные замки
— Колесная обшивка
— Цепь противоскольжения, стартовая цепь
— Полки, чехлы, ковры
— Автомобильные чехлы
— Полки, крышки
— Багажные замки
— Чехол на сиденье
— ковры, коврики для ног
— Внутреннее зеркало
— Зеркало каравана
— Декор и защита
— Наборы декора
— Солнцезащитные шторки
— дефлекторы ветра, солнцезащитные люки
— Планки защиты от ударов
— Брызговики, дефлекторы
— Рулевые колеса
— Ручка рычага переключения передач
— Отделка и хромированные детали
— Уход за хромом, полировка, защита от воска
— Средства для стирки, чистки и ухода
— Моющие и чистящие средства
— Защита от коррозии
— Транспортное оборудование
— Буксирное устройство
— Наборы баров на крыше
— Специальное транспортное оборудование
— Багажные ящики
— Аэродинамические детали кузова
— Комплекты подвески
— Выхлопной глушитель, задний
— Спортивные сиденья, детские кресла
— Спортивные аксессуары
— товары для зимнего ухода
— Детали установкиVolkswagen Passat B3 — Руководство по техническому обслуживанию — Reparaturanleitung — Каталог запчастей
инициал — индекс
вагон — автомобиль
мото
4×4
квадроцикл — багги
Camin — грузовик
электронная почта
VW PASSAT CC 2009 — Система комфорта.
Схемы подключения, контактный разъем, расположение – Kopplingsscheman for bilarСхема подключения VW PASSAT CC 2009 — Реле обогрева наружных зеркал — Блок управления бортовой сетью — Клемма 15 реле подачи напряжения 2 — Блок предохранителей B — Блок предохранителей C
| A | Батарея | |
| J99 | . Огрев. Элерог. | Предохранитель 2 в держателе предохранителя A |
| SB | Держатель предохранителя B | |
| SC | Держатель предохранителя C | |
| Fuse 4 on fuse holder C | ||
| SC12 | Fuse 12 on fuse holder C | |
| SC17 | Fuse 17 on fuse holder C | |
| SC23 | Fuse 23 on fuse holder C | |
| SB28 | Fuse 28 on fuse holder B | |
| SB29 | Fuse 29 on fuse holder B | |
| SC33 | Fuse 33 on fuse holder C | |
| SC38 | Fuse 38 on fuse holder C | |
| T2t | 2-pin connector | |
| T8a | 8-pin connector | |
| T10 | 10-pin connector | |
| T12a | 12-pin Разъем | |
| T12N | 12-контактный разъем | |
| 508 | РАЗРЕШЕНИЕ (30) на электронном боксе | |
| B111 | Положительное соединение 1 (30a), In Interior gronge 9001 | . 0012 |
| B163 | Позитивное соединение 1 (15), во внутренних жгуте проводов | |
| B169 | Положительное соединение 1 (30), внутренняя подключаемая подключение | |
| S25 | . Жгут проводов центрального замка | |
| TV2 | Разветвление клеммы 30 | |
| * | Охранная сигнализация с контролем салона |
Электрическая схема VW PASSAT CC 2009 — Выключатель переднего левого стеклоподъемника — Выключатель переднего правого стеклоподъемника в двери водителя — Внутренняя кнопка центрального замка со стороны водителя — Блок управления двери водителя — Контрольная лампа функции блокировки центрального замка — SAFE-
| E40 | Переключатель переднего левого стеклоподъемника |
| E81 | Передний правый переключатель стеклоподъемника в двери водителя |
| E308 | Driver side interior locking button for central locking system |
| J386 | Driver door control unit |
| K133 | Central locking deadlock function warning lamp -SAFE- |
| K174 | Контрольная лампа блокировки салона со стороны водителя |
| L76 | Лампа подсветки кнопки |
| T2u | 2-контактный разъем |
| T4am | 4-pin connector |
| T4an | 4-pin connector |
| T20a | 20-pin connector |
| T28 | 28-pin connector |
| T32a | 32-контактный разъем |
| 267 | Соединение с массой 2, в жгуте проводов двери со стороны водителя |
| R51 | Соединение (58b), в жгуте проводов двери со стороны водителя |
Электрическая схема VW PASSAT CC 2009 — Выключатель регулировки зеркал — Кнопка обогрева наружных зеркал — Кнопка дистанционного открывания двери багажного отделения — Блок управления двери водителя

Электрическая схема VW PASSAT CC 2009 — Блок центрального замка со стороны водителя — Блок управления двери водителя — Электродвигатель регулировки зеркала со стороны водителя — Электродвигатель регулировки зеркал со стороны водителя Контактный выключатель двери
Мотор. Только модели со складным зеркаломЭлектрическая схема VW PASSAT CC 2009 — Переключатель стеклоподъемника в двери переднего пассажира — Блок управления двери водителя — Электродвигатель регулировки зеркала со стороны водителя — Электродвигатель стеклоподъемника со стороны водителя — Электродвигатель стеклоподъемника со стороны переднего пассажира
Få åtkomst till alla kopplingsscheman bil
| E107 | Window regulator switch in front passenger door | ||
| J386 | Driver door control unit | ||
| J387 | Front passenger door control unit | ||
| L76 | Лампа подсветки кнопки | ||
| L131 | Лампа повторителя указателя поворота со стороны водителя | ||
| T4ak | 4-контактный разъем | ||
| T16a | 16-pin connector | ||
| T20a | 20-pin connector | ||
| T28 | 28-pin connector | ||
| T32b | 32-pin connector | ||
| V17 | Электродвигатель регулировки зеркала со стороны водителя | ||
| V147 | Электродвигатель стеклоподъемника со стороны водителя | ||
| V148 | Электродвигатель стеклоподъемника со стороны переднего пассажира | ||
| W52 | Входной свет на стороне водителя во внешнем зеркале | ||
| Z4 | Нагретый внешний зеркал на стороне водителя | ||
| 9 | |||
| 9 | |||
| 9 | |||
| 119 | |||
| 205119 | |||
| . | Соединение с массой 1, в основном жгуте проводов | ||
| B397 | Соединение 1 (шина CAN-комфорт, высокое), в основном жгуте проводов | ||
| B406 | Разъем 1 (шина CAN-комфорт, низкий), в главном жгуте проводов |
Схема подключения VW PASSAT CC 2009 — Блок центрального замка со стороны переднего пассажира — Электродвигатель регулировки зеркала со стороны переднего пассажира — Зеркало со стороны переднего пассажира Электродвигатель регулировки
Отключатель до всех коплингов
| F3 | Контактный выключатель двери переднего пассажира | ||
| F221 | Блок центрального замка со стороны переднего пассажира | ||
| F273 | Передняя пассажирская дверь. | T3o | 3-контактный разъем |
| T6f | 6-контактный разъем | ||
| T16g | 16-контактный разъем 2 | 0012 | 20-контактный разъем |
| T28A | 28-контактный разъем | ||
| V25 | . Электродвигатель складывания зеркала со стороны переднего пассажира | ||
| V150 | Электродвигатель регулировки зеркала со стороны переднего пассажира | ||
| V162 | Электродвигатель функции блокировки центрального замка двери переднего пассажира | ||
| 304 | Земля Connection 3, в передней стороне дверной воды на стороне пассажира. Шина CAN, низкая), в основном жгуте проводов | ||
| * | Только модели со складывающимся зеркалом |
Схема подключения VW PASSAT CC 2009 — Центральный блок управления системой комфорта — Лампа повторителя указателя поворота со стороны переднего пассажира — Передний электродвигатель регулировки зеркала со стороны переднего пассажира — лампа входа в наружное зеркало со стороны переднего пассажира
Få åtkomst till alla kopplingsscheman bil
| J387 | Front passenger door control unit | |
| J393 | Convenience system central control unit | |
| J533 | Data bus diagnostic interface | |
| L132 | Лампа повторителя указателя поворота со стороны переднего пассажира | |
| T16g | 16-контактный разъем | |
| T18 | 18-контактный разъем | |
| T20 | 20-pin connector | |
| T20b | 20-pin connector | |
| T28a | 28-pin connector | |
| V25 | Front passenger side mirror adjustment motor | |
| W53 | Фонарь освещения входа со стороны переднего пассажира в наружном зеркале | |
| Z5 | Наружное зеркало с подогревом со стороны переднего пассажира | |
| 206 | Земля соединения, в переднем жгуте проводки пассажирских дверей | |
| 374 | Земля | .![]() |
| 384 | Соединение 19 с массой, в основном жгуте проводов | |
| B397 | Соединение 1 (Комфорт в главном жгуте шины 9), высокое0012 | |
| B406 | Разъем 1 (шина CAN-комфорт, низкий), в главном жгуте проводов |
Схема проводки VW PASSAT CC 2009 — Выключатель охраны салона — Выключатель освещения багажного отделения — Блок замка крышки багажника — Центральная система комфорта Блок управления — Антенна центрального замка и противоугонной сигнализации — Электродвигатель открывания крышки багажника — Электродвигатель блокировки лючка заливной горловины бака — Освещение багажного отделения
0008
| E267 | . | Контрольная лампа отключения охраны салона | |
| L76 | Лампа подсветки кнопок | ||
| R47 | Central locking and anti-theft alarm system aerial | ||
| T2aq | 2-pin connector | ||
| T2x | 2-pin connector | ||
| T4br | 4-pin connector | ||
| T4u | 4-контактный разъем | ||
| T6 | 6-PIN Connector | ||
| T6B | 6-PIN Connector | ||
| T8N | 8-PIN Connector | 8-PIN Connector | |
| 8-PIN Connector | |||
| 8-PIN Connector | |||
| 0011 T10O | 10-контактный разъем | ||
| T18 | 18-контактный разъем | ||
| v139 | . Освещение салона | ||
| W3 | Освещение багажного отделения | ||
| B128 | Соединение (освещение багажного отделения), в жгуте проводов салона | ||
| B154 | Подключение 1 (DCT), во внутреннем жгуте проводки | ||
| B559 | Положительное соединение 1 (30G) в основной жесткой проводке | ||
| B641 | . Подключение к внутренней стороне. | ||
| * | Только модели с монитором салона |
Схема подключения VW PASSAT CC 2009 — Кнопка 1 подъема крыши — Датчик охраны салона — Датчик наклона автомобиля
Få åtkomst till alla kopplingsscheman bil
| E582 | Button 1 for tilting roof | |
| G273 | Interior monitoring sensor | |
| G384 | Vehicle inclination sender | |
| J878 | Control unit for Люк с откидной крышкой | |
| L65 | Лампа подсветки выключателя сдвижного люка | |
| T4j | 4-контактный разъем | |
| T5F | 5-контактный разъем | |
| T16F | 16-контактный разъем | |
| V431 | наклонный фанк.![]() | Заземление 2, в основном жгуте проводов |
| 383 | Заземление 18, в основном жгуте проводов | |
| внутри B130 | Соединение (сдвижной люк 9), в жгуте проводов0012 | |
| B188 | Положительное соединение 5 (30), во внутреннем жгуте проводов | |
| B340 | Подключение 1 (58d), в главной жените проводки | |
| B549 | . жгут проводов | |
| * | Только модели с подъемным люком | |
| *2 | Только модели с монитором салона |
Схема подключения VW PASSAT CC 2000- Контактный переключатель капота — Агматный рог — автоматическое антибазлевое внутреннее зеркало
Få Åtkomst до Alla Kopplingsscheman bil
| E386 | Anti -Dazzle Interior Mirror Bloth | Будильник рог |
| T2N | 2-контактный разъем | |
| T3F | 3-контактный разъем | |
| T6A | 6-Pin Connector | 0012 |
| T6b | 6-pin connector | |
| W16 | Left interior light | |
| W17 | Right interior light | |
| Y7 | Automatic anti-dazzle interior mirror | |
| 373 | Заземление 8, в основном жгуте проводов | |
| 378 | Заземление 13, в основном жгуте проводов | |
| 380 | Заземление 15, в основном жгуте проводов | |
| 382 | Земля подключения 17, в основном жгуте проводки | |
| A20 | Положительное соединение (15A), в приборной панели. Жгут проводов панели приборов | |
| B188 | Плюсовой разъем 5 (30), в жгуте проводов салона | |
| B374 | Соединение 4 (антенна), в основном жгуте проводов | |
| B549 | Connection 2 (Lin Bus) в основном жгуте подключения | |
| * | только модели с анти-кравтной системой тревоги (DWA) и противоугожной сигнализации. Только модели с внутренним зеркалом заднего вида с автоматическим затемнением |
VW PASSAT CC 2009 Обзор блоков управления
Отправьте запрос на покупку
| q | До апреля 2014 г. |
| Блок управления левой газоразрядной лампы -J343- , выходной модуль левой фары -J667- , блок управления левого дневного света и габаритного огня -J860- | Q | Место фитинга |
| Q | с мая 2014 г.![]() |
| Q | — Апрель 2014 г. |
| — апрель 2014 г. |
| q | Место установки |
| С мая 2014 г. |
| Q | Место фитинга, 196-контактный |
| Блок управления фар-фар-J431- / Блок управления для резервного залога и управления фары-J745- |
| q | Fitting location |
| q | To April 2009 |
| Chip card reader control unit -J676- /TV card reader -R204- |
| q | Место установки |
| Блок управления Climatronic -J255- |
| q | Место установки |
| Air conditioning system control unit -J301- |
| q | Fitting location |
| q | Fitting location of Composition Media, Discover Media |
| q | From Май 2009 г.![]() |
| q | Место установки с мая 2014 г. |
| q | Место установки с мая 2014 г. |
| Q | С мая 2009 г. |
| Блок управления в панели панели приборной панели -J285- |
| Q | . Место установки с мая 2009 г. |
| Антенна данных о дорожном движении -R173- |
| q | Место установки |
| Q | Место фитинга с мая 2009 г. |
| Q | С мая 2014 г. |
| Q | До мая 2014, на Labart Sport. |
| Блок управления системой помощи при парковке -J791- |
| q | Место установки |
Место фитинга с мая 2009 г.![]() |
| Q | Место фитинга, 25-контактный разъем-T25- |
| Место установки: |
| на передней левой фаре |
Откомст.0000
|
| . Блок управления левого дневного и габаритного огня -J860- |
| . |
| 2 — | Выходной модуль левой фары -J667- |
| 3 — | Блок управления левой газоразрядной лампы -J343- |
| A — | 20-pin connector -T20- |
| B — | 32-pin connector -T32- |
| C — | 4-pin connector -T4 — |
| D — | 4-pin connector -T4- |
|
| Блок управления вентилятором -радиатором -J293- |
| Место для подгонки: |
| на Fantor |
FAN. 1 — | Блок управления вентилятором радиатора -J293- |
| A — | 4-контактный разъем -T4x- на жгуте проводов |
9-90 110 B2 | 4-pin connector -T4x- on radiator fan |
|
| Блок управления правой газоразрядной лампой -J344- |
| Место установки: |
| на передней правой фаре |
0008
| 1- | Блок управления правой газовой выпиской-J344- |
| A- | 4-PIN Connector-T4- |
| B- | 4PIN 4PIN-TENSER-4001110 | B- | 4PIN 4PIN 4PIN 4PIN-TENSER-4001110 | B- | 4PIN 4PIN 4PIN 4PIN. — |
|
| . |
| 2 — | Выходной модуль правой фары -J668- |
| 3 — | Блок управления правой газоразрядной лампой -J344- |
| A — | 20-pin connector -T20- |
| B — | 32-pin connector -T32- |
| C — | 4-pin connector -T4 — |
| D — | 4-pin connector -T4- |
|
| Блок управления ABS -J104- |
Примечание:
На рисунке показана модель с левосторонним управлением. Вид со стороны переднего пассажира для модели с правым рулем в основном является зеркальным отражением. |
| .0011 1 — | ABS control unit -J104- |
| A — | 47-pin connector -T47- |
|
| Блок управления двигателем -J623-, 154-контактная работа |
| под крышкой камеры пленум |
Få Åtkomst Tilla Kopplingsscheman BIL
| PFEIL- | . Штыревой разъем -T94- |
| B — | 60-контактный разъем -T60- |
|
| Engine control unit -J623- , 196-pin |
| Fitting location: |
| under plenum chamber cover |
Få åtkomst till alla kopplingsscheman bil
| 1 — | Блок управления двигателем -J623- |
| A — | 105-контактный разъем -T105- |
Блок управления считывателя чип-карт -J676- |
| 2 — | TV card reader -R204- |
| A — | 2-pin connector -T2fo- |
| B — | 8-pin connector -T8k- |
| C — | 2-pin connector -T2fb- |
| D — | 5-pin connector -T5c- |
|
| Voltage stabilizer -J532- |
| Fitting location: |
| behind glove compartment on central tube |
| 1 — | Стабилизатор напряжения -J532- |
| A — | 12-контактный разъем-T12- |
|
.![]() |
Примечание:
| Изображенная модель автомобиля не соответствует реальной модели автомобиля. Однако место установки идентично в реальной модели автомобиля. |
| Место установки: |
| Под передней частью центральной консоли. |
Få åtkomst till alla kopplingsscheman bil
| 1 — | Airbag control unit -J234- |
| A — | 50-pin connector -T50- |
|
| Блок управления Climatronic -J255- |
Примечание:
Изображенная модель автомобиля не соответствует реальной модели автомобиля. Однако место установки идентично в реальной модели автомобиля. |
| Место установки: |
| в центре передней панели. |
Få åtkomst to alla kopplingsscheman bil
| 1 — | Climatronic control unit -J255- |
| A — | 16-pin connector -T16f- |
| B — | 16-pin connector -T16g- |
| C — | 20-pin connector -T20c- |
|
| Блок управления климатической установки -J301- |
| Место установки: |
в центре передней панели.![]() |
Få Åtkomst Till Alla Kopplingsscheman Bil
| 1- | Управление системой кондиционирования воздуха -J301- |
| — | 20-PIN CONNITER -T208 | |||
| — | 20PIN-CONNITER -T2011111111112 | 20PIN-CONNITER -T2011111111112 | 20-PIN-Concector -T20111111111112 | 200019 |
| B — | 16-pin connector -T16e- |
| C — | 5-pin connector -T5- |
|
| Блок управления 1 электронной информационной системы -J794- с блоком индикации переднего блока управления и индикации информации -J685- и блоком управления мультимедийной системы -E380- |
| Блок управления электронной информационной системы 1 -J794- с блоком индикации переднего блока управления и индикации информации -J685- и блоком управления мультимедийной системы -E380- , цвет исполнения |
| Место установки: |
в центре приборной панели.![]() |
Примечание:
| Корпус многоканального разъема D (ячейки: 9–18), состоящий из разъемов E, F, G и H. |
få Åtkomst до alla kopplingsscheman bil
| 1- | Блок управления 1 для информации Электроника -J794- |
| Q | с Mutdimed Minatememe. Блок управления и индикации -J685-
| B — | 4-контактный разъем -T4by-, белый |
| q | Антенный разъем AM/FM для преобразователя импеданса антенны на заднем левом стекле -R235- , антенна -R11- |
| q | Антенный разъем FM2 для преобразователя импеданса антенны на заднем правом стекле -R236- , радиоантенна 2 — R93- |
| D — | 8-pin connector -T8ab- , black |
| F — | 12-pin connector -T12ac- , blue |
| H — | 12-pin connector -T12aa- , grey |
| Connector assignment, control unit 1 for information electronics -J794- |
| -T8ac- (E) | Обозначение | -T8ab- (D) | Обозначение | ||
| 1 | Задний правый высокочастотный динамик -R16- , + 1) 176-Низкочастотный динамик задний правый -R| 5 1) | Усилитель -R12- 2) | |||
| 2 | Передний правый Требл Лудл Лудспаркер -R22-, 2 | 1) Усилитель -R12- 2) | 10 | ||
| 3 | 1) Усилитель -R12- 2) | 11 | |||
| 4 | задний левый трэбл Loudspeaker -R14-147385 | . Усилитель -R12- 2) | 12 | ||
| 5 | Правый Требл -Требл Сорт -Рубл -Рюд -Рюд -Рюдл. Усилитель -R12- 2) | 13 | |||
| 6 | Передний правый тройной гладкий глад. 2) | 14 | |||
| 7 | Перед левый тройный громкоговоритель — R220-, — 1) -левой шпиль 2) | 17 | Терминал 31 | ||
| 8 | Задний левый тройник -громкоговоритель — RLEAD -R14-, — 1) BAST LEFT LALED -RUSEPEAK 2) | 18 | Terminal 30 |
| 1) Only for vehicles without an amplifier -R12- |
| 2) Only for vehicles with an amplifier -R12 — |
| -T12aa- (H) | Designation | -T12ab- (G) | Designation | -T12ac- (F) | Designation | ||
| 1 | 1 | 1 | Telephone microphone -R38- | ||||
| 2 | 2 | 2 | |||||
| 3 | 3 | USB connection 1 -U41- | 3 | ||||
| 4 | 4 | USB Connection 1 -u41- | 4 | ||||
| 5 | 5 | 5 | |||||
| 6 | A178 Connection (infotainment CAN bus, high), in dash panel wiring harness | 6 | 6 | Reversing camera -R189- | |||
| 7 | 7 | 7 | Telephone microphone -R38- | ||||
| 8 | 8 | 8 | |||||
| 9 | 9 | 9 | |||||
| 10 | 10 | 10 | |||||
| 11 | 11 | 17070120012 | |||||
| 12 | A179 Connection (infotainment CAN bus, low), in dash panel wiring harness | 12 | 12 | Reversing camera -R189- |
| Назад к обзору |
| Блок управления электронной информационной системы 1 -J794- с блоком дисплея для переднего информационного дисплея и блоком управления -J685- и блоком управления мультимедийной системы -E380- , Composition Media, Discover Media |
| Место установки: |
в центре передней панели.![]() |
Note:
| Multiway connector housing E (chambers: 9-18), made up of connectors F, G, H and J. |
Få åtkomst till alla kopplingsscheman bil
| 1 — | Блок управления 1 электронной информационной системы -J794- |
| q | с блоком управления мультимедийной системы -E380- и блоком индикации переднего блока управления дисплеем и панелью управления -J685- |
| A- | 2-контактный разъем-T2FW-, черный |
| Q | DAB Aerial Connection для преобразователя для импеданса для обратного правого окна Aerial -R236-, цифровое радио-аээром-R-R-R-R-R-R-R-R-R-R-R-R-R-R-R-R-R-R-R-R-R-R-R-R-R-R-R-R-R-R-R-R-R-R-R-R-R-R-R-R-r-R-r-R-R-R-r-R-r-RAIAL-AERIAL. |
| B — | 4-контактный разъем -T4by- , белый |
| q | AM/FM антенна для преобразователя импеданса 1-5-R2 заднего левого окна — |
| Q | FM2 Воздушное соединение для преобразователя импеданса для заднего правого окна Aerial -R236-, Радио-воздушное место 2 -R93- |
| C- | 2-Pin Connecter -T2FX-TO2FX-TO2FX-TO2FX-TO2FX-TO2FX-TO2FX-TO2FX-TO2FX-TO2FX-TO2FX-TO2FX-TO2FX-TO2FX-TO2FX-TO2FX-TO2FX-TO2FX.![]() |
| q | GPS aerial connection for GPS aerial -R50- in the roof aerial -RX5- |
| D — | 5-pin connector -T5af- , yellow |
| Q | к подключению для внешних источников звука -R199- |
| E- | 8-PIN Connector -T8AB-, Black |
| F- |
| F- |
| F- |
| . — , brown |
| G — | 12-pin connector -T12ac- , blue |
| H — | 12-pin connector -T12ab- , green |
| J — | 12-pin connector -T12aa- , grey |
| Connector assignment, control unit 1 for information electronics -J794- |
| -T8ac- (F) | Обозначение | -T8ab- (E) | Обозначение | ||
| 1 | Задний правый высокочастотный динамик -R16- , + 1) 176-Низкочастотный динамик задний правый -R| 5 1) | Усилитель -R12- 2) | |||
| 2 | Передний правый Требл Лудл Лудспаркер -R22-, 2 | 1) Усилитель -R12- 2) | 10 | ||
| 3 | 1) Усилитель -R12- 2) | 11 | |||
| 4 | задний левый трэбл Loudspeaker -R14-147385 | . Усилитель -R12- 2) | 12 | ||
| 5 | Правый Требл -Требл Сорт -Рубл -Рюд -Рюд -Рюдл. Усилитель -R12- 2) | 13 | |||
| 6 | Передний правый тройной гладкий глад. 2) | 14 | |||
| 7 | Перед левый тройный громкоговоритель — R220-, — 1) -левой шпиль 2) | 17 | Терминал 31 | ||
| 8 | Задний левый тройник -громкоговоритель — RLEAD -R14-, — 1) BAST LEFT LALED -RUSEPEAK 2) | 18 | Terminal 30 |
| 1) Only for vehicles without an amplifier -R12- |
| 2) Only for vehicles with an amplifier -R12 — |
| -T12aa- (J) | Designation | -T12ab- (H) | Designation | -T12ac- (G) | Обозначение | ||||||||||||||||||||||||||||||||||||||||||||||||||||||||||||||||||||||||||||||||||||||||||||||||||||||||||||||||||||||||||||||||||||||||||||||||||||||||||||||||||||||||||||||||||||||||||||||||||||||||||||||||||||||||||||||||||||||||||||||||||||||||||||||||||||||||||||||||||||||||||||||||||||||||||||||||||||||||||||||||||||||||||||||||||||||||||||||||||||||||||||||||||||||||||||||||||||||||||||||||||||||||||||||||||||||||||||||||||||||||||||||||||||||||||||||||||||||||||||||||||||||||||||||||||||||||||||||||||||||||||||||||||||||||||||||||||||||||||||||||||||||||||||||||||||||||||||||||||||||||||||||||||||||||||||||||||||||||||||||||||||||||||||||||||||||||||||||||||||||||||||||||||||||||||||||||||||||||||||||||||||||||||||||||||||||||||||||||||||||||||||||||||||||||||||||||||||||||||||||||||||||||||||||||||||||||||||||||||||||||||||||||||||||||||||||||||||||||||||||||||||||||||||||||||||||||||||||||||||||||||||||||||||||||||||||||||||||||||||||||||||||||||||||||||||||||||||||||||
| 1 | 1 | Разъем для внешних аудиоисточников -R199- |
| 2 | 2 | Connection for external audio sources -R199- | 2 | ||||||
| 3 | 3 | Connection for external audio sources -R199- | 3 | ||||||
| 4 | 4 | 90 90 17384 Подключение для 9 внешних аудиоисточников73704 | |||||||
| 5 | 5 | 5 | |||||||
| 6 | A178 Connection (infotainment CAN bus, high), in dash panel wiring harness | 6 | . 7384 Connection for external audio sources -R199- | 7 | Telephone microphone -R38- | ||||
| 8 | 8 | Connection for external audio sources -R199- | 8 | ||||||
| 9 | 9 | 9 | |||||||
| 10 | 10 | 10 | |||||||
| 11 | 11 | 11 | |||||||
| 12 | A179 Connection (infotainment CAN bus, low) , в жгуте проводов панели приборов | 12 | 12 | Камера заднего вида -R189- |
| Вернуться к обзору |
| Data Bus Bus Diagnostic Interface -J533- |
| Место для привода: | . bil
0008
Få Åtkomst до Alla Kopplingsscheman Bil
| ||||||||||||||||||||||||||||||||||||||||||||||||||||||||||||||||||||||||||||||||||||||||||||||||||||||||||||||||||||||||||||||||||||||||||||||||||||||||||||||||||||||||||||||||||||||||||||||||||||||||||||||||||||||||||||||||||||||||||||||||||||||||||||||||||||||||||||||||||||||||||||||||||||||||||||||||||||||||||||||||||||||||||||||||||||||||||||||||||||||||||||||||||||||||||||||||||||||||||||||||||||||||||||||||||||||||||||||||||||||||||||||||||||||||||||||||||||||||||||||||||||||||||||||||||||||||||||||||||||||||||||||||||||||||||||||||||||||||||||||||||||||||||||||||||||||||||||||||||||||||||||||||||||||||||||||||||||||||||||||||||||||||||||||||||||||||||||||||||||||||||||||||||||||||||||||||||||||||||||||||||||||||||||||||||||||||||||||||||||||||||||||||||||||||||||||||||||||||||||||||||||||||||||||||||||||||||||||||||||||||||||||||||||||||||||||||||||||||||||||||||||||||||||||||||||||||
| C- | 001252-pin connector -T52c- , brown |
| Connector assignment of onboard supply control unit -J519- : |
| T52a (A) | Обозначение | T52B (B) | Обозначение | T52C (C) | Обозначение | ||||||||||||||||||||
| 1 | 4444444444444444444444444444444444444444444444444444444444444444444444444444444444444444444444444н.1 | предохранитель 38 на держателе предохранителей C -SC38-, Центральная блокировка | 1 | не назначено | |||||||||||||||||||||
| 2 | |||||||||||||||||||||||||
| 2 | |||||||||||||||||||||||||
| 2 | |||||||||||||||||||||||||
| 2 | |||||||||||||||||||||||||
| 2 | не назначены | ||||||||||||||||||||||||
| 2 | . Двигатель стеклоочистителя -V12-, ветровое стекло и насос шайбы заднего стекла -V59- | 2 | Не назначено | ||||||||||||||||||||||
| 3 | Не назначено | 3 | 3 | 3 | 3 | 3 | 3 | 3 | 0012 | 3 | Right tail light bulb -M2- | ||||||||||||||
| 4 | Right washer jet heater element -Z21- , left washer jet heater element -Z20- | 4 | not assigned | 4 | Лампа левого стоп-сигнала -M9- | ||||||||||||||||||||
| 5 | Лампа дальнего света левой фары -M30- , левый стоп-сигнал -M51-0012 | 5 | Earth connection 1, in main wiring harness -366- | ||||||||||||||||||||||
| 6 | Left tail light bulb -M4- , right rear fog lamp bulb -L47- | 6 | not assigned | 6 | not assigned | ||||||||||||||||||||
| 7 | Left daytime running light bulb -L174- | 7 | not assigned | 7 | Hazard warning light switch -E3- | ||||||||||||||||||||
| 8 | Right daytime running light bulb -L175- | 8 | not assigned | 8 | not assigned | ||||||||||||||||||||
| 9 | Rear right turn signal bulb -M8- | 9 | Не назначен | 9 | Не назначено | ||||||||||||||||||||
| 10 | . 0012 | не назначен | 10 | Передний плафон освещения салона -W1- , кнопка отключения охраны салона и датчика наклона автомобиля -E616- Лучаная лампа -M29- | 11 | Мотор выброса задней крышки -V139- | 11 | Не назначено | |||||||||||||||||
| 12 | 444444.f -Lid -Lid -Lid -LID -LID -FAR -FRID -LID -FRID -FRID -FRID -FRID -FIR -FRID -FRID -FRID -FRIDGER -FRID -FRINDAGE, FREAD -FRID -FRIDGER -FRIDGER. , освещение багажника -W3- | 12 | Terminal 15 voltage supply relay 2 -J681- | 12 | not assigned | ||||||||||||||||||||
| 13 | not assigned | 13 | not assigned | 13 | Блок управления рулевой колонки -J527- , выключатель зажигания/стартера -D- , клемма S | ||||||||||||||||||||
| 14 | Контактный выключатель капота -F266- | 14 | not assigned | 14 | Positive connection (50), in main wiring harness -B276- , steering column electronics control unit -J527- | ||||||||||||||||||||
| 15 | not assigned | 15 | Переключатель и регулятор подсветки приборов -E20- | 15 | Диагностический интерфейс шины данных -J533- , разъем 1 (шина CAN-комфорт, высокий), в основном жгуте проводов -B397- | ||||||||||||||||||||
| 16 | Переключатель реверсирования света -F4- | 16 | Не присваивается | 16 | . harness -B406- | ||||||||||||||||||||
| 17 | Rear fog light switch -E18- | 17 | not assigned | 17 | Brake light switch -F- | ||||||||||||||||||||
| 18 | Переключатель света -E1-, 0 Положение | 18 | Не назначено | 18 | не назначено | 18 | не назначено |
0 не назначено0012

77012. 77012. 77012. 77012. 77012. 77012. 77012. 77012. 77012. 77012. 77012.
-A41-
1 Только модели с функцией старт/стоп и рекуперацией энергии8
Примечание:
Få Åtkomst до Alla Kopplingsscheman Bil | 11111111111111111111111111111111111111111111111111111111111111111111111111111111111111112ID. блок управления вспомогательного рулевого управления -J791- |
| A — | 26-контактный разъем -T26- |
| B — | 1 8-контактный разъем -T0012
|
| Изображенная модель автомобиля не соответствует реальной модели автомобиля. Однако место установки идентично в реальной модели автомобиля. |
| Место установки: |
| В водоотводящем коробе со стороны водителя. |
Få åtkomst till alla kopplingsscheman bil
| 1 — | Wiper motor control unit -J400- |
| A — | 4-pin connector -T4q- |
|
| Få åtkomst till alla kopplingsscheman bil |
| Назначение штекера блока управления усилителем рулевого управления -J500- : |
Отключено до Alla kopplingsscheman bil
| A- | Блок управления рулевым управлением-J500- |
| B- | 5-контактный разъем -t5G- |
| CEC- |
| D — | 2-pin connector -T2a- |
|
| Блок управления рулевым управлением рулевого управления -J500-, с мая 2009 г. |
| Место для подгонки: |
| на рулете в центре Assembly Carrier |
| 1- | Блок управления рулевым управлением питания -J500- |
| A- | 3-контактный разъем-T3BE- |
| B- |
| B- |
| C — | 5-pin connector -T5ab- |
|
| Блок управления контроля аккумуляторной батареи -J367- |
Примечание:
Изображенная модель автомобиля не соответствует реальной модели автомобиля. Однако место установки идентично в реальной модели автомобиля. |
| Место установки: |
| на аккумуляторе. |
Få åtkomst till alla kopplingsscheman bil
| 1 — | Battery monitor control unit -J367- |
| A — | 2-pin connector -T2fj- |
|
Mechatronic для двойного сцепления. Изображенная модель автомобиля не соответствует реальной модели автомобиля. Однако место установки идентично в реальной модели автомобиля.![]() |
| Место установки: |
| на коробке передач с двойной сцеплением 02E |
Få Åtkomst до Alla Kopplingsscheman BIL
| 1- | MeChatroning Bind For Dual Clatch Gear Box -J743- | . Connector -T20E- |
|
Примечание:
| Изображенная модель автомобиля не соответствует реальной модели автомобиля. Однако место установки идентично в реальной модели автомобиля. |
| Fitting location: |
| on dual clutch gearbox 0AM |
Få åtkomst till alla kopplingsscheman bil
| 1 — | Mechatronic unit for dual clutch gearbox -J743- |
| A — | 25-pin connector -T25- |
|
VW PASSAT 2007 – Body electrical .
Схемы подключения, штырьковый разъем, расположение – Схемы подключения автомобилейСхема подключения VW PASSAT 2007 — Реле разгрузки контактов X — Блок управления бортовой сетью — Предохранители
| J59 | X-contact relief relay | ||||||||||||||||||||||||||||||||||||||||||||||||||||||||||||||||||||||||||||||||||||||||||||||||||||||||||||||||||||||||||||||||||||||||||||||||||||||||||||||||||||||||||||||||||||||||||||||||||||||||||||||||||||||||||||||||||||||||||||||||||||||||||||||||||||||||||||||||||||||||||||||||||||||||||||||||||||||||||||||||||||||||||||||||||||||||||||||||||||||||||||||||||||||||||||||||||||||||||||||||||||||||||||||||||||||||||||||||||||||||||||||||||||||||||||||||||||||||||||||||||||||||||||||||||||||||||||||||||||||||||||||||||||||||||||||||||||||||||||||||||||||||||||||||||||||||||||||||||||||||||||||||||||||||||||||||||||||||||||||||||||||||||||||||||||||||||||||||||||||||||||||||||||||||||||||||||||||||||||||||||||||||||||||||||||||||||||||||||||||||||||||||||||||||||||||||||||||||||||||||||||||||||||||||||||||||||||||||||||||||||||||||||||||||||||||||||||||||||||||||||||||||||||||||||||||||||||||||||||||||||||||||||||||||||||||||||||||||||||||||||||||||||||||||||||||||||||||||||||||
| J519 | Onboard supply control unit | ||||||||||||||||||||||||||||||||||||||||||||||||||||||||||||||||||||||||||||||||||||||||||||||||||||||||||||||||||||||||||||||||||||||||||||||||||||||||||||||||||||||||||||||||||||||||||||||||||||||||||||||||||||||||||||||||||||||||||||||||||||||||||||||||||||||||||||||||||||||||||||||||||||||||||||||||||||||||||||||||||||||||||||||||||||||||||||||||||||||||||||||||||||||||||||||||||||||||||||||||||||||||||||||||||||||||||||||||||||||||||||||||||||||||||||||||||||||||||||||||||||||||||||||||||||||||||||||||||||||||||||||||||||||||||||||||||||||||||||||||||||||||||||||||||||||||||||||||||||||||||||||||||||||||||||||||||||||||||||||||||||||||||||||||||||||||||||||||||||||||||||||||||||||||||||||||||||||||||||||||||||||||||||||||||||||||||||||||||||||||||||||||||||||||||||||||||||||||||||||||||||||||||||||||||||||||||||||||||||||||||||||||||||||||||||||||||||||||||||||||||||||||||||||||||||||||||||||||||||||||||||||||||||||||||||||||||||||||||||||||||||||||||||||||||||||||||||||||||||||
| SB25 | Fuse 25 on fuse holder B | ||||||||||||||||||||||||||||||||||||||||||||||||||||||||||||||||||||||||||||||||||||||||||||||||||||||||||||||||||||||||||||||||||||||||||||||||||||||||||||||||||||||||||||||||||||||||||||||||||||||||||||||||||||||||||||||||||||||||||||||||||||||||||||||||||||||||||||||||||||||||||||||||||||||||||||||||||||||||||||||||||||||||||||||||||||||||||||||||||||||||||||||||||||||||||||||||||||||||||||||||||||||||||||||||||||||||||||||||||||||||||||||||||||||||||||||||||||||||||||||||||||||||||||||||||||||||||||||||||||||||||||||||||||||||||||||||||||||||||||||||||||||||||||||||||||||||||||||||||||||||||||||||||||||||||||||||||||||||||||||||||||||||||||||||||||||||||||||||||||||||||||||||||||||||||||||||||||||||||||||||||||||||||||||||||||||||||||||||||||||||||||||||||||||||||||||||||||||||||||||||||||||||||||||||||||||||||||||||||||||||||||||||||||||||||||||||||||||||||||||||||||||||||||||||||||||||||||||||||||||||||||||||||||||||||||||||||||||||||||||||||||||||||||||||||||||||||||||||||||||
| SB26 | Fuse 26 on fuse holder B | ||||||||||||||||||||||||||||||||||||||||||||||||||||||||||||||||||||||||||||||||||||||||||||||||||||||||||||||||||||||||||||||||||||||||||||||||||||||||||||||||||||||||||||||||||||||||||||||||||||||||||||||||||||||||||||||||||||||||||||||||||||||||||||||||||||||||||||||||||||||||||||||||||||||||||||||||||||||||||||||||||||||||||||||||||||||||||||||||||||||||||||||||||||||||||||||||||||||||||||||||||||||||||||||||||||||||||||||||||||||||||||||||||||||||||||||||||||||||||||||||||||||||||||||||||||||||||||||||||||||||||||||||||||||||||||||||||||||||||||||||||||||||||||||||||||||||||||||||||||||||||||||||||||||||||||||||||||||||||||||||||||||||||||||||||||||||||||||||||||||||||||||||||||||||||||||||||||||||||||||||||||||||||||||||||||||||||||||||||||||||||||||||||||||||||||||||||||||||||||||||||||||||||||||||||||||||||||||||||||||||||||||||||||||||||||||||||||||||||||||||||||||||||||||||||||||||||||||||||||||||||||||||||||||||||||||||||||||||||||||||||||||||||||||||||||||||||||||||||||||
| SB29 | Fuse 29 on fuse holder B | ||||||||||||||||||||||||||||||||||||||||||||||||||||||||||||||||||||||||||||||||||||||||||||||||||||||||||||||||||||||||||||||||||||||||||||||||||||||||||||||||||||||||||||||||||||||||||||||||||||||||||||||||||||||||||||||||||||||||||||||||||||||||||||||||||||||||||||||||||||||||||||||||||||||||||||||||||||||||||||||||||||||||||||||||||||||||||||||||||||||||||||||||||||||||||||||||||||||||||||||||||||||||||||||||||||||||||||||||||||||||||||||||||||||||||||||||||||||||||||||||||||||||||||||||||||||||||||||||||||||||||||||||||||||||||||||||||||||||||||||||||||||||||||||||||||||||||||||||||||||||||||||||||||||||||||||||||||||||||||||||||||||||||||||||||||||||||||||||||||||||||||||||||||||||||||||||||||||||||||||||||||||||||||||||||||||||||||||||||||||||||||||||||||||||||||||||||||||||||||||||||||||||||||||||||||||||||||||||||||||||||||||||||||||||||||||||||||||||||||||||||||||||||||||||||||||||||||||||||||||||||||||||||||||||||||||||||||||||||||||||||||||||||||||||||||||||||||||||||||||
| SB30 | Fuse 30 on fuse holder B | ||||||||||||||||||||||||||||||||||||||||||||||||||||||||||||||||||||||||||||||||||||||||||||||||||||||||||||||||||||||||||||||||||||||||||||||||||||||||||||||||||||||||||||||||||||||||||||||||||||||||||||||||||||||||||||||||||||||||||||||||||||||||||||||||||||||||||||||||||||||||||||||||||||||||||||||||||||||||||||||||||||||||||||||||||||||||||||||||||||||||||||||||||||||||||||||||||||||||||||||||||||||||||||||||||||||||||||||||||||||||||||||||||||||||||||||||||||||||||||||||||||||||||||||||||||||||||||||||||||||||||||||||||||||||||||||||||||||||||||||||||||||||||||||||||||||||||||||||||||||||||||||||||||||||||||||||||||||||||||||||||||||||||||||||||||||||||||||||||||||||||||||||||||||||||||||||||||||||||||||||||||||||||||||||||||||||||||||||||||||||||||||||||||||||||||||||||||||||||||||||||||||||||||||||||||||||||||||||||||||||||||||||||||||||||||||||||||||||||||||||||||||||||||||||||||||||||||||||||||||||||||||||||||||||||||||||||||||||||||||||||||||||||||||||||||||||||||||||||||||
| SB47 | Fuse 47 on fuse holder B | ||||||||||||||||||||||||||||||||||||||||||||||||||||||||||||||||||||||||||||||||||||||||||||||||||||||||||||||||||||||||||||||||||||||||||||||||||||||||||||||||||||||||||||||||||||||||||||||||||||||||||||||||||||||||||||||||||||||||||||||||||||||||||||||||||||||||||||||||||||||||||||||||||||||||||||||||||||||||||||||||||||||||||||||||||||||||||||||||||||||||||||||||||||||||||||||||||||||||||||||||||||||||||||||||||||||||||||||||||||||||||||||||||||||||||||||||||||||||||||||||||||||||||||||||||||||||||||||||||||||||||||||||||||||||||||||||||||||||||||||||||||||||||||||||||||||||||||||||||||||||||||||||||||||||||||||||||||||||||||||||||||||||||||||||||||||||||||||||||||||||||||||||||||||||||||||||||||||||||||||||||||||||||||||||||||||||||||||||||||||||||||||||||||||||||||||||||||||||||||||||||||||||||||||||||||||||||||||||||||||||||||||||||||||||||||||||||||||||||||||||||||||||||||||||||||||||||||||||||||||||||||||||||||||||||||||||||||||||||||||||||||||||||||||||||||||||||||||||||||||
| SB48 | Fuse 48 on fuse holder B | ||||||||||||||||||||||||||||||||||||||||||||||||||||||||||||||||||||||||||||||||||||||||||||||||||||||||||||||||||||||||||||||||||||||||||||||||||||||||||||||||||||||||||||||||||||||||||||||||||||||||||||||||||||||||||||||||||||||||||||||||||||||||||||||||||||||||||||||||||||||||||||||||||||||||||||||||||||||||||||||||||||||||||||||||||||||||||||||||||||||||||||||||||||||||||||||||||||||||||||||||||||||||||||||||||||||||||||||||||||||||||||||||||||||||||||||||||||||||||||||||||||||||||||||||||||||||||||||||||||||||||||||||||||||||||||||||||||||||||||||||||||||||||||||||||||||||||||||||||||||||||||||||||||||||||||||||||||||||||||||||||||||||||||||||||||||||||||||||||||||||||||||||||||||||||||||||||||||||||||||||||||||||||||||||||||||||||||||||||||||||||||||||||||||||||||||||||||||||||||||||||||||||||||||||||||||||||||||||||||||||||||||||||||||||||||||||||||||||||||||||||||||||||||||||||||||||||||||||||||||||||||||||||||||||||||||||||||||||||||||||||||||||||||||||||||||||||||||||||||||
| SB49 | Fuse 49 on fuse holder B | ||||||||||||||||||||||||||||||||||||||||||||||||||||||||||||||||||||||||||||||||||||||||||||||||||||||||||||||||||||||||||||||||||||||||||||||||||||||||||||||||||||||||||||||||||||||||||||||||||||||||||||||||||||||||||||||||||||||||||||||||||||||||||||||||||||||||||||||||||||||||||||||||||||||||||||||||||||||||||||||||||||||||||||||||||||||||||||||||||||||||||||||||||||||||||||||||||||||||||||||||||||||||||||||||||||||||||||||||||||||||||||||||||||||||||||||||||||||||||||||||||||||||||||||||||||||||||||||||||||||||||||||||||||||||||||||||||||||||||||||||||||||||||||||||||||||||||||||||||||||||||||||||||||||||||||||||||||||||||||||||||||||||||||||||||||||||||||||||||||||||||||||||||||||||||||||||||||||||||||||||||||||||||||||||||||||||||||||||||||||||||||||||||||||||||||||||||||||||||||||||||||||||||||||||||||||||||||||||||||||||||||||||||||||||||||||||||||||||||||||||||||||||||||||||||||||||||||||||||||||||||||||||||||||||||||||||||||||||||||||||||||||||||||||||||||||||||||||||||||||
| SB53 | Fuse 53 on fuse holder B | ||||||||||||||||||||||||||||||||||||||||||||||||||||||||||||||||||||||||||||||||||||||||||||||||||||||||||||||||||||||||||||||||||||||||||||||||||||||||||||||||||||||||||||||||||||||||||||||||||||||||||||||||||||||||||||||||||||||||||||||||||||||||||||||||||||||||||||||||||||||||||||||||||||||||||||||||||||||||||||||||||||||||||||||||||||||||||||||||||||||||||||||||||||||||||||||||||||||||||||||||||||||||||||||||||||||||||||||||||||||||||||||||||||||||||||||||||||||||||||||||||||||||||||||||||||||||||||||||||||||||||||||||||||||||||||||||||||||||||||||||||||||||||||||||||||||||||||||||||||||||||||||||||||||||||||||||||||||||||||||||||||||||||||||||||||||||||||||||||||||||||||||||||||||||||||||||||||||||||||||||||||||||||||||||||||||||||||||||||||||||||||||||||||||||||||||||||||||||||||||||||||||||||||||||||||||||||||||||||||||||||||||||||||||||||||||||||||||||||||||||||||||||||||||||||||||||||||||||||||||||||||||||||||||||||||||||||||||||||||||||||||||||||||||||||||||||||||||||||||||
| SC40 | Fuse 40 on fuse holder C | ||||||||||||||||||||||||||||||||||||||||||||||||||||||||||||||||||||||||||||||||||||||||||||||||||||||||||||||||||||||||||||||||||||||||||||||||||||||||||||||||||||||||||||||||||||||||||||||||||||||||||||||||||||||||||||||||||||||||||||||||||||||||||||||||||||||||||||||||||||||||||||||||||||||||||||||||||||||||||||||||||||||||||||||||||||||||||||||||||||||||||||||||||||||||||||||||||||||||||||||||||||||||||||||||||||||||||||||||||||||||||||||||||||||||||||||||||||||||||||||||||||||||||||||||||||||||||||||||||||||||||||||||||||||||||||||||||||||||||||||||||||||||||||||||||||||||||||||||||||||||||||||||||||||||||||||||||||||||||||||||||||||||||||||||||||||||||||||||||||||||||||||||||||||||||||||||||||||||||||||||||||||||||||||||||||||||||||||||||||||||||||||||||||||||||||||||||||||||||||||||||||||||||||||||||||||||||||||||||||||||||||||||||||||||||||||||||||||||||||||||||||||||||||||||||||||||||||||||||||||||||||||||||||||||||||||||||||||||||||||||||||||||||||||||||||||||||||||||||||||
| SC42 | Fuse 42 on fuse Держатель C | ||||||||||||||||||||||||||||||||||||||||||||||||||||||||||||||||||||||||||||||||||||||||||||||||||||||||||||||||||||||||||||||||||||||||||||||||||||||||||||||||||||||||||||||||||||||||||||||||||||||||||||||||||||||||||||||||||||||||||||||||||||||||||||||||||||||||||||||||||||||||||||||||||||||||||||||||||||||||||||||||||||||||||||||||||||||||||||||||||||||||||||||||||||||||||||||||||||||||||||||||||||||||||||||||||||||||||||||||||||||||||||||||||||||||||||||||||||||||||||||||||||||||||||||||||||||||||||||||||||||||||||||||||||||||||||||||||||||||||||||||||||||||||||||||||||||||||||||||||||||||||||||||||||||||||||||||||||||||||||||||||||||||||||||||||||||||||||||||||||||||||||||||||||||||||||||||||||||||||||||||||||||||||||||||||||||||||||||||||||||||||||||||||||||||||||||||||||||||||||||||||||||||||||||||||||||||||||||||||||||||||||||||||||||||||||||||||||||||||||||||||||||||||||||||||||||||||||||||||||||||||||||||||||||||||||||||||||||||||||||||||||||||||||||||||||||||||||||||||||||
| T2CP | 2-контактный разъем, коричневый | ||||||||||||||||||||||||||||||||||||||||||||||||||||||||||||||||||||||||||||||||||||||||||||||||||||||||||||||||||||||||||||||||||||||||||||||||||||||||||||||||||||||||||||||||||||||||||||||||||||||||||||||||||||||||||||||||||||||||||||||||||||||||||||||||||||||||||||||||||||||||||||||||||||||||||||||||||||||||||||||||||||||||||||||||||||||||||||||||||||||||||||||||||||||||||||||||||||||||||||||||||||||||||||||||||||||||||||||||||||||||||||||||||||||||||||||||||||||||||||||||||||||||||||||||||||||||||||||||||||||||||||||||||||||||||||||||||||||||||||||||||||||||||||||||||||||||||||||||||||||||||||||||||||||||||||||||||||||||||||||||||||||||||||||||||||||||||||||||||||||||||||||||||||||||||||||||||||||||||||||||||||||||||||||||||||||||||||||||||||||||||||||||||||||||||||||||||||||||||||||||||||||||||||||||||||||||||||||||||||||||||||||||||||||||||||||||||||||||||||||||||||||||||||||||||||||||||||||||||||||||||||||||||||||||||||||||||||||||||||||||||||||||||||||||||||||||||||||||||||||
| T2CQ | 2-контактный разъем, Black | ||||||||||||||||||||||||||||||||||||||||||||||||||||||||||||||||||||||||||||||||||||||||||||||||||||||||||||||||||||||||||||||||||||||||||||||||||||||||||||||||||||||||||||||||||||||||||||||||||||||||||||||||||||||||||||||||||||||||||||||||||||||||||||||||||||||||||||||||||||||||||||||||||||||||||||||||||||||||||||||||||||||||||||||||||||||||||||||||||||||||||||||||||||||||||||||||||||||||||||||||||||||||||||||||||||||||||||||||||||||||||||||||||||||||||||||||||||||||||||||||||||||||||||||||||||||||||||||||||||||||||||||||||||||||||||||||||||||||||||||||||||||||||||||||||||||||||||||||||||||||||||||||||||||||||||||||||||||||||||||||||||||||||||||||||||||||||||||||||||||||||||||||||||||||||||||||||||||||||||||||||||||||||||||||||||||||||||||||||||||||||||||||||||||||||||||||||||||||||||||||||||||||||||||||||||||||||||||||||||||||||||||||||||||||||||||||||||||||||||||||||||||||||||||||||||||||||||||||||||||||||||||||||||||||||||||||||||||||||||||||||||||||||||||||||||||||||||||||||||||
| T11 | 11-Pin Connector, Black | 9 | 11-Pin Connector, Black | 9 | 11-Pin Connector, Black | 11-PIN Connector, Black | |||||||||||||||||||||||||||||||||||||||||||||||||||||||||||||||||||||||||||||||||||||||||||||||||||||||||||||||||||||||||||||||||||||||||||||||||||||||||||||||||||||||||||||||||||||||||||||||||||||||||||||||||||||||||||||||||||||||||||||||||||||||||||||||||||||||||||||||||||||||||||||||||||||||||||||||||||||||||||||||||||||||||||||||||||||||||||||||||||||||||||||||||||||||||||||||||||||||||||||||||||||||||||||||||||||||||||||||||||||||||||||||||||||||||||||||||||||||||||||||||||||||||||||||||||||||||||||||||||||||||||||||||||||||||||||||||||||||||||||||||||||||||||||||||||||||||||||||||||||||||||||||||||||||||||||||||||||||||||||||||||||||||||||||||||||||||||||||||||||||||||||||||||||||||||||||||||||||||||||||||||||||||||||||||||||||||||||||||||||||||||||||||||||||||||||||||||||||||||||||||||||||||||||||||||||||||||||||||||||||||||||||||||||||||||||||||||||||||||||||||||||||||||||||||||||||||||||||||||||||||||||||||||||||||||||||||||||||||||||||||||||||||||||||||||||||||||||||||
| 0011 T11a | 11-pin connector, brown | ||||||||||||||||||||||||||||||||||||||||||||||||||||||||||||||||||||||||||||||||||||||||||||||||||||||||||||||||||||||||||||||||||||||||||||||||||||||||||||||||||||||||||||||||||||||||||||||||||||||||||||||||||||||||||||||||||||||||||||||||||||||||||||||||||||||||||||||||||||||||||||||||||||||||||||||||||||||||||||||||||||||||||||||||||||||||||||||||||||||||||||||||||||||||||||||||||||||||||||||||||||||||||||||||||||||||||||||||||||||||||||||||||||||||||||||||||||||||||||||||||||||||||||||||||||||||||||||||||||||||||||||||||||||||||||||||||||||||||||||||||||||||||||||||||||||||||||||||||||||||||||||||||||||||||||||||||||||||||||||||||||||||||||||||||||||||||||||||||||||||||||||||||||||||||||||||||||||||||||||||||||||||||||||||||||||||||||||||||||||||||||||||||||||||||||||||||||||||||||||||||||||||||||||||||||||||||||||||||||||||||||||||||||||||||||||||||||||||||||||||||||||||||||||||||||||||||||||||||||||||||||||||||||||||||||||||||||||||||||||||||||||||||||||||||||||||||||||||||||||
| T40 | 40-pin connector, on E-box | ||||||||||||||||||||||||||||||||||||||||||||||||||||||||||||||||||||||||||||||||||||||||||||||||||||||||||||||||||||||||||||||||||||||||||||||||||||||||||||||||||||||||||||||||||||||||||||||||||||||||||||||||||||||||||||||||||||||||||||||||||||||||||||||||||||||||||||||||||||||||||||||||||||||||||||||||||||||||||||||||||||||||||||||||||||||||||||||||||||||||||||||||||||||||||||||||||||||||||||||||||||||||||||||||||||||||||||||||||||||||||||||||||||||||||||||||||||||||||||||||||||||||||||||||||||||||||||||||||||||||||||||||||||||||||||||||||||||||||||||||||||||||||||||||||||||||||||||||||||||||||||||||||||||||||||||||||||||||||||||||||||||||||||||||||||||||||||||||||||||||||||||||||||||||||||||||||||||||||||||||||||||||||||||||||||||||||||||||||||||||||||||||||||||||||||||||||||||||||||||||||||||||||||||||||||||||||||||||||||||||||||||||||||||||||||||||||||||||||||||||||||||||||||||||||||||||||||||||||||||||||||||||||||||||||||||||||||||||||||||||||||||||||||||||||||||||||||||||||||||
| B319 | Connection 5 (30a), in main wiring harness | ||||||||||||||||||||||||||||||||||||||||||||||||||||||||||||||||||||||||||||||||||||||||||||||||||||||||||||||||||||||||||||||||||||||||||||||||||||||||||||||||||||||||||||||||||||||||||||||||||||||||||||||||||||||||||||||||||||||||||||||||||||||||||||||||||||||||||||||||||||||||||||||||||||||||||||||||||||||||||||||||||||||||||||||||||||||||||||||||||||||||||||||||||||||||||||||||||||||||||||||||||||||||||||||||||||||||||||||||||||||||||||||||||||||||||||||||||||||||||||||||||||||||||||||||||||||||||||||||||||||||||||||||||||||||||||||||||||||||||||||||||||||||||||||||||||||||||||||||||||||||||||||||||||||||||||||||||||||||||||||||||||||||||||||||||||||||||||||||||||||||||||||||||||||||||||||||||||||||||||||||||||||||||||||||||||||||||||||||||||||||||||||||||||||||||||||||||||||||||||||||||||||||||||||||||||||||||||||||||||||||||||||||||||||||||||||||||||||||||||||||||||||||||||||||||||||||||||||||||||||||||||||||||||||||||||||||||||||||||||||||||||||||||||||||||||||||||||||||||||||
| B346 | Соединение 1 (75), в основном жгуте проводов | ||||||||||||||||||||||||||||||||||||||||||||||||||||||||||||||||||||||||||||||||||||||||||||||||||||||||||||||||||||||||||||||||||||||||||||||||||||||||||||||||||||||||||||||||||||||||||||||||||||||||||||||||||||||||||||||||||||||||||||||||||||||||||||||||||||||||||||||||||||||||||||||||||||||||||||||||||||||||||||||||||||||||||||||||||||||||||||||||||||||||||||||||||||||||||||||||||||||||||||||||||||||||||||||||||||||||||||||||||||||||||||||||||||||||||||||||||||||||||||||||||||||||||||||||||||||||||||||||||||||||||||||||||||||||||||||||||||||||||||||||||||||||||||||||||||||||||||||||||||||||||||||||||||||||||||||||||||||||||||||||||||||||||||||||||||||||||||||||||||||||||||||||||||||||||||||||||||||||||||||||||||||||||||||||||||||||||||||||||||||||||||||||||||||||||||||||||||||||||||||||||||||||||||||||||||||||||||||||||||||||||||||||||||||||||||||||||||||||||||||||||||||||||||||||||||||||||||||||||||||||||||||||||||||||||||||||||||||||||||||||||||||||||||||||||||||||||||||||||||||
| * | Предохранители в блоке электроники, низкий уровень | ||||||||||||||||||||||||||||||||||||||||||||||||||||||||||||||||||||||||||||||||||||||||||||||||||||||||||||||||||||||||||||||||||||||||||||||||||||||||||||||||||||||||||||||||||||||||||||||||||||||||||||||||||||||||||||||||||||||||||||||||||||||||||||||||||||||||||||||||||||||||||||||||||||||||||||||||||||||||||||||||||||||||||||||||||||||||||||||||||||||||||||||||||||||||||||||||||||||||||||||||||||||||||||||||||||||||||||||||||||||||||||||||||||||||||||||||||||||||||||||||||||||||||||||||||||||||||||||||||||||||||||||||||||||||||||||||||||||||||||||||||||||||||||||||||||||||||||||||||||||||||||||||||||||||||||||||||||||||||||||||||||||||||||||||||||||||||||||||||||||||||||||||||||||||||||||||||||||||||||||||||||||||||||||||||||||||||||||||||||||||||||||||||||||||||||||||||||||||||||||||||||||||||||||||||||||||||||||||||||||||||||||||||||||||||||||||||||||||||||||||||||||||||||||||||||||||||||||||||||||||||||||||||||||||||||||||||||||||||||||||||||||||||||||||||||||||||||||||||||||
| ** | Предохранители в блоке управления, высокий уровень | 7 Напряжение на клемме 2 WASSAT реле питания — блок управления бортовой сетью — предохранители Get Access all wiring diagrams car
WINGIN — Контактный выключатель капота — звуковой сигнал — блок управления бортовой сетьюGet Access all электрических схем автомобиля
|


Точно так же кнопки блокировки дверей можно приводить
в действие вручную. Только крышку топливного бака нужно деблокировать
отдельно: демонтировать правую облицовку багажника. Надавите на крепежный
фиксатор серводвигателя центрального замка крышки топливного бака и вытяните
исполнительный элемент назад.
В этом случае размыкающий контакт в порядке.

Здесь он «вынут» из
своей оболочки из пенопласта (1). Далее вы видите: электрические провода
(4) и нагнетательный/вакуумный шланг (3) к переключающим элементам.

е. меньше 3 с. Замените неисправную деталь.


з.
Для просмотра адреса в браузере должен быть включен Javascript.
(Для закрытия подать массу через резистор 760 Ом, для открытия чистую массу)
Но при работе двигателя задержки нет, и логическая нейтраль проходит штатно.
12V
з.
Точки подключения автосигнализации на Volkswagen Passat 1993 — 1996
Если заземлить контакт №8 помпы центрального замка (в багажнике с пассажирской стороны), то для отпирания будет требоваться один импульс
\син
з.
) на разъеме за левой боковиной
Точки подключения автосигнализации на VW Passat 1998г правый руль АКПП
(Для закрытия подать массу через резистор 760 Ом, для открытия чистую массу)