Автомобильный стапель Vector M — Стапель Vector
Отдел продаж: +7 (916) 631-66-23 МО, Пушкинский район, Старое Ярославское шоссе, 1А. Отдел продаж: +7 (916) 631-66-23 МО, Пушкинский район, Старое Ярославское шоссе, 1А. Отдел продаж: +7 (916) 631-66-23 МО, Пушкинский район, Старое Ярославское шоссе, 1А.
83,000.00₽
В комплект стапеля входит:
- Рама 1800 х 1400 х 100 мм
- Трехшарнирное силовое устройство
- Четыре зажима 100 мм
- Комплект съёмных ножек
- Комплект гидравлики (Помпа+цилиндр)
Гарантия на основные узлы и гидравлику – один год.
Количество Автомобильный стапель Vector M
Категория: Стапели
- Описание
- Детали
Описание
Срок поставки 2 рабочих дня.

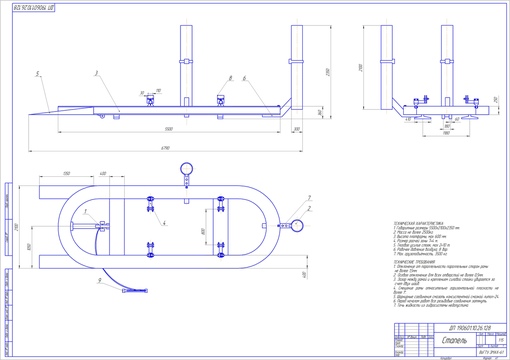
Технические характеристики стапеля Vector M:
- Рабочая зона конструкции стапеля – 360 градусов
- Силовое устройство наклоняется на 75 градусов в любую сторону от вертикали
- Закалённые зажимы шириной 100 мм имеют возможность регулировки по ширине.
- Простота установки автомобиля на стапель
- Компактные размеры (рабочая зона стапеля 3х6 метра)
- Небольшой вес (рама – 60 кг Силовое устройсвто – 40 кг)
О стапеле
Конструкция стапеля Vector M предназначена для устранения любых повреждений кузова автомобиля. Размеры стапеля Vector M позволяют, в случае необходимости, работать на нём в небольшом помещении и даже в стандартном гараже (3х6 метра). Стапель легко разбирается и собирается, и при необходимости, позволяет легко хранить, и перевозить его.
Силовое устройство стапеля Vector M
Поворотное силовое устройство стапеля Vector М более удобно в работе при изменении вектора тяги. Достаточно нажать на педаль в задней части с.
у. и наклон осуществляется в пределах 150 градусов с шагом по 20 градусов, и имеет 7 фиксированных положений.
Стапель Vector M Перед отправкой
Характеристики стапеля Vector | |
| Размеры рамы без захватов (Ш х Д х В) | 1780 х 1060 х 80 мм |
| Размеры силового устройства (Д х В) | 2200 х 1600 мм |
| Минимальная ширина захвата зажимов | 1130 мм |
| Максимальная ширина захвата зажимов | 1760 мм |
| Расстояние между зажимами (база) | 1060 мм |
| Максимальный вес автомобиля | 2000 кг |
| Максимальное тяговое усилие | 10 т |
| Вес (рама, силовое устройство, набор гидравлики) | ~160 кг |
- Автомобиль вывешивается на установочных табуретах и находится на высоте 200 мм относительно высоты порога.

- С помощью домкрата рама приподнимается с одной стороны, губки зажимов прикрепляются за отбортовку порога и фиксируются. Аналогичные действия производятся с другой стороны.
- Стапель вместе с автомобилем ставится на ножки.
- Стапель готов к работе!
Приобретение оборудования: +7(916)631-66-23
Стапель для кузова автомобиля | Cтапель авто
В номере 44 за июнь-июль 2014 года уже рассказывалось о представленных на российском рынке марках оборудования для ремонта кузовов. В этот раз в беседе с Сергеем Александровым, директором департамента автосервисного оборудования «Европроект Групп», мы остановимся более подробно на выборе стапеля, исходя из задач и масштабов СТО и особенностях некоторых систем.
Для начала вкратце напомним о типах существующих стапелей. На сегодняшний день на российском рынке представлены платформенные, рамные и напольные стапели с монтируемой в пол рельсовой системой. Большую часть А-сегмента в нашей стране занимают напольные системы, наиболее популярными из которых являются Blackhawk и Spanesi Daytona.
В сегментах В и С доминируют платформенные и рамные стапели. В С-сегменте широко представлены китайские и российские бренды (SIVER), а также некоторые именитые производители, такие как AUTOROBOT, CarBench, Spanesi. Последние также имеют стапели, подходящие для B-сегмента.
В случае с платформенными стапелями, наиболее серьезными их недостатками являются громоздкость и вес, а также и меньшее удобство в работе с внутренней частью кузова. При исправлении последствий бокового удара может быть необходимо проведение процедуры для оценки масштабов работы с повреждением. Но чтобы посмотреть как, например, тянется пол, потребуется доступ в пространство между стапелем и кузовом. В случае с платформенным стапелем проникновение в весьма узкое пространство может быть очень непростой задачей для мастеров автосервиса.
Рамный стапель чаще всего содержит в себе подъемник, с размещенной на ней рамой, на которую устанавливается автомобиль. Как правило, рамные стапели выполняются в одной из двух конфигурациях – рамный стапель с подхватами под пороги и более технологичный и перспективный вариант – рамный стапель с шаблонной системой.
Наиболее интересные варианты последних выпускают Car-O-Liner, CELETTE S.A. и Spanesi.
Кроме того, существуют и системы, которые объединяют возможности стапеля с подхватами и шаблонной системой. Так, у компании Spanesi имеется модель рамного стапеля с монтажом в пол или напольной системой, вокруг которой по рельсу можно перемещать тяговые башни, производя при помощи цепей тяговые усилия. Подобные системы позволяют осуществлять многоуровневые ремонтные работы, начиная от минимальных рихтовочных и сварочных работ, которым не мешает отодвинутая в сторону башня, заканчивая капитальным ремонтом кузова с помощью тяговых башен. При этом саму башню, расположенную на кольце, не нужно крепить на подъемник. Как только автомобиль поднят, захваты могут быть введены в стойки простым движением, а центральные платформы удалены. Автомобиль остается подвешенным на четырех платформах, что позволяет избежать лишней траты времени и предотвращает смещение его веса за пределы опорной поверхности. Такой стапель особенно удобен для ремонта машин, имеющих небольшие или средние повреждения, а также пригоден для выполнения сложных операций по вытягиванию (автобусы, внедорожные автомобили, автомобили с мощными двигателями и т.
п.).
Мини-стапели также обладают рядом возможностей вышеупомянутых систем. Такой стапель может включать в себя маленький подъемник, на который установлены четыре подхвата под пороги для размещения на них автомобиля. Тяговая башня крепится на сам подъемник.
У каждой из систем есть свои достоинства и недостатки. Опыт подсказывает, что в любом случае, выбирая стапель, нужно знать точный ответ на вопрос: «С чем мы будем работать, и что мы хотим получить в результате?»
«Многие наши клиенты, обращаясь за стапелем, просят подобрать им платформенную систему. Когда мы начинаем выяснять характер работ и настоящие потребности автосервиса, часто выясняется, что желание клиента приобрести платформенный стапель вызвано впечатлением от большей солидности и надежности, производимой массивной конструкцией и габаритами системы. Но после выяснения характера работ оказывается, что сервису вполне достаточно мини-стапеля или более предпочтительна рамная система. Часто работает просто имя – такие марки как Car-O-Liner или Blackhawk известны рынку, поколения специалистов учились своему ремеслу на этих системах.
К сожалению, они не осознают, что технологии ушли далеко вперед, и за меньшую цену сегодня можно получить более высокое качество и удобство в работе», – рассказывает Сергей Александров, директор департамента автосервисного оборудования «Европроект Групп».Если сервис занят большим объемом работ и постоянным потоком клиентов со сложным ремонтом, то, как правило, лучшим выбором будет рамный стапель или напольная система. В некоторых случаях можно обойтись и платформой, но, как уже было сказано, у платформенных стапелей много недостатков по эргономике. Пускай они и несколько дешевле, особенно если речь идет о китайской продукции или отечественных стапелях марки SIVER, но они достаточно тяжелы в работе. Рамных китайских стапелей на рынке немного. В случае с китайской продукцией, чем проще система, тем выше ее качество. Качество их металла недостаточно высоко, конструкции откровенно «хлипкие», монтаж систем требует дополнительных сварочных работ, дополнительных креплений и приспособлений для выравнивания.
В то время как напольная система Blackhawk поставляется с высококачественной рамой с болтовыми соединениями и приспособлениями для выравнивания, а сама конструкция мощная и работоспособная, китайские системы требуют сварки и последующего выравнивания. Если в процессе работы рама была повреждена, то ее замена превращается в настоящую головную боль – при демонтаже ее придется выковыривать из пола целиком.
Российская продукция в этом случае предпочтительнее. Отечественный бренд SIVER предлагает неплохие напольные системы. Например, стапели «SIVER Н», предназначенные для правки кузовов легковых автомобилей всех марок, имеющих отбортовку порогов. Основа этого стапеля – модульная рама, которая собирается с помощью крепежных деталей, а не сварки, и монтируется в подготовленный приямок заподлицо с полом. Модульная система позволяет легко собирать один или несколько постов необходимых размеров. Автомобиль на стапель крепится с помощью стоек с зажимами, которые жестко закрепляются на раме с помощью кронштейнов и клиньев.
Для автомобилей, не имеющих отбортовку порогов, используются адаптеры. Существует модификация напольного стенда SIVER HV, которая отличается тем, что вместо силового устройства – башни комплектуется вектором, позволяющим прикладывать к автомобилю несколько векторов одновременно, совмещая тянущие и толкающие усилия в различных комбинациях.
В случае, когда специализация сервиса – небольшой и несложный кузовной ремонт в малых объемах, то наилучшим выбором будет обычный маленький стапель с четырьмя подхватами под пороги. Он может использоваться и как обычный подъемник для арматурных работ, не связанных с креплением автомобиля, а если на этом же автомобиле нужно выполнить более серьезный ремонт, то вместо подушек под пороги устанавливаются захваты за отбортовку.
Цена таких устройств – от 4 до 8 тысяч евро, и окупаются такие мини-стапели за один два сезона. Однако сфера их применения должна быть ограничена ремонтными работами, не затрагивающими технологии производителя, такими как замена навесных деталей. Здесь вполне успешно и рентабельно применяются бюджетные китайские системы.
Однако стоит оговориться, что качественный и профессиональный серьезный ремонт на уровне стандартов и характеристик производителя для целого ряда современных моделей, таких как, к примеру, автомобили Mazda c кузовами, выполненными по технологии SKYACTIV, на таком оборудовании невозможен. Чтобы получить после ремонта кузов, соответствующий всем заводским параметрам большинства современных автопроизводителей, необходимо работать на рамных стапелях с шаблонной системой без возможностей регулировок (Celette и Car-O-Liner) и суперджиговых кондукторных системах измерения и правки, подобных стапелям Spanesi.
Такие системы позволяют собрать из имеющегося комплекта оборудования систему стоек, задающих очертания кузова.
В случае со Spanesi, cам стапель выполнен на базе пятитонного подъемника, а в комплект оборудования помимо шаблонных систем входят суппорта с шестеренчатым механизмом (редукторы). С помощью обычного воротка механик может управлять стапелем и производить тягу с усилием до 2 тонн.
В результате мелкий кузовной ремонт может выполняться с помощью суппортов самого подъемника без помощи каких-либо дополнительных устройств. Говоря же об удобстве работы, в случае с рамно-шаблонной системой, такой как Spanesi 106, она обеспечивает доступ ко всей конструкции кузова, поскольку автомобиль устанавливается не на подхваты, а на контрольные точки. Сваренная с применением лазерных технологий пространственная рама выдерживает нагрузку на кручение равную 160 тоннам. При этом есть возможность установить башни на саму раму, что делает ненужной нивелировку подъемника, а сама система остается мобильной. В большинстве своем при замене боковых панелей, особенно на кузовах хэтчбеков, наиболее удобной в работе также будет рамно-шаблонная система, которая позволяет установить кузов на четыре точки, не задействуя навесные детали и выдерживая контрольные точки.
Именно шаблонная система позволяет работать с алюминиевыми кузовами с клеевыми соединениями и современными кузовами типа SKYACTIV по стандартам автопроизводителя. Причина этого заключается в технологии производства современного автомобиля. Кузова современных автомобилей состоят из трех основных модулей. Первая – кокпит из высокопрочных сталей. На него устанавливается вторая часть – силовой обвес, включающий в себя усилители, направляющие и прочие элементы, на которые навешивается третья часть – навесное оснащение кузова (крылья, внешние панели, бампера и проч.).
Конструкция силового обвеса современного кузова многих марок использует детали, состоящие из цельных частей, не подлежащих ремонту. При ДТП, деформируясь, они гасят энергию удара, оберегая кокпит. В настоящее время заводы-изготовители также рекомендуют не работать и с навесным оснащением кузова, предлагая менять поврежденные детали полностью. Практика с такими кузовами предполагает точное соединение деталей силового обвеса, от которой зависит дальнейшая возможность правильной установки навесных деталей.
Выполнить это надлежащим образом можно только на шаблонных системах. На сегодняшний день они рекомендованы всеми крупными производителями. Они же являются и единственно возможными для работы с алюминиевыми кузовами из-за особенностей клеевого и клепального соединения и необходимости выдерживать точные размеры.
Стоит отметить, что помимо сложного ремонта, все шаблонные системы позволяют производить и легкие работы. В комплекте идут зажимы под пороги, на которые можно установить кузов обычной конструкции. Эти же системы подходят для работы с машинами без отбортовок под пороги – BMW, Mercedes-Benz, а также автомобили французских автопроизводителей. Системы располагают специальными опциональными захватами, позволяющими установить на них автомобиль без отбортовок.
Но в случае с шаблонной суперджиговой системой в таком дооснащении нет необходимости. Она позволяет собрать шаблонную систему на контрольных силовых точках, установив «скелет» на четыре точки согласно кузовной карте модели.
«Могут возразить – подобные высокотехнологичные системы дороги, и ничуть не худших результатов можно достичь с использованием более дешевого и простого оборудования, вопрос лишь в «квалификации мастера». Верно, результат получить можно даже на кустарно изготовленном стапеле. Но будет ли безопасным автомобиль после такого ремонта, будет ли он соответствовать требованиям производителя, сохранит ли он свои потребительские характеристики? Конечно же, нет. Кроме того, с точки зрения бизнеса, выгоды также не просматривается: достаточно лишь посчитать трудозатраты. Простейший пример. Две машины с одинаковыми повреждениями ставим на два разных стапеля. На одном, соответствующем требованиям автопроизводителя, мастер получит необходимый и соответствующий заводским стандартам результат через 10-12 часов, что возможно будет даже меньше предусмотренных регламентом. На другом, более простом и дешевом устройстве, механик потратит несколько дней. Он будет получать за них зарплату, но клиенту вы сможете выставить счет ровно за столько нормочасов, сколько предписывает регламент.
Также высока вероятность того, что к дешевой системе придется еще и докупать различные опции. Кроме того, не будем забывать о возможных финансовых потерях в случае претензий клиента по результатам ремонта, выполненного с отступлениями от рекомендаций и технологий автопроизводителя», – уверяет Сергей Александров.
Надеяться на высококлассного специалиста, пусть он и работает на несоответствующем низкотехнологичном оборудовании, может частный клиент, но не бизнесмен. Независимые СТО Европы давно наладили тесное сотрудничество со страховыми компаниями, которые четко регламентируют, где, как и каким оборудованием должен выполняться правильный кузовной ремонт. Те сервисы, которые не удовлетворяют этим стандартам, остаются без страховых клиентов и, следовательно, без существенной доли прибыли.
К сожалению, в несколько статей невозможно вместить все многообразие стапелей. Широкий выбор и различные ценовые и технические классы этой продукции могут ввести в ступор даже знатока своего дела.
Поэтому, чтобы приступить к выбору стапеля, необходимо в первую очередь конкретно определить объем работ и предположить их сложность. Только запланировав степень нагрузки на СТО, можно наконец-таки определиться с классом оборудования и начать поиски подходящего инструмента. Если этим фактором пренебречь, то произойдет простой дорогостоящей высокотехнологичной системы, и, наоборот, нехватка ресурсов стапеля для ремонта конкретной модели повлечет коллапс производства.
Ingemar — Стапели
В этом разделе вы найдете подборку наших проектов с фотографиями и описаниями.
Вы можете осуществлять поиск, выбрав один или несколько из следующих критериев: географический макрорайон, типология проекта, географический район (штат, регион или провинция).
МАКРООБЛАСТЬ
- Италия
- Зарубежные страны
ТИПОЛОГИЯ
- Крупные проекты
- Причалы и причалы
- Речные и озерные причалы
- Плавучие пирсы
- Плавучие волнорезы
- Плавучие платформы
- Стационарные пирсы и доки 9 0010 Наплавные мосты
- Центры водного спорта
- Эллипсы
- Специальные сооружения
- Завод
ОБЛАСТЬ
- Италия
- Зарубежные страны
Поиск
Реконструкция Моло Пальяри: новая пристань для яхт без причалов 890
2018 г.
— Специя (СП)
Реконструкция Моло Пальяри: новая гавань с 890 причалами
2018 — Ла Специя (СП)
Новая гавань, защищенная 240 м + 180 м монолитных элементов плавучих волнорезов размером 20×8 м (150 т) и 20×10 м (180 т). Внутри 1200 м всех бетонных плавучих понтонов шириной 2,4 м с настилом из тропической древесины установлены для стоянки судов местных морских центров.
Посадка для спорта
2011 — Местре (VE)
Спортивная площадка
2011 — Местре (VE)
Многофункциональная площадка для занятий спортом.
Стапель
2011 — Compagnia della vela, Венеция (VE)
Стапель
2011 — Compagnia della vela, Венеция (VE)
Стапель для буксировки и спуска на воду.
Стапель причала
2008 — Марина Ганнибал, Монфальконе (GO)
Стапель для пристани
2008 — Марина Ганнибал, Монфальконе (GO)
Стапель размером м 15×10 для буксировки и спуска на воду школьных парусных судов.
Марина Кала-де-Медичи
2006 — Розиньяно Солвей (LI)
Marina Cala De’ Medici
2006 — Rosignano Solvay (LI)
Стационарная пристань размером 280×3,50 м на стальных кронштейнах, прикрепленных к причалу. Причал оборудован резиновым кранцем и защитным поручнем.
Стапель для пристани
2005 – Марина-ди-Пескара (PE)
Стапель для пристани
2005 — Марина ди Пескара (PE)
Стапель размером 15×10 м для буксировки и спуска на воду школьных парусных судов.
Стапель для причала
2005 — Muggia (TS)
Стапель для пристани
2005 — Muggia (TS)
Стапель размером м 15×5 для буксировки и спуска на воду небольших лодок для специальных мероприятий.
Яхт-шоу в Генуе
Выставочный центр Генуи, Генуя (GE)
Genoa Boat Show
Генуэзская выставочная площадка, Генуя (GE)
Поставка с 2005 года плавучих конструкций для морской выставочной площадки: 9400 кв.
Стапель портовый
2004 — Империя (ИМ)
Стапель портовый
2004 — Империя (ИМ)
N 4 стапеля размерами 12х2,35 м для буксировки и спуска на воду лодок во время Зимних регат.
Портовый стапель
2003 — Каорле (VE)
Портовый стапель
2003 — Caorle (VE)
Стапель размером м 16×5 для буксировки и спуска на воду небольших судов.
Олимпийский парусный центр Агиос Космас
2003 — Афины, Греция
Олимпийский центр парусного спорта Агиос Космас
2003 — Афины, Греция
10 стапелей размером 15×30 м и 4 стапеля размером 15×15 м, используемые для спуска лодок во время гонок по продаже на Олимпийских играх в Афинах 2004 г.
Стапель для пристани 02.02.2002 — Линьяно-Саббьядоро ( УД)
Стапель для пристани
2002 — Линьяно-Саббьядоро (UD)
Стапель размером м 15×2,55 для буксировки и спуска на воду небольших судов.
Стапель портовый
2001 — Рива-дель-Гарда (Теннесси)
Портовый стапель
2001 — Рива-дель-Гарда (Теннесси)
Стапель размерами м 15×5 для буксировки и спуска на воду школьных парусных судов.
Приложения Gale — Технические трудности
Приложение, к которому вы пытаетесь получить доступ, в настоящее время недоступно. Приносим свои извинения за доставленные неудобства. Повторите попытку через несколько секунд.
Если проблемы с доступом сохраняются, обратитесь за помощью в наш отдел технической поддержки по телефону 1-800-877-4253. Еще раз спасибо, что выбрали Gale, обучающую компанию Cengage.
org.springframework.remoting.RemoteAccessException: невозможно получить доступ к удаленной службе [authorizationService@theBLISAuthorizationService]; вложенным исключением является com.zeroc.Ice.UnknownException
unknown = «java.lang.IndexOutOfBoundsException: индекс 0 выходит за границы для длины 0
в java.
java:17)
в com.gale.blis.api.authorize.contentmodulefetchers.CrossSearchProductContentModuleFetcher.getProductSubscriptionCriteria(CrossSearchProductContentModuleFetcher.java:246)
на com.gale.blis.api.authorize.contentmodulefetchers.CrossSearchProductContentModuleFetcher.getSubscribedCrossSearchProductsForUser(CrossSearchProductContentModuleFetcher.java:70)
на com.gale.blis.api.authorize.contentmodulefetchers.CrossSearchProductContentModuleFetcher.getAvailableContentModulesForProduct(CrossSearchProductContentModuleFetcher.java:51)
на com.gale.blis.api.authorize.strategy.productentry.strategy.AbstractProductEntryAuthorizer.getContentModules(AbstractProductEntryAuthorizer.java:130)
на com.gale.blis.api.authorize.strategy.productentry.strategy.CrossSearchProductEntryAuthorizer.isAuthorized(CrossSearchProductEntryAuthorizer.java:83)
на com.gale.blis.api.authorize.strategy.productentry.strategy.CrossSearchProductEntryAuthorizer.
zeroc.Ice.ConnectionI.message(ConnectionI.java:1203)
в com.zeroc.IceInternal.ThreadPool.run(ThreadPool.java:412)
в com.zeroc.IceInternal.ThreadPool.access$500(ThreadPool.java:7)
в com.zeroc.IceInternal.ThreadPool$EventHandlerThread.run(ThreadPool.java:781)
на java.base/java.lang.Thread.run(Thread.java:833)
»
org.springframework.remoting.ice.IceClientInterceptor.convertIceAccessException(IceClientInterceptor.java:348)
org.springframework.remoting.ice.IceClientInterceptor.invoke(IceClientInterceptor.java:310)
org.springframework.remoting.ice.MonitoringIceProxyFactoryBean.invoke(MonitoringIceProxyFactoryBean.java:71)
org.
springframework.aop.framework.ReflectiveMethodInvocation.proceed(ReflectiveMethodInvocation.java:186)
org.springframework.aop.framework.JdkDynamicAopProxy.invoke(JdkDynamicAopProxy.java:215)
com.sun.proxy.$Proxy156.authorize(Неизвестный источник)
com.gale.auth.service.BlisService.getAuthorizationResponse(BlisService.java:61)
com.gale.apps.service.impl.MetadataResolverService.resolveMetadata(MetadataResolverService.java:65)
com.gale.apps.controllers.DiscoveryController.resolveDocument(DiscoveryController.java:66)
com.
gale.apps.controllers.DocumentController.redirectToDocument(DocumentController.java:24)
com.gale.apps.controllers.DocumentController$$FastClassBySpringCGLIB$$7de825c.invoke(<сгенерировано>)
org.springframework.cglib.proxy.MethodProxy.invoke(MethodProxy.java:218)
org.springframework.aop.framework.CglibAopProxy$CglibMethodInvocation.invokeJoinpoint(CglibAopProxy.java:783)
org.springframework.aop.framework.ReflectiveMethodInvocation.proceed(ReflectiveMethodInvocation.java:163)
org.springframework.aop.framework.CglibAopProxy$CglibMethodInvocation.proceed(CglibAopProxy.java:753)
org.
springframework.aop.framework.adapter.MethodBeforeAdviceInterceptor.invoke(MethodBeforeAdviceInterceptor.java:58)
org.springframework.aop.framework.ReflectiveMethodInvocation.proceed(ReflectiveMethodInvocation.java:175)
org.springframework.aop.framework.CglibAopProxy$CglibMethodInvocation.proceed(CglibAopProxy.java:753)
org.springframework.aop.interceptor.ExposeInvocationInterceptor.invoke(ExposeInvocationInterceptor.java:97)
org.springframework.aop.framework.ReflectiveMethodInvocation.proceed(ReflectiveMethodInvocation.java:186)
org.springframework.aop.framework.CglibAopProxy$CglibMethodInvocation.
proceed(CglibAopProxy.java:753)
org.springframework.aop.framework.CglibAopProxy$DynamicAdvisedInterceptor.intercept(CglibAopProxy.java:698)
com.gale.apps.controllers.DocumentController$$EnhancerBySpringCGLIB$$86bc900d.redirectToDocument(<сгенерированный>)
jdk.internal.reflect.GeneratedMethodAccessor310.invoke (неизвестный источник)
java.base/jdk.internal.reflect.DelegatingMethodAccessorImpl.invoke(DelegatingMethodAccessorImpl.java:43)
java.base/java.lang.reflect.Method.invoke(Method.java:566)
org.
springframework.web.method.support.InvocableHandlerMethod.doInvoke(InvocableHandlerMethod.java:205)
org.springframework.web.method.support.InvocableHandlerMethod.invokeForRequest(InvocableHandlerMethod.java:150)
org.springframework.web.servlet.mvc.method.annotation.ServletInvocableHandlerMethod.invokeAndHandle(ServletInvocableHandlerMethod.java:117)
org.springframework.web.servlet.mvc.method.annotation.RequestMappingHandlerAdapter.invokeHandlerMethod (RequestMappingHandlerAdapter.java:895)
org.springframework.web.servlet.mvc.method.annotation.RequestMappingHandlerAdapter.handleInternal (RequestMappingHandlerAdapter.java:808)
org.
springframework.web.servlet.mvc.method.AbstractHandlerMethodAdapter.handle(AbstractHandlerMethodAdapter.java:87)
org.springframework.web.servlet.DispatcherServlet.doDispatch(DispatcherServlet.java:1067)
org.springframework.web.servlet.DispatcherServlet.doService(DispatcherServlet.java:963)
org.springframework.web.servlet.FrameworkServlet.processRequest(FrameworkServlet.java:1006)
org.springframework.web.servlet.FrameworkServlet.doGet(FrameworkServlet.java:898)
javax.servlet.http.HttpServlet.service(HttpServlet.java:626)
org.
springframework.web.servlet.FrameworkServlet.service(FrameworkServlet.java:883)
javax.servlet.http.HttpServlet.service(HttpServlet.java:733)
org.apache.catalina.core.ApplicationFilterChain.internalDoFilter(ApplicationFilterChain.java:227)
org.apache.catalina.core.ApplicationFilterChain.doFilter(ApplicationFilterChain.java:162)
org.apache.tomcat.websocket.server.WsFilter.doFilter(WsFilter.java:53)
org.apache.catalina.core.ApplicationFilterChain.internalDoFilter(ApplicationFilterChain.java:189)
org.
apache.catalina.core.ApplicationFilterChain.doFilter(ApplicationFilterChain.java:162)
org.apache.catalina.filters.HttpHeaderSecurityFilter.doFilter(HttpHeaderSecurityFilter.java:126)
org.apache.catalina.core.ApplicationFilterChain.internalDoFilter(ApplicationFilterChain.java:189)
org.apache.catalina.core.ApplicationFilterChain.doFilter(ApplicationFilterChain.java:162)
org.springframework.web.servlet.resource.ResourceUrlEncodingFilter.doFilter(ResourceUrlEncodingFilter.java:67)
org.apache.catalina.core.ApplicationFilterChain.internalDoFilter(ApplicationFilterChain.java:189)
org.
apache.catalina.core.ApplicationFilterChain.doFilter(ApplicationFilterChain.java:162)
org.springframework.web.filter.RequestContextFilter.doFilterInternal (RequestContextFilter.java:100)
org.springframework.web.filter.OncePerRequestFilter.doFilter(OncePerRequestFilter.java:117)
org.apache.catalina.core.ApplicationFilterChain.internalDoFilter(ApplicationFilterChain.java:189)
org.apache.catalina.core.ApplicationFilterChain.doFilter(ApplicationFilterChain.java:162)
org.springframework.web.filter.OncePerRequestFilter.doFilter(OncePerRequestFilter.java:102)
org.
apache.catalina.core.ApplicationFilterChain.internalDoFilter(ApplicationFilterChain.java:189)
org.apache.catalina.core.ApplicationFilterChain.doFilter(ApplicationFilterChain.java:162)
com.gale.common.http.filter.SecurityHeaderFilter.doFilterInternal(SecurityHeaderFilter.java:29)
org.springframework.web.filter.OncePerRequestFilter.doFilter(OncePerRequestFilter.java:117)
org.apache.catalina.core.ApplicationFilterChain.internalDoFilter(ApplicationFilterChain.java:189)
org.apache.catalina.core.ApplicationFilterChain.doFilter(ApplicationFilterChain.java:162)
org.
springframework.web.filter.OncePerRequestFilter.doFilter(OncePerRequestFilter.java:102)
org.apache.catalina.core.ApplicationFilterChain.internalDoFilter(ApplicationFilterChain.java:189)
org.apache.catalina.core.ApplicationFilterChain.doFilter(ApplicationFilterChain.java:162)
org.owasp.validation.GaleParameterValidationFilter.doFilterInternal(GaleParameterValidationFilter.java:97)
org.springframework.web.filter.OncePerRequestFilter.doFilter(OncePerRequestFilter.java:117)
org.apache.catalina.core.ApplicationFilterChain.internalDoFilter(ApplicationFilterChain.java:189)
org.
apache.catalina.core.ApplicationFilterChain.doFilter(ApplicationFilterChain.java:162)
org.springframework.boot.web.servlet.support.ErrorPageFilter.doFilter(ErrorPageFilter.java:126)
org.springframework.boot.web.servlet.support.ErrorPageFilter.access$000(ErrorPageFilter.java:64)
org.springframework.boot.web.servlet.support.ErrorPageFilter$1.doFilterInternal(ErrorPageFilter.java:101)
org.springframework.web.filter.OncePerRequestFilter.doFilter(OncePerRequestFilter.java:117)
org.springframework.boot.web.servlet.support.ErrorPageFilter.doFilter(ErrorPageFilter.java:119)
org.
apache.catalina.core.ApplicationFilterChain.internalDoFilter(ApplicationFilterChain.java:189)
org.apache.catalina.core.ApplicationFilterChain.doFilter(ApplicationFilterChain.java:162)
org.springframework.web.filter.FormContentFilter.doFilterInternal (FormContentFilter.java:93)
org.springframework.web.filter.OncePerRequestFilter.doFilter(OncePerRequestFilter.java:117)
org.apache.catalina.core.ApplicationFilterChain.internalDoFilter(ApplicationFilterChain.java:189)
org.apache.catalina.core.ApplicationFilterChain.doFilter(ApplicationFilterChain.java:162)
org.
springframework.boot.actuate.metrics.web.servlet.WebMvcMetricsFilter.doFilterInternal (WebMvcMetricsFilter.java:96)
org.springframework.web.filter.OncePerRequestFilter.doFilter(OncePerRequestFilter.java:117)
org.apache.catalina.core.ApplicationFilterChain.internalDoFilter(ApplicationFilterChain.java:189)
org.apache.catalina.core.ApplicationFilterChain.doFilter(ApplicationFilterChain.java:162)
org.springframework.web.filter.CharacterEncodingFilter.doFilterInternal (CharacterEncodingFilter.java:201)
org.springframework.web.filter.OncePerRequestFilter.doFilter(OncePerRequestFilter.
java:117)
org.apache.catalina.core.ApplicationFilterChain.internalDoFilter(ApplicationFilterChain.java:189)
org.apache.catalina.core.ApplicationFilterChain.doFilter(ApplicationFilterChain.java:162)
org.apache.catalina.core.StandardWrapperValve.invoke(StandardWrapperValve.java:202)
org.apache.catalina.core.StandardContextValve.invoke(StandardContextValve.java:97)
org.apache.catalina.authenticator.AuthenticatorBase.invoke(AuthenticatorBase.java:542)
org.apache.catalina.core.StandardHostValve.
invoke(StandardHostValve.java:143)
org.apache.catalina.valves.ErrorReportValve.invoke(ErrorReportValve.java:92)
org.apache.catalina.valves.AbstractAccessLogValve.invoke(AbstractAccessLogValve.java:687)
org.apache.catalina.core.StandardEngineValve.invoke(StandardEngineValve.java:78)
org.apache.catalina.connector.CoyoteAdapter.service(CoyoteAdapter.java:357)
org.apache.coyote.http11.Http11Processor.service(Http11Processor.java:374)
org.apache.coyote.AbstractProcessorLight.process(AbstractProcessorLight.
java:65)
org.apache.coyote.AbstractProtocol$ConnectionHandler.process(AbstractProtocol.java:893)
org.apache.tomcat.util.net.NioEndpoint$SocketProcessor.doRun(NioEndpoint.java:1707)
org.apache.tomcat.util.net.SocketProcessorBase.run(SocketProcessorBase.java:49)
java.base/java.util.concurrent.ThreadPoolExecutor.runWorker(ThreadPoolExecutor.java:1128)
java.base/java.util.concurrent.ThreadPoolExecutor$Worker.run(ThreadPoolExecutor.java:628)
org.apache.tomcat.util.threads.TaskThread$WrappingRunnable.
