Электронная система контроля устойчивости автомобиля — Википедия
Электронный контроль устойчивости (англ. Electronic Stability Control, ESC; ЭКУ) или динамическая система стабилизации автомобиля — активная система безопасности автомобиля, позволяющая предотвратить занос посредством управления компьютером момента силы колеса (одновременно одного или нескольких). Является вспомогательной системой автомобиля.
Сущность системыПравить
Систему ЭКУ можно рассматривать как расширенный вариант антиблокировочной системы тормозов (АБС). Многие узлы объединены с системой АБС, но вдобавок ЭКУ требует наличия таких компонентов, как датчик положения руля и МЭМС гироскоп, следящий за реальным поворотом автомобиля. При несоответствии показаний гироскопа показаниям датчика поворота руля, система применяет торможение одного (или нескольких) из колёс машины для того, чтобы предотвратить начинающийся занос.
Срабатывает ESC в опасных ситуациях, когда возможна или уже произошла потеря управляемости автомобилем.
Если при прохождении поворота происходит занос задней части автомобиля, ESC активизирует тормоз переднего колеса, идущего по наружному радиусу поворота. Таким образом, появляется момент противовращения, исключающий боковой занос. Когда скользят все четыре колеса, ESC самостоятельно решает, тормозные механизмы каких колес должны вступить в работу. Время реакции ESC — 20 миллисекунд. Работает система на любых скоростях и в любых режимах движения.
Данная система пока является наиболее эффективной системой безопасности.
Она способна компенсировать ошибки водителя, нейтрализуя и исключая занос, когда контроль над автомобилем уже потерян, однако её возможности ограничены: если радиус поворота слишком мал или скорость в повороте превышает допустимые границы, никакая программа стабилизации не поможет.
Впервые системы электронного контроля устойчивости, схожие по принципу действия с современными автомобильными, появились в 1960-х годах в авиации, где обеспечивали устойчивость самолета при пробеге по взлетно-посадочной полосе при посадке или прерванном взлете. Одним из первых такую систему получил англо-французский сверхзвуковой лайнер Concorde по причине высокой посадочной скорости и высокого положения центра масс.
В 1987 году Mercedes-Benz и BMW представили первые системы контроля тяги (противобуксовочные системы).
В 1990 году Mitsubishi выпустила в Японии автомобиль марки Diamante (Sigma), оснащенный новой активной электронной системой контроля тяги и курсовой устойчивости, где впервые эти две системы были интегрированы в одну (названная TCL).
BMW совместно с Robert Bosch GmbH и Continental Automotive Systems разработали систему, уменьшающую крутящий момент, передаваемый двигателем колесу, для предотвращения заноса и применили её в модельном ряду BMW 1992 года. С 1987 по 1992 года, Mercedes-Benz and Robert Bosch GmbH совместно разрабатывали систему электронного контроля устойчивости автомобиля и назвали её «Elektronisches Stabilitätsprogramm» (ESP).
История Mercedes-Benz А-классаПравить
Система ESC была создана в 1995 году, но заявить о себе ей удалось только через два года, когда дебютировал первый компактный Mercedes-Benz А-класса. При его проектировании были допущены серьёзные ошибки, которые привели к тому, что новая модель имела склонность к опрокидыванию даже на не очень высокой скорости при выполнении маневров типа «переставка» («лосиный» тест, объезд препятствия).
В Европе разразился скандал; продажи автомобилей Mercedes-Benz А-класса были приостановлены, уже проданные машины — отозваны для устранения недостатков.
Перед инженерами компании встала задача: как, не перепроектируя заново автомобиль и сохранив его потребительские качества, решить проблему повышения устойчивости. Эта задача была решена в значительной степени за счет установки с февраля 1998 года соответствующим образом настроенной системы ESC.
Главный контроллер ESC — это два микропроцессора, каждый из которых имеет по 56 КБ памяти. Система позволяет считывать и обрабатывать значения, выдаваемые датчиками скорости вращения колес с 20-миллисекундным интервалом. Помимо А-класса, система ESP является стандартным оборудованием для Mercedes S-класса, E-класса и других. На автомобилях фирмы Daimler-Chrysler применяются системы ESC от лидера в данной области — фирмы Bosch. Системы ESC производства Bosch используют также фирмы Alfa-Romeo, BMW, Volkswagen, Audi, Porsche и другие.
Фактически именно случай с Mercedes-Benz A-класса проторил дорогу повсеместному внедрению электронного контроля устойчивости на европейских автомобилях.
РаспространениеПравить
Пока Швеция проводит кампании по информированию общественности и продвижению использования систем ЭКУ, другие страны законодательно утверждают необходимость их использования.
Обязательное оснащение автомобилей электронной системой устойчивости вводится, с:
- 1 января 2010 года в Израиле уже стала обязательной.[1]
- 1 сентября 2011 года в Канаде, для всех новых пассажирских автомобилей.
- 1 ноября 2011 года в Австралии, для всех пассажирских автомобилей.
- с ноября 2011 года в Евросоюзе, для всех продаваемых автомобилей.
- c 2011 года в США, для всех пассажирских автомобилей, весом менее 4536 кг (10 000 фунтов).
Последствия примененияПравить
Эксперты называют систему ЭКУ самым важным изобретением в сфере автомобильной безопасности после ремней безопасности. Она обеспечивает водителю лучший контроль над поведением автомобиля, следя за тем, чтобы он перемещался в том направлении, куда указывает поворот руля.
По данным американского Страхового института дорожной безопасности (IIHS) и Национального управления безопасностью движения на трассах NHTSA (США), примерно одна треть смертельных аварий могла бы быть предотвращена системой ЭКУ, если бы ей были оснащены все автомобили[2].
Системы электронного контроля устойчивости производятся:
НазванияПравить
ASC (Active Stability Control) и ASTC (Active Skid and Traction Control MULTIMODE), используется в автомобилях: Mitsubishi,BMW- AdvanceTrac, используется в автомобилях: Lincoln, Mercury.
- CST (Controllo Stabilità), используется в автомобилях: Ferrari.
- DSC (Dynamic Stability Control), используется в автомобилях: BMW, Ford (только в Австралии), Jaguar, Land Rover, Mazda, MINI.
- DSTC (Dynamic Stability and Traction Control), используется в автомобилях: Volvo.
- ESC (Electronic Stability Control), используется в автомобилях: Alfa Romeo, Chevrolet, Hyundai, Kia, ŠKODA, LADA
- ESP (Elektronisches Stabilitätsprogramm), Chery, Chrysler, Citroën, Dodge, Daimler, Fiat, Holden, Hyundai, Jeep, Kia, Mercedes Benz, Opel, Peugeot, Proton, Nissan, Renault, Saab, Scania, Smart, Suzuki,SsangYong, Vauxhall, Jaguar, Land Rover, Уаз
- ESP (Electronic Stability Program) используется в автомобилях: Audi, Bentley, Bugatti, Ford, Lamborghini, SEAT, ŠKODA, Volkswagen.
- IVD (Interactive Vehicle Dynamics), используется в автомобилях: Ford.
- MSP (Maserati Stability Program), используется в автомобилях: Maserati.
- PCS (Precision Control System), используется в автомобилях: Oldsmobile (производство которых прекращено в 2004 году).
- PSM (Porsche Stability Management), используется в автомобилях: Porsche.
- RSC (AdvanceTrac with Roll Stability Control), используется в автомобилях: Ford.
- StabiliTrak, используется в автомобилях: Buick, Cadillac, Chevrolet (на Corvette называется Active Handling), GMC Truck, Hummer, Pontiac, Saab, Saturn.
- VDC (Vehicle Dynamic Control), используется в автомобилях: Alfa Romeo, Fiat, Infiniti, Nissan, Subaru.
- VDIM (Vehicle Dynamics Integrated Management) с
VSC (англ. Vehicle Stability Control), используется в автомобилях: Toyota, Lexus. - VSA (Vehicle Stability Assist), используется в автомобилях: Acura, Honda, Hyundai.

Изучаем систему стабилизации: порог нестабильности — журнал За рулем
При всем разнообразии аббревиатур (ESP, DSC, TCS, ASR) системы активной безопасности имеют общего предка в лице АБС.
1
Появление антиблокировочной системы (AБС) дало возможность оптимизировать торможение, что существенно повысило безопасность автомобиля. Расширение влияния электроники на процессы управления оказалось вопросом времени.
ПЕДАЛЬ В ПОЛ
Первой ступенью эволюции стала противобуксовочная система (ASR, TCS, TRC). Ее задача — контроль тягового усилия на ведущих колесах и поддержание курсовой устойчивости. В различных режимах движения колёса то и дело проскальзывают, то есть возникает расхождение между действительной скоростью и окружной скоростью колес. Особенно сильно это проявляется при ускорении (пробуксовка) и замедлении (блокировка). Величина проскальзывания напрямую влияет на сцепление с покрытием и передачу усилий ускорения, замедления и поворота.
В условиях замедления при превышении определенного порога AБС начинает контролировать проскальзывание, а при ускорении на помощь приходит противобуксовочная система (ПБС).
Современные ПБС могут воздействовать на пробуксовку ведущих колес двумя способами: уменьшением крутящего момента двигателя и/или подтормаживанием проскальзывающего колеса. Для «удушения» двигателя есть несколько способов: уменьшение подачи топлива, изменение угла опережения зажигания, прикрытие дроссельной заслонки (при наличии электронного дросселя). ПБС только ставит задачу модулю управления двигателем — воздействие на тормозную систему осуществляется ресурсами AБС.
Конструктивно ПБС не что иное, как модернизированная AБС. Тормозные системы современных автомобилей построены по двухконтурной диагональной схеме. К антиблокировочной системе с восемью клапанами (по два на каждое колесо) добавлены два клапана управления тяговым усилием (по одному в каждом контуре). Скорость колес отслеживается датчиками AБС.
При необходимости задействовать тормоза ПБС работает в тех же трех режимах, что и AБС: повышение, удержание и снижение давления. Контуры работают сходным образом.
1 no copyright
Все схемы открываются в полный размер по клику мышки.
Приведем пример действия системы при пробуксовке переднего правого колеса. С помощью насоса и клапанов давление повышается только в контуре буксующего колеса. Дополнительный клапан ПБС изолирует контур переднего правого и заднего левого колес от главного тормозного цилиндра, иначе рабочаяжидкость уходила бы в цилиндр. Далее клапаны AБС разделяют контуры. При уменьшении пробуксовки изолируется суппорт, а насос отключается. Если проскальзывание продолжает уменьшаться, давление снижается с помощью насоса и клапанов. При необходимости цикл повторяется. У полноприводного автомобиля ПБС работает таким же образом, но дополнительно может отправлять запрос в блок управления полным приводом на перераспределение крутящего момента по осям, чтобы уравнять проскальзывание всех колес.
Пробуксовка ведущих колес опасна во многих ситуациях, особенно зимой. Все видели заднеприводные автомобили, которые поднимаются в горку чуть не боком. А при обычном движении в повороте они могут сорваться в занос. Не лучше обстоят дела и с передним приводом. Для таких машин характерен снос при резком старте или прохождении поворота «на грани». Движение по прямой тоже способно подкинуть сюрприз, если одна сторона машины окажется на льду. Страшно не само попадание на такой участок, а съезд с него: когда проскальзывающее колесо вновь обретет хорошее сцепление, машину может кинуть в сторону. Во всех подобных ситуациях ПБС регулирует проскальзывание ведущих колес.
ИДЕМ ПОД РУКУ
Следующей ступенью эволюции стала система курсовой устойчивости, или система динамической стабилизации (ESP, DSC, VSC). Этот помощник способен поддерживать заданное водителем направление движения в различных условиях. Там, где пасует ПБС, теми же средствами воздействия справится ESP.
2 no copyright
При сносе или заносе ESP воздействует на тормоза и/или крутящий момент двигателя в зависимости от ситуации.
Если автомобиль не вписывается в левый поворот, ESP подтормозит заднее левое колесо, создав дополнительный момент вращения. В случае возникновения заноса в этом же повороте электронный помощник исправит ситуацию, придержав переднее правое колесо. Направленный вправо противодействующий момент погасит занос.
Система действует на упреждение, пресекая саму возможность неустойчивости. Часто водитель даже не ощущает стороннего вмешательства — лишь индикация системы дает понять, что он где-то ошибся.
3 no copyright
АПГРЕЙД
Как же доработали AБС, чтобы получить описанные возможности? В гидроблок помимо двух клапанов ПБС добавили еще два для работы ESP. А саму машину оборудовали дополнительными датчиками. Гидроблок работает в трех режимах. Два клапана (по одному на каждый контур) стоят между главным тормозным цилиндром и стороной всасывания насоса, чтобы пропустить достаточное количество тормозной жидкости при работе ESP. В остальном система работает подобно противобуксовочной, управляя давлением независимо для каждого колеса.
Расходные клапаны, показанные на схеме, служат для снижения гидравлического шума тормозной жидкости в случае больших перепадов давления. Они работают механически и иногда встречаются в базовых блоках AБС.
Для определения курса автомобиля ESP использует датчик положения руля. Воздействующие на машину силы отслеживает комбинированный датчик, который оценивает величину поворота вокруг вертикальной оси и поперечные перегрузки. Также ESP определяет скорость — общую и каждого колеса в отдельности — с помощью датчиков AБС. При несоответствии параметров, когда, например, машина не вписывается в вираж (руль повернут, а она движется по прямой), система вмешивается в управление.
Датчик положения руля располагается на колонке в виде отдельного элемента либо его встраивают в комбинированный переключатель света. Существует несколько типов датчиков положения: с элементами Холла, магниторезистивные и фотоэлектрические (самые распространенные). Блок с несколькими фотоэлектрическими датчиками, состоящими из светодиодов и фототранзисторов, считывает диск с прорезями, который вращается вместе с рулем.
При вращении диска свет диода воспринимается фототранзистором. Простейший блок имеет две пары датчиков
Нужна ли система курсовой устойчивости в автомобиле
Система курсовой устойчивости ESC – это электрогидравлическая система активной безопасности, главное назначение которой – не дать автомобилю уйти в занос, то есть предотвратить отклонение от заданной траектории движения при резком маневрировании. ESC имеет еще одно название – “система динамической стабилизации”. Аббревиатура ESC расшифровывается как Electronic Stability Control – электронный контроль устойчивости (ЭКУ). Система стабилизации – это комплексная система, охватывающая возможности ABS и TCS. Рассмотрим принцип действия системы, ее основные компоненты, а также положительные и отрицательные стороны эксплуатации.
Содержание статьи
Нужна ли система курсовой устойчивости в автомобиле
Нужна ли ESC? Конечно, необходимость назрела уже давно, иначе зачем бы её тогда разрабатывали? В первую очередь она придётся весьма кстати неопытным водителям и особенно тем, кто несмотря на скромный стаж управления автомобилем не прочь нескромно вести себя на дороге.
Опытным автолюбителям она также не помешает! Нужно также отметить тот факт, что теперешние системы стабилизации отличаются от своих предшественников более эффективным функционированием.Если раньше ESC иногда чуть терялась во время работы, то сейчас у водителя сидящего за рулём машины, оборудованной ESC может создастся впечатление, что у него мастерство бывалого пилота Формулы 1. «Лосиный» тест Mercedes А-класса Хотя ESC была разработана ещё в 1995-ом, показала она себя в действии только спустя пару лет, именно тогда, когда презентовали первый компактный Мерседес А-класса. Как оказалось, инженерами при его разработке были допущены критичные ошибки, из-за которых новинка обладала склонностью к опрокидыванию даже на несерьёзной скорости как раз при прохождении того самого, известного практически любому продвинутому любителю машин, «лосиного» теста.
Разразился масштабный скандал: продажи модели были приостановлены, а те экземпляры, которые уже попали в пользование покупателей, были отозваны.
К чести немецких конструкторов, они решили все проблемы и самую значимую роль в этом процессе сыграла именно ESC настроенная соответствующим образом. Данный случай обусловил повсеместное внедрение ESC на европейских транспортных средствах.
Как работает система ESP
Система ESP постоянно в работе, когда заведена машина, в независимости от того, что происходит: разгон, замедление или движение накатом. ESP напрямую связана с антиблокировочной системой ABS, антипробуксовочной системой и блоком управления двигателем, без них она просто не способна функционировать. У системы ESP есть свой электронный блок, он все время считывает сигналы с большого количества различных датчиков и их обрабатывает, причем все время – это до нескольких десятков раз в одну секунду и решение этот блок принимает молниеносно, менее, чем за секунду.
Дополнительные данные на блок приходит с датчиков: ABS, рулевого колеса и давления в тормозной системе. А самая нужная, самая необходимая и важная информация приходит только с 2-х специальных датчиков: угловой скорости относительно вертикальной оси и поперечного ускорения (обычно его называют G-сенсор).
Эти 2 основных датчика и отслеживают боковое скольжение машины на вертикальной оси, далее оценивают его значимость и посылают сигнал электронному блоку ESP. Система курсовой стабилизации в любое время знает, какая скорость у машины, на сколько градусов повернуто рулевое колесо, какие обороты у мотора, происходит занос или нет, в общем, контролирует машину полностью.
Когда тревожные сигналы приходят с датчиков на блок управления ESP, он сразу сравнивает поведение машины в данный момент со своей программой, и если вдруг данные расходятся, то электронный блок понимает, что это экстремальная ситуация и начинает ее исправлять. Чтобы вернуть машину на правильную траекторию ESP начинает притормаживать одно или два, три, четыре колеса, какое именно колесо или колеса необходимо притормозить система определяет самостоятельно, в зависимости от сложившейся ситуации. Само притормаживание колеса происходит при помощи гидромодулятора ABS, который нагнетает давление в тормозной системе. Так же система может понизить крутящий момент путем подачи меньшего количества топлива, используя блок управления двигателем.
Рассмотрим ситуацию, допустим Вы проходите поворот на огромной скорости и, в следствии, скользкого дорожного покрытия машину начинает заносить, что же начинает происходить в этот момент? В этот момент на блок управления двигателем подается команда, что надо уменьшить подачу топлива, для снижения крутящего момента, сказано-сделано, крутящий момент уменьшили, но бывает, что и этого не хватает для стабилизации машины, тут то и происходит подтормаживание колес при помощи ABS. Принцип работы системы ESP, как видите достаточно простой и понятный. Так же, если на автомобиле установлена автоматическая трансмиссия с электронным управлением, то система ESP может переключать передачу вниз или даже включать, так называемый “зимний” режим, если конечно он есть у коробки. На картинке ниже показано, как поведет себя автомобиль на скользком покрытии с системой ESP и без нее во время внезапного объезда какого-либо препятствия на дороге в повороте. В данной ситуации препятствие стали дорожные работы и Вы можете сказать, что такое редко бывает, может это и так, но есть и другие похожие ситуации, например, выбежит лось на дорогу или резко выедет машина, поэтому готовым нужно быть ко всему.
Может ли система ESP мешать водителю?
На самом деле для опытных водителей, которые любят ездить на пределе своих возможностей (хотя обычно это гонщики на гоночных треках, но бывают и исключения), система курсовой устойчивости может мешать. Мешать она может в ситуации, если для того, чтобы вытянуть машину из заноса необходимо дать много газу, а электронная система просто не дает этого сделать, по программе она не подает много топлива и уменьшает крутящий момент, который так нужен в этот момент. Для таких водителей в большинстве современных машинах есть кнопка отключения системы ESP, хотя бывает и не кнопка, бывает, что нужно провести целый ряд действий для ее отключения.
Так же есть ESP, которые срабатывает не мгновенно, а с маленькой задержкой, давая тем самым водителю немного пошалить на дороге. Конечно, если Вы не гонщик и не слишком опытный водитель, то систему курсовой устойчивости лучше не отключать, безопасность на дороге превыше всего, сами понимаете. С системой ESP можно чувствовать себя на дороге уверенно, куда Вы выворачиваете руль туда машина и едет, хоть ему и придется для этого много чего сделать, но не стоит забывать о том, что данная система не волшебная и обмануть законы физики невозможно, поэтому не нужно лишний раз рисковать.
Посмотрев видео ниже, Вы можете увидеть, как ведет себя автомобиль с включенной и отключенной системой ESP
Устройство ESP и ESC
Система динамической стабилизации охватывает возможности более простых систем, таких как ABS, TCS, EBD, и EDS. Чтоб лучше разобраться нужно воспользоваться электрической схемой.
Читайте также: Все про автомобильный генератор — устройство, принцип работы
Если рассматривать по отдельности, то ABS (антиблокировочная тормозная система) предназначена для предотвращения блокировки тормозной системы. Благодаря ей даже у самого неопытного водителя останется возможность управлять машиной. Даже если водитель начал экстренное торможение, если к примеру неожиданно появилось препятствие на дороге, в таком случае, водитель инстинктивно нажмёт на педаль тормоза, машина при этом не уйдет в занос. Если в автомобиле не предусмотрена система ABS следует практиковать прерывистое торможение.
Схема ESP и ESCABS контролирует вращение всех колес, сохраняя требуемое сцепление с дорожным покрытием или асфальтом, когда это требуется.
TCS (система контроля тяги) — предназначена для предотвращения пробуксовки колес машины. TCS работает следующим образом: электронные датчики, контролируют и регистрируют положение колес. Также, контролю подвергается угловая скорость и проскальзывание колес, вернее их степень. Если зафиксирована потеря сцепления с асфальтом или другим дорожным покрытием, или обнаружена пробуксовка, TCS максимально быстро устраняет этот факт.
EBD (электронная система распределения тормозных усилий) — распределяет тормозные усилия в момент торможения. EBD отличается от ABS тем, что способна помогать водителю в постоянном управление автомобилем, не только в моменте резкого, экстренного торможения.
Основными задачами EBD являются: снизить риски и вероятности заноса при непредвиденном торможении, сохранить курсовую устойчивость используя боковые силы, и определить степень проскальзывания колес машины.
EDS (электронная блокировка дифференциала) — предназначена для блокировки дифференциалов при участии электронных датчиков и предотвращает пробуксовку колёс автомобиля.
EDS работает в скоростном диапазоне до 80 км/ч. В случае если EDS зафиксировала проскальзывание одного из колес, то происходит притормаживание скользящего колеса. На подтормаживающем колесе увеличивается крутящий момент. Из-за того, что колеса соединены дифференциалом, крутящий момент передаётся на соседнее.
Читайте также: Что такое ШРУС и в чем его секрет?
Так можно наверное догадаться EDS построена на базе ABS. Отличие в том, что в EDS есть возможность создания давления в тормозной системе. Создаётся давление самостоятельно.
В систему ESP и ESC также входят следующие компоненты:
- чувствительные сенсоры;
- блок управления;
- гидроблок.
Можно ли отключать ESC
Как это ни странно, но ESC может даже мешать водителю. В принципе, её можно деактивировать посредством специальной клавиши, расположенной на панели приборов. Специалисты рекомендуют прибегнуть к нейтрализации системы при таких обстоятельствах: при тестировании машины на испытательном стенде; во время раскачивания авто, увязшего в снежном либо грязевом месиве; когда применяются цепи противоскольжения; при езде по песку, траве и т.
п.; когда на авто установлены колёса, отличающиеся между собой по диаметру.
Достоинства ESC: помогает водителю удерживать транспортное средство в пределах нужной траектории; удаляет влагу с дисков тормозов; повышает эффективность тормозов во время перегрева; является ГУ тормозов; стабилизирует автопоезд; предупреждает опрокидывание; предупреждает столкновение.
Минусы ESC: в некоторых случаях возникает необходимость деактивации системы; неэффективно функционирует на повышенных скоростных режимах и при небольшом радиусе поворота. Преимущества ESC обеспечивают такие её программные расширения:
1. ROP — так именуется система, предотвращающая опрокидывание машины. При возникновении угрозы она придаёт авто устойчивости. Сам процесс осуществляется посредством снижения поперечного ускорения из-за подтормаживания фронтальных колёс, а также из-за уменьшения тяги ДВС. Походу всего этого действа, в тормозной системе через активный тормозной усилитель будет образовываться дополнительное давление.
2. Braking Guard — эта технология была разработана инженерами для избежания столкновения, а реализоваться она может только в сочетании с адаптивным круиз-контролем. Оповещение об опасности возникновения аварийной ситуации происходит посредством визуальных и звуковых сигналов. Во время возникновения критической обстановки параллельно осуществляется нагнетание в тормозах. По этой причине нагнетатель обратной подачи будет отключаться в автоматическом режиме.
3. Fading Brake Support — повышает эффективность функционирования тормозной системы во время перегрева. Таким образом, предотвращается неполноценное сцепление колодок с поверхностью тормозного диска. Недостаточное сцепление возникает из-за перегрева рабочих элементов системы, а нейтрализуется это путём дополнительного нагнетания давления в тормозах.
4. Система, стабилизирующая автопоезд — реализуется на транспортном средстве, в распоряжении которого тягово-сцепное устройство. В обязанности этого средства входит предотвращение «виляния» прицепного устройства походу движения.
Для достижения подобного эффекта система притормаживает колёса и понижает тягу ДВС. 5. Система нейтрализации влаги на тормозных дисках. Устройство задействуется, когда стрелка спидометра проходит отметку 50 км/ч, и при активированных стеклоочистителях. Суть в том, чтобы кратковременно повышать давление на фронтальной оси. Так, колодки будут прижиматься к дискам и влага при этом испаряется. Заключение Без сомнений, ESC является превосходным подспорьем для неопытных автовладельцев, но и бывалым «асам» она как минимум не помешает. Но в то же время никогда не нужно забывать о том, что возможности электроники также имеют свои пределы. Во многих случаях ESC реально предотвращает аварийные ситуации, однако, водителю любой квалификации не стоит ни в коем случае полагаться только на неё и притуплять свою бдительность.
Дополнительные функции в системе динамической стабилизации
Электронный контроль устойчивости транспортного средства обладает следующими дополнительными функциями, а точнее системой:
- удаления влаги из тормозных дисков;
- повышения эффективности тормозов во время нагрева;
- стабилизации автопоезда;
- предотвращения столкновения;
- предотвращения опрокидывания;
- гидравлическим усилителем тормозов и прочие.

Данные системы не имеют практически своих конструктивных элементов. Они представляют собой программные расширения ESP.
- Roll Over Prevention (ROP), являющаяся системой предотвращения опрокидывания, осуществляет стабилизацию движения автомобиля во время угрозы опрокидывания. Исключение опрокидывания происходит благодаря уменьшению поперечного ускорения, вследствие подтормаживания передних колес, а также уменьшения крутящего момента двигателя. При этом в тормозной системе дополнительное давление создаётся при помощи активного усилителя тормозов.
- Braking Guard, являющаяся технологией предотвращения столкновения, реализуется в автомобиле, который оснащён адаптивным круиз-контролем. Она обеспечивает опасности столкновения при помощи звуковых и визуальных сигналов. При этом во время критической ситуации происходит нагнетание в тормозной системе. Вследствие этого, насос обратной подачи автоматически отключается.
- Система стабилизации автопоезда реализуется в автомобиле, который оборудован тягово-сцепным устройством.
Данная система предотвращает рыскание прицепа во время движения автомобиля. Это достигается благодаря торможению колёс, а также снижению крутящего момента. - Fading Brake Support или Over Boost (FBS) является системой повышения эффективности тормозов во время нагрева, осуществляет предотвращение неполного сцепления тормозных колодок с дисками, которое возникает в процессе нагрева, при помощи дополнительного повышения давления в тормозном приводе.
- Система удаления влаги из тормозных дисков активируется при скорости более 50 км/час, а также при включенных стеклоочистителях. Система работает за счёт кратковременного повышения давления в передних колёсах. Благодаря этому происходит прижимание тормозных колодок к дискам, а также испарение влаги.
Электронный контроль устойчивости
Когда ABS была впервые представлена в середине 1980-х, это была строго тормозная система для предотвращения блокировки колес и заноса.
Затем по мере развития технологии был добавлен контроль тяги, предотвращающий пробуксовку колес при ускорении. Затем последовал прогресс, который вывел ABS на совершенно новый уровень. Электронный контроль устойчивости (ESC) позволяет системам ABS автоматически тормозить отдельные колеса по мере необходимости, чтобы улучшить управляемость и управляемость в любых условиях движения.
Электронный контроль устойчивости, по сути, делает ABS опытным водителем на заднем сиденье, который постоянно отслеживает, как автомобиль реагирует на водителя и дорожные условия. Если проблема начинает развиваться, она начинает действовать и принимает все необходимые меры, чтобы снова взять ситуацию под контроль. Это включает в себя снижение мощности двигателя за счет снижения мощности дроссельной заслонки и / или замедления момента зажигания и одновременного применения одного или нескольких тормозов для противодействия силам, которые заставляют транспортное средство терять управление и / или тягу.
Приятно то, что все это происходит автоматически, без ввода драйвера!
КАК РАБОТАЕТ ЭЛЕКТРОННЫЙ КОНТРОЛЬ СТАБИЛЬНОСТИ
Чтобы лучше контролировать динамику автомобиля в любых условиях движения, системе ABS требуются дополнительные входы. Это включает в себя датчик угла поворота рулевого колеса для контроля действий водителя, датчик рыскания для обнаружения изменений в импульсе транспортного средства, которые могут вызвать пробуксовку автомобиля, избыточную или недостаточную поворачиваемость, и датчик бокового ускорения (перегрузки) для отслеживания изменений в замедлении. .
Когда водитель управляет автомобилем, датчик угла поворота рулевого колеса информирует модуль управления ABS о том, куда водитель направляет автомобиль, и о скорости поворота рулевого колеса (быстро или медленно). В то же время модуль управления ABS смотрит на входные данные от своих датчиков скорости вращения колес, чтобы определить, есть ли какие-либо различия в скорости вращения правого и левого передних и задних колес. При повороте внутреннее колесо вращается несколько медленнее, чем внешнее.
Если автомобиль начинает избыточную поворачиваемость в повороте, а задняя часть автомобиля начинает разворачиваться (что может привести к раскрутке автомобиля), разница в скорости между левым и правым передними колесами увеличивается. Если автомобиль недостаточно поворачивается (теряет сцепление с передним колесом и в повороте идет шире), разница в скорости между левым и правым передними колесами уменьшается.
Если программное обеспечение контроля устойчивости в модуле управления ABS обнаруживает разницу в обычных скоростях вращения левого и правого колес при повороте, оно немедленно снижает мощность двигателя и применяет противодействующее торможение на отдельных колесах по мере необходимости до тех пор, пока рулевое управление и устойчивость транспортного средства не будут восстановлены. .
Щелкните здесь , чтобы загрузить / просмотреть видеоклип теста Chevy Tahoe на опрокидывание. В этом ролике, который был снят на испытательном полигоне Bosch в Флэт-Роке, штат Мичиган, водитель делает резкий поворот на скорости 35 миль в час с отключенной системой контроля устойчивости. Внедорожник поднимается на двух колесах и чуть не перевернется. Затем испытание повторяется с включенной системой стабилизации, и автомобиль остается ровно на земле.
ПРИЛОЖЕНИЯ ДЛЯ КОНТРОЛЯ СТАБИЛЬНОСТИ
Первыми автомобилями, оснащенными электронной системой стабилизации на заводе, были модели BMW 750iL и 850Ci 1995 года выпуска с двигателем 5.Двигатель V12 4 л. Система динамического контроля устойчивости (DCS) от Bosch отслеживает частоту вращения отдельных колес 50 раз в секунду (каждые 20 миллисекунд) и всегда активна, тормозит водитель или нет. Если система обнаруживает развитие недостаточной или избыточной поворачиваемости, она принимает один из двух способов действий в зависимости от величины развивающейся силы поворота или бокового ускорения.
Если боковое ускорение транспортного средства превышает примерно 0,6 g, и водитель тормозит нормально (недостаточно сильно, чтобы задействовать антиблокировочную систему), система DSC модулирует тормозное давление таким образом, что внешние колеса тормозятся сильнее, чем внутренние.Это нейтрализует избыточную поворачиваемость или рыскание, которые в противном случае могли бы привести к потере контроля и вращению автомобиля. Если водитель понимает, что он едет слишком быстро, и нажимает на тормоза достаточно сильно, чтобы включить нормальное антиблокировочное торможение, DSC возвращается в нормальный режим торможения ABS, позволяя системе выборочно регулировать давление в задних тормозах по мере необходимости.
КОНТРОЛЬ СТАБИЛЬНОСТИ MERCEDES ESP
Еще более совершенная электронная система стабилизации (ESP) появилась в 1996 году на моделях Mercedes S600 с двигателем V-12.Как и система BMW, система управления динамикой автомобиля (VDC) также производится Bosch и обеспечивает автоматическое снижение крутящего момента двигателя и торможение, если автомобиль слишком быстро входит в поворот или совершает резкий маневр рулевого управления. Но в отличие от системы BMW, Mercedes также использует индивидуальное переднее и заднее торможение, чтобы помочь автомобилю восстановить контроль.
С системой Mercedes ESP передние тормоза можно задействовать отдельно, чтобы исправить положение автомобиля. Если автомобиль, например, поворачивает налево и начинает проявлять избыточную поворачиваемость, система ESP задействует правый передний тормоз, чтобы вернуть контроль над автомобилем.Чтобы исправить недостаточную поворачиваемость при повороте влево, система ESP применяет левый задний тормоз. Контрольная лампа приборной панели также мигает, чтобы предупредить водителя о том, что система контроля устойчивости активна (светящийся треугольник с восклицательным знаком внутри).
Система Mercedes принимает входные данные от двух дополнительных датчиков: датчика бокового ускорения и датчика скорости рыскания. Последний сообщает модулю управления, поворачивается ли автомобиль вокруг своей оси, чтобы компьютер мог сравнить входные данные с углом поворота и скоростью отдельных колес.
КАДИЛЛАК СТАБИЛИТРАК
В 1997 году компания Cadillac добавила новую систему контроля устойчивости Delphi StabiliTrak в свои модели Seville STS, DeVille Concours и Eldorado ETC. Система StabiliTrak сравнивает то, что хочет сделать водитель, с реальной реакцией автомобиля. Если автомобиль не реагирует так, как хочет водитель, или ему угрожает вращение или неконтролируемый занос, StabiliTrak замедляет и стабилизирует автомобиль, чтобы помочь водителю восстановить контроль.
Подобно системам контроля устойчивости BMW и Mercedes, Cadillac также использует датчик угла поворота рулевого колеса, датчик рыскания и датчик поперечного ускорения (перегрузки).
КОНТРОЛЬ УСТОЙЧИВОСТИ АВТОМОБИЛЯ LEXUS
В 1998 году Lexus добавила систему стабилизации автомобиля Bosch (VSC) на некоторые из своих автомобилей. Функционально он такой же, как системы Mercedes и Cadillac, но добавляет датчик тормозного давления для контроля тормозных сигналов водителя (или их отсутствия) и предупреждающий зуммер в дополнение к индикатору приборной панели, чтобы предупредить водителя, когда система активна.
СИСТЕМЫ КОНТРОЛЯ СТАБИЛЬНОСТИ
Контроль устойчивости интегрируется в системы ABS на все большем количестве автомобилей, легких грузовиков и внедорожников.Это имеет наибольший смысл для внедорожников из-за более высокого центра тяжести и повышенного риска опрокидывания, если они вылетят боком, вылетят на скользкой дороге или испытают лопнувшую шину.
В 2006 году система контроля устойчивости была стандартным оборудованием примерно для 29 процентов всех легковых и грузовых автомобилей, включая 57% всех внедорожников. К 2010 году он использовался в 85 процентах всех новых автомобилей. К 2012 году он стал стандартом для всех новых автомобилей, внедорожников и легких грузовиков.
Названия систем контроля устойчивости
Системы контроля устойчивости предлагаются под следующими наименованиями:
* Acura: Система стабилизации автомобиля (VSA)
* Alfa Romeo: система динамического контроля автомобиля (VDC)
* Audi: ESP — программа электронной стабилизации
* Buick: StabiliTrak
* BMW: система динамического контроля устойчивости (DSC), включая динамический контроль тяги
* Cadillac: All-Speed Traction Control и StabiliTrak
* Chevrolet: StabiliTrak (кроме Corvette — Active Handling)
* Chrysler: Электронная система стабилизации (ESP)
* Dodge: Электронная система стабилизации (ESP)
* DaimlerChrysler: Электронная система стабилизации (ESP)
* Fiat: электронная система стабилизации (ESP) и система динамического контроля автомобиля (VDC)
* Феррари: Controllo Stabilita (CST)
* Ford: AdvanceTrac и интерактивная динамика транспортного средства (IVD)
* GM: StabiliTrak
* Hyundai: Электронная программа стабилизации
* Honda: электронный контроль устойчивости (ESC) и система стабилизации автомобиля (VSA) и электронная программа стабилизации (ESP)
* Холден: Электронная программа стабилизации (ESP)
* Infiniti: система динамического управления автомобилем (VDC)
* Jaguar: Система динамического контроля устойчивости (DSC)
* Jeep: Электронная система стабилизации (ESP)
* Kia: Электронная система стабилизации (ESP)
* Land Rover: Система динамического контроля устойчивости (DSC)
* Lexus: интегрированное управление динамикой автомобиля (VDIM) с системами контроля устойчивости (VSC) и контроля тяги (TRAC)
* Линкольн: AdvanceTrak
* Maserati: Программа стабилизации Maserati (MSP)
* Mazda: система динамического контроля устойчивости
* Mercedes: Электронная система стабилизации (ESP)
* Меркурий: AdvanceTrak
* MINI Cooper: Система динамического контроля устойчивости
* Mitsubishi: MULTIMODE
с активным противоскользом и противобуксовочной системой.
* Nissan: система динамического контроля автомобиля (VDC)
* Oldsmobile: Система точного управления (PCS)
* Opel: Электронная система стабилизации (ESP)
* Peugeot: Электронная система стабилизации (ESP)
* Понтиак: StabiliTrak
* Porsche: Система стабилизации Porsche (PSM)
* Renault: Электронная система стабилизации (ESP)
* Rover: Система динамического контроля устойчивости (DSC)
* Saab: программа электронной стабилизации
* Сатурн: StabiliTrak
* SEAT: Электронная система стабилизации (ESP)
* Skoda: Электронная система стабилизации (ESP)
* Subaru: Системы управления динамикой автомобиля (VDCS)
* Suzuki: Электронная система стабилизации (ESP)
* Toyota: интегрированное управление динамикой автомобиля (VDIM) с системой контроля устойчивости (VSC)
* Vauxhall: Электронная система стабилизации (ESP)
* Volvo: система динамической стабилизации и контроля тяги (DSTC)
* VW: Электронная система стабилизации (ESP)
Демонстрация контроля устойчивости
В первом видео ниже показано, что может случиться, если транспортное средство с высоким центром тяжести совершает резкий маневр рулевого управления на высокой скорости.Автомобиль движется со скоростью 45 миль в час по испытательному треку с отключенной системой контроля устойчивости. На втором видео показан тот же тест на немного большей скорости (50 миль в час) с включенным контролем устойчивости. Оба видео были сняты на испытательном полигоне Bosch в Фармингтон-Хиллз, штат Мичиган. Транспортным средством на этих видеороликах управлял профессиональный водитель, а внедорожник был оборудован дугами безопасности, чтобы предотвратить его опрокидывание. Так что НЕ ПЫТАЙТЕСЬ самостоятельно выполнить такой тест!
Без системы контроля устойчивости
С контролем устойчивости
ЭЛЕКТРОННЫЙ КОНТРОЛЬ СТАБИЛЬНОСТИ СПАСИТ ЖИЗНИ
Электронный контроль устойчивости не может защитить автомобиль от идиота.Он также не может преодолеть основные законы физики. Если автомобиль слишком быстро входит в поворот, чтобы успокоиться, он съезжает с дороги. Но контроль устойчивости может помочь водителю восстановить контроль на меньших скоростях (особенно на скользких дорогах) или при резких маневрах для предотвращения аварии. Он также может предотвратить опрокидывание транспортных средств с высоким центром тяжести, таких как внедорожник.
Исследования показали, что электронный контроль устойчивости спасает жизни и снижает количество несчастных случаев. Еще в 2004 году Национальное управление безопасности дорожного движения и безопасности дорожного движения (NHTSA) подтвердило достоверность исследований своим собственным полевым отчетом, в котором был сделан вывод, что контроль за стабильностью позволил снизить количество аварий на 35%.Страховой институт дорожной безопасности (IIHS) позже опубликовал собственное исследование, в котором пришел к выводу, что широкое применение контроля устойчивости может спасти 7000 жизней в год. Чтобы просмотреть отчет IIHS, щелкните здесь.
В июне 2006 г. IIHS обновил результаты своего исследования 2004 г., заявив, что можно было бы избежать до 10 000 ДТП со смертельным исходом ежегодно, если бы все автомобили были оснащены системой контроля устойчивости.
Ниже приводится краткое изложение требований NHTSA к системам контроля устойчивости в соответствии с Федеральным стандартом безопасности транспортных средств (FMVSS) No.126:
* Транспортные средства должны пройти динамический тест, который будет эффективно работать при избыточной и недостаточной поворачиваемости.
* Системы ESC должны: повышать курсовую устойчивость за счет индивидуального применения тормозов транспортного средства для корректировки моментов рыскания; управляться компьютером; уметь определять скорость и скорость рыскания автомобиля; иметь возможность контролировать управление рулевым управлением; и быть работоспособным в пределах полного диапазона скоростей транспортного средства (кроме случаев, когда скорость ниже порога, когда потеря управления маловероятна).
* Система должна иметь контрольный сигнал, установленный внутри пассажирского отсека в зоне видимости водителя, чтобы предупреждать водителя, когда система ESC не работает должным образом. Выключатель, выбираемый водителем, будет разрешен для определения времени, когда транспортное средство застревает в песке или гравии или движется по рельсам.
* Для новых систем предусмотрен трехлетний период ввода в эксплуатацию. Соответствие требованиям началось 1 сентября 2008 г. с 30% всех автомобилей 2009 г., затем 60% для 2010 г., 90% для 2011 г. и 100% для 2012 г.Мелкосерийные производители исключены из требований о поэтапном введении, но должны полностью соответствовать требованиям к 1 сентября 2011 г. Многоступенчатые производители и производители должны полностью соответствовать требованиям к 1 сентября 2012 г.
* По оценкам NHTSA, при массовом производстве средняя стоимость установки ESC составит около 111 долларов на транспортное средство на транспортных средствах, которые уже оснащены тормозами с АБС. В настоящее время стоимость дополнительного оборудования составляет от 300 до 800 долларов.
ДИАГНОСТИКА КОНТРОЛЯ СТАБИЛЬНОСТИ И РЕМОНТ
Поскольку система интегрирована в систему ABS, неисправности диагностируются автоматически и включается сигнальная лампа.В зависимости от характера неисправности система контроля устойчивости и система ABS могут быть временно отключены. Автомобиль по-прежнему может двигаться в обычном режиме, но система стабилизации / ABS останется отключенной и не сможет предотвратить занос автомобиля или потерю управления в аварийной ситуации вождения. По этой причине необходимо немедленно проверить наличие контрольной лампы системы стабилизации / ABS и как можно скорее произвести ремонт.
Диагностикатребует использования диагностического прибора на большинстве автомобилей (с программным обеспечением, которое может получить доступ к системе контроля устойчивости / ABS).На некоторых автомобилях также может быть возможно считывать коды неисправностей и другую диагностическую информацию через информационный дисплей водителя, переведя систему в специальный режим диагностики. Обратитесь к документации по обслуживанию транспортного средства, чтобы узнать о конкретных процедурах для этого. Обычно это включает нажатие различных кнопок на панели климат-контроля или на дисплее водителя.
Типичные проблемы включают потерю сигнала датчика из-за неисправности датчика или неисправности проводки, проблемы в модуляторах ABS, двигателе насоса, реле насоса или гидроаккумуляторе высокого давления.Всегда проверяйте бюллетени технического обслуживания производителя автомобиля каждый раз, когда возникает проблема с системой стабилизации или ABS. TSB может помочь вам диагностировать и устранить неисправность.
Другие статьи о антиблокировочной тормозной системе:
Системы активной безопасностиАнтиблокировочная система тормозов (АБС)
Таблица применения системы АБС (по годам, маркам и моделям автомобилей)
Системы АБС попадают под огонь
Новые диагностические тестеры АБС
Вытягивание диагностических кодов АБС
Антиблокировочные тормоза Honda
Chrysler Dodge Plymouth Minivan Bendix 10 Antilock Brakes
GM Delphi DBC-7 ABS Антиблокировочные тормоза
Jeep Bendix 9 Antilock Brakes
Kelsey-Hayes RWAL Антиблокировочные тормоза задних колес
Kelsey-Hayes 4WAL 20000 Antilock Brakes
MarkAntilock Brakes
MarkБалансировка тормозов и электронное дозирование тормозов
Проводное торможение
Щелкните здесь, чтобы увидеть больше технических статей Carley Automotive
Нужна информация в заводском руководстве по обслуживанию вашего автомобиля?
Mitchell 1 DIY eautorepair manualsЭлектронный контроль устойчивости
Электронный контроль устойчивости ( ESC ) представляет собой компьютеризированную технологию [1] [2] , которая потенциально может повысить безопасность устойчивости транспортного средства путем обнаружения и минимизация скольжения. [3] Когда ESC обнаруживает потерю управления рулевым управлением, она автоматически включает тормоза, чтобы помочь «направить» транспортное средство туда, куда водитель намеревается ехать. Торможение автоматически применяется к колесам по отдельности, например к внешнему переднему колесу для противодействия избыточной поворачиваемости или внутреннему заднему колесу для противодействия недостаточной поворачиваемости. Некоторые системы ESC также снижают мощность двигателя, пока управление не будет восстановлено. ESC не улучшает характеристики автомобиля на поворотах; вместо этого это помогает свести к минимуму потерю контроля. По данным Страхового института дорожной безопасности и U.S. Национальное управление безопасности дорожного движения, одна треть несчастных случаев со смертельным исходом могла быть предотвращена с помощью этой технологии. [4] [5]
История
В 1987 году первые новаторы компаний ESC, Mercedes-Benz и BMW представили свои первые системы контроля тяги. Противобуксовочная система работает, применяя индивидуальное торможение колес и дроссельную заслонку для сохранения тяги при ускорении, но, в отличие от ESC, она не предназначена для помощи в рулевом управлении.
Названная в 1990 году просто TCL, с тех пор эта система превратилась в современную систему Mitsubishi Active Skid and Traction Control (ASTC).Бортовой компьютер, разработанный для того, чтобы помочь водителю выдерживать заданный путь при прохождении поворота, отслеживал несколько рабочих параметров автомобиля с помощью различных датчиков. Когда используется слишком большой дроссель во время поворота, мощность двигателя и торможение автоматически регулируются, чтобы обеспечить правильный путь на повороте и обеспечить надлежащее сцепление с дорогой при различных дорожных условиях. В то время как обычные системы контроля тяги в то время имели только функцию контроля пробуксовки, Mitsubishi разработала систему TCL, которая имела функцию превентивной (активной) безопасности.Это улучшило характеристики отслеживания курса за счет автоматической регулировки тягового усилия, тем самым сдерживая развитие чрезмерного бокового ускорения при повороте. Хотя это и не «настоящая» современная система контроля устойчивости, контроль следа отслеживает угол поворота рулевого колеса, положение дроссельной заслонки и частоту вращения отдельных колес, при этом отсутствует ввод скорости рыскания. Стандартная функция контроля пробуксовки колес в системе TCL улучшает сцепление с дорогой на скользкой поверхности или в поворотах. В дополнение к функции контроля тяги TCL, он также работает вместе с подвеской Diamante с электронным управлением и рулевым управлением всеми колесами, которые Mitsubishi оснастила для улучшения общей управляемости и производительности. [6] [7] [8] [9] [10] [11] [12] [13]
BMW в сотрудничестве с Robert Bosch GmbH и Continental Automotive Systems разработала систему снижения крутящего момента двигателя для предотвращения потери контроля и применила ее ко всей модельной линейке BMW 1992 года. С 1987 по 1992 годы Mercedes-Benz и Robert Bosch GmbH совместно -разработана система под названием Elektronisches Stabilitätsprogramm (нем. «Electronic Stability Program», торговая марка ESP), система контроля бокового проскальзывания, электронный контроль устойчивости (ESC).
GM работал с Delphi Corporation и представил свою версию ESC под названием «StabiliTrak» в 1997 году для избранных моделей Cadillac. StabiliTrak стал стандартным оборудованием для всех внедорожников и фургонов GM, проданных в США и Канаде к 2007 году, за исключением некоторых коммерческих автомобилей и транспортных средств для автопарков. В то время как название «StabiliTrak» используется на большинстве автомобилей General Motors для рынка США, название «Electronic Stability Control» используется для зарубежных брендов GM, таких как Opel, Holden и Saab, за исключением Saab 9-7X, который также использует название «StabiliTrak».Версия Ford ESC, названная AdvanceTrac, была запущена в 2000 году. Позднее Ford добавил систему стабилизации курсовой устойчивости AdvanceTrac [14] [15] , которая впервые была представлена в Volvo XC90 в 2003 году, когда Volvo Cars полностью принадлежала Ford. и теперь это внедряется во многих автомобилях Ford.
Введение
В 1995 году производители автомобилей представили системы ESC. Mercedes-Benz, поставляемый компанией Bosch, первым реализовал это в своей модели W140 S-класса.В том же году BMW, поставляемая Bosch и ITT Automotive (позже приобретенная Continental Automotive Systems). Volvo Cars [ необходима ссылка ] начала предлагать свою версию ESC под названием DSTC в 1998 году на новом S80. Система контроля устойчивости автомобиля Toyota (также в 2004 году, превентивная система под названием VDIM) появилась на Crown Majesta в 1995 году. [16] Тем временем другие исследовали и разработали свои собственные системы.
Шведский журналист Роберт Коллин из Teknikens Värld («Мир технологий») в октябре 1997 года прокатился на автомобиле Mercedes A во время теста на лося (уклонение от препятствия), которое стало известно в Германии как «тест на лося». -Класс (без ESC) на 78 км / ч.Поскольку Mercedes-Benz поддерживает репутацию производителя систем безопасности, они отозвали и переоборудовали 130 000 автомобилей A-класса с ESC. Это привело к значительному снижению количества аварий, и количество автомобилей с ESC выросло. Сегодня практически все премиальные бренды сделали ESC стандартом для всех автомобилей, и количество моделей с ESC продолжает расти. [18] Наличие ESC в небольших автомобилях, таких как A-Class, вызвало рыночную тенденцию, так что ESC стал доступен для всех моделей, по крайней мере, в качестве опции.Как следствие, в 2009 году Европейский союз решил сделать ESC обязательным — все новые модели должны быть оснащены ESC с 1 ноября 2011 года, а к концу 2013 года все старые модели без ESP больше не будут продаваться. [19] [20]
Ford и Toyota объявили, что к концу 2009 года все их североамериканские автомобили будут оснащены стандартом ESC (с 2004 года он был стандартом на внедорожниках Toyota, а после 2011 модельного года все автомобили Lexus, Toyota и Scion были оснащены стандартом ESC). ESC; последним, кто его получил, был Scion tC 2011 модельного года). [21] [22] Однако даже в ноябре 2010 года Ford по-прежнему продает в Северной Америке модели без ESC. [23] General Motors сделала аналогичное объявление на конец 2010 года. [24] NHTSA требует, чтобы все легковые автомобили были оборудованы ESC к 2012 году, и по оценкам, это предотвратит 5,300-9,600 ежегодных смертельных случаев, если все легковые автомобили оснащены системой. [25]
Операция
Основная статья: Направленная устойчивостьВо время обычного движения ESC работает в фоновом режиме и постоянно контролирует рулевое управление и направление движения автомобиля.Он сравнивает намеченное водителем направление (определяемое посредством измеренного угла поворота рулевого колеса) с фактическим направлением транспортного средства (определяемое посредством измеренного поперечного ускорения, поворота транспортного средства (рыскания) и отдельных скоростей ходовых колес).
ESC срабатывает только тогда, когда он обнаруживает вероятную потерю управления рулевым управлением, то есть когда автомобиль не движется туда, где водитель рулит. [26] Это может произойти, например, при заносе во время экстренного уклонения, недостаточной или избыточной поворачиваемости во время плохо оцененных поворотов на скользкой дороге или при аквапланировании.ESC также может нежелательным образом вмешиваться во время высокопроизводительного вождения, поскольку рулевое управление не всегда может прямо указывать на предполагаемое направление движения. ESC оценивает направление заноса, а затем асимметрично применяет тормоза к отдельным колесам, чтобы создать крутящий момент вокруг вертикальной оси транспортного средства, противодействуя заносу и возвращая транспортное средство в соответствии с заданным водителем направлением. Кроме того, система может снизить мощность двигателя или задействовать трансмиссию для замедления транспортного средства.
ESC может работать на любой поверхности, от сухого тротуара до замерзших озер. [27] [28] Он реагирует на занос и исправляет его намного быстрее и эффективнее, чем обычный водитель-человек, часто даже до того, как водитель узнает о неминуемой потере управления. [29] Фактически, это привело к некоторым опасениям, что ESC может позволить водителям стать излишне самоуверенными в управлении своим автомобилем и / или в собственных навыках вождения. По этой причине системы ESC обычно информируют водителя, когда он вмешивается, чтобы водитель знал, что пределы управляемости автомобиля были достигнуты.Большинство из них активируют световой индикатор приборной панели и / или звуковой сигнал; некоторые намеренно позволяют скорректированному курсу автомобиля очень незначительно отклоняться от направления, заданного водителем, даже если это возможно более точно. [30]
Действительно, все производители ESC подчеркивают, что система не является улучшением характеристик или заменой методов безопасного вождения, а скорее технологией безопасности, помогающей водителю оправиться от опасных ситуаций. ESC не увеличивает тягу, поэтому он не обеспечивает более быстрого прохождения поворотов (хотя может способствовать лучшему управляемому повороту).В более общем плане ESC работает в пределах, присущих управляемости транспортного средства и имеющейся тяги между шинами и дорогой. Безрассудный маневр может выйти за эти пределы, что приведет к потере управления. Например, в случае серьезного аквапланирования колеса, которые ESC использовал бы для коррекции заноса, могут даже изначально не касаться дороги, что снижает ее эффективность.
В июле 2004 года на Crown Majesta компания Toyota предложила систему интегрированного управления динамикой транспортного средства (VDIM), которая включала ранее независимые системы, включая ESC.Это работало не только после обнаружения заноса, но и в первую очередь предотвращало его возникновение. Используя рулевое управление с усилителем рулевого управления с переменным передаточным числом, эта более продвинутая система также может изменять передаточные числа рулевого механизма и уровни крутящего момента, чтобы помочь водителю в маневрах уклонения.
Эффективность
Многочисленные исследования по всему миру подтверждают, что ESC очень эффективна, помогая водителю сохранять контроль над автомобилем, тем самым спасая жизни и снижая серьезность аварий. [31] Осенью 2004 года в США Национальное управление шоссейных дорог и безопасности дорожного движения подтвердило международные исследования, опубликовав результаты полевого исследования эффективности ESC в США. Национальное управление безопасности дорожного движения США (NHTSA) пришло к выводу, что ESC снижает количество аварий на 35%. Кроме того, внедорожники с системой стабилизации участвуют в авариях на 67% меньше, чем внедорожники без этой системы. Страховой институт безопасности дорожного движения США (IIHS) в июне 2006 г. опубликовал собственное исследование, показывающее, что до 10 000 аварий со смертельным исходом в США можно было бы избежать ежегодно, если бы все автомобили были оснащены ESC [32] Исследование IIHS пришло к выводу, что ESC снижает вероятность всех ДТП со смертельным исходом на 43%, ДТП со смертельным исходом для одного транспортного средства на 56% и со смертельным исходом при опрокидывании одного транспортного средства на 77-80%.
Многие эксперты называютESC самым важным достижением в области автомобильной безопасности. [33] , включая Николь Нейсон, [34] Администратор NHTSA, [35] Джим Гест и Дэвид Чемпион [36] Союза потребителей [37] Международной автомобильной федерации (FIA), E-Safety Aware, [38] Csaba Csere, редактор Car and Driver, [39] и Джим Гилл, давний сторонник ESC Continental Automotive Systems [35] The European New Car Assessment Программа (EuroNCAP) «настоятельно рекомендует» людям покупать автомобили с системой стабилизации.
IIHS требует, чтобы автомобиль имел ESC в качестве доступной опции, чтобы претендовать на награду Top Safety Pick за защиту пассажиров и предотвращение несчастных случаев. [40] [41]
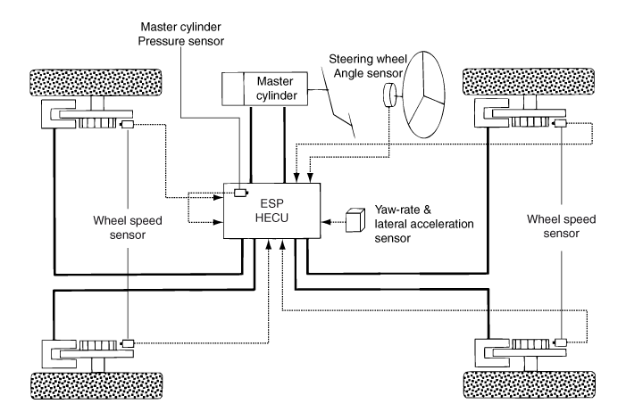
Комплектующие и конструкция
ESC включает контроль скорости рыскания в антиблокировочной тормозной системе (ABS). Рыскание — это вращение вокруг вертикальной оси; т.е. вращение влево или вправо. Антиблокировочная система тормозов позволяет ESC тормозить отдельные колеса. Многие системы ESC также включают систему контроля тяги (TCS или ASR), которая определяет пробуксовку ведущего колеса при ускорении и индивидуально тормозит пробуксовывающее колесо или колеса и / или снижает избыточную мощность двигателя, пока управление не будет восстановлено.Однако ESC выполняет другую цель, чем ABS или Traction Control. [28]
Система ESC использует несколько датчиков, чтобы определить, что хочет водитель (ввод). Остальные датчики показывают фактическое состояние автомобиля (реакцию). Алгоритм управления сравнивает действия водителя с реакцией транспортного средства и при необходимости решает применить тормоза и / или уменьшить дроссельную заслонку на суммы, рассчитанные в пространстве состояний (набор уравнений, используемых для моделирования динамики транспортного средства). [42] Контроллер ESC может также получать данные и отдавать команды другим контроллерам транспортного средства, таким как система полного привода или система активной подвески, для повышения устойчивости и управляемости транспортного средства.
Датчики, используемые для ESC, должны постоянно отправлять данные, чтобы как можно скорее обнаружить возможные дефекты. Они должны быть устойчивы к возможным формам помех (дождь, ямы на дороге и т. Д.). Наиболее важные датчики:
- Датчик угла поворота рулевого колеса: определяет предполагаемое водителем поворот; то есть туда, где водитель хочет управлять. Такой датчик часто базируется на AMR-элементах.
- Датчик скорости рыскания: измеряет скорость вращения автомобиля; я.е. сколько на самом деле поворачивает машина. Данные датчика рыскания сравниваются с данными датчика угла поворота рулевого колеса для определения регулирующего действия.
- Датчик бокового ускорения: часто основан на эффекте Холла [требуется ссылка ] . Измеряет поперечное ускорение автомобиля.
- Датчик скорости вращения колеса: измеряет скорость вращения колеса.
Другие датчики могут включать:
- Датчик продольного ускорения: аналогичен датчику поперечного ускорения по конструкции, но может предоставлять дополнительную информацию об уклоне дороги, а также обеспечивать еще один источник ускорения и скорости транспортного средства.
- Датчик скорости крена: аналогичен датчику скорости рыскания по конструкции, но улучшает точность модели транспортного средства контроллера и исправляет ошибки при оценке поведения транспортного средства только с помощью других датчиков.
ESC использует гидравлический модулятор, чтобы гарантировать, что каждое колесо получает правильное тормозное усилие. Аналогичный модулятор используется в АБС. АБС требуется только для снижения давления при торможении. ESC дополнительно нуждается в повышении давления в определенных ситуациях, и в дополнение к гидравлическому насосу можно использовать активный вакуумный усилитель тормозов, чтобы соответствовать этим требовательным градиентам давления.
Мозгом системы ESC является электронный блок управления (ECU). В него заложены различные методы управления. Часто один и тот же блок управления двигателем используется одновременно для разных систем (ABS, антипробуксовочная система, климат-контроль и т. Д.). Входные сигналы отправляются через входную цепь на цифровой контроллер. Желаемое состояние автомобиля определяется на основе угла поворота рулевого колеса, его уклона и скорости вращения колеса. Одновременно датчик рыскания измеряет фактическое состояние. Контроллер вычисляет необходимое тормозное или ускоряющее усилие для каждого колеса и направляет через приводные контуры клапаны гидравлического модулятора.Через интерфейс сети контроллеров ЭБУ соединяется с другими системами (АБС и т. Д.) Во избежание подачи противоречивых команд.
Многие системы ESC имеют выключатель обхода, поэтому водитель может отключить ESC, что может быть желательно, если он сильно застрял в грязи или снегу, или при езде по пляжу, или при использовании запасного колеса меньшего размера, которое будет мешать работе датчики. Некоторые системы также предлагают дополнительный режим с повышенными порогами, чтобы водитель мог использовать пределы сцепления с меньшим вмешательством электроники.Однако при повторном запуске зажигания ESC по умолчанию находится в положении «Вкл.». Некоторые системы ESC, в которых отсутствует «выключатель», например, на многих последних автомобилях Toyota и Lexus, могут быть временно отключены с помощью недокументированной серии операций с педалью тормоза и ручным тормозом. [43] Кроме того, отключение датчика скорости вращения колеса — это еще один метод отключения большинства систем ESC. Внедрение ESC на новых автомобилях Ford не может быть полностью отключено даже с помощью «выключателя». ESC автоматически активируется на скоростях шоссе и ниже, если обнаруживает занос при нажатой педали тормоза.
Наличие и стоимость
ESC построен на основе антиблокировочной тормозной системы (ABS), и все автомобили с ESC оснащены антипробуксовочной системой. Компоненты ESC включают датчик скорости рыскания, датчик бокового ускорения, датчик рулевого колеса и усовершенствованный интегрированный блок управления. Согласно исследованию Национальной администрации безопасности дорожного движения (НАБДД), в 2005 году стоимость ABS составила около 368 долларов США; ESC стоил еще 111 долларов США. Розничная цена ESC варьируется; как отдельный вариант он продается по цене всего 250 долларов США. [44] Однако ESC редко предлагается в качестве единственной опции и, как правило, недоступен для установки на вторичном рынке. Вместо этого он часто поставляется в комплекте с другими функциями или более дорогими комплектациями, поэтому стоимость пакета, включающего ESC, может составлять несколько тысяч долларов. Тем не менее, ESC считается очень рентабельным [45] и может окупиться снижением страховых взносов. [46] Федеральные правила требуют, чтобы ESC была установлена в качестве стандартной функции на всех легковых и легких грузовиках, начиная с 2012 года. [47]
Наличие ESC в легковых автомобилях зависит от производителя и страны. В 2007 году ESC был доступен примерно в 50% новых моделей в Северной Америке по сравнению с примерно 75% в Швеции. Однако осведомленность потребителей влияет на модели покупок, так что примерно 45% автомобилей, проданных в Северной Америке и Великобритании, приобретаются с помощью ESC, [48] , в отличие от 78-96% в других европейских странах, таких как Германия, Дания и Швеция. Хотя до 2004 года система ESC была у немногих автомобилей, повышение осведомленности приведет к увеличению количества автомобилей с ESC на рынке подержанных автомобилей.
ESC доступен для автомобилей, внедорожников и пикапов от всех основных автопроизводителей. Роскошные автомобили, спортивные автомобили, внедорожники и кроссоверы обычно оснащаются ESC. Автомобили среднего размера также постепенно завоевывают популярность, хотя Nissan Altima и Ford Fusion 2008 года выпуска предлагали ESC только на их автомобилях с двигателем V6. Хотя ESC включает контроль тяги, есть автомобили, такие как Chevrolet Malibu LS 2008 года и Mazda6 2008 года, которые имеют контроль тяги, но не ESC. ESC — редкость среди малолитражных автомобилей по состоянию на 2008 год.Toyota Corolla 2009 года выпуска в Соединенных Штатах (но не в Канаде) имеет систему контроля устойчивости в качестве опции за 250 долларов на всех комплектациях ниже, чем у XRS, которая имеет его в стандартной комплектации. [44] В Канаде для Mazda3 2010 года ESC является опцией для средней комплектации GS как часть пакета люка в крыше и является стандартной для топовой версии GT. [49] Ford Focus 2009 года имеет ESC в качестве опции для моделей S и SE и входит в стандартную комплектацию моделей SEL и SES [50]
ESC также имеется в некоторых домах на колесах.Разработанные системы ESC и ESP (включая систему контроля устойчивости при опрокидывании (RSC) [51] ) доступны для многих коммерческих автомобилей, [52] , включая транспортные грузовики, прицепы и автобусы от таких производителей, как Bendix Corporation, [53] WABCO [54] Daimler, Scania AB, [55] и Prevost, [56] и легкие пассажирские автомобили. [15] [57]
Модель ChooseESC! Кампания , проводимая агентством eSafetyAware! , дает глобальный взгляд на ESC.One ChooseESC! Публикация показывает доступность ESC в странах-членах ЕС.
В США веб-сайт [58] Страхового института безопасности дорожного движения (IIHS) показывает наличие ESC в отдельных моделях для США, а Национальное управление безопасности дорожного движения (веб-сайт NHTSA) [18] перечисляет модели для США с ESC.
В Австралии Национальная ассоциация автодорог и автомобилистов NRMA показывает наличие ESC в австралийских моделях. [59]
Будущее
Рынок ESC быстро растет, особенно в таких европейских странах, как Швеция, Дания и Германия. Например, в 2003 году в Швеции процент покупки новых автомобилей с ESC составлял 15%. Шведское управление безопасности дорожного движения дало строгую рекомендацию ESC, и в сентябре 2004 года, 16 месяцев спустя, доля закупок составила 58%. Затем была дана более сильная рекомендация ESC, и в декабре 2004 года процент закупок новых автомобилей достиг 69% [60] , а к 2008 году он вырос до 96%.Защитники ESC во всем мире продвигают более широкое использование ESC посредством законодательства и кампаний по повышению осведомленности общественности, и к 2012 году большинство новых транспортных средств должны быть оснащены ESC.
Подобно тому, как ESC основан на антиблокировочной тормозной системе (ABS), ESC является основой для новых достижений, таких как система контроля устойчивости при крене (RSC) [15] [57] , которая работает в вертикальной плоскости так же, как ESC работает в горизонтальной плоскости. Когда RSC обнаруживает надвигающееся опрокидывание (обычно на грузовых автомобилях [54] или внедорожниках [61] ), RSC применяет тормоза, уменьшает дроссельную заслонку, вызывает недостаточную поворачиваемость и / или замедляет автомобиль.
Вычислительная мощность ESC облегчает объединение в сеть активных и пассивных систем безопасности, устраняя другие причины аварий. Например, датчики могут обнаруживать, когда транспортное средство следует слишком близко, и замедлять транспортное средство, выпрямлять спинки сидений и затягивать ремни безопасности, избегая и / или готовясь к аварии.
Постановление
В то время как Швеция использовала кампании по информированию общественности для пропаганды использования ESC, [62] другие внедрили или предложили законодательство.
Канадская провинция Квебек была первой юрисдикцией, которая ввела в действие закон ESC, сделав его обязательным для перевозчиков опасных грузов (без регистраторов данных) в 2005 году. [63]
Следующими были Соединенные Штаты, требующие ESC для всех пассажирских транспортных средств весом менее 10 000 фунтов (4536 кг), поэтапное введение правила, начиная с 55% моделей 2009 года (вступает в силу с 1 сентября 2008 года), 75% моделей 2010 года, 95% моделей 2011 года. , и все модели 2012 года. [18]
Канада [64] [65] будет требовать, чтобы все новые легковые автомобили имели ESC с 1 сентября 2011 года. [66]
23 июня 2009 года правительство Австралии объявило, что ESC будет обязательной с 1 ноября 2011 года для всех новых легковых автомобилей, проданных в Австралии, и для всех новых автомобилей с ноября 2013 года. [67]
Европейский парламент также призвал к ускоренному внедрению ESC. [68] Европейская комиссия подтвердила предложение об обязательном введении ESC на всех новых автомобилях и моделях коммерческих автомобилей, продаваемых в ЕС с 2012 года, при этом все новые автомобили будут оборудованы к 2014 году. [69]
Европейская экономическая комиссия Организации Объединенных Наций приняла Глобальный технический регламент для гармонизации стандартов ESC. [70]
Названия продуктов
Электронный контроль устойчивости (ESC) — это общий термин, признанный Европейской ассоциацией автопроизводителей (ACEA), Североамериканским обществом автомобильных инженеров (SAE), Японской ассоциацией автопроизводителей и другими органами во всем мире.Однако производители автомобилей могут использовать различные торговые наименования для ESC:
.- Acura: Система стабилизации автомобиля (VSA)
- Alfa Romeo: Система динамического контроля автомобиля (VDC)
- Audi: Электронная система стабилизации (ESP)
- Bentley: Электронная система стабилизации (ESP)
- BMW: Система динамического контроля устойчивости (DSC) (включая систему динамического контроля тяги)
- Bugatti: Электронная система стабилизации (ESP)
- Buick: StabiliTrak
- Cadillac: StabiliTrak и активное переднее рулевое управление (AFS)
- Chery Automobile: Электронная система стабилизации
- Chevrolet: StabiliTrak ; Активная управляемость (только Corvette)
- Chrysler: Электронная система стабилизации (ESP)
- Citroën: Электронная система стабилизации (ESP)
- Dodge: Электронная система стабилизации (ESP)
- Daimler: Электронная система стабилизации (ESP)
- Fiat: Электронная система стабилизации (ESP) и Система динамического контроля автомобиля (VDC)
- Ferrari: Controllo Stabilità (CST)
- Ford: AdvanceTrac с системой контроля устойчивости при крене (RSC) и Interactive Vehicle Dynamics (IVD) и Электронная система стабилизации (ESP) ; Система динамического контроля устойчивости (DSC) (только для Австралии)
- General Motors: StabiliTrak
- Honda: Система стабилизации автомобиля (VSA)
- Холден: Электронная система стабилизации (ESP)
- Hyundai: Электронная система стабилизации (ESP) , Электронная система стабилизации (ESC) и Система стабилизации автомобиля (VSA)
- Infiniti: Система динамического управления автомобилем (VDC)
- Jaguar: Система динамической стабилизации (DSC)
- Jeep: Электронная система стабилизации (ESP)
- Kia: Электронная система контроля устойчивости (ESC) и Электронная система контроля устойчивости (ESP)
- Lamborghini: Электронная система стабилизации (ESP)
- Land Rover: Система динамической стабилизации (DSC)
- Lexus: Интегрированное управление динамикой автомобиля (VDIM) с системой контроля устойчивости (VSC)
- Линкольн: AdvanceTrac
- Maserati: Программа стабилизации Maserati (MSP)
- Mazda: Система динамического контроля устойчивости (DSC) (включая систему динамического контроля тяги)
- Mercedes-Benz (соавтор): Электронная система стабилизации (ESP)
- Меркурий: AdvanceTrac
- MINI: Система динамической стабилизации
- Mitsubishi: MULTIMODE Active Skid and Traction Control и Active Stability Control (ASC)
- Nissan: Система динамического контроля автомобиля (VDC)
- Oldsmobile: Система точного управления (PCS)
- Opel: Электронная система стабилизации (ESP)
- Peugeot: Электронная система стабилизации (ESP)
- Понтиак: StabiliTrak
- Porsche: Porsche Stability Management (PSM)
- Proton: Электронная программа стабилизации
- Renault: Электронная система стабилизации (ESP)
- Группа роверов: Система динамического контроля устойчивости (DSC)
- Saab: Электронная система стабилизации (ESP)
- Сатурн: StabiliTrak
- Scania: Электронная система стабилизации (ESP) [71]
- SEAT: Электронная система стабилизации (ESP)
- Škoda: Электронная система стабилизации (ESP)
- Smart: Электронная система стабилизации (ESP)
- Subaru: Контроль динамики автомобиля (VDC)
- Suzuki: Электронная система стабилизации (ESP)
- Toyota: Either Vehicle Stability Control (VSC) или Комплексное управление динамикой автомобиля (VDIM)
- Vauxhall: Электронная система стабилизации (ESP)
- Volvo: Система динамической стабилизации и контроля тяги (DSTC)
- Volkswagen: Электронная система стабилизации (ESP)
Производители систем
Производители систем ESC включают:
Список литературы
- ^ [А. [2]
Внешние ссылки
- Информация об ESC для Bosch
- ВыберитеESC! совместная инициатива Европейской комиссии, eSafetyAware и Euro NCAP
- Список электронной безопасности статей в СМИ ESC из службы электронной безопасности
- NHTSA на ESC, включая правила США и список транспортных средств США с ESC
- Канадская ассоциация профессионалов в области безопасности дорожного движения на ESC
- Transport Canada на ESC
- Австралия (Виктория) на ESC
- NHTSA объявляет об обязательном ESC для всех легких транспортных средств США к 2012 году
- Предлагаемый канадский закон об ESC
- Европейский мандат ESC для грузовиков и автобусов
- Европейская кампания ESC
- Глен Николсон, «КОНТРОЛЬ ЭЛЕКТРОННОЙ СТАБИЛЬНОСТИ (ESC)», ВЫПУСК 2007, номер 3, Официальный информационный бюллетень Канадской ассоциации профессионалов в области безопасности дорожного движения
- Андерс Ли, Клас Тингвалл, Мария Краффт и Андерс Куллгрен, «Эффективность ESC (электронного контроля устойчивости) в снижении количества аварий и травм в реальной жизни» 19-й конференции по повышению безопасности транспортных средств, 2005 г.
- Австралийский (Монаш) ESC Study
- г.Бахут, «РЕАЛЬНАЯ МИРОВАЯ ОЦЕНКА КАТАСТИЧЕСКОЙ ОЦЕНКИ ТЕХНОЛОГИИ КОНТРОЛЯ СТАБИЛЬНОСТИ АВТОМОБИЛЯ (VSC)»,
- Майкл Пейн, «КОНТРОЛЬ ЭЛЕКТРОННОЙ СТАБИЛЬНОСТИ: ОБЗОР ИССЛЕДОВАНИЙ И НОРМ», Подготовлено для ДОРОЖНО-ДВИЖНОГО ОРГАНА НЮУ, 2005 г.
- UK ESC Video by What Car
- Четыре маленьких слова: «Есть ли у него ESC?»
- ABC News ESC Video
Автомобильные технологии безопасности
Электронный контроль устойчивости — Infogalactic: ядро планетарных знаний
Электронный контроль устойчивости ( ESC ), также называемый электронной программой стабилизации ( ESP ) или динамический контроль устойчивости ( DSC ), представляет собой компьютеризированную технологию [1] [2 ] , который улучшает устойчивость автомобиля за счет обнаружения и уменьшения потери тяги ( занос, ). [3] Когда ESC обнаруживает потерю управления рулевым управлением, она автоматически включает тормоза, чтобы помочь «направить» транспортное средство туда, куда водитель намеревается ехать. Торможение автоматически применяется к колесам по отдельности, например к внешнему переднему колесу для противодействия избыточной поворачиваемости или внутреннему заднему колесу для противодействия недостаточной поворачиваемости. Некоторые системы ESC также снижают мощность двигателя, пока управление не будет восстановлено. ESC не улучшает характеристики автомобиля на поворотах; вместо этого это помогает свести к минимуму потерю контроля. По данным Страхового института дорожной безопасности и U.S. Национальное управление безопасности дорожного движения, одна треть несчастных случаев со смертельным исходом может быть предотвращена с помощью этой технологии. [4] [5]
История
В 1983 году на Toyota Crown вводится серийное производство с электронным управлением четырехколесным двигателем и системой противоскольжения . [6]
В 1987 году Mercedes-Benz, BMW и Toyota [6] представили свои первые системы контроля тяги. Противобуксовочная система работает, применяя индивидуальное торможение колес и дроссельную заслонку для сохранения тяги при ускорении, но, в отличие от ESC, она не предназначена для помощи в рулевом управлении.
В 1990 году компания Mitsubishi выпустила Diamante (Sigma) в Японии. Он отличался новой системой активного отслеживания и контроля тяги с электронным управлением (первая интеграция этих двух систем в мире), разработанной Mitsubishi (см. Mitsubishi AWC). В 1990 году эта система была названа просто TCL, а сейчас она превратилась в современную систему Mitsubishi Active Skid and Traction Control (ASTC). Разработан, чтобы помочь водителю удерживать намеченную линию при прохождении поворота; бортовой компьютер контролировал несколько рабочих параметров автомобиля с помощью различных датчиков.Когда при повороте используется слишком большая дроссельная заслонка, мощность двигателя и торможение автоматически регулируются для обеспечения правильного прохождения кривой и обеспечения надлежащего тягового усилия при различных условиях дорожного покрытия. В то время как обычные системы контроля тяги в то время имели только функцию контроля проскальзывания, недавно разработанная Mitsubishi система TCL имела превентивную (активную) функцию безопасности, которая улучшила характеристики отслеживания курса за счет автоматической регулировки тягового усилия (так называемого «контроля трассировки»), тем самым ограничивая развитие чрезмерного бокового ускорения при повороте.Хотя это не «надлежащая» современная система контроля устойчивости, контроль следа контролирует угол поворота рулевого колеса, положение дроссельной заслонки и частоту вращения отдельных колес, хотя при этом отсутствует сигнал рыскания. Стандартная функция контроля пробуксовки колес в системе TCL обеспечивает лучшее сцепление с дорогой на скользкой поверхности или во время поворотов. В дополнение к индивидуальному эффекту системы TCL, она также работает вместе с подвеской Diamante с электронным управлением и рулевым управлением на четыре колеса, которые Mitsubishi оснастила для улучшения общей управляемости и производительности. [7] [8] [9] [10] [11] [12] [13]
BMW в сотрудничестве с Robert Bosch GmbH и Continental Automotive Systems разработала систему снижения крутящего момента двигателя для предотвращения потери управления и применила ее к большей части модельного ряда BMW 1992 года, за исключением серии l3 (E30 и некоторые коды шасси E36), которые можно было заказать с зимним пакетом, который шел с дифференциалом повышенного трения, подогревом сидений и зеркал.С 1987 по 1992 годы Mercedes-Benz и Robert Bosch GmbH совместно разработали систему под названием Elektronisches Stabilitätsprogramm (нем. «Программа электронной стабилизации», торговая марка ESP) для контроля бокового проскальзывания.
General Motors (GM) работала с Delphi Automotive и представила свою версию ESC под названием «StabiliTrak» в 1997 году для некоторых моделей Cadillac. StabiliTrak стал стандартным оборудованием для всех внедорожников и фургонов GM, проданных в США и Канаде к 2007 году, за исключением некоторых коммерческих автомобилей и транспортных средств для автопарков.В то время как название «StabiliTrak» используется на большинстве автомобилей General Motors для рынка США, название «Electronic Stability Control» используется для зарубежных брендов GM, таких как Opel, Holden и Saab, за исключением Saab 9-7X, который также использует название «StabiliTrak».
В том же году Cadillac представила на Cadillac Eldorado интегрированную систему управления автомобилем и программным обеспечением, получившую название Integrated Chassis Control System (ICCS). Он включает в себя комплексную компьютерную интеграцию двигателя, контроля тяги, электронного контроля устойчивости Stabilitrak, рулевого управления и адаптивной бесступенчатой подвески CVRSS с целью улучшения реакции на действия водителя, производительности и общей безопасности.Аналогично интегрированному управлению динамикой автомобиля Toyota / Lexus VDIM.
Версия ESC для Ford, получившая название AdvanceTrac, была запущена в 2000 году. Позднее компания Ford добавила систему контроля устойчивости к опрокидыванию в AdvanceTrac [14] [15] , который впервые был представлен в Volvo XC90 в 2003 году, когда Volvo Cars полностью принадлежала компании. Ford, и сейчас он внедряется во многих автомобилях Ford.
Введение
В 1995 году три производителя автомобилей представили системы ESC. Mercedes-Benz, поставляемый Bosch, был первым, кто внедрил ESP в своем Mercedes-Benz S 600 Coupé. [16]
В том же году BMW, поставляемая Bosch и ITT Automotive (позже приобретенная Continental Automotive Systems), представила систему на BMW 7 серии (E38) (DSC III) [ требуется ссылка ] .
Система контроля устойчивости автомобиля Toyota (VSC) (также в 2004 году профилактическая система под названием Vehicle Dynamics Integrated Management (VDIM) появилась на Toyota Crown Majesta в 1995 году. [17]
В 1997 году Audi представила первую серийную серию ESP для полноприводных автомобилей (Audi A8 и Audi A6 с quattro (система полного привода)) [ требуется ссылка ] .
Volvo Cars [ необходима ссылка ] начали предлагать свою версию ESC под названием Dynamic Stability and Traction Control (DSTC) в 1998 году на новом Volvo S80.
Тем временем другие исследовали и разработали свои собственные системы.
Во время теста на лося (уклонение от препятствия), который стал известен в Германии как «тест на лося», шведский журналист Роберт Коллин из Teknikens Värld (Мир технологий) в октябре 1997 года [18] скатился Mercedes A-Class (без ESC) на 78 км / ч.Поскольку Mercedes-Benz поддерживает репутацию производителя систем безопасности, они отозвали и переоборудовали 130 000 автомобилей A-класса с ESC. Это привело к значительному снижению количества аварий, и количество автомобилей с ESC выросло. Сегодня практически все премиальные бренды сделали ESC стандартом для всех автомобилей, и количество моделей с ESC продолжает расти. [19] Наличие ESC в небольших автомобилях, таких как A-Class, вызвало рыночную тенденцию, поэтому ESC стал доступен для всех моделей, по крайней мере, в качестве опции.Следовательно, в 2009 году Европейский Союз решил сделать ESC обязательным. С 1 ноября 2011 г. одобрение типа ЕС предоставляется только моделям, оснащенным ESC. К 1 ноября 2014 года ESC требуется на всех новых автомобилях, зарегистрированных в ЕС. [20]
Ford и Toyota объявили, что к концу 2009 года все их североамериканские автомобили будут оснащены стандартом ESC (с 2004 года он был стандартом на внедорожниках Toyota, а после 2011 модельного года все автомобили Lexus, Toyota и Scion были оснащены стандартом ESC). ESC; последним, кто его получил, был Scion tC 2011 модельного года). [21] [22] Однако даже в ноябре 2010 г. [обновление] Ford по-прежнему продает в Северной Америке модели без ESC. [23] General Motors сделала аналогичное объявление на конец 2010 года. [24] NHTSA требует, чтобы все новые пассажирские автомобили, продаваемые в США, были оснащены ESC начиная с 2012 модельного года, и по оценкам, это будет предотвратить 5 300–9 600 смертельных случаев в год. [25] Аналогичное требование было предложено для новых седельных тягачей и некоторых автобусов, но оно еще не согласовано. [26]
Операция
Основная статья: Направленная устойчивостьВо время обычного движения ESC работает в фоновом режиме и постоянно контролирует рулевое управление и направление движения автомобиля. Он сравнивает намеченное водителем направление (определяемое посредством измеренного угла поворота рулевого колеса) с фактическим направлением транспортного средства (определяемое посредством измеренного поперечного ускорения, поворота транспортного средства (рыскания) и отдельных скоростей ходовых колес).
ESC срабатывает только тогда, когда он обнаруживает вероятную потерю управляемости, т.е.е. когда автомобиль не едет туда, куда ведет водитель. [27] Это может произойти, например, при заносе во время экстренного уклонения, недостаточной или избыточной поворачиваемости во время плохо оцененных поворотов на скользкой дороге или при аквапланировании. ESC также может нежелательным образом вмешиваться во время высокопроизводительного вождения, поскольку рулевое управление не всегда может прямо указывать на предполагаемое направление движения (то есть контролируемый занос). ESC оценивает направление заноса, а затем асимметрично применяет тормоза к отдельным колесам, чтобы создать крутящий момент вокруг вертикальной оси транспортного средства, противодействуя заносу и возвращая транспортное средство в соответствии с заданным водителем направлением.Кроме того, система может снизить мощность двигателя или задействовать трансмиссию для замедления транспортного средства.
ESC может работать на любой поверхности, от сухого тротуара до замерзших озер. [28] [29] Он реагирует на занос и корректирует его намного быстрее и эффективнее, чем обычный водитель-человек, часто до того, как водитель даже осознает любую неминуемую потерю управления. [30] Фактически, это привело к некоторому беспокойству по поводу того, что ESC может позволить водителям стать излишне самоуверенными в управлении своим автомобилем и / или в собственных навыках вождения.По этой причине системы ESC обычно информируют водителя, когда он вмешивается, чтобы водитель знал, что пределы управляемости автомобиля были достигнуты. Большинство из них активируют световой индикатор приборной панели и / или звуковой сигнал; некоторые намеренно позволяют скорректированному курсу автомобиля очень незначительно отклоняться от направления, заданного водителем, даже если это возможно более точно. [31]
Действительно, все производители ESC подчеркивают, что система не является улучшением характеристик или заменой методов безопасного вождения, а скорее технологией безопасности, помогающей водителю оправиться от опасных ситуаций.ESC не увеличивает тягу, поэтому он не обеспечивает более быстрого прохождения поворотов (хотя может способствовать лучшему управляемому повороту). В более общем плане ESC работает в пределах, присущих управляемости автомобиля и имеющейся тяги между шинами и дорогой. Безрассудный маневр может выйти за эти пределы, что приведет к потере управления. Например, в случае серьезного аквапланирования колеса, которые ESC использовал бы для коррекции заноса, могут даже изначально не касаться дороги, что снижает ее эффективность.
В июле 2004 года на Crown Majesta компания Toyota предложила систему интегрированного управления динамикой транспортного средства (VDIM), которая включала ранее независимые системы, включая ESC. Это работало не только после обнаружения заноса, но и в первую очередь предотвращало его возникновение. Используя рулевое управление с усилителем рулевого управления с переменным передаточным числом, эта более продвинутая система также может изменять передаточные числа рулевого механизма и уровни крутящего момента, чтобы помочь водителю в маневрах уклонения.
Из-за того, что контроль устойчивости иногда может быть несовместим с высокопроизводительным вождением (т.е.е. когда водитель намеренно теряет сцепление с дорогой (например, при заносе), на многих транспортных средствах есть блокировка, позволяющая частично или полностью отключать систему. В более простых системах одна кнопка может отключить все функции, в то время как более сложные настройки могут иметь многопозиционный переключатель или никогда не могут быть полностью отключены.
Эффективность
Многочисленные исследования по всему миру подтверждают, что ESC очень эффективна, помогая водителю сохранять контроль над автомобилем, тем самым спасая жизни и снижая серьезность аварий. [32] Осенью 2004 года в США Национальное управление шоссейных дорог и безопасности дорожного движения подтвердило международные исследования, опубликовав результаты полевого исследования эффективности ESC в США. Национальное управление безопасности дорожного движения США (NHTSA) пришло к выводу, что ESC снижает количество аварий на 35%. Кроме того, внедорожники с системой стабилизации участвуют в авариях на 67% меньше, чем внедорожники без этой системы. Страховой институт дорожной безопасности США (IIHS) в июне 2006 года опубликовал собственное исследование, показывающее, что ежегодно в США можно было бы избежать до 10 000 аварий со смертельным исходом, если бы все автомобили были оборудованы ESC. [33] Исследование IIHS пришло к выводу, что ESC снижает вероятность всех ДТП со смертельным исходом на 43%, ДТП со смертельным исходом на 56% и опрокидывания одного транспортного средства со смертельным исходом на 77–80%.
ESC описывается многими экспертами как наиболее важный шаг вперед в области автомобильной безопасности, [34] включая Николь Нейсон, [35] Администратор NHTSA, [36] Джим Гест и Дэвид Чемпион [37] Союза потребителей [38] Международной автомобильной федерации (FIA), E-Safety Aware, [39] Чаба Чере, редактор журнала Car and Driver, [40] и Джим Гилл, долгое время Сторонник ESC компании Continental Automotive Systems. [36] Европейская программа оценки новых автомобилей (EuroNCAP) «настоятельно рекомендует» людям покупать автомобили, оснащенные системой контроля устойчивости.
IIHS требует, чтобы автомобиль имел ESC в качестве доступной опции, чтобы претендовать на награду Top Safety Pick за защиту пассажиров и предотвращение несчастных случаев. [41] [42]
Комплектующие и конструкция
ESC включает контроль скорости рыскания в антиблокировочной тормозной системе (ABS).Рыскание — это вращение вокруг вертикальной оси; т.е. вращение влево или вправо. Антиблокировочная система тормозов позволяет ESC тормозить отдельные колеса. Многие системы ESC также включают систему контроля тяги (TCS или ASR), которая определяет пробуксовку ведущего колеса при ускорении и индивидуально тормозит пробуксовывающее колесо или колеса и / или снижает избыточную мощность двигателя, пока управление не будет восстановлено. Однако ESC выполняет другую цель, чем ABS или Traction Control. [29]
Система ESC использует несколько датчиков, чтобы определить, что хочет водитель (ввод).Остальные датчики показывают фактическое состояние автомобиля (реакцию). Алгоритм управления сравнивает действия водителя с реакцией транспортного средства и при необходимости решает применить тормоза и / или уменьшить дроссельную заслонку на суммы, рассчитанные в пространстве состояний (набор уравнений, используемых для моделирования динамики транспортного средства). [43] Контроллер ESC может также получать данные и отдавать команды другим контроллерам транспортного средства, таким как система полного привода или система активной подвески, для повышения устойчивости и управляемости транспортного средства.
Датчики, используемые для ESC, должны постоянно отправлять данные, чтобы как можно скорее обнаружить возможные дефекты. Они должны быть устойчивы к возможным формам помех (дождь, ямы на дороге и т. Д.). Наиболее важные датчики:
- Датчик угла поворота рулевого колеса: определяет предполагаемое водителем поворот; то есть туда, где водитель хочет управлять. Такой датчик часто базируется на AMR-элементах.
- Датчик скорости рыскания: измеряет скорость вращения автомобиля; я.е. сколько на самом деле поворачивает машина. Данные датчика рыскания сравниваются с данными датчика угла поворота рулевого колеса для определения регулирующего действия.
- Датчик бокового ускорения: часто акселерометр
- Датчик скорости вращения колеса: измеряет скорость вращения колеса.
Другие датчики могут включать:
- Датчик продольного ускорения: аналогичен датчику поперечного ускорения по конструкции, но может предоставлять дополнительную информацию об уклоне дороги, а также обеспечивать еще один источник ускорения и скорости транспортного средства.
- Датчик скорости крена: аналогичен датчику скорости рыскания по конструкции, но улучшает точность модели транспортного средства контроллера и исправляет ошибки при оценке поведения транспортного средства только с помощью других датчиков.
ESC использует гидравлический модулятор, чтобы гарантировать, что каждое колесо получает правильное тормозное усилие. Аналогичный модулятор используется в АБС. АБС требуется только для снижения давления при торможении. ESC дополнительно нуждается в повышении давления в определенных ситуациях, и в дополнение к гидравлическому насосу можно использовать активный вакуумный усилитель тормозов, чтобы соответствовать этим требовательным градиентам давления.
Мозгом системы ESC является электронный блок управления (ECU). В него заложены различные методы управления. Часто один и тот же блок управления двигателем используется одновременно для разных систем (ABS, антипробуксовочная система, климат-контроль и т. Д.). Входные сигналы отправляются через входную цепь на цифровой контроллер. Желаемое состояние автомобиля определяется на основе угла поворота рулевого колеса, его уклона и скорости вращения колеса. Одновременно датчик рыскания измеряет фактическое состояние. Контроллер вычисляет необходимое тормозное или ускоряющее усилие для каждого колеса и направляет через приводные контуры клапаны гидравлического модулятора.Через интерфейс сети контроллеров ЭБУ соединяется с другими системами (АБС и т. Д.) Во избежание подачи противоречивых команд.
Многие системы ESC имеют выключатель обхода, поэтому водитель может отключить ESC, что может быть желательно, если он сильно застрял в грязи или снегу, или при езде по пляжу, или при использовании запасного колеса меньшего размера, которое будет мешать работе датчики. Некоторые системы также предлагают дополнительный режим с повышенными порогами, чтобы водитель мог использовать пределы сцепления с меньшим вмешательством электроники.Однако при повторном запуске зажигания ESC по умолчанию находится в положении «Вкл.». Некоторые системы ESC, в которых отсутствует «выключатель», например, на многих последних автомобилях Toyota и Lexus, могут быть временно отключены с помощью недокументированной серии операций с педалью тормоза и ручным тормозом. [44] Кроме того, отключение датчика скорости вращения колеса — это еще один метод отключения большинства систем ESC. Внедрение ESC на новых автомобилях Ford не может быть полностью отключено даже с помощью «выключателя». ESC автоматически активируется на скоростях шоссе и ниже, если обнаруживает занос при нажатой педали тормоза.
Наличие и стоимость
ESC построен на основе антиблокировочной тормозной системы (ABS), и все автомобили с ESC оснащены антипробуксовочной системой. Компоненты ESC включают датчик скорости рыскания, датчик бокового ускорения, датчик рулевого колеса и усовершенствованный интегрированный блок управления. В США федеральные правила требуют, чтобы ESC был установлен в качестве стандартной функции на всех легковых и легких грузовиках начиная с 2012 модельного года. [45] Согласно исследованию Национальной администрации безопасности дорожного движения (НАБДД), в 2005 году стоимость ABS составила около 368 долларов США; ESC стоил еще 111 долларов США.Розничная цена ESC варьируется; как отдельный вариант он продается по цене всего 250 долларов США. [46] ESC когда-то редко предлагался в качестве единственной опции и, как правило, не предлагался для установки на вторичном рынке. Вместо этого он часто был в комплекте с другими функциями или более дорогими комплектациями, поэтому стоимость пакета, включающего ESC, составляла несколько тысяч долларов. Тем не менее, ESC считается очень рентабельным [47] и может окупиться снижением страховых взносов. [48]
Наличие ESC в легковых автомобилях зависит от производителя и страны. В 2007 году ESC был доступен примерно в 50% новых моделей в Северной Америке по сравнению с примерно 75% в Швеции. Однако осведомленность потребителей влияет на модели покупок, так что примерно 45% автомобилей, проданных в Северной Америке и Великобритании, были куплены с помощью ESC, [49] , в отличие от 78–96% в других европейских странах, таких как Германия, Дания и Швеция. Хотя до 2004 года система ESC была у немногих автомобилей, повышение осведомленности приведет к увеличению количества автомобилей с ESC на рынке подержанных автомобилей.
ESC доступен для автомобилей, внедорожников и пикапов от всех основных автопроизводителей. Роскошные автомобили, спортивные автомобили, внедорожники и кроссоверы обычно оснащаются ESC. Автомобили среднего размера также постепенно завоевывали популярность, хотя модели Nissan Altima и Ford Fusion 2008 года выпуска предлагали ESC только на их автомобилях с двигателем V6; тем не менее, некоторые автомобили среднего размера, такие как Honda Accord, уже имели его в стандартной комплектации. Хотя ESC включает контроль тяги, есть автомобили, такие как Chevrolet Malibu LS 2008 года и Mazda6 2008 года, которые имеют контроль тяги, но не ESC.ESC редко встречается среди малолитражных автомобилей с 2008 года. Toyota Corolla 2009 года в Соединенных Штатах (но не в Канаде) имеет систему контроля устойчивости в качестве опции за 250 долларов на всех комплектациях ниже, чем у XRS, которая имеет его в стандартной комплектации. [46] В Канаде для Mazda3 2010 года ESC является дополнительной опцией для средней комплектации GS как часть пакета люка в крыше и является стандартной для топовой версии GT. [50] Ford Focus 2009 года имеет ESC в качестве опции для моделей S и SE и входит в стандартную комплектацию моделей SEL и SES [51]
В Великобритании даже такие супермини массового рынка, как Ford Fiesta Mk.6 и VW Polo Mk.5 в стандартной комплектации поставляются с ESC.
ESC также имеется в некоторых домах на колесах. Разработанные системы ESC и ESP (включая систему контроля устойчивости при опрокидывании (RSC) [52] ) доступны для многих коммерческих автомобилей, [53] , включая транспортные грузовики, прицепы и автобусы от таких производителей, как Bendix Corporation, [54] WABCO [55] Daimler, Scania AB, [56] и Prevost, [57] и легкие пассажирские автомобили. [15] [58]
Модель ChooseESC! Кампания , проводимая агентством eSafetyAware! , дает глобальный взгляд на ESC.One ChooseESC! Публикация показывает доступность ESC в странах-членах ЕС.
В США веб-сайт [59] Страхового института безопасности дорожного движения (IIHS) показывает наличие ESC в отдельных моделях для США, а Национальное управление безопасности дорожного движения (веб-сайт NHTSA) [19] перечисляет модели для США с ESC.
В Австралии Национальная ассоциация автодорог и автомобилистов NRMA показывает наличие ESC в австралийских моделях. [60]
Будущее
Рынок ESC быстро растет, особенно в таких европейских странах, как Швеция, Дания и Германия. Например, в 2003 году в Швеции процент покупки новых автомобилей с ESC составлял 15%. Шведское управление безопасности дорожного движения дало строгую рекомендацию ESC, и в сентябре 2004 года, 16 месяцев спустя, доля закупок составила 58%. Затем была дана более сильная рекомендация ESC, и в декабре 2004 года процент покупки новых автомобилей достиг 69% [61] , а к 2008 году вырос до 96%.Защитники ESC во всем мире продвигают более широкое использование ESC посредством законодательства и кампаний по повышению осведомленности общественности, и к 2012 году большинство новых транспортных средств должны быть оснащены ESC.
Точно так же, как ESC основан на антиблокировочной тормозной системе (ABS), ESC является основой для новых достижений, таких как система контроля устойчивости при опрокидывании (RSC) [15] [58] или активная защита от опрокидывания, которая работает в Вертикальная плоскость очень похожа на ESC, работающую в горизонтальной плоскости. Когда RSC обнаруживает надвигающееся опрокидывание (обычно на грузовых автомобилях [55] или внедорожниках [62] ), RSC применяет тормоза, снижает газ, вызывает недостаточную поворачиваемость и / или замедляет автомобиль.
Вычислительная мощность ESC облегчает объединение в сеть активных и пассивных систем безопасности, устраняя другие причины аварий. Например, датчики могут обнаруживать, когда транспортное средство следует слишком близко, и замедлять транспортное средство, выпрямлять спинки сидений и затягивать ремни безопасности, избегая и / или готовясь к аварии.
Постановление
В то время как Швеция использовала кампании по информированию общественности для пропаганды использования ESC, [63] другие внедрили или предложили законодательство.
Канадская провинция Квебек была первой юрисдикцией, которая ввела в действие закон ESC, сделав его обязательным для перевозчиков опасных грузов (без регистраторов данных) в 2005 году. [64]
Следующими были Соединенные Штаты, требующие ESC для всех пассажирских транспортных средств весом менее 10 000 фунтов (4536 кг), поэтапное введение правила, начиная с 55% моделей 2009 года (вступает в силу с 1 сентября 2008 года), 75% моделей 2010 года, 95% моделей 2011 года. , и все модели 2012 года. [19]
Канада [65] [66] требует, чтобы все новые легковые автомобили имели ESC с 1 сентября 2011 года. [67]
23 июня 2009 года правительство Австралии объявило, что ESC будет обязательной с 1 ноября 2011 года для всех новых легковых автомобилей, проданных в Австралии, и для всех новых автомобилей с ноября 2013 года. [68] Правительство Новой Зеландии последовало его примеру в феврале 2014 года, сделав его обязательным для всех новых автомобилей с 1 июля 2015 года, с поэтапным развертыванием всех подержанных импортных легковых автомобилей к 1 января 2020 года. [69]
Европейский парламент также призвал к ускоренному внедрению ESC. [70] Европейская комиссия подтвердила предложение об обязательном внедрении ESC на всех новых автомобилях и моделях коммерческих автомобилей, продаваемых в США.
esp: электронная программа стабилизации — определение
Примеры предложений с «esp: электронная программа стабилизации» , память переводов
Common crawlCd player, климат-контроль / кондиционер, навигационная система, центральный замок дверей, esp (электронная программа стабилизации), ксеноновые фары, эл.регулируемые сиденья. Common crawlCd-плеер, климат-контроль / кондиционер, центральный дверной замок, люк, esp (электронная программа стабилизации), кожаные сиденья, ксеноновые фары, электр. Регулируемые сиденья. Common CrawlEspace оснащен всеми последними инновациями в области безопасности, такими как стандартная АБС, система экстренного торможения, электронная система стабилизации ESP, недостаточная поворачиваемость и антипробуксовочная система ASR. tmClass двигатели, испарители кондиционеров для двигателей и двигателей, гидрораспределители и компоненты для ABS (антиблокировочная система) и ESP (электронные программы стабилизации), пружина Активные системы безопасности в таких автомобилях, как ESP (электронная программа стабилизации), BAS (система помощи при торможении), специальные системы освещения для поворотов и приборы ночного видения наиболее эффективны для предотвращения столкновения с пешеходами и велосипедистами.Обычное сканирование «Уровень безопасности нового Seat Ibiza: ESP (электронная программа стабилизации), система TCS (противобуксовочная система), которые управляют набором информации, получаемой от различных частей автомобиля, что обеспечивает более безопасное вождение благодаря компенсации, рассчитанной Терминология UN-2, относящаяся к конкретной организации, включает в себя: управление динамикой автомобиля (VDC), электронный контроль устойчивости (ESC), электронную программу стабилизации (ESP), электронную программу стабилизации (ESP), систему стабилизации Porsche (PSM), систему динамического контроля устойчивости (DSC). ), Программа динамической устойчивости (DSP), Программа устойчивости при опрокидывании (RSP), Программа устойчивости при опрокидывании (TRSP), Защита при опрокидывании (ROP), Контроль устойчивости при опрокидывании (RSC) и Поддержка устойчивости при опрокидывании (RSS).Терминология, относящаяся к MultiUnOrganization, включает в себя: контроль динамики автомобиля (VDC), электронный контроль устойчивости (ESC), электронную программу стабилизации (ESP), электронную программу стабилизации (ESP), систему стабилизации Porsche (PSM), систему динамического контроля устойчивости (DSC), программу динамической стабилизации. (DSP), Программа стабилизации при опрокидывании (RSP), Программа стабилизации прицепа (TRSP), Защита при опрокидывании (ROP), Контроль устойчивости при опрокидывании (RSC) и Поддержка устойчивости при опрокидывании (RSSCommon crawlBosch постоянно развивает электронную программу стабилизации ESP®). .Common crawl — Программа электронной стабилизации (ESP TM) * предназначена для помощи водителям в сохранении контроля над их транспортными средствами во время экстремальных маневров рулевого управления. WikiMatrixStandard Traction Control сводит к минимуму пробуксовку колес, а ее электронная программа стабилизации (ESP) удерживает CLK на заданном пути. WikiMatrix Для повышения активной безопасности все модели были оснащены антиблокировочной системой тормозов и электронным распределением тормозного усилия, а в качестве опции доступна программа электронной стабилизации (ESP). Сегодня практически ни один автомобиль не производится без подушек безопасности, преднатяжителей и ABS.В 1995 году на рынок была выведена новая веха в области безопасности транспортных средств: электронная программа стабилизации ESP®. Обычное ползание Даже самая компактная версия ESP® предлагает все функции безопасности нашей электронной программы стабилизации. HrenWaCA Помимо ABS, других систем торможения и безопасности, таких как поскольку здесь родились программа электронной стабилизации (ESP) и новые методы снижения вредных выбросов, которые постоянно совершенствуются за счет новых и запатентованных разработок. Обычное сканирование Стандартное для всех моделей электронная программа стабилизации (ESP TM) * постоянно сравнивает предполагаемый курс водителя с заданным курсом. фактический курс автомобиля и обнаруживает различия, применяя тормоза к отдельным колесам и контролируя мощность двигателя, чтобы помочь сохранить автомобиль на заданном пути.Патенты-WIPO Изобретение также относится к использованию такого модулятора (1) в качестве модулятора давления в системе пневматической подвески или в электронной тормозной системе (EBS), или в обычной тормозной системе, при этом тормозная система оснащена анти- Замковая тормозная система (ABS) или электронная программа стабилизации (ESP) .patents-wipo Изобретение относится к способу разработки системы активной безопасности автомобиля, в частности антиблокировочной тормозной системы (ABS), устройства противоскольжения (ARS). или TCS), устройство электронной программы стабилизации (ESP), устройство управления динамикой транспортного средства (VDM) или подобное, к системе активной безопасности, полученной указанным способом, и / или к автомобилям, оснащенным такой системой активной безопасности.Обычное ползание Здесь новый SEAT Altea более чем выделяется: функции пассивной безопасности включают 6 подушек безопасности, Isofix, боковые противоударные дуги и полностью оцинкованный кузов. Активная безопасность обеспечивается системой контроля тяги (TCS) и тормозами с ABS, которые входят в стандартную комплектацию. ; а также опциональная система безопасности Electronic Stability Program (ESP) / Emergency Brake Assistant (EBA). Используемые технологии и многоуровневый подход к безопасности делают новый SEAT Altea одним из самых безопасных способов получить спортивный азарт на полной скорости.Eurlex2019 ограничивает использование тормозов и замедлителей, комбинированное использование тормозов и замедлителей, более эффективное использование скорости и передаточного числа, использование инерции автомобиля, использование способов замедления и торможения на спусках, действия в случае отказа, использование электронных и механических устройств, таких как электронная программа стабилизации (ESP), усовершенствованные системы экстренного торможения (AEBS), антиблокировочная тормозная система (ABS), системы контроля тяги (TCS) и системы мониторинга транспортных средств (IVMS) и другие, одобренные для использования, помощи водителю или устройств автоматизации.eurlex-diff-2018-06-20 ограничения на использование тормозов и замедлителя, комбинированное использование тормозов и замедлителя, более эффективное использование скорости и передаточного числа, использование инерции транспортного средства, использование способов замедления и торможения на спусках, действия в случае отказа, использование электронных и механических устройств, таких как электронная программа стабилизации (ESP), усовершенствованные системы экстренного торможения (AEBS), антиблокировочная тормозная система (ABS), системы контроля тяги (TCS) и в системах мониторинга транспортных средств (IVMS) и другие разрешенные к использованию устройства помощи водителю или автоматизации.»Патенты-WIPO Способ предпочтительно используется в системе ESP для транспортных средств, которая управляется микропроцессорным блоком. Согласно изобретению процесс представляет собой программу курсовой устойчивости с электронным управлением, датчики представляют собой датчик скорости рыскания, датчик поперечного ускорения и Датчик угла поворота рулевого колеса и метод реализуются подпрограммой в микропроцессореПоказаны страницы 1. Найдено 23 предложения соответствие фразы esp: electronic stable program.Найдено за 15 мс.Накопители переводов создаются человеком, но выравниваются с помощью компьютера, что может вызвать ошибки.Найдено за 1 мс.Накопители переводов создаются человеком, но выравниваются с помощью компьютера, что может вызвать ошибки. Они поступают из многих источников и не проверяются. Имейте в виду.
Elektroniczna kontrola stableności — Электронный контроль устойчивости
Elektroniczna контрол stabilności ( ESC ), nazywana również elektronicznym programem stabilności ( ESP ) LUB dynamiczną контрол stabilności ( DSC ), чтобы skomputeryzowana Technologia, która poprawia stabilność pojazdu poprzez wykrywanie я zmniejszanie utraty przyczepności (послизг).Kiedy ESC wykryje utratę kontroli nad kierownicą, automatycznie uruchamia hamulce, aby pomóc kierować pojazdem, dokąd zamierza się udać kierowca. Hamowanie jest automatycznie stosowane do poszczególnych kół, na przykład przedniego zewnętrznego koła w celu przeciwdziałania nadsterowności lub wewnętrznego tylnego przełanci wewnętrznego tylnego przełanci wewnętrznego tylnego przedniego koła wewnętrznego tylnego przedniego koła wewnętrznego tylnego przedniego koła. Niektóre układy ESC zmniejszają również moc silnika do czasu odzyskania kontroli. ESC nie poprawia właściwości jezdnych na zakrętach; zamiast tego pomaga zmniejszyć ryzyko utraty kontroli nad pojazdem przez kierowcę.
Według amerykańskiej Национальное управление безопасности дорожного движения i Страховой институт дорожной безопасности odpowiednio w 2004 i 2006 roku dzięki zastosowaniu tej technologii można by zapobiec jednej trzeciej śmiertelnych wypadków. ESC jest obowiązkowe w nowych samochodach w Kanadzie, USA i Unii Europejskiej odpowiednio od 2011, 2012 i 2014 roku.
История
W 1983 roku w Toyocie Crown wprowadzono elektroniczny система «Anti-Skid Control» на cztery koła.W 1987 roku Mercedes-Benz, BMW i Toyota wprowadziły swoje pierwsze systemy kontroli trakcji. Kontrola trakcji działa na zasadzie hamowania poszczególnych kół i gazu w celu utrzymania przyczepności podczas przyspieszania, ale w przeciwieństwie do ESC nie została zaprojesptoagania.
W 1990 года выпуска Mitsubishi wypuściło Diamante w Japonii. Wyposażony był w nowy, sterowany elektronicznie aktywny system kontroli śledzenia i trakcji. Nazwany TCL, kiedy po raz pierwszy wszedł na rynek, ewoluował w nowoczesny система Mitsubishi Active Skid and Traction Control (ASTC).Opracowany, aby pomóc kierowcy w utrzymaniu zamierzonej linii na zakręcie; komputer pokładowy monitorował kilka parameterrów pracy pojazdu za pomocą rónych czujników. Gdy podczas pokonywania zakrętu użyto zbyt dużej przepustnicy, moc silnika i hamowanie były automatycznie regulowane, aby zapewnić właściwą linię na zakręście i zapewnich drozy rusnye rówied. Podczas гд konwencjonalne Systemy Kontroli trakcji ш tamtym czasie posiadały Tylko funkcję Kontroli poślizgu, система TCL Firmy Mitsubishi posiadał funkcję bezpieczeństwa aktywnego, która poprawiała wydajność wyznaczania Trasy poprzez automatyczną regulację Sily trakcji (zwaną «контрол śladu»), ograniczając ш десять sposób rozwój nadmiernych poprzecznych przyspieszenie podczas skręcania.Chociaż nie jest to «właściwy», nowoczesny system kontroli стабильноści, sterowanie śladowe monitoruje kąt skrętu kierownicy, położenie przepustnicy i prędkości poszczególnych kół, chogna nájski na systy. Standardowa funkcja kontroli poślizgu kół systemu TCL zapewnia lepszą przyczepność na śliskich nawierzchniach lub podczas pokonywania zakrętów. Oprócz indywidualnego efektu systemu, współpracował on również z elektronicznie sterowanym zawieszeniem Diamante i układem kierowniczym na cztery koła, aby poprawić ogólne prowadzenie i osiosi.
BMW, мы współpracy z фирм Bosch i Continental, opracowało system zmniejszania momentu obrotowego silnika, aby zapobiec utracie kontroli, i zastosował go w większości modeli BMW z 1992 r., Z wyłączeniem Emoji. System ten można było zamówić z pakietem zimowym, który obejmował mechanizm rónicowy o ograniczonym poślizgu, podgrzewane siedzenia i podgrzewane lusterka. W latach 1987–1992 Mercedes-Benz i Bosch использует операционную систему на названии Elektronisches Stabilitätsprogramm («Электронная программа стабилизации», означающая знаком с ESP) для контроля доступа.
Wprowadzenie, другие tysiąclecie
W 1995 roku trzech producentów samochodów wprowadziło systemy ESC. «Мерседес-Бенц», «Достопримечательности» фирмы «Бош», «Яко Пирвши», «ESP» и «Мерседес-Бенц S 600 купе». Контроль стабильности положения Toyota System (VSC) появился на Toyota Crown Majesta в 1995 году.
General Motors współpracował z Delphi Automotive и wprowadził swoją wersję ESC, zwaną «StabiliTrak», в 1996 году на рок-модель 1997 года с выбранной моделью Cadillaca.StabiliTrak стал się standardowym wyposażeniem wszystkich SUV-ów i samochodów dostawczych GM sprzedawanych w USA i Kanadzie do 2007 roku, z wyjątkiem niektórych pojazdów użytowytkowy. Podczas gdy nazwa StabiliTrak jest używana w większości pojazdów General Motors przeznaczonych na rynek amerykański, «Электронный контроль устойчивости», шутка, разработанная с использованием przypadku zagranicznych marekzy również używają nazwy StabiliTrak).
Вт с самым высоким уровнем Cadillac wprowadził на Cadillac Eldorado zintegrowany system obsługi pojazdu i oprogramowania on nazwie Integrated Chassis Control System (ICCS). Obejmuje integrację компутер typu омнибусного г silnikiem, контрол trakcji, elektroniczną контрол stabilności Stabilitrak, układem kierowniczym я adaptacyjnym bezstopniowym zawieszeniem г czujnikiem ruchu drogowego (CVRSS), г zamiarem poprawy reakcji на polecenia kierowcy, osiągów я ogólnego bezpieczeństwa, podobnie Jak ш przypadku Toyoty / Zintegrowane зарзąдзание динамику поязду Lexus.
W 1997 Audi wprowadziło pierwszą seryjną produkcję ESP do samochodów z napędem na wszystkie koła (Audi A8 i Audi A6 z quattro (napęd na cztery koła)). W 1998 Roku Volvo Cars предлагает новые ESC или систему динамической стабилизации и контроля тяги (DSTC) с новым Volvo S80. W międzyczasie inni badali i opracowywali własne systemy.
Podczas testu łosia, szwedzki dziennikarz Robert Collin z Teknikens Värld przewrócił się Mercedes klasy A (bez ESC) przy 78 км / ч, w październiku 1997.Ponieważ Mercedes-Benz promowane reputację bezpieczeństwa, to przypomniał i modernizowane 130.000 samochodów klasy A z ESC. Spowodowało to znaczną redukcję wypadków, a liczba pojazdów z ESC wzrosła. Dostępność ESC w małych samochodach, takich jak Klasa A, zapoczątkowała trend rynkowy; w ten sposób ESC stał się dostępny dla wszystkich modeli (zarówno standardowych, jak i opcjonalnych).
Wersja Forda ESC, zwana AdvanceTrac, została wprowadzona na rynek w 2000 roku. Поднять Ford с помощью системы Roll Stability Control do AdvanceTrac, которая находится на одном уровне с Volvo XC90 в 2003 году.Od tego czasu został wdrożony w wielu pojazdach Forda.
Ford и Toyota ogłosiły, e wszystkie ich samochody w Ameryce Północnej będą wyposażone w standard ESC do końca 2009 r. (Был в стандартной комплектации с внедорожником Toyoty с 2004 г., A по модели с 2011 г. по сравнению с Lexus, Toyota i Scion miały ESC; оставался, кто ездил, был, Scion tC z roku modelowego 2011). Еднак од листопада 2010 г. Ford надал спрзедавал модель с Америкой Północnej без ESC. General Motors опубликовал подобное oświadczenie pod koniec 2010 roku.
Trzecie tysiąclecie i póniej
Rynek ESC szybko się rozwija, zwłaszcza w krajach europejskich, takich jak Szwecja, Dania i Niemcy. Na przykład w 2003 г. W Szwecji stawka zakupu nowych samochodów z ESC wynosiła 15%. Szwedzka administracja ds. Bezpieczeństwa ruchu drogowego wydała zdecydowaną rekomendację ESC i we wrześniu 2004 r., 16 miesięcy póniej, wskaźnik zakupów wyniósł 58%. Następnie wydano silniejszą rekomendację ESC iw grudniu 2004 r. Wskaźnik zakupu nowych samochodów osiągnął 69%, в 2008 г.Wzrósł do 96%. Zwolennicy ESC na całym świecie promują zwiększone wykorzystanie ESC poprzez ustawodawstwo i kampanie świadomości społecznej, a do 2012 r. Większość nowych pojazdów powinna być wyposażona w ESC.
W 2009 roku Unia Europejska zdecydowała, że ESC będzie obowiązkowe. Од 1 листопада 2011 г. Homologacja typu UE jest przyznawana tylko modelom wyposażonym w ESC. Од 1 листопада 2014 г. ESC jest wymagane we wszystkich nowo rejestrowanych samochodach w UE.
NHTSA wymagane wszystkich nowych samochodów osobowych sprzedawanych w USA, aby być wyposażone w ESC jako modelowego 2012 roku, a szacuje się, e roczne zapobiec 5,300–9,600 официального сообщения.Podobny wymóg zaproponowano dla nowych ciężarówek i autobusów, ale nie został on jeszcze sfinalizowany.
Koncepcja i działanie
Podczas normalnej jazdy ESC stale monitoruje kierowanie i kierunek pojazdu. Porównuje zamierzony kierunek kierowcy (określony przez zmierzony kąt skrętu kierownicy) z rzeczywistym kierunkiem pojazdu (określony na podstawie zmierzonego przyspieszenia poprzerotuzóžnegoaz.
Нормальная работа
ESC interweniuje tylko wtedy, gdy wykryje prawdopodobną utratę kontroli nad kierownicą, na przykład gdy pojazd nie jedzie tam, gdzie kieruje kierowca.Może się to zdarzyć na przykład podczas poślizgu podczas awaryjnych skrętów omijających, podsterowności lub nadsterowności podczas źle ocenianych zakrętów na śliskapodrogach. Podczas jazdy o wysokich osigach ESC może interweniować, gdy jest niepodany, ponieważ sterowanie kierownicą nie zawsze może wskazywać zamierzony kierunek jazdy (np. Podczgoas driftuane kontrolow). ESC szacuje kierunek poślizgu, a następnie asymetrycznie uruchamia hamulce poszczególnych kół, aby wytworzyć moment obrotowy wokół osi pionowej pojazdu, przeciwstawcęłówDodatkowo system może zmniejszyć moc silnika lub sterować skrzynią biegów w celu spowolnienia pojazdu.
ESC może działać na każdej powierzchni, od suchego chodnika po zamarznięte jeziora. Reaguje i koryguje poślizg znacznie szybciej i skuteczniej niż typowy ludzki kierowca, często zanim kierowca zdaje sobie sprawę z nieuchronnej utraty kontroli. Doprowadziło делать pewnych obaw, że ESC może pozwolić kierowcom na uzyskanie zbytniej pewności w prowadzeniu pojazdu i / lub własnych umiejętnościach prowadzenia pojazdu.Z tego powodu systemy ESC zwykle ostrzegają kierowcę, gdy interweniują, tak aby kierowca wiedział, że osiągnięto limity prowadzenia pojazdu. Większość włącza lampkę kontrolną na Des rozdzielczej i / lub dźwięk ostrzegawczy; niektóre celowo pozwalają, aby skorygowany kurs pojazdu nieznacznie odbiegał od kierunku wskazanego przez kierowcę, nawet jeśli możliwe jest dokładniejsze dopasowanie go.
Wszyscy produnci ESC podkreślają, e system nie jest poprawą osiągów ani zamiennikiem bezpiecznych praktyk jazdy, ale raczej technologią bezpieczeństwa, która pomaga wiesbeścowcy.ESC nie zwiększa przyczepności, więc nie umożliwia szybszego pokonywania zakrętów (choć może ułatwić lepiej kontrolowane pokonywanie zakrętów). Mówiąc bardziej ogólnie, ESC działa w granicach właściwości jezdnych pojazdu i dostępnej przyczepności między oponami a drogą. Lekkomyślny manewr może nadal przekroczyć te granice, powodując utratę kontroli. Na przykład podczas aquaplaningu koła, których ESC użyłby do skorygowania poślizgu, mogą stracić kontakt z nawierzchni drogi, zmniejszając jej skuteczność.
Ze względu na to, że kontrola stableności może być niekompatybilna z jazdą o wysokich osiągach, wiele pojazdów ma sterowanie nadrzędne, które pozwala na częściowze lub całkowite system. W prostych systemach pojedynczy przycisk może wyłączyć wszystkie funkcje, podczas gdy bardziej skomplikowane konfiguracje mogą mieć przełącznik wielopozycyjny lub mogą nigdy ca nie zostaic.
Użytek terenowy
Системный ESC — ze względu na ich zdolność do zwiększania стабильные pojazdu i hamowania — często poprawiaj trakcję w warunkach terenowych, oprócz wykonywania zadań na drodze.Skuteczność systemów kontroli trakcji może się znacznie różnić ze względu na dużą liczbę czynników zewnętrznych i wewnętrznych występujących w danym momenzecentaan tesa.
Na podstawowym poziomie trakcja terenowa róni się od typowych charakterystyk operacyjnych trakcji drogowej, w zależności od napotkanego terenu. W otwartym układzie rónicowym przenoszenie mocy przebiega ścieżką najmniejszego oporu. Na śliskiej nawierzchni oznacza to, że gdy jedno koło straci przyczepność, moc będzie przekazywana przeciwnie do zamierzonego, a nie na oś o większej przyczepności.ESC koncentrują się na hamowaniu kół, które obracają się z prędkością drastycznie róną od przeciwnej osi. Podczas гды zastosowanie на drogach często uzupełnia gwałtowne przerywane hamowanie KOL, zmniejszając MOC ш sytuacjach utraty przyczepności, Jazda terenowa będzie zazwyczaj wymagać sta? Ego (LUB nawet zwiększonego) dostarczania mocy, абы utrzymać PED pojazdu, podczas гды Układ hamulcowy pojazdu działa ш sposób przerywany. siła hamowania przez dłuższy czas wywierana na koło ślizgowe, aż nadmierne ślizganie się koła nie będzie już wykrywane.
W układach ESC poziomu pośredniego, ABS zostanie wyłączony lub komputer będzie aktywnie blokował koła, gdy zostaną włączone hamulce. W tych systemach lub w pojazdach bez ABS skuteczność hamowania awaryjnego na śliskiej nawierzchni jest znacznie lepsza, ponieważ stan przyczepności może zmieniać się niezwyzeni wyznie zzybkoi niezwykénie zzybkoi niezwykénie zzybkoi niezwykénie zzybkoi niezwykznie zzybko i niezwykénie. Gdy hamulce są włączone, a koła są zablokowane, opony nie muszą zmagać się z toczeniem się koła (bez siły hamowania) i wielokrotnym hamowaniem.Przyczepność zapewniana przez opony jest stała i jako taka pozwala w pełni wykorzystać przyczepność wszędzie tam, gdzie jest ona dostępna. Efekt ten jest wzmocniony tam, gdzie obecne są bardziej agresywne wzory bieżnika, ponieważ duże występy bieżnika wbijają się w niedoskonałości na powierzchni lubędzez
Виль nowszych pojazdów fabrycznie zaprojektowanych делают zadań terenowych шуткой wyposażonych ш Systemy Kontroli zjazdu ге wzniesienia, абы zminimalizować ryzyko takich niekontrolowanych zdarzeń występujących у początkujących kierowców я zapewnić bardziej stabilny я bezpieczny zjazd niż Bez АБС LUB zorientowany на Droge.АБС. Systemy те MĀJA на CEĻU utrzymanie prędkości сталей (LUB prędkości wybranej przez użytkownika) podczas zjazdu, stosując strategiczne hamowanie LUB przyspieszanie ш odpowiednich momentach, абы zapewnić, że Wszystkie koła obracają się г Tā SaMA prędkością, A W razie potrzeby stosuje się pełne hamowanie.
W niektórych pojazdach systemy ESC automatycznie wykrywają, czy mają działać w trybie terenowym, czy drogowym, w zależności od włączenia układu 4WD. Уникальная система Mitsubishi Super-Select 4WD (доступная с моделями Pajero, Triton i Pajero Sport), działa w trybie drogowym w trybie 2WD oraz 4WD High-range z odblokowanym centralnym rónicowym.Jednak automatycznie aktywuje kontrolę trakcji w terenie i wyłącza hamowanie ABS po przełączeniu na 4WD High-range z zablokowanym centralnym rónicowym lub 4WD Low-range z centralnychanizmem róón. Większość nowoczesnych pojazdów г całkowicie elektronicznie sterowanymi systemami napędu на 4 koła, takich жак różne Land Rover Range Rover я, również automatycznie przełącza się на tryb jazdy terenowej, zapewniający stabilność я kontrolė trakcji ро ręcznym wybraniu niskiego zasięgu СМАЗКУ niektórych trybów terenowych.
Skuteczność
Liczne badania na całym świecie potwierdziły, że system ESC bardzo skutecznie pomaga kierowcy zachować kontrolę nad samochodem, ratując w ten sposób życie i zmniejsópodojcie prae. Jesieni 2004 roku amerykańska Национальная администрация автомобильных дорог и безопасности дорожного движения (NHTSA) potwierdziła międzynarodowe badania, publikując wyniki badań terenowych dotyczących skuteczności ESC w USA. NHTSA stwierdziła, że ESC zmniejsza liczbę wypadków o 35%.Ponadto SUV-y z kontrolą stableności uczestniczą w 67% mniej wypadkach niż SUV-y bez systemu. Amerykański Instytut Ubezpieczeń Drogowych (IIHS) opublikował własne badanie w czerwcu 2006 r. Pokazujące, e można by uniknąć do 10 000 śmiertelnych wypadków w USA rocznie, gdyby wszystkie pojazdy były wyposażone w ESC. Badanie IIHS wykazało, że ESC zmniejsza prawdopodobieństwo wszystkich śmiertelnych wypadków o 43%, śmiertelnych wypadków z jednym pojazdem o 56%, a śmiertelnych jednym pojazdem o 56%, a śmiertelnych zjpadnyków 77–80%
ESC jest opisywane jako najważniejszy postęp w dziedzinie bezpieczeństwa samochodowego przez wielu ekspertów, w tym Nicole Nason, администратор NHTSA, Джим Гест и Дэвид, чемпион Союза потребителей Caba l’Alabe International, Международная ассоциация производителей программного обеспечения , был редактор автомобилей и водителей и Джим Гилл, белый цвет ESC компании Continental Automotive Systems.
Европейская программа oceny nowych samochodów (EuroNCAP) „zdecydowanie zaleca” kupowanie samochodów wyposażonych w kontrolę стабильность.IIHS wymaga, aby pojazd posiadał ESC jako dostępną opcję, aby kwalifikował się do nagrody Top Safety Pick za ochronę pasażerów i unikanie wypadków.
Компоненты и проект
ESC włącza kontrolę prędkości kątowej do układu przeciwblokującego (ABS). Hamulce przeciwblokujące umożliwiaj ESC spowolnienie poszczególnych kół. Wiele systemów ESC zawiera również system kontroli trakcji (TCS lub ASR), który wykrywa poślizg koła napędowego podczas przyspieszania i indywidualnie hamuje poślizgajJednak ESC służy do innego celu niż ABS lub kontrola trakcji.
Система ESC wykorzystuje kilka czujników, aby określić, dokąd kierowca zamierza podróżować. Pozostałe czujniki wskazuj rzeczywisty stan pojazdu. Algorytm sterowania porównuje dane wejściowe kierowcy z reakcją pojazdu i decyduje, w razie potrzeby, o włączeniu hamulców i / lub zmniejszeniu przepustnicy o wartości obliczena zjów Kontroler ESC może również odbierać dane i wydawać pojecenia innym kontrolerom w pojeździe, takim jak układ napędu na wszystkie koła lub aktywny układ zawieszenia, aby poprawiśdučno стабильный.
Czujniki w systemie ESC muszą przesyłać dane przez cały czas, aby jak najszybciej wykryć utratę przyczepności. Muszą być odporne na możliwe formy zakłóceń, takie jak opady czy dziury. Najważniejsze czujniki:
- Czujnik kąta skrętu kierownicy, który określa, dokąd kierowca chce kierować. Ten rodzaj czujnika często wykorzystuje elementy AMR.
- Przyspieszenie kątowe czujnik, który mierzy prędkość obrotowa samochodu. Dane z czujnika odchylenia są porównywane z danymi z czujnika kąta skrętu kierownicy w celu określenia działania Regującego.
- Czujnik przyspieszenia poprzecznego, który mierzy przyspieszenie boczne pojazdu. Nazywa się to często akcelerometrem.
- Czujnik prędkości koła, który mierzy prędkość koła.
Inne czujniki mog obejmować:
- Czujnik przyspieszenia wzdłużnego, który jest podobny konstrukcyjnie do czujnika przyspieszenia poprzecznego, ale dostarcza dodatkowych informacji o pochyleniu drogi czysduj
- Czujnik odchylenia, który jest podobny do czujnika odchylenia w konstrukcji, ale poprawia wierność modelu pojazdu kontrolera i zapewnia dokładniejsze dane w połączeniu z innymi czujjami.
ESC wykorzystuje modulator Hydrauliczny, aby zapewnić, że każde koło otrzymuje odpowiednią siłę hamowania. Подобный модулятор jest używany w ABS. Podczas gdy ABS obniża ciśnienie podczas hamowania, ESC może w pewnych sytuacjach zwiększać ciśnienie, aktywny podciśnieniowy wzmacniacz hamulca może być zaszroszowyoprofi, abcd, podciśnieniowy wzmacniacz hamulca może być zaszroszowyoprofi oprí.
W centrum układu ESC znajduje się elektroniczna jednostka sterująca (ECU), która zawiera róne techniki sterowania. Często ten sam ECU jest używany w różnych systemach w tym samym czasie (takich jak ABS, kontrola trakcji lub klimatyzacja). Sygnały wejściowe są przesyłane przez obwód wejściowy do sterownika cyfrowego. Żądany stan pojazdu jest określany na podstawie kąta skrętu kierownicy, jego nachylenia i prędkości koła. Jednocześnie czujnik odchylenia mierzy rzeczywiste odchylenie pojazdu.Sterownik oblicza potrzebną siłę hamowania lub przyspieszenia dla każdego koła i steruje zaworami modulatora hydroznego. Блок управления двигателем с дополнительными системами и взаимодействует с сетью контроллеров с единой конфигурацией конфликтов с ними.
Wiele systemów ESC ma przełącznik nadpisywania, dzięki czemu kierowca może wyłączyć ESC, który może być używany na luźnych powierzchniach, takich jak błoto lub pNiektóre systemy oferują również dodatkowy tryb z podwyższonymi progami, dzięki czemu kierowca może wykorzystać granice przyczepności pojazdu przy mniejszej interwencji elektronicznecji. Jednak ESC reaktywuje się po ponownym uruchomieniu zapłonu. Niektóre układy ESC pozbawione wyłącznika, takie jak w wielu najnowszych samochodach Toyota i Lexus, można tymczasowo wyłączyć wyniku nieudokumentowanej serii operacji pedału hamulci hamulca. Ponadto odłączenie czujnika prędkości koła to kolejna metoda wyłączenia większości układów ESC.Wdrożenia ESC w nowszych pojazdach Forda nie można całkowicie wyłączyć, nawet za pomocą „wyłącznika”. ESC automatycznie włączy się ponownie przy prędkościach autostradowych, a poniżej tych prędkości, jeśli wykryje poślizg przy wciśniętym pedale hamulca.
Rozporządzenie
Świadomość społeczna i prawo
Podczas gdy Szwecja wykorzystywała kampanie uświadamiające w celu promowania stosowania ESC, inne wdrożyły lub zaproponowały przepisy.
Kanadyjska prowincja Quebec była pierwszą jurysdykcją, która wdrożyła prawo ESC, które w 2005 r.Stało się obowiązkowe dla przewoników towarów niebezpiecznych (bez rejestratorów danych).
Następnie Stany Zjednoczone wprowadziły wymóg ESC dla wszystkich pojazdów osobowych poniżej 10 000 фунтов (4536 кг), wprowadzając регулируется с 55% моделей с 2009 г. (Obowiązuje od 1 września 2008 r.), 75% модели 2010 г., 95% модели 2011 г. Oraz wszystkie modele z 2012 roku.
Kanada wymagała, aby wszystkie nowe samochody osobowe miały ESC od 1 września 2011 r.
Rząd Australii ogłosił w dniu 23 czerwca 2009 r., Że ESC będzie obowiązkowe od 1 listopada 2011 r. Dla wszystkich nowych samochodów osobowych sprzedawanych w Australii i dla wszystkich nowych pojazdów od listopada 2013 r. Rząd Nowej Zelandii podążył za tym przykładem w lutym 2014 r., Czyniąc go obowiązkowym dla wszystkich nowych pojazdów pojazdy od 1 lipca 2015 r. z rozłożonym na czas wdrożeniem do wszystkich używanych samochodów osobowych importowanych do 1 stycznia 2020 r.
Parlament Europejski wezwał również do przyspieszenia wprowadzenia ESC.Komisja Europejska potwierdziła propozycję obowiązkowego wprowadzenia ESC we wszystkich nowych samochodach i modelach pojazdów użytkowych sprzedawanych w UE od 2012 r., A wszystkie za
Międzynarodowe przepisy dotyczące pojazdów
Komisji Gospodarczej Organizacji Narodów Zjednoczonych dla Europy minęło przepisów technicznych Globalny zharmonizować standardy ESC. Globalne rozporządzenie techniczne nr 8 ELEKTRONICZNE SYSTEMY KONTROLI STABILNOŚCI zostało sponorowane przez Stany Zjednoczone и jest oparte na Federalnym standardzie bezpieczeństwa pojazdów silnikowy.
W krajach Unece homologacja opiera się na regaminie ONZ 140: Elektroniczne systemy kontroli stableności (ESC).
Dostępność i koszt
Koszt
ESC jest zbudowany na układzie przeciwblokującym, a wszystkie pojazdy wyposażone w ESC są wyposażone w kontrolę trakcji. Компоненты ESC obejmuj czujnik odchylenia kierunkowego, czujnik przyspieszenia poprzecznego, czujnik kierownicy oraz zmodernizowaną zintegrowaną jednostkę sterującą. W Stanach Zjednoczonych przepisy Federalne wymagają, aby układ ESC był instalowany jako standardowa funkcja we wszystkich samochodach osobowych i lekkich ciężarówkach od roku modelowego 2012.Według badań NHTSA ABS w 2005 г. Kosztował około 368 долларов США; ESC kosztowało dalsze 111 долларов США. Цена подробная информация ESC jest różna; jako samodzielna opcja kosztuje zaledwie 250 долларов США. ESC był kiedyś rzadko oferowany jako jedyna opcja i generalnie nie był dostępny do instalacji na rynku posprzedażowym. Zamiast tego był często oferowany w pakiecie z innymi funkcjami lub droższymi wykończeniami, więc koszt pakietu zawierającego ESC wynosił kilka tysięcy dolarów. Niemniej jednak ESC jest uważane za wysoce opłacalne i może zwrócić się w postaci obniżonych składek ubezpieczeniowych.
Dostępność
Dostępność ESC w pojazdach osobowych róni się w zależności od producentów i krajów. W 2007 roku ESC był dostępny w około 50% nowych modeli w Ameryce Północnej w porównaniu z około 75% w Szwecji. Jednak świadomość konsumentów wpływa na wzorce kupowania, tak że około 45% pojazdów sprzedawanych w Ameryce Północnej i Wielkiej Brytanii zostało zakupionychcyzakyzakia, tak e około, wzorce kupowania, tak e około 45% pojazdów sprzedawanych w Ameryce Północnej i Wielkiej Brytanii zostało zakupionychcyzakyzakia gójos, takChociaż niewiele pojazdów posiadało ESC przed 2004 r., Zwiększona świadomość zwiększyła liczbę pojazdów z ESC na rynku samochodów używanych.
ESC jest dostępny w samochodach osobowych, SUV-ach i pickupach wszystkich głównych producentów samochodów. Samochody luksusowe, sportowe, SUV-y i crossovery są zwykle wyposażone w ESC. Самоходы среднеевропейских рулонов стопнйово зыскивалы на популярных, выбираемых моделях Nissan Altima и Ford Fusion с 2008 года предлагают ESC tylko w samochodach wyposażonych w silnik V6; jednak w niektórych samochodach średniej wielkości, takich jak Honda Accord, był już standardowo.Подключайтесь к контролю над траекторией, двигаясь к системе ESC, к тому же, как и к Chevrolet Malibu LS 2008 года, Mazda6 2008 года и Lincoln MKZ 2007 года выпуска, где больше контроля над трактом, все без ESC. ESC był rzadkością wśród samochodów subkompaktowych w 2008 roku. Toyota Corolla z 2009 года выпуска с Stanach Zjednoczonych (ale nie w Kanadzie) устанавливает контроль стабильной работы, цена 250 долларов на wszystkich wersjach niższych od XRS, który miał ją w standardzie. W Kanadzie, w przypadku Mazdy3 z 2010 roku, ESC był opcją w wyposażeniu średniej klasy GS, jako część pakietu szyberdachu i jest standardem w topowej wersji GT.Ford Focus z 2009 года выпуска, как правило, ESC для моделей S i SE и стандартных моделей SEL i SES
W Wielkiej Brytanii nawet model supermini dostępne na masową skalę, takie jak Ford Fiesta Mk.6 i VW Polo Mk.5, były standardowo wyposażone w układ ESC.
ESC jest również dostępny w niektórych samochodach kempingowych. Zaawansowane systemy ESC i ESP (w tym kontrola stableności przechylenia) są dostępne dla wielu pojazdów użytkowych, w tym ciężarówek transportowych, przyczep i autobusów takich bekówi,,
WybierzESC ! kampania, prowadzona przez EU eSafetyAware! projektu, zapewnia globalne spojrzenie na ESC. One ChooseESC! publikacja pokazuje dostępność ESC w krajach członkowskich UE.
W Stanach Zjednoczonych witryna internetowa Страховой институт дорожной безопасности pokazuje dostępność ESC w poszczególnych modelach w USA, национальная администрация безопасности дорожного движения витрина zawiera listę modeli amerykańskich z ESC.
W Australii, Dróg Krajowych i kierowców Association (NRMA) pokazuje dostępność ESC w modelach australijskich.
Przyszłość
Tak Jak się ESC opiera на układzie zapobiegającym blokowaniu KOL podczas hamowania (АБС), Tak też ESC stanowi podstawę nowych rozwiązań, takich Jak контрола stabilności przechylenia Czy aktywna Ochrona Przed przewróceniem, która działa ш płaszczyźnie pionowej, podobnie Jak ESC ш płaszczyźnie poziomej. Kiedy RSC wykryje zbliżające się dachowanie (zwykle w ciężarówkach transportowych lub SUV-ach), RSC włącza hamulce, zmniejsza przepustnic, wywołuje podsterownośćal / wywołuje podsterownośćal /.
Moc obliczeniowa ESC ułatwia łczenie w sieć aktywnych i pasywnych systemów bezpieczeństwa, zajmując się innymi przyczynami awarii. Na przykład czujniki mogą wykryć, kiedy pojazd podąża zbyt blisko i spowolnić pojazd, wyprostować oparcia i zapiąć pasy bezpieczeństwa, unikając i / lub przygotowujc sys.
Продукты ESC
Nazwy produktów
Elektroniczna kontrola stableności (ESC) to ogólny termin uznawany przez Европейская ассоциация автопроизводителей (ACEA), Североамериканское общество инженеров автомобильной промышленности (SAE), Японская ассоциация автопроизводителей i inne światowe władze.Jednak producnci pojazdów mogą używać wielu rónych nazw handlowych dla ESC:
- Acura: Система стабилизации автомобиля (VSA) (dawniej CSL 4-Drive TCS )
- Alfa Romeo: контроля динамики пояса (VDC)
- Audi: электронная программа стабилизации (ESP)
- Bentley: электронная программа стабилизации (ESP)
- BMW: wspólnik inżynierski i wynalazca z Robertem BOSCH GmbH i Continental (TEVES) Система динамической стабилизации (DSC) (w tym Dynamic Traction Control)
- Bugatti: электронный программный стабилизатор (ESP)
- Buick: StabiliTrak
- Cadillac: StabiliTrak i StabiliTrak3.0 z aktywnym przednim układem kierowniczym (AFS)
- Chery: электронная программа стабилизации
- Chevrolet: StabiliTrak i Active Handling (tylko Corvette i Camaro)
- Chrysler: электронная программная стабилизация (ESP)
- Citroën: электронная программа стабилизации (ESP)
- Daihatsu: Контроль стабилизации положения (VSC)
- Dodge: электронная программа стабилизации (ESP)
- Daimler: Электронная программа стабилизации (ESP)
- Fiat: электронный контроль стабильности (ESC) и динамический контроль положения (VDC)
- Ferrari: Controllo Stabilità (CST)
- Ford. Dynamiczna kontrola stableności (DSC) (tylko Australia)
- General Motors: StabiliTrak
- Honda: Система стабилизации автомобиля (VSA) (dawniej CSL 4-Drive TCS )
- Holden: электронная программа стабилизации (ESP)
- Hyundai: электронная система стабилизации (ESP) , электронная система управления стабилизацией (ESC) и асистентная стабилизация положения (VSA)
- Infiniti: управления динамиками пояса (VDC)
- Isuzu: Электронный контроль стабилизации положения (EVSC)
- Jaguar: динамический контроль стабилизации (DSC) и автоматический контроль стабилизации (ASC)
- Jeep: электронная программа стабилизации (ESP)
- Kia: электронная система управления стабилизацией (ESC) и электронная программа стабилизации (ESP)
- Lamborghini: электронная программа стабилизации (ESP)
- Land Rover: динамический контроль стабильности (DSC)
- Lexus: Zintegrowane zarządzanie Dynamiką pojazdu (VDIM) z kontrolą стабильный pojazdu (VSC)
- Luxgen: elektroniczna kontrola stableności (ESC)
- Линкольн: AdvanceTrac
- Maserati: Программа стабилизации Maserati (MSP)
- Mazda: Система динамической стабилизации (DSC) (с системой динамического контроля тяги)
- Mercedes-Benz (współtwórca) z Robertem BOSCH GmbH: электронная программа стабилизации (ESP)
- Меркурий: AdvanceTrac
- Mini: dynamiczna kontrola стабильность
- Mitsubishi: Aktywna kontrola poślizgu i trakcji MULTIMODE i aktywna kontrola stableności (ASC)
- Nissan: контроля динамики поясду (VDC)
- Oldsmobile: Precyzyjny system sterowania (PCS)
- Opel: электронная система стабилизации (ESP) и программа стабилизации (TSP)
- Peugeot: электронная программная стабилизация (ESP)
- Понтиак: StabiliTrak
- Porsche: Система стабилизации Porsche (PSM)
- Proton: elektroniczna kontrola stableności (ESC) lub kontrola Dynamiki pojazdu (VDC)
- Renault: электронная программа стабилизации (ESP)
- Rover Group: динамического контроля стабильности (DSC)
- Saab: электронная программа стабилизации (ESP) lub StabiliTrak
- Сатурн: StabiliTrak
- Scania: электронная программа стабилизации (ESP)
- SIEDZISKO: электронная программная стабилизация (ESP)
- Škoda: электронная программа стабилизации toru jazdy (ESP) i elektroniczny układ стабилизация toru jazdy (ESC)
- Интеллигентный: электронный программный стабилизатор (ESP)
- Subaru: Контроль динамики поязду (VDC)
- Suzuki: электронная программная стабилизация (ESP)
- Тата: Kontrola stableności narożnika (CSC)
- Toyota: контроль стабилизации положения (VSC) i zintegrowane zarządzanie Dynamik pojazdu (VDIM)
- Tesla: электронный контроль стабильности (ESC)
- Vauxhall: электронный программный стабилизатор (ESP)
- Volvo: dynamiczna kontrola стабильный и trakcji (DSTC)
- Volkswagen: электронная программа стабилизации (ESP)
Producenci systemów
Producenci systemów ESC для:
Библиография
Linki zewnętrzne
- Информация Bosch ESC
- ВыберитеESC! połączona inicjatywa z Komisji Europejskiej, eSafetyAware i Euro NCAP
- Lista e-bezpieczeństwa artykułów medialnych ESC z eSafety Support
- NHTSA w sprawie ESC, w tym przepisy USA i lista amerykańskich pojazdów z ESC
- Kanadyjskie Stowarzyszenie Specjalistów ds.Bezpieczeństwa Ruchu Drogowego w ESC
- Транспорт Канады на ESC
- Австралия (Виктория) на ESC
- Europejski mandat ESC dla samochodów ciężarowych i autokarów
- Glen Nicholson, «ELEKTRONICZNA KONTROLA STABILNOŚCI (ESC)», WYDANIE 2007, номер 3, официальный биулетин Канадский Stowarzyszenia Specjalistów ds. Bezpieczeństwa Ruchu Drogowego
- Андерс Ли, Клас Тингвалл, Мария Краффт и Андерс Куллгрен, «Эффективность ESC (электронного контроля устойчивости) в сокращении количества аварий и травм в реальной жизни», 19.konferencji poświęconej zwiększonemu bezpieczeństwu pojazdów, 2005
- Badanie ESC w Центр исследования несчастных случаев при австралийском университете Монаш
- Badanie uzupełniające ESC w Центр исследования несчастных случаев при австралийском университете Монаша
- G. Bahouth, „OCENA ZDERZENIA W RZECZYWISTYM ŚWIECIE TECHNOLOGII KONTROLI STABILNOCI POJAZDU (VSC)”,
- Майкл Пейн, «ELEKTRONICZNA KONTROLA STABILNOŚCI: PRZEGLĄD BADAŃ I PRZEPISÓW», Przygotowano dla ZARZĄDU DROGOWEGO I RUCHU NSW, 2005


Данная система предотвращает рыскание прицепа во время движения автомобиля. Это достигается благодаря торможению колёс, а также снижению крутящего момента.