Предохранитель (автомобильный) — Fuse (automotive)
Класс предохранителей, применяемых для защиты электропроводки и электрооборудования автомобилей
Автомобильные предохранителиАвтомобильные предохранители — это класс предохранителей, используемых для защиты проводки и электрического оборудования транспортных средств. Они , как правило , рассчитаны на схемах не выше 32 вольт постоянного тока , но некоторые типы рассчитаны на 42-вольтовых электрических систем . Иногда они используются в неавтомобильной электротехнике.
Тип лезвия
Предохранители лезвийного типа бывают шести физических размеров: Micro2, Micro3, низкопрофильный (LP) Mini, Mini, Regular, Maxi.Лепестковые предохранители (также называемые лопаточными или вставными предохранителями) с пластиковым корпусом и двумя штырями, которые вставляются в гнезда, в основном используются в автомобилях .
На каждом предохранителе сверху указан номинальный ток в амперах .
Эти типы предохранителей бывают шести различных физических размеров:
- Micro2.
- Micro3.
- LP-mini (APS), также известный как низкопрофильный мини. Неофициально «низкопрофильный мини» предохранитель иногда неправильно называют «микро», поскольку этот термин означает меньше, чем мини, но недавно были выпущены предохранители с названием Micro. .
- Мини (APM / ATM). Мини-предохранители были разработаны в 1990-х годах.
- Обычные (APR / ATC / ATO / ATS) пластинчатые предохранители, также известные как стандартные , были разработаны Littelfuse в 1976 году как ATO для использования в автомобилях с низким напряжением . Bussmann производит ATC, который также соответствует тем же стандартам ISO 8820-3 и SAE J1284.
- Макси (APX), сверхпрочный.
Mount
Предохранители ножевого типа можно устанавливать в:
- Предохранительные блоки (сделанные из фарфора, сланца или другого огнеупорного материала).
Блоки предохранителей позволяют устанавливать несколько предохранителей вместе или большие предохранители по отдельности. - Держатели встроенных предохранителей с двумя стандартами: публикация IEC 257, поправка 1968 г. 2 к этой публикации от января 1989 г. и стандарт UL No. 512. Помогают экономить место. Встроенный предохранитель часто встречается в дополнительных электрических аксессуарах, где производитель не знает предел электрического тока цепи, которую вы собираетесь подключить. Это обеспечивает достаточную защиту для этого отдельного аксессуара безотносительно к любым другим устройствам, которые могут использовать ту же цепь.
- Держатели предохранителей с двумя гнездами позволяют превратить один гнездо предохранителя в два (в некотором роде аналогично удлинителю , но для предохранителей).
- Зажимы предохранителей. Зажимы предохранителей можно вставить в печатную плату.
Размерные группы
| Размер лезвия | Группа клинков | Габариты Д × Ш × В | Общие рейтинги (максимальный ток) |
|---|---|---|---|
| Micro2 | APT, ATR | 9,1 × 3,8 × 15,3 мм | 5, 7,5, 10, 15, 20, 25, 30 |
| Micro3 | ATL | 14,4 × 4,2 × 18,1 мм | 5, 7,5, 10, 15 |
| LP-Mini (низкий профиль) | APS, ATT | 10,9 × 3,81 × 8,73 мм | 2, 3, 4, 5, 7,5, 10, 15, 20, 25, 30 |
| Мини | APM, Банкомат | 10,9 × 3,6 × 16,3 мм | 2, 3, 4, 5, 7,5, 10, 15, 20, 25, 30 |
| Обычный | АПР, УВД, АТО, АТС | 19,1 × 5,1 × 18,5 мм | 0,5, 1, 2, 3, 4, 5, 7,5, 10, 15, 20, 25, 30, 35, 40 |
| Макси | APX | 29,2 × 8,5 × 34,3 мм | 20, 25, 30, 35, 40, 50, 60, 70, 80, 100, 120 |
Если позволяет место, иногда используется миниатюрный автоматический выключатель для замены ножевого предохранителя в том же держателе предохранителя.![]()
Лопастные предохранители используют общую схему окраски для предохранителей Micro2, Micro3, низкопрофильных (LP) Mini, Mini и обычных размеров, а также частичное цветовое сходство с предохранителями максимального размера. В следующей таблице показаны обычно доступные предохранители для каждой размерной группы.
Предохранители типа Mini, Regular и Maxi BladeСтандартные предохранители (ATO) на 0,5 A, 35 A и 40 A не упоминаются в стандартах DIN , но доступны, в частности, в некоторых продуктах Littelfuse .
Тип Bosch
Предохранитель типа Bosch (используется в старых автомобилях)
Цветовое кодирование
| цвет | Текущий рейтинг |
|---|---|
| Желтый | 5 А |
| Белый | 8 А |
| Красный | 16 А |
| Синий | 25 А |
| Серый | 40 А |
Тип Лукаса
Предохранители типа Lucas используются в старых автомобилях британского производства или в собранных автомобилях. Физическая длина предохранителя керамического типа Lucas составляет 1 дюйм или 1,25 дюйма с коническими концами. Предохранители со стеклянной трубкой Lucas имеют прямые концы. Предохранители типа Lucas обычно имеют одинаковую цветовую кодировку для номинального тока. Предохранители Лукаса имеют три номинала; непрерывный ток, на который они рассчитаны, мгновенный ток, при котором они будут плавиться, и постоянный ток, при котором они также будут плавиться. Цифра, указанная на предохранителях Lucas, представляет собой непрерывный ток предохранителя, который в два раза превышает номинальный постоянный ток, который должна использовать система; это может быть источником путаницы при замене предохранителей Lucas на предохранители других производителей.
Цветовое кодирование
| цвет | Непрерывный ампер (= номинальный ток ) | Мгновенный предохранитель ампер | Непрерывный фьюзинг ампер |
|---|---|---|---|
| Синий | 1.5 | 3.5 | 3 |
| Желтый | 2,25 | 5 | 4.5 |
| Красный на желтом | 2,5 | 6 | 5 |
| Зеленый | 3 | 7 | 6 |
| Ореховый коричневый | 4 | 10 | 8 |
| Красный на зеленом | 5 | 12 | 10 |
| Зеленый на черном | 5 | 12 | 10 |
| Красный на коричневом | 6 | 14 | 12 |
| Светло-коричневый | 7,5 | 18 | 15 |
| Розовый | 12,5 | 30 | 25 |
| Белый | 17,5 | 40 | 35 год |
| Пурпурный на желтом | 25 | 60 | 50 |
| Желтый на красном | 30 | 75 | 60 |
Тип стеклянной трубки
Предохранитель стеклянной трубки В автомобилях, выпускавшихся в Северной Америке до 1986 года, электрические системы были защищены предохранителями с цилиндрическими стеклянными картриджами, рассчитанными на 32 В постоянного тока и номинальным током от 4 до 30 ампер.
- A 4 A SFE 4 Предохранитель 5 / 8 дюйма длиной (тот же размер , как AGA предохранитель любого рейтинга),
- 6 SFE 6 предохранитель 3 / 4 дюйма длиной,
- 7,5 SFE 7,5 предохранитель 7 / 8 дюйма длиной (такой же , как AGW предохранитель любого рейтинга),
- 9 SFE 9 предохранитель 7 / 8 дюйма длиной (такой же , как AGW предохранитель любого рейтинга),
- 14 SFE 14 предохранитель 1 1 / 16 дюйма длиной,
- A 20 A SFE 20 предохранитель 1 1 / 4 дюйма длиной (такой же , как АРУ предохранитель любого рейтинга), и
- 30 SFE 30 предохранитель 1 7 / 16 дюймов в длину.
Есть несколько похожих предохранителей, которые легко спутать с ними. Как правило, этот тип предохранителя будет иметь какой-то ярлык «AG», который первоначально означал «Автомобильное стекло». Существует как минимум семь различных размеров предохранителей диаметром 1/4 дюйма. Перечисленные предохранители являются наиболее распространенными для данного типоразмера, который всегда является быстродействующим:
- Размер 1AG, типа АГА, 1 А до 30 А, 1/4 дюйма (6,3 мм) диаметр от 5 / 8 дюйма (15.9mm) длинного
- Размер 2AG, тип AGB, диаметр 0,177 дюйма (4,5 мм) на длину 0,588 дюйма (14,9 мм) (часто заменяется предохранителем международного размера с диаметром 5 мм на 15 мм длиной (также известный как 5 x 15 мм — теперь более доступен)
- 3AG размер, тип AGC, 0,125 А до 50 А, диаметр 1/4 дюйма (6,3 мм) до 1 1 / 4 дюйма (31.8mm) длинной
- 4AG размер, тип AGS, 9 / 32 дюйма (7,1 мм) диаметр от 1 1 / 4 дюйма (31.
8mm) длинной - Размер 5AG, тип AGU, 1 А до 60 А, 13 / 32 дюймов (10.3mm) диаметром от 1 1 / 2 дюйма (38,1 мм) в длину. Также называется «сверхмалые предохранители».
- Размер 7AG, тип АГП, 1 А до 30 А, диаметр 1/4 дюйма (6,3 мм) от 7 / 8 дюйма (22,2 мм) в длину
- Размер 8AG, тип AGX, от 1 A до 30 A, диаметр 1/4 дюйма (6,3 мм) и длина 1 дюйм (25,4 мм)
- Размер 9AG, тип AGY, 50 А, 1/4 дюйма (6,3 мм) диаметром от 1 7 / 16 дюймов (36.5mm) длиной
- Великобритания размер, тип Великобритании, 35 А до 50 А, 1/4 дюйма (6,3 мм) диаметр от 1 1 / 4 дюйма (31.8mm) длинной
Эти и другие предохранители все еще производятся для многих применений, в том числе для цепей переменного и постоянного тока. Некоторые из них имеют задержку по времени, медленно реагируют или имеют выводы для клемм, используемых в цепях без держателя предохранителя.
Многие размеры и характеристики предохранителей опубликованы Обществом автомобильных инженеров как Стандарт SAE J 554.
Тип ограничителя
Предохранители-ограничители состоят из металлической ленты на токи более 10 ампер. Также называемые предохранителями с ограничением тока, они имеют внутренний плавкий элемент, который плавится, когда ток, проходящий через плавкий элемент, находится в пределах указанного диапазона ограничения тока предохранителя. Когда плавкий элемент плавится, он создает высокое сопротивление, чтобы уменьшить величину и продолжительность тока, протекающего через предохранитель, чтобы защитить электрическую цепь и подключенное оборудование. Часто они используются в непосредственной близости от ящиков предохранителей стартерной аккумуляторной батареи . Они также используются в электромобилях , например, в вилочных погрузчиках . Поскольку ленточные предохранители требуют использования инструментов для замены, они по закону считаются непригодными для обслуживания компонентами для конечных пользователей.
Смотрите также
Рекомендации
внешние ссылки
Автомобильные предохранители и блоки предохранителей 41.3722
Автомобильные предохранители различных типов предназначены для защиты электрических цепей постоянного тока с напряжением до 32 Вольт от токов короткого замыкания и токовых перегрузок.
Автомобильные предохранители, габаритный чертеж, размеры, соответствие номинального тока и цвета корпуса предохранителей.
Автомобильные предохранители различаются по типам, размерам и номинальному току.
Международный цветовой код корпусов автомобильных предохранителей Мини, Норма, Макси.
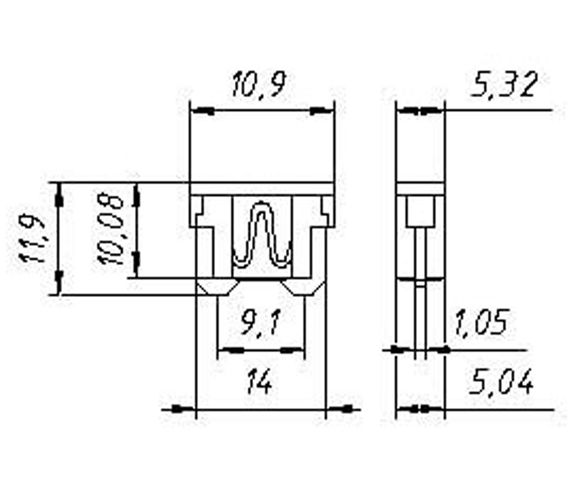
Автомобильные предохранители Мини, ножевого типа, размеры и номиналы.
554.3722 — 5 ампер, светло-коричневый.
555.3722 — 7,5 ампер, коричневый.
556.3722 — 10 ампер, красный.
557.3722 — 15 ампер, синий.
558.3722 — 20 ампер, желтый.
559.3722 — 25 ампер, белый.
559.3722-01 — 30 ампер, зеленый.
Автомобильные предохранители Норма, ножевого типа, размеры и номиналы.

35.3722 — 5 ампер, светло-коричневый.
351.3722 — 7,5 ампер, коричневый.
352.3722 — 10 ампер, красный.
353.3722 — 15 ампер, синий.
354.3722 — 20 ампер, желтый.
355.3722 — 25 ампер, белый.
356.3722 — 30 ампер, зеленый.
Автомобильные предохранители Макси, ножевого типа, размеры и номиналы.
60.3722 — 30 ампер, зеленый.
601.3722 — 40 ампер, оранжевый.
602.3722 — 50 ампер, красный.
603.3722 — 60 ампер, синий.
604.3722 — 90 ампер, желтый.
544.3722 — 30 ампер, зеленый.
54.3722 — 40 ампер, оранжевый.
541.3722 — 50 ампер, красный.
542.3722 — 60 ампер, синий.
Автомобильные предохранители цилиндрического типа, размеры и номиналы.
469.32-01 — 8 ампер, черный.
469.32 — 16 ампер, зеленый.
Ленточные автомобильные предохранители серии 469.36 с диаметром отверстий 5,5 мм, размеры и номиналы.
469.36 — 30 ампер.
469.36-01 — 40 ампер.
469.36-02 — 60 ампер.
469.
36-03 — 50 ампер.
469.36-04 — 90 ампер.
Ленточные автомобильные предохранители серии 469.33 с диаметром отверстий 6,5 мм, номиналы.
469.33 — 30 ампер.
469.33-01 — 40 ампер.
469.33-02 — 60 ампер.
469.33-03 — 50 ампер.
469.33-04 — 90 ампер.
Блок предохранителей 41.3722, характеристики, применяемость, таблица комплектации блока предохранителями.
Блок предохранителей 41.3722 предназначен для защиты электрических цепей бортовой сети автомобилей от токовых перегрузок и токов короткого замыкания. Применяется на автомобилях ГАЗ Соболь, Валдай и других легковых автомобилях, и автобусах. Подключение в систему электроборудования происходит с помощью штекера по ОСТ 37.003.032-88.
Основные характеристики блока предохранителей 41.3722.
Номинальное напряжение, В : 32
Падение напряжения, мВ/А : 190
Количество защищаемых цепей : 13
Количество запасных предохранителей : нет
Габаритные размеры, мм : 170х30х40
Масса, не более, кг : 0,13
Таблица комплектации блока 41.
3722 предохранителями.Блок предохранителей 46.3722, характеристики, применяемость.
Блок предохранителей 46.3722 предназначен для защиты электрических цепей бортовой сети автомобилей от токовых перегрузок и токов короткого замыкания. Применяется на легковых и грузовых автомобилях, автобусах, сельскохозяйственной технике. Подключение в систему электроборудования происходит с помощью штекера по ОСТ 37.003.032-88.
Основные характеристики блока предохранителей 46.3722.
Номинальное напряжение, В : 32
Падение напряжения, мВ/А : 190
Количество защищаемых цепей : 9
Количество запасных предохранителей : 4
Габаритные размеры, мм : 128х36х40
Масса, не более, кг : 0,1
Похожие статьи:
- Руководство по эксплуатации на Газель Классик, ГАЗ-3302, ГАЗ-33023, ГАЗ-330202, ГАЗ-330232, ГАЗ-2705, ГАЗ-3221, ГАЗ-32213, 3302-3902010-10 РЭ.
- Блоки предохранители и реле ГАЗель Next А21R22 и А21R32 с дизельным двигателем Cummins ISF2.
8s4129Р, расположение, номиналы предохранителей и защищаемые цепи. - Блоки предохранителей БПР-2, БПР-4 и БПР-13 на Газель Классик ГАЗ-33027, ГАЗ-33023, ГАЗ-27057, ГАЗ-3221, номиналы предохранителей, величины предельной силы тока и защищаемые цепи.
- Автомобили ГАЗель Next А21R22 и А21R32 с двигателем Cummins ISF2.8s4129Р, размеры, характеристики, основные параметры для контроля, применяемые масла и жидкости.
- Регулировка головных блок-фар Газель Классик ГАЗ-33027, ГАЗ-33023, ГАЗ-27057, ГАЗ-3221, размеры и разметка экрана для регулировки фар.
- Руководство по эксплуатации на дизели Д-245.7Е4, Д-245.9Е4, Д-245.35Е4, 245Е4-0000100 РЭ.
Автомобильные предохранители виды и типы
Предохранитель — деталь в электрической цепи, защищающая её от теплового повреждения.
Необходимость использования предохранителей вызвана тем, что при прохождении электрического тока через электрическую цепь возникает нагрев элементов цепи (проводов, выключателей и др.). При возникновении короткого замыкания электрической цепи или при чрезмерном увеличении потребляемой мощности возникает перегрев элементов цепи, который может вызвать повреждение изоляции и возгорание. Для предотвращения такого развития событий в электрическую цепь встраиваются предохранители. Предохранители различаются по конструкции и по мощности. Конструкция предохранителя зависит от фантазии изобретателя (производителя), а его мощность рассчитывается в зависимости от конкретной электрической цепи.
Где находятся предохранители в автомобиле? В автомобилях имеется несколько блоков предохранителей. Один или несколько блоков находится в моторном отсеке (рис.1)
По Bosch — torpedo fuse. Полную версию статьи можно прочитать на нашем сайте.
По Bussman — GBC fuse (рис.
4b).
2. Стеклянные (рис.5) — устаревший тип предохранителей.
По Bosch — glass fuses.
По Bussman — glass tube fuse (рис.5b)
3. Перемычки (рис.6). — имеют вид пластины под крепеж болтами.
По Bosch — Fuse stripes (рис.6)
4. Перемычки с пластиковым корпусом среднего размера (устанавливаются между аккумуляторной батареей и например стартером или генератором).
По Bussman — AMI fuse (рис.7а).
По Bosch — Screw locking element midi.
5. Перемычки с пластиковым корпусом крупного размера (устанавливаются между аккумуляторной батареей и например стартером или генератором).
По Bussman — AMG fuse (рис.8а).
По Bosch — Screw locking element mega (рис.8b)
6. Низкопрофильные предохранители (широко используются в легковых автомобилях выпущенных после 2010 года).
По Bussman — Low-Profile ATM fuse (рис.9а).
По Bosch — low-profile mini fuses (рис.9b)
7.
Миниатюрные плоские предохранители (широко используются в легковых автомобилях выпущенных после 2000 года).
По Bussman — ATM blade-type fuse (рис.10а).
По Bosch — mini flat connection fuses (рис.10b)
Автомобильные предохранители предназначены для защиты электрических цепей постоянного тока от токов короткого замыкания и токовых перегрузок. Рассчитаны на токи от 5А до 80А и напряжением до 32В.
Представленные автомобильные предохранители имеют ряд других названий – штырьевые, ножевые, плоские, флажковые, ЕВРО. Корпус автомобильных предохранителей изготавливается из полиамида (нейлон типа 66) или поликарбоната, имеющих высокие термические свойства. Материалом контактов служит серебро или олово, покрытые сплавом цинка. По габаритным размерам и конструктивным особенностям автомобильные предохранители разделяют на: плавкие вставки (ленточные), цилиндрические (cylinder), микро (mini low profile), мини (mini), стандарт (standard, norma, regular), макси (maxi), кассетные типа мама/папа (japval female/male), Japval M48, Japval M62 .
Визуальное представление, сравнение размеров флажковых предохранителей:
Цветовая маркировка корпуса флажковых предохранителей.
Габаритные размеры предохранителей:
Защита электрической проводки автомобиля от перегрузок и коротких замыканий важна не меньше, чем защита бытовых сетей в домах и квартирах. Для питания различных потребителей в автомобиле применяется низкое напряжение величиной от 12 до 24 вольт, но при коротком замыкании в электропроводке возникают большие токи.
Если при коротком замыкании своевременно не обесточить электропроводку автомобиля, то токоведущие жилы проводов сильно нагреются и расплавят изоляцию. В результате этого происходит воспламенение находящейся рядом обшивки салона и других элементов. Пожар быстро распространяется по всему салону, и охватывает всю машину. Скорость распространения огня настолько велика, что при приезде пожарной службы тушить бывает уже нечего.
Для предотвращения пожара в таких ситуациях путем размыкания электрической цепи способом расплавления специального легкоплавкого элемента, служат автомобильные предохранители.
Срабатывание предохранителя происходит при возрастании тока выше заданной величины. Это значение плавкой вставки рассчитывается по допустимой нагрузке на электрическую цепь.
Существует несколько видов автомобильных предохранителей, в зависимости от марки автомобиля, его года выпуска и защищаемой цепи.
Цилиндрические автомобильные предохранителиВладельцы отечественных автомобилей времен Советского Союза хорошо помнят такие автомобильные предохранители. Сначала их изготавливали одного цвета, затем для удобства пользования их стали маркировать разными цветами, в зависимости от номинального тока.
При установке или демонтаже цилиндрической вставки есть вероятность попадания под напряжение, хотя это и не так опасно, но можно получить ожог пальцев. Габаритные размеры блока предохранителей занимают много места. В отличие от других видов предохранителей, эти вставки не стандартизированы, поэтому при приобретении приходится довольствоваться надписями на их упаковке.
Такие вставки имеют несколько преимуществ, по сравнению с цилиндрическими моделями. При установке ножевых вставок вы защищены от ожогов, так как при этом беретесь за изолированную часть корпуса, выполненную из цветного пластика. Удобство разных цветов корпуса состоит в том, что номинал предохранителя можно определить по цвету. Кроме этого значение номинала обозначено цифрами.
Обнаружить сгоревшую вставку не составит труда, так как пластиковый корпус выполнен прозрачным, и целостность плавкого элемента можно наблюдать визуально.
Ножевые автомобильные предохранители делятся также по размерам и форме корпуса:
- Мини – маленькие.
- Макси – большие.
- Стандарт – средние.
Такие вставки обычно включают в себя электромагнитную и тепловую защиту.
По конструкции он аналогичен автоматическому выключателю в бытовой сети. При перегрузке или коротком замыкании срабатывает электромагнитная или тепловая защита.
После устранения неисправности в цепи предохранитель включается в работу нажатием кнопки.
Ленточные автомобильные предохранителиДля силовых цепей повышенной мощности в автомобиле применяют ленточные предохранители. Они используются для повышения надежности контактного соединения, выполняются в виде металлической пластины, и зажимаются винтами.
Существуют измененные конструкции ленточных вставок, в которых при нештатных ситуациях брызги расплавленной пластины уже не разлетаются в стороны, а защищены пластиковым корпусом.
Автомобильные предохранители на иномаркахЭто интересная конструкция автомобильной вставки. Недостатком является неудобная замена, так как необходимо откручивать крепежный винт. А к достоинству можно отнести то, что нет гаек, а винт всего один, в отличие от ленточных вставок, у которых два винта.
Эта конструкция относится к дорогостоящим моделям. Она внешне похожа на обычную ножевую вставку, но работает по принципу электрического автомата, и называется прерывателем цепи.
На многих японских иномарках применяются ножевые предохранители, но отличающиеся по конструкции от отечественных образцов видом корпуса и расположением ножей.
Порог срабатыванияПравильный подбор предохранителя состоит в определении величины сопротивления его легкоплавкого элемента. Расплавление происходит из-за теплового воздействия электрического тока, в результате цепь обесточивается.
Номинальная величина тока вставки определяется по формуле:
Iном = Pмакс / U, где:
- I ном – номинальное значение тока, А.
- Р макс – наибольшая мощность потребителя, обозначаемая на нем, Вт.
- U – напряжение бортовой сети, В.
Автомобильные предохранители — конструкции, виды, как выбрать?
По мере развития электроники появляется все больше схем, защищающих электрические цепи от перегрузки.
Однако так называемая последняя линия защиты практически повсеместно основана на плавких предохранителях. Автомобили – не исключение.
В них много электрических цепей и предохранителей. Низкое напряжение 12 В обуславливает даже при сравнительно небольших электрических мощностях токи большой силы. Они при длительном воздействии могут расплавить изоляцию и привести к аварии. Поэтому целесообразнее пожертвовать предохранителем. О них и расскажем более подробно далее.
Особенности конструкции
Пониженное напряжение и значительные токи определяют нижнюю границу номинала автомобильных предохранителей в 5 А. Но среди большого их количества можно найти модели с наибольшим значением 30 А и даже больше. Для получения надежного контакта, который необходим при токе большой силы, а также удобства замены этого изделия, предохранитель выглядит как плоский штекер с контактами в виде лезвий ножа. Его так и называют – предохранитель ножевой, или штекерный.
Для того чтобы получить оптимальное соответствие мощностям в электрических цепях, предохранители выпускаются в трех типоразмерах.
Для удобства визуального контроля электрических цепей используется цветовая маркировка номиналов этих изделий. Цвет и размеры также значительно упрощают работу продавцов автомагазинов, поскольку по ним легче найти тот или иной предохранитель.
Прогресс затронул и, казалось бы, такую консервативную область техники, как плавкие предохранители. Сейчас уже мало квартир, в которых применяются аналогичные предохранителям пробки. Похоже, что аналогичная ситуация скоро сложится и с автомобильными предохранителями. В них все шире используются конструктивные аналоги автоматических пробок – термические предохранители. Пример такой модели показан на изображении далее. После срабатывания это устройство возвращается в исходное состояние нажатием на кнопку спустя определенное время после естественного охлаждения срабатывающего механизма.
Там, где существует определенная техническая потребность и конструктивные условия, используются ленточные модели. Для них характерны две разновидности – бескорпусные и корпусные. Бескорпусные – наиболее дешевый вариант, но при этом с определенным недостатком. При срабатывании появляются в виде загрязнения его расплавленные частицы. Чтобы такого мусора не было, надо использовать более дорогие корпусные ленточные предохранители.
Ленточный вариантВ дорогих автомобилях, в которых существенное внимание уделено надежности, используются предохранители, особо устойчивые к вибрациям, которых в авто хоть отбавляй. Эти модели крепятся всего одним винтом, в отличие от ленточных, и показаны ниже:
Модели для крепления одним винтомАвтопроизводители некоторых стран являются сторонниками предохранителей специфической конструкции. Например, японский автопром. В его продукции много предохранителей ножевого типа, но с иными по форме клеммами и корпусом, что хорошо видно на следующем изображении:
Модели, применяемые в автомобилях японских марок- Если предохранитель перегорел, его надо вынуть и в магазине показать продавцу.
И купить точно такой же по номиналу и размерам. - Устанавливая дополнительную электрическую цепь, ставьте для ее защиты предохранитель с номинальным током в полтора раза большим номинала тока этой цепи.
Его можно сопоставить с сечением провода в соответствии с данными следующей таблицы:
Указанную в таблице силу тока умножаем на 1,5 и получаем номинал предохранителя для данного проводаО важности правильной замены
Изменение параметров предохранителя в автомобиле может дорого обойтись его владельцу. Поэтому ни в коем случае нельзя увеличивать номиналы уже задействованных предохранителей. А при тюнинге, связанном с добавлением новых электрических цепей, желательно найти их аналог по электропотреблению и поставить в новой цепи такой же предохранитель. В основном эти изделия расположены на специальной панели под капотом. Здесь сосредоточены все самые важные предохранители.
Последствия применения неправильного предохранителяНо в зависимости от марки авто, в ней имеются такие места с предохранителями, которые скрыты элементами декора.
Поэтому, если возникла неисправность, которая не устраняется перебором этих элементов защиты, надо обратиться к технической документации автомобиля и таким способом найти перегоревший предохранитель в каком-либо невидимом на первый взгляд месте.
Поиск отработанного элемента
Как правило, перегоревший предохранительный элемент приводит к последствиям, которые автовладелец быстро замечает. Если у него уже есть опыт, найти этот предохранитель удается быстро. Но если неисправность до этого не появлялась, скорее всего, большинство автовладельцев откроют капот и начнут поочередно просматривать предохранители на панели. Но в этом способе есть тонкость. Ведь контакт может пропасть не только от сгорания плавкой вставки, но и от окисления, ослабления упругих свойств клеммы.
- Намного быстрее отыскивается неисправность при помощи вольтметра.
Надо взять любой тестер с достаточно тонкими щупами и задать в его настройках измерение постоянного напряжения равного или близкого к 12 В.
Затем замерить на каждом предохранителе напряжение. На целом элементе его не будет. А на перегоревшем или неисправном прибор покажет напряжение аккумулятора. Прикасаться надо к клеммам панели, в которые вставлен предохранитель. Они легкодоступны. Это хорошо видно на изображении далее. Перед проверкой надо подать напряжение на те элементы, которые обслуживает проверяемая панель.
- Если нет тестера можно использовать лампочку на 12 В. На сгоревшем предохранителе она засветится.
Выбираем качественное изделие
Предохранители должны быть в запасе. Причем в количестве нескольких штук. Обычно после того как сгоревший элемент найден, начинается поиск причины его перегорания. После этого ставится новый предохранитель, который, как правило, также перегорает, поскольку причина кроется в другом. Так чаще всего «убивается» три-четыре элемента, и только после этого причина находится и устраняется.
Очевидно, что плавкие предохранители – это расходный материал.
А это, как известно, Клондайк для производителей. Особенно для китайских, которые часто производят некачественный товар любого вида. И предохранители не являются исключением из этого правила. Поэтому, прежде чем купить 5–10 элементов, рекомендуем купить сначала один и проверить его. Если проверка пройдена, можно взять больше.
А суть проверки состоит в сравнении свойств плавкой вставки и обычного медного провода, точнее, тонкой жилки. Ведь плавкая вставка в качественном изделии изготовлена из специального сплава. Но сделать «жучок» и продать изделие тиражом в миллионы штук – значит получить сверхприбыль. Чтобы убедиться в покупке нормального предохранителя, надо присоединить к его клеммам жилку, соизмеримую по толщине с его штатной плавкой вставкой. А затем присоединить клеммы к аккумулятору. Если жилка не перегорела, значит предохранитель нормальный. И наоборот.
Проверка любого предохранителя, извлеченного из своих посадочных приспособлений, сводится к визуальному контролю и «прозвону» тестером.
Авто-предохранитель MINI 20А | Предохранители
Плавкий автопредохранитель 20А (цвет — желтый, модель MINI)
Характеристики:
- корпус: пластик
- контакты: ножевые
- ток срабатывания: 20 A
- размер: 11 x 16 мм
Данные предохранители широко используются в автомобилях различных марок. При выборе, учитывайте тип предохранителя и его ток срабатывания
Что еще купить вместе с Авто-предохранитель MINI 20А ?
Огромное количество электронных компонентов и технической информации на сайте Dalincom, может затруднить Вам поиск и выбор требуемых дополнительных радиотоваров, радиодеталей, инструментов и тд. Следующую информационную таблицу мы подготовили для Вас, на основании выбора других наших покупателей.
| Код | Наименование | Краткое описание | Розн. цена |
** более подробную информацию (фото, описание, маркировку, параметры, технические характеристики, и тд.) вы сможете найти перейдя по ссылке описания товара | |||
| 10344 | Авто-предохранитель MINI 20А | Автомобильные предохранители, ток 20А (цвет — желтый, модель MINI) | 5 pyб. |
| 10341 | Авто-предохранитель MINI 30А | Автомобильные предохранители, ток 30А (цвет — зеленый, модель MINI) | 5 pyб. |
| 7863 | Авто-предохранитель UNI 30А | Автомобильные предохранители, ток 30А (цвет — темно-зеленый, модель F133) | 5 pyб. |
| 10448 | Авто-предохранитель MICRO 5А | Автомобильные предохранители, ток 5A (цвет — желтый, модель MICRO) | 5 pyб. |
| 9019 | Паяльник YG-970 | Электрический паяльник с регулятором Yaogong YG-970 (220V, 60W, регулятор, наконечник 900M) | 432 pyб.![]() |
| 8966 | Провода для макетной платы (40шт, 10см, штырьки) | Набор проводов (перемычек) для макетных плат (40 штук, 10 см, штырек — штырек) | 71 pyб. |
| 9806 | Набор термопасты HY880 (шприцы, 4 грамма) | Набор из высококачественной термопасты HY880, Nano, теплопроводность — 5.15 W/m-K, упаковка в шприцы, вес 4 грамма | 153 pyб. |
| 10327 | Конденсатор 100uF 450V (JCCON) | Конденсаторы электролитические 100 мкф 450в (JCCON, 105°C, размер 18×31 мм) | 43 pyб. |
| 3676 | Адаптер 12V 5A | Адаптер (блок питания) 12V 5А используется для многих моделей LCD мониторов и др. | 432 pyб. |
| 842 | Предохранитель H520-0.25А/250В (5х20мм) | Предохранитель (вставка плавкая стекло) H520-0.25А/250В (ВПБ6-10). Ток срабатывания 0,25A. Размер 5×20 мм. | 2.4 pyб. |
Источник высокого качества Размер Предохранитель производителя и Размер Предохранитель на Alibaba.
comAlibaba.com предлагает высококачественную сборку и инновационные электрические устройства. размер предохранитель от утвержденных производителей и дистрибьюторов для защиты электрических цепей и дискретных устройств от чрезмерного тока. Доступно несколько вариантов для различных электронных устройств и текущих приложений. Важные соображения для выбора правильного типа. размер предохранитель включают текущий рейтинг, температуру окружающей среды, размер, материал конструкции и дополнительные характеристики. Наиболее. размер предохранитель содержат неокисляющиеся элементы из цинка, меди или алюминиевого сплава для долговечности.
Просматривайте изображения высокого напряжения. размер предохранитель от Alibaba.com для схем, генерирующих чрезвычайно высокие температуры. Несколько. размер предохранитель варианты включают песок или масло, заключенные в керамический держатель для гашения дуги на концах при сгорании предохранителя.
Электронный. размер предохранитель для автомобильных систем с номинальным напряжением от 32 до 42 В и обычно имеют цветовую маркировку для обозначения определенного номинального тока. Они универсальны и применимы к другим цепям большой мощности.
Исследуйте большие разрывы. размер предохранитель, в которые входит кварцевый порошок или минеральное масло для надежного гашения дуги при высоких токах короткого замыкания. Они имеют картриджную конструкцию с корпусом из прозрачного стеатита для повышенной защиты. Несколько. размер предохранитель многоразовые, и у них есть носитель, который подключается к розетке для возобновления нормальной работы. Более продвинутый. размер предохранитель для современных промышленных устройств оснащены визуальными индикаторами перегоревших цепей, а некоторые также активируют автоматическую замену.
Для получения дополнительной защиты от электрического тока и устройства, посмотрите не дальше, чем Alibaba.
com для подлинного выбора в электронном виде. размер предохранитель и потрясающие предложения. Убедитесь, что вы найдете точную замену для большей безопасности и спокойствия. Рекомендуется обратиться за помощью к специалисту за помощью при установке.
Плавкие предохранители Littelfuse
19 июня 2019
Вячеслав Гавриков (г. Смоленск)
Номенклатура компании Littelfuse содержит широкий спектр моделей плавких предохранителей: от традиционных стеклянных и керамических до автомобильных и SMD-предохранителей.
Идея использования плавкой вставки для защиты от коротких замыканий была предложена еще в XIX веке. Первый предохранитель, созданный в 1890 году в лаборатории Эдисона, представлял собой открытую конструкцию на базе лампочки с плавкой вставкой из проволоки. Более привычная для нас форма и концепция сменных защитных компонентов была реализована в 1914 году, когда появились предохранители общего назначения и автомобильные предохранители. Компания Littelfuse является не только одним из лидеров, но и одним из пионеров в данном сегменте рынка. Первые низковольтные предохранители Littelfuse были представлены еще в 1927 году. Сейчас компания выпускает широкий спектр моделей: традиционные стеклянные и керамические, пленочные, автомобильные и SMD-предохранители, а также другие элементы защиты, в частности – самовосстанавливающиеся предохранители.
В данной статье проводится обзор плавких предохранителей Littelfuse общего назначения и специальных предохранителей для взрывоопасных приложений.
Нормативные документы
Безопасность является важнейшим фактором как в производственных процессах, так и в повседневной жизни людей. Поэтому предохранители должны в обязательном порядке отвечать жестким требованиям существующих стандартов безопасности. Любой официальный производитель указывает, каким стандартам безопасности отвечает его продукция.
В различных странах существуют собственные регулирующие органы и нормативные акты.
Для отечественного рынка интерес представляют в первую очередь стандарты МЭК. В частности:
- ГОСТ Р МЭК 60127-1-2005 Миниатюрные плавкие предохранители. Часть 1. Терминология для плавких предохранителей и общие требования к миниатюрным плавким вставкам;
- ГОСТ МЭК 60127-2-2013 Предохранители миниатюрные плавкие. Часть 2. Трубчатые плавкие вставки;
- ГОСТ МЭК 60127-3-2013 Предохранители миниатюрные плавкие. Часть 3. Субминиатюрные плавкие вставки;
- ГОСТ МЭК 60127-4-2011 Миниатюрные плавкие предохранители. Часть 4. Универсальные модульные плавкие вставки для объемного и поверхностного монтажа;
- ГОСТ 30801.5-2012 (МЭК 60127-5:1989) Миниатюрные плавкие предохранители. Руководство по сертификации миниатюрных плавких вставок;
- ГОСТ МЭК 60127-6-2013 Предохранители миниатюрные плавкие. Часть 6. Держатели предохранителей с миниатюрной плавкой вставкой.
Согласно ГОСТ Р МЭК 60127-1-2005, предохранитель представляет собой устройство, которое за счет расплавления одной или нескольких его деталей, имеющих определенную конструкцию и размеры, размыкает цепь, в которую оно включено, прерывая ток, если он превышает заданное значение в течение определенного времени.
В этом же стандарте представлены характеристики предохранителей и общие требования к ним.
Основные характеристики предохранителей
Рядовой пользователь, выбирая предохранитель, ориентируется только на форм-фактор, рейтинг тока и рабочее напряжение. Однако с точки зрения разработчика все оказывается значительно сложнее, так как ему приходится учитывать все особенности предохранителей и условий их эксплуатации. Рассмотрим набор основных характеристик плавких предохранителей.
Ампер-секундная характеристика. Наиболее важной и информативной характеристикой плавкого предохранителя является вовсе не рейтинг тока, а ампер-секундная характеристика, которая представляет собой кривую зависимости фактического времени срабатывания от ожидаемого постоянного/переменного тока в установленных условиях срабатывания [1]. В качестве примера на рисунке 1 изображена ампер-секундная характеристика SMD-предохранителей серии 438 производства Littelfuse.
Рис.
1. Ампер-секундная характеристика предохранителей серии 438
Ампер-секундная характеристика говорит о том, что предохранитель не является идеальным элементом и имеет существенную инерцию – для него скорость срабатывания зависит от силы тока. Чем выше ток, тем быстрее расплавится плавкая вставка. В частности, из рисунка 1 видно, что предохранитель с рейтингом тока 0,25 А даже при токе 0,6 А сработает только через 10 секунд, а при токе 1 А скорость срабатывания составит около 4 мс.
По виду ампер-секундной характеристики ГОСТ Р МЭК 60127-1-2005 делит предохранители на следующие типы [1]:
- FF – сверхбыстродействующие плавкие вставки;
- F – быстродействующие плавкие вставки;
- М – полузамедленные плавкие вставки;
- Т – замедленные плавкие вставки;
- ТТ – сверхзамедленные плавкие вставки.
Важно понимать, что инерция и задержка срабатывания предохранителя – это не всегда плохо. Дело в том, что во многих приложениях присутствуют «штатные» токовые перегрузки.
Например, включение мощного источника питания сопровождается значительными пусковыми токами, связанными с зарядом выходной емкости самого источника и емкостей нагрузки. Однако в дальнейшем ток потребления этого же источника питания оказывается существенно ниже. Таким образом, «медленный» предохранитель не успеет сработать и пропустит пусковую перегрузку, но если в цепи возникнет постоянное КЗ – он благополучно защитит схему.
Ампер-секундная характеристика имеет очень неприятную особенность, которая следует из представленного выше определения. Дело в том, что она приводится для «установленных условий срабатывания». Под условиями срабатывания в первую очередь стоит понимать температуру окружающей среды и качество теплоотвода от плавкой вставки.
Рейтинг тока, указываемый производителем, характеризует определенное значение тока, который плавкая вставка может пропускать без расплавления в течение заданного времени. Например, для предохранителей серии 438 время срабатывания при рейтинговом токе составляет не менее 4 часов.
Температурная зависимость тока срабатывания. Срабатывание предохранителя происходит, когда температура плавкой вставки достигает температуры плавления. Очевидно, что чем выше температура окружающей среды – тем меньше энергии потребуется, чтобы разогреть плавкую вставку. Другим словами, чем выше температура среды – тем меньше будет ток, при котором сработает предохранитель.
В качестве примера на рисунке 2 представлена температурная зависимость рейтинга тока для SMD-предохранителей серии 438 производства Littelfuse. Из графика видно, что изменение рейтинга тока во всем диапазоне рабочих температур -55..150°С составляет ±35%.
Рис. 2. Температурная зависимость рейтинга тока для предохранителей серии 438
Здесь необходимо сделать одно важное замечание. В руководстве по выбору предохранителей Littelfuse [2] явно говорится о том, что разработчики не должны путать температуру окружающей среды и комнатную температуру («ambient temperature» и «room temperature»).
Дело в том, что для предохранителя важна именно температура среды, которая его непосредственно окружает. Достаточно очевидно, что, например, при работе источника питания происходит разогрев транзисторов и других силовых компонентов. Этот разогрев приводит к повышению температуры воздуха внутри корпуса. В результате температура окружающей среды для предохранителя внутри корпуса будет существенно выше, чем снаружи.
Кроме того, не стоит забывать и об обратном процессе теплопередачи. Предохранитель имеет сопротивление и разогревается вследствие омических потерь I2R. Часть тепла может отводиться за счет печатной платы или циркуляции воздуха. Очевидно, что чем лучше качество теплоотвода, тем больше энергии потребуется, чтобы разогреть плавкую вставку до состояния срабатывания. Это особенно важно для SMD-компонентов.
I2t (интеграл Джоуля). У ампер-секундной характеристики есть еще один недостаток. Она приводится для постоянного или синусоидального переменного тока, однако во многих приложениях предохранитель защищает цепи, в которых протекают импульсные токи различной формы.
Чтобы посчитать энергию, выделяемую в предохранителе, используют интеграл Джоуля I2t.
I2t (интеграл Джоуля) – интеграл квадрата тока за определенный период времени. I2t, выраженный в амперах в квадрате в секунду (А2×с), равен энергии в джоулях, выделяемой в резисторе 1 Ом в цепи, защищаемой плавким предохранителем [1].
Расчет I2t является важным параметром при выборе предохранителя. Подробнее о методике выбора предохранителей подробно рассказывается в следующем разделе.
Отключающая способность плавкой вставки (breaking capacity of a fuse-link). Чем выше ток КЗ, тем быстрее сработает предохранитель. Однако при чрезмерном увеличении тока разрушение плавкой вставки может оказаться слишком быстрым, в результате чего будет поврежден корпус компонента. В ряде случаев предохранитель попросту взорвется. По этой причине для каждого предохранителя производитель указывает отключающую способность – значение ожидаемого тока (при переменном токе эффективное значение), который плавкая вставка способна отключать при установленном напряжении и заданных условиях эксплуатации [1].
Рейтинг напряжения. При срабатывании предохранителя электрическая цепь оказывается физически разомкнутой. Однако при существенном повышении напряжения может произойти пробой (по воздуху, по корпусу и так далее). По этой причине в документации на предохранители в обязательном порядке указывают рейтинг напряжения.
С учетом всего вышесказанного становится понятно, что выбор оптимального предохранителя не так уж прост. С одной стороны, разработчик должен выполнить расчет I2t для заданного тока, учесть температурную зависимость и выбрать подходящую модель, а с другой – в обязательном порядке выполнить полевые испытания, чтобы учесть все особенности теплового поведения предохранителя в составе конечного устройства.
Выбор предохранителя
Выбор предохранителя определяется исходными данными и особенностями конкретного приложения [1]:
- Номинальный ток. Номинальный ток цепи определяет рейтинг тока предохранителя.
Чтобы защититься от незапланированных срабатываний, рекомендуют использовать запас по току 25%. Например, если номинальный ток цепи составляет 7,5 А, то, с учетом запаса, следует выбирать предохранитель, ориентируясь на величину тока 10 А. - Рабочая температура также сильно влияет на выбор рейтинга тока предохранителя, поэтому для нормальной работы необходимо делать дополнительный запас. Например, если предполагается работа предохранителей серии 438 при температуре 75°С, то запас должен составлять около 15% (см. рисунок 2).
Рассмотрим пример. Допустим, предохранитель серии 438 должен работать при температуре 75°С и номинальном токе 1,5 А. Очевидно, что с учетом пунктов 1 и 2 для нормальной работы будет недостаточно предохранителя с рейтингом 1,5 А. Необходимый рейтинг тока с запасом составляет: 1,5 А/(0,75 × 0,85) ≈ 2,4 А → 2,5 А (наиболее близкий номинал).
- Рабочее напряжение. Рейтинг напряжения предохранителя должен быть больше, чем максимально возможное напряжение в схеме.

- Скорость срабатывания. По скорости срабатывания предохранители делятся на пять типов (FF – сверхбыстродействующие, F – быстродействующие, М – полузамедленные, Т – замедленные, ТТ – сверхзамедленные). Выбор конкретного предохранителя следует делать с учетом ампер-секундных характеристик, предоставляемых производителем.
- Максимальный ток КЗ. Для предотвращения расплавления или взрыва предохранителя необходимо, чтобы его отключающая способность была выше максимального тока КЗ.
- Требования к габаритам, типоразмеру и способу монтажа. В настоящее время существует широкий выбор предохранителей для поверхностного монтажа, монтажа в отверстия и для установки в специальные держатели. Выбор конкретной серии определяется особенностями каждого конкретного приложения.
- Соответствие требованиям стандартов. Использование того или иного предохранителя допускается только в том случае, если он сертифицирован и соответствует требованиям установленных стандартов.
Кроме группы стандартов ГОСТ Р МЭК 60127, существуют и другие стандарты. Например, для работы в условиях взрывоопасных сред предохранитель должен отвечать положениям ГОСТ 31610.11-2014 (IEC 60079-11:2011) «Взрывоопасные среды. Часть 11. Оборудование с видом взрывозащиты «искробезопасная электрическая цепь «i» (с Поправкой)». - Устойчивость к импульсным воздействиям. На этом пункте следует остановиться подробнее.
Этих данных хватит для выбора предохранителя, работающего в цепи с постоянной или переменной синусоидальной токовой нагрузкой, если эта нагрузка не превышает рейтинг тока предохранителя. Однако существует множество приложений, в которых нагрузка носит импульсный характер. Речь идет о пусковых токах и различных переходных процессах. В таких приложениях предохранитель должен выдерживать кратковременные импульсы тока, превышающие его рейтинг тока, и при этом не срабатывать.
Чтобы определить, сработает или не сработает предохранитель при возникновении заданного числа токовых импульсов, используют интеграл Джоуля I2t, который можно рассчитать вручную или с помощью специальных утилит.
2c\qquad{\mathrm{(}}{2}{\mathrm{)}}$$
Полученное значение должно быть больше, чем значение, указанное в документации. В противном случае предохранитель сработает при возникновении последовательности импульсов.
Рис. 4. Учет числа импульсов при расчете требуемого I2t для предохранителя
Ручной расчет I2t и определение запасов по току не являются сложными операциями, однако для упрощения работы можно использовать онлайн-утилиту Littelfuse iDesign Tool, которая позволяет выбрать подходящий предохранитель за несколько кликов мыши.
Использование онлайн-утилиты от Littelfuse для выбора предохранителя
Littelfuse iDesign Tool – онлайн-утилита, которая максимально упрощает выбор оптимального предохранителя и автоматизирует расчеты запасов по току и I2t. Кроме того, утилита позволяет разработчику задавать произвольную форму импульсов при определении I2t.
Процесс выбора предохранителя разбит на семь шагов.
Шаг 1.
Сперва пользователь должен задать начальные условия для расчета: максимальное рабочее напряжение, номинальный ток, предельный ток КЗ, максимальную рабочую температуру (рисунок 5). Утилита также предлагает выбрать область применения предохранителя (телекоммуникации, военная электроника и так далее). К сожалению, в настоящее время специализированные модели предохранителей в онлайн-утилите отсутствуют. При выборе, например, взрывоопасных предохранителей утилита просто перенаправит пользователя на соответствующую страницу сайта, и выбор нужно будет делать вручную.
Рис. 5. Шаг 1. Определение исходных данных и требований
Шаг 2. На втором шаге необходимо выбрать стандарты, требованиям которых должен отвечать предохранитель (рисунок 6).
Рис. 6. Шаг 2. Выбор стандартов
Шаг 3. На этом этапе пользователю предлагается выбрать тип предохранителя: SMD, выводной для пайки в отверстия, для установки в держатель, с радиальными выводами, с аксиальными выводами (рисунок 7).
Рис. 7. Шаг 3. Выбор типа предохранителя
Шаг 4. С учетом указанных ранее данных и требований программа автоматически подбирает подходящие серии предохранителей. Пользователю необходимо выбрать один из предложенных вариантов (рисунок 8).
Рис. 8. Шаг 4. Выбор серии
Шаг 5. Определение формы и параметров импульсов тока для расчета I2t. В данном случае у пользователя есть целых три варианта. Первый вариант подходит для расчета устойчивости предохранителя к импульсам стандартной формы (рисунок 9).
Рис. 9. Шаг 5. Задание параметров импульсов стандартной формы для расчета I2t
Шаг 6. Второй вариант подразумевает определение формы импульсов произвольной формы по точкам и дальнейший автоматический расчет I2t (рисунок 10).
Рис. 10. Шаг 6. Определение основных требований
Шаг 7. Если же пользователь уже рассчитал значение I2t вручную, то его можно задать напрямую (рисунок 11).
Рис. 11. Шаг 7. Определение основных требований
Шаг 8. С учетом указанных ранее данных и требований программа автоматически подбирает наиболее подходящие модели предохранителей. Пользователю необходимо выбрать один из предложенных вариантов (рисунок 12).
Рис. 12. Шаг 8. Определение основных требований
Шаг 9. Проверка быстродействия предохранителя (желаемого времени срабатывания) при заданном токе КЗ. На этом этапе программа автоматически строит ампер-секундные характеристики с учетом ранее определенных параметров. Пользователю остается только убедиться, что выбранный предохранитель обладает достаточным быстродействием. При необходимости можно вернуться на несколько шагов назад и без проблем повторить расчеты с другой серией или моделью предохранителя (рисунок 13).
Рис. 13. Шаг 9. Определение основных требований
Зачем нужны практические испытания
К сожалению, предложенные методики выбора оптимального предохранителя основаны на теоретических расчетах и не позволяют учесть ряд параметров.
Например, сложно оценить качество отвода тепла от предохранителя по плате или качество воздушного обмена. Также могут всплыть и другие отклонения и особенности. В результате разработчик должен проверять работу предохранителей в составе готового блока.
Обзор плавких предохранителей Littelfuse
Компания Littelfuse является одним из лидеров в области производства плавких предохранителей. В номенклатуре компании присутствуют SMD-предохранители, предохранители с радиальными и аксиальными выводами, а также предохранители различных специализированных серий и моделей.
SMD-предохранители востребованы, в первую очередь, в низковольтных приложениях, в которых ключевую роль играют компактные размеры. Кроме того, они существенно упрощают процесс монтажа, так как распаиваются вместе с другими SMD-компонентами на печатную плату. Среди дополнительных преимуществ SMD-предохранителей можно отметить высокое быстродействие, малое сопротивление и широкий диапазон рейтингов тока.
В настоящее время Littelfuse предлагает почти сорок серий SMD-предохранителей с различными характеристиками (рисунок 14, таблица 1):
- с рейтингом тока 0,62…40 А;
- с рейтингом напряжения до 600 В;
- с быстродействием TT, F и FF;
- с типоразмером от 0402;
- с диапазоном рабочих температур -55…150°C.

Рис. 14. SMD-предохранители от Littelfuse
Таблица 1. Характеристики серий SMD-предохранителей Littelfuse
| Тип | Наименование | Ампер-секундные характеристики | Корпус | Рейтинг тока, А | Рейтинг напряжения, В | Отключающая способность, А | Рабочая температура, °С | ||
|---|---|---|---|---|---|---|---|---|---|
| TT | F | FF | |||||||
| Керамические | 437 | – | + | – | 1206 | 0,25…8 | 125/63/32 | 50 | -55…150 |
| 438 | – | + | – | 0603 | 0,25…6 | 32/24 | 50 | ||
| 440 | – | + | – | 1206 | 1,75…8 | 32 | 50 | ||
| 441 | – | + | – | 0603 | 2…6 | 32 | 50 | ||
| 469 | + | – | – | 1206 | 1…8 | 24/32 | 24…63 | ||
| 501 | – | + | – | 1206 | 10, 12, 15, 20 | 32 | 150 | ||
| Тонкопленочные | 466 | – | – | + | 1206 | 0,125…5 | 125/63/32 | 50 | -55…90 |
| 429 | – | – | + | 1206 | 7 | 24 | 35 | ||
| 468 | + | – | – | 1206 | 0,5…3 | 63/32 | 35…50 | ||
| 467 | – | – | + | 0603 | 0,25…5 | 32 | 35…50 | ||
| 494 | + | – | – | 0603 | 0,25…5 | 32 | 35…50 | ||
| 435 | – | – | + | 0402 | 0,25…5 | 32 | 35 | ||
| Nano2® Fuse | 448 | – | – | + | 2410 | 0,062…15 | 125/65 | 35…50 | -55…125 |
| 449 | + | – | – | 2410 | 0,375…5 | 125 | 50 | ||
| 451/453 | – | – | + | 2410 | 0,062…15 | 125/65 | 35…50 | ||
| 452/454 | + | – | – | 2410 | 0,375…12 | 125/72 | 50 | ||
| 456 | + | – | – | 4012 | 20, 25, 30, 40 | 125 | 100 | ||
| 458 | – | + | – | 1206 | 1,0…10 | 75/63 | 50 | ||
| 443 | + | – | – | 4012 | 0,5…5 | 250 | 50 | ||
| 464 | – | + | – | 4818 | 0,5…6,3 | 250 | 100 | ||
| 465 | + | – | – | 4818 | 1…6,3 | 250 | 100 | ||
| 462 | + | – | – | 4118 | 0,500…5 | 350 | 100 | -40…80 | |
| 485 | – | + | – | 4818 | 0,500…3,15 | 600 | 100 | -55…125 | |
| Telelink® Fuse | 461 | – | – | – | 4012 | 0,5…2,0 | 600 | 60 | -55…125 |
| 461E | – | – | – | 4012 | 1,25 | 600 | 60 | ||
| OMNI-BLOK® | 154 | – | – | + | * | 0,062…10,0 | 125 | 35…50 | -55…125 |
| 154T | + | – | – | * | 0,375…5 | 125 | 50 | ||
| Предохранители с держателем | 157 | – | – | + | * | 0,062…10 | 125 | 35…50 | -55…125 |
| 157T | + | – | – | * | 0,375…5 | 125 | 50 | ||
| 159 | – | – | – | 0,5…2 | 600 | 60 | |||
| 160 | + | – | – | * | 0,5…5 | 250 | 50 | ||
| PICO® SMF | 459 | – | – | + | * | 0,062…5 | 125 | 50…300 | -55…125 |
| 460 | + | – | – | * | 0,5…5 | 125 | 50 | ||
| Flat Pak | 202 | – | + | – | * | 0,062…5 | 250 | 50 | -55…125 |
| 203 | + | – | – | * | 0,25…5 | 250 | 50 | ||
| EBF | 446 | – | + | – | * | 2,0…10,0 | 350 | 100 | -40…125 |
| 447 | – | + | – | * | 2,0…10,0 | 350 | 100 | ||
* – Корпус нестандартного размера.![]() | |||||||||
Серии керамических SMD-предохранителей отличаются высокой температурной стабильностью и способны работать при повышенной температуре (до 150°С). Это позволяет использовать их в промышленной электронике и в сверхкомпактных приложениях с ограниченными возможностями по отводу тепла: в серверах, принтерах, сканерах, модемах и прочем.
Тонкопленочные SMD-предохранители используются в качестве элементов вторичной защиты в устройствах, требующих компактных габаритных размеров. В частности, серия 435 имеет типоразмер всего 0402. Основными приложениями для этой группы предохранителей станут сотовые телефоны, цифровые камеры, аккумуляторные сборки и прочее.
Предохранители Nano2® Fuse отличаются компактными размерами, широким диапазоном рейтингов тока 0,62…40 А и значительным диапазоном рабочих температур -55…125°С. Благодаря перечисленным достоинствам Nano2® Fuse могут применяться в широком спектре приложений от ноутбуков и ЖК-мониторов до серверов и промышленного оборудования.
Предохранители Telelink® Fuse предназначены для работы в составе телекоммуникационного оборудования. При совместном использовании с защитным тиристорами SIDACtor® или газоразрядниками Greentube производства Littlefuse они позволяют создавать готовое решение для защиты оборудования, соответствующее рекомендациям GR-1089–Core, TIA-968-A, UL/EN/IEC 60950, ITU K.20 и K.21.
Предохранители OMNI-BLOK представляют собой комбинацию из предохранителя и держателя, которые распаиваются на плату с помощью обычного поверхностного монтажа. В дальнейшем пользователь может самостоятельно заменить предохранитель без необходимости пайки.
PICO SMF – версия предохранителей PICO для поверхностного монтажа. Они отличаются широким диапазоном номинальных токов 0,62…5 А и высоким быстродействием.
Flat Pak – предохранители с широким диапазоном номинальных токов 0,62…5 А, рабочим напряжением до 250 В AC и двумя вариантами исполнения: SMD и DIP (монтаж в отверстия).
EBF – серия SMD-предохранителей, разработанная для схем с электронным балластом и мощных инверторов. Существует версия для монтажа в отверстия с теми же габаритными размерами.
Littelfuse предлагает почти три десятка серий предохранителей с радиальными выводами (рисунок 15, таблица 2):
- с рейтингом тока 0,02…10 А;
- с рейтингом напряжения до 300 В;
- с быстродействием TT, М, F и FF;
- с диапазоном рабочих температур до -55…125°C.
Рис. 15. Предохранители Littelfuse с радиальными выводами
Таблица 2. Характеристики серий предохранителей Littelfuse с радиальными выводами
| Тип | Наименование | Ампер-секундные характеристики | Рейтинг тока, А | Рейтинг напряжения, В | Отключающая способность, А | Рабочая температура, °С | |||
|---|---|---|---|---|---|---|---|---|---|
| TT | M | F | FF | ||||||
| Micro/TR3 | 262/268/269 | – | – | – | + | 0,002…5 | 125 | 10,000 | -55…125 |
| 272/278 | – | – | – | + | 0,002…5 | 125 | 10,000 | -55…125 | |
| 273/274/279 | – | – | – | + | 0,002…5 | 125 | 10,000 | -55…85 | |
| 303 | – | – | + | – | 0,5…5 | 125 | 50 | –55…70 | |
| TR5 | 370 | – | – | + | – | 0,4…6,3 | 250 | 35…50 | -40…85 |
| 372 | + | – | – | – | 0,4…6,3 | 250 | 35…50 | ||
| 373 | – | – | + | – | 0,5…10 | 250 | 50 | ||
| 374 | + | – | – | – | 0,5…10 | 250 | 50 | ||
| 382 | + | – | – | – | 1…10 | 250 | 100 | ||
| 383 | + | – | – | – | 1…10 | 300 | 50…100 | ||
| TE5 | 369 | + | – | – | – | 1…6,3 | 300 | 50 | -40…85 |
| 385 | + | – | – | – | 0,35…1,5 | 125 | 50 | ||
| 389 | + | – | – | – | 0,6 | 250 | 10 | ||
| 391 | – | – | + | – | 0,125…4 | 65 | 50 | ||
| 392 | + | – | – | – | 0,8…6,3 | 250 | 25…63 | ||
| 395 | – | – | + | – | 0,05…6,3 | 125 | 100 | ||
| 396 | + | – | – | – | 0,05…6,3 | 125 | 100 | ||
| 397 | + | – | – | – | 0,35…1,5 | 125 | 50 | ||
| 398 | – | + | – | – | 0,125…4 | 65 | 50 | ||
| 399 | + | – | – | – | 0,125…4 | 65 | 50 | ||
| 400 | + | – | – | – | 0,5…6,3 | 250 | 130 | ||
| 804 | + | – | – | – | 0,8…6,3 | 250 | 150 | -40…125 | |
| 808 | – | + | – | – | 2…5 | 250 | 100 | -40…85 | |
| TE7 | 807 | + | – | – | – | 0,8…6,3 | 300 | 100 | -40…125 |
В номенклатуре Littelfuse представленная обширная группа предохранителей с аксиальными выводами (рисунок 16, таблица 3):
- с рейтингом тока 0,1…50 А;
- с рейтингом напряжения до 1000 В;
- с быстродействием TT, М, F и FF;
- с диапазоном рабочих температур до -55…125°C.
Рис. 16. Предохранители Littelfuse с аксиальными выводами
Таблица 3. Характеристики серий предохранителей Littelfuse с аксиальными выводами
| Тип | Наименование | Ампер-секундные характеристики | Рейтинг тока, А | Рейтинг напряжения, В | Отключающая способность, А | Рабочая температура, °С | |||
|---|---|---|---|---|---|---|---|---|---|
| TT | M | F | FF | ||||||
| PICO/PICO II Axial | 251/253 | – | – | – | + | 0,062…15 | 125 | 300DC/50AC | -55…125 |
| 275 | – | – | – | + | 20…30 | 32 | 300DC/50AC | ||
| 263 | – | – | – | + | 0,062…5 | 250 | 50 | ||
| 471 | + | – | – | – | 0,5…5 | 125 | 50 | ||
| 472 | + | – | – | – | 0,5…5 | 125 | 50 | ||
| 473 | + | – | – | – | 0,375…7 | 125 | 50 | ||
| 265/266/267 | – | – | – | + | 0,062…15 | 125 | 300DC/50AC | ||
3. 6×10 мм | 874 | – | – | – | + | 0,1…10 | 250 | 50 | -55…125 |
| 875 | + | – | – | – | 0,1…10 | 250 | 50 | ||
| 876 | – | – | – | + | 0,125…5 | 250 | 35–50 | ||
| 877 | + | – | – | – | 2…6,3 | 250 | 35–63 | ||
| 4.5×14.5 мм (2AG) | 208 | – | – | + | – | 0,125…10 | 350 | 100 | -55…125 |
| 209 | + | – | – | – | 0,25…7 | 350 | 100 | ||
| 220 | Специальная серия | 0,3…7 | 250/300/350 | 35…100 | |||||
| 2205 | + | – | – | – | 0,25…2,5 | 250 | 35 | ||
| 224/225 | – | – | + | – | 0,375…10 | 250/125 | 35…500 | ||
| 229/230 | + | – | – | – | 0,25…7 | 250/125 | 35…400 | ||
| 5×20 мм | 201P | – | – | – | – | 0,05…1,25 | 250 | 80 | -25…70 |
| 217 | – | – | + | – | 0,032…15 | 250 | 35…150 | -55…125 | |
| 218 | + | – | – | – | 0,032…16 | 250 | 35…100 | ||
| 213 | + | – | – | – | 0,2…6,3 | 250 | 35…63 | ||
| 219XA | + | – | – | – | 0,04…6,3 | 250 | 150 | ||
| 216 | – | – | + | – | 0,05…16 | 250 | 750…1500 | ||
| 216SP | – | – | + | – | 1…10 | 250 | 1500 | ||
| 215 | + | – | – | – | 0,125…20 | 250 | 400/1500 | ||
| 215SP | + | – | – | – | 1…10 | 250 | 1500 | ||
| 232 | – | + | – | – | 1…10 | 250/125 | 300/10,000 | ||
| 235 | – | – | + | – | 0,1…7 | 250/125 | 35…10,000 | ||
| 233 | – | + | – | – | 1…10 | 125 | 10,000 | -55…125 | |
| 234 | – | + | – | – | 1…10 | 250 | 100…200 | ||
| 239 | + | – | – | – | 0,08…7 | 250/125 | 35…10,000 | ||
| 285 | + | – | – | – | 0,125…20 | 250 | 400…1500 | ||
| 477 | + | – | – | – | 0,5…16 | 400DC/500AC | 100…1500 | ||
| 977 | + | – | – | – | 0,5…16 | 450DC/500AC | 200/100 | ||
6. 3×32 мм (3AG/3AB) | 312/318 | – | – | + | – | 0,062…35 | 250/32 | 35…300 | |
| 313/315 | + | – | – | – | 0,01…30 | 250/125/32 | 35…300 | ||
| 314/324 | – | – | + | – | 0,375…40 | 250 | 35…1000 | ||
| 322 | – | – | – | + | 12…30 | 65 | 200…1000 | ||
| 332 | – | – | – | + | 1…10 | 250 | 100/200 | ||
| 325/326 | + | – | – | – | 0,01…30 | 250 | 100…600 | ||
| 328 | Специальная серия | 21 | 300 | 200 | |||||
| 505 | – | – | + | – | 10…30 | 450/500 | 20,000…50,000 | ||
| 506 | – | – | + | – | 15…20 | 600DC | 10,000 | ||
| 508 | 1000 VAC/DC (высоковольтный) | 0,315…1 | 1000 | 10,000 | |||||
| 688 | 70 VDC | 5…40 | 70 | 2500 | |||||
Взрывобезопасные предохранители Littelfuse
Помимо плавких предохранителей общего назначения, Littelfuse предлагает и специализированные серии, например, взрывобезопасные предохранители 242, PICO 259, PICO 259-UL913, PICO 304 и PICO 305 (рисунок 17, таблица 4).
Рис. 17. Взрывобезопасные серии предохранителей Littelfuse
Таблица 4. Характеристики взрывобезопасных серий предохранителей Littelfuse
| Наименование | Рейтинг тока, А | Рейтинг напряжения, В | Отключающая способность, А | Рабочая температура, °С |
|---|---|---|---|---|
| 242 | 0,05…0,25 | – | 4000 | -40…125 |
| PICO 259 | 0,062…5 | – | 50 (125 В AC), 300 (125 В DC) | -55…125 |
| PICO 259-UL913 | 0,062…5 | – | 50 (125 В AC), 300 (125 В DC) | Зависит от рейтинга тока |
| PICO 304 | 0,05…0,75 | – | 1500 | -40…85 |
| PICO 305 | 0,05…0,75 | – | 1500 | Зависит от рейтинга тока |
Во взрывоопасных средах непременным условием обеспечения безопасности становится использование электрических приборов, исключающих возникновение искрения.
В качестве примера можно привести химическую, нефтегазовую, горнодобывающую, пищевую и медицинскую отрасли. Требования к таким приложениям описаны в ГОСТ 31610.11-2014 (IEC 60079-11:2011) «Взрывоопасные среды. Часть 11. Оборудование с видом взрывозащиты «Искробезопасная электрическая цепь «i» (с поправкой)». Чтобы обеспечить гарантированную защиту от искрения, предохранители серий 242, PICO 259, PICO 259-UL913, PICO 304 и PICO 305 имеют дополнительное защитное покрытие (рисунок 18) [2].
Рис. 18. Особенности конструкции искробезопасных предохранителей
Предохранители серии 242 отличаются достаточно узким диапазоном рейтингов тока 0,05…0,25 А, но обладают рекордно высокой отключающей способностью 4 кА. Представители серии имеют два варианта исполнения – для выводного монтажа в отверстия и для установки в держатель.
Предохранители PICO 259 используются для защиты низковольтных цепей (до 190 В) и имеют широкий диапазон рейтингов тока 0,062…5 А. Эти предохранители предназначены для монтажа в отверстия.
Серия PICO 259-UL913 является аналогом серии PICO 259, но отвечает требованиям UL 913.
Предохранители серии PICO 304, в отличие от других взрывобезопасных серий, предназначены для поверхностного монтажа. Они обладают относительно узким диапазоном рейтингов тока 0,05…0,75 А, но характеризуются высокой отключающей способностью 1,5 кА и рейтингом напряжения 375 В.
Предохранители PICO 305 по своим характеристикам соответствуют серии PICO 304, но предназначены для монтажа в отверстия.
Заключение
Компания Littelfuse является лидером в области производства плавких предохранителей. В номенклатуре компании присутствуют SMD-предохранители, предохранители с радиальными и аксиальными выводами. Кроме того, Littelfuse предлагает специализированные серии предохранителей. Например, серии 242, PICO 259, PICO 259-UL913, PICO 304 и PICO 305, предназначены для взрывоопасных сред.
Выбор оптимального предохранителя оказывается не таким простым, как может показаться на первый взгляд.
Чтобы упростить жизнь разработчикам, компания создала онлайн-утилиту Littelfuse iDesign Tool, которая максимально упрощает выбор оптимального предохранителя и автоматизирует расчеты запасов по току и I2t.
Литература
- Selection Guide. Fuse Characteristics, Terms and Consideration Factors. Littelfuse, 2014.
- Application Note: Enhancing Workplace Safety in Hazardous Locations with PICO® 259-UL913 and 305 Series Intrinsic Safety Fuses. Littelfuse, 2013.
- Littelfuse.
- Fuse Characteristics, Terms and Consideration Factors.
•••
Наши информационные каналы
Что нужно знать
Хотя автоматические выключатели становятся все более заметными в конструкции 12-вольтовых систем, плавкие предохранители остаются распространенной и полезной технологией. Если вы не уверены в своих предохранителях, вот обзор того, где они подходят для защиты автомобильных цепей.
Использование и типы
Согласно «Fuseology» от Littelfuse «, предохранитель предназначен для использования в качестве жертвенного устройства.
Внутри предохранителя находится проводящая полоса материала, которая плавится при перегрузке предохранителя, также называемая» отключающей способностью «.«Если система перегружается или закорачивается, предохранитель размыкает цепь или« размыкается »для защиты более крупной системы.
В автомобильной электротехнике подавляющее большинство предохранителей представляют собой плавкие предохранители «ножевого» типа, состоящие из двух штырей, которые вставляются в небольшую вилку. Однако использование предохранителей с болтовым креплением расширилось, поскольку все больше автомобилей оснащаются аксессуарами, требующими более высокой пропускной способности по току, а картриджные предохранители стали популярными в ситуациях, когда для оптимального использования пространства требуются меньшие размеры.
Плавкие предохранители ATO / ATC
Размеры и сила тока
Blade-предохранители (показаны справа) бывают шести размеров, от самых маленьких до самых больших: Micro2 ® , Micro3 ® , Low Profile MINI ® , MINI ® , ATO ® / ATC .
® (также называемый «обычным») и MAXI ® или MAX. Плавкие предохранители обеспечивают защиту при номинальном токе до 80 А.
Предохранители с болтовым креплением (показаны слева) обеспечивают защиту от 30 до 600 А и идеально подходят для защиты аккумуляторной батареи и цепи генератора.Их называют «болтами вниз», потому что они должны быть прикреплены к держателю предохранителя с помощью винта, гайки или болта.
Картриджные предохранители(показаны справа) обеспечивают увеличенную временную задержку и защиту от падения напряжения и обычно имеют компактные размеры для экономии места и веса. Они обеспечивают защиту от 15А до 70А.
Сила тока всех автомобильных предохранителей указана на верхней части предохранителя. Если вы снимете крышку автомобильного блока предохранителей, это будет первое, что вы увидите. Каждому уровню силы тока также соответствует определенный цвет.Предохранители лезвийного типа используют универсальную цветовую схему для всех производителей.
Однако для предохранителей с болтовым креплением и картриджных предохранителей цветовая схема может варьироваться в зависимости от производителя. Например, чистый предохранитель MINI означает 25 А, а чистый предохранитель MAXI означает 80 А.
Как ни странно, номинальный ток не обязательно соответствует размеру предохранителя. Предохранители стандартного размера начинаются с 0,5 А и доходят до 40 А, а предохранители Micro2 имеют диапазон от 5 до 30 А. Чтобы избежать проблем, любой, кто обслуживает транспортные средства, включая водителей, которые могут быть вынуждены сделать срочный ремонт, должен следить за тем, чтобы они соответствовали размеру и цвету.
Чтобы выбрать правильную силу тока предохранителя в пределах диапазона, начните с расчета максимальной и минимальной силы тока предохранителя и взятия числа, близкого к середине диапазона. Также могут помочь таблицы выбора предохранителей, подобные приведенным ниже, от Littelfuse и Eaton.
( Щелкните изображение, чтобы увеличить )
Рабочая температура
Номинальный ток предохранителя обычно снижается на 25% для работы при 25 ° C (77 ° F), чтобы избежать нежелательного перегрева.
Например, предохранитель с номинальным током 10 А обычно не рекомендуется для работы при токе более 7,5 А в окружающей среде 25 ° C. Имейте в виду, что при повышении рабочей температуры выше 25 ° C (77 ° F) предохранители будут реагировать быстрее, а при понижении температуры предохранители будут реагировать медленнее, как подробно описано на стр. 61 «Fuseology».
Установка и замена предохранителей
После того, как плавкий элемент сломался, его нельзя использовать повторно. Перерыв предохранителя может произойти по разным причинам, таким как короткое замыкание в электрической системе, изношенная проводка, контакт проводника с элементами или неисправность электрического устройства и перегрузка цепи.Если перерыв предохранителя повторяется, это признак того, что вам, возможно, придется проверить его на короткое замыкание или перегрузку.
Самое важное, что нужно помнить при включении автомобильного предохранителя, — это убедиться, что автомобиль выключен, иначе может возникнуть дуга.
Также имейте в виду, что предохранители бывают из самых разных материалов и имеют разную силу тока. Если вы не уверены, какой предохранитель требуется, обратитесь к руководству пользователя или к специалисту по автомобилестроению.
Срок службы предохранителей
Не все предохранители созданы одинаковыми, но на все влияет ток перегрузки и продолжительность их работы.Никакой предохранитель не вечен. Даже идеальная электрическая система, которая никогда не перегружается, в конечном итоге изнашивает предохранитель. Другие факторы включают:
- Среды с высокими или низкими температурами.
- Pulse: Электрические подстанции, например, вырабатывают электрические импульсы низкого уровня, которые могут ослабить элементы предохранителей в транспортных средствах, обычно припаркованных поблизости.
- Пусковой ток, превышающий значение, на которое рассчитаны провода или оборудование.
- Непрерывные падения напряжения, которые часто возникают из-за неправильного спаривания предохранителя и сечения провода (для правильного сопряжения обратитесь к таблице сечения проводов при выборе предохранителя).

Если часть оборудования начинает перегорать предохранители с большей скоростью, но короткое замыкание или перегрузка не обнаруживаются, виноваты один или несколько из этих факторов.
Надлежащая защита цепей часто является разницей между оборудованием, которое продолжает работать, и оборудованием, которое постоянно не работает. Знание передовых методов выбора, установки и замены предохранителей помогает избежать перебоев в работе, которые выведут ваше оборудование из строя.
Для получения информации о продукте посетите обширные веб-страницы Waytek, посвященные предохранителям и автоматическим выключателям.
Предохранители— Типы предохранителей
Определение и технические характеристики автомобильных предохранителей
Звенья автомобильного использования — это устройства автоматического отключения для защиты электрических устройств от неподходящих токовых нагрузок. Подача тока прерывается из-за плавления плавкой проволоки, в которой протекает ток.
Для плавких вставок действуют следующие международные правила и рекомендации в их действующей на данный момент версии:
- DIN 72581
- DIN 43560
- ISO 8820
- UL 275
- SAE
(Кроме того, следует принимать во внимание уровень технологии, подробности фактически действующих положений по внедрению, принцип безопасности «люди, животные и материальные ценности должны быть защищены от опасности», а также квалификацию установленных компонентов. учетная запись — самостоятельная ответственность производителя электрооборудования.)
Пояснения к выбору и рекомендации
Номинальное напряжение (U N ) плавкой вставки должно быть как минимум равным или выше рабочего напряжения устройства или сборочного узла, которые должны быть защищены плавкой вставкой. Если рабочее напряжение очень низкое, возможно, следует учитывать естественное сопротивление плавкой вставки (падение напряжения).
Падение напряжения (U N ) измеряется в соответствии со стандартами, например Также указаны DIN, ISO, JASO, частично максимальные значения, общие для Littelfuse.
Номинальный ток (I rat ) плавкой вставки должен приблизительно соответствовать рабочему току устройства или сборочной единицы, которая должна быть защищена (в соответствии с температурой окружающей среды и определением номинального тока, что означает допустимый продолжительный токи).
Более высокая температура окружающей среды (T umg ) означает дополнительную нагрузку на плавкие вставки. Необходимо проверить условия нагрева при максимальной температуре окружающей среды, в частности, при высоких номинальных токах предохранителей и сильном тепловом излучении находящихся поблизости компонентов.Для таких применений номинал предохранителя должен быть уменьшен в соответствии со следующей схемой, соответственно. таблица (см. коэффициент F T ):
Из-за различных характеристик номинального тока рекомендуемый длительный ток плавких вставок составляет макс. 80% от номинального тока (при температуре окружающей среды 23 ° C), см. Также допустимую нагрузку на предохранители (F) на отдельных страницах каталога.
Пределы времени до возникновения дуги указывают отношение времени плавления к току.(Они представлены в виде огибающей для всех упомянутых номинальных токов.)
Интеграл плавления (I 2 t) получается из квадрата тока плавления и соответствующего времени плавления. При избыточном токе со временем плавления <5 мс интеграл плавления остается постоянным. Данные в этом каталоге основаны на 6 или 10 x lrat. Интеграл плавления является показателем время-токовой характеристики и сообщает о длительности импульса плавкой вставки. Указанные интегралы плавления являются типичными величинами.
Отключающая способность (I B ) должна быть достаточной для любых условий эксплуатации и ошибок. Ток короткого замыкания (максимальный ток короткого замыкания), прерываемый плавкими вставками при номинальном напряжении в стандартных условиях, не должен превышать ток, соответствующий отключающей способности плавкой вставки.
Максимальная рассеиваемая мощность (P V ) определяется при нагрузке с номинальным током после достижения температурного равновесия.
В процессе эксплуатации эти значения могут возникать в течение некоторого времени.
Указаны типичные значения, а также стандартные значения для предохранителей, соответствующих стандартам.
Выбор автомобильной плавкой вставки
Что касается безопасности изделия и срока службы / надежности плавких вставок, правильный выбор важен. Только при правильном выборе и использовании в соответствии с согласованием (что означает соответствие уровню технологии и действующим рекомендациям, а также указанным характеристикам, указанным в технических паспортах) с учетом принципа безопасности (то есть «люди» , животные и внутренние ценности должны быть защищены от опасностей ») может ли определенная функция плавких вставок в качестве компонента защиты (номинальная точка прерывания) быть возможной.Здесь действует персональная ответственность производителей электрических устройств:
«Любое лицо, участвующее в производстве электрических систем или производстве электрического оборудования, включая лиц, занимающихся эксплуатацией таких систем или оборудования, в соответствии с настоящим толкованием закона несет индивидуальную ответственность за каждый аспект соблюдения признанных правил.
и процедуры электротехники «.
- Необходимое номинальное напряжение плавкой вставки определяется ее требуемым рабочим напряжением (с учетом падения напряжения на плавкой вставке).
- Номинальный ток плавкой вставки (I N Fuse ) устанавливается макс. эффективная токовая нагрузка (I работает макс. ) с учетом температуры окружающей среды (фактор F T ) и различных определений номинального тока (определение «постоянного тока») (см. Faktor F I ). Действует следующее: I N Предохранитель 3 I Рабочий макс. x F I x F T
- t-значение (текущий-временной интеграл). 2 В случае импульсной нагрузки и для защиты полупроводников подходящий номинальный ток также может быть определен с помощью I
- Вышеупомянутые два пункта помогут вам определить наиболее подходящий номинальный ток плавкой вставки и ее предельное время до возникновения дуги (при необходимости проверьте экспериментально).

- Необходимая отключающая способность плавкой вставки определяется макс. возможный ток короткого замыкания, который может произойти.
- В дополнение к вышеупомянутым пунктам, способ установки также важен для правильного выбора плавкой вставки (с учетом возможных разрешений).
Что касается особых условий любого конкретного применения (безопасность продукта), как правило, необходимо проверить плавкую вставку и / или тепловой выключатель или держатель в устройстве, которое должно быть защищено в нормальных условиях и в условиях неисправности!
Кривая изменения номинальной температуры
Снижение номинальных характеристик предохранителя
| T мкм / ° C | % | Ф Т | T мкм / ° C | % | Ф Т |
|---|---|---|---|---|---|
| -25 | 14 | 0,877 | 23 | 0 | 1 000 |
| -20 | 13 | 0,885 | 30 | -2 | 1,020 |
| -15 | 12 | 0,893 | 35 | -4 | 1 042 |
| -10 | 11 | 0,901 | 40 | -6 | 1,064 |
| -5 | 10 | 0,909 | 45 | -8 | 1,087 |
| 0 | 9 | 0,917 | 50 | -10 | 1,111 |
| 5 | 8 | 0,926 | 55 | -13 | 1,149 |
| 10 | 6 | 0,943 | 60 | -16 | 1,190 |
| 15 | 4 | 0,962 | 65 | -19 | 1,235 |
| 20 | 2 | 0,980 | 70 | -22 | 1,282 |
Выбор предохранителя для электроники
Многие факторы, которые следует учитывать при выборе предохранителя для электронного оборудования, перечислены ниже.
Для получения дополнительной информации, пожалуйста, просмотрите наше Справочное руководство по технологии предохранителей или , свяжитесь с , представителем продукции Littelfuse в вашем регионе:
Факторы выбора
- Нормальный рабочий ток
- Напряжение приложения (переменного или постоянного тока)
- Температура окружающей среды
- Ток перегрузки и время, в течение которого предохранитель должен сработать
- Максимально возможный ток короткого замыкания
- Импульсы, импульсные токи, пусковые токи, пусковые токи и переходные процессы в цепи
- Ограничения физического размера, такие как длина, диаметр или высота
- Требуются разрешения агентства, такие как UL, CSA, VDE, METI, MITI или Military
- Характеристики предохранителя (тип / форм-фактор монтажа, простота снятия, осевые выводы, визуальная индикация и т.
Д.)) - Характеристики держателя предохранителя, если применимо, и соответствующее изменение номинальных характеристик (зажимы, монтажный блок, монтаж на панели, монтаж на печатной плате, экранирование R.F.I. и т. Д.)
- Тестирование и проверка приложений перед выпуском в производство
Упаковка предохранителей Littelfuse и системы нумерации деталей
Определения и термины
Температура окружающей среды:
Относится к температуре воздуха, непосредственно окружающего предохранитель, и не следует путать с «комнатной температурой».”Температура окружающей среды предохранителя во многих случаях значительно выше, поскольку он заключен (как в держателе предохранителя на панели) или установлен рядом с другими тепловыделяющими компонентами, такими как резисторы, трансформаторы и т. Д.
Отключающая способность:
Также известный как номинальный ток отключения или номинальный ток короткого замыкания, это максимальный разрешенный ток, который предохранитель может безопасно отключить при номинальном напряжении.
Пожалуйста, обратитесь к определению рейтинга прерывания в этом разделе для получения дополнительной информации.
Текущий рейтинг:
Номинальная сила тока предохранителя.Он устанавливается производителем как значение тока, который может выдерживать предохранитель, на основе контролируемого набора условий испытаний (см. ПРАВИЛА).
Каталожные номера предохранителейвключают в себя обозначение серии и номинальную силу тока. Обратитесь к разделу РУКОВОДСТВО ПО ВЫБОРУ ПРЕДОХРАНИТЕЛЯ, чтобы узнать, как сделать правильный выбор.
Изменение рейтинга:
При температуре окружающей среды 25 ° C рекомендуется, чтобы предохранители работали при не более 75% номинального тока, установленного в контролируемых условиях испытаний.Эти условия испытаний являются частью стандарта UL / CSA / ANCE (Мексика) 248-14 «Предохранители для дополнительной защиты от перегрузки по току», основной целью которого является определение общих стандартов испытаний, необходимых для непрерывного контроля изготовленных изделий, предназначенных для защиты от огня и т.
Д. Некоторые распространенные варианты этих стандартов включают: полностью закрытые держатели предохранителей, высокое контактное сопротивление, движение воздуха, переходные выбросы и изменение размера соединительного кабеля (диаметра и длины). Предохранители по сути являются термочувствительными устройствами.Даже небольшие отклонения от контролируемых условий испытаний могут сильно повлиять на прогнозируемый срок службы предохранителя, когда он нагружен до номинального значения, обычно выражаемого как 100% от номинального значения.
Инженер-проектировщик цепей должен четко понимать, что цель этих контролируемых условий испытаний состоит в том, чтобы позволить производителям предохранителей поддерживать единые стандарты производительности для своих продуктов, и он должен учитывать изменяющиеся условия своего применения. Чтобы компенсировать эти переменные, инженер-проектировщик схем, который проектирует безотказную и долговечную защиту своего оборудования предохранителями, обычно нагружает свой предохранитель не более чем на 75% от номинального значения, указанного производителем, имея в виду эту перегрузку и Должна быть предусмотрена соответствующая защита от короткого замыкания.![]()
Обсуждаемые предохранители являются термочувствительными устройствами, номинальные характеристики которых были установлены при температуре окружающей среды 25 ° C. Температура предохранителя, создаваемая током, протекающим через предохранитель, увеличивается или уменьшается с изменением температуры окружающей среды.
График температуры окружающей среды в разделе РУКОВОДСТВО ПО ВЫБОРУ ПРЕДОХРАНИТЕЛЯ показывает влияние температуры окружающей среды на номинальный ток предохранителя. В большинстве традиционных конструкций предохранителей Slo-Blo® используются материалы с более низкой температурой плавления, поэтому они более чувствительны к изменениям температуры окружающей среды.
Размеры:
Если не указано иное, размеры указаны в дюймах.
Предохранители в этом каталоге имеют размеры от прибл. Размер микросхемы 0402 (0,041 дюйма x 0,020 дюйма x 0,012 дюйма) до 5 AG, также широко известный как предохранитель «MIDGET» (диаметр 13/32 дюйма x длина 11/2 дюйма).
По мере того как на протяжении многих лет разрабатывались новые продукты, размеры предохранителей менялись, чтобы удовлетворить различные потребности в защите электрических цепей.
Первые предохранители были простыми устройствами с разомкнутым проводом, за которыми в 1890-х годах Эдисон вложил тонкий провод в цоколь лампы, чтобы сделать первый предохранитель вилки.К 1904 году Underwriters Laboratories установила спецификации размеров и рейтинга, чтобы соответствовать стандартам безопасности. Предохранители возобновляемого типа и автомобильные предохранители появились в 1914 году, а в 1927 году Littelfuse начал производить предохранители с очень низким током для зарождающейся электронной промышленности.
Размеры предохранителей в следующей таблице начались с первых предохранителей «Автомобильное стекло», отсюда и термин «AG». Цифры применялись в хронологическом порядке по мере того, как разные производители начали производить новый размер: например, «3AG» был третьим размером, размещенным на рынке.
Другие размеры и конструкция предохранителей, не являющихся стеклянными, определялись функциональными требованиями, но они по-прежнему сохраняли длину или диаметр стеклянных предохранителей. Их обозначение было изменено на AB вместо AG, что указывает на то, что внешняя трубка была изготовлена из бакелита, волокна, керамики или аналогичного материала, отличного от стекла. Предохранитель самого большого размера, показанный в таблице, — это 5AG, или «MIDGET», название, взятое из его использования в электротехнической промышленности и в соответствии с национальным электрическим кодексом, который обычно распознает предохранители 9/16 «x 2» как наименьший стандартный предохранитель. в использовании.
Промышленные предохранители и принцип их работы
Для получения полной информации по выбору предохранителей см. Каталог Littelfuse POWR-GARD .
Важной частью разработки качественной защиты от сверхтоков является понимание потребностей системы и основ устройств защиты от сверхтоков.
В этом разделе обсуждаются эти темы с особым вниманием к применению предохранителей. Если у вас есть дополнительные вопросы, позвоните в нашу группу технической поддержки и инженерного обслуживания по телефону 1-800-TEC-FUSE (1-800-832-3873).
Почему максимальная токовая защита?
Все электрические системы в конечном итоге испытывают перегрузки по току. Если не устранить вовремя, даже умеренные сверхтоки приводят к быстрому перегреву компонентов системы, повреждению изоляции, проводов и оборудования. Сильные сверхтоки могут расплавить проводники и испарить изоляцию. Очень высокие токи создают магнитные силы, которые изгибают и скручивают шины. Эти высокие токи могут выдергивать кабели из их клемм и вызывать трещины в изоляторах и прокладках.
Слишком часто неконтролируемые сверхтоки сопровождают пожары, взрывы, ядовитые пары и паника.Это не только повреждает электрические системы и оборудование, но и может привести к травмам или смерти персонала, находящегося поблизости.
Чтобы уменьшить эти опасности, Национальный электротехнический кодекс (NEC®), правила OSHA и другие применимые стандарты проектирования и установки требуют защиты от перегрузки по току, которая отключит перегруженное или неисправное оборудование.
Отраслевые и правительственные организации разработали стандарты производительности для устройств максимального тока и процедуры тестирования, которые демонстрируют соответствие стандартам и NEC.К этим организациям относятся: Американский национальный институт стандартов (ANSI), Национальная ассоциация производителей электрооборудования (NEMA) и Национальная ассоциация противопожарной защиты (NFPA), все из которых работают совместно с национально признанными испытательными лабораториями (NRTL), такими как Underwriters Laboratories ( UL).
Электрические системы должны соответствовать применимым требованиям кодексов, включая требования к защите от сверхтоков, прежде чем электроэнергетические компании получат разрешение на подачу электроэнергии на объект.
Что такое качественная защита от сверхтоков?
Система с качественной максимальной токовой защитой имеет следующие характеристики:
- Отвечает всем законодательным требованиям, таким как NEC, OSHA, местные нормы и т. Д.
- Обеспечивает максимальную безопасность персонала, при необходимости превышая минимальные требования кодекса.
- Сводит к минимуму повреждение имущества, оборудования и электрических систем из-за перегрузки по току.
- Обеспечивает скоординированную защиту. Открывается только защитное устройство непосредственно на линии перегрузки по току, чтобы защитить систему и свести к минимуму ненужные простои.
- Экономически эффективен, обеспечивая при этом резервную мощность прерывания для будущего роста.
- Состоит из оборудования и компонентов, не подверженных устареванию и требующих минимального технического обслуживания, которое может выполнять штатный обслуживающий персонал с использованием легко доступных инструментов и оборудования.

Типы и последствия сверхтоков
Перегрузка по току — это любой ток, превышающий номинальный ток проводов, оборудования или устройств в условиях использования.Термин «перегрузка по току» включает как перегрузки, так и короткие замыкания.
Перегрузки
Перегрузка — это перегрузка по току, ограниченная нормальными путями тока, в которых нет пробоя изоляции.
Продолжительные перегрузки обычно вызваны установкой чрезмерного оборудования, такого как дополнительные осветительные приборы или слишком много двигателей. Продолжительные перегрузки также вызваны перегрузкой механического оборудования и поломкой оборудования, например, неисправными подшипниками. Если не отключить в установленные сроки, продолжительные перегрузки могут привести к перегреву компонентов цепи, вызывая термическое повреждение изоляции и других компонентов системы.
Устройства защиты от перегрузки по току должны отключать цепи и оборудование, испытывающие постоянные или продолжительные перегрузки, прежде чем произойдет перегрев.
Даже умеренный перегрев изоляции может серьезно сократить срок службы компонентов и / или оборудования. Например, двигатели, перегруженные всего на 15%, могут иметь менее 50% нормального срока службы изоляции.
Часто возникают временные перегрузки. Общие причины включают временные перегрузки оборудования, такие как слишком глубокий разрез станка, или просто запуск индуктивной нагрузки, такой как двигатель.Поскольку временные перегрузки по определению безвредны, устройства защиты от сверхтоков не должны размыкать или размыкать цепь.
Важно понимать, что выбранные предохранители должны иметь достаточную выдержку времени для запуска двигателей и уменьшения временных перегрузок. Однако, если перегрузка по току продолжится, предохранители должны сработать до того, как компоненты системы будут повреждены. Предохранители с выдержкой времени Littelfuse POWR-PRO® и POWR-GARD® разработаны для удовлетворения этих требований к защите. Как правило, предохранители с выдержкой времени удерживают 500% номинального тока в течение минимум десяти секунд, но все же быстро срабатывают при более высоких значениях тока.
Несмотря на то, что утвержденные государством высокоэффективные двигатели и двигатели NEMA Design E имеют гораздо более высокие токи заторможенного ротора, предохранители POWR-PRO® с выдержкой времени, такие как серии FLSR_ID, LLSRK_ID или IDSR, имеют достаточную выдержку времени для запуска двигателей. когда предохранители правильно выбраны в соответствии с NEC®.
Короткие замыкания
Короткое замыкание — это перегрузка по току, выходящая за пределы нормального пути. Типы коротких замыканий обычно делятся на три категории: замыкания на болтах, дуговые замыкания и замыкания на землю.Каждый тип короткого замыкания описан в разделе «Термины и определения».
Короткое замыкание вызвано пробоем изоляции или неправильным подключением. Во время нормальной работы схемы подключенная нагрузка определяет ток. Когда происходит короткое замыкание, ток идет в обход нормальной нагрузки и проходит «более короткий путь», отсюда и термин «короткое замыкание».
Поскольку полное сопротивление нагрузки отсутствует, единственным фактором, ограничивающим ток, является полное сопротивление распределительной системы от генераторов электросети до точки повреждения.
Типичная электрическая система может иметь нормальное сопротивление нагрузки 10 Ом. Но в однофазной ситуации та же система может иметь сопротивление нагрузки 0,005 Ом или меньше. Чтобы сравнить два сценария, лучше всего применить закон Ома (I = E / R для систем переменного тока). Однофазная цепь на 480 В с сопротивлением нагрузки 10 Ом потребляет 48 ампер (480/10 = 48). Если та же самая цепь имеет полное сопротивление системы 0,005 Ом при коротком замыкании нагрузки, доступный ток короткого замыкания значительно увеличится до 96000 ампер (480/0.005 = 96 000).
Как уже говорилось, короткое замыкание — это ток, протекающий за пределами своего обычного пути. Независимо от величины перегрузки по току, чрезмерный ток должен быть удален быстро. Если не устранить сразу же, большие токи, связанные с короткими замыканиями, могут иметь три глубоких воздействия на электрическую систему: нагрев, магнитное напряжение и искрение.
Нагревание происходит в каждой части электрической системы, когда через систему проходит ток. Когда токи перегрузки достаточно велики, нагрев происходит практически мгновенно.Энергия таких сверхтоков измеряется в квадратах ампер-секунд (I2t). Максимальный ток в 10 000 ампер, который длится 0,01 секунды, имеет I2t, равный 1 000 000 A2s. Если бы ток можно было уменьшить с 10 000 ампер до 1 000 ампер за тот же период времени, соответствующее значение I2t уменьшилось бы до 10 000 А2, или всего лишь одного процента от первоначального значения.
Если ток в проводнике увеличивается в 10 раз, I2t увеличивается в 100 раз. Ток всего 7500 ампер может расплавить медный провод # 8 AWG в 0.1 секунда. За восемь миллисекунд (0,008 секунды или половину цикла) ток в 6500 ампер может поднять температуру медного провода с термопластичной изоляцией № 12 AWG THHN с рабочей температуры 75 ° C до максимальной температуры короткого замыкания 150 ° C. . Любые токи, превышающие указанное значение, могут немедленно испарить органическую изоляцию.
Дуги в месте повреждения или от механических переключателей, таких как автоматические переключатели или выключатели, могут воспламенить пары, вызывая сильные взрывы и электрические вспышки.
Магнитное напряжение (или сила) является функцией квадрата пикового тока. Токи короткого замыкания в 100 000 ампер могут создавать силы, превышающие 7 000 фунтов на фут шины. Напряжения такой величины могут повредить изоляцию, оторвать проводники от клемм и перегрузить клеммы оборудования, что приведет к значительному повреждению.
Дуга в месте повреждения плавит и испаряет все проводники и компоненты, участвующие в повреждении. Дуги часто прожигают кабельные каналы и кожухи оборудования, осыпая зону расплавленным металлом, что быстро приводит к возгоранию и / или травмам персонала в этой зоне.Дополнительные короткие замыкания часто возникают, когда испаренный материал осаждается на изоляторах и других поверхностях. Продолжительное искрение приводит к испарению органической изоляции, и пары могут взорваться или загореться.
Будь то нагрев, магнитное напряжение и / или искрение, потенциальное повреждение электрических систем может быть значительным в результате короткого замыкания.
II. Рекомендации по выбору
Рекомендации по выбору предохранителей (600 В и ниже)
Поскольку максимальная токовая защита имеет решающее значение для надежной работы и безопасности электрической системы, следует тщательно продумать выбор и применение устройства максимального тока.При выборе предохранителей необходимо учитывать следующие параметры или соображения:
- Текущий рейтинг
- Номинальное напряжение
- Рейтинг прерывания
- Тип защиты и характеристики предохранителя
- Ограничение по току
- Физический размер
- Индикация
Общие рекомендации по промышленным предохранителям
Исходя из приведенных выше соображений по выбору, рекомендуется следующее:
Предохранители с номинальной силой тока от 1/10 до 600 ампер
- Когда доступные токи короткого замыкания составляют менее 100000 ампер и когда оборудование не требует более токоограничивающих характеристик предохранителей UL класса RK1, токоограничивающие предохранители серий FLNR и FLSR_ID класса RK5 обеспечивают превосходную выдержку времени и характеристики переключения при более низком уровне.
по стоимости чем предохранители РК1.Если доступные токи короткого замыкания превышают 100 000 ампер, оборудованию могут потребоваться дополнительные возможности ограничения тока предохранителей класса RK1 серий LLNRK, LLSRK и LLSRK_ID. - Быстродействующие предохранители класса T серий JLLN и JLLS обладают функциями экономии места, что делает их особенно подходящими для защиты автоматических выключателей в литом корпусе, блоков счетчиков и аналогичных устройств с ограниченным пространством.
- Предохранители класса J серии JTD_ID и JTD с выдержкой времени используются в OEM-центрах управления двигателями, а также в других двигателях и трансформаторах, требующих компактной защиты IEC типа 2. Предохранители серий
- Class CC и CD используются в цепях управления и панелях управления, где пространство ограничено. Предохранители серии Littelfuse POWR-PRO CCMR лучше всего подходят для защиты небольших двигателей, в то время как предохранители серии Littelfuse KLDR обеспечивают оптимальную защиту силовых трансформаторов управления и аналогичных устройств.
По вопросам применения продукта звоните в нашу группу технической поддержки по телефону 800-TEC-FUSE.
Предохранители с номинальным током от 601 до 6000 ампер
Для превосходной защиты большинства цепей общего назначения и электродвигателей рекомендуется использовать предохранители класса L серии POWR-PRO® KLPC.Предохранители класса L — единственная серия предохранителей с выдержкой времени, доступная для этих более высоких номиналов тока.
Информацию по всем сериям предохранителей Littelfuse, упомянутых выше, можно найти в таблицах классов и применений предохранителей UL / CSA в Техническом руководстве по применению в конце каталога продукции POWR-GARD.
Контрольный список для защиты промышленных цепей
Чтобы выбрать подходящее устройство защиты от сверхтоков для электрической системы, проектировщики цепей и систем должны задать себе следующие вопросы перед проектированием системы:
- Какой ожидаемый нормальный или средний ток?
- Каков максимальный ожидаемый непрерывный ток (три часа и более)?
- Какие броски или временные броски тока могут ожидаться?
- Могут ли устройства защиты от перегрузки по току различать ожидаемые пусковые и импульсные токи и открываться при длительных перегрузках и неисправностях?
- Какие экологические крайности возможны? Необходимо учитывать пыль, влажность, экстремальные температуры и другие факторы.

- Какой максимально доступный ток короткого замыкания может отключать защитное устройство?
- Соответствует ли устройство защиты от перегрузки по току напряжению системы?
- Обеспечит ли устройство защиты от сверхтоков наиболее безопасную и надежную защиту для конкретного оборудования?
- Может ли устройство защиты от сверхтоков в условиях короткого замыкания сводить к минимуму возможность возгорания или взрыва?
- Отвечает ли устройство защиты от сверхтоков всем применимым стандартам безопасности и требованиям к установке?
Ответы на эти вопросы и другие критерии помогут определить тип устройства максимальной токовой защиты, которое следует использовать для обеспечения оптимальной безопасности, надежности и производительности.
Как определить тип предохранителя вашего автомобиля при установке видеорегистратора
Знаете ли вы, что мы написали серию статей, чтобы помочь вам узнать, как установить собственный видеорегистратор? Это первая из трех статей из серии «Как идентифицировать». Вы можете использовать ссылки ниже, чтобы перейти к другим статьям. Часть 2: Как определить постоянные и переключаемые предохранители . Часть 3: Как определить правильную точку заземления .
Как определить тип предохранителя вашего автомобиля Вы уже нашли лучшую марку и модель видеорегистратора, соответствующую вашим потребностям вождения, и решили, что хотите установить видеорегистратор в свой автомобиль. Независимо от того, хотите ли вы аккуратно вставить кабель питания видеорегистратора в обивку потолка вашего автомобиля по эстетическим соображениям, вы хотите улучшить видимость лобового стекла, скрывая отвлекающие провода, или вы просто хотите освободить розетку на 12 В, использование установочного комплекта сделает Быстрая и легкая установка видеорегистратора в автомобиль.
Если вы просматривали наш веб-сайт в поисках комплектов для установки видеорегистратора, вы, возможно, заметили, что мы предлагаем несколько комплектов для установки, которые различаются в зависимости от наиболее распространенных типов предохранителей, используемых сегодня в автомобилях.
Но как узнать, какой тип предохранителя используется в вашей машине?
Наше обучающее видео и эти инструкции шаг за шагом научат вас определять тип предохранителя в вашем автомобиле и объяснят, почему это важно.
Для начала мы хотим объяснить, почему для вас так важно в первую очередь заглянуть в блок предохранителей.
Что такое предохранитель и почему мне нужно знать, какой у меня есть?
Как и в вашем доме, блок предохранителей контролирует электрический ток или мощность во всем автомобиле. В каждом автомобиле используются предохранители для защиты проводки и компонентов электрической системы автомобиля.
Сегодня в автомобилях используются четыре основных типа предохранителей: низкопрофильный Mini, Mini, Micro2 и ATO.
По нашим наблюдениям, Mini — наиболее распространенный тип предохранителей.
Чтобы использовать комплект для установки видеорегистратора, вам необходимо извлечь один из предохранителей из блока предохранителей и заменить его предохранителем, входящим в комплект для установки.Это свяжет видеорегистратор с блоком предохранителей и обеспечит включение видеорегистратора при включении автомобиля и выключение при выключении автомобиля. Блоки предохранителей и типы предохранителей различаются не только от автомобиля к автомобилю, но также от года выпуска и модели. Поэтому важно знать, какой тип предохранителя используется в вашем автомобиле, чтобы убедиться, что комплект для установки видеорегистратора можно подключить к блоку предохранителей.
Если вы хотите сэкономить время и деньги и убедиться, что приобретаете правильный монтажный комплект для своих нужд, лучший способ узнать точный тип предохранителя, который вам нужен, — это открыть блок предохранителей и посмотреть.
Готовы найти блок предохранителей и узнать, какой тип предохранителя установлен в вашем автомобиле? Давайте начнем!
Заявление об ограничении ответственности
Перед тем, как вытащить какие-либо предохранители, важно помнить, что этот вид работы должен выполняться только квалифицированным лицом или квалифицированным бизнесом.
Работа с электрической системой вашего автомобиля может быть опасной как для вас, так и для вашего автомобиля. Если все это для вас в новинку и вы не уверены, что работаете с блоком предохранителей вашего автомобиля, мы рекомендуем вам проконсультироваться со специалистом!
Если вы находитесь в Центральном Техасе, мы будем рады установить для вас видеорегистратор здесь, в магазине Dashcam Store.Вот ссылка на нашу фотогалерею, чтобы увидеть, как будет выглядеть готовый продукт, а вот ссылка, чтобы запланировать установку видеорегистратора в нашем офисе в Остине, штат Техас.
Если вы находитесь за пределами Остина, вот список рекомендованных нами установщиков видеорегистраторов в других частях США.
Шаг 1. Выключите машину
Перед выполнением любых электромонтажных работ убедитесь, что двигатель вашего автомобиля выключен, а ключ полностью вынут из замка зажигания.Вы не хотите стать жертвой предотвратимой аварии.
Шаг 2. Найдите руководство пользователя
Чтобы найти блок предохранителей, обратитесь к руководству пользователя.
Не можете вспомнить, где находится инструкция по эксплуатации? Как правило, руководство по эксплуатации можно найти в перчаточном ящике, багажнике или даже вместе с запасным колесом.
Получив руководство, проверьте в указателе «предохранители», «блок предохранителей» или даже «замену перегоревшего предохранителя».
Руководство должно направлять вас к иллюстрированной схеме вашего автомобиля, показывающей расположение всех ваших блоков предохранителей.
Важное примечание: Если вы видите изображение определенного типа предохранителя в руководстве по эксплуатации, вы, к сожалению, не можете предположить, что поиск окончен и это именно тот тип предохранителя, который есть в блоке предохранителей вашего автомобиля. Иногда производители используют в руководстве общее изображение, которое может совпадать, а может и не совпадать с тем, что на самом деле находится в вашем автомобиле!
Шаг 3.
Найдите блок предохранителейМногие автомобили имеют более одного блока предохранителей, и они часто расположены под капотом, в багажнике или где-то внутри кабины транспортного средства.Для некоторых автомобилей в салоне может быть даже несколько блоков предохранителей. Если в вашем автомобиле несколько блоков предохранителей, вам будет проще работать с блоком предохранителей, который находится ближе всего к месту установки видеорегистратора.
Ссылаясь на руководство пользователя, найдите область, в которой находится блок предохранителей, и, если у вас более одного блока предохранителей, блок, ближайший к тому месту, где вы хотите разместить видеорегистратор. В большинстве автомобилей ящик расположен за легко снимаемой панелью или крышкой, однако он может находиться за перчаточным ящиком, за откидной панелью в нише для ног водителя или пассажира, или под ковром или половицей некоторых автомобилей. .
Чтобы помочь вам идентифицировать блок предохранителей, на крышке может быть символ предохранителя или молнии.
Как только вы найдете блок предохранителей, снимите крышку, чтобы открыть предохранители внутри.
Шаг 4. Запомните предохранитель, который вы удалите
Теперь, когда мы нашли наши предохранители, мы готовы их вытащить. Но сначала обратите внимание на предохранитель или предохранители, которые вы собираетесь снимать.
Ключ в том, чтобы знать, где заменить предохранитель после того, как вы его вытащили и идентифицировали. Сделать фото «до» на телефон действительно хорошо!
Шаг 5: Осторожно извлеките предохранитель
Осторожно извлеките один из предохранителей из блока предохранителей с помощью небольшого набора плоскогубцев.На многих автомобилях внутри крышки блока предохранителей имеется небольшой пластиковый инструмент, называемый съемником предохранителей. Как вы уже догадались, он разработан, чтобы помочь вам вытащить предохранители в подобных ситуациях!
Шаг 6: Сравните предохранитель с нашей таблицей типов предохранителей
Теперь, когда вы вытащили предохранитель и держите его в руке, сравните его с нашей таблицей типов предохранителей, чтобы узнать, какой из них установлен в вашей машине! Наша таблица типов предохранителей была разработана с возможностью масштабирования, поэтому, если вам сложно определить, какой тип предохранителя установлен в вашем автомобиле, вы можете поместить предохранитель поверх таблицы предохранителей и сдвинуть ее, чтобы увидеть, какой тип предохранителя подходит!
Щелкните изображение выше, чтобы загрузить и распечатать в формате PDF схему типов предохранителей.
Шаг 7. Не забывайте свой тип предохранителя!
После того, как вы определили свой предохранитель, не забывайте, какой у вас есть! Напишите заметку в руководстве пользователя, сфотографируйте свой тип предохранителя на свой телефон, отправьте себе электронное письмо… все, что вам подходит!
Шаг 8: Установите предохранитель
на местоВынутый предохранитель защищал блок предохранителей, поэтому важно установить его в исходное положение. Вернитесь к изображению, которое вы сделали на своем телефоне во время шага 4, и замените крышку предохранителя.
Теперь вы узнали, как определить, где находится блок предохранителей вашего автомобиля, и успешно определили, какой тип предохранителя установлен в вашем автомобиле!
Готовы купить комплект для установки видеорегистратора, соответствующий типу предохранителя вашего автомобиля? Как насчет полного комплекта для самостоятельной установки? Перейдите по одной из следующих ссылок ниже:
Заявление об ограничении ответственности
Инструкции Dashcam Store ™ являются собственностью The Dashcam Store LLC.
(«Dashcam Store ™»), и никакие права собственности настоящим не передаются.Никакая часть этих Инструкций не может быть использована, воспроизведена, переведена, преобразована, адаптирована, сохранена в поисковой системе, передана или передана любыми средствами в любых коммерческих целях, включая, помимо прочего, продажу, перепродажу, лицензию, аренду или аренду, без предварительное письменное согласие Dashcam Store ™.
Dashcam Store ™ не делает никаких заявлений, гарантий или гарантий, явных или подразумеваемых, в отношении точности или полноты данных инструкций.Пользователи должны знать, что в эти инструкции время от времени будут вноситься обновления и поправки. Пользователь несет ответственность за определение наличия таких обновлений или поправок. Ни Dashcam Store ™, ни какие-либо из его директоров, должностных лиц, сотрудников или агентов не несут ответственности по контракту, правонарушению или иным образом перед любым лицом за любые убытки, ущерб, травмы, ответственность, затраты или расходы любого характера, включая без ограничения случайный, особый, прямой или косвенный ущерб, возникший в результате или в связи с использованием этих инструкций.
Разбираемся с автоматическими предохранителями
Несмотря на свой небольшой размер, автоматический предохранитель является важным компонентом вашего автомобиля, защищая ценную и хрупкую электронику в случае внезапного скачка напряжения. Предохранители предназначены для плавления при воздействии сверхтока — прерывание цепи до того, как она вызовет более серьезные повреждения, — но их, как правило, легко и недорого заменить.
ПредохранительA состоит из корпуса, плавкого элемента и контактов, они различаются по размеру и конфигурации.Они бывают либо лезвиями, либо картриджами. Плавкие предохранители Предохранители ATO и ATC представляют собой плавкие автомобильные предохранители стандартного размера. Они взаимозаменяемы при одинаковом номинальном токе. Корпус может быть открытым или закрытым, но он не является герметичным или водонепроницаемым. Открытые полости помогают предотвратить конденсацию в автомобилях, если контур нагревается выше температуры окружающей среды.

Факты о предохранителях ATO / ATC:
- Доступен с номинальной силой тока от 1А до 40А
- Прозрачный корпус для легкой идентификации перегоревшего предохранителя
- Используется в автомобилях, судах и низковольтных устройствах (максимум 30 В)
:
- Доступен с номинальной силой тока от 2А до 30А
- Прозрачный корпус для легкой идентификации перегоревшего предохранителя
- Посеребренные клеммы для превосходной проводимости
Плавкая вставка полностью закрыта для защиты от влаги и других агрессивных или повреждающих элементов. Факты о предохранителяхMaxi:
- Доступны с номинальной силой тока до 80 А
- Прозрачный корпус для легкой идентификации перегоревшего предохранителя
- Номинальное значение прерывания: 1000 А при 58 пост. Ток
| Номинальная сила тока | Цвет |
|---|---|
| 1A | Черный |
| 2A | серый |
| 3A | фиолетовый |
| 4A | розовый |
| 5A | Желто-коричневый |
| 7.5А | Коричневый |
| 10A | Красный |
| 15A | Синий |
| 20A | Желтый |
| 25A | Прозрачный (серый для предохранителей Maxi) |
| 30A | Зеленый |
| 35A | Сине-зеленый (коричневый для предохранителей Maxi) |
| 40A | оранжевый |
| 50A | Красный |
| 60A | Синий |
| 70A | Янтарный / Коричневый |
| 80A | прозрачный |
| 100A | фиолетовый |
| 120A | фиолетовый |
Предохранитель JCase Low Profile имеет более низкий профиль и более короткие клеммы с штыревыми лезвиями, но работает так же, как и стандартный JCase.Факты о предохранителях JCase:
- Доступны следующие номиналы силы тока: 20A, 25A, 30A, 40A, 50A и 60A
- Номинальное напряжение 58 В постоянного тока
- Номинальное значение прерывания: 1000 А при 58 пост. Ток
- Диапазон рабочих температур: от -40 ° F до 257 ° F
- Отличается низким падением напряжения и увеличенной выдержкой времени для защиты больших пусковых токов
- Используется для автомобилей и судов

Факты о предохранителях PAL Auto Link:
- Доступен с номинальной силой тока от 20A, 30A, 40A, 50A, 60A, 70A, 80A, 100A, 120A
- Прозрачный верх для быстрой идентификации перегоревших предохранителей
- Номинальное напряжение 32 В постоянного тока
Сведения о предохранителях FMM:
- Доступны следующие номиналы силы тока: 15A, 20A, 25A, 30A, 40A
- Номинальное напряжение 32 В постоянного тока
| Номинальная сила тока | Цвет |
|---|---|
| 15A | серый |
| 20A | Синий |
| 25A | Белый |
| 30A | розовый |
| 40A | Зеленый |
| 50A | Красный |
| 60A | Желтый |
| 70A | Желтый |
| 80A | Черный |
| 100A | Синий |
| 120A | серый |
Предохранители Blo-N-Glo Другой вариант — предохранитель Blo-N-Glo, который имеет встроенную подсветку, которая загорается при сгорании предохранителя, что позволяет сэкономить время на снятие и проверку каждого предохранителя для поиска проблемы.

Blo-N-Glo Факты о предохранителях:
- Доступен в стилях ATO, ATM, Maxi и JCase
- Используется для автомобильных и низковольтных систем (максимум 30 вольт)
% PDF-1.6
%
568 0 obj>
endobj
xref
568 104
0000000016 00000 н.
0000004019 00000 н.
0000004180 00000 н.
0000004223 00000 п.
0000004351 00000 п.
0000004484 00000 н.
0000004603 00000 п.
0000004639 00000 н.
0000004716 00000 н.
0000004918 00000 н.
0000007588 00000 н.
0000012316 00000 п.
0000101496 00000 н.
0000101567 00000 н.
0000101653 00000 н.
0000101738 00000 п.
0000101781 00000 н.
0000101902 00000 н.
0000101945 00000 н.
0000102053 00000 н.
0000102096 00000 н.
0000102188 00000 п.
0000102231 00000 н.
0000102363 00000 н.
0000102443 00000 н.
0000102486 00000 н.
0000102565 00000 н.
0000102692 00000 н.
0000102791 00000 н.
0000102834 00000 п.
0000102923 00000 п.
0000103061 00000 н.
0000103143 00000 п.
0000103186 00000 п.
0000103272 00000 н.
0000103360 00000 н.
0000103403 00000 п.
0000103493 00000 н.
0000103536 00000 н.
0000103630 00000 н.
0000103673 00000 н.
0000103766 00000 н.
0000103809 00000 п.
0000103902 00000 н.
0000103945 00000 н.
0000104035 00000 п.
0000104078 00000 н.
0000104168 00000 н.
0000104211 00000 п.
0000104312 00000 н.
0000104355 00000 п.
0000104450 00000 н.
0000104493 00000 п.
0000104588 00000 н.
0000104631 00000 н.
0000104727 00000 н.
0000104770 00000 н.
0000104889 00000 н.
0000104932 00000 н.
0000105048 00000 н.
0000105091 00000 н.
0000105212 00000 н.
0000105255 00000 н.
0000105344 00000 п.
0000105386 00000 п.
0000105429 00000 н.
0000105519 00000 п.
0000105562 00000 н.
0000105667 00000 н.
0000105710 00000 п.
0000105820 00000 н.
0000105863 00000 н.
0000105975 00000 п.
0000106018 00000 п.
0000106117 00000 н.
0000106160 00000 п.
0000106203 00000 н.
0000106246 00000 п.
0000106348 00000 п.
0000106391 00000 н.
RPƔ
i + \ m_R @ Q62W «cLt8ǦNgb2] nf & A, fYȲ ~,; d & 7ys {n [
Автомобильные предохранители и расшифровка цветов и функций плавких вставок
Автомобильные предохранители — это стражи и телохранители мира автомобильной электроники.Всякий раз, когда внезапное короткое замыкание или скачок напряжения угрожает любой из хрупкой электроники современных легковых и грузовых автомобилей, предохранитель готов храбро броситься в поле огня.
При этом предохранитель заменяет образную пулю более ценным, сложным или незаменимым компонентом или устройством, например автомобильной стереосистемой или усилителем. Это часто приводит к некоторой временной потере функциональности, но предохранители дешевы и обычно легко заменяются, и любая основная проблема обычно выявляется в результате повторяющихся отказов предохранителя в той же цепи.
Плавкие ссылки, хотя и различаются по дизайну, идентичны по назначению и функциональности.
Существует много различных типов предохранителей, но в большинстве современных легковых и грузовых автомобилей используется один или несколько из следующих типов пластинчатых предохранителей в порядке убывания размера:
- Предохранители для тяжелых условий эксплуатации Maxi (APX):
- Самый большой тип пластинчатого предохранителя.

- Используется в тяжелых условиях.
- Доступны с более высоким номинальным током, чем у других плавких предохранителей.
- Самый большой тип пластинчатого предохранителя.
- Штатные (ATO, ATC, APR, ATS) предохранители:
- Первый и стандартный тип пластинчатых предохранителей.
- Несколько различных альтернативных версий, которые помещаются в одни и те же слоты.
- Встречается в большинстве современных легковых и грузовых автомобилей.
- Mini:
- Меньше, чем обычные плоские предохранители, но доступны в аналогичном диапазоне силы тока.
- Также доступна в низкопрофильной мини-версии.
- Micro:
- Самый маленький тип плавкого предохранителя.
- Доступен для наименьшего диапазона значений силы тока.
- Поставляется в двух версиях: micro2 с двумя контактами и micro3 с тремя контактами.
Не все автомобильные предохранители одинаковы?
Все современные автомобильные предохранители основаны на стандартных предохранителях «лезвийного типа» ATO и ATC, которые Littelfuse запатентовал в 1970-х годах.
Сегодня существует множество размеров и конфигураций плавких предохранителей, но все они имеют физическое сходство с оригинальными предохранителями ATO, и во многих приложениях по-прежнему используются стандартные предохранители ATO и ATC.
Различия между этими различными типами плавких предохранителей заключаются, прежде всего, в размере и количестве клемм, хотя в приложениях с более высоким током обычно используются плавкие предохранители большего размера.
В старых автомобилях использовались различные типы предохранителей, хотя наиболее распространенными были предохранители со стеклянной трубкой и предохранители типа Bosch, которые до сих пор можно найти в старых автомобилях, которые все еще используются.
Предохранители со стеклянной трубкой состоят из стеклянной трубки, закрытой металлическими клеммами, и с металлической полосой, проходящей через центр.Предохранители типа Bosch также имеют примерно цилиндрическую форму, но они сделаны из прочного керамического материала с металлической полосой на поверхности.
Поскольку автомобильные предохранители различаются как по типу конструкции, так и по номинальному току, все предохранители совершенно не одинаковы. Хотя определенно можно заменить любой предохранитель ATO на любой другой предохранитель ATO, это может быть чрезвычайно опасно, если будет заменен предохранитель не того диапазона, который рассчитан на силу тока.
Аналогичным образом, иногда физически возможно заменить предохранитель типа Bosch на тип со стеклянной трубкой американского типа, но строгое соблюдение той же номинальной силы тока, а плавкий предохранитель со стеклянной трубкой с плоским колпачком, как правило, плохо помещается в предназначенный для этого патрон. для конических заглушек.
Типы плавких предохранителей
Существует шесть типов предохранителей, с которыми вы можете столкнуться, открывая блок предохранителей на современном автомобиле или грузовике: micro2, micro3, низкопрофильный мини, мини, обычный и макси.
Для всех плавких предохранителей корпус может быть непрозрачным или прозрачным.
Когда корпус чистый, обычно легко определить, неисправен ли предохранитель, поскольку металлическая полоса обмотки, соединяющая две клеммы, хорошо видна. Если полоска сломана, значит, перегорел предохранитель.
Предохранители Micro2 — это самый маленький тип плавких предохранителей, и их легко идентифицировать по тому факту, что они намного больше, чем ширина. Что касается размера, низкопрофильные мини-предохранители и обычные мини-предохранители имеют одинаковую высоту и ширину корпуса, но лопаточные выводы низкопрофильных мини-предохранителей едва выходят за нижнюю часть корпуса.
Предохранители Micro3 больше, чем предохранители Micro2, низкопрофильные или мини-предохранители, но их легче всего идентифицировать по тому факту, что в них используются три плоских клеммы.Любой другой тип плавких предохранителей использует только две клеммы. Они также включают в себя два плавких элемента, что позволяет одному предохранителю эффективно управлять двумя цепями.
Предохранители ATO и ATC, или «обычные» плавкие предохранители, являются оригинальными, а также вторыми по величине типами.
Хотя многие приложения начали заменять предохранители ATO и ATC на мини-предохранители в 1990-х годах, они все еще широко распространены. Эти предохранители шире, чем высокие, и бывают двух основных типов. Предохранители ATO открыты внизу, а предохранители ATC имеют полностью закрытый пластиковый корпус.
Самый большой тип лопастных предохранителей — это предохранители макси. Они значительно больше, чем любые другие автомобильные предохранители с лезвием или лопаткой, и обычно используются для более высоких токов.
Цветовая маркировка автомобильных предохранителей
Хотя можно заменить любой предохранитель ATC на любой другой предохранитель ATC, любой мини-предохранитель на любой другой мини-предохранитель и т. Д., Делать это небезопасно, если вы не соответствуете текущим номинальным характеристикам. Хотя предохранители могут перегореть при нормальных условиях эксплуатации из-за возраста и износа, перегоревший предохранитель часто указывает на более серьезную проблему.
Поэтому, если вы замените перегоревший предохранитель другим предохранителем с более высоким номиналом тока, вы можете предотвратить немедленное срабатывание предохранителя, но вы также рискуете повредить другие электрические компоненты или даже вызвать возгорание.
Есть три разных способа определить силу тока плавкого предохранителя. Во-первых, посмотрите на верхнюю часть предохранителя, где вы найдете номинальную силу тока, напечатанную или проштампованную на пластике. Если номинал снизился, вы также можете посмотреть на цвет корпуса предохранителя или проверить схему предохранителей, чтобы узнать, какой тип предохранителя подходит для этого конкретного гнезда.
Гэри Гладстон / Stockbyte / Getty ImagesЦвета и физические размеры плавких предохранителей лопастного типа указаны в стандарте DIN 72581, и не все цвета или значения силы тока доступны для всех размеров.
Цвет | Текущий | Micro2 | Мини | Обычный | Макси |
Темно-синий | 0. | № | № | Есть | № |
Черный | 1 А | № | № | Есть | № |
Серый | 2 А | № | Есть | Есть | № |
Фиолетовый | 3 А | № | Есть | Есть | № |
Розовый | 4 А | № | Есть | Есть | № |
Желто-коричневый | 5 А | Есть | Есть | Есть | № |
Коричневый | 7. | Есть | Есть | Есть | № |
Красный | 10 А | Есть | Есть | Есть | № |
Синий | 15 А | Есть | Есть | Есть | № |
Желтый | 20 А | Есть | Есть | Есть | Есть |
Прозрачный | 25 А | Есть | Есть | Есть | Серый |
Зеленый | 30 А | Есть | Есть | Есть | Есть |
Сине-зеленый | 35 А | № | Есть | Есть | Коричневый |
Оранжевый | 40 А | № | Есть | Есть | Есть |
Красный | 50 А | № | № | № | Есть |
Синий | 60 А | № | № | № | Есть |
Янтарный / коричневый | 70 А | № | № | № | Есть |
Прозрачный | 80 А | № | № | № | Есть |
Фиолетовый | 100 А | № | № | № | Есть |
Фиолетовый | 120 А | № | № | № | Есть |
Хотя цветовое кодирование является стандартным почти для всех типов автомобильных предохранителей, двумя заметными исключениями являются предохранители макс. На 25 А и 35 А.Эти предохранители серого и коричневого цвета соответственно, которые также используются для предохранителей с меньшей силой тока. Однако предохранители макси недоступны на 2 А или 7,5 А (номиналы, используемые для этих цветов), поэтому нет возможности путаницы.
Так что насчет плавких ссылок?
Плавкие вставки выполняют ту же основную функцию, что и предохранители, но действуют несколько иначе. В автомобильной промышленности плавкая перемычка представляет собой отрезок провода, который на несколько калибров тоньше, чем провод, для защиты которого он предназначен.Когда все идет хорошо, это приводит к выходу из строя плавкой вставки и разрыву цепи до того, как может выйти из строя защищенная проводка.
Плавкие вставки не только тоньше остального провода в цепи, но и заключены в специальные материалы, которые не загораются при воздействии высоких температур. Таким образом, в то время как чрезвычайно высокий ток в обычном проводе может вызвать возгорание, перегоревшая плавкая вставка с меньшей вероятностью вызовет пожар.
Плавкие вставки можно найти в различных местах в автомобилях и грузовиках, но они обычно используются в приложениях с высокой силой тока, таких как стартеры, которые могут потреблять сотни ампер.При срабатывании плавкой перемычки этого типа автомобиль больше не заводится, но риск возгорания снижается. В других приложениях плавкая перемычка может быть легче достать и заменить, чем проводка, которую она предназначена для защиты.
Замена предохранителей и плавких вставок
Замена предохранителей — это относительно простая работа, с которой может справиться любой, но все же важно найти время, чтобы убедиться, что вы заменили их на предохранители правильного типа и номинальной силы тока. Лопастные предохранители иногда физически трудно вытащить, но большинство автомобилей поставляются с инструментом для извлечения предохранителей, который расположен внутри одного из блоков предохранителей или прикреплен к крышке блока предохранителей.
Хотя опытный глаз довольно легко определить автомобильные предохранители на месте, вы также можете взглянуть на визуальное руководство, которое поможет определить, какой тип предохранителя вам нужен.
Если вы заменили предохранитель и обнаружите, что он снова перегорел, это обычно означает, что существует некоторая основная проблема, с которой вам придется столкнуться. Может показаться, что замена предохранителя на предохранитель с большей силой тока временно решит проблему, но более безопасным способом является определение компонентов, присутствующих в этой цепи, а также отслеживание и устранение реальной основной проблемы.
Замена плавких вставок часто представляет собой более сложную работу, чем простое извлечение предохранителя, поскольку они обычно прикручиваются на месте и иногда до них трудно добраться. Это работа, которую вы можете выполнять дома, если у вас есть подходящие инструменты и вы можете физически найти перегоревшую плавкую перемычку, но чрезвычайно важно использовать правильную замену.
Точно так же, как использование сменного предохранителя с неправильным номиналом тока — плохая идея, замена перегоревшей плавкой вставки на неправильную деталь чрезвычайно опасна.
В лучшем случае плавкая перемычка не сможет справиться с силой тока приложения и немедленно выйдет из строя. В худшем случае может случиться пожар.
Ни при каких обстоятельствах нельзя заменять плавкую перемычку электрическим кабелем. Возможно, у вас есть заземляющий провод или кабель аккумулятора, который выглядит подходящим по размеру и длине, но даже не думайте об этом. Позвоните в местный магазин запчастей, передайте им приложение, и они смогут найти плавкую ссылку, предназначенную для приложения, с которым вы работаете.
Поскольку плавкие вставки часто пропускают огромное количество тока, плохое выполнение работы или использование любого старого заменяющего провода или кабеля может привести к пожару или более дорогостоящему ремонту, если в дальнейшем выйдет из строя другая проводка.
Спасибо, что сообщили нам!
Расскажите, почему!
Другой Недостаточно деталей Сложно понятьИдентификатор автомобильного предохранителя: Таблица цветов предохранителей для легковых и грузовых автомобилей
Поскольку их физический размер и форма идентичны, использование цвета для различения значений предохранителей очень помогает.
(Изображение / Summit Racing)
Предохранители являются неотъемлемой частью любой электрической системы.
Они спроектированы так, чтобы автоматически выходить из строя в случае электрической перегрузки или короткого замыкания, жертвуя собой ради сохранения жгута проводов.
Учитывая характер того, как работают предохранители , очень важно, чтобы вы использовали правильный ток для схемы. Слишком низкое значение приведет к преждевременному срабатыванию предохранителей, а использование слишком высокого значения в первую очередь нарушает назначение предохранителя.
Существует несколько типов автомобильных предохранителей, но сегодня мы говорим о плавких предохранителях типа лезвий, которые можно найти в большинстве современных автомобилей, выпущенных после 1980 года. Имейте в виду, что существует несколько различных типов плавких предохранителей, выходящих за рамки стандартного размера ATC, включая Micro Стили, мини и макси.
(Изображение / Все цилиндры)
Независимо от типа плавкого предохранителя, эти предохранители, используемые в автомобилях (и других электрических компонентах), обычно имеют стандартную схему цветовой кодировки, которая упрощает определение соответствующих номинальных значений электрического тока.
Сначала вы можете подумать: «Черт возьми, их легко идентифицировать, на них написан номер. Мне не нужно знать цвет ».
И это в некоторой степени правильно, хотя на некоторых предохранителях номер просто выбит на пластике, а не раскрашен. Что еще более важно, блоки предохранителей часто расположены в темных нишах под приборной панелью или в грязном моторном отсеке, где их трудно прочитать.
Вот почему возможность идентифицировать их по цвету очень помогает.Мы обратились к специалистам по предохранителям из Bussman , чтобы они помогли составить эти удобные руководства.
Вы можете использовать виртуальную таблицу ниже или НАЖМИТЕ ЗДЕСЬ , чтобы получить удобную загружаемую диаграмму, на которой отображаются как цвета, так и названия цветов. Таким образом, вы можете использовать его независимо от того, распечатываете ли вы его на цветном принтере или нет.
Цветовые коды предохранителейот Amp
| Цвет | Номинальный ток |
|---|---|
| Черный | 1 |
| Серый | 2 |
| Фиолетовый | 3 |
| Розовый | 4 |
| Желто-коричневый | 5 |
| Коричневый | 7-1⁄2 |
| Красный | 10 |
| Синий | 15 |
| Желтый | 20 |
| Прозрачный | 25 |
| Зеленый | 30 |
| Аква-синий | 35 |
| Оранжевый | 40 |


цена

6×10 мм
3×32 мм (3AG/3AB)
5 А
5 А