Какая сверловка дисков и разболтовка колес на автомобилях ВАЗ
При выборе дисков для ВАЗ необходимо смотреть не только на их внешний вид, но и на возможность применения на той или иной модели. Кроме того, необходимо учитывать определенные технические характеристики.
Наиболее важные из них – это:
- разболтовка;
- диаметр;
- вылет;
- элементы крепежа;
- диаметр центровочного отверстия.
Основные функции дисков
Колесные диски на легковом авто выполняют ряд важнейших задач:
- уплотнение резины по периметру;
- обеспечение жесткой конструкции под общей массой транспортного средства;
- передачу крутящего момента колесу.
Исходя из указанных функций, автолюбитель может сформулировать требования к дискам, а также их техническим характеристикам. Любое колесное изделие должно быть сбалансированным по размерам, прочным и безопасным. Только после этого можно перейти к сверловке колес на автомобилях ВАЗ.
Сыверловка и разболтовка дисков ВАЗ
Разболтовка колес на ВАЗ 2107
Конструкция семерки предполагает сверловку колес 4×98, где цифра 4 указывает на количество болтов, а 98 обозначает диаметр отверстий на дисковой конструкции.
На многих иномарках применяется разболтовка со схожими параметрами – 4×100. В первой ситуации дистанция межу центровочными болтами составляет 69,3 мм, а во втором случае – 70,7 мм. Погрешность составляет 1,4 мм и при этом не дает возможности выполнить плотную фиксацию нестандартного диска.
Кроме того, установка автодиска с нестандартными параметрами может привести к деформации элементов, а именно крепежных отверстий и болтов.
Существуют и другие методы крепления дисков 100×4 на семерку. К примеру, можно использовать удлиненные болты, переходные кольца, шпильки и эксцентрики. Однако эти детали в конечном итоге могут усложнить или ухудшить крепление колесного изделия.
Поэтому рекомендуется устанавливать стандартные автодиски и покрышки, чтобы не привести к разбалансировке колеса и вибрации во время движения.
Диски на ВАЗ 2107 устанавливаются 13-дюймовые штампованные диски или аналоги с идентичными параметрами. Покрышки имеют размеры 175/70/R13.
| Параметры шины | Размеры дисков | Разболтовка | Ширина | Вылет | Центровочное отверстие |
| 175/70/R13 | 13” | 4×98 | 5.0J | ET 29 | DIA 60.1 |
Номинальное давление в покрышках «семерки» напрямую зависит от типоразмеров резины:
175/70/R13 – 1,9 задние, 1,6 передние колеса;
165/80/R13 – 2,0 задние, 1,7 передние.
Разболтовка колес на модели 2106
Для шестерки разболтовка колес составляет 4×98. Что касается заводских габаритов дисков, то:
- стандартная ширина составляет 5.0J,
- центровочное отверстие 58,5 мм,
- вылет ET
Размерность покрышек на шестерку – 175/70/R13.
В качестве рестайлинга можно установить колеса 185/60/14, 195/50/R15.
| Параметры автошины | Заводская разболтовка | Нестандартные параметры диска |
| 155/R13/ 82Q | 4×98 | 4. 5Jx13 ET37 |
| 175/70/R13 82 S | 4×98 | 5Jx13 ET29 |
| 175/70/R13 82T | 4×98 | 5.5Jx13 ET32 |
| 175/65/R14 82S | 4×98 | 5.5Jx14 ET29 |
Сверловка на модели ВАЗ 2109
Автомобиль ВАЗ 2109, «девятка», имеет заводские параметры разболтовки автодисков 4×98. В заводской комплектации устанавливались шины 175/70/R13 и 13-дюймовые диски.
| Размеры автошин | Размеры дисков | Разболтовка | Вылет | Центровочное отверстие |
| 175/70/R13 | 13 | 4×98 5Jx13 | ET29 | 58,6 |
| 175/65/R14 | 14 | 4×98 5.5Jx14 | ET29 | 58,6 |
| 195/50/R15 | 15 | 4×98 6.5Jx15 | ET32 | 58,6 |
| 205/45/R16 | 16 | 4×98 7Jx16 | ET34 | 58,6 |
Разболтовка колес на ВАЗ 2110
На десятой вазовской модели устанавливаются заводские штампованные колесные диски на 13 дюймов и покрышки 175/70/R13.
Также выпускались комплектации десятки с литьем на 14 дюймов и резиной 175/65/R14.
Что касается размеров заводских дисков ВАЗ, то ширина составляет 5,0-5,5J, сверловка 4×98, как и на других моделях, центровочное отверстие 58,5 мм и вылет ET 37-40.
Сверловка на 2111
Лада универсал 2111 оснащалась заводскими дисками на 13 или 14 дюймов в зависимости от комплектации автомобиля. Можно было использовать оба варианта.
Размеры покрышек: 175/70/R13, 175/65/R14, диска: ширина 5,0J, сверловка 4×98, центровочное отверстие 58,6 мм, вылет ET40.
Сверловка на модели ВАЗ 2114
Автомобили Лада Самара 2113, 2114 оборудовались заводскими штампами со сверловкой 4×98.
Что касается автодисков, то вылет составлял ET40, ширина 5,0 J и центровочное отверстие 58,5 мм. Колеса 175/70/R13.
Сверловка на модели ВАЗ 2115
Пятнадцатая модель Лада 2115 оборудуется заводскими штамповками с размерами 13 и 14 дюймов, и сверловкой 4×98.
| Размер дисков | Параметры шин | Сверловка | Вылет | Центровочное отверстие |
| 13 | 175/70/R13 | 5. 0J 4×98 | ET40 | 58.5 |
| 14 | 175/65/R13 | 5.5J 4×98 | ET37 | 58.5 |
В качестве рестайлинг-варианта можно использовать автомобильные покрышки:
205/45/R16;
195/50/R15;
185/60/R14.
Сверловка на модели ВАЗ 2121
Первый российский внедорожник Нива от компании ВАЗ или же Лада 4×4 оборудуется стальными заводскими дисками на 16 дюймов и покрышками с размерами 175/80/R16 и 185/75/R16.
Дисковые размеры: вылет ET40, сверловка 5×139.7, центровочное отверстие 98,6 мм и ширина 6.5J.
Разболтовка колес на автомобиле Нива Шевроле
Российский внедорожник Niva Chevrolet оснащен заводскими колесными автодисками на 15 и 16 дюймов с параметрами сверловки 5×139.7, с вылетом ET40-48, центровкой 98,6 мм и шириной 6-6.5J.
Размеры колес: 205/75/R15 и 215/65/R16.
штатные размеры, диаметр, разболтовка, ширина, вылет, цо
Внешний вид автомобильных колес обладает высоким влиянием на общее эстетическое восприятие.
Поэтому многие автовладельцы спешат поскорее избавиться от маленького и невзрачного стального штампованного диска, и заменить его новым, эффектно выглядящим алюминиевым или титановым.
Помимо улучшения внешнего вида, замена тяжелой штамповки на облегченные варианты несет с собой множество других преимуществ. Среди которых: повышение динамических качеств и уменьшение уровня расхода топлива. Однако не нужно забывать о том, что неправильно проведенная замена дисков способна повлечь за собой еще и множество неприятностей.
Какие диски устанавливались на различные кузова и комплектации
Подбирая новые диски на любой автомобиль, в том числе и на отечественный ВАЗ-2107, необходимо учитывать ряд факторов, присущих именно данной модели. Традиционно, на большинстве машин, сошедших с конвейера Волжского автозавода, стояли самые бюджетные варианты колесных дисков. ВАЗ-2107 комплектовался штампованными стальными элементами 13-дюймового размера со стандартными шинами в размере 175/70R13.
Начиная с 1982 года до окончания серийного производства в 2012 году, «семерка» выпускалась в 13 модификациях. Одна из них, а именно ВАЗ-21077, была разработана специально для экспорта в Великобританию. В данном исполнении на нее устанавливали более дорогие, литые варианты дисков.
Зная основные технические параметры колесного обода, можно определить его совместимость с конкретной моделью автомобиля. Помимо диаметра, здесь нужно учитывать еще такие показатели, как:
- Ширина обода.
- PCD – схема сверловки крепежных отверстий (разболтовка).
- ET – вылет диска.
- DIA – диаметр центрального отверстия.
Что касается разболтовки и центрального отверстия, здесь все традиционно для старых тольяттинских моделей. Эти показатели жестко привязаны к параметрам ступицы. В числовом выражении они выглядят следующим образом: 4х98 мм и 58,5 мм соответственно: 4 – это количество точек крепления, 98 мм – это расстояние между центрами противоположных крепежных отверстий, 58,5 мм – диаметр отверстия, находящегося в центре диска.
Ширина обода измеряется в дюймах. В ВАЗ-2107 данный показатель равен значениям 5 и 5,5. Зная ширину обода, можно понять какой шириной должна обладать шина. В маркировке это значение записывается так: 5J и 5.5J.
Вылет – это отрезок между воображаемой плоскостью, делящей обод на 2 равных по ширине кольца, и стыковочной площадкой ступицы автомобиля. В маркировке, это буквы «ЕТ» и числовой показатель указаны в миллиметрах. Штатные диски ВАЗ-2107 имеют вылет ЕТ29.
Полное совпадение центрального отверстия диска с соответствующим параметром ступицы помогает производить точную центровку диска при установке, что положительно влияет на длительность эксплуатации шин и исключает биение колес при езде.
Параметры штатных гаек и болтов
В качестве крепежа в ВАЗ-2107 использовались болты М12х1,25. Заменой им можно использовать шпильки с гайками. И болты, и гайки имеют под своими головками прижимную фигурную поверхность. Выбор гаек и болтов по форме прижимной поверхности производится в соответствии с формой посадочного места точек крепления на устанавливаемом диске.
Использование крепежа, несоответствующего данному требованию недопустимо.
Материал литых дисков намного мягче стали. По этой причине требуется увеличение площади соприкосновения с прижимной поверхностью крепежа. Но, даже если все подобрано и затянуто правильно, первое время эксплуатации следует регулярно подтягивать болты или гайки, до того момента, когда металл полностью усядется и уплотнится в местах сверловки.
Какие диски можно установить
В качестве замены установленных заводских 13 дисков на новые изделия можно выбрать ту же штамповку, только большего диаметра. Здесь допустима установка 14 и 15-дюймовые дисков. Стальные штампованные диски практичны в плане эксплуатации. Они сочетают в себе прочность, долговечность, возможность ремонта и доступность цены.
Главным же недостатком является их большой вес, который приводит к ухудшению управляемости автомобилем, затруднению разгона и торможения и к повышенному расходу горючего. Свести к минимуму все недостатки штампованных дисков можно применением литых, кованых и сборных вариантов.
Помимо прочих достоинств, легкосплавные диски имеют также высокую теплопроводность, что способствует более быстрому охлаждению элементов тормозной системы.
Литые диски всегда изготавливаются из алюминия, титана и магния. Такие изделия прочны, легки и хорошо смотрятся на любом автомобиле. Но удар при сильном столкновении нередко приводит к трещинам или к их полному разрушению. Ремонту они уже не подлежат.
Кованые диски производятся путем горячей штамповки. Они более прочны, но их повышенная способность сохранять форму при динамических нагрузках приводит к тому, что вся ударная нагрузка жестко передается на подвеску автомобиля.
Сборные диски обычно состоят из 2 или 3, скрепленных болтами элементов. Каждый сегмент может быть исполнен из разных материалов. В случае выхода из строя такого изделия, любой из этих сегментов можно отсоединить и заменить новым элементом.
Подбор шин производится, исходя из размеров дисков. Показатель ширины обода указывает на величину посадочного места шины.
И, конечно же, резина должна подходить по диаметру. Так, например на 14 дисках следует выбирать шины, в маркировке которых присутствует значение R14. В таблице приведены размерные параметры шин на ВАЗ 2107 и соответствующих им дисков.
| Размеры шин | Параметры диска |
|---|---|
| 175/70 R13 | 5Jx13 ET29 5.5Jx13 ET32 |
| 185/60 R14 | 5.5Jx14 ET29 |
| 185/55 R15 | 6Jx15 ET25 |
В размерах шин первый показатель означает ширину, значения от 55 до 70 – высота профиля в процентах от его ширины.
При подборе шин на 15 дисках следует выбирать изделие с низким профилем. Резина с высоким профилем может не поместиться в колесную арку или будет задевать кузовные элементы. Особенно это станет заметно при езде по плохим дорогам или по бездорожью.
Выбирая широкие диски и шины, следует помнить о том, что они более подвержены боковым заносам в плохих погодных условиях.
Минимально и максимально возможные параметры нештатных дисков
Итак, самым меньшим, предусмотренным заводом-производителем ВАЗ-2107, диаметром диска является размер в 13 дюймов. Максимальный размер не должен превышать величины 15 дюймов, при условии наличия низкопрофильной резины.
Колесный обод должен либо соответствовать параметрам ступицы ВАЗ-2107 по PCD – 4х98 мм и по DIA – 58,5 мм, либо его установка потребует применения специальных переходных проставок. Изделие с PCD – 4х100 мм можно установить с помощью крепежа с эксцентриком.
Ограничение по ширине обода 5J-6J можно попытаться обойти путем изменения значения «ЕТ». Применение проставок уменьшит размер вылета, что позволит установить более широкие колеса. Но сразу же возникает вопрос о целесообразности данных действий.
Придание более современного вида любой старой модели автомобиля в большинстве случаев вполне уместно и приемлемо. Смена дисков в этом смысле не является исключением.
Однако, увлекшись тюнингом ВАЗ-2107, не нужно забывать о технических характеристиках.
Любое переоснащение должно сопровождаться улучшением, как внешнего вида, так и эксплуатационных качеств. Или, по крайней мере, следует постараться не испортить то, что было изначально.
штатные размеры, диаметр, разболтовка, ширина, вылет, цо
Желание владельцев автомобиля отечественного производства ВАЗ-2109 заменить заводские колесные диски на элементы с другим диаметром предельно ясно.
Современные облегченные конструкции способны улучшить характеристики управляемости и расхода топлива машины, но, как правило, причиной такой замены является простое стремление к улучшению внешнего вида.
Подобную операцию произвести несложно.
Правда, в зависимости от выбранных вариантов замены, это осуществляется либо без проблем, либо такая процедура требует вмешательства в конструкцию автомобиля.
Какие диски устанавливались на различные кузова и комплектации
Автомобиль ВАЗ-2109 – это 5-дверный вариант ВАЗ-2108.
Но в заводских условиях обычно устанавливался лишь диски с диаметром в 13 дюймов. Диски R14 и R15 рассматривались только как приемлемые к установке. Вот две основные марки колесных дисков, которыми оснащались автомобили на заводском конвейере:
Первые числа маркировки означают ширину обода, 13 – это общий диаметр, ЕТ35-40 – вылет в мм. Стандартная заводская конструкция диска представляла собой штампованное стальное изделие. Проигрывая своим литым легкосплавным конкурентам по ряду показателей, стальная штамповка всегда была и остается прочной, недорогой и надежной.
Размеры штатных дисков
Основные технические характеристики колесных дисков любого автомобиля, в том числе и ВАЗ-2109, выражаются следующими параметрами:
- Диаметр.
Имеется в виду размер именно диска в дюймах, без учета шины. - Ширина обода – размер посадочного места для шины в дюймах.
- Размер центрального отверстия под ступицу.
- Разболтовка – параметр, указывающий на количество отверстий и величину диаметра окружности, объединяющей их центральные точки.
- Вылет – расстояние между крепежной поверхностью ступицы и воображаемой плоскостью, проходящей вертикально через среднюю окружность диска.
У ВАЗ-2109 два параметра были всегда одинаковы:
- Центральное отверстие – 58,5 мм.
- Разболтовка – 4х98.
Диски изготавливаются в трех вариантах: R13, R14 и R15. Остальные заводские параметры с учетом соответствующих шин указаны в таблице.
| Диаметр диска, в дюймах | Ширина обода, в дюймах | Величина вылета, | Параметры шин, в мм |
|---|---|---|---|
| в мм | |||
| 13 | 5 | 35-38 | 165/70 155/75 |
5. 5 | 35-38 | 185/65 175/70 | |
| 14 | 4 | 45 | 135/80 |
| 5.5 | 35-43 | 175/65 165/65 | |
| 6 | 35-40 | 185/60 175/65 | |
| 15 | 6 | 30 | 185/55 |
| 6.5 | 30 | 195/55 195/50 | |
| 6.5 | 35 | 205/50 195/50 | |
| 7 | 35 | 205/50 195/50 |
Параметры штатных гаек
Крепление литого диска к ступице подразумевает применение специальных болтов либо гаек. Нужно отметить, что гайки от штампованных дисков здесь неприемлемы. Во-первых, потому что у литых экземпляров конусная или сферическая часть крепежного элемента более выражена, чем у штампованного.
Например, коническая часть болта или гайки имеет угол в 60 градусов. Это делается с целью увеличения площади их контакта с более мягким, чем сталь материалом. Во-вторых, штамп тоньше литья, и при замене диска просто не хватит длины болта.
Лучше сразу использовать тот крепеж, который соответствует применяемому легкосплавному диску, иначе возможны деформации отверстий, крошение и царапины.
Сэкономив на нужных гайках или болтах, можно безвозвратно испортить более дорогостоящий элемент.
Мягкость металла также подразумевает регулярные проверки плотности затяжки крепежа, особенно в первое время и с новыми дисками, когда материал еще не уплотнился от рабочих нагрузок. В противном случае под действием цикличных ударов и вибрации гайки могут самопроизвольно раскручиваться.
У гаек должны быть конусные либо сферические шайбы. Нужно следить, чтобы профиль шайб точно подходил к соответствующему углублению в отверстии устанавливаемого диска. Некоторые модели дисков рассчитаны на использование цилиндрических креплений с плоскими шайбами.
Какие диски можно установить
Планируя замену старых стальных дисков на легкосплавные, следует выбирать либо оригинальные изделия, либо продукцию от известных производителей, заботящихся о качестве и безопасности своего товара.
Литые диски сочетают в себе следующие полезные свойства: они легки, практичны в использовании, наделены достаточной прочностью и имеют привлекательный вид, что направлено на преображение всего внешнего облика автомобиля.
Наиболее распространенными среди легкосплавных дисков являются изделия из алюминия. Это обусловлено тем, что они устойчивы к коррозии, соответствуют прочностным требованиям и в сравнении с другими литыми дисками остаются относительно недорогими.
Титановый сплав – это самый дорогой вариант. Он тоже соответствует всем техническим характеристикам, но при этом еще имеет более привлекательный вид. На третьем месте расположен вариант с использованием магниевого сплава.
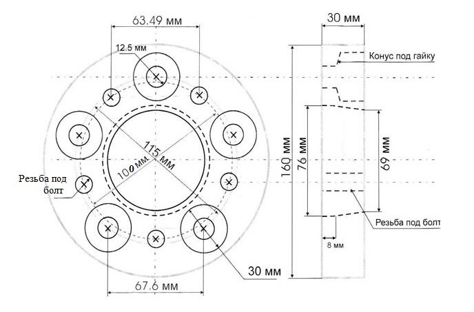
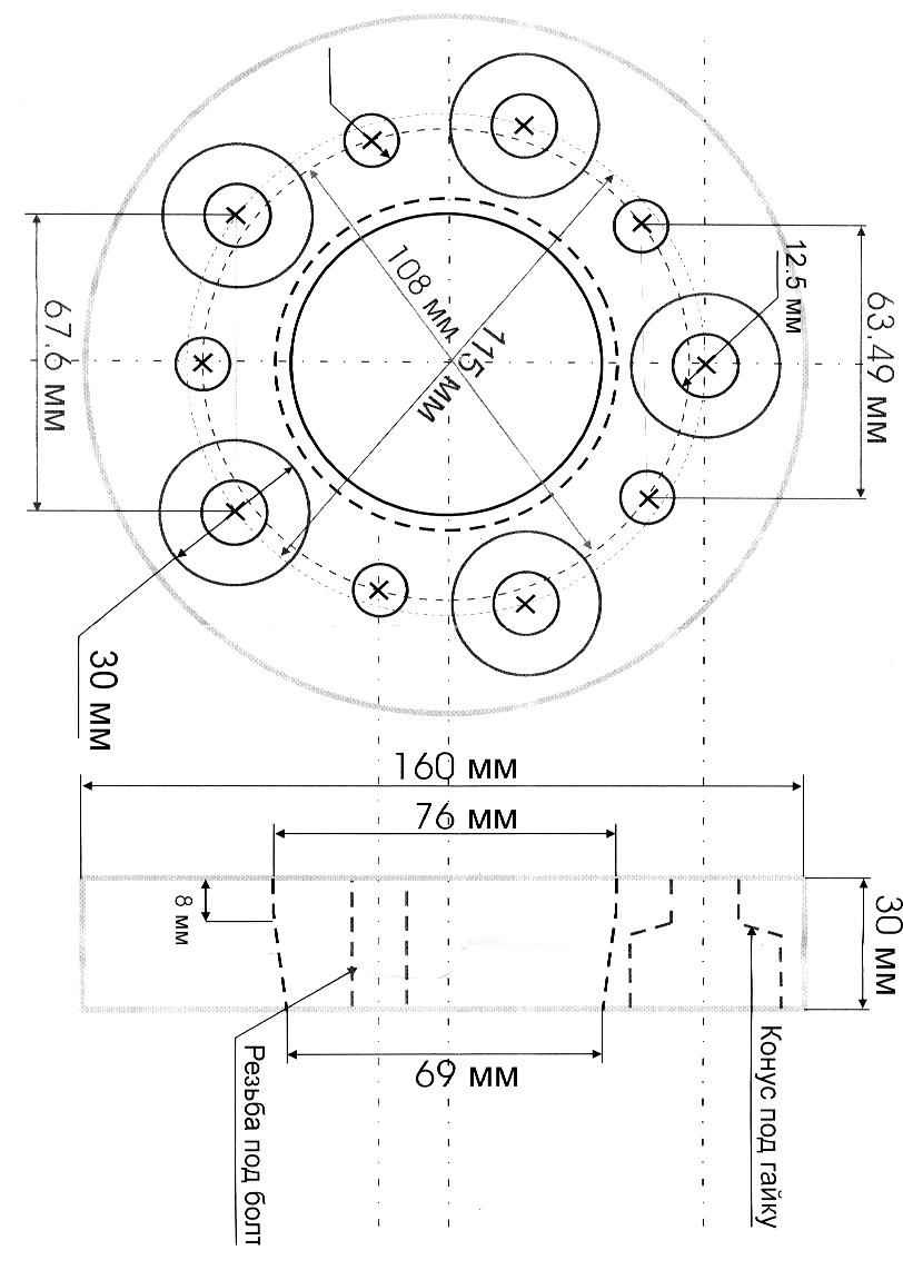
В последних моделях от АвтоВАЗа используются диски со схемой посадки креплений 4х100. Устанавливая их на ступицу размером в 4х98, следует использовать шпильки с эксцентриком, чтобы скомпенсировать разницу в 2 мм. Для установки дисков с другими крепежными схемами придется воспользоваться соответствующими адаптерами (проставками).
Надо понимать, что установка дисков размером большим, чем в 15 дюймов, невозможна без вмешательства в конструкцию автомобиля.
Максимально и минимально приемлемые параметры нештатных дисков
Размер колесных арок на ВАЗ 2109 ограничивает возможность установки дисков диаметром большим, чем R15. Получается, что любой нештатный экземпляр должен вписываться в размерные рамки 13-15 дюймов. Искать что-то меньшее нецелесообразно, а для установки большего диаметра потребуется увеличивать колесную арку, то есть изменять конструкцию кузова.
Ограничиваясь заданными параметрами арки, нужно посмотреть на остальные показатели нештатного диска. Чтобы соединить детали с разными схемами разболтовки, можно применить проставки-адаптеры. В этом случае достаточно легко решается проблема несовместимости диска со ступицей по отверстиям.
Главное подобрать подходящие крепления. Ширина обода по пределам, установленным конструкторами ВАЗа, ограничена рамками 4-7 дюймов.
Превышение этих параметров может ухудшить управляемость автомобилем и вызвать вопросы при регистрации.
Допустимый вылет диска напрямую связан с его шириной и конструкцией. В заводской сборке этот показатель колебался от 30 до 45 мм. Изменить вылет можно с помощью проставок.
Но нужно помнить, что при уменьшении величины вылета увеличивается ширина колеи, широкие шины при этом могут выйти за установленные габаритные размеры автомобиля. Центральное отверстие у нештатного диска должно быть не меньше 58,5 мм.
Хоть варианты замены дисков на ВАЗ-2109 и ограничены определенными параметрами, их все равно довольно-таки много. Но, в первую очередь, все-таки следует обращать внимание на оригинальные, максимально адаптированные к данному автомобилю изделия. Это и проще, и безопасней, и выгодней с финансовой точки зрения.
Разболтовка ВАЗ 2110
Во всех модификациях ВАЗ 2110 разболтовка в заводской комплектации 4х98.
С конвейеров сходили «десятки» со штампованными дисками колес — диаметра R13, а также с литыми — диаметра R14.
На колеса устанавливалась резина, размеры которой 175/70 R13 или 175/65 R14. Однако если размеры дисков и шин – величины относительно понятные, то вот что такое разболтовка — для многих большая загадка.
Параметры дисков и разболтовка для ВАЗ 2110, 2111, 2112
Теория
Итак, цифра 4 – это количество отверстий под болт. А вторая цифра – диаметр в мм окружности, в которой они располагаются. Не так сложно подсчитать, что расстояние, на котором находится болт от болта, если разболтовка 98, будет 69,3 мм.
Это – одинаковая величина для всех колес, устанавливаемых на ВАЗ 2110. А вот в иномарках, большинство из которых имеет разболтовку 100, один болт от другого находится на расстоянии 70,7 мм.
Разница составляет 1,4 мм, а это уже не позволит идеально установить на ВАЗ 2110 диски, имеющие разболтовку 4х100.
Разница между разболтовкой 4*98 и 4*100
Установка дисков 4*100
Рассмотрим несколько способов, применяемых автоумельцами для установки на ВАЗ 2110 дисков от иномарок:
- Иногда в ступице диска рассверливают на токарном станке отверстия так, чтобы стала возможной установка дисков, какие у вас есть в данный момент.
Подойдет разболтовка как 98, так и 100. А если нужна замена диска, то это также не сложно сделать. Размеры болтов при этом стандартные; - Наиболее простой, но не лучший способ – установка диска с помощью удлиненных болтов обычного диаметра для колес. Но не удивляйтесь потом, что эта замена привела к тому, что диск болтается, появляется люфт колес, невозможно установить правильный развал и схождение, а также углы продольного наклона;
- Популярный, относительно безопасный способ – установка на ВАЗ 2110 болтов стандартного размера с эксцентриком (возможет также вариант, если болт имеет смещенный центр). Сегодня интернет-магазины предлагают много комплектов таких болтов;
Колесный болт с эксцентриком
- Кое-кто использует специальные проставки. Но в таком случае обязательно увеличится вылет колеса на ширину проставки. Для безопасности нужно, чтобы ширина была не менее 20 мм. Как компенсирующая мера может быть установка дисков, у которых малый вылет;
- Самый худший способ – это установка диска не на 4, а на 3 удлиненных болта.
Какая тогда может быть защита колес от «слета», а участников движения – от гибели в аварии? Никогда так не делайте!
Если замена штатных дисков ВАЗ 2110, на те, у которых разболтовка 4х100 проведена неправильно, то при наборе скорости вы обнаружите, что колесо болтается, а при резком торможении может даже отвалиться, и чем закончится такое «приключение» — неизвестно.
Развал-схождение
После того, как произведена замена дисков колес, размеры и разболтовка которых отличается от предусмотренных конструкцией ВАЗ 2110, необходимо произвести все необходимые регулировки, для того, чтобы была надежной защита всей ходовой части, а также шин и арок.
Для каждого переднего колеса необходимы правильные углы установок. Есть три параметра, которым требуется правильная установка: это схождение колес, углы продольного наклона поворотных осей, а также углы развала каждого колеса.
Параметры установки колес
Правила, по которым проводится установка параметров переднего колеса, таковы:
- Далеко не уедешь, если все болтается, как ему вздумается, а машину уводит в сторону, когда она должна ехать прямо.
Для устойчивости каждого переднего колеса, они устанавливаются строго под нужными углами к кузову и элементам подвески. Это называется – углы продольного наклона оси поворота. Установочные размеры указаны в книжке по эксплуатации; - Развал – это угол между плоскостью, в котором колесо вращается, и вертикалью. Его помогает установить развальный болт (он крепит телескопическую стойку и поворотный кулак). Если развал установлен неправильно, машину «ведет», протектор шины сильнее износится с одной стороны;
Параметры установки колес
- Угол между продольной осью машины и плоскостью вращения колеса называется схождение. Именно схождение отвечает за управляемость переднего колеса при поворотах и разных скоростях. Если схождение выставлено неправильно, наблюдается сильный поперечный износ шин, шины визжат в поворотах и даже увеличивается расход топлива.
Подготовка к регулировке
Чаще всего развал и схождение ВАЗ 2110 устанавливают на СТО, но можно это сделать самостоятельно.
Прежде всего проверяют, есть ли люфт в подшипниках, не болтается ли рулевое управление. Заодно проверяют диаметр и отсутствие деформаций дисков, давление воздуха в шинах, износ протектора.
Схема передней подвески ВАЗ 2110 в сборе
Естественно, если колесо болтается, необходимо принять меры, а тому, которое имеет неправильный износ протектора, может потребоваться замена. Стоящие на земле колеса нужно подергать относительно вертикали. Обнаружив люфт, попросите, чтобы помощник нажал на тормоз, и снова проверьте люфт.
Если он исчез – нужна замена подшипника. Если после этого размер люфта не то что не сошел на нет, а уменьшился только незначительно, нужна проверка, ремонт, а иногда и замена подвески.
Схема ступицы переднего колеса
После этого вывесьте колесо, еще раз проверьте люфт. Возможно, что люфт исчез, но колесо проворачивается рывками или просто тяжело, тогда нужно немного расширить диаметр места установки подшипника.
Задняя подвеска
При слышимом скрежете подшипнику необходима замена.
Самостоятельная регулировка
Далее нужно стать на ровной площадке и нагрузить машину, как рекомендует завод изготовитель. То есть, в салоне – около 320 кг и в багажнике 40 кг.
Первая регулировка – установка углов продольного наклона оси поворота. Вторая – развал, третья – схождение.
При этом угол развала в нагруженном состоянии должен быть 0°30’+-30’. Схождение должно быть в пределах 0°15’+-10’, а углы продольного наклона осей поворота — 0°20’+-30’.
Помните, что развал и остальные колесные регулировки необходимы во всех случаях, когда вы каким-либо образом вмешиваетесь в работу передней подвески ВАЗ 2110.
Защита от коррозии
Для надежной работы ходовой части важно все: разболтовка, размеры всех комплектующих, установления развала/схождения, и даже защита арок от коррозии. Именно арки больше других частей кузова подвержены влиянию неблагоприятных факторов – от обычной влаги во время дождя до реагентов на зимних дорогах.
Чтобы обеспечить надежную защиту арок, лучше всего на ВАЗ 2110 установить локеры (подкрылки). Такая защита обойдется значительно дешевле, чем последующий ремонт проржавевших арок. Важно правильно подобрать размеры локеров и обеспечить плотность их прилегания в области арок.
Надеемся, что выполнив все ремонтные работы самостоятельно, вы обеспечите своему ВАЗ 2110 долгие годы бесперебойной службы на дороге.
Оцените статью: Поделитесь с друзьями!какая разболтовка колесных дисков на ВАЗ 2114, 2110, 2107, 2109
Инженерный персонал любого автоконцерна тщательно просчитывает совместимость и способность транспортного средства воспринимать проектные нагрузки для всех систем. Автомобиль заявленной массы и габаритов должен удовлетворять своим техническим характеристикам, динамическим и грузоподъёмным параметрам. Одной из самых ответственных деталей является ступица колеса, несущая на себе по меньшей мере 25 % всех постоянных, длительных и кратковременных нагрузок, которые действуют на автомобиль.
Именно таким образом рождается параметр разболтовки колёсных дисков.
Разболтовка колёсных дисков на «Ладу»
Разболтовка — это расчётная характеристика колёс, которая определяет количество крепёжных отверстий и диаметр окружности их расположения. Данная характеристика одинакова практически для всех моделей «АвтоВАЗа» и зависит от следующих показателей транспортного средства:
Диски для ВАЗ 1111- Масса авто в снаряженном состоянии, то есть в полной комплектации, с пассажирами и максимально возможной массой груза в багажнике.
- Характер эксплуатации транспортного средства, а именно насколько важны перегрузки для данного автомобиля. Если речь идёт о городском седане, то разболтовки из 4 шпилек ему вполне достаточно, но кроссовер или внедорожник непременно оснащается 5 или 6 резьбовыми стержнями, потому что езда по бездорожью может кратковременно усилить нагрузку на колесо в несколько раз.
- Динамические свойства автомобиля. Заходя в поворот на высокой скорости, а также попадая в ямы, ударное воздействие увеличивает нагрузку на шпильки ступицы с геометрической прогрессией.

Важно!
Инженеры автомобильного завода назначают показатель разболтовки в зависимости от предельной нагрузки на транспортное средство с необходимым коэффициентом запаса.
Колёса для модели 2104Информация о разболтовке колесных дисков на отечественных автомобилях ВАЗ
Все автомобили ВАЗ с самого основания завода и до наших дней имели лишь 3 основных типа разболтовки, так как большинство модификаций были выполнены на единой платформе, у них менялся только внешний вид. Разболтовка на большинство моделей «Лады» выглядела следующим образом:
- Самый маленький представитель автоконцерна – ВАЗ 1111, в народе называемый «Ока», производился в РФ на протяжении 20 лет – с 1987 по 2008 года. Учитывая, что масса данного авто особо малого класса составляла всего 975 кг, а нагрузка на колесо приходилась менее 250 кг, «Ока» стала одним из немногих представителей в своём классе, для которого использовалась разболтовка из 3 шпилек.
Конечный параметр составлял 3х98, при диаметре посадочного отверстия 58,1 мм.
Это было достаточно экономно для владельцев «Оки».
Найти на рынке подобную размерность колеса было достаточно проблематично, потому штампованные изделия с радиальностью R12 и R13 нередко пересверливались, чтобы удачно сесть на ступицу.
Разболтовка ВАЗ 2107 4х98- Подавляющее большинство моделей концерна «АвтоВАЗ», начиная от 2101 и заканчивая «Ладой Приора» или «Калина», выпускалось с конвейера в виде седанов, лифтбеков, хэтчбеков или универсалов компактного либо субкомпактного класса.
На заметку.
Нагрузка на колёса и динамические параметры данных транспортных средств сильно похожи друг на друга.
Начиная с 1966 года, когда концерн выпустил свою первую «копейку», и заканчивая 2015 годом, разболтовка колёс на эти авто составляла 4х98 мм, диаметр центрального отверстия – 58,1 мм.
Самые популярные на сегодняшний день модели «Лады», для которых всё ещё продаются диски с разболтовкой 4х98 — это ВАЗ 2106, 2107, 2109, 2110, 2112, 2114.
- Последние модели ВАЗов, такие как «Веста», «Гранта» и «Х-Рей», выпускаемые с 2015 года, имеют разболтовку на колёсах максимально приближенную к международному стандарту компактных автомобилей.
Данный параметр на указанных модификациях составляет 4х100.
Однако данная разница вовсе не означает, что разболтовка 4х98 не позволяет установить на более старые автомобили диски от «Х-Рей». Напротив, все изделия обладают полной совместимостью, водители могут даже не использовать проставочные пластины, так как гайка может быть накручена до упора и надёжно фиксирует колесо.
- Среди всей продукции концерна «АвтоВАЗ» всегда шли особняком такие модели, как ВАЗ 2121, или классическая «Нива» и все производные от данного внедорожника: 5-дверная «Тайга», Chevrolet Niva и другие модели. Ввиду повышенных нагрузок на ступицы и колёса из-за неудовлетворительных дорожных условий, на которые были рассчитаны все параметры «Нивы», эти компактные вездеходы традиционно имели разболтовку дисков 5х139,7, с диаметром центрального отверстия 98,5 мм.
Эти увеличенные показатели давали колесу свободно сопротивляться изгибающему моменту, воспринимать большие нагрузки при переносе центра тяжести в одну сторону при движении по наклонной плоскости или при вынужденном вывешивании колёс, а также позволяли авто передавать больший крутящий момент на протекторы покрышек при движении в гору без риска поломки деталей.
Важно!
Несмотря на скудность ассортимента при оснащении транспортных средств и маленький выбор авто различных классов, завод добился максимальной универсальности в совместимости и возможности взаимозаменяемости колёсных дисков для авто, выпущенных в 2019 году или 50 лет назад.
Особенности размерности колёс для самых популярных моделей ВАЗ
Среди нескольких десятков модификаций ВАЗ наиболее популярными моделями за все 50 лет являлись только 2 из них, о чём можно судить по количеству проданных экземпляров. Размеры колёсных дисков для данных авто имели следующие параметры, которые менялись в зависимости от года выпуска, технической оснащённости и комплектации автомобиля:
- ВАЗ — последняя модификация «классики», выпускавшаяся на конвейерах завода в течение 30 лет: с 1982 по 2012 годы. На протяжении этого времени она ни разу не меняла свой внешний облик, а разболтовка дисков была едина – 4х98 с диаметром центрального отверстия 58,6 мм.
Ширина обода несколько менялась в зависимости от года выпуска модели.
Если в 1982 году на заводе производились модели с посадочным габаритом для шины в диапазоне от 5J до 5,5J, то на закате производства концерн увеличил допустимую размерность до 6J.
Радиальность колёс неизменно варьировалась от R13 до R15, что позволяла чередовать их по сезонам, периодически меняя профиль боковой части шины или сразу использовать всесезонные покрышки на диаметре R14.
Размер шин ВАЗ 2107 неизменно составлял всего 3 основных параметра – 175/70/R13, 185/60/R14 и 185/55/R15. Последний из перечисленных параметров активно пользовался спросом среди любителей быстрой езды по ровным городским дорогам.
На заметку.
Что же касается резины R13, то она позволяла водителю чувствовать себя максимально комфортно при езде по пересечённой местности, а также в зимнее время, когда высокий профиль корда принимал участие в сцеплении с поверхностью дороги. Но наиболее популярным параметром оставался универсальный размер R14 и самое большое количество шин реализовывалось именно в этой размерности.
Если рассмотреть более ранние авто концерна, можно убедиться в том, что колёсная база «Жигулей» практически не менялась на протяжении более чем 40 лет. Это приводит к моральной отсталости технического оснащения продукции завода. В то же время отсутствие новых разработок сильно снижает как скорость выпуска с конвейера, а также себестоимость на инженерное оснащение, что приводит к очень привлекательной розничной цене транспортного средства.
- ВАЗ 2114. Выпускалась в меньшем диапазоне — с 2001 по 2013 годы. Авто было лишь рестайлинговой модификацией классической «девятки». Наследие устаревшей модели не повлияло на высокую популярность этой «Лады», а все колёса, которые ставились в базовом исполнении на ступицы, имели ту же традиционную разболтовку 4х98, DIA 58,6 мм.
- Как и разболтовка ВАЗ 2114, ширина колёсных дисков мало чем отличалась от «семёрки» и колебалась в пределах 5J – 6J на весь период производства. Что же касается радиальности, то концерн полностью исключил из заводского оснащения диаметр в 15 дюймов, не запрещая при этом установку данного параметра водителями в качестве опции.
Разболтовка дисков ВАЗ 2114 в текущей размерности позволяла устанавливать также стандартные диски 4х100 в соответствии с привычными для Европы размерами.
Ни одна модель «Лады» никогда не выглядела агрессивно, визитной карточкой продукции была практичность и надёжность при эксплуатации. Концерн не использовал экстремальные показатели вылетов, и колёса всегда прятались под арками кузова. Средние предельные показатели ЕТ как для ВАЗ 2107, так и 2114, составляли ЕТ25…35 мм, а отступление от этой характеристики обязывало водителей устраивать на боковых частях кузова дополнительные брызговики и менять конструкцию ступиц, делая их более прочными во избежание деформаций.
Важно!
Разболтовка колес ВАЗ 2114, равно как и все прочие размерности ступицы и дисков, использовались на последователях марки – «Калине» и «Приоре». С приходом в отечественный концерн нового руководства параметр вовсе перестал существовать, так как у завода появилась новая ориентация на запад и возможный импорт продукции в ближайшие государства СНГ.
Таблица совместимости разболтовки жигулевских колес
Учитывая приведённые выше описания разболтовки, их можно легко объединить в одну информативную таблицу, в соответствии с которой каждый автолюбитель, имеющий в собственности ту или иную модель «Лады», всегда сможет правильно подобрать параметры колёсных дисков.
Данная таблица соответствия геометрических характеристик маркам и модификациям отечественных авто приводится ниже:
| Марка и модель ВАЗа | Диаметр диска, дюймы | Ширина обода, дюймы | Вылет колеса, ЕТ, мм | Разболтовка, шт х мм | Диаметр центрального отверстия, мм |
| ВАЗ 1111 («Ока») | 12, 13 | 4; 4,5; 5 | 35, 40 | 3х98 | 58,1 |
| ВАЗ 2101…2115, «Калина», «Приора» | 13, 14, 15 | 5; 5,5; 6 | 25, 30, 32, 35 | 4х98 | 58,6 |
| «Лада Гранта», «Веста», «Х-Рей» | 13, 14, 15, 16 | 5; 5,5; 6; 6,5 | 22, 25, 30, 32, 34, 35 | 4х100 | 58,6 |
| ВАЗ 2121 («Нива»), 2123, 2131, Chevrolet Niva | 15, 16, 17 | 5; 5,5; 6; 6,5; 7 | 15, 35, 58 | 5х139,7 | 98,5 |
Важно!
Данная таблица часто ложится в алгоритм специализированных программ, связанных с базой данных складского учёта.
Разболтовка колесных дисков ВАЗ — это очень важный показатель модели, который существенно ограничивает ассортимент предлагаемых в продаже изделий. Если водителю вдруг приглянулся какой-либо диск, имеющий другие характеристики, ему придётся полностью изменять конструкцию ступицы и устанавливать шпильки в новом порядке. Эксперты утверждают, что подобная практика чревата непредсказуемыми последствиями во время эксплуатации транспортного средства.
Диски на ВАЗ 2107: выбор, размер, разболтовка
Колеса автомобиля выполняют не только основные эксплуатационные функции. Стильный внешний вид транспортного средства трудно представить без ухоженных и радующих глаз дисков. Выбор изделий, на которые будут установлены покрышки, должен учитывать ряд факторов.
Тюнинговые решения никаким образом не должны приниматься в ущерб техническим характеристикам авто. Подбор дисков на ВАЗ-2107 будет успешным, если учесть ряд технологических и конструктивных особенностей модели.
Автомобиль ВАЗ 2107 в течение всего периода массового производства комплектовался штампованными дисками диаметром 13 дюймов (R13) под стандартные покрышки 175//70 R13. Экспортные варианты в порядке исключения комплектовались легкосплавными моделями такого же размера.
Кроме диаметра, различают еще ряд параметров автомобильных дисков:
- ширина;
- разболтовка;
- вылет;
- центровочное отверстие.
Штатная ширина обода ВАЗ-2107 различных моделей колеблется от 5 до 5,5 дюймов. Этот размер имеет большое значение для курсовой устойчивости автомобиля, от него зависит коэффициент сцепления с дорожным покрытием. Условное обозначение – 5,0J или 5,5J.
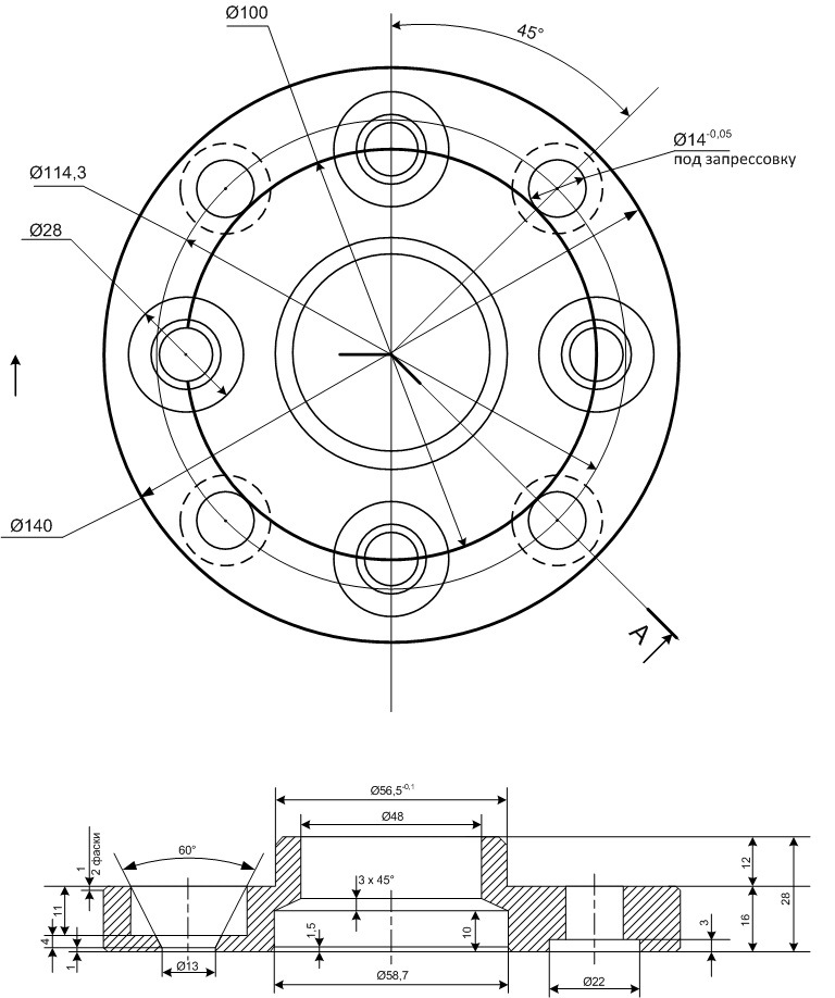
Разболтовка в серийных моделях обозначается символами 4х98, где 4 – количество отверстий для крепежных болтов, 98 – диаметр в миллиметрах окружности, на которой они расположены.
Выражаясь проще, 98 мм – расстояние между центральными осями противоположных отверстий. Начинающие автолюбители недооценивают еще один важный параметр. Диаметр самого отверстия влияет на надежность крепления колеса к ступице, его необходимо учитывать при выборе крепежных болтов.
Вылет – расстояние между плоскостью соприкосновения диска со ступицей и плоскостью, условной разрезающей обод по центру. Различают положительный и отрицательный вылет. В первом случае колесо утоплено в арку, во втором придвинуто к ее наружной границе или даже выступает за нее. Штатный вылет дисков ВАЗ-2107 положительный и составляет 29 мм (ЕТ29).
Центровочное отверстие для серийных моделей обозначается символами DIA 58,5. Цифры указывают диаметр ступицы в миллиметрах. Величина этого параметра важна при выборе новых дисков, при несовпадении центровочных величин дополнительно приобретается специальное уплотнительное кольцо. Плотность прилегания центрального отверстия диска к ступице – определяющий фактор, от него зависит правильная эксплуатация покрышек, отсутствие «биения» колеса.
Параметры штатных болтов
Крепление дисков осуществляется ключом 19 мм с помощью стальных болтов М12х1,25х27, где 12 обозначает диаметр, 1,25 – шаг резьбы, 27 – длину резьбовой части. Посадочное место имеет конусовидную форму для надежной фиксации и центрирования.
Использование болтов, не соответствующих техническим требованиям, приводит к вибрации колеса, способствует его отрыву.
Внештатные варианты
Автомобили ВАЗ-2107 оснащаются штамповкой, имеющей определенные преимущества и недостатки. Штампованные диски долго и надежно служат, гнутся, а не лопаются при ударе, легко поддаются ремонту даже в домашних условиях. Такие модели неприхотливы в эксплуатации, доступны по цене, не привлекают внимание злоумышленников. Однако относительно большой вес повышает расход топлива, затрудняет разгон и торможение, создает неудобства при монтаже, демонтаже.
Инновационные легкосплавные модели по способу изготовления делят на 3 категории:
- литые;
- кованые;
- сборные.

Литые изготавливаются из сплавов на основе алюминия или магния, что позволяет на треть снизить их вес по сравнению со штатными вариантами. Хрупкость и неэластичность материала при ударах приводит к сколам либо даже лопанию колеса.
Кованые изделия отличает увеличенная прочность и меньшая плотность благодаря технологии горячей штамповки. Для деформации нужно большое усилие, но неподатливость материала заставляет подвеску принимать на себя всю силу ударов при движении по плохой дороге.
Сборные состоят из 2-3 сегментов, скрепляемых болтами. На крепежный материал нужно обращать повышенное внимание. Стальные болты быстро ржавеют, титановые не поддаются коррозии. Составные части могут быть изготовлены разным методом и из разных материалов. Такое технологическое решение позволяет снизить вес, повысить взаимозаменяемость деталей и ремонтопригодность изделий.
Принципы выбора
Подбор дисков производится с учетом конструктивных особенностей автомобиля и условий эксплуатации, оценкой воздействия многих факторов.
ВАЗ-2107 на 14 дисках смотрится привлекательнее штатного варианта, однако надо учесть, что легкосплавная обновка приведет к дополнительным финансовым затратам из-за смены типоразмера покрышек.
Автомобиль на 15 дисках выглядит красиво, но требует применения низкопрофильной резины, иначе шины будут тереться об защиту колесных арок. Эксплуатация в условиях бездорожья, максимальной загрузки багажника при таком варианте чревата негативными последствиями.
Широкие диски с большим вылетом повышают устойчивость, но имеют свойство сильно загрязнять автомобиль при плохих погодных условиях. Большая снаряженная масса машины приводит к трению покрышек об подкрылки.
Выбор аксессуаров осуществляется с учетом соответствия параметров используемых шин типоразмерам дисков. Размеры на 13 дюймов исключают применение широкопрофильной резины из-за небольшого объема колесной арки.
Выбор внештатных дисков подразумевает замену покрышек автомобиля.
Необходимо учитывать рекомендованные экспертами допустимые размеры шин для ВАЗ-2107:
- диаметр 13-15 дюймов;
- ширина 165-185 мм;
- профиль шины – 55-80 %.
Допустимые параметры внештатных дисков
Тюнинг ВАЗ 2107 проводят исходя из параметров конструкции автомобиля. Погоня за стильным дизайном не должна входить в диссонанс с требованиями безопасности и комфорта.
Приведенная ниже таблица иллюстрирует некоторые критерии выбора (жирным выделены штатные показатели):
| Диск | Шина | Разболтовка | Давление, бар |
|---|---|---|---|
| 5Jx13 ET29 | 175/70 R13 | 4×98 | 1,9 |
| 5.5Jx13 ET32 | 175/70 R13 | 4×98 | 1,9 |
| 5.5Jx14 ET29 | 185/60 R14 | 4×98 | 2,0 |
| 6Jx15 ET25 | 185/55 R15 | 4×98 | 2,1 |
Центральное отверстие для ВАЗ 2107 должно иметь диаметр 58,5 мм.
Применение дисков с большим его размеров возможно при использовании специального адаптивного кольца.
Ценители экстремального дизайна, низкого профиля должны учитывать допустимые границы экспериментов:
- диаметр диска от 13 до 15 дюймов;
- вылет 24-34 мм;
- ширина обода 5-6 дюймов;
- центральное отверстие 58,5 мм;
- разболтовка строго 4х98.
При выборе вылета нужно помнить, что широкие диски требуют меньшего его значения.
В исключительных случаях любители экстрима устанавливают изделия с другими показателями разболтовки, центрального отверстия, но это возможно при замене отдельных деталей автомобиля (ступица, тормозной барабан). Эксперты не советуют вносить изменения в конструктивные особенности автомобиля.
Знание конструктивных особенностей ВАЗ-2107 и соблюдение норм технической эксплуатации позволяют выбрать привлекательные модели дисков без снижения технических характеристик автомобиля и угрозы безопасности вождения.
Наименьшее возможное расстояние между двумя отверстиями
Какое наименьшее возможное расстояние между металлическими сквозными отверстиями?
A. Отверстия являются частью разных электрических сетей?
Металлизированные сквозные отверстия, которые относятся к другой электрической сети, требуют минимум 0,25 мм основного материала между стенками отверстий. Чтобы рассчитать это, вам нужно будет рассчитать размер производственного инструмента, который на 0,10 мм больше диаметра конца.
А 1.Размер готового отверстия PTH 00 мм просверливается инструментом 1,10 мм. Таким образом, чтобы оставить 0,25 мм основного материала между двумя отверстиями диаметром 1,00 мм, их центральные координаты должны находиться на расстоянии 1,35 мм друг от друга. Другими словами: два отверстия PTH из другой электрической сети должны находиться на расстоянии 0,35 мм друг от друга, измеренного по размеру готовых отверстий (конечный диаметр).
Зачем нам это расстояние?
Сверло меньше 0,25 мм для просверливания расстояний приведет к образованию микротрещин вдоль стенок из стекловолокна. Химические вещества, используемые в гальванической линии, могут проникать в эти трещины и создавать небольшие короткие замыкания между стенками отверстий.Сопротивление этих шорт обычно превышает 1 МОм.
Почему раньше мы могли использовать меньшее расстояние?
В прошлом (до 2006 года) расстояние могло быть меньше, потому что мы использовали только основной материал для технологии выводов печатных плат. Материалы для бессвинцовой технологии печатных плат более хрупкие и, следовательно, более чувствительны к трещинам и проникновению влаги.
B. Отверстия являются частью одной электрической сети?
Когда плакированные сквозные отверстия являются частью одной и той же электрической сети, разработчик печатной платы может решить, что возможные короткие замыкания, описанные в пункте А выше, не вызывают никаких проблем.
В этом случае мы можем произвести эти соседние отверстия PTH с помощью дистанционного сверла 0,15 мм. Другими словами: 0,25 мм между диаметрами готовых отверстий.
Зачем нам это расстояние?
Если расстояние между стенками отверстия станет меньше 0,15 мм, это приведет к плохому сверлению, что приведет к повреждению основного материала и поломке сверла. Это приводит к увеличению затрат, которого можно избежать.
Какое наименьшее возможное расстояние между сквозными отверстиями без покрытия?
Между незакрытыми сквозными отверстиями также нужно оставлять 0.Сверло 15 мм, чтобы просверлить расстояние. Для отверстий NPTH диаметр инструмента равен диаметру конечного размера. Другими словами: нам нужно 0,15 мм между диаметрами готовых отверстий.
Зачем нам это расстояние?
Причина была объяснена в пункте B. выше. Если расстояние между стенками отверстия станет меньше 0,15 мм, это приведет к плохому сверлению, что приведет к повреждению основного материала и поломке сверла.
Это приводит к увеличению затрат, которого можно избежать.
Твердые тела вращения с дисками и шайбами
У нас может быть функция, например, эта:
И поверните его вокруг оси x следующим образом:
Чтобы найти его том , мы можем сложить серию дисков :
Лицевая сторона каждого диска представляет собой круг:
Площадь круга равна π в раз больше квадрата радиуса:
A = π r 2
А радиус r — это значение функции в этой точке f (x) , поэтому:
A = π f (x) 2
И том находится путем суммирования всех этих дисков с помощью интеграции:
И это наша формула для тел вращения по дискам
Другими словами, чтобы найти объем вращения функции f (x): , проинтегрируйте число пи, умноженное на квадрат функции .
Пример: Конус
Возьмем очень простую функцию y = x между 0 и b
Поверните его вокруг оси x .
.. и у нас есть конус!
Радиус любого диска — это функция f (x), которая в нашем случае просто x
Каков его объем? Интегрируйте число пи, умноженное на квадрат функции x :
Во-первых, давайте разместим pi вне (yum).
Серьезно, можно вывести константу за пределы интеграла:
Используя правила интеграции, мы находим, что интеграл x 2 равен x 3 /3 + C
Чтобы вычислить этот определенный интеграл, мы вычисляем значение этой функции для b и для 0 и вычитаем, например:
Объем = π (b 3 /3 — 0 3 /3)
= π б 3 /3
Сравните этот результат с более общим объемом конуса:Объем = 1 3 π r 2 ч
Когда и r = b , и h = b , получаем:
Объем = 1 3 π б 3
В качестве интересного упражнения, почему бы не попробовать самостоятельно разработать более общий случай любых значений r и h?
Мы также можем вращать вокруг других линий, например x = −1
Пример: наш конус, но примерно x = −1
Итак, имеем:
При повороте на x = −1 это выглядит так:
Конус стал больше, с отрезанным острым концом (усеченный конус )
Давайте нарисуем образец диска, чтобы мы могли решить, что делать:
ОК.
Каков радиус? Это наша функция y = x плюс дополнительный 1 :
у = х + 1
Затем проинтегрируем число пи, умноженное на квадрат этой функции :
Pi за пределами и расширить (x + 1) 2 до x 2 + 2x + 1:
Объем = π (x 2 + 2x + 1) dxИспользуя правила интеграции, мы находим, что интеграл x 2 + 2x + 1 равен x 3 /3 + x 2 + x + C
И переходя между 0 и b получаем:
Объем = π (b 3 /3 + b 2 + b — (0 3 /3 + 0 2 +0))
= π (б 3 /3 + б 2 + б)
Теперь о другом типе функций:
Пример: функция квадрата
Возьмем y = x 2 между x = 0.6 и x = 1,6
Повернуть вокруг оси x:
Каков его объем? Интегрируйте число Пи, умноженное на квадрат x 2 :
Упростите, поставив Пи снаружи, а также (x 2 ) 2 = x 4 :
Интеграл x 4 равен x 5 /5 + C
И переходя между 0,6 и 1,6 получаем:
Объем = π (1.
6 5 /5 — 0,6 5 /5)
≈ 6,54
Можете ли вы повернуть y = x 2 примерно на x = −1?
Итого:
- Пи за пределами
- Интегрировать функцию в квадрате
- Вычесть нижнюю часть из верхней
Об оси Y
Мы также можем вращаться вокруг оси Y:
Пример: функция квадрата
Возьмем y = x 2 , но на этот раз с использованием оси y между y = 0.4 и y = 1,4
Повернуть вокруг оси Y :
А теперь мы хотим интегрировать по оси y!
Итак, нам нужно что-то вроде x = g (y) вместо y = f (x). В данном случае это:
х = √ (у)
Теперь проинтегрируем число пи, умноженное на квадрат √ (y) 2 (и dx теперь составляет dy ):
Упростить с пи снаружи и √ (y) 2 = y:
Интеграл от y равен y 2 /2
И, наконец, между 0.
4 и 1.4 получаем:
Объем = π (1,4 2 /2 — 0,4 2 /2)
≈ 2,83 …
Метод промывки
Шайбы: диски с отверстиями
Что, если нам нужен объем между двумя функциями ?
Пример: Объем между функциями y = x и y = x 3 от x = 0 до 1
Это функции:
Вращается вокруг оси x:
Диски теперь «шайбы»:
И у них площадь межтрубного пространства:
В нашем случае R = x и r = x 3
По сути, это то же, что и метод с диском, за исключением того, что мы вычитаем один диск из другого.
Итак, наша интеграция выглядит так:
Объем = π (x) 2 — π (x 3 ) 2 dxИмеет число Пи снаружи (для обеих функций) и упрощает (x 3 ) 2 = x 6 :
Интеграл от x 2 равен x 3 /3, а интеграл от x 6 равен x 7 /7
Итак, переходя между 0 и 1, получаем:
Объем = π [(1 3 /3 — 1 7 /7) — (0−0)]
≈ 0.
598 …
Таким образом, метод шайбы похож на метод диска, но внутренний диск вычитается из внешнего диска.
Определение расстояния между двумя числами
Чтобы найти расстояние между двумя числами, мы должны найти абсолютную разницу между ними.
Если мы используем числовую линию, чтобы найти расстояние между ними, мы должны подсчитать количество единиц между двумя числами.
Пример 1:
Найдите расстояние между 11 и 8.
Ответ:
Найдите абсолютную разницу:
| 11 — 8 | = | 3 | = 3
Итак, расстояние между 11 и 8 составляет 3 единицы.
Пример 2:
Найдите расстояние между -5 и 6.
Ответ:
Найдите абсолютную разницу:
| -5 — 6 | = | -11 | = 11
Итак, расстояние между -5 и 6 составляет 11 единиц.
Пример 3:
Найдите расстояние между -3 и 2, используя числовую прямую.
Ответ:
Шаг 1:
Отметьте -3 и 2 в числовой строке.
Шаг 2:
Подсчитайте количество единиц от -3 до 2, как показано на рисунке ниже.
Итак, расстояние между -3 и 2 составляет 5 единиц.
Пример 4:
Спелеолог поднялся с высоты -11 метров на высоту -5 метров. На какое расстояние по вертикали поднялся исследователь?
Ответ:
Метод 1:
Начать с -11.
Подсчитайте количество единиц в вертикальной числовой строке до -5.
Исследователь поднялся на 6 метров. Это означает, что вертикальное расстояние от -11 метров до -5 метров составляет 6 метров.
Метод 2:
Найдите разницу между двумя отметками и используйте абсолютное значение, чтобы найти расстояние.
-11 — (-5) = -11 + 5 = -6
Возьмите абсолютное значение разницы, потому что пройденное расстояние всегда является неотрицательным числом.
| -11 — (-5) | = | -6 | = 6
Итак, вертикальное расстояние 6 метров.
Пример 5:
Имеет ли значение, каким образом вы вычитаете значения при определении расстояния? Объясни.
Ответ:
Нет, это не имеет значения, поскольку вы берете абсолютное значение разницы.
Пример 6:
. Работали бы те же методы, если бы оба числа были положительными? Что, если одно из чисел было положительным, а другое отрицательным?
Ответ:
Да, потому что мы берем абсолютное значение разницы.
Помимо вышеперечисленного, если вам нужны еще какие-либо сведения по математике, воспользуйтесь нашим пользовательским поиском Google здесь.
Если у вас есть какие-либо отзывы о наших математических материалах, напишите нам:
Мы всегда ценим ваши отзывы.
Вы также можете посетить следующие веб-страницы, посвященные различным вопросам математики.
ЗАДАЧИ СО СЛОВАМИ
Задачи со словами HCF и LCM
Задачи со словами на простых уравнениях
Задачи со словами на линейных уравнениях
Задачи со словами на квадратных уравнениях
054 Алгебраные задачи 4 Проблемы со словами в поездах
Проблемы со словами по площади и периметру
Проблемы со словами по прямой и обратной вариациям
Проблемы со словами по цене за единицу
Проблемы со словами по цене за единицу
Word задачи по сравнению ставок
Преобразование обычных единиц в текстовые задачи
Преобразование метрических единиц в текстовые задачи
Word задачи по простому проценту
Word по сложным процентам
Word по типам ngles
Проблемы со словами с дополнительными и дополнительными углами
Проблемы со словами с двойными фактами
Проблемы со словами тригонометрии
Проблемы со словами в процентах
Проблемы со словами о прибылях и убытках
Разметка и разметка Проблемы со словами
Проблемы со словами с десятичными числами
Проблемы со словами с дробями
Проблемы со словами в смешанных фракциях
Одношаговые задачи с уравнениями со словами
Проблемы со словами с линейными неравенствами
Соотношение и пропорции Задачи со словами
Проблемы со временем и рабочими словами
Проблемы со словами на множествах и диаграммах Венна
Проблемы со словами на возрастах
Проблемы со словами в теореме Пифагора
Процент числового слова pr проблемы
Проблемы со словами на постоянной скорости
Проблемы со словами на средней скорости
Проблемы со словами на сумме углов треугольника 180 градусов
ДРУГИЕ ТЕМЫ
Сокращения прибылей и убытков
Сокращения в процентах
Сокращения в таблице времени
Сокращения времени, скорости и расстояния
Сокращения соотношения и пропорции
Домен и диапазон рациональных функций
Домен и диапазон рациональных функций функции с отверстиями
График рациональных функций
График рациональных функций с отверстиями
Преобразование повторяющихся десятичных знаков в дроби
Десятичное представление рациональных чисел
Нахождение квадратного корня с помощью long di видение
L.
Метод CM для решения задач времени и работы
Преобразование задач со словами в алгебраические выражения
Остаток при делении 2 в степени 256 на 17
Остаток при делении 17 в степени 23 на 16
Сумма всех трехзначных чисел, делимых на 6
Сумма всех трехзначных чисел, делимых на 7
Сумма всех трехзначных чисел, делимых на 8
Сумма всех трехзначных чисел, образованных с использованием 1, 3 , 4
Сумма всех трех четырехзначных чисел, образованных ненулевыми цифрами
Сумма всех трех четырехзначных чисел, образованных с использованием 0, 1, 2, 3
Сумма всех трех четырехзначных чисел числа, образованные с использованием 1, 2, 5, 6
Как далеко между
Этот инструмент можно использовать для определения расстояния между двумя именованными точками на карте.Вы можете решить, какие две точки измерять, а затем узнать расстояние между ними по прямой и расстояние при движении.
Введите названия мест ниже и нажмите кнопку «Показать».
Как использовать
Просто введите названия двух мест в текстовых полях и нажмите кнопку «Показать»!
Наилучший формат для ввода местоположения — [Город, Страна], то есть [Город (запятая) (пробел) Страна]. Вы также можете печатать прямо в основных местах, таких как «США», «Токио», «Лондон» и т. Д.Также можно использовать почтовые индексы и адреса.
Когда вы нажимаете кнопку поиска, будет произведен поиск, чтобы найти то место, о котором вы говорите. Во-первых, производится поиск по внутреннему списку общих мест. Если совпадений не найдено, поиск будет выполнен с использованием функции GlocalSearch API Карт Google. Если и это не дает результатов, вас попросят указать местоположение точки, щелкнув карту. Это позволяет вам увидеть расстояние между двумя точками, а также ввести местоположение во внутреннюю базу данных, чтобы в следующий раз, когда посетитель будет искать это местоположение, оно будет найдено.
Как только результат будет возвращен, вы можете скопировать URL-адрес, чтобы использовать его в качестве постоянной ссылки обратно на результат для вашей собственной ссылки или для передачи другим людям.
Примечание : для почтовых индексов используйте расстояние между почтовыми индексами, для почтовых индексов Великобритании используйте инструмент расстояния для почтовых индексов Великобритании. Кроме того, чтобы найти расстояние между точками, которые не названы, вы можете использовать инструмент «Измерить расстояние».
О том, как далеко между
Этот инструмент можно использовать для определения расстояния между странами, городами или поселками.
Выводятся два расстояния:
- As the Crow Flies — Прямое расстояние между точками
- Расстояние наземным транспортом (если возможно) — оценка расстояния при движении по дороге и по морю.
Расстояния можно вывести в следующих единицах:
Результатом является измерение расстояния, а также карта, которая показывает эти два местоположения и путь между ними по прямой, а также маршрут наземным транспортом.
Вы можете использовать элементы управления на карте для:
- Панорамирование карты
- Увеличить карту
- Переключение между режимами просмотра карты и спутников
Некоторые примеры расстояний
Некоторые расстояния между городами, которые можно найти с помощью системы.Щелкните по одному из них, чтобы увидеть его, или введите свое собственное место выше в текстовые поля.
- Как далеко между Торонто, Онтарио и Лидсом, Англия
- Как далеко между Оттавой, Онтарио, Канада и Портлендом Орегон, США
- Как далеко между Белфастом, Северная Ирландия и Норвичем, Норфолк, Великобритания
- Как Далеко между Гамбургом, Германия и Лондоном, Великобритания
- Как далеко между Лондоном, Англия и Бразилия, Бразилия
Известные проблемы
- Красная линия не пересекает международную линию перемены дат
- Автоматический зум не работает, когда кратчайшее расстояние пересекает международную линию перемены дат
- Разрешить запросы на удаление точек из базы данных для сохранения информации в порядке
Если вы заметили что-то, что требует решения, обратитесь в Free Map Tools.
История версий
- 15 октября 2018: Исправлена ошибка, неверное расстояние, когда маршрут пересекал IDL
- 30 сентября 2018: исправление ошибки, некорректное поведение после расчета 2-го, 3-го и т. Д. Маршрута
- 28 сентября 2018: Исправлена ошибка, при вычислении 2-го расстояния возникала ошибка
- 21 сентября 2018: исправлена проблема с форматом времени в пути
- , 19 сентября 2018: переключены на карты Leaflet
- 14 ноября 2016 г .: теперь выводится продолжительность поездки, если применимо
- 28 июня 2016 г .: вывод URL-адреса теперь содержит информацию о единицах (KM)
- 22 июня 2016 г .: настройка км / миль теперь будет сохранять и запоминать свое состояние между сессиями
- 28 мая 2015 г .: Теперь использует места Google.Автозаполнение
- 15 марта 2015: новая возможность объезжать автомагистрали / автомагистрали
- 27 января 2015: добавлена кнопка полноэкранного режима
- 8 января 2014 г .
: Устранена незначительная проблема. Когда маршруты проезда не найдены, в поле отображается надпись «Н / Д». Ранее он не обновлялся и иногда сохранял значение предыдущего поискового расстояния - 7 января 2014 г .: Решена незначительная проблема, из-за которой маршрут проезда из старого измерения все еще отображался, когда выполнялся другой поиск.
- 13 ноября 2013 г .: Реализован API Карт Google версии 3
- 7 марта 2010: Добавлен новый вид транспорта… Пассажирский самолет
- 2 декабря 2009: Теперь предлагаемые города и страны отображаются намного быстрее. Также показывает самые популярные места вверху списка
- 20 января 2008 г .: Улучшено автоматическое масштабирование для получения более точных результатов
- 15 декабря 2007: добавлена опция сохранения данных
- 29 ноября 2007: добавлена опция измерения наземного транспорта
- 4 ноября 2007 г .: Динамический URL для сохранения расстояния между X и Y
- 21 октября 2007: Добавлен поиск GlocalSearch для автоматического поиска других мест
- , 18 июля 2007 г. Исправлены раскрывающиеся списки, поэтому они перекрывают все содержимое ниже
.- 1 июля 2007 г .: Работа над разрешением пользователям добавлять новые местоположения, если их нет в системе
- 30 июня 2007 г .: Страница создана с использованием базовых функций
Соответствующие ссылки
Leaflet — JavaScript-библиотека для интерактивных карт
Расстояние
Абсолютное
Вычисляет абсолютное значение аргумента.
Добавить
Выводит сумму своих входов.
Добавить атрибут
Добавляет новый атрибут.
Добавить константу
Добавляет указанное постоянное значение к входящему целому числу с плавающей запятой,
значение вектора или вектора4.
Добавить соединение
Добавляет соединение KineFX к геометрии.
Добавить точку
Добавляет точки к геометрии.
Добавить точку в группу
Добавляет указанную точку в заданную группу.
Добавить примитив
Добавляет примитивы к геометрии.
Добавить усилие поворота
Умножьте усилие рулевого управления на атрибуты рулевого веса и нормализуйте результаты на общий вес рулевого управления.
Добавить вершину
Добавляет вершины к геометрии.
Добавить силу ветра
Добавляет силу ветра в симуляцию.
Advect по объемам
Добавляет позицию с помощью набора примитивов тома, хранящихся в файле на диске.
Каталог клипов агента
Возвращает все анимационные клипы, загруженные для примитива агента.
Длина клипа агента
Возвращает длину (в секундах) анимационного клипа агента.
Имена роликов агента
Возвращает текущие анимационные клипы примитива агента.
Образец клипа агента
Делает выборку анимационного клипа агента в определенное время.
Частота дискретизации клипов агента
Возвращает частоту дискретизации анимационного клипа агента.
Время роликов агента
Возвращает текущее время для анимационных клипов примитива агента.
Вес зажима агента
Возвращает веса наложения для анимационных клипов примитива агента.
Преобразование агента Преобразования
Преобразует преобразования между локальным пространством и мировым пространством для примитива агента.
Привязки уровня агента
Возвращает преобразование, к которому привязана каждая фигура на уровне агента.
Имя уровня агента
Возвращает имя текущего слоя или уровня столкновения агента.
Формы слоя агента
Возвращает имена фигур, на которые ссылается слой примитива агента.
Уровни агента
Возвращает все уровни, которые были загружены для примитива агента.
Агент Риг Дети
Возвращает дочерние преобразования преобразования в оснастке примитива агента.
Агент Риг Найти
Находит индекс преобразования в оснастке примитива агента.
Агент Риг Родитель
Возвращает родительское преобразование преобразования в оснастке примитива агента.
Счетчик преобразований агента
Возвращает количество преобразований в оснастке примитива агента.
Имена преобразования агентов
Возвращает имя каждого преобразования в оснастке примитива агента.
Агент трансформируется
Возвращает текущие преобразования локального или мирового пространства примитива агента.
Выровнять
Вычисляет матрицу, представляющую вращение вокруг осей, нормальных к двум векторам, на угол между двумя векторами.
Альфа Микс
Принимает два значения альфа в зависимости от относительной ориентации поверхности.
к камере и смешивает их с
спад в качестве контроля смещения, эффективно удаляя силуэты
геометрия кромок.
Окружающий
Создает цвет, используя расчет модели окружающего освещения.
А также
Выполняет логическую операцию «и» между своими входами и возвращает 1 или 0.
Сглаженный шум потока
Генерирует сглаженный (дробное броуновское движение) шум с помощью
производная информация входящей позиции для вычисления
полосовой шум.
Сглаженный шум
Создает сглаженный шум, используя информацию о производной входящей позиции для вычисления шума с ограниченной полосой пропускания.
Параметр сглаживания рампы
Добавить
Добавляет элемент в массив или строку.
Арктангенс
Выполняет функцию atan2 ()
Массив содержит
Проверяет, существует ли значение в массиве.
Индекс поиска в массиве
Находит первое местоположение элемента в массиве или строке.
Индексы поиска в массиве
Находит все местоположения элемента в массиве или строке.
Длина массива
Выдает длину массива.
Затухающий спад
Вычисляет ослабленный спад.
В среднем
Выводит среднее значение своих входов.
Компонент среднего вектора
Вычисляет среднее значение аргумента вектора.
BSDF оттенок
Оттеняет BSDF с раздельным управлением цветом и яркостью.
Выпекать экспорт
Экспорт затенения для использования в плоскостях запекания
Смещение
Привязать
Представляет атрибут, связанный с VEX.
Преобразование точки привязки
Связывает точечное преобразование KineFX с точечным индексом.
Смешать регионы
Принимает входной сигнал с плавающей запятой в качестве смещения для смешивания трех входных значений.
регионы.
Смешать преобразования
Смешивает две матрицы преобразования KineFX.
Заблокировать начало
Обозначает начало блока кода.
Заблокировать начало для
Обозначает начало блока цикла for.
Заблокировать начало для каждого
Обозначает начало блока цикла для каждого.
Заблокировать начало, если
Обозначает начало блока кода if.
Конец блока
Обозначает конец кодового блока.
Блокировать конец Break-If
Обозначает конец кодового блока.
Блокировать конец пока
Обозначает конец временного блока кода.
Ограничительная рамка
Возвращает два вектора, представляющих минимальный и максимальный углы ограничивающей рамки для указанной геометрии.
Зажим для коробки
Обрезает линейный сегмент, определенный точками p1 и p2, до ограничивающей рамки.
задается минимальной и максимальной угловыми точками.
Коробки
Создает повторяющиеся фильтрованные квадраты.
Брикер
Создает образец кирпича на основе параметрических s и t
координаты.
Матовые круги
Выводит угол, создающий вид рисунка круглой кисти при использовании с направлением анизотропии.
Матовый металлический шейдер
Базовый шейдер для матового металла.
Ударный шум
Смещает поверхности по нормали, используя сглаженный шум, и
возвращает положение смещенной поверхности, нормаль и величину смещения.
Перейти на карту нормалей
Вычислить карту нормалей касательного пространства на основе карты рельефа
Мешковина
Создает шаблон смещения мешковины, полезный для имитации грубого
ткань или образцы плетения.
Образец мешковины
Возвращает плавающее значение между 0 и 1, которое определяет узор мешковины, полезный для имитации грубой ткани или узоров плетения.
Вход COP
Возвращает значение пикселя в одном из 4 входных COP, подключенных к VEX.
КС.
CVEX Shader Builder
Узел, который реализует шейдер CVEX, используя его дочерние VOP.
Шейдер автомобильной краски
Имитирует автомобильную краску с металлическими чешуйками и слоем покрытия.
Полости
Создает смещение поверхности, имитирующее небольшие повреждения поверхности.
с использованием сглаженного шума различной частоты.
Потолок
Возвращает наименьшее целое число, большее или равное
аргумент.
Ячеистые трещины
Создает смещение клеточной трещины, подходящее для моделирования кожи,
кожа, засохшая земля и всякие корки.
Сотовый шум
Вычисляет двухмерный сотовый шум со сглаживанием, подходящий для затенения.
Символ в строку
Преобразует кодовую точку Юникода в строку UTF8.
Клетчатый
Возвращает число от 0 до 1, определяющее клетчатый узор, полезный для визуализации параметрических координат или координат текстуры.
Зажим
Устанавливает входные данные между минимальным и максимальным значениями.
Класс Cast
Понижает общий (анонимный) объект ко-шейдера до определенного ко-шейдера
Классический шейдер
Гибкий материал, включающий несколько слоев отражения, подповерхностное рассеяние, преломления и смещения.
Классическое шейдерное ядро
Мощный, очень гибкий универсальный шейдер поверхности со смещением.
Собирать
Столкновение с геометрией
Столкнет указанное соединение с целевой геометрией.
Цветокоррекция
Предоставляет средства для изменения оттенка, насыщенности, интенсивности, смещения, усиления и гаммы входного цвета.
Цветовая карта
Ищет один образец цвета RGB или RGBA из образа диска.
Цветовой микс
Вычисляет смешение (или смесь) двух входных цветов и выводит
получившийся цвет.
Преобразование цвета
Комбинировать локальное преобразование
Объединяет локальные и родительские преобразования KineFX с наследованием масштаба.
Сравнить
Сравнивает два значения и возвращает истину или ложь.
Дополнение
Вычисляет дополнение аргумента путем вычитания аргумента.
с 1.
Композитный
Вычислить освещение
Вычисляет освещение с использованием физического рендеринга.
Вычислить нормальный
Этот узел обеспечивает более тонкий контроль над обработкой нормального атрибута в VOP.
Вычислить касательные
Вычислить касательные поверхности разными способами.
Дирижер Френель
Выводит физически правильный коэффициент отражения для проводящих материалов.
Экономить энергию
Установите коэффициент отражения bsdf на 1.
Постоянный
Выводит постоянное значение любого типа данных VEX.
Контур
Увеличивает или уменьшает контраст для значений в нижней части диапазона ввода.
Копировать
Принимает одиночный ввод любого типа данных.
Косинус
Выполняет функцию косинуса.
Треск
Возвращает значение float между 0 и 1, которое определяет узор потрескивания, полезный для имитации мелкозернистой текстуры кожи или в более крупном масштабе высушенных ил.
Создать группу точек
Создает новую группу точек с указанным именем.
Перекрестный продукт
Вычисляет перекрестное произведение двух векторов, определенных как вектор
перпендикулярно обоим входным векторам.
Завиток шума
Создает трехмерный шум без расхождений с помощью функции curl.
Curl Noise 2D
Создает 2D-шум без расхождений с помощью функции curl.
Кривизна
Вычисляет кривизну поверхности.
Кривая Решателя
Располагает и ориентирует точки KineFX по кривой и списку длин сегментов.
Декаль
OTL, который выполняет компостирование текстурных карт.
Градусы в Радианы
Преобразует градусы в радианы.
Процедура отложенной загрузки
Отложенное чтение архива
Карта глубины
Работает с изображением, которое было визуализировано как изображение глубины z, возвращая
расстояние от камеры до пикселя (или плоскости) в
вопрос.
Детерминант
Вычисляет определитель матрицы 4 × 4 или 3 × 3.
Клавиши словаря
Создает ключи словаря.
Длина словаря
Выдает длину словаря.
Прямое освещение
Внутренний VOP, используемый для расчета прямого освещения.
Направление к ребенку
Вычисляет направление к дочернему элементу KineFX.
Направление к родителю
Вычисляет направление на родительский узел KineFX
Грязевая маска
Маскирует щели или открытые края
Вытеснить
Смещает положение поверхности и изменяет нормали поверхности.
Смещение по нормали
Смещает поверхность по нормали к поверхности на заданную величину.
Текстура смещения
Изменяет нормали и / или положения на основе карты текстуры.
Расстояние
Возвращает расстояние между двумя точками 3D или 4D.
Расстояние от точки до линии
Возвращает ближайшее расстояние между точкой и отрезком линии.
определяется двумя конечными точками.
Делить
Выводит результат деления каждого входного значения на следующее.
Разделить константу
Делит входящее целое число, значение с плавающей запятой, вектор или вектор4 на
указанное постоянное значение.
Скалярное произведение
Вычисляет скалярное произведение двух векторов.
Двойной отдых
Выводит дезинфицированные значения двойного упора.
Решатель Dual Rest
Дезинфицирует данные атрибутов двойного покоя для упрощения использования.
Edge Falloff
Создает плавный откат входящего цвета от центра
геометрия к краям на основе нормали к поверхности.
Образец яичной скорлупы
Возвращает новую нормаль поверхности (N) с небольшой мелкозернистой выпуклостью.
Собственные значения
Заканчивается
Результат 1, если строка заканчивается указанной строкой.
Карта окружающей среды
Устанавливает карту окружения (на бесконечной сфере) и возвращает ее
цвет.
Эйлер в Кватернион
Строит кватернион с заданным вращением Эйлера.
Экспоненциальный
Вычисляет экспоненциальную функцию аргумента.
Извлечь локальное преобразование
Вычисляет локальное преобразование для точки KineFX, используя преобразования ее и ее родительского мира.
Извлечь преобразование
Извлекает компонент сдвига, вращения, масштаба или сдвига 4 × 4
преобразовать матрицу.
Поддельные каустики
Выходы и значение непрозрачности, которые можно использовать для аппроксимации эффектов каустического освещения.
Быстрая тень
Посылает луч из позиции P в направлении, указанном
направление Д.
Имя поля
Предоставляет «резервное» значение для поля / атрибута, если поле не
существует или заданное имя поля является пустой строкой.
Параметр поля
Предоставляет «резервное» значение для поля / атрибута, если поле не
существует или заданное имя поля является пустой строкой.
Образец нити
Преобразование точки фильтра
Найдите точку в массиве и верните преобразования в соответствующие массивы.
Фильтр импульсной последовательности
Фильтрует ввод.
Фильтр тени
Посылает луч из позиции P в направлении, указанном
направление D, а…
Шаг фильтра
Вычисляет вес сглаживания ступенчатой функции.
Ширина фильтра
Эта функция возвращает квадратный корень из площади входных данных 3D или длину производной входных данных с плавающей запятой, например s или t.
Найти значение атрибута
Найти количество значений атрибута
Найти значение атрибута по индексу
Найти преобразование точки
Найдите точку на заданной геометрии и верните ее преобразования.
Диапазон подгонки
Принимает значение в исходном диапазоне и сдвигает его на
соответствующее значение в целевом диапазоне.
Диапазон посадки (без зажима)
Принимает значение в исходном диапазоне и сдвигает его на
соответствующее значение в целевом диапазоне.
С плавающей точкой в целое число
Преобразует значение с плавающей запятой в целое число.
Плавать в матрицу
Преобразует шестнадцать значений с плавающей запятой в матричное значение 4 × 4.
Плавать в Matrix2
Преобразует четыре значения с плавающей запятой в значение matrix2.
Плавать в Matrix3
Преобразует девять значений с плавающей запятой в значение matrix3.
Плавать в вектор
Преобразует три значения с плавающей запятой в векторное значение.
Плавать в Vector2
Преобразует два значения с плавающей запятой в значение vector2.
Плавать в Vector4
Преобразует четыре значения с плавающей запятой в значение vector4.
Пол
Возвращает наибольшее целое число, меньшее или равное аргументу.
Шум потока
Генерирует 1D и 3D шум потока Perlin из 3D и 4D данных.
Для каждого преобразования
Выполните ту же операцию с массивом преобразований.
Дробная часть
Вычисляет дробную составляющую аргумента.
Френель
Вычисляет вклады отражения / преломления Френеля.
с учетом нормализованного падающего луча, нормализованной нормали к поверхности и
показатель преломления.
Из НДЦ
Преобразует положение из обычных координат устройства в
координаты в соответствующем пространстве.
Из НДЦ
Преобразует положение из обычных координат устройства в
координаты в соответствующем пространстве.
С полярного
Преобразует полярные координаты в декартовы координаты.
Лицевая сторона
Возвращает нормаль лицевой стороны поверхности по нормали к поверхности.
(N) и падающий луч (I).
Глобальные переменные Fur Guide
Предоставляет выходные данные, представляющие обычно используемые входные переменные мехового гида.
шейдерная сеть.
Выходные переменные и параметры меховой направляющей
Предоставляет входные данные, представляющие выходные переменные шейдера направляющей меха.
сеть.
Мех процедурный
Создает набор волосковых кривых на поверхности во время рендеринга.
Глобальные переменные меховой кожи
Предоставляет выходные данные, представляющие обычно используемые входные переменные кожи меха.
шейдерная сеть.
Переменные и параметры выхода меховой кожи
Предоставляет входные данные, представляющие выходные переменные шейдера кожи меха.
сеть.
Борозды
Смещает поверхность по нормали к поверхности на величину, равную
значение сглаженной косинусоидальной волны.
Нечеткое И
Выполняет нечеткую операцию «и» между своими входами и возвращает значение от 0 до 1.
Нечеткий Defuzz
Выполняет операцию дефаззификации между входными нечеткими наборами и возвращает четкое значение.
Нечеткий вывод
Выполняет операцию нечеткого вывода для каждого входа, чтобы определить истинность нечеткого набора, определенного на этом узле.
Зеркало нечеткого вывода
«Этот узел представляет два выведенных нечетких набора, которые являются зеркалами друг друга.
Нечеткий ввод
Выполняет операцию «размытия», которая вычисляет нечеткое значение с учетом функции принадлежности и четкого входного значения.
Нечеткое нет
Этот оператор выполняет нечеткую операцию «не» над целым числом или значением с плавающей запятой.
Чувство нечеткого препятствия
Обнаруживает препятствия в поле зрения агента.
Нечеткое или
Выполняет нечеткую операцию «или» между своими входами и возвращает значение от 0 до 1.
Усиление
Собрать петлю
Отправляет лучи в сцену и содержит подсеть VOP для работы с информацией, полученной от шейдеров поверхностей, на которые попадают лучи.
Гауссовский случайный
Создает случайное число, соответствующее гауссовскому распределению.
Гауссовский случайный УФ
Создает случайное число, соответствующее гауссовскому распределению.
Генерал Френель
Вычисляет вклады и векторы отражения / преломления Френеля для объектов с глубиной или без нее.
Общий шейдер
Представляет шейдер.
Глобальные параметры Geometry VOP
Предоставляет выходные данные, которые представляют все глобальные переменные для
Атрибут типов сети VOP.
Выходные переменные Geometry VOP
Простая выходная переменная для сетей Geometry VOP.
Получить атрибут
Получить BSDF Albedo
Вычислите отражательную способность bsdf.
Получите Blur P
Получить атрибут CHOP
Возвращает значение атрибута CHOP в одном из 4 входов CHOP, подключенных к каналу VOP.
Получить преобразование канала
Возвращает значение преобразования, построенное для 9 каналов одного из 4 входных каналов CHOP, подключенных к каналу VOP.
Получить ценность канала
Возвращает значение выборки в одном из 4 входов CHOP, подключенных к каналу VOP.
Получить значение канала по имени
Возвращает значение выборки в одном из 4 входов CHOP, подключенных к каналу VOP.
Получить потомственные преобразования
Просматривать иерархию из заданной точки и возвращать их преобразования.
Получить элемент словаря
Получает указанное значение из словаря.
Получить элемент
Получает указанный элемент из массива.
Получить атрибуты FBIK
Получение значений конфигурации для решателя Physical Full-Body IK из атрибутов точки.
Получить полное тело COM
Возвращает вычисленный центр масс для заданной геометрии KineFX.
Получить оси шарнирной цепи
Вычисляет набор ортогональных осей с центром в суставе KineFX.
Получить экспорт слоя
Получает значение переменной экспорта, добавленной в структуру слоя шейдера.
Получить компонент матрицы
Извлекает матричный компонент 4 × 4.
Получить компонент Matrix2
Извлекает компонент matrix3 размером 2 × 2.
Получить компонент Matrix3
Извлекает компонент matrix3 размером 3 × 3.
Получить преобразование объекта
Получает матрицу преобразования именованного объекта в (текущем) пространстве камеры.
Получить идентификатор PTexture
Получить родителя
Находит родительский элемент сустава в каркасе KineFX.
Получить родительское преобразование
Получает преобразование родительского элемента сустава в каркасе KineFX.
Получить преобразование точки
Возвращает точечное преобразование для заданного точечного индекса.
Получить преобразования точек
Возвращает массивы точечных преобразований по массиву идентификаторов точек.
Получить примитивный идентификатор
Получить векторный компонент
Извлекает компонент вектора.
Получить компонент Vector2
Извлекает компонент vector2.
Получить компонент Vector4
Извлекает компонент vector4.
Получите значение канала CHOP
Оценивает канал CHOP и возвращает его значение.
Получить значение канала или параметра
Оценивает канал (или параметр) и возвращает его значение.
Получить преобразование объекта
Оценивает преобразование узла OBJ
Клетчатые чеки
Создает сглаженные чеки в клетку, похожие на скатерть.
шаблон.
Глобальные переменные
Предоставляет выходные данные, которые представляют все глобальные переменные для
текущий тип сети VOP.
Градиент 3D
Возвращает градиент одноканального изображения 3D-текстуры в
указанное положение в этом изображении.
HSV в RGB
Преобразует цветовое пространство HSV в цветовое пространство RGB.
Волосы нормальные
Создает вектор нормали, который всегда обращен в камеру, параллельно вектору падения.
Шейдер волос
Мощная, очень гибкая универсальная модель для затенения волос / меха.
Имеет ввод
Возвращает 1, если указанный вход (0–3) подключен.
Есть ключ
Возвращает, если в словаре есть ключ.
Высокий-низкий уровень шума
Вычисляет сочетание высокочастотного и низкочастотного шума со сглаживанием.
широкий спектр применения.
Процедура Houdini Engine: создание кривой
Готовит актив SOP для каждой точки исходной геометрии и копирует созданные кривые в эту точку.
Процедура Houdini Engine: создание точек
Готовит актив SOP для каждой точки исходной геометрии и копирует созданные точки в эту точку.
Сдвиг оттенка
Использует значение сдвига для перемещения оттенка входящего цвета по цветовому кругу на величину, на которую влияет амплитуда.
ИК Решатель
Позиционирует и ориентирует точки относительно корневого положения, целевого положения конечного эффектора и положения скручивания, используя обратную кинематику KineFX.
Если подключен
Проходит через значение первого входа, если первый вход
в конечном итоге связаны.
Петля освещенности
Доступно только в сетях Surface VOP.
Процедурная изотекстура изображения 3D
Эта процедура будет генерировать изоповерхность из трехмерного изображения текстуры (файл .i3d).
Процедура объемного изображения 3D
Эта процедура будет генерировать объем из трехмерного изображения текстуры (.i3d файл).
Импортировать атрибут
Импортирует данные атрибутов из OP, подключенного к данному входу.
Атрибут сведений об импорте
Импортировать переменную смещения
Импортирует значение указанной переменной из смещения.
шейдер и сохраняет его в var.
Импорт световой переменной
Импортирует значение указанной переменной из шейдера света и
хранит его в var.
Атрибут точки импорта
Импортировать примитивный атрибут
Импортировать свойства из OpenColorIO
Импортирует свойство цветового пространства из Open Color IO.
Импортировать переменную луча
Импортирует значение указанной переменной, отправленное из функции trace () и
хранит его в var.
Импортировать переменную поверхности
Импортирует значение указанной переменной из поверхностного шейдера и
хранит его в var.
Импортировать атрибут вершины
Переназначение важности
В группе
Возвращает 1, если точка или примитив находится в группе, указанной строкой.
Непрямое освещение
Внутренний VOP, используемый для расчета непрямого освещения.
Встроенный код
Напишите код VEX, который будет вставлен прямо в шейдер или оператор
определение.
Вставить
Вставляет элемент, массив или строку в массив или строку.
Экземпляр с Hscript Procedural
Запускает hscript для каждой точки исходной геометрии и копирует сгенерированную геометрию в эту точку.
Целое число с плавающей запятой
Преобразует целое число в значение с плавающей запятой.
Целое в вектор
Пересечение
Вычисляет пересечение луча с геометрией.
Пересечь все
Вычисляет все пересечения луча с геометрией.
Инвертировать
Если задана матрица 3 × 3 или 4 × 4, этот оператор вычисляет обратную матрицу (или просто возвращает входную матрицу, если обнаруживает сингулярность).
Освещенность
Вычисляет энергетическую освещенность (глобальное освещение) в точке P с помощью
нормальный N.
По алфавиту
Результат 1, если все символы в строке буквенные.
Расстояние до поверхности
Абсолютное
Вычисляет абсолютное значение аргумента.
Добавить
Выводит сумму своих входов.
Добавить атрибут
Добавляет новый атрибут.
Добавить константу
Добавляет указанное постоянное значение к входящему целому числу с плавающей запятой,
значение вектора или вектора4.
Добавить соединение
Добавляет соединение KineFX к геометрии.
Добавить точку
Добавляет точки к геометрии.
Добавить точку в группу
Добавляет указанную точку в заданную группу.
Добавить примитив
Добавляет примитивы к геометрии.
Добавить усилие поворота
Умножьте усилие рулевого управления на атрибуты рулевого веса и нормализуйте результаты на общий вес рулевого управления.
Добавить вершину
Добавляет вершины к геометрии.
Добавить силу ветра
Добавляет силу ветра в симуляцию.
Advect по объемам
Добавляет позицию с помощью набора примитивов тома, хранящихся в файле на диске.
Каталог клипов агента
Возвращает все анимационные клипы, загруженные для примитива агента.
Длина клипа агента
Возвращает длину (в секундах) анимационного клипа агента.
Имена роликов агента
Возвращает текущие анимационные клипы примитива агента.
Образец клипа агента
Делает выборку анимационного клипа агента в определенное время.
Частота дискретизации клипов агента
Возвращает частоту дискретизации анимационного клипа агента.
Время роликов агента
Возвращает текущее время для анимационных клипов примитива агента.
Вес зажима агента
Возвращает веса наложения для анимационных клипов примитива агента.
Преобразование агента Преобразования
Преобразует преобразования между локальным пространством и мировым пространством для примитива агента.
Привязки уровня агента
Возвращает преобразование, к которому привязана каждая фигура на уровне агента.
Имя уровня агента
Возвращает имя текущего слоя или уровня столкновения агента.
Формы слоя агента
Возвращает имена фигур, на которые ссылается слой примитива агента.
Уровни агента
Возвращает все уровни, которые были загружены для примитива агента.
Агент Риг Дети
Возвращает дочерние преобразования преобразования в оснастке примитива агента.
Агент Риг Найти
Находит индекс преобразования в оснастке примитива агента.
Агент Риг Родитель
Возвращает родительское преобразование преобразования в оснастке примитива агента.
Счетчик преобразований агента
Возвращает количество преобразований в оснастке примитива агента.
Имена преобразования агентов
Возвращает имя каждого преобразования в оснастке примитива агента.
Агент трансформируется
Возвращает текущие преобразования локального или мирового пространства примитива агента.
Выровнять
Вычисляет матрицу, представляющую вращение вокруг осей, нормальных к двум векторам, на угол между двумя векторами.
Альфа Микс
Принимает два значения альфа в зависимости от относительной ориентации поверхности.
к камере и смешивает их с
спад в качестве контроля смещения, эффективно удаляя силуэты
геометрия кромок.
Окружающий
Создает цвет, используя расчет модели окружающего освещения.
А также
Выполняет логическую операцию «И» между своими входами и возвращает 1 или 0.
Сглаженный шум потока
Генерирует сглаженный (дробное броуновское движение) шум с помощью
производная информация входящей позиции для вычисления
полосовой шум.
Сглаженный шум
Создает сглаженный шум, используя информацию о производной входящей позиции для вычисления шума с ограниченной полосой пропускания.
Параметр сглаживания рампы
Добавить
Добавляет элемент в массив или строку.
Арктангенс
Выполняет функцию atan2 ()
Массив содержит
Проверяет, существует ли значение в массиве.
Индекс поиска в массиве
Находит первое местоположение элемента в массиве или строке.
Индексы поиска в массиве
Находит все местоположения элемента в массиве или строке.
Длина массива
Выдает длину массива.
Затухающий спад
Вычисляет ослабленный спад.
В среднем
Выводит среднее значение своих входов.
Компонент среднего вектора
Вычисляет среднее значение аргумента вектора.
BSDF оттенок
Оттеняет BSDF с раздельным управлением цветом и яркостью.
Выпекать экспорт
Экспорт затенения для использования в плоскостях запекания
Смещение
Привязать
Представляет атрибут, связанный с VEX.
Преобразование точки привязки
Связывает точечное преобразование KineFX с точечным индексом.
Смешать регионы
Принимает входной сигнал с плавающей запятой в качестве смещения для смешивания трех входных значений.
регионы.
Смешать преобразования
Смешивает две матрицы преобразования KineFX.
Заблокировать начало
Обозначает начало блока кода.
Заблокировать начало для
Обозначает начало блока цикла for.
Заблокировать начало для каждого
Обозначает начало блока цикла для каждого.
Заблокировать начало, если
Обозначает начало блока кода if.
Конец блока
Обозначает конец кодового блока.
Блокировать конец Break-If
Обозначает конец кодового блока.
Блокировать конец пока
Обозначает конец временного блока кода.
Ограничительная рамка
Возвращает два вектора, представляющих минимальный и максимальный углы ограничивающей рамки для указанной геометрии.
Зажим для коробки
Обрезает линейный сегмент, определенный точками p1 и p2, до ограничивающей рамки.
задается минимальной и максимальной угловыми точками.
Коробки
Создает повторяющиеся фильтрованные квадраты.
Брикер
Создает образец кирпича на основе параметрических s и t
координаты.
Матовые круги
Выводит угол, создающий вид рисунка круглой кисти при использовании с направлением анизотропии.
Матовый металлический шейдер
Базовый шейдер для матового металла.
Ударный шум
Смещает поверхности по нормали, используя сглаженный шум, и
возвращает положение смещенной поверхности, нормаль и величину смещения.
Перейти на карту нормалей
Вычислить карту нормалей касательного пространства на основе карты рельефа
Мешковина
Создает шаблон смещения мешковины, полезный для имитации грубого
ткань или образцы плетения.
Образец мешковины
Возвращает плавающее значение между 0 и 1, которое определяет узор мешковины, полезный для имитации грубой ткани или узоров плетения.
Вход COP
Возвращает значение пикселя в одном из 4 входных COP, подключенных к VEX.
КС.
CVEX Shader Builder
Узел, который реализует шейдер CVEX, используя его дочерние VOP.
Шейдер автомобильной краски
Имитирует автомобильную краску с металлическими чешуйками и слоем покрытия.
Полости
Создает смещение поверхности, имитирующее небольшие повреждения поверхности.
с использованием сглаженного шума различной частоты.
Потолок
Возвращает наименьшее целое число, большее или равное
аргумент.
Ячеистые трещины
Создает смещение клеточной трещины, подходящее для моделирования кожи,
кожа, засохшая земля и всякие корки.
Сотовый шум
Вычисляет двухмерный сотовый шум со сглаживанием, подходящий для затенения.
Символ в строку
Преобразует кодовую точку Юникода в строку UTF8.
Клетчатый
Возвращает число от 0 до 1, определяющее клетчатый узор, полезный для визуализации параметрических координат или координат текстуры.
Зажим
Устанавливает входные данные между минимальным и максимальным значениями.
Класс Cast
Понижает общий (анонимный) объект ко-шейдера до определенного ко-шейдера
Классический шейдер
Гибкий материал, включающий несколько слоев отражения, подповерхностное рассеяние, преломления и смещения.
Классическое шейдерное ядро
Мощный, очень гибкий универсальный шейдер поверхности со смещением.
Собирать
Столкновение с геометрией
Столкнет указанное соединение с целевой геометрией.
Цветокоррекция
Предоставляет средства для изменения оттенка, насыщенности, интенсивности, смещения, усиления и гаммы входного цвета.
Цветовая карта
Ищет один образец цвета RGB или RGBA из образа диска.
Цветовой микс
Вычисляет смешение (или смесь) двух входных цветов и выводит
получившийся цвет.
Преобразование цвета
Комбинировать локальное преобразование
Объединяет локальные и родительские преобразования KineFX с наследованием масштаба.
Сравнить
Сравнивает два значения и возвращает истину или ложь.
Дополнение
Вычисляет дополнение аргумента путем вычитания аргумента.
с 1.
Композитный
Вычислить освещение
Вычисляет освещение с использованием физического рендеринга.
Вычислить нормальный
Этот узел обеспечивает более тонкий контроль над обработкой нормального атрибута в VOP.
Вычислить касательные
Вычислить касательные поверхности разными способами.
Дирижер Френель
Выводит физически правильный коэффициент отражения для проводящих материалов.
Экономить энергию
Установите коэффициент отражения bsdf на 1.
Постоянный
Выводит постоянное значение любого типа данных VEX.
Контур
Увеличивает или уменьшает контраст для значений в нижней части диапазона ввода.
Копировать
Принимает одиночный ввод любого типа данных.
Косинус
Выполняет функцию косинуса.
Треск
Возвращает значение float между 0 и 1, которое определяет узор потрескивания, полезный для имитации мелкозернистой текстуры кожи или в более крупном масштабе высушенных ил.
Создать группу точек
Создает новую группу точек с указанным именем.
Перекрестный продукт
Вычисляет перекрестное произведение двух векторов, определенных как вектор
перпендикулярно обоим входным векторам.
Завиток шума
Создает трехмерный шум без расхождений с помощью функции curl.
Curl Noise 2D
Создает 2D-шум без расхождений с помощью функции curl.
Кривизна
Вычисляет кривизну поверхности.
Кривая Решателя
Располагает и ориентирует точки KineFX по кривой и списку длин сегментов.
Декаль
OTL, который выполняет компостирование текстурных карт.
Градусы в Радианы
Преобразует градусы в радианы.
Процедура отложенной загрузки
Отложенное чтение архива
Карта глубины
Работает с изображением, которое было визуализировано как изображение глубины z, возвращая
расстояние от камеры до пикселя (или плоскости) в
вопрос.
Детерминант
Вычисляет определитель матрицы 4 × 4 или 3 × 3.
Клавиши словаря
Создает ключи словаря.
Длина словаря
Выдает длину словаря.
Прямое освещение
Внутренний VOP, используемый для расчета прямого освещения.
Направление к ребенку
Вычисляет направление к дочернему элементу KineFX.
Направление к родителю
Вычисляет направление на родительский узел KineFX
Грязевая маска
Маскирует щели или открытые края
Вытеснить
Смещает положение поверхности и изменяет нормали поверхности.
Смещение по нормали
Смещает поверхность по нормали к поверхности на заданную величину.
Текстура смещения
Изменяет нормали и / или положения на основе карты текстуры.
Расстояние
Возвращает расстояние между двумя точками 3D или 4D.
Расстояние от точки до линии
Возвращает ближайшее расстояние между точкой и отрезком линии.
определяется двумя конечными точками.
Делить
Выводит результат деления каждого входного значения на следующее.
Разделить константу
Делит входящее целое число, значение с плавающей запятой, вектор или вектор4 на
указанное постоянное значение.
Скалярное произведение
Вычисляет скалярное произведение двух векторов.
Двойной отдых
Выводит дезинфицированные значения двойного упора.
Решатель Dual Rest
Дезинфицирует данные атрибутов двойного покоя для упрощения использования.
Edge Falloff
Создает плавный откат входящего цвета от центра
геометрия к краям на основе нормали к поверхности.
Образец яичной скорлупы
Возвращает новую нормаль поверхности (N) с небольшой мелкозернистой выпуклостью.
Собственные значения
Заканчивается
Результат 1, если строка заканчивается указанной строкой.
Карта окружающей среды
Устанавливает карту окружения (на бесконечной сфере) и возвращает ее
цвет.
Эйлер в Кватернион
Строит кватернион с заданным вращением Эйлера.
Экспоненциальный
Вычисляет экспоненциальную функцию аргумента.
Извлечь локальное преобразование
Вычисляет локальное преобразование для точки KineFX, используя преобразования ее и ее родительского мира.
Извлечь преобразование
Извлекает компонент сдвига, вращения, масштаба или сдвига 4 × 4
преобразовать матрицу.
Поддельные каустики
Выходы и значение непрозрачности, которые можно использовать для аппроксимации эффектов каустического освещения.
Быстрая тень
Посылает луч из позиции P в направлении, указанном
направление Д.
Имя поля
Предоставляет «резервное» значение для поля / атрибута, если поле не
существует или заданное имя поля является пустой строкой.
Параметр поля
Предоставляет «резервное» значение для поля / атрибута, если поле не
существует или заданное имя поля является пустой строкой.
Образец нити
Преобразование точки фильтра
Найдите точку в массиве и верните преобразования в соответствующие массивы.
Фильтр импульсной последовательности
Фильтрует ввод.
Фильтр тени
Посылает луч из позиции P в направлении, указанном
направление D, а…
Шаг фильтра
Вычисляет вес сглаживания ступенчатой функции.
Ширина фильтра
Эта функция возвращает квадратный корень из площади входных данных 3D или длину производной входных данных с плавающей запятой, например s или t.
Найти значение атрибута
Найти количество значений атрибута
Найти значение атрибута по индексу
Найти преобразование точки
Найдите точку на заданной геометрии и верните ее преобразования.
Диапазон подгонки
Принимает значение в исходном диапазоне и сдвигает его на
соответствующее значение в целевом диапазоне.
Диапазон посадки (без зажима)
Принимает значение в исходном диапазоне и сдвигает его на
соответствующее значение в целевом диапазоне.
С плавающей точкой в целое число
Преобразует значение с плавающей запятой в целое число.
Плавать в матрицу
Преобразует шестнадцать значений с плавающей запятой в матричное значение 4 × 4.
Плавать в Matrix2
Преобразует четыре значения с плавающей запятой в значение matrix2.
Плавать в Matrix3
Преобразует девять значений с плавающей запятой в значение matrix3.
Плавать в вектор
Преобразует три значения с плавающей запятой в векторное значение.
Плавать в Vector2
Преобразует два значения с плавающей запятой в значение vector2.
Плавать в Vector4
Преобразует четыре значения с плавающей запятой в значение vector4.
Пол
Возвращает наибольшее целое число, меньшее или равное аргументу.
Шум потока
Генерирует 1D и 3D шум потока Perlin из 3D и 4D данных.
Для каждого преобразования
Выполните ту же операцию с массивом преобразований.
Дробная часть
Вычисляет дробную составляющую аргумента.
Френель
Вычисляет вклады отражения / преломления Френеля.
с учетом нормализованного падающего луча, нормализованной нормали к поверхности и
показатель преломления.
Из НДЦ
Преобразует положение из обычных координат устройства в
координаты в соответствующем пространстве.
Из НДЦ
Преобразует положение из обычных координат устройства в
координаты в соответствующем пространстве.
С полярного
Преобразует полярные координаты в декартовы координаты.
Лицевая сторона
Возвращает нормаль лицевой стороны поверхности по нормали к поверхности.
(N) и падающий луч (I).
Глобальные переменные Fur Guide
Предоставляет выходные данные, представляющие обычно используемые входные переменные мехового гида.
шейдерная сеть.
Выходные переменные и параметры меховой направляющей
Предоставляет входные данные, представляющие выходные переменные шейдера направляющей меха.
сеть.
Мех процедурный
Создает набор волосковых кривых на поверхности во время рендеринга.
Глобальные переменные меховой кожи
Предоставляет выходные данные, представляющие обычно используемые входные переменные кожи меха.
шейдерная сеть.
Переменные и параметры выхода меховой кожи
Предоставляет входные данные, представляющие выходные переменные шейдера кожи меха.
сеть.
Борозды
Смещает поверхность по нормали к поверхности на величину, равную
значение сглаженной косинусоидальной волны.
Нечеткое И
Выполняет нечеткую операцию «и» между своими входами и возвращает значение от 0 до 1.
Нечеткий Defuzz
Выполняет операцию дефаззификации между входными нечеткими наборами и возвращает четкое значение.
Нечеткий вывод
Выполняет операцию нечеткого вывода для каждого входа, чтобы определить истинность нечеткого набора, определенного на этом узле.
Зеркало нечеткого вывода
«Этот узел представляет два выведенных нечетких набора, которые являются зеркалами друг друга.
Нечеткий ввод
Выполняет операцию «размытия», которая вычисляет нечеткое значение с учетом функции принадлежности и четкого входного значения.
Нечеткое нет
Этот оператор выполняет нечеткую операцию «не» над целым числом или значением с плавающей запятой.
Чувство нечеткого препятствия
Обнаруживает препятствия в поле зрения агента.
Нечеткое или
Выполняет нечеткую операцию «или» между своими входами и возвращает значение от 0 до 1.
Усиление
Собрать петлю
Отправляет лучи в сцену и содержит подсеть VOP для работы с информацией, полученной от шейдеров поверхностей, на которые попадают лучи.
Гауссовский случайный
Создает случайное число, соответствующее гауссовскому распределению.
Гауссовский случайный УФ
Создает случайное число, соответствующее гауссовскому распределению.
Генерал Френель
Вычисляет вклады и векторы отражения / преломления Френеля для объектов с глубиной или без нее.
Общий шейдер
Представляет шейдер.
Глобальные параметры Geometry VOP
Предоставляет выходные данные, которые представляют все глобальные переменные для
Атрибут типов сети VOP.
Выходные переменные Geometry VOP
Простая выходная переменная для сетей Geometry VOP.
Получить атрибут
Получить BSDF Albedo
Вычислите отражательную способность bsdf.
Получите Blur P
Получить атрибут CHOP
Возвращает значение атрибута CHOP в одном из 4 входов CHOP, подключенных к каналу VOP.
Получить преобразование канала
Возвращает значение преобразования, построенное для 9 каналов одного из 4 входных каналов CHOP, подключенных к каналу VOP.
Получить ценность канала
Возвращает значение выборки в одном из 4 входов CHOP, подключенных к каналу VOP.
Получить значение канала по имени
Возвращает значение выборки в одном из 4 входов CHOP, подключенных к каналу VOP.
Получить потомственные преобразования
Просматривать иерархию из заданной точки и возвращать их преобразования.
Получить элемент словаря
Получает указанное значение из словаря.
Получить элемент
Получает указанный элемент из массива.
Получить атрибуты FBIK
Получение значений конфигурации для решателя Physical Full-Body IK из атрибутов точки.
Получить полное тело COM
Возвращает вычисленный центр масс для заданной геометрии KineFX.
Получить оси шарнирной цепи
Вычисляет набор ортогональных осей с центром в суставе KineFX.
Получить экспорт слоя
Получает значение переменной экспорта, добавленной в структуру слоя шейдера.
Получить компонент матрицы
Извлекает матричный компонент 4 × 4.
Получить компонент Matrix2
Извлекает компонент matrix3 размером 2 × 2.
Получить компонент Matrix3
Извлекает компонент matrix3 размером 3 × 3.
Получить преобразование объекта
Получает матрицу преобразования именованного объекта в (текущем) пространстве камеры.
Получить идентификатор PTexture
Получить родителя
Находит родительский элемент сустава в каркасе KineFX.
Получить родительское преобразование
Получает преобразование родительского элемента сустава в каркасе KineFX.
Получить преобразование точки
Возвращает точечное преобразование для заданного точечного индекса.
Получить преобразования точек
Возвращает массивы точечных преобразований по массиву идентификаторов точек.
Получить примитивный идентификатор
Получить векторный компонент
Извлекает компонент вектора.
Получить компонент Vector2
Извлекает компонент vector2.
Получить компонент Vector4
Извлекает компонент vector4.
Получите значение канала CHOP
Оценивает канал CHOP и возвращает его значение.
Получить значение канала или параметра
Оценивает канал (или параметр) и возвращает его значение.
Получить преобразование объекта
Оценивает преобразование узла OBJ
Клетчатые чеки
Создает сглаженные чеки в клетку, похожие на скатерть.
шаблон.
Глобальные переменные
Предоставляет выходные данные, которые представляют все глобальные переменные для
текущий тип сети VOP.
Градиент 3D
Возвращает градиент одноканального изображения 3D-текстуры в
указанное положение в этом изображении.
HSV в RGB
Преобразует цветовое пространство HSV в цветовое пространство RGB.
Волосы нормальные
Создает вектор нормали, который всегда обращен в камеру, параллельно вектору падения.
Шейдер волос
Мощная, очень гибкая универсальная модель для затенения волос / меха.
Имеет ввод
Возвращает 1, если указанный вход (0–3) подключен.
Есть ключ
Возвращает, если в словаре есть ключ.
Высокий-низкий уровень шума
Вычисляет сочетание высокочастотного и низкочастотного шума со сглаживанием.
широкий спектр применения.
Процедура Houdini Engine: создание кривой
Готовит актив SOP для каждой точки исходной геометрии и копирует созданные кривые в эту точку.
Процедура Houdini Engine: создание точек
Готовит актив SOP для каждой точки исходной геометрии и копирует созданные точки в эту точку.
Сдвиг оттенка
Использует значение сдвига для перемещения оттенка входящего цвета по цветовому кругу на величину, на которую влияет амплитуда.
ИК Решатель
Позиционирует и ориентирует точки относительно корневого положения, целевого положения конечного эффектора и положения скручивания, используя обратную кинематику KineFX.
Если подключен
Проходит через значение первого входа, если первый вход
в конечном итоге связаны.
Петля освещенности
Доступно только в сетях Surface VOP.
Процедурная изотекстура изображения 3D
Эта процедура будет генерировать изоповерхность из трехмерного изображения текстуры (файл .i3d).
Процедура объемного изображения 3D
Эта процедура будет генерировать объем из трехмерного изображения текстуры (.i3d файл).
Импортировать атрибут
Импортирует данные атрибутов из OP, подключенного к данному входу.
Атрибут сведений об импорте
Импортировать переменную смещения
Импортирует значение указанной переменной из смещения.
шейдер и сохраняет его в var.
Импорт световой переменной
Импортирует значение указанной переменной из шейдера света и
хранит его в var.
Атрибут точки импорта
Импортировать примитивный атрибут
Импортировать свойства из OpenColorIO
Импортирует свойство цветового пространства из Open Color IO.
Импортировать переменную луча
Импортирует значение указанной переменной, отправленное из функции trace () и
хранит его в var.
Импортировать переменную поверхности
Импортирует значение указанной переменной из поверхностного шейдера и
хранит его в var.
Импортировать атрибут вершины
Переназначение важности
В группе
Возвращает 1, если точка или примитив находится в группе, указанной строкой.
Непрямое освещение
Внутренний VOP, используемый для расчета непрямого освещения.
Встроенный код
Напишите код VEX, который будет вставлен прямо в шейдер или оператор
определение.
Вставить
Вставляет элемент, массив или строку в массив или строку.
Экземпляр с Hscript Procedural
Запускает hscript для каждой точки исходной геометрии и копирует сгенерированную геометрию в эту точку.
Целое число с плавающей запятой
Преобразует целое число в значение с плавающей запятой.
Целое в вектор
.
Метод CM для решения задач времени и работы
Введите названия мест ниже и нажмите кнопку «Показать».


: Устранена незначительная проблема. Когда маршруты проезда не найдены, в поле отображается надпись «Н / Д». Ранее он не обновлялся и иногда сохранял значение предыдущего поискового расстоянияАбсолютное
Вычисляет абсолютное значение аргумента.
Добавить
Выводит сумму своих входов.
Добавить атрибут
Добавляет новый атрибут.
Добавить константу
Добавляет указанное постоянное значение к входящему целому числу с плавающей запятой, значение вектора или вектора4.
Добавить соединение
Добавляет соединение KineFX к геометрии.
Добавить точку
Добавляет точки к геометрии.
Добавить точку в группу
Добавляет указанную точку в заданную группу.
Добавить примитив
Добавляет примитивы к геометрии.
Добавить усилие поворота
Умножьте усилие рулевого управления на атрибуты рулевого веса и нормализуйте результаты на общий вес рулевого управления.
Добавить вершину
Добавляет вершины к геометрии.
Добавить силу ветра
Добавляет силу ветра в симуляцию.
Advect по объемам
Добавляет позицию с помощью набора примитивов тома, хранящихся в файле на диске.
Каталог клипов агента
Возвращает все анимационные клипы, загруженные для примитива агента.
Длина клипа агента
Возвращает длину (в секундах) анимационного клипа агента.
Имена роликов агента
Возвращает текущие анимационные клипы примитива агента.
Образец клипа агента
Делает выборку анимационного клипа агента в определенное время.
Частота дискретизации клипов агента
Возвращает частоту дискретизации анимационного клипа агента.
Время роликов агента
Возвращает текущее время для анимационных клипов примитива агента.
Вес зажима агента
Возвращает веса наложения для анимационных клипов примитива агента.
Преобразование агента Преобразования
Преобразует преобразования между локальным пространством и мировым пространством для примитива агента.
Привязки уровня агента
Возвращает преобразование, к которому привязана каждая фигура на уровне агента.
Имя уровня агента
Возвращает имя текущего слоя или уровня столкновения агента.
Формы слоя агента
Возвращает имена фигур, на которые ссылается слой примитива агента.
Уровни агента
Возвращает все уровни, которые были загружены для примитива агента.
Агент Риг Дети
Возвращает дочерние преобразования преобразования в оснастке примитива агента.
Агент Риг Найти
Находит индекс преобразования в оснастке примитива агента.
Агент Риг Родитель
Возвращает родительское преобразование преобразования в оснастке примитива агента.
Счетчик преобразований агента
Возвращает количество преобразований в оснастке примитива агента.
Имена преобразования агентов
Возвращает имя каждого преобразования в оснастке примитива агента.
Агент трансформируется
Возвращает текущие преобразования локального или мирового пространства примитива агента.
Выровнять
Вычисляет матрицу, представляющую вращение вокруг осей, нормальных к двум векторам, на угол между двумя векторами.
Альфа Микс
Принимает два значения альфа в зависимости от относительной ориентации поверхности. к камере и смешивает их с спад в качестве контроля смещения, эффективно удаляя силуэты геометрия кромок.
Окружающий
Создает цвет, используя расчет модели окружающего освещения.
А также
Выполняет логическую операцию «и» между своими входами и возвращает 1 или 0.
Сглаженный шум потока
Генерирует сглаженный (дробное броуновское движение) шум с помощью производная информация входящей позиции для вычисления полосовой шум.
Сглаженный шум
Создает сглаженный шум, используя информацию о производной входящей позиции для вычисления шума с ограниченной полосой пропускания.
Параметр сглаживания рампы
Добавить
Добавляет элемент в массив или строку.
Арктангенс
Выполняет функцию atan2 ()
Массив содержит
Проверяет, существует ли значение в массиве.
Индекс поиска в массиве
Находит первое местоположение элемента в массиве или строке.
Индексы поиска в массиве
Находит все местоположения элемента в массиве или строке.
Длина массива
Выдает длину массива.
Затухающий спад
Вычисляет ослабленный спад.
В среднем
Выводит среднее значение своих входов.
Компонент среднего вектора
Вычисляет среднее значение аргумента вектора.
BSDF оттенок
Оттеняет BSDF с раздельным управлением цветом и яркостью.
Выпекать экспорт
Экспорт затенения для использования в плоскостях запекания
Смещение
Привязать
Представляет атрибут, связанный с VEX.
Преобразование точки привязки
Связывает точечное преобразование KineFX с точечным индексом.
Смешать регионы
Принимает входной сигнал с плавающей запятой в качестве смещения для смешивания трех входных значений. регионы.
Смешать преобразования
Смешивает две матрицы преобразования KineFX.
Заблокировать начало
Обозначает начало блока кода.
Заблокировать начало для
Обозначает начало блока цикла for.
Заблокировать начало для каждого
Обозначает начало блока цикла для каждого.
Заблокировать начало, если
Обозначает начало блока кода if.
Конец блока
Обозначает конец кодового блока.
Блокировать конец Break-If
Обозначает конец кодового блока.
Блокировать конец пока
Обозначает конец временного блока кода.
Ограничительная рамка
Возвращает два вектора, представляющих минимальный и максимальный углы ограничивающей рамки для указанной геометрии.
Зажим для коробки
Обрезает линейный сегмент, определенный точками p1 и p2, до ограничивающей рамки. задается минимальной и максимальной угловыми точками.
Коробки
Создает повторяющиеся фильтрованные квадраты.
Брикер
Создает образец кирпича на основе параметрических s и t координаты.
Матовые круги
Выводит угол, создающий вид рисунка круглой кисти при использовании с направлением анизотропии.
Матовый металлический шейдер
Базовый шейдер для матового металла.
Ударный шум
Смещает поверхности по нормали, используя сглаженный шум, и возвращает положение смещенной поверхности, нормаль и величину смещения.
Перейти на карту нормалей
Вычислить карту нормалей касательного пространства на основе карты рельефа
Мешковина
Создает шаблон смещения мешковины, полезный для имитации грубого ткань или образцы плетения.
Образец мешковины
Возвращает плавающее значение между 0 и 1, которое определяет узор мешковины, полезный для имитации грубой ткани или узоров плетения.
Вход COP
Возвращает значение пикселя в одном из 4 входных COP, подключенных к VEX. КС.
CVEX Shader Builder
Узел, который реализует шейдер CVEX, используя его дочерние VOP.
Шейдер автомобильной краски
Имитирует автомобильную краску с металлическими чешуйками и слоем покрытия.
Полости
Создает смещение поверхности, имитирующее небольшие повреждения поверхности. с использованием сглаженного шума различной частоты.
Потолок
Возвращает наименьшее целое число, большее или равное аргумент.
Ячеистые трещины
Создает смещение клеточной трещины, подходящее для моделирования кожи, кожа, засохшая земля и всякие корки.
Сотовый шум
Вычисляет двухмерный сотовый шум со сглаживанием, подходящий для затенения.
Символ в строку
Преобразует кодовую точку Юникода в строку UTF8.
Клетчатый
Возвращает число от 0 до 1, определяющее клетчатый узор, полезный для визуализации параметрических координат или координат текстуры.
Зажим
Устанавливает входные данные между минимальным и максимальным значениями.
Класс Cast
Понижает общий (анонимный) объект ко-шейдера до определенного ко-шейдера
Классический шейдер
Гибкий материал, включающий несколько слоев отражения, подповерхностное рассеяние, преломления и смещения.
Классическое шейдерное ядро
Мощный, очень гибкий универсальный шейдер поверхности со смещением.
Собирать
Столкновение с геометрией
Столкнет указанное соединение с целевой геометрией.
Цветокоррекция
Предоставляет средства для изменения оттенка, насыщенности, интенсивности, смещения, усиления и гаммы входного цвета.
Цветовая карта
Ищет один образец цвета RGB или RGBA из образа диска.
Цветовой микс
Вычисляет смешение (или смесь) двух входных цветов и выводит получившийся цвет.
Преобразование цвета
Комбинировать локальное преобразование
Объединяет локальные и родительские преобразования KineFX с наследованием масштаба.
Сравнить
Сравнивает два значения и возвращает истину или ложь.
Дополнение
Вычисляет дополнение аргумента путем вычитания аргумента. с 1.
Композитный
Вычислить освещение
Вычисляет освещение с использованием физического рендеринга.
Вычислить нормальный
Этот узел обеспечивает более тонкий контроль над обработкой нормального атрибута в VOP.
Вычислить касательные
Вычислить касательные поверхности разными способами.
Дирижер Френель
Выводит физически правильный коэффициент отражения для проводящих материалов.
Экономить энергию
Установите коэффициент отражения bsdf на 1.
Постоянный
Выводит постоянное значение любого типа данных VEX.
Контур
Увеличивает или уменьшает контраст для значений в нижней части диапазона ввода.
Копировать
Принимает одиночный ввод любого типа данных.
Косинус
Выполняет функцию косинуса.
Треск
Возвращает значение float между 0 и 1, которое определяет узор потрескивания, полезный для имитации мелкозернистой текстуры кожи или в более крупном масштабе высушенных ил.
Создать группу точек
Создает новую группу точек с указанным именем.
Перекрестный продукт
Вычисляет перекрестное произведение двух векторов, определенных как вектор перпендикулярно обоим входным векторам.
Завиток шума
Создает трехмерный шум без расхождений с помощью функции curl.
Curl Noise 2D
Создает 2D-шум без расхождений с помощью функции curl.
Кривизна
Вычисляет кривизну поверхности.
Кривая Решателя
Располагает и ориентирует точки KineFX по кривой и списку длин сегментов.
Декаль
OTL, который выполняет компостирование текстурных карт.
Градусы в Радианы
Преобразует градусы в радианы.
Процедура отложенной загрузки
Отложенное чтение архива
Карта глубины
Работает с изображением, которое было визуализировано как изображение глубины z, возвращая расстояние от камеры до пикселя (или плоскости) в вопрос.
Детерминант
Вычисляет определитель матрицы 4 × 4 или 3 × 3.
Клавиши словаря
Создает ключи словаря.
Длина словаря
Выдает длину словаря.
Прямое освещение
Внутренний VOP, используемый для расчета прямого освещения.
Направление к ребенку
Вычисляет направление к дочернему элементу KineFX.
Направление к родителю
Вычисляет направление на родительский узел KineFX
Грязевая маска
Маскирует щели или открытые края
Вытеснить
Смещает положение поверхности и изменяет нормали поверхности.
Смещение по нормали
Смещает поверхность по нормали к поверхности на заданную величину.
Текстура смещения
Изменяет нормали и / или положения на основе карты текстуры.
Расстояние
Возвращает расстояние между двумя точками 3D или 4D.
Расстояние от точки до линии
Возвращает ближайшее расстояние между точкой и отрезком линии. определяется двумя конечными точками.
Делить
Выводит результат деления каждого входного значения на следующее.
Разделить константу
Делит входящее целое число, значение с плавающей запятой, вектор или вектор4 на указанное постоянное значение.
Скалярное произведение
Вычисляет скалярное произведение двух векторов.
Двойной отдых
Выводит дезинфицированные значения двойного упора.
Решатель Dual Rest
Дезинфицирует данные атрибутов двойного покоя для упрощения использования.
Edge Falloff
Создает плавный откат входящего цвета от центра геометрия к краям на основе нормали к поверхности.
Образец яичной скорлупы
Возвращает новую нормаль поверхности (N) с небольшой мелкозернистой выпуклостью.
Собственные значения
Заканчивается
Результат 1, если строка заканчивается указанной строкой.
Карта окружающей среды
Устанавливает карту окружения (на бесконечной сфере) и возвращает ее цвет.
Эйлер в Кватернион
Строит кватернион с заданным вращением Эйлера.
Экспоненциальный
Вычисляет экспоненциальную функцию аргумента.
Извлечь локальное преобразование
Вычисляет локальное преобразование для точки KineFX, используя преобразования ее и ее родительского мира.
Извлечь преобразование
Извлекает компонент сдвига, вращения, масштаба или сдвига 4 × 4 преобразовать матрицу.
Поддельные каустики
Выходы и значение непрозрачности, которые можно использовать для аппроксимации эффектов каустического освещения.
Быстрая тень
Посылает луч из позиции P в направлении, указанном направление Д.
Имя поля
Предоставляет «резервное» значение для поля / атрибута, если поле не существует или заданное имя поля является пустой строкой.
Параметр поля
Предоставляет «резервное» значение для поля / атрибута, если поле не существует или заданное имя поля является пустой строкой.
Образец нити
Преобразование точки фильтра
Найдите точку в массиве и верните преобразования в соответствующие массивы.
Фильтр импульсной последовательности
Фильтрует ввод.
Фильтр тени
Посылает луч из позиции P в направлении, указанном направление D, а…
Шаг фильтра
Вычисляет вес сглаживания ступенчатой функции.
Ширина фильтра
Эта функция возвращает квадратный корень из площади входных данных 3D или длину производной входных данных с плавающей запятой, например s или t.
Найти значение атрибута
Найти количество значений атрибута
Найти значение атрибута по индексу
Найти преобразование точки
Найдите точку на заданной геометрии и верните ее преобразования.
Диапазон подгонки
Принимает значение в исходном диапазоне и сдвигает его на соответствующее значение в целевом диапазоне.
Диапазон посадки (без зажима)
Принимает значение в исходном диапазоне и сдвигает его на соответствующее значение в целевом диапазоне.
С плавающей точкой в целое число
Преобразует значение с плавающей запятой в целое число.
Плавать в матрицу
Преобразует шестнадцать значений с плавающей запятой в матричное значение 4 × 4.
Плавать в Matrix2
Преобразует четыре значения с плавающей запятой в значение matrix2.
Плавать в Matrix3
Преобразует девять значений с плавающей запятой в значение matrix3.
Плавать в вектор
Преобразует три значения с плавающей запятой в векторное значение.
Плавать в Vector2
Преобразует два значения с плавающей запятой в значение vector2.
Плавать в Vector4
Преобразует четыре значения с плавающей запятой в значение vector4.
Пол
Возвращает наибольшее целое число, меньшее или равное аргументу.
Шум потока
Генерирует 1D и 3D шум потока Perlin из 3D и 4D данных.
Для каждого преобразования
Выполните ту же операцию с массивом преобразований.
Дробная часть
Вычисляет дробную составляющую аргумента.
Френель
Вычисляет вклады отражения / преломления Френеля. с учетом нормализованного падающего луча, нормализованной нормали к поверхности и показатель преломления.
Из НДЦ
Преобразует положение из обычных координат устройства в координаты в соответствующем пространстве.
Из НДЦ
Преобразует положение из обычных координат устройства в координаты в соответствующем пространстве.
С полярного
Преобразует полярные координаты в декартовы координаты.
Лицевая сторона
Возвращает нормаль лицевой стороны поверхности по нормали к поверхности. (N) и падающий луч (I).
Глобальные переменные Fur Guide
Предоставляет выходные данные, представляющие обычно используемые входные переменные мехового гида. шейдерная сеть.
Выходные переменные и параметры меховой направляющей
Предоставляет входные данные, представляющие выходные переменные шейдера направляющей меха. сеть.
Мех процедурный
Создает набор волосковых кривых на поверхности во время рендеринга.
Глобальные переменные меховой кожи
Предоставляет выходные данные, представляющие обычно используемые входные переменные кожи меха. шейдерная сеть.
Переменные и параметры выхода меховой кожи
Предоставляет входные данные, представляющие выходные переменные шейдера кожи меха. сеть.
Борозды
Смещает поверхность по нормали к поверхности на величину, равную значение сглаженной косинусоидальной волны.
Нечеткое И
Выполняет нечеткую операцию «и» между своими входами и возвращает значение от 0 до 1.
Нечеткий Defuzz
Выполняет операцию дефаззификации между входными нечеткими наборами и возвращает четкое значение.
Нечеткий вывод
Выполняет операцию нечеткого вывода для каждого входа, чтобы определить истинность нечеткого набора, определенного на этом узле.
Зеркало нечеткого вывода
«Этот узел представляет два выведенных нечетких набора, которые являются зеркалами друг друга.
Нечеткий ввод
Выполняет операцию «размытия», которая вычисляет нечеткое значение с учетом функции принадлежности и четкого входного значения.
Нечеткое нет
Этот оператор выполняет нечеткую операцию «не» над целым числом или значением с плавающей запятой.
Чувство нечеткого препятствия
Обнаруживает препятствия в поле зрения агента.
Нечеткое или
Выполняет нечеткую операцию «или» между своими входами и возвращает значение от 0 до 1.
Усиление
Собрать петлю
Отправляет лучи в сцену и содержит подсеть VOP для работы с информацией, полученной от шейдеров поверхностей, на которые попадают лучи.
Гауссовский случайный
Создает случайное число, соответствующее гауссовскому распределению.
Гауссовский случайный УФ
Создает случайное число, соответствующее гауссовскому распределению.
Генерал Френель
Вычисляет вклады и векторы отражения / преломления Френеля для объектов с глубиной или без нее.
Общий шейдер
Представляет шейдер.
Глобальные параметры Geometry VOP
Предоставляет выходные данные, которые представляют все глобальные переменные для Атрибут типов сети VOP.
Выходные переменные Geometry VOP
Простая выходная переменная для сетей Geometry VOP.
Получить атрибут
Получить BSDF Albedo
Вычислите отражательную способность bsdf.
Получите Blur P
Получить атрибут CHOP
Возвращает значение атрибута CHOP в одном из 4 входов CHOP, подключенных к каналу VOP.
Получить преобразование канала
Возвращает значение преобразования, построенное для 9 каналов одного из 4 входных каналов CHOP, подключенных к каналу VOP.
Получить ценность канала
Возвращает значение выборки в одном из 4 входов CHOP, подключенных к каналу VOP.
Получить значение канала по имени
Возвращает значение выборки в одном из 4 входов CHOP, подключенных к каналу VOP.
Получить потомственные преобразования
Просматривать иерархию из заданной точки и возвращать их преобразования.
Получить элемент словаря
Получает указанное значение из словаря.
Получить элемент
Получает указанный элемент из массива.
Получить атрибуты FBIK
Получение значений конфигурации для решателя Physical Full-Body IK из атрибутов точки.
Получить полное тело COM
Возвращает вычисленный центр масс для заданной геометрии KineFX.
Получить оси шарнирной цепи
Вычисляет набор ортогональных осей с центром в суставе KineFX.
Получить экспорт слоя
Получает значение переменной экспорта, добавленной в структуру слоя шейдера.
Получить компонент матрицы
Извлекает матричный компонент 4 × 4.
Получить компонент Matrix2
Извлекает компонент matrix3 размером 2 × 2.
Получить компонент Matrix3
Извлекает компонент matrix3 размером 3 × 3.
Получить преобразование объекта
Получает матрицу преобразования именованного объекта в (текущем) пространстве камеры.
Получить идентификатор PTexture
Получить родителя
Находит родительский элемент сустава в каркасе KineFX.
Получить родительское преобразование
Получает преобразование родительского элемента сустава в каркасе KineFX.
Получить преобразование точки
Возвращает точечное преобразование для заданного точечного индекса.
Получить преобразования точек
Возвращает массивы точечных преобразований по массиву идентификаторов точек.
Получить примитивный идентификатор
Получить векторный компонент
Извлекает компонент вектора.
Получить компонент Vector2
Извлекает компонент vector2.
Получить компонент Vector4
Извлекает компонент vector4.
Получите значение канала CHOP
Оценивает канал CHOP и возвращает его значение.
Получить значение канала или параметра
Оценивает канал (или параметр) и возвращает его значение.
Получить преобразование объекта
Оценивает преобразование узла OBJ
Клетчатые чеки
Создает сглаженные чеки в клетку, похожие на скатерть. шаблон.
Глобальные переменные
Предоставляет выходные данные, которые представляют все глобальные переменные для текущий тип сети VOP.
Градиент 3D
Возвращает градиент одноканального изображения 3D-текстуры в указанное положение в этом изображении.
HSV в RGB
Преобразует цветовое пространство HSV в цветовое пространство RGB.
Волосы нормальные
Создает вектор нормали, который всегда обращен в камеру, параллельно вектору падения.
Шейдер волос
Мощная, очень гибкая универсальная модель для затенения волос / меха.
Имеет ввод
Возвращает 1, если указанный вход (0–3) подключен.
Есть ключ
Возвращает, если в словаре есть ключ.
Высокий-низкий уровень шума
Вычисляет сочетание высокочастотного и низкочастотного шума со сглаживанием. широкий спектр применения.
Процедура Houdini Engine: создание кривой
Готовит актив SOP для каждой точки исходной геометрии и копирует созданные кривые в эту точку.
Процедура Houdini Engine: создание точек
Готовит актив SOP для каждой точки исходной геометрии и копирует созданные точки в эту точку.
Сдвиг оттенка
Использует значение сдвига для перемещения оттенка входящего цвета по цветовому кругу на величину, на которую влияет амплитуда.
ИК Решатель
Позиционирует и ориентирует точки относительно корневого положения, целевого положения конечного эффектора и положения скручивания, используя обратную кинематику KineFX.
Если подключен
Проходит через значение первого входа, если первый вход в конечном итоге связаны.
Петля освещенности
Доступно только в сетях Surface VOP.
Процедурная изотекстура изображения 3D
Эта процедура будет генерировать изоповерхность из трехмерного изображения текстуры (файл .i3d).
Процедура объемного изображения 3D
Эта процедура будет генерировать объем из трехмерного изображения текстуры (.i3d файл).
Импортировать атрибут
Импортирует данные атрибутов из OP, подключенного к данному входу.
Атрибут сведений об импорте
Импортировать переменную смещения
Импортирует значение указанной переменной из смещения. шейдер и сохраняет его в var.
Импорт световой переменной
Импортирует значение указанной переменной из шейдера света и хранит его в var.
Атрибут точки импорта
Импортировать примитивный атрибут
Импортировать свойства из OpenColorIO
Импортирует свойство цветового пространства из Open Color IO.
Импортировать переменную луча
Импортирует значение указанной переменной, отправленное из функции trace () и хранит его в var.
Импортировать переменную поверхности
Импортирует значение указанной переменной из поверхностного шейдера и хранит его в var.
Импортировать атрибут вершины
Переназначение важности
В группе
Возвращает 1, если точка или примитив находится в группе, указанной строкой.
Непрямое освещение
Внутренний VOP, используемый для расчета непрямого освещения.
Встроенный код
Напишите код VEX, который будет вставлен прямо в шейдер или оператор определение.
Вставить
Вставляет элемент, массив или строку в массив или строку.
Экземпляр с Hscript Procedural
Запускает hscript для каждой точки исходной геометрии и копирует сгенерированную геометрию в эту точку.
Целое число с плавающей запятой
Преобразует целое число в значение с плавающей запятой.
Целое в вектор
Пересечение
Вычисляет пересечение луча с геометрией.
Пересечь все
Вычисляет все пересечения луча с геометрией.
Инвертировать
Если задана матрица 3 × 3 или 4 × 4, этот оператор вычисляет обратную матрицу (или просто возвращает входную матрицу, если обнаруживает сингулярность).
Освещенность
Вычисляет энергетическую освещенность (глобальное освещение) в точке P с помощью нормальный N.
По алфавиту
Результат 1, если все символы в строке буквенные.
Абсолютное
Вычисляет абсолютное значение аргумента.
Добавить
Выводит сумму своих входов.
Добавить атрибут
Добавляет новый атрибут.
Добавить константу
Добавляет указанное постоянное значение к входящему целому числу с плавающей запятой, значение вектора или вектора4.
Добавить соединение
Добавляет соединение KineFX к геометрии.
Добавить точку
Добавляет точки к геометрии.
Добавить точку в группу
Добавляет указанную точку в заданную группу.
Добавить примитив
Добавляет примитивы к геометрии.
Добавить усилие поворота
Умножьте усилие рулевого управления на атрибуты рулевого веса и нормализуйте результаты на общий вес рулевого управления.
Добавить вершину
Добавляет вершины к геометрии.
Добавить силу ветра
Добавляет силу ветра в симуляцию.
Advect по объемам
Добавляет позицию с помощью набора примитивов тома, хранящихся в файле на диске.
Каталог клипов агента
Возвращает все анимационные клипы, загруженные для примитива агента.
Длина клипа агента
Возвращает длину (в секундах) анимационного клипа агента.
Имена роликов агента
Возвращает текущие анимационные клипы примитива агента.
Образец клипа агента
Делает выборку анимационного клипа агента в определенное время.
Частота дискретизации клипов агента
Возвращает частоту дискретизации анимационного клипа агента.
Время роликов агента
Возвращает текущее время для анимационных клипов примитива агента.
Вес зажима агента
Возвращает веса наложения для анимационных клипов примитива агента.
Преобразование агента Преобразования
Преобразует преобразования между локальным пространством и мировым пространством для примитива агента.
Привязки уровня агента
Возвращает преобразование, к которому привязана каждая фигура на уровне агента.
Имя уровня агента
Возвращает имя текущего слоя или уровня столкновения агента.
Формы слоя агента
Возвращает имена фигур, на которые ссылается слой примитива агента.
Уровни агента
Возвращает все уровни, которые были загружены для примитива агента.
Агент Риг Дети
Возвращает дочерние преобразования преобразования в оснастке примитива агента.
Агент Риг Найти
Находит индекс преобразования в оснастке примитива агента.
Агент Риг Родитель
Возвращает родительское преобразование преобразования в оснастке примитива агента.
Счетчик преобразований агента
Возвращает количество преобразований в оснастке примитива агента.
Имена преобразования агентов
Возвращает имя каждого преобразования в оснастке примитива агента.
Агент трансформируется
Возвращает текущие преобразования локального или мирового пространства примитива агента.
Выровнять
Вычисляет матрицу, представляющую вращение вокруг осей, нормальных к двум векторам, на угол между двумя векторами.
Альфа Микс
Принимает два значения альфа в зависимости от относительной ориентации поверхности. к камере и смешивает их с спад в качестве контроля смещения, эффективно удаляя силуэты геометрия кромок.
Окружающий
Создает цвет, используя расчет модели окружающего освещения.
А также
Выполняет логическую операцию «И» между своими входами и возвращает 1 или 0.
Сглаженный шум потока
Генерирует сглаженный (дробное броуновское движение) шум с помощью производная информация входящей позиции для вычисления полосовой шум.
Сглаженный шум
Создает сглаженный шум, используя информацию о производной входящей позиции для вычисления шума с ограниченной полосой пропускания.
Параметр сглаживания рампы
Добавить
Добавляет элемент в массив или строку.
Арктангенс
Выполняет функцию atan2 ()
Массив содержит
Проверяет, существует ли значение в массиве.
Индекс поиска в массиве
Находит первое местоположение элемента в массиве или строке.
Индексы поиска в массиве
Находит все местоположения элемента в массиве или строке.
Длина массива
Выдает длину массива.
Затухающий спад
Вычисляет ослабленный спад.
В среднем
Выводит среднее значение своих входов.
Компонент среднего вектора
Вычисляет среднее значение аргумента вектора.
BSDF оттенок
Оттеняет BSDF с раздельным управлением цветом и яркостью.
Выпекать экспорт
Экспорт затенения для использования в плоскостях запекания
Смещение
Привязать
Представляет атрибут, связанный с VEX.
Преобразование точки привязки
Связывает точечное преобразование KineFX с точечным индексом.
Смешать регионы
Принимает входной сигнал с плавающей запятой в качестве смещения для смешивания трех входных значений. регионы.
Смешать преобразования
Смешивает две матрицы преобразования KineFX.
Заблокировать начало
Обозначает начало блока кода.
Заблокировать начало для
Обозначает начало блока цикла for.
Заблокировать начало для каждого
Обозначает начало блока цикла для каждого.
Заблокировать начало, если
Обозначает начало блока кода if.
Конец блока
Обозначает конец кодового блока.
Блокировать конец Break-If
Обозначает конец кодового блока.
Блокировать конец пока
Обозначает конец временного блока кода.
Ограничительная рамка
Возвращает два вектора, представляющих минимальный и максимальный углы ограничивающей рамки для указанной геометрии.
Зажим для коробки
Обрезает линейный сегмент, определенный точками p1 и p2, до ограничивающей рамки. задается минимальной и максимальной угловыми точками.
Коробки
Создает повторяющиеся фильтрованные квадраты.
Брикер
Создает образец кирпича на основе параметрических s и t координаты.
Матовые круги
Выводит угол, создающий вид рисунка круглой кисти при использовании с направлением анизотропии.
Матовый металлический шейдер
Базовый шейдер для матового металла.
Ударный шум
Смещает поверхности по нормали, используя сглаженный шум, и возвращает положение смещенной поверхности, нормаль и величину смещения.
Перейти на карту нормалей
Вычислить карту нормалей касательного пространства на основе карты рельефа
Мешковина
Создает шаблон смещения мешковины, полезный для имитации грубого ткань или образцы плетения.
Образец мешковины
Возвращает плавающее значение между 0 и 1, которое определяет узор мешковины, полезный для имитации грубой ткани или узоров плетения.
Вход COP
Возвращает значение пикселя в одном из 4 входных COP, подключенных к VEX. КС.
CVEX Shader Builder
Узел, который реализует шейдер CVEX, используя его дочерние VOP.
Шейдер автомобильной краски
Имитирует автомобильную краску с металлическими чешуйками и слоем покрытия.
Полости
Создает смещение поверхности, имитирующее небольшие повреждения поверхности. с использованием сглаженного шума различной частоты.
Потолок
Возвращает наименьшее целое число, большее или равное аргумент.
Ячеистые трещины
Создает смещение клеточной трещины, подходящее для моделирования кожи, кожа, засохшая земля и всякие корки.
Сотовый шум
Вычисляет двухмерный сотовый шум со сглаживанием, подходящий для затенения.
Символ в строку
Преобразует кодовую точку Юникода в строку UTF8.
Клетчатый
Возвращает число от 0 до 1, определяющее клетчатый узор, полезный для визуализации параметрических координат или координат текстуры.
Зажим
Устанавливает входные данные между минимальным и максимальным значениями.
Класс Cast
Понижает общий (анонимный) объект ко-шейдера до определенного ко-шейдера
Классический шейдер
Гибкий материал, включающий несколько слоев отражения, подповерхностное рассеяние, преломления и смещения.
Классическое шейдерное ядро
Мощный, очень гибкий универсальный шейдер поверхности со смещением.
Собирать
Столкновение с геометрией
Столкнет указанное соединение с целевой геометрией.
Цветокоррекция
Предоставляет средства для изменения оттенка, насыщенности, интенсивности, смещения, усиления и гаммы входного цвета.
Цветовая карта
Ищет один образец цвета RGB или RGBA из образа диска.
Цветовой микс
Вычисляет смешение (или смесь) двух входных цветов и выводит получившийся цвет.
Преобразование цвета
Комбинировать локальное преобразование
Объединяет локальные и родительские преобразования KineFX с наследованием масштаба.
Сравнить
Сравнивает два значения и возвращает истину или ложь.
Дополнение
Вычисляет дополнение аргумента путем вычитания аргумента. с 1.
Композитный
Вычислить освещение
Вычисляет освещение с использованием физического рендеринга.
Вычислить нормальный
Этот узел обеспечивает более тонкий контроль над обработкой нормального атрибута в VOP.
Вычислить касательные
Вычислить касательные поверхности разными способами.
Дирижер Френель
Выводит физически правильный коэффициент отражения для проводящих материалов.
Экономить энергию
Установите коэффициент отражения bsdf на 1.
Постоянный
Выводит постоянное значение любого типа данных VEX.
Контур
Увеличивает или уменьшает контраст для значений в нижней части диапазона ввода.
Копировать
Принимает одиночный ввод любого типа данных.
Косинус
Выполняет функцию косинуса.
Треск
Возвращает значение float между 0 и 1, которое определяет узор потрескивания, полезный для имитации мелкозернистой текстуры кожи или в более крупном масштабе высушенных ил.
Создать группу точек
Создает новую группу точек с указанным именем.
Перекрестный продукт
Вычисляет перекрестное произведение двух векторов, определенных как вектор перпендикулярно обоим входным векторам.
Завиток шума
Создает трехмерный шум без расхождений с помощью функции curl.
Curl Noise 2D
Создает 2D-шум без расхождений с помощью функции curl.
Кривизна
Вычисляет кривизну поверхности.
Кривая Решателя
Располагает и ориентирует точки KineFX по кривой и списку длин сегментов.
Декаль
OTL, который выполняет компостирование текстурных карт.
Градусы в Радианы
Преобразует градусы в радианы.
Процедура отложенной загрузки
Отложенное чтение архива
Карта глубины
Работает с изображением, которое было визуализировано как изображение глубины z, возвращая расстояние от камеры до пикселя (или плоскости) в вопрос.
Детерминант
Вычисляет определитель матрицы 4 × 4 или 3 × 3.
Клавиши словаря
Создает ключи словаря.
Длина словаря
Выдает длину словаря.
Прямое освещение
Внутренний VOP, используемый для расчета прямого освещения.
Направление к ребенку
Вычисляет направление к дочернему элементу KineFX.
Направление к родителю
Вычисляет направление на родительский узел KineFX
Грязевая маска
Маскирует щели или открытые края
Вытеснить
Смещает положение поверхности и изменяет нормали поверхности.
Смещение по нормали
Смещает поверхность по нормали к поверхности на заданную величину.
Текстура смещения
Изменяет нормали и / или положения на основе карты текстуры.
Расстояние
Возвращает расстояние между двумя точками 3D или 4D.
Расстояние от точки до линии
Возвращает ближайшее расстояние между точкой и отрезком линии. определяется двумя конечными точками.
Делить
Выводит результат деления каждого входного значения на следующее.
Разделить константу
Делит входящее целое число, значение с плавающей запятой, вектор или вектор4 на указанное постоянное значение.
Скалярное произведение
Вычисляет скалярное произведение двух векторов.
Двойной отдых
Выводит дезинфицированные значения двойного упора.
Решатель Dual Rest
Дезинфицирует данные атрибутов двойного покоя для упрощения использования.
Edge Falloff
Создает плавный откат входящего цвета от центра геометрия к краям на основе нормали к поверхности.
Образец яичной скорлупы
Возвращает новую нормаль поверхности (N) с небольшой мелкозернистой выпуклостью.
Собственные значения
Заканчивается
Результат 1, если строка заканчивается указанной строкой.
Карта окружающей среды
Устанавливает карту окружения (на бесконечной сфере) и возвращает ее цвет.
Эйлер в Кватернион
Строит кватернион с заданным вращением Эйлера.
Экспоненциальный
Вычисляет экспоненциальную функцию аргумента.
Извлечь локальное преобразование
Вычисляет локальное преобразование для точки KineFX, используя преобразования ее и ее родительского мира.
Извлечь преобразование
Извлекает компонент сдвига, вращения, масштаба или сдвига 4 × 4 преобразовать матрицу.
Поддельные каустики
Выходы и значение непрозрачности, которые можно использовать для аппроксимации эффектов каустического освещения.
Быстрая тень
Посылает луч из позиции P в направлении, указанном направление Д.
Имя поля
Предоставляет «резервное» значение для поля / атрибута, если поле не существует или заданное имя поля является пустой строкой.
Параметр поля
Предоставляет «резервное» значение для поля / атрибута, если поле не существует или заданное имя поля является пустой строкой.
Образец нити
Преобразование точки фильтра
Найдите точку в массиве и верните преобразования в соответствующие массивы.
Фильтр импульсной последовательности
Фильтрует ввод.
Фильтр тени
Посылает луч из позиции P в направлении, указанном направление D, а…
Шаг фильтра
Вычисляет вес сглаживания ступенчатой функции.
Ширина фильтра
Эта функция возвращает квадратный корень из площади входных данных 3D или длину производной входных данных с плавающей запятой, например s или t.
Найти значение атрибута
Найти количество значений атрибута
Найти значение атрибута по индексу
Найти преобразование точки
Найдите точку на заданной геометрии и верните ее преобразования.
Диапазон подгонки
Принимает значение в исходном диапазоне и сдвигает его на соответствующее значение в целевом диапазоне.
Диапазон посадки (без зажима)
Принимает значение в исходном диапазоне и сдвигает его на соответствующее значение в целевом диапазоне.
С плавающей точкой в целое число
Преобразует значение с плавающей запятой в целое число.
Плавать в матрицу
Преобразует шестнадцать значений с плавающей запятой в матричное значение 4 × 4.
Плавать в Matrix2
Преобразует четыре значения с плавающей запятой в значение matrix2.
Плавать в Matrix3
Преобразует девять значений с плавающей запятой в значение matrix3.
Плавать в вектор
Преобразует три значения с плавающей запятой в векторное значение.
Плавать в Vector2
Преобразует два значения с плавающей запятой в значение vector2.
Плавать в Vector4
Преобразует четыре значения с плавающей запятой в значение vector4.
Пол
Возвращает наибольшее целое число, меньшее или равное аргументу.
Шум потока
Генерирует 1D и 3D шум потока Perlin из 3D и 4D данных.
Для каждого преобразования
Выполните ту же операцию с массивом преобразований.
Дробная часть
Вычисляет дробную составляющую аргумента.
Френель
Вычисляет вклады отражения / преломления Френеля. с учетом нормализованного падающего луча, нормализованной нормали к поверхности и показатель преломления.
Из НДЦ
Преобразует положение из обычных координат устройства в координаты в соответствующем пространстве.
Из НДЦ
Преобразует положение из обычных координат устройства в координаты в соответствующем пространстве.
С полярного
Преобразует полярные координаты в декартовы координаты.
Лицевая сторона
Возвращает нормаль лицевой стороны поверхности по нормали к поверхности. (N) и падающий луч (I).
Глобальные переменные Fur Guide
Предоставляет выходные данные, представляющие обычно используемые входные переменные мехового гида. шейдерная сеть.
Выходные переменные и параметры меховой направляющей
Предоставляет входные данные, представляющие выходные переменные шейдера направляющей меха. сеть.
Мех процедурный
Создает набор волосковых кривых на поверхности во время рендеринга.
Глобальные переменные меховой кожи
Предоставляет выходные данные, представляющие обычно используемые входные переменные кожи меха. шейдерная сеть.
Переменные и параметры выхода меховой кожи
Предоставляет входные данные, представляющие выходные переменные шейдера кожи меха. сеть.
Борозды
Смещает поверхность по нормали к поверхности на величину, равную значение сглаженной косинусоидальной волны.
Нечеткое И
Выполняет нечеткую операцию «и» между своими входами и возвращает значение от 0 до 1.
Нечеткий Defuzz
Выполняет операцию дефаззификации между входными нечеткими наборами и возвращает четкое значение.
Нечеткий вывод
Выполняет операцию нечеткого вывода для каждого входа, чтобы определить истинность нечеткого набора, определенного на этом узле.
Зеркало нечеткого вывода
«Этот узел представляет два выведенных нечетких набора, которые являются зеркалами друг друга.
Нечеткий ввод
Выполняет операцию «размытия», которая вычисляет нечеткое значение с учетом функции принадлежности и четкого входного значения.
Нечеткое нет
Этот оператор выполняет нечеткую операцию «не» над целым числом или значением с плавающей запятой.
Чувство нечеткого препятствия
Обнаруживает препятствия в поле зрения агента.
Нечеткое или
Выполняет нечеткую операцию «или» между своими входами и возвращает значение от 0 до 1.
Усиление
Собрать петлю
Отправляет лучи в сцену и содержит подсеть VOP для работы с информацией, полученной от шейдеров поверхностей, на которые попадают лучи.
Гауссовский случайный
Создает случайное число, соответствующее гауссовскому распределению.
Гауссовский случайный УФ
Создает случайное число, соответствующее гауссовскому распределению.
Генерал Френель
Вычисляет вклады и векторы отражения / преломления Френеля для объектов с глубиной или без нее.
Общий шейдер
Представляет шейдер.
Глобальные параметры Geometry VOP
Предоставляет выходные данные, которые представляют все глобальные переменные для Атрибут типов сети VOP.
Выходные переменные Geometry VOP
Простая выходная переменная для сетей Geometry VOP.
Получить атрибут
Получить BSDF Albedo
Вычислите отражательную способность bsdf.
Получите Blur P
Получить атрибут CHOP
Возвращает значение атрибута CHOP в одном из 4 входов CHOP, подключенных к каналу VOP.
Получить преобразование канала
Возвращает значение преобразования, построенное для 9 каналов одного из 4 входных каналов CHOP, подключенных к каналу VOP.
Получить ценность канала
Возвращает значение выборки в одном из 4 входов CHOP, подключенных к каналу VOP.
Получить значение канала по имени
Возвращает значение выборки в одном из 4 входов CHOP, подключенных к каналу VOP.
Получить потомственные преобразования
Просматривать иерархию из заданной точки и возвращать их преобразования.
Получить элемент словаря
Получает указанное значение из словаря.
Получить элемент
Получает указанный элемент из массива.
Получить атрибуты FBIK
Получение значений конфигурации для решателя Physical Full-Body IK из атрибутов точки.
Получить полное тело COM
Возвращает вычисленный центр масс для заданной геометрии KineFX.
Получить оси шарнирной цепи
Вычисляет набор ортогональных осей с центром в суставе KineFX.
Получить экспорт слоя
Получает значение переменной экспорта, добавленной в структуру слоя шейдера.
Получить компонент матрицы
Извлекает матричный компонент 4 × 4.
Получить компонент Matrix2
Извлекает компонент matrix3 размером 2 × 2.
Получить компонент Matrix3
Извлекает компонент matrix3 размером 3 × 3.
Получить преобразование объекта
Получает матрицу преобразования именованного объекта в (текущем) пространстве камеры.
Получить идентификатор PTexture
Получить родителя
Находит родительский элемент сустава в каркасе KineFX.
Получить родительское преобразование
Получает преобразование родительского элемента сустава в каркасе KineFX.
Получить преобразование точки
Возвращает точечное преобразование для заданного точечного индекса.
Получить преобразования точек
Возвращает массивы точечных преобразований по массиву идентификаторов точек.
Получить примитивный идентификатор
Получить векторный компонент
Извлекает компонент вектора.
Получить компонент Vector2
Извлекает компонент vector2.
Получить компонент Vector4
Извлекает компонент vector4.
Получите значение канала CHOP
Оценивает канал CHOP и возвращает его значение.
Получить значение канала или параметра
Оценивает канал (или параметр) и возвращает его значение.
Получить преобразование объекта
Оценивает преобразование узла OBJ
Клетчатые чеки
Создает сглаженные чеки в клетку, похожие на скатерть. шаблон.
Глобальные переменные
Предоставляет выходные данные, которые представляют все глобальные переменные для текущий тип сети VOP.
Градиент 3D
Возвращает градиент одноканального изображения 3D-текстуры в указанное положение в этом изображении.
HSV в RGB
Преобразует цветовое пространство HSV в цветовое пространство RGB.
Волосы нормальные
Создает вектор нормали, который всегда обращен в камеру, параллельно вектору падения.
Шейдер волос
Мощная, очень гибкая универсальная модель для затенения волос / меха.
Имеет ввод
Возвращает 1, если указанный вход (0–3) подключен.
Есть ключ
Возвращает, если в словаре есть ключ.
Высокий-низкий уровень шума
Вычисляет сочетание высокочастотного и низкочастотного шума со сглаживанием. широкий спектр применения.
Процедура Houdini Engine: создание кривой
Готовит актив SOP для каждой точки исходной геометрии и копирует созданные кривые в эту точку.
Процедура Houdini Engine: создание точек
Готовит актив SOP для каждой точки исходной геометрии и копирует созданные точки в эту точку.
Сдвиг оттенка
Использует значение сдвига для перемещения оттенка входящего цвета по цветовому кругу на величину, на которую влияет амплитуда.
ИК Решатель
Позиционирует и ориентирует точки относительно корневого положения, целевого положения конечного эффектора и положения скручивания, используя обратную кинематику KineFX.
Если подключен
Проходит через значение первого входа, если первый вход в конечном итоге связаны.
Петля освещенности
Доступно только в сетях Surface VOP.
Процедурная изотекстура изображения 3D
Эта процедура будет генерировать изоповерхность из трехмерного изображения текстуры (файл .i3d).
Процедура объемного изображения 3D
Эта процедура будет генерировать объем из трехмерного изображения текстуры (.i3d файл).
Импортировать атрибут
Импортирует данные атрибутов из OP, подключенного к данному входу.
Атрибут сведений об импорте
Импортировать переменную смещения
Импортирует значение указанной переменной из смещения. шейдер и сохраняет его в var.
Импорт световой переменной
Импортирует значение указанной переменной из шейдера света и хранит его в var.
Атрибут точки импорта
Импортировать примитивный атрибут
Импортировать свойства из OpenColorIO
Импортирует свойство цветового пространства из Open Color IO.
Импортировать переменную луча
Импортирует значение указанной переменной, отправленное из функции trace () и хранит его в var.
Импортировать переменную поверхности
Импортирует значение указанной переменной из поверхностного шейдера и хранит его в var.
Импортировать атрибут вершины
Переназначение важности
В группе
Возвращает 1, если точка или примитив находится в группе, указанной строкой.
Непрямое освещение
Внутренний VOP, используемый для расчета непрямого освещения.
Встроенный код
Напишите код VEX, который будет вставлен прямо в шейдер или оператор определение.
Вставить
Вставляет элемент, массив или строку в массив или строку.
Экземпляр с Hscript Procedural
Запускает hscript для каждой точки исходной геометрии и копирует сгенерированную геометрию в эту точку.
Целое число с плавающей запятой
Преобразует целое число в значение с плавающей запятой.
Целое в вектор

5Jx13 ET37
0J 4×98
5
Превышение этих параметров может ухудшить управляемость автомобилем и вызвать вопросы при регистрации.