Что такое прикуриватель. Особенности, строение, принцип работы, плюсы и минусы
Сегодня мы узнаем, что называется прикуривателем в автомобиле, какими особенностями и строением обладают элементы системы электрооборудования, а также, какие разновидности устройств существуют
ЧТО ТАКОЕ АВТОМОБИЛЬНЫЙ ПРИКУРИВАТЕЛЬ. ОСОБЕННОСТИ, СТРОЕНИЕ, ПРИНЦИП РАБОТЫ, ПЛЮСЫ И МИНУСЫ УСТРОЙСТВА
Добрый день, сегодня мы узнаем, что называется автомобильным прикуривателем, какими особенностями и строением обладают элементы системы электрооборудования того или иного транспортного средства, а также, какие разновидности устройств существуют. Кроме того, расскажем про то, каков принцип действия машинных прикуривателей, по каким причинам выходят из строя эти компоненты электрооборудования и можно ли эксплуатировать автомобиль со неисправным устройством. В заключении поговорим о том, какими преимуществами и недостатками обладают прикуриватели, как правильно пользоваться, а также обслуживать данные устройства, чтобы постоянно не происходило перегорания электроприборов и предохранителей в машине.
Автомобильный прикуриватель является одним из единственных элементов транспортного средства, который за долгие годы не претерпел практически никаких изменений в строении и сохранил свою первоначальную конструкцию. Самое интересное, что если даже вспомнить старые добрые советские автомобили и теперь представить современные модели машин, то как в тех, так и в других применяется одна конструкция данного элемента. Однако различие прикуривателя в советских машинах и современных все же есть. Заключается это отличие в том, что сегодня прикуриватели выполняют множество функций, например используются, как разъем для автомобильных гаджетов (навигатора, видеорегистратора), пуска-заряда автомобилей и многого другого. В советских же машинах функция устройства была всего одна — прикурить сигарету, например «Беломор Канал».
Благодаря устоявшейся конструкции — прикуриватель является простым и сверх надежным устройством. Справочно заметим, что на современном этапе многие автопроизводители, чтобы облегчить жизнь водителю и пассажирам, устанавливают в салоне машины не один, а сразу несколько разъемов устройств с гнездами. Делается это для того, чтобы прикуривателями могли пользоваться не только передние, но и задние пассажиры, причем дело даже в не курении. Как мы знаем, с каждым годом пассажиры и водители все реже курят в салоне автомобиля, зато чаще используют специальную электротехнику, которая помогает в движении, например найти нужный адрес или спастись от радара госавтоинспекции.
1. ОСОБЕННОСТИ, СТРОЕНИЕ И ПРИНЦИП РАБОТЫ АВТОМОБИЛЬНОГО ПРИКУРИВАТЕЛЯ
В первые годы установки прикуривателей на советские машины, автопроизводители делали эти компоненты сугубо для прикуривания сигарет прямо из салона автомобиля. Однако изготовители даже предположить не могли, что прикуриватели через, каких то 30-35 лет будут использоваться не по своему основному назначению. Как видим из названия устройства, отцы создатели компонента электрооборудования автомобиля закладывали в прикуриватель — прикуривание сигарет и ничего более. Справочно заметим, что с самого начала установки устройств в машины, они не получили у автовладельцев должной популярности, так как курящие все равно использовали спички или зажигалки, а для не курящих, элементы просто были незачем.
Из-за такой слабой востребованности на компонент, был такой период времени в истории, когда некоторые производители автомобилей даже задумывались о том, чтобы не устанавливать прикуриватели на свои машины.
Но так сложилось, что на рынке автомобильных электрических аксессуаров появилось много гаджетов, которые и спасли прикуриватели от вымирания. Дело в том, что почти всем современным автомобильным аксессуарам, на примере того же навигатора нужна розетка, чтобы «питаться» бортовым током. Прикуриватели для снабжения током устройств подошли просто идеально, вот поэтому сегодня на многих автомобилях можно найти в салоне не один прикуриватель, а целых два, а то и три.
Что касается современных прикуривателей, которыми мы их знаем сегодня, то они были запатентованы еще 1925 году, однако впервые на машинах они стали использоваться только в 50-ых годах 20 века. Дек вот именно с 50-х годов конструкция прикуривателей ни разу не менялась, только слегка изменялся внешний вид устройства.
Можно смело сказать, что на данный элемент, который относится к системе электрооборудования автомобиля технический прогресс никак не влияет. На сегодняшний день большинство автомобилей штатно оснащаются прикуривателями, причем как минимум одним. Даже, если в купленной машине установлено устройство только с одним гнездом, а нам необходимо, как минимум на два выхода, то не составляет никаких проблем эту мечту осуществить. Для этого можно приобрести даже самый недорогой разветвитель прикуривателя и из одной розетки сделать столько гнезд, сколько нам нужно.
Какое строение имеет прикуриватель и как он функционирует? Как мы отмечали ранее конструкция и строение прикуривателя, что ни есть самое простое, даже ребенок в нем разберется. Основа устройства — это его металлический патрон, который оснащается кнопкой и рукояткой изготовленной из пластика.
Внутри металлического патрона размещается специальная спираль, изготовленная из такого материала, как нихром. Место расположения прикуривателя в салоне автомобиля, что ни есть самое разнообразное, но зачастую его можно найти возле приборной панели или около центрального подлокотника между передними сиденьями. Прикуриватель, как правило, выглядит в виде круглой розетки с выемкой. Принцип действия устройства таков, что когда мы вставляем в гнездо, она же розетка пластиковую рукоятку и нажимаем на нее, то она подключается к электрической бортовой сети машины.
Далее происходит следующее: положительный контакт от бортовой сети подается на клемму, которая расположена по центру гнезда и на спираль или штекер подключаемых приборов. Что касается отрицательного контакта, то он идет на цоколь или на прижимы штекера.
Когда мы используем прикуриватель через нихромовую спираль, то он начинает нагреваться, благодаря тому, что через него проходит электрический ток. Когда достигается максимальная температура на спирали, то автоматически срабатывает специальное термореле и прикуриватель отключается от электрической сети автомобиля. Таким образом, происходит перевод прикуривателя в первоначальное положение и при помощи звукового щелчка пользователь устройства предупрежден, что рукоятка нагрета до нужной температуры.
С целью защиты разъема прикуривателя автопроизводителями применяется штатный предохранитель, который зачастую рассчитан на напряжение в 10 Ампер. Как правило, предохранитель прпикуривателя располагается со всеми другими защитными элементами в блоке предохранителей, который находится в салоне автомобиля.
Чтобы было проще искать нужный предохранитель в блоке, производитель всегда помечает такие элементы маркировкой «Sigar» или в виде обычного рисунка сигареты. Таким образом, как видим кроме спирали или цоколя прикуривателя и его предохранителя в устройстве просто нечему больше ломаться. Зачастую предохранителиработают дольше, чем любое другое электрооборудование автомобиля.
2. ПЛЮСЫ И МИНУСЫ ПРИКУРИВАТЕЛЯ. ОСНОВНЫЕ ПРИЧИНЫ НЕИСПРАВНОСТЕЙ
Что касается плюсов, которые имеет автомобильный прикуриваеталь, то в основном все они относятся к гнезду устройства. Главным достоинством гнезда является его универсальность применения, благодаря чему к нему можно подключить огромное количество всевозможных электроприборов, начиная от зарядки для смартфона и заканчивая навигатором или видеорегистратором.
Из недостатков можно выделить тот факт, что в прикуривателях отсутствует надежная коммутация токов большой силы, а как мы знаем в некоторых современных автомобильных аксессуарах сила тока может достигать 45-50 Ампер.
Таким образом, при большом показателе силы тока, который проходит через электрическую цепь, все соединения должны быть выполнены максимально надежно. Дело в том, что во время передвижения автомобиля, между гнездом и вилкой под влиянием толчков снижается плотность контакта, что может в конечном счете привести к появлению искр из прикуривателя, а также, что самое страшное для любого автовладельца к серьезному возгоранию.
Какие же распространенные неисправности возникают с прикуривателем? Зачастую проблемы с функционированием прикуривателя появляются в результате перегорания предохранителя устройства из-за чрезмерной нагрузки приборов, которые установлены в гнездо.
Особенно часто проблемы возникают тогда, когда автовладелец покупает специальный разветвитель и в его гнезда устанавливает максимальное количество приборов, которые создают мощную нагрузку на бортовую сеть. Дело в том, что почти все прикуриватели исходя из своих технических характеристик, рассчитаны на определенную мощность и способны выдерживать только кратковременные нагрузки, но не постоянные.
Справочно заметим, что существует определенная доля автовладельцев, которые решают проблему с перегоранием предохранителя путем установки более мощного защитного элемента, то есть было на 10 Ампер, а стало на 15 или 20 Ампер. Однако такой способ решения проблемы с вылетающим предохранителем может обернутся еще большей неприятностью, так как это все приведет к сгоранию всего гнезда устройства.
Для того, что не допустить перегорания предохранителя и гнезда прикуривателя, нет необходимости подключать к нему приборы, штекеры которых собраны не плотно. Такие шутки могут заканчиваться коротким замыканием в цепи и возгоранием проводки автомобиля.
Как рекомендуют специалисты в области автомобильной электрики, если мы часто используем приборы с повышенной мощностью, на примере компрессоров для накачки шин или нагревателей, то подключать их лучше напрямую к аккумуляторной батареи. Также можно применить еще одним вариант и воспользоваться специальным выводом для подключения данных электроприборов. Такие гнезда функционируют напрямую от аккумулятора машины и имеют защиту предохранителями с повышенной мощностью в 20 Ампер.
В заключении отметим, что автомобильный прикуриватель является незаменимым элементом салона любой машины, который дает возможность пользоваться всевозможными электроприборами, облегчающими жизнь водителю и пассажирам. Однако пренебрегать правилами пользования прикуривателями не стоит, так как нередки случаи возгорания проводки бортовой сети из-за перегрузки цепи различными электрическими устройствами.
БОЛЬШОЕ СПАСИБО ЗА ВНИМАНИЕ. ОСТАВЛЯЙТЕ СВОИ КОММЕНТАРИИ, ДЕЛИТЕСЬ С ДРУЗЬЯМИ.
ЖДЕМ ВАШИХ ОТЗЫВОВ И ПРЕДЛОЖЕНИЙ.
как его снять и подключить, ремонт
23.03.20222 862 1 3 Вспомогательные системы
Автор:Иван Баранов
Если прикуриватель не работает, причин неполадки может быть несколько. О том, почему не работает прикуриватель, о том, как вытащить и как поменять устройство – читайте ниже.
Содержание
- 1 Принцип работы прикуривателя
- 2 Характерные неисправности приспособления
- 3 Способы устранения неполадок
- 4 Пошаговое руководство по замене и настройке
- 4.1 Инструменты и материалы
- 4.2 Последовательность выполнения работы
- 5 Видео «Ремонт приспособления»
[ Раскрыть]
[ Скрыть]
Принцип работы прикуривателя
Прикуриватель — это специальный нагревательный элемент, который зачастую подключен к автомобильной батарее. Если это так, то прибор будет работать даже в том случае, если просто включен замок зажигания. Кроме прямого назначения, штекер используют как зарядное устройство для мобильного телефона и прочих гаджетов. Благодаря тому, что к нему часто подсоединен разветвитель, этим обеспечивается одновременная зарядка сразу нескольких девайсов, в том числе и видеорегистратора.
Разветвитель с несколькими гнездамиХарактерные неисправности приспособления
Если перестал работать прикуриватель, причин может быть несколько:
- сгорел предохранитель;
- сорвалась нить накаливания;
- сработала защита от возгорания;
- коррозия клемм питания и массы устройства;
- раньше прибор фиксировался, но теперь кнопка не фиксируется.

Как починить прикуриватель – ниже.
Удобное приспособление для транспортного средстваСпособы устранения неполадок
Если перестал работать прикуриватель, необходимо провести грамотную диагностику. Для этой операции понадобится лишь мультиметр, установленный в режиме тестера, или самодельный прибор, сконструированный из лампы и нескольких проводов.
По большей степени этот прибор находится в монтажном блоке в специальном отсеке машины. Чтобы добраться до этого устройства, придется открыть капот и в монтажном блоке – в черном ящике, который находится в дальнем углу, отыскать предохранитель, который может называться либо F4, F7, а иногда 20 А – все зависит от максимального тока, на который рассчитан предохранитель.
Для того, чтобы диагностировать предохранитель, нужно изъять его и подключить к мультиметру, чтобы прозвонить контакты. Если лампа на самодельном тестере загорится, или прибор издаст звуковое оповещение, говорящее о том, что предохранитель цел, значит, проблема кроется в другом.
Важно: не стоит устанавливать рядом с предохранителем расчетный ток, потому что это приведет к необратимым последствиям, возможно даже к пожару.
Одной из причин неисправности может быть невнимательность водителя при работе со вспомогательными приборами. Например, после недавней уборки в салоне автомобиля с использованием электротехники, не работает прикуриватель в машине – значит дело в предохранителе. Чтобы в будущем избежать этих проблем, нужно тщательно контролировать подачу тока.
Деталь для транспортного средстваИногда, если не работает прикуриватель и магнитола одновременно, можно не найти никакой связи, но она есть. Ведь случается в повседневности и такое, когда водитель контакты магнитолы подсоединяет к этому приспособлению, ведь это проще, чем идти другим путем и подключаться к батарее машины. Таким образом, когда он перегорает, одновременно с ним в машине перестает работать стерео. В таком случае лучше не заниматься «самолечением», а отправиться в автоцентр и обратиться к квалифицированному специалисту.
Бывает, водители устанавливают в автомобиль много техники, хотя правильнее подсоединять ее к аккумулятору.
Если вышеописанные способы не решили проблемы, осталось проверить на предмет коррозии проводку.
- Особое внимание нужно уделить подключению плюсового провода и провода массы к устройству.
- Осмотреть все соединения и, если где-то слетели контакты, восстановить их.
- Проверить контакты колодки проводов на монтажном блоке.
- Если от колодки имеется разрыв провода, необходимо локально заменить его, или заменить полностью жгут.
Пошаговое руководство по замене и настройке
О том, как снять прикуриватель, как разобраться в его схеме, произвести установку, а также о том, как разобрать прикуриватель – ниже.
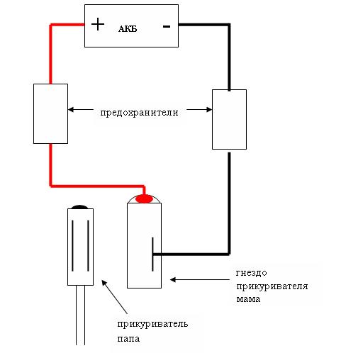
Схема подключения прикуривателяИнструменты и материалы
Установка, а также замена прикуривателя подразумевает наличие некоторых инструментов:
- пассатижи;
- напильник;
- набор отверток;
- паяльник.

Как подключить прикуриватель, можно узнать от автора видео Дмитрий Мазницын.
Последовательность выполнения работы
Как поменять прикуриватель можно узнать из ниже описанной инструкции.
- Разбирайте систему только обесточив транспорт. Если водитель вытаскивал прикуриватель при подключенных проводах это может привести к замыканию и даже пожару, тогда установка не покажется легкой.
- Снимая прибор, нужно соблюдать осторожность. Использовать при работе необходимо маленькую плоскую отвертку. Она помещается внутрь детали. Концом отвертки необходимо надавить на зеленый фиксатор и отвернуть гильзу. Затем снять стакан детали.
- Извлечь прибор и произвести ремонт. Устанавливаемый прибор помещается на прежнее место. При подключении контактов необходимо соблюдать полярность, чтобы предотвратить замыкание.
Фотогалерея «Ремонт прибора»
О том, как решить одну из неисправностей, можно узнать на фотографиях.
Загрузка …
Видео «Ремонт приспособления»
Ремонт прикуривателя детально освещен на видео от автора Александр Загорный.
Была ли эта статья полезна?
Спасибо за Ваше мнение!
Статья была полезнаПожалуйста, поделитесь информацией с друзьями
Да (100.00%)
Нет
в чем причина, что делать, как исправить
Если не работает прикуриватель в салоне автомобиля, проблему чаще всего можно устранить своими силами. Система не отличается сложностью, но при этом выполняет ряд важных функций. Если раньше использование ограничивалось прикуриванием сигарет, то в наши дни разъем применяется для питания дополнительного оборудования (навигатор, видеорегистратор) и для зарядки мобильных устройств и ноутбуков.
Принцип работы прикуривателя
В первую очередь надо разобраться с тем, как работает устройство.
Понимание основных принципов упростит поиск неполадки и позволит понять, как должен функционировать каждый из элементов. Конструкция всегда состоит из одинаковых составных частей: корпуса с патроном и биметаллическим держателем и ручки с нагревателем и изолятором, защищающим поверхность вокруг от перегрева.
Система питается от бортовой сети напряжением 12 В. К гнезду подведен минусовой провод напрямую от массы аккумуляторной батареи. Плюсовой контакт находится в штекере, поэтому, когда верхняя часть с нагревательной спиралью вставляется в гнездо до щелчка, цепь замыкается и подается питание, за счет чего металлическая часть и раскаляется. Для защиты от замыканий в блоке предохранителей есть отдельный элемент для прикуривателя. Еще один плавкий предохранитель размещается на корпусе устройства.
Кстати!
Если на прикуривателе есть подсветка по периметру, то питание на нее подается отдельным проводом. Предохранитель для данного элемента также может быть другим.
Почему не работает прикуриватель в машине: основные причины
Для начала убедитесь, что устройство действительно не работает. Для этого используйте штатный прикуриватель и следуйте простой инструкции:
- Включите зажигание, так как на многих моделях прикуриватель включается только в этом случае. Если ранее система работала и без ключа, можно пропустить этот этап.
- Вставьте прикуриватель в гнездо и нажмите, чтобы замкнуть цепь и начать нагревание.
- Примерно в течение 15 секунд спираль должна раскалиться и отщелкнуться. Если этого не происходит или же нагревательный элемент холодный, значит, система не работает.
Далее проверьте основные узлы системы, тут все достаточно просто, чаще всего работа занимает несколько минут. Соблюдайте такие рекомендации:
- Осмотрите внутреннюю часть патрона на предмет загрязнений или прогара в месте расположения контактов. Также стоит проверить спираль прикуривателя, со временем она может перегореть.
Обращайте внимание на любые повреждения или признаки выхода из строя. - Чаще всего всему виной сгоревший предохранитель, так как во время работы нагрузка высока. Особенно часто этот элемент выходит из строя, если к розетке (а именно так чаще всего используется рассматриваемый элемент) подключается оборудование большой мощности — пылесос, насос для подкачки шин и т. д.
- Еще одна распространенная причина — поврежденная проводка или нарушение контактов в месте соединений. Обычно провода идут от самого прикуривателя до блока предохранителей, расположение и способ подключения могут различаться у разных модификаций.
- В некоторых моделях, особенно отечественных, проблема может возникнуть из-за того, что перегорели монтажные дорожки в блоке предохранителей.
Важно!
Лучше всего поискать дополнительную информацию по своей модели автомобиля. Чаще всего на форумах и в тематических сообществах есть соответствующие темы и там подробно обсуждаются самые распространенные причины поломки и способы устранения.
Как определить неисправность прибора
Выше описано, как определить, что прикуриватель не работает: если он отщелкивается холодным или его нужно вытаскивать вручную, стоит разобраться, в чем именно проблема. Инструкция по проведению диагностики проста:
- В первую очередь убедитесь, что внутри чисто и нет следов замыкания или прогара. Если посторонние предметы обнаружены, удалите их тонкой отверткой или пылесосом.
- По схеме определите, где расположен предохранитель, отвечающий за работу прикуривателя. Извлеките его, проще всего использовать специальный пинцет, так как элементы в блоке расположены плотно и вынуть их бывает непросто. Если под рукой есть мультиметр, поставьте его в режим прозвона цепи и присоедините щупы к контактам: если все в норме, раздастся звуковой сигнал.
Нередко можно увидеть проблему и при визуальном осмотре, если проволока повреждена или предохранитель подгоревший, поиск можно не продолжать. - Тем же мультиметром проверьте, подается ли напряжение на плюсовой контакт. Для этого необходимо снять узел, чаще всего потребуется демонтаж пластиковых элементов обшивки, но в некоторых моделях корпус просто отщелкивается.
- Осмотрите контакты на предмет подгорания. Если они почерневшие, то напряжение может просто не подаваться.
Чаще всего обойтись можно и без специального оборудования. Главное — внимательно осматривать узел за узлом, исключая проблемы по порядку. Важно точно определить положение предохранителя и не перепутать его.
Как устранить проблему
Ремонт не отличается сложностью, особенно если вы правильно определили неполадку. Чаще всего проводится один из таких вариантов ремонта:
- Замена предохранителя. Обязательно уточните номинальную емкость, предусмотренную производителем (обычно это 15–20 А), и используйте такой же.
Любые отклонения недопустимы и могут спровоцировать более серьезные проблемы. Второй вариант — замена плавкого предохранителя на корпусе устройства. - Удаление мусора из патрона или предмета, мешающего нормальной работе системы. Для этого можно использовать подручные средства, главное, не из металла, чтобы не замкнуть контакты. Второй способ — использование пылесоса, если им будет удобнее удалить все лишнее.
- Контакты удобнее всего зачищать небольшим куском мелкой наждачной бумаги. При этом зажигание должно быть отключено. А если прикуриватель работает и при извлеченном ключе, желательно снять клемму аккумулятора, чтобы исключить любые проблемы. После зачистки все обработанные места желательно обработать специальным составом для электрических соединений.
- Если патрон либо сам прикуриватель имеют существенные повреждения, из-за которых невозможна нормальная работа, то проще всего заменить узел целиком. Купите подходящий для вашей модели авто вариант, разберитесь, как снимается корпус.

Чаще всего его держит защелка или же с задней стороны закручена гайка, которую можно снять только при частичном разборе панели или тоннеля посередине, все зависит от расположения элемента. - Иногда из строя выходит подсветка, которая располагается по периметру и работает за счет светодиода или небольшой лампочки в задней части. Часто за освещение отвечает другой предохранитель, поэтому в первую очередь проверьте его. Затем убедитесь, что провод питания подключен и контакт нормальный. Несложно заменить лампочку, а вот со светодиодом сложнее. Если все-таки вышел из строя он, придется выпаивать старый и ставить на его место новый.
- В некоторых моделях могут быть свои особенности. Например, в «Тойоте» часто перегорает алюминиевая вставка в патроне. А в «Грантах» и других моделях от ВАЗа проблемы нередко возникают с дорожками в блоке предохранителей. Чтобы разобраться, как исправить неполадку, почитайте информацию по своей модели.
Важно!
Если предохранитель выходит из строя постоянно, значит вы подключаете слишком мощное оборудование, которое перегружает проводку.
Чего лучше не делать, если не работает прикуриватель в машине
Среди автолюбителей распространено несколько заблуждений относительно ремонта прикуривателя. Все они опасны, так как могут привести к поражению током водителя, выходу из строя узла или даже возгоранию машины. Помните следующее:
- Нельзя ставить предохранитель с большим номиналом. Это приведет к перегрузке проводки и ее перегреву, из-за чего может начать оплавляться изоляция и места соединений.
- Не чистите контакты и не удаляйте посторонние предметы, если зажигание машины включено. Все работы с проводкой и электрическими соединениями можно проводить, только предварительно позаботившись о безопасности.
- При повреждении нагревательной спирали или патрона не надо пытаться устранить проблему самостоятельно.
Намного проще и безопаснее заменить узел целиком, тем более что стоимость небольшая. - Не стоит самостоятельно поджимать элементы, удерживающие прикуриватель при нагревании, если вы не знаете, как они должны располагаться. Если пережать, то спираль будет перегреваться и может воспламениться или оплавить материалы вокруг. Или же узел застрянет, и, чтобы извлечь его, придется приложить немалые усилия.
Если вы заметили оплавленные детали или другие признаки перегрузки, не используйте гнездо, пока не устраните проблему. Посторонний запах также свидетельствует о том, что есть неполадки.
Разобраться с неработающим прикуривателем по силам практически каждому водителю. Главное — соблюдать требования безопасности и следовать простой инструкции при поиске неисправности. Понять, в чем причина поломки, несложно, как и устранить ее, даже замена узла целиком чаще всего занимает несколько минут.
Понравилась статья? Поделиться с друзьями:
Как работают электрические зажигалки? – fuegolighter
Электрические зажигалки стали новым стандартом для курильщиков, и не зря.
Когда существовали пещерные люди, они терли друг о друга палки, чтобы разжечь огонь. Затем люди начали использовать спички, и по мере развития технологий появились зажигалки, наполненные жидкостью или бутаном. Как и большинство продуктов, эволюция зажигалки на этом не остановилась. Здесь, в Fuego, мы предлагаем современные электронные зажигалки, созданные специально для сигар.
Если вы только впервые узнали о зажигалке Fuego, мы рекомендуем вам посмотреть наши видеоролики на YouTube и посетить страницу нашего продукта, чтобы получить полные характеристики нашей зажигалки Fuego.
Благодаря развитию технологии зажигалок мы больше не ограничены бутановой зажигалкой, у нас есть более широкий выбор. Беспламенные зажигалки, такие как Fuego, доступны по цене и намного безопаснее с гарантией работы без необходимости заправки бутаном или жидким топливом. По сравнению с бутановыми зажигалками они безопаснее, эффективнее и в большинстве случаев устойчивы к атмосферным воздействиям.
Зажигалка Fuego защищена от ветра и на сегодняшний день является одной из лучших зажигалок для сигар. К сожалению, многие курильщики до сих пор используют бутановые зажигалки, потому что они очень недорогие и одноразовые после того, как у них закончится жидкость. Зажигалки, наполненные бутаном, склонны к возгоранию при длительном хранении на жаре или при падении. Несмотря на то, что заполненные жидкостью зажигалки небезопасны и требуют тщательного обслуживания, они по-прежнему остаются наиболее широко используемым типом зажигалок.
Здесь, в Fuego, мы стремимся изменить это для курильщиков сигар, которые хотят иметь более сложную зажигалку, разработанную специально для любителей сигар. Наша миссия в зажигалках Fuego — информировать курильщиков о преимуществах электрической зажигалки, в которой вместо пламени используется горелка. Откажитесь от старой технологии бутановой зажигалки, перейдите на беспламенную зажигалку Fuego и наслаждайтесь новейшими технологиями, доступными для курильщиков сигар.
Типы электрических зажигалок: пластина с плазменными и электрическими горелками
Осветительные приборы с электрическим приводом бывают различных форм. Некоторые электронные зажигалки используют плазменную дугу в качестве источника нагрева, и они известны как плазменные зажигалки. Механизм плазменного освещения работает по тому же принципу, что и природа во время грозы производит молнии. Те же самые законы физики применяются для производства дуги плазменной зажигалки, которая является источником тепла в зажигалке этого типа.
Зажигалки Fuego не используют плазменную дугу или бутан. Вместо этого в наших зажигалках для сигар используется электрическая нагревательная пластина, которая действует как конфорка на плите. Нагревательный змеевик Fuego с пластиной горелки наверху питается от съемной перезаряжаемой батареи USB, которая поставляется вместе с устройством без дополнительной платы. Зарядка аккумулятора занимает не более 3 часов, а при полной зарядке его может хватить на несколько дней.
Fuego — один из самых революционных типов беспламенных зажигалок, доступных сегодня в продаже, он очень удобен в использовании и определенно лучшая прикуриватель там.
Электрическая зажигалка Fuego
Плазменная дуговая зажигалка
Как эта зажигалка работает без жидкости или газа?
Fuego — чисто электрическое/электронное устройство. Это не зажигалка, поэтому вам никогда не понадобится бутан или жидкая жидкость. Это беспламенная зажигалка, что делает ее идеальной для использования на открытом воздухе. Ветрозащитный дизайн означает, что вы можете взять его с собой на поле для гольфа, на пляж, на лодку или в высокогорные места, где бутановые зажигалки менее эффективны.
Многие наши потенциальные клиенты часто задаются вопросом, какие плюсы и минусы в использовании электронных сигар. Кроме того, часто спрашивают, чем электрические зажигалки лучше бутановых. Ответ на этот вопрос – громкое «да, они намного лучше».
Как пользоваться электрической зажигалкой – Инструкция по эксплуатации
Быстро нажмите кнопку пуска 5 раз, чтобы включить или выключить устройство.
После включения аккумулятора нажмите и удерживайте кнопку питания, чтобы нагреть гриль. Гриль раскалится до сотен градусов за секунды.
Цикл нагрева отключается через десять секунд использования для предотвращения перегрева. Отпустите и снова нажмите кнопку питания, чтобы начать новый цикл нагрева.
Полностью заряженный аккумулятор выдерживает более пятидесяти полных 10-секундных циклов нагрева. Батарея автоматически отключится через пятнадцать секунд неиспользования. Эта функция автоматического отключения продлевает срок службы батареи.
Аккумулятор заряжается с помощью кабеля для зарядки micro USB, входящего в комплект. Перезарядка занимает примерно полтора часа.
Элементы электрической зажигалки – из чего она сделана?
Зажигалки Fuego состоят из двух компонентов: аккумулятора и нагревательного элемента.
Зажигалку очень легко собрать за считанные секунды и разобрать для хранения или путешествий.
Нагревательный змеевик изготовлен с помощью винта с резьбой 510, совместимого с другими портативными батареями 510 Mod, представленными на рынке. Пластины горелок нагревателя требуют ок. Мощность 25 Вт для правильного нагрева и возможности легко зажечь сигару независимо от погоды. Нагревательные змеевики изготовлены из тонких металлических соединений, специально разработанных для быстрого повышения температуры. Диаметр нагревательной спирали составляет 62 кольцевых калибра или 1 дюйм, что позволяет идеально ровно зажигать даже «толстые» сигары.
Зажигалка Fuego представляет собой заряжаемую от USB батарею емкостью 2500 мА·ч, которая отсоединяется от катушки и имеет длительный срок службы. Зажигалка Fuego намного безопаснее и не использует горючие жидкости в сжатом контейнере, который потенциально может взорваться. Наши зажигалки удобны для путешествий и способны выдержать самый сильный ветер, поскольку в них нет пламени.
Многие знатоки сигар считают зажигалку Fuego лучшей зажигалкой для сигар.
Почему стоит выбрать электрическую зажигалку Fuego?
Ищете высококачественное устройство для зажигания сигар, безопасное, эффективное и стильное? Ищете начало разговора? Электрические зажигалки Fuego идеально подходят для этого. Когда вы достанете Fuego и зажжете сигару, вы обязательно повернете головы и, возможно, даже заставите людей подойти к вам и спросить об этом.
Это электричество! Зажигалки Fuego не похожи ни на какие другие зажигалки, они имеют уникальную форму и компактный дизайн, благодаря чему их легко брать в руки и брать с собой в дорогу. Даже ветер силой Гейла не может сравниться с зажигалкой Fuego без пламени, в которой используется запатентованный процесс нагрева. Зажигалки без пламени, такие как Fuego, прекрасно работают при сильном ветре, поскольку пламя не может погаснуть. У Fuego электрическая нагревательная пластина нагревается до раскаленного докрасна состояния, которое может равномерно искрить даже полноразмерную сигару.
Вы можете приобрести удобную и практически лучшую прикуриватель Fuego с батарейным питанием прямо на нашем веб-сайте, и вам больше никогда не придется беспокоиться о ветре. Товары доставляются в течение 24–48 часов с момента заказа онлайн и обычно доставляются в течение 3–5 рабочих дней после отправки товара. Мы предоставляем отличную гарантию на нашу продукцию и отличное обслуживание клиентов. Не стесняйтесь звонить или писать нам по электронной почте, если у вас есть какие-либо вопросы о нашей продукции, и мы будем рады ответить на них.
Зажигалки Fuego Клиенты Q/A
Вопрос: вы производите такие зажигалки большего размера? Например, чтобы вместить сигары с диаметром кольца 66
Ответ: Самый большой размер кольца, который мы в настоящее время используем, составляет 62 (предел для текущего нагревательного змеевика). Причина перехода только к 62 заключается в том, что мы обнаружили, что большинство сигар имеют этот кольцевой калибр или меньше.
В будущем мы можем предложить вариант с большим калибром кольца, если этого потребует покупательский спрос.
Продавец Fuego_Lighters, 3 февраля 2021 г.
Вопрос: Как часто вам приходится менять катушки?
Ответ: Установленных сроков нет, потому что срок службы зависит от того, как часто он используется, как он используется и как его обслуживает владелец. Правильно используемые, ухоженные катушки прослужат дольше, чем те, которые не являются таковыми.
Автор: Fuego_Lighters ПРОДАВЕЦ, 20 сентября 2020 г.
Вопрос: Отключается ли он автоматически при десятисекундном цикле?
Ответ: Аккумулятор прикуривателя работает 10-секундными циклами — это функция безопасности. Каждый цикл нажатия кнопки автоматически завершается через 10 секунд. Нет разницы первое, второе или третье.
Олег, 03.04.2020
Вопрос: Продается ли розетка для кабеля для подзарядки прикуривателя?
Ответ: Не знаю.
Я использую настенную розетку для iPhone. Это просто USB.
By Барри Мейер, 26 мая 2020 г.
Вопрос: Выполняется ли автоматический цикл или он может работать постоянно, не отключаясь.
Ответ: Аккумулятор регулируется и автоматически отключается, если кнопка питания нажата и удерживается в течение десяти (10) секунд. Чтобы перезапустить новый цикл нагрева, просто отпустите кнопку питания, снова нажмите и удерживайте.
Автор Fuego_Lighters ПРОДАВЕЦ 3 апреля 2020 г.
Вопрос: К кому я могу обратиться по вопросам гарантии? Я любил свой Fuego, я получил его только в ноябре. он полностью перестал работать. даже не заряжается.
Ответ: Зажигалки Fuego контакт 844-454-4483
Клифф Хэтмейкер, 4 июня 2020 г. подключите только кабель micro USB. У меня есть зарядное устройство Anker с 5 портами USB, и оно отлично работает с ним.
Автор JP, 26 мая 2020 г.
Вопрос: На сколько ватт эта зажигалка?
Ответ: Понятия не имею, но я выкурил как минимум 2 дюжины сигар, прежде чем потребовалась перезарядка.
от JP 28 декабря 2019 г.
Ответ: Электрическая зажигалка Fuego генерирует 25 Вт
от Fuego_lighters Продавец 28 декабря 2019
Как Piezoelectric Gas Lighter Works
. они совершили прорыв в химии, Кюри известны большинству мира своими революционными работами по радиоактивности. Тем не менее, удивительно знать, что одно из их открытий дало один из самых распространенных аксессуаров на любой кухне. Не связанный с радиоактивностью, это газовая зажигалка. На основе
принцип пьезоэлектричества , который является одним из открытий, сделанных Жаком Кюри и Пьером Кюри. Пьезоэлектрические зажигалки являются экономичным решением для освещения газовых плит. Вы когда-нибудь задумывались, как небольшое усилие большого пальца производит искру порядка киловольт (кВ)? Давайте посмотрим на внутренности и работу зажигалки в этой статье о разборе устройства.
Пьезоэлектрический кристалл является сердцем газового воспламенителя. Когда к нему прикладывается большая сила с помощью подпружиненного молотка, он производит электрическую искру. Некоторые диэлектрические материалы имеют внутреннюю кристаллическую структуру, которая при механическом воздействии создает электрическое поле и наоборот. Степень создаваемого электрического поля прямо пропорциональна величине приложенной силы.
Эти материалы называются пьезоэлектрическими кристаллами, и этот принцип называется пьезоэлектричеством.
Рис. 1: Пьезоэлектрическая газовая зажигалка
Внешняя конструкция
Заключенные в стальную конструкцию, пьезоэлектрические газовые зажигалки обычно имеют трубчатую форму, как показано на рисунке выше. Вверху находится кнопка из стали, внутри которой находится подпружиненный молоток. При нажатии он создает необходимую силу, необходимую для создания электрического потенциала в пьезоэлектрическом кристалле.
Предусмотрены две небольшие ручки, которые помогают удерживать зажигалку при нажатии на молоток большим пальцем. Внутренний вид трубчатого стержня прояснит механизм искрообразования.
Рис. 2: Головка зажигания, состоящая из тонкого металлического стержня в пластиковом корпусе
На изображении выше показана нижняя часть газовой зажигалки . Эта часть известна как головка зажигания. Головка зажигания содержит тонкий металлический стержень, покрытый пластиковым кожухом. При нажатии молотка на уголке металлического стержня возникает искра. Интересно, что положение образующейся искры меняется каждый раз, когда молоток нажимается вниз.
Молоток
Рис. 3: Внутренние компоненты, демонстрирующие пластиковую трубчатую конструкцию, содержащую узел ударника и пружины
При открывании стального корпуса вблизи верхней ручки открывается пластиковая трубчатая конструкция, содержащая узел ударника и пружины.
Рис. 4. Крупный план трубчатой конструкции и узла «молот-пружина»
На изображении выше показан улучшенный вид трубчатой пластиковой конструкции. Он удерживает узел пружинного ударника внутри себя. Пластмассовая конструкция имеет непосредственные радиусные переходы, которые сужаются, придавая конструкции телескопический вид.
Рис. 5: Внутренняя структура пластикового корпуса
Эта телескопическая конструкция играет очень важную роль в создании высокой силы, необходимой для удара по пьезокристаллу. Внутренняя структура пластикового корпуса показана на изображении выше. На радиусах транзакций есть две небольшие стены, похожие на барьеры, по всей периферии.
Рис. 6: Изображение, показывающее узел ударной пружины
На изображении выше показан узел пружины и ударника, который отвечает за создание высокой силы. Имеются две пружины и прочный металлический стержень, на конце которого находится молоток.
Внешняя пружина используется для управления кнопкой и возврата ее в нормальное состояние. Внутренняя пружина используется для нагрузки на металлический стержень, чтобы маленький молоток мог ударить по кристаллу для генерации искры. Внутренняя пружина относительно сильная и жесткая и поэтому при нагрузке создает большую силу. Точная работа объясняется далее в этой статье.
LACK
Рис. 7: Защелка по безопасности
Рис. 8: Положение защелки и пластикового корпуса перед тем, как они сталкиваются, чтобы дать Click
. зажигалка. Защелка, отлитая на верхней части узла ударника, удерживается внутренней пружиной. Когда кнопка зажигалки нажата до упора, при столкновении защелки с пластиковым узлом раздается щелчок. Прочное металлическое кольцо, расположенное непосредственно над пластиковым корпусом, защищает его от возможного повреждения, когда подпружиненный металлический стержень ударяет по ударной пластине.
Пьезо-узел
Рис.
9: Пьезо-узел и его различные части
Пьезо-узел плотно упакован внутри нижней части стальной трубы. Он состоит из следующих частей в иерархическом порядке:
1. Ударная подушка
2. Пьезоэлектрический кристалл
3. Головка зажигания.
Ударная подушка
Рис. 10: Ударная подушка
Ударная накладка выдерживает удары молотка с верхней части и передает усилие на пьезоэлектрический кристалл, вызывая его деформацию и искрообразование. Он изготовлен из латуни и имеет форму конуса. Часть с меньшим радиусом ударяется о кристалл, а верхняя часть получает удар молотком.
Пьезоэлектрический кристалл
0005 пьезоэлектрический кристалл. Этот немного деформированный кристалл имеет цилиндрическую форму и отвечает за выработку напряжения при воздействии на него давления. Другими широко используемыми пьезоэлектрическими кристаллами являются кварц, тартрат натрия-калия и турмалин.
Кристалл действует как аккумулятор для зажигалки, и когда он заканчивается, зажигалка либо требует дозаправки, либо становится бесполезной. Зажигалку, показанную в этой статье, нельзя заправлять после того, как кристалл испортится.
Головка зажигания
Рис. 12: Части головки зажигания и наковальня
Головка зажигания — это часть, от которой искра достигает газовой плиты. Когда пьезоэлектрический кристалл подвергается механическому давлению, он генерирует импульсы напряжения порядка кВ, и, в конечном счете, именно это высокое напряжение создает искру. Верхняя часть головки зажигания действует как наковальня для пьезоэлектрического кристалла. Наковальня, изготовленная из стали или алюминия, обеспечивает инерцию, которая помогает усилить воздействие ударной подушки.
Работа
Работа пьезоэлектрической газовой зажигалки
Рис. 13: Узел подпружиненного молотка в состоянии покоя
Кнопка работает как линейный привод.
В нормальном состоянии внешняя пружина упирается во внутреннюю стенку, имеющуюся по всей периферии первого радиуса. Когда мы начинаем нажимать на кнопку, она нажимает на ударник и пружину, чтобы двигаться в пластиковом корпусе телескопической формы. Поскольку внешняя пружина блокируется внутренней стенкой, она начинает нагружаться. Это усилие используется для возврата кнопки в нормальное состояние.
Рис. 14: Рисунок, показывающий выступающую часть молотка при нажатой пружине
Металлический стержень вместе с внутренней пружиной продолжает двигаться в пластиковой конструкции до тех пор, пока молоток не наткнется на вторую внутреннюю стенку, которая частично блокирует его .
Рис. 15: Изображение, показывающее металлический стержень внутри пластикового корпуса
Молот движется не прямолинейно и удерживается в точке перехода второго радиуса. По мере того, как мы продолжаем нажимать на кнопку, и поскольку молоток не может двигаться дальше, внутренняя пружина нагружается.
В определенный момент силы пружины достаточно, чтобы преодолеть силу внутренней стенки и заставить молоток двигаться дальше и ударять по ударной подушке с огромной силой внутренней пружины. В момент удара внутренняя пружина возвращает металлический стержень в нормальное положение, а внешняя пружина, в свою очередь, возвращает кнопку в нормальное положение. Таким образом, вся сборка возвращается в нормальное состояние.
Эта механическая сила, возникающая при нажатии на узел молотка, заставляет кристалл генерировать напряжение, которое передается электродами на головке зажигания для создания искры. Весь этот процесс завершается за секунду или две, а импульс, создаваемый большим пальцем, достаточно силен, чтобы создать искру напряжением 7 кВ, которая поджигает воздушно-газовую смесь возле горелки.
Рубрики: Insight
С тегами: газовая зажигалка, воспламенитель, зажигалка, пьезо, пьезоэлектрическая газовая зажигалка, пьезоэлектрический
Все, что вам нужно знать о зажигалках – Case Elegance
youtube.com/embed/ZgMtaZiV_7g» title=»YouTube video player» frameborder=»0″ allow=»accelerometer; autoplay; clipboard-write; encrypted-media; gyroscope; picture-in-picture» allowfullscreen=»»>Для любителя сигар мало что может быть хуже, чем неравномерно зажженная сигара. Будь то из-за быстро горящей спички или зажигалки с медленным пламенем, как только начинается неравномерное горение, его трудно исправить. И тогда вы застреваете, тратя время на повторное зажигание сигары, слишком много работая с сигарой, создавая слишком горячий уголь и тратя больше времени на исправление неравномерного горения, чем на удовольствие от сигары.
Это также портит опыт курения для многих новичков: уже несколько напуганные процессом, плохо зажженная сигара заставляет их задуматься, что они делают неправильно, почему они не могут держать свою сигару зажженной и что все дело в том, что они не могут производить дым с приятным вкусом, который мы ценим как курильщики сигар.
Учитывая, что хорошо зажженная сигара может определить опыт курения, энтузиасты сигар используют осветительный инструмент, который в конечном итоге обеспечивает наилучшие впечатления от горения: зажигалку.
Эта зажигалка является большим шагом вперед, создавая стабильное, регулируемое пламя, которое вы можете использовать с точностью, создавая лучший опыт курения.
Для любителей сигар зажигалка так же необходима, как хороший хьюмидор или нож для сигар.
Поскольку зажигалка является неотъемлемой частью набора инструментов для любителей сигар, мы хотим подробно рассказать о зажигалках: что это такое, как они работают, какие типы вам доступны и почему они всегда должны быть у вас. наготове, если вы планируете постоянно курить сигары.
Что такое зажигалка?
Зажигалки стали незаменимым помощником для курильщиков сигар. И хотя спички или стандартной зажигалки может быть достаточно в узком месте, опытные любители сигар предпочитают хорошую зажигалку. Почти ветрозащитные, регулируемые и производящие тепло до 2500 градусов по Фаренгейту, зажигалки превосходят любой другой источник света, когда речь идет, в частности, о курении сигар.
В этих мощных источниках света используется бутан под давлением и пьезоподжиг для создания сверхгорячего пламени с воздушным приводом, идеально подходящего для зажигания сигар.
В отличие от вашей стандартной зажигалки Bic, которая предлагает непостоянное, танцующее пламя, зажигалки для факелов предназначены для обеспечения большего контроля как над консистенцией пламени, так и над количеством тепла и пламени, которое вы производите.
В зажигалке также используется более очищенный источник топлива, что отличает ее от других стандартных зажигалок, в которых используется нерафинированный бутан, вызывающий копоть, выделяющий запахи и потенциально влияющий на вкус сигары.
Чем хороши зажигалки?
Чтобы понять, почему зажигалки — хороший выбор, вам нужно понять, как горит сигара. Распространенная ошибка многих начинающих курильщиков сигар заключается в том, что они используют жар и рев зажигалки, чтобы поджечь ножку сигары, испепелив табак хорошего качества и испортив, по крайней мере, первые несколько затяжек сигары.
Вы хотите, чтобы ножка вашей сигары подвергалась равномерному нагреванию. Это означает, что вы должны точно использовать зажигалку, создавая достаточное пространство между пламенем и сигарой, чтобы обеспечить равномерное горение и избежать подгорания табака.
И они полезны не только при первоначальном освещении. Зажигалки также могут помочь решить распространенные проблемы, с которыми вы столкнетесь во время курения, в том числе «плавание на каноэ» или «туннелирование». Эти проблемы возникают, когда курильщик делает слишком частую затяжку или если у самой сигары есть дефект, и одна сторона сигары горит быстрее, чем другие. В обоих сценариях курильщик сталкивается с неравномерным ожогом, и зажигалка может помочь вам зажечь определенные сегменты сигары, чтобы создать более равномерный, естественный ожог.
Типы зажигалок
Подобно другим аксессуарам для сигар и хьюмидоров, зажигалки бывают различных типов и стилей. Некоторые из этих вариантов имеют эстетические отличия, другие — практические. Но давайте начнем с типов зажигалок, которые являются типичными источниками дискуссий и споров среди любителей сигар. Прежде всего, количество струй.
Одинарная форсунка
Одинарная форсунка не обязательно является стандартной, но с нее все начинается для зажигалок.
Здесь у вас есть прямой, постоянный источник тепла и пламени, выходящий из одной форсунки. Зажигалки с одним струйным фонарем часто бывают в виде ручек, которые могут быть более незаметными и менее громоздкими в кармане.
Многие курильщики сигар предпочтут одну форсунку нескольким вариантам струи, потому что они предпочитают степень точности, которую они могут получить из одного источника, что позволяет им лучше контролировать, какая часть сигары зажигается. Его также можно использовать для «подкраски», когда часть вашей сигары горит неравномерно из-за множества факторов, включая качество.
Двойная струя
Интересный недостаток одноструйной зажигалки: все тепло и пламя направляются в одну точку, что создает более высокий уровень тепла в очень специфическом месте. Вам нужно равномерное распределение тепла и пламени. Чем больше сигара, тем шире распространение. Добавление дополнительной насадки помогает.
Двойная зажигалка — хороший шаг вперед, если вы хотите распределить источник тепла.
Вместо того, чтобы зажигать пламя из одной форсунки, вы создаете два источника, эффективно распределяя тепло и пламя. Для сигар малого и среднего размера отлично подойдет двойная форсунка.
Тройной, четверной и т. д.
Вы видите закономерность. По сути, чем больше струй вы добавляете к данной зажигалке, тем шире диапазон источников пламени, что важно по нескольким причинам. Зажигалки с тройным или даже четырехструйным факелом следует использовать, когда вы курите более широкую сигару. Сигары измеряются количеством колец, которые у них есть: одно кольцо эквивалентно 1/64 дюйма. Таким образом, сигара с 50 кольцами будет равна 50/64 дюйма.
В последнее время производители сигар стали выпускать некоторые сигары с кольцами все большего и большего размера, даже превышающие размер сигары с 70 кольцами. Зажигалка с несколькими насадками позволит вам зажечь большие сигары с более равномерным и постоянным пламенем. Некоторые курильщики предпочли бы в таких ситуациях зажигалку с одной струей, чтобы они могли контролировать горение на большой площади, но горелки с тремя и четырьмя струями могут быть полезны, если вы курите большие сигары и хотите ускорить процесс.
Зажигалки с мягким пламенем
В то время как зажигалки поддерживают популярность среди курильщиков сигар как лучший способ зажечь сигары, есть те, кто по-прежнему предпочитает зажигалки с мягким пламенем, которые не обладают таким же эффектом паяльной лампы, как зажигалка. В эту категорию входят зажигалки Zippos, Bics и другие подобные зажигалки. Зажигалки с мягким пламенем плохо работают в ветреную погоду, но некоторые все же предпочитают ощущение возможности зажечь сигару, попыхивая этим пламенем.
Если вы решите пойти по этому пути, держите пальцы подальше от зажигательного колеса и других металлических частей зажигалки, так как они сильно нагреваются при воздействии пламени в течение этого времени.
Зажигалки с плоским пламенем
Один из новейших типов зажигалок, завоевавший популярность среди любителей сигар. Зажигалка с плоским пламенем использует тот же процесс, что и зажигалка для факела, но дает уникальную форму пламени. Предполагается, что «плоское» пламя обеспечивает равномерную поверхность освещения ножки сигары, создавая равномерное горение.
Подобно зажигалке, они также устойчивы к ветру.
Компоненты зажигалки
Чем больше вы знаете о своих увлечениях и увлечениях, тем больше вы цените этот опыт и получаете от него удовольствие. Вооружитесь всесторонним пониманием компонентов зажигалки по трем причинам:
Во-первых, чтобы вы могли правильно обслуживать и заправлять их, чтобы вы могли ответственно продлить их срок службы, зная, как с ними работать. Во-вторых, чтобы вы лучше понимали, на что обращать внимание при покупке высококачественной зажигалки. И наконец: чем больше вы знаете о своей зажигалке, тем эффективнее вы будете использовать ее для создания устойчивого и равномерного горения сигар в вашей коллекции.
Топливный бак
Топливный бак зажигалки хранит бутан в жидкой форме. Он занимает большую часть зажигалки и выделяет порции бутана в виде газа, когда пользователь активирует кнопку спуска и зажигания.
Следите за своим топливным баком, чтобы у вас никогда не закончилось топливо для зажигалки.
Чем чаще вы пользуетесь своей личной зажигалкой, тем лучше будете понимать, сколько времени у вас есть до того, как вам понадобится дозаправиться, но это также может сильно различаться в зависимости от того, насколько сильное пламя вы используете, какие внешние условия вызывают вы можете использовать более высокое пламя, например, погоду, и сколько струй имеет ваша конкретная зажигалка. Больше форсунок означает более быстрое использование топлива. По этой причине рассмотрите возможность покупки зажигалки с топливным окном.
Топливное окно
Некоторые зажигалки оснащены топливным окном, чтобы пользователи могли лучше контролировать количество бутана, оставшегося в топливном баке. Как только вы привыкнете использовать зажигалку вместо спички или зажигалки с мягким пламенем, вы не захотите оказаться в ситуации, когда у вас закончится топливо и вам придется использовать альтернативные источники.
Искра
Стандартные зажигалки Bic и Zippo используют кремневое колесо в качестве метода поджига, чтобы создать искру и создать пламя с помощью бутана, высвобождаемого из топливного бака зажигалки.
Это кремневое колесо издает щелкающий звук, который мы привыкли слышать от этих зажигалок. Зажигалки имеют другой механизм освещения.
В большинстве зажигалок используется пьезорозжиг, при котором небольшой молоток в зажигалке ударяет по пьезоэлектрическому кристаллу — обычно кварцу — для получения электрической искры, которая зажигает бутан, равномерно высвобождаемый из топливного бака. Когда кристалл кварца ударяется, он посылает электрический ток по проводу, который встречается с топливом у сопла (форсунок), создавая ровное пламя. Они были стандартом для зажигалок, потому что они, как правило, ветрозащитные, выдерживают тысячи ударов и не ломаются.
Третьим и самым последним способом создания искры являются зажигалки с ионно-литиевыми батареями. Подобно зажигалкам с пьезоподжигом, они используют электрический ток для создания искры и воспламенения, но они утверждают, что имеют более простой кнопочный механизм, чем требуется для пьезозажигалок. Недостатком, однако, является то, что они заряжаются с помощью USB-кабеля, и вы не всегда знаете, когда ваша батарея разряжена, в отличие от зажигалки с пьезоподжигом.
Защитный колпачок
Одним из наиболее важных компонентов зажигалки является защитный колпачок, который закрывает сопло(а), когда оно не используется. Это особенно важно для предотвращения случайного воспламенения по какой-либо причине, а также для предотвращения возгорания после использования зажигалки. Поскольку зажигалки горят так жарко, 2500 градусов по Фаренгейту, металл вокруг сопла пламени становится очень горячим, а защитный колпачок защищает вас от опасности и дискомфорта.
Регулируемая насадка
Если вы когда-нибудь видели, как кто-то пытается зажечь сигару полной силой стандартной зажигалки или зажигалки для фонарика, они не только выглядят нелепо, но и на самом деле могут повредить сигару. Прикуривая сигару, вы должны искать тепло, а не пламя.
Слишком сильное пламя может обжечь лист, что изменит общий вкус сигары, часто создавая горьковатый привкус. Метафора здесь — приготовление на гриле: вам нужен сильный, равномерный жар углей, а не спорадическое горение, которое испортит вкус вашей еды.
Важно использовать зажигалку с регулируемым соплом, и вам нужно хорошо знать, какую силу использовать с данной сигарой.
Что искать в зажигалке
Первый выбор, который вам действительно нужно сделать, сводится к числу струй: с учетом размера сигар, которые вам обычно нравятся, какое число струй обеспечит наилучшую возможность равномерного горения вашей сигары? Как уже упоминалось, некоторые любители сигар предпочитают одноструйное сопло для больших сигар, поэтому важно попробовать несколько, чтобы понять, что вам нравится. Если, например, вам нравятся сигары всех размеров, вы можете инвестировать в несколько зажигалок.
В конце концов, когда дело доходит до выбора зажигалки для фонарика, вам следует руководствоваться полярной звездой. Но рассмотрите разнообразие вариантов под рукой.
Эстетика
Ваша зажигалка должна хорошо лежать в руке и в кармане, и она должна сочетаться с эстетикой, которую вы передаете остальным аксессуарам для сигар.
Его вес важен, и вы хотите, чтобы он казался достаточно тяжелым, чтобы быть грозным, но не отягощал ваш карман.
Визуально зажигалки могут различаться по цвету, некоторые из них выглядят пластиковыми, забавными и имеют яркие неоновые цвета. Другие демонстрируют более формальный и элегантный вид. Это ваши более традиционные стили — металлическая бронза или нержавеющая сталь. Подумайте о том, чтобы стиль вашей зажигалки соответствовал стилю вашего хьюмидора или резака для сигар.
Стиль
От гладких и элегантных до адаптированного классического вида Zippo, от одноструйных до четырехструйных, от узких и в форме пера до больших и горизонтальных — стили зажигалок различаются, и в конце день, что лучше всего подходит для вас.
Имейте в виду уникальные предложения, входящие в комплект некоторых зажигалок, например, некоторые зажигалки со встроенным резаком или пробойником, поэтому у вас есть вариант «два в одном». Несмотря на то, что они удобны, они могут показаться немного китчевыми, поэтому, если вы все еще хотите пойти традиционным путем с отдельным резаком и зажигалкой, рассмотрите такой комплект от Xikar, чтобы они соответствовали стилю.
Размер
Изучая различные стили и типы зажигалок, помните о размере: где вы будете использовать зажигалку чаще всего, и как ее размер влияет на путешествия, хранение и общую громоздкость. Например, некоторые зажигалки настолько велики, что не поместятся в кармане. Хотя их может быть приятно держать на крыльце вашего дома, вы не захотите путешествовать с ними или приносить их в местный сигарный бар.
Хорошая зажигалка должна прекрасно помещаться в ящике любого хьюмидора, и она никогда не должна быть обузой.
Типы топлива для зажигалок
Уникальные зажигалки, они горят более чистым пламенем, и любители сигар часто жалуются на другие зажигалки из-за выделяемого запаха или даже цвета пламени. И то, и другое в первую очередь связано с источником топлива.
Неочищенный или некачественный источник топлива может повлиять на запах и вкус вашей сигары, а также на температуру пламени. Вот почему полезно понимать, как разрабатывались зажигалки, какое топливо они используют сейчас, какое топливо используют зажигалки с факелами и почему.
Краткая история топлива для зажигалок
Ряд изобретений и открытий в конце 19-го и начале 20-го века привели к популяризации зажигалок во многих областях. В этот список было включено патентование ферроцерия, которое позволило быстро создать большую искру для воспламенения небольшого количества переносного топлива, установив переносную зажигалку.
Нафта была первым основным топливом для современных зажигалок и оставалась основным топливом до 1950-х годов. В период с начала до середины 20-го века солдаты во время Первой и Второй мировых войн популяризировали зажигалки, изготавливая их из стреляных гильз во время Первой мировой войны и делая бренд Zippo популярным во время Второй мировой войны.
Бутан заменил нафту, став популярным в 1950-х годах и позже, потому что он не выделял такого сильного запаха, и вы могли контролировать пламя, регулируя количество выделяемого газа.
Бутан остается основным источником топлива для большинства современных зажигалок.
Под давлением он быстро переходит в жидкое состояние. Без давления он быстро возвращается в газообразное состояние, что делает его идеальным топливом для хранения на ходу, сохраняя при этом способность использоваться в качестве источника огня, среди прочего, для зажигания сигар.
Бутановая зажигалка
Хотя в одноразовых зажигалках и Zippos по-прежнему используется бутан, вы заметите явную разницу в цвете пламени между зажигалкой и зажигалкой. Неочищенный бутан дает желтую окраску пламени. Рафинированный бутан придает пламени невидимый или голубоватый оттенок.
Для зажигалок требуется очищенный бутан для получения стабильного высокотемпературного пламени. Чем чище топливо, тем эффективнее ваша зажигалка. Эксперты рекомендуют использовать бутан, очищенный как минимум дважды. Чем меньше примесей в вашем бутане, тем лучше, и вы можете легко найти бутан, очищенный в пять раз, процесс, который почти не допускает попадания примесей в ваш источник топлива. Хотя это дороже, это может быть вашим лучшим выбором в долгосрочной перспективе.
Техническое обслуживание зажигалки
Приобретая качественную зажигалку, вы хотите, чтобы она прослужила долго. Откровенно говоря, потеря зажигалки — это, вероятно, более высокий риск, чем плохое техническое обслуживание, но вы все равно хотите, чтобы ваша зажигалка прослужила как можно дольше.
Основные правила обслуживания, которые сопровождают любую зажигалку, довольно просты: всегда проверяйте, чтобы регулятор пламени был повернут вниз, прежде чем выполнять какое-либо обслуживание зажигалки. Всегда следите за тем, чтобы зажигалка была полностью очищена от топлива. Всегда чистите зажигалку. И всегда поддерживайте соответствующую дозаправку всякий раз, когда это необходимо.
Как заправить зажигалку
Чем лучше вы ознакомитесь с этим процессом, тем быстрее и эффективнее вы станете. Точно так же вам потребовалось несколько раз, чтобы научиться правильно курить сигару… вы быстро освоите эту технику. И вы уменьшите количество случаев, когда у вас остается стильная, но пустая зажигалка.
Шаги довольно просты:
- Уменьшите подачу топлива. Перед повторной заправкой или выполнением любого обслуживания поверните колесо регулировки пламени до упора вниз, чтобы предотвратить какое-либо дикое зажигание, если что-то пойдет не так.
- Опорожните топливный бак. С помощью небольшой отвертки или тонкого металлического стержня нажмите на заливную горловину, которая начнет выпускать оставшийся бутан в виде газа.
- Подсоедините баллон с бутаном к зажигалке. Перевернув зажигалку, вставьте канистру с топливом в заправочное сопло. Нажмите на 4-5 секунд и повторите это 2-3 раза. Это пополняет бак.
- Дать отдохнуть . Ваша зажигалка будет холодной на ощупь из-за перехода из газообразного состояния в жидкое, поэтому отложите зажигалку в сторону и дайте ей отдохнуть в течение 15–20 минут или до тех пор, пока температура не вернется к норме.
Хранение зажигалки
Будучи любителем сигар, вы со временем приобретете несколько зажигалок различных стилей, размеров и типов.
Часто вы встретите энтузиастов, которые держат коллекцию или даже имеют зажигалки, предназначенные для определенных случаев. В любом случае, подумайте о важности правильного хранения зажигалки, чтобы обеспечить ее долговечность и работоспособность, когда вы вернетесь к ней.
Всякий раз, когда вы ставите зажигалку на хранение, вы хотите слить из нее как можно больше топлива. Сделайте это так же, как при заправке бака, используя маленькую отвертку или тонкий металлический стержень, чтобы нажать на заправочный пистолет, выпустив оставшееся топливо. Если вы забудете это сделать, ваша зажигалка может перестать работать при следующем использовании. Если это произойдет, просто повторите тот же процесс слива остатка топлива, нажав на заправочную форсунку.
Ваш хьюмидор может быть оснащен выдвижным ящиком для принадлежностей хьюмидора, и это отличное место для хранения зажигалок в недоступном для детей месте.
Правильная техника зажигания
Теперь, когда вы нашли зажигалку по своему выбору, начинается самое интересное: зажечь сигару.





Обращайте внимание на любые повреждения или признаки выхода из строя.
Нередко можно увидеть проблему и при визуальном осмотре, если проволока повреждена или предохранитель подгоревший, поиск можно не продолжать.
Любые отклонения недопустимы и могут спровоцировать более серьезные проблемы. Второй вариант — замена плавкого предохранителя на корпусе устройства.
Намного проще и безопаснее заменить узел целиком, тем более что стоимость небольшая.