Цифровой и ламповый вольтметр автомобильный в прикуриватель своими руками: схема подключения в авто » Авто центр ру
Вольтметр автомобильный представляет собой устройство, предназначенное для измерения уровня напряжения в электрической сети автомобиля. Благодаря вольтметру автовладелец может узнать о возможных перепадах напряжения в электросети, что позволит своевременно определить поломку и устранить ее. О том, как соорудить такой девайс самостоятельно, мы расскажем ниже.
[ Скрыть]
Особенности девайса
Как сделать электронный светодиодный вольтметр-термометр на микроконтроллере в машину из калькулятора своими руками? Как осуществляется подключение вольметра с амперметром в автомобиле в прикуриватель? Сначала рассмотрим основные особенности автомобильных вольтметров.
Описание
Основное назначение устройства заключается в замере параметра напряжения в автомобильной сети.
Аналоговые и ламповые девайсы оборудуются шкалой со стрелочным указателем, но в машину лучше поставить цифровой гаджет. В таких приборах все параметры выводятся на дисплей. Стрелочные девайсы постепенно отходят на второй план, сегодня они являются морально устаревшими (видео опубликовано каналом Китай в SHOPe).
Разновидности
Вольтметры могут быть или стандартными, или комбинированными:
- Ключевой особенностью стандартных вольтметров являются довольно небольшие габариты, это дает возможность поставить девайс абсолютно в любом месте салона в авто. На практике такие устройства чаще всего подключаются к прикуривателю. При таком подключении вольтметр сможет фиксировать напряжения в сети как при заведенном, так и на заглушенном силовом агрегате. В первом случае рабочий параметр должен составить 13.5-14.5 вольт, во втором — около 12.5 В.
- Комбинированные устройства.
Такие девайсы могут быть также оборудованы тахометрами, амперметрами и даже термометрами. Комбинированные вольтметры считаются более функциональными устройствами, поэтому они более востребованы на рынке.
Как соорудить самодельный вольтметр для машины?
Как своими руками соорудить девайс на светодиодах? Подробное руководство по разработке и подключению этого устройства представлено ниже, для начала рекомендуем узнать описание схемы.
Схема
Для изготовления девайса в соответствии со схемой вы должны как минимум обладать навыками и опытом в сооружении подобных устройств. В противном случае добиться желаемого результата будет непросто. Как вариант, всегда можно приобрести готовый вольтметр в магазине с электроникой для машин. Вы можете ознакомиться с примером разработки девайса на pic16f676 со схемой, в которой предел измерения составляет 50 вольт, этого параметра будет достаточно.
На двух резисторных элементах с маркировкой R1 и R2 устанавливается делитель напряжения, а предназначение резистора R3 заключается в калибровке устройства.
Инвертирующее устройство вольтмера собирается на резисторных элементах R11, R12 и R13, также для нормальной работы инвертора потребуется транзистор VT1. Инвертор используется для зажигания точки на индикаторе устройства. К выходу МК нужно подсоединить индикатор с анодом, при этом желательно, чтобы последний имел низкое потребление тока (автор видео — канал By гараж #229).
Особенности подключения
Прежде чем заняться подключением устройства на контроллере к бортовой сети автомобиля, нужно понять, где будет располагаться место монтажа девайса в салоне.
Выберите любое удобное место, чтобы при необходимости вы всегда могли взглянуть на дисплей вольтметра и определить напряжение в сети.
Ниже рассмотрим пример монтажа в торпеду автомобиля ВАЗ 2113 с подсоединением, сам процесс монтажа выглядит следующим образом:
- Итак, сначала вам нужно снять пластмассовую накладку, установленную с правой стороны от контрольного щитка, в частности, она находится над автомагнитолой. Накладка фиксируется при помощи пластмассовых креплений, так что при снятии следует быть максимально аккуратным. Если вы повредите крепления, то придется ставить новые.
- Затем, с помощью электрического лобзика нужно будет проделать отверстие на заглушке. Размеры отверстия должны соответствовать габаритам дисплея прибора. Будьте осторожны, поскольку надо, чтобы девайс оптимально подошел под сделанное отверстие.
- Монтаж прибора производится на задней стороне пластмассовой накладки, сначала устройство необходимо закрепить в посадочном месте, используя канцелярские резинки.
Так надо сделать только вначале, поскольку разумеется, все время так ездить вы не сможете. Когда вольтметр будет зафиксирован, на тыльной стороне все образовавшееся пространство нужно будет залить при помощи сантехнического герметика. Вам надо добиться того, чтобы плата была надежно зафиксирована в месте посадки. После того, как герметик высохнет и вольтметр будет держаться, резинки можно убрать. - Для подключения девайса к электрической сети транспортного средства можно воспользоваться выходом от компьютерного блока питания. Подойдет этот разъем или нет, зависит от вашего девайса, поэтому если штекер не подходит, то придется паять устройство. После того, как подключение будет завершено, пластиковую заглушку на место. Вокруг экрана устройства можно поставить рамку, с помощью которой улучшится вид дисплея.
Вам необходимо добиться, чтобы вольтметр не отвлекал вас при движении, так что если яркость дисплея слишком высокая, ее нужно будет снизить. Как вариант, можно затемнить дисплей обычным женским лаком или установить на экран кусок тонировочной пленки.
- Питание вольметра можно взять от аккумуляторной батареи или замка зажигания. В случае с АКБ он будет работать всегда, а во втором — только после включения зажигания. Следует отметить, что второй вариант является более оптимальным, поскольку вы сможете следить за показателями напряжения, при этом не разряжая аккумулятор.
Фотогалерея «Установка девайса в центральную консоль»
Заключение
Выполнить задачу по разработке и самостоятельному подключению автомобильного вольтметра к электросети сможет далеко не каждый потребитель. Процедура разработки и подключения требует серьезных навыков в области электротехники, поэтому многие автовладельцы просто покупают готовые вольтметры. В таком случае вам надо будет просто подсоединить девайс к электросети.
Видео «Как подключить вольтметр в авто»
Как правильно выполнить эту задачу и какие нюансы при этом следует учесть — подробная инструкция с описанием рабочих моментов представлена ниже (ролик снят каналом Tver Garage).
Как подключить прикуриватель напрямую к аккумулятору — Интернет-Клуб Для Автолюбителей
Содержание
- Подключение прикуривателя
- Устройство
- Усовершенствование
- Кто виноват?
Как выбрать и установить гнездо прикуривателя Розетка прикуривателя необходима в дальних поездках для зарядки мобильного телефона, подключения навигатора и других устройств к бортовой сети.Начнем с выбора розетки!
Гнездо автомобильного прикуривателя. Легко крепится к пластику сбоку
Двойная верхняя розетка для прикуривателя
Гнездо автомобильного прикуривателя. Он проходит сквозь пластик, не портит внешний вид и выглядит заводским.
Зажигалка с аллигаторами. Служит временным (резервным) вариантом для зарядки вашего телефона, когда он припаркован.
Внимание! Движение с таким подключением опасно из-за короткого замыкания, повреждения проводки или пожара.
Чтобы использовать этот тип зажигалки во время вождения, мы рекомендуем заменить зажимы типа «крокодил» на кольцевые разъемы (доступны в любом хозяйственном магазине).
Есть несколько способов подключить автомобильный прикуриватель. Рассмотрим самые популярные схемы подключения:
1. Самая простая схема подключения: розетка прикуривателя подключается непосредственно к полюсам аккумулятора, без предохранителя.
Недостатки: данная схема ничем не защищена, короткое замыкание вызывает ожог проводки, велика вероятность возгорания.
Мы рекомендуем использовать предохранители на 10-15 ампер для защиты электрических проводов! Установите предохранитель в плюсовой провод как можно ближе к источнику питания.
2. Более интересный вариант: подключение через реле, управляемое замком зажигания.
Схема подключения прикуривателя через реле, с положительным управлением от замка зажигания.
Принцип работы: при включении зажигания управляющий контакт дает напряжение +12 В, реле срабатывает, контакты замыкаются и прикуриватель начинает работать, при выключении зажигания реле отключает прикуриватель розетка для зажигалки.
В экстренной ситуации можно получить кнопку прикуривателя в обход выключателя зажигания. Выключатель прикуривателя можно использовать для включения прикуривателя. Например, чтобы зарядить аккумулятор на стоянке, не разбирая его, нужно сделать переходник для зарядного устройства.
Чтобы повысить эффективность дополнительных устройств, все компоненты (предохранитель, реле …) в нашей цепи должны быть хорошо защищены. Кабели лучше всего обернуть изолентой или поместить в пластиковый канал, а затем закрепить вдоль кузова автомобиля.
Автомобильный прикуриватель — это устройство, которое изначально использовалось только для прикуривания сигареты водителем.
Дизайн зажигалки практически не изменился с момента ее появления. Однако его предназначение кардинально изменилось. Сегодня это устройство используется как автомобильная электрическая розетка.
С помощью автомобильного прикуривателя можно запитать такие портативные устройства, как:
- Нагреватель;
- Автомобильный пылесос;
- Зарядное устройство для навигации, видеорегистраторов, телефонов;
- подогрев сидений;
- Элементы освещения кабины.

Практически все дополнительные электроприборы, предназначенные для автономной работы в автомобиле, оснащены специальным вводом, необходимым для подключения к самодельной розетке.
Подключение прикуривателя
Устройство питается от электросети автомобиля. Подключается через монтажный куб без использования реле, напрямую от аккумулятора. Защита сети обеспечивается предохранителем, рассчитанным на работу с током не более 10 ампер.
При возникновении короткого замыкания в электросети устройства резко возрастает ток, плавится нить накала предохранителя и разрывается цепь, что препятствует возгоранию проводов.
Для дополнительной защиты силовых цепей, а также для ручного управления блоком питания используется зажигалка.автомобиль можно подключить через реле. Однако эта схема подключения не используется для отечественных автомобилей. К розетке в панели идут 3 провода:
- Постоянный «минус»;
- Постоянный «плюс», выведенный предохранителем от автомобильного аккумулятора;
- плюс »от габаритных огней, подключен к лампе подсветки агрегата и работает только при включенном внешнем освещении.

Систему зажигания можно использовать для подключения прикуривателя только в том случае, если электрическая цепь построена с реле. Без него цепь зажигания не выдержит нагрузки.
Устройство
Традиционная автомобильная зажигалка состоит из двух частей — патрона и розетки. В центре гнезда находится металлический стержень, который действует как положительный контакт.
Контакт «-» — это внешняя металлическая оболочка.
Между положительным и отрицательным контактами есть прокладка, чтобы они не касались друг друга. «+» и «-» соединены нихромовой спиралью, которая действует как нагревательный элемент.
При подаче электрического тока через катушку протекает ток, нагревая ее до высокой температуры. Когда картридж достигает определенной температуры, электрический ток останавливается тепловым реле, расположенным в пластиковом держателе.
Розетка представляет собой удлиненное углубление в панели автомобиля, в котором находится металлическая трубка с центральным контактом.
Средний контакт выводит «+» от АКБ. Боковая часть розетки служит постоянным «минусом». Также на корпусе прикуривателя есть лампа подсветки, которая автоматически включается при включении внешних лампочек.
Чтобы включить режим обогрева, нужно в его розетку покопаться. Он фиксируется в нажатом положении, положительный контакт розетки подключается к «+» розетке, «-» розетка подключается к «минусовой» клемме розетки.
Нагревательный элемент заработает. Как правило, для разогрева змеевика достаточно 15-20 секунд, после чего картридж возвращается в исходное положение с легким щелчком. Время прогрева может быть больше, если напряжение на плате низкое.
Усовершенствование
Как уже упоминалось выше, гнездо прикуривателя сегодня используется во многих устройствах. Поэтому одного слота может не хватить. Увеличивайте их количество с помощью продаваемых в автомагазинах специальных приспособлений — расттывателей и зажигалок.
Устройство выполнено в виде блока с двумя или тремя (в зависимости от выбранной модели) розетками.
Устройство подключается к штатному автомобильному прикуривателю с помощью соответствующей вилки, подключенной проводом к контактам Т-образной планки.
Блок можно прикрепить к приборной панели автомобиля с помощью двустороннего скотча или силиконового герметика. Благодаря этому у водителя есть возможность одновременно подключать не одно, а несколько устройств, работающих от розетки прикуривателя.
Летом автовладельцы чаще всего подключают к бортовым сетям только зарядные устройства для смартфонов и видеорегистраторы, которые потребляют символическое электричество. Но осенью и зимой к зажигалкам подключают электрогрелки, выносные обогреватели, электрические кружки, скребки для термостекла и другие автомобильные обогреватели. Все эти устройства обычно питаются одновременно от двух до пяти разветвителей прикуривателя, и в результате многие автовладельцы сталкиваются с проблемами. И все было бы хорошо, если бы где-то выпал контакт или расплавилась вилка, но можно машину сжечь … Как этого не сделать?
Кто виноват?
Физика и электротехника ясно дают понять: для передачи больших токов через штекерные соединения разъемы должны иметь большую площадь поверхности.
И более легкая цепь также защищает общий предохранитель OEM в «коробке предохранителя» автомобиля.
Чтобы изменить вилку, удалите ее, удалите предохранителю и замените пружину дольше. «Нос» и плоский контакт должен быть нести и связан с вами частью пары с паяльником. На этой основе графитовые щетки выполняются в каждом электрическом двигателе — провод проходит через пружину, становясь «обход» для электричества, на котором нет падения напряжения и нагрева. Весна служит только в качестве кончика контакта, а не как руководство.
Этот метод довольно эффективен, но стоит ли уставать, это обсуждение вопроса. Возможно, легче предотвратить перегрузку сплиттера, используя его только для подачи гаджетов с низким энергопотреблением, и мощные приемники, такие как нагретые сиденья, связаны с более легким и попеременно.
Цифровой и ламповый вольтметр автомобильный в прикуриватель своими руками: схема подключения в авто
Вольтметр автомобильный представляет собой устройство, предназначенное для измерения уровня напряжения в электрической сети автомобиля.
Благодаря вольтметру автовладелец может узнать о возможных перепадах напряжения в электросети, что позволит своевременно определить поломку и устранить ее. О том, как соорудить такой девайс самостоятельно, мы расскажем ниже.
Особенности девайса
Как сделать электронный светодиодный вольтметр-термометр на микроконтроллере в машину из калькулятора своими руками? Как осуществляется подключение вольметра с амперметром в автомобиле в прикуриватель? Сначала рассмотрим основные особенности автомобильных вольтметров.
Описание
Основное назначение устройства заключается в замере параметра напряжения в автомобильной сети. Аналоговые и ламповые девайсы оборудуются шкалой со стрелочным указателем, но в машину лучше поставить цифровой гаджет. В таких приборах все параметры выводятся на дисплей. Стрелочные девайсы постепенно отходят на второй план, сегодня они являются морально устаревшими (видео опубликовано каналом Китай в SHOPe).
Разновидности
Вольтметры могут быть или стандартными, или комбинированными:
- Ключевой особенностью стандартных вольтметров являются довольно небольшие габариты, это дает возможность поставить девайс абсолютно в любом месте салона в авто.
На практике такие устройства чаще всего подключаются к прикуривателю. При таком подключении вольтметр сможет фиксировать напряжения в сети как при заведенном, так и на заглушенном силовом агрегате. В первом случае рабочий параметр должен составить 13.5-14.5 вольт, во втором около 12.5 В. - Комбинированные устройства. Такие девайсы могут быть также оборудованы тахометрами, амперметрами и даже термометрами. Комбинированные вольтметры считаются более функциональными устройствами, поэтому они более востребованы на рынке.
Как соорудить самодельный вольтметр для машины?
Как своими руками соорудить девайс на светодиодах? Подробное руководство по разработке и подключению этого устройства представлено ниже, для начала рекомендуем узнать описание схемы.
Схема
Для изготовления девайса в соответствии со схемой вы должны как минимум обладать навыками и опытом в сооружении подобных устройств. В противном случае добиться желаемого результата будет непросто.
Как вариант, всегда можно приобрести готовый вольтметр в магазине с электроникой для машин. Вы можете ознакомиться с примером разработки девайса на pic16f676 со схемой, в которой предел измерения составляет 50 вольт, этого параметра будет достаточно.
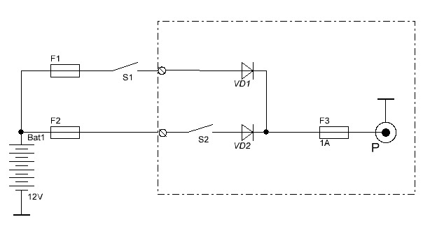
На двух резисторных элементах с маркировкой R1 и R2 устанавливается делитель напряжения, а предназначение резистора R3 заключается в калибровке устройства. Конденсаторный элемент С1 применяется для того, чтобы защитить устройство от импульсных помех, с помощью этого конденсатора также сглаживается входной сигнал. В схеме на pic имеется также устройство VD1, представляющее собой стабилитрон, который используется для того, чтобы ограничить параметр входного напряжения, в частности, речь идет о входе контроллера. Этот элемент очень важен, поскольку без него вход МК может попросту перегореть при скачках напряжения в бортовой сети.
Инвертирующее устройство вольтмера собирается на резисторных элементах R11, R12 и R13, также для нормальной работы инвертора потребуется транзистор VT1.
Инвертор используется для зажигания точки на индикаторе устройства. К выходу МК нужно подсоединить индикатор с анодом, при этом желательно, чтобы последний имел низкое потребление тока (автор видео канал By гараж #229).
Особенности подключения
Прежде чем заняться подключением устройства на контроллере к бортовой сети автомобиля, нужно понять, где будет располагаться место монтажа девайса в салоне. Выберите любое удобное место, чтобы при необходимости вы всегда могли взглянуть на дисплей вольтметра и определить напряжение в сети.
Ниже рассмотрим пример монтажа в торпеду автомобиля ВАЗ 2113 с подсоединением, сам процесс монтажа выглядит следующим образом:
- Итак, сначала вам нужно снять пластмассовую накладку, установленную с правой стороны от контрольного щитка, в частности, она находится над автомагнитолой. Накладка фиксируется при помощи пластмассовых креплений, так что при снятии следует быть максимально аккуратным. Если вы повредите крепления, то придется ставить новые.

- Затем, с помощью электрического лобзика нужно будет проделать отверстие на заглушке. Размеры отверстия должны соответствовать габаритам дисплея прибора. Будьте осторожны, поскольку надо, чтобы девайс оптимально подошел под сделанное отверстие.
- Монтаж прибора производится на задней стороне пластмассовой накладки, сначала устройство необходимо закрепить в посадочном месте, используя канцелярские резинки. Так надо сделать только вначале, поскольку разумеется, все время так ездить вы не сможете. Когда вольтметр будет зафиксирован, на тыльной стороне все образовавшееся пространство нужно будет залить при помощи сантехнического герметика. Вам надо добиться того, чтобы плата была надежно зафиксирована в месте посадки. После того, как герметик высохнет и вольтметр будет держаться, резинки можно убрать.
- Для подключения девайса к электрической сети транспортного средства можно воспользоваться выходом от компьютерного блока питания. Подойдет этот разъем или нет, зависит от вашего девайса, поэтому если штекер не подходит, то придется паять устройство.
После того, как подключение будет завершено, пластиковую заглушку на место. Вокруг экрана устройства можно поставить рамку, с помощью которой улучшится вид дисплея. Вам необходимо добиться, чтобы вольтметр не отвлекал вас при движении, так что если яркость дисплея слишком высокая, ее нужно будет снизить. Как вариант, можно затемнить дисплей обычным женским лаком или установить на экран кусок тонировочной пленки. - Питание вольметра можно взять от аккумуляторной батареи или замка зажигания. В случае с АКБ он будет работать всегда, а во втором только после включения зажигания. Следует отметить, что второй вариант является более оптимальным, поскольку вы сможете следить за показателями напряжения, при этом не разряжая аккумулятор.
Фотогалерея «Установка девайса в центральную консоль»
Стрелочный вольтметр на любое напряжение своими руками
Приветствую, Самоделкины!
Аналоговые измерительные приборы постепенно вытесняются цифровыми, но несмотря на это стрелочные головки все еще довольно широко распространены, причем используют их не только мастера самодельщики в своих самодельных конструкциях.
Конечно такие приборы не славятся сверх высокой точностью, но тем не менее, в некоторых измерениях аналоговый прибор просто незаменим.
В данной статье мы подробно рассмотрим технологию изготовления стрелочного вольтметра для самых различных задач, буквально на любое напряжение. Такой вольтметр можно будет использовать в качестве измерителя напряжение в зарядных устройствах, регулируемых источниках питания и так далее. Автором данного проекта является «AKA KASYAN» (YouTube канал «AKA KASYAN). Как измерять напряжение, думаю, все в курсе. Для начала нам естественно понадобится электромагнитная измерительная головка.
Такую головку можно изготовить своими руками, но процесс этот не такой уж и простой, поэтому более простым вариантом будет поиск уже готовой. Для данной самоделки подойдет буквально любой стрелочный индикатор любых размеров.
Так же желательно, чтобы индикатор имел линейную измерительную шкалу. В данном примере автор использовал головку высоковольтного вольтметра переменного напряжения, который благополучно был извлечен из стабилизатора.
В данном случае автор поставил задачу изготовить из высоковольтного вольтметра переменного напряжения низковольтный вольтметр постоянного напряжения со шкалой в 15-20 вольт. Как вы поняли данный образец рассчитан для работы в цепях переменного напряжения, а шкала 300В.
Первым делом необходимо вскрыть и разобрать электромагнитную измерительную головку.
Внутри мы можем увидеть выпрямительный диод и токоограничивающий резистор.
Напряжение с клемм вольтметра подается на обмотку измерительной головки именно через эту цепочку из диода и резистора. От них немного позднее мы избавимся, а сейчас аккуратно вынимаем шкалу, она крепится при помощи двухстороннего скотча.
После этого шкалу необходимо отсканировать.
Далее получившийся рисунок необходимо отредактировать. Для этой цели подойдет любой редактор, даже всем известный «Paint» без особого труда справится с этой задачей. Удаляем все дефекты, дорисовываем неполные линии, символы и надписи, ну и естественно меняем циферки на нужные.
В данном случае шкалу было решено сделать на 16В.
Затем берем линеечку и измеряем размеры родной шкалы.
После этого открываем Word, вставляем туда наш рисунок, указываем полученные размеры, ну и в конечно же распечатываем все это дело, лучше сразу несколько штук, мало ли что.
Теперь бумажку необходимо обрезать до нужных размеров.
После чего приклеиваем ее на место любым подручным клеем.
Так, с этим вроде разобрались, теперь аккуратно откусываем цепочку из резистора и диода, о которой говорилось в начале статьи.
Теперь необходимо припаять торчащие выводы друг к другу вот так:
Таким образом, напряжение, которое мы подадим на клеммы вольтметра, непосредственно пойдет на обмотку измерительной головки. Данная электромагнитная измерительная головка довольно чувствительная, и стрелка полностью отклоняется если на клеммы подать напряжение всего лишь в 0,5В.
Так дело не пойдет.
Это никуда не годится, так как по нашей задумке стрелка прибора должна отклоняться до предела только в том случае, если на клеммы поддается напряжение 16В. Для того, чтобы это исправить нам понадобится переменный, а лучше подстроечный многооборотный резистор с сопротивлением 20-50кОм.
После чего необходимо собрать вот такую простейшую схему, которая сейчас перед вами:
Для калибровки индикатора очень желательно наличие лабораторного блока питания, но за неимением такового вполне можно ограничиться любым адаптером питания вольт на 6. Далее параллельно источнику питания необходимо подключить мультиметр, он у нас будет в качестве эталона.
Теперь на вход подаем напряжение и медленно вращаем подстроечный резистор до тех пор, пока стрелка не покажет то напряжение, которое мы видим на мультиметре.
То есть, достаточно всего лишь откалибровать головку на конкретной отметке, а за счет того, что шкала линейная, другие значения напряжения наш измеритель будет также адекватно показывать.![]()
После того, как калибровка завершена, подстроечный резистор необходимо выпаять.
Далее необходимо замерить полученное сопротивление, и на место выпаянного подстроечного резистора устанавливаем постоянный резистор с таким же сопротивлением.
Если под рукой нет нужного резистора, то можно соединить несколько резисторов последовательно для получения необходимого значения сопротивления.
Для данного проекта желательно использовать резисторы с погрешностью в 1 и меньше процент.
Подстроечник конечно можно оставить, но перед этим необходимо будет заклеить регулирующий винт, чтобы предотвратить его смещение.
Очень часто для постройки и измерительных головок, в самом начале через ограничительное сопротивление на головку падают эталонное напряжение и на пустой шкале делают метки, которые учитываются во время создания шкалы в редакторе. Такой подход более предпочтителен, так как это позволяет построить измерительные головки довольно высокой точности.
А на этом все. Благодарю за внимание. До новых встреч!
Видеоролик автора:
Источник (Source)
Становитесь автором сайта, публикуйте собственные статьи, описания самоделок с оплатой за текст. Подробнее здесь.
Схема зарядки от прикуривателя в Санкт-Петербурге: 645-товаров: бесплатная доставка, скидка-80% [перейти]
Партнерская программаПомощь
Санкт-Петербург
Каталог
Каталог Товаров
Одежда и обувь
Одежда и обувь
Стройматериалы
Стройматериалы
Здоровье и красота
Здоровье и красота
Продукты и напитки
Продукты и напитки
Детские товары
Детские товары
Текстиль и кожа
Текстиль и кожа
Электротехника
Электротехника
Дом и сад
Дом и сад
Мебель и интерьер
Мебель и интерьер
Промышленность
Промышленность
Вода, газ и тепло
Вода, газ и тепло
Все категории
ВходИзбранное
Схема зарядки от прикуривателя
Автомобильная зарядка (от прикуривателя) REMAX RCC204, 5V, 2.
4A, голубой
В МАГАЗИНЕще цены и похожие товары
Автомобильная зарядка (от прикуривателя) REMAX RCC210 Mushroom Series 2.1A, белый
В МАГАЗИНЕще цены и похожие товары
Автомобильная зарядка (от прикуривателя) REMAX RCC-302, 5V, 2.4A, белый
В МАГАЗИНЕще цены и похожие товары
Автомобильная зарядка (от прикуривателя) HOCO z21, два порта USB, 5V, 2.4A, черный
В МАГАЗИНЕще цены и похожие товары
Автомобильная зарядка (от прикуривателя) HOCO z4 QC2.0, один порт USB, 5V, 2.1A, черная
В МАГАЗИНЕще цены и похожие товары
Автомобильная зарядка от прикуривателя HOCO z26, два порта USB, LED экран, 5V, 2.1A черная
В МАГАЗИНЕще цены и похожие товары
Автомобильная зарядка (от прикуривателя) HOCO Z39 QC3.
0, два порта USB, 18W синий
В МАГАЗИНЕще цены и похожие товары
Автомобильная зарядка (от прикуривателя) More Choice AC31, два разъема USB, 2.4A, серебро
В МАГАЗИНЕще цены и похожие товары
Зарядка от прикуривателя с 3 входами для USB, желтая, CarBull USB-05
В МАГАЗИНЕще цены и похожие товары
Автомобильная зарядка (от прикуривателя) More Choice AC31, два разъема USB, 2.4A, черный
В МАГАЗИНЕще цены и похожие товары
Автомобильная зарядка (от прикуривателя) More Choice AC22, два разъема USB, 2.4A, белый
В МАГАЗИНЕще цены и похожие товары
Автомобильная зарядка (от прикуривателя) REMAX RCC301 Jane, 5V, 2.4A, белый
В МАГАЗИНЕще цены и похожие товары
Автомобильная зарядка (от прикуривателя) REMAX RCC207, 5V, 2.
4A, белый
В МАГАЗИНЕще цены и похожие товары
Автомобильная зарядка (от прикуривателя) More Choice AC22, два разъема USB, 2.4A, черный
В МАГАЗИНЕще цены и похожие товары
Автомобильная зарядка (от прикуривателя) BOROFONE BZ2 два порта USB, 5V, 2.4A, белый
В МАГАЗИНЕще цены и похожие товары
Автомобильная зарядка (от прикуривателя) REMAX RCC201 Jane 2.1A, белый
В МАГАЗИНЕще цены и похожие товары
Зарядка от прикуривателя с 3 входами для USB, зеленая, CarBull USB-03
В МАГАЗИНЕще цены и похожие товары
Зарядка от прикуривателя с 3 входами для USB, серебристая, CarBull USB-02
В МАГАЗИНЕще цены и похожие товары
Автомобильная зарядка (от прикуривателя) REMAX RCC204 5V, 2.
4A, золотой
В МАГАЗИНЕще цены и похожие товары
Автомобильная зарядка (от прикуривателя) REMAX RCC222 Alloy 2.4A, черный
В МАГАЗИНЕще цены и похожие товары
496
744
Комплект зарядки для Samsung Xiaomi Honor в автомобиль GCR автомобильное зарядное устройство на 2 порта LED подсветка + Кабель USB micro нейлон 50см зарядка машину прикуриватель
В МАГАЗИНЕще цены и похожие товары
regmarkets.ru/listpreview/idata2/01/99/019987aafd97f7cb697e195b13a8d695.jpg»>530
1100
Зарядка в прикуриватель для телефона с USB и Type-C портами / Автомобильное зарядное устройство смартфона ISA AZ15 18 Вт Quick Charge 3.0 Быстрая Черная
В МАГАЗИНЕще цены и похожие товары
автомобильная зарядка (от прикуривателя) BASEUS Circular Plastic, 1хUSB, 1хType-C, 5V, 5.0A, 30W, черный CCALL-YS01
В МАГАЗИН
за 1-2 часа, курьером
Еще цены и похожие товары
автомобильная зарядка (от прикуривателя) BASEUS Grain C-8K, 2хUSB, 5V, 5.0A, 30W, черный CCALL-ML01
В МАГАЗИН
за 1-2 часа, курьером
Еще цены и похожие товары
автомобильная зарядка (от прикуривателя) HOCO z4 QC2.
0, один порт USB, 5V, 2.1A, черный (мятая упаковка) 6957531046486
В МАГАЗИН
за 1-2 часа, курьером
Еще цены и похожие товары
автомобильная зарядка (от прикуривателя) HOCO Z42, PD20, QC3.0, один порт USB, Type-C, черный 6931474742544
В МАГАЗИН
за 1-2 часа, курьером
Еще цены и похожие товары
490
990
Автомобильная зарядка в прикуриватель Тип: Автомобильное зарядное устройство, Размер: Длина 10.000
В МАГАЗИНЕще цены и похожие товары
regmarkets.ru/listpreview/idata2/73/0a/730a495a6716622ae62e0989482bc5f1.jpg»>496
744
Комплект зарядка для Samsung Xiaomi Honor в автомобиль GCR автомобильное зарядное устройство на 2 порта LED подсветка + Кабель Type C нейлон 50см машину прикуриватель
В МАГАЗИНЕще цены и похожие товары
2 страница из 18
Как подключить прикуриватель напрямую
Прикуриватель – неотъемлемый атрибут любой машины. Нередко возникает необходимость в дополнительном прикуривателе, расположенном в багажнике или на панели, рядом с основным. Через разветвитель вы сможете подключить к одному прикуривателю до 3 различных устройств. Дополнительный прикуриватель подключают напрямую к аккумулятору. Прочитав статью, вы узнаете, как подключить прикуриватель в машине правильно, не навредив своему автомобилю.
Как работает прикуриватель
Автомобильный прикуриватель, это два устройства – нагревательный элемент и разъем (штекер) в удобном корпусе. Он может быть напрямую подключен к аккумулятору, поэтому устройство работает, даже если выключен замок зажигания. Помимо основного предназначения штекер часто используют в качестве розетки на 12/24 вольта, к которой подключают разветвитель, обеспечивающий питание ноутбука, телефона или других устройств. К нему также подключают разветвитель, благодаря чему можно одновременно заряжать ноутбук, телефон или использовать видеорегистратор. Разветвитель или блоки питания этих устройств вставляют в штекер, который обеспечивает надежное соединение с контактами розетки прикуривателя.
Что понадобится для врезки прикуривателя
Если вы решили установить дополнительный прикуриватель, то вам потребуются следующие инструменты:
- дрель;
- набор сверл по металлу;
- коронка по металлу, диаметр которой соответствует выбранному прикуривателю;
- круглый и плоский напильники;
- паяльник;
- припой;
- канифоль;
- пассатижи;
- бокорезы;
- набор отверток;
- термоусадочная трубка;
- выключатель;
- предохранитель;
- провод;
- обычный кабельный разветвитель (220 вольт) из хозяйственного магазина
Как вмонтировать прикуриватель
Перед началом работ обязательно отключите минусовую клемму аккумулятора, а также убедитесь, что замок зажигания стоит в положении «выключено».
Не существует единого метода врезки этого устройства, ведь прикуриватели различаются по длине, размеру и форме корпуса, а также способу крепления. Проще всего вставить это устройство в подходящее по размеру штатное отверстие. Если же такого места нет и, вы не смогли подобрать подходящую коронку, разметьте контуры проема, затем по периметру очень густо насверлите отверстий диаметром 2–3 мм. После этого бокорезами осторожно перекусите перемычки между отверстиями, после чего выравнивайте посадочное место напильником. Вставьте прикуриватель, чтобы убедиться, что место подготовлено правильно. Если необходимо, поправьте отверстие.
Не устанавливайте штекер на изогнутых или рифленых поверхностях, потому что не сможете качественно закрепить его. Помните, расстояние от нижней части корпуса прикуривателя до любой кузовной детали должно быть не меньше 2 см.
Подготовив посадочное место, приступайте к выбору провода и предохранителя. Штекер, напрямую подключенный к аккумулятору, без проблем способен передавать ток до 30–40 ампер, поэтому ограничение мощности нагрузки зависит от толщины провода и номинала предохранителя.
Каждый миллиметр сечения многожильного провода способен передать на штекер 5–10 ампер тока. Если вы собираетесь подключать нагрузку мощностью 300–500 ватт, то сила тока составит 25–40 ампер. Сечение провода под такой ток составит 4–6 мм. Попытка пропустить такой ток через провод меньшего сечения приведет к его оплавлению или возгоранию. Продумайте путь для провода, который напрямую соединит штекер и аккумулятор. Желательно прокладывать его через технологические отверстия кузова рядом со штатной проводкой.
Снимите обивку пола салона и багажника, затем внимательно осмотрите выбранный путь для провода. Если получится провести его через готовые отверстия, то сделайте это. Если нет, сверлите новые. В ближайшем автомагазине купите резиновые уплотнители, которые защитят провода от острых краев отверстия в кузове. Просверлите отверстия, ориентируясь на диаметр уплотнителя и, обработайте их края сначала напильником, затем антикоррозионными материалами. Прикрепите провод к кузову или шине штатной проводки с помощью пластиковых хомутов.
Подключение прикуривателя
Ни в коем случае не подключайте прикуриватель к замку зажигания. Система зажигания не выдержит такой нагрузки. Проложив провод в подкапотное пространство, подведите его к плюсовому контакту аккумулятора, подключите предохранитель и после этого прикрепите к клемме. Если по каким-то причинам вы не можете этого сделать, подведите провод с предохранителем к стартеру и прикрепите к плюсовому выводу реле. Зачистите конец провода на расстоянии 1 см, наложите его на клемму, затем обожмите с помощью пассатижей. Обязательно закрепите провод, чтобы он нигде не болтался. Для крепления провода к прикуривателю используйте паяльник или соответствующую клемму, в зависимости от модели устройства. Рядом с прикуривателем установите предохранитель и выключатель, это повысит безопасность использования этим устройством.
Не перепутайте расстановку деталей схемы:
- Аккумулятор.
- Предохранитель.
- Выключатель.
- Реле.
- Прикуриватель.

Выключатель должен быть рассчитан на ток в 1,5 раза превосходящий максимальную нагрузку. Если такого выключателя нет, прикрепите рядом с ним реле, подходящее по току. Некоторые водители ставят выключатель и реле рядом с замком зажигания. Подключите выключатель к управляющему контакту реле, а прикуриватель к силовому. Для этого наденьте на оголенные концы провода термоусадочную трубку, затем наденьте и обожмите клеммы. Поправьте трубку, чтобы она полностью закрыла место соединения клеммы и провода, затем нагрейте спичкой или зажигалкой. Также можете установить обычный кабельный разветвитель (220 вольт), который продают в хозяйственных магазинах. Найдите ближайшее место подключения «земли» (провод прикручен болтом прямо к кузову). Открутите болт, зачистите контактные площадки клеммы и кузова. Проложите кусок провода от реле и прикуривателя к отверстию земли, чтобы определить длину, затем отрежьте, зачистите концы.
Сделайте разветвитель – возьмите кусок провода подходящей длины, зачистите оба конца.
Затем припаяйте друг к другу конец длинного и короткого провода так, чтобы они оба были направлены в одну сторону. Защитите соединение термоусадочной трубкой, затем наденьте клемму подключения к минусу прикуривателя. Трубку расположите так, чтобы она полностью закрыла место контакта. Наденьте на второй конец короткого провода термоусадочную трубку, наденьте клемму. Или используйте обычный кабельный разветвитель, который необходимо жестко прикрепить к кузову.
Проверка монтажа
Это устройство есть в каждой машине. Прикуривателем пользуются даже некурящие водители. Ведь в гнездо можно осуществить подключение дополнительных девайсов. Наиболее часто к разъему прикуривателя подсоединяют:
- насос для подкачки шин;
- портативное устройство зарядки для мобильных телефонов, планшетов или ноутбуков;
- видеорегистратор, фиксирующий дорожную обстановку;
- навигационную систему.
Водители часто ощущают потребность в дополнительном гнезде.
О том, как можно подключить прикуриватель своими руками, что для этого потребуется, как провести всю процедуру установки, можно узнать в статье.
Как работает прикуриватель и его устройство
Схема прибора проста. Прикуриватель в машине состоит из нескольких деталей:
- гнезда с подключенным к нему разъемом;
- металлического патрона, внутри которого размещена нихромовая спираль.
Прикуриватель устроен так, что, когда владелец авто нажимает на кнопку, происходит замыкание контактов, на которые подается переменный ток. Вследствие этого элемент начинает разогреваться. По достижении максимальной температуры встроенное термореле дает команду на отщелкивание девайса. При правильной эксплуатации прикуриватель для автомобиля будет работать длительное время. Однако есть причины, по которым прибор выходит из строя раньше.
Это подсоединение нескольких мощных устройств к одному гнезду. Повышается предельно допустимое значение силы тока, и прикуриватель выходит из строя.
Поэтому автовладельцы стремятся поставить в машине дополнительное устройство.
Инструмент для установки прикуривателя
Чтобы профессионально сделать врезку и подключить прибор, потребуется запастись необходимыми инструментами:
- дрель или шуруповерт с набором сверл по металлу;
- коронка для выреза гнезда, диаметр должен совпадать с диаметром прикуривателя;
- напильник;
- паяльник с припоем;
- кусачки;
- отвертки;
- мультитестер;
- термоусадочная трубка;
- провод подходящего сечения;
- предохранитель, выдерживающий силу тока, рекомендуемую производителем (от 10 до 25 ампер – зависит от модели авто).
Где и как красиво врезать прикуриватель
Стоит определить место установки прибора. Устанавливать дополнительный прикуриватель в автомобиле можно в любом удобном месте. Владелец должен самостоятельно вычислить наиболее удобные места.
Как правило, это район задних сидений (трансмиссионный тоннель между пассажирами заднего ряда) или багажник (сюда удобно подсоединять компрессор для подкачки колес). Главное – правильно подключать устройство и соблюдать полярность.
Как правильно подключить
К стандартному автоприкуривателю подходит треконтактный штекер. Перед тем как заняться установкой дополнительного устройства, необходимо понять, как работает автомобильный прикуриватель и выучить распиновку.
Схема подключения выглядит так.
- Постоянный минус. Приходит на корпус автомобиля.
- Постоянный плюс. Подсоединяется через предохранитель к аккумулятору.
- Плюс, приходящий до лампочки подсветки.
Вариант монтирования напрямую к аккумулятору
Есть способ подключения непосредственно к автомобильной батарее. Эта схема имеет преимущества. Нужно знать, как подключить прикуриватель напрямую к аккумулятору. Это позволит избежать вмешательств в саму проводку. Работа займет меньше времени, плюсовые провода следует вывести напрямую к аккумулятору, а минусовой провод – прикрепить к автомобильному кузову.
Необходимо подобрать нужные запчасти. Первоначально, это касается проводов. Каждый квадратный миллиметр сечения рассчитан на 5 – 10 ампер тока. Следует брать провод с запасом. Сечения 3 – 5 мм вполне достаточно для передачи необходимого напряжения. В противном случае провода могут обгорать, что приведет к опасности короткого замыкания. Цепь стоит провести через дополнительный предохранитель с номиналом, указанным производителем.
Видео инструкция
Как сделать дополнительный прикуриватель?
При наличии необходимого инструмента и запчастей, следует приступать к работе по монтажу.
- Выключаем двигатель, а затем снимаем минусовой провод с аккумуляторной батареи.
- Определяем место, где должен находиться дополнительный прикуриватель. Как правило, это пространство вблизи задних сидений или около багажного отделения. Не стоит подключать гнездо на изогнутых или рифленых поверхностях – оно не будет надежно фиксироваться.
Минимально допустимое расстояние между штекером и кузовом – 2 сантиметра. - При помощи коронки подходящего диаметра и дрели вырезаем посадочное место под прикуриватель. Обрабатываем окружность напильником, удаляя лишний материал.
- Снимаем обивку пола или багажника, чтобы выяснить, как лучше прокладывать проводку. Удобнее всего монтировать провода через заводские отверстия. Если не получается, сверлите новые в подходящих местах. Каждое отверстие необходимо оснастить резиновым уплотнителем, чтобы избежать перетирания провода или залома. Для надежности стоит использовать пластиковые затяжные хомуты.
- Смонтируйте выключатель. Он должен быть рассчитан на ток, не менее чем в полтора раза превосходящий максимальную нагрузку. Удобнее всего монтировать выключатель вблизи замка зажигания.
- Подключаем выключатель к управляющему реле, а кабель – к силовому. Для надежности контактов все спайки рекомендовано посадить на термоусадочные трубки. Для удобства можно использовать стандартные кабельные разветвители.

Проверка проделанной работы
После процедуры установки следует проинспектировать устройство.
- Перед сборкой необходимо проверить все соединения. Провода должны быть хорошо спаяны, не контактировать с металлическими частями кузова. Исключаются заломы или оголенные места.
- Измеряем напряжение на аккумуляторной батарее. После подключаем минусовую клемму и снова проводим проверку. Если напряжение просело более чем 0,5 вольт, то следует искать замыкание. Возможно, вам не удалось правильно подключиться к прикуривателю.
- Измерьте напряжение на контактах автоприкуривателя и прозвоните на целостность все провода. После желательно включить зажигание и проверить работоспособность гнезда. Устройство должно легко заряжать телефон или выдерживать подключенный компрессор.
Как усовершенствовать готовый прикуриватель
Многие автолюбители приобретают специальный блок разветвителя, позволяющий подключать несколько устройств в один разъем (см.
фото). Однако устройство прикуривателя автомобиля, а также сечение проводов, не позволяет максимально эффективно эксплуатировать его.
Подключение нескольких девайсов приводит к превышению напряжения или силы тока, вследствие чего перегорает предохранитель или выгорают провода. Тогда требуется отремонтировать прибор. Можно усовершенствовать устройство, выбрав более толстые кабели, подходящие к автоприкуривателю.
Прикуриватель – неотъемлемый атрибут любой машины. Нередко возникает необходимость в дополнительном прикуривателе, расположенном в багажнике или на панели, рядом с основным. Через разветвитель вы сможете подключить к одному прикуривателю до 3 различных устройств. Дополнительный прикуриватель подключают напрямую к аккумулятору. Прочитав статью, вы узнаете, как подключить прикуриватель в машине правильно, не навредив своему автомобилю.
Как работает прикуриватель
Автомобильный прикуриватель, это два устройства – нагревательный элемент и разъем (штекер) в удобном корпусе.
Он может быть напрямую подключен к аккумулятору, поэтому устройство работает, даже если выключен замок зажигания. Помимо основного предназначения штекер часто используют в качестве розетки на 12/24 вольта, к которой подключают разветвитель, обеспечивающий питание ноутбука, телефона или других устройств. К нему также подключают разветвитель, благодаря чему можно одновременно заряжать ноутбук, телефон или использовать видеорегистратор. Разветвитель или блоки питания этих устройств вставляют в штекер, который обеспечивает надежное соединение с контактами розетки прикуривателя.
Что понадобится для врезки прикуривателя
Если вы решили установить дополнительный прикуриватель, то вам потребуются следующие инструменты:
- дрель;
- набор сверл по металлу;
- коронка по металлу, диаметр которой соответствует выбранному прикуривателю;
- круглый и плоский напильники;
- паяльник;
- припой;
- канифоль;
- пассатижи;
- бокорезы;
- набор отверток;
- термоусадочная трубка;
- выключатель;
- предохранитель;
- провод;
- обычный кабельный разветвитель (220 вольт) из хозяйственного магазина
Как вмонтировать прикуриватель
Перед началом работ обязательно отключите минусовую клемму аккумулятора, а также убедитесь, что замок зажигания стоит в положении «выключено».
Не существует единого метода врезки этого устройства, ведь прикуриватели различаются по длине, размеру и форме корпуса, а также способу крепления. Проще всего вставить это устройство в подходящее по размеру штатное отверстие. Если же такого места нет и, вы не смогли подобрать подходящую коронку, разметьте контуры проема, затем по периметру очень густо насверлите отверстий диаметром 2–3 мм. После этого бокорезами осторожно перекусите перемычки между отверстиями, после чего выравнивайте посадочное место напильником. Вставьте прикуриватель, чтобы убедиться, что место подготовлено правильно. Если необходимо, поправьте отверстие.
Не устанавливайте штекер на изогнутых или рифленых поверхностях, потому что не сможете качественно закрепить его. Помните, расстояние от нижней части корпуса прикуривателя до любой кузовной детали должно быть не меньше 2 см.
Подготовив посадочное место, приступайте к выбору провода и предохранителя. Штекер, напрямую подключенный к аккумулятору, без проблем способен передавать ток до 30–40 ампер, поэтому ограничение мощности нагрузки зависит от толщины провода и номинала предохранителя.
Каждый миллиметр сечения многожильного провода способен передать на штекер 5–10 ампер тока. Если вы собираетесь подключать нагрузку мощностью 300–500 ватт, то сила тока составит 25–40 ампер. Сечение провода под такой ток составит 4–6 мм. Попытка пропустить такой ток через провод меньшего сечения приведет к его оплавлению или возгоранию. Продумайте путь для провода, который напрямую соединит штекер и аккумулятор. Желательно прокладывать его через технологические отверстия кузова рядом со штатной проводкой.
Снимите обивку пола салона и багажника, затем внимательно осмотрите выбранный путь для провода. Если получится провести его через готовые отверстия, то сделайте это. Если нет, сверлите новые. В ближайшем автомагазине купите резиновые уплотнители, которые защитят провода от острых краев отверстия в кузове. Просверлите отверстия, ориентируясь на диаметр уплотнителя и, обработайте их края сначала напильником, затем антикоррозионными материалами. Прикрепите провод к кузову или шине штатной проводки с помощью пластиковых хомутов.
Подключение прикуривателя
Ни в коем случае не подключайте прикуриватель к замку зажигания. Система зажигания не выдержит такой нагрузки. Проложив провод в подкапотное пространство, подведите его к плюсовому контакту аккумулятора, подключите предохранитель и после этого прикрепите к клемме. Если по каким-то причинам вы не можете этого сделать, подведите провод с предохранителем к стартеру и прикрепите к плюсовому выводу реле. Зачистите конец провода на расстоянии 1 см, наложите его на клемму, затем обожмите с помощью пассатижей. Обязательно закрепите провод, чтобы он нигде не болтался. Для крепления провода к прикуривателю используйте паяльник или соответствующую клемму, в зависимости от модели устройства. Рядом с прикуривателем установите предохранитель и выключатель, это повысит безопасность использования этим устройством.
Не перепутайте расстановку деталей схемы:
- Аккумулятор.
- Предохранитель.
- Выключатель.
- Реле.
- Прикуриватель.

Выключатель должен быть рассчитан на ток в 1,5 раза превосходящий максимальную нагрузку. Если такого выключателя нет, прикрепите рядом с ним реле, подходящее по току. Некоторые водители ставят выключатель и реле рядом с замком зажигания. Подключите выключатель к управляющему контакту реле, а прикуриватель к силовому. Для этого наденьте на оголенные концы провода термоусадочную трубку, затем наденьте и обожмите клеммы. Поправьте трубку, чтобы она полностью закрыла место соединения клеммы и провода, затем нагрейте спичкой или зажигалкой. Также можете установить обычный кабельный разветвитель (220 вольт), который продают в хозяйственных магазинах. Найдите ближайшее место подключения «земли» (провод прикручен болтом прямо к кузову). Открутите болт, зачистите контактные площадки клеммы и кузова. Проложите кусок провода от реле и прикуривателя к отверстию земли, чтобы определить длину, затем отрежьте, зачистите концы.
Сделайте разветвитель – возьмите кусок провода подходящей длины, зачистите оба конца.
Затем припаяйте друг к другу конец длинного и короткого провода так, чтобы они оба были направлены в одну сторону. Защитите соединение термоусадочной трубкой, затем наденьте клемму подключения к минусу прикуривателя. Трубку расположите так, чтобы она полностью закрыла место контакта. Наденьте на второй конец короткого провода термоусадочную трубку, наденьте клемму. Или используйте обычный кабельный разветвитель, который необходимо жестко прикрепить к кузову.
Проверка монтажа
Как выбрать и установить гнездо прикуривателя
Гнездо прикуривателя не обходимо в дальних поездках для подзарядки мобильного телефона, подключения навигатора и других устройств к бортовой сети.
Начнем с выбора гнезда!
Накладное гнездо прикуривателя. Легко крепится сбоку к пластику
Гнездо прикуривателя двойное накладное
Врезные гнезда прикуривателя. Монтируются в пластиковые панели, не портят внешний вид, выглядят как будто установлены штатно с завода
Прикуриватель с крокодилами.
Используется как временный (запасной) вариант для зарядки телефона во время стоянки.
Универсальная вещь, для тех кто не хочет замарачиваться с установкой, накинул крокодилы на клеммы АКБ и поехал.
Внимание ! движение с таким подключением опасно коротким замыканием, повреждением проводки или пожаром
Для использования данного варианта прикуривателя при движении рекомендуем заменить крокодилы на разъемы –кольца (продаются в любом магазине радиодеталей)
Подключить гнездо прикуривателя возможно несколькими способами. Рассмотрим наиболее популярные схемы подключения:
1. Самая простая схема подключения: гнездо прикуривателя подключается на прямую к клеммам аккумулятора, без предохранителя
Недостатки: данная схема ничем не защищена, при коротком замыкании выгорает проводка, велика вероятность пожара.
Настоятельно рекомендуем использовать плавкий предохранитель номиналом 10-15 ампер, для защиты электропроводки! Предохранитель устанавливается на плюсовой провод по возможности ближе к источнику питания.
2. Более интересный вариант: подключить через реле включения, с управлением с замка зажигания.
Схема подключения прикуривателя, через реле, с управляющим плюсом с замка зажигания.
Принцип работы: при включении зажигания на управляющий контакт подается +12 вольт, реле срабатывает, замыкаются контакты и прикуриватель начинает работать, при выключении зажигания реле обесточивает гнездо прикуривателя .
На экстренный случай можно поставить тумблер включения прикуривателя, в обход замка зажигания. Тумблером можно воспользоваться для включения прикуривателя. Например для зарядки АКБ во время стоянки, без разборки, для этого сделаем переходник на Ваше зарядное устройство.
Для увеличения работоспособности дополнительного оборудования, все элементы (предохранитель, реле …) нашей схемы необходимо хорошо закрепить. Провода лучше примотать изолентой к штатной проводке или пердварительно проложить их в пластиковую гофру, а затем зафиксировать вдоль кузова.
Это устройство есть в каждой машине.
Прикуривателем пользуются даже некурящие водители. Ведь в гнездо можно осуществить подключение дополнительных девайсов. Наиболее часто к разъему прикуривателя подсоединяют:
- насос для подкачки шин;
- портативное устройство зарядки для мобильных телефонов, планшетов или ноутбуков;
- видеорегистратор, фиксирующий дорожную обстановку;
- навигационную систему.
Водители часто ощущают потребность в дополнительном гнезде. О том, как можно подключить прикуриватель своими руками, что для этого потребуется, как провести всю процедуру установки, можно узнать в статье.
Как работает прикуриватель и его устройство
Схема прибора проста. Прикуриватель в машине состоит из нескольких деталей:
- гнезда с подключенным к нему разъемом;
- металлического патрона, внутри которого размещена нихромовая спираль.
Прикуриватель устроен так, что, когда владелец авто нажимает на кнопку, происходит замыкание контактов, на которые подается переменный ток.
Вследствие этого элемент начинает разогреваться. По достижении максимальной температуры встроенное термореле дает команду на отщелкивание девайса. При правильной эксплуатации прикуриватель для автомобиля будет работать длительное время. Однако есть причины, по которым прибор выходит из строя раньше.
Это подсоединение нескольких мощных устройств к одному гнезду. Повышается предельно допустимое значение силы тока, и прикуриватель выходит из строя. Поэтому автовладельцы стремятся поставить в машине дополнительное устройство.
Инструмент для установки прикуривателя
Чтобы профессионально сделать врезку и подключить прибор, потребуется запастись необходимыми инструментами:
- дрель или шуруповерт с набором сверл по металлу;
- коронка для выреза гнезда, диаметр должен совпадать с диаметром прикуривателя;
- напильник;
- паяльник с припоем;
- кусачки;
- отвертки;
- мультитестер;
- термоусадочная трубка;
- провод подходящего сечения;
- предохранитель, выдерживающий силу тока, рекомендуемую производителем (от 10 до 25 ампер – зависит от модели авто).

Где и как красиво врезать прикуриватель
Стоит определить место установки прибора. Устанавливать дополнительный прикуриватель в автомобиле можно в любом удобном месте. Владелец должен самостоятельно вычислить наиболее удобные места. Как правило, это район задних сидений (трансмиссионный тоннель между пассажирами заднего ряда) или багажник (сюда удобно подсоединять компрессор для подкачки колес). Главное – правильно подключать устройство и соблюдать полярность.
Как правильно подключить
К стандартному автоприкуривателю подходит треконтактный штекер. Перед тем как заняться установкой дополнительного устройства, необходимо понять, как работает автомобильный прикуриватель и выучить распиновку.
Схема подключения выглядит так.
- Постоянный минус. Приходит на корпус автомобиля.
- Постоянный плюс. Подсоединяется через предохранитель к аккумулятору.
- Плюс, приходящий до лампочки подсветки.

Вариант монтирования напрямую к аккумулятору
Есть способ подключения непосредственно к автомобильной батарее. Эта схема имеет преимущества. Нужно знать, как подключить прикуриватель напрямую к аккумулятору. Это позволит избежать вмешательств в саму проводку. Работа займет меньше времени, плюсовые провода следует вывести напрямую к аккумулятору, а минусовой провод – прикрепить к автомобильному кузову.
Необходимо подобрать нужные запчасти. Первоначально, это касается проводов. Каждый квадратный миллиметр сечения рассчитан на 5 – 10 ампер тока. Следует брать провод с запасом. Сечения 3 – 5 мм вполне достаточно для передачи необходимого напряжения. В противном случае провода могут обгорать, что приведет к опасности короткого замыкания. Цепь стоит провести через дополнительный предохранитель с номиналом, указанным производителем.
Видео инструкция
Как сделать дополнительный прикуриватель?
При наличии необходимого инструмента и запчастей, следует приступать к работе по монтажу.
- Выключаем двигатель, а затем снимаем минусовой провод с аккумуляторной батареи.
- Определяем место, где должен находиться дополнительный прикуриватель. Как правило, это пространство вблизи задних сидений или около багажного отделения. Не стоит подключать гнездо на изогнутых или рифленых поверхностях – оно не будет надежно фиксироваться. Минимально допустимое расстояние между штекером и кузовом – 2 сантиметра.
- При помощи коронки подходящего диаметра и дрели вырезаем посадочное место под прикуриватель. Обрабатываем окружность напильником, удаляя лишний материал.
- Снимаем обивку пола или багажника, чтобы выяснить, как лучше прокладывать проводку. Удобнее всего монтировать провода через заводские отверстия. Если не получается, сверлите новые в подходящих местах. Каждое отверстие необходимо оснастить резиновым уплотнителем, чтобы избежать перетирания провода или залома. Для надежности стоит использовать пластиковые затяжные хомуты.
- Смонтируйте выключатель.
Он должен быть рассчитан на ток, не менее чем в полтора раза превосходящий максимальную нагрузку. Удобнее всего монтировать выключатель вблизи замка зажигания. - Подключаем выключатель к управляющему реле, а кабель – к силовому. Для надежности контактов все спайки рекомендовано посадить на термоусадочные трубки. Для удобства можно использовать стандартные кабельные разветвители.
Проверка проделанной работы
После процедуры установки следует проинспектировать устройство.
- Перед сборкой необходимо проверить все соединения. Провода должны быть хорошо спаяны, не контактировать с металлическими частями кузова. Исключаются заломы или оголенные места.
- Измеряем напряжение на аккумуляторной батарее. После подключаем минусовую клемму и снова проводим проверку. Если напряжение просело более чем 0,5 вольт, то следует искать замыкание. Возможно, вам не удалось правильно подключиться к прикуривателю.
- Измерьте напряжение на контактах автоприкуривателя и прозвоните на целостность все провода.
После желательно включить зажигание и проверить работоспособность гнезда. Устройство должно легко заряжать телефон или выдерживать подключенный компрессор.
Как усовершенствовать готовый прикуриватель
Многие автолюбители приобретают специальный блок разветвителя, позволяющий подключать несколько устройств в один разъем (см. фото). Однако устройство прикуривателя автомобиля, а также сечение проводов, не позволяет максимально эффективно эксплуатировать его.
Подключение нескольких девайсов приводит к превышению напряжения или силы тока, вследствие чего перегорает предохранитель или выгорают провода. Тогда требуется отремонтировать прибор. Можно усовершенствовать устройство, выбрав более толстые кабели, подходящие к автоприкуривателю.
Прикуриватель в розетку 220
NoName Адаптер питания 12V 2000mA (гнездо прикуривателя.
Переходник с 220 вольт на прикуриватель
Автоинвертор(розетка в авто)»Qumo»(16183) 12&.
Переходник с 220 Вольт на прикуриватель (12 Вольт)
Преобразователь напряжения 12/220V 1000W 2 евро розетки.
Автоинвертор(розетка в авто)»Qumo»(16582) 12&.
Переходник с 220 вольт на прикуриватель
INTERSTEP Авто Адаптер Инвертер Автомобильный 12-220В.
Преобразователь напряжения 12/220V 700W 2 евро розетки.
60 Гц Выходное напряжение: 12 В Сила тока: 1000 мА
Сетевой адаптер на прикуриватель AD1000
Переходник розетка 220В – прикуриватель 12В (Liberty Pr.
Автомобильный инвертор 12-220В 120 Вт с USB
Зарядное устройство Liberty Project GO000516 / Alwise /.
Адаптер сетевой для автоприборов AVS IN-2210 (220>12.
Розетка прикуривателя + USB
Преобразователь напряжения автомобильный KOTO 12V-501 (.
Инвертор автомобильный Pitatel KV-M120Smart.12 (12В/220
60 Гц Выходное напряжение: 12 В Индкиация: красный диод Разъем: автомобильный Сила тока: 1000 мА
Сетевой адаптер на прикуриватель AD1000
40°C Длинна кабеля: 300 мм
Переходник с DJK-11(м) на прикуриватель U3-3F-2
Розетка прикуривателя B0002KRC5Y
Сетевой адаптер 12V 2A с гнездом прикуривателя на прово.
Сетевой адаптер для проверки устройств в прикуриватель.
Преобразователь напряжения BURO BUM-8105CI300
Сетевые адаптеры 220/12 Cетевой адаптер (переходник сет.
Автомобильный инвертор Airline Api-200-02
Переходник розетка – прикуриватель Ezetil (AC/DC 230V/1.
Прикуриватель/розетка 12 вольт
Автоинвертор(розетка в авто) Qumo (16183) 12>220v/20.
Адаптер сетевой AVS AD-22012A 220/12V 1000mAh (переходн.
Переходник розетка – прикуриватель Переходник розетка -.
Преобразователь напряжения автомобильный AVS IN-1000W (.
Преобразователь напряжения Avs In-2210
Адаптер питания Gembird MP3A-UC-ACCAR2 220V-5V+12V-5V Д.
Инвертор, автомобильный преобразователь 12В в 220В 200.
Преобразователь напряжения автомобильный AVS IN-1000W-2.
Разветвитель прикуривателя AVS 12/24 (на 2 выхода+2USB).
Преобразователь напряжения BURO BUM-8103CI200
Преобразователь напряжения 12V/220V 1000W KS АКБ, USB р.
Автомобильный преобразователь напряжения 24-220V KS-is.
Преобразователь напряжения автомобильный KOTO 12V-504 (.
Розетка прикуривателя «Alca», 12V + 2 USB 5V
Розетка прикуривателя «Alca», 12V + 2 USB 5V
Автоинвертор(розетка в авто) Qumo (16184) 12>220v/30.
Преобразователь напряжения Armed: инвертор (адаптер авт.
Автомобильные аксессуары Rexant Автомобильный инвертор.
Переходник розетка – прикуриватель Ezetil (AC/DC 230V/1.
Адаптер сети переменного тока «Ezetil» для по.
Автомобильные аксессуары Rexant Автомобильный инвертор.
Адаптер питания Energenie EG-UC-CAR1 220V-5V Два USB су.
Инвертор CAR75W. 75 Ватт. Пластик. Прикуриватель
INTERSTEP Авто Адаптер Инвертер Автомобильный 12-220В.
Преобразователь напряжения автомобильный KOTO 12V-503 (.
Разветвитель прикуривателя 3 гнезда 12/24V SKYWAY Черны.
Розетка прикуривателя автомобиля 12V (разъём), прорезин.
Автомобильные аксессуары Rexant Автомобильный инвертор.
Универсальное сетевое зарядное устройство, адаптер 1хUS.
Сетевые адаптеры 220/12 Преобразователь напряжения (сет.
Переходник розетка – прикуриватель Ezetil (AC/DC 230V/1.
Инвертор CAR150W. 150 Ватт. Пластик. Прикуриватель
Emgo Прикуриватель/розетка 12 Вольт
Розетка прикуриватель с 2 Usb портами и вольтметром на.
Автомобильное зарядное устройство, разветвитель прикури.
Преобразователь напряжения автомобильный AVS IN-600W-24.
Автомобильный инвертор Qumo (16184) 12>220v/300W в п.
Адаптер IQ Travel – Сетевой адаптер 220v – USB, Прикури.
Автомобильные аксессуары Rexant Автомобильный инвертор.
Розетка прикуривателя AvtoVins AVTO VINS_7027530
Преобразователь напряжения 12V/220V 1000W KS АКБ, USB р.
Штекер прикуривателя универсальный 12/24В 8А
Инвертор CAR200W.
200Ватт. Металлический корпус. Клеммы.
Гнездо прикуривателя, автомобильный адаптер питания, 12.
Преобразователь напряжения Skyway S05501001
Автомобильные аксессуары Rexant Автомобильный инвертор.
Автомобильный инвертор 12-220В 120 Вт с USB
Используйте все автоаксессуары дома!
Переходник с 220В на прикуриватель
У каждого водителя есть электроника, которая работает от прикуривателя и которую хотелось бы питать просто от привычной розетки в нужное время. Как это сделать? Поможет адаптер 220 вольт – прикуриватель. С ним можно подключать любой автомобильный гаджет к розетке 220В.
Преобразователь напряжения имеет встроенный предохранитель, который защищает технику от скачков тока и отвечает за работоспособность устройства в дальнейшем. Данная модель прошла тесты на перепады напряжения, результаты показали, что переходник легко справляется с задачей, и на подключенный гаджет изменение тока не влияет.
- Переходник 220V – 12V
- Имитирует бортовую сеть автомобиля 12В от сети 220В
- Для использования техники с питанием от прикуривателя дома и в офисе
- Напряжение: 12V (прикуриватель) 0,5 А
Видео о товаре
youtube.com/embed/yBHpv7zdUgA»>данные Яндекс Маркета от 22.12.2019 00:00
12V Автомобильная розетка встраиваемая (гнездо прикуривателя)
12V Автомобильная розетка встраиваемая (гнездо прикуривателя
Адаптер в гнездо прикуривателя с разъемом RCA SM-01200
Розетка прикуривателя «Alca», на 4 выхода, 12В
Розетка прикуривателя «Alca» увеличивает количество гнезд прикуривателя и рассчитана на подключение нескольких различных электрических приборов, например, автомобильного чайника или термокружки. Изделие выполнено из термостойкого пластика и оснащено удлинителем длиной 1 м. Это устройство незаменимо при выездах на природу, да и просто в поездках по городу. Напряжение: 12В. Сила тока: 10 А. Рекомендуем!
INTERSTEP Авто Адаптер Инвертер Автомобильный 12-220В, 2Usb / 2A Ai-300
Преобразует напряжение прикуривателя 12В в 220В, тем самым автомобиль приобретает классическую розетку 220В. Во время поездки Вы сможете заряжать свой ноутбук, подключить ЖК ТВ, аудио проигрыватель, фото, видеокамеры и другую технику мощностью до 300Вт через розетку 220В инвертора.
Инвертор имеет два дополнительных USB выхода на 2000мА для заряда смартфонов и планшетов. Так же инвертор INTERSTEP отличается резиновым бампером, который защищает интерьер автомобиля от повреждений и малошумным вентилятором.
Прикуриватель 3в1 2USB(G) 12/24V 120Wt кнопка включения Olesson подсветка
Адаптер гнезда прикуривателя 3 в 1 12 / 24 Вольт с проводом
0,6 метра (сечение 2х0.5мм, предохранитель 10А). ТРИ гнезда прикуривателя ДВА гнезда USB 5V 700mA max Кнопка включения Cиняя LED-индикация
Адаптер сетевой Umika с разъемом автомобильного прикуривателя (60 Вт, 5 А)
В арсенале любителя астрономии зачастую имеется оборудование и аксессуары, электропитание которых осуществляется через вилку автомобильного адаптера. Это могут быть монтировки, обогреватели, контроллеры и другое оборудование. И для того, чтобы не усложнять схему подключения разными переходниками, будет правильным воспользоваться сетевым адаптером Umika с разъемом автомобильного прикуривателя. Такой адаптер пригодится не только астроному-любителю, но и автовладельцу.
Автомобильное зарядное устройство (в прикуриватель) Golden Snail переходник на 2 гнезда
Предназначен для увеличения количества подключаемых приборов к штатному разъему (гнезду) «прикуривателя». Для автомобилей с напряжением бортовой сети 12/24В. Напряжение питания 12/24 В. Суммарный ток не более 5А. Двойной гибкий медный провод, длина 0,3 м.
Розетка прикуривателя «Alca», 12V + 2 USB 5V
Автомобильные консультации по темам, связанным с зажигалками
Автомобильные консультации по темам, связанным с зажигалками | Ваш механик советПолучить предложение
Похожие вопросы
Прикуриватель не работает. Что я должен делать?
Вам потребуется заменить предохранитель, если он перегорел. Если вы используете зарядное устройство для телефона, возможно, в нем перегорел предохранитель из-за короткого замыкания. Проверьте, возможно ли это. Если нет, проверьте…
На моем Ford Ranger не горит приборная панель.
Проверьте провод заземления под приборной панелью, чтобы убедиться, что он ослаблен. Ослабленный или оборванный провод приведет к тому, что электрические проблемы с приборной панелью и прикуривателем не будут работать. Если вам нужна дополнительная помощь с электрикой…
Можно ли как-то починить прикуриватель, а также подключить iPhone к машине для прослушивания музыки?
Здравствуйте. В стереосистеме автомобиля должен быть режим AUX, который позволит вам использовать ваш iPhone для подачи музыки. Если это не сработает, возможно, у вас неисправна стереосистема, которую необходимо заменить…
При замене перегорает предохранитель прикуривателя, в чем причина?
В этом грузовике есть как минимум 4 различные системы для адаптеров питания прикуривателя. В большинстве случаев это что-то, что подключено к адаптеру, или адаптеры закорочены. Вам следует заглянуть в…
Перегоревший предохранитель прикуривателя
Здравствуйте, я буду рад помочь вам найти перегоревший предохранитель.
Тот, который вам нужен, находится под капотом в блоке предохранителей. Он имеет маркировку «LTR», что означает «зажигалка». Удачи! Если вам хочется…
Штекер прикуривателя не работает
Похоже, у вас есть несколько независимых проблем с вашим Mitsubishi. Вы можете попытаться подключить другое устройство, например зарядное устройство для сотового телефона, к прикуривателю и посмотреть, не заряжается ли оно…
iPhone не заряжается от автомобильной розетки
Привет. Вы должны изменить порт прикуривателя на порт зарядки на 12 вольт. Старые порты предназначались только для использования в качестве прикуривателей и не могут обеспечить хорошее соединение для зарядных устройств. Они продают эти…
Прикуриватель не работает.
Очень вероятно, что вышел из строя предохранитель цепи прикуривателя. Это не редкость. Существует также вероятность того, что фактическая розетка прикуривателя также вышла из строя.
Я бы попросил помощи у одного…
Предохранитель убивает аккумулятор, когда его оставляют внутри.
Трудно ответить, не зная, заводской ли это плафон. Если на самом деле это так, сторона света с наземным управлением должна быть частью переключателя диммера освещения на приборной панели. Этот переключатель…
Неисправность электрических компонентов — Cadillac XLR 2006 г.
Возможен отзыв в связи с возможной электрической проблемой вашего автомобиля. Проблема с отзывом (кампания по отзыву NHTSA 06v263000) решает проблему с электрооборудованием, которая повредила различные электрические системы вашей модели автомобиля. Обсудите это со своим дилером Cadillac….
Кондиционер дует горячим воздухом в Nissan Rogue 2010 года
Привет. Обычно предохранитель прикуривателя перегорает, потому что аксессуар (например, зарядное устройство для сотового телефона) потребляет слишком много тока.
Я бы проверил предохранитель. По электрической схеме это должен быть предохранитель №19., который оценивается в 15…
Проблемы с электрикой на ‘O4 Volvo S40
Да, я часто видел такое на этих вещах. Многие из них получают блок предохранителей (https://www.yourmechanic.com/article/symptoms-of-a-bad-or-failing-fuse-box), который просто полностью проржавел. Вам придется разобрать все это дело и полностью очистить или обратиться в…
Автомобильный зарядный порт/прикуриватель не работает
Первое, что нужно проверить, это предохранитель. Перегоревшие предохранители могут быть результатом проблемы с зарядным гнездом или проводкой. Внимательно осмотрите розетку на наличие посторонних предметов или ослабленных контактов. Однако не забывайте…
Адаптер прикуривателя не работает.
Привет! Прикуриватель находится на плавкой цепи, подключенной к аккумулятору.
Для подключения к розетке используются тонкие провода с малой силой тока. Как правило, слишком много устройств подключено к розетке или только одно потребляет больше энергии…
Просмотрите связанные темы
Azera
EML (лампа управления двигателем)
Q70
B1906
CLS Class
Carbon Buildup
E-150 Econoline Club Wagon
P0106
аудио
SL-класс
посмотреть больше тем
Нужен механик?
Наши сертифицированные мобильные механики выезжают на дом в более чем 700 городов США. Быстрые, бесплатные онлайн-расценки на ремонт вашего автомобиля.
Получить цитату
Обзор автомобильных тем
- кондиционирование воздуха
- Батареи
- ремни
- тормозная система
- сцепления
- диагностика
- двери
- двигатели
- вытяжная система
- фильтры
- жидкости
- топливная система
- шланги
- система зажигания
- огни
- зеркала
- масло
- Датчики
- рулевое управление
- приостановка
- переключатели
- Шины
- передачи
- окна
- дворники
посмотреть больше тем
Поиск по маркам автомобилей
- Акура
- Ауди
- БМВ
- Бьюик
- Кадиллак
- Шевроле
- Крайслер
- Уклоняться
- Фиат
- Форд
- гео
- GMC
- Хонда
- Хаммер
- Хендай
- Инфинити
- Исузу
- Ягуар
- Джип
- Киа
- Land Rover
- Лексус
- Линкольн
- Мазда
- Мерседес Бенц
- Меркурий
- Mini Cooper
- Мицубиси
- Ниссан
- Олдсмобиль
- Плимут
- Понтиак
- Порше
- Баран
- Сааб
- Сатурн
- Наследник
- Умная
- Субару
- Сузуки
- Тойота
- Фольксваген
- Вольво
Как правильно пользоваться вилкой автомобильного прикуривателя 12 В
Оригинальная конструкция автомобильного прикуривателя предназначена для облегчения прикуривания сигареты большинству курильщиков в процессе вождения.
Вождение по дороге, чтобы вытащить зажигалку, чтобы зажечь сигарету, может вызвать скрытые опасности для безопасности вождения, и отсутствие ветрозащитной конструкции зажигалки не позволяет легко зажечь сигарету, поэтому автомобильная зажигалка с открытым пламенем также не появилась. .
Позже интерфейс автомобильного прикуривателя можно также запитать от различных автомобильных электронных устройств, что значительно облегчает жизнь большинству пользователей автомобилей. Это основная причина того, что хоть и не каждый автовладелец курит, но машина будет оснащена штекером прикуривателя.
Как пользоваться автомобильным прикуривателем?
Прежде всего, вам нужно нажать кнопку штекера автомобильного прикуривателя, после нажатия штекер прикуривателя автоматически нагреется, подождите, пока прикуриватель автоматически нагреется до определенной температуры, прикуриватель автоматически выскочит, в это время можно снять прикуриватель. После использования автомобильного прикуривателя не помещайте его в порт питания на длительное время, чтобы не сжечь прикуриватель.
Штекер автомобильного прикуривателя аналогичен гнезду с несколькими отверстиями для домашнего источника питания, через штекер подключается к автомобильному источнику питания, а затем ведет к ряду электронных устройств гнезда прикуривателя, хотя автомобильный прикуриватель настроен для удобство курения владельца, но в целях безопасности мы все же рекомендуем владельцам не курить в процессе управления автомобилем, чтобы не влиять на нормальную работу автомобиля.
Штекер прикуривателя в процессе использования не вытаскивается легко, во многих автомобилях прикуриватель был вытащен после того, как остался только домкрат, если домкрат открыт в течение длительного времени, в процессе будет определенная угроза безопасности пользования автомобилем.
Если проводящее инородное тело будет напрямую подключено к положительной и отрицательной клеммам в гнезде, это вызовет короткое замыкание, а в серьезных случаях также сожжет предохранитель вилки прикуривателя, что очень опасно, так что, когда вы не используете прикуриватель, лучше всего подключить прикуриватель обратно.
Поскольку прикуриватель в автомобиле берется от автомобильного генератора постоянного тока, если вы используете прикуриватель, не запуская двигатель, он будет напрямую потреблять мощность батареи.
Неправильное использование штекера автомобильного прикуривателя:
1. Интерфейс штекера прикуривателя открыт;
2. Внешние устройства не отключаются при запуске: Когда автомобиль заводится, внешние устройства на прикуривателе легко сгорают под воздействием высокого пускового тока, особенно MP3 и U-диск. Поэтому не забывайте отключать его от сети после использования, а затем подключать при запуске автомобиля;
3. Штекер прикуривателя не был вставлен обратно после израсходования бортового оборудования: попадание оголенного штекера прикуривателя в металл, жидкость и другие вещества может привести к короткому замыканию и перегоранию предохранителя. ;
4. Внешнее устройство не отключается после выключения автомобиля: из-за различий в настройках автомобилей питание некоторых прикуривателей не отключается при выключении автомобиля, и во многих автомобилях все еще есть электричество.
. Таким образом, размещение внешних устройств на разъеме прикуривателя в течение длительного времени может привести к потере мощности автомобиля;
5. Встряхивание при отключении и подключении: используйте при подключении и отключении встряхивания, чтобы внешнее устройство подключило дуговую деформацию язычка, вызванную вставкой ослабленного, плохого контакта и влияет на проводимость, иногда включает и выключает питание; (Если это произойдет, вы можете отрегулировать дуговой язычок вилки питания.)
6. Эксплуатация автомобиля при постоянном столкновении штекера прикуривателя, вызывающем расшатывание.
Роль автомобильного прикуривателя
1. Зажигание
Вставьте прикуриватель в разъем питания автомобиля и нажмите на него, чтобы зафиксировать. Когда нагревательный провод штекера прикуривателя достигает температуры, он автоматически выскакивает. В это время нагревательный провод станет красным, и его можно будет поджечь. После использования вставьте прикуриватель обратно в область штепсельной вилки.
2. Электропитание автомобиля
Большинство покупателей автомобилей должны использовать гнездо прикуривателя в качестве источника питания автомобиля, но всем следует избегать использования в автомобиле электроприборов с выходной мощностью более 120 Вт. Потому что максимальный ток, который может нести цепь питания прикуривателя, обычно составляет 10 А (также 20 А). В соответствии с расчетом рабочего напряжения 12 В штекера прикуривателя, если общая выходная мощность отключения автомобиля превышает 120 Вт, цепь питания прикуривателя будет загружена.
Контакты для СМИ frankied #1 Дорогой автомобильный разговор; в цепи прикуривателя; оба провода горячие или только один горячий, а другой нет; Пытаюсь починить прикуриватель. приветкит #2 Да, один горячий (часто красный), а другой провод (часто черный) идет на массу. Бастед Наклз #3 Тот, что прикреплен к середине, обычно горячий, а тот, что прикреплен сбоку, обычно заземлен. Я видел некоторые устройства с двухпроводным разъемом в центре. Удачи. Фрэнки #4 спасибо за ответ bustedknckles; Я проверил провод тестовой лампочкой; все в порядке; Я подаю питание на горячий провод; но когда я подключаю оба провода к прикуривателю, он все равно не реагирует; Я сделал обход и заставил тестовый свет заземлить, чтобы увидеть, был ли это заземляющий провод; все еще ничего; знаете ли вы, что сами зажигалки по какой-то причине выходят из строя; спасибо за ваше время Франк Тридак #5 На зажигалках перегорают нагревательные элементы. Бьюсь об заклад, запасной элемент может быть доступен даже в WalMart. Вот совет по экономии денег: не заменяйте элемент и бросьте курить. Вы сэкономите 5 долларов, не заменяя элемент, и намного больше на сигаретах. Фрэнки #6 спасибо за совет усталаг; лол, я не курю; это для моего зарядного устройства для мобильного телефона; но я согласен с вами, я бы сэкономил много денег на сигаретах; Вы знаете, легко ли снимается нагревательный элемент? Я пойду в магазин сегодня вечером, куплю один и попробую; спасибо Фрэнк :O) Triedaq #7 Здесь две проблемы: Если вы используете розетку для мобильного телефона, не имеет значения, работает ли нагревательный элемент. Нагревательный элемент крепится к ручке, которая входит в розетку. Если у вас нет питания в розетке, зарядное устройство для телефона не будет работать. У меня была эта проблема на Ford Windstar 2000 года, которым я владел. У меня не было питания в розетке. По лени я просто надолго воткнул мобильник в розетку в заднем отсеке. Однажды мне наконец стало интересно, почему передняя розетка не работает. Я снял накладку и обнаружил, что розетка никогда не была подключена с завода. Я воткнул провода в розетку и все заработало. Если вы хотите заменить нагревательный элемент, он отвинчивается от ручки, по крайней мере, так было на Понтиаке 1955 года, которым я владел много лет назад. Я считаю, что зажигалки до сих пор работают так же. Возможно, центральный контакт в гнезде окислился. Отключите питание и попробуйте поцарапать контакт концом ножа. олдскул #8 Просто дополнение. Если вы делаете какую-то электрическую диагностику (что-то простое, например, освещение, без передачи данных), прикуриватель — отличное место для заземления. У меня есть набор кабелей (от Mac, Matco и т. д.), который вы подключаете к розетке прикуривателя, теперь у вас есть быстрое и простое заземление и горячее. забвение #9 Часто трудно достать сигарету. Фрэнки #10 спасибо за ответ забвение; Я на самом деле не получаю сока к самой розетке; У меня есть тестовый свет; горячая проволока хорошая; мой тестовый свет загорается; но когда я вставляю щуп в розетку, лампочка не загорается. так что я как-то предполагаю, что сокет плохой, еще раз спасибо, Фрэнк спросил Изменено
1 год, 6 месяцев назад Просмотрено
40k раз В моем форде ка 2006 года гнездо прикуривателя всегда включено, а это значит, что когда я выключаю двигатель, я должен отключить USB-штучку, которая у меня есть. Заранее спасибо. 5 Такое поведение является преднамеренным, и оно было одинаковым практически на всех автомобилях Ford той эпохи (по крайней мере, на Mondeo, Fiesta, Fusion и Focus IME). без небольшой повторной проводки, так что это зависит от того, насколько вам удобно выполнять некоторые основные электрические работы. По сути, вам нужно подключить реле к проводу 12 В для прикуривателя и использовать что-то, что находится под напряжением только при включенном зажигании, в качестве триггерного провода для реле (провод «ACC», идущий к радио, является хорошим кандидатом) . Хотя это не особенно сложно электрика, я не уверен, что порекомендовал бы это в качестве самостоятельной работы тому, кто не знаком с электромонтажными работами в целом — плюс в том, что любой автоэлектрик сможет сделать что-то подобное для вас в меньше часа. 8 Я полагаю, что для этого потребуется специальная проводка, которая будет включаться и выключаться вместе с зажиганием. Ваша заводская розетка прикуривателя не предназначена для этого. Я не люблю вносить модификации, которые изменяют заводскую проводку или которые не могут быть легко изменены, так что это мое предложение. Получите предохранительный кран. Это позволит вам создать новую цепь из существующего предохранителя. Используйте коммутируемую, несущественную цепь, например, коммутируемую мощность для радио. Подсоедините предохранитель к новой розетке прикуривателя на 12 В. Провод питания проходит к центру сзади или к розетке прикуривателя. Пример отвода предохранителя Новая розетка прикуривателя Я бы поискал такую розетку прикуривателя с кронштейном. Вы можете использовать двухсторонний скотч (например, командные полосы), чтобы установить его, чтобы не вносить постоянные изменения. В качестве альтернативы вы можете подключить питание от новой цепи к существующей розетке прикуривателя. Может быть сложнее провести провод питания через приборную панель. Если вы это сделаете, удалите предохранитель для текущей цепи прикуривателя, чтобы у вас не было провода под напряжением, висящего за приборной панелью. РЕДАКТИРОВАТЬ: На основе предложения Paulster2. Вы можете использовать 12 В для USB (розетка или мини), если вы собираетесь использовать его только с USB-устройствами. Единственное, что меня беспокоит, это то, что он предназначен для работы с функцией быстрой зарядки на вашем телефоне. Некоторые из них доступны в комплекте с краном предохранителя. Вот пример. 3 Если вы не оставите что-то на самом деле подключенным к розетке и все время заряжаете, само зарядное устройство, вероятно, работает только с небольшим светодиодом, который незначителен в контексте паразитной нагрузки от других вещей в машине. (часы, будильник и т. д.) Даже если вы подключите сотовый телефон с полностью разряженным аккумулятором, например, емкость которого может составлять несколько Ач, аккумулятор в вашем автомобиле имеет емкость около 50 Ач, так что в худшем случае вы можете разрядить ~5% емкости аккумулятора при зарядке телефона. Если это просто светодиод, то он потребляет около 20 мА IIRC, поэтому потребуется около 1000 часов, чтобы один из них разрядил 40% емкости аккумулятора. Если вы покидаете машину так долго, я бы просто отключил устройство! По личному опыту у меня есть зарядное устройство для телефона с маленьким синим светодиодом, которое постоянно подключено к сети в моей машине, и иногда я никуда не хожу неделями. Также возможно, что ваша батарея стареет и разряжается — вам может понадобиться новая батарея, если вам кажется, что машина плохо заводится после ночной стоянки. 1 В дополнение к ответу @rpmerf, вот визуализация: В этом примере допустим, что у вас есть ЗАПАСНОЙ неиспользуемый слот предохранителя и ВСЕГДА ВКЛ Сигаретный предохранитель. В зависимости от рекомендованной производителем максимальной силы тока (мой Cadillac CTS 2008 поддерживает до 30 ампер на передней панели, разделенной через обе запасные части ), вы можете использовать два пигтейла Fuse Tap , подключенные (как правильно обжатые) через красный кабель, и перенаправить питание с положительного HOT SPARE на отрицательный разъем сигареты, вставив 2 общих предохранителя в верх каждой косички. Но не забывайте, что если максимально допустимая сила тока прикуривателя составляет 20 ампер, использовать предохранители на 20 ампер, а не на 30! Вот еще одна схема этой возможной идеи: Это должно работать, потому что ГОРЯЧИЙ от сигареты никуда не соединяется и больше ничего не питает постоянно. Не забывайте: очень важно соблюдать правильную полярность! На этой схеме я намеренно ПЕРЕВЕРНУЛ одну из косичек (поэтому мне не нужно припаивать провода к отверстию предохранителя). Никто не несет ответственности за перегоревшие предохранители, взрывы, ядовитые пары или дефрагментированные зебры! Редактировать: Вот фото, на котором я успешно ношу ГОРЯЧУЮ запаску к прикуривателю: У меня есть предложение, но я не знаю, почему бы не использовать его. Отказ от ответственности: это только план!!! Немного отступите. Если вы используете другое гнездо предохранителя для питания прикуривателя , вы можете перегрузить гнездо . И в этом случае следует заменить весь автомобильный релейный щиток. Почему гнездо встроенного прикуривателя не переключается с помощью небольшого реле на основе гнезда предохранителя «нужно-установленного»? DYI Пример: Я знаю, это немного сложно, но если производитель создаст эту штуку в маленькой коробочке, я думаю, это может быть полезнее и безопаснее, чем те, что есть сейчас. Я только что получил свой подержанный Ford focus 2013 года и включил видеорегистратор через прикуриватель. Делал тесты с усилителем батареи в багажнике, на всякий случай, если у меня сдохнет батарея. Да, он выключается минут через 20-30, но если у вас слабые батареи, не советую этого делать. Не очень приятно иметь перегоревший автомобильный предохранитель. Но не раздражайтесь предохранителем. Он просто делает свою работу. В чем причина перегорания предохранителя прикуривателя? Каковы причины и как их заменить? Как и все электрические предохранители, используемые в автомобилях, предохранитель прикуривателя также перегорает, когда подключенная цепь потребляет больше силы тока, чем предполагается. Когда предохранитель перегорает, его необходимо заменить на предохранитель с такой же силой тока и, желательно, с таким же названием предохранителя прикуривателя. Все, что вам нужно сделать, это получить пару острогубцев. Используйте эти плоскогубцы, чтобы вытащить предохранитель. Тонкий провод внутри предохранителя отключится, если он перегорит. Читайте дальше, чтобы узнать больше о наиболее распространенных причинах постоянного перегорания предохранителя прикуривателя и о том, как его можно заменить. Как и все другие электрические предохранители для автомобилей, предохранитель прикуривателя перегорает, если его цепь потребляет больше ампер, чем должна выдержать. Например, если предохранитель рассчитан на 15 ампер, он перегорит, когда цепь потребляет больше, чем этот ток. Если предохранитель уже перегорел, вы ничего не можете сделать, кроме как заменить его. Для этого вам понадобится пара острогубцев. Просто вытащите перегоревший предохранитель и осмотрите его. Если тонкий провод внутри уже отсоединен, предохранитель перегорел. Возьмите новый предохранитель с таким же номиналом и вставьте его в защелку. Существует несколько причин, по которым этот предохранитель перегорает. Одной из самых распространенных причин является скопление грязи и мусора внутри самого прикуривателя, из-за чего происходит замыкание, приводящее к перегоранию предохранителя. Символ предохранителя прикуривателя на вашем автомобиле полезен не только для зажигания сигарет. Вы также можете использовать его для зарядки мобильного телефона и устройств GPS. Если его предохранитель постоянно перегорает и вам нужно его использовать, вы можете обойти предохранитель, чтобы использовать гнездо прикуривателя. Предохранитель — это электрическое устройство, защищающее электрические цепи. Если есть скачок мощности, с которым цепь не может справиться, предохранитель сгорит первым, эффективно отключив питание, чтобы он не мог разрушить всю цепь. Та же функция, что и у предохранителя гнезда прикуривателя. Итак, ваша проблема в том, что его предохранитель постоянно неоднократно перегорает. Есть что-то, что заставляет его действовать таким образом. Проблема на самом деле не в предохранителе. Это может быть проводка прикуривателя, гаджета, который вы включаете в розетку, а может быть, и самого прикуривателя. Вы должны изолировать основную причину, чтобы решить эту проблему раз и навсегда. Вам необходимо знать, как проверить предохранитель прикуривателя, и обо всех возможных причинах этой проблемы. Вы рискуете повредить блок предохранителей, расплавить провода или даже вызвать пожар. Также следует понимать, как работает прикуриватель в вашем автомобиле. Он состоит из розетки, подключенной к источнику питания и заземлению. Зажигалка заключена в съемный металлический или пластиковый корпус со спиральной металлической полосой. Внутренняя стенка этой розетки заземлена. В центре есть контакт, подключенный к источнику питания. Между источником питания и контактом находится предохранитель. Ток будет проходить через спиральную металлическую полосу, если вы вставите зажигалку в розетку. Это вызывает его нагрев. При нормальной работе эта зажигалка может потреблять около 10 ампер. В электрической цепи обычно используется предохранитель номиналом от 10 до 15 ампер. Розетка прикуривателя предназначена для питания адаптеров и 12-вольтовых электроприборов. Если вы используете 12-вольтовую розетку для аксессуаров в цепи, в которой постоянно перегорают предохранители, вы можете использовать ту же процедуру диагностики, чтобы определить причину проблемы. Если предохранитель прикуривателя вашего автомобиля перегорел, вам необходимо заменить его, чтобы вы могли пользоваться розеткой как обычно. Однако, если вы заменили перегоревший предохранитель, а новый снова перегорел, должна быть другая проблема. Вы можете подумать, что самым простым решением является замена предохранителя на предохранитель с более высоким номиналом. Если электрическая проводка прикуривателя не выдерживает более 15 ампер, вы рискуете получить короткое замыкание или даже возгорание, если проводка не выдержит скачок напряжения. Замена предохранителя автоматическим выключателем также не является хорошей идеей. Это перегрузит прикуриватель, с чем провода тоже не справятся. Итак, сначала вам нужно понять, откуда возникла проблема. Если предохранитель прикуривателя постоянно перегорает, есть четыре основные причины. К ним относятся: Теперь мы подробно обсудим эти распространенные причины. Если номинал предохранителя прикуривателя правильный, но он продолжает перегорать, это может означать короткое замыкание в электрической цепи или электрической цепи. Электроны любят путешествовать на короткие расстояния. Они идут коротким путем. Таким образом, если в цепи появляется короткое замыкание на землю, электроны или электричество быстро отводятся от гнезда прикуривателя. Он не будет генерировать электричество; в этом случае он не будет выделять тепло. Кроме того, поскольку тонкие электрические провода внутри прикуривателя не создают сопротивления, энергия или электричество будет беспрепятственно течь в землю. Это приведет к чрезмерному нагреву, что приведет к перегоранию предохранителя. Существуют две распространенные причины возникновения короткого замыкания в системе электропроводки: попадание влаги и истирание. Влага – враг автомобилей. Если в вашем автомобиле есть проблемы с утечкой, которые остаются незамеченными и не устраняются, у вас возникнут проблемы с электрикой. Когда вода или влага загрязняют электрическую цепь или электрическое устройство, цепь или устройство начинают вести себя странно. Влага в электрической цепи позволит току сократить путь. Электричество или энергия будет течь от положительной к отрицательной стороне или земле. Это вызывает короткое замыкание, что приводит к перегоранию предохранителя. Затирание возникает, когда провод, идущий к блоку питания, трется о металлическую часть автомобиля. Это постоянное трение может повредить пластиковую изоляцию провода. По мере дальнейшего истирания повреждение изоляции провода будет увеличиваться. Больше электрических проводов будет оголено. Довольно скоро эти открытые электрические провода соприкоснутся с металлической частью автомобиля. Эта ситуация вызовет короткое замыкание в цепи, и предохранитель перегорит. В старых автомобилях обычно происходит истирание электропроводки. Автомобили с большим пробегом более подвержены вибрации. Поскольку металлические части кузова автомобиля вибрируют более агрессивно, они контактируют с электрическими проводами. Обычно это происходит, когда жгуты проводов не закрепляют электрические провода должным образом, жгуты уже изношены из-за старости, или жгуты не были должным образом заменены или закреплены после ремонта электропроводки на машина. Эта проблема усугубляется, если жгуты электропроводки расположены рядом с деталями автомобиля, выделяющими избыточное тепло, такими как двигатель, генератор переменного тока, компрессор и фары. Опять же, почему перегорает предохранитель прикуривателя? Предохранители прикуривателя обычно перегорают, когда они не могут выдержать силу тока, потребляемую цепью. Например, он перегорит, когда у вас есть предохранитель прикуривателя на 12 ампер, но цепь тянет больше. Основная функция предохранителя — перекрыть поток электричества, если он вызовет проблемы в электрической цепи . Вы должны быть благодарны за то, что он взорвался, потому что он сделал это, чтобы предотвратить более серьезную проблему. Но очевидно, что постоянно заменять предохранитель, который постоянно перегорает, хлопотно. Предохранители рассчитаны на номинальный ток. Он измеряет, сколько энергии плавкий элемент или очень тонкая проволока внутри стеклянного корпуса могут принять, прежде чем сгорят. Есть два способа узнать номинал предохранителя в амперах: Использование слишком маленького предохранителя поскольку требование цепи заставит ее взрываться каждый раз, когда электрическая нагрузка проходит через цепь. Заменять предохранитель снова и снова действительно неудобно. Однако использование предохранителя, который слишком велик для требований цепи, еще более опасно. Предохранитель, слишком маленький для цепи, является наиболее распространенной причиной постоянного перегорания предохранителей. Всегда проверяйте в руководстве по эксплуатации вашего автомобиля номинал предохранителя, который вы будете использовать в прикуривателе и других электрических устройствах в вашем автомобиле. Обычно номинальный ток предохранителя также указан на крышке или корпусе предохранителя. Перегрузка цепи будет иметь место, если нормальной работе электрического устройства, такого как электродвигатель, препятствует физическое препятствие. Например, в вашем автомобиле есть электродвигатель, отвечающий за движение дворников или люка на крыше. Если движение стеклоочистителя затруднено из-за сильного снегопада, электродвигатель отреагирует, потребляя больше энергии от системы для перемещения снега. Без нагрузки электрическая цепь не будет замкнута. Нагрузка — это просто электрическое устройство, питаемое электрической цепью. Это может быть прикуриватель, свет, двигатель или усилитель руля. Электрическая цепь, питающая нагрузку, также может выйти из строя. Автомобили имеют множество электрических цепей, спрятанных под ними по очевидным причинам, которые вы не можете легко увидеть. Их может открыть и осмотреть только квалифицированный механик, если что-то в них нужно починить. Таким образом, непросто определить, является ли причиной проблемы электрический компонент. Есть один эффективный способ определить, всегда ли перегорает предохранитель из-за компонента. Отсоедините электрический компонент от цепи и замените его предохранитель. Короткое замыкание приводит к перегоранию предохранителя. Вам нужно проследить цепь, чтобы найти место короткого замыкания. Гнездо прикуривателя ограничивает потребляемый от него ток. Если вы подключаете к этой розетке устройство, требующее большей силы тока, предохранитель перегорает каждый раз, когда вы подключаете устройство к этой розетке. Большинство цепей прикуривателя поддерживаются предохранителями на 15 ампер. Вам нужно проверить расположение предохранителя прикуривателя в вашем автомобиле, чтобы быть уверенным. Перед подключением устройства к гнезду прикуривателя проверьте его требуемую силу тока. Обычно к этой розетке можно подключать зарядные устройства для сотовых телефонов. Изношенные или сломанные вилки могут вызвать прямое короткое замыкание, если вы вставите их в гнездо прикуривателя. Эти вилки могут напрямую соединять электричество и землю внутри розетки. Получите омметр, чтобы проверить, нет ли внутреннего короткого замыкания в вашем адаптере, прежде чем подключать его к этому разъему. Очень легко заменить предохранитель, если перегорел предохранитель прикуривателя: Это загадка, что их до сих пор называют зажигалками, хотя они используются не для прикуривания сигарет, а для зарядки сотовых телефонов и других электрических гаджетов. Замена перегоревшего предохранителя прикуривателя — это легкое решение. Но если предохранитель продолжает перегорать снова и снова, значит, где-то есть еще одна проблема, которую вам нужно выяснить. Ответы на часто задаваемые вопросы по этой теме помогут вам добраться до настоящей проблемы: Предохранитель гнезда прикуривателя будет продолжать перегорать, если потребляет больше ампер, чем рассчитано. Да, если предохранитель не выдерживает энергопотребления, существует несколько условий. Вот условия: Да, заменить предохранитель просто. Просто используйте плоскогубцы с длинными губками, инструмент для захвата предохранителей или даже пальцы, чтобы вытащить неисправный предохранитель с его места. Только не забудьте заменить его предохранителем с таким же номиналом. Вставьте новый предохранитель на место, и все готово. Нет, более опасно использовать предохранитель с более высоким номиналом, чем тот, который перегорел. Предохранитель прикуривателя, как и любой другой предохранитель, используемый в автомобилях, перегорает, когда потребляет больше силы, чем рассчитано. Например, если предохранитель прикуривателя рассчитан на 15 ампер, но потребляет ток более 15 ампер, довольно скоро он перегорит. Перегоревший предохранитель следует заменить на предохранитель с таким же номиналом. Вам нужно использовать инструмент для захвата предохранителей или пару плоскогубцев с длинными губками, чтобы вытащить старый предохранитель с его места. Затем вставьте новый предохранитель в защелку, и все готово. Читать далее: Обзор ремонта обшивки потолка автомобиля 2017-03-30 01:39:44 3967 Прикуриватель или прикуриватель является неотъемлемой частью всех автомобилей. Прикуриватель изначально предназначен для прикуривания водителями в автомобиле. История прикуривателя В начале 1880-х немецкий инвертор Фридрих Вильгельм Шиндлер изобрел первую в мире электронную зажигалку. В 1890-х годах зажигалки начали продавать как электронные инструменты. Зажигалка когда-то была изменена на Zigarrenanzuender, но позже переименована в зажигалку в 1919 году.20 лет на рынке продаж. В 1921 году по патенту США Моррис выпустил беспроводные зажигалки со съемной розеткой. С этого момента зажигалка может нагреваться от розетки, а розетка может быть упакована, когда она не используется. До 1925-1926 годов прикуриватель официально стал автомобильным оборудованием в Соединенных Штатах. Как работает прикуриватель?
Название компании: Dongguan Slocable Photovoltaic Technology Co., LTD.
Эл. работы — Техническое обслуживание/Ремонт
спасибо
Как я уже сказал, замена элемента не даст питания розетке.
вилку прикуривателя (как на зарядном устройстве мобильного телефона), чтобы обеспечить хороший контакт в гнезде прикуривателя. Попробуйте либо повернуть его в розетке, либо вытащить, повернуть на 1/8 оборота, снова подключить — повторяйте, пока не получите питание. ford — прикуриватель всегда включен
Это немного раздражает, и я постоянно беспокоюсь, что забыл отключить его, и я вернусь к разряженной батарее. Я знаю, что батарея, вероятно, не разрядится полностью за ночь, но это все равно раздражает. Как мне сделать так, чтобы этот порт включался только при включенной машине? У меня постоянно подключены к нему разные вещи, поэтому он нужен мне каждый раз, когда я за рулем, но только , когда я за рулем. Это что-то с предохранителем???
Вам нужно будет провести заземление к корпусу прикуривателя.
Проблем с запуском после этого не замечаю, даже зимой.
А ГОРЯЧИЙ из запаски проходит через 2 предохранителя и красный кабель для питания прикуривателя.
лампы (автоматически включающиеся при зажигании) Предохранитель прикуривателя продолжает перегорать? Причины и способы замены • Road Sumo
Например, если предохранитель рассчитан только на 15 ампер, а потребляемый ток превышает 15 ампер, он перегорит. Предохранитель прикуривателя продолжает перегорать?
Потребляет больший ток, чем может выдержать предохранитель

Замена предохранителя
Отсоединенный провод
Скопление грязи и мусора внутри прикуривателя
Зарядка сотового телефона и устройств GPS

Основная функция предохранителя
Электрическое устройство, защищающее электрические цепи
Проблема с проводкой прикуривателя
Не заменяйте перегоревший предохранитель на предохранитель с большей силой тока
Что бы вы ни обнаружили, вам не рекомендуется заменять перегоревший предохранитель на предохранитель с более высоким амперным номиналом. Состоит из розетки, подключенной к источнику питания и заземлению
Может потреблять около 10 ампер при нормальной работе
Таким образом, вы можете подключить к этому разъему зарядное устройство для телефона и другие подключаемые устройства. Но они должны быть рассчитаны только на ток от 10 до 15 ампер. Предназначен для питания адаптеров и 12-вольтовых электроприборов
Что делать, если предохранитель продолжает перегорать?
Замена предохранителя прикуривателя
Небезопасно заменять предохранитель на предохранитель с более высоким номиналом
Это опасно, если учесть основную функцию предохранителя. Не рекомендуется заменять предохранитель автоматическим выключателем
Определите проблему
Из-за чего перегорает предохранитель в автомобиле?
1. Короткое замыкание в электропроводке
Ток или электричество уходит прямо на землю
проводка. Короткое замыкание означает, что ток или электричество уходит прямо в землю, а не туда, куда он должен идти. Электричество не будет вырабатываться
Производство избыточного тепла
2. Загрязнение влагой
Вызывает ржавчину
Это вызывает ржавчину, но мы сейчас не об этой проблеме. Влага разрушает электрические цепи. А в вашем современном автомобиле полно электропроводки, которую влага может разрушить. Проблемы с утечкой
Позвольте току сократить путь
3. Перетирание
Возникает, когда провод, идущий к блоку питания, трется о металлическую часть автомобиля
Электрические провода будут оголены. Увеличить повреждение изоляции провода
Распространено в старых автомобилях
Изношенные жгуты проводов

4. Слишком малый номинальный ток предохранителя
Основная функция предохранителя — перекрыть поток электричества
Определение номинала предохранителя
Слишком маленький или большой предохранитель может привести к его перегоранию

Номинал предохранителя указан на крышке или корпусе предохранителя
5. Перегрузка цепи
Это приведет к большему потреблению тока в электрической цепи, что приведет к перегоранию предохранителя. 6. Неисправный электрический компонент
Нагрузка
Неисправность электрической цепи
Как диагностировать
Если замена предохранителя прикуривателя также перегорает после того, как вы активировали компонент, то этот компонент исправен, но в его цепи есть короткое замыкание. Что нужно сделать перед подключением устройства к предохранителю прикуривателя
Проверка требуемой силы тока
Будьте осторожны при подключении инверторов прикуривателя
Но будьте осторожны при подключении инверторов прикуривателя, потому что они могут перегрузить цепь. Даже если ваш адаптер, инвертор или зарядное устройство — это 12-вольтовое устройство, вам все равно нужно проверить его вилки. Сломанные вилки могут вызвать прямое короткое замыкание
Как заменить предохранитель прикуривателя

Часто задаваемые вопросы
Почему предохранитель прикуривателя продолжает перегорать?
Например, если предохранитель рассчитан на 15 ампер, но потребляемая мощность превышает 15 ампер, предохранитель перегорит. Существуют ли определенные условия, когда потребляется больше энергии, чем предохранитель не может выдержать?
Легко ли заменить предохранитель?
Могу ли я использовать предохранитель с более высоким номиналом?
Если вы это сделаете, вы рискуете получить электрический пожар. В заключение: Почему предохранитель прикуривателя всегда перегорает?
Что такое прикуриватель?
Но в настоящее время прикуриватель в основном используется в качестве электронного устройства для питания электронных аксессуаров в автомобиле или рядом с ним.
Прикуриватель впервые был использован для курения в автомобилях. В то время как с сокращением курения, электронная прикуриватель в качестве разъема питания постоянного тока была разработана для обеспечения полезного питания для электронных аксессуаров.
В 1928 году компания Connector Automotive Specialty Company в Бриджпорте запатентовала новую версию прикуривателя. В этой более легкой версии использовались шнур и катушка, и она была связана с источником тока кабелем. Цепь можно было замкнуть, нажав кнопку или вынув прикуриватель из розетки. А в 1956, Casco разработала первый современный съемный автомобильный прикуриватель.
Вообще говоря, прикуриватель для автомобиля в основном используется в местах, где пожары строго запрещены, например, на заводах и в мастерских. Разветвитель прикуривателя чем-то похож на бытовой удлинитель с несколькими зарядными станциями. Оба представляют собой электрические устройства, которые могут распределять ток и подавать мощность для каждого зарядного порта при подключении к источнику питания. Сетевое напряжение прикуривателя составляет 12 вольт, что соответствует напряжению автомобильного аккумулятора. Прикуриватель обычно подключается одним шнуром питания, который нельзя перепутать с другими кабелями.
На случай безопасности зажигалка имеет один предохранитель. При использовании прикуривателя его следует вставлять и вытягивать вверх-вниз или вертикально без какого-либо сотрясения во избежание короткого замыкания или ослабления, что может привести к повреждению предохранителя и электронных устройств. Корпус зажигалки — это отрицательный полюс питания, а внутренний предохранитель — положительный полюс. Когда зажигалка вставлена и заперта, нагревательный элемент будет нагреваться от гнезда зажигалки положительного полюса. Когда элемент нагревается до определенного уровня температуры, защелкивающаяся пружина срабатывает и освобождает штекер прикуривателя, после чего зажигалку можно использовать для розжига. При возвращении в розетку нагревательный элемент постепенно остывает. Во избежание возгорания не забывайте возвращать зажигалку в розетку, если вы ею не пользуетесь. Прикуриватель — это разъем постоянного тока, который можно использовать для электроники, работающей от постоянного тока.
При использовании в автомобиле прикуриватель можно использовать вместе с удлинителем, который может преобразовывать автомобильный постоянный ток 12 В, 24 В или 48 В в бытовой 220 В / 50 Гц для обычных приборов.
Применение прикуривателя
Хотя курение в автомобилях запрещено, прикуриватель по-прежнему имеет функцию зажигания. Некоторые автомобили высокого класса оснащены специальным прикуривателем на заднем сиденье. В то время как с развитием автомобильной промышленности все виды дополнительных автомобильных электронных аксессуаров могут использоваться в автомобиле с одним прикуривателем, который обеспечивает питание от автомобильного аккумулятора. При выборе прикуривателя необходимо учитывать 4 вещи: порт USB, максимальную мощность и ток, личные требования и внешний вид. Разъем прикуривателя может быть портом USB, прикуривателем или розеткой переменного тока. Прикуриватели не только применимы для электроники от автомобильных розеток, но также могут быть преобразованы в автомобильный аккумулятор через USB-порт компьютера или бытовой интерфейс питания 220 В.

Такие девайсы могут быть также оборудованы тахометрами, амперметрами и даже термометрами. Комбинированные вольтметры считаются более функциональными устройствами, поэтому они более востребованы на рынке.
Так надо сделать только вначале, поскольку разумеется, все время так ездить вы не сможете. Когда вольтметр будет зафиксирован, на тыльной стороне все образовавшееся пространство нужно будет залить при помощи сантехнического герметика. Вам надо добиться того, чтобы плата была надежно зафиксирована в месте посадки. После того, как герметик высохнет и вольтметр будет держаться, резинки можно убрать.



Благодаря вольтметру автовладелец может узнать о возможных перепадах напряжения в электросети, что позволит своевременно определить поломку и устранить ее. О том, как соорудить такой девайс самостоятельно, мы расскажем ниже.
На практике такие устройства чаще всего подключаются к прикуривателю. При таком подключении вольтметр сможет фиксировать напряжения в сети как при заведенном, так и на заглушенном силовом агрегате. В первом случае рабочий параметр должен составить 13.5-14.5 вольт, во втором около 12.5 В.
После того, как подключение будет завершено, пластиковую заглушку на место. Вокруг экрана устройства можно поставить рамку, с помощью которой улучшится вид дисплея. Вам необходимо добиться, чтобы вольтметр не отвлекал вас при движении, так что если яркость дисплея слишком высокая, ее нужно будет снизить. Как вариант, можно затемнить дисплей обычным женским лаком или установить на экран кусок тонировочной пленки.
Минимально допустимое расстояние между штекером и кузовом – 2 сантиметра.



Он должен быть рассчитан на ток, не менее чем в полтора раза превосходящий максимальную нагрузку. Удобнее всего монтировать выключатель вблизи замка зажигания.
После желательно включить зажигание и проверить работоспособность гнезда. Устройство должно легко заряжать телефон или выдерживать подключенный компрессор.