Подвеска автомобиля. Типы подвесок | Подвеска автомобиля
Видео: Общее устройство подвески автомобиля. 3D анимация. Проверка подвески автомобиля, диагностика своими руками. Чем отличается подвеска Макферсон от многорычажной, и какие автомобильные подвески бывают. Балка или многорычажная подвеска — что лучше? Что такое пневмоподвеска и как она устроена. Торсионная подвеска автомобиля
Что такое подвеска?
Подвеска — это совокупность устройств, обеспечивающих упругую связь между подрессоренной и неподрессоренными массами Подвеска уменьшает динамические нагрузки, действующие на подрессоренную массу. Она состоит из трех устройств:
- упругого
- направляющего
- демпфирующего
Упругим устройством 5 на подрессоренную массу передаются вертикальные силы, действующие со стороны дороги, уменьшаются динамические нагрузки и улучшается плавность хода.![]()
Рис. Задняя подвеска на косых рычагах автомобилей БМВ:
1 – карданный вал ведущего моста; 2 – опорный кронштейн; 3 – полуось; 4 – стабилизатор; 5 – упругий элемент; 6 – амортизатор; 7 – рычаг направляющего устройства подвески; 8 – опорная стойка кронштейна
Направляющее устройство 7 – механизм, воспринимающий действующие на колесо продольные и боковые силы и их моменты. Кинематика направляющего устройства определяет характер перемещения колеса относительно несущей системы.
Демпфирующее устройство (амортизатор) 6 предназначено для гашения колебаний кузова и колес путем преобразования энергии колебаний в тепловую и рассеивания ее в окружающую среду.
Конструкция подвески должна обеспечивать требуемую плавность хода иметь кинематические характеристики, отвечающие требованиям устойчивости и управляемости автомобиля.
Зависимая подвеска
Зависимая подвеска характеризуется зависимостью перемещения одного колеса моста от перемещения другого колеса.
Рис. Схема зависимой подвески колес
Передача сил и моментов от колес на кузов при такой подвеске может осуществляться непосредственно металлическими упругими элементами – рессорами, пружинами или с помощью штанг – штанговая подвеска.
Металлические упругие элементы имеют линейную упругую характеристику и изготавливаются из специальных сталей, обладающих высокой прочностью при больших деформациях. К таким упругим элементам относятся листовые рессоры, торсионы и пружины.
Листовые рессоры на современных легковых автомобилях практически не применяются, за исключением некоторых моделей автомобилей многоцелевого назначения. Можно отметить модели легковых автомобилей, выпускавшиеся ранее с листовыми рессорами в подвеске, которые продолжают эксплуатироваться и в настоящее время. Продольные листовые рессоры устанавливались в основном в зависимой подвеске колес и выполняли функцию упругого и направляющего устройства.
На легковых автомобилях и грузовых или микроавтобусах применяются рессоры без подрессорников, на грузовых автомобилях – с подрессорниками.![]()
Рис. Рессоры:
а) – без подрессорника; б) – с подрессорником
Пружины как упругие элементы применяются в подвеске многих легковых автомобилей. В передней и задней подвесках, выпускаемых различными фирмами большинства легковых автомобилей применяются винтовые цилиндрические пружины с постоянными сечением прутка и шагом навивки. Такая пружина имеет линейную упругую характеристику, а необходимые характеристики обеспечиваются дополнительными упругими элементами из полиуретанового эластомера и резиновыми буферами отбоя.
На легковых автомобилях Российского производства в подвесках применяют цилиндрические винтовые пружины с постоянными сечением прутка и шагом в сочетании с резиновыми отбойными буферами. На автомобилях производителей других стран, например, БМВ 3-й серии в задней подвеске устанавливают бочкообразную (фасонную) пружину с прогрессивной характеристикой, достигаемой за счет формы пружины и применения прутка переменного сечения.
Рис. Спиральные пружины:
а) цилиндрическая пружина; б) бочкообразная пружина
На ряде автомобилей для обеспечения прогрессивной характеристики применяется комбинация цилиндрических и фасонных пружин с переменной толщиной прутка. Фасонные пружины имеют прогрессивную упругую характеристику и называются «миниблоками» за небольшие размеры по высоте. Такие фасонные пружины применяют, например в задней подвеске автомобилей «Фольксваген», «Ауди», «Опель» и др. Фасонные пружины имеют различные диаметры в средней части пружины и по краям, а пружины «миниблок» имеют и различный шаг навивки.
Торсионы, как правило, круглого сечения применяются на автомобилях в качестве упругого элемента и стабилизатора.
Рис. Торсион
Упругий крутящий момент передается торсионом через шлицевые или четырехгранные головки, расположенные на его концах. Торсионы на автомобиле могут быть установлены в продольном или поперечном направлении.
К недостаткам торсионов следует отнести их большую длину, необходимую для создания требуемых жесткости и рабочего хода подвески, а также высокую соосность шлицов на концах торсиона. Однако следует отметить, что торсионы имеют небольшую массу и хорошую компактность, что позволяет успешно применять их на легковых автомобилях среднего и высокого классов.
Независимая подвеска
Независимая подвеска обеспечивает независимость перемещения одного колеса моста от перемещения другого колеса. По типу направляющего устройства независимые подвески делятся на рычажные, и подвески Макферсона.
Рис. Схема независимой рычажной подвески колес
Рис. Схема независимой подвески Макферсона
Рычажная подвеска – подвеска, направляющее устройство которой представляет собой рычажный механизм. В зависимости от количества рычагов могут быть двухрычажные и однорычажные подвески, а в зависимости от плоскости качания рычагов – поперечно-рычажные, диагонально-рычажные и продольно-рычажные.![]()
Подвеска Макферсона, основным элементом которой служит амортизаторная стойка, является развитием подвески на двойных поперечных рычагах, но имеет только снизу один или два поперечных рычага.
Снизу амортизаторная стойка крепится к поворотному кулаку, а сверху – к кузову автомобиля.
При повороте управляемых колес амортизаторная стойка поворачивается вместе с закрепленной на ней пружиной, что требует применения в верхней опоре подшипника качения или скольжения с низким значением трения. Винтовые пружины, расположенные вокруг амортизаторной стойки, обычно устанавливаются под некоторым углом к ее оси. Такой способ установки обеспечивает снижение величины «пороговой жесткости» подвески, когда сначала при небольших вертикальных усилиях со стороны колеса не происходит сжатия пружины а затем она сжимается довольно резко. Это позволяет устранить неприятные ощущения при движении по относительно ровным дорогам. Подвеска Макферсона обеспечивает незначительное, по сравнению с подвеской на двойных рычагах, изменение развала колес при их вертикальном перемещении.
К основным преимуществам подвески Макферсона следует отнести то, что она занимает небольшой объем и создает удобства при поперечном размещении силового агрегата, что обусловило ее широкое применение.
Рычаги направляющего устройства подвески соединяются с колесом и кузовом с помощью шаровых шарниров и втулок. Шарниры могут быть направляющими и несущими. Например, в независимой подвеске на поперечных рычагах на нижний рычаг опирается упругий элемент. Шаровой шарнир такого рычага воспринимает силы, действующие в различных направлениях, следовательно, шарнир должен быть несущим. Шарнир на верхних рычагах не воспринимает вертикальные силы, а передает в основном поперечные. В этом случае применяется направляющий шарнир. На рисунке показаны несущие шаровые шарниры и направляющий шарнир, применяющиеся на автомобилях.
Рис. Несущие и направляющие шаровые шарниры направляющего устройства подвески:
а – прямой несущий шарнир с цельным пластмассовым вкладышем; б – несущий шарнир с дополнительной шумоизоляцией; в – направляющий шарнир с поджатием нижней половины вкладыша к сферической головке
Следует отметить, что аналогичные шарниры применяются и на рулевых тягах.
Шарниры имеют цилиндрический или конусный направляющий хвостовик, шаровая головка охватывается пластмассовым (из ацетильной смолы) вкладышем, защитный чехол заполняется специальной смазкой. Такие шарниры (фирмы-изготовители «Эренрайх», «Лемфёрдер Метальварен») обладают хорошей герметичностью от попадания грязи и практически не требуют обслуживания. Обращает на себя внимание несущий шарнир, имеющий дополнительную шумоизоляцию в виде упругих резиновых вкладышей, используемый фирмой «Даймлер-Бенц» для изоляции шумов от качения радиальных шин.
Опорные узлы направляющего устройства подвески должны иметь небольшое трение, быть достаточно жесткими и обладать шумопоглощающими свойствами. Для обеспечения этих требований в конструкцию опорных элементов вводятся резиновые или пластмассовые вкладыши. В качестве материалов вкладышей применяют такие, которые не требуют обслуживания в процессе эксплуатации, например, полиуретан, полиамид, тефлон и др. Использование резиновых вкладышей во втулках обеспечивает хорошую шумоизоляцию, эластичность при кручении и упругое смещение под нагрузкой.
Рис. Опорные втулки элементов подвески:
а – сайлент-блок; б – сайлент-блок качающейся опоры автомобиля БМВ; в – шарнирная втулка, применяемая в тягах Панара и амортизаторах
На поперечных рычагах автомобилей «Даймлер-Бенц» и «Фольксваген» устанавливают так называемые скользящие опоры, в которых промежуточная втулка может скользить по внутренней, обеспечивая малую жесткость при кручении (деформация не превышает 0,5 мм при боковой силе 5 кН).
Опору смазывают, а подвижную часть герметизируют торцевыми уплотнениями.
При повороте автомобиля его кузов наклоняется на определенный угол, называемый углом крена. В подвесках легковых автомобилей автобусов и некоторых грузовых автомобилей применяется дополнительное устройство – стабилизатор поперечной устойчивости. Он способствует уменьшению бокового крена и поперечных угловых колебаний кузова автомобиля и перераспределяет вес по колесам автомобиля.
Стабилизатор поперечной устойчивости автомобиля представляет собой упругую штангу из пружинной стали в виде растянутой буквы П, прямые, дугообразные и т.п. Штанга закреплена шарнирно в средней части на кузове или подрамнике, а своими концами соединяется с подвижными элементами подвески. Упругие свойства стабилизатора проявляются при его закручивании, как у торсиона. Если при движении автомобиля левое и правое колесо перемещаются одновременно и на одинаковое расстояние, стабилизатор практически не оказывает влияния на жесткость основных упругих элементов подвески.
При повороте автомобиля стабилизатор закручивается и изменяет жесткость, уменьшая тем самым величину крена автомобиля. Большинство современных легковых автомобилей оборудуются как минимум передним стабилизатором поперечной устойчивости.
Стабилизатор может устанавливаться как в передней, так и в задней части автомобиля на резиновых втулках для обеспечения упругой деформации в опорах. Как правило, стабилизаторы изготавливают из пружинной стали.
Рис. Стабилизатор поперечной устойчивости
Зависимая подвеска на легковых автомобилях устанавливается на задних колесах. Отличительной особенностью конструкции применяющихся зависимых подвесок является наличие упругих элементов, передающих вертикальные нагрузки и не имеющих трения, жестких тяг и рычагов, воспринимающих поперечные (боковые) нагрузки и обеспечивающих колесу и кузову определенную кинематику.
Характерной конструкцией задней зависимой подвески заднеприводного автомобиля (классическая компоновка) является подвеска автомобиля ВАЗ.
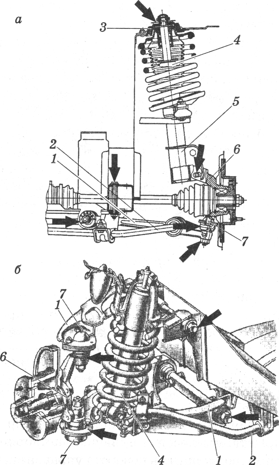
Рис. Подвеска задних колес:
1 – распорная втулка шарнира; 2 – резиновая втулка; 3, 17 – нижняя и верхняя продольные штанги; 4 – нижняя изолирующая прокладка пружины; 5 – нижняя опорная чашка пружины; 6 – буфер хода сжатия; 7, 8 – болт и кронштейн крепления верхней продольной штанги; 9 – пружина подвески; 10, 11 – верхние чашки и изолирующая прокладка пружины; 12 – опорная чашка пружины; 13 – тяга рычага привода регулятора давления; 14, 15 – резиновая втулка и кронштейн крепления амортизатора; 16 – дополнительный буфер хода сжатия; 18 – кронштейн крепления нижней продольной штанги; 19 – кронштейн крепления поперечной штанги к кузову; 20 – регулятор давления; 21 – амортизатор; 22 – поперечная штанга; 23 – рычаг привода регулятора давления; 24 – обойма опорной втулки; 25 – опорная втулка; 26 – шайбы; 27 – дистанционная втулка
В подвеску установлены под углом к вертикальной оси автомобиля два амортизатора. Такое расположение амортизаторов обеспечивает дополнительно к гашению вертикальных колебаний повышение поперечной устойчивости кузова.
Аналогичная установка амортизаторов принята в подвесках автомобилей «Фольксваген», «Опель», «Форд», «Фиат» и др.
На автомобилях «Ауди», «Мицубиси», «Тойота» и др. применяется подвеска задних ведомых колес с двумя продольными рычагами работающими на изгиб. Через широко разнесенные рычаги, жестко связанные с поперечной балкой передаются тяговый и тормозной моменты, а за счет восприятия изгибающего момента рычагами и скручивающих нагрузок поперечной балкой уменьшается продольный и поперечный крены кузова.
Рис. Задняя подвеска переднеприводного автомобиля «Мицубиси Галант» со скручиваемой поперечной балкой:
1 – продольный рычаг; 2 – несущая балка подвески; 3 – резиновая втулка; 4 – стабилизатор; 5 – поперечная тяга; 6 – амортизатор с пружиной; Б – опора стабилизатора; В – резиновая втулка крепления рычага к кузову
Широкое распространение на легковых автомобилях получила конструкция подвески (в ряде случаев ее называют полузависимой) со связанными продольными рычагами.
Простейшим вариантом такой конструкции может служить подвеска задних колес переднеприводных автомобилей ВАЗ ЗАЗ-1102, «Рено», «Фольксваген Поло», «Сирокко», «Пассат», «Гольф», «Аскона» и др.
Рис. Задняя подвеска переднеприводных автомобилей ВАЗ
Балка задней подвески состоит из двух продольных рычагов 15 и соединителя 14, которые сварены между собой через усилители. В задней части к рычагам подвески приварены кронштейны 16 с проушинами для крепления амортизаторов, а также фланцы 2, к которым крепятся болтами оси задних колес. Спереди рычаги подвески имеют приварные втулки 3, в которые запрессованы резинометаллические шарниры 4. Через шарнир проходит болт, соединяющий рычаг подвески со штампованно-сварным кронштейном 5, который крепится к лонжерону кузова приварными болтами Пружина 12 подвески опирается одним концом на чашку амортизатора 1, а другим через изолирующую прокладку 13 в опору, приваренную к внутренней арке (брызговику) кузова.
На шток амортизатора задней подвески устанавливается буфер 7 хода сжатия закрываемый крышкой 8 с кожухом 6, и детали крепления амортизатора — распорная втулка 11, подушки 10 и опорная шайба 9.
Такая подвеска в переднеприводных автомобилях обеспечивает легкость компоновки всех элементов подвески, небольшое количество деталей в подвеске, отсутствие направляющих рычагов и штанг, оптимальное передаточное отношение от кузова к упругому устройству подвески исключение стабилизатора, высокую стабилизацию схода и колеи при разных ходах подвески, благоприятное расположение центров крена, уменьшающих возможность перераспределения массы кузова при торможении.
Подвеска с виртуальной осью поворота колеса
Такая подвеска применяется на легковых автомобилях Фольксваген Фаэтон. При подвеске переднего колеса на четырех рычагах ось его поворота проходит не через верхний и нижний шарниры поворотной стойки, как это имеет место у известных конструкций подвески, а через точки пересечения продленных осей верхних и нижних рычагов.
Рис. Подвеска с виртуальной осью поворота колеса:
1…4 — направления продольных осей рычагов; R — центр колеса; A — центр опорной поверхности колеса; n — вынос оси поворота по отношению к центру опорной поверхности; nv — вынос оси поворота по отношению к центру колеса; p — плечо обката; a — плечо действия возмущающих сил; AS — точка пересечения оси поворота колеса с плоскостью дороги
Таким образом ось поворота колеса расположена как бы в свободном пространстве и меняет свое местоположение при повороте колеса. Поэтому такую ось поворота колеса называют виртуальной. Данная конструкция позволяет существенно приблизить ось поворота колеса к его средней плоскости. Это положительно сказывается на величинах плеча обката и плеча действия возмущающих сил, благодаря чему улучшаются характеристики управляемости и устойчивости автомобиля.
Список видов подвесок легковых автомобилей
В настоящей статье рассмотрены лишь основные виды подвесок автомобилей, в то время как их видов и подвидов на самом деле существует намного больше и, к тому же инженерами постоянно разрабатываются новые модели и дорабатываются старые.
Для удобства приведем список наиболее распространенных. В последующем каждая из подвесок будет рассмотрена подробней.
- Зависимые подвески
- На поперечной рессоре
- На продольных рессорах
- С направляющими рычагами
- С упорной трубой или дышлом
- «Де Дион»
- Торсионно-рычажная (со связанными или с сопряжёнными рычагами)
- Независимые подвески
- С качающимися полуосями
- На продольных рычагах
- Пружинная
- Торсионная
- Гидропневматическая
- Подвеска «Дюбонне»
- На двойных продольных рычагах
- На косых рычагах
- На двойных поперечных рычагах
- Пружинная
- Торсионная
- Рессорная
- На резиновых упругих элементах
- Гидропневматическая и пневматическая
- Многорычажные подвески
- Свечная подвеска
- Подвеска «Макферсон» (качающаяся свеча)
- На продольных и поперечных рычагах
- Активные подвески
- Пневматические подвески
Видео: Электромагнитная подвеска
Безопасность в управлении.
Устройство автомобильной подвески
Безусловно, эксплуатационные характеристики любого автомобиля во многом определяются конструкцией и состоянием подвески. Практически, подвеска автомобиля, как составляющая часть шасси, представляет собой сложный комплекс взаимосвязанных механизмов, узлов и деталей, предназначенных для соединения кузова автомобиля и дороги.
Основные функции
Подвеска реализует несколько функций. Во-первых, обеспечивает соединение колес или неразрезных мостов с рамой или кузовом (несущей системой автомобиля). Во-вторых, через нее на несущую систему передаются силы и моменты, которые возникают при взаимодействии колес и дорожного покрытия. В-третьих, с помощью нашей системы обеспечивается необходимый характер перемещения колес относительно рамы или кузова и плавность хода.
Таким образом, от состояния подвески зависит не только комфорт во время движения автомобиля, но и его управляемость.
Поэтому периодическая диагностика подвески авто позволит не только обеспечивать комфортность автомобиля. Во многом исправность и правильность ее функционирования обеспечивает безопасность водителя и пассажиров. Особенно, это касается машин у которых производилась доработка подвески.
В настоящее время вместо традиционных амортизаторов и рессор все чаще применяются более сложные конструкции. В их составе кроме механических и гидравлических элементов встречаются электрические и пневматические узлы, часто комплектующиеся электронными системами управления.
Схема несущей конструкцииКонструктивные особенности основных узлов
Несмотря на разнообразие существующих типов, все они практически состоят из трех основных узлов: упругих и направляющих элементов, а также амортизаторов. Упругие элементы реагируют и передают вертикальные силы реакции дорожного покрытия, которые возникают в результате наезда колеса на неровность дороги.
С помощью направляющих элементов задается характер движения колес автомобиля, а также связь их между собой и несущей частью, передаются боковые и продольные силы и моменты.
С помощью амортизаторов гасятся колебания несущей системы, которые возникают при взаимодействии колес и дороги.
В настоящее время подвеска автомобиля старой конструкции и современного авто отличается, прежде всего, тем, что в старых автомобилях на рессорах, последние реализуют практически функции всех трех элементов. Многолистовая рессора является упругим элементом, так как воспринимает нормальную (вертикальную) реакцию взаимодействия с дорогой.
Многолистовая рессораОдновременно она воспринимает продольные и боковые силы, являясь, таким образом, направляющим элементом. Их также можно считать примитивными фрикционными амортизаторами из-за трения между листами. В подвеске современного автомобиля каждый отдельный элемент конструкции имеет свое предназначение, что позволяет жестко регулировать характер движения колес, обеспечивая при этом управляемость и устойчивость автомобиля.
Группы подвесных систем автомобилей
Практически, если принять за основу принцип работы подвески автомобиля, то практически все их можно разделить на две больших группы – зависимые и независимые.
Зависимые подвески применялись еще во времена конных экипажей и дожили до наших дней.
Конструкция зависимой подвески
Такой тип конструкции предусматривает жесткую связь колес между собой, в результате все перемещения одного колеса влияют на другое.
Принципиальная схема задней зависимой подвескиКолеса всегда параллельны, на ровной дороге перпендикулярны ее поверхности. Соответственно, при наезде одного колеса на препятствие, другое также реагировало, теряя перпендикулярность к поверхности дороги.
Следует отметить, что такая конструкция применяется еще и сегодня, например, у легковых автомобилей, как правило, в качестве задней подвески. Правда, она постоянно совершенствуется и наиболее совершенная конструкция, к примеру, «Де Дион» на ровном покрытии не только не уступает, но и превосходит независимую подвеску.
Преимущество ее заключается, прежде всего, в том, что колея колес остается неизменной.
Кроме того, колеса ведущего моста всегда остаются параллельными между собой (на мосте, который не является ведущим, между колесами может быть небольшой развал) и перпендикулярными к поверхности дороги, независимо от крена кузова и хода подвески.
Конструкция независимой подвески
Конструктивно, независимая подвеска автомобиля выполнена таким образом, что колеса одной пары жестко между собой не связаны. Любой перемещение одного из них никоим образом не влияет на другое, или оказывает совсем незначительное влияние.
В то же время, такие установочные параметры как развал колес и колея, а в отдельных случаях и колесная база могут меняться при сжатии / отбое. Иногда такие изменения достаточно значительны. Несмотря на это, именно такая конструкция является сегодня более популярной и распространенной. Во много это определяется ее технологичностью, оптимальными кинематическими параметрами и сравнительно невысокой стоимостью.
Краткий обзор видов подвесок
Ассортимент зависимых подвесок включает пять конструктивных исполнений. Среди них различают:
- на поперечной рессоре,
- на продольных рессорах,
- с направляющими рычагами,
- с дышлом и типа «Де Дион».
Арсенал независимых подвесок намного шире. Сюда относятся такие системы, как: с качающимися полуосями, на продольных рычагах (пружинные и торсионные), на косых рычагах, на продольных и поперечных рычагах, на двойных продольных рычагах, на двойных поперечных рычагах (параллелограммная пружинная и торсионная), рессорные, пневматические и гидропневматические, «качающаяся свеча», «МакФерсон» и торсионно-рычажная с сопряженными рычагами.
Устройство торсионовКлассификация
Существует также еще несколько критериев классификации подвески по тем или иным признакам. Например, по конструкции связи колес с упругими элементами различаются: маятниковая, построенная на продольных рычагах, а так же подвеска с поперечными рычагами может быть одно-, двух- и многорычажной.
Существует также телескопическая связь между колесами и упругими элементами.
Разновидности по управляемости
По управляемости подвеска бывает активная (управляемая) и неуправляемая (пассивная), а также полуактивная, с помощью которой допускается регулировать клиренс (дорожный) просвет. По способу соединения элементов подвески с рамой (кузовом) автомобиля различается жесткая и мягкая (упругая и эластичная), а также полужесткая (тракторная).
Применяемость инженерно-технологических решений
Следует отметить, что некоторые виды подвесок легковых машин уже не используются в связи с их несовершенством, а некоторые используются в очень крайних случаях. Трудно также отследить четкую закономерность применения автопроизводителями того или иного вида подвески в конструкции своих автомобилей. Возможно, определяющим фактором являются личные симпатии инженерного состава компании.
Устройство многорычажки Super StrutВо всяком случае, если при изготовлении грузовых автомобилей преимущественно используется рессорная конструкция, то производители легковых автомобилей предлагают более разнообразные системы подвесок своих машин.
В частности, в качестве передней подвески чаще всего используется однорычажная независимая конструкция на основе стойки МакФерсона или реже Super Strat. В конструкции задней подвески применяется независимая многорычажная или торсионная балка.
McPherson
В состав МакФерсона входит амортизатор телескопического типа («качающаяся свеча), рычаг, стабилизатор поперечной устойчивости и пружинный элемент. Она не выделяется особым совершенством, но отличается компактностью, простотой и дешевизной, чем и объясняется ее широкое применение в бюджетных моделях автомобилей.
McPherson SuspensionНо в последнее время наблюдается стойкая тенденция к замене подвески МакФерсона на более совершенную, основанную на применении двойных поперечных рычагов. Такую подвеску устанавливают уже как сзади, так и спереди.
Тюнинг девятки — то, что надо для отечественного автолюбителя!Примеры качественного тюнинга можно увидеть в нашей статье.
Правильный подбор дисков к вашему автомобилю — ответственное дело! По http://avtopolza.
ru/avtovybor/pravilnyj-podbor-diskov/ ссылке есть нужная вам инструкция.
Многорычажка
Многорычажная подвеска автомобиля состоит из нескольких рычагов (как правило, не менее четырех), соединяющихся с кузовом, балкой или рамой посредством поворотных опор (сайлент-блоков). Второй конец рычага с помощью шаровых опор соединяется с поворотными кулаками. Наличие шаровых шарниров и сайлент-блоков увеличивает управляемость автомобиля и плавность хода, так как неплохо гасят удары при наезде на препятствие, а также увеличивает шумоизоляцию.
В недалеком прошлом такая система использовалась только при выпуске дорогих автомобилей, так как конструкция ее более сложная и дорогостоящая. В настоящее время ее успешно применяют в автомобилях меньшей стоимости.
В числе перспективных разработок оптимальных вариантов подвески следует отметить активную подвеску, оснащенную электродвигателями. В зависимости от дорожной ситуации датчики передают сигнал на двигатель, а тот меняет текущие параметры и режим работы всей системы.
Я твой подвеска рычаг шатал: как проводят диагностику ходовой части
Зачем нужна диагностика?
Начнём с простого вопроса: почему иногда нужно проверять подвеску?
Первый случай – хрестоматийный. То есть что-то внизу стучит, лязгает, щёлкает, а иногда – грохочет и отдаёт в руль и пятую точку. Это – особо запущенный случай, когда менять надо уже обычно не копеечный сайлентблок, а сразу несколько элементов. В этом случае проведение диагностики поможет выявить все неисправные детали, тут всё очевидно.
Вторая ситуация – плановая диагностика, и она, разумеется, предпочтительнее первого случая, потому как своевременный ремонт обычно на порядок дешевле ремонта «аварийного».
Ну, и третий вариант – подержанное авто. В случае покупки автомобиля с пробегом даже незначительные дефекты в ходовой части могут быть поводом для торга, а иногда – отказа от покупки. Многие эту процедуру при покупке доверяют специалистам сервиса, но покупает машину не мастер (которому в общем и целом плевать, что вы там себе купите), а вы – тот самый человек, которому потом придётся этот автомобиль содержать.
Именно поэтому желательно осматривать машину снизу вместе со специалистом СТО – так шансы найти «косяки» в ходовой могут существенно увеличиться.
Про рычаги и стойки
Приношу свои извинения владельцам премиальных автомобилей с пневматическими подвесками или сложными многорычажками. О диагностике таких подвесок мы поговорим в следующий раз, сегодня же речь пойдёт о самых простых типах подвесок: передней МакФерсон и задней полузависимой балке. Это – самые распространённые конструкции на бюджетных автомобилях. Начнём с передней.
История независимой подвески МакФерсон довольно долгая: в следующем году можно будет смело сдвинуть бокалы за её семидесятилетие. В 1948 году подвеску инженера GM Эрла Макферсона использовали на автомобиле Ford Vedette. Впрочем, есть мнение, что хитрый американец идею независимой подвески украл у чуть менее удачливого итальянца Гвидо Форнака, который предлагал её Фиату. Даже если это хотя бы отчасти правда, Макферсон значительно переработал идею Форнака и довёл её до ума.
Так же было бы несправедливо считать, что всё, что сделал Макферсон, – это убрал верхний рычаг с шаровой опорой в двухрычажной подвеске и придумал, как крепить амортизатор к крылу с помощью чашек и опорных подшипников. Подвеска получилась более лёгкой, дешёвой и отлично подходила для массового производства в недорогих серийных автомобилях. За идею ухватился Форд (массово и недорого – то, что нужно!), и уже на более поздних Ford Zephyr 1950 года и Ford Consul 1951 года подвеска типа МакФерсон использовалась безоговорочно (в ситуации с Vedette о серийном производстве говорить, наверное, рано – французское подразделение Ford France SA за шесть лет выпустило их не слишком большим тиражом, и про автомобиль бы забыли, если бы он не стал первым с МакФерсоном). Итак, что же придумал американский изобретатель?
Основным отличием новой подвески было то, что она стала независимой, но не намного дороже распространённой в то время балки. Основные элементы конструкции – подрамник, нижние рычаги, амортизационные стойки с пружинами, поворотный кулак и стабилизатор поперечной устойчивости.
Есть, конечно, и более мелкие детали (шаровые опоры, стойки стабилизатора, сайлентблоки и прочее), но вряд ли их можно назвать основными частями подвески. Тем не менее, как раз их неисправности встречаются чаще всего.
В целом же подвеска получилась очень надёжной, хотя вначале механики не были в восторге от конструкции. Им, например, не нравилась довольно сложная процедура замены амортизатора, а способ крепления верхней части стойки к кузову через опорный подшипник вызывал их опасения за ресурс кузова (к тому же несущий кузов тогда сам по себе был штукой новой и не вполне оценённой, хотя именно подвеска Макферсона стала первой независимой передней подвеской на автомобиле с таким типом кузова).
Нельзя сказать, что подвеска МакФерсон имеет очевидные слабые места, отличающиеся пониженным ресурсом. Многое зависит от особенностей подвески этого типа в конкретном автомобиле (например, Мерседес W124 не мог похвастаться долговечностью стоек стабилизатора из листовой стали, а про слабые шаровые опоры нашей вазовской «классики» знают, наверное, все).
Не менее важную роль играют условия эксплуатации (например, езда по асфальту с ямами скорее убьёт шаровые опоры, а частые выезды на просёлок с большими перепадами без ударных нагрузок – амортизаторы).
О том, что такое полузависимая задняя подвеска, мы уже говорили. Там стучать в принципе нечему, а если что-то стучит, то нет слов, чтобы описать степень запущенности автомобиля. Это либо полностью сухие амортизаторы, либо драные в клочья сайлентблоки балки, либо сломанная пружина. Но это не значит, что осматривать там нечего. Например, банальный износ сайлентбоков балки значительно снижает управляемость, что особенно заметно будет в колее. Ну, а про езду с сухими амортизаторами даже говорить не буду – как весело прыгает такая машина, знают многие.
На этом теоретическую часть позвольте считать законченной, давайте смотреть автомобиль во всей его красе (или безобразии – диагностика скажет точно).
Передняя подвеска
Диагностика передней подвески начинается с… поднятия крышки капота.
Да, пока машина стоит на земле (это важно, подвеска должна быть под нагрузкой), осматриваем верхние опоры стоек. Нас в первую очередь интересует зазор между чашкой и кузовом (брызговиком). На фотографии видно, что в зазор проходит отвёртка.
Пока ничего страшного в этом нет, но если зазор приблизится к полутора сантиметрам – верный признак неизбежности замены верхних подушек. Ну, и заодно пытаемся раскачать машину: если она делает более двух качаний после окончания раскачки – амортизаторы пора менять (по-моему, это первое, что делает любой потенциальный покупатель средней степени грамотности, это классика жанра). Теперь машину можно поднять на домкрат (лучше все же на гидроподъемник) и посмотреть на амортизаторы сбоку: никаких подтёков быть не должно. Если же они есть, то задумываемся о новых амортизаторах.
Теперь пришла пора взять машину за колёса, точнее, за одно. Колесо качаем в обоих направлениях, и вправо-влево, и вверх-вниз. В первом случае можно услышать стуки рулевой тяги или (что бывает чаще) наконечника тяги.
Если такой обнаруживается, то придётся позвать помощника, и пока один будет дёргать колесо, второй сможет определить причину звука точнее. Для этого надо будет хорошенько ухватиться за тягу и посмотреть, где появляется люфт – в рейке или в наконечнике.
Посторонний звук при раскачке вверх-вниз говорит об износе шаровой опоры. Впрочем, если никакого звука или люфта нет, это ещё не значит, что она в порядке, её будет необходимо проверить ещё раз уже с помощью монтировки (об этом чуть ниже).
Теперь просто раскручиваем колесо. Наша задача – оценить состояние ступичного подшипника. Если слышен гул или скрежет – ему пора на помойку прямо сейчас. Теперь ещё раз раскручиваем колесо и одной рукой хватаемся за пружину. Если подшипник только собирается отдать богу ролики, то на пружине будет ощущаться характерная вибрация. Если она чувствуется, то скоро появятся и гул, скрежет и, может быть, новый подшипник.
Берём в руки монтажку и лезем под машину.
Вот тут точно уже никакой домкрат не поможет – нужен подъемник, так что без автосервиса не обойтись.
Сначала проверяем сайлентблоки рычагов. Их надо будет двигать как в продольном, так и в поперечном направлениях, используя в качестве опоры подрамник. Небольшой люфт будет обязательно (резина не может не деформироваться), но и он заметен только после приложения существенного усилия. Сайлентблоков четыре (по два на рычаг), и если какой-то из них люфтит больше остальных, это будет сразу заметно.
Теперь возвращаемся к шаровой опоре. Сильный износ будет заметен, если обеими руками покачать рычаг около шаровой вверх-вниз. Сомневаетесь в своих силах – монтажка вам в помощь. Вставляем её между кулаком и рычагом и качаем – тут люфта быть не должно вообще.
Рулевая рейка не относится к подвеске, но её существенный износ можно также диагностировать руками: берёмся за тягу и шатаем её вверх-вниз. Никакого люфта или стука быть не должно.
Впрочем, их отсутствие – условие необходимое, но не достаточное, как говорят математики. То есть если ничего не стучит, это ещё не говорит об идеальном состоянии рейки, там подводных камней может быть много. Зато если люфт есть, её точно нужно будет ремонтировать или менять.
Теперь проверяем стабилизатор поперечной устойчивости. Сам стабилизатор сломать невозможно (можно, конечно, погнуть, но для этого нужен талант), поэтому смотрим сначала втулки. Просовываем монтажку между подрамником и стабилизатором около втулки и качаем, желательно – сильно. Если втулка от возраста стала овальной, то стабилизатор будет в ней «гулять». Затем проверяем его крепления в рычагах. Тут способ один: попытаться монтажкой раскачать болты, если люфтят – надо будет заменить резинки.
И последними смотрим стойки стабилизатора. Худший случай – это если сломалась сама стойка, такое бывает, тем более что на наших дорогах их вообще можно считать расходным материалом. На некоторых машинах можно увидеть дефект на резиновых частях, но это не наш случай.
Итак, спереди осмотрено почти всё, остаётся проверить нижнюю подушку двигателя (и/или КПП, тут всё зависит от модели автомобиля), которая никак не входит в ходовую часть, но призывно торчит снизу, а иногда требует слишком частого осмотра (привет, любители Пежо!). Качаем так же монтажкой – руками и глазами тут ничего не сделаешь. Зато с помощью монтажки дефект обнаружить несложно, разрыв подушки обычно виден сразу.
Теперь переходим назад
Задняя подвеска
Начинаем процедуру с колёс – так же, как и спереди. Но сзади нет шаровых опор, поэтому проверяем пока только подшипники ступиц. Так же крутим, слушая звук, затем кладём руку на пружину. Если ничего подозрительного нет (люфта, звука или вибрации), то подшипник можно считать исправным. Лезем под машину.
Смотрим амортизаторы. Сначала ищем следы подтёков, затем с помощью монтажки проверяем сайлентблоки внизу амортизаторов. Идеально было бы заметить расслоение сайлентблока, но вряд ли получится увидеть его без опыта.
Зато отслоение резины от втулок на сайлентблоке балки не заметить невозможно: тут и зацепиться монтажкой проще, и деталь крупнее. Правда, я как-то видел машину, где износ этого сайлентблока был виден невооружённым глазом: он был просто порван, и балка висела на болту в кронштейне. Хотя в этом случае стук будет хорошо слышен на ходу, а вот в случае возрастного износа звуков балка издавать не будет, хотя отчасти дефект будет заметен на глаз (неправильный развал заметить можно). И, наконец, смотрим на пружины. То, что они просели ещё при Советской власти, заметить можно не всегда, а вот если пружина сломана – это видно.
Вообще задняя полузависимая подвеска достаточно «молчалива» в силу простоты конструкции. Подержанный автомобиль скажет о необходимости её ремонта очень неважной управляемостью, не более. Это, конечно, опасно, но вряд ли там возможен дорогой ремонт, если не придётся менять балку на старом премиальном классе (было время, когда и там сзади не было многорычажек), ремонт такой подвески не будет слишком дорогим.
Хотя изношенная в край подвеска заставит задуматься о том, что владелец за машиной не следил вообще, и если в планах есть покупка такого автомобиля, лучше десять раз подумать.
Тут отдельной строкой можно упомянуть торсионные балки машин концерна Peugeot-Citroen с подшипниками в рычагах – они к дешевым никак относиться не могут, полный ребилд конструкции тянет на 50-60 тысяч. Но поскольку тема специфическая, мы вернемся к ней отдельно.
Вместо заключения
Как видите, «пошатать» подвеску не так сложно. Делать это нужно периодически, особенно если условия эксплуатации автомобиля тяжёлые, а всё ТО уже давно перешло от дилера в гараж и ограничено самостоятельной заменой масла и воздушного фильтра. Не стоит забывать, что вырванная шаровая опора, заклинивший ступичный подшипник, да и просто вытекшие амортизаторы или изношенные сайлентблоки могут привести к очень печальным последствиям, виноват в которых будет только владелец автомобиля и никто больше.
За помощь в подготовке материала благодарим сеть специализированных магазинов и автосервисов «Логан-Шоп»
(СПб, ул.
Возрождения, д. 33, тел.: 928-32-12)
Опрос
А вы проверяете состояние своей подвески?
Всего голосов:
Феномен Bose: почему лучшая в мире подвеска до сих пор не стала серийной
Bose – не бренд, но человек
Как и многое революционное в мире, технология принципиально новой автомобильной подвески обязана своим появлением человеку, который был достаточно решителен, чтобы отрицать невозможное. Его имя — Амар Боуз.
Амар Боуз (Amar Bose), 1929-2013 Если вы считаете что-то невозможным, не мешайте человеку, который над этим работает.
Американец индийского происхождения, он и сам нес в себе немало революционного: его отец в юности был на острие борьбы индийских революционеров с английскими колонизаторами.
Амару повезло больше: он родился уже после переезда отца в США, но дух новаторства и стремление расширять границы возможного передались ему по наследству, воплотившись в его самореализации в технике.
Будучи страстным увлеченным меломаном, он посвятил себя акустике и аудиотехнике. Но как и любой разносторонне развитый человек, он не ограничил себя только ей: еще одним увлечением Амара были автомобили. Однако в отличие от большинства, которое привлекали мощность, скорость и дизайн, Боуз ценил в них другое: комфорт. Еще за шесть лет до основания собственной компании, которой суждено было стать в ряд лучших производителей топовой акустики, Амар приобрел Pontiac Bonneville с подвеской Ever-Level Air Ride, где вместо пружин были применены пневмобаллоны. Был ли он удовлетворен ей? Ответом может послужить то, что спустя 10 лет он сменил Pontiac на Citroen DS, чья гидропневматическая подвеска была настоящим произведением искусства. Но судя по тому, что произошло дальше, Боуз имел на этот счет свое мнение.
На фото: Pontiac Bonneville ‘1962 и Citroen DS ‘1968–76
В 1980 году, уже будучи владельцем собственной компании, профессор в одиночку начал разработку совершенно нового типа автомобильной подвески, используя свой опыт и знания в совершенно несопоставимой на первый взгляд сфере аудиотехники. Но если приглядеться, можно увидеть кое-что общее: колебания, волны, передача энергии… Проецировав и масштабировав их от динамического излучателя на подвеску, Боуз создал конструкцию, которая предвосхитила появление систем шупомодавления – только в автомобильном понимании.
Технологическая магия
Подвеска, спроектированная профессором, буквально «подавляла» колебания, поступающие извне. Убедившись, что идея жизнеспособна, через три года после начала своих изысканий Боуз привлек к работе над ней отдельную команду, но тщательно засекретил разработку. Подразделение, занятое ей, получило имя «Project Sound», чтобы не распространять информацию не только вовне, но и внутри самой компании.
Что же представляет собой изобретение Bose, и что в нем революционного?
Основой конструкции является линейный электромотор, питаемый усилителями и управляемый системой на основе микропроцессора. Электромотор выполняет функции амортизационной стойки: он «сжимается» и «разжимается», но делает это в разы быстрее обычного амортизатора с пружиной, изменяя свою длину за миллисекунды. Именно этот «лаг» у традиционной подвески не позволяет ей обеспечить абсолютный покой кузова: ее ходы и скорость отклика ограничены физикой, и в определенный момент сжатие или разжатие подвески не позволяет компенсировать размеры преодолеваемой неровности, передавая остаточные колебания дальше, на кузов. Линейные электромоторы с молниеносным откликом полностью решали эту проблему, прецизионно повторяя неровности поверхности и не передавая дальше абсолютно ничего. Диапазон перемещения электромоторов составлял 20 сантиметров – это и был предел полного комфорта, в пределах которого кузов оставался неподвижным.
И это было не единственным преимуществом электромоторов. Разумеется, столь сложная и мощная электронная система, несущая большую нагрузку в виде автомобиля, требовала соответствующего питания. Однако эта особенность во многом компенсировалась схемой работы моторов: они имели рекуперативную функцию, возвращая обратно на усилители часть затраченной энергии в циклах сжатия. По данным Bose, такая схема позволяла обеспечить потребляемую мощность на уровне втрое меньшем, чем у штатной системы кондиционирования автомобиля.
Фото: www.extremetech.comНо и это еще не все! Во-первых, конструкция подвески предусматривала гашение не только крупных, но и мельчайших неровностей, проявляющих себя на уровне вибраций. Для этого ступичные узлы имели собственные встроенные демпферы, подавляющие микроколебания. Ну а во-вторых, программный комплекс обеспечивал идеально стабильное положение кузова автомобиля не только на неровностях, но и при маневрировании, полностью исключая поперечную раскачку в поворотах и продольную при разгонах и торможениях.
«Железную» же основу подвески составляли торсионы, которые, впрочем, выполняли фактически лишь несущую функцию для кузова, оставляя всю настоящую работу системе от Bose.
Амар Боуз (Amar Bose), 1929-2013 Впервые подвеска может быть одинаковой и для спортивного, и для люксового автомобиля.
Работа над революционной подвеской продолжалась долгие 24 года: Боуз рассекретил свое детище только в 2004-м, представив его широкой публике, но так, впрочем, и не разрешив даже журналистам опробовать его в деле. Но и без этого презентация произвела ошеломляющий эффект: это была настоящая технологическая магия, все отзывы и рассказы о которой сводились к главному – тому, что «кузов невероятным образом оставался абсолютно неподвижным, пока колеса отрабатывали все неровности». Тестовыми прототипами стали два седана Lexus LS 400, один из которых был оставлен в заводском исполнении, а другой оснащен комплексом от Bose.
И этот комплекс, управляемый тогда, в 2004-м, 750-мегагерцовым Pentium-III, работающим на четверть своей производительности, был настоящей квинтэссенцией сути автомобильной подвески.
Амар Боуз (Amar Bose), 1929-2013 В современных автомобилях всегда существует компромисс между мягкостью на неровностях и раскачкой при маневрировании. Эта система обеспечивает управляемость лучшую, чем у любого спорткара, и самую высокую плавность хода, которую только можно представить.
К слову, будучи управляемой программно, подвеска от Bose позволяла вносить изменения в алгоритмы ее работы и создавать алгоритмы различных режимов движения. В Bose, к примеру, отказались от того, к чему в наши дни пришел Mercedes-Benz со своей подвеской Magic Body Control — наклона кузова автомобиля в поворотах, хотя подобные алгоритмы были разработаны и протестированы. Испытания, проведенные к тому моменту, показали, что подобное «мотоциклетное» поведение было слишком непривычным и неожиданным для пассажиров, а некоторые водители в скоростных поворотах, напротив, переоценивали возможности автомобиля, провоцируя опасные ситуации.
Один из журналистов, побывавших на презентации подвески Bose, так описал свои первые впечатления от этой технологии.
Джон ДиПьетро Edmunds.com Сначала нас привели ангар, где два автомобиля были установлены бок о бок на вибростендах с четырьмя отдельными опорами, по одной на колесо. Каждая из опор могла подниматься и опускаться в различных диапазонах перемещения и скорости, имитируя неровности дороги. Но, не удовлетворившись имеющейся программной технологией имитации дороги, в Bose разработали свою собственную. Проехав круг по настоящей дороге, изобилующей кочками, выбоинами и ямами, инженеры программно перенесли ее на стенды. Кроме того, они разработали для машины, оборудованной подвеской Bose, режим, имитирующий заводскую подвеску, с возможностью переключаться между ним и фирменным режимом Bose по нажатию кнопки.</strong></p>
<p><strong>Двое из нас сели в машины, и инженеры запустили вибростенды. Сначала автомобиль с подвеской Bose был переведен в режим заводской подвески, и мы ощущали колебания, хоть и несильные, и раскачку машины можно было наблюдать в зеркала, расположенные снаружи автомобиля для наглядности.
Другой LS 400, без подвески Bose, колебался абсолютно так же – мы «двигались» по одной и той же дороге. Затем инженер нажатием кнопки перевел подвеску Bose в ее нормальный режим – разница была ошеломляющей. В зеркала снаружи было хорошо видно, что колеса продолжают перемещаться вверх и вниз в такт колесам стандартного автомобиля рядом с нами, но кузов оставался настолько неподвижным, что в салоне можно было пить кофе, не пролив ни капли.
Остальную часть презентации, тщательно составленной специалистами Bose, можно и нужно видеть своими глазами. Автомобиль преодолевает неровности, входит в повороты, разгоняется и тормозит – и все это без малейшего колебания кузова. Финальным аккордом в этом шоу был трюк, в котором автомобиль с подвеской Bose легко и плавно перепрыгивает деревянную планку, имитирующую препятствие, а затем «кланяется» вместе с водителем, вышедшим из машины. Эта часть, конечно была просто демонстрацией возможностей: инженеры не планировали подобную опцию в серийной реализации.
Но впечатление на зрителей этот прыжок производил исправно, начиная с 2004 года – ведь подобные презентации в Bose проводили не только для журналистов, но и для потенциальных партнеров, которые могли бы заинтересоваться их технологией.
Слишком смело для рынка
Но вот как раз с потенциальными партнерами ситуация складывалась не так ярко, как с разработкой и практической реализацией. Разумеется, главными целевыми потребителями своей технологии в Bose видели крупных производителей люксовых автомобилей – как спортивных, так и представительских. Ferrari, Jaguar, Mercedes, Honda и другие были заинтересованы в том, чтобы применять новую подвеску в своих автомобилях. Каждый, кто испытывал лично изобретение Bose, неизменно говорил, что это лучшая подвеска, которую он когда-либо видел. Но когда дело доходило до цифр, все с миной сожаления закрывали свои папки и отправлялись домой, чтобы «обдумать» предложение, которое не решился принять никто.
Амар Боуз (Amar Bose), 1929-2013 У меня нет сомнений в том, что эта технология может стать успешной на рынке. Но для этого требуется компания, которая интересуется чем-то большим, чем дизайн и лошадиные силы.
Помимо усложняющей автомобиль электрической обвязки на момент разработки стоимость некоторых компонентов была весьма высока, усложняя серийное производство и удорожая конечный продукт. К примеру, помимо микропроцессора «узким местом» были мощные неодимовые магниты, материал для производства которых был дорог. Но это было не главной проблемой: профессор Боуз был совершенно прав, предсказав, что в будущем стоимость этих компонентов снизится до приемлемой.
Но вот избавить систему от двух других недостатков оказалось не так легко, и первым из них стала масса конструкции. Целевой показатель увеличения веса автомобиля, по расчетам инженеров, составлял 90 килограммов – именно столько, почти центнер, должна была прибавить подвеска автомобиля с системой Bose по сравнению с обычной.
Конечно, здесь рост неподрессоренной массы не оказывал никакого негативного влияния на плавность хода и устойчивость автомобиля – напротив, эти показатели вырастали до небывалых высот. Но вот ухудшение динамики и повышение расхода топлива исключить из уравнения не удавалось никак – а на фоне ужесточающихся уже тогда экологических норм и требований к снижению расхода топлива это было довольно важно. Ну а еще внедрение подвески от стороннего производителя без обширных испытаний, в том числе ресурсных, ни один автобренд, разумеется, позволить себе не мог. Интеграция системы Bose означала довольно серьезные инвестиции, которые в случае успеха оборачивались уникальным конкурентным преимуществом, но в случае неудачи не могли окупиться никоим образом.
Время шло, а уникальная технология так и оставалась в статусе «перспективной, но сложной в реализации». Эксперты сулили ей рыночный успех то в новом флагманском Cadillac, то в Audi A8, а некоторые даже полагали, что смелые французы увидят в ней будущее, сменив свой Hydractive на принципиально новую и более эффективную схему.
Однако и по сей день ни одного соглашения с автопроизводителями заключено не было. Наработки Bose нашли свое серийное воплощение в другом продукте – сиденьях с системой амортизации Bose Ride, адресованных профессиональным водителям грузовых автомобилей. Но вот подвеска дальше «обкаточных» Lexus LS 400 не пошла…
От революции к эволюции
В 2013 году умер отец идеи электромагнитной подвески, профессор Амар Боуз, который больше всех верил в успех своего детища. Но успех к нему так и не пришел, и в конце 2017 года в Bose объявили о продаже своих наработок молодой компании ClearMotion. Но продажа не обозначила возрождения технологии под новым именем: текущий курс ClearMorion предполагает разработку подвески, сохраняющей классическую конструкцию с упругими элементами в виде пружин и амортизаторов. Упор в ней сделан на электрогидравлический модуль Activalve с электронным управлением, который является внешним элементом амортизатора и позволяет ускорить отклик гидравлической системы на дефекты дорожного полотна: амортизатор с ним сжимается и разжимается быстрее.
Дальнейшее развитие системы предполагает сбор и анализ данных о рельефе дорожного полотна, их глобальное аккумулирование в облачных хранилищах и дальнейшее использование для «предугадывания» поведения подвески. Звучит революционно – но революционно по-современному, с привкусом стартапов, краудфандинга и Кремниевой долины. Да и конструкция получается куда сложнее, чем то, что предложил почти 30 лет назад профессор Амар Боуз.
Подвеска автомобиля
Подвеской автомобиля называется совокупность устройств, обеспечивающих упругую связь между кузовом (или рамой) и мостами или колёсами автомобиля, уменьшение динамических нагрузок на кузов и колёса, затухание их колебаний, а также регулирование положения кузова автомобиля во время движения. На подвеску автомобиля возложена тройная задача: везти мягко, везти точно, везти безопасно. Иными словами, подвеска должна одновременно обеспечивать приемлемый комфорт, хорошую управляемость и активную безопасность.
Подвеска, являясь промежуточным звеном между кузовом автомобиля и дорогой, должна быть лёгкой и наряду с высокой комфортабельностью обеспечивать максимальную безопасность движения. Для этого необходимы точная кинематика колёс, высокая информативность управления (не только рулевого), а также изоляция кузова от дорожных шумов и жесткого качения радиальных шин (особенно с низким профилем).
Кроме того, надо учитывать, что подвеска передаёт на кузов силы, возникающие в контакте колеса с дорогой, поэтому она должна быть прочной и долговечной. Применяемые шарниры должны легко поворачиваться, быть мало податливыми и вместе с тем обеспечивать шумоизоляцию кузова. Рычаги должны передавать силы практически во всех направлениях, а также тяговые и тормозные моменты, и быть при этом не слишком тяжелыми. Упругие элементы при эффективном использовании материалов должны быть простыми и компактными, и допускать достаточный ход подвески.
- Требования к подвеске:
- упругая характеристика подвески должна обеспечивать высокую плавность хода и отсутствие ударов в ограничители хода, противодействовать кренам при повороте, «клевкам» при торможении и разгоне автомобиля;
- кинематическая схема должна создать условия для возможного малого изменения колеи и углов установки колёс, соответствие кинематики колес кинематике рулевого привода, исключающее колебания управляемых колес, вокруг оси поворота;
- оптимальная величина затухания колебаний кузова и колес;
- надежная передача от колес кузову или раме продольных и поперечных усилий и моментов;
- малая масса элементов подвески и особенно неподрессоренных частей;
- достаточная прочность и долговечность деталей подвески и особенно упругих элементов, относящихся к числу наиболее нагруженных частей подвески.

Типов подвесок существует огромное множество, они классифицируются по типу направляющего аппарата (зависимые и независимые) и по типу упругих элементов (пружинные, торсионные, рессорные, пневматические и т.д.) Каждая подвеска имеет свои недостатки и преимущества. Зависимая проще, дешевле, имеет постоянную колею, но в тоже время балка не является подрессоренной, поэтому назвать лёгкой эту подвеску нельзя.
Кроме этого, при противоположных ходах левого и правого колёс одной оси, наблюдается значительный их наклон, следствием чего являются автоколебания колёс (т.н. эффект шимми). Независимые имеют гораздо больше преимуществ, поэтому и распространены сейчас больше. Они различаются по расположению плоскости качания колёс: продольная, поперечная, диагональная на косых рычагах. И по количеству рычагов: однорычажные, двухрычажные, многорычажные, свечные. В отдельный класс ещё необходимо выделить т.н. полузависимую подвеску. Более правильное её название: подвеска с закручивающейся балкой.
Как правило, это задняя подвеска недорогих переднеприводных автомобилей.
В передней подвеске легковых автомобилей чаще всего применяется два типа подвески: Мак-Ферсон и двухрычажная.
Содержание статьи
Подвеска Мак-Ферсон
Устройство подвески Мак-ФерсонОна имеет целый ряд преимуществ над другими схемами, важнейшие из которых – компактность, легкость и простота конструкции, а стало быть, низкая стоимость самой подвески в изготовлении (что немаловажно для производителя) и ремонте (что уже небезразлично владельцу автомобиля). Судите сами: на каждое колесо приходится всего по одному рычагу.
А это – минимум сайлент-блоков и шаровых опор, то есть, минимум веса и максимум надежности. Нет необходимости в погоне за снижением неподрессоренных масс использовать алюминий и прибегать к другим ухищрениям. Через сайлент-блоки поперечный рычаг крепится к подрамнику (поперечной балке), через шаровую опору он соединен с поворотным кулаком колеса.
Роль верхнего рычага выполняет сам кузов автомобиля, к которому крепится амортизационная стойка (амортизатор плюс пружина).
Для переднеприводных автомобилей особо малого и малого классов такая конструкция еще долго будет оставаться актуальной, хотя бы даже из-за ее компактности, но при конструировании моделей более высоких классов от схемы McPherson постепенно отказываются.
Основная причина – в неидеальной кинематике, которую задает колесу подвеска. Кроме того, это ограниченный комфорт при движении. Ведь все удары, приходящиеся на колесо, в той или иной степени передаются через верхнюю опору амортизатора и на кузов, снижая ездовой комфорт. Но хуже то обстоятельство, что при сильных ударах и сам амортизатор, и кузов оказываются уязвимыми, что потенциально грозит их преждевременным износом или даже разрушением.
Подвеска на двойных поперечных рычагах
Подвеска на двойных поперечных рычагахЭта конструкция состоит из двух поперечных рычагов, имеющих поворотные опоры на раме, поперечине или кузове. Наружные концы рычагов соединяются посредством шаровых шарниров с поворотной цапфой или кулаком.
Чем больше расстояние между поперечными рычагами, тем меньше силы, действующие в рычагах и их опорах, т. е. тем меньше податливость всех деталей и точнее кинематика подвески. Она обеспечивает эластичное восприятие жесткого качения радиальных шин верхними рычагами. Главное преимущество подвески на двойных поперечных рычагах – её кинематические свойства: взаимным положением рычагов можно определить высоту, как центра поперечного крена, так и центра продольного крена. Кроме того, за счёт разной длины верхнего и нижнего рычагов можно влиять на угловые перемещения колёс при ходах отбоя и сжатия, т. е. на изменение развала и, независимо от этого, на изменение колеи. При более коротких верхних рычагах колёса при ходе сжатия наклоняются в сторону отрицательного развала, а при ходе отбоя – в сторону положительного. За счёт этого можно противодействовать изменению развала, обусловленному боковым креном кузова. Также, изменив угол плоскости качания верхнего рычага относительно нижнего, можно добиться антиклевковкового эффекта.
Многорычажная подвеска
Как работает многорычажная подвескаЭта конструкция может использоваться как в передней, так и в задней подвеске. Чтобы достичь оптимальной кинематики колес, и тем самым добиться лучшей устойчивости и управляемости, конструкторы используют четыре – пять рычагов. Зачем столько много? Два удерживают колесо, остальные задают необходимую кинематику.
И теперь совсем не обязательно совмещать амортизатор и пружину в амортизационную стойку – некоторые конструкции подразумевают упор пружины о нижний рычаг. Правда, в этом случае разместить ШРУС крайне затруднительно, поэтому такие схемы применяются на автомобилях классической компоновки, то есть, с приводом на задние колеса. Можно подумать, что чем больше рычагов, тем лучше. В каком-то смысле это так. Но при этом конструкция становится сложнее, дороже и тяжелее. В принципе, то же можно сказать и о многорычажных подвесках задних колес, благодаря которым и достигаются «изящная» управляемость и «воздушный» комфорт, но достигаются они ценой увеличения размеров, массы и конструктивной сложности.
Однако для автомобилей с классической компоновкой это необходимость, потому что в данном случае задние колеса являются ведущими. По этой же причине и на полноприводных легковых машинах сзади, как правило, используется независимая многорычажная подвеска.
Другие типы подвесок
Работа на изгиб положена в принцип действия торсионов – металлических стержней круглого или прямоугольного сечения, которые могут выполнять роль стабилизаторов поперечной устойчивости, но в ряде случаев являются упругими элементами подвески.
Использование торсионов позволяет отказаться от использования витых пружин, что приводит к уменьшению размеров подвески – она получается достаточно компактной. При этом с точки зрения надежности торсионная подвеска ничуть не хуже пружинной. Тем не менее, в качестве упругих элементов в большинстве случаев выступают именно пружины, которые могут быть совмещены с амортизаторами в единую стойку, а могут устанавливаться отдельно – в распор между опорными чашками подвески. Наконец, не ушли окончательно в прошлое и листовые рессоры, которые сегодня применяются, в основном, на коммерческих автомобилях, в том числе и созданных на базе легковых моделей.
Рассказывая о различных конструкциях подвесок, нельзя не упомянуть о гидропневматической подвеске. Ее плюсы – высокая плавность хода, а также возможность изменения дорожного просвета. Система состоит из рабочих сфер, выполняющих роль упругих элементов и энергоаккумуляторов, а также единого насоса. Рулевое управление и тормоза «питаются» той же рабочей жидкостью и включены в единую систему.
Каждая сфера разделена надвое прочной эластичной мембраной: в одной ее части газ, в другой – рабочая жидкость (высокотекучее минеральное масло). “Жесткость” сферы зависит от количества масла в ней: жидкость давит на мембрану, таким образом, изменяется давление во втором, «газовом» отсеке сферы. Регулируя подачу масла в сферы при помощи насоса и системы клапанов, можно изменять дорожный просвет автомобиля.
Здесь рассмотрены далеко не все возможные типы подвесок. А все потому, что существующих конструкций (особенно для задней подвески) много, а вариантов исполнения еще больше. Выбор в пользу того или иного типа подвески зависит от того, какие задачи ставят перед собой разработчики автомобиля.
Если во главу угла поставлены минимальные затраты и компактность, тогда почти наверняка можно сказать, что спереди будет стоять McPherson, а сзади – балка с соединенными продольными рычагами. Необходимо достигнуть высокого комфорта или отточенной управляемости, при том что вес и габариты значения не имеют? Определенно, конструкторы будут использовать независимые “многорычажки» спереди и сзади. Ведь любой выбор должен иметь свою логику.
Особенности подвесок грузовых автомобилей — Энциклопедия журнала «За рулем»
Задняя рессорная подвеска грузового автомобиля:
1 — ушко рессоры;
2 — резиновая втулка;
3 — кронштейн;
4 — втулка;
5 — болт;
6 — шайба;
7 — палец;
8 — резиновые втулки;
9 — шайба пружинная;
10 — гайка;
11 — кронштейн;
12 — втулка резиновая;
13 — втулка;
14 — пластина серьги;
15 — болт;
16 — хомут;
17 — коренной лист;
18 — листы рессоры;
19 — дополнительная рессора;
20 — стремянка;
21 — накладка;
22 — задний мост;
23 — амортизатор;
24 — резиновая подушка;
25 — лонжерон рамы
В конструкции большинства грузовых автомобилей, прицепов и автобусов применяются зависимые подвески на продольных полуэллиптических листовых рессорах. В грузовых автомобилях и автобусах нагрузка на задний мост может меняться в значительных пределах в зависимости от массы перевозимого груза и количества пассажиров. Поэтому рессорная подвеска заднего моста, помимо основной рессоры, содержит дополнительную — подрессорник. Основная рессора средней частью крепится с помощью специальных хомутов — стремянок — к балке моста. Концы рессоры крепятся к раме автомобиля посредством специальных кронштейнов. Поскольку длина рессоры при ее прогибе изменяется, один из концов рессоры должен иметь возможность продольного перемещения относительно рамы. С этой целью применяют специальные кронштейны с качающейся серьгой, скользящие и эластичные опоры.
Подрессорник имеет меньшее число листов, чем основная рессора. В средней части он также крепится к балке моста, обычно сверху основной рессоры, а его концы не крепятся к раме. На раме, напротив плоских концов подрессорника, устанавливают упорные кронштейны. Когда автомобиль не нагружен, работает только основная рессора. При определенной нагрузке основная рессора прогибается так, что концы подрессорника упираются в кронштейны, и рессоры начинают работать совместно. При этом суммарная жесткость подвески увеличивается.
Пневматическая подвеска автобуса
В подвеске современных грузовых автомобилей, прицепов, полуприцепов и автобусов часто применяется пневматическая подвеска. Пневмоподвеска легче рессорной, обеспечивает более высокую плавность хода и дает возможность регулировать расстояние от грузовой платформы или пола кузова до поверхности дороги. Это особенно важно для грузовых автомобилей, где необходимо облегчить процесс погрузки-разгрузки автомобиля у пандусов, складских помещений и т. п. Некоторые автомобили имеют специальные пульты управления для регулировки высоты грузовой платформы при нахождении водителя вне автомобиля. Пневматическая подвеска автобусов обеспечивает постоянство уровня пола вне зависимости от количества пассажиров, что увеличивает комфорт и безопасность при их посадке и высадке. Конструкция пневматических подвесок некоторых автобусов дает возможность дополнительно понижать уровень пола на остановках.
Балансирная подвеска
Если соседние мосты многоосного грузового автомобиля, прицепа или полуприцепа расположены близко друг от друга, может применяться балансирная подвеска. При таких подвесках мосты качаются на соединенных с ними и с рессорами балансирных рычагах. При этом рессоры воспринимают только силу тяжести автомобиля, а тяговая и тормозная силы, а также реактивный и тормозной моменты передаются толкающими и реактивными штангами. Соседние мосты опираются на концы общих рессор, а рессоры средней частью крепятся к ступицам, которые могут поворачиваться относительно оси балансира закрепленной на раме.
Советы по приостановке службы | ||||||||||||||||||||||||||||||
| Вперед Этот буклет предназначен для использования в качестве руководства по надлежащему обслуживанию систем подвески на листовых рессорах и не должен рассматривал руководство по ремонту. Поскольку системы подвески с листовыми рессорами сильно различаются между производителями многих транспортных средств, используемых сегодня, мы настоятельно рекомендуем, чтобы механик был хорошо знаком с конкретным автомобилем, который он обслуживает. Несоблюдение правил технического обслуживания подвески с листовой рессорой может привести к серьезным повреждениям автомобиля и серьезным повреждениям. травмы или смерть оператора и других лиц, связанные с эксплуатацией транспортного средства. Мы, специалисты Triangle Auto Spring, Flagg Steel Products и специалисты по подвеске, считаем, что ваша безопасность и безопасность других — наша главная забота. В индустрии подвески с листовыми рессорами понимают, что все, что приносит пользу пользователям автомобилей с листовыми рессорами, приносит пользу. в конечном итоге весенняя индустрия.По этой причине мы собрали результаты опыта выдающегося флота. операторов и мнений инженеров по пружинам, полагая, что они будут полезны тем, кто проверяет или должен с профилактикой и обслуживанием систем рессорной подвески. | ||||||||||||||||||||||||||||||
Группа треугольников | ||||||||||||||||||||||||||||||
Просто прокрутите вниз, чтобы просмотреть документ целиком, или щелкните элемент в оглавлении, чтобы перейти к этой теме. | ||||||||||||||||||||||||||||||
Листовая пружина Для обеспечения надлежащего срока службы пружины процесс обслуживания и проверки должен включать всю систему подвески. пружин и деталей шасси. Автомобильная общественность осознала, что надлежащее техническое обслуживание их транспортных средств необходимо для увеличения срока службы и экономичное обслуживание в наш век роста цен на оборудование и топливо. При большинстве обычных проверок обслуживания пружина система подвески сильно упускается из виду, но минимум внимания к пружинной подвеске приведет к более длительной и более надежное обслуживание системы подвески. Когда древние воины кололи друг друга острыми рапирами, фехтовальщики любили проверять целостность своих рапиры, сгибая их почти вдвое, чтобы рапиры не сломались в реальном бою. Некоторые производители листовых рессор обычно проверяют каждую собранную пружину на «бульдозере». Это изгибает пружину сильнее, чем она когда-либо могла быть изогнута при реальной эксплуатации, прежде чем ось сделает металл по металлу. контакт с рамой. Хотя это действительно проверяет пружину и выявляет любые недостатки, существующие в стали, настоящая цель — это нечто другое. Путем загиба пружины дальше в бульдозере; чем когда-либо пойдет в действительную службу; это напрягает металл, со стороны растяжения листьев, немного выше предела текучести. Это «предварительно настраивает» пружину так, чтобы она уменьшалась, оседала или провисает при фактическом использовании, и выравнивание рулевого управления будет лучше поддерживаться. Очевидно, что нецелесообразно «предварительно устанавливать» винтовые пружины за пределы нормального рабочего сжатия, потому что соседние витки винтовой пружины контактируют друг с другом до того, как будет достигнут максимальный предел текучести.Это казалось бы быть причиной того, что передние подвески со спиральными пружинами часто оседают или проседают в течение первых пяти или десяти тысяч миль использования, а затем необходимо заменить, чтобы восстановить нормальное выравнивание рулевого управления. | ||||||||||||||||||||||||||||||
Бульдозер или предварительная установка листовой рессоры | ||||||||||||||||||||||||||||||
| Типы листовых рессор Практически все листовые рессоры, которые сейчас используются в легковых, автобусных и грузовых автомобилях, относятся к полуэллиптическим.Поскольку полуэллиптический Пружина обладает выдающимися преимуществами: она не только действует как пружина, упруго удерживая автомобиль, но и служит важные функции позиционирования осей и демпфирования крутящего момента и реакции тормозов, простые полуэллиптический тип вытеснил многие другие виды пружин, в том числе консольные; платформа, полностью эллиптическая и т. д. Полуэллиптическая пружина обеспечивает такое же легкое движение, как и такое же количество стали, встроенной в консоль полностью эллиптической пружины. | ||||||||||||||||||||||||||||||
Полуэллиптическая пружина | ||||||||||||||||||||||||||||||
Полный конус или параболическийПружина с полным конусом, хотя и не новинка на рынке, сейчас очень популярна для систем подвески легких и тяжелых грузовиков. применение, а также некоторые подвески легковых автомобилей. Основными преимуществами пружины этого типа являются превосходная ходовая часть. и общее снижение веса транспортного средства, что дает больший доход в расчете на одну загрузку миль. Полная коническая пружина, хотя и превосходит в некоторых аспектах, не так проста, как ее аналог многолистовой пружины и поэтому должны проверяться при регулярном плановом техническом обслуживании. УДЕРЖИВАЙТЕ ГАЙКИ ПУ-БОЛТА!«Затяните и удерживайте эти гайки U-образных болтов как следует плотно». . . является ключевым признаком хорошего профилактического обслуживания листовых рессор. Операторы большого парка грузовых автомобилей и автобусов обнаружили, что центральная поломка рессор значительно сокращается за счет «повторной затяжки». Гайки U-образных болтов — после первого дня работы — когда пружина была отремонтирована или заменена.Между листья, которые немного опускаются в первый день операции. Но повторная затяжка устраняет возникшую слабину, и тогда пружина остается натянутой в течение более длительного периода. Так же, как рекомендуется подтягивать гайки головки блока цилиндров после того, как двигатель пробегал несколько сотен миль. При установке U-образных болтов рекомендуется использовать динамометрические ключи, чтобы определить, когда гайки U-образных болтов затянуты надлежащим образом. Не полагайтесь на ударные гайковерты, которые обеспечат необходимый крутящий момент для правильной затяжки U-образного болта.Ударные ключи могут не затяните U-образный болт, что приведет к выходу из строя U-образного болта из-за чрезмерного затягивания или пружины из-за недостаточного затяжки. Но динамометрические ключи, как и микрометрические штангенциркули, хороши ровно настолько, насколько хороши их механики. Были случаи где из-за недостаточной длины резьбы или плохо нарезанной резьбы динамометрические ключи просто измеряли «натяжение» гайки на U-образном болте, а не «стягивание» пружины и осевой подушки. Не только резьба должна подходить правильно, но и резьба, и соприкасающаяся поверхность гайки должны быть чистыми и свободно вращаться. | ||||||||||||||||||||||||||||||
Гайки могут быть затянуты, а болты ослаблены.Если вы сомневаетесь в том, действительно ли гайки U-образного болта плотно сжимают детали, прозвучит резкий «стук» молотком ответ. Так же, как инспекторы колес вагонов стучат по колесам вагонов перед каждой длительной поездкой. Дальнейшая затяжка новых или отремонтированных рессор рекомендуется в конце первых 500 миль, после 1000 миль и далее. соответствующие интервалы, определенные индивидуальными планами профилактического обслуживания.Если не затянуть U-образные болты, это может привести к серьезное повреждение системы подвески или серьезные травмы или смерть оператора транспортного средства. Когда U-образный болт затянут до рекомендованного уровня крутящего момента, болт и резьба растянутся до сопряжения с глубокой гайкой. Поскольку правильно установленный U-образный болт растягивается, становится очевидным, что U-образный болт не должен использоваться повторно при ремонте. Растягивающее действие на нити исказит нити настолько, чтобы добиться перекрестной заправки, когда гайка снимается.Это действие приведет к нарезанию новой резьбы по мере снятия гайки, что снижает способность U-образного болта к зажимать заданным моментом. | ||||||||||||||||||||||||||||||
| ||||||||||||||||||||||||||||||
Хотя вышеупомянутые методы затяжки являются отличными практическими правилами, вы должны учитывать материал U-образного болта. использовался.Базовая классификация болтов — это уровень 2, который является самым низким, а уровень от 5 до 8 дает более высокую и лучшую прочность. В таблице ниже показан максимально допустимый крутящий момент для серии с мелкой резьбой на U-образных болтах. Рекомендуемые моменты затяжки см. В руководстве по эксплуатации оригинального оборудования. Чрезмерное затягивание может повредить другие детали подвески. | ||||||||||||||||||||||||||||||
| ||||||||||||||||||||||||||||||
Холоднотянутый материал TRI-8 очень хорошо подходит для тех пружинных цехов, которые установили гибку U-образных болтов. оборудование, способное формировать резьбовой стержень в сформированный U-образный болт в холодном состоянии.Предел прочности на разрыв, предел текучести, удлинение и уменьшение площади соответствуют требованиям к механическим свойствам Grade 8 и материал был одобрен несколькими производителями оригинального оборудования для применения U-образных болтов прицепа грузовика. Мы сделали упор на затяжку гайки U-образного болта, потому что площадь центрального болта пружины является зоной наименьшего поперечного сечения. в многолистных рессорах, отсюда самое слабое место. Если U-образные болты ослаблены, центральная часть болта воспринимает наибольшую нагрузку.Когда центральный болт плотно прижимается к подушке оси, как в тисках, середина пружины не может гнуться и, если он не может гнуться, то он также не может сломаться в этом месте. Потому что середина весны — место Наибольшая опасность, необходимо надежно зажать, чтобы предотвратить поломку в этой точке. Изношенные или неправильно установленные накладки оси могут быть одной из причин поломки центральной пружины. Поскольку многие современные пружины являются плоскими, при нормальной полной нагрузке колодки для таких пружин также должны быть плоскими, и только слегка закругленные на концах. ПЛАСТИНА U-BOLT TOP | ||||||||||||||||||||||||||||||
Не пропустите верхнюю пластину с U-образным болтомИзнос пружинных колодок может быть вызван только движением пружины на колодках. Если U-образные болты держатся пружина так плотно прилегает к колодке, что не происходит движения, поэтому износ может быть незначительным. Верхняя пластина с U-образным болтом важна по двум причинам:
Форма верхней пластины должна совпадать с формой U-образного болта; не используйте U-образные болты неправильной формы или изготовленные U-образные болты на изношенных штампах, которые могут изменить предполагаемую верхнюю форму U-образного болта. Для U-образных болтов с квадратным изгибом очень важно, чтобы радиус закругления составлял не менее 1/2 диаметра стержня, т.е. 1 «U-образный болт у ног будет радиус изгиба 1/2 дюйма. | ||||||||||||||||||||||||||||||
Типичный центральный зажим подвесной пружины | ||||||||||||||||||||||||||||||
Минимальный радиус пригиба U-образного болта | ||||||||||||||||||||||||||||||
Центральные болты и центры с чашечкамиЦентральный болт помогает при сборке, транспортировке и обращении с пружиной до того, как пружина будет установлена на автомобиле.После установки пружины центральный болт помогает предотвратить:
Во всех этих функциях он всего лишь помощник, и, когда центральный болт согнут или сломан, следует заподозрить U-образные болты что они не смогли полностью прижать пружину к оси. Пружины, которые подвергаются сильным нагрузкам при продольном движении, имеют чашеобразные формы для предотвращения этого движения. Весенние глазаПружинные проушины должны свободно вращаться, но не должны свободно прилегать к пружинным штифтам или болтам скобы. За исключением резины в проушинах пружины используются втулки, так как в некоторых случаях болты пружинного штифта или скобы должны регулярно смазан смазкой для шасси, чтобы предотвратить замерзание или заклинивание проушин пружины на болте.Неправильная смазка может привести к раскрытию глаза или «прямолинейному» разрыву основного листа возле глаза. Типичные глаза пружин | ||||||||||||||||||||||||||||||
Продольный зазор армейской или полной незакрепленной обертки обеспечивает относительную свободу продольных основных и вторых листов. Но если проушина основного листа сломается, пружина удерживается на месте проушиной второго листа, и автомобиль по-прежнему можно безопасно перевезти в ближайшую ремонтную мастерскую. Пружинные проушины для тяжелых условий эксплуатации. | ||||||||||||||||||||||||||||||
| Добавить лист? Кажется, что добавить лист для увеличения грузоподъемности пружины так просто … мы должны дважды подумать, прежде чем это делать? Подвесные системы рассчитаны на определенные нагрузки; поэтому все его составные части предназначены для указанные части этой нагрузки. Во времена сложных экономических условий производитель грузовиков и прицепов должен стремиться поддерживать или снижать стоимость транспортных средств.Поэтому детали подвески разработаны с минимальным приемлемый коэффициент безопасности. Добавление листьев к пружине может серьезно перегрузить детали подвески или сам автомобиль. Правильно спроектированная пружина — это уравновешенная пружина с такой ступенчатой или ступенчатой длиной створок по отношению к другим листам что каждый лист несет свою долю нагрузки. Длина листьев пружины вместе с толщиной и радиусы отдельных листов, определяют распределение напряжений вдоль каждого листа. Добавление листьев без учета этого нарушит равномерное распределение напряжений.Любое изменение или изменение первоначальной конструкции листовой рессоры может серьезно повредить окружающие части подвески. система, тем самым подвергая оператора транспортного средства опасности серьезной травмы или смерти в результате отказа системы подвески. | ||||||||||||||||||||||||||||||
| ||||||||||||||||||||||||||||||
| ПРУЖИНЫ Когда колесо грузовика ударяется о неровность, главному листу рессоры сильно помогают все более короткие листы рессоры. в сопротивлении шоку. Но после того, как неровность пройдена, основной лист обычно должен поглощать большая часть отскока — все сама по себе, — если главному листу не помогали поглощать отскок другими листьями, крепится к основной створке с помощью рикошетов. | ||||||||||||||||||||||||||||||
Пружинные зажимы предотвращают поломку из-за раздува.Второстепенная функция зажимов для отскока — предотвращение расползания или «распускания» листьев, что может привести к возможная поломка. По этим двум причинам, очевидно, важно, чтобы сломанные зажимы отскока заменены на «правильно отрегулированные» клипсы отбоя. | ||||||||||||||||||||||||||||||
Правильный зазор зажимаХотя эти отбойные зажимы должны контролировать листья, они не должны связывать концы листьев по длине движение друг на друга.Ширина зажима должна быть на 1/16 дюйма или более от номинальной ширины пружины. Промежуточная трубка над болтом пружинного зажима сохраняет этот зазор по ширине. Там также должна быть зазор между распорной трубкой зажима и основным листом весны до:
Болты зажима должны быть собраны так, чтобы головка болта находилась в стороне от шины, чтобы при ослаблении гайки и зажиме Болт частично выходит наружу, он не порежет шину, и конец болта с гайкой должен быть закруглен, чтобы гайка не откручивалась. ПРОВЕРКАПоскольку подвески с листовыми рессорами обычно обеспечивают такую безотказную работу, ими часто пренебрегают, пока не возникнут проблемы. действительно происходит.Однако, поскольку пружины и детали шасси являются одновременно рабочими частями и деталями конструкции, они хорошо окупят небольшой объем осмотра и профилактического обслуживания, необходимого для их содержания в наиболее безопасном рабочем состоянии. Такой осмотр системы рессорной подвески можно разделить на:
Перед тем, как автомобиль тронется с места, опытные механики часто могут обнаружить провисание пружины по низкому виду передних крыльев. Но более надежный метод — проверить зазор между рамой шасси и цехом. Конечно шина для большей точности необходимо учитывать инфляцию. Или можно проверить расстояние между полом и ободом колеса. Любой наклон или неровность кузова автомобиля должны предупреждать обслуживающего персонала о возможности провисания пружин. | ||||||||||||||||||||||||||||||
Расстояние от фиксированного болта подвески до центрального болта должно быть одинаковым с обеих сторон автомобиля.Теперь, когда мы знаем причины и способы устранения возможных проблем с пружинной подвеской, давайте проверим пружину в этом, или каким-то другим систематическим способом, потому что, следуя каждый раз одному и тому же порядку, мы менее склонны что-либо пропустить. Контрольные листья
Проверить радиусные стержни «все другие связанные детали рессорной подвески. Подвески, выравниватели, втулки балок и т. Д. Проверьте амортизаторы, так как неисправные амортизаторы определенно сократят срок службы пружины. Важно помнить, что почти все переломы и трещины листовой рессоры имеют прогрессирующий характер — они начинаются с малого. Это дает инспектору возможность обнаружить небольшие трещины и трещины, прежде чем они превратятся в большие трещины. Поскольку пружинная сталь прочнее при сжатии, чем при растяжении, большинство трещин начинаются на внешнем крае сторон растяжения. из листьев. Строительные нормы и правила дают балке из клееной древесины гораздо более высокий рейтинг безопасности, чем балке из цельной древесины.Пластины (пластины) листовой рессоры также придают листовой рессоре более высокий рейтинг безопасности, потому что она очень редко что одновременно ломается более одного листа. Поломка одной створки обычно дает «предупреждение»
Это дает достаточно времени для его замены, прежде чем другие створки будут повреждены из-за перегрузки. Однако давайте не будем переоценивать этот запас прочности, а будем вести достаточно осторожную езду, чтобы завершить дневной пробег, а затем замените сломанный лист — прежде чем любые другие листья будут повреждены из-за «концентрации» напряжения на краю сломанного листа.Однако, если основной лист сломан (кроме случаев, когда второй лист относится к типу обертки или там не используется военная обертка проушины пружины) может быть предпочтительнее буксировать автомобиль до станции техобслуживания пружин. С военной пленкой второго листа вокруг глазка основного листа или обертки второго листа транспортное средство обычно может двигаться самостоятельно к ближайшей ремонтной мастерской, но это не рекомендуется. Перемещение автомобиля со сломанной главной створкой чрезвычайно опасны не только для оператора, но и для компонентов подвески из-за ненормального движения оси. В пути. Тенденция «удариться о низ» или удариться о резиновые бамперы может быть следствием:
Пружины современной конструкции обычно почти плоские при нормальных условиях полной нагрузки. Когда пружины почти плоские, они лучшее положение, чтобы выдерживать постоянное изгибание, и они также имеют тенденцию действовать как стержни с прямым радиусом и, таким образом, поддерживать положения осей и регулировка рулевого управления более точно.Следовательно, когда такие современные пружины имеют «обратный развал», в транспортном средстве можно заподозрить:
Пружины более ранних конструкций часто имели больше «дуги» или изгиба и поэтому могли не иметь обратного изгиба, даже когда они перегружены или провисали. Следует отметить положение и состояние скоб, чтобы проверить, соответствуют ли углы этих скоб с двух сторон автомобиля. тот же самый. Конструкция пружинных дужек такова, что пружина может свободно перемещаться на протяжении всего цикла от выгружен до «яркого дна».»Правильный дизайн также замедлит частоту колебаний или скорость отскока и, следовательно, более комфортная езда. Угол скобы для этого конкретного автомобиля следует использовать в качестве ориентира. Неправильный угол скобы может указывать на то, что пружина слишком длинная или слишком короткая для этого автомобиля. Также некоторые существующие дизайны находятся в обратный развал при полной нагрузке и отсутствие перенапряжения в этом положении. Проверка пружин на качество и качество изготовления.1. Центральное отверстие. Если изготовлен с использованием хороших штампов, он будет чистым.Плохое центральное отверстие может создавать дополнительные напряжения в стали, что может вызвать преждевременную поломку. 2. Точки обрезки. Должно выполняться на хорошем оборудовании, чтобы избежать трещин, сколов и шероховатостей. 3. Зажимы. Должен быть подходящего размера и формы для правильного размещения. 4. Глаза. Должно быть: Если проушина слишком маленькая, втулка может быть раздавлена при надавливании. Если проушина слишком большая, втулка будет ослаблена.
5.Установка створок должна быть точной, чтобы избежать создания чрезмерных напряжений в стали и преждевременной поломки. 6. Листы должны быть установлены из стороны в сторону, а также поверхность к поверхности. СОВЕТЫ ПО ВОЖДЕНИЮИнженеры примерно так оценивают факторы, определяющие срок службы рессор. ДизайнКогда автомобили эксплуатируются в особых условиях, специальная конструкция может значительно снизить затраты пружины на милю.Производители автомобилей производят для средних условий. При особых условиях может потребоваться редизайн, чтобы застраховать улучшенная производительность. Сталь Пружиныобычно используют сталь спецификации SAE 5160 или 51B60, разработанную для листовых рессор. ОбработкаПроизводство пружин включает формовку и термообработку стали для отпуска и упрочнения, а также так же важно, как и сама сталь. Неправильный нагрев и формовка термообработанной стали значительно снизит прочность стали из-за потери надлежащей термообработки и представляет серьезную угрозу безопасности. Техническое обслуживаниеКак и другие детали транспортных средств, такие как шины, двигатели и т. Д., Самые качественные пружины и детали шасси могут иметь серьезные дефекты. из-за отсутствия надлежащего обслуживания. Водитель автомобиляДрайвер — последний, но очень важный фактор! Чтобы оценить это, давайте рассмотрим действие стандартного привода грузовика, который широко используется из-за его важного преимущества в защите других частей автомобиля за счет обеспечения гибкого управления тормозов и крутящего момента. В приводе этого стиля листовые рессоры выполняют три функции:
| ||||||||||||||||||||||||||||||
| Пружинный амортизатор и реакции на момент ускорения. Когда внезапно включаются тормоза, весь импульс движущегося транспортного средства имеет тенденцию вращать ось в прямое направление поворота. На высоких скоростях сила этого импульса огромна (что доказано столкновениями!), А влияние этого момента на ось ограничивается только буксованием резиновых шин на дороге. «намотка пружин», которая имеет тенденцию изгибать пружины в форме буквы «S», как показано на рисунке. Кроме того, при запуске автомобиля под При неблагоприятных дорожных условиях, нагрузке или уклоне водитель может запустить двигатель и развить большую скорость в маховике.Этот крутящий момент значительно умножается трансмиссией, и он снова умножается на шестерни заднего моста. Так что лучше (для всех частей автомобиля) не гонять двигатель, а затем отпустить сцепление с «взрывом!» Предположим, водитель ехал слишком быстро и не видит неровности на дороге, пока почти не оказывается на ней. Что ему делать? Конечно, он должен был лучше контролировать машину. Но в этой затруднительной ситуации ему следует нажать на тормоз, прежде чем достигнув неровности, а затем отпустите тормоз за время, достаточное для того, чтобы пружины вернулись в нормальное положение когда колеса (не сдерживаемые тормозами) свободно катятся по неровностям. В противном случае реакция тормоза может привести к тому, что пружина окажется в таком положении, что половина ее несёт полную массу автомобиля, поэтому удар будет вдвое больше, чем отлично, как если бы колеса могли свободно ездить по нему. | ||||||||||||||||||||||||||||||
| Неквалифицированные тормоза несправедливы по отношению к пружинам. Подобно недорогому предохранителю, который защищает более дорогой электродвигатель, пружины, защищающие более дорогой автомобиль, должны рассматриваться как «расходные материалы» — подлежащие замене по достижении предела их «экономичного» срока службы.Батареи, шины и пружины могут быть рассчитаны на весь срок службы автомобиля. Но хорошо продуманные пружины, даже при том, что они требуют минимального ухода и периодической замены, сокращают затраты на транспортное средство на милю, что это последний критерий, по которому оценивается удовлетворительная весенняя служба. | ||||||||||||||||||||||||||||||
| Прогрессивные пружины обеспечивают комфорт при езде как при легких, так и при тяжелых нагрузках. Пружины прогрессивного типа не только обеспечивают почти равный комфорт при езде для легкогруженого и полностью загруженного автомобиля, но у них также есть дополнительное преимущество, заключающееся в меньшем отклонении пружины от легкой до полной нагрузки. Следовательно, рама шасси остается почти ровной, и достигается лучшее выравнивание рулевого управления и большая безопасность. Длина пружины измеряется по изгибу основной створки.Длина пружин измеряется вдоль основной створки от центра к центру двух проушин.Это такое же расстояние, как и межцентровое расстояние между двумя проушинами, когда основная створка плоская при нормальной полной нагрузке. | ||||||||||||||||||||||||||||||
Номер бюллетеня 5M6 / 91 SP35740 © Triangle Spring Используется с разрешения | ||||||||||||||||||||||||||||||
Удовлетворительное руководство по автомобилям | SegmentNext
В Satisfactory вам регулярно нужно перевозить разные ресурсы по всему миру. Ручная транспортировка сырья и грузов — утомительная и трудоемкая работа.В этом Руководстве по удовлетворительным транспортным средствам мы расскажем вам, как разблокировать автомобили и использовать их для транспортировки сырья.
Удовлетворительные автомобили
Первая машина будет разблокирована при покупке улучшения уровня 3. С этого момента вы можете построить всю базовую транспортную инфраструктуру и построить свой первый автомобиль.
Транспортные средства обеспечат быстрое средство для перевозки большого количества грузов.
Типы автомобилей
Есть 6 транспортных средств, которые инженеры могут использовать для путешествий и транспортировки предметов: тракторы, исследователи, грузовики, кибер-фургоны, фабричные тележки и поезда.
В мире нет ограничения на количество автомобилей. Инженеры и все живые существа могут быть сбиты транспортными средствами, не нанося урон цели.
Трактор
Трактор, являющийся ранним транспортным средством, идеально подходит для автоматизированной транспортировки предметов до получения доступа к грузовику.
В задней части имеется встроенный верстак.
Explorer
Explorer — это вездеход, доступный через M.A.M. Кварцевые исследования. Он быстрее и маневреннее по сравнению с трактором и грузовиком, а также имеет улучшенные возможности дрифта.
Имеет 24 слота инвентаря. Исследователь цепляется за местность, позволяя ему подниматься по крутым поверхностям и хорошо справляться с бездорожьем.
Грузовики
Грузовик открывается на уровне 5. Это 6-колесная машина, которую можно использовать для перевозки больших объемов груза по суше.
Он быстрее, мощнее, надежнее и имеет вдвое большую емкость по сравнению с трактором.
Cyber Wagon
Его можно разблокировать в УДИВИТЕЛЬНОМ магазине за 20 купонов после того, как один купон был загружен в УДИВИТЕЛЬНУЮ раковину.
Его инвентарь находится за автомобилем. Он имеет единственный слот инвентаря в дополнение к слоту для топлива. У его груза отсутствует анимация открывания крышки.
Из-за квадратных колес это очень неэффективный автомобиль. Но кибервагон запускается на очень большое расстояние, когда его едут по стартовой площадке.
Заводские тележки
Это транспортное средство, используемое для перевозки инженеров на заводах.
Его специальные колеса Grip Wheels обеспечивают быстрое ускорение и торможение за счет безумного заноса на неровной поверхности. Для работы не требуется топлива.
Поезда
Электровоз — это транспортное средство, используемое для перевозки грузов и инженеров по железной дороге. Подключенные грузовые вагоны можно загружать / выгружать через грузовые платформы.
Электровоз можно автоматизировать, задав список железнодорожных станций, на которых он останавливается. Несколько грузовых вагонов и локомотивов можно соединить в один поезд.
В настоящее время поезд является самым быстрым транспортным средством в игре, способным развивать скорость более 365 км / ч на спуске, что позволяет эффективно транспортировать ресурсы на большие расстояния.
Топливо
Колесным транспортным средствам для работы требуется топливо, и они не разборчивы в том, что считать топливом.
Разные виды топлива расходуются по разному, в зависимости от того, какой предмет используется, а также какой автомобиль. Ниже приведены различные виды топлива в игре:
- Листья
- Ткань
- Мицелия
- Дерево
- Лепестки цветов
- Биомасса
- Чужеродные органы
- Туша пришельца
- Уголь
- Жидкое биотопливо в упаковке
- Упакованные остатки тяжелой нефти
- Твердое биотопливо
- Масло фасованное
- Уголь уплотненный
- Фасованное топливо
- Цветной картридж
- Пакетированный турботопливо
- Ядерный остаток батареи
Для того, чтобы правильно использовать транспортные средства, необходимо иметь в виду следующее.
Пилотирование
Вы можете управлять транспортным средством самостоятельно или использовать автопилот, чтобы ИИ управлял им за вас, пока вы выполняете другие задачи.
Чтобы ИИ мог управлять автомобилем, вам нужно спланировать маршруты и построить станции в точках интереса.
Планирование маршрута
Если вы хотите создать фиксированный маршрут, вы должны сначала построить грузовую станцию. Это здание, которое автоматически разгружает или загружает каждое транспортное средство.
Если в здании есть какой-либо вид топлива, автомобиль должен автоматически заправлять бак.Если вы включите меню автомобиля (по умолчанию кнопка C во время движения), в вашем распоряжении будет несколько опций.
Вы можете включить автопилот, но пока у транспортного средства нет маршрута, он никуда не поедет. Если вы включите опцию записи, автомобиль запомнит маршрут, по которому вы едете, и затем попытается воспроизвести его.
А пока вы можете нажать паузу, если вам нужно на время оторваться от построения маршрута.
Выбор маршрута
Лучше избегать узких дорог, многочисленных препятствий и трудных переходов.В противном случае ваш автомобиль может потеряться или время в пути может увеличиться.
Можно делать остановки, машина будет ждать столько же времени. Если вам не нравится проект или вы хотите создать новый, просто выберите опцию корзины.
Безопасность
Несмотря на то, что транспортные средства являются быстрым средством передвижения и могут наезжать на многих существ, а иногда даже на листву, инженеры в них НЕ защищены. Вы можете получить травму или получить повреждение в следующих случаях:
- Инженеры могут получить повреждения транспортного средства при падении, если оно упадет с высоты.Это приводит к тому, что инженера выбрасывает из машины. Во избежание повреждений инженер может выйти из машины непосредственно перед тем, как коснуться земли.
- Колесные машины могут получить незначительные повреждения при ударе огненным шаром Spitter. Когда мощность транспортного средства истощается до нуля, транспортное средство разбирается.
- Инженеры в транспортных средствах могут получать урон от ядовитого газа, независимо от того, надеты они противогазом или нет.
Несмотря на все это, инженер полностью невосприимчив к радиации во время езды на любом транспортном средстве.Имейте в виду, что это касается только колесных транспортных средств. При использовании железной дороги инженер ПОЛНОСТЬЮ невосприимчив к любым опасностям.
Активная подвеска для бронированных машин — Think Defense
УBAE сегодня ходят новости (H / T Sol ) о включении их системы активной демпфирующей подвески в бронированную боевую машину пехоты CV90 и о том, что это впервые для любой бронетехники.
Отчет фокусируется на преимуществах активной подвески, вдохновленной автоспортом Формулы 1, в сохранении устойчивости платформы во время высокоскоростного движения по пересеченной местности и на том, как это приведет к повышению ситуационной осведомленности и снижению утомляемости экипажа при одновременном снижении затрат на техническое обслуживание.Максимальная скорость увеличивается на 35%, шаг транспортного средства уменьшается на 40%.
Все, как говорится, хорошая штука, но неужели впервые?
Я полагаю, нам следует подумать о множестве различных форм активной подвески, но общий термин используется для обозначения предсказания местности и контроля компонентов подвески для улучшения плавности хода на основе этого предсказания.
В начале 1970-х гг. Военно-транспортное ведомство (MVEE) начало исследовательскую работу по созданию систем активной подвески примерно в то же время, когда оно работало над системой гидрогазовой подвески для основного боевого танка Challenger и построило исследовательскую машину подвески (SRV) на основе CVR (T).Первоначальная работа использовала газовые пружины Citroen и ранний электронный контроллер. Лукас поддержал проект с другим активным контроллером, но общая система была слишком сложной, чтобы ее можно было адаптировать.
Возможно, будет справедливо сказать, что имеющиеся материалы, электронные и вычислительные системы имеют ограниченную реальную производительность.
В 1980 году MVEE снова посмотрел, на этот раз с Lotus, также используя CVR (T). Испытания Scorpion использовали цифровой контроллер, который обеспечил гораздо более высокую надежность и производительность, чем блоки MVEE и Lucas, испытанные примерно десятью годами ранее.Другие проекты совместно с Хорстманом позволили лучше понять использование гидрогазовой подвески в небольших бронированных автомобилях, в результате чего появился необычный автомобиль под названием Sprung Idler Test Vehicle (SITV), который представлял собой ударник CVR (T) в обратной конфигурации с задним расположением двигателя и привода. звездочка. Следующим этапом этих двух проектов была разработка активной системы прогнозирования местности, связанной с подвеской.
К сожалению, как и многие другие многообещающие исследования того времени, дальше не пошло.
TRACER был совместным проектом США и Великобритании по разработке разведывательно-разведывательной машины, которая должна была заменить Bradley M3, M1114 HMWWV и CVR (T), находящиеся на вооружении соответствующих стран. Активная приостановка была предложена для конкурирующих консорциумов LANCER и SIKA, но, как мы знаем, проект был отменен в пользу FRES для Великобритании и FCS для США.
LANCER TRACER с сенсорной мачтойАвтомобиль LANCER TRACER ненадолго появился в Великобритании в 2005 году, чтобы продемонстрировать совместную систему активной подвески Horstman / L3 с электронным управлением (ECASS), которая обеспечила значительное улучшение защиты от опрокидывания и проходимости на бездорожье.Система ECASS стала важной разработкой, которая позволила сглаживать неровности и контролировать крен на скорости. Приводы подвески действовали как двигатели и как генераторы, компенсируя добавление или снятие энергии. Накопление энергии осуществлялось комбинированным блоком аккумулятор / конденсатор, который также имел положительный побочный эффект, заключающийся в уменьшении тепловыделения, обычно связанного с обычными амортизаторами и пружинами.
Дьявольски хитрые штуки
[вкладки] [tab title = «ECASS Picture 1»] [/ tab] [tab title = «ECASS Picture 2»] [/ tab] [/ tabs]Как сообщается, ECASS действовал как смазанная ласка, но эта технология не была принята ни в одной из серийных бронированных машин Великобритании или США, хотя Корпус морской пехоты США провел испытания с HMMWV, как показано на видео ниже (я думаю)
Статья Frontline Defense 2009 года касалась испытаний USMC, щелкните здесь , чтобы прочитать.
Программа тактических машин Tgb30 Шведского управления материально-техническими средствами (FMV) также проявила некоторый интерес к ECASS.
Кто-нибудь говорит по-шведски?
Вероятно, технологическая зрелость и нежелание рисковать привели к тому, что система не смогла достичь производственного статуса, но Хорстман настоял на своем, и в 2013 году приобрел подвески, активы ветроники и интеллектуальную собственность L3 в Канаде.
Horstman Systems Inc.британская корпорация, находящаяся в полной собственности HW Machinery Limited, рада сообщить, что она приобрела активы и интеллектуальную собственность линейки продуктов Suspension и Vetronics у L-3 Communications Electronic Systems Inc. в Торонто, Онтарио, Канада. Приобретение включает в себя интеллектуальную собственность вместе с группой инженеров и проектировщиков для линейки продуктов подвески и ветроники. HW Machinery является владельцем компаний Horstman Inc (США) и Horstman Defense Systems Limited (Великобритания), которые являются мировым лидером в производстве систем подвески для военных и специальных транспортных средств.
С подтверждением регистрации канадских контролируемых товаров; недавно созданная компания Horstman Systems Inc., расположенная в Торонто, станет центром передового опыта для приобретенной линейки продуктов подвески, которая включает масштабируемую подвеску, активную подвеску с электронным управлением (ECASS) и другие технологии. Этот бизнес будет интегрирован в расширяющуюся организацию Хорстмана, которая является мировым лидером в области передовых подвески и других автомобильных решений для военной и специальной техники.
Hostman — еще один из тех британских производителей оборонной продукции, о которых никто никогда не слышал, но которые производят продукцию абсолютно мирового класса для широкого использования.
BAE предложила полуактивную систему подвески в рамках своего предложения FRES SV, но они проиграли General Dynamics с разработкой ASCOD для последующего требования SV Scout.
Видео ниже было загружено на YouTube в 2010 г.
И этот, кажется, плывет вокруг с историей
Назовите меня циником, но они ужасно похожи.
Нет новостей о том, обновятся ли какие-либо из существующих пользователей CV90.
Интересно, что BAE упоминает о происхождении F1 своей новой системы CV90. Интересно, связана ли она с системой Хорстмана / L3 или чем-то совершенно новым?
Щелкните здесь , чтобы узнать о полностью активной системе Horstman.
Связь между автоспортом и производителями бронетехники не нова, как мы знаем из работы MVEE Lotus в восьмидесятые годы, но лорд Дрейсон, когда он возглавлял DE&S, создал программу сотрудничества, которая привела к ряду важных обновлений существующих например, дисковые тормоза из углеродного волокна Warrior, устанавливаемые в рамках модернизации TES (H).

Устройство автомобильной подвески
Есть, конечно, и более мелкие детали (шаровые опоры, стойки стабилизатора, сайлентблоки и прочее), но вряд ли их можно назвать основными частями подвески. Тем не менее, как раз их неисправности встречаются чаще всего.