ΠΠ°ΠΊ ΡΠ°Π±ΠΎΡΠ°Π΅Ρ Π°Π²ΡΠΎΠΌΠΎΠ±ΠΈΠ»ΡΠ½ΡΠΉ ΡΠ°Ρ ΠΎΠΌΠ΅ΡΡ β Π½ΠΎΠ²ΠΎΡΡΠΈ Π½Π° ΡΠ°ΠΉΡΠ΅ AvtoBlog.ua
ΠΡΠΈΠ½ΡΠΈΠΏ ΡΠ°Π±ΠΎΡΡ ΡΠ°Ρ ΠΎΠΌΠ΅ΡΡΠ°
Π’Π°Ρ ΠΎΠΌΠ΅ΡΡ β ΡΡΠΎ ΠΏΡΠΈΠ±ΠΎΡ, ΠΊΠΎΡΠΎΡΡΠΉ ΠΏΡΠ΅Π΄Π½Π°Π·Π½Π°ΡΠ΅Π½ Π΄Π»Ρ ΠΎΡΠΎΠ±ΡΠ°ΠΆΠ΅Π½ΠΈΡ ΡΠΈΡΠ»Π° ΠΎΠ±ΠΎΡΠΎΡΠΎΠ² Π΄Π²ΠΈΠ³Π°ΡΠ΅Π»Ρ (ΡΠ°ΡΡΠΎΡΡ Π²ΡΠ°ΡΠ΅Π½ΠΈΡ ΠΊΠΎΠ»Π΅Π½ΡΠ°ΡΠΎΠ³ΠΎ Π²Π°Π»Π°). Π’Π΅, ΠΊΡΠΎ Π½Π΅ ΡΠ°Π·Π±ΠΈΡΠ°Π΅ΡΡΡ Π² ΠΌΠ΅Ρ Π°Π½ΠΈΡΠ΅ΡΠΊΠΎΠΉ ΡΠ°ΡΡΠΈ ΠΌΠΎΡΠΎΡΠ°, Π΄ΠΎΠ»ΠΆΠ½Ρ Π·Π½Π°ΡΡ ΠΏΡΠΈΠ½ΡΠΈΠΏ ΡΠ°Π±ΠΎΡΡ Π΄Π²ΠΈΠ³Π°ΡΠ΅Π»Ρ Π²Π½ΡΡΡΠ΅Π½Π½Π΅Π³ΠΎ ΡΠ³ΠΎΡΠ°Π½ΠΈΡ, ΡΡΠΎΠ±Ρ ΠΏΠΎΠ½ΡΡΡ, Π΄Π»Ρ ΡΠ΅Π³ΠΎ ΠΏΡΠ΅Π΄Π½Π°Π·Π½Π°ΡΠ΅Π½ ΡΠ°Ρ ΠΎΠΌΠ΅ΡΡ.
Π ΠΎΡΠ½ΠΎΠ²Π΅ ΡΠ°Π±ΠΎΡΡ Π»ΡΠ±ΠΎΠ³ΠΎ Π΄Π²ΠΈΠ³Π°ΡΠ΅Π»Ρ Π»Π΅ΠΆΠΈΡ ΠΏΡΠ΅ΠΎΠ±ΡΠ°Π·ΠΎΠ²Π°Π½ΠΈΠ΅ ΠΏΠΎΡΡΡΠΏΠ°ΡΠ΅Π»ΡΠ½ΠΎΠ³ΠΎ Π΄Π²ΠΈΠΆΠ΅Π½ΠΈΡ Π²ΠΎ Π²ΡΠ°ΡΠ°ΡΠ΅Π»ΡΠ½ΠΎΠ΅. ΠΡΠΎ ΠΏΡΠΎΠΈΡΡ ΠΎΠ΄ΠΈΡ Π·Π° ΡΡΠ΅Ρ ΡΠ°ΡΡΠΈΡΠ΅Π½ΠΈΡ Π³Π°Π·ΠΎΠ² Π² ΠΊΠ°ΠΌΠ΅ΡΠ΅ ΡΠ³ΠΎΡΠ°Π½ΠΈΡ ΠΈ ΠΏΡΠΈΠ²Π΅Π΄Π΅Π½ΠΈΡ Π² Π΄Π΅ΠΉΡΡΠ²ΠΈΠ΅ ΡΠΏΠ΅ΡΠΈΠ°Π»ΡΠ½ΡΡ ΠΏΠΎΡΡΠ½Π΅ΠΉ, ΠΊΠΎΡΠΎΡΡΠ΅ ΡΠ°ΡΠΊΡΡΡΠΈΠ²Π°ΡΡ ΡΠ°ΡΡΠ½Π°ΠΌΠΈ ΠΊΠΎΠ»Π΅Π½ΡΠ°ΡΡΠΉ Π²Π°Π» Π΄Π²ΠΈΠ³Π°ΡΠ΅Π»Ρ. ΠΠ±ΠΎΡΠΎΡΡ ΠΊΠΎΠ»Π΅Π½Π²Π°Π»Π°, ΠΊΠ°ΠΊ ΡΠ°Π·, ΠΈ Π±ΡΠ΄ΡΡ ΡΡΠΈΡΠ°ΡΡΡΡ ΠΎΠ±ΠΎΡΠΎΡΠ°ΠΌΠΈ Π΄Π²ΠΈΠ³Π°ΡΠ΅Π»Ρ, ΠΊΠΎΡΠΎΡΡΠ΅ ΠΏΠΎΠΊΠ°Π·ΡΠ²Π°Π΅Ρ ΡΠ°Ρ ΠΎΠΌΠ΅ΡΡ.
ΠΡΠΈ Π½Π°ΠΆΠ°ΡΠΈΠΈ Π½Π° ΠΏΠ΅Π΄Π°Π»Ρ Π³Π°Π·Π°, ΠΊΠΎΠ»ΠΈΡΠ΅ΡΡΠ²ΠΎ ΡΠΎΠΏΠ»ΠΈΠ²Π°, ΠΏΠΎΠ΄Π°Π²Π°Π΅ΠΌΠΎΠ΅ Π² ΠΊΠ°ΠΌΠ΅ΡΡ ΡΠ³ΠΎΡΠ°Π½ΠΈΡ Π΄Π²ΠΈΠ³Π°ΡΠ΅Π»Ρ, ΡΠ²Π΅Π»ΠΈΡΠΈΠ²Π°Π΅ΡΡΡ ΠΈ Π΄Π°Π²Π»Π΅Π½ΠΈΠ΅, ΠΎΠΊΠ°Π·ΡΠ²Π°Π΅ΠΌΠΎΠ΅ Π½Π° ΠΏΠΎΡΡΠ½ΠΈ, ΠΏΠΎΠ²ΡΡΠ°Π΅ΡΡΡ. Π‘ΠΎΠΎΡΠ²Π΅ΡΡΡΠ²Π΅Π½Π½ΠΎ, ΡΠ²Π΅Π»ΠΈΡΠΈΠ²Π°Π΅ΡΡΡ ΡΠ°ΡΡΠΎΡΠ° Π²ΡΠ°ΡΠ΅Π½ΠΈΡ ΠΊΠΎΠ»Π΅Π½Π²Π°Π»Π° ΠΈ ΠΏΠΎΠΊΠ°Π·Π°Π½ΠΈΡ ΡΠ°Ρ
ΠΎΠΌΠ΅ΡΡΠ° ΡΡΠ°Π½ΠΎΠ²ΡΡΡΡ Π²ΡΡΠ΅.
ΠΠ»Ρ ΡΠ΅Π³ΠΎ Π½ΡΠΆΠ΅Π½ ΡΠ°Ρ ΠΎΠΌΠ΅ΡΡ Π² Π°Π²ΡΠΎΠΌΠΎΠ±ΠΈΠ»Π΅
ΠΠΏΡΡΠ½ΡΠ΅ Π²ΠΎΠ΄ΠΈΡΠ΅Π»ΠΈ Π·Π½Π°ΡΡ, ΡΡΠΎ ΠΏΡΠ°Π²ΠΈΠ»ΡΠ½ΠΎΠ΅ ΠΈΡΠΏΠΎΠ»ΡΠ·ΠΎΠ²Π°Π½ΠΈΠ΅ ΡΠ°Ρ ΠΎΠΌΠ΅ΡΡΠ° ΠΏΠΎΠ·Π²ΠΎΠ»ΡΠ΅Ρ Π·Π°Π΄Π΅ΠΉΡΡΠ²ΠΎΠ²Π°ΡΡ Π²ΡΠ΅ Π²ΠΎΠ·ΠΌΠΎΠΆΠ½ΠΎΡΡΠΈ Π΄Π²ΠΈΠ³Π°ΡΠ΅Π»Ρ Π½Π° ΠΌΠ°ΠΊΡΠΈΠΌΡΠΌ, ΠΏΡΠΈ ΡΡΠΎΠΌ, ΡΠΎΡ ΡΠ°Π½ΡΡ Π΅Π³ΠΎ ΡΠ΅ΡΡΡΡ.
ΠΡΠ»ΠΈ Π²Π½ΠΈΠΌΠ°ΡΠ΅Π»ΡΠ½ΠΎ ΡΠ°ΡΡΠΌΠΎΡΡΠ΅ΡΡ ΠΏΠ°ΡΠ°ΠΌΠ΅ΡΡΡ Π½Π΅ΠΊΠΎΡΠΎΡΡΡ Π΄Π²ΠΈΠ³Π°ΡΠ΅Π»Π΅ΠΉ, ΡΠΎ ΠΌΠΎΠΆΠ½ΠΎ ΠΎΠ±Π½Π°ΡΡΠΆΠΈΡΡ ΡΠ°ΠΊΠΈΠ΅ ΠΏΠΎΠΊΠ°Π·Π°ΡΠ΅Π»ΠΈ, ΠΊΠ°ΠΊ ΠΌΠ°ΠΊΡΠΈΠΌΠ°Π»ΡΠ½Π°Ρ ΠΌΠΎΡΠ½ΠΎΡΡΡ, Π° ΡΠ°ΠΊΠΆΠ΅ Π½Π°ΠΈΠ±ΠΎΠ»ΡΡΠΈΠΉ ΠΊΡΡΡΡΡΠΈΠΉ ΠΌΠΎΠΌΠ΅Π½Ρ. ΠΡΠ½ΠΎΠ²ΠΎΠΉ ΡΡΠΈΡ ΠΏΠΎΠΊΠ°Π·Π°Π½ΠΈΠΉ Π²ΡΠ΅Π³Π΄Π° Π±ΡΠ»ΠΎ, Π΅ΡΡΡ ΠΈ Π±ΡΠ΄Π΅Ρ ΡΠΈΡΠ»ΠΎ ΠΎΠ±ΠΎΡΠΎΡΠΎΠ² ΠΊΠΎΠ»Π΅Π½ΡΠ°ΡΠΎΠ³ΠΎ Π²Π°Π»Π°, ΠΊΠΎΡΠΎΡΠΎΠ΅ ΠΎΡΠΎΠ±ΡΠ°ΠΆΠ΅Π½ΠΎ Π½Π° ΡΠ°Ρ ΠΎΠΌΠ΅ΡΡΠ΅.
Π§ΡΠΎΠ±Ρ Π²Π°ΠΌ Π±ΡΠ»ΠΎ ΠΏΠΎΠ½ΡΡΠ½Π΅Π΅, ΠΏΠΎΡΡΠ°ΡΠ°Π΅ΠΌΡΡ ΠΏΡΠΈΠ²Π΅ΡΡΠΈ ΡΠ»Π΅ΠΌΠ΅Π½ΡΠ°ΡΠ½ΡΠΉ ΠΏΡΠΈΠΌΠ΅Ρ. Π ΡΠ΅Ρ
Π½ΠΈΡΠ΅ΡΠΊΠΎΠΉ Π΄ΠΎΠΊΡΠΌΠ΅Π½ΡΠ°ΡΠΈΠΈ Π΄Π²ΠΈΠ³Π°ΡΠ΅Π»Ρ ΡΠΊΠ°Π·Π°Π½ΠΎ: Β«135 Π».Ρ. ΠΏΡΠΈ 3500 ΠΎΠ±ΠΎΡΠΎΡΠ°Ρ
Π² ΠΌΠΈΠ½ΡΡΡΒ». Π’ΠΎ ΠΆΠ΅ ΡΠ°ΠΌΠΎΠ΅ ΠΌΠΎΠΆΠ΅Ρ ΠΎΠ·Π½Π°ΡΠ°ΡΡ ΠΈ Β«420 ΠΠΌ ΠΏΡΠΈ 4000 ΠΎΠ±ΠΎΡΠΎΡΠ°Ρ
Π² ΠΌΠΈΠ½ΡΡΡΒ». ΠΡΠ΅ ΡΡΠΈ ΡΠΈΡΡΡ ΠΎΠ·Π½Π°ΡΠ°ΡΡ, ΡΡΠΎ Π΄Π²ΠΈΠ³Π°ΡΠ΅Π»Ρ Π±ΡΠ΄Π΅Ρ ΡΠ°Π·Π²ΠΈΠ²Π°ΡΡ Π½Π°ΠΈΠ±ΠΎΠ»Π΅Π΅ ΡΡΡΠ΅ΠΊΡΠΈΠ²Π½ΡΠΉ ΡΠ°Π·Π³ΠΎΠ½ ΠΈΠ»ΠΈ ΡΡΠ³ΠΎΠ²ΠΎΠ΅ ΡΡΠΈΠ»ΠΈΠ΅ ΡΠΎΠ»ΡΠΊΠΎ ΠΏΡΠΈ ΡΠ°ΠΊΠΈΡ
ΠΎΠ±ΠΎΡΠΎΡΠ°Ρ
ΠΊΠΎΠ»Π΅Π½ΡΠ°ΡΠΎΠ³ΠΎ Π²Π°Π»Π°. ΠΡΠ»ΠΈ ΠΆΠ΅ ΡΠ°ΡΡΠΎΡΠ° Π²ΡΠ°ΡΠ΅Π½ΠΈΡ Π±ΡΠ΄Π΅Ρ Π½ΠΈΠΆΠ΅ ΠΈΠ»ΠΈ Π²ΡΡΠ΅ ΡΡΡΠ°Π½ΠΎΠ²Π»Π΅Π½Π½ΠΎΠ³ΠΎ Π·Π½Π°ΡΠ΅Π½ΠΈΡ, ΡΠΎ ΠΊΠΎΡΡΡΠΈΡΠΈΠ΅Π½Ρ ΠΏΠΎΠ»Π΅Π·Π½ΠΎΠ³ΠΎ Π΄Π΅ΠΉΡΡΠ²ΠΈΡ Π±ΡΠ΄Π΅Ρ ΠΌΠ΅Π½ΡΡΠΈΠΌ, ΡΠΎΠΎΡΠ²Π΅ΡΡΡΠ²Π΅Π½Π½ΠΎ, Π°Π²ΡΠΎΠΌΠΎΠ±ΠΈΠ»Ρ Π±ΡΠ΄Π΅Ρ ΠΈΠ΄ΡΠΈ ΡΠΈΡΠ΅.
ΠΠ°Π½Π½ΡΠ΅ ΠΏΠ°ΡΠ°ΠΌΠ΅ΡΡΡ Π½ΡΠΆΠ½Ρ Π²ΠΎΠ΄ΠΈΡΠ΅Π»Ρ, ΠΊΠΎΠ³Π΄Π° ΠΎΠ½ ΠΏΠ΅ΡΠ΅ΠΊΠ»ΡΡΠ°Π΅Ρ ΠΏΠ΅ΡΠ΅Π΄Π°ΡΠΈ Π½Π° ΠΠΠ. ΠΡΠ»ΠΈ ΡΠ°Π·Π³ΠΎΠ½ΡΡΡ ΠΌΠΎΡΠΎΡ ΠΈΠΌΠ΅Π½Π½ΠΎ Π΄ΠΎ ΡΠ°ΠΊΠΈΡ ΠΎΠ±ΠΎΡΠΎΡΠΎΠ² ΠΈ ΡΡΠ°Π·Ρ ΠΆΠ΅ Π²ΠΊΠ»ΡΡΠ°ΡΡ ΡΠ»Π΅Π΄ΡΡΡΡΡ ΠΏΠ΅ΡΠ΅Π΄Π°ΡΡ, ΡΠΎ ΠΌΠΎΠΆΠ½ΠΎ ΠΏΠΎΠ»ΡΡΠΈΡΡ ΡΠ°ΠΌΡΠΉ ΡΡΡΠ΅ΠΊΡΠΈΠ²Π½ΡΠΉ ΡΠ°Π·Π³ΠΎΠ½.
Π’Π΅ΠΌ Π½Π΅ ΠΌΠ΅Π½Π΅Π΅, Π²ΡΠ΅ ΠΆΠ΅ Π½Π΅ ΡΡΠΎΠΈΡ ΡΠ»ΠΈΡΠΊΠΎΠΌ ΡΠ°ΡΡΠΎ ΠΏΡΠΈΠΌΠ΅Π½ΡΡΡ ΡΠ°ΠΊΠΎΠΉ ΡΠ°Π·Π³ΠΎΠ½ ΠΌΠΎΡΠΎΡΠ°. ΠΠ΅Π»ΠΎ Π² ΡΠΎΠΌ, ΡΡΠΎ ΠΏΡΠΈ ΡΠ²Π΅Π»ΠΈΡΠ΅Π½ΠΈΠΈ ΡΠΈΡΠ»Π° ΠΎΠ±ΠΎΡΠΎΡΠΎΠ², ΡΠ²Π΅Π»ΠΈΡΠΈΠ²Π°Π΅ΡΡΡ ΠΈ ΡΠ°ΡΡ ΠΎΠ΄ ΠΏΠΎΡΡΠ΅Π±Π»ΡΠ΅ΠΌΠΎΠ³ΠΎ ΡΠΎΠΏΠ»ΠΈΠ²Π°. ΠΡΠΎΠΌΠ΅ ΡΠΎΠ³ΠΎ, ΡΠ»ΠΈΡΠΊΠΎΠΌ Π±ΠΎΠ»ΡΡΠΈΠ΅ ΠΎΠ±ΠΎΡΠΎΡΡ ΠΌΠΎΠ³ΡΡ ΠΏΡΠΈΠ²Π΅ΡΡΠΈ ΠΊ ΡΡΠΊΠΎΡΠ΅Π½ΠΈΡ ΠΈΠ·Π½ΠΎΡΠ° ΠΌΠ½ΠΎΠ³ΠΈΡ Π΄Π΅ΡΠ°Π»Π΅ΠΉ Π΄Π²ΠΈΠ³Π°ΡΠ΅Π»Ρ ΠΈ ΡΠΊΠΎΡΠ΅ΠΉΡΠ΅ΠΌΡ Π·Π°Π³ΡΡΠ·Π½Π΅Π½ΠΈΡ ΠΌΠ°ΡΠ»Π° Π² ΠΊΠ°ΡΡΠ΅ΡΠ΅. ΠΠΎΡΡΠΎΠΌΡ, ΠΌΠ½ΠΎΠ³ΠΈΠ΅ ΡΠΊΡΠΏΠ΅ΡΡΡ ΡΠΎΠ²Π΅ΡΡΡΡ Π½Π΅ΠΌΠ½ΠΎΠ³ΠΎ Β«Π½Π΅ Π΄ΠΎΠΊΡΡΡΠΈΠ²Π°ΡΡΒ» Π΄Π²ΠΈΠ³Π°ΡΠ΅Π»Ρ Π΄ΠΎ ΠΌΠ°ΠΊΡΠΈΠΌΠ°Π»ΡΠ½ΠΎΠΉ ΠΌΠΎΡΠ½ΠΎΡΡΠΈ, ΡΠ΅ΠΌ ΡΠ°ΠΌΡΠΌ, ΡΠΎΠ·Π΄Π°ΡΡ Π±ΠΎΠ»Π΅Π΅ ΡΠΊΠΎΠ½ΠΎΠΌΠ½ΡΠΉ ΠΈ ΡΡΡΠ΅ΠΊΡΠΈΠ²Π½ΡΠΉ ΡΠ°ΡΡ ΠΎΠ΄ ΡΠΎΠΏΠ»ΠΈΠ²Π°.
ΠΠΎΡ ΡΠ°ΠΊ ΡΠ°Ρ ΠΎΠΌΠ΅ΡΡ ΠΏΠΎΠΌΠΎΠ³Π°Π΅Ρ ΠΎΡΡΡΠ΅ΡΡΠ²Π»ΡΡΡ Π³ΡΠ°ΠΌΠΎΡΠ½ΠΎΠ΅ ΠΏΠ΅ΡΠ΅ΠΊΠ»ΡΡΠ΅Π½ΠΈΠ΅ ΠΏΠ΅ΡΠ΅Π΄Π°Ρ ΠΈ ΡΠΎΡ ΡΠ°Π½ΠΈΡΡ ΡΠ΅ΡΡΡΡ Π΄Π²ΠΈΠ³Π°ΡΠ΅Π»Ρ Π½Π° Π±ΠΎΠ»Π΅Π΅ Π΄ΠΎΠ»Π³ΠΈΠΉ ΡΡΠΎΠΊ.
ΠΠΈΠ΄Ρ ΡΠ°Ρ ΠΎΠΌΠ΅ΡΡΠΎΠ²
ΠΡΠ΅ ΠΌΠΎΠΆΠ½ΠΎ Π²ΡΠ΄Π΅Π»ΠΈΡΡ 3 ΠΎΡΠ½ΠΎΠ²Π½ΡΡ Π²ΠΈΠ΄Π° ΡΠ°Ρ ΠΎΠΌΠ΅ΡΡΠΎΠ². ΠΡΠΎ β ΠΌΠ΅Ρ Π°Π½ΠΈΡΠ΅ΡΠΊΠΈΠ΅, Π°Π½Π°Π»ΠΎΠ³ΠΎΠ²ΡΠ΅ ΠΈ ΡΠΈΡΡΠΎΠ²ΡΠ΅. Π Π°ΡΡΠΌΠΎΡΡΠΈΠΌ ΠΊΠ°ΠΆΠ΄ΡΠΉ Π²Π°ΡΠΈΠ°Π½Ρ ΠΏΠΎ ΠΎΡΠ΄Π΅Π»ΡΠ½ΠΎΡΡΠΈ.
ΠΠ΅Ρ Π°Π½ΠΈΡΠ΅ΡΠΊΠΈΠΉ
Π―Π²Π»ΡΠ΅ΡΡΡ ΡΠ°ΠΌΡΠΌ ΠΏΠ΅ΡΠ²ΡΠΌ Π²ΠΈΠ΄ΠΎΠΌ ΡΠ°Ρ
ΠΎΠΌΠ΅ΡΡΠ°, ΠΊΠΎΡΠΎΡΡΠΉ ΠΏΡΠΈΠΌΠ΅Π½ΡΠ»ΡΡ Π΅ΡΠ΅ Π½Π° ΠΏΠ΅ΡΠ²ΡΡ
Π°Π²ΡΠΎΠΌΠΎΠ±ΠΈΠ»ΡΡ
.
ΠΠΎΠ½ΡΡΡΡΠΊΡΠΈΡ ΡΠ°ΠΊΠΎΠ³ΠΎ ΡΡΡΡΠΎΠΉΡΡΠ²Π° Π±ΡΠ»Π° ΠΏΡΠ΅Π΄Π΅Π»ΡΠ½ΠΎ ΠΏΡΠΎΡΡΠ°: ΠΏΡΠΈΠ±ΠΎΡ Ρ ΠΏΠΎΠΌΠΎΡΡΡ ΡΡΠΎΡΠ° ΠΏΡΠΈΡΠΎΠ΅Π΄ΠΈΠ½ΡΠ»ΡΡ ΠΊ ΠΊΠΎΠ»Π΅Π½ΡΠ°ΡΠΎΠΌΡ Π²Π°Π»Ρ Π½Π°ΠΏΡΡΠΌΡΡ.Β ΠΡΡΡΡΡΠΈΠΉ ΠΌΠΎΠΌΠ΅Π½ΡΒ ΠΏΠ΅ΡΠ΅Π΄Π°Π²Π°Π»ΡΡ Π½Π° ΡΠ΅ΡΡΠ΅ΡΠ½Ρ ΠΈ ΡΠ΅ΡΠ΅Π· ΡΡΠΎΡ Π²ΡΡ
ΠΎΠ΄ΠΈΠ» Π½Π° ΠΏΠΎΠ΄Π²ΠΈΠΆΠ½ΡΡ ΠΊΠ°ΡΡΡΠΊΡ ΠΏΡΠΈΠ±ΠΎΡΠ°. Π‘Π°ΠΌ ΠΏΡΠΈΠ±ΠΎΡ ΠΏΡΠ΅Π΄ΡΡΠ°Π²Π»ΡΠ΅Ρ ΡΠΎΠ±ΠΎΠΉ ΡΠ»Π΅ΠΊΡΡΠΎΠΌΠ°Π³Π½ΠΈΡ, Π² ΠΊΠΎΡΠΎΡΠΎΠΌ ΠΏΠΎΠ²ΡΡΠ΅Π½ΠΈΠ΅ ΡΠΈΡΠ»ΠΎ ΠΎΠ±ΠΎΡΠΎΡΠΎΠ² ΡΠΏΠΎΡΠΎΠ±ΡΡΠ²ΠΎΠ²Π°Π»ΠΎ ΡΠΎΠ·Π΄Π°Π½ΠΈΡ Π½Π°ΠΈΠ±ΠΎΠ»ΡΡΠ΅ΠΉ ΠΌΠ°Π³Π½ΠΈΡΠ½ΠΎΠΉ ΠΈΠ½Π΄ΡΠΊΡΠΈΠΈ. Π’Π°ΠΊΠΈΠΌ ΠΎΠ±ΡΠ°Π·ΠΎΠΌ, ΡΠ΅ΠΌ Π²ΡΡΠ΅ ΠΌΠ°Π³Π½ΠΈΡΠ½ΠΎΠ΅ ΠΏΠΎΠ»Π΅, ΡΠ΅ΠΌ ΡΠΈΠ»ΡΠ½Π΅Π΅ ΠΎΡΠΊΠ»ΠΎΠ½ΡΠ΅ΡΡΡ ΡΡΡΠ΅Π»ΠΊΠ° Π½Π° ΡΠΊΠ°Π»Π΅.
ΠΠ΅ ΡΠΌΠΎΡΡΡ Π½Π° ΠΏΡΠΎΡΡΡΡ ΠΈ Π½Π°Π΄Π΅ΠΆΠ½ΡΡ ΠΊΠΎΠ½ΡΡΡΡΠΊΡΠΈΡ, ΡΠ°ΠΊΠΎΠΉ ΠΏΡΠΈΠ±ΠΎΡ ΠΈΠΌΠ΅Π΅Ρ ΡΠ΅ΡΡΠ΅Π·Π½ΡΠΉ Π½Π΅Π΄ΠΎΡΡΠ°ΡΠΎΠΊ. ΠΠ΅Π»ΠΎ Π² ΡΠΎΠΌ, ΡΡΠΎ ΡΠΎΡΠ½ΠΎ ΡΠ°ΡΡΡΠΈΡΠ°ΡΡ ΠΏΠ΅ΡΠ΅Π΄Π°ΡΠΎΡΠ½ΠΎΠ΅ ΡΠΈΡΠ»ΠΎ ΡΠ΅ΡΡΠ΅ΡΠ½Π΅ΠΉ, ΠΌΠΎΠΌΠ΅Π½Ρ ΡΠΊΡΡΡΠΈΠ²Π°Π½ΠΈΡ ΡΡΠΎΡΠ° ΠΈ ΠΌΠ°Π³Π½ΠΈΡΠ½ΠΎΠ΅ ΠΏΠΎΠ»Π΅ ΠΏΡΠΈΠ±ΠΎΡΠ° Π±ΡΠ»ΠΎ Π½Π΅Π²ΠΎΠ·ΠΌΠΎΠΆΠ½ΡΠΌ. ΠΠΎΡΡΠΎΠΌΡ, ΡΠ°ΠΊΠΎΠΉ ΡΠ°Ρ ΠΎΠΌΠ΅ΡΡ ΠΈΠΌΠ΅Π» ΡΠ΅ΡΡΠ΅Π·Π½ΡΠ΅ ΠΏΠΎΠ³ΡΠ΅ΡΠ½ΠΎΡΡΠΈ Π΄ΠΎ 500 ΠΎΠ±ΠΎΡΠΎΡΠΎΠ² Π² ΠΌΠΈΠ½ΡΡΡ.
ΠΠ½Π°Π»ΠΎΠ³ΠΎΠ²ΡΠΉ
ΠΠ½Π°Π»ΠΎΠ³ΠΎΠ²ΡΠΉ ΡΠ°Ρ
ΠΎΠΌΠ΅ΡΡ ΠΏΡΠ΅Π΄ΡΡΠ°Π²Π»ΡΠ΅Ρ ΡΠΎΠ±ΠΎΠΉ Π±ΠΎΠ»Π΅Π΅ ΡΡΠΎΠ²Π΅ΡΡΠ΅Π½ΡΡΠ²ΠΎΠ²Π°Π½Π½ΡΠΉ Π²ΠΈΠ΄ ΠΌΠ΅Ρ
Π°Π½ΠΈΡΠ΅ΡΠΊΠΎΠ³ΠΎ ΠΏΡΠΈΠ±ΠΎΡΠ°. ΠΠ° ΡΡΠΎΡ ΡΠ°Π·, Π²ΠΌΠ΅ΡΡΠΎ ΡΡΠΎΡΠ° ΠΈ ΠΏΠΎΠ΄ΠΊΠ»ΡΡΠ΅Π½ΠΈΡ ΠΏΡΠΈΠ²ΠΎΠ΄Π° ΠΏΡΠΈΠ±ΠΎΡΠ° ΠΊ ΠΊΠΎΠ»Π΅Π½ΡΠ°ΡΠΎΠΌΡ Π²Π°Π»Ρ, ΡΡΠ°Π»Π° ΠΈΡΠΏΠΎΠ»ΡΠ·ΠΎΠ²Π°ΡΡΡΡ ΠΊΠ°ΡΡΡΠΊΠ° Π·Π°ΠΆΠΈΠ³Π°Π½ΠΈΡ Π΄Π²ΠΈΠ³Π°ΡΠ΅Π»Ρ.
ΠΠΌΠΏΡΠ»ΡΡΠ½ΠΎΠ΅ Π½Π°ΠΏΡΡΠΆΠ΅Π½ΠΈΠ΅, ΠΎΠ±ΡΠ°Π·ΠΎΠ²Π°Π½Π½ΠΎΠ΅ Π½Π° ΠΊΠ°ΡΡΡΠΊΠ΅ Π·Π°ΠΆΠΈΠ³Π°Π½ΠΈΡ, ΠΏΠΎΠΌΠΈΠΌΠΎ ΡΠ²Π΅ΡΠ΅ΠΉ, ΠΏΠΎΡΡΡΠΏΠ°Π΅Ρ Π² ΡΡ Π΅ΠΌΡ ΠΈΠ·ΠΌΠ΅ΡΠΈΡΠ΅Π»ΡΠ½ΠΎΠ³ΠΎ ΠΏΡΠΈΠ±ΠΎΡΠ°. Π’Π΅ΠΌ Π±ΠΎΠ»ΡΡΠ΅Π΅ ΡΠΈΡΠ»ΠΎ ΠΈΠΌΠΏΡΠ»ΡΡΠΎΠ² ΠΎΠΊΠ°ΠΆΠ΅ΡΡΡ Π² ΡΡ Π΅ΠΌΠ΅, ΡΠ΅ΠΌ ΡΠΈΠ»ΡΠ½Π΅Π΅ Π±ΡΠ΄Π΅Ρ ΠΎΠ±ΡΠ°Π·ΡΠ΅ΠΌΠ°Ρ ΠΌΠ°Π³Π½ΠΈΡΠ½Π°Ρ ΠΈΠ½Π΄ΡΠΊΡΠΈΡ. Π‘ΠΎΠΎΡΠ²Π΅ΡΡΡΠ²Π΅Π½Π½ΠΎ, Ρ ΡΠΎΡΡΠΎΠΌ ΡΠΈΡΠ»Π° ΠΎΠ±ΠΎΡΠΎΡΠΎΠ², ΡΠ°ΡΡΡΡ ΠΈ ΠΏΠΎΠΊΠ°Π·Π°Π½ΠΈΡ ΠΏΡΠΈΠ±ΠΎΡΠ°.
ΠΠ΅Π΄ΠΎΡΡΠ°ΡΠΊΠΈ Π°Π½Π°Π»ΠΎΠ³ΠΎΠ²ΡΠΉ ΡΠ°Ρ ΠΎΠΌΠ΅ΡΡ ΠΏΠ΅ΡΠ΅Π½ΡΠ» ΠΎΡ ΡΠ²ΠΎΠ΅Π³ΠΎ ΠΏΡΠ΅Π΄ΡΠ΅ΡΡΠ²Π΅Π½Π½ΠΈΠΊΠ° β Π½ΠΈΠ·ΠΊΠ°Ρ ΡΠΎΡΠ½ΠΎΡΡΡ ΠΈΠ·ΠΌΠ΅ΡΠ΅Π½ΠΈΠΉ, Π½Π΅ΡΠΌΠΎΡΡΡ Π½Π° Π±ΠΎΠ»Π΅Π΅ ΡΠΊΠΎΠ½ΠΎΠΌΠΈΡΠ½ΡΡ ΠΈ ΡΠ°ΡΠΈΠΎΠ½Π°Π»ΡΠ½ΡΡ ΠΊΠΎΠ½ΡΡΡΡΠΊΡΠΈΡ.
Π¦ΠΈΡΡΠΎΠ²ΠΎΠΉ
Π’Π°ΠΊ ΠΊΠ°ΠΊ Π½ΠΎΠ²ΡΠΉ Π²ΠΈΠ΄ ΡΠ°Ρ ΠΎΠΌΠ΅ΡΡΠΎΠ² Π²ΡΡΠ΅ΡΠ½ΡΡΡ ΠΌΠ΅Ρ Π°Π½ΠΈΡΠ΅ΡΠΊΠΈΠ΅ ΠΈ Π°Π½Π°Π»ΠΎΠ³ΠΎΠ²ΡΠ΅, Π½Π° Π½ΠΈΡ ΠΌΡ ΠΏΠΎΡΡΠ°ΡΠ°Π΅ΠΌΡΡ ΠΎΡΡΠ°Π½ΠΎΠ²ΠΈΡΡΡΡ ΠΊΠ°ΠΊ ΠΌΠΎΠΆΠ½ΠΎ ΠΏΠΎΠ΄ΡΠΎΠ±Π½Π΅Π΅. Π¦ΠΈΡΡΠΎΠ²ΠΎΠΉ ΡΠ°Ρ ΠΎΠΌΠ΅ΡΡ ΡΠ°ΠΊΠΆΠ΅ ΠΏΠΎΠ΄ΠΊΠ»ΡΡΠ°Π΅ΡΡΡ ΠΊ ΠΊΠ°ΡΡΡΠΊΠ΅ Π·Π°ΠΆΠΈΠ³Π°Π½ΠΈΡ, Π½ΠΎ Π²ΠΌΠ΅ΡΡΠΎ ΠΈΠΌΠΏΡΠ»ΡΡΠΎΠ², ΠΎΠ½ ΠΏΡΠΈΠ½ΠΈΠΌΠ°Π΅Ρ ΠΊΠΎΠ»ΠΈΡΠ΅ΡΡΠ²ΠΎ ΠΈ ΠΈΠ½ΡΠ΅ΡΠ²Π°Π» ΡΠΈΠ³Π½Π°Π»ΠΎΠ² Ρ ΠΊΠ°ΡΡΡΠΊΠΈ Π·Π°ΠΆΠΈΠ³Π°Π½ΠΈΡ.
ΠΠΎΠΌΠΈΠΌΠΎ Π·Π½Π°ΡΠ΅Π½ΠΈΠΉ, ΡΠ½ΠΈΠΌΠ°Π΅ΠΌΡΡ
Ρ ΠΊΠ°ΡΡΡΠΊΠΈ Π·Π°ΠΆΠΈΠ³Π°Π½ΠΈΡ, ΠΎΠ½ ΠΏΠΎΠ»ΡΡΠ°Π΅Ρ ΡΠΈΠ³Π½Π°Π»Ρ ΠΎΡ Π΄Π°ΡΡΠΈΠΊΠ° Ρ
ΠΎΠ»ΠΎΡΡΠΎΠ³ΠΎ Ρ
ΠΎΠ΄Π° ΠΈ Π΄Π°ΡΡΠΈΠΊΠ° ΠΊΠΎΠ»Π΅Π½ΡΠ°ΡΠΎΠ³ΠΎ Π²Π°Π»Π°. Π’Π°ΠΊΠΈΠ΅ Π΄Π°Π½Π½ΡΠ΅ ΠΈΡΠΏΠΎΠ»ΡΠ·ΡΡΡΡΡ Π΄Π»Ρ ΠΏΠΎΠ»ΡΡΠ΅Π½ΠΈΡ Π±ΠΎΠ»Π΅Π΅ Π²ΡΡΠΎΠΊΠΎΠΉ ΡΠΎΡΠ½ΠΎΡΡΠΈ ΠΈΠ·ΠΌΠ΅ΡΠ΅Π½ΠΈΠΉ. ΠΡΠ΅ ΠΎΠ½ΠΈ ΡΡΠΌΠΌΠΈΡΡΡΡΡΡ ΠΈ ΠΈΡΡ
ΠΎΠ΄Ρ ΠΈΠ· ΡΡΠ΅Π΄Π½ΠΈΡ
Π·Π½Π°ΡΠ΅Π½ΠΈΠΉ, ΠΏΠΎΠ»ΡΡΠ°Π΅ΡΡΡ Π²Π΅Π»ΠΈΡΠΈΠ½Π°, ΠΎΡΠΎΠ±ΡΠ°ΠΆΠ°Π΅ΠΌΠ°Ρ Π½Π° ΡΠΏΠ΅ΡΠΈΠ°Π»ΡΠ½ΠΎΠΌ ΡΠ°Π±Π»ΠΎ.
Π§ΡΠΎ ΡΠ°ΠΊΠΎΠ΅ Π΄Π°ΡΡΠΈΠΊ ΡΠ°Ρ ΠΎΠΌΠ΅ΡΡΠ°
ΠΠ°ΡΡΠΈΠΊΠΎΠΌ ΡΠ°Ρ ΠΎΠΌΠ΅ΡΡΠ° Π½Π°Π·ΡΠ²Π°ΡΡ Π»ΡΠ±ΠΎΠ΅ ΡΡΡΡΠΎΠΉΡΡΠ²ΠΎ, ΠΏΡΠ΅Π΄Π½Π°Π·Π½Π°ΡΠ΅Π½Π½ΠΎΠ΅ Π΄Π»Ρ ΡΠ΅Π³ΠΈΡΡΡΠ°ΡΠΈΠΈ Π²Π°ΠΆΠ½ΡΡ ΡΠΈΠ³Π½Π°Π»ΠΎΠ², Π½Π΅ΠΎΠ±Ρ ΠΎΠ΄ΠΈΠΌΡΡ Π΄Π»Ρ ΡΠ°Π±ΠΎΡΡ ΠΈΠ·ΠΌΠ΅ΡΠΈΡΠ΅Π»ΡΠ½ΠΎΠ³ΠΎ ΠΏΡΠΈΠ±ΠΎΡΠ°. Π‘ΡΠ΅Π΄ΠΈ ΡΠ°ΠΊΠΈΡ Π΄Π°ΡΡΠΈΠΊΠΎΠ² ΠΌΠΎΠΆΠ½ΠΎ Π²ΡΠ΄Π΅Π»ΠΈΡΡΒ Π΄Π°ΡΡΠΈΠΊ Ρ ΠΎΠ»ΠΎΡΡΠΎΠ³ΠΎ Ρ ΠΎΠ΄Π°Β ΠΈ Π΄Π°ΡΡΠΈΠΊ ΠΊΠΎΠ»Π΅Π½ΡΠ°ΡΠΎΠ³ΠΎ Π²Π°Π»Π°.
ΠΠ°ΡΡΠΈΠΊ ΠΊΠΎΠ»Π΅Π½ΡΠ°ΡΠΎΠ³ΠΎ Π²Π°Π»Π° ΡΠΈΠΊΡΠΈΡΡΠ΅Ρ ΡΠ³Π»ΠΎΠ²ΠΎΠ΅ ΠΏΠΎΠ»ΠΎΠΆΠ΅Π½ΠΈΠ΅ ΠΊΠΎΠ»Π΅Π½Π²Π°Π»Π° Π² ΠΎΠΏΡΠ΅Π΄Π΅Π»Π΅Π½Π½ΡΠ΅ ΠΌΠΎΠΌΠ΅Π½ΡΡ Π²ΡΠ΅ΠΌΠ΅Π½ΠΈ. ΠΠ°ΡΡΠΈΠΊ ΠΌΠΎΠΆΠ΅Ρ ΡΡΡΠ°Π½Π°Π²Π»ΠΈΠ²Π°ΡΡΡΡ Π² Π·Π°Π΄Π½Π΅ΠΉ ΠΈΠ»ΠΈ ΠΏΠ΅ΡΠ΅Π΄Π½Π΅ΠΉ ΡΠ°ΡΡΠΈ Π΄Π²ΠΈΠ³Π°ΡΠ΅Π»Ρ, ΡΠ°ΡΠ΅ Π²ΡΠ΅Π³ΠΎ, Π²ΠΎΠ·Π»Π΅ ΠΌΠ°Ρ ΠΎΠ²ΠΈΠΊΠ°. Π’Π°ΠΊΠΎΠ΅ ΡΡΡΡΠΎΠΉΡΡΠ²ΠΎ ΠΏΠΎΠ·Π²ΠΎΠ»ΡΠ΅Ρ ΠΏΡΠΎΠΈΠ·Π²Π΅ΡΡΠΈ ΡΠΎΡΠ½ΠΎΠ΅ ΠΈΠ·ΠΌΠ΅ΡΠ΅Π½ΠΈΠ΅ ΡΠΈΡΠ»Π° ΠΎΠ±ΠΎΡΠΎΡΠΎΠ² ΠΈ ΠΏΠ΅ΡΠ΅Π΄Π°ΡΡ ΡΠΎΠΎΡΠ²Π΅ΡΡΡΠ²ΡΡΡΠΈΠΉ ΡΠΈΠ³Π½Π°Π» Π½Π° ΠΏΡΠΈΠ±ΠΎΡΠ½ΡΡ ΠΏΠ°Π½Π΅Π»Ρ Π°Π²ΡΠΎΠΌΠΎΠ±ΠΈΠ»Ρ.
ΠΠ°ΡΡΠΈΠΊ Ρ ΠΎΠ»ΠΎΡΡΠΎΠ³ΠΎ Ρ ΠΎΠ΄Π° ΡΡΡΠ°Π½Π°Π²Π»ΠΈΠ²Π°Π΅ΡΡΡ Π² ΡΠΈΡΡΠ΅ΠΌΠ΅ Π²ΠΏΡΡΠΊΠ° ΠΌΠ°ΡΠΈΠ½Ρ. ΠΠ½ ΡΠ°ΠΊΠΆΠ΅ ΠΏΡΠΈΠ½ΠΈΠΌΠ°Π΅Ρ ΡΡΠ°ΡΡΠΈΠ΅ Π² ΠΎΠΏΡΠ΅Π΄Π΅Π»Π΅Π½ΠΈΠΈ ΡΠΈΡΠ»Π° ΠΎΠ±ΠΎΡΠΎΡΠΎΠ² ΠΊΠΎΠ»Π΅Π½ΡΠ°ΡΠΎΠ³ΠΎ Π²Π°Π»Π° ΠΏΠΎ ΠΊΠΎΠ»ΠΈΡΠ΅ΡΡΠ²Ρ ΠΏΠΎΠ΄Π°Π²Π°Π΅ΠΌΠΎΠ³ΠΎ ΡΠΎΠΏΠ»ΠΈΠ²Π°. ΠΠ°ΡΡΠΈΠΊ Ρ ΠΎΠ»ΠΎΡΡΠΎΠ³ΠΎ Ρ ΠΎΠ΄Π° ΡΡΡΠ°Π½Π°Π²Π»ΠΈΠ²Π°Π΅ΡΡΡ Π½Π° ΠΊΠ°ΡΠ±ΡΡΠ°ΡΠΎΡΠ΅ Π΄Π²ΠΈΠ³Π°ΡΠ΅Π»Ρ ΠΈ ΠΏΠΎΡΡΠ΅Π΄ΡΡΠ²ΠΎΠΌ ΠΏΡΠΎΠ²ΠΎΠ΄ΠΎΠ² ΠΏΠΎΡΡΠ»Π°Π΅Ρ, Π½Π΅ΠΎΠ±Ρ ΠΎΠ΄ΠΈΠΌΡΠΉ Π΄Π»Ρ ΡΠ°Π±ΠΎΡΡ ΡΠ°Ρ ΠΎΠΌΠ΅ΡΡΠ°, ΠΈΠΌΠΏΡΠ»ΡΡ.
ΠΡΡΠ³ΠΎΠΉ Π²Π°ΡΠΈΠ°Π½Ρ ΠΏΠΎΠ΄ΠΊΠ»ΡΡΠ΅Π½ΠΈΡ ΡΡΡΡΠΎΠΉΡΡΠ²Π° ΠΏΡΠ΅Π΄ΡΡΠΌΠ°ΡΡΠΈΠ²Π°Π΅Ρ Π΅Π³ΠΎ ΡΠΎΠ΅Π΄ΠΈΠ½Π΅Π½ΠΈΠ΅ Ρ ΡΠ»Π΅ΠΊΡΡΠΎΠ½Π½ΡΠΌ Π±Π»ΠΎΠΊΠΎΠΌ ΡΠΏΡΠ°Π²Π»Π΅Π½ΠΈΡ Π΄Π²ΠΈΠ³Π°ΡΠ΅Π»Π΅ΠΌ. ΠΠ°ΠΉΡΠΈ Π΅Π³ΠΎ Π½Π΅ ΡΠ»ΠΎΠΆΠ½ΠΎ, ΡΠ°ΠΊ ΠΊΠ°ΠΊ ΠΈΠ· Π½Π΅Π³ΠΎ Π±ΡΠ΄Π΅Ρ ΡΠΎΡΡΠ°ΡΡ Π½ΠΈ ΠΎΠ΄ΠΈΠ½ ΠΏΡΠΎΠ²ΠΎΠ΄. Π’Π°ΠΊΠΈΠΌ ΠΎΠ±ΡΠ°Π·ΠΎΠΌ, Π΄Π°ΡΡΠΈΠΊ ΡΠ°Π±ΠΎΡΠ°Π΅Ρ Π² ΡΠ΅ΡΠ½ΠΎΠΌ Π²Π·Π°ΠΈΠΌΠΎΠ΄Π΅ΠΉΡΡΠ²ΠΈΠΈ Ρ ΠΠΠ£ ΠΈ ΠΏΠ΅ΡΠ΅Π΄Π°Π΅Ρ ΡΠΎΠΎΡΠ²Π΅ΡΡΡΠ²ΡΡΡΠΈΠ΅ ΠΏΠΎΠΊΠ°Π·Π°Π½ΠΈΡ Π½Π° ΠΈΠ·ΠΌΠ΅ΡΠΈΡΠ΅Π»ΡΠ½ΡΠ΅ ΠΏΡΠΈΠ±ΠΎΡΡ.
ΠΠΎΡ, ΠΏΠΎΠΆΠ°Π»ΡΠΉ, Π²ΡΠ΅, ΡΡΠΎ Π½Π΅ΠΎΠ±Ρ ΠΎΠ΄ΠΈΠΌΠΎ Π·Π½Π°ΡΡ ΠΎ ΡΠ°Ρ ΠΎΠΌΠ΅ΡΡΠ΅ Π°Π²ΡΠΎΠΌΠΎΠ±ΠΈΠ»Ρ. ΠΠ°ΠΊ Π²Ρ Π²ΠΈΠ΄ΠΈΡΠ΅, ΠΏΡΠΈ Π΄ΠΎΠ»ΠΆΠ½ΠΎΠΌ Π²Π½ΠΈΠΌΠ°Π½ΠΈΠ΅ ΡΡΠΎ Π΄ΠΎΠ²ΠΎΠ»ΡΠ½ΠΎ ΠΏΡΠΎΡΡΠΎΠ΅ ΠΈ Π²Π°ΠΆΠ½ΠΎΠ΅ ΡΡΡΡΠΎΠΉΡΡΠ²ΠΎ, ΠΏΡΠ΅Π½Π΅Π±ΡΠ΅Π³Π°ΡΡ ΠΊΠΎΡΠΎΡΡΠΌ ΡΠΎΠ²ΡΠ΅ΠΌ Π½Π΅ ΡΡΠΎΠΈΡ.Β
ΠΠΎΡΠ΅ΠΌΡ Π½Π΅ ΡΠ°Π±ΠΎΡΠ°Π΅Ρ ΡΠ°Ρ ΠΎΠΌΠ΅ΡΡ Π² Π°Π²ΡΠΎΠΌΠΎΠ±ΠΈΠ»Π΅?
Π’Π°Ρ ΠΎΠΌΠ΅ΡΡ — ΠΏΡΠΈΠ±ΠΎΡ, ΠΏΡΠ΅Π΄Π½Π°Π·Π½Π°ΡΠ΅Π½Π½ΡΠΉ Π΄Π»Ρ ΡΠΎΠ³ΠΎ, ΡΡΠΎΠ± ΠΈΠ·ΠΌΠ΅ΡΡΡΡ ΡΠ°ΡΡΠΎΡΡ ΠΎΠ±ΠΎΡΠΎΡΠΎΠ² ΠΌΠΎΡΠΎΡΠ° ΠΌΠ°ΡΠΈΠ½Ρ. ΠΠ½ ΠΏΠΎΠΌΠΎΠ³Π°Π΅Ρ ΠΎΡΡΠ»Π΅ΠΆΠΈΠ²Π°ΡΡ ΠΊΠΎΠ»ΠΈΡΠ΅ΡΡΠ²ΠΎ Π²ΡΠ°ΡΠ΅Π½ΠΈΠΉ, ΡΡΠΎΠ±Ρ ΠΈΡ ΡΠΈΡΠ»ΠΎ Π½Π΅ ΠΏΡΠΈΠ²Π΅Π»ΠΎ ΠΊ ΠΏΠΎΠ»ΠΎΠΌΠΊΠ΅ Π΄Π²ΠΈΠ³Π°ΡΠ΅Π»Ρ. ΠΠΎΠ³Π΄Π° ΠΏΡΠΈΠ±ΠΎΡ ΠΏΠ΅ΡΠ΅ΡΡΠ°Π΅Ρ ΠΏΠΎΠΊΠ°Π·ΡΠ²Π°ΡΡ ΠΎΠ±ΠΎΡΠΎΡΡ, Π²ΠΎΠ΄ΠΈΡΠ΅Π»ΠΈ Π½Π°ΡΠΈΠ½Π°ΡΡ ΠΈΡΠΊΠ°ΡΡ ΠΏΡΠΈΡΠΈΠ½Ρ, ΠΏΠΎΡΠ΅ΠΌΡ ΠΆΠ΅ Π½Π΅ ΡΠ°Π±ΠΎΡΠ°Π΅Ρ ΡΠ°Ρ ΠΎΠΌΠ΅ΡΡ. Π‘ΡΡΠ΅ΡΡΠ²ΡΠ΅Ρ Π½Π΅ΡΠΊΠΎΠ»ΡΠΊΠΎ Π²ΠΈΠ΄ΠΎΠ² Π½Π΅ΠΈΡΠΏΡΠ°Π²Π½ΠΎΡΡΠ΅ΠΉ, ΠΊΠΎΡΠΎΡΡΠ΅ ΡΠ»Π΅Π΄ΡΠ΅Ρ ΠΎΠ±ΡΠ·Π°ΡΠ΅Π»ΡΠ½ΠΎ ΡΡΠΈΡΡΠ²Π°ΡΡ.
ΠΠ½ΡΠ΅ΡΠ΅ΡΠ½ΡΠΉ ΡΠ°ΠΊΡ! Π‘Π΅Π³ΠΎΠ΄Π½Ρ ΠΌΠΎΠΆΠ½ΠΎ Π½Π°ΠΉΡΠΈ ΡΠΈΡΡΠΎΠ²ΡΠ΅ ΠΈ Π°Π½Π°Π»ΠΎΠ³ΠΎΠ²ΡΠ΅ ΡΠ°Ρ
ΠΎΠΌΠ΅ΡΡΡ. ΠΠ½Π°Π»ΠΎΠ³ΠΎΠ²ΡΠ΅ ΡΠ°Ρ
ΠΎΠΌΠ΅ΡΡΡ ΠΏΠΎΠΏΡΠ»ΡΡΠ½Π΅ΠΉ ΡΠ΅ΠΌ ΡΠΈΡΡΠΎΠ²ΡΠ΅, ΡΡΠΎ ΠΎΠ±ΡΡΡΠ½ΡΠ΅ΡΡΡ ΡΠ΄ΠΎΠ±ΡΡΠ²ΠΎΠΌ ΠΈΡ
ΠΈΡΠΏΠΎΠ»ΡΠ·ΠΎΠ²Π°Π½ΠΈΡ.
ΠΠ΅ΠΈΡΠΏΡΠ°Π²Π½ΠΎΡΡΠ΅ΠΉ ΡΠ°Ρ ΠΎΠΌΠ΅ΡΡΠ° Π½Π΅ ΠΎΡΠ΅Π½Ρ ΠΌΠ½ΠΎΠ³ΠΎ. Π ΠΎΡΠ½ΠΎΠ²Π½ΠΎΠΌ Π½Π΅ΠΏΠΎΠ»Π°Π΄ΠΊΠΈ ΠΌΠΎΠΆΠ½ΠΎ ΠΎΠΏΡΠ΅Π΄Π΅Π»ΠΈΡΡ ΠΏΠΎ ΠΏΠΎΠ²Π΅Π΄Π΅Π½ΠΈΡ ΡΠ°ΠΌΠΎΠΉ ΡΡΡΠ΅Π»ΠΊΠΈ. ΠΠ½Π° Π½Π°ΡΠΈΠ½Π°Π΅Ρ ΠΏΡΡΠ³Π°ΡΡ ΠΈΠ»ΠΈ Π²ΠΎΠΎΠ±ΡΠ΅ Π½Π΅ Π΄Π²ΠΈΠ³Π°Π΅ΡΡΡ. ΠΡΠ»ΠΈ Π²Ρ Π½Π°Π±Π»ΡΠ΄Π°Π΅ΡΠ΅ ΡΠ°ΠΊΡΡ ΠΊΠ°ΡΡΠΈΠ½Ρ, ΡΠ»Π΅Π΄ΡΠ΅Ρ Π²ΡΡΡΠ½ΠΈΡΡ ΠΏΡΠΈΡΠΈΠ½Ρ ΠΏΠΎΠ΄ΠΎΠ±Π½ΠΎΠ³ΠΎ ΡΠ²Π»Π΅Π½ΠΈΡ. Π‘ΠΊΠΎΡΠ΅Π΅ Π²ΡΠ΅Π³ΠΎ, ΡΡΡΡΠΎΠΉΡΡΠ²ΠΎ ΡΠ»ΠΎΠΌΠ°Π»ΠΎΡΡ ΠΈ Π΅ΠΌΡ ΠΏΠΎΠ½Π°Π΄ΠΎΠ±ΠΈΡΡΡ ΡΠ΅ΠΌΠΎΠ½Ρ, Π° Π²ΠΎΠ·ΠΌΠΎΠΆΠ½ΠΎ ΠΈ Π·Π°ΠΌΠ΅Π½Π°.
ΠΠ°ΠΆΠ½ΠΎ! ΠΡΡ ΠΎΠ΄ ΠΈΠ· ΡΡΡΠΎΡ ΡΠ°Ρ ΠΎΠΌΠ΅ΡΡΠ° Π½Π΅ Π²Π»ΠΈΡΠ΅Ρ Π½Π° ΠΎΡΠ½ΠΎΠ²Π½ΡΠ΅ ΡΡΠ½ΠΊΡΠΈΠΈ Π°Π²ΡΠΎΠΌΠΎΠ±ΠΈΠ»Ρ, Π½ΠΎ Π΅ΡΠ»ΠΈ Π²ΠΎΠ΄ΠΈΡΠ΅Π»Ρ Π½Π΅ Π±ΡΠ΄Π΅Ρ ΠΏΠΎΠ»ΡΡΠ°ΡΡ Ρ Π½Π΅Π³ΠΎ ΠΈΠ½ΡΠΎΡΠΌΠ°ΡΠΈΡ, ΡΡΠΎ ΠΌΠΎΠΆΠ΅Ρ Π·Π°ΠΊΠΎΠ½ΡΠΈΡΡΡ ΡΠ΅ΠΌΠΎΠ½ΡΠΎΠΌ Π΄Π²ΠΈΠ³Π°ΡΠ΅Π»Ρ ΠΈΠ»ΠΈ ΠΠ’Π.
ΠΡΠΈΡΠΈΠ½Ρ Π½Π΅ΠΈΡΠΏΡΠ°Π²Π½ΠΎΡΡΠΈ ΠΈ ΠΈΡ ΡΡΡΡΠ°Π½Π΅Π½ΠΈΠ΅
Π‘ΡΡΠ΅ΡΡΠ²ΡΠ΅Ρ ΡΡΠ΄ ΠΎΡΠ½ΠΎΠ²Π°Π½ΠΈΠΉ, ΠΈΡΡ
ΠΎΠ΄Ρ ΠΈΠ· ΠΊΠΎΡΠΎΡΡΡ
ΡΠ°Ρ
ΠΎΠΌΠ΅ΡΡ Π½Π΅ ΠΏΠΎΠΊΠ°Π·ΡΠ²Π°Π΅Ρ ΠΎΠ±ΠΎΡΠΎΡΡ. ΠΡΠ»ΠΈ Π½Π΅ ΡΠ°Π±ΠΎΡΠ°Π΅Ρ ΡΠ°Ρ
ΠΎΠΌΠ΅ΡΡ, ΠΏΡΠΈΡΠΈΠ½Ρ ΠΊΠ°ΠΆΠ΄ΠΎΠΉ ΠΎΡΠ΄Π΅Π»ΡΠ½ΠΎΠΉ Π½Π΅ΠΈΡΠΏΡΠ°Π²Π½ΠΎΡΡΠΈ ΠΌΠΎΠ³ΡΡ Π±ΡΡΡ ΡΠ°Π·Π½ΡΠ΅. Π ΠΏΡΠΈΠΌΠ΅ΡΡ, ΡΠ°ΡΡΠΎ, Π°Π²ΡΠΎΠ»ΡΠ±ΠΈΡΠ΅Π»ΠΈ Π²ΡΡΡΠ΅ΡΠ°ΡΡΡΡ Ρ ΡΠ°ΠΊΠΎΠΉ Π½Π΅ΠΏΡΠΈΡΡΠ½ΠΎΡΡΡΡ ΠΊΠ°ΠΊ «Π΄Π΅ΡΠ³Π°Π½ΡΠ΅ ΡΡΡΠ΅Π»ΠΊΠΈ». ΠΡΠΈΡΠΈΠ½ΠΎΠΉ ΡΠΎΠΌΡ Π½Π΅ΡΠ΅Π΄ΠΊΠΎ ΡΡΠ°Π½ΠΎΠ²ΠΈΡΡΡ ΡΡΡΠ°Π½ΠΎΠ²ΠΊΠ° ΡΠΈΠ»ΠΈΠΊΠΎΠ½ΠΎΠ²ΡΡ
ΠΏΡΠΎΠ²ΠΎΠ΄ΠΎΠ² Π·Π°ΠΆΠΈΠ³Π°Π½ΠΈΡ, ΠΊΠΎΡΠΎΡΡΠ΅ ΠΎΡΠ»ΠΈΡΠ°ΡΡΡΡ ΠΎΡ ΡΡΠ°ΡΠ½ΠΎΠΉ ΠΏΡΠΎΠ²ΠΎΠ΄ΠΊΠΈ. Π‘ΠΎΠΏΡΠΎΡΠΈΠ²Π»Π΅Π½ΠΈΠ΅ ΡΠΈΠ»ΠΈΠΊΠΎΠ½ΠΎΠ²ΡΡ
ΠΏΡΠΎΠ²ΠΎΠ΄ΠΎΠ² ΠΎΡΠ»ΠΈΡΠ°Π΅ΡΡΡ ΠΎΡ Π°Π½Π°Π»ΠΎΠ³ΠΈΡΠ½ΠΎΠ³ΠΎ ΠΏΠΎΠΊΠ°Π·Π°ΡΠ΅Π»Ρ ΠΏΡΠΎΠ²ΠΎΠ΄ΠΎΠ², ΠΊΠΎΡΠΎΡΡΠ΅ Π±ΡΠ»ΠΈ ΡΡΡΠ°Π½ΠΎΠ²Π»Π΅Π½Ρ Π·Π°Π²ΠΎΠ΄ΠΎΠΌ ΠΏΡΠΈ ΠΈΠ·Π³ΠΎΡΠΎΠ²Π»Π΅Π½ΠΈΠΈ Π°Π²ΡΠΎ.
ΠΡΡΠ³Π°Π΅Ρ ΡΡΡΠ΅Π»ΠΊΠ° ΡΠ°Ρ ΠΎΠΌΠ΅ΡΡΠ°
ΠΡΠ»ΠΈ Π²Ρ Π·Π°ΠΌΠ΅ΡΠΈΠ»ΠΈ, ΡΡΠΎ ΡΡΡΠ΅Π»ΠΊΠ° Π½Π°ΡΠ°Π»Π° ΠΏΡΡΠ³Π°ΡΡ ΠΈ ΡΠ°Ρ ΠΎΠΌΠ΅ΡΡ Π½Π΅ ΠΏΠΎΠΊΠ°Π·ΡΠ²Π°Π΅Ρ, ΡΠ»Π΅Π΄ΡΠ΅Ρ ΠΎΠ±ΡΠ°ΡΠΈΡΡ Π²Π½ΠΈΠΌΠ°Π½ΠΈΠ΅ Π½Π° Π΄Π°ΡΡΠΈΠΊ ΠΎΠ±ΠΎΡΠΎΡΠΎΠ² ΠΌΠΎΡΠΎΡΠ°. Π‘ΠΊΠΎΡΠ΅Π΅ Π²ΡΠ΅Π³ΠΎ, ΠΎΠ½ Π²ΡΡΠ΅Π» ΠΈΠ· ΡΡΡΠΎΡ ΠΈ Π½Π΅ ΠΌΠΎΠΆΠ΅Ρ ΠΏΠ΅ΡΠ΅Π΄Π°Π²Π°ΡΡ ΠΏΡΠ°Π²ΠΈΠ»ΡΠ½ΡΠ΅ Π΄Π°Π½Π½ΡΠ΅. Π Π΅ΡΠΈΡΡ ΡΠ°ΠΊΡΡ ΠΏΡΠΎΠ±Π»Π΅ΠΌΡ ΠΌΠΎΠΆΠ½ΠΎ ΡΠΎΠ»ΡΠΊΠΎ ΠΏΡΡΠ΅ΠΌ Π·Π°ΠΌΠ΅Π½Ρ Π΄Π°ΡΡΠΈΠΊΠ°.
Π‘ΡΡΠ΅Π»ΠΊΠ° Π½Π΅ Π΄Π²ΠΈΠ³Π°Π΅ΡΡΡ
ΠΡΠ΅ ΠΎΠ΄Π½ΠΎΠΉ ΠΈΠ· Π½Π°ΠΈΠ±ΠΎΠ»Π΅Π΅ ΡΠ°ΡΠΏΡΠΎΡΡΡΠ°Π½Π΅Π½Π½ΡΡ ΠΏΡΠΈΡΠΈΠ½ ΠΏΠΎΡΠ΅ΠΌΡ Π½Π΅ ΡΠ°Π±ΠΎΡΠ°Π΅Ρ ΡΠ°Ρ ΠΎΠΌΠ΅ΡΡ, ΡΠ²Π»ΡΠ΅ΡΡΡ ΡΠ½ΠΈΠΆΠ΅Π½ΠΈΠ΅ ΠΊΠ°ΡΠ΅ΡΡΠ²Π° ΠΊΠΎΠ½ΡΠ°ΠΊΡΠΎΠ² ΠΈΠ»ΠΈ Π½Π΅ΠΈΡΠΏΡΠ°Π²Π½ΠΎΡΡΡ ΠΏΡΠΎΠ²ΠΎΠ΄ΠΊΠΈ. ΠΡΠ»ΠΈ ΡΡΠΎ ΡΠ»ΡΡΠΈΠ»ΠΎΡΡ, ΡΠΎ ΠΈΠΌΠΏΡΠ»ΡΡΡ ΠΎΡ Π΄Π²ΠΈΠ³Π°ΡΠ΅Π»Ρ ΠΊ ΡΠ°Ρ ΠΎΠΌΠ΅ΡΡΡ ΠΏΠΎΠΏΡΠΎΡΡΡ Π½Π΅ ΠΏΠΎΡΡΡΠΏΠ°ΡΡ ΠΈ ΡΡΡΠ΅Π»ΠΊΠ° ΠΎΠ±ΠΎΡΠΎΡΠΎΠ² Π½Π΅ ΡΠ°Π±ΠΎΡΠ°Π΅Ρ. Π£ΡΡΡΠΎΠΉΡΡΠ²ΠΎ Π½Π΅ ΡΠ΅Π°Π³ΠΈΡΡΠ΅Ρ ΠΈ Π½Π΅ ΠΏΠΎΠΊΠ°Π·ΡΠ²Π°Π΅Ρ Π΄Π°Π½Π½ΡΡ . ΠΡΠΏΡΠ°Π²ΠΈΡΡ Π΄Π°Π½Π½ΡΡ ΠΏΠΎΠ»ΠΎΠΌΠΊΡ ΠΏΡΠΎΡΡΠΎ. ΠΠ»Ρ ΡΡΠΎΠ³ΠΎ Π²Π½ΠΈΠΌΠ°ΡΠ΅Π»ΡΠ½ΠΎ ΠΎΡΠΌΠΎΡΡΠΈΡΠ΅ Π²ΡΠ΅ ΠΏΡΠΎΠ²ΠΎΠ΄Π°. ΠΡΠ»ΠΈ ΡΠ²ΠΈΠ΄ΠΈΡΠ΅ ΡΡΠ΅ΡΠΈΠ½Ρ ΠΈΠ»ΠΈ ΡΠ°Π·ΡΡΠ²Ρ — Π·Π°ΠΌΠ΅Π½ΠΈΡΠ΅ ΠΏΠΎΠ²ΡΠ΅ΠΆΠ΄Π΅Π½Π½ΡΠ΅ ΡΠ°ΡΡΠΈ ΠΏΡΠΎΠ²ΠΎΠ΄ΠΊΠΈ.
ΠΠ½ΠΎΠ³Π΄Π° ΠΏΡΠΈΡΠΈΠ½ΠΎΠΉ ΡΠΎΠ³ΠΎ, ΡΡΠΎ ΡΡΡΠ΅Π»ΠΊΠ° ΡΠ°Ρ
ΠΎΠΌΠ΅ΡΡΠ° Π½Π΅ Π΄Π²ΠΈΠ³Π°Π΅ΡΡΡ — ΡΠ²Π»ΡΠ΅ΡΡΡ ΠΏΠΎΠ»ΠΎΠΌΠΊΠ° ΡΠ°ΠΌΠΎΠ³ΠΎ ΡΡΡΡΠΎΠΉΡΡΠ²Π°.
ΠΡΠ»ΠΈ Π²Ρ Π½Π΅ Π²ΡΡΠ²ΠΈΠ»ΠΈ ΠΏΠΎΠ²ΡΠ΅ΠΆΠ΄Π΅Π½ΠΈΠΉ ΠΏΡΠΎΠ²ΠΎΠ΄ΠΊΠΈ Π»ΠΈ Π΄Π°ΡΡΠΈΠΊΠΎΠ², Π·Π½Π°ΡΠΈΡ, Π±Π΅Π· ΡΠ΅ΠΌΠΎΠ½ΡΠ° ΠΈΠ»ΠΈ Π·Π°ΠΌΠ΅Π½Ρ ΡΠ°ΠΌΠΎΠ³ΠΎ ΡΠ°Ρ
ΠΎΠΌΠ΅ΡΡΠ° Π½Π΅ ΠΎΠ±ΠΎΠΉΡΠΈΡΡ.
ΠΠ½ΡΠ΅ΡΠ΅ΡΠ½ΡΠΉ ΡΠ°ΠΊΡ! Π‘ΠΎΠ²ΡΠ΅ΠΌ Π½Π΅Π΄Π°Π²Π½ΠΎ ΡΠ°Ρ ΠΎΠΌΠ΅ΡΡΠΎΠ² Π½Π° Π°Π²ΡΠΎ Π²ΠΎΠΎΠ±ΡΠ΅ Π½Π΅ ΡΡΡΠ΅ΡΡΠ²ΠΎΠ²Π°Π»ΠΎ. ΠΠ²ΡΠΎΠΌΠΎΠ±ΠΈΠ»ΠΈ Π²ΡΠΏΡΡΠΊΠ°Π»ΠΈΡΡ Π±Π΅Π· Π΄Π°Π½Π½ΡΡ ΡΡΡΡΠΎΠΉΡΡΠ².
ΠΠΎΠ»ΠΎΠΌΠΊΠ° Π΄Π°ΡΡΠΈΠΊΠ° Π²Π½ΡΡΡΠ΅Π½Π½Π΅Π³ΠΎ ΡΠ³ΠΎΡΠ°Π½ΠΈΡ
ΠΠ½ΠΎΠ³Π΄Π° Π²ΠΎΠ·Π½ΠΈΠΊΠ°ΡΡ ΡΠΈΡΡΠ°ΡΠΈΠΈ, ΠΊΠΎΠ³Π΄Π° ΠΏΠΎΠ»ΠΎΠΌΠΊΠ° Π΄Π°ΡΡΠΈΠΊΠ° Π²Π½ΡΡΡΠ΅Π½Π½Π΅Π³ΠΎ ΡΠ³ΠΎΡΠ°Π½ΠΈΡ ΡΠ»ΡΠΆΠΈΡ ΠΏΡΠΈΡΠΈΠ½ΠΎΠΉ ΡΠΎΠ³ΠΎ, ΡΡΠΎ Π½Π΅ ΡΠ°Π±ΠΎΡΠ°ΡΡ ΠΎΠ±ΠΎΡΠΎΡΡ ΡΠ°Ρ ΠΎΠΌΠ΅ΡΡΠ°. Π‘ΡΡΠ΅Π»ΠΊΠ° Π½Π°ΡΠΈΠ½Π°Π΅Ρ Π²Π΅ΡΡΠΈ ΡΠ΅Π±Ρ Π½Π΅ΠΊΠΎΡΡΠ΅ΠΊΡΠ½ΠΎ ΠΈ ΠΏΠΎΠΊΠ°Π·ΡΠ²Π°ΡΡ Π½Π΅ΠΏΡΠ°Π²ΠΈΠ»ΡΠ½ΡΠ΅ Π΄Π°Π½Π½ΡΠ΅. ΠΡΠ»ΠΈ Π²Ρ ΠΎΠ±Π½Π°ΡΡΠΆΠΈΠ»ΠΈ ΠΏΠΎΠ»ΠΎΠΌΠΊΡ Π΄Π°ΡΡΠΈΠΊΠ° Π²Π½ΡΡΡΠ΅Π½Π½Π΅Π³ΠΎ ΡΠ³ΠΎΡΠ°Π½ΠΈΡ, ΠΏΠΎΠΌΠ΅Π½ΡΠΉΡΠ΅ Π΅Π³ΠΎ Π½Π° Π½ΠΎΠ²ΡΠΉ. ΠΠΎΡΠ»Π΅ ΡΡΠΎΠΉ Π·Π°ΠΌΠ΅Π½Ρ, ΡΠ°Ρ ΠΎΠΌΠ΅ΡΡ Π½Π°ΡΠ½Π΅Ρ ΡΠ°Π±ΠΎΡΠ°ΡΡ Π½ΠΎΡΠΌΠ°Π»ΡΠ½ΠΎ.
ΠΠΎΠ»ΠΎΠΌΠΊΠ° ΡΠΊΡΠ°Π½Π°
ΠΠ°Π²Π΅ΡΠ½ΠΎΠ΅ ΡΠ°ΠΌΠΎΠΉ ΡΠ°ΡΠΏΡΠΎΡΡΡΠ°Π½Π΅Π½Π½ΠΎΠΉ ΠΏΡΠΈΡΠΈΠ½ΠΎΠΉ Π½Π΅ΠΈΡΠΏΡΠ°Π²Π½ΠΎΡΡΠΈ ΡΡΡΡΠΎΠΉΡΡΠ²Π° ΡΠ²Π»ΡΠ΅ΡΡΡ Π²ΡΡ ΠΎΠ΄ ΠΈΠ· ΡΡΡΠΎΡ ΡΠ²Π΅ΡΠΎΠ΄ΠΈΠΎΠ΄Π½ΠΎΠ³ΠΎ ΡΠΊΡΠ°Π½Π°. ΠΡΠ»ΠΈ Π²Ρ Π·Π°ΠΌΠ΅ΡΠΈΠ»ΠΈ, ΡΡΠΎ Π΄Π°Π½Π½ΡΠ΅ Π½Π° ΡΠΈΡΡΠΎΠ²ΠΎΠ΅ ΡΠ°Π±Π»ΠΎ Π½Π΅ Π²ΡΠ²ΠΎΠ΄ΡΡΡΡ, Π»ΡΡΡΠ΅ Π²ΡΠ΅Π³ΠΎ Π·Π°ΠΌΠ΅Π½ΠΈΡΡ Π΄ΠΈΡΠΏΠ»Π΅ΠΉ ΡΡΡΡΠΎΠΉΡΡΠ²Π° Π½ΠΎΠ²ΡΠΌ ΠΈΠ·Π΄Π΅Π»ΠΈΠ΅ΠΌ.
ΠΠ°ΠΆΠ½ΠΎ! Π§ΡΠΎΠ±Ρ Π½Π°ΠΉΡΠΈ ΠΏΡΠΈΡΠΈΠ½Ρ Π½Π΅ΠΈΡΠΏΡΠ°Π²Π½ΠΎΡΡΠΈ ΡΠ°Ρ
ΠΎΠΌΠ΅ΡΡΠ° ΠΏΠΎΠΏΡΠΎΠ±ΡΠΉΡΠ΅ ΠΏΡΠΎΡΠ΅ΡΡΠΈΡΠΎΠ²Π°ΡΡ ΡΡΠΎΠ²Π΅Π½Ρ Π½Π°ΠΏΡΡΠΆΠ΅Π½ΠΈΡ Π² ΠΏΡΠΎΠ²ΠΎΠ΄Π°Ρ
, ΠΈ ΠΏΡΠΎΠ²Π΅ΡΡΡΠ΅ ΠΌΠ°ΡΡΡ, ΡΠ°ΠΊ ΠΊΠ°ΠΊ Π΄ΠΎΡΡΠ°ΡΠΎΡΠ½ΠΎ ΡΠ°ΡΡΠΎ ΠΈΠΌΠ΅Π½Π½ΠΎ ΡΡΠΎ ΠΏΠΎΠΌΠΎΠ³Π°Π΅Ρ ΡΡΡΠ°Π½ΠΎΠ²ΠΈΡΡ ΠΈΡΡΠΈΠ½Π½ΠΎΠ΅ ΠΎΡΠ½ΠΎΠ²Π°Π½ΠΈΠ΅ Π΄Π»Ρ ΠΏΠΎΡΠ²Π»Π΅Π½ΠΈΡ Π½Π΅ΠΏΠΎΠ»Π°Π΄ΠΎΠΊ.
ΠΠ°ΠΊ ΠΎΡΡΠ΅ΠΌΠΎΠ½ΡΠΈΡΠΎΠ²Π°ΡΡ ΡΠ°Ρ ΠΎΠΌΠ΅ΡΡ
ΠΠΎΠ»ΠΎΠΌΠΊΠΈ ΡΠ°Ρ ΠΎΠΌΠ΅ΡΡΠ° Π²ΡΡΡΠ΅ΡΠ°ΡΡΡΡ Π½Π΅ΡΠ΅Π΄ΠΊΠΎ, Π½ΠΎ ΠΈ ΡΡΡΡΠ°Π½ΠΈΡΡ ΠΈΡ Π² ΡΠ°ΠΌΠΎΡΡΠΎΡΡΠ΅Π»ΡΠ½ΠΎΠΌ ΠΏΠΎΡΡΠ΄ΠΊΠ΅ Π½Π΅ ΡΠ°ΠΊ ΡΠΆ ΠΈ ΡΠ»ΠΎΠΆΠ½ΠΎ. ΠΠ»Ρ ΡΡΠΎΠ³ΠΎ ΡΠ°ΡΡΠΌΠΎΡΡΠΈΠΌ ΠΎΡΠΎΠ±Π΅Π½Π½ΠΎΡΡΠΈ ΡΠ°Π·Π±ΠΎΡΠΊΠΈ ΠΠΠ ΠΈ ΠΏΠΎΡΡΠ°ΡΠ°Π΅ΠΌΡΡ ΠΎΡΠ²Π΅ΡΠΈΡΡ Π½Π° Π²ΠΎΠΏΡΠΎΡ: «ΠΠ°ΠΊ ΠΏΠΎΡΠΈΠ½ΠΈΡΡ ΡΠ°Ρ ΠΎΠΌΠ΅ΡΡ?».
1. ΠΡΠΆΠ½ΠΎ ΡΠ½ΡΡΡ ΡΡΡΠΊΡ ΡΠ±ΡΠΎΡΠ° ΡΡΡΠΎΡΠ½ΠΎΠ³ΠΎ ΠΎΠ΄ΠΎΠΌΠ΅ΡΡΠ° Ρ ΠΎΡΠΈ.
2. ΠΡΠΊΡΡΡΠΈΡΡ Π²ΠΈΠ½ΡΡ ΠΊΡΠ΅ΠΏΠ»Π΅Π½ΠΈΡ ΠΊΠΎΠ·ΡΡΡΠΊΠ° ΠΠΠ ΠΊ ΠΊΠΎΡΠΏΡΡΡ ΠΈ ΠΊΡΠ΅ΠΏΠ»Π΅Π½ΠΈΡ ΡΠ°ΠΌΠΎΠ³ΠΎ ΡΠ°Ρ ΠΎΠΌΠ΅ΡΡΠ°.
3. ΠΡ ΡΠ°Ρ ΠΎΠΌΠ΅ΡΡΠ° Π½ΡΠΆΠ½ΠΎ ΠΎΡΡΠΎΠ΅Π΄ΠΈΠ½ΠΈΡΡ Π²ΡΠ΅ ΠΏΡΠΎΠ²ΠΎΠ΄Π°.
4. Π‘Π°ΠΌΠΎΡΠ΅Π·Ρ ΠΊΡΠ΅ΠΏΠ»Π΅Π½ΠΈΡ ΡΠ»Π΅ΠΉΡΠ° ΠΏΠΎΠ΄ΡΠ²Π΅ΡΠΊΠΈ ΡΠ°ΠΊ ΠΆΠ΅ ΡΠ»Π΅Π΄ΡΠ΅Ρ ΠΎΡΠΊΡΡΡΠΈΡΡ.
5. ΠΡΠΊΡΡΡΠΈΠ²Π°Π΅ΠΌ ΠΈ ΡΠ½ΠΈΠΌΠ°Π΅ΠΌ Π³Π°ΠΉΠΊΠΈ ΠΈΠ½Π΄ΠΈΠΊΠ°ΡΠΎΡΠ° ΡΠ΅ΠΌΠΏΠ΅ΡΠ°ΡΡΡΡ.
6. Π’Π°ΠΊΠΆΠ΅ Π½Π΅ΠΎΠ±Ρ ΠΎΠ΄ΠΈΠΌΠΎ ΡΠ½ΡΡΡ ΠΊΠΎΠ·ΡΡΠ΅ΠΊ Ρ Π·Π°ΡΠΈΡΠ½ΡΠΌ ΡΡΠ΅ΠΊΠ»ΠΎΠΌ.
7. Π‘ ΠΏΠΎΠΌΠΎΡΡΡ ΠΎΡΠ²Π΅ΡΡΠΊΠΈ ΡΠ½ΠΈΠΌΠ°Π΅ΠΌ ΡΡΡΠ΅Π»ΠΊΡ.
8. ΠΡΠΊΡΡΡΠΈΠ²Π°Π΅ΠΌ Π²ΠΈΠ½ΡΡ Π½Π° ΡΠΊΠ°Π»Π΅ ΠΠΠ.
9. Π£Π±ΠΈΡΠ°Π΅ΠΌ ΡΠΏΠΈΠ»ΡΠΊΠΈ ΠΈΠ½Π΄ΠΈΠΊΠ°ΡΠΎΡΠ° ΡΠ΅ΠΌΠΏΠ΅ΡΠ°ΡΡΡΡ.
10. Π’Π΅ΠΏΠ΅ΡΡ Π½ΡΠΆΠ½ΠΎ Π°ΠΊΠΊΡΡΠ°ΡΠ½ΠΎ ΠΈΠ·ΠΎΠ³Π½ΡΡΡ ΡΠΊΠ°Π»Ρ ΠΠΠ ΠΈ Π²ΡΡΡΠ½ΡΡΡ ΡΠ°Ρ
ΠΎΠΌΠ΅ΡΡ.
ΠΠΎΡΠ»Π΅ ΡΡΠΎΠ³ΠΎ ΡΠ»Π΅Π΄ΡΠ΅Ρ Π²Π½ΠΈΠΌΠ°ΡΠ΅Π»ΡΠ½ΠΎ ΡΠ°ΡΡΠΌΠΎΡΡΠ΅ΡΡ ΠΏΠ»Π°ΡΡ Π½Π° Π½Π°Π»ΠΈΡΠΈΠ΅ ΡΡΠ΅ΡΠΈΠ½ ΠΈ «Π½Π΅ΠΏΡΠΎΠΏΠ°ΡΠ½Π½ΡΡ » ΠΌΠ΅ΡΡ. ΠΡΠΎΠ²Π΅ΡΡΡΠ΅ Π½Π°ΠΏΡΡΠΆΠ΅Π½ΠΈΠ΅ ΠΏΠΈΡΠ°Π½ΠΈΡ ΠΌΠΈΠΊΡΠΎΡΡ Π΅ΠΌΡ, ΠΏΠΎΠ΄ΠΊΠ»ΡΡΠΈΠ² ΠΏΠ»Π°ΡΡ ΠΊ ΠΈΡΡΠΎΡΠ½ΠΈΠΊΡ ΠΏΠΈΡΠ°Π½ΠΈΡ (ΠΏΡΠΈ ΡΡΠΎΠΌ Π²Π°ΠΆΠ½ΠΎ ΡΠΎΠ±Π»ΡΠ΄Π°ΡΡ ΠΏΠΎΠ»ΡΡΠ½ΠΎΡΡΡ). ΠΠ°ΠΏΡΡΠΆΠ΅Π½ΠΈΠ΅ Π΄ΠΎΠ»ΠΆΠ½ΠΎ ΡΠΎΡΡΠ°Π²Π»ΡΡΡ 7Π. ΠΡΠ»ΠΈ ΠΎΠ½ΠΎ Π·Π½Π°ΡΠΈΡΠ΅Π»ΡΠ½ΠΎ ΠΎΡΠ»ΠΈΡΠ°Π΅ΡΡΡ — Π½ΡΠΆΠ½ΠΎ ΠΌΠ΅Π½ΡΡΡ ΡΠ»Π΅ΠΌΠ΅Π½ΡΡ ΡΡΠ°Π±ΠΈΠ»ΠΈΠ·Π°ΡΠΎΡΠ° Π½Π°ΠΏΡΡΠΆΠ΅Π½ΠΈΡ. ΠΠΎΡΠΌΠΎΡΡΠΈΡΠ΅ ΠΎΡΡΠΈΠ»Π»ΠΎΠ³ΡΠ°ΡΠΎΠΌ Π²ΡΡ ΠΎΠ΄Π½ΠΎΠΉ ΡΠΈΠ³Π½Π°Π» ΠΌΠΈΠΊΡΠΎΡΡ Π΅ΠΌΡ. ΠΡΠΎ Π΄ΠΎΠ»ΠΆΠ΅Π½ Π±ΡΡΡ ΠΏΠΎΠ»ΠΎΠΆΠΈΡΠ΅Π»ΡΠ½ΡΠΉ ΠΈΠΌΠΏΡΠ»ΡΡ Ρ Π°ΠΌΠΏΠ»ΠΈΡΡΠ΄ΠΎΠΉ ΡΠ°Π²Π½ΠΎΠΉ Π½Π°ΠΏΡΡΠΆΠ΅Π½ΠΈΡ ΠΏΠΈΡΠ°Π½ΠΈΡ ΠΈ ΠΏΡΠΎΠ΄ΠΎΠ»ΠΆΠΈΡΠ΅Π»ΡΠ½ΠΎΡΡΡΡ 3 ΠΌΡ.
ΠΡΠΎΠ²Π΅ΡΡΡΠ΅ Π½Π° ΠΏΠΎΠ²ΡΠ΅ΠΆΠ΄Π΅Π½ΠΈΡ ΠΎΠ±ΠΌΠΎΡΠΊΡ ΠΌΠΈΠ»Π»ΠΈΠ°ΠΌΠΏΠ΅ΡΠΌΠ΅ΡΡΠ° — ΡΠΎΠΏΡΠΎΡΠΈΠ²Π»Π΅Π½ΠΈΠ΅ Π² Π½Π΅ΠΉ Π΄ΠΎΠ»ΠΆΠ½ΠΎ Π±ΡΡΡ ΠΎΠΊΠΎΠ»ΠΎ 150 ΠΠΌ. Π’Π°ΠΊΠΆΠ΅ Π½Π΅ Π·Π°Π±ΡΠ΄ΡΡΠ΅ ΠΏΡΠΎΠ²Π΅ΡΠΈΡΡ ΡΡΡΠ΅Π»ΠΊΡ. ΠΠΎΠ·ΠΌΠΎΠΆΠ½ΠΎ, ΠΎΠ½Π° Π·Π°Π΅Π΄Π°Π΅Ρ ΠΈΠ·-Π·Π° ΠΏΠΎΠΏΠ°Π²ΡΠ΅ΠΉ ΠΏΡΠ»ΠΈ. ΠΡΠΎΠΌΠΎΠΉΡΠ΅ ΡΠΏΠΈΡΡΠΎΠΌ ΠΈ ΠΏΡΠΎΠ΄ΡΠΉΡΠ΅ ΠΌΠ°Π³Π½ΠΈΡΠ½ΡΡ ΡΠΈΡΡΠ΅ΠΌΡ.
ΠΠΎΡΠ»Π΅ Π²ΡΠ΅Ρ ΠΏΡΠΎΠ²Π΅ΡΠΎΠΊ ΠΈ ΡΡΡΡΠ°Π½Π΅Π½ΠΈΡ ΠΏΡΠΈΡΠΈΠ½Ρ Π½Π΅ΠΈΡΠΏΡΠ°Π²Π½ΠΎΡΡΠΈ ΡΠ°Ρ ΠΎΠΌΠ΅ΡΡΠ°, ΡΡΡΠ°Π½ΠΎΠ²ΠΈΡΠ΅ Π΅Π³ΠΎ ΠΈ ΡΠΎΠ±Π΅ΡΠΈΡΠ΅ ΠΠΠ Π² ΠΎΠ±ΡΠ°ΡΠ½ΠΎΠΌ ΠΏΠΎΡΡΠ΄ΠΊΠ΅.
ΠΠΎΠ΄ΠΏΠΈΡΡΠ²Π°ΠΉΡΠ΅ΡΡ Π½Π° Π½Π°ΡΠΈ Π»Π΅Π½ΡΡ Π² ΡΠ°ΠΊΠΈΡ
ΡΠΎΡΠΈΠ°Π»ΡΠ½ΡΡ
ΡΠ΅ΡΡΡ
ΠΊΠ°ΠΊ,
Facebook,
ΠΠΊΠΎΠ½ΡΠ°ΠΊΡΠ΅,
Instagram,
Pinterest,
Yandex Zen,
Twitter ΠΈ
Telegram:
Π²ΡΠ΅ ΡΠ°ΠΌΡΠ΅ ΠΈΠ½ΡΠ΅ΡΠ΅ΡΠ½ΡΠ΅ Π°Π²ΡΠΎΠΌΠΎΠ±ΠΈΠ»ΡΠ½ΡΠ΅ ΡΠΎΠ±ΡΡΠΈΡ ΡΠΎΠ±ΡΠ°Π½Π½ΡΠ΅ Π² ΠΎΠ΄Π½ΠΎΠΌ ΠΌΠ΅ΡΡΠ΅.
ΠΡ ΡΠ΅Π³ΠΎ ΡΠ°Π±ΠΎΡΠ°Π΅Ρ ΡΠ°Ρ ΠΎΠΌΠ΅ΡΡ
Π§ΡΠΎ ΡΠ°ΠΊΠΎΠ΅ ΡΠ°Ρ ΠΎΠΌΠ΅ΡΡ
ΠΠ½ΠΎΠ³ΠΈΠ΅ Π°Π²ΡΠΎΠ»ΡΠ±ΠΈΡΠ΅Π»ΠΈ, Π΄Π° ΠΈ Π²ΠΎΠΎΠ±ΡΠ΅ ΡΠ΅, ΠΊΡΠΎ Π½Π΅ΠΎΠ΄Π½ΠΎΠΊΡΠ°ΡΠ½ΠΎ ΡΡΠ°Π»ΠΊΠΈΠ²Π°Π»ΡΡ Ρ Π°Π²ΡΠΎΠΌΠΎΠ±ΠΈΠ»ΡΠΌΠΈ ΠΈ ΠΈΡ ΠΎΠ±ΠΎΡΡΠ΄ΠΎΠ²Π°Π½ΠΈΠ΅ΠΌ Π·Π°Π΄Π°ΡΡΡΡ Π²ΠΎΠΏΡΠΎΡΠΎΠΌ ΠΎ ΡΠΎΠΌ, ΡΡΠΎ ΡΠ°ΠΊΠΎΠ΅ ΡΠ°Ρ ΠΎΠΌΠ΅ΡΡ. Π§ΡΠ΄Π½ΡΠΉ ΠΏΡΠΈΠ±ΠΎΡ, ΠΊΠΎΡΠΎΡΡΠΉ ΡΠΏΠΎΡΠΎΠ±Π΅Π½ Π²Π²Π΅ΡΡΠΈ Π² Π·Π°Π±Π»ΡΠΆΠ΄Π΅Π½ΠΈΠ΅ ΠΌΠ½ΠΎΠ³ΠΈΡ . Π’Π°Ρ ΠΎΠΌΠ΅ΡΡΡ ΠΌΠΎΠ³ΡΡ Π±ΡΡΡ ΡΠ°Π·Π½ΡΠΌΠΈ, Π½ΠΎ ΠΌΡ ΠΏΠΎΠ³ΠΎΠ²ΠΎΡΠΈΠΌ ΠΎΠ± Π°Π²ΡΠΎΠΌΠΎΠ±ΠΈΠ»ΡΠ½ΠΎΠΌ Π²Π°ΡΠΈΠ°Π½ΡΠ΅.
ΠΠ²ΡΠΎΠΌΠΎΠ±ΠΈΠ»ΡΠ½ΡΠΉ ΡΠ°Ρ ΠΎΠΌΠ΅ΡΡΒ β ΡΡΠΎ ΠΏΡΠΈΠ±ΠΎΡ, ΠΊΠΎΡΠΎΡΡΠΉ ΠΈΠ·ΠΌΠ΅ΡΡΠ΅Ρ ΡΠ°ΡΡΠΎΡΡ Π²ΡΠ°ΡΠ΅Π½ΠΈΡ ΠΊΠΎΠ»Π΅Π½ΡΠ°ΡΠΎΠ³ΠΎ Π²Π°Π»Π° Π°Π²ΡΠΎΠΌΠΎΠ±ΠΈΠ»Ρ. ΠΡΠΎΡΠ΅ Π³ΠΎΠ²ΠΎΡΡ β ΡΠ°Ρ ΠΎΠΌΠ΅ΡΡ ΠΏΠΎΠΊΠ°Π·ΡΠ²Π°Π΅Ρ ΡΠ°ΡΡΠΎΡΡ Π²ΡΠ°ΡΠ΅Π½ΠΈΡ ΠΌΠΎΡΠΎΡΠ° ΠΈ ΠΎΠ½ ΠΎΠ±ΡΠ·Π°ΡΠ΅Π»Π΅Π½ Π΄Π»Ρ Π½Π°ΡΠΈΠ½Π°ΡΡΠΈΡ Π²ΠΎΠ΄ΠΈΡΠ΅Π»Π΅ΠΉ. Π‘Π»Π΅Π΄ΡΡ ΠΏΠΎΠΊΠ°Π·Π°Π½ΠΈΡΠΌ ΡΡΠΎΠ³ΠΎ ΠΏΡΠΈΠ±ΠΎΡΠ° Π²Ρ Π½ΠΈΠΊΠΎΠ³Π΄Π° Π½Π΅ ΠΏΡΠ΅Π²ΡΡΠΈΡΠ΅ ΠΌΠ°ΠΊΡΠΈΠΌΠ°Π»ΡΠ½ΠΎ Π΄ΠΎΠΏΡΡΡΠΈΠΌΡΡ Π½Π°Π³ΡΡΠ·ΠΊΡ.
ΠΠ΅Π· ΡΠ°Ρ ΠΎΠΌΠ΅ΡΡΠ° Π½ΠΎΠ²ΠΈΡΠΊΠΈ Π½Π΅ ΡΠΌΠΎΠ³ΡΡ Π²ΠΎΠ²ΡΠ΅ΠΌΡ ΠΏΠ΅ΡΠ΅ΠΊΠ»ΡΡΠΈΡΡ ΠΏΠ΅ΡΠ΅Π΄Π°ΡΡ, ΠΈΠ·-Π·Π° ΡΠ΅Π³ΠΎ ΠΌΠΎΡΠΎΡΠ΅ΡΡΡΡ Π΄Π²ΠΈΠ³Π°ΡΠ΅Π»Ρ Π·Π½Π°ΡΠΈΡΠ΅Π»ΡΠ½ΠΎ ΡΠ½ΠΈΠ·ΠΈΡΡΡ. ΠΡΠ½ΠΎΠ²Π½ΡΠΌ ΡΠΈΠ³Π½Π°Π»ΠΎΠΌ ΠΊ ΠΏΠ΅ΡΠ΅ΠΊΠ»ΡΡΠ΅Π½ΠΈΡ Π½Π° ΠΏΠ΅ΡΠ΅Π΄Π°ΡΡ Π²ΡΡΠ΅ ΡΠ²Π»ΡΠ΅ΡΡΡ Π΄ΠΎΡΡΠΈΠΆΠ΅Π½ΠΈΠ΅ ΡΡΡΠ΅Π»ΠΊΠΎΠΉ ΠΏΡΠΈΠ±ΠΎΡΠ° ΠΊΡΠ°ΡΠ½ΠΎΠΉ ΠΎΡΠΌΠ΅ΡΠΊΠΈ. Π’Π°ΠΊΠΆΠ΅ ΡΠ°Ρ ΠΎΠΌΠ΅ΡΡ ΡΠ°ΡΡΠΎ ΠΏΡΠΈΠΌΠ΅Π½ΡΠ΅ΡΡΡ ΠΈ ΠΎΠΏΡΡΠ½ΡΠΌΠΈ Π²ΠΎΠ΄ΠΈΡΠ΅Π»ΡΠΌΠΈ Π΄Π»Ρ ΡΠ΅Π³ΡΠ»ΠΈΡΠΎΠ²ΠΊΠΈ Π΄Π²ΠΈΠ³Π°ΡΠ΅Π»Ρ.
ΠΠΈΠ΄Ρ ΡΠ°Ρ ΠΎΠΌΠ΅ΡΡΠΎΠ²
Π‘ΡΠ΅Π΄ΠΈ ΠΌΠ½ΠΎΠΆΠ΅ΡΡΠ²Π° ΡΠ°Π·Π½ΠΎΠΎΠ±ΡΠ°Π·Π½ΡΡ Π²ΠΈΠ΄ΠΎΠ² ΡΠ°Ρ ΠΎΠΌΠ΅ΡΡΠΎΠ² ΠΎΡΠΎΠ±ΠΎΠΉ ΠΏΠΎΠΏΡΠ»ΡΡΠ½ΠΎΡΡΡΡ ΠΏΠΎΠ»ΡΠ·ΡΡΡΡΡ Π²ΡΠ΅Π³ΠΎ Π΄Π²Π°:
ΠΠΎ ΡΡΠΈ Π΄Π²Π° Π²ΠΈΠ΄Π° ΠΈΠ·ΠΌΠ΅ΡΠΈΡΠ΅Π»ΡΠ½ΡΡ
ΠΏΡΠΈΠ±ΠΎΡΠΎΠ² ΠΈΠΌΠ΅ΡΡ ΡΠ΅Π»ΡΠΉ ΡΡΠ΄ ΠΊΠ°ΡΠ΄ΠΈΠ½Π°Π»ΡΠ½ΡΡ
ΠΎΡΠ»ΠΈΡΠΈΠΉ.
Π’Π°ΠΊΠΆΠ΅ ΠΎΠ½ΠΈ ΠΎΡΠ»ΠΈΡΠ°ΡΡΡΡ ΠΈ ΠΏΠΎ ΡΡΡΠΎΠ΅Π½ΠΈΡ, Ρ
Π°ΡΠ°ΠΊΡΠ΅ΡΠΈΡΡΠΈΠΊΠ°ΠΌ, Π½Ρ ΠΈ ΠΊΠΎΠ½Π΅ΡΠ½ΠΎ ΠΆΠ΅ ΠΏΠΎ ΡΠΏΠΎΡΠΎΠ±Ρ ΠΏΡΠΈΠΌΠ΅Π½Π΅Π½ΠΈΡ. ΠΠΎΡΡΠΎΠΌΡ Π΄Π°Π»Π΅Π΅ ΡΡΠΎΠΈΡ ΡΠ°ΡΡΠΌΠ°ΡΡΠΈΠ²Π°ΡΡ Π²ΠΎΠΏΡΠΎΡ ΠΎ ΡΠΎΠΌ, ΡΡΠΎ ΡΠ°ΠΊΠΎΠ΅ ΡΠ°Ρ
ΠΎΠΌΠ΅ΡΡ, ΠΈΡΡ
ΠΎΠ΄Ρ ΠΈΠ· Π΅Π³ΠΎ Π²ΠΈΠ΄Π°.
Π¦ΠΈΡΡΠΎΠ²ΠΎΠΉ ΡΠ°Ρ ΠΎΠΌΠ΅ΡΡ
ΠΡΠ½ΠΎΠ²Π½ΡΠΌΠΈ ΡΠΎΡΡΠ°Π²Π»ΡΡΡΠΈΠΌΠΈ ΡΠΈΡΡΠΎΠ²ΠΎΠ³ΠΎ ΡΠ°Ρ ΠΎΠΌΠ΅ΡΡΠ° ΡΠ²Π»ΡΠ΅ΡΡΡ ΡΠ΅Π»ΡΠΉ ΡΡΠ΄ ΡΠ°Π·Π½ΡΡ Π΄Π΅ΡΠ°Π»Π΅ΠΉ. ΠΡΠΎ:
- ΠΏΡΠΎΡΠ΅ΡΡΠΎΡ;
- Π²ΠΎΡΡΠΌΠΈ ΡΠ°Π·ΡΡΠ΄Π½ΡΠΉ ΠΠ¦Π;
- Π΄Π°ΡΡΠΈΠΊ ΠΎΠΏΡΠ΅Π΄Π΅Π»Π΅Π½ΠΈΡ ΡΠ΅ΠΌΠΏΠ΅ΡΠ°ΡΡΡΡ ΠΆΠΈΠ΄ΠΊΠΎΡΡΠΈ;
- ΠΆΠΈΠ΄ΠΊΠΎΠΊΡΠΈΡΡΠ°Π»Π»ΠΈΡΠ΅ΡΠΊΠΈΠΉ ΡΠΊΡΠ°Π½;
- ΠΎΠΏΡΡΠΎΠ½;
- ΡΠ°Π·Π½ΠΎΠΎΠ±ΡΠ°Π·Π½ΡΠ΅ ΠΌΠΈΠΊΡΠΎΡΡ Π΅ΠΌΡ (ΠΊΠΎΡΠΎΡΡΠ΅ Π²ΠΎΠ·Π»Π°Π³Π°ΡΡ Π½Π° ΡΠ΅Π±Ρ ΡΡΠ½ΠΊΡΠΈΠΈ ΡΠ±ΡΠΎΡΠ° Π½Π°ΡΡΡΠΎΠ΅ΠΊ).
ΠΠ±ΡΡΠ½ΠΎ, ΡΠ»Π΅ΠΊΡΡΠΎΠ½Π½ΡΠ΅ ΡΠ°Ρ ΠΎΠΌΠ΅ΡΡΡ Π²ΡΠΏΠΎΠ»Π½Π΅Π½Ρ Π² ΡΠΎΡΠΌΠ΅ ΡΠΊΡΠ°Π½Π°, ΠΎΡΠ½ΠΎΠ²Π½ΡΠΌΠΈ ΠΏΠΎΠΊΠ°Π·Π°ΡΠ΅Π»ΡΠΌΠΈ ΠΊΠΎΡΠΎΡΠΎΠ³ΠΎ ΡΠ²Π»ΡΡΡΡΡ ΡΠΈΡΠ»ΠΎ ΠΎΠ±ΠΎΡΠΎΡΠΎΠ² Π΄Π²ΠΈΠ³Π°ΡΠ΅Π»Ρ Π² ΠΌΠΈΠ½ΡΡΡ. ΠΠΎ ΡΡΠ°Π²Π½Π΅Π½ΠΈΡ Ρ Π°Π½Π°Π»ΠΎΠ³ΠΎΠ²ΡΠΌ ΡΠ°Ρ ΠΎΠΌΠ΅ΡΡΠΎΠΌ Π² Π΅Π³ΠΎ ΠΊΠΎΠ½ΡΡΡΡΠΊΡΠΈΠΈ Π΅ΡΡΡ Π½Π΅ΠΊΠΎΡΠΎΡΡΠ΅ Π½Π΅Π΄ΠΎΡΡΠ°ΡΠΊΠΈ, Ρ ΠΎΡΡ ΠΏΡΠ΅ΠΎΠ±Π»Π°Π΄Π°ΡΡ Π²ΡΠ΅-ΡΠ°ΠΊΠΈ ΠΏΡΠ΅ΠΈΠΌΡΡΠ΅ΡΡΠ²Π°. Π ΠΏΠ΅ΡΠ²ΡΡ ΠΎΡΠ΅ΡΠ΅Π΄Ρ, ΠΏΡΠΈΠΌΠ΅Π½Π΅Π½ΠΈΠ΅ ΡΠ°ΠΊΠΎΠ³ΠΎ ΠΏΡΠΈΠ±ΠΎΡΠ° Π³ΠΎΡΠ°Π·Π΄ΠΎ ΡΠ΄ΠΎΠ±Π½Π΅Π΅.
ΠΠ½Π°Π»ΠΎΠ³ΠΎΠ²ΡΠΉ ΡΠ°Ρ ΠΎΠΌΠ΅ΡΡ
ΠΠ½Π°Π»ΠΎΠ³ΠΎΠ²ΡΠΉ ΡΠ°Ρ
ΠΎΠΌΠ΅ΡΡΒ ΡΠ²Π»ΡΠ΅ΡΡΡ ΡΠ°ΠΌΡΠΌ ΡΠ°ΡΡΠΎ ΠΏΡΠΈΠΌΠ΅Π½ΡΠ΅ΠΌΡΠΌ ΠΈΠ·ΠΌΠ΅ΡΠΈΡΠ΅Π»ΡΠ½ΡΠΌ ΠΏΡΠΈΠ±ΠΎΡΠΎΠΌ, ΠΊΠΎΡΠΎΡΡΠΉ ΡΡΡΠ°Π½ΠΎΠ²Π»Π΅Π½ Π² Π±ΠΎΠ»ΡΡΠ΅ΠΉ ΡΠ°ΡΡΠΈ Π°Π²ΡΠΎΠΌΠΎΠ±ΠΈΠ»Π΅ΠΉ ΠΎΡΠ΅ΡΠ΅ΡΡΠ²Π΅Π½Π½ΠΎΠ³ΠΎ ΠΏΡΠΎΠΈΠ·Π²ΠΎΠ΄ΠΈΡΠ΅Π»Ρ, Π΄Π° ΠΈ Π½Π° ΠΈΠ½ΠΎΠΌΠ°ΡΠΊΠ°Ρ
ΡΠΎΠΆΠ΅.
ΠΠΎΠ½ΡΡΡΡΠΊΡΠΈΠ²Π½ΠΎ ΠΏΡΠΈΠ±ΠΎΡ Π²ΡΠ³Π»ΡΠ΄ΠΈΡ Π΄ΠΎΡΡΠ°ΡΠΎΡΠ½ΠΎ ΠΏΡΠΈΠΌΠΈΡΠΈΠ²Π½ΠΎ β ΠΎΠ±ΡΡΠ½ΠΎΠ΅ ΡΠ°Π±Π»ΠΎ ΠΈ ΡΡΡΠ΅Π»ΠΊΠ°. ΠΠ°ΡΠΎ, ΡΡΠΊΠΎΠ²ΠΎΠ΄ΡΡΠ²ΡΡΡΡ Π΅Π³ΠΎ ΠΏΠΎΠΊΠ°Π·Π°Π½ΠΈΡΠΌΠΈ ΠΌΠΎΠΆΠ½ΠΎ ΠΏΠΎΠ½ΡΡΡ ΠΊΠ°ΠΊ ΡΠ½ΠΈΠ·ΠΈΡΡ ΡΠ°ΡΡ
ΠΎΠ΄ ΡΠΎΠΏΠ»ΠΈΠ²Π°.
Π‘ΡΡΠΎΠ΅Π½ΠΈΠ΅ Π°Π½Π°Π»ΠΎΠ³ΠΎΠ²ΡΡ ΡΠ°Ρ ΠΎΠΌΠ΅ΡΡΠΎΠ² ΠΊΡΠ΄Π° ΠΏΡΠΎΡΠ΅, ΡΠ΅ΠΌ ΡΠΈΡΡΠΎΠ²ΡΡ ΠΏΡΠΈΠ±ΠΎΡΠΎΠ². ΠΡΠ½ΠΎΠ²Π½ΡΠΌΠΈ ΠΈΡ ΡΠΎΡΡΠ°Π²Π»ΡΡΡΠΈΠΌΠΈ ΡΠ²Π»ΡΡΡΡΡ:
- ΠΌΠ°Π³Π½ΠΈΡΠ½Π°Ρ ΠΊΠ°ΡΡΡΠΊΠ°;
- Π΄Π°ΡΡΠΈΠΊ, ΡΡΠΈΡΡΠ²Π°ΡΡΠΈΠΉ ΠΈΠ½ΡΠΎΡΠΌΠ°ΡΠΈΡ ΠΈΠ· ΠΊΠΎΠ»Π΅Π½ Π²Π°Π»Π°;
- ΡΡΡΠ΅Π»ΠΊΠ°;
- Π³ΡΠ°Π΄ΡΠΈΡΠΎΠ²Π°Π½Π½Π°Ρ ΡΠΊΠ°Π»Π°.
ΠΠΎΠ΄ΠΎΠ±Π½ΠΎ ΡΡΡΡΠΎΠΉΡΡΠ²Ρ, ΡΠ°Π±ΠΎΡΠ°ΡΡ Π°Π½Π°Π»ΠΎΠ³ΠΎΠ²ΡΠ΅ ΡΠ°Ρ ΠΎΠΌΠ΅ΡΡΡ ΡΠ°ΠΊΠΆΠ΅ ΠΏΡΠΎΡΡΠΎ. Π‘ΠΈΠ³Π½Π°Π» Ρ Π΄Π°ΡΡΠΈΠΊΠ°, ΡΡΠΈΡΡΠ²Π°ΡΡΠ΅Π³ΠΎ ΠΊΠΎΠ»ΠΈΡΠ΅ΡΡΠ²ΠΎ ΠΎΠ±ΠΎΡΠΎΡΠΎΠ² ΠΊΠΎΠ»Π΅Π½ΡΠ°ΡΠΎΠ³ΠΎ Π²Π°Π»Π° ΠΏΡΠΎΡ ΠΎΠ΄ΠΈΡ ΡΠ΅ΡΠ΅Π· ΠΏΡΠΎΠ²ΠΎΠ΄Π° ΠΈ ΠΏΠΎΠΏΠ°Π΄Π°Π΅Ρ Π½Π° ΠΏΠ»Π°ΡΡ, ΠΊΠΎΡΠΎΡΠ°Ρ Π·Π°Π΄Π°Π΅Ρ ΠΎΡΠΊΠ»ΠΎΠ½Π΅Π½ΠΈΠ΅ Π΄Π»Ρ ΡΡΡΠ΅Π»ΠΊΠΈ, ΡΡΡΠ΅Π»ΠΊΠ° Π² ΡΠ²ΠΎΡ ΠΎΡΠ΅ΡΠ΅Π΄Ρ ΠΏΠΎΠΊΠ°Π·ΡΠ²Π°Π΅Ρ Π²Π°ΠΌ ΡΠ΅Π°Π»ΡΠ½ΡΠ΅ Π΄Π°Π½Π½ΡΠ΅ ΡΠ΅ΡΠ΅Π· Π³ΡΠ°Π΄ΡΠΈΡΠΎΠ²Π°Π½Π½ΡΡ ΡΠΊΠ°Π»Ρ.
ΠΡΠ°Π²Π΄Π°, ΡΠΎΡΠ½ΠΎΡΡΡ ΠΈΠ·ΠΌΠ΅ΡΠ΅Π½ΠΈΡ Ρ ΡΠΈΡΡΠΎΠ²ΠΎΠ³ΠΎ ΡΠ°Ρ
ΠΎΠΌΠ΅ΡΡΠ° Π½Π΅ΠΌΠ½ΠΎΠ³ΠΎ Π²ΡΡΠ΅. Π₯ΠΎΡΡ, ΡΡΠΎ ΠΎΡΡΡΠΈΠΌΠΎ ΡΠΎΠ»ΡΠΊΠΎ ΠΏΡΠΈ ΡΠ΅Π³ΡΠ»ΠΈΡΠΎΠ²ΠΊΠ΅ Π΄Π²ΠΈΠ³Π°ΡΠ΅Π»Ρ, ΡΠ°ΠΊ ΠΊΠ°ΠΊ Π½Π° Ρ
ΠΎΠ΄Ρ ΠΎΠ±ΠΎΡΠΎΡΡ ΡΡΠΈΡΠ°ΡΡΡΡ ΡΡΡΡΡΠ°ΠΌΠΈ ΠΈ ΠΏΠΎΠ³ΡΠ΅ΡΠ½ΠΎΡΡΡ Π½Π΅ ΠΈΠΌΠ΅Π΅Ρ ΠΎΡΠΎΠ±ΠΎΠ³ΠΎ Π·Π½Π°ΡΠ΅Π½ΠΈΡ. ΠΠΎΡΠΏΡΠΈΠ½ΠΈΠΌΠ°ΡΡ ΠΏΠΎΠΊΠ°Π·Π°Π½ΠΈΡ ΡΠ°ΠΊΠΎΠ³ΠΎ ΡΠ°Ρ
ΠΎΠΌΠ΅ΡΡΠ° Π²ΠΎ Π²ΡΠ΅ΠΌΡ Π΄Π²ΠΈΠΆΠ΅Π½ΠΈΡ Π½Π°ΠΌΠ½ΠΎΠ³ΠΎ ΠΏΡΠΎΡΠ΅, ΡΠ΅ΠΌ ΡΡΠΈΡΡΠ²Π°ΡΡ ΡΠΈΡΡΡ Ρ ΠΌΠΎΠ½ΠΈΡΠΎΡΠ° ΡΠΈΡΡΠΎΠ²ΠΎΠ³ΠΎ ΡΠ°Ρ
ΠΎΠΌΠ΅ΡΡΠ°.
ΠΠ°ΡΠ΅ΠΌ Π½ΡΠΆΠ΅Π½ ΡΠ°Ρ ΠΎΠΌΠ΅ΡΡ
ΠΡΠ½ΠΎΠ²Π½Π°Ρ Π·Π°Π΄Π°ΡΠ° ΡΠ°Ρ ΠΎΠΌΠ΅ΡΡΠ° Π·Π°ΠΊΠ»ΡΡΠ°Π΅ΡΡΡ Π² ΠΏΠΎΠΌΠΎΡΠΈ Π²ΠΎΠ΄ΠΈΡΠ΅Π»Ρ Π²ΡΠ±ΡΠ°ΡΡ ΠΏΡΠ°Π²ΠΈΠ»ΡΠ½ΡΡ ΠΏΠ΅ΡΠ΅Π΄Π°ΡΡ. Π‘Π²ΠΎΠ΅Π²ΡΠ΅ΠΌΠ΅Π½Π½ΠΎΠ΅ ΠΏΠ΅ΡΠ΅ΠΊΠ»ΡΡΠ΅Π½ΠΈΠ΅ ΠΏΠ΅ΡΠ΅Π΄Π°ΡΠΈ Π½Π° ΠΏΠΎΠ½ΠΈΠΆΠ΅Π½Π½ΡΡ ΠΈΠ»ΠΈ ΠΏΠΎΠ²ΡΡΠ΅Π½Π½ΡΡ ΠΏΠΎΠ·Π²ΠΎΠ»ΡΠ΅Ρ ΠΏΡΠΎΠ΄Π»ΠΈΡΡ ΡΡΠΎΠΊ ΡΠΊΡΠΏΠ»ΡΠ°ΡΠ°ΡΠΈΠΈ Π΄Π²ΠΈΠ³Π°ΡΠ΅Π»Ρ ΠΈ Π΄ΡΡΠ³ΠΈΡ ΡΠ·Π»ΠΎΠ². Π Π»ΡΡΡΠ΅ΠΌ Π΄ΠΈΠ°ΠΏΠ°Π·ΠΎΠ½Π΅ ΠΎΠ±ΠΎΡΠΎΡΠΎΠ² Π΄Π»Ρ ΡΠ°Π±ΠΎΡΡ Π΄Π²ΠΈΠ³Π°ΡΠ΅Π»Ρ ΠΌΠΎΠΆΠ½ΠΎ ΡΠ°ΡΡΡΠΆΠ΄Π°ΡΡ ΠΎΡΠ΅Π½Ρ Π΄ΠΎΠ»Π³ΠΎ. ΠΠΎ Π²ΡΠ΅ Π·Π°Π²ΠΈΡΠΈΡ ΠΎΡ ΡΠΈΠΏΠ° Π²Π°ΡΠ΅Π³ΠΎ ΡΡΠ°Π½ΡΠΏΠΎΡΡΠ½ΠΎΠ³ΠΎ ΡΡΠ΅Π΄ΡΡΠ²Π° ΠΈ ΡΡΠ»ΠΎΠ²ΠΈΠΉ ΠΏΠ΅ΡΠ΅Π΄Π²ΠΈΠΆΠ΅Π½ΠΈΡ, ΠΏΠΎΡΡΠΎΠΌΡ Π³ΠΎΠ²ΠΎΡΠΈΡΡ ΠΎΠ± ΡΠ½ΠΈΠ²Π΅ΡΡΠ°Π»ΡΠ½ΡΡ ΡΠΎΠ²Π΅ΡΠ°Ρ Π½Π΅ ΠΏΠΎΠ»ΡΡΠΈΡΡΡ, ΠΌΠΎΠΆΠ½ΠΎ Π»ΠΈΡΡ ΠΏΡΠΈΠ²Π΅ΡΡΠΈ Π½Π΅ΠΊΠΎΡΠΎΡΡΠ΅ ΠΎΡΠ½ΠΎΠ²Π½ΡΠ΅ ΠΌΠΎΠΌΠ΅Π½ΡΡ.
Π Π°ΡΡ ΠΎΠ΄ ΡΠΎΠΏΠ»ΠΈΠ²Π° Π±ΡΠ΄Π΅Ρ ΠΌΠ΅Π½ΡΡΠ΅ ΠΏΡΠΈ ΠΏΠ΅ΡΠ΅Π΄Π²ΠΈΠΆΠ΅Π½ΠΈΠΈ Π½Π° Π½ΠΈΠ·ΠΊΠΈΡ ΠΎΠ±ΠΎΡΠΎΡΠ°Ρ Π΄Π²ΠΈΠ³Π°ΡΠ΅Π»Ρ. ΠΡΠΎ ΡΡΠ²Π΅ΡΠΆΠ΄Π΅Π½ΠΈΠ΅ ΡΠΏΡΠ°Π²Π΅Π΄Π»ΠΈΠ²ΠΎ Π»ΠΈΡΡ ΠΎΡΡΠ°ΡΡΠΈ, ΠΏΠΎΠ΄ΡΠΎΠ±Π½Π΅Π΅ ΠΎΠ± ΡΡΠΎΠΌ ΠΌΠΎΠΆΠ½ΠΎ ΠΏΠΎΡΠΈΡΠ°ΡΡ Π² ΡΡΠ°ΡΡΠ΅ ΠΎ ΡΠΎΠΌ, ΠΊΠ°ΠΊ ΡΠ½ΠΈΠ·ΠΈΡΡ ΡΠ°ΡΡ ΠΎΠ΄ ΡΠΎΠΏΠ»ΠΈΠ²Π°.
ΠΠΈΠ·ΠΊΠΈΠ΅ ΠΎΠ±ΠΎΡΠΎΡΡ ΠΏΡΠ΅Π΄ΡΡΠΌΠ°ΡΡΠΈΠ²Π°ΡΡ ΡΠ½ΠΈΠΆΠ΅Π½ΠΈΠ΅ ΡΡΠ³ΠΎΠ²ΠΎΠ³ΠΎ ΡΡΠΈΠ»ΠΈΡ Π΄Π²ΠΈΠ³Π°ΡΠ΅Π»Ρ. ΠΠ΅Π·Π°Π²ΠΈΡΠΈΠΌΠΎ ΠΎΡ Π²Π°ΡΠΈΡ
Π½Π°Π²ΡΠΊΠΎΠ² ΠΈ ΡΠΌΠ΅Π½ΠΈΠΉ ΠΏΡΠΈ ΠΏΡΠ΅ΠΎΠ΄ΠΎΠ»Π΅Π½ΠΈΠΈ ΠΊΡΡΡΠΎΠ³ΠΎ ΠΏΠΎΠ΄ΡΠ΅ΠΌΠ° ΠΈΠ»ΠΈ ΡΠΎΠ²Π΅ΡΡΠ°Ρ ΠΎΠΏΠ΅ΡΠ΅ΠΆΠ΅Π½ΠΈΠ΅ Π»ΠΈΠ±ΠΎ ΠΎΠ±Π³ΠΎΠ½ Π²Π°ΠΌ ΠΏΡΠΈΠ΄Π΅ΡΡΡ Π½Π°ΠΆΠ°ΡΡ Π½Π° Π³Π°Π·, Π° ΠΈΠ½ΠΎΠ³Π΄Π° ΠΈ Π²ΠΎΠ²ΡΠ΅ ΠΏΡΠΈΠ΄Π°Π²ΠΈΡΡ ΠΏΠ΅Π΄Π°Π»Ρ Π² ΠΏΠΎΠ». Π ΡΠ°ΠΊΠΎΠΌ ΡΠ»ΡΡΠ°Π΅ ΠΎΠ±ΠΎΠ³Π°ΡΠΈΡΡΡ ΡΠΎΠΏΠ»ΠΈΠ²Π½Π°Ρ ΡΠΌΠ΅ΡΡ ΠΈ ΡΡΠΊΠΎΠ½ΠΎΠΌΠΈΡΡ Π±Π΅Π½Π·ΠΈΠ½ Π½Π΅ ΠΏΠΎΠ»ΡΡΠΈΡΡΡ.
Π Π΅ΡΡΡΡ Π΄Π²ΠΈΠ³Π°ΡΠ΅Π»Ρ ΡΠ²Π»ΡΠ΅ΡΡΡ Π½Π΅ΠΌΠ°Π»ΠΎΠ²Π°ΠΆΠ½ΡΠΌ Π°ΡΠΏΠ΅ΠΊΡΠΎΠΌ. ΠΡΠ»ΠΈ ΡΠ°ΡΡΡΠ΄ΠΈΡΡ Π»ΠΎΠ³ΠΈΡΠ΅ΡΠΊΠΈ, ΡΠΎ ΡΠ΅ΠΌ ΠΌΠ΅Π½ΡΡΠ΅ ΠΎΠ±ΠΎΡΠΎΡΡ, ΡΠ΅ΠΌ ΠΌΠ΅Π½ΡΡΠ΅ Π²ΡΠ°ΡΠ΅Π½ΠΈΠ΅ Π΄Π΅ΡΠ°Π»Π΅ΠΉ ΠΈ ΠΈΡ ΡΡΠ΅Π½ΠΈΠ΅, ΡΠΎΠΎΡΠ²Π΅ΡΡΡΠ²Π΅Π½Π½ΠΎ ΠΈ ΠΈΠ·Π½ΠΎΡ. ΠΠΎ ΡΡΡ Π½Π΅ ΠΎΠ±ΠΎΡΠ»ΠΎΡΡ Π±Π΅Π· ΠΏΠΎΠ΄Π²ΠΎΠ΄Π½ΡΡ ΠΊΠ°ΠΌΠ½Π΅ΠΉ. ΠΡΠ½ΠΎΠ²Π½ΡΠΌ ΠΊΠ°ΠΌΠ½Π΅ΠΌ ΡΠ²Π»ΡΠ΅ΡΡΡ ΠΌΠ°ΡΠ»Π΅Π½ΡΠΉ Π½Π°ΡΠΎΡ, Π° Π΅ΡΠ»ΠΈ Π±ΡΡΡ ΡΠΎΡΠ½Π΅Π΅, ΡΠΎ Π΅Π³ΠΎ ΡΠ°Π±ΠΎΡΠ°, ΠΊΠΎΡΠΎΡΠ°Ρ Π·Π°Π²ΠΈΡΠΈΡ ΠΎΡ ΠΎΠ±ΠΎΡΠΎΡΠΎΠ² ΠΌΠΎΡΠΎΡΠ°. ΠΠ° Π½ΠΈΠ·ΠΊΠΈΡ ΠΎΠ±ΠΎΡΠΎΡΠ°Ρ ΠΌΠ°ΡΠ»ΠΎ Π½Π΅ Π±ΡΠ΄Π΅Ρ Π΄ΠΎΡΡΠ°Π²Π°ΡΡ ΠΊ Π²ΠΊΠ»Π°Π΄ΡΡΠ°ΠΌ ΠΈ ΠΈΡ ΠΈΠ·Π½ΠΎΡ Π±ΡΠ΄Π΅Ρ Π½Π΅ΠΈΠ·Π±Π΅ΠΆΠ΅Π½. ΠΠΎ Π²ΠΊΠ»Π°Π΄ΡΡΠ°Ρ Π±ΡΠ΄Π΅Ρ ΡΠ²Π΅Π»ΠΈΡΠΈΠ²Π°ΡΡΡΡ Π·Π°Π·ΠΎΡ ΠΈ ΠΎΠ½ΠΈ Π½Π°ΡΠ½ΡΡ ΠΈΠ·Π½Π°ΡΠΈΠ²Π°ΡΡΡΡ Π΅ΡΠ΅ Π±ΡΡΡΡΠ΅Π΅.
Π’Π°ΠΊΠΆΠ΅ ΠΎΠ΄Π½ΠΈΠΌ ΠΈΠ· Π½Π΅Π³Π°ΡΠΈΠ²Π½ΡΡ Π°ΡΠΏΠ΅ΠΊΡΠΎΠ² Π΄Π²ΠΈΠΆΠ΅Π½ΠΈΡ Π½Π° ΠΌΠ°Π»ΡΡ ΠΎΠ±ΠΎΡΠΎΡΠ°Ρ ΡΠ²Π»ΡΡΡΡΡ ΡΠ΄Π°ΡΠ½ΡΠ΅ Π½Π°Π³ΡΡΠ·ΠΊΠΈ Π² ΡΡΠ°Π½ΡΠΌΠΈΡΡΠΈΠΈ ΠΈ Π΄Π²ΠΈΠ³Π°ΡΠ΅Π»Π΅. Π₯ΠΎΡΠΎΡΠΈΡ ΠΏΠΎΡΠ»Π΅Π΄ΡΡΠ²ΠΈΠΉ ΠΎΡ ΡΠ΄Π°ΡΠΎΠ² Π½Π΅ ΠΏΠΎΠ»ΡΡΠ°Π΅ΡΡΡ, Π° ΠΌΠ΅Ρ Π°Π½ΠΈΠ·ΠΌΡ Π±ΡΡΡΡΠ΅Π΅ Π²ΡΡ ΠΎΠ΄ΡΡ ΠΈΠ· ΡΡΡΠΎΡ.Β ΠΠΎ ΠΏΠΎΡΡΠΎΡΠ½Π½ΠΎ ΠΏΠ΅ΡΠ΅Π΄Π²ΠΈΠ³Π°ΡΡΡΡ Π½Π° Π²ΡΡΠΎΠΊΠΈΡ ΠΎΠ±ΠΎΡΠΎΡΠ°Ρ ΡΠΎΠΆΠ΅ Π½Π΅ ΡΡΠΎΠΈΡ.
Π‘ΠΈΡΡΠ΅ΠΌΠ° ΡΠΌΠ°Π·ΠΊΠΈ ΠΈ ΠΎΡ
Π»Π°ΠΆΠ΄Π΅Π½ΠΈΡ ΡΠ°Π±ΠΎΡΠ°Π΅Ρ Π±Π΅Π· Π·Π°ΠΏΠ°ΡΠ° ΠΏΡΠΎΡΠ½ΠΎΡΡΠΈ. ΠΠΎΠ³Π΄Π° Π΄Π΅ΡΠ°Π»ΠΈ ΠΈΠ· ΡΠΈΡΡΠ΅ΠΌΡ ΠΎΡ
Π»Π°ΠΆΠ΄Π΅Π½ΠΈΡ Π²ΡΡ
ΠΎΠ΄ΡΡ ΠΈΠ· ΡΡΡΠΎΡ, ΡΠΎ Π΄Π°ΡΡΠΈΠΊ ΡΠ΅ΠΌΠΏΠ΅ΡΠ°ΡΡΡΡ ΠΎΡ
Π»Π°ΠΆΠ΄Π°ΡΡΠ΅ΠΉ ΠΆΠΈΠ΄ΠΊΠΎΡΡΠΈ Π½Π°ΡΠΈΠ½Π°Π΅Ρ ΠΏΠΎΠΊΠ°Π·ΡΠ²Π°ΡΡ Π½Π΅Π»Π°Π΄Π½ΠΎΠ΅ β ΡΡΡΠ΅Π»ΠΊΠ° ΠΏΠ΅ΡΠ΅Ρ
ΠΎΠ΄ΠΈΡ Π² ΠΊΡΠ°ΡΠ½ΡΡ Π·ΠΎΠ½Ρ. ΠΠΈΡΠ΅Π³ΠΎ ΠΊΡΠΎΠΌΠ΅ ΠΏΡΠΎΠ±Π»Π΅ΠΌ ΠΈΠ· ΡΡΠΎΠ³ΠΎ Π²Ρ Π½Π΅ ΠΏΠΎΠ»ΡΡΠΈΡΠ΅.
Π’Π΅, ΠΊΡΠΎ Π»ΡΠ±ΠΈΡ Π±ΡΡΡΡΠΎ Π΅Π·Π΄ΠΈΡΡ ΠΎΠ±ΡΠ·Π°ΡΠ΅Π»ΡΠ½ΠΎ Π΄ΠΎΠ»ΠΆΠ½Ρ Π½Π°Π±Π»ΡΠ΄Π°ΡΡ Π·Π° ΡΡΡΠ΅Π»ΠΊΠΎΠΉ ΡΠ°Ρ
ΠΎΠΌΠ΅ΡΡΠ° ΠΈ Π΄Π°ΡΡΠΈΠΊΠ° ΡΠ΅ΠΌΠΏΠ΅ΡΠ°ΡΡΡΡ. ΠΠΎΠΆΠ΅ΡΠ΅ ΠΏΠΎΠ΄ΡΠΎΠ±Π½Π΅Π΅ ΠΏΡΠΎΡΠ΅ΡΡΡ ΠΎ ΡΠΎΠΌ, ΠΊ ΡΠ΅ΠΌΡ ΠΏΡΠΈΠ²ΠΎΠ΄ΠΈΡ ΠΏΠ΅ΡΠ΅Π³ΡΠ΅Π² Π΄Π²ΠΈΠ³Π°ΡΠ΅Π»Ρ. ΠΡΠΏΡΠ°Π²Π½ΡΠΉ Π΄Π²ΠΈΠ³Π°ΡΠ΅Π»Ρ, Π² ΠΊΠΎΡΠΎΡΡΠΉ Π·Π°Π»ΠΈΠ»ΠΈ Ρ
ΠΎΡΠΎΡΠ΅Π΅ ΠΌΠ°ΡΠ»ΠΎ ΠΏΠ΅ΡΠ΅Π½ΠΎΡΠΈΡ Π±ΠΎΠ»ΡΡΠΈΠ΅ Π½Π°Π³ΡΡΠ·ΠΊΠΈ Π±Π΅Π· ΠΎΡΠΎΠ±ΡΡ
ΠΏΠΎΡΠ»Π΅Π΄ΡΡΠ²ΠΈΠΉ. ΠΡΠΎΠΌΠ΅ ΠΊΠ°ΠΊ ΡΠ½ΠΈΠΆΠ΅Π½ΠΈΡ ΡΠ΅ΡΡΡΡΠ° Π½ΠΈΡΠ΅Π³ΠΎ Ρ
ΡΠΆΠ΅ Π½Π΅ Π±ΡΠ΄Π΅Ρ.
ΠΡΡΡΠ΅ Π²ΡΠ΅Π³ΠΎ ΡΠΎΠ±Π»ΡΠ΄Π°ΡΡ ΡΡΠ°Π΄ΠΈΡΠΈΠΎΠ½Π½ΠΎΠ΅ ΠΏΡΠ°Π²ΠΈΠ»ΠΎ β ΠΏΡΠΈΠ΄Π΅ΡΠΆΠΈΠ²Π°ΡΡΡΡ ΡΡΠ΅Π΄Π½Π΅Π³ΠΎ Π΄ΠΈΠ°ΠΏΠ°Π·ΠΎΠ½Π° ΠΎΠ±ΠΎΡΠΎΡΠΎΠ². ΠΠΎΠ½ΠΊΡΠ΅ΡΠ½ΡΠ΅ ΡΠΈΡΡΡ ΡΠΊΠ°Π·Π°ΡΡ ΡΠ»ΠΎΠΆΠ½ΠΎ, ΡΠ°ΠΊ ΠΊΠ°ΠΊ Π²ΡΠ΅ Π·Π°Π²ΠΈΡΠΈΡ ΠΎΡ ΡΠΈΡΡΠ°ΡΠΈΠΈ Π½Π° Π΄ΠΎΡΠΎΠ³Π΅. Π’ΡΠ΅ΡΡ ΠΌΠ°ΠΊΡΠΈΠΌΠ°Π»ΡΠ½ΠΎΠΉ ΠΌΠΎΡΠ½ΠΎΡΡΠΈ ΡΡΠΈΡΠ°Π΅ΡΡΡ ΠΎΠΏΡΠΈΠΌΠ°Π»ΡΠ½ΡΠΌ Π΄ΠΈΠ°ΠΏΠ°Π·ΠΎΠ½ΠΎΠΌ ΠΎΠ±ΠΎΡΠΎΡΠΎΠ² Π΄Π»Ρ ΠΎΠ±Π΅ΡΠΏΠ΅ΡΠ΅Π½ΠΈΡ ΠΌΠ°ΠΊΡΠΈΠΌΠ°Π»ΡΠ½ΠΎ Π΄ΠΎΠ»Π³ΠΎΠ³ΠΎ ΡΡΠΎΠΊΠ° ΡΠΊΡΠΏΠ»ΡΠ°ΡΠ°ΡΠΈΠΈ Π΄Π²ΠΈΠ³Π°ΡΠ΅Π»Ρ.
ΠΡΠΈΠ½ΡΠΈΠΏ ΡΠ°Π±ΠΎΡΡ ΡΠ°Ρ ΠΎΠΌΠ΅ΡΡΠ°
Π‘ Π²ΠΎΠΏΡΠΎΡΠΎΠΌ ΠΎ ΡΠΎΠΌ, ΡΡΠΎ ΡΠ°ΠΊΠΎΠ΅ ΡΠ°Ρ
ΠΎΠΌΠ΅ΡΡ ΠΌΡ ΡΠ°Π·ΠΎΠ±ΡΠ°Π»ΠΈΡΡ, ΡΠ΅ΠΏΠ΅ΡΡ Π΄Π°Π²Π°ΠΉΡΠ΅ ΡΠ°Π·Π±Π΅ΡΠ΅ΠΌΡΡ Ρ ΡΠ΅ΠΌ ΠΊΠ°ΠΊ ΠΎΠ½ ΡΠ°Π±ΠΎΡΠ°Π΅Ρ. ΠΡΠΈΠ½ΡΠΈΠΏ ΡΠ°Π±ΠΎΡΡ ΡΠ°Ρ
ΠΎΠΌΠ΅ΡΡΠ° ΠΎΠ΄ΠΈΠ½Π°ΠΊΠΎΠ² Π΄Π»Ρ Π²ΡΠ΅Ρ
ΡΠΈΠΏΠΎΠ² ΡΡΠΎΠ³ΠΎ ΠΏΡΠΈΠ±ΠΎΡΠ°. ΠΠ½Π°Π»ΠΎΠ³ΠΎΠ²ΡΠΉ ΠΈ ΡΠΈΡΡΠΎΠ²ΠΎΠΉ ΡΠ°Ρ
ΠΎΠΌΠ΅ΡΡ ΡΠ°Π±ΠΎΡΠ°ΡΡ ΠΏΠΎ ΠΎΠ΄ΠΈΠ½Π°ΠΊΠΎΠ²ΠΎΠΌΡ ΠΏΡΠΈΠ½ΡΠΈΠΏΡ. ΠΡΠ½ΠΎΠ²Π½ΡΠΌ ΡΠ»Π΅ΠΌΠ΅Π½ΡΠΎΠΌ ΡΠ²Π»ΡΠ΅ΡΡΡ Π΄Π°ΡΡΠΈΠΊ, ΡΡΠΈΡΡΠ²Π°ΡΡΠΈΠΉ ΡΠ°ΡΡΠΎΡΡ Π²ΡΠ°ΡΠ΅Π½ΠΈΡ ΠΊΠΎΠ»Π΅Π½ΡΠ°ΡΠΎΠ³ΠΎ Π²Π°Π»Π°. Π ΡΠΎΠΎΡΠ²Π΅ΡΡΡΠ²ΠΈΠΈ Ρ ΡΠ°ΡΡΠΎΡΠΎΠΉ Π²ΡΠ°ΡΠ΅Π½ΠΈΡ Π΄Π°ΡΡΠΈΠΊΠΎΠΌ Π³Π΅Π½Π΅ΡΠΈΡΡΡΡΡΡ ΠΈΠΌΠΏΡΠ»ΡΡΡ, ΠΈΠ΄ΡΡΠΈΠ΅ ΠΊ ΠΏΡΠΈΠ±ΠΎΡΠ½ΠΎΠΉ ΠΏΠ°Π½Π΅Π»ΠΈ.
ΠΡΡΠ°Π»ΡΠ½ΡΠ΅ Π°ΡΠΏΠ΅ΠΊΡΡ ΡΠ°Π±ΠΎΡΡ ΡΠ°Ρ ΠΎΠΌΠ΅ΡΡΠ° Π·Π°Π²ΠΈΡΡΡ ΠΎΡ ΠΊΠΎΠ½ΠΊΡΠ΅ΡΠ½ΠΎΠΉ ΡΠΈΡΡΠ°ΡΠΈΠΈ ΠΈ ΡΠ΅ΡΠ΅Π½ΠΈΠΉ ΠΈΠ½ΠΆΠ΅Π½Π΅ΡΠΎΠ², ΠΊΠΎΡΠΎΡΡΠ΅ ΡΡΠ°ΡΡΠ²ΠΎΠ²Π°Π»ΠΈ Π² Π΅Π³ΠΎ ΡΠ°Π·ΡΠ°Π±ΠΎΡΠΊΠ΅. Π§Π°ΡΠ΅ Π²ΡΠ΅Π³ΠΎ ΡΡΡΡΠΎΠΉΡΡΠ²ΠΎ ΡΠ°ΠΌΠΎΠ³ΠΎ Π΄Π°ΡΡΠΈΠΊΠ° ΠΊΡΠΎΠ΅Ρ Π² ΡΠ΅Π±Π΅ Π½Π°ΠΈΠ±ΠΎΠ»ΡΡΠΈΠ΅ ΡΠ°ΡΡ ΠΎΠΆΠ΄Π΅Π½ΠΈΡ Π² ΡΠ°Π·Π½ΡΡ ΠΌΠΎΠ΄Π΅Π»ΡΡ . Π’Π°Ρ ΠΎΠΌΠ΅ΡΡΡ Π½Π° ΠΌΠ°Π³Π½ΠΈΡΠ½ΠΎΠΌ Π΄Π°ΡΡΠΈΠΊΠ΅ ΠΏΠΎΠ»ΡΠ·ΡΡΡΡΡ Π½Π°ΠΈΠ±ΠΎΠ»ΡΡΠ΅ΠΉ ΠΏΠΎΠΏΡΠ»ΡΡΠ½ΠΎΡΡΡΡ. ΠΠ½ΠΈ ΡΡΠΈΡΡΠ²Π°ΡΡ ΠΊΠΎΠ»ΠΈΡΠ΅ΡΡΠ²ΠΎ ΠΏΡΠΎΡ ΠΎΠΆΠ΄Π΅Π½ΠΈΡ ΠΌΠ°Π³Π½ΠΈΡΠ° ΠΌΠΈΠΌΠΎ ΡΠΈΠΊΡΠΈΡΠΎΠ²Π°Π½Π½ΠΎΠΉ ΡΠΎΡΠΊΠΈ Π½Π° ΠΊΠΎΠ»Π΅Π½ΡΠ°ΡΠΎΠΌ Π²Π°Π»Π΅. Π Π΅ΠΆΠ΅ ΠΈΡΠΏΠΎΠ»ΡΠ·ΡΡΡΡΡ ΡΠ²Π΅ΡΠΎΠ²ΡΠ΅ Π΄Π°ΡΡΠΈΠΊΠΈ, ΡΠ°ΠΊ Π½Π°Π·ΡΠ²Π°Π΅ΠΌΡΠ΅ ΠΎΠΏΡΠΎΠΏΡΠΎΠΌΡ. ΠΠ½ΠΈ Π³Π΅Π½Π΅ΡΠΈΡΡΡΡ Π»ΡΡΠΈ ΡΠ²Π΅ΡΠ° ΠΈ ΡΡΠΈΡΡΠ²Π°ΡΡ ΠΈΡ ΠΎΡΡΠ°ΠΆΠ΅Π½ΠΈΠ΅.
Π¨ΠΊΠ°Π»Π°, ΡΡΡΠ°Π½ΠΎΠ²Π»Π΅Π½Π½Π°Ρ Π½Π° ΠΏΡΠΈΠ±ΠΎΡΠ½ΠΎΠΉ ΠΏΠ°Π½Π΅Π»ΠΈ ΠΎΡΠΎΠ±ΡΠ°ΠΆΠ°Π΅Ρ ΠΏΠΎΠΊΠ°Π·Π°ΡΠ΅Π»ΠΈ Π΄Π°ΡΡΠΈΠΊΠ°. ΠΠ½Π° ΠΏΡΠ΅Π²ΡΠ°ΡΠ°Π΅Ρ ΠΏΠΎΠ»ΡΡΠ΅Π½Π½ΡΠΉ ΡΠΈΠ³Π½Π°Π» Π² ΠΌΠ΅ΡΡΠΈΡΠ΅ΡΠΊΠΈΠ΅ Π΄Π°Π½Π½ΡΠ΅. Π§Π°ΡΠ΅ Π²ΡΠ΅Π³ΠΎ ΡΡΡΠ΅Π»ΠΊΠ° ΡΠ°Ρ ΠΎΠΌΠ΅ΡΡΠ° ΠΈΠ»ΠΈ Π΅Π³ΠΎ ΡΠΈΡΡΠΎΠ²ΠΎΠ΅ ΡΠ°Π±Π»ΠΎ ΡΠΊΠ°Π·ΡΠ²Π°Π΅Ρ Π½Π° ΠΊΠΎΠ»ΠΈΡΠ΅ΡΡΠ²ΠΎ ΠΎΠ±ΠΎΡΠΎΡΠΎΠ² Π·Π° ΠΌΠΈΠ½ΡΡΡ. ΠΠ»Ρ ΠΏΠ΅ΡΠ΅Π²ΠΎΠ΄Π° ΠΏΠΎΠΊΠ°Π·Π°ΡΠ΅Π»Π΅ΠΉ Π΄Π°ΡΡΠΈΠΊΠ° ΠΈΡΠΏΠΎΠ»ΡΠ·ΡΡΡΡΡ ΡΠ°Π·Π½ΠΎΠΎΠ±ΡΠ°Π·Π½ΡΠ΅ ΠΏΡΠΈΠ±ΠΎΡΡ.
(2 ΠΎΡΠ΅Π½ΠΎΠΊ, ΡΡΠ΅Π΄Π½Π΅Π΅: 3,00 ΠΈΠ· 5) ΠΠ°Π³ΡΡΠ·ΠΊΠ°… ΠΠΎΠ½ΡΠ°Π²ΠΈΠ»Π°ΡΡ ΡΡΠ°ΡΡΡ? ΠΠΎΠ΄Π΅Π»ΠΈΡΡ Ρ Π΄ΡΡΠ·ΡΡΠΌΠΈ!Π’Π°Ρ ΠΎΠΌΠ΅ΡΡ: ΡΡΠΎ ΡΡΠΎ ΡΠ°ΠΊΠΎΠ΅, ΠΏΡΠΈΠ½ΡΠΈΠΏ ΡΠ°Π±ΠΎΡΡ
ΠΡΠ±ΠΎΠΉ Π²ΠΎΠ΄ΠΈΡΠ΅Π»Ρ Π·Π½Π°Π΅Ρ, Π³Π΄Π΅ ΡΠ°ΡΠΏΠΎΠ»ΠΎΠΆΠ΅Π½ ΠΈ Π΄Π»Ρ ΡΠ΅Π³ΠΎ Π½ΡΠΆΠ΅Π½ ΡΠΏΠΈΠ΄ΠΎΠΌΠ΅ΡΡ Π½Π° ΠΏΠ°Π½Π΅Π»ΠΈ ΠΏΡΠΈΠ±ΠΎΡΠΎΠ².
Π Π°ΡΠΏΠΎΠ»ΠΎΠΆΠ΅Π½ ΠΎΠ½ ΠΏΡΡΠΌΠΎ ΠΏΠ΅ΡΠ΅Π΄ Π΅Π³ΠΎ Π³Π»Π°Π·Π°ΠΌΠΈ Π΄Π»Ρ ΡΠΎΠ³ΠΎ, ΡΡΠΎΠ±Ρ ΠΊΠΎΠ½ΡΡΠΎΠ»ΠΈΡΠΎΠ²Π°ΡΡ ΡΠΊΠΎΡΠΎΡΡΡ Π΄Π²ΠΈΠΆΠ΅Π½ΠΈΡ Π°Π²ΡΠΎΠΌΠΎΠ±ΠΈΠ»Ρ. ΠΠ°Π²Π΅ΡΠ½ΡΠΊΠ° ΠΌΠ½ΠΎΠ³ΠΈΠ΅ ΠΎΠ±ΡΠ°ΡΠ°Π»ΠΈ Π²Π½ΠΈΠΌΠ°Π½ΠΈΠ΅ Π½Π° Π΅ΡΠ΅ ΠΎΠ΄ΠΈΠ½ ΠΊΠΎΠ½ΡΡΠΎΠ»ΡΠ½ΡΠΉ ΠΏΡΠΈΠ±ΠΎΡ, Π½Π°Ρ
ΠΎΠ΄ΡΡΠΈΠΉΡΡ, ΠΊΠ°ΠΊ ΠΏΡΠ°Π²ΠΈΠ»ΠΎ, ΠΏΠΎ ΡΠΎΡΠ΅Π΄ΡΡΠ²Ρ ΡΠΎ ΡΠΏΠΈΠ΄ΠΎΠΌΠ΅ΡΡΠΎΠΌ ΠΈ Π²Π½Π΅ΡΠ½Π΅ ΠΎΡΠ΅Π½Ρ Π½Π° Π½Π΅Π³ΠΎ ΠΏΠΎΡ
ΠΎΠΆΠΈΠΉ β ΡΡΠΎ ΠΈ Π΅ΡΡΡ ΡΠ°Ρ
ΠΎΠΌΠ΅ΡΡ. ΠΠΎΡΠ°Π·Π΄ΠΎ ΠΌΠ΅Π½ΡΡΠ΅Π΅ ΡΠΈΡΠ»ΠΎ Π°Π²ΡΠΎΠ»ΡΠ±ΠΈΡΠ΅Π»Π΅ΠΉ ΡΠΌΠΎΠ³ΡΡ ΠΏΡΠ°Π²ΠΈΠ»ΡΠ½ΠΎ Π½Π°Π·Π²Π°ΡΡ Π΅Π³ΠΎ. Π ΡΠΆ ΡΠΎΠ²ΡΠ΅ΠΌ ΠΎΠΏΡΡΠ½ΡΠ΅ Π΄ΠΎΡΠΊΠΎΠ½Π°Π»ΡΠ½ΠΎ Π·Π½Π°ΠΊΠΎΠΌΡ Ρ ΡΠ°ΠΊΠΈΠΌ ΠΏΡΠΈΠ±ΠΎΡΠΎΠΌ, ΠΊΠ°ΠΊ ΡΠ°Ρ
ΠΎΠΌΠ΅ΡΡ. Π§ΡΠΎ ΡΡΠΎ ΡΠ°ΠΊΠΎΠ΅ ΠΈ ΠΊΠ°ΠΊΠΎΠ² Π΅Π³ΠΎ ΠΏΡΠΈΠ½ΡΠΈΠΏ ΡΠ°Π±ΠΎΡΡ β ΠΎΠ± ΡΡΠΎΠΌ Π΄Π°Π»Π΅Π΅ Π² ΡΡΠ°ΡΡΠ΅.
ΠΡΠ±ΠΎΠΏΡΡΠ½ΠΎ, Π½ΠΎ ΡΠ°ΠΌΠΎ ΡΠ»ΠΎΠ²ΠΎ Β«ΡΠ°Ρ ΠΎΠΌΠ΅ΡΡΒ» ΠΎΠ±ΡΠ°Π·ΠΎΠ²Π°Π½ΠΎ ΠΎΡ Π΄Π²ΡΡ Π³ΡΠ΅ΡΠ΅ΡΠΊΠΈΡ ΡΠ»ΠΎΠ²: Β«ΡΠ°Ρ ΠΎΡΒ» β Β«ΡΠΊΠΎΡΠΎΡΡΡΒ» ΠΈ Β«ΠΌΠ΅ΡΡΠΎΠ½Β» β Β«ΠΌΠ΅ΡΠ°Β». Π’Π°ΠΊΠΈΠΌ ΠΎΠ±ΡΠ°Π·ΠΎΠΌ, ΡΠ°Ρ ΠΎΠΌΠ΅ΡΡ, ΠΊΠ°ΠΊ ΠΈ ΡΠΏΠΈΠ΄ΠΎΠΌΠ΅ΡΡ, ΡΠ»ΡΠΆΠΈΡ Π΄Π»Ρ ΠΈΠ·ΠΌΠ΅ΡΠ΅Π½ΠΈΡ ΡΠΊΠΎΡΠΎΡΡΠΈ. Π§Π΅ΠΌ ΠΌΠΎΠΆΠ΅Ρ Π±ΡΡΡ Π²ΡΠ·Π²Π°Π½ΠΎ ΡΠ°ΠΊΠΎΠ΅ ΡΠΎΠ²ΠΏΠ°Π΄Π΅Π½ΠΈΠ΅?
Π’Π°Ρ
ΠΎΠΌΠ΅ΡΡ β ΡΡΠΎ ΠΊΠΎΠ½ΡΡΠΎΠ»ΡΠ½ΡΠΉ ΠΏΡΠΈΠ±ΠΎΡ, ΠΏΡΠΈ ΠΏΠΎΠΌΠΎΡΠΈ ΠΊΠΎΡΠΎΡΠΎΠ³ΠΎ ΠΈΠ·ΠΌΠ΅ΡΡΠ΅ΡΡΡ ΡΠΊΠΎΡΠΎΡΡΡ (Π²Π΅ΡΠ½Π΅Π΅, ΡΠ°ΡΡΠΎΡΠ°) Π²ΡΠ°ΡΠ΅Π½ΠΈΡ ΡΠ°Π·Π»ΠΈΡΠ½ΡΡ
ΡΠ»Π΅ΠΌΠ΅Π½ΡΠΎΠ². ΠΠ±ΡΡΠ½ΠΎ Π² ΠΏΠΎΠ΄ΠΎΠ±Π½ΠΎΠΉ ΡΠΎΠ»ΠΈ Π²ΡΡΡΡΠΏΠ°ΡΡ ΡΠΎΡΠΎΡΡ, Π²Π°Π»Ρ ΠΈΠ»ΠΈ Π΄ΠΈΡΠΊΠΈ. ΠΠ½Π°ΡΠ΅Π½ΠΈΠ΅ Π²Π΅Π»ΠΈΡΠΈΠ½Ρ, Ρ
Π°ΡΠ°ΠΊΡΠ΅ΡΠΈΠ·ΡΡΡΠ΅ΠΉ ΡΠ°ΡΡΠΎΡΡ Π²ΡΠ°ΡΠ΅Π½ΠΈΡ, ΠΎΠ±ΡΡΠ½ΠΎ Π²ΡΡΠ°ΠΆΠ°Π΅ΡΡΡ Π² ΠΊΠΎΠ»ΠΈΡΠ΅ΡΡΠ²Π΅ ΠΎΠ±ΠΎΡΠΎΡΠΎΠ², ΡΠΎΠ²Π΅ΡΡΠ°Π΅ΠΌΡΡ
ΡΠ»Π΅ΠΌΠ΅Π½ΡΠΎΠΌ Π·Π° Π΅Π΄ΠΈΠ½ΠΈΡΡ Π²ΡΠ΅ΠΌΠ΅Π½ΠΈ.
Π’Π°Ρ ΠΎΠΌΠ΅ΡΡ Π°Π²ΡΠΎΠΌΠΎΠ±ΠΈΠ»ΡΠ½ΡΠΉ ΠΏΠΎΠΊΠ°Π·ΡΠ²Π°Π΅Ρ ΡΠ°ΡΡΠΎΡΡ Π²ΡΠ°ΡΠ΅Π½ΠΈΡ ΠΊΠΎΠ»Π΅Π½ΡΠ°ΡΠΎΠ³ΠΎ Π²Π°Π»Π° Π΄Π²ΠΈΠ³Π°ΡΠ΅Π»Ρ, ΠΊΠΎΡΠΎΡΠ°Ρ Π²ΡΡΠ°ΠΆΠ°Π΅ΡΡΡ Π² ΠΊΠΎΠ»ΠΈΡΠ΅ΡΡΠ²Π΅ ΠΎΠ±ΠΎΡΠΎΡΠΎΠ² Π² ΠΌΠΈΠ½ΡΡΡ (ΠΎΠ±/ΠΌΠΈΠ½ ΠΈΠ»ΠΈ ΠΌΠΈΠ½-1). ΠΡΠΏΠΎΠ»ΡΠ·ΡΡ ΡΡΠΈ Π΄Π°Π½Π½ΡΠ΅, ΠΌΠΎΠΆΠ½ΠΎ ΡΡΠ΄ΠΈΡΡ ΠΎ Π½Π°Π³ΡΡΠ·ΠΊΠ΅ Π½Π° Π΄Π²ΠΈΠ³Π°ΡΠ΅Π»Ρ. Π¨ΠΊΠ°Π»Π° ΠΏΡΠΈΠ±ΠΎΡΠ°, ΠΊΠ°ΠΊ ΠΏΡΠ°Π²ΠΈΠ»ΠΎ, ΡΠΎΠ΄Π΅ΡΠΆΠΈΡ ΡΠ°ΠΊ Π½Π°Π·ΡΠ²Π°Π΅ΠΌΡΡ ΠΊΡΠ°ΡΠ½ΡΡ Π·ΠΎΠ½Ρ, ΠΊΠΎΡΠΎΡΠ°Ρ ΠΏΠΎΠΊΠ°Π·ΡΠ²Π°Π΅Ρ ΠΈΠ½ΡΠ΅ΡΠ²Π°Π»Ρ Π·Π½Π°ΡΠ΅Π½ΠΈΠΉ ΡΠΈΡΠ»Π° ΠΎΠ±ΠΎΡΠΎΡΠΎΠ² ΠΊΠΎΠ»Π΅Π½ΡΠ°ΡΠΎΠ³ΠΎ Π²Π°Π»Π° Π΄Π²ΠΈΠ³Π°ΡΠ΅Π»Ρ, ΡΠ²Π»ΡΡΡΠΈΠ΅ΡΡ ΠΏΡΠ΅Π΄Π΅Π»ΡΠ½ΡΠΌΠΈ.
ΠΠ»ΠΈΡΠ΅Π»ΡΠ½Π°Ρ ΡΠ°Π±ΠΎΡΠ° Π² ΡΠ°ΠΊΠΎΠΌ ΡΠ΅ΠΆΠΈΠΌΠ΅ ΠΌΠΎΠΆΠ΅Ρ ΠΏΡΠΈΠ²Π΅ΡΡΠΈ ΠΊ Π·Π½Π°ΡΠΈΡΠ΅Π»ΡΠ½ΠΎΠΌΡ ΠΈΠ·Π½ΠΎΡΡ ΠΈΠ»ΠΈ ΡΠ°Π·ΡΡΡΠ΅Π½ΠΈΡ Π΄Π΅ΡΠ°Π»Π΅ΠΉ Π΄Π²ΠΈΠ³Π°ΡΠ΅Π»Ρ, ΠΏΠΎΡΡΠΎΠΌΡ Π΄ΠΎΠΏΡΡΠΊΠ°ΡΡ Π΅Π³ΠΎ ΡΠΊΡΠΏΠ»ΡΠ°ΡΠ°ΡΠΈΡ Π½Π° ΡΠ°ΠΊΠΈΡ ΡΠΊΠΎΡΠΎΡΡΡΡ Π²ΡΠ°ΡΠ΅Π½ΠΈΡ Π½Π΅Π»ΡΠ·Ρ.
Π‘ΠΎΠΎΡΠ²Π΅ΡΡΡΠ²Π΅Π½Π½ΠΎ, ΡΡΠΎ ΠΈ Π΅ΡΡΡ Π΅ΡΠ΅ ΠΎΠ΄Π½Π° Π²Π°ΠΆΠ½Π°Ρ ΡΡΠ½ΠΊΡΠΈΡ ΡΠ°Ρ
ΠΎΠΌΠ΅ΡΡΠ° β ΠΎΠ½ ΠΎΠΏΠΎΠ²Π΅ΡΠ°Π΅Ρ Π²ΠΎΠ΄ΠΈΡΠ΅Π»Ρ ΠΎ ΡΠΎΠΌ, ΡΡΠΎ Π½Π΅ΠΎΠ±Ρ
ΠΎΠ΄ΠΈΠΌΠΎ ΠΏΠ΅ΡΠ΅ΠΊΠ»ΡΡΠΈΡΡΡΡ Π½Π° Π±ΠΎΠ»Π΅Π΅ Π²ΡΡΠΎΠΊΡΡ ΠΏΠ΅ΡΠ΅Π΄Π°ΡΡ Π΄Π»Ρ ΡΠ½ΠΈΠΆΠ΅Π½ΠΈΡ Π½Π°Π³ΡΡΠ·ΠΊΠΈ Π½Π° Π΄Π²ΠΈΠ³Π°ΡΠ΅Π»Ρ. ΠΡΠΈ ΡΠΎΡΠΌΠΎΠΆΠ΅Π½ΠΈΠΈ Π΄Π²ΠΈΠ³Π°ΡΠ΅Π»Π΅ΠΌ, Π½Π°ΠΏΡΠΎΡΠΈΠ², ΠΏΠΎ ΠΏΠΎΠΊΠ°Π·Π°Π½ΠΈΡΠΌ Π΅Π³ΠΎ ΡΡΡΠ΅Π»ΠΊΠΈ ΠΌΠΎΠΆΠ½ΠΎ Π²ΡΠ±ΠΈΡΠ°ΡΡ ΠΌΠΎΠΌΠ΅Π½Ρ ΠΏΠ΅ΡΠ΅Ρ
ΠΎΠ΄Π° Π½Π° ΠΏΠΎΠ½ΠΈΠΆΠ΅Π½Π½ΡΡ ΡΡΡΠΏΠ΅Π½Ρ. ΠΠ½Π°Ρ Ρ
Π°ΡΠ°ΠΊΡΠ΅ΡΠΈΡΡΠΈΠΊΠΈ ΠΌΠΎΡΠ½ΠΎΡΡΠΈ ΠΊΠΎΠ½ΠΊΡΠ΅ΡΠ½ΠΎΠ³ΠΎ Π΄Π²ΠΈΠ³Π°ΡΠ΅Π»Ρ (ΠΏΠΈΠΊ Π·Π½Π°ΡΠ΅Π½ΠΈΡ ΠΌΠΎΡΠ½ΠΎΡΡΠΈ ΠΏΡΠΈΡ
ΠΎΠ΄ΠΈΡΡΡ Π½Π° ΠΎΠΏΡΠ΅Π΄Π΅Π»Π΅Π½Π½ΡΡ ΡΠ°ΡΡΠΎΡΡ Π²ΡΠ°ΡΠ΅Π½ΠΈΡ ΠΊΠΎΠ»Π΅Π½ΡΠ°ΡΠΎΠ³ΠΎ Π²Π°Π»Π°), ΠΌΠΎΠΆΠ½ΠΎ ΡΡΡΠ΅ΠΊΡΠΈΠ²Π½ΠΎ ΡΠ°Π·Π²ΠΈΠ²Π°ΡΡ ΠΌΠ°ΠΊΡΠΈΠΌΠ°Π»ΡΠ½ΠΎΠ΅ ΡΡΠ³ΠΎΠ²ΠΎΠ΅ ΡΡΠΈΠ»ΠΈΠ΅.
ΠΠ°ΠΊΠΎΠ½Π΅Ρ, ΠΏΡΠΈ ΡΠ΅Π³ΡΠ»ΠΈΡΠΎΠ²Π°Π½ΠΈΠΈ Ρ
ΠΎΠ»ΠΎΡΡΠΎΠ³ΠΎ Ρ
ΠΎΠ΄Π° Π΄Π²ΠΈΠ³Π°ΡΠ΅Π»Ρ Π±Π΅Π· ΠΏΠΎΠΊΠ°Π·Π°Π½ΠΈΠΉ ΡΠ°Ρ
ΠΎΠΌΠ΅ΡΡΠ° ΡΠ°ΠΊΠΆΠ΅ Π½Π΅ ΠΎΠ±ΠΎΠΉΡΠΈΡΡ.
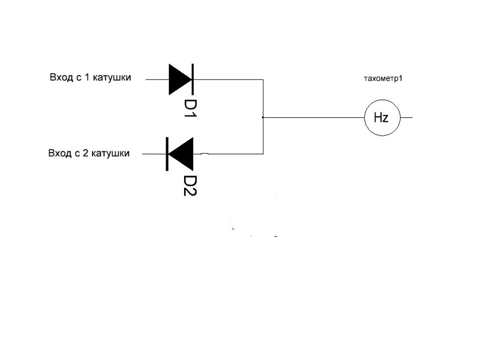
Π’Π°Ρ ΠΎΠΌΠ΅ΡΡ ΠΏΡΠΈΠ½ΠΈΠΌΠ°Π΅Ρ ΡΠΈΠ³Π½Π°Π» ΠΎΡ ΠΈΠΌΠΏΡΠ»ΡΡΠ½ΡΡ Π΄Π°ΡΡΠΈΠΊΠ° ΡΠ°ΡΡΠΎΡΡ Π²ΡΠ°ΡΠ΅Π½ΠΈΡ ΠΊΠΎΠ»Π΅Π½ΡΠ°ΡΠΎΠ³ΠΎ Π²Π°Π»Π° ΠΈ ΠΏΡΠ΅ΠΎΠ±ΡΠ°Π·ΡΠ΅Ρ ΠΈΡ Π² ΡΠΎΠΎΡΠ²Π΅ΡΡΡΠ²ΡΡΡΠ΅Π΅ ΡΠΈΡΠ»ΠΎΠ²ΠΎΠ΅ Π·Π½Π°ΡΠ΅Π½ΠΈΠ΅. ΠΡΠΈ ΠΈΡΠΏΠΎΠ»ΡΠ·ΠΎΠ²Π°Π½ΠΈΠΈ ΡΠ°Π·Π»ΠΈΡΠ½ΡΡ ΠΌΠ΅ΡΠΎΠ΄ΠΎΠ² ΠΏΠΎΠ΄ΡΡΠ΅ΡΠ° ΠΊΠΎΠ½ΡΡΠΎΠ»ΡΠ½ΠΎΠΉ Π²Π΅Π»ΠΈΡΠΈΠ½Ρ (ΠΏΡΡΠΌΠΎΠ³ΠΎ, ΠΎΠ±ΡΠ°ΡΠ½ΠΎΠ³ΠΎ, ΡΠΌΠ΅ΡΠ°Π½Π½ΠΎΠ³ΠΎ) ΠΏΠΎΠ³ΡΠ΅ΡΠ½ΠΎΡΡΡ ΠΏΠΎΠΊΠ°Π·Π°Π½ΠΈΠΉ Π΄ΠΎΡΡΠΈΠ³Π°Π΅Ρ 100β500 ΠΎΠ±/ΠΌΠΈΠ½.
ΠΡΠ»ΠΈ ΠΊΠΎΡΠ½ΡΡΡΡΡ ΠΏΡΠΈΠ½ΡΠΈΠΏΠΈΠ°Π»ΡΠ½ΠΎΠΉ ΡΡ Π΅ΠΌΡ ΡΡΡΡΠΎΠΉΡΡΠ², ΡΠΎ ΠΏΠΎΠΌΠΈΠΌΠΎ ΠΌΠ΅Ρ Π°Π½ΠΈΡΠ΅ΡΠΊΠΎΠ³ΠΎ ΡΠ°Ρ ΠΎΠΌΠ΅ΡΡΠ°, ΠΊΠΎΡΠΎΡΡΠΉ ΡΠΆΠ΅ ΠΌΠΎΠΆΠ΅Ρ ΡΡΠΈΡΠ°ΡΡΡΡ ΡΠ°ΡΠΈΡΠ΅ΡΠΎΠΌ, ΡΠ°ΠΊ ΠΊΠ°ΠΊ Π²ΡΡΡΠ΅ΡΠ°Π΅ΡΡΡ ΡΠΎΠ»ΡΠΊΠΎ Π½Π° ΡΠ΅ΡΡΠΎΠ°Π²ΡΠΎΠΌΠΎΠ±ΠΈΠ»ΡΡ , ΡΡΡΠ΅ΡΡΠ²ΡΡΡ Π΅ΡΠ΅ Π΄Π²Π° Π²ΠΈΠ΄Π° ΡΠ°ΠΊΠΈΡ ΠΏΡΠΈΠ±ΠΎΡΠΎΠ²:
ΠΠΎΠΆΠ½ΠΎ ΡΠ°ΠΊΠΆΠ΅ ΠΊΠ»Π°ΡΡΠΈΡΠΈΡΠΈΡΠΎΠ²Π°ΡΡ ΡΡΡΡΠΎΠΉΡΡΠ²Π° Π² Π·Π°Π²ΠΈΡΠΈΠΌΠΎΡΡΠΈ ΠΎΡ ΡΠΏΠΎΡΠΎΠ±Π° ΡΡΡΠ°Π½ΠΎΠ²ΠΊΠΈ:
- ΡΡΠ°ΡΠ½ΡΠ΅ β ΠΊΠ°ΠΊ ΠΏΡΠ°Π²ΠΈΠ»ΠΎ, ΡΡΡΠ°Π½ΠΎΠ²Π»Π΅Π½Ρ Π΅ΡΠ΅ Π½Π° ΠΊΠΎΠ½Π²Π΅ΠΉΠ΅ΡΠ΅ Π² ΡΠΏΠ΅ΡΠΈΠ°Π»ΡΠ½ΠΎ ΠΏΡΠ΅Π΄ΡΡΠΌΠΎΡΡΠ΅Π½Π½ΠΎΠ΅ ΠΌΠ΅ΡΡΠΎ Π½Π° ΠΏΠ°Π½Π΅Π»ΠΈ ΠΏΡΠΈΠ±ΠΎΡΠΎΠ² Π°Π²ΡΠΎΠΌΠΎΠ±ΠΈΠ»Ρ;
- Π²ΡΠ½ΠΎΡΠ½ΡΠ΅ β ΠΌΠΎΠ½ΡΠΈΡΡΡΡΡΡ Π²Π½Π΅ ΠΏΡΠΈΠ±ΠΎΡΠ½ΠΎΠΉ ΠΏΠ°Π½Π΅Π»ΠΈ Π² Π΄ΠΎΠΏΠΎΠ»Π½Π΅Π½ΠΈΠ΅ ΠΊ ΡΠΆΠ΅ ΡΡΡΠ΅ΡΡΠ²ΡΡΡΠΈΠΌ ΠΊΠΎΠ½ΡΡΠΎΠ»ΡΠ½ΡΠΌ ΠΏΡΠΈΠ±ΠΎΡΠ°ΠΌ, ΠΎΡΠ΅Π½Ρ ΡΠ°ΡΡΠΎ ΠΈΡΠΏΠΎΠ»ΡΠ·ΡΡΡΡΡ Π½Π° ΡΠΏΠΎΡΡΠΈΠ²Π½ΡΡ Π°Π²ΡΠΎΠΌΠΎΠ±ΠΈΠ»ΡΡ .
Π¦ΠΈΡΡΠΎΠ²ΠΎΠΉ ΡΠ°Ρ ΠΎΠΌΠ΅ΡΡ
ΠΠ½ ΠΏΡΠ΅Π΄ΡΡΠ°Π²Π»ΡΠ΅Ρ ΡΠΎΠ±ΠΎΠΉ ΡΠ»Π΅ΠΊΡΡΠΎΠ½Π½ΡΠΉ ΠΈΠ½Π΄ΠΈΠΊΠ°ΡΠΎΡ (ΡΠΊΡΠ°Π½, ΡΠ°Π±Π»ΠΎ), ΠΏΠΎΠΊΠ°Π·ΡΠ²Π°ΡΡΠΈΠΉ ΡΠΈΡΠ»ΠΎ ΠΎΠ±ΠΎΡΠΎΡΠΎΠ² Π΄Π²ΠΈΠ³Π°ΡΠ΅Π»Ρ Π² Π΄Π°Π½Π½ΡΠΉ ΠΌΠΎΠΌΠ΅Π½Ρ Π²ΡΠ΅ΠΌΠ΅Π½ΠΈ.
Π‘ΡΠΈΡΠ°Π΅ΡΡΡ, ΡΡΠΎ ΡΠ°ΠΊΠΎΠ΅ ΠΏΡΠ΅Π΄ΡΡΠ°Π²Π»Π΅Π½ΠΈΠ΅ Π½Π°ΠΈΠ±ΠΎΠ»Π΅Π΅ ΡΠ΄ΠΎΠ±Π½ΠΎ ΠΏΡΠΈ ΡΠ°Π±ΠΎΡΠ΅ Ρ ΡΠ»Π΅ΠΊΡΡΠΎΠ½Π½ΡΠΌΠΈ Π±Π»ΠΎΠΊΠ°ΠΌΠΈ ΡΠΏΡΠ°Π²Π»Π΅Π½ΠΈΡ ΠΈΠ»ΠΈ ΠΏΡΠΈ Π½Π°ΡΡΡΠΎΠΉΠΊΠ΅ (Π΄ΠΎΠ²ΠΎΠ΄ΠΊΠ΅) ΠΌΠΎΡΠΎΡΠ°. Π ΡΠΎΡΡΠ°Π² ΡΡΡΡΠΎΠΉΡΡΠ²Π° Π²Ρ
ΠΎΠ΄ΡΡ ΡΠ°ΠΊΠΆΠ΅ ΠΏΡΠΎΡΠ΅ΡΡΠΎΡ, ΠΏΡΠ΅ΠΎΠ±ΡΠ°Π·ΠΎΠ²Π°ΡΠ΅Π»Ρ Π°Π½Π°Π»ΠΎΠ³ΠΎΠ²ΡΡ
ΡΠΈΠ³Π½Π°Π»ΠΎΠ² Π² ΡΠΈΡΡΠΎΠ²ΡΠ΅, Π΄Π°ΡΡΠΈΠΊ ΠΊΠ»Π°ΠΏΠ°Π½Π° Ρ
ΠΎΠ»ΠΎΡΡΠΎΠ³ΠΎ Ρ
ΠΎΠ΄Π° ΠΈ Π΅ΡΠ΅ ΠΎΠ΄ΠΈΠ½ ΠΏΡΠ΅ΠΎΠ±ΡΠ°Π·ΠΎΠ²Π°ΡΠ΅Π»Ρ, ΠΊΠΎΡΠΎΡΡΠΉ Π½ΡΠΆΠ΅Π½ Π΄Π»Ρ ΡΡΠ°Π½ΡΡΠΎΡΠΌΠ°ΡΠΈΠΈ ΡΠ»Π΅ΠΊΡΡΠΈΡΠ΅ΡΠΊΠΈΡ
ΡΠΈΠ³Π½Π°Π»ΠΎΠ² Π² ΡΠ²Π΅ΡΠΎΠ²ΡΠ΅ (ΠΎΠΏΡΡΠΎΠ½).
ΠΠ½Π°Π»ΠΎΠ³ΠΎΠ²ΡΠΉ ΡΠ°Ρ ΠΎΠΌΠ΅ΡΡ
ΠΠ½Π΅ΡΠ½ΠΈΠΉ Π²ΠΈΠ΄ ΡΠ°ΠΊΠΎΠ³ΠΎ ΠΏΡΠΈΠ±ΠΎΡΠ° ΡΠΆΠ΅ ΠΎΠΏΠΈΡΡΠ²Π°Π»ΡΡ Π²ΡΡΠ΅. ΠΠΈΠ·ΡΠ°Π»ΡΠ½ΠΎ ΠΎΠ½ ΠΏΠΎΡ
ΠΎΠΆ Π½Π° Π±ΠΎΠ»ΡΡΠΈΠ½ΡΡΠ²ΠΎ ΠΊΠΎΠ½ΡΡΠΎΠ»ΡΠ½ΠΎ-ΠΈΠ·ΠΌΠ΅ΡΠΈΡΠ΅Π»ΡΠ½ΡΡ
ΠΏΡΠΈΠ±ΠΎΡΠΎΠ²: ΠΈΠΌΠ΅Π΅ΡΡΡ ΡΠΈΡΠ΅ΡΠ±Π»Π°Ρ, ΠΏΠΎ ΠΊΠΎΡΠΎΡΠΎΠΌΡ ΠΏΠ΅ΡΠ΅ΠΌΠ΅ΡΠ°Π΅ΡΡΡ ΡΡΡΠ΅Π»ΠΊΠ°, ΡΠΊΠ°Π·ΡΠ²Π°ΡΡΠ°Ρ ΡΠΈΡΠ»ΠΎ ΠΎΠ±ΠΎΡΠΎΡΠΎΠ². ΠΠ΅Π»ΠΈΡΠΈΠ½Π° ΡΠ°ΡΡΠΎΡΡ Π²ΡΠ°ΡΠ΅Π½ΠΈΡ ΠΊΠΎΠ»Π΅Π½ΡΠ°ΡΠΎΠ³ΠΎ Π²Π°Π»Π° Π΄Π²ΠΈΠ³Π°ΡΠ΅Π»Ρ ΡΠΎΠΎΡΠ²Π΅ΡΡΡΠ²ΡΠ΅Ρ ΡΠ³Π»Ρ ΠΏΠΎΠ²ΠΎΡΠΎΡΠ° ΡΡΡΠ΅Π»ΠΊΠΈ ΠΎΡΠ½ΠΎΡΠΈΡΠ΅Π»ΡΠ½ΠΎ Π½ΡΠ»Π΅Π²ΠΎΠ³ΠΎ Π·Π½Π°ΡΠ΅Π½ΠΈΡ. ΠΠ΄Π½ΠΈΠΌ ΠΈΠ· ΠΎΡΠ½ΠΎΠ²Π½ΡΡ
ΡΠ»Π΅ΠΌΠ΅Π½ΡΠΎΠ² ΡΠ°ΠΊΠΎΠΉ ΡΠΈΡΡΠ΅ΠΌΡ ΡΠ²Π»ΡΠ΅ΡΡΡ ΠΌΠ°Π³Π½ΠΈΡΠ½Π°Ρ ΠΊΠ°ΡΡΡΠΊΠ°, Π½Π°ΠΊΠ°ΠΏΠ»ΠΈΠ²Π°ΡΡΠ°Ρ ΡΠ½Π΅ΡΠ³ΠΈΡ, Π½Π΅ΠΎΠ±Ρ
ΠΎΠ΄ΠΈΠΌΡΡ Π΄Π»Ρ ΠΏΠΎΠ²ΠΎΡΠΎΡΠ° ΡΡΡΠ΅Π»ΠΊΠΈ. ΠΠ»Π΅ΠΊΡΡΠΈΡΠ΅ΡΠΊΠΈΠΉ ΡΠΈΠ³Π½Π°Π» ΠΎΡ Π΄Π°ΡΡΠΈΠΊΠΎΠ² ΡΠ΅ΡΠ΅Π· ΠΌΠΈΠΊΡΠΎΡΡ
Π΅ΠΌΡ ΠΏΠΎΠ΄Π²ΠΎΠ΄ΠΈΡΡΡ ΠΊ ΠΊΠ°ΡΡΡΠΊΠ΅, ΠΏΡΠΈΠ²ΠΎΠ΄ΡΡΠ΅ΠΉ Π² Π΄Π΅ΠΉΡΡΠ²ΠΈΠ΅ ΡΡΡΠ΅Π»ΠΊΡ, ΠΊΠΎΡΠΎΡΠ°Ρ ΡΠ²ΠΎΠΈΠΌ ΠΎΡΠΊΠ»ΠΎΠ½Π΅Π½ΠΈΠ΅ΠΌ ΡΠΊΠ°Π·ΡΠ²Π°Π΅Ρ Π½Π° Π·Π½Π°ΡΠ΅Π½ΠΈΠ΅ ΠΊΠΎΠ½ΡΡΠΎΠ»ΡΠ½ΠΎΠ³ΠΎ ΠΏΠ°ΡΠ°ΠΌΠ΅ΡΡΠ°.
ΠΠ½ΠΎΠ³Π΄Π° ΠΈΡΠΏΠΎΠ»ΡΠ·ΡΠ΅ΡΡΡ ΡΠΎΠ²ΠΌΠ΅ΡΠ΅Π½Π½Π°Ρ ΠΊΠΎΠ½ΡΡΡΡΠΊΡΠΈΡ, ΠΊΠΎΠ³Π΄Π° Π² Π΄ΠΎΠΏΠΎΠ»Π½Π΅Π½ΠΈΠ΅ ΠΊ Π°Π½Π°Π»ΠΎΠ³ΠΎΠ²ΠΎΠΌΡ ΡΡΡΡΠΎΠΉΡΡΠ²Ρ ΡΡΡΠ°Π½Π°Π²Π»ΠΈΠ²Π°ΡΡ Π΅ΡΠ΅ ΠΈ ΡΠΈΡΡΠΎΠ²ΠΎΠ΅. ΠΠ΄Π½Π°ΠΊΠΎ, ΡΡΠΈΡΠ°Π΅ΡΡΡ, ΡΡΠΎ ΠΏΡΠΈ ΠΏΠΎΡΡΠΎΡΠ½Π½ΠΎΠΉ ΡΠΊΡΠΏΠ»ΡΠ°ΡΠ°ΡΠΈΠΈ ΡΠΈΠ³Π½Π°Π» ΠΎΡ Π°Π½Π°Π»ΠΎΠ³ΠΎΠ²ΠΎΠ³ΠΎ ΡΠ°Ρ
ΠΎΠΌΠ΅ΡΡΠ° ΠΌΠΎΠ·Π³ΠΎΠΌ ΡΠ΅Π»ΠΎΠ²Π΅ΠΊΠ° Π²ΠΎΡΠΏΡΠΈΠ½ΠΈΠΌΠ°Π΅ΡΡΡ Π»ΡΡΡΠ΅, ΡΠ΅ΠΌ ΠΎΡ ΡΠΈΡΡΠΎΠ²ΠΎΠ³ΠΎ.
Π’Π°Ρ ΠΎΠΌΠ΅ΡΡ Π°Π²ΡΠΎΠΌΠΎΠ±ΠΈΠ»ΡΠ½ΡΠΉ — ΠΊΠ°ΠΊ ΠΎΠ½ ΡΠ°Π±ΠΎΡΠ°Π΅Ρ?
ΠΠ½ΠΎΠ³ΠΈΠ΅ Π²ΠΎΠ΄ΠΈΡΠ΅Π»ΠΈ Π½Π΅ Π·Π°ΠΌΠ΅ΡΠ°ΡΡ ΠΌΠ½ΠΎΠ³ΠΈΡ ΠΏΡΠΈΠ±ΠΎΡΠΎΠ², ΡΠ°ΡΠΏΠΎΠ»ΠΎΠΆΠ΅Π½Π½ΡΡ Π½Π° ΠΏΠ°Π½Π΅Π»ΠΈ Π°Π²ΡΠΎΠΌΠΎΠ±ΠΈΠ»Ρ. ΠΠ΄Π½Π°ΠΊΠΎ, Π°Π²ΡΠΎΠΌΠΎΠ±ΠΈΠ»ΡΠ½ΡΠ΅ ΠΊΠΎΠ½ΡΡΡΡΠΊΡΠΎΡΡ Π½Π΅ ΡΡΠ°Π»ΠΈ Π±Ρ ΡΡΡΠ°Π½Π°Π²Π»ΠΈΠ²Π°ΡΡ ΡΠΎ, ΡΡΠΎ Π²ΠΎΠ΄ΠΈΡΠ΅Π»Ρ ΡΠΎΠ²Π΅ΡΡΠ΅Π½Π½ΠΎ Π½Π΅ Π½ΡΠΆΠ½ΠΎ. ΠΠ΄Π½ΠΈΠΌ ΠΈΠ· ΡΠ°ΠΊΠΈΡ ΠΏΡΠΈΠ±ΠΎΡΠΎΠ² ΡΠ²Π»ΡΠ΅ΡΡΡ Π°Π²ΡΠΎΠΌΠΎΠ±ΠΈΠ»ΡΠ½ΡΠΉ ΡΠ°Ρ ΠΎΠΌΠ΅ΡΡ. Π ΡΡΠΎΠΉ ΡΡΠ°ΡΡΠ΅ ΠΌΡ ΡΠ°ΡΡΠΊΠ°ΠΆΠ΅ΠΌ Π²Π°ΠΌ, ΡΡΠΎ ΡΠ°ΠΊΠΎΠ΅ ΡΠ°Ρ ΠΎΠΌΠ΅ΡΡ, ΠΊΠ°ΠΊΠΈΠ΅ Π²ΠΈΠ΄Ρ ΡΠ°Ρ ΠΎΠΌΠ΅ΡΡΠΎΠ² ΡΡΡΠ΅ΡΡΠ²ΡΡΡ, ΠΊΠ°ΠΊ ΠΏΠΎΠ΄ΠΊΠ»ΡΡΠ°ΡΡΡΡ, Π³Π΄Π΅ ΡΡΡΠ°Π½Π°Π²Π»ΠΈΠ²Π°Π΅ΡΡΡ ΠΈ Π΄Π»Ρ ΡΠ΅Π³ΠΎ Π½ΡΠΆΠ΅Π½ Π΄Π°ΡΡΠΈΠΊ ΡΠ°Ρ ΠΎΠΌΠ΅ΡΡΠ°?
ΠΡΠΈΠ½ΡΠΈΠΏ ΡΠ°Π±ΠΎΡΡ ΡΠ°Ρ ΠΎΠΌΠ΅ΡΡΠ°
Π’Π°Ρ
ΠΎΠΌΠ΅ΡΡ β ΡΡΠΎ ΠΏΡΠΈΠ±ΠΎΡ, ΠΊΠΎΡΠΎΡΡΠΉ ΠΏΡΠ΅Π΄Π½Π°Π·Π½Π°ΡΠ΅Π½ Π΄Π»Ρ ΠΎΡΠΎΠ±ΡΠ°ΠΆΠ΅Π½ΠΈΡ ΡΠΈΡΠ»Π° ΠΎΠ±ΠΎΡΠΎΡΠΎΠ² Π΄Π²ΠΈΠ³Π°ΡΠ΅Π»Ρ (ΡΠ°ΡΡΠΎΡΡ Π²ΡΠ°ΡΠ΅Π½ΠΈΡ ΠΊΠΎΠ»Π΅Π½ΡΠ°ΡΠΎΠ³ΠΎ Π²Π°Π»Π°). Π’Π΅, ΠΊΡΠΎ Π½Π΅ ΡΠ°Π·Π±ΠΈΡΠ°Π΅ΡΡΡ Π² ΠΌΠ΅Ρ
Π°Π½ΠΈΡΠ΅ΡΠΊΠΎΠΉ ΡΠ°ΡΡΠΈ ΠΌΠΎΡΠΎΡΠ°, Π΄ΠΎΠ»ΠΆΠ½Ρ Π·Π½Π°ΡΡ ΠΏΡΠΈΠ½ΡΠΈΠΏ ΡΠ°Π±ΠΎΡΡ Π΄Π²ΠΈΠ³Π°ΡΠ΅Π»Ρ Π²Π½ΡΡΡΠ΅Π½Π½Π΅Π³ΠΎ ΡΠ³ΠΎΡΠ°Π½ΠΈΡ, ΡΡΠΎΠ±Ρ ΠΏΠΎΠ½ΡΡΡ, Π΄Π»Ρ ΡΠ΅Π³ΠΎ ΠΏΡΠ΅Π΄Π½Π°Π·Π½Π°ΡΠ΅Π½ ΡΠ°Ρ
ΠΎΠΌΠ΅ΡΡ.
Π ΠΎΡΠ½ΠΎΠ²Π΅ ΡΠ°Π±ΠΎΡΡ Π»ΡΠ±ΠΎΠ³ΠΎ Π΄Π²ΠΈΠ³Π°ΡΠ΅Π»Ρ Π»Π΅ΠΆΠΈΡ ΠΏΡΠ΅ΠΎΠ±ΡΠ°Π·ΠΎΠ²Π°Π½ΠΈΠ΅ ΠΏΠΎΡΡΡΠΏΠ°ΡΠ΅Π»ΡΠ½ΠΎΠ³ΠΎ Π΄Π²ΠΈΠΆΠ΅Π½ΠΈΡ Π²ΠΎ Π²ΡΠ°ΡΠ°ΡΠ΅Π»ΡΠ½ΠΎΠ΅. ΠΡΠΎ ΠΏΡΠΎΠΈΡΡ ΠΎΠ΄ΠΈΡ Π·Π° ΡΡΠ΅Ρ ΡΠ°ΡΡΠΈΡΠ΅Π½ΠΈΡ Π³Π°Π·ΠΎΠ² Π² ΠΊΠ°ΠΌΠ΅ΡΠ΅ ΡΠ³ΠΎΡΠ°Π½ΠΈΡ ΠΈ ΠΏΡΠΈΠ²Π΅Π΄Π΅Π½ΠΈΡ Π² Π΄Π΅ΠΉΡΡΠ²ΠΈΠ΅ ΡΠΏΠ΅ΡΠΈΠ°Π»ΡΠ½ΡΡ ΠΏΠΎΡΡΠ½Π΅ΠΉ, ΠΊΠΎΡΠΎΡΡΠ΅ ΡΠ°ΡΠΊΡΡΡΠΈΠ²Π°ΡΡ ΡΠ°ΡΡΠ½Π°ΠΌΠΈ ΠΊΠΎΠ»Π΅Π½ΡΠ°ΡΡΠΉ Π²Π°Π» Π΄Π²ΠΈΠ³Π°ΡΠ΅Π»Ρ. ΠΠ±ΠΎΡΠΎΡΡ ΠΊΠΎΠ»Π΅Π½Π²Π°Π»Π°, ΠΊΠ°ΠΊ ΡΠ°Π·, ΠΈ Π±ΡΠ΄ΡΡ ΡΡΠΈΡΠ°ΡΡΡΡ ΠΎΠ±ΠΎΡΠΎΡΠ°ΠΌΠΈ Π΄Π²ΠΈΠ³Π°ΡΠ΅Π»Ρ, ΠΊΠΎΡΠΎΡΡΠ΅ ΠΏΠΎΠΊΠ°Π·ΡΠ²Π°Π΅Ρ ΡΠ°Ρ ΠΎΠΌΠ΅ΡΡ.
ΠΡΠΈ Π½Π°ΠΆΠ°ΡΠΈΠΈ Π½Π° ΠΏΠ΅Π΄Π°Π»Ρ Π³Π°Π·Π°, ΠΊΠΎΠ»ΠΈΡΠ΅ΡΡΠ²ΠΎ ΡΠΎΠΏΠ»ΠΈΠ²Π°, ΠΏΠΎΠ΄Π°Π²Π°Π΅ΠΌΠΎΠ΅ Π² ΠΊΠ°ΠΌΠ΅ΡΡ ΡΠ³ΠΎΡΠ°Π½ΠΈΡ Π΄Π²ΠΈΠ³Π°ΡΠ΅Π»Ρ, ΡΠ²Π΅Π»ΠΈΡΠΈΠ²Π°Π΅ΡΡΡ ΠΈ Π΄Π°Π²Π»Π΅Π½ΠΈΠ΅, ΠΎΠΊΠ°Π·ΡΠ²Π°Π΅ΠΌΠΎΠ΅ Π½Π° ΠΏΠΎΡΡΠ½ΠΈ, ΠΏΠΎΠ²ΡΡΠ°Π΅ΡΡΡ. Π‘ΠΎΠΎΡΠ²Π΅ΡΡΡΠ²Π΅Π½Π½ΠΎ, ΡΠ²Π΅Π»ΠΈΡΠΈΠ²Π°Π΅ΡΡΡ ΡΠ°ΡΡΠΎΡΠ° Π²ΡΠ°ΡΠ΅Π½ΠΈΡ ΠΊΠΎΠ»Π΅Π½Π²Π°Π»Π° ΠΈ ΠΏΠΎΠΊΠ°Π·Π°Π½ΠΈΡ ΡΠ°Ρ ΠΎΠΌΠ΅ΡΡΠ° ΡΡΠ°Π½ΠΎΠ²ΡΡΡΡ Π²ΡΡΠ΅.
ΠΠ»Ρ ΡΠ΅Π³ΠΎ Π½ΡΠΆΠ΅Π½ ΡΠ°Ρ ΠΎΠΌΠ΅ΡΡ Π² Π°Π²ΡΠΎΠΌΠΎΠ±ΠΈΠ»Π΅
ΠΠΏΡΡΠ½ΡΠ΅ Π²ΠΎΠ΄ΠΈΡΠ΅Π»ΠΈ Π·Π½Π°ΡΡ, ΡΡΠΎ ΠΏΡΠ°Π²ΠΈΠ»ΡΠ½ΠΎΠ΅ ΠΈΡΠΏΠΎΠ»ΡΠ·ΠΎΠ²Π°Π½ΠΈΠ΅ ΡΠ°Ρ ΠΎΠΌΠ΅ΡΡΠ° ΠΏΠΎΠ·Π²ΠΎΠ»ΡΠ΅Ρ Π·Π°Π΄Π΅ΠΉΡΡΠ²ΠΎΠ²Π°ΡΡ Π²ΡΠ΅ Π²ΠΎΠ·ΠΌΠΎΠΆΠ½ΠΎΡΡΠΈ Π΄Π²ΠΈΠ³Π°ΡΠ΅Π»Ρ Π½Π° ΠΌΠ°ΠΊΡΠΈΠΌΡΠΌ, ΠΏΡΠΈ ΡΡΠΎΠΌ, ΡΠΎΡ ΡΠ°Π½ΡΡ Π΅Π³ΠΎ ΡΠ΅ΡΡΡΡ.
ΠΡΠ»ΠΈ Π²Π½ΠΈΠΌΠ°ΡΠ΅Π»ΡΠ½ΠΎ ΡΠ°ΡΡΠΌΠΎΡΡΠ΅ΡΡ ΠΏΠ°ΡΠ°ΠΌΠ΅ΡΡΡ Π½Π΅ΠΊΠΎΡΠΎΡΡΡ
Π΄Π²ΠΈΠ³Π°ΡΠ΅Π»Π΅ΠΉ, ΡΠΎ ΠΌΠΎΠΆΠ½ΠΎ ΠΎΠ±Π½Π°ΡΡΠΆΠΈΡΡ ΡΠ°ΠΊΠΈΠ΅ ΠΏΠΎΠΊΠ°Π·Π°ΡΠ΅Π»ΠΈ, ΠΊΠ°ΠΊ ΠΌΠ°ΠΊΡΠΈΠΌΠ°Π»ΡΠ½Π°Ρ ΠΌΠΎΡΠ½ΠΎΡΡΡ, Π° ΡΠ°ΠΊΠΆΠ΅ Π½Π°ΠΈΠ±ΠΎΠ»ΡΡΠΈΠΉ ΠΊΡΡΡΡΡΠΈΠΉ ΠΌΠΎΠΌΠ΅Π½Ρ. ΠΡΠ½ΠΎΠ²ΠΎΠΉ ΡΡΠΈΡ
ΠΏΠΎΠΊΠ°Π·Π°Π½ΠΈΠΉ Π²ΡΠ΅Π³Π΄Π° Π±ΡΠ»ΠΎ, Π΅ΡΡΡ ΠΈ Π±ΡΠ΄Π΅Ρ ΡΠΈΡΠ»ΠΎ ΠΎΠ±ΠΎΡΠΎΡΠΎΠ² ΠΊΠΎΠ»Π΅Π½ΡΠ°ΡΠΎΠ³ΠΎ Π²Π°Π»Π°, ΠΊΠΎΡΠΎΡΠΎΠ΅ ΠΎΡΠΎΠ±ΡΠ°ΠΆΠ΅Π½ΠΎ Π½Π° ΡΠ°Ρ
ΠΎΠΌΠ΅ΡΡΠ΅.
Π§ΡΠΎΠ±Ρ Π²Π°ΠΌ Π±ΡΠ»ΠΎ ΠΏΠΎΠ½ΡΡΠ½Π΅Π΅, ΠΏΠΎΡΡΠ°ΡΠ°Π΅ΠΌΡΡ ΠΏΡΠΈΠ²Π΅ΡΡΠΈ ΡΠ»Π΅ΠΌΠ΅Π½ΡΠ°ΡΠ½ΡΠΉ ΠΏΡΠΈΠΌΠ΅Ρ. Π ΡΠ΅Ρ Π½ΠΈΡΠ΅ΡΠΊΠΎΠΉ Π΄ΠΎΠΊΡΠΌΠ΅Π½ΡΠ°ΡΠΈΠΈ Π΄Π²ΠΈΠ³Π°ΡΠ΅Π»Ρ ΡΠΊΠ°Π·Π°Π½ΠΎ: Β«135 Π».Ρ. ΠΏΡΠΈ 3500 ΠΎΠ±ΠΎΡΠΎΡΠ°Ρ Π² ΠΌΠΈΠ½ΡΡΡΒ». Π’ΠΎ ΠΆΠ΅ ΡΠ°ΠΌΠΎΠ΅ ΠΌΠΎΠΆΠ΅Ρ ΠΎΠ·Π½Π°ΡΠ°ΡΡ ΠΈ Β«420 ΠΠΌ ΠΏΡΠΈ 4000 ΠΎΠ±ΠΎΡΠΎΡΠ°Ρ Π² ΠΌΠΈΠ½ΡΡΡΒ». ΠΡΠ΅ ΡΡΠΈ ΡΠΈΡΡΡ ΠΎΠ·Π½Π°ΡΠ°ΡΡ, ΡΡΠΎ Π΄Π²ΠΈΠ³Π°ΡΠ΅Π»Ρ Π±ΡΠ΄Π΅Ρ ΡΠ°Π·Π²ΠΈΠ²Π°ΡΡ Π½Π°ΠΈΠ±ΠΎΠ»Π΅Π΅ ΡΡΡΠ΅ΠΊΡΠΈΠ²Π½ΡΠΉ ΡΠ°Π·Π³ΠΎΠ½ ΠΈΠ»ΠΈ ΡΡΠ³ΠΎΠ²ΠΎΠ΅ ΡΡΠΈΠ»ΠΈΠ΅ ΡΠΎΠ»ΡΠΊΠΎ ΠΏΡΠΈ ΡΠ°ΠΊΠΈΡ ΠΎΠ±ΠΎΡΠΎΡΠ°Ρ ΠΊΠΎΠ»Π΅Π½ΡΠ°ΡΠΎΠ³ΠΎ Π²Π°Π»Π°. ΠΡΠ»ΠΈ ΠΆΠ΅ ΡΠ°ΡΡΠΎΡΠ° Π²ΡΠ°ΡΠ΅Π½ΠΈΡ Π±ΡΠ΄Π΅Ρ Π½ΠΈΠΆΠ΅ ΠΈΠ»ΠΈ Π²ΡΡΠ΅ ΡΡΡΠ°Π½ΠΎΠ²Π»Π΅Π½Π½ΠΎΠ³ΠΎ Π·Π½Π°ΡΠ΅Π½ΠΈΡ, ΡΠΎ ΠΊΠΎΡΡΡΠΈΡΠΈΠ΅Π½Ρ ΠΏΠΎΠ»Π΅Π·Π½ΠΎΠ³ΠΎ Π΄Π΅ΠΉΡΡΠ²ΠΈΡ Π±ΡΠ΄Π΅Ρ ΠΌΠ΅Π½ΡΡΠΈΠΌ, ΡΠΎΠΎΡΠ²Π΅ΡΡΡΠ²Π΅Π½Π½ΠΎ, Π°Π²ΡΠΎΠΌΠΎΠ±ΠΈΠ»Ρ Π±ΡΠ΄Π΅Ρ ΠΈΠ΄ΡΠΈ ΡΠΈΡΠ΅.
ΠΠ°Π½Π½ΡΠ΅ ΠΏΠ°ΡΠ°ΠΌΠ΅ΡΡΡ Π½ΡΠΆΠ½Ρ Π²ΠΎΠ΄ΠΈΡΠ΅Π»Ρ, ΠΊΠΎΠ³Π΄Π° ΠΎΠ½ ΠΏΠ΅ΡΠ΅ΠΊΠ»ΡΡΠ°Π΅Ρ ΠΏΠ΅ΡΠ΅Π΄Π°ΡΠΈ Π½Π° ΠΠΠ. ΠΡΠ»ΠΈ ΡΠ°Π·Π³ΠΎΠ½ΡΡΡ ΠΌΠΎΡΠΎΡ ΠΈΠΌΠ΅Π½Π½ΠΎ Π΄ΠΎ ΡΠ°ΠΊΠΈΡ ΠΎΠ±ΠΎΡΠΎΡΠΎΠ² ΠΈ ΡΡΠ°Π·Ρ ΠΆΠ΅ Π²ΠΊΠ»ΡΡΠ°ΡΡ ΡΠ»Π΅Π΄ΡΡΡΡΡ ΠΏΠ΅ΡΠ΅Π΄Π°ΡΡ, ΡΠΎ ΠΌΠΎΠΆΠ½ΠΎ ΠΏΠΎΠ»ΡΡΠΈΡΡ ΡΠ°ΠΌΡΠΉ ΡΡΡΠ΅ΠΊΡΠΈΠ²Π½ΡΠΉ ΡΠ°Π·Π³ΠΎΠ½.
Π’Π΅ΠΌ Π½Π΅ ΠΌΠ΅Π½Π΅Π΅, Π²ΡΠ΅ ΠΆΠ΅ Π½Π΅ ΡΡΠΎΠΈΡ ΡΠ»ΠΈΡΠΊΠΎΠΌ ΡΠ°ΡΡΠΎ ΠΏΡΠΈΠΌΠ΅Π½ΡΡΡ ΡΠ°ΠΊΠΎΠΉ ΡΠ°Π·Π³ΠΎΠ½ ΠΌΠΎΡΠΎΡΠ°. ΠΠ΅Π»ΠΎ Π² ΡΠΎΠΌ, ΡΡΠΎ ΠΏΡΠΈ ΡΠ²Π΅Π»ΠΈΡΠ΅Π½ΠΈΠΈ ΡΠΈΡΠ»Π° ΠΎΠ±ΠΎΡΠΎΡΠΎΠ², ΡΠ²Π΅Π»ΠΈΡΠΈΠ²Π°Π΅ΡΡΡ ΠΈ ΡΠ°ΡΡ
ΠΎΠ΄ ΠΏΠΎΡΡΠ΅Π±Π»ΡΠ΅ΠΌΠΎΠ³ΠΎ ΡΠΎΠΏΠ»ΠΈΠ²Π°. ΠΡΠΎΠΌΠ΅ ΡΠΎΠ³ΠΎ, ΡΠ»ΠΈΡΠΊΠΎΠΌ Π±ΠΎΠ»ΡΡΠΈΠ΅ ΠΎΠ±ΠΎΡΠΎΡΡ ΠΌΠΎΠ³ΡΡ ΠΏΡΠΈΠ²Π΅ΡΡΠΈ ΠΊ ΡΡΠΊΠΎΡΠ΅Π½ΠΈΡ ΠΈΠ·Π½ΠΎΡΠ° ΠΌΠ½ΠΎΠ³ΠΈΡ
Π΄Π΅ΡΠ°Π»Π΅ΠΉ Π΄Π²ΠΈΠ³Π°ΡΠ΅Π»Ρ ΠΈ ΡΠΊΠΎΡΠ΅ΠΉΡΠ΅ΠΌΡ Π·Π°Π³ΡΡΠ·Π½Π΅Π½ΠΈΡ ΠΌΠ°ΡΠ»Π° Π² ΠΊΠ°ΡΡΠ΅ΡΠ΅.
ΠΠΎΡΡΠΎΠΌΡ, ΠΌΠ½ΠΎΠ³ΠΈΠ΅ ΡΠΊΡΠΏΠ΅ΡΡΡ ΡΠΎΠ²Π΅ΡΡΡΡ Π½Π΅ΠΌΠ½ΠΎΠ³ΠΎ Β«Π½Π΅ Π΄ΠΎΠΊΡΡΡΠΈΠ²Π°ΡΡΒ» Π΄Π²ΠΈΠ³Π°ΡΠ΅Π»Ρ Π΄ΠΎ ΠΌΠ°ΠΊΡΠΈΠΌΠ°Π»ΡΠ½ΠΎΠΉ ΠΌΠΎΡΠ½ΠΎΡΡΠΈ, ΡΠ΅ΠΌ ΡΠ°ΠΌΡΠΌ, ΡΠΎΠ·Π΄Π°ΡΡ Π±ΠΎΠ»Π΅Π΅ ΡΠΊΠΎΠ½ΠΎΠΌΠ½ΡΠΉ ΠΈ ΡΡΡΠ΅ΠΊΡΠΈΠ²Π½ΡΠΉ ΡΠ°ΡΡ
ΠΎΠ΄ ΡΠΎΠΏΠ»ΠΈΠ²Π°.
ΠΠΎΡ ΡΠ°ΠΊ ΡΠ°Ρ ΠΎΠΌΠ΅ΡΡ ΠΏΠΎΠΌΠΎΠ³Π°Π΅Ρ ΠΎΡΡΡΠ΅ΡΡΠ²Π»ΡΡΡ Π³ΡΠ°ΠΌΠΎΡΠ½ΠΎΠ΅ ΠΏΠ΅ΡΠ΅ΠΊΠ»ΡΡΠ΅Π½ΠΈΠ΅ ΠΏΠ΅ΡΠ΅Π΄Π°Ρ ΠΈ ΡΠΎΡ ΡΠ°Π½ΠΈΡΡ ΡΠ΅ΡΡΡΡ Π΄Π²ΠΈΠ³Π°ΡΠ΅Π»Ρ Π½Π° Π±ΠΎΠ»Π΅Π΅ Π΄ΠΎΠ»Π³ΠΈΠΉ ΡΡΠΎΠΊ.
ΠΠΈΠ΄Ρ ΡΠ°Ρ ΠΎΠΌΠ΅ΡΡΠΎΠ²
ΠΡΠ΅ ΠΌΠΎΠΆΠ½ΠΎ Π²ΡΠ΄Π΅Π»ΠΈΡΡ 3 ΠΎΡΠ½ΠΎΠ²Π½ΡΡ Π²ΠΈΠ΄Π° ΡΠ°Ρ ΠΎΠΌΠ΅ΡΡΠΎΠ². ΠΡΠΎ β ΠΌΠ΅Ρ Π°Π½ΠΈΡΠ΅ΡΠΊΠΈΠ΅, Π°Π½Π°Π»ΠΎΠ³ΠΎΠ²ΡΠ΅ ΠΈ ΡΠΈΡΡΠΎΠ²ΡΠ΅. Π Π°ΡΡΠΌΠΎΡΡΠΈΠΌ ΠΊΠ°ΠΆΠ΄ΡΠΉ Π²Π°ΡΠΈΠ°Π½Ρ ΠΏΠΎ ΠΎΡΠ΄Π΅Π»ΡΠ½ΠΎΡΡΠΈ.
Π―Π²Π»ΡΠ΅ΡΡΡ ΡΠ°ΠΌΡΠΌ ΠΏΠ΅ΡΠ²ΡΠΌ Π²ΠΈΠ΄ΠΎΠΌ ΡΠ°Ρ ΠΎΠΌΠ΅ΡΡΠ°, ΠΊΠΎΡΠΎΡΡΠΉ ΠΏΡΠΈΠΌΠ΅Π½ΡΠ»ΡΡ Π΅ΡΠ΅ Π½Π° ΠΏΠ΅ΡΠ²ΡΡ Π°Π²ΡΠΎΠΌΠΎΠ±ΠΈΠ»ΡΡ . ΠΠΎΠ½ΡΡΡΡΠΊΡΠΈΡ ΡΠ°ΠΊΠΎΠ³ΠΎ ΡΡΡΡΠΎΠΉΡΡΠ²Π° Π±ΡΠ»Π° ΠΏΡΠ΅Π΄Π΅Π»ΡΠ½ΠΎ ΠΏΡΠΎΡΡΠ°: ΠΏΡΠΈΠ±ΠΎΡ Ρ ΠΏΠΎΠΌΠΎΡΡΡ ΡΡΠΎΡΠ° ΠΏΡΠΈΡΠΎΠ΅Π΄ΠΈΠ½ΡΠ»ΡΡ ΠΊ ΠΊΠΎΠ»Π΅Π½ΡΠ°ΡΠΎΠΌΡ Π²Π°Π»Ρ Π½Π°ΠΏΡΡΠΌΡΡ. ΠΡΡΡΡΡΠΈΠΉ ΠΌΠΎΠΌΠ΅Π½Ρ ΠΏΠ΅ΡΠ΅Π΄Π°Π²Π°Π»ΡΡ Π½Π° ΡΠ΅ΡΡΠ΅ΡΠ½Ρ ΠΈ ΡΠ΅ΡΠ΅Π· ΡΡΠΎΡ Π²ΡΡ ΠΎΠ΄ΠΈΠ» Π½Π° ΠΏΠΎΠ΄Π²ΠΈΠΆΠ½ΡΡ ΠΊΠ°ΡΡΡΠΊΡ ΠΏΡΠΈΠ±ΠΎΡΠ°. Π‘Π°ΠΌ ΠΏΡΠΈΠ±ΠΎΡ ΠΏΡΠ΅Π΄ΡΡΠ°Π²Π»ΡΠ΅Ρ ΡΠΎΠ±ΠΎΠΉ ΡΠ»Π΅ΠΊΡΡΠΎΠΌΠ°Π³Π½ΠΈΡ, Π² ΠΊΠΎΡΠΎΡΠΎΠΌ ΠΏΠΎΠ²ΡΡΠ΅Π½ΠΈΠ΅ ΡΠΈΡΠ»ΠΎ ΠΎΠ±ΠΎΡΠΎΡΠΎΠ² ΡΠΏΠΎΡΠΎΠ±ΡΡΠ²ΠΎΠ²Π°Π»ΠΎ ΡΠΎΠ·Π΄Π°Π½ΠΈΡ Π½Π°ΠΈΠ±ΠΎΠ»ΡΡΠ΅ΠΉ ΠΌΠ°Π³Π½ΠΈΡΠ½ΠΎΠΉ ΠΈΠ½Π΄ΡΠΊΡΠΈΠΈ. Π’Π°ΠΊΠΈΠΌ ΠΎΠ±ΡΠ°Π·ΠΎΠΌ, ΡΠ΅ΠΌ Π²ΡΡΠ΅ ΠΌΠ°Π³Π½ΠΈΡΠ½ΠΎΠ΅ ΠΏΠΎΠ»Π΅, ΡΠ΅ΠΌ ΡΠΈΠ»ΡΠ½Π΅Π΅ ΠΎΡΠΊΠ»ΠΎΠ½ΡΠ΅ΡΡΡ ΡΡΡΠ΅Π»ΠΊΠ° Π½Π° ΡΠΊΠ°Π»Π΅.
ΠΠ΅ ΡΠΌΠΎΡΡΡ Π½Π° ΠΏΡΠΎΡΡΡΡ ΠΈ Π½Π°Π΄Π΅ΠΆΠ½ΡΡ ΠΊΠΎΠ½ΡΡΡΡΠΊΡΠΈΡ, ΡΠ°ΠΊΠΎΠΉ ΠΏΡΠΈΠ±ΠΎΡ ΠΈΠΌΠ΅Π΅Ρ ΡΠ΅ΡΡΠ΅Π·Π½ΡΠΉ Π½Π΅Π΄ΠΎΡΡΠ°ΡΠΎΠΊ.
ΠΠ΅Π»ΠΎ Π² ΡΠΎΠΌ, ΡΡΠΎ ΡΠΎΡΠ½ΠΎ ΡΠ°ΡΡΡΠΈΡΠ°ΡΡ ΠΏΠ΅ΡΠ΅Π΄Π°ΡΠΎΡΠ½ΠΎΠ΅ ΡΠΈΡΠ»ΠΎ ΡΠ΅ΡΡΠ΅ΡΠ½Π΅ΠΉ, ΠΌΠΎΠΌΠ΅Π½Ρ ΡΠΊΡΡΡΠΈΠ²Π°Π½ΠΈΡ ΡΡΠΎΡΠ° ΠΈ ΠΌΠ°Π³Π½ΠΈΡΠ½ΠΎΠ΅ ΠΏΠΎΠ»Π΅ ΠΏΡΠΈΠ±ΠΎΡΠ° Π±ΡΠ»ΠΎ Π½Π΅Π²ΠΎΠ·ΠΌΠΎΠΆΠ½ΡΠΌ. ΠΠΎΡΡΠΎΠΌΡ, ΡΠ°ΠΊΠΎΠΉ ΡΠ°Ρ
ΠΎΠΌΠ΅ΡΡ ΠΈΠΌΠ΅Π» ΡΠ΅ΡΡΠ΅Π·Π½ΡΠ΅ ΠΏΠΎΠ³ΡΠ΅ΡΠ½ΠΎΡΡΠΈ Π΄ΠΎ 500 ΠΎΠ±ΠΎΡΠΎΡΠΎΠ² Π² ΠΌΠΈΠ½ΡΡΡ.
ΠΠ½Π°Π»ΠΎΠ³ΠΎΠ²ΡΠΉ ΡΠ°Ρ ΠΎΠΌΠ΅ΡΡ ΠΏΡΠ΅Π΄ΡΡΠ°Π²Π»ΡΠ΅Ρ ΡΠΎΠ±ΠΎΠΉ Π±ΠΎΠ»Π΅Π΅ ΡΡΠΎΠ²Π΅ΡΡΠ΅Π½ΡΡΠ²ΠΎΠ²Π°Π½Π½ΡΠΉ Π²ΠΈΠ΄ ΠΌΠ΅Ρ Π°Π½ΠΈΡΠ΅ΡΠΊΠΎΠ³ΠΎ ΠΏΡΠΈΠ±ΠΎΡΠ°. ΠΠ° ΡΡΠΎΡ ΡΠ°Π·, Π²ΠΌΠ΅ΡΡΠΎ ΡΡΠΎΡΠ° ΠΈ ΠΏΠΎΠ΄ΠΊΠ»ΡΡΠ΅Π½ΠΈΡ ΠΏΡΠΈΠ²ΠΎΠ΄Π° ΠΏΡΠΈΠ±ΠΎΡΠ° ΠΊ ΠΊΠΎΠ»Π΅Π½ΡΠ°ΡΠΎΠΌΡ Π²Π°Π»Ρ, ΡΡΠ°Π»Π° ΠΈΡΠΏΠΎΠ»ΡΠ·ΠΎΠ²Π°ΡΡΡΡ ΠΊΠ°ΡΡΡΠΊΠ° Π·Π°ΠΆΠΈΠ³Π°Π½ΠΈΡ Π΄Π²ΠΈΠ³Π°ΡΠ΅Π»Ρ.
ΠΠΌΠΏΡΠ»ΡΡΠ½ΠΎΠ΅ Π½Π°ΠΏΡΡΠΆΠ΅Π½ΠΈΠ΅, ΠΎΠ±ΡΠ°Π·ΠΎΠ²Π°Π½Π½ΠΎΠ΅ Π½Π° ΠΊΠ°ΡΡΡΠΊΠ΅ Π·Π°ΠΆΠΈΠ³Π°Π½ΠΈΡ, ΠΏΠΎΠΌΠΈΠΌΠΎ ΡΠ²Π΅ΡΠ΅ΠΉ, ΠΏΠΎΡΡΡΠΏΠ°Π΅Ρ Π² ΡΡ Π΅ΠΌΡ ΠΈΠ·ΠΌΠ΅ΡΠΈΡΠ΅Π»ΡΠ½ΠΎΠ³ΠΎ ΠΏΡΠΈΠ±ΠΎΡΠ°. Π’Π΅ΠΌ Π±ΠΎΠ»ΡΡΠ΅Π΅ ΡΠΈΡΠ»ΠΎ ΠΈΠΌΠΏΡΠ»ΡΡΠΎΠ² ΠΎΠΊΠ°ΠΆΠ΅ΡΡΡ Π² ΡΡ Π΅ΠΌΠ΅, ΡΠ΅ΠΌ ΡΠΈΠ»ΡΠ½Π΅Π΅ Π±ΡΠ΄Π΅Ρ ΠΎΠ±ΡΠ°Π·ΡΠ΅ΠΌΠ°Ρ ΠΌΠ°Π³Π½ΠΈΡΠ½Π°Ρ ΠΈΠ½Π΄ΡΠΊΡΠΈΡ. Π‘ΠΎΠΎΡΠ²Π΅ΡΡΡΠ²Π΅Π½Π½ΠΎ, Ρ ΡΠΎΡΡΠΎΠΌ ΡΠΈΡΠ»Π° ΠΎΠ±ΠΎΡΠΎΡΠΎΠ², ΡΠ°ΡΡΡΡ ΠΈ ΠΏΠΎΠΊΠ°Π·Π°Π½ΠΈΡ ΠΏΡΠΈΠ±ΠΎΡΠ°.
ΠΠ΅Π΄ΠΎΡΡΠ°ΡΠΊΠΈ Π°Π½Π°Π»ΠΎΠ³ΠΎΠ²ΡΠΉ ΡΠ°Ρ ΠΎΠΌΠ΅ΡΡ ΠΏΠ΅ΡΠ΅Π½ΡΠ» ΠΎΡ ΡΠ²ΠΎΠ΅Π³ΠΎ ΠΏΡΠ΅Π΄ΡΠ΅ΡΡΠ²Π΅Π½Π½ΠΈΠΊΠ° β Π½ΠΈΠ·ΠΊΠ°Ρ ΡΠΎΡΠ½ΠΎΡΡΡ ΠΈΠ·ΠΌΠ΅ΡΠ΅Π½ΠΈΠΉ, Π½Π΅ΡΠΌΠΎΡΡΡ Π½Π° Π±ΠΎΠ»Π΅Π΅ ΡΠΊΠΎΠ½ΠΎΠΌΠΈΡΠ½ΡΡ ΠΈ ΡΠ°ΡΠΈΠΎΠ½Π°Π»ΡΠ½ΡΡ ΠΊΠΎΠ½ΡΡΡΡΠΊΡΠΈΡ.
Π’Π°ΠΊ ΠΊΠ°ΠΊ Π½ΠΎΠ²ΡΠΉ Π²ΠΈΠ΄ ΡΠ°Ρ
ΠΎΠΌΠ΅ΡΡΠΎΠ² Π²ΡΡΠ΅ΡΠ½ΡΡΡ ΠΌΠ΅Ρ
Π°Π½ΠΈΡΠ΅ΡΠΊΠΈΠ΅ ΠΈ Π°Π½Π°Π»ΠΎΠ³ΠΎΠ²ΡΠ΅, Π½Π° Π½ΠΈΡ
ΠΌΡ ΠΏΠΎΡΡΠ°ΡΠ°Π΅ΠΌΡΡ ΠΎΡΡΠ°Π½ΠΎΠ²ΠΈΡΡΡΡ ΠΊΠ°ΠΊ ΠΌΠΎΠΆΠ½ΠΎ ΠΏΠΎΠ΄ΡΠΎΠ±Π½Π΅Π΅.
Π¦ΠΈΡΡΠΎΠ²ΠΎΠΉ ΡΠ°Ρ
ΠΎΠΌΠ΅ΡΡ ΡΠ°ΠΊΠΆΠ΅ ΠΏΠΎΠ΄ΠΊΠ»ΡΡΠ°Π΅ΡΡΡ ΠΊ ΠΊΠ°ΡΡΡΠΊΠ΅ Π·Π°ΠΆΠΈΠ³Π°Π½ΠΈΡ, Π½ΠΎ Π²ΠΌΠ΅ΡΡΠΎ ΠΈΠΌΠΏΡΠ»ΡΡΠΎΠ², ΠΎΠ½ ΠΏΡΠΈΠ½ΠΈΠΌΠ°Π΅Ρ ΠΊΠΎΠ»ΠΈΡΠ΅ΡΡΠ²ΠΎ ΠΈ ΠΈΠ½ΡΠ΅ΡΠ²Π°Π» ΡΠΈΠ³Π½Π°Π»ΠΎΠ² Ρ ΠΊΠ°ΡΡΡΠΊΠΈ Π·Π°ΠΆΠΈΠ³Π°Π½ΠΈΡ.
ΠΠΎΠΌΠΈΠΌΠΎ Π·Π½Π°ΡΠ΅Π½ΠΈΠΉ, ΡΠ½ΠΈΠΌΠ°Π΅ΠΌΡΡ Ρ ΠΊΠ°ΡΡΡΠΊΠΈ Π·Π°ΠΆΠΈΠ³Π°Π½ΠΈΡ, ΠΎΠ½ ΠΏΠΎΠ»ΡΡΠ°Π΅Ρ ΡΠΈΠ³Π½Π°Π»Ρ ΠΎΡ Π΄Π°ΡΡΠΈΠΊΠ° Ρ ΠΎΠ»ΠΎΡΡΠΎΠ³ΠΎ Ρ ΠΎΠ΄Π° ΠΈ Π΄Π°ΡΡΠΈΠΊΠ° ΠΊΠΎΠ»Π΅Π½ΡΠ°ΡΠΎΠ³ΠΎ Π²Π°Π»Π°. Π’Π°ΠΊΠΈΠ΅ Π΄Π°Π½Π½ΡΠ΅ ΠΈΡΠΏΠΎΠ»ΡΠ·ΡΡΡΡΡ Π΄Π»Ρ ΠΏΠΎΠ»ΡΡΠ΅Π½ΠΈΡ Π±ΠΎΠ»Π΅Π΅ Π²ΡΡΠΎΠΊΠΎΠΉ ΡΠΎΡΠ½ΠΎΡΡΠΈ ΠΈΠ·ΠΌΠ΅ΡΠ΅Π½ΠΈΠΉ. ΠΡΠ΅ ΠΎΠ½ΠΈ ΡΡΠΌΠΌΠΈΡΡΡΡΡΡ ΠΈ ΠΈΡΡ ΠΎΠ΄Ρ ΠΈΠ· ΡΡΠ΅Π΄Π½ΠΈΡ Π·Π½Π°ΡΠ΅Π½ΠΈΠΉ, ΠΏΠΎΠ»ΡΡΠ°Π΅ΡΡΡ Π²Π΅Π»ΠΈΡΠΈΠ½Π°, ΠΎΡΠΎΠ±ΡΠ°ΠΆΠ°Π΅ΠΌΠ°Ρ Π½Π° ΡΠΏΠ΅ΡΠΈΠ°Π»ΡΠ½ΠΎΠΌ ΡΠ°Π±Π»ΠΎ.
ΠΠ°ΠΊ ΠΏΠΎΠ΄ΠΊΠ»ΡΡΠΈΡΡ ΡΠΈΡΡΠΎΠ²ΠΎΠΉ ΡΠ°Ρ ΠΎΠΌΠ΅ΡΡ?
ΠΠ΅ Π²ΡΠ΅ Π°Π²ΡΠΎΠΌΠΎΠ±ΠΈΠ»ΠΈ ΠΊΠΎΠΌΠΏΠ»Π΅ΠΊΡΡΡΡΡΡ ΡΠΈΡΡΠΎΠ²ΠΎΠΉ ΡΠΈΡΡΠ΅ΠΌΠΎΠΉ ΠΏΡΠΈΠ±ΠΎΡΠΎΠ². Π’Π΅ΠΌ Π½Π΅ ΠΌΠ΅Π½Π΅Π΅, Π°Π²ΡΠΎΠΏΡΠΎΠΈΠ·Π²ΠΎΠ΄ΠΈΡΠ΅Π»ΠΈ Π²ΡΠΏΡΡΠΊΠ°ΡΡ ΡΠΏΠ΅ΡΠΈΠ°Π»ΡΠ½ΡΠ΅ ΠΊΠΎΠΌΠΏΠ»Π΅ΠΊΡΡ, ΠΌΠΎΠ½ΡΠ°ΠΆ ΠΊΠΎΡΠΎΡΡΡ ΠΌΠΎΠΆΠ½ΠΎ ΠΏΡΠΎΠΈΠ·Π²Π΅ΡΡΠΈ ΡΠ°ΠΌΠΎΡΡΠΎΡΡΠ΅Π»ΡΠ½ΠΎ. Π‘ΡΠ°Π½Π΄Π°ΡΡΠ½ΡΠΉ Π½Π°Π±ΠΎΡ ΡΠΎΡΡΠΎΠΈΡ, ΠΎΠ±ΡΡΠ½ΠΎ, ΠΈΠ· ΡΠΈΡΡΠΎΠ²ΠΎΠ³ΠΎ Π΄ΠΈΡΠΏΠ»Π΅Ρ ΠΈ ΠΆΠ³ΡΡΠ° ΠΏΡΠΎΠ²ΠΎΠ΄ΠΎΠ², ΠΊΠΎΡΠΎΡΡΠ΅ ΠΏΠΎΠ΄ΠΊΠ»ΡΡΠ°ΡΡΡΡ ΠΊ ΠΠΠ£ ΠΈ ΠΏΠΈΡΠ°Π½ΠΈΡ.
Π‘ΡΡΠ΅ΡΡΠ²ΡΡΡ ΠΈ ΡΠΏΠ΅ΡΠΈΠ°Π»ΡΠ½ΡΠ΅ ΠΊΠΎΠΌΠΏΠ»Π΅ΠΊΡΡ, Π² ΡΠΎΡΡΠ°Π² ΠΊΠΎΡΠΎΡΡΡ
Π²ΠΊΠ»ΡΡΠ°ΡΡ Π΄ΠΎΠΏΠΎΠ»Π½ΠΈΡΠ΅Π»ΡΠ½ΡΠΉ Π΄Π°ΡΡΠΈΠΊ Ρ
ΠΎΠ»ΠΎΡΡΠΎΠ³ΠΎ Ρ
ΠΎΠ΄Π° ΠΈ Π²ΡΠ½ΠΎΡΠ½ΠΎΠΉ ΠΎΠΏΡΡΠΎΠ½. ΠΡ
ΠΏΡΠΈΠΌΠ΅Π½Π΅Π½ΠΈΠ΅ ΡΠ΅Π»Π΅ΡΠΎΠΎΠ±ΡΠ°Π·Π½ΠΎ ΡΠΎΠ»ΡΠΊΠΎ Π½Π° ΡΠΏΠΎΡΡΠΈΠ²Π½ΡΡ
Π°Π²ΡΠΎΠΌΠΎΠ±ΠΈΠ»ΡΡ
, Π΄Π»Ρ ΠΎΠ±ΡΡΠ½ΠΎΠΉ Π΅Π·Π΄Ρ Π΄ΠΎΡΡΠ°ΡΠΎΡΠ½ΠΎ Π±ΡΠ΄Π΅Ρ ΠΈ ΡΡΠ°Π½Π΄Π°ΡΡΠ½ΠΎΠ³ΠΎ ΠΊΠΎΠΌΠΏΠ»Π΅ΠΊΡΠ° ΡΡΡΡΠΎΠΉΡΡΠ².
ΠΠΎΠ΄ΠΊΠ»ΡΡΠ΅Π½ΠΈΠ΅ ΡΠ°ΠΊΠΎΠ³ΠΎ ΡΠ°Ρ ΠΎΠΌΠ΅ΡΡΠ° Π½Π΅ Π²ΡΠ΅Π³Π΄Π° ΠΎΡΡΡΠ΅ΡΡΠ²Π»ΡΠ΅ΡΡΡ ΡΠ΅ΡΠ΅Π· ΠΠΠ£. ΠΠ½ΠΎΠ³ΠΈΠ΅ ΠΊΠΎΠΌΠΏΠ»Π΅ΠΊΡΡ ΠΏΡΠ΅Π΄ΡΡΠΌΠ°ΡΡΠΈΠ²Π°ΡΡ ΠΎΡΠ΄Π΅Π»ΡΠ½ΡΠΉ ΠΎΡ ΠΊΠΎΠ½ΡΡΠΎΠ»Π»Π΅ΡΠ° ΠΌΠΎΠ½ΡΠ°ΠΆ ΠΏΡΠΈΠ±ΠΎΡΠ°. Π’Π°ΠΊΠΎΠΉ ΠΊΠΎΠΌΠΏΠ»Π΅ΠΊΡ ΡΡΡΡΠΎΠΉΡΡΠ² Π±ΡΠ΄Π΅Ρ ΠΈΠΌΠ΅ΡΡ Π±ΠΎΠ»Π΅Π΅ ΡΠΎΡΠ½ΡΠ΅ ΠΏΠΎΠΊΠ°Π·Π°Π½ΠΈΡ, Π½Π΅ΠΆΠ΅Π»ΠΈ ΠΏΡΡΠΌΠΎΠ΅ ΠΏΠΎΠ΄ΠΊΠ»ΡΡΠ΅Π½ΠΈΠ΅ ΠΊ Π±Π»ΠΎΠΊΡ ΡΠΏΡΠ°Π²Π»Π΅Π½ΠΈΡ.
ΠΠΈΠ΄Π΅ΠΎ —Β Β ΠΠ°ΠΊ ΡΡΡΠ°Π½ΠΎΠ²ΠΈΡΡ ΠΌΠ΅Ρ Π°Π½ΠΈΡΠ΅ΡΠΊΠΈΠΉ ΡΠ°Ρ ΠΎΠΌΠ΅ΡΡ
Π§ΡΠΎ ΡΠ°ΠΊΠΎΠ΅ Π΄Π°ΡΡΠΈΠΊ ΡΠ°Ρ ΠΎΠΌΠ΅ΡΡΠ°
ΠΠ°ΡΡΠΈΠΊΠΎΠΌ ΡΠ°Ρ ΠΎΠΌΠ΅ΡΡΠ° Π½Π°Π·ΡΠ²Π°ΡΡ Π»ΡΠ±ΠΎΠ΅ ΡΡΡΡΠΎΠΉΡΡΠ²ΠΎ, ΠΏΡΠ΅Π΄Π½Π°Π·Π½Π°ΡΠ΅Π½Π½ΠΎΠ΅ Π΄Π»Ρ ΡΠ΅Π³ΠΈΡΡΡΠ°ΡΠΈΠΈ Π²Π°ΠΆΠ½ΡΡ ΡΠΈΠ³Π½Π°Π»ΠΎΠ², Π½Π΅ΠΎΠ±Ρ ΠΎΠ΄ΠΈΠΌΡΡ Π΄Π»Ρ ΡΠ°Π±ΠΎΡΡ ΠΈΠ·ΠΌΠ΅ΡΠΈΡΠ΅Π»ΡΠ½ΠΎΠ³ΠΎ ΠΏΡΠΈΠ±ΠΎΡΠ°. Π‘ΡΠ΅Π΄ΠΈ ΡΠ°ΠΊΠΈΡ Π΄Π°ΡΡΠΈΠΊΠΎΠ² ΠΌΠΎΠΆΠ½ΠΎ Π²ΡΠ΄Π΅Π»ΠΈΡΡ Π΄Π°ΡΡΠΈΠΊ Ρ ΠΎΠ»ΠΎΡΡΠΎΠ³ΠΎ Ρ ΠΎΠ΄Π° ΠΈ Π΄Π°ΡΡΠΈΠΊ ΠΊΠΎΠ»Π΅Π½ΡΠ°ΡΠΎΠ³ΠΎ Π²Π°Π»Π°.
ΠΠ°ΡΡΠΈΠΊ ΠΊΠΎΠ»Π΅Π½ΡΠ°ΡΠΎΠ³ΠΎ Π²Π°Π»Π° ΡΠΈΠΊΡΠΈΡΡΠ΅Ρ ΡΠ³Π»ΠΎΠ²ΠΎΠ΅ ΠΏΠΎΠ»ΠΎΠΆΠ΅Π½ΠΈΠ΅ ΠΊΠΎΠ»Π΅Π½Π²Π°Π»Π° Π² ΠΎΠΏΡΠ΅Π΄Π΅Π»Π΅Π½Π½ΡΠ΅ ΠΌΠΎΠΌΠ΅Π½ΡΡ Π²ΡΠ΅ΠΌΠ΅Π½ΠΈ. ΠΠ°ΡΡΠΈΠΊ ΠΌΠΎΠΆΠ΅Ρ ΡΡΡΠ°Π½Π°Π²Π»ΠΈΠ²Π°ΡΡΡΡ Π² Π·Π°Π΄Π½Π΅ΠΉ ΠΈΠ»ΠΈ ΠΏΠ΅ΡΠ΅Π΄Π½Π΅ΠΉ ΡΠ°ΡΡΠΈ Π΄Π²ΠΈΠ³Π°ΡΠ΅Π»Ρ, ΡΠ°ΡΠ΅ Π²ΡΠ΅Π³ΠΎ, Π²ΠΎΠ·Π»Π΅ ΠΌΠ°Ρ ΠΎΠ²ΠΈΠΊΠ°. Π’Π°ΠΊΠΎΠ΅ ΡΡΡΡΠΎΠΉΡΡΠ²ΠΎ ΠΏΠΎΠ·Π²ΠΎΠ»ΡΠ΅Ρ ΠΏΡΠΎΠΈΠ·Π²Π΅ΡΡΠΈ ΡΠΎΡΠ½ΠΎΠ΅ ΠΈΠ·ΠΌΠ΅ΡΠ΅Π½ΠΈΠ΅ ΡΠΈΡΠ»Π° ΠΎΠ±ΠΎΡΠΎΡΠΎΠ² ΠΈ ΠΏΠ΅ΡΠ΅Π΄Π°ΡΡ ΡΠΎΠΎΡΠ²Π΅ΡΡΡΠ²ΡΡΡΠΈΠΉ ΡΠΈΠ³Π½Π°Π» Π½Π° ΠΏΡΠΈΠ±ΠΎΡΠ½ΡΡ ΠΏΠ°Π½Π΅Π»Ρ Π°Π²ΡΠΎΠΌΠΎΠ±ΠΈΠ»Ρ.
ΠΠ°ΡΡΠΈΠΊ Ρ
ΠΎΠ»ΠΎΡΡΠΎΠ³ΠΎ Ρ
ΠΎΠ΄Π° ΡΡΡΠ°Π½Π°Π²Π»ΠΈΠ²Π°Π΅ΡΡΡ Π² ΡΠΈΡΡΠ΅ΠΌΠ΅ Π²ΠΏΡΡΠΊΠ° ΠΌΠ°ΡΠΈΠ½Ρ.
ΠΠ½ ΡΠ°ΠΊΠΆΠ΅ ΠΏΡΠΈΠ½ΠΈΠΌΠ°Π΅Ρ ΡΡΠ°ΡΡΠΈΠ΅ Π² ΠΎΠΏΡΠ΅Π΄Π΅Π»Π΅Π½ΠΈΠΈ ΡΠΈΡΠ»Π° ΠΎΠ±ΠΎΡΠΎΡΠΎΠ² ΠΊΠΎΠ»Π΅Π½ΡΠ°ΡΠΎΠ³ΠΎ Π²Π°Π»Π° ΠΏΠΎ ΠΊΠΎΠ»ΠΈΡΠ΅ΡΡΠ²Ρ ΠΏΠΎΠ΄Π°Π²Π°Π΅ΠΌΠΎΠ³ΠΎ ΡΠΎΠΏΠ»ΠΈΠ²Π°. ΠΠ°ΡΡΠΈΠΊ Ρ
ΠΎΠ»ΠΎΡΡΠΎΠ³ΠΎ Ρ
ΠΎΠ΄Π° ΡΡΡΠ°Π½Π°Π²Π»ΠΈΠ²Π°Π΅ΡΡΡ Π½Π° ΠΊΠ°ΡΠ±ΡΡΠ°ΡΠΎΡΠ΅ Π΄Π²ΠΈΠ³Π°ΡΠ΅Π»Ρ ΠΈ ΠΏΠΎΡΡΠ΅Π΄ΡΡΠ²ΠΎΠΌ ΠΏΡΠΎΠ²ΠΎΠ΄ΠΎΠ² ΠΏΠΎΡΡΠ»Π°Π΅Ρ, Π½Π΅ΠΎΠ±Ρ
ΠΎΠ΄ΠΈΠΌΡΠΉ Π΄Π»Ρ ΡΠ°Π±ΠΎΡΡ ΡΠ°Ρ
ΠΎΠΌΠ΅ΡΡΠ°, ΠΈΠΌΠΏΡΠ»ΡΡ.
ΠΡΡΠ³ΠΎΠΉ Π²Π°ΡΠΈΠ°Π½Ρ ΠΏΠΎΠ΄ΠΊΠ»ΡΡΠ΅Π½ΠΈΡ ΡΡΡΡΠΎΠΉΡΡΠ²Π° ΠΏΡΠ΅Π΄ΡΡΠΌΠ°ΡΡΠΈΠ²Π°Π΅Ρ Π΅Π³ΠΎ ΡΠΎΠ΅Π΄ΠΈΠ½Π΅Π½ΠΈΠ΅ Ρ ΡΠ»Π΅ΠΊΡΡΠΎΠ½Π½ΡΠΌ Π±Π»ΠΎΠΊΠΎΠΌ ΡΠΏΡΠ°Π²Π»Π΅Π½ΠΈΡ Π΄Π²ΠΈΠ³Π°ΡΠ΅Π»Π΅ΠΌ. ΠΠ°ΠΉΡΠΈ Π΅Π³ΠΎ Π½Π΅ ΡΠ»ΠΎΠΆΠ½ΠΎ, ΡΠ°ΠΊ ΠΊΠ°ΠΊ ΠΈΠ· Π½Π΅Π³ΠΎ Π±ΡΠ΄Π΅Ρ ΡΠΎΡΡΠ°ΡΡ Π½ΠΈ ΠΎΠ΄ΠΈΠ½ ΠΏΡΠΎΠ²ΠΎΠ΄. Π’Π°ΠΊΠΈΠΌ ΠΎΠ±ΡΠ°Π·ΠΎΠΌ, Π΄Π°ΡΡΠΈΠΊ ΡΠ°Π±ΠΎΡΠ°Π΅Ρ Π² ΡΠ΅ΡΠ½ΠΎΠΌ Π²Π·Π°ΠΈΠΌΠΎΠ΄Π΅ΠΉΡΡΠ²ΠΈΠΈ Ρ ΠΠΠ£ ΠΈ ΠΏΠ΅ΡΠ΅Π΄Π°Π΅Ρ ΡΠΎΠΎΡΠ²Π΅ΡΡΡΠ²ΡΡΡΠΈΠ΅ ΠΏΠΎΠΊΠ°Π·Π°Π½ΠΈΡ Π½Π° ΠΈΠ·ΠΌΠ΅ΡΠΈΡΠ΅Π»ΡΠ½ΡΠ΅ ΠΏΡΠΈΠ±ΠΎΡΡ.
ΠΠΎΡ, ΠΏΠΎΠΆΠ°Π»ΡΠΉ, Π²ΡΠ΅, ΡΡΠΎ Π½Π΅ΠΎΠ±Ρ ΠΎΠ΄ΠΈΠΌΠΎ Π·Π½Π°ΡΡ ΠΎ ΡΠ°Ρ ΠΎΠΌΠ΅ΡΡΠ΅ Π°Π²ΡΠΎΠΌΠΎΠ±ΠΈΠ»Ρ. ΠΠ°ΠΊ Π²Ρ Π²ΠΈΠ΄ΠΈΡΠ΅, ΠΏΡΠΈ Π΄ΠΎΠ»ΠΆΠ½ΠΎΠΌ Π²Π½ΠΈΠΌΠ°Π½ΠΈΠ΅ ΡΡΠΎ Π΄ΠΎΠ²ΠΎΠ»ΡΠ½ΠΎ ΠΏΡΠΎΡΡΠΎΠ΅ ΠΈ Π²Π°ΠΆΠ½ΠΎΠ΅ ΡΡΡΡΠΎΠΉΡΡΠ²ΠΎ, ΠΏΡΠ΅Π½Π΅Π±ΡΠ΅Π³Π°ΡΡ ΠΊΠΎΡΠΎΡΡΠΌ ΡΠΎΠ²ΡΠ΅ΠΌ Π½Π΅ ΡΡΠΎΠΈΡ.Β
ΠΠ°ΠΊ Π΄Π΅ΠΉΡΡΠ²ΡΠ΅Ρ ΡΠ°Ρ ΠΎΠΌΠ΅ΡΡ ΠΈ ΠΊΠ°ΠΊΠΈΠΌ ΠΎΠ½ ΠΌΠΎΠΆΠ΅Ρ Π±ΡΡΡ?
Π Π΅Π΄ΠΊΠΈΠΉ ΡΠΎΠ²ΡΠ΅ΠΌΠ΅Π½Π½ΡΠΉ Π°Π²ΡΠΎΠΌΠΎΠ±ΠΈΠ»Ρ ΠΎΠ±Ρ
ΠΎΠ΄ΠΈΡΡΡ Π±Π΅Π· ΡΠ°Ρ
ΠΎΠΌΠ΅ΡΡΠ°, Ρ
ΠΎΡΡ Π΅ΡΡ Π»Π΅Ρ 15β20 Π½Π°Π·Π°Π΄ ΡΡΠΎΡ ΠΏΡΠΈΠ±ΠΎΡ Π±ΡΠ» ΠΎΠΏΡΠΈΠ΅ΠΉ Π΄Π»Ρ Π±ΠΎΠ»ΡΡΠΈΠ½ΡΡΠ²Π° Π±ΡΠ΄ΠΆΠ΅ΡΠ½ΡΡ
ΠΌΠ°ΡΠΈΠ½ ΠΈ ΠΊΠΎΠΌΠΌΠ΅ΡΡΠ΅ΡΠΊΠΎΠ³ΠΎ ΡΡΠ°Π½ΡΠΏΠΎΡΡΠ°. ΠΡΠΎΡ ΠΏΡΠΈΠ±ΠΎΡ ΠΏΡΠ΅Π΄Π½Π°Π·Π½Π°ΡΠ°Π΅ΡΡΡ Π΄Π»Ρ ΠΈΠ·ΠΌΠ΅ΡΠ΅Π½ΠΈΡ ΡΠΊΠΎΡΠΎΡΡΠΈ Π²ΡΠ°ΡΠ΅Π½ΠΈΡ ΠΊΠΎΠ»Π΅Π½Π²Π°Π»Π° β Π·Π° ΡΡΡΡ ΡΡΠΎΠ³ΠΎ Π²ΠΎΠ΄ΠΈΡΠ΅Π»Ρ ΠΌΠΎΠΆΠ΅Ρ Π»ΡΡΡΠ΅ ΠΊΠΎΠ½ΡΡΠΎΠ»ΠΈΡΠΎΠ²Π°ΡΡ Π°Π²ΡΠΎ, Π²ΡΠ±ΠΈΡΠ°Ρ ΠΈΠ΄Π΅Π°Π»ΡΠ½ΡΠ΅ ΠΌΠΎΠΌΠ΅Π½ΡΡ Π΄Π»Ρ ΠΏΠ΅ΡΠ΅ΠΊΠ»ΡΡΠ΅Π½ΠΈΡ ΠΏΠ΅ΡΠ΅Π΄Π°Ρ.
ΠΠ΄Π½Π°ΠΊΠΎ ΡΠ°Ρ
ΠΎΠΌΠ΅ΡΡ Π°Π²ΡΠΎΠΌΠΎΠ±ΠΈΠ»ΡΠ½ΡΠΉ ΡΡΠ°Π» ΡΡΠ°Π½Π΄Π°ΡΡΠ½ΡΠΌ ΠΎΡΠ½Π°ΡΠ΅Π½ΠΈΠ΅ΠΌ ΡΠΎΠ²ΡΠ΅ΠΌΠ΅Π½Π½ΠΎΠ³ΠΎ ΡΡΠ°Π½ΡΠΏΠΎΡΡΠ° Π²ΠΎΠ²ΡΠ΅ Π½Π΅ Π±Π»Π°Π³ΠΎΠ΄Π°ΡΡ ΠΏΠΎΠ²ΡΡΠ΅Π½ΠΈΡ Π΅Π³ΠΎ ΠΊΠΎΠΌΡΠΎΡΡΠ°Π±Π΅Π»ΡΠ½ΠΎΡΡΠΈ, Π° Π·Π° ΡΡΡΡ Π²Π½Π΅Π΄ΡΠ΅Π½ΠΈΡ Π½ΠΎΠ²ΡΡ
ΡΠΊΠΎΠ»ΠΎΠ³ΠΈΡΠ΅ΡΠΊΠΈΡ
ΡΡΠ°Π½Π΄Π°ΡΡΠΎΠ², ΠΊΠΎΡΠΎΡΡΠ΅ ΡΡΠ΅Π±ΠΎΠ²Π°Π»ΠΈ ΡΠ½ΠΈΠΆΠ΅Π½ΠΈΡ ΡΠ°ΡΡ
ΠΎΠ΄Π° ΡΠΎΠΏΠ»ΠΈΠ²Π°, ΠΈ ΠΊΠ°ΠΊ ΡΠ»Π΅Π΄ΡΡΠ²ΠΈΠ΅ β ΡΠΎΠΊΡΠ°ΡΠ΅Π½ΠΈΡ Π²ΡΠ±ΡΠΎΡΠΎΠ² Π²ΡΠ΅Π΄Π½ΡΡ
Π²Π΅ΡΠ΅ΡΡΠ². ΠΠ΅ΡΠΌΠΎΡΡΡ Π½Π° ΡΠΎ ΡΡΠΎ ΡΠ°Ρ
ΠΎΠΌΠ΅ΡΡ ΡΡΠ°Π» Π΄Π»Ρ Π°Π²ΡΠΎΠΌΠΎΠ±ΠΈΠ»ΠΈΡΡΠΎΠ² ΠΏΡΠΈΠ²ΡΡΠ½ΡΠΌ, Π±ΠΎΠ»ΡΡΠΈΠ½ΡΡΠ²ΠΎ Π»ΡΠ΄Π΅ΠΉ ΠΈΠΌΠ΅ΡΡ Π»ΠΈΡΡ ΠΏΠΎΠ²Π΅ΡΡ
Π½ΠΎΡΡΠ½ΠΎΠ΅ ΠΏΡΠ΅Π΄ΡΡΠ°Π²Π»Π΅Π½ΠΈΠ΅ ΠΎ Π΅Π³ΠΎ ΡΡΡΡΠΎΠΉΡΡΠ²Π΅. ΠΠΎΡΡΠΎΠΌΡ Π±ΡΠ΄Π΅Ρ Π²Π΅ΡΡΠΌΠ° ΠΏΠΎΠ»Π΅Π·Π½ΡΠΌ ΡΠ·Π½Π°ΡΡ Π±ΠΎΠ»ΡΡΠ΅ ΠΎ ΠΏΡΠΈΠ½ΡΠΈΠΏΠ΅ ΡΠ°Π±ΠΎΡΡ ΡΠ°ΠΊΠΎΠ³ΠΎ ΠΈΠ·ΠΌΠ΅ΡΠΈΡΠ΅Π»ΡΠ½ΠΎΠ³ΠΎ ΠΏΡΠΈΠ±ΠΎΡΠ°, Π° ΡΠ°ΠΊΠΆΠ΅ ΠΎ ΡΡΡΠ΅ΡΡΠ²ΡΡΡΠΈΡ
Π΅Π³ΠΎ ΡΠ°Π·Π½ΠΎΠ²ΠΈΠ΄Π½ΠΎΡΡΡΡ
.
Π’Π°Ρ ΠΎΠΌΠ΅ΡΡ ΠΏΠΎΠ·Π²ΠΎΠ»ΡΠ΅Ρ ΡΠ½ΠΈΠΆΠ°ΡΡ ΡΠ°ΡΡ ΠΎΠ΄ ΡΠΎΠΏΠ»ΠΈΠ²Π°
ΠΠ°ΠΊ ΡΠ°Π±ΠΎΡΠ°Π΅Ρ ΡΠ°Ρ ΠΎΠΌΠ΅ΡΡ?
ΠΠ½Π΅ Π·Π°Π²ΠΈΡΠΈΠΌΠΎΡΡΠΈ ΠΎΡ ΡΠΎΠ³ΠΎ, ΠΊΠ°ΠΊΠ°Ρ ΡΡ
Π΅ΠΌΠ° ΠΈΡΠΏΠΎΠ»ΡΠ·ΡΠ΅ΡΡΡ Π² Π°Π²ΡΠΎΠΌΠΎΠ±ΠΈΠ»Π΅, ΠΏΡΠΈΠ½ΡΠΈΠΏ ΡΠ°Π±ΠΎΡΡ ΡΠ°Ρ
ΠΎΠΌΠ΅ΡΡΠ° ΠΎΠ΄ΠΈΠ½Π°ΠΊΠΎΠ² β Π² Π΅Π³ΠΎ ΠΎΡΠ½ΠΎΠ²Ρ ΠΏΠΎΠ»ΠΎΠΆΠ΅Π½ Π΄Π°ΡΡΠΈΠΊ, ΠΊΠΎΡΠΎΡΡΠΉ ΠΈΠ·ΠΌΠ΅ΡΡΠ΅Ρ ΡΠ°ΡΡΠΎΡΡ Π²ΡΠ°ΡΠ΅Π½ΠΈΡ ΠΊΠΎΠ»Π΅Π½Π²Π°Π»Π° ΠΈ Π³Π΅Π½Π΅ΡΠΈΡΡΠ΅Ρ ΡΠΎΠΎΡΠ²Π΅ΡΡΡΠ²ΡΡΡΠ΅Π΅ ΠΊΠΎΠ»ΠΈΡΠ΅ΡΡΠ²ΠΎ ΠΈΠΌΠΏΡΠ»ΡΡΠΎΠ² Π·Π° Π΅Π΄ΠΈΠ½ΠΈΡΡ Π²ΡΠ΅ΠΌΠ΅Π½ΠΈ. Π Π²ΠΎΡ Π² ΠΎΡΡΠ°Π»ΡΠ½ΠΎΠΌ ΡΡΡΡΠΎΠΉΡΡΠ²ΠΎ ΡΡΠΎΠ³ΠΎ ΠΏΡΠΈΠ±ΠΎΡΠ° Π·Π°Π²ΠΈΡΠΈΡ ΠΎΡ ΠΊΠΎΠ½ΠΊΡΠ΅ΡΠ½ΠΎΠΉ ΠΌΠΎΠ΄Π΅Π»ΠΈ ΡΡΠ°Π½ΡΠΏΠΎΡΡΠ½ΠΎΠ³ΠΎ ΡΡΠ΅Π΄ΡΡΠ²Π° ΠΈ ΡΠ΅Ρ
Π½ΠΈΡΠ΅ΡΠΊΠΈΡ
ΡΠ΅ΡΠ΅Π½ΠΈΠΉ, ΠΈΡΠΏΠΎΠ»ΡΠ·ΠΎΠ²Π°Π½Π½ΡΡ
ΠΈΠ½ΠΆΠ΅Π½Π΅ΡΠ°ΠΌΠΈ ΠΏΡΠΈ Π΅Π³ΠΎ ΡΠ°Π·ΡΠ°Π±ΠΎΡΠΊΠ΅.
Π ΡΠ°ΡΡΠ½ΠΎΡΡΠΈ, ΡΠ°Π·Π»ΠΈΡΠΈΡ Π½Π°Π±Π»ΡΠ΄Π°ΡΡΡΡ Π² ΠΏΡΠΈΠ½ΡΠΈΠΏΠ΅ ΠΏΠΎΡΡΡΠΎΠ΅Π½ΠΈΡ Π΄Π°ΡΡΠΈΠΊΠ°. ΠΠ°ΠΈΠ±ΠΎΠ»Π΅Π΅ ΠΏΠΎΠΏΡΠ»ΡΡΠ½Ρ ΡΠ°Ρ
ΠΎΠΌΠ΅ΡΡΡ, ΠΏΠΎΡΡΡΠΎΠ΅Π½Π½ΡΠ΅ Π½Π° ΠΎΡΠ½ΠΎΠ²Π΅ ΠΌΠ°Π³Π½ΠΈΡΠ½ΠΎΠ³ΠΎ ΠΏΡΠΈΡΠΏΠΎΡΠΎΠ±Π»Π΅Π½ΠΈΡ, ΡΠΈΠΊΡΠΈΡΡΡΡΠ΅Π³ΠΎ ΠΏΡΠΎΡ
ΠΎΠΆΠ΄Π΅Π½ΠΈΠ΅ ΠΎΠΏΡΠ΅Π΄Π΅Π»ΡΠ½Π½ΠΎΠΉ ΡΠΎΡΠΊΠΈ ΠΊΠΎΠ»Π΅Π½Π²Π°Π»Π° ΠΌΠΈΠΌΠΎ ΠΊΠΎΠ½ΡΡΠΎΠ»ΡΠ½ΠΎΠ³ΠΎ ΡΡΡΡΠΎΠΉΡΡΠ²Π°. ΠΡΠΎΠΌΠ΅ Π½Π΅Π³ΠΎ, ΠΌΠΎΠΆΠ΅Ρ ΠΈΡΠΏΠΎΠ»ΡΠ·ΠΎΠ²Π°ΡΡΡΡ ΠΈ ΠΎΠΏΡΡΠΎΠ½ β ΡΠ»Π΅ΠΊΡΡΠΎΠ½Π½ΡΠΉ Π΄Π°ΡΡΠΈΠΊ, Π³Π΅Π½Π΅ΡΠΈΡΡΡΡΠΈΠΉ Π»ΡΡ ΡΠ²Π΅ΡΠ° ΠΈ Π°Π½Π°Π»ΠΈΠ·ΠΈΡΡΡΡΠΈΠΉ Π΅Π³ΠΎ ΠΎΡΡΠ°ΠΆΠ΅Π½ΠΈΠ΅ ΠΎΡ ΡΠ°ΡΠΏΠΎΠ»ΠΎΠΆΠ΅Π½Π½ΠΎΠ³ΠΎ Π²Π±Π»ΠΈΠ·ΠΈ ΠΏΡΠ΅Π΄ΠΌΠ΅ΡΠ°.
Π£Π½ΠΈΠ²Π΅ΡΡΠ°Π»ΡΠ½ΡΠΉ Π°Π²ΡΠΎΠΌΠΎΠ±ΠΈΠ»ΡΠ½ΡΠΉ ΡΠ°Ρ ΠΎΠΌΠ΅ΡΡ ΡΠ°ΠΊΠΆΠ΅ ΠΈΠΌΠ΅Π΅Ρ ΡΠΊΠ°Π»Ρ, Π½Π° ΠΊΠΎΡΠΎΡΠΎΠΉ ΠΎΡΠΎΠ±ΡΠ°ΠΆΠ°Π΅ΡΡΡ ΠΏΠΎΠ»ΡΡΠ΅Π½Π½Π°Ρ ΠΎΡ Π΄Π°ΡΡΠΈΠΊΠ° ΠΈΠ½ΡΠΎΡΠΌΠ°ΡΠΈΡ. ΠΠ½Π° ΠΏΡΠ΅ΠΎΠ±ΡΠ°Π·ΠΎΠ²ΡΠ²Π°Π΅ΡΡΡ Π² ΠΌΠ΅ΡΡΠΈΡΠ΅ΡΠΊΠΈΠ΅ ΠΏΠΎΠΊΠ°Π·Π°ΡΠ΅Π»ΠΈ β Π² ΡΡΠΎΠΌ ΡΠ»ΡΡΠ°Π΅, ΠΊΠΎΠ»ΠΈΡΠ΅ΡΡΠ²ΠΎ ΠΎΠ±ΠΎΡΠΎΡΠΎΠ² Π² ΠΌΠΈΠ½ΡΡΡ. ΠΠ»Ρ ΡΡΠΎΠ³ΠΎ ΠΌΠΎΠ³ΡΡ ΠΈΡΠΏΠΎΠ»ΡΠ·ΠΎΠ²Π°ΡΡΡΡ ΡΠ°Π·Π»ΠΈΡΠ½ΡΠ΅ ΠΌΠ΅Ρ Π°Π½ΠΈΠ·ΠΌΡ, ΡΠ°Π·Π»ΠΈΡΠ°ΡΡΠΈΠ΅ΡΡ ΠΊΠ°ΠΊ ΠΏΡΠΈΠ½ΡΠΈΠΏΠ°ΠΌΠΈ ΠΏΠΎΡΡΡΠΎΠ΅Π½ΠΈΡ, ΡΠ°ΠΊ ΠΈ ΠΎΡΠ½ΠΎΠ²Π½ΡΠΌΠΈ Ρ Π°ΡΠ°ΠΊΡΠ΅ΡΠΈΡΡΠΈΠΊΠ°ΠΌΠΈ.
ΠΠ»Π΅ΠΊΡΡΠΎΠ½ΠΈΠΊΠ° ΠΈΠ»ΠΈ ΠΌΠ΅Ρ Π°Π½ΠΈΠΊΠ°?
ΠΠ°ΠΈΠ±ΠΎΠ»Π΅Π΅ ΡΠ°ΡΠΏΡΠΎΡΡΡΠ°Π½ΡΠ½Π½ΡΠΌ Π²ΠΈΠ΄ΠΎΠΌ Π°Π²ΡΠΎΠΌΠΎΠ±ΠΈΠ»ΡΠ½ΠΎΠ³ΠΎ ΠΈΠ·ΠΌΠ΅ΡΠΈΡΠ΅Π»ΡΠ½ΠΎΠ³ΠΎ ΠΏΡΠΈΠ±ΠΎΡΠ° ΡΠ²Π»ΡΠ΅ΡΡΡ ΡΡΡΠ΅Π»ΠΎΡΠ½ΡΠΉ Π°Π²ΡΠΎΠΌΠΎΠ±ΠΈΠ»ΡΠ½ΡΠΉ ΡΠ°Ρ
ΠΎΠΌΠ΅ΡΡ, ΠΊΠΎΡΠΎΡΡΠΉ ΡΠ°ΠΊΠΆΠ΅ ΡΠ°ΡΡΠΎ Π½Π°Π·ΡΠ²Π°ΡΡ ΠΌΠ΅Ρ
Π°Π½ΠΈΡΠ΅ΡΠΊΠΈΠΌ. ΠΠ³ΠΎ ΠΎΡΠ»ΠΈΡΠΈΡΠ΅Π»ΡΠ½Π°Ρ ΡΠ΅ΡΡΠ° β ΠΏΡΠΈΠΌΠ΅Π½Π΅Π½ΠΈΠ΅ ΠΌΠ°Π³Π½ΠΈΡΠ½ΠΎΠΉ ΠΈΠ½Π΄ΡΠΊΡΠΈΠΎΠ½Π½ΠΎΠΉ ΠΊΠ°ΡΡΡΠΊΠΈ, ΠΊΠΎΡΠΎΡΠ°Ρ ΠΎΡΠ²Π΅ΡΠ°Π΅Ρ Π·Π° ΠΏΠΎΠ²ΠΎΡΠΎΡ ΡΠΊΠ°Π·Π°ΡΠ΅Π»Ρ ΠΈ Π΅Π³ΠΎ ΠΏΠ΅ΡΠ΅ΠΌΠ΅ΡΠ΅Π½ΠΈΠ΅ ΠΏΠΎ ΡΠΈΡΠ΅ΡΠ±Π»Π°ΡΡ.
ΠΠ΅Ρ
Π°Π½ΠΈΡΠ΅ΡΠΊΠΈΠ΅ ΡΠ°Ρ
ΠΎΠΌΠ΅ΡΡΡ ΡΡΠΈΡΠ°ΡΡΡΡ ΠΎΡΠ΅Π½Ρ ΠΊΠ°ΠΏΡΠΈΠ·Π½ΡΠΌΠΈ ΠΈ ΡΡΠ΅Π±ΡΡΡ ΠΎΡΠ΅Π½Ρ ΡΠΎΡΠ½ΠΎΠΉ Π½Π°ΡΡΡΠΎΠΉΠΊΠΈ ΠΏΡΠΈ ΡΡΡΠ°Π½ΠΎΠ²ΠΊΠ΅, Π° ΡΠ°ΠΊΠΆΠ΅ ΠΏΡΠΎΠ²Π΅Π΄Π΅Π½ΠΈΠΈ ΡΠ΅ΠΌΠΎΠ½ΡΠ°. ΠΠΎΠ³ΡΠ΅ΡΠ½ΠΎΡΡΡ ΡΠ°ΠΊΠΎΠ³ΠΎ ΡΡΡΡΠΎΠΉΡΡΠ²Π° Π²Π΅Π»ΠΈΠΊΠ° β ΠΎΠ½Π° Π΄ΠΎΡΡΠΈΠ³Π°Π΅Ρ 400β500 ΠΎΠ±ΠΎΡΠΎΡΠΎΠ² Π² ΠΌΠΈΠ½ΡΡΡ Π½Π° ΠΊΠ°ΠΆΠ΄ΡΠ΅ 5000, ΠΈΠ»ΠΈ 8β10% Π² ΠΎΡΠ½ΠΎΡΠΈΡΠ΅Π»ΡΠ½ΠΎΠΌ Π²ΡΡΠ°ΠΆΠ΅Π½ΠΈΠΈ. ΠΠ½ΡΠ΅ΡΠ΅ΡΠ½ΠΎ, ΡΡΠΎ Π΄Π»Ρ ΡΠ°Π±ΠΎΡΡ ΡΡΠΎΠΌΡ ΠΏΡΠΈΠ±ΠΎΡΡ Π²ΡΡ ΠΆΠ΅ ΡΡΠ΅Π±ΡΠ΅ΡΡΡ ΡΠ»Π΅ΠΊΡΡΠΈΡΠ΅ΡΡΠ²ΠΎ, Π½Π΅ΡΠΌΠΎΡΡΡ Π½Π° ΡΠΎ, ΡΡΠΎ ΠΎΠ½ ΡΡΠΈΡΠ°Π΅ΡΡΡ ΠΌΠ΅Ρ
Π°Π½ΠΈΡΠ΅ΡΠΊΠΈΠΌ. Π£Π±Π΅Π΄ΠΈΡΡΡΡ Π² ΡΡΠΎΠΌ Π΄ΠΎΡΡΠ°ΡΠΎΡΠ½ΠΎ ΠΏΡΠΎΡΡΠΎ β ΠΏΡΠΈ Π΄Π²ΠΈΠΆΠ΅Π½ΠΈΠΈ Π°Π²ΡΠΎΠΌΠΎΠ±ΠΈΠ»Ρ Π½ΡΠΆΠ½ΠΎ ΠΎΡΠΊΠ»ΡΡΠΈΡΡ Π·Π°ΠΆΠΈΠ³Π°Π½ΠΈΠ΅ ΠΈ ΠΏΠΎΠ²Π΅ΡΠ½ΡΡΡ ΠΊΠ»ΡΡ Π² ΠΏΠΎΠ»ΠΎΠΆΠ΅Π½ΠΈΠ΅, ΡΠΎΠΎΡΠ²Π΅ΡΡΡΠ²ΡΡΡΠ΅Π΅ ΠΏΠΎΠ»Π½ΠΎΠΌΡ ΡΠ°Π·ΠΌΡΠΊΠ°Π½ΠΈΡ Π±ΠΎΡΡΠΎΠ²ΠΎΠΉ ΡΠ΅ΠΏΠΈ β ΡΠΏΠΈΠ΄ΠΎΠΌΠ΅ΡΡ ΠΏΡΠΎΠ΄ΠΎΠ»ΠΆΠΈΡ ΡΠ°Π±ΠΎΡΠ°ΡΡ, ΡΠΎΠ³Π΄Π° ΠΊΠ°ΠΊ ΡΠ°Ρ
ΠΎΠΌΠ΅ΡΡ ΠΏΠΎΠ»Π½ΠΎΡΡΡΡ ΠΎΡΠΊΠ»ΡΡΠΈΡΡΡ.
Π¦ΠΈΡΡΠΎΠ²ΠΎΠΉ Π°Π²ΡΠΎΠΌΠΎΠ±ΠΈΠ»ΡΠ½ΡΠΉ ΡΠ°Ρ
ΠΎΠΌΠ΅ΡΡ ΠΈΡΠΏΠΎΠ»ΡΠ·ΡΠ΅Ρ ΠΆΠΈΠ΄ΠΊΠΎΠΊΡΠΈΡΡΠ°Π»Π»ΠΈΡΠ΅ΡΠΊΠΈΠΉ ΠΈΠ»ΠΈ Π΄ΠΈΠΎΠ΄Π½ΡΠΉ Π΄ΠΈΡΠΏΠ»Π΅ΠΉ Π΄Π»Ρ ΠΎΡΠΎΠ±ΡΠ°ΠΆΠ΅Π½ΠΈΡ ΠΈΠ·ΠΌΠ΅ΡΡΠ΅ΠΌΠΎΠ³ΠΎ ΠΏΠΎΠΊΠ°Π·Π°ΡΠ΅Π»Ρ. ΠΠ½Π΅ΡΠ½Π΅ ΠΎΠ½ ΠΌΠΎΠΆΠ΅Ρ Π²ΡΠ³Π»ΡΠ΄Π΅ΡΡ, ΠΊΠ°ΠΊ ΠΏΡΠΎΡΡΠ°Ρ ΡΠΈΡΡΠΎΠ²Π°Ρ ΠΏΠ°Π½Π΅Π»Ρ, ΠΏΠΎΠ΄ΠΎΠ±Π½Π°Ρ Π΄ΠΈΡΠΏΠ»Π΅Ρ ΠΊΠ°Π»ΡΠΊΡΠ»ΡΡΠΎΡΠ°, ΠΊΠ°ΠΊ ΡΠΊΠ°Π»Π°, Π»ΠΈΠ±ΠΎ ΠΊΠ°ΠΊ ΠΏΠΎΠ»Π½Π°Ρ ΠΈΠΌΠΈΡΠ°ΡΠΈΡ ΡΡΡΠ΅Π»ΠΎΡΠ½ΠΎΠ³ΠΎ ΡΡΡΡΠΎΠΉΡΡΠ²Π° Ρ ΡΠΎΠ²ΡΠ΅ΠΌΠ΅Π½Π½ΠΎΠΉ Π³ΡΠ°ΡΠΈΠΊΠΎΠΉ. Π¦ΠΈΡΡΠΎΠ²ΡΠ΅ ΠΏΡΠΈΠ±ΠΎΡΡ Π½Π°ΠΌΠ½ΠΎΠ³ΠΎ ΡΠ°ΡΠ΅ ΠΈΡΠΏΠΎΠ»ΡΠ·ΡΡΡ ΠΎΠΏΡΡΠΎΠ½, ΡΠ΅ΠΌ ΠΌΠ°Π³Π½ΠΈΡΠ½ΡΠΉ Π΄Π°ΡΡΠΈΠΊ β ΡΡΠΎ ΡΠ²ΡΠ·Π°Π½ΠΎ Ρ Π»ΡΡΡΠΈΠΌ ΡΠΎΠ³Π»Π°ΡΠΎΠ²Π°Π½ΠΈΠ΅ΠΌ ΡΠ°ΠΊΠΎΠ³ΠΎ ΠΏΡΠΈΡΠΏΠΎΡΠΎΠ±Π»Π΅Π½ΠΈΡ Ρ Π°Π½Π°Π»ΠΎΠ³ΠΎΠ²ΠΎ-ΡΠΈΡΡΠΎΠ²ΡΠΌ ΠΏΡΠ΅ΠΎΠ±ΡΠ°Π·ΠΎΠ²Π°ΡΠ΅Π»Π΅ΠΌ.
ΠΠΎΠ³ΡΠ΅ΡΠ½ΠΎΡΡΡ ΡΠ»Π΅ΠΊΡΡΠΎΠ½Π½ΡΡ
ΡΡΡΡΠΎΠΉΡΡΠ² Π½Π°ΠΌΠ½ΠΎΠ³ΠΎ ΠΌΠ΅Π½ΡΡΠ΅, ΡΠ΅ΠΌ Ρ Π°Π½Π°Π»ΠΎΠ³ΠΎΠ²ΡΡ
β Π½Π° 5000 ΠΎΠ±ΠΎΡΠΎΡΠΎΠ² Π² ΠΌΠΈΠ½ΡΡΡ ΠΏΡΠΈΡ
ΠΎΠ΄ΠΈΡΡΡ ΠΎΡΠΊΠ»ΠΎΠ½Π΅Π½ΠΈΠ΅ Π² 100β200, ΠΈΠ»ΠΈ 2β4%.
Π Π°ΡΠΏΠΎΠ»ΠΎΠΆΠ΅Π½ΠΈΠ΅
ΠΠ°ΠΊ ΠΏΡΠ°Π²ΠΈΠ»ΠΎ, Π² ΡΠΎΠ²ΡΠ΅ΠΌΠ΅Π½Π½ΡΡ Π°Π²ΡΠΎΠΌΠΎΠ±ΠΈΠ»ΡΡ ΡΠ°Ρ ΠΎΠΌΠ΅ΡΡΡ Π²ΠΊΠ»ΡΡΠ°ΡΡΡΡ Π² ΡΡΠ°Π½Π΄Π°ΡΡΠ½ΡΡ ΠΊΠΎΠΌΠ±ΠΈΠ½Π°ΡΠΈΡ ΠΏΡΠΈΠ±ΠΎΡΠΎΠ² β Π² ΡΠ°ΠΊΠΎΠΌ ΡΠ»ΡΡΠ°Π΅ ΠΎΠ½ΠΈ ΠΈΠΌΠ΅Π½ΡΡΡΡΡ ΡΡΠ°ΡΠ½ΡΠΌΠΈ. Π‘ΡΡΠ΅Π»ΠΎΡΠ½ΠΎΠ΅ ΡΡΡΡΠΎΠΉΡΡΠ²ΠΎ ΠΎΠ±ΡΡΠ½ΠΎ ΠΈΠΌΠ΅Π΅Ρ ΡΠ°Π·ΠΌΠ΅Ρ, Π°Π½Π°Π»ΠΎΠ³ΠΈΡΠ½ΡΠΉ ΡΠΏΠΈΠ΄ΠΎΠΌΠ΅ΡΡΡ ΠΈ Π΄ΡΡΠ³ΠΈΠΌ ΡΠΊΠ°Π·Π°ΡΠ΅Π»ΡΠΌ, ΡΠΎΠ³Π΄Π° ΠΊΠ°ΠΊ ΡΠ»Π΅ΠΊΡΡΠΎΠ½Π½ΡΠΉ ΡΠ°Ρ ΠΎΠΌΠ΅ΡΡ Π½Π΅ΡΠ΅Π΄ΠΊΠΎ Π½Π°Ρ ΠΎΠ΄ΠΈΡΡΡ Π² Π½Π΅Π±ΠΎΠ»ΡΡΠΎΠΌ ΠΎΠΊΠ½Π΅ Π»ΠΈΠ±ΠΎ Π²ΠΎΠ²ΡΠ΅ ΡΠ²Π»ΡΠ΅ΡΡΡ Π²ΠΌΠΎΠ½ΡΠΈΡΠΎΠ²Π°Π½Π½ΡΠΌ Π² Π΄ΡΡΠ³ΠΎΠΉ ΠΏΡΠΈΠ±ΠΎΡ. ΠΠΎΠ»ΡΠ·ΠΎΠ²Π°ΡΡΡΡ ΡΡΠ°ΡΠ½ΡΠΌ ΠΏΡΠΈΡΠΏΠΎΡΠΎΠ±Π»Π΅Π½ΠΈΠ΅ΠΌ ΠΎΡΠ΅Π½Ρ ΡΠ΄ΠΎΠ±Π½ΠΎ, ΠΏΠΎΡΠΊΠΎΠ»ΡΠΊΡ Π²ΠΎΠ΄ΠΈΡΠ΅Π»Ρ Π½Π΅ ΠΏΡΠΈΡ ΠΎΠ΄ΠΈΡΡΡ Π½Π°ΡΡΡΠ°ΡΡ ΠΏΡΠΈΠ²ΡΡΠ½ΡΠΉ ΠΏΠΎΡΡΠ΄ΠΎΠΊ Π΄Π΅ΠΉΡΡΠ²ΠΈΠΉ ΠΈ Π½Π°Π΄ΠΎΠ»Π³ΠΎ ΠΎΡΠ²Π»Π΅ΠΊΠ°ΡΡΡΡ ΠΎΡ Π΄ΠΎΡΠΎΠ³ΠΈ.
ΠΡΠ»ΠΈ ΠΆΠ΅ ΡΡΠ°Π½Π΄Π°ΡΡΠ½ΠΎΠ΅ ΡΡΡΡΠΎΠΉΡΡΠ²ΠΎ ΠΎΡΡΡΡΡΡΠ²ΡΠ΅Ρ, Π½Π΅ΠΈΡΠΏΡΠ°Π²Π½ΠΎ ΠΈΠ»ΠΈ Π½Π΅ ΡΠΎΠΎΡΠ²Π΅ΡΡΡΠ²ΡΠ΅Ρ Π·Π°ΠΏΡΠΎΡΠ°ΠΌ Π°Π²ΡΠΎΠΌΠΎΠ±ΠΈΠ»ΠΈΡΡΠ°, Π²ΠΌΠ΅ΡΡΠΎ Π½Π΅Π³ΠΎ ΠΌΠΎΠ³ΡΡ ΡΡΡΠ°Π½Π°Π²Π»ΠΈΠ²Π°ΡΡΡΡ Π²ΡΠ½ΠΎΡΠ½ΡΠ΅ ΡΠ°Ρ
ΠΎΠΌΠ΅ΡΡΡ. ΠΠ½ΠΈ ΠΌΠΎΠ½ΡΠΈΡΡΡΡΡΡ Π½Π° ΡΠΏΠ΅ΡΠΈΠ°Π»ΡΠ½ΡΡ
ΡΠΈΠΊΡΠ°ΡΠΎΡΠ°Ρ
β Π½ΠΎΠΆΠΊΠ°Ρ
, ΠΊΡΠΎΠ½ΡΡΠ΅ΠΉΠ½Π°Ρ
ΠΈΠ»ΠΈ Π΄Π°ΠΆΠ΅ Π»ΠΈΠΏΡΡΠΊΠ°Ρ
. ΠΠ°ΠΊ ΠΏΡΠ°Π²ΠΈΠ»ΠΎ, ΡΠ°ΠΊΠΈΠ΅ ΠΏΡΠΈΠ±ΠΎΡΡ ΠΏΡΠΎΠ΄Π°ΡΡΡΡ Π² ΠΌΠ°Π³Π°Π·ΠΈΠ½Π°Ρ
ΡΡΠ½ΠΈΠ½Π³ΠΎΠ²ΡΡ
Π°ΠΊΡΠ΅ΡΡΡΠ°ΡΠΎΠ² β ΠΎΠ½ΠΈ ΠΌΠΎΠ³ΡΡ ΠΈΡΠΏΠΎΠ»ΡΠ·ΠΎΠ²Π°ΡΡΡΡ ΠΊΠ°ΠΊ ΠΎΠ±ΡΡΠ½ΡΠΌΠΈ Π²ΠΎΠ΄ΠΈΡΠ΅Π»ΡΠΌΠΈ, ΡΠ°ΠΊ ΠΈ Π³ΠΎΠ½ΡΠΈΠΊΠ°ΠΌΠΈ, ΡΡΠ°ΡΡΠ²ΡΡΡΠΈΠΌΠΈ Π² ΡΠΎΡΠ΅Π²Π½ΠΎΠ²Π°Π½ΠΈΡΡ
.
ΠΠΎΡΠ»Π΅Π΄Π½ΠΈΠΌ ΠΎΠ½ ΠΏΠΎΠΌΠΎΠ³Π°Π΅Ρ ΠΏΠΎΡΡΠΎΡΠ½Π½ΠΎ Π΄Π΅ΡΠΆΠ°ΡΡ Π² ΠΏΠΎΠ»Π΅ Π·ΡΠ΅Π½ΠΈΡ ΠΈΠ½ΡΠΎΡΠΌΠ°ΡΠΈΡ ΠΎ ΡΠ΅ΠΊΡΡΠ΅ΠΌ ΡΠΎΡΡΠΎΡΠ½ΠΈΠΈ ΠΌΠΎΡΠΎΡΠ°, ΡΡΠΎΠ±Ρ ΠΈΠΌΠ΅ΡΡ Π²ΠΎΠ·ΠΌΠΎΠΆΠ½ΠΎΡΡΡ ΠΏΠ΅ΡΠ΅ΠΊΠ»ΡΡΠ°ΡΡ ΠΏΠ΅ΡΠ΅Π΄Π°ΡΠΈ, Π½Π΅ ΡΠ΅ΡΡΡ Π΄ΠΈΠ½Π°ΠΌΠΈΠΊΠΈ Π°Π²ΡΠΎΠΌΠΎΠ±ΠΈΠ»Ρ.
ΠΠ±ΡΠ·Π°ΡΠ΅Π»ΡΠ½ΠΎΠ΅ ΡΡΡΡΠΎΠΉΡΡΠ²ΠΎ ΠΈΠ»ΠΈ Π΄ΠΎΠΏΠΎΠ»Π½ΠΈΡΠ΅Π»ΡΠ½Π°Ρ ΠΎΠΏΡΠΈΡ?
ΠΡΠ»ΠΈ Π²Ρ ΡΠΏΡΠΎΡΠΈΡΠ΅ Π°Π²ΡΠΎΠΌΠΎΠ±ΠΈΠ»ΠΈΡΡΠΎΠ² ΠΎΡΠ½ΠΎΡΠΈΡΠ΅Π»ΡΠ½ΠΎ ΡΠΎΠ³ΠΎ, Π½ΡΠΆΠ΅Π½ Π»ΠΈ ΡΠ°Ρ ΠΎΠΌΠ΅ΡΡ Π² ΠΌΠ°ΡΠΈΠ½Π΅, ΡΠΎ ΡΡΠ»ΡΡΠΈΡΠ΅ ΡΠ°ΠΌΡΠ΅ ΡΠ°Π·Π½ΡΠ΅ ΠΎΡΠ²Π΅ΡΡ. ΠΠ΄Π½Π°ΠΊΠΎ Π²ΡΠ΅ ΡΠΎΠΉΠ΄ΡΡΡΡ Π² ΠΎΠ΄Π½ΠΎΠΌ β Ρ ΠΎΡΡ ΠΏΡΠΈΠ±ΠΎΡ ΡΡΠΎΡ ΠΎΡΠ΅Π½Ρ Π²Π°ΠΆΠ΅Π½, Π² Π±ΠΎΠ»ΡΡΠΈΠ½ΡΡΠ²Π΅ ΡΠ»ΡΡΠ°Π΅Π² Π±Π΅Π· Π½Π΅Π³ΠΎ ΠΌΠΎΠΆΠ½ΠΎ ΠΎΠ±ΠΎΠΉΡΠΈΡΡ. ΠΠ±ΡΠ·Π°ΡΠ΅Π»ΡΠ½ΡΠΌ ΠΎΠ½ Π±ΡΠ΄Π΅Ρ Π΄Π»Ρ Π½ΠΎΠ²ΠΈΡΠΊΠΎΠ², ΠΊΠΎΡΠΎΡΡΠ΅ Π΅ΡΡ Π½Π΅ Π½Π°ΡΡΠΈΠ»ΠΈΡΡ Π²ΡΠ±ΠΈΡΠ°ΡΡ ΠΌΠΎΠΌΠ΅Π½Ρ ΠΏΠ΅ΡΠ΅ΠΊΠ»ΡΡΠ΅Π½ΠΈΡ ΠΏΠ΅ΡΠ΅Π΄Π°Ρ ΠΏΠΎ Π·Π²ΡΠΊΡ ΠΌΠΎΡΠΎΡΠ°, Π° ΡΠ°ΠΊΠΆΠ΅ Π΄Π»Ρ Π»ΡΠ΄Π΅ΠΉ, Π·Π°Π±ΠΎΡΡΡΠΈΡ ΡΡ ΠΎΠ± ΠΎΠΏΡΠΈΠΌΠΈΠ·Π°ΡΠΈΠΈ ΡΠ°ΡΡ ΠΎΠ΄Π° ΡΠΎΠΏΠ»ΠΈΠ²Π° ΠΈ Π΄ΠΈΠ½Π°ΠΌΠΈΠΊΠΈ Π°Π²ΡΠΎΠΌΠΎΠ±ΠΈΠ»Ρ. ΠΠΎΡΡΠΎΠΌΡ, Π΅ΡΠ»ΠΈ Π²Π°ΡΠ° ΠΌΠ°ΡΠΈΠ½Π° Π½Π΅ ΠΎΠ±ΠΎΡΡΠ΄ΠΎΠ²Π°Π½Π° ΡΠ°Ρ ΠΎΠΌΠ΅ΡΡΠΎΠΌ, ΠΆΠ΅Π»Π°ΡΠ΅Π»ΡΠ½ΠΎ ΠΏΡΠΈΠΎΠ±ΡΠ΅ΡΡΠΈ ΡΠΎΠΎΡΠ²Π΅ΡΡΡΠ²ΡΡΡΠΈΠΉ ΠΏΡΠΈΠ±ΠΎΡ. Π£ΡΡΠ°Π½ΠΎΠ²ΠΈΡΡ Π΅Π³ΠΎ ΠΌΠΎΠΆΠ½ΠΎ ΡΠ°ΠΌΠΎΡΡΠΎΡΡΠ΅Π»ΡΠ½ΠΎ, Π»ΠΈΠ±ΠΎ ΠΎΠ±ΡΠ°ΡΠΈΡΡΡΡ ΠΊ ΡΠΏΠ΅ΡΠΈΠ°Π»ΠΈΡΡΠ°ΠΌ ΡΠ΅ΡΠ²ΠΈΡΠ½ΠΎΠ³ΠΎ ΠΏΡΠ΅Π΄ΠΏΡΠΈΡΡΠΈΡ.
ο»ΏΠΡ ΡΠ΅Π³ΠΎ ΡΠ°Π±ΠΎΡΠ°Π΅Ρ ΡΠ°Ρ ΠΎΠΌΠ΅ΡΡ Π½Π° Π²Π°Π· 2107 β ΠΠ²ΡΠΎΠ’ΠΎΠΏ
ΠΡΠΎΡ ΠΌΠ°ΡΠ΅ΡΠΈΠ°Π» Π±ΡΠ΄Π΅Ρ Π½Π΅ΡΠΊΠΎΠ»ΡΠΊΠΎ ΡΠΈΠ»ΠΎΡΠΎΡΡΠΊΠΈΠΌ, ΡΠ°ΠΊ ΠΊΠ°ΠΊ ΠΌΡ ΠΏΠΎΡΡΠ°ΡΠ°Π΅ΠΌΡΡ ΠΏΠΎΠ½ΡΡΡ, ΠΏΠΎΡΠ΅ΠΌΡ ΠΏΡΡΠ³Π°Π΅Ρ ΡΠ°Ρ
ΠΎΠΌΠ΅ΡΡ ΠΠΠ 2107 ΠΈ Π΅Π³ΠΎ ΡΡΡΠ΅Π»ΠΊΠ° Π²Π΅Π΄Π΅Ρ ΡΠ΅Π±Ρ Π½Π΅Π°Π΄Π΅ΠΊΠ²Π°ΡΠ½ΠΎ.
ΠΠ°ΠΆΠ΅ Π΅ΡΠ»ΠΈ ΠΊΠ°ΡΠ΅ΡΡΠ²ΠΎ ΡΠ°Π±ΠΎΡΡ Π΄Π²ΠΈΠ³Π°ΡΠ΅Π»Ρ Π½Π΅ ΠΈΠ·ΠΌΠ΅Π½ΡΠ΅ΡΡΡ, Π²ΡΠ΅ ΡΠ°Π²Π½ΠΎ Π²ΠΎΠ·Π½ΠΈΠΊΠ°Π΅Ρ ΠΎΡΡΡΠ΅Π½ΠΈΠ΅, Π±ΡΠ΄ΡΠΎ ΡΡΠΎ-ΡΠΎ Π½Π΅ Π² ΠΏΠΎΡΡΠ΄ΠΊΠ΅, ΠΌΠ°ΡΠΈΠ½Π° ΡΠ»ΠΎΠΌΠ°Π½Π°. ΠΠ°ΠΊ-ΡΠΎ ΡΠΆ ΡΠΈΠ»ΡΠ½ΠΎ Π½Π°ΠΏΡΡΠ³Π°Π΅Ρ Π²ΠΈΠ΄ ΡΠΊΠ°ΡΡΡΠ΅ΠΉ ΠΈΠ· ΡΡΠΎΡΠΎΠ½Ρ Π² ΡΡΠΎΡΠΎΠ½Ρ ΡΡΡΠ΅Π»ΠΊΠΈ. Π§ΡΠΎ ΠΆΠ΅ Π΄Π΅Π»Π°ΡΡ, ΠΊΠ°ΠΊ ΠΈΠ·Π±Π°Π²ΠΈΡΡΡΡ ΠΎΡ ΡΡΠΎΠ³ΠΎ? ΠΠΎΠ½Π΅ΡΠ½ΠΎ, Π½Π΅ΠΊΠΎΡΠΎΡΡΠ΅ ΠΎΡΠΎΠ±Π΅Π½Π½ΠΎΡΡΠΈ Π±ΡΠ΄ΡΡ Π² ΡΠΎΠΌ ΡΠ»ΡΡΠ°Π΅, Π΅ΡΠ»ΠΈ Ρ Π²Π°Ρ ΡΡΡΠ°Π½ΠΎΠ²Π»Π΅Π½ ΠΈΠ½ΠΆΠ΅ΠΊΡΠΎΡ. ΠΠΏΡΠΎΡΠ΅ΠΌ, Π΅ΡΠ»ΠΈ Π΄Π°ΠΆΠ΅ ΠΊΠ°ΡΠ±ΡΡΠ°ΡΠΎΡ Π² ΡΠΈΡΡΠ΅ΠΌΠ΅ ΠΏΠΈΡΠ°Π½ΠΈΡ, ΠΊΠΎΠ½ΡΡΡΡΠΊΡΠΈΡ ΡΠ°Ρ
ΠΎΠΌΠ΅ΡΡΠ° ΠΎΠΊΠ°Π·ΡΠ²Π°Π΅ΡΡΡ Π°Π½Π°Π»ΠΎΠ³ΠΈΡΠ½ΠΎΠΉ.
ΠΠΎΡΠ΅ΠΌΡ ΠΏΡΡΠ³Π°Π΅Ρ ΡΠ°Ρ ΠΎΠΌΠ΅ΡΡ Π½Π° ΠΠΠ 2107
ΠΡΠ»ΠΈ Π²Ρ Π½Π΅ΠΌΠ½ΠΎΠ³ΠΎ Π·Π½Π°ΠΊΠΎΠΌΡ Ρ ΠΊΠ»Π°ΡΡΠΈΡΠ΅ΡΠΊΠΎΠΉ ΠΈΠ»ΠΈ Π±Π΅ΡΠΊΠΎΠ½ΡΠ°ΠΊΡΠ½ΠΎΠΉ ΡΠΈΡΡΠ΅ΠΌΠ°ΠΌΠΈ Π·Π°ΠΆΠΈΠ³Π°Π½ΠΈΡ, ΡΠΎ Π·Π½Π°Π΅ΡΠ΅, ΡΡΠΎ Π² Π½ΠΈΡ ΡΠ°Ρ ΠΎΠΌΠ΅ΡΡ ΠΏΠΎΠ΄ΠΊΠ»ΡΡΠ°Π΅ΡΡΡ ΠΊ Π²ΡΠ²ΠΎΠ΄Ρ Β«ΠΒ» ΠΊΠ°ΡΡΡΠΊΠΈ, Π»ΠΈΠ±ΠΎ ΠΆΠ΅ ΠΊ ΠΊΠΎΠΌΠΌΡΡΠ°ΡΠΎΡΡ. ΠΠΌΠ΅Π½Π½ΠΎ Π·Π΄Π΅ΡΡ ΠΏΠΎΡΠ²Π»ΡΠ΅ΡΡΡ ΠΈΠΌΠΏΡΠ»ΡΡ, ΠΊΠΎΡΠΎΡΡΠΉ Π½Π΅ΠΎΠ±Ρ ΠΎΠ΄ΠΈΠΌ Π΄Π»Ρ ΠΏΡΠ°Π²ΠΈΠ»ΡΠ½ΠΎΠΉ ΡΠ°Π±ΠΎΡΡ ΠΏΡΠΈΠ±ΠΎΡΠ°. Π‘ΠΏΠΈΠ΄ΠΎΠΌΠ΅ΡΡ ΠΆΠ΅ ΠΏΡΠΈΠ²ΠΎΠ΄ΠΈΡΡΡ Π² Π΄Π²ΠΈΠΆΠ΅Π½ΠΈΠ΅ ΡΡΠΎΡΠΈΠΊΠΎΠΌ (Π΅ΡΠ»ΠΈ ΡΠ΅ΡΡ ΠΈΠ΄Π΅Ρ ΠΏΡΠΎ ΠΊΠ°ΡΠ±ΡΡΠ°ΡΠΎΡ).
ΠΡΠ»ΠΈ ΠΆΠ΅ Ρ Π²Π°Ρ ΠΈΠ½ΠΆΠ΅ΠΊΡΠΎΡ Π² ΡΠΎΠΏΠ»ΠΈΠ²Π½ΠΎΠΉ ΡΠΈΡΡΠ΅ΠΌΠ΅, ΡΠΎ ΠΏΠ΅ΡΠ²ΡΠΌ Π΄Π΅Π»ΠΎΠΌ ΡΠΌΠΎΡΡΠΈΡΠ΅, Π³ΠΎΡΠΈΡ Π»ΠΈ ΠΊΠΎΠ½ΡΡΠΎΠ»ΡΠ½Π°Ρ Π»Π°ΠΌΠΏΠ° Β«Check EngineΒ». ΠΡΠ»ΠΈ Π΄Π°, ΡΠΎ Π½ΡΠΆΠ½ΠΎ Π΄Π΅Π»Π°ΡΡ Π΄ΠΈΠ°Π³Π½ΠΎΡΡΠΈΠΊΡ, ΡΡΠΎΠ±Ρ ΠΎΠΏΡΠ΅Π΄Π΅Π»ΠΈΡΡ ΡΠΎΡΠ½ΡΡ Π½Π΅ΠΈΡΠΏΡΠ°Π²Π½ΠΎΡΡΡ.
ΠΡΠ»ΠΈ ΠΆΠ΅ Π½Π΅Ρ, ΡΠΎ Π΄ΠΈΠ°Π³Π½ΠΎΡΡΠΈΠΊΠ° Π½ΠΈΠΊΠ°ΠΊΠΈΡ
ΡΠ΅Π·ΡΠ»ΡΡΠ°ΡΠΎΠ² Π½Π΅ ΠΏΡΠΈΠ½Π΅ΡΠ΅Ρ.
ΠΡΠΎΡ ΡΠ°Π³ Π°ΠΊΡΡΠ°Π»Π΅Π½ Π΄Π»Ρ ΡΠ»ΡΡΠ°Π΅Π², Π΅ΡΠ»ΠΈ Ρ Π²Π°Ρ ΠΈΠ½ΠΆΠ΅ΠΊΡΠΎΡ ΠΈ ΠΊΠ°ΡΠ±ΡΡΠ°ΡΠΎΡ. ΠΠ½ΠΈΠΌΠ°ΡΠ΅Π»ΡΠ½ΠΎ ΠΎΡΠΌΠΎΡΡΠΈΡΠ΅ Π²ΡΡ ΡΠ»Π΅ΠΊΡΡΠΎΠΏΡΠΎΠ²ΠΎΠ΄ΠΊΡ, ΠΏΡΠΈΡΠ΅ΠΌ Π½Π΅ ΡΠΎΠ»ΡΠΊΠΎ ΡΠ΅ ΡΠ°ΡΡΠΈ, ΠΊΠΎΡΠΎΡΡΠ΅ ΠΎΡΠ½ΠΎΡΡΡΡΡ ΠΊ ΠΏΡΠΈΠ±ΠΎΡΡ, Π½ΠΎ ΠΈ Π»Π΅ΠΆΠ°ΡΠΈΠ΅ ΡΡΠ΄ΠΎΠΌ. ΠΠ»Π°Π²Π½ΠΎΠ΅, ΡΡΠΎΠ±Ρ Π½Π΅ Π±ΡΠ»ΠΎ ΠΏΠΎΠ²ΡΠ΅ΠΆΠ΄Π΅Π½ΠΈΠΉ ΠΈΠ·ΠΎΠ»ΡΡΠΈΠΈ, ΡΠ°ΠΊ ΠΊΠ°ΠΊ ΡΡΠΎ ΠΌΠΎΠΆΠ΅Ρ ΠΏΡΠΈΠ²Π΅ΡΡΠΈ ΠΊ ΡΠΎΠΌΡ, ΡΡΠΎ ΠΏΡΠΎΠΈΡΡ ΠΎΠ΄ΠΈΡ ΠΊΠΎΡΠΎΡΠΊΠΎΠ΅ Π·Π°ΠΌΡΠΊΠ°Π½ΠΈΠ΅.
ΠΡΠΈ ΠΏΠΎΠΌΠΎΡΠΈ ΠΌΡΠ»ΡΡΠΈΠΌΠ΅ΡΡΠ° ΠΏΡΠΎΠ²Π΅ΡΡΡΠ΅, Π΅ΡΡΡ Π»ΠΈ Π½Π° ΡΠ°Ρ ΠΎΠΌΠ΅ΡΡΠ΅ Β«ΠΌΠ°ΡΡΠ°Β». ΠΡΠ΅Π½Ρ ΡΠ°ΡΡΠΎ Π½Π΅ΠΊΠ°ΡΠ΅ΡΡΠ²Π΅Π½Π½ΡΠΉ ΠΊΠΎΠ½ΡΠ°ΠΊΡ ΡΡΠ°Π½ΠΎΠ²ΠΈΡΡΡ ΠΏΡΠΈΡΠΈΠ½ΠΎΠΉ ΡΠΎΠ³ΠΎ, ΡΡΠΎ ΠΏΡΡΠ³Π°Π΅Ρ ΡΠ°Ρ ΠΎΠΌΠ΅ΡΡ ΠΠΠ 2107. ΠΠΎΠ½Π΅ΡΠ½ΠΎ, Π΅ΡΠ»ΠΈ ΠΌΠΈΠ½ΡΡΠ° Π½Π΅Ρ Π²ΠΎ Π²ΡΠ΅ΠΉ ΠΏΡΠΈΠ±ΠΎΡΠ½ΠΎΠΉ ΠΏΠ°Π½Π΅Π»ΠΈ, ΡΠΎ Ρ Π²Π°Ρ Π±ΡΠ΄Π΅Ρ Π½Π΅ ΠΌΠ°ΡΠΈΠ½Π°, Π° Π½ΠΎΠ²ΠΎΠ³ΠΎΠ΄Π½ΡΡ Π³ΠΈΡΠ»ΡΠ½Π΄Π° β Π²ΡΠ΅ ΡΠ»Π΅ΠΊΡΡΠΎΠΏΡΠΈΠ±ΠΎΡΡ Π½Π°ΡΠ½ΡΡ Π²ΠΊΠ»ΡΡΠ°ΡΡΡΡ ΠΈ ΠΎΡΠΊΠ»ΡΡΠ°ΡΡΡΡ Π½Π° ΡΠΎΠ±ΡΡΠ²Π΅Π½Π½ΠΎΠ΅ ΡΡΠΌΠΎΡΡΠ΅Π½ΠΈΠ΅.
Π‘ΠΈΡΡΠ΅ΠΌΠ° Π·Π°ΠΆΠΈΠ³Π°Π½ΠΈΡ
ΠΠ°ΠΊ Π±ΡΠ»ΠΎ ΡΠΊΠ°Π·Π°Π½ΠΎ ΡΠ°Π½Π΅Π΅, ΡΠΈΡΡΠ΅ΠΌΠ° Π·Π°ΠΆΠΈΠ³Π°Π½ΠΈΡ Π°Π²ΡΠΎΠΌΠΎΠ±ΠΈΠ»Ρ ΠΠΠ 2107 ΠΈ ΡΡΡΠ΅Π»ΠΊΠ° ΡΠ°Ρ
ΠΎΠΌΠ΅ΡΡΠ° ΡΠ²ΡΠ·Π°Π½Ρ ΠΌΠ΅ΠΆΠ΄Ρ ΡΠΎΠ±ΠΎΠΉ, ΠΎΠ½ΠΈ ΡΡΡΠ΅ΡΡΠ²ΠΎΠ²Π°ΡΡ Π΄ΡΡΠ³ Π±Π΅Π· Π΄ΡΡΠ³Π° Π½Π΅ ΠΌΠΎΠ³ΡΡ. Π Π΅ΡΠ»ΠΈ Π΄Π΅ΡΠ³Π°Π΅ΡΡΡ ΡΡΡΠ΅Π»ΠΊΠ°, Π° Π²ΡΠ΅ Π²ΡΡΠ΅ΠΈΠ·Π»ΠΎΠΆΠ΅Π½Π½ΡΠ΅ ΡΠΎΠ²Π΅ΡΡ Π½Π΅ ΠΏΠΎΠΌΠΎΠ³Π»ΠΈ, ΡΡΠΎΠΈΡ ΠΎΠ±ΡΠ°ΡΠΈΡΡ Π²Π½ΠΈΠΌΠ°Π½ΠΈΠ΅ Π½Π° ΡΠΎΡΡΠΎΡΠ½ΠΈΠ΅ ΡΠ»Π΅ΠΌΠ΅Π½ΡΠΎΠ² Π·Π°ΠΆΠΈΠ³Π°Π½ΠΈΡ.
Π ΠΏΠ΅ΡΠ²ΡΡ ΠΎΡΠ΅ΡΠ΅Π΄Ρ ΠΎΡΠΌΠΎΡΡΠΈΡΠ΅ ΠΏΡΠΎΠ²ΠΎΠ΄Π° Π½Π° ΠΏΡΠ΅Π΄ΠΌΠ΅Ρ ΡΠ°Π·ΡΡΡΠ΅Π½ΠΈΡ, ΠΎΡΡΡΡΡΡΠ²ΠΈΡ ΠΊΠΎΠ½ΡΠ°ΠΊΡΠΎΠ².
ΠΠΏΠΎΠ»Π½Π΅ Π²ΠΎΠ·ΠΌΠΎΠΆΠ½ΠΎ, ΡΡΠΎ ΠΈΠΌΠ΅Π΅ΡΡΡ ΠΎΠ±ΡΡΠ² Π²Π½ΡΡΡΠΈ ΡΠ°ΠΌΠΎΠ³ΠΎ ΠΏΡΠΈΠ±ΠΎΡΠ°. ΠΠ° ΡΠΎΡΠΎ ΠΏΡΠΈΠ²Π΅Π΄Π΅Π½Π° ΡΡ Π΅ΠΌΠ° ΡΠΎΠ΅Π΄ΠΈΠ½Π΅Π½ΠΈΠΉ, ΠΈΠ·ΡΡΠΈΡΠ΅ Π΅Π΅, ΡΡΠΎΠ±Ρ ΠΏΡΠ΅Π΄ΡΡΠ°Π²Π»ΡΡΡ, ΠΊΡΠ΄Π° ΠΈ ΠΎΡΠΊΡΠ΄Π° ΠΈΠ΄ΡΡ ΠΏΡΠΎΠ²ΠΎΠ΄Π°. ΠΡΠ»ΠΈ Π² ΡΠΈΡΡΠ΅ΠΌΠ΅ ΠΏΠΈΡΠ°Π½ΠΈΡ ΠΊΠ°ΡΠ±ΡΡΠ°ΡΠΎΡ, Π° ΡΠ°ΠΊΠΆΠ΅ ΡΡΡΠ°Π½ΠΎΠ²Π»Π΅Π½Π° ΠΊΠ»Π°ΡΡΠΈΡΠ΅ΡΠΊΠ°Ρ ΡΠΈΡΡΠ΅ΠΌΠ° Π·Π°ΠΆΠΈΠ³Π°Π½ΠΈΡ, ΡΠΎ Π½Π΅ ΠΈΡΠΊΠ»ΡΡΠ΅Π½ΠΎ, ΡΡΠΎ ΠΏΡΠΎΠΈΠ·ΠΎΡΠ΅Π» ΠΏΡΠΎΠ±ΠΎΠΉ ΠΊΠΎΠ½Π΄Π΅Π½ΡΠ°ΡΠΎΡΠ°, ΡΡΡΠ°Π½ΠΎΠ²Π»Π΅Π½Π½ΠΎΠ³ΠΎ Π² Π½ΠΈΠΆΠ½Π΅ΠΉ ΡΠ°ΡΡΠΈ ΡΡΠ°ΠΌΠ±Π»Π΅ΡΠ°.
Π Π±ΠΎΠ»ΡΡΠΈΠ½ΡΡΠ²Π΅ ΡΠ»ΡΡΠ°Π΅Π² ΡΡΡΠ΅Π»ΠΊΠ° ΠΏΡΡΠ³Π°Π΅Ρ, Π΅ΡΠ»ΠΈ ΠΈΠΌΠ΅ΡΡΡΡ Π½Π΅ΠΈΡΠΏΡΠ°Π²Π½ΠΎΡΡΠΈ Π² ΡΠΈΡΡΠ΅ΠΌΠ΅ Π·Π°ΠΆΠΈΠ³Π°Π½ΠΈΡ. ΠΠΏΠΎΠ»Π½Π΅ Π²ΠΎΠ·ΠΌΠΎΠΆΠ½ΠΎ, ΡΡΠΎ Π±Π°ΡΠ°Ρ Π»ΠΈΡ Π΄Π°ΡΡΠΈΠΊ Π₯ΠΎΠ»Π»Π°. ΠΠΎ Π² ΡΡΠΎΠΌ ΡΠ»ΡΡΠ°Π΅ Π±ΡΠ΄Π΅Ρ ΠΎΡΡΡΠ°ΡΡΡΡ Π½Π΅ΡΡΠ°Π±ΠΈΠ»ΡΠ½Π°Ρ ΡΠ°Π±ΠΎΡΠ° Π΄Π²ΠΈΠ³Π°ΡΠ΅Π»Ρ. ΠΡΠ»ΠΈ Ρ Π²Π°Ρ ΠΈΠ½ΠΆΠ΅ΠΊΡΠΎΡ, ΡΠΎ ΡΠ»Π΅Π΄ΡΠ΅Ρ ΠΏΡΠΎΠ²Π΅ΡΠΈΡΡ ΡΠΎΡΡΠΎΡΠ½ΠΈΠ΅ Π΄Π°ΡΡΠΈΠΊΠ° ΠΎΠ±ΠΎΡΠΎΡΠΎΠ² Π΄Π²ΠΈΠ³Π°ΡΠ΅Π»Ρ ΠΈ Π²ΡΠ΅Ρ ΡΠΎΠ΅Π΄ΠΈΠ½ΠΈΡΠ΅Π»ΡΠ½ΡΡ ΠΏΡΠΎΠ²ΠΎΠ΄ΠΎΠ².
ΠΡΠ΅Π½Ρ ΡΠ°ΡΡΠΎ ΠΏΡΠΎΠΈΡΡ
ΠΎΠ΄ΡΡ ΡΠ±ΠΎΠΈ ΠΏΠΎΡΠ»Π΅ ΡΠΎΠ³ΠΎ, ΠΊΠ°ΠΊ ΠΎΡΡΡΠ΅ΡΡΠ²Π»ΡΠ»Π°ΡΡ ΡΠ°Π·Π±ΠΎΡΠΊΠ° ΡΠ°Ρ
ΠΎΠΌΠ΅ΡΡΠ°, Π»ΠΈΠ±ΠΎ ΠΆΠ΅ Π·Π°ΠΌΠ΅Π½Π°. ΠΡΠ»ΠΈ ΡΠ°ΠΊΠΈΠ΅ Π΄Π΅ΠΉΡΡΠ²ΠΈΡ Π²Ρ Π²ΡΠΏΠΎΠ»Π½ΡΠ»ΠΈ, ΡΠΎ Π½ΡΠΆΠ½ΠΎ Π²Π½ΠΈΠΌΠ°ΡΠ΅Π»ΡΠ½ΠΎ ΠΏΡΠΎΡΠΌΠΎΡΡΠ΅ΡΡ, ΠΏΡΠ°Π²ΠΈΠ»ΡΠ½ΠΎ Π»ΠΈ ΡΡΡΠ°Π½ΠΎΠ²Π»Π΅Π½ ΠΏΡΠΈΠ±ΠΎΡ, ΠΏΠΎΠ΄ΠΊΠ»ΡΡΠ΅Π½ΠΈΠ΅ Π²ΡΠΏΠΎΠ»Π½Π΅Π½ΠΎ Π»ΠΈ Π² ΡΠΎΠΎΡΠ²Π΅ΡΡΡΠ²ΠΈΠΈ ΡΠΎ ΡΡ
Π΅ΠΌΠΎΠΉ, ΡΡΡΠ΅Π»ΠΊΠ° ΠΏΡΠΈ ΠΎΡΡΠ°Π½ΠΎΠ²Π»Π΅Π½Π½ΠΎΠΌ Π΄Π²ΠΈΠ³Π°ΡΠ΅Π»Π΅ Π½Π°Ρ
ΠΎΠ΄ΠΈΡΡΡ Π½Π° Π½ΡΠ»Π΅? Π‘ΡΠΎΠΈΡ ΠΎΡΠΌΠ΅ΡΠΈΡΡ, ΡΡΠΎ Π½Π° Π·Π°Π΄Π½Π΅ΠΉ ΡΠ°ΡΡΠΈ ΠΏΡΠΈΠ±ΠΎΡΠ° ΠΈΠΌΠ΅Π΅ΡΡΡ ΡΡΠΌΠ±Π»Π΅Ρ, ΠΎΠ½ ΠΏΡΠ΅Π΄Π½Π°Π·Π½Π°ΡΠ΅Π½ Π΄Π»Ρ ΡΡΡΠ°Π½ΠΎΠ²ΠΊΠΈ ΡΡΡΠ΅Π»ΠΊΠΈ Π½Π° Π½ΡΠ»Ρ.
ΠΠΎ Π±ΡΠ²Π°ΡΡ ΡΠ»ΡΡΠ°ΠΈ, ΠΊΠΎΠ³Π΄Π° Π½Π° Ρ ΠΎΠ»ΠΎΡΡΡΡ ΠΎΠ±ΠΎΡΠΎΡΠ°Ρ ΡΡΡΠ΅Π»ΠΊΠ° Π²Π΅Π΄Π΅Ρ ΡΠ΅Π±Ρ Π²ΠΏΠΎΠ»Π½Π΅ ΠΏΡΠΈΠ»ΠΈΡΠ½ΠΎ. Π Π²ΠΎΡ Π½Π° ΡΠΊΠΎΡΠΎΡΡΠΈ, ΠΊΠΎΠ³Π΄Π° ΡΠΏΠΈΠ΄ΠΎΠΌΠ΅ΡΡ ΠΏΠ΅ΡΠ΅Ρ ΠΎΠ΄ΠΈΡ ΠΎΡΠΌΠ΅ΡΠΊΡ 80 ΠΈΠ»ΠΈ 100 ΠΊΠΌ/Ρ, Π½Π°ΡΠΈΠ½Π°Π΅Ρ ΡΠΈΠ»ΡΠ½ΠΎ Π΄Π΅ΡΠ³Π°ΡΡΡΡ ΡΡΡΠ΅Π»ΠΊΠ°. ΠΡΠΈ ΡΡΠΎΠΌ Π΄Π°ΠΆΠ΅ Π²ΠΎΠ·ΠΌΠΎΠΆΠ½ΠΎ ΠΏΠΎΡΠ²Π»Π΅Π½ΠΈΠ΅ ΠΏΡΠΎΠΏΡΡΠΊΠΎΠ² Π·Π°ΠΆΠΈΠ³Π°Π½ΠΈΡ. ΠΡΠΎ ΠΏΡΠΈΠ·Π½Π°ΠΊ ΡΠΎΠ³ΠΎ, ΡΡΠΎ ΠΈΠΌΠ΅Π΅ΡΡΡ ΠΏΠΎΠ»ΠΎΠΌΠΊΠ° Π² ΠΊΠΎΠΌΠΌΡΡΠ°ΡΠΎΡΠ΅ Π·Π°ΠΆΠΈΠ³Π°Π½ΠΈΡ ΠΈ Π΅Π³ΠΎ Π½ΡΠΆΠ½ΠΎ ΡΡΠΎΡΠ½ΠΎ Π·Π°ΠΌΠ΅Π½ΡΡΡ. ΠΠΎΡ ΠΈ Π²ΡΠ΅, ΡΡΠΎ ΠΌΠΎΠΆΠ½ΠΎ ΡΠ°ΡΡΠΊΠ°Π·Π°ΡΡ ΠΎ ΠΏΡΠΈΠ±ΠΎΡΠ΅, ΠΏΡΠ΅Π΄Π½Π°Π·Π½Π°ΡΠ΅Π½Π½ΠΎΠΌ Π΄Π»Ρ ΠΈΠ·ΠΌΠ΅ΡΠ΅Π½ΠΈΡ ΡΠ°ΡΡΠΎΡΡ Π²ΡΠ°ΡΠ΅Π½ΠΈΡ ΠΊΠΎΠ»Π΅Π½Π²Π°Π»Π°.
Π’Π°Ρ ΠΎΠΌΠ΅ΡΡ Π½Π΅ ΠΎΡΠ½ΠΎΡΠΈΡΡΡ ΠΊ βΠΆΠΈΠ·Π½Π΅Π½Π½ΠΎ Π²Π°ΠΆΠ½ΡΠΌβ ΠΏΡΠΈΠ±ΠΎΡΠΎΠΌ βΡΠ΅ΠΌΠ΅ΡΠΊΠΈβ, ΠΎΠ΄Π½Π°ΠΊΠΎ Π΅Π³ΠΎ Π½Π΅ΠΈΡΠΏΡΠ°Π²Π½ΠΎΡΡΡ Π²ΡΠ·ΡΠ²Π°Π΅Ρ ΠΎΠΏΡΠ΅Π΄Π΅Π»Π΅Π½Π½ΡΠ΅ Π½Π΅ΡΠ΄ΠΎΠ±ΡΡΠ²Π°. ΠΡΠΎΠΌΠ΅ ΡΠΎΠ³ΠΎ, ΡΠΈΡΡΠ°ΡΠΈΡ, ΠΊΠΎΠ³Π΄Π° ΠΏΡΡΠ³Π°Π΅Ρ ΡΠ°Ρ ΠΎΠΌΠ΅ΡΡ ΠΠΠ 2107, Π±ΡΠ²Π°Π΅Ρ ΠΏΡΠΈΠ·Π½Π°ΠΊΠΎΠΌ ΠΏΡΠΎΠ±Π»Π΅ΠΌ Π² ΡΠΈΡΡΠ΅ΠΌΠ΅ Π·Π°ΠΆΠΈΠ³Π°Π½ΠΈΡ ΠΈΠ»ΠΈ ΠΏΠΎΠ΄Π°ΡΠΈ ΡΠΎΠΏΠ»ΠΈΠ²Π° Π² Π΄Π²ΠΈΠ³Π°ΡΠ΅Π»Ρ. ΠΠΎΡΡΠΎΠΌΡ ΠΏΡΠΈ ΠΏΠ΅ΡΠ²ΡΡ ΠΏΡΠΈΠ·Π½Π°ΠΊΠ°Ρ Π·Π°Π±Π°ΡΠ°Ρ Π»ΠΈΠ²ΡΠ΅Π³ΠΎ ΡΠ°Ρ ΠΎΠΌΠ΅ΡΡΠ° Π½ΡΠΆΠ½ΠΎ ΡΠ°Π·ΠΎΠ±ΡΠ°ΡΡΡΡ Π² ΠΏΡΠΈΡΠΈΠ½Π°Ρ ΠΏΠΎΠ»ΠΎΠΌΠΊΠΈ ΠΈ Π½Π΅Π·Π°ΠΌΠ΅Π΄Π»ΠΈΡΠ΅Π»ΡΠ½ΠΎ ΡΡΡΡΠ°Π½ΠΈΡΡ ΠΈΡ .
Π‘Ρ
Π΅ΠΌΠ° ΠΏΠΎΠ΄ΠΊΠ»ΡΡΠ΅Π½ΠΈΡ ΡΠ°Ρ
ΠΎΠΌΠ΅ΡΡΠ° Π½Π° ΠΠΠ 2107 Ρ ΠΊΠ°ΡΠ±ΡΡΠ°ΡΠΎΡΠ½ΡΠΌ Π΄Π²ΠΈΠ³Π°ΡΠ΅Π»Π΅ΠΌ Π½Π΅ΠΌΠ½ΠΎΠ³ΠΎ ΠΎΡΠ»ΠΈΡΠ°Π΅ΡΡΡ ΠΎΡ ΡΠΎΠΉ, ΡΡΠΎ ΠΏΡΠΈΠΌΠ΅Π½ΡΠ΅ΡΡΡ Π½Π° ΠΌΠΎΠ΄Π΅Π»ΡΡ
Ρ ΠΈΠ½ΠΆΠ΅ΠΊΡΠΎΡΠΎΠΌ. ΠΠΎ Π² ΡΠ΅Π»ΠΎΠΌ ΠΏΡΠΈΡΠΈΠ½Ρ Π½Π΅ΠΈΡΠΏΡΠ°Π²Π½ΠΎΡΡΠΈ ΠΈ ΠΌΠ΅ΡΠΎΠ΄Ρ ΠΈΡ
ΡΡΡΡΠ°Π½Π΅Π½ΠΈΡ ΡΡ
ΠΎΠΆΠΈ.
ΠΠΎΠ΄ΠΊΠ»ΡΡΠ΅Π½ΠΈΠ΅ ΡΠ°Ρ ΠΎΠΌΠ΅ΡΡΠ° Π½Π° ΠΊΠ°ΡΠ±ΡΡΠ°ΡΠΎΡΠ½ΡΡ ΠΈ ΠΈΠ½ΠΆΠ΅ΠΊΡΠΎΡΠ½ΡΡ ΠΌΠΎΠ΄Π΅Π»ΡΡ
Π‘Ρ Π΅ΠΌΠ° ΠΏΠΎΠ΄ΠΊΠ»ΡΡΠ΅Π½ΠΈΡ ΡΠ°Ρ ΠΎΠΌΠ΅ΡΡΠ° ΠΠΠ 2107 Π½Π° ΠΈΠ½ΠΆΠ΅ΠΊΡΠΎΡΠ½ΠΎΠΉ ΠΌΠ°ΡΠΈΠ½Π΅ ΠΎΡΠ»ΠΈΡΠ°Π΅ΡΡΡ ΡΠ΅ΠΌ, ΡΡΠΎ Π² ΡΡΠΎΠΌ ΡΠ»ΡΡΠ°Π΅ ΠΏΡΠΈΠ±ΠΎΡ ΡΡΠΈΡΡΠ²Π°Π΅Ρ Π΄Π°Π½Π½ΡΠ΅ ΠΎΠ± ΠΎΠ±ΠΎΡΠΎΡΠ°Ρ Π΄Π²ΠΈΠ³Π°ΡΠ΅Π»Ρ Π½Π΅ Ρ ΠΊΠ°ΡΡΡΠΊΠΈ Π·Π°ΠΆΠΈΠ³Π°Π½ΠΈΡ, Π° Ρ ΠΠΠ£ Π΄Π²ΠΈΠ³Π°ΡΠ΅Π»Ρ. Π ΡΠ΅Π»ΠΎΠΌ ΠΆΠ΅ ΠΏΠΎΡΡΠ΄ΠΎΠΊ ΠΏΠΎΠ΄ΠΊΠ»ΡΡΠ΅Π½ΠΈΡ ΠΈ ΠΏΡΠΈΠ½ΡΠΈΠΏ ΡΠ°Π±ΠΎΡΡ Π½Π΅ ΠΎΡΠ»ΠΈΡΠ°ΡΡΡΡ. ΠΡΠΈΠ±ΠΎΡ ΠΈΠΌΠ΅Π΅Ρ ΡΡΠΈ Π²ΡΠ²ΠΎΠ΄Π°, ΠΊ Π΄Π²ΡΠΌ ΠΈΠ· ΠΊΠΎΡΠΎΡΡΡ ΠΏΠΎΠ΄ΠΊΠ»ΡΡΠ°Π΅ΡΡΡ βΠΏΠ»ΡΡβ ΠΎΡ Π·Π°ΠΌΠΊΠ° Π·Π°ΠΆΠΈΠ³Π°Π½ΠΈΡ ΠΈ βΠΌΠ°ΡΡΠ°β, Π° ΠΊ ΡΡΠ΅ΡΡΠ΅ΠΌΡ β ΠΏΡΠΎΠ²ΠΎΠ΄ ΠΎΡ ΠΊΠ°ΡΡΡΠΊΠΈ Π·Π°ΠΆΠΈΠ³Π°Π½ΠΈΡ ΠΈΠ»ΠΈ ΠΠΠ£ Π΄Π²ΠΈΠ³Π°ΡΠ΅Π»Ρ.
Π‘ ΡΠ΅Π³ΠΎ Π½Π°ΡΠ°ΡΡ ΠΏΠΎΠΈΡΠΊ Π½Π΅ΠΈΡΠΏΡΠ°Π²Π½ΠΎΡΡΠΈ
ΠΠ»Ρ ΠΏΠΎΠΈΡΠΊΠ° Π½Π΅ΠΈΡΠΏΡΠ°Π²Π½ΠΎΡΡΠΈ ΠΏΠΎΠ½Π°Π΄ΠΎΠ±ΠΈΡΡΡ ΠΌΡΠ»ΡΡΠΈΠΌΠ΅ΡΡ ΠΈΠ»ΠΈ βΠΊΠΎΠ½ΡΡΠΎΠ»ΡΠΊΠ°β. ΠΡΠ»ΠΈ Π½Π΅ ΡΠ°Π±ΠΎΡΠ°Π΅Ρ ΡΠ°Ρ
ΠΎΠΌΠ΅ΡΡ Π½Π° ΠΠΠ 2107 (ΠΈΠ½ΠΆΠ΅ΠΊΡΠΎΡ), ΡΠ½Π°ΡΠ°Π»Π° ΡΡΠΎΠΈΡ ΠΏΠΎΡΠΌΠΎΡΡΠ΅ΡΡ, Π½Π΅ Π³ΠΎΡΠΈΡ Π»ΠΈ ΠΊΠΎΠ½ΡΡΠΎΠ»ΡΠ½Π°Ρ Π»Π°ΠΌΠΏΠ° βCheck Engineβ. ΠΡΠ»ΠΈ ΡΡΠΎ ΡΠ°ΠΊ, ΡΠΎ ΡΠ·Π½Π°ΡΡ ΠΏΡΠΈΡΠΈΠ½Ρ ΠΏΠΎΠ»ΠΎΠΌΠΊΠΈ ΠΌΠΎΠΆΠ½ΠΎ, ΡΡΠΈΡΠ°Π² Ρ ΠΊΠΎΠ½ΡΡΠΎΠ»Π»Π΅ΡΠ° ΠΊΠΎΠ΄ ΠΎΡΠΈΠ±ΠΊΠΈ. ΠΡΠ»ΠΈ Π»Π°ΠΌΠΏΠ° Π½Π΅ Π³ΠΎΡΠΈΡ, ΡΡΠΎΡ ΠΏΡΠ½ΠΊΡ ΠΌΠΎΠΆΠ½ΠΎ ΠΏΡΠΎΠΏΡΡΡΠΈΡΡ.
ΠΠ°Π»Π΅Π΅ Π½Π° ΠΈΠ½ΠΆΠ΅ΠΊΡΠΎΡΠ½ΠΎΠΉ ΠΈ ΠΊΠ°ΡΠ±ΡΡΠ°ΡΠΎΡΠ½ΠΎΠΉ ΠΌΠΎΠ΄Π΅Π»ΠΈ ΡΠ»Π΅Π΄ΡΠ΅Ρ ΠΏΡΠΎΠ²Π΅ΡΠΈΡΡ ΡΠΎΡΡΠΎΡΠ½ΠΈΠ΅ ΡΠ»Π΅ΠΊΡΡΠΎΠΏΡΠΎΠ²ΠΎΠ΄ΠΊΠΈ, ΠΈΠ΄ΡΡΠ΅ΠΉ ΠΊ ΡΠ°Ρ
ΠΎΠΌΠ΅ΡΡΡ. ΠΠ·ΠΎΠ»ΡΡΠΈΡ ΠΏΡΠΎΠ²ΠΎΠ΄ΠΎΠ² Π½Π΅ Π΄ΠΎΠ»ΠΆΠ½Π° ΠΈΠΌΠ΅ΡΡ ΠΏΠΎΠ²ΡΠ΅ΠΆΠ΄Π΅Π½ΠΈΠΉ, ΡΠ°Ρ
ΠΎΠΌΠ΅ΡΡ Π΄ΠΎΠ»ΠΆΠ΅Π½ ΠΈΠΌΠ΅ΡΡ Ρ
ΠΎΡΠΎΡΠΈΠΉ ΠΊΠΎΠ½ΡΠ°ΠΊΡ Ρ βΠΌΠ°ΡΡΠΎΠΉβ, ΠΏΠΈΡΠ°Π½ΠΈΠ΅ΠΌ ΠΈ ΠΊΠ»Π΅ΠΌΠΌΠΎΠΉ βΠβ ΠΊΠ°ΡΡΡΠΊΠΈ Π·Π°ΠΆΠΈΠ³Π°Π½ΠΈΡ Π»ΠΈΠ±ΠΎ Π²ΡΠ²ΠΎΠ΄ΠΎΠΌ ΠΠΠ£ Π΄Π²ΠΈΠ³Π°ΡΠ΅Π»Ρ.
ΠΡΠΎΠΌΠ΅ ΡΠΎΠ³ΠΎ, Π²ΠΎΠ·ΠΌΠΎΠΆΠ΅Π½ ΠΎΠ±ΡΡΠ² ΠΈΠ»ΠΈ ΠΏΠ»ΠΎΡ
ΠΎΠΉ ΠΊΠΎΠ½ΡΠ°ΠΊΡ Π²Π½ΡΡΡΠΈ ΡΠ°ΠΌΠΎΠ³ΠΎ ΠΏΡΠΈΠ±ΠΎΡΠ°. Π ΡΡΠΎΠΌ ΡΠ»ΡΡΠ°Π΅ Π΅Π³ΠΎ ΠΏΡΠΈΠ΄Π΅ΡΡΡ Π·Π°ΠΌΠ΅Π½ΠΈΡΡ. ΠΡΠ»ΠΈ Ρ ΠΏΡΠΎΠ²ΠΎΠ΄Π°ΠΌΠΈ ΠΈ ΠΊΠΎΠ½ΡΠ°ΠΊΡΠ°ΠΌΠΈ Π²ΡΠ΅ Π² ΠΏΠΎΡΡΠ΄ΠΊΠ΅, ΠΏΡΠΎΠ±Π»Π΅ΠΌΠ° Π² Π΄Π°ΡΡΠΈΠΊΠ΅ Π₯ΠΎΠ»Π»Π° (Π½Π° ΠΈΠ½ΠΆΠ΅ΠΊΡΠΎΡΠ½ΠΎΠΉ βΡΠ΅ΠΌΠ΅ΡΠΊΠ΅β), ΡΠΈΡΡΠ΅ΠΌΠ΅ Π·Π°ΠΆΠΈΠ³Π°Π½ΠΈΡ ΠΈΠ»ΠΈ ΠΏΠΎΠ΄Π°ΡΠΈ ΡΠΎΠΏΠ»ΠΈΠ²Π°.
ΠΡΠΎΠ²Π΅ΡΠΊΠ° ΡΠΈΡΡΠ΅ΠΌΡ Π·Π°ΠΆΠΈΠ³Π°Π½ΠΈΡ
Π‘Ρ
Π΅ΠΌΠ° ΡΠ°Ρ
ΠΎΠΌΠ΅ΡΡΠ° ΠΠΠ 2107 ΠΎΠ΄ΠΈΠ½Π°ΠΊΠΎΠ²Π° Π΄Π»Ρ Π²ΡΠ΅Ρ
ΠΌΠΎΠ΄Π΅Π»Π΅ΠΉ, ΡΠ°Π·Π½ΠΈΡΠ° Π»ΠΈΡΡ Π² ΡΠΎΠΌ, ΠΎΡΠΊΡΠ΄Π° ΠΎΠ½ Π±Π΅ΡΠ΅Ρ Π΄Π°Π½Π½ΡΠ΅. Π ΠΊΠ°ΡΠ±ΡΡΠ°ΡΠΎΡΠ½ΠΎΠΉ βΡΠ΅ΠΌΠ΅ΡΠΊΠ΅β ΡΠ²Π΅Π΄Π΅Π½ΠΈΡ ΠΎΠ± ΠΎΠ±ΠΎΡΠΎΡΠ°Ρ
Π΄Π²ΠΈΠ³Π°ΡΠ΅Π»Ρ ΡΡΠΈΡΡΠ²Π°ΡΡΡΡ Ρ ΠΊΠ°ΡΡΡΠΊΠΈ Π·Π°ΠΆΠΈΠ³Π°Π½ΠΈΡ: ΠΊΠ°ΠΆΠ΄ΡΠ΅ Π΄Π²Π° ΡΠ°Π·ΡΡΠ΄Π° ΠΈΡΠΊΡΡ Π½Π° ΡΠ²Π΅ΡΠ°Ρ
β ΠΎΠ΄ΠΈΠ½ ΠΎΠ±ΠΎΡΠΎΡ Π΄Π²ΠΈΠ³Π°ΡΠ΅Π»Ρ. Π’Π°Ρ
ΠΎΠΌΠ΅ΡΡ ΠΌΠΎΠΆΠ΅Ρ Π±Π°ΡΠ°Ρ
Π»ΠΈΡΡ, Π΅ΡΠ»ΠΈ ΠΏΡΠΎΠ±ΠΈΡΠ° ΠΈΠ·ΠΎΠ»ΡΡΠΈΡ Π²ΡΡΠΎΠΊΠΎΠ²ΠΎΠ»ΡΡΠ½ΡΡ
ΠΏΡΠΎΠ²ΠΎΠ΄ΠΎΠ² ΠΈΠ»ΠΈ Π½Π΅ΠΈΡΠΏΡΠ°Π²Π½Π° ΠΊΠ°ΡΡΡΠΊΠ° Π·Π°ΠΆΠΈΠ³Π°Π½ΠΈΡ. Π ΡΡΠΎΠΌ ΡΠ»ΡΡΠ°Π΅ ΡΠ°ΠΊΠΆΠ΅ Π²ΠΎΠ·ΠΌΠΎΠΆΠ½Ρ ΠΏΠ΅ΡΠ΅Π±ΠΎΠΈ Π² ΡΠ°Π±ΠΎΡΠ΅ Π΄Π²ΠΈΠ³Π°ΡΠ΅Π»Ρ, βΠΏΠ»Π°Π²Π°ΡΡΠΈΠ΅β ΠΎΠ±ΠΎΡΠΎΡΡ. ΠΡΠΎΠΌΠ΅ ΠΏΡΠΎΠ²ΠΎΠ΄ΠΎΠ² ΠΈ ΠΊΠ°ΡΡΡΠΊΠΈ, Π½Π΅ΠΎΠ±Ρ
ΠΎΠ΄ΠΈΠΌΠΎ ΠΏΡΠΎΠ²Π΅ΡΠΈΡΡ ΡΠΎΡΡΠΎΡΠ½ΠΈΠ΅ ΠΈ ΡΠ΅Π³ΡΠ»ΠΈΡΠΎΠ²ΠΊΡ ΠΊΠΎΠ½ΡΠ°ΠΊΡΠ° ΠΏΡΠ΅ΡΡΠ²Π°ΡΠ΅Π»Ρ ΠΈ Π΅ΠΌΠΊΠΎΡΡΡ ΠΊΠΎΠ½Π΄Π΅Π½ΡΠ°ΡΠΎΡΠ° Π½Π° Π½Π΅ΠΌ.
ΠΠ΅ΠΈΡΠΏΡΠ°Π²Π½ΡΠ΅ ΠΏΡΠΎΠ²ΠΎΠ΄Π° ΠΈ, ΠΊΠ°ΠΊ ΡΠ»Π΅Π΄ΡΡΠ²ΠΈΠ΅, Π½Π΅ΡΡΡΠΎΠΉΡΠΈΠ²Π°Ρ ΡΠ°Π±ΠΎΡΠ° Π΄Π²ΠΈΠ³Π°ΡΠ΅Π»Ρ, ΡΡΠ°Π½ΠΎΠ²ΡΡΡΡ ΠΏΡΠΈΡΠΈΠ½ΠΎΠΉ βΠΏΡΡΠ³Π°ΡΡΠ΅Π³ΠΎβ ΡΠ°Ρ
ΠΎΠΌΠ΅ΡΡΠ° ΠΈ Π½Π° ΠΈΠ½ΠΆΠ΅ΠΊΡΠΎΡΠ½ΡΡ
ΠΌΠΎΠ΄Π΅Π»ΡΡ
ΠΠΠ.
ΠΠ°ΡΡΠΈΠΊ Π₯ΠΎΠ»Π»Π°
Π’Π°Ρ
ΠΎΠΌΠ΅ΡΡ Π½Π° ΠΠΠ 2107 (ΠΈΠ½ΠΆΠ΅ΠΊΡΠΎΡ) ΡΡΠΈΡΡΠ²Π°Π΅Ρ ΠΈΠ½ΡΠΎΡΠΌΠ°ΡΠΈΡ ΠΎΠ± ΠΎΠ±ΠΎΡΠΎΡΠ°Ρ
Π΄Π²ΠΈΠ³Π°ΡΠ΅Π»Ρ Ρ ΠΠΠ£.
ΠΠΎΡΠ»Π΅Π΄Π½ΠΈΠΉ, Π² ΡΠ²ΠΎΡ ΠΎΡΠ΅ΡΠ΅Π΄Ρ, ΠΏΠΎΠ»ΡΡΠ°Π΅Ρ Π΄Π°Π½Π½ΡΠ΅ ΠΎΡ Π΄Π°ΡΡΠΈΠΊΠ° Π₯ΠΎΠ»Π»Π°, ΠΠ»ΠΎΡ
ΠΎΠΉ ΠΊΠΎΠ½ΡΠ°ΠΊΡ Π½Π° Π²ΡΠ²ΠΎΠ΄Π°Ρ
Π΄Π°ΡΡΠΈΠΊΠ° ΠΈΠ»ΠΈ Π΅Π³ΠΎ Π½Π΅ΠΈΡΠΏΡΠ°Π²Π½ΠΎΡΡΡ Π²Π΅Π΄Π΅Ρ ΠΊ ΠΏΠ΅ΡΠ΅Π±ΠΎΡΠΌ Π² ΡΠ°Π±ΠΎΡΠ΅ Π΄Π²ΠΈΠ³Π°ΡΠ΅Π»Ρ ΠΈ ΠΊΠΎΠ»Π΅Π±Π°Π½ΠΈΡΠΌ ΡΡΡΠ΅Π»ΠΊΠΈ ΡΠ°Ρ
ΠΎΠΌΠ΅ΡΡΠ°. ΠΡΠ»ΠΈ ΠΊΠΎΠ½ΡΠ°ΠΊΡΡ ΠΌΠΎΠΆΠ½ΠΎ ΠΏΠΎΡΠΈΡΡΠΈΡΡ, ΡΠΎ ΡΠ°ΠΌ Π΄Π°ΡΡΠΈΠΊ ΠΎΡΡΠ΅ΠΌΠΎΠ½ΡΠΈΡΠΎΠ²Π°ΡΡ Π½Π΅ ΡΠ΄Π°ΡΡΡΡ. ΠΠ½ ΡΠΊΠΎΠ½ΡΡΡΡΠΈΡΠΎΠ²Π°Π½ ΡΠ°ΠΊ, ΡΡΠΎ Π²ΠΎΠ·ΠΌΠΎΠΆΠ½ΠΎΡΡΡ Π΅Π³ΠΎ ΡΠ΅ΠΌΠΎΠ½ΡΠ° ΠΈΡΠΊΠ»ΡΡΠ΅Π½Π°. ΠΠ΅ΠΈΡΠΏΡΠ°Π²Π½ΡΠΉ Π΄Π°ΡΡΠΈΠΊ Π½Π΅ΠΎΠ±Ρ
ΠΎΠ΄ΠΈΠΌΠΎ Π·Π°ΠΌΠ΅Π½ΠΈΡΡ Π½ΠΎΠ²ΡΠΌ.
ΠΠ΅ΠΈΡΠΏΡΠ°Π²Π½ΠΎΡΡΡ ΡΠΎΠΏΠ»ΠΈΠ²Π½ΠΎΠΉ ΡΠΈΡΡΠ΅ΠΌΡ
ΠΡΠΈΡΠΈΠ½ΠΎΠΉ ΠΏΠ΅ΡΠ΅Π±ΠΎΠ΅Π² Π² ΡΠ°Π±ΠΎΡΠ΅ Π΄Π²ΠΈΠ³Π°ΡΠ΅Π»Ρ ΠΈ ΡΠΊΠ°ΡΠΊΠΎΠ² ΡΡΡΠ΅Π»ΠΊΠΈ ΡΠ°Ρ
ΠΎΠΌΠ΅ΡΡΠ° ΠΌΠΎΠΆΠ΅Ρ Π±ΡΡΡ ΠΊΠ°ΠΊ Π½Π΅ΠΊΠ°ΡΠ΅ΡΡΠ²Π΅Π½Π½ΠΎΠ΅ ΡΠΎΠΏΠ»ΠΈΠ²ΠΎ, ΡΠ°ΠΊ ΠΈ ΠΏΡΠΎΠ±Π»Π΅ΠΌΡ Π² ΡΠΈΡΡΠ΅ΠΌΠ΅ Π²ΠΏΡΡΡΠΊΠ°. ΠΠ° ΠΊΠ°ΡΠ±ΡΡΠ°ΡΠΎΡΠ½ΡΡ
ΠΌΠΎΠ΄Π΅Π»ΡΡ
ΡΠ»Π΅Π΄ΡΠ΅Ρ ΡΠ°Π·ΠΎΠ±ΡΠ°ΡΡ ΠΊΠ°ΡΠ±ΡΡΠ°ΡΠΎΡ ΠΈ ΠΏΡΠΎΡΠΈΡΡΠΈΡΡ ΠΆΠΈΠΊΠ»Π΅ΡΡ. Π§Π°ΡΠ΅ Π²ΡΠ΅Π³ΠΎ βΠΏΡΡΠ³Π°ΡΡΠΈΠΉβ ΡΠ°Ρ
ΠΎΠΌΠ΅ΡΡ β ΡΠ΅Π·ΡΠ»ΡΡΠ°Ρ Π·Π°Π±ΠΈΡΠΎΠ³ΠΎ ΠΆΠΈΠΊΠ»Π΅ΡΠ° Ρ
ΠΎΠ»ΠΎΡΡΠΎΠ³ΠΎ Ρ
ΠΎΠ΄Π°.
Π’Π°Ρ
ΠΎΠΌΠ΅ΡΡ ΠΠΠ 2107 (ΠΈΠ½ΠΆΠ΅ΠΊΡΠΎΡ) ΠΌΠΎΠΆΠ΅Ρ βΠΏΡΡΠ³Π°ΡΡβ ΠΏΡΠΈ ΠΏΡΠΎΠ±Π»Π΅ΠΌΠ°Ρ
Π² ΡΠΈΡΡΠ΅ΠΌΠ΅ Π²ΠΏΡΡΡΠΊΠ°. Π ΡΠ°ΠΊΠΎΠΌ ΡΠ»ΡΡΠ°Π΅ Π½Π΅ΠΎΠ±Ρ
ΠΎΠ΄ΠΈΠΌΠ° ΠΏΡΠΎΠΌΡΠ²ΠΊΠ° ΡΠΎΡΡΡΠ½ΠΎΠΊ. Π§ΡΠΎΠ±Ρ ΠΏΡΠΎΠ²Π΅ΡΠΈΡΡ ΠΈ ΠΎΡΠΈΡΡΠΈΡΡ ΡΠΈΡΡΠ΅ΠΌΡ Π²ΠΏΡΡΡΠΊΠ°, Π½Π΅ΠΎΠ±Ρ
ΠΎΠ΄ΠΈΠΌΠΎ Π½Π°Π»ΠΈΡΠΈΠ΅ ΡΠΏΠ΅ΡΠΈΠ°Π»ΡΠ½ΠΎΠ³ΠΎ ΡΡΠ΅Π½Π΄Π° ΠΈ ΠΎΠ±ΠΎΡΡΠ΄ΠΎΠ²Π°Π½ΠΈΡ. Π’Π°ΠΊΡΡ ΡΠ°Π±ΠΎΡΡ Π»ΡΡΡΠ΅ Π΄ΠΎΠ²Π΅ΡΠΈΡΡ ΡΠΏΠ΅ΡΠΈΠ°Π»ΠΈΡΡΠ°ΠΌ Π‘Π’Π.
ΠΠ΅ΠΈΡΠΏΡΠ°Π²Π½ΠΎΡΡΡ Π³Π°Π·ΠΎΡΠ°ΡΠΏΡΠ΅Π΄Π΅Π»ΠΈΡΠ΅Π»ΡΠ½ΠΎΠ³ΠΎ ΠΌΠ΅Ρ Π°Π½ΠΈΠ·ΠΌΠ°
ΠΠΎΠ³Π΄Π° ΡΡΡΠ΅Π»ΠΊΠ° ΡΠ°Ρ
ΠΎΠΌΠ΅ΡΡΠ° Π½Π°ΡΠΈΠ½Π°Π΅Ρ βΡΠΊΠ°ΠΊΠ°ΡΡβ Π½Π° Π±ΠΎΠ»ΡΡΠΈΡ
ΠΎΠ±ΠΎΡΠΎΡΠ°Ρ
, ΠΏΡΠΎΠ±Π»Π΅ΠΌΠ° ΠΌΠΎΠΆΠ΅Ρ Π±ΡΡΡ ΡΠ²ΡΠ·Π°Π½Π° Ρ Π½Π΅ΠΏΡΠ°Π²ΠΈΠ»ΡΠ½ΠΎ ΡΠ°Π±ΠΎΡΠ°ΡΡΠΈΠΌ Π³Π°Π·ΠΎΡΠ°ΡΠΏΡΠ΅Π΄Π΅Π»ΠΈΡΠ΅Π»ΡΠ½ΡΠΌ ΠΌΠ΅Ρ
Π°Π½ΠΈΠ·ΠΌΠΎΠΌ.
Π ΡΠ°ΠΊΠΎΠΌ ΡΠ»ΡΡΠ°Π΅ Π½Π΅ΠΎΠ±Ρ
ΠΎΠ΄ΠΈΠΌΠΎ ΠΏΡΠΎΠ²Π΅ΡΠΈΡΡ Π½Π°ΡΡΠΆΠ΅Π½ΠΈΠ΅ ΡΠ΅ΠΌΠ½Ρ ΠΠ Π, ΡΠΎΠ΅Π΄ΠΈΠ½ΡΡΡΠ΅Π³ΠΎ ΠΊΠΎΠ»Π΅Π½Π²Π°Π» Ρ ΡΠ°ΡΠΏΡΠ΅Π΄Π²Π°Π»ΠΎΠΌ.
ΠΡΠΎΠΌΠ΅ ΡΠΎΠ³ΠΎ, ΠΎΠ±ΠΎΡΠΎΡΡ ΠΌΠΎΠ³ΡΡ βΠΏΠ»Π°Π²Π°ΡΡβ ΠΈΠ·-Π·Π° Π½Π΅ΠΈΡΠΏΡΠ°Π²Π½ΠΎΡΡΠΈ ΡΠ°ΠΌΠΎΠ³ΠΎ Π΄Π²ΠΈΠ³Π°ΡΠ΅Π»Ρ. Π’ΡΡ ΡΡΠΎΠΈΡ ΠΏΡΠΎΠ²Π΅ΡΠΈΡΡ ΠΊΠΎΠΌΠΏΡΠ΅ΡΡΠΈΡ Π² ΡΠΈΠ»ΠΈΠ½Π΄ΡΠ°Ρ
ΠΈΠ»ΠΈ ΠΎΠ±ΡΠ°ΡΠΈΡΡΡΡ ΠΊ Π°Π²ΡΠΎΠΌΠ΅Ρ
Π°Π½ΠΈΠΊΠ°ΠΌ. ΠΡΠ»ΠΈ ΠΏΡΠΎΠΌΠ΅Π΄Π»ΠΈΡΡ Ρ Π΄ΠΈΠ°Π³Π½ΠΎΡΡΠΈΠΊΠΎΠΉ ΠΈ ΡΠ΅ΠΌΠΎΠ½ΡΠΎΠΌ, ΠΌΠΎΠΆΠ΅Ρ ΠΏΡΠΎΠΈΠ·ΠΎΠΉΡΠΈ ΡΠ΅ΡΡΠ΅Π·Π½Π°Ρ ΠΏΠΎΠ»ΠΎΠΌΠΊΠ° Π² ΠΏΠΎΡΡΠ½Π΅Π²ΠΎΠΉ ΡΠΈΡΡΠ΅ΠΌΠ΅, ΡΡΠΎ ΠΏΠΎΡΡΠ΅Π±ΡΠ΅Ρ Π΄ΠΎΡΠΎΠ³ΠΎΡΡΠΎΡΡΠ΅Π³ΠΎ ΡΠ»ΠΎΠΆΠ½ΠΎΠ³ΠΎ ΡΠ΅ΠΌΠΎΠ½ΡΠ°.
ΠΡΠΏΠΈΠ» Π²Π°Π·-2107, Π΄Π²ΠΈΠΆΠΎΠΊ 06, ΠΈΠ½ΠΆΠ΅ΠΊΡΠΎΡ. ΠΡΠΎ ΠΏΠΎΠ΄ΡΠΊΠ°ΠΆΠ΅Ρ ΠΏΠΎΡΠ΅ΠΌΡ Π½Π΅ ΡΠ°Π±ΠΎΡΠ°Π΅Ρ ΡΠ°Ρ ΠΎΠΌΠ΅ΡΡ?
- ΠΡΡΠ³Π°Π΅Ρ ΡΡΡΠ΅Π»ΠΊΠ° ΡΠ°Ρ ΠΎΠΌΠ΅ΡΡΠ° Π½Π° 2107 β 6 ΠΎΡΠ²Π΅ΡΠΎΠ²
- ΠΠΎΡΠ΅ΠΌΡ ΡΠ°ΡΡΠΎ Π΄Π΅ΡΠ³Π°Π΅ΡΡΡ ΡΡΡΠ΅Π»ΠΊΠ° ΡΠ°Ρ ΠΎΠΌΠ΅ΡΡΠ°? β 3 ΠΎΡΠ²Π΅ΡΠ°
- ΠΠ΅ ΡΠ°Π±ΠΎΡΠ°Π΅Ρ ΡΠ°Ρ ΠΎΠΌΠ΅ΡΡ ΠΠΠ 2107 (ΠΈΠ½ΠΆΠ΅ΠΊΡΠΎΡ) β 3 ΠΎΡΠ²Π΅ΡΠ°
- ΠΠΎΡΠΈΡ ΠΏΠ°Π½Π΅Π»Ρ ΠΏΡΠΈΠ±ΠΎΡΠΎΠ² ΠΏΡΠΈ Π²ΡΠΊΠ»ΡΡΠ΅Π½Π½ΠΎΠΌ Π·Π°ΠΆΠΈΠ³Π°Π½ΠΈΠΈ Π² 2107 β 2 ΠΎΡΠ²Π΅ΡΠ°
- ΠΡΠΈ Π²ΠΊΠ»ΡΡΠ΅Π½ΠΈΠΈ Π·Π°ΠΆΠΈΠ³Π°Π½ΠΈΡ ΡΠ°Ρ ΠΎΠΌΠ΅ΡΡ Π΄Π΅Π»Π°Π΅Ρ ΠΏΠΎΡΡΠΈ ΠΏΠΎΠ»Π½ΡΠΉ ΠΎΠ±ΠΎΡΠΎΡ Π² ΠΠΠ 2107 β 2 ΠΎΡΠ²Π΅ΡΠ°
Π’Π°Ρ
ΠΎΠΌΠ΅ΡΡ ΡΠΎΡΡΠΎΠΈΡ ΠΈΠ· ΠΌΠΈΠ»Π»ΠΈΠ°ΠΌΠΏΠ΅ΡΠΌΠ΅ΡΡΠ° ΠΈ ΡΠ»Π΅ΠΊΡΡΠΎΠ½Π½ΠΎΠΉ ΡΠ°ΡΡΠΈ, ΡΠΌΠΎΠ½ΡΠΈΡΠΎΠ²Π°Π½Π½ΠΎΠΉ Π½Π° ΠΏΠ΅ΡΠ°ΡΠ½ΠΎΠΉ ΠΏΠ»Π°ΡΠ΅. ΠΡΠΈΠ½ΡΠΈΠΏ Π΄Π΅ΠΉΡΡΠ²ΠΈΡ ΡΠ°Ρ
ΠΎΠΌΠ΅ΡΡΠ° ΠΎΡΠ½ΠΎΠ²Π°Π½ Π½Π° ΠΈΠ·ΠΌΠ΅ΡΠ΅Π½ΠΈΠΈ ΡΠ°ΡΡΠΎΡΡ ΡΠ»Π΅Π΄ΠΎΠ²Π°Π½ΠΈΡ ΠΈΠΌΠΏΡΠ»ΡΡΠΎΠ² Π² ΠΏΠ΅ΡΠ²ΠΈΡΠ½ΠΎΠΉ ΡΠ΅ΠΏΠΈ ΡΠΈΡΡΠ΅ΠΌΡ Π·Π°ΠΆΠΈΠ³Π°Π½ΠΈΡ Π΄Π²ΠΈΠ³Π°ΡΠ΅Π»Ρ.
ΠΠ° ΡΠ°Π±ΠΎΡΠ°ΡΡΠ΅ΠΌ Π΄Π²ΠΈΠ³Π°ΡΠ΅Π»Π΅ Π·Π° ΠΎΠ΄ΠΈΠ½ ΠΎΠ±ΠΎΡΠΎΡ Π²Π°Π»ΠΈΠΊΠ° ΡΠ°ΡΠΏΡΠ΅Π΄Π΅Π»ΠΈΡΠ΅Π»Ρ Π·Π°ΠΆΠΈΠ³Π°Π½ΠΈΡ ΠΊΠΎΠ½ΡΠ°ΠΊΡΡ ΠΏΡΠ΅ΡΡΠ²Π°ΡΠ΅Π»Ρ ΡΠ°Π·ΠΌΡΠΊΠ°ΡΡΡΡ ΠΈ Π·Π°ΠΌΡΠΊΠ°ΡΡΡΡ ΡΠ΅ΡΡΡΠ΅ ΡΠ°Π·Π°. Π‘Π»Π΅Π΄ΠΎΠ²Π°ΡΠ΅Π»ΡΠ½ΠΎ, Π·Π° ΠΎΠ΄ΠΈΠ½ ΠΎΠ±ΠΎΡΠΎΡ Π²Π°Π»ΠΈΠΊΠ° Π² ΠΏΠ΅ΡΠ²ΠΈΡΠ½ΠΎΠΉ ΡΠ΅ΠΏΠΈ ΡΠΈΡΡΠ΅ΠΌΡ Π·Π°ΠΆΠΈΠ³Π°Π½ΠΈΡ ΡΠΎΠ·Π΄Π°Π΅ΡΡΡ ΡΠ΅ΡΡΡΠ΅ ΠΈΠΌΠΏΡΠ»ΡΡΠ° ΡΠΎΠΊΠ° ΠΈ Π½Π°ΠΏΡΡΠΆΠ΅Π½ΠΈΡ. Π§Π΅ΠΌ Π²ΡΡΠ΅ ΡΠ°ΡΡΠΎΡΠ° Π²ΡΠ°ΡΠ΅Π½ΠΈΡ ΠΊΠΎΠ»Π΅Π½ΡΠ°ΡΠΎΠ³ΠΎ Π²Π°Π»Π° Π΄Π²ΠΈΠ³Π°ΡΠ΅Π»Ρ, ΡΠ΅ΠΌ Π±ΠΎΠ»ΡΡΠ΅ ΡΠ°ΡΡΠΎΡΠ° ΡΠ»Π΅Π΄ΠΎΠ²Π°Π½ΠΈΡ ΠΈΠΌΠΏΡΠ»ΡΡΠΎΠ² ΠΈ ΡΠ΅ΠΌ ΡΠΈΠ»ΡΠ½Π΅Π΅ ΠΎΡΠΊΠ»ΠΎΠ½ΡΠ΅ΡΡΡ ΡΡΡΠ΅Π»ΠΊΠ° ΠΌΠΈΠ»Π»ΠΈΠ°ΠΌΠΏΠ΅ΡΠΌΠ΅ΡΡΠ°. Π‘Π»Π΅Π΄ΠΎΠ²Π°ΡΠ΅Π»ΡΠ½ΠΎ Π½ΡΠΆΠ΅Π½ ΠΌΡΠ»ΡΡΠΈΠΌΠ΅ΡΡ, ΡΠ»Π΅ΠΊΡΡΠΎΡΡ
Π΅ΠΌΠ° ΠΈ Π²ΠΏΠ΅ΡΠ΅Π΄ ΠΏΡΠΎΠ²Π΅ΡΡΡΡ.
Π‘Π½Π°ΡΠ°Π»Π° ΠΏΡΠΎΠ²Π΅ΡΠΈΡΡ ΡΠ΅Π»ΠΎΡΡΠ½ΠΎΡΡΡ ΠΏΡΠΎΠ²ΠΎΠ΄ΠΎΠ², Π·Π°ΡΠ΅ΠΌ ΠΈΡΠΏΡΠ°Π²Π½ΠΎΡΡΡ ΡΠ°Ρ ΠΎΠΌΠ΅ΡΡΠ°. Π ΠΏΠ΅ΡΠ²ΠΎΠΌ ΡΠ»ΡΡΠ°Π΅ Π½ΡΠΆΠ½Π° ΠΊΠΎΠ½ΡΡΠΎΠ»ΡΠΊΠ°, Π²ΠΎ Π²ΡΠΎΡΠΎΠΌ Π²ΠΈΠ±ΡΠ°ΡΠΎΡ ΠΈΠ»ΠΈ Π³Π΅Π½Π΅ΡΠ°ΡΠΎΡ ΠΏΡΡΠΌΠΎΡΠ³ΠΎΠ»ΡΠ½ΡΡ ΠΈΠΌΠΏΡΠ»ΡΡΠΎΠ². ΠΠ΅ΡΠ²ΡΠΉ ΠΏΡΠΎΡΠ΅, ΠΊΠΎΠ½ΡΡΠΎΠ»ΡΠΊΠΎΠΉ ΠΏΡΠΎΠ²Π΅ΡΡ Π½Π°Π»ΠΈΡΠΈΠ΅ ΠΏΠΈΡΠ°Π½ΠΈΡ ΠΈ ΠΌΠΈΠ½ΡΡΠ°, Π·Π°ΡΠ΅ΠΌ ΠΏΠΎΠ·Π²ΠΎΠ½ΠΈ ΠΏΡΠΎΠ²ΠΎΠ΄ Ρ ΠΊΠ°ΡΡΡΠΊΠΈ Π·Π°ΠΆΠΈΠ³Π°Π½ΠΈΡ. 2 ΠΏΠΎΠ·ΠΈΡΠΈΡ ΡΠ°Ρ ΠΎΠΌΠ΅ΡΡΠ° ΠΏΠΎΠ΄Ρ ΠΎΠ΄ΠΈΡ ΡΡΠΈ ΠΏΡΠΎΠ²ΠΎΠ΄Π° β ΠΌΠΈΠ½ΡΡ, ΠΏΠ»ΡΡ ΠΈ ΠΏΡΠΎΠ²ΠΎΠ΄ ΠΈΠΌΠΏΡΠ»ΡΡΠ°! ΠΠΈΠ½ΡΡ ΠΏΠΎΡΡΠΎΡΠ½Π½ΠΎ! ΠΠ»ΡΡ ΠΏΡΠΈ Π²ΠΊΠ»ΡΡΠ΅Π½ΠΈΠΈ Π·Π°ΠΆΠΈΠ³Π°Π½ΠΈΡ! ΠΠΌΠΏΡΠ»ΡΡ ΠΏΡΠΈ Π²ΡΠ°ΡΠ΅Π½ΠΈΠΈ ΡΡΠ°ΡΡΠ΅ΡΠΎΠΌ ΠΈΠ»ΠΈ ΡΠ°Π±ΠΎΡΠ΅ Π΄Π²ΠΈΠ³Π°ΡΠ΅Π»Ρ! ΠΡΠ»ΠΈ Π²ΡΡ Π΅ΡΡΡ Π½Π΅ΠΈΡΠΏΡΠ°Π²Π΅Π½ ΡΠ°Ρ ΠΎΠΌΠ΅ΡΡ! ΠΡΠΆΠ½ΠΎ ΠΌΠ΅Π½ΡΡΡ.
ΠΠ΅ ΡΠ°Π±ΠΎΡΠ°Π΅Ρ ΡΠ°Ρ ΠΎΠΌΠ΅ΡΡ ΠΠΠ 2109
ΠΡΠ΅ΠΌ ΠΏΡΠΈΠ²Π΅Ρ Π΄ΠΎΡΠΎΠ³ΠΈΠ΅ Π΄ΡΡΠ·ΡΡ ΡΠ΅Π³ΠΎΠ΄Π½Ρ ΡΠ°ΡΡΠΌΠΎΡΡΠΈΠΌ ΠΎΡΠ½ΠΎΠ²Π½ΡΠ΅ ΠΏΡΠΈΡΠΈΠ½Ρ, ΠΏΠΎΡΠ΅ΠΌΡ Π½Π΅ ΡΠ°Π±ΠΎΡΠ°Π΅Ρ ΡΠ°Ρ
ΠΎΠΌΠ΅ΡΡ Π½Π° Π°Π²ΡΠΎΠΌΠΎΠ±ΠΈΠ»Π΅ ΠΠΠ 2109.
Π’Π°Ρ ΠΎΠΌΠ΅ΡΡ Π½Π° Π΄Π΅Π²ΡΡΠΊΠ°Ρ ΡΠ°Π±ΠΎΡΠ°Π» ΠΏΠΎ-ΡΠ°Π·Π½ΠΎΠΌΡ Π²ΡΡ Π·Π°Π²ΠΈΡΠ΅Π»ΠΎ ΠΎΡ ΡΠΎΠ³ΠΎ ΠΊΠ°ΠΊΠΎΠΉ Π΄Π²ΠΈΠ³Π°ΡΠ΅Π»Ρ ΡΡΡΠ°Π½ΠΎΠ²Π»Π΅Π½, ΠΊΠ°ΡΠ±ΡΡΠ°ΡΠΎΡΠ½ΡΠΉ ΠΈΠ»ΠΈ ΠΈΠ½ΠΆΠ΅ΠΊΡΠΎΡΠ½ΡΠΉ.
Β
ΠΠ° ΠΊΠ°ΡΠ±ΡΡΠ°ΡΠΎΡΠ½ΠΎΠΉ ΠΠΠ 2109, ΡΠΈΠ³Π½Π°Π» Π½Π° ΡΠ°Ρ
ΠΎΠΌΠ΅ΡΡ ΠΏΡΠΈΡ
ΠΎΠ΄ΠΈΡ ΠΎΡ ΠΊΠ»Π΅ΠΌΠΌΡ ΠΊΠ°ΡΡΡΠΊΠΈ Π·Π°ΠΆΠΈΠ³Π°Π½ΠΈΡ, ΠΈ ΠΏΠ΅ΡΠ²ΡΠΌ Π΄Π΅Π»ΠΎΠΌ, ΠΏΡΠΈ ΠΎΡΠΊΠ°Π·Π΅ ΡΠ°Ρ
ΠΎΠΌΠ΅ΡΡΠ°, Π½ΡΠΆΠ½ΠΎ ΠΏΡΠΎΠ²Π΅ΡΠΈΡΡ ΠΊΠ»Π΅ΠΌΠΌΡ ΠΊΠ°ΡΡΡΠΊΠΈ Π·Π°ΠΆΠΈΠ³Π°Π½ΠΈΡ.
ΠΠ½ΠΎΠ³Π΄Π° ΡΡΠΈ ΠΊΠ»Π΅ΠΌΠΌΡ Π·Π°Π³ΠΈΠ±Π°ΡΡΡΡ ΡΠ°ΠΊ Π±Π»ΠΈΠ·ΠΊΠΎ ΠΊ ΡΠ΅Π½ΡΡΠ°Π»ΡΠ½ΠΎΠΌΡ Π²ΡΡΠΎΠΊΠΎΠ²ΠΎΠ»ΡΡΠ½ΠΎΠΌΡ ΠΏΡΠΎΠ²ΠΎΠ΄Ρ, ΡΡΠΎ Π² ΡΠ»ΡΡΠ°Π΅ ΠΏΡΠΎΠ±ΠΎΡ ΡΡΠΎΠ³ΠΎ Π³Π»Π°Π²Π½ΠΎΠ³ΠΎ ΠΏΡΠΎΠ²ΠΎΠ΄Π° ΠΈΡΠΊΡΠ° ΡΡ
ΠΎΠ΄ΠΈΡ Π² ΠΏΡΠΎΠ²ΠΎΠ΄Π° ΡΠ°Ρ
ΠΎΠΌΠ΅ΡΡΠ°, ΠΈ ΠΎΠ½ Π½Π°ΡΠΈΠ½Π°Π΅Ρ Π³Π»ΡΡΠΈΡΡ ΠΈ ΡΠ°Π±ΠΎΡΠ°ΡΡ Π½Π΅ ΠΏΠΎΠ½ΡΡΠ½ΠΎ ΠΊΠ°ΠΊ. ΠΡΠΈΠΌΠ΅ΡΠ½ΠΎ ΠΏΠΎΡ
ΠΎΠΆΠ°Ρ ΠΊΠ°ΡΡΠΈΠ½Π° Π²ΡΡΠΈΡΠΎΠ²ΡΠ²Π°Π΅ΡΡΡ ΠΏΡΠΈ ΠΎΠΊΠΈΡΠ»Π΅Π½ΠΈΠΈ Π΄Π°Π½Π½ΡΡ
ΠΏΡΠΎΠ²ΠΎΠ΄ΠΎΠ².
ΠΡΠ»ΠΈ ΡΠ°Ρ ΠΎΠΌΠ΅ΡΡ Π²Π΅ΡΠ½Π΅Π΅ ΡΡΡΠ΅Π»ΠΊΠ° ΡΠ°Ρ ΠΎΠΌΠ΅ΡΡΠ° Π½Π°ΡΠΈΠ½Π°Π΅Ρ Π΄ΡΡΠ³Π°ΡΡΡΡ Π² ΠΎΠ΄Π½Ρ ΡΡΠΎΡΠΎΠ½Ρ ΠΏΠΎΡΠΎΠΌ Π² Π΄ΡΡΠ³ΡΡ, ΡΠΎ Π½ΡΠΆΠ½ΠΎ ΠΏΡΠΎΠ²Π΅ΡΠΈΡΡ ΠΊΠΎΠΌΠΌΡΡΠ°ΡΠΎΡ ΠΊΠΎΡΠΎΡΡΠΉ, ΡΠΊΠΎΡΠ΅Π΅ Π²ΡΠ΅Π³ΠΎ, ΡΠΊΠΎΡΠΎ Π²ΡΠΉΠ΄Π΅Ρ ΠΈΠ· ΡΡΡΠΎΡ. Π Π²ΠΎΠΎΠ±ΡΠ΅ ΡΠ°Ρ ΠΎΠΌΠ΅ΡΡ Π½Π° ΠΠΠ 2109 ΡΠ²Π»ΡΠ΅ΡΡΡ ΡΠ°ΠΊΠΈΠΌ ΠΏΡΠ΅Π΄ΡΠΊΠ°Π·Π°ΡΠ΅Π»Π΅ΠΌ Π½Π΅ΠΈΡΠΏΡΠ°Π²Π½ΠΎΡΡΠ΅ΠΉ Π² ΡΠΈΡΡΠ΅ΠΌΠ΅ Π·Π°ΠΆΠΈΠ³Π°Π½ΠΈΡ, ΠΏΠΎΡΡΠΎΠΌΡ Π½Π΅ ΡΠ»Π΅Π΄ΡΠ΅Ρ, Π½Π΅ ΠΎΠ±ΡΠ°ΡΠ°ΡΡ Π²Π½ΠΈΠΌΠ°Π½ΠΈΡ, Π΅ΡΠ»ΠΈ ΡΠ°Ρ ΠΎΠΌΠ΅ΡΡ ΡΡΠ°Π» ΡΠ΅Π±Ρ, ΡΡΡΠ°Π½Π½ΠΎ Π²Π΅ΡΡΠΈ.
ΠΠΎΡΠ»Π΅ ΡΠΎΠ³ΠΎ ΠΊΠ°ΠΊ ΠΏΡΠΎΠ²Π΅ΡΠΈΠ»ΠΈ ΠΊΠΎΠ½ΡΠ°ΠΊΡΡ Π½Π° ΠΊΠ°ΡΡΡΠΊΠ΅, Π΅ΡΠ»ΠΈ Ρ Π½ΠΈΠΌΠΈ Π²ΡΡ Π² ΠΏΠΎΡΡΠ΄ΠΊΠ΅, Π½ΡΠΆΠ½ΠΎ ΡΠ½ΡΡΡ ΠΏΠ°Π½Π΅Π»Ρ ΠΏΡΠΈΠ±ΠΎΡΠΎΠ² ΠΈ ΠΏΡΠΎΠ·Π²ΠΎΠ½ΠΈΡΡ ΠΏΡΠΎΠ²ΠΎΠ΄ ΠΊΠΎΡΠΎΡΡΠΉ ΠΈΠ΄ΡΡ ΠΎΡ ΡΠ°Ρ
ΠΎΠΌΠ΅ΡΡΠ° Π΄ΠΎ ΡΡΠ΅ΡΡΠ΅ΠΉ ΠΊΠ»Π΅ΠΌΠΌΡ ΡΠ°Π·ΡΡΠΌΠ° Β«ΠΒ».
Π’Π°ΠΊΠΆΠ΅ Π½ΡΠΆΠ½ΠΎ ΠΏΡΠΎΠ²Π΅ΡΠΈΡΡ ΠΊΠΎΠ½ΡΠ°ΠΊΡΡ Π½Π° ΠΏΡΠ΅Π΄ΠΌΠ΅Ρ ΠΎΠΊΠΈΡΠ»Π΅Π½ΠΈΡ.
ΠΡΠ»ΠΈ ΠΏΡΠΎΠ²ΠΎΠ΄Π° ΠΈ ΠΊΠΎΠ½ΡΠ°ΠΊΡΡ Π² ΠΏΠΎΡΡΠ΄ΠΊΠ΅ ΡΠΎΠ³Π΄Π° ΠΏΡΠΈΠ΄ΡΡΡΡ ΠΏΡΠΎΠ²Π΅ΡΡΡΡ ΠΏΠ»Π°ΡΡ ΠΊΠΎΠΌΠ±ΠΈΠ½Π°ΡΠΈΠΈ ΠΏΡΠΈΠ±ΠΎΡΠΎΠ², Π½ΠΎ Π΄Π»Ρ ΡΡΠΎΠ³ΠΎ ΠΏΠΎΠ½Π°Π΄ΠΎΠ±ΠΈΡΡΡ ΡΠ΅ΡΡΠ΅Ρ ΠΈ ΠΊΠΎΠΉ ΠΊΠ°ΠΊΠΈΠ΅ Π½Π°Π²ΡΠΊΠΈ. Π ΠΏΠΎΡΡΠΎΠΌΡ Π»ΡΡΡΠ΅ ΠΎΠ±ΡΠ°ΡΠΈΡΡΡΡ ΠΊ ΡΠΏΠ΅ΡΠΈΠ°Π»ΠΈΡΡΡ.
Π’Π΅ΠΏΠ΅ΡΡ ΠΏΠ΅ΡΠ΅Ρ ΠΎΠ΄ΠΈΠΌ ΠΊ ΠΈΠ½ΠΆΠ΅ΠΊΡΠΎΡΠ½ΠΎΠΌΡ Π΄Π²ΠΈΠ³Π°ΡΠ΅Π»Ρ. Π’Π°Ρ ΠΎΠΌΠ΅ΡΡ Π½Π° ΠΈΠ½ΠΆΠ΅ΠΊΡΠΎΡΠ΅ ΠΠΠ 2109 ΠΏΠΎΠ»ΡΡΠ°Π΅Ρ Π΄Π°Π½Π½ΡΠ΅ ΠΎΡ ΠΌΠΎΠ΄ΡΠ»Ρ Π·Π°ΠΆΠΈΠ³Π°Π½ΠΈΡ. Π ΡΠΎΠΎΡΠ²Π΅ΡΡΡΠ²Π΅Π½Π½ΠΎ ΠΈΡΠΊΠ°ΡΡ ΠΏΡΠΈΡΠΈΠ½Ρ Π½Π΅ΠΈΡΠΏΡΠ°Π²Π½ΠΎΡΡΠΈ ΠΏΠ΅ΡΠ²ΡΠΌ Π΄Π΅Π»ΠΎΠΌ Π½ΡΠΆΠ½ΠΎ Π² ΠΏΡΠΎΠ²ΠΎΠ΄Π΅, ΠΊΠΎΡΠΎΡΡΠΉ ΠΈΠ΄ΡΡ ΠΎΡ ΠΌΠΎΠ΄ΡΠ»Ρ Π·Π°ΠΆΠΈΠ³Π°Π½ΠΈΡ ΠΊ ΠΏΡΡΠΎΠΌΡ ΠΊΠΎΠ½ΡΠ°ΠΊΡΡ ΡΠ°Π·ΡΡΠΌΠ° Β«ΠΒ» ΠΊΠΎΠΌΠ±ΠΈΠ½Π°ΡΠΈΠΈ ΠΏΡΠΈΠ±ΠΎΡΠΎΠ². ΠΡΠ»ΠΈ Ρ Π΄Π°Π½Π½ΠΎΠΉ ΡΠ»Π΅ΠΊΡΡΠΈΡΠ΅ΡΠΊΠΎΠΉ ΡΠ΅ΠΏΡΡ Π²ΡΡ Π² ΠΏΠΎΡΡΠ΄ΠΊΠ΅ ΡΠΎΠ³Π΄Π° Π½ΡΠΆΠ½ΠΎ ΠΏΡΠΎΠ²Π΅ΡΠΈΡΡ ΠΏΠ»Π°ΡΡ ΠΊΠΎΠΌΠ±ΠΈΠ½Π°ΡΠΈΠΈ ΠΏΡΠΈΠ±ΠΎΡΠΎΠ².
Π ΡΠ²Π΅Π΄Π΅Π½ΠΈΡ Π·Π°ΠΌΠ΅Π½Π° ΠΎΠ±ΡΡΠ½ΡΡ Π²ΡΡΠΎΠΊΠΎΠ²ΠΎΠ»ΡΡΠ½ΡΡ ΠΏΡΠΎΠ²ΠΎΠ΄ΠΎΠ² Π½Π° ΡΠΈΠ»ΠΈΠΊΠΎΠ½ΠΎΠ²ΡΠ΅ ΡΠΎΠΆΠ΅ ΠΌΠΎΠΆΠ΅Ρ ΠΏΡΠΈΠ²Π΅ΡΡΠΈ ΠΊ Π½Π΅ΠΈΡΠΏΡΠ°Π²Π½ΠΎΡΡΠΈ ΡΠ°Ρ ΠΎΠΌΠ΅ΡΡΠ° ΠΈΠ·-Π·Π° ΡΠ°Π·Π½ΠΎΠ³ΠΎ ΡΠΎΠΏΡΠΎΡΠΈΠ²Π»Π΅Π½ΠΈΡ.
ΠΡ, Π²ΠΎΡ ΠΈ Π²ΡΡ ΠΌΡ ΡΠ°ΡΡΠΌΠΎΡΡΠ΅Π»ΠΈ ΠΎΡΠ½ΠΎΠ²Π½ΡΠ΅ ΠΏΡΠΈΡΠΈΠ½Ρ ΠΈ Π½Π΅ΠΈΡΠΏΡΠ°Π²Π½ΠΎΡΡΠΈ ΡΠ°Ρ ΠΎΠΌΠ΅ΡΡΠ° Π½Π° Π°Π²ΡΠΎΠΌΠΎΠ±ΠΈΠ»Π΅ ΠΠΠ 2109. ΠΡΠ΅ΠΌ ΠΏΠΎΠΊΠ°.
Π§ΡΠΎ ΡΠ°ΠΊΠΎΠ΅ ΡΠ°Ρ ΠΎΠΌΠ΅ΡΡ, ΠΈ Π³Π΄Π΅ Π΅Π³ΠΎ ΠΈΡΠΏΠΎΠ»ΡΠ·ΡΡΡ
Π’Π°Ρ
ΠΎΠΌΠ΅ΡΡ β ΡΡΠΎ ΠΈΠ·ΠΌΠ΅ΡΠΈΡΠ΅Π»ΡΠ½ΡΠΉ ΠΏΡΠΈΠ±ΠΎΡ. ΠΠ³ΠΎ ΠΏΡΠΈΠΌΠ΅Π½ΡΡΡ ΡΠΎΠ³Π΄Π°, ΠΊΠΎΠ³Π΄Π° Π½ΡΠΆΠ½ΠΎ ΠΎΠΏΡΠ΅Π΄Π΅Π»ΠΈΡΡ ΡΠ°ΡΡΠΎΡΡ Π²ΡΠ°ΡΠ΅Π½ΠΈΡ ΠΏΠΎΠ΄Π²ΠΈΠΆΠ½ΡΡ
Π΄Π΅ΡΠ°Π»Π΅ΠΉ Π² ΠΊΠ°ΠΊΠΈΡ
-Π»ΠΈΠ±ΠΎ ΠΌΠ΅Ρ
Π°Π½ΠΈΠ·ΠΌΠ°Ρ
ΠΈ Π°Π³ΡΠ΅Π³Π°ΡΠ°Ρ
.
Π Π΅Π·ΡΠ»ΡΡΠ°ΡΡ Π΅Π³ΠΎ Π·Π°ΠΌΠ΅ΡΠΎΠ² ΠΏΡΠΈΠ½ΡΡΠΎ Π²ΡΡΠΈΡΠ»ΡΡΡ ΠΏΠΎ ΠΊΠΎΠ»ΠΈΡΠ΅ΡΡΠ²Ρ ΠΎΠ±ΠΎΡΠΎΡΠΎΠ² Π² ΠΌΠΈΠ½ΡΡΡ.Β
ΠΡΠΈΠ±ΠΎΡ Π½Π°ΡΠ΅Π» ΠΏΡΠΈΠΌΠ΅Π½Π΅Π½ΠΈΠ΅ Π² Π°Π²ΡΠΎΠΌΠΎΠ±ΠΈΠ»ΡΡ , ΠΌΠΎΡΠΎΡΠΈΠΊΠ»Π°Ρ , ΡΡΠ°ΠΊΡΠΎΡΠ°Ρ , ΠΊΠΎΠΌΠ±Π°ΠΉΠ½Π°Ρ , ΠΊΠΎΡΠ°Π±Π»ΡΡ , ΡΠ°ΠΌΠΎΠ»Π΅ΡΠ°Ρ , Π²Π΅ΡΡΠΎΠ»Π΅ΡΠ°Ρ . ΠΠ°Π»Π΅Π΅ ΠΌΠΎΠΆΠ½ΠΎ ΠΏΠ΅ΡΠ΅ΡΠΈΡΠ»ΠΈΡΡ ΠΈ Π΄ΡΡΠ³ΡΡ ΡΠ΅Ρ Π½ΠΈΠΊΡ Ρ Π΄Π²ΠΈΠ³Π°ΡΠ΅Π»Π΅ΠΌ Π²Π½ΡΡΡΠ΅Π½Π½Π΅Π³ΠΎ ΡΠ³ΠΎΡΠ°Π½ΠΈΡ. ΠΡΠ»ΠΈ ΡΠ°ΠΊΠΎΠ΅ ΡΡΡΡΠΎΠΉΡΡΠ²ΠΎ Π΅ΡΡΡ, ΡΠΎ ΠΏΡΠ΅Π΄ΠΎΡΡΠ°Π²Π»ΡΠ΅ΡΡΡ Π²ΠΎΠ·ΠΌΠΎΠΆΠ½ΠΎΡΡΡ ΠΎΡΡΡΠ΅ΡΡΠ²Π»ΡΡΡ ΠΊΠΎΠ½ΡΡΠΎΠ»Ρ Π·Π° ΠΏΡΠ΅Π΄Π΅Π»Π°ΠΌΠΈ Π½Π°Π³ΡΡΠ·ΠΊΠΈ Π² ΡΠ°Π±ΠΎΡΠ΅ ΠΌΠΎΡΠΎΡΠ° ΠΈ ΡΠ΅ΠΌ ΡΠ°ΠΌΡΠΌ ΠΏΡΠΎΠ΄Π»ΠΈΡΡ ΡΡΠΎΠΊ Π΅Π³ΠΎ ΡΠΊΡΠΏΠ»ΡΠ°ΡΠ°ΡΠΈΠΈ.
ΠΡΡΡ Π»ΠΈ Π½Π΅ΠΎΠ±Ρ ΠΎΠ΄ΠΈΠΌΠΎΡΡΡ Π² ΡΠ°Ρ ΠΎΠΌΠ΅ΡΡΠ΅ Π² Π°Π²ΡΠΎΠΌΠΎΠ±ΠΈΠ»Π΅
Π£ΡΡΡΠΎΠΉΡΡΠ²ΠΎ ΠΌΠΎΠΆΠ½ΠΎ Π½Π°ΠΉΡΠΈ Π½Π° ΠΏΡΠΈΠ±ΠΎΡΠ½ΠΎΠΉ ΠΏΠ°Π½Π΅Π»ΠΈ Π»ΡΠ±ΠΎΠ³ΠΎ Π°Π²ΡΠΎΠΌΠΎΠ±ΠΈΠ»Ρ. ΠΡΠΊΠ»ΡΡΠ΅Π½ΠΈΡ Π²ΡΡΡΠ΅ΡΠ°ΡΡΡΡ. ΠΠΎ ΡΡΠΎ ΠΎΡΠ΅Π½Ρ ΡΠ΅Π΄ΠΊΠΎΠ΅ ΡΠ²Π»Π΅Π½ΠΈΠ΅. ΠΡΠΈΠ±ΠΎΡ ΠΏΡΠΈΠΌΠ΅Π½ΡΡΡ Π²ΠΎΠ΄ΠΈΡΠ΅Π»ΠΈ ΡΡΠ°Π½ΡΠΏΠΎΡΡΠ½ΡΡ ΡΡΠ΅Π΄ΡΡΠ² Π΄Π»Ρ ΡΠΎΠ³ΠΎ, ΡΡΠΎΠ±Ρ ΠΊΠΎΠ½ΡΡΠΎΠ»ΠΈΡΠΎΠ²Π°ΡΡ ΡΠ°Π±ΠΎΡΡ Π΄Π²ΠΈΠ³Π°ΡΠ΅Π»Ρ.ΒΠΠΊΡΠΏΠ»ΡΠ°ΡΠ°ΡΠΈΡ ΠΌΠΎΡΠΎΡΠ° Π½Π° ΠΏΠΎΠ²ΡΡΠ΅Π½Π½ΡΡ ΠΎΠ±ΠΎΡΠΎΡΠ°Ρ ΡΠ°ΠΈΡ Π² ΡΠ΅Π±Π΅ ΠΎΠΏΠ°ΡΠ½ΠΎΡΡΡ. ΠΠΎΡΠΎΡ ΠΌΠΎΠΆΠ΅Ρ Π±ΡΡΡ ΠΏΠΎΠ²ΡΠ΅ΠΆΠ΄Π΅Π½. ΠΡΠ»ΠΈ ΡΠ»Π΅Π΄ΠΈΡΡ Π·Π° ΡΠ°Ρ ΠΎΠΌΠ΅ΡΡΠΎΠΌ, ΡΠΎ ΠΌΠΎΠΆΠ΅ΡΡ ΠΎΡΡΡΠ΅ΡΡΠ²Π»ΡΡΡ ΡΠ΅Π³ΡΠ»ΠΈΡΠΎΠ²ΠΊΡ Π½Π°ΠΆΠ°ΡΠΈΡ ΠΏΠ΅Π΄Π°Π»ΠΈ Π³Π°Π·Π° ΡΠ°ΠΊ, ΡΡΠΎ ΠΊΠΎΠ»Π΅Π½Π²Π°Π» ΠΎΠ±ΠΎΡΠ°ΡΠΈΠ²Π°Π΅ΡΡΡ Π² Π±Π΅Π·ΠΎΠΏΠ°ΡΠ½ΠΎΠΌ ΡΠ΅ΠΆΠΈΠΌΠ΅.
Π’Π°Ρ ΠΎΠΌΠ΅ΡΡ Π² ΠΌΠ°ΡΠΈΠ½Π΅ ΠΏΠΎΠ·Π²ΠΎΠ»ΡΠ΅Ρ:
— ΠΡΠΎΠ΄Π»ΠΈΡΡ ΡΡΠΎΠΊ ΡΠ»ΡΠΆΠ±Ρ Π΄Π²ΠΈΠ³Π°ΡΠ΅Π»Ρ.
— ΠΠΏΡΠΈΠΌΠΈΠ·ΠΈΡΠΎΠ²Π°ΡΡ ΡΠ°ΡΡ
ΠΎΠ΄ Π³ΠΎΡΡΡΠ΅Π³ΠΎ.
— ΠΡΠ±ΡΠ°ΡΡ ΠΏΡΠ°Π²ΠΈΠ»ΡΠ½ΡΠΉ ΡΠ΅ΠΆΠΈΠΌ Π΅Π·Π΄Ρ Π² Π·Π°Π²ΠΈΡΠΈΠΌΠΎΡΡΠΈ ΠΎΡ ΡΠΎΠ³ΠΎ, ΠΊΠ°ΠΊΠΎΠ²Π° Π½Π°Π³ΡΡΠ·ΠΊΠ°.
— ΠΡΠΊΠ»ΡΡΠΈΡΡ ΡΠ΄Π°ΡΠ½ΠΎΠ΅ Π²ΠΎΠ·Π΄Π΅ΠΉΡΡΠ²ΠΈΠ΅ Π½Π° ΡΡΠ°Π½ΡΠΌΠΈΡΡΠΈΡ, ΠΊΠΎΠ³Π΄Π° ΠΏΠ΅ΡΠ΅ΠΊΠ»ΡΡΠ°Π΅ΡΡ ΠΏΠ΅ΡΠ΅Π΄Π°ΡΠΈ.
ΠΠΠΠΠ! Π£ Π°Π²ΡΠΎΠΌΠΎΠ±ΠΈΠ»ΡΠ½ΡΡ ΡΠ°Ρ ΠΎΠΌΠ΅ΡΡΠΎΠ² Π΅ΡΡΡ ΡΠΈΡΡΠΎΠ²Π°Ρ ΡΠΊΠ°Π»Π°. ΠΠ° Π½Π΅ΠΉ ΠΏΠΎΡΠ»Π΅Π΄Π½ΠΈΠ΅ ΡΠΈΡΠ»Π° ΠΈ Π΄Π΅Π»Π΅Π½ΠΈΡ Π²ΡΠ΄Π΅Π»Π΅Π½Ρ ΠΊΡΠ°ΡΠ½ΡΠΌ ΡΠ²Π΅ΡΠΎΠΌ. Π’Π°ΠΊ Π½Π° ΡΡΡΡΠΎΠΉΡΡΠ²Π΅ ΠΎΠ±ΠΎΠ·Π½Π°ΡΠ΅Π½Ρ ΠΊΡΠΈΡΠΈΡΠ΅ΡΠΊΠΈΠ΅ ΠΎΠ±ΠΎΡΠΎΡΡ Π΄Π»Ρ ΠΊΠΎΠ½ΠΊΡΠ΅ΡΠ½ΠΎΠ³ΠΎ Π΄Π²ΠΈΠ³Π°ΡΠ΅Π»Ρ.Β
ΠΠΎΠ³Π΄Π° ΡΠ°ΠΊΠΎΠΉ ΡΠ°Π±ΠΎΡΠΈΠΉ ΡΡΠΎΠ²Π΅Π½Ρ Π΄ΠΎΡΡΠΈΠ³Π½ΡΡ, ΠΊΠΎΠ»Π΅Π½ΡΠ°ΡΡΠΉ Π²Π°Π» Π²ΡΠ°ΡΠ°Π΅ΡΡΡ Π½Π° ΡΠΊΠΎΡΠΎΡΡΠΈ, ΠΏΡΠ΅Π΄Π΅Π»ΡΠ½ΠΎΠΉ Π΄Π»Ρ ΠΌΠΎΡΠΎΡΠ°. ΠΡΠΈ ΡΡΠΎΠΌ ΡΡΠΊΠΎΡΡΠ΅ΡΡΡ Π½Π°Π³ΡΠ΅Π² ΠΈ ΡΡΠΈΠ»ΠΈΠ²Π°Π΅ΡΡΡ Π²ΠΈΠ±ΡΠ°ΡΠΈΡ. Π ΡΡΠΎ Π³ΡΠΎΠ·ΠΈΡ ΡΠ΅ΠΌ, ΡΡΠΎ Π±ΡΠ΄ΡΡ Π²ΡΠ²Π΅Π΄Π΅Π½Ρ ΠΈΠ· ΡΡΡΠΎΡ ΠΏΠΎΡΡΠ½Π΅Π²Π°Ρ Π³ΡΡΠΏΠΏΠ°, ΠΊΠ»Π°ΠΏΠ°Π½, ΠΠ Π ΠΈ ΠΏΡ. ΠΠΎΠ΄ΠΈΡΠ΅Π»Ρ ΠΌΠΎΠΆΠ΅Ρ ΠΏΠΎΡΠΌΠΎΡΡΠ΅ΡΡ Π½Π° ΡΠ°Ρ ΠΎΠΌΠ΅ΡΡ ΠΈ ΡΠ²ΠΎΠ΅Π²ΡΠ΅ΠΌΠ΅Π½Π½ΠΎ ΠΏΡΠ΅Π΄ΠΎΡΠ²ΡΠ°ΡΠΈΡΡ ΡΠ°ΠΊΡΡ Π½Π°Π³ΡΡΠ·ΠΊΡ, ΠΏΠ΅ΡΠ΅ΠΉΡΠΈ Π½Π° Π±ΠΎΠ»Π΅Π΅ Π²ΡΡΠΎΠΊΡΡ ΠΏΠ΅ΡΠ΅Π΄Π°ΡΡ ΠΈ ΡΠ±ΡΠΎΡΠΈΡ ΠΏΡΠΈ ΡΡΠΎΠΌ ΠΏΠ΅Π΄Π°Π»Ρ Π³Π°Π·Π°.
Π£ ΠΊΠ°ΠΆΠ΄ΠΎΠ³ΠΎ ΠΌΠΎΡΠΎΡΠ° Π΅ΡΡΡ ΠΎΠΏΡΠ΅Π΄Π΅Π»Π΅Π½Π½ΡΠΉ ΠΏΡΠ΅Π΄Π΅Π» ΠΎΠ±ΠΎΡΠΎΡΠΎΠ². ΠΠ½ ΡΠ°Π·Π½ΡΠΉ Ρ ΡΠ°Π·Π½ΡΡ ΠΌΠΎΡΠΎΡΠΎΠ². ΠΠΎΡΠ»Π΅ ΡΡΠΎΠ³ΠΎ ΠΏΡΠ΅Π΄Π΅Π»Π° Π½Π°ΡΠΈΠ½Π°Π΅ΡΡΡ Π±ΠΎΠ»Π΅Π΅ ΠΈΠ½ΡΠ΅Π½ΡΠΈΠ²Π½ΠΎΠ΅ ΡΠΆΠΈΠ³Π°Π½ΠΈΠ΅ Π³ΠΎΡΡΡΠ΅Π³ΠΎ. ΠΡΠ»ΠΈ Π±ΡΠ΄Π΅ΡΡ ΠΊΠΎΠ½ΡΡΠΎΠ»ΠΈΡΠΎΠ²Π°ΡΡ Π²ΡΠ°ΡΠ΅Π½ΠΈΠ΅ ΠΊΠΎΠ»Π΅Π½Π²Π°Π»Π°, ΠΈΡΠΏΠΎΠ»ΡΠ·ΡΡ ΡΠ°Ρ ΠΎΠΌΠ΅ΡΡ, ΡΠΎ ΠΌΠΎΠΆΠ΅ΡΡ Π½Π΅ Π΄ΠΎΠΏΡΡΡΠΈΡΡ ΡΠΎΡ ΡΠ΅ΠΆΠΈΠΌ ΡΠ°Π±ΠΎΡΡ, ΠΊΠΎΠ³Π΄Π° ΠΌΠ°ΡΠΈΠ½Π° ΠΏΠΎΡΡΠ΅Π±Π»ΡΠ΅Ρ Π±ΠΎΠ»ΡΡΠ΅ ΡΠΎΠΏΠ»ΠΈΠ²Π°.
ΠΡΠΈΠΌΠ΅Π½Π΅Π½ΠΈΠ΅ ΡΠ°Ρ ΠΎΠΌΠ΅ΡΡΠ° ΠΏΠΎΠ·Π²ΠΎΠ»ΡΠ΅Ρ ΠΏΠΎΠ΄ΠΎΠ±ΡΠ°ΡΡ ΠΎΠΏΡΠΈΠΌΠ°Π»ΡΠ½ΡΠ΅ ΠΎΠ±ΠΎΡΠΎΡΡ ΠΌΠΎΡΠΎΡΠ°, ΠΊΠΎΠ³Π΄Π° Π½Π°ΡΠΈΠ½Π°Π΅ΡΡ Π΄Π²ΠΈΠΆΠ΅Π½ΠΈΠ΅ ΠΈΠ»ΠΈ ΠΏΠΎΠ΄Π½ΠΈΠΌΠ°Π΅ΡΡΡΡ ΠΏΠΎΠ΄ Π³ΠΎΡΡ. ΠΡ ΡΡΠΈΡ Π΄Π°Π½Π½ΡΡ Π·Π°Π²ΠΈΡΠΈΡ ΠΈ ΡΠ΄Π°ΡΠ½ΡΠΉ ΠΌΠΎΠΌΠ΅Π½Ρ, Π½Π΅ΠΎΠ±Ρ ΠΎΠ΄ΠΈΠΌΡΠΉ Π΄Π»Ρ ΡΠΎΠ³ΠΎ, ΡΡΠΎΠ±Ρ ΡΠ΄Π΅Π»Π°ΡΡ ΠΏΠ΅ΡΠ΅ΠΊΠ»ΡΡΠ΅Π½ΠΈΠ΅ ΠΌΠ΅ΠΆΠ΄Ρ ΠΏΠ΅ΡΠ΅Π΄Π°ΡΠ°ΠΌΠΈ.
ΠΠΎΠΊΠ°Π·Π°Π½ΠΈΡ ΡΠ°Ρ ΠΎΠΌΠ΅ΡΡΠ° ΠΎΡΠΎΠ±Π΅Π½Π½ΠΎ Π²Π°ΠΆΠ½Ρ Π΄Π»Ρ Π²ΠΎΠ΄ΠΈΡΠ΅Π»Ρ, ΠΊΠΎΡΠΎΡΡΠΉ ΡΠΏΡΠ°Π²Π»ΡΠ΅Ρ Π°Π²ΡΠΎΠΌΠΎΠ±ΠΈΠ»Π΅ΠΌ Ρ ΠΏΡΠΈΡΠ΅ΠΏΠΎΠΌ.Β
Π ΡΠ΅Ρ Π½ΠΈΡΠ΅ΡΠΊΠΎΠΉ Π΄ΠΎΠΊΡΠΌΠ΅Π½ΡΠ°ΡΠΈΠΈ ΠΊ Π³ΡΡΠ·ΠΎΠ²ΠΈΠΊΡ Π΅ΡΡΡ ΡΠ°ΠΊΠ°Ρ ΠΈΠ½ΡΠΎΡΠΌΠ°ΡΠΈΡ: Β«120 Π»ΠΎΡΠ°Π΄ΠΈΠ½ΡΡ ΡΠΈΠ» ΠΏΡΠΈ 3500 ΠΎΠ±/ΠΌΠΈΠ½Β». Π§ΡΠΎ ΡΡΠΎ ΠΎΠ·Π½Π°ΡΠ°Π΅Ρ? ΠΠ°ΠΊ ΡΠΎΠ»ΡΠΊΠΎ Π±ΡΠ΄Π΅Ρ Π΄ΠΎΡΡΠΈΠ³Π½ΡΡΠΎ ΠΈΠΌΠ΅Π½Π½ΠΎ ΡΠ°ΠΊΠΎΠ΅ Π²ΡΠ°ΡΠ΅Π½ΠΈΠ΅ ΠΊΠΎΠ»Π΅Π½Π²Π°Π»Π°, ΡΠΎ Π΅ΡΡΡ Π²ΠΎΠ·ΠΌΠΎΠΆΠ½ΠΎΡΡΡ Π΄ΠΎΠ±ΠΈΡΡΡΡ ΠΎΡ ΠΌΠΎΡΠΎΡΠ° ΡΠ°ΠΌΠΎΠ³ΠΎ Π²ΡΡΠΎΠΊΠΎΠ³ΠΎ ΡΡΠ³ΠΎΠ²ΠΎΠ³ΠΎ ΡΡΠΈΠ»ΠΈΡ. Π’ΠΎ Π΅ΡΡΡ ΠΊΠΎΠ³Π΄Π° Π±ΡΠ΄Π΅ΡΡ Π΄Π²ΠΈΠ³Π°ΡΡΡΡ ΠΏΠΎΠ΄ Π³ΠΎΡΡ Π² ΡΠ΅ΠΆΠΈΠΌΠ΅ Π½Π΅ Π±ΠΎΠ»Π΅Π΅ 3500 ΠΎΠ±/ΠΌΠΈΠ½, ΡΠΎ ΠΌΠΎΠΆΠ΅ΡΡ Π±Π΅Π·ΠΎΠΏΠ°ΡΠ½ΠΎ Π΄Π»Ρ ΠΌΠΎΡΠΎΡΠ° Π²ΡΡΡΠ½ΡΡΡ Π½Π°Π³ΡΡΠ·ΠΊΡ.
ΠΠΠΠΠ! ΠΡΠ»ΠΈ Π² Π°Π²ΡΠΎΠΌΠΎΠ±ΠΈΠ»Π΅ Π½Π΅Ρ ΡΠ°Ρ
ΠΎΠΌΠ΅ΡΡΠ°, ΡΠΎ ΠΎΡΡΡΠ΅ΡΡΠ²Π»ΡΡΡ ΠΊΠΎΠ½ΡΡΠΎΠ»Ρ Π½Π°Π³ΡΡΠ·ΠΊΠΈ Π½Π° Π΄Π²ΠΈΠ³Π°ΡΠ΅Π»Ρ ΠΌΠΎΠΆΠ½ΠΎ ΡΠΎΠ»ΡΠΊΠΎ Π½Π° ΡΠ»ΡΡ
. Π ΡΠΎΠΌ ΡΠ»ΡΡΠ°Π΅, ΠΊΠΎΠ³Π΄Π° Π² ΡΠ°Π»ΠΎΠ½Π΅ Ρ
ΠΎΡΠΎΡΠ°Ρ Π·Π²ΡΠΊΠΎΠΈΠ·ΠΎΠ»ΡΡΠΈΡ, ΠΎΠΏΡΠ΅Π΄Π΅Π»ΠΈΡΡ ΡΡΠΎ Π·Π°ΡΡΡΠ΄Π½ΠΈΡΠ΅Π»ΡΠ½ΠΎ. ΠΠΎΠ΄ΠΈΡΠ΅Π»Ρ ΠΌΠΎΠΆΠ΅Ρ ΠΎΠΏΡΠ΅Π΄Π΅Π»ΠΈΡΡ ΡΡΠΈΠ»Π΅Π½ΠΈΠ΅ ΠΏΠΎ ΡΠΎΠΌΡ, ΠΊΠ°ΠΊ ΡΠ΅Π²Π΅Ρ ΠΌΠΎΡΠΎΡ.
Π Π»ΠΈΡΡ Π² ΡΡΠΎΡ ΠΌΠΎΠΌΠ΅Π½Ρ Π΄Π΅Π»Π°ΡΡ ΠΏΠ΅ΡΠ΅Ρ
ΠΎΠ΄ Π½Π° Π±ΠΎΠ»Π΅Π΅ Π²ΡΡΠΎΠΊΡΡ ΠΏΠ΅ΡΠ΅Π΄Π°ΡΡ.
ΠΠ»Π°Π²Π½Π°Ρ ΡΠ°ΡΡΡ ΡΡΡΡΠΎΠΉΡΡΠ²Π° β ΡΡΠΎ Π΄Π°ΡΡΠΈΠΊ. ΠΠ³ΠΎ ΡΡΡΠ°Π½Π°Π²Π»ΠΈΠ²Π°ΡΡ Π²ΠΎΠ·Π»Π΅ ΠΊΠΎΠ»Π΅Π½ΡΠ°ΡΠΎΠ³ΠΎ Π²Π°Π»Π°. ΠΠ½ ΠΏΡΠΈΠ·Π²Π°Π½ ΡΡΠΈΡΡΠ²Π°ΡΡ ΡΠ°ΡΡΠΎΡΡ Π²ΡΠ°ΡΠ΅Π½ΠΈΡ ΠΊΠΎΠ»Π΅Π½Π²Π°Π»Π°, ΡΡΠΎΠ±Ρ ΠΏΠΎΡΠΎΠΌ, ΠΈΡΠΏΠΎΠ»ΡΠ·ΡΡ ΡΠ»Π΅ΠΊΡΡΠΈΡΠ΅ΡΠΊΠΈΠ΅ ΠΈΠΌΠΏΡΠ»ΡΡΡ ΠΈΠ»ΠΈ ΠΌΠ΅Ρ Π°Π½ΠΈΡΠ΅ΡΠΊΠΈΠ΅ ΡΠ²ΡΠ·ΡΡΡΠΈΠ΅, ΠΎΡΡΡΠ΅ΡΡΠ²Π»ΡΡΡ ΠΏΠ΅ΡΠ΅Π΄Π°ΡΡ ΠΈΠ½ΡΠΎΡΠΌΠ°ΡΠΈΠΈ Π½Π° ΠΏΠ°Π½Π΅Π»Ρ.Β
Π’ΠΎΡΠ½ΠΎΡΡΡ ΠΈΠ·ΠΌΠ΅ΡΠ΅Π½ΠΈΡ ΠΎΠ±ΠΎΡΠΎΡΠΎΠ² Π·Π°Π²ΠΈΡΠΈΡ ΠΎΡ Π΄Π°ΡΡΠΈΠΊΠ°. ΠΠ½ ΠΎΡΡΡΠ΅ΡΡΠ²Π»ΡΠ΅Ρ ΡΠΈΠΊΡΠ°ΡΠΈΡ ΡΠ³Π»ΠΎΠ²ΠΎΠ³ΠΎ ΠΏΠΎΠ»ΠΎΠΆΠ΅Π½ΠΈΡ ΠΊΠΎΠ»Π΅Π½Π²Π°Π»Π° Π² ΠΎΠΏΡΠ΅Π΄Π΅Π»Π΅Π½Π½ΡΠΉ ΠΌΠΎΠΌΠ΅Π½Ρ Π²ΡΠ΅ΠΌΠ΅Π½ΠΈ. ΠΠ°ΠΊ ΠΏΡΠ°Π²ΠΈΠ»ΠΎ, Π΄Π°ΡΡΠΈΠΊ ΡΡΠΎΠΈΡ ΡΡΠ΄ΠΎΠΌ Ρ ΠΌΠ°Ρ ΠΎΠ²ΠΈΠΊΠΎΠΌ.
ΠΡΠΎΠ±Π΅Π½Π½ΠΎΡΡΠΈ ΠΌΠ΅Ρ Π°Π½ΠΈΡΠ΅ΡΠΊΠΎΠ³ΠΎ ΡΠ°Ρ ΠΎΠΌΠ΅ΡΡΠ°
ΠΡΠΎ ΡΠ°ΠΌΠΎΠΉ ΠΏΡΠΎΡΡΠΎΠΉ ΠΏΡΠΈΠ±ΠΎΡ. Π Π΅Π³ΠΎ ΡΠΆΠ΅ ΠΏΠΎΡΡΠΈ Π½Π΅ ΠΏΡΠΈΠΌΠ΅Π½ΡΡΡ. ΠΠ½ Π΅ΡΠ΅ Π²ΡΡΡΠ΅ΡΠ°Π΅Ρ, Ρ ΠΎΡΡ ΠΈ ΠΎΡΠ΅Π½Ρ ΡΠ΅Π΄ΠΊΠΎ, Π½Π° ΡΡΠ°ΡΡΡ ΠΌΠΎΡΠΎΡΠΈΠΊΠ»Π°Ρ ΠΈ Π°Π²ΡΠΎΠΌΠΎΠΌΠ±ΠΈΠ»ΡΡ .ΒΠ ΠΎΡΠ½ΠΎΠ²Π΅ ΠΊΠΎΠ½ΡΡΡΡΠΊΡΠΈΠΈ ΠΈΡΠΏΠΎΠ»ΡΠ·ΡΠ΅ΡΡΡ ΡΡΠΎΡΠΈΠΊ. ΠΠ½ ΠΏΠΎΠ΄ΠΊΠ»ΡΡΠ°Π΅ΡΡΡ ΠΊ ΡΠ°ΡΠΏΡΠ΅Π΄Π΅Π»ΠΈΡΠ΅Π»ΡΠ½ΠΎΠΌΡ Π²Π°Π»Ρ ΠΈΠ»ΠΈ ΠΊΠΎΠ»Π΅Π½Π²Π°Π»Ρ. ΠΠ½ Π΄ΠΎΠ»ΠΆΠ΅Π½ ΠΏΠ΅ΡΠ΅Π΄Π°Π²Π°ΡΡ ΠΊΡΡΡΡΡΠΈΠΉ ΠΌΠΎΠΌΠ΅Π½Ρ Π½Π° ΠΏΡΠΈΠ΅ΠΌΠ½ΡΠΉ ΠΌΠ΅Ρ
Π°Π½ΠΈΠ·ΠΌ ΡΡΡΡΠΎΠΉΡΡΠ²Π°, ΠΊΠΎΡΠΎΡΡΠΉ ΡΠ²ΡΠ·Π°Π½ ΡΠΎ ΡΡΡΠ΅Π»ΠΊΠΎΠΉ. ΠΡΠ»ΠΈ ΡΡΡΠ΅Π»ΠΊΠ° ΠΎΡΠΊΠ»ΠΎΠ½ΡΠ΅ΡΡΡ Π½Π° ΠΎΠΏΡΠ΅Π΄Π΅Π»Π΅Π½Π½ΡΠΉ ΡΠ³ΠΎΠ», ΡΠΎ ΠΌΠΎΠΆΠ½ΠΎ ΠΎΠΏΡΠ΅Π΄Π΅Π»ΠΈΡΡ, ΠΊΠ°ΠΊΠΎΠ²Ρ ΡΠ°ΠΊΡΠΈΡΠ΅ΡΠΊΠΈΠ΅ ΠΎΠ±ΠΎΡΠΎΡΡ Π² Π΄Π°Π½Π½ΡΠΉ ΠΌΠΎΠΌΠ΅Π½Ρ.
ΠΠ°Π½Π½ΡΠ΅ ΠΏΡΠΈΠ±ΠΎΡΡ ΠΈΡΠΏΠΎΠ»ΡΠ·ΠΎΠ²Π°Π»ΠΈ Π½Π° ΡΡΠ°ΡΡΡ ΠΌΠΎΡΠΎΡΠ°Ρ , Ρ ΠΊΠΎΡΠΎΡΡΡ Π½ΠΈΠ·ΠΊΠΈΠ΅ ΠΎΠ±ΠΎΡΠΎΡΡ. ΠΠΎΡ ΠΏΠΎΡΠ΅ΠΌΡ ΡΠ΅Π½Π° ΠΈΡ Π΄Π΅Π»Π΅Π½ΠΈΡ, ΠΊΠ°ΠΊ ΠΏΡΠ°Π²ΠΈΠ»ΠΎ, ΡΠΎΡΡΠ°Π²Π»ΡΠ»Π° ΡΠΎΠ»ΡΠΊΠΎ 250 ΠΎΠ±ΠΎΡΠΎΡΠΎΠ² Π² ΠΌΠΈΠ½ΡΡΡ. ΠΠ»Π°Π²Π½ΡΠΉ Π½Π΅Π΄ΠΎΡΡΠ°ΡΠΎΠΊ ΠΏΠΎΠ΄ΠΎΠ±Π½ΡΡ ΡΡΡΡΠΎΠΉΡΡΠ² Π² ΡΠΎΠΌ, ΡΡΠΎ Ρ Π½ΠΈΡ Π½ΠΈΠ·ΠΊΠ°Ρ ΡΠΎΡΠ½ΠΎΡΡΡ. ΠΡΠΎ ΡΠ²ΡΠ·Π°Π½ΠΎ Ρ ΠΎΡΠΎΠ±Π΅Π½Π½ΠΎΡΡΡΡ ΠΏΠ΅ΡΠ΅Π΄Π°ΡΠΈ. ΠΠ΅Π΄Ρ ΠΈΡΠΏΠΎΠ»ΡΠ·ΡΠ΅ΡΡΡ ΡΡΠΎΡΠΈΠΊ.Β
ΠΠ½ ΠΏΡΠ΅Π΄ΡΡΠ°Π²Π»ΡΠ΅Ρ ΡΠΎΠ±ΠΎΠΉ Π²ΠΈΡΡΡ ΠΏΡΠΎΠ²ΠΎΠ»ΠΎΠΊΡ. ΠΠ³ΠΎ ΠΌΠΎΠΆΠ½ΠΎ ΡΠΊΡΡΡΠΈΡΡ. ΠΡΠ»ΠΈ ΡΠ°ΠΊΠΎΠ΅ ΡΠ»ΡΡΠ°Π΅ΡΡΡ, ΡΠΎ Π²ΡΡΠΈΡΠ»Π΅Π½ΠΈΠ΅ ΠΏΠ΅ΡΠ΅Π΄Π°ΡΠΎΡΠ½ΠΎΠ³ΠΎ ΠΌΠΎΠΌΠ΅Π½ΡΠ° ΡΠ΅ΡΡΠ΅ΡΠ΅Π½ΠΎΠΊ ΠΈΡΠΊΠ°ΠΆΠ°Π΅ΡΡΡ. ΠΠΎΠ³ΡΠ΅ΡΠ½ΠΎΡΡΡ ΠΌΠ΅Ρ Π°Π½ΠΈΡΠ΅ΡΠΊΠΈΡ ΡΠ°Ρ ΠΎΠΌΠ΅ΡΡΠΎΠ² ΠΈΠ½ΠΎΠ³Π΄Π° Π΄ΠΎΡΡΠΈΠ³Π°Π΅Ρ 500 ΠΎΠ±ΠΎΡΠΎΡΠΎΠ² Π² ΠΌΠΈΠ½ΡΡΡ.Β
ΠΠΠΠΠ! Π ΡΠΎΠΆΠ°Π»Π΅Π½ΠΈΡ, ΡΡΠΎΡΠΈΠΊ Π±ΡΡΡΡΠΎ ΠΈΠ·Π½Π°ΡΠΈΠ²Π°Π΅ΡΡΡ. Π§Π΅ΠΌ Π΄ΠΎΠ»ΡΡΠ΅ Π΅Π³ΠΎ ΠΏΡΠΈΠΌΠ΅Π½ΡΡΡ, ΡΠ΅ΠΌ Π²ΡΡΠ΅ ΡΡΠ°Π½ΠΎΠ²ΠΈΡΡΡ ΠΏΠΎΠ³ΡΠ΅ΡΠ½ΠΎΡΡΡ. ΠΠΎΠ³Π΄Π° ΠΎΠ½ ΠΏΠ΅ΡΠ΅ΡΠΈΡΠ°Π΅ΡΡΡ, ΡΠΎ Π΅Π³ΠΎ Π·Π°ΠΌΠ΅Π½Π° ΡΡΠ°Π½ΠΎΠ²ΠΈΡΡΡ Π±ΠΎΠ»ΡΡΠΎΠΉ ΠΏΡΠΎΠ±Π»Π΅ΠΌΠΎΠΉ.
ΠΡΠΎΠ±Π΅Π½Π½ΠΎΡΡΠΈ Π°Π½Π°Π»ΠΎΠ³ΠΎΠ²ΠΎΠ³ΠΎ ΡΠ°Ρ ΠΎΠΌΠ΅ΡΡΠ°
ΠΡΠΎΡ ΠΏΡΠΈΠ±ΠΎΡ Π±ΠΎΠ»Π΅Π΅ Π°ΠΊΡΡΠ°Π»ΡΠ½ΡΠΉ. ΠΠ΄Π½Π°ΠΊΠΎ Π½Π° ΡΠΎΠ²ΡΠ΅ΠΌΠ΅Π½Π½ΡΠ΅ Π°Π²ΡΠΎΠΌΠΎΠ±ΠΈΠ»ΠΈ ΠΈ Π΅Π³ΠΎ ΡΠΆΠ΅ ΠΏΡΠ°ΠΊΡΠΈΡΠ΅ΡΠΊΠΈ Π½Π΅ ΡΡΡΠ°Π½Π°Π²Π»ΠΈΠ²Π°ΡΡ. Π£ΡΡΡΠΎΠΉΡΡΠ²ΠΎ ΠΌΠΎΠΆΠ½ΠΎ ΡΠ²ΠΈΠ΄Π΅ΡΡ ΡΠ°Π·Π²Π΅ ΡΡΠΎ Π½Π° ΠΌΠ°ΡΠΈΠ½Π°Ρ , Π²ΠΎΠ·ΡΠ°ΡΡ ΠΊΠΎΡΠΎΡΡΡ ΠΏΡΠ΅Π²ΡΡΠ°Π΅Ρ 20 Π»Π΅Ρ.ΒΠ§ΠΈΡΡΠΎ Π²Π½Π΅ΡΠ½Π΅ Π°Π½Π°Π»ΠΎΠ³ΠΎΠ²ΡΠΉ ΡΠ°Ρ
ΠΎΠΌΠ΅ΡΡ Π½Π°ΠΏΠΎΠΌΠΈΠ½Π°Π΅Ρ ΡΠ°Ρ
ΠΎΠΌΠ΅ΡΡ ΠΌΠ΅Ρ
Π°Π½ΠΈΡΠ΅ΡΠΊΠΈΠΉ.
ΠΠ΅Π΄Ρ Ρ Π½Π΅Π³ΠΎ ΡΠΎΠΆΠ΅ Π΅ΡΡΡ ΡΠΈΡΠ΅ΡΠ±Π»Π°Ρ ΡΠΎ ΡΡΡΠ΅Π»ΠΊΠΎΠΉ, ΠΈ ΠΎΠ½Π° ΡΠΊΠ°Π·ΡΠ²Π°Π΅Ρ Π½Π° ΡΠΎ, ΡΠΊΠΎΠ»ΡΠΊΠΎ Π±ΡΠ»ΠΎ ΡΠ΄Π΅Π»Π°Π½ΠΎ ΠΎΠ±ΠΎΡΠΎΡΠΎΠ². ΠΠΎΠ΄ΡΠ΅ΡΠΊΠ½Π΅ΠΌ, ΡΡΠΎ ΠΌΠ΅Ρ
Π°Π½ΠΈΠ·ΠΌ ΡΠ²ΡΠ·ΠΈ ΠΌΠ΅ΠΆΠ΄Ρ ΡΡΡΠ΅Π»ΠΊΠΎΠΉ ΠΈ Π΄Π°ΡΡΠΈΠΊΠΎΠΌ Π½Π° ΠΊΠΎΠ»Π΅Π½Π²Π°Π»Π΅ ΠΎΡΠ»ΠΈΡΠ°Π΅ΡΡΡ.
ΠΠ°ΡΡΠΈΠΊ, ΠΊΠΎΡΠΎΡΡΠΉ ΡΡΠΎΠΈΡ Π½Π° ΠΊΠΎΠ»Π΅Π½ΡΠ°ΡΠΎΠΌ Π²Π°Π»Π΅, ΡΡΠΈΡΡΠ²Π°Π΅Ρ, ΡΠΊΠΎΠ»ΡΠΊΠΎ ΠΎΠ½ ΡΠ΄Π΅Π»Π°Π» ΠΎΠ±ΠΎΡΠΎΡΠΎΠ². Π’Π°ΠΊ ΡΠΎΠ·Π΄Π°Π΅ΡΡΡ ΡΠ»Π΅ΠΊΡΡΠΈΡΠ΅ΡΠΊΠΈΠΉ ΡΠΈΠ³Π½Π°Π», ΠΊΠΎΡΠΎΡΡΠΉ ΠΏΠ΅ΡΠ΅Π΄Π°Π΅ΡΡΡ Π½Π° ΠΊΠ°ΡΡΡΠΊΡ ΠΏΠΎ ΠΏΡΠΎΠ²ΠΎΠ΄Π°ΠΌ. ΠΠΎΡΠΊΠΎΠ»ΡΠΊΡ ΠΌΠ°Π³Π½ΠΈΡΠ½ΠΎΠ΅ ΠΏΠΎΠ»Π΅ Π²ΠΎΠ·Π΄Π΅ΠΉΡΡΠ²ΡΠ΅Ρ Π½Π° ΠΊΠ°ΡΡΡΠΊΡ, ΡΠΎ ΡΡΡΠ΅Π»ΠΊΠ° ΠΎΡΠΊΠ»ΠΎΠ½ΡΠ΅ΡΡΡ ΠΈ ΡΠΊΠ°Π·ΡΠ²Π°Π΅Ρ Π½Π° ΡΠΊΠ°Π»Ρ.Β
Π€Π°ΠΊΡΠΈΡΠ΅ΡΠΊΠΈ ΠΌΡ Π²ΠΈΠ΄ΠΈΠΌ Π·Π΄Π΅ΡΡ ΠΏΠΎΠ²ΡΠΎΡΠ΅Π½ΠΈΠ΅ ΡΡΡΡΠΎΠΉΡΡΠ²Π° ΠΊΠ°ΠΆΠ΄ΠΎΠ³ΠΎ Π°Π½Π°Π»ΠΎΠ³ΠΎΠ²ΠΎΠ³ΠΎ ΠΈΠ·ΠΌΠ΅ΡΠΈΡΠ΅Π»ΡΠ½ΠΎΠ³ΠΎ ΠΏΡΠΈΠ±ΠΎΡΠ°, ΠΊΠΎΡΠΎΡΡΠΉ ΠΏΡΠΈΠΌΠ΅Π½ΡΡΡ Π² Π°Π²ΡΠΎΠΌΠΎΠ±ΠΈΠ»ΡΠ½ΠΎΠΌ ΡΡΠ°Π½ΡΠΏΠΎΡΡΠ΅ ΠΈ Π°Π²ΠΈΠ°ΡΠΈΠΈ.
ΠΠΠΠΠ! ΠΠ½Π°Π»ΠΎΠ³ΠΎΠ²ΡΠ΅ ΠΏΡΠΈΠ±ΠΎΡΡ Π±ΠΎΠ»Π΅Π΅ Π½Π°Π΄Π΅ΠΆΠ½ΡΠ΅, ΡΠ΅ΠΌ ΠΌΠ΅Ρ Π°Π½ΠΈΡΠ΅ΡΠΊΠΈΠ΅. Π Π²Π΅Π΄Ρ ΠΈ Ρ Π½ΠΈΡ ΠΏΠΎΠ³ΡΠ΅ΡΠ½ΠΎΡΡΡ ΡΠΎΡΡΠ°Π²Π»ΡΠ΅Ρ Π΄ΠΎ 500 ΠΎΠ±ΠΎΡΠΎΡΠΎΠ² Π² ΠΌΠΈΠ½ΡΡΡ. ΠΠ°ΡΠΎ ΠΊΠΎΠ½ΡΡΡΡΠΊΡΠΈΡ Ρ Π½ΠΈΡ ΡΠ°ΠΊΠΎΠ²Π°, ΡΡΠΎ ΡΡΠΎΡΠΈΠΊΠ° Π½Π΅Ρ.Β
Π£ΡΡΠ°Π½ΠΎΠ²ΠΈΡΡ Π°Π½Π°Π»ΠΎΠ³ΠΎΠ²ΡΠΉ ΡΠ°Ρ
ΠΎΠΌΠ΅ΡΡ Π½Π°ΠΌΠ½ΠΎΠ³ΠΎ ΠΏΡΠΎΡΠ΅, ΡΠ°ΠΊ ΠΊΠ°ΠΊ ΠΏΠΎ ΡΡΠ°Π²Π½Π΅Π½ΠΈΡ Ρ ΡΡΠΎΡΠΎΠΌ ΠΏΡΠΎΠ²ΠΎΠ΄Π° ΠΌΠΎΠΆΠ½ΠΎ ΠΏΡΠΎΠ»ΠΎΠΆΠΈΡΡ ΠΏΠΎΠ΄ ΠΊΠ°ΠΊΠΈΠΌ ΡΠ³ΠΎΠ΄Π½ΠΎ ΡΠ³Π»ΠΎΠΌ. Π ΠΏΠΎΡΠΎΠΌΡ ΠΌΠΎΠΆΠ½ΠΎ Π²ΡΠ²Π΅ΡΡΠΈ ΡΠ°Ρ
ΠΎΠΌΠ΅ΡΡ Π² Π»ΡΠ±ΠΎΠ΅ ΠΌΠ΅ΡΡΠΎ Π½Π° ΠΏΠ°Π½Π΅Π»ΠΈ ΠΏΡΠΈΠ±ΠΎΡΠΎΠ².
ΠΠ°ΠΆΠ΅ Π² ΡΠΎΠΌ ΡΠ»ΡΡΠ°Π΅, ΠΊΠΎΠ³Π΄Π° Π΄Π²ΠΈΠ³Π°ΡΠ΅Π»Ρ Π½Π°Ρ
ΠΎΠ΄ΠΈΡΡΡ Π² Π·Π°Π΄Π½Π΅ΠΉ ΡΠ°ΡΡΠΈ Π°Π²ΡΠΎΠΌΠΎΠ±ΠΈΠ»Ρ.
ΠΡΠΎΠ±Π΅Π½Π½ΠΎΡΡΠΈ ΡΠΈΡΡΠΎΠ²ΠΎΠ³ΠΎ ΡΠ°Ρ ΠΎΠΌΠ΅ΡΡΠ°
ΠΡΠΎ ΡΠΎΠ²ΡΠ΅ΠΌΠ΅Π½Π½ΡΠΉ ΡΠ°Ρ ΠΎΠΌΠ΅ΡΡ. ΠΠ½ ΡΠ°Π±ΠΎΡΠ°Π΅Ρ Ρ ΠΏΠΎΠ³ΡΠ΅ΡΠ½ΠΎΡΡΡΡ Π΄ΠΎ 100 ΠΎΠ±ΠΎΡΠΎΡΠΎΠ² Π² ΠΌΠΈΠ½ΡΡΡ. ΠΠ°ΡΡΠΈΠΊ ΠΏΡΠΈΠ±ΠΎΡΠ° ΠΏΠΎΠ΄ΡΡΠΈΡΡΠ²Π°Π΅Ρ, ΡΠΊΠΎΠ»ΡΠΊΠΎ ΡΠ΄Π΅Π»Π°Π½ΠΎ ΠΎΠ±ΠΎΡΠΎΡΠΎΠ², ΠΈ ΠΎΡΡΡΠ΅ΡΡΠ²Π»ΡΠ΅Ρ ΠΈΡ ΠΏΠ΅ΡΠ΅Π΄Π°ΡΡ Π½Π° ΠΎΡΠ½ΠΎΠ²Π½ΡΡ ΡΠ°ΡΡΡ Π΄Π΅Π²Π°ΠΉΡΠ°. ΠΠ½ΠΈ ΠΈΠΌΠ΅ΡΡ Π²ΠΈΠ΄ ΠΌΠ½ΠΎΠ³ΠΎΡΠΈΡΠ»Π΅Π½Π½ΡΡ ΡΠΈΠ³Π½Π°Π»ΠΎΠ². ΠΠ° ΠΏΡΠΈΠ±ΠΎΡΠ½ΠΎΠΉ ΠΏΠ°Π½Π΅Π»ΠΈ ΠΌΠ°ΡΠΈΠ½Ρ ΠΊΠΎΠ»ΠΈΡΠ΅ΡΡΠ²ΠΎ ΡΠΈΠ³Π½Π°Π»ΠΎΠ² ΠΎΡΠΎΠ±ΡΠ°ΠΆΠ°Π΅ΡΡΡ ΠΊΠ°ΠΊ ΠΎΠ±ΠΎΡΠΎΡΡ.ΠΡΠ½ΠΎΠ²Π½ΡΠΌΠΈ ΡΠΎΡΡΠ°Π²Π½ΡΠΌΠΈ ΡΠ°ΡΡΡΠΌΠΈ ΡΠΈΡΡΠΎΠ²ΠΎΠ³ΠΎ ΡΠ°Ρ ΠΎΠΌΠ΅ΡΡΠ° ΡΠ²Π»ΡΡΡΡΡ ΠΏΡΠΎΡΠ΅ΡΡΠΎΡ, Π²ΠΎΡΡΠΌΠΈΡΠ°Π·ΡΡΠ΄Π½ΡΠΉ ΠΠ¦Π, Π΄Π°ΡΡΠΈΠΊ, ΡΠΊΡΠ°Π½, ΠΎΠΏΡΡΠΎΠ½, ΡΠ»Π΅ΠΊΡΡΠΎΠ½Π½Π°Ρ ΠΏΠ»Π°ΡΠ°.
Π Π΅Π·ΡΠ»ΡΡΠ°ΡΡ, ΠΏΠΎΠ»ΡΡΠ΅Π½Π½ΡΠ΅ ΠΏΠΎΡΠ»Π΅ ΡΠΎΠ³ΠΎ, ΠΊΠ°ΠΊ Π±ΡΠ»ΠΈ ΠΏΡΠΎΠΈΠ·Π²Π΅Π΄Π΅Π½Ρ ΠΈΠ·ΠΌΠ΅ΡΠ΅Π½ΠΈΡ ΠΎΠ±ΠΎΡΠΎΡΠΎΠ² Π΄Π²ΠΈΠ³Π°ΡΠ΅Π»Ρ, Π² ΡΠΈΡΡΠΎΠ²ΠΎΠΌ ΡΠ°Ρ ΠΎΠΌΠ΅ΡΡΠ΅ Π±ΡΠ΄ΡΡ ΠΎΡΠΎΠ±ΡΠ°ΠΆΠ΅Π½Ρ Π½Π° Π΄ΠΈΡΠΏΠ»Π΅Π΅. ΠΡΠΎ ΠΏΡΠΎΡΡΠΎ ΡΠΈΡΡΡ. ΠΡΠΎ ΠΌΠΎΠΆΠ΅Ρ Π±ΡΡΡ ΡΠ°ΠΊΠΆΠ΅ ΡΡΠΈΠ»ΠΈΠ·ΠΎΠ²Π°Π½Π½ΡΠΉ ΡΠΈΡΠ΅ΡΠ±Π»Π°Ρ ΡΠΎ ΡΡΡΠ΅Π»ΠΊΠΎΠΉ. ΠΡΠ»ΠΈ Π·Π°ΠΆΠΈΠ³Π°Π½ΠΈΠ΅ Π²ΡΠΊΠ»ΡΡΠ΅Π½ΠΎ, ΡΠΎ ΡΠ°Ρ ΠΎΠΌΠ΅ΡΡ Π²ΡΠ³Π»ΡΠ΄ΠΈΡ ΠΊΠ°ΠΊ ΡΠ΅ΠΌΠ½ΡΠΉ ΡΠΊΡΠ°Π½.
ΠΠ°ΠΊ ΠΎΠΏΡΠ΅Π΄Π΅Π»ΠΈΡΡ, ΡΡΠΎ ΡΠ°Ρ ΠΎΠΌΠ΅ΡΡ Π½Π΅ΠΈΡΠΏΡΠ°Π²Π΅Π½Β
ΠΡΠΈΠ±ΠΎΡ ΠΏΠ΅ΡΠ΅ΡΡΠ°Π» ΡΠ°Π±ΠΎΡΠ°ΡΡ? ΠΡΠΎ ΠΌΠΎΠΆΠ½ΠΎ ΠΏΠΎΠ½ΡΡΡ ΠΏΠΎ ΡΠΎΠΌΡ, ΠΊΠ°ΠΊ Π½Π°ΡΠΈΠ½Π°ΡΡ ΡΠΊΠ°ΠΊΠ°ΡΡ ΠΏΠΎΠΊΠ°Π·Π°Π½ΠΈΡ ΠΎΠ±ΠΎΡΠΎΡΠΎΠ² ΠΌΠΎΡΠΎΡΠ° Π½Π° Ρ ΠΎΠ»ΠΎΡΡΠΎΠΌ Ρ ΠΎΠ΄Ρ.
ΠΡΠ΅ ΠΎΠ΄Π½ΠΈΠΌ ΠΏΡΠΈΠ·Π½Π°ΠΊΠΎΠΌ ΡΠΎΠ³ΠΎ, ΡΡΠΎ ΠΏΡΠΈΠ±ΠΎΡ Π½Π΅ΠΈΡΠΏΡΠ°Π²Π΅Π½, ΡΠ²Π»ΡΠ΅ΡΡΡ ΠΏΠΎΠ»ΠΎΠΆΠ΅Π½ΠΈΠ΅ ΡΡΡΠ΅Π»ΠΊΠΈ Π½Π° Π½ΡΠ»Π΅Π²ΠΎΠΉ ΠΎΡΠΌΠ΅ΡΠΊΠ΅. ΠΡΠΈΡΠ΅ΠΌ Π΄Π°ΠΆΠ΅ ΡΠΎΠ³Π΄Π°, ΠΊΠΎΠ³Π΄Π° ΠΆΠΌΠ΅ΡΡ Π½Π° ΠΏΠ΅Π΄Π°Π»Ρ Π³Π°Π·Π°.Β
ΠΡΠΎΡΠΎΠΉ ΡΠΈΠΌΠΏΡΠΎΠΌ ΠΎΠ΄Π½ΠΎΠ·Π½Π°ΡΠ½ΠΎ ΡΠΊΠ°Π·ΡΠ²Π°Π΅Ρ Π½Π° ΡΠΎ, ΡΡΠΎ ΡΠ°Ρ ΠΎΠΌΠ΅ΡΡ Π½Π΅ΠΈΡΠΏΡΠ°Π²Π΅Π½. Π§ΡΠΎ ΠΊΠ°ΡΠ°Π΅ΡΡΡ ΡΠΊΠ°ΡΠΊΠΎΠ² ΠΏΠΎΠΊΠ°Π·Π°Π½ΠΈΠΉ ΠΎΠ±ΠΎΡΠΎΡΠΎΠ², ΡΠΎ ΠΎΠ½ΠΈ ΠΌΠΎΠ³ΡΡ Π±ΡΡΡ ΡΠ»Π΅Π΄ΡΡΠ²ΠΈΠ΅ΠΌ ΡΠΎΠ³ΠΎ, ΡΡΠΎ Π½Π΅ΠΏΡΠ°Π²ΠΈΠ»ΡΠ½ΠΎ ΡΠ°Π±ΠΎΡΠ°Π΅Ρ ΡΠΈΡΡΠ΅ΠΌΠ° Π·Π°ΠΆΠΈΠ³Π°Π½ΠΈΡ. ΠΠΎΠ·ΠΌΠΎΠΆΠ½ΠΎ ΡΠ°ΠΊΠΆΠ΅, ΡΡΠΎ ΡΠΊΠ°Π·Π°Π»ΠΎΡΡ ΠΏΠ»ΠΎΡ ΠΎΠ΅ ΠΊΠ°ΡΠ΅ΡΡΠ²ΠΎ Π³ΠΎΡΡΡΠ΅Π³ΠΎ.
ΠΠ°ΠΊ ΠΏΡΠ°Π²ΠΈΠ»ΠΎ, ΠΏΡΠΈΡΠΈΠ½ΠΎΠΉ Π½Π΅ΠΈΡΠΏΡΠ°Π²Π½ΠΎΡΡΠΈ ΡΠ²Π»ΡΠ΅ΡΡΡ ΠΏΠ»ΠΎΡ ΠΎΠΉ ΠΊΠΎΠ½ΡΠ°ΠΊΡ ΡΠ»Π΅ΠΊΡΡΠΈΡΠ΅ΡΠΊΠΈΡ ΡΠ΅ΠΏΠ΅ΠΉ ΡΡΡΡΠΎΠΉΡΡΠ²Π°. ΠΠ°ΠΊ ΡΡΡΡΠ°Π½ΠΈΡΡ ΠΏΠΎΠ»ΠΎΠΌΠΊΡ? ΠΡΠΈΠ΄Π΅ΡΡΡ ΡΠ°Π·ΠΎΠ±ΡΠ°ΡΡ ΠΈ ΠΏΡΠΎΡΠΈΡΡΠΈΡΡ Π²ΡΡ ΠΊΠΎΠ½ΡΠ°ΠΊΡΠ½ΡΡ Π³ΡΡΠΏΠΏΡ. ΠΡΠΎΠ²ΠΎΠ΄Π° ΡΠ°Ρ ΠΎΠΌΠ΅ΡΡΠ° ΠΌΠΎΠΆΠ½ΠΎ ΠΏΡΠΎΠ²Π΅ΡΠΈΡΡ, ΠΈΡΠΏΠΎΠ»ΡΠ·ΡΡ ΡΠ΅ΡΡΠ΅Ρ.Β
ΠΠΠΠΠ! ΠΠ° ΡΠ°Π±ΠΎΡΠ΅ ΡΡΡΡΠΎΠΉΡΡΠ²Π° ΡΠΊΠ°Π·ΡΠ²Π°ΡΡΡΡ Π΄Π°ΠΆΠ΅ ΠΌΠ°Π»Π΅ΠΉΡΠΈΠ΅ ΡΠ»Π΅Π΄Ρ ΠΊΠΎΡΡΠΎΠ·ΠΈΠΈ Π½Π° ΠΊΠΎΠ½ΡΠ°ΠΊΡΠ½ΠΎΠΉ Π³ΡΡΠΏΠΏΠ΅. Π ΠΏΠΎΡΠΎΠΌΡ ΠΈΡ Π½ΡΠΆΠ½ΠΎ ΡΠ΄Π°Π»ΡΡΡ. ΠΡΠ»ΠΈ Π½ΡΠΆΠ½ΠΎ, ΡΠΎ ΠΌΠΎΠΆΠ½ΠΎ ΠΏΠΎΠ΄ΠΆΠ°ΡΡ ΠΌΠ΅ΡΡΠ°, Π³Π΄Π΅ ΠΏΠΎΠ΄ΠΊΠ»ΡΡΠ΅Π½Ρ ΠΊΠΎΠ½ΡΠ°ΠΊΡΡ ΠΏΡΠΎΠ²ΠΎΠ΄ΠΎΠ².
ΠΡΠΎΠ²Π΅ΡΡΠΉΡΠ΅ ΡΠ»Π΅ΠΊΡΡΠΎΠΏΡΠΎΠ²ΠΎΠ΄ΠΊΡ. ΠΠΎΠ³Π΄Π° ΠΎΠ½Π° ΠΏΠ»ΠΎΡ
Π°Ρ, ΡΠΎ Π±ΡΠ²Π°ΡΡ ΡΠ±ΠΎΠΈ Ρ ΡΠ°Π±ΠΎΡΠΎΠΉ ΡΠ°Ρ
ΠΎΠΌΠ΅ΡΡΠ°. Π Π½Π΅ ΡΠΎΠ»ΡΠΊΠΎ. Π‘Π±ΠΎΠΈ Π²ΠΎΠ·ΠΌΠΎΠΆΠ½Ρ ΠΈ Π½Π° Π΄ΡΡΠ³ΠΈΡ
ΡΠ»Π΅ΠΊΡΡΠΈΡΠ΅ΡΠΊΠΈΡ
ΡΡΡΡΠΎΠΉΡΡΠ²Π°Ρ
.
ΠΡΠ»ΠΈ Π²Ρ ΠΏΡΠΎΠ²Π΅ΡΠΈΠ»ΠΈ ΡΠ°Ρ
ΠΎΠΌΠ΅ΡΡ, Π° ΠΎΠ½ Π²ΡΠ΅ ΡΠ°Π²Π½ΠΎ ΡΠ°Π±ΠΎΡΠ°Π΅Ρ ΠΏΠ»ΠΎΡ
ΠΎ, ΡΠΎ Π½Π΅ΠΎΠ±Ρ
ΠΎΠ΄ΠΈΠΌΠΎ ΠΏΡΠΎΠ²Π΅ΡΠΈΡΡ, ΠΊΠ°ΠΊ ΡΠ°Π±ΠΎΡΠ°Π΅Ρ ΠΊΠΎΠ½ΡΠ°ΠΊΡΠ½Π°Ρ Π³ΡΡΠΏΠΏΠ° Π½Π° ΡΡΠ°ΠΌΠ±Π»Π΅ΡΠ΅.
ΠΠΎΠΆΠ½ΠΎ ΡΡΡΡΠ°Π½ΠΈΡΡ Π½Π΅ΠΏΠΎΠ»Π°Π΄ΠΊΠΈ ΠΈ Π΄ΡΡΠ³ΠΈΠΌ ΡΠΏΠΎΡΠΎΠ±Π°ΠΌΠΈ. ΠΠ΄Π½Π°ΠΊΠΎ Π΄Π»Ρ ΡΠΎΠ³ΠΎ, ΡΡΠΎΠ±Ρ ΠΏΡΠΎΠ²Π΅ΡΡΠΈ Π΄ΠΈΠ°Π³Π½ΠΎΡΡΠΈΠΊΡ, ΠΏΠΎΠ½Π°Π΄ΠΎΠ±ΠΈΡΡΡ ΡΠΏΠ΅ΡΠΈΠ°Π»ΠΈΠ·ΠΈΡΠΎΠ²Π°Π½Π½ΠΎΠ΅ ΠΎΠ±ΠΎΡΡΠ΄ΠΎΠ²Π°Π½ΠΈΠ΅, ΠΊΠΎΡΠΎΡΡΠΌ ΠΎΠ±ΡΡΠ½ΠΎ Π²Π»Π°Π΄Π΅Π»Π΅Ρ ΡΠ΅ΡΡΡΠ΅Ρ ΠΊΠΎΠ»Π΅ΡΠ½ΠΎΠΉ ΡΠΎΠ±ΡΡΠ²Π΅Π½Π½ΠΎΡΡΠΈ Π½Π΅ ΠΎΠ±Π»Π°Π΄Π°Π΅Ρ.Β
ΠΠΠΠΠ! ΠΠ΅ΡΠ΅Π΄ΠΊΠΎ ΠΏΡΠΎΠ±Π»Π΅ΠΌΡ Π²ΡΠ·ΡΠ²Π°Π΅Ρ Π½Π΅ ΡΠ°ΠΌ ΡΠ°Ρ ΠΎΠΌΠ΅ΡΡ, Π° ΡΠ»Π΅ΠΊΡΡΠΎΠΏΡΠΎΠ²ΠΎΠ΄ΠΊΠ° Π°Π²ΡΠΎΠΌΠΎΠ±ΠΈΠ»Ρ Π² ΡΠ΅Π»ΠΎΠΌ. Π’ΠΎΠ³Π΄Π° Π·ΠΎΠ²ΠΈΡΠ΅ Π°Π²ΡΠΎΡΠ»Π΅ΠΊΡΡΠΈΠΊΠ°. ΠΠ½ ΠΏΠΎΠΌΠΎΠΆΠ΅Ρ.
Π Π°Π·Π½ΠΎΠ²ΠΈΠ΄Π½ΠΎΡΡΠΈ ΠΏΡΠΈΠ±ΠΎΡΠΎΠ² ΠΏΠΎ ΡΠΏΠΎΡΠΎΠ±Ρ ΡΡΡΠ°Π½ΠΎΠ²ΠΊΠΈ
Π Π·Π°Π²ΠΈΡΠΈΠΌΠΎΡΡΠΈ ΠΎΡ ΡΠΎΠ³ΠΎ, ΠΊΠ°ΠΊΠΎΠ² ΠΌΠ΅ΡΠΎΠ΄ ΠΌΠΎΠ½ΡΠ°ΠΆΠ°, Π΅ΡΡΡ Π΄Π²Π° ΡΠΈΠΏΠ° ΡΠ°Ρ ΠΎΠΌΠ΅ΡΡΠΎΠ².Π¨ΡΠ°ΡΠ½ΡΠ΅ ΡΠ΅Ρ ΠΎΠΌΠ΅ΡΡΡ β ΡΡΠΎ ΡΡΠ°Π½Π΄Π°ΡΡΠ½ΡΠ΅ ΠΏΡΠΈΠ±ΠΎΡΡ. ΠΡ ΡΡΡΠ°Π½ΠΎΠ²ΠΊΡ ΠΎΡΡΡΠ΅ΡΡΠ²Π»ΡΡΡ Π½Π° ΠΏΡΠΈΠ±ΠΎΡΠ½ΡΡ ΠΏΠ°Π½Π΅Π»Ρ Π°Π²ΡΠΎΠΌΠΎΠ±ΠΈΠ»Ρ, ΠΊΠ°ΠΊ ΠΈ ΠΈΠ½ΠΎΠΉ ΡΠ΅Ρ Π½ΠΈΠΊΠΈ, Π΅ΡΠ΅ Π½Π° ΠΊΠΎΠ½Π²Π΅ΠΉΠ΅ΡΠ΅, Π³Π΄Π΅ ΠΎΡΡΡΠ΅ΡΡΠ²Π»ΡΠ΅ΡΡΡ ΡΠ±ΠΎΡΠΊΠ°. Π£ Π½ΠΈΡ ΡΠ²ΠΎΠΈ ΠΏΠ΅ΡΡΠΎΠ½Π°Π»ΡΠ½ΡΠ΅ ΡΠ°Π·ΠΌΠ΅ΡΡ. Π ΠΏΠΎΡΠΎΠΌΡ ΠΎΡΠ΅Π½Ρ ΡΠ΅Π΄ΠΊΠΈ ΡΠ»ΡΡΠ°ΠΈ, ΠΊΠΎΠ³Π΄Π° ΡΠ°Ρ ΠΎΠΌΠ΅ΡΡ Ρ ΠΎΠ΄Π½ΠΎΠ³ΠΎ Π°Π²ΡΠΎΠΌΠΎΠ±ΠΈΠ»Ρ ΠΏΠΎΠ΄Ρ ΠΎΠ΄ΠΈΡ ΠΊ Π΄ΡΡΠ³ΠΎΠΌΡ.Β
ΠΠ° ΡΠΊΠ°Π»Π΅ ΠΏΡΠΈΠ±ΠΎΡΠ° Π½Π°Π½Π΅ΡΠ΅Π½Ρ ΠΎΡΠΌΠ΅ΡΠΊΠΈ Ρ ΡΠ΅Ρ
Π½ΠΈΡΠ΅ΡΠΊΠΈΠΌΠΈ Π²ΠΎΠ·ΠΌΠΎΠΆΠ½ΠΎΡΡΡΠΌΠΈ ΠΎΠ±ΠΎΡΠΎΡΠΎΠ² ΠΊΠΎΠ½ΠΊΡΠ΅ΡΠ½ΠΎΠ³ΠΎ Π΄Π²ΠΈΠ³Π°ΡΠ΅Π»Ρ.
ΠΠΏΠ°ΡΠ½ΡΠ΅ Π·ΠΎΠ½Ρ Π²ΡΠ΄Π΅Π»Π΅Π½Ρ Π²ΠΈΠ·ΡΠ°Π»ΡΠ½ΠΎ.Β
Π¨ΡΠ°ΡΠ½ΡΠ΅ ΡΠ°Ρ ΠΎΠΌΠ΅ΡΡΡ Π²ΡΠ΅Π³Π΄Π° ΠΎΡΠ΅Π½Ρ ΡΠ»ΠΎΠΆΠ½ΠΎ ΡΡΡΠ°Π½ΠΎΠ²ΠΈΡΡ. Π ΠΊΠΎΠ³Π΄Π° ΠΎΠ½ΠΈ Π»ΠΎΠΌΠ°ΡΡΡΡ, ΡΠΎ ΡΡΠ΅Π±ΡΠ΅ΡΡΡ Π½Π΅ ΡΠΎΠ»ΡΠΊΠΎ Π·Π°ΠΌΠ΅Π½Π°, Π½ΠΎ ΠΈ Π΄ΠΈΠ°Π³Π½ΠΎΡΡΠΈΠΊΠ°. Π’ΠΎ Π΅ΡΡΡ Π½Π΅ΠΈΠ·Π±Π΅ΠΆΠ½ΠΎ ΠΏΠΎΡΡΠ΅Π±ΡΠ΅ΡΡΡ ΡΠ°Π·ΠΎΠ±ΡΠ°ΡΡ Π²ΡΡ ΠΏΡΠΈΠ±ΠΎΡΠ½ΡΡ ΠΏΠ°Π½Π΅Π»Ρ ΠΌΠ°ΡΠΈΠ½Ρ. Π ΡΡΠΎ ΠΎΡΠ½ΠΈΠΌΠ°Π΅Ρ Π½Π΅ΡΠΊΠΎΠ»ΡΠΊΠΎ ΡΠ°ΡΠΎΠ² Π²ΡΠ΅ΠΌΠ΅Π½ΠΈ.
ΠΡΠ½ΠΎΡΠ½ΡΠ΅ ΡΠ°Ρ ΠΎΠΌΠ΅ΡΡΡ ΡΠ²Π»ΡΡΡΡΡ Π²Π½Π΅ΡΠ½ΠΈΠΌΠΈ Π΄ΠΎΠΏΠΎΠ»Π½ΠΈΡΠ΅Π»ΡΠ½ΡΠΌΠΈ ΡΡΡΡΠΎΠΉΡΡΠ²Π°ΠΌΠΈ. ΠΡ ΠΏΡΠΈΠΌΠ΅Π½ΡΡΡ ΡΠΎΠ³Π΄Π°, ΠΊΠΎΠ³Π΄Π° ΠΏΡΠΈΠ±ΠΎΡ Π½Π΅ΠΎΠ±Ρ ΠΎΠ΄ΠΈΠΌΠΎ ΡΡΡΠ°Π½ΠΎΠ²ΠΈΡΡ Π½Π° ΡΡΠ°Π½ΡΠΏΠΎΡΡ, Π° ΠΊΠΎΠ½ΡΡΡΡΠΊΡΠΈΡ Π΅Π³ΠΎ ΡΠ°ΠΊΠΎΠ²Π°, ΡΡΠΎ Ρ ΡΠ°ΠΌΠΎΠ³ΠΎ Π½Π°ΡΠ°Π»Π° Π½Π΅ ΠΏΡΠ΅Π΄ΠΏΠΎΠ»Π°Π³Π°Π΅ΡΡΡ ΠΈΡΠΏΠΎΠ»ΡΠ·ΠΎΠ²Π°Π½ΠΈΠ΅ Π΄Π°ΡΡΠΈΠΊΠ° ΠΎΠ±ΠΎΡΠΎΡΠΎΠ².Β
ΠΠΠΠΠ! ΠΡΠ΅ΠΈΠΌΡΡΠ΅ΡΡΠ²Π΅Π½Π½ΠΎ ΠΈΡ ΠΏΡΠΈΠΎΠ±ΡΠ΅ΡΠ°ΡΡ ΡΠ΅, Ρ ΠΊΠΎΠ³ΠΎ Π΅ΡΡΡ ΠΌΠ°Π»ΠΎΠ»ΠΈΡΡΠ°ΠΆΠ½ΡΠΉ Π±ΡΠ΄ΠΆΠ΅ΡΠ½ΡΠΉ Π°Π²ΡΠΎΠΌΠΎΠ±ΠΈΠ»Ρ. Π£ ΡΠ°ΠΊΠΈΡ Π½Π΅ΡΠ΅Π΄ΠΊΠΎ ΡΡΠ°ΡΠ½ΡΠΉ ΡΠ°Ρ ΠΎΠΌΠ΅ΡΡ ΠΎΡΡΡΡΡΡΠ²ΡΠ΅Ρ. Π ΡΠ΅Π·ΡΠ»ΡΡΠ°ΡΠ΅ Ρ ΡΠΎΡΠ΅ΡΠ° ΠΏΡΠΈ Π²ΠΎΠΆΠ΄Π΅Π½ΠΈΠΈ Π°Π²ΡΠΎΠΌΠΎΠ±ΠΈΠ»Ρ Π΅ΡΡΡ ΠΏΡΠΎΠ±Π»Π΅ΠΌΡ.Β
ΠΡΠ½ΠΎΡΠ½ΡΠ΅ ΠΏΡΠΈΠ±ΠΎΡΡ β ΡΡΡΡΠΎΠΉΡΡΠ²Π° Π±Π΅ΡΠΊΠΎΠ½ΡΠ°ΠΊΡΠ½ΡΠ΅. ΠΠ°ΠΊ ΠΏΡΠ°Π²ΠΈΠ»ΠΎ, ΠΎΠ½ΠΈ ΡΠ°Π±ΠΎΡΠ°ΡΡ Ρ ΠΈΡΠΏΠΎΠ»ΡΠ·ΠΎΠ²Π°Π½ΠΈΠ΅ΠΌ Π»Π°Π·Π΅ΡΠ½ΠΎΠΉ ΡΠ΅Ρ
Π½ΠΎΠ»ΠΎΠ³ΠΈΠΈ. Π£ΡΡΠ°Π½ΠΎΠ²ΠΈΡΡ ΠΈΡ
β Π½Π΅ ΠΏΡΠΎΠ±Π»Π΅ΠΌΠ°. ΠΠΎΠ½ΡΡΡΡΠΊΡΠΈΡ ΠΈΡ
ΡΠ°ΠΊΠΎΠ²Π°, ΡΡΠΎ ΠΏΡΠ΅Π΄ΠΏΠΎΠ»Π°Π³Π°Π΅ΡΡΡ Π²ΠΎΠ·ΠΌΠΎΠΆΠ½ΠΎΡΡΡ Π·Π°ΠΊΡΠ΅ΠΏΠΈΡΡ ΡΡΡΡΠΎΠΉΡΡΠ²ΠΎ Π½Π° ΡΠ΅Π½ΡΡΠ°Π»ΡΠ½ΠΎΠΉ ΠΊΠΎΠ½ΡΠΎΠ»ΠΈ. ΠΡΠΎ Π½Π΅Π΄Π°Π»Π΅ΠΊΠΎ ΠΎΡ ΠΏΡΠΈΠ±ΠΎΡΠ½ΠΎΠΉ ΠΏΠ°Π½Π΅Π»ΠΈ.
ΠΠΠ 21099 — Π½Π΅ ΡΠ°Π±ΠΎΡΠ°Π΅Ρ ΡΠ°Ρ ΠΎΠΌΠ΅ΡΡ: ΡΡΠΎ Π΄Π΅Π»Π°ΡΡ, ΠΏΡΠΈΡΠΈΠ½Ρ Π½Π΅ΠΈΡΠΏΡΠ°Π²Π½ΠΎΡΡΠΈ
ΠΠΎΠΊΠ°Π·Π°Π½ΠΈΡ ΡΠ°Π·Π»ΠΈΡΠ½ΡΡ ΠΏΠ°ΡΠ°ΠΌΠ΅ΡΡΠΎΠ² ΡΠ°Π±ΠΎΡΡ Π΄Π²ΠΈΠ³Π°ΡΠ΅Π»Ρ, ΠΎΡΠΎΠ±ΡΠ°ΠΆΠ΅Π½Π½ΡΡ Π½Π° ΠΏΡΠΈΠ±ΠΎΡΠ½ΠΎΠΉ ΠΏΠ°Π½Π΅Π»ΠΈ Π²Π°Π· 21099, ΠΏΠΎΠ·Π²ΠΎΠ»ΡΡΡ ΠΎΡΡΠ»Π΅ΠΆΠΈΠ²Π°ΡΡ Π΅Π³ΠΎ ΡΠ°Π±ΠΎΡΡ Π² ΡΠ°Π·Π»ΠΈΡΠ½ΡΡ ΡΠΊΡΠΏΠ»ΡΠ°ΡΠ°ΡΠΈΠΎΠ½Π½ΡΡ ΡΠ΅ΠΆΠΈΠΌΠ°Ρ .
ΠΠ΅ΠΊΠΎΡΡΠ΅ΠΊΡΠ½Π°Ρ ΡΠ°Π±ΠΎΡΠ° ΠΈΠ»ΠΈ Π²ΡΡ ΠΎΠ΄ ΠΈΠ· ΡΡΡΠΎΡ ΠΎΠ΄Π½ΠΎΠ³ΠΎ ΠΈΠ· ΡΠ°ΠΊΠΈΡ ΡΠΊΠ°Π·Π°ΡΠ΅Π»Π΅ΠΉ Π»ΠΈΡΠ°Π΅Ρ Π²ΠΎΠ΄ΠΈΡΠ΅Π»Ρ Π²ΠΈΠ·ΡΠ°Π»ΡΠ½ΠΎΠ³ΠΎ ΠΊΠΎΠ½ΡΡΠΎΠ»Ρ Π½Π°Π΄ ΠΊΠ»ΡΡΠ΅Π²ΡΠΌΠΈ Ρ Π°ΡΠ°ΠΊΡΠ΅ΡΠΈΡΡΠΈΠΊΠ°ΠΌΠΈ ΠΌΠΎΡΠΎΡΠ°. Π’Π°ΠΊΠ°Ρ Π½Π΅ΠΈΡΠΏΡΠ°Π²Π½ΠΎΡΡΡ Π²ΠΏΠΎΡΠ»Π΅Π΄ΡΡΠ²ΠΈΠΈ ΠΌΠΎΠΆΠ΅Ρ ΡΡΠ°ΡΡ ΠΏΡΠΈΡΠΈΠ½ΠΎΠΉ ΡΠ΅ΡΡΠ΅Π·Π½ΡΡ ΠΏΠΎΠ»ΠΎΠΌΠΎΠΊ ΡΠ·Π»ΠΎΠ² ΠΈ Π΄Π΅ΡΠ°Π»Π΅ΠΉ Π΄Π²ΠΈΠ³Π°ΡΠ΅Π»Ρ.
ΠΠ΄ΠΈΠ½ ΠΈΠ· ΡΠ°ΠΊΠΈΡ ΠΏΡΠΈΠ±ΠΎΡΠΎΠ² β ΡΠ°Ρ ΠΎΠΌΠ΅ΡΡ. ΠΠ½ ΡΠ»ΡΠΆΠΈΡ Π΄Π»Ρ ΡΠ΅Π³ΠΈΡΡΡΠ°ΡΠΈΠΈ ΠΎΠ±ΠΎΡΠΎΡΠΎΠ² Π²ΡΠ°ΡΠ΅Π½ΠΈΡ ΠΊΠΎΠ»Π΅Π½ΡΠ°ΡΠΎΠ³ΠΎ Π²Π°Π»Π°. Π§ΡΠΎ ΠΆΠ΅ Π΄Π΅Π»Π°ΡΡ, Π΅ΡΠ»ΠΈ Π½Π΅ ΡΠ°Π±ΠΎΡΠ°Π΅Ρ ΡΠ°Ρ ΠΎΠΌΠ΅ΡΡ Π²Π°Π· 21099?
ΠΡΠΈΡΠΈΠ½Ρ ΡΠ±ΠΎΡ Π² ΡΠ°Π±ΠΎΡΠ΅ ΡΠ°Ρ ΠΎΠΌΠ΅ΡΡΠ° Π²Π°Π· 21099
ΠΠ΅ΡΠ΅Π΄ ΡΠ΅ΠΌ ΠΊΠ°ΠΊ ΠΏΡΠΈΡΡΡΠΏΠ°ΡΡ ΠΊ ΡΡΡΡΠ°Π½Π΅Π½ΠΈΡ ΠΏΡΠ΅Π΄ΡΡΠ°Π²Π»Π΅Π½Π½ΠΎΠΉ Π½Π΅ΠΈΡΠΏΡΠ°Π²Π½ΠΎΡΡΠΈ, Π²Π°ΠΆΠ½ΠΎ Π²ΡΡΠ²ΠΈΡΡ Π΅Ρ ΠΏΡΠΈΡΠΈΠ½Ρ.
Π‘Π±ΠΎΠΈ Π² ΡΠ°Π±ΠΎΡΠ΅ ΡΠ°Ρ
ΠΎΠΌΠ΅ΡΡΠ° ΠΌΠΎΠ³ΡΡ ΠΏΡΠΎΡΠ²Π»ΡΡΡΡΡ Π² ΡΠΊΠ°ΡΠΊΠΎΠΎΠ±ΡΠ°Π·Π½ΡΡ
ΠΏΠ΅ΡΠ΅ΠΏΠ°Π΄Π°Ρ
ΠΎΠ±ΠΎΡΠΎΡΠΎΠ² Π΄Π²ΠΈΠ³Π°ΡΠ΅Π»Ρ ΠΈΠ»ΠΈ ΠΎΡΡΡΡΡΡΠ²ΠΈΠΈ ΠΏΠΎΠΊΠ°Π·Π°Π½ΠΈΠΉ, Π²Π½Π΅ Π·Π°Π²ΠΈΡΠΈΠΌΠΎΡΡΠΈ ΠΎΡ Π²ΠΎΠ·Π΄Π΅ΠΉΡΡΠ²ΠΈΡ Π½Π° ΠΏΠ΅Π΄Π°Π»Ρ Π³Π°Π·Π° ΠΏΡΠΈ ΡΠ°Π·Π³ΠΎΠ½Π΅ ΠΈΠ»ΠΈ ΠΏΡΠΈ ΡΡΠΎΠ³Π°Π½ΠΈΠΈ Ρ ΠΌΠ΅ΡΡΠ°. Π‘ΡΠ΅Π΄ΠΈ Π½Π°ΠΈΠ±ΠΎΠ»Π΅Π΅ ΡΠ°ΡΠΏΡΠΎΡΡΡΠ°Π½Π΅Π½Π½ΡΡ
ΠΏΡΠΈΡΠΈΠ½ Π²ΡΠ΄Π΅Π»ΡΡΡ:
- ΠΏΠΎΠ²ΡΠ΅ΠΆΠ΄Π΅Π½ΠΈΠ΅ ΠΏΡΠΎΠ²ΠΎΠ΄ΠΊΠΈ ΠΈ ΡΠ»Π°Π±ΡΠΉ ΠΊΠΎΠ½ΡΠ°ΠΊΡ Π² ΠΌΠ΅ΡΡΠ°Ρ ΡΠΎΠ΅Π΄ΠΈΠ½Π΅Π½ΠΈΡ ΠΏΠΎΠ΄Π²ΠΎΠ΄Π½ΡΡ ΠΊΠ»Π΅ΠΌΠΌ;
- Π²ΡΡ ΠΎΠ΄ ΠΈΠ· ΡΡΡΠΎΡ Π΄Π°ΡΡΠΈΠΊΠ° ΡΠΊΠΎΡΠΎΡΡΠΈ Π²ΡΠ°ΡΠ΅Π½ΠΈΡ ΠΊΠΎΠ»Π΅Π½ΡΠ°ΡΠΎΠ³ΠΎ Π²Π°Π»Π°;
- ΠΌΠ΅Ρ Π°Π½ΠΈΡΠ΅ΡΠΊΠΈΠ΅ ΠΏΠΎΠ²ΡΠ΅ΠΆΠ΄Π΅Π½ΠΈΡ ΡΡΡΠ΅Π»ΠΊΠΈ ΡΠΊΠ°Π·Π°ΡΠ΅Π»Ρ ΠΎΠ±ΠΎΡΠΎΡΠΎΠ²;
- ΠΏΠ΅ΡΠ΅Ρ ΠΎΠ΄ Π½Π° Π΄ΡΡΠ³ΠΎΠΉ ΡΠΈΠΏ Π·Π°ΠΆΠΈΠ³Π°Π½ΠΈΡ;
- Π²ΡΡΠΎΠΊΠΎΠ²ΠΎΠ»ΡΡΠ½ΡΠ΅ ΠΏΡΠΎΠ²ΠΎΠ΄Π° Π½Π΅ ΡΠΎΠΎΡΠ²Π΅ΡΡΡΠ²ΡΡΡ ΡΡΠ»ΠΎΠ²ΠΈΡΠΌ ΠΊΠΎΡΡΠ΅ΠΊΡΠ½ΠΎΠΉ ΡΠ°Π±ΠΎΡΡ ΡΠ°Ρ ΠΎΠΌΠ΅ΡΡΠ°;
- ΠΎΠ±ΡΡΠ² ΠΈΠ»ΠΈ ΠΎΡΡΡΡΡΡΠ²ΠΈΠ΅ ΠΊΠΎΠ½ΡΠ°ΠΊΡΠΎΠ² ΠΏΡΠ΅Π΄ΠΎΡ ΡΠ°Π½ΠΈΡΠ΅Π»Ρ.
ΠΠ°ΡΡΡΠ΅Π½ΠΈΡ Π² ΡΠ°Π±ΠΎΡΠ΅ ΡΠΊΠ°Π·Π°ΡΠ΅Π»Ρ ΠΎΠ±ΠΎΡΠΎΡΠΎΠ² ΠΌΠΎΠ³ΡΡ Π±ΡΡΡ Π²ΡΠ·Π²Π°Π½Ρ ΠΏΠ»ΠΎΡ ΠΈΠΌ ΠΊΠΎΠ½ΡΠ°ΠΊΡΠΎΠΌ ΡΠΎΠΊΠΎΠΏΡΠΎΠ²ΠΎΠ΄ΡΡΠΈΡ ΡΠΎΠ΅Π΄ΠΈΠ½Π΅Π½ΠΈΠΉ. ΠΠΎΡΡΠΎΠΌΡ, ΠΏΠ΅ΡΠ²ΠΎΠ½Π°ΡΠ°Π»ΡΠ½ΠΎ ΡΠ»Π΅Π΄ΡΠ΅Ρ ΠΏΡΠΎΠ²Π΅ΡΡΠΈ Π²ΠΈΠ·ΡΠ°Π»ΡΠ½ΡΠΉ ΠΎΡΠΌΠΎΡΡ Π²ΡΠ΅ΠΉ ΡΠ»Π΅ΠΊΡΡΠΎΡΠ΅ΠΏΠΈ ΡΠ°Ρ ΠΎΠΌΠ΅ΡΡΠ° Π½Π° ΠΏΡΠ΅Π΄ΠΌΠ΅Ρ Π²ΡΡΠ²Π»Π΅Π½ΠΈΡ Π½Π΅ΠΊΠ°ΡΠ΅ΡΡΠ²Π΅Π½Π½ΠΎΠ³ΠΎ ΠΊΠΎΠ½ΡΠ°ΠΊΡΠ°.
ΠΡΠ°ΠΊΡΠΈΠΊΠ° ΠΏΠΎΠΊΠ°Π·ΡΠ²Π°Π΅Ρ, ΡΡΠΎ Π·Π°ΡΠ°ΡΡΡΡ ΡΠ±ΠΎΠΈ Π² ΡΠ°Π±ΠΎΡΠ΅ ΡΠ°Ρ
ΠΎΠΌΠ΅ΡΡΠ° Π²ΠΎΠ·Π½ΠΈΠΊΠ°ΡΡ ΠΏΠΎ Π²ΠΈΠ½Π΅ Π΄Π°ΡΡΠΈΠΊΠ° ΠΎΠ±ΠΎΡΠΎΡΠΎΠ² ΠΊΠΎΠ»Π΅Π½ΡΠ°ΡΠΎΠ³ΠΎ Π²Π°Π»Π°.
ΠΠ½ ΠΈΠ³ΡΠ°Π΅Ρ ΠΊΠ»ΡΡΠ΅Π²ΡΡ ΡΠΎΠ»Ρ Π² ΡΠ°Π±ΠΎΡΠ΅ ΡΡΠΎΠ³ΠΎ ΠΏΡΠΈΠ±ΠΎΡΠ°, ΠΏΠΎΡΡΠ»Π°Ρ Π΅ΠΌΡ ΠΈΠΌΠΏΡΠ»ΡΡΠ½ΡΠΉ ΡΠΈΠ³Π½Π°Π» ΠΎΠΏΡΠ΅Π΄Π΅Π»Π΅Π½Π½ΠΎΠΉ ΡΠ°ΡΡΠΎΡΡ. ΠΠ°ΡΡΡΠ΅Π½ΠΈΡ Π² ΡΠ°Π±ΠΎΡΠ΅ ΡΡΠΎΠ³ΠΎ Π΄Π°ΡΡΠΈΠΊΠ° ΠΏΡΠΈΠ²ΠΎΠ΄ΡΡ ΠΊ ΠΈΡΠΊΠ°ΠΆΠ΅Π½ΠΈΡΠΌ Π² ΠΏΠΎΠΊΠ°Π·Π°Π½ΠΈΡΡ
ΡΠ°Ρ
ΠΎΠΌΠ΅ΡΡΠ°.
ΠΠ΅ΡΠ΅Π΄ΠΊΠΎ ΡΠ»ΡΡΠ°Π΅ΡΡΡ ΠΈ ΡΠ°ΠΊ, ΡΡΠΎ ΠΏΡΠΈΡΠΈΠ½Π° ΠΎΡΠΊΠ°Π·Π° ΡΠ°Ρ ΠΎΠΌΠ΅ΡΡΠ° ΠΊΡΠΎΠ΅ΡΡΡ Π² ΠΌΠ΅Ρ Π°Π½ΠΈΡΠ΅ΡΠΊΠΈΡ ΠΏΠΎΠ²ΡΠ΅ΠΆΠ΄Π΅Π½ΠΈΡΡ ΡΠ°ΠΌΠΎΠ³ΠΎ ΠΏΡΠΈΠ±ΠΎΡΠ°. ΠΠ°ΠΏΡΠΈΠΌΠ΅Ρ, Π²ΡΠ»Π΅Π΄ΡΡΠ²ΠΈΠ΅ Π·Π°Π²ΠΎΠ΄ΡΠΊΠΎΠ³ΠΎ Π΄Π΅ΡΠ΅ΠΊΡΠ° ΠΈΠ»ΠΈ ΡΡΠΎΡΠΎΠ½Π½Π΅Π³ΠΎ ΠΌΠ΅Ρ Π°Π½ΠΈΡΠ΅ΡΠΊΠΎΠ³ΠΎ Π²ΠΎΠ·Π΄Π΅ΠΉΡΡΠ²ΠΈΡ, ΡΡΡΠ΅Π»ΠΊΠ° ΡΠΊΠ°Π·Π°ΡΠ΅Π»Ρ ΠΌΠΎΠΆΠ΅Ρ ΠΏΠΎΠΏΡΠΎΡΡΡ ΠΏΠΎΠ΄ΠΊΠ»ΠΈΠ½ΠΈΠ²Π°ΡΡ ΠΈΠ»ΠΈ Π·Π°Π΄Π΅Π²Π°ΡΡ Π·Π° ΠΊΠΎΡΠΏΡΡ.
ΠΡΡ ΠΎΠ΄Π½Π° ΠΏΡΠΈΡΠΈΠ½Π° Ββ ΠΏΠ΅ΡΠ΅Ρ ΠΎΠ΄ Π½Π° Π΄ΡΡΠ³ΠΎΠΉ Π²ΠΈΠ΄ Π·Π°ΠΆΠΈΠ³Π°Π½ΠΈΡ. Π ΡΠΈΠ»Ρ ΡΠ΅Ρ ΠΈΠ»ΠΈ ΠΈΠ½ΡΡ ΠΎΠ±ΡΡΠΎΡΡΠ΅Π»ΡΡΡΠ², Π°Π²ΡΠΎΠ²Π»Π°Π΄Π΅Π»ΡΡΡ Π½Π΅ ΠΏΡΠΈΠ΄Π°ΡΡ Π·Π½Π°ΡΠ΅Π½ΠΈΡ ΡΠΎΠΌΡ, ΡΡΠΎ Π² Π΄Π°Π½Π½ΠΎΠΌ ΡΠ»ΡΡΠ°Π΅ ΠΊΠ°ΡΠ΄ΠΈΠ½Π°Π»ΡΠ½ΠΎ Π½Π°ΡΡΡΠ°Π΅ΡΡΡ ΡΡΠ½ΠΊΡΠΈΠΎΠ½ΠΈΡΠΎΠ²Π°Π½ΠΈΠ΅ ΡΠ°Ρ ΠΎΠΌΠ΅ΡΡΠ°. Π Π·Π°Π²ΠΈΡΠΈΠΌΠΎΡΡΠΈ ΠΎΡ ΡΠΈΠΏΠ° ΡΡΡΡΠΎΠΉΡΡΠ²Π°, ΡΠΏΠΎΡΠΎΠ± Π΅Π³ΠΎ ΠΏΠΎΠ΄ΠΊΠ»ΡΡΠ΅Π½ΠΈΡ Π±ΡΠ΄Π΅Ρ ΠΎΡΠ»ΠΈΡΠ°ΡΡΡΡ.
ΠΡΠΈ Π·Π°ΠΌΠ΅Π½Π΅ Π²ΡΡΠΎΠΊΠΎΠ²ΠΎΠ»ΡΡΠ½ΡΡ ΠΏΡΠΎΠ²ΠΎΠ΄ΠΎΠ², Π½Π΅ΠΎΠ±Ρ ΠΎΠ΄ΠΈΠΌΠΎ ΡΡΠΈΡΡΠ²Π°ΡΡ Π·Π½Π°ΡΠ΅Π½ΠΈΠ΅ ΡΠΎΠΏΡΠΎΡΠΈΠ²Π»Π΅Π½ΠΈΡ ΡΠΎΠΊΠΎΠΏΡΠΎΠ²ΠΎΠ΄ΡΡΠ΅ΠΉ ΡΠ°ΡΡΠΈ. ΠΠ°ΠΆΠ΅ Π΅Π³ΠΎ Π½Π΅Π·Π½Π°ΡΠΈΡΠ΅Π»ΡΠ½ΡΠ΅ ΠΎΡΠΊΠ»ΠΎΠ½Π΅Π½ΠΈΡ Π½Π΅ ΡΠ°ΠΌΡΠΌ Π»ΡΡΡΠΈΠΌ ΠΎΠ±ΡΠ°Π·ΠΎΠΌ ΡΠΊΠ°ΠΆΡΡΡΡ Π½Π° ΡΠ°Π±ΠΎΡΠ΅ ΡΠ°Ρ ΠΎΠΌΠ΅ΡΡΠ°. ΠΠΎΠ³ΡΠ΅ΡΠ½ΠΎΡΡΡ Π΅Π³ΠΎ ΠΏΠΎΠΊΠ°Π·Π°Π½ΠΈΠΉ Π² Π΄Π°Π½Π½ΠΎΠΌ ΡΠ»ΡΡΠ°Π΅ Π·Π°ΠΌΠ΅ΡΠ½ΠΎ Π²ΠΎΠ·ΡΠ°ΡΡΠ΅Ρ.
Π§ΡΠΎΠ±Ρ ΠΈΡΠΊΠ»ΡΡΠΈΡΡ Π΅ΡΡ ΠΎΠ΄Π½Ρ ΠΏΡΠΈΡΠΈΠ½Ρ, ΡΠ»Π΅Π΄ΡΠ΅Ρ Π·Π°Π³Π»ΡΠ½ΡΡΡ Π² ΡΠΈΡΠΎΠΊ ΠΏΡΠ΅Π΄ΠΎΡ
ΡΠ°Π½ΠΈΡΠ΅Π»Π΅ΠΉ.
ΠΡΡΡ Π²Π΅ΡΠΎΡΡΠ½ΠΎΡΡΡ ΡΠΎΠ³ΠΎ, ΡΡΠΎ ΡΠΎΠΎΡΠ²Π΅ΡΡΡΠ²ΡΡΡΠΈΠΉ ΠΏΡΠ΅Π΄ΠΎΡ
ΡΠ°Π½ΠΈΡΠ΅Π»Ρ ΠΏΠΎΠΏΡΠΎΡΡΡ ΠΏΠ΅ΡΠ΅Π³ΠΎΡΠ΅Π» ΠΈΠ»ΠΈ ΠΆΠ΅ Π½Π΅Π΄ΠΎΡΡΠ°ΡΠΎΡΠ½ΠΎ Π·Π°ΠΊΡΠ΅ΠΏΠ»Π΅Π½.
ΠΠΈΠ°Π³Π½ΠΎΡΡΠΈΠΊΠ° Π½Π΅ΠΈΡΠΏΡΠ°Π²Π½ΠΎΡΡΠ΅ΠΉ ΡΠ°Ρ ΠΎΠΌΠ΅ΡΡΠ°
ΠΠΈΠ°Π³Π½ΠΎΡΡΠΈΡΠ΅ΡΠΊΠΈΠ΅ ΠΌΠ΅ΡΡ ΠΏΠΎ Π²ΡΡΠ²Π»Π΅Π½ΠΈΡ ΠΏΡΠΈΡΠΈΠ½ ΡΠ±ΠΎΠ΅Π² Π² ΡΠ°Π±ΠΎΡΠ΅ ΡΠ°Ρ ΠΎΠΌΠ΅ΡΡΠ° Π² Π±ΠΎΠ»ΡΡΠ΅ΠΉ ΡΡΠ΅ΠΏΠ΅Π½ΠΈ ΠΎΡΠΈΠ΅Π½ΡΠΈΡΠΎΠ²Π°Π½Ρ Π½Π° ΡΠ»Π΅ΠΊΡΡΠΈΡΠ΅ΡΠΊΠΎΠ΅ ΠΎΠ±ΠΎΡΡΠ΄ΠΎΠ²Π°Π½ΠΈΠ΅ Π°Π²ΡΠΎΠΌΠΎΠ±ΠΈΠ»Ρ. ΠΡΠΈ ΡΡΠΎΠΌ Π½Π΅ΠΎΠ±Ρ ΠΎΠ΄ΠΈΠΌΠΎ ΡΡΠΈΡΡΠ²Π°ΡΡ ΡΡΠ΄ ΡΠΏΠ΅ΡΠΈΡΠΈΡΠ΅ΡΠΊΠΈΡ ΠΎΡΠΎΠ±Π΅Π½Π½ΠΎΡΡΠ΅ΠΉ, ΠΎΠ±ΡΡΠ»ΠΎΠ²Π»Π΅Π½Π½ΡΡ ΡΠ°Π·Π»ΠΈΡΠ½ΡΠΌΠΈ ΠΊΠΎΠ½ΡΡΡΡΠΊΡΠΈΠ²Π½ΡΠΌΠΈ Ρ Π°ΡΠ°ΠΊΡΠ΅ΡΠΈΡΡΠΈΠΊΠ°ΠΌΠΈ Π΄Π²ΠΈΠ³Π°ΡΠ΅Π»Ρ.
ΠΠ°ΡΠ±ΡΡΠ°ΡΠΎΡΠ½ΡΠΉ Π΄Π²ΠΈΠ³Π°ΡΠ΅Π»Ρ
Π ΡΠΎΠΌ ΡΠ»ΡΡΠ°Π΅, Π΅ΡΠ»ΠΈ Π½Π΅ ΡΠ°Π±ΠΎΡΠ°Π΅Ρ ΡΠ°Ρ ΠΎΠΌΠ΅ΡΡ Π²Π°Π· 21099 Ρ ΠΊΠ°ΡΠ±ΡΡΠ°ΡΠΎΡΠ½ΡΠΌ ΡΠΈΠΏΠΎΠΌ Π΄Π²ΠΈΠ³Π°ΡΠ΅Π»Ρ Π½Π΅ΠΎΠ±Ρ ΠΎΠ΄ΠΈΠΌΠΎ ΠΏΡΠ΅Π΄ΠΏΡΠΈΠ½ΡΡΡ ΡΠ»Π΅Π΄ΡΡΡΠΈΠ΅ Π΄ΠΈΠ°Π³Π½ΠΎΡΡΠΈΡΠ΅ΡΠΊΠΈΠ΅ Π΄Π΅ΠΉΡΡΠ²ΠΈΡ:
- ΠΏΡΠΎΠ²Π΅ΡΠΈΡΡ ΡΠΎΠΏΡΠΎΡΠΈΠ²Π»Π΅Π½ΠΈΠ΅ Π²ΡΡΠΎΠΊΠΎΠ²ΠΎΠ»ΡΡΠ½ΡΡ ΠΏΡΠΎΠ²ΠΎΠ΄ΠΎΠ²;
- ΠΏΡΠΎΠ²Π΅ΡΠΈΡΡ ΠΏΡΠΎΠ²ΠΎΠ΄ΠΊΡ Π½Π° Π½Π°Π»ΠΈΡΠΈΠ΅ ΠΎΠ±ΡΡΠ²Π°/Π½Π΅ΠΏΠ»ΠΎΡΠ½ΠΎΠ³ΠΎ ΡΠΎΠ΅Π΄ΠΈΠ½Π΅Π½ΠΈΡ;
- ΡΠ±Π΅Π΄ΠΈΡΡΡΡ Π² Π½Π°Π»ΠΈΡΠΈΠΈ ΡΡΠ΅Π±ΡΠ΅ΠΌΠΎΠ³ΠΎ Π½Π°ΠΏΡΡΠΆΠ΅Π½ΠΈΡ Π±ΠΎΡΡΠΎΠ²ΠΎΠΉ ΡΠ΅ΡΠΈ;
- ΡΠ±Π΅Π΄ΠΈΡΡΡΡ Π² ΠΈΡΠΏΡΠ°Π²Π½ΠΎΡΡΠΈ ΠΊΠΎΠ½Π΄Π΅Π½ΡΠ°ΡΠΎΡΠ° ΠΏΡΠ΅ΡΡΠ²Π°ΡΠ΅Π»Ρ-ΡΠ°ΡΠΏΡΠ΅Π΄Π΅Π»ΠΈΡΠ΅Π»Ρ.
ΠΡΠΈ Π·Π°ΠΌΠ΅Π½Π΅ ΡΡΠ°ΡΠ½ΡΡ
Π±ΡΠΎΠ½Π΅ΠΏΡΠΎΠ²ΠΎΠ΄ΠΎΠ² Π½Π° ΡΠΈΠ»ΠΈΠΊΠΎΠ½ΠΎΠ²ΡΠ΅ Π°Π½Π°Π»ΠΎΠ³ΠΈ ΠΌΠΎΠ³ΡΡ Π½Π°Π±Π»ΡΠ΄Π°ΡΡΡΡ ΠΏΠ΅ΡΠ΅Π±ΠΎΠΈ Π² ΡΠ°Π±ΠΎΡΠ΅ ΡΠΊΠ°Π·Π°ΡΠ΅Π»Ρ ΠΎΠ±ΠΎΡΠΎΡΠΎΠ².
Π‘ΡΡΠ΅Π»ΠΊΠ° ΡΠ°Ρ
ΠΎΠΌΠ΅ΡΡΠ° Π½Π° Π²Π°Π· 21099 Ρ ΠΊΠ°ΡΠ±ΡΡΠ°ΡΠΎΡΠ½ΡΠΌ ΡΠΈΠΏΠΎΠΌ Π΄Π²ΠΈΠ³Π°ΡΠ΅Π»Ρ Π² Π΄Π°Π½Π½ΠΎΠΌ ΡΠ»ΡΡΠ°Π΅ Π±ΡΠ΄Π΅Ρ ΠΏΡΡΠ³Π°ΡΡ. ΠΠ»Ρ ΡΠΎΠ³ΠΎ ΡΡΠΎΠ±Ρ ΠΈΡΠΊΠ»ΡΡΠΈΡΡ ΡΡΡ Π²Π΅ΡΡΠΈΡ ΠΈΠ· ΠΏΠ΅ΡΠ΅ΡΠ½Ρ Π²ΠΎΠ·ΠΌΠΎΠΆΠ½ΡΡ
ΠΏΡΠΈΡΠΈΠ½ Π΄ΠΎΡΡΠ°ΡΠΎΡΠ½ΠΎ ΠΏΡΠΎΠΈΠ·Π²Π΅ΡΡΠΈ Π·Π°ΠΌΠ΅Π½Ρ ΠΏΡΠΎΠ²ΠΎΠ΄ΠΎΠ² Π½Π° ΡΠ°Π½Π΅Π΅ ΠΈΡΠΏΠΎΠ»ΡΠ·ΡΠ΅ΠΌΡΠ΅. ΠΠ° Π΄Π°Π½Π½ΠΎΠΌ ΡΡΠ°ΠΏΠ΅ ΡΠ»Π΅Π΄ΡΠ΅Ρ ΠΏΡΠΎΠ²Π΅ΡΠΈΡΡ ΡΠ΅ΠΏΡ ΠΊ Π²ΡΠ²ΠΎΠ΄Ρ ΠΊΠ°ΡΡΡΠΊΠΈ Π·Π°ΠΆΠΈΠ³Π°Π½ΠΈΡ ΠΈ ΠΊΠΎΠΌΠΌΡΡΠ°ΡΠΎΡΡ. ΠΡΠΈ Π²ΠΎΠ·ΠΌΠΎΠΆΠ½ΠΎΡΡΠΈ, ΠΌΠΎΠΆΠ½ΠΎ ΠΏΡΠΎΠ·Π²ΠΎΠ½ΠΈΡΡ ΠΊΠ°ΠΆΠ΄ΡΠΉ ΠΏΡΠΎΠ²ΠΎΠ΄ Π½Π° ΠΎΠ±ΡΡΠ², ΠΏΡΠΈ ΠΏΠΎΠΌΠΎΡΠΈ ΠΌΡΠ»ΡΡΠΈΠΌΠ΅ΡΡΠ° Π² ΡΠ΅ΠΆΠΈΠΌΠ΅ ΠΎΠΌΠΌΠ΅ΡΡΠ°. ΠΠ°ΠΆΠ½ΠΎ ΠΏΠΎΠΌΠ½ΠΈΡΡ, ΡΡΠΎ ΠΏΡΠ΅ΠΆΠ΄Π΅ ΡΠ΅ΠΌ ΠΏΡΠΈΡΡΡΠΏΠ°ΡΡ ΠΊ Π²ΡΡΠ΅ΠΎΠ±ΠΎΠ·Π½Π°ΡΠ΅Π½Π½ΡΠΌ Π΄Π΅ΠΉΡΡΠ²ΠΈΡΠΌ, ΠΌΠ°ΡΠΈΠ½Ρ Π½ΡΠΆΠ½ΠΎ ΠΎΠ±Π΅ΡΡΠΎΡΠΈΡΡ.
ΠΡΡΠΎΡΠ½ΠΈΠΊ ΠΏΡΠΎΠ±Π»Π΅ΠΌΡ ΠΎΡΠΊΠ°Π·Π° ΡΠ°Π±ΠΎΡΡ ΡΠ°Ρ ΠΎΠΌΠ΅ΡΡΠ° ΠΌΠΎΠΆΠ΅Ρ ΠΈΠΌΠ΅ΡΡ ΠΏΡΡΠΌΠΎΠ΅ ΠΎΡΠ½ΠΎΡΠ΅Π½ΠΈΠ΅ ΠΊ Π½Π°ΠΏΡΡΠΆΠ΅Π½ΠΈΡ Π±ΠΎΡΡΠΎΠ²ΠΎΠΉ ΡΠ΅ΡΠΈ Π°Π²ΡΠΎΠΌΠΎΠ±ΠΈΠ»Ρ. ΠΡΠ»ΠΈ Π½Π°ΠΏΡΡΠΆΠ΅Π½ΠΈΠ΅ Π½Π΅ ΠΈΠΌΠ΅Π΅Ρ ΡΡΠ°Π±ΠΈΠ»ΡΠ½ΠΎΠ³ΠΎ Π·Π½Π°ΡΠ΅Π½ΠΈΡ, Π±ΡΠ΄ΡΡ ΠΏΡΠΎΡΠ»Π΅ΠΆΠΈΠ²Π°ΡΡΡΡ Ρ Π°ΡΠ°ΠΊΡΠ΅ΡΠ½ΡΠ΅ ΡΠΊΠ°ΡΠΊΠΈ ΡΡΡΠ΅Π»ΠΊΠΈ ΡΠ°Ρ ΠΎΠΌΠ΅ΡΡΠ°.
Π’Π°ΠΊΠΎΠ΅ ΡΠ²Π»Π΅Π½ΠΈΠ΅ ΠΌΠΎΠΆΠ΅Ρ Π±ΡΡΡ Π²ΡΠ·Π²Π°Π½ΠΎ ΡΡΠ΄ΠΎΠΌ ΠΏΡΠΈΡΠΈΠ½. Π ΠΏΠ΅ΡΠ²ΡΡ ΠΎΡΠ΅ΡΠ΅Π΄Ρ Π½ΡΠΆΠ½ΠΎ ΡΠ΄ΠΎΡΡΠΎΠ²Π΅ΡΠΈΡΡΡΡ Π² ΡΠΎΠΌ, ΡΡΠΎ ΡΠ΅ΠΌΠ΅Π½Ρ ΠΏΡΠΈΠ²ΠΎΠ΄Π° Π³Π΅Π½Π΅ΡΠ°ΡΠΎΡΠ° Π½Π΅ ΠΏΡΠΎΠ²ΠΈΡΠ°Π΅Ρ ΠΈ Π½Π΅ ΠΏΡΠΎΡΠΊΠ°Π»ΡΠ·ΡΠ²Π°Π΅Ρ. ΠΡΠ»ΠΈ Ρ ΡΠ΅ΠΌΠ½ΡΠΌ Π²ΡΡ Π² ΠΏΠΎΡΡΠ΄ΠΊΠ΅, ΡΠ»Π΅Π΄ΡΠ΅Ρ ΠΏΡΠΈΡΠΌΠΎΡΡΠ΅ΡΡΡΡ ΠΊ ΡΠ°ΠΌΠΎΠΌΡ Π³Π΅Π½Π΅ΡΠ°ΡΠΎΡΡ. ΠΠΈΠ°Π³Π½ΠΎΡΡΠΈΠΊΡ, Π² Π΄Π°Π½Π½ΠΎΠΌ ΡΠ»ΡΡΠ°Π΅, ΡΡΠΎΠΈΡ Π½Π°ΡΠ°ΡΡ Ρ ΡΠ΅Π»Π΅-ΡΠ΅Π³ΡΠ»ΡΡΠΎΡΠ°.
ΠΠ»Ρ Π²ΡΡΠ²Π»Π΅Π½ΠΈΡ Π½Π°ΡΡΡΠ΅Π½ΠΈΠΉ Π΅Π³ΠΎ ΡΠ°Π±ΠΎΡΡ, Π½ΡΠΆΠ½ΠΎ ΠΏΡΠΎΠ²Π΅ΡΠΈΡΡ ΡΠΎΡΡΠΎΡΠ½ΠΈΠ΅ ΠΊΠΎΠ½ΡΠ°ΠΊΡΠ½ΡΡ ΠΊΠΎΠ»Π΅Ρ. ΠΡΠ»ΠΈ Π½Π° Π»ΠΈΡΠΎ ΠΏΠΎΠ²ΡΡΠ΅Π½Π½ΡΠΉ ΠΈΠ·Π½ΠΎΡ, Π²ΡΠ·Π²Π°Π½Π½ΡΠΉ ΠΏΠΎΠ΄Π³Π°ΡΠΎΠΌ ΠΊΠΎΠ½ΡΠ°ΠΊΡΠ½ΠΎΠΉ ΡΠ°ΡΡΠΈ, ΠΏΠΎΠ²Π΅ΡΡ Π½ΠΎΡΡΡ ΡΠ»Π΅Π΄ΡΠ΅Ρ Π·Π°ΡΠΈΡΡΠΈΡΡ Π½Π°ΠΆΠ΄Π°ΡΠ½ΠΎΠΉ Π±ΡΠΌΠ°Π³ΠΎΠΉ. ΠΡΠ»ΠΈ ΠΏΠΎΡΠ»Π΅ ΡΡΠΎΠΉ ΠΏΡΠΎΡΠ΅Π΄ΡΡΡ, ΡΠ°Ρ ΠΎΠΌΠ΅ΡΡ ΠΏΡΠΎΠ΄ΠΎΠ»ΠΆΠ°Π΅Ρ Π±ΠΈΡΡΡΡ Π² ΠΊΠΎΠ½Π²ΡΠ»ΡΡΠΈΡΡ , ΡΡΠΎΠΈΡ ΠΏΡΠΎΠ²Π΅ΡΠΈΡΡ ΡΠ°Π±ΠΎΡΠΎΡΠΏΠΎΡΠΎΠ±Π½ΠΎΡΡΡ ΡΠ°ΠΌΠΎΠ³ΠΎ ΡΠ΅Π»Π΅. ΠΠ»Ρ ΡΡΠΎΠ³ΠΎ Π½ΡΠΆΠ½ΠΎ Π²ΠΎΡΠΏΠΎΠ»ΡΠ·ΠΎΠ²Π°ΡΡΡΡ ΡΠ΅ΠΌ ΠΆΠ΅ ΡΠ΅ΡΡΠ΅ΡΠΎΠΌ Π² ΡΠ΅ΠΆΠΈΠΌΠ΅ Π²ΠΎΠ»ΡΡΠΌΠ΅ΡΡΠ°. ΠΡΠΈ Π·Π°Π²Π΅Π΄Π΅Π½Π½ΠΎΠΌ Π΄Π²ΠΈΠ³Π°ΡΠ΅Π»Π΅ Π½Π° Ρ ΠΎΠ»ΠΎΡΡΠΎΠΌ Ρ ΠΎΠ΄Ρ, Π½Π°ΠΏΡΡΠΆΠ΅Π½ΠΈΠ΅ Π½Π° Π²ΡΠ²ΠΎΠ΄Π°Ρ ΠΠΠ Π΄ΠΎΠ»ΠΆΠ½ΠΎ ΡΠΎΡΡΠ°Π²Π»ΡΡΡ 13,5 β14 Π. ΠΠΎ ΠΌΠ΅ΡΠ΅ ΡΠ²Π΅Π»ΠΈΡΠ΅Π½ΠΈΡ ΠΎΠ±ΠΎΡΠΎΡΠΎΠ², Π²ΠΏΠ»ΠΎΡΡ Π΄ΠΎ ΠΈΡ ΡΡΠ΅Π΄Π½Π΅Π³ΠΎ Π·Π½Π°ΡΠ΅Π½ΠΈΡ, ΠΌΡΠ»ΡΡΠΈΠΌΠ΅ΡΡ Π΄ΠΎΠ»ΠΆΠ΅Π½ ΡΠ΅Π³ΠΈΡΡΡΠΈΡΠΎΠ²Π°ΡΡ Π½Π΅ ΠΌΠ΅Π½Π΅Π΅ 14,2 β14,5. Π ΠΏΡΠΎΡΠΈΠ²Π½ΠΎΠΌ ΡΠ»ΡΡΠ°Π΅, ΡΡΠΎΠΈΡ Π²ΠΎΠΏΡΠΎΡ ΠΎ Π·Π°ΠΌΠ΅ΡΠ΅ ΡΠ΅Π»Π΅-ΡΠ΅Π³ΡΠ»ΡΡΠΎΡΠ°.
ΠΡΠΈ ΠΊΠΎΠ½ΡΠ°ΠΊΡΠ½ΠΎΠΉ ΡΡ Π΅ΠΌΠ΅ Π·Π°ΠΆΠΈΠ³Π°Π½ΠΈΡ, Π½Π΅ΡΠ΅Π΄ΠΊΠΎ Π²ΠΎΠ·Π½ΠΈΠΊΠ°ΡΡ ΠΏΡΠΎΠ±Π»Π΅ΠΌΡ Ρ ΡΠ°Π±ΠΎΡΠΎΠΉ ΠΊΠΎΠ½Π΄Π΅Π½ΡΠ°ΡΠΎΡΠ°, ΡΡΡΠ°Π½ΠΎΠ²Π»Π΅Π½Π½ΠΎΠ³ΠΎ Π½Π° ΠΊΠΎΡΠΏΡΡΠ΅ ΡΡΠ°ΠΌΠ±Π»Π΅ΡΠ°. ΠΠ½ ΡΠΏΠΎΡΠΎΠ±ΡΡΠ²ΡΠ΅Ρ ΡΠ²Π΅Π»ΠΈΡΠ΅Π½ΠΈΡ Π½Π°ΠΏΡΡΠΆΠ΅Π½ΠΈΡ Π²ΠΎ Π²ΡΠΎΡΠΈΡΠ½ΠΎΠΉ ΡΠ΅ΠΏΠΈ ΠΊΠ°ΡΡΡΠΊΠΈ Π·Π°ΠΆΠΈΠ³Π°Π½ΠΈΡ. Π ΡΠΎΠΌ ΡΠ»ΡΡΠ°Π΅, Π΅ΡΠ»ΠΈ Π½Π°Π±Π»ΡΠ΄Π°ΡΡΡΡ ΡΠ±ΠΎΠΈ Π² Π΅Π³ΠΎ ΡΠ°Π±ΠΎΡΠ΅, ΡΡΡΠ΅Π»ΠΊΠ° ΡΠ°Ρ ΠΎΠΌΠ΅ΡΡΠ° Π±ΡΠ΄Π΅Ρ Π½Π΅ΠΏΡΠ΅ΡΡΠ²Π½ΠΎ Π΄Π΅ΡΠ³Π°ΡΡΡΡ.
Π§ΡΠΎΠ±Ρ Π² Π΅Π³ΠΎ Π½Π΅ΠΈΡΠΏΡΠ°Π²Π½ΠΎΡΡΠΈ Π½Π΅ Π²ΠΎΠ·Π½ΠΈΠΊΠ°Π»ΠΎ ΡΠΎΠΌΠ½Π΅Π½ΠΈΠΉ, Π΄ΠΎΡΡΠ°ΡΠΎΡΠ½ΠΎ Π² ΡΠ°Π·ΡΡΠ² ΡΠ΅ΠΏΠΈ ΠΌΠ΅ΠΆΠ΄Ρ Π²ΡΠ²ΠΎΠ΄ΠΎΠΌ Π²ΡΠΎΡΠΈΡΠ½ΠΎΠΉ ΠΎΠ±ΠΌΠΎΡΠΊΠΈ ΠΠ ΠΈ ΠΏΠΎΠ΄Π²ΠΎΠ΄Π½ΡΠΌ ΠΊΠΎΠ½ΡΠΎΠΌ ΠΊΠΎΠ½Π΄Π΅Π½ΡΠ°ΡΠΎΡΠ° ΠΏΠΎΠ΄ΠΊΠ»ΡΡΠΈΡΡ Π»Π°ΠΌΠΏΡ Π½Π° 12 Π.
ΠΠ°ΠΌΠΏΠ° Π³ΠΎΡΠΈΡ β ΠΊΠΎΠ½Π΄Π΅Π½ΡΠ°ΡΠΎΡ ΠΏΡΠΎΠ±ΠΈΡ. ΠΠ°ΠΌΠΏΠ° Π½Π΅ ΡΠ²Π΅ΡΠΈΡ β ΠΊΠΎΠ½Π΄Π΅Π½ΡΠ°ΡΠΎΡ Π² ΠΏΠΎΡΡΠ΄ΠΊΠ΅. Π‘ΡΠΎΠΈΡ ΡΠΊΠ°Π·Π°ΡΡ, ΡΡΠΎ ΠΏΡΠΈ ΠΏΡΠΎΠ±ΠΈΡΠΎΠΌ ΠΊΠΎΠ½Π΄Π΅Π½ΡΠ°ΡΠΎΡΠ΅, Π΄Π²ΠΈΠ³Π°ΡΠ΅Π»Ρ ΠΏΠΎΠΏΡΠΎΡΡΡ Π½Π΅ Π·Π°Π²Π΅Π΄Π΅ΡΡΡ ΠΏΠΎ ΠΏΡΠΈΡΠΈΠ½Π΅ Π½Π΅Π΄ΠΎΡΡΠ°ΡΠΎΡΠ½ΠΎΠ³ΠΎ Π½Π°ΠΏΡΡΠΆΠ΅Π½ΠΈΡ, Π½Π΅ΠΎΠ±Ρ
ΠΎΠ΄ΠΈΠΌΠΎΠ³ΠΎ Π΄Π»Ρ Π²ΠΎΡΠΏΠ»Π°ΠΌΠ΅Π½Π΅Π½ΠΈΡ Π³ΠΎΡΡΡΠ΅ΠΉ ΡΠΌΠ΅ΡΠΈ. Π’Π°ΠΊ ΡΡΠΎ ΠΏΡΠ΅Π΄ΡΡΠ°Π²Π»Π΅Π½Π½Π°Ρ ΠΏΡΠΈΡΠΈΠ½Π° ΠΌΠΎΠΆΠ΅Ρ Π±ΡΡΡ Π²ΡΠ·Π²Π°Π½Π° Π»ΠΈΡΡ ΠΊΡΠ°ΡΠΊΠΎΠ²ΡΠ΅ΠΌΠ΅Π½Π½ΡΠΌΠΈ ΡΠ±ΠΎΡΠΌΠΈ Π² Π΅Π³ΠΎ ΡΠ°Π±ΠΎΡΠ΅. Π’Π΅ΠΌ Π½Π΅ ΠΌΠ΅Π½Π΅Π΅ Π΅ΡΠ»ΠΈ ΠΎΠ½ΠΈ Π΄Π°ΡΡ ΠΎ ΡΠ΅Π±Π΅ Π·Π½Π°ΡΡ, Π΅Π³ΠΎ Π½ΡΠΆΠ½ΠΎ Π·Π°ΠΌΠ΅Π½ΠΈΡΡ.
ΠΠ½ΠΆΠ΅ΠΊΡΠΎΡΠ½ΡΠΉ Π΄Π²ΠΈΠ³Π°ΡΠ΅Π»Ρ
Π ΡΠ»ΡΡΠ°Π΅ Π΅ΡΠ»ΠΈ Π½Π΅ ΡΠ°Π±ΠΎΡΠ°Π΅Ρ ΡΠ°Ρ ΠΎΠΌΠ΅ΡΡ Π²Π°Π· 21099 Ρ ΠΈΠ½ΠΆΠ΅ΠΊΡΠΎΡΠ½ΡΠΌ Π΄Π²ΠΈΠ³Π°ΡΠ΅Π»Π΅ΠΌ Π½ΡΠΆΠ½ΠΎ, ΠΏΡΠ΅ΠΆΠ΄Π΅ Π²ΡΠ΅Π³ΠΎ, ΠΎΠ±ΡΠ°ΡΠΈΡΡ Π²Π½ΠΈΠΌΠ°Π½ΠΈΠ΅ Π½Π° ΡΠΎΡΡΠΎΡΠ½ΠΈΠ΅ Π΄Π°ΡΡΠΈΠΊΠ° ΠΎΠ±ΠΎΡΠΎΡΠΎΠ² ΠΊΠΎΠ»Π΅Π½ΡΠ°ΡΠΎΠ³ΠΎ Π²Π°Π»Π°. Π‘ΡΠ΅Π΄ΠΈ ΡΠΎΠΏΡΡΡΡΠ²ΡΡΡΠΈΡ ΡΠ°ΠΊΡΠΎΡΠΎΠ² Π½Π΅ΠΈΡΠΏΡΠ°Π²Π½ΠΎΡΡΠΈ ΠΠΠΠ Π²ΡΠ΄Π΅Π»ΡΡΡ:
- ΠΏΠ΅ΡΠ΅Π±ΠΎΠΈ Π² ΡΠ°Π±ΠΎΡΠ΅ Π΄Π²ΠΈΠ³Π°ΡΠ΅Π»Ρ Π½Π° Ρ ΠΎΠ»ΠΎΡΡΠΎΠΌ Ρ ΠΎΠ΄Ρ;
- ΠΎΡΡΠ°Π½ΠΎΠ²ΠΊΠ° Π΄Π²ΠΈΠ³Π°ΡΠ΅Π»Ρ ΠΏΡΠΈ Π΄Π²ΠΈΠΆΠ΅Π½ΠΈΠΈ;
- ΠΏΡΠΎΡΠ²Π»Π΅Π½ΠΈΠ΅ ΠΏΡΠΈΠ·Π½Π°ΠΊΠΎΠ² Π΄Π΅ΡΠΎΠ½Π°ΡΠΈΠΈ ΠΏΠΎΠ΄ Π½Π°Π³ΡΡΠ·ΠΊΠΎΠΉ.
ΠΠΈΠ°Π³Π½ΠΎΡΡΠΈΠΊΠ° Π΄Π°ΡΡΠΈΠΊΠ° ΠΏΡΠΎΠΈΠ·Π²ΠΎΠ΄ΠΈΡΡΡ ΠΏΠΎΡΠ»Π΅ Π΅Π³ΠΎ Π΄Π΅ΠΌΠΎΠ½ΡΠ°ΠΆΠ°. ΠΠ° ΡΡΠΎΠΌ ΡΡΠ°ΠΏΠ΅ Π²Π°ΠΆΠ½ΠΎ Π·Π°ΠΏΠΎΠΌΠ½ΠΈΡΡ Π΅Π³ΠΎ ΡΠΈΠΊΡΠΈΡΠΎΠ²Π°Π½Π½ΠΎΠ΅ ΠΏΠΎΠ»ΠΎΠΆΠ΅Π½ΠΈΠ΅.Β ΠΠΎΡΠ»Π΅ Π²ΠΈΠ·ΡΠ°Π»ΡΠ½ΠΎΠ³ΠΎ ΠΎΡΠΌΠΎΡΡΠ°, Π΅Π³ΠΎ Π½ΡΠΆΠ½ΠΎ ΠΎΡΠΈΡΡΠΈΡΡ ΠΎΡ ΡΠ°ΡΡΠΈΡ Π³ΡΡΠ·ΠΈ ΠΏΡΠΈ ΠΏΠΎΠΌΠΎΡΠΈ Π²Π΅ΡΠΎΡΠΈ, ΡΠΌΠΎΡΠ΅Π½Π½ΠΎΠΉ Π² Π±Π΅Π½Π·ΠΈΠ½Π΅.
ΠΠΎΡΠ»Π΅ ΡΡΠΎΠ³ΠΎ, ΠΏΡΠΈ ΠΏΠΎΠΌΠΎΡΠΈ ΠΎΠΌΠΌΠ΅ΡΡΠ° ΠΏΡΠΎΠΈΠ·Π²ΠΎΠ΄ΠΈΡΡΡ Π·Π°ΠΌΠ΅Ρ ΡΠΎΠΏΡΠΎΡΠΈΠ²Π»Π΅Π½ΠΈΡ, Π²ΠΌΠΎΠ½ΡΠΈΡΠΎΠ²Π°Π½Π½ΠΎΠΉ Π² Π΄Π°ΡΡΠΈΠΊ ΠΊΠ°ΡΡΡΠΊΠΈ. Π Π°Π±ΠΎΡΠ΅Π΅ Π΅Π³ΠΎ Π·Π½Π°ΡΠ΅Π½ΠΈΠ΅ ΡΠΎΡΡΠ°Π²Π»ΡΠ΅Ρ 560 β 750 ΠΠΌ. ΠΡΠΊΠ»ΠΎΠ½Π΅Π½ΠΈΠ΅ ΠΎΡ Π·Π°Π΄Π°Π½Π½ΠΎΠ³ΠΎ ΠΏΠ°ΡΠ°ΠΌΠ΅ΡΡΠ° Π³ΠΎΠ²ΠΎΡΠΈΡ ΠΎ Π΅Π³ΠΎ Π½Π΅ΠΈΡΠΏΡΠ°Π²Π½ΠΎΡΡΠΈ.
Π‘ΠΏΠΎΡΠΎΠ±Ρ Π΄ΠΈΠ°Π³Π½ΠΎΡΡΠΈΠΊΠΈ, ΡΠ²ΡΠ·Π°Π½Π½ΡΠ΅ Ρ Π²ΡΡΠ²Π»Π΅Π½ΠΈΠ΅ΠΌ Π½Π°ΡΡΡΠ΅Π½ΠΈΠΉ ΡΠ΅Π»ΠΎΡΡΠ½ΠΎΡΡΠΈ ΠΏΡΠΎΠ²ΠΎΠ΄ΠΊΠΈ ΠΈ ΡΠ±ΠΎΠ΅Π² Π² ΡΠ°Π±ΠΎΡΠ΅ Π³Π΅Π½Π΅ΡΠ°ΡΠΎΡΠ° ΠΏΡΠΈΠΌΠ΅Π½ΠΈΠΌΡ ΠΊΠ°ΠΊ Π΄Π»Ρ ΠΈΠ½ΠΆΠ΅ΠΊΡΠΎΡΠ½ΠΎΠΉ, ΡΠ°ΠΊ ΠΈ Π΄Π»Ρ ΠΊΠ°ΡΠ±ΡΡΠ°ΡΠΎΡΠ½ΠΎΠΉ Π²Π΅ΡΡΠΈΠΈ Π²Π°Π· 21099.
ΠΠ΅ΠΈΡΠΏΡΠ°Π²Π½ΠΎΡΡΠΈ Π² ΠΈΠ½ΠΆΠ΅ΠΊΡΠΎΡΠ½ΡΡ Π΄Π²ΠΈΠ³Π°ΡΠ΅Π»ΡΡ ΡΠ΅Π»Π΅ΡΠΎΠΎΠ±ΡΠ°Π·Π½ΠΎ ΠΎΡΡΠ»Π΅ΠΆΠΈΠ²Π°ΡΡ, ΡΡΠΊΠΎΠ²ΠΎΠ΄ΡΡΠ²ΡΡΡΡ ΠΊΠΎΠ΄Π°ΠΌΠΈ ΠΎΡΠΈΠ±ΠΎΠΊ Π½Π° ΠΏΠ°Π½Π΅Π»ΠΈ ΠΏΡΠΈΠ±ΠΎΡΠΎΠ². Π’Π°ΠΊΠΈΠ΅ Π΄ΠΈΠ°Π³Π½ΠΎΡΡΠΈΡΠ΅ΡΠΊΠΈΠ΅ ΡΠΊΠ°Π·Π°ΡΠ΅Π»ΠΈ ΠΏΠΎΠΌΠΎΠ³ΡΡ ΠΎΠ±Π½Π°ΡΡΠΆΠΈΡΡ Π½Π°ΡΡΡΠ΅Π½ΠΈΡ Π² ΡΠ°Π±ΠΎΡΠ΅ ΠΊΠΎΠ½ΠΊΡΠ΅ΡΠ½ΠΎΠ³ΠΎ ΡΠ·Π»Π°, Π²Π»ΠΈΡΡΡΠ΅Π³ΠΎ Π½Π° ΠΏΠΎΠΊΠ°Π·Π°Π½ΠΈΡ ΡΠ°Ρ ΠΎΠΌΠ΅ΡΡΠ°.
Π£ΡΡΡΠ°Π½Π΅Π½ΠΈΠ΅ Π½Π΅ΠΈΡΠΏΡΠ°Π²Π½ΠΎΡΡΠ΅ΠΉ ΡΠ°Ρ ΠΎΠΌΠ΅ΡΡΠ°
ΠΠ»Ρ ΡΠΎΠ³ΠΎ ΡΡΠΎΠ±Ρ Π²ΠΎΡΡΡΠ°Π½ΠΎΠ²ΠΈΡΡ ΡΠ°Π±ΠΎΡΠΎΡΠΏΠΎΡΠΎΠ±Π½ΠΎΡΡΡ ΡΠ°Ρ ΠΎΠΌΠ΅ΡΡΠ° Π²Π°Π· 21099 Π² ΠΊΠ°ΠΆΠ΄ΠΎΠΌ ΠΊΠΎΠ½ΠΊΡΠ΅ΡΠ½ΠΎΠΌ ΡΠ»ΡΡΠ°Π΅, Π²ΠΎΠ²ΡΠ΅ Π½Π΅ ΠΎΠ±ΡΠ·Π°ΡΠ΅Π»ΡΠ½ΠΎ ΠΎΠ±ΡΠ°ΡΠ°ΡΡΡΡ ΠΊ ΠΏΠΎΠΌΠΎΡΠΈ ΠΏΡΠΎΡΠ΅ΡΡΠΈΠΎΠ½Π°Π»ΡΠ½ΡΡ Π°Π²ΡΠΎΠΌΠ΅Ρ Π°Π½ΠΈΠΊΠΎΠ². ΠΡΡ, ΡΡΠΎ ΠΎΡ ΠΠ°Ρ ΠΏΠΎΡΡΠ΅Π±ΡΠ΅ΡΡΡ Π½Π° Π΄Π°Π½Π½ΠΎΠΌ ΡΡΠ°ΠΏΠ΅: ΠΌΠΈΠ½ΠΈΠΌΡΠΌ ΠΈΠ½ΡΡΡΡΠΌΠ΅Π½ΡΠ° ΠΈ Π²ΠΎΠ»Ρ ΠΊ ΠΏΠΎΠ±Π΅Π΄Π΅.
ΠΡΠ°ΠΊ, ΡΡΡΠ΅Π»ΠΊΠ° ΡΠ°Ρ
ΠΎΠΌΠ΅ΡΡΠ° Π²Π°Π· 21099 Π΄Π΅ΡΠ³Π°Π΅ΡΡΡ. ΠΠΈΠ°Π³Π½ΠΎΡΡΠΈΠΊΠ° ΠΏΠΎΠΊΠ°Π·Π°Π»Π° β Π½Π΅ΠΈΡΠΏΡΠ°Π²Π΅Π½ Π±Π»ΠΎΠΊ ΡΠ΅Π»Π΅ ΡΠ΅Π³ΡΠ»ΡΡΠΎΡΠ°.
ΠΠ³ΠΎ Π·Π°ΠΌΠ΅Π½Π° ΠΏΡΠΎΠΈΠ·Π²ΠΎΠ΄ΠΈΡΡΡ ΡΠ»Π΅Π΄ΡΡΡΠΈΠΌ ΠΎΠ±ΡΠ°Π·ΠΎΠΌ:
- ΠΎΡΠΊΠ»ΡΡΠ°Π΅ΡΡΡ ΠΌΠ°ΡΡΠ° Π°Π²ΡΠΎΠΌΠΎΠ±ΠΈΠ»Ρ;
- ΡΠ°Π·ΡΠ΅Π΄ΠΈΠ½ΡΠ΅ΡΡΡ ΠΊΠΎΠ»ΠΎΠ΄ΠΊΠ° ΠΏΡΠΎΠ²ΠΎΠ΄ΠΎΠ² Π² Π·Π°Π΄Π½Π΅ΠΉ ΠΊΡΡΡΠΊΠ΅ Π³Π΅Π½Π΅ΡΠ°ΡΠΎΡΠ°;
- ΡΠ½ΠΈΠΌΠ°Π΅ΡΡΡ Π·Π°ΡΠΈΡΠ½ΡΠΉ ΠΊΠΎΠ»ΠΏΠ°ΡΠΎΠΊ Π²ΠΌΠ΅ΡΡΠ΅ Ρ ΠΏΠΈΡΠ°ΡΡΠΈΠΌ Π²ΡΠ²ΠΎΠ΄ΠΎΠΌ;
- ΠΎΡΠΊΡΡΡΠΈΠ²Π°Π΅Ρ ΡΠ΅Π»Π΅ ΡΠ΅Π³ΡΠ»ΡΡΠΎΡ.
ΠΠΎΡΠ»Π΅Π΄ΠΎΠ²Π°ΡΠ΅Π»ΡΠ½ΠΎΡΡΡ ΠΌΠΎΠ½ΡΠ°ΠΆΠ° ΠΈΡΠΏΡΠ°Π²Π½ΠΎΠ³ΠΎ ΡΠ΅Π³ΡΠ»ΡΡΠΎΡΠ° Π½Π°ΠΏΡΡΠΆΠ΅Π½ΠΈΡ ΠΏΡΠΎΠΈΠ·Π²ΠΎΠ΄ΠΈΡΡΡ Π² ΠΎΠ±ΡΠ°ΡΠ½ΠΎΠΌ ΠΏΠΎΡΡΠ΄ΠΊΠ΅.
ΠΠ°ΠΊ ΡΡΡΡΠ°Π½ΠΈΡΡ Π½Π΅ΠΏΠΎΠ»Π°Π΄ΠΊΠΈ ΡΠΊΠ°Π·Π°ΡΠ΅Π»Ρ ΠΎΠ±ΠΎΡΠΎΡΠΎΠ², Π²ΡΠ·Π²Π°Π½Π½ΡΠ΅ Π·Π°ΠΌΠ΅Π½ΠΎΠΉ Π²ΡΡΠΎΠΊΠΎΠ²ΠΎΠ»ΡΡΠ½ΡΡ ΠΏΡΠΎΠ²ΠΎΠ΄ΠΎΠ²? ΠΠ»Ρ ΡΡΠΎΠ³ΠΎ Π½Π΅ΠΎΠ±Ρ ΠΎΠ΄ΠΈΠΌΠΎ Π½Π΅ΡΠΊΠΎΠ»ΡΠΊΠΎ Π΄ΠΎΠΏΠΎΠ»Π½ΠΈΡΡ ΡΡ Π΅ΠΌΡ ΠΏΠΎΠ΄ΠΊΠ»ΡΡΠ΅Π½ΠΈΡ ΡΠ°Ρ ΠΎΠΌΠ΅ΡΡΠ°. Π ΠΈΠΌΠ΅Π½Π½ΠΎ, Π½Π° ΠΏΠ»Π°ΡΡ ΠΊΠΎΠΌΠ±ΠΈΠ½Π°ΡΠΈΠΈ ΠΏΡΠΈΠ±ΠΎΡΠΎΠ² Π½ΡΠΆΠ½ΠΎ ΠΏΠΎΠ΄ΡΠΎΠ΅Π΄ΠΈΠ½ΠΈΡΡ ΠΊΠΎΠ½Π΄Π΅Π½ΡΠ°ΡΠΎΡ Π΅ΠΌΠΊΠΎΡΡΡΡ Π½Π΅ Π±ΠΎΠ»Π΅Π΅ 900 ΠΏΠ€. ΠΠ½ ΠΏΠΎΠΌΠΎΠΆΠ΅Ρ ΡΠΌΠ΅Π½ΡΡΠΈΡΡ Π½ΠΎΠΌΠΈΠ½Π°Π»ΡΠ½ΠΎΠ΅ ΡΠΎΠΏΡΠΎΡΠΈΠ²Π»Π΅Π½ΠΈΠ΅ Π²Π½Π΅ΡΠ½Π΅Π³ΠΎ ΡΠ΅Π·ΠΈΡΡΠΎΡΠ°, ΠΈ ΡΡΡΠ΅ΡΡΠ²Π΅Π½Π½ΠΎ ΡΠ»ΡΡΡΠΈΡ ΡΠ°Π±ΠΎΡΡ ΡΠ°Ρ ΠΎΠΌΠ΅ΡΡΠ°.
Π‘ΡΠΎΠΈΡ ΠΎΡΠΌΠ΅ΡΠΈΡΡ, ΡΡΠΎ ΡΠ°ΠΊΠΎΠΉ ΡΠΏΠΎΡΠΎΠ± ΠΏΡΠΈΠΌΠ΅Π½ΠΈΠΌ, ΡΠΎΠ»ΡΠΊΠΎ ΠΊΠΎΠ³Π΄Π° Π½Π΅ ΡΠ°Π±ΠΎΡΠ°Π΅Ρ ΡΠ°Ρ ΠΎΠΌΠ΅ΡΡ Ρ ΠΈΠ½ΠΆΠ΅ΠΊΡΠΎΡΠ½ΠΎΠΉ ΠΌΠΎΠ΄Π΅Π»ΠΈ Π²Π°Π· 21099, Π½ΠΎ Π½ΠΈΠΊΠ°ΠΊ Π½Π΅ Ρ ΠΊΠ°ΡΠ±ΡΡΠ°ΡΠΎΡΠ½ΠΎΠΉ ΠΌΠΎΠ΄ΠΈΡΠΈΠΊΠ°ΡΠΈΠΈ, ΠΎΡΠ»ΠΈΡΠΈΡΠ΅Π»ΡΠ½ΡΠΌ ΠΏΡΠΈΠ·Π½Π°ΠΊΠΎΠΌ ΠΊΠΎΡΠΎΡΠΎΠΉ ΡΠ²Π»ΡΠ΅ΡΡΡ Π²ΡΡΠΎΠΊΠ°Ρ ΠΏΡΠΈΠ±ΠΎΡΠ½Π°Ρ ΠΏΠ°Π½Π΅Π»Ρ.
ΠΡΠ»ΠΈ ΠΆΠ΅ Π² ΡΠΈΠ»Ρ ΠΊΠ°ΠΊΠΈΡ -Π»ΠΈΠ±ΠΎ ΠΎΠ±ΡΡΠΎΡΡΠ΅Π»ΡΡΡΠ² ΡΠ°Ρ ΠΎΠΌΠ΅ΡΡ Π½ΡΠΆΠ΄Π°Π΅ΡΡΡ Π² Π·Π°ΠΌΠ΅Π½Π΅, ΠΏΡΠΈ Π΅Π³ΠΎ Π΄Π΅ΠΌΠΎΠ½ΡΠ°ΠΆΠ΅ Π½Π΅ΠΎΠ±Ρ ΠΎΠ΄ΠΈΠΌΠΎ ΠΏΡΠΈΠ΄Π΅ΡΠΆΠΈΠ²Π°ΡΡΡΡ ΡΠ»Π΅Π΄ΡΡΡΠ΅ΠΉ ΠΏΠΎΡΠ»Π΅Π΄ΠΎΠ²Π°ΡΠ΅Π»ΡΠ½ΠΎΡΡΠΈ Π΄Π΅ΠΉΡΡΠ²ΠΈΠΉ:
- ΠΎΠ±Π΅ΡΡΠΎΡΠΈΡΡ Π΄Π²ΠΈΠ³Π°ΡΠ΅Π»Ρ;
- ΡΠ½ΡΡΡ Π»Π΅Π²ΡΠΉ ΡΠ΅Π³ΠΌΠ΅Π½Ρ ΡΠΎΡΠΏΠ΅Π΄Ρ;
- Π΄Π΅ΠΌΠΎΠ½ΡΠΈΡΠΎΠ²Π°ΡΡ Π·Π°ΡΠΈΡΠ½ΠΎΠ΅ ΡΡΠ΅ΠΊΠ»ΠΎ, ΡΠ°Π²Π½ΠΎΠΌΠ΅ΡΠ½ΠΎ ΠΎΡΠΆΠΈΠΌΠ°Ρ Π΅Π³ΠΎ ΠΎΡ ΠΏΠΎΠ²Π΅ΡΡ Π½ΠΎΡΡΠΈ ΡΠΈΡΠΊΠ°;
- ΡΠ½ΡΡΡ Π΄Π΅ΠΊΠΎΡΠ°ΡΠΈΠ²Π½ΡΡ ΠΏΠ»Π°Π½ΠΊΡ;
- ΠΎΡΠΊΡΡΡΠΈΡΡ ΠΏΡΠΎΠ²ΠΎΠ΄Π° ΠΎΡ ΠΊΠ»Π΅ΠΌΠΌ ΠΏΡΠΈΠ±ΠΎΡΠ°;
- ΠΎΡΠ²Π΅ΡΠ½ΡΡΡ Π²ΠΈΠ½ΡΡ ΠΊΡΠ΅ΠΏΠ»Π΅Π½ΠΈΡ ΡΠ°Ρ
ΠΎΠΌΠ΅ΡΡΠ°.

ΠΠΎ Π²ΡΠ΅ΠΌΡ Π΄Π΅ΠΌΠΎΠ½ΡΠ°ΠΆΠ° ΡΠ°Ρ ΠΎΠΌΠ΅ΡΡΠ°, Π½Π΅ ΡΠ»Π΅Π΄ΡΠ΅Ρ Π·Π°Π±ΡΠ²Π°ΡΡ ΠΎΠ± ΠΎΡΡΠΎΡΠΎΠΆΠ½ΠΎΡΡΠΈ. Π Π΄Π°Π½Π½ΠΎΠΌ ΡΠ»ΡΡΠ°Π΅ Π²Π°ΠΆΠ½ΠΎ Π½Π΅ Π½Π°ΡΡΡΠΈΡΡ ΡΠ΅Π»ΠΎΡΡΠ½ΠΎΡΡΡ ΠΎΡΡΠ°Π»ΡΠ½ΡΡ ΠΈΠ·ΠΌΠ΅ΡΠΈΡΠ΅Π»ΡΠ½ΡΡ ΠΏΡΠΈΠ±ΠΎΡΠΎΠ²: ΡΠΏΠΈΠ΄ΠΎΠΌΠ΅ΡΡΠ°, ΡΠΊΠ°Π·Π°ΡΠ΅Π»Π΅ΠΉ ΡΠΎΠΏΠ»ΠΈΠ²Π° ΠΈ ΡΠ΅ΠΌΠΏΠ΅ΡΠ°ΡΡΡΡ.
ΠΡΡΡΠ΅Ρ ΠΌΠ½Π΅Π½ΠΈΠ΅, ΡΡΠΎ Π½Π΅ΠΈΡΠΏΡΠ°Π²Π½ΡΠΉ ΡΠ°Ρ ΠΎΠΌΠ΅ΡΡ Π½Π΅ Π΄ΠΎΠ»ΠΆΠ΅Π½ Π²ΡΠ·ΡΠ²Π°ΡΡ ΠΏΠΎΠ²ΠΎΠ΄Π° Π΄Π»Ρ Π±Π΅ΡΠΏΠΎΠΊΠΎΠΉΡΡΠ²Π° ΠΈ, ΡΠ°ΠΊΠΎΠΉ Β«ΠΏΡΡΡΡΠΊΒ» Π½ΠΈΠΊΠ°ΠΊΠΈΠΌ ΠΎΠ±ΡΠ°Π·ΠΎΠΌ Π½Π΅ ΡΠΊΠ°ΠΆΠ΅ΡΡΡ Π½Π° ΡΠΊΡΠΏΠ»ΡΠ°ΡΠ°ΡΠΈΠΈ Π°Π²ΡΠΎΠΌΠΎΠ±ΠΈΠ»Ρ. ΠΡΡ ΠΆΠ΅ Π½Π΅ ΡΠ»Π΅Π΄ΡΠ΅Ρ ΠΏΡΠΈΠ΄Π΅ΡΠΆΠΈΠ²Π°ΡΡΡΡ ΡΠ°ΠΊΠΎΠΉ ΠΏΠΎΠ·ΠΈΡΠΈΠΈ, Π²Π΅Π΄Ρ Π½Π΅ΠΊΠΎΡΡΠ΅ΠΊΡΠ½ΡΠ΅ ΠΏΠΎΠΊΠ°Π·Π°Π½ΠΈΡ ΡΡΠΎΠ³ΠΎ ΠΏΡΠΈΠ±ΠΎΡΠ° ΠΌΠΎΠ³ΡΡ Π±ΡΡΡ ΡΠ»Π΅Π΄ΡΡΠ²ΠΈΠ΅ΠΌ ΠΏΠΎΠ»ΠΎΠΌΠΊΠΈ ΠΊΡΠ΄Π° Π±ΠΎΠ»Π΅Π΅ Π·Π½Π°ΡΠΈΠΌΡΡ ΡΠ·Π»ΠΎΠ² ΠΠ°ΡΠ΅Π³ΠΎ Π°Π²ΡΠΎΠΌΠΎΠ±ΠΈΠ»Ρ.
Π§ΡΠΎ ΡΠ°ΠΊΠΎΠ΅ ΡΠ°Ρ ΠΎΠΌΠ΅ΡΡ ΠΈ Π΅Π³ΠΎ ΠΏΡΠΈΠΌΠ΅Π½Π΅Π½ΠΈΠ΅?
Π’Π°Ρ
ΠΎΠΌΠ΅ΡΡ — ΡΡΠΎ ΠΈΠ·ΠΌΠ΅ΡΠΈΡΠ΅Π»ΡΠ½ΡΠΉ ΠΏΡΠΈΠ±ΠΎΡ, ΠΊΠΎΡΠΎΡΡΠΉ ΠΈΡΠΏΠΎΠ»ΡΠ·ΡΠ΅ΡΡΡ Π΄Π»Ρ ΠΈΠ·ΠΌΠ΅ΡΠ΅Π½ΠΈΡ ΡΠ°Π±ΠΎΡΠ΅ΠΉ ΡΠΊΠΎΡΠΎΡΡΠΈ Π΄Π²ΠΈΠ³Π°ΡΠ΅Π»Ρ Π² ΠΎΠ±ΠΎΡΠΎΡΠ°Ρ
Π² ΠΌΠΈΠ½ΡΡΡ. ΠΠ½ ΡΠ°ΠΊΠΆΠ΅ ΠΈΠ·Π²Π΅ΡΡΠ΅Π½ ΠΊΠ°ΠΊ ΡΡΠ΅ΡΡΠΈΠΊ ΠΎΠ±ΠΎΡΠΎΡΠΎΠ². Π£ΡΡΡΠΎΠΉΡΡΠ²ΠΎ ΠΌΠΎΠΆΠ΅Ρ ΠΈΠ·ΠΌΠ΅ΡΡΡΡ ΡΠΊΠΎΡΠΎΡΡΡ Π²ΡΠ°ΡΠ΅Π½ΠΈΡ Π²Π°Π»Π° ΠΈΠ»ΠΈ Π΄ΠΈΡΠΊΠ°, ΠΊΠΎΠ³Π΄Π° ΠΌΠ°ΡΠΈΠ½Π° Π½Π°Ρ
ΠΎΠ΄ΠΈΡΡΡ Π² Π΄Π²ΠΈΠΆΠ΅Π½ΠΈΠΈ. ΠΠ½ ΡΠ°ΠΊΠΆΠ΅ ΡΠΊΠ°Π·ΡΠ²Π°Π΅Ρ ΡΠ³Π»ΠΎΠ²ΡΡ ΡΠΊΠΎΡΠΎΡΡΡ Π²ΡΠ°ΡΠ°ΡΡΠ΅Π³ΠΎΡΡ Π²Π°Π»Π°. ΠΡΠΎΡ ΠΈΠ½ΡΡΡΡΠΌΠ΅Π½Ρ ΠΎΠ±ΡΡΠ½ΠΎ ΠΈΡΠΏΠΎΠ»ΡΠ·ΡΠ΅ΡΡΡ Π΄Π»Ρ ΠΎΡΠ΅Π½ΠΊΠΈ ΡΠΊΠΎΡΠΎΡΡΠΈ Π΄Π²ΠΈΠΆΠ΅Π½ΠΈΡ ΠΈ ΠΎΠ±ΡΠ΅ΠΌΠ° / ΠΏΠΎΡΠΎΠΊΠ°.
ΠΠ½ ΠΈΡΠΏΠΎΠ»ΡΠ·ΡΠ΅ΡΡΡ Π² Π°Π²ΡΠΎΠΌΠΎΠ±ΠΈΠ»ΡΡ
, ΡΠ°ΠΌΠΎΠ»Π΅ΡΠ°Ρ
ΠΈ ββΠ΄ΡΡΠ³ΠΈΡ
ΡΡΠ°Π½ΡΠΏΠΎΡΡΠ½ΡΡ
ΡΡΠ΅Π΄ΡΡΠ²Π°Ρ
.ΠΠ½ ΠΏΠΎΠΊΠ°Π·ΡΠ²Π°Π΅Ρ ΡΠΊΠΎΡΠΎΡΡΡ Π²ΡΠ°ΡΠ΅Π½ΠΈΡ ΠΊΠΎΠ»Π΅Π½ΡΠ°ΡΠΎΠ³ΠΎ Π²Π°Π»Π° Π΄Π²ΠΈΠ³Π°ΡΠ΅Π»Ρ Π²ΠΌΠ΅ΡΡΠ΅ Ρ ΠΌΠ°ΡΠΊΠΈΡΠΎΠ²ΠΊΠΎΠΉ, ΠΊΠΎΡΠΎΡΠ°Ρ ΠΏΠΎΠΊΠ°Π·ΡΠ²Π°Π΅Ρ Π±Π΅Π·ΠΎΠΏΠ°ΡΠ½ΡΠΉ Π΄ΠΈΠ°ΠΏΠ°Π·ΠΎΠ½ ΡΠ°ΡΡΠΎΡΡ Π²ΡΠ°ΡΠ΅Π½ΠΈΡ.
ΠΡΠΈΠ½ΡΠΈΠΏ ΡΠ°Π±ΠΎΡΡ ΡΠ°Ρ ΠΎΠΌΠ΅ΡΡΠ°:
ΠΠ»Π΅ΠΊΡΡΠΈΡΠ΅ΡΠΊΠΈΠΉ ΡΠ°Ρ ΠΎΠΌΠ΅ΡΡ ΡΠ°Π±ΠΎΡΠ°Π΅Ρ ΠΏΠΎ ΠΏΡΠΈΠ½ΡΠΈΠΏΡ ΠΎΡΠ½ΠΎΡΠΈΡΠ΅Π»ΡΠ½ΠΎΠ³ΠΎ Π΄Π²ΠΈΠΆΠ΅Π½ΠΈΡ ΠΌΠ΅ΠΆΠ΄Ρ ΠΌΠ°Π³Π½ΠΈΡΠ½ΡΠΌ ΠΏΠΎΠ»Π΅ΠΌ ΠΈ Π²Π°Π»ΠΎΠΌ ΡΠΎΠ΅Π΄ΠΈΠ½Π΅Π½Π½ΠΎΠ³ΠΎ ΡΡΡΡΠΎΠΉΡΡΠ²Π°. ΠΠ²ΠΈΠ³Π°ΡΠ΅Π»Ρ ΡΠ°Ρ ΠΎΠΌΠ΅ΡΡΠ° ΡΠ°Π±ΠΎΡΠ°Π΅Ρ ΠΊΠ°ΠΊ Π³Π΅Π½Π΅ΡΠ°ΡΠΎΡ, ΡΠΎ Π΅ΡΡΡ Π²ΡΡΠ°Π±Π°ΡΡΠ²Π°Π΅Ρ Π½Π°ΠΏΡΡΠΆΠ΅Π½ΠΈΠ΅ Π² Π·Π°Π²ΠΈΡΠΈΠΌΠΎΡΡΠΈ ΠΎΡ ΡΠΊΠΎΡΠΎΡΡΠΈ Π²Π°Π»Π°. ΠΠ½ ΡΡΠΈΡΠ°Π΅Ρ ΠΊΠΎΠ»ΠΈΡΠ΅ΡΡΠ²ΠΎ ΠΎΠ±ΠΎΡΠΎΡΠΎΠ² ΠΊΠΎΠ»Π΅Π½ΡΠ°ΡΠΎΠ³ΠΎ Π²Π°Π»Π° Π² ΠΌΠΈΠ½ΡΡΡ.ΠΠ»Ρ ΠΏΠΎΠ»ΡΠ·ΠΎΠ²Π°ΡΠ΅Π»Ρ Π²Π°ΠΆΠ½ΠΎ Π·Π½Π°ΡΡ ΡΠΈΡΠ»ΠΎ ΠΎΠ±ΠΎΡΠΎΡΠΎΠ² Π΄Π²ΠΈΠ³Π°ΡΠ΅Π»Ρ ΠΈ Π΅Π³ΠΎ ΡΠ°Π±ΠΎΡΠΈΠΉ Π΄ΠΈΠ°ΠΏΠ°Π·ΠΎΠ½, ΡΡΠΎΠ±Ρ ΠΈΠ·Π±Π΅ΠΆΠ°ΡΡ Π½Π΅Π½ΡΠΆΠ½ΡΡ ΠΏΠΎΠ²ΡΠ΅ΠΆΠ΄Π΅Π½ΠΈΠΉ. Π£ΡΡΡΠΎΠΉΡΡΠ²ΠΎ ΡΠ°Π±ΠΎΡΠ°Π΅Ρ ΠΊΠ°ΠΊ ΠΎΡ ΠΏΠ΅ΡΠ΅ΠΌΠ΅Π½Π½ΠΎΠ³ΠΎ, ΡΠ°ΠΊ ΠΈ ΠΎΡ ΠΏΠΎΡΡΠΎΡΠ½Π½ΠΎΠ³ΠΎ ΡΠΎΠΊΠ°.
Π’ΠΈΠΏΡ ΡΠ°Ρ ΠΎΠΌΠ΅ΡΡΠΎΠ²:
- Π’ΠΈΠΏ ΠΊΠΎΠ½ΡΠ°ΠΊΡΠ° — ΠΡΠΎΡ ΡΠΈΠΏ ΡΠ°Ρ
ΠΎΠΌΠ΅ΡΡΠ° ΠΎΠ±ΡΡΠ½ΠΎ ΠΊΡΠ΅ΠΏΠΈΡΡΡ ΠΊ ΠΌΠ°ΡΠΈΠ½Π΅ ΠΈΠ»ΠΈ ΡΠ»Π΅ΠΊΡΡΠΎΠ΄Π²ΠΈΠ³Π°ΡΠ΅Π»Ρ. ΠΠ½ ΡΠ°Π±ΠΎΡΠ°Π΅Ρ, ΠΏΡΠΈΠ²ΠΎΠ΄Ρ ΡΠ²ΠΎΠ±ΠΎΠ΄Π½ΠΎ Π²ΡΠ°ΡΠ°ΡΡΠ΅Π΅ΡΡ ΠΊΠΎΠ»Π΅ΡΠΎ Π² ΠΊΠΎΠ½ΡΠ°ΠΊΡ Ρ Π²ΡΠ°ΡΠ°ΡΡΠΈΠΌΡΡ Π²Π°Π»ΠΎΠΌ ΠΈΠ»ΠΈ Π΄ΠΈΡΠΊΠΎΠΌ.
ΠΠ°Π» ΠΏΡΠΈΠ²ΠΎΠ΄ΠΈΡ Π² Π΄Π²ΠΈΠΆΠ΅Π½ΠΈΠ΅ ΠΊΠΎΠ»Π΅ΡΠΎ Π΄Π»Ρ Π³Π΅Π½Π΅ΡΠ°ΡΠΈΠΈ ΠΈΠΌΠΏΡΠ»ΡΡΠΎΠ². ΠΠ°ΡΠ΅ΠΌ ΡΡΠΈ ΠΈΠΌΠΏΡΠ»ΡΡΡ ΡΡΠΈΡΡΠ²Π°ΡΡΡΡ ΡΠ°Ρ
ΠΎΠΌΠ΅ΡΡΠΎΠΌ ΠΈ ΠΈΠ·ΠΌΠ΅ΡΡΡΡΡΡ Π² ΠΎΠ±ΠΎΡΠΎΡΠ°Ρ
Π² ΠΌΠΈΠ½ΡΡΡ.ΠΠ½ ΡΠ°ΠΊΠΆΠ΅ ΠΌΠΎΠΆΠ΅Ρ ΡΠ°ΡΡΡΠΈΡΠ°ΡΡ Π»ΠΈΠ½Π΅ΠΉΠ½ΡΡ ΡΠΊΠΎΡΠΎΡΡΡ ΠΈ ΡΠ°ΡΡΡΠΎΡΠ½ΠΈΠ΅. - ΠΠ΅ΡΠΊΠΎΠ½ΡΠ°ΠΊΡΠ½ΡΠΉ ΡΠΈΠΏ — Π’Π°ΠΊΠΆΠ΅ ΠΈΠ·Π²Π΅ΡΡΠ΅Π½ ΠΊΠ°ΠΊ ΡΠΎΡΠΎΡΠ°Ρ ΠΎΠΌΠ΅ΡΡ ΠΈΠ»ΠΈ Π±Π΅ΡΠΊΠΎΠ½ΡΠ°ΠΊΡΠ½ΡΠΉ ΡΠ°Ρ ΠΎΠΌΠ΅ΡΡ. ΠΡΠΎΡ ΡΠΈΠΏ ΡΡΡΡΠΎΠΉΡΡΠ²Π° Π½Π΅ ΡΡΠ΅Π±ΡΠ΅Ρ ΡΠΈΠ·ΠΈΡΠ΅ΡΠΊΠΎΠ³ΠΎ ΠΊΠΎΠ½ΡΠ°ΠΊΡΠ° Ρ Π²ΡΠ°ΡΠ°ΡΡΠΈΠΌΡΡ Π²Π°Π»ΠΎΠΌ. ΠΠ»Ρ ΠΈΠ·ΠΌΠ΅ΡΠ΅Π½ΠΈΡ ΠΈΡΠΏΠΎΠ»ΡΠ·ΡΠ΅ΡΡΡ Π»Π°Π·Π΅Ρ, ΠΈΠ½ΡΡΠ°ΠΊΡΠ°ΡΠ½ΡΠΉ ΡΠ²Π΅Ρ ΠΈΠ»ΠΈ Π΄ΡΡΠ³ΠΈΠ΅ ΠΈΡΡΠΎΡΠ½ΠΈΠΊΠΈ ΡΠ²Π΅ΡΠ°. Π£ΡΡΡΠΎΠΉΡΡΠ²ΠΎ ΠΈΠ·Π»ΡΡΠ°Π΅Ρ Π»ΡΡ ΡΠ²Π΅ΡΠ°. ΠΡΠΎΡ Π»ΡΡ ΠΎΡΡΠ°ΠΆΠ°Π΅ΡΡΡ ΠΊΠ°ΠΆΠ΄ΡΠΉ ΡΠ°Π·, ΠΊΠΎΠ³Π΄Π° Π»Π΅Π½ΡΠ° ΡΠΎΠ²Π΅ΡΡΠ°Π΅Ρ ΠΏΠΎΠ»Π½ΡΠΉ ΠΎΠ±ΠΎΡΠΎΡ. ΠΡΠΈΠ΅ΠΌΠ½ΠΈΠΊ Π΄ΠΎΠ»ΠΆΠ΅Π½ ΠΏΠΎΠ΄ΡΡΠΈΡΡΠ²Π°ΡΡ ΡΡΠΈ ΠΎΡΡΠ°ΠΆΠ΅Π½ΠΈΡ Π²ΠΎ Π²ΡΠ΅ΠΌΡ ΠΏΡΠΎΡΠ΅ΡΡΠ°, ΡΡΠΎΠ±Ρ ΠΈΠ·ΠΌΠ΅ΡΠΈΡΡ ΡΠΊΠΎΡΠΎΡΡΡ Π²ΡΠ°ΡΠ΅Π½ΠΈΡ Π² ΠΎΠ± / ΠΌΠΈΠ½.ΠΡΠΎΡ ΡΠΈΠΏ ΡΠ°Ρ ΠΎΠΌΠ΅ΡΡΠ° ΠΎΡΠ»ΠΈΡΠ°Π΅ΡΡΡ ΡΡΡΠ΅ΠΊΡΠΈΠ²Π½ΠΎΡΡΡΡ, Π½Π°Π΄Π΅ΠΆΠ½ΠΎΡΡΡΡ, ΡΠΎΡΠ½ΠΎΡΡΡΡ ΠΈ ΠΊΠΎΠΌΠΏΠ°ΠΊΡΠ½ΠΎΡΡΡΡ.
- ΠΠ»Π΅ΠΊΡΡΠΎΠ½Π½ΡΠΉ ΡΠ°Ρ
ΠΎΠΌΠ΅ΡΡ — ΠΠ½ ΡΠΎΡΡΠΎΠΈΡ ΠΈΠ· ΡΠ»Π΅ΠΊΡΡΠΎΠ½Π½ΡΡ
ΠΊΠΎΠΌΠΏΠΎΠ½Π΅Π½ΡΠΎΠ², ΠΈΡΠΏΠΎΠ»ΡΠ·ΡΠ΅ΠΌΡΡ
Π΄Π»Ρ ΠΈΠ·ΠΌΠ΅ΡΠ΅Π½ΠΈΡ ΡΠ°ΡΡΠΎΡΡ Π²ΡΠ°ΡΠ΅Π½ΠΈΡ Π΄Π²ΠΈΠ³Π°ΡΠ΅Π»Ρ. ΠΠ½ ΠΈΠ·ΠΌΠ΅ΡΡΠ΅Ρ ΡΠΊΠΎΡΠΎΡΡΡ Π² ΠΎΠ±ΠΎΡΠΎΡΠ°Ρ
Π² ΠΌΠΈΠ½ΡΡΡ. Π ΠΎΡΠ½ΠΎΠ²Π½ΠΎΠΌ ΠΎΠ½ ΠΈΡΠΏΠΎΠ»ΡΠ·ΡΠ΅ΡΡΡ Π½Π° ΠΏΡΠΈΠ±ΠΎΡΠ½ΠΎΠΉ ΠΏΠ°Π½Π΅Π»ΠΈ Π°Π²ΡΠΎΠΌΠΎΠ±ΠΈΠ»Ρ Π΄Π»Ρ ΠΈΠ·ΠΌΠ΅ΡΠ΅Π½ΠΈΡ ΡΠΊΠΎΡΠΎΡΡΠΈ Π΄Π²ΠΈΠΆΠ΅Π½ΠΈΡ.
ΠΠ½ ΠΈΡΠΏΠΎΠ»ΡΠ·ΡΠ΅Ρ ΠΌΠ°Π³Π½ΠΈΡΠ½ΡΠΉ Π΄Π°ΡΡΠΈΠΊ, ΡΠ°ΡΠΏΠΎΠ»ΠΎΠΆΠ΅Π½Π½ΡΠΉ ΡΡΠ΄ΠΎΠΌ Ρ Π²ΡΠ°ΡΠ°ΡΡΠΈΠΌΡΡ Π΄Π²ΠΈΠ³Π°ΡΠ΅Π»Π΅ΠΌ, Π΄Π»Ρ Π³Π΅Π½Π΅ΡΠ°ΡΠΈΠΈ ΡΠ»Π΅ΠΊΡΡΠΈΡΠ΅ΡΠΊΠΈΡ
ΠΈΠΌΠΏΡΠ»ΡΡΠΎΠ². ΠΡΠΈ ΠΈΠΌΠΏΡΠ»ΡΡΡ ΠΈΠΌΠ΅ΡΡ ΡΠ°ΡΡΠΎΡΡ, ΠΏΡΠΎΠΏΠΎΡΡΠΈΠΎΠ½Π°Π»ΡΠ½ΡΡ ΡΠ°ΡΡΠΎΡΠ΅ Π²ΡΠ°ΡΠ΅Π½ΠΈΡ Π΄Π²ΠΈΠ³Π°ΡΠ΅Π»Ρ. - ΠΠ½Π°Π»ΠΎΠ³ΠΎΠ²ΡΠΉ ΡΠ°Ρ ΠΎΠΌΠ΅ΡΡ — ΠΡΠΎ ΡΠ»Π΅ΠΊΡΡΠΎΠ½Π½ΡΠΉ ΠΏΡΠΈΠ±ΠΎΡ, ΠΊΠΎΡΠΎΡΡΠΉ ΡΡΠΈΡΠ°Π΅Ρ ΠΎΠ±ΠΎΡΠΎΡΡ ΠΌΠ°ΡΠΈΠ½Ρ Π² Π·Π°Π²ΠΈΡΠΈΠΌΠΎΡΡΠΈ ΠΎΡ ΠΏΠ΅ΡΠΈΠΎΠ΄Π° Π²ΡΠ΅ΠΌΠ΅Π½ΠΈ.ΠΠ½ ΡΡΠΈΡΡΠ²Π°Π΅Ρ ΡΠ°ΡΡΠΎΡΡ, Ρ ΠΊΠΎΡΠΎΡΠΎΠΉ ΡΠΎΠΊ ΠΊΠ°ΡΡΡΠΊΠΈ ΠΌΠ΅Π½ΡΠ΅Ρ Π½Π°ΠΏΡΠ°Π²Π»Π΅Π½ΠΈΠ΅. ΠΡΠ»ΠΈ Π΄Π²ΠΈΠ³Π°ΡΠ΅Π»Ρ Π²ΡΠ°ΡΠ°Π΅ΡΡΡ Π±ΡΡΡΡΠ΅Π΅, ΠΈΠ·ΠΌΠ΅Π½Π΅Π½ΠΈΠ΅ ΠΌΠ°Π³Π½ΠΈΡΠ½ΠΎΠ³ΠΎ ΠΏΠΎΠ»Ρ ΡΡΠ°Π½ΠΎΠ²ΠΈΡΡΡ Π±ΠΎΠ»Π΅Π΅ ΡΠ°Π΄ΠΈΠΊΠ°Π»ΡΠ½ΡΠΌ Π·Π° ΡΡΠ΅Ρ ΡΠΎΠ·Π΄Π°Π½ΠΈΡ Π±ΠΎΠ»Π΅Π΅ Π²ΡΡΠΎΠΊΠΎΠ³ΠΎ Π½Π°ΠΏΡΡΠΆΠ΅Π½ΠΈΡ.
- Π¦ΠΈΡΡΠΎΠ²ΠΎΠΉ ΡΠ°Ρ ΠΎΠΌΠ΅ΡΡ — ΠΡΠΎ ΡΠΈΡΡΠΎΠ²ΠΎΠ΅ ΡΡΡΡΠΎΠΉΡΡΠ²ΠΎ, ΠΈΠ·ΠΌΠ΅ΡΡΡΡΠ΅Π΅ ΡΠΊΠΎΡΠΎΡΡΡ Π²ΡΠ°ΡΠ°ΡΡΠ΅Π³ΠΎΡΡ ΠΎΠ±ΡΠ΅ΠΊΡΠ°. ΠΡΠΎ ΠΎΠΏΡΠΈΡΠ΅ΡΠΊΠΈΠΉ ΡΠ½ΠΊΠΎΠ΄Π΅Ρ, ΠΊΠΎΡΠΎΡΡΠΉ ΠΎΠΏΡΠ΅Π΄Π΅Π»ΡΠ΅Ρ ΡΠ³Π»ΠΎΠ²ΡΡ ΡΠΊΠΎΡΠΎΡΡΡ Π²ΡΠ°ΡΠ°ΡΡΠ΅Π³ΠΎΡΡ Π²Π°Π»Π° ΠΈΠ»ΠΈ Π΄Π²ΠΈΠ³Π°ΡΠ΅Π»Ρ. ΠΠ½ ΠΎΠ±ΡΡΠ½ΠΎ ΠΈΡΠΏΠΎΠ»ΡΠ·ΡΠ΅ΡΡΡ Π² Π°Π²ΡΠΎΠΌΠΎΠ±ΠΈΠ»ΡΡ , ΡΠ°ΠΌΠΎΠ»Π΅ΡΠ°Ρ , ΠΌΠ΅Π΄ΠΈΡΠΈΠ½Π΅ ΠΈ ΠΏΡΠΈΠ±ΠΎΡΠΎΡΡΡΠΎΠ΅Π½ΠΈΠΈ.
- Π’Π°Ρ
ΠΎΠΌΠ΅ΡΡ Π΄Π»Ρ ΠΈΠ·ΠΌΠ΅ΡΠ΅Π½ΠΈΡ Π²ΡΠ΅ΠΌΠ΅Π½ΠΈ — ΠΠ½ Π²ΡΡΠΈΡΠ»ΡΠ΅Ρ ΡΠΊΠΎΡΠΎΡΡΡ ΠΏΡΡΠ΅ΠΌ ΠΈΠ·ΠΌΠ΅ΡΠ΅Π½ΠΈΡ Π²ΡΠ΅ΠΌΠ΅Π½Π½ΠΎΠ³ΠΎ ΠΈΠ½ΡΠ΅ΡΠ²Π°Π»Π° ΠΌΠ΅ΠΆΠ΄Ρ Π²Ρ
ΠΎΠ΄ΡΡΠΈΠΌΠΈ ΠΈΠΌΠΏΡΠ»ΡΡΠ°ΠΌΠΈ.ΠΠ½ Π±ΠΎΠ»ΡΡΠ΅ ΠΏΠΎΠ΄Ρ
ΠΎΠ΄ΠΈΡ Π΄Π»Ρ ΠΈΠ·ΠΌΠ΅ΡΠ΅Π½ΠΈΡ Π½ΠΈΠ·ΠΊΠΎΠΉ ΡΠΊΠΎΡΠΎΡΡΠΈ Ρ Π²ΡΡΠΎΠΊΠΎΠΉ ΡΠΎΡΠ½ΠΎΡΡΡΡ.

- Π’Π°Ρ ΠΎΠΌΠ΅ΡΡ Π΄Π»Ρ ΠΈΠ·ΠΌΠ΅ΡΠ΅Π½ΠΈΡ ΡΠ°ΡΡΠΎΡΡ — ΠΠ½ Π²ΡΡΠΈΡΠ»ΡΠ΅Ρ ΡΠΊΠΎΡΠΎΡΡΡ ΠΏΡΡΠ΅ΠΌ ΠΈΠ·ΠΌΠ΅ΡΠ΅Π½ΠΈΡ ΡΠ°ΡΡΠΎΡΡ ΠΈΠΌΠΏΡΠ»ΡΡΠΎΠ². Π‘ΠΊΠΎΡΠΎΡΡΡ Π²ΡΠ°ΡΠ΅Π½ΠΈΡ ΡΡΡΡΠΎΠΉΡΡΠ²Π° Π·Π°Π²ΠΈΡΠΈΡ ΠΎΡ Π²ΡΠ°ΡΠ°ΡΡΠ΅Π³ΠΎΡΡ Π²Π°Π»Π° ΠΈ ΠΏΠΎΠ΄Ρ ΠΎΠ΄ΠΈΡ Π΄Π»Ρ ΠΈΠ·ΠΌΠ΅ΡΠ΅Π½ΠΈΡ Π²ΡΡΠΎΠΊΠΎΠΉ ΡΠΊΠΎΡΠΎΡΡΠΈ. Π‘ΠΎΠ²ΡΠ΅ΠΌΠ΅Π½Π½Π°Ρ Π²Π΅ΡΡΠΈΡ ΠΏΠΎΡΡΠ°Π²Π»ΡΠ΅ΡΡΡ ΡΠΎ ΡΠ»ΠΎΠΆΠ½ΠΎΠΉ ΡΠΈΡΡΠΎΠ²ΠΎΠΉ ΡΡ Π΅ΠΌΠΎΠΉ Π΄Π»Ρ Π²ΡΠΏΠΎΠ»Π½Π΅Π½ΠΈΡ ΠΏΠΎΠ΄ΡΡΠ΅ΡΠ°, ΡΠΎΡ ΡΠ°Π½Π΅Π½ΠΈΡ, ΡΠ°ΡΡΠ΅ΡΠ°, ΠΎΡΠΎΠ±ΡΠ°ΠΆΠ΅Π½ΠΈΡ ΠΈ ΡΠ±ΡΠΎΡΠ° Π΄Π»Ρ ΠΎΠ±Π΅ΡΠΏΠ΅ΡΠ΅Π½ΠΈΡ Π²ΡΡ ΠΎΠ΄Π½ΠΎΠΉ ΠΌΠΎΡΠ½ΠΎΡΡΠΈ Π² ΠΎΠ±ΠΎΡΠΎΡΠ°Ρ Π² ΠΌΠΈΠ½ΡΡΡ.
- ΠΠ΅Ρ Π°Π½ΠΈΡΠ΅ΡΠΊΠΈΠΉ ΡΠ°Ρ ΠΎΠΌΠ΅ΡΡ — ΠΠ½ ΠΈΠΌΠ΅Π΅Ρ ΡΠ΅Π½ΡΡΠΎΠ±Π΅ΠΆΠ½ΡΡ ΡΠΈΠ»Ρ, Π΄Π΅ΠΉΡΡΠ²ΡΡΡΡΡ Π½Π° Π²ΡΠ°ΡΠ°ΡΡΡΡΡΡ ΠΌΠ°ΡΡΡ, ΡΡΠΎΠ±Ρ ΡΠ°ΡΡΡΠ³ΠΈΠ²Π°ΡΡ ΠΈΠ»ΠΈ ΡΠΆΠΈΠΌΠ°ΡΡ ΠΌΠ΅Ρ Π°Π½ΠΈΡΠ΅ΡΠΊΡΡ ΠΏΡΡΠΆΠΈΠ½Ρ.ΠΠ½ ΠΈΡΠΏΠΎΠ»ΡΠ·ΡΠ΅Ρ ΡΠ΅ΡΠΈΡ ΠΏΠΎΡΠ»Π΅Π΄ΠΎΠ²Π°ΡΠ΅Π»ΡΠ½ΠΎ Π½Π°ΡΡΡΠ°ΠΈΠ²Π°Π΅ΠΌΡΡ ΡΠ·ΡΡΠΊΠΎΠ² Π΄Π»Ρ ΠΎΠΏΡΠ΅Π΄Π΅Π»Π΅Π½ΠΈΡ ΡΠΊΠΎΡΠΎΡΡΠΈ Π΄Π²ΠΈΠ³Π°ΡΠ΅Π»Ρ. ΠΠ½ ΠΎΡΠΎΠ±ΡΠ°ΠΆΠ°Π΅Ρ ΡΠ°ΡΡΠΎΡΡ Π²ΡΠ°ΡΠ΅Π½ΠΈΡ Π΄Π²ΠΈΠ³Π°ΡΠ΅Π»Ρ, ΡΠΊΠ°Π·ΡΠ²Π°Ρ ΡΠ°ΡΡΠΎΡΡ Π²ΠΈΠ±ΡΠ°ΡΠΈΠΈ ΠΌΠ°ΡΠΈΠ½Ρ.
Π’ΠΎΡΠ½ΠΎΡΡΡ, ΠΏΡΠ΅ΡΠΈΠ·ΠΈΠΎΠ½Π½ΠΎΡΡΡ, ΠΊΠΎΠ½ΡΠ°ΠΊΡΠ½ΡΠΉ, Π±Π΅ΡΠΊΠΎΠ½ΡΠ°ΠΊΡΠ½ΡΠΉ ΡΠΈΠΏ, Π΄ΠΈΠ°ΠΏΠ°Π·ΠΎΠ½, Π²ΡΠ΅ΠΌΡ ΡΠ±ΠΎΡΠ° Π΄Π°Π½Π½ΡΡ
, ΠΏΠΎΡΡΠ°ΡΠΈΠ²Π½ΡΠΉ / ΡΠΈΠΊΡΠΈΡΠΎΠ²Π°Π½Π½ΡΠΉ, Π°Π½Π°Π»ΠΎΠ³ΠΎΠ²ΡΠΉ / ΡΠΈΡΡΠΎΠ²ΠΎΠΉ ΠΈ ΡΡΠΎΠΈΠΌΠΎΡΡΡ ΡΠ²Π»ΡΡΡΡΡ Π²Π°ΠΆΠ½ΡΠΌΠΈ ΡΠ°ΠΊΡΠΎΡΠ°ΠΌΠΈ, ΠΊΠΎΡΠΎΡΡΠ΅ Π½Π΅ΠΎΠ±Ρ
ΠΎΠ΄ΠΈΠΌΠΎ ΡΡΠΈΡΡΠ²Π°ΡΡ ΠΏΡΠΈ Π²ΡΠ±ΠΎΡΠ΅ ΠΏΡΠ°Π²ΠΈΠ»ΡΠ½ΠΎΠ³ΠΎ ΡΠΈΠΏΠ° ΡΠ°Ρ
ΠΎΠΌΠ΅ΡΡΠ°.
ΠΡΠΈΠ»ΠΎΠΆΠ΅Π½ΠΈΠ΅:
- ΠΡΠΏΠΎΠ»ΡΠ·ΡΠ΅ΡΡΡ Π΄Π»Ρ ΠΈΠ·ΠΌΠ΅ΡΠ΅Π½ΠΈΡ ΡΠΊΠΎΡΠΎΡΡΠΈ Π²ΡΠ°ΡΠ΅Π½ΠΈΡ.
- ΠΠΎΠΆΠ΅Ρ ΠΈΠ·ΠΌΠ΅ΡΡΡΡ ΡΠ°ΡΡ ΠΎΠ΄ ΠΆΠΈΠ΄ΠΊΠΎΡΡΠΈ Ρ ΠΏΠΎΠΌΠΎΡΡΡ ΠΏΡΠΈΠΊΡΠ΅ΠΏΠ»Π΅Π½Π½ΠΎΠ³ΠΎ ΠΊΠΎΠ»Π΅ΡΠ° Ρ Π½Π°ΠΊΠ»ΠΎΠ½Π½ΡΠΌ ΡΠ³Π»ΠΎΠΌ.
- ΠΡΠΈΠΌΠ΅Π½ΡΠ΅ΡΡΡ Π² ΠΌΠ΅Π΄ΠΈΡΠΈΠ½ΡΠΊΠΎΠΌ ΡΠ΅ΠΊΡΠΎΡΠ΅ Π΄Π»Ρ ΠΈΠ·ΠΌΠ΅ΡΠ΅Π½ΠΈΡ ΡΠΊΠΎΡΠΎΡΡΠΈ ΠΊΡΠΎΠ²ΠΎΡΠΎΠΊΠ° Ρ ΠΏΠ°ΡΠΈΠ΅Π½ΡΠΎΠ².
- ΠΡΠΏΠΎΠ»ΡΠ·ΡΠ΅ΡΡΡ Π² ΡΡΠ°Π½ΡΠΏΠΎΡΡΠ½ΡΡ ΡΡΠ΅Π΄ΡΡΠ²Π°Ρ Π΄Π»Ρ ΠΎΡΠΎΠ±ΡΠ°ΠΆΠ΅Π½ΠΈΡ ΡΠΊΠΎΡΠΎΡΡΠΈ Π²ΡΠ°ΡΠ΅Π½ΠΈΡ ΠΊΠΎΠ»Π΅Π½ΡΠ°ΡΠΎΠ³ΠΎ Π²Π°Π»Π° Π΄Π²ΠΈΠ³Π°ΡΠ΅Π»Ρ.
ΠΠ°ΠΊΠ»ΡΡΠ΅Π½ΠΈΠ΅:
Π’Π°Ρ
ΠΎΠΌΠ΅ΡΡ — ΠΎΠ΄ΠΈΠ½ ΠΈΠ· Π²Π°ΠΆΠ½Π΅ΠΉΡΠΈΡ
ΡΠ»Π΅ΠΌΠ΅Π½ΡΠΎΠ² ΡΠΏΡΠ°Π²Π»Π΅Π½ΠΈΡ ΠΏΡΠΎΠΌΡΡΠ»Π΅Π½Π½ΡΠΌΠΈ Π΄Π²ΠΈΠ³Π°ΡΠ΅Π»ΡΠΌΠΈ. ΠΠ΅ΠΊΠΎΡΠΎΡΡΠ΅ ΠΈΠ· Π΅Π³ΠΎ ΠΎΡΠ½ΠΎΠ²Π½ΡΡ
ΡΡΠ½ΠΊΡΠΈΠΉ Π²ΠΊΠ»ΡΡΠ°ΡΡ ΠΌΠΎΠ½ΠΈΡΠΎΡΠΈΠ½Π³ ΡΠΊΠΎΡΠΎΡΡΠΈ Π΄Π²ΠΈΠ³Π°ΡΠ΅Π»Ρ, ΠΏΠΎΠ΄ΡΡΠ΅Ρ, ΡΠΏΡΠ°Π²Π»Π΅Π½ΠΈΠ΅ ΠΏΡΠΎΡΠ΅ΡΡΠΎΠΌ ΠΈ ΠΏΡΠΈΠ»ΠΎΠΆΠ΅Π½ΠΈΠ΅ ΡΠΎΠΎΡΠ½ΠΎΡΠ΅Π½ΠΈΡ / ΡΡΠ³ΠΈ. ΠΡΠΈΠ½ΠΈΠΌΠ°Ρ Π²ΠΎ Π²Π½ΠΈΠΌΠ°Π½ΠΈΠ΅, ΡΡΠΎ ΡΡΠΎ ΠΏΡΠΈΠΌΠ΅Π½ΠΈΠΌΠΎ Π΄Π»Ρ ΠΎΠ±ΠΎΡΡΠ΄ΠΎΠ²Π°Π½ΠΈΡ, ΡΠ°ΠΊΠΎΠ³ΠΎ ΠΊΠ°ΠΊ ΠΊΠΎΠ½Π²Π΅ΠΉΠ΅ΡΡ, Π²Π΅ΡΡΡΠ½ΡΠ΅ ΠΌΠ΅Π»ΡΠ½ΠΈΡΡ, ΡΠΎΡΠΎΡΠ½ΡΠ΅ ΠΏΠΈΡΠ°ΡΠ΅Π»ΠΈ, ΠΈΠ·ΠΌΠ΅Π»ΡΡΠΈΡΠ΅Π»ΠΈ, ΡΡΡΠΈΠ»ΠΊΠΈ, ΡΠ½Π΅ΠΊΠΈ, ΡΠ»Π΅Π²Π°ΡΠΎΡΡ ΠΈ Ρ. Π.Π ΠΏΠΎΠ΄Ρ
ΠΎΠ΄ΡΡΠΈΠ΅ ΠΎΡΡΠ°ΡΠ»ΠΈ Π²ΠΊΠ»ΡΡΠ°ΡΡ ΡΠ»Π΅ΠΊΡΡΠΎΡΡΠ°Π½ΡΠΈΠΈ, ΠΏΠ΅ΡΠ΅ΡΠ°Π±Π°ΡΡΠ²Π°ΡΡΠΈΠ΅ ΠΈ Ρ
ΠΈΠΌΠΈΡΠ΅ΡΠΊΠΈΠ΅ ΠΏΡΠ΅Π΄ΠΏΡΠΈΡΡΠΈΡ, Π°Π²ΡΠΎΠΌΠΎΠ±ΠΈΠ»Π΅ΡΡΡΠΎΠ΅Π½ΠΈΠ΅ ΠΈ ΠΏΠΎΠ³ΡΡΠ·ΠΎΡΠ½ΠΎ-ΡΠ°Π·Π³ΡΡΠ·ΠΎΡΠ½ΡΠ΅ ΡΠ°Π±ΠΎΡΡ, ΠΏΡΠΎΠ΄ΡΠΊΡΡ ΠΏΠΈΡΠ°Π½ΠΈΡ ΠΈ Π½Π°ΠΏΠΈΡΠΊΠΈ, Π±ΡΠΌΠ°ΠΆΠ½ΡΠ΅ ΡΠ°Π±ΡΠΈΠΊΠΈ ΠΈ Ρ. Π. Π’Π΅ΠΏΠ΅ΡΡ ΠΎΠ±Π΅ΡΠΏΠ΅ΡΡΡΠ΅ Π±Π΅Π·ΠΎΠΏΠ°ΡΠ½ΠΎΡΡΡ ΡΠ²ΠΎΠ΅Π³ΠΎ ΠΎΠ±ΠΎΡΡΠ΄ΠΎΠ²Π°Π½ΠΈΡ ΠΈ Π°Π²ΡΠΎΠΌΠΎΠ±ΠΈΠ»Ρ, ΠΈΠ·ΠΌΠ΅ΡΡΡ ΡΠ°Π±ΠΎΡΡΡ ΡΠΊΠΎΡΠΎΡΡΡ Π΄Π²ΠΈΠ³Π°ΡΠ΅Π»Ρ ΠΈ ΠΏΠΎΠ΄Π΄Π΅ΡΠΆΠΈΠ²Π°Ρ Π±Π΅Π·ΠΎΠΏΠ°ΡΠ½ΡΡ ΡΠΊΠΎΡΠΎΡΡΡ.
Π΄ΠΈΠ°ΠΏΠ°Π·ΠΎΠ½ Ρ ΠΏΠΎΠΌΠΎΡΡΡ ΡΠ°Ρ
ΠΎΠΌΠ΅ΡΡΠ°. ΠΠ΅ΠΊΠΎΡΠΎΡΡΠ΅ ΠΈΠ· Π½Π°ΡΠΈΡ
ΡΠ°ΠΌΡΡ
ΠΏΡΠΎΠ΄Π°Π²Π°Π΅ΠΌΡΡ
ΡΠ°Ρ
ΠΎΠΌΠ΅ΡΡΠΎΠ² Π²ΠΊΠ»ΡΡΠ°ΡΡ Π±Π΅ΡΠΊΠΎΠ½ΡΠ°ΠΊΡΠ½ΡΠΉ ΡΠ°Ρ
ΠΎΠΌΠ΅ΡΡ Beetech HTM 560 — 99999 ΠΎΠ± / ΠΌΠΈΠ½, Π±Π΅ΡΠΊΠΎΠ½ΡΠ°ΠΊΡΠ½ΡΠΉ ΡΠΈΡΡΠΎΠ²ΠΎΠΉ ΡΠ°Ρ
ΠΎΠΌΠ΅ΡΡ Kusam Meco KM 2234BL — ΠΎΡ 5 Π΄ΠΎ 99999 ΠΎΠ± / ΠΌΠΈΠ½ ΠΈ ΡΠΈΡΡΠΎΠ²ΠΎΠΉ ΡΠ°Ρ
ΠΎΠΌΠ΅ΡΡ Metravi NCTM 500 — 99999 ΠΎΠ± / ΠΌΠΈΠ½.
— ΠΠ°ΠΊ Π½Π° ΡΠ°ΠΌΠΎΠΌ Π΄Π΅Π»Π΅ ΡΠ°Π±ΠΎΡΠ°Π΅Ρ ΡΠ°Ρ ΠΎΠΌΠ΅ΡΡ Π½Π° ΠΌΠΎΠ΅ΠΉ ΠΏΡΠΈΠ±ΠΎΡΠ½ΠΎΠΉ ΠΏΠ°Π½Π΅Π»ΠΈ?
Π₯ΠΎΡΡ Ρ Π½Π΅ ΡΠ²Π΅ΡΠ΅Π½, ΡΡΡΠ΅ΡΡΠ²ΡΡΡ Π»ΠΈ ΠΌΠ΅Ρ Π°Π½ΠΈΡΠ΅ΡΠΊΠΈΠ΅ ΡΠ°Ρ ΠΎΠΌΠ΅ΡΡΡ, Π½Π°ΠΏΡΠΈΠΌΠ΅Ρ, ΡΠΏΠΈΠ΄ΠΎΠΌΠ΅ΡΡΡ, ΡΠ»Π΅ΠΊΡΡΠΎΠ½Π½ΡΠ΅ ΡΠ°Ρ ΠΎΠΌΠ΅ΡΡΡ Π΄ΠΎΠ²ΠΎΠ»ΡΠ½ΠΎ ΠΏΡΠΎΡΡΡ.
ΠΠ»Π΅ΠΊΡΡΠΎΠ½Π½ΡΠΉ ΡΠ°Ρ ΠΎΠΌΠ΅ΡΡ ΡΠ°Π±ΠΎΡΠ°Π΅Ρ ΠΊΠ°ΠΊ ΡΡΠ°ΡΡΠΉ Π°Π½Π°Π»ΠΎΠ³ΠΎΠ²ΡΠΉ Π²ΠΎΠ»ΡΡΠΌΠ΅ΡΡ.
Π‘ΠΊΠΎΡΠΎΡΡΡ Π΄Π²ΠΈΠ³Π°ΡΠ΅Π»Ρ ΠΏΡΠ΅ΠΎΠ±ΡΠ°Π·ΡΠ΅ΡΡΡ Π² Π½Π°ΠΏΡΡΠΆΠ΅Π½ΠΈΠ΅. ΠΠ°ΠΏΡΡΠΆΠ΅Π½ΠΈΠ΅ ΠΏΠΎΠ΄Π°Π΅ΡΡΡ Π½Π° ΠΏΠΎΠ΄Π²ΠΈΠΆΠ½ΡΡ ΠΊΠ°ΡΡΡΠΊΡ. ΠΠ°ΡΡΡΠΊΠ° ΡΠΎΠ·Π΄Π°Π΅Ρ ΠΌΠ°Π³Π½ΠΈΡΠ½ΠΎΠ΅ ΠΏΠΎΠ»Π΅. ΠΡΠΎ ΠΏΠΎΠ»Π΅ ΠΊΠ°ΡΡΡΠΊΠΈ ΠΏΡΡΠ°Π΅ΡΡΡ Π²ΡΡΠΎΠ²Π½ΡΡΡΡΡ Ρ ΠΌΠ°Π³Π½ΠΈΡΠ½ΡΠΌ ΠΏΠΎΠ»Π΅ΠΌ ΠΌΠ°Π³Π½ΠΈΡΠΎΠ².ΠΡΠΎ Π·Π°ΡΡΠ°Π²Π»ΡΠ΅Ρ ΠΊΠ°ΡΡΡΠΊΡ Π΄Π²ΠΈΠ³Π°ΡΡΡΡ ΠΏΡΠΎΡΠΈΠ² ΠΏΡΡΠΆΠΈΠ½Ρ, ΠΎΡΠΊΠ»ΠΎΠ½ΡΡΡΠ΅ΠΉ ΠΈΠ³Π»Ρ. ΠΠΎΠΌΠ±ΠΈΠ½ΠΈΡΡΡ Π²Ρ
ΠΎΠ΄Π½ΠΎΠ΅ Π½Π°ΠΏΡΡΠΆΠ΅Π½ΠΈΠ΅, ΠΊΠΎΠ»ΠΈΡΠ΅ΡΡΠ²ΠΎ Π²ΠΈΡΠΊΠΎΠ² Π² ΠΏΠΎΠ΄Π²ΠΈΠΆΠ½ΠΎΠΉ ΠΊΠ°ΡΡΡΠΊΠ΅, ΡΠΈΠ»Ρ ΠΌΠ°Π³Π½ΠΈΡΠ° ΠΈ ΡΠΈΠ»Ρ ΠΏΡΡΠΆΠΈΠ½Ρ, Π΄ΠΎΡΡΠΈΠ³Π°Π΅ΡΡΡ ΡΠΎΠΎΡΠ½ΠΎΡΠ΅Π½ΠΈΠ΅, ΠΏΡΠΈ ΠΊΠΎΡΠΎΡΠΎΠΌ ΠΈΠ³Π»Π° ΠΎΡΠΊΠ»ΠΎΠ½ΡΠ΅ΡΡΡ Π½Π° Π½Π΅ΡΠΊΠΎΠ»ΡΠΊΠΎ Π³ΡΠ°Π΄ΡΡΠΎΠ² Π½Π° Π²ΠΎΠ»ΡΡ.
ΠΠ»Π΅ΠΊΡΡΠΎΠ½Π½ΡΠ΅ Π·Π°ΠΆΠΈΠ³Π°Π½ΠΈΡ Π²ΠΊΠ»ΡΡΠ°ΡΡ ΠΈ Π²ΡΠΊΠ»ΡΡΠ°ΡΡ ΠΊΠ°ΡΡΡΠΊΡ Π·Π°ΠΆΠΈΠ³Π°Π½ΠΈΡ ΠΈΠΌΠΏΡΠ»ΡΡΠ°ΠΌΠΈ, ΡΡΠΎΠ±Ρ ΡΠΎΠ·Π΄Π°ΡΡ ΠΈΡΠΊΡΡ. ΠΡΠΈ ΠΈΠΌΠΏΡΠ»ΡΡΡ Π½Π°ΠΏΡΡΠΌΡΡ Π·Π°Π²ΠΈΡΡΡ ΠΎΡ ΡΠΊΠΎΡΠΎΡΡΠΈ Π²ΡΠ°ΡΠ΅Π½ΠΈΡ Π΄Π²ΠΈΠ³Π°ΡΠ΅Π»Ρ. ΠΠ°ΠΏΡΠΈΠΌΠ΅Ρ, V8 Π±ΡΠ΄Π΅Ρ ΠΈΠΌΠ΅ΡΡ ΡΠ΅ΡΡΡΠ΅ ΠΈΠΌΠΏΡΠ»ΡΡΠ° Π½Π° ΠΎΠ±ΠΎΡΠΎΡ. ΠΡΠΈ ΠΈΠΌΠΏΡΠ»ΡΡΡ ΠΏΡΠ΅ΠΎΠ±ΡΠ°Π·ΡΡΡΡΡ Π² Π½Π°ΠΏΡΡΠΆΠ΅Π½ΠΈΠ΅ Ρ ΠΏΠΎΠΌΠΎΡΡΡ ΠΏΡΠ΅ΠΎΠ±ΡΠ°Π·ΠΎΠ²Π°ΡΠ΅Π»Ρ ΡΠ°ΡΡΠΎΡΡ Π² Π½Π°ΠΏΡΡΠΆΠ΅Π½ΠΈΠ΅.Π‘ΡΡΠ΅ΡΡΠ²ΡΡΡ Π΄ΠΈΡΠΊΡΠ΅ΡΠ½ΡΠ΅ ΡΡ Π΅ΠΌΡ ΠΈΠ»ΠΈ ΠΎΡΠ΄Π΅Π»ΡΠ½ΡΠ΅ ΠΌΠΈΠΊΡΠΎΡΡ Π΅ΠΌΡ, ΠΊΠΎΡΠΎΡΡΠ΅ ΠΌΠΎΠ³ΡΡ Π²ΡΠΏΠΎΠ»Π½ΡΡΡ ΡΡΠΎ Π΄Π΅ΠΉΡΡΠ²ΠΈΠ΅. ΠΠ°ΠΏΡΠΈΠΌΠ΅Ρ, ΡΠΈΡΡΠ΅ΠΌΡ Π·Π°ΠΆΠΈΠ³Π°Π½ΠΈΡ GM HEI ΠΎΠ±ΡΡΠ½ΠΎ ΠΏΠΎΠ΄ΠΊΠ»ΡΡΠ°ΡΡΡΡ ΠΊ ΡΠΈΠ³Π½Π°Π»ΡΠ½ΠΎΠΌΡ ΠΏΡΠΎΠ²ΠΎΠ΄Ρ ΠΊΠ°ΡΡΡΠΊΠΈ Π·Π°ΠΆΠΈΠ³Π°Π½ΠΈΡ, ΡΡΠΎΠ±Ρ ΠΏΠΎΠ»ΡΡΠΈΡΡ ΠΏΠΎΠΊΠ°Π·Π°Π½ΠΈΡ ΠΎΠ±ΠΎΡΠΎΡΠΎΠ².
ΠΡΠΈ ΠΈΠΌΠΏΡΠ»ΡΡΡ, ΠΊΠ°ΠΊ ΠΈ Π² GM HEI, Π³Π΅Π½Π΅ΡΠΈΡΠΎΠ²Π°Π»ΠΈΡΡ ΠΌΠΎΠ΄ΡΠ»Π΅ΠΌ Π·Π°ΠΆΠΈΠ³Π°Π½ΠΈΡ Ρ Π²Ρ ΠΎΠ΄Π° ΠΏΡΠΈΠ΅ΠΌΠ½ΠΎΠΉ ΠΊΠ°ΡΡΡΠΊΠΈ Π² ΡΠ°ΡΠΏΡΠ΅Π΄Π΅Π»ΠΈΡΠ΅Π»Π΅. Π ΡΡΠΈΡ ΡΠΈΡΡΠ΅ΠΌΠ°Ρ ΡΠΈΠ½Ρ ΡΠΎΠ½ΠΈΠ·Π°ΡΠΈΡ ΡΠΏΡΠ°Π²Π»ΡΠ΅ΡΡΡ ΠΏΠΎΠ»Π½ΠΎΡΡΡΡ Π°Π½Π°Π»ΠΎΠ³ΠΎΠ²ΡΠΌ ΡΠΏΠΎΡΠΎΠ±ΠΎΠΌ. ΠΠΈΡΠΈ ΠΈ Π²Π°ΠΊΡΡΠΌΠ½ΠΎΠ΅ ΠΎΠΏΠ΅ΡΠ΅ΠΆΠ΅Π½ΠΈΠ΅ ΡΠΏΡΠ°Π²Π»ΡΡΡ ΡΠΈΠ½Ρ ΡΠΎΠ½ΠΈΠ·Π°ΡΠΈΠ΅ΠΉ Π² ΡΠ°ΡΠΏΡΠ΅Π΄Π΅Π»ΠΈΡΠ΅Π»Π΅.
ΠΠΎ ΠΌΠ΅ΡΠ΅ ΡΠΎΠ³ΠΎ, ΠΊΠ°ΠΊ ΡΠΈΡΡΠ΅ΠΌΡ Π·Π°ΠΆΠΈΠ³Π°Π½ΠΈΡ ΡΡΠ°Π»ΠΈ Π±ΠΎΠ»Π΅Π΅ ΡΠ»ΠΎΠΆΠ½ΡΠΌΠΈ, ΠΏΡΠΈΠ΅ΠΌΠ½Π°Ρ ΠΊΠ°ΡΡΡΠΊΠ° Π±ΡΠ»Π° Π·Π°ΠΌΠ΅Π½Π΅Π½Π° Π΄Π°ΡΡΠΈΠΊΠΎΠΌ ΠΏΠΎΠ»ΠΎΠΆΠ΅Π½ΠΈΡ ΠΊΠΎΠ»Π΅Π½ΡΠ°ΡΠΎΠ³ΠΎ Π²Π°Π»Π°, Π° ΠΏΡΠΎΡΠΈΠ²ΠΎΠ²Π΅ΡΡ / Π²Π°ΠΊΡΡΠΌΠ½ΠΎΠ΅ ΠΎΠΏΠ΅ΡΠ΅ΠΆΠ΅Π½ΠΈΠ΅ Π±ΡΠ»ΠΈ Π·Π°ΠΌΠ΅Π½Π΅Π½Ρ ΠΊΠΎΠΌΠΏΡΡΡΠ΅ΡΠΎΠΌ.Π ΠΊΠΎΠ½ΡΠ΅ ΠΊΠΎΠ½ΡΠΎΠ², Π²ΠΌΠ΅ΡΡΠΎ ΡΠΎΠ³ΠΎ, ΡΡΠΎΠ±Ρ ΠΏΠΎΠ»ΡΡΠ°ΡΡ ΠΈΠΌΠΏΡΠ»ΡΡΡ ΠΎΡ ΠΊΠ°ΡΡΡΠΊΠΈ, ΡΠΈΠ³Π½Π°Π» ΠΏΡΠΈΡΠ΅Π» ΠΏΡΡΠΌΠΎ Ρ ΠΊΠΎΠΌΠΏΡΡΡΠ΅ΡΠ°.
ΠΠ°ΠΆΠ΅ ΠΏΠΎ ΡΠ΅ΠΉ Π΄Π΅Π½Ρ ΠΎΡΠ½ΠΎΠ²Π½Π°Ρ ΡΡΡΡΠΊΡΡΡΠ° ΠΈ ΠΏΡΠΈΠ½ΡΠΈΠΏ Π΄Π΅ΠΉΡΡΠ²ΠΈΡ ΡΠΈΠ·ΠΈΡΠ΅ΡΠΊΠΎΠΉ ΡΡΡΠ΅Π»ΠΊΠΈ Π½Π° ΠΏΡΠΈΠ±ΠΎΡΠ½ΠΎΠΉ ΠΏΠ°Π½Π΅Π»ΠΈ ΠΎΡΡΠ°Π»ΠΈΡΡ ΠΏΡΠ°ΠΊΡΠΈΡΠ΅ΡΠΊΠΈ Π½Π΅ΠΈΠ·ΠΌΠ΅Π½Π½ΡΠΌΠΈ, ΡΠ°Π·Π½ΠΈΡΠ° ΡΠΎΠ»ΡΠΊΠΎ Π² ΡΠΎΠΌ, ΠΎΡΠΊΡΠ΄Π° ΠΈΡΡ
ΠΎΠ΄ΠΈΡ ΡΠΈΠ³Π½Π°Π» ΠΈ ΠΊΠ°ΠΊ ΠΎΠ½ ΠΏΠΎΡΡΡΠΏΠ°Π΅Ρ Π½Π° ΠΏΡΠΈΠ±ΠΎΡΠ½ΡΡ ΠΏΠ°Π½Π΅Π»Ρ.
Π’Π°ΠΊ ΠΊΠ°ΠΊ ΠΊΠΎΠΌΠΏΡΡΡΠ΅Ρ Π΄Π²ΠΈΠ³Π°ΡΠ΅Π»Ρ Π·Π½Π°Π΅Ρ ΡΠΈΡΠ»ΠΎ ΠΎΠ±ΠΎΡΠΎΡΠΎΠ² Π² ΠΌΠΈΠ½ΡΡΡ Π² ΡΠΈΡΡΠΎΠ²ΠΎΠΌ Π²ΠΈΠ΄Π΅, ΠΊΠΎΠΌΠΏΡΡΡΠ΅Ρ Π΄Π²ΠΈΠ³Π°ΡΠ΅Π»Ρ ΠΎΡΠΏΡΠ°Π²Π»ΡΠ΅Ρ ΠΈΠ½ΡΠΎΡΠΌΠ°ΡΠΈΡ Π½Π° ΠΏΡΠΈΠ±ΠΎΡΠ½ΡΡ ΠΏΠ°Π½Π΅Π»Ρ ΠΏΠΎ ΡΠ΅ΡΠΈ.
ΠΠΎΠΏΡΠΎΡ: ΠΠ°ΠΊ ΡΠ°Π±ΠΎΡΠ°Π΅Ρ ΡΠ°Ρ ΠΎΠΌΠ΅ΡΡ? — AutoacService
Π§ΡΠΎ ΡΠ°ΠΊΠΎΠ΅ ΡΠ°Ρ ΠΎΠΌΠ΅ΡΡ ΠΈ ΠΊΠ°ΠΊ ΠΎΠ½ ΡΠ°Π±ΠΎΡΠ°Π΅Ρ?
Π’Π°Ρ ΠΎΠΌΠ΅ΡΡ — ΡΡΠΎ ΡΠ΅Π½ΡΠΎΡΠ½ΠΎΠ΅ ΡΡΡΡΠΎΠΉΡΡΠ²ΠΎ, ΠΈΡΠΏΠΎΠ»ΡΠ·ΡΠ΅ΠΌΠΎΠ΅ Π΄Π»Ρ ΠΈΠ·ΠΌΠ΅ΡΠ΅Π½ΠΈΡ ΡΠΊΠΎΡΠΎΡΡΠΈ Π²ΡΠ°ΡΠ΅Π½ΠΈΡ ΠΎΠ±ΡΠ΅ΠΊΡΠ°, ΡΠ°ΠΊΠΎΠ³ΠΎ ΠΊΠ°ΠΊ Π²Π°Π» Π΄Π²ΠΈΠ³Π°ΡΠ΅Π»Ρ Π² Π°Π²ΡΠΎΠΌΠΎΠ±ΠΈΠ»Π΅, ΠΈ ΠΎΠ±ΡΡΠ½ΠΎ ΠΎΠ³ΡΠ°Π½ΠΈΡΠΈΠ²Π°Π΅ΡΡΡ ΠΌΠ΅Ρ Π°Π½ΠΈΡΠ΅ΡΠΊΠΈΠΌΠΈ ΠΈΠ»ΠΈ ΡΠ»Π΅ΠΊΡΡΠΈΡΠ΅ΡΠΊΠΈΠΌΠΈ ΠΏΡΠΈΠ±ΠΎΡΠ°ΠΌΠΈ.ΠΡΠΎ ΡΡΡΡΠΎΠΉΡΡΠ²ΠΎ ΡΠΊΠ°Π·ΡΠ²Π°Π΅Ρ ΠΊΠΎΠ»ΠΈΡΠ΅ΡΡΠ²ΠΎ ΠΎΠ±ΠΎΡΠΎΡΠΎΠ² Π² ΠΌΠΈΠ½ΡΡΡ (ΠΎΠ± / ΠΌΠΈΠ½), ΡΠΎΠ²Π΅ΡΡΠ°Π΅ΠΌΡΡ ΠΎΠ±ΡΠ΅ΠΊΡΠΎΠΌ.
ΠΠ°ΠΊ ΡΠ°Ρ ΠΎΠΌΠ΅ΡΡ ΠΈΠ·ΠΌΠ΅ΡΡΠ΅Ρ ΡΠΈΡΠ»ΠΎ ΠΎΠ±ΠΎΡΠΎΡΠΎΠ² Π² ΠΌΠΈΠ½ΡΡΡ?
ΠΠΎΠ½ΡΠ°ΠΊΡΠ½ΡΠΉ ΡΠ°Ρ
ΠΎΠΌΠ΅ΡΡ: ΡΡΡΡΠΎΠΉΡΡΠ²ΠΎ, ΠΈΡΠΏΠΎΠ»ΡΠ·ΡΠ΅ΠΌΠΎΠ΅ Π΄Π»Ρ ΠΈΠ·ΠΌΠ΅ΡΠ΅Π½ΠΈΡ ΡΠ°ΡΡΠΎΡΡ Π²ΡΠ°ΡΠ΅Π½ΠΈΡ ΠΈΠ»ΠΈ Π»ΠΈΠ½Π΅ΠΉΠ½ΠΎΠΉ ΡΠΊΠΎΡΠΎΡΡΠΈ ΠΏΡΡΠ΅ΠΌ ΡΠΈΠ·ΠΈΡΠ΅ΡΠΊΠΎΠ³ΠΎ ΠΏΡΠΈΠΊΠΎΡΠ½ΠΎΠ²Π΅Π½ΠΈΡ Π²ΠΎΠ³Π½ΡΡΠΎΠ³ΠΎ Π½Π°ΠΊΠΎΠ½Π΅ΡΠ½ΠΈΠΊΠ°, Π²ΡΠΏΡΠΊΠ»ΠΎΠ³ΠΎ Π½Π°ΠΊΠΎΠ½Π΅ΡΠ½ΠΈΠΊΠ° ΠΈΠ»ΠΈ ΠΏΠΎΠ²Π΅ΡΡ
Π½ΠΎΡΡΠ½ΠΎΠ³ΠΎ ΠΊΠΎΠ»Π΅ΡΠ° ΠΊ Π²ΡΠ°ΡΠ°ΡΡΠ΅ΠΌΡΡΡ ΠΈΠ»ΠΈ Π΄Π²ΠΈΠΆΡΡΠ΅ΠΌΡΡΡ ΠΎΠ±ΡΠ΅ΠΊΡΡ.
ΠΠΏΡΠΈΡΠ΅ΡΠΊΠΈΠΉ ΡΠ°Ρ
ΠΎΠΌΠ΅ΡΡ: Π±Π΅ΡΠΊΠΎΠ½ΡΠ°ΠΊΡΠ½ΠΎΠ΅ ΡΡΡΡΠΎΠΉΡΡΠ²ΠΎ, ΠΈΡΠΏΠΎΠ»ΡΠ·ΡΠ΅ΠΌΠΎΠ΅ Π΄Π»Ρ ΠΈΠ·ΠΌΠ΅ΡΠ΅Π½ΠΈΡ ΡΠΈΡΠ»Π° ΠΎΠ±ΠΎΡΠΎΡΠΎΠ² Π² ΠΌΠΈΠ½ΡΡΡ ΠΏΡΡΠ΅ΠΌ ΠΈΠ·ΠΌΠ΅ΡΠ΅Π½ΠΈΡ ΠΊΠΎΠ»ΠΈΡΠ΅ΡΡΠ²Π° ΠΎΠ±ΠΎΡΠΎΡΠΎΠ² ΠΎΡΡΠ°ΠΆΠ°ΡΡΠ΅ΠΉ ΠΏΠΎΠ²Π΅ΡΡ
Π½ΠΎΡΡΠΈ Π·Π° ΠΎΠ΄Π½Ρ ΠΌΠΈΠ½ΡΡΡ.
ΠΠ°ΠΊΠΎΠ²Ρ ΡΡΠ½ΠΊΡΠΈΠΈ ΡΠ°Ρ ΠΎΠΌΠ΅ΡΡΠ°?
Π’Π°Ρ ΠΎΠΌΠ΅ΡΡ — ΡΡΠΎ ΡΡΡΡΠΎΠΉΡΡΠ²ΠΎ Π΄Π»Ρ ΡΡΠ΅ΡΠ°.ΠΠ½ ΠΈΡΠΏΠΎΠ»ΡΠ·ΡΠ΅ΡΡΡ Π΄Π»Ρ ΠΎΡΠΎΠ±ΡΠ°ΠΆΠ΅Π½ΠΈΡ ΠΊΠΎΠ»ΠΈΡΠ΅ΡΡΠ²Π° ΠΎΠ±ΠΎΡΠΎΡΠΎΠ² Π² ΠΌΠΈΠ½ΡΡΡ (RPM) Π°Π²ΠΈΠ°ΡΠΈΠΎΠ½Π½ΠΎΠ³ΠΎ Π΄Π²ΠΈΠ³Π°ΡΠ΅Π»Ρ. Π‘Π°ΠΌΠΎΠ»Π΅ΡΡ Π½ΡΠΆΠ΅Π½ ΠΎΠ΄ΠΈΠ½ ΡΠ°Ρ ΠΎΠΌΠ΅ΡΡ Π΄Π»Ρ ΠΊΠ°ΠΆΠ΄ΠΎΠ³ΠΎ Π΄Π²ΠΈΠ³Π°ΡΠ΅Π»Ρ. ΠΠ²ΠΈΠ³Π°ΡΠ΅Π»ΠΈ ΡΠ°ΠΌΠΎΠ»Π΅ΡΠ° ΡΠ°ΡΡΠΎ ΡΠ°Π±ΠΎΡΠ°ΡΡ Π±ΡΡΡΡΠ΅Π΅, ΡΠ΅ΠΌ Π΅Π³ΠΎ ΠΏΡΠΎΠΏΠ΅Π»Π»Π΅ΡΡ.
Π§ΡΠΎ ΠΏΠΎΠ΄Π°Π΅Ρ ΡΠΈΠ³Π½Π°Π» Π½Π° ΡΠ°Ρ ΠΎΠΌΠ΅ΡΡ?
Π’Π°Ρ ΠΎΠΌΠ΅ΡΡ ΠΏΠΎΠ»ΡΡΠ°Π΅Ρ ΡΠΈΠ³Π½Π°Π» ΠΎΡ ΠΠΠ£ ΠΈΠ»ΠΈ ΡΠ΅ΠΏΠΈ ΠΌΠ°ΡΡΡ Π±Π»ΠΎΠΊΠ° ΠΊΠ°ΡΡΡΠ΅ΠΊ Π·Π°ΠΆΠΈΠ³Π°Π½ΠΈΡ.
ΠΡΠΆΠ΅Π½ Π»ΠΈ ΡΠ°Ρ ΠΎΠΌΠ΅ΡΡ?
Π’Π°Ρ ΠΎΠΌΠ΅ΡΡ (ΠΈΠ½ΠΎΠ³Π΄Π° Π½Π°Π·ΡΠ²Π°Π΅ΠΌΡΠΉ ΡΠ°Ρ ΠΎΠΌΠ΅ΡΡΠΎΠΌ) — ΠΏΠΎΡΡΠΈ ΠΎΠ±ΡΠ·Π°ΡΠ΅Π»ΡΠ½ΡΠΉ ΠΏΡΠΈΠ±ΠΎΡ Π΄Π»Ρ Π°Π²ΡΠΎΠΌΠΎΠ±ΠΈΠ»Π΅ΠΉ Ρ ΠΌΠ΅Ρ Π°Π½ΠΈΡΠ΅ΡΠΊΠΎΠΉ ΠΊΠΎΡΠΎΠ±ΠΊΠΎΠΉ ΠΏΠ΅ΡΠ΅Π΄Π°Ρ; Π²ΠΎΠ΄ΠΈΡΠ΅Π»Ρ Π΄ΠΎΠ»ΠΆΠ΅Π½ Π²ΡΡΡΠ½ΡΡ ΠΏΠ΅ΡΠ΅ΠΊΠ»ΡΡΠ°ΡΡ ΠΏΠ΅ΡΠ΅Π΄Π°ΡΠΈ; ΡΠ°Ρ ΠΎΠΌΠ΅ΡΡ ΠΏΠΎΠΌΠΎΠ³Π°Π΅Ρ Π²ΠΎΠ΄ΠΈΡΠ΅Π»Ρ ΡΠ·Π½Π°ΡΡ, ΠΊΠΎΠ³Π΄Π° ΠΎΠ±ΠΎΡΠΎΡΡ Π½Π°Ρ ΠΎΠ΄ΡΡΡΡ Π² ΠΎΠΏΡΠΈΠΌΠ°Π»ΡΠ½ΠΎΠΌ Π΄ΠΈΠ°ΠΏΠ°Π·ΠΎΠ½Π΅.ΠΠ΅ΠΊΠΎΡΠΎΡΡΠ΅ Π³ΠΎΠ²ΠΎΡΡΡ, ΡΡΠΎ Π²Π°ΠΌ Π½Π΅ Π½ΡΠΆΠ΅Π½ ΡΠ°Ρ ΠΎΠΌΠ΅ΡΡ, Π΅ΡΠ»ΠΈ Π²Ρ ΡΠΏΡΠ°Π²Π»ΡΠ΅ΡΠ΅ Π°Π²ΡΠΎΠΌΠΎΠ±ΠΈΠ»Π΅ΠΌ Ρ Π°Π²ΡΠΎΠΌΠ°ΡΠΈΡΠ΅ΡΠΊΠΎΠΉ ΠΊΠΎΡΠΎΠ±ΠΊΠΎΠΉ ΠΏΠ΅ΡΠ΅Π΄Π°Ρ.
ΠΠ°ΠΊΠΈΠ΅ Π±ΡΠ²Π°ΡΡ ΡΠΈΠΏΡ ΡΠ°Ρ ΠΎΠΌΠ΅ΡΡΠΎΠ²?
Π’ΠΈΠΏΡ ΠΎΠ±ΡΡΠ½ΠΎ ΠΈΡΠΏΠΎΠ»ΡΠ·ΡΠ΅ΠΌΡΡ
ΡΠ°Ρ
ΠΎΠΌΠ΅ΡΡΠΎΠ² ΡΠΊΠ°Π·Π°Π½Ρ Π½ΠΈΠΆΠ΅: ΠΠ½Π°Π»ΠΎΠ³ΠΎΠ²ΡΠ΅ ΡΠ°Ρ
ΠΎΠΌΠ΅ΡΡΡ — ΡΠΎΡΡΠΎΡΡ ΠΈΠ· ΠΈΠ½ΡΠ΅ΡΡΠ΅ΠΉΡΠ° ΡΠΎ ΡΡΡΠ΅Π»ΠΊΠΎΠΉ ΠΈ ΡΠΈΡΠ΅ΡΠ±Π»Π°ΡΠΎΠΌ.
Π¦ΠΈΡΡΠΎΠ²ΡΠ΅ ΡΠ°Ρ
ΠΎΠΌΠ΅ΡΡΡ — ΡΠΎΠ΄Π΅ΡΠΆΠ°Ρ ΠΠ-Π΄ΠΈΡΠΏΠ»Π΅ΠΉ ΠΈΠ»ΠΈ ΡΠ²Π΅ΡΠΎΠ΄ΠΈΠΎΠ΄Π½ΡΠΉ ΠΈΠ½Π΄ΠΈΠΊΠ°ΡΠΎΡ ΠΈ ΠΏΠ°ΠΌΡΡΡ Π΄Π»Ρ Ρ
ΡΠ°Π½Π΅Π½ΠΈΡ. ΠΠΎΠ½ΡΠ°ΠΊΡΠ½ΡΠ΅ ΠΈ Π±Π΅ΡΠΊΠΎΠ½ΡΠ°ΠΊΡΠ½ΡΠ΅ ΡΠ°Ρ
ΠΎΠΌΠ΅ΡΡΡ — ΠΠΎΠ½ΡΠ°ΠΊΡΠ½ΡΠΉ ΡΠΈΠΏ ΠΊΠΎΠ½ΡΠ°ΠΊΡΠΈΡΡΠ΅Ρ Ρ Π²ΡΠ°ΡΠ°ΡΡΠΈΠΌΡΡ Π²Π°Π»ΠΎΠΌ.
Π‘ ΠΊΠ°ΠΊΠΈΠΌΠΈ ΠΎΠ±ΠΎΡΠΎΡΠ°ΠΌΠΈ Π΄ΠΎΠ»ΠΆΠ΅Π½ Π΄Π²ΠΈΠ³Π°ΡΡΡΡ Π°Π²ΡΠΎΠΌΠΎΠ±ΠΈΠ»Ρ?
ΠΠ»Ρ ΠΌΠ°ΠΊΡΠΈΠΌΠ°Π»ΡΠ½ΠΎΠΉ ΡΠΎΠΏΠ»ΠΈΠ²Π½ΠΎΠΉ ΡΠΊΠΎΠ½ΠΎΠΌΠΈΡΠ½ΠΎΡΡΠΈ ΠΏΠΎΠ΄Π΄Π΅ΡΠΆΠΈΠ²Π°ΠΉΡΠ΅ ΡΠ°ΡΡΠΎΡΡ Π²ΡΠ°ΡΠ΅Π½ΠΈΡ ΠΎΡ 1500 Π΄ΠΎ 2000 ΠΎΠ± / ΠΌΠΈΠ½ ΠΏΡΠΈ Π΄Π²ΠΈΠΆΠ΅Π½ΠΈΠΈ Ρ ΠΏΠΎΡΡΠΎΡΠ½Π½ΠΎΠΉ ΡΠΊΠΎΡΠΎΡΡΡΡ.
ΠΠΎΡΠ΅ΠΌΡ ΠΌΠΎΠΉ ΡΠ°Ρ ΠΎΠΌΠ΅ΡΡ Π½Π΅ ΡΠ°Π±ΠΎΡΠ°Π΅Ρ?
ΠΠΎΠ·ΠΌΠΎΠΆΠ½ΡΠ΅ ΠΏΡΠΎΠ±Π»Π΅ΠΌΡ Ρ ΡΠ°Ρ ΠΎΠΌΠ΅ΡΡΠΎΠΌ ΠΠ΅ΡΠ΅Π³ΠΎΡΠ΅Π²ΡΠΈΠΉ ΠΏΡΠ΅Π΄ΠΎΡ ΡΠ°Π½ΠΈΡΠ΅Π»Ρ — ΠΏΠΎΡΠ΅Π½ΡΠΈΠ°Π»ΡΠ½Π°Ρ ΠΏΡΠΎΠ±Π»Π΅ΠΌΠ° Ρ ΡΠ°Ρ ΠΎΠΌΠ΅ΡΡΠΎΠΌ. ΠΡΠΎΠ²Π΅ΡΡΡΠ΅ ΠΏΡΠ΅Π΄ΠΎΡ ΡΠ°Π½ΠΈΡΠ΅Π»ΠΈ, ΡΡΠΎΠ±Ρ ΡΠ±Π΅Π΄ΠΈΡΡΡΡ, ΡΡΠΎ ΠΎΠ½ΠΈ ΠΈΡΠΏΡΠ°Π²Π½Ρ. ΠΠ»ΠΎΡ Π°Ρ ΠΏΡΠΎΠ²ΠΎΠ΄ΠΊΠ° ΡΠ°ΠΊΠΆΠ΅ ΠΌΠΎΠΆΠ΅Ρ Π±ΡΡΡ ΠΏΡΠΈΡΠΈΠ½ΠΎΠΉ Π½Π΅ΠΈΡΠΏΡΠ°Π²Π½ΠΎΠ³ΠΎ ΡΠ°Ρ ΠΎΠΌΠ΅ΡΡΠ°. ΠΡΠ»ΠΈ Π²Ρ ΠΏΠΎΠ»ΡΡΠ°Π΅ΡΠ΅ Π½Π΅ΡΡΠ°Π±ΠΈΠ»ΡΠ½ΡΠ΅ ΠΏΠΎΠΊΠ°Π·Π°Π½ΠΈΡ, ΡΡΠΎ ΠΌΠΎΠΆΠ΅Ρ Π±ΡΡΡ ΠΏΡΠΈΠ·Π½Π°ΠΊΠΎΠΌ ΠΏΠ»ΠΎΡ ΠΎΠΉ ΠΏΡΠΎΠ²ΠΎΠ΄ΠΊΠΈ.
ΠΠ°ΠΊΠΎΠΉ Π΄Π°ΡΡΠΈΠΊ ΠΊΠΎΠ½ΡΡΠΎΠ»ΠΈΡΡΠ΅Ρ Π΄Π°ΡΡΠΈΠΊ ΠΎΠ±ΠΎΡΠΎΡΠΎΠ²?
ΠΠΎΡΠΊΠΎΠ»ΡΠΊΡ Π΄Π°ΡΡΠΈΠΊ ΠΎΠ±ΠΎΡΠΎΡΠΎΠ², ΡΠ°ΠΊΠΆΠ΅ ΠΈΠ·Π²Π΅ΡΡΠ½ΡΠΉ ΠΊΠ°ΠΊ ΡΠ°Ρ
ΠΎΠΌΠ΅ΡΡ (Π½Π΅ Π΄Π΅Π»Π°Ρ ΡΡΠΎΡ ΠΎΡΠ²Π΅Ρ Π±ΠΎΠ»Π΅Π΅ ΡΠ΅Ρ
Π½ΠΈΡΠ΅ΡΠΊΠΈΠΌ, ΡΠ΅ΠΌ ΠΎΠ½ Π΄ΠΎΠ»ΠΆΠ΅Π½ Π±ΡΡΡ, ΠΈ Π±ΠΎΠ»Π΅Π΅ ΡΠΎΡΠ½ΡΠΌ), ΠΏΠΎΠ»ΡΡΠ°Π΅Ρ ΡΠ²ΠΎΠΈ ΠΏΠΎΠΊΠ°Π·Π°Π½ΠΈΡ ΠΎΡ Π΄Π°ΡΡΠΈΠΊΠ° ΠΏΠΎΠ»ΠΎΠΆΠ΅Π½ΠΈΡ ΠΊΠΎΠ»Π΅Π½ΡΠ°ΡΠΎΠ³ΠΎ Π²Π°Π»Π° (CPS) Π½Π° Π±ΠΎΠ»ΡΡΠΈΠ½ΡΡΠ²Π΅ Π°Π²ΡΠΎΠΌΠΎΠ±ΠΈΠ»Π΅ΠΉ, ΠΏΠ»ΠΎΡ
Π°Ρ CPS Π±ΡΠ΄Π΅Ρ Π°Π±ΡΠΎΠ»ΡΡΠ½ΠΎ ΠΏΠ΅ΡΠ²ΠΎΠΉ ΠΏΡΠΈΡΠΈΠ½ΠΎΠΉ.
ΠΏΠΎΠ΄ΠΎΠ·ΡΠ΅Π²Π°ΡΡ.
Π§ΡΠΎ ΠΎΠ·Π½Π°ΡΠ°Π΅Ρ ΡΠ°Ρ ΠΎΠΌΠ΅ΡΡ?
Π’Π°Ρ
ΠΎΠΌΠ΅ΡΡ — ΡΡΠΎ Π±ΡΠΊΠ²Π°Π»ΡΠ½ΠΎ Β«ΠΈΠ·ΠΌΠ΅ΡΠΈΡΠ΅Π»Ρ ΡΠΊΠΎΡΠΎΡΡΠΈΒ», ΡΠ°ΠΊ ΠΊΠ°ΠΊ Π³ΡΠ΅ΡΠ΅ΡΠΊΠΎΠ΅ ΠΊΠΎΡΠ΅Π½Ρ ΡΠ°Ρ
ΠΎΠ·Π½Π°ΡΠ°Π΅Ρ Β«ΡΠΊΠΎΡΠΎΡΡΡΒ». ΠΠΎΡΠΊΠΎΠ»ΡΠΊΡ ΡΠΊΠΎΡΠΎΡΡΡ, ΠΊΠΎΡΠΎΡΡΡ ΠΈΠ·ΠΌΠ΅ΡΡΠ΅Ρ Π°Π²ΡΠΎΠΌΠ°ΡΠΈΡΠ΅ΡΠΊΠΈΠΉ ΡΠ°Ρ
ΠΎΠΌΠ΅ΡΡ, ΡΠ²Π»ΡΠ΅ΡΡΡ ΡΠΊΠΎΡΠΎΡΡΡΡ Π²ΡΠ°ΡΠ΅Π½ΠΈΡ ΠΊΠΎΠ»Π΅Π½ΡΠ°ΡΠΎΠ³ΠΎ Π²Π°Π»Π°, ΡΠΈΡΡΡ, ΠΊΠΎΡΠΎΡΡΠ΅ ΠΎΠ½ ΡΠΎΠΎΠ±ΡΠ°Π΅Ρ, ΡΠ²Π»ΡΡΡΡΡ ΠΎΠ±ΠΎΡΠΎΡΠ°ΠΌΠΈ Π² ΠΌΠΈΠ½ΡΡΡ ΠΈΠ»ΠΈ ΠΎΠ± / ΠΌΠΈΠ½.
Π ΡΠ΅ΠΌ ΡΠ°Π·Π½ΠΈΡΠ° ΠΌΠ΅ΠΆΠ΄Ρ ΡΠΏΠΈΠ΄ΠΎΠΌΠ΅ΡΡΠΎΠΌ ΠΈ ΡΠ°Ρ ΠΎΠΌΠ΅ΡΡΠΎΠΌ?
Π‘ΠΏΠΈΠ΄ΠΎΠΌΠ΅ΡΡ ΠΈΠ»ΠΈ ΠΈΠ·ΠΌΠ΅ΡΠΈΡΠ΅Π»Ρ ΡΠΊΠΎΡΠΎΡΡΠΈ — ΡΡΠΎ ΠΏΡΠΈΠ±ΠΎΡ, ΠΊΠΎΡΠΎΡΡΠΉ ΠΈΠ·ΠΌΠ΅ΡΡΠ΅Ρ ΠΈ ΠΎΡΠΎΠ±ΡΠ°ΠΆΠ°Π΅Ρ ΠΌΠ³Π½ΠΎΠ²Π΅Π½Π½ΡΡ ΡΠΊΠΎΡΠΎΡΡΡ ΡΡΠ°Π½ΡΠΏΠΎΡΡΠ½ΠΎΠ³ΠΎ ΡΡΠ΅Π΄ΡΡΠ²Π°.Π’Π°Ρ ΠΎΠΌΠ΅ΡΡ (ΡΡΠ΅ΡΡΠΈΠΊ ΠΎΠ±ΠΎΡΠΎΡΠΎΠ², ΡΠ°Ρ ΠΎΠΌΠ΅ΡΡ, ΡΡΠ΅ΡΡΠΈΠΊ ΠΎΠ±ΠΎΡΠΎΡΠΎΠ², Π΄Π°ΡΡΠΈΠΊ ΠΎΠ±ΠΎΡΠΎΡΠΎΠ²) — ΡΡΠΎ ΠΏΡΠΈΠ±ΠΎΡ, ΠΈΠ·ΠΌΠ΅ΡΡΡΡΠΈΠΉ ΡΠΊΠΎΡΠΎΡΡΡ Π²ΡΠ°ΡΠ΅Π½ΠΈΡ Π²Π°Π»Π° ΠΈΠ»ΠΈ Π΄ΠΈΡΠΊΠ°, ΠΊΠ°ΠΊ Π² Π΄Π²ΠΈΠ³Π°ΡΠ΅Π»Π΅ ΠΈΠ»ΠΈ Π΄ΡΡΠ³ΠΎΠΌ ΠΌΠ΅Ρ Π°Π½ΠΈΠ·ΠΌΠ΅.
ΠΠΎΠΆΠ½ΠΎ Π»ΠΈ ΠΈΡΠΏΠΎΠ»ΡΠ·ΠΎΠ²Π°ΡΡ ΠΌΡΠ»ΡΡΠΈΠΌΠ΅ΡΡ Π² ΠΊΠ°ΡΠ΅ΡΡΠ²Π΅ ΡΠ°Ρ ΠΎΠΌΠ΅ΡΡΠ°?
ΠΡΠ»ΠΈ Ρ Π²Π°ΡΠ΅Π³ΠΎ ΠΌΡΠ»ΡΡΠΈΠΌΠ΅ΡΡΠ° Π΅ΡΡΡ ΡΡΠ½ΠΊΡΠΈΡ HZ ΠΈΠ»ΠΈ FREQ, Ρ ΠΏΡΠ°Π²ΠΈΠ»ΡΠ½ΡΠΌ ΠΊΠΎΠ»ΠΈΡΠ΅ΡΡΠ²ΠΎΠΌ ΡΡΠ΅ΡΡ ΠΈ ΡΠΊΡΠΏΠ΅ΡΠΈΠΌΠ΅Π½ΡΠΎΠ² Π²Ρ ΠΌΠΎΠΆΠ΅ΡΠ΅ ΡΠ°ΡΡΡΠΈΡΠ°ΡΡ ΠΎΠ±ΠΎΡΠΎΡΡ Π΄Π²ΠΈΠ³Π°ΡΠ΅Π»Ρ ΠΏΠΎ ΠΏΠΎΠΊΠ°Π·Π°Π½ΠΈΡΠΌ HZ ΠΈΠ»ΠΈ FREQ.
ΠΠ°ΠΊ ΡΠ·Π½Π°ΡΡ, ΡΡΠΎ ΠΌΠΎΠΉ ΡΠ°Ρ ΠΎΠΌΠ΅ΡΡ Π½Π΅ΠΈΡΠΏΡΠ°Π²Π΅Π½?
ΠΠ±ΡΡΠ½ΠΎ Ρ ΡΠ°Ρ ΠΎΠΌΠ΅ΡΡΠΎΠΌ ΠΌΠΎΠ³ΡΡ Π²ΠΎΠ·Π½ΠΈΠΊΠ½ΡΡΡ ΡΠ΅ΡΡΡΠ΅ ΠΏΡΠΎΠ±Π»Π΅ΠΌΡ: ΠΎΠ½ ΠΏΠΎΠ»Π½ΠΎΡΡΡΡ Π½Π΅ ΡΠ°Π±ΠΎΡΠ°Π΅Ρ ΠΈ Π²ΡΠ΅Π³Π΄Π° ΠΏΠΎΠΊΠ°Π·ΡΠ²Π°Π΅Ρ Π½ΠΎΠ»Ρ; ΠΈΠ³Π»Π° Π·Π°ΡΡΡΡΠ»Π° ΠΈΠ»ΠΈ Π½Π°Π΄ΠΎΠ»Π³ΠΎ Π·Π°ΡΡΡΡΠ»Π°; ΠΈΠ³Π»Π° Π½Π΅ΡΡΡΠΎΠΉΡΠΈΠ²Π°; ΠΈΠ»ΠΈ ΠΎΠ±ΠΎΡΠΎΡΡ ΠΏΠΎΡΡΠΎΡΠ½Π½ΠΎ Π²ΡΠΊΠ»ΡΡΠ΅Π½Ρ — Π½ΠΈΠ·ΠΊΠΈΠ΅ ΠΈΠ»ΠΈ Π²ΡΡΠΎΠΊΠΈΠ΅.ΠΠ»Ρ ΠΏΡΠΎΠ²Π΅ΡΠΊΠΈ ΡΠ°Ρ ΠΎΠΌΠ΅ΡΡΠ° Π²Π°ΠΌ ΠΏΠΎΠ½Π°Π΄ΠΎΠ±ΠΈΡΡΡ ΡΠΈΡΡΠΎΠ²ΠΎΠΉ ΠΌΡΠ»ΡΡΠΈΠΌΠ΅ΡΡ.
ΠΠ°ΠΊ ΠΏΠΎΡΠΈΠ½ΠΈΡΡ ΡΠ°Ρ ΠΎΠΌΠ΅ΡΡ?
ΠΠ°ΠΊ ΠΈΡΠΏΡΠ°Π²ΠΈΡΡ ΠΏΡΠΎΠ±Π»Π΅ΠΌΡ? ΠΡΠΎΠ²Π΅ΡΡΡΠ΅ ΠΏΡΠ΅Π΄ΠΎΡ ΡΠ°Π½ΠΈΡΠ΅Π»ΠΈ: Π΅ΡΠ»ΠΈ ΠΏΡΠ΅Π΄ΠΎΡ ΡΠ°Π½ΠΈΡΠ΅Π»Ρ ΠΏΠ΅ΡΠ΅Π³ΠΎΡΠ΅Π», ΡΠ΄Π°Π»ΠΈΡΠ΅ Π΅Π³ΠΎ ΠΈ Π·Π°ΠΌΠ΅Π½ΠΈΡΠ΅ Π½ΠΎΠ²ΡΠΌ. ΠΠΎΠ²ΡΠΎΡΠ½Π°Ρ ΠΊΠ°Π»ΠΈΠ±ΡΠΎΠ²ΠΊΠ°: Π΅ΡΠ»ΠΈ ΠΊΠ°Π»ΠΈΠ±ΡΠΎΠ²ΠΊΠ° Π½Π΅ ΡΠΈΠ½Ρ ΡΠΎΠ½ΠΈΠ·ΠΈΡΠΎΠ²Π°Π½Π°, ΡΠ±ΡΠΎΡΡΡΠ΅ ΡΠ°Ρ ΠΎΠΌΠ΅ΡΡ. ΠΡΠΎΠ²Π΅ΡΡΡΠ΅ ΡΠΎΠ΅Π΄ΠΈΠ½Π΅Π½ΠΈΡ ΠΏΡΠΎΠ²ΠΎΠ΄ΠΎΠ²: ΠΡΠ»ΠΈ ΠΏΡΠΎΠ±Π»Π΅ΠΌΠ° ΡΠ²ΡΠ·Π°Π½Π° Ρ ΠΏΡΠΎΠ²ΠΎΠ΄ΠΊΠΎΠΉ, ΠΎΠ±ΡΠ°ΡΠΈΡΠ΅ΡΡ ΠΊ ΡΡΠΊΠΎΠ²ΠΎΠ΄ΡΡΠ²Ρ ΠΏΠΎ ΠΌΠΎΠ½ΡΠ°ΠΆΠ½ΠΎΠΉ ΡΡ Π΅ΠΌΠ΅.
Π§ΡΠΎ ΡΠ°ΠΊΠΎΠ΅ ΡΠ°Ρ ΠΎΠΌΠ΅ΡΡ ΠΈ Π΄Π»Ρ ΡΠ΅Π³ΠΎ ΠΎΠ½ Π½ΡΠΆΠ΅Π½?
ΠΠ½ΠΎΠ³ΠΈΠ΅ ΡΠΎΠ²ΡΠ΅ΠΌΠ΅Π½Π½ΡΠ΅ Π°Π²ΡΠΎΠΌΠΎΠ±ΠΈΠ»ΠΈ ΠΈΠΌΠ΅ΡΡ ΡΠΈΡΡΠΎΠ²ΡΠ΅ ΡΠΏΠΈΠ΄ΠΎΠΌΠ΅ΡΡΡ, Π΄Π°ΠΆΠ΅ Π΅ΡΠ»ΠΈ Ρ Π½ΠΈΡ
Π΅ΡΡΡ Π°Π½Π°Π»ΠΎΠ³ΠΎΠ²ΡΠ΅ ΡΠ°Ρ
ΠΎΠΌΠ΅ΡΡΡ.ΠΠ°ΠΏΠΎΠΌΠΈΠ½Π°Π΅ΠΌ, ΡΡΠΎ ΡΠ°Ρ
ΠΎΠΌΠ΅ΡΡ ΠΏΠΎΠΊΠ°Π·ΡΠ²Π°Π΅Ρ, Π½Π° ΠΊΠ°ΠΊΠΎΠΉ ΠΏΠ΅ΡΠ΅Π΄Π°ΡΠ΅ Π½Π°Ρ
ΠΎΠ΄ΠΈΡΡΡ Π²Π°Ρ Π°Π²ΡΠΎΠΌΠΎΠ±ΠΈΠ»Ρ. Π ΠΊΠ°ΠΆΠ΄ΠΎΠΌ Π°Π²ΡΠΎΠΌΠΎΠ±ΠΈΠ»Π΅, Ρ ΠΌΠ΅Ρ
Π°Π½ΠΈΡΠ΅ΡΠΊΠΎΠΉ ΠΈΠ»ΠΈ Π°Π²ΡΠΎΠΌΠ°ΡΠΈΡΠ΅ΡΠΊΠΎΠΉ ΠΊΠΎΡΠΎΠ±ΠΊΠΎΠΉ ΠΏΠ΅ΡΠ΅Π΄Π°Ρ, Π΅ΡΡΡ ΡΠ°Ρ
ΠΎΠΌΠ΅ΡΡ.
ΠΠ°ΠΆΠ΅ Π² Π½Π΅ΠΊΠΎΡΠΎΡΡΡ
Π³ΠΈΠ±ΡΠΈΠ΄Π½ΡΡ
ΠΈΠ»ΠΈ ΡΠ»Π΅ΠΊΡΡΠΎΠΌΠΎΠ±ΠΈΠ»ΡΡ
Π΅ΡΡΡ ΡΠ°Ρ
ΠΎΠΌΠ΅ΡΡΡ. ΠΠ΄Π½Π°ΠΊΠΎ Π½Π°ΠΏΡΠ°ΡΠΈΠ²Π°Π΅ΡΡΡ Π²ΠΎΠΏΡΠΎΡ: Π·Π°ΡΠ΅ΠΌ Π°Π²ΡΠΎΠΌΠΎΠ±ΠΈΠ»Ρ Ρ Π°Π²ΡΠΎΠΌΠ°ΡΠΈΡΠ΅ΡΠΊΠΎΠΉ ΠΊΠΎΡΠΎΠ±ΠΊΠΎΠΉ ΠΏΠ΅ΡΠ΅Π΄Π°Ρ ΡΠ°Ρ
ΠΎΠΌΠ΅ΡΡ?
Π ΡΠ²ΠΎΠ΅ Π²ΡΠ΅ΠΌΡ ΡΠ°Ρ ΠΎΠΌΠ΅ΡΡ Π±ΡΠ» Π°Π±ΡΠΎΠ»ΡΡΠ½ΠΎ Π½Π΅ΠΎΠ±Ρ ΠΎΠ΄ΠΈΠΌ Π΄Π»Ρ Π°Π²ΡΠΎΠΌΠΎΠ±ΠΈΠ»Π΅ΠΉ Ρ ΠΌΠ΅Ρ Π°Π½ΠΈΡΠ΅ΡΠΊΠΎΠΉ ΠΊΠΎΡΠΎΠ±ΠΊΠΎΠΉ ΠΏΠ΅ΡΠ΅Π΄Π°Ρ. ΠΠΎΠ³Π΄Π° Π²ΠΎΠ΄ΠΈΡΠ΅Π»Ρ Π²ΠΈΠ΄Π΅Π», ΠΊΠ°ΠΊ ΡΠΊΠΎΡΠΎΡΡΡ ΡΠ²Π΅Π»ΠΈΡΠΈΠ²Π°Π΅ΡΡΡ, ΡΠΈΡΠ΅ΡΠ±Π»Π°Ρ ΡΠ°Ρ ΠΎΠΌΠ΅ΡΡΠ° ΠΏΡΠΈΠ±Π»ΠΈΠΆΠ°Π΅ΡΡΡ ΠΊ ΠΊΠ°ΠΆΠ΄ΠΎΠΌΡ ΡΠΈΡΠ»Ρ, ΡΠΎΠΎΡΠ²Π΅ΡΡΡΠ²ΡΡΡΠ΅ΠΌΡ ΡΠ»Π΅Π΄ΡΡΡΠ΅ΠΉ ΠΏΠ΅ΡΠ΅Π΄Π°ΡΠ΅, Π½Π΅ΠΎΠ±Ρ ΠΎΠ΄ΠΈΠΌΠΎΠΉ Π΄Π»Ρ Π΄ΠΎΡΡΠΈΠΆΠ΅Π½ΠΈΡ ΠΎΠΏΡΠ΅Π΄Π΅Π»Π΅Π½Π½ΠΎΠΉ ΡΠΊΠΎΡΠΎΡΡΠΈ.ΠΠ°ΡΠ΅ΠΌ Π²ΠΎΠ΄ΠΈΡΠ΅Π»Ρ Π±ΡΠ΄Π΅Ρ ΡΠ°ΡΡΡΠΈΡΡΠ²Π°ΡΡ Π²ΡΠ΅ΠΌΡ ΠΈΡΠΏΠΎΠ»ΡΠ·ΠΎΠ²Π°Π½ΠΈΡ ΠΏΠ΅Π΄Π°Π»ΠΈ ΡΡΠ΅ΠΏΠ»Π΅Π½ΠΈΡ ΠΈ ΠΏΠ΅ΡΠ΅ΠΊΠ»ΡΡΠ΅Π½ΠΈΡ Π²Π²Π΅ΡΡ ΠΈΠ»ΠΈ Π²Π½ΠΈΠ· ΠΏΠΎ ΠΌΠ΅ΡΠ΅ Π½Π΅ΠΎΠ±Ρ ΠΎΠ΄ΠΈΠΌΠΎΡΡΠΈ, ΡΡΠΎΠ±Ρ ΠΏΡΠΎΠ΄ΠΎΠ»ΠΆΠ°ΡΡ Π΄Π²ΠΈΠΆΠ΅Π½ΠΈΠ΅ ΠΏΠ»Π°Π²Π½ΠΎ.
Π’Π°Ρ
ΠΎΠΌΠ΅ΡΡ Π² ΠΎΡΠ½ΠΎΠ²Π½ΠΎΠΌ ΠΏΠΎΠΌΠΎΠ³Π°Π΅Ρ Π²ΠΎΠ΄ΠΈΡΠ΅Π»ΡΠΌ ΠΏΠ΅ΡΠ΅ΠΊΠ»ΡΡΠ°ΡΡΡΡ Π²ΠΎ Π²ΡΠ΅ΠΌΡ Π΄Π²ΠΈΠΆΠ΅Π½ΠΈΡ. Π’Π΅ΠΌ Π½Π΅ ΠΌΠ΅Π½Π΅Π΅, Π°Π²ΡΠΎΠΌΠ°ΡΠΈΡΠ΅ΡΠΊΠ°Ρ ΡΡΠ°Π½ΡΠΌΠΈΡΡΠΈΡ ΠΏΠΎΡΡΠΈ ΠΈΠ·Π±Π°Π²Π»ΡΠ΅Ρ Π²ΠΎΠ΄ΠΈΡΠ΅Π»Π΅ΠΉ ΠΎΡ Π½Π΅ΠΎΠ±Ρ
ΠΎΠ΄ΠΈΠΌΠΎΡΡΠΈ ΠΏΠΎΠ»Π½ΠΎΡΡΡΡ ΠΎΡΠΎΠ·Π½Π°Π²Π°ΡΡ ΠΏΠ΅ΡΠ΅Π΄Π°ΡΡ ΠΈ ΠΏΠ΅ΡΠ΅ΠΊΠ»ΡΡΠ΅Π½ΠΈΠ΅. ΠΠ²ΡΠΎΠΌΠ°ΡΠΈΡΠ΅ΡΠΊΠ°Ρ ΡΡΠ°Π½ΡΠΌΠΈΡΡΠΈΡ ΠΊΠΎΠΌΠΏΡΡΡΠ΅ΡΠΈΠ·ΠΈΡΠΎΠ²Π°Π½Π° ΠΈ ΡΠΏΡΠΎΠ΅ΠΊΡΠΈΡΠΎΠ²Π°Π½Π° ΡΠ°ΠΊ, ΡΡΠΎ Π²ΡΠ΅ ΡΡΠ΅ΠΏΠ»Π΅Π½ΠΈΠ΅ ΠΈ ΠΏΠ΅ΡΠ΅ΠΊΠ»ΡΡΠ΅Π½ΠΈΠ΅ ΠΏΠ΅ΡΠ΅Π΄Π°Ρ Π²ΡΠΏΠΎΠ»Π½ΡΡΡΡΡ ΡΠ°ΠΌΠΎΡΡΠΎΡΡΠ΅Π»ΡΠ½ΠΎ, Π±Π΅Π· Π²ΠΌΠ΅ΡΠ°ΡΠ΅Π»ΡΡΡΠ²Π° ΡΠ΅Π»ΠΎΠ²Π΅ΠΊΠ°. Π Π°Π²ΡΠΎΠΌΠΎΠ±ΠΈΠ»ΡΡ
Ρ Π°Π²ΡΠΎΠΌΠ°ΡΠΈΡΠ΅ΡΠΊΠΎΠΉ ΠΊΠΎΡΠΎΠ±ΠΊΠΎΠΉ ΠΏΠ΅ΡΠ΅Π΄Π°Ρ ΡΠ°Ρ
ΠΎΠΌΠ΅ΡΡ Π½Π΅ Π²ΡΠΏΠΎΠ»Π½ΡΠ΅Ρ ΡΠ΅ ΠΆΠ΅ ΡΡΠ½ΠΊΡΠΈΠΈ, ΡΡΠΎ ΠΈ Π² Π°Π²ΡΠΎΠΌΠΎΠ±ΠΈΠ»ΡΡ
Ρ ΠΌΠ΅Ρ
Π°Π½ΠΈΡΠ΅ΡΠΊΠΎΠΉ ΠΊΠΎΡΠΎΠ±ΠΊΠΎΠΉ ΠΏΠ΅ΡΠ΅Π΄Π°Ρ.
ΠΠΎΡΠ΅ΠΌΡ Ρ Π°Π²ΡΠΎΠΌΠ°ΡΠΈΡΠ΅ΡΠΊΠΈΡ ΡΡΠ°Π½ΡΠΏΠΎΡΡΠ½ΡΡ ΡΡΠ΅Π΄ΡΡΠ² Π΅ΡΡΡ ΡΠ°Ρ ΠΎΠΌΠ΅ΡΡ?
ΠΡΠΎΡΠ΅ Π³ΠΎΠ²ΠΎΡΡ, ΡΠ΅Π°Π»ΡΠ½ΡΡ ΠΏΡΠΈΡΠΈΠ½, ΠΏΠΎ ΠΊΠΎΡΠΎΡΡΠΌ Π°Π²ΡΠΎΠΌΠΎΠ±ΠΈΠ»Ρ Ρ ΠΠΠΠ Π½ΡΠΆΠ΅Π½ ΡΠ°Ρ ΠΎΠΌΠ΅ΡΡ, Π΄Π΅ΠΉΡΡΠ²ΠΈΡΠ΅Π»ΡΠ½ΠΎ Π½Π΅Ρ. ΠΠΎΠ΄ΠΈΡΠ΅Π»Ρ ΠΌΠΎΠΆΠ΅Ρ Π΅Ρ Π°ΡΡ Π΄ΠΎ ΡΠ΅Ρ ΠΏΠΎΡ, ΠΏΠΎΠΊΠ° Π΅Π³ΠΎ Π±Π°ΠΊ Π½Π΅ ΠΎΠΏΡΡΡΠ΅Π΅Ρ, ΠΈ Π΅ΠΌΡ Π½ΠΈΠΊΠΎΠ³Π΄Π° Π½Π΅ ΠΏΠΎΠ½Π°Π΄ΠΎΠ±ΠΈΡΡΡ Π·Π½Π°ΡΡ, ΠΊΠ°ΠΊΠΎΠ²Ρ ΠΎΠ±ΠΎΡΠΎΡΡ Π΅Π³ΠΎ Π΄Π²ΠΈΠ³Π°ΡΠ΅Π»Ρ ΠΈΠ»ΠΈ Π½Π° ΠΊΠ°ΠΊΠΎΠΉ ΠΏΠ΅ΡΠ΅Π΄Π°ΡΠ΅ ΠΎΠ½ Π΅Ρ Π°Π».
ΠΠ΅ΠΊΠΎΡΠΎΡΡΠ΅ Π°Π²ΡΠΎΠΌΠΎΠ±ΠΈΠ»ΠΈ, ΠΎΡΠ½Π°ΡΠ΅Π½Π½ΡΠ΅ Π°Π²ΡΠΎΠΌΠ°ΡΠΈΡΠ΅ΡΠΊΠΎΠΉ ΠΊΠΎΡΠΎΠ±ΠΊΠΎΠΉ ΠΏΠ΅ΡΠ΅Π΄Π°Ρ, ΠΈΠΌΠ΅ΡΡ ΡΠ΅ΠΆΠΈΠΌΡ, ΠΈΠΌΠΈΡΠΈΡΡΡΡΠΈΠ΅ ΡΡΡΠ½ΠΎΠ΅ ΡΠΏΡΠ°Π²Π»Π΅Π½ΠΈΠ΅ ΠΏΠ΅ΡΠ΅Π΄Π°ΡΠ°ΠΌΠΈ. Π’Π΅ΠΌ Π½Π΅ ΠΌΠ΅Π½Π΅Π΅, ΠΊΠΎΠΌΠΏΡΡΡΠ΅Ρ Π² ΡΡΠ°Π½ΡΠΏΠΎΡΡΠ½ΡΡ ΡΡΠ΅Π΄ΡΡΠ²Π°Ρ Ρ Π°Π²ΡΠΎΠΌΠ°ΡΠΈΡΠ΅ΡΠΊΠΎΠΉ ΠΊΠΎΡΠΎΠ±ΠΊΠΎΠΉ ΠΏΠ΅ΡΠ΅Π΄Π°Ρ Π°ΠΊΡΠΈΠ²Π½ΠΎ ΠΏΡΠ΅Π΄ΠΎΡΠ²ΡΠ°ΡΠ°Π΅Ρ Π½Π΅ΠΎΠ±ΠΎΡΠ½ΠΎΠ²Π°Π½Π½ΠΎΠ΅ ΠΏΡΠ΅Π²ΡΡΠ΅Π½ΠΈΠ΅ ΡΠΊΠΎΡΠΎΡΡΠΈ ΠΈ / ΠΈΠ»ΠΈ Β«ΠΊΡΠ°ΡΠ½ΠΎΠΉ ΡΠ΅ΡΡΡΒ» Π²ΠΎΠ΄ΠΈΡΠ΅Π»Π΅ΠΉ.ΠΠΎΠΌΠΏΡΡΡΠ΅Ρ Π°Π²ΡΠΎΠΌΠΎΠ±ΠΈΠ»Ρ ΠΎΡΠΊΠ»ΡΡΠΈΡ ΠΏΠΎΠ΄Π°ΡΡ ΡΠΎΠΏΠ»ΠΈΠ²Π°, Π΅ΡΠ»ΠΈ Π²Ρ ΠΏΠΎΠΏΡΡΠ°Π΅ΡΠ΅ΡΡ ΡΠ°Π±ΠΎΡΠ°ΡΡ ΠΏΡΠΎΡΠΈΠ² ΠΊΠΎΠ½ΡΡΡΡΠΊΡΠΈΠΈ ΡΡΠ°Π½ΡΠΌΠΈΡΡΠΈΠΈ.
ΠΠ°ΡΡΠΎΡΡΠ°Ρ ΠΏΡΠΈΡΠΈΠ½Π°, ΠΏΠΎ ΠΊΠΎΡΠΎΡΠΎΠΉ Π²ΡΠ΅ Π°Π²ΡΠΎΠΌΠΎΠ±ΠΈΠ»ΠΈ ΠΈΠΌΠ΅ΡΡ ΡΠ°Ρ
ΠΎΠΌΠ΅ΡΡ, — ΠΊΠΎΡΠΌΠ΅ΡΠΈΡΠ΅ΡΠΊΠ°Ρ. ΠΠ΅Π· ΡΠ°Ρ
ΠΎΠΌΠ΅ΡΡΠ° Π½Π° ΠΏΡΠΈΠ±ΠΎΡΠ½ΠΎΠΉ ΠΏΠ°Π½Π΅Π»ΠΈ ΠΌΠΎΠΆΠ΅Ρ ΠΏΠΎΡΠ²ΠΈΡΡΡΡ Π±ΠΎΠ»ΡΡΠ°Ρ Π΄ΡΡΠ° ΠΈΠ»ΠΈ ΠΏΡΡΡΠΎΠ΅ ΠΌΠ΅ΡΡΠΎ. ΠΡ ΠΌΠΎΠΆΠ΅ΡΠ΅ Π²ΠΎΠ·ΡΠ°Π·ΠΈΡΡ, ΡΡΠΎ Π°Π²ΡΠΎΠΏΡΠΎΠΈΠ·Π²ΠΎΠ΄ΠΈΡΠ΅Π»ΠΈ ΠΌΠΎΠ³Π»ΠΈ Π±Ρ ΡΠ°Π·ΠΌΠ΅ΡΡΠΈΡΡ ΡΠ°ΠΌ ΡΠ°ΡΡ, ΠΊΠΎΠΌΠΏΠ°Ρ ΠΈΠ»ΠΈ ΠΊΠ°ΡΡΡ, Π½ΠΎ ΡΡΠΎ Π±ΠΎΠ»Π΅Π΅ ΠΈΠ»ΠΈ ΠΌΠ΅Π½Π΅Π΅ ΠΏΡΠΎΡΠΈΠ²ΠΎΡΠ΅ΡΠΈΡ ΡΠΎΠΌΡ, ΡΡΠΎ Π±Π΅Π· Π½ΠΈΡ
, Π² Π²Π°ΡΠ΅ΠΉ ΠΏΡΠΈΠ±ΠΎΡΠ½ΠΎΠΉ ΠΏΠ°Π½Π΅Π»ΠΈ Π±ΡΠ΄Π΅Ρ Π±ΠΎΠ»ΡΡΠ°Ρ Π΄ΡΡΠ°.
Π§ΡΠΎ Π΄ΠΎΠ»ΠΆΠ½ΠΎ Π±ΡΡΡ Π½Π° ΠΏΡΠΈΠ±ΠΎΡΠ½ΠΎΠΉ ΠΏΠ°Π½Π΅Π»ΠΈ ΠΏΠΎΠΌΠΈΠΌΠΎ ΡΠ°Ρ ΠΎΠΌΠ΅ΡΡΠ°
ΠΡΠ΅ Π±ΠΎΠ»ΡΡΠ΅ ΠΈ Π±ΠΎΠ»ΡΡΠ΅ Π°Π²ΡΠΎΠΌΠΎΠ±ΠΈΠ»Π΅ΠΉ ΡΠ΅ΠΏΠ΅ΡΡ ΠΎΡΠ½Π°ΡΠ°ΡΡΡΡ ΠΏΠΎΠ»Π½ΠΎΡΡΡΡ Π½Π°ΡΡΡΠ°ΠΈΠ²Π°Π΅ΠΌΡΠΌΠΈ Π²ΠΈΠ΄Π΅ΠΎΠ΄ΠΈΡΠΏΠ»Π΅ΡΠΌΠΈ Π²ΠΌΠ΅ΡΡΠΎ ΡΡΠ°Π΄ΠΈΡΠΈΠΎΠ½Π½ΡΡ ΡΠΈΡΠ΅ΡΠ±Π»Π°ΡΠΎΠ² ΠΈ ΡΡΠ΅ΡΡΠΈΠΊΠΎΠ².Π’Π°ΠΊΠΈΠΌ ΠΎΠ±ΡΠ°Π·ΠΎΠΌ, Π²ΠΌΠ΅ΡΡΠΎ Π΄Π°ΡΡΠΈΠΊΠ° Ρ Π²Π°Ρ Π΅ΡΡΡ ΡΠΊΡΠ°Π½ Π²ΡΡΠΎΠΊΠΎΠΉ ΡΠ΅ΡΠΊΠΎΡΡΠΈ, ΠΈ ΠΊΠΎΠΌΠΏΡΡΡΠ΅Ρ ΡΠΎΠ·Π΄Π°Π΅Ρ ΠΈΠ·ΠΎΠ±ΡΠ°ΠΆΠ΅Π½ΠΈΠ΅ Π²ΡΠ΅Π³ΠΎ, ΡΡΠΎ Π²Π°ΠΌ Π½ΡΠΆΠ½ΠΎ, ΠΎΡ ΡΠΏΠΈΠ΄ΠΎΠΌΠ΅ΡΡΠ° Π΄ΠΎ Π½Π°Π²ΠΈΠ³Π°ΡΠΈΠΎΠ½Π½ΠΎΠΉ ΠΊΠ°ΡΡΡ ΠΈΠ»ΠΈ Π΄Π°ΠΆΠ΅ ΠΈΠ½ΡΠΎΡΠΌΠ°ΡΠΈΠΎΠ½Π½ΠΎ-ΡΠ°Π·Π²Π»Π΅ΠΊΠ°ΡΠ΅Π»ΡΠ½ΠΎΠ³ΠΎ Π΄ΠΈΡΠΏΠ»Π΅Ρ.
ΠΠ΅Ρ Π±ΡΠΊΠ²Π°Π»ΡΠ½ΠΎ Π½ΠΈΡΠ΅Π³ΠΎ, ΡΡΠΎ ΠΌΠΎΠ³Π»ΠΎ Π±Ρ ΠΏΠΎΠΌΠ΅ΡΠ°ΡΡ Π°Π²ΡΠΎΠΏΡΠΎΠΈΠ·Π²ΠΎΠ΄ΠΈΡΠ΅Π»ΡΠΌ Π²Π½ΠΎΡΠΈΡΡ ΠΈΠ·ΠΌΠ΅Π½Π΅Π½ΠΈΡ Π² ΠΏΡΠΈΠ±ΠΎΡΠ½ΡΡ ΠΏΠ°Π½Π΅Π»Ρ Π°Π²ΡΠΎΠΌΠΎΠ±ΠΈΠ»Ρ Ρ Π°Π²ΡΠΎΠΌΠ°ΡΠΈΡΠ΅ΡΠΊΠΎΠΉ ΠΊΠΎΡΠΎΠ±ΠΊΠΎΠΉ ΠΏΠ΅ΡΠ΅Π΄Π°Ρ. ΠΡ Π½ΠΈΡΡΠΎ Π½Π΅ ΡΠ΄Π΅ΡΠΆΠΈΠ²Π°Π΅Ρ, ΠΊΡΠΎΠΌΠ΅ ΠΏΡΠ°Π²ΠΈΠ» ΡΠ΅Ρ Π½ΠΈΠΊΠΈ Π±Π΅Π·ΠΎΠΏΠ°ΡΠ½ΠΎΡΡΠΈ ΠΈ ΠΈΡ ΡΠΎΠ±ΡΡΠ²Π΅Π½Π½ΡΡ ΡΠ°Π½ΡΠ°Π·ΠΈΠΉ. ΠΠ΄Π½Π°ΠΊΠΎ ΠΏΡΠ΅ΠΈΠΌΡΡΠ΅ΡΡΠ²ΠΎ ΡΠ°Ρ ΠΎΠΌΠ΅ΡΡΠ° Π΄Π°ΠΆΠ΅ Π² Π°Π²ΡΠΎΠΌΠΎΠ±ΠΈΠ»ΡΡ Ρ Π½ΡΠ»Π΅Π²ΡΠΌ ΡΡΠΎΠ²Π½Π΅ΠΌ Π²ΡΠ±ΡΠΎΡΠΎΠ² Π·Π°ΠΊΠ»ΡΡΠ°Π΅ΡΡΡ Π² ΡΠΎΠΌ, ΡΡΠΎ ΠΎΠ½ΠΈ ΠΏΡΠ΅Π΄ΡΠΏΡΠ΅ΠΆΠ΄Π°ΡΡ Π²ΠΎΠ΄ΠΈΡΠ΅Π»Ρ ΠΎ ΡΠΎΠΌ, ΡΡΠΎ Π°Π²ΡΠΎΠΌΠΎΠ±ΠΈΠ»Ρ Π΄Π΅ΠΉΡΡΠ²ΠΈΡΠ΅Π»ΡΠ½ΠΎ ΡΠ°Π±ΠΎΡΠ°Π΅Ρ ΠΈ Π΄Π²ΠΈΠΆΠ΅ΡΡΡ.ΠΠΎ Π² ΡΠΏΠΎΡ Ρ Π·Π°ΠΆΠΈΠ³Π°Π½ΠΈΡ Π±Π΅Π· ΠΊΠ»ΡΡΠ° Π΅ΡΠ΅ Π½Π΅ΠΈΠ·Π²Π΅ΡΡΠ½ΠΎ, ΠΎΡΡΠ°Π½Π΅ΡΡΡ Π»ΠΈ ΡΡΠΎ ΠΏΡΠΎΡΡΠΎΠ΅ ΡΠ΄ΠΎΠ±ΡΡΠ²ΠΎ ΠΊΠ°ΠΊ Π΅ΡΡΡ.
Π‘Π±ΠΎΡ ΠΈ ΠΎΠ±ΡΠ°Π±ΠΎΡΠΊΠ° ΡΠΈΠ³Π½Π°Π»ΠΎΠ² Π΄Π»Ρ ΡΡΠ°Π½ΡΠΏΠΎΡΡΠ½ΡΡ ΡΡΠ΅Π΄ΡΡΠ²
Π‘Π±ΠΎΡ ΠΈ ΠΎΠ±ΡΠ°Π±ΠΎΡΠΊΠ° ΡΠΈΠ³Π½Π°Π»ΠΎΠ² Π΄Π»Ρ ΡΡΠ°Π½ΡΠΏΠΎΡΡΠ½ΡΡ ΡΡΠ΅Π΄ΡΡΠ² — ΡΠΈΠ³Π½Π°Π» ΡΠ°Ρ ΠΎΠΌΠ΅ΡΡΠ°Π‘Π±ΠΎΡ ΠΈ ΠΎΠ±ΡΠ°Π±ΠΎΡΠΊΠ° ΡΠΈΠ³Π½Π°Π»ΠΎΠ² Π°Π²ΡΠΎΠΌΠΎΠ±ΠΈΠ»Ρ — ΡΠΈΠ³Π½Π°Π» ΡΠ°Ρ ΠΎΠΌΠ΅ΡΡΠ°
Π‘ΡΠ°Π΄ΠΈΡ ΠΏΠ»Π°Π½ΠΈΡΠΎΠ²Π°Π½ΠΈΡ:
Π’Π°Ρ
ΠΎΠΌΠ΅ΡΡ — ΡΡΠΎ ΡΡΡΡΠΎΠΉΡΡΠ²ΠΎ Π½Π° ΡΡΠ°Π½ΡΠΏΠΎΡΡΠ½ΠΎΠΌ ΡΡΠ΅Π΄ΡΡΠ²Π΅ (ΠΎΠ±ΡΡΠ½ΠΎ Π΄Π°ΡΡΠΈΠΊ), ΠΊΠΎΡΠΎΡΠΎΠ΅ ΡΠΎΠΎΠ±ΡΠ°Π΅Ρ Π²Π°ΠΌ, Ρ ΠΊΠ°ΠΊΠΎΠΉ ΡΠΊΠΎΡΠΎΡΡΡΡ Π²ΡΠ°ΡΠ°Π΅ΡΡΡ ΠΊΠΎΠ»Π΅Π½ΡΠ°ΡΡΠΉ Π²Π°Π» Π΄Π²ΠΈΠ³Π°ΡΠ΅Π»Ρ (ΠΎΠ±ΡΡΠ½ΠΎ Π² Π΅Π΄ΠΈΠ½ΠΈΡΠ°Ρ
ΠΈΠ·ΠΌΠ΅ΡΠ΅Π½ΠΈΡ, Π½Π°Π·ΡΠ²Π°Π΅ΠΌΡΡ
RPM — ΠΎΠ±ΠΎΡΠΎΡΡ Π² ΠΌΠΈΠ½ΡΡΡ.
ΠΠΎΠ»Π΅Π½ΡΠ°ΡΡΠΉ Π²Π°Π» ΠΏΡΠ΅Π΄ΡΡΠ°Π²Π»ΡΠ΅Ρ ΡΠΎΠ±ΠΎΠΉ ΡΡΠ΅ΡΠΆΠ΅Π½Ρ, ΠΏΡΠΈΠΊΡΠ΅ΠΏΠ»Π΅Π½Π½ΡΠΉ ΠΊ ΠΏΠΎΡΡΠ½ΡΠΌ Π΄Π²ΠΈΠ³Π°ΡΠ΅Π»Ρ ΡΠ°ΡΡΠ½Π°ΠΌΠΈ, ΠΈ ΠΈΠΌΠ΅Π½Π½ΠΎ ΡΠΈΠ»Π°, ΠΊΠΎΡΠΎΡΡΡ ΠΏΠΎΡΡΠ½ΠΈ ΠΎΠΊΠ°Π·ΡΠ²Π°ΡΡ Π½Π° ΠΊΠΎΠ»Π΅Π½ΡΠ°ΡΡΠΉ Π²Π°Π» ΡΠ΅ΡΠ΅Π· ΡΠ°ΡΡΠ½Ρ, ΠΏΡΠΈΠ²ΠΎΠ΄ΠΈΡ ΠΊ Π²ΡΡ
ΠΎΠ΄Π½ΠΎΠΉ ΠΌΠΎΡΠ½ΠΎΡΡΠΈ, ΠΏΡΠΎΠΈΠ·Π²ΠΎΠ΄ΠΈΠΌΠΎΠΉ Π΄Π²ΠΈΠ³Π°ΡΠ΅Π»Π΅ΠΌ. (ΠΠ΄Π΅ΡΡ ΠΌΠΎΠΆΠ½ΠΎ Π½Π°ΠΉΡΠΈ ΠΎΡΠ»ΠΈΡΠ½ΡΠΉ ΠΌΠ°ΡΠ΅ΡΠΈΠ°Π» ΠΈ Π°Π½ΠΈΠΌΠ°ΡΠΈΡ, ΠΎΠ±ΡΡΡΠ½ΡΡΡΡΡ ΠΊΠΎΠΌΠΏΠΎΠ½Π΅Π½ΡΡ ΡΠ΅ΡΡΡΠ΅Ρ
ΡΠ°ΠΊΡΠ½ΠΎΠ³ΠΎ Π΄Π²ΠΈΠ³Π°ΡΠ΅Π»Ρ.)
Π‘ΠΊΠΎΡΠΎΡΡΡ, Ρ ΠΊΠΎΡΠΎΡΠΎΠΉ Π²ΡΠ°ΡΠ°Π΅ΡΡΡ ΠΊΠΎΠ»Π΅Π½ΡΠ°ΡΡΠΉ Π²Π°Π», ΡΠ²Π»ΡΠ΅ΡΡΡ ΠΎΡΠ½ΠΎΠ²Π½ΡΠΌ ΠΈΡΡΠΎΡΠ½ΠΈΠΊΠΎΠΌ Π΄Π°Π½Π½ΡΡ Π΄Π»Ρ ΡΡΠΎΠ³ΠΎ ΠΏΡΠΎΠ΅ΠΊΡΠ°. ΠΡΡΠΌΠΎΠΉ ΡΠΏΠΎΡΠΎΠ± ΠΏΠΎΠ»ΡΡΠΈΡΡ ΡΡΠΈ Π΄Π°Π½Π½ΡΠ΅ — ΠΏΠΎΡΠΌΠΎΡΡΠ΅ΡΡ Π½Π° Β«ΡΠΈΡΡΠ΅ΠΌΡ Π·Π°ΠΆΠΈΠ³Π°Π½ΠΈΡΒ».
Π‘ΠΈΡΡΠ΅ΠΌΠ° Π·Π°ΠΆΠΈΠ³Π°Π½ΠΈΡ Π°Π²ΡΠΎΠΌΠΎΠ±ΠΈΠ»Ρ Π΄Π΅Π»Π°Π΅Ρ ΡΠΎ, ΡΡΠΎ ΡΠ»Π΅Π΄ΡΠ΅Ρ ΠΈΠ· Π½Π°Π·Π²Π°Π½ΠΈΡ: ΠΎΠ½Π° ΠΎΡΠ²Π΅ΡΠ°Π΅Ρ Π·Π° Β«Π·Π°ΠΆΠΈΠ³Π°Π½ΠΈΠ΅Β» ΡΠΎΠΏΠ»ΠΈΠ²Π°, ΠΎΠ±Π΅ΡΠΏΠ΅ΡΠΈΠ²Π°Ρ ΠΈΡΠΊΡΡ, ΠΊΠΎΡΠΎΡΠ°Ρ ΠΎΡΠ²Π΅ΡΠ°Π΅Ρ Π·Π° Π³ΠΎΡΠ΅Π½ΠΈΠ΅. (ΠΠ΄Π΅ΡΡ ΠΌΠΎΠΆΠ½ΠΎ Π½Π°ΠΉΡΠΈ ΠΎΡΠ»ΠΈΡΠ½ΡΡ Π΄ΠΎΠΊΡΠΌΠ΅Π½ΡΠ°ΡΠΈΡ ΠΈ Π°Π½ΠΈΠΌΠ°ΡΠΈΡ, ΠΎΠ±ΡΡΡΠ½ΡΡΡΡΡ ΠΊΠΎΠ½ΡΠ΅ΠΏΡΠΈΡ.)
ΠΠ°ΡΡΡΠΊΠ° Π·Π°ΠΆΠΈΠ³Π°Π½ΠΈΡ Π²ΡΡΠ°Π±Π°ΡΡΠ²Π°Π΅Ρ ΡΠΎΠΊ Π²ΡΡΠΎΠΊΠΎΠ³ΠΎ Π½Π°ΠΏΡΡΠΆΠ΅Π½ΠΈΡ (ΡΠΎΠΊ, Π½Π΅ΠΎΠ±Ρ
ΠΎΠ΄ΠΈΠΌΡΠΉ Π΄Π»Ρ ΠΎΠ±ΡΠ°Π·ΠΎΠ²Π°Π½ΠΈΡ ΠΈΡΠΊΡΡ) Π΄Π²Π°ΠΆΠ΄Ρ Π·Π° ΠΊΠ°ΠΆΠ΄ΡΠΉ ΠΎΠ±ΠΎΡΠΎΡ ΠΊΠΎΠ»Π΅Π½ΡΠ°ΡΠΎΠ³ΠΎ Π²Π°Π»Π°. ΠΡΠΎ ΠΌΠΎΠΆΠ½ΠΎ ΡΠ΄Π΅Π»Π°ΡΡ ΠΈΠ· ΠΏΠΎΠ½ΠΈΠΌΠ°Π½ΠΈΡ Π΄Π²ΠΈΠΆΠΊΠ° ΠΈ ΡΠΎΠ³ΠΎ, ΠΊΠ°ΠΊ ΠΎΠ½ ΡΠ°Π±ΠΎΡΠ°Π΅Ρ.22R-E (Π΄Π²ΠΈΠ³Π°ΡΠ΅Π»Ρ Π² Π°Π²ΡΠΎΠΌΠΎΠ±ΠΈΠ»Π΅) — ΡΡΠΎ 4-ΡΠΈΠ»ΠΈΠ½Π΄ΡΠΎΠ²ΡΠΉ ΡΠ΅ΡΡΡΠ΅Ρ
ΡΠ°ΠΊΡΠ½ΡΠΉ Π΄Π²ΠΈΠ³Π°ΡΠ΅Π»Ρ Π²Π½ΡΡΡΠ΅Π½Π½Π΅Π³ΠΎ ΡΠ³ΠΎΡΠ°Π½ΠΈΡ.
Β«Π§Π΅ΡΡΡΠ΅Ρ
ΡΠ°ΠΊΡΠ½ΡΠΉΒ» ΠΎΠ·Π½Π°ΡΠ°Π΅Ρ, ΡΡΠΎ Π΄Π²ΠΈΠ³Π°ΡΠ΅Π»Ρ ΡΠ°Π±ΠΎΡΠ°Π΅Ρ ΡΠ»Π΅Π΄ΡΡΡΠΈΠΌ ΠΎΠ±ΡΠ°Π·ΠΎΠΌ:
- Π’Π°ΠΊΡ Π²ΠΏΡΡΠΊΠ°: ΠΏΠΎΡΡΠ΅Π½Ρ Π΄Π²ΠΈΠΆΠ΅ΡΡΡ Π²Π½ΠΈΠ·, ΠΈ Π² ΡΠΈΠ»ΠΈΠ½Π΄Ρ ΠΏΠΎΡΡΡΠΏΠ°Π΅Ρ ΡΠΎΠΏΠ»ΠΈΠ²ΠΎΠ²ΠΎΠ·Π΄ΡΡΠ½Π°Ρ ΡΠΌΠ΅ΡΡ.
- Π’Π°ΠΊΡ ΡΠΆΠ°ΡΠΈΡ: ΠΏΠΎΡΡΠ΅Π½Ρ Π΄Π²ΠΈΠΆΠ΅ΡΡΡ Π²Π²Π΅ΡΡ ΠΈ ΡΠΆΠΈΠΌΠ°Π΅Ρ ΡΠΌΠ΅ΡΡ.
- Π₯ΠΎΠ΄ ΡΠ³ΠΎΡΠ°Π½ΠΈΡ: ΠΏΠΎΡΡΠ΅Π½Ρ Π΄Π²ΠΈΠΆΠ΅ΡΡΡ Π²Π½ΠΈΠ· ΠΏΠΎΠ΄ Π΄Π΅ΠΉΡΡΠ²ΠΈΠ΅ΠΌ ΡΠΈΠ»Ρ ΡΠ³ΠΎΡΠ°Π½ΠΈΡ.
- Π’Π°ΠΊΡ Π²ΡΠΏΡΡΠΊΠ°: ΠΏΠΎΡΡΠ΅Π½Ρ Π΄Π²ΠΈΠΆΠ΅ΡΡΡ Π²Π²Π΅ΡΡ , ΠΈ Π²ΡΡ Π»ΠΎΠΏΠ½ΡΠ΅ Π³Π°Π·Ρ Π²ΡΡ ΠΎΠ΄ΡΡ ΠΈΠ· ΡΠΈΠ»ΠΈΠ½Π΄ΡΠ°.
ΠΠΎΡΠΊΠΎΠ»ΡΠΊΡ Π΄Π²ΠΈΠ³Π°ΡΠ΅Π»Ρ ΠΈΠΌΠ΅Π΅Ρ 4 ΡΠΈΠ»ΠΈΠ½Π΄ΡΠ°, Π° ΠΏΠΎΠ»Π½ΡΠΉ ΡΠΈΠΊΠ» ΡΠΈΠ»ΠΈΠ½Π΄ΡΠ° Π² ΡΠ΅ΡΡΡΠ΅Ρ ΡΠ°ΠΊΡΠ½ΠΎΠΌ Π΄Π²ΠΈΠ³Π°ΡΠ΅Π»Π΅ ΠΏΡΠΈΠ²ΠΎΠ΄ΠΈΡ ΠΊ ΠΏΠΎΠ²ΠΎΡΠΎΡΡ ΠΊΠΎΠ»Π΅Π½ΡΠ°ΡΠΎΠ³ΠΎ Π²Π°Π»Π° Π½Π° 720 Π³ΡΠ°Π΄ΡΡΠΎΠ² (ΡΡΠΈΡΡΠ²Π°Ρ, ΡΡΠΎ Π²ΡΠ΅ ΠΏΠΎΡΡΠ½ΠΈ ΡΠΎΠ΅Π΄ΠΈΠ½Π΅Π½Ρ Ρ ΡΠ°ΡΡΠ½Π°ΠΌΠΈ VIA ΠΊΠΎΠ»Π΅Π½ΡΠ°ΡΠΎΠ³ΠΎ Π²Π°Π»Π°), ΠΊΠ°ΠΆΠ΄ΡΠΉ ΠΈΠ· ΡΠΈΠ»ΠΈΠ½Π΄ΡΠΎΠ² Β«ΡΠΌΠ΅ΡΠ΅Π½Β». «Π½Π° 180 Π³ΡΠ°Π΄ΡΡΠΎΠ². Π‘Π»Π΅Π΄ΡΡΡΠ°Ρ Π΄ΠΈΠ°Π³ΡΠ°ΠΌΠΌΠ° ΠΏΠ΅ΡΠ΅Π΄Π°Π΅Ρ ΡΡΡ ΠΊΠΎΠ½ΡΠ΅ΠΏΡΠΈΡ (ΠΎΠ±ΡΠ°ΡΠΈΡΠ΅ Π²Π½ΠΈΠΌΠ°Π½ΠΈΠ΅, ΡΡΠΎ ΠΏΠΎΡΡΠ½ΠΈ ΠΈ ΠΊΠΎΠ»Π΅Π½ΡΠ°ΡΡΠΉ Π²Π°Π» Π½Π΅ ΠΌΠΎΠ³ΡΡ Π±ΡΡΡ ΡΡΡΠ°Π½ΠΎΠ²Π»Π΅Π½Ρ ΡΠΎΡΠ½ΠΎ Π² ΡΡΠΎΠΉ ΠΊΠΎΠ½ΡΠΈΠ³ΡΡΠ°ΡΠΈΠΈ):
ΠΡΠ»ΠΈ ΠΏΠΎΡΡΠ΅Π½Ρ 1 ΡΠΎΠ»ΡΠΊΠΎ ΡΡΠΎ Π·Π°Π²Π΅ΡΡΠΈΠ» ΡΠ²ΠΎΠΉ Ρ
ΠΎΠ΄ ΡΠΆΠ°ΡΠΈΡ, ΠΏΠΎΡΡΠ΅Π½Ρ 3 ΡΠΎΠ»ΡΠΊΠΎ ΡΡΠΎ Π·Π°Π²Π΅ΡΡΠΈΠ» ΡΠ²ΠΎΠΉ Ρ
ΠΎΠ΄ Π²ΡΠΏΡΡΠΊΠ°.ΠΡΠ»ΠΈ ΠΏΠΎΡΡΠ΅Π½Ρ 2 ΡΠΎΠ»ΡΠΊΠΎ ΡΡΠΎ Π·Π°Π²Π΅ΡΡΠΈΠ» ΡΠ²ΠΎΠΉ Ρ
ΠΎΠ΄ ΡΠ³ΠΎΡΠ°Π½ΠΈΡ, ΠΏΠΎΡΡΠ΅Π½Ρ 4 ΡΠΎΠ»ΡΠΊΠΎ ΡΡΠΎ Π·Π°Π²Π΅ΡΡΠΈΠ» ΡΠ²ΠΎΠΉ Ρ
ΠΎΠ΄ Π²ΠΏΡΡΠΊΠ°.
ΠΡΠΎΠΌΠ΅ ΡΠΎΠ³ΠΎ, ΡΠ°ΠΊΡ ΡΠ³ΠΎΡΠ°Π½ΠΈΡ ΠΎΠ΄Π½ΠΎΠ³ΠΎ ΡΠΈΠ»ΠΈΠ½Π΄ΡΠ° ΠΏΡΠΈΠ²ΠΎΠ΄ΠΈΡ ΠΊ ΠΏΠΎΠ²ΠΎΡΠΎΡΡ ΠΊΠΎΠ»Π΅Π½ΡΠ°ΡΠΎΠ³ΠΎ Π²Π°Π»Π° Π½Π° 180 Π³ΡΠ°Π΄ΡΡΠΎΠ². ΠΠ·-Π·Π° ΡΡΠΎΠ³ΠΎ Π½Π° ΠΎΠ΄ΠΈΠ½ ΠΏΠΎΠ»Π½ΡΠΉ ΠΎΠ±ΠΎΡΠΎΡ ΠΊΠΎΠ»Π΅Π½ΡΠ°ΡΠΎΠ³ΠΎ Π²Π°Π»Π° ΡΡΠ΅Π±ΡΠ΅ΡΡΡ ΡΠ³ΠΎΡΠ°Π½ΠΈΠ΅ Π² Π΄Π²ΡΡ
ΡΠΈΠ»ΠΈΠ½Π΄ΡΠ°Ρ
.
Π’ΠΎΠ³Π΄Π° ΠΏΠΎΠ΄Ρ ΠΎΠ΄ ΡΠΎΡΡΠΎΠΈΡ Π² ΡΠΎΠΌ, ΡΡΠΎΠ±Ρ ΠΊΠΎΠ½ΡΡΠΎΠ»ΠΈΡΠΎΠ²Π°ΡΡ ΡΠΎΠΊ, ΠΏΡΠΎΠΈΠ·Π²ΠΎΠ΄ΠΈΠΌΡΠΉ ΠΊΠ°ΡΡΡΠΊΠΎΠΉ Π·Π°ΠΆΠΈΠ³Π°Π½ΠΈΡ. ΠΠ° ΡΠ»Π΅Π΄ΡΡΡΠ΅ΠΉ ΡΠ»Π΅ΠΊΡΡΠΈΡΠ΅ΡΠΊΠΎΠΉ ΡΡ Π΅ΠΌΠ΅ ΠΏΠΎΠΊΠ°Π·Π°Π½Π° ΡΠ°ΡΡΡ ΡΠΈΡΡΠ΅ΠΌΡ Π·Π°ΠΆΠΈΠ³Π°Π½ΠΈΡ (ΠΎΠΊΡΠ°ΡΠ΅Π½Π° Π² ΡΠ΅ΡΠ½ΡΠΉ ΡΠ²Π΅Ρ):
ΠΠ΄Π΅ΡΡ ΠΌΠΎΠΆΠ½ΠΎ Π½Π°ΠΉΡΠΈ Π²Π²Π΅Π΄Π΅Π½ΠΈΠ΅ Π² Π²ΠΎΠ»ΡΡ, Π°ΠΌΠΏΠ΅Ρ ΠΈ ΠΎΠΌ.Π’ΡΠ°Π½ΡΡΠΎΡΠΌΠ°ΡΠΎΡ Π½Π° ΡΡ Π΅ΠΌΠ΅ — ΡΡΠΎ ΠΊΠ°ΡΡΡΠΊΠ° Π·Π°ΠΆΠΈΠ³Π°Π½ΠΈΡ (ΠΊΡΠ°ΡΠΊΡΡ Π΄ΠΎΠΊΡΠΌΠ΅Π½ΡΠ°ΡΠΈΡ ΠΎ ΡΠΎΠΌ, ΡΡΠΎ ΡΠ°ΠΊΠΎΠ΅ ΡΡΠ°Π½ΡΡΠΎΡΠΌΠ°ΡΠΎΡΡ ΠΈ ΠΊΠ°ΠΊ ΠΎΠ½ΠΈ ΡΠ°Π±ΠΎΡΠ°ΡΡ, ΠΌΠΎΠΆΠ½ΠΎ Π½Π°ΠΉΡΠΈ Π·Π΄Π΅ΡΡ). ΠΠ³ΠΎ ΡΠ΅Π»Ρ Π² ΡΠΈΡΡΠ΅ΠΌΠ΅ Π·Π°ΠΆΠΈΠ³Π°Π½ΠΈΡ — ΡΠΎΠ·Π΄Π°ΡΡ ΡΠΎΠΊ Π²ΡΡΠΎΠΊΠΎΠ³ΠΎ Π½Π°ΠΏΡΡΠΆΠ΅Π½ΠΈΡ. ΠΡΡΠΎΠΊΠΎΠ΅ Π½Π°ΠΏΡΡΠΆΠ΅Π½ΠΈΠ΅ Π½Π΅ΠΎΠ±Ρ ΠΎΠ΄ΠΈΠΌΠΎ Π΄Π»Ρ ΡΠΎΠ³ΠΎ, ΡΡΠΎΠ±Ρ ΡΠΎΠΊ Β«ΠΏΠ΅ΡΠ΅ΡΠΊΠ°ΠΊΠΈΠ²Π°Π»Β» ΡΠ΅ΡΠ΅Π· ΠΊΠΎΠ½ΡΠ°ΠΊΡΡ ΡΠ²Π΅ΡΠΈ Π·Π°ΠΆΠΈΠ³Π°Π½ΠΈΡ, ΡΠΎΠ·Π΄Π°Π²Π°Ρ ΠΈΡΠΊΡΡ, ΠΎΡΠ²Π΅ΡΡΡΠ²Π΅Π½Π½ΡΡ Π·Π° ΡΠ³ΠΎΡΠ°Π½ΠΈΠ΅ ΡΠΎΠΏΠ»ΠΈΠ²Π°.
Π§ΡΠΎΠ±Ρ ΠΏΠΎΠ»ΡΡΠΈΡΡ ΠΈΠΌΠΏΡΠ»ΡΡΡ ΡΠΎΠΊΠ° ΠΎΡ ΠΊΠ°ΡΡΡΠΊΠΈ, ΠΏΡΠ΅Π΄Π»Π°Π³Π°Π΅ΠΌΡΠΉ ΠΏΠ»Π°Π½ ΡΠΎΡΡΠΎΠΈΡ Π² ΡΠΎΠΌ, ΡΡΠΎΠ±Ρ Π·Π°ΡΠ΅ΠΌ ΠΏΠΎΠ΄ΠΊΠ»ΡΡΠΈΡΡ Β«ΠΏΠ°ΡΠ°Π·ΠΈΡΠ½ΡΡΒ» Π»ΠΈΠ½ΠΈΡ ΠΊ Π½ΠΈΠ·ΠΊΠΎΠ²ΠΎΠ»ΡΡΠ½ΠΎΠΉ ΡΡΠΎΡΠΎΠ½Π΅ ΠΊΠ°ΡΡΡΠΊΠΈ Π·Π°ΠΆΠΈΠ³Π°Π½ΠΈΡ (ΠΎΠΊΡΠ°ΡΠ΅Π½Π½ΠΎΠΉ ΡΠΈΠ½ΠΈΠΌ ΡΠ²Π΅ΡΠΎΠΌ Π½Π° Π΄ΠΈΠ°Π³ΡΠ°ΠΌΠΌΠ΅ Π²ΡΡΠ΅).
ΠΠΈΠ½ΠΈΡ ΡΠΎΡΡΠΎΠΈΡ ΠΈΠ· ΡΡΠ΅Ρ
ΠΊΠΎΠΌΠΏΠΎΠ½Π΅Π½ΡΠΎΠ² (ΠΊΡΠ°ΡΠΊΡΡ Π΄ΠΎΠΊΡΠΌΠ΅Π½ΡΠ°ΡΠΈΡ ΠΏΠΎ ΡΠ΅Π·ΠΈΡΡΠΎΡΠ°ΠΌ, ΠΊΠΎΠ½Π΄Π΅Π½ΡΠ°ΡΠΎΡΠ°ΠΌ ΠΈ ΡΡΠ°Π½ΡΡΠΎΡΠΌΠ°ΡΠΎΡΠ°ΠΌ ΠΌΠΎΠΆΠ½ΠΎ Π½Π°ΠΉΡΠΈ Π·Π΄Π΅ΡΡ):
- Π Π΅Π·ΠΈΡΡΠΎΡ 100 ΠΊΠΠΌ. Π‘ΠΎΠΏΡΠΎΡΠΈΠ²Π»Π΅Π½ΠΈΠ΅ Π±ΡΠ»ΠΎ Π²ΡΠ±ΡΠ°Π½ΠΎ ΠΏΡΠΎΠΈΠ·Π²ΠΎΠ»ΡΠ½ΠΎ, ΠΎΠ΄Π½Π°ΠΊΠΎ ΡΡΠ΅Π±ΡΠ΅ΡΡΡ ΠΎΡΠ΅Π½Ρ Π²ΡΡΠΎΠΊΠΎΠ΅ ΡΠΎΠΏΡΠΎΡΠΈΠ²Π»Π΅Π½ΠΈΠ΅. ΠΡΠΎ Π²Π°ΠΆΠ½ΠΎ Π΄Π»Ρ ΡΠΎΠ³ΠΎ, ΡΡΠΎΠ±Ρ Π΄ΠΎΠ±Π°Π²Π»Π΅Π½Π½Π°Ρ Π»ΠΈΠ½ΠΈΡ Π½Π΅ ΠΏΠΎΠ»ΡΡΠ°Π»Π° Π±ΠΎΠ»ΡΡΠΎΠΉ ΡΠΎΠΊ. Π‘Π»ΠΈΡΠΊΠΎΠΌ Π±ΠΎΠ»ΡΡΠΎΠΉ ΡΠΎΠΊ, ΠΏΡΠΎΡ ΠΎΠ΄ΡΡΠΈΠΉ Π² Π»ΠΈΠ½ΠΈΡ, ΠΏΡΠΈΠ²Π΅Π΄Π΅Ρ ΠΊ Π½Π΅ΠΈΡΠΏΡΠ°Π²Π½ΠΎΡΡΠΈ ΡΠΈΡΡΠ΅ΠΌΡ Π·Π°ΠΆΠΈΠ³Π°Π½ΠΈΡ (ΡΠΎΠΊ, Π²ΡΠ·ΡΠ²Π°ΡΡΠΈΠΉ ΠΈΡΠΊΡΡ, Π²ΠΌΠ΅ΡΡΠΎ ΡΡΠΎΠ³ΠΎ Π±ΡΠ΄Π΅Ρ ΠΏΡΠΎΡ ΠΎΠ΄ΠΈΡΡ ΠΏΠΎ Π΄ΠΎΠ±Π°Π²Π»Π΅Π½Π½ΠΎΠΉ Π»ΠΈΠ½ΠΈΠΈ), ΠΈ, ΠΊΡΠΎΠΌΠ΅ ΡΠΎΠ³ΠΎ, Π±ΠΎΠ»ΡΡΠΎΠΉ ΡΠΎΠΊ ΠΌΠΎΠΆΠ΅Ρ ΡΠ°Π·ΡΡΡΠΈΡΡ ΡΠ»Π΅ΠΊΡΡΠΈΡΠ΅ΡΠΊΠΈΠ΅ ΠΊΠΎΠΌΠΏΠΎΠ½Π΅Π½ΡΡ Π΄Π°Π»ΡΡΠ΅ ΠΏΠΎ ΡΠ΅ΠΏΠΈ (Π½Π΅ΠΊΠΎΡΠΎΡΡΠ΅ ΡΡΠ°Π½ΡΡ ΠΊΡΠ°ΡΠ½ΡΠΌΠΈ ΠΈ Π±ΡΠΊΠ²Π°Π»ΡΠ½ΠΎ Π²Π·ΠΎΡΠ²Π°ΡΡΡΡ).
- Π‘ΡΠ°Π±ΠΈΠ»ΠΈΡΡΠΎΠ½ 5 Π. Π‘ΡΠ°Π±ΠΈΠ»ΠΈΡΡΠΎΠ½ — ΡΡΠΎ ΡΠ»Π΅ΠΊΡΡΠΈΡΠ΅ΡΠΊΠΈΠΉ ΠΊΠΎΠΌΠΏΠΎΠ½Π΅Π½Ρ, ΠΊΠΎΡΠΎΡΡΠΉ ΠΈΡΠΏΠΎΠ»ΡΠ·ΡΠ΅ΡΡΡ Π΄Π»Ρ ΡΠ΅Π³ΡΠ»ΠΈΡΠΎΠ²Π°Π½ΠΈΡ Π½Π°ΠΏΡΡΠΆΠ΅Π½ΠΈΡ. (ΠΠΈΠ½Π΅ΡΡ — Π΄ΠΎΠ²ΠΎΠ»ΡΠ½ΠΎ ΡΠ»ΠΎΠΆΠ½ΡΠ΅ ΠΊΠΎΠΌΠΏΠΎΠ½Π΅Π½ΡΡ Π΄Π»Ρ ΠΎΠ±ΡΡΡΠ½Π΅Π½ΠΈΡ, Π½ΠΎ ΡΡΠ° ΡΡΡΠ»ΠΊΠ° Π·Π°ΡΡΠ°Π³ΠΈΠ²Π°Π΅Ρ ΠΊΠΎΠ½ΡΠ΅ΠΏΡΠΈΡ). ΠΠ°Π΄Π°ΡΠ° ΡΡΠ°Π±ΠΈΠ»ΠΈΡΡΠΎΠ½Π° — Β«ΠΏΠΎΠ΄Π³ΠΎΡΠΎΠ²ΠΈΡΡΒ» ΡΠΎΠΊ Π΄Π»Ρ ΠΊΠΎΠΌΠΏΠΎΠ½Π΅Π½ΡΠΎΠ² TTL ΠΏΠΎΠ·ΠΆΠ΅. ΠΠΏΡΠ΅Π΄Π΅Π»Π΅Π½ΠΈΠ΅ TTL ΠΌΠΎΠΆΠ½ΠΎ Π½Π°ΠΉΡΠΈ Π·Π΄Π΅ΡΡ. ΠΠΎ ΡΡΡΠΈ, TTL — ΡΡΠΎ ΡΠΏΠ΅ΡΠΈΡΠΈΠΊΠ°ΡΠΈΡ, ΡΠΎΠ³Π»Π°ΡΠ½ΠΎ ΠΊΠΎΡΠΎΡΠΎΠΉ ΡΠ°Π±ΠΎΡΠ΅Π΅ Π½Π°ΠΏΡΡΠΆΠ΅Π½ΠΈΠ΅ ΡΠΎΡΡΠ°Π²Π»ΡΠ΅Ρ ΠΎΡ 0 Π Π΄ΠΎ 5 Π ΠΎΡΠ½ΠΎΡΠΈΡΠ΅Π»ΡΠ½ΠΎ Π·Π΅ΠΌΠ»ΠΈ, ΠΈ ΡΡΠΎ 0-0,8 Π ΠΏΡΠ΅Π΄ΡΡΠ°Π²Π»ΡΠ΅Ρ Β«Π½ΠΈΠ·ΠΊΠΈΠΉΒ» ΡΡΠΎΠ²Π΅Π½Ρ, Π° 2-5 Π — Β«Π²ΡΡΠΎΠΊΠΈΠΉΒ».
Π‘ΡΠ°Π±ΠΈΠ»ΠΈΡΡΠΎΠ½ Β«Π·Π°ΡΡΠ°Π²ΠΈΡΒ» ΡΠΎΠΊ ΡΠ°Π±ΠΎΡΠ°ΡΡ Π² Π΄ΠΈΠ°ΠΏΠ°Π·ΠΎΠ½Π΅ Π½Π°ΠΏΡΡΠΆΠ΅Π½ΠΈΠΉ TTL. - Π€ΠΈΠ»ΡΡΡ Π½ΠΈΠΆΠ½ΠΈΡ ΡΠ°ΡΡΠΎΡ. Π€ΠΈΠ»ΡΡΡ Π½ΠΈΠΆΠ½ΠΈΡ ΡΠ°ΡΡΠΎΡ ΡΠΎΠ·Π΄Π°Π΅ΡΡΡ Ρ ΠΏΠΎΠΌΠΎΡΡΡ ΡΠ΅Π·ΠΈΡΡΠΎΡΠ° ΠΈ ΠΊΠΎΠ½Π΄Π΅Π½ΡΠ°ΡΠΎΡΠ°. ΠΠ³ΠΎ ΡΠ΅Π»Ρ — ΠΏΡΠΎΠΏΡΡΠΊΠ°ΡΡ ΡΠΎΠ»ΡΠΊΠΎ Π½ΠΈΠ·ΠΊΠΈΠ΅ ΡΠ°ΡΡΠΎΡΡ. ΠΠ½ΡΠΎΡΠΌΠ°ΡΠΈΡ ΠΎ ΡΠΈΠ»ΡΡΡΠ°Ρ Π½ΠΈΠΆΠ½ΠΈΡ ΡΠ°ΡΡΠΎΡ ΠΌΠΎΠΆΠ½ΠΎ Π½Π°ΠΉΡΠΈ Π·Π΄Π΅ΡΡ. ΠΠ°Π·Π½Π°ΡΠ΅Π½ΠΈΠ΅ ΡΡΠΎΠ³ΠΎ ΠΊΠΎΠΌΠΏΠΎΠ½Π΅Π½ΡΠ° Π΄Π»Ρ Π»ΠΈΠ½ΠΈΠΈ ΡΠΎΡΡΠΎΠΈΡ Π² ΡΠΎΠΌ, ΡΡΠΎ ΠΏΡΠΎΡ ΠΎΠ΄ΡΡΠ΅Π΅ ΡΠ΅ΡΠ΅Π· Π½Π΅Π³ΠΎ Π½Π°ΠΏΡΡΠΆΠ΅Π½ΠΈΠ΅ ΠΌΠΎΠΆΠ΅Ρ ΠΈΠΌΠ΅ΡΡ ΠΎΡΠ΅Π½Ρ ΠΊΠΎΡΠΎΡΠΊΠΈΠ΅ Β«Π²ΡΠΏΠ»Π΅ΡΠΊΠΈΒ» ΠΌΠ΅ΠΆΠ΄Ρ 0 ΠΈ 5 Π, Π²ΠΎΠ·Π½ΠΈΠΊΠ°ΡΡΠΈΠ΅ ΠΈΠ·-Π·Π° Π±Π΅ΡΠΏΠΎΡΡΠ΄ΠΎΡΠ½ΠΎΠ³ΠΎ ΡΠ΅Π·ΠΎΠ½ΠΈΡΡΡΡΠ΅Π³ΠΎ ΡΠΈΠ³Π½Π°Π»Π°, ΡΠΎΠ·Π΄Π°Π²Π°Π΅ΠΌΠΎΠ³ΠΎ ΠΊΠ°ΡΡΡΠΊΠΎΠΉ Π·Π°ΠΆΠΈΠ³Π°Π½ΠΈΡ. ΠΡΠΈ ΠΊΠΎΡΠΎΡΠΊΠΈΠ΅ Π²ΡΠΏΠ»Π΅ΡΠΊΠΈ, ΠΊΠΎΡΠΎΡΡΠ΅ ΡΠ»Π΅Π΄ΡΡΡ Π·Π° ΡΠΎΠΊΠΎΠΌ, Π²ΡΠ·ΡΠ²Π°ΡΡΠΈΠΌ ΠΈΡΠΊΡΡ, ΡΠ»Π΅Π΄ΡΠ΅Ρ ΠΈΠ³Π½ΠΎΡΠΈΡΠΎΠ²Π°ΡΡ. ΠΡΠ»ΠΈ ΡΡΠΎ Π½Π΅ ΡΠ°ΠΊ, 4-Π±ΠΈΡΠ½ΡΠΉ ΡΡΠ΅ΡΡΠΈΠΊ Π±ΡΠ΄Π΅Ρ ΡΡΠΈΡΠ°ΡΡ Π½Π΅ΡΠΊΠΎΠ»ΡΠΊΠΎ ΠΈΠΌΠΏΡΠ»ΡΡΠΎΠ² (Π±Π΅Π· ΡΠΈΠΊΡΠΈΡΠΎΠ²Π°Π½Π½ΠΎΠΉ ΠΏΠΎΡΠ»Π΅Π΄ΠΎΠ²Π°ΡΠ΅Π»ΡΠ½ΠΎΡΡΠΈ) Π΄Π»Ρ ΠΎΠ΄Π½ΠΎΠ³ΠΎ ΠΈΠΌΠΏΡΠ»ΡΡΠ° ΠΎΡ ΠΊΠ°ΡΡΡΠΊΠΈ.
ΠΠ°ΠΊΠΎΠ½Π΅Ρ, Π²ΡΡ
ΠΎΠ΄ ΡΡΠΎΠΉ Π»ΠΈΠ½ΠΈΠΈ ΠΏΡΠ΅Π΄ΡΡΠ°Π²Π»ΡΠ΅Ρ ΡΠΎΠ±ΠΎΠΉ ΡΡΠ»ΠΎΠ²Π½ΡΠΉ ΡΠΈΠ³Π½Π°Π» Π½ΠΈΠ·ΠΊΠΎΠ³ΠΎ ΡΠΎΠΊΠ° (ΠΈΠ·-Π·Π° ΡΠ΅Π·ΠΈΡΡΠΎΡΠ°) Ρ ΠΏΡΡΠΌΠΎΡΠ³ΠΎΠ»ΡΠ½ΠΎΠΉ Π²ΠΎΠ»Π½ΠΎΠΉ Π½Π°ΠΏΡΡΠΆΠ΅Π½ΠΈΡ, ΡΠ΅ΡΠ΅Π΄ΡΡΡΠ΅ΠΉΡΡ ΠΎΡ 0 Π΄ΠΎ 5 Π (ΠΈΠ·-Π·Π° ΡΡΠ°Π±ΠΈΠ»ΠΈΡΡΠΎΠ½Π°), Π³Π΄Π΅ ΠΎΠ΄ΠΈΠ½ Β«ΠΊΠ²Π°Π΄ΡΠ°ΡΒ» ΠΏΡΠ΅Π΄ΡΡΠ°Π²Π»ΡΠ΅Ρ ΡΠΎΠΊ, ΠΎΡΠ²Π΅ΡΡΡΠ²Π΅Π½Π½ΡΠΉ Π·Π° ΠΈΡΠΊΡΡ. Π³Π΅Π½Π΅ΡΠΈΡΡΠ΅ΡΡΡ ΠΊΠ°ΡΡΡΠΊΠΎΠΉ Π·Π°ΠΆΠΈΠ³Π°Π½ΠΈΡ (ΠΈΠ·-Π·Π° ΡΠΈΠ»ΡΡΡΠ° Π½ΠΈΠΆΠ½ΠΈΡ
ΡΠ°ΡΡΠΎΡ).
Π‘ΡΠ°Π΄ΠΈΡ ΡΠ΅Π°Π»ΠΈΠ·Π°ΡΠΈΠΈ:
ΠΡΠ°ΠΏ ΡΠ΅Π°Π»ΠΈΠ·Π°ΡΠΈΠΈ Π½Π°ΡΠ°Π»ΡΡ Ρ ΠΈΡΡΠ»Π΅Π΄ΠΎΠ²Π°Π½ΠΈΡ ΡΠΈΠ³Π½Π°Π»Π° Π½Π°ΠΏΡΡΠΆΠ΅Π½ΠΈΡ, ΡΠΎΠ·Π΄Π°Π²Π°Π΅ΠΌΠΎΠ³ΠΎ ΠΊΠ°ΡΡΡΠΊΠΎΠΉ Π·Π°ΠΆΠΈΠ³Π°Π½ΠΈΡ, Ρ ΠΏΠΎΠΌΠΎΡΡΡ ΠΎΡΡΠΈΠ»Π»ΠΎΠ³ΡΠ°ΡΠ°.ΠΡΡΠΈΠ»Π»ΠΎΠ³ΡΠ°Ρ — ΡΡΠΎ ΡΡΡΡΠΎΠΉΡΡΠ²ΠΎ, ΠΊΠΎΡΠΎΡΠΎΠ΅ ΠΏΠΎΠ·Π²ΠΎΠ»ΡΠ΅Ρ Π²Π°ΠΌ ΠΈΡΡΠ»Π΅Π΄ΠΎΠ²Π°ΡΡ Π½Π°ΠΏΡΡΠΆΠ΅Π½ΠΈΠ΅, ΡΠΎΠ·Π΄Π°Π²Π°Π΅ΠΌΠΎΠ΅ ΡΠΈΠ³Π½Π°Π»ΠΎΠΌ, ΠΊΠ°ΠΊ ΡΡΠ½ΠΊΡΠΈΡ Π²ΡΠ΅ΠΌΠ΅Π½ΠΈ (ΠΈΠ·ΠΎΠ±ΡΠ°Π·ΠΈΡΠ΅ Π³ΡΠ°ΡΠΈΠΊ, Π³Π΄Π΅ ΠΎΡΡ X ΠΏΡΠ΅Π΄ΡΡΠ°Π²Π»ΡΠ΅Ρ Π²ΡΠ΅ΠΌΡ, Π° ΠΎΡΡ Y ΠΏΡΠ΅Π΄ΡΡΠ°Π²Π»ΡΠ΅Ρ Π½Π°ΠΏΡΡΠΆΠ΅Π½ΠΈΠ΅). ΠΠ΄Π΅ΡΡ ΠΌΠΎΠΆΠ½ΠΎ Π½Π°ΠΉΡΠΈ ΠΎΡΠ»ΠΈΡΠ½ΡΡ ΡΠ΅ΡΠ΅Π½Π·ΠΈΡ Π½Π° ΠΎΡΡΠΈΠ»Π»ΠΎΠ³ΡΠ°ΡΡ, Π° Π²ΠΎΡ Π½Π°ΡΠ° ΡΠΎΡΠΎΠ³ΡΠ°ΡΠΈΡ. ΠΠΎ Π²ΡΠ΅ΠΌΡ Π΄Π²ΠΈΠΆΠ΅Π½ΠΈΡ Π°Π²ΡΠΎΠΌΠΎΠ±ΠΈΠ»Ρ ΠΎΡΡΠΈΠ»Π»ΠΎΠ³ΡΠ°Ρ Π²ΡΠ΄Π°Π²Π°Π» ΡΠΈΠ³Π½Π°Π», ΠΎΡΠ΅Π½Ρ ΠΏΠΎΡ ΠΎΠΆΠΈΠΉ Π½Π° ΡΠ»Π΅Π΄ΡΡΡΡΡ Π΄ΠΈΠ°Π³ΡΠ°ΠΌΠΌΡ:
ΠΠΎΠ»ΡΡΠΈΠ½ΡΡΠ²ΠΎ ΠΊΠΎΠΌΠΏΠΎΠ½Π΅Π½ΡΠΎΠ², ΠΊΠΎΡΠΎΡΡΠ΅ Π½Π°ΠΌ ΠΏΡΠ΅Π΄ΡΡΠΎΡΠ»ΠΎ ΠΈΡΠΏΠΎΠ»ΡΠ·ΠΎΠ²Π°ΡΡ, ΠΌΡ ΠΏΠΎΠ»ΡΡΠ°Π»ΠΈ ΠΈΠ· Π»Π΅ΠΆΠ°ΡΠΈΡ
ΠΏΠΎΠ±Π»ΠΈΠ·ΠΎΡΡΠΈ ΠΏΠ»Π°Ρ. ΠΡ ΠΏΠΎΠ΄ΠΊΠ»ΡΡΠΈΠ»ΠΈ ΠΏΡΠΎΠ²ΠΎΠ΄ ΠΎΡ Π½ΠΈΠ·ΠΊΠΎΠ²ΠΎΠ»ΡΡΠ½ΠΎΠΉ ΡΡΠΎΡΠΎΠ½Ρ ΠΊΠ°ΡΡΡΠΊΠΈ ΠΊ ΠΌΠ°ΠΊΠ΅ΡΠ½ΠΎΠΉ ΠΏΠ»Π°ΡΠ΅, Π° Π·Π°ΡΠ΅ΠΌ ΠΏΠΎΠ΄ΠΊΠ»ΡΡΠΈΠ»ΠΈ ΠΏΠΎΡΠ»Π΅Π΄ΠΎΠ²Π°ΡΠ΅Π»ΡΠ½ΠΎ ΡΠ΅Π·ΠΈΡΡΠΎΡ 1 ΠΠΠΌ (1 ΠΌΠΈΠ»Π»ΠΈΠΎΠ½ ΠΠΌ).ΠΡ ΠΎΠ±Π½Π°ΡΡΠΆΠΈΠ»ΠΈ, ΡΡΠΎ ΡΠ΅ΡΠ΅Π· ΡΠ΅Π·ΠΈΡΡΠΎΡ Π½Π΅ ΠΏΡΠΎΡ
ΠΎΠ΄ΠΈΠ» ΡΠΎΠΊ, ΡΠΎΠΏΡΠΎΡΠΈΠ²Π»Π΅Π½ΠΈΠ΅ Π±ΡΠ»ΠΎ ΡΠ»ΠΈΡΠΊΠΎΠΌ Π²ΡΡΠΎΠΊΠΈΠΌ. ΠΡ ΡΠ½ΠΈΠ·ΠΈΠ»ΠΈΡΡ Π΄ΠΎ 100 ΠΊΠΈΠ»ΠΎΠΎΠΌ (100 ΡΡΡΡΡ ΠΠΌ), ΠΈ ΡΠΈΠ³Π½Π°Π» ΠΏΡΠΎΡ
ΠΎΠ΄ΠΈΠ» Ρ Π³ΠΎΡΠ°Π·Π΄ΠΎ ΠΌΠ΅Π½ΡΡΠ΅ΠΉ ΡΠΈΠ»ΠΎΠΉ ΡΠΎΠΊΠ°, ΠΎΠ΄Π½Π°ΠΊΠΎ ΡΠΈΠ³Π½Π°Π» Π½Π°ΠΏΡΡΠΆΠ΅Π½ΠΈΡ Π²ΡΠ³Π»ΡΠ΄Π΅Π» ΡΠ°ΠΊ ΠΆΠ΅ (ΠΈΠ·ΠΎΠ±ΡΠ°ΠΆΠ΅Π½ΠΈΠ΅, Π½Π° ΠΊΠΎΡΠΎΡΠΎΠΌ ΠΌΡ Π½Π°Π±Π»ΡΠ΄Π°Π΅ΠΌ ΡΡΠΎ).
ΠΠΎΡΠ»Π΅ ΡΠ΅Π·ΠΈΡΡΠΎΡΠ° ΠΌΡ ΠΏΠΎΠ΄ΠΊΠ»ΡΡΠΈΠ»ΠΈ ΡΡΠ°Π±ΠΈΠ»ΠΈΡΡΠΎΠ½ Π½Π° 5,5 Π ΠΏΠ°ΡΠ°Π»Π»Π΅Π»ΡΠ½ΠΎ Π²ΡΡ ΠΎΠ΄Ρ ΠΈ Π·Π°Π·Π΅ΠΌΠ»ΠΈΠ»ΠΈ Π΅Π³ΠΎ (ΡΠΌ. Π‘ΠΈΠ½ΡΡ ΡΠ°ΡΡΡ ΠΏΡΠΈΠ²Π΅Π΄Π΅Π½Π½ΠΎΠΉ Π²ΡΡΠ΅ ΡΠ»Π΅ΠΊΡΡΠΈΡΠ΅ΡΠΊΠΎΠΉ ΡΡ Π΅ΠΌΡ). ΠΡΠΎ ΡΠ°Π±ΠΎΡΠ°Π»ΠΎ ΡΠΎΡΠ½ΠΎ ΡΠ°ΠΊ, ΠΊΠ°ΠΊ ΠΏΠ»Π°Π½ΠΈΡΠΎΠ²Π°Π»ΠΎΡΡ, ΠΈ Π½Π°ΠΏΡΡΠΆΠ΅Π½ΠΈΠ΅ ΡΠ΅Π³ΡΠ»ΠΈΡΠΎΠ²Π°Π»ΠΎΡΡ ΠΎΡ 0 Π΄ΠΎ 5 Π²ΠΎΠ»ΡΡ.ΠΠΎΠ»Π½Π° Π½Π°ΠΏΡΡΠΆΠ΅Π½ΠΈΡ ΠΊΠ°Π·Π°Π»Π°ΡΡ ΠΎΡΠ΅Π½Ρ ΠΊΠ²Π°Π΄ΡΠ°ΡΠ½ΠΎΠΉ, ΠΎΠ΄Π½Π°ΠΊΠΎ Ρ Π½Π°Ρ Π²ΡΠ΅ Π΅ΡΠ΅ Π±ΡΠ»Π° ΠΏΡΠ΅Π΄ΡΠΊΠ°Π·ΡΠ΅ΠΌΠ°Ρ ΠΏΡΠΎΠ±Π»Π΅ΠΌΠ° Ρ ΡΠ΅Π·ΠΎΠ½Π°Π½ΡΠΎΠΌ, Π²ΡΠ·ΡΠ²Π°ΡΡΠΈΠΌ Π΄ΠΎΠΏΠΎΠ»Π½ΠΈΡΠ΅Π»ΡΠ½ΡΠ΅ Π½Π΅ΠΆΠ΅Π»Π°ΡΠ΅Π»ΡΠ½ΡΠ΅ ΠΏΠ΅ΡΠ΅Ρ ΠΎΠ΄Ρ Π½Π°ΠΏΡΡΠΆΠ΅Π½ΠΈΡ, ΠΊΠΎΡΠΎΡΡΠ΅ ΡΠ΅Π³ΠΈΡΡΡΠΈΡΠΎΠ²Π°Π» 4-Π±ΠΈΡΠ½ΡΠΉ ΡΡΠ΅ΡΡΠΈΠΊ TTL. ΠΡΠ°ΠΉΠ°Π½ ΠΏΠΎΠ½ΡΠ», ΡΡΠΎ, Π²ΠΎΠ·ΠΌΠΎΠΆΠ½ΠΎ, Π΅Π΄ΠΈΠ½ΡΡΠ²Π΅Π½Π½ΡΠΉ ΠΊΠΎΠ½Π΄Π΅Π½ΡΠ°ΡΠΎΡ ΠΎΡΠΈΡΡΠΈΡ ΡΠΎ, ΡΡΠΎ ΠΎΡΡΠ°Π»ΠΎΡΡ ΠΎΡ ΡΠ΅Π·ΠΎΠ½Π°Π½ΡΠ°. ΠΡΡΠ΅ΠΌ ΠΏΡΠΎΠ± ΠΈ ΠΎΡΠΈΠ±ΠΎΠΊ Ρ ΠΈΡΠΏΠΎΠ»ΡΠ·ΠΎΠ²Π°Π½ΠΈΠ΅ΠΌ ΡΠ°Π·Π»ΠΈΡΠ½ΡΡ ΠΊΠΎΠ½Π΄Π΅Π½ΡΠ°ΡΠΎΡΠΎΠ² ΠΌΡ ΠΏΠΎΠ»ΡΡΠΈΠ»ΠΈ Π½Π° ΠΎΡΡΠΈΠ»Π»ΠΎΠ³ΡΠ°ΡΠ΅ ΡΠ»Π΅Π΄ΡΡΡΡΡ ΡΠΎΡΠΌΡ ΡΠΈΠ³Π½Π°Π»Π°:
ΠΠΈΠΆΠ½ΡΡ Π»ΠΈΠ½ΠΈΡ — ΡΡΠΎ ΡΡΠ°Π»ΠΎΠ½Π½Π°Ρ Π»ΠΈΠ½ΠΈΡ, ΠΊΠΎΡΠΎΡΡΡ ΠΌΡ ΠΈΡΠΏΠΎΠ»ΡΠ·ΠΎΠ²Π°Π»ΠΈ (ΠΏΡΠΈ 0 Π), Π° ΠΊΠ°ΠΆΠ΄Π°Ρ ΡΠ΅ΠΌΠ½Π°Ρ Π»ΠΈΠ½ΠΈΡ ΠΏΠΎ ΠΎΡΠΈ Y ΠΏΡΠ΅Π΄ΡΡΠ°Π²Π»ΡΠ΅Ρ 1 Π (ΡΡΠΎ ΡΡΡΠ΄Π½ΠΎ ΡΠ²ΠΈΠ΄Π΅ΡΡ, Π½ΠΎ ΠΏΠΈΠΊ Π½Π°ΠΏΡΡΠΆΠ΅Π½ΠΈΡ ΡΠΎΡΡΠ°Π²Π»ΡΠ΅Ρ 5.5Π). ΠΠΎΡ ΠΈΠ·ΠΎΠ±ΡΠ°ΠΆΠ΅Π½ΠΈΠ΅ ΡΡ Π΅ΠΌΡ Π½Π° ΡΡΠΎΠΌ ΡΡΠ°ΠΏΠ΅ (Π²Ρ ΡΠ°ΠΊΠΆΠ΅ ΠΌΠΎΠΆΠ΅ΡΠ΅ Π²ΠΈΠ΄Π΅ΡΡ ΠΊΠ°ΡΡΡΠΊΡ ΠΏΡΡΠΌΠΎ Π·Π° Π½Π΅ΠΉ, ΡΠΈΠ»ΠΈΠ½Π΄Ρ Ρ ΡΠΈΠ½ΠΈΠΌ ΠΊΠ°Π±Π΅Π»Π΅ΠΌ ΡΠ²Π΅ΡΠΈ Π·Π°ΠΆΠΈΠ³Π°Π½ΠΈΡ, ΠΈΠ΄ΡΡΠΈΠΉ ΠΎΡ Π½Π΅Π³ΠΎ Π½Π° Π²Π΅ΡΡ Π½Π΅ΠΌ ΠΈΠ·ΠΎΠ±ΡΠ°ΠΆΠ΅Π½ΠΈΠΈ):
Π’Π°Ρ ΠΎΠΌΠ΅ΡΡΡ | Instrumart
Π’Π°Ρ
ΠΎΠΌΠ΅ΡΡΡ ΠΈ ΡΡΡΠΎΠ±ΠΎΡΠΊΠΎΠΏΡ ΠΎΡΠ½ΠΎΡΡΡΡΡ ΠΊ ΠΊΠ»Π°ΡΡΡ ΠΈΠ½ΡΡΡΡΠΌΠ΅Π½ΡΠΎΠ², ΠΊΠΎΡΠΎΡΡΠ΅ ΠΈΠ·ΠΌΠ΅ΡΡΡΡ ΡΠΊΠΎΡΠΎΡΡΡ Π²ΡΠ°ΡΠ΅Π½ΠΈΡ Π²Π°Π»Π° ΠΈΠ»ΠΈ Π΄ΠΈΡΠΊΠ°, Π½Π°ΠΏΡΠΈΠΌΠ΅Ρ, Π² Π΄Π²ΠΈΠ³Π°ΡΠ΅Π»ΡΡ
, ΠΊΠΎΠ½Π²Π΅ΠΉΠ΅ΡΠ°Ρ
ΠΈ Π΄ΡΡΠ³ΠΈΡ
ΠΌΠ΅Ρ
Π°Π½ΠΈΠ·ΠΌΠ°Ρ
.
Π‘ΡΡΠΎΠ±ΠΎΡΠΊΠΎΠΏΡ ΠΎΠ±Π»Π°Π΄Π°ΡΡ Π΄ΠΎΠΏΠΎΠ»Π½ΠΈΡΠ΅Π»ΡΠ½ΠΎΠΉ ΡΠΏΠΎΡΠΎΠ±Π½ΠΎΡΡΡΡ ΡΠ»ΡΠΆΠΈΡΡ ΡΡΡΡΠΎΠΉΡΡΠ²ΠΎΠΌ Π΄Π»Ρ ΠΊΠΎΠ½ΡΡΠΎΠ»Ρ Π²ΡΠ°ΡΠ°ΡΡΠ΅Π³ΠΎΡΡ ΠΎΠ±ΠΎΡΡΠ΄ΠΎΠ²Π°Π½ΠΈΡ Π²ΠΎ Π²ΡΠ΅ΠΌΡ Π΄Π²ΠΈΠΆΠ΅Π½ΠΈΡ.ΠΠ½Π°Ρ ΡΠΊΠΎΡΠΎΡΡΡ Π²ΡΠ°ΡΠ΅Π½ΠΈΡ ΡΡΡΡΠΎΠΉΡΡΠ²Π° ΠΈΠ»ΠΈ Π²ΠΎΠ·ΠΌΠΎΠΆΠ½ΠΎΡΡΡ ΠΏΡΠΎΠ²Π΅ΡΠΈΡΡ
Π²ΠΎ Π²ΡΠ΅ΠΌΡ Π΄Π²ΠΈΠΆΠ΅Π½ΠΈΡ Π²Π°ΠΆΠ½ΠΎ ΡΠ±Π΅Π΄ΠΈΡΡΡΡ, ΡΡΠΎ ΠΎΠ±ΠΎΡΡΠ΄ΠΎΠ²Π°Π½ΠΈΠ΅ ΡΠ°Π±ΠΎΡΠ°Π΅Ρ Π² ΡΡΡΠ°Π½ΠΎΠ²Π»Π΅Π½Π½ΡΡ
ΠΏΡΠ΅Π΄Π΅Π»Π°Ρ
.
Π’Π°Ρ ΠΎΠΌΠ΅ΡΡΡ
Π’Π°Ρ ΠΎΠΌΠ΅ΡΡ — ΡΡΠΎ ΠΏΡΠΈΠ±ΠΎΡ, ΠΏΡΠ΅Π΄Π½Π°Π·Π½Π°ΡΠ΅Π½Π½ΡΠΉ Π΄Π»Ρ ΠΈΠ·ΠΌΠ΅ΡΠ΅Π½ΠΈΡ ΡΠΊΠΎΡΠΎΡΡΠΈ Π²ΡΠ°ΡΠ΅Π½ΠΈΡ Π²Π°Π»Π° ΠΈΠ»ΠΈ Π΄ΠΈΡΠΊΠ°. Π’Π°Ρ ΠΎΠΌΠ΅ΡΡΡ ΠΎΠ±ΡΡΠ½ΠΎ ΠΈΠ·ΠΌΠ΅ΡΡΡΡ ΠΊΠΎΠ»ΠΈΡΠ΅ΡΡΠ²ΠΎ ΠΎΠ±ΠΎΡΠΎΡΠΎΠ² Π² ΠΌΠΈΠ½ΡΡΡ (ΠΎΠ± / ΠΌΠΈΠ½), Ρ ΠΎΡΡ Π½Π΅ΠΊΠΎΡΠΎΡΡΠ΅ ΠΌΠΎΠ΄Π΅Π»ΠΈ ΡΠ°ΠΊΠΆΠ΅ ΡΠ»ΡΠΆΠ°Ρ Π΄Π»Ρ ΠΈΠ·ΠΌΠ΅ΡΠ΅Π½ΠΈΡ ΡΠΊΠΎΡΠΎΡΡΠΈ Π²ΡΠ°ΡΠ΅Π½ΠΈΡ. ΡΡΠ΅ΡΡΠΈΠΊΠΈ ΠΈ / ΠΈΠ»ΠΈ ΡΡΠΌΠΌΠ°ΡΠΎΡΡ. ΠΠ·ΠΌΠ΅ΡΠ΅Π½ΠΈΠ΅ ΡΠΊΠΎΡΠΎΡΡΠΈ Π²ΡΠ°ΡΠ΅Π½ΠΈΡ Π²ΡΠ°ΡΠ°ΡΡΠ΅Π³ΠΎΡΡ ΠΎΠ±ΡΠ΅ΠΊΡΠ° Π²Π°ΠΆΠ½ΠΎ ΠΏΠΎ ΡΡΠ΄Ρ ΠΏΡΠΈΡΠΈΠ½.ΠΠ΅ΡΠ°Π»ΠΈ ΡΠ°ΡΡΠΎ ΡΠ°ΡΡΡΠΈΡΠ°Π½Ρ Π½Π° ΠΌΠ°ΠΊΡΠΈΠΌΠ°Π»ΡΠ½ΡΡ ΡΠΊΠΎΡΠΎΡΡΡ Π²ΡΠ°ΡΠ΅Π½ΠΈΡ, ΠΏΡΠ΅Π²ΡΡΠ°ΡΡΡΡ ΠΊΠΎΡΠΎΡΡΡ ΠΎΠ½ΠΈ ΠΌΠΎΠ³ΡΡ Π²ΡΠΉΡΠΈ ΠΈΠ· ΡΡΡΠΎΡ ΠΈΠ»ΠΈ Π²ΡΠΉΡΠΈ ΠΈΠ· ΡΡΡΠΎΡ. ΠΡΡΠ³ΠΈΠ΅ ΡΠ°ΡΡΠΈ ΠΌΠΎΠ³ΡΡ ΡΠ°Π±ΠΎΡΠ°ΡΡ Π±ΠΎΠ»Π΅Π΅ ΡΡΡΠ΅ΠΊΡΠΈΠ²Π½ΠΎ Π½Π° ΠΎΠΏΡΠ΅Π΄Π΅Π»Π΅Π½Π½ΠΎΠΉ ΡΠΊΠΎΡΠΎΡΡΠΈ.
Π’Π°Ρ
ΠΎΠΌΠ΅ΡΡΡ Π΄ΠΎΡΡΡΠΏΠ½Ρ Π² Π½Π΅ΡΠΊΠΎΠ»ΡΠΊΠΈΡ
ΡΡΠΈΠ»ΡΡ
. Π₯ΠΎΡΡ ΠΌΠ½ΠΎΠ³ΠΈΠ΅ ΠΈΠ· Π½ΠΈΡ
ΠΏΡΠ΅Π΄ΡΡΠ°Π²Π»ΡΡΡ ΡΠΎΠ±ΠΎΠΉ ΠΏΠΎΡΡΠ°ΡΠΈΠ²Π½ΡΠ΅ ΠΌΠΎΠ΄Π΅Π»ΠΈ, ΠΏΡΠ΅Π΄Π½Π°Π·Π½Π°ΡΠ΅Π½Π½ΡΠ΅ Π΄Π»Ρ Π²ΡΠ±ΠΎΡΠΎΡΠ½ΠΎΠΉ ΠΏΡΠΎΠ²Π΅ΡΠΊΠΈ, Π΄ΡΡΠ³ΠΈΠ΅ ΠΏΡΠ΅Π΄Π½Π°Π·Π½Π°ΡΠ΅Π½Ρ Π΄Π»Ρ ΠΏΠΎΡΡΠΎΡΠ½Π½ΠΎΠΉ ΡΡΡΠ°Π½ΠΎΠ²ΠΊΠΈ ΠΈ ΠΏΠΎΡΡΠΎΡΠ½Π½ΠΎΠ³ΠΎ ΠΌΠΎΠ½ΠΈΡΠΎΡΠΈΠ½Π³Π°.
ΡΠΊΠΎΡΠΎΡΡΡ Π²ΡΠ°ΡΠ΅Π½ΠΈΡ ΠΈ Π²ΠΎΠ·ΠΌΠΎΠΆΠ½ΠΎΡΡΡ ΠΏΠΎΠ΄Π°Π²Π°ΡΡ ΡΠΈΠ³Π½Π°Π» ΡΡΠ΅Π²ΠΎΠ³ΠΈ, Π΅ΡΠ»ΠΈ ΡΠΊΠΎΡΠΎΡΡΡ ΡΠ»ΠΈΡΠΊΠΎΠΌ Π²ΡΡΠΎΠΊΠ°Ρ ΠΈΠ»ΠΈ ΡΠ»ΠΈΡΠΊΠΎΠΌ Π½ΠΈΠ·ΠΊΠ°Ρ.
ΠΠΎ ΡΡΡΠΈ, ΡΠ°Ρ ΠΎΠΌΠ΅ΡΡΡ ΠΌΠΎΠΆΠ½ΠΎ ΡΠ°Π·Π΄Π΅Π»ΠΈΡΡ Π½Π° Π΄Π²Π΅ Π³ΡΡΠΏΠΏΡ:
- ΠΠΎΠ½ΡΠ°ΠΊΡΠ½ΡΠ΅ ΡΠ°Ρ ΠΎΠΌΠ΅ΡΡΡ: ΠΠΎΠ½ΡΠ°ΠΊΡΠ½ΡΠ΅ ΡΠ°Ρ ΠΎΠΌΠ΅ΡΡΡ ΡΠ°Π±ΠΎΡΠ°ΡΡ, ΠΊΠΎΠ³Π΄Π° ΡΠ²ΠΎΠ±ΠΎΠ΄Π½ΠΎ Π²ΡΠ°ΡΠ°ΡΡΠ΅Π΅ΡΡ ΠΊΠΎΠ»Π΅ΡΠΎ Π½Π°Ρ ΠΎΠ΄ΠΈΡΡΡ Π² Π½Π΅ΠΏΠΎΡΡΠ΅Π΄ΡΡΠ²Π΅Π½Π½ΠΎΠΌ ΠΊΠΎΠ½ΡΠ°ΠΊΡΠ΅ Ρ Π²ΡΠ°ΡΠ°ΡΡΠΈΠΌΡΡ Π²Π°Π»ΠΎΠΌ ΠΈΠ»ΠΈ Π΄ΠΈΡΠΊΠΎΠΌ.ΠΠ°Π» ΠΈΠ»ΠΈ Π΄ΠΈΡΠΊ ΠΏΡΠΈΠ²ΠΎΠ΄ΠΈΡ Π² Π΄Π²ΠΈΠΆΠ΅Π½ΠΈΠ΅ ΠΊΠΎΠ»Π΅ΡΠΎ ΡΠΎΠ·Π΄Π°Π΅Ρ ΠΈΠΌΠΏΡΠ»ΡΡΡ, ΠΊΠΎΡΠΎΡΡΠ΅ ΡΡΠΈΡΡΠ²Π°ΡΡΡΡ ΡΠ°Ρ ΠΎΠΌΠ΅ΡΡΠΎΠΌ ΠΈ ΠΏΡΠ΅ΠΎΠ±ΡΠ°Π·ΡΡΡΡΡ Π² ΡΠΈΡΠ»ΠΎ ΠΎΠ±ΠΎΡΠΎΡΠΎΠ² Π² ΠΌΠΈΠ½ΡΡΡ. Π’Π°ΠΊΠΆΠ΅ ΠΌΠΎΠΆΠ½ΠΎ ΡΠ°ΡΡΡΠΈΡΠ°ΡΡ Π»ΠΈΠ½Π΅ΠΉΠ½ΡΡ ΡΠΊΠΎΡΠΎΡΡΡ ΠΈ ΡΠ°ΡΡΡΠΎΡΠ½ΠΈΠ΅.
- ΠΠ΅ΡΠΊΠΎΠ½ΡΠ°ΠΊΡΠ½ΡΠ΅ ΡΠ°Ρ
ΠΎΠΌΠ΅ΡΡΡ: ΠΠ΅ΡΠΊΠΎΠ½ΡΠ°ΠΊΡΠ½ΡΠ΅ ΡΠ°Ρ
ΠΎΠΌΠ΅ΡΡΡ ΠΈΡΠΏΠΎΠ»ΡΠ·ΡΡΡ ΠΈΡΡΠΎΡΠ½ΠΈΠΊ ΡΠ²Π΅ΡΠ°, ΠΎΠ±ΡΡΠ½ΠΎ Π»Π°Π·Π΅Ρ ΠΈΠ»ΠΈ ΠΈΠ½ΡΡΠ°ΠΊΡΠ°ΡΠ½ΡΠΉ ΡΠ²Π΅Ρ, Π΄Π»Ρ ΠΈΠ·ΠΌΠ΅ΡΠ΅Π½ΠΈΡ ΡΠΊΠΎΡΠΎΡΡΠΈ Π²ΡΠ°ΡΠ΅Π½ΠΈΡ. ΠΡΠΎ Π½Π΅ ΡΡΠ΅Π±ΡΠ΅Ρ ΡΠΈΠ·ΠΈΡΠ΅ΡΠΊΠΎΠ³ΠΎ
ΠΊΠΎΠ½ΡΠ°ΠΊΡ ΠΌΠ΅ΠΆΠ΄Ρ ΡΠ°Ρ
ΠΎΠΌΠ΅ΡΡΠΎΠΌ ΠΈ ΡΠ΅Π»ΡΡ. Π’Π°Ρ
ΠΎΠΌΠ΅ΡΡ Π½Π°ΡΠ΅Π»Π΅Π½ Π½Π° Π²ΡΠ°ΡΠ°ΡΡΡΡΡΡ ΡΠ΅Π»Ρ, ΠΊ ΠΊΠΎΡΠΎΡΠΎΠΉ ΠΏΡΠΈΠΊΡΠ΅ΠΏΠ»Π΅Π½Π° ΡΠ²Π΅ΡΠΎΠΎΡΡΠ°ΠΆΠ°ΡΡΠ°Ρ Π»Π΅Π½ΡΠ°.ΠΠΎΠ³Π΄Π° ΠΈΡΡΠΎΡΠ½ΠΈΠΊ ΡΠ²Π΅ΡΠ° ΠΏΠΎΠΏΠ°Π΄Π°Π΅Ρ Π² ΡΠ΅Π»Ρ
ΠΎΠ½ ΠΎΡΡΠ°ΠΆΠ°Π΅ΡΡΡ ΠΎΡ Π»Π΅Π½ΡΡ ΠΈ ΠΎΠ±ΡΠ°ΡΠ½ΠΎ Π½Π° ΡΠ°Ρ
ΠΎΠΌΠ΅ΡΡ. Π’Π°Ρ
ΠΎΠΌΠ΅ΡΡ ΠΈΠ·ΠΌΠ΅ΡΡΠ΅Ρ ΡΠΊΠΎΡΠΎΡΡΡ, Ρ ΠΊΠΎΡΠΎΡΠΎΠΉ ΡΠ²Π΅ΡΠΎΠ²ΡΠ΅ ΠΈΠΌΠΏΡΠ»ΡΡΡ ΠΎΡΡΠ°ΠΆΠ°ΡΡΡΡ ΠΎΠ±ΡΠ°ΡΠ½ΠΎ Π² ΡΠ°Ρ
ΠΎΠΌΠ΅ΡΡ, ΠΊΠΎΡΠΎΡΠ°Ρ ΠΏΡΠΎΠΏΠΎΡΡΠΈΠΎΠ½Π°Π»ΡΠ½Π° Π²ΡΠ°ΡΠ°ΡΡΠ΅ΠΌΡΡΡ
ΡΠΊΠΎΡΠΎΡΡΡ Π²Π°Π»Π° ΠΈΠ»ΠΈ Π΄ΠΈΡΠΊΠ°.

ΠΠ°ΠΊ ΠΈ ΠΌΠ½ΠΎΠ³ΠΈΠ΅ Π΄ΡΡΠ³ΠΈΠ΅ ΠΏΡΠΈΠ±ΠΎΡΡ, ΡΠ°Ρ ΠΎΠΌΠ΅ΡΡΡ ΡΡΠ°Π½ΠΎΠ²ΡΡΡΡ Π²ΡΠ΅ Π±ΠΎΠ»Π΅Π΅ ΡΠΈΡΡΠΎΠ²ΡΠΌΠΈ. Π₯ΠΎΡΡ Π°Π½Π°Π»ΠΎΠ³ΠΎΠ²ΡΠ΅ ΡΠ°Ρ ΠΎΠΌΠ΅ΡΡΡ Π²ΡΠ΅ Π΅ΡΠ΅ ΠΌΠΎΠΆΠ½ΠΎ Π½Π°ΠΉΡΠΈ, ΠΎΡΠΎΠ±Π΅Π½Π½ΠΎ Π² Π°Π²ΡΠΎΠΌΠΎΠ±ΠΈΠ»ΡΡ , ΡΠΈΡΡΠΎΠ²ΡΠ΅ ΠΌΠΎΠ΄Π΅Π»ΠΈ Π³ΠΎΡΠ°Π·Π΄ΠΎ Π±ΠΎΠ»Π΅Π΅ ΡΠ°ΡΠΏΡΠΎΡΡΡΠ°Π½Π΅Π½Ρ. Π¦ΠΈΡΡΠΎΠ²ΡΠ΅ ΡΠ°Ρ ΠΎΠΌΠ΅ΡΡΡ ΠΎΠ±Π»Π°Π΄Π°ΡΡ ΡΡΠ΄ΠΎΠΌ ΠΏΡΠ΅ΠΈΠΌΡΡΠ΅ΡΡΠ² ΠΏΠΎ ΡΡΠ°Π²Π½Π΅Π½ΠΈΡ ΡΠΎ ΡΠ²ΠΎΠΈΠΌΠΈ Π°Π½Π°Π»ΠΎΠ³ΠΎΠ²ΡΠΌΠΈ ΡΠΎΠ±ΡΠ°ΡΡΡΠΌΠΈ, ΠΏΡΠ΅ΠΆΠ΄Π΅ Π²ΡΠ΅Π³ΠΎ Π² ΡΠ°ΡΡΠΈΡΠ΅Π½Π½ΡΡ ΡΡΠ½ΠΊΡΠΈΡΡ , Π΄ΠΎΡΡΡΠΏΠ½ΡΡ Π΄Π»Ρ ΠΊΠ°ΠΆΠ΄ΠΎΠ³ΠΎ ΡΠΈΠΏΠ°.ΠΠ½Π°Π»ΠΎΠ³ΠΎΠ²ΡΠ΅ ΡΠ°Ρ ΠΎΠΌΠ΅ΡΡΡ Π½Π΅ ΠΈΠΌΠ΅ΡΡ ΡΡΠ½ΠΊΡΠΈΠΉ ΡΠ°ΠΊΠΈΠ΅ ΠΊΠ°ΠΊ ΠΏΠ°ΠΌΡΡΡ ΠΈΠ»ΠΈ ΡΡΠ°ΡΠΈΡΡΠΈΡΠ΅ΡΠΊΠΈΠ΅ ΡΡΠ½ΠΊΡΠΈΠΈ, ΡΠ°ΠΊΠΈΠ΅ ΠΊΠ°ΠΊ ΡΡΡΠ΅Π΄Π½Π΅Π½ΠΈΠ΅ ΠΈΠ»ΠΈ ΠΈΠ·ΠΌΠ΅Π½Π΅Π½ΠΈΠ΅ Π΅Π΄ΠΈΠ½ΠΈΡ ΠΈΠ·ΠΌΠ΅ΡΠ΅Π½ΠΈΡ. ΠΡΠΈ ΡΡΠ½ΠΊΡΠΈΠΈ ΡΠ²Π»ΡΡΡΡΡ ΠΎΠ±ΡΠΈΠΌΠΈ Π΄Π»Ρ Π±ΠΎΠ»ΡΡΠΈΠ½ΡΡΠ²Π° ΡΠΈΡΡΠΎΠ²ΡΡ ΠΈΠ½ΡΡΡΡΠΌΠ΅Π½ΡΠΎΠ².
Π‘ΡΡΠΎΠ±ΠΎΡΠΊΠΎΠΏΡ
Π ΡΡΡΠΎΠ±ΠΎΡΠΊΠΎΠΏΠ°Ρ
, ΠΎΠ±ΡΡΠ½ΠΎ Π½Π°Π·ΡΠ²Π°Π΅ΠΌΡΡ
ΡΡΡΠΎΠ±ΠΎΡΠΊΠΎΠΏΠ°ΠΌΠΈ, ΠΈΡΠΏΠΎΠ»ΡΠ·ΡΠ΅ΡΡΡ Π»Π°ΠΌΠΏΠ°-Π²ΡΠΏΡΡΠΊΠ° — ΠΎΠ±ΡΡΠ½ΠΎ ΠΊΡΠ΅Π½ΠΎΠ½ΠΎΠ²Π°Ρ ΠΈΠ»ΠΈ ΡΠ²Π΅ΡΠΎΠ΄ΠΈΠΎΠ΄Π½Π°Ρ, — ΡΠΏΡΠ°Π²Π»ΡΠ΅ΠΌΠ°Ρ ΠΎΡΡΠΈΠ»Π»ΡΡΠΎΡΠΎΠΌ, Π΄Π»Ρ ΠΏΡΠΎΠ²Π΅ΡΠΊΠΈ ΠΈΠ»ΠΈ ΠΈΠ·ΠΌΠ΅ΡΠ΅Π½ΠΈΡ ΡΠΊΠΎΡΠΎΡΡΠΈ Π²ΡΠ°ΡΠ΅Π½ΠΈΡ Π²ΡΠ°ΡΠ°ΡΡΠΈΡ
ΡΡ ΠΎΠ±ΡΠ΅ΠΊΡΠΎΠ². ΠΡΡΠΈΠ»Π»ΡΡΠΎΡ
ΠΠΊΠ»ΡΡΠ°Π΅Ρ Π»Π°ΠΌΠΏΡ Π² ΡΡΡΠΎΠΉΡΠΈΠ²ΠΎΠΌ ΡΠΎΡΡΠΎΡΠ½ΠΈΠΈ, ΠΊΠΎΡΠΎΡΠΎΠ΅ ΠΌΠΎΠΆΠ½ΠΎ ΡΡΡΠ°Π½ΠΎΠ²ΠΈΡΡ ΡΠΎ ΡΠΊΠΎΡΠΎΡΡΡΡ ΠΎΡ Π²ΡΠΏΡΡΠΊΠΈ ΠΊΠ°ΠΆΠ΄ΡΠ΅ Π½Π΅ΡΠΊΠΎΠ»ΡΠΊΠΎ ΡΠ΅ΠΊΡΠ½Π΄ Π΄ΠΎ ΡΠΎΡΠ΅Π½ Π²ΡΠΏΡΡΠ΅ΠΊ Π² ΡΠ΅ΠΊΡΠ½Π΄Ρ.ΠΠΈΠ³Π°ΡΡΠΈΠΉ ΡΠ²Π΅Ρ ΡΠΎΠ·Π΄Π°Π΅Ρ ΠΎΡΡΡΠ΅Π½ΠΈΠ΅ ΠΎΡΡΠ°Π½ΠΎΠ²ΠΊΠΈ Π΄Π²ΠΈΠΆΠ΅Π½ΠΈΡ, ΠΊΠΎΡΠΎΡΠΎΠ΅
ΠΈΠ΄Π΅Π°Π»ΡΠ½ΠΎ ΠΏΠΎΠ΄Ρ
ΠΎΠ΄ΠΈΡ Π΄Π»Ρ Π΄ΠΈΠ°Π³Π½ΠΎΡΡΠΈΡΠ΅ΡΠΊΠΈΡ
ΠΏΡΠΎΠ²Π΅ΡΠΎΠΊ Π΄Π²ΠΈΠΆΡΡΠΈΡ
ΡΡ ΠΌΠ΅Ρ
Π°Π½ΠΈΠ·ΠΌΠΎΠ², Π° ΡΠ°ΠΊΠΆΠ΅ ΠΌΠΎΠΆΠ΅Ρ ΠΈΡΠΏΠΎΠ»ΡΠ·ΠΎΠ²Π°ΡΡΡΡ Π² ΠΊΠ°ΡΠ΅ΡΡΠ²Π΅ ΠΈΠ·ΠΌΠ΅ΡΠΈΡΠ΅Π»ΡΠ½ΠΎΠ³ΠΎ ΠΏΡΠΈΠ±ΠΎΡΠ° Π΄Π»Ρ ΠΎΠΏΡΠ΅Π΄Π΅Π»Π΅Π½ΠΈΡ ΡΠΈΠΊΠ»ΠΈΡΠ΅ΡΠΊΠΎΠΉ ΡΠΊΠΎΡΠΎΡΡΠΈ, ΠΈΠ·ΠΌΠ΅ΡΡΠ΅ΠΌΠΎΠΉ Π² ΠΎΠ±ΠΎΡΠΎΡΠ°Ρ
Π² ΠΌΠΈΠ½ΡΡΡ (ΠΎΠ± / ΠΌΠΈΠ½).
ΠΠΈΠ³Π°ΡΡΠΈΠΉ ΡΠ²Π΅Ρ ΡΡΡΠΎΠ±ΠΎΡΠΊΠΎΠΏΠ° ΡΠΎΠ·Π΄Π°Π΅Ρ ΠΎΠΏΡΠΈΡΠ΅ΡΠΊΡΡ ΠΈΠ»Π»ΡΠ·ΠΈΡ, ΠΈΠ·Π²Π΅ΡΡΠ½ΡΡ ΠΊΠ°ΠΊ Π½Π°Π»ΠΎΠΆΠ΅Π½ΠΈΠ΅ ΡΠΏΠ΅ΠΊΡΡΠΎΠ². ΠΠΎΠ³Π΄Π° ΡΡΡΠΎΠ±ΠΎΡΠΊΠΎΠΏ ΠΌΠΈΠ³Π°Π΅Ρ, ΠΎΠ½ Π΄Π°Π΅Ρ ΠΏΠ΅ΡΠΈΠΎΠ΄ΠΈΡΠ΅ΡΠΊΠΈΠ΅ ΠΏΡΠΎΠ±Π»Π΅ΡΠΊΠΈ Π΄Π²ΠΈΠΆΡΡΠ΅ΠΉΡΡ ΡΠ΅Π»ΠΈ. ΠΠΎΠ³Π΄Π° ΡΠ°ΡΡΠΎΡΠ° Π²ΡΠΏΡΡΠΊΠΈ Π‘ΡΡΠΎΠ±ΠΎΡΠΊΠΎΠΏ ΡΠΎΠΎΡΠ²Π΅ΡΡΡΠ²ΡΠ΅Ρ ΡΠΊΠΎΡΠΎΡΡΠΈ Π²ΡΠ°ΡΠ΅Π½ΠΈΡ ΡΠ΅Π»ΠΈ, ΠΊΠ°ΠΆΠ΄Π°Ρ Π²ΡΠΏΡΡΠΊΠ° ΠΎΡΠ²Π΅ΡΠ°Π΅Ρ ΡΠ΅Π»Ρ Π² ΠΎΠ΄Π½ΠΎΠΌ ΠΈ ΡΠΎΠΌ ΠΆΠ΅ ΠΏΠΎΠ»ΠΎΠΆΠ΅Π½ΠΈΠΈ Π² Π΅Π΅ ΡΠΈΠΊΠ»Π΅ Π²ΡΠ°ΡΠ΅Π½ΠΈΡ, ΡΠΎΠ·Π΄Π°Π²Π°Ρ ΠΎΡΡΡΠ΅Π½ΠΈΠ΅, ΡΡΠΎ ΠΎΠ±ΡΠ΅ΠΊΡ Π½Π΅ΠΏΠΎΠ΄Π²ΠΈΠΆΠ΅Π½.ΠΠΎ Π΄ΠΎΡΡΠΈΠΆΠ΅Π½ΠΈΠΈ ΡΡΠΎΠΉ ΡΠΎΡΠΊΠΈ ΡΠ°ΡΡΠΎΡΠ° Π²ΡΠΏΡΡΠ΅ΠΊ ΠΌΠΎΠΆΠ΅Ρ ΡΠ²Π΅Π»ΠΈΡΠΈΠ²Π°ΡΡΡΡ ΠΈΠ»ΠΈ ΡΠΌΠ΅Π½ΡΡΠ°ΡΡΡΡ, ΡΡΠΎΠ±Ρ ΡΠΎΠ·Π΄Π°ΡΡ Π²ΠΏΠ΅ΡΠ°ΡΠ»Π΅Π½ΠΈΠ΅, Π±ΡΠ΄ΡΠΎ ΠΎΠ±ΡΠ΅ΠΊΡ Π²ΡΠ°ΡΠ°Π΅ΡΡΡ Π²ΠΏΠ΅ΡΠ΅Π΄ ΠΈΠ»ΠΈ Π½Π°Π·Π°Π΄ — ΡΠΊΠΎΡΠΎΡΡΡ ΠΊΠΎΡΠΎΡΠΎΠ³ΠΎ Π·Π°Π²ΠΈΡΠΈΡ ΠΎΡ ΡΠΎΠ³ΠΎ, Π½Π°ΡΠΊΠΎΠ»ΡΠΊΠΎ ΡΠΈΠ»ΡΠ½ΠΎ Π§Π°ΡΡΠΎΡΠ° Π²ΡΠΏΡΡΠ΅ΠΊ ΡΡΡΠΎΠ±ΠΎΡΠΊΠΎΠΏΠ° Π·Π°Π²ΠΈΡΠΈΡ ΠΎΡ ΡΠ°ΡΡΠΎΡΡ Π²ΡΠ°ΡΠ΅Π½ΠΈΡ ΡΠ΅Π»ΠΈ.
ΠΠΎΠ·ΠΌΠΎΠΆΠ½ΠΎΡΡΡ Π²ΠΈΠ·ΡΠ°Π»ΡΠ½ΠΎ Β«ΠΎΡΡΠ°Π½ΠΎΠ²ΠΈΡΡ ΠΈ Π·Π°ΠΏΡΡΡΠΈΡΡΒ» ΠΏΡΡΠ΄ΠΈΠ»ΡΠ½ΡΡ ΠΌΠ°ΡΠΈΠ½Ρ ΠΈΠ»ΠΈ ΠΎΡΡΠ΅Π³ΡΠ»ΠΈΡΠΎΠ²Π°ΡΡ Π΅Π΅ ΡΠΊΠΎΡΠΎΡΡΡ ΠΈ Π½Π°ΠΏΡΠ°Π²Π»Π΅Π½ΠΈΠ΅ Π²ΡΠ°ΡΠ΅Π½ΠΈΡ ΡΠ²Π»ΡΠ΅ΡΡΡ Π²Π°ΠΆΠ½ΡΠΌ ΠΈΠ½ΡΡΡΡΠΌΠ΅Π½ΡΠΎΠΌ ΠΏΡΠΎΠ²Π΅ΡΠΊΠΈ ΠΈ ΠΏΠΎΠΈΡΠΊΠ° Π½Π΅ΠΈΡΠΏΡΠ°Π²Π½ΠΎΡΡΠ΅ΠΉ. Π’Π΅Ρ
Π½ΠΈΠΊΠΈ ΠΌΠΎΠ³ΡΡ
Π²ΡΡΠ²Π»ΡΡΡ ΠΏΠΎΠ²ΡΠ΅ΠΆΠ΄Π΅Π½ΠΈΡ ΡΠ΅ΡΡΠ΅ΡΠ΅Π½, Π²Π°Π»ΠΎΠ², ΡΠΊΠΈΠ²ΠΎΠ² ΠΈ ΡΠ΅ΠΌΠ½Π΅ΠΉ Π±Π΅Π· ΠΎΡΡΠ°Π½ΠΎΠ²ΠΊΠΈ ΠΎΠ±ΠΎΡΡΠ΄ΠΎΠ²Π°Π½ΠΈΡ.ΠΡΠΎΠΌΠ΅ ΡΠΎΠ³ΠΎ, Π»ΡΠ±ΡΠ΅ ΠΊΠΎΠ»Π΅Π±Π°Π½ΠΈΡ ΠΈΠ»ΠΈ ΠΏΡΠΎΠ±Π»Π΅ΠΌΡ ΡΠΎ ΡΠ΅Π½ΡΡΠΎΠ²ΠΊΠΎΠΉ ΠΌΠΎΠΆΠ½ΠΎ Π±ΡΡΡΡΠΎ Π·Π°ΠΌΠ΅ΡΠΈΡΡ Π΄ΠΎ ΡΠΎΠ³ΠΎ, ΠΊΠ°ΠΊ ΠΏΡΠΎΠ±Π»Π΅ΠΌΠ° ΡΡΠ°Π½Π΅Ρ
ΡΠ΅ΡΡΠ΅Π·Π½ΡΠΉ.
Π₯ΠΎΡΡ ΡΠΏΠΎΡΠΎΠ±Π½ΠΎΡΡΡ ΡΡΡΠΎΠ±ΠΎΡΠΊΠΎΠΏΠ° Π²ΠΈΠ·ΡΠ°Π»ΡΠ½ΠΎ ΠΎΡΡΠ°Π½Π°Π²Π»ΠΈΠ²Π°ΡΡ Π΄Π²ΠΈΠΆΠ΅Π½ΠΈΠ΅ ΠΌΠ΅Ρ Π°Π½ΠΈΠ·ΠΌΠ° Π΄Π»Ρ ΠΏΡΠΎΠ²Π΅ΡΠΊΠΈ ΡΠ²Π»ΡΠ΅ΡΡΡ ΠΎΡΠ½ΠΎΠ²Π½ΡΠΌ ΠΏΡΠΈΠΌΠ΅Π½Π΅Π½ΠΈΠ΅ΠΌ ΠΈΠ½ΡΡΡΡΠΌΠ΅Π½ΡΠ°, ΠΎΠ½ ΡΠ°ΠΊΠΆΠ΅ Π²Π΅ΡΡΠΌΠ° ΠΏΠΎΠ»Π΅Π·Π΅Π½ ΠΊΠ°ΠΊ ΠΈΠ½ΡΡΡΡΠΌΠ΅Π½Ρ, ΡΠΏΠΎΡΠΎΠ±Π½ΡΠΉ ΠΈΠ·ΠΌΠ΅ΡΠ΅Π½ΠΈΠ΅ ΡΠΊΠΎΡΠΎΡΡΠΈ Π²ΡΠ°ΡΠ΅Π½ΠΈΡ. ΠΠ·ΠΌΠ΅ΡΠ΅Π½ΠΈΠ΅ ΡΠΊΠΎΡΠΎΡΡΠΈ Π²ΡΠ°ΡΠ΅Π½ΠΈΡ Π²ΠΊΠ»ΡΡΠ°Π΅Ρ ΡΠΎΠ³Π»Π°ΡΠΎΠ²Π°Π½ΠΈΠ΅ ΡΠ°ΡΡΠΎΡΡ Π²ΡΠΏΡΡΠΊΠΈ ΡΡΡΠΎΠ±Π° Ρ ΡΠ°ΡΡΠΎΡΠΎΠΉ Π²ΡΠ°ΡΠ΅Π½ΠΈΡ ΡΠ΅ΡΡΠΈΡΡΠ΅ΠΌΠΎΠ³ΠΎ ΠΎΠ±ΠΎΡΡΠ΄ΠΎΠ²Π°Π½ΠΈΡ. ΠΠ°ΠΊΠΎΠΉ-ΡΠΎ ΠΎΡΠΈΠ΅Π½ΡΠΈΡ, Π½Π°ΠΏΡΠΈΠΌΠ΅Ρ, ΡΠ²Π΅ΡΠΎΠΎΡΡΠ°ΠΆΠ°ΡΡΠ°Ρ Π»Π΅Π½ΡΠ°, ΠΎΠ±Π»Π΅Π³ΡΠ°Π΅Ρ ΡΡΡ Π·Π°Π΄Π°ΡΡ.ΠΠ°ΠΊ ΡΠΎΠ»ΡΠΊΠΎ ΡΠΊΠΎΡΠΎΡΡΠΈ ΡΠΎΠ²ΠΏΠ°Π΄Π°ΡΡ, ΡΡΡΠΎΠ±ΠΎΡΠΊΠΎΠΏ ΠΌΠΎΠΆΠ΅Ρ ΠΏΡΠ΅ΠΎΠ±ΡΠ°Π·ΠΎΠ²Π°ΡΡ ΠΊΠΎΠ»ΠΈΡΠ΅ΡΡΠ²ΠΎ Π²ΡΠΏΡΡΠ΅ΠΊ Π² ΡΠ΅ΠΊΡΠ½Π΄Ρ Π² ΡΠΈΡΠ»ΠΎ ΠΎΠ±ΠΎΡΠΎΡΠΎΠ² Π² ΠΌΠΈΠ½ΡΡΡ.
ΠΡΠΈΠ»ΠΎΠΆΠ΅Π½ΠΈΡ Π΄Π»Ρ ΡΠ°Ρ ΠΎΠΌΠ΅ΡΡΠΎΠ² ΠΈ ΡΡΡΠΎΠ±ΠΎΡΠΊΠΎΠΏΠΎΠ²:
Π’Π°Ρ ΠΎΠΌΠ΅ΡΡΡ ΠΈ ΡΡΡΠΎΠ±ΠΎΡΠΊΠΎΠΏΡ ΡΠ²Π»ΡΡΡΡΡ ΡΠ΅Π½Π½ΡΠΌΠΈ ΠΈΠ½ΡΡΡΡΠΌΠ΅Π½ΡΠ°ΠΌΠΈ Π΄Π»Ρ ΠΈΠ·ΠΌΠ΅ΡΠ΅Π½ΠΈΡ ΡΠΊΠΎΡΠΎΡΡΠΈ Π²ΡΠ°ΡΠ΅Π½ΠΈΡ (ΠΈ ΠΏΡΠΎΠ²Π΅ΡΠΊΠΈ Π² ΡΠ»ΡΡΠ°Π΅ ΡΡΡΠΎΠ±ΠΎΡΠΊΠΎΠΏΠΎΠ²) Π²ΡΠ°ΡΠ°ΡΡΠ΅Π³ΠΎΡΡ ΠΎΠ±ΠΎΡΡΠ΄ΠΎΠ²Π°Π½ΠΈΡ. ΠΡΠΎ Π²Π°ΠΆΠ½ΠΎ Π΄Π»Ρ ΡΠΈΡΠΎΠΊΠΎΠ³ΠΎ ΠΊΡΡΠ³Π° ΠΎΠ±ΠΎΡΡΠ΄ΠΎΠ²Π°Π½ΠΈΠ΅ Π² ΡΠΎΠΌ ΡΠΈΡΠ»Π΅:
- Π¦Π΅Π½ΡΡΠΈΡΡΠ³ΠΈ
- ΠΠΈΠ»ΡΠ½ΡΠ΅ ΠΏΠΎΠ»ΠΎΡΠ½Π°
- Π¨Π»ΠΈΡΠΎΠ²Π°Π»ΡΠ½ΡΠ΅ ΠΌΠ°ΡΠΈΠ½Ρ
- ΠΠΈΡΡΡ / ΡΡΠΊΠ°Π»Π°ΡΠΎΡΡ
- ΠΠ²ΠΈΠ³Π°ΡΠ΅Π»ΠΈ
- ΠΠ²ΠΈΠ³Π°ΡΠ΅Π»ΠΈ
- ΠΠΎΠ½Π²Π΅ΠΉΠ΅ΡΠ½ΡΠ΅ Π»Π΅Π½ΡΡ
- ΠΠ΅Π½ΡΠΈΠ»ΡΡΠΎΡΡ
- ΠΠΈΠ½ΡΡ
ΠΠ° ΡΡΠΎ ΡΠ»Π΅Π΄ΡΠ΅Ρ ΠΎΠ±ΡΠ°ΡΠΈΡΡ Π²Π½ΠΈΠΌΠ°Π½ΠΈΠ΅ ΠΏΡΠΈ Π²ΡΠ±ΠΎΡΠ΅ ΡΡΡΠΎΠ±ΠΎΡΠΊΠΎΠΏΠ° ΠΈΠ»ΠΈ ΡΠ°Ρ ΠΎΠΌΠ΅ΡΡΠ°:
- ΠΠΊΠ»ΡΡΠ°Π΅Ρ Π»ΠΈ ΠΏΡΠΈΠ»ΠΎΠΆΠ΅Π½ΠΈΠ΅ Π°Π½Π°Π»ΠΈΠ· Π²ΡΠ°ΡΠ΅Π½ΠΈΡ ΠΈΠ»ΠΈ ΡΠΎΠ»ΡΠΊΠΎ ΠΈΠ·ΠΌΠ΅ΡΠ΅Π½ΠΈΠ΅ ΡΠΊΠΎΡΠΎΡΡΠΈ Π²ΡΠ°ΡΠ΅Π½ΠΈΡ?
- Π’ΡΠ΅Π±ΡΠ΅ΡΡΡ Π»ΠΈ Π²ΡΠ±ΠΎΡΠΎΡΠ½ΠΎΠ΅ ΡΠ΅ΡΡΠΈΡΠΎΠ²Π°Π½ΠΈΠ΅ ΠΈΠ»ΠΈ ΠΏΠΎΡΡΠΎΡΠ½Π½ΠΎΠ΅ ΡΠ°Π·ΠΌΠ΅ΡΠ΅Π½ΠΈΠ΅?
- ΠΠ°ΠΊΠΎΠ΅ ΠΌΠ°ΠΊΡΠΈΠΌΠ°Π»ΡΠ½ΠΎΠ΅ ΡΠΈΡΠ»ΠΎ ΠΎΠ±ΠΎΡΠΎΡΠΎΠ² Π² ΠΌΠΈΠ½ΡΡΡ Π±ΡΠ΄Π΅Ρ ΠΈΠ·ΠΌΠ΅ΡΡΡΡ ΠΏΡΠΈΠ±ΠΎΡ?
- ΠΠ°ΠΊΠΎΠΉ ΡΡΠΎΠ²Π΅Π½Ρ ΡΠΎΡΠ½ΠΎΡΡΠΈ ΡΡΠ΅Π±ΡΠ΅ΡΡΡ?
- Π§ΡΠΎ Π»ΡΡΡΠ΅: ΠΊΠΎΠ½ΡΠ°ΠΊΡΠ½ΠΎΠ΅ ΠΈΠ»ΠΈ Π±Π΅ΡΠΊΠΎΠ½ΡΠ°ΠΊΡΠ½ΠΎΠ΅ ΠΈΠ·ΠΌΠ΅ΡΠ΅Π½ΠΈΠ΅?
- ΠΠ°ΠΊΠΎΠΉ ΡΠ΅Π½ΠΎΠ²ΠΎΠΉ Π΄ΠΈΠ°ΠΏΠ°Π·ΠΎΠ½ Π½Π°ΠΈΠ±ΠΎΠ»Π΅Π΅ ΠΏΡΠΈΠ²Π»Π΅ΠΊΠ°ΡΠ΅Π»Π΅Π½?
ΠΡΠ»ΠΈ Ρ Π²Π°Ρ Π΅ΡΡΡ ΠΊΠ°ΠΊΠΈΠ΅-Π»ΠΈΠ±ΠΎ Π²ΠΎΠΏΡΠΎΡΡ ΠΎΡΠ½ΠΎΡΠΈΡΠ΅Π»ΡΠ½ΠΎ ΡΠ°Ρ
ΠΎΠΌΠ΅ΡΡΠΎΠ² ΠΈΠ»ΠΈ ΡΡΡΠΎΠ±ΠΎΡΠΊΠΎΠΏΠΎΠ², Π½Π΅ ΡΡΠ΅ΡΠ½ΡΠΉΡΠ΅ΡΡ ΠΎΠ±ΡΠ°ΡΠ°ΡΡΡΡ ΠΊ ΠΎΠ΄Π½ΠΎΠΌΡ ΠΈΠ· Π½Π°ΡΠΈΡ
ΠΈΠ½ΠΆΠ΅Π½Π΅ΡΠΎΠ², ΠΎΡΠΏΡΠ°Π²ΠΈΠ² Π½Π°ΠΌ ΡΠ»Π΅ΠΊΡΡΠΎΠ½Π½ΠΎΠ΅ ΠΏΠΈΡΡΠΌΠΎ ΠΏΠΎ Π°Π΄ΡΠ΅ΡΡ sales @ instrumart.
com ΠΈΠ»ΠΈ ΠΏΠΎ ΡΠ΅Π»Π΅ΡΠΎΠ½Ρ 1-800-884-4967.
Π’Π°Ρ ΠΎΠΌΠ΅ΡΡΡ ΠΈ ΡΠ½ΠΊΠΎΠ΄Π΅ΡΡ — Π² ΡΠ΅ΠΌ ΡΠ°Π·Π½ΠΈΡΠ°?
ΠΠΎΡΠΊΠΎΠ»ΡΠΊΡ ΡΠ°Ρ ΠΎΠΌΠ΅ΡΡΡ ΠΌΠΎΠ³ΡΡ Π²ΡΠΏΠΎΠ»Π½ΡΡΡ ΡΡ ΠΆΠ΅ Π±Π°Π·ΠΎΠ²ΡΡ ΡΡΠ½ΠΊΡΠΈΡ, ΡΡΠΎ ΠΈ ΡΠ½ΠΊΠΎΠ΄Π΅ΡΡ, ΡΠ°ΡΡΠΎ Π²ΡΡΡΠ΅ΡΠ°Π΅ΡΡΡ Π½Π΅ΠΊΠΎΡΠΎΡΠ°Ρ ΠΏΡΡΠ°Π½ΠΈΡΠ° ΠΌΠ΅ΠΆΠ΄Ρ ΡΠ΅ΡΠΌΠΈΠ½Π°ΠΌΠΈ. ΠΡΠΎ ΡΠ°ΡΡΠΎ ΠΌΠΎΠΆΠ΅Ρ ΠΏΡΠΈΠ²Π΅ΡΡΠΈ ΠΊ Β«ΡΡΠ΅Π·ΠΌΠ΅ΡΠ½ΠΎΠΌΡ ΠΏΡΠΎΠ΅ΠΊΡΠΈΡΠΎΠ²Π°Π½ΠΈΡΒ» ΠΈΠ»ΠΈ Β«ΡΡΠ΅Π·ΠΌΠ΅ΡΠ½ΠΎΠΌΡ ΠΏΡΠΎΠ΅ΠΊΡΠΈΡΠΎΠ²Π°Π½ΠΈΡΒ», ΠΏΠΎΡΠΎΠΌΡ ΡΡΠΎ ΡΡΡΠ΅ΡΡΠ²ΡΠ΅Ρ ΡΠΈΡΠΎΠΊΠΈΠΉ ΡΠΏΠ΅ΠΊΡΡ Π΄ΠΎΡΡΡΠΏΠ½ΡΡ ΡΠ»ΠΎΠΆΠ½ΡΡ ΡΠ½ΠΊΠΎΠ΄Π΅ΡΠΎΠ², Π½ΠΎ ΠΏΡΠΎΡΡΠΎΠΉ ΡΠ°Ρ ΠΎΠΌΠ΅ΡΡ ΡΠ°ΡΡΠΎ ΡΠΏΡΠ°Π²Π»ΡΠ΅ΡΡΡ ΡΠΎ ΡΠ²ΠΎΠ΅ΠΉ Π·Π°Π΄Π°ΡΠ΅ΠΉ.
ΠΠΎ ΡΠ½Π°ΡΠ°Π»Π° Π΄Π°Π²Π°ΠΉΡΠ΅ ΠΏΠΎΡΠΌΠΎΡΡΠΈΠΌ, ΡΡΠΎ Π΄Π΅Π»Π°Π΅Ρ ΠΊΠ°ΠΆΠ΄ΠΎΠ΅ ΡΡΡΡΠΎΠΉΡΡΠ²ΠΎ.ΠΠΎΡΠΎΡΠ΅ Π³ΠΎΠ²ΠΎΡΡ, ΠΈ ΡΠ°Ρ ΠΎΠΌΠ΅ΡΡΡ, ΠΈ ΡΠ½ΠΊΠΎΠ΄Π΅ΡΡ ΠΏΡΠ΅Π΄Π½Π°Π·Π½Π°ΡΠ΅Π½Ρ Π΄Π»Ρ ΠΏΡΠ΅Π΄ΠΎΡΡΠ°Π²Π»Π΅Π½ΠΈΡ Π½Π΅ΠΊΠΎΡΠΎΡΠΎΠΉ ΠΈΠ½ΡΠΎΡΠΌΠ°ΡΠΈΠΈ ΠΎ Π΄Π²ΠΈΠΆΠ΅Π½ΠΈΠΈ Π²Π°Π»Π° Π΄Π²ΠΈΠ³Π°ΡΠ΅Π»Ρ.
Π’Π°Ρ ΠΎΠΌΠ΅ΡΡΡ ΠΈΠ·ΠΌΠ΅ΡΡΡΡ ΡΠΊΠΎΡΠΎΡΡΡ ΠΈ ΡΠ½ΠΊΠΎΠ΄Π΅ΡΡ ΠΈΠ·ΠΌΠ΅ΡΡΡΡ ΠΏΠΎΠ»ΠΎΠΆΠ΅Π½ΠΈΠ΅ .
Π’Π°Ρ ΠΎΠΌΠ΅ΡΡΡ ΠΏΡΠ΅Π΄ΠΎΡΡΠ°Π²Π»ΡΡΡ ΠΈΠ½ΡΠΎΡΠΌΠ°ΡΠΈΡ ΠΎ ΡΠΊΠΎΡΠΎΡΡΠΈ, Π° ΡΠ½ΠΊΠΎΠ΄Π΅ΡΡ — ΠΏΠΎΠ·ΠΈΡΠΈΡ
Π’Π°Ρ ΠΎΠΌΠ΅ΡΡΡ
Π’Π°Ρ ΠΎΠΌΠ΅ΡΡ ΠΏΠΎΠ·Π²ΠΎΠ»ΠΈΡ Π²Π°ΠΌ ΡΠ°ΡΡΡΠΈΡΠ°ΡΡ ΡΠΈΡΠ»ΠΎ ΠΎΠ±ΠΎΡΠΎΡΠΎΠ² Π΄Π²ΠΈΠ³Π°ΡΠ΅Π»Ρ.
Π ΠΊΠ°ΡΠ΅ΡΡΠ²Π΅ Π°Π½Π°Π»ΠΎΠ³ΠΈΠΈ, Π΅ΡΠ»ΠΈ Π²Ρ ΠΌΠΎΠΆΠ΅ΡΠ΅ ΠΏΡΠ΅Π΄ΡΡΠ°Π²ΠΈΡΡ ΡΠ΅Π±Π΅ Π²ΡΠ°ΡΠ°ΡΡΠ΅Π΅ΡΡ ΠΊΠΎΠ»Π΅ΡΠΎ (ΠΈΠ³Π½ΠΎΡΠΈΡΡΡ ΡΠΎΡ ΡΠ°ΠΊΡ, ΡΡΠΎ ΠΎΠ½ΠΈ Π½Π° ΡΠ°ΠΌΠΎΠΌ Π΄Π΅Π»Π΅ ΠΏΡΠ΅Π΄Π½Π°Π·Π½Π°ΡΠ΅Π½Ρ Π΄Π»Ρ ΠΈΠ·ΠΌΠ΅ΡΠ΅Π½ΠΈΡ ΡΠ°ΡΡΡΠΎΡΠ½ΠΈΡ), ΠΎΠ½ΠΈ ΠΈΠ·Π΄Π°ΡΡ ΡΠ»ΡΡΠΈΠΌΡΠΉ ΡΠ΅Π»ΡΠΎΠΊ ΠΎΠ΄ΠΈΠ½ ΡΠ°Π· Π·Π° ΠΊΠ°ΠΆΠ΄ΡΠΉ ΠΏΠΎΠ»Π½ΡΠΉ ΠΎΠ±ΠΎΡΠΎΡ.
ΠΠΎΠ΄ΡΡΠΈΡΠ°ΠΉΡΠ΅ Π²ΡΠ΅ΠΌΡ ΠΌΠ΅ΠΆΠ΄Ρ ΡΠ΅Π»ΡΠΊΠ°ΠΌΠΈ, ΠΈ Π²Ρ ΡΠΌΠΎΠΆΠ΅ΡΠ΅ ΠΎΠΏΡΠ΅Π΄Π΅Π»ΠΈΡΡ, Π½Π°ΡΠΊΠΎΠ»ΡΠΊΠΎ Π±ΡΡΡΡΠΎ Π²ΡΠ°ΡΠ°Π΅ΡΡΡ ΠΊΠΎΠ»Π΅ΡΠΎ — ΠΈΠ»ΠΈ Π΅Π³ΠΎ ΡΠΈΡΠ»ΠΎ ΠΎΠ±ΠΎΡΠΎΡΠΎΠ² Π² ΠΌΠΈΠ½ΡΡΡ.
ΠΡΡΡ ΠΌΠ½ΠΎΠ³ΠΎ ΡΠΏΠΎΡΠΎΠ±ΠΎΠ² Π΄ΠΎΠ±ΠΈΡΡΡΡ ΡΡΠΎΠ³ΠΎ, Π²Ρ ΠΌΠΎΠΆΠ΅ΡΠ΅ ΠΈΡΠΏΠΎΠ»ΡΠ·ΠΎΠ²Π°ΡΡ ΡΡΡΠ΅ΠΊΡ Π₯ΠΎΠ»Π»Π° Π΄Π»Ρ ΠΈΠ·ΠΌΠ΅ΡΠ΅Π½ΠΈΡ ΠΊΠ°ΠΆΠ΄ΡΠΉ ΡΠ°Π·, ΠΊΠΎΠ³Π΄Π° Π΄Π²ΠΈΠ³Π°ΡΠ΅Π»Ρ ΡΠΎΠ²Π΅ΡΡΠ°Π΅Ρ ΠΏΠΎΠ»Π½ΡΠΉ ΠΎΠ±ΠΎΡΠΎΡ, ΠΈΠ»ΠΈ ΠΊΠ°ΠΊΠΎΠΉ-Π»ΠΈΠ±ΠΎ Π΄ΡΡΠ³ΠΎΠΉ ΠΌΠ΅Ρ Π°Π½ΠΈΡΠ΅ΡΠΊΠΈΠΉ ΠΌΠ΅ΡΠΎΠ΄. ΠΠ½ΠΎΠ³ΠΈΠ΅ ΠΌΠ΅ΡΠΎΠ΄Ρ ΠΈΠ·ΠΌΠ΅ΡΠ΅Π½ΠΈΡ Π°Π½Π°Π»ΠΎΠ³ΠΈΡΠ½Ρ ΠΊΠΎΠ΄ΠΈΡΠΎΠ²ΡΠΈΠΊΠ°ΠΌ, ΠΎΠ΄Π½Π°ΠΊΠΎ ΠΊΠΎΠ΄Π΅ΡΡ ΠΎΠ±ΡΡΠ½ΠΎ ΡΡΡΠ΅ΠΌΡΡΡΡ ΠΊ Π³ΠΎΡΠ°Π·Π΄ΠΎ Π±ΠΎΠ»Π΅Π΅ Π²ΡΡΠΎΠΊΠΎΠΌΡ ΡΠ°Π·ΡΠ΅ΡΠ΅Π½ΠΈΡ, ΡΡΠΎ ΡΡΠ»ΠΎΠΆΠ½ΡΠ΅Ρ ΠΈΡ . ΠΡΠ΅ΠΈΠΌΡΡΠ΅ΡΡΠ²ΠΎ ΡΠ°Ρ ΠΎΠΌΠ΅ΡΡΠ° Π·Π°ΠΊΠ»ΡΡΠ°Π΅ΡΡΡ Π² Π΅Π³ΠΎ ΠΏΡΠΎΡΡΠΎΡΠ΅, Π²Π°ΠΌ Π½ΡΠΆΠ½ΠΎ Π²ΡΠ΅Π³ΠΎ Π»ΠΈΡΡ ΠΎΠ΄Π½ΠΎ ΠΈΠ·ΠΌΠ΅ΡΠ΅Π½ΠΈΠ΅ Π·Π° ΠΎΠ΄ΠΈΠ½ ΠΎΠ±ΠΎΡΠΎΡ.
Π€Π°ΠΊΡΠΈΡΠ΅ΡΠΊΠΈ, Π΄Π²ΠΈΠ³Π°ΡΠ΅Π»ΠΈ ΠΏΠΎΡΡΠΎΡΠ½Π½ΠΎΠ³ΠΎ ΡΠΎΠΊΠ° ΠΏΡΠΈ Π²ΡΠ°ΡΠ΅Π½ΠΈΠΈ ΡΠΎΠ·Π΄Π°ΡΡ ΠΎΠ±ΡΠ°ΡΠ½ΡΡ ΠΠΠ‘, ΠΊΠΎΡΠΎΡΡΡ ΠΌΠΎΠΆΠ½ΠΎ ΠΈΠ·ΠΌΠ΅ΡΠΈΡΡ, ΡΠ°ΠΊ ΡΡΠΎ Π²Ρ ΠΌΠΎΠΆΠ΅ΡΠ΅ ΠΏΠΎΡΡΡΠΎΠΈΡΡ ΡΠ°Ρ ΠΎΠΌΠ΅ΡΡ ΠΈΠ· Π΄ΠΈΡΠΊΡΠ΅ΡΠ½ΡΡ ΡΠ»Π΅ΠΊΡΡΠΎΠ½Π½ΡΡ ΠΊΠΎΠΌΠΏΠΎΠ½Π΅Π½ΡΠΎΠ². ΠΡΠ»ΠΈ Π²Ρ Π·Π°ΠΈΠ½ΡΠ΅ΡΠ΅ΡΠΎΠ²Π°Π½Ρ Π² ΠΈΠ·ΠΌΠ΅ΡΠ΅Π½ΠΈΠΈ ΠΎΠ±ΡΠ°ΡΠ½ΠΎΠΉ ΠΠΠ‘, ΡΠΌ. ΠΡΠΎΡ Π±ΡΠ»Π»Π΅ΡΠ΅Π½Ρ ΠΏΠΎ ΠΏΡΠΈΠΌΠ΅Π½Π΅Π½ΠΈΡ, Π½ΠΎ Ρ Π½Π°Ρ ΡΠ°ΠΊΠΆΠ΅ Π΅ΡΡΡ AB ΠΏΠΎ Π±Π΅ΡΡΠ΅Π½ΡΠΎΡΠ½ΠΎΠΌΡ ΡΠΏΡΠ°Π²Π»Π΅Π½ΠΈΡ Π΄Π²ΠΈΠ³Π°ΡΠ΅Π»ΡΠΌΠΈ ΠΏΠΎΡΡΠΎΡΠ½Π½ΠΎΠ³ΠΎ ΡΠΎΠΊΠ°, Ρ ΠΊΠΎΡΠΎΡΡΠΌ Π²Ρ ΠΌΠΎΠΆΠ΅ΡΠ΅ ΠΎΠ·Π½Π°ΠΊΠΎΠΌΠΈΡΡΡΡ Π·Π΄Π΅ΡΡ.
ΠΠΎΠ½ΡΡΠΎΠ»Π»Π΅Ρ ΡΠΊΠΎΡΠΎΡΡΠΈ Π΄Π²ΠΈΠ³Π°ΡΠ΅Π»Ρ Π½Π° ΠΎΡΠ½ΠΎΠ²Π΅ ΠΈΠ·ΠΌΠ΅ΡΠ΅Π½ΠΈΠΉ ΠΎΠ±ΡΠ°ΡΠ½ΠΎΠΉ ΠΠΠ‘ ΠΈ Π²ΡΡ ΠΎΠ΄Π° PMD
ΠΠ½ΠΊΠΎΠ΄Π΅ΡΡ
Π‘ΡΡΠ΅ΡΡΠ²ΡΠ΅Ρ Π΄Π²Π° ΠΎΡΠ½ΠΎΠ²Π½ΡΡ
ΡΠΈΠΏΠ° ΡΠ½ΠΊΠΎΠ΄Π΅ΡΠΎΠ², ΠΊΠΎΡΠΎΡΡΠ΅ ΠΏΠΎΠΌΠΎΠ³Π°ΡΡ ΠΎΠΏΡΠ΅Π΄Π΅Π»ΠΈΡΡ ΠΏΠΎΠ»ΠΎΠΆΠ΅Π½ΠΈΠ΅ Π²Π°Π»Π° Π΄Π²ΠΈΠ³Π°ΡΠ΅Π»Ρ.
ΠΠ΄Π½ΠΎ ΡΠΏΡΠΎΡΠ΅Π½ΠΈΠ΅, ΠΊΠΎΡΠΎΡΠΎΠ΅ ΠΌΡ ΡΠ΄Π΅Π»Π°Π»ΠΈ, ΡΠΎΡΡΠΎΠΈΡ Π² ΡΠΎΠΌ, ΡΡΠΎ ΠΌΡ ΠΎΠ±ΡΡΠΆΠ΄Π°Π΅ΠΌ ΡΠΎΠ»ΡΠΊΠΎ ΠΎΠ΄Π½ΠΎΠΎΠ±ΠΎΡΠΎΡΠ½ΡΠ΅ ΡΠ½ΠΊΠΎΠ΄Π΅ΡΡ. ΠΠ½ΠΎΠ³ΠΎΠΎΠ±ΠΎΡΠΎΡΠ½ΡΠ΅ ΡΠ½ΠΊΠΎΠ΄Π΅ΡΡ, Π² ΠΊΠΎΡΠΎΡΡΡ
ΠΌΡ ΠΌΠΎΠΆΠ΅ΠΌ ΠΎΠΏΡΠ΅Π΄Π΅Π»ΠΈΡΡ ΠΏΠΎΠ»ΠΎΠΆΠ΅Π½ΠΈΠ΅ Π²Π°Π»Π° ΠΏΠΎΡΠ»Π΅ Π·Π° ΠΎΠ΄ΠΈΠ½ ΠΎΠ±ΠΎΡΠΎΡ, ΠΏΠΎΡΡΠ΅Π±ΡΡΡ Π³ΠΎΡΠ°Π·Π΄ΠΎ Π±ΠΎΠ»Π΅Π΅ Π³Π»ΡΠ±ΠΎΠΊΠΎΠ³ΠΎ ΠΎΠ±ΡΡΠΆΠ΄Π΅Π½ΠΈΡ ΡΠ½ΠΊΠΎΠ΄Π΅ΡΠΎΠ² Π² ΡΠ΅Π»ΠΎΠΌ.
ΠΠ½ΠΊΡΠ΅ΠΌΠ΅Π½ΡΠ°Π»ΡΠ½ΡΠ΅ ΡΠ½ΠΊΠΎΠ΄Π΅ΡΡ
ΠΠ½ΠΊΡΠ΅ΠΌΠ΅Π½ΡΠ°Π»ΡΠ½ΡΠ΅ ΡΠ½ΠΊΠΎΠ΄Π΅ΡΡ — Π±ΠΎΠ»Π΅Π΅ ΠΏΡΠΎΡΡΡΠ΅ ΠΈΠ· Π΄Π²ΡΡ ΡΠΈΠΏΠΎΠ². ΠΠ½ΠΈ ΠΎΠ±Π΅ΡΠΏΠ΅ΡΠΈΠ²Π°ΡΡ ΡΡΠΈΡΡΠ²Π°Π½ΠΈΠ΅ ΠΊΠ°ΠΆΠ΄ΡΠΉ ΡΠ°Π·, ΠΊΠΎΠ³Π΄Π° Π²Π°Π» Π΄Π²ΠΈΠ³Π°ΡΠ΅Π»Ρ ΠΏΠΎΠ²ΠΎΡΠ°ΡΠΈΠ²Π°Π΅ΡΡΡ Π½Π° ΠΎΠΏΡΠ΅Π΄Π΅Π»Π΅Π½Π½ΠΎΠ΅ ΡΠ°ΡΡΡΠΎΡΠ½ΠΈΠ΅. ΠΡΠ΅Π΄ΡΡΠ°Π²ΡΡΠ΅ ΡΠ΅Π±Π΅ ΠΈΠ³ΡΠ°Π»ΡΠ½ΡΡ ΠΊΠ°ΡΡΡ, ΠΏΡΠΈΠΊΡΠ΅ΠΏΠ»Π΅Π½Π½ΡΡ ΠΊ ΡΠ°ΠΌΠ΅ Π²Π΅Π»ΠΎΡΠΈΠΏΠ΅Π΄Π° ΠΈΠ»ΠΈ ΠΏΡΠΈΠΊΠ»Π΅Π΅Π½Π½ΡΡ ΠΎΠ΄Π½ΠΈΠΌ ΠΊΠΎΠ½ΡΠΎΠΌ ΠΊ ΡΠΏΠΈΡΠ°ΠΌ ΠΊΠΎΠ»Π΅ΡΠ°.ΠΡΠΈ Π²ΡΠ°ΡΠ΅Π½ΠΈΠΈ ΠΊΠΎΠ»Π΅ΡΠ° ΠΊΠ°ΡΡΠ° ΡΠ΄Π°ΡΡΠ΅ΡΡΡ ΠΎ ΡΠΏΠΈΡΡ ΠΈ ΠΈΠ·Π΄Π°Π΅Ρ ΡΡΠΌ. ΠΡΠ»ΠΈ ΠΌΡ Π·Π½Π°Π΅ΠΌ ΡΠ³ΠΎΠ» ΠΌΠ΅ΠΆΠ΄Ρ ΡΠΏΠΈΡΠ°ΠΌΠΈ ΠΈ ΠΌΠΎΠΆΠ΅ΠΌ ΡΡΠΈΡΠ°ΡΡ ΠΊΠ°ΠΆΠ΄ΡΠΉ ΡΠ°Π·, ΠΊΠΎΠ³Π΄Π° ΠΊΠ°ΡΡΠ° ΠΈΠ·Π΄Π°Π΅Ρ ΡΡΠΌ, ΡΠΎ ΠΌΡ ΠΌΠΎΠΆΠ΅ΠΌ Π²ΡΡΡΠ½ΠΈΡΡ, ΠΊΠ°ΠΊ Π΄Π°Π»Π΅ΠΊΠΎ ΠΏΠΎΠ²Π΅ΡΠ½ΡΠ»ΠΎΡΡ ΠΊΠΎΠ»Π΅ΡΠΎ.
ΠΡΠΎ ΠΎΡΠ΅Π½Ρ ΠΏΠΎΡ
ΠΎΠΆΠ΅ Π½Π° ΠΈΠ΄Π΅Ρ ΠΈΠ½ΠΊΡΠ΅ΠΌΠ΅Π½ΡΠ°Π»ΡΠ½ΠΎΠ³ΠΎ ΡΠ½ΠΊΠΎΠ΄Π΅ΡΠ°. ΠΡΠ΅Π²ΠΈΠ΄Π½ΠΎ, ΡΡΠΎ Ρ Π±ΠΎΠ»ΡΡΠΈΠΌ ΠΊΠΎΠ»ΠΈΡΠ΅ΡΡΠ²ΠΎΠΌ ΡΠΎΡΠ΅ΠΊ ΠΈΠ·ΠΌΠ΅ΡΠ΅Π½ΠΈΡ (ΠΈΠ»ΠΈ Β«ΡΠΏΠΈΡΒ» Π² Π½Π°ΡΠ΅ΠΉ Π°Π½Π°Π»ΠΎΠ³ΠΈΠΈ) ΠΌΡ ΠΌΠΎΠΆΠ΅ΠΌ ΠΏΠΎΠ²ΡΡΠΈΡΡ ΡΠΎΡΠ½ΠΎΡΡΡ Π½Π°ΡΠΈΡ
ΡΠ°ΡΡΠ΅ΡΠΎΠ². ΠΠ΄Π½Π°ΠΊΠΎ ΡΡΡΠΈΡΠ΅, ΡΡΠΎ ΠΈΠ½ΡΠΎΡΠΌΠ°ΡΠΈΠΈ ΠΎ ΡΠ°ΠΊΡΠΈΡΠ΅ΡΠΊΠΎΠΌ ΠΏΠΎΠ»ΠΎΠΆΠ΅Π½ΠΈΠΈ ΠΊΠΎΠ»Π΅ΡΠ° Π½Π΅Ρ — ΡΠΎΠ»ΡΠΊΠΎ ΠΎΡΠ½ΠΎΡΠΈΡΠ΅Π»ΡΠ½ΠΎ Π½Π°ΡΠ°Π»ΡΠ½ΠΎΠΉ ΡΠΎΡΠΊΠΈ.
ΠΠΎ ΡΡΠΎΠΉ ΠΏΡΠΈΡΠΈΠ½Π΅ Π² Π½Π΅ΠΊΠΎΡΠΎΡΡΡ
ΠΏΡΠΈΠ»ΠΎΠΆΠ΅Π½ΠΈΡΡ
ΠΌΠΎΠΆΠ΅Ρ ΠΈΡΠΏΠΎΠ»ΡΠ·ΠΎΠ²Π°ΡΡΡΡ Π°Π»Π³ΠΎΡΠΈΡΠΌ Π·Π°ΠΏΡΡΠΊΠ°, ΠΊΠΎΡΠΎΡΡΠΉ ΠΏΠ΅ΡΠ΅Π²ΠΎΠ΄ΠΈΡ ΡΠΎΡΠΎΡ Π² ΠΈΠ·Π²Π΅ΡΡΠ½ΠΎΠ΅ ΠΏΠΎΠ»ΠΎΠΆΠ΅Π½ΠΈΠ΅.
ΠΠΎ ΠΌΠ½ΠΎΠ³ΠΈΡ ΡΠ»ΡΡΠ°ΡΡ Π°Π»Π³ΠΎΡΠΈΡΠΌ Π·Π°ΠΏΡΡΠΊΠ° ΠΏΡΠΎΡΡΠΎ Π½Π΅Π²ΠΎΠ·ΠΌΠΎΠΆΠ΅Π½ — Π½Π°ΠΏΡΠΈΠΌΠ΅Ρ, ΠΊΠΎΠ³Π΄Π° ΠΌΠΎΡΠ½ΠΎΡΡΡ ΠΏΡΠ΅ΡΡΠ²Π°Π΅ΡΡΡ ΠΈΠ»ΠΈ Π΄Π²ΠΈΠ³Π°ΡΠ΅Π»Ρ Π½Π΅ ΠΌΠΎΠΆΠ΅Ρ Π΄ΠΎΡΡΠΈΠ³Π°ΡΡ ΠΊΠΎΠ½Π΅ΡΠ½ΠΎΡΡΠ΅ΠΉ, ΠΊΠ°ΠΊ Π² Π·Π°ΠΏΠΎΡΠ½ΠΎΠΌ ΠΌΠ΅Ρ Π°Π½ΠΈΠ·ΠΌΠ΅. ΠΠ΄Π΅ΡΡ ΠΏΡΠ΅Π΄ΠΏΠΎΡΡΠΈΡΠ΅Π»ΡΠ½Ρ Π°Π±ΡΠΎΠ»ΡΡΠ½ΡΠ΅ ΡΠ½ΠΊΠΎΠ΄Π΅ΡΡ.
ΠΠ±ΡΠΎΠ»ΡΡΠ½ΡΠ΅ ΡΠ½ΠΊΠΎΠ΄Π΅ΡΡ
Π Π½Π°ΠΎΠ±ΠΎΡΠΎΡ, Π°Π±ΡΠΎΠ»ΡΡΠ½ΡΠ΅ ΡΠ½ΠΊΠΎΠ΄Π΅ΡΡ ΠΎΠ±Π΅ΡΠΏΠ΅ΡΠΈΠ²Π°ΡΡ ΡΠΎΡΠ½ΠΎΠ΅ ΠΏΠΎΠ»ΠΎΠΆΠ΅Π½ΠΈΠ΅ Π²Π°Π»Π° Π΄Π²ΠΈΠ³Π°ΡΠ΅Π»Ρ. ΠΡΠΏΠΎΠ»ΡΠ·ΡΡΡΡΡ ΡΠ°Π·Π»ΠΈΡΠ½ΡΠ΅ ΡΠΈΠΏΡ ΠΈΠ·ΠΌΠ΅ΡΠ΅Π½ΠΈΠΉ (Π²ΡΡ ΠΎΠ΄ΡΡΠΈΠ΅ Π·Π° ΡΠ°ΠΌΠΊΠΈ ΡΡΠΎΠ³ΠΎ ΡΠΎΠΎΠ±ΡΠ΅Π½ΠΈΡ Π² Π±Π»ΠΎΠ³Π΅), Π½Π°ΠΈΠ±ΠΎΠ»Π΅Π΅ ΡΠ°ΡΠΏΡΠΎΡΡΡΠ°Π½Π΅Π½Π½ΡΠΌΠΈ ΡΠ²Π»ΡΡΡΡΡ ΠΎΠΏΡΠΈΡΠ΅ΡΠΊΠΈΠ΅ ΠΈ ΠΌΠ°Π³Π½ΠΈΡΠ½ΡΠ΅ ΠΈΠ·ΠΌΠ΅ΡΠ΅Π½ΠΈΡ.Π ΠΊΠ°ΠΆΠ΄ΠΎΠΌ ΠΌΠ΅ΡΠΎΠ΄Π΅ ΠΏΡΠΎΡΠ΅ΡΡΠΎΡ ΠΌΠΎΠΆΠ΅Ρ Π²ΡΡΠΈΡΠ»ΠΈΡΡ ΡΠΎΡΠ½ΠΎΠ΅ ΠΏΠΎΠ»ΠΎΠΆΠ΅Π½ΠΈΠ΅ Π²Π°Π»Π° Π΄Π²ΠΈΠ³Π°ΡΠ΅Π»Ρ Ρ ΡΠ΄ΠΈΠ²ΠΈΡΠ΅Π»ΡΠ½ΠΎ Π²ΡΡΠΎΠΊΠΎΠΉ ΡΠΎΡΠ½ΠΎΡΡΡΡ.
ΠΠΎΠ»ΡΡΠ°Ρ ΡΠ°Π·Π½ΠΈΡΠ° Π² ΡΠΎΠΌ, ΡΡΠΎ, ΠΏΠΎΡΠΊΠΎΠ»ΡΠΊΡ ΠΊΠ°ΠΆΠ΄Π°Ρ ΡΠ³Π»ΠΎΠ²Π°Ρ ΡΠ΅ΠΊΡΠΈΡ ΠΈΠΌΠ΅Π΅Ρ ΡΠ½ΠΈΠΊΠ°Π»ΡΠ½ΡΠΉ ΠΊΠΎΠ΄, ΠΏΠΎΠ»ΠΎΠΆΠ΅Π½ΠΈΠ΅ Π²Π°Π»Π° Π½Π΅ ΠΎΡΠ½ΠΎΡΠΈΡΠ΅Π»ΡΠ½ΠΎ ΠΊΠ°ΠΊΠΎΠΉ-Π»ΠΈΠ±ΠΎ Π΄ΡΡΠ³ΠΎΠΉ ΡΠΎΡΠΊΠΈ. Π’Π°ΠΊΠΈΠΌ ΠΎΠ±ΡΠ°Π·ΠΎΠΌ, Π½Π΅Ρ Π½Π΅ΠΎΠ±Ρ ΠΎΠ΄ΠΈΠΌΠΎΡΡΠΈ Π² ΡΡΠ°ΡΡΠΎΠ²ΠΎΠΌ Π°Π»Π³ΠΎΡΠΈΡΠΌΠ΅, ΠΈ ΠΏΠΎΠ·ΠΈΡΠΈΡ ΠΌΠΎΠΆΠ΅Ρ Π±ΡΡΡ ΠΎΠΏΡΠ΅Π΄Π΅Π»Π΅Π½Π° Π½Π΅ΠΌΠ΅Π΄Π»Π΅Π½Π½ΠΎ, Π±Π΅Π· Π½Π΅ΠΎΠ±Ρ ΠΎΠ΄ΠΈΠΌΠΎΡΡΠΈ Π΄Π²ΠΈΠΆΠ΅Π½ΠΈΡ.
ΠΠΎΠ½Π΅ΡΠ½ΠΎ, ΠΊΠ°ΠΊ ΠΌΡ ΡΠΏΠΎΠΌΠΈΠ½Π°Π»ΠΈ Π² Π½Π°ΡΠ°Π»Π΅, ΡΠ½ΠΊΠΎΠ΄Π΅ΡΡ ΠΌΠΎΠ³ΡΡ ΠΈΡΠΏΠΎΠ»ΡΠ·ΠΎΠ²Π°ΡΡΡΡ Π² ΠΊΠ°ΡΠ΅ΡΡΠ²Π΅ ΡΠ°Ρ
ΠΎΠΌΠ΅ΡΡΠΎΠ², ΠΏΠΎΡΠΊΠΎΠ»ΡΠΊΡ ΠΈΠ·ΠΌΠ΅ΡΠ΅Π½ΠΈΠ΅ ΠΏΠΎΠ»Π½ΠΎΠ³ΠΎ ΠΎΠ±ΠΎΡΠΎΡΠ° ΠΏΠΎ ΡΡΡΠΈ ΡΠ²Π»ΡΠ΅ΡΡΡ ΠΈΠ·ΠΌΠ΅ΡΠ΅Π½ΠΈΠ΅ΠΌ ΠΏΠΎΠ»ΠΎΠΆΠ΅Π½ΠΈΡ Π²Π°Π»Π° — ΡΠΎΠ»ΡΠΊΠΎ Ρ ΠΎΡΠ΅Π½Ρ ΠΏΠ»ΠΎΡ
ΠΈΠΌ ΡΠ°Π·ΡΠ΅ΡΠ΅Π½ΠΈΠ΅ΠΌ! Π€Π°ΠΊΡΠΈΡΠ΅ΡΠΊΠΈ, ΠΈΡΠΏΠΎΠ»ΡΠ·ΠΎΠ²Π°Π½ΠΈΠ΅ ΡΠ½ΠΊΠΎΠ΄Π΅ΡΠ° Π² ΠΊΠ°ΡΠ΅ΡΡΠ²Π΅ ΡΠ°Ρ
ΠΎΠΌΠ΅ΡΡΠ° Π΄Π°Π΅Ρ ΠΏΡΠ΅ΠΈΠΌΡΡΠ΅ΡΡΠ²ΠΎ ΡΠ»ΡΡΡΠ΅Π½Π½ΠΎΠ³ΠΎ Π΄ΠΈΠ½Π°ΠΌΠΈΡΠ΅ΡΠΊΠΎΠ³ΠΎ ΠΎΡΠΊΠ»ΠΈΠΊΠ°, Π²Π°ΠΌ Π½Π΅ Π½ΡΠΆΠ½ΠΎ ΠΆΠ΄Π°ΡΡ ΠΏΠΎΠ»Π½ΠΎΠ³ΠΎ Π²ΡΠ°ΡΠ΅Π½ΠΈΡ, ΡΡΠΎΠ±Ρ ΠΎΠ±Π½ΠΎΠ²ΠΈΡΡ ΡΠ΅Π·ΡΠ»ΡΡΠ°ΡΡ ΠΈΠ·ΠΌΠ΅ΡΠ΅Π½ΠΈΡ, ΠΈ Π²Ρ ΠΌΠΎΠΆΠ΅ΡΠ΅ ΠΎΠΏΡΠ΅Π΄Π΅Π»ΠΈΡΡ ΡΠΊΠΎΡΠΎΡΡΡ Π΄Π²ΠΈΠ³Π°ΡΠ΅Π»Ρ Ρ Π±ΠΎΠ»ΡΡΠ΅ΠΉ ΡΠΎΡΠ½ΠΎΡΡΡΡ.
