Прокачка тормозной системы автомобиля своими руками: инструкция — Статьи
Тормоза автомобиля являются важной составляющей, обеспечивающей его правильное и безопасное функционирование. Каждая поломка тормозной системы способна привести к проблемам либо даже к трагедии. Во избежание проблем при движении требуется всё время отслеживать состояние каждого элемента тормозов, особенно тормозной жидкости.
Прокачка тормозов возможна разными способами. Возможно обращение в автомобильный сервис. В этом случае выполняется прокачка тормозов автомобиля с применением специального устройства. Оно представляет собой эффективное техническое приспособление, с помощью которого удаляются воздушные массы из системы автомобильных тормозов. Этот профессиональный агрегат, при помощи которого осуществляется прокачка тормозной системы, оснащён адаптерами для разных моделей авто.
Другой метод — прокачка тормозов одному своими руками. Вообще порядок прокачки тормозов одинаков при любой системе.
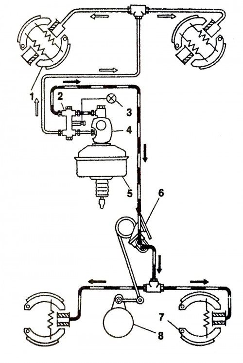
Схема прокачки тормозов предполагает начало процесса от колеса, расположенного дальше от ГТЦ.
Последовательность прокачки тормозов с участием напарника
- Снимается заглушка, закрывающая штуцер прокачивания, на эту заглушку надевается прозрачный шланг. Его свободная часть опускается внутрь ёмкости, которая отчасти наполнена жидкостью для тормозов.
- Напарник жмёт на тормозную педаль интенсивно трижды либо четырежды, оставляя эту педаль в выжатом состоянии. Вам нужно легко отвернуть штуцер прокачки до момента, когда жидкость для тормозов не станет выдавливаться внутрь ёмкости. Есть ли выходящий воздух — можно узнать, просматривая, есть ли пузырьки в тормозной жидкости внутри ёмкости.
- Затем нужно завернуть штуцер, провести данный процесс снова в аналогичном порядке для остальных колёс.
Заменять жидкость для тормозов либо доливать её нужно, выбирая состав с именно такими характеристиками, которые рекомендует автопроизводитель. - Если по окончании прокачивания тормозная педаль сохраняет свою «мягкость», следует проверить на предмет износа колодки тормозов или провести прокачивание снова.
Прокачивание тормозов в одиночку
Данный процесс является трудоёмким, однако некоторые прибегают и к нему. Приспособлениями для прокачивания в этом случае могут служить крышка от бачка для тормозной жидкости (аналогичная Вашей), ёмкость, шприц.
- Шприц нужно герметично встроить в крышку предназначаемого для жидкости бачка с помощью «герметика», потом его накручивают на этот бачок, набирая в шприц жидкость для тормозов.
- Откручивается штуцер, находящийся на выходе прокачиваемого контура. Устанавливается ёмкость, в которую будет собираться стекающая жидкость. Потом шприцом нагнетается эта жидкость.
Второй метод одиночного прокачивания тормозов подразумевает применение бруска либо иного упора.
- После доливания жидкости в тормозной бочок до 100% нужно несколько раз прокачать тормозную педаль и зафиксировать в выжатом положении.
- Потом выполняется процесс стандартного типа: откручивается штуцер, после чего надо выждать момент, когда поток выходящей жидкости для тормозов станет равномерным и слабым. Тогда нужно завернуть штуцер тормозной системы.
- Отпустить тормозную педаль и повторить всю процедуру опять.
- Долить жидкость нужной марки. Потом можно будет провести тест-драйв тормозов с соблюдением предосторожности.
Прокачивание тормозов с АБС
Эта процедура выполняется с целью устранения избытка воздушных масс из гидравлического привода. Они могли проникнуть в него во время ремонтных работ либо во время замены жидкости для тормозов.
Воздушные массы внутри этих механизмов недопустимы, поскольку отрицательно воздействуют на функционирование тормозной системы. Потребность в прокачивании может быть выявлена путём выжимания несколько раз тормозной педали.
Когда выжимание педали сопровождается ощущением её чрезмерной плавности, требуются возобновление герметичности и прокачки тормозов. Осуществление этих процедур может происходить при участии профессионалов либо самостоятельно. Требуется использовать исключительно новую жидкость, причём именно такую, которая подойдёт для Вашего авто по своим показателям.
Перед прокачиванием нужно создать удобный доступ ко всем нужным узлам, для этого может потребоваться снять определённое колесо либо загнать машину на специальную яму.
Как прокачиваются тормоза
- Снимается с бачка крышка.
- Откручивается штуцер прокачивания, затем он очищается.
- Надевается на штуцер тормозов чистый шланг, его свободный конец опускается внутрь ёмкости, которая наполняется жидкостью для тормозов. Наполненность ёмкости препятствует попаданию воздушных масс внутрь цилиндра посредством штуцера.
- Запускается мотор, который должен работать до окончания процесса прокачки.
- Нужно выжать несколько раз педаль (Вы можете попросить помощника об этом), пока не выйдет тормозная жидкость по шлангу внутрь резервуара.
Это следует делать до того момента, пока это будет позволять тормозная педаль, которая должна в конце концов упереться в поверхность пола. - Система прокачивается до выхода полного объёма воздуха наружу, в процессе нужно всё время вливать в бачок новую жидкость. Не допускается полное опустошение бачка, иначе эта ёмкость снова будет наполнена воздухом.
- Закручивается штуцер прокачки АБС. Он закручивается на обратном ходу педали тормоза, дабы избежать проникания воздуха.
- Удаляются жидкость и воздух из привода сцепления.
- Доливается жидкость внутрь бачка расширения до предельной отметки.
- Проверяется работа тормозной педали, которая должна обеспечивать выжимание на 1/3 своего хода.
Прокачка тормозов своими силами — понятный, но не простой в исполнении способ техобслуживания Вашего автомобиля. Для того, чтобы сэкономить свои силы и нервы, Вы можете обратиться в наш сервис, заполнив форму ниже.
Статья про прокачку тормозной системы собственными силами от автосервиса Виват-Авто
Прокачка тормозной системы собственными силами
Если вы замечаете, что тормоз “проваливается” глубже, чем раньше, это сигнал, что стоит заняться прокачкой тормозной системы.
Не затягивайте этот процесс, поскольку такой дефект может стать причиной серьезной аварийной ситуации. Имейте ввиду, что работы, связанные с тормозам, ремонтом ходовой автомобиля и другие подобные не терпят отлагательств.
Для начала определитесь, как вы собираетесь ремонтировать тормозную систему: обратиться в сервис или справиться собственными силами. Если вы выбрали второй способ, этот материал для вас. Единственное, статья написана для автовладельцев, чья машина не оснащена системой ABS, поскольку в этом случае обойтись без специализированного оборудования.
Для самостоятельной работы вам понадобится ассистент.
Существует два вида тормозных систем: параллельные и диагональные. Работы начинайте с дальней магистрали, чтобы воздух в системе после завершения работ отсутствовал.
Порядок работ в диагональной системе:
- заднее справа;
- переднее слева;
- заднее слева;
- переднее справа.
При параллельном типе:
- заднее правое;
- заднее левое;
- переднее правое;
- переднее левое.

Если произошла утечка тормозной жидкости в одном контуре, второй по-прежнему будет работать. С его помощью вы загоните машину на сервис и устранить дефект.
Возможны три варианта:
- тормозные трубки отделились от основного цилиндра или попадание воздуха в систему связано с уменьшением кол-ва жидкости в бачке — прокачайте все тормозные узлы;
- тормозная трубка отошла от одного колеса — ограничьтесь прокачкой этого суппорта;
- тормозная трубка отделилась в районе между одним из тормозов и основным цилиндром — займитесь прокачкой участка системы, за который ответственна эта трубка.
Процесс прокачки
Возьмите чистую емкость с прозрачными стенками; обрезок трубки из пластика (можно — резины), ее диаметр должен подходить к штуцеру; гаечный ключ и тормозную жидкость.
Сбросьте остаточный воздух – много раз выжимаем тормоз. После снимаем крышку с бачка основного цилиндра и наливаем тормозную жидкость.
Ставим крышку на место.
Работаем с задним правым колесом. Штуцер прокачки ослабляем и фиксируем. Его положение не должно затруднять дальнейшее ослабление. Трубку ставим на штуцер, второй конец опускаем в сосуд с тормозной жидкостью. Ассистента просим 2-3 раза выжать тормоз для нагнетания давления. В конце он должен зафиксировать ее в выжатом положении.
При открытии штуцера тормозная жидкость будет выходить. Важно контролировать, есть ли в ней пузырьки воздуха. При уменьшении скорости потока тут же зажмите штуцер, а педаль отпускается. Эти действия производите до тех пора, пока тормозная жидкость не пойдет без пузырьков. Если вы видите, что это произошло, зажмите штуцер.
Далее подобные манипуляции производите с тремя другими колесами, как указано выше. Следите за уровнем тормозной жидкости в бачке. Отработанную жидкость нельзя пускать в дело снова, поэтому выбросьте ее.
Если вы все-таки обратились в СТО за подобными работами, по их окончанию можно сделать сход-развал, с нашими дорогами эта процедура будет явно не лишней.
Порядок прокачки тормозовПорядок прокачки тормозов« : 18.10.2013, 10:22 » Уважаемые коллеги! Какой порядок прокачки тормозов в наших масях таки правильный? Перечитал все, но так и не понял -начинать с переднего левого или заднего правого ? Кто как делает, поделитесь!
|
Прокачка тормозов своими руками | АВТОЧАС
Контроль за состоянием тормозной системы играет немаловажную роль. Операция по прокачиванию тормозов проводится если:
- смягчение и увеличение хода тормозной педали;
- выполнено сервисное обслуживание или тюнинг тормозной системы.
Как прокачать тормоза
Возможна прокачка в СТО. Специалисты для этого используют особое устройство. Это новое высокоэффективное приспособление, которое позволяет убрать воздушные скопления из тормозов. На нём устанавливаются адаптеры, делающие возможной работу со множеством моделей автомобилей.
Вторым доступным способом является прокачка собственными руками. Последовательность действий для осуществления прокачки не зависит от авто. Нужно простое приспособление, в конструкцию которого входят шприц, трубки, ёмкость из пластика.
Схема прокачки
Тормоза начинают прокачивать с колеса, наиболее удаленного от ГТЦ. Придерживаются следующей последовательности:
Последовательность прокачки тормозов
Проще всего проводить работы с напарником, но можно справиться и в одиночку.
- Снимаем заглушку, которая прикрывает штуцер,
- На штуцер надеваем шланг из прозрачного материала, другой конец опускаем в ёмкости с тормозной жидкость (недопустимо заполнение ёмкости на 100%).
- Интенсивно жмем 3-4 раза на педаль тормозов, оставляем её в выжатом положении.
- Слегка откручиваем штуцер, до тех пор пока тормозная жидкость не начнет перетекать. Наличие воздуха, выходящего из тормозной системы, определяем по наличию пузырьков в жидкости.
- Заверните штуцер.
- Проведите аналогичную процедуру на остальных колёсах.
Жидкость можно менять или доливать аналогичную. Если после прокачки, педаль тормоза всё ещё «мягкая», следует проверить изношенность колодки тормозов.
В случае необходимости провести повторное прокачивание.
Герметичный способ прокачки тормозов
Отличие данного способа в том, что шприц герметично встраивают в крышку бачка с тормозной жидкостью. В него набирают тормозную жидкость, и накручивают на бачок. Шприцем нагнетается жидкость в систему.
После прокачки следует провести тест-драйв тормозов, с соблюдением мер безопасности, с повышенным контролем за уровнем жидкости в бачке.
%rtb-4%
Последовательность прокачки тормазов с АБС
Большинство современных машина оснащена ABS. Благодаря этому автомобильные колёса получают защиту от блокирования при экстренном торможении посредством управления скоростью их оборотов. За счёт этого, датчики колёс обеспечивают передачу импульсов к электронному блоку антиблокировочной системы, которая осуществляет регулирование торможения. Работы по прокачки тормозов с ABS отличаются незначительно.
- Снятие крышки с бачка.
- Откручивание штуцера с последующим очищением.

- Надевание на снятый штуцер чистого шланга, опускание другого конца этого шланга внутрь резервуара, содержащего тормозную жидкость. Заполнение этого резервуара препятствует попаданию воздуха внутрь цилиндра с помощью штуцера.
- Запуск мотора и оставление в работающем состоянии.
- Несколько нажатий на тормозную педаль (при наличии помощника можно попросить об этом его) до момента, когда произойдёт выливание жидкости по шлангу внутрь резервуара. Делать такие манипуляции необходимо, пока тормозная педаль не дойдёт до упора в пол.
- Прокачивание тормозов до момента выхода всего воздуха из них с пополнением бачка путём доливания тормозной жидкости. Недопустимо абсолютное опустошение бачка, в противном случае его снова наполнит воздух. Эту систему используют для машин, на которых установлена механическая КПП.
- Закручивание штуцера ABS. Это происходит на обратном педальном ходу во избежание проникновения воздуха.
- Удаление жидкости вместе с воздухом из гидравлического привода сцепления аналогичным образом.

- Доливание жидкости внутрь расширительного бачка до достижения верхней черты.
- Проверка функционирования тормозной педали, её выжимание должно происходить на треть её хода.
До начала прокачивания необходимо прочитать обо всех тонкостях в технических документах к авто.
До того, как двинуться с места, нужно обязательно нажать тормозную педаль несколько раз.
Устройство ABS и её недостатки
Прокачка тормозной системы — как прокачивать тормоза Renault Logan / Рено Логан
Процедура прокачки гидравлического контура тормозной системы заключается в удалении пузырьков воздуха из главного цилиндра, гидравлических шлангов и рабочего цилиндра. Прокачку необходимо выполнять каждый раз при отсоединении или замене различных компонентов и шлангов, а также при выполнении капитального ремонта главного и рабочего цилиндров. Утечки в системе также могут стать причиной попадания воздуха, но утечка рабочей тормозной жидкости помогает выявить наличие воздуха в системе, а также предупредить вас о необходимости выполнения ремонтных работ.
Внимание! Тормозная жидкость ядовита. При попадании на кожу
немедленно смыть. При попадании жидкости внутрь, или в
глаза немедленно обратитесь за медицинской помощью.
Некоторые типы тормозных жидкостей огнеопасны и могут
воспламениться при контакте с горячими поверхностями
(например: выпускной коллектор). Принимайте меры
противопожарной безопасности при обслуживании
тормозных систем, а так же бензиновых магистралей (Прим.:
имеется риск повреждения топливных путей при
обслуживании задней тормозной системы). Гидравлическая
жидкость гигроскопична (впитывает влагу из воздуха). Она
является ра створителем лакокрасочных покрытий и
агрессивна ко многим видам пластмасс (пластиков). При
попадании жидкости на вышеперечисленные поверхности,
немедленно смойте её. Так как жидкость впитывает влагу, то
не допустимо использовать старую жидкость при её замене
или доливе. Всегда используйте новую жидкость из
герметично опечатанного контейнера (ёмкости).
Общее:
1. Правильная работа любой гидравлической системы
возможна только при отсутствии воздуха в любом из её
компонентов. После ремонта или обслуживания
обязательно прокачайте систему.
Последовательность прокачки:
Соблюдайте строгую последовательность, что бы гарантировать полное удаление воздуха из системы
Стандартная последовательность:
a) Правое заднее колесо.
b) Левое переднее колесо.
c) Левое заднее колесо.
d) Правое переднее колесо.
2. Для прокачки используйте только новую тормозную жидкость рекомендованного типа. Никогда более не используйте жидкость, слитую после прокачки системы. Проверьте уровень жидкости в резервуаре. При необх одимости долейте до номинального уровня.
3. Если жидкость в системе устарела, необходимо заменить всю жидкость в системе на новую.
4. Если жидкость частично вытекла из системы, или из-за утечки в
систему попал воздух, устраните дефект перед дальнейшей
работой.
5. Остановите автомобиль, заглушите двигатель, блокируйте колёса, включив заднюю передачу, затем приступайте к сбросу (сливу) тормозной жидкости.
6. Проверьте целостность (герметичность) гидравлических трубок и шлангов, плотность резьбовых соединений и чистоту поверхности вокруг них, работоспособность штуцерных винтов.
7. Откройте крышку резервуара. Долейте уровень до отметки «MAX«. Во время проведения работ следите, что бы уровень жидкости всегда был выше уровня отметки «MIN«. При падении уровня жидкости ниже минимальной отметки, возможно проникновение (всасывание) воздуха в гидравлическую тормозную систему.
Очистите от грязи и пыли рабочее пространство.
Снимите резиновый колпачок штуцера прокачки
Наденьте на штуцер подходящий чистый шланг,
второй конец которого опустите в прозрачную тару
Помощник (прокачку тормозов лучше проводить вдвоём) должен нажать несколько раз на педаль тормоза (4-5 раз) и удерживать её в нажатом состоянии.
После чего ключом «на 11» отверните штуцер на пол оборота, или чуть больше.
Начнёт вытекать старая тормозная жидкость тёмного цвета (в случае замены жидкости) , вперемешку с воздухом. Педаль тормоза при этом начнёт проваливаться. Ждём пока педаль ровалится до упора, и заворачиваем штуцер. После заворачивания штуцера помощник может отпустить педаль.
Повторяем процедуру до тех пор пока не перестанут выходить пузырьки воздуха. После чего переходим к другому колесу, в очерёдности описаной выше.
прокачка передних и задних тормозных механизмов происходят аналогично
Не забывайте во время прокачки следить за уровнем тормозной жидкости в бачке, и доливать её, иначе если она вся выйдет, в систему попадёт воздух.
После прокачки гидравлической системы, педаль тормоза не должна быть мягкой и при нажатии доходить не более чем до сердины своего полного хода.Порядок прокачки тормозов | Устройство автомобиля
Технически исправные тормоза – залог безопасности движения.
Водитель, выехавший из гаража с неисправными тормозами, создает угрозу для себя и других участников движения. Поэтому в процессе эксплуатации тормозные системы должны систематически осматриваться, при обнаружении даже незначительных неисправностей их следует немедленно устранить.
При осмотре тормозных систем необходимо убедиться в механической целостности всех деталей тормозов, герметичности соединения трубопроводов и их состоянии. Гибкие шланги при нажатии на педаль тормоза не должны увеличиваться в диаметре. Не допускается утечка тормозной жидкости. Все детали тормозных систем должны быть надежно закреплены. Периодически надо проверять и при необходимости доводить до уровня тормозную жидкость в главном тормозном цилиндре или бачках, проверять и при необходимости регулировать свободный ход педали тормоза.
Если при нажатии на педаль тормоза обнаруживается, что она пружинит, то это указывает на наличие в тормозном приводе воздуха и необходима прокачка тормозов. Воздух мешает нормальному торможению, поэтому его надо удалить из гидравлического привода, учитывая определенный порядок прокачки тормозов.
Для этого необходимо отвернуть пробку главного тормозного цилиндра (ГАЗ-24), а на автомобилях «Жигули», «Запорожец» и «Москвич» – крышки бачков и заполнить их до установленного уровня тормозной жидкостью. При заполнении тормозного привода следует пользоваться только той жидкостью, которой заполнена система. Затем необходимо очистить от грязи клапаны для удаления воздуха, снять с них резиновые защитные колпачки и надеть на их головки резиновый шланг, свободный конец которого опустить в емкость, наполовину заполненную тормозной жидкостью. Закончив подготовительные работы, приступают к «прокачке». Лицо, находящееся в машине, 4-5 раз резко нажимает на педаль тормоза (интервал между нажатиями – 12 сек). Опускание педали производится плавно. При удержании педали в нажатом положении тот, кто находится под машиной возле колеса, отворачивает гаечным ключом на ½-¼ оборота перепускной клапан. При этом под действием избыточного давления в емкость через шланг будет выходить часть жидкости в виде пузырьков.
Когда жидкость из шланга стечет, при выжатой педали перепускной клапан заворачивают до отказа. Эту операцию прокачки тормозов повторяют до тех пор, пока из шланга не будет выходить струя жидкости без пузырьков воздуха.
После прекращения выхода пузырьков воздуха из шланга надо плотно завернуть перепускной клапан, снять шланг и надеть защитный резиновый колпачок. Во время «прокачки» системы в главный тормозной цилиндр (наполнительный бачок главного цилиндра), не допуская понижения уровня, необходимо постоянно доливать жидкость.
Без предварительной фильтрации и длительного отстоя нельзя тормозную жидкость, сливаемую из колесных цилиндров после прокачки тормозов, использовать для доливки в главный тормозной цилиндр (наполнительный бачок) из-за наличия в жидкости грязи и воздуха.
Точно так же надо удалить воздух из трубопровода и рабочих цилиндров тормозов остальных колес. При этом удаление воздуха надо начинать в определенном порядке – с наиболее удаленных тормозов и заканчивать наиболее близко расположенными в следующей последовательности: заднее правое, заднее левое, переднее правое, переднее левое колесо.
На автомобиле с раздельным приводом тормозов воздух необходимо удалять путем прокачки каждого контура (части) в отдельности.
воздух, жидкость, прокачка, тормоз, тормозной, цилиндр
Смотрите также:
Кaк прaвильно прокaчaть торнозную систeму с ABS своими руками
Прокачка тормозной системы тормозной системы с АБС своими рукамиСледует учесть, что после каждого ремонта тормозной системы, ее вскрытия, в тормозных трубопроводах может оказаться воздух. В этом случае тормозную систему обязательно необходимо прокачать.
Как узнать есть ли в тормозной системе воздух?Если при нажатии педали тормоза давление плавает, это говорит о возможных повреждениях герметичности системы. В таком случае необходимо устранить неисправность и прокачать тормозную систему.Удаление воздуха из тормозной системы реализуется прокачиванием педалью тормоза.
Работы по прокачке тормозов следует проводить с помощником. Для прокачки всей тормозной системы, необходимо прокачать каждый цилиндр отдельно.
1 — задний правый колесный цилиндр;
2 — задний левый колесный цилиндр;
3 — передний правый суппорт тормоза;
4 — передний левый суппорт тормоза;
«Если проводился ремонт или замена одного суппорта, достаточно удалить воздух только из него».
3. Для прокачки тормозной системы открутите крышку компенсационного бачка и заполните его тормозной жидкостью до максимальной отметки.
Во время прокачки внимательно наблюдайте за уровнем тормозной жидкости в бачке. Следите за тем, чтобы уровень жидкости не опустился слишком низко, это может привести к попаданию воздуха в систему через бачок. Для заливки в тормозную систему всегда пользуйтесь только свежей тормозной жидкостью.
5. Только тормозная система с ABS:
- Включить зажигание и выжать педаль тормоза 4 — 5 раз.
- Залить в бачок тормозную жидкость до максимальной отметки.
- Зажигание оставьте во включенном положение (при открытии вентиля прокачки включится гидравлический насос системы ABS и создаст давление).
6. Снять пыльник 1- болта удаления воздуха колесного цилиндра. Болт тщательно прочистите, наденьте чистый шланг, другой конец шланга опустите в наполовину наполненную тормозной жидкостью бутылку.
7. Помощник должен понажимать педаль тормоза для создания давления в тормозной системе, которое должно чувствоваться по возрастающему сопротивлению при нажатии педали.
8. Когда давление повысилось, полностью выжмите педаль тормоза и удерживайте в этом положении.
9. Откройте болт удаления воздуха на суппорте на пол оборота с помощью накидного ключа. Соберите вытекающую жидкость в бутылку.
Следите, за тем чтобы конец шланга постоянно был погружен в тормозную жидкость.
10. Когда давление станет ниже, закройте клапан. На автомобилях с ABS давление тормозной жидкости снизится незначительно из-за включенного насоса, в таком случае закройте вентиль прокачки через 2 секунды, во избежание повреждения гидравлического насоса.
11. Повторить процесс прокачки, пока не будет создано давление. Выжать педаль и зафиксировать в данном положении. Открыть болт удаления воздуха, когда давление спадет, закрыть клапан.
12. Процесс должен повторяться на каждом цилиндре до тех пор, пока в бутылке с тормозной жидкостью не исчезнут пузырьки воздуха.
13. При выжатой педали затянуть болт удаления воздуха с усилием 10 Нм.
14. Снять шланг, надеть пыльник на вентиль.
15. Таким же образом прокачать остальные цилиндры.
16. После прокачки закрутить крышку расширительного бачка. Долейте тормозную жидкость до отметки «МАХ».
Как правильно прокачать тормозную систему
от Джона Комески из SPS и Джеймса Уокера, младшего из SCR Motorsports.
Роль тормозной жидкости в тормозной системе заключается в передаче усилия от главного цилиндра к углам автомобиля … и жизненно важной характеристикой тормозной жидкости, которая позволяет ей выполнять свою задачу должным образом, является ее способность поддерживать жидкое состояние. и сопротивляться сжатию. Чтобы поддерживать жидкость в отличном состоянии, многих энтузиастов учили «отпускать тормоза», но многие никогда не останавливались, чтобы задать вопрос «почему?»
Зачем прокачивать тормоза?
Термин «прокачка тормозов» относится к процессу, в котором небольшой клапан открывается на суппорте (или колесном цилиндре), чтобы позволить контролируемому количеству тормозной жидкости выйти из системы.(Если подумать, «кровотечение» может показаться несколько графическим термином, но он точно описывает выделение жизненно важной жидкости.)
Мы стравливаем тормоза, чтобы выпустить воздух, который иногда застревает в стропах. Технически «воздух» входит в трубопроводы только при нарушении герметичности системы (например, при удалении или замене гибких трубопроводов), потому что при закипании жидкости вместо этого создается «пар жидкости».
Пар в тормозной жидкости, как и воздух, снижает эффективность тормозной системы.Однако для простоты мы используем термин «воздух» в этой статье для описания как воздуха, так и пара жидкости.
Когда воздух (или пар) попадает в трубопроводы, это снижает эффективность системы, поскольку, в отличие от жидкости, воздух может сжиматься. Поэтому, когда в магистрали наполняется достаточное количество воздуха, нажатие на педаль просто вызывает сжатие воздуха, а не создает давление в углах тормоза. Другими словами, когда в системе присутствует воздух, эффективность тормозной системы снижается.Обычно небольшое количество воздуха в тормозной системе способствует «мягкости» или «мягкости» педали (поскольку для сжатия воздуха требуется меньше энергии, чем для перемещения жидкости по тормозным магистралям). Если в тормозную систему поступает достаточное количество воздуха. тормозной системы, это может привести к полному отказу тормозов.
Так как же воздух вообще попадает в линии? Иногда это может быть результатом процедуры обслуживания или модернизации, например, замены стандартных гибких строп на плетеные стропы из нержавеющей стали.
Но часто это является результатом высоких температур, которые вызывают закипание компонентов тормозной жидкости, в результате чего газы из кипящей жидкости попадают в гидравлическую систему тормозов.
Выбор тормозной жидкости
Это заставляет задуматься о типе жидкости, которая используется в качестве тормозной жидкости. Теоретически подойдет даже простая вода, поскольку вода, будучи жидкостью, не поддается сжатию. Однако важно помнить, что основная функция тормозной системы заключается в преобразовании кинетической энергии в тепловую посредством трения.Реальность этого процесса такова, что некоторые части тормозной системы будут подвергаться воздействию очень высоких температур. На самом деле, нередко можно увидеть температуру ротора во время гонки до 1200 градусов по Фаренгейту, что может повысить температуру тормозной жидкости до более чем 300 градусов по Фаренгейту. Поскольку температура кипения воды составляет 212 градусов по Фаренгейту, легко увидеть, что вода в тормозной системе может легко закипать и, следовательно, выделять газы в тормозные трубки, что снизит эффективность системы.
(Вода также может стать большой проблемой в холодную погоду, если она замерзнет до льда!)
«Очевидное» решение этой проблемы — использовать жидкость, менее чувствительную к перепадам температур. Отсюда и разработка «тормозной жидкости». Однако, к сожалению, не существует такой вещи, как «идеальная» тормозная жидкость. И, как и большинство других вещей в мире, добавление определенных полезных характеристик обычно приносит компромиссы в других областях. В случае тормозной жидкости мы обычно должны сбалансировать чувствительность жидкости к температуре с ее стоимостью и ее влиянием на другие компоненты в системе.
Говоря проще, можно снизить чувствительность жидкости к температуре, варьируя ингредиенты жидкости. Однако определенные комбинации ингредиентов могут значительно увеличить стоимость жидкости и могут вступать в реакцию с материалами OEM, повреждая уплотнения и вызывая коррозию всей тормозной системы.
Химический состав и минимальные требования к характеристикам жидкости обычно указываются с помощью рейтинга, такого как «DOT3,« DOT4 »или« DOT5 ».
Сам рейтинг DOT присваивается после серии государственных испытаний.Однако этот рейтинг НЕ предназначен для указания точек кипения, хотя более высокие рейтинги DOT обычно соответствуют более высоким температурам кипения. Возможно, что более важно, рейтинг DOT указывает на базовый состав тормозной жидкости, что позволяет производителям указывать типы жидкости, которые с меньшей вероятностью будут отрицательно реагировать на известные материалы, используемые в конкретной тормозной системе.
Однако величайшая ирония в отношении тормозной жидкости заключается в том, что химические составы, которые менее чувствительны к перепадам температур, также имеют тенденцию притягивать и поглощать воду! Таким образом, даже если сама жидкость вряд ли закипит (большинство жидкостей DOT3 на основе гликоля имеют «точку кипения в сухом состоянии» около 400 градусов по Фаренгейту), вода, которую она впитывает с течением времени, имеет тенденцию легко закипать (при 212 градусах по Фаренгейту.) Именно эта характеристика поглощения влаги приводит к измерению, известному как «точка влажного кипения».
Точка влажного кипения — это точка равновесного кипения жидкости после того, как она впитала влагу при определенных условиях. Поскольку тормозная жидкость будет поглощать влагу через шланги и резервуар тормозной системы, оценка точки кипения во влажном состоянии используется для проверки характеристик отработанной тормозной жидкости и ухудшения ее характеристик. (И именно поэтому нам все еще нужно часто прокачивать тормоза на гоночных автомобилях, даже несмотря на то, что мы используем гоночную жидкость, стоимость которой превышает 75 долларов за бутылку!) Урок: НЕ надейтесь избежать прокачки тормозов только потому, что вы купили дорогую тормозную жидкость. .
Как можно догадаться, в «гоночных» жидкостях будут использоваться относительно «агрессивные» химические составы, которые будут иметь более высокие точки кипения во влажном состоянии и более высокую стоимость, в то время как средние уличные жидкости будут использовать более консервативные составы, которые будут иметь более низкие точки кипения во влажном состоянии и более низкие расходы.
В некоторых случаях — например, в специально созданном гоночном автомобиле — компромисс от использования дорогостоящей гоночной жидкости перевешивается конкурентными преимуществами. Но для среднестатистического водителя, стиль вождения которого с меньшей вероятностью будет вызывать такие высокие температуры торможения, как на трассе, стоимость жидкостей и потенциальные факторы износа компонентов системы могут оправдать использование более консервативной жидкости. с более низкой температурой влажного кипения.
Практические инструкции
Итак, теперь, когда вы понимаете необходимость прокачки тормозов, позвольте нам представить только одну процедуру, которую можно использовать при обслуживании вашего собственного автомобиля. Обратите внимание, что, если вы не заменяете главный цилиндр, процедура одинакова, независимо от того, оборудован ли у вас автомобиль ABS или нет…
Требуются расходные материалы
Вам понадобятся следующие инструменты:
- Накидной гаечный ключ для прокачных винтов вашего автомобиля.
Конструкция смещенной головки обычно работает лучше всего. - Дополнительная тормозная жидкость (около 1 пинты, если у вас просто кровотечение, около 3, если вы полностью заменяете).
- 12-дюймовый отрезок прозрачной пластиковой трубки с внутренним диаметром, чтобы плотно прилегать к спускным винтам вашего автомобиля.
- Одноразовая бутыль для отработанной жидкости.
- Емкость для очистки тормозов.
- Один помощник (для прокачки педали тормоза).
Подготовка и сопровождение автомобилей
- Ослабьте зажимные гайки опорных катков и поместите весь автомобиль на опоры.Перед выполнением этой процедуры убедитесь, что автомобиль надежно закреплен!
- Снять все опорные катки.
- Установите по одной зажимной гайке в обратном направлении в каждом углу и затяните гайку на поверхности ротора. Обратите внимание, что этот шаг предназначен для ограничения прогиба суппорта, который может исказить ощущение педали.

- Откройте капот и проверьте уровень тормозной жидкости в бачке. При необходимости долейте жидкость, чтобы убедиться, что уровень находится на отметке MAX бачка. Ни в коем случае не допускайте опустошения резервуара во время процесса прокачки!
Процесс кровотечения
- Начните с самого дальнего от водителя угла и продолжайте движение по направлению к водителю.(Правая задняя, левая задняя, правая передняя, левая передняя.) Хотя фактическая последовательность не критична для производительности выпуска за обрез, ее легко запомнить как самую дальнюю к ближайшей. Это также позволит удалить воздух из системы таким образом, чтобы свести к минимуму возможное перекрестное загрязнение между новой и старой жидкостью.
- Найдите спускной винт в задней части корпуса суппорта (или цилиндра барабанного тормозного колеса). Снимите резиновую заглушку со спускного винта — и не потеряйте его!
- Поместите накидной гаечный ключ на спускной винт.
Лучше всего подойдет гаечный ключ со смещением, так как он дает больше всего места для движения. - Поместите один конец прозрачного пластикового шланга на штуцер спускного винта.
- Поместите другой конец шланга в одноразовую бутылку.
- Поместите емкость для отработанной жидкости на корпус суппорта или барабана в сборе. Держите бутылку одной рукой, а другой рукой возьмитесь за гаечный ключ.
- Попросите помощника «подать заявку». Помощник должен нажать на педаль тормоза три раза, крепко удерживать педаль и ответить «нажата».»Дайте указание помощнику не отпускать тормоза до тех пор, пока он не скажет об этом.
- Ослабьте спускной винт на короткий ¼ оборота, чтобы выпустить жидкость в сливную линию. Винт нужно открыть только на одну секунду или меньше. (Педаль тормоза «упадет» на пол при открытии спускного винта. Заранее проинструктируйте ассистента не отпускать тормоза до тех пор, пока это не будет получено.)
- Закройте спускной винт, осторожно затянув его.
Учтите, что не нужно дергать гаечный ключ со смехотворной силой.Обычно достаточно простого рывка. - Попросите помощника «отпустить» тормоза. Примечание: НЕ отпускайте педаль тормоза при открытом спускном винте, так как это приведет к засасыванию воздуха обратно в систему!
- Помощник должен ответить «отпущено».
- Проверьте жидкость в сливной линии на предмет пузырьков воздуха.
- Продолжайте процесс удаления воздуха (шаги с 11 по 16), пока пузырьки воздуха не исчезнут. Обязательно проверяйте уровень тормозной жидкости в бачке после прокачки каждого колеса! При необходимости долейте жидкость, чтобы уровень оставался на отметке MAX.(Обычно этот процесс повторяется 5-10 раз на колесо при выполнении «стандартной» обрезки.)
- Систематически двигайтесь по направлению к водителю — сзади справа, сзади слева, справа спереди, слева спереди — повторяя процесс выпуска воздуха на каждом углу. Обязательно следите за резервуаром тормозной жидкости! Держите его полным!
- Когда прокачаны все четыре угла, нанесите на спускной винт (и любые другие детали, которые были смочены пролитой или капающей тормозной жидкостью) средство для очистки тормозов и вытрите насухо чистой тряпкой.
(Оставив место чистым и сухим, позже будет легче обнаружить утечки при визуальном осмотре!) Старайтесь не распылять средство для очистки тормозов НАПРЯМУЮ на любые детали из резины или пластика, так как очиститель может сделать эти детали хрупкими после многократного воздействия. - Проверьте педаль тормоза на прочность. (Прокачка тормозов не обязательно вылечит «мягкую» или «мягкую» педаль — поскольку конусность колодки и податливость в других частях системы могут способствовать смягчению педали. Но педаль не должна быть хуже, чем была до процедуры прокачки. !)
- Обязательно проверьте винты для выпуска воздуха и другие фитинги на предмет утечки.При необходимости исправьте.
- Утилизируйте использованную отработанную жидкость так же, как и отработанное моторное масло. Важно: отработанную тормозную жидкость НИКОГДА не сливайте обратно в бачок главного цилиндра!
Подведение итогов и дорожные испытания
- Установите на место все четыре опорных катка.

- Поднимите весь автомобиль и снимите опоры. Затяните зажимные гайки до рекомендованного производителем предела. Установите на место все колпаки или колпаки колес.
- Когда автомобиль стоит на ровной поверхности и автомобиль НЕ движется, нажмите и отпустите педаль тормоза несколько раз, пока в системе не будут заполнены все зазоры.За это время ощущение педали тормоза может немного улучшиться, но педаль тормоза должна быть по крайней мере такой же твердой, как и до процесса прокачки.
- Дорожное испытание автомобиля для подтверждения правильного функционирования тормозов. ИСПОЛЬЗУЙТЕ ВНИМАНИЕ ПРИ ПЕРВОМ ВОДЕ ВАШЕГО АВТОМОБИЛЯ ПОСЛЕ МОДИФИКАЦИИ, ЧТОБЫ ОБЕСПЕЧИТЬ НАДЛЕЖАЩУЮ РАБОТУ ВСЕХ СИСТЕМ АВТОМОБИЛЯ!
Как часто мне нужно прокачивать тормоза?
В заключение, вот несколько практических правил, которые помогут вам определить правильный интервал кровотечения для вашего конкретного приложения:
- При нормальных условиях эксплуатации и без модификаций тормозной системы типовые тормозные системы OEM не требуют удаления воздуха в течение всего срока службы автомобиля, если система не открыта для ремонта или замены.
Если вы просто едете по городу или едете по шоссе на работу, кровоточить действительно не нужно! Однако есть несколько европейских автомобилей, которые рекомендуют замену на полурегулярной основе по другим причинам, поэтому обязательно проверьте руководство по эксплуатации или обратитесь в сервисный центр для вашего конкретного применения. - Те, кто выбирает автокросс или спортивное вождение, могут ежегодно обновлять тормозную жидкость и стравливать воздух — это хорошее техническое обслуживание «в начале сезона» для участников низкоскоростных гонок.
- Если ваш автомобиль подвергается значительному торможению на высокой скорости, или если вы решите участвовать в школах водителей и / или сессиях притирки, прокачка перед каждым событием является правильным решением. Более интенсивные водители на этих мероприятиях могут пропустить этот этап и перейти к # 4 .
- Наконец, из специально предназначенных гоночных автомобилей следует спускать кровь после каждой сессии на треке.

Как удалить воздух из тормозов — Советы по прокачке тормозов
Даже новые тормозные колодки не спасут вас от ужасной педали мягкого тормоза.Может быть, вы заметили, что вам все равно нужно вдавить педаль тормоза глубоко в половицу, чтобы остановиться, даже после того, как вытащил колодки. Свежие толстые колодки должны были вернуть педаль туда, где она должна быть, но этого не произошло.
Ваша педаль, вероятно, кажется пористой, и часто бывает трудно точно почувствовать, когда тормоза начинают кусаться. Это явные признаки попадания воздуха в тормозную систему, которое происходит со временем в процессе эксплуатации. Пора заменить старую тормозную жидкость и выпустить весь воздух из системы.
Почему тормоза становятся губчатыми
Воздух может попасть в тормозную систему несколькими способами, и все они связаны с тормозной жидкостью. Ваши тормоза — это гидравлическая система, а это значит, что жидкость заставляет их работать. Нажатие на педаль тормоза выталкивает тормозную жидкость к тормозам в четырех углах вашего автомобиля.
В дисковых тормозах жидкость, попадающая в суппорт тормоза, — это то, что перемещает тормозные колодки внутрь, чтобы зажать ротор и замедлить автомобиль, используя это трение.
Барабанные тормоза старого образца работают по тому же принципу, хотя куски тормозной смеси, которые изнашиваются в барабанных тормозах, находятся в «колодках», а не в «колодках».«Нажмите педаль тормоза, и тормозная жидкость толкает колодки наружу к металлическому барабану, тем самым также используя трение для замедления автомобиля. Многие автомобили до сих пор используют барабанные тормоза в задней части, так как передние тормоза делают большую часть работы. (Для простоты мы будем называть и туфли, и колодки «колодками», поскольку они оба имеют износостойкий материал, из-за которого тормоза останавливаются.)
Синтетическая тормозная жидкость Prestone DOT 4
Престон амазонка.ком8,70 долл. США
По мере износа колодок требуется больше жидкости, чтобы прижать их к тормозной поверхности.
Если вы позволите своим тормозным колодкам износиться настолько тонко, что уровень тормозной жидкости упадет слишком низко в резервуаре главного цилиндра, куда вы наполняете систему жидкостью, это может привести к появлению пузырьков в тормозных магистралях. Воздух намного легче сжимать, чем жидкость, поэтому пузырьки в ваших тормозных магистралях действуют как очень мягкая пружина в твердом столбе тормозной жидкости между вашей ногой и тормозными суппортами или барабанами.Прокачка тормозов приведет к удалению этого воздуха.
Пока вы удаляете пузырьки воздуха, лучше всего вымыть всю старую жидкость из системы и заменить ее новой. Со временем тормозная жидкость загрязняется атмосферной грязью и абразивными металлическими частицами износа от движущихся частей тормозных цилиндров и суппортов.
Тормозная жидкость также поглощает влагу из воздуха, что может снизить ее точку кипения настолько, чтобы она закипела в конце длинного спуска или в другом сценарии, например, в трек-день, когда вы постоянно нажимаете на тормоза или много времени.
Как и в кастрюле на плите, при кипячении образуются воздушные пузырьки.
Высокие температуры также ухудшают качество самой жидкости на спиртовой основе. В конце концов, тормозная жидкость, которая была относительно прозрачной на момент заливки, может начать больше походить на кофе.
Антиблокировочные тормозные системы даже менее устойчивы к загрязненной жидкости и воздуху, чем системы без АБС. Гидравлический насос ABS работает при давлении в несколько тысяч фунтов на квадратный дюйм, нагнетая тормозную жидкость через очень маленькие клапаны. Это может превратить воздух и тормозную жидкость в пену, похожую на латте, что еще больше затруднит удаление воздуха из системы.Что еще хуже, насос и клапаны ABS могут быть легко повреждены этими крошечными абразивными частицами.
К счастью, воздух, попадающий в контроллер ABS, можно выпустить. Однако некоторые автомобили требуют использования специального диагностического прибора ABS для включения насоса и клапанов, чтобы удалить весь воздух внутри.
Вы можете избежать этих проблем с АБС, регулярно не забывая спускать и промывать тормозную жидкость, что достаточно легко сделать дома.
Let It Bleed
Чтобы правильно прокачать тормоза, начните с сбора примерно шестнадцати унций свежей тормозной жидкости.Невскрытая банка имеет длительный срок хранения, но открытая банка должна быть выброшена в течение нескольких недель. Установите автомобиль на подножки, сняв все четыре колеса.
Затем убедитесь, что спускные клапаны можно ослабить. Вам понадобится накидной гаечный ключ, который подходит к болту для выпуска воздуха, так как серповидный гаечный ключ или тиски могут срезать края болта и сделать его невозможным для ослабления. Можно нанести небольшое количество проникающего масла на болты за день до прокачки тормозов, особенно если в вашем районе ржавчина является обычным явлением.Ослабьте эти болты, но пока оставьте их закрытыми. Если после использования проникающего масла они все еще не сдвигаются с места, попробуйте слегка постучать по ключу небольшим молотком.
Если вы не можете повернуть выпускные клапаны, не сломав их, возможно, потребуется заменить тормозные суппорты или колесные цилиндры. Это крошечные полые болты, поэтому будьте осторожны с ними! Их легче сломать или раздеть, чем вы думаете.
Высосите старую жидкость и осадок из резервуара главного цилиндра с помощью насадки для индейки или шприца.
Регулярно доливайте в резервуар свежую жидкость по мере удаления воздуха из системы. Не позволяйте ему опустеть больше чем наполовину.
Далее вам понадобится кухонный инвентарь: небольшая паста для индейки. Снимите верхнюю часть бачка главного цилиндра и откачайте как можно больше старой тормозной жидкости. Удалите осадок из уже пустого резервуара чистой тряпкой без ворса.
Тормозная жидкость едкая и разрушает краску и отделку вашего автомобиля, поэтому не позволяйте ей капать на колеса или кузов.На всякий случай разложите несколько дополнительных салфеток в том месте, где вы собираетесь работать с тормозной жидкостью, и немедленно вытрите всю жидкость, капающую на окрашенную поверхность.
Lucas Oil Brake Fluid
— масляная тормозная жидкость Лукас Ойл amazon.com69,81 $
Когда резервуар станет чистым, возьмите кусок прозрачной пластмассовой трубки, которая плотно прилегает к концу спускного болта. Для этого подойдет аквариумный шланг, и он дешевый.Протолкните один конец трубки через болт для выпуска воздуха из тормозной системы в заднем углу автомобиля со стороны пассажира (или в любой угол, наиболее удаленный от бачка с тормозной жидкостью). Поместите другой конец трубки в небольшую прозрачную бутылку с дюймовым или двумя дюймами чистой тормозной жидкости, чтобы воздух не засасывался обратно в тормозной цилиндр или суппорт.
Поместите кусок бруса 1×4 или другую прокладку под педаль, чтобы предотвратить ее перемещение слишком далеко и чрезмерное растяжение главного тормозного цилиндра, когда тормозная система открыта и давление в магистрали сброшено.Заполните пустой бачок главного цилиндра свежей жидкостью до линии максимального заполнения и закройте бачок крышкой. Жидкость может брызгать из открытого резервуара при каждом отпускании педали.
Cue the Helper
Вашим помощником должен быть человек, который может точно следовать инструкциям, но даже тот, кто носит белое платье, может справиться с этой работой, так как ему не придется ползать или вообще пачкаться. Пусть ваш помощник сядет на место водителя и будет ждать ваших приказов.
Вот упражнение: вы говорите «вниз.«Ваш помощник нажимает педаль тормоза до упора с примерно той же силой, которая необходима, чтобы автомобиль не катился вперед на светофоре. Затем ваш помощник говорит «вниз» для подтверждения, но продолжает нажимать на педаль. Предупредите помощника, что педаль тормоза вот-вот потеряет давление и упадет до упора, который вы поставили позади нее на полу, но он должен продолжать нажимать на нее, несмотря ни на что. Затем поверните болт для выпуска воздуха на четверть оборота.
Часть старой загрязненной жидкости потечет по трубке в вашу бутылку, и вы, вероятно, увидите несколько прозрачных пузырьков в линии.Когда поток прекратится, закройте спускной патрубок. Затем вы говорите «вверх». Помощник говорит «вверх» для подтверждения и снимает ногу с педали.
Повторяйте этот процесс до тех пор, пока из спускного винта не пойдет свежая прозрачная жидкость без пузырьков. Любые неупорядоченные движения здесь могут засосать воздух в суппорт. В то время как конец трубки погружен в жидкость, воздух все еще может проходить через резьбу на спускном болте в суппорт, если в системе имеется отрицательное давление, когда спускной винт имеет трещину.
Болт для прокачки может стать трудным для удаления. Используйте накидной гаечный ключ подходящего размера, чтобы он не закруглялся.
Есть АБС? Вам может потребоваться использовать диагностический прибор во время процесса прокачки, чтобы включить насос и клапаны.
Доливайте свежую жидкость в бачок тормозной жидкости через каждые шесть или около того насосов. Не позволяйте резервуару опорожняться более чем наполовину, поскольку в главный цилиндр может попасть воздух, если уровень жидкости упадет слишком близко к дну резервуара.По этой причине у большинства резервуаров есть отметка «Минимум», поэтому, если она есть у вас, следите за тем, чтобы ваша тормозная жидкость никогда не опускалась ниже этой отметки.
После того, как чистая жидкость потечет по трубке, затяните спускной болт и переместите операцию на левый задний тормоз. После этого начните делать то же самое с помощником снова и снова, пока из трубки не выйдет чистая жидкость без пузырьков. Повторите процесс с правым передним тормозом и, наконец, с левым передним тормозом. Идея состоит в том, чтобы работать от суппортов, наиболее удаленных от резервуара с тормозной жидкостью, внутрь, чтобы в первую очередь вывести общую жидкость из самых дальних уголков системы.
Возможно, вы захотите дважды проверить свою работу, вернувшись к каждому штангенциркулю в том порядке, в котором вы их промывали, повторно прикрепив трубку и дав системе несколько насосов, чтобы убедиться, что выходит сплошной поток чистой жидкости. Закройте прокачной винт после того, как закончите с каждым углом, и убедитесь, что вы все еще доливаете тормозную жидкость в бачок на ходу.
Наконец, заполните бачок тормозной жидкостью до максимальной отметки, поставьте колеса обратно на автомобиль и поезжайте, чтобы убедиться, что проблема устранилась.
Воздухозаборник
Для более старого автомобиля без антиблокировочной тормозной системы этот процесс отлично справится, даже если после замены суппорта или тормозного цилиндра в систему попал лишний воздух. Это даже позволяет избавиться от большинства больших пузырей из новой системы с АБС. Однако, если на этих тормозах, оборудованных АБС, все еще есть какая-то губчатость, вы можете удалить воздух из самого контроллера АБС.
Вам необходимо обратиться к руководству по обслуживанию вашего автомобиля, чтобы найти подходящий способ прокачки антиблокировочной тормозной системы вашего автомобиля.Прямо на контроллере АБС может быть спускной болт, или вам может потребоваться выпросить, одолжить или украсть сканирующий прибор с поддержкой АБС.
Этот контент создается и поддерживается третьей стороной и импортируется на эту страницу, чтобы помочь пользователям указать свои адреса электронной почты. Вы можете найти больше информации об этом и подобном контенте на сайте piano.io.
Действительно ли имеет значение последовательность прокачки тормозов?
Последовательность имеет значение.Если по какой-либо причине у вас много воздуха сразу после главного цилиндра, этот воздух может попасть в любую точку системы. В какой-то момент гидравлическая линия, прикрепленная к главному цилиндру, разветвится на каждое из четырех колес. Когда вы нажимаете на тормоза, воздух будет распространяться по гидравлической линии и беспорядочно спускаться по одной из ветвей к одному из четырех колес.
Если вы начнете с колеса, ближайшего к главному цилиндру, и прокачиваете его до тех пор, пока не останется воздуха, а затем перейдете к колесу, наиболее удаленному от главного цилиндра (как пример), вы откачиваете воздух из него. самая длинная ветка, вы можете реально получить больше пузырьков воздуха в самой короткой ветке.Вы даже не сможете выпустить этот воздух, потому что вы уже обескровили колесо и думаете, что с ним покончено.
Однако когда вы начинаете с самого дальнего колеса, вы сводите к минимуму вероятность пропуска пузырьков воздуха. Это потому, что когда вы переходите от самого дальнего колеса ко второму самому дальнему колесу, теперь у вас есть жидкость, протекающая только через три из четырех ветвей. Через эту четвертую ветвь не проходит жидкость, поэтому вероятность попадания туда воздуха меньше. Вот примерная иллюстрация:
# Rough Image
-------
| |
| | <- Главный цилиндр
-------
|
Ближайшее колесо -> ---- |
|
| ------- <- Второе ближайшее колесо
|
|
3-е ближайшее колесо -> ----- |
|
|
| --------- <- 4-е ближайшее колесо
Итак, надеюсь, вы можете увидеть на этой иллюстрации, что если вы прокачиваете 3-е ближайшее колесо, нет никакой жидкости, протекающей мимо ответвления к четвертому ближайшему.Однако, когда вы прокачиваете 3-й ближайший, - это жидкости, протекающие мимо 2-го и 1-го ближайшего, что означает, что вам все равно нужно прокачивать те, когда вы закончите с третьим ближайшим.
Edit: Как указано в комментариях, вы всегда должны обращаться к инструкциям вашего производителя для правильной процедуры обслуживания для этого и любого другого обслуживания, которое вы выполняете на своем автомобиле. То, что я предоставил здесь, - это просто объяснение того, почему существует эмпирическое правило относительно стандартного порядка прокачки тормозов.
Тормоза должны быть прокачаны для работы Инспекционные услуги и стоимость
Когда вы замедляете скорость или решаете остановиться, вы нажимаете педаль тормоза. В большинстве случаев педаль будет неподвижной, и вы сможете нажимать постоянно, пока не достигнете желаемой более низкой скорости или полностью не остановитесь. Однако иногда педаль может «упасть в пол», и вам придется несколько раз ее покачать, чтобы твердо почувствовать, к чему вы привыкли. Если для работы тормоза необходимо накачать, необходимо решить серьезную проблему.
Как работает эта система:
Тормоза работают за счет давления жидкости. Если тормозная система не может создать давление, необходимое для работы системы, ваша педаль будет чувствовать себя странно. В некоторых случаях он будет губчатым и мягким. В других вам придется тормозить.
Когда вы нажимаете педаль тормоза, главный цилиндр отправляет жидкость в трубопроводы, создавая давление. Это активирует суппорты, которые сжимают ротор на каждом колесе между тормозными колодками.Барабанные тормоза работают по тому же принципу, но давление жидкости заставляет привод прижимать колодки к сторонам барабана, чтобы замедлить колеса.
Очевидно, что если в линиях недостаточно давления, этого не происходит. Однако, если в систему попала влага, результат может быть аналогичным. Вода имеет более низкую температуру кипения, чем тормозная жидкость. Когда она нагревается на тормозах, она испаряется, создавая воздух в магистралях (и давая возможность сжатия - тормозная жидкость не сжимается).
Распространенные причины этого:
Воздух в магистралях : Самая частая причина, по которой приходится нажимать на тормоза, чтобы заставить их работать, - это воздух в магистралях. Это может быть связано с тем, что ваши тормоза недавно обслуживались, но не прокачивались должным образом. Для этого требуется прокачать каждое колесо несколько раз, начиная с колес, наиболее удаленных от главного цилиндра (сзади пассажира, сзади водителя, затем переднего пассажира и спереди водителя). Для удаления всего воздуха из трубопроводов может потребоваться несколько спусков воздуха даже после базового обслуживания.Затем необходимо долить жидкость.
Низкий уровень тормозной жидкости : Если у вас низкий уровень тормозной жидкости (и это не из-за износа тормозных колодок), тогда система не сможет создать достаточное давление для нормальной работы, и вам, возможно, придется накачать педаль. Как правило, недостаток жидкости возникает из-за утечки где-то в системе, в том числе в суппорте, тормозных магистралях или даже в главном цилиндре.
Неисправность главного цилиндра : Выход из строя главного цилиндра случается редко.Если из главного цилиндра начала протекать жидкость в задней части двигателя, вы можете ожидать плохой работы тормозов и снижения безопасности на дороге.
Влага в жидкости : Если ваша тормозная жидкость впитала влагу (что является нормальным с течением времени и из-за регулярного износа), вы заметите снижение эффективности торможения, в том числе вероятность того, что вам придется накачать тормоз педаль в некоторых ситуациях.
Поврежден или отсутствует выпускной клапан : Каждое колесо должно иметь выпускной клапан для тормозной жидкости на линии рядом со ступицей колеса.Если один из ваших был поврежден, возможно, вы одновременно пропускаете жидкость и пропускаете воздух в трубопровод.
Чего ожидать:
Высококлассный мобильный механик придет к вам домой или в офис, чтобы осмотреть тормозную систему вашего автомобиля. Механик визуально осмотрит главный цилиндр, тормозные магистрали, суппорты и остальную систему, чтобы определить основную причину проблемы. Затем механик предоставит подробный отчет о проверке, в котором будут указаны объем и стоимость необходимого ремонта.
Как это делается:
Механику необходимо будет осмотреть всю тормозную систему, что может потребовать снятия одного или нескольких колес. Механику также необходимо будет проверить наличие воздуха в магистралях, а также утечки в магистралях и главном цилиндре.
Насколько важна эта услуга?
Если для работы тормоза необходимо накачать, ваша система требует немедленного обслуживания. Это указывает на серьезную проблему, включая воздух в линиях. Это снижает вашу способность останавливаться на дороге, что создает опасность для вас, ваших пассажиров и других людей на дороге.Один из наших механиков может диагностировать и устранить проблему, обеспечивая безопасность во время вождения.
кровотечение | Додж Гараж
Как удалить воздух из тормозных систем.Когда выполняется обычное торможение (колодки и / или башмаки и, возможно, роторы / барабаны, заменены), из тормозной системы необходимо удалить воздух, чтобы удалить остатки воздуха из тормозной системы. линий. В большинстве случаев воздуха будет очень мало или вообще не будет. Который вероятно, означает, что гидравлическая система не открыта, чтобы позволить воздуху войти в это.
Когда ремонт тормозной системы требует, чтобы гидравлическая система откроется, воздух поступит в систему. Этот воздух необходимо удалить. Примеры такого ремонта включают замену суппорта и / или колесного цилиндра, установка новой мастер-системы и замена гидроаккумулятора АБС. Неспособность очистить или удалить этот воздух из гидравлической системы может привести к мягкому, мягкое ощущение педали тормоза и снижение эффективности торможения.
При нормальных условиях торможения (сухая дорога, нормальная скорости), АБС (антиблокировочная тормозная система) работает так же, как стандартная базовая тормозная система с главным цилиндром, разделенным по диагонали и обычный вакуумный усилитель (также известный как тормоз с усилителем).Тормоз педаль нажата, и гидравлическое давление применяется одинаково на каждом колесо, чтобы остановить автомобиль.
Режим ABS активируется, когда тенденция блокировки для одно или несколько колес обнаруживаются во время торможения (что означает одно или несколько колес заблокируются при торможении на льду или снегу). Во время АБС торможение, гидравлическое давление не то; скорее, это регулируется чтобы предотвратить блокировку колес. Гидравлический блок управления (HCU) контролирует поток тормозной жидкости с помощью ряда клапанов и аккумуляторы.Давление регулируется встроенной системой управления. Отделение (ОИТ). (HCU широко известен как аккумулятор и является частью отделения интенсивной терапии.)
Система может создавать и сбрасывать гидравлическое давление на каждом колесе, в зависимости от сигналов, генерируемых скоростью колеса Датчик (WSS) на каждом колесе, полученный от модуля антиблокировочной системы тормозов (ПРО). Во времена, когда еще не существовало АБС, это накопление и выброс гидравлического давление было достигнуто водителем, яростно накачивающим насос педали тормоза и неоднократно.АБС делает то же самое (прокачивает тормоз педаль), за исключением того, что это делается намного быстрее, чем это возможно.
Вкратце, так работает АБС. И как есть в случае с базовой тормозной системой (без АБС) воздух в HCU не позволит надлежащие и безопасные характеристики торможения. Однако следует отметить, когда HCU заменен, вся тормозная система должна быть удалена из-за Тормозная система открыта, и воздух поступил внутрь.
Тормозные системы с АБС необходимо прокачать как две независимые тормозные системы.Часть тормоза без АБС Система (базовая система) с АБС должна быть удалена так же, как и любая тормозная система без АБС. Необходимо удалить воздух из тормозной системы с АБС. раздельно.
ПРИМЕЧАНИЕ: Во время процедуры прокачки тормозов убедитесь, что что уровень тормозной жидкости остается близким к ПОЛНОМУ в мастер резервуар для жидкости цилиндра; периодически проверяйте уровень жидкости во время процедура кровотечения; при необходимости добавьте тормозную жидкость Mopar ® DOT 3.
При прокачке АБС следующая последовательность необходимо выполнить шаги, чтобы обеспечить полное и адекватное кровотечение.Во-первых, убедитесь, что все трубопроводы гидравлической жидкости установлены и правильно затянут. Затем подключите диагностический прибор к диагностическому разъему (OBDII). Убедитесь, что для ABM нет сохраненных кодов неисправностей. Далее прикрепляем прозрачную трубку (1) к штуцеру для удаления воздуха на первом колесе, которое необходимо кровоточил. Погрузите конец трубки в прозрачный контейнер (2). заполнен чистой тормозной жидкостью, как показано на рис. , рис. 1 .
Рисунок 1 - Трубка, подключенная к прокачной винт
Удалить воздух из базовой тормозной системы.Для удаления всего воздуха из системы рекомендуется стравливание под давлением. Также можно использовать ручное кровотечение, но потребуется дополнительное время. Прокачку тормозов следует производить в следующей последовательности:
- Левый заднее колесо
- Правое переднее колесо
- Правое заднее колесо
- левое переднее колесо
Если давление возрастает при удалении воздуха из базовой системы, подсоедините шланг для жидкости от штуцер для прокачки под давлением (2) к специальной крышке (1) на главном цилиндре (3) (см. Рисунок 2 ).Открутите спускной винт хотя бы на один полный оборот. для получения стабильной струи тормозной жидкости. Примерно через 4-8 унций тормозной жидкости был стравлен воздух, закройте спускной винт.
ПРИМЕЧАНИЕ: Перед закрытием выпускного отверстия убедитесь, что в потоке тормозной жидкости нет воздуха. винт.
Рисунок 2 - штуцер для прокачки под давлением
Проверьте и отрегулируйте уровень тормозной жидкости до отметки FULL на бачке, прежде чем приступить к прокачке следующего колеса. Прокачать все четыре колеса, затем проверить ощущение педали тормоза.Он должен быть прочным. Если ощущение рыхлости или мягкости, воздух все еще присутствует.
Если из тормозов прокачивается вручную, иметь помощник нажмите педаль тормоза три или четыре раза, затем удерживайте педаль тормоза. Откройте спускной винт. Когда педаль тормоза капель, закройте спускной винт. Отпустите педаль тормоза. Повтори это шаг, пока весь воздух не будет удален из этого контура колеса. Проверять и отрегулируйте уровень тормозной жидкости. Прокачать оставшиеся три колеса. таким же образом. Проверьте ощущение педали тормоза.Он должен быть прочным. Если ощущение рыхлости или мягкости, воздух все еще присутствует.
После прокачать базовую тормозную систему, прокачать часть тормозной системы с АБС. В целях обсуждения конкретным упомянутым автомобилем является модель 2012 года выпуска. минивэн. Ознакомьтесь с руководством по ремонту автомобиля на предмет отображается конкретный диагностический прибор. Используя диагностический прибор, выберите ECU VIEW, затем выберите ПРОЧИЕ ФУНКЦИИ ABS, чтобы получить доступ к процедурам прокачки. Следуйте инструкциям, отображаемым на диагностическом приборе.Когда закончится кровотечение систему ABS, отсоедините диагностический прибор.
ПРИМЕЧАНИЕ: Секция ABS тормозной системы не может быть удалена без использования инструмент развертки; ручных процедур для удаления воздуха из HCU нет.
с Прокачка ABS завершена, прокачать базовую тормозную систему второй раз используя те же процедуры, которые были описаны для прокачки основного тормоза система первый раз. Еще раз проверяем уровень жидкости в мастере цилиндр и убедитесь, что он находится на ПОЛНОМ уровне.
Кому Завершите процедуры прокачки тормозов, тест-драйв автомобиля, чтобы проверить производительность тормоза. Тормоза должны работать правильно, а тормоз педаль должна быть твердой, а не мягкой или пористой. Если некоторая пористость обнаружено, повторить процедуру кровотечения.
Каждый раз, когда тормозная система открывается для замены таких компонентов, как суппорты, колесные цилиндры, главный цилиндр, тормозные магистрали или шланги, внутрь попадает воздух.Если вам нужна надежная педаль тормоза, необходимо удалить воздух путем прокачки тормозов. Воздух, попавший в стропы, суппорты или колесные цилиндры, сделает педаль мягкой и пористой. Воздух сжимается, поэтому при нажатии на тормоза любые пузырьки воздуха в системе должны быть сначала сжаты, прежде чем гидравлическая жидкость будет передавать давление для приведения в действие тормозов. Как правило, из тормозных контуров большинства автомобилей с антиблокировочной системой тормозов можно удалить воздух обычным способом, при условии, что воздух не попал в блок модулятора ABS.Если вы заменили только компоненты после модулятора (суппорты, колесные цилиндры, тормозные шланги или трубопроводы), скорее всего, обычные процедуры удаления воздуха очистят трубопроводы от нежелательного воздуха. Тормоза можно удалить вручную с помощью устройства для удаления воздуха, инжектора или вакуумного устройства для удаления воздуха. Не имеет значения, какой метод вы используете, если все линии и компоненты промыты достаточным количеством жидкости, чтобы удалить любые захваченные пузырьки воздуха или воздушные карманы.Наиболее распространенная процедура прокачки - сначала прокачать тормоз, расположенный дальше всего от главного цилиндра, затем прокачать другой тормоз, который имеет тот же гидравлический контур (который может быть другим задним тормозом на заднеприводном легковом или грузовом автомобиле, или наоборот. передний тормоз на переднеприводной машине или минивэне).После того, как они были прокачаны, вы удалите воздух из другого тормозного контура, начиная с самого дальнего тормоза от главного цилиндра. Всегда соблюдайте рекомендованную производителем транспортного средства последовательность прокачки, поскольку она может варьироваться от одного приложения к другому в зависимости от того, как сконфигурирована система. Хорошим источником этой информации является AlldataDIY или веб-сайты с информацией об услугах OEM. Воздух может попасть внутрь блока АБС, если главный цилиндр заканчивается жидкость, или тормозные магистрали с обеих сторон блока АБС были отсоединены или заменены. Но что, если вы заменили главный цилиндр, тормозную магистраль или клапан перед модулятором ABS? А если бы вам пришлось заменить модулятор или гидроаккумулятор? Теперь вам предстоит более трудная работа. Воздух может быть очень трудно удалить из модуля модулятора ABS из-за наличия всех укромных уголков и трещин внутри устройства. Модулятор может иметь от восьми до 10 или более электромагнитных клапанов ABS / регулирования тягового усилия, а также различных обратных клапанов и тупиковых портов.У некоторых модуляторов ABS есть специальные винты для удаления воздуха, которые помогают выпустить захваченный воздух при удалении воздуха из системы. Другие не требуют и требуют использования диагностического прибора для переключения соленоидов АБС, пока вы прокачиваете систему. Чтобы лучше понять, что может потребоваться, давайте рассмотрим некоторые процедуры удаления воздуха из некоторых распространенных систем ABS General Motors. ПРОЦЕДУРА ПРОДУКТА DELCO ABS-VIВведенная в 1991 году в качестве опции на модели Saturn, Buick Skylark, Oldsmobile Cutlass Calais и Pontiac Grand Am, антиблокировочная тормозная система Delco ABS-VI использовалась на широком диапазоне переднеприводных автомобилей General Motors, включая Chevrolet. Lumina и APV, Chevrolet Beretta, Corsica и Cavalier, Pontiac Grand Prix, Sunbird, Oldsmobile Cutlass Supreme и Buick Regal.Система Delco VI представляет собой неинтегральную систему ABS с обычным главным тормозным цилиндром и усилителем мощности. Он имеет четыре датчика скорости вращения колес, но представляет собой трехканальную систему. Передние тормоза управляются отдельно, но задние тормоза имеют общую цепь ABS. К главному цилиндру прикреплены гидравлический модулятор и блок двигателя. Модулятор удерживается двумя банджо-болтами на верхних выпускных отверстиях главного цилиндра и двумя передаточными трубками на двух нижних выпускных отверстиях.Здесь важно отметить, что две нижние передаточные трубки и уплотнительные кольца необходимо заменить, если главный цилиндр и модулятор отсоединены друг от друга. Это необходимо для предотвращения утечек, которые могут привести к отказу тормозов. Узел модулятора имеет жидкостные камеры для всех четырех тормозов, два запорных электромагнитных клапана, четыре обратных шара, моторный блок, содержащий три двунаправленных двигателя постоянного тока с электромагнитными тормозами (EMB) и / или пружинными тормозами (ESB), три шарико-винтовых пары агрегаты, четыре поршня, комплект зубчатой передачи и крышка шестерни.Блок двигателя модулятора, изолирующие электромагнитные клапаны, крышка редуктора и отдельные шестерни являются обслуживаемыми частями и могут быть заменены отдельно. Тормоза на автомобилях GM, оборудованных Delco ABS-VI, можно удалить вручную, с помощью вакуума или давления. Обычная последовательность кровотечения - правый задний, левый задний, правый передний, левый передний. Перед тем, как начать, вы должны убедиться, что задние поршни модулятора Delco ABS-VI находятся в исходном положении, так что контрольные шарики не находятся в седле.Если этого не сделать, вы не сможете прокачать задние тормозные магистрали. Это можно сделать двумя способами: С помощью диагностического прибора Tech 1 или аналогичного выберите режим F4 ABS Test, затем выберите опцию ручного управления F0. Теперь вы можете дать команду заднему двигателю привести поршни в исходное положение. Открутите передний штуцер для прокачки модулятора без диагностического прибора. Их две, поэтому обязательно откройте переднюю. Затем прокачайте модулятор. Закрутите винт, затем прокачайте оба передних тормоза, начиная с правого.После проверки устойчивости педали разгоните автомобиль до скорости более трех миль в час. Контроллер автоматически перезагрузит систему, дав команду заднему двигателю перейти в исходное положение. Как только это произойдет, вы можете остановить автомобиль и прокачать задние тормоза. DELPHI DBC-7 АБСПредставленный в 1999 году на Buick Regal and Century и Chevrolet Tracker, Антиблокировочная тормозная система Delphi DBC-7 ABS является преемником более ранней системы Delco ABS-VI. Он заменил ABS-VI в 2000 году на Chevrolet Impala, Monte Carlo, Malibu, Cavalier and Venture, Pontiac Sunfire и Montana, а также Oldsmobile Cutlass и Silhouette.В отличие от более ранней системы ABS-VI, DBC-7 не использует плунжеры с приводом от двигателя для изменения давления в тормозных магистралях. В нем используются соленоиды, как и в большинстве других систем ABS. Клапан модулятора давления в тормозной системе имеет один впускной (подающий) клапан и один выпускной (выпускной) клапан для каждого тормозного канала, а также два аккумулятора (по одному на каждый тормозной контур). Таким образом, BPMV содержит в общей сложности шесть клапанов ABS для трехканальных систем, восемь клапанов ABS для четырехканальных систем или 10 клапанов ABS, если в автомобиле есть антипробуксовочная система TCS.Впускные клапаны обычно открыты, а выпускные клапаны обычно закрыты. Электромагнитный клапан каждого клапана находится под напряжением, когда EBCM обеспечивает заземление для замыкания цепи. В легковых автомобилях GM используются четырехканальные системы ABS, поэтому каждый из четырех выходов BPMV подключен к тормозной магистрали для отдельного колеса. Линии имеют цветовую маркировку для идентификации: Левая задняя часть пурпурного цвета; DBC-7 ПРОЦЕДУРЫ ОБОЛОЧКИДля удаления воздуха из отдельных тормозных магистралей можно использовать обычные процедуры удаления воздуха, если воздух не попал в модулятор ABS. Но если воздух попал в модулятор, необходимо удалить воздух из системы с помощью устройства для удаления давления и диагностического прибора:
После этого диагностический прибор проинструктирует вас прокачать каждое колесо. На этом этапе насос работает, а соответствующий выпускной клапан работает в течение одной минуты. Это повторяется для каждого колеса. Наконец, диагностический прибор выполняет последние 20 секунд цикла соленоидов ABS, чтобы удалить оставшийся воздух. Сбросьте давление в спускном приспособлении и снимите его с главного цилиндра. Затем проверьте высоту педали и на ощупь, чтобы убедиться, что весь воздух удален, а педаль надежна.BOSCH 5 АБСВ 1995 году Корветы были оснащены системой ABS Bosch 5, которая пришла на смену предыдущей системе Bosch ABS / ASR. Система Bosch 5 также использовалась в 1996–1999 годах в Chevy Caprice и Impala, Buick, Estate Wagon and Roadmaster, а также в Cadillac Deville, Eldorado, Fleetwood и Seville. Узел модулятора использует соленоиды для каждого тормозного контура, но здесь нет специальных выпускных клапанов или специальной процедуры прокачки диагностического прибора. Так что прокачать тормоза можно обычным способом.Последовательность, если правая задняя, левая задняя, правая передняя и левая передняя.ВЫПУСК ИЗ СТАРЫХ ИНТЕГРАЛЬНЫХ СИСТЕМ АБСИнтегральные системы ABS были сняты с производства давно, но вы все еще можете встретить этот тип системы ABS на некоторых старых автомобилях. Приложения GM включают систему Delco III Powermaster на моделях Buick Regal 1989-91 годов, Oldsmobile Cutlass и Pontiac Grand Prix и GTU. Функционально он аналогичен встроенным системам ABS Teves Mark 2, Bosch III, Bendix 9 и Bendix 10, используемым на старых автомобилях GM, Ford и Chrysler. Встроенные системы ABS используют насос высокого давления и аккумулятор для торможения с усилителем, а также антиблокировочной системы торможения. Как правило, перед любыми работами по ремонту тормозов необходимо сбросить давление в гидроаккумуляторе. Некоторые из этих систем могут создавать давление до 2700 фунтов на квадратный дюйм, поэтому никогда не открывайте тормозную магистраль и не пытайтесь заменить какие-либо гидравлические компоненты ABS, пока в гидроаккумуляторе не будет полностью сброшено давление. Это делается 40-кратным нажатием на педаль тормоза при выключенном зажигании. После ремонта трубопроводы можно удалить вручную с помощью обычного устройства для удаления воздуха, инжектора или вакуумного устройства для удаления воздуха.При использовании всех этих методов оставляйте ключ выключенным, чтобы насос АБС не создавал давление в гидроаккумуляторе. Затем можно удалить воздух из каждого тормоза обычным способом, соблюдая последовательность, рекомендованную производителем транспортного средства. На автомобилях GM обычная последовательность - правая задняя, левая задняя, правая передняя и левая передняя. Если главный цилиндр или модулятор ABS были заменены, или в любом из них есть воздух, необходимо удалить воздух из модулятора ABS в соответствии с определенной процедурой. Для более старых систем GM с системой Powermaster III ABS, вот рекомендуемая процедура:
Примечание. Существует также опция проверки прокачки соленоида, которую можно использовать, если у вас есть сканирующий прибор Tech 2. Это приведет к циклическому включению соленоидов удержания и выпуска, чтобы удалить воздух из усилителя. АВТОМОБИЛЬ DODGE С ПРОЦЕДУРОЙ ПРОДУВКИ АБС KELSEY-HAYES 4WALНиже приводится информация о системе Kelsey-Hayes 4WAL ABS из бюллетеня технического обслуживания Dodge 05-03-94.Если передний клапан ABS не был заменен, из тормозов можно удалить воздух вручную с помощью вакуумного оборудования или устройства для сброса давления в следующей последовательности: главный цилиндр, задний антиблокировочный клапан, комбинированный клапан, передний антиблокировочный клапан, левое заднее колесо , правое заднее колесо, правое переднее колесо и, наконец, левое переднее колесо. Прокачивайте только один клапан или тормозной блок колеса за раз. Если главный цилиндр заменяется, прокачайте главный цилиндр перед его установкой. При замене переднего клапана ABS требуется особая процедура:
Последнее замечание: всегда проверяйте заводскую сервисную литературу на предмет каких-либо специальных процедур или инструментов, которые могут потребоваться при работе с тормозами с АБС. Щелкните здесь, чтобы загрузить или распечатать эту статью.Сопутствующие тормозные продукты:Щелкните здесь, чтобы получить информацию о руководстве по ABS Краткое обучающее руководство по основным системам ABS, диагностике и обслуживанию Другие статьи о тормозах:Тормозная жидкость: горячая темаПрокачка тормозов Устранение распространенных проблем с тормозами Антиблокировочная система тормозов (ABS) Таблица применения системы ABS (по годам выпуска, марке и модели автомобиля) Новые диагностические тестеры ABS Получение диагностических кодов ABS Honda Antilock Brakes Chrysler Dodge Plymouth Minivan Bendix 10 Antilock Brakes GM Delphi DBC-7 ABS Antilock Brakes Jeep Bendix 9 Antilock Brakes Kelsey-Hayes RWAL Антиблокировочная тормозная система 9000 Kelsey-Hayes RWAL 9000 Антиблокировочная тормозная система Kelsey-Hayes 9000 Kelsey-Hayes RWAL 9000 Антиблокировочные тормоза KWAL Противоблокирующие тормоза Kelsey 9000 Антиблокировочная система тормозов Teves Mark 20 Щелкните здесь, чтобы увидеть больше технических статей Carley Automotive Нужна заводская информация из руководства по обслуживанию ABS для вашего автомобиля?Mitchell 1 DIY eautorepair manuals |
Как промыть тормозную жидкость
Промывочная тормозная жидкость
Тормозная жидкость - гигроскопичная жидкость, которая начинает впитывать вода, что делает его менее эффективным.Мы рекомендуем промыть тормозную жидкость один раз. в год, но также неплохо спускать жидкость каждые 6 месяцев, если вы много жесткого взлома. При сильном торможении тормозных роторов в тормозе накапливается много тепла. система и «вскипает» жидкость, создавая пузырьки воздуха. Прокачка тормозной системы помогает избавиться от пузырьков воздуха в системе.
Как для прокачки воздуха, так и для промывки тормозов рекомендуется иметь под рукой свежую тормозную жидкость. Если жидкость в резервуаре течет низкий при спуске воздуха / промывке, воздух будет попадать в систему, делая делая весь процесс бесполезным.
Убедитесь, что тормозная жидкость свежая и не просела.
на полке более 2 недель при вскрытии пломбы. Это важно, поскольку открытая тормозная жидкость будет содержать влагу. В отличие от других компонентов тормоза, таких как тормозные диски или тормозные колодки, тормозная жидкость чувствительна к сроку годности, особенно в открытом виде.
Всегда надевайте защитные очки и используйте соответствующее оборудование. Руководствуйтесь здравым смыслом и соблюдайте меры предосторожности, поскольку BrakePerformance не требует
ответственность за неустойчивое вождение, аварии, нанесенный ущерб или травмы.
1. На ровной поверхности включите передачу и поставьте упор за шины, чтобы он не катился.
2. Откройте капот и найдите главный цилиндр. Отсюда заливается тормозная жидкость. Откройте крышку главного цилиндра (бачок тормозной жидкости) и положите старую тряпку. вокруг него, так как вы можете пролить немного. (Не капайте на краску автомобиля, так как тормозная жидкость протравится)
3. С помощью палочки для индейки откачайте всю жидкость.Скорее всего останется 20% и ничего страшного.
4. Долейте резервуар до линии заполнения. используя свежую тормозную жидкость.
5. Обратитесь к производителю и узнайте какой тормозной суппорт прокачать первым. Обычно это всегда начинается с самым дальним от тормозного бачка тормозным суппортом. Например, если ваш резервуар расположен в моторном отсеке со стороны водителя, вы бы начали с тормозной суппорт заднего пассажира, тормозной суппорт заднего водителя, тормозной суппорт переднего пассажира и, наконец, тормозной суппорт со стороны водителя.Это просто генерал Например, обязательно уточните у производителя.
6. Как только вы определитесь с порядком, вам нужно поднять с той стороны автомобиля и снимите колесо, чтобы получить доступ к суппорту, который вы вот-вот истечет кровью.
7. Зафиксируйте автомобиль домкратом. стоит, когда вы поднимаете машину и снимаете колесо.
8. Найдите спускной клапан. Помогает прикрепить над ним резиновый шланг, чтобы тормозная жидкость не капала повсюду.
9. Попросите помощника накачать тормоза. примерно в 4-5 раз, и они должны заметить, что он стал жестче. Пока они держат педаль тормоза вниз, откройте спускной клапан, и жидкость выйдет. Хитрость заключается в том, что вы хотите, чтобы ваш помощник уведомил вас о закрытии клапана прямо перед они попадают в нижнюю часть педали тормоза.
10. Повторяйте этот процесс, пока не будет свежая тормозная жидкость. выходит. Обычно старая жидкость темнее, и вы заметите переход к более легкая жидкость, указывающая, что тормозная магистраль заполнена свежей жидкостью.
11. Повторите тот же процесс для оставшейся части тормозные суппорты и убедитесь, что тормозная жидкость никогда не опускается ниже минимума маркер на главном цилиндре. Если это случается, вы рискуете снова попасть в систему, и вам придется снова весь процесс.
12. Как только все четыре угла будут выполнены, верхняя часть жидкости
в резервуаре до максимальной отметки, затяните колесные болты в соответствии со спецификацией и
перед вождением убедитесь, что вы хорошо чувствуете педаль тормоза.
Прокачка тормозов
Процесс прокачки тормозов идентичен. Единственное отличие состоит в том, что при прокачке каждого отдельного суппорта тормоза вам нужно всего лишь один или два раза открыть спускной клапан, пока не перестанут выходить пузырьки воздуха. Не нужно ждать, пока вы не начнете видеть свежую жидкость. По-прежнему необходима свежая жидкость, так как она может вылить большую часть того, что находится в главном цилиндре.

Это следует делать до того момента, пока это будет позволять тормозная педаль, которая должна в конце концов упереться в поверхность пола.
чесгря не знаю, при чем тут АБС
.
если «обратно в бачек» — то так она никогда меняться не будет. ну не два литра, а литр

Конструкция смещенной головки обычно работает лучше всего.
Лучше всего подойдет гаечный ключ со смещением, так как он дает больше всего места для движения.
Учтите, что не нужно дергать гаечный ключ со смехотворной силой.Обычно достаточно простого рывка.
(Оставив место чистым и сухим, позже будет легче обнаружить утечки при визуальном осмотре!) Старайтесь не распылять средство для очистки тормозов НАПРЯМУЮ на любые детали из резины или пластика, так как очиститель может сделать эти детали хрупкими после многократного воздействия.
Если вы просто едете по городу или едете по шоссе на работу, кровоточить действительно не нужно! Однако есть несколько европейских автомобилей, которые рекомендуют замену на полурегулярной основе по другим причинам, поэтому обязательно проверьте руководство по эксплуатации или обратитесь в сервисный центр для вашего конкретного применения.