Центральный замок — советы профи по подключению и устранению неполадок
Защитить автомобиль от угона поможет центральный замок – система блокировки дверей авто. При подключении ЦЗ закрывание/открывание всех механизмов происходит одновременно.
Выполнить подключение центрального замка можно как при помощи специалиста, так и самостоятельно. Если Вы выбрали второй вариант, воспользуйтесь рекомендациями профессиональных мастеров из нашей компании.
Принцип функционирования центрального замка
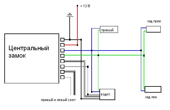
Система ЦЗ – это специальный датчик, встроенный в ручку водительской двери авто, блок с приемной антенной и пульт управления, позволяющий управлять системой на расстоянии до 10 метров.
Чтобы заблокировать или разблокировать двери авто, нужно нажать кнопку пульта. Пульт подаст сигнал на антенну блока управления, активируются микропереключатели. Схема подключения ЦЗ проанализирует импульсы, сигнал передастся на все системы авто. Исполнительные механизмы получат сигнал закрывания/открывания, все замочные механизмы авто закроются либо откроются.
Установка центрального замка, подключение
Прежде чем приступить к работе, необходимо подготовить всё необходимое:
- Комплект ЦЗ, состоящий из замочной и исполнительной систем;
- Схему подключения;
- Проводку;
- Слесарный инструмент.
Вся работа выполняется в два этапа. На первом этапе будет выполняться подключение ЦЗ к сигнализационной системе.
Сначала необходимо деактивировать АКБ, так как будет вмешательство в электросхему авто и нужно не допустить её замыкания. Порядок дальнейших действий такой:
- Демонтировать дверные карты, отсоединив соответствующие крепления;
- Определить место, куда будет произведен монтаж центрального замка. Наиболее оптимальное – нижний угол с левой стороны двери;
- Монтировать активатор, установив на каждую дверь авто соленоид;
- Установить соленоид на тяге замочного механизма. Помните! Тяги на всех дверных механизмах авто должны быть совмещены;
- Монтировать крепления от активаторов на тяги ручного блока центрального замка;
- Проложить проводку для подключения сигнализационной системы.
Каждый соленоид имеет 4 кабеля: 2 идут к нему и 2 подключены на массу авто – нужно выполнить их фиксацию при помощи пластиковых хомутов.
Важно! Устанавливая и подключая систему центрального замка, не укладывайте проводку в нижней части двери авто, так как там скапливается влага. Проводку укладывайте с использованием прорезиненной трубы. Убедитесь, что провода от соленоидов, проходя между дверями и кузовом, не подвержены перелому при открывании/закрывании двери.
Когда все вышеописанные манипуляции выполнены, можно начинать второй этап работы, взяв в руки схему ЦЗ:
- Демонтировать контрольный щиток, чтобы обеспечить место для прокладки кабелей;
- Убрать старую проводку, начиная от стеклоподъемников, на её место уложить проводку ЦЗ и подключить к ней компрессор. Также уложить в конструкции двери кабеля от соленоидов и изолировать их при помощи изоленты;
- Следующий шаг – уложить все кабеля в вещевой ящик и под контрольный щиток;
- Монтировать проходной патрубок, поставив его в стойку и зафиксировав;
- Подсоединить проводку и предохранитель к выходу.
Предохранитель подключить также и к блоку питания. Всё это монтируется под центральной консолью; - Подсоединить ЦЗ. Проводку подсоединить к корпусу – минусовой провод к кузову авто, плюсовой к предохранителю, установив его рядом с АКБ. Кнопку поставить в салоне, лучше всего – в обивке двери;
- Подключить АКБ и проверить, как работает центральный замок. Если всё исправно, монтировать обратно дверные карты.
Не работает центральный замок: возможные причины
Многие автовладельцы, выполнив установку центрального замка, с течением времени сталкиваются с такими неприятностями:
- Не открывается авто дистанционным или обычным ключом;
- Не срабатывает замок на закрывание дверей;
- Авто блокируется/разблокируется самопроизвольно;
- Замок закрывает, но не открывает двери;
- Не открывается одна из дверей и проч.
Как правило, замок работает нестабильно либо не работает вовсе из-за поломки реле, повреждения проводки, из-за проблем с АКБ, брелоком, управляющим модулем.
Если перестал работать замок и у Вас не получается разблокировать его дистанционным ключом, скорее всего реле вышло из строя. Решение – демонтировать устройство и проверить его состояние при помощи мультиметра, либо разобрать корпус и проверить состояние платы. Если в устройстве есть подгоревшие контакты, реле отремонтировать не получится, придется покупать новое.
Часто замок центральный перестает функционировать из-за повреждения проводки на подвижном участке между дверью и кузовом. Если Вы демонтировали защитную гофру и увидели место разрыва, восстановите проводку при помощи изоленты или замените поврежденный контакт на новый.
Проблемы с предохранителем ЦЗ могут возникнуть либо из-за короткого замыкания, что приводит к его сгоранию, либо из-за перегрузки в цепи. В данной ситуации ремонт центрального замка не потребует больших денежных затрат – нужно просто заменить неисправный предохранитель на новый. Стоят данные элементы недорого.
Если не работает замок центральный частично – например, закрывает, но не открывает двери авто – значит проблема заключается в управляющем модуле, монтированным в водительской двери.
Решение – проверить состояние всех кабелей, наличие в них напряжения, проверить силовую электроцепь. Сделать это можно при помощи специального устройства – тестера.
Бывает, что не работает замок по вполне банальным причинам – села батарейка в дистанционном ключе или полностью разрядился аккумулятор авто. В первом случае открыть машину можно механическим ключом, затем заменить элементы питания в брелоке. Во втором случае – зарядить АКБ, воспользовавшись батареей-донором.
Разряженный аккумулятор – часто встречающаяся среди водителей проблема. Чтобы не оказаться перед заблокированным автомобилем в самый неподходящий момент, соблюдайте ряд правил:
- Всегда выключайте музыку и фары, оставляя авто на стоянке;
- В сильный мороз загоняйте авто на ночь в теплый гаражный бокс, чтобы АКБ не переохлаждалась;
- Всегда следите за уровнем заряда батареи своего авто.
Профессиональное решение
Мастера нашей компании готовы решить любую проблему – монтировать и подключить центральный замок, устранить неисправности в его работе.
Они имеют многолетний опыт, все необходимые инструменты и оборудование. Обратиться к нам стоит по нескольким причинам:
- Быстрый приезд в любую точку Москвы и области – в течение 20 минут;
- Оказание помощи круглосуточно, без выходных и праздничных дней;
- Обслуживание авто всех марок и моделей – Шевроле Круз, Хендай Акцент, Ауди А6, ВАЗ 2114 и проч.;
- Дополнительные услуги – вскрытие автомобиля, ремонт, программирование и изготовление новых автоключей.
Чтобы вызвать специалиста, звоните нам или оставляйте онлайн-заявку на нашем сайте.
Как подключить сигнализацию к центральному замку ВАЗ 2110
Главная Доска объявлений ПОЛЕЗНЫЕ СХЕМЫ Схемы подключения си.
Схема положительного управления центральным замком.
Схема подключения ЦЗ.
Схема подключения к центральному замку приоры.
Автомобили ВАЗ не будут поставляться на Украину!
Схема подключения бубд.
Logbook Lada 2112 Брянский Двинчик.
См. рис. 5. Подключение аварийной световой сигнализации.
2. Лада Калина Люкс Подключение и установка Сигнализации StarLine B9 3. Лад…
Варианты подключения замков к системе PW-351.
Подключение системы к штатному центральному замку.
Подключение треккера.JPG.
Так вот все подключил кроме центрального замка.
Лада 2110 Приора в старом кузове.
Центральный замок ваз 2110.
Схема замок ваз.
На Ваз 2110 Установка кнопки центрального замка.
На фото — сопряжение центрального замка с тягой замка, getz-club.
ru.
Схема центрального замка ваз2110.
Ну я подключил негативное управление цз, но эффект тот же, от сиги работает…
Схема подключения Центрального Замка на Mitsubishi Lancer 9 серии.
Если понадобится схема подключения замка зажигания ВАЗ, ее легко можно найт…
Сигнализация и Центральный замок, Как все это поставить без особых хлопот.
Данная схема подключения активаторов дверей к сигнализации применяется в те.
Система блокировки замков дверей Ваз 2115 Лада.
Монтаж сигнализации и ЦЗ.
Блок управления ЦЗ находиться в центральной консоли,там где контроллер,в от…
схема ЦЗ с сигнализацией.
подключение сигнализации к центральному замку ваз 2109 Сделай сам.
Подключение магнитолы к сигнализации — Vovik.
Схема подключение центрального замка ваз 2109 — Установка центрального замк.
Схема поключения охраной сигнализации к автомобилю kia — Подключение автоси…
Схема подключения сигнализации к центральному замку автомобиля.
Центральный замок ваз 2110 своими руками.
подключение центрального замка к сигнализации.
Замена замка зажигания ваз 2110 автоэлек: Схема модуля центрального замка…..
Кнопка подходит одиночная от стеклоподъемников 2110.
Re: Штатная сигнализация и центральный замок.
набором вариантов схем подключения, выбрать соответствующую схему подключен…
Ваз 2111 ремонт центрального замка эл схема.
центральный блок сигнализации.
Схема центрального замка ваз 2114.
Схема монтажа активаторов замка.
проводу.Это ваша схема подключать к стрелкам по минусовой схеме.
Блок управления центрального замка ваз 2110 фото.
Фотохостинг — национальный фотоархив, размещение частных фотографий, фотоал…
Как установить центральный замок
Здесь вы можете получить Установка центрального замка. Здесь мы предоставляем что такое система центрального замка автомобиля, система блокировки безопасности и электропроводка центрального замка и т. д.
Люди стараются сделать жизнь проще, удобнее и быстрее, потому что с каждым днем мы становимся все более занятыми. Давным-давно механики изобрели в автомобилях механизм, который значительно сократит время, которое мы отпираем и запираем двери автомобиля. Система называется автомобильным центральным замком. С помощью этой системы водитель может открывать/запирать все двери одновременно. Еще одним полезным преимуществом наличия автомобильной системы центрального замка является то, что некоторые системы помогают водителям найти свои автомобили на переполненной парковке, что экономит водителям много времени, особенно когда они спешат.
Содержание
Что такое центральный замок автомобиля?
Если кратко, то автомобильный центральный замок контролирует доступ к автомобилю, например, к вашему автомобилю через посторонний пульт. Помогать водителям запирать и открывать свои машины, не касаясь их, — не единственная его функция. Другие функции могут включать открытие ручек или подъем, торможение и открытие капота и багажника. Большинство производителей предлагают автомобильные центральные замки в качестве дополнительной функции. Как правило, система центрального замка автомобиля должна содержать электрические части, приводы дверных замков и внешний контроль. Также могут быть включены другие компоненты: узел капота, узел багажника и узел бокового входа.
Защитная система запирания
Наиболее очевидным преимуществом центральной системы запирания дверей является то, что она позволяет быстро и легко запереть все двери автомобиля, просто нажав на водительский замок. выигрыш в безопасности заключается в том, что нет опасности оставить дверь незапертой.
вы также легко заблокируете задние двери, чтобы маленькие дети не оставались в машине.
Чтобы переоборудовать ваш автомобиль на центральный замок, вам понадобится комплект, который вы с готовностью купите в магазине автомобильных аксессуаров. Он состоит из приводов с электроприводом, которые вы просто монтируете внутри дверей, а также всей проводки, кронштейнов и соединительных тяг, которые вам просто необходимы для установки на вашем автомобиле.
Комплект часто используется на двух- или четырехдверных автомобилях, хотя преимущества установки на четырехдверный автомобиль очевидны. Его также можно использовать практически на любой модели автомобиля, но вам следует сначала обратиться к своему дилеру на случай, если ваш автомобиль не подходит. это также честная идея присмотреться, прежде чем купить.
Установка центрального замка
Некоторые комплекты также поставляются с пультом дистанционного управления. Это позволяет запирать автомобиль снаружи с помощью ручного блока.
Это имеет то преимущество, что, если замки замерзнут в холодную погоду, вы все равно сможете открыть дверь с помощью пульта дистанционного управления.
1. Снимите обшивку
Сначала необходимо снять обшивку двери, чтобы получить доступ к внутренней части. Снимите все ручки и замотки перед тем, как освободить зажимы, фиксирующие панель, и снять панель (см. Кузов 8). Осторожно снимите уплотняющую пластину, установленную за обшивкой.
2. Монтажное положение
Каждый блок привода должен быть установлен на внутренней стороне внутренней обшивки двери таким образом, чтобы его собственный ведомый стержень мог соединиться с соединительным стержнем между кнопкой блокировки двери и замком в сборе. Если хотите, установите его через одно из отверстий в коже, чтобы облегчить установку. Устройство не должно загораживать стекло или механизм открывания.
3. Разметьте и просверлите
Приложите монтажный кронштейн к внутренней обшивке двери.
Отметьте фломастером положение отверстий для крепления винтов, затем снимите скобу. Используя сверло подходящего размера, просверлите отверстия. Закрепите кронштейн с помощью прилагаемых винтов и крепежных зажимов, установив зажимы за обшивкой двери.
4. Установите блок привода
Прикрепите блок привода к кронштейну с помощью прилагаемых винтов. Винты проходят через монтажный кронштейн и входят в 2 отверстия, расположенные внутри корпуса привода. Проведите трубу для отвода конденсата к нижней части двери, а затем проводку к шарнирному концу двери, который можно будет подключить позже.
5. Ведомый стержень
Согните ведомый стержень по форме. Он должен идти от привода параллельно части существующего соединительного стержня. Присоедините ведомый стержень к приводному устройству с помощью прилагаемого зажима. 2 стержня соединены между собой зажимом и винтом. Расположите стержни внутри зажима и закрепите их с помощью установочных винтов.
6. Прокладка проводки
В комплект входит небольшой жгут проводов для соединения главного блока управления с приводными блоками. Если возможно, проложите ткацкий станок рядом с любой существующей проводкой. При необходимости просверлите небольшие отверстия в двери и кузове, установите на них втулки, затем протяните провода через отверстия в дверях.
Электропроводка центрального замка
К каждому приводному устройству подсоединен небольшой отрезок проводки, который заканчивается многоразъемным разъемом. Главный привод идентифицируется двумя дополнительными проводами, подключенными к нему. Это питание и заземление для всей системы дверного замка. Начните с отключения аккумулятора, чтобы избежать короткого замыкания. Подсоедините клеммные соединители к концам всех проводов приводов.
Помните, что есть четыре провода к главному приводу и только два к приводам. Подсоедините провода к разъемам с несколькими разъемами, убедившись, что цвета проводов совпадают.
Проложите провод питания к постоянному источнику питания, например, к клемме аккумулятора или стороне аккумулятора блока предохранителей. Установите плавкий предохранитель (16 ампер) на имеющийся провод. Проведите мировой провод к соответствующей точке заземления и надежно закрепите его. Снова подключите клемму аккумулятора и проверьте, правильно ли работает замок. Наконец, установите на место панель обшивки двери и элементы управления окнами.
Почему не работает центральный замок вашего автомобиля?
Почти у всего бывают плохие времена, в том числе и у центрального замка. Существует множество причин, приводящих к поломке центрального замка автомобиля. Чтобы сузить число случаев, наиболее распространенные причины перечислены ниже:
- Ваш автомобильный аккумулятор разряжен или неисправен: каждый электрический компонент нуждается в дополнении влияния. Поэтому проверьте автомобильный аккумулятор, чтобы убедиться, что он работает должным образом или нет. Кроме того, разряженная батарея также может вызвать много проблем.

- Аккумулятор брелка разряжен или неисправен: питание требуется не только электрическим частям центрального замка, но и брелоку. Поскольку батарея в брелоке часто работает очень долго, многие водители могут забыть о ее существовании. Кажется, это одна из самых распространенных причин, по которой автомобильный замок не работает. в этом случае все, что вам нужно сделать, это заменить батарею брелока. Однако, если замена батареи не помогает, брелок также может быть неисправен, и вам следует обратиться к дилеру для дальнейшего тестирования брелока.
- Перегоревший предохранитель: хотя все двери работают, кроме одной, также может быть перегоревший предохранитель. Замена предохранителя — это решение, и оно самое простое и простое.
- неприятный соленоид: неприятный соленоид также может вызвать предыдущую проблему, когда одна дверь не работает, а другие работают. Однако замена соленоида стоит довольно дорого, как замена предохранителя, а также требует более сложных действий.

- Обрыв провода: иногда причиной поломки центрального замка автомобиля являются не проблемы с аккумулятором, а неисправный провод.
- Замки либо застряли, либо плохо смазаны: это тоже может быть проблемой.
Топ-10 лучших установщиков центрального замка рядом с вами
Заполните короткую форму и получите бесплатные расценки на профессиональные услуги по ремонту электрооборудования автомобиля рядом с вами
Отличная оценка — 4,5/5 (9200+ отзывов)
Модернизация центрального замка?
- Установка
- Обслуживание
- Замена
- … или что-то еще
Это займет всего 2 минуты. И это бесплатно.
До 50% дешевле, чем у франчайзинговых дилеров
Нет слишком больших или маленьких работ
Бесплатное страховое покрытие
Безопасные безналичные платежи
Обслуживание в тот же или на следующий день без дополнительной оплаты
Лучшие установщики центральных замков рядом со мной
Последние обзоры установки центрального замка
Спасибо Пол.
Пол проделал фантастическую работу и сделает все возможное, чтобы решить проблему, я оставил свой фургон там на ночь, и он проделал изумительную работу. Рекомендовал бы его в любое время!
Ремонт центрального замка
80 $
Знающий, предупредительный и по очень разумной цене. Этого парня должен знать каждый, у кого есть машина.
Стоимость установки центрального замка
$120
Сделали быстро и отлично!
Завершить установку головного устройства/центрального замка
50 долларов
Заказал меня в те же выходные после того, как не удалось найти кого-то для установки центрального замка. Приехал вовремя и сделал работу без нареканий. Объяснил работу, которую он сделал в конце. Еще раз спасибо, Тед!
Мне нужна установка центрального замка
200$
Первоклассный сервис — настоятельно рекомендуется
Нужен центральный замок и ключи — 2011 Nissan XTrail
100$
Отличное общение и очень доволен работой 003 9 0 центральный замок 003 9 0 установка центрального замка
250 $
Какова средняя стоимость установщика центрального замка
$116 — $250
низкая
$116
медиана
$200
высокий
$250
Средние отзывы об услугах по установке центрального замка
на основе 42 отзывов
Что такое Airtasker?
Разместите свою задачу
Расскажите нам, что вам нужно, это БЕСПЛАТНО.
Обзор предложений
Получайте предложения от доверенных таскеров и просматривайте профили.
Сделай это
Выберите подходящего человека для вашей задачи и сделайте ее.
Услуги автоэлектрика
Сопутствующие услуги рядом со мной
Связанные местоположения
Основные местоположения
Рекомендуемая литература об установке центрального замка
Недавние задачи по установке центрального замка
Центральный замок фургона
250 долларов США
Toyota hiace commuter 1-дверный фургон hiace 9.97 4 двери. Хочу поставить центральный замок. Нужны предложения по поставке и установке. — Срок выполнения: гибкий
Ремонт центрального замка в моей машине
50 долларов США
Дверь со стороны водителя иногда не запирается, а в остальное время остается запертой при попытке открыть — Срок выполнения: гибкий
Auto Elec требуется для подключения жесткой крышки к центральному замку автомобиля
$120
Я купил бывшую в употреблении жесткую крышку для своего VW Amarok и установил ее.
Жесткая крышка имеет только опцию центрального замка, поэтому мне нужно, чтобы она была подключена к центральному замку автомобиля. Оригинальный жгут проводов был отрезан. Посмотрите на фотографии, которые я приложил. Я нахожусь в Кэрнли 3023.
—
Срок выполнения: гибкий
Установка центрального замка
300 $
Установка центрального замка на Toyota Hilux 2005 г. — Срок сдачи: до воскресенья, 30 апреля 2023 г.
Центральный замок не работает
$100Центральный замок не работает мы поменяли аккумулятор брелока и автомобильный аккумулятор это не то, что мы также посмотрели блок предохранителей предохранитель не сломан мы также сняли дверь и провода не оборваны машина не запирается и не открывается внутри и снаружи — Срок выполнения: Гибкий
Установить центральный замок
100 долларов США
Honda, авария 2009 года, модель с центральным замком, но просто нужно установить дистанционный центральный замок без ключа
—
Срок выполнения: необходимо выполнить в субботу, 25 марта 2023 г.
Решить проблему с центральным замком в моем фургоне
200 долларов США
Переоборудование нашего фургона остановлено из-за проблемы с центральным замком — фургон долго не будет закрываться — Срок выполнения: гибкий
Установить центральный замок на toyota starlet 1997 года. есть комплект
$100
можно ли установить центральный замок? есть комплект, но моей машине нужно намного больше, чем я думал. Toyota Starlet 1997 года, и у нее нет дверных каналов для проводов, поэтому вам придется их сделать. также не уверен в постоянном питании 12 В или где оно может быть. может выбрать выходной день для него в любое время в течение следующих нескольких недель. ваше здоровье — Срок выполнения: гибкий
Установка центрального замка на 01 VW golf
300 долларов США
Есть 01 Golf без центрального замка, ищем кого-нибудь, кто поставит запчасти и установит их. Может быть мобильным или с радостью привезу вам машину, ищу цитаты. Моя цена приблизительна, так как не знаю фактическую цену на запчасти + установку, поэтому напишите мне номер — Срок выполнения: гибкий
Центральный замок
100 долларов США
Автомобиль Mazda 3 2007 года, для которого требуется центральный замок — Срок выполнения: гибкий
Автомобильный замок с центральным замком
200 $
Необходимо починить автомобильный замок Toyota Corolla 2003
Центральный замок
100 $
, 2 двери — Срок выполнения: гибкий
Отличная работа, отличный сервис, отличный парень, с которым приятно иметь дело.
Я вернусь
Nissan Pulsar N16 2004 Проблема с центральным замком
$100
Привет Центральный замок в моей машине не работает. Ключ открывает и закрывает только водительскую дверь. Я хочу, чтобы он починил или установил универсальный центральный замок.
Требуется ремонт системы центрального замка
2000 долларов США
Системы на фургоне Toyota hi ace версии 1991 года три месяца не использовались для ремонта кузова, чтобы удалить ржавчину, когда он вернулся, система не открывает двери, но работает иммобилайзер. — Срок выполнения: Гибкий
Возникли проблемы с центральным замком на моем фургоне Ford Transit 2001 года.
200 долларов
Добрый день. У меня проблемы с центральным замком на моем Ford Transit 2001 года. У меня 2 брелка. Один перестал работать все вместе, поменял аккумулятор но ничего. Другой работает несколько, однако, когда я нажимаю разблокировать во второй раз, чтобы разблокировать боковые и задние двери, он разблокируется, но затем сразу же блокирует все двери.
Вы хоть как-то можете помочь? Ваше здоровье
—
Срок выполнения: гибкий
Отличная работа и отличное общение. Будет использовать снова.
Центральный замок
$300
Необходимо установить центральный замок в модель Nissan Navara 2009 года. Нужен человек, который знает, что делает. Также есть Honda Integra 2001 Coupe, на которую мне также нужна цена
Центральный замок, установленный в фургоне
200 долларов США
Basic Центральный замок, установленный на фургоне Toyota Commuter 1996 года. В настоящее время все двери должны быть заперты вручную изнутри, так как замки не работают снаружи ключом. Мы ищем кого-то, кто может установить систему запирания, которая будет эффективна для всего фургона и позволит открывать багажник с отпиранием фургона одним ключом.
Дополнительное примечание: Ключом можно запирать и отпирать только дверь водителя. Другие двери не распознают ключ снаружи.
Максимум 200 долларов за работу и установку. Заплатите за запчасти сверх этого.
Готовность к поездкам до 30 км.
Отлично. Сделал что нужно и дал дельный совет. Спасибо.
Ford Ranger навес/задняя дверь с центральным замком
250 долларов США
Недавно установил навес для моего Ford Ranger 2014 года, необходимо подключить центральный замок на навесе, чтобы запустить его, а также заднюю дверь, чтобы иметь центральный замок, если это возможно — Срок выполнения: должен быть выполнен в четверг, 5 января 2023 г.
Установка автомобильной стереосистемы, центрального замка и камеры заднего вида
200 долларов США
Требуется установка автомобильной стереосистемы, подключение камеры заднего вида и установка центрального замка в наш фургон Toyota 2001 года выпуска. Все детали в наличии, довольно простая работа, уже частично обрезал, просто нет времени доделывать. Нужно сделать как можно скорее — Срок выполнения: необходимо выполнить в понедельник, 12 декабря 2022 г.
Отличный сервис, хорошо сделанная работа, хорошее общение
Автоэлектрик-Электростеклоподъемники/центральный замок
100 долларов
У нас есть Barina 2010 года.
Центральный замок работает с перебоями, и все электрические стеклоподъемники не работают.
Купили сменный главный выключатель для автомобиля и поставили в машину, но все равно без радости. предохранители тоже проверил.
также окно водителя с тех пор опустилось, когда мой зять снял дверную панель, чтобы проверить наличие проблем.
главный выключатель на замену был куплен на автостоянке в Виктории и сообщил, что переключатель работает.
Хотите оценить и
Продал автомобиль, так как был семейным автомобилем 8 лет и больше не нужен. машина не стоит много, учитывая возраст и километраж, но мы бы предпочли, чтобы работа была завершена для душевного спокойствия.
Я понимаю, что стоимость может варьироваться в зависимости от диагноза, но нам нужно будет узнать цену после постановки диагноза. ЦЕНА, УСТАНОВЛЕННАЯ МНОЙ, ЭТО МАКСИМАЛЬНАЯ МАКСИМАЛЬНАЯ МЫ МОЖЕМ ЗАПЛАТИТЬ ЗА ПОЛНУЮ ЗАДАЧУ ПО ВОССТАНОВЛЕНИЮ ВСЕХ ФУНКЦИЙ. Если задача не может быть выполнена, мы не ожидаем выплаты полного бюджета.
НА ДРУГОЙ ДЕНЬ КТО-ТО ЗАПРОСИЛ ПОДРОБНУЮ ИНФОРМАЦИЮ ПО ИСТОРИИ ПРОБЛЕМЫ, ПОЭТОМУ Я ДОБАВИЛ СВОЙ КОММЕНТАРИЙ НИЖЕ.
Конечно
У нас была машина в течение 8 или около того лет, все наши дети водили ее и перешли на более крупные машины.
Никогда не проблема. Управляется очень хорошо. Кондиционер хороший и регазирован в прошлом году.
Месяца 4 назад перестали работать электростеклоподъемники. Пробовал предохранители — не повезло. Парень дочери взял дверную панель (со стороны водителя), чтобы осмотреть внутренности (без эксперта), но все равно попробовал.
Заказал замену главного выключателя у продавца подержанных автомобилей в Мельбурне, установил его и до сих пор не доволен. Примерно в то же время центральный замок стал прерывистым, все двери открывались с пульта, кроме водительской. Так что проблемы должны быть с водительской дверью.
Я предполагаю, что это может быть дорого, но я буду рад в любом случае исправить рекламируемую цену или снизить ее и оставить для сортировки кому-то другому. В качестве альтернативы можно жить с приоткрытыми окнами (спереди 2) и жить с кондиционером. Становится действительно дешевой машиной тогда.

Каждый соленоид имеет 4 кабеля: 2 идут к нему и 2 подключены на массу авто – нужно выполнить их фиксацию при помощи пластиковых хомутов.
Предохранитель подключить также и к блоку питания. Всё это монтируется под центральной консолью; 
