Π£ΡΡΡΠΎΠΉΡΡΠ²ΠΎ ΡΡΠ»Π΅Π²ΠΎΠΉ ΡΠ΅ΠΉΠΊΠΈ ΠΈ ΠΏΡΠΈΠ·Π½Π°ΠΊΠΈ Π½Π΅ΠΈΡΠΏΡΠ°Π²Π½ΠΎΡΡΠΈ
ΠΠ²ΡΠΎΡ admin ΠΠ° ΡΡΠ΅Π½ΠΈΠ΅ 4 ΠΌΠΈΠ½. ΠΡΠΎΡΠΌΠΎΡΡΠΎΠ² 924
Π ΡΠ»Π΅Π²ΠΎΠ΅ ΡΠΏΡΠ°Π²Π»Π΅Π½ΠΈΠ΅ ΠΏΠΎΡΡΠΈ Ρ Π²ΡΠ΅Ρ
ΠΌΠΎΠ΄Π΅Π»Π΅ΠΉ ΡΠΎΠ²ΡΠ΅ΠΌΠ΅Π½Π½ΡΡ
Π»Π΅Π³ΠΊΠΎΠ²ΡΡ
Π°Π²ΡΠΎΠΌΠΎΠ±ΠΈΠ»Π΅ΠΉ ΠΏΡΠ΅Π΄ΡΡΠ°Π²Π»Π΅Π½ΠΎ Π² Π²ΠΈΠ΄Π΅ ΡΡΠ»Π΅Π²ΠΎΠΉ ΡΠ΅ΠΉΠΊΠΈ. ΠΡΠΎ ΠΌΠ΅Ρ
Π°Π½ΠΈΡΠ΅ΡΠΊΠΈΠΉ ΡΠ·Π΅Π», ΠΏΡΠ΅Π΄Π½Π°Π·Π½Π°ΡΠ΅Π½Π½ΡΠΉ Π΄Π»Ρ ΠΏΡΠ΅ΠΎΠ±ΡΠ°Π·ΠΎΠ²Π°Π½ΠΈΡ ΠΏΠΎΠ²ΠΎΡΠΎΡΠ° ΡΡΠ»Ρ Π² Π³ΠΎΡΠΈΠ·ΠΎΠ½ΡΠ°Π»ΡΠ½ΠΎΠ΅ ΠΎΡΠΊΠ»ΠΎΠ½Π΅Π½ΠΈΠ΅ ΠΏΠ΅ΡΠ΅Π΄Π½ΠΈΡ
ΠΊΠΎΠ»Π΅Ρ. ΠΠ·Π½Π°ΡΠ°Π»ΡΠ½ΠΎ ΡΡΡΡΠΎΠΉΡΡΠ²ΠΎ ΡΡΠ»Π΅Π²ΠΎΠΉ ΡΠ΅ΠΉΠΊΠΈ Π½Π΅ ΠΎΡΠ»ΠΈΡΠ°Π»ΠΎΡΡ ΠΎΡΠΎΠ±ΠΎΠΉ ΡΠ»ΠΎΠΆΠ½ΠΎΡΡΡΡ. Π ΠΏΡΠΎΡΡΠ΅ΠΉΡΠ΅ΠΌ Π²Π°ΡΠΈΠ°Π½ΡΠ΅ ΡΡΠΎ ΠΌΠ΅Ρ
Π°Π½ΠΈΠ·ΠΌ, ΡΠΎΡΡΠΎΡΡΠΈΠΉ ΠΈΠ· ΡΠ΅ΡΡΠ΅ΡΠ½ΠΈ, ΡΠ°ΡΠΏΠΎΠ»ΠΎΠΆΠ΅Π½Π½ΠΎΠΉ Π½Π° ΡΡΠ»Π΅Π²ΠΎΠΌ Π²Π°Π»Ρ, ΡΠΎΠΏΡΡΠΆΠ΅Π½Π½ΠΎΠΉ Ρ Π½Π΅ΠΉ ΡΠ΅ΠΉΠΊΠΈ ΠΈ ΡΡΠ»Π΅Π²ΡΡ
ΡΡΠ³.
Π’ΠΈΠΏΡ ΠΈ Π²Π°ΡΠΈΠ°Π½ΡΡ ΠΈΡΠΏΠΎΠ»Π½Π΅Π½ΠΈΡ
Π Π½Π°ΡΡΠΎΡΡΠ΅Π΅ Π²ΡΠ΅ΠΌΡ ΡΡΡΠ΅ΡΡΠ²ΡΠ΅Ρ ΡΡΠΈ ΡΠ°Π·Π½ΠΎΠ²ΠΈΠ΄Π½ΠΎΡΡΠΈ ΡΠ΅Π΅ΡΠ½ΡΡ ΠΌΠ΅Ρ Π°Π½ΠΈΠ·ΠΌΠΎΠ². ΠΡΠ»ΠΈΡΠΈΠ΅ ΠΌΠ΅ΠΆΠ΄Ρ Π½ΠΈΠΌΠΈ Π·Π°ΠΊΠ»ΡΡΠ°Π΅ΡΡΡ Π² ΠΏΡΠΈΠ½ΡΠΈΠΏΠ΅ Π΄Π΅ΠΉΡΡΠ²ΠΈΡ.
ΠΠ΅Ρ Π°Π½ΠΈΡΠ΅ΡΠΊΠ°Ρ ΡΡΠ»Π΅Π²Π°Ρ ΡΠ΅ΠΉΠΊΠ°
ΠΠ°ΠΈΠ±ΠΎΠ»Π΅Π΅ ΠΏΡΠΎΡΡΠΎΠΉ Π²Π°ΡΠΈΠ°Π½Ρ ΡΡΠ»Π΅Π²ΠΎΠ³ΠΎ ΡΠΏΡΠ°Π²Π»Π΅Π½ΠΈΡ. ΠΠΎΠ²ΠΎΡΠΎΡ ΠΊΠΎΠ»Π΅Ρ ΠΎΡΡΡΠ΅ΡΡΠ²Π»ΡΠ΅ΡΡΡ ΠΈΡΠΊΠ»ΡΡΠΈΡΠ΅Π»ΡΠ½ΠΎ Π·Π° ΡΡΠ΅Ρ ΡΠΈΠ·ΠΈΡΠ΅ΡΠΊΠΎΠΉ ΡΠΈΠ»Ρ Π²ΠΎΠ΄ΠΈΡΠ΅Π»Ρ. Π ΡΠ΅Π»ΡΡ
ΠΎΠ±Π»Π΅Π³ΡΠ΅Π½ΠΈΡ ΡΠ°Π±ΠΎΡΡ Π²ΠΎΠ΄ΠΈΡΠ΅Π»Ρ ΠΈ ΠΏΠΎΠ²ΡΡΠ΅Π½ΠΈΡ ΡΠ΄ΠΎΠ±ΡΡΠ²Π° ΡΠΏΡΠ°Π²Π»Π΅Π½ΠΈΡ Π½Π° ΠΌΠ½ΠΎΠ³ΠΈΡ
Π°Π²ΡΠΎΠΌΠΎΠ±ΠΈΠ»ΡΡ
ΠΏΡΠΈΠΌΠ΅Π½ΡΠ΅ΡΡΡ ΡΡΠ»Π΅Π²Π°Ρ ΡΠ΅ΠΉΠΊΠ° Ρ ΠΏΠ΅ΡΠ΅ΠΌΠ΅Π½Π½ΡΠΌ ΠΏΠ΅ΡΠ΅Π΄Π°ΡΠΎΡΠ½ΡΠΌ ΡΠΈΡΠ»ΠΎΠΌ.
ΠΠΈΠ΄ΡΠ°Π²Π»ΠΈΡΠ΅ΡΠΊΠ°Ρ ΡΡΠ»Π΅Π²Π°Ρ ΡΠ΅ΠΉΠΊΠ°
ΠΡΠ»ΠΈΡΠ°Π΅ΡΡΡ ΠΎΡ ΠΌΠ΅Ρ
Π°Π½ΠΈΡΠ΅ΡΠΊΠΎΠΉ ΡΠ΅ΠΌ, ΡΡΠΎ ΠΌΠ΅Ρ
Π°Π½ΠΈΡΠ΅ΡΠΊΠΎΠ΅ Π²ΠΎΠ·Π΄Π΅ΠΉΡΡΠ²ΠΈΠ΅, ΠΊΠΎΡΠΎΡΠΎΠ΅ ΠΎΠΊΠ°Π·ΡΠ²Π°Π΅Ρ Π²ΠΎΠ΄ΠΈΡΠ΅Π»Ρ Π½Π° ΡΡΠ»Ρ, ΡΡΠΈΠ»ΠΈΠ²Π°Π΅ΡΡΡ Π³ΠΈΠ΄ΡΠΎΡΡΠΈΠ»ΠΈΡΠ΅Π»Π΅ΠΌ. ΠΡΠΎ ΠΏΠΎΠ·Π²ΠΎΠ»ΡΠ΅Ρ ΠΎΠ±Π΅ΡΠΏΠ΅ΡΠΈΡΡ ΠΎΠ΄Π½ΠΎΠ²ΡΠ΅ΠΌΠ΅Π½Π½ΠΎ ΠΎΡΡΡΠΎΡΡ ΠΈ Π»Π΅Π³ΠΊΠΎΡΡΡ ΡΡΠ»Π΅Π²ΠΎΠ³ΠΎ ΡΠΏΡΠ°Π²Π»Π΅Π½ΠΈΡ. Π’Π°ΠΊΠΎΠ΅ ΡΡΡΡΠΎΠΉΡΡΠ²ΠΎ ΡΠ°ΡΠ΅ Π²ΡΠ΅Π³ΠΎ ΠΏΡΠΈΠΌΠ΅Π½ΡΠ΅ΡΡΡ Π½Π° ΡΠΎΠ²ΡΠ΅ΠΌΠ΅Π½Π½ΡΡ
Π°Π²ΡΠΎΠΌΠΎΠ±ΠΈΠ»ΡΡ
.
ΠΠ£Π ΡΠ°ΠΊΠΆΠ΅ ΡΠΏΠΎΡΠΎΠ±ΡΡΠ²ΡΠ΅Ρ ΠΏΠΎΠ²ΡΡΠ΅Π½ΠΈΡ Π±Π΅Π·ΠΎΠΏΠ°ΡΠ½ΠΎΡΡΠΈ Π²ΠΎΠΆΠ΄Π΅Π½ΠΈΡ, ΠΏΠΎΡΠΊΠΎΠ»ΡΠΊΡ Π½Π΅ΡΠΎΠ²Π½ΠΎΡΡΠΈ Π΄ΠΎΡΠΎΠ³ΠΈ ΠΏΠ΅ΡΠ΅Π΄Π°ΡΡΡΡ Π½Π° ΡΡΠ»Ρ Π½Π΅ ΡΠ°ΠΊ ΡΠΈΠ»ΡΠ½ΠΎ, ΠΈ Π² ΡΠ»ΡΡΠ°Π΅, Π΅ΡΠ»ΠΈ ΠΌΠ°ΡΠΈΠ½Π° Π½Π° Π²ΡΡΠΎΠΊΠΎΠΉ ΡΠΊΠΎΡΠΎΡΡΠΈ ΠΏΠΎΠΏΠ°Π΄Π΅Ρ ΠΏΠ΅ΡΠ΅Π΄Π½ΠΈΠΌ ΠΊΠΎΠ»Π΅ΡΠΎΠΌ Π² ΡΠΌΡ, ΡΠ΄Π°Ρ ΠΌΠ½ΠΎΠ³ΠΎΠΊΡΠ°ΡΠ½ΠΎ ΠΏΠΎΠ³Π°ΡΠΈΡΡΡ Π³ΠΈΠ΄ΡΠΎΡΡΠΈΠ»ΠΈΡΠ΅Π»Π΅ΠΌ, ΠΈ ΡΡΠ»Ρ Π½Π΅ Π²ΡΡΠ²Π΅Ρ ΠΈΠ· ΡΡΠΊ, ΠΊΠ°ΠΊ ΡΡΠΎ ΠΏΡΠΎΠΈΠ·ΠΎΠΉΠ΄Π΅Ρ Π½Π° Π°Π²ΡΠΎΠΌΠΎΠ±ΠΈΠ»Π΅ Ρ ΠΌΠ΅Ρ Π°Π½ΠΈΡΠ΅ΡΠΊΠΎΠΉ ΡΠ΅ΠΉΠΊΠΎΠΉ.
ΠΠ΄Π½Π°ΠΊΠΎ ΡΡΡΠ΅ΡΡΠ²ΡΠ΅Ρ Ρ ΡΡΠΎΠΉ ΠΌΠ΅Π΄Π°Π»ΠΈ ΠΈ ΠΎΠ±ΡΠ°ΡΠ½Π°Ρ ΡΡΠΎΡΠΎΠ½Π°, Π²Π΅Π΄Ρ ΡΡ
ΡΠ΄ΡΠ΅Π½ΠΈΠ΅ ΠΎΠ±ΡΠ°ΡΠ½ΠΎΠΉ ΡΠ²ΡΠ·ΠΈ Π²Π΅Π΄Π΅Ρ ΠΊ ΡΠ½ΠΈΠΆΠ΅Π½ΠΈΡ Β«ΡΡΠ²ΡΡΠ²Π° Π°Π²ΡΠΎΠΌΠΎΠ±ΠΈΠ»ΡΒ». ΠΠΎΠΌΠΏΠ΅Π½ΡΠΈΡΠΎΠ²Π°ΡΡ ΡΡΠΎΡ Π½Π΅Π΄ΠΎΡΡΠ°ΡΠΎΠΊ Π°Π²ΡΠΎΠΏΡΠΎΠΈΠ·Π²ΠΎΠ΄ΠΈΡΠ΅Π»ΠΈ ΡΡΠ°ΡΠ°ΡΡΡΡ Π·Π° ΡΡΠ΅Ρ ΠΈΠ·ΠΌΠ΅Π½Π΅Π½ΠΈΡ ΠΊΠΎΠ½ΡΡΡΡΠΊΡΠΈΠΈ ΠΏΠΎΠ΄Π²Π΅ΡΠΊΠΈ, Π° ΡΠ°ΠΊΠΆΠ΅ ΠΏΡΡΠ΅ΠΌ ΠΏΡΠΈΠΌΠ΅Π½Π΅Π½ΠΈΡ ΡΠ»Π΅ΠΊΡΡΠΎΠΌΠΎΡΠΎΡΠ° Π΄Π»Ρ ΠΏΡΠΈΠ²ΠΎΠ΄Π° ΠΠ£Π (ΡΠ»Π΅ΠΊΡΡΠΎ-Π³ΠΈΠ΄ΡΠΎΡΡΠΈΠ»ΠΈΡΠ΅Π»Ρ).ΠΠ»Π΅ΠΊΡΡΠΈΡΠ΅ΡΠΊΠ°Ρ ΡΡΠ»Π΅Π²Π°Ρ ΡΠ΅ΠΉΠΊΠ°
ΠΠΎ ΠΏΡΠΈΠ½ΡΠΈΠΏΡ Π΄Π΅ΠΉΡΡΠ²ΠΈΡ Π°Π½Π°Π»ΠΎΠ³ΠΈΡΠ½Π° Π³ΠΈΠ΄ΡΠ°Π²Π»ΠΈΡΠ΅ΡΠΊΠΎΠΉ, ΡΠΎΠ»ΡΠΊΠΎ ΡΡΠΈΠ»Π΅Π½ΠΈΠ΅ ΠΏΡΠΎΠΈΠ·Π²ΠΎΠ΄ΠΈΡΡΡ ΡΠ»Π΅ΠΊΡΡΠΎΠΌΠΎΡΠΎΡΠΎΠΌ, ΠΊΠΎΡΠΎΡΡΠΉ Π»ΠΈΠ±ΠΎ Π²ΡΡΡΠΎΠ΅Π½ Π² ΡΡΠ»Π΅Π²ΡΡ ΠΊΠΎΠ»ΠΎΠ½ΠΊΡ (ΡΠ°ΠΌΡΠΉ Π΄Π΅ΡΠ΅Π²ΡΠΉ ΠΈ Π±ΠΎΠ»Π΅Π΅ ΠΎΠΏΠ°ΡΠ½ΡΠΉ Π²Π°ΡΠΈΠ°Π½Ρ), Π»ΠΈΠ±ΠΎ ΡΠ°Π·ΠΌΠ΅ΡΠ°Π΅ΡΡΡ Π½Π° ΡΡΠ»Π΅Π²ΠΎΠΌ Π²Π°Π»Ρ, Π»ΠΈΠ±ΠΎ ΠΈΠ½ΡΠ΅Π³ΡΠΈΡΠΎΠ²Π°Π½ Ρ ΡΠ΅ΠΉΠΊΠΎΠΉ (Π½Π°ΠΈΠ±ΠΎΠ»Π΅Π΅ Π±Π΅Π·ΠΎΠΏΠ°ΡΠ½ΡΠΉ Π²Π°ΡΠΈΠ°Π½Ρ, ΠΏΡΠΈΠΌΠ΅Π½ΡΠ΅ΡΡΡ Π½Π° Π°Π²ΡΠΎΠΌΠΎΠ±ΠΈΠ»ΡΡ
Π²ΡΡΠΎΠΊΠΎΠ³ΠΎ ΠΊΠ»Π°ΡΡΠ°).
ΠΠ°ΡΠΈΠ°Π½Ρ Ρ ΡΠ°Π·ΠΌΠ΅ΡΠ΅Π½ΠΈΠ΅ΠΌ ΡΠ»Π΅ΠΊΡΡΠΎΠΌΠΎΡΠΎΡΠ° Π² ΡΡΠ»Π΅Π²ΠΎΠΉ ΠΊΠΎΠ»ΠΎΠ½ΠΊΠ΅ ΠΎΠΏΠ°ΡΠ΅Π½ ΡΠ΅ΠΌ, ΡΡΠΎ Π² ΡΠ»ΡΡΠ°Π΅ Π²ΡΡ ΠΎΠ΄Π° Π΅Π³ΠΎ ΠΈΠ· ΡΡΡΠΎΡ Π°Π²ΡΠΎΠΌΠΎΠ±ΠΈΠ»Ρ ΡΡΠ°Π½ΠΎΠ²ΠΈΡΡΡ ΠΏΡΠ°ΠΊΡΠΈΡΠ΅ΡΠΊΠΈ Π½Π΅ΡΠΏΡΠ°Π²Π»ΡΠ΅ΠΌΡΠΌ, ΠΏΠΎΡΠΊΠΎΠ»ΡΠΊΡ ΠΏΠΎΠ²Π΅ΡΠ½ΡΡΡ ΡΡΠ»Ρ Π½Π΅Π²ΠΎΠ·ΠΌΠΎΠΆΠ½ΠΎ. Π ΡΠΎΠΆΠ°Π»Π΅Π½ΠΈΡ, ΡΡΠΈΠΌ ΠΏΠΎΡΠΎΠΉ Π³ΡΠ΅ΡΠΈΠ»ΠΈ Π°Π²ΡΠΎΠΌΠΎΠ±ΠΈΠ»ΠΈ ΠΠ°Π΄Π° ΠΡΠΈΠΎΡΠ° ΠΏΠ΅ΡΠ²ΡΡ Π»Π΅Ρ Π²ΡΠΏΡΡΠΊΠ° β ΠΠ£Π Ρ Π½Π° Π½ΠΈΡ Π½Π΅ ΠΎΡΠ»ΠΈΡΠ°Π»ΠΈΡΡ Π²ΡΡΠΎΠΊΠΎΠΉ Π½Π°Π΄Π΅ΠΆΠ½ΠΎΡΡΡΡ.
- Π±ΠΎΠ»Π΅Π΅ Π²ΡΡΠΎΠΊΠΈΠΉ ΠΠΠ ΠΏΠΎ ΡΡΠ°Π²Π½Π΅Π½ΠΈΡ Ρ Π³ΠΈΠ΄ΡΠΎΡΡΠΈΠ»ΠΈΡΠ΅Π»Π΅ΠΌ;
- ΡΠΊΠΎΠ½ΠΎΠΌΠΈΡΠ½ΠΎΡΡΡ (ΡΠ»Π΅ΠΊΡΡΠΎΠΌΠΎΡΠΎΡ Π²ΠΊΠ»ΡΡΠ°Π΅ΡΡΡ ΡΠΎΠ»ΡΠΊΠΎ ΠΏΡΠΈ ΠΏΠΎΠ²ΠΎΡΠΎΡΠ΅ ΡΡΠ»Ρ, ΡΠΎΠ³Π΄Π° ΠΊΠ°ΠΊ ΠΌΠ°ΡΠ»ΠΎ Π² ΠΠ£Π ΠΏΠΎΡΡΠΎΡΠ½Π½ΠΎ ΡΠΈΡΠΊΡΠ»ΠΈΡΡΠ΅Ρ, Π½Π° ΡΡΠΎ ΠΎΡΠ½ΠΈΠΌΠ°Π΅ΡΡΡ Π½Π΅ΠΊΠΎΡΠΎΡΠ°Ρ ΡΠ°ΡΡΡ ΠΌΠΎΡΠ½ΠΎΡΡΠΈ ΠΌΠΎΡΠΎΡΠ°;
- Π½Π΅Π·Π°Π²ΠΈΡΠΈΠΌΠΎΡΡΡ ΠΎΡ ΡΠ΅ΠΌΠΏΠ΅ΡΠ°ΡΡΡΡ ΠΎΠΊΡΡΠΆΠ°ΡΡΠ΅ΠΉ ΡΡΠ΅Π΄Ρ;
- ΠΎΡΡΡΡΡΡΠ²ΠΈΠ΅ Π½Π΅ΠΎΠ±Ρ
ΠΎΠ΄ΠΈΠΌΠΎΡΡΠΈ ΡΠ΅Π³ΡΠ»ΡΡΠ½ΠΎ ΠΎΠ±ΡΠ»ΡΠΆΠΈΠ²Π°ΡΡ ΡΡΡΡΠΎΠΉΡΡΠ²ΠΎ, Ρ.
ΠΊ. Π½Π΅ ΡΡΠ΅Π±ΡΠ΅ΡΡΡ ΠΌΠ΅Π½ΡΡΡ ΠΈ Π΄ΠΎΠ»ΠΈΠ²Π°ΡΡ ΡΠ°Π±ΠΎΡΡΡ ΠΆΠΈΠ΄ΠΊΠΎΡΡΡ; - Π±ΠΎΠ»Π΅Π΅ Π²ΡΡΠΎΠΊΠ°Ρ Π½Π°Π΄Π΅ΠΆΠ½ΠΎΡΡΡ Π² ΡΠ΅Π»ΠΎΠΌ, ΠΎΠ±ΡΡΠ»ΠΎΠ²Π»Π΅Π½Π½Π°Ρ ΠΎΡΡΡΡΡΡΠ²ΠΈΠ΅ΠΌ ΡΠ»Π°Π½Π³ΠΎΠ², ΠΏΡΠΎΠΊΠ»Π°Π΄ΠΎΠΊ ΠΈ ΡΠ°Π»ΡΠ½ΠΈΠΊΠΎΠ², Π² ΠΊΠΎΡΠΎΡΡΡ ΠΌΠΎΠ³Π»Π° Π±Ρ ΠΏΠΎΡΠ²ΠΈΡΡΡΡ ΡΠ΅ΡΡ.
Π‘ΡΡΠΎΠ΅Π½ΠΈΠ΅
ΠΠΎΠ½ΡΡΡΡΠΊΡΠΈΡ ΠΌΠ΅Ρ Π°Π½ΠΈΡΠ΅ΡΠΊΠΎΠΉ ΡΡΠ»Π΅Π²ΠΎΠΉ ΡΠ΅ΠΉΠΊΠΈ Π²ΡΠ³Π»ΡΠ΄ΠΈΡ ΡΠ»Π΅Π΄ΡΡΡΠΈΠΌ ΠΎΠ±ΡΠ°Π·ΠΎΠΌ. ΠΠ½ΡΡΡΠΈ ΠΊΠ°ΡΡΠ΅ΡΠ°, ΠΈΠΌΠ΅ΡΡΠ΅Π³ΠΎ Π² ΡΠ°Π·ΡΠ΅Π·Π΅ Π²ΠΈΠ΄ ΠΏΠΎΠ»ΠΎΠ³ΠΎ ΡΠΈΠ»ΠΈΠ½Π΄ΡΠ°, ΡΠ°Π·ΠΌΠ΅ΡΠ΅Π½ Π·Π°ΡΠΈΡΠ½ΡΠΉ Π³ΠΎΡΡΠΎ-ΡΠ΅Ρ ΠΎΠ». ΠΠ° ΠΏΠΎΠ΄ΡΠΈΠΏΠ½ΠΈΠΊΠ°Ρ Π² ΠΊΠ°ΡΡΠ΅ΡΠ΅ ΡΡΡΠ°Π½ΠΎΠ²Π»Π΅Π½ΠΎ ΠΏΡΠΈΠ²ΠΎΠ΄Π½ΠΎΠ΅ Π·ΡΠ±ΡΠ°ΡΠΎΠ΅ ΠΊΠΎΠ»Π΅ΡΠΎ, ΠΊ ΠΊΠΎΡΠΎΡΠΎΠΌΡ ΠΏΡΡΠΆΠΈΠ½ΠΎΠΉ ΠΏΡΠΈΠΆΠΈΠΌΠ°Π΅ΡΡΡ ΡΡΠ»Π΅Π²Π°Ρ ΡΠ΅ΠΉΠΊΠ°. ΠΡΡΠΆΠΈΠ½Π° ΡΡΠ΅Π±ΡΠ΅ΡΡΡ Π΄Π»Ρ ΡΡΡΡΠ°Π½Π΅Π½ΠΈΡ Π·Π°Π·ΠΎΡΠ° Π² ΠΏΠ°ΡΠ΅ Β«ΡΠ΅ΡΡΠ΅ΡΠ½Ρ-ΡΠ΅ΠΉΠΊΠ°Β». Π₯ΠΎΠ΄ ΡΠ΅ΠΉΠΊΠΈ ΠΎΠ³ΡΠ°Π½ΠΈΡΠΈΠ²Π°Π΅ΡΡΡ Ρ ΠΎΠ΄Π½ΠΎΠΉ ΡΡΠΎΡΠΎΠ½Ρ ΠΎΠ³ΡΠ°Π½ΠΈΡΠΈΡΠ΅Π»ΡΠ½ΡΠΌ ΠΊΠΎΠ»ΡΡΠΎΠΌ, Π° Ρ Π΄ΡΡΠ³ΠΎΠΉ β Π²ΡΡΠ»ΠΊΠΎΠΉ ΡΠ°ΡΠ½ΠΈΡΠ° ΡΡΠ»Π΅Π²ΠΎΠΉ ΡΡΠ³ΠΈ. ΠΠ°Π½Π½Π°Ρ ΡΡ Π΅ΠΌΠ° ΡΡΠ»Π΅Π²ΠΎΠΉ ΡΠ΅ΠΉΠΊΠΈ ΠΎΡΠ»ΠΈΡΠ°Π΅ΡΡΡ ΠΏΡΠ΅Π΄Π΅Π»ΡΠ½ΠΎΠΉ ΠΏΡΠΎΡΡΠΎΡΠΎΠΉ ΠΈ Π½Π°Π΄Π΅ΠΆΠ½ΠΎΡΡΡΡ.
ΠΡΠΈΠ·Π½Π°ΠΊΠΈ Π½Π΅ΠΈΡΠΏΡΠ°Π²Π½ΠΎΡΡΠΈ
ΠΡΠΏΡΠ°Π²Π½ΠΎΡΡΡ ΡΡΠ»Π΅Π²ΠΎΠ³ΠΎ ΡΠΏΡΠ°Π²Π»Π΅Π½ΠΈΡΒ β ΡΡΠΎ Π·Π°Π»ΠΎΠ³ Π±Π΅Π·ΠΎΠΏΠ°ΡΠ½ΠΎΠ³ΠΎ Π²ΠΎΠΆΠ΄Π΅Π½ΠΈΡ Π°Π²ΡΠΎΠΌΠΎΠ±ΠΈΠ»Ρ, ΠΏΠΎΡΡΠΎΠΌΡ Π½Π΅ΠΎΠ±Ρ
ΠΎΠ΄ΠΈΠΌΠΎ ΡΠ»Π΅Π΄ΠΈΡΡ Π·Π° Π΅Π³ΠΎ ΡΠΎΡΡΠΎΡΠ½ΠΈΠ΅ΠΌ. ΠΡΠΎ Π½Π΅ Π·Π½Π°ΡΠΈΡ, ΡΡΠΎ ΠΏΠ΅ΡΠ΅Π΄ ΠΊΠ°ΠΆΠ΄ΠΎΠΉ ΠΏΠΎΠ΅Π·Π΄ΠΊΠΎΠΉ Π½ΡΠΆΠ½ΠΎ ΠΏΡΠΎΠ²ΠΎΠ΄ΠΈΡΡ ΡΡΠ°ΡΠ΅Π»ΡΠ½ΡΡ ΠΏΡΠΎΠ²Π΅ΡΠΊΡ, Π²Π΅Π΄Ρ ΠΏΠΎΠ»ΠΎΠΌΠΊΠ° ΠΏΡΠΎΠΈΡΡ
ΠΎΠ΄ΠΈΡ Π½Π΅ Π²Π΄ΡΡΠ³.
Π‘ΡΡΠ΅ΡΡΠ²ΡΡΡ ΠΏΡΠΈΠ·Π½Π°ΠΊΠΈ Π½Π΅ΠΈΡΠΏΡΠ°Π²Π½ΠΎΡΡΠΈ ΡΡΠ»Π΅Π²ΠΎΠΉ ΡΠ΅ΠΉΠΊΠΈ, ΠΏΠΎ ΠΊΠΎΡΠΎΡΡΠΌ ΠΌΠΎΠΆΠ½ΠΎ ΡΡΠ΄ΠΈΡΡ ΠΎ Π½Π΅ΠΎΠ±Ρ
ΠΎΠ΄ΠΈΠΌΠΎΡΡΠΈ ΡΠ΅ΠΌΠΎΠ½ΡΠ°.
- Π‘ΡΡΠΊ, ΠΏΡΠΎΡΠ²Π»ΡΡΡΠΈΠΉΡΡ ΠΏΡΠΈ Π΅Π·Π΄Π΅ ΠΏΠΎ ΠΌΠ΅Π»ΠΊΠΈΠΌ Π½Π΅ΡΠΎΠ²Π½ΠΎΡΡΡΠΌ, ΡΠΌΠ΅Π½ΡΡΠ°ΡΡΠΈΠΉΡΡ ΠΏΡΠΈ ΠΏΠΎΠ²ΠΎΡΠΎΡΠ΅ ΡΡΠ»Ρ Π² ΠΊΡΠ°ΠΉΠ½ΠΈΠ΅ ΠΏΠΎΠ»ΠΎΠΆΠ΅Π½ΠΈΡ.
- ΠΡΡΡΡΡΡΠ²ΠΈΠ΅ ΡΡΠΈΠ»ΠΈΠΉ ΠΏΡΠΈ Π²ΡΠ°ΡΠ΅Π½ΠΈΠΈ ΡΡΠ»Ρ.
- Π£ΡΠΈΠ»ΠΈΠ΅ Π½Π° ΡΡΠ»Π΅ ΠΈΡΡΠ΅Π·Π°Π΅Ρ Π² ΡΠ΅Π½ΡΡΠ°Π»ΡΠ½ΠΎΠΌ ΠΏΠΎΠ»ΠΎΠΆΠ΅Π½ΠΈΠΈ.
- Π‘Π°ΠΌΠΎΠΏΡΠΎΠΈΠ·Π²ΠΎΠ»ΡΠ½ΠΎΠ΅ Π²ΡΠ°ΡΠ΅Π½ΠΈΠ΅ ΡΡΠ»Π΅Π²ΠΎΠ³ΠΎ ΠΊΠΎΠ»Π΅ΡΠ°.
- Π ΡΠ»Ρ Π½Π΅ Π²ΠΎΠ·Π²ΡΠ°ΡΠ°Π΅ΡΡΡ ΠΈΠ»ΠΈ ΠΏΠ»ΠΎΡ ΠΎ Π²ΠΎΠ·Π²ΡΠ°ΡΠ°Π΅ΡΡΡ Π² ΡΠ΅Π½ΡΡΠ°Π»ΡΠ½ΠΎΠ΅ ΠΏΠΎΠ»ΠΎΠΆΠ΅Π½ΠΈΠ΅ ΠΏΡΠΈ Π²ΡΡ ΠΎΠ΄Π΅ ΠΌΠ°ΡΠΈΠ½Ρ ΠΈΠ· ΠΏΠΎΠ²ΠΎΡΠΎΡΠ°.
- ΠΠΎΠ²ΡΡΠ΅Π½Π½Π°Ρ ΡΡΠ²ΡΡΠ²ΠΈΡΠ΅Π»ΡΠ½ΠΎΡΡΡ Π°Π²ΡΠΎΠΌΠΎΠ±ΠΈΠ»Ρ (Π΅Π³ΠΎ Π±ΡΠΎΡΠ°Π΅Ρ Π² ΡΡΠΎΡΠΎΠ½Ρ ΠΏΡΠΈ Π½Π΅Π·Π½Π°ΡΠΈΡΠ΅Π»ΡΠ½ΠΎΠΌ ΠΏΠΎΠ²ΠΎΡΠΎΡΠ΅ ΡΡΠ»Ρ, ΡΠ³ΠΎΠ» ΠΏΠΎΠ²ΠΎΡΠΎΡΠ° ΠΊΠΎΠ»Π΅Ρ Π½Π΅ ΡΠΎΠΎΡΠ²Π΅ΡΡΡΠ²ΡΠ΅Ρ ΡΠ³Π»Ρ ΠΏΠΎΠ²ΠΎΡΠΎΡΠ° ΡΡΠ»Π΅Π²ΠΎΠ³ΠΎ ΠΊΠΎΠ»Π΅ΡΠ°).
- ΠΠΎΡΡΠΎΡΠ½Π½ΠΎΠ΅ ΠΏΠ°Π΄Π΅Π½ΠΈΠ΅ ΡΡΠΎΠ²Π½Ρ ΠΆΠΈΠ΄ΠΊΠΎΡΡΠΈ Π² Π±Π°ΡΠΊΠ΅ Π³ΠΈΠ΄ΡΠΎΡΡΠΈΠ»ΠΈΡΠ΅Π»Ρ, Π° ΡΠ°ΠΊΠΆΠ΅ Π΅Π΅ ΠΏΠΎΡΠ²Π»Π΅Π½ΠΈΠ΅ Π² ΠΏΡΠ»ΡΠ½ΠΈΠΊΠ°Ρ ΡΡΠ»Π΅Π²ΡΡ ΡΡΠ³.
Π§ΡΠΎ Π΅ΡΠ΅ ΡΡΠΎΠΈΡ ΠΏΠΎΡΠΈΡΠ°ΡΡ
Π ΡΠ»Π΅Π²Π°Ρ ΡΠ΅ΠΉΠΊΠ°: ΡΡΡΡΠΎΠΉΡΡΠ²ΠΎ, ΠΏΡΠΈΠ½ΡΠΈΠΏ ΡΠ°Π±ΠΎΡΡ ΠΈ ΠΎΡΠ½ΠΎΠ²Π½ΡΠ΅ Π½Π΅ΠΈΡΠΏΡΠ°Π²Π½ΠΎΡΡΠΈ
Π ΡΠ»Π΅Π²Π°Ρ ΡΠ΅ΠΉΠΊΠ° ΡΡΠΈΡΠ°Π΅ΡΡΡ Π΄ΠΎΠ²ΠΎΠ»ΡΠ½ΠΎ Π½Π°Π΄Π΅ΠΆΠ½ΡΠΌ ΡΠ·Π»ΠΎΠΌ, ΠΊΠΎΡΠΎΡΡΠΉ Π²ΡΡ ΠΎΠ΄ΠΈΡ ΠΈΠ· ΡΡΡΠΎΡ ΠΊΡΠ°ΠΉΠ½Π΅ ΡΠ΅Π΄ΠΊΠΎ, ΠΎΠ΄Π½Π°ΠΊΠΎ Π±ΡΠ²Π°ΡΡ ΠΈ ΠΈΡΠΊΠ»ΡΡΠ΅Π½ΠΈΡ, ΠΊΠΎΠ³Π΄Π° ΡΠ΅ΠΉΠΊΠ° Π΄ΠΎΡΡΠ°Π²Π»ΡΠ΅Ρ ΠΌΠ°ΡΡΡ Π½Π΅ΡΠ΄ΠΎΠ±ΡΡΠ² Π°Π²ΡΠΎΠ²Π»Π°Π΄Π΅Π»ΡΡΠ°ΠΌ.
ΠΡΠ½ΠΎΠ²Π½ΠΎΠΉ ΠΏΡΠΈΡΠΈΠ½ΠΎΠΉ Π½Π΅ΠΈΡΠΏΡΠ°Π²Π½ΠΎΡΡΠΈ ΠΌΠΎΠΆΠ½ΠΎ ΡΡΠΈΡΠ°ΡΡ Π½Π°Π³ΡΡΠ·ΠΊΠΈ, ΠΊΠΎΡΠΎΡΡΠΌ ΠΏΠΎΠ΄Π²Π΅ΡΠ³Π°Π΅ΡΡΡ ΡΡΠ»Π΅Π²Π°Ρ ΡΠ΅ΠΉΠΊΠ° Π²ΠΎ Π²ΡΠ΅ΠΌΡ ΡΠΊΡΠΏΠ»ΡΠ°ΡΠ°ΡΠΈΠΈ ΡΡΠ°Π½ΡΠΏΠΎΡΡΠ½ΠΎΠ³ΠΎ ΡΡΠ΅Π΄ΡΡΠ²Π°.ΠΠ΅ΡΠΎΠ²Π½Π°Ρ Π΄ΠΎΡΠΎΠ³Π° «ΠΏΠ΅ΡΠ΅Π΄Π°Π΅ΡΡΡ» ΡΠ΅ΠΉΠΊΠ΅ ΠΏΠΎ ΡΡΠ»Π΅Π²ΡΠΌ ΡΡΠ³Π°ΠΌ, ΠΊΡΠΎΠΌΠ΅ ΡΠΎΠ³ΠΎ ΡΡΠ»Π΅Π²Π°Ρ ΡΠ΅ΠΉΠΊΠ° ΠΏΠΎΠ΄Π²Π΅ΡΠΆΠ΅Π½Π° Π½Π°Π³ΡΡΠ·ΠΊΠ°ΠΌ ΡΠΎ ΡΡΠΎΡΠΎΠ½Ρ ΡΠ°ΠΌΠΎΠ³ΠΎ Π²ΠΎΠ΄ΠΈΡΠ΅Π»Ρ, ΠΊΠΎΡΠΎΡΡΠΉ Π²ΠΎΠ»Π΅ΠΉ-Π½Π΅Π²ΠΎΠ»Π΅ΠΉ ΠΏΠΎΡΡΠΎΡΠ½Π½ΠΎ Π²ΡΠ°ΡΠ°Π΅Ρ ΡΡΠ»Π΅Π²ΠΎΠ΅ ΠΊΠΎΠ»Π΅ΡΠΎ, ΡΠ΅ΠΌ ΡΠ°ΠΌΡΠΌ Π½Π°Π³ΡΡΠΆΠ°Ρ ΡΠ΅ΠΉΠΊΡ. ΠΠΌΠ΅Π½Π½ΠΎ ΠΏΠΎ ΡΡΠΈΠΌ ΠΏΡΠΈΡΠΈΠ½Π°ΠΌ Π΄ΠΎΠ»Π³ΠΎΠ²Π΅ΡΠ½Π°Ρ Π½Π° ΠΏΠ΅ΡΠ²ΡΠΉ Π²Π·Π³Π»ΡΠ΄ Π΄Π΅ΡΠ°Π»Ρ, ΠΌΠΎΠΆΠ΅Ρ ΡΠ°ΠΊΠΆΠ΅ Π»Π΅Π³ΠΊΠΎ Π²ΡΠΉΡΠΈ ΠΈΠ· ΡΡΡΠΎΡ ΠΈ Π΄ΠΎΡΡΠ°Π²ΠΈΡΡ ΠΌΠ°ΡΡΡ Π½Π΅ΠΏΡΠΈΡΡΠ½ΠΎΡΡΠ΅ΠΉ.
Π Π΅ΠΌΠΎΠ½Ρ ΡΡΠ»Π΅Π²ΠΎΠΉ ΡΠ΅ΠΉΠΊΠΈ Π² 9 ΡΠ»ΡΡΠ°ΡΡ ΠΈΠ· 10 β Π±Π΅ΡΡΠΌΡΡΠ»Π΅Π½, Ρ ΠΎΡΡ Π΅ΡΡΡ ΡΠΌΠ΅Π»ΡΡΡ, ΠΊΠΎΡΠΎΡΡΠ΅ ΡΡΠ²Π΅ΡΠΆΠ΄Π°ΡΡ, ΡΡΠΎ ΠΏΠΎΡΠΈΠ½ΠΈΡΡ ΠΌΠΎΠΆΠ½ΠΎ ΠΏΡΠ°ΠΊΡΠΈΡΠ΅ΡΠΊΠΈ Π»ΡΠ±ΡΡ Π΄Π΅ΡΠ°Π»Ρ Π² ΡΡΠΎΠΌ ΡΡΡΡΠΎΠΉΡΡΠ²Π΅.
ΠΠ΅ΡΠΊΠΎΠ»ΡΠΊΠΎ ΡΠ»ΠΎΠ² ΠΎΠ± ΡΡΡΡΠΎΠΉΡΡΠ²Π΅ ΡΡΠ»Π΅Π²ΠΎΠΉ ΡΠ΅ΠΉΠΊΠΈ…
Π Π°Π·Π»ΠΈΡΠ°ΡΡ Π½Π΅ΡΠΊΠΎΠ»ΡΠΊΠΎ ΠΎΡΠ½ΠΎΠ²Π½ΡΡ
Π²ΠΈΠ΄ΠΎΠ² ΡΡΠ»Π΅Π²ΡΡ
ΡΠ΅Π΅ΠΊ β ΠΌΠ΅Ρ
Π°Π½ΠΈΡΠ΅ΡΠΊΠ°Ρ ΠΈ Π³ΠΈΠ΄ΡΠ°Π²Π»ΠΈΡΠ΅ΡΠΊΠ°Ρ (Π³ΠΈΠ΄ΡΠΎΡΡΠΈΠ»ΠΈΡΠ΅Π»Ρ ΡΡΠ»Ρ β ΠΠ£Π ). ΠΠ΅ΡΠ²Π°Ρ β ΡΠ²ΠΎΠΉΡΡΠ²Π΅Π½Π½Π° ΠΏΠ΅ΡΠ²ΡΠΌ ΠΎΡΠ΅ΡΠ΅ΡΡΠ²Π΅Π½Π½ΡΠΌ ΠΌΠΎΠ΄Π΅Π»ΡΠΌ, ΠΎΡΠΏΡΡΡΠΊΠΈ ΠΊΠΎΡΠΎΡΡΡ
Π²ΡΠΏΡΡΠΊΠ°ΡΡΡΡ ΠΈ ΠΏΠΎ ΡΠ΅ΠΉ Π΄Π΅Π½Ρ. ΠΠ΅Ρ
Π°Π½ΠΈΡΠ΅ΡΠΊΠ°Ρ ΡΠ΅ΠΉΠΊΠ° ΡΠΎ Π²ΡΠ΅ΠΌΠ΅Π½Π΅ΠΌ Π±ΡΠ»Π° Π·Π°ΠΌΠ΅Π½Π΅Π½Π° Π³ΠΈΠ΄ΡΠ°Π²Π»ΠΈΡΠ΅ΡΠΊΠΎΠΉ ΠΏΠΎ ΠΏΡΠΈΡΠΈΠ½Π΅ Π±ΠΎΠ»Π΅Π΅ ΡΠΎΠ²Π΅ΡΡΠ΅Π½Π½ΠΎΠ³ΠΎ ΠΌΠ΅Ρ
Π°Π½ΠΈΠ·ΠΌΠ° ΠΏΡΠ΅Π΅ΠΌΠ½ΠΈΡΡ ΠΈ Π±ΠΎΠ»Π΅Π΅ ΡΠ΄ΠΎΠ±Π½ΠΎΠ³ΠΎ ΡΠΏΡΠ°Π²Π»Π΅Π½ΠΈΡ.
Π§ΡΡΡ ΠΏΠΎΠ·ΠΆΠ΅ ΠΏΠΎΡΠ²ΠΈΠ»ΡΡ ΠΈ ΡΡΠ΅ΡΠΈΠΉ ΡΠΈΠΏ ΡΡΠ»Π΅Π²ΠΎΠΉ ΡΠ΅ΠΉΠΊΠΈ β ΡΠ»Π΅ΠΊΡΡΠΈΡΠ΅ΡΠΊΠΈΠΉ (ΠΠ£Π ). ΠΠ°Π½Π½Π°Ρ ΠΌΠΎΠ΄ΠΈΡΠΈΠΊΠ°ΡΠΈΡ ΡΠ°Π±ΠΎΡΠ°Π΅Ρ Π±Π΅Π· Π³ΠΈΠ΄ΡΠ°Π²Π»ΠΈΠΊΠΈ, Π΅Π΅ ΡΠΎΠ»Ρ Π²ΡΠΏΠΎΠ»Π½ΡΠ΅Ρ ΡΠ»Π΅ΠΊΡΡΠΎΠΌΠΎΡΠΎΡΡΠΈΠΊ. ΠΠ΅Π΄ΠΎΡΡΠ°ΡΠΊΠΎΠΌ ΠΠ£Π ΡΠ²Π»ΡΠ΅ΡΡΡ Π²ΡΡΠΎΠΊΠ°Ρ ΡΡΠΎΠΈΠΌΠΎΡΡΡ ΠΈ ΡΠ»ΠΎΠΆΠ½ΠΎΡΡΡ ΠΌΠ΅Ρ
Π°Π½ΠΈΠ·ΠΌΠ°, ΡΠ΅ΠΌΠΎΠ½Ρ ΠΊΠΎΡΠΎΡΠΎΠ³ΠΎ Π½Π΅ ΠΊΠ°ΠΆΠ΄ΠΎΠΌΡ ΠΏΠΎΠ΄ ΡΠΈΠ»Ρ. ΠΠΎΠ»Π΅Π΅ Π΄Π΅ΡΠ°Π»ΡΠ½ΠΎ ΠΎΠ± ΠΎΡΠ»ΠΈΡΠΈΡΡ
ΠΈ ΠΎΡΠΎΠ±Π΅Π½Π½ΠΎΡΡΡΡ
ΠΠ£Π ΠΈ ΠΠ£Π ΡΠΈΡΠ°ΠΉΡΠ΅ Π² ΡΡΠΎΠΉ ΡΡΠ°ΡΡΠ΅.
Π ΡΠ»Π΅Π²Π°Ρ ΡΠ΅ΠΉΠΊΠ° ΡΠΎΡΡΠΎΠΈΡ ΠΈΠ· ΡΠ°ΠΊΠΈΡ ΠΌΠ΅Ρ Π°Π½ΠΈΠ·ΠΌΠΎΠ²:
- Π ΡΠ»Π΅Π²ΡΠ΅ ΡΡΠ³ΠΈ ΠΈ Π½Π°ΠΊΠΎΠ½Π΅ΡΠ½ΠΈΠΊΠΈ. ΠΡΠ΅ΠΏΡΡΡΡ ΠΎΠ½ΠΈ ΠΊ Π²ΡΠ΄Π²ΠΈΠΆΠ½ΡΠΌ ΠΌΠ΅Ρ Π°Π½ΠΈΠ·ΠΌΠ°ΠΌ ΡΡΠ»Π΅Π²ΠΎΠΉ ΡΠ΅ΠΉΠΊΠΈ, Ρ ΠΈΡ ΠΏΠΎΠΌΠΎΡΡΡ ΠΎΡΡΡΠ΅ΡΡΠ²Π»ΡΠ΅ΡΡΡ ΠΏΠΎΠ²ΠΎΡΠΎΡ ΠΊΠΎΠ»Π΅Ρ;
- Π¨Π΅ΡΡΠ΅ΡΠ½ΠΈ ΠΈ Π·ΡΠ±ΡΠ°ΡΠ°Ρ ΠΏΠ»Π°Π½ΠΊΠ°. ΠΠΎΡΡΠ΅Π΄ΡΡΠ²ΠΎΠΌ ΡΠ΅ΡΡΠ΅ΡΠ΅Π½ ΠΈ ΠΏΠ»Π°Π½ΠΊΠΈ ΠΎΡΡΡΠ΅ΡΡΠ²Π»ΡΠ΅ΡΡΡ ΠΏΠ΅ΡΠ΅Π΄Π°ΡΠ° ΡΡΠΈΠ»ΠΈΡ ΠΎΡ ΡΡΠ»Ρ Π½Π° ΡΡΠ»Π΅Π²ΡΠ΅ ΡΡΠ³ΠΈ, Π° ΡΠ°ΠΊΠΆΠ΅ ΡΠΏΡΠ°Π²Π»Π΅Π½ΠΈΠ΅ ΠΏΠ°ΡΠΎΠΉ ΠΊΠΎΠ»Π΅Ρ;
- ΠΠ°ΡΡΠ΅Ρ. ΠΠ³ΠΎ ΡΠ°ΠΊΠΆΠ΅ Π½Π°Π·ΡΠ²Π°ΡΡ ΠΊΠΎΡΠΏΡΡΠΎΠΌ, ΡΠ°ΡΠ΅ Π²ΡΠ΅Π³ΠΎ Π²ΡΠΏΠΎΠ»Π½Π΅Π½ ΠΈΠ· Π°Π»ΡΠΌΠΈΠ½ΠΈΡ, Π² Π½Π΅ΠΌ ΡΠ°ΡΠΏΠΎΠ»Π°Π³Π°ΡΡΡΡ ΠΎΡΠ½ΠΎΠ²Π½ΡΠ΅ Π΄Π΅ΡΠ°Π»ΠΈ ΡΠ΅ΠΉΠΊΠΈ;
- Π‘ΠΈΡΡΠ΅ΠΌΠ° ΠΏΡΡΠΆΠΈΠ½. ΠΠ΅ΠΎΠ±Ρ ΠΎΠ΄ΠΈΠΌΡ ΠΎΠ½ΠΈ Π΄Π»Ρ ΠΏΠ»ΠΎΡΠ½ΠΎΠ³ΠΎ ΠΏΡΠΈΠ»Π΅Π³Π°Π½ΠΈΡ ΡΠ΅ΠΉΠΊΠΈ ΠΊ ΡΠ΅ΡΡΠ΅ΡΠ½Π΅, Π΅ΡΠ»ΠΈ ΠΏΡΡΠΆΠΈΠ½Ρ ΠΈΡΠΏΡΠ°Π²Π½Ρ, Π»ΡΡΡ ΠΈ ΡΠ²ΠΎΠ±ΠΎΠ΄Π½ΡΠΉ Ρ ΠΎΠ΄ ΡΡΠ»Ρ ΠΏΡΠ°ΠΊΡΠΈΡΠ΅ΡΠΊΠΈ ΠΎΡΡΡΡΡΡΠ²ΡΠ΅Ρ;
- ΠΠΎΠ΄ΡΠΈΠΏΠ½ΠΈΠΊΠΈ.
ΠΠ΅ΠΎΠ±Ρ
ΠΎΠ΄ΠΈΠΌΡ Π΄Π»Ρ Π»Π΅Π³ΠΊΠΎΡΡΠΈ ΠΎΡΡΡΠ΅ΡΡΠ²Π»Π΅Π½ΠΈΡ ΠΌΠ°Π½Π΅Π²ΡΠΎΠ² ΠΈ ΠΏΠΎΠ²ΠΎΡΠΎΡΠ½ΡΡ
Π΄Π²ΠΈΠΆΠ΅Π½ΠΈΠΉ ΡΠ΅ΠΉΠΊΠΈ; - ΠΠ³ΡΠ°Π½ΠΈΡΠΈΡΠ΅Π»ΠΈ. ΠΠΎΡΡΠ΅Π΄ΡΡΠ²ΠΎΠΌ ΠΎΠ³ΡΠ°Π½ΠΈΡΠΈΡΠ΅Π»Π΅ΠΉ ΠΎΠΏΡΠ΅Π΄Π΅Π»ΡΠ΅ΡΡΡ ΠΌΠ°ΠΊΡΠΈΠΌΠ°Π»ΡΠ½ΠΎΠ΅ Π·Π½Π°ΡΠ΅Π½ΠΈΡ ΠΏΠΎΠ²ΠΎΡΠΎΡΠ° (Ρ ΠΎΠ΄Π° ΡΡΠ»Π΅Π²ΠΎΠΉ ΡΠ΅ΠΉΠΊΠΈ) ΠΎΡ ΠΏΡΠ°Π²ΠΎΠ³ΠΎ ΠΊΡΠ°Ρ ΠΊ Π»Π΅Π²ΠΎΠΌΡ.
ΠΠΎΠ½ΡΡΡΡΠΊΡΠΈΡ ΡΡΠ»Π΅Π²ΠΎΠΉ ΡΠ΅ΠΉΠΊΠΈ ΠΌΠΎΠΆΠ΅Ρ ΠΎΡΠ»ΠΈΡΠ°ΡΡΡΡ Π² Π·Π°Π²ΠΈΡΠΈΠΌΠΎΡΡΠΈ ΠΎΡ ΠΏΡΠΎΠΈΠ·Π²ΠΎΠ΄ΠΈΡΠ΅Π»Ρ, Π½Π°ΠΏΡΠΈΠΌΠ΅Ρ ΡΠ΅ΠΉΠΊΠ° BMW, Π΄ΠΎΡΠ°Π±ΠΎΡΠΊΠ° ΠΊΠΎΡΠΎΡΠΎΠΉ Π·Π°ΠΏΠ°ΡΠ΅Π½ΡΠΎΠ²Π°Π½Π°, ΠΎΠ±ΡΠ΅Π΄ΠΈΠ½ΡΠ΅Ρ ΡΡΠ»Π΅Π²ΡΡ ΡΠ΅ΠΉΠΊΡ ΠΈ ΠΏΠ»Π°Π½Π΅ΡΠ°ΡΠ½ΡΠΉ ΠΌΠ΅Ρ Π°Π½ΠΈΠ·ΠΌ, ΡΡΠΎ Π΄Π°Π»ΠΎ Π²ΠΎΠ·ΠΌΠΎΠΆΠ½ΠΎΡΡΡ Π°Π²ΡΠΎΠΌΠ°ΡΠΈΡΠ΅ΡΠΊΠΈ ΠΌΠ΅Π½ΡΡΡ Π½Π°ΡΡΡΠΎΠΉΠΊΠΈ ΡΡΠ»Π΅Π²ΠΎΠ³ΠΎ ΡΠΏΡΠ°Π²Π»Π΅Π½ΠΈΡ Π² Π·Π°Π²ΠΈΡΠΈΠΌΠΎΡΡΠΈ ΡΠΊΠΎΡΠΎΡΡΠΈ Π΄Π²ΠΈΠΆΠ΅Π½ΠΈΡ Π°Π²ΡΠΎΠΌΠΎΠ±ΠΈΠ»Ρ. ΠΡΡΡ ΠΏΡΠ°Π²Π΄Π° ΠΈ Π½Π΅Π³Π°ΡΠΈΠ²Π½ΡΠ΅ ΡΡΠΎΡΠΎΠ½Ρ ΡΠ°ΠΊΠΈΡ ΡΠΊΡΠΏΠ΅ΡΠΈΠΌΠ΅Π½ΡΠΎΠ², Π½Π°ΠΏΡΠΈΠΌΠ΅Ρ, Π²ΠΎ Π²ΡΠ΅ΠΌΡ Π΅Π·Π΄Ρ ΠΏΠΎ ΠΏΠ»ΠΎΡ ΠΈΠΌ Π΄ΠΎΡΠΎΠ³Π°ΠΌ, ΠΌΠ΅Ρ Π°Π½ΠΈΠ·ΠΌ ΠΎΡΠ΅Π½Ρ Π±ΡΡΡΡΠΎ ΠΏΡΠΈΡ ΠΎΠ΄ΠΈΡ Π² Π½Π΅Π³ΠΎΠ΄Π½ΠΎΡΡΡ. ΠΡΠΈΡΠ΅ΠΌ ΡΡΠΎΠΈΠΌΠΎΡΡΡ ΡΠ΅ΠΌΠΎΠ½ΡΠ° ΡΠ°ΠΊΠΎΠΉ ΡΠ΅ΠΉΠΊΠΈ ΠΈΠΌΠ΅Π½ΠΈΡΠΎΠ³ΠΎ Π±ΡΠ΅Π½Π΄Π° ΠΌΠΎΠΆΠ΅Ρ ΡΠΎΡΡΠ°Π²Π»ΡΡΡ ΠΏΠΎΡΡΠ΄ΠΊΠ° ΠΏΠΎΠ»ΠΎΠ²ΠΈΠ½Ρ ΡΡΠΎΠΈΠΌΠΎΡΡΠΈ Π²ΡΠ΅ΠΉ Π΄Π΅ΡΠ°Π»ΠΈ.
ΠΠ°ΠΊ ΡΠ°Π±ΠΎΡΠ°Π΅Ρ ΡΡΠ»Π΅Π²Π°Ρ ΡΠ΅ΠΉΠΊΠ° Ρ ΠΠ£Π
Π£ΡΠΈΠ»ΠΈΡΠ΅Π»Ρ ΡΡΠ»Ρ ΡΠΎΠ΅Π΄ΠΈΠ½Π΅Π½ Ρ ΠΊΠ°ΡΡΠ΅ΡΠΎΠΌ ΡΡΠ»Π΅Π²ΠΎΠΉ ΡΠ΅ΠΉΠΊΠΈ, ΠΏΠΎΡΡΠΎΠΌΡ Π² ΡΠ°Π±ΠΎΡΡ ΠΎΠ½ Π²ΠΊΠ»ΡΡΠ°Π΅ΡΡΡ Π»ΠΈΡΡ ΡΠΎΠ³Π΄Π°, ΠΊΠΎΠ³Π΄Π° ΠΌΠΎΡΠΎΡ ΡΠ°Π±ΠΎΡΠ°Π΅Ρ ΠΈ ΠΏΡΠΎΠΈΡΡ
ΠΎΠ΄ΠΈΡ Π½Π°Π³Π½Π΅ΡΠ°Π½ΠΈΠ΅ ΠΆΠΈΠ΄ΠΊΠΎΡΡΠΈ ΠΠ£Π .
Π Π΄Π²ΠΈΠΆΠ΅Π½ΠΈΠ΅ ΡΠΊΠΈΠ² Π³ΠΈΠ΄ΡΠΎΡΡΠΈΠ»ΠΈΡΠ΅Π»Ρ ΠΏΡΠΈΠ²ΠΎΠ΄ΠΈΡ ΡΠ΅ΠΌΠ΅Π½Π½Π°Ρ ΠΏΠ΅ΡΠ΅Π΄Π°ΡΠ°, Π² ΡΠ²ΠΎΡ ΠΎΡΠ΅ΡΠ΅Π΄Ρ Π³ΠΈΠ΄ΡΠ°Π²Π»ΠΈΡΠ΅ΡΠΊΠΈΠΉ Π½Π°ΡΠΎΡ Π²Π½ΡΡΡΠΈ ΡΠ΅ΠΉΠΊΠΈ ΡΠΎΠ·Π΄Π°Π΅Ρ Π΄Π°Π²Π»Π΅Π½ΠΈΠ΅ ΠΈ Π²ΠΎΠ·Π΄Π΅ΠΉΡΡΠ²ΡΠ΅Ρ Π½Π° ΠΊΠΎΠ»Π΅ΡΠ½ΡΠ΅ ΡΡΠ³ΠΈ ΠΏΠΎ ΡΡΠ΅Π±ΠΎΠ²Π°Π½ΠΈΡ Π²ΠΎΠ΄ΠΈΡΠ΅Π»Ρ. ΠΠ°ΠΆΠ½ΡΡ ΡΠΎΠ»Ρ Π² ΡΠ°Π±ΠΎΡΠ΅ ΠΠ£Π ΠΈΠ³ΡΠ°Π΅Ρ Π²ΡΡΡΠΎΠ΅Π½Π½ΡΠΉ ΠΊΠΎΠΌΠΏΡΡΡΠ΅Ρ, ΠΊΠΎΡΠΎΡΡΠΉ ΠΏΡΠΎΠΈΠ·Π²ΠΎΠ΄ΠΈΡ ΡΠ°ΡΡΠ΅Ρ ΡΡΠΈΠ»ΠΈΠΉ ΠΈ Π΄Π°Π²Π»Π΅Π½ΠΈΡ.
- Π’ΠΎΡΡΠΈΠΎΠ½ Π² ΡΠ²ΡΠ·ΠΊΠ΅ Ρ ΡΠ»Π΅ΠΊΡΡΠΎΡΠΈΡΡΠ΅ΠΌΠ°ΠΌΠΈ ΡΠ°ΡΠΏΡΠ΅Π΄Π΅Π»ΡΠ΅Ρ Π΄Π°Π²Π»Π΅Π½ΠΈΠ΅ Π² Π·Π°Π²ΠΈΡΠΈΠΌΠΎΡΡΠΈ ΠΎΡ ΠΏΠΎΠ²ΠΎΡΠΎΡΠ° ΡΡΠ»Ρ;
- ΠΠΎΠ»ΠΎΡΠ½ΠΈΠΊΠΎΠ²ΡΠΉ ΡΠ°ΡΠΏΡΠ΅Π΄Π΅Π»ΠΈΡΠ΅Π»Ρ ΡΠ²Π»ΡΠ΅ΡΡΡ ΠΈΡΡΠΎΡΠ½ΠΈΠΊΠΎΠΌ Π½Π°Π³Π½Π΅ΡΠ°Π½ΠΈΡ Π΄Π°Π²Π»Π΅Π½ΠΈΡ, ΡΠΏΠΎΡΠΎΠ±Π½ΡΠΉ ΠΏΠΎΠ²ΡΡΠ°ΡΡ Π΄Π°Π²Π»Π΅Π½ΠΈΠ΅ Π² ΡΠ΅ΠΉΠΊΠ΅ Π² Π·Π°Π²ΠΈΡΠΈΠΌΠΎΡΡΠΈ ΠΎΡ Π½Π΅ΠΎΠ±Ρ ΠΎΠ΄ΠΈΠΌΠΎΡΡΠΈ;
- Π‘ΠΏΠ΅ΡΠΈΠ°Π»ΡΠ½Π°Ρ Π΅ΠΌΠΊΠΎΡΡΡ ΡΠ»ΡΠΆΠΈΡ Π΄Π»Ρ ΡΠ±ΠΎΡΠ° ΠΌΠ°ΡΠ»Π° ΠΊΠΎΠ³Π΄Π° ΠΌΠΎΡΠΎΡ Π·Π°Π³Π»ΡΡΠ΅Π½. ΠΠ°ΠΊ ΡΠΎΠ»ΡΠΊΠΎ ΡΡΠ»Ρ Π½Π°ΡΠΈΠ½Π°Π΅Ρ Π²ΡΠ°ΡΠ΅Π½ΠΈΠ΅, ΠΏΡΠΎΠΈΡΡ ΠΎΠ΄ΠΈΡ Π²ΠΏΡΡΡΠΊ ΠΌΠ°ΡΠ»Π° ΡΠ΅ΡΠ΅Π· Π·ΠΎΠ»ΠΎΡΠ½ΠΈΠΊΠΎΠ²ΡΠΉ ΡΠ°ΡΠΏΡΠ΅Π΄Π΅Π»ΠΈΡΠ΅Π»Ρ, ΠΈΠΌΠ΅Π½Π½ΠΎ ΡΡΠ΄Π° Π³Π΄Π΅ Π½Π΅ΠΎΠ±Ρ ΠΎΠ΄ΠΈΠΌΠΎ ΡΠΎΠ·Π΄Π°ΡΡ Π΄Π°Π²Π»Π΅Π½ΠΈΠ΅. ΠΠΎΡΠ»Π΅ ΡΠΎΠ³ΠΎ ΠΊΠ°ΠΊ ΡΡΠ»Ρ ΠΏΡΠ΅ΠΊΡΠ°ΡΠ°Π΅Ρ Π²ΡΠ°ΡΠ°ΡΡΡΡ, Π½Π°ΡΠΎΡ ΠΠ£Π ΠΏΠ΅ΡΠ΅ΡΡΠ°Π΅Ρ Π½Π°Π³Π½Π΅ΡΠ°ΡΡ ΠΌΠ°ΡΠ»ΠΎ,Β Π² ΡΠ΅Π·ΡΠ»ΡΡΠ°ΡΠ΅ ΠΎΠ½ΠΎ Π²ΠΎΠ·Π²ΡΠ°ΡΠ°Π΅ΡΡΡ Π² Π΅ΠΌΠΊΠΎΡΡΡ.
ΠΠΈΠ΄ΡΠΎΡΡΠΈΠ»ΠΈΡΠ΅Π»Ρ ΡΡΠ»Ρ Π½Π΅ΠΎΠ±Ρ
ΠΎΠ΄ΠΈΠΌΠΎ ΠΏΠΎΡΡΠΎΡΠ½Π½ΠΎ ΠΎΠ±ΡΠ»ΡΠΆΠΈΠ²Π°ΡΡ, ΡΠ»Π΅Π΄ΠΈΡΡ Π·Π° Π΅Π³ΠΎ ΡΠΎΡΡΠΎΡΠ½ΠΈΠ΅ΠΌ, Π²ΠΎΠ²ΡΠ΅ΠΌΡ ΡΡΡΡΠ°Π½ΡΡΡ Π½Π΅ΠΈΡΠΏΡΠ°Π²Π½ΠΎΡΡΠΈ ΠΈ ΠΌΠ΅Π½ΡΡΡ ΠΆΠΈΠ΄ΠΊΠΎΡΡΡ ΠΠ£Π ΡΠΎΠ³Π»Π°ΡΠ½ΠΎ ΡΡΠ΅Π±ΠΎΠ²Π°Π½ΠΈΡΠΌ Π°Π²ΡΠΎΠΏΡΠΎΠΈΠ·Π²ΠΎΠ΄ΠΈΡΠ΅Π»Ρ.
ΠΠ°ΡΠ΅ΡΡΠ²ΠΎ ΠΈ ΡΠ²ΠΎΠ΅Π²ΡΠ΅ΠΌΠ΅Π½Π½ΠΎΡΡΡ ΠΎΠ±ΡΠ»ΡΠΆΠΈΠ²Π°Π½ΠΈΡ ΡΠΈΡΡΠ΅ΠΌΡ ΠΌΠΎΠΆΠ½ΠΎ ΡΡΠΈΡΠ°ΡΡ ΠΎΡΠ½ΠΎΠ²ΠΎΠΏΠΎΠ»Π°Π³Π°ΡΡΠΈΠΌ ΡΠ°ΠΊΡΠΎΡΠΎΠΌ Π² Π²ΠΎΠΏΡΠΎΡΠ΅ Π΄Π»ΠΈΡΠ΅Π»ΡΠ½ΠΎΠΉ ΠΈ Π±Π΅ΡΠΏΡΠΎΠ±Π»Π΅ΠΌΠ½ΠΎΠΉ ΡΠΊΡΠΏΠ»ΡΠ°ΡΠ°ΡΠΈΠΈ. Π‘Π»Π΅Π΄ΡΠ΅Ρ ΠΎΠ±ΡΠ°ΡΠ°ΡΡ Π²Π½ΠΈΠΌΠ°Π½ΠΈΠ΅ Π½Π° Π²ΡΠ·ΠΊΠΎΡΡΡ ΠΌΠ°ΡΠ»Π°, ΠΎΠ½ΠΎ Π½Π΅ Π΄ΠΎΠ»ΠΆΠ½ΠΎ Π±ΡΡΡ ΡΠ»ΠΈΡΠΊΠΎΠΌ Π²ΡΠ·ΠΊΠΈΠΌ, ΠΏΠΎΡΠΊΠΎΠ»ΡΠΊΡ ΡΡΠΎ ΠΌΠΎΠΆΠ΅Ρ Π²ΡΠ·Π²Π°ΡΡ ΡΡΠ΅Π·ΠΌΠ΅ΡΠ½ΠΎΠ΅ Π΄Π°Π²Π»Π΅Π½ΠΈΠ΅ Π² ΡΠ΅ΠΉΠΊΠ΅ ΠΈ ΠΏΡΠΈΠ²Π΅ΡΡΠΈ ΠΊ Π½Π΅ΠΏΡΠΈΡΡΠ½ΡΠΌ ΠΏΠΎΡΠ»Π΅Π΄ΡΡΠ²ΠΈΡΠΌ.
ΠΡΠ½ΠΎΠ²Π½ΡΠ΅ Π½Π΅ΠΈΡΠΏΡΠ°Π²Π½ΠΎΡΡΠΈ ΡΡΠ»Π΅Π²ΠΎΠΉ ΡΠ΅ΠΉΠΊΠΈ ΠΈ ΡΠΏΠΎΡΠΎΠ±Ρ ΠΈΡ ΡΠ΅ΡΠ΅Π½ΠΈΡ
ΠΠ° ΡΠ°ΠΌΠΎΠΌ Π΄Π΅Π»Π΅ ΠΏΠ΅ΡΠ΅ΡΠ΅ΡΡΡ Π²ΡΠ΅ ΠΏΡΠΎΠ±Π»Π΅ΠΌΡ ΠΈ «Π±ΠΎΠ»ΡΡΠΊΠΈ» ΡΡΠ»Π΅Π²ΠΎΠΉ ΡΠ΅ΠΉΠΊΠΈ ΠΈ ΠΌΠ΅Ρ Π°Π½ΠΈΠ·ΠΌΠ° Π² ΡΠ΅Π»ΠΎΠΌ β Π΄ΠΎΠ²ΠΎΠ»ΡΠ½ΠΎ ΡΠ»ΠΎΠΆΠ½ΠΎ, Π° Π΅ΡΠ»ΠΈ ΡΡΠ΅ΡΡΡ ΡΠΎΡ ΡΠ°ΠΊΡ, ΡΡΠΎ ΠΊΠΎΠ½ΡΡΡΡΠΊΡΠΈΠΎΠ½Π½ΠΎ ΡΠ΅ΠΉΠΊΠΈ ΠΎΡΠ»ΠΈΡΠ°ΡΡΡΡ ΠΌΠ΅ΠΆΠ΄Ρ ΡΠΎΠ±ΠΎΠΉ β ΡΠΎ ΠΈ Π²ΠΎΠ²ΡΠ΅ Π½Π΅Π²ΠΎΠ·ΠΌΠΎΠΆΠ½ΠΎ. ΠΠ°ΠΈΠ»ΡΡΡΠΈΠΌ Π²Π°ΡΠΈΠ°Π½ΡΠΎΠΌ Π±ΡΠ΄Π΅Ρ ΠΈΠ·ΡΡΠ΅Π½ΠΈΠ΅ Π½Π΅ΠΏΠΎΠ»Π°Π΄ΠΎΠΊ ΠΏΠΎ ΡΠΎΠΎΡΠ²Π΅ΡΡΡΠ²ΡΡΡΠΈΠΌ ΠΏΡΠΈΠ·Π½Π°ΠΊΠ°ΠΌ Π² ΡΡΠΊΠΎΠ²ΠΎΠ΄ΡΡΠ²Π΅ ΠΏΠΎ ΡΠΊΡΠΏΠ»ΡΠ°ΡΠ°ΡΠΈΠΈ ΠΊ Π°Π²ΡΠΎΠΌΠΎΠ±ΠΈΠ»Ρ, Π½ΠΎ Π΅ΡΠ»ΠΈ ΡΠ°ΠΊΠ°Ρ Π²ΠΎΠ·ΠΌΠΎΠΆΠ½ΠΎΡΡΡ ΠΎΡΡΡΡΡΡΠ²ΡΠ΅Ρ, ΡΠΎ ΠΌΠΎΠΆΠ½ΠΎ Π²ΠΎΡΠΏΠΎΠ»ΡΠ·ΠΎΠ²Π°ΡΡΡΡ ΠΎΠ±ΡΠ΅ΠΏΡΠΈΠ½ΡΡΡΠΌΠΈ ΠΏΠΎΠ½ΡΡΠΈΡΠΌΠΈ.
- ΠΠ΅ΠΈΡΠΏΡΠ°Π²Π½ΠΎΡΡΡ Π²Π½ΡΡΡΠ΅Π½Π½Π΅ΠΉ ΡΠ°ΡΡΠΈ ΡΠ΅ΠΉΠΊΠΈ. ΠΠΎΠ»ΠΎΠΌΠΊΠ° Π·ΡΠ±ΡΠ°ΡΠΎΠ³ΠΎ ΠΌΠ΅Ρ Π°Π½ΠΈΠ·ΠΌΠ° ΠΈΠ»ΠΈ ΡΠ°ΠΌΠΎΠΉ ΡΠ΅ΡΡΠ΅ΡΠ½ΠΈ.
- ΠΠ΅ΡΠΎΡΠΌΠ°ΡΠΈΡ ΠΊΠΎΡΠΏΡΡΠ° ΡΡΠ»Π΅Π²ΠΎΠΉ ΡΠ΅ΠΉΠΊΠΈ. ΠΡΠΎ Π²Π΅Π΄Π΅Ρ ΠΊ ΠΏΠΎΠ»Π½ΠΎΠΌΡ ΠΎΠ±Π΅Π·Π΄Π²ΠΈΠΆΠΈΠ²Π°Π½ΠΈΡ ΡΡΠ°Π½ΡΠΏΠΎΡΡΠ½ΠΎΠ³ΠΎ ΡΡΠ΅Π΄ΡΡΠ²Π°.
- ΠΠ°ΡΡΡΠ΅Π½ΠΈΠ΅ Π³Π΅ΡΠΌΠ΅ΡΠΈΡΠ½ΠΎΡΡΠΈ Π²Π½ΡΡΡΠΈ ΡΡΠ»Π΅Π²ΠΎΠΉ ΡΠ΅ΠΉΠΊΠΈ.
ΠΠΎΡΠ»Π΅ ΡΠ°Π·Π³Π΅ΡΠΌΠ΅ΡΠΈΠ·Π°ΡΠΈΠΈ Π²ΠΎΠ²Π½ΡΡΡΡ ΠΏΡΠΎΠ½ΠΈΠΊΠ°ΡΡ ΡΠ°ΡΡΠΈΡΡ ΠΏΡΠ»ΠΈ ΠΈ ΠΏΠ΅ΡΠΊΠ°, ΠΏΠΎΡΠ»Π΅ ΡΠ΅Π³ΠΎ ΡΠ»Π΅Π΄ΡΠ΅Ρ ΠΏΠΎΠ»Π½ΡΠΉ Π²ΡΡ
ΠΎΠ΄ ΠΈΠ· ΡΡΡΠΎΡ ΡΡΠ»Π΅Π²ΠΎΠΉ ΡΠ΅ΠΉΠΊΠΈ. - ΠΡΠΈΡΠΈΡΠ΅ΡΠΊΠΈΠΉ ΠΈΠ·Π½ΠΎΡ Π²Π½ΡΡΡΠ΅Π½Π½ΠΈΡ ΠΌΠ΅Ρ Π°Π½ΠΈΠ·ΠΌΠΎΠ² ΡΡΠ»Π΅Π²ΠΎΠΉ ΡΠ΅ΠΉΠΊΠΈ. ΠΠΎΡΠ»Π΅ ΡΠ΅Π³ΠΎ ΡΡΠ½ΠΊΡΠΈΠΈ ΡΠ΅ΠΉΠΊΠΈ, Π² ΡΠΎΠΌ ΡΠΈΡΠ»Π΅ ΠΈ Π΅Π·Π΄Π° Π½Π° Π°Π²ΡΠΎ, ΡΡΠ°Π½ΠΎΠ²ΡΡΡΡ Π½Π΅Π²ΠΎΠ·ΠΌΠΎΠΆΠ½ΡΠΌΠΈ.
- ΠΠ°ΡΡΡΠ΅Π½ΠΈΠ΅ ΡΠ΅Π»ΠΎΡΡΠ½ΠΎΡΡΠΈ ΡΡΠ»Π΅Π²ΡΡ ΡΡΠ³, Π½Π°ΠΊΠΎΠ½Π΅ΡΠ½ΠΈΠΊΠΎΠ²Β (ΡΡΠ΅ΡΠΈΠ½Π°, ΠΈΡΠΊΡΠΈΠ²Π»Π΅Π½ΠΈΠ΅ ΠΈ Ρ. Π΄.), Π² ΡΠ΅Π·ΡΠ»ΡΡΠ°ΡΠ΅ ΠΌΠ΅Ρ Π°Π½ΠΈΡΠ΅ΡΠΊΠΎΠ³ΠΎ Π²ΠΎΠ·Π΄Π΅ΠΉΡΡΠ²ΠΈΡ (ΡΠ΄Π°Ρ, ΠΏΠΎΠ²ΡΠ΅ΠΆΠ΄Π΅Π½ΠΈΠ΅, ΠΊΠΎΡΡΠΎΠ·ΠΈΡ ΠΈ Ρ. Π΄.). Π Π΄Π°Π½Π½ΠΎΠΌ ΡΠ»ΡΡΠ°Π΅ ΡΠ΅ΠΌΠΎΠ½Ρ Π²ΠΏΠΎΠ»Π½Π΅ Π²ΠΎΠ·ΠΌΠΎΠΆΠ΅Π½ ΠΈ ΠΎΡΠ½ΠΈΠΌΠ΅Ρ Π½Π΅ΠΌΠ½ΠΎΠ³ΠΎ Π²ΡΠ΅ΠΌΠ΅Π½ΠΈ ΠΈ Π΄Π΅Π½Π΅Π³.
Π Π΅ΠΌΠΎΠ½Ρ ΡΡΠ»Π΅Π²ΠΎΠΉ ΡΠ΅ΠΉΠΊΠΈ Π²ΠΎΠ·ΠΌΠΎΠΆΠ΅Π½ ΡΠΎΠ³Π΄Π°, ΠΊΠΎΠ³Π΄Π° Π²Π½ΡΡΡΠ΅Π½Π½ΠΎΡΡΡ ΠΌΠ΅Ρ
Π°Π½ΠΈΠ·ΠΌΠ° Π½Π΅ Π½Π°ΡΡΡΠ΅Π½Π°. ΠΡΠ»ΠΈ ΠΆΠ΅ ΠΏΡΠΈ ΠΎΡΠΌΠΎΡΡΠ΅ ΠΎΠ±Π½Π°ΡΡΠΆΠΈΠ»ΡΡ ΡΠ΅ΡΡΠ΅Π·Π½ΡΠΉ ΠΈΠ·Π½ΠΎΡ Π²Π½ΡΡΡΠ΅Π½Π½Π΅ΠΉ ΡΠ°ΡΡΠΈ ΡΠ΅ΠΉΠΊΠΈ ΠΈ Π΅Π΅ Π΄Π΅ΡΠ°Π»Π΅ΠΉ, ΠΏΠΎΠ²ΡΠ΅ΠΆΠ΄Π΅Π½ΠΈΡ ΠΏΡΠ»ΡΠ½ΠΈΠΊΠΎΠ², Π½Π°Π»ΠΈΡΠΈΠ΅ Π³ΡΡΠ·ΠΈ Π²Π½ΡΡΡΠΈ ΡΠ΅ΠΉΠΊΠΈ, ΡΠΎ Π²ΡΡ
ΠΎΠ΄ Π² Π΄Π°Π½Π½ΠΎΠΉ ΡΠΈΡΡΠ°ΡΠΈΠΈ Π»ΠΈΡΡ ΠΎΠ΄ΠΈΠ½ β Π·Π°ΠΌΠ΅Π½Π° ΡΡΠ»Π΅Π²ΠΎΠΉ ΡΠ΅ΠΉΠΊΠΈ. ΠΠΈΡΡ ΡΠ°ΠΊΠΈΠΌ ΠΎΠ±ΡΠ°Π·ΠΎΠΌ ΠΌΠΎΠΆΠ½ΠΎ ΡΠ΅ΡΠΈΡΡ ΠΏΡΠΎΠ±Π»Π΅ΠΌΡ Ρ Π΄Π°Π½Π½ΠΎΠΉ Π΄Π΅ΡΠ°Π»ΡΡ. Π Π°Π·Π»ΠΈΡΠ½ΡΠ΅ ΠΌΠ°ΡΡΠ΅ΡΡΠΊΠΈΠ΅ ΠΏΡΠ΅Π΄Π»Π°Π³Π°ΡΡ ΡΠ²ΠΎΠΈ ΡΡΠ»ΡΠ³ΠΈ ΠΏΠΎ ΡΠ΅ΠΌΠΎΠ½ΡΡ ΠΈ Π²ΠΎΡΡΡΠ°Π½ΠΎΠ²Π»Π΅Π½ΠΈΡ ΡΡΠ»Π΅Π²ΡΡ
ΡΠ΅Π΅ΠΊ, ΠΎΠ΄Π½Π°ΠΊΠΎ Π² ΠΏΠΎΠ΄Π°Π²Π»ΡΡΡΠ΅ΠΌ Π±ΠΎΠ»ΡΡΠΈΠ½ΡΡΠ²Π΅ ΡΠ»ΡΡΠ°Π΅Π² Π²ΡΠ΅ Π²ΠΎΡΡΡΠ°Π½ΠΎΠ²ΠΈΡΠ΅Π»ΡΠ½ΡΠ΅ ΡΠ°Π±ΠΎΡΡ Π»ΠΈΡΡ Π½Π΅Π½Π°Π΄ΠΎΠ»Π³ΠΎ ΡΠ΅ΡΠ°ΡΡ Π²ΠΎΠΏΡΠΎΡ Π½Π΅ΠΈΡΠΏΡΠ°Π²Π½ΠΎΠΉ ΡΠ΅ΠΉΠΊΠΈ.
ΠΠΎΡΡΠΎΠΌΡ Π² 9 ΡΠ»ΡΡΠ°ΡΡ
ΠΈΠ· 10 ΠΏΡΠΈ Π½Π΅ΠΈΡΠΏΡΠ°Π²Π½ΠΎΡΡΡΡ
ΡΡΠ»Π΅Π²ΠΎΠΉ ΡΠ΅ΠΉΠΊΠΈ ΡΠ΅ΠΊΠΎΠΌΠ΅Π½Π΄ΡΠ΅ΡΡΡ ΠΏΡΠΎΠΈΠ·Π²ΠΎΠ΄ΠΈΡΡ ΠΏΠΎΠ»Π½ΡΡ Π·Π°ΠΌΠ΅Π½Ρ ΡΡΠΎΠ³ΠΎ ΡΠ·Π»Π°.
ΠΡΡΠΎΡΠ½ΠΈΠΊ: ΠΠ²ΡΠΎ ΠΠΎΡΠΎΠ±ΠΈΠ΅
Π ΡΠ»Π΅Π²Π°Ρ ΡΠ΅ΠΉΠΊΠ° — Π²ΠΎΠ·ΠΌΠΎΠΆΠ½ΡΠ΅ Π½Π΅ΠΈΡΠΏΡΠ°Π²Π½ΠΎΡΡΠΈ ΠΈ ΠΌΠ΅ΡΡ ΠΏΡΠΎΡΠΈΠ»Π°ΠΊΡΠΈΠΊΠΈ
ΠΡΡ ΠΎΠ΄ ΠΈΠ· ΡΡΡΠΎΡ ΡΡΠ»Π΅Π²ΠΎΠΉ ΡΠ΅ΠΉΠΊΠΈ β ΠΊΠΎΡΠΌΠ°ΡΠ½ΡΠΉ ΡΠΎΠ½ Π»ΡΠ±ΠΎΠ³ΠΎ Π°Π²ΡΠΎΠ²Π»Π°Π΄Π΅Π»ΡΡΠ°. ΠΠ΅Π΄Ρ ΡΡΡΡΠ°Π½Π΅Π½ΠΈΠ΅ ΡΡΠΎΠ³ΠΎ Π΄Π΅ΡΠ΅ΠΊΡΠ° ΡΡΡΠ΅Π±ΡΠ΅Ρ ΡΠ΅ΡΡΠ΅Π·Π½ΠΎΠ³ΠΎ ΠΏΡΠΈΠ»ΠΎΠΆΠ΅Π½ΠΈΡ ΡΡΠΊ ΠΈ ΡΡΠ΅Π΄ΡΡΠ², Π° ΡΠ°ΠΊΠΆΠ΅ Π½Π΅ΠΎΠ±Ρ ΠΎΠ΄ΠΈΠΌΠΎΡΡΡ ΠΎΡΡΠ°Π²Π°ΡΡΡΡ ΠΊΠ°ΠΊΠΎΠ΅-ΡΠΎ Π²ΡΠ΅ΠΌΡ Π±Π΅Π· ΡΠ²ΠΎΠ΅Π³ΠΎ Β«ΠΆΠ΅Π»Π΅Π·Π½ΠΎΠ³ΠΎ ΠΊΠΎΠ½ΡΒ». Π‘Π»Π΅Π΄ΠΎΠ²Π°ΡΠ΅Π»ΡΠ½ΠΎ, ΡΡΠΎΠ±Ρ ΠΌΠΈΠ½ΠΈΠΌΠΈΠ·ΠΈΡΠΎΠ²Π°ΡΡ ΠΏΠΎΡΠ»Π΅Π΄ΡΡΠ²ΠΈΡ, Π½ΡΠΆΠ½ΠΎ ΡΠΌΠ΅ΡΡ ΡΠ°ΡΠΏΠΎΠ·Π½Π°ΡΡ ΠΏΡΠΈΠ·Π½Π°ΠΊΠΈ Π½Π°Π΄Π²ΠΈΠ³Π°ΡΡΠ΅Π³ΠΎΡΡ ΡΠ΅ΠΌΠΎΠ½ΡΠ° ΠΈ ΠΎΠ±Π»Π°Π΄Π°ΡΡ Ρ ΠΎΡΡ Π±Ρ ΠΎΠ±ΡΠΈΠΌ ΠΏΡΠ΅Π΄ΡΡΠ°Π²Π»Π΅Π½ΠΈΠ΅ΠΌ ΠΎ Π²ΠΎΠ·ΠΌΠΎΠΆΠ½ΡΡ ΠΏΠΎΠ»ΠΎΠΌΠΊΠ°Ρ ΡΠ΅ΠΉΠΊΠΈ. ΠΡΠΎΠΌΠ΅ ΡΠΎΠ³ΠΎ, Π½Π΅ΠΎΠ±Ρ ΠΎΠ΄ΠΈΠΌΠΎ Π²ΡΡΡΠ½ΠΈΡΡ, Π½Π°ΡΠΊΠΎΠ»ΡΠΊΠΎ ΠΆΠ΅ ΡΠ΅Π»Π΅ΡΠΎΠΎΠ±ΡΠ°Π·Π΅Π½ ΡΠ΅ΠΌΠΎΠ½Ρ ΡΡΠ»Π΅Π²ΠΎΠΉ ΡΠ΅ΠΉΠΊΠΈ ΡΠ²ΠΎΠΈΠΌΠΈ ΡΡΠΊΠ°ΠΌΠΈ, Π° ΡΠ°ΠΊΠΆΠ΅ ΡΠ°ΡΠΊΡΡΡΡ Π°ΡΠΏΠ΅ΠΊΡ ΠΏΡΠΎΡΠΈΠ»Π°ΠΊΡΠΈΡΠ΅ΡΠΊΠΈΡ ΠΌΠ΅Ρ.
ΠΡΠΈΠ·Π½Π°ΠΊΠΈ Π½Π΅ΠΈΡΠΏΡΠ°Π²Π½ΠΎΡΡΠΈ ΡΡΠ»Π΅Π²ΠΎΠΉ ΡΠ΅ΠΉΠΊΠΈ
Π ΡΠ»Π΅Π²ΠΎΠΉ ΡΠ΅ΠΉΠΊΠΎΠΉ Π½Π°Π·ΡΠ²Π°Π΅ΡΡΡ ΡΠΈΠ»ΠΎΠ²ΠΎΠΉ ΡΠ·Π΅Π» Π² ΠΊΠΎΠ½ΡΡΡΡΠΊΡΠΈΠΈ ΡΡΠ»Π΅Π²ΠΎΠ³ΠΎ ΠΌΠ΅Ρ
Π°Π½ΠΈΠ·ΠΌΠ°, ΠΏΡΠ΅Π΄Π½Π°Π·Π½Π°ΡΠ΅Π½Π½ΡΠΉ Π΄Π»Ρ ΠΏΠ΅ΡΠ΅Π΄Π°ΡΠΈ ΡΡΠΈΠ»ΠΈΡ Ρ ΡΡΠ»Ρ Π½Π° ΠΊΠΎΠ»Π΅ΡΠ° (ΡΠΏΡΠ°Π²Π»ΡΠ΅ΠΌΡΠ΅). ΠΠΌΠ΅Π½Π½ΠΎ ΡΠ΅ΡΠ΅Π· ΡΡΠ»Π΅Π²ΡΡ ΡΠ΅ΠΉΠΊΡ ΠΈ ΠΎΡΡΡΠ΅ΡΡΠ²Π»ΡΠ΅ΡΡΡ ΠΏΡΠΎΡΠ΅ΡΡ ΡΠΏΡΠ°Π²Π»Π΅Π½ΠΈΡ Π°Π²ΡΠΎΠΌΠΎΠ±ΠΈΠ»Π΅ΠΌ ΠΏΠΎΡΡΠ΅Π΄ΡΡΠ²ΠΎΠΌ ΠΏΠΎΠ²ΠΎΡΠΎΡΠ° Π½Π°ΠΏΡΠ°Π²Π»ΡΡΡΠΈΡ
ΠΊΠΎΠ»Π΅Ρ.
Π Π΅ΠΉΠΊΠΈ ΠΏΠΎΠ΄ΡΠ°Π·Π΄Π΅Π»ΡΡΡΡΡ Π½Π° 3 ΠΊΠ°ΡΠ΅Π³ΠΎΡΠΈΠΈ:
- ΠΠ΅Ρ Π°Π½ΠΈΡΠ΅ΡΠΊΠΈΠ΅;
- ΠΠΈΠ΄ΡΠ°Π²Π»ΠΈΡΠ΅ΡΠΊΠΈΠ΅;
- ΠΠ»Π΅ΠΊΡΡΠΈΡΠ΅ΡΠΊΠΈΠ΅.
Π ΡΠ»Π΅Π²Π°Ρ ΡΠ΅ΠΉΠΊΠ° Π² ΡΠ°Π·ΡΠ΅Π·Π΅
ΠΠ΅ΠΈΡΠΏΡΠ°Π²Π½ΠΎΡΡΠΈΒ ΠΌΠΎΠ³ΡΡ Π±ΡΡΡ ΡΠ°Π·Π½ΡΠΌΠΈ. ΠΠΏΡΠΎΡΠ΅ΠΌ, Π΄Π»Ρ ΠΈΡ ΠΎΠ±Π½Π°ΡΡΠΆΠ΅Π½ΠΈΡ Π½Π΅ ΡΡΠ΅Π±ΡΠ΅ΡΡΡ ΠΎΠ±Π»Π°Π΄Π°ΡΡ ΠΎΡΠΎΠ±ΡΠΌΠΈ Π·Π½Π°Π½ΠΈΡΠΌΠΈ β Π΄ΠΎΡΡΠ°ΡΠΎΡΠ½ΠΎ ΠΏΡΠΎΡΡΠΎ ΠΏΠ΅ΡΠΈΠΎΠ΄ΠΈΡΠ΅ΡΠΊΠΈ ΠΈΠ½ΡΠΏΠ΅ΠΊΡΠΈΡΠΎΠ²Π°ΡΡ Π΄Π°Π½Π½ΡΠΉ ΡΠ·Π΅Π». ΠΡΠΎΠΌΠ΅ ΡΠΎΠ³ΠΎ, ΡΠ»Π΅Π΄ΡΠ΅Ρ Π·Π½Π°ΡΡ ΠΏΡΠΈΡΠΈΠ½Ρ, ΠΏΠΎ ΠΊΠΎΡΠΎΡΡΠΌ ΠΌΠΎΠ³ΡΡ Π²ΠΎΠ·Π½ΠΈΠΊΠ½ΡΡΡ ΠΏΠΎΠ΄ΠΎΠ±Π½ΡΠ΅ Π΄Π΅ΡΠ΅ΠΊΡΡ.
1. ΠΡΡΡ Π½Π° ΡΡΠ»Π΅Π²ΠΎΠΌ ΠΊΠΎΠ»Π΅ΡΠ΅
ΠΡΡΡ Π½Π° ΡΡΠ»Π΅Π²ΠΎΠΌ ΠΊΠΎΠ»Π΅ΡΠ΅ ΠΈ Π²ΠΎΠ·Π½ΠΈΠΊΠ½ΠΎΠ²Π΅Π½ΠΈΠ΅ Π·Π²ΡΠΊΠΎΠ² β Π΅ΡΠ»ΠΈ ΡΡΠΎ ΠΏΡΠΎΡΠ²Π»ΡΠ΅ΡΡΡ ΠΏΡΠΈ Π·Π°Π³Π»ΡΡΠ΅Π½Π½ΠΎΠΌ ΡΠΈΠ»ΠΎΠ²ΠΎΠΌ Π°Π³ΡΠ΅Π³Π°ΡΠ΅ Π² ΠΏΡΠΎΡΠ΅ΡΡΠ΅ Π°ΠΊΡΠΈΠ²Π½ΠΎΠ³ΠΎ ΠΏΠΎΠ²ΠΎΡΠ°ΡΠΈΠ²Π°Π½ΠΈΡ ΡΡΠ»Π΅Π²ΠΎΠ³ΠΎ ΠΊΠΎΠ»Π΅ΡΠ°. Π ΠΏΠΎΠ΄ΠΎΠ±Π½ΠΎΠΉ ΡΠΈΡΡΠ°ΡΠΈΠΈ ΠΏΡΠΎΠ±Π»Π΅ΠΌΠ° ΠΌΠΎΠΆΠ΅Ρ Π·Π°ΠΊΠ»ΡΡΠ°ΡΡΡΡ Π² ΠΎΡΠ»Π°Π±Π»Π΅Π½Π½ΠΎΠΌ ΡΠΏΠΎΡΠ΅ Π·ΠΎΠ»ΠΎΡΠ½ΠΈΠΊΠ° , Π° ΡΠ°ΠΊΠΆΠ΅ Π² Π½Π΅Π΄ΠΎΡΡΠ°ΡΠΎΡΠ½ΡΡ ΠΏΠΎΠΊΠ°Π·Π°ΡΠ΅Π»ΡΡ ΡΠΏΡΡΠ³ΠΎΡΡΠΈ ΡΠΎΡΡΠΈΠΎΠ½Π°.
ΠΡΡΡ β ΠΏΡΠΈΡΠΈΠ½Ρ ΠΏΠΎΠ΄ΠΎΠ±Π½ΠΎΠ³ΠΎ Π΄Π΅ΡΠ΅ΠΊΡΠ° ΡΠ°Π·Π½ΠΎΠΎΠ±ΡΠ°Π·Π½Ρ. ΠΠ½ ΠΌΠΎΠΆΠ΅Ρ ΠΏΡΠΎΡΠ²ΠΈΡΡΡΡ Π² ΡΠ΅Π·ΡΠ»ΡΡΠ°ΡΠ΅ ΡΡΠ΅Π·ΠΌΠ΅ΡΠ½ΠΎΠ³ΠΎ ΠΈΠ·Π½ΠΎΡΠ° ΡΠ°ΠΉΠ»Π΅Π½Ρ-Π±Π»ΠΎΠΊΠΎΠ², ΡΠΈΠΊΡΠΈΡΡΡΡΠΈΡ
ΡΠ΅ΠΉΠΊΡ, ΠΈΠ·ΠΌΠ΅Π½Π΅Π½ΠΈΠ΅ ΡΠ³Π»Π° ΠΏΡΠΈΠ»Π΅Π³Π°Π½ΠΈΡ Π²ΠΈΠ½ΡΠ° ΠΈ Π·ΡΠ±ΡΠ΅Π² ΠΈΠ·-Π·Π° ΠΈΡΠΊΡΠΈΠ²Π»Π΅Π½ΠΈΡ ΠΊΠ°ΡΡΠ΅ΡΠ° Π»ΠΈΠ±ΠΎ Π²Π°Π»Π°, ΠΏΠΎΠ²ΡΠ΅ΠΆΠ΄Π΅Π½ΠΈΡ (ΠΌΠ΅Ρ
Π°Π½ΠΈΡΠ΅ΡΠΊΠΎΠ³ΠΎ Ρ
Π°ΡΠ°ΠΊΡΠ΅ΡΠ°) ΠΈΠ»ΠΈ Ρ
ΠΎΠ΄ (Π²Π΅ΡΡΠΈΠΊΠ°Π»ΡΠ½ΡΠΉ) Π²ΠΈΠ½ΡΠΎΠ²ΠΎΠ³ΠΎ ΠΏΠΎΠ΄ΡΠΈΠΏΠ½ΠΈΠΊΠ°.
ΠΠ»Ρ ΠΎΠΏΡΠ΅Π΄Π΅Π»Π΅Π½ΠΈΡ ΠΏΡΠΈΡΠΈΠ½ ΡΡΠ΅Π±ΡΠ΅ΡΡΡ Π΄ΠΈΠ°Π³Π½ΠΎΡΡΠΈΡΠΎΠ²Π°Π½ΠΈΠ΅ ΡΠΎΡΡΠΎΡΠ½ΠΈΡ Π²ΡΡΠ»ΠΊΠΈ (ΡΡΡ
Π°ΡΡ) ΡΡΠ»Π΅Π²ΠΎΠΉ ΡΠ΅ΠΉΠΊΠΈ, ΡΠ°ΡΠ½ΠΈΡΠΎΠ² ΡΡΠ³, Π° Π΅ΡΠ΅ ΡΠ΅Π½ΡΡΠ°Π»ΡΠ½ΠΎΠ³ΠΎ Π·ΡΠ±Π°.
2. Π’ΡΠΆΠ΅ΡΡΡ ΠΈ ΡΡΡΠΊ ΠΏΡΠΈ ΠΏΠΎΠ²ΠΎΡΠΎΡΠ΅ ΡΡΠ»Ρ
Π‘Ρ Π΅ΠΌΠ°-ΡΡΠ»Π΅Π²ΠΎΠΉ-ΡΠ΅ΠΉΠΊΠΈ
Π’ΡΠΆΠ΅ΡΡΡ ΠΏΡΠΈ ΠΏΠΎΠ²ΠΎΡΠΎΡΠ΅ ΡΡΠ»Ρ ΠΎΠ±ΡΡΠ½ΠΎ ΡΡΠΎ ΠΏΡΠΎΡΠ²Π»ΡΠ΅ΡΡΡ Π² ΡΠ»ΡΡΠ°Π΅ Π·Π°ΠΊΠΈΡΠ°Π½ΠΈΡ ΠΊΠ°ΡΠ΄Π°Π½ΡΠΈΠΊΠ°.
Π‘ΡΡΠΊ β Π½Π°ΠΈΠ±ΠΎΠ»Π΅Π΅ ΡΠ°ΡΠΏΡΠΎΡΡΡΠ°Π½Π΅Π½Π½ΡΠΉ ΠΏΡΠΈΠ·Π½Π°ΠΊ. ΠΡΠΈΡΠ΅ΠΌ ΠΈΡΡΠΎΡΠ½ΠΈΠΊΠΈ ΡΠ°ΠΊΠΎΠ³ΠΎ ΡΡΡΠΊΠ° Π² ΡΠ΅ΠΉΠΊΠ΅ ΡΠ°Π·Π»ΠΈΡΠ½Ρ. ΠΠ°ΠΊ ΠΏΡΠ°Π²ΠΈΠ»ΠΎ, Π·Π²ΡΠΊ Π²ΠΎΠ·Π½ΠΈΠΊΠ°Π΅Ρ Π² ΡΠ»Π΅Π΄ΡΡΡΠΈΡ ΡΠ»ΡΡΠ°ΡΡ :
- Β Ρ ΠΎΠ΄ Π²Π°Π»Π° Π² ΠΏΠΎΠ΄ΡΠΈΠΏΠ½ΠΈΠΊΠ΅ ΠΏΠΎ Π²Π΅ΡΡΠΈΠΊΠ°Π»ΠΈ;
- Β Π²ΡΡΠ°Π±ΠΎΡΠΊΠ° ΡΠ΅ΡΡΡΡΠ° ΡΠ°ΡΠ½ΠΈΡΠΎΠ² ΠΈ ΠΊΠ°ΡΡΠ΅ΡΠ°;
- Β ΠΏΡΠ΅Π΄Π΅Π»ΡΠ½ΡΠΉ ΡΠ΅ΡΡΡΡ ΠΏΠΎΠ΄ΡΠΈΠΏΠ½ΠΈΠΊΠΎΠ² Π²ΠΈΠ½ΡΠ°, Π²ΡΡΠ»ΠΊΠΈ Π»ΠΈΠ±ΠΎ ΡΠ΅Π½ΡΡΠ°Π»ΡΠ½ΠΎΠ³ΠΎ Π·ΡΠ±Π°;
- ΠΊΡΠΈΠ²ΠΈΠ·Π½Π° ΠΊΠ°ΡΡΠ΅ΡΠ° Π»ΠΈΠ±ΠΎ Π²Π°Π»Π°, ΡΡΠΎ ΠΏΡΠΈΠ²ΠΎΠ΄ΠΈΡ ΠΊ Π½Π΅Π²Π΅ΡΠ½ΠΎΠΌΡ ΡΠ³Π»Ρ ΠΏΡΠΈΠ»Π΅Π³Π°Π½ΠΈΡ Π²ΠΈΠ½ΡΠ° ΠΈ Π·ΡΠ±ΡΠ΅Π²;
- Β Π²ΡΡΠ°Π±ΠΎΡΠΊΠ° ΡΠ΅ΡΡΡΡΠ° ΡΠ°ΠΉΠ»Π΅Π½Ρ-Π±Π»ΠΎΠΊΠΎΠ²;
- Β ΠΎΡΠ»Π°Π±Π»Π΅Π½ΠΈΠ΅ ΡΠΈΠΊΡΠ°ΡΠΈΠΈ ΡΠ΅ΠΉΠΊΠΈ;
- Β Π½Π°ΡΡΡΠ΅Π½ΠΈΡ Π»ΡΡΡΠ°.
3. Π’ΡΠΆΠ΅Π»ΡΠΉ Ρ ΠΎΠ΄ ΠΈ ΡΠ΅ΡΡ
Π£ΡΡΡΠΎΠΉΡΡΠ²ΠΎ ΡΡΠ»Π΅Π²ΠΎΠΉ ΡΠ΅ΠΉΠΊΠΈ
Π’ΡΠΆΠ΅Π»ΡΠΉ Ρ
ΠΎΠ΄ Π±Π°ΡΠ°Π½ΠΊΠΈ Π² ΠΊΡΠ°ΠΉΠ½ΠΈΡ
ΠΏΠΎΠ·ΠΈΡΠΈΡΡ
β ΡΡΠΎ, Π½Π°ΡΡΠ΄Ρ Ρ Π½Π΅Π΄ΠΎΡΡΠ°ΡΠΎΡΠ½ΡΠΌ Π²ΠΎΠ·Π²ΡΠ°ΡΠΎΠΌ ΠΈ ΡΠΊΡΠΈΠΏΠΎΠΌ, Π½Π°Π±Π»ΡΠ΄Π°Π΅ΡΡΡ Π² ΡΠ»ΡΡΠ°Π΅ ΠΏΠ΅ΡΠ΅ΡΡΠ½ΡΡΠΎΠΉ Π²ΡΡΠ»ΠΊΠΈ, Π° ΡΠ°ΠΊΠΆΠ΅ ΠΈΡΠΊΡΠΈΠ²Π»Π΅Π½ΠΈΡ ΠΊΠ°ΡΡΠ΅ΡΠ° Π»ΠΈΠ±ΠΎ Π²Π°Π»Π°.
Π’Π΅ΡΡ β ΠΎΠ½Π° Π²ΠΎΠ·Π½ΠΈΠΊΠ°Π΅Ρ Π² ΡΠ»ΡΡΠ°Π΅ ΠΊΠΎΡΡΠΎΠ·ΠΈΠΈ Π½Π° Π²Π°Π»Ρ Π»ΠΈΠ±ΠΎ ΠΈΠ·Π½ΠΎΡΠ΅ ΡΠ°Π»ΡΠ½ΠΈΠΊΠ°. ΠΡΠΎΠΌΠ΅ ΡΠΎΠ³ΠΎ, ΠΏΠΎΠ΄ΡΠ΅ΠΊΠ°Π½ΠΈΠ΅ ΠΈΠΌΠ΅Π΅Ρ ΠΌΠ΅ΡΡΠΎ ΠΏΡΠΈ ΡΠ°Π·Π³Π΅ΡΠΌΠ΅ΡΠΈΠ·Π°ΡΠΈΠΈ ΡΡΡΠ±ΠΎΠΊ (ΠΎΡΠ²ΠΎΠ΄ΡΡΠ΅ΠΉ Π»ΠΈΠ±ΠΎ Π½Π°Π³Π½Π΅ΡΠ°ΡΠ΅Π»ΡΠ½ΠΎΠΉ) ΡΠΈΠ»ΠΈΠ½Π΄ΡΠ°.
ΠΡΠ½ΠΎΠ²Π½ΡΠ΅ Π΄Π΅ΡΠ΅ΠΊΡΡ ΡΡΠ»Π΅Π²ΠΎΠΉ ΡΠ΅ΠΉΠΊΠΈ
- ΠΡΡΠ°Π±ΠΎΡΠΊΠ° ΡΠ΅ΡΡΡΡΠ° Π²ΡΡΠ»ΠΊΠΈ ΠΈ Π΅Π΅ ΠΊΠ°ΡΡΠ΅ΡΠ°;
- Π’Π΅ΡΡ ΡΠ°Π»ΡΠ½ΠΈΠΊΠ° Π½Π° Π²Π°Π»Ρ;
- Π§ΡΠ΅Π·ΠΌΠ΅ΡΠ½ΡΠΉ ΠΈΠ·Π½ΠΎΡ ΠΊΠ°ΡΡΠ΅ΡΠ° Π½Π° ΡΠ°ΡΠΏΡΠ΅Π΄Π΅Π»ΠΈΡΠ΅Π»Π΅;
- ΠΡΡΠ°Π±ΠΎΡΠΊΠ° ΡΠ΅ΡΡΡΡΠ° ΡΠ΅Π½ΡΡΠ°Π»ΡΠ½ΠΎΠ³ΠΎ Π·ΡΠ±Π°.
1. ΠΡΡΠ°Π±ΠΎΡΠΊΠ° ΡΠ΅ΡΡΡΡΠ° Π²ΡΡΠ»ΠΊΠΈ ΠΈ Π΅Π΅ ΠΊΠ°ΡΡΠ΅ΡΠ°
ΠΠΈΠ΄Π΅ΠΎ: Π§ΡΠΎ Π΄Π΅Π»Π°ΡΡ, Π΅ΡΠ»ΠΈ Π·Π°ΡΡΡΡΠ°Π»Π° ΡΡΠ»Π΅Π²Π°Ρ ΡΠ΅ΠΉΠΊΠ°?
Π‘Π°ΠΌΠ° Π²ΡΡΠ»ΠΊΠ° Π½Π΅ΠΎΠ±Ρ ΠΎΠ΄ΠΈΠΌΠ° Π΄Π»Ρ Π½Π°Π΄Π΅ΠΆΠ½ΠΎΠ³ΠΎ Π·Π°ΠΆΠΈΠΌΠ° Π·ΡΠ±ΡΠ΅Π² ΠΈ Π²Π°Π»Π°, Π° ΡΠ°ΠΊΠΆΠ΅ ΠΊΡΠ΅ΠΏΠ»Π΅Π½ΠΈΡ ΡΠ°ΠΌΠΎΠ³ΠΎ Π²Π°Π»Π°. ΠΡΡΠ»ΠΊΠ° ΠΏΠΎΡΠ°ΠΆΠ΅Π½Π° Π½Π° ΡΠΏΠ΅ΡΠΈΠ°Π»ΡΠ½ΡΡ ΠΏΡΡΠΆΠΈΠ½Ρ, ΠΊΠΎΡΠΎΡΠ°Ρ ΠΎΠ±Π΅ΡΠΏΠ΅ΡΠΈΠ²Π°Π΅Ρ Π½Π΅ΠΎΠ±Ρ ΠΎΠ΄ΠΈΠΌΡΡ ΡΠΈΠ»Ρ ΠΏΡΠΈΠΆΠΈΠΌΠ°, Π° ΡΠ°ΠΊΠΆΠ΅ ΠΊΠΎΠ½ΡΡΠΎΠ»Ρ Π·Π° ΠΏΠΎΠ»ΠΎΠΆΠ΅Π½ΠΈΠ΅ΠΌ Π·ΡΠ±ΡΠ΅Π². ΠΠΎΠ΄ΠΎΠ±Π½ΡΠΉ Π΄Π΅ΡΠ΅ΠΊΡ ΡΡΠΈΡΠ°Π΅ΡΡΡ Π΄ΠΎΡΡΠ°ΡΠΎΡΠ½ΠΎ ΡΠ°ΡΡΡΠΌ, ΠΎΡΠΎΠ±Π΅Π½Π½ΠΎ Π² ΡΠ΅Ρ ΡΠ΅ΠΉΠΊΠ°Ρ , Π³Π΄Π΅ Π²ΡΡΠ»ΠΊΠ° ΠΈΠ·Π³ΠΎΡΠΎΠ²Π»Π΅Π½Π° ΠΈΠ· ΠΏΠ»Π°ΡΡΠΈΠΊΠ°.
Π ΡΠ΅Π·ΡΠ»ΡΡΠ°ΡΠ΅ β Π½Π°Π»ΠΈΡΠΎ ΠΈΠ·Π½ΠΎΡ Π²ΡΡΠ»ΠΊΠΈ ΠΈ ΡΡΠ΅Π½ΠΎΠΊ ΡΠΈΠ»ΠΈΠ½Π΄ΡΠ°, ΡΡΠΎ ΠΏΡΠΈΠ²ΠΎΠ΄ΠΈΡ ΠΊ Π²Π΅ΡΡΠΈΠΊΠ°Π»ΡΠ½ΠΎΠΌΡ ΠΏΠ΅ΡΠ΅ΠΌΠ΅ΡΠ΅Π½ΠΈΡ ΡΠ΅ΠΉΠΊΠΈ ΠΈ, ΠΊΠ°ΠΊ ΡΠ»Π΅Π΄ΡΡΠ²ΠΈΠ΅, Π²ΠΎΠ·Π½ΠΈΠΊΠ½ΠΎΠ²Π΅Π½ΠΈΡ ΡΡΡΠΊΠ° ΠΈ Π»ΡΡΡΡ.
Π Π΄Π°Π½Π½ΠΎΠΌ ΡΠ»ΡΡΠ°Π΅ Π½Π΅ΠΎΠ±Ρ ΠΎΠ΄ΠΈΠΌΠΎ ΡΠ΅ΠΌΠΎΠ½ΡΠΈΡΠΎΠ²Π°ΡΡ ΡΠ΅ΠΉΠΊΡ β ΠΏΡΠΎΡΡΠ°Ρ ΠΏΠΎΠ΄ΡΡΠΆΠΊΠ° Π²ΡΡΠ»ΠΊΠΈ Π½ΠΈΡΠ΅Π³ΠΎ Π½Π΅ Π΄Π°ΡΡ.
2. Π’Π΅ΡΡ ΡΠ°Π»ΡΠ½ΠΈΠΊΠ° Π½Π° Π²Π°Π»Ρ
Π£ΠΊΠ°Π·Π°Π½Π½ΡΠΉ ΡΠ°Π»ΡΠ½ΠΈΠΊ ΡΠ°ΡΠΏΠΎΠ»ΠΎΠΆΠ΅Π½ Π½Π° Π²Π°Π»Ρ ΡΠ΅ΠΉΠΊΠΈ. ΠΡΠΎΠ±Π΅Π½Π½ΠΎΡΡΡΡ ΡΠ°ΠΊΠΎΠ³ΠΎ Π΄Π΅ΡΠ΅ΠΊΡΠ° ΡΡΠ°Π½ΠΎΠ²ΠΈΡΡΡ ΠΏΠΎΠ·Π΄Π½Π΅Π΅ ΠΎΠ±Π½Π°ΡΡΠΆΠ΅Π½ΠΈΠ΅ ΡΠ΅ΡΠΈ, ΠΏΠΎΡΠΎΠΌΡ ΠΊΠ°ΠΊ Π½Π° ΡΠ°Π»ΡΠ½ΠΈΠΊ Π½Π΅ ΠΎΠΊΠ°Π·ΡΠ²Π°Π΅ΡΡΡ Π΄Π°Π²Π»Π΅Π½ΠΈΡ. ΠΡΠΈΠ·Π½Π°ΠΊΠ°ΠΌΠΈ ΠΏΠΎΠ΄ΡΠ΅ΠΊΠ°Π½ΠΈΡ ΡΠ°Π»ΡΠ½ΠΈΠΊΠ° ΡΠ²Π»ΡΡΡΡΡ β Π³ΡΠ» ΠΏΡΠΈ Π²ΡΠ°ΡΠ΅Π½ΠΈΠΈ ΡΡΠ»Π΅Π²ΠΎΠ³ΠΎ ΠΊΠΎΠ»Π΅ΡΠ°, Π° ΡΠ°ΠΊΠΆΠ΅ ΠΏΠΎΠ½ΠΈΠΆΠ΅Π½ΠΈΠ΅ ΡΡΠΎΠ²Π½Ρ ΠΆΠΈΠ΄ΠΊΠΎΡΡΠΈ, Π·Π°Π»ΠΈΡΠΎΠΉ Π² Π±Π°ΡΠΎΠΊ Π³ΠΈΠ΄ΡΠ°Π²Π»ΠΈΡΠ΅ΡΠΊΠΎΠ³ΠΎ ΡΡΠΈΠ»ΠΈΡΠ΅Π»Ρ. Π Π΄Π°Π½Π½ΠΎΠΌ ΡΠ»ΡΡΠ°Π΅ ΡΡΠ΅Π±ΡΠ΅ΡΡΡ ΡΡΠΎΡΠ½ΠΎ ΠΏΡΠΎΠΈΠ½ΡΠΏΠ΅ΠΊΡΠΈΡΠΎΠ²Π°ΡΡ ΡΠ΅ΠΉΠΊΡ, ΡΠ°ΠΊ ΠΊΠ°ΠΊ ΠΏΠΎΠ΄ΡΠ΅ΠΊΠ°ΡΡ ΠΌΠΎΠΆΠ΅Ρ Π½Π΅ ΡΠΎΠ»ΡΠΊΠΎ ΡΠ°Π»ΡΠ½ΠΈΠΊ. Π’Π΅ΡΡ Π² ΡΠΎΡΡΠΎΡΠ½ΠΈΠΈ Π²ΠΎΠ·Π½ΠΈΠΊΠ½ΡΡΡ ΡΠ°ΠΊΠΆΠ΅ ΠΈΠ·-Π·Π° Π΄Π΅ΡΠ΅ΠΊΡΠ½ΡΡ
Ρ
ΠΎΠΌΡΡΠΎΠ², Π½Π°ΡΠΎΡΠ°, ΠΏΠ°ΡΡΡΠ±ΠΊΠΎΠ², ΡΠ»Π°Π½Π³ΠΎΠ² ΠΈ Ρ. Π΄. ΠΠ΅ΡΠΎΡΡΠ½ΠΎΡΡΡ ΡΠ΅ΡΠΈ ΡΠ°Π»ΡΠ½ΠΈΠΊΠ° Π²ΠΎ ΠΌΠ½ΠΎΠ³ΠΎΠΌ ΠΎΠΏΡΠ΅Π΄Π΅Π»ΡΠ΅ΡΡΡ ΠΈ ΠΌΠ°ΡΠ΅ΡΠΈΠ°Π»ΠΎΠΌ, ΠΈΠ· ΠΊΠΎΡΠΎΡΠΎΠ³ΠΎ ΡΠΎΡ ΠΈΠ·Π³ΠΎΡΠΎΠ²Π»Π΅Π½ β Π²ΠΎ Π²ΡΠ΅ΠΌΡ ΡΠΈΠ»ΡΠ½ΡΡ
ΠΌΠΎΡΠΎΠ·ΠΎΠ² Π½Π΅ΠΊΠΎΡΠΎΡΡΠ΅ ΠΈΠ· Π½ΠΈΡ
ΡΠ°ΡΡΡΠ΅ΡΠΊΠΈΠ²Π°ΡΡΡΡ.
3. Π§ΡΠ΅Π·ΠΌΠ΅ΡΠ½ΡΠΉ ΠΈΠ·Π½ΠΎΡ ΠΊΠ°ΡΡΠ΅ΡΠ° Π½Π° ΡΠ°ΡΠΏΡΠ΅Π΄Π΅Π»ΠΈΡΠ΅Π»Π΅
ΠΠ°Π½Π½ΡΠΉ Π΄Π΅ΡΠ΅ΠΊΡ Π½Π°ΡΠΈΠ½Π°Π΅Ρ ΠΏΡΠΎΡΠ²Π»ΡΡΡΡΡ ΠΏΠΎΡΡΠ΅ΠΏΠ΅Π½Π½ΠΎ β Π² Π½Π΅Π·Π½Π°ΡΠΈΡΠ΅Π»ΡΠ½ΡΡ Π·Π°ΠΊΡΡΡΠ²Π°Π½ΠΈΡΡ ΡΡΠ»Ρ Π½Π° Ρ ΠΎΠ»ΠΎΠ΄Π½ΠΎΠΌ Π°Π²ΡΠΎ. ΠΡΠΎΠΌΠ΅ ΡΠΎΠ³ΠΎ, ΡΡΠ»Ρ ΡΡΠ°Π½ΠΎΠ²ΠΈΡΡΡ Π²ΡΠ΅ Π±ΠΎΠ»Π΅Π΅ ΡΡΠ³ΠΈΠΌ, Π° Π΅Π³ΠΎ Π²ΠΎΠ·Π²ΡΠ°ΡΠ΅Π½ΠΈΠ΅ Π² Π½ΡΠ»Π΅Π²ΡΡ Π·ΠΎΠ½Ρ Π±ΡΠ΄Π΅Ρ Π½Π΅ΠΏΠΎΠ»Π½ΡΠΌ.
ΠΡΠΈΡΠΈΠ½Π° Π² ΠΊΠΎΠ½ΡΡΡΡΠΊΡΠΈΠΈ ΠΊΠΎΠ»Π΅Ρ, ΠΊΠΎΡΠΎΡΡΠ΅ Π²ΡΠ°ΡΠ°ΡΡΡΡ Ρ Π²Π°Π»ΠΎΠΌ ΠΊΠ°ΡΡΠ΅ΡΠ°. Π‘ΠΎ Π²ΡΠ΅ΠΌΠ΅Π½Π΅ΠΌ ΠΎΠ½ΠΈ ΠΎΠ±ΡΠ°Π·ΡΡΡ Π½Π΅Π±ΠΎΠ»ΡΡΠΈΠ΅ Π±ΠΎΡΠΎΠ·Π΄ΠΊΠΈ Π½Π° ΠΏΠΎΠ²Π΅ΡΡ Π½ΠΎΡΡΠΈ ΡΠ°ΡΠΏΡΠ΅Π΄Π΅Π»ΠΈΡΠ΅Π»Ρ ΠΊΠ°ΡΡΠ΅ΡΠ° ΠΈ Π½Π°ΡΠΈΠ½Π°ΡΡ ΠΏΡΠΎΠΏΡΡΠΊΠ°ΡΡ ΠΌΠ°ΡΠ»ΠΎ. ΠΡΠΎ ΠΈ ΠΏΡΠΈΠ²ΠΎΠ΄ΠΈΡ ΠΊ ΠΏΠΎΡΠ΅ΡΠ΅ Π΄Π°Π²Π»Π΅Π½ΠΈΡ ΠΈ ΡΡΠΆΠ΅ΡΡΠΈ Π² Π±Π°ΡΠ°Π½ΠΊΠ΅.
ΠΠΎΠ·Π½ΠΈΠΊΠ½ΠΎΠ²Π΅Π½ΠΈΠ΅ Π±ΠΎΡΠΎΠ·Π΄ ΠΎΠ±ΡΡΠ»ΠΎΠ²Π»Π΅Π½ΠΎ Π΄ΠΎΠ±Π°Π²Π»Π΅Π½ΠΈΠ΅ΠΌ Π²ΠΎ ΡΡΠΎΡΠΎΠΏΠ»Π°ΡΡ, ΠΈΠ· ΠΊΠΎΡΠΎΡΠΎΠ³ΠΎ ΠΈΠ·Π³ΠΎΡΠΎΠ²Π»Π΅Π½Ρ ΠΊΠΎΠ»ΡΡΠ°, ΡΠ°ΡΡΠΈΡΠ΅ΠΊ ΠΌΠ΅ΡΠ°Π»Π»Π°, ΡΡΠΎ ΡΡΡΡΡΡ ΠΎ Π²Π°Π». ΠΡΠΈΠΌΠ΅ΡΠ°ΡΠ΅Π»ΡΠ½ΠΎ, ΡΡΠΎ Π΄Π»Ρ Π±ΠΎΠ»ΡΡΠΈΠ½ΡΡΠ²Π° ΡΠΏΠΎΠ½ΡΠΊΠΈΡ ΠΌΠΎΠ΄Π΅Π»Π΅ΠΉ ΠΏΠΎΠ΄ΠΎΠ±Π½ΡΠ΅ ΠΏΡΠΎΠ±Π»Π΅ΠΌΡ Π½Π΅ Ρ Π°ΡΠ°ΠΊΡΠ΅ΡΠ½Ρ, ΡΠ°ΠΊ ΠΊΠ°ΠΊ ΠΏΠΎΠ΄ ΠΊΠΎΠ»ΡΡΠ°ΠΌΠΈ ΡΡΡΠ°Π½ΠΎΠ²Π»Π΅Π½Ρ ΠΏΡΠΎΠΊΠ»Π°Π΄ΠΊΠΈ ΠΈΠ· ΡΠ΅Π·ΠΈΠ½Ρ.
ΠΠΈΠ΄Π΅ΠΎ: Π Π΅ΠΌΠΎΠ½Ρ ΡΡΠ»Π΅Π²ΠΎΠΉ ΡΠ΅ΠΉΠΊΠΈ ΠΠΠ. Π‘Π΄Π΅Π»Π°ΠΉ Π‘Π°ΠΌ!
4. ΠΡΡΠ°Π±ΠΎΡΠΊΠ° ΡΠ΅ΡΡΡΡΠ° ΡΠ΅Π½ΡΡΠ°Π»ΡΠ½ΠΎΠ³ΠΎ Π·ΡΠ±Π° Π²Π°Π»Π°
ΠΠ΄Π½ΠΎΠΉ ΠΈΠ· ΠΎΡΠ½ΠΎΠ²Π½ΡΡ
ΠΏΡΠΎΠ±Π»Π΅ΠΌ ΡΠ²Π»ΡΠ΅ΡΡΡ ΠΈΠ·Π½ΠΎΡ Π·ΡΠ±ΡΠ°ΡΠΎΠ³ΠΎ ΠΌΠ΅Ρ
Π°Π½ΠΈΠ·ΠΌΠ°, ΠΎΡΠ½ΠΎΠ²Π½ΠΎΠΉ Π·Π°Π΄Π°ΡΠ΅ΠΉ ΠΊΠΎΡΠΎΡΠΎΠ³ΠΎ ΡΠ²Π»ΡΠ΅ΡΡΡ ΠΏΡΠΎΡΠ΅ΡΡ ΠΏΡΠ΅ΠΎΠ±ΡΠ°Π·ΠΎΠ²Π°Π½ΠΈΡ Π΄Π²ΠΈΠΆΠ΅Π½ΠΈΡ Π²ΡΠ°ΡΠ°ΡΠ΅Π»ΡΠ½ΠΎΠ³ΠΎ ΡΠΈΠΏΠ° Π² ΠΏΠΎΡΡΡΠΏΠ°ΡΠ΅Π»ΡΠ½ΡΠΉ.
ΠΡΠΈΡΠ΅ΠΌ ΠΏΡΠ°ΠΊΡΠΈΡΠ΅ΡΠΊΠΈ Π΄Π»Ρ Π²ΡΠ΅Ρ
ΠΌΠ°ΡΠΈΠ½ Ρ
Π°ΡΠ°ΠΊΡΠ΅ΡΠ΅Π½ ΠΈΠ·Π½ΠΎΡ ΡΡΠ΅Π΄Π½Π΅Π³ΠΎ Π·Π²Π΅Π½Π°, ΡΠ°ΠΊ ΠΊΠ°ΠΊ Π΄Π²ΠΈΠΆΠ΅Π½ΠΈΠ΅ Π² Π³ΠΎΡΠΎΠ΄Π΅ (Π² ΠΎΡΠ½ΠΎΠ²Π½ΠΎΠΉ ΠΌΠ°ΡΡΠ΅) Ρ
Π°ΡΠ°ΠΊΡΠ΅ΡΠΈΠ·ΡΠ΅ΡΡΡ Π΅Π·Π΄ΠΎΠΉ ΠΏΠΎ ΠΏΡΡΠΌΠΎΠΉ Ρ Π½Π΅Π±ΠΎΠ»ΡΡΠΈΠΌΠΈ ΠΏΠΎΠ΄ΡΡΠ»ΠΈΠ²Π°Π½ΠΈΡΠΌΠΈ.
ΠΠ»Ρ ΠΎΠΏΡΠ΅Π΄Π΅Π»Π΅Π½ΠΈΡ ΠΏΡΠΎΠ±Π»Π΅ΠΌΡ Π½Π΅ΠΎΠ±Ρ ΠΎΠ΄ΠΈΠΌΠΎ ΡΠ°ΠΌΠΎΡΡΠΎΡΡΠ΅Π»ΡΠ½ΠΎ ΠΏΡΠΎΠΈΠ½ΡΠΏΠ΅ΠΊΡΠΈΡΠΎΠ²Π°ΡΡ ΠΌΠ΅Ρ Π°Π½ΠΈΠ·ΠΌ, ΠΏΠΎΠΊΠ°ΡΠ°Π² ΡΡΠ»Π΅ΠΌ Π² ΡΡΠΎΡΠΎΠ½Ρ ΠΈΠ· ΡΡΠ΅Π΄Π½Π΅ΠΉ ΠΏΠΎΠ·ΠΈΡΠΈΠΈ. ΠΡΠΈ Π½Π°Π»ΠΈΡΠΈΠΈ ΡΡΡΠΊΠΎΠ² ΡΠ»Π΅Π΄ΡΠ΅Ρ ΠΎΡΠΏΡΠ°Π²ΠΈΡΡΡΡ Π½Π° Π‘Π’Π ΠΈ ΠΎΡΡΡΠ΅ΡΡΠ²ΠΈΡΡ ΠΊΠΎΠΌΠΏΠ»Π΅ΠΊΡΠ½ΡΡ Π΄ΠΈΠ°Π³Π½ΠΎΡΡΠΈΠΊΡ. Π ΡΠ»ΡΡΠ°Π΅ ΠΈΠ·Π½ΠΎΡΠ° ΡΠ΅Π½ΡΡΠ°Π»ΡΠ½ΡΡ Π·ΡΠ±ΡΠ΅Π², ΠΏΡΠΈΠ΄Π΅ΡΡΡ Π·Π°ΠΌΠ΅Π½ΠΈΡΡ Π²Π΅ΡΡ Π²Π°Π», ΠΏΡΠΈΡΠ΅ΠΌ ΠΈΡΠΏΠΎΠ»ΡΠ·ΠΎΠ²Π°ΡΡ ΡΠ΅ΠΊΠΎΠΌΠ΅Π½Π΄ΡΠ΅ΡΡΡ ΡΠΎΠ»ΡΠΊΠΎ ΠΎΡΠΈΠ³ΠΈΠ½Π°Π»ΡΠ½ΡΠ΅ ΠΊΠΎΠΌΠΏΠΎΠ½Π΅Π½ΡΡ.
Π Π΅Π°Π»Π΅Π½ Π»ΠΈ ΡΠ΅ΠΌΠΎΠ½Ρ ΡΡΠ»Π΅Π²ΠΎΠΉ ΡΠ΅ΠΉΠΊΠΈ ΡΠ²ΠΎΠΈΠΌΠΈ ΡΡΠΊΠ°ΠΌΠΈ?
ΠΡΠΈ ΠΏΠΎΠ»ΠΎΠΌΠΊΠ΅ ΡΡΠ»Π΅Π²ΠΎΠΉ ΡΠ΅ΠΉΠΊΠΈ ΡΠ΅ΠΊΠΎΠΌΠ΅Π½Π΄ΡΠ΅ΡΡΡ Π½Π΅ ΡΠΈΡΠΊΠΎΠ²Π°ΡΡ, ΠΈ ΡΡΠ°Π·Ρ ΠΎΡΠΏΡΠ°Π²Π»ΡΡΡΡΡ Π½Π° ΡΠΏΠ΅ΡΠΈΠ°Π»ΠΈΠ·ΠΈΡΠΎΠ²Π°Π½Π½ΠΎΠ΅ Π‘Π’Π. Π‘Π²ΠΎΠΈΠΌΠΈ ΡΠΈΠ»Π°ΠΌΠΈ ΠΌΠΎΠΆΠ½ΠΎ Π»ΠΈΡΡ ΠΏΡΠΎΠ²Π΅ΡΡΠΈ Π΄ΠΈΠ°Π³Π½ΠΎΡΡΠΈΠΊΡ, ΡΠΎΠ³Π΄Π° ΠΊΠ°ΠΊ ΡΠ΅ΠΌΠΎΠ½Ρ ΡΠ΅ΠΉΠΊΠΈ ΠΎΠ±ΡΡΠ½ΡΠΌ Π²ΠΎΠ΄ΠΈΡΠ΅Π»Π΅ΠΌ, ΠΏΡΠΈ ΠΎΡΡΡΡΡΡΠ²ΠΈΠΈ Π΄ΠΎΠ»ΠΆΠ½ΡΡ Π·Π½Π°Π½ΠΈΠΉ, ΠΎΠΏΡΡΠ° ΠΈ ΠΈΠ½ΡΡΡΡΠΌΠ΅Π½ΡΠ°ΡΠΈΡ, ΠΌΠ°Π»ΠΎΡΠ΅Π°Π»Π΅Π½.
ΠΡΠΎΡΠΈΠ»Π°ΠΊΡΠΈΡΠ΅ΡΠΊΠΈΠ΅ ΠΌΠ΅ΡΡ
Π‘ ΠΈΡ ΠΏΠΎΠΌΠΎΡΡΡ ΠΌΠΎΠΆΠ½ΠΎ Π·Π½Π°ΡΠΈΡΠ΅Π»ΡΠ½ΠΎ ΠΏΡΠΎΠ΄Π»ΠΈΡΡ ΠΆΠΈΠ·Π½Π΅Π½Π½ΡΠΉ ΡΡΠΎΠΊ ΡΠ΅ΠΉΠΊΠΈ:
- Π°ΠΊΠΊΡΡΠ°ΡΠ½ΡΠΉ ΠΏΡΠΎΠ΅Π·Π΄ Π½Π΅ΡΠΎΠ²Π½ΠΎΡΡΠ΅ΠΉ ΠΈ Β«Π»Π΅ΠΆΠ°ΡΠΈΡ ΠΏΠΎΠ»ΠΈΡΠ΅ΠΉΡΠΊΠΈΡ Β»;
- ΡΠ»Π΅ΠΆΠ΅Π½ΠΈΠ΅ Π·Π° ΡΠΎΡΡΠΎΡΠ½ΠΈΠ΅ΠΌ ΠΊΠΎΠΌΠΏΠΎΠ½Π΅Π½ΡΠΎΠ² ΡΡΠ»Π΅Π²ΠΎΠΉ ΡΠ΅ΠΉΠΊΠΈ, ΠΎΡΠΎΠ±Π΅Π½Π½ΠΎ Π΅Π΅ ΠΏΡΠ»ΡΠ½ΠΈΠΊΠΎΠ² ΠΈ ΡΠ°Π»ΡΠ½ΠΈΠΊΠΎΠ²;
- Β ΠΏΡΠΎΠ³ΡΠ΅Π² ΠΌΠ°ΡΠ»Π° Π² ΡΠ΅ΠΉΠΊΠ΅ Π·ΠΈΠΌΠΎΠΉ ΠΏΠ΅ΡΠ΅Π΄ Π΄Π²ΠΈΠΆΠ΅Π½ΠΈΠ΅ΠΌ ΠΏΠ»Π°Π²Π½ΡΠΌΠΈ ΠΈ ΠΊΠΎΡΠΎΡΠΊΠΈΠΌΠΈ ΠΏΠΎΠ²ΠΎΡΠΎΡΠ°ΠΌΠΈ;
- Β Π½Π΅ ΡΡΠΎΠΈΡ ΡΠ΄Π΅ΡΠΆΠΈΠ²Π°ΡΡ Π±Π°ΡΠ°Π½ΠΊΡ Π±ΠΎΠ»Π΅Π΅ 5 ΡΠ΅ΠΊ.
Π² ΠΊΡΠ°ΠΉΠ½Π΅ΠΌ ΠΏΠΎΠ»ΠΎΠΆΠ΅Π½ΠΈΠΈ, ΡΠ°ΠΊ ΠΊΠ°ΠΊ ΡΡΠΎ Π·Π°ΠΌΠ΅ΡΠ½ΠΎ ΡΠ²Π΅Π»ΠΈΡΠΈΠ²Π°Π΅Ρ Π½Π°Π³ΡΡΠ·ΠΊΡ Π½Π° ΡΠ΅Π΄ΡΠΊΡΠΎΡ ΠΈ ΡΠΏΠ»ΠΎΡΠ½Π΅Π½ΠΈΡ.
ΠΠΎΠ΄ΠΎΠ±Π½ΡΠ΅ ΠΌΠ΅ΡΡ ΠΏΠΎΠ·Π²ΠΎΠ»ΡΡ Π·Π°ΠΌΠ΅ΡΠ½ΠΎ ΠΏΡΠΎΠ΄Π»ΠΈΡΡ ΡΡΠΎΠΊ ΡΠΊΡΠΏΠ»ΡΠ°ΡΠ°ΡΠΈΠΈ ΡΡΠ»Π΅Π²ΠΎΠΉ ΡΠ΅ΠΉΠΊΠΈ, Π° ΡΠ°ΠΊΠΆΠ΅ ΠΈΠ·Π±Π΅ΠΆΠ°ΡΡ Π΄ΠΎΡΠΎΠ³ΠΎΡΡΠΎΡΡΠ΅Π³ΠΎ ΡΠ΅ΠΌΠΎΠ½ΡΠ° ΠΈΠ»ΠΈ Π΅Π΅ Π·Π°ΠΌΠ΅Π½Ρ.
ΠΠΎΠ½ΡΡΡΡΠΊΡΠΈΠ²Π½ΠΎΠ΅ ΡΡΡΡΠΎΠΉΡΡΠ²ΠΎ ΡΡΠ»Π΅Π²ΠΎΠΉ ΡΠ΅ΠΉΠΊΠΈΠΠ£Π Π‘Π΅ΡΠ²ΠΈΡ
1. ΠΠΎΡΠΏΡΡ ΡΡΠ»Π΅Π²ΠΎΠΉ ΡΠ΅ΠΉΠΊΠΈ β ΡΠ»ΡΠΆΠΈΡ Π΄Π»Ρ ΡΠ°Π·ΠΌΠ΅ΡΠ΅Π½ΠΈΡ ΡΠ°ΡΡΠ΅ΠΉ ΡΡΠ»Π΅Π²ΠΎΠΉ ΡΠ΅ΠΉΠΊΠΈ. Π Π΄Π°Π½Π½ΡΠΉ ΠΌΠΎΠΌΠ΅Π½Ρ ΠΈΠΌΠ΅ΡΡΡΡ ΠΊΠΎΡΠΏΡΡΠ°, ΠΈΠ·Π³ΠΎΡΠΎΠ²Π»Π΅Π½Π½ΡΠ΅ ΠΈΠ· Π΄ΡΡΠ°Π»ΡΠΌΠΈΠ½ΠΈΡ, ΡΠΎΡΡΠ°Π²Π½ΡΠ΅ ΠΈΠ· ΡΡΠ°Π»ΠΈ ΠΈ Π°Π»ΡΠΌΠΈΠ½ΠΈΡ. ΠΠΎΠ·ΠΌΠΎΠΆΠ½ΠΎ ΠΊΠ°ΠΊ Π²Π½ΡΡΡΠ΅Π½Π½Π΅Π΅, ΡΠ°ΠΊ ΠΈ Π²Π½Π΅ΡΠ½Π΅Π΅ ΡΠ°Π·ΠΌΠ΅ΡΠ΅Π½ΠΈΠ΅ Π³ΠΈΠ΄ΡΠΎΡΠΈΠ»ΠΈΠ½Π΄ΡΠ°.
2. ΠΠ°Π» ΡΡΠ»Π΅Π²ΠΎΠΉ ΡΠ΅ΠΉΠΊΠΈ β ΠΈΠ·Π³ΠΎΡΠ°Π²Π»ΠΈΠ²Π°Π΅ΡΡΡ ΠΈΠ· ΠΏΡΠΎΡΠ½ΠΎΠΉ ΡΡΠ°Π»ΠΈ, ΠΏΠΎΠ²Π΅ΡΡ Π½ΠΎΡΡΠ½ΡΠΉ ΡΠ»ΠΎΠΉ ΡΠ΅ΠΌΠ΅Π½ΡΠΈΡΡΠ΅ΡΡΡ.Β ΠΠ°Π» ΡΠΎΡΡΠΎΠΈΡ ΠΈΠ· Π·ΡΠ±ΡΠ°ΡΠΎΠΉ ΡΠ°ΡΡΠΈ ΠΈ ΡΡΠΎΠΊΠ° Π³ΠΈΠ΄ΡΠΎΡΠΈΠ»ΠΈΠ½Π΄ΡΠ°. Π‘Π»ΡΠΆΠΈΡ Π΄Π»Ρ ΠΏΠ΅ΡΠ΅Π΄Π°ΡΠΈ ΡΡΠΈΠ»ΠΈΡ Π½Π° ΡΠΏΡΠ°Π²Π»ΡΠ΅ΠΌΡΠ΅ ΠΊΠΎΠ»Π΅ΡΠ°.Β
Β
3. Π Π°ΡΠΏΡΠ΅Π΄Π΅Π»ΠΈΡΠ΅Π»Ρ β ΠΏΡΠ΅Π΄Π½Π°Π·Π½Π°ΡΠ΅Π½ Π΄Π»Ρ ΡΠΏΡΠ°Π²Π»Π΅Π½ΠΈΡ ΠΏΠΎΠ΄Π°ΡΠ΅ΠΉ ΡΡΠΈΠ»ΠΈΡ Π² ΡΡ ΠΈΠ»ΠΈ Π΄ΡΡΠ³ΡΡ ΡΡΠΎΡΠΎΠ½Ρ ΠΏΡΠΈ Π²ΡΠ°ΡΠ΅Π½ΠΈΠΈ ΡΡΠ»Π΅Π²ΠΎΠ³ΠΎ ΠΊΠΎΠ»Π΅ΡΠ°. ΠΠ½ Π½Π°ΠΏΡΠ°Π²Π»ΡΠ΅Ρ ΠΏΠΎΡΠΎΠΊ Π³ΠΈΠ΄ΡΠ°Π²Π»ΠΈΡΠ΅ΡΠΊΠΎΠΉ ΠΆΠΈΠ΄ΠΊΠΎΡΡΠΈ Π² Π½ΡΠΆΠ½ΡΡ ΠΏΠΎΠ»ΠΎΡΡΡ Π³ΠΈΠ΄ΡΠΎΡΠΈΠ»ΠΈΠ½Π΄ΡΠ°, ΠΎΡΠΊΡΡΠ²Π°Ρ ΠΈ Π·Π°ΠΊΡΡΠ²Π°Ρ ΡΠΎΠΎΡΠ²Π΅ΡΡΡΠ²ΡΡΡΠΈΠ΅ ΠΊΠ°Π½Π°Π»Ρ Π² ΠΏΡΠ΅ΡΠ΅Π½Π·ΠΈΠΎΠ½Π½ΠΎΠΉ ΡΠ°ΡΡΠΈ.
Β
4. ΠΠΏΠΎΡΠ½ΡΠ΅ Π²ΡΡΠ»ΠΊΠΈ β ΡΠ΄Π΅ΡΠΆΠΈΠ²Π°ΡΡ Π²Π°Π» ΡΡΠ»Π΅Π²ΠΎΠΉ ΡΠ΅ΠΉΠΊΠΈ ΠΎΡ Π±ΠΎΠΊΠΎΠ²ΠΎΠ³ΠΎ ΡΠΌΠ΅ΡΠ΅Π½ΠΈΡ, ΡΠ΅Π½ΡΡΡΡΡ Π΅Π³ΠΎ Π² ΠΊΠΎΡΠΏΡΡΠ΅, ΡΠ»ΡΠΆΠ°Ρ ΠΊΠ°ΠΊ ΠΏΠΎΠ΄ΡΠΈΠΏΠ½ΠΈΠΊΠΈ ΡΠΊΠΎΠ»ΡΠΆΠ΅Π½ΠΈΡ ΠΏΡΠΈ ΠΏΠ΅ΡΠ΅ΠΌΠ΅ΡΠ΅Π½ΠΈΠΈ Π²Π°Π»Π° ΡΡΠ»Π΅Π²ΠΎΠΉ ΡΠ΅ΠΉΠΊΠΈ ΠΈΠ· ΡΡΠΎΡΠΎΠ½Ρ Π² ΡΡΠΎΡΠΎΠ½Ρ.Β
Β
Β
5.ΠΠΎΡΡΠ½ΠΈ β ΡΡΡΠ°Π½Π°Π²Π»ΠΈΠ²Π°ΡΡΡΡ Π½Π° Π²Π°Π»Ρ ΡΡΠ»Π΅Π²ΠΎΠΉ ΡΠ΅ΠΉΠΊΠΈ ΠΈ ΡΠ»ΡΠΆΠ°Ρ Π΄Π»Ρ ΠΏΠ΅ΡΠ΅Π΄Π°ΡΠΈ ΡΡΠΈΠ»ΠΈΡ ΠΎΡ Π΄Π°Π²Π»Π΅Π½ΠΈΡ Π³ΠΈΠ΄ΡΠ°Π²Π»ΠΈΡΠ΅ΡΠΊΠΎΠΉ ΠΆΠΈΠ΄ΠΊΠΎΡΡΠΈ Π½Π° ΡΡΠ»Π΅Π²ΠΎΠΉ Π²Π°Π». ΠΠΊΠ»ΡΡΠ°ΡΡ Π² ΡΠ΅Π±Ρ ΡΠΏΠ»ΠΎΡΠ½ΠΈΡΠ΅Π»ΡΠ½ΡΠ΅ ΠΊΠΎΠ»ΡΡΠ°, ΠΊΠΎΡΠΎΡΡΠ΅ ΡΠ΄Π΅ΡΠΆΠΈΠ²Π°ΡΡ Π΄Π°Π²Π»Π΅Π½ΠΈΠ΅ Π³ΠΈΠ΄ΡΠ°Π²Π»ΠΈΡΠ΅ΡΠΊΠΎΠΉ ΠΆΠΈΠ΄ΠΊΠΎΡΡΠΈ.Β
Β
6.Β ΠΠΎΠ΄ΡΠΈΠΏΠ½ΠΈΠΊΠΈ β ΡΠ»ΡΠΆΠ°Ρ Π΄Π»Ρ ΡΠ²ΠΎΠ±ΠΎΠ΄Π½ΠΎΠ³ΠΎ Π²ΡΠ°ΡΠ΅Π½ΠΈΡ ΡΠ·Π»ΠΎΠ² ΡΡΠ»Π΅Π²ΠΎΠΉ ΡΠ΅ΠΉΠΊΠΈ Π² Π΅Π΅ ΠΊΠΎΡΠΏΡΡΠ΅.Β
Β
Β
Β
7. Π‘Π°Π»ΡΠ½ΠΈΠΊΠΈ β ΡΠ²Π»ΡΡΡΡΡ ΡΠΏΠ»ΠΎΡΠ½ΠΈΡΠ΅Π»ΡΠ½ΡΠΌΠΈ ΡΠ»Π΅ΠΌΠ΅Π½ΡΠ°ΠΌΠΈ Π² ΡΠ°Π·Π»ΠΈΡΠ½ΡΡ ΡΠ°ΡΡΡΡ ΡΡΠ»Π΅Π²ΠΎΠΉ ΡΠ΅ΠΉΠΊΠΈ. Π£Π΄Π΅ΡΠΆΠΈΠ²Π°ΡΡ Π³ΠΈΠ΄ΡΠ°Π²Π»ΠΈΡΠ΅ΡΠΊΡΡ ΠΆΠΈΠ΄ΠΊΠΎΡΡΡ Π²Π½ΡΡΡΠΈ ΡΠ΅ΠΉΠΊΠΈ, Π½Π΅ Π΄Π°Π²Π°Ρ Π΅ΠΉ ΠΏΠ΅ΡΠ΅ΡΠ΅ΠΊΠ°ΡΡ Π² Π½Π΅ ΠΏΡΠ΅Π΄Π½Π°Π·Π½Π°ΡΠ΅Π½Π½ΡΠ΅ Π΄Π»Ρ Π½Π΅Π΅ ΠΏΠΎΠ»ΠΎΡΡΠΈ ΡΠ΅ΠΉΠΊΠΈ. ΠΠ°ΠΏΡΠ°Π²Π»ΡΡΡ ΠΏΠΎΡΠΎΠΊ ΠΆΠΈΠ΄ΠΊΠΎΡΡΠΈ Π² Π½ΡΠΆΠ½ΡΡ ΠΏΠΎΠ»ΠΎΡΡΡ Π³ΠΈΠ΄ΡΠΎΡΠΈΠ»ΠΈΠ½Π΄ΡΠ°.Β
8. Π’Π΅ΡΠ»ΠΎΠ½ΠΎΠ²ΡΠ΅ ΠΈ ΡΠ΅Π·ΠΈΠ½ΠΎΠ²ΡΠ΅ ΠΊΠΎΠ»ΡΡΠ° βΒ ΡΠ»ΡΠΆΠ°Ρ Π΄Π»Ρ Π³Π΅ΡΠΌΠ΅ΡΠΈΠ·Π°ΡΠΈΠΈ ΡΠΎΠ΅Π΄ΠΈΠ½Π΅Π½ΠΈΠΉ Π΄Π΅ΡΠ°Π»Π΅ΠΉ ΠΈ ΡΠ·Π»ΠΎΠ² ΡΡΠ»Π΅Π²ΠΎΠΉ ΡΠ΅ΠΉΠΊΠΈ, Π° ΡΠ°ΠΊΠΆΠ΅ ΠΈΡΠΏΠΎΠ»ΡΠ·ΡΡΡΡΡ ΠΊΠ°ΠΊ ΡΠΏΠ»ΠΎΡΠ½Π΅Π½ΠΈΡ Π½Π° ΡΠ°ΡΠΏΡΠ΅Π΄Π΅Π»ΠΈΡΠ΅Π»Π΅ ΠΈ Π²Π°Π»Ρ ΡΡΠ»Π΅Π²ΠΎΠΉ ΡΠ΅ΠΉΠΊΠΈ.
ΠΠ°ΠΏΡΠ°Π²Π»ΡΡΡ ΠΏΠΎΡΠΎΠΊ ΠΆΠΈΠ΄ΠΊΠΎΡΡΠΈ Π² Π½ΡΠΆΠ½ΡΡ ΠΏΠΎΠ»ΠΎΡΡΡ Π³ΠΈΠ΄ΡΠΎΡΠΈΠ»ΠΈΠ½Π΄ΡΠ°.Β
Β
Β
9. ΠΠΎΠ΄ΠΆΠΈΠΌΠ½ΠΎΠΉ ΠΌΠ΅Ρ Π°Π½ΠΈΠ·ΠΌ β ΡΠ΅Π³ΡΠ»ΠΈΡΡΠ΅Ρ ΠΏΡΠΈΠΆΠ°ΡΠΈΠ΅ ΡΠ°ΡΡΠ΅ΠΉ Π·ΡΠ±ΡΠ°ΡΠΎΠΉ ΠΏΠ°ΡΡ ΡΠ΅ΡΠ²ΡΠΊ-ΡΠ΅ΠΉΠΊΠ° Π΄ΡΡΠ³ ΠΊ Π΄ΡΡΠ³Ρ, ΡΠ΄Π΅ΡΠΆΠΈΠ²Π°Π΅Ρ Π²Π°Π» ΠΎΡ ΠΎΡΠ΅Π²ΠΎΠ³ΠΎ ΡΠΌΠ΅ΡΠ΅Π½ΠΈΡ. Π Π΅Π³ΡΠ»ΠΈΡΡΠ΅Ρ ΡΡΠΈΠ»ΠΈΠ΅ Π² ΡΡΠ»Π΅Π²ΠΎΠΉ ΡΠ΅ΠΉΠΊΠ΅.Β
Β
Β
10. ΠΠΈΠ΄ΡΠ°Π²Π»ΠΈΡΠ΅ΡΠΊΠΈΠ΅ Π±ΠΎΠ»ΡΡ, ΠΏΡΡΠΆΠΈΠ½Ρ, ΡΡΠΎΠΏΠΎΡΠ½ΡΠ΅ ΠΊΠΎΠ»ΡΡΠ° β ΠΏΡΠ΅Π΄Π½Π°Π·Π½Π°ΡΠ΅Π½Ρ Π΄Π»Ρ ΠΊΡΠ΅ΠΏΠ»Π΅Π½ΠΈΡ ΡΡΡΠ±ΠΎΠΏΡΠΎΠ²ΠΎΠ΄ΠΎΠ² ΡΠ΅ΠΉΠΊΠΈ, ΡΠΈΠΊΡΠ°ΡΠΈΠΈ ΡΡΡ Π°ΡΡ ΠΏΠΎΠ΄ΠΆΠΈΠΌΠ½ΠΎΠ³ΠΎ ΠΌΠ΅Ρ Π°Π½ΠΈΠ·ΠΌΠ° ΠΈ ΡΠΈΠΊΡΠ°ΡΠΈΠΈ ΠΎΠΏΠΎΡΠ½ΡΡ Π²ΡΡΠ»ΠΎΠΊ ΡΡΠ»Π΅Π²ΠΎΠΉ ΡΠ΅ΠΉΠΊΠΈ.Π£ΡΡΡΠΎΠΉΡΡΠ²ΠΎ ΡΡΠ»Π΅Π²ΠΎΠΉ ΡΠ΅ΠΉΠΊΠΈ, ΠΊΠ°ΠΊ ΠΎΡΡΡΠ΅ΡΡΠ²Π»ΡΠ΅ΡΡΡ ΡΠ΅ΠΌΠΎΠ½Ρ ΡΡΠ»Π΅Π²ΡΡ ΡΠ΅Π΅ΠΊ
ΠΠ»Π°Π²Π½Π°Ρ ΡΡΡΠ°Π½ΠΈΡΠ°Β βΒ Π£ΡΡΡΠΎΠΉΡΡΠ²ΠΎ ΡΡΠ»Π΅Π²ΠΎΠΉ ΡΠ΅ΠΉΠΊΠΈ, ΠΊΠ°ΠΊ ΠΎΡΡΡΠ΅ΡΡΠ²Π»ΡΠ΅ΡΡΡ ΡΠ΅ΠΌΠΎΠ½Ρ ΡΡΠ»Π΅Π²ΡΡ ΡΠ΅Π΅ΠΊ
Π ΡΠ»Π΅Π²Π°Ρ ΡΠ΅ΠΉΠΊΠ° ΡΠ²Π»ΡΠ΅ΡΡΡ ΠΎΡΠ΅Π½Ρ Π²Π°ΠΆΠ½ΠΎΠΉ ΡΠΎΡΡΠ°Π²Π»ΡΡΡΠ΅ΠΉ ΠΊΠ°ΠΆΠ΄ΠΎΠΉ ΠΌΠ°ΡΠΈΠ½Ρ, Π²Π΅Π΄Ρ ΠΈΠΌΠ΅Π½Π½ΠΎ ΠΎΡ Π΅Ρ ΡΠΎΡΡΠΎΡΠ½ΠΈΡ Π·Π°Π²ΠΈΡΠΈΡ Π±Π΅Π·ΠΎΠΏΠ°ΡΠ½ΠΎΡΡΡ Π²ΠΎΠ΄ΠΈΡΠ΅Π»Ρ Π½Π° Π΄ΠΎΡΠΎΠ³Π΅.
Π ΡΠ»Π΅Π²Π°Ρ ΡΠ΅ΠΉΠΊΠ° ΠΏΡΠ΅Π΄ΡΡΠ°Π²Π»ΡΠ΅Ρ ΡΠΎΠ±ΠΎΠΉ ΡΠΈΠ»ΠΎΠ²ΠΎΠΉ ΡΠ·Π΅Π», ΠΊΠΎΡΠΎΡΡΠΉ ΠΏΠ΅ΡΠ΅Π΄Π°ΡΡ ΡΡΠΈΠ»ΠΈΠ΅ ΠΎΡ ΠΊΠΎΠ»ΠΎΠ½ΠΊΠΈ ΠΊ ΠΊΠΎΠ»ΡΡΠ°ΠΌ, ΠΎΠ½Π° ΠΏΠ΅ΡΠ²ΠΎΠΉ ΠΎΡΡΡΠ°Π΅Ρ Π²ΡΠ΅ ΡΠ΄Π°ΡΡ ΠΈ Π½Π΅ΡΠΎΠ²Π½ΠΎΡΡΠΈ Π½Π° Π΄ΠΎΡΠΎΠ³Π΅. Π ΡΠ»Ρ ΡΠΎΠ΅Π΄ΠΈΠ½ΡΠ½ Ρ ΡΡΠ»Π΅Π²ΠΎΠΉ ΠΊΠΎΠ»ΠΎΠ½ΠΊΠΎΠΉ, ΠΊΠΎΡΠΎΡΠ°Ρ Π²ΡΠ°ΡΠ°Π΅ΡΡΡ Π²ΠΌΠ΅ΡΡΠ΅ Ρ Π½ΠΈΠΌ, Π΅Ρ ΠΊΠΎΠ½Π΅Ρ ΠΏΡΠ΅Π΄ΡΡΠ°Π²Π»ΡΠ΅Ρ ΡΠΎΠ±ΠΎΠΉ Π·ΡΠ±ΡΠ°ΡΡΠΉ ΠΌΠ΅Ρ
Π°Π½ΠΈΠ·ΠΌ, ΡΠΎΠ΅Π΄ΠΈΠ½ΡΡΡΠΈΠΉΡΡ Ρ ΡΠ΅ΠΉΠΊΠΎΠΉ.
ΠΡΠΈ ΡΡΠΈΠ»Π΅Π½Π½ΠΎΠΌ ΠΈΡΠΏΠΎΠ»ΡΠ·ΠΎΠ²Π°Π½ΠΈΠΈ Π°Π²ΡΠΎΠΌΠΎΠ±ΠΈΠ»Ρ, ΠΎΠ½ΠΈ Π±ΡΡΡΡΠΎ Π²ΡΡ ΠΎΠ΄ΡΡ ΡΠΎ ΡΡΡΠΎΡ, ΡΡΠΎ ΠΏΡΠΈΠ²ΠΎΠ΄ΠΈΡ ΠΊ ΡΠ±ΠΎΡ Π°Π²ΡΠΎ Π² ΡΠ΅Π»ΠΎΠΌ. ΠΠ΅ΡΠ²ΡΠΌ ΠΏΡΠΈΠ·Π½Π°ΠΊΠΎΠΌ Π½Π΅ΠΈΡΠΏΡΠ°Π²Π½ΠΎΡΡΠΈ ΡΡΠ»Π΅Π²ΠΎΠΉ ΡΠ΅ΠΉΠΊΠΈ Π²Π°ΡΠ΅Π³ΠΎ Π°Π²ΡΠΎ ΡΠ²Π»ΡΠ΅ΡΡΡ ΡΡΡΠΊ, Π΄ΠΎΠ½ΠΎΡΡΡΠΈΠΉΡΡ ΠΈΠ· ΡΡΠ»Ρ, Π° ΡΠ°ΠΊΠΆΠ΅ ΠΏΡΠΎΡΠ΅ΠΊΠ°Π½ΠΈΠ΅ Π³ΠΈΠ΄ΡΠ°Π²Π»ΠΈΡΠ΅ΡΠΊΠΎΠΉ ΠΆΠΈΠ΄ΠΊΠΎΡΡΠΈ. ΠΡΠ»ΠΈ ΡΠΎ ΡΡΡΠΎΡ Π²ΡΡ ΠΎΠ΄ΠΈΡ Π»ΡΠ±Π°Ρ, Π΄Π°ΠΆΠ΅ ΡΠ°ΠΌΠ°Ρ Π½Π΅Π·Π½Π°ΡΠΈΡΠ΅Π»ΡΠ½Π°Ρ Π΄Π΅ΡΠ°Π»Ρ ΡΡΠΎΠ³ΠΎ ΠΌΠ΅Ρ Π°Π½ΠΈΠ·ΠΌΠ°, ΡΡΠΎ ΡΠ²Π»ΡΠ΅ΡΡΡ Π²Π°ΠΆΠ½ΠΎΠΉ ΠΏΡΠΎΠ±Π»Π΅ΠΌΠΎΠΉ, ΡΡΠ΅Π±ΡΡΡΠ΅ΠΉ ΡΡΠΎΡΠ½ΠΎΠ³ΠΎ ΡΠ΅ΡΠ΅Π½ΠΈΡ. Π ΡΠ°ΠΊΠΈΡ ΡΠ»ΡΡΠ°ΡΡ ΡΡΠ»Ρ ΡΡΠ³ΠΎ ΠΊΡΡΡΠΈΡΡΡ ΠΈΠ»ΠΈ Π½Π°ΠΎΠ±ΠΎΡΠΎΡ ΠΏΡΠΎΠΊΡΡΡΠΈΠ²Π°Π΅ΡΡΡ Π»Π΅Π³ΠΊΠΎ. Π‘ ΡΡΠΎΠΉ ΠΏΡΠΎΠ±Π»Π΅ΠΌΠΎΠΉ ΡΠ»Π΅Π΄ΡΠ΅Ρ Π½Π΅ΠΌΠ΅Π΄Π»Π΅Π½Π½ΠΎ ΠΎΠ±ΡΠ°ΡΠΈΡΡΡΡ ΠΊ Π½Π°ΡΠΈΠΌ ΠΊΠ²Π°Π»ΠΈΡΠΈΡΠΈΡΠΎΠ²Π°Π½Π½ΡΠΌ ΡΠΏΠ΅ΡΠΈΠ°Π»ΠΈΡΡΠ°ΠΌ, ΠΊΠΎΡΠΎΡΡΠ΅ ΡΡΠΏΠ΅ΡΠ½ΠΎ ΠΏΡΠΈΠ²Π΅Π΄ΡΡ Π² ΠΏΠΎΡΡΠ΄ΠΎΠΊ Π²Π°ΡΡ ΡΠ΅ΠΉΠΊΡ Π±Π»Π°Π³ΠΎΠ΄Π°ΡΡ Π±ΠΎΠ»ΡΡΠΎΠΌΡ ΠΎΠΏΡΡΡ Ρ ΠΏΠΎΠΌΠΎΡΡΡ ΡΠΏΠ΅ΡΠΈΠ°Π»ΡΠ½ΠΎΠ³ΠΎ ΠΎΠ±ΠΎΡΡΠ΄ΠΎΠ²Π°Π½ΠΈΡ.
ΠΡΠ΅ ΡΡΠ»ΡΠ³ΠΈ Π±ΡΠ΄ΡΡ ΠΏΡΠ΅Π΄ΠΎΡΡΠ°Π²Π»Π΅Π½Ρ Π½Π°ΡΠΈΠΌ ΡΠ΅Π½ΡΡΠΎΠΌ.
ΠΡ Π΄ΠΎΠ»ΠΆΠ½Ρ Π·Π½Π°ΡΡ, ΡΡΠΎ Π½Π°ΡΡΠΎΡΡΠΈΠ΅ ΠΏΡΠΎΡΠ΅ΡΡΠΈΠΎΠ½Π°Π»Ρ Π²ΡΠΏΠΎΠ»Π½ΡΡΡ ΡΠ΅ΠΌΠΎΠ½Ρ ΡΡΠ»Π΅Π²ΡΡ ΡΠ΅Π΅ΠΊ Ρ ΠΏΠΎΠΌΠΎΡΡΡ ΡΠ»Π΅Π΄ΡΡΡΠΈΡ ΠΏΡΠΎΡΠ΅Π΄ΡΡ:
— ΡΡΠ°ΡΠ΅Π»ΡΠ½Π°Ρ Π΄ΠΈΠ°Π³Π½ΠΎΡΡΠΈΠΊΠ° ΠΈ Π²ΠΈΠ·ΡΠ°Π»ΡΠ½ΡΠΉ ΠΏΠ΅ΡΠ²ΠΈΡΠ½ΡΠΉ ΠΎΡΠΌΠΎΡΡ ΡΡΠ»Π΅Π²ΠΎΠΉ ΡΠ΅ΠΉΠΊΠΈ;
— Π΄Π΅ΠΌΠΎΠ½ΡΠ°ΠΆ ΠΈ ΡΠ°Π·Π±ΠΎΡΠΊΠ°;
— ΠΏΡΠΎΠ²Π΅ΡΠΊΠ° Π²Π°Π»Π° Π½Π° Π½Π°Π»ΠΈΡΠΈΠ΅ ΠΊΠΎΡΡΠΎΠ·ΠΈΠΈ;
— ΠΏΡΠΎΠ²Π΅ΡΠΊΠ° Π²Π°Π»Π° ΡΠ΅ΠΉΠΊΠΈ Π½Π° Π±ΠΈΠ΅Π½ΠΈΠ΅;
— ΠΎΡΠ΅Π½ΠΊΠ° Π·ΡΠ±ΡΠ°ΡΠΎΠ³ΠΎ Π·Π°ΡΠ΅ΠΏΠ»Π΅Π½ΠΈΡ;
— Π½Π΅ΠΏΠΎΡΡΠ΅Π΄ΡΡΠ²Π΅Π½Π½ΠΎ ΡΠ΅ΠΌΠΎΠ½Ρ ΡΠ΅ΠΉΠΊΠΈ;
— ΡΠ±ΠΎΡΠΊΠ° ΠΈ ΠΌΠΎΠ½ΡΠ°ΠΆ.
ΠΠ»Ρ ΡΠΎΠ³ΠΎ, ΡΡΠΎΠ±Ρ Π²ΡΠΏΠΎΠ»Π½ΠΈΡΡ ΡΠ°ΠΊΠΎΠΉ ΡΠ΅ΠΌΠΎΠ½Ρ, ΡΠ»Π΅Π΄ΡΠ΅Ρ ΠΏΠΎΠ»Π½ΠΎΡΡΡΡ ΡΠ°Π·ΠΎΠ±ΡΠ°ΡΡ ΡΡΠ»Π΅Π²ΡΡ ΡΠ΅ΠΉΠΊΡ, ΡΡΠ°ΡΠ΅Π»ΡΠ½ΠΎ ΠΎΡΠΈΡΡΠΈΡΡ Π²ΡΠ΅ Π΅Ρ Π΄Π΅ΡΠ°Π»ΠΈ, ΠΈ ΡΠΊΡΠ΅ΠΏΠΈΡΡ ΠΏΠΎΠ΄ΡΠΈΠΏΠ½ΠΈΠΊΠΈ. ΠΡΠ΅ Π΄Π΅ΡΠ°Π»ΠΈ, ΠΊΠΎΡΠΎΡΡΠ΅ Π½Π΅ ΠΏΠΎΠ΄Π»Π΅ΠΆΠ°Ρ ΠΈΡΠΏΠΎΠ»ΡΠ·ΠΎΠ²Π°Π½ΠΈΡ, Π·Π°ΠΌΠ΅Π½ΡΡΡΡΡ Π½ΠΎΠ²ΡΠΌΠΈ.
Π ΡΠ»ΡΡΠ°Π΅ ΠΎΠ±Π½Π°ΡΡΠΆΠ΅Π½ΠΈΡ ΠΊΠΎΡΡΠΎΠ·ΠΈΡ ΡΡΠ»Π΅Π²ΠΎΠΉ Π²Π°Π» Π±ΡΠ΄Π΅Ρ ΠΎΡΡΠ»ΠΈΡΠΎΠ²Π°Π½. ΠΡΠ»ΠΈ Π²ΡΡΠ²ΡΡΡΡ Π½Π΅ΠΈΡΠΏΡΠ°Π²Π½ΠΎΡΡΠΈ, ΡΠΎ ΠΌΠ°ΡΡΠ΅ΡΠ° ΠΏΡΠΎΠ²Π΅Π΄ΡΡ ΡΠ΅ΡΡΠ°Π²ΡΠ°ΡΠΈΡ Π²ΡΠ΅Ρ Π±Π΅Π· ΠΈΡΠΊΠ»ΡΡΠ΅Π½ΠΈΡ Π΄Π΅ΡΠ°Π»Π΅ΠΉ. Π ΠΏΡΠΎΡΠ΅ΡΡΠ΅ ΡΠ΅ΠΌΠΎΠ½ΡΠ° ΡΠ΅ΠΉΠΊΠΈ ΠΎΡΡΡΠ΅ΡΡΠ²Π»ΡΠ΅ΡΡΡ ΠΊΠΎΠΌΠΏΠ»Π΅ΠΊΡ ΠΎΡΠΈΡΡΠΊΠΈ ΠΎΡ Π·Π°Π³ΡΡΠ·Π½Π΅Π½ΠΈΠΉ, Π° ΡΠ°ΠΊΠΆΠ΅ ΠΊΠΎΠ½ΡΡΠΎΠ»ΡΠ½Π°Ρ Π΄ΠΈΠ°Π³Π½ΠΎΡΡΠΈΠΊΠ°, ΠΊΠΎΡΠΎΡΠ°Ρ Π²ΡΡΠ²ΠΈΡ Π²ΡΠ΅ ΠΏΠ°ΡΠ°ΠΌΠ΅ΡΡΡ Π΄Π°Π»ΡΠ½Π΅ΠΉΡΠ΅ΠΉ ΡΠ°Π±ΠΎΡΠΎΡΠΏΠΎΡΠΎΠ±Π½ΠΎΡΡΠΈ Π²Π°ΡΠ΅Π³ΠΎ Π°Π²ΡΠΎΠΌΠΎΠ±ΠΈΠ»Ρ. ΠΠΎΡΠ»Π΅ ΡΡΠΎΠ³ΠΎ Π½Π° ΡΠΏΠ΅ΡΠΈΠ°Π»ΠΈΠ·ΠΈΡΠΎΠ²Π°Π½Π½ΠΎΠΌ ΠΎΠ±ΠΎΡΡΠ΄ΠΎΠ²Π°Π½ΠΈΠΈ ΠΎΠ±ΡΠ»Π΅Π΄ΡΠ΅ΡΡΡ ΠΏΠΎΠ»Π½ΠΎΡΡΡΡ ΡΡΠΎΡ ΡΠ»ΠΎΠΆΠ½ΡΠΉ ΠΌΠ΅Ρ Π°Π½ΠΈΠ·ΠΌ, ΠΎΡΡΡΠΊΠΈΠ²Π°Ρ ΠΈ ΡΠ΄Π°Π»ΡΡ ΠΏΡΠΈ ΡΡΠΎΠΌ Π²ΡΠ΅ ΡΠ±ΠΎΠΈ.
Π Π²ΠΎΡΡΡΠ°Π½ΠΎΠ²ΠΈΡΠ΅Π»ΡΠ½ΡΠ΅ ΡΠ°Π±ΠΎΡΡ Π½Π°ΡΠΈΡ ΡΠΏΠ΅ΡΠΈΠ°Π»ΠΈΡΡΠΎΠ² Π²ΠΊΠ»ΡΡΠ°Π΅ΡΡΡ: Π³ΠΈΠ»ΡΠ·ΠΎΠ²ΠΊΠ°, Π·Π°ΠΌΠ΅Π½Π° ΡΠ°Π»ΡΠ½ΠΈΠΊΠΎΠ², Ρ ΡΠΎΠΌΠΈΡΠΎΠ²Π°Π½ΠΈΠ΅ ΡΡΠΎΠΊΠ° Π²Π°Π»Π°, ΡΡΠΎΠ±Ρ Π·Π°ΡΠΈΡΠΈΡΡ Π΅Ρ ΠΎΡ ΠΏΠΎΡΠ²Π»Π΅Π½ΠΈΡ ΡΠΆΠ°Π²ΡΠΈΠ½Ρ, ΠΈ Π½Π΅ΠΏΠΎΡΡΠ΅Π΄ΡΡΠ²Π΅Π½Π½ΠΎ ΡΡΡΠ°Π½ΠΎΠ²ΠΊΠ° ΡΡΠ»Π΅Π²ΠΎΠΉ ΡΠ΅ΠΉΠΊΠΈ.
ΠΡΠΈ ΡΠ΅ΠΌΠΎΠ½ΡΠ΅ ΡΡΠ»Π΅Π²ΠΎΠΉ ΡΠ΅ΠΉΠΊΠΈ Π½Π°ΡΠΈ ΠΌΠ°ΡΡΠ΅ΡΠ° ΠΈΡΠΏΠΎΠ»ΡΠ·ΡΡΡ ΡΠΎΠ»ΡΠΊΠΎ ΠΎΡΠΈΠ³ΠΈΠ½Π°Π»ΡΠ½ΡΠ΅ Π΄Π΅ΡΠ°Π»ΠΈ ΠΎΡ ΠΈΠ½ΠΎΡΡΡΠ°Π½Π½ΡΡ
ΠΏΡΠΎΠΈΠ·Π²ΠΎΠ΄ΠΈΡΠ΅Π»Π΅ΠΉ, Π²Π΅Π΄Ρ ΠΌΡ Π½Π΅ ΡΠΊΠΎΠ½ΠΎΠΌΠΈΠΌ Π½Π° ΠΊΠ°ΡΠ΅ΡΡΠ²Π΅.
ΠΡΠΎΡΠ΅ΡΡΠΈΠΎΠ½Π°Π»Ρ ΠΎΡΠ΅Π½ΡΡ ΠΊΠ°ΡΠ΅ΡΡΠ²ΠΎ ΡΡΠ»Π΅Π²ΠΎΠΉ ΡΡΠ³ΠΈ, ΠΏΡΠ»ΡΠ½ΠΈΠΊΠΎΠ² ΡΠ΅ΠΉΠΊΠΈ. ΠΠ°ΠΌΠ΅Π½Π° ΡΡΠΈΡ
Π΄Π΅ΡΠ°Π»Π΅ΠΉ Π±ΡΠ΄Π΅Ρ ΠΏΡΠΎΠΈΠ·Π²ΠΎΠ΄ΠΈΡΡΡΡ ΡΠΎΠ»ΡΠΊΠΎ Ρ ΡΠΎΠ³Π»Π°ΡΠΈΡ Π²Π»Π°Π΄Π΅Π»ΡΡΠ° ΠΌΠ°ΡΠΈΠ½Ρ. ΠΠΎΡΠ»Π΅ ΡΠ°ΠΊΠΎΠΉ ΠΏΡΠΎΠ΄Π΅Π»Π°Π½Π½ΠΎΠΉ ΡΠ°Π±ΠΎΡΡ Π½Π°ΡΠΈ ΡΠΏΠ΅ΡΠΈΠ°Π»ΠΈΡΡΡ ΠΎΠ±ΡΠ·Π°ΡΠ΅Π»ΡΠ½ΠΎ ΠΏΡΠΎΠ²Π΅ΡΡΡ ΡΡΠ»Π΅Π²ΡΡ ΡΠ΅ΠΉΠΊΡ Ρ ΠΏΠΎΠΌΠΎΡΡΡ ΠΈΡΠΏΡΡΠ°Π½ΠΈΠΉ Π½Π° Π³Π΅ΡΠΌΠ΅ΡΠΈΡΠ½ΠΎΡΡΡ.
Π Π΅ΠΌΠΎΠ½Ρ ΡΡΠ»Π΅Π²ΠΎΠΉ ΡΠ΅ΠΉΠΊΠΈ Π² ΠΡΠ΅ΡΡΠ΅ Π² Π½Π°ΡΠ΅ΠΌ Π°Π²ΡΠΎΡΠ΅ΡΠ²ΠΈΡΠ΅ β ΡΠΎΠ²ΡΠ΅ΠΌΠ΅Π½Π½Π°Ρ ΠΈ ΠΏΡΠΎΡΠ΅ΡΡΠΈΠΎΠ½Π°Π»ΡΠ½Π°Ρ ΡΠ°Π±ΠΎΡΠ° ΡΠ΅Π»ΠΎΠΉ ΠΊΠΎΠΌΠ°Π½Π΄Ρ ΡΠΏΠ΅ΡΠΈΠ°Π»ΠΈΡΡΠΎΠ², ΠΊΠΎΡΠΎΡΡΠ΅ Π·Π½Π°ΠΊΠΎΠΌΡ ΡΠΎ Π²ΡΠ΅ΠΌΠΈ Π½ΡΠ°Π½ΡΠ°ΠΌΠΈ ΡΠ°Π±ΠΎΡΡ Π² ΡΡΠΎΠΉ ΠΎΠ±Π»Π°ΡΡΠΈ. ΠΡ ΠΏΠΎΠ»ΡΡΠΈΡΠ΅ ΠΊΠ²Π°Π»ΠΈΡΠΈΡΠΈΡΠΎΠ²Π°Π½Π½ΡΡ ΠΏΠΎΠΌΠΎΡΡ Π»ΡΡΡΠΈΡ ΡΠΎΡΡΡΠ΄Π½ΠΈΠΊΠΎΠ² Π³ΠΎΡΠΎΠ΄Π° ΠΡΠ΅ΡΡΠ°.
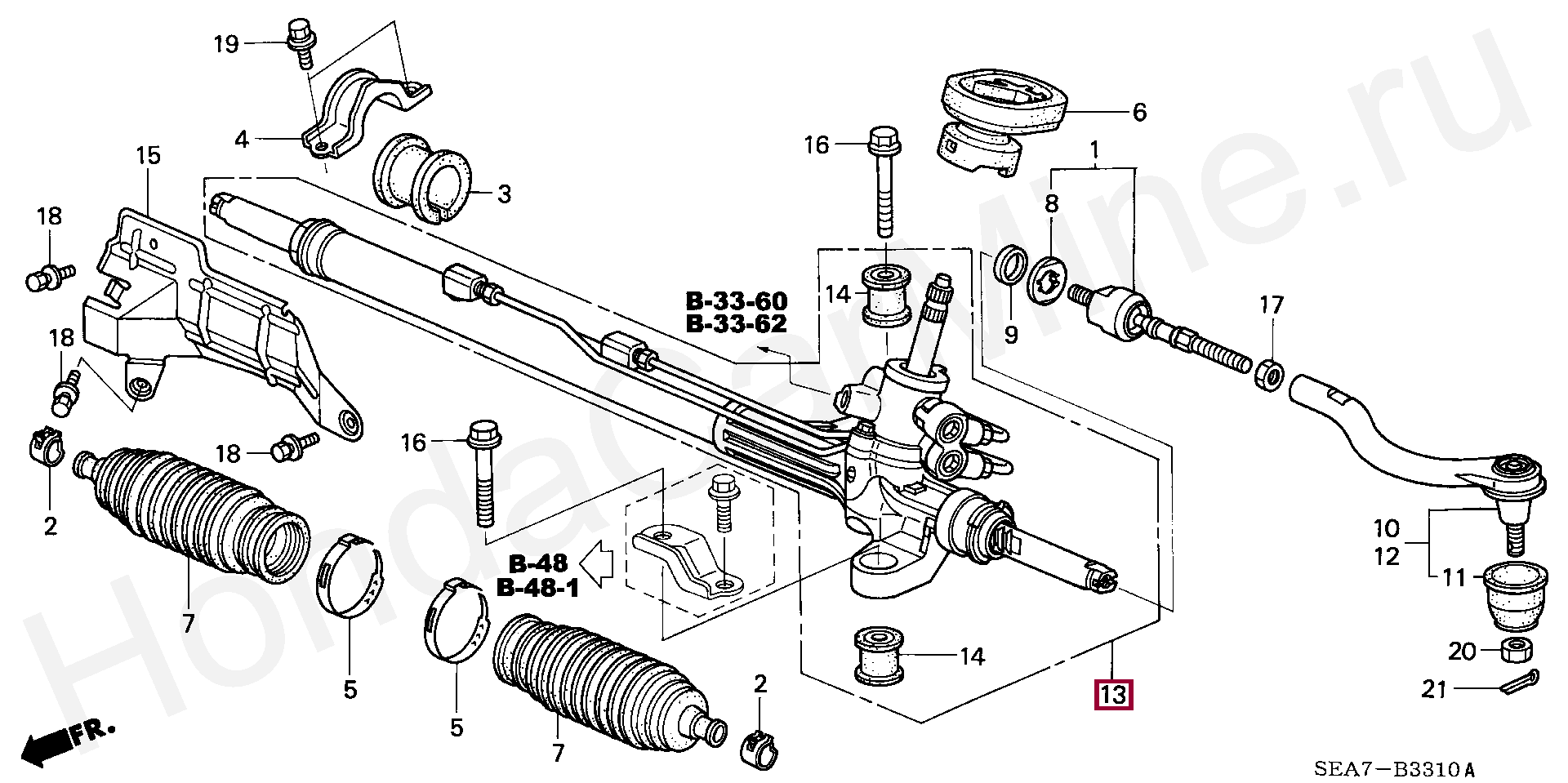
Π ΡΠ»Π΅Π²ΠΎΠΉ ΠΌΠ΅Ρ Π°Π½ΠΈΠ·ΠΌ Π² ΡΠ±ΠΎΡΠ΅ Ρ ΠΏΡΠΈΠ²ΠΎΠ΄ΠΎΠΌ:
| 1 β Π½Π°ΠΊΠΎΠ½Π΅ΡΠ½ΠΈΠΊ ΡΡΠ»Π΅Π²ΠΎΠΉ ΡΡΠ³ΠΈ; 2 β ΡΠ°ΡΠΎΠ²ΠΎΠΉ ΡΠ°ΡΠ½ΠΈΡ Π½Π°ΠΊΠΎΠ½Π΅ΡΠ½ΠΈΠΊΠ°; 3 β ΠΏΠΎΠ²ΠΎΡΠΎΡΠ½ΡΠΉ ΡΡΡΠ°Π³; 4 β ΡΠ΅Π³ΡΠ»ΠΈΡΠΎΠ²ΠΎΡΠ½Π°Ρ ΡΡΠ³Π°; 5 ΠΈ 7 β Π²Π½ΡΡΡΠ΅Π½Π½ΠΈΠ΅ Π½Π°ΠΊΠΎΠ½Π΅ΡΠ½ΠΈΠΊΠΈ ΡΡΠ»Π΅Π²ΡΡ ΡΡΠ³; 6 β Π±ΠΎΠ»ΡΡ ΠΊΡΠ΅ΠΏΠ»Π΅Π½ΠΈΡ ΡΡΠ»Π΅Π²ΡΡ ΡΡΠ³ ΠΊ ΡΠ΅ΠΉΠΊΠ΅; 8 β ΡΠΊΠΎΠ±Π° ΠΊΡΠ΅ΠΏΠ»Π΅Π½ΠΈΡ ΡΡΠ»Π΅Π²ΠΎΠ³ΠΎ ΠΌΠ΅Ρ Π°Π½ΠΈΠ·ΠΌΠ°; 9 β ΠΎΠΏΠΎΡΠ° ΡΡΠ»Π΅Π²ΠΎΠ³ΠΎ ΠΌΠ΅Ρ Π°Π½ΠΈΠ·ΠΌΠ°; 10 β Π·Π°ΡΠΈΡΠ½ΡΠΉ ΡΠ΅Ρ ΠΎΠ»; 11 β ΡΡΠΎΠΏΠΎΡΠ½Π°Ρ ΠΏΠ»Π°ΡΡΠΈΠ½Π°; 12 β ΡΠΎΠ΅Π΄ΠΈΠ½ΠΈΡΠ΅Π»ΡΠ½Π°Ρ ΠΏΠ»Π°ΡΡΠΈΠ½Π°; 13 β ΡΠ΅Π·ΠΈΠ½ΠΎΠΌΠ΅ΡΠ°Π»Π»ΠΈΡΠ΅ΡΠΊΠΈΠΉ ΡΠ°ΡΠ½ΠΈΡ; 14 β Π΄Π΅ΠΌΠΏΡΠΈΡΡΡΡΠΈΠ΅ ΠΊΠΎΠ»ΡΡΠ°; 15 β ΠΎΠΏΠΎΡΠ½Π°Ρ Π²ΡΡΠ»ΠΊΠ° ΡΠ΅ΠΉΠΊΠΈ; 16 β ΡΠ΅ΠΉΠΊΠ°; 17 β ΠΊΠ°ΡΡΠ΅Ρ ΡΡΠ»Π΅Π²ΠΎΠ³ΠΎ ΠΌΠ΅Ρ Π°Π½ΠΈΠ·ΠΌΠ°; 18 β ΡΡΡΠΆΠ½ΠΎΠΉ Π±ΠΎΠ»Ρ; 19 β ΡΠ»Π°Π½Π΅Ρ ΡΠ»Π°ΡΡΠΈΡΠ½ΠΎΠΉ ΠΌΡΡΡΡ; 20 β ΡΠΎΠ»ΠΈΠΊΠΎΠ²ΡΠΉ ΠΏΠΎΠ΄ΡΠΈΠΏΠ½ΠΈΠΊ; 21 β ΠΏΡΠΈΠ²ΠΎΠ΄Π½Π°Ρ ΡΠ΅ΡΡΠ΅ΡΠ½Ρ; |
22 β ΡΠ°ΡΠΈΠΊΠΎΠ²ΡΠΉ ΠΏΠΎΠ΄ΡΠΈΠΏΠ½ΠΈΠΊ; 23 β ΡΡΠΎΠΏΠΎΡΠ½ΠΎΠ΅ ΠΊΠΎΠ»ΡΡΠΎ; 24 β Π·Π°ΡΠΈΡΠ½Π°Ρ ΡΠ°ΠΉΠ±Π°; 25 β ΡΠΏΠ»ΠΎΡΠ½ΠΈΡΠ΅Π»ΡΠ½ΠΎΠ΅ ΠΊΠΎΠ»ΡΡΠΎ; 26 β Π³Π°ΠΉΠΊΠ° ΠΏΠΎΠ΄ΡΠΈΠΏΠ½ΠΈΠΊΠ°; 27 β ΠΏΡΠΎΠΌΠ΅ΠΆΡΡΠΎΡΠ½ΡΠΉ Π²Π°Π» ΡΡΠ»Π΅Π²ΠΎΠ³ΠΎ ΡΠΏΡΠ°Π²Π»Π΅Π½ΠΈΡ; 28 β ΠΏΡΠ»ΡΠ½ΠΈΠΊ; 29 β Π·Π°ΡΠΈΡΠ½ΡΠΉ ΠΊΠΎΠ»ΠΏΠ°ΡΠΎΠΊ; 30 β ΡΠΏΠ»ΠΎΡΠ½ΠΈΡΠ΅Π»ΡΠ½ΠΎΠ΅ ΠΊΠΎΠ»ΡΡΠΎ ΡΠΏΠΎΡΠ°; 31 β ΡΠΏΠΎΡ ΡΠ΅ΠΉΠΊΠΈ; 32 β ΠΏΡΡΠΆΠΈΠ½Π°; 33 β Π³Π°ΠΉΠΊΠ° ΡΠΏΠΎΡΠ°; 34 β ΡΡΠΎΠΏΠΎΡΠ½ΠΎΠ΅ ΠΊΠΎΠ»ΡΡΠΎ Π³Π°ΠΉΠΊΠΈ ΡΠΏΠΎΡΠ°; 35 β Π·Π°Π³Π»ΡΡΠΊΠ°; 36 β ΠΏΡΡΠΆΠΈΠ½Π° Π²ΠΊΠ»Π°Π΄ΡΡΠ°; 37 β Π²ΠΊΠ»Π°Π΄ΡΡ ΡΠ°ΡΠΎΠ²ΠΎΠ³ΠΎ ΠΏΠ°Π»ΡΡΠ°; 38 β ΡΠ°ΡΠΎΠ²ΠΎΠΉ ΠΏΠ°Π»Π΅Ρ; 39 β Π·Π°ΡΠΈΡΠ½ΡΠΉ ΠΊΠΎΠ»ΠΏΠ°ΡΠΎΠΊ; Π, Π β ΠΌΠ΅ΡΠΊΠΈ Π½Π° ΠΏΡΠ»ΡΠ½ΠΈΠΊΠ΅ ΠΈ ΠΊΠ°ΡΡΠ΅ΡΠ΅; C, D β ΠΏΠΎΠ²Π΅ΡΡ Π½ΠΎΡΡΠΈ Π½Π° ΡΠ°ΡΠΎΠ²ΠΎΠΌ ΡΠ°ΡΠ½ΠΈΡΠ΅ ΠΈ ΠΏΠΎΠ²ΠΎΡΠΎΡΠ½ΠΎΠΌ ΡΡΡΠ°Π³Π΅ |
ΠΠ±Π·ΠΎΡΠ½Π°Ρ ΡΡΠ°ΡΡΡ ΠΏΡΠΎ ΡΡΡΡΠΎΠΉΡΡΠ²ΠΎ ΡΡΠ»Π΅Π²ΠΎΠΉ ΡΠ΅ΠΉΠΊΠΈ, ΠΎΠ±ΡΠ»ΡΠΆΠΈΠ²Π°Π½ΠΈΠ΅ ΠΈ Π²ΠΈΠ΄Ρ ΡΠ΅Π΅ΠΊ, ΡΠΎΡΠΎ ΡΠ΅Π΅ΠΊ
Β Π ΡΠ»Π΅Π²Π°Ρ ΡΠ΅ΠΉΠΊΠ° — ΠΈΡΠΏΠΎΠ»Π½ΠΈΡΠ΅Π»ΡΠ½ΡΠΉ ΠΌΠ΅Ρ
Π°Π½ΠΈΠ·ΠΌ ΡΠΈΡΡΠ΅ΠΌΡ ΡΡΠ»Π΅Π²ΠΎΠ³ΠΎ ΡΠΏΡΠ°Π²Π»Π΅Π½ΠΈΡ.
ΠΡΠΈΠΌΠ΅Π½ΡΠ΅ΡΡΡ Π½Π° Π±ΠΎΠ»ΡΡΠΈΠ½ΡΡΠ²Π΅ ΠΌΠΎΠ΄Π΅Π»Π΅ΠΉΒ Π°Π²ΡΠΎΠΌΠΎΠ±ΠΈΠ»Π΅ΠΉ Ρ ΠΏΠ΅ΡΠ΅Π΄Π½ΠΈΠΌ ΠΏΡΠΈΠ²ΠΎΠ΄ΠΎΠΌ. ΠΠ°Π·Π½Π°ΡΠ΅Π½ΠΈΠ΅ ΡΠ·Π»Π° — ΠΏΡΠ΅ΠΎΠ±ΡΠ°Π·ΠΎΠ²Π°Π½ΠΈΠ΅ ΠΏΠΎΠ²ΠΎΡΠΎΡΠ° ΡΡΠ»Π΅Π²ΠΎΠ³ΠΎ ΠΊΠΎΠ»Π΅ΡΠ° Π² ΠΏΡΠΎΠΏΠΎΡΡΠΈΠΎΠ½Π°Π»ΡΠ½ΠΎΠ΅ ΠΏΠ΅ΡΠ΅ΠΌΠ΅ΡΠ΅Π½ΠΈΠ΅ ΡΡΠ»Π΅Π²ΡΡ
ΡΡΠ³.
ΠΠΎΠ½ΡΡΡΡΠΊΡΠΈΠ²Π½ΠΎ ΡΡΠ»Π΅Π²Π°Ρ ΡΠ΅ΠΉΠΊΠ° Π²ΡΠΏΠΎΠ»Π½ΡΠ΅ΡΡΡ Π² Π²ΠΈΠ΄Π΅ ΠΊΠΎΠΌΠΏΠ°ΠΊΡΠ½ΠΎΠ³ΠΎ ΡΠ·Π»Π° Π² ΠΊΠΎΡΠΏΡΡΠ΅, Π·Π°ΡΠΈΡΠ΅Π½Π½ΠΎΠΌ ΠΎΡ ΠΏΠΎΠΏΠ°Π΄Π°Π½ΠΈΡ ΠΈΠ·Π²Π½Π΅ Π·Π°Π³ΡΡΠ·Π½Π΅Π½ΠΈΠΉ ΠΈ Π²Π»Π°Π³ΠΈ.
Β
Β Β Β ΠΠ°ΡΠΈΠ°Π½ΡΡ ΠΈΡΠΏΠΎΠ»Π½Π΅Π½ΠΈΡ
Β Β Β Π Π΅Π΅ΡΠ½ΡΠ΅ ΠΌΠ΅Ρ Π°Π½ΠΈΠ·ΠΌΡ ΡΠ°Π·Π»ΠΈΡΠ°ΡΡΡΡ ΠΏΡΠΈΠ²ΠΎΠ΄ΠΎΠΌ. ΠΠ°ΠΈΠ±ΠΎΠ»Π΅Π΅ ΡΠ°ΡΠΏΡΠΎΡΡΡΠ°Π½Π΅Π½Ρ ΡΡΠΈ ΡΠΈΠΏΠ°:
Β Β Β — ΠΌΠ΅Ρ Π°Π½ΠΈΡΠ΅ΡΠΊΠΈΠΉ;
Β Β Β — Π³ΠΈΠ΄ΡΠ°Π²Π»ΠΈΡΠ΅ΡΠΊΠΈΠΉ;
Β Β Β — ΡΠ»Π΅ΠΊΡΡΠΈΡΠ΅ΡΠΊΠΈΠΉ.
Β Β Β ΠΠ΅Ρ Π°Π½ΠΈΡΠ΅ΡΠΊΠ°Ρ ΡΠ΅ΠΉΠΊΠ°
Β Β Β ΠΡΠΎΡΡΠ°Ρ ΠΈ Π½Π°Π΄Π΅ΠΆΠ½Π°Ρ, ΠΈΡΠΏΡΡΠ°Π½Π½Π°Ρ Π²ΡΠ΅ΠΌΠ΅Π½Π΅ΠΌ ΠΊΠΎΠ½ΡΡΡΡΠΊΡΠΈΡ. ΠΠΎΠ²ΠΎΡΠΎΡ ΠΎΡΡΡΠ΅ΡΡΠ²Π»ΡΠ΅ΡΡΡ Π·Π° ΡΡΠ΅Ρ ΠΌΡΡΠΊΡΠ»ΡΠ½ΠΎΠΉ ΡΠΈΠ»Ρ Π²ΠΎΠ΄ΠΈΡΠ΅Π»Ρ.
Β Β Β Π‘ΠΎΡΡΠΎΠΈΡ ΠΈΠ· ΡΠ»Π΅Π΄ΡΡΡΠΈΡ ΠΎΡΠ½ΠΎΠ²Π½ΡΡ ΡΠ»Π΅ΠΌΠ΅Π½ΡΠΎΠ² (ΡΠΌ. Π ΠΈΡ.):
Π ΠΈΡ. ΠΠΈΠ½Π΅ΠΌΠ°ΡΠΈΡΠ΅ΡΠΊΠ°Ρ ΡΡ
Π΅ΠΌΠ° ΡΠ°Π±ΠΎΡΡ ΠΌΠ΅Ρ
Π°Π½ΠΈΡΠ΅ΡΠΊΠΎΠΉ ΡΡΠ»Π΅Π²ΠΎΠΉ ΡΠ΅ΠΉΠΊΠΈ. 1 — ΡΡΠ»Π΅Π²ΠΎΠ΅ ΠΊΠΎΠ»Π΅ΡΠΎ; 2 — ΡΡΠ»Π΅Π²ΠΎΠΉ Π²Π°Π» Ρ ΡΠ΅ΡΡΠ΅ΡΠ½Π΅ΠΉ, ΡΠΈΠ΄ΡΡΠ΅ΠΉ Π½Π° Π½ΠΈΠΆΠ½Π΅ΠΌ ΠΊΠΎΠ½ΡΠ΅ Π²Π°Π»Π°; 3 — ΡΡΠ±ΡΠ°ΡΠ°Ρ ΡΠ΅ΠΉΠΊΠ°, ΡΠΎΠΏΡΡΠΆΠ΅Π½Π½Π°Ρ Ρ ΡΠ΅ΡΡΠ΅ΡΠ½Π΅ΠΉ; 4 — ΡΡΠ»Π΅Π²ΡΠ΅ ΡΡΠ³ΠΈ; 5 — ΠΏΠΎΠ²ΠΎΡΠΎΡΠ½ΡΠ΅ ΡΡΡΠ°Π³ΠΈ; 6 — ΡΠΏΡΠ°Π²Π»ΡΠ΅ΠΌΡΠ΅ ΠΊΠΎΠ»Π΅ΡΠ°.
Β
Β Β Β ΠΠ»Ρ Π±ΠΎΠ»Π΅Π΅ ΡΠ΄ΠΎΠ±Π½ΠΎΠ³ΠΎ ΠΊΠΎΠΌΡΠΎΡΡΠ½ΠΎΠ³ΠΎ Π²ΠΎΠΆΠ΄Π΅Π½ΠΈΡ ΠΈΡΠΏΠΎΠ»ΡΠ·ΡΠ΅ΡΡΡ ΠΊΠΎΠ½ΡΡΡΡΠΊΡΠΈΡ Ρ ΠΏΠ΅ΡΠ΅ΠΌΠ΅Π½Π½ΡΠΌ ΠΏΠ΅ΡΠ΅Π΄Π°ΡΠΎΡΠ½ΡΠΌ ΡΠΈΡΠ»ΠΎΠΌ. Π¨Π°Π³ Π·ΡΠ±ΡΠ΅Π² ΡΠ²Π΅Π»ΠΈΡΠΈΠ²Π°Π΅ΡΡΡ ΠΎΡ ΡΠ΅ΡΠ΅Π΄ΠΈΠ½Ρ ΡΠ΅ΠΉΠΊΠΈ ΠΊ Π΅Π΅ ΠΊΡΠ°ΡΠΌ. ΠΡΠΈ Π½Π΅Π±ΠΎΠ»ΡΡΠΈΡ ΡΠ³Π»Π°Ρ ΠΏΠΎΠ²ΠΎΡΠΎΡΠ° ΠΏΡΠΈ Π΄Π²ΠΈΠΆΠ΅Π½ΠΈΠΈ Π½Π° Π²ΡΡΠΎΠΊΠΎΠΉ ΡΠΊΠΎΡΠΎΡΡΠΈ, ΡΠ°Π±ΠΎΡΠ° ΡΡΠ»Ρ — ΠΎΡΡΡΠ°Ρ ΠΈ ΡΡΠ΅Π±ΡΡΡΠ°Ρ Π±ΠΎΠ»ΡΡΠΎΠ³ΠΎ ΡΡΠΈΠ»ΠΈΡ. ΠΠ° Π½Π΅Π±ΠΎΠ»ΡΡΠΎΠΉ ΡΠΊΠΎΡΠΎΡΡΠΈ, Ρ Π°ΡΠ°ΠΊΡΠ΅ΡΠ½ΠΎΠΉ Π΄Π»Ρ ΠΌΠ°Π½Π΅Π²ΡΠΈΡΠΎΠ²Π°Π½ΠΈΡ, Π½Π°ΠΏΡΠΈΠΌΠ΅Ρ, Π½Π° ΠΏΠ°ΡΠΊΠΎΠ²ΠΊΠ΅ Π² Π³ΠΎΡΠΎΠ΄Π΅, ΠΊΠΎΠ³Π΄Π° ΡΡΠ΅Π±ΡΠ΅ΡΡΡ Π±ΠΎΠ»ΡΡΠΎΠΉ ΡΠ³ΠΎΠ» ΠΏΠΎΠ²ΠΎΡΠΎΡΠ°, ΠΌΠ°Π½Π΅Π²Ρ Π½Π΅ ΡΡΠ΅Π±ΡΠ΅Ρ ΠΏΡΠΈΠ»ΠΎΠΆΠ΅Π½ΠΈΡ Π·Π½Π°ΡΠΈΡΠ΅Π»ΡΠ½ΠΎΠ³ΠΎ ΡΡΠΈΠ»ΠΈΡ ΠΊ ΡΡΠ»Π΅Π²ΠΎΠΌΡ ΠΊΠΎΠ»Π΅ΡΡ.Β Β Β Β Β Β Β Β Β Β Β Β Β Β Β Β Β Β Β Β Β Β Β Β Β Β Β Β Β Β Β Β Β Β Β Β Β Β Β Β Β Β Β Β Β Β Β Β Β Β Β Β Β Β Β Β Β Β Β Β Β Β Β Β Β Β Β
Β Β Β ΠΠΈΠ΄ΡΠ°Π²Π»ΠΈΡΠ΅ΡΠΊΠ°Ρ ΡΡΠ»Π΅Π²Π°Ρ ΡΠ΅ΠΉΠΊΠ°
Β Β Β ΠΡΠ»ΠΈΡΠΈΠ΅ ΠΎΡ ΠΌΠ΅Ρ Π°Π½ΠΈΡΠ΅ΡΠΊΠΎΠΉ Π² ΡΠΎΠΌ, ΡΡΠΎ ΠΈΡΠΏΠΎΠ»Π½ΠΈΡΠ΅Π»ΡΠ½ΡΠΉ ΠΌΠ΅Ρ Π°Π½ΠΈΠ·ΠΌ ΠΎΡΠ½Π°ΡΠ΅Π½ ΡΡΠΈΠ»ΠΈΡΠ΅Π»Π΅ΠΌ ΡΡΠ»Ρ Ρ Π³ΠΈΠ΄ΡΠΎΠΏΡΠΈΠ²ΠΎΠ΄ΠΎΠΌ. ΠΠ±Π΅ΡΠΏΠ΅ΡΠΈΠ²Π°Π΅Ρ Π»Π΅Π³ΠΊΠΎΡΡΡ ΡΠΏΡΠ°Π²Π»Π΅Π½ΠΈΡ Ρ ΡΠΎΡ ΡΠ°Π½Π΅Π½ΠΈΠ΅ ΡΠ°ΠΊ Π½Π°Π·ΡΠ²Π°Π΅ΠΌΠΎΠΉ «ΠΎΡΡΡΠΎΡΡ» ΡΡΠ»Ρ.
Β Β Β Π‘Π°ΠΌΡΠΉ ΠΏΠΎΠΏΡΠ»ΡΡΠ½ΡΠΉ ΡΠΈΠΏ ΡΡΠ»Π΅Π²ΠΎΠΉ ΡΠ΅ΠΉΠΊΠΈ. ΠΡΠΏΠΎΠ»ΡΠ·ΡΠ΅ΡΡΡ ΠΊΠ°ΠΊ Π² Π»Π΅Π³ΠΊΠΎΠ²ΡΡ , ΡΠ°ΠΊ ΠΈ Π½Π° ΡΡΠΆΠ΅Π»ΡΡ Π³ΡΡΠ·ΠΎΠ²ΡΡ Π°Π²ΡΠΎΠΌΠΎΠ±ΠΈΠ»ΡΡ ΠΈ ΡΡΠ°ΠΊΡΠΎΡΠ°Ρ .
Β
Β
Β Β Β ΠΡΠΎΠΌΠ΅ ΠΎΠ±Π»Π΅Π³ΡΠ΅Π½ΠΈΡ ΡΠΏΡΠ°Π²Π»Π΅Π½ΠΈΡ, Π³ΠΈΠ΄ΡΠ°Π²Π»ΠΈΡΠ΅ΡΠΊΠ°Ρ ΡΠ΅ΠΉΠΊΠ° ΠΏΠΎΠ²ΡΡΠ°Π΅Ρ ΠΊΠΎΠΌΡΠΎΡΡ ΡΠ°Π±ΠΎΡΡ Π²ΠΎΠ΄ΠΈΡΠ΅Π»Ρ Π·Π° ΡΡΠ΅Ρ ΡΠΌΡΠ³ΡΠ΅Π½ΠΈΡ ΡΠ΄Π°ΡΠΎΠ² ΠΎΡ Π½Π΅ΡΠΎΠ²Π½ΠΎΡΡΠ΅ΠΉ Π΄ΠΎΡΠΎΠ³ΠΈ, ΠΊΠΎΡΠΎΡΡΠ΅ Π²ΠΎΡΠΏΡΠΈΠ½ΠΈΠΌΠ°ΡΡ ΠΊΠΎΠ»Π΅ΡΠ°.
ΠΡΠ°Π²Π΄Π°, ΠΏΡΠΈ ΡΡΠΎΠΌ ΡΠΌΠ΅Π½ΡΡΠ°Π΅ΡΡΡ ΠΎΠ±ΡΠ°ΡΠ½Π°Ρ ΡΠ²ΡΠ·Ρ Π² ΡΠΈΡΡΠ΅ΠΌΠ΅ «ΠΎΠΏΠ΅ΡΠ°ΡΠΎΡ — ΠΌΠ°ΡΠΈΠ½Π°» ΠΈ ΡΠ΅ΡΡΠ΅ΡΡΡ ΠΎΡΡΡΠ΅Π½ΠΈΠ΅ Π΄ΠΎΡΠΎΠ³ΠΈ. Π§Π°ΡΡΠΈΡΠ½ΠΎ ΡΡΠΎΡ Π½Π΅Π΄ΠΎΡΡΠ°ΡΠΎΠΊ ΠΊΠΎΠΌΠΏΠ΅Π½ΡΠΈΡΡΠ΅Ρ ΠΈΡΠΏΠΎΠ»ΡΠ·ΠΎΠ²Π°Π½ΠΈΠ΅ Π² ΠΏΡΠΈΠ²ΠΎΠ΄Π΅ Π½Π°ΡΠΎΡΠ° ΠΠ£Π ΡΠ»Π΅ΠΊΡΡΠΎΠΌΠΎΡΠΎΡΠ°.
Β Β Β Β ΠΠ»Π΅ΠΊΡΡΠΈΡΠ΅ΡΠΊΠ°Ρ ΡΡΠ»Π΅Π²Π°Ρ ΡΠ΅ΠΉΠΊΠ°
Β Β Β Π ΠΊΠ°ΡΠ΅ΡΡΠ²Π΅ ΡΡΠΈΠ»ΠΈΡΠ΅Π»Ρ ΠΈΡΠΏΠΎΠ»ΡΠ·ΡΠ΅ΡΡΡ ΡΠ»Π΅ΠΊΡΡΠΎΠΏΡΠΈΠ²ΠΎΠ΄.
Β Β Β ΠΠ°ΡΠΈΠ°Π½ΡΡ ΠΊΠΎΠΌΠΏΠΎΠ½ΠΎΠ²ΠΊΠΈ:
Β Β Β — Ρ ΡΠ»Π΅ΠΊΡΡΠΎΠΌΠΎΡΠΎΡΠΎΠΌ, Π²ΡΡΡΠΎΠ΅Π½Π½ΡΠΌ Π² ΡΡΠ»Π΅Π²ΡΡ ΠΊΠΎΠ»ΠΎΠ½ΠΊΡ;
Β Β Β — Ρ ΡΠ»Π΅ΠΊΡΡΠΎΠΌΠΎΡΠΎΡΠΎΠΌ Π½Π° ΡΡΠ»Π΅Π²ΠΎΠΌ Π²Π°Π»Ρ;
Β Β Β — Ρ ΠΌΠΎΡΠΎΡΠΎΠΌ, ΠΈΠ½ΡΠ΅Π³ΡΠΈΡΠΎΠ²Π°Π½Π½ΡΠΌ Ρ ΡΠ΅ΠΉΠΊΠΎΠΉ.
Β Β Β Π Π°Π·ΠΌΠ΅ΡΠ΅Π½ΠΈΠ΅ ΡΠ»Π΅ΠΊΡΡΠΎΠ΄Π²ΠΈΠ³Π°ΡΠ΅Π»Ρ Π² ΡΡΠ»Π΅Π²ΠΎΠΉ ΠΊΠΎΠ»ΠΎΠ½ΠΊΠ΅ ΠΎΠΏΠ°ΡΠ½ΠΎ ΡΠ΅ΠΌ, ΡΡΠΎ ΠΏΡΠΈ Π²ΡΡ ΠΎΠ΄Π΅ Π΅Π³ΠΎ ΠΈΠ· ΡΡΡΠΎΡ Π²ΠΎΠ΄ΠΈΡΠ΅Π»Ρ ΡΠ΅ΡΡΠ΅Ρ ΠΊΠΎΠ½ΡΡΠΎΠ»Ρ Π½Π°Π΄ Π°Π²ΡΠΎΠΌΠΎΠ±ΠΈΠ»Π΅ΠΌ.
Β Β Β Π‘Π°ΠΌΡΠΉ Π½Π°Π΄Π΅ΠΆΠ½ΡΠΉ ΠΈ Π±Π΅Π·ΠΎΠΏΠ°ΡΠ½ΡΠΉ Π²Π°ΡΠΈΠ°Π½Ρ ΠΈΡΠΏΠΎΠ»Π½Π΅Π½ΠΈΡ ΡΠ»Π΅ΠΊΡΡΠΎΡΠ΅ΠΉΠΊΠΈ — Ρ ΠΈΠ½ΡΠ΅Π³ΡΠΈΡΠΎΠ²Π°Π½Π½ΡΠΌ ΡΠ»Π΅ΠΊΡΡΠΎΠ΄Π²ΠΈΠ³Π°ΡΠ΅Π»Π΅ΠΌ. ΠΠ±Π΅ΡΠΏΠ΅ΡΠΈΠ²Π°Π΅Ρ ΠΎΡΠ»ΠΈΡΠ½ΡΡ ΡΠΏΡΠ°Π²Π»ΡΠ΅ΠΌΠΎΡΡΡ. ΠΡΠΏΠΎΠ»ΡΠ·ΡΠ΅ΡΡΡ ΠΏΡΠ΅ΠΈΠΌΡΡΠ΅ΡΡΠ²Π΅Π½Π½ΠΎ Π½Π° Π°Π²ΡΠΎ Π±ΠΈΠ·Π½Π΅Ρ-ΠΊΠ»Π°ΡΡΠ°, Π° ΡΠ°ΠΊΠΆΠ΅ ΡΠΏΠΎΡΡΠΊΠ°ΡΠ°Ρ , Π΄Π»Ρ ΠΊΠΎΡΠΎΡΡΡ ΡΠΏΡΠ°Π²Π»ΡΠ΅ΠΌΠΎΡΡΡ — Π·Π°Π»ΠΎΠ³ ΡΡΠΏΠ΅Ρ Π°. ΠΠ° Π±ΡΠ΄ΠΆΠ΅ΡΠ½ΡΡ Π°Π²ΡΠΎ ΠΏΡΠΈΠΌΠ΅Π½ΡΠ΅ΡΡΡ ΡΠ΅Π΄ΠΊΠΎ.
Β Β Β ΠΡΠΈΠΌΠ΅Π½Π΅Π½ΠΈΠ΅ ΡΠ»Π΅ΠΊΡΡΠΎΠΏΡΠΈΠ²ΠΎΠ΄Π° Π² ΡΡΠ»Π΅Π²ΠΎΠΉ ΡΠ΅ΠΉΠΊΠ΅ ΠΎΠ±Π΅ΡΠΏΠ΅ΡΠΈΠ²Π°Π΅Ρ Π°Π²ΡΠΎΠΌΠΎΠ±ΠΈΠ»Ρ ΡΡΠ΄ ΠΏΡΠ΅ΠΈΠΌΡΡΠ΅ΡΡΠ²:
Β Β Β — Π²ΡΡΠ΅ ΠΠΠ;
Β Β Β — ΡΠΊΠΎΠ½ΠΎΠΌΠΈΡΠ½ΠΎΡΡΡ, ΡΠ°ΠΊ ΠΊΠ°ΠΊ ΡΠ»Π΅ΠΊΡΡΠΎΠΏΡΠΈΠ²ΠΎΠ΄ Π²ΠΊΠ»ΡΡΠ°Π΅ΡΡΡ ΡΠΎΠ»ΡΠΊΠΎ ΠΏΡΠΈ Π²ΡΠΏΠΎΠ»Π½Π΅Π½ΠΈΠΈ ΠΌΠ°Π½Π΅Π²ΡΠ°, ΡΠΎΠ³Π΄Π° ΠΊΠ°ΠΊ Π² ΠΠ£Π Π΅ ΠΌΠ°ΡΠ»ΠΎ ΡΠΈΡΠΊΡΠ»ΠΈΡΡΠ΅Ρ Π½Π΅ΠΏΡΠ΅ΡΡΠ²Π½ΠΎ, Π½Π° ΡΡΠΎ ΡΡΠ°ΡΠΈΡΡΡ ΡΠ°ΡΡΡ ΠΌΠΎΡΠ½ΠΎΡΡΠΈ Π΄Π²ΠΈΠ³Π°ΡΠ΅Π»Ρ ΠΈ ΡΠ΅ΡΡΡΡ ΡΠ°ΠΌΠΎΠ³ΠΎ ΡΠ·Π»Π°;
Β Β Β — Π½Π΅ ΡΡΠ΅Π±ΡΠ΅ΡΡΡ ΠΏΡΠΎΠ³ΡΠ΅Π² ΠΌΠ°ΡΠ»Π° Π² Π·ΠΈΠΌΠ½Π΅Π΅ Π²ΡΠ΅ΠΌΡ ΠΏΠ΅ΡΠ΅Π΄ Π½Π°ΡΠ°Π»ΠΎΠΌ Π΄Π²ΠΈΠΆΠ΅Π½ΠΈΡ;
Β Β Β — ΡΠ»Π΅ΠΊΡΡΠΎΠΏΡΠΈΠ²ΠΎΠ΄ ΠΌΠ΅Π½Π΅Π΅ ΡΡΡΠ΄ΠΎΠ΅ΠΌΠΎΠΊ Π² ΠΎΠ±ΡΠ»ΡΠΆΠΈΠ²Π°Π½ΠΈΠΈ;
Β Β Β — Π² ΡΠ΅Π»ΠΎΠΌ Π±ΠΎΠ»Π΅Π΅ Π²ΡΡΠΎΠΊΠ°Ρ Π½Π°Π΄Π΅ΠΆΠ½ΠΎΡΡΡ Π±Π»Π°Π³ΠΎΠ΄Π°ΡΡ ΠΎΡΡΡΡΡΡΠ²ΠΈΡ ΡΠ°ΠΊΠΈΡ
Π΄Π΅ΡΠ°Π»Π΅ΠΉ, ΠΊΠ°ΠΊ ΡΠ»Π°Π½Π³ΠΈ, ΠΏΡΠΎΠΊΠ»Π°Π΄ΠΊΠΈ, ΡΠ°Π»ΡΠ½ΠΈΠΊΠΈ.
Β Β Β ΠΡΠΈΠ·Π½Π°ΠΊΠΈ Π½Π΅ΠΈΡΠΏΡΠ°Π²Π½ΠΎΡΡΠΈ ΡΡΠ»Π΅Π²ΠΎΠΉ ΡΠ΅ΠΉΠΊΠΈ
Β Β Β Π ΡΠ»Π΅Π²Π°Ρ ΡΠ΅ΠΉΠΊΠ° — ΠΈΠ·Π΄Π΅Π»ΠΈΠ΅ Π½Π°Π΄Π΅ΠΆΠ½ΠΎΠ΅. Π’Π΅ΠΌ Π½Π΅ ΠΌΠ΅Π½Π΅Π΅, ΡΡΠΈΡΡΠ²Π°Ρ Π²Π°ΠΆΠ½ΠΎΡΡΡ ΡΠ΅ΠΉΠΊΠΈ Π΄Π»Ρ Π±Π΅Π·ΠΎΠΏΠ°ΡΠ½ΠΎΡΡΠΈ Π°Π²ΡΠΎΠΌΠΎΠ±ΠΈΠ»Ρ, Π΅Π΅ ΡΠ΅Ρ Π½ΠΈΡΠ΅ΡΠΊΠΎΠ΅ ΡΠΎΡΡΠΎΡΠ½ΠΈΠ΅ — ΠΏΡΠ΅Π΄ΠΌΠ΅Ρ ΠΏΠΎΡΡΠΎΡΠ½Π½ΠΎΠ³ΠΎ Π²Π½ΠΈΠΌΠ°Π½ΠΈΡ Π²ΠΎΠ΄ΠΈΡΠ΅Π»Ρ. ΠΡΠΈΠ·Π½Π°ΠΊΠΈ Π½Π΅ΠΈΡΠΏΡΠ°Π²Π½ΠΎΡΡΠΈ ΡΡΠ»Π΅Π²ΠΎΠΉ ΡΠ΅ΠΉΠΊΠΈ ΡΠ°ΠΊΠΎΠ²Ρ:
Β Β Β 1. Π’Π΅ΡΡ ΡΠ°Π±ΠΎΡΠ΅ΠΉ ΠΆΠΈΠ΄ΠΊΠΎΡΡΠΈ — ΠΏΠΎΡΠ²Π»Π΅Π½ΠΈΠ΅ ΠΏΠΎΠ΄ΡΠ΅ΠΊΠΎΠ² Π½Π° ΠΏΡΠ»ΡΠ½ΠΈΠΊΠ°Ρ , ΡΠ½ΠΈΠΆΠ΅Π½ΠΈΠ΅ ΡΡΠΎΠ²Π½Ρ ΠΆΠΈΠ΄ΠΊΠΎΡΡΠΈ Π² ΠΊΠΎΠΌΠΏΠ΅Π½ΡΠ°ΡΠΈΠΎΠ½Π½ΠΎΠΌ Π±Π°ΠΊΠ΅.
Β Β Β Π£ΡΠ΅ΡΠΊΠ° ΡΠ°Π±ΠΎΡΠ΅ΠΉ ΠΆΠΈΠ΄ΠΊΠΎΡΡΠΈ ΠΌΠΎΠΆΠ΅Ρ ΠΏΠΎΡΠ²Π»ΡΡΡΡΡ ΠΈΠ·-Π·Π° ΠΏΠΎΠ²ΡΠ΅ΠΆΠ΄Π΅Π½ΠΈΡ, ΠΈΠ·Π½ΠΎΡΠ° ΡΠ°Π»ΡΠ½ΠΈΠΊΠΎΠ² Π²Π°Π»Π°, Π° ΡΠ°ΠΊΠΆΠ΅ ΠΏΡΠΈ ΠΊΠΎΡΡΠΎΠ·ΠΈΠΈ ΠΈ ΠΈΠ·Π½ΠΎΡΠ΅ ΡΠ°ΠΌΠΎΠ³ΠΎ Π²Π°Π»Π°.
Β Β Β 2. Π‘ΡΡΠΊ. ΠΠΎΠΊΠ°Π»ΠΈΠ·Π°ΡΠΈΡ ΠΈΡΡΠΎΡΠ½ΠΈΠΊΠ° ΡΡΡΠΊΠ° — ΠΏΠ΅ΡΠ΅Π΄Π½ΡΡ ΠΎΡΡ. ΠΠ½ΡΠ΅Π½ΡΠΈΠ²Π½ΠΎΡΡΡ ΠΌΠΎΠΆΠ΅Ρ Π½Π°ΡΠ°ΡΡΠ°ΡΡ Π²ΠΎ Π²ΡΠ΅ΠΌΡ ΠΏΡΠΎΠ΅Π·Π΄Π° ΠΊΡΡΠΏΠ½ΡΡ Π²ΡΠ±ΠΎΠΈΠ½, Π° ΠΌΠΎΠΆΠ΅Ρ Π±ΡΡΡ ΠΏΠΎΡΡΠΎΡΠ½Π½ΠΎΠΉ.
Β Β Β ΠΡΠΈΡΠΈΠ½Ρ ΠΏΠΎΡΠ²Π»Π΅Π½ΠΈΡ ΡΡΡΠΊΠ°:
Β Β Β — ΠΈΠ·Π½ΠΎΡ Π΄Π΅ΡΠ°Π»Π΅ΠΉ ΡΡΠ»Π΅Π²ΠΎΠΉ ΡΠ΅ΠΉΠΊΠΈ;
Β Β Β — ΠΈΠ·Π½ΠΎΡ ΡΠ°ΠΉΠ»Π΅Π½ΡΠ±Π»ΠΎΠΊΠΎΠ² ΠΊΡΠ΅ΠΏΠ»Π΅Π½ΠΈΡ ΡΠ΅ΠΉΠΊΠΈ;
Β Β Β — ΠΈΠ·Π½ΠΎΡ ΡΠ°ΡΠ½ΠΈΡΠΎΠ² ΡΡΠ»Π΅Π²ΡΡ ΡΡΠ³.
Β Β Β 3. ΠΡΡΡ Π² ΡΡΠ»Π΅Π²ΠΎΠΉ ΠΊΠΎΠ»ΠΎΠ½ΠΊΠ΅.
Β Β Β 4. Π’ΡΠ³ΠΎΠ΅ Π²ΡΠ°ΡΠ΅Π½ΠΈΠ΅ ΡΡΠ»Π΅Π²ΠΎΠ³ΠΎ ΠΊΠΎΠ»Π΅ΡΠ°.
Β Β Β 5. ΠΠ΅ΡΠΎΠΎΡΠ²Π΅ΡΡΡΠ²ΠΈΠ΅ ΡΠ³Π»Π° ΠΏΠΎΠ²ΠΎΡΠΎΡΠ° ΡΡΠ»Π΅Π²ΠΎΠ³ΠΎ ΠΊΠΎΠ»Π΅ΡΠ° ΡΠ³Π»Ρ ΠΏΠΎΠ²ΠΎΡΠΎΡΠ° ΠΊΠΎΠ»Π΅Ρ.
Β Β Β 6. Π ΡΠ»Π΅Π²ΠΎΠ΅ ΠΊΠΎΠ»Π΅ΡΠΎ ΠΏΠ»ΠΎΡ ΠΎ Π²ΠΎΠ·Π²ΡΠ°ΡΠ°Π΅ΡΡΡ Π² ΠΈΡΡ ΠΎΠ΄Π½ΠΎΠ΅ ΠΏΠΎΠ»ΠΎΠΆΠ΅Π½ΠΈΠ΅.
Β Β Β ΠΠΎΠ³ΡΡ ΠΏΠΎΡΠ²Π»ΡΡΡΡΡ ΠΈ Π΄ΡΡΠ³ΠΈΠ΅ ΠΏΡΠΈΠ·Π½Π°ΠΊΠΈ. ΠΠ°ΠΏΡΠΈΠΌΠ΅Ρ, Π²ΠΈΠ±ΡΠ°ΡΠΈΡ ΡΡΠ»Ρ, ΠΎΡΠ΄Π°ΡΠ° ΠΏΡΠΈ ΠΏΡΠΎΠ΅Π·Π΄Π΅ ΠΏΡΠ΅ΠΏΡΡΡΡΠ²ΠΈΠΉ ΠΈ Ρ. Π΄.
Β Β Β ΠΡΡΠ΅ΡΡΠ²Π΅Π½Π½ΠΎ, ΡΠ°ΡΡΡ Π½Π΅ΠΈΡΠΏΡΠ°Π²Π½ΠΎΡΡΠ΅ΠΉ ΠΎΠΏΡΡΠ½ΡΠΉ Π²ΠΎΠ΄ΠΈΡΠ΅Π»Ρ ΠΌΠΎΠΆΠ΅Ρ ΡΡΡΡΠ°Π½ΠΈΡΡ ΡΠ°ΠΌΠΎΡΡΠΎΡΡΠ΅Π»ΡΠ½ΠΎ, ΠΈΡΠΏΠΎΠ»ΡΠ·ΡΡ ΡΠ΅ΠΌΠΊΠΎΠΌΠΏΠ»Π΅ΠΊΡ ΡΡΠ»Π΅Π²ΠΎΠΉ ΡΠ΅ΠΉΠΊΠΈ. ΠΠ΄Π½Π°ΠΊΠΎ, Π΄Π»Ρ Π±ΠΎΠ»Π΅Π΅ ΡΠ΅ΡΡΠ΅Π·Π½ΠΎΠ³ΠΎ ΡΠ΅ΠΌΠΎΠ½ΡΠ°, ΡΡΠ΅Π±ΡΡΡΠ΅Π³ΠΎ ΡΠΏΠ΅ΡΠΈΠ°Π»ΡΠ½ΠΎΠ³ΠΎ ΠΎΠ±ΠΎΡΡΠ΄ΠΎΠ²Π°Π½ΠΈΡ, Π·Π½Π°Π½ΠΈΠΉ ΠΈ Π½Π°Π²ΡΠΊΠΎΠ² Π½Π΅ΠΎΠ±Ρ ΠΎΠ΄ΠΈΠΌΠΎ ΠΎΠ±ΡΠ°ΡΠ°ΡΡΡΡ Π² Π‘Π’Π.
Β Β Β ΠΠ½ΠΎΠ³Π΄Π° Π½Π΅ΠΈΡΠΏΡΠ°Π²Π½ΠΎΡΡΠΈ ΡΡΠ»Π΅Π²ΠΎΠ³ΠΎ ΡΠΏΡΠ°Π²Π»Π΅Π½ΠΈΡ ΡΡΡΡΠ°Π½ΡΡΡΡΡ ΠΎΡΠ΅Π½Ρ ΠΏΡΠΎΡΡΠΎ. ΠΠ°ΠΏΡΠΈΠΌΠ΅Ρ, ΡΡΠ»Ρ ΡΡΠ³ΠΎ Π²ΡΠ°ΡΠ°Π΅ΡΡΡ Π² ΠΎΠ±ΠΎΠΈΡ Π½Π°ΠΏΡΠ°Π²Π»Π΅Π½ΠΈΡΡ , ΡΠ°Π±ΠΎΡΠ° ΠΠ£Π Π° ΡΠΎΠΏΡΠΎΠ²ΠΎΠΆΠ΄Π°Π΅ΡΡΡ ΡΠ²ΠΈΡΡΠΎΠΌ. ΠΡΠΈΡΠΈΠ½Π° ΠΌΠΎΠΆΠ΅Ρ ΠΊΡΡΡΡΡΡ Π² ΠΎΡΠ»Π°Π±Π»Π΅Π½Π½ΠΎΠΌ ΡΠ΅ΠΌΠ½Π΅ Π½Π°ΡΠΎΡΠ° ΠΠ£Π ΠΈΠ»ΠΈ ΠΏΠ°Π΄Π΅Π½ΠΈΠΈ ΡΡΠΎΠ²Π½Ρ ΡΠ°Π±ΠΎΡΠ΅ΠΉ ΠΆΠΈΠ΄ΠΊΠΎΡΡΠΈ Π½ΠΈΠΆΠ΅ ΠΏΡΠ΅Π΄Π΅Π»ΡΠ½ΠΎ Π΄ΠΎΠΏΡΡΡΠΈΠΌΠΎΠ³ΠΎ.
Β Β Β ΠΠ°ΠΏΡΠ°ΡΡΠΈ Π΄Π»Ρ ΡΠ΅ΠΌΠΎΠ½ΡΠ° ΡΡΠ»Π΅Π²ΠΎΠΉ ΡΠ΅ΠΉΠΊΠΈ
Β Β Β Π Π·Π°ΠΏΠ°ΡΠ½ΡΠΌ ΡΠ°ΡΡΡΠΌ ΡΡΠ»Π΅Π²ΠΎΠΉ ΡΠ΅ΠΉΠΊΠΈ ΠΎΡΠ½ΠΎΡΡΡΡΡ:
Β Β Β — ΡΠ΅ΠΌΠΊΠΎΠΌΠΏΠ»Π΅ΠΊΡ ΡΡΠ»Π΅Π²ΠΎΠΉ ΡΠ΅ΠΉΠΊΠΈ;
Β Β Β — ΠΏΡΠ»ΡΠ½ΠΈΠΊΠΈ;
Β Β Β — ΡΡΠ»Π΅Π²ΡΠ΅ ΡΡΠ³ΠΈ ΠΈ Π½Π°ΠΊΠΎΠ½Π΅ΡΠ½ΠΈΠΊΠΈ ΡΡΠ»Π΅Π²ΡΡ ΡΡΠ³.
Β Β Β Π Π΅ΠΌΠΊΠΎΠΌΠΏΠ»Π΅ΠΊΡ ΡΡΠ»Π΅Π²ΠΎΠΉ ΡΠ΅ΠΉΠΊΠΈ Π²ΠΊΠ»ΡΡΠ°Π΅Ρ Π² ΡΠ΅Π±Ρ ΡΠ»Π΅Π΄ΡΡΡΠΈΠ΅ Π΄Π΅ΡΠ°Π»ΠΈ:
Β Β Β — ΠΎΠΏΠΎΡΠ½ΡΠ΅ Π²ΡΡΠ»ΠΊΠΈ Π²Π°Π»ΠΎΠ²;
Β Β Β — ΡΠ°Π»ΡΠ½ΠΈΠΊΠΈ;
Β Β Β — ΠΊΠΎΠ»ΡΡΠ° Π³ΠΈΠ΄ΡΠΎΠ±Π°ΡΡΠ΅ΡΠ½ΡΠ΅;
Β Β Β — ΡΠΏΠ»ΠΎΡΠ½ΠΈΡΠ΅Π»ΡΠ½ΡΠ΅ ΡΠ΅Π·ΠΈΠ½ΠΎΠ²ΡΠ΅ Π΄Π΅ΡΠ°Π»ΠΈ.
Β Β Β ΠΠΎΠ»Π½ΡΠΉ ΡΠ΅ΠΌΠΊΠΎΠΌΠΏΠ»Π΅ΠΊΡ ΠΌΠΎΠΆΠ΅Ρ Π²ΠΊΠ»ΡΡΠ°ΡΡ Π² ΡΠ΅Π±Ρ ΡΠ°ΠΊΠΆΠ΅ ΠΏΠΎΠ΄ΡΠΈΠΏΠ½ΠΈΠΊΠΈ ΠΈΠ»ΠΈ Π΄ΡΡΠ³ΠΈΠ΅ Π΄Π΅ΡΠ°Π»ΠΈ Π² Π·Π°Π²ΠΈΡΠΈΠΌΠΎΡΡΠΈ ΠΎΡ ΡΠΈΠΏΠ°, ΠΊΠΎΠ½ΡΡΡΡΠΊΡΠΈΠΈ ΡΠ΅ΠΉΠΊΠΈ Π΄Π»Ρ ΠΊΠΎΠ½ΠΊΡΠ΅ΡΠ½ΠΎΠΉ ΠΌΠΎΠ΄Π΅Π»ΠΈ Π°Π²ΡΠΎΠΌΠΎΠ±ΠΈΠ»Ρ. Π ΠΌΠ°Π»ΡΠΉ ΡΠ΅ΠΌΠΊΠΎΠΌΠΏΠ»Π΅ΠΊΡ Π²Ρ ΠΎΠ΄ΡΡ ΡΠΎΠ»ΡΠΊΠΎ ΡΠ°Π»ΡΠ½ΠΈΠΊΠΈ ΠΈ ΠΌΠ°Π½ΠΆΠ΅ΡΡ.
Β Β Β Π‘Π²ΠΎΠ΅Π²ΡΠ΅ΠΌΠ΅Π½Π½Π°Ρ ΠΈ ΠΊΠ²Π°Π»ΠΈΡΠΈΡΠΈΡΠΎΠ²Π°Π½Π½Π°Ρ Π·Π°ΠΌΠ΅Π½Π° ΡΠ΅ΠΌΠΊΠΎΠΌΠΏΠ»Π΅ΠΊΡΠ° ΡΠ²Π΅Π»ΠΈΡΠΈΠ²Π°Π΅Ρ ΡΠ΅ΡΡΡΡ ΡΡΠ»Π΅Π²ΠΎΠΉ ΡΠ΅ΠΉΠΊΠΈ ΠΈ ΡΠ½ΠΈΠΆΠ°Π΅Ρ Π²Π΅ΡΠΎΡΡΠ½ΠΎΡΡΡ ΡΠ΅ΡΡΠ΅Π·Π½ΠΎΠΉ ΠΏΠΎΠ»ΠΎΠΌΠΊΠΈ.
Β Β Β ΠΡΠ»ΡΠ½ΠΈΠΊ ΡΡΠ»Π΅Π²ΠΎΠΉ ΡΠ΅ΠΉΠΊΠΈ ΠΏΠΎΠ΄Π»Π΅ΠΆΠΈΡ Π½Π΅ΠΌΠ΅Π΄Π»Π΅Π½Π½ΠΎΠΉ Π·Π°ΠΌΠ΅Π½Π΅ ΠΏΡΠΈ ΠΎΠ±Π½Π°ΡΡΠΆΠ΅Π½ΠΈΠΈ Π² Π½Π΅ΠΌ ΠΏΠΎΠ²ΡΠ΅ΠΆΠ΄Π΅Π½ΠΈΡ. ΠΡΠΈ Π²ΡΠ±ΠΎΡΠ΅ ΠΏΡΠ»ΡΠ½ΠΈΠΊΠ° ΠΏΡΠ΅Π΄ΠΏΠΎΡΡΠ΅Π½ΠΈΠ΅ ΡΠ»Π΅Π΄ΡΠ΅Ρ ΠΎΡΠ΄Π°Π²Π°ΡΡ ΠΊΠΎΠΌΠΏΠ»Π΅ΠΊΡΡ, Π² ΠΊΠΎΡΠΎΡΡΠΉ ΠΏΠΎΠΌΠΈΠΌΠΎ ΠΏΡΠ»ΡΠ½ΠΈΠΊΠ° Π²Ρ ΠΎΠ΄ΠΈΡ ΡΠΌΠ°Π·ΠΊΠ° ΠΈ Ρ ΠΎΠΌΡΡΡ.
Β Β
Β Β Β ΠΡΠΏΡΠ°Π²Π½ΡΠΉ, Π·Π°ΠΏΠΎΠ»Π½Π΅Π½Π½ΡΠΉ ΡΠΏΠ΅ΡΡΠΌΠ°Π·ΠΊΠΎΠΉ ΠΏΡΠ»ΡΠ½ΠΈΠΊ Π½Π°Π΄Π΅ΠΆΠ½ΠΎ Π·Π°ΡΠΈΡΠ°Π΅Ρ ΡΡΠ»Π΅Π²ΡΡ ΡΠ΅ΠΉΠΊΡ ΠΎΡ ΠΏΠΎΠΏΠ°Π΄Π°Π½ΠΈΡ Π²Π½ΡΡΡΡ ΠΌΠ΅Ρ Π°Π½ΠΈΠ·ΠΌΠ° ΠΏΡΠ»ΠΈ, Π²Π»Π°Π³ΠΈ ΠΈ Π³ΡΡΠ·ΠΈ.
Β Β Β Β Β Π Π΅ΠΌΠΎΠ½Ρ ΡΡΠ»Π΅Π²ΠΎΠΉ ΡΠ΅ΠΉΠΊΠΈ
Β Β Β ΠΡΠΈ ΠΏΠΎΡΠ²Π»Π΅Π½ΠΈΠΈ ΠΏΡΠΈΠ·Π½Π°ΠΊΠΎΠ² Π½Π΅ΠΈΡΠΏΡΠ°Π²Π½ΠΎΡΡΠΈ ΡΠ΅ΠΉΠΊΠΈ ΡΠΏΠ΅ΡΠΈΠ°Π»ΠΈΡΡΡ ΡΠ΅ΠΊΠΎΠΌΠ΅Π½Π΄ΡΡΡ ΠΎΠ±ΡΠ°ΡΠΈΡΡΡΡ Π½Π° ΡΠΏΠ΅ΡΠΈΠ°Π»ΠΈΠ·ΠΈΡΠΎΠ²Π°Π½Π½ΡΡ Π‘Π’Π.
Β Β Β ΠΠ»Ρ ΠΎΠΏΡΠ΅Π΄Π΅Π»Π΅Π½ΠΈΡ Π΄Π°Π»ΡΠ½Π΅ΠΉΡΠΈΡ
Π΄Π΅ΠΉΡΡΠ²ΠΈΠΉ ΠΏΡΠΎΠ²ΠΎΠ΄ΠΈΡΡΡ Π΄ΠΈΠ°Π³Π½ΠΎΡΡΠΈΠΊΠ° ΡΠ΅ΠΉΠΊΠΈ. ΠΡΠ° ΠΎΠΏΠ΅ΡΠ°ΡΠΈΡ Π²ΡΠΏΠΎΠ»Π½ΡΠ΅ΡΡΡ Π±Π΅Π· Π΄Π΅ΠΌΠΎΠ½ΡΠ°ΠΆΠ° ΡΠ·Π»Π°.
ΠΡΠ»ΠΈ Π² ΡΠ΅Π·ΡΠ»ΡΡΠ°ΡΠ΅ Π΄ΠΈΠ°Π³Π½ΠΎΡΡΠΈΠΊΠΈ Π²ΡΡΡΠ½ΠΈΡΡΡ, ΡΡΠΎ Π½Π΅ΠΈΡΠΏΡΠ°Π²Π½Π° ΠΈΠΌΠ΅Π½Π½ΠΎ ΡΠ΅ΠΉΠΊΠ°, Π΅Π΅ ΡΠ½ΠΈΠΌΠ°ΡΡ Ρ Π°Π²ΡΠΎΠΌΠΎΠ±ΠΈΠ»Ρ Π΄Π»Ρ Π²ΡΡΡΠ½Π΅Π½ΠΈΡ ΠΏΡΠΈΠ³ΠΎΠ΄Π½ΠΎΡΡΠΈ ΠΊ ΡΠ΅ΡΡΠ°Π²ΡΠ°ΡΠΈΠΈ.
Β Β Β ΠΠΎΠ·ΠΌΠΎΠΆΠ½ΠΎ, ΠΎΠΊΠ°ΠΆΠ΅ΡΡΡ, ΡΡΠΎ ΡΠ΅ΠΉΠΊΠ° ΡΠΆΠ΅ Π½Π΅ ΠΏΠΎΠ΄Π»Π΅ΠΆΠΈΡ ΡΠ΅ΠΌΠΎΠ½ΡΡ. Π ΡΡΠΎΠΌ ΡΠ»ΡΡΠ°Π΅ ΡΡΠ΅Π±ΡΠ΅ΡΡΡ Π·Π°ΠΌΠ΅Π½Π° Π°Π³ΡΠ΅Π³Π°ΡΠ°. ΠΠ»Ρ Π·Π°ΠΌΠ΅Π½Ρ Π½Π΅ΠΏΡΠΈΠ³ΠΎΠ΄Π½ΠΎΠΉ ΡΠ΅ΠΉΠΊΠΈ ΠΌΠΎΠΆΠ½ΠΎ ΠΏΡΠΈΠΎΠ±ΡΠ΅ΡΡΠΈ Π½ΠΎΠ²ΡΡ, ΠΎΡΡΠ΅ΡΡΠ°Π²ΡΠΈΡΠΎΠ²Π°Π½Π½ΡΡ ΠΈΠ»ΠΈ ΠΆΠ΅ ΡΠ°Π±ΠΎΡΡΡ, Ρ ΡΠ°Π·Π±ΠΎΡΠΊΠΈ.Β
Β Β Β ΠΡΠΈ ΡΠ΅ΠΌΠΎΠ½ΡΠ΅ ΡΡΠ»Π΅Π²ΠΎΠΉ ΡΠ΅ΠΉΠΊΠΈ, ΠΊΡΠΎΠΌΠ΅ ΡΡΠ°Π½Π΄Π°ΡΡΠ½ΡΡ ΠΎΠΏΠ΅ΡΠ°ΡΠΈΠΉ ΡΠ°Π·Π±ΠΎΡΠΊΠΈ, ΠΌΠΎΠΉΠΊΠΈ, Π΄Π΅ΡΠ΅ΠΊΡΠΎΠ²ΠΊΠΈ, ΡΠ±ΠΎΡΠΊΠΈ ΠΈ ΡΠ΅Π³ΡΠ»ΠΈΡΠΎΠ²ΠΊΠΈ Π²ΡΠΏΠΎΠ»Π½ΡΡΡΡΡ ΡΠ°ΠΊΠΈΠ΅ Π²ΠΈΠ΄Ρ ΡΠ°Π±ΠΎΡ:
Β Β Β 1. ΠΡΠΈΡΡΠΊΠ° (ΠΌΠ΅Ρ Π°Π½ΠΈΡΠ΅ΡΠΊΠ°Ρ ΠΈ Ρ ΠΈΠΌΠΈΡΠ΅ΡΠΊΠ°Ρ) Π²Π°Π»Π° ΡΠ΅ΠΉΠΊΠΈ (ΡΡΠ»Π΅Π²ΠΎΠ³ΠΎ ΡΡΠΎΠΊΠ°) ΠΎΡ Π·Π°Π³ΡΡΠ·Π½Π΅Π½ΠΈΠΉ ΠΈ ΡΠΆΠ°Π²ΡΠΈΠ½Ρ, Ρ ΡΠΎΠΌΠΈΡΠΎΠ²Π°Π½ΠΈΠ΅, ΡΠ»ΠΈΡΠΎΠ²ΠΊΠ°, ΠΏΠΎΠ»ΠΈΡΠΎΠ²ΠΊΠ°, Π΄ΠΎΠΏΠΎΠ»Π½ΠΈΡΠ΅Π»ΡΠ½Π°Ρ Π·Π°ΡΠΈΡΠ° ΠΎΡ ΠΊΠΎΡΡΠΎΠ·ΠΈΠΈ.
Β Β Β 2. ΠΠ°ΠΌΠ΅Π½Π° Π²ΡΠ΅Ρ ΡΠ°Π»ΡΠ½ΠΈΠΊΠΎΠ², Π²ΡΡΠ»ΠΎΠΊ ΠΈ ΡΠ΅ΡΠ»ΠΎΠ½ΠΎΠ²ΡΡ ΠΊΠΎΠ»Π΅Ρ.
Β Β Β 3. ΠΠΈΠ»ΡΠ·ΠΎΠ²Π°Π½ΠΈΠ΅ ΡΠ°ΡΠΏΡΠ΅Π΄Π΅Π»ΠΈΡΠ΅Π»Ρ.
Β Β Β 4. ΠΠΎ Π½Π΅ΠΎΠ±Ρ ΠΎΠ΄ΠΈΠΌΠΎΡΡΠΈ — Π·Π°ΠΌΠ΅Π½Π° ΡΡΠ»Π΅Π²ΠΎΠ³ΠΎ ΡΡΠΎΠΊΠ° Π½Π° Π½ΠΎΠ²ΡΠΉ ΠΈΠ»ΠΈ ΠΈΡΠΏΡΠ°Π²Π½ΡΠΉ Π±/Ρ.
Β Β Β ΠΠΎΡΠ»Π΅ Π²ΡΠΏΠΎΠ»Π½Π΅Π½ΠΈΡ ΡΠ±ΠΎΡΠΊΠΈ ΠΈ ΡΠ΅Π³ΡΠ»ΠΈΡΠΎΠ²ΠΊΠΈ ΡΡΠ»Π΅Π²ΡΡ ΡΠ΅ΠΉΠΊΡ ΠΏΡΠΎΠ²Π΅ΡΡΡΡ Π½Π° ΡΠΏΠ΅ΡΠΈΠ°Π»ΡΠ½ΠΎΠΌ ΠΈΡΠΏΡΡΠ°ΡΠ΅Π»ΡΠ½ΠΎΠΌ ΡΡΠ΅Π½Π΄Π΅ ΠΏΠΎΠ΄ Π΄Π°Π²Π»Π΅Π½ΠΈΠ΅ΠΌ, ΠΏΡΠ΅Π²ΡΡΠ°ΡΡΠ΅ΠΌ Π½ΠΎΠΌΠΈΠ½Π°Π»ΡΠ½ΠΎΠ΅.
Β Β Β ΠΠ½Π΅ΡΠ½ΠΈΠΌ ΠΎΡΠΌΠΎΡΡΠΎΠΌ Π²ΡΡΠ²Π»ΡΠ΅ΡΡΡ ΠΎΡΡΡΡΡΡΠ²ΠΈΠ΅ ΠΏΡΠΎΡΠ΅ΡΠ΅ΠΊ ΠΈ ΠΏΠΎΠ΄ΡΠ΅ΠΊΠ°Π½ΠΈΠΉ, ΠΏΠΎΡΠ»Π΅ ΡΠ΅Π³ΠΎ Π²ΡΠΏΠΎΠ»Π½ΡΠ΅ΡΡΡ ΠΎΠΊΠΎΠ½ΡΠ°ΡΠ΅Π»ΡΠ½Π°Ρ ΡΠ±ΠΎΡΠΊΠ°:
Β Β Β — ΡΡΡΠ°Π½Π°Π²Π»ΠΈΠ²Π°ΡΡΡΡ ΡΡΠ³ΠΈ;
Β Β Β — Π½Π°Π΄Π΅Π²Π°ΡΡΡΡ ΠΏΡΠ»ΡΠ½ΠΈΠΊΠΈ;
Β Β Β — Π½Π°ΠΊΡΡΡΠΈΠ²Π°ΡΡΡΡ Π½Π°ΠΊΠΎΠ½Π΅ΡΠ½ΠΈΠΊΠΈ ΡΡΠ³.
Β Β Β ΠΠΎΡΠ»Π΅ ΡΡΡΠ°Π½ΠΎΠ²ΠΊΠΈ ΡΠ΅ΠΉΠΊΠΈ Π½Π° Π°Π²ΡΠΎΠΌΠΎΠ±ΠΈΠ»Ρ ΠΏΡΠΎΠ²ΠΎΠ΄ΠΈΡΡΡ ΠΏΡΠΎΠΊΠ°ΡΠΊΠ° Π³ΠΈΠ΄ΡΠΎΡΠΈΡΡΠ΅ΠΌΡ.
Β Β Β Π‘Π’Π Π΄Π°Π΅Ρ Π³Π°ΡΠ°Π½ΡΠΈΡ Π½Π° Π²ΡΠΏΠΎΠ»Π½Π΅Π½Π½ΡΠ΅ ΡΠ°Π±ΠΎΡΡ. Π‘ΡΠΎΠΊ Π³Π°ΡΠ°Π½ΡΠΈΠΈ — ΠΎΡ 6 ΠΌΠ΅ΡΡΡΠ΅Π² Π΄ΠΎ 2 Π»Π΅Ρ.
Β Β Β
Β Β Β ΠΠ½ΠΈΠΌΠ°Π½ΠΈΠ΅!
Β Β Β 1. ΠΠΎΡΠ»Π΅ ΡΠ΅ΠΌΠΎΠ½ΡΠ°, Π·Π°ΠΌΠ΅Π½Ρ ΡΡΠ»Π΅Π²ΠΎΠΉ ΡΠ΅ΠΉΠΊΠΈ Π² ΠΎΠ±ΡΠ·Π°ΡΠ΅Π»ΡΠ½ΠΎΠΌ ΠΏΠΎΡΡΠ΄ΠΊΠ΅ ΠΏΡΠΎΠ²ΠΎΠ΄ΠΈΡΡΡ ΡΠ΅Π³ΡΠ»ΠΈΡΠΎΠ²ΠΊΠ° ΡΠ°Π·Π²Π°Π»Π° ΠΈ ΡΡ ΠΎΠΆΠ΄Π΅Π½ΠΈΡ.
Β Β Β 2. ΠΠΎΡΠ»Π΅ ΡΠ΅ΠΌΠΎΠ½ΡΠ° ΡΠ»Π΅ΠΌΠ΅Π½ΡΠΎΠ² Π³ΠΈΠ΄ΡΠΎΡΠΈΡΡΠ΅ΠΌΡ Π²ΡΠΏΠΎΠ»Π½ΡΠ΅ΡΡΡ Π·Π°ΠΌΠ΅Π½Π° ΡΠ°Π±ΠΎΡΠ΅ΠΉ ΠΆΠΈΠ΄ΠΊΠΎΡΡΠΈ. ΠΡΠ»ΠΈ ΡΠΈΡΡΠ΅ΠΌΠ° ΠΠ£Π Π°Π²ΡΠΎΠΌΠΎΠ±ΠΈΠ»Ρ ΠΎΠ±ΠΎΡΡΠ΄ΠΎΠ²Π°Π½Π° Π³ΠΈΠ΄ΡΠΎΡΠΈΠ»ΡΡΡΠΎΠΌ, Π΅Π³ΠΎ ΡΠ°ΠΊΠΆΠ΅ Π½Π΅ΠΎΠ±Ρ ΠΎΠ΄ΠΈΠΌΠΎ Π·Π°ΠΌΠ΅Π½ΠΈΡΡ.
Β Β Β ΠΠ΅ΠΊΠΎΡΠΎΡΡΠ΅ ΠΌΠΎΠ΄Π΅Π»ΠΈ Π°Π²ΡΠΎΠΌΠΎΠ±ΠΈΠ»Π΅ΠΉ ΠΈΠΌΠ΅ΡΡ ΡΠΈΠ»ΡΡΡ ΡΠ°Π±ΠΎΡΠ΅ΠΉ ΠΆΠΈΠ΄ΠΊΠΎΡΡΠΈ, Π²ΡΡΡΠΎΠ΅Π½Π½ΡΠΉ Π² ΠΊΠΎΠΌΠΏΠ΅Π½ΡΠ°ΡΠΈΠΎΠ½Π½ΡΠΉ Π±Π°ΠΊ. ΠΠ΅ΡΠ΅Π΄ Π·Π°Π»ΠΈΠ²ΠΊΠΎΠΉ ΡΠ²Π΅ΠΆΠ΅ΠΉ ΡΠ°Π±ΠΎΡΠ΅ΠΉ ΠΆΠΈΠ΄ΠΊΠΎΡΡΠΈ Π²ΡΡΡΠΎΠ΅Π½Π½ΡΠΉ ΡΠΈΠ»ΡΡΡ ΡΠ»Π΅Π΄ΡΠ΅Ρ ΡΡΠ°ΡΠ΅Π»ΡΠ½ΠΎ ΠΏΡΠΎΠΌΡΡΡ. ΠΠ°ΡΠ°ΡΡΡΡ Π΄Π»Ρ ΡΡΠΎΠ³ΠΎ Π±Π°ΡΠ΅ΠΊ ΠΏΡΠΈΡ
ΠΎΠ΄ΠΈΡΡΡ ΡΠ½ΠΈΠΌΠ°ΡΡ. ΠΡΠ»ΠΈ ΡΡΠΎ ΠΏΠΎ ΠΊΠ°ΠΊΠΎΠΉ-Π»ΠΈΠ±ΠΎ ΠΏΡΠΈΡΠΈΠ½Π΅ Π½Π΅Π²ΠΎΠ·ΠΌΠΎΠΆΠ½ΠΎ, Π±Π°ΠΊ Π½ΡΠΆΠ½ΠΎ Π·Π°ΠΌΠ΅Π½ΠΈΡΡ Π½Π° Π½ΠΎΠ²ΡΠΉ.
Β Β Β ΠΠ°ΠΊ Π·Π°ΡΠΈΡΠΈΡΡ ΡΡΠ»Π΅Π²ΡΡ ΡΠ΅ΠΉΠΊΡ ΠΎΡ ΠΏΠΎΠ»ΠΎΠΌΠΊΠΈ
Β Β Β ΠΡΠΎΠ΄Π»ΠΈΡΡ ΠΆΠΈΠ·Π½Ρ ΡΡΠ»Π΅Π²ΠΎΠΉ ΡΠ΅ΠΉΠΊΠΈ Π»Π΅Π³ΠΊΠΎ. ΠΠ»Ρ ΡΡΠΎΠ³ΠΎ ΡΠ»Π΅Π΄ΡΠ΅Ρ Π²ΡΠΏΠΎΠ»Π½ΡΡΡ Π½Π΅ΠΊΠΎΡΠΎΡΡΠ΅ ΠΏΡΠ°Π²ΠΈΠ»Π°:
Β Β Β 1. ΠΠ΅ Π²ΡΠ²ΠΎΡΠ°ΡΠΈΠ²Π°ΠΉΡΠ΅ ΡΡΠ»Ρ Π΄ΠΎ ΡΠΏΠΎΡΠ° — Π²ΡΠ΅Π³Π΄Π° ΠΎΡΡΠ°Π²Π»ΡΠΉΡΠ΅ Π½Π΅Π±ΠΎΠ»ΡΡΠΎΠΉ Π·Π°ΠΏΠ°Ρ.
Β Β Β 2. ΠΠ΅ ΡΡΠ°Π²ΡΡΠ΅ ΠΌΠ°ΡΠΈΠ½Ρ Π½Π° ΡΡΠΎΡΠ½ΠΊΠ΅ Ρ Π²ΡΠ²Π΅ΡΠ½ΡΡΡΠΌΠΈ ΠΊΠΎΠ»Π΅ΡΠ°ΠΌΠΈ.
Β Β Β 3. Π‘ ΠΎΡΡΠΎΡΠΎΠΆΠ½ΠΎΡΡΡΡ ΠΏΠ΅ΡΠ΅ΠΌΠ΅ΡΠ°ΠΉΡΠ΅ΡΡ ΠΏΠΎ ΡΠ°Π·Π±ΠΈΡΡΠΌ Π΄ΠΎΡΠΎΠ³Π°ΠΌ. ΠΡΠ΅ΠΎΠ΄ΠΎΠ»Π΅Π½ΠΈΠ΅ Π½Π° Π²ΡΡΠΎΠΊΠΎΠΉ ΡΠΊΠΎΡΠΎΡΡΠΈ Π΄Π°ΠΆΠ΅ Π½Π΅Π±ΠΎΠ»ΡΡΠΈΡ ΡΡ Π°Π±ΠΎΠ² Π·Π½Π°ΡΠΈΡΠ΅Π»ΡΠ½ΠΎ ΡΠ½ΠΈΠΆΠ°Π΅Ρ ΡΠ΅ΡΡΡΡ ΡΠ΅ΠΉΠΊΠΈ.
Β Β Β 4. ΠΡΠ»ΠΈ Π°Π²ΡΠΎΠΌΠΎΠ±ΠΈΠ»Ρ ΠΎΡΠ½Π°ΡΠ΅Π½ ΠΠ£Π , ΡΠ»Π΅Π΄ΠΈΡΠ΅ Π·Π° ΡΡΠΎΠ²Π½Π΅ΠΌ ΠΆΠΈΠ΄ΠΊΠΎΡΡΠΈ Π² Π±Π°ΡΠΊΠ΅. ΠΠΎΠ½ΡΡΠΎΠ»ΠΈΡΡΠΉΡΠ΅ ΡΠΎΡΡΠΎΡΠ½ΠΈΠ΅ ΡΠ°Π±ΠΎΡΠ΅ΠΉ ΠΆΠΈΠ΄ΠΊΠΎΡΡΠΈ, Π²ΠΎΠ²ΡΠ΅ΠΌΡ ΠΌΠ΅Π½ΡΠΉΡΠ΅ Π΅Π΅, ΠΈΡΠΏΠΎΠ»ΡΠ·ΡΠΉΡΠ΅ ΡΠΎΠ»ΡΠΊΠΎ ΡΠ΅ΠΊΠΎΠΌΠ΅Π½Π΄ΠΎΠ²Π°Π½Π½ΡΡ ΠΏΡΠΎΠΈΠ·Π²ΠΎΠ΄ΠΈΡΠ΅Π»Π΅ΠΌ PSF.
Β Β Β 5. ΠΠ΅ Π·Π°Π±ΡΠ²Π°ΠΉΡΠ΅ ΠΊΠΎΠ½ΡΡΠΎΠ»ΠΈΡΠΎΠ²Π°ΡΡ ΡΠΎΡΡΠΎΡΠ½ΠΈΠ΅ ΠΏΡΠ»ΡΠ½ΠΈΠΊΠΎΠ². ΠΠ°ΠΆΠ΅ Π½Π΅Π±ΠΎΠ»ΡΡΠΎΠ΅ ΠΏΠΎΠ²ΡΠ΅ΠΆΠ΄Π΅Π½ΠΈΠ΅ ΠΏΡΠ»ΡΠ½ΠΈΠΊΠ° ΡΡΠ΅Π±ΡΠ΅Ρ Π΅Π³ΠΎ Π½Π΅Π·Π°ΠΌΠ΅Π΄Π»ΠΈΡΠ΅Π»ΡΠ½ΠΎΠΉ Π·Π°ΠΌΠ΅Π½Ρ.
Β Β Β ΠΠ΄ΠΈΠ½ ΠΈΠ· ΡΠ°ΠΊΡΠΎΡΠΎΠ², ΡΠ΅ΡΡΠ΅Π·Π½ΠΎ Π²Π»ΠΈΡΡΡΠΈΡ Π½Π° ΡΡΠΎΠΊ ΡΠ»ΡΠΆΠ±Ρ ΡΠ΅ΠΉΠΊΠΈ — ΡΡΠΈΠ»Ρ Π΅Π·Π΄Ρ. ΠΠΊΡΡΡΠ΅ΠΌΠ°Π»ΡΠ½Π°Ρ Π΅Π·Π΄Π° ΠΏΠΎ Π±Π΅Π·Π΄ΠΎΡΠΎΠΆΡΡ — Π·Π°Π»ΠΎΠ³ ΠΏΡΠΎΡΠ²Π΅ΡΠ°Π½ΠΈΡ Π°Π²ΡΠΎΡΠ΅ΡΠ²ΠΈΡΠ°.
Π£ΡΡΡΠΎΠΉΡΡΠ²ΠΎ ΡΡΠ»Π΅Π²ΠΎΠΉ ΡΠ΅ΠΉΠΊΠΈ ΠΈ ΠΎΡΠ½ΠΎΠ²Π½ΡΠ΅ Π½Π΅ΠΏΠΎΠ»Π°Π΄ΠΊΠΈ ΠΌΠ΅Ρ Π°Π½ΠΈΠ·ΠΌΠ°
Π Π½Π΅ΠΊΠΎΡΠΎΡΡΡ
Π°Π²ΡΠΎΠΌΠΎΠ±ΠΈΠ»ΡΡ
ΠΎΠ΄Π½ΠΈΠΌ ΠΈΠ· Π½Π°ΠΈΠ±ΠΎΠ»Π΅Π΅ ΠΏΠΎΠ΄Π²Π΅ΡΠΆΠ΅Π½Π½ΡΡ
ΠΏΠΎΠ»ΠΎΠΌΠΊΠ°ΠΌ ΠΌΠ΅Ρ
Π°Π½ΠΈΠ·ΠΌΠΎΠ² ΡΠ²Π»ΡΠ΅ΡΡΡ ΡΡΠ»Π΅Π²Π°Ρ ΡΠ΅ΠΉΠΊΠ°.
ΠΡΠΎΡ ΡΠ·Π΅Π» Π²ΡΡΠ΄ Π»ΠΈ ΠΌΠΎΠΆΠ½ΠΎ ΡΡΠΈΡΠ°ΡΡ Π΄ΠΎΡΡΠ°ΡΠΎΡΠ½ΠΎ Π½Π°Π΄Π΅ΠΆΠ½ΡΠΌ ΠΏΡΠ°ΠΊΡΠΈΡΠ΅ΡΠΊΠΈ Π² Π»ΡΠ±ΠΎΠΌ Π°Π²ΡΠΎ, ΠΏΠΎΡΠΊΠΎΠ»ΡΠΊΡ Π½Π° Π½Π΅Π³ΠΎ Π²ΡΠ΅Π³Π΄Π° ΠΏΡΠΈΡ
ΠΎΠ΄ΠΈΡΡΡ Π½Π΅ΠΌΠ°Π»Π°Ρ Π½Π°Π³ΡΡΠ·ΠΊΠ°. ΠΡΠ΅ Π½Π΅ΡΠΎΠ²Π½ΠΎΡΡΠΈ Π΄ΠΎΡΠΎΠ³ΠΈ ΠΏΡΠ΅ΠΊΡΠ°ΡΠ½ΠΎ ΠΏΠ΅ΡΠ΅Π΄Π°ΡΡΡΡ Π½Π° ΡΠ΅ΠΉΠΊΡ ΠΏΠΎΡΡΠ΅Π΄ΡΡΠ²ΠΎΠΌ ΡΡΠ»Π΅Π²ΡΡ
ΡΡΠ³, Π° Π½Π΅ΡΠ²Π½ΡΠ΅ Π΄Π²ΠΈΠΆΠ΅Π½ΠΈΡ ΡΡΠ»Π΅Π²ΠΎΠ³ΠΎ ΠΊΠΎΠ»Π΅ΡΠ° Π²ΠΎΠ΄ΠΈΡΠ΅Π»Ρ Π΄ΠΎΠ±ΠΈΠ²Π°ΡΡ ΠΌΠ΅Ρ
Π°Π½ΠΈΠ·ΠΌ Ρ Π΄ΡΡΠ³ΠΎΠΉ ΡΡΠΎΡΠΎΠ½Ρ. Π’Π°ΠΊ ΡΡΠΎ Π½Π°Π΄Π΅ΡΡΡΡΡ Π½Π° Π΄ΠΎΠ»Π³ΠΎΠ²Π΅ΡΠ½ΡΡ ΡΠ°Π±ΠΎΡΡ Π΄Π°ΠΆΠ΅ ΡΠ°ΠΌΡΡ
ΠΊΠ°ΡΠ΅ΡΡΠ²Π΅Π½Π½ΡΡ
ΡΠ΅Π΅ΠΊ Π½Π΅ ΡΡΠΎΠΈΡ. Π‘Π΅Π³ΠΎΠ΄Π½Ρ ΡΡΠ΅Π΄ΠΈ Π²Π»Π°Π΄Π΅Π»ΡΡΠ΅Π² Π±Π°Π²Π°ΡΡΠΊΠΈΡ
Π°Π²ΡΠΎΠΌΠΎΠ±ΠΈΠ»Π΅ΠΉ ΠΌΠ°ΡΠΊΠΈ BMW Π΄Π°ΠΆΠ΅ Ρ
ΠΎΠ΄ΡΡ ΡΠ°Π·Π³ΠΎΠ²ΠΎΡΡ ΠΎ ΡΠΎΠΌ, ΠΊΡΠΎ ΡΠΊΠΎΠ»ΡΠΊΠΎ ΡΠ΅Π΅ΠΊ ΠΏΠΎΠΌΠ΅Π½ΡΠ» Π·Π° Π²ΡΠ΅ΠΌΡ ΡΠΊΡΠΏΠ»ΡΠ°ΡΠ°ΡΠΈΠΈ ΡΡΠ°Π½ΡΠΏΠΎΡΡΠ°. ΠΠ΅ΡΠΌΠΎΡΡΡ Π½Π° Π²ΡΡΠΎΠΊΡΡ Π½Π°Π΄Π΅ΠΆΠ½ΠΎΡΡΡ, ΠΌΠ΅Ρ
Π°Π½ΠΈΠ·ΠΌΡ Π±ΡΡΡΡΠΎ Π²ΡΡ
ΠΎΠ΄ΡΡ ΠΈΠ· ΡΡΡΠΎΡ ΠΈ ΡΡΠ΅Π±ΡΡΡ Π·Π°ΠΌΠ΅Π½Ρ.
ΠΡΠ»ΠΈ ΡΡΠ»Π΅Π²Π°Ρ ΡΠ΅ΠΉΠΊΠ° ΡΠ»ΠΎΠΌΠ°Π»Π°ΡΡ, ΡΠ΅ΠΌΠΎΠ½ΡΠΈΡΠΎΠ²Π°ΡΡ Π΅Π΅ ΠΏΡΠ°ΠΊΡΠΈΡΠ΅ΡΠΊΠΈ Π½Π΅ ΠΈΠΌΠ΅Π΅Ρ ΡΠΌΡΡΠ»Π°. ΠΠ° ΠΊΠΎΡΠΏΡΡΠ΅ Π² Π½Π΅ΠΊΠΎΡΠΎΡΡΡ
ΠΌΠ΅Ρ
Π°Π½ΠΈΠ·ΠΌΠ°Ρ
Π΅ΡΡΡ ΡΠ΅Π³ΡΠ»ΠΈΡΠΎΠ²ΠΎΡΠ½ΡΠ΅ Π±ΠΎΠ»ΡΡ, ΠΊΠΎΡΠΎΡΡΠ΅ ΠΏΠΎΠΌΠΎΠ³ΡΡ ΠΏΠΎΠ΄ΠΆΠ°ΡΡ ΡΠ΅ΠΉΠΊΡ Π² ΡΠ»ΡΡΠ°Π΅ Π΅Π΅ ΡΠ΅Π·ΠΊΠΎΠ³ΠΎ Π²ΡΡ
ΠΎΠ΄Π° ΠΈΠ· ΡΡΡΠΎΡ ΠΈ Π΄ΠΎΠ΅Ρ
Π°ΡΡ Π΄ΠΎ Π‘Π’Π. Π’Π°ΠΊΠ°Ρ Π½Π°ΡΡΡΠΎΠΉΠΊΠ° ΠΏΠΎΠ·Π²ΠΎΠ»ΠΈΡ Π½Π΅ΡΠΊΠΎΠ»ΡΠΊΠΎ ΡΠ½ΡΡΡ Π»ΡΡΡ ΠΈ Π½Π° ΠΊΠΎΡΠΎΡΠΊΠΎΠ΅ Π²ΡΠ΅ΠΌΡ ΠΈΡΠΏΡΠ°Π²ΠΈΡΡ Π½Π΅ΠΏΠΎΠ»Π°Π΄ΠΊΡ. ΠΠΎ ΡΠ΅ΡΠΈΡΡ ΡΠ°ΠΊΠΈΠΌ ΠΎΠ±ΡΠ°Π·ΠΎΠΌ ΠΏΡΠΎΠ±Π»Π΅ΠΌΡ Π½Π΅Π²ΠΎΠ·ΠΌΠΎΠΆΠ½ΠΎ. Π ΠΎΡΠ΅Π½Ρ ΡΠΊΠΎΡΠΎΠΌ Π²ΡΠ΅ΠΌΠ΅Π½ΠΈ ΡΠ΅ΠΉΠΊΠ° ΡΠ½ΠΎΠ²Π° ΠΏΠΎΠΊΠ°ΠΆΠ΅Ρ ΡΠ²ΠΎΠ΅ ΡΠ»ΠΎΠΌΠ°Π½Π½ΠΎΠ΅ Π½ΡΡΡΠΎ ΠΈ Π±ΡΠ΄Π΅Ρ ΠΎΡΡΡΠ²Π»Π΅Π½Π½ΠΎ ΡΡΠ΅Π±ΠΎΠ²Π°ΡΡ Π·Π°ΠΌΠ΅Π½Ρ.
ΠΠΎΠ½ΡΡΡΡΠΊΡΠΈΡ ΠΈ ΠΎΡΠΎΠ±Π΅Π½Π½ΠΎΡΡΠΈ ΡΠΊΡΠΏΠ»ΡΠ°ΡΠ°ΡΠΈΠΈ ΡΡΠ»Π΅Π²ΠΎΠΉ ΡΠ΅ΠΉΠΊΠΈ
Π‘ΡΡΠ΅ΡΡΠ²ΡΠ΅Ρ Π½Π΅ΡΠΊΠΎΠ»ΡΠΊΠΎ ΡΠ°Π·Π½ΠΎΠ²ΠΈΠ΄Π½ΠΎΡΡΠ΅ΠΉ ΠΈΡΠΏΠΎΠ»ΡΠ·ΡΠ΅ΠΌΡΡ ΡΠ΅Π³ΠΎΠ΄Π½Ρ ΠΊΠΎΠ½ΡΡΡΡΠΊΡΠΈΠΉ ΡΡΠ»Π΅Π²ΡΡ ΡΠ΅Π΅ΠΊ. ΠΠ΅Ρ Π°Π½ΠΈΡΠ΅ΡΠΊΠΈΠΉ Π²Π°ΡΠΈΠ°Π½Ρ ΠΏΡΠΈΠΌΠ΅Π½ΡΠ΅ΡΡΡ ΠΎΡΠ΅Π½Ρ ΡΠ΅Π΄ΠΊΠΎ Π½Π° Π½ΠΎΠ²ΡΡ Π°Π²ΡΠΎ, Π½ΠΎ ΡΡΠ°ΡΡΠ΅ Π°Π²ΡΠΎΠΌΠΎΠ±ΠΈΠ»ΠΈ Π±Π΅Π· ΡΡΠΈΠ»ΠΈΡΠ΅Π»Π΅ΠΉ ΡΡΠ»Ρ ΠΈ ΠΏΡΠΎΡΠΈΡ ΡΡΠ½ΠΊΡΠΈΠΉ ΡΡΠ»Π΅Π²ΠΎΠ³ΠΎ ΡΠΏΡΠ°Π²Π»Π΅Π½ΠΈΡ ΠΎΠ±Π»Π°Π΄Π°ΡΡ ΠΈΠΌΠ΅Π½Π½ΠΎ ΡΠ°ΠΊΠΈΠΌ ΠΌΠ΅Ρ Π°Π½ΠΈΠ·ΠΌΠΎΠΌ. ΠΠ°ΠΈΠ±ΠΎΠ»Π΅Π΅ ΡΠ°ΡΠΏΡΠΎΡΡΡΠ°Π½Π΅Π½Π½Π°Ρ — Π³ΠΈΠ΄ΡΠ°Π²Π»ΠΈΡΠ΅ΡΠΊΠ°Ρ ΡΠ΅ΠΉΠΊΠ°, ΠΊ ΠΊΠΎΡΠΎΡΠΎΠΉ ΡΠ°ΠΊΠΆΠ΅ ΠΊΠΎΠΌΠΏΠ»Π΅ΠΊΡΠΎΠΌ ΠΈΡΠΏΠΎΠ»ΡΠ·ΡΠ΅ΡΡΡ Π³ΠΈΠ΄ΡΠ°Π²Π»ΠΈΡΠ΅ΡΠΊΠΈΠΉ ΡΡΠΈΠ»ΠΈΡΠ΅Π»Ρ ΡΡΠ»Π΅Π²ΠΎΠ³ΠΎ ΡΠΏΡΠ°Π²Π»Π΅Π½ΠΈΡ (ΠΠ£Π ).
Π‘ΡΡΠ΅ΡΡΠ²ΡΠ΅Ρ ΠΈ ΡΡΠ΅ΡΠΈΠΉ ΡΠΈΠΏ ΡΠ΅Π΅ΠΊ ΡΡΠ»Π΅Π²ΠΎΠ³ΠΎ ΡΠΏΡΠ°Π²Π»Π΅Π½ΠΈΡ — ΡΠ»Π΅ΠΊΡΡΠΈΡΠ΅ΡΠΊΠΈΠΉ. Π Π΄Π°Π½Π½ΠΎΠΌ ΡΠ»ΡΡΠ°Π΅ Π² ΡΠΈΡΡΠ΅ΠΌΠ΅ ΠΎΡΡΡΡΡΡΠ²ΡΠ΅Ρ Π³ΠΈΠ΄ΡΠ°Π²Π»ΠΈΠΊΠ°, Π° Π²ΠΎΠ΄ΠΈΡΠ΅Π»Ρ ΠΏΠΎΠΌΠΎΠ³Π°Π΅Ρ ΡΠ»Π΅ΠΊΡΡΠΎΠ΄Π²ΠΈΠ³Π°ΡΠ΅Π»Ρ. ΠΡΠΎ ΠΎΠΏΡΠΈΠΌΠ°Π»ΡΠ½Π°Ρ ΠΊΠΎΠ½ΡΡΡΡΠΊΡΠΈΡ Π΄Π»Ρ ΡΠ°Π·Π»ΠΈΡΠ½ΡΡ ΡΡΠ»ΠΎΠ²ΠΈΠΉ ΠΊΠ»ΠΈΠΌΠ°ΡΠ°, Π½ΠΎ ΠΎΠ½Π° Π·Π°ΡΠ°ΡΡΡΡ ΡΠ»ΠΈΡΠΊΠΎΠΌ Π΄ΠΎΡΠΎΠ³Π°Ρ. Π ΡΠ»Π΅Π²Π°Ρ ΡΠ΅ΠΉΠΊΠ° Π·Π°ΡΠ°ΡΡΡΡ ΡΠ°ΡΠΏΠΎΠ»Π°Π³Π°Π΅ΡΡΡ Π·Π° Π΄Π²ΠΈΠ³Π°ΡΠ΅Π»Π΅ΠΌ ΠΈ ΠΊΡΠ΅ΠΏΠΈΡΡΡ Π½Π° ΠΊΡΠ·ΠΎΠ²Π΅, Π½ΠΎ Π±ΡΠ²Π°ΡΡ ΠΈ Π΄ΡΡΠ³ΠΈΠ΅ Π²Π°ΡΠΈΠ°Π½ΡΡ. ΠΡΠ½ΠΎΠ²Π½ΡΠ΅ ΡΠΎΡΡΠ°Π²Π½ΡΠ΅ ΡΠ°ΡΡΠΈ ΠΌΠ΅Ρ Π°Π½ΠΈΠ·ΠΌΠ° ΡΠ΅ΠΉΠΊΠΈ ΡΠ»Π΅Π΄ΡΡΡΠΈΠ΅:
- ΠΊΠ°ΡΡΠ΅Ρ, ΠΊΠΎΡΠΎΡΡΠΉ ΡΠ°ΡΡΠΈ ΡΠ°ΠΊΠΆΠ΅ ΠΈΠΌΠ΅Π½ΡΡΡ ΠΊΠΎΡΠΏΡΡΠΎΠΌ, ΠΈΠ·Π³ΠΎΡΠΎΠ²Π»Π΅Π½ ΠΈΠ· Π°Π»ΡΠΌΠΈΠ½ΠΈΠ΅Π²ΠΎΠ³ΠΎ ΡΠΏΠ»Π°Π²Π° ΠΈΠ»ΠΈ Π΄ΡΡΠ³ΠΎΠ³ΠΎ Π»Π΅Π³ΠΊΠΎΠ³ΠΎ ΠΌΠ΅ΡΠ°Π»Π»Π°, ΡΠΎΠ΄Π΅ΡΠΆΠΈΡ Π² ΡΠ΅Π±Π΅ Π²ΡΠ΅ Π½Π΅ΠΎΠ±Ρ ΠΎΠ΄ΠΈΠΌΡΠ΅ ΡΠ°ΡΡΠΈ ΡΠ΅ΠΉΠΊΠΈ;
- ΡΠ΅ΡΡΠ΅ΡΠ½Ρ ΠΈ Π·ΡΠ±ΡΠ°ΡΠ°Ρ ΠΏΠ»Π°Π½ΠΊΠ°, ΠΊΠΎΡΠΎΡΡΠ΅ ΠΎΠ±Π΅ΡΠΏΠ΅ΡΠΈΠ²Π°ΡΡ Π½Π΅ΠΏΠΎΡΡΠ΅Π΄ΡΡΠ²Π΅Π½Π½ΠΎΠ΅ ΡΠΏΡΠ°Π²Π»Π΅Π½ΠΈΠ΅ ΠΊΠΎΠ»Π΅ΡΠ°ΠΌΠΈ, ΠΏΠ΅ΡΠ΅Π΄Π°ΡΡ ΡΡΠΈΠ»ΠΈΡ ΠΎΡ ΡΡΠ»Ρ ΠΊ ΡΡΠ»Π΅Π²ΡΠΌ ΡΡΠ³Π°ΠΌ;
- ΡΠΈΡΡΠ΅ΠΌΠ° ΠΏΡΡΠΆΠΈΠ½, ΠΎΠ±Π΅ΡΠΏΠ΅ΡΠΈΠ²Π°ΡΡΠ°Ρ ΠΏΠ»ΠΎΡΠ½ΠΎΠ΅ ΠΏΡΠΈΠ»Π΅Π³Π°Π½ΠΈΠ΅ ΡΠ΅ΠΉΠΊΠΈ ΠΊ ΡΠ΅ΡΡΠ΅ΡΠ½Π΅, ΠΏΡΠΈ Π½ΠΎΡΠΌΠ°Π»ΡΠ½ΠΎΠΌ ΡΠΎΡΡΠΎΡΠ½ΠΈΠΈ ΠΏΡΡΠΆΠΈΠ½ ΠΏΡΠ°ΠΊΡΠΈΡΠ΅ΡΠΊΠΈ ΠΎΡΡΡΡΡΡΠ²ΡΠ΅Ρ ΡΠ²ΠΎΠ±ΠΎΠ΄Π½ΡΡ Ρ ΠΎΠ΄ ΡΡΠ»Π΅Π²ΠΎΠ³ΠΎ ΠΊΠΎΠ»Π΅ΡΠ°;
- ΠΏΠΎΠ΄ΡΠΈΠΏΠ½ΠΈΠΊΠΈ, Π² ΠΊΠΎΡΠΎΡΡΡ Ρ ΠΎΠ΄ΠΈΡ ΡΠ΅ΠΉΠΊΠ°, Π° ΡΠ°ΠΊΠΆΠ΅ ΠΎΠ³ΡΠ°Π½ΠΈΡΠΈΡΠ΅Π»ΠΈ, ΠΊΠΎΡΠΎΡΡΠ΅ ΠΎΠΏΡΠ΅Π΄Π΅Π»ΡΡΡ ΠΏΠ°ΡΠ°ΠΌΠ΅ΡΡΡ Ρ ΠΎΠ΄Π° ΡΡΠ»Π΅Π²ΠΎΠΉ ΡΠ΅ΠΉΠΊΠΈ ΠΎΡ ΠΎΠ΄Π½ΠΎΠ³ΠΎ ΠΊΡΠ°Ρ Π΄ΠΎ Π²ΡΠΎΡΠΎΠ³ΠΎ;
- ΡΡΠ»Π΅Π²ΡΠ΅ ΡΡΠ³ΠΈ, ΠΏΡΠΈΠΊΡΠ΅ΠΏΠ»Π΅Π½Π½ΡΠ΅ ΠΊ Π²ΡΠ΄Π²ΠΈΠΆΠ½ΡΠΌ ΠΌΠ΅Ρ Π°Π½ΠΈΠ·ΠΌΠ°ΠΌ ΡΠ΅ΠΉΠΊΠΈ, Π° ΡΠ°ΠΊΠΆΠ΅ Π½Π°ΠΊΠΎΠ½Π΅ΡΠ½ΠΈΠΊΠΈ, Ρ ΠΏΠΎΠΌΠΎΡΡΡ ΠΊΠΎΡΠΎΡΡΡ ΠΈ ΠΏΡΠΎΠΈΡΡ ΠΎΠ΄ΠΈΡ Π½Π΅ΠΏΠΎΡΡΠ΅Π΄ΡΡΠ²Π΅Π½Π½ΡΠΉ ΠΏΠΎΠ²ΠΎΡΠΎΡ ΠΊΠΎΠ»Π΅ΡΠ°;
- ΠΏΡΠΈ Π½Π°Π»ΠΈΡΠΈΠΈ ΡΠ°ΠΊΠΎΠΉ ΠΎΠΏΡΠΈΠΈ Π² Π°Π²ΡΠΎΠΌΠΎΠ±ΠΈΠ»Π΅, ΠΠ£Π , ΠΏΠΎΠΌΠΎΠ³Π°ΡΡΠΈΠΉ Π²ΠΎΠ΄ΠΈΡΠ΅Π»Ρ Π±Π΅Π· ΡΡΠΈΠ»ΠΈΠΉ ΠΏΠΎΠ²ΠΎΡΠ°ΡΠΈΠ²Π°ΡΡ ΠΊΠΎΠ»Π΅ΡΠ° Π² Π½ΡΠΆΠ½ΡΡ ΡΡΠΎΡΠΎΠ½Ρ.

Π Π΅ΠΉΠΊΠ° Ρ ΡΠ°Π·Π½ΡΡ ΠΏΡΠΎΠΈΠ·Π²ΠΎΠ΄ΠΈΡΠ΅Π»Π΅ΠΉ ΠΌΠΎΠΆΠ΅Ρ ΠΎΠ±Π»Π°Π΄Π°ΡΡ ΡΠ°Π·Π»ΠΈΡΠ½ΠΎΠΉ ΠΊΠΎΠ½ΡΡΡΡΠΊΡΠΈΠ΅ΠΉ. Π£ ΡΠΏΠΎΠΌΡΠ½ΡΡΠΎΠΉ Π½Π°ΠΌΠΈ ΠΊΠΎΠΌΠΏΠ°Π½ΠΈΠΈ BMW, ΠΊ ΠΏΡΠΈΠΌΠ΅ΡΡ, Π΅ΡΡΡ ΠΏΠ°ΡΠ΅Π½Ρ Π½Π° Π²Π΅ΡΡΠΌΠ° Π·Π°Π½ΠΈΠΌΠ°ΡΠ΅Π»ΡΠ½ΠΎΠ΅ ΠΈΠ·ΠΎΠ±ΡΠ΅ΡΠ΅Π½ΠΈΠ΅. ΠΠΎΠΌΠΏΠ°Π½ΠΈΡ ΡΠΎΠ΅Π΄ΠΈΠ½ΠΈΠ»Π° ΡΡΠ»Π΅Π²ΡΡ ΡΠ΅ΠΉΠΊΡ ΠΈ ΠΏΠ»Π°Π½Π΅ΡΠ°ΡΠ½ΡΠΉ ΠΌΠ΅Ρ Π°Π½ΠΈΠ·ΠΌ, ΡΠ΅ΠΌ ΡΠΎΠ·Π΄Π°Π»Π° Π²ΠΎΠ·ΠΌΠΎΠΆΠ½ΠΎΡΡΡ Π°Π²ΡΠΎΠΌΠ°ΡΠΈΡΠ΅ΡΠΊΠΎΠΉ ΡΠΌΠ΅Π½Ρ Π½Π°ΡΡΡΠΎΠ΅ΠΊ ΡΠΏΡΠ°Π²Π»Π΅Π½ΠΈΡ ΠΏΡΠΈ ΡΠ²Π΅Π»ΠΈΡΠ΅Π½ΠΈΠΈ ΡΠΊΠΎΡΠΎΡΡΠΈ Π΄Π²ΠΈΠΆΠ΅Π½ΠΈΡ Π°Π²ΡΠΎΠΌΠΎΠ±ΠΈΠ»Ρ.
Π’Π°ΠΊΠΈΠ΅ ΡΠ°Π·ΡΠ°Π±ΠΎΡΠΊΠΈ ΠΏΠΎΠΌΠΎΠ³Π°ΡΡ ΠΏΠΎΠ»ΡΡΠΈΡΡ ΡΠ΄ΠΎΠ²ΠΎΠ»ΡΡΡΠ²ΠΈΠ΅ ΠΎΡ ΡΠΊΡΠΏΠ»ΡΠ°ΡΠ°ΡΠΈΠΈ Π°Π²ΡΠΎΠΌΠΎΠ±ΠΈΠ»Ρ, Π½ΠΎ ΠΏΡΠΈ ΠΏΠΎΠ΅Π·Π΄ΠΊΠ΅ ΠΏΠΎ ΠΏΠ»ΠΎΡ ΠΈΠΌ Π΄ΠΎΡΠΎΠ³Π°ΠΌ Π±ΡΡΡΡΠ΅Π΅ ΡΠ±ΠΈΠ²Π°ΡΡ ΠΌΠ΅Ρ Π°Π½ΠΈΠ·ΠΌ. ΠΠΎΡΠΎΠΌΡ ΠΏΡΠΈ ΠΏΠΎΠΊΡΠΏΠΊΠ΅ ΠΌΠ°ΡΠΈΠ½Ρ ΡΡΠΎΠΈΡ ΠΎΠ±ΡΠ°ΡΠΈΡΡ Π²Π½ΠΈΠΌΠ°Π½ΠΈΠ΅ Π½Π΅ ΡΠΎΠ»ΡΠΊΠΎ Π½Π° Π±ΠΎΠ³Π°ΡΡΡΠ²ΠΎ ΠΊΠΎΠΌΠΏΠ»Π΅ΠΊΡΠ°ΡΠΈΠΈ, Π½ΠΎ ΠΈ Π½Π° ΡΠΈΠΏ ΠΈ ΠΏΡΠ°ΠΊΡΠΈΡΠ½ΠΎΡΡΡ ΡΠ°ΠΊΠΈΡ ΠΌΠ΅Ρ Π°Π½ΠΈΠ·ΠΌΠΎΠ², ΠΊΠ°ΠΊ ΡΡΠ»Π΅Π²Π°Ρ ΡΠ΅ΠΉΠΊΠ°. ΠΠ΅Π΄Ρ ΠΏΡΠΈ Π½Π΅ΠΏΡΠ°Π²ΠΈΠ»ΡΠ½ΠΎΠΌ Π²ΡΠ±ΠΎΡΠ΅ ΠΏΡΠΈΠ΄Π΅ΡΡΡ ΠΏΠΎΡΡΠ°ΡΠΈΡΡ Π½Π΅ΠΌΠ°Π»ΠΎ Π΄Π΅Π½Π΅Π³ Π½Π° Π²ΠΎΡΡΡΠ°Π½ΠΎΠ²Π»Π΅Π½ΠΈΠ΅ ΠΌΠ°ΡΠΈΠ½Ρ ΠΏΠΎΡΠ»Π΅ ΠΏΠΎΠ»ΠΎΠΌΠΊΠΈ.
ΠΡΠΎΠ±Π΅Π½Π½ΠΎΡΡΠΈ ΡΠ°Π±ΠΎΡΡ ΡΡΠ»Π΅Π²ΠΎΠΉ ΡΠ΅ΠΉΠΊΠΈ Ρ ΠΠ£Π
ΠΠ΅Ρ
Π°Π½ΠΈΠ·ΠΌ ΡΡΠΈΠ»ΠΈΡΠ΅Π»Ρ ΡΡΠ»Ρ ΡΠ°ΡΡΠΈΡΠ½ΠΎ Π²ΡΡΡΠΎΠ΅Π½ Π² ΠΊΠ°ΡΡΠ΅Ρ ΡΡΠ»Π΅Π²ΠΎΠΉ ΡΠ΅ΠΉΠΊΠΈ. Π Π°Π±ΠΎΡΠ°Π΅Ρ ΠΎΠ½ ΡΠΎΠ»ΡΠΊΠΎ Π² ΡΠΎΠΌ ΡΠ»ΡΡΠ°Π΅, Π΅ΡΠ»ΠΈ Π·Π°ΠΏΡΡΠ΅Π½ ΡΠΈΠ»ΠΎΠ²ΠΎΠΉ Π°Π³ΡΠ΅Π³Π°Ρ. Π‘ ΠΏΠΎΠΌΠΎΡΡΡ ΡΠ΅ΠΌΠ΅Π½Π½ΠΎΠΉ ΠΏΠ΅ΡΠ΅Π΄Π°ΡΠΈ (ΠΈΠ½ΠΎΠ³Π΄Π° ΠΏΡΠΈΠΌΠ΅Π½ΡΡΡ Π΄ΡΡΠ³ΠΈΠ΅ Π²ΠΈΠ΄Ρ ΠΏΠ΅ΡΠ΅Π΄Π°ΡΠΈ ΠΊΡΡΡΡΡΠ΅Π³ΠΎ ΠΌΠΎΠΌΠ΅Π½ΡΠ°) Π²ΡΠΏΠΎΠ»Π½ΡΠ΅ΡΡΡ Π·Π°ΠΏΡΡΠΊ Π³ΠΈΠ΄ΡΠ°Π²Π»ΠΈΡΠ΅ΡΠΊΠΎΠ³ΠΎ ΡΡΠΈΠ»ΠΈΡΠ΅Π»Ρ, Π³ΠΈΠ΄ΡΠ°Π²Π»ΠΈΠΊΠ° Π²Π½ΡΡΡΠΈ ΠΊΠΎΡΠΏΡΡΠ° ΡΠ΅ΠΉΠΊΠΈ ΠΏΡΠΈΠΎΠ±ΡΠ΅ΡΠ°Π΅Ρ ΠΎΠΏΡΠ΅Π΄Π΅Π»Π΅Π½Π½ΠΎΠ΅ Π΄Π°Π²Π»Π΅Π½ΠΈΠ΅.
Π’Π°ΠΊΠΆΠ΅ Π²Π°ΠΆΠ½Π° ΠΏΡΠ°Π²ΠΈΠ»ΡΠ½Π°Ρ ΡΠ°Π±ΠΎΡΠ° Π²ΡΡΡΠΎΠ΅Π½Π½ΠΎΠ³ΠΎ ΠΊΠΎΠΌΠΏΡΡΡΠ΅ΡΠ°, ΠΊΠΎΡΠΎΡΡΠ΅ ΠΎΠΏΡΠ΅Π΄Π΅Π»ΡΠ΅Ρ, ΠΊΡΠ΄Π° Π½Π°ΠΏΡΠ°Π²ΠΈΡΡ ΡΡΠΈΠ»ΠΈΠ΅ ΠΈ Π΄Π°Π²Π»Π΅Π½ΠΈΠ΅. ΠΠ°ΠΆΠ½ΡΠ΅ ΠΎΡΠΎΠ±Π΅Π½Π½ΠΎΡΡΠΈ ΡΠ°Π±ΠΎΡΡ ΠΠ£Π ΡΠ»Π΅Π΄ΡΡΡΠΈΠ΅:
- ΠΎΡΠ½ΠΎΠ²Π½ΡΠΌ ΠΈΡΡΠΎΡΠ½ΠΈΠΊΠΎΠΌ Π½Π°Π³Π½Π΅ΡΠ°Π½ΠΈΡ Π΄Π°Π²Π»Π΅Π½ΠΈΡ ΡΠ²Π»ΡΠ΅ΡΡΡ Π·ΠΎΠ»ΠΎΡΠ½ΠΈΠΊΠΎΠ²ΡΠΉ ΡΠ°ΡΠΏΡΠ΅Π΄Π΅Π»ΠΈΡΠ΅Π»Ρ, ΠΊΠΎΡΠΎΡΡΠΉ ΠΌΠΎΠΆΠ΅Ρ ΠΏΠΎΠ΄Π½ΠΈΠΌΠ°ΡΡ Π΄Π°Π²Π»Π΅Π½ΠΈΠ΅ Π² ΡΠ°Π·Π½ΡΡ ΡΠ°ΡΡΡΡ ΡΠ΅ΠΉΠΊΠΈ;
- ΡΠΏΠ΅ΡΠΈΠ°Π»ΡΠ½ΡΠΉ ΡΠΎΡΡΠΈΠΎΠ½ Π² ΡΠ²ΡΠ·ΠΈ Ρ ΡΠ°Π·Π»ΠΈΡΠ½ΡΠΌΠΈ ΡΠ»Π΅ΠΊΡΡΠΎΠ½Π½ΡΠΌΠΈ ΡΠΈΡΡΠ΅ΠΌΠ°ΠΌΠΈ ΠΎΠΏΡΠ΅Π΄Π΅Π»ΡΠ΅Ρ, ΠΊΡΠ΄Π° ΡΠ΅ΠΉΡΠ°Ρ Π½ΡΠΆΠ½ΠΎ Π½Π°ΠΏΡΠ°Π²ΠΈΡΡ Π΄Π°Π²Π»Π΅Π½ΠΈΠ΅ Π΄Π»Ρ ΠΏΠΎΠΌΠΎΡΠΈ Π² ΠΏΠΎΠ²ΠΎΡΠΎΡΠ΅ ΡΡΠ»Ρ;
- Π² ΡΠΈΡΡΠ΅ΠΌΠ΅ ΡΠ°ΠΊΠΆΠ΅ ΠΏΡΠΈΡΡΡΡΡΠ²ΡΠ΅Ρ ΡΠΏΠ΅ΡΠΈΠ°Π»ΡΠ½ΡΠΉ ΡΠ΅Π·Π΅ΡΠ²ΡΠ°Ρ Π΄Π»Ρ ΠΌΠ°ΡΠ»Π°, Π² ΠΊΠΎΡΠΎΡΠΎΠΌ ΠΆΠΈΠ΄ΠΊΠΎΡΡΡ Π½Π°Ρ ΠΎΠ΄ΠΈΡΡΡ ΠΏΡΠΈ Π·Π°Π³Π»ΡΡΠ΅Π½Π½ΠΎΠΌ Π΄Π²ΠΈΠ³Π°ΡΠ΅Π»Π΅ ΠΈ ΠΏΡΠΈ ΠΏΡΡΠΌΠΎΠ»ΠΈΠ½Π΅ΠΉΠ½ΠΎΠΌ Π΄Π²ΠΈΠΆΠ΅Π½ΠΈΠΈ;
- ΠΏΡΠΈ Π½Π°ΡΠ°Π»Π΅ ΠΏΠΎΠ²ΠΎΡΠΎΡΠ° ΠΌΠ°ΡΠ»Π° Π°ΠΊΡΠΈΠ²Π½ΠΎ Π²ΠΏΡΡΡΠΊΠΈΠ²Π°Π΅ΡΡΡ ΡΠ΅ΡΠ΅Π· Π·ΠΎΠ»ΠΎΡΠ½ΠΈΠΊΠΎΠ²ΡΠΉ ΡΠ°ΡΠΏΡΠ΅Π΄Π΅Π»ΠΈΡΠ΅Π»Ρ Π² Π½ΡΠΆΠ½ΡΡ ΡΠ°ΡΡΡ ΡΡΠ»Π΅Π²ΠΎΠΉ ΡΠ΅ΠΉΠΊΠΈ ΠΈ ΡΠΎΠ·Π΄Π°Π΅Ρ Π΄Π°Π²Π»Π΅Π½ΠΈΠ΅;
- ΠΊΠΎΠ³Π΄Π° ΡΡΠΈΠ»ΠΈΠ΅ Π½Π° ΡΡΠ»Π΅Π²ΠΎΠ΅ ΠΊΠΎΠ»Π΅ΡΠΎ ΠΏΡΠΎΠΏΠ°Π΄Π°Π΅Ρ, Π½Π°ΡΠΎΡ ΠΠ£Π ΠΏΡΠ΅ΠΊΡΠ°ΡΠ°Π΅Ρ ΡΠ°Π±ΠΎΡΡ, ΠΌΠ°ΡΠ»ΠΎ ΡΠ΅ΡΡΠ΅Ρ Π΄Π°Π²Π»Π΅Π½ΠΈΠ΅ ΠΈ ΡΠ½ΠΎΠ²Π° ΠΏΠΎΠΏΠ°Π΄Π°Π΅Ρ Π² ΡΠ΅Π·Π΅ΡΠ²ΡΠ°Ρ;
- ΡΠΈΡΡΠ΅ΠΌΡ Π³ΠΈΠ΄ΡΠ°Π²Π»ΠΈΡΠ΅ΡΠΊΠΎΠ³ΠΎ ΡΡΠΈΠ»ΠΈΡΠ΅Π»Ρ ΡΡΠ»Ρ ΡΠ»Π΅Π΄ΡΠ΅Ρ ΠΏΠ΅ΡΠΈΠΎΠ΄ΠΈΡΠ΅ΡΠΊΠΈ ΠΏΡΠΎΡΠΌΠ°ΡΡΠΈΠ²Π°ΡΡ Π½Π° ΠΏΡΠ΅Π΄ΠΌΠ΅Ρ ΠΏΠΎΠ΄ΡΠ΅ΠΊΠΎΠ², Π° ΡΠ°ΠΊΠΆΠ΅ ΠΌΠ΅Π½ΡΡΡ ΠΌΠ°ΡΠ»ΠΎ Π² ΡΠΎΠΎΡΠ²Π΅ΡΡΡΠ²ΠΈΠΈ Ρ ΡΡΠ΅Π±ΠΎΠ²Π°Π½ΠΈΡΠΌΠΈ ΠΏΡΠΎΠΈΠ·Π²ΠΎΠ΄ΠΈΡΠ΅Π»Ρ.

ΠΠ±ΡΠ»ΡΠΆΠΈΠ²Π°Π½ΠΈΠ΅ ΡΠ°ΠΊΠΎΠΉ ΡΠΈΡΡΠ΅ΠΌΡ ΡΠ²Π»ΡΠ΅ΡΡΡ Π³Π»Π°Π²Π½ΡΠΌ ΡΠ°ΠΊΡΠΎΡΠΎΠΌ ΠΊΠ°ΡΠ΅ΡΡΠ²Π΅Π½Π½ΠΎΠΉ ΡΠΊΡΠΏΠ»ΡΠ°ΡΠ°ΡΠΈΠΈ. ΠΡΠ»ΠΈ ΠΌΠ°ΡΠ»ΠΎ Π±ΡΠ΄Π΅Ρ ΡΠ»ΠΈΡΠΊΠΎΠΌ Π²ΡΠ·ΠΊΠΈΠΌ, ΡΠ°ΠΊΠ°Ρ ΡΠΈΡΡΠ°ΡΠΈΡ ΠΌΠΎΠΆΠ΅Ρ ΠΏΡΠΈΠ²Π΅ΡΡΠΈ ΠΊ ΡΡΠ΅Π·ΠΌΠ΅ΡΠ½ΠΎΠΌΡ Π΄Π°Π²Π»Π΅Π½ΠΈΡ Π½Π° ΡΠ΅ΠΉΠΊΡ, ΠΊ Π±ΡΡΡΡΠΎΠΌΡ Π²ΡΡ ΠΎΠ΄Ρ ΠΈΠ· ΡΡΡΠΎΡ ΡΠ»Π΅ΠΌΠ΅Π½ΡΠΎΠ² ΡΡΠΎΠ³ΠΎ ΠΌΠ΅Ρ Π°Π½ΠΈΠ·ΠΌΠ°. ΠΠΎΡΡΠ°ΡΠΎΡΠ½ΠΎ Π±ΠΎΠ»ΡΡΠΎΠ΅ ΠΊΠΎΠ»ΠΈΡΠ΅ΡΡΠ²ΠΎ ΡΠΈΡΠΊΠΎΠ² ΠΏΠΎΠ»ΠΎΠΌΠΊΠΈ ΡΠ°ΠΌΠΎΠ³ΠΎ ΡΡΠΈΠ»ΠΈΡΠ΅Π»Ρ ΠΈ ΡΠ΅ΠΉΠΊΠΈ ΡΡΠ΅Π±ΡΡΡ ΡΡΠ°ΡΠ΅Π»ΡΠ½ΠΎΠ³ΠΎ ΡΡ ΠΎΠ΄Π° Π·Π° Π²ΡΠ΅ΠΉ ΡΠΈΡΡΠ΅ΠΌΠΎΠΉ. Π’Π°ΠΊΠΆΠ΅ Π΄ΠΎΠ±Π°Π²Π»ΡΡΡ ΡΠ°Π·ΡΡΡΠ΅Π½ΠΈΠΉ Π½Π΅ΡΠΎΠ²Π½ΡΠ΅ Π΄ΠΎΡΠΎΠ³ΠΈ Ρ ΡΡ Π°Π±Π°ΠΌΠΈ ΠΈ Π°Π³ΡΠ΅ΡΡΠΈΠ²Π½Π°Ρ Π΅Π·Π΄Π°. Π ΡΠ°ΠΊΠΎΠΌ ΡΠ»ΡΡΠ°Π΅ ΠΌΠ°ΡΠ»ΠΎ ΠΌΠ΅Π½ΡΡΡ ΡΡΠΎΠΈΡ ΡΠ°ΡΠ΅.
ΠΡΠ½ΠΎΠ²Π½ΡΠ΅ ΠΏΠΎΠ»ΠΎΠΌΠΊΠΈ ΠΈ ΡΠΏΠΎΡΠΎΠ±Ρ ΡΠ΅ΡΠ΅Π½ΠΈΡ Π½Π΅ΠΏΠΎΠ»Π°Π΄ΠΎΠΊ ΡΡΠ»Π΅Π²ΠΎΠΉ ΡΠ΅ΠΉΠΊΠΈ
Π‘Π»ΠΎΠΆΠ½ΠΎ Π½Π°Π·Π²Π°ΡΡ Π²Π΅ΡΡ ΡΠΏΠΈΡΠΎΠΊ Π²ΠΎΠ·ΠΌΠΎΠΆΠ½ΡΡ
Π½Π΅ΠΏΠΎΠ»Π°Π΄ΠΎΠΊ ΡΡΠ»Π΅Π²ΠΎΠ³ΠΎ ΠΌΠ΅Ρ
Π°Π½ΠΈΠ·ΠΌΠ° Π² Π°Π²ΡΠΎΠΌΠΎΠ±ΠΈΠ»Π΅. Π’Π΅ΠΌ Π±ΠΎΠ»Π΅Π΅, ΠΊΠ°ΠΆΠ΄Π°Ρ ΠΊΠΎΠ½ΡΡΡΡΠΊΡΠΈΠΎΠ½Π½Π°Ρ ΠΎΡΠΎΠ±Π΅Π½Π½ΠΎΡΡΡ ΡΠ΅ΠΉΠΊΠΈ Π²Π»ΠΈΡΠ΅Ρ Π½Π° Π²ΠΎΠ·ΠΌΠΎΠΆΠ½ΠΎΠ΅ Π²ΠΎΠ·Π½ΠΈΠΊΠ½ΠΎΠ²Π΅Π½ΠΈΠ΅ Π½Π΅ΠΏΠΎΠ»Π°Π΄ΠΎΠΊ. ΠΠΎΡΠΎΠΌΡ Π»ΡΡΡΠ΅ Π΄Π»Ρ Π½Π°ΡΠ°Π»Π° ΠΈΠ·ΡΡΠΈΡΡ ΠΊΠΎΠ½ΡΡΡΡΠΊΡΠΈΠ²Π½ΡΠ΅ ΠΎΡΠΎΠ±Π΅Π½Π½ΠΎΡΡΠΈ ΠΌΠ΅Ρ
Π°Π½ΠΈΠ·ΠΌΠ°, ΡΡΡΠ°Π½ΠΎΠ²Π»Π΅Π½Π½ΠΎΠ³ΠΎ Π½Π° Π²Π°ΡΠ΅ΠΌ Π°Π²ΡΠΎΠΌΠΎΠ±ΠΈΠ»Π΅, Π° ΠΏΠΎΡΠΎΠΌ ΠΈΠ·ΡΡΠ°ΡΡ ΡΠΏΠΈΡΠΎΠΊ Π²ΠΎΠ·ΠΌΠΎΠΆΠ½ΡΡ
Π½Π΅ΠΏΠΎΠ»Π°Π΄ΠΎΠΊ. ΠΠΏΡΠΎΡΠ΅ΠΌ, ΠΈΠ·ΡΡΠ΅Π½ΠΈΠ΅ ΠΏΠΎΠ»ΠΎΠΌΠΎΠΊ Π²ΡΡΠ΄ Π»ΠΈ ΠΊ ΡΠ΅ΠΌΡ-ΡΠΎ ΠΏΡΠΈΠ²Π΅Π΄Π΅Ρ, Π²Π΅Π΄Ρ ΡΠ΅ΠΉΠΊΠ° ΡΠΎΠ»ΡΠΊΠΎ Π² ΡΠ΅Π΄ΠΊΠΈΡ
ΡΠ»ΡΡΠ°ΡΡ
ΠΌΠΎΠΆΠ΅Ρ Π±ΡΡΡ ΠΎΡΡΠ΅ΠΌΠΎΠ½ΡΠΈΡΠΎΠ²Π°Π½Π°.
Π Π΅ΠΌΠΎΠ½Ρ ΡΡΠ»Π΅Π²ΠΎΠΉ ΡΠ΅ΠΉΠΊΠΈ ΠΌΠΎΠΆΠ΅Ρ ΠΏΡΠΎΠΈΡΡ ΠΎΠ΄ΠΈΡΡ Π² ΡΠ΅Ρ ΡΠ»ΡΡΠ°ΡΡ , ΠΊΠΎΠ³Π΄Π° Π½Π΅ ΡΠ°Π·ΡΡΡΠ΅Π½ Π²Π½ΡΡΡΠ΅Π½Π½ΠΈΠΉ ΠΌΠ΅Ρ Π°Π½ΠΈΠ·ΠΌ. ΠΡΠ»ΠΈ ΠΏΠΎΡΠ»Π΅ Π΄Π΅ΠΌΠΎΠ½ΡΠ°ΠΆΠ° ΠΎΠ±Π½Π°ΡΡΠΆΠΈΠ»ΠΎΡΡ, ΡΡΠΎ ΠΏΡΠ»ΡΠ½ΠΈΠΊΠΈ ΡΠ΅ΠΉΠΊΠΈ ΠΏΠΎΡΠ²Π°Π½Ρ, Π²Π½ΡΡΡΠΈ Π³ΡΡΠ·Ρ ΡΠΌΠ΅ΡΠ°Π»Π°ΡΡ ΡΠΎ ΡΠΌΠ°Π·ΠΊΠΎΠΉ, Π²Π΅ΡΠ΄ΠΈΠΊΡ ΠΎΠ΄Π½ΠΎΠ·Π½Π°ΡΠ½ΡΠΉ — ΡΠΎΠ»ΡΠΊΠΎ Π·Π°ΠΌΠ΅Π½Π°. ΠΡΠ»ΠΈ ΠΆΠ΅ Π²ΠΈΠ½ΠΎΠ²Π½ΠΈΠΊΠ°ΠΌΠΈ ΠΏΠΎΠ»ΠΎΠΌΠΊΠΈ ΡΡΠ°Π»ΠΈ Π²Π½Π΅ΡΠ½ΠΈΠ΅ ΠΌΠ΅Ρ Π°Π½ΠΈΠ·ΠΌΡ ΡΠ΅ΠΉΠΊΠΈ, ΡΠ°ΠΊΠΎΠΉ ΡΠ΅ΠΌΠΎΠ½Ρ Π²ΠΏΠΎΠ»Π½Π΅ Π²ΠΎΠ·ΠΌΠΎΠΆΠ΅Π½. ΠΡΠ½ΠΎΠ²Π½ΡΠ΅ Π½Π΅ΠΏΠΎΠ»Π°Π΄ΠΊΠΈ ΡΡΠ»Π΅Π²ΡΡ ΠΌΠ΅Ρ Π°Π½ΠΈΠ·ΠΌΠΎΠ² ΡΠ»Π΅Π΄ΡΡΡΠΈΠ΅:
- Π²ΡΡ ΠΎΠ΄ ΠΈΠ· ΡΡΡΠΎΡ Π²Π½ΡΡΡΠ΅Π½Π½Π΅ΠΉ ΡΠ°ΡΡΠΈ ΡΠ΅ΠΉΠΊΠΈ, ΠΏΠΎΠ»ΠΎΠΌΠΊΠ° ΡΠ΅ΡΡΠ΅ΡΠ½ΠΈ ΠΈΠ»ΠΈ ΡΠ°ΠΌΠΎΠ³ΠΎ Π·ΡΠ±ΡΠ°ΡΠΎΠ³ΠΎ ΠΌΠ΅Ρ Π°Π½ΠΈΠ·ΠΌΠ°;
- Π΄Π΅ΡΠΎΡΠΌΠ°ΡΠΈΡ ΠΊΠΎΡΠΏΡΡΠ° ΡΡΠ»Π΅Π²ΠΎΠΉ ΡΠ΅ΠΉΠΊΠΈ, ΡΡΠΎ ΠΏΡΠΈΠ²ΠΎΠ΄ΠΈΡ ΠΊ Π½Π΅Π²ΠΎΠ·ΠΌΠΎΠΆΠ½ΠΎΡΡΠΈ Π΅Π΅ Π΄Π°Π»ΡΠ½Π΅ΠΉΡΠ΅ΠΉ ΡΠΊΡΠΏΠ»ΡΠ°ΡΠ°ΡΠΈΠΈ;
- ΡΠ°Π·Π³Π΅ΡΠΌΠ΅ΡΠΈΠ·Π°ΡΠΈΡ Π²Π½ΡΡΡΠ΅Π½Π½Π΅ΠΉ ΡΠ°ΡΡΠΈ ΡΠ΅ΠΉΠΊΠΈ, ΡΡΠΎ ΠΏΡΠΈΠ²ΠΎΠ΄ΠΈΡ ΠΊ ΠΏΠΎΠΏΠ°Π΄Π°Π½ΠΈΡ Π² Π½Π΅Π΅ ΡΠ°Π·Π»ΠΈΡΠ½ΡΡ Π·Π°Π³ΡΡΠ·Π½Π΅Π½ΠΈΠΉ, ΠΏΡΠ»ΠΈ;
- ΠΈΠ·Π½ΠΎΡ Π²Π½ΡΡΡΠ΅Π½Π½ΠΈΡ ΠΌΠ΅Ρ Π°Π½ΠΈΠ·ΠΌΠΎΠ², ΠΊΠΎΡΠΎΡΡΠ΅ ΠΎΠ±Π΅ΡΠΏΠ΅ΡΠΈΠ²Π°ΡΡ ΠΏΠ»Π°Π²Π½ΡΡ ΠΈ ΠΊΠ°ΡΠ΅ΡΡΠ²Π΅Π½Π½ΡΡ ΡΠ°Π±ΠΎΡΡ ΡΡΠ»Π΅Π²ΠΎΠ³ΠΎ ΡΠΏΡΠ°Π²Π»Π΅Π½ΠΈΡ;
- ΠΏΠΎΠ»ΠΎΠΌΠΊΠ° ΠΈΠ»ΠΈ ΠΈΡΠΊΡΠΈΠ²Π»Π΅Π½ΠΈΠ΅ ΡΡΠ»Π΅Π²ΡΡ ΡΡΠ³ Π²ΡΠ»Π΅Π΄ΡΡΠ²ΠΈΠ΅ ΡΠ°Π·Π»ΠΈΡΠ½ΡΡ Π²Π»ΠΈΡΠ½ΠΈΠΉ Π½Π° Π½ΠΈΡ , Π²ΠΊΠ»ΡΡΠ°Ρ Π²ΠΎΠ·ΠΌΠΎΠΆΠ½ΡΠ΅ Π°Π²Π°ΡΠΈΠΈ ΠΈΠ»ΠΈ Π½Π°Π΅Π·Π΄ Π½Π° Π±ΠΎΡΠ΄ΡΡ;
- ΠΈΠ·Π½ΠΎΡ ΡΡΠ»Π΅Π²ΡΡ
Π½Π°ΠΊΠΎΠ½Π΅ΡΠ½ΠΈΠΊΠΎΠ², ΠΊΠΎΡΠΎΡΡΠ΅ ΡΠΎΠ΅Π΄ΠΈΠ½ΡΡΡ ΡΡΠ³ΠΈ Ρ ΠΌΠ΅Ρ
Π°Π½ΠΈΠ·ΠΌΠΎΠΌ ΠΏΠΎΠ²ΠΎΡΠΎΡΠ° ΠΊΠΎΠ»Π΅ΡΠ° ΠΈ ΠΎΠ±Π΅ΡΠΏΠ΅ΡΠΈΠ²Π°ΡΡ Π²ΡΠΏΠΎΠ»Π½Π΅Π½ΠΈΠ΅ ΡΠ°Π±ΠΎΡΡ ΡΠ΅ΠΉΠΊΠΈ.

Π ΠΏΠΎΡΠ»Π΅Π΄Π½ΠΈΡ Π΄Π²ΡΡ ΡΠ»ΡΡΠ°ΡΡ Π²ΠΎΠ·ΠΌΠΎΠΆΠ½ΠΎ Π²ΡΠΏΠΎΠ»Π½ΠΈΡΡ ΡΠ΅ΠΌΠΎΠ½ΡΠ½ΡΠ΅ ΠΈ Π²ΠΎΡΡΡΠ°Π½ΠΎΠ²ΠΈΡΠ΅Π»ΡΠ½ΡΠ΅ ΡΠ°Π±ΠΎΡΡ. Π ΠΎΡΡΠ°Π»ΡΠ½ΡΡ ΡΠΈΡΡΠ°ΡΠΈΡΡ Π΅Π΄ΠΈΠ½ΡΡΠ²Π΅Π½Π½ΡΠΌ ΠΏΡΠ°Π²ΠΈΠ»ΡΠ½ΡΡ ΡΠ΅ΡΠ΅Π½ΠΈΠ΅ΠΌ ΡΡΠ°Π½Π΅Ρ Π·Π°ΠΌΠ΅Π½Π° ΡΠ΅ΠΉΠΊΠΈ, ΡΡΡΠ°Π½ΠΎΠ²ΠΊΠ° Π½ΠΎΠ²ΠΎΠ³ΠΎ ΠΌΠ΅Ρ Π°Π½ΠΈΠ·ΠΌΠ°. Π’ΠΎΠ»ΡΠΊΠΎ ΡΠ°ΠΊ ΠΌΠΎΠΆΠ½ΠΎ ΡΠ΅ΡΠΈΡΡ Π±ΠΎΠ»ΡΡΡΡ ΡΠ°ΡΡΡ ΠΏΡΠΎΠ±Π»Π΅ΠΌ Ρ ΡΡΠΈΠΌ ΠΌΠ΅Ρ Π°Π½ΠΈΠ·ΠΌΠΎΠΌ. Π Π³Π°ΡΠ°ΠΆΠ½ΡΡ ΠΌΠ°ΡΡΠ΅ΡΡΠΊΠΈΡ Π²Π°ΠΌ ΠΌΠΎΠ³ΡΡ ΠΏΡΠ΅Π΄Π»ΠΎΠΆΠΈΡΡ ΡΠ΅ΠΌΠΎΠ½Ρ ΠΈ Π²ΠΎΡΡΡΠ°Π½ΠΎΠ²Π»Π΅Π½ΠΈΠ΅, Π½ΠΎ Π·Π°ΡΠ°ΡΡΡΡ ΡΠ°ΠΊΠΈΠ΅ ΠΏΠΎΠ»ΠΎΠΌΠΊΠΈ Π½Π΅Π²ΠΎΠ·ΠΌΠΎΠΆΠ½ΠΎ ΠΈΡΠΏΡΠ°Π²ΠΈΡΡ Ρ Π΄ΠΎΠ»Π³ΠΎΠ²Π΅ΡΠ½ΡΠΌ ΡΠ΅Π·ΡΠ»ΡΡΠ°ΡΠΎΠΌ.
ΠΡΠΈ Π·Π°ΠΌΠ΅Π½Π΅ ΡΡΠ»Π΅Π²ΠΎΠΉ ΡΠ΅ΠΉΠΊΠΈ Π»ΡΡΡΠ΅ Π²ΡΠ±ΡΠ°ΡΡ ΠΎΡΠΈΠ³ΠΈΠ½Π°Π»ΡΠ½ΡΠΉ Π²Π°ΡΠΈΠ°Π½Ρ. ΠΠ½Π°Π»ΠΎΠ³ΠΎΠ²ΡΠ΅ ΠΈ Π΄Π°ΠΆΠ΅ ΡΠ΅ΡΡΠΈΡΠΈΡΠΈΡΠΎΠ²Π°Π½Π½ΡΠ΅ Π΄Π΅ΡΠ°Π»ΠΈ Π΄ΡΡΠ³ΠΈΡ ΠΏΡΠΎΠΈΠ·Π²ΠΎΠ΄ΠΈΡΠ΅Π»Π΅ΠΉ Π½Π΅ Π²ΡΠ΅Π³Π΄Π° ΡΠΌΠΎΠΆΠ΅Ρ ΠΎΠ±Π΅ΡΠΏΠ΅ΡΠΈΡΡ Π½ΡΠΆΠ½ΠΎΠ΅ ΠΊΠ°ΡΠ΅ΡΡΠ²ΠΎ ΡΡΠ»Π΅Π²ΠΎΠ³ΠΎ ΡΠΏΡΠ°Π²Π»Π΅Π½ΠΈΡ. ΠΠΎΠΌΠ½ΠΈΡΠ΅, ΡΡΠΎ ΡΠ΅ΠΉΠΊΠ° ΠΎΠ±Π΅ΡΠΏΠ΅ΡΠΈΠ²Π°Π΅Ρ Π½Π΅ ΡΠΎΠ»ΡΠΊΠΎ ΡΠΈΠ·ΠΈΡΠ΅ΡΠΊΡΡ ΠΏΠ΅ΡΠ΅Π΄Π°ΡΡ ΡΡΠΈΠ»ΠΈΡ ΠΎΡ ΡΡΠ»Π΅Π²ΠΎΠ³ΠΎ ΠΊΠΎΠ»Π΅ΡΠ° ΠΊ ΡΠΈΡΡΠ΅ΠΌΠ΅ ΡΠΏΡΠ°Π²Π»Π΅Π½ΠΈΡ. ΠΡΠΎΡ ΠΌΠ΅Ρ Π°Π½ΠΈΠ·ΠΌ ΠΎΡΠ²Π΅ΡΠ°Π΅Ρ Π·Π° Π±Π΅Π·ΠΎΠΏΠ°ΡΠ½ΠΎΡΡΡ Π²Π°ΡΠ΅ΠΉ ΠΏΠΎΠ΅Π·Π΄ΠΊΠΈ. ΠΠΎΡΠΌΠΎΡΡΠΈΡΠ΅ Π²ΠΈΠ΄Π΅ΠΎ ΠΎ ΡΠ°ΠΌΠΎΠΌ ΠΏΡΠΎΡΡΠΎΠΌ Π²Π°ΡΠΈΠ°Π½ΡΠ΅ Π·Π°ΠΌΠ΅Π½Ρ ΡΡΠ»Π΅Π²ΠΎΠΉ ΡΠ΅ΠΉΠΊΠΈ:
ΠΠΎΠ΄Π²ΠΎΠ΄ΠΈΠΌ ΠΈΡΠΎΠ³ΠΈ
Π‘ΡΡΠ΅ΡΡΠ²ΡΠ΅Ρ Π½Π΅ΡΠΊΠΎΠ»ΡΠΊΠΎ ΡΠ°Π·Π½ΠΎΠ²ΠΈΠ΄Π½ΠΎΡΡΠ΅ΠΉ ΡΡΠ»Π΅Π²ΡΡ ΡΠ΅Π΅ΠΊ, ΠΊΠΎΡΠΎΡΡΠ΅ Π·Π°Π²ΠΈΡΡΡ ΠΎΡ ΡΠΈΠΏΠ° ΠΏΠΎΠΌΠΎΡΠ½ΠΈΠΊΠΎΠ² Π² Π²ΠΈΠ΄Π΅ ΡΡΠΈΠ»ΠΈΡΠ΅Π»Π΅ΠΉ ΡΡΠ»Ρ. Π§Π΅ΠΌ Π±ΠΎΠ»ΡΡΠ΅ Π΄ΠΎΠΏΠΎΠ»Π½ΠΈΡΠ΅Π»ΡΠ½ΡΡ ΠΎΠΏΡΠΈΠΉ ΠΈ ΡΡΠ½ΠΊΡΠΈΠΉ ΠΏΡΠΎΠΈΠ·Π²ΠΎΠ΄ΠΈΡΠ΅Π»Ρ Π²Π΅ΡΠ°Π΅Ρ Π½Π° ΡΠ΅ΠΉΠΊΡ, ΡΠ΅ΠΌ ΡΠ»ΠΎΠΆΠ½Π΅Π΅ ΠΎΠΏΡΠ΅Π΄Π΅Π»ΠΈΡΡ Π΅Π΅ Π½Π΅ΠΏΠΎΠ»Π°Π΄ΠΊΠΈ ΠΈ Π²ΡΡΠ²ΠΈΡΡ Π²ΠΎΠ·ΠΌΠΎΠΆΠ½ΡΠ΅ ΠΏΡΡΠΈ ΡΠ΅ΡΠ΅Π½ΠΈΡ Π²ΠΎΠ·Π½ΠΈΠΊΡΠΈΡ ΠΏΡΠΎΠ±Π»Π΅ΠΌ. Π‘ΠΎΠ²ΡΠ΅ΠΌΠ΅Π½Π½ΡΠ΅ ΡΠ΅ΠΉΠΊΠΈ ΠΏΡΠ°ΠΊΡΠΈΡΠ΅ΡΠΊΠΈ Π²ΡΠ΅Π³Π΄Π° ΠΏΡΠΈΡ ΠΎΠ΄ΠΈΡΡΡ ΠΌΠ΅Π½ΡΡΡ, ΡΠ΅ΠΌΠΎΠ½ΡΠΈΡΠΎΠ²Π°ΡΡ ΠΈ Π²ΠΎΡΡΡΠ°Π½Π°Π²Π»ΠΈΠ²Π°ΡΡ ΠΈΡ Π½Π΅ ΠΈΠΌΠ΅Π΅Ρ ΠΎΡΠΎΠ±ΠΎΠ³ΠΎ ΡΠΊΠΎΠ½ΠΎΠΌΠΈΡΠ΅ΡΠΊΠΎΠ³ΠΎ ΡΠΌΡΡΠ»Π°.
ΠΠΎΡΠ°Π·Π΄ΠΎ Π»ΡΡΡΠ΅ Π²ΠΎΡΠΏΠΎΠ»ΡΠ·ΠΎΠ²Π°ΡΡΡΡ ΠΏΡΠΈ Π·Π°ΠΌΠ΅Π½Π΅ ΠΏΡΠ΅Π΄Π»ΠΎΠΆΠ΅Π½ΠΈΠ΅ΠΌ ΠΎΡΠΈΡΠΈΠ°Π»ΡΠ½ΡΡ
Π΄Π΅ΡΠ°Π»Π΅ΠΉ ΠΈ ΠΊΡΠΏΠΈΡΡ Π΄Π»Ρ ΡΠ΅Π±Ρ Π½Π΅ΠΎΠ±Ρ
ΠΎΠ΄ΠΈΠΌΡΠ΅ Π·Π°ΠΏΡΠ°ΡΡΠΈ Π·Π°Π²ΠΎΠ΄ΡΠΊΠΎΠ³ΠΎ ΠΏΡΠΎΠΈΡΡ
ΠΎΠΆΠ΄Π΅Π½ΠΈΡ. ΠΡΠ»ΠΈ ΡΠ΅ΠΉΠΊΠ° Π½Π°ΡΠΈΠ½Π°Π΅Ρ ΡΡΡΡΠ°ΡΡ, ΡΠ²Π΅Π»ΠΈΡΠΈΠ²Π°Π΅ΡΡΡ Π»ΡΡΡ ΡΡΠ»Π΅Π²ΠΎΠ³ΠΎ ΠΊΠΎΠ»Π΅ΡΠ° ΠΈΠ»ΠΈ ΡΠ»ΠΈΡΠΊΠΎΠΌ ΡΡΠ»ΠΎΠΆΠ½ΡΠ΅ΡΡΡ ΠΏΠΎΠ²ΠΎΡΠΎΡ ΡΡΠ»Ρ, ΡΠ»Π΅Π΄ΡΠ΅Ρ ΠΏΠΎΠ΅Ρ
Π°ΡΡ Π½Π° Π΄ΠΈΠ°Π³Π½ΠΎΡΡΠΈΠΊΡ, ΡΠ±Π΅Π΄ΠΈΡΡΡΡ, ΡΡΠΎ ΠΏΡΠΎΠ±Π»Π΅ΠΌΠ° ΠΈΠΌΠ΅Π½Π½ΠΎ Π² ΡΠ΅ΠΉΠΊΠ΅. ΠΠ°ΡΠ΅ΠΌ Π½ΡΠΆΠ½ΠΎ ΠΊΡΠΏΠΈΡΡ Π½ΠΎΠ²ΡΠΉ ΠΌΠ΅Ρ
Π°Π½ΠΈΠ·ΠΌ ΠΈ ΠΏΡΠΎΠΈΠ·Π²Π΅ΡΡΠΈ Π΅Π³ΠΎ Π·Π°ΠΌΠ΅Π½Ρ. ΠΡΠ΄ΡΡΠ΅ ΠΎΡΡΠΎΡΠΎΠΆΠ½Ρ, Π²Π΅Π΄Ρ Π·Π°ΠΌΠ΅Π½Ρ ΡΠ΅ΠΉΠΊΠΈ Π²Π°ΠΆΠ½ΠΎ Π²ΡΠΏΠΎΠ»Π½ΠΈΡΡ ΠΏΡΠΎΡΠ΅ΡΡΠΈΠΎΠ½Π°Π»ΡΠ½ΠΎ.
Π Π²Ρ ΡΠΆΠ΅ ΠΌΠ΅Π½ΡΠ»ΠΈ ΡΡΠ»Π΅Π²ΡΡ ΡΠ΅ΠΉΠΊΡ Π½Π° ΡΠ²ΠΎΠ΅ΠΉ ΠΌΠ°ΡΠΈΠ½Π΅?
Π Π΅Π΅ΡΠ½Π°Ρ ΡΠΈΡΡΠ΅ΠΌΠ° Ρ Π³ΠΈΠ΄ΡΠΎΡΡΠΈΠ»ΠΈΡΠ΅Π»Π΅ΠΌ
ΠΠ΅ΡΠΌΠΎΡΡΡ Π½Π° ΡΠΎ, ΡΡΠΎ Π½Π° ΡΡΠ½ΠΊΠ΅ ΠΈΡΠΏΠΎΠ»ΡΠ·ΡΠ΅ΡΡΡ Π½Π΅ΡΠΊΠΎΠ»ΡΠΊΠΎ ΡΠΈΠΏΠΎΠ² ΡΠΈΡΡΠ΅ΠΌ ΡΡΠ»Π΅Π²ΠΎΠ³ΠΎ ΡΠΏΡΠ°Π²Π»Π΅Π½ΠΈΡ, Π΄Π²Π° ΠΎΡΠ½ΠΎΠ²Π½ΡΡ — ΡΡΠΎ ΡΡΠ»Π΅Π²ΠΎΠ΅ ΡΠΏΡΠ°Π²Π»Π΅Π½ΠΈΠ΅ Ρ ΡΠ΅ΡΠΈΡΠΊΡΠ»ΡΡΠΈΠ΅ΠΉ ΡΠ°ΡΠΈΠΊΠΎΠ², ΠΊΠΎΡΠΎΡΠΎΠ΅ Π² ΠΎΡΠ½ΠΎΠ²Π½ΠΎΠΌ ΠΈΡΠΏΠΎΠ»ΡΠ·ΡΠ΅ΡΡΡ Π΄Π»Ρ ΡΡΠΆΠ΅Π»ΡΡ Π°Π²ΡΠΎΠΌΠΎΠ±ΠΈΠ»Π΅ΠΉ, Π³ΡΡΠ·ΠΎΠ²ΠΈΠΊΠΎΠ² ΠΈ Π±ΠΎΠ»ΡΡΠΈΡ Π²Π½Π΅Π΄ΠΎΡΠΎΠΆΠ½ΠΈΠΊΠΎΠ², Π° ΡΠ°ΠΊΠΆΠ΅ ΡΠ΅Π΅ΡΠ½ΠΎΠ΅ ΡΡΠ»Π΅Π²ΠΎΠ΅ ΡΠΏΡΠ°Π²Π»Π΅Π½ΠΈΠ΅, ΠΊΠΎΡΠΎΡΠΎΠ΅ ΠΎΠ±ΡΡΠ½ΠΎ Π²ΡΡΡΠ΅ΡΠ°Π΅ΡΡΡ Π½Π° Π»Π΅Π³ΠΊΠΎΠ²ΡΡ Π°Π²ΡΠΎΠΌΠΎΠ±ΠΈΠ»ΡΡ . Π³ΡΡΠ·ΠΎΠ²ΠΈΠΊΠΈ ΠΈ Π²Π½Π΅Π΄ΠΎΡΠΎΠΆΠ½ΠΈΠΊΠΈ.
ΠΠ°ΠΊ ΡΠ°Π±ΠΎΡΠ°Π΅Ρ ΡΠ΅Π΅ΡΠ½ΠΎΠ΅ ΡΡΠ»Π΅Π²ΠΎΠ΅ ΡΠΏΡΠ°Π²Π»Π΅Π½ΠΈΠ΅?
Π Π΅Π΅ΡΠ½ΠΎΠ΅ ΡΡΠ»Π΅Π²ΠΎΠ΅ ΡΠΏΡΠ°Π²Π»Π΅Π½ΠΈΠ΅ ΠΈΡΠΏΠΎΠ»ΡΠ·ΡΠ΅Ρ Π·ΡΠ±ΡΠ°ΡΡΡ ΠΏΠ΅ΡΠ΅Π΄Π°ΡΡ Π΄Π»Ρ ΠΏΡΠ΅ΠΎΠ±ΡΠ°Π·ΠΎΠ²Π°Π½ΠΈΡ ΠΊΡΡΠ³ΠΎΠ²ΠΎΠ³ΠΎ Π΄Π²ΠΈΠΆΠ΅Π½ΠΈΡ ΡΡΠ»Π΅Π²ΠΎΠ³ΠΎ ΠΊΠΎΠ»Π΅ΡΠ° Π² Π»ΠΈΠ½Π΅ΠΉΠ½ΠΎΠ΅ Π΄Π²ΠΈΠΆΠ΅Π½ΠΈΠ΅, Π½Π΅ΠΎΠ±Ρ ΠΎΠ΄ΠΈΠΌΠΎΠ΅ Π΄Π»Ρ ΠΏΠΎΠ²ΠΎΡΠΎΡΠ° ΠΊΠΎΠ»Π΅Ρ.ΠΠ½ ΡΠ°ΠΊΠΆΠ΅ ΠΎΠ±Π΅ΡΠΏΠ΅ΡΠΈΠ²Π°Π΅Ρ ΠΏΠΎΠ½ΠΈΠΆΠ°ΡΡΡΡ ΠΏΠ΅ΡΠ΅Π΄Π°ΡΡ, ΠΏΠΎΡΡΠΎΠΌΡ ΠΊΠΎΠ»Π΅ΡΠ° Π»Π΅Π³ΡΠ΅ ΠΏΠΎΠ²ΠΎΡΠ°ΡΠΈΠ²Π°ΡΡ.
ΠΠ½ ΡΠ°Π±ΠΎΡΠ°Π΅Ρ ΠΏΡΡΠ΅ΠΌ Π·Π°ΠΊΠ»ΡΡΠ΅Π½ΠΈΡ Π·ΡΠ±ΡΠ°ΡΠΎΠΉ ββΡΠ΅ΠΉΠΊΠΈ ΠΈ ΡΠ΅ΡΡΠ΅ΡΠ½ΠΈ Π² ΠΌΠ΅ΡΠ°Π»Π»ΠΈΡΠ΅ΡΠΊΡΡ ΡΡΡΠ±ΠΊΡ, ΠΏΡΠΈ ΡΡΠΎΠΌ ΠΊΠ°ΠΆΠ΄ΡΠΉ ΠΊΠΎΠ½Π΅Ρ ΡΠ΅ΠΉΠΊΠΈ Π²ΡΡΡΡΠΏΠ°Π΅Ρ ΠΈΠ· ΡΡΡΠ±ΠΊΠΈ ΠΈ ΡΠΎΠ΅Π΄ΠΈΠ½ΡΠ΅ΡΡΡ Ρ ΠΎΡΠ΅Π²ΡΠΌ ΡΡΠ΅ΡΠΆΠ½Π΅ΠΌ. ΠΠ΅Π΄ΡΡΠ°Ρ ΡΠ΅ΡΡΠ΅ΡΠ½Ρ ΠΏΡΠΈΠΊΡΠ΅ΠΏΠ»Π΅Π½Π° ΠΊ ΡΡΠ»Π΅Π²ΠΎΠΌΡ Π²Π°Π»Ρ ΡΠ°ΠΊ, ΡΡΠΎΠ±Ρ ΠΏΡΠΈ ΠΏΠΎΠ²ΠΎΡΠΎΡΠ΅ ΡΡΠ»Π΅Π²ΠΎΠ³ΠΎ ΠΊΠΎΠ»Π΅ΡΠ° ΡΠ΅ΡΡΠ΅ΡΠ½Ρ Π²ΡΠ°ΡΠ°Π»Π°ΡΡ, ΠΏΠ΅ΡΠ΅ΠΌΠ΅ΡΠ°Ρ ΡΠ΅ΠΉΠΊΡ.
ΠΡΠ΅Π²ΠΎΠΉ ΡΡΠ΅ΡΠΆΠ΅Π½Ρ Π½Π° ΠΊΠ°ΠΆΠ΄ΠΎΠΌ ΠΊΠΎΠ½ΡΠ΅ ΡΡΠΎΠΉΠΊΠΈ ΡΠΎΠ΅Π΄ΠΈΠ½ΡΠ΅ΡΡΡ Ρ ΠΊΠΎΠ½ΡΠΎΠΌ ΡΡΠ»Π΅Π²ΠΎΠΉ ΡΡΠ³ΠΈ, ΠΊΠΎΡΠΎΡΡΠΉ ΠΏΡΠΈΠΊΡΠ΅ΠΏΠ»Π΅Π½ ΠΊ ΡΠΏΠΈΠ½Π΄Π΅Π»Ρ.
Π Π΅Π΅ΡΠ½ΡΠ΅ ΠΏΠ΅ΡΠ΅Π΄Π°ΡΠΎΡΠ½ΡΠ΅ ΡΠΈΡΠ»Π°
ΠΠΎΠ»ΡΡΠΈΠ½ΡΡΠ²Ρ Π°Π²ΡΠΎΠΌΠΎΠ±ΠΈΠ»Π΅ΠΉ ΡΡΠ΅Π±ΡΠ΅ΡΡΡ ΠΎΡ ΡΡΠ΅Ρ Π΄ΠΎ ΡΠ΅ΡΡΡΠ΅Ρ ΠΏΠΎΠ»Π½ΡΡ ΠΎΠ±ΠΎΡΠΎΡΠΎΠ² ΡΡΠ»Π΅Π²ΠΎΠ³ΠΎ ΠΊΠΎΠ»Π΅ΡΠ° ΠΎΡ ΡΠΏΠΎΡΠ° Π΄ΠΎ ΡΠΏΠΎΡΠ° (ΠΎΡ ΠΊΡΠ°ΠΉΠ½Π΅Π³ΠΎ ΠΏΡΠ°Π²ΠΎΠ³ΠΎ ΠΊ ΠΊΡΠ°ΠΉΠ½Π΅ΠΌΡ Π»Π΅Π²ΠΎΠΌΡ).ΠΠ΅ΡΠ΅Π΄Π°ΡΠΎΡΠ½ΠΎΠ΅ ΠΎΡΠ½ΠΎΡΠ΅Π½ΠΈΠ΅ ΡΡΠ»Π΅Π²ΠΎΠ³ΠΎ ΡΠΏΡΠ°Π²Π»Π΅Π½ΠΈΡ ΠΏΠΎΠΊΠ°Π·ΡΠ²Π°Π΅Ρ, Π½Π°ΡΠΊΠΎΠ»ΡΠΊΠΎ ΠΏΠΎΠ²Π΅ΡΠ½ΡΡΡ ΡΡΠ»Π΅Π²ΠΎΠ΅ ΠΊΠΎΠ»Π΅ΡΠΎ, ΡΡΠΎΠ±Ρ ΠΊΠΎΠ»Π΅ΡΠ° ΠΏΠΎΠ²Π΅ΡΠ½ΡΠ»ΠΈΡΡ Π½Π° ΠΎΠΏΡΠ΅Π΄Π΅Π»Π΅Π½Π½ΡΡ Π²Π΅Π»ΠΈΡΠΈΠ½Ρ. ΠΠΎΠ»Π΅Π΅ Π²ΡΡΠΎΠΊΠΎΠ΅ ΠΏΠ΅ΡΠ΅Π΄Π°ΡΠΎΡΠ½ΠΎΠ΅ ΡΠΈΡΠ»ΠΎ ΠΎΠ·Π½Π°ΡΠ°Π΅Ρ, ΡΡΠΎ Π²Π°ΠΌ Π½ΡΠΆΠ½ΠΎ Π±ΠΎΠ»ΡΡΠ΅ ΠΏΠΎΠ²ΠΎΡΠ°ΡΠΈΠ²Π°ΡΡ ΡΡΠ»Π΅Π²ΠΎΠ΅ ΠΊΠΎΠ»Π΅ΡΠΎ, ΡΡΠΎΠ±Ρ ΠΏΠΎΠ²Π΅ΡΠ½ΡΡΡ ΠΊΠΎΠ»Π΅ΡΠ° Π½Π° ΠΎΠΏΡΠ΅Π΄Π΅Π»Π΅Π½Π½ΡΡ Π²Π΅Π»ΠΈΡΠΈΠ½Ρ, Π° Π±ΠΎΠ»Π΅Π΅ Π½ΠΈΠ·ΠΊΠΈΠ΅ ΠΏΠ΅ΡΠ΅Π΄Π°ΡΠΎΡΠ½ΡΠ΅ ΡΠΈΡΠ»Π° ΠΎΠ±Π΅ΡΠΏΠ΅ΡΠΈΠ²Π°ΡΡ Π±ΠΎΠ»Π΅Π΅ Π±ΡΡΡΡΡΡ ΡΠ΅Π°ΠΊΡΠΈΡ ΡΡΠ»Π΅Π²ΠΎΠ³ΠΎ ΡΠΏΡΠ°Π²Π»Π΅Π½ΠΈΡ.
Π Π½Π΅ΠΊΠΎΡΠΎΡΡΡ
Π°Π²ΡΠΎΠΌΠΎΠ±ΠΈΠ»ΡΡ
ΠΈΡΠΏΠΎΠ»ΡΠ·ΡΠ΅ΡΡΡ ΡΡΠ»Π΅Π²ΠΎΠ΅ ΡΠΏΡΠ°Π²Π»Π΅Π½ΠΈΠ΅ Ρ ΠΏΠ΅ΡΠ΅ΠΌΠ΅Π½Π½ΡΠΌ ΠΏΠ΅ΡΠ΅Π΄Π°ΡΠΎΡΠ½ΡΠΌ ΡΠΈΡΠ»ΠΎΠΌ. Π ΡΡΠΎΠΉ ΡΠ΅Π΅ΡΠ½ΠΎΠΉ ΡΠΈΡΡΠ΅ΠΌΠ΅ ΡΡΠ»Π΅Π²ΠΎΠ³ΠΎ ΡΠΏΡΠ°Π²Π»Π΅Π½ΠΈΡ ΠΈΡΠΏΠΎΠ»ΡΠ·ΡΠ΅ΡΡΡ Π΄ΡΡΠ³ΠΎΠ΅ ΠΊΠΎΠ»ΠΈΡΠ΅ΡΡΠ²ΠΎ Π·ΡΠ±ΡΠΎΠ² Π½Π° ΡΠΌ (ΡΠ°Π³ Π·ΡΠ±Π°) Π² ΡΠ΅Π½ΡΡΠ΅, ΡΠ΅ΠΌ Π½Π° ΠΊΠΎΠ½ΡΠ°Ρ
. Π ΡΠ΅Π·ΡΠ»ΡΡΠ°ΡΠ΅ ΡΡΠ»Π΅Π²ΠΎΠ΅ ΡΠΏΡΠ°Π²Π»Π΅Π½ΠΈΠ΅ ΡΡΠ°Π½ΠΎΠ²ΠΈΡΡΡ Π±ΠΎΠ»Π΅Π΅ ΡΡΠ²ΡΡΠ²ΠΈΡΠ΅Π»ΡΠ½ΡΠΌ, ΠΊΠΎΠ³Π΄Π° ΠΎΠ½ΠΎ ΠΏΠΎΠ²Π΅ΡΠ½ΡΡΠΎ Π² ΡΡΠΎΡΠΎΠ½Ρ Π±Π»ΠΎΠΊΠΈΡΠΎΠ²ΠΊΠΈ, ΡΠ΅ΠΌ ΠΊΠΎΠ³Π΄Π° ΠΎΠ½ΠΎ Π½Π°Ρ
ΠΎΠ΄ΠΈΡΡΡ Π±Π»ΠΈΠ·ΠΊΠΎ ΠΊ ΡΠ²ΠΎΠ΅ΠΌΡ ΡΠ΅Π½ΡΡΠ°Π»ΡΠ½ΠΎΠΌΡ ΠΏΠΎΠ»ΠΎΠΆΠ΅Π½ΠΈΡ, ΡΡΠΎ Π΄Π΅Π»Π°Π΅Ρ Π°Π²ΡΠΎΠΌΠΎΠ±ΠΈΠ»Ρ Π±ΠΎΠ»Π΅Π΅ ΠΌΠ°Π½Π΅Π²ΡΠ΅Π½Π½ΡΠΌ.
Π‘ΡΡΠ΅ΡΡΠ²ΡΠ΅Ρ Π΄Π²Π° ΠΎΡΠ½ΠΎΠ²Π½ΡΡ ΡΠΈΠΏΠ° ΡΠ΅Π΅ΡΠ½ΠΎΠΉ ΡΠΈΡΡΠ΅ΠΌΡ ΡΡΠ»Π΅Π²ΠΎΠ³ΠΎ ΡΠΏΡΠ°Π²Π»Π΅Π½ΠΈΡ:
- ΠΠΎΠ½ΡΠ΅Π²ΠΎΠΉ ΠΎΡΠ±ΠΎΡ — ΡΡΠ³ΠΈ ΠΊΡΠ΅ΠΏΡΡΡΡ ΠΊ ΠΊΠΎΠ½ΡΡ ΡΡΠ»Π΅Π²ΠΎΠΉ ΡΠ΅ΠΉΠΊΠΈ ΡΠ΅ΡΠ΅Π· Π²Π½ΡΡΡΠ΅Π½Π½ΠΈΠ΅ ΠΎΡΠ΅Π²ΡΠ΅ ΡΡΠ³ΠΈ.
- Π¦Π΅Π½ΡΡΠ°Π»ΡΠ½ΡΠΉ Π²Π·Π»Π΅Ρ — Π±ΠΎΠ»ΡΠ°ΠΌΠΈ ΠΊΡΠ΅ΠΏΠ»Π΅Π½ΠΈΡ ΡΡΠ»Π΅Π²ΡΡ ΡΡΠ³ ΠΊ ΡΠ΅Π½ΡΡΡ ΡΡΠ»Π΅Π²ΠΎΠΉ ΡΠ΅ΠΉΠΊΠΈ.
ΠΠ°ΠΊ ΡΠ΅Π΅ΡΠ½ΠΎΠ΅ ΡΡΠ»Π΅Π²ΠΎΠ΅ ΡΠΏΡΠ°Π²Π»Π΅Π½ΠΈΠ΅ ΡΠ°Π±ΠΎΡΠ°Π΅Ρ Ρ Π³ΠΈΠ΄ΡΠΎΡΡΠΈΠ»ΠΈΡΠ΅Π»Π΅ΠΌ?
ΠΡΠΈ ΠΏΠΎΠ΄ΠΊΠ»ΡΡΠ΅Π½ΠΈΠΈ ΡΠ΅Π΅ΡΠ½ΠΎΠΉ ΡΠΈΡΡΠ΅ΠΌΡ ΠΊ ΡΠΈΡΡΠ΅ΠΌΠ΅ ΡΡΠ»Π΅Π²ΠΎΠ³ΠΎ ΡΠΏΡΠ°Π²Π»Π΅Π½ΠΈΡ Ρ ΡΡΠΈΠ»ΠΈΡΠ΅Π»Π΅ΠΌ ΠΊΠΎΠ½ΡΡΡΡΠΊΡΠΈΡ Π½Π΅ΠΌΠ½ΠΎΠ³ΠΎ ΠΌΠ΅Π½ΡΠ΅ΡΡΡ. Π ΡΡΠΎΠΉΠΊΡ ΠΏΠΎΠΌΠ΅ΡΠ°Π΅ΡΡΡ ΡΠΈΠ»ΠΈΠ½Π΄Ρ Ρ ΠΏΠΎΡΡΠ½Π΅ΠΌ ΠΏΠΎΡΠ΅ΡΠ΅Π΄ΠΈΠ½Π΅.ΠΠΎ ΠΎΠ±Π΅ΠΈΠΌ ΡΡΠΎΡΠΎΠ½Π°ΠΌ ΠΏΠΎΡΡΠ½Ρ Π½Π°Ρ ΠΎΠ΄ΠΈΡΡΡ ΠΆΠΈΠ΄ΠΊΠΎΡΡΡ. ΠΠΎΠ³Π΄Π° Π΄Π°Π²Π»Π΅Π½ΠΈΠ΅ ΠΎΠΊΠ°Π·ΡΠ²Π°Π΅ΡΡΡ Π½Π° ΠΆΠΈΠ΄ΠΊΠΎΡΡΡ Ρ ΠΎΠ΄Π½ΠΎΠΉ ΡΡΠΎΡΠΎΠ½Ρ ΠΏΠΎΡΡΠ½Ρ, ΡΡΠΎ Π·Π°ΡΡΠ°Π²Π»ΡΠ΅Ρ ΠΏΠΎΡΡΠ΅Π½Ρ Π΄Π²ΠΈΠ³Π°ΡΡΡΡ, ΡΡΠΎ ΠΏΠΎΠ²ΠΎΡΠ°ΡΠΈΠ²Π°Π΅Ρ ΡΠ΅ΠΉΠΊΡ ΠΈ ΠΏΠΎΠΌΠΎΠ³Π°Π΅Ρ ΡΡΠ»Π΅Π²ΠΎΠΌΡ ΡΠΏΡΠ°Π²Π»Π΅Π½ΠΈΡ.
Π Π°ΡΠΏΡΠΎΡΡΡΠ°Π½Π΅Π½Π½ΡΠ΅ ΠΏΡΠΎΠ±Π»Π΅ΠΌΡ ΡΡΠ»Π΅Π²ΠΎΠ³ΠΎ ΡΠΏΡΠ°Π²Π»Π΅Π½ΠΈΡ Ρ ΡΠ΅Π΅ΡΠ½ΠΎΠΉ ΠΏΠ΅ΡΠ΅Π΄Π°ΡΠ΅ΠΉ
ΠΠΎΡΠΊΠΎΠ»ΡΠΊΡ ΡΡΠ»Π΅Π²ΠΎΠ΅ ΡΠΏΡΠ°Π²Π»Π΅Π½ΠΈΠ΅ Π½Π΅ΠΎΠ±Ρ ΠΎΠ΄ΠΈΠΌΠΎ Π΄Π»Ρ ΡΠΏΡΠ°Π²Π»Π΅Π½ΠΈΡ Π°Π²ΡΠΎΠΌΠΎΠ±ΠΈΠ»Π΅ΠΌ, Π²Π°ΠΆΠ½ΠΎ ΠΊΠ°ΠΊ ΠΌΠΎΠΆΠ½ΠΎ Π±ΡΡΡΡΠ΅Π΅ Π΄ΠΈΠ°Π³Π½ΠΎΡΡΠΈΡΠΎΠ²Π°ΡΡ ΠΈ ΡΡΡΡΠ°Π½ΡΡΡ Π»ΡΠ±ΡΠ΅ ΠΏΡΠΎΠ±Π»Π΅ΠΌΡ Ρ ΡΡΠ»Π΅Π²ΡΠΌ ΡΠΏΡΠ°Π²Π»Π΅Π½ΠΈΠ΅ΠΌ. Π’ΠΈΠΏΠΈΡΠ½ΡΠ΅ ΠΏΡΠΎΠ±Π»Π΅ΠΌΡ Ρ ΡΡΠ»Π΅Π²ΡΠΌ ΡΠΏΡΠ°Π²Π»Π΅Π½ΠΈΠ΅ΠΌ Π²ΠΊΠ»ΡΡΠ°ΡΡ:
- ΠΡΠ΅Π½Ρ ΡΡΠ³ΠΎΠ΅ ΡΡΠ»Π΅Π²ΠΎΠ΅ ΠΊΠΎΠ»Π΅ΡΠΎ
ΠΡΠ»ΠΈ ΡΡΠ°Π½ΠΎΠ²ΠΈΡΡΡ Π²ΡΠ΅ ΡΡΡΠ΄Π½Π΅Π΅ ΠΏΠΎΠ²Π΅ΡΠ½ΡΡΡ ΡΡΠ»Π΅Π²ΠΎΠ΅ ΠΊΠΎΠ»Π΅ΡΠΎ, ΡΡΠΎ ΠΏΡΠΈΠ·Π½Π°ΠΊ ΡΠΎΠ³ΠΎ, ΡΡΠΎ, Π²Π΅ΡΠΎΡΡΠ½ΠΎ, ΠΏΡΠΎΠ±Π»Π΅ΠΌΠ° Π»ΠΈΠ±ΠΎ Ρ ΡΡΠ»Π΅Π²ΠΎΠΉ ΡΠ΅ΠΉΠΊΠΎΠΉ, Π»ΠΈΠ±ΠΎ ΠΈΠ·-Π·Π° ΠΎΡΡΡΡΡΡΠ²ΠΈΡ Π΄Π°Π²Π»Π΅Π½ΠΈΡ Π² Π±Π»ΠΎΠΊΠ΅ ΡΡΠ»Π΅Π²ΠΎΠ³ΠΎ ΡΠΏΡΠ°Π²Π»Π΅Π½ΠΈΡ Ρ Π³ΠΈΠ΄ΡΠΎΡΡΠΈΠ»ΠΈΡΠ΅Π»Π΅ΠΌ.
Π Π΅ΡΠ΅Π½ΠΈΠ΅ ΠΌΠΎΠΆΠ΅Ρ Π·Π°ΠΊΠ»ΡΡΠ°ΡΡΡΡ Π² ΠΏΡΠΎΡΡΠΎΠΌ Π΄ΠΎΠ±Π°Π²Π»Π΅Π½ΠΈΠΈ ΠΆΠΈΠ΄ΠΊΠΎΡΡΠΈ Π΄Π»Ρ Π³ΠΈΠ΄ΡΠΎΡΡΠΈΠ»ΠΈΡΠ΅Π»Ρ ΡΡΠ»Ρ, Π½ΠΎ Π»ΡΡΡΠ΅ Π²ΡΠ΅Π³ΠΎ ΠΏΡΠΎΠ²Π΅ΡΠΈΡΡ ΡΡΠΎ. - Π£ΡΠ΅ΡΠΊΠ° ΠΆΠΈΠ΄ΠΊΠΎΡΡΠΈ ΡΡΠ»Π΅Π²ΠΎΠ³ΠΎ ΡΠΏΡΠ°Π²Π»Π΅Π½ΠΈΡ Ρ Π³ΠΈΠ΄ΡΠΎΡΡΠΈΠ»ΠΈΡΠ΅Π»Π΅ΠΌ
Π£ΡΠΎΠ²Π½ΠΈ ΠΆΠΈΠ΄ΠΊΠΎΡΡΠΈ ΡΡΠ»Π΅Π²ΠΎΠ³ΠΎ ΡΠΏΡΠ°Π²Π»Π΅Π½ΠΈΡ Ρ Π³ΠΈΠ΄ΡΠΎΡΡΠΈΠ»ΠΈΡΠ΅Π»Π΅ΠΌ ΡΠΎΠ»ΡΠΊΠΎ ΡΠ½ΠΈΠΆΠ°ΡΡΡΡ, ΠΈ Π² ΡΠ»ΡΡΠ°Π΅ ΡΡΠ΅ΡΠΊΠΈ ΡΡΠ»Π΅Π²ΠΎΠ΅ ΡΠΏΡΠ°Π²Π»Π΅Π½ΠΈΠ΅ Π±ΡΠ΄Π΅Ρ ΠΆΠ΅ΡΡΠΊΠΈΠΌ. ΠΡΠΎ Π½Π΅ Π±ΠΎΠ»ΡΡΠ°Ρ ΠΏΡΠΎΠ±Π»Π΅ΠΌΠ°, ΠΎΠ΄Π½Π°ΠΊΠΎ ΠΏΠΎΡΠ»Π΅Π΄ΡΡΠ²ΠΈΡ ΡΠ»ΠΈΡΠΊΠΎΠΌ Π΄ΠΎΠ»Π³ΠΎΠ³ΠΎ ΠΏΡΠΎΡΡΠΎΡ Π²ΠΊΠ»ΡΡΠ°ΡΡ ΠΏΠ΅ΡΠ΅Π³ΡΠ΅Π² ΡΡΠ»Π΅Π²ΠΎΠ³ΠΎ ΠΌΠ΅Ρ Π°Π½ΠΈΠ·ΠΌΠ° ΠΈ ΡΡΠ»Π΅Π²ΠΎΠΉ ΡΠ΅ΠΉΠΊΠΈ ΠΈΠ»ΠΈ ΠΏΠΎΠ»ΠΎΠΌΠΊΡ ΡΠ΅ΡΡΠ΅ΡΠ΅Π½. Π Π΅ΠΊΠΎΠΌΠ΅Π½Π΄ΡΠ΅ΡΡΡ ΠΈΡΠΏΡΠ°Π²ΠΈΡΡ ΡΡΠΎ, Π΅ΡΠ»ΠΈ ΡΡΠΎ ΠΏΡΠΎΡΡΠ°Ρ (ΠΈ Π΄Π΅ΡΠ΅Π²Π°Ρ) Π·Π°Π΄Π°ΡΠ°. Π©Π΅Π»ΠΊΠ½ΠΈΡΠ΅ Π·Π΄Π΅ΡΡ Π΄Π»Ρ ΠΏΠΎΠ»ΡΡΠ΅Π½ΠΈΡ Π΄ΠΎΠΏΠΎΠ»Π½ΠΈΡΠ΅Π»ΡΠ½ΠΎΠΉ ΠΈΠ½ΡΠΎΡΠΌΠ°ΡΠΈΠΈ ΠΎ ΠΏΡΠΈΡΠΈΠ½Π°Ρ ΡΡΠ΅ΡΠ΅ΠΊ - Π‘ΠΊΡΠ΅ΠΆΠ΅Ρ ΠΏΡΠΈ ΡΡΠ»Π΅Π²ΠΎΠΌ ΡΠΏΡΠ°Π²Π»Π΅Π½ΠΈΠΈ
Π‘ΠΊΡΠ΅ΠΆΠ΅Ρ ΠΎΡ Π²Π°ΡΠ΅Π³ΠΎ ΡΡΠ»Π΅Π²ΠΎΠ³ΠΎ ΡΠ΅Π΄ΡΠΊΡΠΎΡΠ° ΠΈΡΡ ΠΎΠ΄ΠΈΡ ΠΎΡ ΠΊΠΎΠ½ΡΠ°ΠΊΡΠ° ΠΌΠ΅ΡΠ°Π»Π»Π° Ρ ΠΌΠ΅ΡΠ°Π»Π»ΠΎΠΌ, ΡΡΠΎ ΡΠΊΠ°Π·ΡΠ²Π°Π΅Ρ Π½Π° ΠΎΡΡΡΡΡΡΠ²ΠΈΠ΅ ΡΠΌΠ°Π·ΠΊΠΈ.ΠΡ ΡΠΌΠΎΠΆΠ΅ΡΠ΅ ΠΎΡΡΠ΅ΡΠ»ΠΈΠ²ΠΎ Π΅Π³ΠΎ ΡΡΠ»ΡΡΠ°ΡΡ, ΠΊΠΎΠ³Π΄Π° ΠΏΠΎΠ²Π΅ΡΠ½Π΅ΡΠ΅ Π½Π°Π»Π΅Π²ΠΎ ΠΈΠ»ΠΈ Π½Π°ΠΏΡΠ°Π²ΠΎ. ΠΠΎΠΏΡΠΎΡΠΈΡΠ΅ ΡΠ²ΠΎΠ΅Π³ΠΎ ΠΌΠ΅Ρ Π°Π½ΠΈΠΊΠ° Π²Π·Π³Π»ΡΠ½ΡΡΡ Π½Π° ΠΏΡΠΎΠ±Π»Π΅ΠΌΡ, ΡΠ°ΠΊ ΠΊΠ°ΠΊ Π²Π°Ρ ΡΡΠ»Π΅Π²ΠΎΠΉ ΡΠ΅Π΄ΡΠΊΡΠΎΡ ΠΌΠΎΠΆΠ΅Ρ Π½ΡΠΆΠ΄Π°ΡΡΡΡ Π² Π·Π°ΠΌΠ΅Π½Π΅. - ΠΠ°ΠΏΠ°Ρ
Π³ΠΎΡΡΡΠ΅Π³ΠΎ ΠΌΠ°ΡΠ»Π°
ΠΠΈΠ΄ΠΊΠΎΡΡΡ Π΄Π»Ρ Π³ΠΈΠ΄ΡΠΎΡΡΠΈΠ»ΠΈΡΠ΅Π»Ρ ΡΡΠ»Ρ ΠΏΠ°Ρ Π½Π΅Ρ Π³ΠΎΡΡΡΠΈΠΌ ΠΌΠ°ΡΠ»ΠΎΠΌ, ΠΏΠΎΡΡΠΎΠΌΡ Π΅ΡΠ»ΠΈ Π²Ρ ΡΡΠ²ΡΡΠ²ΡΠ΅ΡΠ΅ Π΅Π΅ Π·Π°ΠΏΠ°Ρ Π²ΠΎ Π²ΡΠ΅ΠΌΡ Π²ΠΎΠΆΠ΄Π΅Π½ΠΈΡ, ΡΡΠΎ ΠΏΡΠΈΠ·Π½Π°ΠΊ ΡΠΎΠ³ΠΎ, ΡΡΠΎ ΡΡΠ»Π΅Π²ΠΎΠΉ ΡΠ΅Π΄ΡΠΊΡΠΎΡ ΡΠ»ΠΈΡΠΊΠΎΠΌ Π³ΠΎΡΡΡΠΈΠΉ.
ΠΡΡΡΠ΅ ΠΎΡΡΠ°Π½ΠΎΠ²ΠΈΡΡ ΠΌΠ°ΡΠΈΠ½Ρ ΠΊΠ°ΠΊ ΠΌΠΎΠΆΠ½ΠΎ ΡΠΊΠΎΡΠ΅Π΅ ΠΈ ΠΏΠΎΠΏΡΡΠ°ΡΡΡΡ ΡΠ΅ΡΠΈΡΡ ΠΏΡΠΎΠ±Π»Π΅ΠΌΡ. ΠΠ²ΠΈΠΆΠ΅Π½ΠΈΠ΅ Ρ ΠΏΠ΅ΡΠ΅Π³ΡΠ΅ΡΡΠΌ ΡΡΠ»Π΅Π²ΡΠΌ ΠΌΠ΅Ρ
Π°Π½ΠΈΠ·ΠΌΠΎΠΌ ΠΌΠΎΠΆΠ΅Ρ ΠΏΡΠΈΠ²Π΅ΡΡΠΈ ΠΊ ΠΏΠΎΠΆΠ°ΡΡ.
ΠΠΎΠ΄ΡΠΎΠ±Π½Π΅Π΅
Π₯ΠΎΡΠΈΡΠ΅ ΡΠ·Π½Π°ΡΡ Π±ΠΎΠ»ΡΡΠ΅ ΠΎ ΡΡΠ»Π΅Π²ΠΎΠΌ ΡΠΏΡΠ°Π²Π»Π΅Π½ΠΈΠΈ ΠΈ ΠΏΠΎΠ΄Π²Π΅ΡΠΊΠ΅ Π²Π°ΡΠ΅Π³ΠΎ Π°Π²ΡΠΎΠΌΠΎΠ±ΠΈΠ»Ρ? ΠΠ·Π³Π»ΡΠ½ΠΈΡΠ΅ Π½Π° MOOG TV.MOOG TV, ΠΏΠΎΠ»Π½ΡΠΉ ΠΈΠ½ΡΠ΅ΡΠ΅ΡΠ½ΡΡ Π²ΠΈΠ΄Π΅ΠΎ, ΠΏΠΎΠ»Π΅Π·Π½ΡΡ ΡΠΎΠ²Π΅ΡΠΎΠ² ΠΈ ΡΠ΅ΡΠΊΠΈΡ ΠΈΠ½ΡΡΡΡΠΊΡΠΈΠΉ, — ΠΈΠ΄Π΅Π°Π»ΡΠ½ΠΎΠ΅ ΠΌΠ΅ΡΡΠΎ, ΡΡΠΎΠ±Ρ ΡΠ·Π½Π°ΡΡ Π±ΠΎΠ»ΡΡΠ΅ ΠΎ Π²Π°ΡΠ΅ΠΌ Π°Π²ΡΠΎΠΌΠΎΠ±ΠΈΠ»Π΅.
ΠΠΎΡΠ΅ΡΠΈΡΠ΅ MOOG TV
Π ΡΠ»Π΅Π²Π°Ρ ΠΊΠΎΠ»ΠΎΠ½ΠΊΠ°
ΠΠΎΠ³ΡΡΠ·ΠΊΠ°
ΠΠ²ΡΠΎΠΌΠΎΠ±ΠΈΠ»ΡΠ½Π°Ρ ΡΡΠ»Π΅Π²Π°Ρ ΠΊΠΎΠ»ΠΎΠ½ΠΊΠ° — ΡΡΠΎ ΡΡΡΡΠΎΠΉΡΡΠ²ΠΎ, ΠΏΡΠ΅Π΄Π½Π°Π·Π½Π°ΡΠ΅Π½Π½ΠΎΠ΅ Π² ΠΏΠ΅ΡΠ²ΡΡ ΠΎΡΠ΅ΡΠ΅Π΄Ρ Π΄Π»Ρ ΡΠΎΠ΅Π΄ΠΈΠ½Π΅Π½ΠΈΡ ΡΡΠ»Π΅Π²ΠΎΠ³ΠΎ ΠΊΠΎΠ»Π΅ΡΠ° Ρ ΡΡΠ»Π΅Π²ΡΠΌ ΠΌΠ΅Ρ
Π°Π½ΠΈΠ·ΠΌΠΎΠΌ ΠΏΡΡΠ΅ΠΌ ΠΏΠ΅ΡΠ΅Π΄Π°ΡΠΈ Π²Ρ
ΠΎΠ΄Π½ΠΎΠ³ΠΎ ΠΊΡΡΡΡΡΠ΅Π³ΠΎ ΠΌΠΎΠΌΠ΅Π½ΡΠ° Π²ΠΎΠ΄ΠΈΡΠ΅Π»Ρ ΠΎΡ ΡΡΠ»Π΅Π²ΠΎΠ³ΠΎ ΠΊΠΎΠ»Π΅ΡΠ°.
Π ΡΠ»Π΅Π²Π°Ρ ΠΊΠΎΠ»ΠΎΠ½ΠΊΠ° ΠΌΠΎΠΆΠ΅Ρ Π²ΡΠΏΠΎΠ»Π½ΡΡΡ ΠΈ Π΄ΡΡΠ³ΠΈΠ΅ Π²ΡΠΎΡΠΎΡΡΠ΅ΠΏΠ΅Π½Π½ΡΠ΅ ΡΡΠ½ΠΊΡΠΈΠΈ:
- Π£ΠΏΡΠ°Π²Π»Π΅Π½ΠΈΠ΅ ΡΠ°ΡΡΠ΅ΠΈΠ²Π°Π½ΠΈΠ΅ΠΌ ΡΠ½Π΅ΡΠ³ΠΈΠΈ ΠΏΡΠΈ Π»ΠΎΠ±ΠΎΠ²ΠΎΠΌ ΡΡΠΎΠ»ΠΊΠ½ΠΎΠ²Π΅Π½ΠΈΠΈ;
- ΠΎΠ±Π΅ΡΠΏΠ΅ΡΠΈΠ²Π°Π΅Ρ ΠΌΠΎΠ½ΡΠ°ΠΆ: ΠΌΠ½ΠΎΠ³ΠΎΡΡΠ½ΠΊΡΠΈΠΎΠ½Π°Π»ΡΠ½ΠΎΠ³ΠΎ ΠΏΠ΅ΡΠ΅ΠΊΠ»ΡΡΠ°ΡΠ΅Π»Ρ, Π·Π°ΠΌΠΊΠ° ΠΊΠΎΠ»ΠΎΠ½ΠΊΠΈ, ΠΏΡΠΎΠ²ΠΎΠ΄ΠΊΠΈ ΠΊΠΎΠ»ΠΎΠ½ΠΊΠΈ, ΠΊΠΎΠΆΡΡ Π° (Π΅ΠΉ) ΠΊΠΎΠ»ΠΎΠ½ΠΊΠΈ, ΠΏΠ΅ΡΠ΅ΠΊΠ»ΡΡΠ°ΡΠ΅Π»Ρ ΠΊΠΎΡΠΎΠ±ΠΊΠΈ ΠΏΠ΅ΡΠ΅Π΄Π°Ρ, ΠΌΠ°Π½ΠΎΠΌΠ΅ΡΡΠΎΠ² ΠΈΠ»ΠΈ Π΄ΡΡΠ³ΠΈΡ ΠΈΠ½ΡΡΡΡΠΌΠ΅Π½ΡΠΎΠ², Π° ΡΠ°ΠΊΠΆΠ΅ Π³ΠΈΠ΄ΡΠ°Π²Π»ΠΈΡΠ΅ΡΠΊΠΎΠ³ΠΎ ΠΈΠ»ΠΈ ΡΠ»Π΅ΠΊΡΡΠΎΠ΄Π²ΠΈΠ³Π°ΡΠ΅Π»Ρ ΠΈ ΡΠ΅Π΄ΡΠΊΡΠΎΡΠΎΠ², ΠΈΠΌΠ΅ΡΡΠΈΡ ΡΡ Π² ΡΡΠ»Π΅Π²ΠΎΠΌ ΡΠΏΡΠ°Π²Π»Π΅Π½ΠΈΠΈ Ρ Π³ΠΈΠ΄ΡΠΎΡΡΠΈΠ»ΠΈΡΠ΅Π»Π΅ΠΌ
- ΠΏΡΠ΅Π΄Π»Π°Π³Π°Π΅Ρ ΡΠ΅Π³ΡΠ»ΠΈΡΠΎΠ²ΠΊΡ Π²ΡΡΠΎΡΡ ΠΈ / ΠΈΠ»ΠΈ Π΄Π»ΠΈΠ½Ρ Π² ΡΠΎΠΎΡΠ²Π΅ΡΡΡΠ²ΠΈΠΈ Ρ ΠΏΡΠ΅Π΄ΠΏΠΎΡΡΠ΅Π½ΠΈΡΠΌΠΈ Π²ΠΎΠ΄ΠΈΡΠ΅Π»Ρ.

Π ΡΠ»Π΅Π²Π°Ρ ΠΊΠΎΠ»ΠΎΠ½ΠΊΠ° ΡΠΎΡΡΠΎΠΈΡ ΠΈΠ· ΡΠ°Π·Π±ΠΎΡΠ½ΠΎΠ³ΠΎ ΠΊΠΎΡΠΏΡΡΠ°, Π² ΠΊΠΎΡΠΎΡΠΎΠΌ Π½Π°Ρ
ΠΎΠ΄ΠΈΡΡΡ ΡΠ°Π·Π±ΠΎΡΠ½ΡΠΉ Π²ΡΠ°ΡΠ°ΡΡΠΈΠΉΡΡ Π²Π°Π».Π ΠΊΠ°ΡΠ΅ΡΡΠ²Π΅ ΠΌΠ΅ΡΡ Π±Π΅Π·ΠΎΠΏΠ°ΡΠ½ΠΎΡΡΠΈ ΡΡΠ»Π΅Π²Π°Ρ ΠΊΠΎΠ»ΠΎΠ½ΠΊΠ° ΡΠΏΡΠΎΠ΅ΠΊΡΠΈΡΠΎΠ²Π°Π½Π° ΡΠ°ΠΊΠΈΠΌ ΠΎΠ±ΡΠ°Π·ΠΎΠΌ, ΡΡΠΎΠ±Ρ ΡΠ°Π·ΡΡΡΠΈΡΡΡΡ Π² ΡΠ»ΡΡΠ°Π΅ Π»ΠΎΠ±ΠΎΠ²ΠΎΠ³ΠΎ ΡΡΠΎΠ»ΠΊΠ½ΠΎΠ²Π΅Π½ΠΈΡ. ΠΡΠ»ΠΈ ΡΡΠ»Π΅Π²Π°Ρ ΠΊΠΎΠ»ΠΎΠ½ΠΊΠ° ΡΠ°Π·ΡΡΡΠΈΠ»Π°ΡΡ, Π΅Π΅ Π½Π΅ΠΎΠ±Ρ
ΠΎΠ΄ΠΈΠΌΠΎ Π·Π°ΠΌΠ΅Π½ΠΈΡΡ. Π ΡΠ»Π΅Π²ΠΎΠΉ Π²Π°Π» ΠΏΡΠ΅Π΄ΡΡΠ°Π²Π»ΡΠ΅Ρ ΡΠΎΠ±ΠΎΠΉ ΠΊΠΎΠΌΠΏΠΎΠ½Π΅Π½Ρ ΠΈΠ· Π΄Π²ΡΡ
ΠΈΠ»ΠΈ Π±ΠΎΠ»Π΅Π΅ ΡΠ°ΡΡΠ΅ΠΉ, ΡΠ°ΡΠΏΠΎΠ»ΠΎΠΆΠ΅Π½Π½ΡΠΉ Π²Π½ΡΡΡΠΈ ΡΡΠ»Π΅Π²ΠΎΠΉ ΠΊΠΎΠ»ΠΎΠ½ΠΊΠΈ. ΠΠ½ ΠΏΠΎΠ΄Π΄Π΅ΡΠΆΠΈΠ²Π°Π΅ΡΡΡ Π² Π²Π΅ΡΡ
Π½Π΅ΠΉ ΠΈ Π½ΠΈΠΆΠ½Π΅ΠΉ ΡΠ°ΡΡΠΈ ΡΡΠ»Π΅Π²ΠΎΠΉ ΠΊΠΎΠ»ΠΎΠ½ΠΊΠΈ ΠΏΠΎΠ΄ΡΠΈΠΏΠ½ΠΈΠΊΠ°ΠΌΠΈ. ΠΠΎΡΠΏΡΡ ΡΡΠ»Π΅Π²ΠΎΠΉ ΠΊΠΎΠ»ΠΎΠ½ΠΊΠΈ ΠΌΠΎΠΆΠ΅Ρ ΡΠ°ΠΊΠΆΠ΅ ΡΠΎΠ΄Π΅ΡΠΆΠ°ΡΡ ΠΊΠΎΠΌΠΏΠΎΠ½Π΅Π½ΡΡ ΠΏΠ΅ΡΠ΅ΠΊΠ»ΡΡΠ΅Π½ΠΈΡ ΠΏΠ΅ΡΠ΅Π΄Π°Ρ.
Π ΠΎΠ±ΡΡΠ½ΡΡ
Π΄ΠΎΡΠΎΠΆΠ½ΡΡ
Π°Π²ΡΠΎΠΌΠΎΠ±ΠΈΠ»ΡΡ
ΡΡΠ»Π΅Π²Π°Ρ ΠΊΠΎΠ»ΠΎΠ½ΠΊΠ° ΠΈΡΠΏΠΎΠ»ΡΠ·ΡΠ΅ΡΡΡ Π΄Π»Ρ ΠΊΡΠ΅ΠΏΠ»Π΅Π½ΠΈΡ Π½Π΅ΡΠΊΠΎΠ»ΡΠΊΠΈΡ
Π°ΠΊΡΠ΅ΡΡΡΠ°ΡΠΎΠ². ΠΠ΅ΡΠ΅ΠΊΠ»ΡΡΠ°ΡΠ΅Π»Ρ ΡΠΊΠ°Π·Π°ΡΠ΅Π»Π΅ΠΉ ΠΏΠΎΠ²ΠΎΡΠΎΡΠ°, ΠΏΠ΅ΡΠ΅ΠΊΠ»ΡΡΠ°ΡΠ΅Π»Ρ Π·Π°ΡΠ΅ΠΌΠ½Π΅Π½ΠΈΡ ΡΠ°Ρ, ΠΏΠ΅ΡΠ΅ΠΊΠ»ΡΡΠ°ΡΠ΅Π»Ρ ΡΡΠ΅ΠΊΠ»ΠΎΠΎΡΠΈΡΡΠΈΡΠ΅Π»Ρ ΠΈ ΠΏΠ΅ΡΠ΅ΠΊΠ»ΡΡΠ°ΡΠ΅Π»Ρ Π·Π°ΠΆΠΈΠ³Π°Π½ΠΈΡ ΠΌΠΎΠ³ΡΡ Π±ΡΡΡ ΡΠ°ΡΠΏΠΎΠ»ΠΎΠΆΠ΅Π½Ρ Π½Π° ΡΡΠ»Π΅Π²ΠΎΠΉ ΠΊΠΎΠ»ΠΎΠ½ΠΊΠ΅ ΠΈΠ»ΠΈ Π²Π½ΡΡΡΠΈ Π½Π΅Π΅.ΠΠ±ΡΠ»ΡΠΆΠΈΠ²Π°Π½ΠΈΠ΅ ΡΡΠ»Π΅Π²ΠΎΠΉ ΠΊΠΎΠ»ΠΎΠ½ΠΊΠΈ ΠΎΠ±ΡΡΠ½ΠΎ ΡΡΠ΅Π±ΡΠ΅Ρ ΡΠ½ΡΡΠΈΡ ΡΡΠΈΡ
ΠΊΠΎΠΌΠΏΠΎΠ½Π΅Π½ΡΠΎΠ². ΠΡΠΈ ΡΠ½ΡΡΠΈΠΈ ΡΡΠ»Π΅Π²ΠΎΠΉ ΠΊΠΎΠ»ΠΎΠ½ΠΊΠΈ Π΄Π»Ρ ΠΎΠ±ΡΠ»ΡΠΆΠΈΠ²Π°Π½ΠΈΡ Π½Π΅ΠΎΠ±Ρ
ΠΎΠ΄ΠΈΠΌΠΎ ΡΠΎΠ±Π»ΡΠ΄Π°ΡΡ ΠΎΡΡΠΎΡΠΎΠΆΠ½ΠΎΡΡΡ.
ΠΠΎΠ»ΠΎΠ½Π½Ρ Π½Π΅Π»ΡΠ·Ρ ΡΠΎΠ½ΡΡΡ, ΠΎΠΏΠΈΡΠ°ΡΡΡΡ Π½Π° Π½Π΅Π΅ ΠΈΠ»ΠΈ ΠΏΠΎΠ΄Π²Π΅ΡΠ³Π°ΡΡ ΡΠ΄Π°ΡΠ°ΠΌ ΠΏΠΎ ΠΎΠ±ΠΎΠΈΠΌ ΠΊΠΎΠ½ΡΠ°ΠΌ. ΠΠ½ΡΡΡΠ΅Π½Π½ΠΈΠ΅ ΠΊΠΎΠΌΠΏΠΎΠ½Π΅Π½ΡΡ ΠΊΠΎΠ»ΠΎΠ½Π½Ρ ΠΌΠΎΠ³ΡΡ ΡΡΠ΅Π·Π°ΡΡΡΡ, ΡΡΠΎ ΠΏΡΠΈΠ²Π΅Π΄Π΅Ρ ΠΊ ΡΠ°ΡΡΠΈΡΠ½ΠΎΠΌΡ ΡΠ°Π·ΡΡΡΠ΅Π½ΠΈΡ ΠΊΠΎΠ»ΠΎΠ½Π½Ρ.
ΠΠ»Ρ Π°Π²ΡΠΎΠ³ΠΎΠ½ΠΎΠΊ, Π² ΠΊΠΎΡΠΎΡΡΡ ΡΠΎΡΡΠ΅ Π΄ΠΎΠ»ΠΈ ΡΠ΅ΠΊΡΠ½Π΄Ρ ΠΌΠΎΠ³ΡΡ ΠΎΠ·Π½Π°ΡΠ°ΡΡ ΡΠ°Π·Π½ΠΈΡΡ ΠΌΠ΅ΠΆΠ΄Ρ ΠΏΠΎΡΠ»-ΠΏΠΎΠ·ΠΈΡΠΈΠ΅ΠΉ ΠΈΠ»ΠΈ ΠΏΡΠΎΡΠ΅Π·ΡΡ ΡΠ΅ΡΠΊΠΈ Π² ΡΠ΅ΡΠ΅Π΄ΠΈΠ½Π΅ ΠΏΠΎΠ»Ρ, ΡΠΏΠΎΡΠΎΠ±Π½ΠΎΡΡΡ Π°Π²ΡΠΎΠΌΠΎΠ±ΠΈΠ»Ρ ΡΠΏΡΠ°Π²Π»ΡΡΡ Π°Π²ΡΠΎΠΌΠΎΠ±ΠΈΠ»Π΅ΠΌ ΠΈΠΌΠ΅Π΅Ρ ΠΏΠ΅ΡΠ²ΠΎΡΡΠ΅ΠΏΠ΅Π½Π½ΠΎΠ΅ Π·Π½Π°ΡΠ΅Π½ΠΈΠ΅.Π‘ΠΈΡΡΠ΅ΠΌΠ° ΡΡΠ»Π΅Π²ΠΎΠ³ΠΎ ΡΠΏΡΠ°Π²Π»Π΅Π½ΠΈΡ Π΄Π°Π΅Ρ Π²ΠΎΠ΄ΠΈΡΠ΅Π»Ρ ΠΏΠ΅ΡΠ²ΠΎΠ΅ ΠΏΡΠ΅Π΄ΡΡΠ°Π²Π»Π΅Π½ΠΈΠ΅ ΠΎ ΡΠΎΠΌ, Π½Π°ΡΠΊΠΎΠ»ΡΠΊΠΎ Ρ ΠΎΡΠΎΡΠΎ Π°Π²ΡΠΎΠΌΠΎΠ±ΠΈΠ»Ρ ΡΠΏΡΠ°Π²Π»ΡΠ΅ΡΡΡ. Π ΡΠ»Π΅Π²Π°Ρ ΠΊΠΎΠ»ΠΎΠ½ΠΊΠ° ΡΠ²Π»ΡΠ΅ΡΡΡ Π²Π°ΠΆΠ½ΡΠΌ Π·Π²Π΅Π½ΠΎΠΌ Π² ΡΠ΅ΠΏΠΈ ΡΠΎΠ±ΡΡΠΈΠΉ, ΠΊΠΎΠ³Π΄Π° ΠΏΠΎΠ²ΠΎΡΠΎΡ ΡΡΠ»Π΅Π²ΠΎΠ³ΠΎ ΠΊΠΎΠ»Π΅ΡΠ° ΠΏΠΎΠ²ΠΎΡΠ°ΡΠΈΠ²Π°Π΅Ρ ΠΊΠΎΠ»Π΅ΡΠ° Π°Π²ΡΠΎΠΌΠΎΠ±ΠΈΠ»Ρ. ΠΠΎΠ»ΠΎΠ½ΠΊΠ° ΡΠΎΠ΅Π΄ΠΈΠ½ΡΠ΅ΡΡΡ Ρ ΡΡΠ»Π΅Π²ΡΠΌ ΠΊΠΎΠ»Π΅ΡΠΎΠΌ ΠΎΠ΄Π½ΠΈΠΌ ΠΊΠΎΠ½ΡΠΎΠΌ, Π° ΡΠ΅ΠΉΠΊΠ° ΠΈ ΡΠ΅ΡΡΠ΅ΡΠ½Ρ — Π΄ΡΡΠ³ΠΈΠΌ. ΠΡΠΎ ΠΎΠ·Π½Π°ΡΠ°Π΅Ρ, ΡΡΠΎ ΡΡΠ»Π΅Π²Π°Ρ ΠΊΠΎΠ»ΠΎΠ½ΠΊΠ° ΡΡΠ½Π΅ΡΡΡ ΠΎΡ ΠΊΡΠ°Ρ ΠΊΠ°Π±ΠΈΠ½Ρ Π΄ΠΎ ΠΏΠ΅ΡΠ΅Π΄Π½Π΅ΠΉ ΠΏΠ΅ΡΠ΅Π±ΠΎΡΠΊΠΈ Π°Π²Π°ΡΠΈΠΉΠ½ΠΎΠ³ΠΎ ΠΎΡΡΠ΅ΠΊΠ°.
ΠΠ΅ΡΠ°Π»ΠΈ ΡΡΠΎΠΉΠΊΠΈ ΠΈ ΡΠ΅ΡΡΠ΅ΡΠ½ΠΈ ΡΡΠ»Π΅Π²ΠΎΠΉ ΠΊΠΎΠ»ΠΎΠ½ΠΊΠΈ Π΄ΠΎΡΠΎΠΆΠ½ΡΡ Π°Π²ΡΠΎΠΌΠΎΠ±ΠΈΠ»Π΅ΠΉ (ΠΊΠ°ΡΠ±ΡΡΠ°ΡΠΎΡ.com)
ΠΡΠ΅ ΠΎΡΠ΅Π½Ρ ΠΏΡΠΎΡΡΠΎ: ΠΊΠΎΠ³Π΄Π° Π²ΠΎΠ΄ΠΈΡΠ΅Π»Ρ ΠΏΠΎΠ²ΠΎΡΠ°ΡΠΈΠ²Π°Π΅Ρ ΡΡΠ»Π΅Π²ΠΎΠ΅ ΠΊΠΎΠ»Π΅ΡΠΎ, ΠΊΠΎΠ»ΠΎΠ½ΠΊΠ° Π²ΡΠ°ΡΠ°Π΅Ρ Π²Π΅Π΄ΡΡΡΡ ΡΠ΅ΡΡΠ΅ΡΠ½Ρ, Π° ΡΠ΅ΠΉΠΊΠ° ΠΏΠ΅ΡΠ΅ΠΌΠ΅ΡΠ°Π΅ΡΡΡ Π²Π±ΠΎΠΊ.
Π’ΡΠ³ΠΈ ΠΏΡΠΈΠ²ΠΎΠ΄ΡΡΡΡ Π² Π΄Π΅ΠΉΡΡΠ²ΠΈΠ΅, ΠΏΠ΅ΡΠ΅ΠΊΠ»ΡΡΠ°ΡΡ ΠΊΠΎΠ»Π΅ΡΠ°. Π’ΡΠ³ΠΈ ΠΈΡΠΏΠΎΠ»ΡΠ·ΡΡΡΡΡ Π΄Π»Ρ ΡΠΎΠ΅Π΄ΠΈΠ½Π΅Π½ΠΈΡ ΡΡΠ»Π΅Π²ΠΎΠ³ΠΎ ΠΌΠ΅Ρ
Π°Π½ΠΈΠ·ΠΌΠ° Ρ ΠΏΠΎΠ²ΠΎΡΠΎΡΠ½ΡΠΌ ΠΊΡΠ»Π°ΠΊΠΎΠΌ. ΠΠΎΠ½ΡΡ ΠΏΠΎΠΏΠ΅ΡΠ΅ΡΠ½ΠΎΠΉ ΡΡΠ»Π΅Π²ΠΎΠΉ ΡΡΠ³ΠΈ Π²ΡΠΏΠΎΠ»Π½Π΅Π½Ρ Π² Π²ΠΈΠ΄Π΅ ΡΠ°ΡΠ° ΠΈ Π³Π½Π΅Π·Π΄Π°, ΠΊΠΎΡΠΎΡΡΠ΅ ΠΏΠΎΠ·Π²ΠΎΠ»ΡΡΡ ΠΏΠΎΠΏΠ΅ΡΠ΅ΡΠ½ΠΎΠΉ ΡΡΠ»Π΅Π²ΠΎΠΉ ΡΡΠ³Π΅ ΠΈΠ·Π³ΠΈΠ±Π°ΡΡΡΡ Π²Π²Π΅ΡΡ
ΠΈ Π²Π½ΠΈΠ· ΠΏΡΠΈ Π΄Π²ΠΈΠΆΠ΅Π½ΠΈΠΈ ΠΏΠ΅ΡΠ΅Π΄Π½Π΅ΠΉ ΠΏΠΎΠ΄Π²Π΅ΡΠΊΠΈ. Π‘ΡΡΠΆΠ½ΡΠ΅ ΡΠΏΠΈΠ»ΡΠΊΠΈ ΡΠ»Π΅Π΄ΡΠ΅Ρ ΠΏΡΠΎΠ²Π΅ΡΡΡΡ Π½Π° ΠΏΡΠ΅Π΄ΠΌΠ΅Ρ ΡΡΠ΅Π·ΠΌΠ΅ΡΠ½ΠΎΠ³ΠΎ Π΄Π²ΠΈΠΆΠ΅Π½ΠΈΡ, ΡΠ°Π·ΡΡΠ²ΠΎΠ² ΡΠΏΠ»ΠΎΡΠ½Π΅Π½ΠΈΠΉ ΠΊΠΎΠ½ΡΠΈΡΡΠ΅Π½ΡΠ½ΠΎΠΉ ΡΠΌΠ°Π·ΠΊΠΈ ΠΈΠ»ΠΈ Π»ΡΠ±ΠΎΠ³ΠΎ Π²ΠΈΠ΄ΠΈΠΌΠΎΠ³ΠΎ ΠΈΠ·Π½ΠΎΡΠ°.Π£ Π²Π°Ρ Π½Π΅ Π΄ΠΎΠ»ΠΆΠ½ΠΎ Π±ΡΡΡ Π²ΠΎΠ·ΠΌΠΎΠΆΠ½ΠΎΡΡΠΈ ΡΠ»ΠΎΠΌΠ°ΡΡ ΡΠ·Π΅Π» ΡΠ°ΡΠ° ΠΈ Π³Π½Π΅Π·Π΄Π° ΡΡΠ»Π΅Π²ΠΎΠΉ ΡΡΠ³ΠΈ, ΠΏΡΡΠ°ΡΡΡ ΡΠΆΠ°ΡΡ Π΅Π³ΠΎ Π²ΡΡΡΠ½ΡΡ. ΠΡΠ±ΠΎΠ΅ Π΄Π²ΠΈΠΆΠ΅Π½ΠΈΠ΅ ΡΠ°ΡΠ° ΠΈ Π³Π½Π΅Π·Π΄Π° Π²Π½ΡΡΡΡ ΡΠ»Π΅Π΄ΡΠ΅Ρ ΡΠ°ΡΡΠΌΠ°ΡΡΠΈΠ²Π°ΡΡ ΠΊΠ°ΠΊ ΡΡΠ΅Π·ΠΌΠ΅ΡΠ½ΡΠΉ ΠΈΠ·Π½ΠΎΡ.
Π Π΅ΠΉΠΊΠ° ΡΡΠ»Π΅Π²ΠΎΠΉ ΠΊΠΎΠ»ΠΎΠ½ΠΊΠΈ Π² ΡΠ±ΠΎΡΠ΅
ΠΠ½ΠΈΠΌΠ°ΡΠΈΡ ΡΡΠΎΠΉΠΊΠΈ ΠΈ ΡΠ΅ΡΡΠ΅ΡΠ½ΠΈ
ΠΠΎΠ½ΡΡ ΠΏΠΎΠΏΠ΅ΡΠ΅ΡΠ½ΠΎΠΉ ΡΡΠ»Π΅Π²ΠΎΠΉ ΡΡΠ³ΠΈ ΠΈΠΌΠ΅ΡΡ ΠΊΠΎΠ½ΡΡΡΡΠΊΡΠΈΡ Ρ ΡΠ°ΡΠΈΠΊΠΎΠΌ ΠΈ Π²ΡΡΠ»ΠΊΠΎΠΉ, ΠΊΠΎΡΠΎΡΠ°Ρ ΠΏΠΎΠ·Π²ΠΎΠ»ΡΠ΅Ρ ΠΏΠΎΠΏΠ΅ΡΠ΅ΡΠ½ΠΎΠΉ ΡΡΠ»Π΅Π²ΠΎΠΉ ΡΡΠ³Π΅ ΠΈΠ·Π³ΠΈΠ±Π°ΡΡΡΡ Π²Π²Π΅ΡΡ ΠΈ Π²Π½ΠΈΠ· ΠΏΡΠΈ Π΄Π²ΠΈΠΆΠ΅Π½ΠΈΠΈ ΠΏΠ΅ΡΠ΅Π΄Π½Π΅ΠΉ ΠΏΠΎΠ΄Π²Π΅ΡΠΊΠΈ.
ΠΠ½ΠΎΠ³ΠΈΠ΅ ΡΠΎΠ²ΡΠ΅ΠΌΠ΅Π½Π½ΡΠ΅ Π°Π²ΡΠΎΠΌΠΎΠ±ΠΈΠ»ΠΈ ΠΈΡΠΏΠΎΠ»ΡΠ·ΡΡΡ ΡΠ΅Π΅ΡΠ½ΡΠ΅ ΠΌΠ΅Ρ
Π°Π½ΠΈΠ·ΠΌΡ ΡΡΠ»Π΅Π²ΠΎΠ³ΠΎ ΡΠΏΡΠ°Π²Π»Π΅Π½ΠΈΡ, Π² ΠΊΠΎΡΠΎΡΡΡ
ΡΡΠ»Π΅Π²ΠΎΠ΅ ΠΊΠΎΠ»Π΅ΡΠΎ Π²ΡΠ°ΡΠ°Π΅Ρ Π²Π΅Π΄ΡΡΡΡ ΡΠ΅ΡΡΠ΅ΡΠ½Ρ; ΡΠ΅ΡΡΠ΅ΡΠ½Ρ ΠΏΠ΅ΡΠ΅ΠΌΠ΅ΡΠ°Π΅Ρ ΡΠ΅ΠΉΠΊΡ, ΠΊΠΎΡΠΎΡΠ°Ρ ΠΏΡΠ΅Π΄ΡΡΠ°Π²Π»ΡΠ΅Ρ ΡΠΎΠ±ΠΎΠΉ Π»ΠΈΠ½Π΅ΠΉΠ½ΡΡ ΡΠ΅ΡΡΠ΅ΡΠ½Ρ, ΠΊΠΎΡΠΎΡΠ°Ρ Π²Ρ
ΠΎΠ΄ΠΈΡ Π² Π·Π°ΡΠ΅ΠΏΠ»Π΅Π½ΠΈΠ΅ Ρ ΡΠ΅ΡΡΠ΅ΡΠ½Π΅ΠΉ, ΠΏΡΠ΅ΠΎΠ±ΡΠ°Π·ΡΡ ΠΊΡΡΠ³ΠΎΠ²ΠΎΠ΅ Π΄Π²ΠΈΠΆΠ΅Π½ΠΈΠ΅ Π² Π»ΠΈΠ½Π΅ΠΉΠ½ΠΎΠ΅ Π΄Π²ΠΈΠΆΠ΅Π½ΠΈΠ΅ Π²Π΄ΠΎΠ»Ρ ΠΏΠΎΠΏΠ΅ΡΠ΅ΡΠ½ΠΎΠΉ ΠΎΡΠΈ Π°Π²ΡΠΎΠΌΠΎΠ±ΠΈΠ»Ρ (Π΄Π²ΠΈΠΆΠ΅Π½ΠΈΠ΅ ΠΈΠ· ΡΡΠΎΡΠΎΠ½Ρ Π² ΡΡΠΎΡΠΎΠ½Ρ).
ΠΡΠΎ Π΄Π²ΠΈΠΆΠ΅Π½ΠΈΠ΅ ΠΏΠ΅ΡΠ΅Π΄Π°Π΅Ρ ΠΊΡΡΡΡΡΠΈΠΉ ΠΌΠΎΠΌΠ΅Π½Ρ ΡΡΠ»Π΅Π²ΠΎΠ³ΠΎ ΡΠΏΡΠ°Π²Π»Π΅Π½ΠΈΡ Π½Π° ΡΠΊΠ²ΠΎΡΠ΅Π½Ρ ΡΠΏΡΠ°Π²Π»ΡΠ΅ΠΌΡΡ
ΠΊΠΎΠ»Π΅Ρ ΡΠ΅ΡΠ΅Π· ΡΡΠ»Π΅Π²ΡΡ ΡΡΠ³Ρ ΠΈ ΠΊΠΎΡΠΎΡΠΊΠΎΠ΅ ΠΏΠ»Π΅ΡΠΎ ΡΡΡΠ°Π³Π°, Π½Π°Π·ΡΠ²Π°Π΅ΠΌΠΎΠ΅ ΡΡΠ»Π΅Π²ΡΠΌ ΡΡΡΠ°Π³ΠΎΠΌ.
Π Π΅Π΅ΡΠ½Π°Ρ ΠΊΠΎΠ½ΡΡΡΡΠΊΡΠΈΡ ΠΈΠΌΠ΅Π΅Ρ ΠΏΡΠ΅ΠΈΠΌΡΡΠ΅ΡΡΠ²Π° Π±ΠΎΠ»ΡΡΠΎΠΉ ΡΡΠ΅ΠΏΠ΅Π½ΠΈ ΠΎΠ±ΡΠ°ΡΠ½ΠΎΠΉ ΡΠ²ΡΠ·ΠΈ ΠΈ ΠΏΡΡΠΌΠΎΠ³ΠΎ Β«ΠΎΡΡΡΠ΅Π½ΠΈΡΒ» ΡΡΠ»Π΅Π²ΠΎΠ³ΠΎ ΡΠΏΡΠ°Π²Π»Π΅Π½ΠΈΡ; ΠΎΠ½ ΡΠ°ΠΊΠΆΠ΅ ΠΎΠ±ΡΡΠ½ΠΎ Π½Π΅ ΠΈΠΌΠ΅Π΅Ρ Π»ΡΡΡΠ° ΠΈΠ»ΠΈ ΠΏΡΠΎΠ²ΠΈΡΠ°Π½ΠΈΡ. ΠΠΎΡ ΠΏΠΎΡΠ΅ΠΌΡ ΡΡΠ° ΡΠΈΡΡΠ΅ΠΌΠ° ΡΠ²Π»ΡΠ΅ΡΡΡ ΠΏΠ΅ΡΠ²ΡΠΌ Π²ΡΠ±ΠΎΡΠΎΠΌ Π³ΠΎΠ½ΠΎΡΠ½ΡΡ Π΄ΠΈΠ·Π°ΠΉΠ½Π΅ΡΠΎΠ². ΠΠ΅Π΄ΠΎΡΡΠ°ΡΠΊΠΎΠΌ ΡΠ²Π»ΡΠ΅ΡΡΡ ΡΠΎ, ΡΡΠΎ ΠΎΠ½ Π½Π΅ ΡΠ΅Π³ΡΠ»ΠΈΡΡΠ΅ΡΡΡ, ΠΏΠΎΡΡΠΎΠΌΡ, ΠΊΠΎΠ³Π΄Π° ΠΎΠ½ ΠΈΠ·Π½Π°ΡΠΈΠ²Π°Π΅ΡΡΡ ΠΈ ΠΎΠ±ΡΠ°Π·ΡΠ΅Ρ ΡΠ΅ΡΠ½ΠΈΡΡ, Π΅Π΄ΠΈΠ½ΡΡΠ²Π΅Π½Π½ΡΠΌ Π»Π΅ΠΊΠ°ΡΡΡΠ²ΠΎΠΌ ΡΠ²Π»ΡΠ΅ΡΡΡ Π·Π°ΠΌΠ΅Π½Π°.
Π ΡΠ»Π΅Π²Π°Ρ ΠΊΠΎΠ»ΠΎΠ½ΠΊΠ° Ρ Π²ΡΡΠΎΠΊΠΈΠΌΠΈ ΡΠΊΡΠΏΠ»ΡΠ°ΡΠ°ΡΠΈΠΎΠ½Π½ΡΠΌΠΈ Ρ
Π°ΡΠ°ΠΊΡΠ΅ΡΠΈΡΡΠΈΠΊΠ°ΠΌΠΈ ΠΈΠ·Π³ΠΎΡΠΎΠ²Π»Π΅Π½Π° ββΠ² ΠΎΡΠ½ΠΎΠ²Π½ΠΎΠΌ ΠΈΠ· ΡΠ³Π»Π΅ΡΠΎΠ΄Π½ΠΎΠ³ΠΎ Π²ΠΎΠ»ΠΎΠΊΠ½Π° ΠΈΠ»ΠΈ Π²ΡΡΠΎΠΊΠΎΠΊΠ°ΡΠ΅ΡΡΠ²Π΅Π½Π½ΠΎΠΉ ΡΡΠ°Π»ΠΈ, ΡΠΈΡΠ°Π½Π° ΠΈ Π°Π»ΡΠΌΠΈΠ½ΠΈΡ ΠΈ ΡΠΎΡΡΠΎΠΈΡ ΠΈΠ· Π΄Π²ΡΡ
ΡΡΡΠ±.ΠΠ½ΠΈ ΡΠ²ΡΠ·Π°Π½Ρ ΠΌΠ΅ΠΆΠ΄Ρ ΡΠΎΠ±ΠΎΠΉ ΡΠ°ΡΠ½ΠΈΡΠΎΠΌ ΡΠ°Π²Π½ΡΡ
ΡΠ³Π»ΠΎΠ²ΡΡ
ΡΠΊΠΎΡΠΎΡΡΠ΅ΠΉ, ΠΊΠΎΡΠΎΡΡΠΉ Π³Π°ΡΠ°Π½ΡΠΈΡΡΠ΅Ρ, ΡΡΠΎ Π΄Π²Π΅ ΡΠ°ΡΡΠΈ Π΄Π²ΠΈΠΆΡΡΡΡ Ρ ΠΎΠ΄ΠΈΠ½Π°ΠΊΠΎΠ²ΠΎΠΉ ΡΠΊΠΎΡΠΎΡΡΡΡ. ΠΠ½ ΡΠ°ΠΊΠΆΠ΅ ΠΎΠ±Π΅ΡΠΏΠ΅ΡΠΈΠ²Π°Π΅Ρ Π²ΡΡΠΎΠΊΡΡ ΠΆΠ΅ΡΡΠΊΠΎΡΡΡ ΠΈ Π½ΠΈΠ·ΠΊΠΎΠ΅ ΡΡΠ΅Π½ΠΈΠ΅. ΠΡΠ»ΠΈ Π΅ΡΡΡ ΡΠ»ΠΈΡΠΊΠΎΠΌ Π±ΠΎΠ»ΡΡΠΎΠ΅ ΡΡΠ΅Π½ΠΈΠ΅ ΠΈΠ»ΠΈ Π½Π΅Π΄ΠΎΡΡΠ°ΡΠΎΡΠ½Π°Ρ ΠΆΠ΅ΡΡΠΊΠΎΡΡΡ, ΡΡΠΎ ΠΎΡΡΠΈΡΠ°ΡΠ΅Π»ΡΠ½ΠΎ ΠΏΠΎΠ²Π»ΠΈΡΠ΅Ρ Π½Π° ΡΠΎ, ΠΊΠ°ΠΊ Π²ΠΎΠ΄ΠΈΡΠ΅Π»Ρ ΡΠΌΠΎΠΆΠ΅Ρ ΡΠΏΡΠ°Π²Π»ΡΡΡ Π°Π²ΡΠΎΠΌΠΎΠ±ΠΈΠ»Π΅ΠΌ.
Π² Π€ΠΎΡΠΌΡΠ»Π΅ 1 ΠΈ Π½Π΅ΠΊΠΎΡΠΎΡΡΡ Π΄ΡΡΠ³ΠΈΡ ΠΊΠ»Π°ΡΡΠ°Ρ , ΠΊΠΎΠ»ΠΎΠ½ΠΊΠ° ΠΎΡΠ½Π°ΡΠ΅Π½Π° ΡΠ»Π΅ΠΊΡΡΠΈΡΠ΅ΡΠΊΠΈΠΌ ΡΠ°Π·ΡΠ΅ΠΌΠΎΠΌ, ΠΊΠΎΡΠΎΡΡΠΉ ΡΠΎΠ΅Π΄ΠΈΠ½ΡΠ΅Ρ ΡΠ»Π΅ΠΊΡΡΠΎΠ½ΠΈΠΊΡ ΡΡΠ»Π΅Π²ΠΎΠ³ΠΎ ΠΊΠΎΠ»Π΅ΡΠ° Ρ ΡΠ»Π΅ΠΊΡΡΠΎΠ½Π½ΡΠΌ Π±Π»ΠΎΠΊΠΎΠΌ ΡΠΏΡΠ°Π²Π»Π΅Π½ΠΈΡ ΡΠ΅ΡΠ΅Π· ΠΆΠ³ΡΡ ΠΏΡΠΎΠ²ΠΎΠ΄ΠΎΠ². ΠΡΠΎΡ ΠΊΠΎΠ½Π΅Ρ ΠΊΠΎΠ»ΠΎΠ½ΠΊΠΈ ΡΠ°ΠΊΠΆΠ΅ ΠΈΠΌΠ΅Π΅Ρ Π±ΡΡΡΡΠΎΡΠ°Π·ΡΠ΅ΠΌΠ½ΠΎΠ΅ ΡΠΎΠ΅Π΄ΠΈΠ½Π΅Π½ΠΈΠ΅, ΡΡΠΎ ΠΎΠ·Π½Π°ΡΠ°Π΅Ρ, ΡΡΠΎ Π²ΠΎΠ΄ΠΈΡΠ΅Π»Ρ ΠΌΠΎΠΆΠ΅Ρ Π² ΡΠΏΠ΅ΡΠΊΠ΅ ΡΠ½ΡΡΡ ΡΡΠ»Π΅Π²ΠΎΠ΅ ΠΊΠΎΠ»Π΅ΡΠΎ.ΠΡΡΡ ΠΏΡΠ°Π²ΠΈΠ»ΠΎ FIA, ΠΊΠΎΡΠΎΡΠΎΠ΅ Π³Π»Π°ΡΠΈΡ, ΡΡΠΎ ΠΏΠΈΠ»ΠΎΡ F1 Π΄ΠΎΠ»ΠΆΠ΅Π½ ΠΈΠΌΠ΅ΡΡ Π²ΠΎΠ·ΠΌΠΎΠΆΠ½ΠΎΡΡΡ Π²ΡΠΉΡΠΈ ΠΈΠ· ΠΌΠ°ΡΠΈΠ½Ρ Π·Π° ΠΏΡΡΡ ΡΠ΅ΠΊΡΠ½Π΄, ΠΏΠΎΡΡΠΎΠΌΡ Π±ΡΡΡΡΠΎΠ΅ ΠΎΡΠΊΠ»ΡΡΠ΅Π½ΠΈΠ΅ ΠΎΡΠ΅Π½Ρ Π²Π°ΠΆΠ½ΠΎ.
Π ΡΠ»Π΅Π²Π°Ρ ΠΊΠΎΠ»ΠΎΠ½ΠΊΠ° Ρ Π³ΠΈΠ΄ΡΠΎΡΡΠΈΠ»ΠΈΡΠ΅Π»Π΅ΠΌ
ΠΠ° ΠΊΠΎΠ½ΡΠ΅ ΡΡΠ»Π΅Π²ΠΎΠΉ ΡΠ΅ΠΉΠΊΠΈ ΠΊΠΎΠ»ΠΎΠ½ΠΊΠΈ ΠΈΡΠΏΠΎΠ»ΡΠ·ΡΠ΅ΡΡΡ ΡΠ»ΠΈΡΠ΅Π²ΠΎΠ΅ ΡΠΎΠ΅Π΄ΠΈΠ½Π΅Π½ΠΈΠ΅, ΡΠΎΠ΅Π΄ΠΈΠ½ΡΡΡΠ΅Π΅ ΠΈΡ
Π²ΠΌΠ΅ΡΡΠ΅, Π·Π°ΡΠ΅ΠΌ ΠΎΠ½ΠΎ ΡΠΎΠ΅Π΄ΠΈΠ½ΡΠ΅ΡΡΡ Ρ ΠΊΠ»Π°ΠΏΠ°Π½ΠΎΠΌ ΡΡΠ»Π΅Π²ΠΎΠ³ΠΎ ΡΠΏΡΠ°Π²Π»Π΅Π½ΠΈΡ Ρ Π³ΠΈΠ΄ΡΠΎΡΡΠΈΠ»ΠΈΡΠ΅Π»Π΅ΠΌ, Π° Π·Π°ΡΠ΅ΠΌ Ρ ΡΠ΅ΡΡΠ΅ΡΠ½Π΅ΠΉ. ΠΠ°ΡΠΎΡ Π³ΠΈΠ΄ΡΠΎΡΡΠΈΠ»ΠΈΡΠ΅Π»Ρ ΡΡΠ»Π΅Π²ΠΎΠ³ΠΎ ΡΠΏΡΠ°Π²Π»Π΅Π½ΠΈΡ ΠΎΠ±Π΅ΡΠΏΠ΅ΡΠΈΠ²Π°Π΅Ρ Π³ΠΈΠ΄ΡΠ°Π²Π»ΠΈΡΠ΅ΡΠΊΠΎΠ΅ Π΄Π°Π²Π»Π΅Π½ΠΈΠ΅, ΠΈΡΠΏΠΎΠ»ΡΠ·ΡΠ΅ΠΌΠΎΠ΅ Π΄Π»Ρ ΠΏΠΎΠ΄Π΄Π΅ΡΠΆΠΊΠΈ ΡΡΠ»Π΅Π²ΠΎΠ³ΠΎ ΡΠΏΡΠ°Π²Π»Π΅Π½ΠΈΡ.ΠΠ°ΡΠΎΡ Π³ΠΈΠ΄ΡΠΎΡΡΠΈΠ»ΠΈΡΠ΅Π»Ρ ΡΡΠ»Π΅Π²ΠΎΠ³ΠΎ ΡΠΏΡΠ°Π²Π»Π΅Π½ΠΈΡ ΠΏΡΠΈΠ²ΠΎΠ΄ΠΈΡΡΡ Π² Π΄Π΅ΠΉΡΡΠ²ΠΈΠ΅ ΡΠ΅ΡΡΠ΅ΡΠ½Π΅ΠΉ, ΠΏΡΠΈΠΊΡΠ΅ΠΏΠ»Π΅Π½Π½ΠΎΠΉ ΠΊ ΠΊΠΎΠ»Π΅Π½ΡΠ°ΡΠΎΠΌΡ Π²Π°Π»Ρ. Π¨Π΅ΡΡΠ΅ΡΠ½Ρ Π½Π°ΡΠΎΡΠ° ΡΡΠ»Π΅Π²ΠΎΠ³ΠΎ ΡΠΏΡΠ°Π²Π»Π΅Π½ΠΈΡ Ρ Π³ΠΈΠ΄ΡΠΎΡΡΠΈΠ»ΠΈΡΠ΅Π»Π΅ΠΌ Π²ΡΠ°ΡΠ°Π΅Ρ Π»ΠΎΠΏΠ°ΡΠΎΡΠ½ΡΠΉ ΡΠ·Π΅Π» Π²Π½ΡΡΡΠΈ ΠΊΠΎΠ»ΡΡΠ° Π½Π°ΡΠΎΡΠ°, ΡΠ°ΡΠΏΠΎΠ»ΠΎΠΆΠ΅Π½Π½ΠΎΠ³ΠΎ Π²Π½ΡΡΡΠΈ Π½Π°ΡΠΎΡΠ°.
ΠΠ°Π²Π»Π΅Π½ΠΈΠ΅ ΡΠΎΠ·Π΄Π°Π΅ΡΡΡ Π·Π° ΡΡΠ΅Ρ ΡΠΆΠ°ΡΠΈΡ ΠΆΠΈΠ΄ΠΊΠΎΡΡΠΈ ΠΌΠ΅ΠΆΠ΄Ρ Π»ΠΎΠΏΠ°ΡΠΊΠ°ΠΌΠΈ ΠΈ ΠΏΠΎΠ²Π΅ΡΡ
Π½ΠΎΡΡΡΡ ΠΊΠΎΠ»ΡΡΠ° Π½Π°ΡΠΎΡΠ°. ΠΡΡ
ΠΎΠ΄Π½ΠΎΠ΅ Π΄Π°Π²Π»Π΅Π½ΠΈΠ΅ Π½Π°ΡΠΎΡΠ° ΠΏΠΎΠ΄Π΄Π΅ΡΠΆΠΈΠ²Π°Π΅ΡΡΡ ΠΊΠ»Π°ΠΏΠ°Π½ΠΎΠΌ ΡΠ΅Π³ΡΠ»ΠΈΡΠΎΠ²Π°Π½ΠΈΡ ΡΠ°ΡΡ
ΠΎΠ΄Π°, ΠΊΠΎΡΠΎΡΡΠΉ ΡΠΎΠ΄Π΅ΡΠΆΠΈΡ Π²Π½ΡΡΡΠ΅Π½Π½ΠΈΠΉ ΠΏΡΠ΅Π΄ΠΎΡ
ΡΠ°Π½ΠΈΡΠ΅Π»ΡΠ½ΡΠΉ ΠΊΠ»Π°ΠΏΠ°Π½. ΠΡΠΏΠΎΠ»ΡΠ·ΡΡΡΡΡ Π΄Π²Π° ΡΠΈΠΏΠ° Π½Π°ΡΠΎΡΠΎΠ² Π³ΠΈΠ΄ΡΠΎΡΡΠΈΠ»ΠΈΡΠ΅Π»Ρ ΡΡΠ»Π΅Π²ΠΎΠ³ΠΎ ΡΠΏΡΠ°Π²Π»Π΅Π½ΠΈΡ: ΠΏΠΎΠ³ΡΡΠΆΠ½ΡΠ΅ ΠΈ Π½Π΅ΠΏΠΎΠ³ΡΡΠΆΠ½ΡΠ΅. ΠΠ±Π° ΠΎΠ½ΠΈ ΠΏΠΎΡ
ΠΎΠΆΠΈ Π² ΡΠ°Π±ΠΎΡΠ΅, Ρ ΡΠΎΠΉ Π»ΠΈΡΡ ΡΠ°Π·Π½ΠΈΡΠ΅ΠΉ, ΡΡΠΎ ΠΈΡΠΏΠΎΠ»ΡΠ·ΡΠ΅ΡΡΡ ΡΠΈΠΏ ΡΠ΅Π·Π΅ΡΠ²ΡΠ°ΡΠ° Π΄Π»Ρ ΠΆΠΈΠ΄ΠΊΠΎΡΡΠΈ.ΠΠ°ΡΠΎΡ ΠΏΠΎΠ³ΡΡΠΆΠ½ΠΎΠ³ΠΎ ΡΠΈΠΏΠ° ΡΠΎΠ΄Π΅ΡΠΆΠΈΡ Π½Π°ΡΠΎΡ ΠΈ ΡΠ΅Π·Π΅ΡΠ²ΡΠ°Ρ Π΄Π»Ρ ΠΆΠΈΠ΄ΠΊΠΎΡΡΠΈ Π² ΠΎΠ΄Π½ΠΎΠΌ Π±Π»ΠΎΠΊΠ΅. Π Π½Π΅ΠΏΠΎΠ³ΡΡΠΆΠ΅Π½Π½ΠΎΠΌ ΡΠΎΡΡΠΎΡΠ½ΠΈΠΈ ΠΈΡΠΏΠΎΠ»ΡΠ·ΡΠ΅ΡΡΡ ΡΠ΄Π°Π»Π΅Π½Π½ΡΠΉ ΡΠ΅Π·Π΅ΡΠ²ΡΠ°Ρ Π΄Π»Ρ ΠΆΠΈΠ΄ΠΊΠΎΡΡΠΈ Π΄Π»Ρ Π½Π°ΡΠΎΡΠ°.
ΠΠ΅Π· Π³ΠΈΠ΄ΡΠΎΡΡΠΈΠ»ΠΈΡΠ΅Π»Ρ ΡΡΠ»Π΅Π²ΠΎΠ³ΠΎ ΡΠΏΡΠ°Π²Π»Π΅Π½ΠΈΡ, Π² ΠΊΠΎΡΠΎΡΠΎΠΌ Π² Π³ΠΎΠ½ΠΎΡΠ½ΠΎΠΉ ΡΡΠ΅Π΄Π΅ ΠΈΡΠΏΠΎΠ»ΡΠ·ΡΠ΅ΡΡΡ Π³ΠΈΠ΄ΡΠ°Π²Π»ΠΈΡΠ΅ΡΠΊΠ°Ρ ΡΠΈΡΡΠ΅ΠΌΠ° Π²ΡΡΠΎΠΊΠΎΠ³ΠΎ Π΄Π°Π²Π»Π΅Π½ΠΈΡ, Π²ΠΎΠ΄ΠΈΡΠ΅Π»Ρ ΠΏΡΠΈΡΠ»ΠΎΡΡ Π±Ρ ΡΠ°Π±ΠΎΡΠ°ΡΡ Ρ ΡΡΠ»Π΅Π²ΡΠΌ ΡΠΏΡΠ°Π²Π»Π΅Π½ΠΈΠ΅ΠΌ Π² Π΄Π²Π° ΡΠ°Π·Π° ΡΡΠΆΠ΅Π»Π΅Π΅.
Π Π½Π΅ΠΊΠΎΡΠΎΡΡΡ
ΡΠΎΠ²ΡΠ΅ΠΌΠ΅Π½Π½ΡΡ
Π΄ΠΎΡΠΎΠΆΠ½ΡΡ
Π°Π²ΡΠΎΠΌΠΎΠ±ΠΈΠ»ΡΡ
Π²ΠΌΠ΅ΡΡΠΎ Π³ΠΈΠ΄ΡΠΎΡΡΠΈΠ»ΠΈΡΠ΅Π»Ρ ΡΡΠ»Ρ ΠΈΡΠΏΠΎΠ»ΡΠ·ΡΠ΅ΡΡΡ ΡΠ»Π΅ΠΊΡΡΠΎΠ΄Π²ΠΈΠ³Π°ΡΠ΅Π»Ρ Π² ΠΏΠΎΠΌΠΎΡΡ Π²ΠΎΠ΄ΠΈΡΠ΅Π»Ρ. Π ΡΠ»Π΅Π²ΠΎΠ΅ ΡΠΏΡΠ°Π²Π»Π΅Π½ΠΈΠ΅ Ρ ΡΠ»Π΅ΠΊΡΡΠΎΡΡΠΈΠ»ΠΈΡΠ΅Π»Π΅ΠΌ ΠΏΡΠ΅Π΄Π½Π°Π·Π½Π°ΡΠ΅Π½ΠΎ Π΄Π»Ρ ΠΈΡΠΏΠΎΠ»ΡΠ·ΠΎΠ²Π°Π½ΠΈΡ ΡΠ»Π΅ΠΊΡΡΠΎΠ΄Π²ΠΈΠ³Π°ΡΠ΅Π»Ρ Π΄Π»Ρ ΡΠΌΠ΅Π½ΡΡΠ΅Π½ΠΈΡ ΡΡΠΈΠ»ΠΈΡ Π·Π° ΡΡΠ΅Ρ ΠΏΠΎΠΌΠΎΡΠΈ Π²ΠΎΠ΄ΠΈΡΠ΅Π»Ρ.
ΠΠΎΠ»ΡΡΠΈΠ½ΡΡΠ²ΠΎ ΡΠΈΡΡΠ΅ΠΌ EPS ΠΈΠΌΠ΅ΡΡ ΠΏΠ΅ΡΠ΅ΠΌΠ΅Π½Π½ΡΡ ΠΏΠΎΠΌΠΎΡΡ, ΠΊΠΎΡΠΎΡΠ°Ρ ΠΎΠ±Π΅ΡΠΏΠ΅ΡΠΈΠ²Π°Π΅Ρ Π±ΠΎΠ»ΡΡΡΡ ΠΏΠΎΠΌΠΎΡΡ ΠΏΡΠΈ ΡΠΌΠ΅Π½ΡΡΠ΅Π½ΠΈΠΈ ΡΠΊΠΎΡΠΎΡΡΠΈ Π°Π²ΡΠΎΠΌΠΎΠ±ΠΈΠ»Ρ ΠΈ ΠΌΠ΅Π½ΡΡΡΡ ΠΏΠΎΠΌΠΎΡΡ ΡΠΎ ΡΡΠΎΡΠΎΠ½Ρ ΡΠΈΡΡΠ΅ΠΌΡ Π²ΠΎ Π²ΡΠ΅ΠΌΡ Π²ΡΡΠΎΠΊΠΎΡΠΊΠΎΡΠΎΡΡΠ½ΡΡ
ΡΠΈΡΡΠ°ΡΠΈΠΉ. EPS Π±ΠΎΠ»Π΅Π΅ ΡΡΡΠ΅ΠΊΡΠΈΠ²Π΅Π½, ΡΠ΅ΠΌ Π³ΠΈΠ΄ΡΠΎΡΡΠΈΠ»ΠΈΡΠ΅Π»Ρ ΡΡΠ»Π΅Π²ΠΎΠ³ΠΎ ΡΠΏΡΠ°Π²Π»Π΅Π½ΠΈΡ, ΠΏΠΎΡΠΊΠΎΠ»ΡΠΊΡ Π΄Π²ΠΈΠ³Π°ΡΠ΅Π»Ρ ΡΡΠ»Π΅Π²ΠΎΠ³ΠΎ ΡΠΏΡΠ°Π²Π»Π΅Π½ΠΈΡ Ρ ΡΠ»Π΅ΠΊΡΡΠΎΡΡΠΈΠ»ΠΈΡΠ΅Π»Π΅ΠΌ Π΄ΠΎΠ»ΠΆΠ΅Π½ ΠΎΠΊΠ°Π·ΡΠ²Π°ΡΡ ΠΏΠΎΠΌΠΎΡΡ ΡΠΎΠ»ΡΠΊΠΎ ΠΏΡΠΈ ΠΏΠΎΠ²ΠΎΡΠΎΡΠ΅ ΡΡΠ»Π΅Π²ΠΎΠ³ΠΎ ΠΊΠΎΠ»Π΅ΡΠ°, ΡΠΎΠ³Π΄Π° ΠΊΠ°ΠΊ Π³ΠΈΠ΄ΡΠ°Π²Π»ΠΈΡΠ΅ΡΠΊΠΈΠΉ Π½Π°ΡΠΎΡ Π΄ΠΎΠ»ΠΆΠ΅Π½ ΡΠ°Π±ΠΎΡΠ°ΡΡ ΠΏΠΎΡΡΠΎΡΠ½Π½ΠΎ. Π EPS ΡΡΠΎΠ²Π΅Π½Ρ ΠΏΠΎΠΌΠΎΡΠΈ Π»Π΅Π³ΠΊΠΎ Π½Π°ΡΡΡΠ°ΠΈΠ²Π°Π΅ΡΡΡ Π² Π·Π°Π²ΠΈΡΠΈΠΌΠΎΡΡΠΈ ΠΎΡ ΡΠΈΠΏΠ° Π°Π²ΡΠΎΠΌΠΎΠ±ΠΈΠ»Ρ, ΡΠΊΠΎΡΠΎΡΡΠΈ Π΄Π²ΠΈΠΆΠ΅Π½ΠΈΡ ΠΈ Π΄Π°ΠΆΠ΅ ΠΏΡΠ΅Π΄ΠΏΠΎΡΡΠ΅Π½ΠΈΠΉ Π²ΠΎΠ΄ΠΈΡΠ΅Π»Ρ. ΠΠΎΠΏΠΎΠ»Π½ΠΈΡΠ΅Π»ΡΠ½ΡΠΌ ΠΏΡΠ΅ΠΈΠΌΡΡΠ΅ΡΡΠ²ΠΎΠΌ ΡΠ²Π»ΡΠ΅ΡΡΡ ΡΡΡΡΠ°Π½Π΅Π½ΠΈΠ΅ ΠΎΠΏΠ°ΡΠ½ΠΎΡΡΠΈ Π΄Π»Ρ ΠΎΠΊΡΡΠΆΠ°ΡΡΠ΅ΠΉ ΡΡΠ΅Π΄Ρ, Π²ΡΠ·Π²Π°Π½Π½ΠΎΠΉ ΡΡΠ΅ΡΠΊΠΎΠΉ ΠΈ ΡΡΠΈΠ»ΠΈΠ·Π°ΡΠΈΠ΅ΠΉ ΠΆΠΈΠ΄ΠΊΠΎΡΡΠΈ Π³ΠΈΠ΄ΡΠΎΡΡΠΈΠ»ΠΈΡΠ΅Π»Ρ ΡΡΠ»Π΅Π²ΠΎΠ³ΠΎ ΡΠΏΡΠ°Π²Π»Π΅Π½ΠΈΡ.
ΠΡΠ΅ ΠΎΠ΄Π½ΠΎ ΡΡΠ΅Π±ΠΎΠ²Π°Π½ΠΈΠ΅ ΠΊ ΠΊΠΎΠ½ΡΡΡΡΠΊΡΠΎΡΡ ΡΡΠ»Π΅Π²ΠΎΠΉ ΠΊΠΎΠ»ΠΎΠ½ΠΊΠΈ Π€ΠΎΡΠΌΡΠ»Ρ 1 — ΡΡΠΎ ΠΊΠΎΠΌΠΏΠΎΠ½Π΅Π½Ρ, ΡΡΡΠ°Π½ΠΎΠ²Π»Π΅Π½Π½ΡΠΉ FIA. ΠΡΠΎ Π°Π»ΡΠΌΠΈΠ½ΠΈΠ΅Π²Π°Ρ ΡΡΡΠ±Π° Π΄Π»Ρ ΡΠ°Π·ΡΡΡΠ΅Π½ΠΈΡ. ΠΠ½ΠΈ Π΄ΠΎΠ»ΠΆΠ½Ρ Π²ΡΠΏΠΎΠ»Π½ΠΈΡΡ ΠΈΡΠΏΡΡΠ°Π½ΠΈΠ΅ Π½Π° ΡΠ°Π·Π΄Π°Π²Π»ΠΈΠ²Π°Π½ΠΈΠ΅, Π² Ρ
ΠΎΠ΄Π΅ ΠΊΠΎΡΠΎΡΠΎΠ³ΠΎ ΠΎΠ½ΠΈ Π±ΡΠΎΡΠ°ΡΡ Π³ΡΡΠ· Π½Π° ΠΊΠΎΠ½Π΅Ρ ΡΡΠ»Π΅Π²ΠΎΠΉ ΠΊΠΎΠ»ΠΎΠ½ΠΊΠΈ ΠΈ ΠΈΠ·ΠΌΠ΅ΡΡΡΡ Π·Π°ΠΌΠ΅Π΄Π»Π΅Π½ΠΈΠ΅. ΠΠΈΠΊΠΎΠ²ΠΎΠ΅ Π·Π°ΠΌΠ΅Π΄Π»Π΅Π½ΠΈΠ΅ ΠΏΡΠΈ Π°Π²Π°ΡΠΈΠΈ Π΄ΠΎΠ»ΠΆΠ½ΠΎ Π±ΡΡΡ ΠΌΠ΅Π½Π΅Π΅ 80 Π³ .
ΠΠ· ΡΠΎΠΎΠ±ΡΠ°ΠΆΠ΅Π½ΠΈΠΉ Π±Π΅Π·ΠΎΠΏΠ°ΡΠ½ΠΎΡΡΠΈ Π²ΡΠ΅ ΡΠΎΠ²ΡΠ΅ΠΌΠ΅Π½Π½ΡΠ΅ Π°Π²ΡΠΎΠΌΠΎΠ±ΠΈΠ»ΠΈ ΠΎΡΠ½Π°ΡΠ΅Π½Ρ ΡΠΊΠ»Π°Π΄Π½ΠΎΠΉ ΡΡΠ»Π΅Π²ΠΎΠΉ ΠΊΠΎΠ»ΠΎΠ½ΠΊΠΎΠΉ (ΡΠ½Π΅ΡΠ³ΠΎΠΏΠΎΠ³Π»ΠΎΡΠ°ΡΡΠ΅ΠΉ ΡΡΠ»Π΅Π²ΠΎΠΉ ΠΊΠΎΠ»ΠΎΠ½ΠΊΠΎΠΉ), ΠΊΠΎΡΠΎΡΠ°Ρ ΡΠ°Π·ΡΡΡΠ°Π΅ΡΡΡ ΠΏΡΠΈ ΡΠΈΠ»ΡΠ½ΠΎΠΌ Π»ΠΎΠ±ΠΎΠ²ΠΎΠΌ ΡΠ΄Π°ΡΠ΅, ΡΡΠΎΠ±Ρ ΠΈΠ·Π±Π΅ΠΆΠ°ΡΡ ΡΡΠ΅Π·ΠΌΠ΅ΡΠ½ΡΡ ΡΡΠ°Π²ΠΌ Π²ΠΎΠ΄ΠΈΡΠ΅Π»Ρ.ΠΠ΅ΡΠ°Π·Π±ΠΎΡΠ½ΡΠ΅ ΡΡΠ»Π΅Π²ΡΠ΅ ΠΊΠΎΠ»ΠΎΠ½ΠΊΠΈ ΠΎΡΠ΅Π½Ρ ΡΠ°ΡΡΠΎ ΠΏΡΠΎΠ½Π·Π°ΡΡ Π²ΠΎΠ΄ΠΈΡΠ΅Π»Π΅ΠΉ ΠΏΡΠΈ Π»ΠΎΠ±ΠΎΠ²ΡΡ Π°Π²Π°ΡΠΈΡΡ . Π£ Audi Π΅ΡΡΡ ΡΠΈΡΡΠ΅ΠΌΠ° ΡΠ±ΠΈΡΠ°ΡΡΠΈΡ ΡΡ ΠΊΠΎΠ»Π΅Ρ ΠΏΠΎΠ΄ Π½Π°Π·Π²Π°Π½ΠΈΠ΅ΠΌ procon-ten. Procon-ten — ΡΡΠΎ Π·Π°ΠΏΠ°ΡΠ΅Π½ΡΠΎΠ²Π°Π½Π½Π°Ρ ΡΠΈΡΡΠ΅ΠΌΠ° ΠΎΠ³ΡΠ°Π½ΠΈΡΠ΅Π½ΠΈΡ Π±Π΅Π·ΠΎΠΏΠ°ΡΠ½ΠΎΡΡΠΈ, ΠΈΡΠΏΠΎΠ»ΡΠ·ΡΠ΅ΠΌΠ°Ρ Π½Π΅ΠΌΠ΅ΡΠΊΠΈΠΌΠΈ Π°Π²ΡΠΎΠΏΡΠΎΠΈΠ·Π²ΠΎΠ΄ΠΈΡΠ΅Π»ΡΠΌΠΈ Ρ 1986 Π΄ΠΎ ΡΠ΅ΡΠ΅Π΄ΠΈΠ½Ρ 1990-Ρ Π³ΠΎΠ΄ΠΎΠ². Audi Π±ΡΠ»Π° ΠΎΠ΄Π½ΠΈΠΌ ΠΈΠ· ΠΏΠΎΡΠ»Π΅Π΄Π½ΠΈΡ Π½Π΅ΠΌΠ΅ΡΠΊΠΈΡ ΠΏΡΠΎΠΈΠ·Π²ΠΎΠ΄ΠΈΡΠ΅Π»Π΅ΠΉ, ΠΊΠΎΡΠΎΡΡΠ΅ ΠΈΡΠΏΠΎΠ»ΡΠ·ΠΎΠ²Π°Π»ΠΈ ΠΏΠΎΠ΄ΡΡΠΊΠΈ Π±Π΅Π·ΠΎΠΏΠ°ΡΠ½ΠΎΡΡΠΈ Π² ΡΠ²ΠΎΠΈΡ Π°Π²ΡΠΎΠΌΠΎΠ±ΠΈΠ»ΡΡ , Π² ΠΎΡΠ½ΠΎΠ²Π½ΠΎΠΌ ΠΈΠ·-Π·Π° Π²ΡΡΠΎΠΊΠΎΠΉ Π½Π°Π΄Π΅ΠΆΠ½ΠΎΡΡΠΈ ΠΈ ΡΠ΅Π½ΡΠ°Π±Π΅Π»ΡΠ½ΠΎΡΡΠΈ ΡΠ΅Ρ Π½ΠΎΠ»ΠΎΠ³ΠΈΠΈ, ΠΊΠΎΡΠΎΡΡΡ ΠΎΠ½ΠΈ ΡΠΎΡΠ³ΠΎΠ²Π°Π»ΠΈ ΠΊΠ°ΠΊ Β«procon-tenΒ». Π Π°Π·Π±ΠΎΡΠ½ΡΠ΅ ΡΡΠ»Π΅Π²ΡΠ΅ ΠΊΠΎΠ»ΠΎΠ½ΠΊΠΈ ΠΈΠ·ΠΎΠ±ΡΠ΅Π»Π° ΠΠ΅Π»Π° ΠΠ°ΡΠ΅Π½ΡΠΉ.
ΠΠ° ΠΈΠ·Π³ΠΎΡΠΎΠ²Π»Π΅Π½ΠΈΠ΅ ΡΡΠ»Π΅Π²ΠΎΠΉ ΠΊΠΎΠ»ΠΎΠ½ΠΊΠΈ Π€ΠΎΡΠΌΡΠ»Ρ-1 ΡΡ
ΠΎΠ΄ΠΈΡ ΠΎΠΊΠΎΠ»ΠΎ Π΄Π΅ΡΡΡΠΈ ΡΠ°ΡΠΎΠ², ΠΈ Π½Π° ΠΊΠ°ΠΆΠ΄ΡΡ Π³ΠΎΠ½ΠΊΡ ΠΊΠΎΠΌΠ°Π½Π΄Π° Π±Π΅ΡΠ΅Ρ Ρ ΡΠΎΠ±ΠΎΠΉ ΡΡΠΈ ΠΈΠ»ΠΈ ΡΠ΅ΡΡΡΠ΅ Π·Π°ΠΏΡΠ°ΡΡΠΈ. ΠΠ½ΠΈ ΠΏΡΠΎΠ²Π΅ΡΡΡΡΡΡ ΠΏΠΎΡΠ»Π΅ ΠΏΡΠΎΡ
ΠΎΠΆΠ΄Π΅Π½ΠΈΡ 1500 ΠΊΠΌ ΠΈ ΠΎΠ±ΡΠ»ΡΠΆΠΈΠ²Π°ΡΡΡΡ ΠΏΠΎΡΠ»Π΅ 3000 ΠΊΠΌ / ΡΠ΅ΠΊ.
Π’ΠΈΠΏΠΈΡΠ½ΠΎΠ΅ ΠΎΠ±ΡΠ»ΡΠΆΠΈΠ²Π°Π½ΠΈΠ΅ Π²ΠΊΠ»ΡΡΠ°Π΅Ρ ΠΏΠΎΠ»Π½ΡΡ ΡΠ°Π·Π±ΠΎΡΠΊΡ Ρ ΠΏΠΎΡΠ»Π΅Π΄ΡΡΡΠ΅ΠΉ ΠΏΡΠΎΠ²Π΅ΡΠΊΠΎΠΉ Π½Π° ΡΡΠ΅ΡΠΈΠ½Ρ ΠΊΡΠΈΡΠΈΡΠ΅ΡΠΊΠΈ Π²Π°ΠΆΠ½ΡΡ
Π΄Π»Ρ Π±Π΅Π·ΠΎΠΏΠ°ΡΠ½ΠΎΡΡΠΈ Π΄Π΅ΡΠ°Π»Π΅ΠΉ. ΠΠ°ΡΠ΅ΠΌ ΠΎΠ½ Π±ΡΠ΄Π΅Ρ ΠΏΠΎΠ²ΡΠΎΡΠ½ΠΎ ΡΠΎΠ±ΡΠ°Π½ — Ρ Π½ΠΎΠ²ΡΠΌΠΈ Π΄Π΅ΡΠ°Π»ΡΠΌΠΈ, Π³Π΄Π΅ ΡΡΠΎ Π½Π΅ΠΎΠ±Ρ
ΠΎΠ΄ΠΈΠΌΠΎ — ΠΈ, Π½Π°ΠΊΠΎΠ½Π΅Ρ, ΠΈΡΠΏΡΡΠ°Π½ Π½Π° ΠΈΡΠΏΡΡΠ°ΡΠ΅Π»ΡΠ½ΠΎΠΌ ΡΡΠ΅Π½Π΄Π΅, ΠΏΡΠ΅ΠΆΠ΄Π΅ ΡΠ΅ΠΌ Π±ΡΠ΄Π΅Ρ ΡΠ°Π·ΡΠ΅ΡΠ΅Π½ Π΄Π»Ρ ΠΈΡΠΏΠΎΠ»ΡΠ·ΠΎΠ²Π°Π½ΠΈΡ Π² ΡΡ
Π΅ΠΌΠ΅.
Π Π°Π·ΡΠ°Π±ΠΎΡΠ°Π² Π»Π΅Π³ΠΊΡΡ ΠΈ ΠΆΠ΅ΡΡΠΊΡΡ, Π½ΠΎ Π½Π°Π΄Π΅ΠΆΠ½ΡΡ ΠΊΠΎΠ½ΡΡΡΡΠΊΡΠΈΡ, ΡΡΠ»Π΅Π²ΡΡ ΠΊΠΎΠ»ΠΎΠ½ΠΊΡ ΠΌΠ΅Π½ΡΡΡ Π½Π΅ΡΠ΅Π³ΡΠ»ΡΡΠ½ΠΎ.Π’Π΅ΠΌ Π½Π΅ ΠΌΠ΅Π½Π΅Π΅, ΠΏΡΠΎΠ²ΠΎΠ΄ΡΡΡΡ ΡΠ°ΡΡΡΠ΅ ΠΏΡΠΎΠ²Π΅ΡΠΊΠΈ ΠΊΠΎΠ½ΡΡΡΡΠΊΡΠΈΠΈ, ΠΈ Π½ΠΎΠ²Π°Ρ ΠΊΠΎΠ½ΡΡΡΡΠΊΡΠΈΡ Π±ΡΠ΄Π΅Ρ Π²Π²Π΅Π΄Π΅Π½Π° Π² Π΄Π΅ΠΉΡΡΠ²ΠΈΠ΅, Π΅ΡΠ»ΠΈ ΠΌΠΎΠ½ΠΎΠΊΠΎΠΊ ΠΈΠ·ΠΌΠ΅Π½ΠΈΡΡΡ Π² Π΄ΠΎΡΡΠ°ΡΠΎΡΠ½ΠΎΠΉ ΡΡΠ΅ΠΏΠ΅Π½ΠΈ.
Π’Π΅Ρ
Π½ΠΈΡΠ΅ΡΠΊΠΈΠ΅ Ρ
Π°ΡΠ°ΠΊΡΠ΅ΡΠΈΡΡΠΈΠΊΠΈ ΡΡΠ»Π΅Π²ΠΎΠΉ ΠΊΠΎΠ»ΠΎΠ½ΠΊΠΈ Formula 1:
ΠΠ»ΠΈΠ½Π°: ΠΏΡΠΈΠ±Π». 950 ΠΌΠΌ
ΠΠΈΠ°ΠΌΠ΅ΡΡ: ΠΏΡΠΈΠ±Π». 35 ΠΌΠΌ
ΠΠ°ΡΠ΅ΡΠΈΠ°Π»: ΡΠ³Π»Π΅ΡΠΎΠ΄Π½ΠΎΠ΅ Π²ΠΎΠ»ΠΎΠΊΠ½ΠΎ, ΡΠΈΡΠ°Π½, ΡΡΠ°Π»Ρ, Π°Π»ΡΠΌΠΈΠ½ΠΈΠΉ
10.4 Π ΡΠ»Π΅Π²ΠΎΠ΅ ΡΠΏΡΠ°Π²Π»Π΅Π½ΠΈΠ΅:
10.4.1 ΠΡΠ±Π°Ρ ΡΠΈΡΡΠ΅ΠΌΠ° ΡΡΠ»Π΅Π²ΠΎΠ³ΠΎ ΡΠΏΡΠ°Π²Π»Π΅Π½ΠΈΡ, ΠΊΠΎΡΠΎΡΠ°Ρ Π΄ΠΎΠΏΡΡΠΊΠ°Π΅Ρ ΠΏΠΎΠ²ΡΠΎΡΠ½ΠΎΠ΅ Π²ΡΡΠ°Π²Π½ΠΈΠ²Π°Π½ΠΈΠ΅ Π±ΠΎΠ»Π΅Π΅ Π΄Π²ΡΡ ΠΊΠΎΠ»Π΅Ρ, Π½Π΅ Π΄ΠΎΠΏΡΡΠΊΠ°Π΅ΡΡΡ.
10.4.2 Π‘ΠΈΡΡΠ΅ΠΌΡ ΡΡΠ»Π΅Π²ΠΎΠ³ΠΎ ΡΠΏΡΠ°Π²Π»Π΅Π½ΠΈΡ Ρ ΡΡΠΈΠ»ΠΈΡΠ΅Π»Π΅ΠΌ Π½Π΅ ΠΌΠΎΠ³ΡΡ ΠΈΠΌΠ΅ΡΡ ΡΠ»Π΅ΠΊΡΡΠΎΠ½Π½ΠΎΠ΅ ΡΠΏΡΠ°Π²Π»Π΅Π½ΠΈΠ΅ ΠΈΠ»ΠΈ ΡΠ»Π΅ΠΊΡΡΠΈΡΠ΅ΡΠΊΠΈΠΉ ΠΏΡΠΈΠ²ΠΎΠ΄.ΠΠΈΠΊΠ°ΠΊΠ°Ρ ΡΠ°ΠΊΠ°Ρ ΡΠΈΡΡΠ΅ΠΌΠ° Π½Π΅ ΠΌΠΎΠΆΠ΅Ρ Π²ΡΠΏΠΎΠ»Π½ΡΡΡ ΠΊΠ°ΠΊΠΈΠ΅-Π»ΠΈΠ±ΠΎ ΡΡΠ½ΠΊΡΠΈΠΈ, ΠΊΡΠΎΠΌΠ΅ ΡΠΌΠ΅Π½ΡΡΠ΅Π½ΠΈΡ ΡΠΈΠ·ΠΈΡΠ΅ΡΠΊΠΈΡ ΡΡΠΈΠ»ΠΈΠΉ, Π½Π΅ΠΎΠ±Ρ ΠΎΠ΄ΠΈΠΌΡΡ Π΄Π»Ρ ΡΠΏΡΠ°Π²Π»Π΅Π½ΠΈΡ Π°Π²ΡΠΎΠΌΠΎΠ±ΠΈΠ»Π΅ΠΌ.
10.4.3 ΠΠΈΠΊΠ°ΠΊΠ°Ρ ΡΠ°ΡΡΡ ΡΡΠ»Π΅Π²ΠΎΠ³ΠΎ ΠΊΠΎΠ»Π΅ΡΠ° ΠΈΠ»ΠΈ ΠΊΠΎΠ»ΠΎΠ½ΠΊΠΈ, Π½ΠΈ ΠΊΠ°ΠΊΠ°Ρ-Π»ΠΈΠ±ΠΎ ΡΠ°ΡΡΡ, ΠΏΡΠΈΠΊΡΠ΅ΠΏΠ»Π΅Π½Π½Π°Ρ ΠΊ Π½ΠΈΠΌ, Π½Π΅ ΠΌΠΎΠΆΠ΅Ρ Π±ΡΡΡ Π±Π»ΠΈΠΆΠ΅ ΠΊ Π²ΠΎΠ΄ΠΈΡΠ΅Π»Ρ, ΡΠ΅ΠΌ ΠΏΠ»ΠΎΡΠΊΠΎΡΡΡ, ΠΎΠ±ΡΠ°Π·ΠΎΠ²Π°Π½Π½Π°Ρ Π²ΡΠ΅ΠΉ Π·Π°Π΄Π½Π΅ΠΉ ΠΊΡΠΎΠΌΠΊΠΎΠΉ ΠΎΠ±ΠΎΠ΄Π° ΡΡΠ»Π΅Π²ΠΎΠ³ΠΎ ΠΊΠΎΠ»Π΅ΡΠ°. ΠΡΠ΅ Π΄Π΅ΡΠ°Π»ΠΈ, ΠΏΡΠΈΠΊΡΠ΅ΠΏΠ»Π΅Π½Π½ΡΠ΅ ΠΊ ΡΡΠ»Π΅Π²ΠΎΠΌΡ ΠΊΠΎΠ»Π΅ΡΡ, Π΄ΠΎΠ»ΠΆΠ½Ρ Π±ΡΡΡ ΡΡΡΠ°Π½ΠΎΠ²Π»Π΅Π½Ρ ΡΠ°ΠΊΠΈΠΌ ΠΎΠ±ΡΠ°Π·ΠΎΠΌ, ΡΡΠΎΠ±Ρ ΡΠ²Π΅ΡΡΠΈ ΠΊ ΠΌΠΈΠ½ΠΈΠΌΡΠΌΡ ΡΠΈΡΠΊ ΠΏΠΎΠ»ΡΡΠ΅Π½ΠΈΡ ΡΡΠ°Π²ΠΌ Π² ΡΠ»ΡΡΠ°Π΅ ΠΊΠΎΠ½ΡΠ°ΠΊΡΠ° Π³ΠΎΠ»ΠΎΠ²Ρ Π²ΠΎΠ΄ΠΈΡΠ΅Π»Ρ Ρ ΠΊΠ°ΠΊΠΎΠΉ-Π»ΠΈΠ±ΠΎ ΡΠ°ΡΡΡΡ ΠΊΠΎΠ»Π΅ΡΠ° Π² ΡΠ±ΠΎΡΠ΅.
10.4.4 Π ΡΠ»Π΅Π²ΠΎΠ΅ ΠΊΠΎΠ»Π΅ΡΠΎ, ΡΡΠ»Π΅Π²Π°Ρ ΠΊΠΎΠ»ΠΎΠ½ΠΊΠ° ΠΈ ΡΡΠ»Π΅Π²Π°Ρ ΡΠ΅ΠΉΠΊΠ° Π² ΡΠ±ΠΎΡΠ΅ Π΄ΠΎΠ»ΠΆΠ½Ρ ΠΏΡΠΎΠΉΡΠΈ ΠΈΡΠΏΡΡΠ°Π½ΠΈΠ΅ Π½Π° ΡΠ΄Π°Ρ, ΠΏΠΎΠ΄ΡΠΎΠ±Π½ΠΎΡΡΠΈ ΠΏΡΠΎΡΠ΅Π΄ΡΡΡ ΠΈΡΠΏΡΡΠ°Π½ΠΈΡ ΠΌΠΎΠΆΠ½ΠΎ Π½Π°ΠΉΡΠΈ Π² Π‘ΡΠ°ΡΡΠ΅ 16.5.16.6 ΠΡΠ°Ρ-ΡΠ΅ΡΡ ΡΡΠ»Π΅Π²ΠΎΠΉ ΠΊΠΎΠ»ΠΎΠ½ΠΊΠΈ:
ΠΠ΅ΡΠ°Π»ΠΈ, ΡΠΊΠ°Π·Π°Π½Π½ΡΠ΅ Π² Π‘ΡΠ°ΡΡΠ΅ 10.4.4, Π΄ΠΎΠ»ΠΆΠ½Ρ Π±ΡΡΡ ΡΡΡΠ°Π½ΠΎΠ²Π»Π΅Π½Ρ Π½Π° ΡΠΈΠΏΠΎΠ²ΠΎΠΉ ΠΈΡΠΏΡΡΠ°ΡΠ΅Π»ΡΠ½ΠΎΠΉ ΠΊΠΎΠ½ΡΡΡΡΠΊΡΠΈΠΈ; Π»ΡΠ±ΡΠ΅ Π΄ΡΡΠ³ΠΈΠ΅ Π΄Π΅ΡΠ°Π»ΠΈ, ΠΊΠΎΡΠΎΡΡΠ΅ ΠΌΠΎΠ³ΡΡ ΡΡΡΠ΅ΡΡΠ²Π΅Π½Π½ΠΎ ΠΏΠΎΠ²Π»ΠΈΡΡΡ Π½Π° ΡΠ΅Π·ΡΠ»ΡΡΠ°Ρ ΠΈΡΠΏΡΡΠ°Π½ΠΈΡ, ΡΠ°ΠΊΠΆΠ΅ Π΄ΠΎΠ»ΠΆΠ½Ρ Π±ΡΡΡ ΡΡΡΠ°Π½ΠΎΠ²Π»Π΅Π½Ρ.ΠΡΠΏΡΡΠ°ΡΠ΅Π»ΡΠ½Π°Ρ ΠΊΠΎΠ½ΡΡΡΡΠΊΡΠΈΡ Π΄ΠΎΠ»ΠΆΠ½Π° Π±ΡΡΡ ΠΏΡΠΎΡΠ½ΠΎ ΠΏΡΠΈΠΊΡΠ΅ΠΏΠ»Π΅Π½Π° ΠΊ Π·Π΅ΠΌΠ»Π΅, ΠΈ ΡΠ²Π΅ΡΠ΄ΡΠΉ ΠΎΠ±ΡΠ΅ΠΊΡ ΠΌΠ°ΡΡΠΎΠΉ 8 ΠΊΠ³ (+1% / — 0), Π΄Π²ΠΈΠΆΡΡΠΈΠΉΡΡ ΡΠΎ ΡΠΊΠΎΡΠΎΡΡΡΡ Π½Π΅ ΠΌΠ΅Π½Π΅Π΅ 7 ΠΌΠ΅ΡΡΠΎΠ² Π² ΡΠ΅ΠΊΡΠ½Π΄Ρ, Π±ΡΠ΄Π΅Ρ ΠΏΡΠΎΠ΅ΡΠΈΡΠΎΠ²Π°ΡΡΡΡ Π² Π½Π΅Π΅.
ΠΠ±ΡΠ΅ΠΊΡ, ΠΈΡΠΏΠΎΠ»ΡΠ·ΡΠ΅ΠΌΡΠΉ Π΄Π»Ρ ΡΡΠΎΠ³ΠΎ ΡΠ΅ΡΡΠ°, Π΄ΠΎΠ»ΠΆΠ΅Π½ Π±ΡΡΡ ΠΏΠΎΠ»ΡΡΡΠ΅ΡΠΈΡΠ΅ΡΠΊΠΈΠΌ Π΄ΠΈΠ°ΠΌΠ΅ΡΡΠΎΠΌ 165 ΠΌΠΌ (+/- 1 ΠΌΠΌ).
ΠΠ»Ρ ΠΈΡΠΏΡΡΠ°Π½ΠΈΡ ΡΠ΅Π½ΡΡ ΠΏΠΎΠ»ΡΡΡΠ΅ΡΡ Π΄ΠΎΠ»ΠΆΠ΅Π½ ΠΊΠ°ΡΠ°ΡΡΡΡ ΠΊΠΎΠ½ΡΡΡΡΠΊΡΠΈΠΈ Π² ΡΠ΅Π½ΡΡΠ΅ ΡΡΠ»Π΅Π²ΠΎΠ³ΠΎ ΠΊΠΎΠ»Π΅ΡΠ° Π²Π΄ΠΎΠ»Ρ ΡΠΎΠΉ ΠΆΠ΅ ΠΎΡΠΈ, ΡΡΠΎ ΠΈ ΠΎΡΠ½ΠΎΠ²Π½Π°Ρ ΡΠ°ΡΡΡ ΡΡΠ»Π΅Π²ΠΎΠΉ ΠΊΠΎΠ»ΠΎΠ½ΠΊΠΈ.
ΠΠΎ Π²ΡΠ΅ΠΌΡ ΠΈΡΠΏΡΡΠ°Π½ΠΈΡ ΠΏΠΎΡΠ°ΠΆΠ°ΡΡΠΈΠΉ ΠΎΠ±ΡΠ΅ΠΊΡ Π½Π΅ ΠΌΠΎΠΆΠ΅Ρ ΠΏΠΎΠ²ΠΎΡΠ°ΡΠΈΠ²Π°ΡΡΡΡ Π½ΠΈ ΠΏΠΎ ΠΎΠ΄Π½ΠΎΠΉ ΠΎΡΠΈ, ΠΈ ΠΈΡΠΏΡΡΠ°ΡΠ΅Π»ΡΠ½Π°Ρ ΠΊΠΎΠ½ΡΡΡΡΠΊΡΠΈΡ ΠΌΠΎΠΆΠ΅Ρ ΠΏΠΎΠ΄Π΄Π΅ΡΠΆΠΈΠ²Π°ΡΡΡΡ Π»ΡΠ±ΡΠΌ ΡΠΏΠΎΡΠΎΠ±ΠΎΠΌ ΠΏΡΠΈ ΡΡΠ»ΠΎΠ²ΠΈΠΈ, ΡΡΠΎ ΡΡΠΎ Π½Π΅ ΡΠ²Π΅Π»ΠΈΡΠΈΠ²Π°Π΅Ρ ΡΠ΄Π°ΡΠΎΠΏΡΠΎΡΠ½ΠΎΡΡΡ ΠΈΡΠΏΡΡΡΠ²Π°Π΅ΠΌΡΡ ΡΠ°ΡΡΠ΅ΠΉ.
Π‘ΠΎΠΏΡΠΎΡΠΈΠ²Π»Π΅Π½ΠΈΠ΅ ΠΈΡΠΏΡΡΠ°ΡΠ΅Π»ΡΠ½ΠΎΠΉ ΠΊΠΎΠ½ΡΡΡΡΠΊΡΠΈΠΈ Π΄ΠΎΠ»ΠΆΠ½ΠΎ Π±ΡΡΡ ΡΠ°ΠΊΠΈΠΌ, ΡΡΠΎΠ±Ρ Π²ΠΎ Π²ΡΠ΅ΠΌΡ ΡΠ΄Π°ΡΠ° ΠΏΠΈΠΊΠΎΠ²ΠΎΠ΅ Π·Π°ΠΌΠ΅Π΄Π»Π΅Π½ΠΈΠ΅ ΠΎΠ±ΡΠ΅ΠΊΡΠ° Π½Π΅ ΠΏΡΠ΅Π²ΡΡΠ°Π»ΠΎ 80 Π³ Π² ΡΠ΅ΡΠ΅Π½ΠΈΠ΅ Π±ΠΎΠ»Π΅Π΅ ΡΠ΅ΠΌ ΡΠΎΠ²ΠΎΠΊΡΠΏΠ½ΡΡ 3 ΠΌΡ, ΡΡΠΎ ΠΈΠ·ΠΌΠ΅ΡΡΠ΅ΡΡΡ ΡΠΎΠ»ΡΠΊΠΎ Π² Π½Π°ΠΏΡΠ°Π²Π»Π΅Π½ΠΈΠΈ ΡΠ΄Π°ΡΠ°.
ΠΠΎΡΠ»Π΅ ΠΈΡΠΏΡΡΠ°Π½ΠΈΡ Π²ΡΠ΅ ΡΡΡΠ΅ΡΡΠ²Π΅Π½Π½ΡΠ΅ Π΄Π΅ΡΠΎΡΠΌΠ°ΡΠΈΠΈ Π΄ΠΎΠ»ΠΆΠ½Ρ Π±ΡΡΡ Π² ΡΡΠ»Π΅Π²ΠΎΠΉ ΠΊΠΎΠ»ΠΎΠ½ΠΊΠ΅, Π° ΠΌΠ΅Ρ Π°Π½ΠΈΠ·ΠΌ Π±ΡΡΡΡΠΎΠ³ΠΎ ΡΠ°Π·ΡΠ΅Π΄ΠΈΠ½Π΅Π½ΠΈΡ ΡΡΠ»Π΅Π²ΠΎΠ³ΠΎ ΠΊΠΎΠ»Π΅ΡΠ° Π΄ΠΎΠ»ΠΆΠ΅Π½ ΠΏΡΠΎΠ΄ΠΎΠ»ΠΆΠ°ΡΡ Π½ΠΎΡΠΌΠ°Π»ΡΠ½ΠΎ ΡΠ°Π±ΠΎΡΠ°ΡΡ.
ΠΠ΄Π΅ΡΡ Π²Ρ ΠΌΠΎΠΆΠ΅ΡΠ΅ ΡΠ·Π½Π°ΡΡ Π±ΠΎΠ»ΡΡΠ΅ ΠΎ ΡΡΠ»Π΅Π²ΠΎΠΌ ΠΊΠΎΠ»Π΅ΡΠ΅ ΠΈ ΡΠ΅Ρ Π½ΠΈΠΊΠ΅ ΡΠΏΡΠ°Π²Π»Π΅Π½ΠΈΡ.
ΠΠ΅ΡΠ½ΡΡΡΡΡ ΠΊ Π½Π°ΡΠ°Π»Ρ ΡΡΡΠ°Π½ΠΈΡΡ
Π’ΠΈΠΏΠΈΡΠ½Π°Ρ ΡΠΈΡΡΠ΅ΠΌΠ° ΡΠ΅Π΅ΡΠ½ΠΎΠ³ΠΎ ΡΡΠ»Π΅Π²ΠΎΠ³ΠΎ ΡΠΏΡΠ°Π²Π»Π΅Π½ΠΈΡ (RPS) (a) Π Π΅ΠΉΠΊΠ° ΠΈ ΡΠ΅ΡΡΠ΅ΡΠ½Ρ …
ΠΠΎΠ½ΡΠ΅ΠΊΡΡ 1
… ΡΡΡΠ½Π°Ρ ΡΠΈΡΡΠ΅ΠΌΠ° ΡΠ΅Π΅ΡΠ½ΠΎΠ³ΠΎ ΡΡΠ»Π΅Π²ΠΎΠ³ΠΎ ΡΠΏΡΠ°Π²Π»Π΅Π½ΠΈΡ (RPS), ΠΊΠ°ΠΊ ΠΏΠΎΠΊΠ°Π·Π°Π½ΠΎ Π½Π° ΡΠΈΡΡΠ½ΠΊΠ΅ 1, ΡΠΎΡΡΠΎΠΈΡ ΠΈΠ· ΡΠΊΡΠ΅ΡΠ΅Π½Π½ΡΠ΅ ΠΊΠΎΡΠΎΠ·ΡΠ±ΡΠ΅ Π·ΡΠ±ΡΠ°ΡΡΠ΅ ΠΏΠ°ΡΡ ΡΠ΅ΠΉΠΊΠ° ΠΈ ΡΠ΅ΡΡΠ΅ΡΠ½Ρ.ΠΡΠ±ΡΠ°ΡΠ°Ρ ΠΏΠ΅ΡΠ΅Π΄Π°ΡΠ° Ρ ΠΏΠ΅ΡΠ΅ΠΊΡΠ΅ΡΡΠ½ΠΎ-ΠΊΠΎΡΠΎΠ·ΡΠ±ΠΎΠΉ Π³ΠΎΠ»ΠΎΠ²ΠΊΠΎΠΉ ΠΈΠΌΠ΅Π΅Ρ ΠΏΠ»ΠΎΡ ΠΈΠ΅ ΠΊΠΎΠ½ΡΠ°ΠΊΡΠ½ΡΠ΅ ΡΠ²ΠΎΠΉΡΡΠ²Π°, ΠΈ Π΅Π΅ ΠΈΡΠΏΠΎΠ»ΡΠ·ΠΎΠ²Π°Π½ΠΈΠ΅ ΠΎΠ³ΡΠ°Π½ΠΈΡΠ΅Π½ΠΎ ΠΏΡΠΈΠ»ΠΎΠΆΠ΅Π½ΠΈΡΠΌΠΈ Ρ Π½ΠΈΠ·ΠΊΠΎΠΉ Π½Π°Π³ΡΡΠ·ΠΊΠΎΠΉ (Michalec, 1966). …
ΠΠΎΠ½ΡΠ΅ΠΊΡΡ 2
… ΠΠ»Ρ ΠΊΠ°ΠΆΠ΄ΠΎΠ³ΠΎ ΡΠ»ΡΡΠ°Ρ ΠΈΠ½ΠΊΡΠ΅ΠΌΠ΅Π½ΡΠ°Π»ΡΠ½ΠΎΠΉ ΡΠ΅Π·ΠΊΠΈ ΠΈ ΡΠ΅ΠΆΡΡΠ΅ΠΉ ΡΠ΅ΠΉΠΊΠ΅, ΠΈ ΡΠ΅ΡΡΠ΅ΡΠ½Π΅ Π·Π°Π΄Π°Π΅ΡΡΡ ΠΎΡΠ½ΠΎΡΠΈΡΠ΅Π»ΡΠ½ΠΎΠ΅ ΡΠΌΠ΅ΡΠ΅Π½ΠΈΠ΅. ΠΠ²ΠΈΠΆΠ΅Π½ΠΈΠ΅ ΡΠ΅ΠΉΠΊΠΈ ΠΏΡΠΎΠΈΡΡ ΠΎΠ΄ΠΈΡ ΠΏΠΎ ΠΌΠ΅ΡΡΠ½ΠΎΠΉ ΠΊΠΎΠΎΡΠ΄ΠΈΠ½Π°ΡΠ΅ X ΡΠ΅ΠΉΠΊΠΈ Π½Π° Π²Π΅Π»ΠΈΡΠΈΠ½Ρ, ΡΠ°Π²Π½ΡΡ ΠΎΠΊΡΡΠΆΠ½ΠΎΠΌΡ ΡΠ°ΡΡΡΠΎΡΠ½ΠΈΡ, ΠΏΡΠΎΠΉΠ΄Π΅Π½Π½ΠΎΠΌΡ ΡΠ΅ΡΡΠ΅ΡΠ½Π΅ΠΉ, ΠΊΠ°ΠΊ ΠΏΠΎΠΊΠ°Π·Π°Π½ΠΎ Π½Π° Π ΠΈΡΡΠ½ΠΊΠ΅ 10 (a). …
ΠΠΎΠ½ΡΠ΅ΠΊΡΡ 3
… ΠΠΏΠ΅ΡΠ°ΡΠΈΡ ΡΠ΅Π·ΠΊΠΈ ΠΏΠΎΠ²ΡΠΎΡΡΠ΅ΡΡΡ Π΄ΠΎ ΠΎΠ΄Π½ΠΎΠ³ΠΎ ΠΏΠΎΠ»Π½ΠΎΠ³ΠΎ ΠΎΠ±ΠΎΡΠΎΡΠ° ΡΠ΅ΡΡΠ΅ΡΠ½ΠΈ.
ΠΠ°Π³ΠΎΡΠΎΠ²ΠΊΠ° ΡΠ΅ΡΡΠ΅ΡΠ½ΠΈ ΠΏΠΎΡΠ»Π΅ ΡΠ΅Π·Π°Π½ΠΈΡ Π½Π° 90 Β° ΠΈ 360 Β° ΠΏΠΎΠΊΠ°Π·Π°Π½Π° Π½Π° ΡΠΈΡΡΠ½ΠΊΠ°Ρ
10 (b) ΠΈ (c) ΡΠΎΠΎΡΠ²Π΅ΡΡΡΠ²Π΅Π½Π½ΠΎ, Π° Π΅Π³ΠΎ Π·Π°ΡΠ΅ΠΏΠ»Π΅Π½ΠΈΠ΅ Ρ Π·ΡΠ±ΡΠ°ΡΠΎΠΉ ββΡΠ΅ΠΉΠΊΠΎΠΉ ΠΏΠΎΠΊΠ°Π·Π°Π½ΠΎ Π½Π° ΡΠΈΡΡΠ½ΠΊΠ΅ 10 (d). …
ΠΠΎΠ½ΡΠ΅ΠΊΡΡ 4
… ΠΎΠΏΠ΅ΡΠ°ΡΠΈΡ ΡΠ΅Π·Π°Π½ΠΈΡ ΠΏΠΎΠ²ΡΠΎΡΡΠ΅ΡΡΡ Π΄ΠΎ ΠΎΠ΄Π½ΠΎΠ³ΠΎ ΠΏΠΎΠ»Π½ΠΎΠ³ΠΎ ΠΎΠ±ΠΎΡΠΎΡΠ° ΡΠ΅ΡΡΠ΅ΡΠ½ΠΈ. ΠΠ°Π³ΠΎΡΠΎΠ²ΠΊΠ° ΡΠ΅ΡΡΠ΅ΡΠ½ΠΈ ΠΏΠΎΡΠ»Π΅ ΡΠ΅Π·Π°Π½ΠΈΡ Π½Π° 90 Β° ΠΈ 360 Β° ΠΏΠΎΠΊΠ°Π·Π°Π½Π° Π½Π° ΡΠΈΡΡΠ½ΠΊΠ°Ρ 10 (b) ΠΈ (c) ΡΠΎΠΎΡΠ²Π΅ΡΡΡΠ²Π΅Π½Π½ΠΎ, Π° Π΅Π³ΠΎ Π·Π°ΡΠ΅ΠΏΠ»Π΅Π½ΠΈΠ΅ Ρ Π·ΡΠ±ΡΠ°ΡΠΎΠΉ ββΡΠ΅ΠΉΠΊΠΎΠΉ ΠΏΠΎΠΊΠ°Π·Π°Π½ΠΎ Π½Π° ΡΠΈΡΡΠ½ΠΊΠ΅ 10 (d)….
ΠΠΎΠ½ΡΠ΅ΠΊΡΡ 5
… Π·ΡΠ±ΡΡ ΡΠ΅ΠΉΠΊΠΈ ΠΏΠΎΠ΄Π²Π΅ΡΠΆΠ΅Π½Ρ Π½Π΅ΡΠ°Π²Π½ΠΎΠΌΠ΅ΡΠ½ΠΎΠΌΡ ΠΈΠ·Π½ΠΎΡΡ. Π‘Π»Π΅Π΄ΠΎΠ²Π°ΡΠ΅Π»ΡΠ½ΠΎ, Π²ΠΈΠ»ΠΊΠ° ΠΏΡΠΈΠΊΡΠ΅ΠΏΠ»Π΅Π½Π° ΠΊ ΡΠ°ΠΌΠ΅ ΡΡΠ°Π½ΡΠΏΠΎΡΡΠ½ΠΎΠ³ΠΎ ΡΡΠ΅Π΄ΡΡΠ²Π°, Π° ΠΏΠ»ΡΠ½ΠΆΠ΅Ρ ΡΠΏΠΈΡΠ°Π΅ΡΡΡ Π² ΡΡΠΎΠΉΠΊΡ Ρ ΠΏΡΡΠΆΠΈΠ½ΠΎΠΉ ΠΌΠ΅ΠΆΠ΄Ρ Π²ΠΈΠ»ΠΊΠΎΠΉ ΠΈ ΠΏΠΎΡΡΠ½Π΅ΠΌ, ΠΊΠ°ΠΊ ΠΏΠΎΠΊΠ°Π·Π°Π½ΠΎ Π½Π° Π ΠΈΡΡΠ½ΠΊΠ΅ 11 (a). ΠΡΡΠΆΠΈΠ½Π° ΡΠΆΠΈΠΌΠ°Π΅ΡΡΡ Π·Π° ΡΡΠ΅Ρ Π·Π°ΡΡΠ³ΠΈΠ²Π°Π½ΠΈΡ ΡΠΊΠ΅Π½ΡΡΠ°. …
ΠΠΎΠ½ΡΠ΅ΠΊΡΡ 6
… ΡΡΠ°Π½Π³Π° ΡΠ΅ΠΉΠΊΠΈ ΠΏΡΠΈΠΆΠΈΠΌΠ°Π΅ΡΡΡ ΠΊ ΡΠ΅ΡΡΠ΅ΡΠ½Π΅ ΠΈΠ·-Π·Π° ΠΏΠ»ΡΠ½ΠΆΠ΅ΡΠ°. Π§ΡΠΎΠ±Ρ Π²Π²Π΅ΡΡΠΈ ΡΡΠΈΠΊΡΠΈΠΎΠ½Π½ΡΡ ΠΏΠΎΠ²Π΅ΡΡ
Π½ΠΎΡΡΡ ΡΠ°Π·Π΄Π΅Π»Π° Π·ΡΠ±ΡΠ°ΡΠ°Ρ ΡΠ΅ΠΉΠΊΠ° ΠΈ ΠΏΠ»ΡΠ½ΠΆΠ΅Ρ, Π² ADAMS ΡΠΎΠ·Π΄Π°Π΅ΡΡΡ ΠΏΠ»ΡΠ½ΠΆΠ΅Ρ, ΠΏΠΎΠΊΠ°Π·Π°Π½Π½ΡΠΉ Π½Π° ΡΠΈΡΡΠ½ΠΊΠ΅ 11, Ρ ΠΏΠΎΡΠ»Π΅Π΄ΡΡΡΠΈΠΌ ΠΏΡΠΈΠ»ΠΎΠΆΠ΅Π½ΠΈΠ΅ΠΌ ΠΏΠΎΠ²Π΅ΡΡ
Π½ΠΎΡΡΠ½ΠΎΠ³ΠΎ ΠΊΠΎΠ½ΡΠ°ΠΊΡΠ° ΠΌΠ΅ΠΆΠ΄Ρ ΠΏΠ»ΡΠ½ΠΆΠ΅ΡΠΎΠΌ ΠΈ ΡΡΠ°Π½Π³ΠΎΠΉ Π·ΡΠ±ΡΠ°ΡΠΎΠΉ ββΡΠ΅ΠΉΠΊΠΈ.
ΠΡΠΏΠΎΠ»Π½ΡΠ΅ΠΌΡΠ΅ Π² Ρ
ΠΎΠ΄Π΅ ΠΌΠΎΠ΄Π΅Π»ΠΈΡΠΎΠ²Π°Π½ΠΈΡ yokenut ΡΠ±ΠΎΡΠΊΠΈ Π·Π°ΠΊΠ»ΡΡΠ°ΡΡΡΡ Π² ΡΠ»Π΅Π΄ΡΡΡΠ΅ΠΌ: …
ΠΠΎΠ½ΡΠ΅ΠΊΡΡ 7
… ΠΠ»ΡΠ½ΠΆΠ΅Ρ ΡΠΌΠΎΠ΄Π΅Π»ΠΈΡΠΎΠ²Π°Π½ Ρ ΡΠΈΠ»ΠΈΠ½Π΄ΡΠΈΡΠ΅ΡΠΊΠΎΠΉ ΠΎΠΏΠΎΡΠ½ΠΎΠΉ ΠΏΠΎΠ²Π΅ΡΡ Π½ΠΎΡΡΠΈ Π΄Π»Ρ ΡΡΠΎΠΉΠΊΠΈ, ΠΊΠ°ΠΊ ΠΏΠΎΠΊΠ°Π·Π°Π½ΠΎ Π½Π° ΡΠΈΡΡΠ½ΠΊΠ΅ 11 (Π±). Π§ΡΠΎΠ±Ρ ΠΏΡΠ΅Π΄ΡΡΠ°Π²ΠΈΡΡ ΡΡΠΈΠΊΡΠΈΠΎΠ½Π½ΡΡ ΠΏΠΎΠ²Π΅ΡΡ Π½ΠΎΡΡΡ ΡΠ°Π·Π΄Π΅Π»Π° ΡΠ΅ΠΉΠΊΠ°-ΠΏΠ»ΡΠ½ΠΆΠ΅Ρ, ΠΌΠ΅ΠΆΠ΄Ρ Π΄Π²ΡΠΌΡ ΡΠ΅Π»Π°ΠΌΠΈ ΠΎΠΏΡΠ΅Π΄Π΅Π»Π΅Π½ Β«ΠΊΠΎΠ½ΡΠ°ΠΊΡΒ». …
ΠΠΎΠ½ΡΠ΅ΠΊΡΡ 8
… ΠΡΡΠ³ΠΎΠΉ ΡΠΈΠ»ΠΈΠ½Π΄Ρ, ΠΏΡΠ΅Π΄ΡΡΠ°Π²Π»ΡΡΡΠΈΠΉ ΠΉΠΎΠΊΠ΅Π½ΡΡ, Π²ΡΠΏΠΎΠ»Π½Π΅Π½ Ρ ΡΠΎΠ²ΠΌΠ΅ΡΠ΅Π½Π½ΡΠΌΠΈ ΠΎΡΡΠΌΠΈ ΠΊΠ°ΠΊ ΠΏΠ»ΡΠ½ΠΆΠ΅ΡΠ°, ΡΠ°ΠΊ ΠΈ ΠΉΠΎΠΊΠ΅Π½ΡΡΠ°. ΠΠ°ΠΊ ΠΏΠ»ΡΠ½ΠΆΠ΅Ρ, ΡΠ°ΠΊ ΠΈ Π²ΠΈΠ»ΠΊΠ° ΡΠ°ΡΠΏΠΎΠ»ΠΎΠΆΠ΅Π½Ρ Π½Π° ΡΠ°ΡΡΡΠΎΡΠ½ΠΈΠΈ, ΡΠ°Π²Π½ΠΎΠΌ Π·Π°Π·ΠΎΡΡ Π²ΠΈΠ»ΠΊΠΈ, ΠΊΠ°ΠΊ ΠΏΠΎΠΊΠ°Π·Π°Π½ΠΎ Π½Π° ΡΠΈΡΡΠ½ΠΊΠ΅ 12….
ΠΠΎΠ½ΡΠ΅ΠΊΡΡ 9
… ΠΠΎ Π²ΡΠ΅ΠΌΡ ΠΌΠΎΠ΄Π΅Π»ΠΈΡΠΎΠ²Π°Π½ΠΈΡ ΡΠ΄Π°Ρ ΠΌΠ΅ΠΆΠ΄Ρ ΠΏΠ»ΡΠ½ΠΆΠ΅ΡΠΎΠΌ ΠΈ Π²ΠΈΠ»ΠΊΠΎΠΉ ΠΏΡΠΎΠΈΡΡ ΠΎΠ΄ΠΈΡ ΠΈΠ·-Π·Π° ΠΏΠ΅ΡΠ΅ΠΌΠ΅ΡΠ΅Π½ΠΈΠΉ ΠΏΠΎΡΡΠ½Ρ Π² ΠΏΡΠ΅Π΄Π΅Π»Π°Ρ Π·Π°Π·ΠΎΡΠ° Π²ΠΈΠ»ΠΊΠΈ ΠΏΡΠΎΡΠΈΠ² ΠΏΡΠ΅Π΄Π²Π°ΡΠΈΡΠ΅Π»ΡΠ½ΠΎΠ³ΠΎ Π½Π°ΡΡΠ³Π° ΠΏΡΡΠΆΠΈΠ½Ρ. ΠΠ°Π²Π΅ΡΡΠ΅Π½Π½Π°Ρ ΡΠ±ΠΎΡΠΊΠ° ΡΠΊΠ΅Π½ΡΡΠ° ΠΏΠΎΠΊΠ°Π·Π°Π½Π° Π½Π° Π ΠΈΡΡΠ½ΠΊΠ΅ 12. …
ΠΠΎΠ½ΡΠ΅ΠΊΡΡ 10
… ΠΎΠ½ ΡΠ°ΠΊΠΆΠ΅ ΡΡΠΈΡΡΠ²Π°Π΅Ρ ΠΈΠ·ΠΌΠ΅Π½Π΅Π½ΠΈΠ΅ ΠΌΠ΅ΠΆΠΎΡΠ΅Π²ΠΎΠ³ΠΎ ΡΠ°ΡΡΡΠΎΡΠ½ΠΈΡ. ΠΡΡΠ»ΠΊΠ° ΠΌΠΎΠΆΠ΅Ρ Π±ΡΡΡ ΠΌΠ΅ΡΠ°Π»Π»ΠΈΡΠ΅ΡΠΊΠΎΠΉ Ρ Π²Π½Π΅ΡΠ½Π΅ΠΉ ΡΡΡΠ΅ΡΠΎΠ²ΠΊΠΎΠΉ ΠΈΠ· ΡΠ²Π΅ΡΠ΄ΠΎΠΉ ΡΠ΅Π·ΠΈΠ½Ρ ΠΈΠ»ΠΈ ΠΏΠΎΠ»ΠΈΠΌΠ΅ΡΠ½ΠΎΠΉ Π²ΡΡΠ»ΠΊΠΎΠΉ, ΠΊΠ°ΠΊ ΠΏΠΎΠΊΠ°Π·Π°Π½ΠΎ Π½Π° Π ΠΈΡΡΠ½ΠΊΠ΅ 13 (Π°).
ΠΡΠΈ ΠΌΠΎΠ΄Π΅Π»ΠΈΡΠΎΠ²Π°Π½ΠΈΠΈ Π²ΡΡΠ»ΠΊΠ° ΠΏΡΠ΅Π΄ΡΡΠ°Π²Π»ΡΠ΅Ρ ΡΠΎΠ±ΠΎΠΉ Π³ΠΈΠ±ΠΊΠΎΠ΅ Π·Π²Π΅Π½ΠΎ ΠΌΠ΅ΠΆΠ΄Ρ Π·Π΅ΠΌΠ»Π΅ΠΉ ΠΈ ΡΡΠΎΠΉΠΊΠΎΠΉ….
Context 11
… Π²ΡΡΠ»ΠΊΠ° Π΄Π΅ΠΉΡΡΠ²ΡΠ΅Ρ ΠΊΠ°ΠΊ ΡΠΈΠ»ΠΈΠ½Π΄ΡΠΈΡΠ΅ΡΠΊΠΈΠΉ ΡΠ°ΡΠ½ΠΈΡ ΠΌΠ΅ΠΆΠ΄Ρ ΡΡΠΎΠΉΠΊΠΎΠΉ ΠΈ Π·Π΅ΠΌΠ»Π΅ΠΉ (Π½Π΅ΠΏΠΎΠ΄Π²ΠΈΠΆΠ½ΠΎΠ΅ Π·Π²Π΅Π½ΠΎ) ΠΈ ΠΏΠΎΠ·Π²ΠΎΠ»ΡΠ΅Ρ Π΅ΠΉ ΠΏΠ΅ΡΠ΅ΠΌΠ΅ΡΠ°ΡΡΡΡ, Π° ΡΠ°ΠΊΠΆΠ΅ ΠΏΠΎΠ²ΠΎΡΠ°ΡΠΈΠ²Π°ΡΡΡΡ. Π¨Π°Π³ΠΈ, Π²ΡΠΏΠΎΠ»Π½ΡΠ΅ΠΌΡΠ΅ Π΄Π»Ρ ΠΌΠΎΠ΄Π΅Π»ΠΈΡΠΎΠ²Π°Π½ΠΈΡ Π²ΡΡΠ»ΠΊΠΈ, ΠΊΠ°ΠΊ ΠΏΠΎΠΊΠ°Π·Π°Π½ΠΎ Π½Π° Π ΠΈΡΡΠ½ΠΊΠ΅ 13 (a), ΠΏΠ΅ΡΠ΅ΡΠΈΡΠ»Π΅Π½Ρ Π½ΠΈΠΆΠ΅: …
ΠΠΎΠ½ΡΠ΅ΠΊΡΡ 12
… ΡΠΎΡΠ΅ΠΊ ΠΊΡΠ΅ΠΏΠ»Π΅Π½ΠΈΡ, ΡΠ΄Π°Π»Π΅Π½Π½ΡΡ ΠΎΡ ΡΠ΅ΡΡΠ΅ΡΠ½ΠΈ, Π·Π°Π±Π»ΠΎΠΊΠΈΡΠΎΠ²Π°Π½ΠΎ Ρ ΠΏΠΎΠΌΠΎΡΡΡ Π·Π΅ΠΌΠ»Ρ. Π’ΠΎΡΠΊΠ° ΠΊΡΠ΅ΠΏΠ»Π΅Π½ΠΈΡ Π±Π»ΠΈΠΆΠ΅ ΠΊ ΡΠ΅ΡΡΠ΅ΡΠ½Π΅ ΡΠΎΠ΅Π΄ΠΈΠ½Π΅Π½Π° Ρ ΡΠ΅ΠΉΠΊΠΎΠΉ Ρ ΠΏΠΎΠΌΠΎΡΡΡ ΡΠΈΠ»ΠΈΠ½Π΄ΡΠΈΡΠ΅ΡΠΊΠΎΠ³ΠΎ ΡΠ°ΡΠ½ΠΈΡΠ°, ΠΊΠ°ΠΊ ΠΏΠΎΠΊΠ°Π·Π°Π½ΠΎ Π½Π° ΡΠΈΡΡΠ½ΠΊΠ΅ 14….
ΠΠΎΠ½ΡΠ΅ΠΊΡΡ 13
… ΠΠΎ Π²ΡΠ΅ΠΌΡ Π΄Π²ΠΈΠΆΠ΅Π½ΠΈΡ ΠΌΠ΅ΠΆΠΎΡΠ΅Π²ΠΎΠ΅ ΡΠ°ΡΡΡΠΎΡΠ½ΠΈΠ΅ ΠΌΠ΅ΠΆΠ΄Ρ ΡΠ΅ΡΡΠ΅ΡΠ½Π΅ΠΉ ΠΈ ΡΠ΅ΠΉΠΊΠΎΠΉ ΠΌΠ΅Π½ΡΠ΅ΡΡΡ. ΠΡΠΎ Π΄Π²ΠΈΠΆΠ΅Π½ΠΈΠ΅ ΡΡΠΎΠΉΠΊΠΈ ΠΊΠΎΠΌΠΏΠ΅Π½ΡΠΈΡΡΠ΅ΡΡΡ ΠΎΡΠΊΠ»ΠΎΠ½Π΅Π½ΠΈΠ΅ΠΌ Π²ΡΡΠ»ΠΊΠΈ, ΠΊΠ°ΠΊ ΠΏΠΎΠΊΠ°Π·Π°Π½ΠΎ Π½Π° Π ΠΈΡΡΠ½ΠΊΠ΅ 13 (b). …
ΠΠΎΠ½ΡΠ΅ΠΊΡΡ 14
… Π½Π° ΠΏΡΠ°ΠΊΡΠΈΠΊΠ΅ ΠΏΠΎΠ²ΠΎΡΠΎΡΠ½ΠΎΠ΅ ΡΠΎΠ΅Π΄ΠΈΠ½Π΅Π½ΠΈΠ΅ ΠΌΠ΅ΠΆΠ΄Ρ ΡΠ΅ΡΡΠ΅ΡΠ½Π΅ΠΉ ΠΈ Π·Π΅ΠΌΠ»Π΅ΠΉ Π΄ΠΎΡΡΠΈΠ³Π°Π΅ΡΡΡ ΠΏΡΡΠ΅ΠΌ ΡΠ±ΠΎΡΠΊΠΈ ΡΠ΅ΡΡΠ΅ΡΠ½ΠΈ Π²Π½ΡΡΡΠΈ ΠΊΠΎΡΠΏΡΡΠ° ΡΠ΅ΡΡΠ΅ΡΠ½ΠΈ Ρ ΠΏΠΎΠ΄ΡΠΈΠΏΠ½ΠΈΠΊΠ°ΠΌΠΈ, ΠΊΠ°ΠΊ ΠΏΠΎΠΊΠ°Π·Π°Π½ΠΎ Π½Π° Π ΠΈΡΡΠ½ΠΊΠ΅ 15 (Π°).
Π¨Π΅ΡΡΠ΅ΡΠ½Ρ ΠΈΠΌΠ΅Π΅Ρ ΡΠΈΠΊΡΠΈΡΠΎΠ²Π°Π½Π½ΡΡ ΠΎΡΡ Π²ΡΠ°ΡΠ΅Π½ΠΈΡ ΠΈ ΡΠΎΠ±ΠΈΡΠ°Π΅ΡΡΡ Π² ΠΊΠΎΡΠΏΡΡΠ΅ ΡΠ΅ΡΡΠ΅ΡΠ½ΠΈ Ρ ΠΏΠΎΠΌΠΎΡΡΡ ΠΈΠ³ΠΎΠ»ΡΡΠ°ΡΡΡ
ΠΏΠΎΠ΄ΡΠΈΠΏΠ½ΠΈΠΊΠΎΠ²….
ΠΠΎΠ½ΡΠ΅ΠΊΡΡ 15
… ΠΊΡΡΡΡΡΠΈΠΉ ΠΌΠΎΠΌΠ΅Π½Ρ, Π½Π΅ΠΎΠ±Ρ ΠΎΠ΄ΠΈΠΌΡΠΉ Π΄Π»Ρ Π΄Π²ΠΈΠΆΠ΅Π½ΠΈΡ, ΠΏΡΠΈΠ»ΠΎΠΆΠ΅Π½Π½ΠΎΠ³ΠΎ ΠΊ ΠΏΠΎΠ²ΠΎΡΠΎΡΠ½ΠΎΠΌΡ ΡΠ°ΡΠ½ΠΈΡΡ, Π΄Π°Π΅Ρ FPT. Π’ΠΈΠΏΠΈΡΠ½ΡΠΉ FPT, ΠΏΠΎΠ»ΡΡΠ΅Π½Π½ΡΠΉ Ρ ΠΈΡΠΏΠΎΠ»ΡΠ·ΠΎΠ²Π°Π½ΠΈΠ΅ΠΌ ADAMS, ΠΈ ΡΠΊΡΠΏΠ΅ΡΠΈΠΌΠ΅Π½ΡΠ°Π»ΡΠ½Π°Ρ ΡΡΡΠ°Π½ΠΎΠ²ΠΊΠ°, ΠΊΠ°ΠΊ ΠΏΠΎΠΊΠ°Π·Π°Π½ΠΎ Π½Π° ΡΠΈΡΡΠ½ΠΊΠ΅ 2 (a), ΠΏΠΎΠΊΠ°Π·Π°Π½Ρ Π½Π° ΡΠΈΡΡΠ½ΠΊΠ΅ 16. ΠΠ° ΠΏΡΠ°ΠΊΡΠΈΠΊΠ΅ ΠΏΡΠΎΠ²Π΅ΡΠΊΠ° ΡΡΡΠ΅ΠΊΡΠΈΠ²Π½ΠΎΡΡΠΈ ΡΠ°ΠΊΠΆΠ΅ Π²ΡΠΏΠΎΠ»Π½ΡΠ΅ΡΡΡ Π΄Π»Ρ RPS ΠΏΡΡΠ΅ΠΌ ΠΏΡΠΈΠΊΡΠ΅ΠΏΠ»Π΅Π½ΠΈΡ Π³ΡΡΠ·Π° ΠΊ ΠΊΠΎΠ½ΡΡ ΡΡΠΎΠΉΠΊΠ°. …
ΠΠΎΠ½ΡΠ΅ΠΊΡΡ 16
… ΠΠ½Π°ΡΠ΅Π½ΠΈΡ FPT Π΄Π»Ρ ΡΠ°Π·Π»ΠΈΡΠ½ΡΡ
Π½Π°Π³ΡΡΠ·ΠΎΠΊ Π½Π° ΠΏΠ»ΡΠ½ΠΆΠ΅Ρ ΡΠ°ΠΊΠΆΠ΅ ΠΌΠΎΠ³ΡΡ Π±ΡΡΡ ΠΏΡΠΎΠ²Π΅ΡΠ΅Π½Ρ Π½Π° Π»ΡΠ±ΠΎΠ΅ ΠΈΠ·ΠΌΠ΅Π½Π΅Π½ΠΈΠ΅ ΠΏΡΠ΅Π΄Π²Π°ΡΠΈΡΠ΅Π»ΡΠ½ΠΎΠ³ΠΎ Π½Π°ΡΡΠ³Π° ΠΏΡΡΠΆΠΈΠ½Ρ ΠΏΡΡΠ΅ΠΌ ΠΈΠ·ΠΌΠ΅Π½Π΅Π½ΠΈΡ ΡΠ²ΠΎΠΉΡΡΠ² ΠΏΡΡΠΆΠΈΠ½Ρ ΠΌΠΎΠ΄Π΅Π»ΠΈ.Π’ΠΈΠΏΠΈΡΠ½ΡΠΉ Π³ΡΠ°ΡΠΈΠΊ Π΄Π»Ρ Π½Π°Π³ΡΡΠ·ΠΊΠΈ 10 ΠΊΠ³ ΠΏΠΎΠΊΠ°Π·Π°Π½ Π½Π° ΡΠΈΡΡΠ½ΠΊΠ΅ 17, ΠΊΠΎΡΠΎΡΡΠΉ Π΄Π°Π΅Ρ ΠΎΠ±ΡΠ°ΡΠ½ΡΠΉ ΠΠΠ Ξ· r, ΡΠ°ΡΡΡΠΈΡΠ°Π½Π½ΡΠΉ Ρ ΠΈΡΠΏΠΎΠ»ΡΠ·ΠΎΠ²Π°Π½ΠΈΠ΅ΠΌ ΡΡΠ°Π²Π½Π΅Π½ΠΈΡ (1) ΠΊΠ°ΠΊ ΠΏΡΠΈΠΌΠ΅ΡΠ½ΠΎ 90% ΠΏΡΡΠΌΠΎΠ³ΠΎ ΠΠΠ, Ξ· f, ΡΠ°ΠΊΠΆΠ΅ ΠΏΡΠΈΠ²Π΅Π΄Π΅Π½Π½ΡΠΉ Π² ΡΡΠ°Π²Π½Π΅Π½ΠΈΠΈ (1). ΠΠΎΡΡΡΠΈΡΠΈΠ΅Π½ΡΡ ΡΡΠ΅Π½ΠΈΡ ΠΌΠ΅ΠΆΠ΄Ρ ΠΈΠ½ΡΠ΅ΡΡΠ΅ΠΉΡΠ°ΠΌΠΈ ΡΠ΅ΠΉΠΊΠ°-ΠΏΠ»ΡΠ½ΠΆΠ΅Ρ ΠΈ ΡΠ΅Π΅ΡΠ½Π°Ρ ΡΠ΅ΡΡΠ΅ΡΠ½Ρ ΡΠ°ΠΊΠΆΠ΅ ΠΌΠΎΠ³ΡΡ Π±ΡΡΡ ΠΈΠ·ΠΌΠ΅Π½Π΅Π½Ρ, ΡΡΠΎΠ±Ρ Π·Π½Π°ΡΡ ΠΏΠΎΡΠ΅ΡΠΈ Π½Π° ΡΡΠ΅Π½ΠΈΠ΅ ΠΈ Ρ.
Π. …
ΠΠΎΠ½ΡΠ΅ΠΊΡΡ 17
… ΡΠ³ΠΎΠ» ΡΡΡΠ°Π½ΠΎΠ²ΠΊΠΈ ΠΌΠΎΠΆΠ΅Ρ Π±ΡΡΡ ΠΎΡΠΊΠ»ΠΎΠ½Π΅Π½ ΠΎΡ ΠΏΡΠ°Π²ΠΈΠ»ΡΠ½ΠΎΠ³ΠΎ Π·Π½Π°ΡΠ΅Π½ΠΈΡ Π΄Π»Ρ ΠΏΡΠΎΠ²Π΅ΡΠΊΠΈ Π΅Π³ΠΎ ΡΡΡΠ΅ΠΊΡ. ΠΡΠ°ΡΠΈΠΊ FPT Π΄Π»Ρ Β«ΠΎΡΡΡΡΡΡΠ²ΠΈΡ ΠΎΡΠΈΠ±ΠΊΠΈ Π±ΠΈΠ΅Π½ΠΈΡΒ» ΠΈ ΠΎΡΠΈΠ±ΠΊΠΈ Π±ΠΈΠ΅Π½ΠΈΡ 40 ΠΌΠΊΠΌ ΠΏΠΎΠΊΠ°Π·Π°Π½ Π½Π° ΡΠΈΡΡΠ½ΠΊΠ΅ 18.Π ΠΈΡΡΠ½ΠΎΠΊ 18 ΠΡΠΈΠ±ΠΊΠ° Π±ΠΈΠ΅Π½ΠΈΡ Π² ΠΌΠΎΠ΄Π΅Π»ΠΈ ADAMS …
ΠΠΎΠ½ΡΠ΅ΠΊΡΡ 18
… ΠΡΠ°ΡΠΈΠΊ FPT Π΄Π»Ρ Β«ΠΎΡΠΈΠ±ΠΊΠΈ Π±ΠΈΠ΅Π½ΠΈΡ ΠΎΡΡΡΡΡΡΠ²ΡΠ΅ΡΒ» ΠΈ ΠΎΡΠΈΠ±ΠΊΠΈ Π±ΠΈΠ΅Π½ΠΈΡ 40 ΠΌΠΊΠΌ ΠΏΠΎΠΊΠ°Π·Π°Π½ Π½Π° ΡΠΈΡΡΠ½ΠΊΠ΅ 18. Π ΠΈΡΡΠ½ΠΎΠΊ 18 ΠΡΠΈΠ±ΠΊΠ° Π±ΠΈΠ΅Π½ΠΈΡ Π² ΠΌΠΎΠ΄Π΅Π»ΠΈ ADAMS .. .
Π‘ΠΈΡΡΠ΅ΠΌΠ° ΡΡΠ»Π΅Π²ΠΎΠ³ΠΎ ΡΠΏΡΠ°Π²Π»Π΅Π½ΠΈΡ Ρ Π³ΠΈΠ΄ΡΠΎΡΡΠΈΠ»ΠΈΡΠ΅Π»Π΅ΠΌ ΠΈ ΡΡΠ»Π΅Π²ΠΎΠΉ ΠΌΠ΅Ρ Π°Π½ΠΈΠ·ΠΌ Β· BlueStar Inspections
Π ΡΠΈΡΡΠ΅ΠΌΠ΅ Π³ΠΈΠ΄ΡΠΎΡΡΠΈΠ»ΠΈΡΠ΅Π»Ρ Π²Π°ΡΠ΅Π³ΠΎ Π°Π²ΡΠΎΠΌΠΎΠ±ΠΈΠ»Ρ Π΅ΡΡΡ Π½Π΅ΡΠΊΠΎΠ»ΡΠΊΠΎ ΠΊΠΎΠΌΠΏΠΎΠ½Π΅Π½ΡΠΎΠ², ΠΊΠΎΡΠΎΡΡΠ΅ ΠΎΠ±Π»Π΅Π³ΡΠ°ΡΡ ΠΏΠΎΠ²ΠΎΡΠΎΡ ΠΈ ΡΠΎΡΠ½ΠΎΠ΅ ΡΠΏΡΠ°Π²Π»Π΅Π½ΠΈΠ΅ Π°Π²ΡΠΎΠΌΠΎΠ±ΠΈΠ»Π΅ΠΌ. Π£ ΡΡΠ°ΡΡΡ Π°Π²ΡΠΎΠΌΠΎΠ±ΠΈΠ»Π΅ΠΉ Π±ΡΠ»ΠΈ ΠΎΠ³ΡΠΎΠΌΠ½ΡΠ΅ ΡΡΠ»ΠΈ ΠΈ ΡΡΠ΅Π±ΠΎΠ²Π°Π»ΠΎΡΡ ΠΌΠ½ΠΎΠ³ΠΎ ΠΌΡΡΠΊΡΠ»ΠΎΠ² Π΄Π»Ρ ΡΠΏΡΠ°Π²Π»Π΅Π½ΠΈΡ ΡΠΈΡΡΠ΅ΠΌΠΎΠΉ ΡΡΡΠ½ΠΎΠ³ΠΎ ΡΡΠ»Π΅Π²ΠΎΠ³ΠΎ ΡΠΏΡΠ°Π²Π»Π΅Π½ΠΈΡ.ΠΠ»Π°Π³ΠΎΠ΄Π°ΡΡ ΡΠ΅Ρ Π½ΠΎΠ»ΠΎΠ³ΠΈΡΠΌ ΡΠΎΠ²ΡΠ΅ΠΌΠ΅Π½Π½ΡΠ΅ Π°Π²ΡΠΎΠΌΠΎΠ±ΠΈΠ»ΠΈ Π½Π°ΠΌΠ½ΠΎΠ³ΠΎ Π»Π΅Π³ΡΠ΅ ΠΏΠΎΠ²ΠΎΡΠ°ΡΠΈΠ²Π°ΡΡ ΠΈ ΡΠΏΡΠ°Π²Π»ΡΡΡ ΠΈΠΌΠΈ.
ΠΡΠ½ΠΎΠ²Π½ΡΠ΅ ΠΊΠΎΠΌΠΏΠΎΠ½Π΅Π½ΡΡ ΡΠΈΡΡΠ΅ΠΌΡ ΡΡΠ»Π΅Π²ΠΎΠ³ΠΎ ΡΠΏΡΠ°Π²Π»Π΅Π½ΠΈΡ Ρ Π³ΠΈΠ΄ΡΠΎΡΡΠΈΠ»ΠΈΡΠ΅Π»Π΅ΠΌ ΠΌΠ΅ΠΆΠ΄Ρ ΡΡΠ»Π΅Π²ΡΠΌ ΠΊΠΎΠ»Π΅ΡΠΎΠΌ ΠΈ ΡΡΠ»Π΅Π²ΡΠΌ ΠΌΠ΅Ρ
Π°Π½ΠΈΠ·ΠΌΠΎΠΌ Π²ΠΊΠ»ΡΡΠ°ΡΡ ΡΠ°ΠΌΠΎ ΡΡΠ»Π΅Π²ΠΎΠ΅ ΠΊΠΎΠ»Π΅ΡΠΎ, ΡΡΠ»Π΅Π²ΡΡ ΠΊΠΎΠ»ΠΎΠ½ΠΊΡ, ΡΡΠ»Π΅Π²ΡΡ ΠΌΡΡΡΡ, ΡΡΠ»Π΅Π²ΠΎΠΉ ΠΌΠ΅Ρ
Π°Π½ΠΈΠ·ΠΌ, ΡΠ»Π°Π½Π³ΠΈ ΡΡΠ»Π΅Π²ΠΎΠ³ΠΎ ΡΠΏΡΠ°Π²Π»Π΅Π½ΠΈΡ Ρ ΡΡΠΈΠ»ΠΈΡΠ΅Π»Π΅ΠΌ ΠΈ Π½Π°ΡΠΎΡ ΡΡΠ»Π΅Π²ΠΎΠ³ΠΎ ΡΠΏΡΠ°Π²Π»Π΅Π½ΠΈΡ Ρ Π³ΠΈΠ΄ΡΠΎΡΡΠΈΠ»ΠΈΡΠ΅Π»Π΅ΠΌ.
ΠΠ±ΡΡΠ½ΠΎ ΡΠΈΡΡΠ΅ΠΌΠ° ΡΡΠ»Π΅Π²ΠΎΠ³ΠΎ ΡΠΏΡΠ°Π²Π»Π΅Π½ΠΈΡ Ρ ΡΡΠΈΠ»ΠΈΡΠ΅Π»Π΅ΠΌ Π±ΡΠ»Π° Π³ΠΈΠ΄ΡΠ°Π²Π»ΠΈΡΠ΅ΡΠΊΠΎΠΉ, Π½ΠΎ ΡΠΈΡΡΠ΅ΠΌΡ ΡΡΠ»Π΅Π²ΠΎΠ³ΠΎ ΡΠΏΡΠ°Π²Π»Π΅Π½ΠΈΡ Ρ ΡΠ»Π΅ΠΊΡΡΠΎΡΡΠΈΠ»ΠΈΡΠ΅Π»Π΅ΠΌ ΡΡΠ°Π½ΠΎΠ²ΡΡΡΡ Π²ΡΠ΅ Π±ΠΎΠ»Π΅Π΅ ΡΠ°ΡΠΏΡΠΎΡΡΡΠ°Π½Π΅Π½Π½ΡΠΌΠΈ. Π‘ΠΈΡΡΠ΅ΠΌΡ ΡΡΠ»Π΅Π²ΠΎΠ³ΠΎ ΡΠΏΡΠ°Π²Π»Π΅Π½ΠΈΡ Ρ ΡΠ»Π΅ΠΊΡΡΠΎΡΡΠΈΠ»ΠΈΡΠ΅Π»Π΅ΠΌ ΡΠΎΡΡΠΎΡΡ ΠΈΠ· Π΄ΠΎΠΏΠΎΠ»Π½ΠΈΡΠ΅Π»ΡΠ½ΡΡ
ΠΊΠΎΠΌΠΏΠΎΠ½Π΅Π½ΡΠΎΠ², Π²ΠΊΠ»ΡΡΠ°Ρ ΡΠ°Π·Π»ΠΈΡΠ½ΡΠ΅ Π΄Π°ΡΡΠΈΠΊΠΈ, ΠΏΡΠΎΠ²ΠΎΠ΄Π°, ΠΈΡΠΏΠΎΠ»Π½ΠΈΡΠ΅Π»ΡΠ½ΡΠ΅ ΠΌΠ΅Ρ
Π°Π½ΠΈΠ·ΠΌΡ, Π΄Π²ΠΈΠ³Π°ΡΠ΅Π»ΠΈ ΠΈ ΡΠ»Π΅ΠΊΡΡΠΎΠ½Π½ΡΠΉ Π±Π»ΠΎΠΊ ΡΠΏΡΠ°Π²Π»Π΅Π½ΠΈΡ.
Π‘ΡΡΠ΅ΡΡΠ²ΡΠ΅Ρ ΡΡΠΈ ΠΎΡΠ½ΠΎΠ²Π½ΡΡ ΡΠΈΠΏΠ° ΡΠΈΡΡΠ΅ΠΌ ΡΡΠ»Π΅Π²ΠΎΠ³ΠΎ ΡΠΏΡΠ°Π²Π»Π΅Π½ΠΈΡ Ρ ΡΡΠΈΠ»ΠΈΡΠ΅Π»Π΅ΠΌ, ΠΈΡΠΏΠΎΠ»ΡΠ·ΡΠ΅ΠΌΡΡ Π² ΡΡΠ°Π½ΡΠΏΠΎΡΡΠ½ΡΡ ΡΡΠ΅Π΄ΡΡΠ²Π°Ρ : ΡΡΠ»Π΅Π²ΠΎΠ΅ ΡΠΏΡΠ°Π²Π»Π΅Π½ΠΈΠ΅ Ρ Π³ΠΈΠ΄ΡΠΎΡΡΠΈΠ»ΠΈΡΠ΅Π»Π΅ΠΌ (HPS), ΡΡΠ»Π΅Π²ΠΎΠ΅ ΡΠΏΡΠ°Π²Π»Π΅Π½ΠΈΠ΅ Ρ ΡΠ»Π΅ΠΊΡΡΠΎΡΡΠΈΠ»ΠΈΡΠ΅Π»Π΅ΠΌ ΠΈ Π³ΠΈΠ΄ΡΠΎΡΡΠΈΠ»ΠΈΡΠ΅Π»Π΅ΠΌ (EPHS) ΠΈ ΡΡΠ»Π΅Π²ΠΎΠ΅ ΡΠΏΡΠ°Π²Π»Π΅Π½ΠΈΠ΅ Ρ ΠΏΠΎΠ»Π½ΠΎΡΡΡΡ ΡΠ»Π΅ΠΊΡΡΠΈΡΠ΅ΡΠΊΠΈΠΌ ΡΡΠΈΠ»ΠΈΡΠ΅Π»Π΅ΠΌ (EPS). ΠΠ»Π΅ΠΊΡΡΠΈΡΠ΅ΡΠΊΠΈΠΉ ΠΈ ΡΠ»Π΅ΠΊΡΡΠΎΠ½Π½ΡΠΉ ΡΡΠΈΠ»ΠΈΡΠ΅Π»Ρ ΡΡΠ»Ρ ΠΎΡΠ½ΠΎΡΡΡΡΡ ΠΊ ΠΎΠ΄Π½ΠΎΠΉ ΠΈ ΡΠΎΠΉ ΠΆΠ΅ ΡΠΈΡΡΠ΅ΠΌΠ΅.
ΠΠΈΠ΄ΡΠ°Π²Π»ΠΈΡΠ΅ΡΠΊΠΈΠΉ ΡΡΠΈΠ»ΠΈΡΠ΅Π»Ρ ΡΡΠ»Π΅Π²ΠΎΠ³ΠΎ ΡΠΏΡΠ°Π²Π»Π΅Π½ΠΈΡ (HPS) ΠΈΡΠΏΠΎΠ»ΡΠ·ΡΠ΅Ρ Π³ΠΈΠ΄ΡΠ°Π²Π»ΠΈΡΠ΅ΡΠΊΠΎΠ΅ Π΄Π°Π²Π»Π΅Π½ΠΈΠ΅, ΡΠΎΠ·Π΄Π°Π²Π°Π΅ΠΌΠΎΠ΅ Π½Π°ΡΠΎΡΠΎΠΌ Ρ ΠΏΡΠΈΠ²ΠΎΠ΄ΠΎΠΌ ΠΎΡ Π΄Π²ΠΈΠ³Π°ΡΠ΅Π»Ρ, ΠΈΠ·Π²Π΅ΡΡΠ½ΡΠΌ ΠΊΠ°ΠΊ Π½Π°ΡΠΎΡ Π³ΠΈΠ΄ΡΠΎΡΡΠΈΠ»ΠΈΡΠ΅Π»Ρ ΡΡΠ»Π΅Π²ΠΎΠ³ΠΎ ΡΠΏΡΠ°Π²Π»Π΅Π½ΠΈΡ, Π΄Π»Ρ ΠΎΠ±Π»Π΅Π³ΡΠ΅Π½ΠΈΡ Π΄Π²ΠΈΠΆΠ΅Π½ΠΈΡ ΠΏΡΠΈ ΠΏΠΎΠ²ΠΎΡΠΎΡΠ΅ ΡΡΠ»Π΅Π²ΠΎΠ³ΠΎ ΠΊΠΎΠ»Π΅ΡΠ°. ΠΠ°ΡΠΎΡ Π³ΠΈΠ΄ΡΠΎΡΡΠΈΠ»ΠΈΡΠ΅Π»Ρ ΡΡΠ»Π΅Π²ΠΎΠ³ΠΎ ΡΠΏΡΠ°Π²Π»Π΅Π½ΠΈΡ ΠΏΡΠΈΠ²ΠΎΠ΄ΠΈΡΡΡ Π²ΠΎ Π²ΡΠ°ΡΠ΅Π½ΠΈΠ΅ Π²ΡΠΏΠΎΠΌΠΎΠ³Π°ΡΠ΅Π»ΡΠ½ΡΠΌ ΠΏΡΠΈΠ²ΠΎΠ΄ΠΎΠΌ ΠΈΠ»ΠΈ Π·ΠΌΠ΅Π΅Π²ΠΈΠΊΠΎΠΌ ΠΈ ΠΏΠΎΠ΄Π°Π΅Ρ ΠΆΠΈΠ΄ΠΊΠΎΡΡΡ Π³ΠΈΠ΄ΡΠΎΡΡΠΈΠ»ΠΈΡΠ΅Π»Ρ ΠΏΠΎΠ΄ Π΄Π°Π²Π»Π΅Π½ΠΈΠ΅ΠΌ Π² ΡΠ»Π°Π½Π³ Π³ΠΈΠ΄ΡΠΎΡΡΠΈΠ»ΠΈΡΠ΅Π»Ρ ΡΡΠ»Π΅Π²ΠΎΠ³ΠΎ ΡΠΏΡΠ°Π²Π»Π΅Π½ΠΈΡ Π½Π° ΡΡΠΎΡΠΎΠ½Π΅ Π²ΡΡΠΎΠΊΠΎΠ³ΠΎ Π΄Π°Π²Π»Π΅Π½ΠΈΡ, ΠΊΠΎΡΠΎΡΡΠΉ ΠΏΠΎΠ΄Π°Π΅Ρ Π΅Π΅ Π½Π° Π²Ρ
ΠΎΠ΄Π½ΡΡ ΡΡΠΎΡΠΎΠ½Ρ ΠΊΠ»Π°ΠΏΠ°Π½Π° ΡΠΏΡΠ°Π²Π»Π΅Π½ΠΈΡ Π³ΠΈΠ΄ΡΠΎΡΡΠΈΠ»ΠΈΡΠ΅Π»Π΅ΠΌ ΡΡΠ»Π΅Π²ΠΎΠ³ΠΎ ΠΌΠ΅Ρ
Π°Π½ΠΈΠ·ΠΌΠ°.
ΠΠΈΠ΄ΠΊΠΎΡΡΡ Π³ΠΈΠ΄ΡΠΎΡΡΠΈΠ»ΠΈΡΠ΅Π»Ρ ΡΡΠ»Π΅Π²ΠΎΠ³ΠΎ ΡΠΏΡΠ°Π²Π»Π΅Π½ΠΈΡ Π·Π°Π±ΠΈΡΠ°Π΅ΡΡΡ ΠΈΠ· Π±Π°ΡΠΊΠ° Π΄Π»Ρ ΠΆΠΈΠ΄ΠΊΠΎΡΡΠΈ Π³ΠΈΠ΄ΡΠΎΡΡΠΈΠ»ΠΈΡΠ΅Π»Ρ ΡΡΠ»Π΅Π²ΠΎΠ³ΠΎ ΡΠΏΡΠ°Π²Π»Π΅Π½ΠΈΡ, ΡΡΠΎΠ²Π΅Π½Ρ ΠΊΠΎΡΠΎΡΠΎΠ³ΠΎ ΠΏΠΎΠ΄Π΄Π΅ΡΠΆΠΈΠ²Π°Π΅ΡΡΡ Π½Π° ΡΠΎΠΎΡΠ²Π΅ΡΡΡΠ²ΡΡΡΠ΅ΠΌ ΡΡΠΎΠ²Π½Π΅ Ρ ΠΏΠΎΠΌΠΎΡΡΡ ΡΠ»Π°Π½Π³Π° Π³ΠΈΠ΄ΡΠΎΡΡΠΈΠ»ΠΈΡΠ΅Π»Ρ ΡΡΠ»Π΅Π²ΠΎΠ³ΠΎ ΡΠΏΡΠ°Π²Π»Π΅Π½ΠΈΡ ΡΠΎ ΡΡΠΎΡΠΎΠ½Ρ Π½ΠΈΠ·ΠΊΠΎΠ³ΠΎ Π΄Π°Π²Π»Π΅Π½ΠΈΡ, ΠΊΠΎΡΠΎΡΡΠΉ Π²ΠΎΠ·Π²ΡΠ°ΡΠ°Π΅Ρ ΠΆΠΈΠ΄ΠΊΠΎΡΡΡ ΠΈΠ· ΠΊΠΎΡΠΎΠ±ΠΊΠΈ ΠΏΠ΅ΡΠ΅Π΄Π°Ρ ΠΏΡΠΈ Π³ΠΎΡΠ°Π·Π΄ΠΎ Π±ΠΎΠ»Π΅Π΅ Π½ΠΈΠ·ΠΊΠΎΠΌ Π΄Π°Π²Π»Π΅Π½ΠΈΠΈ.
HPS ΠΈΠΌΠ΅Π΅Ρ ΠΌΠ½ΠΎΠ³ΠΎ Π½Π΅Π΄ΠΎΡΡΠ°ΡΠΊΠΎΠ². ΠΠΎΡΠΊΠΎΠ»ΡΠΊΡ Π½Π°ΡΠΎΡ Π³ΠΈΠ΄ΡΠΎΡΡΠΈΠ»ΠΈΡΠ΅Π»Ρ ΡΡΠ»Π΅Π²ΠΎΠ³ΠΎ ΡΠΏΡΠ°Π²Π»Π΅Π½ΠΈΡ, ΡΡΡΠ°Π½ΠΎΠ²Π»Π΅Π½Π½ΡΠΉ Π½Π° Π±ΠΎΠ»ΡΡΠΈΠ½ΡΡΠ²Π΅ Π°Π²ΡΠΎΠΌΠΎΠ±ΠΈΠ»Π΅ΠΉ, ΡΠ°Π±ΠΎΡΠ°Π΅Ρ ΠΏΠΎΡΡΠΎΡΠ½Π½ΠΎ ΠΈ Π²ΡΠ΅ Π²ΡΠ΅ΠΌΡ ΠΏΠ΅ΡΠ΅ΠΊΠ°ΡΠΈΠ²Π°Π΅Ρ ΠΆΠΈΠ΄ΠΊΠΎΡΡΡ, ΠΎΠ½ ΡΡΠ°ΡΠΈΡ Π²ΠΏΡΡΡΡΡ ΠΌΠΎΡΠ½ΠΎΡΡΡ. ΠΡΠ° ΠΏΠΎΡΡΠ°ΡΠ΅Π½Π½Π°Ρ Π²ΠΏΡΡΡΡΡ ΠΌΠΎΡΠ½ΠΎΡΡΡ ΠΏΡΠΈΠ²ΠΎΠ΄ΠΈΡ ΠΊ ΠΏΠΎΡΡΠ°ΡΠ΅Π½Π½ΠΎΠΌΡ Π²ΠΏΡΡΡΡΡ ΡΠΎΠΏΠ»ΠΈΠ²Ρ ΠΈ ΡΠ²Π΅Π»ΠΈΡΠ΅Π½ΠΈΡ Π²ΡΠ±ΡΠΎΡΠΎΠ². ΠΡΠΎΠΌΠ΅ ΡΠΎΠ³ΠΎ, ΡΡΠ° ΡΠΈΡΡΠ΅ΠΌΠ° ΠΏΠΎΠ΄Π²Π΅ΡΠΆΠ΅Π½Π° ΡΡΠ΅ΡΠΊΠ°ΠΌ ΠΈ ΡΡΠΌΠ°ΠΌ ΠΈ ΠΎΠ±ΡΡΠ½ΠΎ ΠΏΡΠΈΠ²ΠΎΠ΄ΠΈΡ ΠΊ ΠΎΡΠΊΠ°Π·Ρ ΠΈΠ·-Π·Π° ΠΎΠ±ΡΡΠ²Π° ΡΠ΅ΠΌΠ½Ρ.
ΠΠ»Π΅ΠΊΡΡΠΎΠ³ΠΈΠ΄ΡΠ°Π²Π»ΠΈΡΠ΅ΡΠΊΠΎΠ΅ ΡΡΠ»Π΅Π²ΠΎΠ΅ ΡΠΏΡΠ°Π²Π»Π΅Π½ΠΈΠ΅ (EPHS) ΠΏΡΠ΅Π΄ΡΡΠ°Π²Π»ΡΠ΅Ρ ΡΠΎΠ±ΠΎΠΉ Π³ΠΈΠ±ΡΠΈΠ΄ Π³ΠΈΠ΄ΡΠ°Π²Π»ΠΈΡΠ΅ΡΠΊΠΎΠ³ΠΎ ΠΈ ΡΠ»Π΅ΠΊΡΡΠΈΡΠ΅ΡΠΊΠΎΠ³ΠΎ. Π ΡΡΠΎΠΉ ΡΠΈΡΡΠ΅ΠΌΠ΅ Π³ΠΈΠ΄ΡΠ°Π²Π»ΠΈΡΠ΅ΡΠΊΠΈΠΉ Π½Π°ΡΠΎΡ ΠΏΠΎΠ»ΡΡΠ°Π΅Ρ ΡΠ½Π΅ΡΠ³ΠΈΡ ΠΎΡ ΡΠ»Π΅ΠΊΡΡΠΎΠ΄Π²ΠΈΠ³Π°ΡΠ΅Π»Ρ, Π° Π½Π΅ ΠΎΡ ΡΠ΅ΠΌΠ½Ρ, ΠΏΡΠΈΠ²ΠΎΠ΄ΠΈΠΌΠΎΠ³ΠΎ Π² Π΄Π²ΠΈΠΆΠ΅Π½ΠΈΠ΅ Π΄Π²ΠΈΠ³Π°ΡΠ΅Π»Π΅ΠΌ. Π EPHS ΠΎΠ±ΡΡΠ½ΡΠ΅ ΠΏΡΠΈΠ²ΠΎΠ΄Π½ΡΠ΅ ΡΠ΅ΠΌΠ½ΠΈ ΠΈ ΡΠΊΠΈΠ²Ρ, ΠΏΡΠΈΠ²ΠΎΠ΄ΡΡΠΈΠ΅ Π² Π΄Π΅ΠΉΡΡΠ²ΠΈΠ΅ Π½Π°ΡΠΎΡ Π³ΠΈΠ΄ΡΠΎΡΡΠΈΠ»ΠΈΡΠ΅Π»Ρ ΡΡΠ»Ρ, Π·Π°ΠΌΠ΅Π½Π΅Π½Ρ Π±Π΅ΡΡΠ΅ΡΠΎΡΠ½ΡΠΌ Π΄Π²ΠΈΠ³Π°ΡΠ΅Π»Π΅ΠΌ.
Π ΡΠ»Π΅Π²ΠΎΠ΅ ΡΠΏΡΠ°Π²Π»Π΅Π½ΠΈΠ΅ Ρ Π³ΠΈΠ΄ΡΠΎΡΡΠΈΠ»ΠΈΡΠ΅Π»Π΅ΠΌ ΠΏΡΠΈΠ²ΠΎΠ΄ΠΈΡΡΡ Π² Π΄Π΅ΠΉΡΡΠ²ΠΈΠ΅ ΡΡΠΈΠΌ ΡΠ»Π΅ΠΊΡΡΠΎΠ΄Π²ΠΈΠ³Π°ΡΠ΅Π»Π΅ΠΌ, ΡΡΠΎ ΡΠ½ΠΈΠΆΠ°Π΅Ρ ΠΌΠΎΡΠ½ΠΎΡΡΡ, ΠΊΠΎΡΠΎΡΡΡ Π½Π΅ΠΎΠ±Ρ
ΠΎΠ΄ΠΈΠΌΠΎ ΠΎΡΠ±ΠΈΡΠ°ΡΡ ΠΎΡ Π΄Π²ΠΈΠ³Π°ΡΠ΅Π»Ρ.
Π ΡΠΈΡΡΠ΅ΠΌΠ΅ ΡΡΠ»Π΅Π²ΠΎΠ³ΠΎ ΡΠΏΡΠ°Π²Π»Π΅Π½ΠΈΡ Ρ ΡΠ»Π΅ΠΊΡΡΠΎΡΡΠΈΠ»ΠΈΡΠ΅Π»Π΅ΠΌ (EPS) ΡΠ»Π΅ΠΊΡΡΠΎΠ΄Π²ΠΈΠ³Π°ΡΠ΅Π»Ρ Π·Π°ΠΌΠ΅Π½ΡΠ΅Ρ Π³ΠΈΠ΄ΡΠ°Π²Π»ΠΈΡΠ΅ΡΠΊΠΈΠΉ Π½Π°ΡΠΎΡ, ΠΈ ΡΡΡΠ°Π½Π°Π²Π»ΠΈΠ²Π°Π΅ΡΡΡ ΠΏΠΎΠ»Π½ΠΎΡΡΡΡ ΡΠ»Π΅ΠΊΡΡΠΈΡΠ΅ΡΠΊΠ°Ρ ΡΠΈΡΡΠ΅ΠΌΠ° ΡΡΠ»Π΅Π²ΠΎΠ³ΠΎ ΡΠΏΡΠ°Π²Π»Π΅Π½ΠΈΡ Ρ ΡΡΠΈΠ»ΠΈΡΠ΅Π»Π΅ΠΌ.ΠΠ»Π΅ΠΊΡΡΠΎΠ΄Π²ΠΈΠ³Π°ΡΠ΅Π»Ρ ΠΊΡΠ΅ΠΏΠΈΡΡΡ Π»ΠΈΠ±ΠΎ ΠΊ ΡΡΠ»Π΅Π²ΠΎΠΉ ΡΠ΅ΠΉΠΊΠ΅, Π»ΠΈΠ±ΠΎ ΠΊ ΡΡΠ»Π΅Π²ΠΎΠΉ ΠΊΠΎΠ»ΠΎΠ½ΠΊΠ΅. ΠΠ»Π΅ΠΊΡΡΠΎΠ½Π½ΡΠΉ Π±Π»ΠΎΠΊ ΡΠΏΡΠ°Π²Π»Π΅Π½ΠΈΡ ΠΊΠΎΠ½ΡΡΠΎΠ»ΠΈΡΡΠ΅Ρ Π΄ΠΈΠ½Π°ΠΌΠΈΠΊΡ ΡΡΠ»Π΅Π²ΠΎΠ³ΠΎ ΡΠΏΡΠ°Π²Π»Π΅Π½ΠΈΡ. EPS ΡΠ°ΡΡΠΎ ΡΠ²Π»ΡΠ΅ΡΡΡ ΠΏΡΠ΅Π΄ΠΏΠΎΡΡΠΈΡΠ΅Π»ΡΠ½ΠΎΠΉ ΡΠΈΡΡΠ΅ΠΌΠΎΠΉ, ΠΏΠΎΡΠΊΠΎΠ»ΡΠΊΡ ΠΎΠ½Π° ΠΏΡΠΈΠ²ΠΎΠ΄ΠΈΡ ΠΊ Π»ΡΡΡΠ΅ΠΉ ΡΠΊΠΎΠ½ΠΎΠΌΠΈΠΈ ΡΠΎΠΏΠ»ΠΈΠ²Π° ΠΈ ΡΠ½ΠΈΠΆΠ΅Π½ΠΈΡ Π²ΡΠ±ΡΠΎΡΠΎΠ².
EPS Π΄Π°Π΅Ρ ΠΌΠ½ΠΎΠΆΠ΅ΡΡΠ²ΠΎ Π΄ΠΎΠΏΠΎΠ»Π½ΠΈΡΠ΅Π»ΡΠ½ΡΡ
ΠΏΡΠ΅ΠΈΠΌΡΡΠ΅ΡΡΠ². ΠΠ±ΡΠ΅ΠΌ ΠΏΠΎΠΌΠΎΡΠΈ, ΠΏΡΠ΅Π΄ΠΎΡΡΠ°Π²Π»ΡΠ΅ΠΌΠΎΠΉ EPS, Π»Π΅Π³ΠΊΠΎ Π½Π°ΡΡΡΠ°ΠΈΠ²Π°Π΅ΡΡΡ Π² Π·Π°Π²ΠΈΡΠΈΠΌΠΎΡΡΠΈ ΠΎΡ ΡΠΈΠΏΠ° ΡΡΠ°Π½ΡΠΏΠΎΡΡΠ½ΠΎΠ³ΠΎ ΡΡΠ΅Π΄ΡΡΠ²Π°, ΡΠΊΠΎΡΠΎΡΡΠΈ Π΄Π²ΠΈΠΆΠ΅Π½ΠΈΡ ΠΈ Π΄Π°ΠΆΠ΅ ΠΏΡΠ΅Π΄ΠΏΠΎΡΡΠ΅Π½ΠΈΠΉ Π²ΠΎΠ΄ΠΈΡΠ΅Π»Ρ. ΠΡΠ΅ ΠΎΠ΄Π½ΠΈΠΌ ΠΏΡΠ΅ΠΈΠΌΡΡΠ΅ΡΡΠ²ΠΎΠΌ ΡΠ²Π»ΡΠ΅ΡΡΡ ΡΡΡΡΠ°Π½Π΅Π½ΠΈΠ΅ ΠΎΠΏΠ°ΡΠ½ΠΎΡΡΠΈ Π΄Π»Ρ ΠΎΠΊΡΡΠΆΠ°ΡΡΠ΅ΠΉ ΡΡΠ΅Π΄Ρ, ΡΠ²ΡΠ·Π°Π½Π½ΠΎΠΉ Ρ ΡΡΠ΅ΡΠΊΠΎΠΉ ΠΈ ΡΡΠΈΠ»ΠΈΠ·Π°ΡΠΈΠ΅ΠΉ ΠΆΠΈΠ΄ΠΊΠΎΡΡΠΈ Π³ΠΈΠ΄ΡΠΎΡΡΠΈΠ»ΠΈΡΠ΅Π»Ρ ΡΡΠ»Π΅Π²ΠΎΠ³ΠΎ ΡΠΏΡΠ°Π²Π»Π΅Π½ΠΈΡ.ΠΡΠΎΠΌΠ΅ ΡΠΎΠ³ΠΎ, ΡΠ»Π΅ΠΊΡΡΠΈΡΠ΅ΡΠΊΠ°Ρ ΠΏΠΎΠΌΠΎΡΡ Π½Π΅ ΡΠ΅ΡΡΠ΅ΡΡΡ, ΠΊΠΎΠ³Π΄Π° Π΄Π²ΠΈΠ³Π°ΡΠ΅Π»Ρ Π²ΡΡ
ΠΎΠ΄ΠΈΡ ΠΈΠ· ΡΡΡΠΎΡ ΠΈΠ»ΠΈ Π³Π»ΠΎΡ
Π½Π΅Ρ, ΡΠΎΠ³Π΄Π° ΠΊΠ°ΠΊ Π³ΠΈΠ΄ΡΠΎΡΡΠΈΠ»ΠΈΡΠ΅Π»Ρ ΠΏΠ΅ΡΠ΅ΡΡΠ°Π΅Ρ ΡΠ°Π±ΠΎΡΠ°ΡΡ, Π΅ΡΠ»ΠΈ Π΄Π²ΠΈΠ³Π°ΡΠ΅Π»Ρ ΠΎΡΡΠ°Π½Π°Π²Π»ΠΈΠ²Π°Π΅ΡΡΡ.
Π‘ΠΈΡΡΠ΅ΠΌΡ ΡΡΠ»Π΅Π²ΠΎΠ³ΠΎ ΡΠΏΡΠ°Π²Π»Π΅Π½ΠΈΡ Ρ ΡΠ»Π΅ΠΊΡΡΠΎΠΏΡΠΈΠ²ΠΎΠ΄ΠΎΠΌ ΠΈΠ»ΠΈ Ρ ΡΠ»Π΅ΠΊΡΡΠΎΠΏΡΠΈΠ²ΠΎΠ΄ΠΎΠΌ ΡΠ°ΠΊΠΆΠ΅ ΡΠ°Π·ΡΠ°Π±Π°ΡΡΠ²Π°ΡΡΡΡ ΠΈ Π²Π½Π΅Π΄ΡΡΡΡΡΡ. ΠΡΠΈ ΡΠΈΡΡΠ΅ΠΌΡ ΡΡΡΡΠ°Π½ΡΡΡ ΠΌΠ΅Ρ Π°Π½ΠΈΡΠ΅ΡΠΊΡΡ ΡΠ²ΡΠ·Ρ ΠΌΠ΅ΠΆΠ΄Ρ ΡΡΠ»Π΅Π²ΡΠΌ ΠΊΠΎΠ»Π΅ΡΠΎΠΌ ΠΈ ΡΠΈΡΡΠ΅ΠΌΠΎΠΉ ΡΡΠ»Π΅Π²ΠΎΠ³ΠΎ ΡΠΏΡΠ°Π²Π»Π΅Π½ΠΈΡ, Π·Π°ΠΌΠ΅Π½ΡΡ Π΅Π΅ ΡΠΈΡΡΠΎ ΡΠ»Π΅ΠΊΡΡΠΎΠ½Π½ΠΎΠΉ ΡΠΈΡΡΠ΅ΠΌΠΎΠΉ ΡΠΏΡΠ°Π²Π»Π΅Π½ΠΈΡ. ΠΡΠ° ΡΠΈΡΡΠ΅ΠΌΠ° ΠΎΡΠ²ΠΎΠ±ΠΎΠΆΠ΄Π°Π΅Ρ ΠΌΠ½ΠΎΠ³ΠΎ ΠΌΠ΅ΡΡΠ° Π½Π° ΠΏΠ°Π½Π΅Π»ΠΈ ΠΈΠ½ΡΡΡΡΠΌΠ΅Π½ΡΠΎΠ², ΠΊΠΎΡΠΎΡΠΎΠ΅ ΠΌΠΎΠΆΠ½ΠΎ ΠΈΡΠΏΠΎΠ»ΡΠ·ΠΎΠ²Π°ΡΡ Π΄Π»Ρ Π΄ΡΡΠ³ΠΈΡ ΡΠ΅Π»Π΅ΠΉ.
Π‘ΡΡΠ΅ΡΡΠ²ΡΠ΅Ρ Π΄Π²Π° ΠΎΡΠ½ΠΎΠ²Π½ΡΡ ΡΠΈΠΏΠ° ΡΡΠ»Π΅Π²ΡΡ ΠΌΠ΅Ρ Π°Π½ΠΈΠ·ΠΌΠΎΠ², ΠΈΡΠΏΠΎΠ»ΡΠ·ΡΠ΅ΠΌΡΡ Π² Π±ΠΎΠ»ΡΡΠΈΠ½ΡΡΠ²Π΅ ΡΠΎΠ²ΡΠ΅ΠΌΠ΅Π½Π½ΡΡ ΡΡΠ°Π½ΡΠΏΠΎΡΡΠ½ΡΡ ΡΡΠ΅Π΄ΡΡΠ²: ΡΠ΅Π΅ΡΠ½ΡΠΉ ΡΡΠ»Π΅Π²ΠΎΠΉ ΠΌΠ΅Ρ Π°Π½ΠΈΠ·ΠΌ ΠΈ ΡΡΠ»Π΅Π²ΠΎΠΉ ΠΌΠ΅Ρ Π°Π½ΠΈΠ·ΠΌ Ρ ΡΠ΅ΡΠΈΡΠΊΡΠ»ΡΡΠΈΠ΅ΠΉ ΡΠ°ΡΠΈΠΊΠΎΠ².Π Π΅Π΅ΡΠ½ΡΠΉ ΠΈ ΡΠ΅ΡΡΠ΅ΡΠ΅Π½Π½ΡΠΉ ΡΠΈΠΏ, Π±Π΅Π·ΡΡΠ»ΠΎΠ²Π½ΠΎ, ΡΠ°ΠΌΡΠΉ ΡΠ°ΡΠΏΡΠΎΡΡΡΠ°Π½Π΅Π½Π½ΡΠΉ, Π½ΠΎ ΡΠ΅ΡΠΈΡΠΊΡΠ»ΠΈΡΡΡΡΠΈΠΉ ΡΠ°Ρ Π²ΡΠ΅ Π΅ΡΠ΅ ΠΈΡΠΏΠΎΠ»ΡΠ·ΡΠ΅ΡΡΡ Π½Π° Π½Π΅ΠΊΠΎΡΠΎΡΡΡ Π³ΡΡΠ·ΠΎΠ²ΠΈΠΊΠ°Ρ ΠΈ Π±ΠΎΠ»Π΅Π΅ ΡΡΠΆΠ΅Π»ΡΡ ΡΡΠ°Π½ΡΠΏΠΎΡΡΠ½ΡΡ ΡΡΠ΅Π΄ΡΡΠ²Π°Ρ , ΠΈ Π²ΡΠ΅Π³Π΄Π° ΠΈΡΠΏΠΎΠ»ΡΠ·ΡΠ΅Ρ ΡΡΡΠ°Π³ ΠΠΈΡΠΌΠ°Π½Π° Π΄Π»Ρ ΠΏΠ΅ΡΠ΅Π΄Π°ΡΠΈ Π΄Π²ΠΈΠΆΠ΅Π½ΠΈΡ Π½Π° ΡΡΠ»Π΅Π²ΡΡ ΡΡΠ³Ρ.
Π Π΅Π΅ΡΠ½ΡΠΉ ΡΡΠ»Π΅Π²ΠΎΠΉ ΠΌΠ΅Ρ
Π°Π½ΠΈΠ·ΠΌ ΠΏΡΠ΅ΠΎΠ±ΡΠ°Π·ΡΠ΅Ρ ΡΡΠ»Π΅Π²ΠΎΠ΅ ΡΠΏΡΠ°Π²Π»Π΅Π½ΠΈΠ΅ Π²ΠΎΠ΄ΠΈΡΠ΅Π»Ρ Π² Π΄Π²ΠΈΠΆΠ΅Π½ΠΈΠ΅ ΠΏΠ΅ΡΠ΅Π΄Π½ΠΈΡ
ΠΊΠΎΠ»Π΅Ρ Π΄Π»Ρ ΠΏΠΎΠ²ΠΎΡΠΎΡΠ°. Π ΡΡΠΎΠΉ ΡΠΈΡΡΠ΅ΠΌΠ΅ Π²Π΅Π΄ΡΡΠ°Ρ ΡΠ΅ΡΡΠ΅ΡΠ½Ρ ΡΠΎΠ΅Π΄ΠΈΠ½Π΅Π½Π° Ρ ΡΡΠ»Π΅Π²ΡΠΌ Π²Π°Π»ΠΎΠΌ, ΡΡΠΎ ΠΎΠ·Π½Π°ΡΠ°Π΅Ρ, ΡΡΠΎ ΠΏΡΠΈ ΠΏΠΎΠ²ΠΎΡΠΎΡΠ΅ ΡΡΠ»Π΅Π²ΠΎΠ³ΠΎ ΠΊΠΎΠ»Π΅ΡΠ° ΠΎΠ½Π° Π²ΡΠ°ΡΠ°Π΅Ρ Π²Π΅Π΄ΡΡΡΡ ΡΠ΅ΡΡΠ΅ΡΠ½Ρ ΠΊΡΡΠ³ΠΎΠ²ΡΠΌΠΈ Π΄Π²ΠΈΠΆΠ΅Π½ΠΈΡΠΌΠΈ, Π° Π·Π°ΡΠ΅ΠΌ ΠΏΠ΅ΡΠ΅ΠΌΠ΅ΡΠ°Π΅Ρ ΡΠ΅ΠΉΠΊΡ Π»ΠΈΠ½Π΅ΠΉΠ½ΡΠΌ Π΄Π²ΠΈΠΆΠ΅Π½ΠΈΠ΅ΠΌ.
Π ΠΎΡΠ½ΠΎΠ²Π½ΠΎΠΌ ΡΡΠΎ Π²ΡΠ°ΡΠ°ΡΠ΅Π»ΡΠ½ΠΎΠ΅ Π΄Π²ΠΈΠΆΠ΅Π½ΠΈΠ΅ ΡΡΠ»Π΅Π²ΠΎΠ³ΠΎ ΠΊΠΎΠ»Π΅ΡΠ°, Π° Π·Π°ΡΠ΅ΠΌ ΠΏΡΠ΅ΠΎΠ±ΡΠ°Π·ΠΎΠ²Π°Π½ΠΈΠ΅ ΡΡΠΎΠ³ΠΎ Π²ΡΠ°ΡΠ°ΡΠ΅Π»ΡΠ½ΠΎΠ³ΠΎ Π΄Π²ΠΈΠΆΠ΅Π½ΠΈΡ Π² Π»ΠΈΠ½Π΅ΠΉΠ½ΠΎΠ΅ Π΄Π²ΠΈΠΆΠ΅Π½ΠΈΠ΅, Π½Π΅ΠΎΠ±Ρ
ΠΎΠ΄ΠΈΠΌΠΎΠ΅ Π΄Π»Ρ ΠΏΠΎΠ²ΠΎΡΠΎΡΠ° ΠΊΠΎΠ»Π΅Ρ. ΠΠΎ ΠΎΠ±Π΅ΠΈΠΌ ΡΡΠΎΡΠΎΠ½Π°ΠΌ ΡΡΠ»Π΅Π²ΠΎΠΉ ΡΠ΅ΠΉΠΊΠΈ ΡΠ°ΡΠΏΠΎΠ»ΠΎΠΆΠ΅Π½Ρ ΠΏΡΠΎΡΠ΅Π·ΠΈΠ½Π΅Π½Π½ΡΠ΅ ΠΏΠ»Π°ΡΡΠΈΠΊΠΎΠ²ΡΠ΅ ΡΠΈΠ»ΡΡΠΎΠ½Ρ, ΠΊΠΎΡΠΎΡΡΠ΅ ΠΊΡΠ΅ΠΏΡΡΡΡ ΠΊ ΠΊΠΎΡΠΏΡΡΡ ΡΠ΅ΠΉΠΊΠΈ ΠΈ ΠΏΠΎΠ΄Π²ΠΈΠΆΠ½ΠΎΠΉ ΡΠ°ΡΡΠΈ ΡΠ΅ΠΉΠΊΠΈ, ΡΡΠΎΠ±Ρ ΠΏΡΠ»Ρ ΠΈ ΠΌΡΡΠΎΡ Π½Π΅ ΠΏΠΎΠΏΠ°Π΄Π°Π»ΠΈ Π² Π±Π»ΠΎΠΊ Π·ΡΠ±ΡΠ°ΡΠΎΠΉ ββΡΠ΅ΠΉΠΊΠΈ.
Π ΡΠ»Π΅Π²ΠΎΠΉ ΠΌΠ΅Ρ Π°Π½ΠΈΠ·ΠΌ Ρ ΡΠ΅ΡΠΈΡΠΊΡΠ»ΡΡΠΈΠ΅ΠΉ ΡΠ°ΡΠΈΠΊΠΎΠ² ΡΠ°ΠΊΠΆΠ΅ ΠΏΡΠ΅ΠΎΠ±ΡΠ°Π·ΡΠ΅Ρ ΡΡΠ»Π΅Π²ΠΎΠ΅ ΡΠΏΡΠ°Π²Π»Π΅Π½ΠΈΠ΅ Π²ΠΎΠ΄ΠΈΡΠ΅Π»Ρ Π² Π΄Π²ΠΈΠΆΠ΅Π½ΠΈΠ΅ ΠΊΠΎΠ»Π΅Ρ Π΄Π»Ρ ΠΏΠΎΠ²ΠΎΡΠΎΡΠ°. Π ΡΡΠΎΠΉ ΡΠΈΡΡΠ΅ΠΌΠ΅ ΠΊΠΎΡΠΎΠ±ΠΊΠ° Π·Π°ΠΊΡΠ΅ΠΏΠ»Π΅Π½Π° Π½Π°Π΄ ΡΠ΅ΡΠ²ΡΡΠ½ΠΎΠΉ ΠΏΠ΅ΡΠ΅Π΄Π°ΡΠ΅ΠΉ, ΡΠΎΠ΄Π΅ΡΠΆΠ°ΡΠ΅ΠΉ ΠΌΠ½ΠΎΠΆΠ΅ΡΡΠ²ΠΎ ΡΠ°ΡΠΈΠΊΠΎΠΏΠΎΠ΄ΡΠΈΠΏΠ½ΠΈΠΊΠΎΠ².ΠΡΠΈ ΡΠ°ΡΠΈΠΊΠΎΠΏΠΎΠ΄ΡΠΈΠΏΠ½ΠΈΠΊΠΈ ΠΎΠ±Π²ΠΈΠ²Π°ΡΡ ΡΠ΅ΡΠ²ΡΡΠ½ΡΠΉ ΠΏΡΠΈΠ²ΠΎΠ΄ ΠΈ ΠΏΠ΅ΡΠ΅Ρ ΠΎΠ΄ΡΡ Π² ΡΠ΅ΡΠΈΡΠΊΡΠ»ΡΡΠΈΠΎΠ½Π½ΡΠΉ ΠΊΠ°Π½Π°Π», Π° Π·Π°ΡΠ΅ΠΌ ΠΎΠ±ΡΠ°ΡΠ½ΠΎ Π² ΡΠ΅ΡΠ²ΡΡΠ½ΡΠΉ ΠΏΡΠΈΠ²ΠΎΠ΄. ΠΠΎΠ³Π΄Π° ΡΡΠ»Π΅Π²ΠΎΠ΅ ΠΊΠΎΠ»Π΅ΡΠΎ ΠΏΠΎΠ²ΠΎΡΠ°ΡΠΈΠ²Π°Π΅ΡΡΡ, ΡΠ΅ΡΠ²ΡΡΠ½ΡΠΉ ΠΏΡΠΈΠ²ΠΎΠ΄ Π²ΡΠ°ΡΠ°Π΅ΡΡΡ ΠΈ Π·Π°ΡΡΠ°Π²Π»ΡΠ΅Ρ ΡΠ°ΡΠΈΠΊΠΈ ΠΏΡΠΈΠΆΠΈΠΌΠ°ΡΡΡΡ ΠΊ ΠΊΠ°Π½Π°Π»Ρ Π²Π½ΡΡΡΠΈ Π³Π°ΠΉΠΊΠΈ. ΠΠ°Π²Π»Π΅Π½ΠΈΠ΅ ΡΠ°ΡΠΈΠΊΠΎΠ² Π·Π°ΡΡΠ°Π²Π»ΡΠ΅Ρ Π³Π°ΠΉΠΊΡ ΠΏΠ΅ΡΠ΅ΠΌΠ΅ΡΠ°ΡΡΡΡ Π²Π΄ΠΎΠ»Ρ ΡΠ΅ΡΠ²ΡΡΠ½ΠΎΠΉ ΠΏΠ΅ΡΠ΅Π΄Π°ΡΠΈ, ΠΊΠΎΡΠΎΡΠ°Ρ Π²ΡΠ°ΡΠ°Π΅Ρ ΡΡΡΠ°Π³ ΠΠΈΡΠΌΠ°Π½Π°, ΠΏΠ΅ΡΠ΅ΠΌΠ΅ΡΠ°Π΅Ρ ΡΡΠ»Π΅Π²ΡΡ ΡΡΠ³Ρ ΠΈ, Π² ΠΊΠΎΠ½Π΅ΡΠ½ΠΎΠΌ ΠΈΡΠΎΠ³Π΅, ΠΏΠΎΠ²ΠΎΡΠ°ΡΠΈΠ²Π°Π΅Ρ ΠΊΠΎΠ»Π΅ΡΠ°.
Π ΡΠ»Π΅Π²Π°Ρ ΠΊΠΎΠ»ΠΎΠ½ΠΊΠ° — ΡΡΠΎ ΠΊΠΎΡΠΏΡΡ, ΠΊΠΎΡΠΎΡΡΠΉ Π½Π°Π΄Π΅ΠΆΠ½ΠΎ ΡΠ΄Π΅ΡΠΆΠΈΠ²Π°Π΅Ρ ΡΡΠ»Π΅Π²ΠΎΠ΅ ΠΊΠΎΠ»Π΅ΡΠΎ ΠΈ Π²Π°Π».
ΠΡΡΡΠ° ΡΡΠ»Π΅Π²ΠΎΠ³ΠΎ ΡΠΏΡΠ°Π²Π»Π΅Π½ΠΈΡ ΡΠ°ΡΠΏΠΎΠ»ΠΎΠΆΠ΅Π½Π° Π²Π½ΠΈΠ·Ρ ΡΡΠ»Π΅Π²ΠΎΠ³ΠΎ Π²Π°Π»Π°.ΠΡΠΎ ΡΠ°ΡΠ½ΠΈΡ, ΠΊΠΎΡΠΎΡΡΠΉ ΠΏΠΎΠ·Π²ΠΎΠ»ΡΠ΅Ρ ΡΡΠ»Π΅Π²ΠΎΠΌΡ ΠΊΠΎΠ»Π΅ΡΡ Π²ΡΠ°ΡΠ°ΡΡΡΡ Π±Π΅Π· Π·Π°Π΅Π΄Π°Π½ΠΈΡ Π² ΠΊΠΎΠ»ΠΎΠ½ΠΊΠ΅ ΠΈΠ·-Π·Π° ΡΠΎΠ³ΠΎ, ΡΡΠΎ ΠΏΠ΅ΡΠ²ΠΈΡΠ½ΡΠΉ Π²Π°Π» ΠΈ ΡΡΠ»Π΅Π²Π°Ρ ΠΊΠΎΠ»ΠΎΠ½ΠΊΠ° Π½Π΅ ΠΈΠ΄Π΅Π°Π»ΡΠ½ΠΎ ΡΠΎΠ²ΠΌΠ΅ΡΠ΅Π½Ρ ΠΈ Π½Π°Ρ
ΠΎΠ΄ΡΡΡΡ ΠΏΠΎΠ΄ Π½Π΅Π±ΠΎΠ»ΡΡΠΈΠΌ ΡΠ³Π»ΠΎΠΌ Π΄ΡΡΠ³ ΠΊ Π΄ΡΡΠ³Ρ. ΠΡΡΡΠ° ΡΡΠ»Π΅Π²ΠΎΠ³ΠΎ ΡΠΏΡΠ°Π²Π»Π΅Π½ΠΈΡ ΡΠΎΠ΅Π΄ΠΈΠ½ΡΠ΅Ρ ΡΡΠ»Π΅Π²ΠΎΠ΅ ΠΊΠΎΠ»Π΅ΡΠΎ ΠΈ Π²Π°Π» Ρ ΡΡΠ»Π΅Π²ΡΠΌ ΠΌΠ΅Ρ
Π°Π½ΠΈΠ·ΠΌΠΎΠΌ.
ΠΡΠ»ΠΈ Π²Π°Ρ Π°Π²ΡΠΎΠΌΠΎΠ±ΠΈΠ»Ρ ΠΎΡΠ½Π°ΡΠ΅Π½ Π³ΠΈΠ΄ΡΠΎΡΡΠΈΠ»ΠΈΡΠ΅Π»Π΅ΠΌ ΡΡΠ»Π΅Π²ΠΎΠ³ΠΎ ΡΠΏΡΠ°Π²Π»Π΅Π½ΠΈΡ, ΠΈΠΌΠ΅Π΅ΡΡΡ Π΄Π²Π° ΠΎΡΠ½ΠΎΠ²Π½ΡΡ
ΡΠ»Π°Π½Π³Π° ΡΡΠ»Π΅Π²ΠΎΠ³ΠΎ ΡΠΏΡΠ°Π²Π»Π΅Π½ΠΈΡ Ρ Π³ΠΈΠ΄ΡΠΎΡΡΠΈΠ»ΠΈΡΠ΅Π»Π΅ΠΌ: ΡΠ»Π°Π½Π³ ΡΠΎ ΡΡΠΎΡΠΎΠ½Ρ Π²ΡΡΠΎΠΊΠΎΠ³ΠΎ Π΄Π°Π²Π»Π΅Π½ΠΈΡ (Π²ΡΡΠΎΠΊΠΎΠ³ΠΎ Π΄Π°Π²Π»Π΅Π½ΠΈΡ) ΠΈ ΡΠ»Π°Π½Π³ ΡΠΎ ΡΡΠΎΡΠΎΠ½Ρ Π½ΠΈΠ·ΠΊΠΎΠ³ΠΎ Π΄Π°Π²Π»Π΅Π½ΠΈΡ (Π½ΠΈΠ·ΠΊΠΎΠ³ΠΎ Π΄Π°Π²Π»Π΅Π½ΠΈΡ). ΠΠ±Π° ΠΊΡΠ΅ΠΏΡΡΡΡ ΠΊ ΡΡΠΎΠΉΠΊΠ΅ ΠΈ ΡΠ΅ΡΡΠ΅ΡΠ½Π΅ Ρ ΠΏΠΎΠΌΠΎΡΡΡ Π»Π°ΡΡΠ½Π½ΡΡ
ΡΠΈΡΠΈΠ½Π³ΠΎΠ² Ρ ΡΠ΅Π·ΡΠ±ΠΎΠΉ.Π¨Π»Π°Π½Π³ ΡΠΎ ΡΡΠΎΡΠΎΠ½Ρ Π²ΡΡΠΎΠΊΠΎΠ³ΠΎ Π΄Π°Π²Π»Π΅Π½ΠΈΡ ΠΏΡΠΈΠΊΡΠ΅ΠΏΠ»Π΅Π½ ΠΊ Π½Π°ΡΠΎΡΡ Π³ΠΈΠ΄ΡΠΎΡΡΠΈΠ»ΠΈΡΠ΅Π»Ρ ΡΡΠ»Π΅Π²ΠΎΠ³ΠΎ ΡΠΏΡΠ°Π²Π»Π΅Π½ΠΈΡ Ρ ΠΏΠΎΠΌΠΎΡΡΡ Π»Π°ΡΡΠ½Π½ΠΎΠ³ΠΎ ΡΠΈΡΠΈΠ½Π³Π° Ρ ΡΠ΅Π·ΡΠ±ΠΎΠΉ, Π² ΡΠΎ Π²ΡΠ΅ΠΌΡ ΠΊΠ°ΠΊ ΡΠ»Π°Π½Π³ ΡΠΎ ΡΡΠΎΡΠΎΠ½Ρ Π½ΠΈΠ·ΠΊΠΎΠ³ΠΎ Π΄Π°Π²Π»Π΅Π½ΠΈΡ ΠΏΡΠΎΡ
ΠΎΠ΄ΠΈΡ ΠΏΠΎ Π½Π΅Π±ΠΎΠ»ΡΡΠΎΠΉ ΡΡΡΠ±Π΅ ΠΈ ΡΠΈΠΊΡΠΈΡΡΠ΅ΡΡΡ Ρ
ΠΎΠΌΡΡΠΎΠΌ. Π¨Π»Π°Π½Π³ ΡΠΎ ΡΡΠΎΡΠΎΠ½Ρ Π²ΡΡΠΎΠΊΠΎΠ³ΠΎ Π΄Π°Π²Π»Π΅Π½ΠΈΡ ΠΏΠΎΠ΄Π°Π΅Ρ ΠΆΠΈΠ΄ΠΊΠΎΡΡΡ Π΄Π»Ρ Π³ΠΈΠ΄ΡΠΎΡΡΠΈΠ»ΠΈΡΠ΅Π»Ρ ΡΡΠ»Π΅Π²ΠΎΠ³ΠΎ ΡΠΏΡΠ°Π²Π»Π΅Π½ΠΈΡ ΠΊ ΡΡΠ»Π΅Π²ΠΎΠΌΡ ΠΌΠ΅Ρ
Π°Π½ΠΈΠ·ΠΌΡ, ΡΡΠΎΠ±Ρ ΡΡΠΈΠ»ΠΈΡΡ ΡΡΠΈΠ»ΠΈΡΠ΅Π»Ρ ΡΡΠ»Π΅Π²ΠΎΠ³ΠΎ ΡΠΏΡΠ°Π²Π»Π΅Π½ΠΈΡ.
ΠΠΎ ΡΠ»Π°Π½Π³Ρ ΡΠΎ ΡΡΠΎΡΠΎΠ½Ρ Π½ΠΈΠ·ΠΊΠΎΠ³ΠΎ Π΄Π°Π²Π»Π΅Π½ΠΈΡ ΠΆΠΈΠ΄ΠΊΠΎΡΡΡ ΠΏΠΎΠ΄ Π½ΠΈΠ·ΠΊΠΈΠΌ Π΄Π°Π²Π»Π΅Π½ΠΈΠ΅ΠΌ ΠΏΠΎΠ΄Π°Π΅ΡΡΡ ΠΎΠ±ΡΠ°ΡΠ½ΠΎ ΠΊ Π½Π°ΡΠΎΡΡ ΠΈ ΡΠ΅Π·Π΅ΡΠ²ΡΠ°ΡΡ.
ΠΠ·-Π·Π° Π±ΠΎΠ»ΡΡΠΎΠ³ΠΎ ΠΊΠΎΠ»ΠΈΡΠ΅ΡΡΠ²Π° ΠΊΠΎΠΌΠΏΠΎΠ½Π΅Π½ΡΠΎΠ² ΡΡΠ»Π΅Π²ΠΎΠ³ΠΎ ΡΠΏΡΠ°Π²Π»Π΅Π½ΠΈΡ Ρ Π³ΠΈΠ΄ΡΠΎΡΡΠΈΠ»ΠΈΡΠ΅Π»Π΅ΠΌ ΠΈ ΡΠΈΡΡΠ΅ΠΌ ΡΡΠ»Π΅Π²ΠΎΠ³ΠΎ ΠΏΡΠΈΠ²ΠΎΠ΄Π°, Π° ΡΠ°ΠΊΠΆΠ΅ ΠΈΠ·-Π·Π° ΠΈΡ Π²Π·Π°ΠΈΠΌΠΎΡΠ²ΡΠ·Π°Π½Π½ΠΎΠ³ΠΎ Ρ Π°ΡΠ°ΠΊΡΠ΅ΡΠ° ΠΎΡΠΌΠΎΡΡ ΡΡΠΈΡ ΡΠΈΡΡΠ΅ΠΌ Π΄ΠΎΠ»ΠΆΠ΅Π½ Π±ΡΡΡ ΡΡΠ°ΡΠ΅Π»ΡΠ½ΡΠΌ.ΠΠΈΠ΄ΡΠ°Π²Π»ΠΈΡΠ΅ΡΠΊΠΈΠ΅ ΠΊΠΎΠΌΠΏΠΎΠ½Π΅Π½ΡΡ, Π²ΠΊΠ»ΡΡΠ°Ρ Π½Π°ΡΠΎΡ Π³ΠΈΠ΄ΡΠΎΡΡΠΈΠ»ΠΈΡΠ΅Π»Ρ ΡΡΠ»Π΅Π²ΠΎΠ³ΠΎ ΡΠΏΡΠ°Π²Π»Π΅Π½ΠΈΡ ΠΈ ΡΠ»Π°Π½Π³ΠΈ, ΡΠ»Π΅Π΄ΡΠ΅Ρ ΠΏΡΠΎΠ²Π΅ΡΡΡΡ Π½Π° ΡΡΠ΅ΡΠΊΠΈ. Π Π΅ΠΌΠ΅Π½Ρ ΡΡΠ»Π΅Π²ΠΎΠ³ΠΎ ΡΠΏΡΠ°Π²Π»Π΅Π½ΠΈΡ Ρ Π³ΠΈΠ΄ΡΠΎΡΡΠΈΠ»ΠΈΡΠ΅Π»Π΅ΠΌ Π½Π΅ΠΎΠ±Ρ ΠΎΠ΄ΠΈΠΌΠΎ ΠΏΡΠΎΠ²Π΅ΡΠΈΡΡ Π½Π° Π½Π°Π»ΠΈΡΠΈΠ΅ ΠΏΠΎΠ²ΡΠ΅ΠΆΠ΄Π΅Π½ΠΈΠΉ, ΡΡΠ΅ΡΠΈΠ½, ΠΈΠ·Π½ΠΎΡΠ° ΠΈ Π·Π°ΡΡΠΆΠΊΠΈ. Π ΡΠ»Π΅Π²ΠΎΠΉ ΠΌΠ΅Ρ Π°Π½ΠΈΠ·ΠΌ Π½Π΅ΠΎΠ±Ρ ΠΎΠ΄ΠΈΠΌΠΎ ΠΏΡΠΎΠ²Π΅ΡΠΈΡΡ Π½Π° ΠΏΡΠ΅Π΄ΠΌΠ΅Ρ ΠΎΡΠ»Π°Π±Π»Π΅Π½ΠΈΡ ΠΈ ΡΡΠ΅ΡΠ΅ΠΊ. ΠΡΠ»ΡΠ½ΠΈΠΊΠΈ ΡΠΈΠ»ΡΡΠΎΠ½ΠΎΠ² ΡΠ΅Π΅ΡΠ½ΠΎΠ³ΠΎ ΡΡΠ»Π΅Π²ΠΎΠ³ΠΎ ΠΌΠ΅Ρ Π°Π½ΠΈΠ·ΠΌΠ° Π½Π΅ΠΎΠ±Ρ ΠΎΠ΄ΠΈΠΌΠΎ ΠΏΡΠΎΠ²Π΅ΡΠΈΡΡ Π½Π° Π½Π°Π»ΠΈΡΠΈΠ΅ ΡΠ°Π·ΡΡΠ²ΠΎΠ² ΠΈ ΠΏΠΎΠ²ΡΠ΅ΠΆΠ΄Π΅Π½ΠΈΠΉ. Π ΡΠ»Π΅Π²ΠΎΠ΅ ΠΊΠΎΠ»Π΅ΡΠΎ ΠΈ ΠΊΠΎΠ»ΠΎΠ½ΠΊΠ° Π΄ΠΎΠ»ΠΆΠ½Ρ Π±ΡΡΡ Π½Π°Π΄Π΅ΠΆΠ½ΠΎ Π·Π°ΠΊΡΠ΅ΠΏΠ»Π΅Π½Ρ, Π° ΠΌΡΡΡΠ° ΡΡΠ»Π΅Π²ΠΎΠ³ΠΎ ΠΌΠ΅Ρ Π°Π½ΠΈΠ·ΠΌΠ° Π΄ΠΎΠ»ΠΆΠ½Π° Π±ΡΡΡ ΠΏΠ»ΠΎΡΠ½ΠΎ ΠΏΡΠΈΠ»Π΅Π³Π°ΡΡΠ΅ΠΉ, Π½ΠΎ Π΄Π²ΠΈΠ³Π°ΡΡΡΡ ΡΠ²ΠΎΠ±ΠΎΠ΄Π½ΠΎ, Π±Π΅Π· ΡΡΠΌΠ°. ΠΠΎΠΌΠΏΠΎΠ½Π΅Π½ΡΡ ΡΠ»Π΅ΠΊΡΡΠΎΠ½Π½ΠΎΠ³ΠΎ ΡΡΠΈΠ»ΠΈΡΠ΅Π»Ρ ΡΡΠ»Π΅Π²ΠΎΠ³ΠΎ ΡΠΏΡΠ°Π²Π»Π΅Π½ΠΈΡ ΡΠ»Π΅Π΄ΡΠ΅Ρ Π²ΠΈΠ·ΡΠ°Π»ΡΠ½ΠΎ ΠΎΡΠΌΠΎΡΡΠ΅ΡΡ Π½Π° ΠΏΡΠ΅Π΄ΠΌΠ΅Ρ ΠΏΠΎΠ²ΡΠ΅ΠΆΠ΄Π΅Π½ΠΈΠΉ.
Π ΡΠ»Π΅Π²ΠΎΠ΅ ΡΠΏΡΠ°Π²Π»Π΅Π½ΠΈΠ΅ Ρ Π³ΠΈΠ΄ΡΠΎΡΡΠΈΠ»ΠΈΡΠ΅Π»Π΅ΠΌ ΡΠ»Π΅Π΄ΡΠ΅Ρ ΡΠΏΡΠ°Π²Π»ΡΡΡ ΠΊΠ°ΠΊ Π²Π»Π΅Π²ΠΎ, ΡΠ°ΠΊ ΠΈ Π²ΠΏΡΠ°Π²ΠΎ Π²ΠΎ Π²ΡΠ΅ΠΌΡ Π΄Π²ΠΈΠΆΠ΅Π½ΠΈΡ, ΡΡΠΎΠ±Ρ ΠΏΡΠΎΠ²Π΅ΡΠΈΡΡ, Π½Π΅Ρ Π»ΠΈ Π·Π°Π΅Π΄Π°Π½ΠΈΠΉ, ΡΡΠΌΠΎΠ² ΠΈ ΠΏΡΠΎΡΡΠΎΡΡ ΡΠΏΡΠ°Π²Π»Π΅Π½ΠΈΡ.
Π‘ΠΈΡΡΠ΅ΠΌΠ° ΡΡΠ»Π΅Π²ΠΎΠ³ΠΎ ΡΠΏΡΠ°Π²Π»Π΅Π½ΠΈΡ Ρ Π³ΠΈΠ΄ΡΠΎΡΡΠΈΠ»ΠΈΡΠ΅Π»Π΅ΠΌ ΠΈ ΡΡΠ»Π΅Π²ΠΎΠΉ ΠΌΠ΅Ρ
Π°Π½ΠΈΠ·ΠΌ Π² Π·Π½Π°ΡΠΈΡΠ΅Π»ΡΠ½ΠΎΠΉ ΡΡΠ΅ΠΏΠ΅Π½ΠΈ ΡΠΏΠΎΡΠΎΠ±ΡΡΠ²ΡΡΡ Π±Π΅Π·ΠΎΠΏΠ°ΡΠ½ΠΎΠΉ ΡΠΊΡΠΏΠ»ΡΠ°ΡΠ°ΡΠΈΠΈ Π²Π°ΡΠ΅Π³ΠΎ Π°Π²ΡΠΎΠΌΠΎΠ±ΠΈΠ»Ρ. ΠΠΎΡΡΡΠΈΡΠ΅ ΡΠ΅ΡΡΠΈΡΠΈΡΠΈΡΠΎΠ²Π°Π½Π½ΠΎΠΌΡ ΡΠΏΠ΅ΡΠΈΠ°Π»ΠΈΡΡΡ ASE ΠΎΡΠΌΠΎΡΡΠ΅ΡΡ Π²ΡΠ΅ ΠΊΠΎΠΌΠΏΠΎΠ½Π΅Π½ΡΡ ΡΡΠ»Π΅Π²ΠΎΠ³ΠΎ ΡΠΏΡΠ°Π²Π»Π΅Π½ΠΈΡ Ρ ΡΡΠΈΠ»ΠΈΡΠ΅Π»Π΅ΠΌ ΠΈ ΡΠΈΡΡΠ΅ΠΌΡ ΡΡΠ»Π΅Π²ΠΎΠ³ΠΎ ΠΏΡΠΈΠ²ΠΎΠ΄Π° Π²Π°ΡΠ΅Π³ΠΎ Π°Π²ΡΠΎΠΌΠΎΠ±ΠΈΠ»Ρ, ΠΊΠ°ΠΊ ΡΠΊΠ°Π·Π°Π½ΠΎ Π²ΡΡΠ΅, Π½Π΅ ΡΠ΅ΠΆΠ΅ ΠΎΠ΄Π½ΠΎΠ³ΠΎ ΡΠ°Π·Π° Π² Π³ΠΎΠ΄.
ΠΠ°ΠΊ ΡΡ Π°ΠΆΠΈΠ²Π°ΡΡ Π·Π° Π°Π²ΡΠΎΠΌΠΎΠ±ΠΈΠ»Π΅ΠΌ: ΡΠΈΡΡΠ΅ΠΌΠ° ΡΡΠ»Π΅Π²ΠΎΠ³ΠΎ ΡΠΏΡΠ°Π²Π»Π΅Π½ΠΈΡ
ΠΠ»Π°Π²Π½Π°Ρ / ΠΠ»ΠΎΠ³ / ΠΠΎΠ½ΡΡΠ»ΡΡΠ°ΡΠΈΠΈ ΠΏΠΎ ΡΡ ΠΎΠ΄Ρ Π·Π° Π°Π²ΡΠΎΠΌΠΎΠ±ΠΈΠ»Π΅ΠΌ / ΠΠ°ΠΊ ΡΡ Π°ΠΆΠΈΠ²Π°ΡΡ Π·Π° Π°Π²ΡΠΎΠΌΠΎΠ±ΠΈΠ»Π΅ΠΌ: ΡΠΈΡΡΠ΅ΠΌΠ° ΡΡΠ»Π΅Π²ΠΎΠ³ΠΎ ΡΠΏΡΠ°Π²Π»Π΅Π½ΠΈΡ Π§ΡΠΎ ΡΠ°ΠΊΠΎΠ΅ ΡΡΠ΅Π»Π»Π°ΠΆ ΠΈ Π¨Π΅ΡΡΠ΅ΡΠ½Ρ? Π Π΅Π΅ΡΠ½Π°Ρ ΡΠ΅ΡΡΠ΅ΡΠ½Ρ Π² ΡΠ±ΠΎΡΠ΅ ΠΏΠΎΠΌΠΎΠ³Π°Π΅Ρ ΠΏΠ΅ΡΠ΅Π΄Π°Π²Π°ΡΡ Π²ΡΠ°ΡΠ°ΡΠ΅Π»ΡΠ½ΠΎΠ΅ ΡΡΠΈΠ»ΠΈΠ΅ ΠΎΡ ΡΡΠ»Π΅Π²ΠΎΠ³ΠΎ ΠΊΠΎΠ»Π΅ΡΠ° Π½Π° ΠΏΠ΅ΡΠ΅Π΄Π½ΠΈΠ΅ ΠΊΠΎΠ»Π΅ΡΠ°.Π ΡΠ»Π΅Π²ΠΎΠΉ Π²Π°Π» ΠΏΡΠΈΠΊΡΠ΅ΠΏΠ»Π΅Π½ ΠΊ ΡΡΠ»Π΅Π²ΠΎΠΉ ΠΊΠΎΠ»ΠΎΠ½ΠΊΠ΅. Π ΡΡΠ»Π΅Π²ΠΎΠΌΡ Π²Π°Π»Ρ ΠΏΡΠΈΠΊΡΠ΅ΠΏΠ»Π΅Π½Π° ΡΠ΅ΡΡΠ΅ΡΠ½Ρ, ΠΊΠΎΡΠΎΡΠ°Ρ ΠΏΡΠΈΠΊΡΠ΅ΠΏΠ»ΡΠ΅ΡΡΡ ΠΊ Π»ΠΈΠ½Π΅ΠΉΠ½ΠΎΠΉ ΡΠ΅ΡΡΠ΅ΡΠ½Π΅ Ρ Π·ΡΠ±ΡΡΠΌΠΈ, Π½Π°Π·ΡΠ²Π°Π΅ΠΌΡΠΌΠΈ ΡΠ΅ΠΉΠΊΠΎΠΉ. ΠΠΎΠ³Π΄Π° ΡΡΠ»Π΅Π²ΠΎΠ΅ ΠΊΠΎΠ»Π΅ΡΠΎ Π²ΡΠ°ΡΠ°Π΅ΡΡΡ, ΡΠ΅ΡΡΠ΅ΡΠ½Ρ Π½Π° Π²Π°Π»Ρ ΠΏΠΎΠ²ΠΎΡΠ°ΡΠΈΠ²Π°Π΅ΡΡΡ Π½Π° ΡΠ΅ΠΉΠΊΡ ΠΈ ΠΏΠΎΠ·Π²ΠΎΠ»ΡΠ΅Ρ Π΅ΠΉ Π·Π°ΡΠ΅ΠΏΠΈΡΡΡΡ Π·Π° Π·ΡΠ±ΡΡ ΡΠ΅ΠΉΠΊΠΈ, ΠΊΠΎΡΠΎΡΠ°Ρ Π·Π°ΡΠ΅ΠΌ ΠΏΠΎΠ²ΠΎΡΠ°ΡΠΈΠ²Π°Π΅Ρ ΠΊΠΎΠ»Π΅ΡΠ°.
Π‘ΡΡΠΆΠΊΠΈ, ΠΊΠΎΡΠΎΡΡΠ΅ ΠΏΠΎΠΌΠΎΠ³Π°ΡΡ ΡΠΎΠ»ΠΊΠ°ΡΡ ΠΈ ΡΡΠ½ΡΡΡ ΠΊΠΎΠ»Π΅ΡΠ° ΠΏΡΠΈ ΠΏΠΎΠ²ΠΎΡΠΎΡΠ΅, ΠΏΡΠΈΠΊΡΠ΅ΠΏΠ»Π΅Π½Ρ ΠΊ ΡΡΠ»Π΅Π²ΠΎΠΉ ΡΠ΅ΠΉΠΊΠ΅ Ρ ΠΊΠ°ΠΆΠ΄ΠΎΠ³ΠΎ ΠΊΠΎΠ½ΡΠ°.
Π Π½Π°ΡΠΈ Π΄Π½ΠΈ Π²ΡΠ΅ Π°Π²ΡΠΎΠΌΠΎΠ±ΠΈΠ»ΠΈ ΠΈΠΌΠ΅ΡΡ ΡΡΠ»Π΅Π²ΠΎΠ΅ ΡΠΏΡΠ°Π²Π»Π΅Π½ΠΈΠ΅ Ρ Π³ΠΈΠ΄ΡΠ°Π²Π»ΠΈΡΠ΅ΡΠΊΠΈΠΌ ΠΈΠ»ΠΈ ΡΠ»Π΅ΠΊΡΡΠΈΡΠ΅ΡΠΊΠΈΠΌ ΡΡΠΈΠ»ΠΈΡΠ΅Π»Π΅ΠΌ.ΠΡΠ° ΡΠ΅Ρ Π½ΠΎΠ»ΠΎΠ³ΠΈΡ ΡΠΏΠΎΡΠΎΠ±ΡΡΠ²ΡΠ΅Ρ ΡΠ°Π±ΠΎΡΠ΅ Π·ΡΠ±ΡΠ°ΡΠΎΠΉ ββΡΠ΅ΠΉΠΊΠΈ ΠΈ ΡΠ΅ΡΡΠ΅ΡΠ½ΠΈ, ΡΠ΅ΠΌ ΡΠ°ΠΌΡΠΌ ΡΠΌΠ΅Π½ΡΡΠ°Ρ ΡΡΠΈΠ»ΠΈΠ΅, Π½Π΅ΠΎΠ±Ρ ΠΎΠ΄ΠΈΠΌΠΎΠ΅ Π²ΠΎΠ΄ΠΈΡΠ΅Π»Ρ Π΄Π»Ρ ΠΏΠΎΠ²ΠΎΡΠΎΡΠ° ΠΏΠ΅ΡΠ΅Π΄Π½ΠΈΡ ΠΊΠΎΠ»Π΅Ρ. Π Π³ΠΈΠ΄ΡΠ°Π²Π»ΠΈΡΠ΅ΡΠΊΠΎΠΉ ΡΠΈΡΡΠ΅ΠΌΠ΅ Π½Π°ΡΠΎΡ ΡΡΠ»Π΅Π²ΠΎΠ³ΠΎ ΡΠΏΡΠ°Π²Π»Π΅Π½ΠΈΡ Ρ Π³ΠΈΠ΄ΡΠΎΡΡΠΈΠ»ΠΈΡΠ΅Π»Π΅ΠΌ Π½Π°Π³Π½Π΅ΡΠ°Π΅Ρ Π³ΠΈΠ΄ΡΠ°Π²Π»ΠΈΡΠ΅ΡΠΊΡΡ ΠΆΠΈΠ΄ΠΊΠΎΡΡΡ, ΡΡΠΎΠ±Ρ ΡΠΎΠ·Π΄Π°ΡΡ ΡΡΠΈΠ»ΠΈΡΠ΅Π»Ρ. Π‘ Π΄ΡΡΠ³ΠΎΠΉ ΡΡΠΎΡΠΎΠ½Ρ, Π΅ΡΠ»ΠΈ ΡΠΈΡΡΠ΅ΠΌΠ° ΡΠ»Π΅ΠΊΡΡΠΈΡΠ΅ΡΠΊΠ°Ρ, ΡΠ΅ΠΉΠΊΠ° ΠΈ ΡΠ΅ΡΡΠ΅ΡΠ½Ρ ΠΏΡΠΈΠ²ΠΎΠ΄ΡΡΡΡ Π² Π΄Π΅ΠΉΡΡΠ²ΠΈΠ΅ ΡΠ»Π΅ΠΊΡΡΠΎΠ΄Π²ΠΈΠ³Π°ΡΠ΅Π»Π΅ΠΌ Π΄Π»Ρ ΠΎΠ±Π΅ΡΠΏΠ΅ΡΠ΅Π½ΠΈΡ ΠΏΠΎΠΌΠΎΡΠΈ Π² ΡΡΠ»Π΅Π²ΠΎΠΌ ΡΠΏΡΠ°Π²Π»Π΅Π½ΠΈΠΈ.
Π‘Π²ΡΠ·Π°Π½Π½ΠΎΠ΅ ΡΠΎΠ΄Π΅ΡΠΆΠ°Π½ΠΈΠ΅:
ΠΠ°ΠΊ ΡΡ Π°ΠΆΠΈΠ²Π°ΡΡ Π·Π° Π°Π²ΡΠΎΠΌΠΎΠ±ΠΈΠ»Π΅ΠΌ: ΠΠΎΠ½Π΄ΠΈΡΠΈΠΎΠ½Π΅Ρ
Synthetic vs.ΠΠ±ΡΡΠ½Π°Ρ Π½Π΅ΡΡΡ: Π² ΡΠ΅ΠΌ ΡΠ°Π·Π½ΠΈΡΠ°?
ΠΠ°ΠΊ ΡΡ Π°ΠΆΠΈΠ²Π°ΡΡ Π·Π° Π°Π²ΡΠΎΠΌΠΎΠ±ΠΈΠ»Π΅ΠΌ: ΡΠΈΡΡΠ΅ΠΌΠ° ΠΏΠΎΠ΄Π²Π΅ΡΠΊΠΈ
ΠΠ°ΠΊ ΡΡ Π°ΠΆΠΈΠ²Π°ΡΡ Π·Π° Π°Π²ΡΠΎΠΌΠΎΠ±ΠΈΠ»Π΅ΠΌ: ΠΠΎΠ·Π΄ΡΡΠ½ΡΠΉ ΡΠΈΠ»ΡΡΡ ΡΠ°Π»ΠΎΠ½Π°
ΠΠ°ΠΊ Π·Π°Π±ΡΠ°ΡΡ ΠΌΠ°ΡΠΈΠ½Ρ ΠΈΠ· ΡΠ²ΠΎΠ΅ΠΉ ΠΌΠ°ΡΠΈΠ½Ρ: Π‘ΡΠΏΠΏΠΎΡΡΡ ΡΠΎΡΠΌΠΎΠ·Π½ΡΠ΅
ΠΠ°ΠΊ Π»ΠΎΠΌΠ°Π΅ΡΡΡ?
ΠΡΡΡ Π½Π΅ΡΠΊΠΎΠ»ΡΠΊΠΎ
ΠΡΠΈΡΠΈΠ½Ρ Π²ΡΡ
ΠΎΠ΄Π° ΠΈΠ· ΡΡΡΠΎΡ ΡΠ΅ΠΉΠΊΠΈ ΠΈ ΡΠ΅ΡΡΠ΅ΡΠ½ΠΈ.
ΠΠ΅ΡΠ²Π°Ρ ΠΏΡΠΈΡΠΈΠ½Π° Π² ΡΠΎΠΌ, ΡΡΠΎ Π΅ΡΠ»ΠΈ Π΅ΡΡΡ
Π½Π°Π΄ΡΡΠ²Ρ ΠΈ ΠΏΡΠΎΠΊΠΎΠ»Ρ Π½Π° ΡΠΏΠ»ΠΎΡΠ½ΠΈΡΠ΅Π»ΡΡ
, ΠΏΡΠΈΠΊΡΠ΅ΠΏΠ»Π΅Π½Π½ΡΡ
ΠΊ ΡΡΠ»Π΅Π²ΠΎΠΉ ΡΠ΅ΠΉΠΊΠ΅, ΡΠΈΡΡΠ΅ΠΌΠ° Π±ΡΠ΄Π΅Ρ
Π½Π΅ ΡΠΎΠ·Π΄Π°Π²Π°ΡΡ ΡΠ°ΠΊΠΎΠ΅ ΠΆΠ΅ Π΄Π°Π²Π»Π΅Π½ΠΈΠ΅ ΠΆΠΈΠ΄ΠΊΠΎΡΡΠΈ, ΠΊΠΎΡΠΎΡΠΎΠ΅, ΠΊΠ°ΠΊ ΡΠ»Π΅Π΄ΡΡΠ²ΠΈΠ΅, Π²ΡΠ·ΠΎΠ²Π΅Ρ ΡΡΠ΅ΡΠΊΠΈ ΠΆΠΈΠ΄ΠΊΠΎΡΡΠΈ,
ΡΠ»Π°Π±ΠΎΠ΅ ΡΡΠ»Π΅Π²ΠΎΠ΅ ΡΠΏΡΠ°Π²Π»Π΅Π½ΠΈΠ΅ ΠΈ / ΠΈΠ»ΠΈ ΠΆΠ΅ΡΡΠΊΠΎΠ΅ ΡΡΠ»Π΅Π²ΠΎΠ΅ ΡΠΏΡΠ°Π²Π»Π΅Π½ΠΈΠ΅.ΠΠΎΠ·ΠΌΠΎΠΆΠ½Π° Π·Π°ΠΌΠ΅Π½Π° ΡΠΏΠ»ΠΎΡΠ½Π΅Π½ΠΈΠΉ Π² Π·Π°Π²ΠΈΡΠΈΠΌΠΎΡΡΠΈ ΠΎΡ
ΠΌΠ°ΡΠΊΠ° ΠΈ ΠΌΠΎΠ΄Π΅Π»Ρ. ΠΡΠΎΡΠ°Ρ ΠΏΡΠΈΡΠΈΠ½Π° — ΠΎΡΡΡΡΡΡΠ²ΠΈΠ΅ ΠΎΠ±ΡΠ»ΡΠΆΠΈΠ²Π°Π½ΠΈΡ. Π Π·Π°Π²ΠΈΡΠΈΠΌΠΎΡΡΠΈ ΠΎΡ
ΠΈΠ·Π³ΠΎΡΠΎΠ²Π»Π΅Π½ΠΈΡ, ΠΈΠ½ΡΠ΅ΡΠ²Π°Π»Ρ Π·Π°ΠΌΠ΅Π½Ρ ΠΆΠΈΠ΄ΠΊΠΎΡΡΠΈ ΠΈΠ»ΠΈ ΠΏΡΠΎΠΌΡΠ²ΠΊΠΈ Π½Π°ΡΡΠΎΡΡΠ΅Π»ΡΠ½ΠΎ ΡΠ΅ΠΊΠΎΠΌΠ΅Π½Π΄ΡΡΡΡΡ.
ΠΠΈΠ΄ΠΊΠΎΡΡΠΈ ΠΌΠΎΠ³ΡΡ Π±ΡΡΡ Π·Π°Π³ΡΡΠ·Π½Π΅Π½Ρ, ΡΡΠΎ Π·Π°ΡΡΡΠ΄Π½ΡΠ΅Ρ ΠΏΠ΅ΡΠ΅Π΄Π°ΡΡ ΠΆΠΈΠ΄ΠΊΠΎΡΡΠΈ.
ΡΠ΅ΡΠ΅Π· ΡΠ»Π°Π½Π³ΠΈ, ΡΡΠΎ, Π² ΡΠ²ΠΎΡ ΠΎΡΠ΅ΡΠ΅Π΄Ρ, Π·Π°ΡΡΠ°Π²Π»ΡΠ΅Ρ ΡΠΈΡΡΠ΅ΠΌΡ ΡΠ°Π±ΠΎΡΠ°ΡΡ ΡΡΠΆΠ΅Π»Π΅Π΅, Π² Π°Π½Π°Π»ΠΎΠ³ΠΈΡΠ½ΡΡ
ΡΠΏΠΎΡΠΎΠ± Π·Π°ΡΠΎΡΠ΅Π½ΠΈΡ Π°ΡΡΠ΅ΡΠΈΠΉ Π² Π½Π°ΡΠ΅ΠΌ ΡΠ΅Π»Π΅. ΠΠΎΠ³Π΄Π° ΠΆΠΈΠ΄ΠΊΠΎΡΡΡ Π½Π΅ ΡΠ΅ΡΠ΅Ρ Π΄ΠΎΠ»ΠΆΠ½ΡΠΌ ΠΎΠ±ΡΠ°Π·ΠΎΠΌ,
ΡΠΈΡΡΠ΅ΠΌΠ° Π² ΠΊΠΎΠ½Π΅ΡΠ½ΠΎΠΌ ΠΈΡΠΎΠ³Π΅ Π²ΡΠΉΠ΄Π΅Ρ ΠΈΠ· ΡΡΡΠΎΡ. ΠΠΎΠ³Π΄Π° ΠΏΡΠΎΠΈΡΡ
ΠΎΠ΄ΠΈΡ Π·Π°Π³ΡΡΠ·Π½Π΅Π½ΠΈΠ΅, Π·Π°ΠΌΠ΅Π½Π°
ΠΌΠΎΠ³ΡΡ ΠΏΠΎΠ½Π°Π΄ΠΎΠ±ΠΈΡΡΡΡ ΡΠ΅ΠΉΠΊΠ°, ΡΠ΅ΡΡΠ΅ΡΠ½Ρ ΠΈ Π΄Π°ΠΆΠ΅ Π½Π°ΡΠΎΡ Π³ΠΈΠ΄ΡΠΎΡΡΠΈΠ»ΠΈΡΠ΅Π»Ρ ΡΡΠ»Ρ.Π’ΡΠ΅ΡΡΡ ΠΏΡΠΈΡΠΈΠ½Π°
Π½Π΅ΠΈΡΠΏΡΠ°Π²Π΅Π½ Π½Π°ΡΠΎΡ Π³ΠΈΠ΄ΡΠΎΡΡΠΈΠ»ΠΈΡΠ΅Π»Ρ ΡΡΠ»Ρ. ΠΠ°ΠΊΠΎΠ½Π΅Ρ, Π½ΠΎΡΠΌΠ°Π»ΡΠ½ΡΠΉ ΠΈΠ·Π½ΠΎΡ ΠΌΠΎΠΆΠ΅Ρ Π²ΡΠ·Π²Π°ΡΡ
ΡΠ΅ΠΉΠΊΡ ΠΈ ΡΠ΅ΡΡΠ΅ΡΠ½Ρ ΡΠ»ΠΎΠΌΠ°ΡΡ.
ΠΠ΅ΡΠΊΠΎΠ»ΡΠΊΠΎ Π·Π½Π°ΠΊΠΎΠ² Π±ΡΠ΄ΡΡ
Π²ΠΎΠ·Π½ΠΈΠΊΠ°ΡΡ ΠΏΡΠΈ Π½Π΅ΠΎΠ±Ρ
ΠΎΠ΄ΠΈΠΌΠΎΡΡΠΈ Π·Π°ΠΌΠ΅Π½Ρ ΡΡΠ»Π΅Π²ΠΎΠΉ ΡΠ΅ΠΉΠΊΠΈ.
ΠΠ΄ΠΈΠ½ ΠΏΡΠΈΠ·Π½Π°ΠΊ — ΡΡΡΠ΄Π½ΠΎΡΡΠΈ Ρ
ΡΡΠ»Π΅Π²ΠΎΠ΅ ΡΠΏΡΠ°Π²Π»Π΅Π½ΠΈΠ΅ Π½Π° Π±ΠΎΠ»Π΅Π΅ Π½ΠΈΠ·ΠΊΠΈΡ
ΡΠΊΠΎΡΠΎΡΡΡΡ
. ΠΡΠΈ Π΄Π²ΠΈΠΆΠ΅Π½ΠΈΠΈ ΠΏΠΎ ΡΠΎΡΡΠ΅ ΡΠ»Π°Π±ΠΎΠ΅ ΡΡΠ»Π΅Π²ΠΎΠ΅ ΡΠΏΡΠ°Π²Π»Π΅Π½ΠΈΠ΅ ΠΈ
ΡΡΡΡΠΊΠ° Π½Π° ΡΡΠ»Π΅ — ΠΏΡΠΈΠ·Π½Π°ΠΊΠΈ Π½Π΅ΠΈΡΠΏΡΠ°Π²Π½ΠΎΠΉ ΡΡΠΎΠΉΠΊΠΈ. Π‘ΠΈΠ»ΡΠ½ΠΎ ΠΈΠ·Π½ΠΎΡΠ΅Π½Π½ΡΠ΅ ΡΠΈΠ½Ρ
Π΅ΡΠ΅ ΠΎΠ΄ΠΈΠ½ Π·Π½Π°ΠΊ. ΠΠ°ΠΊΠΎΠ½Π΅Ρ, Π·Π°ΠΌΠ΅ΡΠ½Π°Ρ ΡΡΠ΅ΡΠΊΠ° ΠΆΠΈΠ΄ΠΊΠΎΡΡΠΈ (ΠΆΠΈΠ΄ΠΊΠΎΡΡΡ Π΄Π»Ρ Π³ΠΈΠ΄ΡΠΎΡΡΠΈΠ»ΠΈΡΠ΅Π»Ρ ΡΡΠ»Ρ) ΡΠ°ΠΊΠΆΠ΅
ΠΏΡΠΈΠ·Π½Π°ΠΊ Π·Π°ΠΌΠ΅Π½Ρ.
ΠΠ°ΠΌΠ΅Π½Π°
ΡΡΠ»Π΅Π²Π°Ρ ΡΠ΅ΠΉΠΊΠ° ΠΌΠΎΠΆΠ΅Ρ ΡΡΠΎΠΈΡΡ ΠΊΠ°ΠΊ ΠΌΠΈΠ½ΠΈΠΌΡΠΌ Π½Π΅ΡΠΊΠΎΠ»ΡΠΊΠΎ ΡΠΎΡΠ΅Π½ Π΄ΠΎΠ»Π»Π°ΡΠΎΠ², Π° ΡΠΎ ΠΈ Π±ΠΎΠ»ΡΡΠ΅
ΡΡΡΡΡ Π΄ΠΎΠ»Π»Π°ΡΠΎΠ². ΠΡΠ½ΠΎΠ²Π½Π°Ρ ΠΏΡΠΈΡΠΈΠ½Π° ΡΡΠΎΠ³ΠΎ Π² ΡΠΎΠΌ, ΡΡΠΎ ΡΠ°ΡΡΠΎ Π½Π΅ΠΎΠ±Ρ
ΠΎΠ΄ΠΈΠΌΠΎ Π·Π°ΠΌΠ΅Π½ΠΈΡΡ
Π½Π΅ΡΠΊΠΎΠ»ΡΠΊΠΎ ΡΠ°ΡΡΠ΅ΠΉ ΡΡΠ»Π΅Π²ΠΎΠΉ ΡΠ΅ΠΉΠΊΠΈ ΠΈ ΡΠ΅ΡΡΠ΅ΡΠ½ΠΈ, ΠΏΠΎΡΠΎΠΌΡ ΡΡΠΎ ΠΎΡΠ΄Π΅Π»ΡΠ½ΡΠ΅
Π΄Π΅ΡΠ°Π»ΠΈ Π½Π΅ ΠΏΠΎΠ΄Π»Π΅ΠΆΠ°Ρ Π·Π°ΠΌΠ΅Π½Π΅. ΠΠ°ΠΏΡΠΈΠΌΠ΅Ρ, Π½Π΅ΠΎΠ±Ρ
ΠΎΠ΄ΠΈΠΌΠ° ΠΏΡΠΎΠΌΡΠ²ΠΊΠ° ΠΆΠΈΠ΄ΠΊΠΎΡΡΠΈ ΠΠ£Π .
Π½Π°ΡΡΠ΄Ρ Ρ ΡΠ΅Π³ΡΠ»ΠΈΡΠΎΠ²ΠΊΠΎΠΉ ΡΠ³Π»ΠΎΠ² ΡΡΡΠ°Π½ΠΎΠ²ΠΊΠΈ ΡΠ΅ΡΡΡΠ΅Ρ
ΠΊΠΎΠ»Π΅Ρ Π΄Π»Ρ ΠΏΡΠ΅Π΄ΠΎΡΠ²ΡΠ°ΡΠ΅Π½ΠΈΡ ΠΈΠ·Π½ΠΎΡΠ° ΠΈ ΠΈΡΠΏΡΠ°Π²Π»Π΅Π½ΠΈΡ ΡΠ΅Π½ΡΡΠΎΠ²ΠΊΠΈ.
ΠΡΠΎΠΌΠ΅ ΡΠΎΠ³ΠΎ, Π·Π°ΡΡΠ°ΡΡ Π½Π° ΡΠ°Π±ΠΎΡΡΡ ΡΠΈΠ»Ρ ΠΎΡΠ΅Π½Ρ Π²ΡΡΠΎΠΊΠΈ, ΠΏΠΎΡΠΊΠΎΠ»ΡΠΊΡ ΡΡΡΠ΄ ΠΈΠ½ΡΠ΅Π½ΡΠΈΠ²Π΅Π½ ΠΈ ΠΌΠΎΠΆΠ΅Ρ Π·Π°Π½ΡΡΡ
Π΄ΠΎ 5 ΡΠ°ΡΠΎΠ² Ρ 2 ΡΠ΅Ρ
Π½ΠΈΠΊΠ°ΠΌΠΈ.ΠΠ°ΠΊ ΠΏΡΠ°Π²ΠΈΠ»ΠΎ, ΡΠ΅Ρ
Π½ΠΈΠΊ ΠΏΠΎΡΠ΅ΠΊΠΎΠΌΠ΅Π½Π΄ΡΠ΅Ρ
ΠΎΡΠΈΠ³ΠΈΠ½Π°Π»ΡΠ½ΡΠ΅ Π·Π°ΠΌΠ΅Π½ΡΠ΅ΠΌΡΠ΅ Π΄Π΅ΡΠ°Π»ΠΈ Π΄Π»Ρ ΠΎΠ±Π΅ΡΠΏΠ΅ΡΠ΅Π½ΠΈΡ Ρ
ΠΎΡΠΎΡΠ΅ΠΉ ΠΏΠΎΠ΄Π³ΠΎΠ½ΠΊΠΈ, Π»ΡΡΡΠΈΡ
Π΄Π΅ΡΠ°Π»Π΅ΠΉ ΠΈ
Π³Π°ΡΠ°Π½ΡΠΈΡ ΡΡΡΠ΄Π°.
ΠΠΎΠ³Π΄Π° ΡΠΈΠ½Π°Π½ΡΡ ΡΠ²Π»ΡΡΡΡΡ ΠΊΠ»ΡΡΠ΅Π²ΡΠΌ ΡΠ»Π΅ΠΌΠ΅Π½ΡΠΎΠΌ Π΄Π»Ρ Π±Π΅ΡΠΏΠΎΠΊΠΎΠΉΡΡΠ²Π°, ΠΏΠΎΡΠ»Π΅ΠΏΡΠΎΠ΄Π°ΠΆΠ½Π°Ρ ΡΡΠΎΠΉΠΊΠ°
Π²ΡΠΏΠΎΠ»Π½ΠΈΡ ΡΠ²ΠΎΡ ΡΠ°Π±ΠΎΡΡ Ρ ΠΎΠΏΡΠΈΠ΅ΠΉ ΠΎΠ³ΡΠ°Π½ΠΈΡΠ΅Π½Π½ΠΎΠΉ Π³Π°ΡΠ°Π½ΡΠΈΠΈ.
ΠΡΠ»ΠΈ Π½Π΅ΠΈΡΠΏΡΠ°Π²Π½Π° ΡΡΠΎΠΉΠΊΠ° ΠΈ ΡΠ΅ΡΡΠ΅ΡΠ½Ρ Π½Π΅ Π·Π°ΠΌΠ΅Π½Π΅Π½Π°, Π²Π°ΡΠ΅ ΡΡΠ»Π΅Π²ΠΎΠ΅ ΡΠΏΡΠ°Π²Π»Π΅Π½ΠΈΠ΅ Π±ΡΠ΄Π΅Ρ Π½Π°ΡΡΡΠ΅Π½ΠΎ, ΡΡΠΎ ΡΡΠ΅Π·Π²ΡΡΠ°ΠΉΠ½ΠΎ ΠΎΠΏΠ°ΡΠ½ΠΎ.
ΠΠ° Π»ΡΠ±Π°Ρ ΠΌΠ°ΡΠΈΠ½Π°?ΠΡΠ°ΠΊΡΠΈΡΠ΅ΡΠΊΠΈ Π²ΡΠ΅ ΡΠΎΠ²ΡΠ΅ΠΌΠ΅Π½Π½ΡΠ΅ Π°Π²ΡΠΎΠΌΠΎΠ±ΠΈΠ»ΠΈ ΠΈΠΌΠ΅ΡΡ ΡΠ΅Π΅ΡΠ½ΠΎΠ΅ ΡΡΠ»Π΅Π²ΠΎΠ΅ ΡΠΏΡΠ°Π²Π»Π΅Π½ΠΈΠ΅.ΠΠΎ Π½Π° ΡΡΠ°ΡΡΡ Π°Π²ΡΠΎΠΌΠΎΠ±ΠΈΠ»ΡΡ ΠΈ Π½ΠΎΠ²ΡΡ ΡΡΠΆΠ΅Π»ΡΡ Π³ΡΡΠ·ΠΎΠ²ΠΈΠΊΠ°Ρ Π²ΠΌΠ΅ΡΡΠΎ ΡΡΠΎΠ³ΠΎ ΠΈΡΠΏΠΎΠ»ΡΠ·ΡΠ΅ΡΡΡ ΡΡΠ»Π΅Π²ΠΎΠΉ ΠΌΠ΅Ρ Π°Π½ΠΈΠ·ΠΌ, ΠΊΠΎΡΠΎΡΡΠΉ ΠΏΡΠ΅Π΄ΡΡΠ°Π²Π»ΡΠ΅Ρ ΡΠΎΠ±ΠΎΠΉ ΡΠΈΡΡΠ΅ΠΌΡ Ρ ΡΠ΅ΡΠΈΡΠΊΡΠ»ΡΡΠΈΠ΅ΠΉ ΡΠ°ΡΠΈΠΊΠΎΠ², ΡΠ°ΠΊΠΆΠ΅ ΠΈΠ·Π²Π΅ΡΡΠ½ΡΡ ΠΊΠ°ΠΊ ΠΊΠΎΡΠΎΠ±ΠΊΠ° ΠΏΠ΅ΡΠ΅Π΄Π°Ρ.
ΠΠΎΠΆΠ½ΠΎ ΠΈΡ Π·Π°ΠΌΠ΅Π½ΠΈΡΡ ΡΠ°ΠΌΠΎΡΡΠΎΡΡΠ΅Π»ΡΠ½ΠΎ ΠΈΠ»ΠΈ Π΅ΡΡΡ ΡΡΠΎ-ΡΠΎ Π΅ΡΠ΅, Π½Π° ΡΡΠΎ Ρ ΠΌΠΎΠ³Ρ Π΅Π³ΠΎ Π·Π°ΠΌΠ΅Π½ΠΈΡΡ? ΠΡΠΎ ΠΎΡΠ΅Π½Ρ
ΡΠ΅ΠΊΠΎΠΌΠ΅Π½Π΄ΡΠ΅ΡΡΡ, ΡΡΠΎΠ±Ρ ΠΏΡΠΎΡΠ΅ΡΡΠΈΠΎΠ½Π°Π»ΡΠ½ΡΠΉ ΡΠ΅Ρ
Π½ΠΈΠΊ ΠΈΠ»ΠΈ ΠΌΠ΅Ρ
Π°Π½ΠΈΠΊ
Π·Π°ΠΌΠ΅Π½Π°, Π΅ΡΠ»ΠΈ Ρ Π²Π°Ρ Π½Π΅Ρ ΠΎΠΏΡΡΠ° ΡΠ°Π±ΠΎΡΡ Ρ ΠΌΠ΅Ρ
Π°Π½ΠΈΠΊΠΎΠΉ ΠΈΠ»ΠΈ Π²Ρ Π½ΠΈΠΊΠΎΠ³Π΄Π° Π½Π΅ Π·Π°ΠΌΠ΅Π½ΡΠ»ΠΈ
ΡΠ΅ΠΉΠΊΠ° ΠΈ ΡΠ΅ΡΡΠ΅ΡΠ½Ρ Π² ΠΏΡΠΎΡΠ»ΠΎΠΌ. Π ΡΠΎΠΆΠ°Π»Π΅Π½ΠΈΡ, Π΄ΡΡΠ³ΠΎΠΉ Π°Π»ΡΡΠ΅ΡΠ½Π°ΡΠΈΠ²Ρ Π½Π΅Ρ
ΡΠ΅ΠΌΠΎΠ½Ρ ΠΏΠ»ΠΎΡ
ΠΎΠΉ ΡΡΠΎΠΉΠΊΠΈ ΠΈ ΡΠ΅ΡΡΠ΅ΡΠ½ΠΈ.
ΠΠ΅ΠΎΠ±Ρ
ΠΎΠ΄ΠΈΠΌΡΠ΅ ΠΈΠ½ΡΡΡΡΠΌΠ΅Π½ΡΡ, Π½Π°Π²ΡΠΊΠΈ ΠΈ Π·Π½Π°Π½ΠΈΡ
Π½ΡΠΆΠ½ΠΎ.
ΠΠ΄ΠΈΠ½ΡΡΠ²Π΅Π½Π½ΡΠΉ ΡΠ΅ΠΉΡ ΠΈ Π΄Π΅ΡΠ΅Π²ΡΠΌ Π²Π°ΡΠΈΠ°Π½ΡΠΎΠΌ Π±ΡΠ»ΠΎ Π±Ρ ΠΈΡΠΏΠΎΠ»ΡΠ·ΠΎΠ²Π°ΡΡ Π²ΡΠΎΡΠΈΡΠ½ΡΡ ΡΡΠΎΠΉΠΊΡ ΠΈ ΡΠ΅ΡΡΠ΅ΡΠ½Ρ. ΠΡΠ»ΠΈ Π²ΡΠΎΡΠΈΡΠ½ΡΠΉ ΡΡΠ½ΠΎΠΊ Π·ΡΠ±ΡΠ°ΡΠ°Ρ ΡΠ΅ΠΉΠΊΠ° Π½Π΅ Π²Ρ ΠΎΠ΄ΠΈΡ Π² Π²Π°Ρ Π±ΡΠ΄ΠΆΠ΅Ρ, ΠΈΡΠΏΠΎΠ»ΡΠ·ΠΎΠ²Π°Π½Π½Π°Ρ ΠΈΠ»ΠΈ ΡΡΠΈΠ»ΠΈΠ·ΠΈΡΠΎΠ²Π°Π½Π½Π°Ρ ΡΠ°ΡΡΡ Π΄Π²ΠΎΡΠ° ΠΌΠΎΠΆΠ΅Ρ Π΄ΠΎΡΡΠ°ΡΠΎΡΠ½ΠΎ, Π½ΠΎ Π±Π΅Π·ΠΎΠΏΠ°ΡΠ½ΠΎΡΡΡ ΠΌΠΎΠΆΠ΅Ρ Π±ΡΡΡ Π±ΠΎΠ»ΡΡΠΎΠΉ ΠΏΡΠΎΠ±Π»Π΅ΠΌΠΎΠΉ.
Π Π΅ΠΌΠΎΠ½ΡΠ‘ΠΌΠΈΡ RepairSmith — ΡΡΠΎ ΡΠ°ΠΌΡΠΉ ΠΏΡΠΎΡΡΠΎΠΉ ΡΠΏΠΎΡΠΎΠ± ΠΎΡΡΠ΅ΠΌΠΎΠ½ΡΠΈΡΠΎΠ²Π°ΡΡ Π²Π°Ρ Π°Π²ΡΠΎΠΌΠΎΠ±ΠΈΠ»Ρ.ΠΠΏΠ΅ΡΠ²ΡΠ΅ Π°Π²ΡΠΎΠ²Π»Π°Π΄Π΅Π»ΡΡΡ ΠΌΠΎΠ³ΡΡ ΠΎΡΡΠ΅ΠΌΠΎΠ½ΡΠΈΡΠΎΠ²Π°ΡΡ ΡΠ²ΠΎΠΉ Π°Π²ΡΠΎΠΌΠΎΠ±ΠΈΠ»Ρ Π½Π° ΠΏΠΎΠ΄ΡΠ΅Π·Π΄Π½ΠΎΠΉ Π΄ΠΎΡΠΎΠΆΠΊΠ΅ ΠΈΠ»ΠΈ Π² ΠΎΠ΄Π½ΠΎΠΌ ΠΈΠ· Π½Π°ΡΠΈΡ ΡΠ΅ΡΡΠΈΡΠΈΡΠΈΡΠΎΠ²Π°Π½Π½ΡΡ ΠΌΠ°Π³Π°Π·ΠΈΠ½ΠΎΠ².
A094
% PDF-1.4 % 2 0 obj > / OCGs [102 0 R] >> / Pages 3 0 R / Type / Catalog / ViewerPreferences 99 0 R >> endobj 100 0 ΠΎΠ±ΡΠ΅ΠΊΡ > / Π¨ΡΠΈΡΡ >>> / ΠΠΎΠ»Ρ 106 0 R >> endobj 101 0 ΠΎΠ±ΡΠ΅ΠΊΡ > ΠΏΠΎΡΠΎΠΊ application / pdf
pdffactory.com2015-11-27T13: 54: 30 + 01: 002015-11-27T13: 54: 30 + 01: 00pdfFactory Pro 3.50 (Windows 7 ΠΊΠΈΡΠ°ΠΉΡΠΊΠΈΠΉ (ΡΠΏΡΠΎΡΠ΅Π½Π½ΡΠΉ)) uuid: bb0a1698-40a1-497b-8a9e-ca3db09ad720uuid: dcee6c2c2 -3e05-4774-9bb8-224e70b05feb ΠΊΠΎΠ½Π΅ΡΠ½ΡΠΉ ΠΏΠΎΡΠΎΠΊ
endobj
3 0 obj
>
endobj
99 0 ΠΎΠ±ΡΠ΅ΠΊΡ
>
endobj
5 0 obj
> / Font> / ProcSet [/ PDF / Text / ImageB] / XObject >>> / Type / Page >>
endobj
31 0 ΠΎΠ±ΡΠ΅ΠΊΡ
> / Font> / ProcSet [/ PDF / Text / ImageC] / XObject >>> / Type / Page >>
endobj
40 0 ΠΎΠ±ΡΠ΅ΠΊΡ
> / ExtGState> / Font> / ProcSet [/ PDF / Text / ImageB / ImageC / ImageI] / XObject >>> / Type / Page >>
endobj
68 0 ΠΎΠ±ΡΠ΅ΠΊΡ
> / ExtGState> / Font> / ProcSet [/ PDF / Text / ImageB / ImageC / ImageI] / XObject >>> / Type / Page >>
endobj
130 0 ΠΎΠ±ΡΠ΅ΠΊΡ
> ΠΏΠΎΡΠΎΠΊ
HWv} W # C4gΗd (Gl ~ EATBgg ΪΊ {0ΠΠΎΠΌΠΏΠΎΠ½Π΅Π½ΡΡ ΡΡΠ»Π΅Π²ΠΎΠ³ΠΎ ΡΠΏΡΠ°Π²Π»Π΅Π½ΠΈΡ (Π°Π²ΡΠΎΠΌΠΎΠ±ΠΈΠ»Ρ)
27.
7.
27.7.1.
Π ΡΠ»Π΅Π²Π°Ρ ΠΊΠΎΠ»ΠΎΠ½ΠΊΠ° Π ΡΠ»Π΅Π²Π°Ρ ΠΊΠΎΠ»ΠΎΠ½ΠΊΠ° — ΡΡΠΎ ΠΏΡΠ΅ΠΆΠ΄Π΅ Π²ΡΠ΅Π³ΠΎ ΠΎΠΏΠΎΡΠ½ΡΠΉ Π²Π°Π», ΡΠΎΠ΅Π΄ΠΈΠ½ΡΡΡΠΈΠΉ ΡΡΠ»Π΅Π²ΠΎΠ΅ ΠΊΠΎΠ»Π΅ΡΠΎ Π²ΠΎΠ΄ΠΈΡΠ΅Π»Ρ Ρ ΡΠ΅Π΄ΡΠΊΡΠΎΡΠΎΠΌ. Π ΡΠ»Π΅Π²Π°Ρ ΠΊΠΎΠ»ΠΎΠ½ΠΊΠ° Π² ΡΠΎΠ²ΡΠ΅ΠΌΠ΅Π½Π½ΠΎΠΌ Π°Π²ΡΠΎΠΌΠΎΠ±ΠΈΠ»Π΅ — ΡΠ»ΠΎΠΆΠ½ΡΠΉ ΠΌΠ΅Ρ
Π°Π½ΠΈΠ·ΠΌ. ΠΠ½ ΡΠΏΡΠΎΠ΅ΠΊΡΠΈΡΠΎΠ²Π°Π½ ΡΠ°ΠΊΠΈΠΌ ΠΎΠ±ΡΠ°Π·ΠΎΠΌ, ΡΡΠΎΠ±Ρ ΡΠΏΠ°ΡΡΡ ΠΏΡΠΈ ΡΡΠΎΠ»ΠΊΠ½ΠΎΠ²Π΅Π½ΠΈΠΈ, ΡΡΠΎΠ±Ρ Π·Π°ΡΠΈΡΠΈΡΡ Π²ΠΎΠ΄ΠΈΡΠ΅Π»Ρ. Π Π½Π΅ΠΊΠΎΡΠΎΡΡΡ
ΡΠ»ΡΡΠ°ΡΡ
ΠΎΠ½ ΠΌΠΎΠΆΠ΅Ρ Π±ΡΡΡ Π½Π°ΠΊΠ»ΠΎΠ½Π΅Π½ ΠΈ Π²ΡΠ΄Π²ΠΈΠ½ΡΡ, ΡΡΠΎΠ±Ρ ΡΡΡΠ°Π½ΠΎΠ²ΠΈΡΡ Π΅Π³ΠΎ ΠΏΠΎΠ΄ ΡΠ΄ΠΎΠ±Π½ΡΠΌ Π΄Π»Ρ Π²ΠΎΠ΄ΠΈΡΠ΅Π»Ρ ΡΠ³Π»ΠΎΠΌ.ΠΠ½ ΡΠ°ΠΊΠΆΠ΅ ΡΠΎΠ΄Π΅ΡΠΆΠΈΡ Π±Π»ΠΎΠΊΠΈΡΠΎΠ²ΠΊΡ ΡΡΠ»Π΅Π²ΠΎΠ³ΠΎ ΠΌΠ΅Ρ
Π°Π½ΠΈΠ·ΠΌΠ° ΠΈ ΡΡΠ°Π½ΡΠΌΠΈΡΡΠΈΠΈ. ΠΠ°Π½ΠΈΡΠ΅ΡΠΊΠ°Ρ ΠΎΡΡΠ°Π½ΠΎΠ²ΠΊΠ° ΠΏΠΎΡΡΠ΅Π΄ΡΡΠ²ΠΎΠΌ ΡΠΎΡΠΌΠΎΠΆΠ΅Π½ΠΈΡ Π·Π°ΠΌΠ΅Π΄Π»ΡΠ΅Ρ ΡΡΠ°Π½ΡΠΏΠΎΡΡΠ½ΠΎΠ΅ ΡΡΠ΅Π΄ΡΡΠ²ΠΎ Ρ ΠΌΠ°ΠΊΡΠΈΠΌΠ°Π»ΡΠ½ΠΎΠΉ ΡΠΊΠΎΡΠΎΡΡΡΡ Π·Π°ΠΌΠ΅Π΄Π»Π΅Π½ΠΈΡ 6 ΠΌ / Ρ, Π° Π½Π΅ΠΎΠ±Ρ
ΠΎΠ΄ΠΈΠΌΠΎΠ΅ Π²ΡΠ΅ΠΌΡ Π΄Π»Ρ ΠΎΡΡΠ°Π½ΠΎΠ²ΠΊΠΈ ΡΡΠ°Π½ΡΠΏΠΎΡΡΠ½ΠΎΠ³ΠΎ ΡΡΠ΅Π΄ΡΡΠ²Π° Π½Π° ΡΠΊΠΎΡΠΎΡΡΠΈ 32 ΠΊΠΌ / Ρ ΡΠΎΡΡΠ°Π²Π»ΡΠ΅Ρ 1,5 ΡΠ΅ΠΊΡΠ½Π΄Ρ. ΠΡΠ° ΠΏΠ°Π½ΠΈΡΠ΅ΡΠΊΠ°Ρ ΠΎΡΡΠ°Π½ΠΎΠ²ΠΊΠ° ΠΈΠΌΠ΅Π΅Ρ ΡΠ΅Π½Π΄Π΅Π½ΡΠΈΡ ΠΏΠΎΠ΄Π½ΠΈΠΌΠ°ΡΡ ΠΏΠ°ΡΡΠ°ΠΆΠΈΡΠΎΠ² ΠΈ Π²ΠΎΠ΄ΠΈΡΠ΅Π»Ρ Ρ ΠΌΠ΅ΡΡ ΠΈ ΠΏΠ΅ΡΠ΅Π½ΠΎΡΠΈΡΡ ΠΈΡ
Π² ΠΏΠ΅ΡΠ΅Π΄Π½ΡΡ ΡΠ°ΡΡΡ ΡΠ°Π»ΠΎΠ½Π°, Π΅ΡΠ»ΠΈ ΠΎΠ½ΠΈ Π½Π΅ Π·Π°ΠΊΡΠ΅ΠΏΠ»Π΅Π½Ρ ΡΠ΅ΠΌΠ½ΡΠΌΠΈ Π±Π΅Π·ΠΎΠΏΠ°ΡΠ½ΠΎΡΡΠΈ ΠΈ ΠΏΠ»Π΅ΡΠ΅Π²ΡΠΌΠΈ ΡΠ΅ΠΌΠ½ΡΠΌΠΈ. ΠΡΠΈ Π»ΠΎΠ±ΠΎΠ²ΠΎΠΌ ΡΡΠΎΠ»ΠΊΠ½ΠΎΠ²Π΅Π½ΠΈΠΈ Π½Π° ΡΠ°ΠΌΠΎΠΌ Π΄Π΅Π»Π΅ ΠΏΡΠΎΠΈΡΡ
ΠΎΠ΄ΠΈΡ Π΄Π²Π° ΡΡΠΎΠ»ΠΊΠ½ΠΎΠ²Π΅Π½ΠΈΡ.
ΠΠ΅ΡΠ²ΡΠΉ — ΡΡΠΎ ΡΡΠΎΠ»ΠΊΠ½ΠΎΠ²Π΅Π½ΠΈΠ΅ Π°Π²ΡΠΎΠΌΠΎΠ±ΠΈΠ»Ρ Ρ ΠΎΠ±ΡΠ΅ΠΊΡΠΎΠΌ, Π° Π²ΡΠΎΡΠΎΠΉ — ΡΡΠΎΠ»ΠΊΠ½ΠΎΠ²Π΅Π½ΠΈΠ΅ ΠΏΠ°ΡΡΠ°ΠΆΠΈΡΠΎΠ² Ρ ΠΏΡΠΈΠ±ΠΎΡΠ½ΠΎΠΉ ΠΏΠ°Π½Π΅Π»ΡΡ ΠΈ Π»ΠΎΠ±ΠΎΠ²ΡΠΌ ΡΡΠ΅ΠΊΠ»ΠΎΠΌ Π² ΠΏΠ΅ΡΠ΅Π΄Π½Π΅ΠΉ ΡΠ°ΡΡΠΈ ΡΠ°Π»ΠΎΠ½Π°.ΠΠ΅ΡΠ΅Π΄Π½ΡΡ ΡΠ°ΡΡΡ ΡΠΎΠ²ΡΠ΅ΠΌΠ΅Π½Π½ΠΎΠ³ΠΎ Π»Π΅Π³ΠΊΠΎΠ²ΠΎΠ³ΠΎ Π°Π²ΡΠΎΠΌΠΎΠ±ΠΈΠ»Ρ ΡΠΏΡΠΎΠ΅ΠΊΡΠΈΡΠΎΠ²Π°Π½Π° ΡΠ°ΠΊ, ΡΡΠΎΠ±Ρ ΠΏΡΠΈ ΡΡΠΎΠ»ΠΊΠ½ΠΎΠ²Π΅Π½ΠΈΠΈ Π΄Π°Π²ΠΈΡΡ ΠΏΡΠΈΠΌΠ΅ΡΠ½ΠΎ Π½Π° 15,5 ΠΌΠΌ / ΠΊΠΌ, ΡΡΠΎΠ±Ρ Π·Π°ΠΌΠ΅Π΄Π»ΠΈΡΡ Π΄Π²ΠΈΠΆΠ΅Π½ΠΈΠ΅ ΠΏΠ°ΡΡΠ°ΠΆΠΈΡΡΠΊΠΎΠ³ΠΎ ΡΠ°Π»ΠΎΠ½Π° Π² ΠΌΠ°ΠΊΡΠΈΠΌΠ°Π»ΡΠ½ΠΎ Π΄Π»ΠΈΡΠ΅Π»ΡΠ½ΡΠΉ ΠΏΠ΅ΡΠΈΠΎΠ΄ Π²ΡΠ΅ΠΌΠ΅Π½ΠΈ ΠΈ, ΡΠ°ΠΊΠΈΠΌ ΠΎΠ±ΡΠ°Π·ΠΎΠΌ, ΡΠ½ΠΈΠ·ΠΈΡΡ ΡΠ΅ΡΡΠ΅Π·Π½ΠΎΡΡΡ Π²ΡΠΎΡΠΈΡΠ½ΠΎΠ³ΠΎ ΡΡΠΎΠ»ΠΊΠ½ΠΎΠ²Π΅Π½ΠΈΡ ΠΏΠ°ΡΡΠ°ΠΆΠΈΡΠΎΠ². ΠΡΠΈ Π»ΠΎΠ±ΠΎΠ²ΠΎΠΌ ΡΡΠΎΠ»ΠΊΠ½ΠΎΠ²Π΅Π½ΠΈΠΈ Π²ΠΎΠ΄ΠΈΡΠ΅Π»Ρ ΡΡΠ°Π»ΠΊΠΈΠ²Π°Π΅ΡΡΡ Ρ ΡΡΠ»Π΅Π²ΡΠΌ ΠΊΠΎΠ»Π΅ΡΠΎΠΌ ΠΏΡΠΈΠΌΠ΅ΡΠ½ΠΎ ΡΠ΅ΡΠ΅Π· ΠΎΠ΄Π½Ρ ΡΠΎΡΡΡ ΡΠ΅ΠΊΡΠ½Π΄Ρ ΠΏΠΎΡΠ»Π΅ ΡΠΎΠ³ΠΎ, ΠΊΠ°ΠΊ ΠΏΠ΅ΡΠ΅Π΄Π½ΡΡ ΡΠ°ΡΡΡ Π°Π²ΡΠΎΠΌΠΎΠ±ΠΈΠ»Ρ Π½Π°ΡΠΈΠ½Π°Π΅Ρ Π΄Π°Π²ΠΈΡΡ. Π ΡΠ»Π΅Π²Π°Ρ ΠΊΠΎΠ»ΠΎΠ½ΠΊΠ° ΡΡΠ°ΡΠΎΠ³ΠΎ ΠΎΠ±ΡΠ°Π·ΡΠ° ΡΠ°ΡΡΠΎ Π²Π΄Π°Π²Π»ΠΈΠ²Π°Π΅ΡΡΡ Π² Π²ΠΎΠ΄ΠΈΡΠ΅Π»Ρ, ΠΊΠΎΠ³Π΄Π° ΠΏΠ΅ΡΠ΅Π΄Π½ΡΡ ΡΠ°ΡΡΡ Π°Π²ΡΠΎΠΌΠΎΠ±ΠΈΠ»Ρ ΡΠ°Π·ΡΡΡΠ°Π΅ΡΡΡ.ΠΠΌΠΎΡΡΠΈΠ·ΠΈΡΡΡΡΠΈΠ΅ ΡΡΠ»Π΅Π²ΡΠ΅ ΠΊΠΎΠ»ΠΎΠ½ΠΊΠΈ ΡΠΏΡΠΎΠ΅ΠΊΡΠΈΡΠΎΠ²Π°Π½Ρ ΡΠ°ΠΊ, ΡΡΠΎΠ±Ρ ΠΈΡ
Π½ΠΈΠΆΠ½ΡΡ ΡΠ°ΡΡΡ ΡΠΊΠ»Π°Π΄ΡΠ²Π°Π»Π°ΡΡ, Π° Π½Π΅ ΠΎΡΡΠ°Π»ΠΊΠΈΠ²Π°Π»Π°ΡΡ. ΠΠ΅ΡΡ
Π½ΠΈΠΉ ΠΊΠΎΠ½Π΅Ρ ΡΡΠΈΡ
ΡΡΠΎΠ΅ΠΊ ΡΠ°ΠΊΠΆΠ΅ ΠΏΡΠ΅Π΄Π½Π°Π·Π½Π°ΡΠ΅Π½ Π΄Π»Ρ ΠΏΠΎΠ³Π»ΠΎΡΠ΅Π½ΠΈΡ Π²ΡΠΎΡΠΈΡΠ½ΠΎΠ³ΠΎ ΡΠ΄Π°ΡΠ° Π²ΠΎΠ΄ΠΈΡΠ΅Π»Ρ ΠΎ ΠΊΠΎΠ»Π΅ΡΠΎ Π² ΡΠ΅Π·ΡΠ»ΡΡΠ°ΡΠ΅ Π΅Π³ΠΎ ΠΎΠ±ΡΡΡΠ΅Π½ΠΈΡ.
Π‘ΡΡΠΎΠΈΡΠ΅Π»ΡΡΡΠ²ΠΎ.
Π ΡΠ»Π΅Π²Π°Ρ ΠΊΠΎΠ»ΠΎΠ½ΠΊΠ° Π΄ΠΎΠ»ΠΆΠ½Π° Π±ΡΡΡ Π΄ΠΎΡΡΠ°ΡΠΎΡΠ½ΠΎ ΠΏΡΠΎΡΠ½ΠΎΠΉ ΠΈ ΠΆΠ΅ΡΡΠΊΠΎΠΉ, ΡΡΠΎΠ±Ρ Π²ΡΠ΄Π΅ΡΠΆΠΈΠ²Π°ΡΡ Π½ΠΎΡΠΌΠ°Π»ΡΠ½ΡΠ΅ Π΄Π²ΠΈΠΆΡΡΠΈΠ΅ Π½Π°Π³ΡΡΠ·ΠΊΠΈ ΠΈ Π² ΡΠΎ ΠΆΠ΅ Π²ΡΠ΅ΠΌΡ ΡΠ°Π·ΡΡΡΠ°ΡΡΡΡ Ρ ΠΊΠΎΠ½ΡΡΠΎΠ»ΠΈΡΡΠ΅ΠΌΠΎΠΉ ΡΠΊΠΎΡΠΎΡΡΡΡ ΠΏΡΠΈ ΠΏΡΠΈΠ»ΠΎΠΆΠ΅Π½ΠΈΠΈ ΡΠ΄Π°ΡΠ½ΡΡ
Π½Π°Π³ΡΡΠ·ΠΎΠΊ.
Π ΡΠ»Π΅Π²Π°Ρ ΠΊΠΎΠ»ΠΎΠ½ΠΊΠ° ΡΠΎΡΡΠΎΠΈΡ ΠΈΠ· ΡΡΠ΅Ρ
ΠΎΡΠ½ΠΎΠ²Π½ΡΡ
ΠΊΠΎΠΌΠΏΠΎΠ½Π΅Π½ΡΠΎΠ²: ΡΡΠ»Π΅Π²ΠΎΠ³ΠΎ Π²Π°Π»Π°, ΡΡΡΠ±ΠΊΠΈ ΠΏΠ΅ΡΠ΅ΠΊΠ»ΡΡΠ΅Π½ΠΈΡ ΠΈ ΠΊΠΎΠΆΡΡ
Π° ΠΊΠΎΠ»ΠΎΠ½ΠΊΠΈ ΠΈΠ»ΠΈ ΠΌΠ°ΡΡΡ.Π ΡΠ»Π΅Π²ΠΎΠΉ Π²Π°Π» ΡΠΎΠ΅Π΄ΠΈΠ½ΡΠ΅Ρ ΡΡΠ»Π΅Π²ΠΎΠ΅ ΠΊΠΎΠ»Π΅ΡΠΎ Ρ ΡΡΠ»Π΅Π²ΡΠΌ ΠΌΠ΅Ρ
Π°Π½ΠΈΠ·ΠΌΠΎΠΌ ΡΠ΅ΡΠ΅Π· ΠΌΡΡΡΡ ΡΠ½ΠΈΠ²Π΅ΡΡΠ°Π»ΡΠ½ΠΎΠ³ΠΎ ΡΠ°ΡΠ½ΠΈΡΠ½ΠΎΠ³ΠΎ ΡΠΈΠΏΠ°. Π Π½Π΅ΠΊΠΎΡΠΎΡΡΡ
ΡΡΠ°ΡΡΡ
ΡΡΠ»Π΅Π²ΡΡ
ΠΌΠ΅Ρ
Π°Π½ΠΈΠ·ΠΌΠ°Ρ
ΡΠ΄Π»ΠΈΠ½Π΅Π½ΠΈΠ΅ ΡΠ΅ΡΠ²ΡΡΠ½ΠΎΠ³ΠΎ Π²Π°Π»Π° ΡΡΠ»Π΅Π²ΠΎΠ³ΠΎ ΠΌΠ΅Ρ
Π°Π½ΠΈΠ·ΠΌΠ° ΠΎΠ±ΡΠ°Π·ΡΠ΅Ρ ΡΡΠ»Π΅Π²ΠΎΠΉ Π²Π°Π». Π’ΡΡΠ±ΠΊΠ° ΠΏΠ΅ΡΠ΅ΠΊΠ»ΡΡΠ΅Π½ΠΈΡ ΠΏΠ΅ΡΠ΅Π΄Π°Ρ ΠΎΠΊΡΡΠΆΠ°Π΅Ρ ΡΡΠ»Π΅Π²ΠΎΠΉ Π²Π°Π», Π²Π΅ΡΡ
Π½ΠΈΠΉ ΠΊΠΎΠ½Π΅Ρ ΠΊΠΎΡΠΎΡΠΎΠ³ΠΎ ΡΠΎΠ΅Π΄ΠΈΠ½Π΅Π½ Ρ ΡΡΡΠ°Π³ΠΎΠΌ ΠΏΠ΅ΡΠ΅ΠΊΠ»ΡΡΠ΅Π½ΠΈΡ ΠΏΠ΅ΡΠ΅Π΄Π°Ρ, Π° Π½ΠΈΠΆΠ½ΠΈΠΉ ΠΊΠΎΠ½Π΅Ρ ΠΈΠΌΠ΅Π΅Ρ ΠΊΠΎΠ»Π΅Π½ΡΠ°ΡΡΠΉ ΡΡΡΠ°Π³, ΠΊΠΎΡΠΎΡΡΠΉ ΠΏΡΠΈΠΊΡΠ΅ΠΏΠ»ΡΠ΅ΡΡΡ ΠΊ ΡΡΡΠ°Π³Π°ΠΌ ΠΏΠ΅ΡΠ΅ΠΊΠ»ΡΡΠ΅Π½ΠΈΡ ΠΏΠ΅ΡΠ΅Π΄Π°Ρ. Π’ΡΡΠ±ΠΊΠ° ΠΏΠ΅ΡΠ΅ΠΊΠ»ΡΡΠ΅Π½ΠΈΡ ΠΏΠ΅ΡΠ΅Π΄Π°Ρ Π·Π°ΠΊΠ»ΡΡΠ΅Π½Π° Π² ΠΊΠΎΠΆΡΡ
ΠΌΠ°ΡΡΡ, ΠΊΠΎΡΠΎΡΡΠΉ ΠΏΠΎΠ΄Π΄Π΅ΡΠΆΠΈΠ²Π°Π΅Ρ ΠΏΠΎΠ΄ΡΠΈΠΏΠ½ΠΈΠΊΠΈ Π²Π°Π»Π°, ΠΌΠΎΠ½ΡΠ°ΠΆΠ½ΡΠ΅ ΠΊΡΠΎΠ½ΡΡΠ΅ΠΉΠ½Ρ ΠΈ ΠΎΠ±ΡΠΈΠ²ΠΊΡ ΠΊΠΎΠ»ΠΎΠ½Π½Ρ.ΠΠΎΠΆΡΡ
ΠΌΠ°ΡΡΡ ΡΠ΄Π΅ΡΠΆΠΈΠ²Π°Π΅ΡΡΡ Π² Π°Π²ΡΠΎΠΌΠΎΠ±ΠΈΠ»Π΅ Π΄Π΅ΡΠΆΠ°ΡΠ΅Π»Π΅ΠΌ ΠΏΠ»ΠΈΡΡ ΠΏΠΎΠ»Π° Π½Π° Π½ΠΈΠΆΠ½Π΅ΠΌ ΠΊΠΎΠ½ΡΠ΅ ΠΈ ΠΎΡΡΡΠ²Π½ΡΠΌ ΠΊΡΠΎΠ½ΡΡΠ΅ΠΉΠ½ΠΎΠΌ ΡΡΠ°Π·Ρ ΠΏΠΎΠ΄ ΠΏΡΠΈΠ±ΠΎΡΠ½ΠΎΠΉ ΠΏΠ°Π½Π΅Π»ΡΡ. ΠΠΎΠ±Π°Π²Π»Π΅Π½Ρ ΠΏΠΎΠ΄Ρ
ΠΎΠ΄ΡΡΠΈΠ΅ Π½Π°ΡΠ°Π΄ΠΊΠΈ, ΡΡΠΎΠ±Ρ ΠΏΡΠ΅Π΄ΠΎΡΠ²ΡΠ°ΡΠΈΡΡ Π»ΡΠ±ΠΎΠ΅ Π΄Π²ΠΈΠΆΠ΅Π½ΠΈΠ΅ Π²Π²Π΅ΡΡ
ΠΈ ΠΏΠΎΠ·Π²ΠΎΠ»ΠΈΡΡ ΠΊΠΎΠ»ΠΎΠ½Π½Π΅ ΠΎΠΏΡΡΠΊΠ°ΡΡΡΡ ΠΏΡΠΈ ΡΡΠΎΠ»ΠΊΠ½ΠΎΠ²Π΅Π½ΠΈΠΈ.
Π Π°Π½Π½ΠΈΠ΅ ΡΠ΄Π°ΡΠΎΠΏΠΎΠ³Π»ΠΎΡΠ°ΡΡΠΈΠ΅ ΠΊΡΡΡΠΊΠΈ ΠΌΠ°ΡΡΡ ΠΈΠΌΠ΅Π»ΠΈ ΡΠ΅ΠΊΡΠΈΡ Ρ Π°Π»ΠΌΠ°Π·Π½ΡΠΌΠΈ ΠΏΠ΅ΡΡΠΎΡΠ°ΡΠΈΠΎΠ½Π½ΡΠΌΠΈ ΠΎΡΠ²Π΅ΡΡΡΠΈΡΠΌΠΈ, ΠΊΠΎΡΠΎΡΡΠ΅ ΠΏΡΠΈ ΡΡΠΎΠ»ΠΊΠ½ΠΎΠ²Π΅Π½ΠΈΠΈ Π²ΡΠΏΠΈΡΠ°Π»ΠΈ Π½Π°ΡΡΠΆΡ, ΠΏΠΎΠ·Π²ΠΎΠ»ΡΡ ΠΊΡΡΡΠΊΠ΅ ΡΠΊΠΎΡΠ°ΡΠΈΠ²Π°ΡΡΡΡ.
ΠΠΎΠΆΡΡ
ΠΌΠ°ΡΡΡ Π²ΡΠΎΡΠΎΠ³ΠΎ ΠΏΠΎΠΊΠΎΠ»Π΅Π½ΠΈΡ, ΠΏΠΎΠ³Π»ΠΎΡΠ°ΡΡΠΈΠΉ ΡΠ΄Π°ΡΡ, ΡΠΎΡΡΠΎΠΈΡ ΠΈΠ· Π΄Π²ΡΡ
ΡΡΡΠ±. ΠΠ΅ΡΡ
Π½ΡΡ ΡΡΡΠ±Π° ΠΏΡΠΎΡΡΠΎ ΡΠΊΠΎΠ»ΡΠ·ΠΈΡ ΠΏΠΎ Π½ΠΈΠΆΠ½Π΅ΠΉ ΡΡΡΠ±Π΅, ΠΈ ΡΡΠ°Π»ΡΠ½ΡΠ΅ ΡΠ°ΡΠΈΠΊΠΈ Π² ΠΏΠ»Π°ΡΡΠΈΠΊΠΎΠ²ΠΎΠΉ Π³ΠΈΠ»ΡΠ·Π΅, Π²ΡΡΠ°Π²Π»Π΅Π½Π½ΠΎΠΉ Π² ΠΏΠ»Π°ΡΡΠΈΠΊΠΎΠ²ΡΡ ΠΎΠ±ΠΎΠ»ΠΎΡΠΊΡ, Π²ΠΊΠ»ΠΈΠ½ΠΈΠ²Π°ΡΡΡΡ ΠΌΠ΅ΠΆΠ΄Ρ Π΄Π²ΡΠΌΡ ΡΡΡΠ±Π°ΠΌΠΈ, ΠΎΠ±ΡΠ°Π·ΡΡ Π½Π°Π΄Π΅ΠΆΠ½ΡΡ ΡΡΠ±Π°ΡΠΊΡ ΠΌΠ°ΡΡΡ.Π‘ΡΠ°Π»ΡΠ½ΡΠ΅ ΡΠ°ΡΠΈΠΊΠΈ ΠΎΠ±ΡΠ°Π·ΡΡΡ ΠΊΠ°Π½Π°Π²ΠΊΠΈ Π² ΡΡΡΠ±ΠΊΠ°Ρ
, ΠΊΠΎΠ³Π΄Π° ΠΎΠ½ΠΈ ΠΏΡΠΈΠΆΠΈΠΌΠ°ΡΡΡΡ Π΄ΡΡΠ³ ΠΊ Π΄ΡΡΠ³Ρ Π²ΠΎ Π²ΡΠ΅ΠΌΡ ΡΡΠΎΠ»ΠΊΠ½ΠΎΠ²Π΅Π½ΠΈΡ, ΠΈ, ΡΠ°ΠΊΠΈΠΌ ΠΎΠ±ΡΠ°Π·ΠΎΠΌ, ΠΏΠΎΡΡΠ΅ΠΏΠ΅Π½Π½ΠΎ Π·Π°ΠΌΠ΅Π΄Π»ΡΡΡ ΡΠ΄Π°Ρ Π²ΡΠΎΡΠΈΡΠ½ΠΎΠ³ΠΎ ΠΏΡΠΈΠ²ΠΎΠ΄Π° Ρ ΠΊΠΎΠ½ΡΡΠΎΠ»ΠΈΡΡΠ΅ΠΌΠΎΠΉ ΡΠΊΠΎΡΠΎΡΡΡΡ.
ΠΠ° ΠΊΠ°ΠΆΠ΄ΠΎΠΌ ΠΊΠΎΠ½ΡΠ΅ ΠΊΠΎΠΆΡΡ
Π° ΠΌΠ°ΡΡΡ ΠΈΡΠΏΠΎΠ»ΡΠ·ΡΠ΅ΡΡΡ ΠΏΠ΅ΡΠ΅Ρ
ΠΎΠ΄Π½ΠΈΠΊ, ΠΊΠΎΡΠΎΡΡΠΉ ΡΠ»ΡΠΆΠΈΡ Π»ΠΈΠ±ΠΎ ΠΏΠΎΠ΄ΡΠΈΠΏΠ½ΠΈΠΊΠΎΠΌ, Π»ΠΈΠ±ΠΎ ΠΎΠΏΠΎΡΠΎΠΉ ΠΏΠΎΠ΄ΡΠΈΠΏΠ½ΠΈΠΊΠ° Π΄Π»Ρ ΡΡΡΠ±ΠΊΠΈ ΠΏΠ΅ΡΠ΅ΠΊΠ»ΡΡΠ΅Π½ΠΈΡ ΠΏΠ΅ΡΠ΅Π΄Π°Ρ ΠΈ ΡΡΠ»Π΅Π²ΠΎΠ³ΠΎ Π²Π°Π»Π°. Π’ΡΡΠ±ΠΊΠ° ΠΏΠ΅ΡΠ΅ΠΊΠ»ΡΡΠ΅Π½ΠΈΡ ΠΏΠ΅ΡΠ΅Π΄Π°Ρ ΡΠΎΡΡΠΎΠΈΡ ΠΈΠ· Π΄Π²ΡΡ
ΠΈΠ»ΠΈ ΡΡΠ΅Ρ
ΠΊΠΎΡΠΎΡΠΊΠΈΡ
ΠΎΡΡΠ΅Π·ΠΊΠΎΠ² ΡΡΡΠ±ΠΎΠΊ, ΠΎΠ΄ΠΈΠ½ ΠΈΠ· ΠΊΠΎΡΠΎΡΡΡ
Π²ΡΡΠ°Π²Π»Π΅Π½ Π²Π½ΡΡΡΡ Π΄ΡΡΠ³ΠΎΠ³ΠΎ, Π° Π² ΡΡΡΠ±ΠΊΠ°Ρ
Π² ΠΌΠ΅ΡΡΠ°Ρ
ΡΠΎΠ΅Π΄ΠΈΠ½Π΅Π½ΠΈΠΉ ΡΠ΄Π΅Π»Π°Π½Ρ ΠΏΡΡΠΌΠΎΡΠ³ΠΎΠ»ΡΠ½ΡΠ΅ ΠΈ ΠΊΡΡΠ³Π»ΡΠ΅ ΠΎΡΠ²Π΅ΡΡΡΠΈΡ. ΠΠ°ΡΠ΅ΠΌ Π² ΡΡΠΈ ΡΠΎΠ΅Π΄ΠΈΠ½Π΅Π½ΠΈΡ Π²Π²ΠΎΠ΄ΠΈΡΡΡ ΠΏΠ»Π°ΡΡΠΈΠΊ, ΡΡΠΎΠ±Ρ ΡΠ΄Π΅ΡΠΆΠΈΠ²Π°ΡΡ ΠΈΡ
Π½Π° ΠΌΠ΅ΡΡΠ΅, ΠΈ ΠΏΡΠΈ ΡΡΠΎΠ»ΠΊΠ½ΠΎΠ²Π΅Π½ΠΈΠΈ ΠΏΠ»Π°ΡΡΠΈΠΊΠΎΠ²ΡΠ΅ Π²ΡΡΠ°Π²ΠΊΠΈ Π² ΠΎΡΠ²Π΅ΡΡΡΠΈΠΈ ΡΡΠ΅Π·Π°ΡΡΡΡ, ΠΏΠΎΠ·Π²ΠΎΠ»ΡΡ ΡΠ΄Π²ΠΈΠ³Π°ΡΡΠΈΠΌ ΡΡΡΠ±ΠΊΠ°ΠΌ ΡΠ΅Π»Π΅ΡΠΊΠΎΠΏΠΈΡΠΎΠ²Π°ΡΡ Π²ΠΌΠ΅ΡΡΠ΅.Π’ΡΡΠ±ΠΊΠ° ΠΏΠ΅ΡΠ΅ΠΊΠ»ΡΡΠ΅Π½ΠΈΡ ΠΏΠ΅ΡΠ΅Π΄Π°Ρ Π½Π° Π²ΡΠ΅Ρ
ΡΡΠ»Π΅Π²ΡΡ
ΠΊΠΎΠ»ΠΎΠ½ΠΊΠ°Ρ
ΠΎΠ±Π΅ΡΠΏΠ΅ΡΠΈΠ²Π°Π΅Ρ ΠΆΠ΅ΡΡΠΊΠΎΡΡΡ, Π΄Π°ΠΆΠ΅ Π΅ΡΠ»ΠΈ Π°Π²ΡΠΎΠΌΠΎΠ±ΠΈΠ»Ρ ΠΌΠΎΠΆΠ΅Ρ Π±ΡΡΡ ΠΎΠ±ΠΎΡΡΠ΄ΠΎΠ²Π°Π½ ΡΡΡΠ°Π³ΠΎΠΌ ΠΏΠ΅ΡΠ΅ΠΊΠ»ΡΡΠ΅Π½ΠΈΡ ΠΏΠ΅ΡΠ΅Π΄Π°Ρ, ΡΡΡΠ°Π½ΠΎΠ²Π»Π΅Π½Π½ΡΠΌ Π½Π° ΠΏΠΎΠ»Ρ.
Π ΡΠ»Π΅Π²ΠΎΠΉ Π²Π°Π» ΡΠΎΡΡΠΎΠΈΡ ΠΈΠ· Π΄Π²ΡΡ
ΡΠ°ΡΡΠ΅ΠΉ. ΠΠ΅ΡΡ
Π½ΡΡ ΡΠ°ΡΡΡ ΠΏΡΠ΅Π΄ΡΡΠ°Π²Π»ΡΠ΅Ρ ΡΠΎΠ±ΠΎΠΉ ΡΠΏΠ»ΠΎΡΠ½ΠΎΠΉ ΡΡΠ΅ΡΠΆΠ΅Π½Ρ, ΠΊΠΎΡΠΎΡΡΠΉ Π²Ρ
ΠΎΠ΄ΠΈΡ Π² ΠΏΠΎΠ»ΡΡ Π½ΠΈΠΆΠ½ΡΡ ΡΠ°ΡΡΡ. ΠΠ²Π΅ Π²Π½Π΅ΡΠ½ΠΈΠ΅ Π»ΡΡΠΊΠΈ Π² Π²Π΅ΡΡ
Π½Π΅ΠΉ ΡΠ°ΡΡΠΈ ΡΠΎΠΏΡΡΠ³Π°ΡΡΡΡ Ρ Π²Π½ΡΡΡΠ΅Π½Π½ΠΈΠΌΠΈ Π»ΠΎΡΠΊΡΡΠΊΠ°ΠΌΠΈ Π² Π½ΠΈΠΆΠ½Π΅ΠΉ ΡΠ°ΡΡΠΈ Π΄Π»Ρ ΠΏΠ΅ΡΠ΅Π΄Π°ΡΠΈ ΡΡΠΈΠ»ΠΈΡ ΡΡΠ»Π΅Π²ΠΎΠ³ΠΎ ΡΠΏΡΠ°Π²Π»Π΅Π½ΠΈΡ. ΠΠ»Π°ΡΡΠΈΠΊΠΎΠ²ΡΠ΅ Π²ΡΡΠ°Π²ΠΊΠΈ Π²ΡΡΠ°Π²Π»ΡΡΡΡΡ Π² ΠΎΡΠ²Π΅ΡΡΡΠΈΡ Π² Π½ΠΈΠΆΠ½Π΅ΠΉ ΡΠ°ΡΡΠΈ ΠΈ Π²ΠΎΠΊΡΡΠ³ ΠΊΠ°Π½Π°Π²ΠΎΠΊ Π² Π²Π΅ΡΡ
Π½Π΅ΠΉ ΡΠ°ΡΡΠΈ ΠΏΡΡΠΌΠΎ ΠΏΠΎΠ΄ ΠΎΡΠ²Π΅ΡΡΡΠΈΡΠΌΠΈ, ΠΊΠΎΡΠΎΡΡΠ΅ ΡΠΈΠΊΡΠΈΡΡΡΡ Π΄Π²Π° ΡΡΠ»Π΅Π²ΡΡ
Π²Π°Π»Π° Π²ΠΌΠ΅ΡΡΠ΅.ΠΡΠΈ ΡΡΠΎΠ»ΠΊΠ½ΠΎΠ²Π΅Π½ΠΈΠΈ ΠΏΠ»Π°ΡΡΠΈΠΊ ΡΡΠ΅Π·Π°Π½, ΠΈΠ·-Π·Π° ΡΠ΅Π³ΠΎ ΡΡΠ»Π΅Π²ΠΎΠΉ Π²Π°Π» ΡΡΠ°Π½ΠΎΠ²ΠΈΡΡΡ ΡΠ΅Π»Π΅ΡΠΊΠΎΠΏΠΈΡΠ΅ΡΠΊΠΈΠΌ ΠΈ ΠΊΠΎΡΠΎΡΠ΅.
Π Π΄ΠΎΠΏΠΎΠ»Π½Π΅Π½ΠΈΠ΅ ΠΊ Π²Π΅ΡΡ
Π½Π΅ΠΌΡ ΠΏΠΎΠ΄ΡΠΈΠΏΠ½ΠΈΠΊΡ ΡΡΠ»Π΅Π²ΠΎΠ³ΠΎ Π²Π°Π»Π° ΠΈ ΡΡΠ»Π΅Π²ΠΎΠΌΡ ΠΊΠΎΠ»Π΅ΡΡ ΠΈΠΌΠ΅Π΅ΡΡΡ ΡΡΠ΄ ΡΠ»Π΅ΠΌΠ΅Π½ΡΠΎΠ², ΡΠ°ΠΊΠΈΡ
ΠΊΠ°ΠΊ ΡΡΡΠ°Π³ ΡΠ΅Π»Π΅ΠΊΡΠΎΡΠ° ΠΊΠΎΡΠΎΠ±ΠΊΠΈ ΠΏΠ΅ΡΠ΅Π΄Π°Ρ, ΠΏΠ΅ΡΠ΅ΠΊΠ»ΡΡΠ°ΡΠ΅Π»Ρ ΡΠΊΠ°Π·Π°ΡΠ΅Π»Π΅ΠΉ ΠΏΠΎΠ²ΠΎΡΠΎΡΠ°, ΠΏΠ΅ΡΠ΅ΠΊΠ»ΡΡΠ°ΡΠ΅Π»Ρ Π°Π²Π°ΡΠΈΠΉΠ½ΠΎΠΉ ΠΎΡΡΠ°Π½ΠΎΠ²ΠΊΠΈ, ΠΏΠ΅ΡΠ΅ΠΊΠ»ΡΡΠ°ΡΠ΅Π»Ρ Π·Π°ΠΆΠΈΠ³Π°Π½ΠΈΡ, ΠΌΠ΅Ρ
Π°Π½ΠΈΠ·ΠΌ Π±Π»ΠΎΠΊΠΈΡΠΎΠ²ΠΊΠΈ ΠΏΠ΅ΡΠ΅ΠΊΠ»ΡΡΠ΅Π½ΠΈΡ ΠΏΠ΅ΡΠ΅Π΄Π°Ρ ΠΈ ΡΡΠ»Π΅Π²ΠΎΠ³ΠΎ ΡΠΏΡΠ°Π²Π»Π΅Π½ΠΈΡ, ΡΠ΅Π³ΡΠ»ΠΈΡΠΎΠ²ΠΊΠ° ΡΠΊΠΎΡΠΎΡΡΠΈ, ΠΌΠ΅Ρ
Π°Π½ΠΈΠ·ΠΌ Π½Π°ΠΊΠ»ΠΎΠ½Π° ΡΡΠ»Π΅Π²ΠΎΠ³ΠΎ ΠΊΠΎΠ»Π΅ΡΠ° ΠΈ ΡΡΠ΅Π΄ΡΡΠ²Π°, ΠΏΠΎΠ·Π²ΠΎΠ»ΡΡΡΠΈΠ΅ ΠΊΠΎΠ»Π΅ΡΡ Π΄Π²ΠΈΠ³Π°ΡΡΡΡ Π²Π½ΡΡΡΡ ΠΈ Π½Π°ΡΡΠΆΡ, ΠΊΠΎΡΠΎΡΡΠ΅ ΡΡΡΠ°Π½Π°Π²Π»ΠΈΠ²Π°ΡΡΡΡ Π½Π° Π²Π΅ΡΡ
Π½Π΅ΠΌ ΠΊΠΎΠ½ΡΠ΅ ΡΡΠ»Π΅Π²ΠΎΠΉ ΠΊΠΎΠ»ΠΎΠ½ΠΊΠΈ Π² Π·Π°Π²ΠΈΡΠΈΠΌΠΎΡΡΠΈ ΠΎΡ ΠΌΠΎΠ΄Π΅Π»ΠΈ Π°Π²ΡΠΎΠΌΠΎΠ±ΠΈΠ»Ρ.
Π ΡΡΠ°Π³ ΡΠ΅Π»Π΅ΠΊΡΠΎΡΠ° ΠΊΠΎΡΠΎΠ±ΠΊΠΈ ΠΏΠ΅ΡΠ΅Π΄Π°Ρ ΡΠΎΠ΅Π΄ΠΈΠ½Π΅Π½ Ρ ΡΡΡΠ±ΠΊΠΎΠΉ ΠΏΠ΅ΡΠ΅ΠΊΠ»ΡΡΠ΅Π½ΠΈΡ ΠΏΠ΅ΡΠ΅Π΄Π°Ρ, ΠΊΠΎΡΠΎΡΠ°Ρ ΠΈΠΌΠ΅Π΅Ρ Π·Π°ΡΠ»ΠΎΠ½ΠΊΡ, ΠΊΠΎΡΠΎΡΠ°Ρ ΠΎΠ³ΡΠ°Π½ΠΈΡΠΈΠ²Π°Π΅Ρ ΠΏΠ΅ΡΠ΅ΠΌΠ΅ΡΠ΅Π½ΠΈΠ΅ ΠΏΠ΅ΡΠ΅ΠΊΠ»ΡΡΠ°ΡΠ΅Π»Ρ ΠΌΠ΅ΠΆΠ΄Ρ Π½Π΅ΠΉΡΡΠ°Π»ΡΠ½ΡΠΌ ΠΏΠΎΠ»ΠΎΠΆΠ΅Π½ΠΈΠ΅ΠΌ ΠΈ ΠΏΡΠΈΠ²ΠΎΠ΄ΠΎΠΌ, Π΅ΡΠ»ΠΈ ΡΡΡΠ°Π³ ΠΏΠ΅ΡΠ΅ΠΊΠ»ΡΡΠ΅Π½ΠΈΡ ΠΏΠ΅ΡΠ΅Π΄Π°Ρ Π½Π΅ ΠΏΠ΅ΡΠ΅ΠΊΠ»ΡΡΠ΅Π½, ΠΏΡΠ΅Π΄ΠΎΡΠ²ΡΠ°ΡΠ°Ρ ΡΠ»ΡΡΠ°ΠΉΠ½ΠΎΠ΅ Π²ΠΊΠ»ΡΡΠ΅Π½ΠΈΠ΅ ΠΏΠ΅ΡΠ΅Π΄Π°ΡΠΈ. Π ΡΡΠ°Π³ ΡΠ΅Π»Π΅ΠΊΡΠΎΡΠ° ΠΏΡΠΎΡ
ΠΎΠ΄ΠΈΡ ΡΠΊΠ²ΠΎΠ·Ρ ΠΊΠΎΡΠΏΡΡ ΠΈΠ»ΠΈ ΡΡΡΠΏΠΈΡΡ, ΠΊΠΎΡΠΎΡΠ°Ρ ΠΎΠ±ΡΠ΅Π·Π°Π΅Ρ Π²Π΅ΡΡ
Π½ΠΈΠΉ ΠΊΠΎΠ½Π΅Ρ ΡΡΠ»Π΅Π²ΠΎΠΉ ΠΊΠΎΠ»ΠΎΠ½ΠΊΠΈ.
ΠΠ΅ΡΠ΅ΠΊΠ»ΡΡΠ°ΡΠ΅Π»Ρ ΡΠΊΠ°Π·Π°ΡΠ΅Π»Π΅ΠΉ ΠΏΠΎΠ²ΠΎΡΠΎΡΠ° Π½Π°Ρ
ΠΎΠ΄ΠΈΡΡΡ ΠΏΡΡΠΌΠΎ ΠΏΠΎΠ΄ ΡΡΠ»Π΅Π²ΡΠΌ ΠΊΠΎΠ»Π΅ΡΠΎΠΌ. ΠΠΎΡΠ»Π΅ Π·Π°Π²Π΅ΡΡΠ΅Π½ΠΈΡ ΠΏΠΎΠ²ΠΎΡΠΎΡΠ° Π²ΡΡΡΡΠΏ Π² Π½ΠΈΠΆΠ½Π΅ΠΉ ΡΠ°ΡΡΠΈ ΡΡΠ»Π΅Π²ΠΎΠ³ΠΎ ΠΊΠΎΠ»Π΅ΡΠ° ΠΎΡΠΌΠ΅Π½ΡΠ΅Ρ ΡΠΈΠ³Π½Π°Π». ΠΡΠΈ ΡΡΠ°Π±Π°ΡΡΠ²Π°Π½ΠΈΠΈ Π·Π²ΡΠΊΠΎΠ²ΠΎΠ³ΠΎ ΡΠΈΠ³Π½Π°Π»Π° ΡΡΡΠ°Π½Π°Π²Π»ΠΈΠ²Π°Π΅ΡΡΡ ΠΊΠΎΠ½ΡΠ°ΠΊΡ ΠΌΠ΅ΠΆΠ΄Ρ ΠΊΠΎΠ½ΡΠ°ΠΊΡΠ½ΡΠΌ ΠΊΠΎΠ»ΡΡΠΎΠΌ, ΡΡΡΠ°Π½ΠΎΠ²Π»Π΅Π½Π½ΡΠΌ Π½Π° ΡΡΠ»Π΅Π²ΠΎΠΌ ΠΊΠΎΠ»Π΅ΡΠ΅, ΠΈ ΡΡΠ»Π΅Π²ΠΎΠΉ ΠΊΠΎΠ»ΠΎΠ½ΠΊΠΎΠΉ, Π·Π°ΠΌΡΠΊΠ°Ρ ΡΠ΅ΠΏΡ Π·Π²ΡΠΊΠΎΠ²ΠΎΠ³ΠΎ ΡΠΈΠ³Π½Π°Π»Π° Π½Π° ΠΌΠ°ΡΡΡ ΠΈ Π²ΠΊΠ»ΡΡΠ°ΡΡΡΡ Π·Π²ΡΠΊΠΎΠ²ΠΎΠΉ ΡΠΈΠ³Π½Π°Π».ΠΠ°ΠΊΠ»ΠΎΠ½ΡΠ΅ΠΌΡΠ΅ ΠΈ ΡΠ΅Π»Π΅ΡΠΊΠΎΠΏΠΈΡΠ΅ΡΠΊΠΈ ΠΏΠ΅ΡΠ΅ΠΌΠ΅ΡΠ°ΡΡΠΈΠ΅ΡΡ ΡΡΠ»Π΅Π²ΡΠ΅ ΠΊΠΎΠ»ΠΎΠ½ΠΊΠΈ ΠΈΠΌΠ΅ΡΡ Π³ΠΎΡΠ°Π·Π΄ΠΎ Π±ΠΎΠ»Π΅Π΅ ΡΠ»ΠΎΠΆΠ½ΡΠΉ Π²Π΅ΡΡ
Π½ΠΈΠΉ ΠΊΠΎΠ½Π΅Ρ ΡΡΠ»Π΅Π²ΠΎΠΉ ΠΊΠΎΠ»ΠΎΠ½ΠΊΠΈ (ΡΠΈΡ. 27.51). ΠΠ° Π²Π΅ΡΡ
Π½Π΅ΠΌ ΠΊΠΎΠ½ΡΠ΅ ΡΡΠ»Π΅Π²ΠΎΠ³ΠΎ Π²Π°Π»Π° ΡΡΡΠ°Π½ΠΎΠ²Π»Π΅Π½Π° ββΠ²ΠΈΠ»ΠΊΠ°, ΠΊΠΎΡΠΎΡΠ°Ρ ΡΠ²Π»ΡΠ΅ΡΡΡ ΡΠ°ΡΡΡΡ ΡΠ½ΠΈΠ²Π΅ΡΡΠ°Π»ΡΠ½ΠΎΠ³ΠΎ ΡΠ°ΡΠ½ΠΈΡΠ°. ΠΠΎΡΠΎΡΠΊΠΈΠΉ Π²Π΅ΡΡ
Π½ΠΈΠΉ Π²Π°Π» ΡΠ°ΠΊΠΆΠ΅ ΡΠ½Π°Π±ΠΆΠ΅Π½ ΠΊΠΎΡΠΎΠΌΡΡΠ»ΠΎΠΌ.
Π£Π½ΠΈΠ²Π΅ΡΡΠ°Π»ΡΠ½ΡΠΉ ΡΠ°ΡΠ½ΠΈΡ ΡΠΎΠ΅Π΄ΠΈΠ½Π΅Π½ Ρ ΠΏΠ»Π°ΡΡΠΈΠΊΠΎΠ²ΠΎΠΉ ΡΡΠ΅ΡΠΎΠΉ, ΠΊΠΎΡΠΎΡΠ°Ρ ΠΏΠΎΠΌΠ΅ΡΠ°Π΅ΡΡΡ ΠΌΠ΅ΠΆΠ΄Ρ Π΄Π²ΡΠΌΡ ΡΡΠΌΠ°ΠΌΠΈ. Π₯ΠΎΠΌΡΡ ΠΈ Π²Π΅ΡΡ
Π½ΠΈΠΉ Π²Π°Π» Π·Π°ΠΊΠ»ΡΡΠ΅Π½Ρ Π² ΠΎΠΏΠΎΡΠ½ΡΠΉ ΠΊΠΎΡΠΏΡΡ ΠΈ ΡΠΎΡΡΠ΅Π²ΡΡ ΠΊΡΡΡΠΊΡ. ΠΠ΅ΡΡ
Π½ΡΡ ΠΎΠΏΠΎΡΠ° Π²Π°Π»Π° ΠΏΠΎΠ²ΠΎΡΠ°ΡΠΈΠ²Π°Π΅ΡΡΡ Π²Π²Π΅ΡΡ
ΠΈ Π²Π½ΠΈΠ· Π² ΠΊΠΎΡΠΏΡΡΠ΅, ΡΠΈΠΊΡΠΈΡΡΡΡΡ Π² Π½Π΅ΡΠΊΠΎΠ»ΡΠΊΠΈΡ
ΠΏΠΎΠ»ΠΎΠΆΠ΅Π½ΠΈΡΡ
.ΠΠ°ΡΠΌΠ°ΠΊΠΈ ΡΠΈΠΊΡΠ°ΡΠΈΠΈ ΠΏΠΎΠ»ΠΎΠΆΠ΅Π½ΠΈΡ ΠΎΡΠ²ΠΎΠ±ΠΎΠΆΠ΄Π°ΡΡΡΡ Ρ ΠΏΠΎΠΌΠΎΡΡΡ ΡΡΡΠ°Π³Π°, ΡΡΠΎΠ±Ρ ΠΏΠΎΠ²Π΅ΡΠ½ΡΡΡ ΡΡΠ»Π΅Π²ΠΎΠ΅ ΠΊΠΎΠ»Π΅ΡΠΎ Π² Π½ΠΎΠ²ΠΎΠ΅ ΠΏΠΎΠ»ΠΎΠΆΠ΅Π½ΠΈΠ΅. ΠΠΎΠ»ΡΠΉ Π²Π΅ΡΡ
Π½ΠΈΠΉ Π²Π°Π» ΡΠΊΠΎΠ»ΡΠ·ΠΈΡ Π² ΠΏΠΎΠ»ΡΡ Π²Π΅ΡΡ
Π½ΡΡ Π²ΠΈΠ»ΠΊΡ, ΠΏΠΎΠ·Π²ΠΎΠ»ΡΡ ΡΡΠ»Π΅Π²ΠΎΠΌΡ ΠΊΠΎΠ»Π΅ΡΡ Π²Ρ
ΠΎΠ΄ΠΈΡΡ ΠΈ Π²ΡΡ
ΠΎΠ΄ΠΈΡΡ. ΠΠ½ ΡΠ΄Π΅ΡΠΆΠΈΠ²Π°Π΅ΡΡΡ Π½Π° ΠΌΠ΅ΡΡΠ΅ Ρ ΠΏΠΎΠΌΠΎΡΡΡ ΠΊΡΠ»Π°ΡΠΊΠΎΠ²ΠΎΠ³ΠΎ ΠΊΠ»ΠΈΠ½Π°, ΡΠΈΠΊΡΠΈΡΡΡΡΠ΅Π³ΠΎΡΡ Π² ΡΠΏΠΎΠ½ΠΎΡΠ½ΠΎΠΉ ΠΊΠ°Π½Π°Π²ΠΊΠ΅ Π²ΠΈΠ»ΠΊΠΈ.
ΠΠ±ΡΡΠ½ΠΎΠ΅ ΠΎΠ±ΡΠ»ΡΠΆΠΈΠ²Π°Π½ΠΈΠ΅ ΡΡΠ»Π΅Π²ΠΎΠΉ ΠΊΠΎΠ»ΠΎΠ½ΠΊΠΈ Π²ΠΊΠ»ΡΡΠ°Π΅Ρ ΡΠ°Π±ΠΎΡΡ Ρ Π²Π΅ΡΡ
Π½ΠΈΠΌ ΠΊΠΎΠ½ΡΠΎΠΌ ΡΡΠ»Π΅Π²ΠΎΠΉ ΠΊΠΎΠ»ΠΎΠ½ΠΊΠΈ, ΠΊΠΎΡΠΎΡΡΠ΅ ΠΌΠΎΠΆΠ½ΠΎ Π²ΡΠΏΠΎΠ»Π½ΠΈΡΡ, ΠΎΡΡΠ°Π²ΠΈΠ² ΡΡΠ»Π΅Π²ΡΡ ΠΊΠΎΠ»ΠΎΠ½ΠΊΡ Π² Π°Π²ΡΠΎΠΌΠΎΠ±ΠΈΠ»Π΅. ΠΡΠ±ΡΠ΅ ΡΠ°Π±ΠΎΡΡ Ρ ΡΡΠ»Π΅Π²ΠΎΠΉ ΠΊΠΎΠ»ΠΎΠ½ΠΊΠΎΠΉ ΡΡΠ΅Π±ΡΡΡ ΡΠ½ΡΡΠΈΡ ΡΡΠ»Π΅Π²ΠΎΠ³ΠΎ ΠΊΠΎΠ»Π΅ΡΠ°.Π§ΡΠΎΠ±Ρ ΠΎΡΠ΄Π΅Π»ΠΈΡΡ ΡΡΠ»Π΅Π²ΠΎΠ΅ ΠΊΠΎΠ»Π΅ΡΠΎ, Π½Π΅ΠΎΠ±Ρ
ΠΎΠ΄ΠΈΠΌΠΎ ΡΠ½ΡΡΡ Π²Π΅ΡΡ
Π½ΡΡ Π½Π°ΠΊΠ»Π°Π΄ΠΊΡ, ΡΠ°ΡΡΠΎ ΠΊΠ½ΠΎΠΏΠΊΡ Π·Π²ΡΠΊΠΎΠ²ΠΎΠ³ΠΎ ΡΠΈΠ³Π½Π°Π»Π°, ΠΏΠ»Π°Π½ΠΊΡ ΠΈΠ»ΠΈ ΠΊΠΎΠ»ΡΡΠΎ. ΠΡΠΈ ΡΠ½ΡΡΠΈΠΈ Π²Π΅ΡΡ
Π½Π΅ΠΉ ΠΎΠ±Π»ΠΈΡΠΎΠ²ΠΊΠΈ ΠΎΠ±Π½Π°ΠΆΠ°Π΅ΡΡΡ Π³Π°ΠΉΠΊΠ° ΡΡΠ»Π΅Π²ΠΎΠ³ΠΎ ΠΊΠΎΠ»Π΅ΡΠ°. Π ΡΠ»Π΅Π²ΠΎΠ΅ ΠΊΠΎΠ»Π΅ΡΠΎ ΡΡΠ΅Π±ΡΠ΅Ρ ΡΠ½ΡΡΠΈΡ Ρ Π½Π°Π±ΠΎΡΠ° ΡΠ»ΠΈΡΠ΅Π² Π½Π° ΡΡΠ»Π΅Π²ΠΎΠΌ Π²Π°Π»Ρ, ΠΏΠΎΡΠ»Π΅
ΡΠΈΡ.
27.51. Π’ΠΈΠΏΠΈΡΠ½Π°Ρ Π³Π°ΠΉΠΊΠ°
Π½Π°ΠΊΠ»ΠΎΠ½Π° ΠΈ Ρ
ΠΎΠ΄Π° ΡΠ½ΠΈΠΌΠ°Π΅ΡΡΡ, Π΄Π»Ρ ΡΠ΅Π³ΠΎ ΠΈΡΠΏΠΎΠ»ΡΠ·ΡΡΡΡΡ ΡΡΠ΅ΠΌΠ½ΠΈΠΊΠΈ. ΠΡΠΈ ΡΠ½ΡΡΠΈΠΈ ΡΡΠ»Π΅Π²ΠΎΠ³ΠΎ ΠΊΠΎΠ»Π΅ΡΠ° ΠΎΡΠΊΡΡΠ²Π°Π΅ΡΡΡ ΠΌΠ΅Ρ
Π°Π½ΠΈΠ·ΠΌ ΠΏΠ΅ΡΠ΅ΠΊΠ»ΡΡΠ°ΡΠ΅Π»Ρ ΡΠΊΠ°Π·Π°ΡΠ΅Π»Π΅ΠΉ ΠΏΠΎΠ²ΠΎΡΠΎΡΠ°. ΠΡΠΈ ΡΡΡΠ°Π½ΠΎΠ²ΠΊΠ΅ ΡΡΠ»Π΅Π²ΠΎΠ³ΠΎ ΠΊΠΎΠ»Π΅ΡΠ° ΡΠ»Π΅Π΄ΡΠ΅Ρ ΠΎΡΠΌΠ΅ΡΠΈΡΡ ΠΏΠΎΠ»ΠΎΠΆΠ΅Π½ΠΈΠ΅ Π³Π»Π°Π²Π½ΠΎΠ³ΠΎ ΡΠ»ΠΈΡΠ°.Π Π΅ΠΌΠΎΠ½ΡΠ½ΡΠ΅ ΡΠ°Π±ΠΎΡΡ, Π½Π΅ΠΎΠ±Ρ
ΠΎΠ΄ΠΈΠΌΡΠ΅ Π΄Π»Ρ Π΄Π΅ΡΠ°Π»Π΅ΠΉ, ΠΌΠΎΠ³ΡΡ Π±ΡΡΡ Π²ΡΠΏΠΎΠ»Π½Π΅Π½Ρ Ρ ΠΈΡΠΏΠΎΠ»ΡΠ·ΠΎΠ²Π°Π½ΠΈΠ΅ΠΌ ΠΏΠΎΠ΄Ρ
ΠΎΠ΄ΡΡΠ΅Π³ΠΎ ΠΈΠ½ΡΡΡΡΠΌΠ΅Π½ΡΠ° ΠΈ Π² ΡΠΎΠΎΡΠ²Π΅ΡΡΡΠ²ΠΈΠΈ Ρ Π΄Π΅ΠΉΡΡΠ²ΡΡΡΠΈΠΌ ΡΡΠΊΠΎΠ²ΠΎΠ΄ΡΡΠ²ΠΎΠΌ ΠΏΠΎ ΡΠ΅ΠΌΠΎΠ½ΡΡ.
27.7.2.
ΡΡΠ»Π΅Π²ΠΎΠ³ΠΎ ΡΠΏΡΠ°Π²Π»Π΅Π½ΠΈΡ ΠΊΠΎΡΠΎΠ±ΠΊΠΎΠΉ ΠΏΠ΅ΡΠ΅Π΄Π°Ρ ΠΎΠ±Π΅ΡΠΏΠ΅ΡΠΈΠ²Π°Π΅Ρ Π²ΠΎΠ΄ΠΈΡΠ΅Π»Ρ Ρ ΡΡΡΠ°Π³Π°, ΡΡΠΎΠ±Ρ Π΄Π°ΡΡ Π΅ΠΌΡ Π²ΠΎΠ·ΠΌΠΎΠΆΠ½ΠΎΡΡΡ ΠΎΠΊΠ°Π·ΡΠ²Π°ΡΡ Π±ΠΎΠ»ΡΡΠΎΠ΅ ΡΡΠΈΠ»ΠΈΠ΅ Π½Π° Ρ
ΠΎΠ΄ΠΎΠ²ΠΎΠΌ ΠΊΠΎΠ»Π΅ΡΠ΅ Ρ ΠΌΠΈΠ½ΠΈΠΌΠ°Π»ΡΠ½ΡΠΌ ΡΡΠΈΠ»ΠΈΠ΅ΠΌ, Π° ΡΠ°ΠΊΠΆΠ΅ ΠΊΠΎΠ½ΡΡΠΎΠ»ΠΈΡΠΎΠ²Π°ΡΡ Π½Π°ΠΏΡΠ°Π²Π»Π΅Π½ΠΈΠ΅ ΠΊΠΎΠ»Π΅ΡΠ°. Π£ΡΠΈΠ»ΠΈΠ΅ ΠΏΠΎΠ²ΠΎΡΠΎΡΠ° Π½Π° ΡΡΠ»Π΅Π²ΠΎΠΌ ΠΊΠΎΠ»Π΅ΡΠ΅ ΡΠΌΠ½ΠΎΠΆΠ°Π΅ΡΡΡ ΡΠ΅ΡΠ΅Π· ΡΡΠ»Π΅Π²ΡΠ΅ ΠΌΠ΅Ρ
Π°Π½ΠΈΠ·ΠΌΡ Π΄Π»Ρ ΠΏΠΎΠ²ΠΎΡΠΎΡΠ° ΠΏΠ΅ΡΠ΅Π΄Π½ΠΈΡ
ΠΊΠΎΠ»Π΅Ρ, Π΄Π°ΠΆΠ΅ ΠΊΠΎΠ³Π΄Π° Π°Π²ΡΠΎΠΌΠΎΠ±ΠΈΠ»Ρ Π½Π°Ρ
ΠΎΠ΄ΠΈΡΡΡ Π² ΡΠΎΡΡΠΎΡΠ½ΠΈΠΈ ΠΏΠΎΠΊΠΎΡ.Π’Π°ΠΊΠΈΠΌ ΠΎΠ±ΡΠ°Π·ΠΎΠΌ, ΡΡΠ»Π΅Π²ΠΎΠΉ ΡΠ΅Π΄ΡΠΊΡΠΎΡ Π²ΡΠΏΠΎΠ»Π½ΡΠ΅Ρ Π΄Π²Π΅ ΠΎΡΠ½ΠΎΠ²Π½ΡΠ΅ ΡΡΠ½ΠΊΡΠΈΠΈ. ΠΠ½ ΠΏΡΠΎΠΈΠ·Π²ΠΎΠ΄ΠΈΡ ΡΠ΅Π΄ΡΠΊΡΠΈΡ ΠΌΠ΅ΠΆΠ΄Ρ Π²Ρ
ΠΎΠ΄Π½ΡΠΌ ΡΡΠ»Π΅Π²ΡΠΌ ΠΊΠΎΠ»Π΅ΡΠΎΠΌ ΠΈ Π²ΡΡ
ΠΎΠ΄Π½ΡΠΌ ΡΡΡΠ°Π³ΠΎΠΌ (ΡΡΡΠ°Π³ ΠΠΈΡΠΌΠ°Π½Π°) ΠΈ ΠΏΠ΅ΡΠ΅Π½Π°ΠΏΡΠ°Π²Π»ΡΠ΅Ρ Π²Ρ
ΠΎΠ΄Π½ΠΎΠΉ ΡΠΈΠ³Π½Π°Π» Π½Π° Π²ΡΡ
ΠΎΠ΄Π½ΡΡ ΠΎΡΡ Π²ΡΠ°ΡΠ΅Π½ΠΈΡ ΠΏΠΎΠ΄ ΠΏΡΡΠΌΡΠΌ ΡΠ³Π»ΠΎΠΌ.
ΠΠ±ΡΠ΅Π΅ ΡΠ³Π»ΠΎΠ²ΠΎΠ΅ ΠΏΠ΅ΡΠ΅Π΄Π°ΡΠΎΡΠ½ΠΎΠ΅ ΡΠΈΡΠ»ΠΎ ΠΌΠ΅ΠΆΠ΄Ρ ΡΡΠ»Π΅Π²ΡΠΌ ΠΊΠΎΠ»Π΅ΡΠΎΠΌ ΠΈ ΠΎΠΏΠΎΡΠ½ΡΠΌ ΠΊΠΎΠ»Π΅ΡΠΎΠΌ Π²Π°ΡΡΠΈΡΡΠ΅ΡΡΡ ΠΎΡ ΠΏΡΠΈΠΌΠ΅ΡΠ½ΠΎ 12: 1 Π΄ΠΎ 30: 1, Π² Π·Π°Π²ΠΈΡΠΈΠΌΠΎΡΡΠΈ ΠΎΡ Π½Π°Π³ΡΡΠ·ΠΊΠΈ Π½Π° ΠΎΠΏΠΎΡΠ½ΡΠ΅ ΠΊΠΎΠ»Π΅ΡΠ° ΠΈ ΡΠΈΠΏΠ° ΡΡΠ»Π΅Π²ΠΎΠ³ΠΎ ΡΠΏΡΠ°Π²Π»Π΅Π½ΠΈΡ. ΠΠΎΠ»Π΅Π΅ Π½ΠΈΠ·ΠΊΠΈΠΉ ΠΊΠΎΡΡΡΠΈΡΠΈΠ΅Π½Ρ ΠΏΡΠ΅Π΄Π½Π°Π·Π½Π°ΡΠ΅Π½ Π΄Π»Ρ Π»Π΅Π³ΠΊΠΈΡ
ΠΌΠ°Π»ΠΎΠ³Π°Π±Π°ΡΠΈΡΠ½ΡΡ
Π°Π²ΡΠΎΠΌΠΎΠ±ΠΈΠ»Π΅ΠΉ, Π° Π±ΠΎΠ»Π΅Π΅ Π²ΡΡΠΎΠΊΠΈΠΉ — Π΄Π»Ρ ΡΡΠΆΠ΅Π»ΡΡ
Π°Π²ΡΠΎΠΌΠΎΠ±ΠΈΠ»Π΅ΠΉ.ΠΡΠΈ ΠΏΠΎΠ½ΠΈΠΆΠ΅Π½ΠΈΠΈ ΠΏΠ΅ΡΠ΅Π΄Π°ΡΠΎΡΠ½ΠΎΠ³ΠΎ ΡΠΈΡΠ»Π° ΡΡΠ΅Π±ΡΠ΅ΡΡΡ Π±ΠΎΠ»ΡΡΠ΅Π΅ ΠΊΠΎΠ»ΠΈΡΠ΅ΡΡΠ²ΠΎ ΠΎΠ±ΠΎΡΠΎΡΠΎΠ² Π΄Π»Ρ ΠΏΠ΅ΡΠ΅ΠΌΠ΅ΡΠ΅Π½ΠΈΡ ΠΊΠΎΠ»Π΅Ρ ΠΎΡ ΡΠΏΠΎΡΠ° ΠΊ ΡΠΏΠΎΡΡ, ΡΡΠΎ Π·Π°ΡΡΡΠ΄Π½ΡΠ΅Ρ Π±ΡΡΡΡΠΎΠ΅ ΠΈΠ·ΠΌΠ΅Π½Π΅Π½ΠΈΠ΅ Π½Π°ΠΏΡΠ°Π²Π»Π΅Π½ΠΈΡ ΡΡΠ°Π½ΡΠΏΠΎΡΡΠ½ΠΎΠ³ΠΎ ΡΡΠ΅Π΄ΡΡΠ²Π°.
ΠΠ±ΡΡΠ½ΠΎ ΠΏΠΎΠ²ΠΎΡΠΎΡΠ½ΡΠ΅ ΠΎΡΠΈ ΡΡΠ»Π΅Π²ΠΎΠ³ΠΎ ΠΊΠΎΠ»Π΅ΡΠ° Π΄ΠΎΠ»ΠΆΠ½Ρ ΠΈΠΌΠ΅ΡΡ Π²ΠΎΠ·ΠΌΠΎΠΆΠ½ΠΎΡΡΡ ΠΏΠΎΠ²ΠΎΡΠ°ΡΠΈΠ²Π°ΡΡΡΡ Π½Π° ΠΌΠ°ΠΊΡΠΈΠΌΠ°Π»ΡΠ½ΡΠΉ ΡΠ³ΠΎΠ» ΠΏΠΎΠ²ΠΎΡΠΎΡΠ° 40 Π³ΡΠ°Π΄ΡΡΠΎΠ² Π² Π»ΡΠ±ΡΡ ΡΡΠΎΡΠΎΠ½Ρ ΠΎΡ ΠΏΠΎΠ»ΠΎΠΆΠ΅Π½ΠΈΡ ΠΏΡΡΠΌΠΎ. Π‘Π»Π΅Π΄ΠΎΠ²Π°ΡΠ΅Π»ΡΠ½ΠΎ, ΡΠ³Π»ΠΎΠ²ΠΎΠ΅ ΡΠΌΠ΅ΡΠ΅Π½ΠΈΠ΅ ΡΡΡΠ°Π³Π° Π±Π»ΠΎΠΊΠΈΡΠΎΠ²ΠΊΠΈ Π΄Π»Ρ Π±Π»ΠΎΠΊΠΈΡΠΎΠ²ΠΊΠΈ ΡΠΎΡΡΠ°Π²Π»ΡΠ΅Ρ 80 Π³ΡΠ°Π΄ΡΡΠΎΠ², Π° ΠΏΡΠΈ ΠΏΠΎΠ½ΠΈΠΆΠ΅Π½ΠΈΠΈ ΠΏΠ΅ΡΠ΅Π΄Π°ΡΠΈ 12: 1 ΠΈ 30: 1 ΠΊΠΎΠ»ΠΈΡΠ΅ΡΡΠ²ΠΎ ΠΎΠ±ΠΎΡΠΎΡΠΎΠ² ΡΡΠ»Π΅Π²ΠΎΠ³ΠΎ ΠΊΠΎΠ»Π΅ΡΠ° Π±ΡΠ΄Π΅Ρ ΡΠ»Π΅Π΄ΡΡΡΠΈΠΌ:
ΠΠ»ΠΎΠΊΠΈΡΠΎΠ²ΠΊΠ° Π΄Π»Ρ Π±Π»ΠΎΠΊΠΈΡΠΎΠ²ΠΊΠΈ ΡΡΠ»Π΅Π²ΠΎΠ³ΠΎ ΡΠΏΡΠ°Π²Π»Π΅Π½ΠΈΡ = 80 x 12/360 = 2.66 ΠΎΠ±ΠΎΡΠΎΡΠΎΠ², ΠΊΠΎΠ»Π΅ΡΠΎ ΠΎΠ±ΠΎΡΠ°ΡΠΈΠ²Π°Π΅ΡΡΡ Π΄Π»Ρ ΡΠΌΠ΅Π½ΡΡΠ΅Π½ΠΈΡ 12: 1.
ΠΠ»ΠΎΠΊΠΈΡΠΎΠ²ΠΊΠ° Π΄Π»Ρ Π±Π»ΠΎΠΊΠΈΡΠΎΠ²ΠΊΠΈ ΡΡΠ»Π΅Π²ΠΎΠ³ΠΎ ΡΠΏΡΠ°Π²Π»Π΅Π½ΠΈΡ = 80 x 30/360 = 6,66 ΠΎΠ±ΠΎΡΠΎΡΠ° ΠΊΠΎΠ»Π΅ΡΠ° Π΄Π»Ρ ΡΠΌΠ΅Π½ΡΡΠ΅Π½ΠΈΡ 30: 1.
ΠΡΠΈ ΡΠ΅Π·ΡΠ»ΡΡΠ°ΡΡ ΠΏΠΎΠΊΠ°Π·ΡΠ²Π°ΡΡ, ΡΡΠΎ Π² ΡΠΎ Π²ΡΠ΅ΠΌΡ ΠΊΠ°ΠΊ Π΄Π»Ρ ΡΠΌΠ΅Π½ΡΡΠ΅Π½ΠΈΡ 12: 1 ΡΡΠ΅Π±ΡΠ΅ΡΡΡ, ΡΡΠΎΠ±Ρ ΡΡΠ»Π΅Π²ΠΎΠ΅ ΠΊΠΎΠ»Π΅ΡΠΎ Π±ΡΠ»ΠΎ ΠΏΠΎΠ²Π΅ΡΠ½ΡΡΠΎ Π½Π° 1:33 ΠΎΠ±ΠΎΡΠΎΡΠ° ΠΈΠ· ΠΏΡΡΠΌΠΎΠ³ΠΎ ΠΏΠΎΠ»ΠΎΠΆΠ΅Π½ΠΈΡ, Π΄Π»Ρ ΡΠΌΠ΅Π½ΡΡΠ΅Π½ΠΈΡ 30: 1 ΡΡΠ΅Π±ΡΠ΅ΡΡΡ 3,33 ΠΎΠ±ΠΎΡΠΎΡΠ°, ΡΡΠΎ Π±ΠΎΠ»Π΅Π΅ ΡΠ΅ΠΌ Π² Π΄Π²Π° ΡΠ°Π·Π° ΠΏΡΠ΅Π²ΡΡΠ°Π΅Ρ ΠΏΡΠ΅Π΄ΡΠ΄ΡΡΠ΅Π΅ ΡΠ³Π»ΠΎΠ²ΠΎΠ΅ ΡΠΌΠ΅ΡΠ΅Π½ΠΈΠ΅. Π’Π°ΠΊΠΈΠΌ ΠΎΠ±ΡΠ°Π·ΠΎΠΌ, Ρ ΠΏΠΎΠ½ΠΈΠΆΠ΅Π½ΠΈΠ΅ΠΌ ΠΏΠ΅ΡΠ΅Π΄Π°ΡΠΈ 12: 1 ΡΡΠ»Π΅Π²ΠΎΠ΅ ΡΠΏΡΠ°Π²Π»Π΅Π½ΠΈΠ΅ ΠΌΠΎΠΆΠ΅Ρ Π±ΡΡΡ ΡΡΠΆΠ΅Π»ΡΠΌ, Π½ΠΎ Π΅Π³ΠΎ ΠΌΠΎΠΆΠ½ΠΎ ΠΎΡΠ½ΠΎΡΠΈΡΠ΅Π»ΡΠ½ΠΎ Π±ΡΡΡΡΠΎ ΠΏΠΎΠ²Π΅ΡΠ½ΡΡΡ ΠΈΠ· ΠΏΠΎΠ»ΠΎΠΆΠ΅Π½ΠΈΡ ΠΏΠΎ ΠΏΡΡΠΌΠΎΠΉ Π² ΠΏΠΎΠ»ΠΎΠΆΠ΅Π½ΠΈΠ΅ ΠΏΠΎΠ»Π½ΠΎΠΉ Π±Π»ΠΎΠΊΠΈΡΠΎΠ²ΠΊΠΈ ΠΈ ΠΎΠ±ΡΠ°ΡΠ½ΠΎ.Π’Π΅ΠΌ Π½Π΅ ΠΌΠ΅Π½Π΅Π΅, ΡΠΌΠ΅Π½ΡΡΠ΅Π½ΠΈΠ΅ 30: 1 ΠΎΠ±Π΅ΡΠΏΠ΅ΡΠΈΠ²Π°Π΅Ρ Π»Π΅Π³ΠΊΠΎΠ΅ ΡΡΠ»Π΅Π²ΠΎΠ΅ ΠΊΠΎΠ»Π΅ΡΠΎ, Π½ΠΎ ΡΡΠ°Π½ΡΠΏΠΎΡΡΠ½ΠΎΠ΅ ΡΡΠ΅Π΄ΡΡΠ²ΠΎ Π²ΡΠ½ΡΠΆΠ΄Π΅Π½ΠΎ ΠΏΠΎΠ²ΠΎΡΠ°ΡΠΈΠ²Π°ΡΡ Π½Π°ΠΌΠ½ΠΎΠ³ΠΎ ΠΌΠ΅Π΄Π»Π΅Π½Π½Π΅Π΅, Π΅ΡΠ»ΠΈ Π²ΠΎΠ΄ΠΈΡΠ΅Π»Ρ ΠΌΠΎΠΆΠ΅Ρ Π±Π΅Π·ΠΎΠΏΠ°ΡΠ½ΠΎ Π·Π°Π²Π΅ΡΡΠΈΡΡ ΠΌΠ°Π½Π΅Π²Ρ.
ΠΠ° ΠΏΡΠΎΡΡΠΆΠ΅Π½ΠΈΠΈ ΠΌΠ½ΠΎΠ³ΠΈΡ
Π»Π΅Ρ ΠΈΡΠΏΠΎΠ»ΡΠ·ΠΎΠ²Π°Π»ΠΎΡΡ Π½Π΅ΡΠΊΠΎΠ»ΡΠΊΠΎ ΡΠΈΠΏΠΎΠ² ΡΡΠ»Π΅Π²ΠΎΠ³ΠΎ ΡΠ΅Π΄ΡΠΊΡΠΎΡΠ°, Π² ΡΠΎΠΌ ΡΠΈΡΠ»Π΅:
(i) ΠΠΈΠ½Ρ ΠΈ Π³Π°ΠΉΠΊΠ°.
(ii) Π Π΅ΠΉΠΊΠ° ΠΈ ΡΠ΅ΡΡΠ΅ΡΠ½Ρ. (ΠΡΠΈΠ²Π΅Ρ) ΠΡΠ»Π°ΡΠΎΠΊ ΠΈ ΠΊΠΎΠ»ΡΡΠ΅ΠΊ.
(iv) Π§Π΅ΡΠ²ΡΠΊ ΠΈ ΡΠΎΠ»ΠΈΠΊ.
(v) Π§Π΅ΡΠ²Ρ ΠΈ ΡΠ΅ΠΊΡΠΎΡ.
(vi) Π Π΅ΡΠΈΡΠΊΡΠ»ΠΈΡΡΡΡΠΈΠΉ ΡΠ°Ρ.
27.7.3.
ΠΠ΅Ρ
Π°Π½ΠΈΠ·ΠΌ ΡΠΈΠΏΠ° Π²ΠΈΠ½Ρ ΠΈ Π³Π°ΠΉΠΊΠ° ΡΠ²Π»ΡΠ΅ΡΡΡ Π±Π°Π·ΠΎΠ²ΠΎΠΉ ΡΠΎΡΠΌΠΎΠΉ Π΄Π»Ρ Π²ΡΠ΅Ρ
Π΄ΡΡΠ³ΠΈΡ
ΡΠΈΠΏΠΎΠ² ΠΌΠ΅Ρ
Π°Π½ΠΈΠ·ΠΌΠΎΠ² ΡΡΠ»Π΅Π²ΠΎΠΉ ΠΊΠΎΡΠΎΠ±ΠΊΠΈ (ΡΠΈΡ.
27,52). ΠΡΠΎΡ ΠΌΠ΅Ρ
Π°Π½ΠΈΠ·ΠΌ ΡΠ²Π΅Π»ΠΈΡΠΈΠ²Π°Π΅Ρ ΠΊΠ°ΠΊ ΡΠΈΠ»Ρ, ΡΠ°ΠΊ ΠΈ ΠΏΠ΅ΡΠ΅Π΄Π°ΡΠΎΡΠ½ΠΎΠ΅ ΠΎΡΠ½ΠΎΡΠ΅Π½ΠΈΠ΅. ΠΠ΅Π±ΠΎΠ»ΡΡΠΎΠ΅ Π²Ρ
ΠΎΠ΄Π½ΠΎΠ΅ ΡΡΠΈΠ»ΠΈΠ΅ ΠΏΡΠΈΠ»ΠΎΠΆΠ΅Π½ΠΎ ΠΊ ΠΊΠΎΠ½ΡΡ ΠΏΠ΅ΡΠΏΠ΅Π½Π΄ΠΈΠΊΡΠ»ΡΡΠ½ΠΎΠ³ΠΎ ΡΡΡΠ°Π³Π°, Π·Π°ΠΊΡΠ΅ΠΏΠ»Π΅Π½Π½ΠΎΠ³ΠΎ
Π ΠΈΡ. 27.52. ΠΠΈΠ½Ρ ΠΈ Π³Π°ΠΉΠΊΠ° ΡΡΠ»Π΅Π²ΠΎΠ³ΠΎ ΠΌΠ΅Ρ
Π°Π½ΠΈΠ·ΠΌΠ°. ,
ΠΊ Π²ΠΈΠ½ΡΡ ΠΌΠΎΠΆΠ΅Ρ ΠΏΠ΅ΡΠ΅ΠΌΠ΅ΡΠ°ΡΡ Π³ΠΎΡΠ°Π·Π΄ΠΎ Π±ΠΎΠ»ΡΡΡΡ Π½Π°Π³ΡΡΠ·ΠΊΡ Π² ΠΎΡΠ΅Π²ΠΎΠΌ Π½Π°ΠΏΡΠ°Π²Π»Π΅Π½ΠΈΠΈ Π²Π΄ΠΎΠ»Ρ Π²ΠΈΠ½ΡΠ°, Π΅ΡΠ»ΠΈ Π³Π°ΠΉΠΊΠ° ΡΠ΄Π΅ΡΠΆΠΈΠ²Π°Π΅ΡΡΡ ΠΎΡ Π²ΡΠ°ΡΠ΅Π½ΠΈΡ.
ΠΡΠ»ΠΈ Π²ΠΈΠ½Ρ Π½Π΅ ΠΌΠΎΠΆΠ΅Ρ Π΄Π²ΠΈΠ³Π°ΡΡΡΡ Π² ΠΏΡΠΎΠ΄ΠΎΠ»ΡΠ½ΠΎΠΌ Π½Π°ΠΏΡΠ°Π²Π»Π΅Π½ΠΈΠΈ, Π½ΠΎ ΠΎΠ΄ΠΈΠ½ ΡΠ°Π· Π²ΡΠ°ΡΠ°Π΅ΡΡΡ Π²Π½ΡΡΡΠΈ ΡΠ²ΠΎΠ΅ΠΉ Π³Π°ΠΉΠΊΠΈ, ΡΠΎ Π³Π°ΠΉΠΊΠ° ΠΏΡΠΎΠ΄Π²ΠΈΠ³Π°Π΅ΡΡΡ ΠΈΠ»ΠΈ ΠΎΡΠ²ΠΎΠ΄ΠΈΡΡΡ Π½Π° ΡΠ°ΡΡΡΠΎΡΠ½ΠΈΠ΅, ΡΠ°Π²Π½ΠΎΠ΅ ΠΎΡΠ΅Π²ΠΎΠΉ Π΄Π»ΠΈΠ½Π΅ ΠΎΠ΄Π½ΠΎΠΉ ΠΏΠΎΠ»Π½ΠΎΠΉ ΠΏΠ΅ΡΠ»ΠΈ ΡΠΏΠΈΡΠ°Π»ΡΠ½ΠΎΠΉ ΠΊΠ°Π½Π°Π²ΠΊΠΈ.ΠΡΠΎ ΡΠ°ΡΡΡΠΎΡΠ½ΠΈΠ΅ Π½Π°Π·ΡΠ²Π°Π΅ΡΡΡ ΡΠ°Π³ΠΎΠΌ ΡΠ΅Π·ΡΠ±Ρ ΠΈΠ»ΠΈ ΡΠ°Π³ΠΎΠΌ (p). ΠΠ°ΠΊΠ»ΠΎΠ½ ΡΠΏΠΈΡΠ°Π»ΡΠ½ΠΎΠΉ ΡΠ΅Π·ΡΠ±Ρ ΠΊ ΠΏΠ΅ΡΠΏΠ΅Π½Π΄ΠΈΠΊΡΠ»ΡΡΡ ΠΎΡΠΈ Π²ΠΈΠ½ΡΠ° ΠΈΠ·Π²Π΅ΡΡΠ΅Π½ ΠΊΠ°ΠΊ ΡΠ³ΠΎΠ» ΡΠΏΠΈΡΠ°Π»ΠΈ (Π°). ΠΠΎ ΠΌΠ΅ΡΠ΅ ΡΠΌΠ΅Π½ΡΡΠ΅Π½ΠΈΡ ΡΠ³Π»Π° ΡΠΏΠΈΡΠ°Π»ΠΈ Π³Π°ΠΉΠΊΠ° ΠΏΠ΅ΡΠ΅ΠΌΠ΅ΡΠ°Π΅Ρ Π±ΠΎΠ»ΡΡΡΡ Π½Π°Π³ΡΡΠ·ΠΊΡ Π² ΠΎΡΠ΅Π²ΠΎΠΌ Π½Π°ΠΏΡΠ°Π²Π»Π΅Π½ΠΈΠΈ.
ΠΠ°ΡΠ΅ΠΏΠ»Π΅Π½Π½ΡΠ΅ Π²Π½Π΅ΡΠ½ΡΡ ΠΈ Π²Π½ΡΡΡΠ΅Π½Π½ΡΡ ΡΠΏΠΈΡΠ°Π»ΡΠ½ΡΠ΅ ΡΠ΅Π·ΡΠ±Ρ ΠΌΠ΅Ρ
Π°Π½ΠΈΠ·ΠΌΠ° Π²ΠΈΠ½ΡΠ° ΠΈ Π³Π°ΠΉΠΊΠΈ ΠΌΠΎΠΆΠ½ΠΎ ΡΠ°ΡΡΠΌΠ°ΡΡΠΈΠ²Π°ΡΡ ΠΊΠ°ΠΊ ΠΏΠ°ΡΡ Π±Π΅ΡΠΊΠΎΠ½Π΅ΡΠ½ΠΎ Π΄Π»ΠΈΠ½Π½ΡΡ
Π½Π°ΠΊΠ»ΠΎΠ½Π½ΡΡ
ΠΏΠ»ΠΎΡΠΊΠΎΡΡΠ΅ΠΉ. ΠΠΎΠ³Π΄Π° Π²ΠΈΠ½Ρ Π²ΡΠ°ΡΠ°Π΅ΡΡΡ, ΠΏΡΠΈ ΡΡΠΎΠΌ Π³Π°ΠΉΠΊΠ° ΠΎΡΡΠ°Π΅ΡΡΡ Π½Π΅ΠΏΠΎΠ΄Π²ΠΈΠΆΠ½ΠΎΠΉ, Π½Π°ΠΊΠ»ΠΎΠ½Π½Π°Ρ ΠΏΠ»ΠΎΡΠΊΠΎΡΡΡ Π²ΠΈΠ½ΡΠ° ΡΠΊΠΎΠ»ΡΠ·ΠΈΡ ΠΎΡΠ½ΠΎΡΠΈΡΠ΅Π»ΡΠ½ΠΎ ΠΏΠ»ΠΎΡΠΊΠΎΡΡΠΈ Π³Π°ΠΉΠΊΠΈ.
ΠΠ·-Π·Π° ΡΡΠ°Π²Π½ΠΈΡΠ΅Π»ΡΠ½ΠΎ Π±ΠΎΠ»ΡΡΠΈΡ
ΠΏΠ»ΠΎΡΠ°Π΄Π΅ΠΉ ΠΏΠΎΠ²Π΅ΡΡ
Π½ΠΎΡΡΠΈ, ΠΊΠΎΠ½ΡΠ°ΠΊΡΠΈΡΡΡΡΠΈΡ
ΠΌΠ΅ΠΆΠ΄Ρ Π½Π°ΡΡΠΆΠ½ΠΎΠΉ ΠΈ Π²Π½ΡΡΡΠ΅Π½Π½Π΅ΠΉ ΡΠ΅Π·ΡΠ±ΠΎΠΉ ΠΈ ΡΠ»ΠΎΠΆΠ½ΠΎΡΡΠΈ ΠΏΠΎΠ΄Π΄Π΅ΡΠΆΠ°Π½ΠΈΡ Π΄ΠΎΡΡΠ°ΡΠΎΡΠ½ΠΎΠ³ΠΎ ΠΊΠΎΠ»ΠΈΡΠ΅ΡΡΠ²Π° ΡΠΌΠ°Π·ΠΊΠΈ ΠΌΠ΅ΠΆΠ΄Ρ ΡΡΡΡΠΈΠΌΠΈΡΡ ΠΏΠΎΠ²Π΅ΡΡ
Π½ΠΎΡΡΡΠΌΠΈ, ΡΡΠΎΡ ΠΌΠ΅Ρ
Π°Π½ΠΈΠ·ΠΌ ΠΎΠ±Π΅ΡΠΏΠ΅ΡΠΈΠ²Π°Π΅Ρ ΠΎΡΠ½ΠΎΡΠΈΡΠ΅Π»ΡΠ½ΠΎ Π²ΡΡΠΎΠΊΠΎΠ΅ ΡΡΠ΅Π½ΠΈΠ΅, ΡΡΠΎ ΠΏΡΠΈΠ²ΠΎΠ΄ΠΈΡ ΠΊ Π½ΠΈΠ·ΠΊΠΎΠΌΡ ΠΌΠ΅Ρ
Π°Π½ΠΈΡΠ΅ΡΠΊΠΎΠΌΡ ΠΠΠ ΠΈ Π²ΡΡΠΎΠΊΠΎΠΉ ΡΠΊΠΎΡΠΎΡΡΠΈ ΠΈΠ·Π½ΠΎΡΠ°. ΠΡΠΎ ΡΡΠ΅Π½ΠΈΠ΅ ΠΌΠΎΠΆΠ½ΠΎ Π·Π½Π°ΡΠΈΡΠ΅Π»ΡΠ½ΠΎ ΡΠΌΠ΅Π½ΡΡΠΈΡΡ, Π΅ΡΠ»ΠΈ Π²Π²Π΅ΡΡΠΈ ΡΠ΅ΡΠΈΡ ΡΠ°ΡΠΈΠΊΠΎΠ² (ΡΠΈΡ. 27.53), ΠΊΠΎΡΠΎΡΡΠ΅ ΠΊΠ°ΡΡΡΡΡ ΠΌΠ΅ΠΆΠ΄Ρ Π½Π°ΠΊΠ»ΠΎΠ½Π½ΡΠΌΠΈ ΠΏΠ»ΠΎΡΠΊΠΎΡΡΡΠΌΠΈ ΠΏΡΠΈ Π²ΡΠ°ΡΠ΅Π½ΠΈΠΈ Π²ΠΈΠ½ΡΠ° ΠΎΡΠ½ΠΎΡΠΈΡΠ΅Π»ΡΠ½ΠΎ Π³Π°ΠΉΠΊΠΈ.
ΠΠ±ΡΠ΅Π΅ ΠΏΠ΅ΡΠ΅Π΄Π°ΡΠΎΡΠ½ΠΎΠ΅ ΡΠΈΡΠ»ΠΎ Π² ΡΠ΅Π΄ΡΠΊΡΠΎΡΠ΅ ΡΡΠ»Π΅Π²ΠΎΠ³ΠΎ ΡΠΏΡΠ°Π²Π»Π΅Π½ΠΈΡ Ρ Π²ΠΈΠ½ΡΠΎΠΌ ΠΈ Π³Π°ΠΉΠΊΠΎΠΉ Π΄ΠΎΡΡΠΈΠ³Π°Π΅ΡΡΡ Π² Π΄Π²Π° ΡΡΠ°ΠΏΠ°.ΠΠ° ΠΏΠ΅ΡΠ²ΠΎΠΌ ΡΡΠ°ΠΏΠ΅ Π³Π°ΠΉΠΊΠ° ΠΏΠ΅ΡΠ΅ΠΌΠ΅ΡΠ°Π΅ΡΡΡ ΠΏΠΎ ΠΏΡΠΎΠ΄ΠΎΠ»ΡΠ½ΠΎΠΉ Π΄Π»ΠΈΠ½Π΅ Π·Π° ΠΊΠ°ΠΆΠ΄ΡΠΉ ΠΏΠΎΠ»Π½ΡΠΉ ΠΎΠ±ΠΎΡΠΎΡ ΡΡΠ»Π΅Π²ΠΎΠ³ΠΎ ΠΊΠΎΠ»Π΅ΡΠ°. ΠΠ° Π²ΡΠΎΡΠΎΠΌ ΡΡΠ°ΠΏΠ΅ ΠΏΡΡΠΌΠΎΠ»ΠΈΠ½Π΅ΠΉΠ½ΠΎΠ΅ Π΄Π²ΠΈΠΆΠ΅Π½ΠΈΠ΅ Π³Π°ΠΉΠΊΠΈ ΡΠ½ΠΎΠ²Π° ΠΏΡΠ΅ΠΎΠ±ΡΠ°Π·ΡΠ΅ΡΡΡ Π² ΡΠ³Π»ΠΎΠ²ΠΎΠ΅ ΠΏΠΎΡΡΠ΅Π΄ΡΡΠ²ΠΎΠΌ Π²ΡΡΡΠΎΠ΅Π½Π½ΠΎΠ³ΠΎ ΠΊΠΎΡΠΎΠΌΡΡΠ»Π° ΠΈ Π²Π°Π»Π°.
ΠΠ΅ΡΠ΅Π΄Π½ΠΈΠΉ ΠΠΠ ΡΡΠ»Π΅Π²ΠΎΠ³ΠΎ ΡΠ΅Π΄ΡΠΊΡΠΎΡΠ° ΠΎΠΏΡΠ΅Π΄Π΅Π»ΡΠ΅ΡΡΡ ΠΊΠ°ΠΊ ΠΎΡΠ½ΠΎΡΠ΅Π½ΠΈΠ΅ Π²ΡΡ
ΠΎΠ΄Π½ΠΎΠΉ ΡΠ°Π±ΠΎΡΡ, ΠΏΡΠΎΠΈΠ·Π²ΠΎΠ΄ΠΈΠΌΠΎΠΉ Π½Π° ΡΡΡΠ°Π³Π΅ ΠΏΠΎΠ΄Π²Π΅ΡΠΊΠΈ Π΄Π»Ρ ΠΏΠ΅ΡΠ΅ΠΌΠ΅ΡΠ΅Π½ΠΈΡ Π΄Π°Π½Π½ΠΎΠΉ Π½Π°Π³ΡΡΠ·ΠΊΠΈ, ΠΊ Π²Ρ
ΠΎΠ΄Π½ΠΎΠΉ ΡΠ°Π±ΠΎΡΠ΅, Π²ΡΠΏΠΎΠ»Π½ΡΠ΅ΠΌΠΎΠΉ Π½Π° ΡΡΠ»Π΅Π²ΠΎΠΌ ΠΊΠΎΠ»Π΅ΡΠ΅ Π΄Π»Ρ Π΄ΠΎΡΡΠΈΠΆΠ΅Π½ΠΈΡ ΡΡΠΎΠ³ΠΎ Π΄Π²ΠΈΠΆΠ΅Π½ΠΈΡ,
Π ΠΈΡ.
27.53. ΠΠΈΠ½Ρ ΠΈ Π³Π°ΠΉΠΊΠ° ΡΠ΅ΡΠΈΡΠΊΡΠ»ΡΡΠΈΠΎΠ½Π½ΠΎΠ³ΠΎ ΡΠ°ΡΠΈΠΊΠΎΠ²ΠΎΠ³ΠΎ ΠΌΠ΅Ρ
Π°Π½ΠΈΠ·ΠΌΠ°.
Π ΠΈΡ. 27.54. ΠΡΠΈΠ²ΡΠ΅ ΠΠΠ ΡΡΠ»Π΅Π²ΠΎΠ³ΠΎ ΠΌΠ΅Ρ
Π°Π½ΠΈΠ·ΠΌΠ° Ρ Π³Π°ΠΉΠΊΠΎΠΉ ΠΈ ΡΠ΅ΡΠΈΡΠΊΡΠ»ΡΡΠΈΠ΅ΠΉ ΡΠ°ΡΠΈΠΊΠΎΠ².
Π Π½Π°ΠΎΠ±ΠΎΡΠΎΡ, ΠΎΠ±ΡΠ°ΡΠ½Π°Ρ ΡΡΡΠ΅ΠΊΡΠΈΠ²Π½ΠΎΡΡΡ ΡΡΠ»Π΅Π²ΠΎΠ³ΠΎ ΡΠ΅Π΄ΡΠΊΡΠΎΡΠ° ΠΎΠΏΡΠ΅Π΄Π΅Π»ΡΠ΅ΡΡΡ ΠΊΠ°ΠΊ ΠΎΡΠ½ΠΎΡΠ΅Π½ΠΈΠ΅ Π²ΡΡ
ΠΎΠ΄Π½ΠΎΠΉ ΡΠ°Π±ΠΎΡΡ, ΠΏΡΠΎΠΈΠ·Π²ΠΎΠ΄ΠΈΠΌΠΎΠΉ Π½Π° ΠΎΠ±ΠΎΠ΄Π΅ ΡΡΠ»Π΅Π²ΠΎΠ³ΠΎ ΠΊΠΎΠ»Π΅ΡΠ°, Π·Π°ΡΡΠ°Π²Π»ΡΡΡΠ΅ΠΉ Π΅Π³ΠΎ Π²ΡΠ°ΡΠ°ΡΡΡΡ ΠΏΡΠΎΡΠΈΠ² ΡΠΈΠ»Ρ ΡΠΎΠΏΡΠΎΡΠΈΠ²Π»Π΅Π½ΠΈΡ, ΠΊ Π²Ρ
ΠΎΠ΄Π½ΠΎΠΉ ΡΠ°Π±ΠΎΡΠ΅, Π²ΡΠΏΠΎΠ»Π½ΡΠ΅ΠΌΠΎΠΉ Π½Π° ΡΡΡΠ°Π³Π΅ ΠΏΠΎΠ΄Π²Π΅ΡΠΊΠΈ Π΄Π»Ρ ΡΠΎΠ·Π΄Π°Π½ΠΈΡ ΡΡΠΎΠ³ΠΎ Π΄Π²ΠΈΠΆΠ΅Π½ΠΈΡ,
ΠΠΠ Π²ΠΈΠ½ΡΠΎ-Π³Π°ΠΉΠΊΠΈ Π·Π°Π²ΠΈΡΠΈΡ ΠΎΡ ΡΠ³Π»Π° Π½Π°ΠΊΠ»ΠΎΠ½Π° ΡΠΏΠΈΡΠ°Π»ΠΈ (ΡΠΈΡ. 27.54) ΠΈ ΠΌΠ°ΠΊΡΠΈΠΌΠ°Π»Π΅Π½ Π² ΠΎΠ±Π»Π°ΡΡΠΈ ΡΠ³Π»Π° Π½Π°ΠΊΠ»ΠΎΠ½Π° ΡΠΏΠΈΡΠ°Π»ΠΈ 40β50 Π³ΡΠ°Π΄ΡΡΠΎΠ² ΠΊΠ°ΠΊ Π΄Π»Ρ ΠΏΡΡΠΌΠΎΠ³ΠΎ, ΡΠ°ΠΊ ΠΈ Π΄Π»Ρ ΠΎΠ±ΡΠ°ΡΠ½ΠΎΠ³ΠΎ Π½Π°ΠΏΡΠ°Π²Π»Π΅Π½ΠΈΡ.ΠΠ½ ΠΏΠ°Π΄Π°Π΅Ρ Π΄ΠΎ Π½ΡΠ»Ρ Π½Π° Π΄Π²ΡΡ
ΠΊΡΠ°ΠΉΠ½ΠΈΡ
ΡΠΎΡΠΊΠ°Ρ
: 0 ΠΈ 90 Π³ΡΠ°Π΄ΡΡΠΎΠ². ΠΡΠ°ΡΠΈΠΊΠΈ ΠΏΡΡΠΌΡΡ
ΠΈ ΠΎΠ±ΡΠ°ΡΠ½ΡΡ
ΠΊΡΠΈΠ²ΡΡ
ΡΡΡΠ΅ΠΊΡΠΈΠ²Π½ΠΎΡΡΠΈ Π΄Π»Ρ ΡΡΡΡΠΎΠΉΡΡΠ²Π° Ρ Π²ΠΈΠ½ΡΠΎΠΌ ΠΈ Π³Π°ΠΉΠΊΠΎΠΉ Π²ΡΠ³Π»ΡΠ΄ΡΡ ΠΎΠ΄ΠΈΠ½Π°ΠΊΠΎΠ²ΠΎ, Π½ΠΎ, ΠΏΠΎΡ
ΠΎΠΆΠ΅, Π½Π΅ ΡΠΎΠ²ΠΏΠ°Π΄Π°ΡΡ ΠΏΠΎ ΡΠ°Π·Π΅ Π½Π° Π²Π΅Π»ΠΈΡΠΈΠ½Ρ, ΠΈΠ·Π²Π΅ΡΡΠ½ΡΡ ΠΊΠ°ΠΊ ΠΊΠΎΡΡΡΠΈΡΠΈΠ΅Π½Ρ ΡΡΠ΅Π½ΠΈΡ.
ΠΡΠ»ΠΈ Π²ΡΠ±ΡΠ°Π½ ΡΠ³ΠΎΠ» Π½Π°ΠΊΠ»ΠΎΠ½Π° ΡΠΏΠΈΡΠ°Π»ΠΈ (ΡΠΊΠ°ΠΆΠ΅ΠΌ, 40 Β°) Π΄Π»Ρ ΠΌΠ°ΠΊΡΠΈΠΌΠ°Π»ΡΠ½ΠΎΠΉ ΡΡΡΠ΅ΠΊΡΠΈΠ²Π½ΠΎΡΡΠΈ Π΄Π²ΠΈΠΆΠ΅Π½ΠΈΡ Π²ΠΏΠ΅ΡΠ΅Π΄ Π² ΡΠΎΡΠΊΠ΅ A, Π° ΡΠ°ΠΊΠΆΠ΅ Π΄Π»Ρ ΠΎΡΠ΅Π½Ρ Π²ΡΡΠΎΠΊΠΎΠΉ ΡΡΡΠ΅ΠΊΡΠΈΠ²Π½ΠΎΡΡΠΈ Π² ΠΎΠ±ΡΠ°ΡΠ½ΠΎΠΌ Π½Π°ΠΏΡΠ°Π²Π»Π΅Π½ΠΈΠΈ Π² ΡΠΎΡΠΊΠ΅ A ‘, ΡΠΎ ΠΏΠ΅ΡΠ΅Π΄Π°Π΅ΡΡΡ ΠΊΠ°ΠΆΠ΄ΠΎΠ΅ ΠΏΠΎΠ΄Π΅ΡΠ³ΠΈΠ²Π°Π½ΠΈΠ΅ ΠΎΠΏΠΎΡΠ½ΡΡ
ΠΊΠ°ΡΠΊΠΎΠ², Π²ΡΠ·Π²Π°Π½Π½ΠΎΠ΅ Π»ΡΠ±ΡΠΌΠΈ Π½Π΅ΡΠΎΠ²Π½ΠΎΡΡΡΠΌΠΈ Π½Π° ΠΏΠΎΠ²Π΅ΡΡ
Π½ΠΎΡΡΠΈ Π΄ΠΎΡΠΎΠ³ΠΈ.
ΠΊ ΡΡΠ»Ρ.ΠΠΎΡΡΠΎΠΌΡ Π²ΡΠ±ΡΠ°Π½ ΠΌΠ΅Π½ΡΡΠΈΠΉ ΡΠ³ΠΎΠ» Π½Π°ΠΊΠ»ΠΎΠ½Π° ΡΠΏΠΈΡΠ°Π»ΠΈ (ΡΠΊΠ°ΠΆΠ΅ΠΌ, 30 Β°), ΠΊΠΎΡΠΎΡΡΠΉ Π΄Π°Π΅Ρ Π»ΠΈΡΡ Π½Π΅Π±ΠΎΠ»ΡΡΠΎΠ΅ ΡΠ½ΠΈΠΆΠ΅Π½ΠΈΠ΅ ΠΏΡΡΠΌΠΎΠ³ΠΎ ΠΊ.ΠΏ.Π΄. Π² ΡΠΎΡΠΊΠ΅ B, Π½ΠΎ ΠΏΡΠΈ ΡΡΠΎΠΌ ΠΏΠΎΠ»ΡΡΠ°Π΅ΡΡΡ ΠΎΡΠ½ΠΎΡΠΈΡΠ΅Π»ΡΠ½ΠΎ Π³ΠΎΡΠ°Π·Π΄ΠΎ Π±ΠΎΠ»ΡΡΠΈΠΉ ΡΠΌΠ΅Π½ΡΡΠ΅Π½Π½ΡΠΉ ΠΠΠ ΠΎΠ±ΡΠ°ΡΠ½ΠΎΠ³ΠΎ Ρ
ΠΎΠ΄Π° Π² ΡΠΎΡΠΊΠ΅ B β. Π‘Π»Π΅Π΄ΠΎΠ²Π°ΡΠ΅Π»ΡΠ½ΠΎ, ΡΡΠΎ ΠΏΠΎΠ³Π»ΠΎΡΠ°Π΅Ρ ΠΈ Π³Π°ΡΠΈΡ Π±ΠΎΠ»ΡΡΠΈΠ½ΡΡΠ²ΠΎ ΠΎΡΠ΅Π½Ρ Π½Π΅Π±ΠΎΠ»ΡΡΠΈΡ
Π²ΠΈΠ±ΡΠ°ΡΠΈΠΉ, ΡΠΎΠ·Π΄Π°Π²Π°Π΅ΠΌΡΡ
ΡΠΈΠ½Π°ΠΌΠΈ, ΠΊΠ°ΡΡΡΠΈΠΌΠΈΡΡ ΠΏΠΎ ΠΊΠΎΠ½ΡΡΡΡ Π΄ΠΎΡΠΎΠ³ΠΈ.
Π’ΠΈΠΏΠΈΡΠ½ΠΎΠ΅ Π·Π½Π°ΡΠ΅Π½ΠΈΠ΅ ΡΠ³Π»Π° Π½Π°ΠΊΠ»ΠΎΠ½Π° ΡΠΏΠΈΡΠ°Π»ΠΈ ΡΠΎΡΡΠ°Π²Π»ΡΠ΅Ρ ΠΎΠΊΠΎΠ»ΠΎ 30 Π³ΡΠ°Π΄ΡΡΠΎΠ², ΡΡΠΎ ΠΎΠ±Π΅ΡΠΏΠ΅ΡΠΈΠ²Π°Π΅Ρ ΠΏΡΡΠΌΡΡ ΠΈ ΠΎΠ±ΡΠ°ΡΠ½ΡΡ ΡΡΡΠ΅ΠΊΡΠΈΠ²Π½ΠΎΡΡΡ ΠΎΠΊΠΎΠ»ΠΎ 55% ΠΈ 30% ΡΠΎΠΎΡΠ²Π΅ΡΡΡΠ²Π΅Π½Π½ΠΎ Π±Π΅Π· ΡΠ΅ΡΠΈΡΠΊΡΠ»ΡΡΠΈΠΈ ΡΠ°ΡΠΈΠΊΠΎΠ².ΠΠ° ΡΡΠ΅Ρ ΡΡΡΠ°Π½ΠΎΠ²ΠΊΠΈ ΡΠ°ΡΠΈΠΊΠΎΠ² ΠΌΠ΅ΠΆΠ΄Ρ Π²ΠΈΠ½ΡΠΎΠΌ ΠΈ Π³Π°ΠΉΠΊΠΎΠΉ ΠΊΠΎΡΡΡΠΈΡΠΈΠ΅Π½Ρ ΠΏΠΎΠ»Π΅Π·Π½ΠΎΠ³ΠΎ Π΄Π΅ΠΉΡΡΠ²ΠΈΡ ΠΏΡΡΠΌΠΎΠ³ΠΎ ΠΈ ΠΎΠ±ΡΠ°ΡΠ½ΠΎΠ³ΠΎ Ρ
ΠΎΠ΄Π° ΡΡΠ°Π½ΠΎΠ²ΠΈΡΡΡ ΠΏΡΠΈΠΌΠ΅ΡΠ½ΠΎ 80% ΠΈ 60% ΡΠΎΠΎΡΠ²Π΅ΡΡΡΠ²Π΅Π½Π½ΠΎ.
27.7.4. ΠΠ΅Ρ
Π°Π½ΠΈΠ·ΠΌ ΡΡΠ»Π΅Π²ΠΎΠ³ΠΎ ΠΌΠ΅Ρ
Π°Π½ΠΈΠ·ΠΌΠ° Ρ ΡΠ΅Π΅ΡΠ½ΠΎΠΉ ΠΏΠ΅ΡΠ΅Π΄Π°ΡΠ΅ΠΉ
ΠΠ΅Ρ
Π°Π½ΠΈΠ·ΠΌ Ρ Π·ΡΠ±ΡΠ°ΡΠΎΠΉ ββΡΠ΅ΠΉΠΊΠΎΠΉ ΠΏΡΠ΅ΠΎΠ±ΡΠ°Π·ΡΠ΅Ρ ΠΊΡΡΠ³ΠΎΠ²ΠΎΠ΅ Π²Ρ
ΠΎΠ΄Π½ΠΎΠ΅ Π΄Π²ΠΈΠΆΠ΅Π½ΠΈΠ΅ ΡΠ΅ΡΡΠ΅ΡΠ½ΠΈ Π² Π»ΠΈΠ½Π΅ΠΉΠ½ΠΎΠ΅ Π²ΡΡ
ΠΎΠ΄Π½ΠΎΠ΅ Π΄Π²ΠΈΠΆΠ΅Π½ΠΈΠ΅ Π·ΡΠ±ΡΠ°ΡΠΎΠΉ ββΡΠ΅ΠΉΠΊΠΈ, ΡΠ°ΠΊ ΡΡΠΎ ΠΏΠΎΠΏΠ΅ΡΠ΅ΡΠ½ΠΎΠ΅ ΠΏΠ΅ΡΠ΅ΠΌΠ΅ΡΠ΅Π½ΠΈΠ΅ ΡΠ΅ΠΉΠΊΠΈ ΠΏΠ΅ΡΠ΅Π΄Π°Π΅ΡΡΡ ΡΠ΅ΡΠ΅Π· ΡΡΡΠΆΠ½ΡΠ΅ ΡΡΠ³ΠΈ Π½Π° ΡΡΠ³ΠΈ ΡΡΠ»Π΅Π²ΡΡ
ΡΡΠ³ ΠΈ ΠΏΠΎΠ»ΡΠΎΡΠΈ (ΡΠΈΡ. 27.
55). Π§ΡΠΎΠ±Ρ ΠΏΠ΅ΡΠ΅Π΄Π°ΡΡ Π΄Π²ΠΈΠΆΠ΅Π½ΠΈΠ΅ ΠΎΡ ΡΠ΅ΡΡΠ΅ΡΠ½ΠΈ ΠΊ ΡΠ΅ΠΉΠΊΠ΅, Π·ΡΠ±ΡΡ ΡΠ΅ΡΡΠ΅ΡΠ½ΠΈ ΡΡΠ΅ΠΏΠ»ΡΡΡΡΡ Ρ Π·ΡΠ±ΡΡΠΌΠΈ ΡΠ΅ΠΉΠΊΠΈ Π²Π΄ΠΎΠ»Ρ ΠΎΡΠΈ ΡΠ΅ΠΉΠΊΠΈ Π΄Π»Ρ Π΄Π²ΠΈΠΆΠ΅Π½ΠΈΡ Π² Π»ΡΠ±ΠΎΠΌ Π½Π°ΠΏΡΠ°Π²Π»Π΅Π½ΠΈΠΈ.ΠΠ»Ρ ΠΏΡΠ°Π²ΠΈΠ»ΡΠ½ΠΎΠ³ΠΎ Π·Π°ΡΠ΅ΠΏΠ»Π΅Π½ΠΈΡ ΠΊΡΡΠ³ΠΎΠ²ΠΎΠΉ ΡΠ°Π³ ΡΠ΅ΡΡΠ΅ΡΠ½ΠΈ Π΄ΠΎΠ»ΠΆΠ΅Π½ Π±ΡΡΡ ΡΠ°Π²Π΅Π½ Π»ΠΈΠ½Π΅ΠΉΠ½ΠΎΠΌΡ ΡΠ°Π³Ρ ΡΠ΅ΠΉΠΊΠΈ.
Π ΠΈΡ. 27.55. ΠΡΠΈΠ½ΡΠΈΠΏ ΡΠ΅Π΅ΡΠ½ΠΎΠ³ΠΎ ΡΡΠ»Π΅Π²ΠΎΠ³ΠΎ ΡΠΏΡΠ°Π²Π»Π΅Π½ΠΈΡ.
ΠΡΡΡΡ, R = ΡΠ°Π΄ΠΈΡΡ ΡΡΠ»Π΅Π²ΠΎΠ³ΠΎ ΠΊΠΎΠ»Π΅ΡΠ°
r = ΡΠ°Π΄ΠΈΡΡ Π΄Π΅Π»ΠΈΡΠ΅Π»ΡΠ½ΠΎΠΉ ΠΎΠΊΡΡΠΆΠ½ΠΎΡΡΠΈ ΡΠ΅ΡΡΠ΅ΡΠ½ΠΈ
t = ΠΊΠΎΠ»ΠΈΡΠ΅ΡΡΠ²ΠΎ Π·ΡΠ±ΡΠ΅Π² ΡΠ΅ΡΡΠ΅ΡΠ½ΠΈ p — Π»ΠΈΠ½Π΅ΠΉΠ½ΡΠΉ ΠΈΠ»ΠΈ ΠΊΡΡΠ³ΠΎΠ²ΠΎΠΉ ΡΠ°Π³ E = Π²Ρ
ΠΎΠ΄Π½ΠΎΠ΅ ΡΡΠΈΠ»ΠΈΠ΅ Π½Π° ΡΡΠ»Π΅Π²ΠΎΠΌ ΠΊΠΎΠ»Π΅ΡΠ΅ ΠΈ W = Π½Π°Π³ΡΡΠ·ΠΊΠ° Π½Π° Π²ΡΡ
ΠΎΠ΄Π½ΡΡ ΡΠ΅ΠΉΠΊΡ.
ΠΠ΅ΡΠ΅Π΄Π°ΡΠΎΡΠ½ΡΠ΅ ΡΠΈΡΠ»Π° ΡΠ΅Π΅ΡΠ½ΡΡ
ΡΡΠ»Π΅Π²ΡΡ
ΠΌΠ΅Ρ
Π°Π½ΠΈΠ·ΠΌΠΎΠ² Π΄Π»Ρ ΡΡΡΠ½ΠΎΠ³ΠΎ ΡΡΠ»Π΅Π²ΠΎΠ³ΠΎ ΡΠΏΡΠ°Π²Π»Π΅Π½ΠΈΡ Π² Π·Π½Π°ΡΠΈΡΠ΅Π»ΡΠ½ΠΎΠΉ ΡΡΠ΅ΠΏΠ΅Π½ΠΈ Π·Π°Π²ΠΈΡΡΡ ΠΎΡ Π²Π΅ΡΠ° Π°Π²ΡΠΎΠΌΠΎΠ±ΠΈΠ»Ρ ΠΈ Π²Π°ΡΡΠΈΡΡΡΡΡΡ ΠΎΡ 12: 1 Π΄Π»Ρ Π½Π΅Π±ΠΎΠ»ΡΡΠΈΡ
Π°Π²ΡΠΎΠΌΠΎΠ±ΠΈΠ»Π΅ΠΉ Π΄ΠΎ 22: 1 Π΄Π»Ρ Π±ΠΎΠ»Π΅Π΅ ΡΡΠΆΠ΅Π»ΡΡ
ΡΡΠ°Π½ΡΠΏΠΎΡΡΠ½ΡΡ
ΡΡΠ΅Π΄ΡΡΠ².
Π ΡΠ΅Π΅ΡΠ½ΠΎΠΉ ΡΡΠ»Π΅Π²ΠΎΠΉ ΠΊΠΎΡΠΎΠ±ΠΊΠ΅ (ΡΠΈΡ. 27.56) ΠΈΡΠΏΠΎΠ»ΡΠ·ΡΠ΅ΡΡΡ ΡΠ΅ΡΡΠ΅ΡΠ½Ρ, ΡΠΎΠ΅Π΄ΠΈΠ½Π΅Π½Π½Π°Ρ Ρ ΡΡΠ»Π΅Π²ΡΠΌ ΠΊΠΎΠ»Π΅ΡΠΎΠΌ ΡΠ΅ΡΠ΅Π· ΠΌΡΡΡΡ ΠΈ ΡΠ½ΠΈΠ²Π΅ΡΡΠ°Π»ΡΠ½ΡΠ΅ ΡΠ°ΡΠ½ΠΈΡΡ. ΠΠ΅Π΄ΡΡΠ°Ρ ΡΠ΅ΡΡΠ΅ΡΠ½Ρ ΠΏΠΎΠ΄Π΄Π΅ΡΠΆΠΈΠ²Π°Π΅ΡΡΡ Π΄Π²ΡΠΌΡ ΡΠ°ΡΠΈΠΊΠΎΠ²ΡΠΌΠΈ ΠΏΠΎΠ΄ΡΠΈΠΏΠ½ΠΈΠΊΠ°ΠΌΠΈ. Π Π΅ΠΉΠΊΠ° ΠΏΡΠ΅Π΄ΡΡΠ°Π²Π»ΡΠ΅Ρ ΡΠΎΠ±ΠΎΠΉ Π²Π°Π» ΠΊΡΡΠ³Π»ΠΎΠ³ΠΎ ΡΠ΅ΡΠ΅Π½ΠΈΡ Ρ Π·ΡΠ±ΡΡΠΌΠΈ, Π½Π°ΡΠ΅Π·Π°Π½Π½ΡΠΌΠΈ Π²Π΄ΠΎΠ»Ρ ΠΎΠ΄Π½ΠΎΠΉ ΡΡΠΎΡΠΎΠ½Ρ, ΠΈ ΡΠ°ΡΠΏΠΎΠ»ΠΎΠΆΠ΅Π½ ΠΏΠ΅ΡΠΏΠ΅Π½Π΄ΠΈΠΊΡΠ»ΡΡΠ½ΠΎ ΡΠ΅ΡΡΠ΅ΡΠ½Π΅.
Π Π΅ΠΉΠΊΠ° ΡΠΎΠ²ΠΌΠ΅ΡΠ΅Π½Π° Ρ ΡΠ΅ΡΡΠ΅ΡΠ½Π΅ΠΉ ΠΈ ΡΠΊΠΎΠ»ΡΠ·ΠΈΡ ΠΏΠΎ ΡΠ²ΠΎΠ΅ΠΉ ΡΡΡΠ±ΠΊΠ΅.
Π ΠΈΡ. 27.56. Π Π΅Π΅ΡΠ½ΡΠΉ ΠΌΠ΅Ρ
Π°Π½ΠΈΠ·ΠΌ ΡΡΠ»Π΅Π²ΠΎΠ³ΠΎ ΡΠΏΡΠ°Π²Π»Π΅Π½ΠΈΡ.
ΠΊΠΎΡΠΏΡΡ ΠΌΠ΅ΠΆΠ΄Ρ Π΄Π²ΡΠΌΡ ΠΏΠΎΠ΄ΡΠΈΠΏΠ½ΠΈΠΊΠ°ΠΌΠΈ. ΠΠΎΠ΄ΡΠΈΠΏΠ½ΠΈΠΊ ΡΠΊΠΎΠ»ΡΠΆΠ΅Π½ΠΈΡ Π²ΡΡΠ»ΠΊΠΈ ΡΠ°Π·ΠΌΠ΅ΡΠ΅Π½ Π½Π° ΠΎΠ΄Π½ΠΎΠΌ ΠΊΠΎΠ½ΡΠ΅ ΠΊΠΎΡΠΏΡΡΠ°, Π° ΡΠ΅Π³ΡΠ»ΠΈΡΡΠ΅ΠΌΠ°Ρ ΠΎΠΏΠΎΡΠ½Π°Ρ Π²ΠΈΠ»ΠΊΠ° ΠΏΠΎΠ»ΡΠΏΠΎΠ΄ΡΠΈΠΏΠ½ΠΈΠΊΠ°, ΠΏΡΠΎΡΠΈΠ²ΠΎΠΏΠΎΠ»ΠΎΠΆΠ½Π°Ρ Π²Π΅Π΄ΡΡΠ΅ΠΉ ΡΠ΅ΡΡΠ΅ΡΠ½Π΅, ΠΏΠΎΠ»ΡΡΠ΅Π½Π° Π½Π° Π΄ΡΡΠ³ΠΎΠΌ ΠΊΠΎΠ½ΡΠ΅ ΠΊΠΎΡΠΏΡΡΠ°.ΠΠΎΠ»ΡΠΏΠΎΠ΄ΡΠΈΠΏΠ½ΠΈΠΊ Π²ΠΈΠ»ΠΊΠ° ΡΠΎΠ»ΠΊΠ°Π΅Ρ Π·ΡΠ±ΡΡ ΡΠ΅ΠΉΠΊΠΈ Π² Π·Π°ΡΠ΅ΠΏΠ»Π΅Π½ΠΈΠ΅ Ρ Π·ΡΠ±ΡΡΠΌΠΈ ΡΠ΅ΡΡΠ΅ΡΠ½ΠΈ, Π° ΡΠ°ΠΊΠΆΠ΅ ΡΠ΅Π³ΡΠ»ΠΈΡΡΠ΅Ρ Π²Π΅Π»ΠΈΡΠΈΠ½Ρ Π»ΡΡΡΠ° ΠΌΠ΅ΠΆΠ΄Ρ Π·ΡΠ±ΡΡΠΌΠΈ ΡΠ΅ΠΉΠΊΠΈ ΠΈ ΡΠ΅ΡΡΠ΅ΡΠ½ΠΈ. ΠΠΎΡΠΊΠΎΠ»ΡΠΊΡ ΡΠ΅ΠΉΠΊΠ° ΠΏΡΠ΅Π΄ΡΡΠ°Π²Π»ΡΠ΅Ρ ΡΠΎΠ±ΠΎΠΉ ΡΠ΅ΡΡΠ΅ΡΠ½Ρ Π±Π΅ΡΠΊΠΎΠ½Π΅ΡΠ½ΠΎΠ³ΠΎ Π΄ΠΈΠ°ΠΌΠ΅ΡΡΠ°, Π΅Π΅ Π΄Π΅Π»ΠΈΡΠ΅Π»ΡΠ½Π°Ρ ΠΎΠΊΡΡΠΆΠ½ΠΎΡΡΡ ΠΏΡΠ΅Π΄ΡΡΠ°Π²Π»ΡΠ΅Ρ ΡΠΎΠ±ΠΎΠΉ ΠΏΡΡΠΌΡΡ Π»ΠΈΠ½ΠΈΡ. ΠΠ±Π° ΠΏΡΠΎΡΠΈΠ»Ρ Π·ΡΠ±ΡΠ΅Π² ΡΠ΅ΡΡΠ΅ΡΠ½ΠΈ ΠΈΠΌΠ΅ΡΡ ΡΠ²ΠΎΠ»ΡΠ²Π΅Π½ΡΠ½ΡΡ ΡΠΎΡΠΌΡ. ΠΠΎΠΊΠΎΠ²ΠΎΠΉ ΠΏΡΠΎΡΠΈΠ»Ρ Π·ΡΠ±ΡΠ΅Π² ΡΠ΅ΡΡΠ΅ΡΠ½ΠΈ ΠΈΠ·ΠΎΠ³Π½ΡΡ, Π° ΡΡΠΎΡΠΎΠ½Ρ Π·ΡΠ±ΡΠ΅Π² ΡΠ΅ΠΉΠΊΠΈ ΠΏΡΡΠΌΡΠ΅ ΠΈ Π½Π°ΠΊΠ»ΠΎΠ½Π½ΡΠ΅ (ΡΠΈΡ. 27.55).
Π ΡΠ»ΡΡΠ°Π΅ ΠΏΡΡΠΌΠΎΠ»ΠΈΠ½Π΅ΠΉΠ½ΡΡ
Π·ΡΠ±ΡΠ΅Π² ΡΠ΅Π΅ΡΠ½ΠΎΠΉ ΠΏΠ΅ΡΠ΅Π΄Π°ΡΠΈ ΡΠΎΠ»ΡΠΊΠΎ ΠΎΠ΄Π½Π° ΠΏΠ°ΡΠ° Π·ΡΠ±ΡΠ΅Π² Π²Ρ
ΠΎΠ΄ΠΈΡ Π² Π·Π°ΡΠ΅ΠΏΠ»Π΅Π½ΠΈΠ΅ ΠΈ ΠΊΠΎΠ½ΡΠ°ΠΊΡΠΈΡΡΠ΅Ρ ΠΏΠΎ Π²ΡΠ΅ΠΉ ΡΠ²ΠΎΠ΅ΠΉ ΡΠΈΡΠΈΠ½Π΅ Π² Π»ΡΠ±ΠΎΠΉ ΠΌΠΎΠΌΠ΅Π½Ρ.Π‘Π»Π΅Π΄ΠΎΠ²Π°ΡΠ΅Π»ΡΠ½ΠΎ, ΡΠΎΡΠΊΠ° ΠΊΠΎΠ½ΡΠ°ΠΊΡΠ° ΠΏΡΠΎΡΠΈΠ»Ρ Π·ΡΠ±Π° Π²ΡΠ΅Π³Π΄Π° ΠΏΠ΅ΡΠ΅ΠΌΠ΅ΡΠ°Π΅ΡΡΡ Ρ ΠΎΠ΄Π½ΠΎΠΉ ΡΡΠΎΡΠΎΠ½Ρ Π½Π° Π΄ΡΡΠ³ΡΡ ΠΎΡ ΠΏΡΠΎΠ΄ΠΎΠ»ΡΠ½ΠΎΠΉ ΠΎΡΠΈ ΠΊΠ°ΠΊ Π·ΡΠ±ΡΠ°ΡΠΎΠΉ ββΡΠ΅ΠΉΠΊΠΈ, ΡΠ°ΠΊ ΠΈ Π·ΡΠ±ΡΠ΅Π² ΡΠ΅ΡΡΠ΅ΡΠ½ΠΈ.
ΠΠ΅ΡΠ°Π²Π½ΠΎΠΌΠ΅ΡΠ½ΠΎΠ΅ Π΄Π²ΠΈΠΆΠ΅Π½ΠΈΠ΅ ΡΠ΅ΠΉΠΊΠΈ ΠΏΡΠΎΠΈΡΡ
ΠΎΠ΄ΠΈΡ ΠΏΡΠΈ ΠΏΠ΅ΡΠ΅Π΄Π°ΡΠ΅ Π½Π°Π³ΡΡΠ·ΠΊΠΈ ΡΡΠ»Π΅Π²ΠΎΠ³ΠΎ ΡΠΏΡΠ°Π²Π»Π΅Π½ΠΈΡ Ρ ΠΎΠ΄Π½ΠΎΠΉ ΠΏΠ°ΡΡ Π·ΡΠ±ΡΠΎΠ² Π½Π° Π΄ΡΡΠ³ΡΡ. Π‘ Π·ΡΠ±ΡΡΠΌΠΈ Π·ΡΠ±ΡΠ°ΡΠΎΠΉ ββΡΠ΅ΠΉΠΊΠΈ ΡΠΎ ΡΠΏΠΈΡΠ°Π»ΡΠ½ΠΎΠΉ Π½Π°ΡΠ΅Π·ΠΊΠΎΠΉ Π² ββΠ»ΡΠ±ΠΎΠΉ ΠΌΠΎΠΌΠ΅Π½Ρ Π² ΠΊΠΎΠ½ΡΠ°ΠΊΡ Π²Ρ
ΠΎΠ΄ΠΈΡ Π±ΠΎΠ»Π΅Π΅ ΠΎΠ΄Π½ΠΎΠΉ ΠΏΠ°ΡΡ Π·ΡΠ±ΡΠ΅Π². ΠΡΠΎΠΌΠ΅ ΡΠΎΠ³ΠΎ, Π·ΡΠ±ΡΡ Π²Ρ
ΠΎΠ΄ΡΡ Π² Π·Π°ΡΠ΅ΠΏΠ»Π΅Π½ΠΈΠ΅ ΠΏΠΎΡΡΠ΅ΠΏΠ΅Π½Π½ΠΎ, ΠΈ Π²ΡΠ΅Π³Π΄Π° ΠΈΠΌΠ΅Π΅ΡΡΡ Π½Π΅ΠΊΠΎΡΠΎΡΡΠΉ ΠΊΠΎΠ½ΡΠ°ΠΊΡ Π½Π° Π»ΠΈΠ½ΠΈΠΈ ΡΠ°Π½Π³Π°ΠΆΠ°. Π ΡΠ΅Π·ΡΠ»ΡΡΠ°ΡΠ΅, Π·ΡΠ±ΡΡ Π²ΠΈΠ½ΡΠΎΠ²ΠΎΠΉ ΡΠ΅ΡΡΠ΅ΡΠ½ΠΈ Π²ΠΎΡΠΏΡΠΈΠ½ΠΈΠΌΠ°ΡΡ Π±ΠΎΠ»ΡΡΠΈΠ΅ Π½Π°Π³ΡΡΠ·ΠΊΠΈ, ΠΏΠ»Π°Π²Π½ΠΎ Π²Ρ
ΠΎΠ΄ΡΡ Π² Π·Π°ΡΠ΅ΠΏΠ»Π΅Π½ΠΈΠ΅ ΠΈ ΡΠ°Π±ΠΎΡΠ°ΡΡ ΡΠΈΡ
ΠΎ.
ΠΡΠ»ΠΈ ΠΎΡΡ ΡΠ΅ΡΡΠ΅ΡΠ½ΠΈ Π½Π°ΠΊΠ»ΠΎΠ½Π΅Π½Π° ΠΊ ΠΏΠ΅ΡΠΏΠ΅Π½Π΄ΠΈΠΊΡΠ»ΡΡΡ ΠΊ Ρ
ΠΎΠ΄Ρ ΡΠ΅ΠΉΠΊΠΈ (ΡΠΈΡ. 27.56C), ΡΡΡΠ΅ΠΊΡΠΈΠ²Π½ΡΠΉ ΡΠ°Π΄ΠΈΡΡ ΡΠ°Π³Π° ΡΠ΅ΡΡΠ΅ΡΠ½ΠΈ ΡΠ²Π΅Π»ΠΈΡΠΈΠ²Π°Π΅ΡΡΡ Π΄Π»Ρ Π΄Π°Π½Π½ΠΎΠ³ΠΎ Π΄Π²ΠΈΠΆΠ΅Π½ΠΈΡ ΡΠ΅ΠΉΠΊΠΈ, ΡΠ°ΠΊ ΡΡΠΎ Π²ΠΎΠ·ΠΌΠΎΠΆΠ½ΠΎ ΠΈΡΠΏΠΎΠ»ΡΠ·ΠΎΠ²Π°Π½ΠΈΠ΅ ΠΌΠ΅Π½ΡΡΠ΅Π³ΠΎ ΡΠΈΡΠ»Π° Π±ΠΎΠ»Π΅Π΅ ΡΠΈΠ»ΡΠ½ΡΡ
Π·ΡΠ±ΡΠ΅Π² ΡΠ΅ΡΡΠ΅ΡΠ½ΠΈ ΠΈ Π±ΠΎΠ»ΡΡΠ΅Π΅ ΠΏΠ΅ΡΠ΅Π΄Π°ΡΠΎΡΠ½ΠΎΠ΅ ΡΠΈΡΠ»ΠΎ. ΡΠΎΠΊΡΠ°ΡΠ΅Π½ΠΈΠ΅ ΠΌΠΎΠΆΠ΅Ρ ΠΏΡΠΈΠΌΠ΅Π½ΡΡΡΡΡ Π΄Π»Ρ Π΄Π°Π½Π½ΠΎΠ³ΠΎ Ρ
ΠΎΠ΄Π° ΡΡΠΎΠΉΠΊΠΈ. ΠΠ°ΠΊ ΡΠ³ΠΎΠ» Π½Π°ΠΊΠ»ΠΎΠ½Π° ΡΠΏΠΈΡΠ°Π»ΠΈ Π·ΡΠ±ΡΠ΅Π², ΡΠ°ΠΊ ΠΈ Π½Π°ΠΊΠ»ΠΎΠ½ ΠΎΡΠΈ ΡΠ΅ΡΡΠ΅ΡΠ½ΠΈ ΠΊ ΠΏΠ΅ΡΠΏΠ΅Π½Π΄ΠΈΠΊΡΠ»ΡΡΡ ΡΠΎΠ·Π΄Π°ΡΡ Π΄Π΅ΠΉΡΡΠ²ΠΈΠ΅ ΡΠΊΠΎΠ»ΡΠΆΠ΅Π½ΠΈΡ ΠΌΠ΅ΠΆΠ΄Ρ Π·ΡΠ±ΡΡΠΌΠΈ Π·Π°ΡΠ΅ΠΏΠ»Π΅Π½ΠΈΡ, ΠΈΠ·-Π·Π° ΡΠ΅Π³ΠΎ ΡΠ²Π΅Π»ΠΈΡΠΈΠ²Π°Π΅ΡΡΡ ΡΡΠ΅Π½ΠΈΠ΅. ΠΠ΅ΠΌΠΏΡΠΈΡΡΡΡΠΈΠΉ ΡΡΡΠ΅ΠΊΡ ΡΡΠΎΠ³ΠΎ Π²Π½ΡΡΡΠ΅Π½Π½Π΅Π³ΠΎ ΡΡΠ΅Π½ΠΈΡ, Π³Π΅Π½Π΅ΡΠΈΡΡΠ΅ΠΌΠΎΠ³ΠΎ ΠΏΡΠ΅Π΄ΠΎΡΠ²ΡΠ°ΡΠ°Π΅Ρ ΠΏΠ΅ΡΠ΅Π΄Π°ΡΡ Π΄ΠΎΡΠΎΠΆΠ½ΡΡ
ΠΊΠΎΠ»Π΅Ρ ΡΠ΄Π°ΡΠ½ΡΡ
ΠΈΠΌΠΏΡΠ»ΡΡΠΎΠ² Π½Π° ΡΡΠ»Π΅Π²ΠΎΠΌ ΠΊΠΎΠ»Π΅ΡΠ΅.
Π¨Π°ΡΠΈΠΊΠΎΠ²ΡΠ΅ ΠΏΠΎΠ΄ΡΠΈΠΏΠ½ΠΈΠΊΠΈ Π²Π΅Π΄ΡΡΠ΅ΠΉ ΡΠ΅ΡΡΠ΅ΡΠ½ΠΈ Π΄ΠΎΠ»ΠΆΠ½Ρ ΠΈΠΌΠ΅ΡΡ Π·Π°Π΄Π°Π½Π½ΡΡ ΠΏΡΠ΅Π΄Π²Π°ΡΠΈΡΠ΅Π»ΡΠ½ΡΡ ΠΎΡΠ΅Π²ΡΡ Π½Π°Π³ΡΡΠ·ΠΊΡ Π²ΠΎ Π²ΡΠ΅ΠΌΡ ΡΠ±ΠΎΡΠΊΠΈ. ΠΡΠ° Π½Π°ΡΠ°Π»ΡΠ½Π°Ρ ΡΡΠ΅ΠΏΠ΅Π½Ρ ΡΠΆΠ°ΡΠΈΡ ΠΈΡΠΊΠ»ΡΡΠ°Π΅Ρ Π»ΡΠ±ΠΎΠ΅ ΠΏΠΎΠΏΠ»Π°Π²ΠΊΠΎΠ²ΠΎΠ΅ Π΄Π²ΠΈΠΆΠ΅Π½ΠΈΠ΅ ΠΈΠ»ΠΈ ΠΎΡΠ½ΠΎΡΠΈΡΠ΅Π»ΡΠ½ΠΎΠ΅ ΡΠ²ΠΎΠ±ΠΎΠ΄Π½ΠΎΠ΅ ΠΏΠ΅ΡΠ΅ΠΌΠ΅ΡΠ΅Π½ΠΈΠ΅ ΠΏΠΎΠ΄ΡΠΈΠΏΠ½ΠΈΠΊΠΎΠ² Π² ΡΠ°Π±ΠΎΡΠΈΡ
ΡΡΠ»ΠΎΠ²ΠΈΡΡ
. Π§ΡΠΎΠ±Ρ Π΄ΠΎΠ±ΠΈΡΡΡΡ ΠΏΡΠ°Π²ΠΈΠ»ΡΠ½ΠΎΠ³ΠΎ Π·Π°ΡΠ΅ΠΏΠ»Π΅Π½ΠΈΡ Π·ΡΠ±ΡΠ΅Π² ΡΠ΅Π΅ΡΠ½ΠΎΠΉ ΠΏΠ΅ΡΠ΅Π΄Π°ΡΠΈ, Π²ΠΈΠ»ΠΊΠ° ΠΎΠΏΠΎΡΡ ΠΏΠΎΠ΄ΡΠΈΠΏΠ½ΠΈΠΊΠ° ΠΏΠ΅ΡΠ΅ΠΌΠ΅ΡΠ°Π΅ΡΡΡ ΠΏΠΎ Π½Π°ΠΏΡΠ°Π²Π»Π΅Π½ΠΈΡ ΠΊ ΡΠ΅ΠΉΠΊΠ΅ ΠΈΠ»ΠΈ ΠΎΡ Π½Π΅Π΅. ΠΡΠΎΠΊΠ»Π°Π΄ΠΊΠΈ Π²ΡΠ±ΡΠ°Π½Π½ΠΎΠΉ ΡΠΎΠ»ΡΠΈΠ½Ρ Π²ΡΡΠ°Π²Π»ΡΡΡΡΡ ΠΌΠ΅ΠΆΠ΄Ρ ΠΊΠΎΡΠΏΡΡΠΎΠΌ ΠΈ ΠΊΡΡΡΠΊΠΎΠΉ Π²ΠΈΠ»ΠΊΠΈ Π΄Π»Ρ ΡΠ΅Π³ΡΠ»ΠΈΡΠΎΠ²ΠΊΠΈ ΠΎΡΠ½ΠΎΡΠΈΡΠ΅Π»ΡΠ½ΠΎΠ³ΠΎ ΠΏΠΎΠ»ΠΎΠΆΠ΅Π½ΠΈΡ Π²ΠΈΠ»ΠΊΠΈ ΠΎΠΏΠΎΡΡ ΠΏΠΎΠ΄ΡΠΈΠΏΠ½ΠΈΠΊΠ° ΠΎΡΠ½ΠΎΡΠΈΡΠ΅Π»ΡΠ½ΠΎ ΠΊΠΎΡΠΏΡΡΠ° ΡΠ΅ΡΡΠ΅ΡΠ½ΠΈ.
ΠΡΠΈΠΌΠ΅Ρ 27.4. Π Π΅Π΅ΡΠ½ΠΎΠ΅ ΡΡΠ»Π΅Π²ΠΎΠ΅ ΡΠΏΡΠ°Π²Π»Π΅Π½ΠΈΠ΅ ΠΈΠΌΠ΅Π΅Ρ ΡΠ΅ΡΡΠ΅ΡΠ½Ρ Ρ Π΄ΠΈΠ°ΠΌΠ΅ΡΡΠΎΠΌ Π΄Π΅Π»ΠΈΡΠ΅Π»ΡΠ½ΠΎΠΉ ΠΎΠΊΡΡΠΆΠ½ΠΎΡΡΠΈ 16 ΠΌΠΌ. ΠΠ°ΠΊΠΎΠ΅ ΡΡΠΈΠ»ΠΈΠ΅ Π½Π΅ΠΎΠ±Ρ
ΠΎΠ΄ΠΈΠΌΠΎ ΠΏΡΠΈΠ»ΠΎΠΆΠΈΡΡ ΠΊ ΡΡΠ»Π΅Π²ΠΎΠΌΡ ΠΊΠΎΠ»Π΅ΡΡ Π΄ΠΈΠ°ΠΌΠ΅ΡΡΠΎΠΌ 320 ΠΌΠΌ, ΡΡΠΎΠ±Ρ ΠΏΡΠ΅ΠΎΠ΄ΠΎΠ»Π΅ΡΡ ΡΠΎΠΏΡΠΎΡΠΈΠ²Π»Π΅Π½ΠΈΠ΅ 500 Π Π² ΠΏΠΎΠΏΠ΅ΡΠ΅ΡΠ½ΠΎΠΌ Π½Π°ΠΏΡΠ°Π²Π»Π΅Π½ΠΈΠΈ Π½Π° Π³ΡΡΠ΅Π½ΠΈΡΠ΅?
ΠΡΠΈΠΌΠ΅Ρ 27.5. Π ΡΠ»Π΅Π²ΠΎΠΉ ΠΌΠ΅Ρ
Π°Π½ΠΈΠ·ΠΌ ΡΠ΅Π΅ΡΠ½ΠΎΠΉ ΠΏΠ΅ΡΠ΅Π΄Π°ΡΠΈ ΠΈΠΌΠ΅Π΅Ρ ΡΠ΅ΡΡΠ΅ΡΠ½Ρ Ρ 5 Π·ΡΠ±ΡΡΠΌΠΈ ΠΈ ΡΠ°Π³ΠΎΠΌ 10 ΠΌΠΌ. ΠΡΠ»ΠΈ ΠΊ ΡΡΠ»Π΅Π²ΠΎΠΌΡ ΠΊΠΎΠ»Π΅ΡΡ Π΄ΠΈΠ°ΠΌΠ΅ΡΡΠΎΠΌ 350 ΠΌΠΌ ΠΏΡΠΈΠ»Π°Π³Π°Π΅ΡΡΡ ΡΡΠΈΠ»ΠΈΠ΅ Π² 15 Π, ΡΠΎ (Π°) ΠΎΠΏΡΠ΅Π΄Π΅Π»ΡΡΡ ΠΏΠ΅ΡΠ΅Π΄Π°ΡΠΎΡΠ½ΠΎΠ΅ ΡΠΈΡΠ»ΠΎ ΠΈ (Π±) ΡΡΠΈΠ»ΠΈΠ΅, ΠΏΠ΅ΡΠ΅Π΄Π°Π²Π°Π΅ΠΌΠΎΠ΅ Π½Π° ΡΡΡΠΆΠ½ΡΠ΅ ΡΡΠ³ΠΈ.
Π€ΠΈΠ³.27,57. ΠΠΎΡΠΎΠ±ΠΊΠ° ΠΏΠ΅ΡΠ΅Π΄Π°Ρ ΡΡΠ»Π΅Π²ΠΎΠ³ΠΎ ΡΠΈΠΏΠ° Ρ ΠΊΡΠ»Π°ΡΠΊΠΎΠΌ ΠΈ ΠΏΠ°Π»ΡΡΠ°ΠΌΠΈ.
27.7.5.
ΠΡΠΎΡ ΡΠΈΠΏ ΡΡΠ»Π΅Π²ΠΎΠ³ΠΎ ΠΌΠ΅Ρ
Π°Π½ΠΈΠ·ΠΌΠ° Π²ΠΊΠ»ΡΡΠ°Π΅Ρ Π² ΡΠ΅Π±Ρ Π²ΠΌΠ΅ΡΡΠΎ ΠΎΠ±ΡΡΠ½ΠΎΠ³ΠΎ Π²ΠΈΠ½ΡΠ° ΡΠΈΠ»ΠΈΠ½Π΄ΡΠΈΡΠ΅ΡΠΊΠΈΠΉ Π²Π°Π», ΡΡΡΠ°Π½ΠΎΠ²Π»Π΅Π½Π½ΡΠΉ ΠΌΠ΅ΠΆΠ΄Ρ Π΄Π²ΡΠΌΡ ΡΠ°Π΄ΠΈΠ°Π»ΡΠ½ΠΎ-ΡΠΏΠΎΡΠ½ΡΠΌΠΈ ΡΠ°ΡΠΈΠΊΠΎΠΏΠΎΠ΄ΡΠΈΠΏΠ½ΠΈΠΊΠ°ΠΌΠΈ (ΡΠΈΡ. 27.57). ΠΠ°Π» ΠΈΠΌΠ΅Π΅Ρ Π³Π»ΡΠ±ΠΎΠΊΡΡ ΡΠΏΠΈΡΠ°Π»ΡΠ½ΡΡ ΠΊΠ°Π½Π°Π²ΠΊΡ, ΠΎΠ±ΡΡΠ½ΠΎ Ρ ΠΏΠ΅ΡΠ΅ΠΌΠ΅Π½Π½ΡΠΌ ΡΠ°Π³ΠΎΠΌ, Π½Π° ΡΠ²ΠΎΠ΅ΠΉ ΠΏΠΎΠ²Π΅ΡΡ
Π½ΠΎΡΡΠΈ ΠΌΠ΅ΠΆΠ΄Ρ ΠΏΠΎΠ΄ΡΠΈΠΏΠ½ΠΈΠΊΠ°ΠΌΠΈ. ΠΠ°Π· ΠΈΠΌΠ΅Π΅Ρ ΠΊΠΎΠ½ΠΈΡΠ΅ΡΠΊΠΈΠΉ ΠΏΡΠΎΡΠΈΠ»Ρ, ΡΡΠΆΠ°ΡΡΠΈΠΉΡΡ ΠΊ Π½ΠΈΠ·Ρ. ΠΡΡΡΠΎΠ΅Π½Π½ΡΠΉ ΠΊΠΎΡΠΎΠΌΡΡΠ΅Π» ΠΈ Π²Π°Π» ΡΠ°Π·ΠΌΠ΅ΡΠ΅Π½Ρ ΠΏΠΎΡΠ΅ΡΠ΅Π΄ΠΈΠ½Π΅ ΠΊΡΠ»Π°ΡΠΊΠ°.ΠΠ° ΡΠ²ΠΎΠ±ΠΎΠ΄Π½ΠΎΠΌ ΠΊΠΎΠ½ΡΠ΅ ΠΊΠΎΡΠΎΠΌΡΡΠ»Π° ΡΡΡΠ°Π½ΠΎΠ²Π»Π΅Π½ ΠΊΠΎΠ½ΠΈΡΠ΅ΡΠΊΠΈΠΉ ΡΡΠΈΡΡ, ΠΊΠΎΡΠΎΡΡΠΉ Π²Ρ
ΠΎΠ΄ΠΈΡ Π² ΠΏΠ°Π·. ΠΠΎΠ³Π΄Π° ΡΡΠ»Π΅Π²ΠΎΠ΅ ΠΊΠΎΠ»Π΅ΡΠΎ ΠΈ Π²Π°Π» Π²ΡΠ°ΡΠ°ΡΡ ΡΠ°ΡΠΏΡΠ΅Π΄Π΅Π»ΠΈΡΠ΅Π»ΡΠ½ΡΠΉ Π²Π°Π», ΠΎΠ΄Π½Π° ΡΡΠΎΡΠΎΠ½Π° ΡΠΏΠΈΡΠ°Π»ΡΠ½ΠΎΠΉ ΠΊΠ°Π½Π°Π²ΠΊΠΈ ΠΏΠΎΠ²ΠΎΡΠ°ΡΠΈΠ²Π°Π΅Ρ ΡΡΠΈΡΡ Π² ΠΎΡΠ΅Π²ΠΎΠΌ Π½Π°ΠΏΡΠ°Π²Π»Π΅Π½ΠΈΠΈ Π²ΠΏΠ΅ΡΠ΅Π΄ ΠΈΠ»ΠΈ Π½Π°Π·Π°Π΄, Π² Π·Π°Π²ΠΈΡΠΈΠΌΠΎΡΡΠΈ ΠΎΡ Π½Π°ΠΏΡΠ°Π²Π»Π΅Π½ΠΈΡ Π²ΡΠ°ΡΠ΅Π½ΠΈΡ ΠΊΡΠ»Π°ΡΠΊΠ°. ΠΡΠΎ Π·Π°ΡΡΠ°Π²Π»ΡΠ΅Ρ ΠΊΠΎΡΠΎΠΌΡΡΠ»ΠΎ ΠΏΠΎΠ²ΠΎΡΠ°ΡΠΈΠ²Π°ΡΡΡΡ Π²ΠΎΠΊΡΡΠ³ ΠΎΡΠΈ Π²Π°Π»Π°, ΠΈ Π² ΡΠ΅Π·ΡΠ»ΡΡΠ°ΡΠ΅ Π°Π½Π°Π»ΠΎΠ³ΠΈΡΠ½ΠΎΠ΅ ΡΠ³Π»ΠΎΠ²ΠΎΠ΅ Π΄Π²ΠΈΠΆΠ΅Π½ΠΈΠ΅ ΠΏΠ΅ΡΠ΅Π΄Π°Π΅ΡΡΡ ΠΎΠΏΡΡΠΊΠ°ΡΡΠ΅ΠΌΡΡΡ ΡΡΡΠ°Π³Ρ, ΠΊΠΎΡΠΎΡΡΠΉ ΠΏΡΠΈΠΊΡΠ΅ΠΏΠ»Π΅Π½ ΠΊ Π²Π½Π΅ΡΠ½Π΅ΠΌΡ ΠΊΠΎΠ½ΡΡ Π²Π°Π»Π°.
Π¨Π°Π³ ΡΠΏΠΈΡΠ°Π»ΠΈ ΠΎΠ±Π΅ΡΠΏΠ΅ΡΠ΅Π½ Ρ ΠΌΠΈΠ½ΠΈΠΌΠ°Π»ΡΠ½ΡΠΌ ΡΠ°Π³ΠΎΠΌ Π² ΡΡΠ΅Π΄Π½Π΅ΠΌ ΠΏΠΎΠ»ΠΎΠΆΠ΅Π½ΠΈΠΈ Π΄Π»Ρ ΡΠ²Π΅Π»ΠΈΡΠ΅Π½ΠΈΡ ΠΌΠ΅Ρ
Π°Π½ΠΈΡΠ΅ΡΠΊΠΎΠ³ΠΎ ΠΏΡΠ΅ΠΈΠΌΡΡΠ΅ΡΡΠ²Π° ΠΊΡΠ»Π°ΡΠΊΠΎΠ²ΠΎΠ³ΠΎ ΠΈ ΡΡΠΈΡΡΠΎΠ²ΠΎΠ³ΠΎ ΡΡΡΡΠΎΠΉΡΡΠ²Π°.ΠΠΎΡΡΠ΅ΠΏΠ΅Π½Π½ΠΎ ΡΠ²Π΅Π»ΠΈΡΠΈΠ²Π°ΡΡΠΈΠΉΡΡ ΡΠ°Π³ ΠΏΠΎ Π½Π°ΠΏΡΠ°Π²Π»Π΅Π½ΠΈΡ ΠΊ Π»ΡΠ±ΠΎΠΌΡ ΠΊΠΎΠ½ΡΡ ΠΊΡΠ»Π°ΡΠΊΠ° ΠΎΠ±Π΅ΡΠΏΠ΅ΡΠΈΠ²Π°Π΅Ρ Π±ΠΎΠ»Π΅Π΅ ΠΏΡΡΠΌΡΡ ΡΠ΅Π°ΠΊΡΠΈΡ ΡΡΠ»Π΅Π²ΠΎΠ³ΠΎ ΡΠΏΡΠ°Π²Π»Π΅Π½ΠΈΡ Ρ ΡΠ²Π΅Π»ΠΈΡΠ΅Π½ΠΈΠ΅ΠΌ ΡΡΠΈΠ»ΠΈΡ ΡΡΠ»Π΅Π²ΠΎΠ³ΠΎ ΡΠΏΡΠ°Π²Π»Π΅Π½ΠΈΡ, ΠΊΠΎΠ³Π΄Π° ΡΡΠ»Π΅Π²ΠΎΠ΅ ΡΠΏΡΠ°Π²Π»Π΅Π½ΠΈΠ΅ ΠΏΡΠΈΠ±Π»ΠΈΠΆΠ°Π΅ΡΡΡ ΠΊ ΠΏΠΎΠ»Π½ΠΎΠΉ Π±Π»ΠΎΠΊΠΈΡΠΎΠ²ΠΊΠ΅. ΠΡΠ΅Π΄Π²Π°ΡΠΈΡΠ΅Π»ΡΠ½ΡΠΉ Π½Π°ΡΡΠ³ ΡΠ°ΡΠΈΠΊΠΎΠ²ΡΡ
Π΄ΠΎΡΠΎΠΆΠ΅ΠΊ, ΠΏΠΎΠ΄Π΄Π΅ΡΠΆΠΈΠ²Π°ΡΡΠΈΡ
ΠΊΡΠ»Π°ΡΠΎΠΊ, ΡΠ΅Π³ΡΠ»ΠΈΡΡΠ΅ΡΡΡ ΠΏΡΡΠ΅ΠΌ ΠΈΠ·ΠΌΠ΅Π½Π΅Π½ΠΈΡ ΡΠΎΠ»ΡΠΈΠ½Ρ ΠΏΡΠΎΠΊΠ»Π°Π΄ΠΊΠΈ ΠΌΠ΅ΠΆΠ΄Ρ ΠΊΠΎΠ½ΡΠ΅Π²ΠΎΠΉ ΠΏΠ»Π°ΡΡΠΈΠ½ΠΎΠΉ ΠΈ ΠΊΠΎΡΠΏΡΡΠΎΠΌ. ΠΠΎΠ΄ΠΏΡΡΠΆΠΈΠ½Π΅Π½Π½ΡΠ΅ ΠΌΠ°ΡΠ»ΡΠ½ΡΠ΅ ΡΠΏΠ»ΠΎΡΠ½Π΅Π½ΠΈΡ ΠΈΡΠΏΠΎΠ»ΡΠ·ΡΡΡΡΡ ΠΊΠ°ΠΊ Π½Π° ΠΊΠΎΠ½ΡΠ΅ ΡΡΡΠ°Π³Π° ΠΏΠΎΠ΄Π²Π΅ΡΠΊΠΈ ΠΊΠΎΡΠΎΠΌΡΡΠ»Π°, ΡΠ°ΠΊ ΠΈ Π½Π° Π²Ρ
ΠΎΠ΄Π½ΠΎΠΌ ΠΊΠΎΠ½ΡΠ΅ ΡΠ°ΡΠΏΡΠ΅Π΄Π΅Π»ΠΈΡΠ΅Π»ΡΠ½ΠΎΠ³ΠΎ Π²Π°Π»Π°.
Π ΡΡΠ»Π΅Π²ΡΡ
ΠΌΠ΅Ρ
Π°Π½ΠΈΠ·ΠΌΠ°Ρ
Ρ ΠΊΡΠ»Π°ΡΠΊΠΎΠΌ ΠΈ ΡΡΠΈΡΡΠΎΠΌ Ρ Π½ΠΈΠ·ΠΊΠΈΠΌ ΠΠΠ ΡΡΠΈΡΡ Π²Π΄Π°Π²Π»ΠΈΠ²Π°Π΅ΡΡΡ Π½Π΅ΠΏΠΎΡΡΠ΅Π΄ΡΡΠ²Π΅Π½Π½ΠΎ Π² ΠΎΡΠ²Π΅ΡΡΡΠΈΠ΅, ΠΏΡΠΎΡΠ²Π΅ΡΠ»Π΅Π½Π½ΠΎΠ΅ Π² ΠΊΠΎΡΠΎΠΌΡΡΠ»Π΅.Π‘Π²Π΅ΡΡ
Ρ Π΄Π»Ρ ΠΏΠΎΠ²ΡΡΠ΅Π½ΠΈΡ ΡΡΡΠ΅ΠΊΡΠΈΠ²Π½ΠΎΡΡΠΈ ΡΡΠΈΡΡ ΠΏΠΎΠ΄Π΄Π΅ΡΠΆΠΈΠ²Π°Π΅ΡΡΡ ΠΈΠ³ΠΎΠ»ΡΡΠ°ΡΡΠΌΠΈ ΡΠΎΠ»ΠΈΠΊΠ°ΠΌΠΈ, ΡΠΎΠ±ΡΠ°Π½Π½ΡΠΌΠΈ Π²Π½ΡΡΡΠΈ ΡΠ²Π΅Π»ΠΈΡΠ΅Π½Π½ΠΎΠ³ΠΎ ΠΎΡΠ²Π΅ΡΡΡΠΈΡ Π² ΠΊΠΎΡΠΎΠΌΡΡΠ»Π΅. Π Π²ΡΡΠΎΠΊΠΎΡΡΡΠ΅ΠΊΡΠΈΠ²Π½ΠΎΠΉ ΠΊΠΎΠ½ΡΡΡΡΠΊΡΠΈΠΈ Π΄Π»Ρ ΡΡΠΆΠ΅Π»ΡΡ
ΡΡΠ»ΠΎΠ²ΠΈΠΉ ΡΠΊΡΠΏΠ»ΡΠ°ΡΠ°ΡΠΈΠΈ ΡΡΠΈΡΡ ΠΏΠΎΠ΄Π΄Π΅ΡΠΆΠΈΠ²Π°Π΅ΡΡΡ ΠΏΡΠΎΡΠΈΠ²ΠΎΠΏΠΎΠ»ΠΎΠΆΠ½ΡΠΌΠΈ ΠΊΠΎΠ½ΠΈΡΠ΅ΡΠΊΠΈΠΌΠΈ ΡΠΎΠ»ΠΈΠΊΠΎΠΏΠΎΠ΄ΡΠΈΠΏΠ½ΠΈΠΊΠ°ΠΌΠΈ, ΡΡΡΠ°Π½ΠΎΠ²Π»Π΅Π½Π½ΡΠΌΠΈ Π½Π΅ΠΏΠΎΡΡΠ΅Π΄ΡΡΠ²Π΅Π½Π½ΠΎ Π½Π° ΠΊΠΎΡΠΎΠΌΡΡΠ»Π΅, ΡΠΎΡΠΌΠ° ΠΊΠΎΡΠΎΡΠΎΠ³ΠΎ ΡΠΎΡΠΌΠΈΡΡΠ΅Ρ Π²Π½ΡΡΡΠ΅Π½Π½ΠΈΠ΅ Π΄ΠΎΡΠΎΠΆΠΊΠΈ ΠΏΠΎΠ΄ΡΠΈΠΏΠ½ΠΈΠΊΠΎΠ².
ΠΠ΅Ρ
Π°Π½ΠΈΠ·ΠΌ ΠΊΡΠ»Π°ΡΠΊΠ° ΠΈ ΡΡΠΈΡΡΠ° ΠΈΠΌΠ΅Π΅Ρ ΡΡΠ΅Π΄Π½ΠΈΠΉ ΠΠΠ Π²ΠΏΠ΅ΡΠ΅Π΄ ΠΈ Π½Π°Π·Π°Π΄ 50% ΠΈ 30% ΡΠΎΠΎΡΠ²Π΅ΡΡΡΠ²Π΅Π½Π½ΠΎ Π΄Π»Ρ ΡΡΠΈΡΡΠΎΠ², Π·Π°ΠΊΡΠ΅ΠΏΠ»Π΅Π½Π½ΡΡ
Π² ΠΊΠΎΡΠΎΠΌΡΡΠ»Π΅, ΠΈ 75% ΠΈ 50% ΡΠΎΠΎΡΠ²Π΅ΡΡΡΠ²Π΅Π½Π½ΠΎ Π΄Π»Ρ ΡΡΠΈΡΡΠΎΠ², ΡΡΡΠ°Π½ΠΎΠ²Π»Π΅Π½Π½ΡΡ
Π½Π° ΠΈΠ³Π»Π΅.
ΠΠΈΠ½Ρ ΡΠ΅Π³ΡΠ»ΠΈΡΠΎΠ²ΠΊΠΈ ΠΎΡΠ΅Π²ΠΎΠ³ΠΎ Π»ΡΡΡΠ° Π²Π°Π»Π° ΠΊΠΎΡΠΎΠΌΡΡΠ»Π° ΠΊΠΎΠ½ΡΠ°ΠΊΡΠΈΡΡΠ΅Ρ Ρ Π·Π°Π·Π΅ΠΌΠ»Π΅Π½Π½ΠΎΠΉ ΡΠ°ΡΡΡΡ Π²Π΅ΡΡ
Π½Π΅ΠΉ ΠΏΠΎΠ²Π΅ΡΡ
Π½ΠΎΡΡΠΈ Π²Π°Π»Π° ΠΊΠΎΡΠΎΠΌΡΡΠ»Π° Π΄Π»Ρ ΠΏΠΎΠ»ΡΡΠ΅Π½ΠΈΡ ΠΏΡΠ°Π²ΠΈΠ»ΡΠ½ΠΎΠΉ Π³Π»ΡΠ±ΠΈΠ½Ρ Π·Π°ΡΠ΅ΠΏΠ»Π΅Π½ΠΈΡ ΡΡΠΈΡΡΠ° Ρ ΠΊΠ°Π½Π°Π²ΠΊΠΎΠΉ ΠΊΡΠ»Π°ΡΠΊΠ°. ΠΠ°Π» ΠΊΠΎΡΠΎΠΌΡΡΠ»Π° Π²ΡΠ°ΡΠ°Π΅ΡΡΡ Π² Π±ΡΠΎΠ½Π·ΠΎΠ²ΠΎΠΌ ΠΏΠΎΠ΄ΡΠΈΠΏΠ½ΠΈΠΊΠ΅ ΡΠΊΠΎΠ»ΡΠΆΠ΅Π½ΠΈΡ Π½Π° ΠΊΠΎΠ½ΡΠ΅ ΡΡΡΠ°Π³Π° ΠΏΠΎΠ΄Π²Π΅ΡΠΊΠΈ ΠΈ ΠΏΡΡΠΌΠΎ Π½Π°ΠΏΡΠΎΡΠΈΠ² ΠΎΡΠ²Π΅ΡΡΡΠΈΡ ΠΏΠΎΠ΄ΡΠΈΠΏΠ½ΠΈΠΊΠ° Π½Π° ΠΊΠΎΠ½ΡΠ΅ ΠΊΡΠ»Π°ΡΠΊΠ°. ΠΠ»Ρ Π΄Π°Π»ΡΠ½Π΅ΠΉΡΠ΅Π³ΠΎ ΡΠ²Π΅Π»ΠΈΡΠ΅Π½ΠΈΡ ΠΠΠ Π½Π° 3-5% ΠΏΠΎΠ΄ΡΠΈΠΏΠ½ΠΈΠΊ ΠΊΠΎΡΠΎΠΌΡΡΠ»Π° Π²ΡΡΠ»ΠΊΠΈ ΡΠΊΠΎΠ»ΡΠΆΠ΅Π½ΠΈΡ ΠΌΠΎΠΆΠ½ΠΎ Π·Π°ΠΌΠ΅Π½ΠΈΡΡ ΠΈΠ³ΠΎΠ»ΡΡΠ°ΡΡΠΌΠΈ ΠΏΠΎΠ΄ΡΠΈΠΏΠ½ΠΈΠΊΠ°ΠΌΠΈ.
Π ΠΈΡ. 27.58. Π ΡΠ»Π΅Π²ΠΎΠΉ ΡΠ΅Π΄ΡΠΊΡΠΎΡ ΡΠ΅ΡΠ²ΡΡΠ½ΠΎΠ³ΠΎ ΠΈ ΡΠΎΠ»ΠΈΠΊΠΎΠ²ΠΎΠ³ΠΎ ΡΠΈΠΏΠ°.
27.7.6.
Π Π΄Π°Π½Π½ΠΎΠΌ ΡΡΠ»Π΅Π²ΠΎΠΌ ΠΌΠ΅Ρ
Π°Π½ΠΈΠ·ΠΌΠ΅ ΠΈΡΠΏΠΎΠ»ΡΠ·ΡΠ΅ΡΡΡ ΠΈΠ·Π½ΠΎΡΠ΅Π½Π½ΡΠΉ ΠΊΡΠ»Π°ΡΠΎΠΊ Π² ΡΠΎΡΠΌΠ΅ ΠΏΠ΅ΡΠΎΡΠ½ΡΡ
ΡΠ°ΡΠΎΠ², ΡΡΡΠ°Π½ΠΎΠ²Π»Π΅Π½Π½ΡΠΉ ΠΌΠ΅ΠΆΠ΄Ρ ΠΏΡΠΎΡΠΈΠ²ΠΎΠΏΠΎΠ»ΠΎΠΆΠ½ΡΠΌΠΈ ΠΊΠΎΠ½ΠΈΡΠ΅ΡΠΊΠΈΠΌΠΈ ΡΠΎΠ»ΠΈΠΊΠΎΠΏΠΎΠ΄ΡΠΈΠΏΠ½ΠΈΠΊΠ°ΠΌΠΈ. ΠΠ°ΡΡΠΆΠ½ΠΎΠ΅ ΠΊΠΎΠ»ΡΡΠΎ ΠΏΠΎΠ΄ΡΠΈΠΏΠ½ΠΈΠΊΠ° ΡΠ°ΡΠΏΠΎΠ»ΠΎΠΆΠ΅Π½ΠΎ Π² ΠΊΠΎΠ½ΡΠ΅Π²ΠΎΠΉ ΠΏΠ»Π°ΡΡΠΈΠ½Π΅ ΡΠ»Π°Π½ΡΠ΅ ΠΈ Π² ΠΎΠΏΠΎΡΠ½ΠΎΠΉ Π²ΡΡΠ»ΠΊΠ΅ Π½Π° Π²Ρ
ΠΎΠ΄Π½ΠΎΠΌ ΠΊΠΎΠ½ΡΠ΅ ΡΠ΅ΡΠ²ΡΡΠ½ΠΎΠ³ΠΎ Π²Π°Π»Π° (ΡΠΈΡ.
27.58). ΠΡΠΎΠΊΠ»Π°Π΄ΠΊΠΈ, ΡΡΡΠ°Π½ΠΎΠ²Π»Π΅Π½Π½ΡΠ΅ ΠΌΠ΅ΠΆΠ΄Ρ ΠΊΠΎΠ½ΡΠ΅Π²ΡΠΌΠΈ ΠΏΠ»Π°ΡΡΠΈΠ½Π°ΠΌΠΈ ΠΈ ΠΊΠΎΡΠΏΡΡΠΎΠΌ, ΠΈΡΠΏΠΎΠ»ΡΠ·ΡΡΡΡΡ Π΄Π»Ρ ΡΠ΅Π³ΡΠ»ΠΈΡΠΎΠ²ΠΊΠΈ ΠΏΡΠ΅Π΄Π²Π°ΡΠΈΡΠ΅Π»ΡΠ½ΠΎΠ³ΠΎ Π½Π°ΡΡΠ³Π° ΠΊΠΎΠ½ΠΈΡΠ΅ΡΠΊΠΈΡ
ΡΠΎΠ»ΠΈΠΊΠΎΠ²ΡΡ
ΠΏΠΎΠ΄ΡΠΈΠΏΠ½ΠΈΠΊΠΎΠ² ΠΈ Π΄Π»Ρ ΡΠ΅Π½ΡΡΠΈΡΠΎΠ²Π°Π½ΠΈΡ ΡΠ΅ΡΠ²ΡΠΊΠ° ΠΎΡΠ½ΠΎΡΠΈΡΠ΅Π»ΡΠ½ΠΎ ΠΊΠΎΡΠΎΠΌΡΡΠ»Π°.
Π ΠΎΠ»ΠΈΠΊΠΎΠ²ΡΠΉ ΡΠΎΠ»ΠΊΠ°ΡΠ΅Π»Ρ, ΠΈΠΌΠ΅ΡΡΠΈΠΉ Π΄Π²Π° ΠΈΠ»ΠΈ ΡΡΠΈ Π·ΡΠ±ΡΠ°, Π²Ρ
ΠΎΠ΄ΠΈΡ Π² Π·Π°ΡΠ΅ΠΏΠ»Π΅Π½ΠΈΠ΅ Ρ Π·ΡΠ±ΡΡΠΌΠΈ ΡΠ΅ΡΠ²ΡΠΊΠ° ΠΈ ΡΡΡΠ°Π½ΠΎΠ²Π»Π΅Π½ Π½Π° Π΄Π²ΡΡ
Π½Π°Π±ΠΎΡΠ°Ρ
ΠΈΠ³ΠΎΠ»ΡΡΠ°ΡΡΡ
ΡΠΎΠ»ΠΈΠΊΠΎΠ², ΠΏΠΎΠ΄Π΄Π΅ΡΠΆΠΈΠ²Π°Π΅ΠΌΡΡ
Π½Π° ΠΊΠΎΡΠΎΡΠΊΠΎΠΌ ΡΡΠ°Π»ΡΠ½ΠΎΠΌ ΡΡΠΈΡΡΠ΅, ΠΊΠΎΡΠΎΡΡΠΉ ΡΠ°ΡΠΏΠΎΠ»ΠΎΠΆΠ΅Π½ ΠΌΠ΅ΠΆΠ΄Ρ ΡΡΡΠ°Π³ΠΎΠΌ Π²ΠΈΠ»ΠΊΠΈ ΠΊΠ°ΠΊ Π½Π΅ΠΎΡΡΠ΅ΠΌΠ»Π΅ΠΌΠ°Ρ ΡΠ°ΡΡΡ Π²Π°Π»Π° ΠΊΠΎΡΠΎΠΌΡΡΠ»Π°. ΠΠ»Ρ ΡΠΌΠ΅Π½ΡΡΠ΅Π½ΠΈΡ ΠΏΠΎΡΠ΅ΡΡ Π½Π° ΡΡΠ΅Π½ΠΈΠ΅ ΠΈΠ³ΠΎΠ»ΡΡΠ°ΡΡΠ΅ ΡΠΎΠ»ΠΈΠΊΠΈ Π·Π°ΠΌΠ΅Π½Π΅Π½Ρ ΡΠ°ΡΠΈΠΊΠΎΠ²ΡΠΌΠΈ Π΄ΠΎΡΠΎΠΆΠΊΠ°ΠΌΠΈ, ΠΊΠΎΡΠΎΡΡΠ΅ ΠΏΠΎΠ΄Π΄Π΅ΡΠΆΠΈΠ²Π°ΡΡ ΡΠ°Π΄ΠΈΠ°Π»ΡΠ½ΡΠ΅ Π½Π°Π³ΡΡΠ·ΠΊΠΈ, Π° ΡΠ°ΠΊΠΆΠ΅ ΡΠΎΡΡΠ΅Π²ΡΡ ΡΡΠ³Ρ. ΠΠ°Π» ΠΊΠΎΡΠΎΠΌΡΡΠ»Π° ΠΏΠΎΠ΄Π΄Π΅ΡΠΆΠΈΠ²Π°Π΅ΡΡΡ Π΄Π²ΡΠΌΡ ΠΏΠ»ΠΎΡΠΊΠΈΠΌΠΈ Π²ΡΡΠ»ΠΊΠ°ΠΌΠΈ, ΡΠ°ΡΠΏΠΎΠ»ΠΎΠΆΠ΅Π½Π½ΡΠΌΠΈ Π² ΡΡΠ»Π΅Π²ΠΎΠΌ ΠΌΠ΅Ρ
Π°Π½ΠΈΠ·ΠΌΠ΅, Π° ΠΎΡΡΠ°Π»ΡΠ½ΡΠ΅ — Π² Π²Π΅ΡΡ
Π½Π΅ΠΉ ΠΊΡΡΡΠΊΠ΅. ΠΠΈΠ½Ρ Ρ Π±ΡΡΡΠΈΠΊΠΎΠΌ, ΡΠ°ΡΠΏΠΎΠ»ΠΎΠΆΠ΅Π½Π½ΡΠΉ Π² ΠΏΠ°Π·Ρ Ρ Π’-ΠΎΠ±ΡΠ°Π·Π½ΡΠΌ ΠΏΠ°Π·ΠΎΠΌ Π½Π° ΠΎΠ΄Π½ΠΎΠΌ ΠΊΠΎΠ½ΡΠ΅ Π²Π°Π»Π° ΠΊΠΎΡΠΎΠΌΡΡΠ»Π°, ΠΏΠΎΠ³Π»ΠΎΡΠ°Π΅Ρ ΠΎΡΠ΅Π²ΠΎΠ΅ ΡΡΠΈΠ»ΠΈΠ΅ Π² ΠΎΠ±ΠΎΠΈΡ
Π½Π°ΠΏΡΠ°Π²Π»Π΅Π½ΠΈΡΡ
Π²Π°Π»Π° ΠΊΠΎΡΠΎΠΌΡΡΠ»Π°.
ΠΠ»Ρ ΡΠ΅Π³ΡΠ»ΠΈΡΠΎΠ²ΠΊΠΈ Π³Π»ΡΠ±ΠΈΠ½Ρ Π·Π°ΡΠ΅ΠΏΠ»Π΅Π½ΠΈΡ ΡΠ΅ΡΠ²ΡΠΊΠ° ΠΈ ΡΠΎΠ»ΠΈΠΊΠ° (ΡΠΈΡ. 27.58) ΡΡΠ»Π΅Π²ΠΎΠ΅ ΠΊΠΎΠ»Π΅ΡΠΎ ΠΏΠ΅ΡΠ΅ΠΌΠ΅ΡΠ°Π΅ΡΡΡ Π² ΡΡΠ΅Π΄Π½Π΅Π΅ ΠΏΠΎΠ»ΠΎΠΆΠ΅Π½ΠΈΠ΅ ΡΠΈΡΠ»Π° ΠΎΠ±ΠΎΡΠΎΡΠΎΠ² ΡΡΠ»Ρ ΠΎΡ ΡΠΏΠΎΡΠ° ΠΊ ΡΠΏΠΎΡΡ.
ΠΠΈΠ½Ρ Ρ ΡΠΏΠΎΡΠ½ΡΠΌ ΡΠΏΠΎΡΠΎΠΌ Π½Π° ΠΊΠΎΠ½ΡΠ΅ Π²Π²ΠΈΠ½ΡΠΈΠ²Π°Π΅ΡΡΡ Π΄ΠΎ ΡΠ΅Ρ
ΠΏΠΎΡ, ΠΏΠΎΠΊΠ° Π½Π΅ Π±ΡΠ΄Π΅Ρ Π²ΠΎΡΠΏΡΠΈΠ½ΡΡ Π²Π΅ΡΡ ΡΠ²ΠΎΠ±ΠΎΠ΄Π½ΡΠΉ Ρ
ΠΎΠ΄, Π° Π·Π°ΡΠ΅ΠΌ ΠΊΠΎΠ½ΡΡΠ³Π°ΠΉΠΊΠ° Π·Π°ΡΡΠ³ΠΈΠ²Π°Π΅ΡΡΡ Π΄Π»Ρ ΡΠΌΠ΅Π½ΡΡΠ΅Π½ΠΈΡ ΡΠ°ΡΡΡΠΎΡΠ½ΠΈΡ ΡΠΌΠ΅ΡΠ΅Π½ΠΈΡ. ΠΡΠ»Π°ΡΠΎΠΊ ΡΠ°ΡΠΏΠΎΠ»ΠΎΠΆΠ΅Π½ ΠΏΠΎ ΡΠ΅Π½ΡΡΡ ΠΎΡΠ½ΠΎΡΠΈΡΠ΅Π»ΡΠ½ΠΎ ΡΠΎΠ»ΠΈΠΊΠ° ΠΊΠΎΡΠΎΠΌΡΡΠ»Π°, ΡΠ°ΠΊ ΡΡΠΎ ΠΌΠ΅ΠΆΠ΄Ρ ΡΠΎΠ»ΠΈΠΊΠΎΠΌ ΠΈ ΡΠ΅ΡΠ²ΡΠΊΠΎΠΌ Π² ΡΠΎΡΠΊΠ΅ Π½Π° ΠΏΠΎΠ»ΠΎΠ²ΠΈΠ½Ρ ΠΎΠ±ΠΎΡΠΎΡΠ° ΡΡΠ»Π΅Π²ΠΎΠ³ΠΎ ΠΊΠΎΠ»Π΅ΡΠ° ΠΏΠΎ ΠΎΠ±Π΅ ΡΡΠΎΡΠΎΠ½Ρ ΠΎΡ ΡΡΠ΅Π΄Π½Π΅Π³ΠΎ ΠΏΠΎΠ»ΠΎΠΆΠ΅Π½ΠΈΡ ΠΈΠΌΠ΅Π΅ΡΡΡ ΡΠ°Π²Π½ΡΠΉ Π»ΡΡΡ.ΠΡΠ±Π°Ρ Π½Π΅ΠΎΠ±Ρ
ΠΎΠ΄ΠΈΠΌΠ°Ρ ΡΠ΅Π³ΡΠ»ΠΈΡΠΎΠ²ΠΊΠ° Π²ΡΠΏΠΎΠ»Π½ΡΠ΅ΡΡΡ ΠΏΡΡΠ΅ΠΌ ΡΠ΄Π°Π»Π΅Π½ΠΈΡ ΡΠ΅Π³ΡΠ»ΠΈΡΠΎΠ²ΠΎΡΠ½ΡΡ
ΡΠ°ΠΉΠ± Ρ ΠΎΠ΄Π½ΠΎΠΉ ΡΠΎΡΡΠ΅Π²ΠΎΠΉ ΠΏΠ»Π°ΡΡΠΈΠ½Ρ ΠΈ Π΄ΠΎΠ±Π°Π²Π»Π΅Π½ΠΈΡ ΠΈΡ
ΠΊ ΡΡΡΠ΅ΡΡΠ²ΡΡΡΠΈΠΌ ΡΠ°ΠΉΠ±Π°ΠΌ Ρ Π΄ΡΡΠ³ΠΎΠΉ.
ΠΠ΅ΡΠ΅Π΄Π½ΠΈΠΉ ΠΈ Π·Π°Π΄Π½ΠΈΠΉ ΠΠΠ ΡΠ΅ΡΠ²ΡΡΠ½ΠΎΠΉ ΠΈ ΡΠΎΠ»ΠΈΠΊΠΎΠ²ΠΎΠΉ ΠΏΠ΅ΡΠ΅Π΄Π°ΡΠΈ ΡΠΎΡΡΠ°Π²Π»ΡΠ΅Ρ ΡΠΎΠΎΡΠ²Π΅ΡΡΡΠ²Π΅Π½Π½ΠΎ 73% ΠΈ 48%, ΡΡΠΎ Π½Π΅ΠΌΠ½ΠΎΠ³ΠΎ Π½ΠΈΠΆΠ΅, ΡΠ΅ΠΌ Ρ ΠΊΡΠ»Π°ΡΠΊΠΎΠ²ΠΎΠΉ ΠΈ ΡΡΡΡΠ΅Π²ΠΎΠΉ ΠΏΠ΅ΡΠ΅Π΄Π°Ρ. ΠΡΠ° ΡΡΡΠ΅ΠΊΡΠΈΠ²Π½ΠΎΡΡΡ Π² Π½Π΅ΠΊΠΎΡΠΎΡΠΎΠΉ ΡΡΠ΅ΠΏΠ΅Π½ΠΈ Π·Π°Π²ΠΈΡΠΈΡ ΠΎΡ ΠΊΠΎΠ½ΡΡΡΡΠΊΡΠΈΠΈ. ΠΠ»Ρ ΠΏΠΎΠ²ΡΡΠ΅Π½ΠΈΡ ΡΡΡΠ΅ΠΊΡΠΈΠ²Π½ΠΎΡΡΠΈ ΠΌΠΎΠΆΠ½ΠΎ ΠΈΡΠΏΠΎΠ»ΡΠ·ΠΎΠ²Π°ΡΡ ΠΈΠ³ΠΎΠ»ΡΡΠ°ΡΡΠΉ ΠΈΠ»ΠΈ ΠΊΠΎΠ½ΠΈΡΠ΅ΡΠΊΠΈΠΉ ΡΠΎΠ»ΠΈΠΊΠΎΠ²ΡΠΉ ΠΏΠΎΠ΄ΡΠΈΠΏΠ½ΠΈΠΊ ΠΌΠ΅ΠΆΠ΄Ρ ΠΊΠΎΡΠΎΠΌΡΡΠ»ΠΎΠΌ ΠΈ ΠΊΠΎΡΠΏΡΡΠΎΠΌ Π²ΠΌΠ΅ΡΡΠΎ ΠΎΠ±ΡΡΠ½ΠΎΠ³ΠΎ ΠΏΠΎΠ΄ΡΠΈΠΏΠ½ΠΈΠΊΠ° ΡΠΊΠΎΠ»ΡΠΆΠ΅Π½ΠΈΡ Ρ Π²ΡΡΠ»ΠΊΠΎΠΉ.
27.7.7.
ΠΡΠΎΡ ΡΠΈΠΏ ΠΊΠΎΡΠΎΠ±ΠΊΠΈ ΠΏΠ΅ΡΠ΅Π΄Π°Ρ ΡΠ²Π»ΡΠ΅ΡΡΡ ΡΠ΅Π·ΡΠ»ΡΡΠ°ΡΠΎΠΌ ΡΠ°Π·Π²ΠΈΡΠΈΡ ΡΡΠ°ΡΡΡ
ΠΊΠΎΠ½ΡΡΡΡΠΊΡΠΈΠΉ ΡΠ΅ΡΠ²ΡΡΠ½ΠΎΠ³ΠΎ ΠΈ ΠΊΠΎΠ»Π΅ΡΠ½ΠΎΠ³ΠΎ ΡΠΈΠΏΠ°.
Π§Π΅ΡΠ²ΡΠΊ ΠΈ ΡΠ΅ΠΊΡΠΎΡ ΠΈΠ· Π·Π°ΠΊΠ°Π»Π΅Π½Π½ΠΎΠΉ ΡΡΠ°Π»ΠΈ ΡΠ°ΡΠΏΠΎΠ»ΠΎΠΆΠ΅Π½Ρ ΠΏΠΎΠ΄ΡΠΈΠΏΠ½ΠΈΠΊΠ°ΠΌΠΈ Π² ΠΊΠΎΡΠΏΡΡΠ΅ ΠΈΠ· ΠΊΠΎΠ²ΠΊΠΎΠ³ΠΎ ΡΡΠ³ΡΠ½Π° ΠΈΠ»ΠΈ Π»Π΅Π³ΠΊΠΎΠ³ΠΎ ΡΠΏΠ»Π°Π²Π°. ΠΠ° ΡΠΈΡΡΠ½ΠΊΠ΅ 27.59 ΠΏΠΎΠΊΠ°Π·Π°Π½ ΠΈΠ·Π½ΠΎΡΠ΅Π½Π½ΡΠΉ ΠΈ ΡΠ΅ΠΊΡΠΎΡΠ½ΡΠΉ ΡΡΠ»Π΅Π²ΠΎΠΉ ΠΌΠ΅Ρ
Π°Π½ΠΈΠ·ΠΌ. Π§Π΅ΡΠ²ΡΠΊ ΡΠΎΠ΅Π΄ΠΈΠ½Π΅Π½ Ρ Π²Π½ΡΡΡΠ΅Π½Π½Π΅ΠΉ ΠΊΠΎΠ»ΠΎΠ½ΠΊΠΎΠΉ, Π° ΡΠ΅ΠΊΡΠΎΡ ΠΎΠ±ΡΠ°Π·ΡΠ΅Ρ ΡΠ°ΡΡΡ ΠΊΠΎΡΠΎΠΌΡΡΠ»Π° Π² ΡΡΠ»Π΅Π²ΠΎΠΌ ΡΠ΅Π΄ΡΠΊΡΠΎΡΠ΅.
Π€ΠΈΠ³.27,59. Π§Π΅ΡΠ²ΡΡΠ½ΠΎ-ΡΠ΅ΠΊΡΠΎΡΠ½ΡΠΉ ΡΡΠ»Π΅Π²ΠΎΠΉ ΠΌΠ΅Ρ
Π°Π½ΠΈΠ·ΠΌ.
ΠΠΎΠ΄ΠΎΠ±Π½ΠΎ ΠΌΠ½ΠΎΠ³ΠΈΠΌ Π΄ΡΡΠ³ΠΈΠΌ Π±Π»ΠΎΠΊΠ°ΠΌ, ΠΌΠ°ΠΊΠ΅Ρ ΡΠ°ΠΊΠΆΠ΅ ΠΌΠΎΠΆΠ΅Ρ ΠΈΠΌΠ΅ΡΡ Π½Π°ΡΡΡΠΎΠΉΠΊΠΈ, ΠΊΠΎΡΠΎΡΡΠ΅ Π²ΠΊΠ»ΡΡΠ°ΡΡ: (i) ΠΠΎΠΏΠ»Π°Π²ΠΎΠΊ Π²Π½ΡΡΡΠ΅Π½Π½Π΅ΠΉ ΡΡΠΎΠΉΠΊΠΈ ΡΠ΅Π³ΡΠ»ΠΈΡΡΠ΅ΡΡΡ Ρ ΠΏΠΎΠΌΠΎΡΡΡ ΠΏΡΠΎΠΊΠ»Π°Π΄ΠΊΠΈ.
(ii) ΠΠΎΠΏΠ»Π°Π²ΠΎΠΊ ΠΊΠΎΡΠΎΠΌΡΡΠ»Π° ΡΠ΅Π³ΡΠ»ΠΈΡΡΠ΅ΡΡΡ Ρ ΠΏΠΎΠΌΠΎΡΡΡ ΡΠ΅Π³ΡΠ»ΠΈΡΠΎΠ²ΠΎΡΠ½ΠΎΠΉ ΠΏΡΠΎΠΊΠ»Π°Π΄ΠΊΠΈ ΠΈΠ»ΠΈ Π²ΠΈΠ½ΡΠ°.
(Hi) ΠΡΡΡ ΠΌΠ΅ΠΆΠ΄Ρ ΡΠ΅ΡΡΠ΅ΡΠ½ΡΠΌΠΈ ΡΠ΅Π³ΡΠ»ΠΈΡΡΠ΅ΡΡΡ ΠΏΠ΅ΡΠ΅ΠΌΠ΅ΡΠ΅Π½ΠΈΠ΅ΠΌ ΡΠ΅ΡΡΠ΅ΡΠ΅Π½.
ΠΠΎΡΠΊΠΎΠ»ΡΠΊΡ ΠΌΠ°ΠΊΡΠΈΠΌΠ°Π»ΡΠ½ΡΠΉ ΠΈΠ·Π½ΠΎΡ ΠΏΡΠΎΠΈΡΡ
ΠΎΠ΄ΠΈΡ Π² ΠΏΠΎΠ»ΠΎΠΆΠ΅Π½ΠΈΠΈ ΠΊΠΎΡΠΎΠ±ΠΊΠΈ ΠΏΡΡΠΌΠΎ Π²ΠΏΠ΅ΡΠ΅Π΄, ΡΠ΅ΡΡΠ΅ΡΠ½Ρ ΠΎΠ±ΡΡΠ½ΠΎ ΠΈΠΌΠ΅Π΅Ρ Π±ΠΎΠ»ΡΡΠΈΠΉ Π»ΡΡΡ Π² ΠΏΠΎΠ»ΠΎΠΆΠ΅Π½ΠΈΡΡ
Π±Π»ΠΎΠΊΠΈΡΠΎΠ²ΠΊΠΈ. ΠΡΠΎ ΡΠ½ΠΈΠΆΠ°Π΅Ρ ΡΠΈΡΠΊ Π·Π°ΠΊΠ»ΠΈΠ½ΠΈΠ²Π°Π½ΠΈΡ ΠΏΡΠΈ ΠΏΠΎΠ»Π½ΠΎΠΉ ΡΠΈΠΊΡΠ°ΡΠΈΠΈ, ΠΊΠΎΠ³Π΄Π° ΠΊΠΎΡΠΎΠ±ΠΊΠ° ΡΠ΅Π³ΡΠ»ΠΈΡΡΠ΅ΡΡΡ Π΄Π»Ρ ΠΊΠΎΠΌΠΏΠ΅Π½ΡΠ°ΡΠΈΠΈ ΠΈΠ·Π½ΠΎΡΠ°.ΠΠ°ΠΆΠ½ΠΎ ΡΠ²Π΅ΡΡΠΈ ΠΊ ΠΌΠΈΠ½ΠΈΠΌΡΠΌΡ ΠΊΠΎΠ½ΡΠ΅Π²ΠΎΠΉ Π»ΡΡΡ ΠΈ Π»ΡΡΡ. Π‘ΠΌΠ°Π·ΠΊΠ° ΡΡΠ»Π΅Π²ΠΎΠ³ΠΎ ΠΌΠ΅Ρ
Π°Π½ΠΈΠ·ΠΌΠ° ΠΎΠ±Π΅ΡΠΏΠ΅ΡΠΈΠ²Π°Π΅ΡΡΡ Π·Π° ΡΡΠ΅Ρ Π·Π°ΠΏΠΎΠ»Π½Π΅Π½ΠΈΡ ΠΊΠΎΡΠΎΠ±ΠΊΠΈ Π΄ΠΎ ΡΡΠΎΠ²Π½Ρ ΠΏΡΠΎΠ±ΠΊΠΈ ΠΎΠ±ΡΡΠ½ΡΠΌ ΡΡΠ°Π½ΡΠΌΠΈΡΡΠΈΠΎΠ½Π½ΡΠΌ ΠΌΠ°ΡΠ»ΠΎΠΌ.
27.7.8.
ΠΡΠ° ΠΊΠΎΠ½ΡΡΡΡΠΊΡΠΈΡ ΡΠ²Π»ΡΠ΅ΡΡΡ ΡΡΠΎΠ²Π΅ΡΡΠ΅Π½ΡΡΠ²ΠΎΠ²Π°Π½ΠΈΠ΅ΠΌ ΠΏΡΠΎΡΡΠΎΠΉ ΠΊΠΎΡΠΎΠ±ΠΊΠΈ ΠΏΠ΅ΡΠ΅Π΄Π°Ρ Ρ Π²ΠΈΠ½ΡΠΎΠΌ ΠΈ Π³Π°ΠΉΠΊΠΎΠΉ ΠΏΡΡΠ΅ΠΌ Π·Π°ΠΌΠ΅Π½Ρ Π½Π°ΡΡΠΆΠ½ΠΎΠΉ ΠΈ Π²Π½ΡΡΡΠ΅Π½Π½Π΅ΠΉ ΡΠ΅Π·ΡΠ±Ρ Π²ΠΈΠ½ΡΠ° ΠΏΠΎΠ»ΡΠΊΡΡΠ³Π»ΡΠΌΠΈ ΡΠΏΠΈΡΠ°Π»ΡΠ½ΡΠΌΠΈ ΠΊΠ°Π½Π°Π²ΠΊΠ°ΠΌΠΈ, Π²ΡΠΏΠΎΠ»Π½Π΅Π½Π½ΡΠΌΠΈ Π½Π° ΠΏΠ΅ΡΠ²ΠΈΡΠ½ΠΎΠΌ Π²Π°Π»Ρ ΠΈ Π²Π½ΡΡΡΠΈ ΠΎΡΠ²Π΅ΡΡΡΠΈΡ ΠΏΠΎΠ»ΡΠ³Π°ΠΉΠΊΠΈ.ΠΠΎΠ»ΡΡΠΎ ΠΈΠ· ΡΡΠ°Π»ΡΠ½ΡΡ
ΡΠ°ΡΠΈΠΊΠΎΠ² ΠΏΠΎΠΌΠ΅ΡΠ°Π΅ΡΡΡ ΠΌΠ΅ΠΆΠ΄Ρ Π²Π½ΡΡΡΠ΅Π½Π½ΠΈΠΌΠΈ ΠΈ Π²Π½Π΅ΡΠ½ΠΈΠΌΠΈ ΠΊΠ°Π½Π°Π²ΠΊΠ°ΠΌΠΈ Π²Π½ΡΡΡΠΈ Π³Π°ΠΉΠΊΠΈ (ΡΠΈΡ. 27.60). Π§Π°ΡΡΡ Π²Π°Π»Π° ΡΠΎ ΡΠΏΠΈΡΠ°Π»ΡΠ½ΠΎΠΉ ΠΊΠ°Π½Π°Π²ΠΊΠΎΠΉ ΠΈΠ·Π²Π΅ΡΡΠ½Π° ΠΊΠ°ΠΊ ΡΠ΅ΡΠ²ΡΠΊ, ΠΊΠΎΡΠΎΡΡΠΉ ΠΈΠΌΠ΅Π΅Ρ ΠΎΠ΄Π½Ρ ΠΏΡΡΠΊΠΎΠ²ΡΡ Π»Π΅Π²ΡΡ ΠΈΠ»ΠΈ ΠΏΡΠ°Π²ΡΡ ΡΠΏΠΈΡΠ°Π»Ρ Π΄Π»Ρ ΠΏΡΠ°Π²ΠΎΡΡΠΎΡΠΎΠ½Π½Π΅Π³ΠΎ ΠΈΠ»ΠΈ Π»Π΅Π²ΠΎΡΡΠΎΡΠΎΠ½Π½Π΅Π³ΠΎ ΡΡΠ»Π΅Π²ΠΎΠ³ΠΎ ΡΠΏΡΠ°Π²Π»Π΅Π½ΠΈΡ ΡΠΎΠΎΡΠ²Π΅ΡΡΡΠ²Π΅Π½Π½ΠΎ.
Π ΠΈΡ. 27.60. Π Π΅Π΄ΡΠΊΡΠΎΡ ΡΡΠ»Π΅Π²ΠΎΠ³ΠΎ ΡΠΈΠΏΠ° Ρ ΡΠ°ΡΠΈΠΊΠΎΠ²ΠΎΠΉ Π³Π°ΠΉΠΊΠΎΠΉ ΠΈ ΠΊΠΎΡΠΎΠΌΡΡΠ»ΠΎΠΌ Ρ ΡΠ΅ΡΠΈΡΠΊΡΠ»ΡΡΠΈΠ΅ΠΉ.
Π§Π΅ΡΠ²ΡΡΠ½ΡΠΉ Π²Π°Π» ΠΏΠΎΠ΄Π΄Π΅ΡΠΆΠΈΠ²Π°Π΅ΡΡΡ ΠΌΠ΅ΠΆΠ΄Ρ Π΄Π²ΡΠΌΡ Π½Π°Π±ΠΎΡΠ°ΠΌΠΈ ΡΠ°ΡΠΈΠΊΠΎΠ²ΡΡ
Π΄ΠΎΡΠΎΠΆΠ΅ΠΊ, ΠΎΠ±ΡΡΠ½ΠΎ ΡΡΡΠ°Π½ΠΎΠ²Π»Π΅Π½Π½ΡΡ
Π½Π° ΠΎΠ±ΠΎΠΈΡ
ΠΊΠΎΠ½ΡΠ°Ρ
Π² Π°Π»ΡΠΌΠΈΠ½ΠΈΠ΅Π²ΠΎΠΌ ΠΊΠΎΡΠΏΡΡΠ΅.ΠΡΠ΅Π΄Π²Π°ΡΠΈΡΠ΅Π»ΡΠ½ΡΠΉ Π½Π°ΡΡΠ³ ΠΏΠΎΠ΄ΡΠΈΠΏΠ½ΠΈΠΊΠ° ΡΠ΅Π³ΡΠ»ΠΈΡΡΠ΅ΡΡΡ ΡΡΠ°Π»ΡΠ½ΡΠΌΠΈ ΠΏΡΠΎΠΊΠ»Π°Π΄ΠΊΠ°ΠΌΠΈ, Π·Π°ΠΆΠ°ΡΡΠΌΠΈ ΠΌΠ΅ΠΆΠ΄Ρ ΡΡΠ΅ΠΌΠ½ΠΎΠΉ ΠΏΠ»Π°ΡΡΠΈΠ½ΠΎΠΉ, ΡΡΡΠ°Π½ΠΎΠ²Π»Π΅Π½Π½ΠΎΠΉ Π½Π° Π²Ρ
ΠΎΠ΄Π½ΠΎΠΌ ΠΊΠΎΠ½ΡΠ΅ Π²Π°Π»Π°.
ΠΠΎΠ΄ΠΏΡΡΠΆΠΈΠ½Π΅Π½Π½ΠΎΠ΅ ΠΌΠ°Π½ΠΆΠ΅ΡΠ½ΠΎΠ΅ ΡΠΏΠ»ΠΎΡΠ½Π΅Π½ΠΈΠ΅ ΠΊΠΎΠ½ΡΠ°ΠΊΡΠΈΡΡΠ΅Ρ Ρ Π³Π»Π°Π΄ΠΊΠΎΠΉ ΠΏΠΎΠ²Π΅ΡΡ
Π½ΠΎΡΡΡΡ Π²Π°Π»Π° ΡΠ΅ΡΠ²ΡΠΊΠ° ΠΈ ΡΠ°ΡΠΏΠΎΠ»ΠΎΠΆΠ΅Π½ΠΎ Π½Π° Π²Π½ΡΡΡΠ΅Π½Π½Π΅ΠΉ ΡΡΠΎΡΠΎΠ½Π΅ ΡΠΎΡΡΠ΅Π²ΠΎΠΉ ΠΏΠ»Π°ΡΡΠΈΠ½Ρ. ΠΠΎΠ»ΠΎΠ²ΠΈΠ½Π° Π³Π°ΠΉΠΊΠΈ ΠΊΡΠ΅ΠΏΠΈΡΡΡ ΠΊ ΠΈΠ·Π½ΠΎΡΠ΅Π½Π½ΠΎΠΉ ΡΠ°ΡΡΠΈ Ρ ΠΏΠΎΠΌΠΎΡΡΡ ΡΡΠ΅ΠΌΠ½ΠΎΠΉ ΠΏΠΎΠ»ΡΠΊΡΡΠ³Π»ΠΎΠΉ ΠΏΠ΅ΡΠ΅Π΄Π°ΡΠΎΡΠ½ΠΎΠΉ ΡΡΡΠ±ΠΊΠΈ, ΠΊΠΎΡΠΎΡΠ°Ρ ΠΊΡΠ΅ΠΏΠΈΡΡΡ ΠΊ Π³Π°ΠΉΠΊΠ΅ ΠΏΡΠΈ ΠΏΠΎΠΌΠΎΡΠΈ ΡΠΈΠΊΡΠ°ΡΠΎΡΠ° ΠΈ Π΄Π²ΡΡ
Π±ΠΎΠ»ΡΠΎΠ². Π‘ΡΠ°Π»ΡΠ½ΡΠ΅ ΡΠ°ΡΠΈΠΊΠΈ Π²ΡΡΠ°Π²Π»Π΅Π½Ρ Π² ΠΏΡΠΎΡ
ΠΎΠ΄, ΠΎΠ±ΡΠ°Π·ΠΎΠ²Π°Π½Π½ΡΠΉ ΠΊΠ°Π½Π°Π²ΠΊΠ°ΠΌΠΈ ΠΈ ΠΏΠ΅ΡΠ΅Π΄Π°ΡΡΠ΅ΠΉ ΡΡΡΠ±ΠΊΠΎΠΉ, ΠΈ ΠΌΠΎΠ³ΡΡ ΡΠ²ΠΎΠ±ΠΎΠ΄Π½ΠΎ ΠΏΠ΅ΡΠ΅ΠΌΠ΅ΡΠ°ΡΡΡΡ Π²ΠΎ Π²ΡΠ΅ΠΌΡ Π²ΡΠ°ΡΠ΅Π½ΠΈΡ ΡΠ΅ΡΠ²ΡΡΠ½ΠΎΠ³ΠΎ Π²Π°Π»Π°.
ΠΠΎΠ»ΡΠ³Π°ΠΉΠΊΠ° ΠΈΠΌΠ΅Π΅Ρ ΡΠ΄Π»ΠΈΠ½Π΅Π½Π½ΡΡ ΡΡΠΎΠΉΠΊΡ ΠΊΠΎΠ½ΠΈΡΠ΅ΡΠΊΠΎΠ³ΠΎ Π³Π½Π΅Π·Π΄Π° ΠΈ ΡΠ΅Π½ΡΡΠΈΡΡΡΡΠ΅Π³ΠΎ ΡΡΠΈΡΡΠ°. ΠΠΎΡΠ»Π΅ ΡΠ±ΠΎΡΠΊΠΈ ΠΊΠΎΠ½ΠΈΡΠ΅ΡΠΊΠΎΠ΅ ΡΠ΅Π΄Π»ΠΎ Π²Ρ
ΠΎΠ΄ΠΈΡ Π² Π·Π°ΡΠ΅ΠΏΠ»Π΅Π½ΠΈΠ΅ Ρ ΠΊΠΎΠ½ΠΈΡΠ΅ΡΠΊΠΈΠΌΠΈ Π²ΠΈΠ»ΠΊΠ°ΠΌΠΈ ΠΊΠΎΡΠΎΠΌΡΡΠ»Π°, Π² ΡΠΎ Π²ΡΠ΅ΠΌΡ ΠΊΠ°ΠΊ ΡΠΎΠ»ΠΈΠΊ Π½Π° ΡΠ°ΠΏΡΠ΅ Π³Π°ΠΉΠΊΠΈ Π²Ρ
ΠΎΠ΄ΠΈΡ Π² Π½Π°ΠΏΡΠ°Π²Π»ΡΡΡΠΈΠΉ ΠΏΠ°Π·, ΡΡΠΎΡΠΌΠΈΡΠΎΠ²Π°Π½Π½ΡΠΉ ΠΏΠ°ΡΠ°Π»Π»Π΅Π»ΡΠ½ΠΎ ΠΎΡΠΈ ΡΠ΅ΡΠ²ΡΠΊΠ° Π² Π²Π΅ΡΡ
Π½Π΅ΠΉ ΠΊΡΡΡΠΊΠ΅. ΠΡΠΈ Π²ΡΠ°ΡΠ΅Π½ΠΈΠΈ Π²Π°Π»Π° ΡΠ΅ΡΠ²ΡΠΊΠ° Π³Π»Π°Π΄ΠΊΠΈΠΉ ΡΠΎΠ»ΠΈΠΊ, Π·Π°ΡΠ΅ΠΏΠ»Π΅Π½Π½ΡΠΉ Π·Π° Π΅Π³ΠΎ ΡΠ΄Π»ΠΈΠ½Π΅Π½Π½ΡΡ ΠΏΡΠΎΡΠ΅Π·Ρ, ΠΏΡΠ΅Π΄ΠΎΡΠ²ΡΠ°ΡΠ°Π΅Ρ ΠΏΡΠΎΠ²ΠΎΡΠ°ΡΠΈΠ²Π°Π½ΠΈΠ΅ Π³Π°ΠΉΠΊΠΈ. ΠΠ΅ΡΠ΅ΠΌΠ΅ΡΠ΅Π½ΠΈΠ΅ Π³Π°ΠΉΠΊΠΈ ΠΏΠΎ ΡΠ΅ΡΠ²ΡΠΊΡ ΠΎΠ±Π΅ΡΠΏΠ΅ΡΠΈΠ²Π°Π΅Ρ ΠΎΡΠ΅Π²ΠΎΠ΅ ΠΏΠ΅ΡΠ΅ΠΌΠ΅ΡΠ΅Π½ΠΈΠ΅ ΡΠ΅Π½ΡΡΠΈΡΡΡΡΠ΅Π³ΠΎ ΡΠΎΠ»ΠΈΠΊΠ° Π² Π΅Π³ΠΎ ΠΏΠ°Π·Ρ.
ΠΠΎΠ΄ΠΏΡΡΠΆΠΈΠ½Π΅Π½Π½ΡΠΉ ΠΏΠ»ΡΠ½ΠΆΠ΅Ρ ΠΏΡΠΈΠΆΠΈΠΌΠ°Π΅Ρ ΠΊΠΎΠ½ΠΈΡΠ΅ΡΠΊΠΈΠ΅ Π²ΠΈΠ»ΠΊΠΈ ΠΊΠΎΡΠΎΠΌΡΡΠ»Π° ΠΊ ΠΊΠΎΠ½ΠΈΡΠ΅ΡΠΊΠΎΠΌΡ Π³Π½Π΅Π·Π΄Ρ ΠΏΠΎΠ»ΡΠ³Π°ΠΉΠΊΠΈ ΠΈ ΡΠΏΡΠ°Π²Π»ΡΠ΅Ρ ΠΊΠΎΠ½ΡΠ΅Π²ΡΠΌ ΡΠΌΠ΅ΡΠ΅Π½ΠΈΠ΅ΠΌ Π²Π°Π»Π° ΠΊΠΎΡΠΎΠΌΡΡΠ»Π°.
ΠΠ°Π» ΠΊΠΎΡΠΎΠΌΡΡΠ»Π° ΠΏΠΎΠ΄Π΄Π΅ΡΠΆΠΈΠ²Π°Π΅ΡΡΡ Π½Π΅ΠΏΠΎΡΡΠ΅Π΄ΡΡΠ²Π΅Π½Π½ΠΎ Π² ΠΎΡΠ²Π΅ΡΡΡΠΈΠΈ ΠΌΠ°ΡΠ΅ΡΠΈΠ°Π»Π° ΠΊΠΎΡΠΏΡΡΠ° Π½Π° ΠΊΠΎΠ½ΡΠ΅ ΡΠ΅ΡΠ²ΡΠΊΠ° ΠΈ Π±ΡΠΎΠ½Π·ΠΎΠ²ΠΎΠΉ Π²ΡΡΠ»ΠΊΠΎΠΉ Π² ββΠΊΠΎΡΠΏΡΡΠ΅ Π½Π° ΠΊΠΎΠ½ΡΠ΅ ΡΡΡΠ°Π³Π° ΠΏΠΎΠ΄Π²Π΅ΡΠΊΠΈ. ΠΠ°ΡΠ»ΡΠ½ΠΎΠ΅ ΡΠΏΠ»ΠΎΡΠ½Π΅Π½ΠΈΠ΅, ΡΡΡΠ°Π½ΠΎΠ²Π»Π΅Π½Π½ΠΎΠ΅ Π²Π½ΡΡΡΠΈ ΠΎΡΠ²Π΅ΡΡΡΠΈΡ ΠΊΠΎΡΠΎΠΌΡΡΠ»Π°, ΡΠ΄Π΅ΡΠΆΠΈΠ²Π°Π΅Ρ ΡΠΌΠ°Π·ΠΊΡ Π²Π½ΡΡΡΠΈ ΠΊΠΎΡΠΏΡΡΠ° ΡΡΠ»Π΅Π²ΠΎΠ³ΠΎ ΠΌΠ΅Ρ
Π°Π½ΠΈΠ·ΠΌΠ°. ΠΡΠ΅ΠΏΠ»Π΅Π½ΠΈΠ΅ ΡΡΠ»Π΅Π²ΠΎΠ³ΠΎ Π²Π°Π»Π° ΠΎΠ±Π΅ΡΠΏΠ΅ΡΠΈΠ²Π°Π΅ΡΡΡ ΠΏΠ°ΡΠ°Π»Π»Π΅Π»ΡΠ½ΡΠΌΠΈ Π·ΡΠ±ΡΠ°ΠΌΠΈ ΡΠ΅ΡΠ²ΡΡΠ½ΠΎΠ³ΠΎ Π²Π°Π»Π°. ΠΠ°Π» ΠΊΠΎΡΠΎΠΌΡΡΠ»Π° ΡΠΎΠ΅Π΄ΠΈΠ½Π΅Π½ Ρ ΡΡΡΠ°Π³ΠΎΠΌ ΠΏΠΎΠ΄Π²Π΅ΡΠΊΠΈ Π·ΡΠ±ΡΠ°ΡΡΠΌ ΠΊΠΎΠ½ΠΈΡΠ΅ΡΠΊΠΈΠΌ Ρ
Π²ΠΎΡΡΠΎΠ²ΠΈΠΊΠΎΠΌ.
ΠΡΠΎΡ ΡΠΈΠΏ ΡΠ΅ΡΠΈΡΠΊΡΠ»ΠΈΡΡΡΡΠ΅ΠΉ ΡΠ°ΡΠΎΠ²ΠΎΠΉ ΠΏΠ΅ΡΠ΅Π΄Π°ΡΠΈ ΠΈ ΠΊΡΠ»ΠΈΡΠ½ΠΎΠ³ΠΎ ΡΡΡΠ°Π³Π° ΠΈΠΌΠ΅Π΅Ρ ΠΠΠ Π²ΠΏΠ΅ΡΠ΅Π΄ ΠΈ Π½Π°Π·Π°Π΄ ΠΏΡΠΈΠΌΠ΅ΡΠ½ΠΎ 80% ΠΈ 60% ΡΠΎΠΎΡΠ²Π΅ΡΡΡΠ²Π΅Π½Π½ΠΎ.
27.7.9.
ΠΠ»Ρ ΡΠΌΠ΅Π½ΡΡΠ΅Π½ΠΈΡ ΡΡΠ΅Π½ΠΈΡ ΠΈ ΠΏΠΎΠ²ΡΡΠ΅Π½ΠΈΡ ΡΡΡΠ΅ΠΊΡΠΈΠ²Π½ΠΎΡΡΠΈ Π²ΠΌΠ΅ΡΡΠΎ ΠΎΠ±ΡΡΠ½ΡΡ
ΡΠ΅Π·ΡΠ± Π²ΠΈΠ½ΡΠ° ΠΈ Π³Π°ΠΉΠΊΠΈ ΠΏΠΎΠ»ΡΠΊΡΡΠ³Π»ΡΠ΅ ΡΠΏΠΈΡΠ°Π»ΡΠ½ΡΠ΅ ΠΊΠ°Π½Π°Π²ΠΊΠΈ (ΡΠΈΡ. 27.61) ΠΎΠ±ΡΠ°Π±Π°ΡΡΠ²Π°ΡΡΡΡ ΡΠ½Π°ΡΡΠΆΠΈ Π²ΠΎΠΊΡΡΠ³ ΠΈ Π²Π΄ΠΎΠ»Ρ
ΡΠΈΡ. 27.61. Π Π΅ΡΠΈΡΠΊΡΠ»ΠΈΡΡΡΡΠ°Ρ ΡΠ°ΡΠΈΠΊΠΎΠ²Π°Ρ ΡΠ΅ΠΉΠΊΠ° ΠΈ ΡΠ΅ΠΊΡΠΎΡΠ½ΡΠΉ ΡΡΠ»Π΅Π²ΠΎΠΉ ΡΠ΅Π΄ΡΠΊΡΠΎΡ.
Π²Π°Π» ΡΠ΅ΡΠ²ΡΡΠ½ΡΠΉ ΡΠΈΠ»ΠΈΠ½Π΄ΡΠΈΡΠ΅ΡΠΊΠΈΠΉ. ΠΠΎΠ΄ΠΎΠ±Π½Π°Ρ ΠΊΠ°Π½Π°Π²ΠΊΠ° ΡΠ°ΠΊΠΆΠ΅ ΠΎΠ±ΡΠ°Π±Π°ΡΡΠ²Π°Π΅ΡΡΡ Π²Π½ΡΡΡΠΈ ΡΠ΅ΡΠ΅Π· ΠΎΡΠ²Π΅ΡΡΡΠΈΠ΅ Π³Π°ΠΉΠΊΠΈ.
ΠΠ΅ΠΆΠ΄Ρ Π΄Π²ΡΠΌΡ Π½Π°Π±ΠΎΡΠ°ΠΌΠΈ ΡΠΎΠΎΡΠ²Π΅ΡΡΡΠ²ΡΡΡΠΈΡ
ΠΏΠΎΠ»ΡΠΊΡΡΠ³Π»ΡΡ
ΡΠΏΠΈΡΠ°Π»ΡΠ½ΡΡ
ΠΊΠ°Π½Π°Π²ΠΎΠΊ Π²ΡΡΠ°Π²Π»ΡΠ΅ΡΡΡ ΡΠ΅ΡΠΈΡ ΡΡΠ°Π»ΡΠ½ΡΡ
ΡΠ°ΡΠΈΠΊΠΎΠ² Π΄Π»Ρ Π·Π°ΡΠ΅ΠΏΠ»Π΅Π½ΠΈΡ ΡΠ΅ΡΠ²ΡΠΊΠ° ΠΈ Π³Π°ΠΉΠΊΠΈ.
ΠΠΎΠ³Π΄Π° ΡΡΠ»Π΅Π²ΠΎΠ΅ ΠΊΠΎΠ»Π΅ΡΠΎ ΠΈ ΡΠ΅ΡΠ²ΡΠΊ Π²ΡΠ°ΡΠ°ΡΡΡΡ, ΡΠ°ΡΠΈΠΊΠΈ ΠΊΠ°ΡΡΡΡΡ Π² ΠΊΠ°Π½Π°Π²ΠΊΠ°Ρ
ΠΏΠΎ Π³Π°ΠΉΠΊΠ΅ Π² Π΄Π²ΡΡ
ΠΎΡΠ΄Π΅Π»ΡΠ½ΡΡ
ΠΊΠΎΠ½ΡΡΡΠ°Ρ
ΡΠ°ΡΠΈΠΊΠΎΠ², Π·Π°ΡΡΠ°Π²Π»ΡΡ Π³Π°ΠΉΠΊΡ ΠΏΠ΅ΡΠ΅ΠΌΠ΅ΡΠ°ΡΡΡΡ Π²Π΄ΠΎΠ»Ρ ΡΠ΅ΡΠ²ΡΠΊΠ°. ΠΠ°ΠΆΠ΄ΡΠΉ ΡΠ°Ρ Π²Ρ
ΠΎΠ΄ΠΈΡ Π² Π½Π°ΠΏΡΠ°Π²Π»ΡΡΡΡΡ Π²ΠΎΠ·Π²ΡΠ°ΡΠ° ΡΠ°ΡΠ° ΠΏΠΎΡΠ»Π΅ Π·Π°Π²Π΅ΡΡΠ΅Π½ΠΈΡ ΠΎΠ΄Π½ΠΎΠΉ ΠΏΠ΅ΡΠ»ΠΈ Π²ΠΎΠΊΡΡΠ³ ΡΠ΅ΡΠ²ΡΠΊΠ°. ΠΠ°ΠΏΡΠ°Π²Π»ΡΡΡΠ°Ρ ΠΎΡΠΊΠ»ΠΎΠ½ΡΠ΅Ρ ΡΠ°ΡΠΈΠΊΠΈ ΠΎΡ ΠΊΠ°Π½Π°Π²ΠΎΠΊ, Π²ΡΠ·ΡΠ²Π°Ρ ΠΈΡ
Π΄Π²ΠΈΠΆΠ΅Π½ΠΈΠ΅ ΠΏΠΎ Π΄ΠΈΠ°Π³ΠΎΠ½Π°Π»ΠΈ ΡΠ΅ΡΠ΅Π· Π·Π°Π΄Π½ΡΡ ΡΠ°ΡΡΡ Π³Π°ΠΉΠΊΠΈ. Π¨Π°ΡΠΈΠΊΠΈ ΡΠ½ΠΎΠ²Π° Π½Π°ΠΏΡΠ°Π²Π»ΡΡΡΡΡ Π² ΠΆΠ΅Π»ΠΎΠ±ΡΠ°ΡΡΠ΅ ΠΊΠ°Π½Π°Π»Ρ Π½Π° Π΄ΡΡΠ³ΠΎΠΉ ΡΡΠΎΡΠΎΠ½Π΅ Π³Π°ΠΉΠΊΠΈ.
ΠΠ΄Π½Π° Π²Π½Π΅ΡΠ½ΡΡ ΠΏΠΎΠ²Π΅ΡΡ
Π½ΠΎΡΡΡ ΠΏΡΡΠΌΠΎΡΠ³ΠΎΠ»ΡΠ½ΠΎΠΉ Π³Π°ΠΉΠΊΠΈ ΠΎΠ±ΡΠ°Π±ΠΎΡΠ°Π½Π° Π΄Π»Ρ ΠΎΠ±ΡΠ°Π·ΠΎΠ²Π°Π½ΠΈΡ Π·ΡΠ±ΡΠ΅Π² Π·ΡΠ±ΡΠ°ΡΠΎΠΉ ββΡΠ΅ΠΉΠΊΠΈ, ΠΊΠΎΡΠΎΡΠ°Ρ Π²Ρ
ΠΎΠ΄ΠΈΡ Π² Π·Π°ΡΠ΅ΠΏΠ»Π΅Π½ΠΈΠ΅ Ρ Π·ΡΠ±ΡΠ°ΡΡΠΌ ΡΠ΅ΠΊΡΠΎΡΠ½ΡΠΌ Π²Π°Π»ΠΎΠΌ. ΠΠ²ΠΈΠΆΠ΅Π½ΠΈΠ΅ ΠΎΡ Π³Π°ΠΉΠΊΠΈ ΠΏΠ΅ΡΠ΅Π΄Π°Π΅ΡΡΡ Π½Π° ΡΡΡΠ°Π³ ΠΏΠΎΠ΄Π²Π΅ΡΠΊΠΈ ΡΠ΅ΡΠ΅Π· Π²Π°Π» Ρ Π·ΡΠ±ΡΠ°ΡΡΠΌ ΡΠ΅ΠΊΡΠΎΡΠΎΠΌ, ΡΠ°ΠΊ ΡΡΠΎ Π»ΠΈΠ½Π΅ΠΉΠ½ΠΎΠ΅ Π΄Π²ΠΈΠΆΠ΅Π½ΠΈΠ΅ Π³Π°ΠΉΠΊΠΈ ΡΠ½ΠΎΠ²Π° ΠΏΡΠ΅ΠΎΠ±ΡΠ°Π·ΡΠ΅ΡΡΡ Π²ΠΎ Π²ΡΠ°ΡΠ°ΡΠ΅Π»ΡΠ½ΠΎΠ΅ Π΄Π²ΠΈΠΆΠ΅Π½ΠΈΠ΅ ΡΠ΅ΠΊΡΠΎΡΠΎΠΌ ΠΈ Π²Π°Π»ΠΎΠΌ.
Π ΡΡΠΎΠΌ ΡΠΈΠΏΠ΅ ΡΡΠ»Π΅Π²ΠΎΠ³ΠΎ ΠΌΠ΅Ρ
Π°Π½ΠΈΠ·ΠΌΠ° ΡΠ΅ΠΉΠΊΠ° ΠΈ ΡΠ΅ΠΊΡΠΎΡ ΠΏΠΎΠ·Π²ΠΎΠ»ΡΡΡ ΠΎΠΏΡΡΠΊΠ°ΡΡΠ΅ΠΌΡΡΡ ΡΡΡΠ°Π³Ρ ΠΈΠΌΠ΅ΡΡ Π±ΠΎΠ»ΡΡΠ΅Π΅ ΡΠ³Π»ΠΎΠ²ΠΎΠ΅ ΠΏΠ΅ΡΠ΅ΠΌΠ΅ΡΠ΅Π½ΠΈΠ΅, ΡΠ΅ΠΌ Ρ Π±ΠΎΠ»ΡΡΠΈΠ½ΡΡΠ²Π° Π΄ΡΡΠ³ΠΈΡ
ΡΠΈΠΏΠΎΠ² Π·ΡΠ±ΡΠ°ΡΡΡ
ΠΏΠ΅ΡΠ΅Π΄Π°Ρ.

ΠΊ. Π½Π΅ ΡΡΠ΅Π±ΡΠ΅ΡΡΡ ΠΌΠ΅Π½ΡΡΡ ΠΈ Π΄ΠΎΠ»ΠΈΠ²Π°ΡΡ ΡΠ°Π±ΠΎΡΡΡ ΠΆΠΈΠ΄ΠΊΠΎΡΡΡ;
ΠΠ΅ΠΎΠ±Ρ
ΠΎΠ΄ΠΈΠΌΡ Π΄Π»Ρ Π»Π΅Π³ΠΊΠΎΡΡΠΈ ΠΎΡΡΡΠ΅ΡΡΠ²Π»Π΅Π½ΠΈΡ ΠΌΠ°Π½Π΅Π²ΡΠΎΠ² ΠΈ ΠΏΠΎΠ²ΠΎΡΠΎΡΠ½ΡΡ
Π΄Π²ΠΈΠΆΠ΅Π½ΠΈΠΉ ΡΠ΅ΠΉΠΊΠΈ;
ΠΠΎΡΠ»Π΅ ΡΠ°Π·Π³Π΅ΡΠΌΠ΅ΡΠΈΠ·Π°ΡΠΈΠΈ Π²ΠΎΠ²Π½ΡΡΡΡ ΠΏΡΠΎΠ½ΠΈΠΊΠ°ΡΡ ΡΠ°ΡΡΠΈΡΡ ΠΏΡΠ»ΠΈ ΠΈ ΠΏΠ΅ΡΠΊΠ°, ΠΏΠΎΡΠ»Π΅ ΡΠ΅Π³ΠΎ ΡΠ»Π΅Π΄ΡΠ΅Ρ ΠΏΠΎΠ»Π½ΡΠΉ Π²ΡΡ
ΠΎΠ΄ ΠΈΠ· ΡΡΡΠΎΡ ΡΡΠ»Π΅Π²ΠΎΠΉ ΡΠ΅ΠΉΠΊΠΈ.
Π² ΠΊΡΠ°ΠΉΠ½Π΅ΠΌ ΠΏΠΎΠ»ΠΎΠΆΠ΅Π½ΠΈΠΈ, ΡΠ°ΠΊ ΠΊΠ°ΠΊ ΡΡΠΎ Π·Π°ΠΌΠ΅ΡΠ½ΠΎ ΡΠ²Π΅Π»ΠΈΡΠΈΠ²Π°Π΅Ρ Π½Π°Π³ΡΡΠ·ΠΊΡ Π½Π° ΡΠ΅Π΄ΡΠΊΡΠΎΡ ΠΈ ΡΠΏΠ»ΠΎΡΠ½Π΅Π½ΠΈΡ.


Π Π΅ΡΠ΅Π½ΠΈΠ΅ ΠΌΠΎΠΆΠ΅Ρ Π·Π°ΠΊΠ»ΡΡΠ°ΡΡΡΡ Π² ΠΏΡΠΎΡΡΠΎΠΌ Π΄ΠΎΠ±Π°Π²Π»Π΅Π½ΠΈΠΈ ΠΆΠΈΠ΄ΠΊΠΎΡΡΠΈ Π΄Π»Ρ Π³ΠΈΠ΄ΡΠΎΡΡΠΈΠ»ΠΈΡΠ΅Π»Ρ ΡΡΠ»Ρ, Π½ΠΎ Π»ΡΡΡΠ΅ Π²ΡΠ΅Π³ΠΎ ΠΏΡΠΎΠ²Π΅ΡΠΈΡΡ ΡΡΠΎ.
ΠΡΡΡΠ΅ ΠΎΡΡΠ°Π½ΠΎΠ²ΠΈΡΡ ΠΌΠ°ΡΠΈΠ½Ρ ΠΊΠ°ΠΊ ΠΌΠΎΠΆΠ½ΠΎ ΡΠΊΠΎΡΠ΅Π΅ ΠΈ ΠΏΠΎΠΏΡΡΠ°ΡΡΡΡ ΡΠ΅ΡΠΈΡΡ ΠΏΡΠΎΠ±Π»Π΅ΠΌΡ. ΠΠ²ΠΈΠΆΠ΅Π½ΠΈΠ΅ Ρ ΠΏΠ΅ΡΠ΅Π³ΡΠ΅ΡΡΠΌ ΡΡΠ»Π΅Π²ΡΠΌ ΠΌΠ΅Ρ
Π°Π½ΠΈΠ·ΠΌΠΎΠΌ ΠΌΠΎΠΆΠ΅Ρ ΠΏΡΠΈΠ²Π΅ΡΡΠΈ ΠΊ ΠΏΠΎΠΆΠ°ΡΡ.
ΠΠΈΠΊΠ°ΠΊΠ°Ρ ΡΠ°ΠΊΠ°Ρ ΡΠΈΡΡΠ΅ΠΌΠ° Π½Π΅ ΠΌΠΎΠΆΠ΅Ρ Π²ΡΠΏΠΎΠ»Π½ΡΡΡ ΠΊΠ°ΠΊΠΈΠ΅-Π»ΠΈΠ±ΠΎ ΡΡΠ½ΠΊΡΠΈΠΈ, ΠΊΡΠΎΠΌΠ΅ ΡΠΌΠ΅Π½ΡΡΠ΅Π½ΠΈΡ ΡΠΈΠ·ΠΈΡΠ΅ΡΠΊΠΈΡ
ΡΡΠΈΠ»ΠΈΠΉ, Π½Π΅ΠΎΠ±Ρ
ΠΎΠ΄ΠΈΠΌΡΡ
Π΄Π»Ρ ΡΠΏΡΠ°Π²Π»Π΅Π½ΠΈΡ Π°Π²ΡΠΎΠΌΠΎΠ±ΠΈΠ»Π΅ΠΌ.
ΠΡΠΏΡΡΠ°ΡΠ΅Π»ΡΠ½Π°Ρ ΠΊΠΎΠ½ΡΡΡΡΠΊΡΠΈΡ Π΄ΠΎΠ»ΠΆΠ½Π° Π±ΡΡΡ ΠΏΡΠΎΡΠ½ΠΎ ΠΏΡΠΈΠΊΡΠ΅ΠΏΠ»Π΅Π½Π° ΠΊ Π·Π΅ΠΌΠ»Π΅, ΠΈ ΡΠ²Π΅ΡΠ΄ΡΠΉ ΠΎΠ±ΡΠ΅ΠΊΡ ΠΌΠ°ΡΡΠΎΠΉ 8 ΠΊΠ³ (+1% / — 0), Π΄Π²ΠΈΠΆΡΡΠΈΠΉΡΡ ΡΠΎ ΡΠΊΠΎΡΠΎΡΡΡΡ Π½Π΅ ΠΌΠ΅Π½Π΅Π΅ 7 ΠΌΠ΅ΡΡΠΎΠ² Π² ΡΠ΅ΠΊΡΠ½Π΄Ρ, Π±ΡΠ΄Π΅Ρ ΠΏΡΠΎΠ΅ΡΠΈΡΠΎΠ²Π°ΡΡΡΡ Π² Π½Π΅Π΅.