ΠΡΠ°Π²ΠΈΠ»ΡΠ½Π°Ρ ΡΡΡΠ°Π½ΠΎΠ²ΠΊΠ° ΠΈ ΡΠ½ΡΡΠΈΠ΅ Π±Π°ΠΌΠΏΠ΅ΡΠ° Π½Π° Π Π΅Π½ΠΎ ΠΠ°ΡΡΠ΅Ρ
ΠΠ²ΡΠΎΠΌΠΎΠ±ΠΈΠ»Ρ Π Π΅Π½ΠΎ ΠΠ°ΡΡΠ΅Ρ ΡΡΠΎ ΠΊΠΎΠΌΠΏΠ°ΠΊΡΠ½ΡΠΉ ΠΊΡΠΎΡΡΠΎΠ²Π΅Ρ. ΠΠ±ΡΡΠ½ΠΎ Π΅Π³ΠΎ Π²Π»Π°Π»Π΅Π»ΡΡΡ ΡΠ΅Π΄ΠΊΠΎ ΡΡΠ°Π»ΠΊΠΈΠ²Π°ΡΡΡΡ Ρ ΡΠΈΡΡΠ°ΡΠΈΡΠΌΠΈ, ΠΏΠΎΡΠ»Π΅ ΠΊΠΎΡΠΎΡΡΡ Π΅ΡΡΡ Π½Π΅ΠΎΠ±Ρ ΠΎΠ΄ΠΈΠΌΠΎΡΡΡ ΡΠ½ΠΈΠΌΠ°ΡΡ Π±Π°ΠΌΠΏΠ΅Ρ Π Π΅Π½ΠΎ ΠΠ°ΡΡΠ΅Ρ, Π² ΠΎΡΠ½ΠΎΠ²Π½ΠΎΠΌ Π΅ΡΠ»ΠΈ Π½Π΅ΠΎΠ±Ρ ΠΎΠ΄ΠΈΠΌΠΎ ΠΏΠΎΠΌΠ΅Π½ΡΡΡ Π»Π°ΠΌΠΏΠΎΡΠΊΠΈ Π² ΠΏΡΠΎΡΠΈΠ²ΠΎΡΡΠΌΠ°Π½Π½ΡΡ ΡΠ°ΡΠ°Ρ . Β ΠΠΎ Π΅ΡΠ»ΠΈ ΠΏΡΠΈΡ ΠΎΠ΄ΠΈΡΡΡΡ ΡΠ°ΡΡΠΎ Π²ΡΠ΅Π·ΠΆΠ°ΡΡ Π·Π° Π³ΠΎΡΠΎΠ΄, ΡΠΎ Π΅ΡΡΡ ΡΠΈΡΠΊ ΡΡΠΎΠ»ΠΊΠ½ΡΡΡΡΡ Ρ ΡΠ°ΠΊΠΈΠΌΠΈ ΠΏΡΠ΅ΠΏΡΡΡΡΠ²ΠΈΡΠΌΠΈ ΠΊΠ°ΠΊ Π³ΡΡΠ·Ρ, Π²Π΅ΡΠΊΠΈ ΠΈ ΠΊΠ°ΠΌΠ½ΠΈ. ΠΡΠΎ ΠΌΠΎΠΆΠ΅Ρ Π²ΡΠ·Π²Π°ΡΡ Π½Π΅Π±ΠΎΠ»ΡΡΠΈΠ΅ ΠΏΠΎΠ²ΡΠ΅ΠΆΠ΄Π΅Π½ΠΈΡ Π½Π°Π²Π΅ΡΠ½ΡΡ ΡΠ°ΡΡΠ΅ΠΉ Π°Π²ΡΠΎΠΌΠΎΠ±ΠΈΠ»Ρ, Π° Π² ΡΠ΅Π΄ΠΊΠΈΡ ΡΠ»ΡΡΠ°ΡΡ ΠΏΠΎΡΡΠ΅Π±ΠΎΠ²Π°ΡΡ Π·Π°ΠΌΠ΅Π½Ρ ΠΈΠ»ΠΈ ΡΠ΅ΠΌΠΎΠ½ΡΠ° ΡΠ°ΠΊΠΎΠ³ΠΎ ΡΠ»Π΅ΠΌΠ΅Π½ΡΠ°, ΠΊΠ°ΠΊ Π±Π°ΠΌΠΏΠ΅Ρ. ΠΡΠ° ΠΏΡΠΎΡΠ΅Π΄ΡΡΠ° Π½Π΅ ΡΠ»ΠΎΠΆΠ½Π°Ρ, Π²Π°ΠΆΠ½ΠΎ Π»ΠΈΡΡ ΠΏΠΎΠΌΠ½ΠΈΡΡ, ΡΡΠΎ Π½Π° Π½ΠΎΠ²ΡΡ Π²Π΅ΡΡΠΈΡΡ Π²Π½Π΅Π΄ΠΎΡΠΎΠΆΠ½ΠΈΠΊΠ° ΠΈ Π΄ΠΎΡΠ΅ΡΡΠ°ΠΉΠ»ΠΈΠ½Π³ΠΎΠ²ΡΡ ΡΠ°ΡΠΏΠΎΠ»ΠΎΠΆΠ΅Π½ΠΈΠ΅ ΠΊΡΠ΅ΠΏΠ΅ΠΆΠ½ΡΡ ΡΠ»Π΅ΠΌΠ΅Π½ΡΠΎΠ² ΠΌΠΎΠΆΠ΅Ρ Π½Π΅ΠΌΠ½ΠΎΠ³ΠΎ ΠΎΡΠ»ΠΈΡΠ°ΡΡΡΡ, ΠΏΠΎΡΡΠΎΠΌΡ ΠΏΠ΅ΡΠ΅Π΄ ΠΏΡΠΎΠ²Π΅Π΄Π΅Π½ΠΈΠ΅ΠΌ ΡΠ°Π±ΠΎΡ Π½Π΅ΠΎΠ±Ρ ΠΎΠ΄ΠΈΠΌΠΎ Π²Π½ΠΈΠΌΠ°ΡΠ΅Π»ΡΠ½ΠΎ ΠΎΠ·Π½Π°ΠΊΠΎΠΌΠΈΡΡΡΡ Ρ ΠΈΠ½ΡΡΡΡΠΊΡΠΈΠ΅ΠΉ.
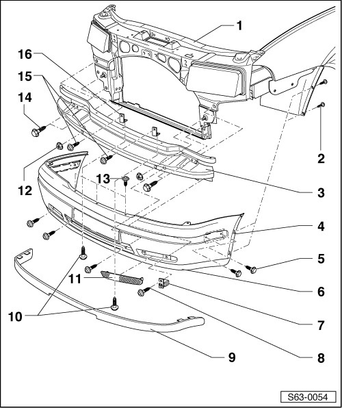
Π‘Π½ΠΈΠΌΠ°Π΅ΠΌ ΠΏΠ΅ΡΠ΅Π΄Π½ΠΈΠΉ Π±Π°ΠΌΠΏΠ΅Ρ
ΠΠΎ Π²ΡΠ΅Ρ ΠΏΠΎΠΊΠΎΠ»Π΅Π½ΠΈΡΡ Π Π΅Π½ΠΎ ΠΠ°ΡΡΠ΅Ρ ΠΈΡΠΏΠΎΠ»ΡΠ·ΡΠ΅ΡΡΡ ΠΊΡΠ΅ΠΏΠ»Π΅Π½ΠΈΠ΅ ΠΏΡΠΈ ΠΏΠΎΠΌΠΎΡΠΈ Π²ΠΈΠ½ΡΠΎΠ² ΠΈ ΡΠ°ΠΌΠΎΡΠ΅Π·ΠΎΠ². ΠΡ ΠΎΡΠ½ΠΎΠ²Π½ΠΎΠ΅ ΡΠ°ΡΠΏΠΎΠ»ΠΎΠΆΠ΅Π½ΠΈΠ΅:
- 4 Π²ΠΈΠ½ΡΠ° Π² Π²Π΅ΡΡ Π½Π΅ΠΉ ΡΠ°ΡΡΠΈ
- 2 ΡΠ°ΠΌΠΎΡΠ΅Π·Π° Π² ΠΏΠΎΠ΄ΠΊΡΡΠ»ΠΊΠ°Ρ
- 5 Π²ΠΈΠ½ΡΠΎΠ² Π² Π½ΠΈΠΆΠ½Π΅ΠΉ ΡΠ°ΡΡΠΈ
Π Π΅ΡΡΠ°ΠΉΠ»ΠΈΠ½Π³ΠΎΠ²ΡΠΉ Π±Π°ΠΌΠΏΠ΅Ρ ΠΊΡΠ΅ΠΏΠΈΡΡΡΡ ΠΏΠΎΡ ΠΎΠΆΠΈΠΌ ΠΎΠ±ΡΠ°Π·ΠΎΠΌ, Π½ΠΎ, ΡΡΠΎΠ±Ρ Π²ΠΎ Π²ΡΠ΅ΠΌΡ ΡΠ°Π±ΠΎΡΡ Π½Π΅ Π²ΠΎΠ·Π½ΠΈΠΊΠ°Π»ΠΎ Π»ΠΈΡΠ½ΠΈΡ Π²ΠΎΠΏΡΠΎΡΠΎΠ², ΠΏΠΎΠ΄ΡΠΎΠ±Π½Π΅Π΅ ΡΠ°ΡΡΠΌΠΎΡΡΠΈΠΌ ΠΊΠ°ΠΆΠ΄ΡΠΉ ΠΈΠ· Π²Π°ΡΠΈΠ°Π½ΡΠΎΠ²:
ΠΠ΅ΠΌΠΎΠ½ΡΠ°ΠΆ Ρ Π°Π²ΡΠΎΠΌΠΎΠ±ΠΈΠ»Π΅ΠΉ 1 ΠΏΠΎΠΊΠΎΠ»Π΅Π½ΠΈΡ
ΠΠ»Ρ ΡΡΠΎΠΉ ΠΏΡΠΎΡΠ΅Π΄ΡΡΡ ΠΏΠΎΠ½Π°Π΄ΠΎΠ±ΡΡΡΡ ΠΊΠ»ΡΡΠΈ Torx Π½Π° 20 ΠΈ 30, ΡΡΡΠΏΠΎΡΠΊΠ° ΠΈΠ»ΠΈ Π²Π΅ΡΠΎΡΡ, ΡΡΠΎΠ±Ρ ΠΏΡΠΎΡΠ΅ΡΠ΅ΡΡ Π½Π°ΠΊΠ»Π°Π΄ΠΊΡ ΠΈ ΠΌΠ΅ΡΡΠΎ ΠΊΡΠ΅ΠΏΠ»Π΅Π½ΠΈΡ ΠΏΠΎΠ΄ΠΊΡΡΠ»ΠΎΠΊ.
Π’Π΅ΠΏΠ΅ΡΡ ΠΌΠΎΠΆΠ½ΠΎ ΠΎΡΠΊΡΡΡΠΈΡΡ ΡΠ°ΠΌΠΎΡΠ΅Π·Ρ ΡΠ΄Π΅ΡΠΆΠΈΠ²Π°ΡΡΠΈΠ΅ ΠΏΠ΅ΡΠ΅Π΄Π½ΠΈΠΉ Π±Π°ΠΌΠΏΠ΅Ρ Π Π΅Π½ΠΎ ΠΠ°ΡΡΠ΅Ρ. ΠΠ΅ΡΡΠΎ ΡΠ°ΡΠΏΠΎΠ»ΠΎΠΆΠ΅Π½ΠΈΡ ΠΈΡ ΡΠΊΠ°Π·Π°Π½ΠΎ ΡΡΡΠ΅Π»ΠΊΠ°ΠΌΠΈ Π½Π° ΡΠΎΡΠΎ. ΠΡΠ΅Π³ΠΎ ΠΏΠΎ ΠΏΠ΅ΡΠΈΠΌΠ΅ΡΡΡ ΠΈΠΌΠ΅ΡΡΡ 5 ΡΠ°ΠΌΠΎΡΠ΅Π·ΠΎΠ², ΠΎΠ΄ΠΈΠ½ Π½Π°Ρ ΠΎΠ΄ΠΈΡΡΡΡ Π²Π½ΠΈΠ·Ρ, ΠΏΠΎΠ΄ Π΄Π΅ΠΊΠΎΡΠ°ΡΠΈΠ²Π½ΠΎΠΉ Π½Π°ΠΊΠ»Π°Π΄ΠΊΠΎΠΉ.
ΠΠΎΡΠ»Π΅ ΡΡΠΎΠ³ΠΎ, ΠΏΡΠΈ ΠΏΠΎΠΌΠΎΡΠΈ ΠΊΠ»ΡΡΠ° Π’20 Π½ΡΠΆΠ½ΠΎ ΠΎΡΠΊΡΡΡΠΈΡΡ ΡΠ°ΠΌΠΎΡΠ΅Π·Ρ ΡΠ΄Π΅ΡΠΆΠΈΠ²Π°ΡΡΠΈΠ΅ ΠΏΠΎΠ΄ΠΊΡΡΠ»ΠΎΠΊ. ΠΠ΄ΠΈΠ½ ΡΠ°ΡΠΏΠΎΠ»ΠΎΠΆΠ΅Π½ Π½Π΅Π΄Π°Π»Π΅ΠΊΠΎ ΠΎΡ ΠΌΠ΅ΡΡΠ° ΡΠΎΠ΅Π΄ΠΈΠ½Π΅Π½ΠΈΡ ΠΊΡΡΠ»Π° ΠΈ Π±Π°ΠΌΠΏΠ΅ΡΠ°.
Π‘ ΠΊΠ°ΠΆΠ΄ΠΎΠΉ ΡΡΠΎΡΠΎΠ½Ρ Π½Π° ΠΏΠΎΠ΄ΠΊΡΡΠ»ΠΊΠ΅ ΡΠ°ΡΠΏΠΎΠ»ΠΎΠΆΠ΅Π½ΠΎ 2 ΡΠ°ΠΌΠΎΡΠ΅Π·Π°. ΠΡΠΎΡΠΎΠΉ ΠΌΠΎΠΆΠ½ΠΎ Π½Π°ΠΉΡΠΈ Π² Π½ΠΈΠΆΠ½Π΅ΠΉ ΡΠ°ΡΡΠΈ. ΠΠΎΡΠ»Π΅ ΡΡΠΎΠ³ΠΎ ΠΊΠ»ΡΡ Π’20 Π±ΠΎΠ»ΡΡΠ΅ Π½Π΅ ΠΏΠΎΠ½Π°Π΄ΠΎΠ±ΠΈΡΡΡΡ. ΠΠ΅ΠΎΠ±Ρ ΠΎΠ΄ΠΈΠΌΠΎ Π²Π·ΡΡΡ ΠΊΠ»ΡΡ Π’30.
Π Π²Π΅ΡΡ Π½Π΅ΠΉ ΡΠ°ΡΡΠΈ ΡΠ°ΡΠΏΠΎΠ»Π°Π³Π°ΡΡΡΡ ΡΠ°ΠΌΡΠ΅ ΠΌΠΎΡΠ½ΡΠ΅ ΡΠ»Π΅ΠΌΠ΅Π½ΡΡ ΠΊΡΠ΅ΠΏΠ΅ΠΆΠ°. ΠΠΎΡΠ»Π΅ ΡΠΎΠ³ΠΎ, ΠΊΠ°ΠΊ ΡΡΠΈ ΡΠ°ΠΌΠΎΡΠ΅Π·Ρ Π±ΡΠ΄ΡΡ ΠΎΡΠΊΡΡΡΠ΅Π½Ρ Π½Π΅ΠΎΠ±Ρ ΠΎΠ΄ΠΈΠΌΠΎ Π°ΠΊΠΊΡΡΠ°ΡΠ½ΠΎ ΠΎΡΠ²Π΅ΡΡΠΈ ΠΏΠ»Π°ΡΡΠΈΠΊ Π²Π±ΠΎΠΊ, ΡΡΠΎΠ±Ρ ΠΎΡΡΠΎΠ΅Π΄ΠΈΠ½ΠΈΡΡ Π΄Π΅ΡΠ°Π»Ρ ΠΎΡ Π·Π°ΡΠ΅Π»ΠΎΠΊ, ΡΠ°ΡΠΏΠΎΠ»ΠΎΠΆΠ΅Π½Π½ΡΡ Π½Π° ΡΠΏΠ΅ΡΠΈΠ°Π»ΡΠ½ΡΡ ΠΊΡΠΎΠ½ΡΡΠ΅ΠΉΠ½Π°Ρ . ΠΡΠ»ΠΈ Π² ΠΏΡΠΎΡΠ΅ΡΡΠ΅ ΡΠ½ΡΡΠΈΡ ΠΊΡΠΎΠ½ΡΡΠ΅ΠΉΠ½Ρ ΠΎΠΊΠ°Π·Π°Π»ΠΈΡΡ ΠΏΠΎΠ²ΡΠ΅ΠΆΠ΄Π΅Π½Ρ ΠΈΠ»ΠΈ ΠΏΠΎΠ³Π½ΡΡΡ, ΡΠΎ Π»ΡΡΡΠ΅ ΠΈΡ Π·Π°ΠΌΠ΅Π½ΠΈΡΡ Π½Π° Π½ΠΎΠ²ΡΠ΅.
ΠΠΎΡΠ»Π΅ ΡΡΠΎΠ³ΠΎ ΠΎΡΡΠ°Π»ΠΎΡΡ Π²ΡΠΏΠΎΠ»Π½ΠΈΡΡ Π½Π΅ΡΠΊΠΎΠ»ΡΠΊΠΎ ΠΏΡΠΎΡΡΡΡ Π΄Π΅ΠΉΡΡΠ²ΠΈΠΉ.
- ΠΠ΅ΠΌΠ½ΠΎΠ³ΠΎ ΠΎΡΠΎΠ΄Π²ΠΈΠ½ΡΡΡ Π²Π΅ΡΡ Π½ΡΡ ΡΠ°ΡΡΡ ΠΏΠ»Π°ΡΡΠΈΠΊΠ°
- ΠΠΎ Π½Π°ΠΏΡΠ°Π²Π»Π΅Π½ΠΈΡ ΠΊ ΡΠ΅Π±Π΅ ΠΏΠΎΡΡΠ½ΡΡΡ Π·Π° Π±Π°ΠΌΠΏΠ΅Ρ, ΠΎΡΠ²ΠΎΠ±ΠΎΠ΄ΠΈΠ² Π΅Π³ΠΎ ΠΈΠ· ΠΏΠΎΡΠ°Π΄ΠΎΡΠ½ΡΡ ΠΌΠ΅ΡΡ
- ΠΡΠΊΠ»ΡΡΠΈΡΡ ΡΠ°Π·ΡΠ΅ΠΌ ΠΏΠΈΡΠ°Π½ΠΈΡ ΠΠ’Π€
ΠΠ°ΠΊ ΠΏΡΠ°Π²ΠΈΠ»ΡΠ½ΠΎ ΠΎΡΠΊΠ»ΡΡΠΈΡΡ ΡΠ°Π·ΡΠ΅ΠΌ ΠΠ’Π€ Π½Π° Π Π΅Π½ΠΎ ΠΠ°ΡΡΠ΅Ρ.
ΠΠ»ΠΈΠ½Π° ΠΊΠ°Π±Π΅Π»Ρ ΡΠ°ΡΡΡΠΈΡΠ°Π½Π° ΡΠ°ΠΊΠΈΠΌ ΠΎΠ±ΡΠ°Π·ΠΎΠΌ, ΡΡΠΎΠ±Ρ ΠΌΠΎΠΆΠ½ΠΎ Π±ΡΠ»ΠΎ ΡΠ½ΡΡΡ Π±Π°ΠΌΠΏΠ΅Ρ, Π° ΠΏΠΎΡΠΎΠΌ ΡΠΆΠ΅ ΡΠ°ΡΡΠΎΠ΅Π΄ΠΈΠ½ΠΈΡΡ ΡΠ°Π·ΡΡΠΌ, ΡΠ°ΡΠΏΠΎΠ»ΠΎΠΆΠ΅Π½Π½ΡΠΉ Π½Π° ΠΏΡΠ°Π²ΠΎΠΌ ΠΊΡΠΎΠ½ΡΡΠ΅ΠΉΠ½Π΅.
Π Π°Π·ΡΠ΅ΠΌ 4 ΠΊΠ°Π½Π°Π»ΡΠ½ΡΠΉ, ΠΎΠ±Π΅ΡΠΏΠ΅ΡΠΈΠ²Π°ΡΡΠΈΠΉ ΠΏΠΈΡΠ°Π½ΠΈΠ΅ ΡΡΠ°Π·Ρ Π΄Π²ΡΡ ΠΠ’Π€.
ΠΠ΅ΠΌΠΎΠ½ΡΠ°ΠΆ Ρ ΡΠ΅ΡΡΠ°ΠΉΠ»ΠΈΠ½Π³ΠΎΠ²ΡΡ ΠΌΠΎΠ΄Π΅Π»Π΅ΠΉ (2 ΠΏΠΎΠΊΠΎΠ»Π΅Π½ΠΈΡ)
ΠΠ°ΠΌΠΏΠ΅Ρ Π Π΅Π½ΠΎ ΠΠ°ΡΡΠ΅Ρ 2016 ΠΈ ΠΏΠΎΠ·Π΄Π½Π΅Π³ΠΎ Π²ΡΠΏΡΡΠΊΠ° Π½Π΅ΠΌΠ½ΠΎΠ³ΠΎ ΠΎΡΠ»ΠΈΡΠ°Π΅ΡΡΡ. Π Π΄Π°Π½Π½ΠΎΠΌ ΡΠ»ΡΡΠ°Π΅ Π½Π΅ΠΎΠ±Ρ ΠΎΠ΄ΠΈΠΌΠΎ Π½Π°ΡΠ°ΡΡ Ρ ΡΠ°ΠΌΠΎΡΠ΅Π·ΠΎΠ² ΡΠ°ΡΠΏΠΎΠ»ΠΎΠΆΠ΅Π½Π½ΡΡ ΠΏΠΎΠ΄ ΠΊΠ°ΠΏΠΎΡΠΎΠΌ. ΠΠ½ΠΈ ΠΎΡΠΊΡΡΡΠΈΠ²Π°ΡΡΡΡ ΠΏΡΠΈ ΠΏΠΎΠΌΠΎΡΠΈ ΠΊΠ»ΡΡΠ° Π’30.
ΠΠ°ΡΠ΅ΠΌ Π½Π΅ΠΎΠ±Ρ ΠΎΠ΄ΠΈΠΌΠΎ Π²ΡΠΊΡΡΡΠΈΡΡ 6 ΡΠ°ΠΌΠΎΡΠ΅Π·ΠΎΠ², Π² ΠΎΡΠ»ΠΈΡΠΈΠ΅ ΠΎΡ 9 Π² Π΄ΠΎΡΠ΅ΡΡΠ°ΠΉΠ»ΠΈΠ½Π³ΠΎΠ²ΠΎΠΉ Π²Π΅ΡΡΠΈΠΈ.
ΠΠΎΡ ΠΎΡΠ½ΠΎΠ²Π½ΡΠ΅ ΡΠΎΡΠΊΠΈ ΠΊΡΠ΅ΠΏΠ»Π΅Π½ΠΈΡ:
- Π‘ΠΎ ΡΡΠΎΡΠΎΠ½Ρ ΠΏΠΎΠ΄ΠΊΡΡΠ»ΠΊΠ°, Π½Π° ΡΡΠΎΠ²Π½Π΅ ΡΠΎΠ΅Π΄ΠΈΠ½Π΅Π½ΠΈΡ ΠΊΡΡΠ»Π° ΠΈ Π±Π°ΠΌΠΏΠ΅ΡΠ°
- ΠΠ΄ΠΈΠ½ ΡΠ°ΡΠΏΠΎΠ»ΠΎΠΆΠ΅Π½ ΡΡΠ΄ΠΎΠΌ Ρ Π½ΠΈΠΆΠ½Π΅ΠΉ ΡΠ°Π»ΡΡΡΠ΅ΡΠ΅ΡΠΊΠΎΠΉ
- Π‘Π°ΠΌΠ° Π½ΠΈΠΆΠ½ΡΡ ΡΠ΅ΡΠ΅ΡΠΊΠ° Π½Π΅ ΡΡΠ΅ΠΌΠ½Π°Ρ ΠΈ ΠΏΠΎΡΡΠ°Π²Π»ΡΠ΅ΡΡΡ Π² ΡΠ±ΠΎΡΠ΅. ΠΠ°ΠΌΠΏΠ΅Ρ ΠΏΡΠΈΠΊΡΡΡΠΈΠ²Π°Π΅ΡΡΡ ΡΠ΅ΡΠ΅Π· Π½Π΅Π΅ Π½Π°ΠΏΡΡΠΌΡΡ ΠΊ ΠΊΡΠ·ΠΎΠ²Ρ Π΄Π²ΡΠΌΡ ΡΠ°ΠΌΠΎΡΠ΅Π·Π°ΠΌΠΈ. ΠΡΠΊΡΡΡΠΈΡΡ ΠΌΠΎΠΆΠ½ΠΎ ΠΏΡΠΈ ΠΏΠΎΠΌΠΎΡΠΈ Π±ΠΈΡΡ Π’20.
ΠΡΠΎΡΠ΅ΡΡ ΠΏΠΎΠ»Π½ΠΎΠ³ΠΎ ΡΠ½ΡΡΠΈΡ ΡΠΆΠ΅ Π±ΡΠ΄Π΅Ρ ΠΏΡΠΎΠΈΡΡ
ΠΎΠ΄ΠΈΡΡ ΡΠΎΡΠ½ΠΎ ΡΠ°ΠΊ ΠΆΠ΅, ΠΊΠ°ΠΊ ΠΈ Ρ ΠΌΠΎΠ΄Π΅Π»Π΅ΠΉ 1 ΠΏΠΎΠΊΠΎΠ»Π΅Π½ΠΈΡ. ΠΡΠΆΠ½ΠΎ Π°ΠΊΠΊΡΡΠ°ΡΠ½ΠΎ ΠΎΡΠ³ΠΈΠ±Π°ΡΡ Π²Π΅ΡΡ
Π½ΡΡ ΡΠ°ΡΡΡ ΠΏΠ»Π°ΡΡΠΈΠΊΠ°, ΠΏΡΠΈ ΡΡΠΎΠΌ ΡΠ½ΠΈΠΌΠ°ΡΡ Π±Π°ΠΌΠΏΠ΅Ρ Ρ Π·Π°ΡΠ΅Π»ΠΎΠΊ, ΠΎΡΠ²ΠΎΠ΄Ρ Π΅Π³ΠΎ Π² ΡΡΠΎΡΠΎΠ½Ρ.
Β«ΠΠ°ΠΆΠ½ΠΎ ΠΏΠΎΠΌΠ½ΠΈΡΡ, ΡΡΠΎ Π½Π° ΠΊΠ°ΠΆΠ΄ΠΎΠΌ ΠΊΡΠΎΠ½ΡΡΠ΅ΠΉΠ½Π΅ ΡΠ°ΡΠΏΠΎΠ»ΠΎΠΆΠ΅Π½ΠΎ 3 Π·Π°ΡΠ΅Π»ΠΊΠΈ. ΠΠ±ΡΡΠ½ΠΎ Π²ΠΎ Π²ΡΠ΅ΠΌΡ ΡΠ½ΡΡΠΈΡ ΠΏΡΠΎΠΏΡΡΠΊΠ°ΡΡ ΡΠ°ΡΠΏΠΎΠ»ΠΎΠΆΠ΅Π½Π½ΡΡ ΠΏΠΎ ΡΠ΅Π½ΡΡΡ, Π²ΡΠ»Π΅Π΄ΡΡΠ²ΠΈΠ΅ ΡΠ΅Π³ΠΎ ΠΊΡΠΎΠ½ΡΡΠ΅ΠΉΠ½ Π΄Π΅ΡΠΎΡΠΌΠΈΡΡΠ΅ΡΡΡΒ»
ΠΡΠ»ΠΈ Π²ΠΎ Π²ΡΠ΅ΠΌΡ ΡΠ°Π±ΠΎΡ Π½Π΅ΠΎΠ±Ρ ΠΎΠ΄ΠΈΠΌΠΎ Π·Π°ΠΌΠ΅Π½ΠΈΡΡ Π½Π΅ΡΠΊΠΎΠ»ΡΠΊΠΎ ΡΠ»Π΅ΠΌΠ΅Π½ΡΠΎΠ² ΠΊΡΠ΅ΠΏΠ»Π΅Π½ΠΈΡ, ΠΌΠΎΠ³ΡΡ ΠΏΠΎΡΡΠ΅Π±ΠΎΠ²Π°ΡΡΡΡ Π°ΡΡΠΈΠΊΡΠ»Ρ ΠΎΡΠΈΠ³ΠΈΠ½Π°Π»ΡΠ½ΡΡ Π·Π°ΠΏΡΠ°ΡΡΠ΅ΠΉ ΠΈ ΠΈΡ Π°Π½Π°Π»ΠΎΠ³ΠΈ.
ΠΠΎΠΆΠ½ΠΎ Π»ΠΈ Π½Π°ΠΉΡΠΈ Π°Π»ΡΡΠ΅ΡΠ½Π°ΡΠΈΠ²Ρ ΠΊΠ»ΡΡΠ°ΠΌ Torx.
ΠΠ»Ρ ΠΏΡΠΎΠ²Π΅Π΄Π΅Π½ΠΈΡ ΠΊΠ°ΡΠ΅ΡΡΠ²Π΅Π½Π½ΠΎΠΉ ΡΠ°Π±ΠΎΡΡ Π½Π΅ΠΎΠ±Ρ ΠΎΠ΄ΠΈΠΌΠΎ ΠΈΡΠΏΠΎΠ»ΡΠ·ΠΎΠ²Π°ΡΡ ΠΊΠΎΠΌΠΏΠ»Π΅ΠΊΡ ΠΎΡΠΈΠ³ΠΈΠ½Π°Π»ΡΠ½ΡΡ ΠΈΠ½ΡΡΡΡΠΌΠ΅Π½ΡΠΎΠ². ΠΡΠΎ ΡΠ²ΡΠ·Π°Π½ΠΎ Ρ ΡΠ΅ΠΌ, ΡΡΠΎ ΡΠ°ΠΌΠΎΡΠ΅Π·Ρ ΠΈΠΌΠ΅ΡΡ ΡΠΏΠ΅ΡΠΈΡΠΈΡΠ΅ΡΠΊΡΡ ΡΠ»ΡΠΏΠΊΡ, Ρ ΡΠ³Π»ΡΠ±Π»Π΅Π½ΠΈΠ΅ΠΌ Π΄Π»Ρ ΠΊΠ»ΡΡΠ° Π² Π²ΠΈΠ΄Π΅ Π·Π²Π΅Π·Π΄ΠΎΡΠΊΠΈ, ΠΊΡΠ°Ρ ΠΊΠΎΡΠΎΡΠΎΠΉ ΠΈΠΌΠ΅ΡΡ ΠΎΡΠ΅Π½Ρ ΡΠΎΠ½ΠΊΠΈΠ΅ Π³ΡΠ°Π½ΠΈ. ΠΡΠΎΠΌΠ΅ ΡΠΎΠ³ΠΎ, ΡΠ°ΠΊΠΈΠ΅ ΡΠ°ΠΌΠΎΡΠ΅Π·Ρ ΠΈΡΠΏΠΎΠ»ΡΠ·ΡΡΡ Π±ΠΎΠ»ΡΡΠΈΠΉ ΠΌΠΎΠΌΠ΅Π½Ρ Π·Π°ΡΡΠΆΠΊΠΈ, ΠΏΠΎΡΡΠΎΠΌΡ Π΅ΡΠ»ΠΈ ΠΏΡΠΈΠΌΠ΅Π½ΡΡΡ ΠΎΠ±ΡΡΠ½ΡΡ ΠΎΡΠ²Π΅ΡΡΠΊΡ, ΡΠΎ ΠΌΠΎΠΆΠ½ΠΎ ΠΏΠΎΠ²ΡΠ΅Π΄ΠΈΡΡ ΡΠ»ΠΈΡΡ. Π Π΅Π·ΡΠ»ΡΡΠ°ΡΠΎΠΌ Π±ΡΠ΄Π΅Ρ Π΄ΠΎΠΏΠΎΠ»Π½ΠΈΡΠ΅Π»ΡΠ½ΡΠΉ ΠΊΠΎΠΌΠΏΠ»Π΅ΠΊΡ ΡΠ°Π±ΠΎΡ ΠΏΠΎ Π²ΡΡΠ²Π΅ΡΠ»ΠΈΠ²Π°Π½ΠΈΡ ΡΡΠ°ΡΠΎΠ³ΠΎ ΡΠ°ΠΌΠΎΡΠ΅Π·Π°. ΠΡΠ²Π΅ΡΡΠΊΠ° ΠΌΠΎΠΆΠ΅Ρ ΠΏΠΎΠ½Π°Π΄ΠΎΠ±ΠΈΡΡΡΡ Π»ΠΈΡΡ Π² Π΄ΠΎΡΠ΅ΡΡΠ°ΠΉΠ»ΠΈΠ½Π³ΠΎΠ²ΡΡ ΠΌΠΎΠ΄Π΅Π»ΡΡ Π΄Π»Ρ ΡΠ½ΡΡΠΈΡ Π΄Π΅ΡΠ»Π΅ΠΊΡΠΎΡΠΎΠ² ΠΈ Π΄Π΅ΡΠΆΠ°ΡΠ΅Π»Π΅ΠΉ ΠΠ’Π€.
ΠΠΎΡΡΠΎΠΌΡ Π΄Π»Ρ ΠΏΡΠΎΠ²Π΅Π΄Π΅Π½ΠΈΡ ΡΠ°Π±ΠΎΡ Π½Π΅ΠΎΠ±Ρ
ΠΎΠ΄ΠΈΠΌΠΎ Π·Π°ΡΠ°Π½Π΅Π΅ ΠΏΠΎΠ΄Π³ΠΎΡΠΎΠ²ΠΈΡΡ Π΄Π²Π΅ Π±ΠΈΡΡ Torx Ρ ΡΠ°Π·ΠΌΠ΅ΡΠ°ΠΌΠΈ T20 ΠΈ T30.
Π‘Π½ΠΈΠΌΠ°Π΅ΠΌ Π·Π°Π΄Π½ΠΈΠΉ Π±Π°ΠΌΠΏΠ΅Ρ
ΠΠ°Π΄Π½ΠΈΠΉ Π±Π°ΠΌΠΏΠ΅Ρ Π½Π° ΠΠ°ΡΡΠ΅ΡΠ΅ ΡΠ½ΠΈΠΌΠ°Π΅ΡΡΡ Π½Π΅ΠΌΠ½ΠΎΠ³ΠΎ ΡΠ»ΠΎΠΆΠ½Π΅Π΅, Π½Π΅ ΡΠΌΠΎΡΡΡ Π½Π° ΡΠΎ, ΡΡΠΎ ΠΏΠΎ ΡΠΌΠΎΠ»ΡΠ°Π½ΠΈΡ Π² Π½Π΅Π³ΠΎ Π½Π΅ ΡΡΡΠ°Π½Π°Π²Π»ΠΈΠ²Π°ΡΡΡΡ Π½ΠΈΠΊΠ°ΠΊΠΎΠ΅ ΡΠ»Π΅ΠΊΡΡΠΎΠΎΠ±ΠΎΡΡΠ΄ΠΎΠ²Π°Π½ΠΈΠ΅. ΠΡΠΈ Π½Π°Π»ΠΈΡΠΈΠΈ Π΄Π°ΡΡΠΈΠΊΠΎΠ² ΠΏΠ°ΡΠΊΠΎΠ²ΠΊΠΈ, ΠΈΡ ΠΎΡΠΊΠ»ΡΡΠ΅Π½ΠΈΠ΅ ΠΏΡΠΎΠΈΠ·Π²ΠΎΠ΄ΠΈΡΡΡΡ ΡΠΆΠ΅ ΠΏΠΎΡΠ»Π΅ ΡΠ½ΡΡΠΈΡ Π±Π°ΠΌΠΏΠ΅ΡΠ°, ΠΏΠΎ Π°Π½Π°Π»ΠΎΠ³ΠΈΠΈ Ρ ΠΎΡΠΊΠ»ΡΡΠ΅Π½ΠΈΠ΅ΠΌ ΠΠ’Π€ Π½Π° ΠΏΠ΅ΡΠ΅Π΄Π½Π΅ΠΌ Π±Π°ΠΌΠΏΠ΅ΡΠ΅. ΠΠ΅ΡΠ΅Π΄ ΡΠ΅ΠΌ ΠΊΠ°ΠΊ ΡΠ½ΠΈΠΌΠ°ΡΡ Π·Π°Π΄Π½ΠΈΠΉ Π±Π°ΠΌΠΏΠ΅Ρ Π Π΅Π½ΠΎ ΠΠ°ΡΡΠ΅Ρ Π»ΡΡΡΠ΅ Π²Π½ΠΈΠΌΠ°ΡΠ΅Π»ΡΠ½ΠΎ ΠΈΠ·ΡΡΠΈΡΡ ΡΡ Π΅ΠΌΡ ΠΊΡΠ΅ΠΏΠ»Π΅Π½ΠΈΡ ΠΈ Π²Π½Π΅ΡΠ½ΠΈΠΉ Π²ΠΈΠ΄ Π΄Π΅ΡΠ°Π»Π΅ΠΉ, ΡΡΠΎΠ±Ρ ΠΈΠΌΠ΅ΡΡ ΠΏΠΎΠ»Π½ΠΎΠ΅ ΠΏΡΠ΅Π΄ΡΡΠ°Π²Π»Π΅Π½ΠΈΠ΅ ΠΎ ΡΠ°ΡΠΏΠΎΠ»ΠΎΠΆΠ΅Π½ΠΈΠΈ Π²ΡΠ΅Ρ ΡΠ»Π΅ΠΌΠ΅Π½ΡΠΎΠ². ΠΡΠΎΠ±Π΅Π½Π½ΠΎ Π°ΠΊΡΡΠ°Π»ΡΠ½ΠΎ ΡΡΠΎ Π±ΡΠ΄Π΅Ρ Π΄Π»Ρ ΡΠ΅Ρ , ΠΊΡΠΎ Π°ΠΊΡΠΈΠ²Π½ΠΎ ΠΈΡΠΏΠΎΠ»ΡΠ·ΡΠ΅Ρ Π°Π²ΡΠΎ Π½Π° Π±Π΅Π·Π΄ΠΎΡΠΎΠΆΡΠ΅, ΠΈ ΠΌΠ½ΠΎΠ³ΠΈΠ΅ Π±ΠΎΠ»ΡΡ ΠΌΠΎΠ³ΡΡ Π±ΡΡΡ Π·Π°ΠΊΡΡΡΡ ΡΠΎΠ»ΡΡΡΠΌ ΡΠ»ΠΎΠ΅ΠΌ Π³ΡΡΠ·ΠΈ.
ΠΡΠ½ΠΎΠ²Π½Π°Ρ Π΄Π΅ΡΠ°Π»Ρ, ΠΊΠΎΡΠΎΡΡΡ Π½Π΅ΠΎΠ±Ρ ΠΎΠ΄ΠΈΠΌΠΎ ΡΠ½ΡΡΡ β Π±Π°ΠΌΠΏΠ΅Ρ ΠΏΠΎΠ΄ Π½ΠΎΠΌΠ΅ΡΠΎΠΌ 1. ΠΠΎΠ΄ ΡΠΈΡΡΠΎΠΉ 7 ΠΎΡΠΌΠ΅ΡΠ΅Π½Π° Π΄Π΅ΠΊΠΎΡΠ°ΡΠΈΠ²Π½Π°Ρ Π½Π°ΠΊΠ»Π°Π΄ΠΊΠ°. ΠΠΎ Π²ΡΠ΅ΠΌΡ ΠΌΠΎΠ½ΡΠ°ΠΆΠ° ΠΏΡΠΎΠΈΡΡ ΠΎΠ΄ΠΈΡ ΡΠ½ΡΡΠΈΠ΅ ΠΊΠΎΠ½ΡΡΡΡΠΊΡΠΈΠΈ Π² ΡΠ±ΠΎΡΠ΅.
ΠΠΎ Π²ΡΠ΅ΠΌΡ ΡΠ°Π±ΠΎΡ Π½Π΅ΠΎΠ±Ρ
ΠΎΠ΄ΠΈΠΌΠΎ ΠΎΡΡΠΎΠ΅Π΄ΠΈΠ½ΠΈΡΡ 14 ΠΊΡΠ΅ΠΏΠ΅ΠΆΠ½ΡΡ
ΡΠ°ΡΡΠ΅ΠΉ. ΠΠΎΠ΄ Π½ΠΎΠΌΠ΅ΡΠΎΠΌ 5 β Π°Π±ΡΠΎΡΠ±Π΅Ρ, ΠΏΡΠΈΠ½ΠΈΠΌΠ°ΡΡΠΈΠΉ Π½Π° ΡΠ΅Π±Ρ ΠΎΡΠ½ΠΎΠ²Π½ΠΎΠΉ ΡΠ΄Π°Ρ Π²ΠΎ Π²ΡΠ΅ΠΌΡ ΡΡΠΎΠ»ΠΊΠ½ΠΎΠ²Π΅Π½ΠΈΡ Ρ ΠΏΡΠ΅ΠΏΡΡΡΡΠ²ΠΈΠ΅ΠΌ ΠΈΠ»ΠΈ ΠΠ’Π, ΠΠ½ Π²ΠΌΠ΅ΡΡΠ΅ Ρ Π½ΠΈΠΌ Π±Π°ΠΌΠΏΠ΅Ρ ΡΠ΄Π΅ΡΠΆΠΈΠ²Π°Π΅ΡΡΡ ΠΏΡΠΈ ΠΏΠΎΠΌΠΎΡΠΈ ΠΊΡΠΎΠ½ΡΡΠ΅ΠΉΠ½ΠΎΠ² 3 ΠΈ 2.
ΠΠ°Π΄Π½ΠΈΠΉ Π±Π°ΠΌΠΏΠ΅Ρ ΠΊΡΠ΅ΠΏΠΈΡΡΡΡ Π½Π° 8 ΡΠ°ΠΌΠΎΡΠ΅Π·ΠΎΠ². 4 (ΠΏΠΎΠ΄ Π½ΠΎΠΌΠ΅ΡΠΎΠΌ 12) ΡΠ°ΡΠΏΠΎΠ»ΠΎΠΆΠ΅Π½Ρ ΡΠ²Π΅ΡΡ Ρ, ΠΈ Π΅ΡΠ΅ 4 (13) Π² Π½ΠΈΠΆΠ½Π΅ΠΉ ΡΠ°ΡΡΠΈ. ΠΠ΅ΠΊΠΎΡΠ°ΡΠΈΠ²Π½Π°Ρ Π½Π°ΠΊΠ»Π°Π΄ΠΊΠ° ΠΏΡΠΈΠΆΠΈΠΌΠ°Π΅ΡΡΡ ΠΏΡΠΈ ΠΏΠΎΠΌΠΎΡΠΈ Π²ΠΈΠ½ΡΠΎΠ², ΠΎΡΠΌΠ΅ΡΠ΅Π½Π½ΡΡ ΠΏΠΎΠ΄ Π½ΠΎΠΌΠ΅ΡΠΎΠΌ 9 Π½Π° ΡΡ Π΅ΠΌΠ΅.
ΠΠ»Ρ ΠΏΡΠΎΠ²Π΅Π΄Π΅Π½ΠΈΡ ΡΠ°Π±ΠΎΡ ΠΈΡΠΏΠΎΠ»ΡΠ·ΡΡΡΡΡ ΡΠ΅ ΠΆΠ΅ ΠΊΠ»ΡΡΠΈ, ΡΡΠΎ ΠΈ Π΄Π»Ρ Π΄Π΅ΠΌΠΎΠ½ΡΠ°ΠΆΠ° ΠΏΠ΅ΡΠ΅Π΄Π½Π΅ΠΉ ΡΠ°ΡΡΠΈ β ΠΊΠ»ΡΡΠΈ Torx Π’20 ΠΈ Π’30. Π‘ ΠΈΡ ΠΏΠΎΠΌΠΎΡΡΡ Π½Π΅ΠΎΠ±Ρ ΠΎΠ΄ΠΈΠΌΠΎ ΡΠΏΠ΅ΡΠ²Π° ΠΎΡΡΠΎΠ΅Π΄ΠΈΠ½ΠΈΡΡ Π±ΡΡΠ·Π³ΠΎΠ²ΠΈΠΊΠΈ. ΠΠ½ ΠΊΡΠ΅ΠΏΠΈΡΡΡΡ Π½Π° ΡΠ°ΠΌΠΎΡΠ΅Π·Π°Ρ ΠΈ ΠΏΠ»Π°ΡΡΠΈΠΊΠΎΠ²ΠΎΠΌ ΠΏΠΈΡΡΠΎΠ½Π΅.
ΠΠΈΡΡΠΎΠ½ Π»Π΅Π³ΠΊΠΎ ΠΎΡΡΠ΅Π»ΠΊΠΈΠ²Π°Π΅ΡΡΡ ΠΏΡΠΈ ΠΏΠΎΠΌΠΎΡΠΈ ΠΏΠ»ΠΎΡΠΊΠΎΠΉ ΠΎΡΠ²Π΅ΡΡΠΊΠΈ. ΠΠ°ΡΠ΅ΠΌ Π½ΡΠΆΠ½ΠΎ ΠΎΡΠΊΡΡΡΠΈΡΡ ΡΠ°ΠΌΠΎΡΠ΅Π· ΡΠ΄Π΅ΡΠΆΠΈΠ²Π°ΡΡΠΈΠΉ Π±Π°ΠΌΠΏΠ΅Ρ ΠΏΠΎΠ΄ Π½ΠΎΠΌΠ΅ΡΠΎΠΌ 13. Π’Π°ΠΊΠΎΠΉ ΠΆΠ΅ ΡΠ°ΠΌΠΎΡΠ΅Π· Π½Π°Ρ ΠΎΠ΄ΠΈΡΡΡΡ Π² Π½ΠΈΠΆΠ½Π΅ΠΉ ΡΠ°ΡΡΠΈ.
ΠΠΎΡΠ»Π΅ ΡΡΠΎΠ³ΠΎ ΠΎΡΠ»Π°Π±Π»ΡΡΡΡΡ Π²ΠΈΠ½ΡΡ ΠΏΠΎΠ΄ Π΄Π΅ΠΊΠΎΡΠ°ΡΠΈΠ²Π½ΠΎΠΉ Π½Π°ΠΊΠ»Π°Π΄ΠΊΠΎΠΉ ΠΈ ΠΎΡΠΊΡΡΡΠΈΠ²Π°Π΅ΡΡΡ ΠΊΡΠ΅ΠΏΠ»Π΅Π½ΠΈΠ΅ Π² Π±Π°Π³Π°ΠΆΠ½ΠΈΠΊΠ΅.
Β«ΠΠ΅ΠΎΠ±Ρ ΠΎΠ΄ΠΈΠΌΠΎ ΠΏΠΎΠ»Π½ΠΎΡΡΡΡ Π²ΡΠΊΡΡΡΠΈΡΡ ΡΠ°ΠΌΠΎΡΠ΅Π·Ρ, Π° Π²ΠΈΠ½ΡΡ ΡΠΎΠ»ΡΠΊΠΎ ΠΎΡΠ»Π°Π±ΠΈΡΡΒ»
ΠΡΡ ΡΠ°Π±ΠΎΡΡ ΠΌΠΎΠΆΠ½ΠΎ ΡΠ°Π·Π±ΠΈΡΡ Π½Π° 2 ΠΏΡΠΎΡΡΡΡ ΡΡΠ°ΠΏΠ°:
- ΠΡΠΊΡΡΡΠΈΠ²Π°ΡΡΡΡ ΡΠ°ΠΌΠΎΡΠ΅Π·Ρ ΠΏΠΎΠ΄ Π½ΠΎΠΌΠ΅ΡΠ°ΠΌΠΈ 12 ΠΈ 13, Π·Π°ΡΠ΅ΠΌ ΠΎΡΠ»Π°Π±Π»ΡΡΡΡΡ Π²ΠΈΠ½ΡΡ β9.
- ΠΠ»Π°ΡΡΠΈΠΊ ΠΎΡΠ²ΠΎΠ΄ΠΈΡΡΡΡ Π²Π±ΠΎΠΊ ΠΎΡ ΠΊΡΠΎΠ½ΡΡΠ΅ΠΉΠ½Π° 2 ΠΈ 3. ΠΠΎ Π²ΡΠ΅ΠΌΡ ΡΡΠΎΠ³ΠΎ Π²Π°ΠΆΠ½ΠΎ Π½Π΅ Π΄Π΅Π»Π°ΡΡ ΡΠ΅Π·ΠΊΠΈΡ
ΡΡΠ²ΠΊΠΎΠ², ΡΡΠΎΠ±Ρ Π½Π΅ ΡΠ»ΠΎΠΌΠ°ΡΡ ΡΠ·ΡΡΠΊΠΈ Π·Π°ΡΠ΅Π»ΠΎΠΊ.

ΠΡΠ΅Π³Π΄Π° ΡΠ»Π΅Π΄ΡΠ΅Ρ Π½Π°ΡΠΈΠ½Π°ΡΡ Π΄Π΅ΠΌΠΎΠ½ΡΠ°ΠΆ ΡΠΎ ΡΡΠΎΡΠΎΠ½Ρ ΠΊΠΎΠ»Π΅ΡΠ°.
ΠΠΎΡΠ»Π΅ ΡΠΎΠ³ΠΎ, ΠΊΠ°ΠΊ Π²ΡΠ΅ Π·Π°ΡΠ΅Π»ΠΊΠΈ Π±ΡΠ»ΠΈ ΠΎΡΡΠΎΠ΅Π΄ΠΈΠ½Π΅Π½Ρ Π±Π°ΠΌΠΏΠ΅Ρ Π½ΡΠΆΠ½ΠΎ ΠΏΠΎΡΡΠ½ΡΡΡ Π½Π° ΡΠ΅Π±Ρ. Π§ΡΠΎΠ±Ρ ΠΊΠΎΠ½ΡΡΡΡΠΊΡΠΈΡ ΡΠΎΠ²Π½ΠΎ ΡΠ»Π° ΠΏΠΎ Π½Π°ΠΏΡΠ°Π²Π»ΡΡΡΠΈΠΌ Π»ΡΡΡΠ΅ ΡΠ½ΠΈΠΌΠ°ΡΡ Π²Π΄Π²ΠΎΠ΅ΠΌ Ρ ΠΏΠΎΠΌΠΎΡΠ½ΠΈΠΊΠΎΠΌ. ΠΠ°Π»Π΅Π΅ ΠΌΠΎΠΆΠ½ΠΎ ΠΎΠ·Π½Π°ΠΊΠΎΠΌΠΈΡΡΡΡ Ρ Π°ΡΡΠΈΠΊΡΠ»Π°ΠΌΠΈ Π΄Π΅ΡΠ°Π»Π΅ΠΉ, ΠΏΡΠΈΠΌΠ΅Π½ΡΠ΅ΠΌΡΡ Π² Π·Π°Π²ΠΈΡΠΈΠΌΠΎΡΡΠΈ ΠΎΡ ΡΠΈΠΏΠ° ΠΊΠΎΠΌΠΏΠ»Π΅ΠΊΡΠ°ΡΠΈΠΈ.
ΠΠ°ΠΊ ΡΠ½ΡΡΡ ΠΏΠ΅ΡΠ΅Π΄Π½ΠΈΠΉ Π±Π°ΠΌΠΏΠ΅Ρ ΠΠ°Π΄Π° ΠΠ°Π»ΠΈΠ½Π°. ΠΠ°ΠΌΠ΅Π½Π° Π±Π°ΠΌΠΏΠ΅ΡΠ° ΡΠ²ΠΎΠΈΠΌΠΈ ΡΡΠΊΠ°ΠΌΠΈ
Π Π½Π΅Π·Π°Π²ΠΈΡΠΈΠΌΠΎΡΡΠΈ ΠΎΡ Π³ΠΎΠ΄Π° Π²ΡΠΏΡΡΠΊΠ° Π°Π²ΡΠΎΠΌΠΎΠ±ΠΈΠ»Ρ, Π° ΡΠ°ΠΊΠΆΠ΅ ΠΎΠΏΡΡΠ° Π²ΠΎΠΆΠ΄Π΅Π½ΠΈΡ Π°Π²ΡΠΎΠ²Π»Π°Π΄Π΅Π»ΡΡΠ°, ΡΠ°Π½ΠΎ ΠΈΠ»ΠΈ ΠΏΠΎΠ·Π΄Π½ΠΎ Π²ΠΎΠ·Π½ΠΈΠΊΠ°Π΅Ρ Π½Π΅ΠΎΠ±Ρ
ΠΎΠ΄ΠΈΠΌΠΎΡΡΡ ΡΠ½ΡΡΠΈΡ ΠΈΠ»ΠΈ Π·Π°ΠΌΠ΅Π½Ρ ΠΏΠ΅ΡΠ΅Π΄Π½Π΅Π³ΠΎ Π±Π°ΠΌΠΏΠ΅ΡΠ°. Π ΡΠΎΠΆΠ°Π»Π΅Π½ΠΈΡ, Π² ΠΆΠΈΠ·Π½ΠΈ ΡΠ»ΡΡΠ°ΡΡΡΡ Π½Π΅ΠΏΡΠΈΡΡΠ½ΡΠ΅ ΠΌΠΎΠΌΠ΅Π½ΡΡ, ΠΊΠΎΠ³Π΄Π° Π»ΠΈΠ±ΠΎ Π²Ρ ΠΏΠΎ Π½Π΅ΠΎΡΡΠΎΡΠΎΠΆΠ½ΠΎΡΡΠΈ ΠΏΠΎΠ²ΡΠ΅ΠΆΠ΄Π°Π΅ΡΠ΅ Π±Π°ΠΌΠΏΠ΅Ρ, Π»ΠΈΠ±ΠΎ ΡΡΠΎ ΠΊΡΠΎ-ΡΠΎ Π΄Π΅Π»Π°Π΅Ρ Π·Π° Π²Π°Ρ ΠΏΠΎ ΡΠΎΠΉ ΠΆΠ΅ ΠΏΡΠΈΡΠΈΠ½Π΅. Π’ΠΎΠ³Π΄Π° Π²ΠΎΠ·Π½ΠΈΠΊΠ°Π΅Ρ Π»ΠΎΠ³ΠΈΡΠ΅ΡΠΊΠΈΠΉ Π²ΠΎΠΏΡΠΎΡ ΡΠ½ΡΡΡ Π±Π°ΠΌΠΏΠ΅Ρ, Π΄Π»Ρ ΡΠ΅ΠΌΠΎΠ½ΡΠ° ΠΈΠ»ΠΈ ΠΏΠΎΠ»Π½ΠΎΠΉ Π΅Π³ΠΎ Π·Π°ΠΌΠ΅Π½Ρ. ΠΡΠ° ΡΠ°Π±ΠΎΡΠ° Π½Π΅ ΠΏΡΠ΅Π΄ΡΡΠ°Π²Π»ΡΠ΅Ρ ΡΠΎΠ±ΠΎΠΉ Π½ΠΈΡΠ΅Π³ΠΎ ΡΠ»ΠΎΠΆΠ½ΠΎΠ³ΠΎ, ΠΎΠ΄Π½Π°ΠΊΠΎ, Π½Π΅ Π·Π½Π°Ρ ΡΠΎΠ½ΠΊΠΎΡΡΠ΅ΠΉ, ΠΌΠΎΠΆΠ½ΠΎ Π΅ΡΠ΅ Π±ΠΎΠ»ΡΡΠ΅ ΠΏΠΎΠ²ΡΠ΅Π΄ΠΈΡΡ Ρ
ΡΡΠΏΠΊΠΈΠΉ ΠΏΠ»Π°ΡΡΠΈΠΊΠΎΠ²ΡΠΉ Π±Π°ΠΌΠΏΠ΅Ρ ΠΎΠΊΠΎΠ½ΡΠ°ΡΠ΅Π»ΡΠ½ΠΎ, ΠΈΡΠΏΠΎΡΡΠΈΠ² Π΅Π³ΠΎ Π±Π΅Π· Π²ΠΎΠ·ΠΌΠΎΠΆΠ½ΠΎΡΡΠΈ Π²ΠΎΡΡΡΠ°Π½ΠΎΠ²Π»Π΅Π½ΠΈΡ.
Π ΡΡΠΎΠΉ ΡΡΠ°ΡΡΠ΅ Ρ ΡΠ°ΡΡΠΊΠ°ΠΆΡ Π²Π°ΠΌ ΠΎ ΡΠΎΠΌ, ΠΊΠ°ΠΊ ΡΠ½ΡΡΡ ΠΏΠ΅ΡΠ΅Π΄Π½ΠΈΠΉ Π±Π°ΠΌΠΏΠ΅Ρ ΠΠ°Π΄Π° ΠΠ°Π»ΠΈΠ½Π° ΡΠ²ΠΎΠΈΠΌΠΈ ΡΡΠΊΠ°ΠΌΠΈ Π±ΡΡΡΡΠΎ ΠΈ ΡΡΡΠ΅ΠΊΡΠΈΠ²Π½ΠΎ.
ΠΠ°ΠΌΠΏΠ΅Ρ «ΠΠ°Π»ΠΈΠ½Ρ» ΠΊΠ°ΠΊ ΠΈ Π±ΠΎΠ»ΡΡΠΈΠ½ΡΡΠ²ΠΎ ΡΠΎΠ²ΡΠ΅ΠΌΠ΅Π½Π½ΡΡ Π±Π°ΠΌΠΏΠ΅ΡΠΎΠ² Π²ΡΠΏΠΎΠ»Π½Π΅Π½ ΠΈΠ· ΠΏΠ»Π°ΡΡΠΈΠΊΠ° ΠΈ ΠΊΡΠ΅ΠΏΠΈΡΡΡΡ ΠΊ ΠΊΡΠ·ΠΎΠ²Ρ Π²ΠΈΠ½ΡΠ°ΠΌΠΈ ΠΈ ΡΠ°ΠΌΠΎΡΠ΅Π·Π°ΠΌΠΈ. Π‘Π»ΠΎΠΆΠ½ΠΎΡΡΡ ΡΠΎΡΡΠΎΠΈΡ Π² ΡΠΎΠΌ, ΡΡΠΎ Π½Π΅ΠΊΠΎΡΠΎΡΡΠ΅ Π²ΠΈΠ½ΡΡ ΠΎΡΠ΅Π½Ρ Ρ ΠΎΡΠΎΡΠΎ Π·Π°ΠΌΠ°ΡΠΊΠΈΡΠΎΠ²Π°Π½Ρ, ΠΏΠΎΡΡΠΎΠΌΡ ΠΏΡΠΎΠΏΡΡΡΠΈΠ² Ρ ΠΎΡΡ ΠΎΠ΄ΠΈΠ½ ΠΏΡΠΈ Π΄Π΅ΠΌΠΎΠ½ΡΠ°ΠΆΠ΅ ΠΌΠΎΠΆΠ½ΠΎ ΡΡΠΎ-Π½ΠΈΠ±ΡΠ΄Ρ ΠΎΡΠ»ΠΎΠΌΠ°ΡΡ. ΠΠ»Ρ ΡΠΎΠ³ΠΎ ΡΡΠΎΠ±Ρ ΡΠ½ΡΡΡ ΠΏΠ΅ΡΠ΅Π΄Π½ΠΈΠΉ Π±Π°ΠΌΠΏΠ΅Ρ ΠΠ°Π΄Π° ΠΠ°Π»ΠΈΠ½Π° Π²Π°ΠΌ ΠΏΠΎΡΡΠ΅Π±ΡΠ΅ΡΡΡ Π½Π΅ Π±ΠΎΠ»ΡΡΠ΅ 30-40 ΠΌΠΈΠ½ΡΡ, Π΅ΡΠ»ΠΈ Ρ Π²Π°Ρ Π΅ΡΡΡ ΠΏΠΎΠΌΠΎΡΠ½ΠΈΠΊ, ΡΠΎ ΡΠ°Π±ΠΎΡΠ° ΠΏΡΠΎΠΉΠ΄Π΅Ρ Π½Π°ΠΌΠ½ΠΎΠ³ΠΎ Π±ΡΡΡΡΠ΅Π΅ ΠΈ ΠΏΡΠΎΡΠ΅, Π»ΠΈΡΠ½ΡΡ ΠΏΠ°ΡΠ° ΡΡΠΊ Π΅ΡΠ΅ Π½ΠΈΠΊΠΎΠΌΡ Π½Π΅ ΠΏΠΎΠΌΠ΅ΡΠ°Π»Π° π
Π§ΡΠΎΠ±Ρ ΡΠ½ΡΡΡ Π±Π°ΠΌΠΏΠ΅Ρ ΠΠ°Π»ΠΈΠ½Ρ Π²Π°ΠΌ ΠΏΠΎΡΡΠ΅Π±ΡΠ΅ΡΡΡ:
- ΠΡΠ²Π΅ΡΡΠΊΠΈ: ΠΊΡΠ΅ΡΡΠΎΠ²Π°Ρ ΠΈ ΠΏΠ»ΠΎΡΠΊΠ°Ρ;
- ΠΠ»ΡΡ Π½Π° «10»;
- «ΠΡΡΠΌΡΠ΅ ΡΡΠΊΠΈ» ΠΈ Π½Π΅ΠΌΠ½ΠΎΠ³ΠΎ ΡΠ΅ΡΠΏΠ΅Π½ΠΈΡ.
ΠΡΠ°ΠΊ, ΡΠ½ΠΈΠΌΠ°Π΅ΠΌ ΠΏΠ΅ΡΠ΅Π΄Π½ΠΈΠΉ Π±Π°ΠΌΠΏΠ΅Ρ Lada Kalina β ΠΏΠΎΡΠ»Π΅Π΄ΠΎΠ²Π°ΡΠ΅Π»ΡΠ½ΠΎΡΡΡ Π΄Π΅ΠΉΡΡΠ²ΠΈΠΉ:
1. ΠΡΠ΅ΠΆΠ΄Π΅ Π²ΡΠ΅Π³ΠΎ ΠΎΡΠΊΡΠΎΠΉΡΠ΅ ΠΊΠ°ΠΏΠΎΡ, ΠΏΠΎΠ΄ Π½ΠΈΠΌ Π²Ρ ΡΠ²ΠΈΠ΄ΠΈΡΠ΅ 3 ΠΊΡΠ΅ΠΏΠ΅ΠΆΠ½ΡΡ
Π±ΠΎΠ»ΡΠ°, ΠΊΠΎΡΠΎΡΡΠ΅ ΡΠ΄Π΅ΡΠΆΠΈΠ²Π°ΡΡ Π΄Π΅ΠΊΠΎΡΠ°ΡΠΈΠ²Π½ΡΡ ΡΠ΅ΡΠ΅ΡΠΊΡ ΡΠ°Π΄ΠΈΠ°ΡΠΎΡΠ°. ΠΠΊΠΊΡΡΠ°ΡΠ½ΠΎ ΠΎΡΠΊΡΡΡΠΈΡΠ΅ ΠΈΡ
, Π±ΡΠ΄ΡΡΠ΅ Π²Π½ΠΈΠΌΠ°ΡΠ΅Π»ΡΠ½Ρ ΡΡΠΎΠ±Ρ Π½Π΅ ΠΏΠΎΠ²ΡΠ΅Π΄ΠΈΡΡ Π»Π°ΠΊΠΎΠΊΡΠ°ΡΠΎΡΠ½ΠΎΠ΅ ΠΏΠΎΠΊΡΡΡΠΈΠ΅.
ΠΡΠΊΡΡΡΠ΅Π½Π½ΡΠ΅ Π²ΠΈΠ½ΡΡ ΠΎΡΠ»ΠΎΠΆΠΈΡΠ΅ Π² ΡΡΠΎΡΠΎΠ½Ρ, ΡΡΠΎΠ±Ρ Π½Π΅ ΠΏΠΎΡΠ΅ΡΡΡΡ.
2. Π‘Π½ΠΈΠΌΠΈΡΠ΅ ΡΠ΅ΡΠ΅ΡΠΊΡ ΡΠ°Π΄ΠΈΠ°ΡΠΎΡΠ°, ΡΠ΅ΠΏΠ΅ΡΡ Ρ Π²Π°Ρ ΠΎΠ±ΡΠ°Π·ΡΠ΅ΡΡΡ Π΄ΠΎΡΡΡΠΏ ΠΊ ΠΌΠ΅ΡΡΠ°ΠΌ ΠΊΡΠ΅ΠΏΠ»Π΅Π½ΠΈΡ ΠΏΠ΅ΡΠ΅Π΄Π½Π΅Π³ΠΎ Π±Π°ΠΌΠΏΠ΅ΡΠ°, Π²ΡΠ΅Ρ ΠΈΡ β 2 Π±ΠΎΠ»ΡΠ° ΠΈ 2 ΡΠ°ΠΌΠΎΡΠ΅Π·Π°. ΠΡΠΊΡΡΡΠΈΡΠ΅ ΠΈΡ .
3. ΠΡΠΊΡΡΡΠΈΡΠ΅ 2 Π²ΠΈΠ½ΡΠ° ΠΊΡΠ΅ΠΏΠ»Π΅Π½ΠΈΡ Π½ΠΈΠΆΠ½Π΅ΠΉ ΡΠ΅ΡΠ΅ΡΠΊΠΈ. ΠΠ°ΡΠ΅ΠΌ ΡΠ½ΠΈΠΌΠΈΡΠ΅ ΡΠ΅ΡΠ΅ΡΠΊΡ, ΠΎΠ½Π° ΡΠ½ΠΈΠΌΠ°Π΅ΡΡΡ Π΄ΠΎΠ²ΠΎΠ»ΡΠ½ΠΎ ΠΏΡΠΎΡΡΠΎ.
4. Π’Π΅ΠΏΠ΅ΡΡ Π΅ΡΡΡ Π΄ΠΎΡΡΡΠΏ ΠΈ Π΅ΡΠ΅ ΠΊ Π΄Π²ΡΠΌ Π±ΠΎΠ»ΡΠ°ΠΌ Π±Π°ΠΌΠΏΠ΅ΡΠ°, ΠΎΠ½ΠΈ ΡΠ°ΡΠΏΠΎΠ»ΠΎΠΆΠ΅Π½Ρ Π² Π½ΠΈΠΆΠ½Π΅ΠΉ ΡΠ°ΡΡΠΈ, ΡΡΠ°Π·Ρ Π·Π° ΡΠ΅ΡΠ΅ΡΠΊΠΎΠΉ, ΠΊΠΎΡΠΎΡΡΡ Π²Ρ Π΄Π΅ΠΌΠΎΠ½ΡΠΈΡΠΎΠ²Π°Π»ΠΈ ΡΠ°Π½Π΅Π΅. ΡΠΌ. ΡΠΎΡΠΎ.
5. ΠΠ°Π»Π΅Π΅ ΠΎΡΠΊΡΡΡΠΈΡΠ΅ 3 Π²ΠΈΠ½ΡΠ° ΠΊΡΠ΅ΠΏΠ»Π΅Π½ΠΈΡ Π±Π°ΠΌΠΏΠ΅ΡΠ° ΠΊ ΠΊΡΠ·ΠΎΠ²Ρ Π°Π²ΡΠΎΠΌΠΎΠ±ΠΈΠ»Ρ, ΠΎΠ½ΠΈ ΡΠ°ΡΠΏΠΎΠ»ΠΎΠΆΠ΅Π½Ρ Π² Π½ΠΈΠΆΠ½Π΅ΠΉ ΡΠ°ΡΡΠΈ, ΠΈΡ ΠΌΠΎΠΆΠ½ΠΎ Π½Π°ΡΡΠΏΠ°ΡΡ ΡΡΠΊΠΎΠΉ. ΠΡΠΎΠΌΠ΅ ΡΡΠΈΡ Π²ΠΈΠ½ΡΠΎΠ² Π½ΡΠΆΠ½ΠΎ Π΅ΡΠ΅ Π²ΡΠΊΡΡΡΠΈΡΡ 2 ΡΠ°ΠΌΠΎΡΠ΅Π·Π°, ΠΊΠΎΡΠΎΡΡΠΌΠΈ Π±Π°ΠΌΠΏΠ΅Ρ ΠΊΡΠ΅ΠΏΠΈΡΡΡ ΠΊ ΠΏΠΎΠ΄ΠΊΡΡΠ»ΠΊΡ.
6. ΠΠ»Ρ ΡΠΎΠ³ΠΎ, ΡΡΠΎΠ±Ρ ΡΠ½ΡΡΡ ΠΏΠ΅ΡΠ΅Π΄Π½ΠΈΠΉ Π±Π°ΠΌΠΏΠ΅Ρ ΠΠ°Π΄Π° ΠΠ°Π»ΠΈΠ½Π° Π²Π°ΠΌ ΠΎΡΡΠ°Π»ΠΎΡΡ ΠΎΡΠΊΡΡΡΠΈΡΡ Π²ΡΠ΅Π³ΠΎ 4 ΡΠ°ΠΌΠΎΡΠ΅Π·Π°, ΠΏΠΎ 2 Ρ ΠΊΠ°ΠΆΠ΄ΠΎΠΉ ΡΡΠΎΡΠΎΠ½Ρ Π±Π°ΠΌΠΏΠ΅ΡΠ°, ΠΎΠ½ΠΈ ΡΠ°ΡΠΏΠΎΠ»ΠΎΠΆΠ΅Π½Ρ Π² ΠΊΠΎΠ»Π΅ΡΠ½ΡΡ
Π°ΡΠΊΠ°Ρ
, ΠΈΠΌΠΈ Π±Π°ΠΌΠΏΠ΅Ρ ΠΊΡΠ΅ΠΏΠΈΡΡΡ ΠΊ ΠΏΠΎΠ΄ΠΊΡΡΠ»ΠΊΡ. Π§ΡΠΎΠ±Ρ ΡΠ΄ΠΎΠ±Π½Π΅Π΅ Π±ΡΠ»ΠΎ Π²ΡΠΏΠΎΠ»Π½ΡΡΡ ΡΡΡ ΡΠ°Π±ΠΎΡΡ ΠΏΠ΅ΡΠ΅Π΄ ΠΎΡΠΊΡΡΡΠΈΠ²Π°Π½ΠΈΠ΅ΠΌ ΠΌΠ°ΠΊΡΠΈΠΌΠ°Π»ΡΠ½ΠΎ ΠΏΠΎΠ²Π΅ΡΠ½ΠΈΡΠ΅ ΡΡΠ»Ρ Π² ΠΏΡΠ°Π²ΡΡ ΠΈΠ»ΠΈ Π»Π΅Π²ΡΡ ΡΡΠΎΡΠΎΠ½Ρ.
Π’Π΅ΠΏΠ΅ΡΡ ΠΊΠΎΠ³Π΄Π° Π½ΠΈΡΠ΅Π³ΠΎ Π½Π΅ ΠΌΠ΅ΡΠ°Π΅Ρ Π²Ρ ΠΌΠΎΠΆΠ΅ΡΠ΅ ΡΠ½ΡΡΡ ΠΏΠ΅ΡΠ΅Π΄Π½ΠΈΠΉ Π±Π°ΠΌΠΏΠ΅Ρ ΠΠ°Π΄Π° ΠΠ°Π»ΠΈΠ½Π°, Π΄Π»Ρ ΡΡΠΎΠ³ΠΎ Π΄ΠΎΡΡΠ°ΡΠΎΡΠ½ΠΎ ΠΏΠΎΠ΄Π΄Π΅ΡΡ Π΅Π³ΠΎ ΡΡΠΊΠ°ΠΌΠΈ Ρ ΠΎΠ±Π΅ΠΈΡ ΡΡΠΎΡΠΎΠ½. ΠΠ° ΡΠΎΡΠΎ Π΄Π»Ρ Π±ΠΎΠ»ΡΡΠ΅ΠΉ Π½Π°Π³Π»ΡΠ΄Π½ΠΎΡΡΠΈ ΡΠΊΠ°Π·Π°Π½Ρ ΠΌΠ΅ΡΡΠ° ΠΊΡΠ΅ΠΏΠ»Π΅Π½ΠΈΡ Π±Π°ΠΌΠΏΠ΅ΡΠ° ΠΊ ΠΊΡΠ·ΠΎΠ²Ρ.
ΠΡΠΎΠΈΠ·Π²Π΅Π΄ΠΈΡΠ΅ ΡΠ΅ΠΌΠΎΠ½Ρ Π±Π°ΠΌΠΏΠ΅ΡΠ° ΠΈΠ»ΠΈ ΠΏΠΎΠ»Π½ΠΎΡΡΡΡ Π·Π°ΠΌΠ΅Π½ΠΈΡΠ΅ Π΅Π³ΠΎ Π½Π° Π½ΠΎΠ²ΡΠΉ. Π‘ΠΏΠ°ΡΠΈΠ±ΠΎ Π·Π° Π²Π½ΠΈΠΌΠ°Π½ΠΈΠ΅.
 Π‘Π½ΡΡΠΈΠ΅ ΠΏΠ΅ΡΠ΅Π΄Π½Π΅Π³ΠΎ Π±Π°ΠΌΠΏΠ΅ΡΠ° ΠΈ ΡΠ°Ρ Π½Π° Π Π΅Π½ΠΎ ΠΠ΅Π³Π°Π½ 2 [ΡΠΎΡΠΎ + Π²ΠΈΠ΄Π΅ΠΎ]
ΠΠΏΠΈΡΠ°Π½ΠΈΠ΅ ΠΏΡΠΎΡΠ΅ΡΡΠ° ΡΠ½ΡΡΠΈΡ ΠΏΠ΅ΡΠ΅Π΄Π½Π΅Π³ΠΎ Π±Π°ΠΌΠΏΠ΅ΡΠ° Π½Π° Renault Megane 2
ΠΠΎΠΏΠΎΠ»Π½ΠΈΡΠ΅Π»ΡΠ½Π°Ρ ΡΡΠ°ΡΡΡ:Β ΠΊΠ°ΠΊ ΡΠ½ΡΡΡ ΡΠ΅ΡΠ΅ΡΠΊΠΈ Π² ΠΏΠ΅ΡΠ΅Π΄Π½Π΅ΠΌ Π±Π°ΠΌΠΏΠ΅ΡΠ΅ ΠΠ΅Π³Π°Π½ 2
ΠΠ°ΠΊ ΡΠ½ΡΡΡ ΠΏΠ΅ΡΠ΅Π΄Π½ΠΈΠΉ Π±Π°ΠΌΠΏΠ΅Ρ
ΠΡΠΊΡΡΠ²Π°Π΅ΠΌ ΠΊΠ°ΠΏΠΎΡ ΠΈ Π²ΠΈΠ΄ΠΈΠΌ ΠΏΠΈΡΡΠΎΠ½Ρ-ΠΊΠ»ΠΎΠΏΡ, 6 ΡΡ.
ΠΡΠ»ΠΈ Ρ Π²Π°Ρ ΡΡΠΎΠΈΡ ΠΏΠ»Π°ΡΡΠΈΠΊΠΎΠ²Π°Ρ Π΄Π΅ΠΊΠΎΡΠ°ΡΠΈΠ²Π½Π°Ρ Π·Π°ΡΠΈΡΠ°, ΡΠΎ ΡΠ½Π°ΡΠ°Π»Π° ΡΠ½ΠΈΠΌΠ°Π΅ΠΌ Π΅Ρ, Π΄Π΅ΡΠΆΠΈΡΡΡ Π½Π° ΠΏΠΈΡΡΠΎΠ½Π°Ρ , ΡΠ½ΠΈΠΌΠ°Π΅ΡΡΡ Ρ ΠΏΠΎΠΌΠΎΡΡΡ ΠΎΡΠ²Π΅ΡΡΠΊΠΈ:
ΠΠΈΡΡΠΎΠ½ ΡΠΎΡΡΠΎΠΈΡ ΠΈΠ· 2-Ρ ΡΠ°ΡΡΠ΅ΠΉ ΠΈ ΡΠ»ΠΎΠΌΠ°ΡΡ ΠΈΡ ΠΎΡΠ΅Π½Ρ Π»Π΅Π³ΠΊΠΎ. ΠΠ»Π°Π²Π½ΠΎΠ΅ ΠΎΡΠ΄Π΅Π»ΠΈΡΡ ΡΠ»ΡΠΏΠΊΡ ΠΎΡ ΠΎΡΠ½ΠΎΠ²Π°Π½ΠΈΡ ΠΊΠ»ΠΎΠΏΠ°. ΡΠΌ ΡΠΎΡΠΎ
ΠΠΠΠΠ!!!
ΠΏΡΠΈ ΡΡΡΠ°Π½ΠΎΠ²ΠΊΠ΅ ΠΏΠΈΡΡΠΎΠ½ΠΎΠ² ΠΎΠ±ΡΠ°ΡΠ½ΠΎ, ΠΊΠ»ΠΎΠΏ ΡΡΠ°Π²ΠΈΡΡ ΠΊΠ°ΠΊ Π½Π° ΠΊΠ°ΡΡΠΈΠ½ΠΊΠ΅ Π² Π²Π΅ΡΡ
Ρ(
ΡΠ½Π°ΡΠ°Π»Π° ΡΡΠ°Π²ΠΈΠΌ Π² ΠΎΡΠ²Π΅ΡΡΡΠΈΠ΅ Π½ΠΈΠ· ΠΊΠ»ΠΎΠΏΠ° Π° ΠΏΠΎΡΠΎΠΌ Π½Π°Π΄Π°Π²Π»ΠΈΠ²Π°Π΅ΠΌ Π½Π° Π½Π΅Π³ΠΎ ΠΈ ΠΎΠ½
Π·Π°Ρ
Π»ΠΎΠΏΠ½Π΅ΡΡΡ)
ΠΎΡΠΊΡΡΡΠΈΠ²Π°Π΅ΠΌ 3 Π±ΠΎΠ»ΡΠ° Π½Π° Π΄Π½ΠΈΡΠ΅ Π°Π²ΡΠΎ, ΠΊΠ»ΡΡ Π½Π° 10
ΠΡΠ²ΠΎΡΠ°ΡΠΈΠ²Π°Π΅ΠΌ ΠΊΠΎΠ»Π΅ΡΠΎ Π΄Π»Ρ Π΄ΠΎΡΡΡΠΏΠ° ΠΊ Π±ΠΎΠ»ΡΠ°ΠΌ Π΄Π΅ΡΠΆΠ°ΡΠΈΠΌ Π±Π°ΠΌΠΏΠ΅Ρ ΠΈ ΠΎΡΠΊΡΡΡΠΈΠ²Π°Π΅ΠΌ Π² ΠΏΠΎΠ΄ΠΊΡΡΠ»ΠΊΠ°Ρ ΠΏΠΎ 2 ΡΠ°ΠΌΠΎΡΠ΅Π·Π° ΠΊΠ»ΡΡ Π½Π° 7 (Π·Π²Π΅Π·Π΄ΠΎΡΠΊΠ°)
ΠΡΠ΅.
ΠΡ ΠΎΡΠΊΡΡΡΠΈΠ»ΠΈ Π²ΡΠ΅ ΡΡΠΎ Π΄Π΅ΡΠΆΠΈΡ Π±Π°ΠΌΠΏΠ΅Ρ. Π’Π΅ΠΏΠ΅ΡΡ Π²Π°ΠΆΠ½ΠΎ Π΅Π³ΠΎ ΠΏΡΠ°Π²ΠΈΠ»ΡΠ½ΠΎ ΡΠ½ΡΡΡ.
ΠΠΎΠ΄ Π±Π°ΠΌΠΏΠ΅ΡΠΎΠΌ Π΅ΡΡΡ Π·Π°ΡΠ΅Π»ΠΊΠΈ, ΡΠ°ΠΌ Π³Π΄Π΅ Π½Π°ΡΠΈΡΠΎΠ²Π°Π½Ρ ΡΡΡΠ΅Π»ΠΎΡΠΊΠΈ,Π΄Π΅ΡΠ³Π°Π΅ΠΌ ΠΏΠΎ
ΡΡΡΠ΅Π»ΠΎΡΠΊΠ°ΠΌ ΠΈ ΡΠ½ΠΈΠΌΠ°Π΅ΠΌ Ρ Π·Π°ΡΠ΅Π»ΠΎΠΊ, Π΄Π΅ΡΠ³Π°ΠΉΡΠ΅ Π½Π΅ Π±ΠΎΠΉΡΠ΅ΡΡ, Π½Π΅ ΡΠ»ΠΎΠΌΠ°Π΅ΡΠ΅.
Π²Π΅ΡΡ Π½ΡΡ ΡΠ°ΡΡΡ Π³ΡΠ»ΡΠ΅Ρ, ΡΠ΅ΠΏΠ΅ΡΡ ΡΠ΄Π΅ΡΠ³ΠΈΠ²Π°Π΅ΠΌ Π±Π°ΠΌΠΏΠ΅Ρ Ρ ΡΡΡΠΊΠ° Π±Π°ΠΌΠΏΠ΅ΡΠ° ΠΈ ΠΏΠΎΠ΄ΠΊΡΡΠ»ΠΊΠ°, ΠΊΠ°ΠΊ Π½Π° ΡΠΎΡΠΎ
ΠΠΈΠ΄Π΅ΠΎ Π²Π°ΠΌ Π² ΠΏΠΎΠΌΠΎΡΡ:
ΠΠ°ΠΌΠΏΠ΅Ρ ΡΠ½ΡΠ»ΠΈ, ΡΠ΅ΠΏΠ΅ΡΡ Π½Π°Π΄ΠΎ ΠΎΡΡΠΎΠ΅Π΄ΠΈΠ½ΠΈΡΡ ΡΠ°Π·ΡΠ΅ΠΌ ΠΏΡΠΎΡΠΈΠ²ΠΎΡΡΠΌΠ°Π½ΠΎΠΊ, ΠΏΡΠΈΠΏΠΎΠ΄Π½ΡΡΡ Π·Π°ΡΠ΅Π»ΠΊΡ Π² Π²Π²Π΅ΡΡ ΠΈ ΡΠ°Π·ΡΠ΅Π΄ΠΈΠ½ΠΈΡΡ.
ΠΠΠΠΠ!!! ΡΡΡΠ°Π½ΠΎΠ²ΠΊΠ° Π±Π°ΠΌΠΏΠ΅ΡΠ° Π½Π°Π·Π°Π΄
ΠΠ»Ρ Π½Π°ΡΠ°Π»Π° ΡΡΡΠ°Π½ΠΎΠ²ΠΊΠΈ Π½Π΅ΠΎΠ±Ρ ΠΎΠ΄ΠΈΠΌΠΎ ΡΠ½Π°ΡΠ°Π»Π° ΠΏΠΎΠΏΠ°ΡΡΡ ΡΡΡΠ°ΠΆΠΊΠΎΠΌ ΠΎΡΠΊΡΡΠ²Π°Π½ΠΈΡ ΠΊΠ°ΠΏΠΎΡΠ° Π² Π΅Π³ΠΎ ΠΎΡΠ²Π΅ΡΡΡΠΈΠ΅ ΠΈ ΡΠΎΠ»ΡΠΊΠΎ ΠΏΠΎΡΠΎΠΌ ΡΡΠ°Π²ΠΈΡΡ ΡΠ°ΠΌ Π±Π°ΠΌΠΏΠ΅Ρ ΠΈΠ½Π°ΡΠ΅ Π·Π°Π½ΠΎΠ²ΠΎ ΠΏΡΠΈΠ΄Π΅ΡΡΡ ΡΠ½ΠΈΠΌΠ°ΡΡ Π²ΡΠ΅ ΠΏΠΈΡΡΠΎΠ½Ρ, ΡΡΠΎ ΠΊΠΎΠ½Π΅ΡΠ½ΠΎ Π½Π΅ Π΄ΠΎΠ»Π³ΠΎ, Π½ΠΎ ΠΈΠΌΠ΅ΠΉΡΠ΅ Π² Π²ΠΈΠ΄Ρ.Β
Π’ΠΎΠ»ΡΠΊΠΎ ΠΏΠΎΡΠ»Π΅ ΠΏΠΎΡΠ²Π»Π΅Π½ΠΈΡ ΡΡΡΠ°ΠΆΠΊΠ° Π½Π° ΠΌΠ΅ΡΡΠ΅ Π½Π°ΡΠΈΠ½Π°ΠΉΡΠ΅ ΡΠ±ΠΎΡΠΊΡ Π±Π°ΠΌΠΏΠ΅ΡΠ°
ΠΠ°ΠΊ ΡΠ½ΡΡΡ ΡΠ°ΡΡ Π½Π° Π Π΅Π½ΠΎΒ ΠΠ΅Π³Π°Π½ 2
Π€Π°ΡΠ° ΡΠ½ΠΈΠΌΠ°Π΅ΡΡΡ ΠΏΠΎΡΠ»Π΅ ΡΠ½ΡΡΠΈΡ Π±Π°ΠΌΠΏΠ΅ΡΠ°.
ΠΡΠΊΡΡΡΠΈΠ² Π±ΠΎΠ»ΡΡ ΡΠ²Π΅ΡΡ
Ρ ΠΈ ΠΏΠΎΠ΄ Π½Π΅ΠΉ ΡΠ΄Π΅ΡΠ³ΠΈΠ²Π°Π΅ΠΌ Π½Π° ΡΠ΅Π±Ρ ΠΈ ΠΎΡΡΡΠ΅Π³ΠΈΠ²Π°Π΅ΠΌ ΡΠ°Π·ΡΠ΅ΠΌ.
Π‘ΠΏΠ°ΡΠΈΠ±ΠΎ Π·Π° Π²Π½ΠΈΠΌΠ°Π½ΠΈΠ΅!
ΠΡΡΠ΅Ρ ΠΏΡΠ΅Π΄ΠΎΡΡΠ°Π²Π»Π΅Π½ ΡΡΠ°ΡΡΠ½ΠΈΠΊΠ°ΠΌΠΈ ΠΊΠ»ΡΠ±Π° Renault Megane2.ru
ΠΠΎΠ½ΡΡΡΡΠΊΡΠΈΡ ΠΈ Π΄Π΅ΠΌΠΎΠ½ΡΠ°ΠΆ ΠΏΠ΅ΡΠ΅Π΄Π½Π΅Π³ΠΎ Π±Π°ΠΌΠΏΠ΅ΡΠ° ΠΠΠ 2107
Π ΠΊΠΎΠ½ΡΡΡΡΠΊΡΠΈΠΈ ΡΠΊΡΡΠ΅ΡΡΠ΅ΡΠ° Π»ΡΠ±ΠΎΠ³ΠΎ Π°Π²ΡΠΎΠΌΠΎΠ±ΠΈΠ»Ρ Π½Π΅ΠΌΠ°Π»ΠΎΠ²Π°ΠΆΠ½ΡΡ ΡΠΎΠ»Ρ ΠΈΠ³ΡΠ°Π΅Ρ ΠΏΠ΅ΡΠ΅Π΄Π½ΠΈΠΉ Π±Π°ΠΌΠΏΠ΅Ρ. ΠΠ²ΡΠΎΠΌΠΎΠ±ΠΈΠ»ΠΈ ΠΠΠ 2107 ΡΠ°ΠΊΠΆΠ΅ ΠΎΡΠ½Π°ΡΠ΅Π½Ρ ΡΡΠΈΠΌΠΈ ΡΡΡΡΠΎΠΉΡΡΠ²Π°ΠΌΠΈ, ΠΊΠΎΡΠΎΡΡΠ΅ Π½Π΅ ΡΠΎΠ»ΡΠΊΠΎ Π²ΡΠΏΠΎΠ»Π½ΡΡΡ Π΄Π΅ΠΊΠΎΡΠ°ΡΠΈΠ²Π½ΡΡ ΡΡΠ½ΠΊΡΠΈΡ, Π½ΠΎ Π΅ΡΠ΅ ΠΈ Π·Π°ΡΠΈΡΠ°ΡΡ ΠΊΡΠ·ΠΎΠ² ΠΏΡΠΈ ΡΡΠΎΠ»ΠΊΠ½ΠΎΠ²Π΅Π½ΠΈΠΈ. Π Π°ΡΡΠΌΠ°ΡΡΠΈΠ²Π°Π΅ΠΌΠ°Ρ Π΄Π΅ΡΠ°Π»Ρ Π΅ΡΠ΅ Π½Π°Π·ΡΠ²Π°Π΅ΡΡΡ ΠΎΠ±Π²Π΅ΡΠΎΠΌ, ΠΈ ΠΏΡΠΈ Π½Π΅ΠΎΠ±Ρ ΠΎΠ΄ΠΈΠΌΠΎΡΡΠΈ ΡΠ΅ΠΌΠΎΠ½ΡΠ°, ΠΌΠΎΠ΄Π΅ΡΠ½ΠΈΠ·Π°ΡΠΈΠΈ ΠΈΠ»ΠΈ Π·Π°ΠΌΠ΅Π½Ρ, ΠΏΠ΅ΡΠ΅Π΄Π½ΠΈΠΉ Π±Π°ΠΌΠΏΠ΅Ρ Π½Π° ΠΠΠ 2107 Π½Π΅ΠΎΠ±Ρ ΠΎΠ΄ΠΈΠΌΠΎ Π΄Π΅ΠΌΠΎΠ½ΡΠΈΡΠΎΠ²Π°ΡΡ.
ΠΠΎΠ½ΡΡΡΡΠΊΡΠΈΠ²Π½ΡΠ΅ ΠΎΡΠΎΠ±Π΅Π½Π½ΠΎΡΡΠΈ Π±Π°ΠΌΠΏΠ΅ΡΠ° ΡΠ΅ΠΌΠ΅ΡΠΊΠΈ
ΠΠ»Π°Π²Π½Π°Ρ ΠΎΡΠ»ΠΈΡΠΈΡΠ΅Π»ΡΠ½Π°Ρ ΠΎΡΠΎΠ±Π΅Π½Π½ΠΎΡΡΡ ΠΏΠ΅ΡΠ΅Π΄Π½Π΅Π³ΠΎ Π±Π°ΠΌΠΏΠ΅ΡΠ° Π½Π° ΠΠΠ 2107 Π² ΡΠΎΠΌ, ΡΡΠΎ ΠΎΠ½ΠΈ Π½Π΅ΠΌΠ½ΠΎΠ³ΠΎ Π²ΡΡ ΠΎΠ΄ΡΡ Π·Π° ΠΏΡΠ΅Π΄Π΅Π»Ρ Π±ΠΎΠΊΠΎΠ²ΠΎΠΉ ΡΠ°ΡΡΠΈ ΠΊΡΠ·ΠΎΠ²Π°, ΠΏΠΎΡΡΠΎΠΌΡ ΠΈΡ Π΅ΡΠ΅ Π½Π°Π·ΡΠ²Π°ΡΡ Β«Π±ΡΡΠ΅ΡΠ°ΠΌΠΈΒ». Π£ ΡΡΠΎΠΉ Π΄Π΅ΡΠ°Π»ΠΈ ΠΈΠΌΠ΅ΡΡΡΡ ΡΠ»Π΅Π΄ΡΡΡΠΈΠ΅ Π½Π°Π·Π½Π°ΡΠ΅Π½ΠΈΡ:
- Π£Π»ΡΡΡΠ΅Π½ΠΈΠ΅ Π΄ΠΈΠ·Π°ΠΉΠ½Π° ΠΈ Π²Π½Π΅ΡΠ½Π΅Π³ΠΎ ΠΎΠ±Π»ΠΈΠΊΠ° ΠΌΠ°ΡΠΈΠ½Ρ.
- ΠΠΎΠΊΠΎΠ²Π°Ρ Π·Π°ΡΠΈΡΠ° ΡΠ³ΠΎΠ»ΠΊΠΎΠ² ΠΏΠ΅ΡΠ΅Π΄Π½ΠΈΡ
ΠΊΡΡΠ»ΡΠ΅Π² ΠΎΡ Π½Π΅ΡΠΈΠ»ΡΠ½ΠΎΠ³ΠΎ ΡΠΎΠΏΡΠΈΠΊΠΎΡΠ½ΠΎΠ²Π΅Π½ΠΈΡ Ρ ΠΏΡΠ΅ΠΏΡΡΡΡΠ²ΠΈΡΠΌΠΈ.

ΠΡΠ»ΠΈ ΡΠ°ΠΊΠΎΠΉ ΠΊΠΎΠ½ΡΠ°ΠΊΡ ΠΏΡΠΎΠΈΠ·ΠΎΡΠ΅Π», ΡΠΎ ΠΏΠΎΠ²ΡΠ΅ΠΆΠ΄Π°Π΅ΡΡΡ ΠΎΠ±Π²Π΅Ρ (ΠΏΠ»Π°ΡΡΠΈΠΊΠΎΠ²Π°Ρ ΡΠ°ΡΡΡ), ΠΈ ΠΏΡΠΈ ΡΡΠΎΠΌ Π½Π΅ ΡΡΡΠ°Π΄Π°Π΅Ρ ΠΊΡΠ·ΠΎΠ². - ΠΡΠ΅Π΄ΠΎΡ ΡΠ°Π½Π΅Π½ΠΈΠ΅ ΠΊΡΠ·ΠΎΠ²Π° ΠΎΡ ΠΏΠΎΠ²ΡΠ΅ΠΆΠ΄Π΅Π½ΠΈΠΉ ΠΏΡΠΈ Π»ΠΎΠ±ΠΎΠ²ΠΎΠΌ Π»Π΅Π³ΠΊΠΎΠΌ ΡΡΠΎΠ»ΠΊΠ½ΠΎΠ²Π΅Π½ΠΈΠΈ Ρ ΠΏΡΠ΅ΠΏΡΡΡΡΠ²ΠΈΡΠΌΠΈ ΠΈΠ»ΠΈ Π΄ΡΡΠ³ΠΈΠΌΠΈ Π°Π²ΡΠΎΠΌΠΎΠ±ΠΈΠ»ΡΠΌΠΈ.
Π‘Π΅ΠΌΠ΅ΡΠΎΡΠ½ΡΠΉ Π±Π°ΠΌΠΏΠ΅Ρ ΠΈΠ·Π³ΠΎΡΠ°Π²Π»ΠΈΠ²Π°Π΅ΡΡΡ ΠΈΠ· Π΄Π²ΡΡ Π²ΠΈΠ΄ΠΎΠ² ΠΌΠ°ΡΠ΅ΡΠΈΠ°Π»ΠΎΠ² β ΡΡΠΎ ΠΏΠ»Π°ΡΡΠΈΠΊ ΠΈ Ρ ΡΠΎΠΌΠΈΡΠΎΠ²Π°Π½Π½ΡΠ΅ ΠΌΠ΅ΡΠ°Π»Π»ΠΈΡΠ΅ΡΠΊΠΈΠ΅ Π²ΡΡΠ°Π²ΠΊΠΈ. ΠΡΠ΅ΠΎΠ±Π»Π°Π΄Π°Π½ΠΈΠ΅ ΠΏΠ»Π°ΡΡΠΈΠΊΠ° Π² ΠΊΠΎΠ½ΡΡΡΡΠΊΡΠΈΠΈ ΠΏΠ΅ΡΠ΅Π΄Π½Π΅Π³ΠΎ ΠΎΠ±Π²Π΅ΡΠ° ΠΏΠΎΡΠΏΠΎΡΠΎΠ±ΡΡΠ²ΠΎΠ²Π°Π»ΠΎ ΡΠ½ΠΈΠΆΠ΅Π½ΠΈΡ Π·Π°ΡΠΈΡΠ½ΡΡ ΡΠ²ΠΎΠΉΡΡΠ² ΡΠ»Π΅ΠΌΠ΅Π½ΡΠ°. ΠΡΠΈΡΠΈΠ½Π°ΠΌΠΈ ΠΏΡΠ΅ΠΎΠ±Π»Π°Π΄Π°Π½ΠΈΡ ΠΏΠ»Π°ΡΡΠΈΠΊΠ° Π² ΠΊΠΎΠ½ΡΡΡΡΠΊΡΠΈΠΈ ΠΎΠ±Π²Π΅ΡΠ° ΡΠ²Π»ΡΡΡΡΡ ΡΠ»Π΅Π΄ΡΡΡΠΈΠ΅ ΡΠ°ΠΊΡΠΎΡΡ:
- ΠΠ»Π°ΡΡΠΈΠΊ ΡΠΌΠΎΡΡΠΈΡΡΡ Π±ΠΎΠ»Π΅Π΅ ΡΠΎΠ²ΡΠ΅ΠΌΠ΅Π½Π½ΠΎ ΠΈ ΡΠ»Π΅Π³Π°Π½ΡΠ½ΠΎ.
- Π₯ΡΠΎΠΌΠΈΡΠΎΠ²Π°Π½Π½Π°Ρ Π½Π°ΠΊΠ»Π°Π΄ΠΊΠ° ΠΎΡΡΠ°Π»Π°ΡΡ Π΄Π»Ρ ΡΠΎΡ ΡΠ°Π½Π΅Π½ΠΈΡ ΡΠ΅Π»ΠΎΡΡΠ½ΠΎΡΡΠΈ Π΄ΠΈΠ·Π°ΠΉΠ½Π°, Π²ΠΌΠ΅ΡΡΠ΅ Ρ Ρ ΡΠΎΠΌΠΈΡΠΎΠ²Π°Π½Π½ΠΎΠΉ ΡΠ΅ΡΠ΅ΡΠΊΠΎΠΉ ΡΠ°Π΄ΠΈΠ°ΡΠΎΡΠ°, ΡΡΡΠΊΠ°ΠΌΠΈ Π΄Π²Π΅ΡΠ΅ΠΉ, ΠΎΠΊΠ°Π½ΡΠΎΠ²ΠΊΠ°ΠΌΠΈ ΡΡΠ΅ΠΊΠΎΠ» ΠΈ Π±Π°ΡΡ ΠΎΡΠΊΠ°ΠΌΠΈ.
- ΠΠ΅ΡΠ΅Π²ΠΈΠ·Π½Π° ΠΈ ΠΏΡΠΎΡΡΠΎΡΠ° ΡΠ΅ΠΌΠΎΠ½ΡΠ°.
Π ΠΊΠΎΠ½ΡΡΡΡΠΊΡΠΈΠΈ ΠΏΠ΅ΡΠ΅Π΄Π½Π΅Π³ΠΎ Π±Π°ΠΌΠΏΠ΅ΡΠ° ΠΈΠΌΠ΅Π΅ΡΡΡ ΡΠΏΠ΅ΡΠΈΠ°Π»ΡΠ½Π°Ρ ΠΏΠ»ΠΎΡΠ°Π΄ΠΊΠ°, ΠΏΡΠ΅Π΄Π½Π°Π·Π½Π°ΡΠ΅Π½Π½Π°Ρ Π΄Π»Ρ ΡΠ°Π·ΠΌΠ΅ΡΠ΅Π½ΠΈΡ Π³ΠΎΡΡΠ΄Π°ΡΡΡΠ²Π΅Π½Π½ΠΎΠ³ΠΎ Π½ΠΎΠΌΠ΅ΡΠ½ΠΎΠ³ΠΎ Π·Π½Π°ΠΊΠ°. ΠΠ°Π±Π°ΡΠΈΡΡ ΠΎΠ±Π²Π΅ΡΠ° ΡΠΎΡΡΠ°Π²Π»ΡΡΡ 160Ρ
20Ρ
15 ΡΠΌ, Π° ΠΌΠ΅ΡΡΠΎ ΠΏΠ»ΠΎΡΠ°Π΄ΠΊΠΈ ΡΠ²Π΅Π»ΠΈΡΠ΅Π½ΠΎ ΠΏΠΎ ΡΠΈΡΠΈΠ½Π΅ Π½Π° 50 ΠΌΠΌ.
ΠΠ°ΠΊ ΡΠ½ΠΈΠΌΠ°Π΅ΡΡΡ ΠΏΠ΅ΡΠ΅Π΄Π½ΠΈΠΉ Π±Π°ΠΌΠΏΠ΅Ρ Π½Π° ΡΠ΅ΠΌΠ΅ΡΠΊΠ΅
ΠΠ΅ΠΌΠΎΠ½ΡΠ°ΠΆ ΡΠ°ΡΡΠΌΠ°ΡΡΠΈΠ²Π°Π΅ΠΌΠΎΠ³ΠΎ ΡΡΡΡΠΎΠΉΡΡΠ²Π° Π½Π° ΡΠ΅ΠΌΠ΅ΡΠΊΠ΅ Π²ΡΠΏΠΎΠ»Π½ΡΠ΅ΡΡΡ ΠΏΠΎ ΠΏΡΠΈΡΠΈΠ½Π΅ Π½Π΅ΠΎΠ±Ρ ΠΎΠ΄ΠΈΠΌΠΎΡΡΠΈ ΡΠ΅ΠΌΠΎΠ½ΡΠ° ΠΈΠ»ΠΈ Π·Π°ΠΌΠ΅Π½Ρ. Π Π΅ΠΌΠΎΠ½Ρ Π² ΡΠ²ΠΎΡ ΠΎΡΠ΅ΡΠ΅Π΄Ρ Π±ΡΠ²Π°Π΅Ρ Π΄Π²ΡΡ ΡΠΈΠΏΠΎΠ² β Π²ΠΎΡΡΡΠ°Π½ΠΎΠ²Π»Π΅Π½ΠΈΠ΅ ΡΠ΅Π»ΠΎΡΡΠ½ΠΎΡΡΠΈ Π΄Π΅ΡΠ°Π»ΠΈ ΠΈΠ»ΠΈ ΠΌΠΎΠ΄Π΅ΡΠ½ΠΈΠ·Π°ΡΠΈΡ. Π§ΡΠΎΠ±Ρ ΡΠ½ΡΡΡ ΠΈ ΡΠ°Π·ΠΎΠ±ΡΠ°ΡΡ ΡΡΡΡΠΎΠΉΡΡΠ²ΠΎ Π½Π° ΠΠΠ 2107, Π½Π΅ΠΎΠ±Ρ ΠΎΠ΄ΠΈΠΌΠΎ Π²ΡΡΡΠ½ΠΈΡΡ ΡΡΠΎ ΠΎΠ½ΠΎ ΠΈΠ· ΡΠ΅Π±Ρ ΠΏΡΠ΅Π΄ΡΡΠ°Π²Π»ΡΠ΅Ρ. ΠΠΈΠΆΠ΅ Π½Π° ΡΠΎΡΠΎ ΠΏΠΎΠΊΠ°Π·Π°Π½Π° ΡΡ Π΅ΠΌΠ° ΠΏΠ΅ΡΠ΅Π΄Π½Π΅Π³ΠΎ Π±Π°ΠΌΠΏΠ΅ΡΠ° ΡΠ΅ΠΌΠ΅ΡΠΊΠΈ.
ΠΡΠ»ΠΈ Π²ΡΠΏΠΎΠ»Π½ΡΠ΅ΡΡΡ ΡΠ½ΡΡΠΈΠ΅ ΠΈ Π·Π°ΠΌΠ΅Π½Π° ΠΏΠ΅ΡΠ΅Π΄Π½Π΅Π³ΠΎ Π±Π°ΠΌΠΏΠ΅ΡΠ°, ΡΠΎ Π΄Π΅Π»Π°ΡΡ ΡΡΠΎ ΡΠ΅ΠΊΠΎΠΌΠ΅Π½Π΄ΡΠ΅ΡΡΡ ΡΠΎΠ²ΠΌΠ΅ΡΡΠ½ΠΎ Ρ ΠΏΠ΅ΡΠ΅Π΄Π½ΠΈΠΌΠΈ ΠΊΡΠΎΠ½ΡΡΠ΅ΠΉΠ½Π°ΠΌΠΈ. ΠΠΎΡΠ»Π΅ ΠΈΠ·Π²Π»Π΅ΡΠ΅Π½ΠΈΡ ΡΠ°ΡΡΠΌΠ°ΡΡΠΈΠ²Π°Π΅ΠΌΠΎΠ³ΠΎ ΡΡΡΡΠΎΠΉΡΡΠ²Π°, ΠΌΠΎΠΆΠ½ΠΎ ΠΏΡΠΎΠ΄ΠΎΠ»ΠΆΠΈΡΡ ΠΏΡΠΎΡΠ΅ΡΡ ΡΠ°Π·Π±ΠΎΡΠΊΠΈ ΠΏΡΡΠ΅ΠΌ ΡΠ½ΡΡΠΈΡ ΠΊΡΠ΅ΠΏΠ΅ΠΆΠ½ΡΡ ΠΊΡΠΎΠ½ΡΡΠ΅ΠΉΠ½ΠΎΠ². Π§ΡΠΎΠ±Ρ ΡΠ½ΡΡΡ Π΅Π³ΠΎ Ρ Π°Π²ΡΠΎΠΌΠΎΠ±ΠΈΠ»Ρ, ΠΏΠΎΠ½Π°Π΄ΠΎΠ±ΠΈΡΡΡ Π²Π·ΡΡΡ ΡΠ»Π΅Π΄ΡΡΡΠΈΠΉ ΠΊΠΎΠΌΠΏΠ»Π΅ΠΊΡ ΠΈΠ½ΡΡΡΡΠΌΠ΅Π½ΡΠΎΠ²:
- ΠΠ°Π΅ΡΠ½ΡΠ΅ ΠΊΠ»ΡΡΠΈ.
- ΠΠ°Π»Π»ΠΎΠ½ΡΠΈΠΊ ΡΠΌΠ°Π·ΠΊΠΈ WD-40.
- Π©Π΅ΡΠΊΠ° ΠΏΠΎ ΠΌΠ΅ΡΠ°Π»Π»Ρ.
- ΠΡΠ»ΡΠ½ΡΠΉ ΡΠ°ΡΡΠ²ΠΎΡ.
ΠΠΎΠ³Π΄Π° ΠΈΠΌΠ΅ΡΡΡΡ Π½Π΅ΠΎΠ±Ρ ΠΎΠ΄ΠΈΠΌΡΠ΅ ΠΈΠ½ΡΡΡΡΠΌΠ΅Π½ΡΡ, ΠΏΡΠΈΡΡΡΠΏΠ°Π΅ΠΌ ΠΊ Π΄Π΅ΠΌΠΎΠ½ΡΠ°ΠΆΡ ΡΠ°ΡΡΠΌΠ°ΡΡΠΈΠ²Π°Π΅ΠΌΠΎΠΉ Π΄Π΅ΡΠ°Π»ΠΈ:
- ΠΠ»Ρ Π½Π°ΡΠ°Π»Π° ΡΡΠ»Ρ ΡΠ»Π΅Π΄ΡΠ΅Ρ Π²ΡΠΊΡΡΡΠΈΡΡ Π² ΠΎΠ΄Π½Ρ ΡΡΠΎΡΠΎΠ½Ρ Π΄ΠΎ ΡΠΏΠΎΡΠ°, ΠΏΡΠΎΠ²Π΅ΡΡΠΈ ΠΎΡΠΊΡΡΡΠΈΠ²Π°Π½ΠΈΠ΅ ΠΊΡΠΎΠ½ΡΡΠ΅ΠΉΠ½Π°(ΠΎΠ± ΡΡΠΎΠΌ Π½ΠΈΠΆΠ΅), ΠΏΠΎΡΠ»Π΅ ΡΡΠΎΠ³ΠΎ ΠΏΡΠΎΠ΄Π΅Π»Π°ΡΡ ΡΠ°ΠΊΠΈΠ΅ ΠΆΠ΅ Π΄Π΅ΠΉΡΡΠ²ΠΈΡ Ρ Π΄ΡΡΠ³ΠΎΠΉ ΡΡΠΎΡΠΎΠ½Ρ.

- ΠΡΠΏΠΎΠ»ΡΠ·ΡΡ ΡΠ΅ΡΠΊΡ ΠΏΠΎ ΠΌΠ΅ΡΠ°Π»Π»Ρ, Π½Π°Π΄ΠΎ Π·Π°ΡΠΈΡΡΠΈΡΡ Π±ΠΎΠ»ΡΡ ΠΈ Π³Π°ΠΉΠΊΠΈ ΠΊΡΠ΅ΠΏΠ»Π΅Π½ΠΈΡ ΠΊΡΠΎΠ½ΡΡΠ΅ΠΉΠ½ΠΎΠ² Π±Π°ΠΌΠΏΠ΅ΡΠ°. ΠΠ½ΠΈ Π½Π°Ρ ΠΎΠ΄ΡΡΡΡ ΠΏΠΎΠ΄ Π°ΡΠΊΠΎΠΉ Π»Π΅Π²ΠΎΠ³ΠΎ ΠΈ ΠΏΡΠ°Π²ΠΎΠ³ΠΎ ΠΊΠΎΠ»Π΅ΡΠ°.
- ΠΠ±ΡΠ°Π±ΠΎΡΠ°ΡΡ WD-40 ΠΊΡΠ΅ΠΏΠ΅ΠΆΠ½ΡΠ΅ ΡΠ»Π΅ΠΌΠ΅Π½ΡΡ.
- ΠΡΠΏΠΎΠ»ΡΠ·ΡΡ ΠΊΠ»ΡΡΠΈ Π½Π° Β«22Β», Π½Π°Π΄ΠΎ Π²ΡΠΊΡΡΡΠΈΡΡ Π±ΠΎΠ»Ρ Ρ Π³Π°ΠΉΠΊΠΎΠΉ, ΠΊΠΎΡΠΎΡΡΠΌΠΈ ΠΊΡΠ΅ΠΏΡΡΡΡ ΠΊΡΠΎΠ½ΡΡΠ΅ΠΉΠ½Ρ.
- ΠΠ»ΡΡΠΎΠΌ Π½Π° Β«13Β» Π²ΡΠ²ΠΈΠ½ΡΠΈΠ²Π°Π΅ΡΡΡ ΠΊΡΠ΅ΠΏΠ»Π΅Π½ΠΈΠ΅ ΠΏΠ»Π°ΡΡΠΈΠ½Ρ, ΠΊΠΎΡΠΎΡΠ°Ρ ΠΊΡΠ΅ΠΏΠΈΡ ΡΠ°ΠΌΡΠΉ ΠΊΡΠ°ΠΉ Π±Π°ΠΌΠΏΠ΅ΡΠ° ΠΊ ΠΊΡΡΠ»Ρ ΡΠ΅ΠΌΠ΅ΡΠΊΠΈ(ΠΌΠ½ΠΎΠ³ΠΈΠ΅ Π²ΠΎΠ΄ΠΈΡΠ΅Π»ΠΈ ΠΏΠΎΡΠ»Π΅ ΡΠ΅ΠΌΠΎΠ½ΡΠ° ΠΈΠ»ΠΈ Π·Π°ΠΌΠ΅Π½Ρ Π΄Π΅ΡΠ°Π»ΠΈ, Π½Π΅ ΠΏΡΠΈΠΊΡΡΡΠΈΠ²Π°ΡΡ ΡΡΡ ΠΏΠ»Π°ΡΡΠΈΠ½Ρ β ΡΡΠΈΡΠ°Ρ ΡΡΠΎ Π½Π΅Π½ΡΠΆΠ½ΡΠΌ).
- ΠΡΠΏΠΎΠ»ΡΠ·ΡΡ ΠΌΡΠ»ΡΠ½ΡΠΉ ΡΠ°ΡΡΠ²ΠΎΡ, ΡΠ»Π΅Π΄ΡΠ΅Ρ ΠΎΠ±ΡΠ°Π±ΠΎΡΠ°ΡΡ ΠΈΠΌ ΡΠ΅Π·ΠΈΠ½ΠΎΠ²ΡΡ Π²ΡΡΠ»ΠΊΡ Π΄Π»Ρ Π±ΠΎΠ»Π΅Π΅ ΡΠ΄ΠΎΠ±Π½ΠΎΠ³ΠΎ ΠΈΠ·ΡΡΡΠΈΡ ΡΡΡΠ±Ρ ΠΊΡΠΎΠ½ΡΡΠ΅ΠΉΠ½Π°.
- ΠΠΎΡΠ»Π΅ Π²ΡΠΊΡΡΡΠΈΠ²Π°Π½ΠΈΡ Π²ΡΠ΅Ρ ΡΠ΅ΡΡΡΠ΅Ρ ΠΊΡΠ΅ΠΏΠ»Π΅Π½ΠΈΡ Π±Π°ΠΌΠΏΠ΅ΡΠ° Π½Π° ΠΠΠ 2107, Π½Π°Π΄ΠΎ Π²Π·ΡΡΡΡΡ Π·Π° Π½Π΅Π³ΠΎ Π΄Π²ΡΠΌΡ ΡΡΠΊΠ°ΠΌΠΈ (Π»ΡΡΡΠ΅ Ρ ΠΏΠΎΠΌΠΎΡΠ½ΠΈΠΊΠΎΠΌ), ΠΈ Π²ΡΡΠ°ΡΠΈΡΡ Π΅Π³ΠΎ ΠΈΠ· ΡΠΎΠΎΡΠ²Π΅ΡΡΡΠ²ΡΡΡΠΈΡ Π³Π½Π΅Π·Π΄ Π² ΠΊΡΠ·ΠΎΠ²Π΅.
Π§ΡΠΎΠ±Ρ ΠΎΡΠ΄Π΅Π»ΠΈΡΡ ΠΊΡΠΎΠ½ΡΡΠ΅ΠΉΠ½Ρ ΠΎΡ Π±Π°ΠΌΠΏΠ΅ΡΠ°, Π½Π΅ΠΎΠ±Ρ
ΠΎΠ΄ΠΈΠΌΠΎ Π²ΡΠΊΡΡΡΠΈΡΡ 4 Π³Π°ΠΉΠΊΠΈ ΠΊΡΠ΅ΠΏΠ»Π΅Π½ΠΈΡ Π½Π° Β«13Β».
ΠΠΎΡΠ»Π΅ ΠΎΠΊΠΎΠ½ΡΠ°Π½ΠΈΡ ΡΠ°Π·Π±ΠΎΡΠΊΠΈ ΠΏΡΠΎΠ²ΠΎΠ΄ΡΡΡΡ Π½Π΅ΠΎΠ±Ρ
ΠΎΠ΄ΠΈΠΌΡΠ΅ ΠΌΠ°Π½ΠΈΠΏΡΠ»ΡΡΠΈΠΈ, Π° Π·Π°ΡΠ΅ΠΌ ΡΡΡΠ°Π½Π°Π²Π»ΠΈΠ²Π°Π΅ΡΡΡ ΠΎΡΡΠ΅ΡΡΠ°Π²ΡΠΈΡΠΎΠ²Π°Π½Π½ΡΠΉ, ΠΌΠΎΠ΄Π΅ΡΠ½ΠΈΠ·ΠΈΡΠΎΠ²Π°Π½Π½ΡΠΉ ΠΈΠ»ΠΈ Π½ΠΎΠ²ΡΠΉ ΠΎΠ±Π²Π΅Ρ.
Π£ΡΡΠ°Π½ΠΎΠ²ΠΊΠ° ΠΏΠ΅ΡΠ΅Π΄Π½Π΅Π³ΠΎ Π±Π°ΠΌΠΏΠ΅ΡΠ°
ΠΠΎΠ³Π΄Π° ΡΠ΅ΠΌΠΎΠ½Ρ ΠΈΠ»ΠΈ ΠΌΠΎΠ΄Π΅ΡΠ½ΠΈΠ·Π°ΡΠΈΡ Π·Π°Π²Π΅ΡΡΠ΅Π½Π°, ΠΎΡΡΠ°Π΅ΡΡΡ Π²Π΅ΡΠ½ΡΡΡ Π΄Π΅ΡΠ°Π»Ρ Π½Π° ΡΠ²ΠΎΠ΅ ΠΌΠ΅ΡΡΠΎ. ΠΠ½ΠΎΠ³ΠΈΠ΅ Π°Π²ΡΠΎΠ²Π»Π°Π΄Π΅Π»ΡΡΡ ΠΏΡΠ΅Π΄ΠΏΠΎΡΠΈΡΠ°ΡΡ Π΅Π·Π΄ΠΈΡΡ Π±Π΅Π· Π±Π°ΠΌΠΏΠ΅ΡΠ° ΡΠΏΠ΅ΡΠ΅Π΄ΠΈ, ΠΌΠΎΡΠΈΠ²ΠΈΡΡΡ ΡΡΠΎ ΡΠ΅ΠΌ, ΡΡΠΎ ΡΠ°ΠΊ ΠΌΠ°ΡΠΈΠ½Π° ΡΠΌΠΎΡΡΠΈΡΡΡ Π±ΠΎΠ»Π΅Π΅ ΡΠΎΠ²ΡΠ΅ΠΌΠ΅Π½Π½ΠΎ. ΠΡΡΠ³ΠΈΠ΅ ΠΏΡΠ΅Π΄ΠΏΠΎΡΠΈΡΠ°ΡΡ ΡΡΡΠ°Π½Π°Π²Π»ΠΈΠ²Π°ΡΡ ΡΡΠ½ΠΈΠ½Π³ΠΎΠ²Π°Π½Π½ΡΠ΅ ΠΎΠ±Π²Π΅ΡΡ, ΠΊΠΎΡΠΎΡΡΠ΅ ΠΎΠ±ΡΡΠ½ΠΎ ΡΠΎΡΡΠΎΡΡ ΠΈΠ· ΠΏΠ»Π°ΡΡΠΈΠΊΠ°, Π° Π΅ΡΠ»ΠΈ ΡΠΎΡΠ½Π΅Π΅, ΡΠΎ ΠΈΠ· ΡΡΠ΅ΠΊΠ»ΠΎΠ²ΠΎΠ»ΠΎΠΊΠ½Π°. Π‘ ΠΎΠ±Π½ΠΎΠ²Π»Π΅Π½Π½ΠΎΠΉ Π΄Π΅ΡΠ°Π»ΡΡ ΡΠ΅ΠΌΠ΅ΡΠΊΠ° ΡΠΌΠΎΡΡΠΈΡΡΡ Π½Π°ΠΌΠ½ΠΎΠ³ΠΎ Π»ΡΡΡΠ΅, Π½ΠΎ Π² Π»ΡΠ±ΠΎΠΌ ΡΠ»ΡΡΠ°Π΅, ΡΡΡΠ°Π½Π°Π²Π»ΠΈΠ²Π°ΡΡ Π±Π°ΠΌΠΏΠ΅Ρ Π½Π° Π°Π²ΡΠΎΠΌΠΎΠ±ΠΈΠ»Ρ Π½Π°Π΄ΠΎ ΠΏΡΠ°Π²ΠΈΠ»ΡΠ½ΠΎ.
Π£ΡΡΠ°Π½ΠΎΠ²ΠΊΠ° Π²ΡΠΏΠΎΠ»Π½ΡΠ΅ΡΡΡ Π² ΡΠ»Π΅Π΄ΡΡΡΠ΅ΠΌ Π²ΠΈΠ΄Π΅:
- Π‘Π½Π°ΡΠ°Π»Π° Π½Π΅ΠΎΠ±Ρ ΠΎΠ΄ΠΈΠΌΠΎ ΠΏΠΎΠ΄Π³ΠΎΡΠΎΠ²ΠΈΡΡ ΠΌΠ΅ΡΡΠ° Π΄Π»Ρ ΡΡΡΠ°Π½ΠΎΠ²ΠΊΠΈ ΠΈ ΠΊΡΠ΅ΠΏΠ»Π΅Π½ΠΈΡ. ΠΠ»Ρ ΡΡΠΎΠ³ΠΎ ΠΈΡ Π½Π°Π΄ΠΎ ΠΎΡΠΈΡΡΠΈΡΡ, ΡΠ΄Π°Π»ΠΈΡΡ ΠΏΡΠΈΠ·Π½Π°ΠΊΠΈ ΠΊΠΎΡΡΠΎΠ·ΠΈΠΈ ΠΈ Π·Π°Π³ΡΡΠ·Π½Π΅Π½ΠΈΠΉ.
- ΠΠ°ΠΊΡΠ΅ΠΏΠΈΡΡ ΠΊΡΠΎΠ½ΡΡΠ΅ΠΉΠ½Ρ Π½Π° ΠΎΠ±Π²Π΅ΡΠ΅, Π° Π·Π°ΡΠ΅ΠΌ ΡΡΡΠ°Π½ΠΎΠ²ΠΈΡΡ Π³ΠΎΡΠΎΠ²ΠΎΠ΅ ΠΈΠ·Π΄Π΅Π»ΠΈΠ΅ Π² ΠΎΡΠ²Π΅ΡΡΡΠΈΡ ΠΊΡΠ·ΠΎΠ²Π°.
- ΠΠ°ΡΠΈΠΊΡΠΈΡΠΎΠ²Π°ΡΡ Π΄Π΅ΡΠ°Π»Ρ ΠΏΡΠΈ ΠΏΠΎΠΌΠΎΡΠΈ ΡΠ΅Π·ΡΠ±ΠΎΠ²ΡΡ ΡΠΎΠ΅Π΄ΠΈΠ½ΠΈΡΠ΅Π»Π΅ΠΉ.
ΠΠΎΡΠ»Π΅ ΡΡΡΠ°Π½ΠΎΠ²ΠΊΠΈ ΡΠ΅ΠΊΠΎΠΌΠ΅Π½Π΄ΡΠ΅ΡΡΡ ΠΎΠ±ΡΠ°Π±ΠΎΡΠ°ΡΡ ΡΠ΅Π·ΡΠ±ΠΎΠ²ΡΠ΅ ΡΠΎΠ΅Π΄ΠΈΠ½ΠΈΡΠ΅Π»ΠΈ ΡΠΌΠ°Π·ΠΊΠΎΠΉ ΡΠΈΠΏΠ° ΠΠΈΡΠΎΠ» ΠΈΠ»ΠΈ Π‘ΠΎΠ»ΠΈΠ΄ΠΎΠ».
ΠΡΠΎ ΠΏΠΎΠ·Π²ΠΎΠ»ΠΈΡ ΡΠ²Π΅Π»ΠΈΡΠΈΡΡ ΡΡΠΎΠΊ ΡΠ»ΡΠΆΠ±Ρ ΡΠΎΠ΅Π΄ΠΈΠ½ΠΈΡΠ΅Π»Π΅ΠΉ. ΠΠΎΡΠ»Π΅ Π·Π°ΠΌΠ΅Π½Ρ ΠΈΠ»ΠΈ ΡΠ΅ΠΌΠΎΠ½ΡΠ° ΠΌΠΎΠΆΠ½ΠΎ ΠΏΡΠΎΠ΄ΠΎΠ»ΠΆΠ°ΡΡ Π½Π°ΡΠ»Π°ΠΆΠ΄Π°ΡΡΡΡ Π²Π½Π΅ΡΠ½ΠΈΠΌ Π²ΠΈΠ΄ΠΎΠΌ ΡΠ²ΠΎΠ΅Π³ΠΎ ΠΆΠ΅Π»Π΅Π·Π½ΠΎΠ³ΠΎ ΠΊΠΎΠ½Ρ.
ΠΠ°ΠΊ ΡΠ½ΡΡΡ ΠΏΠ΅ΡΠ΅Π΄Π½ΠΈΠΉ Π±Π°ΠΌΠΏΠ΅Ρ Π½Π° ΠΠ°ΡΠΊΠ°ΠΉ: ΠΠΎΡΠ°Π³ΠΎΠ²Π°Ρ ΠΈΠ½ΡΡΡΡΠΊΡΠΈΡ
Π§ΡΠΎΠ±Ρ ΡΠ½ΡΡΡ Π±Π°ΠΌΠΏΠ΅Ρ Π½Π° Nissan Qashqai, Π²Π°ΠΌ ΠΏΠΎΡΡΠ΅Π±ΡΡΡΡΡ:
- Π’ΠΎΡΡΠΎΠ²ΡΠ΅ Π³ΠΎΠ»ΠΎΠ²ΠΊΠΈ Β«Π½Π° 10Β», Β«Π½Π° 13Β»
- ΠΠ»ΡΡ Β«Π½Π° 10Β»
- ΠΡΠ²Π΅ΡΡΠΊΠΈ Ρ ΠΏΠ»ΠΎΡΠΊΠΈΠΌ ΠΈ ΠΊΡΠ΅ΡΡΠΎΠΎΠ±ΡΠ°Π·Π½ΡΠΌ Π½Π°ΠΊΠΎΠ½Π΅ΡΠ½ΠΈΠΊΠΎΠΌ
- ΠΠ°ΡΡΠ°ΡΠΈΠΆΠΈ
- ΠΠ΅ΡΡΠ°ΡΠΊΠΈ
ΠΠ ΠΠΠΠ§ΠΠΠΠ.
Π Π°Π±ΠΎΡΡ ΠΏΠΎ ΡΠ½ΡΡΠΈΡ ΠΏΠ΅ΡΠ΅Π΄Π½Π΅Π³ΠΎ Π±Π°ΠΌΠΏΠ΅ΡΠ° Π½Π° ΠΠΈΡΡΠ°Π½ ΠΠ°ΡΠΊΠ°ΠΉ ΡΠ΄ΠΎΠ±Π½Π΅Π΅ Π²ΡΠΏΠΎΠ»Π½ΡΡΡ Π½Π° ΠΏΠΎΠ΄ΡΠ΅ΠΌΠ½ΠΈΠΊΠ΅.
ΠΡΡΡΠ΅ ΡΡΠ°Π·Ρ ΠΏΡΠΈΠ³ΠΎΡΠΎΠ²ΠΈΡΡ ΡΠ°ΡΡ Π΄Π»Ρ Π±ΠΎΠ»ΡΠΎΠ² ΠΈ ΠΊΠ»ΠΈΠΏΡ.
Π‘Π΄Π΅Π»Π°ΡΡ ΡΠΎΡΠΎ-ΠΏΠΎΠ΄ΡΠΊΠ°Π·ΠΊΠΈ Π΄Π»Ρ ΡΠ±ΠΎΡΠΊΠΈ Π±Π°ΠΌΠΏΠ΅ΡΠ°.
- Π‘Π½ΠΈΠΌΠ°Π΅ΠΌ ΡΠ΅ΡΠ΅ΡΠΊΡ ΡΠΎ Π·Π½Π°ΡΠΊΠΎΠΌ. (ΡΠ½ΠΈΠΌΠ°Π΅ΠΌ ΡΠ²Π΅ΡΡ Ρ ΡΠ΅ΡΡΡΠ΅ ΠΊΠ»ΠΈΠΏΡΡ, ΠΏΠΎ Π±ΠΎΠΊΠ°ΠΌ Π΄Π²Π΅ ΠΊΠ»ΠΈΠΏΡΡ,ΡΠ½ΠΈΠ·Ρ ΠΎΠ½Π° ΠΊΡΠ΅ΠΏΠΈΡΡΡ Π½Π° Π·Π°ΡΠ΅Π»ΠΊΠ°Ρ ). ΠΠ΅ Π·Π°Π±ΡΠ²Π°Π΅ΠΌ ΠΎΡΡΠΎΠ΅Π΄ΠΈΠ½ΠΈΡΡ ΠΊΠ°ΠΌΠ΅ΡΡ, Ρ ΠΊΠΎΠ³ΠΎ ΠΎΠ½Π° Π΅ΡΡΡ.
- ΠΠ΅Π·Π΅ΠΌ ΠΏΠΎΠ΄ Π°Π²ΡΠΎΠΌΠΎΠ±ΠΈΠ»Ρ, ΡΠ°ΠΌ ΠΎΡΠΊΡΡΡΠΈΠ²Π°Π΅ΠΌ 4 ΡΠ°ΠΌΠΎΡΠ΅Π·Π° ΠΈ 2 Π±ΠΎΠ»ΡΠ°.
- ΠΡΡΠ°ΡΠΊΠΈΠ²Π°Π΅ΠΌ ΠΏΠ»Π°ΡΡΠΈΠΊΠΎΠ²ΡΡ Π²ΡΡΠ°Π²ΠΊΡ (Π΅ΡΠ»ΠΈ ΡΡΠΎΠΈΡ Π·Π°ΡΠΈΡΠ° ΠΊΠ°ΡΡΠ΅ΡΠ°, Π²ΡΠΊΡΡΡΠΈΠ²Π°Π΅ΠΌ Π΄Π²Π° ΠΏΠ΅ΡΠ΅Π΄Π½ΠΈΡ Π±ΠΎΠ»ΡΠ° Ρ Π³Π°ΠΉΠΊΠ°ΠΌΠΈ).
- Π£ Π½Π°Ρ ΠΏΠΎΡΠ²ΠΈΠ»ΡΡ Π΄ΠΎΡΡΡΠΏ ΠΊ ΠΏΡΠΎΡΠΈΠ²ΠΎΡΡΠΌΠ°Π½ΠΊΠ°ΠΌ.
ΠΎΡΠΊΠ»ΡΡΠ°Π΅ΠΌ ΠΈΡ
. - ΠΡΡΠΎΠ΅Π΄ΠΈΠ½ΡΠ΅ΠΌ ΡΠ»Π°Π½Π³ ΠΎΠΌΡΠ²Π°ΡΠ΅Π»Ρ ΡΠ°Ρ
ΠΠΎΠ΄ΡΠΎΠ±Π½Π°Ρ ΡΠΎΡΠΎ-ΠΈΠ½ΡΡΡΡΠΊΡΠΈΡ:
ΠΡΡΠ°ΡΠΊΠΈΠ²Π°Π΅ΠΌ ΡΠ΅ΡΡΡΠ΅ ΠΊΠ»ΠΈΠΏΡΡ ΠΎΡ ΡΠ΅ΡΠ΅ΡΠΊΠΈ ΡΠ°Π΄ΠΈΠ°ΡΠΎΡΠ° ΠΈ Π΄Π²Π΅ ΠΊΠ»ΠΈΠΏΡΡ ΡΠ°ΠΌΠΎΠ³ΠΎ Π±Π°ΠΌΠΏΠ΅ΡΠ°Π‘Π½ΠΈΠΌΠ°Π΅ΠΌ ΠΏΠ΅ΡΠ΅Π΄Π½ΡΡ ΠΏΠ»Π°ΡΡΠΈΠΊΠΎΠ²ΡΡ Π·Π°ΡΠΈΡΡ. 4 Π±ΠΎΠ»ΡΠ° ΠΈ Π΄Π²Π΅ ΠΊΠ»ΠΈΠΏΡΡΠΡΠΊΡΡΡΠΈΠ²Π°Π΅ΠΌ ΡΠ°ΠΌΠΎΡΠ΅Π· Ρ Π»Π΅Π²ΠΎΠΉ ΡΡΠΎΡΠΎΠ½Ρ Π½Π° ΡΠ±ΠΊΠ΅ Π±Π°ΠΌΠΏΠ΅ΡΠ° ΠΈ Ρ Π½Π°ΠΊΠ»Π°Π΄ΠΊΠΈ ΠΊΠΎΠ»Π΅ΡΠ½ΠΎΠΉ Π°ΡΠΊΠΈ.ΠΡΠΊΡΡΡΠΈΠ²Π°Π΅ΠΌ Π΄Π²Π° ΡΠ°ΠΌΠΎΡΠ΅Π·Π° Ρ ΠΏΡΠ°Π²ΠΎΠΉ ΡΡΠΎΡΠΎΠ½Ρ ΠΊΠ°ΡΠΊΠ°ΡΠΡΡΠΎΠ΅Π΄ΠΈΠ½ΡΠ΅ΠΌ ΡΠ°Π·ΡΠ΅ΠΌ Ρ ΠΏΡΠΎΡΠΈΠ²ΠΎΡΡΠΌΠ°Π½Π½ΠΎΠΉ ΡΠ°ΡΡΠΠ΅ ΡΠ»ΠΎΠΌΠ°ΠΉΡΠ΅ ΡΠ·ΡΡΠ΅ΠΊ , Π±ΡΠ΄ΡΡΠ΅ Π°ΠΊΠΊΡΡΠ°ΡΠ½Ρ ΠΏΡΠΈ ΡΡΠ΅ΠΌΠ΅ Π±Π°ΠΌΠΏΠ΅ΡΠ° ΡΠ²ΠΎΠ΅Π³ΠΎ Π½ΠΈΡΡΠ°Π½ ΠΊΠ°ΡΠΊΠ°ΠΉ.Π‘Π½ΠΈΠΌΠ°Π΅ΠΌ Ρ ΡΡΠΎΠΉΠ½ΠΈΠΊΠ° ΡΠ»Π°Π½Π³ ΠΏΠΎΠ΄Π²ΠΎΠ΄Π° ΠΆΠΈΠ΄ΠΊΠΎΡΡΠΈ ΠΊ ΠΎΠΌΡΠ²Π°ΡΠ΅Π»ΡΠΌ ΡΠ°Ρ.ΠΠ½ΠΈΠΌΠ°Π½ΠΈΠ΅! ΠΌΠΎΠΆΠ΅Ρ ΠΏΡΠΎΠΈΠ·ΠΎΠΉΡΠΈ ΡΡΠ΅ΡΠΊΠ° ΠΆΠΈΠ΄ΠΊΠΎΡΡΠΈ, ΠΏΡΠΈΠ³ΠΎΡΠΎΠ²ΡΡΠ΅ ΡΠ°ΡΡ.ΠΠ΅ ΡΠ»ΠΎΠΌΠ°ΠΉΡΠ΅ Π΄Π΅ΡΠΆΠ°ΡΠ΅Π»ΡΠΠΎΡΡΠ½ΠΈΡΠ΅ Π½Π°ΠΊΠ»Π°Π΄ΠΊΡ ΠΊΠΎΠ»Π΅ΡΠ½ΠΎΠΉ Π°ΡΠΊΠΈ Ρ Π½ΠΈΠ·Ρ.ΠΡΡΠ°ΡΠΈΡΠ΅ 4 Π·Π°ΡΠ΅Π»ΠΊΠΈ ΡΠ±ΠΎΠΊΡ Π±Π°ΠΌΠΏΠ΅ΡΠ°, Π»ΡΡΡΠ΅ Π΄Π΅Π»Π°ΡΡ ΡΡΠΎ Π² ΠΏΠ΅ΡΡΠ°ΡΠΊΠ°Ρ .Π’ΠΎΠΆΠ΅ ΡΠ°ΠΌΠΎΠ΅, ΡΡΠΎ Π½Π° ΡΠΎΡΠΎ Π²ΡΡΠ΅.Π‘Π°ΠΌΠ° Π·Π°ΡΠ΅Π»ΠΊΠ° Π°ΡΠΊΠΈ Π½ΠΈΡΡΠ°Π½ ΠΊΠ°ΡΠΊΠ°ΠΉΠΠ²Π° ΡΠ°ΠΌΠΎΡΠ΅Π·Π° Ρ Π΄Π²ΡΡ ΡΡΠΎΡΠΎΠ½ΠΠΎΠ½Π°Π΄ΠΎΠ±ΠΈΡΡΡ Π³ΠΎΠ»ΠΎΠ²ΠΊΠ° Π½Π° β10β ΡΠ°ΠΊ Π±ΡΠ΄Π΅Ρ ΡΠ΄ΠΎΠ±Π½Π΅ΠΉΠΡΡΠΎΠ΅Π΄ΠΈΠ½ΡΠ΅ΠΌ Π±Π°ΠΌΠΏΠ΅Ρ ΠΎΡ ΡΠ°ΠΌΠΎΠ³ΠΎ ΠΊΡΠ΅ΠΏΠ»Π΅Π½ΠΈΡ.
Π£ΡΡΠ°Π½ΠΎΠ²ΠΊΡ ΠΏΡΠΎΠΈΠ·Π²ΠΎΠ΄ΠΈΠΌ Π² ΠΎΠ±ΡΠ°ΡΠ½ΠΎΠΌ ΠΏΠΎΡΡΠ΄ΠΊΠ΅.
ΠΠΈΠ΄Π΅ΠΎ:
ΠΠ°ΠΌ ΠΌΠΎΠΆΠ΅Ρ Π±ΡΡΡ ΠΈΠ½ΡΠ΅ΡΠ΅ΡΠ½ΠΎ:
ΠΠ°ΠΊ ΡΠ½ΡΡΡ ΠΈ ΡΡΡΠ°Π½ΠΎΠ²ΠΈΡΡ Π±Π°ΠΌΠΏΠ΅ΡΠ° Π½Π° ΠΠΠ 2107, 2105, 2106: ΠΏΠΎΡΠ°Π³ΠΎΠ²Π°Ρ ΠΈΠ½ΡΡΡΡΠΊΡΠΈΡ
ΠΠ°ΠΌΠΏΠ΅ΡΠ° ΠΈΠ»ΠΈ ΠΊΠ°ΠΊ Π΅Π³ΠΎ Π΅ΡΠ΅ Π½Π°Π·ΡΠ²Π°ΡΡ Π±ΡΡΠ΅Ρ ΡΡΠΎ Π½Π΅ ΡΠΎΠ»ΡΠΊΠΎ Π½Π΅ΠΎΠ±Ρ
ΠΎΠ΄ΠΈΠΌΠ°Ρ ΠΌΠ΅ΡΠ° Π·Π°ΡΠΈΡΡ ΠΊΠΎΡΠΏΡΡΠ° Π°Π²ΡΠΎΠΌΠΎΠ±ΠΈΠ»Ρ, Π½ΠΎ ΠΈ ΡΠ²ΠΎΠ΅Π³ΠΎ ΡΠ°Π΄Π° ΠΏΠΎΠ΄ΡΡΠΊΠ° Π±Π΅Π·ΠΎΠΏΠ°ΡΠ½ΠΎΡΡΠΈ.
ΠΠΌΠ΅Π½Π½ΠΎ ΠΏΠΎΡΡΠΎΠΌΡ ΠΈΡ
Π΄Π΅Π»Π°ΡΡ Π½Π΅ ΡΠ°ΠΊΠΈΠΌΠΈ ΠΏΡΠΎΡΠ½ΡΠΌΠΈ ΠΊΠ°ΠΊ ΠΌΠ½ΠΎΠ³ΠΈΠΌ ΠΊΠ°ΠΆΠ΅ΡΡΡ. ΠΡΠΈ ΠΏΠΎΠΏΠ°Π΄Π°Π½ΠΈΠΈ Π² ΠΠ’Π ΠΈΡ
ΠΎΡΠ½ΠΎΠ²Π½Π°Ρ Π·Π°Π΄Π°ΡΠ° Π·Π°ΠΊΠ»ΡΡΠ°Π΅ΡΡΡ Π² ΡΠΎΠΌ, ΡΡΠΎΠ±Ρ ΠΏΡΠΈΠ½ΡΡΡ Π½Π° ΡΠ΅Π±Ρ ΡΠ½Π΅ΡΠ³ΠΈΡ ΡΠ΄Π°ΡΠ°.
ΠΡΠ»ΠΈ Π²Ρ Π²ΠΎΠ΄ΠΈΡΠ΅Π»Ρ ΡΡΠ°ΡΠΎΠΉ Π΄ΠΎΠ±ΡΠΎΠΉ ΡΠ΅ΠΌΠ΅ΡΠΊΠΈ, ΡΠΎ Π²Π°ΠΌ ΠΏΡΠΈΠ³ΠΎΠ΄ΠΈΡΡΡ ΠΈΠ½ΡΠΎΡΠΌΠ°ΡΠΈΡ ΠΎ ΡΠΎΠΌ, ΠΊΠ°ΠΊ ΡΠ½ΡΡΡ ΠΏΠ΅ΡΠ΅Π΄Π½ΠΈΠΉ Π±Π°ΠΌΠΏΠ΅Ρ Π½Π° ΠΠΠ 2107.
Π‘Π½ΡΡΡ Π±ΡΡΠ΅Ρ Ρ 2107 ΠΌΠΎΠΆΠ½ΠΎ ΠΏΡΠ°ΠΊΡΠΈΡΠ΅ΡΠΊΠΈ ΠΏΡΠΈ ΠΏΠΎΠΌΠΎΡΠΈ Π΄Π²ΡΡ ΠΊΠ»ΡΡΠ΅ΠΉ (Ρ ΠΎΡΡ ΠΆΠ΅Π»Π°ΡΠ΅Π»ΡΠ½ΠΎ ΠΈΠΌΠ΅ΡΡ ΠΈ Π΄ΡΡΠ³ΠΈΠ΅ ΠΈΠ½ΡΡΡΡΠΌΠ΅Π½ΡΡ). ΠΡΠ»ΠΈ ΠΊΠΎΠΌΡ ΡΠΎ ΡΠ°ΠΊ ΡΠ΄ΠΎΠ±Π½Π΅ΠΉ, ΡΠΎ ΠΌΠΎΠΆΠ½ΠΎ ΠΏΠΎΠ΄Π½ΡΡΡ Π°Π²ΡΠΎ Π½Π° Π΄ΠΎΠΌΠΊΡΠ°Ρ. Π’Π°ΠΊ ΠΏΠΎΠ΄ΠΎΠ±ΡΠ°ΡΡΡΡ ΠΊ ΠΊΡΠ΅ΠΏΠ»Π΅Π½ΠΈΡΠΌ Π±ΡΠ΄Π΅Ρ ΠΏΡΠΎΡΠ΅.
ΠΠΎΠ»Π½ΡΠΉ ΡΠΏΠΈΡΠΎΠΊ Π½Π΅ΠΎΠ±Ρ ΠΎΠ΄ΠΈΠΌΡΡ ΠΈΠ½ΡΡΡΡΠΌΠ΅Π½ΡΠΎΠ² ΡΠΎΡΡΠΎΠΈΡ ΠΈΠ·:
- ΠΠ»ΡΡΠ° Π½Π° 8, 12, 22,
- ΠΠ»ΠΎΡΠΊΠΎΠΉ ΠΎΡΠ²Π΅ΡΡΠΊΠΈ,
- ΠΡΠ΅ΡΡΠΎΠ²ΠΎΠΉ ΠΎΡΠ²Π΅ΡΡΠΊΠΈ.
ΠΡΠ²Π΅ΡΡΠΊΠ° Π½ΡΠΆΠ½Π° Π΄Π»Ρ ΡΠΎΠ³ΠΎ ΡΡΠΎΠ±Ρ ΡΠ½ΡΡΡ ΡΠ΅Π·ΠΈΠ½ΠΎΠ²ΡΠ΅ ΡΠΏΠ»ΠΎΡΠ½ΠΈΡΠ΅Π»ΠΈ.
ΠΠ΅ΡΠ΅Π΄Π½ΠΈΠΉ Π±Π°ΠΌΠΏΠ΅Ρ
ΠΠ° Π΄Π°Π½Π½ΠΎΠΉ ΠΌΠΎΠ΄Π΅Π»ΠΈ ΠΏΠ΅ΡΠ΅Π΄Π½ΠΈΠΉ Π±Π°ΠΌΠΏΠ΅Ρ (ΠΊΠ°ΠΊ ΠΈ Π·Π°Π΄Π½ΠΈΠΉ) Π΄Π΅ΡΠΆΠΈΡΡΡ Π²ΡΠ΅Π³ΠΎ Π½Π° ΡΠ΅ΡΡΡΠ΅Ρ
ΠΊΡΠΎΠ½ΡΡΠ΅ΠΉΠ½Π°Ρ
. ΠΠΎ Π±ΠΎΠΊΠ°ΠΌ ΠΎΠ½ΠΈ ΡΠΎΠ΅Π΄ΠΈΠ½ΡΡΡΡΡ Ρ ΠΊΠΎΡΠΏΡΡΠΎΠΌ Π°Π²ΡΠΎΠΌΠΎΠ±ΠΈΠ»Ρ (Ρ ΠΊΡΡΠ»ΡΡΠΌΠΈ) ΠΏΡΠΈ ΠΏΠΎΠΌΠΎΡΠΈ Π±ΠΎΠΊΠΎΠ²ΠΎΠ³ΠΎ ΠΊΡΠ΅ΠΏΠ»Π΅Π½ΠΈΡ.
ΠΠ°ΠΌΠ΅Π½Π° ΠΏΠ΅ΡΠ΅Π΄Π½Π΅Π³ΠΎ Π±Π°ΠΌΠΏΠ΅ΡΠ° ΡΡΠ΅Π±ΡΠ΅Ρ ΠΎΡΡΠΎΡΠΎΠΆΠ½ΠΎΡΡΠΈ, ΠΏΠΎΡΠΊΠΎΠ»ΡΠΊΡ Π±ΠΎΠΊΠΎΠ²ΡΠΌΠΈ ΡΠ»Π΅ΠΌΠ΅Π½ΡΠ°ΠΌΠΈ Π±ΡΡΠ΅ΡΠ° ΠΌΠΎΠΆΠ½ΠΎ ΠΏΠΎΡΠ°ΡΠ°ΠΏΠ°ΡΡ ΠΊΡΡΠ»ΡΡ.
ΠΡΠ»ΠΈ ΡΡΠ°Π²Π½ΠΈΠ²Π°ΡΡ Ρ ΠΏΡΠ΅Π΄ΡΠ΄ΡΡΠΈΠΌΠΈ ΠΌΠΎΠ΄Π΅Π»ΡΠΌΠΈ ΡΠΎ Π½Π° 2107 (ΠΈΠ½ΠΆΠ΅ΠΊΡΠΎΡΠ½ΠΎΠΉ Π²Π΅ΡΡΠΈΠΈ) ΠΊΠΎΠ½ΡΡΡΡΠΊΡΠΈΡ Π±ΡΠ»Π° Π½Π΅ΠΌΠ½ΠΎΠ³ΠΎ Π΄ΠΎΡΠ°Π±ΠΎΡΠ°Π½Π°. ΠΠ·ΠΌΠ΅Π½Π΅Π½Π½ΡΠΉ ΠΎΠ±Π²Π΅Ρ ΡΠ΅ΠΏΠ΅ΡΡ ΡΠ²Π»ΡΠ΅ΡΡΡ ΡΠ΅Π»ΡΠ½ΡΠΌ ΠΏΠ»Π°ΡΡΠΈΠΊΠΎΠ²ΡΠΌ ΡΠ»Π΅ΠΌΠ΅Π½ΡΠΎΠΌ Ρ Π½Π΅Π±ΠΎΠ»ΡΡΠΎΠΉ ΠΌΠ΅ΡΠ°Π»Π»ΠΈΡΠ΅ΡΠΊΠΎΠΉ Π²ΡΡΠ°Π²ΠΊΠΎΠΉ ΡΠ²Π΅ΡΡ Ρ.
ΠΡΠΎΡΠ΅ΡΡ ΡΠ½ΡΡΠΈΡ
ΠΠ»Ρ ΡΠ½ΡΡΠΈΡ ΠΏΠ΅ΡΠ΅Π΄Π½Π΅ΠΉ Π·Π°ΡΠΈΡΡ ΡΡΠ΅Π±ΡΠ΅ΡΡΡ ΡΠ»Π΅Π΄ΠΎΠ²Π°ΡΡ ΠΏΡΠΎΡΡΠΎΠΉ ΠΏΠΎΡΠ°Π³ΠΎΠ²ΠΎΠΉ ΠΈΠ½ΡΡΡΡΠΊΡΠΈΠΈ:
- ΠΠ°Π΄Π΅ΠΆΠ½ΠΎ ΡΠΈΠΊΡΠΈΡΡΠ΅ΠΌ Π°Π²ΡΠΎΠΌΠΎΠ±ΠΈΠ»Ρ ΡΡΠΎΠ±Ρ ΠΎΠ½ Π½Π΅ΠΊΡΠ΄Π° Π½Π΅ ΠΏΠΎΠΊΠ°ΡΠΈΠ»ΡΡ Π² ΠΏΡΠΎΡΠ΅ΡΡΠ΅ ΡΠ΅ΠΌΠΎΠ½ΡΠ°. ΠΡΠ»ΠΈ Π½Π΅ΡΠ΄ΠΎΠ±Π½ΠΎ, ΡΠΎ ΠΌΠΎΠΆΠ½ΠΎ ΠΏΠΎΠ΄Π½ΡΡΡ Π°Π²ΡΠΎ Π½Π° Π΄ΠΎΠΌΠΊΡΠ°Ρ.
- ΠΡΠΈ ΠΏΠΎΠΌΠΎΡΠΈ ΠΊΠ»ΡΡΠ° Π½Π° 13 ΠΎΡΠ²ΠΎΡΠ°ΡΠΈΠ²Π°Π΅ΠΌ Π³Π°ΠΉΠΊΡ Π΄Π΅ΠΊΠΎΡΠ°ΡΠΈΠ²Π½ΠΎΠ³ΠΎ Π±ΠΎΠ»ΡΠ°, Π΄ΠΎΡΡΠ°Π΅ΠΌ Π΅Π³ΠΎ.
- ΠΡΠ»ΠΈ Π²Ρ Π½Π΅ ΡΠ½ΡΠ»ΠΈ ΠΊΠΎΠ»Π΅ΡΠ° ΡΠΎ ΠΏΠΎΠ²Π΅ΡΠ½ΠΈΡΠ΅ ΠΈΡ ΡΠ°ΠΊΠΈΠΌ ΠΎΠ±ΡΠ°Π·ΠΎΠΌ ΡΡΠΎΠ±Ρ Π½Π΅ ΠΌΠ΅ΡΠ°Π»ΠΈ Π²Π°ΠΌ ΠΏΠΎΠ΄ΠΎΠ±ΡΠ°ΡΡΡΡ ΠΊ Π³Π°ΠΉΠΊΠ°ΠΌ Π±ΠΎΠΊΠΎΠ²ΠΎΠ³ΠΎ ΠΊΡΠ΅ΠΏΠ»Π΅Π½ΠΈΡ Π±Π°ΠΌΠΏΠ΅ΡΠ° ΠΊ ΠΊΡΠΎΠ½ΡΡΠ΅ΠΉΠ½Ρ.
- Π ΠΊΠΎΠ»Π΅ΡΠ½ΠΎΠΉ Π½ΠΈΡΠ΅ Ρ
ΡΠΎΠΌΠΈΡΠΎΠ²Π°Π½Π½ΠΎΠΉ Π³ΠΎΠ»ΠΎΠ²ΠΊΠΎΠΉ Π½Π° 22 ΠΎΡΡΠΎΠ΅Π΄ΠΈΠ½ΡΠ΅ΠΌ Π³Π°ΠΉΠΊΡ ΠΊΠΎΡΠΎΡΠ°Ρ Π΄Π΅ΡΠΆΠΈΡΡΡ Π½Π° ΠΊΡΠΎΠ½ΡΡΠ΅ΠΉΠ½Π°Ρ
ΠΊΡΠ΅ΠΏΠ»Π΅Π½ΠΈΡ Π±Π°ΠΌΠΏΠ΅ΡΠ° ΠΊ ΠΊΡΠ·ΠΎΠ²Ρ. ΠΡΠ»ΠΈ Π±ΠΎΠ»Ρ Π²Π½ΡΡΡΠΈ ΠΏΡΠΎΠ²ΠΎΡΠ°ΡΠΈΠ²Π°Π΅ΡΡΡ ΡΠΎ Π½ΡΠΆΠ½ΠΎ ΡΠ΄Π΅ΡΠΆΠΈΠ²Π°ΡΡ Π΅Π³ΠΎ ΡΠ°ΠΊΠΈΠΌ ΠΆΠ΅ ΠΊΠ»ΡΡΠΎΠΌ Ρ Π΄ΡΡΠ³ΠΎΠΉ ΡΡΠΎΡΠΎΠ½Ρ.
ΠΡΠ½ΠΈΠΌΠ°Π΅ΠΌ Π±ΠΎΠ»Ρ. - ΠΠ½Π°Π»ΠΎΠ³ΠΈΡΠ½ΡΡ ΡΠ°Π±ΠΎΡΡ ΠΏΡΠΎΠ²ΠΎΠ΄ΠΈΠΌ Ρ Π΄ΡΡΠ³ΠΎΠΉ ΡΡΠΎΡΠΎΠ½Ρ.
- Π§ΡΠΎΠ±Ρ Π² ΠΏΡΠΎΡΠ΅ΡΡΠ΅ ΠΊΡΠΎΠ½ΡΡΠ΅ΠΉΠ½Ρ ΠΌΠ΅Π½ΡΡΠ΅ ΠΏΡΠΎΡΠΈΡΠ°Π»ΠΈΡΡ ΠΌΠΎΠΆΠ½ΠΎ ΠΏΡΠ΅Π΄Π²Π°ΡΠΈΡΠ΅Π»ΡΠ½ΠΎ ΡΠΌΠ°Π·Π°ΡΡ ΠΈΡ ΠΌΡΠ»ΡΠ½ΡΠΌ ΡΠ°ΡΡΠ²ΠΎΡΠΎΠΌ.
- ΠΠΊΠΊΡΡΠ°ΡΠ½ΠΎ ΡΠ½ΠΈΠΌΠ°Π΅ΠΌ.
- ΠΡΠ»ΠΈ Π²Π½Π°ΡΠ°Π»Π΅ Π½Π΅ ΡΠ΄Π°Π»ΠΎΡΡ Π΄ΠΎ ΠΊΠΎΠ½ΡΠ° ΠΎΡΠΊΡΡΡΠΈΡΡ Π΄Π΅ΠΊΠΎΡΠ°ΡΠΈΠ²Π½ΡΠΉ Π±ΠΎΠ»Ρ, ΡΠΎ Π΄Π΅Π»Π°Π΅ΠΌ ΡΡΠΎ ΡΠ΅ΠΉΡΠ°Ρ.
- ΠΠΎΡΡΠ°Π΅ΠΌ Π±ΠΎΠ»Ρ ΠΈ Π΄Π΅ΠΌΠΎΠ½ΡΠΈΡΡΠ΅ΠΌ ΠΊΡΠΎΠ½ΡΡΠ΅ΠΉΠ½.
- ΠΡΠΈ ΠΏΠΎΠΌΠΎΡΠΈ ΠΊΠ»ΡΡΠ° Π½Π° 8 Π΄Π΅ΠΌΠΎΠ½ΡΠΈΡΡΠ΅ΠΌ Ρ ΡΠΎΠΌΠΈΡΠΎΠ²Π°Π½Π½ΡΡ Π½Π°ΠΊΠ»Π°Π΄ΠΊΡ.
Π§ΠΈΡΠ°ΠΉΡΠ΅ ΡΠ°ΠΊΠΆΠ΅: ΠΠ°ΠΊ ΡΠ°ΡΡΠΈΡΡΠΎΠ²Π°ΡΡ ΠΌΠ°ΡΠΊΠΈΡΠΎΠ²ΠΊΡ ΠΈ ΠΎΠ±ΠΎΠ·Π½Π°ΡΠ΅Π½ΠΈΡ ΡΠ°Ρ Π°Π²ΡΠΎΠΌΠΎΠ±ΠΈΠ»Ρ
Π£ΡΡΠ°Π½ΠΎΠ²ΠΊΠ°
Π£ΡΡΠ°Π½ΠΎΠ²ΠΊΠ° ΠΏΡΠΎΠΈΡΡ ΠΎΠ΄ΠΈΡ Π² ΠΎΠ±ΡΠ°ΡΠ½ΠΎΠΉ ΠΏΠΎΡΠ»Π΅Π΄ΠΎΠ²Π°ΡΠ΅Π»ΡΠ½ΠΎΡΡΠΈ, ΠΏΡΠ΅Π΄Π²Π°ΡΠΈΡΠ΅Π»ΡΠ½ΠΎ ΡΠ½ΡΠ² Ρ Π±Π°ΠΌΠΏΠ΅ΡΠ° Π½Π°ΠΊΠ»Π°Π΄ΠΊΡ ΠΏΠ΅ΡΠ΅Π΄Π½Π΅Π³ΠΎ Π±Π°ΠΌΠΏΠ΅ΡΠ°.
- Π€ΠΈΠΊΡΠΈΡΡΠ΅ΠΌ Π°Π²ΡΠΎΠΌΠΎΠ±ΠΈΠ»Ρ.
- Π‘ΡΠ°Π²ΠΈΠΌ Π²ΡΠ΅ Π½Π° ΠΌΠ΅ΡΡΠΎ.
- ΠΡΠ²ΠΎΡΠ°ΡΠΈΠ²Π°Π΅ΠΌ ΠΈΠ»ΠΈ ΡΠ½ΠΈΠΌΠ°Π΅ΠΌ ΠΊΠΎΠ»Π΅ΡΠΎ ΠΈ Ρ Π΅Π³ΠΎ ΡΡΠΎΡΠΎΠ½Ρ ΠΊΠ»ΡΡΠΎΠΌ Π½Π° 22 ΠΏΡΠΈΠΊΡΡΡΠΈΠ²Π°Π΅ΠΌ Π±ΠΎΠ»ΡΡ ΠΊΡΠΎΠ½ΡΡΠ΅ΠΉΠ½ΠΎΠ².
- Π‘ΡΠ°Π²ΠΈΠΌ Π±ΠΎΠ»ΡΡ ΠΈ ΡΠΎΡΡΠΎΠ²ΡΠΌ ΠΊΠ»ΡΡΠΎΠΌ Π½Π° 13 Π·Π°ΠΊΡΡΡΠΈΠ²Π°Π΅ΠΌ Π³Π°ΠΉΠΊΠΈ Π΄Π΅ΠΊΠΎΡΠ°ΡΠΈΠ²Π½ΠΎΠ³ΠΎ Π±ΠΎΠ»ΡΠ°.

- ΠΠΎΠ³Π΄Π° Π²ΡΠ΅ Π·Π°ΠΊΡΡΡΠ΅Π½ΠΎ, ΡΡΠ°Π²ΠΈΠΌ Π½Π° ΠΌΠ΅ΡΡΠΎ Π΄Π΅ΠΊΠΎΡΠ°ΡΠΈΠ²Π½ΡΡ Π½Π°ΠΊΠ»Π°Π΄ΠΊΡ.
ΠΠ°Π΄Π½ΠΈΠΉ Π±Π°ΠΌΠΏΠ΅Ρ
ΠΠ»Π°Π²Π½Π°Ρ ΠΎΡΠΎΠ±Π΅Π½Π½ΠΎΡΡΡ Π·Π°Π΄Π½Π΅Π³ΠΎ Π±Π°ΠΌΠΏΠ΅ΡΠ° Π·Π°ΠΊΠ»ΡΡΠ°Π΅ΡΡΡ Π² ΡΠΎΠΌ ΡΡΠΎ ΠΊΡΠ΅ΠΏΠ»Π΅Π½ΠΈΡ Π·Π°ΠΊΡΡΠ²Π°ΡΡ ΡΠ΅Π·ΠΈΠ½ΠΎΠ²ΡΠ΅ ΡΠΏΠ»ΠΎΡΠ½ΠΈΡΠ΅Π»ΠΈ. ΠΠ»Ρ ΡΠΎΠ³ΠΎ ΡΡΠΎΠ±Ρ ΡΠ½ΡΡΡ Π΅Π³ΠΎ ΠΏΡΠΈΠ΄Π΅ΡΡΡ ΠΎΡΠΊΡΡΠ²Π°ΡΡ Π±Π°Π³Π°ΠΆΠ½ΠΈΠΊ ΠΈ ΡΠ½ΠΈΠΌΠ°ΡΡ ΡΠΈΠΊΡΠ°ΡΠΎΡΡ ΠΏΠΎΠ»ΠΈΠΊΠ°.
ΠΠΎΡΠ°Π³ΠΎΠ²Π°Ρ ΠΈΠ½ΡΡΡΡΠΊΡΠΈΡ Π΄Π΅ΠΌΠΎΠ½ΡΠ°ΠΆΠ°
Π‘Π½ΡΡΠΈΠ΅ Π·Π°Π΄Π½Π΅Π³ΠΎ Π±Π°ΠΌΠΏΠ΅ΡΠ° ΠΏΡΠΎΠΈΡΡ ΠΎΠ΄ΠΈΡ ΡΠ»Π΅Π΄ΡΡΡΠΈΠΌ ΠΎΠ±ΡΠ°Π·ΠΎΠΌ:
- Π’ΡΠ΅Π±ΡΠ΅ΡΡΡ ΠΎΡΠΊΡΡΡΡ Π±Π°Π³Π°ΠΆΠ½ΠΈΠΊ. ΠΡΠΈ ΠΏΠΎΠΌΠΎΡΠΈ ΠΎΡΠ²Π΅ΡΡΠΊΠΈ Π΄Π΅ΠΌΠΎΠ½ΡΠΈΡΡΠ΅ΠΌ ΡΠΈΠΊΡΠ°ΡΠΎΡΡ ΡΠ΅Π·ΠΈΠ½ΠΎΠ²ΠΎΠ³ΠΎ ΠΏΠΎΠ»Π° ΠΈ Π΄ΠΎΡΡΠ°Π΅ΠΌ Π΅Π³ΠΎ.
- Π’Π΅ΠΏΠ΅ΡΡ ΡΠ½ΠΈΠΌΠ°Π΅ΠΌ Π²ΡΡ ΠΏΠ»Π°ΡΡΠΈΠΊΠΎΠ²ΡΡ ΠΎΠ±ΠΈΠ²ΠΊΡ Π±Π°Π³Π°ΠΆΠ½ΠΈΠΊΠ° ΠΏΡΠΈ ΠΏΠΎΠΌΠΎΡΠΈ ΠΊΡΠ΅ΡΡΠΎΠ²ΠΎΠΉ ΠΎΡΠ²Π΅ΡΡΠΊΠΈ. ΠΡΠΊΡΡΡΠΈΠ²Π°Π΅ΠΌ Π²ΡΠ΅ ΡΠ΅Π·ΡΠ±ΠΎΠ²ΡΠ΅ ΡΠΎΠ΅Π΄ΠΈΠ½Π΅Π½ΠΈΡ Π·Π°ΠΊΡΠ΅ΠΏΠ»Π΅Π½Π½ΡΠ΅ ΡΠ°ΠΌΠΎΡΠ΅Π·Π°ΠΌΠΈ, ΡΠ½ΠΈΠΌΠ°Π΅ΠΌ ΡΠ΅Ρ ΠΎΠ», Π΄ΠΎΡΡΠ°Π΅ΠΌ Π·Π°ΠΏΠ°ΡΠΊΡ.
- Π’Π΅ΠΏΠ΅ΡΡ ΠΌΠΎΠΆΠ½ΠΎ ΡΠ²ΠΎΠ±ΠΎΠ΄Π½ΠΎ ΠΏΠΎΠ΄ΠΎΠ±ΡΠ°ΡΡΡΡ ΠΈ ΠΎΡΠΊΡΡΡΠΈΡΡ Π»Π΅Π²ΡΠΉ ΠΊΡΠΎΠ½ΡΡΠ΅ΠΉΠ½.
- Π‘Π½ΠΈΠΌΠ°Π΅ΠΌ Π½Π°ΠΊΠ»Π°Π΄ΠΊΡ ΡΠΎΠΏΠ»ΠΈΠ²Π½ΠΎΠ³ΠΎ Π±Π°ΠΊΠ°, ΠΎΡΠ»Π°Π±Π»ΡΠ΅ΠΌ Π½Π΅ΠΌΠ½ΠΎΠ³ΠΎ Ρ ΠΎΠΌΡΡΡ ΠΈ ΡΠ΄Π²ΠΈΠ³Π°Π΅ΠΌ Π΅Π³ΠΎ Π½Π΅ΠΌΠ½ΠΎΠ³ΠΎ Π² ΡΡΠΎΡΠΎΠ½Ρ ΡΠ°ΠΊ ΡΡΠΎΠ±Ρ Π΄ΠΎΡΡΠ½ΡΡΡΡΡ Π΄ΠΎ ΠΊΡΠΎΠ½ΡΡΠ΅ΠΉΠ½Π°.
- ΠΡΠΊΡΡΡΠΈΠ²Π°Π΅ΠΌ ΠΊΡΠ΅ΠΏΠ»Π΅Π½ΠΈΡ
- Π’Π΅ΠΏΠ΅ΡΡ ΠΏΡΠΎΡΡΠΎ ΡΠ½ΠΈΠΌΠ°Π΅ΠΌ ΡΠ΅Π½ΡΡΠ°Π»ΡΠ½ΡΠ΅ ΠΊΡΠΎΠ½ΡΡΠ΅ΠΉΠ½Ρ.

- ΠΠΊΠΊΡΡΠ°ΡΠ½ΠΎ ΡΠ½ΠΈΠΌΠ°Π΅ΠΌ Π±ΡΡΠ΅Ρ. ΠΡΠΆΠ½ΠΎ Π½Π΅ΡΠΈΠ»ΡΠ½ΠΎ ΡΡΠ½ΡΡΡ Π΅Π³ΠΎ Π½Π° ΡΠ΅Π±Ρ Π΄ΠΎ ΡΠ΅Ρ ΠΏΠΎΡ, ΠΏΠΎΠΊΠ° ΡΡΡΠ±Ρ ΠΎΠΊΠΎΠ½ΡΠ°ΡΠ΅Π»ΡΠ½ΠΎ Π½Π΅ Π²ΡΠΉΠ΄ΡΡ.
ΠΠ°ΠΊ ΠΏΠΎΡΡΠ°Π²ΠΈΡΡ Π±Π°ΠΌΠΏΠ΅Ρ ΠΎΠ±ΡΠ°ΡΠ½ΠΎ
ΠΠ½Π°Π»ΠΎΠ³ΠΈΡΠ½ΠΎ Ρ ΠΏΠ΅ΡΠ΅Π΄Π½ΠΈΠΌ Π±ΡΡΠ΅ΡΠΎΠΌ, ΡΡΠΎΠ±Ρ ΠΏΠΎΡΡΠ°Π²ΠΈΡΡ Π²ΡΠ΅ Π½Π° ΠΌΠ΅ΡΡΠΎ ΠΏΡΠΎΡΠ΅ΡΡ Π²ΡΠΏΠΎΠ»Π½ΡΠ΅ΡΡΡ Π² ΠΎΠ±ΡΠ°ΡΠ½ΠΎΠΉ ΠΏΠΎΡΠ»Π΅Π΄ΠΎΠ²Π°ΡΠ΅Π»ΡΠ½ΠΎΡΡΠΈ. ΠΠ΅ΡΠ΅Π΄ ΡΡΡΠ°Π½ΠΎΠ²ΠΊΠΎΠΉ Π½ΡΠΆΠ½ΠΎ ΡΡΠ°ΡΠ΅Π»ΡΠ½ΠΎ ΠΏΡΠΎΠ²Π΅ΡΠΈΡΡ Π² ΠΊΠ°ΠΊΠΎΠΌ ΡΠΎΡΡΠΎΡΠ½ΠΈΠΈ Π½Π°Ρ ΠΎΠ΄ΡΡΡΡ ΡΠ΅Π·ΠΈΠ½ΠΎΠ²ΡΠ΅ ΡΠΏΠ»ΠΎΡΠ½ΠΈΡΠ΅Π»ΠΈ. ΠΡΠ»ΠΈ Π²ΡΠ΅ ΠΏΠ»ΠΎΡ ΠΎ, ΡΠΎ ΠΈΡ ΠΆΠ΅Π»Π°ΡΠ΅Π»ΡΠ½ΠΎ Π·Π°ΠΌΠ΅Π½ΠΈΡΡ.
ΠΡΠΎΠ±Π΅Π½Π½ΠΎΡΡΠΈ Π±Π°ΠΌΠΏΠ΅ΡΠΎΠ² ΡΠ°Π·Π»ΠΈΡΠ½ΠΎΠΉ ΡΠ΅ΡΠΈΠΈ
ΠΠ° Π΄ΡΡΠ³ΠΈΡ ΠΌΠΎΠ΄Π΅Π»ΡΡ Π²Π°Π· (Π½Π°ΠΏΡΠΈΠΌΠ΅Ρ, ΠΠΠ 2105, Π½Π° ΠΠΠ 2104 ΠΈ ΠΏΡΠΎΡΠΈΠ΅) Π·Π°ΡΠΈΡΠ½ΡΠ΅ ΡΠ»Π΅ΠΌΠ΅Π½ΡΡ Π½Π°ΠΏΠΎΠΌΠΈΠ½Π°ΡΡ ΡΠ΅, ΡΡΠΎ ΡΡΡΠ°Π½ΠΎΠ²Π»Π΅Π½Ρ Π½Π° 2107. Π Π°Π·Π½ΠΈΡΠ° Π·Π°ΠΊΠ»ΡΡΠ°Π΅ΡΡΡ Π² ΠΊΠΎΠ»ΠΈΡΠ΅ΡΡΠ²Π΅ ΠΊΡΠ΅ΠΏΠ»Π΅Π½ΠΈΠΉ. ΠΡ Π²ΡΠ΅Π³ΠΎ Π΄Π²Π°. ΠΡΠ΅ΠΏΡΡΡΡ ΡΠΏΠ΅ΡΠΈΠ°Π»ΡΠ½ΡΠΌΠΈ ΡΡΡΠ±ΡΠ°ΡΡΠΌΠΈ ΡΡΠΈΠ»ΠΈΡΠ΅Π»ΡΠΌΠΈ ΠΈ ΠΊΡΠΎΠ½ΡΡΠ΅ΠΉΠ½Π°ΠΌΠΈ. ΠΠΎΠ½ΡΡ ΡΡΠ΅ΠΌΠ½ΡΠ΅. Π‘Π°ΠΌΠΈ ΡΠ»Π΅ΠΌΠ΅Π½ΡΡ ΠΈΠ·Π³ΠΎΡΠΎΠ²Π»Π΅Π½Ρ ΠΈΠ· ΡΠΈΠ½ΡΠ΅ΡΠΈΡΠ΅ΡΠΊΠΈΡ ΠΌΠ°ΡΠ΅ΡΠΈΠ°Π»ΠΎΠ².
ΠΠ°Π³ΡΡΠ·ΠΊΠ°…Π‘Π½ΡΡΠΈΠ΅ ΠΏΠ΅ΡΠ΅Π΄Π½Π΅Π³ΠΎ Π±Π°ΠΌΠΏΠ΅ΡΠ° Porsche Boxster — 986/987 (1997-08)
ΠΡΠ° ΡΡΠ°ΡΡΡ — ΠΎΠ΄Π½Π° ΠΈΠ· ΡΠ΅ΡΠΈΠΈ, Π²ΡΠΏΡΡΠ΅Π½Π½ΠΎΠΉ Π²ΠΌΠ΅ΡΡΠ΅ Ρ Π½ΠΎΠ²ΠΎΠΉ ΠΊΠ½ΠΈΠ³ΠΎΠΉ Π£ΡΠΉΠ½Π° 101 Performance Projects for Your Porsche Boxster . |
ΠΡΠ»ΠΈ Π²Π°Ρ Boxster Π½Π΅ Ρ
ΡΠ°Π½ΠΈΠ»ΡΡ Π² ΠΊΠ°ΠΏΡΡΠ»Π΅ Π²ΡΠ΅ΠΌΠ΅Π½ΠΈ, ΠΊΠΎΠ³Π΄Π° ΠΎΠ½ Π±ΡΠ» ΠΊΡΠΏΠ»Π΅Π½ Π½ΠΎΠ²ΡΠΌ, Π²Π΅ΡΡΠΌΠ° Π²Π΅ΡΠΎΡΡΠ½ΠΎ, ΡΡΠΎ Ρ Π²Π°Ρ Π±ΡΠ΄Π΅Ρ Ρ
ΠΎΡΡ Π±Ρ ΠΊΠ°ΠΊΠΎΠ΅-ΡΠΎ ΠΊΠΎΡΠΌΠ΅ΡΠΈΡΠ΅ΡΠΊΠΎΠ΅ ΠΏΠΎΠ²ΡΠ΅ΠΆΠ΄Π΅Π½ΠΈΠ΅ ΠΏΠΎΠΊΡΡΡΠΈΡ ΠΏΠ΅ΡΠ΅Π΄Π½Π΅Π³ΠΎ Π±Π°ΠΌΠΏΠ΅ΡΠ°. Π Π°Π·ΠΌΠ΅Ρ ΠΈ Π³Π»ΡΠ±ΠΈΠ½Π° ΠΏΠΎΠ²ΡΠ΅ΠΆΠ΄Π΅Π½ΠΈΠΉ, ΠΊΠΎΠ½Π΅ΡΠ½ΠΎ, ΠΏΠΎΠ»Π½ΠΎΡΡΡΡ Π·Π°Π²ΠΈΡΡΡ ΠΎΡ Π·Π°Π±ΠΎΡΡ Π²ΠΎΠ΄ΠΈΡΠ΅Π»Ρ. Boxster, ΠΊΠΎΡΠΎΡΡΠΉ Ρ Π²Π·ΡΠ» Π² ΠΊΠ°ΡΠ΅ΡΡΠ²Π΅ ΠΏΡΠΎΠ΅ΠΊΡΠ½ΠΎΠΉ ΠΌΠ°ΡΠΈΠ½Ρ Π΄Π»Ρ ΡΡΠΎΠΉ ΠΊΠ½ΠΈΠ³ΠΈ, Π±ΡΠ» Π΄Π΅ΡΠ΅Π²ΡΠΌ, ΠΏΠΎΠ΄Π²Π΅ΡΠ³Π°Π»ΡΡ ΠΆΠ΅ΡΡΠΎΠΊΠΎΠΌΡ ΠΎΠ±ΡΠ°ΡΠ΅Π½ΠΈΡ, Π° Π½Π° ΠΊΡΡΡΠΊΠ΅ ΠΏΠ΅ΡΠ΅Π΄Π½Π΅Π³ΠΎ Π±Π°ΠΌΠΏΠ΅ΡΠ° Π±ΡΠ»ΠΈ Π²ΡΠ΅ ΡΡΠ°ΠΌΡ ΠΎΡ ΠΏΡΠ΅Π΄ΡΠ΄ΡΡΠ΅ΠΉ ΠΆΠΈΠ·Π½ΠΈ Π°Π²ΡΠΎΠΌΠΎΠ±ΠΈΠ»Ρ.ΠΡΠΈ ΡΡΠΎΠΌ Π²Π½ΡΡΡΠ΅Π½Π½ΠΈΠ΅ ΠΊΠΎΠ»Π΅ΡΠ½ΡΠ΅ Π°ΡΠΊΠΈ Π°Π²ΡΠΎΠΌΠΎΠ±ΠΈΠ»Ρ Π±ΡΠ»ΠΈ ΠΏΠΎΠ²ΡΠ΅ΠΆΠ΄Π΅Π½Ρ Π΅ΡΠ΅ Π±ΠΎΠ»ΡΡΠ΅: ΠΌΠ½Π΅ ΡΠ΄Π°Π»ΠΎΡΡ ΡΠΏΠ°ΡΡΠΈ ΠΈ ΠΎΡΡΠ΅ΠΌΠΎΠ½ΡΠΈΡΠΎΠ²Π°ΡΡ ΠΊΠΎΠΆΡΡ
ΠΏΠ΅ΡΠ΅Π΄Π½Π΅Π³ΠΎ Π±Π°ΠΌΠΏΠ΅ΡΠ°, Π½ΠΎ ΠΊΠΎΠ»Π΅ΡΠ½ΡΠ΅ Π°ΡΠΊΠΈ ΠΏΠΎΡΡΠ΅Π±ΠΎΠ²Π°Π»ΠΈ ΠΏΠΎΠ»Π½ΠΎΠΉ Π·Π°ΠΌΠ΅Π½Ρ.
ΠΠ΅ΡΠ²ΡΠΉ ΡΠ°Π³ — ΠΏΠΎΠ΄Π½ΡΡΡ ΠΏΠ΅ΡΠ΅Π΄Π½ΡΡ ΡΠ°ΡΡΡ Π°Π²ΡΠΎΠΌΠΎΠ±ΠΈΠ»Ρ Π΄ΠΎΠΌΠΊΡΠ°ΡΠΎΠΌ. ΠΡΠ»Π°Π±ΡΡΠ΅ Π³Π°ΠΉΠΊΠΈ ΠΊΡΠ΅ΠΏΠ»Π΅Π½ΠΈΡ ΠΊΠΎΠ»Π΅Ρ ΠΏΠ΅ΡΠ΅Π΄ ΠΏΠΎΠ΄ΡΠ΅ΠΌΠΎΠΌ, Π΅ΡΠ»ΠΈ Π²Ρ ΠΏΠ»Π°Π½ΠΈΡΡΠ΅ΡΠ΅ ΡΠ½ΠΈΠΌΠ°ΡΡ ΠΏΠΎΠ΄ΠΊΡΡΠ»ΠΊΠΈ ΠΊΠΎΠ»Π΅ΡΠ½ΠΎΠΉ Π°ΡΠΊΠΈ. Π‘Π»Π΅Π΄ΡΡΡΠΈΠΌ ΡΠ°Π³ΠΎΠΌ ΠΏΡΠΈ ΡΠ½ΡΡΠΈΠΈ ΠΊΡΡΡΠΊΠΈ ΠΏΠ΅ΡΠ΅Π΄Π½Π΅Π³ΠΎ Π±Π°ΠΌΠΏΠ΅ΡΠ° ΡΠ²Π»ΡΠ΅ΡΡΡ ΠΎΡΠΊΡΡΡΠΈΠ²Π°Π½ΠΈΠ΅ Π²ΠΈΠ½ΡΠΎΠ², ΠΊΠΎΡΠΎΡΡΠΌΠΈ ΠΎΠ½Π° ΠΊΡΠ΅ΠΏΠΈΡΡΡ ΠΊ Π²Π΅ΡΡ
Π½Π΅ΠΉ ΡΠ°ΡΡΠΈ ΡΠ°ΡΡΠΈ (ΡΠΌ. Π€ΠΎΡΠΎ 1 ΠΈ Π ΠΈΡΡΠ½ΠΎΠΊ 2). Π§ΡΠΎΠ±Ρ ΡΠ½ΡΡΡ ΠΏΠ°Π½Π΅Π»Ρ ΠΎΠ±ΠΈΠ²ΠΊΠΈ ΠΈ ΠΎΡΠΊΡΡΡΡ Π²ΠΈΠ½ΡΡ, ΠΊΠΎΡΠΎΡΡΠΌΠΈ Π²Π΅ΡΡ
Π½ΡΡ ΡΠ°ΡΡΡ Π±Π°ΠΌΠΏΠ΅ΡΠ° ΠΊΡΠ΅ΠΏΠΈΡΡΡ ΠΊ ΡΠ°ΡΡΠΈ, ΠΏΠΎΠ²Π΅ΡΠ½ΠΈΡΠ΅ ΠΏΠ»Π°ΡΡΠΈΠΊΠΎΠ²ΡΠ΅ Π²ΠΈΠ½ΡΡ (Π ΠΈΡΡΠ½ΠΎΠΊ 1) Π½Π° 1/2 ΠΎΠ±ΠΎΡΠΎΡΠ° ΠΈ ΡΠ½ΠΈΠΌΠΈΡΠ΅ ΠΈΡ
.ΠΠ°ΡΠ΅ΠΌ ΠΌΠΎΠΆΠ½ΠΎ ΡΠ½ΡΡΡ ΠΏΠ»Π°ΡΡΠΈΠΊΠΎΠ²ΡΡ ΠΏΠ°Π½Π΅Π»Ρ ΠΎΠ±ΠΈΠ²ΠΊΠΈ, ΠΎΠ±Π½Π°ΠΆΠΈΠ² Π²ΠΈΠ½ΡΡ, ΠΊΡΠ΅ΠΏΡΡΠΈΠ΅ Π±Π°ΠΌΠΏΠ΅Ρ (Π ΠΈΡΡΠ½ΠΎΠΊ 2). ΠΠ°Π»Π΅Π΅ Π½ΡΠΆΠ½ΠΎ Π²ΡΡΠ°ΡΠΈΡΡ Π±ΠΎΠΊΠΎΠ²ΡΠ΅ Π³Π°Π±Π°ΡΠΈΡΠ½ΡΠ΅ ΡΠΎΠ½Π°ΡΠΈ. ΠΠ° Π±ΠΎΠΊΠΎΠ²ΡΠΌΠΈ ΠΌΠ°ΡΠΊΠ΅ΡΠ°ΠΌΠΈ Π²Ρ ΡΠ²ΠΈΠ΄ΠΈΡΠ΅ Π½Π΅Π±ΠΎΠ»ΡΡΠΎΠΉ Π²ΠΈΠ½Ρ, ΠΊΠΎΡΠΎΡΡΠΉ Π½Π΅ΠΎΠ±Ρ
ΠΎΠ΄ΠΈΠΌΠΎ ΡΠ΄Π°Π»ΠΈΡΡ (ΡΠΌ. ΠΠ΅Π»ΡΡΡ ΡΡΡΠ΅Π»ΠΊΡ, Π²ΡΡΠ°Π²ΠΊΠ° Π½Π° ΡΠΈΡ. 5). Π’Π°ΠΊΠΆΠ΅ Π½Π΅ΠΎΠ±Ρ
ΠΎΠ΄ΠΈΠΌΠΎ Π²ΡΠ²Π΅ΡΠ½ΡΡΡ Π΅ΡΠ΅ ΠΎΠ΄ΠΈΠ½ Π²ΠΈΠ½Ρ, ΡΠ°ΡΠΏΠΎΠ»ΠΎΠΆΠ΅Π½Π½ΡΠΉ ΡΡΠ΄ΠΎΠΌ Ρ Π½ΠΈΠΌ, Π²ΠΎΠ·Π»Π΅ ΠΊΡΠ°Ρ ΠΊΠΎΠ»Π΅ΡΠ½ΠΎΠΉ Π°ΡΠΊΠΈ, ΠΊΠΎΡΠΎΡΡΠΉ ΠΏΡΠΈΠ²ΠΈΠ½ΡΠΈΠ²Π°Π΅ΡΡΡ ΠΊ Π½Π΅Π±Ρ (ΠΊΡΠ°ΡΠ½Π°Ρ ΡΡΡΠ΅Π»ΠΊΠ°, Π ΠΈΡΡΠ½ΠΎΠΊ 5). ΠΠ°ΡΠ΅ΠΌ ΠΎΡΡΠΎΠ΅Π΄ΠΈΠ½ΠΈΡΠ΅ Π΄Π°ΡΡΠΈΠΊ ΡΠ΅ΠΌΠΏΠ΅ΡΠ°ΡΡΡΡ, ΠΊΠΎΡΠΎΡΡΠΉ Π½Π°Ρ
ΠΎΠ΄ΠΈΡΡΡ Π² Π½Π΅Π±ΠΎΠ»ΡΡΠΎΠΌ ΠΎΡΠ²Π΅ΡΡΡΠΈΠΈ ΡΡΠ΄ΠΎΠΌ Ρ ΠΏΠ΅ΡΠ΅Π΄Π½Π΅ΠΉ ΡΠ΅ΡΠ΅ΡΠΊΠΎΠΉ Ρ ΠΏΡΠ°Π²ΠΎΠΉ ΡΡΠΎΡΠΎΠ½Ρ Π°Π²ΡΠΎΠΌΠΎΠ±ΠΈΠ»Ρ.
ΠΠ°ΡΡΠΈΠΊ ΡΠ΅ΠΌΠΏΠ΅ΡΠ°ΡΡΡΡ ΠΏΡΠ΅Π΄ΡΡΠ°Π²Π»ΡΠ΅Ρ ΡΠΎΠ±ΠΎΠΉ Π½Π΅Π±ΠΎΠ»ΡΡΠΎΠ΅ ΡΡΡΡΠΎΠΉΡΡΠ²ΠΎ Ρ ΠΏΡΠΈΠΊΡΠ΅ΠΏΠ»Π΅Π½Π½ΡΠΌ ΠΊ Π½Π΅ΠΌΡ ΠΏΡΠΎΠ²ΠΎΠ΄ΠΎΠΌ, ΠΊΠΎΡΠΎΡΡΠΉ Π½Π΅ΠΌΠ½ΠΎΠ³ΠΎ ΠΏΠΎΡ
ΠΎΠΆ Π½Π° ΠΎΡΠ΅Π½Ρ ΠΊΠΎΡΠΎΡΠΊΠΈΠΉ ΠΊΠ°ΡΠ°Π½Π΄Π°Ρ (ΡΠΌ. Π ΠΈΡΡΠ½ΠΎΠΊ 1). ΠΠ°ΠΊΠΎΠ½Π΅Ρ, ΠΎΡΠΊΡΡΡΠΈΡΠ΅ Π²ΠΈΠ½ΡΡ, ΠΊΠΎΡΠΎΡΡΠΌΠΈ Π½ΠΈΠΆΠ½ΡΡ ΡΠ°ΡΡΡ ΠΊΠΎΠΆΡΡ
Π° Π±Π°ΠΌΠΏΠ΅ΡΠ° ΠΊΡΠ΅ΠΏΠΈΡΡΡ ΠΊ Π°Π²ΡΠΎΠΌΠΎΠ±ΠΈΠ»Ρ (Π€ΠΎΡΠΎ 3 ΠΈ Π ΠΈΡΡΠ½ΠΎΠΊ 4). ΠΠΎΠ³Π΄Π° Π²ΡΠ΅ ΠΎΠ±ΠΎΡΡΠ΄ΠΎΠ²Π°Π½ΠΈΠ΅ ΠΎΡΠΊΠ»ΡΡΠ΅Π½ΠΎ, ΠΊΡΡΡΠΊΠ° Π±Π°ΠΌΠΏΠ΅ΡΠ° Π΄ΠΎΠ»ΠΆΠ½Π° ΡΠΎΡΠΊΠΎΠ»ΡΠ·Π½ΡΡΡ ΡΡΠ°Π·Ρ Ρ Π½Π΅ΡΠΊΠΎΠ»ΡΠΊΠΈΡ
ΡΠΈΠ»ΡΠ½ΡΡ
ΡΡΠ²ΠΊΠΎΠ².
ΠΡΡΡΠΊΠ° ΠΏΠ΅ΡΠ΅Π΄Π½Π΅Π³ΠΎ Π±Π°ΠΌΠΏΠ΅ΡΠ° — Π±Π΅Π·ΡΠΌΠ½ΠΎ Π΄ΠΎΡΠΎΠ³Π°Ρ Π΄Π΅ΡΠ°Π»Ρ (ΠΎΡ 600 Π΄ΠΎ 950 Π΄ΠΎΠ»Π»Π°ΡΠΎΠ² Π² Π·Π°Π²ΠΈΡΠΈΠΌΠΎΡΡΠΈ ΠΎΡ ΡΠΎΠ³ΠΎ, ΠΊΠ°ΠΊΠ°Ρ Ρ Π²Π°Ρ ΠΌΠΎΠ΄Π΅Π»Ρ: ΠΎΠ±ΡΡΠ½Π°Ρ ΠΈΠ»ΠΈ S). Π ΠΊΠ°ΡΠ΅ΡΡΠ²Π΅ Π΄ΠΎΠΏΠΎΠ»Π½ΠΈΡΠ΅Π»ΡΠ½ΠΎΠΉ ΠΏΠΎΠ΄ΡΠΊΠ°Π·ΠΊΠΈ Ρ ΠΎΠ±Π½Π°ΡΡΠΆΠΈΠ», ΡΡΠΎ Π±Π°ΠΌΠΏΠ΅Ρ Boxster ‘S’ ΠΏΡΠ°ΠΊΡΠΈΡΠ΅ΡΠΊΠΈ ΠΈΠ΄Π΅Π½ΡΠΈΡΠ΅Π½ Π±Π°ΠΌΠΏΠ΅ΡΡ ΠΎΠ±ΡΡΠ½ΠΎΠ³ΠΎ Π°Π²ΡΠΎΠΌΠΎΠ±ΠΈΠ»Ρ, Π·Π° ΠΈΡΠΊΠ»ΡΡΠ΅Π½ΠΈΠ΅ΠΌ Π²ΡΡΠ΅Π·Π° Π΄Π»Ρ ΡΠ΅Π½ΡΡΠ°Π»ΡΠ½ΠΎΠ³ΠΎ ΡΠ°Π΄ΠΈΠ°ΡΠΎΡΠ°.ΠΡΠ»ΠΈ Π²Ρ Ρ ΠΎΡΠΈΡΠ΅ ΡΡΠΊΠΎΠ½ΠΎΠΌΠΈΡΡ Π½Π΅ΡΠΊΠΎΠ»ΡΠΊΠΎ ΡΠΎΡΠ΅Π½ Π΄ΠΎΠ»Π»Π°ΡΠΎΠ² Π½Π° Π·Π°ΠΌΠ΅Π½Π΅ ΠΊΠΎΠΆΡΡ Π° Π±Π°ΠΌΠΏΠ΅ΡΠ°, ΠΏΠΎΡΠΌΠΎΡΡΠΈΡΠ΅, ΡΠΌΠΎΠΆΠ΅ΡΠ΅ Π»ΠΈ Π²Ρ Π½Π°ΠΉΡΠΈ Π²Π΅ΡΡΠΈΡ, ΠΎΡΠ»ΠΈΡΠ½ΡΡ ΠΎΡ S, Π° Π·Π°ΡΠ΅ΠΌ Π²ΡΡΠ΅ΠΆΡΡΠ΅ Π²ΡΡΠ°Π²ΠΊΡ ΡΠ°ΠΌΠΎΡΡΠΎΡΡΠ΅Π»ΡΠ½ΠΎ, ΠΊΠ°ΠΊ Ρ ΡΠ΄Π΅Π»Π°Π» Π² Π’Π΅Ρ Π½ΠΈΡΠ΅ΡΠΊΠΎΠΉ ΡΡΠ°ΡΡΠ΅ Pelican: Π£ΡΡΠ°Π½ΠΎΠ²ΠΊΠ° ΡΠ΅Π½ΡΡΠ°Π»ΡΠ½ΠΎΠ³ΠΎ ΡΠ°Π΄ΠΈΠ°ΡΠΎΡΠ°.
Π‘Π½ΡΡΡ ΠΏΠΎΠ΄ΠΊΡΡΠ»ΠΊΠΈ ΠΊΠΎΠ»Π΅ΡΠ½ΠΎΠΉ Π°ΡΠΊΠΈ Π½Π΅ ΡΠ°ΠΊ ΠΏΡΠΎΡΡΠΎ, ΠΊΠ°ΠΊ ΡΠ½ΡΡΡ ΠΊΡΡΡΠΊΡ ΠΏΠ΅ΡΠ΅Π΄Π½Π΅Π³ΠΎ Π±Π°ΠΌΠΏΠ΅ΡΠ°.
Π‘Π½Π°ΡΠ°Π»Π° ΡΠ½ΠΈΠΌΠΈΡΠ΅ Π΄Π²Π° ΠΎΠΏΠΎΡΠ½ΡΡ
ΠΊΠ°ΡΠΊΠ°. ΠΠΎΠ΄ΠΊΡΡΠ»ΠΊΠΈ ΠΊΠΎΠ»Π΅ΡΠ½ΡΡ
Π°ΡΠΎΠΊ ΠΊΡΠ΅ΠΏΡΡΡΡ Ρ ΠΏΠΎΠΌΠΎΡΡΡ ΠΏΠ»Π°ΡΡΠΈΠΊΠΎΠ²ΡΡ
Π·Π°ΠΊΠ»Π΅ΠΏΠΎΠΊ, ΠΊΠΎΡΠΎΡΡΠ΅ Π½ΡΠΆΠ½ΠΎ ΡΠ½ΠΈΠΌΠ°ΡΡ ΠΎΠ΄Π½Ρ Π·Π° Π΄ΡΡΠ³ΠΎΠΉ. ΠΠ° ΡΠΎΡΠΎ 4 ΠΈ ΡΠΎΡΠΎ 5 ΠΏΠΎΠΊΠ°Π·Π°Π½ΠΎ ΡΠ°ΡΠΏΠΎΠ»ΠΎΠΆΠ΅Π½ΠΈΠ΅ ΡΡΠΈΡ
Π·Π°ΠΊΠ»Π΅ΠΏΠΎΠΊ.ΠΠ΅Ρ Π½Π΅ΠΎΠ±Ρ
ΠΎΠ΄ΠΈΠΌΠΎΡΡΠΈ ΡΠ½ΠΈΠΌΠ°ΡΡ Π°ΠΌΠΎΡΡΠΈΠ·Π°ΡΠΈΠΎΠ½Π½ΡΡ ΡΡΠΎΠΉΠΊΡ, ΡΡΠΎΠ±Ρ Π·Π°ΠΌΠ΅Π½ΠΈΡΡ Π²ΠΊΠ»Π°Π΄ΡΡΠΈ, Π½ΠΎ Π΅ΡΠ»ΠΈ Π²Ρ Π²ΡΠ΅ ΡΠ°Π²Π½ΠΎ ΠΏΠ»Π°Π½ΠΈΡΡΠ΅ΡΠ΅ Π·Π°ΠΌΠ΅Π½ΠΈΡΡ Π°ΠΌΠΎΡΡΠΈΠ·Π°ΡΠΎΡΡ, ΡΠΎ ΡΠ΅ΠΉΡΠ°Ρ ΡΠ°ΠΌΠΎΠ΅ ΠΏΠΎΠ΄Ρ
ΠΎΠ΄ΡΡΠ΅Π΅ Π²ΡΠ΅ΠΌΡ Π΄Π»Ρ ΡΡΠΎΠ³ΠΎ.
ΠΡΠΈ ΡΡΡΠ°Π½ΠΎΠ²ΠΊΠ΅ Π½ΠΎΠ²ΡΡ ΠΏΠΎΠ΄ΠΊΡΡΠ»ΠΊΠΎΠ² ΠΊΠΎΠ»Π΅ΡΠ½ΠΎΠΉ Π°ΡΠΊΠΈ ΠΎΠ±ΡΠ·Π°ΡΠ΅Π»ΡΠ½ΠΎ ΠΏΡΠΈΠΎΠ±ΡΠ΅ΡΠΈΡΠ΅ ΠΌΠ°Π»Π΅Π½ΡΠΊΠΈΠ΅ Π±ΡΡΠ·Π³ΠΎΠ²ΠΈΠΊΠΈ, ΠΊΠΎΡΠΎΡΡΠ΅ ΠΊΡΠ΅ΠΏΡΡΡΡ ΠΊ ΠΏΠ΅ΡΠ΅Π΄Π½ΠΈΠΌ ΠΊΠΎΠ½ΡΠ°ΠΌ (1997-04, PN 996-504-503-00 ΠΈ 996-504-503-00). ΠΡ ΡΠ°ΡΡΠΎ Π½Π΅ Ρ Π²Π°ΡΠ°Π΅Ρ Π·Π° Π³ΠΎΠ΄Ρ ΠΆΠ΅ΡΡΠΎΠΊΠΎΠ³ΠΎ ΠΎΠ±ΡΠ°ΡΠ΅Π½ΠΈΡ. Π£ Boxsters 2005 ΠΈ Π±ΠΎΠ»Π΅Π΅ ΠΏΠΎΠ·Π΄Π½ΠΈΡ ΠΌΠΎΠ΄Π΅Π»Π΅ΠΉ Π΄ΡΡΠ³Π°Ρ ΠΊΠΎΠ½ΡΡΡΡΠΊΡΠΈΡ ΠΊΠΎΠ»Π΅ΡΠ½ΠΎΠΉ Π°ΡΠΊΠΈ, ΠΊΠΎΡΠΎΡΠ°Ρ ΡΠΎΡΡΠΎΠΈΡ ΠΈΠ· ΡΡΠ΅Ρ ΡΠ°ΡΡΠ΅ΠΉ Π²ΠΌΠ΅ΡΡΠΎ Π΄Π²ΡΡ , ΡΡΠΎ Π·Π½Π°ΡΠΈΡΠ΅Π»ΡΠ½ΠΎ ΡΠΏΡΠΎΡΠ°Π΅Ρ ΡΡΡΠ°Π½ΠΎΠ²ΠΊΡ.
Π ΠΈΡΡΠ½ΠΎΠΊ 1 | ΠΠ°ΡΠ½ΠΈΡΠ΅ Ρ ΠΏΠ΅ΡΠ΅Π΄Π½Π΅Π³ΠΎ Π±Π°Π³Π°ΠΆΠ½ΠΈΠΊΠ°, ΡΠ½ΡΠ² ΡΠ΅ΡΠ½ΡΡ ΠΏΠ»Π°ΡΡΠΈΠΊΠΎΠ²ΡΡ ΠΊΡΡΡΠΊΡ Π²ΠΎΠ·Π»Π΅ Π·Π°ΡΠ΅Π»ΠΊΠΈ ΠΏΠ΅ΡΠ΅Π΄Π½Π΅Π³ΠΎ ΠΊΠ°ΠΏΠΎΡΠ°. ΠΡΡ Π΄Π΅ΡΠ°Π»Ρ ΡΠ΄Π΅ΡΠΆΠΈΠ²Π°ΡΡ ΡΠ΅ΡΡΡΠ΅ Π½Π΅Π±ΠΎΠ»ΡΡΠΈΡ
Π·Π°ΡΡΠ΅ΠΆΠΊΠΈ. ΠΠΎΠ»ΡΡΠΎΠ΅ ΠΈΠ·ΠΎΠ±ΡΠ°ΠΆΠ΅Π½ΠΈΠ΅ | ΠΡΠ΅Π½Ρ Π±ΠΎΠ»ΡΡΠΎΠ΅ ΠΈΠ·ΠΎΠ±ΡΠ°ΠΆΠ΅Π½ΠΈΠ΅ |
Π ΠΈΡΡΠ½ΠΎΠΊ 2 | ΠΠΎΡΠ»Π΅ ΡΠ½ΡΡΠΈΡ ΠΏΠ΅ΡΠ΅Π΄Π½Π΅ΠΉ ΡΠ΅ΡΠ½ΠΎΠΉ ΠΏΠ»Π°ΡΡΠΈΠΊΠΎΠ²ΠΎΠΉ ΠΊΡΡΡΠΊΠΈ Π²Ρ ΠΌΠΎΠΆΠ΅ΡΠ΅ ΡΠ²ΠΈΠ΄Π΅ΡΡ Π½Π΅ΡΠΊΠΎΠ»ΡΠΊΠΎ Π²ΠΈΠ½ΡΠΎΠ², ΠΊΠΎΡΠΎΡΡΠΌΠΈ ΠΊΡΡΡΠΊΠ° ΠΏΠ΅ΡΠ΅Π΄Π½Π΅Π³ΠΎ Π±Π°ΠΌΠΏΠ΅ΡΠ° ΠΊΡΠ΅ΠΏΠΈΡΡΡ ΠΊ ΡΠ°ΡΡΠΈ. ΠΠΎΠ»ΡΡΠΎΠ΅ ΠΈΠ·ΠΎΠ±ΡΠ°ΠΆΠ΅Π½ΠΈΠ΅ | ΠΡΠ΅Π½Ρ Π±ΠΎΠ»ΡΡΠΎΠ΅ ΠΈΠ·ΠΎΠ±ΡΠ°ΠΆΠ΅Π½ΠΈΠ΅ |
Π ΠΈΡΡΠ½ΠΎΠΊ 3 | ΠΠ½ΠΈΠ·Ρ Π΅ΡΡΡ Π΅ΡΠ΅ Π½Π΅ΡΠΊΠΎΠ»ΡΠΊΠΎ Π²ΠΈΠ½ΡΠΎΠ², ΠΊΠΎΡΠΎΡΡΠΌΠΈ ΠΊΡΡΡΠΊΠ° Π±Π°ΠΌΠΏΠ΅ΡΠ° ΠΊΡΠ΅ΠΏΠΈΡΡΡ ΠΊ ΡΠ°ΡΡΠΈ. ΠΠΎΠ»ΡΡΠΎΠ΅ ΠΈΠ·ΠΎΠ±ΡΠ°ΠΆΠ΅Π½ΠΈΠ΅ | ΠΡΠ΅Π½Ρ Π±ΠΎΠ»ΡΡΠΎΠ΅ ΠΈΠ·ΠΎΠ±ΡΠ°ΠΆΠ΅Π½ΠΈΠ΅ |
Π ΠΈΡΡΠ½ΠΎΠΊ 4 | ΠΡΠΎΡ ΡΠ°Π·Π΄Π΅Π» Π½Π°ΡΠ΅Π³ΠΎ ΠΏΡΠΎΠ΅ΠΊΡΠ° Π°Π²ΡΠΎΠΌΠΎΠ±ΠΈΠ»Ρ Π±ΡΠ» Π΄Π΅ΠΉΡΡΠ²ΠΈΡΠ΅Π»ΡΠ½ΠΎ ΡΡΠΎΠ΄Π»ΠΈΠ²ΡΠΌ. ΠΠΎ ΡΡΠΎΠΉ ΡΠΎΡΠΎΠ³ΡΠ°ΡΠΈΠΈ ΡΠ»ΠΎΠΆΠ½ΠΎ ΡΠΊΠ°Π·Π°ΡΡ, Π½ΠΎ ΡΠ²ΠΈΡΠ°ΡΡΠ°Ρ Π²Π½ΠΈΠ· ΠΏΠΎΠ²ΡΠ΅ΠΆΠ΄Π΅Π½Π½Π°Ρ Π΄Π΅ΡΠ°Π»Ρ (ΠΆΠ΅Π»ΡΠ°Ρ ΡΡΡΠ΅Π»ΠΊΠ°) Π½Π° ΡΠ°ΠΌΠΎΠΌ Π΄Π΅Π»Π΅ ΡΠ²Π»ΡΠ΅ΡΡΡ ΡΠ°ΡΡΡΡ Π²Π½ΡΡΡΠ΅Π½Π½Π΅ΠΉ ΠΏΠΎΠ΄ΠΊΡΡΠ»ΠΎΠΊ ΠΊΠΎΠ»Π΅ΡΠ½ΠΎΠΉ Π°ΡΠΊΠΈ (ΡΠΌ. ΠΠΎΠ»ΡΡΠΎΠ΅ ΠΈΠ·ΠΎΠ±ΡΠ°ΠΆΠ΅Π½ΠΈΠ΅ | ΠΡΠ΅Π½Ρ Π±ΠΎΠ»ΡΡΠΎΠ΅ ΠΈΠ·ΠΎΠ±ΡΠ°ΠΆΠ΅Π½ΠΈΠ΅ |
Π ΠΈΡΡΠ½ΠΎΠΊ 5 | ΠΠ° ΡΡΠΎΠΉ ΡΠΎΡΠΎΠ³ΡΠ°ΡΠΈΠΈ ΠΏΠΎΠΊΠ°Π·Π°Π½Ρ Π½Π΅ΠΊΠΎΡΠΎΡΡΠ΅ ΠΈΠ· ΡΠ°Π·Π»ΠΈΡΠ½ΡΡ
ΠΊΡΠ΅ΠΏΠ»Π΅Π½ΠΈΠΉ, ΠΊΠΎΡΠΎΡΡΠ΅ ΠΈΡΠΏΠΎΠ»ΡΠ·ΡΡΡΡΡ Π΄Π»Ρ ΠΊΡΠ΅ΠΏΠ»Π΅Π½ΠΈΡ Π²Π½ΡΡΡΠ΅Π½Π½Π΅ΠΉ ΠΏΠΎΠ΄ΠΊΡΡΠ»ΠΎΠΊ ΠΊΠΎΠ»Π΅ΡΠ½ΠΎΠΉ Π°ΡΠΊΠΈ.Π’ΠΎΡΠΌΠΎΠ·Π° ΠΈ Π°ΠΌΠΎΡΡΠΈΠ·Π°ΡΠΎΡΡ Π±ΡΠ»ΠΈ ΡΠ½ΡΡΡ Π΄Π»Ρ ΡΡΠ½ΠΎΡΡΠΈ, Π½ΠΎ ΠΈΡ
Π½Π΅ Π½ΡΠΆΠ½ΠΎ ΡΠ½ΠΈΠΌΠ°ΡΡ Π΄Π»Ρ Π·Π°ΠΌΠ΅Π½Ρ Π³ΠΈΠ»ΡΠ·Ρ. ΠΠ΅ΠΊΠΎΡΠΎΡΡΠ΅ ΠΈΠ· Π½ΠΈΡ
ΠΏΡΠ΅Π΄ΡΡΠ°Π²Π»ΡΡΡ ΡΠΎΠ±ΠΎΠΉ ΠΏΠ»Π°ΡΡΠΈΠΊΠΎΠ²ΡΠ΅ Π·Π°ΠΊΠ»Π΅ΠΏΠΊΠΈ, ΠΊΠΎΡΠΎΡΡΠ΅ Π»Π΅Π³ΠΊΠΎ ΡΠ½ΠΈΠΌΠ°ΡΡΡΡ Π»ΠΎΠΌΠΎΠΌ (Π·Π΅Π»Π΅Π½Π°Ρ ΡΡΡΠ΅Π»ΠΊΠ°, Π²Π½ΠΈΠ·Ρ ΡΠΏΡΠ°Π²Π°). ΠΡΡΠ³ΠΈΠ΅ — ΠΏΠ»Π°ΡΡΠΈΠΊΠΎΠ²ΡΠ΅ Π³Π°ΠΉΠΊΠΈ, Π΄Π»Ρ ΡΠ½ΡΡΠΈΡ ΠΊΠΎΡΠΎΡΡΡ
ΠΏΡΠΎΡΡΠΎ ΡΡΠ΅Π±ΡΠ΅ΡΡΡ Π³Π½Π΅Π·Π΄ΠΎ. ΠΠΎΠ»ΡΡΠΎΠ΅ ΠΈΠ·ΠΎΠ±ΡΠ°ΠΆΠ΅Π½ΠΈΠ΅ | ΠΡΠ΅Π½Ρ Π±ΠΎΠ»ΡΡΠΎΠ΅ ΠΈΠ·ΠΎΠ±ΡΠ°ΠΆΠ΅Π½ΠΈΠ΅ |
Kia Soul: ΠΠ°ΠΌΠ΅Π½Π° ΠΊΡΡΡΠΊΠΈ ΠΏΠ΅ΡΠ΅Π΄Π½Π΅Π³ΠΎ Π±Π°ΠΌΠΏΠ΅ΡΠ° — ΠΠ΅ΡΠ΅Π΄Π½ΠΈΠΉ Π±Π°ΠΌΠΏΠ΅Ρ
|
|
| 1. | Π‘Π½ΠΈΠΌΠΈΡΠ΅ ΠΌΠΎΠ½ΡΠ°ΠΆΠ½ΡΠ΅ Π·Π°ΠΆΠΈΠΌΡ, Π° Π·Π°ΡΠ΅ΠΌ ΡΠ½ΠΈΠΌΠΈΡΠ΅ Π²ΠΎΠ·Π΄ΡΡ ΠΎΠ²ΠΎΠ΄ (A). |
| 2. | ΠΡΠ»Π°Π±ΡΡΠ΅ ΠΊΡΠ΅ΠΏΠ΅ΠΆΠ½ΡΠ΅ Π±ΠΎΠ»ΡΡ ΠΈ ΡΠΈΠΊΡΠ°ΡΠΎΡΡ Π²Π΅ΡΡ Π½Π΅ΠΉ ΠΊΡΡΡΠΊΠΈ ΡΠ°Π΄ΠΈΠ°ΡΠΎΡΠ°. |
3.![]() | ΠΡΠ»Π°Π±ΡΡΠ΅ Π·Π°ΠΆΠΈΠΌΡ Π½ΠΈΠΆΠ½Π΅Π³ΠΎ ΠΊΡΠ΅ΠΏΠ»Π΅Π½ΠΈΡ ΠΏΠ΅ΡΠ΅Π΄Π½Π΅Π³ΠΎ Π±Π°ΠΌΠΏΠ΅ΡΠ°. |
| 4. | ΠΡΠ»Π°Π±ΠΈΠ² ΠΊΡΠ΅ΠΏΠ΅ΠΆΠ½ΡΠΉ Π²ΠΈΠ½Ρ ΡΠΎ ΡΡΠΎΡΠΎΠ½Ρ ΠΏΠ΅ΡΠ΅Π΄Π½Π΅Π³ΠΎ Π±Π°ΠΌΠΏΠ΅ΡΠ°, ΠΎΡΡΠΎΠ΅Π΄ΠΈΠ½ΠΈΡΠ΅ ΡΡΠΎΡΠΎΠ½Ρ.
|
| 5. | ΠΡΡΠΎΠ΅Π΄ΠΈΠ½ΠΈΡΠ΅ ΡΠ°Π·ΡΠ΅ΠΌ (A) ΠΏΡΠΎΡΠΈΠ²ΠΎΡΡΠΌΠ°Π½Π½ΡΡ ΡΠ°Ρ ΠΈ ΠΎΡΠ½ΠΎΠ²Π½ΠΎΠΉ ΡΠ°Π·ΡΠ΅ΠΌ ΠΏΠ΅ΡΠ΅Π΄Π½Π΅Π³ΠΎ Π±Π°ΠΌΠΏΠ΅ΡΠ°. (Π). [LH] [RH] |
| 6. | Π‘Π½ΠΈΠΌΠ°Π΅ΠΌ ΠΊΠΎΠΆΡΡ ΠΏΠ΅ΡΠ΅Π΄Π½Π΅Π³ΠΎ Π±Π°ΠΌΠΏΠ΅ΡΠ°.
|
| 7. | Π£ΡΡΠ°Π½Π°Π²Π»ΠΈΠ²Π°ΠΉΡΠ΅ Π² ΠΏΠΎΡΡΠ΄ΠΊΠ΅, ΠΎΠ±ΡΠ°ΡΠ½ΠΎΠΌ ΡΠ½ΡΡΠΈΡ.
|
Π‘ΠΌ. Π’Π°ΠΊΠΆΠ΅:
ΠΠΎΡΡΠ΄ΠΎΠΊ ΡΠ΅ΠΌΠΎΠ½ΡΠ°
Π Π΅Π³ΡΠ»ΠΈΡΠΎΠ²ΠΊΠ° Π Π΅Π³ΡΠ»ΠΈΡΠΎΠ²ΠΊΠ° ΡΡΠ΅ΠΊΠ»Π° β’
ΠΡΠΎΠ²Π΅ΡΡΡΠ΅ ΠΊΠ°Π½Π°Π» ΡΡΠ΅ΠΊΠ»ΠΎΠΏΠΎΠ΄ΡΠ΅ΠΌΠ½ΠΈΠΊΠ° Π½Π° ΠΏΡΠ΅Π΄ΠΌΠ΅Ρ ΠΏΠΎΠ²ΡΠ΅ΠΆΠ΄Π΅Π½ΠΈΠΉ ΠΈΠ»ΠΈ ΠΈΠ·Π½ΠΎΡΠ° ΠΈ ΠΏΡΠΈ Π½Π΅ΠΎΠ±Ρ
ΠΎΠ΄ΠΈΠΌΠΎΡΡΠΈ Π·Π°ΠΌΠ΅Π½ΠΈΡΠ΅.
1.
Π‘Π½ΠΈΠΌΠ°Π΅ΠΌ ΠΎΠ±ΠΈΠ²ΠΊΡ ΠΏΠ΅ΡΠ΅Π΄Π½Π΅ΠΉ Π΄Π²Π΅ΡΠΈ.
(Π‘ΡΡΠ»ΠΊΠ° …
ΠΠΎΠΌΠΏΠΎΠ½Π΅Π½ΡΡ ΠΈ ΡΠ°ΡΠΏΠΎΠ»ΠΎΠΆΠ΅Π½ΠΈΠ΅ ΠΊΠΎΠΌΠΏΠΎΠ½Π΅Π½ΡΠΎΠ²
ΠΠΎΠΌΠΏΠΎΠ½Π΅Π½Ρ 1. ΠΠΎΠ΄ΡΠ»Ρ ΠΏΠΎΠ΄ΡΡΠΊΠΈ Π±Π΅Π·ΠΎΠΏΠ°ΡΠ½ΠΎΡΡΠΈ 2. ΠΠ΅ΡΡ
Π½ΠΈΠΉ ΠΏΠ΅ΡΠ΅ΠΊΠ»ΡΡΠ°ΡΠ΅Π»Ρ Π΄ΠΈΡΡΠ°Π½ΡΠΈΠΎΠ½Π½ΠΎΠ³ΠΎ ΡΠΏΡΠ°Π²Π»Π΅Π½ΠΈΡ 3. ΠΠΈΠΆΠ½ΠΈΠΉ ΠΏΠ΅ΡΠ΅ΠΊΠ»ΡΡΠ°ΡΠ΅Π»Ρ Π΄ΠΈΡΡΠ°Π½ΡΠΈΠΎΠ½Π½ΠΎΠ³ΠΎ ΡΠΏΡΠ°Π²Π»Π΅Π½ΠΈΡ 4. Π ΡΠ»Π΅Π²ΠΎΠ΅ ΠΊΠΎΠ»Π΅ΡΠΎ Π² ΡΠ±ΠΎΡΠ΅ 5. ΠΠ±ΠΎΠ³ΡΠ΅Π²Π°ΡΠ΅Π»Ρ 6. ΠΠ»Π΅ΠΊΡΡΠΎΠΏΡΠΎΠ²ΠΎΠ΄ΠΊΠ° 7. ΠΠΈΠΆΠ½ΡΡ ΠΊΡΡΡΠΊΠ° ΡΡΠ»Π΅Π²ΠΎΠ³ΠΎ ΠΊΠΎΠ»Π΅ΡΠ°.
…
ΠΡΠΎΡΠ΅Π΄ΡΡΡ ΡΠ΅ΠΌΠΎΠ½ΡΠ° Π°Π²ΡΠΎΠΌΠ°ΡΠΈΡΠ΅ΡΠΊΠΎΠ³ΠΎ Π²ΡΠΊΠ»ΡΡΠ°ΡΠ΅Π»Ρ ΡΠ²Π΅ΡΠ°
ΠΡΠΌΠΎΡΡ 1.
ΠΠΊΠ»ΡΡΠΈΡΠ΅ Π°Π²ΡΠΎΠΌΠ°ΡΠΈΡΠ΅ΡΠΊΠΈΠΉ Π²ΡΠΊΠ»ΡΡΠ°ΡΠ΅Π»Ρ ΠΎΡΠ²Π΅ΡΠ΅Π½ΠΈΡ, Π·Π°ΡΠ΅ΠΌ ΠΏΡΠΎΠ²Π΅ΡΡΡΠ΅ ΡΠ΅Π»ΠΎΡΡΠ½ΠΎΡΡΡ ΡΠ΅ΠΏΠΈ ΠΌΠ΅ΠΆΠ΄Ρ ΠΊΠ»Π΅ΠΌΠΌΠ°ΠΌΠΈ ΡΠ°Π·ΡΠ΅ΠΌΠ° ΠΌΠ½ΠΎΠ³ΠΎΡΡΠ½ΠΊΡΠΈΠΎΠ½Π°Π»ΡΠ½ΠΎΠ³ΠΎ ΠΏΠ΅ΡΠ΅ΠΊΠ»ΡΡΠ°ΡΠ΅Π»Ρ….
the front bumper — ΠΠ΅ΡΠ΅Π²ΠΎΠ΄ Π½Π° Π½Π΅ΠΌΠ΅ΡΠΊΠΈΠΉ — ΠΏΡΠΈΠΌΠ΅ΡΡ Π°Π½Π³Π»ΠΈΠΉΡΠΊΠΈΠΉ
ΠΡΠΈ ΠΏΡΠΈΠΌΠ΅ΡΡ ΠΌΠΎΠ³ΡΡ ΡΠΎΠ΄Π΅ΡΠΆΠ°ΡΡ Π³ΡΡΠ±ΡΠ΅ ΡΠ»ΠΎΠ²Π° Π½Π° ΠΎΡΠ½ΠΎΠ²Π°Π½ΠΈΠΈ Π²Π°ΡΠ΅Π³ΠΎ ΠΏΠΎΠΈΡΠΊΠ°.
ΠΡΠΈ ΠΏΡΠΈΠΌΠ΅ΡΡ ΠΌΠΎΠ³ΡΡ ΡΠΎΠ΄Π΅ΡΠΆΠ°ΡΡ ΡΠ°Π·Π³ΠΎΠ²ΠΎΡΠ½ΡΠ΅ ΡΠ»ΠΎΠ²Π°, ΠΎΡΠ½ΠΎΠ²Π°Π½Π½ΡΠ΅ Π½Π° Π²Π°ΡΠ΅ΠΌ ΠΏΠΎΠΈΡΠΊΠ΅.
ΠΠ°ΡΡΠΈΠΊΠΈ ΡΠΈΡΡΠ΅ΠΌΡ Π·Π°ΡΠΈΡΡ ΠΏΠ΅ΡΠ΅Ρ ΠΎΠ΄ΠΎΠ² ΡΠ°ΡΠΏΠΎΠ»ΠΎΠΆΠ΅Π½Ρ Π² ΠΏΠ΅ΡΠ΅Π΄Π½Π΅ΠΌ Π±Π°ΠΌΠΏΠ΅ΡΠ΅ .
ΠΠΎΠ·Π΄ΡΡ
ΠΎΡ Π·Π°Π±ΠΎΡΠ° Π½Π° ΠΏΠ΅ΡΠ΅Π΄Π½Π΅Π³ΠΎ Π±Π°ΠΌΠΏΠ΅ΡΠ° ΠΏΡΠΎΡ
ΠΎΠ΄ΠΈΡ ΡΠ΅ΡΠ΅Π· Π°ΡΡΠΎΠ΄ΠΈΠ½Π°ΠΌΠΈΡΠ΅ΡΠΊΠΈΠΉ Π²ΠΎΠ·Π΄ΡΡ
ΠΎΠ²ΠΎΠ΄ Ρ ΠΊΠ°Π»ΠΈΠ±ΡΠΎΠ²Π°Π½Π½ΡΠΌΠΈ ΡΡΠ°ΡΡΠΊΠ°ΠΌΠΈ.
ΠΡΠΊΡΡΡΠΈΡΠ΅ Π²ΠΈΠ½ΡΡ ΠΈ ΡΠΊΠΎΠ±Ρ ΠΈΠ·-ΠΏΠΎΠ΄ ΠΏΠ΅ΡΠ΅Π΄Π½Π΅Π³ΠΎ Π±Π°ΠΌΠΏΠ΅ΡΠ° .
ΠΡΠΈ Π½Π΅ΠΎΠ±Ρ ΠΎΠ΄ΠΈΠΌΠΎΡΡΠΈ ΠΏΡΠΎΠ²Π΅ΡΡΡΠ΅ ΡΠ°ΡΡ ΠΈ ΠΏΠΎΠ»ΠΎΠΆΠ΅Π½ΠΈΠ΅ ΠΏΠ΅ΡΠ΅Π΄Π½Π΅Π³ΠΎ Π±Π°ΠΌΠΏΠ΅ΡΠ° .
ΠΡ Π½Π°ΡΠ»ΠΈ ΠΌΠ°Π³Π½ΠΈΡΠΎΠ»Ρ ΠΏΠΎΠ΄ ΠΏΠ΅ΡΠ΅Π΄Π½ΠΈΠΌ Π±Π°ΠΌΠΏΠ΅ΡΠΎΠΌ ΡΠ²ΠΎΠ΅ΠΉ ΠΌΠ°ΡΠΈΠ½Ρ.
ΠΡΠΈ Π΄Π²Π΅ ΡΠ°ΡΡΠΈ ΠΏΠ΅ΡΠ΅Π΄Π½Π΅Π³ΠΎ Π±Π°ΠΌΠΏΠ΅ΡΠ° ΡΠ΅ΠΏΠ΅ΡΡ ΡΠΎΠΆΠ΅ ΠΎΡΠΏΠΎΠ»ΠΈΡΠΎΠ²Π°Π½Ρ.
ΠΡΠΊΡΡΡΠΈΡΠ΅ Π²ΠΈΠ½ΡΡ ΠΊΡΠ΅ΠΏΠ»Π΅Π½ΠΈΡ Π½ΠΈΠΆΠ½Π΅ΠΉ ΠΎΠ±Π»ΠΈΡΠΎΠ²ΠΊΠΈ ΠΏΠ΅ΡΠ΅Π΄Π½Π΅Π³ΠΎ Π±Π°ΠΌΠΏΠ΅ΡΠ° .
Π‘Π»Π΅Π΄ΠΈΡΠ΅ Π·Π° ΡΠ΅ΠΌ, ΡΡΠΎΠ±Ρ Π½Π΅ ΠΏΠΎΡΠ°ΡΠ°ΠΏΠ°ΡΡ Π±Π°Π»ΠΊΡ ΠΏΠ΅ΡΠ΅Π΄Π½Π΅Π³ΠΎ Π±Π°ΠΌΠΏΠ΅ΡΠ° .
ΠΠ°ΡΡΠΈΠΊ Π½Π°ΡΡΠΆΠ½ΠΎΠΉ ΡΠ΅ΠΌΠΏΠ΅ΡΠ°ΡΡΡΡ ΡΠ°ΡΠΏΠΎΠ»ΠΎΠΆΠ΅Π½ Π·Π° ΡΠ΅Π½ΡΡΠΎΠΌ ΠΏΠ΅ΡΠ΅Π΄Π½Π΅Π³ΠΎ Π±Π°ΠΌΠΏΠ΅ΡΠ° .
ΠΡΠΈΠΌΠ΅Π½Π΅Π½ΠΈΠ΅ Π² Π³Π»ΡΠ½ΡΠ΅Π²ΠΎΠΌ Ρ ΡΠΎΠΌΠ΅ ΠΈ ΠΌΠ°ΡΠΎΠ²ΠΎΠΌ ΡΠ΅ΡΠ΅Π±ΡΠ΅ ΠΏΡΠΈΠ΄Π°Π΅Ρ ΠΎΡΠΎΠ±ΡΠΉ Π²ΠΈΠ΄ ΠΏΠ΅ΡΠ΅Π΄Π½Π΅ΠΌΡ Π±Π°ΠΌΠΏΠ΅ΡΡ .
ΠΠΎΠΌΠΎΡΠ½ΠΈΠΊ ΠΏΠΎΠΌΠΎΠΆΠ΅Ρ ΠΏΡΠΈ ΡΠ½ΡΡΠΈΠΈ ΠΏΠ΅ΡΠ΅Π΄Π½Π΅Π³ΠΎ Π±Π°ΠΌΠΏΠ΅ΡΠ° (Π).
ΠΡΠΈ Π½Π΅ΠΎΠ±Ρ ΠΎΠ΄ΠΈΠΌΠΎΡΡΠΈ ΠΎΡΡΠ΅Π³ΡΠ»ΠΈΡΡΠΉΡΠ΅ Π±ΠΎΠΊΠΎΠ²ΠΎΠΉ ΠΊΡΠΎΠ½ΡΡΠ΅ΠΉΠ½ ΠΏΠ΅ΡΠ΅Π΄Π½Π΅Π³ΠΎ Π±Π°ΠΌΠΏΠ΅ΡΠ° , ΡΡΠΎΠ±Ρ ΠΏΠΎΠ»ΡΡΠΈΡΡ Π½Π΅ΠΎΠ±Ρ ΠΎΠ΄ΠΈΠΌΡΠΉ Π·Π°Π·ΠΎΡ.
ΠΠ°ΡΡΠΈΠΊΠΈ ΠΏΠ΅ΡΠ΅Π΄Π½Π΅Π³ΠΎ ΡΡΠΎΠ»ΠΊΠ½ΠΎΠ²Π΅Π½ΠΈΡ ΡΠ°ΡΠΏΠΎΠ»ΠΎΠΆΠ΅Π½Ρ Π·Π° ΠΏΡΠ°Π²ΡΠΌ ΠΈ Π»Π΅Π²ΡΠΌ ΡΠΎΡΡΠ°ΠΌΠΈ ΠΏΠ΅ΡΠ΅Π΄Π½Π΅Π³ΠΎ Π±Π°ΠΌΠΏΠ΅ΡΠ° .
ΠΠΎΠΌΠ΅Π½Ρ Π·Π°ΡΡΠΆΠΊΠΈ Π±ΠΎΠ»ΡΠ° ΠΊΡΠ΅ΠΏΠ»Π΅Π½ΠΈΡ Π±Π°Π»ΠΊΠΈ ΠΏΠ΅ΡΠ΅Π΄Π½Π΅Π³ΠΎ Π±Π°ΠΌΠΏΠ΅ΡΠ° ΡΠ»Π΅Π΄ΡΡΡΠΈΠΉ:
ΠΡΠ»ΠΈ Π½Π΅ΠΎΠ±Ρ
ΠΎΠ΄ΠΈΠΌΠΎ ΡΡΡΠ°Π½ΠΎΠ²ΠΈΡΡ Π½ΠΈΠΆΠ½ΡΡ ΠΊΡΡΡΠΊΡ ΠΏΠ΅ΡΠ΅Π΄Π½Π΅Π³ΠΎ Π±Π°ΠΌΠΏΠ΅ΡΠ° , Π½Π΅ ΠΏΠΎΠ²ΡΠ΅Π΄ΠΈΡΠ΅ ΠΏΡΠΎΡΡΠ°Π²ΠΊΠΈ ΠΏΡΠΈ ΡΠ½ΡΡΠΈΠΈ.
ΠΡΡΠ°ΡΠΊΠΈΠ²Π°Π΅ΠΌ ΠΊΠ°ΡΡΡΠΊΡ, ΠΊΠΎΡΠΎΡΠ°Ρ Π½Π°Ρ ΠΎΠ΄ΠΈΡΡΡ Π² Π½Π° ΠΏΠ΅ΡΠ΅Π΄Π½Π΅ΠΌ Π±Π°ΠΌΠΏΠ΅ΡΠ΅ ΠΈ ΡΠΊΡΠ΅ΠΏΠ»ΡΠ΅ΠΌ Π΅Π³ΠΎ Π² Π·Π°Π΄Π½Π΅ΠΉ ΡΠ°ΡΡΠΈ.
ΠΡ ΠΌΠΎΠ³Π»ΠΈ Π·Π°ΠΌΠ΅ΡΠΈΡΡ, ΡΡΠΎ ΠΎΡΡΡΡΡΡΠ²ΡΠ΅Ρ ΠΏΠ΅ΡΠ΅Π΄Π½ΠΈΠΉ Π±Π°ΠΌΠΏΠ΅Ρ .
ΠΡΠ΄ΡΡΠ΅ ΠΎΡΡΠΎΡΠΎΠΆΠ½Ρ, ΡΡΠΎΠ±Ρ Π½Π΅ ΠΏΠΎΡΠ°ΡΠ°ΠΏΠ°ΡΡ ΠΏΠ΅ΡΠ΅Π΄Π½ΠΈΠΉ Π±Π°ΠΌΠΏΠ΅Ρ (B).
Π‘Π½ΠΈΠΌΠΈΡΠ΅ ΠΏΠ΅ΡΠ΅Π΄Π½ΠΈΠΉ Π±Π°ΠΌΠΏΠ΅Ρ (Π).
Π‘Π½ΠΈΠΌΠΈΡΠ΅ Π½ΠΈΠΆΠ½ΡΡ ΠΎΠ±Π»ΠΈΡΠΎΠ²ΠΊΡ ΠΏΠ΅ΡΠ΅Π΄Π½Π΅Π³ΠΎ Π±Π°ΠΌΠΏΠ΅ΡΠ° (Π).
Kia Sorento: ΠΠ°ΠΌΠ΅Π½Π° ΠΏΠ΅ΡΠ΅Π΄Π½Π΅Π³ΠΎ Π±Π°ΠΌΠΏΠ΅ΡΠ° — ΠΠ°ΠΌΠΏΠ΅Ρ — ΠΡΠ·ΠΎΠ² (ΠΈΠ½ΡΠ΅ΡΡΠ΅Ρ ΠΈ ΡΠΊΡΡΠ΅ΡΡΠ΅Ρ)
|
| 1. | ΠΡΠ»Π°Π±ΡΡΠ΅ ΠΊΡΠ΅ΠΏΠ΅ΠΆΠ½ΡΠ΅ Π±ΠΎΠ»ΡΡ ΠΈ ΡΠΈΠΊΡΠ°ΡΠΎΡΡ Π²Π΅ΡΡ Π½Π΅ΠΉ ΠΊΡΡΡΠΊΠΈ ΡΠ°Π΄ΠΈΠ°ΡΠΎΡΠ°. |
| 2. | ΠΡΠ»Π°Π±ΡΡΠ΅ Π·Π°ΠΆΠΈΠΌΡ Π½ΠΈΠΆΠ½Π΅Π³ΠΎ ΠΊΡΠ΅ΠΏΠ»Π΅Π½ΠΈΡ ΠΏΠ΅ΡΠ΅Π΄Π½Π΅Π³ΠΎ Π±Π°ΠΌΠΏΠ΅ΡΠ°. |
| 3. | ΠΡΠ»Π°Π±ΠΈΠ² ΠΊΡΠ΅ΠΏΠ΅ΠΆΠ½ΡΠΉ Π²ΠΈΠ½Ρ ΡΠΎ ΡΡΠΎΡΠΎΠ½Ρ ΠΏΠ΅ΡΠ΅Π΄Π½Π΅Π³ΠΎ Π±Π°ΠΌΠΏΠ΅ΡΠ°, ΠΎΡΡΠΎΠ΅Π΄ΠΈΠ½ΠΈΡΠ΅
ΡΡΠΎΡΠΎΠ½Ρ. |
| 4. | ΠΡΡΠΎΠ΅Π΄ΠΈΠ½ΠΈΡΠ΅ ΡΠ°Π·ΡΠ΅ΠΌ ΠΏΡΠΎΡΠΈΠ²ΠΎΡΡΠΌΠ°Π½Π½ΠΎΠΉ ΡΠ°ΡΡ (Π). [LH] [RH] |
| 5. | Π‘Π½ΠΈΠΌΠΈΡΠ΅ ΠΊΠΎΠΆΡΡ ΠΏΠ΅ΡΠ΅Π΄Π½Π΅Π³ΠΎ Π±Π°ΠΌΠΏΠ΅ΡΠ° (A). |
| 6. | Π£ΡΡΠ°Π½Π°Π²Π»ΠΈΠ²Π°ΠΉΡΠ΅ Π² ΠΏΠΎΡΡΠ΄ΠΊΠ΅, ΠΎΠ±ΡΠ°ΡΠ½ΠΎΠΌ ΡΠ½ΡΡΠΈΡ.
|
ΠΠ΅ΡΠ°Π»ΠΈ ΠΏΠ΅ΡΠ΅Π΄Π½Π΅Π³ΠΎ Π±Π°ΠΌΠΏΠ΅ΡΠ°
1.ΠΠ°ΠΊΠ»Π°Π΄ΠΊΠ° ΠΏΠ΅ΡΠ΅Π΄Π½Π΅Π³ΠΎ Π±Π°ΠΌΠΏΠ΅ΡΠ° 2. ΠΠΈΠΆΠ½ΠΈΠΉ ΡΠ»Π΅ΠΌΠ΅Π½Ρ ΠΆΠ΅ΡΡΠΊΠΎΡΡΠΈ ΠΏΠ΅ΡΠ΅Π΄Π½Π΅Π³ΠΎ Π±Π°ΠΌΠΏΠ΅ΡΠ°. 3. ΠΠ΅ΡΡ Π½ΠΈΠΉ ΡΠ»Π΅ΠΌΠ΅Π½Ρ ΠΆΠ΅ΡΡΠΊΠΎΡΡΠΈ ΠΏΠ΅ΡΠ΅Π΄Π½Π΅Π³ΠΎ Π±Π°ΠΌΠΏΠ΅ΡΠ°. 4. ΠΠΎΠΊΠΎΠ²ΠΎΠΉ ΠΊΡΠΎΠ½ΡΡΠ΅ΠΉΠ½ ΠΏΠ΅ΡΠ΅Π΄Π½Π΅Π³ΠΎ Π±Π°ΠΌΠΏΠ΅ΡΠ°. …ΠΠ΅ΡΠ°Π»ΠΈ Π·Π°Π΄Π½Π΅Π³ΠΎ Π±Π°ΠΌΠΏΠ΅ΡΠ°
1. ΠΡΡΡΠΊΠ° Π·Π°Π΄Π½Π΅Π³ΠΎ Π±Π°ΠΌΠΏΠ΅ΡΠ° 2. ΠΠΈΠΆΠ½ΠΈΠΉ ΠΊΡΠΎΠ½ΡΡΠ΅ΠΉΠ½ Π·Π°Π΄Π½Π΅Π³ΠΎ Π±Π°ΠΌΠΏΠ΅ΡΠ° [ΠΏΡΠ°Π²ΡΠΉ] 3. ΠΠΈΠΆΠ½ΠΈΠΉ ΠΊΡΠΎΠ½ΡΡΠ΅ΠΉΠ½ Π·Π°Π΄Π½Π΅Π³ΠΎ Π±Π°ΠΌΠΏΠ΅ΡΠ° [Π»Π΅Π²ΡΠΉ] 4. ΠΠΎΠΊΠΎΠ²ΠΎΠΉ ΠΊΡΠΎΠ½ΡΡΠ΅ΠΉΠ½ Π·Π°Π΄Π½Π΅Π³ΠΎ Π±Π°ΠΌΠΏΠ΅ΡΠ° [ΠΏΡΠ°Π²ΡΠΉ] 5. ΠΠΎΠΊΠΎΠ²ΠΎΠΉ ΠΊΡΠΎΠ½ΡΡΠ΅ΠΉΠ½ Π·Π°Π΄Π½Π΅Π³ΠΎ Π±Π°ΠΌΠΏΠ΅ΡΠ° [LH] …Kia Cee’d — Π Π΅ΠΌΠΎΠ½Ρ ΠΊΡΡΡΠΊΠΈ ΠΏΠ΅ΡΠ΅Π΄Π½Π΅Π³ΠΎ Π±Π°ΠΌΠΏΠ΅ΡΠ°
|
|
| 1. | ΠΡΡΡΠ½ΠΈΡΠ΅ ΡΠΎΡΡΡΠ½ΠΊΡ ΠΎΠΌΡΠ²Π°ΡΠ΅Π»Ρ ΡΠ°Ρ Π½Π°ΡΡΠΆΡ. |
| 2. | ΠΠ°ΡΠ΅ΠΌ ΡΠ½ΠΈΠΌΠΈΡΠ΅ ΠΊΡΡΡΠΊΡ ΡΠΎΡΡΡΠ½ΠΊΠΈ ΠΎΠΌΡΠ²Π°ΡΠ΅Π»Ρ ΡΠ°Ρ (Π), ΡΠ°ΡΡΠΈΡΠΈΠ² ΠΎΠ±Π° ΡΠΈΠΊΡΠ°ΡΠΎΡΠ°. ΡΡΠΈΡΡΠ°ΠΌΠΈ (B) Π½Π°ΡΡΠΆΡ, ΠΈΡΠΏΠΎΠ»ΡΠ·ΡΡ Π΄Π²Π° Π±ΡΡΠ°Π²ΡΠΈΠΊΠ°. |
| 3. | ΠΡΠ»Π°Π±ΡΡΠ΅ ΠΌΠΎΠ½ΡΠ°ΠΆΠ½ΡΠ΅ Π·Π°ΠΆΠΈΠΌΡ Π²Π΅ΡΡ Π½Π΅ΠΉ ΠΊΡΡΡΠΊΠΈ ΡΠ°Π΄ΠΈΠ°ΡΠΎΡΠ° (A). |
4.![]() | ΠΡΠ»Π°Π±ΡΡΠ΅ Π·Π°ΠΆΠΈΠΌΡ Π½ΠΈΠΆΠ½Π΅Π³ΠΎ ΠΊΡΠ΅ΠΏΠ»Π΅Π½ΠΈΡ ΠΏΠ΅ΡΠ΅Π΄Π½Π΅Π³ΠΎ Π±Π°ΠΌΠΏΠ΅ΡΠ°. |
| 5. | ΠΡΠ»Π°Π±ΠΈΠ² ΠΊΡΠ΅ΠΏΠ΅ΠΆΠ½ΡΠΉ Π²ΠΈΠ½Ρ ΡΠΎ ΡΡΠΎΡΠΎΠ½Ρ ΠΏΠ΅ΡΠ΅Π΄Π½Π΅Π³ΠΎ Π±Π°ΠΌΠΏΠ΅ΡΠ°, ΠΎΡΡΠΎΠ΅Π΄ΠΈΠ½ΠΈΡΠ΅ ΡΡΠΎΡΠΎΠ½Ρ. |
| 6. | ΠΡΡΠΎΠ΅Π΄ΠΈΠ½ΠΈΡΠ΅ ΡΠ°Π·ΡΠ΅ΠΌ (A) ΠΏΡΠΎΡΠΈΠ²ΠΎΡΡΠΌΠ°Π½Π½ΡΡ ΡΠ°Ρ ΠΈ ΠΏΠ΅ΡΠ΅Π΄Π½ΠΈΠΉ Π΄Π°ΡΡΠΈΠΊ ΠΏΠ°ΡΠΊΠΎΠ²ΠΎΡΠ½ΠΎΠ³ΠΎ Π°ΡΡΠΈΡΡΠ΅Π½ΡΠ°. ΡΠ°Π·ΡΠ΅ΠΌ (B). [LH] [RH] |
| 7. | Π‘Π½ΠΈΠΌΠΈΡΠ΅ ΠΊΠΎΠΆΡΡ ΠΏΠ΅ΡΠ΅Π΄Π½Π΅Π³ΠΎ Π±Π°ΠΌΠΏΠ΅ΡΠ° (A). |
| 8. | Π£ΡΡΠ°Π½Π°Π²Π»ΠΈΠ²Π°ΠΉΡΠ΅ Π² ΠΏΠΎΡΡΠ΄ΠΊΠ΅, ΠΎΠ±ΡΠ°ΡΠ½ΠΎΠΌ ΡΠ½ΡΡΠΈΡ.
|
ΠΠΎΠΏΠΎΠ»Π½ΠΈΡΠ΅Π»ΡΠ½Π°Ρ ΠΈΠ½ΡΠΎΡΠΌΠ°ΡΠΈΡ:
Π ΡΠΊΠΎΠ²ΠΎΠ΄ΡΡΠ²ΠΎ ΠΏΠΎ ΡΠΊΡΠΏΠ»ΡΠ°ΡΠ°ΡΠΈΠΈ Kia Cee’d JD: ΡΠΏΠΎΡΡΠΈΠ²Π½ΡΠΉ ΡΠ΅ΠΆΠΈΠΌ
β ΠΠΎΡΠΌΠ°Π»ΡΠ½ΠΎΠ΅ Π·ΡΠ΅Π½ΠΈΠ΅ β ΠΠ°Π΄Π·ΠΎΡ
Π ΡΠ»Ρ ΡΡΠ°Π½ΠΎΠ²ΠΈΡΡΡ ΡΡΠΆΠ΅Π»Π΅Π΅.
Π‘ΠΏΠΎΡΡΠΈΠ²Π½ΡΠΉ ΡΠ΅ΠΆΠΈΠΌ ΠΎΠ±ΡΡΠ½ΠΎ ΠΈΡΠΏΠΎΠ»ΡΠ·ΡΠ΅ΡΡΡ, ΠΊΠΎΠ³Π΄Π°
Π²ΠΎΠΆΠ΄Π΅Π½ΠΈΠ΅ ΠΏΠΎ ΡΠΎΡΡΠ΅.
ΠΠΠΠΠΠΠΠ ΠΠ»Ρ Π²Π°ΡΠ΅ΠΉ Π±Π΅Π·ΠΎΠΏΠ°ΡΠ½ΠΎΡΡΠΈ, Π΅ΡΠ»ΠΈ Π²Ρ Π½Π°ΠΆΠΌΠ΅ΡΠ΅
ΠΊΠ½ΠΎΠΏΠΊΠ° ΡΠ΅ΠΆΠΈΠΌΠ° ΡΡΠ»Π΅Π²ΠΎΠ³ΠΎ ΡΠΏΡΠ°Π²Π»Π΅Π½ΠΈΡ Π²ΠΎ Π²ΡΠ΅ΠΌΡ ΡΠ°Π±ΠΎΡΡ
ΡΡΠ»Ρ, ΠΠ
Π΄ΠΈΡΠΏΠ»Π΅ΠΉ ΠΈΠ·ΠΌΠ΅Π½ΠΈΡΡΡ, Π½ΠΎ ΡΡΠ»Π΅Π²ΠΎΠ΅ ΡΠΏΡΠ°Π²Π»Π΅Π½ΠΈΠ΅
ef…
Kia Cee’d JD Service Manual: ΠΡΠ»ΡΡΠΈΠΌΠ΅Π΄ΠΈΠΉΠ½ΡΠΉ ΡΠ°Π·ΡΠ΅ΠΌ Π‘Ρ
Π΅ΠΌΠ°
ΠΡΠΈΠ½ΡΠΈΠΏΠΈΠ°Π»ΡΠ½Π°Ρ ΡΠ»Π΅ΠΊΡΡΠΈΡΠ΅ΡΠΊΠ°Ρ ΡΡ
Π΅ΠΌΠ° ΠΠ΅Ρ ΠΠΏΠΈΡΠ°Π½ΠΈΠ΅ ΡΠ΅ΡΠΌΠΈΠ½Π°Π»Π° Π‘ΠΎΡΡΠΎΡΠ½ΠΈΠ΅ Π£ΠΊΠ°Π·Π°Π½Π½ΠΎΠ΅ ΡΠΎΡΡΠΎΡΠ½ΠΈΠ΅ 1 ΠΠΈΡΠ°Π½ΠΈΠ΅ ΠΎΡ USB / iPod Π£ΡΡΡΠΎΠΉΡΡΠ²ΠΎ USB / iPod Π²ΡΡΠ°Π²Π»Π΅Π½ΠΎ 4,9 Π ~ 5,1 Π 2 USB D- …


ΠΠ½ΠΈΠ³Π° ΡΠΎΠ΄Π΅ΡΠΆΠΈΡ 312 ΡΡΡΠ°Π½ΠΈΡ ΠΏΠΎΠ»Π½ΠΎΡΠ²Π΅ΡΠ½ΡΡ
ΠΏΡΠΎΠ΅ΠΊΡΠΎΠ², ΠΏΠΎΠ΄ΡΠΎΠ±Π½ΠΎ ΠΎΠΏΠΈΡΡΠ²Π°ΡΡΠΈΡ
Π²ΡΠ΅, ΠΎΡ ΠΌΠΎΠ΄ΠΈΡΠΈΠΊΠ°ΡΠΈΠΉ ΠΏΡΠΎΠΈΠ·Π²ΠΎΠ΄ΠΈΡΠ΅Π»ΡΠ½ΠΎΡΡΠΈ Π΄ΠΎ Π·Π°ΠΌΠ΅Π½Ρ ΡΠΎΡΠΌΠΎΠ·Π½ΡΡ
ΠΊΠΎΠ»ΠΎΠ΄ΠΎΠΊ. Π‘ Π±ΠΎΠ»Π΅Π΅ ΡΠ΅ΠΌ 950+ ΠΏΠΎΠ»Π½ΠΎΡΠ²Π΅ΡΠ½ΡΠΌΠΈ Π³Π»ΡΠ½ΡΠ΅Π²ΡΠΌΠΈ ΡΠΎΡΠΎΠ³ΡΠ°ΡΠΈΡΠΌΠΈ, ΡΠΎΠΏΡΠΎΠ²ΠΎΠΆΠ΄Π°ΡΡΠΈΠΌΠΈ ΠΏΠΎΠ΄ΡΠΎΠ±Π½ΡΠ΅ ΠΏΠΎΡΠ°Π³ΠΎΠ²ΡΠ΅ ΠΈΠ½ΡΡΡΡΠΊΡΠΈΠΈ, ΡΡΡ ΠΊΠ½ΠΈΠ³Ρ Π½Π΅ΠΎΠ±Ρ
ΠΎΠ΄ΠΈΠΌΠΎ ΠΏΡΠΎΡΠΈΡΠ°ΡΡ Π² ΠΊΠΎΠ»Π»Π΅ΠΊΡΠΈΠΈ Π»ΡΠ±ΠΎΠ³ΠΎ Π²Π»Π°Π΄Π΅Π»ΡΡΠ° Boxster.ΠΠ½ΠΈΠ³Π° Π² Π½Π°ΡΡΠΎΡΡΠ΅Π΅ Π²ΡΠ΅ΠΌΡ Π΄ΠΎΡΡΡΠΏΠ½Π° ΠΈ Π΅ΡΡΡ Π² Π½Π°Π»ΠΈΡΠΈΠΈ. ΠΠΎΠ»Π΅Π΅ ΠΏΠΎΠ΄ΡΠΎΠ±Π½ΡΡ ΠΈΠ½ΡΠΎΡΠΌΠ°ΡΠΈΡ ΡΠΌ. ΠΠ° ΠΎΡΠΈΡΠΈΠ°Π»ΡΠ½ΠΎΠΌ ΡΠ°ΠΉΡΠ΅ ΠΊΠ½ΠΈΠ³ΠΈ.
ΠΡΠΎΡΡΠΎ ΠΏΠΎΠ²Π΅ΡΠ½ΠΈΡΠ΅ ΠΈΡ
ΠΏΡΠΈΠΌΠ΅ΡΠ½ΠΎ Π½Π° ΠΏΠΎΠ»-ΠΎΠ±ΠΎΡΠΎΡΠ°, ΡΡΠΎΠ±Ρ ΠΎΡΠ»Π°Π±ΠΈΡΡ ΠΈ ΡΠ½ΡΡΡ. ΠΠ° ΡΠΎΡΠΎ-Π²ΡΠ΅Π·ΠΊΠ΅ ΠΏΠΎΠΊΠ°Π·Π°Π½ Π΄Π°ΡΡΠΈΠΊ ΡΠ΅ΠΌΠΏΠ΅ΡΠ°ΡΡΡΡ, ΠΊΠΎΡΠΎΡΡΠΉ Π½ΡΠΆΠ½ΠΎ ΡΠ½ΡΡΡ Ρ ΡΠ΅ΡΠ΅ΡΠΊΠΈ.
Π‘Π»Π΅Π΄ΡΡΡΡΡ ΡΠΎΡΠΎΠ³ΡΠ°ΡΠΈΡ).ΠΠ»ΠΎΡ
ΠΎ Π²ΡΠΏΠΎΠ»Π½Π΅Π½Π½Π°Ρ ΠΏΠΎΠΊΡΠ°ΡΠΊΠ° ΠΏΡΠΈΠ²Π΅Π»Π° ΠΊ ΠΏΠΎΠΊΡΠ°ΡΠΊΠ΅ ΠΏΠΎΠ΄ΠΊΡΡΠ»ΠΊΠ° ΠΊΠΎΠ»Π΅ΡΠ½ΠΎΠΉ Π°ΡΠΊΠΈ Π² ΡΠ²Π΅Ρ ΠΊΡΠ·ΠΎΠ²Π°: ΠΎΠ±ΡΡΠ½ΠΎ ΠΎΠ½ ΡΠ΅ΡΠ½ΡΠΉ. ΠΠ° Π½ΠΈΠΆΠ½Π΅ΠΌ Π»Π΅Π²ΠΎΠΌ ΡΠΎΡΠΎ ΠΏΠΎΠΊΠ°Π·Π°Π½Π° ΠΎΠ΄Π½Π° ΠΈΠ· ΠΏΠ»Π°ΡΡΠΈΠΊΠΎΠ²ΡΡ
Π·Π°ΠΊΠ»Π΅ΠΏΠΎΠΊ, ΠΊΠΎΡΠΎΡΡΠ΅ ΠΈΡΠΏΠΎΠ»ΡΠ·ΡΡΡΡΡ Π΄Π»Ρ ΠΊΡΠ΅ΠΏΠ»Π΅Π½ΠΈΡ ΠΏΠΎΠ΄ΠΊΡΡΠ»ΠΊΠ° ΠΊΠΎΠ»Π΅ΡΠ½ΠΎΠΉ Π°ΡΠΊΠΈ ΠΊ ΡΠ°ΡΡΠΈ. ΠΠ° ΡΠΎΡΠΎΠ³ΡΠ°ΡΠΈΠΈ Π² ΠΏΡΠ°Π²ΠΎΠΌ Π²Π΅ΡΡ
Π½Π΅ΠΌ ΡΠ³Π»Ρ ΠΏΠΎΠΊΠ°Π·Π°Π½ Π½ΠΎΠ²ΡΠΉ ΠΏΠΎΠ΄ΠΊΡΡΠ»ΠΎΠΊ ΠΊΠΎΠ»Π΅ΡΠ½ΠΎΠΉ Π°ΡΠΊΠΈ Ρ ΠΏΡΠΈΠΊΡΠ΅ΠΏΠ»Π΅Π½Π½ΠΎΠΉ ΠΌΠ°Π»Π΅Π½ΡΠΊΠΎΠΉ ΡΠ΅Π·ΠΈΠ½ΠΎΠ²ΠΎΠΉ ΠΊΡΠΎΠΌΠΊΠΎΠΉ / Π·Π°ΠΊΡΡΠ»ΠΊΠΎΠΌ. ΠΡΠΈ Π·Π°ΠΊΡΡΠ»ΠΊΠΈ ΠΎΠ±ΡΡΠ½ΠΎ ΠΏΠΎΠ΄Π²Π΅ΡΠ³Π°ΡΡΡΡ ΡΠ°ΡΡΠΎΠΌΡ ΠΎΠ±ΡΠ°ΡΠ΅Π½ΠΈΡ ΠΈ ΡΠ°ΡΡΠΎ ΠΏΠΎΠ»Π½ΠΎΡΡΡΡ ΠΎΡΡΡΡΡΡΠ²ΡΡΡ Π² Π°Π²ΡΠΎΠΌΠΎΠ±ΠΈΠ»Π΅.
ΠΠ° ΡΠΎΡΠΎ Π² ΠΏΡΠ°Π²ΠΎΠΌ Π²Π΅ΡΡ
Π½Π΅ΠΌ ΡΠ³Π»Ρ ΠΏΠΎΠΊΠ°Π·Π°Π½Ρ Π΄Π²Π΅ ΡΠ°ΡΡΠΈ ΠΏΠΎΠ΄ΠΊΡΡΠ»ΠΊΠ° ΠΈ ΠΈΡ
ΡΠΎΡΠΌΠ°. ΠΠ° ΡΠΎΡΠΎΠ³ΡΠ°ΡΠΈΠΈ Π²Π²Π΅ΡΡ
Ρ ΡΠ»Π΅Π²Π° ΠΏΠΎΠΊΠ°Π·Π°Π½ Π²ΠΈΠ½Ρ Π·Π° Π±ΠΎΠΊΠΎΠ²ΡΠΌ ΠΌΠ°ΡΠΊΠ΅ΡΠΎΠΌ, ΠΊΠΎΡΠΎΡΡΠΉ Π½Π΅ΠΎΠ±Ρ
ΠΎΠ΄ΠΈΠΌΠΎ ΡΠ΄Π°Π»ΠΈΡΡ, ΡΡΠΎΠ±Ρ ΡΠ½ΡΡΡ ΠΊΡΡΡΠΊΡ ΠΏΠ΅ΡΠ΅Π΄Π½Π΅Π³ΠΎ Π±Π°ΠΌΠΏΠ΅ΡΠ° (ΠΆΠ΅Π»ΡΠ°Ρ ΡΡΡΠ΅Π»ΠΊΠ°), ΠΈ Π³Π½Π΅Π·Π΄ΠΎ Π΄Π»Ρ Π²ΠΈΠ½ΡΠ°, ΠΊΠΎΡΠΎΡΠΎΠ΅ Π½Π΅ΠΎΠ±Ρ
ΠΎΠ΄ΠΈΠΌΠΎ ΡΠ΄Π°Π»ΠΈΡΡ ΠΈΠ·Π½ΡΡΡΠΈ ΠΊΠΎΠ»Π΅ΡΠ½ΠΎΠΉ Π°ΡΠΊΠΈ (ΠΊΡΠ°ΡΠ½Π°Ρ ΡΡΡΠ΅Π»ΠΊΠ°).






Π΄Π»Ρ Π·Π°ΡΠΈΡΡ ΠΎΡ ΠΏΠΎΠ²ΡΠ΅ΠΆΠ΄Π΅Π½ΠΈΡ ΠΏΠΎΠ²Π΅ΡΡ
Π½ΠΎΡΡΠΈ.
