| |||||||||||||||||
Преобразователь напряжения 12-220. Преобразователь напряжения сделать самому своими руками
Преобразователи напряжения 12-200 В в наше время довольно сильно востребованы. С их помощью водители имеют возможность пользоваться бытовыми приборами прямо в автомобиле. Однако следует отметить, что стоят указанные устройства довольно дорого. Чтобы решить эту проблему, многие пытаются самостоятельно собрать простой преобразователь 12-220 В.
Комплектующие использовать можно различные. Чтобы не спалить проводку в автомобиле, следует четко придерживаться инструкции по сборке устройства.
Однако в первую очередь следует ознакомиться со схемой простого преобразователя.
Схема преобразователя
Простая схема преобразователя 12-220 В включает в себя электрическую катушку, трансформатор, тетрод и резисторы. В данном случае выпрямители применяются различной частотности. В некоторых случаях для стабилизации напряжения используются фильтры. Регуляторами тока оснащены далеко не все модели. Часто применяются усилители инерционного типа. Однако в данном случае многое зависит от производителя. Если говорить про 12-220 преобразователь на 50 А, то в нем дополнительно устанавливаются резонаторы, которые необходимы для генерации импульсов.
Преобразователи с операционными выпрямителями
Собрать данного типа преобразователь 12-220 своими руками довольно просто. В первую очередь подбирается катушка с первичной обмоткой. Сопротивление она обязана выдерживать на уровне 30 Ом. Для смены фазы используется трансформатор. Непосредственно выпрямитель устанавливается рядом с тетродом.
Резисторы многие специалисты в 12-220 преобразователь советуют подбирать открытого типа. Усилители в данном случае можно не устанавливать. Однако если складывать модель на 60 А, то их следует припаивать возле индуктивной катушки. В конце работы нужно только закрепить клеммники.
Модель с фазовыми выпрямителями
Преобразователь 12-220 для дома с фазовым выпрямителем складывается только с участием катушки индуктивности на 40 Ом. В данном случае тиристоры следует подбирать хроматические. Также важно уделить внимание трансформатору. Некоторые специалисты советуют использовать понижающие модели, однако найти их на рынке довольно сложно. Таким образом, многие все-таки используют стандартные силовые модификации. Усилитель в данном случае потребуется только один. Для соединения трансформатора с тетродом используется дроссель.
Чтобы повысить проводимость тока, многие рекомендуют устанавливать резонаторы. Предельное напряжение на трансформаторе следует проверять при помощи тестера.
Для того, чтобы тетрод быстро не перегорал, рекомендуется использовать стабилитрон. В данном случае его можно выбирать в магазине на два контакта. В конце работы важно в 12-220 преобразователь закрепить клеммники.
Применение усилителей
Усилители на рынке представлены в основном двухканальные. По своим параметрам они могут довольно сильно отличаться. В данном случае целесообразнее подбирать модификации с высокой проводимостью. Также следует учитывать, что предельное напряжение они обязаны выдерживать в 220 В. Начинать сборку преобразователя следует с установки индукционной катушки. Для этого делают специальную платформу, которая не пропускает ток. В данной ситуации можно использовать обычную дощечку.
После закрепления катушки важно сразу установить трансформатор. Усилитель в 12-220 преобразователь припаивается за тетродом. Для стабилизации напряжения потребуются два фильтра. Однако в данном случае многое зависит от выбранного усилителя.
Устройства на двойном резисторе
На двойном резисторе преобразователь 12-220 (схема показана ниже) встречается довольно редко.
Проблема в данном случае кроется в резких скачках частоты. Тиристоры для сборки следует использовать понижающего типа. Чтобы уменьшить амплитуду помех, рекомендуется катушку устанавливать после выпрямителя.
Фильтры для преобразователя можно смело подбирать сеточного типа. В некоторых случаях для контроля частотности применяются регуляторы. Дополнительно для преобразователя следует установить систему индикации. Клеммники в этой ситуации обязаны стандартно крепиться у выхода трансформатора.
Использование трансивера
Сделать с трансивером преобразователь 12-220 своими руками проще всего, если использовать понижающий трансформатор. В данном случае выпрямитель подойдет операционного типа. Всего усилителей для системы необходимо три. Один из них устанавливается сразу за катушкой индуктивности. При этом два других усилителя нужно использовать за трансформатором. Фильтр для модели потребуется один. Трансивер к преобразователю подсоединяется через дроссель.
Для увеличения проводимости тока многие эксперты рекомендуют использовать стабилитроны.
В этой ситуации регулятор частоты нужно устанавливать, если катушка имеется на 50 А. В противном случае нет необходимости распределять нагрузку. Обезопасить работу трансформатора в полной мере сможет фильтр.
Преобразователи с двухразрядными динисторами
Данного типа преобразователь 12-220 (схема показана ниже) необходимо собирать на базе только импульсных трансформаторов. Для того, чтобы предельное напряжение не понижалось резко, важно подобрать качественную катушку индуктивности на 30 А. Далее для сборки следует установить усилитель.
Если рассматривать катушку индуктивности на 30 А, ее можно использовать инерционного типа. Выпрямитель в этой ситуации обязан располагаться за усилителем. Чтобы катушка сильно не перегревалась, многие эксперты рекомендуют использовать стабилитроны. Регуляторы для такой модели не нужны.
Устройство на трехразрядных динисторах
Трехразрядные динисторы можно сложить только с конвекционным трансформатором. При этом катушек индуктивности следует использовать две.
Подбирать их следует на 20 А. Чтобы минимизировать резкие скачки в системе, важно установить рядом с трансформатором фильтр. Некоторые в данной ситуации также используют предохранители. Тиристоры нужно устанавливать за катушкой индуктивности. Регуляторы для этих моделей необходимы.
Хорошо подойдут для преобразователя поворотные модификации. Непосредственно подсоединение их должно осуществляться через дроссель. В некоторых случаях данные устройства характеризуются плохой проводимостью. Происходит это из-за сбоев в работе трансформатора. Решить задачу можно, заменив тиристор.
Использование выпрямителей 1N4148
Выпрямители данного типа способны работать только с понижающими трансформаторами. В этой ситуации сборку преобразователя следует начинать с установки индукционной катушки. Целесообразнее ее подбирать на 50 А. В таком случае фильтров в устройстве потребуется только два. Один их них обязан располагаться за тиристором.
Второй фильтр потребуется установить рядом с трансформатором.
Частоту модели можно подстраивать благодаря регулятору. Биполярные усилители для преобразователей используются очень редко. Непосредственно клеммники следует устанавливать в последнюю очередь. Стабилитроны в данном случае не потребуются. Для того, чтобы резистор не перегорал, необходимо устанавливать предохранитель. Предельное напряжение он обязан выдерживать на уровне 220 В.
Модель на выпрямителях SF16
Данные выпрямители очень ценятся за свое качество. С проводимостью тока у них все хорошо. Однако следует учитывать, что в этот преобразователь напряжения 12-220 В устанавливается силовой трансформатор. Все это говорит о том, что без триггера система не будет работать. Чтобы минимизировать резкие скачки тока в сети, стандартно используются фильтры. Регулятор необходимо устанавливать только при условии, что катушка подобрана для модели на 60 А. В противном случае она только будет расходовать электроэнергию.
Припаивается выпрямитель в цепи за триггером. В некоторых случаях в преобразователь напряжения 12-220 В дополнительно устанавливаются операционные усилители.
В данной ситуации поглощающие фильтры значительно увеличат нагрузку на трансформатор. Клеммники у преобразователя следует размещать на выходе цепи.
Как сделать простой преобразователь с 12 на 220 из компьютерного БП
Привет всем, в этой статье подробно расскажу, как можно сделать простейшей преобразователь с 12 вольт на 220 вольт с использованием доступных компонентов. Мощные, хорошие схемы, как право сложны даже для профи, а для начинающих вообще не достижимы, поэтому сегодня будет рассмотрен вариант конструкции повышающего преобразователя напряжения, который можно сделать из деталей не рабочего блока питания от компьютера.
Схема выбрана специально самая простая, чтобы повторить её могли все. Наша схема не нуждается в дополнительной настройки, я также решил отказаться от стандартных вариантов на базе шим контроллера, это бы усложняло задачу и сделало бы настройку сложной.
Внимание — схема представлена только для ознакомительных целей, она не имеет стабилизацию, поэтому выходное напряжение будет отклоняться от заявленной 220 вольт.
Не имеет также никаких защит, а на выходе постоянный ток, это значит, что таким инвертором нельзя питать двигатели переменного тока и сетевые трансформаторы.
Подключать паяльник, небольшие лампы накаливания, эконом лампы, но опять же использовать такую схему в бытовых целях не совсем хорошая идея.
В качестве донора у нас обычный? нерабочий, компьютерный блок питания, из этого блока нам потребуется: —Силовой, импульсный трансформатор, —Конденсатор, —Дроссель групповой стабилизации и ещё несколько компонентов, о которых будем говорить по ходу дела.Для того, чтобы изъять указанные компоненты нам нужно убрать плату, то есть отделить плату от корпуса, делается это достаточно простым образом, откручиваем винты, перекусываем проводу, которые идут на вентилятор и вытаскиваем плату.
Для того, чтобы отпаять трансформатор я воспользуюсь естественно паяльником и оловоотсосом, нам нужно также отпаять, помимо указанных компонентов, ещё и радиатор на котором стоят основные, силовые транзисторы, плюс изолирующие прокладки и шайбы для них.
Помимо основных запчастей, которые мы изъяли с компьютерного блока питания, нам понадобиться два резистора с мощностью 1-2 ватта, с сопротивлением от 270 до 470 Ом.
Далее нам понадобятся два диода типа UF5408, можно в принципе любой ультро-фаз с током не менее 1 ампера и напряжением 400 вольт и выше.
Два стабилитрона с напряжением стабилизации от 5.1 до 6.8 вольт, желательно на 1 и 2 ватт. Полевые транзисторы N-канальные можно использовать как вариант IRF840, но я бы посоветовал более мощные IRFP460 либо 250 из той же линейки, я же в своём варианте буду использовать на 18 ампер 600 вольт, типа 18N60.
Следующий ингредиент это у нас дроссель, в принципе на дросселе от групповой стабилизации несколько независимых обмоток, их можно в принципе смотать, я откусил, оставив только силовую обмотку. Если же дроссель мотается с нуля, то обмотка состоит из провода 1.2-1.5 мм и содержит от 7 до 15 витков.
Итак трансформатор, у нас есть вторичная, выходная обмотка и первичная, обратите внимание на отдельный отвод (провод) и два правых контакта, возле них мы ставим метку, то есть к этим контактам подключаются силовые выводы с транзисторов, дальше к этим же контактам с трансформатора параллельно подключаем наш конденсатор на 1 мКф.
Потом начинается монтаж, собственно устанавливаются транзисторы на теплоотвод, я не буду использовать никакой изоляции, поскольку корпуса транзисторов у меня уже заранее изолированы с завода.
Я решил в принципе не травить, ни каких плат, а просто собрать всё навесным монтажом для максимальной простоты сборки.
Собранная монтажом схема выглядит примерно таким образом, сейчас нам нужно всего лишь подключить к выходной обмотке лампу накаливания небольшой мощности, падать питание, чтобы проверить схему на работоспособность. Теперь нам нужно отпаять два больших электролитических конденсатора с компьютерного БП, они стоят в абсолютно любом блоке питания от компьютера, ёмкость бывает разная, напряжение 200 вольт.
На базе этих конденсаторов и диодов мы создадим симметричный умножитель напряжения или просто удвоитель напряжения, поскольку выходное напряжение со вторичной обмотке трансформатора в районе 100 вольт и его нужно поднять.
Для этого мы использовать будем именно умножитель, который поднимет его в два раза.
Помимо этих конденсаторов нам также понадобиться два диода, в моём варианте UF5408, в принципе можно использовать любые диоды на 400-600, а ещё лучше 1000 вольт с током выше 2-3 ампер.
Небольшая лампа накаливания с мощностью 60 ватт горит полным накалом. Ну вот вроде и всё, на этой ноте наш преобразователь готов к работе )))В заключении хочу сказать, что схема работает в широком диапазоне питающих напряжений, в принципе от 6 вольт начинается работа, простота и доступность основное достоинство схемы, советуется подавать питание через предохранитель на 15-20 ампер.В схеме я также нарисовал резисторы, которые конденсаторы зашунтированы этими резисторами, в своём проекте я их не поставил, но вам обязательно советую это сделать.
Автор; Ака Касьян
Как вам статья?
7 простых инверторных схем, которые можно собрать дома
Эти 7 инверторных схем могут показаться простыми по своей конструкции, но они способны обеспечить достаточно высокую выходную мощность и КПД около 75%.
Узнайте, как собрать этот дешевый мини-инвертор и питать небольшие приборы на 220 В или 120 В, такие как дрели, светодиодные лампы, лампы компактных люминесцентных ламп, фены, мобильные зарядные устройства и т. д., через аккумулятор 12 В 7 Ач.
Содержание
Что такое простой инвертор
Инвертор, использующий минимальное количество компонентов для преобразования 12 В постоянного тока в 230 В переменного тока, называется простым инвертором. Свинцово-кислотная батарея на 12 В является наиболее стандартной формой батареи, которая используется для работы таких инверторов.
Начнем с самого простого из списка, в котором используется пара транзисторов 2N3055 и несколько резисторов.
1) Простая схема инвертора с использованием транзисторов с перекрестной связью
В статье рассматриваются детали конструкции мини-инвертора. Прочтите, чтобы узнать, как изменить процедуру сборки базового инвертора, который может обеспечить достаточно хорошую выходную мощность, но при этом очень доступный и элегантный.
В Интернете и электронных журналах можно найти огромное количество схем инверторов. Но эти схемы часто представляют собой очень сложные инверторы высокого класса.
Таким образом, у нас не остается другого выбора, кроме как строить инверторы, которые могут быть не только простыми в сборке, но также недорогими и высокоэффективными в работе.
Схема инвертора 12 В на 230 В
На этом ваши поиски такой схемы заканчиваются. Описанная здесь схема инвертора, пожалуй, самая маленькая по количеству компонентов, но при этом достаточно мощная, чтобы удовлетворить большинство ваших требований.
Процедура сборки
Для начала убедитесь, что у двух транзисторов 2N3055 есть надлежащие радиаторы. Его можно изготовить следующим образом:
- Вырежьте два листа алюминия по 6/4 дюйма каждый.
- Согните один конец листа, как показано на схеме. Просверлите отверстия соответствующего размера на изгибах, чтобы их можно было надежно закрепить на металлическом корпусе.

- Если вам сложно изготовить этот радиатор, вы можете просто купить его в местном магазине электроники, указанном ниже:
- Также просверлите отверстия для установки силовых транзисторов. Отверстия диаметром 3 мм, размер упаковки типа ТО-3.
- Плотно закрепите транзисторы на радиаторах с помощью гаек и болтов.
- Соедините резисторы с перекрестной связью непосредственно с выводами транзисторов в соответствии с электрической схемой.
- Теперь соедините узел радиатора, транзистора и резистора со вторичной обмоткой трансформатора.
- Закрепите всю схему вместе с трансформатором в прочном металлическом корпусе с хорошей вентиляцией.
- Установите выходную и входную розетки, держатель предохранителя и т. д. снаружи шкафа и подсоедините их соответствующим образом к узлу цепи.
После завершения описанной выше установки радиатора вам просто нужно соединить несколько резисторов высокой мощности и 2N3055 (на радиаторе) с выбранным трансформатором, как показано на следующей схеме.
Полная схема проводки
После того, как описанная выше проводка завершена, пришло время подключить к ней аккумулятор 12 В 7 Ач с лампой мощностью 60 Вт, прикрепленной к вторичной обмотке трансформатора. При включении результатом будет мгновенное освещение нагрузки с удивительной яркостью.
Здесь ключевым элементом является трансформатор, убедитесь, что трансформатор действительно рассчитан на 5 ампер, иначе вы можете обнаружить, что выходная мощность намного меньше ожидаемой.
Я могу сказать это по своему опыту, я дважды собирал это устройство, один раз, когда я был в колледже, а второй раз недавно в 2015 году. Хотя я был более опытным во время недавнего предприятия, я не мог получить потрясающую мощность, Я приобрел от моего предыдущего блока. Причина была проста: предыдущий трансформатор был прочным, сделанным на заказ 9.-0-9V 5-амперный трансформатор, по сравнению с новым, в котором я использовал, вероятно, ложно оцененный 5-амперный трансформатор, который на самом деле был всего 3-х амперным с его выходом.
Перечень деталей
Для конструкции вам потребуются следующие компоненты:
- R1, R2= 100 Ом/10 Вт, проволочная обмотка
- R3, R4= 15 Ом/10 Вт, проволочная обмотка
- 0 T1, T2 = 2N3055 СИЛОВЫЕ ТРАНЗИСТОРЫ (MOTOROLA).
- ТРАНСФОРМАТОР = 9-0-9 ВОЛЬТ / 8 А или 5 А.
- АВТОМОБИЛЬНАЯ АККУМУЛЯТОРНАЯ БАТАРЕЯ = 12 В/ 10 Ач
- АЛЮМИНИЕВЫЙ РАДИАТОР = ОБРЕЗАЕТСЯ ПО ТРЕБУЕМОМУ РАЗМЕРУ.
- ВЕНТИЛИРУЕМЫЙ МЕТАЛЛИЧЕСКИЙ ШКАФ= ПО РАЗМЕРУ ВСЕГО КОМПЛЕКТА
Видео-доказательство испытаний
Как это проверить?
- Тестирование этого мини-инвертора выполняется следующим образом:
- Для тестирования подключите лампу накаливания мощностью 60 Вт к выходному разъему инвертора.
- Затем подключите полностью заряженный автомобильный аккумулятор 12 В к клеммам питания.
- Лампа на 60 Вт должна сразу же ярко загореться, указывая на то, что инвертор работает нормально.
- На этом построение и проверка схемы инвертора завершены.

- Я надеюсь, что из приведенных выше обсуждений вы должны были четко понять, как построить инвертор, который не только прост в сборке, но и очень доступен каждому из вас.
- Его можно использовать для питания небольших электроприборов, таких как паяльник, компактные люминесцентные лампы, небольшие портативные вентиляторы и т. д. Выходная мощность составляет около 70 Вт и зависит от нагрузки.
- КПД этого инвертора составляет около 75%. Устройство может быть подключено к аккумулятору вашего автомобиля, когда вы находитесь на улице, чтобы не было проблем с переносом дополнительного аккумулятора.
Работа схемы
Работа этой схемы мини-инвертора довольно уникальна и отличается от обычных инверторов, которые включают каскад дискретного генератора для питания транзисторов.
Однако здесь две секции или две ветви цепи работают регенеративно. Это очень просто и может быть понято через следующие пункты:
Две половины схемы, независимо от того, насколько они согласованы, всегда будут иметь небольшой дисбаланс окружающих их параметров, таких как резисторы, Hfe, витки обмотки трансформатора и т.
д.
Из-за этого обе половины не могут провести вместе в одно мгновение.
Предположим, что верхняя половина транзисторов проводит сначала, очевидно, они будут получать напряжение смещения через нижнюю половину обмотки трансформатора через R2.
Однако в тот момент, когда они полностью насыщаются и проводят ток, все напряжение батареи уходит через их коллекторы на землю.
Это высасывает любое напряжение через R2 на их базу, и они немедленно перестают проводить ток.
Это дает возможность нижним транзисторам открыться, и цикл повторяется.
Таким образом, вся схема начинает колебаться.
Базовые эмиттерные резисторы используются для фиксации определенного порога нарушения проводимости, они помогают зафиксировать базовый опорный уровень смещения.
Приведенная выше схема была вдохновлена следующим дизайном Motorola:
ОБНОВЛЕНИЕ: Вы также можете попробовать это: Схема мини-инвертора мощностью 50 Вт
Форма выходного сигнала лучше, чем прямоугольная (подходит для всех электронных устройств)) Схема (схема со стороны дорожки)
Инвертор на полевых МОП-транзисторах с перекрестной связью
Следующая конструкция представляет собой простую схему инвертора на полевых МОП-транзисторах с перекрестной связью, способную подавать сетевое напряжение 220/120 В переменного тока или напряжение постоянного тока (с выпрямителем и фильтром).
Схема представляет собой простой в сборке инвертор, который повышает 12 или 14 вольт до любого уровня в зависимости от вторичной обмотки трансформатора.
В этой схеме первичная и вторичная обмотки трансформатора T1 представляют собой понижающий трансформатор от 12,6 В до 220 В, подключенный в обратном порядке.
МОП-транзисторы Q1 и Q2 могут быть любыми мощными N-канальными полевыми транзисторами. Не забудьте нанести радиатор на полевые МОП-транзисторы Q1 и Q2. Конденсаторы С1 и С2 расположены так, чтобы подавить обратные выбросы высокого напряжения от трансформатора. Вы можете использовать любое близкое значение для резисторов R1-R4 с допуском ± 20% от показанных значений на диаграмме.
Схема идеально подходит для питания ламповой схемы, или ее можно соединить с повышающим трансформатором для создания искрового промежутка, лестницы Иакова, или, регулируя частоту, ее можно использовать для питания катушки Тесла.
2) Использование микросхемы 4047
Трансформатор T может быть трансформатором 9-0-9 В / 10 А для батареи 12 В / 10 Ач Как показано выше, можно построить простой, но полезный небольшой инвертор.
с помощью всего одной микросхемы IC 4047. IC 4047 представляет собой универсальный осциллятор с одной микросхемой, который обеспечивает точные периоды включения/выключения на своих выходных контактах № 10 и № 11. Частоту здесь можно было бы определить путем точного расчета резистора R1 и конденсатора С1. Эти компоненты определяют частоту колебаний на выходе микросхемы, которая, в свою очередь, устанавливает выходную частоту 220 В переменного тока этой схемы инвертора. Он может быть установлен на 50 Гц или 60 Гц в соответствии с индивидуальными предпочтениями.
Аккумулятор, MOSFET и трансформатор можно модифицировать или модернизировать в соответствии с требуемой выходной мощностью инвертора.
Для расчета значений RC и выходной частоты см. техническое описание микросхемы
Результаты видеотестирования3) Использование микросхемы 4049
Информация о контактах микросхемы 4049 В этой простой инверторной схеме мы используем одну микросхему 4049, который включает в себя 6 вентилей НЕ или 6 инверторов внутри.
На приведенной выше диаграмме N1—-N6 обозначают 6 вентилей, которые сконфигурированы как каскады генератора и буфера. Элементы NOT N1 и N2 в основном используются для каскада генератора, C и R можно выбрать и зафиксировать для определения частоты 50 Гц или 60 Гц в соответствии со спецификациями страны
Остальные вентили с N3 по N6 настраиваются и конфигурируются как буферы и инверторы, так что конечный результат приводит к созданию чередующихся импульсов переключения для силовых транзисторов. Конфигурация также гарантирует, что ни один вентиль не останется неиспользуемым и бездействующим, что в противном случае может потребовать, чтобы их входы были подключены отдельно через линию питания.
Трансформатор и батарея могут быть выбраны в соответствии с требованиями к мощности или техническими характеристиками нагрузки.
Выходной сигнал будет чисто прямоугольным.
Формула для расчета частоты:
f = 1/1,2RC,
где R в омах, а F в фарадах
По сравнению с предыдущим инвертором НЕ, показанный выше простой инвертор на основе вентиля НЕ-И может быть построен с использованием одной микросхемы 4093.
Затворы с N1 по N4 обозначают 4 затвора внутри IC 4093.N1 подключен как схема генератора для генерации необходимых импульсов частотой 50 или 60 Гц. Они соответствующим образом инвертируются и буферизуются с помощью оставшихся затворов N2, N3, N4, чтобы, наконец, обеспечить попеременную частоту переключения через базы силовых биполярных транзисторов, которые, в свою очередь, переключают силовой трансформатор с заданной скоростью для генерации требуемого напряжения 220 В или 120 В. переменного тока на выходе.
Несмотря на то, что здесь подойдет любая микросхема вентиля И-НЕ, рекомендуется использовать микросхему 4093, поскольку она оснащена триггером Шмидта, который обеспечивает небольшую задержку переключения и помогает создать своего рода мертвое время на переключающих выходах, гарантируя, что питание устройства никогда не включаются вместе даже на долю секунды.
5) Еще один простой инвертор с затвором NAND на полевых МОП-транзисторах
В следующих параграфах описана еще одна простая, но мощная схема инвертора, которую может собрать любой энтузиаст электроники и использовать для питания большинства бытовых электроприборов (резистивные и импульсные нагрузки).
.
Использование пары полевых МОП-транзисторов влияет на мощный отклик схемы, включающей очень мало компонентов, однако прямоугольная конфигурация действительно ограничивает использование устройства в нескольких полезных приложениях.
Введение
Может показаться, что расчет параметров MOSFET включает несколько сложных шагов, однако, следуя стандартной схеме, заставить эти замечательные устройства работать, безусловно, легко.
Когда мы говорим об инверторных схемах с силовыми выходами, МОП-транзисторы обязательно становятся частью конструкции, а также основным компонентом конфигурации, особенно на выходных концах схемы.
Схемы инверторов являются фаворитами среди этих устройств, и мы обсудим одну из таких схем, включающую полевые МОП-транзисторы для питания выходного каскада схемы.
Ссылаясь на диаграмму, мы видим очень простую конструкцию инвертора, включающую каскад прямоугольного генератора, буферный каскад и каскад выходной мощности.
Использование одной ИС для генерации требуемых прямоугольных сигналов и для буферизации импульсов особенно упрощает создание конструкции, особенно для новых энтузиастов электроники.
Использование вентилей И-НЕ IC 4093 для схемы генератора
IC 4093 представляет собой микросхему триггера Шмидта с четырьмя вентилями И-НЕ, одна И-НЕ подключена как нестабильный мультивибратор для генерации базовых прямоугольных импульсов. Значение резистора или конденсатора можно отрегулировать для получения импульсов частотой 50 или 60 Гц. Для приложений 220 В необходимо выбрать вариант 50 Гц и 60 Гц для версий 120 В.
Выход вышеописанного каскада генератора связан с еще парой вентилей И-НЕ, используемых в качестве буферов, чьи выходы в конечном итоге заканчиваются вентилями соответствующих полевых МОП-транзисторов.
Два вентиля И-НЕ соединены последовательно таким образом, что два полевых МОП-транзистора поочередно получают противоположные логические уровни от каскада генератора и поочередно переключают полевые МОП-транзисторы для создания желаемой индукции во входной обмотке трансформатора.
Переключение полевых МОП-транзисторов
Описанное выше переключение полевых МОП-транзисторов заполняет весь ток батареи внутри соответствующих обмоток трансформатора, вызывая мгновенное повышение мощности на противоположной обмотке трансформатора, откуда в конечном итоге поступает выходной сигнал на нагрузку.
МОП-транзисторы способны выдерживать ток более 25 ампер, а их диапазон довольно велик, поэтому они подходят для управления трансформаторами с различными характеристиками мощности.
Остается только доработать трансформатор и аккумулятор для изготовления инверторов разных диапазонов с разной мощностью.
Список деталей для приведенной выше схемы инвертора мощностью 150 Вт:
- R1 = потенциометр 220K, необходимо установить для получения желаемой выходной частоты.
- R2, R3, R4, R5 = 1K,
- T1, T2 = IRF540
- N1-N4 = IC 4093
- C1 = 0,01UF,
- C3 = 0,1UF
TR1 = 0-12V вход. , ток = 15 А, выходное напряжение в соответствии с требуемыми спецификациями
Формула для расчета частоты будет идентична описанной выше для IC 4049.
f = 1/1,2RC. где R = установленное значение R1, а C = C1
6) Использование микросхемы 4060
Если у вас есть одна микросхема 4060 в вашем электронном ящике для мусора вместе с трансформатором и несколькими силовыми транзисторами, вы, вероятно, готовы к созданию ваша простая схема инвертора мощности с использованием этих компонентов.
Базовую конструкцию предлагаемой схемы инвертора на базе IC 4060 можно представить на приведенной выше схеме. Концепция в основном такая же, мы используем IC 4060 в качестве генератора и настраиваем его выход для создания импульсов включения-выключения попеременно через транзисторный каскад инвертора BC547.
Как и IC 4047, IC 4060 требует внешних RC-компонентов для настройки выходной частоты, однако выходы IC 4060 разбиты на 10 отдельных выводов в определенном порядке, при этом выход генерирует частоту со скоростью, вдвое превышающей его предыдущей распиновки.
Несмотря на то, что вы можете найти 10 отдельных выходов с удвоенной частотой на выходных выводах микросхемы, мы выбрали контакт № 7, поскольку он обеспечивает самую высокую частоту среди остальных и, следовательно, может выполнять эту задачу, используя стандартные компоненты для RC. сеть, которая может быть легко доступна для вас независимо от того, в какой части земного шара вы находитесь.
Для расчета значений RC для R2 +P1 и C1 и частоты вы можете использовать формулу, описанную ниже:
Или другой способ:
f(osc) = 1 / 2,3 x Rt x Ct
Rt в омах, Ct в фарадах
Дополнительную информацию можно получить из этой статьи
Вот еще одна крутая идея инвертора DIY, которая чрезвычайно надежна и использует обычные детали для достижения конструкции инвертора высокой мощности, и может быть повышен до любого желаемого уровня мощности.
Давайте узнаем больше об этой простой конструкции
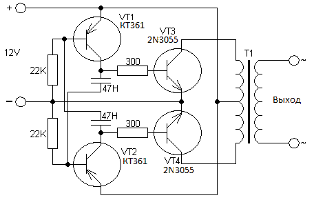
7) Простейший инвертор на 100 Вт для новичков
Схема простого инвертора на 100 Вт, рассмотренная в этой статье, может считаться самым эффективным, надежным, простым в сборке и мощным инвертором. дизайн. Он эффективно преобразует любое напряжение 12 В в 220 В, используя минимальное количество компонентов. Давайте узнаем больше.
Предлагаемая схема простого 100-ваттного инвертора была опубликована довольно давно в одном из журналов по электронике elektor, и, по моему мнению, эта схема является одной из лучших конструкций инвертора, которые вы можете получить.
Я считаю его лучшим, потому что конструкция хорошо сбалансирована, хорошо просчитана, использует обычные детали и, если все сделать правильно, заработает сразу.
Эффективность этой конструкции составляет около 85%, что хорошо, учитывая простоту формата и низкие затраты.
Использование нестабильного транзистора в качестве генератора с частотой 50 Гц
По сути, вся конструкция построена на каскаде нестабильного мультивибратора, состоящего из двух маломощных транзисторов общего назначения BC547 вместе с соответствующими частями, состоящими из двух электролитических конденсаторов и нескольких резисторов.
Этот каскад отвечает за генерацию основных импульсов частотой 50 Гц, необходимых для запуска инвертора.
Вышеупомянутые сигналы имеют низкий уровень тока и поэтому требуют повышения до более высоких порядков. Это делают драйверные транзисторы BD680, дарлингтонские по своей природе.
Эти транзисторы принимают маломощные сигналы частотой 50 Гц от транзисторных каскадов BC547 и усиливают их при более высоких уровнях тока, чтобы их можно было подавать на выходные транзисторы.
Выходные транзисторы представляют собой пару 2N3055, на базы которых подается усиленный ток от вышеуказанного драйверного каскада.
2N3055 Транзисторы в качестве силового каскада
Транзисторы 2N3055, таким образом, также управляются при высоком уровне насыщения и высоких уровнях тока, который попеременно накачивается в соответствующие обмотки трансформатора и преобразуется в требуемое напряжение 220 В переменного тока на вторичной обмотке трансформатора.
Список деталей для описанной выше простой схемы инвертора мощностью 100 Вт
- R1, R2 = 27K, 1/4 Вт, 5 %
- R3, R4, R5, R6 = 330 Ом, 1/4 Вт, 5 %
- R7 ,R8 = 22 Ом, 5 Вт, ТИП
- C1,C2 = 470 нФ
- T1,T2 = BC547,
- T3,T4 = BD680, ИЛИ TIP127
- D5,T5 = 19003 2N303 1N5402
- ТРАНСФОРМАТОР = 9-0-9 В, 5 А
- АККУМУЛЯТОР = 12 В, 26 Ач,
Радиатор для T3/T4 и T5/T6
Технические характеристики:
- Выходная мощность: 100 Вт при использовании по одному транзистору 2n3055 на каждом канале.

- Частота: 50 Гц, прямоугольная волна,
- Входное напряжение: 12 В при 5 А для 100 Вт,
- Выходное напряжение: 220 В или 120 В (с некоторыми настройками) как построить эти 7 простых инверторных схем, настроив заданную базовую схему генератора с биполярным транзисторным каскадом и трансформатором, а также включив самые обычные детали, которые могут уже быть у вас или быть доступными путем утилизации старой собранной печатной платы.
Как рассчитать резисторы и конденсаторы для частот 50 Гц или 60 Гц
В этой схеме инвертора на основе транзисторов конструкция генератора построена с использованием транзисторной нестабильной схемы.
В основном резисторы и конденсаторы, связанные с базами транзисторов, определяют выходную частоту. Хотя они правильно рассчитаны для получения частоты примерно 50 Гц, если вы заинтересованы в настройке выходной частоты в соответствии с собственными предпочтениями, вы можете легко сделать это, рассчитав их с помощью этого Транзисторный нестабильный мультивибратор Калькулятор.
Еще одна простая схема преобразователя постоянного тока в переменный ток на транзисторах
Q1 и Q2 могут быть любыми маломощными PNP-транзисторами, такими как BC557.
Универсальный двухтактный модуль
Если вы заинтересованы в создании более компактной и эффективной конструкции с использованием простой двухтактной конфигурации с 2-проводным трансформатором, вы можете попробовать следующие несколько концепций
В первом ниже используется ИС 4047, а также пара полевых МОП-транзисторов с каналом p и n:
Если вы хотите использовать какой-либо другой каскад генератора в соответствии с вашими предпочтениями, в этом случае вы можете применить следующую универсальную конструкцию.
Это позволит вам интегрировать любой желаемый каскад генератора и получить требуемый двухтактный выход 220 В.
Кроме того, он также имеет встроенную ступень зарядного устройства с автоматическим переключением.
Преимущества простого двухтактного инвертора
Основные преимущества этой универсальной двухтактной инверторной конструкции:
- В нем используется двухпроводной трансформатор, что делает конструкцию высокоэффективной с точки зрения размера и выходной мощности.

- Включает в себя переключение с зарядным устройством, которое заряжает аккумулятор при наличии сети, а при отключении сети переключается в инверторный режим с использованием той же батареи для получения требуемого напряжения 220 В от батареи.
- В нем используются обычные p-канальные и N-канальные МОП-транзисторы без каких-либо сложных схем.
- Дешевле в изготовлении и более эффективен, чем аналог центрального крана.
Инвертор SCR
Следующая схема инвертора использует SCR вместо транзисторов и, таким образом, обеспечивает еще более высокую выходную мощность при простой конфигурации.
Генерация запускается парой UJT, которые обеспечивают точную регулировку частоты, а также облегчают регулировку частоты между двумя SCR
Трансформатор может быть любым обычным железным сердечником 9-0-9 В на 220 В или на 120 В понижающий трансформатор, подключаемый в обратном порядке.

Для опытных пользователей
Выше было объяснено несколько простых схем инверторов, однако, если вы считаете, что они довольно обычные для вас, вы всегда можете изучить более продвинутые схемы, которые представлены на этом веб-сайте. Вот еще несколько ссылок для справки:
Дополнительные проекты инверторов для вас с полной онлайн-помощью!
- 7 Лучшие модифицированные схемы инвертора
- 5 Лучшие схемы инверторов на базе IC 555
- Схемы инверторов SG3525
Как починить инвертор? — Устранение основных неполадок
Если вы живете в отдаленном месте, где у вас есть только постоянный ток для питания, инвертор мощности является необходимостью. То же самое относится, если вы отправляетесь в поход на фургоне или у вас есть только внедорожник для мощности. Инверторы мощности или цифровые инверторы чрезвычайно эффективны, когда речь идет об использовании батарей в качестве более крупного источника энергии.
Они помогут вам превратить постоянный ток автомобильного аккумулятора в переменный ток и позволят заряжать устройства, запускать ноутбук или что-то в этом роде.Однако, если вы получили неисправный инвертор , и у вас нет другого выхода, кроме как отремонтировать его самостоятельно, эта статья для вас. Я расскажу обо всем, что вы должны знать об инверторах, что они из себя представляют и как они работают. Как только вы узнаете , как работает ваш инвертор , вы также пройдете через процессы, которым вы должны следовать, чтобы отремонтировать его. Оставайтесь в процессе и отремонтируйте свой инвертор самостоятельно.
Что такое инвертор?
Инвертор мощности — это устройство преобразователя мощности, которое может преобразовывать постоянный ток от батареи в переменный. Это генератор, который может быстро переключать настройки полярности с постоянного тока на переменный и создавать прямоугольную волну. С инвертором мощности вы можете использовать устройства, которым требуется переменный ток, вместо постоянного тока.
Вы можете получить выходной ток 220 В или 240 В с инвертором, который поможет вам управлять любым типом устройства. Существует три наиболее популярных типа для инверторов : инверторы с чистой синусоидой, инверторы с прямоугольной волной и инверторы с модифицированной синусоидой. Вы также найдете инверторы с типами фаз, однофазные и трехфазные инверторы для различных типов работ.Почему инвертор не работает?
Знание всех причин, по которым ваш инвертор может выйти из строя, поможет вам выбрать правильные методы устранения неполадок. Вот наиболее распространенные причины, по которым ваш инвертор мог перестать работать или работать плохо:
- Неправильное подключение батареи: Аккумулятор, который вы подключаете к инвертору, может иметь плохое соединение или вообще не подключаться.
- Коррозия клеммы аккумулятора: Если вы используете инвертор в течение длительного времени, клеммы аккумулятора могут подвергнуться коррозии из-за влажности или выделения водорода.

- Неисправный выключатель питания: Если ваш инвертор вообще не включается, возможно, неисправность связана с выключателем питания на инверторе.
- Разряженный аккумулятор: Возможно, проблема вовсе не в инверторе; вместо этого ваша батарея может быть недостаточно заряжена.
- Перегоревший предохранитель: Если вы используете его с постоянной клеммой и генератор внезапно выходит из строя, причиной может быть перегоревший предохранитель!
Как починить силовой инвертор
Если вы в конечном итоге получите неисправный инвертор, который, как вы могли подумать, вышел из строя, в конце концов, он не может быть полностью выведен из строя! Если проблема ремонтопригодна в домашних условиях, это можно сделать самостоятельно, проверив инвертор. Вот что вы можете сделать, если в последнее время вы столкнулись с неисправным силовым инвертором:
1. Устранение неисправности неисправного выключателя питания
Если силовой инвертор не включается после нажатия выключателя питания, проблема может быть связана с выключатель! Сначала вы должны проверить, все ли в порядке, и этот процесс прост.
Отключите инвертор от источника питания, подключите к нему другой прибор и включите его. Если он не включается, вам необходимо заменить выключатель питания. Вызовите профессионального электрика и получите запасной блок для переключателя, чтобы заменить его. Если вы не против сделать это самостоятельно, вы также можете заменить его самостоятельно.2. Проверьте подключение аккумулятора
Если вы используете установку в течение длительного времени, а инвертор не работает или не включается, возможно, неисправность связана с аккумулятором. В большинстве случаев проблема заключается в слабом соединении с аккумулятором, что требует его очистки и подтяжки. Если проблема не в разъеме, возможно, батарея заржавела или подверглась коррозии. Осмотрите аккумулятор и проверьте его на наличие коррозии, если она есть, отсоедините и выньте аккумулятор и очистите его. Чтобы очистить его, возьмите немного пищевой соды, смешанной с горячей водой, возьмите жесткую зубную щетку и потрите ей клемму, окунув ее в смесь.
После удаления коррозии очистите разъемы и высушите их бумажным полотенцем. Подсоедините их и попробуйте снова включить инвертор.3. Разряженная или неисправная батарея
Проблема может быть вовсе не в инверторе, если ваш инвертор не работает. Проблема также может быть с аккумулятором, особенно если вы используете его в течение длительного времени. Возможно, батарея была ослаблена и быстро разряжена, или у нее может быть внутренняя неисправность. Если ваша батарея разряжена, возможно, вам придется заменить ее или отремонтировать, если это возможно. Если батарея свинцово-кислотная и в ней заканчивается кислота, вам необходимо заменить ее кислотой, и этого будет достаточно.
4. Диагностика инвертора
Если проблема не в выключателе питания или аккумуляторе, она может быть в самом инверторе, и для ее устранения необходимо выполнить диагностику. Лучший способ сделать это после того, как вы узнаете, как работает система, получить схему инвертора. Когда у вас есть схема, пришло время проверить точки контакта одну за другой после открытия корпуса.
Если вы обнаружите, что точки контакта кажутся хорошими, переходите к остальным компонентам. Вы должны проверить вольтметр, а затем другие компоненты. Примите дополнительные меры предосторожности, чтобы убедиться, что вы вне опасности, сначала отключите его от всего.5. Заказ и замена деталей
Если вы обнаружили неисправные детали, пришло время заказать их замену и установить их. По возможности приобретайте запасные части от одного и того же производителя, чтобы обеспечить лучшее качество. Когда у вас есть компоненты, снимите старые детали с инвертора и аккуратно установите новые. В процессе снятия помните, как вы его сняли и в какую сторону идет деталь. Это поможет вам правильно установить новую деталь на свое место.
6. Проверка инвертора
После того, как вы установили новые детали на старые неисправные детали и при необходимости закрепили их на местах, настало время тестирования. Подключите инвертор к аккумулятору и подключите его к контролируемой и ограниченной мощности, например к низковольтной лампе.
Теперь используйте вольтметр, чтобы получить показания выходного сигнала инвертора и посмотреть, нормально ли он работает. Если все в порядке, машина должна работать идеально, а также должна загореться лампочка.Часто задаваемые вопросы
Вот наиболее распространенные вопроса о преобразователях мощности людей спрашивают, и вас может заинтересовать:
Как перезагрузить инвертор?
Нажмите и удерживайте кнопку ON/OFF в течение 15 секунд и подождите, пока светодиодный индикатор зарядки не начнет быстро мигать.Сколько ватт потребляет инвертор?
Обычная инверторная батарея будет заряжаться при 10 ампер и 12 вольт, что в сумме дает 120 кВт.
Будет ли работать холодильник от инвертора мощностью 2000 Вт?
Да, инвертор мощностью 2000 Вт может питать морозильную камеру мощностью 500 Вт, включая некоторые дополнительные источники света.

Заключительные слова
Инвертор мощности действительно является отличным инструментом, поскольку он может помочь вам запускать устройства с постоянным током, даже если они работают с переменным током. Он будет держать вас включенным, если у вас нет подключения к электросети после отключения электроэнергии или во время кемпинга. Однако, если он выйдет из строя, вы можете исправить это самостоятельно, если проблема связана с теми, которые я упомянул выше. Не забудьте не держать его подключенным к адаптеру переменного тока, когда вы работаете внутри инвертора. Отключите его перед началом работы, иначе могут возникнуть проблемы, так как он работает от электричества.
Автор: Johnathan Roos является владельцем сайта yorator.com, где он пишет обо всех новейших инструментах для резервного питания, таких как различные типы и источники питания, генераторы, инверторы и сопутствующие аксессуары, а также информацию об использовании и обслуживании.

Преобразователь напряжения 12В 220В. Высокое напряжение и многое другое. Сборка из сборных блоков
Нет смысла, наверное, говорить о том, что использование преобразователя напряжения с 12 на 220 вольт является требованием, которое обусловлено некоторыми низковольтными сетями, используемыми в современном быту. И это не только освещение. Конечно, проще всего купить такое устройство. Но многие начинающие электрики задаются вопросом, можно ли, а если возможно, то как сделать преобразователь с 12 на 200 вольт своими руками? Разберемся в этом вопросе и опишем схему устройства на современной элементной базе. Правда схема будет самая простая с минимальным количеством узлов и деталей.
Начнем с того, что уже давно существуют схемы, которые основаны на использовании обычных автомобильных аккумуляторов. Это, во-первых, удобно, когда речь идет о полевых условиях необходимости получения заряда с напряжением 12В. Во-вторых, само устройство преобразователя достаточно простое.
Он основан на генераторе, который управляет мощными транзисторами. Те, в свою очередь, как говорится, «раскачивают» трансформатор, установленный на выходе схемы.Но у этого устройства была одна проблема. Для управления мощными транзисторами необходимо было собрать так называемый каскад, в который вошли транзисторы средней мощности и малой мощности. То есть само устройство увеличилось в размерах, и не только из-за каскада. Для охлаждения всей этой конструкции пришлось установить довольно внушительный радиатор.
Как там сейчас
Современная элементная база позволяет сегодня упростить вышеописанную конструкцию до минимума.
- Для этого сначала придется заменить громоздкий генератор на специальную микросхему марки КР1211ЕУ1. Обратите внимание, что данная микросхема отечественного производства, зарубежных аналогов вы не найдете.
- Вместо силовых выключателей лучше всего использовать транзисторы IRL2505, они мощные и применяются в автомобильных цепях электрооборудования.
Кстати, их сопротивление 0,008 Ом, что несоизмеримо с механическими контактами.
Схема подключения
Вот схема сборки преобразователя напряжения своими руками 12 220:
В принципе схема достаточно простая, поэтому собрать ее не составит труда. Но хотелось бы обратить внимание на некоторые нюансы.
Схема КР1211ЕУ1 имеет два выхода: прямой (на рисунке обозначен позицией «4») и инверсный (положение «6»). Сигнала на этих двух выходах достаточно для управления переключателями питания. При этом сами ключи открываются только под действием импульса высокого уровня. При работе преобразователя между микросхемой и силовыми ключами образуется низкий уровень, или, как его называют специалисты, «пауза». Он кратковременный, но его достаточно, чтобы оба транзистора оставались в закрытом положении. Для чего это? Цель одна — исключить появление так называемого сквозного тока, который появляется, если одновременно открыть оба ключа.
Теперь несколько позиций по самой схеме.

- Цепь R1-C1 — устанавливает частоту самого генератора. Цепочка R2-C2 является начальным элементом.
- Трансформатор «Т1» и два транзистора IRL2505 (на схеме они обозначены как VT1 и VT2) создают двухтактный выходной каскад. Так как сопротивление транзисторов ничтожно мало, рассеивания мощности при открытых ключах практически нет, даже если ток в сети большой. Поэтому в преобразователе такого типа, у которого мощность не превышает параметр 200 Вт, радиаторы устанавливать нельзя.
- При этом транзисторы могут пропускать через себя ток постоянного действия, до 104 А, и импульсного до 360 А. В свою очередь, это позволяет использовать в преобразователе трансформатор мощностью 1000 Вт. То есть при напряжении сети 220 вольт можно снять нагрузку 400 ватт.
По факту получается, что в преобразователь 12-220 такого типа можно установить любой трансформатор с двумя 12-вольтовыми катушками. Но при этом придется учитывать соотношение мощности самого устройства к мощности потребляющей сети, это соотношение должно быть 2,5.
То есть преобразователь должен иметь мощность в 2,5 раза выше, чем у потребителей в сумме. Детальный разбор
В схеме есть стабилизатор, питающий микросхему А1. Он состоит из цепочки: R3-VD1-C3, при этом в качестве стабилитрона (VD1) можно использовать любой аналогичный прибор с показателем стабилизации 8-10 вольт.
Обратите внимание, что конденсаторы С4 и С5 установлены параллельно. Если вы не нашли их с такой емкостью, как показано на схеме, то можно произвести замену на аналогичные (желательно импортные) емкостью 4700 мкФ.
Конденсатор С6 — элемент, подавляющий высокочастотные импульсы на выходе. Лучше всего использовать для этого марку К 73-17 отечественного производства или аналогичную зарубежную.
И последняя рекомендация или нюанс. Так как в сети 12 вольт при потреблении 400 Вт будет генерироваться ток 40 А, то необходимо будет рассчитать сечение используемых проводов. Особенно это касается кабеля, соединяющего аккумулятор и преобразователь.
Обратите внимание, что длина провода должна быть минимальной.Как видите, сделать преобразователь с 12 вольт на 220В своими руками не очень сложно. Схема проста, в ней сведено к минимуму количество деталей, что снижает стоимость устройства в целом. Плюс более эффективная работа.
Более простой схемы инвертора я не видел. Для повторения нужен минимум деталей — их не более 10 штук. Для получения напряжения на выходе 220 вольт нам потребуется одна пальчиковая батарейка с напряжением 1,5 вольта.
Инверторы нужны там, где нет возможности подключиться к сети 220 вольт. Инверторы делятся на два типа: одни имеют выходное синусоидальное напряжение с частотой 50 Гц и подходят практически для любой нагрузки. Другие модификации имеют высокочастотный выход порядка 500-10000 Гц и не всегда синусоидальную форму волны.
Синусоидальные инверторы 50 Гц дороги, потому что для генерации синусоидального сигнала 50 Гц требуется большой трансформатор или фиктивная электроника.
Самый простой инвертор, который мы будем делать, относится ко второй группе.
И подходит для питания различных импульсных блоков питания, таких как зарядное устройство для телефона, энергосберегающая лампочка – люминесцентная или светодиодная.Необходимые компоненты
Трансформатор 220–6 В. Можно выдрать из старого магнитофона, приемника и т.д. или купить здесь —
Корпус батарейки АА — 1 —
Переключатель — 1 —
Плата — 1 —
Транзистор ВС547 (отечественный аналог КТ3102, КТ315) — 1 —
БД140 Транзистор с радиатором (отечественный аналог КТ814, КТ816) — 1 —
Конденсатор 0,1мкФ — 1-
Резистор 30 кОм — 1 —
Инструменты:
Паяльник, если вдруг у вас его нет, берите здесь —Схема
Знакомство с инвертором начнем со схемы. Это обычный мультивибратор на составном транзисторе. В результате получается генератор, на выходе которого стоит повышающий трансформатор.
Собираем схему. Плата макетная, с большим количеством отверстий.
Вставляем детали и припаиваем их перемычками по схеме.Проверка работы
Если все элементы схемы исправны, и схема собрана без ошибок, то инвертор начинает работать сразу и не нуждается в наладке.
Подключаем к выходу инвертора энергосберегающую лампу. Вставьте батарею и замкните выключатель. Лампочка загорелась.
Конечно, его яркость ниже, чем при питании от сети, но то, что он работает от 1,5 вольтового элемента — это прорыв!
Естественно, здесь, как и везде, действует закон сохранения энергии. Из чего следует, что ток в цепи аккумулятора будет в несколько раз выше, чем в цепи лампочки. А вообще батарейка должна быть щелочная, тогда есть шанс, что проработает чуть дольше.При установке и работе с инвертором будьте особенно осторожны, напряжение 220 вольт опасно для жизни. И, поверьте, батарейки в 1,5 вольта достаточно, чтобы нанести человеку шокирующий удар током, и даже вызвать остановку сердца.
Как известно, для этого достаточно пропустить через человека около 100 мА, на что этот инвертор вполне способен.При использовании маломощных бытовых приборов часто возникает необходимость в преобразователе напряжения с 12 на 220 вольт. Это может быть ноутбук, зарядное устройство для мобильного телефона или планшета и даже телевизор со светодиодными элементами.
Когда нужен преобразователь напряжения?
- Длительный отказ централизованного электроснабжения.
- Аварийное питание электроники газового котла.
- Отсутствие бытовой сети 220 вольт (удалённый садовый участок, гаражный кооператив).
- Автомобиль.
- Туристическая парковка (по возможности возьмите с собой аккумулятор на 12 вольт).
Во всех этих случаях достаточно иметь заряженный аккумулятор, и вы сможете полноценно пользоваться сетевым электрооборудованием.
примечание
Важно! Потребляемая мощность устройства не должна превышать нескольких сотен ватт.
Более мощные устройства будут быстро разряжать аккумулятор, используемый в качестве донора.Справедливости ради отметим, что для использования в автомобиле существуют блоки питания и зарядные устройства, которые подключаются к бортовой сети 12 вольт. Они выполнены в виде разъема, подключаемого к гнезду прикуривателя.
Однако, если у вас есть несколько гаджетов, вам придется потратиться на покупку такого же количества зарядных устройств. А имея один преобразователь с 12 на 220 — вы обеспечите полную универсальность подключения.
В продаже имеется широкий ассортимент готовых преобразователей. Мощность варьируется от 150 Вт до нескольких киловатт. Разумеется, для каждой мощности потребителя необходимо подобрать соответствующий аккумулятор.
Также необходимо внимательно читать технические характеристики — часто в рекламных целях производители указывают на упаковке пиковую мощность, которую преобразователь выдерживает всего несколько секунд. Рабочая мощность обычно на 25–30 % ниже.

Разновидности преобразователей 12 на 220 вольт
Для правильного выбора ознакомьтесь с основными типами преобразователей напряжения на рынке электротехники:
По форме выходного напряжения
Устройства делятся на чисто синусоидальные и модифицированные синусоидальные. Разницу в форме волны можно увидеть на иллюстрации.
Использованы материалы канала блогера Ак Касьяна. Подробно показана схема и сборка простого повышающего инвертора напряжения с 12 до 220 вольт, с доступными комплектующими. Мощные хорошие схемы сложны даже для продвинутых радиолюбителей, а для новичков недостижимы. Поэтому рассматривается вариант конструкции инвертора из частей неработающего блока питания компьютера. Схема была выбрана простой, чтобы каждый мог ее повторить. Их не нужно настраивать, и нет вариантов ШИМ-контроллера, которые усложнили бы задачу и затруднили настройку.
Электронные запчасти лучше всего брать в этом китайском магазине.
Видеоурок внизу поста.

Схема представлена в ознакомительных целях, в ней нет стабилизации, поэтому выходное напряжение будет отклоняться от заявленных 220 вольт. Он также не имеет защиты и на выходе постоянный ток. Это означает, что к его выходу нельзя подключать двигатели переменного тока и сетевые трансформаторы. Можно подключить паяльник, маленькие лампы накаливания, эконом лампы, но все же использовать такую схему в бытовых целях не очень рекомендуется.
В качестве донора нерабочий компьютерный блок питания.
Цепь повышающего преобразователя на 220 вольт приведена ниже.
Из блока вам потребуются: силовой импульсный трансформатор, конденсатор, дроссель групповой стабилизации, еще несколько компонентов, о которых речь пойдет ниже. Чтобы снять эти компоненты, нужно отделить плату от корпуса. Это легко сделать. Для отпайки трансформатора воспользуемся паяльником и оловоотсосом. Необходимо отпаять радиатор, на котором к ним нужны основные силовые транзисторы, изолирующие прокладки и шайбы.

Кроме элементов, снятых с блока питания компьютера, потребуются дополнительно два резистора мощностью 2 Вт и 1 Вт, сопротивлением от 270 до 470 Ом. Также потребуются два диода ув 5408, можно любой сверхбыстрый, с током не менее 1 ампера, напряжением от 400 вольт и выше, 2 стабилитрона с напряжением стабилизации от 5,1 до 6,8 вольт, лучше 1,2 ватта. Полевые транзисторы n-канальные Rf840 или более мощные Rf460 или 250 из линейки Rfp. В этой схеме будут транзисторы 18 ампер 600 вольт типа 18Н60.
Следующий элемент — дроссель. На дросселе от групповой стабилизации несколько независимых обмоток, их можно смотать или откусить провода, оставив одну силовую обмотку. Если дроссель намотан с нуля, то обмотка состоит из провода 1,2-1,5 миллиметра и содержит от 7 до 15 витков.
Трансформатор. Есть вторичная выходная обмотка, 2 контакта к ним и первичная. Обратите внимание на кран и два правых контакта. Нужны два контакта слева (видео было зеркально). Возле них ставим метку, к этим контактам подключаются силовые выводы транзисторов.
Далее подключаем наш конденсатор на 1 мкФ параллельно этому же контакту от трансформатора.Монтаж схемы
Установлены транзисторы на радиатор. На видео все собрано навесным креплением для простоты. Мы должны отогнуть средние выводы транзисторов и соединить их с двумя правыми выводами трансформатора.
Схема в сборе навесным монтажом выглядит так.
Теперь нужно подключить к выходной обмотке маломощную лампу накаливания, подать питание для проверки схемы на работоспособность. Необходимо отпаять два электролитических конденсатора от блока питания компьютера. На основе этих конденсаторов и диодов мы создадим симметричный умножитель напряжения, или .
Поскольку выходное напряжение со вторичной обмотки трансформатора составляет примерно 100 вольт, его необходимо поднять. Для этого множителя он поднимает напряжение в 2 раза.
Кроме конденсаторов нужны два быстродействующих диода. В этом варианте УФ 5408, но можно любые диоды на 400-600 колец с током выше 2-3 ампер.

Небольшая лампа накаливания мощностью около 60 Вт горит полным накалом, батарейки маломощные, но это не мешает рабочему процессу.
В заключение можно сказать, что эта простая схема инвертора работает в широком диапазоне питающих напряжений до 12 вольт. Он начинает работать от 6 вольт, выдавая на выходе 220 вольт. Простота и доступность – основные преимущества схемы. Питание лучше подавать через предохранитель на 15-20 ампер. Необходимо учитывать, что на конденсаторах умножителя остается высокое напряжение. Поэтому после выключения устройства обязательно разрядите умножитель 40-ваттной лампочки накаливания.
В цепи также нарисованы резисторы, конденсатор шунтирован этими резисторами. В данном проекте эти резисторы не установлены, но рекомендуется их использовать.
Транзисторы можно использовать не на такое высокое напряжение, как указано выше. Можно ограничиться гораздо меньшим напряжением, например 40-55 В, например, irfz44n подходят, главное условие — они держат ток и имеют минимально возможное сопротивление канала, от этого зависит нагрев цепи и просадка под нагрузкой.
Другими словами, чем ниже сопротивление канала полевого транзистора, тем больше о Большую мощность можно получить при меньшем нагреве транзисторов.Есть несколько причин, по которым владельцу необходимо создать новый преобразователь напряжения. Основное его предназначение – обеспечить напряжение сети 220В от исходного значения 12 Вт.
Многие любители делают инверторы на 12 220 В своими руками, т.к. качественные преобразователи стоят недешево. Перед сборкой устройства необходимо изучить материалы, объясняющие механизм его использования.
Комплектация преобразователей 12 220 В
По мере использования аккумулятора уровень его заряда снижается. Преобразователь стабилизирует напряжение во время движения, при отсутствии электричества.
Инвертор 12 220 В позволит владельцу улучшить инженерные сооружения в доме. Мощность устройства для преобразования тока выбирают в зависимости от общей величины эксплуатируемой нагрузки. Учитывается процесс его потребления: реактивный и активный.
Реактивная нагрузка потребляет не всю полученную энергию, поэтому общая мощность превышает ее активное значение.Инвертор с чистой синусоидой используется для подключения инструментов общей мощностью 3 кВт. Значительную экономию топлива обеспечивает использование преобразователя напряжения и мини-электростанции.
К инвертору подключаются следующие потребители:
- системы сигнализации;
- котлы отопительные;
- Устройства насосные;
- компьютерных систем.
Вернуться к оглавлению
Преимущества устройства преобразования напряжения
Инверторы завоевали уважительное отношение к своей работе, поскольку обладают рядом несомненных достоинств. Устройство работает бесшумно, не засоряет окружающее пространство выхлопными газами. Обслуживание устройства минимальное: нет необходимости проверять давление в двигателе. Инвертор имеет незначительный механический износ, позволяет подключать любые потребители.
Инвертор 12 220 В работает на повышенной мощности на КР121 ЕС, имеет высокий КПД.При сборке инвертора с драйвером в качестве мультивибратора преимущества преобразователя выражаются в доступности и простоте устройства. Габариты изделия компактные, ремонт не представляет сложности, возможна эксплуатация при отрицательных температурах.
Вернуться к оглавлению
Самодельный преобразователь 12 220 В и общий принцип его создания
На рынке радиодеталей большинство инверторов работают с использованием высоких частот. Импульсные инверторы полностью заменили классические схемы с использованием трансформаторов. Микросхема К561ТМ2 состоит из двух D-триггеров, которые содержат по два входа R и S. Она создана по КМОП-технологии и заключена в пластиковый корпус.
Задающий генератор инвертора смонтирован на базе К561ТМ2, используя для работы устройство DD1. Для делителя частоты установлен триггер DD1.2. Усилительный каскад получает сигналы от микросхемы.

Для работы выбраны транзисторы КТ827. При их отсутствии используются транзисторы КТ819 ГМ или полевые полупроводники — ИРФЗ44.
Генератор синусоидального сигнала для инвертора 12 220 В работает на высокой частоте. Для формирования цепи с размерами 50 Гц используется вторичная обмотка и параллельно подключаются конденсатор и нагрузка. При подключении любого устройства инвертор создает преобразование напряжения в 220 В.
Схема имеет один существенный недостаток — несовершенная форма выходных параметров.
Микросхема К561ТМ2 дублируется К564ТМ2. Увеличение мощности преобразователя достигается подбором более емких транзисторов. Обратите внимание на конденсатор, установленный на выходе. Имеет напряжение 250 В.
Вернуться к индексу
Сборка преобразователя из новейших деталей
Самодельные инверторы стабильно работают, на выходе транзисторы питаются от усиленного основного генератора. Использованы элементы серии КТ819ГМ, установленные на большой радиатор.

Для создания преобразователя используется упрощенная схема. В процессе работы приобретены необходимые материалы:
- микросхема КР121ЕУ1; транзисторы
- IRL2505; паяльник
- ;
- жесть.
Микросхема КР12116У1 имеет особенность: она содержит два канала регулировки переключателей и легко справляется с построением простых преобразователей напряжения. Микросхема при температуре +25°С выдает пределы напряжения 3 и 9 В.В.
Частота задающего генератора определяется параметрами элементов схемы. На выходе установлены транзисторы IRL2505. На него поступает сигнал, уровень которого позволяет регулировать выходные транзисторы.
Сформировавшийся низкий уровень не позволяет транзисторам перейти из закрытого в другое состояние. В результате полностью исключено возникновение мгновенного прохождения тока после одновременного открытия ключей. Когда на контакт 1 попадает высокий уровень, генерация импульсов отключается. На схеме контакт 1 подключен к общему проводу.

- В нем используется двухпроводной трансформатор, что делает конструкцию высокоэффективной с точки зрения размера и выходной мощности.


Описанный цикл работы устройства позволяет использовать eгo для автоматической тренировки аккумуляторных батарей циклами «заряд — разряд» при подключении к нему параллельно аккумуляторной батарее разрядного резистора.

Для этого существуют букмекерские конторы, где можно воспользоваться опытом прогнозирования в спорте и заработать.