Грамотное подключение зеркал с обогревом с автоматическим отключением | Клуб любителей классики ВАЗ-2107, ВАЗ 2106
Итак в минувшие выходные подключил подогрев зеркал, но подключил конечно по своему, хотелось реализовать автоматическое отключение зеркал по прошествии некоторого времени, искал схему подходящего реле времени дабы его спаять, но наткнулся на реле дворников от девятки 726.3777, его реализация позволяла после подачи импульса держать питание двигателя дворника несколько секунд, нам же надо несколько минут, купил такое реле…
разобрал его
что мы видим?? Видим, вроде если не изменяет память был чип ne 555, по сути реле времени, конденсатор который отвечает за длительность паузы
у меня если мне не изменяет память был равен 4,7 мКф, я его увеличил в десять раз у меня был под рукой из старого компьютерного блока питания конденсатор емкостью 47 мКф, и подходящим размером способным вместится в корпусе реле
провода припаиваем на место старого конденсатора, крепил конденсатор на термоклей, время получилось равным 8 минутам мне показалось этого более чем достаточно.
..
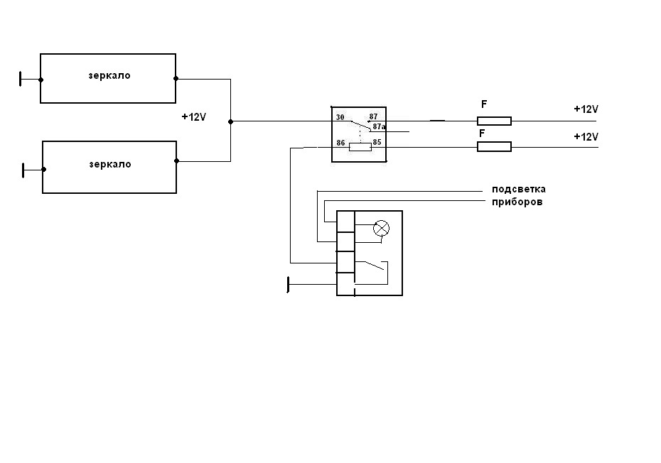
Теперь идея с выключением понятна, но реле устроено так что держит питание само (так называемый самоподхват) пока не отработает положенное время, т.е. мы могли поиметь геморрой при выключении зажигания реле продолжало бы питать зеркала разряжая наш аккумулятор, нам этого не надо, пришлось добавить еще одно обычное реле и сделать подсборку из двух реле
схема включения двух реле получилась такая
Тут нужно пояснить, реле второе справа это схематичное обозначение 726-го, я не нашел подходящего обозначения, на самом деле оно конечно внутри устроено не так. Диод нужен вот для чего, я поимел такую особенность реле при первом включении потому как не знал о ней, речь идет вот о чем, когда в первый раз я это дело все включил, все отработало как надо, зеркала спустя 8 минут отключились, я завел машину еще раз включил обогрев стекла и зеркал, и тут же выключил зажигание, но машина как ни в чем не бывало продолжала работать, я покрылся холодным потом хотя понимал что все подключил нормально и такого просто быть не должно было, но факт был на лицо, в итоге все отключил и все вернулось на круги своя, пошел домой по пути был мозговой штурм и ни чего как поступление питания на зажигание через управление реле, дальше на кнопку включения обогрева с кнопки и получалось включенное зажигание ни чего другого быть не могло, нужно было развязать эти цепи, поставил диод кд 213, его хватило за глаза, и сразу такой баг пропал.
..
Пока на данный момент контролька сделана в сигнализаторе обогрева заднего стекала, поставил яркий светодиод, его видно при включении вместе обогрева стекла и зеркал…
внутренность контрольки
В итоге получился такой алгоритм работы, включаем зажигание нажимаем кнопку обогрева заднего стекла, включается обогрев стекла и зеркал, по прошествии 8 минут отключаются зеркала, стекло работает, если выключаем зажигание то все отключается, если выключаем обогрев то зеркала продолжают работать пока не истечет 8 минут, стекло отключается, не знаю пока плюс это или минус, но такая особенность имеет место быть, можно в принципе переделать что бы отключалось от кнопки но что то пока не хочется, надо решить хорошо это или плохо .
Схема по другому.
Посмотрел собственную схему, если взять провод который подписан на зажигание, его подключить на кнопку обогрева стекла, то получим выключение зеркал и обогрева стекла при отключении зажигания и отключении зеркал/стекла при отключении кнопки же обогрева стекла, о как.
.. получился такой вариант схемы…
Зеркала с подогревом: установка и принцип действия
Такая опция, как подогрев зеркал, еще не всегда доступна в штатной комплектации автомобиля. Но в широтах с континентальным и умеренно — континентальным климатом, такая функция, как подогрев зеркал заднего вида, просто необходима.
Как известно, в таком климате часто бывают периоды с высокой влажностью, что приводит к запотеванию или замерзанию стекол и зеркал. Как обогрев приминителен для стекол, так и боковые зеркала с подогревом полностью решают эту проблему.
Содержание
- Принцип работы
- Как установить подогрев зеркал на авто
- Как подключить
- Автоматический обогрев зеркал
Принцип работы
В своей основе, подогрев боковых зеркал, состоит из любого электрического нагревателя (низкотемпературного), электропроводки, кнопки (панели) управления. Электрическая схема подогрева зеркал подключена к бортовой, 12-ти вольтовой сети автомобиля.
При замыкании контактов кнопки включения, происходит подключение подогрева зеркал (нагревательного элемента), ток нагревает поверхность зеркала, оно нагревается, и образовавшийся лед начинает таять, так же зеркало перестает запотевать.
Как установить подогрев зеркал на авто
Существует несколько способов, как установить зеркала с подогревом на свой автомобиль. Можно купить и установить тюнинговые, такие, где уже стоит подогрев зеркал, цена вопроса, конечно «ударит» по карману и к тому же неизвестно какого качества элемент подогрева зеркал установлен там.
Как вариант, можно приобрести отдельно сам элемент подогрева зеркал универсальный, установить их на зеркала, и собрать схему подключения подогрева зеркал.
Можно сделать подогрев зеркал своими руками, по себестоимости это получиться копейки, а эффективность будет «зашкаливать». Тем более при монтаже системы, можно использовать разные «умные» реле времени, реле с задержкой или же использовать реле подогрева зеркал в паре с термодатчиком (автоматическое включение при холодной погоде).
Еще есть распространенные схемы подключения к штатному обогреву заднего стекла, так как подключить подогрев зеркал к этой системе не представляет сложности и эта система вполне способна выдержать еще небольшую нагрузку, такое подключение весьма целесообразно.
Из способов, которыми можно оборудовать свой автомобиль подогревом зеркал без особых усилий, следует отметить один вариант. Обогрев зеркал с помощью обычной (или нескольких) автомобильных ламп накаливания.
Исходя из того, что одна лампа, вмонтированная в корпус зеркала, мощностью в 21 Ватт, способна за 2-3 минуты разморозить любое замершее зеркало. Если в подогрев зеркал установка одной мощной (21 Ватт) лампы покажется непрактично, та как при простом запотевании постоянно включенная такая нагрузка нежелательна, можно использовать две лампы по 10 Ват или же одну двухконтактную. Один контакт используется на размораживание, второй на защиту от запотевания.
Самой большой категорией автомобилей без подогрева зеркал, конечно же, представлены отечественные автомобили. Установка подогрева зеркал, на них, является одной из популярных тюнинговых процедур, так как не представляет особой сложности и доступна любому автовладельцу.
Когда необходим подогрев зеркал ваз, наверное, приобретение и установка отдельных зеркальных элементов, с уже встроенным обогревателем, является самым популярным и часто используемым вариантом. Так как, например, подогрев зеркал ваз 2114 и подогрев зеркал ваз 2110 похожи, рассмотрим моменты установки подогрева на эти автомобили. Чтобы заменить зеркальный элемент, на автомобилях ваз, сам корпус зеркала снимать необязательно, достаточно выполнить следующие действия:
- приложив некоторое усилие, отогнуть корпус зеркала против движения автомобиля;
- в образовавшейся щели будет видно штифт, обычно белого цвета, регулировочной тяги.
Его возможно будет снять и вытащить из корпуса; - затем вывернуть старый, зеркальный элемент в любую сторону, для того чтобы просунуть пальцы, примерно к средине элемента;
- надавив на центр зеркала, элемент, с некоторым сопротивлением, выйдет из защелки, и окажется в руках;
- Затем останется установить новый элемент, уже с подогревом, в обратной последовательности и завести проводку в салон.
Как подключить
Обычно из элемента подогревателя выходит всего два провода, подключать их можно не соблюдая полярность, подключение всегда будет параллельным и полярность роли не играет. Так как включить подогрев зеркал можно и нужно совместно с обогревателем заднего стекла, то можно подключится напрямую к этой системе. То есть при включении обогрева заднего стекла, будет включаться и обогрев зеркал, реле и кнопка подогрева зеркал, в таком случае не нужны.
Если же планируется подключение отдельно от обогрева заднего стекла, то необходимо запастись кнопкой включения, реле и выносным предохранителем на 10 А, (если использовать 10-амперную кнопку включения, то можно обойтись без реле, так как подключить зеркала с подогревом можно напрямую, из за низкой мощности потребления).
Если все же возникла необходимость сделать обогрев зеркал из подручных материалов, то как упоминалось выше, легче всего это сделать из автомобильной лампочки. Такой способ универсален и подходит на абсолютно все автомобили.
Прежде всего, требует небольшой доработки сам корпус зеркала, ему необходимо создать тепловой экран. Это можно сделать с помощью фольги, просто обклеив корпус внутри. Затем поместить и закрепив там патрон с автомобильной лампочкой, следя за тем, чтобы лампа не касалась самого зеркала или корпуса (лампа нагревается довольно сильно, и при касании может повредить зеркальный элемент или оплавить корпус зеркала).
Так же можно сделать подогрев зеркала на авто, с двумя режимами работы, мощный режим, направленный на быстрое оттаивание зеркала и слабый для защиты от запотевания. Такое можно организовать, установив например, двух-контактную лампу (21\5). В корпус зеркала, и соответственно подключив ее. В таком случае 21 Ватт будет работать на быстрое оттаивание, а 5 Ватт вполне хватит для защиты от запотевания.
Автоматический обогрев зеркал
Предлагаем посмотреть видео: автомат обогрева зеркал с функцией автозапуска и блокировки обогрева при низком заряде.
Случай из реальной жизни:
И такое бывает…
На СТО обратился новый владелец подержанной иномарки с вопросом « Как поставить подогрев зеркал?». Работники станции обсчитали ему сумму, утвердили ее и отправили хозяина домой. При разборке они были крайне удивленны, так как обогрев уже стоял, причем заводской. Вот так, новый владелец не прочитав паспорт и инструкцию и не разобравшись где включается подогрев зеркал, попал в глупую ситуацию и чуть не «попал» на деньги.
Часто Задаваемые Вопросы
Часто Задаваемые Вопросы
Q
Где выходят провода на нагревателе зеркала?
A
Это зависит от модели к модели. Пожалуйста, ознакомьтесь со схемой в нижней части страницы «Размеры зеркал и цены «.
Провода выходят из грелки через герметичную соединительную колодку 30 на 30мм квадрат и глубиной 5,5мм, 140мм
в от края центра самой короткой стороны.
Если грелка меньше 300 мм в самом длинном измерении, то
соединительный блок
находится посередине грелки. Кабель питания длиной один метр (называемый
холодный хвост, так как не нагревается) имеет овальную форму в поперечном сечении 5,5 на 3,0 мм с коричневым и синим цветом
цветные провода. Если точное расположение провода/соединения имеет решающее значение, отправьте электронное письмо или позвоните, чтобы получить совет, включая сведения о точной модели, которая вам требуется.
Q
Мое зеркало находится в душевой кабине или над ванной (зона 1). Что еще мне нужно с обогревателем MirrorMaster модели SELV (12 В)?
A
Вам понадобится трансформатор на 12 В (расположен вне непосредственной зона ванной комнаты), подключенная к вашей цепи освещения ванной комнаты. В некоторых ванных комнатах уже установлены низковольтные (12 В) системы освещения, но если у вас их нет, вы можете приобрести у нас подходящий трансформатор.
Q
Я вижу, что ваши цены включают НДС, могу ли я избежать этого?
A
Только если вы можете избежать этого на законных основаниях, что обычно означает, что мы будем отправлять за пределы ЕС.
Мы предоставляем счет-фактуру, которая позволит вам потребовать возмещения НДС, если вы являетесь плательщиком НДС.
Q
Могу ли я заплатить чеком?
A
Да, ваша подушка MirrorMaster Heater будет отправлена, как только чек будет подтвержден. Выставляйте чеки на имя «Ceetek Limited».
Q
Могу ли я вырезать подкладку большего размера, чтобы она подошла к моему зеркалу?
A
Нет, каждая прокладка изготовлена и запломбирована; вы не можете сверлить или резать его. Пожалуйста, предусмотрите крепежные винты при заказе нагревательного элемента для зеркала. Однако наши круглые и овальные зеркальные нагревательные элементы поставляются в квадратной или квадратной форме. прямоугольная форма. Это позволяет разместить грелку прямо на спине. из прямоугольного зеркала. Если реальное зеркало круглое/овальное, то избыток материал можно обрезать, если провода нагревательного элемента остаются внутри 25 мм от края грелки.
Q
Мое зеркало намного больше вашей самой большой грелки, что мне делать?
A
Вау.
Q
Можно ли подключить 12-вольтовые провода MirrorMaster к моей существующей 12-вольтовой системе освещения?
A
Зависит от мощности трансформатора. Мы поместили мощность наших обогревателей в таблицу, которую можно найти здесь Размеры зеркал . Например, если у вас есть Трансформатор 20-70 Вт с одной лампой 50 Вт, вы также можете поддерживать одну R500x250SELV Зеркальный антизапотеватель мощностью 18 Вт.
Q
Кто-нибудь может установить нагревательную панель MirrorMaster?
A
Согласно законодательству ЕС, почти все электромонтажные работы в доме должны выполняться электриком.
Q
Могу ли я купить MirrorMaster в магазине?
A
MirrorMaster обычно не продается на крупных улицах, но многие продавцы качественной сантехники и магазины для ванных комнат имеют в наличии наши прокладки для обогрева зеркал.
Q
Кто такое Ceetek Electronics по отношению к MirrorMaster?
A
Ceetek Limited — компания высшего уровня для Ceetek Electronics и MirrorMaster. Банк, Paypal и услуги кредитных карт находятся на имя Ceetek. MirrorMaster на 100% принадлежит Ceetek Limited.
Q
Я собираюсь приклеить зеркало к стене/плитке, повлияет ли это на нагреватель зеркала?
A
Полугладкая поверхность MirrorMaster разработана таким образом, чтобы можно было использовать любой обычный метод крепления зеркал, поэтому допустимо приклеивание или использование силиконового клея.
Q
До этого у меня был обогреватель зеркал из фольги, который не работал правильно. Как я могу быть уверен, что Mirrormaster будет работать?
A
Нагреватели зеркал фольгового типа, обычно 24 В, генерируют только
очень небольшое количество тепла.
Это означает, что их нужно оставить включенными.
постоянно, однако это не гарантирует, что будет произведено достаточно тепла для
Держите свое зеркало подальше от пара. Наши 200 Вт тепла на квадратный метр (150/м2
на SELV) позволяет нам
чтобы ваше зеркало не запотевало даже в самых неблагоприятных условиях.
Q
Либо из соображений бюджета, либо из эстетических соображений. небольшая площадь без пара. Я слышал, что это может разбить зеркало, это правда?
A
Стандартное зеркальное стекло обычно выдерживает увеличение температуры на 30°C.
в части зеркала без трещин. Наш Mirrormaster применяет достаточно
энергии для нагрева на 15С. Овальные и круглые зеркала предназначены для
Воспользуйтесь преимуществом частичного обогрева, позволяющего получить этот художественный «оконный» вид на зеркало любой формы.
Если вы выбрали частичное
нагрейте зеркало, убедитесь, что Mirrormaster установлен по направлению к верхней части
зеркало.
Это предотвратит стекание водяного тумана с ненагретой части зеркала.
Q
Производитель зеркал добавил пленку на обратную сторону нашего зеркало, и они говорят, что мы не можем установить антизапотеватель зеркала. Будет ли Mirrormaster все еще работают?
A
Фольга добавляется к задней части зеркал по двум причинам. Один к
помочь защитить поверхность зеркала от коррозии, а другой должен действовать как
связующее вещество, чтобы скрепить стекло в случае разбития зеркала.
Одно из беспокойств, которые у нас есть, это то, что мы больше не соприкасаемся с зеркалом, так что если клей фольги слабый, то зеркало может отслоиться от фольги. Если ты зависит от клея, чтобы удерживать зеркало на месте, тогда вам следует искать заверения производителя зеркал относительно прочности фольги зеркальный клей.

Q
Я хочу приглушить свет на 12 В в ванной. Если мой Зеркальный Мастер питается от того же трансформатора, будет ли у него достаточно мощности, чтобы поддерживать зеркало от запотевания или это повредит зеркальный коврик?
A
Мы советуем вам не повредить наш Mirrormaster, запуская его через фазовый угол или резистивный диммер, однако у нас может не быть достаточно мощности, чтобы нагреть зеркало выше точки росы, поэтому вы можете столкнуться с запотеванием.
Как это работает?
MirrorMaster обеспечивает температуру зеркала как минимум на 10–15 градусов выше, чем температура окружающей среды в вашей ванной комнате.
Наша прокладка для обогрева зеркал толщиной 0,5 мм просто приклеивается к задней части зеркала путем удаления бумажной подложки и аккуратного приглаживания ее к задней части зеркала. Mirrormaster обычно питается от сети освещения в ванной комнате.
При включении света в ванной зеркало нагревается и остается чистым, пока ванная используется.
Самоклеящийся антизапотеватель зеркал MirrorMaster с питанием от сети (demista или Denmista являются распространенными орфографическими ошибками). Доступны прокладки
Наиболее популярными являются светильники серии SELV на 12 В, которые можно просто прикрепить к задней части зеркала и подключить к светильнику в ванной через небольшой трансформатор на 12 В, например низковольтное освещение ( см. схему ). Они используются в полувлажных зонах 1 и 2 (см. правила IEE, 17-е издание).
Ответили ли мы на ваши вопросы?
Если нет, позвоните или напишите нам, и мы будем рады вам помочь.
Доступен общий техпаспорт, однако более актуальная информация всегда доступны на этом сайте.
Инструкции по установке | Moto Mirror
Aftermarket Зеркала Moto Mirror с дистанционным управлением можно приобрести у дилеров грузовых автомобилей и у независимых дистрибьюторов запчастей.
Чтобы получить качество оригинального оборудования по более низким ценам, закажите стандартные зеркала заднего вида Moto Mirror с дистанционным управлением, изготовленные с быстросъемными разъемами. Следующие инструкции по установке описывают послепродажную установку, которая не уступает по качеству оригинальному оборудованию.
При замене оригинального зеркала зеркалом с дистанционным управлением Moto Mirror см. электрическую схему.
Все продукты Moto Mirror должны быть установлены таким образом, чтобы жгут проводов выходил из нижней части зеркала. Установка зеркала вверх дном может привести к поломке зеркала и аннулированию гарантии на зеркало.
Крепление зеркала
- Расположите зеркало в кронштейне прямо вверх и вниз, как показано на схеме установки. Кронштейны и выпуклые зеркала должны быть отрегулированы так, чтобы они не мешали вращению зеркала. OEM-кронштейны для зеркал с отламывающимся кронштейном «C» могут вызвать особые проблемы, если их оттянуть назад к зеркалу, блокируя его вращение.
Эта скобка «C» должна быть на 9под углом 0 градусов к боковой стороне грузовика и затянуты достаточно, чтобы предотвратить движение С-образного кронштейна в случае захлопывания двери. - Затяните гайки на верхнем и нижнем валах с помощью двух ключей 9/16. Гайки должны быть затянуты, чтобы зеркало вращалось и не вибрировало. Используйте только предоставленное оборудование – Не используйте плоские шайбы.
- Затяните незакрепленные шестигранные гайки с усилием 15 футо-фунтов. ± 2 фунта.
ПРИМЕЧАНИЕ: НЕ ИСПОЛЬЗУЙТЕ УДАРНЫЙ гайковерт ДЛЯ ЗАТЯЖКИ ГАЙОК
Прокладка кабеля зеркала
- Найдите место в двери или кожухе для отверстия для доступа к кабелю. При необходимости снимите внутреннюю панель двери. Просверлите отверстие диаметром 9/16 дюйма и установите одну из прилагаемых прокладок.
- Протяните трос зеркала через втулку.
- Если отверстие для доступа находится в двери, необходимо просверлить отверстие в двери и дверном косяке прямо напротив друг друга, чтобы можно было провести кабель через дверной косяк.

- Установите прилагаемые втулки в каждое отверстие в дверце и дверном проеме.
- Снимите панель(и) приборной панели, необходимые для прокладки кабеля за приборной панелью.
- Протяните кабель через втулки в дверном проеме и продолжайте прокладывать провод за приборной панелью.
- Прикрепите кабель головки зеркала к кронштейну зеркала грузовика с помощью прилагаемых стяжек. Оставьте достаточный провис кабеля между головкой зеркала и первой стяжкой на кронштейне зеркала, чтобы можно было вращать зеркало, не натягивая кабель.
Установка переключателя в сборе
- Выберите удобное для руки водителя положение для установки переключателей.
- Просверлите два отверстия диаметром 1/2 дюйма в передней панели.
- Вставьте переключатели в отверстия, поместите прилагаемые идентификационные таблички переключателей на стойки переключателей и затяните стопорные гайки на обоих внутренних диаметрах. тарелки.
- Протяните кабель переключателя к кабелю зеркала.
Подсоедините одинаковые цветные провода от каждого кабеля с помощью защелкивающихся разъемов. См. электрическую схему.
Питание и заземление системы
- Подсоедините ОРАНЖЕВЫЙ кабель питания системы от выключателя двигателя к источнику питания, управляемому зажиганием
ВНИМАНИЕ: НЕ СНИМАЙТЕ ВСТРОЕННЫЙ ПРЕДОХРАНИТЕЛЬ - Подсоедините ЧЕРНЫЙ провод заземления системы от переключателя двигателя к шине заземления за приборной панелью. См. схему подключения.
- Зеркало заземлено через выключатель.
Обогреватель
Поверните выключатель зажигания и обогревателя в положение «ON». Выключатель обогревателя должен гореть, когда он находится в положении «ON». Подождите 2–3 минуты, затем коснитесь зеркального стекла, чтобы проверить, не нагрелось ли оно.
Вращение зеркала
Поверните переключатель в положение «OUT», и зеркало должно повернуться вправо. Поверните переключатель в положение «IN», и зеркало должно повернуться влево.

Его возможно будет снять и вытащить из корпуса;
Эта скобка «C» должна быть на 9под углом 0 градусов к боковой стороне грузовика и затянуты достаточно, чтобы предотвратить движение С-образного кронштейна в случае захлопывания двери.