Для чего нужен стартер в автомобиле и где он находится?
Электрический стартер упрощает жизнь современных автомобилистов, раньше, когда их ещё не существовало, автомобиль запускали при помощи «кривого стартера» или пускового двигателя. Сейчас, таких хлопот у современных водителей нет. Но бывают ситуации, когда всё же стартер подводит и запускать автомобиль приходится с «толкача». На самом деле, список неисправностей стартера небольшой и диагностировать поломку дело не сложное, потому что в его устройство входит не так уж много деталей.Вначале стоит разобраться в устройстве стартера и принципе его работы.
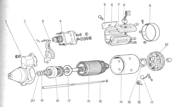
как видно из картинки выше, в устройство входят
:Две крышки: передняя и задняя. Описывать их предназначение, думаю, не нужно.
Бендикс
– это не просто шестерня, которая входит в зацепление с маховиком, он также является обгонной муфтой. Обгонная муфта нужна в момент, когда двигатель начинает работать, а стартер ещё находится в рабочем положении.
Дело в том, что обороты двигателя намного больше, чем обороты стартера, и обгонная муфта позволяет вращаться стартеру со скоростью маховика без его повреждений.
Редуктор в стартере
нужен для увеличения числа оборотов. То есть во время работы, бендикс вращается быстрее, чем якорь за счёт этого редуктора. Благодаря редуктору стартер имеет маленький размер и большое число оборотов.
На обмотки статора и ротора
поступает напряжение, и якорь начинает вращаться, тем самым прокручивая маховик двигателя.Втягивающее реле, нужно для вытягивания бендикса его удержания в рабочем положении.
Щёточный узел важная часть, на нём размещаются щётки, на которые подаётся напряжение и передаётся на коллекторные пластины якоря.
Виды стартеров
Данный тип устройств можно разделить на две разновидности:
- с редуктором;
- без него.
С редуктором
Основная особенность такого типа механизмов заключается в пониженном потреблении тока для обеспечения эффективного функционирования узла.
Благодаря этому стартер может качественно прокрутить коленвал двигателя даже в случае низкого заряда батареи. Основным преимуществом устройств считается использование постоянных магнитов в конструкции. Это позволяет обеспечить более высокий ресурс эксплуатации обмотки статора и свести проблемы, связанные с ней, к минимуму.
На практике автовладельцы машин, оснащенных такими стартерами, сталкиваются с другими проблемами. К примеру, длительная эксплуатация приводит к выходу из строя вращающейся шестеренки. Однако, данная неисправность обычно обусловлена заводским браком либо некачественным изготовлением механизма.
Где находится стартёр?
При отказе пускового устройства становится актуальной информация, где находится и как снять стартер своими силами. Основными проблемами являются нижнее расположение этого узла (сложно достать при открытом капоте) и наличие электрической части (клеммы придется отключить). Наличие ямы или ручного подъемника резко облегчает задачу, так как обеспечивает доступ снизу.
Рис. 1 Демонтаж стартера
Пусковое устройство необходимо для запуска ДВС за счет раскручивания маховика. Поэтому перед тем, как снять стартер логично искать его возле коленвала, то есть под двигателем, со стороны водительского сиденья. В зацепление с маховиком входит бендикс, поэтому посадочные отверстия под болты крепления расположены с противоположной стороны пускового устройства.
Электродвигатель стартера
Он состоит из якоря и статора. В зависимости от модификации в статоре могут использоваться постоянные магниты или обмотка, для создания электромагнитного поля. Щетки, которые передают напряжение от выходного силового контакта втягивающего реле или обмоток статора на обмотки якоря через контактные кольца.
Читайте также: Как правильно принимать Энтерофурил
Принцип работы
При включении стартера замыкаются силовые контакты втягивающего реле. Ток поступает на контактные щетки. Их четыре штуки. Две из них – плюсовые, подают ток на обмотки якоря, две – минусовые, соединены с массой.
То есть, создается цепь, напряжение идет через обмотку якоря, он находится в магнитном поле статора и начинает вращаться.
Если вместо постоянных магнитов на статоре используется электрическая обмотка для создания магнитного поля, то ток от реле поступает на эту обмотку, а затем на контакты щеток. Дальше ток течет по выше описанному пути.
Видео устройства и принципа работы стартерного электродвигателя:
Реле стартера описание назначение устройство ремонт фото видео
Поделиться «Реле стартера описание назначение устройство ремонт фото видео»
Движение любого автомобиля начинается с запуска двигателя. Если Вы хотите понимать принципы работы основных узлов авто, то рекомендуем начать изучение именно с системы пуска. Одно из самых уязвимых мест этой системы реле стартера. О такой детали слышали практически все, но далеко не многие понимают принцип ее работы. Прежде чем начать разговор о реле стартера, стоит заметить, что конструкция автомобиля имеет одновременно две детали с таким названием, только первая, отвечает за включение стартера, оно находится обычно в моторном отсеке, а вторая втягивающее реле стартера.
Что такое стартер в автомобиле
Термин стартер происходит от английского слова starter или start, что переводится — «пускать в ход». Устройство играет роль механизма — он раскручивает вал мотора до такой частоты, при которой он запустится. Вообще стартер предназначен для запуска какого-либо механизма, например, его применяют для подачи напряжения в лампе тлеющего разряда или для запуска безмоторных моделей в авиамоделизме.
Как выглядит стартер? Это цилиндр, который находится в металлическом корпусе. Средняя длина устройства – 15 см, диаметр 7-10 см. В конструкцию пускового устройства входят 3 основные детали: электродвигатель, приводная шестерня с обгонной муфтой и втягивающее реле цилиндрической формы. Устройство соединено проводом с аккумулятором. Пусковое устройство может развить 5000 оборотов в минуту на холостом ходу.
К какой категории относится стартер? Отвечу так: любой механизм, собранный из деталей – это агрегат. Также этот агрегат может быть деталью в другом агрегате.
А составляющий элемент – это то, что не содержит в себе составляющих: корпус, винт, провод и т.д.
Как называется ручной стартер? В народе его называют так: кривой стартер, ручка, рукоятка, кикстартер, пусковой рычаг, шмыргалка. А сам термин стартер называется по-другому стартёр или пускач.
По-научному прямое назначение стартера – это преобразование электрической энергии в механическую. А служит он для запуска двигателя внутреннего сгорания посредством воздействия на коленвал, чтобы он пришёл в движение.
Поскольку стартер в машине отвечает за запуск двигателя, причём производители автомобилей придумывают много дополнительных методов для повышения безопасности при пуске мотора и уменьшения вероятности угона. В некоторых автомобилях мотор можно завести только при выжатом сцеплении, а в «автомате» при нахождении рычага в режиме parking.
Где на двигателе находится и куда крепится стартер? Как правило, стартер стоит в узле соединения двигателя с коробкой передач (недалеко от картера ДВС), рядом с маховиком.
Пусковое устройство может быть расположено как в верхней части, так и в нижней части в горизонтальном положении на фланце или опорной раме. Если устройство установлено сверху, то к нему можно получить доступ из-под капота, а если в нижней части — то только из-под днища автомобиля. Устройство фиксируется при помощи 2-3 больших болтов.
Давайте подробно рассмотрим, из чего сделан стартер.
Основные неисправности
Разобравшись в том, что такое стартер в автомобиле, можно понять его основные неисправности. Для этой детали не характерна внезапная поломка. Как правило, дефекты накапливаются и в итоге приводят к внезапной остановке автомобиля, иногда он просто отказывается запускаться.
Запуск автомобиля напрямую зависит от работы стартера, поэтому в случае обнаружения вышеперечисленных неисправностей – требуется срочно обратиться в сервис.
Источник
Самые распространенные причины, по которым не крутит стартер
Исключив самые простые и банальные причины, по которым не работает стартер вам нужно снять его с авто, разобрать, и попытаться провести диагностику самостоятельно.
Вот несколько самых распространенных ситуаций:
- Проблемы с работой аккумулятора. Если нет проблем с зарядом, то нужно проверит состояние клемм и контактов.
Самым коварным моментом является провод «минус», соединяющий коробку передач и корпус машины. Контакт может появляться и снова исчезать. Нужно полностью его отсоединить, почистить и поставить на место. Если ничего не поменялось, то продолжаем искать причину поломки дальше.
- Случаются ситуации, когда втягивающее реле подает соответствующие звуки, но мотор не начинает работу. Причиной такой ситуации тоже является разряженный аккумулятор. В этом случае и лампочки на панели приборов тухнут. Для решения проблемы просто зарядите батарею, но задумайтесь, что могло привести к ее полной разрядке.
- Охранные системы иногда преподносят сюрпризы и неожиданности. Определить поломки такого характера просто, а вот избавится от них довольно сложно. Причина в несоответствии характеристик охранных систем и иммобилайзеров некоторых авто.
Проявляются они не сразу, а спустя некоторое время. Такая проблема была актуальна для Форд Фокус второго поколения, выпущенного в 2008 году. Машина работала исключительно, но в один день стартер переставал работать. После тщательной проверки можно было точно сказать что с контактами и электроникой автомобиля все в полном порядке, но деталь упрямо не выполняла своих функций. Решалась проблема заменой стандартного иммобилайзера. Поломку выявить оказалось просто – в обход всех систем просто с кнопки шло питание с АКБ на стартер, и он отлично работал. Случай выглядит скорее как исключение, но все же не стоит сбрасывать его со счетов. - Проблемы с втягивающим реле. Сделать его диагностику предельно просто, достаточно подать заряд напрямую с аккумулятора на клемму реле. Если двигатель начинает работу в нормальном режиме, значит, проблема исходит из самого реле. Нужно просто почистить контакты, которые, скорее всего, подгорели. Но имейте в виду, после такой чистки реле все равно долго не прослужит, потому что заводом изготовителем на пятаки клемм наносился специальный антикоррозийный слой, который после чистки исчезает.
Так что будьте готовы к приобретению новой детали. - Бендикс – это такая шестерня, которая находится на одном валу с ротором стартера. Главная задача бендикса – передача вращающего момента с электрического мотора стартера на двигатель авто. Чтоб определить, что виновником не работы стартера это бендикс нужно просто соединить две силовые клеммы на реле. Так мы пустим ток в обход реле, и сможем узнать, работает ли он в таком положении.
Еще одна проблема, связанная с работой бендикса – износ зубьев шестерни. В том случае деталь неплотно соединяется с маховиком, делая холостые обороты. При наличии такой проблемы слышен характерный шум и потрескивание. Чтоб решит эту проблему достаточно заменить шестерню, разобрав полностью стартер.
- Втулки стартера. Спереди и сзади стартера расположены специальные подшипники, на которых и вращается вал. В этом случае реле издает щелкающий звук но не прокручивает стартер, потому что вал не может больше исполнят эту функцию, и первичная обмотка детали замыкает с вторичной.
В этом случае нужно быть предельно внимательным, ведь такая ситуация приводит к оплавке проводов, по причине которых возможно короткое замыкание, сбой в электронике автомобиля и в самых страшных случаях – пожару.
Если при запуске авто щелкает реле, а стартер не крутится, то нельзя его долгое время держать включенным. После нескольких попыток вал зачастую становится на место и машина заводится в обычном режиме. Но как только появились первые симптомы, нужно сразу же обратиться за квалифицированной помощью или самостоятельно заменить втулки на стартере. Если проигнорировать эту проблему, то последствия могут быть весьма плачевными.
- Блок щеток. Проникаем вглубь стартера, его электродвигатель работает только при условии стабильной подачи электроэнергии от АКБ через щетки на первичную обмотку. Но щетки имеют ограниченный срок службы, так как изготовлены из графита, и быстро стираются. Этот вариант легко просчитать, посмотрев на общий пробег автомобиля. Чтоб устранить поломку нужно разбирать стартер, добираться до щеток и визуально объективно оценивать их состояние.
Если они изношены, то нужно просто заменить их новыми. - Обмотки стартера. Стартер представляет собой привычный всем электрический двигатель, которому свойственны все обычные болезни для таких устройств. Одной из самых распространенных является проблема с износом обмоток. Если вы чувствуете резкий запах при запуске двигателя – это явный признак того, что в ближайшем времени потребуется замена обмотки. Разобрав стартер с погоревшей обмоткой мы увидим что он изменил цвет, пахнет гарью, выгорел защитный лак, и цвет изменился на более темный. Такое происходит, если водитель переусердствовал с попытками запустить неработающий стартер.
В норме работа стартера должна ограничиваться несколькими секундами, но неопытные воители могут пытаться завести двигатель не оставляя в покое стартер по несколько минут, тем самым сжигая обмотку детали. После такого происшествия приходится менять весь стартер, так как замена обмотки – дело долгое, дорогое и хлопотное. Да и в материальном вопросе зачастую покупка нового стартера и замена обмотки стоят одинаково.
Поэтому не пытайтесь выжать из стартера все соки, берегите его.
Как уберечь стартер от поломки?
Стартер автомобиля – очень важный механизм, без которого машина просто не будет двигаться с места. Далеко не каждый автомобилист
сможет самостоятельно найти причину, по которой стартер не крутит, но в силах любого предпринять меры профилактики чтоб он служил долго и качественно.
- Все автомобилисты знают, что нужно регулярно проходит ТО на станции, которой вы доверяете. Здесь смогут определить проблемы на начальной стадии и сразу же их исправить. Опытный мастер может найти проблемы в работе стартера на начальной стадии, и спасти еще рабочую деталь.
Мы говорим о тех ситуациях, когда мотор вашего авто не заводится в течении первых 5 секунд. Это свидетельствует о проблемах с работой стартера. Но многих начинающие водители упрямо пытаются решить проблему нажимая кнопку зажигания снова и снова. Тогда стартер просто ломается и требует замены.
- Автозапуск очень быстро сжигает стартер и разряжает аккумулятор, лишая этим возможности транспортного средства к передвижению.

- Опытным водителям знакомы ситуации, когда неожиданно заканчивается бензин. И чтоб не толкать машину несколько километров до заправки, они едут на стартере. Такой вариант возможен, но для детали он скорее всего станет последним. При таких нагрузках стартер просто не выдерживает и сгорает. Думайте сами, стоят ли несколько километров дороги покупки новой детали.
- Не стоит оставлять стартер включённым после запуска двигателя. Это приведет к неоправданно быстрому износу детали.
Помните, в некоторых случаях машина заводится не с первого раза, особенно холодными зимними вечерами. А вот брелок сигнализации говорит владельцу об обратном. В таком случае виной всему служит сигнализация, которая просто не поняла что мотор не запустился, и бесконечно гоняет стартер в попытка завести двигатель автомобиля. Если вы увидели такую проблему и в своей машине, сразу же обратитесь за помощью к специалистам, в противном случае автозапуск просто испортит вам стартер постоянными попытками завести мотор.
К тому же вы будете иметь постоянно севший аккумулятор.
Иногда случаются ситуации, когда машина заведена с помощью автозапуска, но стартер продолжает работать еще в течение нескольких секунд. Происходит это по вине сигнализации, которая вовремя не отключила деталь. Если такая ситуация будет повторяться в дальнейшем, то ничего хорошего из этого не получится.
Принцип работы
Учитывая устройство стартера, рассмотрим его работу пошагово:
- Водитель включает зажигание и на втягивающее реле подается управляющее напряжение. Катушка реле намагничивается и перемещает сердечник.
- Сердечник подводит бендикс и шестерню к маховику при помощи вилки и в конце своего хода замыкает контактные пятаки на электродвигатель.
- Пусковой ток подается на обмотку якоря, который начинает вращаться в магнитном поле статора. Стартер начал работать.
- Двигатель запустился, водитель повернул ключ из положения пуска. Управляющий ток перестал подаваться на втягивающее реле, пятаки разомкнулись, а бендикс с шестерней вернулся в исходное положение под действием возвратной пружины.
Стартер прекратил свою работу.
Неправильная эксплуатация
И хотя многие водители понимают, что стартер – это всего лишь инструмент запуска мотора, многие его эксплуатируют неправильно. В частности, распространены ситуации, когда после запуска двигателя водитель все равно удерживает ключ в замке зажигания в положении «Старт». Следует понимать, что ток, потребляемый стартером при работе, составляет 100-200 ампер, а в мороз может достигать 400-500 ампер. Именно поэтому не рекомендуют удерживать стартер в течение 10 секунд и более. В противном случае бендикс может сильно раскрутиться, нагреться и заклинить.
Также водители часто используют стартер как электродвигатель в тех случаях, когда в баке нет бензина. Они просто включают первую передачу и поворачивают ключ зажигания. Машина трогается и даже едет лишь благодаря работе стартера. Таким способом можно проехать 100-200 метров, однако это окончательно «убьет» стартер.
В общем, работать стартер должен 3-4 секунды максимум.
Если двигатель запускается в течение 10 секунд, то с системой явно что-то не в порядке.
Поовое подключение стартера на ВАЗ видеоинструкция
Первым делом нужно изучить, как работает стартер, потому как именно отсюда начинает свою работу любой автомобиль. К тому же, если вы знаете, как устроен стартер, то сможете запустить мотор и выяснить причину плохого запуска.
Чтобы самостоятельно отремонтировать стартер автомобиля, достаточно знать несколько моментов.
Большинство водителей полагают, что стартер – это реле втягивающего действия. Это реле меняет то положение, в котором находится муфта свободного действия, выдвигающая шестерню, чтобы запускать двигатель. Когда происходит запуск двигателя, реле освобождается от тока, и муфта возвращает свое прежнее положение, таким образом, шестерня попадает назад. За счет этого сохраняется время работы шестерни, и стартер машины не портится.
Реле стартера имеет подключение к цепному питанию, тем самым замыкая и размыкая цепь, в зависимости от того, с какой скоростью вращается коленчатый вал.
На всех автомобилях устройство стартеров одинаковое, отличия лишь незначительные, которые могу быть в конструкции, но не в принципе работы. Если вы разбираетесь, как работает стартер в одном автомобиле, то без затруднений разберетесь и в другом.
В любом стартере имеется главных 40-60 деталей, к ним относятся:
- бендикс;
- реле втягивания;
- двигатель постоянного тока электрический.
Водителю лучше знать, какую схему имеет стартер, и какие функции выполняют его части. Основным узлом является электродвигатель. Когда он включается, вал дает вращение коленчатому валу мотора.
Вспомогательные устройства – это бендикс и реле втягивания. Узел называется бендиксом, потому что его изобрел американский изобретатель Винсент Бендикс. Задача этого устройства в том, чтобы обеспечить вращение коленвала.
Какие функции выполняет реле:
- Защищает стартер от замыкания контактов в зажигании.
- С целью отключения питания стартера в той ситуации, когда мотор работает, а ключ показывает режим «стартер».

- Обеспечивает разгрузку контактов в замке зажигания.
Основные элементы, входящие в схему стартера, работают следующим образом. Когда мотор запускается, напряжение от генератора идет на обмотку реле. Затем начинают работать шестерни приводной системы, за счет чего возникает магнитное поле. Маховик двигательной системы работает. Шестерня начинает свою работу благодаря обмотке удерживания, в то время когда болты замкнутся. Когда ключ возвращается в замок зажигания, то происходит обесточивание обмотки, таким образом, шестерня и маховик разъединяются. Эта схема касается современных автомобилей, включая и модели ВАЗ.
Рассмотрим несколько причин, по которым придется менять стартер или произвести его ремонт.
- Разрядка аккумулятора. Или могут окислиться наконечники или выводы. В этом случае достаточно устранить неисправности, тогда стартер снова начнет нормально работать.
- Инжектор. Некоторые «десятки» не воспринимают топливо плохого качества, поэтому инжектор может забиваться и загрязняться.
Нужно его промыть. - Если стартер работает с громким шумом, то это могло ослабиться крепление полюса или стартера. В первой ситуации усильте крепление, для этого затяните винт, а во второй – закрепите стартер.
- Если вы разобрали стартер и увидели, что муфта начинает пробуксовывать, то единственное, что нужно будет сделать, – это заменить привод стартера.
Подключение стартера на ВАЗ-2110 должно происходить следующим образом. Подготовьте:
- провод сечением 1,5 м2;
- разъем вида «мама» в количестве 5 штук;
- разъем вида «папа» в количестве 1 штуки;
- реле с 4-мя контактами и металлическим ушком;
- кольцевой наконечник для 6 мм (количество – 1 шт.) и наконечник для 8 мм (тоже 1 шт).
Закрепите реле в том месте, где удобно (это может быть бачок омывателя). Подведите провода к стартеру. Затем снимите проводок красного цвета, находящегося на плоском выводе реле, и нужно сделать соединение с разъемом провода типа «папа» и провода от нового реле.
Провод, имеющий кольцевой наконечник для 8 мм, оденьте на положительную сторону стартера и притяните гайкой. Провод нового реле типа «мама» наденьте на тот контакт, который освободился у тягового реле. Этот провод будет передавать плюс на катушку. Используя хомут, притяните новый провод и штатный вместе. Провод от катушки маленькой длины прикрутите. Теперь можно произвести включение нового реле.
Будьте внимательны, такая инструкция предназначается только для автомобилей ВАЗ-2110, так как там, где реле такого типа нет, значит, оно там и не должно быть. Вполне вероятно, что имеются особенности электрической системы.
Конструкция
Как говорилось выше, стартер – это электромеханический механизм, преобразующий электрическую энергию в энергию вращения. Она передается на вал мотора, чтобы его прокрутить для запуска. Поэтому разделить его условно можно на две части: электрическая и механическая.
К электрической относятся:
- Втягивающее реле с обмотками (втягивающей и удерживающей)
- Щетки.
Они передают ток на обмотки якоря - Электродвигатель
Механическая часть:
- Шток втягивающего реле с пружиной
- Вилка
- Бендикс с шестерней
- Шток электродвигателя.
В зависимости от конструкции различают классические и редукторные стартеры. В редукторном, для передачи крутящего момента, используется редуктор. На хвостовик которого «насажен» бендикс. В классическом варианте – он находится на самом якоре электродвигателя.
Редуктор упрощает передачу энергии вращения на коленчатый вал ДВС, уменьшает количество затраченной энергии. Из недостатков – меньшая надежность и усложнение механизма.
Рассмотрим конструкцию каждой части стартера. Из чего она состоит и для чего нужна.
Устройство бендикса
Бендикс представляет собой довольно интересное устройство. Иногда его называют муфтой свободного хода или обгонной муфтой.
Бендикс
Для запуска двигателя нужно, чтобы маховик вращался не медленнее, чем 100 об/мин.
Так как шестерня стартера намного меньше зубчатого венца маховика, ей нужно вращаться в 10 раз быстрее, чтобы придать маховику необходимое ускорение. Это 1000 об/мин.
Когда двигатель заводится, маховик начинает вращаться очень быстро. Он передает это быстрое вращение на шестерню. Нетрудно посчитать, что скорость вращения шестерни при этом будет уже 10 000 об/мин. Если на вал стартера передалось такое ускорение, то он бы не выдержал. Именно для этого и нужен бендикс. Он передает вращение от шестерни на маховик, но не передает его обратно от маховика на шестерню.
Бендикс в разборе
Сам бендикс состоит из двух частей: шестерни и корпуса. Внутренняя обойма шестерни входит в корпус с внешней обоймой. Внутри этой обоймы находятся четыре ролика с пружинками. Корпус бендикса вращается через вал стартера. При вращении внутренняя обойма шестерни как бы заклинивает в корпусе и вращается, а при вращении шестерни от маховика эти ролики расходятся и не передают вращение на вал. Сам вал стартера при этом вращается с прежней скоростью.
Поломанный стартер – чинить или менять?
Чаще всего, при покупке нового автомобиля стартер не нуждается в повышенном внимании первые 5-7 лет. После этого возможны поломки и неполадки в работе, которые нужно сразу же устранять.
Стартер относится к дорогостоящим комплектующим. Перед тем, как установить деталь на автомобиль она долго тестируется и проверяется экспертами и во время краш тестов. Именно поэтому в США и других развитых странах ремонт, а точнее восстановление стартеров происходит непосредственно на заводе – изготовителе конвейерным способом.
При обращении на СТО с жалобами на работу стартера его сразу же меняют на новый или восстановленный, а поломанная деталь отправляется напрямую на завод, который ее произвел. В такой ситуации машина продолжает ездить без проблем, без ущерба для владельца.
Что же касается нашей страны, то при поломке меняют деталь на новую лишь 1 из 10 пользователей авто. Такая ситуация напрямую связана с ценовой политикой, ведь починить стартер значительно дешевле, чем приобрести новую деталь.
Если поломка незначительная, то ремонт выгоднее, но если обгорела обмотка либо вышел из стоя якорь, то починка может стоить как большая половина нового стартера. Чтоб не попасть в ситуация, при которой скупой платит дважды, лучше сразу поменять деталь на новую.
За счет того, что новые комплектующие имеют достаточно высокую цену, а стоимость работы ей рана, ремонт стартеров это отличная возможность для работников СТО заработать денег. Сегодня на многих сервисных центрах висит табличка, с призывом обратится в их компанию для ремонта, но на самом деле хороших мастеров очень мало. Большая часть ответственных мастеров даже не берутся за такую работу. Те автовладельцы, которые хотят сэкономить немного финансов обращаются за помощью к некачественным мастерам, которые плохо чинят, и через некоторое время вы снова окажитесь в плену поломанных деталей.
В качестве вывода хочется сказать, что большинство проблем со стартером возникает вследствие неумелого с ним обращения самого собственника машины.
После определения поломки и ее исправления задумайтесь на минутку, что привело к такому состоянию детали? Не ваш ли способ управления авто?
Типы и их особенности
Выше описана классическая конструкция стартера. Она отличается тем, что бендикс посажен напрямую на вал ротора. Такой тип сейчас считается устаревшим. Такая конструкция требует использования электродвигателя со сниженной скоростью вращения и повышенным тяговым усилием. Из-за этого стартер был массивным и значительным по размерам.
Более современной считается конструкция стартера, которая включает в себя редуктор.
Редуктор в конструкции обеспечивает изменение передаточного соотношения. То есть, этот элемент преобразовывает скорость вращения в тяговое усилие. Поэтому нет надобности использовать мощные электродвигатели, да еще и со сниженными оборотами. Использование редуктора позволило уменьшить размеры стартера и обеспечить уменьшенное потребление электроэнергии.
В конструкции редукторных стартеров применяются разные типы редукторов, но наибольшее распространение получила планетарная передача.
Она компактна по размерам и достаточно надежна.
В планетарном редукторе используется дополнительный вал, на который посажен бендикс. То есть прямой связи между ним и ротором эл. двигателя нет, но они взаимодействуют между собой через редуктор.
Классический планетарный редуктор состоит из ведущей шестерни (прозванной солнечной), зубчатого венца и водило с сателлитами. Все составные части зацеплены между собой. Отличительной особенностью этого редуктора — это использования каждой составной части в качестве и ведомого элемента.
В случае со стартером в качестве ведущей шестерни выступает солнечная, установленная на валу ротора. Зубчатый венец обездвижен и зафиксирован в корпусе. Выходное вращение с редуктора снимается с водило, к которому прикреплен вал бендикса.
Несмотря на дополнительную составную часть принцип работы редукторного стартера не отличается от классического.
Выпускаются редукторные стартеры и с цилиндрической передачей. Но ввиду более сложной конструкции они встречаются реже, чем изделия с планетарной передачей.
Ещё кое-что полезное для Вас:
Стартер автомобиля — презентация онлайн
Похожие презентации:
3D печать и 3D принтер
Грузоподъемные машины. (Лекция 4.1.2)
Видеокарта. Виды видеокарт
Анализ компании Apple
Трансформаторы тока и напряжения
Транзисторы
Зубчатые передачи
Гидравлический домкрат в быту
Устройство стиральной машины LG. Электрика
Детали машин и основы конструирования
Новосибирский электромеханический колледж
Тема занятия:
СТАРТЕР
ДИСЦИПЛИНА:
ЭЛЕКТРООБОРУДОВАНИЕ
ЭЛЕМЕНТАМИ ЭЛЕКТРОНИКИ
Автор: Преподаватель Маршавин Дмитрий Викторович
АВТОМОБИЛЯ
С
История создания автомобильного стартера
В 1911 году изобретатель из Огайо — рядовой сотрудник
компании Delco Products — Чарльз Кеттеринг приступает к
работе над проектом, который впоследствии принесет ему
мировую известность и вице-президенство в корпорации
«General Motors».
стартер для запуска автомобильного двигателя».
15 июня 1911 года Чарльз Кеттеринг представляет
стартер — электрический моторчик, который в течение короткого
промежутка времени развивал достаточно большую мощность,
чтобы раскрутить коленвал двигателя до требуемой частоты
вращения, а после запуска тот же электромотор использовался в
качестве генератора.
ОТСОЕДЕНИТЬ
ПРОВОД АКБ
ОТКРУТИТЬ
ГАЙКУ
ОТКРУТИТЬ
ГАЙКУ
СНЯТИЕ СТАРТЕРА С АВТОМОБИЛЯ
ОТСОЕДИНИТЬ
ПРОВОД ЗАМКА
ЗАЖИГАНИЯ
ВТЯГИВАЮЩЕЕ
РЕЛЕ СТАРЕРА
МАСКА
СТАРТЕРА
ЭЛЕКТРОДВИГАТЕЛЬ
СТАРТЕРА
ОСНОВНЫЕ ЭЛЕМЕНТЫ СТАРТЕРА
СТАРТЕР В РАЗРЕЗЕ
УСТРОЙСТВО СТАРТЕРА
Щеточный узел.
Щеточный
узел
—
узел
электродвигателя,
обеспечивающий скользящий контакт с подвижным якорем.
Щеточный узел состоит из нескольких основных деталей —
щеток и щеткодержателя, который удерживает щетки в рабочем
положении.
Щетки прижимаются к коллекторному узлу якоря (онсостоит из ряда медных пластин, являющихся контактами
обмоток якоря), чем и обеспечивается постоянная подача тока
на обмотки якоря при его вращении.
Щетка
представляет
собой
параллелепипед,
отформованный из специального токопроводящего материала
на основе графита.
ЩЕТКИ
ПРУЖИНЫ
ЩЕТОЧНЫЙ УЗЕЛ СТАРТЕРА
УСТРОЙСТВО СТАРТЕРА
Якорь стартера.
Во всех современных автомобилях используется
система электропуска двигателя, в основе которой
лежит электрический стартер — электромотор
постоянного
тока
специальной
конструкции,
приводящий во вращение коленчатый вал двигателя и
его основные системы. Как и во всяком
электродвигателе, в стартере есть неподвижная часть
сложившейся традиции принято называть якорем.
ЭЛЕКТРОТЕХНИЧЕСКАЯ
СТАЛЬ
ВАЛ
ЛАМЕЛИ
КОЛЛЕКТОРА
МЕДНЫЙ
ПРОВОДНИК
ЯКОРЬ СТАРТЕРА
МЕСТО УСТАНОВКИ
ЯКОРЯ СТАРТЕРА
ПРИБОР ДЛЯ ПРОВЕРКИ ЯКОРЕЙ ЭЛЕКТРОДВИГАТЕЛЕЙ
УСТРОЙСТВО СТАРТЕРА
Планетарный редуктор
Планетарный редуктор — это механизм, который преобразует
крутящий момент (повышает или понижает).
Если
высокая
угловая скорость преобразуется в низкую, редуктор называется
демультипликатором.
Если низкая угловая скорость преобразуется в высокую –
тогда это мультипликатор.
В стартерах применяют демультипликатор, для уменьшения
габаритов стартера.
Использование редуктора позволило снизить мощность
электродвигателя.
Важной особенностью подобного типа стартеров является наличие
постоянных магнитов в обмотке, это позволило сделать
электродвигатель более надежным.
МЕСТО УСТАНОВКИ ПЛАНЕТАРНОГО РЕДУКТОРА
БОЛЬШОЕ
ЦЕНТРАЛЬНОЕ
КОЛЕСО
МАЛОЕ
ЦЕНТРАЛЬНОЕ
КОЛЕСО
САТЕЛЛИТ
САТЕЛЛИТ
ЧАСТИ ПЛАНЕТАРНОГО РЕДУКТОРА СТАРТЕРА
САТЕЛЛИТ
УСТРОЙСТВО СТАРТЕРА
Статор якоря стартера.
В конструкции стартера, применяются следующие
электродвигатели:
• электромагнитное возбуждение;
• возбуждением от постоянных магнитов.
Последние более современные. Они компактнее, проще,
потребляют меньший ток и имеют большую скорость
вращения, но меньший крутящий момент.
Поэтому вконструкцию таких стартеров дополнительно вводится
редуктор для увеличения крутящего момента.
Электромагнитное
возбуждение
Постоянные
магниты
МАГНИТЫ
КОРПУС СТАРТЕРА (СТАТОР — ПОСТОЯННЫЕ МАГНИТЫ)
ПОЛЯРНОСТЬ ПОСТОЯННЫХ МАГНИТОВ СТАТОРА
БЕНДИКС
ВИЛКА
БЕНДИКС (МУФТА СВОБОДНОГО ХОДА) И ВИЛКА ПОДВОДА
ШЕСТЕРНЯ
МУФТА СВОБОДНОГО ХОДА
БЕНДИКС (ОБГОННАЯ МУФТА) СТАРТЕРА
УСТРОЙСТВО СТАРТЕРА
ПРУЖИНА И
СЕРДЕЧНИК
КОРПУС С ВТЯГИВАЮЩЕЙ И
УДЕРЖИВАЮЩЕЙ ОБМОТКОЙ
РЕЛЕ
РЕЛЕ СТАРТЕРА
ПРУЖИНА И
СЕРДЕЧНИК
РЕЛЕ СТАРТЕРА
УСТРОЙСТВО РЕЛЕ СТАРТЕРА
ДО 60 % ВСЕХ НЕИСПРАВНОСТЕЙ ЭЛЕКТРООБОРУДОВАНИЯ
АВТОМОБИЛЯ, ПРИХОДИТСЯ НА СТАРТЕР, ГЕНЕРАТОР,
АККУМУЛЯТОРНУЮ БАТАРЕЮ
Список источников основного содержания
1. Туревский И.С., Соков В.Б., Калинин Ю.Н.
Электрооборудование автомобилей: учебное пособие.
– М.: ИД «Фортуна»: ИНФРА-М, 2009. -368 с.:ил.;
2. Мельников
И.
В.Автомеханик:
техническое
обслуживание и ремонт отечественных и зарубежных
автомобилей: учебное пособие. – Ростов н/Д: Феникс,
2009. – 382, с.: ил.;
3. Соснин Д.А. Электрооборудование и системы бортовой
автоматики современных легковых автомобилей:
учебное пособие. – М.: СОЛОН-Р, 2011. 272 с.:ил.
Список источников иллюстраций:
1. http://www.vaz-autos.ru;
2. http://nsk-detal.ru;
3. http://generstar.ru;
4. http://autoremont2.ru;
5. http://www.forsag37.ru;
6. https://drive.by.;
7. https://inter-sto.ru.;
8. https://www.mehanika.ru.;
9. https://www.drive2.ru.;
10. http://nsk-detal.ru.;
11.https://auto3n.ru.;
12.https://sibstarter.ru.;
13.http://7keys.biz.;
14.http://www.automnl.com.
English Русский Правила
Реле стартера, как основной элемент конструкции стартера
Реле стартера как основной элемент конструкции стартера, особенности строения и принцип работы, возможность и необходимость самостоятельного ремонта
Движение любого автомобиля начинается с запуска двигателя.
Если Вы хотите понимать принципы работы основных узлов авто, то рекомендуем начать изучение именно с системы пуска. Одно из самых уязвимых мест этой системы реле стартера. О такой детали слышали практически все, но далеко не многие понимают принцип ее работы. Прежде чем начать разговор о реле стартера, стоит заметить, что конструкция автомобиля имеет одновременно две детали с таким названием, только первая, отвечает за включение стартера, оно находится обычно в моторном отсеке, а вторая втягивающее реле стартера.
Содержание
- Основные компоненты и принцип работы системы пуска двигателя
- Устройство и принцип работы втягивающего реле
- Самостоятельный ремонт
Основные компоненты и принцип работы системы пуска двигателя
Чтобы понять работу системы пуска, стоит рассмотреть сначала устройство стартера автомобиля. Назначение стартера заключается в осуществлении запуска двигателя. Устройство стартера у всех автомобилей идентично, отличаются только размерами или параметрами.
Итак, конструкция состоит из таких обязательных элементов:
- Электрический мотор постоянного тока;
- Бендикс;
- Втягивающее реле стартера.
Главную роль здесь выполняет электрический мотор, а бендикс и реле стартера являются вспомогательными элементами. В состав электромотора входят стандартные элементы такие как статор, ротор, а также щеточный узел стартера. Бендикс, хоть самая малая деталь, но выполняет очень важную роль. Он необходим для передачи вращения от электродвигателя к зубчатому венцу маховика двигателя, тем самым обеспечивается запуск.
До 2000 года бендикс был расположен на одном валу с ротором, а потом появилось новая компоновка, где бендикс стал иметь свой отдельный вал и вращаться посредством редуктора.
Поэтому иногда мы слышим такое название как стартер редукторный. Втягивающее реле стартера более сложный элемент и выполняет сразу несколько функций:
- Перераспределение электроэнергии, подающейся от аккумулятора, между электрическим магнитом реле стартера и электромотором;
- Синхронизация работы всех узлов при запуске двигателя;
- Подача шестерни бендикса до зацепления с зубчатым венцом маховика;
- Возврат рабочей шестерни после запуска двигателя на исходную позицию.

Принцип работы стартера заключается в следующем: для того, чтобы запустить двигатель автомобиля в рабочий режим надо принудительным образом проводить вращение коленчатого вала до того времени, пока топливная смесь в цилиндрах не начнет гореть.
Обычно для запуска исправного двигателя необходимо довольно мало времени. Вот задачей втягивающего реле стартера и есть удерживать зацепление шестерни бендикса с маховиком и вращать коленвал равно до тех пор, пока пуск не произойдет. Ни больше и не меньше. Если продержать дольше, то можно поломать детали, а если меньше, то мотор не заведется.
Устройство и принцип работы втягивающего реле
Втягивающее релеК основным частям втягивающего реле стартера относятся:
- Корпус;
- Якорь;
- Электромагнит с втягивающей и удерживающими обмотками;
- Возвратная пружина;
- Контактная пара.
При повороте ключа замка зажигания поступает электрический ток на втягивающую обмотку, которая притягивает якорь в сердечник.
Якорь при помощи рычага передвигает рабочую шестерню бендикса к зубчатому венцу маховика до полного зацепления.
После достижения сердечником крайнего положения происходит замыкание пары контактов, так называемых «пятаков». Это включает удерживающую обмотку и подачу тока на электромотор, который и начинает вращать маховик двигателя, находящийся в зацеплении с шестерней.
После запуска двигателя контакты размыкаются, якорь вместе с рабочей шестерней и обгонной муфтой перемещаются в первоначальное положение
Так выглядит процесс абсолютно каждого авто. Теперь, если Ваше авто вдруг не хочет заводиться, то вы, зная принцип работы стартера, сможете выявить проблему, а возможно даже исправить самостоятельно.
Самостоятельный ремонт
КоленвалРазборка стартера начинается только в том случае, если присутствуют основные признаки неисправности стартера:
- Поворот ключа в замке зажигания не приводит стартер в действие;
- Электромотор не отключается после того как двигатель завелся;
- Электромотор вращается, а коленвал нет;
- Слышен сильный скрежет во время движения.

Самостоятельного ремонта особо не стоит бояться. В последнее время многие производители выполняют втягивающее реле неразборной конструкцией, то есть корпус залит пластиком или текстолитом. Ремонт такой детали не производится, а разборка стартера нужна только для того чтобы открутить одну деталь, а на ее место поставить другую. А может нужно просто поменять щетки в щеточном узле, что тоже не особо сложно. Однако, более сложные поломки стоит выполнять все-таки профессионалам, ведь более тщательная разборка стартера требует не только квалификации, а также наличие специального инструмента.
Детали и функции стартера
Стартер является основным компонентом пусковой системы. Стартер (также самозапуск, пусковой двигатель или стартер) — это устройство.
используется для вращения (кривошипа) двигателя внутреннего сгорания, чтобы начать его работу
своим ходом. Стартеры могут быть электрическими, пневматическими или гидравлическими, но мы
изучите электростартер в этом посте.
Стартер приводит двигатель в движение через шестерню, которая входит в зацепление с зубчатым венцом. маховик. Когда вы поворачиваете ключ зажигания, стартер под напряжением, и электромагнит внутри корпуса срабатывает. Электромагнит выталкивает шток, к которому прикреплена шестерня.
Когда ведущая шестерня встречается с маховиком, стартер начинает вращаться. Это также превращает двигатель закончился. В то же время другие системы включаются, например, система зажигания, топливная система, система зарядки и т. д., чтобы двигатель мог работать на его сила. После того, как его мощность запустит двигатель, ведущая шестерня отключается, и стартер останавливается.
Стартер состоит из различных компонентов, которые работают как механически, так и механически.
1. Электромагнитный выключатель стартера
Электромагнитный выключатель стартера — это часть стартера двигателя, которая обычно крепится в верхней части основного корпуса пускателя двигателя. Стартер соленоид выполняет две функции:
- В качестве переключателя на срабатывание катушки контактора, соединяющей батарею с стартер, его функция такая же, как у обычного реле, но рассчитан на больший электрический ток.
- Как водитель, чтобы привести шестерню стартера в зацепление с кольцом маховика. механизм
Электромагнитный переключатель стартера разделен на три части.
- а. Катушки (удерживать в катушке и втягивать катушку) , они работают как электромагнит для нажатия или вытягивания контактного переключателя и плунжера
- б. Контактный переключатель — переключатель, соединяющий клемму 30 от аккумулятора
к клемме C, чтобы стартер мог нормально работать.

- в. Плунжер представляет собой цилиндрическую металлическую форму с крючком, куда загоняют обгонная муфта с вилочным рычагом.
Катушки и контактный переключатель выполнены вместе как одна деталь, но Плунжер отделен. Он крепится внутри корпуса катушек и переключателя.
2. Хомут и сердечник
Вилка — это часть стартера, которая выполняет функции корпуса стартера, и сразу используется как место для полюсного сердечника и обмотки катушки возбуждения. Иго изготовлен из металла цилиндрической формы.
Сердечник полюса изготовлен из металла и крепится внутри хомута. Полюсное ядро представляет собой место для обмотки катушки возбуждения. Когда катушка возбуждения является магнитом, полюс сердечник усиливает действие магнитного поля.
Хомут и полюсный сердечник часто используются только в обычных типах стартеров. В
Напротив, другие типы стартеров (сегментный планетарный редуктор и
Редуктор) используют постоянные и межполярные магниты.
3. Катушка возбуждения
Функция катушки возбуждения заключается в создании магнитного поля с помощью электрического тока. поток. Катушка возбуждения изготовлена из проволоки, сформированной в виде катушек. Катушка возбуждения прикреплен к сердечнику полюса и окружает его. Он размещается на внутренней стороне иго.
Как и полюсный сердечник, катушка возбуждения обычно используется в обычном двигателе. тип стартера. Между тем, другие типы использовали постоянные и межполярные магниты.
4. Арматура
Якорь является силовым элементом стартера. Его функция заключается в преобразовании электрической энергии в механическую. Арматура, используемая в Стартеры представляют собой катушки, по которым течет ток и которые вращаются в магнитном поле.
Арматура состоит из трех основных компонентов, таких как:
а. Катушка якоря
Якорь имеет непрерывный ряд проволочных обмоток от каждого стержня.
Это петли
вокруг зубьев железного стека и соединяется со следующей планкой на коллекторе.
Функция катушки якоря создает магнитное поле. Итак, магнитное поле
от якоря будет двигаться в противоречии с магнитным полем
от катушки возбуждения. При движении в обратном направлении якорь
сборка будет вращаться.
б. Вал якоря
Вал якоря представляет собой вал, поддерживающий сборку катушки якоря. На с каждой стороны вала якоря прикреплены втулки. С втулками прикреплены, вал будет свободно вращаться без какого-либо сопротивления.
в. Коммутатор
Коммутатор представляет собой поворотный электрический переключатель, который периодически меняет направление вращения на противоположное. направление тока между ротором и внешней цепью. это спиннинг контактор, работающий со щетками для подачи электрического тока от батарея.
Коллектор состоит из контактных стержней, закрепленных на вращающемся валу. Это также
соединены с обмотками якоря.
Обмотка продолжает петлять
арматуру таким же образом. Коммутатор — это вентиль для электрического
ток втекает и вытекает из обмоток якоря.
5. Щетки и держатель
Щетки и держатель стартера пропускают электрический ток к узел якоря во время его вращения. Щетки подключаются к коммутатор. Итак, при протекании электрического тока коммутатор будет спиннинг. Пока коллектор крутится, щетки все еще текут. электрический ток без перерыва от вращательного движения.
Обычно на держателе внутри стартера находятся четыре щетки. Два плюсы, подключенные к катушке возбуждения и батарее, а два других были минус был подключен к земле.
6. Рычаг привода
Рычаг привода представляет собой рычаг, соединяющий плунжер и обгонную муфту. Движение плунжера приводит в действие обгонную муфту, в результате чего ведущая шестерня зацепиться с зубчатым венцом маховика.
Когда электрический ток активирует катушку удержания и катушку втягивания,
поршень втянется внутрь соленоида стартера.
В то же время,
рычаг привода толкает обгонную муфту в направлении, противоположном
зацепиться с зубчатым венцом на маховике.
Читайте также:
- Неполадки и неисправности автомобильного стартера
- Вот почему ваш автомобиль не заводится и просто щелкает
- Как заменить стартер?
7. Обгонная муфта
Как обычные, так и редукторные стартеры оснащены односторонним, обгонная муфта. Обгонная муфта предотвращает повреждение стартера двигатель при запуске двигателя, в основном при скорости вращения кольца шестерня выше шестерни стартера.
Работа обгонной муфты:
- Во время запуска двигателя шестерня стартера приводит в движение маховик двигателя. кольцевая шестерня.
- Как только двигатель запускается, зубчатый венец почти мгновенно вращается быстрее, чем
шестерня стартера. Превышение скорости может повредить стартер, если он не
сразу же отсоединяется от шестерни.

- Муфта использует свои клиновидные ролики и пружины для выключения вала-шестерни. от картера сцепления (который вращается вместе с якорем двигателя). Бывает каждый раз, когда вал-шестерня пытается вращаться быстрее, чем картер сцепления.
8. Шестерня
Шестерня установлена на узле якоря, в основном на переднем валу. перед зубчатым венцом маховика. Функция шестерни заключается в том, чтобы управлять кольцом Шестерня вращается, чтобы запустить двигатель. После запуска двигателя шестерня уходит.
9. Планетарная передача
Планетарная передача используется только в стартерах с планетарным редуктором. Он устанавливается перед узлом якоря. Функция планетарной передачи позволяет стартеру работать на более высокой скорости, чем обычный статер.
10. Редуктор
Редукторный компонент используется только в стартерном двигателе с редуктором.
тип. Этот тип представляет собой компактный, легкий агрегат с высоким крутящим моментом.
Это
используется удлиненная передача перед ведущей шестерней.
Редукторы передают этот крутящий момент на ведущую шестерню в диапазоне от 1/4 до 1/3 крутящего момента. скорость двигателя. Шестерня по-прежнему вращается быстрее, чем шестерня на обычный стартер и имеет гораздо больший крутящий момент (мощность проворачивания).
Редуктор установлен на том же валу, что и ведущая шестерня. в отличие от обычный стартер, плунжер магнитного выключателя воздействует непосредственно на шестерню шестерня (не через приводной рычаг), чтобы вставить шестерню в зацепление с кольцом механизм.
Как работает стартер? (Руководство на 2021 год)
Знаете ли вы, что автомобильный стартер потребляет наибольшее напряжение аккумулятора во всем вашем автомобиле ?
Несмотря на свои небольшие, компактные размеры, он потребляет больше энергии, чем фары, топливный насос или кондиционер в одном потоке!
Подожди.
Если стартер потребляет столько энергии, как долго он может работать?
Как работает стартер?
В этой статье мы рассмотрим внутреннюю работу автомобильного стартера и разберем его основные компоненты.
Мы также рассмотрим различные типы стартеров и ответим на некоторые часто задаваемые вопросы.
- Как работает стартер?
- Какие компоненты стартера?
- Типы стартеров
- 9 Часто задаваемые вопросы о стартерах
- Что такое стартер?
- Зачем нужны стартеры?
- Где находится стартер?
- Как долго работает стартер?
- Почему стартер выходит из строя?
- Каковы симптомы неисправности стартера?
- Куда подключаются кабели автомобильного аккумулятора?
- Что такое нейтральный защитный выключатель?
- Как починить стартер?
Давайте углубимся.
Как работает стартер?Для проворачивания двигателя стартер использует маленькую шестерню для вращения большего маховика двигателя (или гибкой пластины).
Маховик двигателя имеет зубчатый венец по краю. Шестерня стартера предназначена для временного зацепления с зубчатым венцом маховика — этого достаточно, чтобы заставить его вращаться.
Что именно происходит?
Стартер имеет две цепи — цепь стартера и цепь управления.
Цепь стартера передает большие токи от аккумулятора для привода стартера, но не сразу включает питание при повороте ключа зажигания. Для этого ему нужен соленоид стартера, потому что для небольшого переключателя (например, ключа зажигания) слишком много энергии.
Вместо этого батарея активирует цепь управления , которая подает питание на соленоид, часто через реле стартера и защитный выключатель нейтрали.
Соленоид представляет собой электромагнит, который действует как выключатель стартера .
При подаче питания он выполняет две функции:
- Соленоид опускает поршень вниз по центру, замыкая два металлических контакта. это замыкает цепь стартера , позволяя большому току от аккумулятора течь к стартеру.
- Одновременно плунжер входит в зацепление с вилкой рычага, которая выталкивает шестерню стартера наружу для зацепления с большим зубчатым венцом маховика.

Поскольку цепь стартера завершена, двигатель стартера включается и вращает шестерню, которая вращает маховик. Маховик запускает двигатель в рабочую последовательность, при которой двигаются поршни, выпускается топливно-воздушная смесь, зажигаются свечи зажигания и так далее.
Когда двигатель проворачивается, маховик набирает скорость вращения, а возвратные пружины втягивают ведущую шестерню. Это важно, так как обратная передача от маховика может повредить ведущую шестерню и стартер.
Примечание: «Обратный ход» — это когда маховик движется быстрее шестерни, «приводя» ее в движение, а не наоборот. Эта система называется системой с предварительным зацеплением , потому что перед поворотом шестерня «предварительно входит в зацепление» с маховиком.
Далее разберем стартер на части.
Какие компоненты стартера?Вот основные компоненты стартера.
1. Катушки возбуждения
Корпус стартера содержит 2-4 катушки возбуждения, которые окружают якорь.
Массив катушек возбуждения создает сильное стационарное электромагнитное поле, когда через него проходит ток от батареи.
2. Якорь
Якорь представляет собой электромагнит, закрепленный на приводном валу стартера (также называемый валом якоря). Он изготовлен из многослойного сердечника из мягкого железа, обернутого многочисленными проводящими обмотками.
Якорь имеет общую ось с коммутатором, который обеспечивает ток для создания электромагнитного поля. Реакция между якорем и магнитными полями катушки возбуждения — это то, что вращает якорь.
3. Коллектор и щетки
Коллектор расположен в задней части корпуса стартера. Он состоит из двух пластин, прикрепленных к оси вала якоря. Угольные щетки соединяются с каждой пластиной, обеспечивая электрическое соединение обмоток якоря.
4. Электромагнитный клапан
Электромагнитный клапан стартера работает как мощное электрическое реле.
Типичный соленоид стартера имеет небольшой разъем для провода цепи управления стартером (соединенный с ключом зажигания) и две большие клеммы; входная клемма для положительного кабеля аккумулятора и выход для кабеля, питающего сам стартер.
Соленоид обычно состоит из двух витков проволоки, намотанной на подвижный плунжер.
Катушки делают это:
- Сильная замыкающая катушка втягивает плунжер
- Более слабая катушка удерживает плунжер на месте — когда это происходит, ток снимается с сильной катушки, что позволяет экономить энергию
При активации через схему управления соленоид также выдвигается ведущая шестерня входит в зацепление с зубчатым венцом маховика, замыкая цепь стартера, чтобы подавать напряжение батареи на пусковой двигатель.
6. Плунжер
Плунжер работает с соленоидом, чтобы подавать питание от аккумулятора на пусковой двигатель и втягивать вилку рычага.
7. Вилка рычага
Вилка рычага прикреплена к одному концу плунжера. Когда плунжер перемещается в сердечник соленоида, вилка рычага выталкивает ведущую шестерню, чтобы войти в зацепление с зубчатым венцом маховика.
8. Шестерня (ведущая шестерня, шестерня стартера)
Шестерня вращает зубчатый венец маховика двигателя.
Его также называют ведущей шестерней или стартовой шестерней, и она является частью того, что иногда называют стартерным приводом Bendix.
Крепится к приводному валу якоря, часто через обгонную обгонную муфту. Кулачковая муфта позволяет ведущей шестерне передавать привод всего за одно направление .
Таким образом, если шестерня остается в зацеплении с маховиком (что может произойти, если ключ зажигания не отпущен при запуске двигателя), шестерня будет вращаться независимо от приводного вала. Это предотвращает обратный ход и повреждение стартера.
Важно отметить, что стартер со временем совершенствовался, и теперь у нас есть различные типы стартеров.
Давайте посмотрим.
Типы стартеровВот обзор некоторых распространенных типов электростартеров:
1. DD – прямой привод
DD является наиболее распространенным типом стартера и обычно приводится в действие соленоидом. Ведущая шестерня (шестерня) на ДД крепится непосредственно к якорю, таким образом, «прямой привод».
2. PLGR — планетарная передача
В стартере PLGR используется узел планетарной передачи, расположенный между якорем и шестерней. Узел планетарной передачи позволяет использовать редуктор, который увеличивает крутящий момент при значительном снижении скорости стартера и, таким образом, снижает потребляемый ток.
3. PMGR — редуктор с постоянными магнитами
Стартер PMGR был разработан для уменьшения веса, упрощения конструкции и снижения тепловыделения. Вместо использования более тяжелой катушки возбуждения в PMGR используются постоянные магниты.
4. PMDD — прямой привод с постоянными магнитами
Как следует из названия, PMDD — это пусковой двигатель с прямым приводом, в котором вместо катушек возбуждения используются постоянные магниты.
5. OSGR — редуктор со смещенным зубчатым колесом
Стартер OSGR был разработан для работы с высокой скоростью и малым током. Его внутренние зубчатые передачи смещены, что означает, что ведущая шестерня и стартер вращаются по разным осям.
Теперь, когда мы знакомы с тем, как работает стартер, давайте рассмотрим некоторые часто задаваемые вопросы.
9 Часто задаваемые вопросы о стартереЗдесь приведены ответы на некоторые вопросы о стартере, которые могут у вас возникнуть.
1. Что такое стартер?
Стартер — это устройство, используемое для проворачивания или запуска двигателя внутреннего сгорания. Обычно он состоит из соленоида стартера и мощного стартера двигателя.
Электрический стартер обычно используется в бензиновых или небольших дизельных двигателях, но это не единственный тип.
Другие типы включают:
- Инерционный стартер: Это вариант электростартера, используемый на самолетах с большими радиально-поршневыми двигателями. применения, такие как выносные генераторы или силовые двигатели спасательных шлюпок
- Ручной стартер: Он состоит из выключателя и реле перегрузки и обычно используется для небольших двигателей, таких как небольшие насосы и электропилы
2.
Зачем нужны стартеры?Двигатель внутреннего сгорания работает по контуру обратной связи, полагаясь на инерцию своих циклов, чтобы работать самостоятельно. Двигателю нужны воздух, топливо и искра, чтобы он работал без посторонней помощи, но что-то должно запускать циклы, и тут на помощь приходит стартер. ремень, который приводит в действие различные компоненты, такие как генератор переменного тока или насос гидроусилителя руля.
3. Где находится стартер?
В большинстве автомобилей стартер крепится болтами к двигателю или трансмиссии. Простой способ найти его — пройтись по толстому кабелю от положительной клеммы аккумулятора.
4. Как долго работает стартер?
Электрические компоненты стартера обычно рассчитаны на работу не более 30 секунд до перегрева.
В большинстве руководств указана пауза не менее 10 с после каждых 10–15 с запуска двигателя , если двигатель не заводится сразу.
И если он по-прежнему не заводится, возможно, пришло время вызвать механика.
5. Как выходит из строя стартер?
Неисправный стартер может быть вызван несколькими причинами.
Вот некоторые причины, которые могут указывать на проблемы со стартером:
- Сгоревшие, изношенные или загрязненные контакты соленоида останавливают замыкание цепи стартера
- Изношенные угольные щетки не подают ток на стартер
- Шестерня неправильно зацепляется с маховиком двигателя
- Изоляция обмотки якоря начинает разрушаться , снижая способность стартера генерировать крутящий момент
- или не отрегулирован
- Выключатель зажигания неисправен , поэтому соленоид не активируется
6. Каковы симптомы неисправности стартера?
Вот типичные симптомы неисправности стартера:
- Щелчки: Автомобильный аккумулятор полностью заряжен, но при повороте ключа зажигания слышен только щелчок.
Это звук включения соленоида стартера, но стартер не запускается.
- Скрежет: Стартер работает, но не проворачивает двигатель, слышен болезненный скрежет. Это может быть звук шестерни стартера, неправильно сцепленной с зубчатым венцом маховика двигателя.
7. Куда подключаются кабели автомобильного аккумулятора?
Отрицательный (массовый) кабель аккумуляторной батареи соединяет отрицательную (-) клемму аккумуляторной батареи с блоком цилиндров двигателя или коробкой передач. Положительный кабель аккумуляторной батареи соединяет положительную (+) клемму аккумуляторной батареи с соленоидом стартера.
Стартеру требуется очень сильный электрический ток для запуска двигателя. Таким образом, неправильное соединение даже на одном кабеле батареи (например, ослабленный клеммный разъем или коррозия) может привести к выходу из строя стартера.
8. Что такое нейтральный защитный выключатель?
В большинстве автомобилей имеется предохранительный выключатель, электрически расположенный между ключом зажигания и соленоидом стартера.
Он является частью цепи управления стартером, которая включает в себя замок зажигания и реле стартера.
Защитный выключатель нейтрального положения предотвращает запуск автомобилей с автоматической коробкой передач на ведущей передаче. Он ограничивает работу стартера, когда автоматическая коробка передач находится в положении «Парковка» или «Нейтраль».
В некоторых автомобилях с механической коробкой передач двигатель можно запустить только при выжатой педали сцепления.
9. Как починить стартер?
Система стартера играет жизненно важную роль в работе двигателя вашего автомобиля. Если ваш автомобиль не заводится, у вас есть возможность устранить неполадки самостоятельно.
Однако проблема со стартером часто может имитировать неисправность аккумуляторной батареи или неисправного генератора, а иногда они взаимосвязаны. Чтобы убедиться, что все ваши начальные проблемы решены, лучше всего доверить это профессионалу.
И вам повезло, ремонтный мастер готов вам помочь!
RepairSmith — удобное мобильное решение для обслуживания и ремонта автомобилей.
Вот некоторые преимущества:
- Техническое обслуживание и ремонт автомобиля можно производить прямо на подъездной дорожке
- Опытные, сертифицированные ASE технические специалисты проводят осмотр и обслуживание автомобилей
- Конкурентоспособные и первоначальные цены
- Онлайн-бронирование — это удобно и просто
- Все ремонт и техническое обслуживание автомобилей выполняются с использованием высококачественных инструментов и запасных частей
- RepairSmith предоставляет 12-месячную | Гарантия 12 000 миль на все ремонтные работы
Для точной оценки стоимости замены стартера просто заполните эту онлайн-форму.
Заключение Стартер — это аккуратное маленькое устройство, которое навсегда избавило от необходимости проворачивать автомобильный двигатель вручную. Это также компонент, который редко выходит из строя, несмотря на количество энергии, которое он использует каждый раз, когда запускает машину.
Однако, если вы do столкнулись с проблемой стартера, не волнуйтесь.
Просто найдите RepairSmith.
Их механики, сертифицированные ASE, прибудут к вам в кратчайшие сроки, чтобы помочь вам решить проблему со стартером!
11 Детали автомобильного стартера и функции + Работа
Знаете ли вы, что запуск стартера в течение длительного времени без перерыва чрезвычайно опасен для здоровья стартера?
Это связано с тем, что стартер рассчитан на работу только в течение нескольких секунд. Поскольку двигатель внутреннего сгорания не может запуститься сам по себе, ему нужна внешняя сила, чтобы разогнать его до минимальных оборотов, чтобы он работал плавно без посторонней помощи. Определенно, стартер делает эту работу.
Стартер — это электромеханическое устройство, используемое для запуска двигателя. Это самый важный компонент и сердце пусковой системы.
Если вы не знакомы со стартером и хотите знать о нем все. Это замечательное руководство для вас.
В этом удивительном и мощном руководстве вы узнаете все, что вам нужно знать о стартовых двигателях.
На этой странице вы найдете полезную, эффективную и практическую информацию и советы по стартерам. Здесь вы найдете детали стартера, функции, рабочие операции, типы и многое другое, объясненное понятным языком, подкрепленное наукой.
• 6 полных и потрясающих частей и функций соленоида стартера | Полное руководство |
• 9 смертельных наиболее распространенных проблем и симптомов стартера: Знайте причины |
• Полное руководство по схеме стартера и принципу работы стартера | Невероятное объяснение |
• Как работает система запуска, детали и функции от А до Я с иллюстрациями | Полное руководство |
Содержание
Что такое стартер:
Соленоид стартера и двигатель в сборе Стартер является основной частью, которая запускает двигатель; мы ошибочно думаем, что стартер представляет собой совокупность соленоида и корпуса двигателя, но это не так.
Соленоид не является стартером; это часть стартера в сборе, которая действует как реле. Можно сказать, что это «аксессуар», размещенный сверху корпуса стартера. Настоящая сборка стартера является основным цилиндрическим компонентом большего размера под соленоидом.
Это было небольшое заблуждение некоторых людей, я хотел прояснить. Теперь вот определение стартера.
Автомобильный электростартер (также называемый стартером, автостартером или пусковым двигателем) представляет собой устройство, которое преобразует электрическую энергию в механическую (вращательную) энергию в двигателе внутреннего сгорания для запуска двигателя. Он устанавливается на задней части кожуха двигателя или на передней части картера трансмиссии и был изобретен в 1911 году Чарльзом Ф. Кеттерингом. Стартер представляет собой мощный электродвигатель; он потребляет много тока для запуска двигателя.
Все двигатели внутреннего сгорания нуждаются в внешней помощи для запуска. Вы должны провернуть двигатель для первых двух тактов впуска и сжатия, пока не достигнет рабочего такта, и это потому, что третий такт производит мощность.
После того, как мощность будет выработана, двигатель сможет самостоятельно выполнять четырехтактные циклы за счет инерции. Выключатель зажигания подает питание на стартер, который проворачивает двигатель до тех пор, пока он не заработает без посторонней помощи. Таким образом, при запуске двигателя нет необходимости в стартере. Это требуется только для запуска первого цикла.
Это информация
Стартер используется для первых двух тактов впуска и сжатия до тех пор, пока не будет достигнут рабочий такт, после чего двигатель может сам выполнять четырехтактные циклы за счет инерции.
Функция стартера в сборе
Функция стартера заключается в создании вращения ведущей шестерни и запуске двигателя.
Конструкция стартера в сборе
Конструкция стартера В конструкции стартера используется несколько деталей. Сборка стартера представляет собой совокупность множества деталей, вместе все детали создают мощный стартер. Он состоит из якоря, коллектора, щеток, шестерни, обгонной муфты, катушки возбуждения или постоянного магнита и планетарной передачи.
Якорь помещается внутрь постоянного магнита или катушек возбуждения для создания электромагнитной силы. На одном конце вала якоря установлены ведущая шестерня, обгонная муфта и планетарный ряд. На другом конце вала якоря установлен коллектор, который соединяется со щеткой для создания электрического пути для якоря.
Как работает стартер
Стартер работает по принципу электромагнетизма. При срабатывании ключа зажигания ток поступает на соленоид и проходит по пути щеток на коллектор, а затем на обмотки якоря.
Эта обмотка якоря создает сильное электромагнитное поле, которое взаимодействует с магнитным полем постоянного магнита или катушки возбуждения и вызывает вращение вала якоря. При вращении якоря одновременно соленоид выталкивает ведущую шестерню для зацепления с маховиком. А вращение якоря передается на зубчатый венец маховика через шестерню.
Планетарная передача увеличивает крутящий момент ведущей шестерни. Однако, когда двигатель работает на собственной мощности и его скорость увеличивает скорость ведущей шестерни, обгонная муфта отключается за счет проскальзывания ведущей шестерни и защищает двигатель стартера от превышения скорости.
Наконец, когда двигатель запускается, водитель отпускает ключ, и ток от стартера отключается.
Соленоид стартера:
Соленоид стартера в сбореСоленоид — это электромагнитный переключатель, который подключает и отключает аккумулятор от стартера. Это небольшой цилиндр, закрепленный на верхней части стартера. Электромагнитная шестерня толкает ведущую шестерню вперед, чтобы войти в зацепление с маховиком двигателя.
Соленоид действует как огромный переключатель, используемый для включения и выключения стартера в сборе. Он использует небольшое количество тока для включения большего тока. Он действует как огромное большое реле, которое управляет мощной цепью. Функция соленоида заключается в быстром включении и выключении стартера для защиты его от повреждений. Клеммы соленоида стартера
Соленоид имеет три контакта на задней стороне крышки соленоида. Одна клемма предназначена для выключателя зажигания для включения и выключения соленоида, а две клеммы предназначены для входа и выхода положительного источника питания аккумулятора.
Связанные • 6 полных и потрясающих деталей и функций соленоида стартера | Полное руководство |
Детали и функции стартера + работа
В этом разделе мы обсудим 11 полных и подробных деталей сборки стартера, их функции и работу.
- Стартер моторная Арматура:
- Стартовая моторная Аррамовая Обмотка
- Стартовая моторная ядра. Электродвигатель с постоянным магнитом
- Шестерня стартера:
- Стартер Обгонная муфта:
- Планетарная передача стартера
1. Якорь стартера:
Якорь стартера в сбореЕго также называют ротором катушки. Якорь является важнейшей частью стартера. Это сердце стартера.
Арматура — собирательное название. Это совокупность обмотки, вала, железного сердечника и коллектора, которые вместе образуют якорь. Якорь стартера автомобиля представляет собой мощный электромагнит, используемый для преобразования электрической энергии в механическую.
Центральная вращающаяся часть стартера.
Петли обмоток намотаны на многослойный железный сердечник. Этот железный сердечник увеличивает интенсивность магнетизма, когда напряжение используется в качестве входа в якорь. Он был введен в 19века, а его значение — «хранитель магнита».
Функция якоря стартера:
Функция якоря заключается в создании электромагнетизма в стартерном двигателе. Сила электромагнетизма прямо пропорциональна величине (величине) тока, протекающего в обмотке якоря, и виткам петли в обмотке.
Как работает якорь стартера:
Конструкция якоря стартераКогда ключ зажигания поворачивается в положение пуска, ток возбуждает соленоид, что позволяет сильному электрическому току течь к щеткам стартера с постоянными магнитами ( PMSM), или в стартере с катушкой возбуждения (FCSM) ток течет от соленоида к катушке возбуждения и к щеткам. Щетки крепятся к коллектору.
Ток течет от коммутатора к обмоткам якоря, где он создает электромагнетизм, а затем возвращается на землю через сегменты коммутатора через отрицательную сторону щетки.
Это электромагнитное поле, создаваемое в обмотке якоря, взаимодействует с магнитным полем постоянного магнита или катушки возбуждения и заставляет якорь вращаться. Это вращение затем передается на маховик с помощью шестерни, и в результате двигатель запускается.
2. Обмотки якоря стартера
Обмотка якоряОбмотка якоря представляет собой группу витков проволоки (называемую катушкой), намотанной на железный сердечник. Катушка представляет собой круговой виток электрического провода, предназначенный для создания электромагнитного поля.
Конструкция обмотки якоря стартера
Обмотка якоря состоит из нескольких катушек. Он предназначен для намотки по определенной схеме и припаян к сегментам коммутатора. Обмотка изготовлена из меди и изолирована, чтобы избежать контакта с железным сердечником.
Функция обмотки якоря стартера:
Функция обмотки заключается в создании электромагнитного поля в двигателе стартера, которое затем становится источником вращения якоря.
3. Железный сердечник якоря стартера:
Железный сердечник якоря стартераЖелезный сердечник состоит из металлических пластин. Он состоит из нескольких тонких металлических пластин, объединенных в единое целое. Толщина каждой металлической пластины составляет почти 0,5 мм.
Функция железного сердечника якоря стартера:
Железный сердечник предназначен для увеличения интенсивности электромагнетизма, обеспечения поддержки, а также удержания обмоток.
4. Вал якоря стартера:
Вал якоряЭто стержень, установленный в центре сердечника якоря, установленный между двумя подшипниками. С помощью подшипников вал свободно вращается без сопротивления.
Функция вала якоря стартера:
Функция вала якоря заключается в передаче механической энергии и поддержке узла якоря, а также коллектора.
5. Коллектор стартера:
Коллектор Коллектор представляет собой металлический контакт, обеспечивающий путь прохождения электрического тока к петлям обмотки якоря.
Он состоит из твердотянутых медных проводов, которые придают коммутатору большую твердость и долговечность.
Кроме того, коммутатор выполнен сегментным и припаян к виткам обмотки якоря. Он размещен вокруг части окружности вращающегося вала якоря.
Кроме того, сегменты отделены друг от друга слюдяным изолятором (слюда — минеральное сырье с изоляционными и тепловыми свойствами). Коллектор используется для подключения якоря к стационарной цепи через щетки. Он специально используется в стартере, чтобы иметь однонаправленный крутящий момент и якорь.
Функция коммутатора двигателя стартера:
Функция коммутатора двигателя стартера состоит в изменении направления тока в обмотке якоря для получения однонаправленного крутящего момента на якоре. В этот момент вам может быть интересно, как коммутатор меняет направление тока в обмотке якоря. Итак, позвольте мне разбить этот момент в следующем разделе.
Как работает коммутатор стартера:
Якорь стартера в сборе с коммутатором Принцип работы коммутатора основан на изменении направления тока в обмотке якоря для обеспечения того же направления вращения.
Поскольку при подаче тока на якорь стартера через щетки создается электромагнитное поле, которое оказывает вращательное усилие на якорь в соответствии с полярностью.
Таким образом, когда вал якоря поворачивается на 180⁰ (половина оборота), сегменты коллектора также вращаются, что приводит к последовательному прохождению тока к отдельным сегментам коммутатора.
Это позволяет сегментам коммутатора подключаться к щеткам таким образом, чтобы ток, протекающий через ту же катушку обмотки, протекал в направлении, противоположном первому.
Заставляет якорь вращаться в одном направлении. Это постоянное изменение направления тока в обмотке якоря обеспечивает однонаправленное вращение. По этой причине можно также сказать, что роль коммутатора в стартере подобна переключателю реверса. Это была рабочая операция одной катушки якорной обмотки. Для достижения плавного движения и крутящего момента необходимо увеличить количество витков.
Это информация
Сегменты коллектора подсоединяются к щеткам таким образом, что ток, протекающий через тот же виток обмотки, будет течь в обратном первом направлении.
6. Щетка стартера:
Щетка стартера, видЭто важный компонент стартера, который передает сильный электрический ток от выходной клеммы соленоида стартера к вращающемуся якорю. Щетка представляет собой электрический контакт, который проводит ток от аккумулятора к якорю стартера.
Теперь вы спросите, почему в стартере используется щетка. Позвольте мне сломать это для вас.
Допустим, если вы напрямую соедините аккумуляторный источник питания с якорем. При вращении якоря контакт разорвется, и ток будет отключен. Итак, питание батареи должно быть отдано таким образом, чтобы оно не рвалось при вращении якоря.
Так появилось понятие кисти. Щетка стартера обеспечивает ток без разрыва соединений при вращении якоря. Таким образом, вы также можете определить щетку стартера автомобиля таким образом.
Щетка стартера представляет собой электропроводящий скользящий контакт, который обеспечивает соединение между неподвижным проводом и движущейся частью (вращающимся якорем).
Это информация
Щетка стартера обеспечивает ток без разрыва соединений при вращении якоря.
Функция щетки стартера:
Функция щетки стартера заключается в подаче электрического тока от неподвижного провода к вращающемуся якорю.
Конструкция щеток стартера:
Угольная щеткаЩетки стартера автомобиля состоят из углерода (в прошлом медь использовалась для добавления углерода, или иногда в качестве щетки использовалась чистая медь). Область, где щетки соединяются с якорем, называется коллектором. Это щетка, которая едет на коллекторе. Коммутатор создает путь для прохождения электрического тока от щетки к якорю.
Обычно в стартере используются четыре щетки. Две щетки положительные, а две отрицательные, соединенные с землей.
Один конец щетки подсоединяется к выходной клемме соленоида стартера в стартере с постоянными магнитами или к катушке возбуждения в стартере с катушкой возбуждения. А второй конец щетки подключается к коллектору.
Кроме того, внутри держателя используется пружина для хорошего контакта. Пружина давит и толкает щетку в коллектор, обеспечивая плотный контакт.
Фактически, пока коллектор и щетки изнашиваются, пружины неуклонно толкают щетки вперед к коллектору. Также имейте в виду, что арматура дороже угольных щеток, а щетки проще заменить в случае износа.
Поэтому угольные щетки сделаны из мягкого материала, чтобы быстрее изнашиваться при использовании, чтобы защитить коллектор от повреждений. Его поверхность не должна быть ни слишком гладкой, ни слишком шероховатой, чтобы коллектор не изнашивался. Вы могли слышать, что старые щетки наносили больше вреда коллектору.
Поскольку старые щетки обычно изготавливались из меди, которая по своей природе очень твердая и вызывает царапины и глубокие борозды на гладком коллекторе. Однако в современном стартере используются угольные щетки, иногда для улучшения проводимости добавляется немного меди, которая изнашивается медленнее и вызывает меньший износ коллектора.
Это информация
Щетки размещаются в держателе щеток с надлежащим зазором, чтобы кисть не застряла в держателе и не застряла в нем.
7. Катушки возбуждения стартера:
A Катушка возбуждения стартераКатушка возбуждения представляет собой толстый медный провод, намотанный на железный сердечник. Он держится в корпусе с помощью винтов, называемых Yoke. Ярма удерживает катушку возбуждения.
Полюсный сердечник представляет собой железный сердечник, через который крепятся петли обмотки. Полюсный сердечник усиливает силу магнитного поля. Катушка в катушке возбуждения подключена с противоположной полярностью, чтобы обеспечить северный и южный полюса, когда через нее проходит ток.
Функция катушки возбуждения стартера:
Катушка возбуждения предназначена для создания электромагнетизма, который заставляет якорь вращаться. По принципу работы стартеру требуется магнитное поле вокруг якоря для создания вращения; катушка возбуждения делает эту работу.
Он генерирует магнетизм, когда через него проходит ток от клеммы стартера.
Это информация
Катушка возбуждения не является постоянным магнитом. Это электромагнит означает, что он становится магнитом только тогда, когда через него проходит электричество.
Как работает катушка возбуждения двигателя стартера:
Обычно в двигателе стартера имеется четыре катушки возбуждения. Он намотан последовательно с током, протекающим сначала от выходного вывода соленоида к обмоткам катушек возбуждения, затем к щеткам, к коммутатору и, наконец, к обмоткам якоря. Этот тип двигателя с последовательной обмоткой позволяет создавать максимальный крутящий момент.
8. Постоянный магнит стартера:
Постоянный магнит стартера Постоянные магниты представляют собой магниты прямоугольной формы, используемые для создания магнитного поля в стартере. Впервые он был представлен в конце 1980-х годов на автомобилях из сплава бора, неодима и железа. Он очень хрупкий и может легко сломаться при ремонте стартера.
Так что будьте аккуратнее.
Функция постоянного магнита стартера:
Функция постоянного магнита заключается в создании магнитного поля , необходимого для вращения якоря в стартере.
Конструкция и работа стартера Постоянный магнит:
Стартер обычно имеет шесть изогнутых постоянных магнитов вокруг якоря. Он размещается противоположными парами для создания северного и южного полюсов внутри корпуса стартера вокруг якоря.
Кроме того, постоянные магниты расположены таким образом, что N-полюс и S-полюс каждого магнита попеременно обращены к якорю. Когда ток течет к якорю, он создает электромагнитное поле, которое взаимодействует с магнитным полем постоянного магнита, который воздействует на якорь и вызывает вращение.
Постоянный магнит имеет то преимущество перед катушками возбуждения, что он обеспечивает постоянное магнитное поле, благодаря которому характеристики скорости и крутящего момента должны быть постоянными. И наоборот, электромагнитное поле катушки возбуждения зависит от состояния батареи.
Это информация
Постоянные магниты расположены таким образом, что N-полюс и S-полюс каждого магнита попеременно обращены к якорю.
Сравнение постоянного магнита двигателя стартера и катушек возбуждения:
В соответствии с принципом работы двигателя стартера вокруг якоря должно быть магнитное поле для создания крутящего момента на якоре.
Итак, в стартере используется один из этих двух типов магнитов.
- Постоянные магниты
- Катушка возбуждения
Это может быть постоянный магнит или катушка возбуждения (электромагнит), однако остальные принципы работы аналогичны.
Вот различия между постоянным магнитом и катушкой возбуждения. Сравнительная таблица постоянного магнита и катушек возбуждения двигателя стартера
9. Шестерня стартера:
Кольцевая шестерня маховика и шестерня Общее определение шестерни – это меньшая шестерня из двух зацепленных шестерен. В автомобилях шестерня стартера меньше, а зубчатый венец маховика больше.
Вот почему шестерня стартера называется шестерней.
Шестерня представляет собой небольшую круглую шестерню, расположенную на переднем конце вала якоря, за которой следует обгонная муфта. Он используется для передачи крутящего момента стартера на маховик для запуска двигателя. Передаточное отношение между ведущей шестерней и маховиком обычно составляет 20:1. Это означает, что при каждом обороте маховика ведущая шестерня поворачивается 20 раз.
Причина сохранения такого высокого передаточного отношения заключается в том, что это позволяет ведущей шестерне преодолевать сопротивление проворачиванию за счет использования небольшого, но высокоскоростного и крутящего момента зубчатого колеса. Зубья ведущей шестерни имеют эвольвентную форму, что позволяет ведущей шестерне легко зацепляться с маховиком.
Назначение шестерни стартера:
Шестерня предназначена для передачи крутящего момента стартера на маховик двигателя для запуска двигателя внутреннего сгорания.
Принцип работы шестерни стартера:
При повороте ключа зажигания в положение «Пуск» срабатывает соленоид, который притягивает плунжер и перемещает шестерню вперед с помощью рычага-вилки для зацепления с маховиком. В результате крутящий момент стартера передается на маховик посредством шестерни.
Как только автомобиль заводится, водитель отпускает ключ из положения запуска, и соленоид отключается. Это позволяет возвратной пружине отодвинуть плунжер в исходное положение, а также вытягивает ведущую шестерню из маховика с помощью вилки рычага.
10. Обгонная муфта стартера:
Обгонная муфта и ведущая шестерняОбычно муфта означает соединение и разъединение двух вращающихся валов. Обгонная муфта стартера соединяет и разъединяет ведущую шестерню и маховик. Обгонная муфта механически отсоединяет ведущую шестерню от маховика и позволяет ведущей шестерне свободно вращаться, когда маховик вращается быстрее.
По сути, это односторонняя муфта, которая передает усилие в одном направлении от ведущей шестерни к маховику.
И свободно вращается в обратном направлении за счет проскальзывания ведущей шестерни. Он расположен на валу якоря после шестерни.
Функция обгонной муфты стартера:
Функция обгонной муфты заключается в отключении маховика и шестерни во избежание повреждения стартера. Это уменьшает зацепление якоря от более быстрого вращения маховиком двигателя.
Когда двигатель запущен, и маховик вращается быстрее, чем стартер, маховик заставляет стартер работать быстрее с такой высокой скоростью, что может вызвать сильный нагрев стартера, а также может повредить и расплавить якорь .
В результате стартер сгорит и перестанет работать. Перед нагревом якоря необходимо удалить зацепление, чтобы защитить стартер. То есть, другими словами, можно сказать, что обгонная муфта препятствует разгону якоря. Он предотвращает ускорение шестерни до чрезмерного вращения.
Конструкция и работа обгонной муфты стартера
Обгонная муфта стартера Обгонная муфта состоит из набора роликов с цилиндрическими пластинами, называемых внутренней и внешней обоймой.
Когда в результате на стартер подается электричество, ведущая шестерня входит в зацепление с зубчатым венцом маховика.
В это время вращается внешнее кольцо обгонной муфты, что позволяет роликам заклинить внутреннее кольцо. Он заставляет обе дорожки вращаться вместе как единое целое, которое передает крутящий момент стартера на маховик двигателя.
Как только двигатель запускается и скорость вращения маховика увеличивается, ведущая шестерня начинает ускоряться быстрее, чем стартер.
Имейте в виду, что это быстрое вращение ведущей шестерни, приводимой в движение зубчатым венцом маховика, заставляет ведущую шестерню вращаться в противоположном направлении. Это освобождает ролики и заставляет внутреннюю обойму свободно вращаться вместе с маховиком. Это отсоединяет якорь от маховика двигателя.
Таким образом, обгонная муфта предотвращает чрезмерную скорость стартера, а также трансформацию крутящего момента.
11. Планетарная передача стартера:
Планетарная передача, вид изнутри Планетарная передача представляет собой группу шестерен, используемых для увеличения крутящего момента и снижения скорости двигателя стартера.
Он крепится к главному валу стартера между шестерней и якорем. Она называется планетарной, потому что планетарные шестерни вращаются вокруг солнечной шестерни.
Все стартеры не имеют планетарной передачи. Он используется в стартерах с редуктором, где он удовлетворяет требованиям высокого крутящего момента. Один важный момент, который вы должны иметь в виду, заключается в том, что крутящий момент и скорость обратно пропорциональны друг другу.
Таким образом, когда скорость ведущей шестерни автоматически снижается, ее крутящий момент на ведущей шестерне увеличивается. Планетарная передача специально разработана для уменьшения скорости ведущей шестерни и увеличения крутящего момента.
Планетарная передача снижает скорость вращения ведущей шестерни в ¼ раза. Это означает, что при четырех оборотах якоря шестерня вращается только один раз.
Функции планетарной передачи стартера:
Планетарная передача выполняет следующие функции.
- Увеличить крутящий момент стартера
- Уменьшить скорость стартера
- Легкий запуск двигателя даже в холодные дни
- Меньшее потребление тока во время пуска
- Позволяет уменьшить размер и вес стартера
Конструкция и принцип действия планетарного редуктора стартера:
Внутренние детали планетарного редуктораПланетарный редуктор состоит из четырех частей: солнечной шестерни, трех планетарных шестерен, водила и зубчатого венца. Солнечная шестерня прикреплена к якорю двигателя и расположена посередине трех планетарных шестерен.
Три планетарные шестерни размещаются внутри внутренних зубьев неподвижного зубчатого венца. К трем сателлитам прикреплено водило, соединяющее их как единое целое с приводом шестерни.
В целом, солнечная шестерня используется в качестве входа в планетарную передачу, а водило планетарной передачи используется в качестве выходной мощности для ведущей шестерни. Когда водитель поворачивает ключ, на соленоид подается питание, позволяя току проходить к якорю.
Якорь начинает вращаться, что вызывает выработку электромагнитов.
При вращении якоря солнечная шестерня также вращается, что заставляет планетарные шестерни вращаться вокруг зубчатого венца, совершая орбитальное движение вокруг солнечной шестерни.
Водило используется для передачи выходной мощности планетарной шестерни на ведущую шестерню. Этот механизм снижает скорость стартера и увеличивает крутящий момент.
Принцип работы стартера:
Схема управления автомобильным стартеромПринцип работы стартера основан на преобразовании электрической энергии в механическую для запуска двигателя. При повороте ключа в положение пуск ток идет от ключа зажигания к стартеру, где обмотка якоря находится под напряжением и создает электромагнитное поле.
Это электромагнитное поле вызывает вращение якоря, которое передается шестерней на маховик двигателя. Если вы хотите узнать больше о том, как работает стартер, ниже приведено подробное руководство по работе стартера.
Связанные • Полное руководство по схеме стартера и принципам работы стартера | Невероятное объяснение |
Часто задаваемые вопросы (FAQ)
Каковы признаки неисправности стартера?
Ниже приведены признаки неисправности стартера.
Стартер не включается
Стартер издает щелкающий звук
Стартер издает скрежещущий звук
Двигатель прокручивается медленно перед запуском
Стартер вращается свободно (свободно)
Стартер вращается с перерывами Стартер дымит
Стартер пропитан маслом
Вышеперечисленные признаки неисправного стартера.
Если вы хотите полностью узнать признаки плохого стартера. Я уже объяснил все эти проблемы и признаки выше в этой мощной статье.
Связанные • 9 Смертельные наиболее распространенные проблемы и симптомы стартера: знайте причины
Может ли неисправная батарея убить стартер?
Батарея повреждена Это очень распространенный вопрос; люди часто пишут мне, что плохой аккумулятор может убить стартер.
Короткий ответ — нет, но я говорю, слушайте внимательно, я говорю только в одном случае, это может убить стартер. Потерпите меня, я объясняю этот момент.
Смотрите, разряженный аккумулятор не вредит стартеру, когда вы пытаетесь завести двигатель. Но, только в одном случае, он может убить стартер, если долго крутить на нем без перерывов, когда машина не заводится. В этом случае длительное удерживание ключа в положении запуска может привести к перегреву стартера и его сгоранию.
Проблема заключается в количестве времени, в течение которого стартер подключен к аккумулятору. Хорошая батарея передает большую мощность, но только на одну или две секунды, которые требуются для запуска двигателя.
Но, с другой стороны, при севшем аккумуляторе можно крутить за 10+ секунд, хотя на стартер подается меньший ток. Такой отрезок времени вызывает перегрев, при котором большое количество тока преобразуется в тепло, а не в силу вращения.
Как слабый аккумулятор убивает стартер?
Разряженный аккумулятор Теперь важный вопрос, как слабый аккумулятор убивает стартер? Как я всегда говорю, «Easy Car Electrics» — это не обычный веб-сайт; это место, где вы найдете логичные ответы, объясненные простыми словами, подкрепленные наукой.
Итак, приступим к делу.
При прохождении тока через стартер вращается якорь стартера, вместе с которым вращается и коллектор.
Но, если батарея разряжена и не может обеспечить достаточный ток для якоря, якорь будет медленно вращаться, а также сегмент коммутатора. В результате каждый сегмент коммутатора будет пропускать меньший ток (из-за слабой батареи), но дольше.
И при большем времени на каждом сегменте может нагреться. Если в случае, если стартер зацепится с зубчатым венцом, но не прокрутится (из-за слабого аккумулятора), то весь ток пойдет через один сегмент, что может повредить коллектор и съесть щетку. Кроме того, плохой аккумулятор может увеличить износ при проворачивании во время медленного запуска.
Как узнать, не работает ли аккумулятор или стартер?
Здесь я объясняю симптом неработающего стартера и аккумулятора.
Признаки неисправности стартера:
Повреждение якоря стартера- Когда вы пытаетесь запустить двигатель, и индикаторы на приборной панели полностью горят, но стартер издает щелчок или повторяющийся щелчок, или звук отсутствует вообще, это является признаком неисправности.
плохой стартер. - Двигатель не запускается даже при запуске от внешнего источника.
Признаки неисправной или разряженной батареи:
Признаки умирающей или неисправной батареи- При низком заряде батареи вы поворачиваете ключ, и стартер издает щелкающий звук или не издает никакого звука, но индикаторы на приборных панелях тускнеют или полностью выключите, пока вы пытаетесь запустить двигатель.
- Двигатель не заводится после запуска от внешнего источника.
- По форме напоминает аккумулятор на приборной панели указывает на внутреннюю проблему с генератором или аккумулятором.
- Если у вас регулярно возникают проблемы с запуском, это может быть признаком плохой батареи.
- Если вы раньше запускали машину от прыжка, и двигатель вообще не крутился, это может быть признаком плохого состояния аккумулятора.
- Приглушенный свет
- Слабый звуковой сигнал
- Аккумулятору больше трех лет
Лучший способ диагностировать неисправность аккумулятора или стартера:
Лучший способ диагностировать неисправность аккумулятора или стартера — запустить автомобиль от внешнего источника.
Если машина не заводится, значит стартер неисправен, а если машина заводится, то и не заведется после того как вы его выключили. Возможно проблема в севшем аккумуляторе.
Почему не работает стартер?
Как известно, любой движущийся элемент со временем изнашивается, как и стартер. Стартер может выйти из строя по нескольким причинам. Ниже приведены пять наиболее распространенных причин поломки стартера.
1. Очень старый стартер:
Старый стартер может привести к отказу стартера, поскольку со временем стартер теряет свою работу и становится уязвимым для выхода из строя.
2. Корродированный или более слабый аккумулятор:
Корродированные клеммы или более слабые аккумуляторы не будут подавать на стартер полный ток. В результате стартер не будет полностью зацепляться с маховиком, это вызывает несовпадение зубьев обеих шестерен и будет изнашиваться, что и является причиной выхода из строя стартера.
3. Замыкание проводки:
Замыкание проводки Замыкание обмотки стартера или цепи стартера приведет к перегреву стартера и может привести к его выходу из строя.
Короткое замыкание в проводке
4. Жесткий подшипник
Жесткие подшипники стартера также могут стать причиной отказа стартера.
5. Ослабленные крепежные болты
Ослабленные крепежные болты не позволят ведущей шестерне полностью войти в зацепление с маховиком. Таким образом, изнашиваются зубья шестерни, и в результате стартер может выйти из строя.
Можно ли завести машину с неисправным аккумулятором?
Jump StartПрежде всего, вы должны знать определение Jump Start. Пуск от внешнего источника — это метод запуска автомобиля, при котором автомобиль запускается с разряженной аккумуляторной батареей через соединительные кабели, подключенные к другому транспортному средству или другому внешнему источнику питания.
Правильный способ запуска автомобиля с прыжка Теперь перейдем к ответу. Пуск автомобиля с неисправным стартером не поможет запустить двигатель. Запуск от внешнего источника только увеличивает заряд батареи. Иногда плохой стартер потребляет большой ток от аккумулятора, хотя аккумулятор в хорошем состоянии.

Проявляются они не сразу, а спустя некоторое время. Такая проблема была актуальна для Форд Фокус второго поколения, выпущенного в 2008 году. Машина работала исключительно, но в один день стартер переставал работать. После тщательной проверки можно было точно сказать что с контактами и электроникой автомобиля все в полном порядке, но деталь упрямо не выполняла своих функций. Решалась проблема заменой стандартного иммобилайзера. Поломку выявить оказалось просто – в обход всех систем просто с кнопки шло питание с АКБ на стартер, и он отлично работал. Случай выглядит скорее как исключение, но все же не стоит сбрасывать его со счетов.
Так что будьте готовы к приобретению новой детали.
В этом случае нужно быть предельно внимательным, ведь такая ситуация приводит к оплавке проводов, по причине которых возможно короткое замыкание, сбой в электронике автомобиля и в самых страшных случаях – пожару.
Если они изношены, то нужно просто заменить их новыми.
К тому же вы будете иметь постоянно севший аккумулятор.
Стартер прекратил свою работу.
Нужно его промыть.
Они передают ток на обмотки якоря




Это звук включения соленоида стартера, но стартер не запускается.
плохой стартер.