Что собой представляет схема споттера
Силовая электрическая схема споттера давно прошла стадии разработки, экспериментов и используется для рихтовки авто в разнообразных вариантах. После приобретения опыта работы с устройством возник вопрос автоматического управления режимами работы устройства с более точными регулировками и необходимыми защитами. Споттер с режимом аппарата точечной сварки и споттер как сварочный аппарат для работы электродом должны иметь различную длительность и мощность импульса. Точка сварки может получиться слабой или слишком крепкой, что создаст дополнительные трудности при ремонте авто.
Фото 1. Споттер незаменим при проведении автомобильных кузовных работ.
Основные параметры, которым нужна точная регулировка для качественного результата работы, это мощность импульса и его длительность. Предлагаемая схема позволит подбирать и сохранять установки параметров как в режиме сварочный аппарат, так и делая точечную сварку.
Схема собрана на трех платах и состоит из двух функциональных частей:
- Плата, на которой расположен блок питания. Внешний вид можно посмотреть на фото 1.
- Две платы, на одной из которых расположен контролер и вторая с кнопками переключения и четырехразрядным индикатором.
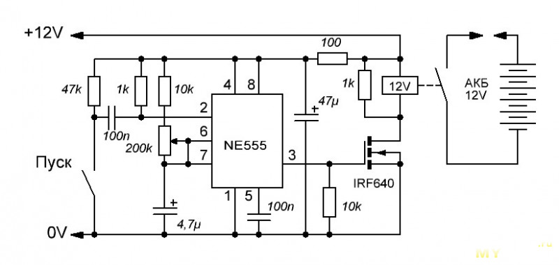
Блок питания и его схема
Схема намотки трасформатора.
Схема блока питания показана на рис.1. Условно ее можно разделить на три составные части:
- цепь питания первичной обмотки понижающего трансформатора;
- понижающий трансформатор;
- вторичная обмотка с диодным мостом и стабилизатором напряжения.
В цепи первичной обмотки трансформатора установлен сетевой фильтр, обычно используемый в импульсных блоках питания. Здесь он используется для защиты микросхемы контролера от импульсов, создающихся в сетевом напряжении при работе споттера.
Трансформатор можно использовать любой с напряжением 220 В/24 В при работе от сети в 220 В.
К вторичной обмотке подключен диодный мост со сглаживающими конденсаторами и стабилизатор напряжения на микросхеме LM2574. С выхода микросхемы напряжение номиналов в 5 В подается на выходной разъем Х1 через цепочку LC – фильтра для устранения высокочастотных помех. Отмеченные пунктиром соединительные линии должны быть минимальной длины и располагаться по возможности ближе ко второй ножке микросхемы IC1.
Рисунок 1. Схема блока питания.
Напряжение на клемме 1 разъема Х1 используется контроллером для определения нулевого уровня.
Напряжение с клеммы 7 разъема Х1 используется для запуска контроллера при положительной полуволне сетевого напряжения.
Изготовленная своими руками схема при отсутствии ошибок в сборке начинает работать без дополнительных настроек. Наличие напряжения в 5 В будет контролировать светодиод LED1.
Пускатель К1 предназначен для подключения сетевого напряжения при замыкании выключателя S1.
Вместо него можно использовать автоматический выключатель с защитой нужного номинала или подключать напряжение напрямую, при наличии предохранителей в питающий сети.
Вернуться к оглавлению
Управление силовым тиристором точечной сварки споттер
Фото 2. Внешний вид платы блока управления с контроллером.
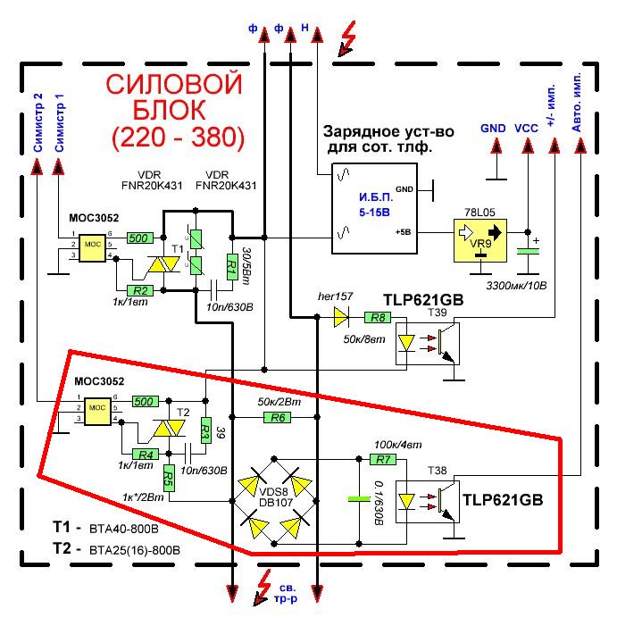
Для управления силовым тиристором или симистором используется микросхема МОС3052. Эта серия микросхем специализирована для использования в устройствах подобного типа и при замене на аналоги. При этом необходимо внимательно оценить технические характеристики предлагаемого варианта.
При питании схемы от сетевого напряжения 380 В необходимо использовать симистор типа ВТА40 – 800v, соответственно рабочее напряжение конденсатора С11 630 В, защитные варисторы R14 и R15 типа 20D241. Для установки симистора нужно использовать радиатор. Конструкция элемента безопасна и не имеет соединения с теплоотводом. На радиатор для контроля температуры желательно установить термостат с температурой размыкания контактов 60-80°С.
Для споттеров большой мощности можно рекомендовать другой вариант схемы управления тиристорами. В ней применяются тиристоры типа 70TPS12, для управления которыми использованы оптроны МОС3052. Тиристоры этого типа имеют электрическое соединение с теплоотводами и должны устанавливаться на раздельные радиаторы или с диэлектрическими прокладками.
Вернуться к оглавлению
Схема управления с блоком индикаторов точечной сварки споттер
Внешний вид платы блока управления с контроллером показан на фото 2.
На фотографии показан внешний вид блока индикаторов с кнопками управления без декоративной панели. Панель индикаторов с кнопками и установленной декоративной панелью показана на другом фото 3.
Схема управления имеет минимум вспомогательных элементов. Управление всеми процессами осуществляется микроконтроллером типа AtMega 16, установленном в исполнении DIP. Элемент производителя фирмы Atmel имеет невысокую стоимость и большое количество выводов. Устройство контролера позволяет использовать входные и выходные сигналы на любые ножки микросхемы, поэтому плата получается максимально упрощенной. Кроме возможностей конфигурации, контролер оснащен оперативной и энергонезависимой памятью большой емкости и др. В схеме управления споттером его возможности использованы примерно на 20 %.
Вернуться к оглавлению
Краткое описание работы точечной сварки споттер
Принципиальная схема блока управления показана на рисунке (рис.2). При поступлении напряжения питания загружаются сохраненные в энергонезависимой памяти данные для первой кнопки. На индикаторе отображается выдаваемая контролером информация. Параллельно с выводом информации выполняется контроль состояния кнопок, при обнаружении сработавшей кнопки запускается соответствующая подпрограмма.
Информация на табло обновляется в связи с новым запросом.
При каждом срабатывании контактов кнопок раздается звуковой сигнал, его отсутствие означает неисправность или зависание контроллера.
Фото 3. Панель индикаторов споттера.
При помощи кнопок можно выбрать необходимый режим работы, установить нужные параметры импульса. Подобранный режим можно сохранить в памяти для последующего использования.
В режиме «Работа» контроллер работает следующим образом:
- Индикаторы отключаются, контроллер контролирует уровень напряжения на контакте AIN1.
- При снижении напряжения до нулевого уровня запускается счетчик с установленным периодом паузы.
- По окончании отсчета выдается команда на микросхему управления тиристором (симистором). Процесс повторяется на каждом периоде сетевого напряжения для использования только положительной половины периода. Это усовершенствование позволяет избежать режима магнитного насыщения железа.
Контроль сетевого напряжения происходит по цепочке от блока питания, через контакт разъема Х-1 на контакт контроллера SIN.
Элементы VR2 и Q2 корректируют форму сигнала. Напряжение на открытие симистора подается на разъем Х3, контакты 1 и 2.
Состав схемы управления точечной сварки споттер
Дополнительно с контроллером использованы разгружающие ключи IC2 для предохранения микросхемы процессора от перегрузок. Микросхема IC3 применена из-за недостаточного количества выводов на процессоре. Используется в качестве регистра памяти с параллельным выходом и последовательным входом. В зависимости от полученного кода включается определенный светодиод. Цифровые индикаторы имеют семь сегментов, подключенных к общему катоду. В общую схему соединяются дорожками платы. В качестве LED5-10 можно использовать любые светодиоды, подобрав необходимый цвет.
Устройство для звука должно иметь собственный генератор с рабочим напряжением 5 В. Пассивные элементы можно применять любых марок с точностью номиналов до 20 %.
Для программирования контролера необходимо установить соответствующий разъем, подключенный к выводам микропроцессора: MOSI, MISO, SCK, Reset, Gnd.
Споттер из микроволновки своими руками: схема и инструкция
Контактная сварка для рихтовки кузовных деталей автомобиля стала применяться сравнительно недавно, но быстро завоевала популярность не только у профессиональных рихтовщиков, но и у обычных автолюбителей. Промышленные аппараты контактной сварки стоят недешево, поэтому домашние мастера сообразили, что можно собрать споттер из микроволновки своими руками, и самодельный аппарат будет отлично выполнять свои функции.
Содержание
- Cамодельный споттер из старой микроволновки – электрическая часть
- Сборка самодельного споттера и его инструментов
- Органы управления самодельным споттером
- Достоинства самодельного споттера
Cамодельный споттер из старой микроволновки – электрическая часть
Человек, привыкший мастерить, никогда не выбросит старое, пришедшее в негодность, устройство.
В этом устройстве наверняка найдутся исправные узлы и детали, способные работать еще долгое время. Не исключением является и сломанная микроволновая печь. Детали, которые можно извлечь из нее, пригодятся для того, чтобы собрать самодельный споттер, и он будет работать ничуть не хуже промышленных образцов.
Чтобы изготовить споттер из деталей пришедшей в негодность СВЧ-печи, достаточно владеть основами электротехники. Нужно выбрать подходящую электрическую схему, и, в соответствии с этой схемой, приобрести на рынке или в магазинах недостающие радиодетали и другие комплектующие.
Споттер своими руками — электросхема
Трансформатор
Трансформатор – это самый важный узел любого сварочного аппарата, в том числе и споттера. В продаже они имеются в огромном количестве, но выбрать тот, который подойдет для самодельного споттера, достаточно затруднительно. Намного проще и дешевле сделать его своими руками, взяв в качестве базового трансформатор из СВЧ-печи. Предварительно следует убедиться, что его мощности хватает для поддержания силы тока, достаточной для сварки.
Трансформатор от микроволновки для споттера
Если мощности одного трансформатора не хватает, следует взять еще один такой же. Их следует модифицировать, для чего нужно аккуратно снять вторичные обмотки. После того, как будут сняты вторичные обмотки, на освободившееся место проводом, имеющим сечение 50 мм2 или даже больше, наматываются пользовательские обмотки в два – три витка, что даст на выходе напряжение порядка трех вольт.
Оба трансформатора подключаются к сети переменного тока параллельно, при этом важно не спутать соединительные клеммы. Силы выходного тока будет вполне достаточно для контактной точечной сварки. Соединительный силовой кабель желательно покрыть специальным слоем изоляции, который может деформироваться при перегреве проводов и восстанавливаться при охлаждении.
Электрическая схема самодельного споттера
Основной трансформатор – это только часть общей электрического блока. Он обеспечивает питание устройства и необходимую мощность для сварки.
Кроме трансформатора, для сборки электрической схемы и изготовления простого самодельного споттера потребуются следующие комплектующие:
- трансформатор, подающий питание на блок управления;
- тиристор ПТЛ50;
- диодные мосты – один на базе диодов Д232А, второй на базе диодов Д226Б;
- электролитический конденсатор 1000 мкФ × 25 вольт;
- переменный резистор 100 Ом;
- предохранитель 5 А;
- кнопка включения;
- кнопка переключения режимов работы.
Схема, собранная из такого минимального набора комплектующих, формирует мощный электрический импульс, выдавая его на электрод для сварки.
Сборка самодельного споттера и его инструментов
Мало подобрать необходимые блоки и узлы, чтобы самостоятельно сделать споттер из старой микроволновки. Нужно все это тщательно собрать, сделать из россыпи деталей законченную конструкцию, которую не только было бы приятно держать в руках, но и чтобы с аппаратом было удобно работать.
youtube.com/embed/_KcMABPkQ1c?enablejsapi=1&autoplay=0&cc_load_policy=0&iv_load_policy=1&loop=0&modestbranding=0&rel=0&showinfo=1&fs=1&playsinline=0&autohide=2&theme=dark&color=red&controls=2&» title=»YouTube player» allow=»autoplay; encrypted-media» allowfullscreen=»» data-no-lazy=»1″ data-skipgform_ajax_framebjll=»»/>Корпус самодельного споттера
Корпус для споттера своими руками
Прежде всего необходимо позаботиться о корпусе, в который будут помещены вся силовая часть и электрическая схема самодельного споттера. Можно использовать корпус старой СВЧ-печи, но можно сделать самодельный корпус. Корпус должен обеспечить надежную защиту всех элементов схемы от механических повреждений, от пыли, для него следует продумать систему вентиляции и охлаждения. Для удобства транспортировки у него должны иметься ручки для переноски.
В нижней части корпуса устанавливается толстая (до десяти миллиметров) плата из диэлектрического материала – гетинакса, тестолита, авиационной фанеры.
На этой плате монтируются все детали аппарата. Трансформаторы желательно установить по центру платы, чтобы вес аппарата был сбалансирован. Это особенно важно, если корпус самодельного аппарата будет установлен на колесики. В стенках корпуса проделываются отверстия для вывода силовых кабелей.
Держатель электродов
Держатель электродов обычно выполняют из того же материала, из которого выполнена монтажная плата в корпусе. Выпиливаются три одинаковые заготовки нужной формы. Средняя заготовка предназначена для крепления кнопки включения, кабеля, кронштейна, фиксирующего электрод. В заготовке делаются соответствующие пазы и пропилы. После этого в подготовленные места устанавливается кнопка, кронштейн, кабели, все три заготовки складываются и скрепляются винтами.
Для винтов и гаек рассверливаются отверстия, с расчетом, что головки винтов и гайки будут спрятаны в теле ручки держателя. После сборки держатель тщательно шлифуется, все острые углы скругляются. Держатель готов к работе.
Опытные мастера советуют делать держатель из корпуса клеящего пистолета.
Держатель электродов для самодельного споттера
Электроды
Для изготовления электрода обычно используется медный пруток круглого сечения или бронзовая трубка, которая очень удобна для того, чтобы внутри нее были протянуты токоведущие проводники. Рабочая часть вставляется с торца, поэтому там делается паз, в который можно вставлять привариваемую шайбу. Трубку предварительно расплющить.
Споттер, сделанный своими руками, в работе
Обратный молоток
Обратный молоток (инопуллер) каждый мастер делает так, как ему удобно. Одно непременное условие для всех конструкций – прочное соединение силового кабеля с наконечником инопуллера, что должно обеспечить минимальное сопротивление в токопроводящих соединениях. Рукоятку можно сделать в виде пистолета, шток движения ударного элемента не должен быть большой длины. Ударный элемент должен перемещаться свободно.
Пистолет споттера в сборе с обратным молотком
Органы управления самодельным споттером
Изготовить самодельный споттер из деталей микроволновки абсолютно несложно.
С этим может справиться любой мастер. Но для того, чтобы споттером было комфортно пользоваться, следует позаботиться об удобных и надежных органах управления. Прежде всего это касается системы электропитания.
Споттер из микроволновки — схема подключения
Мало вывести шнур электропитания из корпуса. Постоянно включать и выключать вилку в розетку удлинителя нерационально. Прибор может быть постоянно включен в электрическую сеть.
Но для включения прибора на корпусе нужно предусмотреть выключатель и индикатор включенного питания. Можно использовать рычажный или кнопочный переключатель на два положения и световой индикатор включения. Это избавит мастера от постоянного включения и выключения сетевого шнура в розетку, и надежно будет сигнализировать о состоянии прибора.
Для подачи импульса на электрод самодельного споттера силовой кабель подключается через кнопку включения, не имеющую механизма фиксации. Кнопку можно позаимствовать от любой старой ручной дрели, болгарки или подобного инструмента.
Все токоведущие части и соединения должны быть надежно заизолированы.
Достоинства самодельного споттера
Несмотря на свою простоту, самодельный аппарат обладает несомненными достоинствами и преимуществами:
- дешевизна изготовления;
- высокая производительность;
- удобство эксплуатации;
- высокое качество сварки;
- противопожарная безопасность;
- нет необходимости в спецодежде и средствах индивидуальной защиты;
- экономичность.
Самодельный споттер из микроволновки
Видео по теме: Споттер из микроволновки
Как сделать споттер из двух трансформаторов микроволновки: советы
Автор Andrey Ku На чтение 4 мин Опубликовано
Для ремонта автомобильного кузова используются различные приспособления. Одно из них — это споттер. Необязательно его покупать. Можно делать споттер из двух трансформаторов микроволновки.
Содержание
- Как работает споттер
- Выбор деталей
- Трансформаторы
- Тиристоры и диоды
- Конденсаторы и резисторы
- Изготовление споттера
- Изготовление трансформаторов
Как работает споттер
Принцип работы этого устройства напоминает аппарат точечной сварки. Этот вид сварки называется “сварка сопротивлением”:
- “масса” споттера закрепляется зажимом на кузове;
- в необходимом месте прижимается рабочий инструмент, к которому подключен электрод;
- повторно-кратковременно включается сварочный ток;
- место сварки нагревается до температуры, на 10% меньше температуры плавления;
- после остывания рабочий инструмент “прилипает” к кузову.
В качестве рабочего инструмента используются шайбы, крючки, обратные молотки и другие элементы.
Важно! Место контакта необходимо зачистить наждачной бумагой.
Для уменьшения длины кабелей и потерь в них, электрическая схема аппарата находится в корпусе, рядом с местом сварки. Собрать ее можно из двух старых трансформаторов, в том числе взятых из вышедших из строя микроволновых печей, и нескольких дополнительных деталей.
Электрическая схема этого устройства работает следующим образом:
- напряжение сети подается на первый понижающий трансформатор;
- пониженное напряжение подается на диодный мост, где оно преобразуется из переменного в постоянное;
- через переключатель выпрямленное напряжение заряжает конденсатор;
- при включении режима сварки реле отключает конденсатор от диодного моста и включает в цепь управления тиристора;
- открывшийся тиристор подключает к сети второй трансформатор, имеющий низковольтную обмотку из 2-3 витка из кабеля сечением 50 мм²;
- после разрядки конденсатора тиристор закрывается, и сварка прекращается.

- после разрядки емкости и отключения кнопки “Импульс”цикл повторяется.
Важно! Длительность и величина импульса сварочного тока зависит от емкости конденсатора и параметров резистора.
Выбор деталей
Схема состоит из нескольких деталей. От их выбора зависит надежность и работа аппарата.
Трансформаторы
Эти аппараты берутся готовые или перематываются старые, взятые из б/у микроволновок и другой аппаратуры:
- Обеспечивает работу схемы и заряд конденсатора. Питает электросхему напряжением 12В. Его мощность значения не имеет.
- Через его первичную обмотку разряжается конденсатор, а вторичная создает импульс сварочного тока. Обеспечивает работу сварочного инструмента. Во вторичной обмотке 2-3 витка кабеля или толстой шины.
Выбор трансформатора СВЧ для споттера производится по мощности – чем она выше, тем более мощным получается устройство.
Тиристоры и диоды
Тип тиристора может быть любым.
Единственное требование – ток не менее 50А и напряжение не менее 300В. Параметры диодов, питающих рабочий инструмент, и режим работы аналогичные. Поскольку аппарат работает в импульсном режиме, диоды и тиристоры на радиаторы не устанавливаются.
Вместе эти элементы составляют тиристорный ключ. Вместо тиристора и мощных диодов допускается применение симистора с теми же рабочими параметрами.
Диодный мост, питающий конденсатор, изготавливается из любых маломощных диодов, например, 226Б.
Информация! Хотя сеть считается 220В, это действующее значение напряжения синусоидальной формы. Расчет параметров диодов и тиристоров производится по максимальному значению синусоиды, которое больше в √3 и составляет 308В.
Конденсаторы и резисторы
Переменное сопротивление регулирует величину сварочного тока. Регулировка силы и продолжительности сварочного импульса производится управлением угла открытия тиристора. Для этого служит переменный резистор. Его величина составляет 100Ом.
Поскольку он находится в цепи управления тиристора, ток, текущий через него минимален и составляет несколько миллиампер. Поэтому мощность резистора значения не имеет.
Конденсатор электролитический, емкостью не менее 1000мкФ, с рабочим напряжением более 25В.
Изготовление споттера
Сделать споттер из трансформатора от микроволновки можно самостоятельно. Рабочий инструмент изготавливается исходя из конкретных задач или приобретается в магазине. Электрическая часть собирается в любом подходящем металлическом корпусе, там же устанавливаются выключатели и регулятор сварочного тока.
В стенках сверлятся отверстия Ø10-20мм для охлаждения, сверху крепится ручка для переноски, а сбоку устанавливаются клеммы для подключения “массы” и электрода. На лицевой панели желательно установить индикаторы сети и работы, а также амперметр, для контроля величины сварочного тока.
Изготовление трансформаторов
В электрической схеме споттера используются два трансформатора.
Их можно взять от старых СВЧ-печей.
Вторичная обмотка трансформатора №1 перематывается на напряжение 12В или используется без переделки.
Переделывать необходимо трансформатор №2:
- Удаляется вторичная катушка. Если она намотана отдельно от первичной, то витки срезаются ножовкой по металлу, а для разматывания обмотки, намотанной сверху на первичную, устройство необходимо полностью разобрать.
- После удаления вторичной обмотки аппарата наматывается сварочная катушка. Она состоит из 2-3 витков кабеля сечением 50мм². Между первичной и вторичной обмотками прокладывается лакоткань или другой аналогичный материал.
- Аппарат собирается и устанавливается в корпус. Вывода подключаются к клеммам.
Для увеличения силы тока сварки допускается использовать два одинаковых устройства, включенных в параллельную работу.
Совет! Для повышения надежности на концы силовых обмоток напрессовываются наконечники, а все соединения выполняются болтами.
Споттер, сделанный своими руками, способен заменить дорогое покупное устройство.
Страница не найдена — TICO
8,8-литровый пропановый двигатель Power Solutions International, представленный TICO на выставке ACT Expo
Обе компании сотрудничают с Советом по образованию и исследованиям в области пропана, чтобы продвигать использование альтернативных видов топлива на ходу и вне его. дорожные транспортные средства.
ЛОНГ-БИЧ, КАЛИФОРНИЯ, 24 апреля 2019 г. — Power Solutions International Inc. («PSI») (OTC Pink: PSIX), лидер в области проектирования, разработки и производства сертифицированных по выбросам энергетических систем на альтернативном топливе. , будет сотрудничать с TICO Manufacturing, чтобы продемонстрировать терминальный тягач UPS, оснащенный 8,8-литровым дорожным пропановым двигателем PSI, на стенде № 635 во время выставки Advanced Clean Transportation (ACT) Expo, которая пройдет 24–26 апреля в конференц-центре Лонг-Бич, Лонг-Бич.
Калифорния.
Представленный на предыдущей выставке ACT Expo терминальный тягач Pro-Spotter стал первым крупным совместным проектом PSI и TICO по интеграции нестандартных двигателей на альтернативном топливе в варианты платформы трансмиссии TICO. Терминальные тягачи TICO Pro-Spotter широко используются в распределительных центрах, железнодорожных терминалах и портах для перемещения полуприцепов и транспортных контейнеров. Конкретные клиенты автопарка продвигаются вперед с альтернативными видами топлива и используют множество TICO Pro-Spotter с двигателями PSI 8,8 л, работающими на сжатом природном газе и сжиженном нефтяном газе, на своих предприятиях по всей стране.
TICO Pro-Spotters с 8,8-литровыми двигателями PSI, сертифицированными по выбросам, обеспечивают бескомпромиссную мощность, производительность, топливную экономичность и топливную гибкость для любого пользователя. Двигатель также используется в автобусах средней грузоподъемности и грузовиках.
[ЦИТАТА ДЖОНА МИЛЛЕРА]
TICO и PSI демонстрируют пропановый трактор UPS совместно с Советом по образованию и исследованиям в области пропана (PERC), который будет расположен рядом с TICO во время выставки.
Совет по образованию и исследованиям в области пропана, финансируемый пропановой промышленностью, реализует программы безопасности и обучения, проводит исследования и инвестирует в разработку технологий вместе с ведущими производителями оборудования для расширения использования пропана в качестве чистого источника энергии американского производства.
«Портовым операторам необходимо оборудование, которое выполняет свою работу с минимальными затратами и соответствует нормам по выбросам. Оборудование, работающее на пропане, отвечает всем этим требованиям», — сказал Такер Перкинс, президент и главный исполнительный директор PERC. Пропановая промышленность сотрудничала с PSI для разработки линейки двигателей, обеспечивающих самую низкую общую стоимость владения с чистыми выбросами, и портовый тягач Tico является отличным решением с использованием их двигателя. Мы рады работать с Tico и PSI, чтобы показать посетителям ACT ценность, которую пропан может принести отрасли».
[PERC QUOTE]
В дополнение к терминальному тягачу Pro-Spotter компания TICO будет продвигать во время выставки свою недавно разработанную систему пополнения запасов топлива в пропановых баках.
Запатентованная система, в которой используются вилочные погрузчики с рельсовым приводом для пополнения топливных баков пропана на грузовиках каждые восемь часов, позволяет транспортным средствам работать непрерывно.
О Power Solutions International, Inc.
Power Solutions International, Inc. (PSI или Компания) является лидером в области проектирования, проектирования и производства сертифицированных по выбросам энергетических систем на альтернативном топливе. PSI предоставляет комплексные решения «под ключ» ведущим мировым производителям оригинального оборудования для промышленного и дорожного рынка. Уникальные собственные возможности компании в области проектирования, прототипирования, проектирования и испытаний позволяют PSI настраивать чистые, высокопроизводительные двигатели, работающие на самых разных видах топлива, включая природный газ, пропан, биогаз, бензин и дизельное топливо.
PSI разрабатывает и поставляет силовые агрегаты, специально предназначенные для грузовых автомобилей и автобусов средней грузоподъемности классов с 3 по 7 для рынков Северной Америки и Азии, включая рабочие грузовики, школьные и транзитные автобусы, терминальные тягачи и различные другие профессиональные транспортные средства.
Кроме того, PSI разрабатывает и поставляет полные промышленные энергетические системы, которые используются во всем мире в стационарных и мобильных приложениях по выработке электроэнергии, поддерживающих приложения резервной, основной, распределенной генерации, реагирования на спрос и когенерации (ТЭЦ); и мобильные промышленные приложения, которые включают вилочные погрузчики, автоподъемники, промышленные подметальные машины, наземную поддержку самолетов, беседки, сельскохозяйственное и строительное оборудование. Для получения дополнительной информации о PSI посетите сайт www.psiengines.com.
О TICO Manufacturing
TICO (Terminal Investment Corporation) уже более 46 лет является пионером в области обслуживания автопарков, терминальных услуг и производства терминальных тягачей. TICO также производит свой терминальный тягач Pro-Spotter для розничной продажи с 2008 года.
Рожденный в портах, TICO Pro-Spotter является продуктом с наиболее эффективной стратегией исследований и разработок на современном рынке дворовых тягачей.
И благодаря этому опыту в качестве OEM-производителя TICO смогла эксплуатировать и обслуживать парк из более чем 1400 ярдов тракторов в портах по всей Северной Америке. Его терминальные тягачи Pro-Spotter On- и Off-Highway и терминальные прицепы Pro-Shuttle также в настоящее время используются в распределительных центрах и железнодорожных терминалах по всему континенту. Продажи, обслуживание, запчасти и аренда терминальных тракторов Pro-Spotter доступны через дилерскую сеть в Северной Америке.
TICO Manufacturing является производителем качественных терминальных тягачей TICO, которые производятся «для реального мира» в Риджленде, Южная Каролина. Для получения дополнительной информации посетите сайт www.ticotractors.com.
TICO Manufacturing принимает рекордное количество заказов на ежегодном собрании дилеров
РИДЖЕЛАНД, ЮЖНАЯ КАРОЛИНА – TICO Manufacturing TICO Manufacturing, самый быстрорастущий в мире производитель терминальных тягачей, получил в этом году рекордное количество новых заказов на захватывающей встрече дилеров TICO .
Встреча состоялась в пятизвездочном отеле Charleston Harbour Marina & Resort, The Beach Club в Патриотс-Пойнт, Маунт-Плезант, Южная Каролина. В то время как бизнес был в центре внимания мероприятия, дилеры также были приглашены на местные мероприятия, включая специальный вечер экскурсий и ужин на борту авианосца USS Yorktown — знаменитого авианосца и особого резидента Patriots Point.
Дилеры TICO со всех уголков Северной Америки присутствовали, чтобы узнать о планах компании на 2019 год, об удивительном росте в 2018 году благодаря ее замечательным дилерам, а также пообщаться с другими дилерами, поставщиками и корпоративными посетителями. Дилерам TICO был представлен подробный анализ операций, финансов, обслуживания, запасных частей и производства, подготовленный широким кругом лидеров корпоративных и управленческих групп, включая владельца Рэндалла Букера, президента Тима Орра, генерального директора Фрэнка Табберта, исполнительного вице-президента Дункана Пиндара и многих других.
TICO приветствовала и чествовала своих ценных партнеров-поставщиков на этом мероприятии. Каждая команда изложила особенности своего плана расширения производственных или сервисных возможностей для удовлетворения растущего спроса, а также график внедрения новых продуктов.
И в ответ TICO Manufacturing приняла рекордное количество новых заказов на ежегодной встрече дилеров, поскольку ее дилеры побили предыдущий рекорд своими обязательствами Pro-Spotters на 2019 год. В результате дилерская сеть TICO готова продолжать в ответ на высокий спрос на лидирующий в отрасли ассортимент продукции TICO в 2019 году.
TICO также объявила и представила группе своих новых дилеров и продемонстрировала продолжающееся расширение своей постоянно растущей дилерской сети за счет добавления (3) новых дилерских групп. и (8) новые авторизованные местоположения.
Эти офисы, которые будут продавать и обслуживать лучшие в отрасли терминальные тягачи Pro-Spotter компании, объединятся с другими офисами TICO в самой быстрорастущей дилерской сети в Северной Америке.
Пер Маллери Пиндар, менеджер TICO по дилерской сети в Северной Америке и ведущий собрания дилеров: «Эти новые дилеры представляют направление в нашей отрасли, где самые лучшие дилеры на своих рынках хотят продавать терминальные тягачи TICO, и мы рады приветствовать их в семье TICO. Их многолетний опыт работы в отрасли и отличная поддержка клиентов повышают ценность рынков, которые они обслуживают, и улучшают качество обслуживания TICO для всех его клиентов. Внутри TICO делает значительные инвестиции, чтобы обеспечить совместный успех нашей уважаемой дилерской сети, которая представляет лучший бренд в бизнесе». Эти инвестиции включают в себя добавление членов команды TICO, инфраструктуру поддержки продуктов и инструменты разработки дилеров.
Новые дилерские группы и офисы:
- Мичиган — TNT Trailer Sales
- Теннесси — Грузовой центр Накарато
- Оклахома — Оборудование Deep South
- Луизиана — Оборудование Deep South
- Миссисипи — Оборудование Deep South
TICO (Terminal Investment Corporation) производит свой терминальный тягач Pro-Spotter для розничной продажи с 2008 года.
В настоящее время компания имеет 160 авторизованных центров продаж и обслуживания по всей Северной Америке.
###
TICO Manufacturing является производителем качественных терминальных тягачей Pro-Spotter On и Off-Highway для использования в распределительных центрах, железнодорожных терминалах и портах, а также терминального прицепа Pro-Shuttle. Терминальные тягачи TICO производятся «для реального мира» в Риджленде, Южная Каролина. Для получения дополнительной информации посетите сайт www.ticotractors.com.
https://youtu.be/embed/xA0GCYi_BTk
Контактное лицо:
Мэллери Пиндар
66 Cypress Ridge Drive
Риджленд, Южная Каролина 29936
1-912-257-9519
TICO Manufacturing представляет новую кабину терминального тягача на ежегодной встрече дилеров и получает крупный заказ ежегодное собрание дилеров компании в Северной Америке, состоявшееся недавно в Саванне, штат Джорджия.
Встреча дилеров, проходившая в отеле Westin Savannah Harbour Resort, представляла собой трехдневное мероприятие, посвященное обсуждению и демонстрации всех инновационных функций и элементов дизайна кабины нового поколения компании.
«Мы подумали, что наша встреча с дилерами — идеальное время, чтобы продемонстрировать новую кабину и все, что она предлагает. Кабина была разработана с учетом потребностей клиентов в техническом обслуживании, времени безотказной работы и производительности водителя», — сказал Дуг Куин, директор TICO по продажам и маркетингу. «И мы знали, что наши дилеры были рады увидеть и услышать об этом, потому что мы приняли 100% участие в мероприятии».
Встреча включала яркую демонстрацию новой кабины во время открытия, корпоративные презентации о ее характеристиках, преимуществах и конкурентных преимуществах, а также демонстрацию Ride and Drive, которая длилась полдня на закрытой гоночной трассе курорта.
Шесть новых терминальных тягачей TICO, включая популярную версию из оцинкованной стали, были предоставлены дилерам для проведения тест-драйва на мероприятии. За демонстрацией последовала распродажа, на которой дилерам впервые была предоставлена возможность заказать новый терминальный тягач.
«Мы могли бы рассказать дилерам все о новой кабине, но это умные деловые люди. Мы знали, что должны показать им. Они должны были это испытать», — сказала Куин. «Как только они это сделали, они знали, что должны заказать один».
Дополнительные мероприятия, которые дилеры приняли во время встречи, включали презентации компании по обслуживанию, запчастям и финансовой поддержке TICO Tractor, частный вечерний круиз с ужином по реке Саванна, посещение производственного предприятия компании в Риджленде, экскурсии по городу Саванны и гольф на территории курорта. отмеченное наградами поле для гольфа с восемнадцатью лунками.
В результате энтузиазма, вызванного новой кабиной на собрании дилеров, TICO получила рекордный заказ на более чем 300 автомобилей от одного из ведущих перевозчиков посылок в Северной Америке.
TICO (Terminal Investment Corporation) производит терминальные тягачи Pro-Spotter для розничной продажи с 2008 года. Продажи, обслуживание, запчасти и аренда терминальных тягачей Pro-Spotter доступны через ее дилерскую сеть в Северной Америке.
Адреса дилеров можно найти на сайте www.ticotractors.com.
###
TICO Manufacturing является производителем качественных терминальных тягачей Pro-Spotter On и Off-Highway для использования в распределительных центрах, железнодорожных терминалах и портах, а также терминального прицепа Pro-Shuttle.
терминальных тягачей TICO производятся «для реального мира» в Риджленде, Южная Каролина. Для получения дополнительной информации посетите сайт www.ticotractors.com.
Контактное лицо:
Дуг Куин
66 Cypress Ridge Drive
Ridgeland, SC 29936
614-359-7562
TICO запускает пилотный тягач, работающий на сжатом природном газе, оснащенный 8,8-литровым двигателем PSI, на выставке TMC Expo
Партнерство по созданию прототипа расширяет ассортимент терминальных тягачей, работающих на альтернативном топливе
ВУД ДЕЙЛ, Иллинойс, 24 февраля 2017 г. (GLOBE NEWSWIRE) , Inc. (PSI) сегодня объявила, что ее 8,8-литровый двигатель, работающий на сжатом природном газе, будет установлен на новый прототип терминального тягача, который проходит испытания TICO.
TICO продемонстрирует прототип CNG, который уже находится в эксплуатации с планами дополнительных пилотных испытаний, на стенде № 3022 на выставке TMC Annual Meeting & Transportation Technology 2017 в Нэшвилле с 27 февраля по 2 марта.
Терминальные тягачи TICO широко используются в распределительных центрах, железнодорожных терминалах и портах. По словам генерального директора TICO Фрэнка Тубберта, новый прототип трактора, работающего на сжатом природном газе, имеет конструктивные усовершенствования, которые повышают как ценность, так и надежность по сравнению с обычными моделями, а также снижают выбросы для достижения экологических целей.
Прототип соответствует более широкой программе TICO по разработке и расширению ведущего в отрасли ассортимента терминальных тягачей, работающих на альтернативном топливе. В рамках этих усилий TICO тесно сотрудничала со своим клиентом UPS для разработки транспортных средств на альтернативном топливе по конкурентоспособным ценам, чтобы расширить будущие варианты автопарка для достижения целей лидера по доставке пакетов в области устойчивого развития.
Прототип CNG, который в настоящее время проходит пилотные испытания, является продуктом этого сотрудничества.
«Растущие затраты и сложность, связанные с сокращением выбросов дизельных двигателей, способствуют переходу на бензиновые двигатели и двигатели на альтернативном топливе», — добавил Табберт. «Это сотрудничество отражает этот сдвиг. Мы также хотели, в значительной степени, предложить покупателю более широкий выбор и сосредоточиться на чистом воздухе как на главной политической цели».
Терминальный тягач, работающий на сжатом природном газе, является последним продуктом партнерства между TICO и PSI, которое началось в 2016 году, когда две компании объединили усилия для разработки проектов по интеграции специализированных бензиновых двигателей и двигателей на альтернативном топливе в терминальные тягачи TICO Pro-Spotter. Их первым совместным проектом стал новый терминальный тягач, работающий на пропане, представленный на выставке Alternative Clean Transportation («ACT») в 2016 году.
«Мы рады развитию наших отношений с TICO, — сказал Гэри Вайнмастер, председатель и главный исполнительный директор PSI. «Вместе мы разрабатываем семейство вариантов альтернативного топлива, которые предлагают ведущим компаниям, таким как UPS, гибкость и путь к более чистым, простым в обслуживании и менее дорогим автопаркам. Этот терминальный тягач, работающий на КПГ, — отличное дополнение».
TICO Manufacturing продемонстрирует свои новые продукты на стендах 1130 и 3022 на выставке TMC Annual Meeting & Transportation Technology 2017, которая пройдет с 27 февраля по 2 марта в Music City Center в Нэшвилле, штат Теннесси.
#
О TICO Manufacturing
TICO (Terminal Investment Corporation) уже более 46 лет является пионером в области обслуживания автопарков, терминальных услуг и производства терминальных тягачей.
Рожденный в порту, TICO Pro-Spotter представляет собой продукт с самой эффективной стратегией НИОКР на современном рынке дворовых тракторов.
И благодаря этому опыту в качестве OEM-производителя TICO смогла эксплуатировать и обслуживать парк из более чем 1400 ярдов тракторов в портах по всей Северной Америке. Его терминальные тягачи Pro-Spotter On- и Off-Highway и терминальный прицеп Pro-Shuttle также в настоящее время используются в распределительных центрах и на железнодорожных терминалах по всему континенту.
Компания TICO с 2008 года также производит терминальные тягачи Pro-Spotter для розничной продажи. Продажи, обслуживание, запчасти и аренда терминальных тягачей Pro-Spotter доступны через ее дилерскую сеть в Северной Америке.
TICO Manufacturing является производителем качественных терминальных тягачей TICO, которые производятся «для реального мира» в Риджленде, Южная Каролина. Для получения дополнительной информации посетите сайт www.ticotractors.com.
О Power Solutions International, Inc.
Power Solutions International, Inc. (PSI или Компания) является лидером в области проектирования, проектирования и производства сертифицированных по выбросам энергетических систем на альтернативном топливе.
PSI предоставляет комплексные решения «под ключ» ведущим мировым производителям оригинального оборудования для промышленного и дорожного рынка. Уникальные собственные возможности компании в области проектирования, прототипирования, проектирования и испытаний позволяют PSI настраивать чистые, высокопроизводительные двигатели, работающие на самых разных видах топлива, включая природный газ, пропан, биогаз, бензин и дизельное топливо.
PSI разрабатывает и поставляет комплексные промышленные энергетические системы, которые используются во всем мире в стационарных и мобильных приложениях для выработки электроэнергии, поддерживающих резервные, основные и когенерационные приложения (ТЭЦ); мобильные промышленные приложения, которые включают вилочные погрузчики, автоподъемники, промышленные подметальные машины, наземную поддержку самолетов, беседки, сельскохозяйственное и строительное оборудование. Кроме того, PSI разрабатывает и поставляет системы питания, специально предназначенные для грузовых автомобилей и автобусов средней грузоподъемности классов 3–7 для рынков Северной Америки и Азии.
Для получения дополнительной информации о PSI посетите сайт www.psiengines.com.
Контактное лицо:
TICO Производство
Рэнди Деннис
Директор по продажам и маркетингу
843-536-8132 офис
912-313-2634 моб. Связь
+1 (630) 350-9400
[email protected]
TICO Manufacturing добавляет пять новых дилеров к растущей дилерской сети в Северной Америке
ДЛЯ НЕМЕДЛЕННОГО ВЫПУСКА
23 сентября 2016 г.
РИДЖЕЛАНД, ЮЖНАЯ КАРОЛИНА — TICO Manufacturing, самый быстрорастущий в мире производитель терминальных тягачей, объявила о расширении своей постоянно растущей дилерской сети за счет добавления пяти новых дилерских групп в семи штатах. как Мексика.
Эти офисы, которые будут продавать и обслуживать лучший в отрасли терминальный тягач Pro-Spotter компании, присоединятся к другим офисам TICO в самой быстрорастущей дилерской сети в Северной Америке.
«Мы снова смогли сотрудничать с группой дилеров, которые являются одними из лучших на своих рынках, и мы рады приветствовать их в семье TICO.
Они обладают многолетним отраслевым опытом и обеспечат дополнительную поддержку клиентов на рынках, которые они обслуживают», — сказал Дуг Куин, менеджер по продажам дилеров TICO. «Крайне важно, чтобы у нас была высококачественная и полная дилерская сеть, чтобы поддержать стремительный рост нашего бренда. Эти новые члены команды уже оказывают положительное влияние на поддержку и рост бренда TICO, работая как с существующими клиентами TICO, так и с новыми».
Новые группы дилеров и адреса:
• Thermo King of Central California во Фресно, Калифорния, с филиалами в Терлоке, Калифорния, и Бейкерсфилде, Калифорния
• Outsource Fleet Services в Bedford Park, IL
• Northland Industrial Truck (NITCO) в Уилмингтоне, Массачусетс, с филиалами в Шрусбери, Массачусетс, Миддлборо, Массачусетс, Льюистон, Мэн, Конкорд, Нью-Хэмпшир, и Уоллингфорд, Коннектикут.
• Кенворт Южной Флориды в Форт-Лодердейле, Флорида, с филиалами в Ривьера-Бич, Флорида, и Форт-Пирс, Флорида.
• Мадиса Caterpillar обслуживает всю Мексику с многочисленными офисами.
TICO (Terminal Investment Corporation) производит свой терминальный тягач Pro-Spotter для розничной продажи с 2008 года. Продажа, обслуживание, запчасти и аренда терминальных тягачей Pro-Spotter доступны через ее дилерскую сеть в Северной Америке. Адреса дилеров можно найти на сайте www.ticotractors.com.
###
TICO Manufacturing является производителем качественных терминальных тягачей Pro-Spotter On и Off-Highway для использования в распределительных центрах, железнодорожных терминалах и портах, а также терминального прицепа Pro-Shuttle. Терминальные тягачи TICO производятся «для реального мира» в Риджленде, Южная Каролина. Для получения дополнительной информации посетите сайт www.ticotractors.com.
Контактное лицо:
Рэнди Деннис
66 Cypress Ridge Drive
Ridgeland, SC 29936
843-717-2215
Doug Queen
937-642-6556
TICO Manufacturing подписывает соглашение с Power Solutions International.
Inc. (PSI) для обеспечения TICO бензиновыми двигателями и двигателями на альтернативном топливе.«Мы очень рады начать, как мы надеемся, долгосрочные и успешные деловые отношения с PSI», — сказал генеральный директор TICO по производству Фрэнк Тубберт. «Клиент сможет выбрать трансмиссию и выбросы, которые наилучшим образом соответствуют его потребностям, и получит наибольшую ценность на современном рынке садовых тракторов. Думаю, здесь мы добились успеха».
Терминальные тягачи TICO используются в распределительных центрах, железнодорожных терминалах и портах. Будучи ведущим производителем терминальных тягачей, компания стремилась предложить альтернативу традиционному дизельному двигателю. Вступая в эти отношения, TICO и PSI укрепляют свои позиции на рынке, чтобы использовать новые возможности с их семейством бензиновых, LPG, LNG и CNG двигателей.
«Увеличение затрат и сложности, связанные с сокращением выбросов дизельных двигателей, способствовали переходу на бензиновые двигатели и двигатели на альтернативном топливе», — добавил Табберт.
«Мы также хотели, в значительной степени, предложить клиентам более широкий выбор и сосредоточиться на чистом воздухе как на главной цели политики. Кроме того, бензиновые и другие двигатели, работающие на альтернативном топливе, легче, дешевле и менее сложны, чем традиционные дизельные двигатели. У нас есть успешные пилотные программы по всей стране, и мы начнем принимать заказы в конце лета этого года, а поставки начнутся поздней осенью».
В соответствии с соглашением PSI разработала и интегрирует в терминальные тягачи TICO Pro-Spotter целое семейство специализированных бензиновых двигателей и двигателей на альтернативном топливе. 8,8-литровый двигатель PSI и автоматическая коробка передач Allison разработаны и испытаны для удовлетворения любых требований.
TICO Pro-Spotter сочетает в себе самый прочный дворовый трактор в отрасли, самые низкие эксплуатационные расходы и максимальное время безотказной работы — теперь с множеством топливных решений. Отношения с PSI предложат клиентам TICO более широкий выбор и в то же время предоставят им решения по дизайну продукта, которые важны для их операционных и общественных целей.
TICO Производство:
Компания TICO уже более 46 лет является пионером в области обслуживания автопарков, терминальных услуг и производства терминальных тягачей. Рожденный в портах, TICO Pro-Spotter представляет собой продукт с самой эффективной стратегией исследований и разработок на современном рынке дворовых тракторов. И благодаря этому опыту в качестве OEM-производителя TICO смогла эксплуатировать и обслуживать парк тракторов, насчитывающий более 1400 дворов по всей Северной Америке.
О компании Power Solutions International:
PSI является лидером в разработке, проектировании и производстве альтернативных и традиционных энергосистем, сертифицированных по выбросам. PSI предоставляет глобальным производителям оригинального оборудования комплексные решения «под ключ» для внедорожной и дорожной индустрии. Собственные возможности компании по проектированию, созданию прототипов, проектированию и испытаниям позволяют PSI настраивать чистые, высокопроизводительные двигатели, работающие на самых разных видах топлива, включая природный газ, пропан, биогаз и бензин.
За дополнительной информацией обращайтесь:
Г-н Рэнди Деннис
Директор по продажам и маркетингу
66 Cypress Ridge Drive
Риджленд, Южная Каролина 29936
843-536-8132 офис
912-313-2634 моб.
TICO Manufacturing добавляет новых дилеров и авторизованные офисы в десяти штатах
ДЛЯ НЕМЕДЛЕННОГО ВЫПУСКА
18 марта 2016 г. свою постоянно растущую дилерскую сеть с добавлением пяти новых дилерских групп и 32 новых авторизованных точек.
Эти офисы, которые будут продавать и обслуживать лучшие в отрасли терминальные тягачи Pro-Spotter компании, объединятся с другими офисами TICO в самой быстрорастущей дилерской сети в Северной Америке.
«Эти дилеры являются одними из лучших на своих рынках, и мы рады приветствовать их в семье TICO. Они обладают многолетним отраслевым опытом и обеспечат дополнительную поддержку клиентов на рынках, которые они обслуживают», — сказал Дуг Куин, менеджер по продажам дилеров TICO.
«Наши клиенты уже начали работать с этими новыми членами команды, и мы активно ведем диалог с другими потенциальными дилерами, чтобы еще больше укрепить нашу дилерскую сеть».
Новые дилерские группы и офисы:
- Gregory Poole Lift Systems of Raleigh, NC, с авторизованными филиалами TICO в Мебане, NC, Rocky Mount, NC, Greenville, NC, Wilmington, NC, Fayetteville, NC, Florence, Южная Каролина, Чарльстон, Южная Каролина, Роанок, Вирджиния, Харрисонбург, Вирджиния, Ричмонд, Вирджиния, Чесапик, Вирджиния и Винчестер, Вирджиния
- Toyota Material Handling Northeast в Норристауне, штат Пенсильвания, с авторизованными филиалами TICO в Циннаминсоне, штат Нью-Джерси, и Ганновере, штат Мэриленд
- Turbo Truck Center в Гейнсвилле, Джорджия
- Коммунальный кран и оборудование Толлесона, Аризона, с авторизованными филиалами TICO в Кингмане, Аризона, Тусоне, Аризона, Альбукерке, Нью-Мексико и Шайенне, Вайоминг
- Yancey Power Systems of Austell, GA, с авторизованными филиалами TICO в Огасте, GA, Брансуике, GA, Conley, GA, Griffin, GA, Macon, GA, Savannah, GA, Statesboro, GA, Washington, GA и Waycross, GA .

TICO (Terminal Investment Corporation) производит свой терминальный тягач Pro-Spotter для розничной продажи с 2008 года. В настоящее время компания имеет 105 авторизованных центров продаж и обслуживания по всей Северной Америке.
###
TICO Manufacturing является производителем качественных терминальных тягачей Pro-Spotter On и Off-Highway для использования в распределительных центрах, железнодорожных терминалах и портах, а также терминального прицепа Pro-Shuttle. Терминальные тягачи TICO производятся «для реального мира» в Риджленде, Южная Каролина. Для получения дополнительной информации посетите сайт www.ticotractors.com.
Контактное лицо:
Рэнди Деннис
66 Cypress Ridge Drive
Ridgeland, SC 29936
843-717-2215
Doug Queen
937-642-6556
TICO представляет специальную серию Pro-Spotter для информирования о раке молочной железы
ДЛЯ НЕМЕДЛЕННОГО ВЫПУСКА
19 октября 2015 г.
РИДЖЕЛАНД, ЮЖНАЯ КАРОЛИНА TICO Manufacturing, самый быстрорастущий в мире производитель терминальных тягачей, выпускает специальную серию Pro-Spotter для информирования о раке молочной железы терминал
для повышения осведомленности и поддержки борьбы с раком молочной железы в течение октябрьского национального месяца осведомленности о раке молочной железы.
Устройство было представлено на ежегодном корпоративном пикнике TICO в субботу, 17 октября 2015 г.
Осведомленность о раке молочной железы в последние годы привлекла большое внимание благодаря поддержке бизнеса, которую TICO стремилась возглавить как на местном уровне, так и в своей отрасли. Издание Pro-Spotter для информирования о раке молочной железы — это специальное издание, созданное специально для демонстрации поддержки всем, кто страдает раком молочной железы.
Генеральный директор TICO по производству Фрэнк Тубберт прокомментировал; «Мы так рады и гордимся тем, что можем производить что-то настолько особенное и уникальное в отрасли. Чтобы объединиться как компания в поддержку осведомленности о раке молочной железы… мы надеемся, что этот специальный грузовик послужит символом постоянной поддержки этой компанией и нашими сотрудниками борьбы с раком молочной железы, особенно с учетом того, что он затронул некоторые из них. частью семьи TICO».
TICO (Terminal Investment Corporation) производит свой терминальный тягач Pro-Spotter для розничной продажи с 2008 года.
Специальное издание для информирования о раке молочной железы — это сертифицированный DOT/EPA Pro-Spotter 2016 года. Он имеет знакомый бампер TICO, но окрашенный в розовый цвет, а также розовые поручни, ступеньки, решетку, ручку подъема кабины и специальные наклейки на кабину с розовой лентой. Грузовик специального выпуска доступен для немедленной продажи через сеть дистрибьюторов TICO в Северной Америке. Часть выручки от покупки устройства специального выпуска будет передана онкологической организации по выбору покупателя на имя человека, пострадавшего от болезни, также предоставленной покупателем.
«Вся рабочая сила действительно собралась вокруг этого специального проекта с самого начала идеи. Это было то, что все действительно были взволнованы и гордились тем, что все работали над тем, чтобы сделать общую цель всего этого проекта реальностью», — сказал Табберт.
###
TICO Manufacturing является производителем качественных терминальных тягачей Pro-Spotter On и Off-Highway для использования в распределительных центрах, железнодорожных терминалах и портах, а также терминального прицепа Pro-Shuttle.
Терминальные тягачи TICO производятся «для реального мира» в Риджленде, Южная Каролина. Для получения дополнительной информации посетите сайт www.ticotractors.com.
Контактное лицо:
66 Cypress Ridge Dr
Ridgeland, SC 29936
(843)-717-2215
TICO Pro Spotter
| ПУНКТ | ЧАСТЬ № | КОЛ/М | ОПИСАНИЕ | |
| 722157-Д1 | РЕФ | АККУМУЛЯТОРНАЯ БАТАРЕЯ И ПРОВОДКА 2017-III CAB B6.7 ОКРАШЕННАЯ ДОРОЖНАЯ | ||
| 1 | 200408 | 1 | АККУМУЛЯТОРНЫЙ ЯЩИК В СБОРЕ 2-БАТАРЕИ ГОРИЗОНТАЛЬНЫЙ ATD | |
| 2 | 82474 | 4 | БОЛТ С ШЕСТИГР. 5/8 -11 X 3-1/4 LG (АККУМУЛЯТОРНЫЙ ЯЩИК К РАМЕ) | |
| 3 | 85094 | 8 | ШАЙБА ПЛОСКАЯ 5/8 | |
| 4 | 85028 | 4 | КОНТРГАЙКА NYLOCK 5/8-11 | |
| 5 | 12070 | 1 | КРОНШТЕЙН СТОПОР АККУМУЛЯТОРНОЙ БАТАРЕИ | |
| 6 | 2 | АККУМУЛЯТОР СЕРИИ 31 730 CCA 12 В | ||
| 7 | 20075 | 2 | АККУМУЛЯТОР УДЕРЖИВАЕТ | |
| 8 | 20012 | 4 | J-БОЛТ В СБОРЕ | |
| 9 | 85111 | 8 | ШАЙБА ПЛОСКАЯ 1/4 | |
| 10 | 82381 | 4 | БОЛТ С ШЕСТИГР. 1/4-20 X 1-1/4 | |
| 11 | 85133 | 4 | СТОПОРНАЯ ШАЙБА 1/4 | |
| 12 | 20012-4 | 2 | ШАЙБА-ПЛАСТИКОВЫЙ УДЕРЖИВАТЕЛЬ АККУМУЛЯТОРА | |
| 13 | 40210-2 | 1 | РЕЗИНОВЫЙ КОВРИК | |
| НЕ ПОКАЗАНО | 42292 | 1 | РЕЗИНОВЫЙ КОВРИК | |
| 14 | | 4 | ВТУЛКА | |
| НЕ ПОКАЗАНО | 8 | КРЫШКА СТОЙКИ АККУМУЛЯТОРА (КРАСНАЯ) | ||
| НЕ ПОКАЗАНО | 7 | КРЫШКА-СТОЙКА АККУМУЛЯТОРА (ЧЕР) | ||
| НЕ ПОКАЗАНО | 5 | 1 | ЗАЗЕМЛЕНИЕ ШИНЫ 4 ШПИЛЬКИ 1/4″ | |
| НЕ ПОКАЗАНО | 5 | 1 | КАБЕЛЬ 6, ЧЕРНЫЙ, 1/4″ x 3/8″ x 42″ LG | |
| НЕ ПОКАЗАНО | 85133 | 4 | СТОПОРНАЯ ШАЙБА 1/4 | |
| 15 | 1 | РЕЗЕРВНАЯ СИГНАЛИЗАЦИЯ В СБОРЕ GROTE | ||
| НЕ ПОКАЗАНО | 80129 | 2 | ШАЙБА КРЫЛА 1/4-20 x 1 1/4 Н. Д. | |
| НЕ ПОКАЗАНО | 85111 | 2 | ШАЙБА ПЛОСКАЯ 1/4 | |
| НЕ ПОКАЗАНО | 85133 | 2 | СТОПОРНАЯ ШАЙБА 1/4 | |
| НЕ ПОКАЗАНО | 85023 | 2 | ГАЙКА ШЕСТИГРАННАЯ NYLOK 1/4-20 | |
| НЕ ПОКАЗАНО | 122564 | 1 | КРОНШТЕЙН ПРИБОРНОЙ ДВЕРИ ДВОЙНОЙ ДИАГНОСТИЧЕСКИЙ ПОРТ | |
| НЕ ПОКАЗАНО | 4 | 1 | ПРЕДОХРАНИТЕЛЬ-МАКСИ 60 А | |
| НЕ ПОКАЗАНО | 5 | 1 | ПРЕДОХРАНИТЕЛЬ-МАКСИ 80 АМП | |
| НЕ ПОКАЗАНО | 6 | 1 | РЕЛЕ-70 AMP POWER РЕЛЕ ЗАЖИГАНИЯ КАБИНЫ | |
| НЕ ПОКАЗАНО | 8 | 2 | РЕЛЕ-МИКРО 35A 12VDC | |
| 16 | 620905 | 1 | ЖГУТ ПРОВОДОВ В СБОРЕ ШАССИ PDC DIESEL 2017 CAB BAR | |
| НЕ ПОКАЗАНО | 61522 | 1 | КАБЕЛЬ — 3/0 КРАСНЫЙ 3/8″ x 1/2″ x 57,5″ LG | |
| НЕ ПОКАЗАНО | 40640 | 1 | КАБЕЛЬ — 3/0 ЧЕРНАЯ АККУМУЛЯТОРНАЯ БАТАРЕЯ к СТАРТЕРУ 75″ LG | |
| 17 | 2 | ШИНА БАТАРЕИ | ||
| НЕ ПОКАЗАНО | 1 | КАБЕЛЬ — 3/0 КРАСНАЯ ПЕРЕМЫЧКА ДЛЯ БАТАРЕИ 8,75″LG | ||
| НЕ ПОКАЗАНО | 1 | КАБЕЛЬ — 3/0 ЧЕРНАЯ ПЕРЕМЫЧКА ДЛЯ БАТАРЕИ 8,75″ LG | ||
| НЕ ПОКАЗАНО | ||||
| 1 | КАБЕЛЬ-2/0 КРАСНЫЙ 3/8″x3/8″x60″LG | |||
| НЕ ПОКАЗАНО | 6 | 1 | КАБЕЛЬ — 6 СЕЛЕКТОР, ЧЕРНЫЙ, 3/8″ x 3/8″ x 57″ LG | |
| НЕ ПОКАЗАНО | 6 | 1 | КАБЕЛЬ — 2/0 ЧЕРНЫЙ 5/16″ x 3/8″ x 172″ LG | |
| НЕ ПОКАЗАНО | 620804 | 1 | ЖГУТ ПРОВОДОВ 2017 КАБИНА ГЛАВНАЯ ПРИБОРНАЯ ДИЗЕЛЬНЫЕ ДВИГАТЕЛИ | |
| НЕ ПОКАЗАНО | 620856 | 1 | ЖГУТ ПРОВОДОВ РЕЛЕ УПРАВЛЕНИЯ ДВЕРЯМИ 2017 CAB | |
| НЕ ПОКАЗАНО | 1 | ЖГУТ ПРОВОДОВ — КАБИНА АКК. (2 ВЕНТИЛЯТОРА/КУПОЛ LGT) | ||
| НЕ ПОКАЗАНО | 620631-2 | 1 | ЖГУТ ПРОВОДОВ 2017 ШАССИ ИНТЕРФЕЙС ПЕРЕДНЯЯ ОПЛАТКА PDC | |
| НЕ ПОКАЗАНО | 61535 | 1 | ЖГУТ ПРОВОДОВ — ЗАДНИЕ ФОНАРИ 116″ WB | |
| 18 | 122246 | 1 | КРОНШТЕЙН КАБИНЫ PDC ВЕРХНИЙ | |
| 19 | 122038 | 1 | КРОНШТЕЙН КАБИНЫ PDC НИЖНИЙ | |
| НЕ ПОКАЗАНО | 82370 | 8 | БОЛТ-1/4-NC X 1’LG | |
| НЕ ПОКАЗАНО | 85089 | 16 | ШАЙБА-1/4 | |
| НЕ ПОКАЗАНО | 85023 | 8 | СТОПОРНАЯ ГАЙКА — NYLOCK COARSE 1/4-20 | |
| НЕ ПОКАЗАНО | 82382 | 1 | БОЛТ С ШЕСТИГРАННОЙ ГОЛОВКОЙ 5/16″-18x 1 1/4″ | |
| НЕ ПОКАЗАНО | 85090 | 1 | ШАЙБА 5/16″ | |
| НЕ ПОКАЗАНО | 85024 | 1 | КОНТРГАЙКА NYLOCK COARSE 5/16-18 | |
| 20 | 620638 | 1 | МОДУЛЬ ЭЛЕКТРООБОРУДОВАНИЯ 2017 КАБИНА АВТОМОБИЛЯ ЭЛЕКТРИЧЕСКИЙ ЦЕНТР МОДУЛЬ 1 | |
| НЕ ПОКАЗАНО | 82371 | 4 | БОЛТ С ШЕСТИГР. 5/16″-18 x 1″ Lg | |
| НЕ ПОКАЗАНО | 85090 | 8 | ШАЙБА 5/16″ HRDN | |
| НЕ ПОКАЗАНО | 85024 | 4 | КОНТРГАЙКА 5/16″-18 НЕЙЛОК | |
| 21 | 620639 | 1 | МОДУЛЬ ЭЛЕКТРООБОРУДОВАНИЯ 2017 КАБИНА АВТОМОБИЛЯ ЭЛЕКТРИЧЕСКИЙ ЦЕНТР МОДУЛЬ 2 | |
| НЕ ПОКАЗАНО | 82371 | 4 | БОЛТ С ШЕСТИГР. 5/16″-18 x 1″ Lg | |
| НЕ ПОКАЗАНО | 85090 | 8 | ШАЙБА 5/16″ HRDN | |
| НЕ ПОКАЗАНО | 85024 | 4 | КОНТРГАЙКА 5/16″-18 НЕЙЛОК | |
| НЕ ПОКАЗАНО | 1 | ШПИЛЬКА ПРОХОДНАЯ 5/16-18 ЧЕРНАЯ УДЛИНЕННАЯ | ||
| НЕ ПОКАЗАНО | 3 | ШПИЛЬКА ПРОХОДНАЯ 3/8-16 КРАСНАЯ УДЛИНЕННАЯ | ||
| НЕ ПОКАЗАНО | 6 | КРЫШКА СТОЙКИ АККУМУЛЯТОРА (КРАСНАЯ) | ||
| НЕ ПОКАЗАНО | 80195 | 8 | ПОДДОН ДЛЯ ВИНТА HD 10-32 x 1/2 Lg | |
| НЕ ПОКАЗАНО | 80232 | 8 | ШАЙБА ПЛОСКАЯ SAE #10 SS | |
| НЕ ПОКАЗАНО | 800424 | 8 | ГАЙКА ШЕСТИГРАННАЯ NYLOCK #10-32 SS | |
| НЕ ПОКАЗАНО | 3 | ПРЕДОХРАНИТЕЛЬ 5A — F18/F19/F20 | ||
| НЕ ПОКАЗАНО | 13 | ПРЕДОХРАНИТЕЛЬ 10A — F2/F3/F4/F5/F6/F7/F8/F9/F10/F11/F21/F22/F23 | ||
| НЕ ПОКАЗАНО | 7 | ПРЕДОХРАНИТЕЛЬ 20А — F1/F12/F14/F15/F16/F17/F24 | ||
| НЕ ПОКАЗАНО | 1 | ПРЕДОХРАНИТЕЛЬ 30А — F13 | ||
| 22 | 1 | СИГНАЛ ЭЛЕКТРИЧЕСКИЙ | ||
| 23 | 121934 | 1 | ЩИТ ЭЛЕКТРОПИТАНИЯ (2017-II) | |
| 24 | 1 | КОНТАКТ ОТРИЦАТЕЛЬНЫЙ СОЕДИНИТЕЛЬНЫЙ КОНТАКТ 12 В пост. тока | ||
| с25 | ||||
| 1 | КЛЕММА ПЛЮС КОНТАКТЫ 12 В пост. тока | |||
| НЕ ПОКАЗАНО | 800412 | 4 | ПОДДОН ДЛЯ ВИНТА HD 6-32 X 1/2 LG ЦИНК | |
| НЕ ПОКАЗАНО | 80230 | 4 | ШАЙБА ПЛОСКАЯ SAE #6 SS | |
| НЕ ПОКАЗАНО | 800427 | 4 | ГАЙКА ШЕСТИГРАННАЯ NYLOCK #6-32 SS | |
| НЕ ПОКАЗАНО | 0 | 1 | КАБЕЛЬ — 6 СЕГМЕНТ КРАСНЫЙ 3/8″ x 5/16″ x 12″ LG | |
| НЕ ПОКАЗАНО | 1 | КАБЕЛЬ- 6 СЕГМЕНТ КРАСНЫЙ 3/8″ x 5/16″ x 14″ LG | ||
| НЕ ПОКАЗАНО | 1 | КАБЕЛЬ — 6 СЕГМЕНТ КРАСНЫЙ 5/16″ x 5/16″ x 12-1/2″ LG | ||
| НЕ ПОКАЗАНО | 1 | КАБЕЛЬ- 2 СЕЧЕНИЯ КРАСНЫЙ 3/8″ x 3/8″ x 32″ LG | ||
| НЕ ПОКАЗАНО | 1 | КАБЕЛЬ — 6 СЕГМЕНТ КРАСНЫЙ 5/16″ x 5/16″ x 12-1/2″ LG | ||
| НЕ ПОКАЗАНО | 1 | КАБЕЛЬ — 6 СЕМЕРОВ, ЧЕРНЫЙ 5/16″ x 5/16″ x 21-1/2″ LG | ||
| НЕ ПОКАЗАНО | 2 | КАБЕЛЬ — 6 СЕМЕРОВ, ЧЕРНЫЙ 5/16″ x 5/16″ x 18-1/2″ LG | ||
| НЕ ПОКАЗАНО | ||||
| 1 | КАБЕЛЬ — ЧЕРНЫЙ 2 СЕЧЕНИЯ 5/16″ x 3/8″ x 182″ LG | |||
| НЕ ПОКАЗАНО | 0 | 1 | КАБЕЛЬ — 2 СЕГМЕНТА КРАСНЫЙ 5/16″ x 3/8″ x 103″ LG | |
| НЕ ПОКАЗАНО | 1 | 1 | КАБЕЛЬ — 2/0 КРАСНЫЙ 5/16″ x 3/8″ x 106″ LG | |
| НЕ ПОКАЗАНО | 61883 | 2 | СТОЙКА КРОНШТЕЙНА | |
| НЕ ПОКАЗАНО | 620477 | 1 | СТОЙКА КРОНШТЕЙНА 1 X 1 3/4 X 5″ LG (КРОНШТЕЙН К ПЕРЕДНЕЙ ПОПЕРЕЧИНЕ) | |
| НЕ ПОКАЗАНО | 82394 | 1 | БОЛТ С ШЕСТИГР. 3/8″-16 x 1-1/2″ Lg GRD 8 (КРОНШТЕЙН К РАМЕ) | |
| НЕ ПОКАЗАНО | 82372 | 1 | БОЛТ С ШЕСТИГР. 3/8″-16 x 1″ Lg GRD 8 (КРОНШТЕЙН К П-ОБРАЗНОМУ ЗАЖИМУ) | |
| НЕ ПОКАЗАНО | 420419 | 1 | P-ОБРАЗНЫЙ ЗАЖИМ В.Д. 1 3/4″ (КРОНШТЕЙН НА КРАСНОМ КАБЕЛЕ) | |
| НЕ ПОКАЗАНО | 42197 | 1 | P-ОБРАЗНЫЙ ЗАЖИМ 3/4″ В.Д. (КРОНШТЕЙН НА ЧЕРНОМ КАБЕЛЕ) | |
| НЕ ПОКАЗАНО | 85091 | 4 | ШАЙБА HRDN 3/8″ (КРОНШТЕЙН К РАМЕ) | |
| НЕ ПОКАЗАНО | 85025 | 2 | ГАЙКА NYLOK 3/8″-16 (КРОНШТЕЙН К РАМЕ) |
Загрузка
Спасибо за регистрацию!
Загрузка
ЗакрыватьКорзина покупателя :
Нет товаров в корзине
Продолжить покупки
Всего: 0,00 $
Посмотреть корзину
Схема батареи и проводкиTICO Pro Spotter
| ПУНКТ | ЧАСТЬ № | КОЛ/М | ОПИСАНИЕ | |
| 1 | 200378 | 1 | АККУМУЛЯТОРНЫЙ ЯЩИК В СБОРЕ | |
| 2 | 82485 | 4 | БОЛТ 5/8 -11 x 3,5 Lg -АККУМУЛЯТОРНЫЙ ЯЩИК до FRM | |
| 3 | 85094 | 8 | ШАЙБА ПЛОСКАЯ 5/8 | |
| 4 | 85028 | 4 | КОНТРГАЙКА НЕЙЛОК 5/8-11 | |
| 5 | 2 | АККУМУЛЯТОРНАЯ ШПИЛЬКА СЕРИИ 31 750 CCA INTERSTATE | ||
| 6 | 20075 | 2 | АККУМУЛЯТОРНЫЙ КРОНШТЕЙН ТРОЙНОЙ АККУМУЛЯТОР | |
| 7 | 20012 | 4 | В СБОРЕ J-КРЮК С КРЕПЛЕНИЕМ ДЛЯ АККУМУЛЯТОРНОЙ БАТАРЕИ | |
| НР | 85111 | 8 | ШАЙБА ПЛОСКАЯ 1/4″ SAE GRD 5 ЦИНК PLT | |
| НР | 82359 | 4 | БОЛТ С ШЕСТИГР. ГОЛ. 1/4-20 x 3/4 | |
| НР | 85133 | 4 | ВИНТОВАЯ ПРУЖИНА СТОПОРНОЙ ШАЙБЫ 1/4 | |
| 8 | 12070 | 1 | КРОНШТЕЙН СТОПОР АККУМУЛЯТОРА | |
| 9 | | 4 | ВТУЛКА 2,375 дюйма, наружный диаметр 1,75 дюйма, внутренний диаметр 0,375 дюйма, толщина 0,125 дюйма, рабочая группа | |
| 10 | 40210-2 | 1 | РЕЗИНОВАЯ ПРОКЛАДКА ДЛЯ ДВОЙНОГО АККУМУЛЯТОРНОГО ЯЩИКА | |
| НР | 42292 | 1 | РЕЗИНОВЫЙ КОВРИК КРЫШКИ БАТАРЕЙНОГО ЯЩИКА | |
| 11 | 1 | СТАНДАРТНЫЙ БЛОК РЕЗЕРВНОЙ СИГНАЛИЗАЦИИ VELVAC | ||
| НР | 80129 | 2 | ШАЙБА КРЫЛА 1/4-20 x 1 1/4 Н.Д. | |
| НР | 85111 | 2 | ШАЙБА ПЛОСКАЯ 1/4 | |
| НР | 85133 | 2 | СТОПОРНАЯ ШАЙБА 1/4 | |
| НР | 85023 | 2 | ГАЙКА ШЕСТИГРАННАЯ NYLOK 1/4-20 | |
| 12 | 620905 | 1 | ЖГУТ ПРОВОДОВ В СБОРЕ ШАССИ PDC DIESEL 2017 CAB BAR | |
| НР | 8 | КРЫШКА-СТОЙКА АККУМУЛЯТОРА (КРАСНАЯ) | ||
| НР | 7 | КРЫШКА-СТОЙКА АККУМУЛЯТОРА (ЧЕР) | ||
| НР | 61522 | 1 | КАБЕЛЬ 3/0 ОТ АККУМУЛЯТОРА К ПОЛОЖИТЕЛЬНОМУ СТАРТЕРУ КРАСНЫЙ 55,5″ LG | |
| НР | 1 | ПРОВОД АККУМУЛЯТОРНОЙ БАТАРЕИ К СТАРТЕРУ ОТРИЦАТЕЛЬНЫЙ | ||
| 13 | 1 | КАБЕЛЬ 3/0 КРАСНЫЙ ПЕРЕМЫЧКА АККУМУЛЯТОРА 9 1/2 HTH | ||
| 14 | 1 | КАБЕЛЬ 3/0 ЧЕРНАЯ ПЕРЕМЫЧКА АККУМУЛЯТОРНОЙ БАТАРЕИ 9 1/2 HTH | ||
| 15 | 2 | КЛЕММНАЯ ПОЛОСКА В СБОРЕ | ||
| НР | 5 | 1 | КАБЕЛЬ — 3/0 КРАСНАЯ АККУМУЛЯТОРНАЯ БАТАРЕЯ к СТАРТЕРУ 48″ Lg | |
| НР | 1 | КАБЕЛЬ — 3/0 ЧЕРНАЯ АККУМУЛЯТОРНАЯ БАТАРЕЯ к СТАРТЕРУ 56″ LG | ||
| НР | ||||
| 1 | КАБЕЛЬ — 2/0 КРАСНЫЙ 3/8″ X 3/8″ X 60″ LG | |||
| НР | 6 | 1 | КАБЕЛЬ — 6 МЕТР, ЧЕРНЫЙ, 3/8″ x 3/8″ x 57″ LG | |
| НР | 620804 | 1 | ЖГУТ ПРОВОДОВ 2017 КАБИНА ГЛАВНАЯ ПРИБОРНАЯ ДИЗЕЛЬНЫЕ ДВИГАТЕЛИ | |
| НР | 620856 | 1 | ЖГУТ ПРОВОДОВ-ПРОВОДОВ РЕЛЕ УПРАВЛЕНИЯ ДВЕРЯМИ 2017 CAB | |
| НР | 1 | ЖГУТ ПРОВОДОВ — КАБИНА АКК. (2 ВЕНТИЛЯТОРА/КУПОЛ LGT) | ||
| НР | 620631-2 | 1 | ЖГУТ ПРОВОДОВ 2017 ИНТЕРФЕЙС ШАССИ ПЕРЕДНЯЯ ОПЛЕТКА PDC | |
| НР | 61535 | 1 | ЖГУТ ПРОВОДОВ — ЗАДНИЕ ФОНАРИ 116″ WB | |
| 16 | 121934 | 1 | ЩИТ ЭЛЕКТРОПИТАНИЯ (2017-II) | |
| 17 | 1 | КОНТАКТ ОТРИЦАТЕЛЬНОГО СОЕДИНЕНИЯ 12 В пост. тока | ||
| 18 | ||||
| 1 | КЛЕММА ПЛЮС КОНТАКТЫ 12 В пост. тока | |||
| 19 | 800412 | 4 | ВИНТОВАЯ ПОДДОН HD 6-32 X 1/2 LG ЦИНК | |
| 20 | 80230 | 4 | ШАЙБА ПЛОСКАЯ SAE #6 SS | |
| 21 | 800427 | 4 | ГАЙКА ШЕСТИГРАННАЯ NYLOCK #6-32 SS | |
| НР | 4 | 1 | ПРЕДОХРАНИТЕЛЬ-MAXI 60 А | |
| НР | 5 | 1 | ПРЕДОХРАНИТЕЛЬ-MAXI 80 А | |
| НР | 6 | 1 | РЕЛЕ-70 АМП РЕЛЕ ЗАЖИГАНИЯ КАБИНЫ | |
| НР | 8 | 2 | РЕЛЕ-МИКРО 35A 12VDC | |
| НР | 3 | ПРЕДОХРАНИТЕЛЬ 5A — F18/F19/F20 | ||
| НР | 13 | ПРЕДОХРАНИТЕЛЬ 10А — F2/F3/F4/F5/F6/F7/F8/F9/F10/F11/F21/F22/F23 | ||
| НР | 7 | ПРЕДОХРАНИТЕЛЬ 20A — F1/F4/F12/F14/F15/F16/F17/F24 | ||
| НР | 1 | ПРЕДОХРАНИТЕЛЬ 30А — F13 | ||
| 22 | 1 | СИГНАЛ ЭЛЕКТРИЧЕСКИЙ | ||
| 23 | 122246 | 1 | КРОНШТЕЙН В СБОРЕ. ЭЛЕКТРИЧЕСКИЙ ЛЕВЫЙ ПЕРЕД. ВЕРХНИЙ 2017-II | |
| 24 | 122038 | 1 | КРОНШТЕЙН В СБОРЕ. ЭЛЕКТРИЧЕСКИЙ ЛЕВЫЙ ПЕРЕД. НИЖНЯЯ (2017-II) | |
| 25 | 82370 | 8 | БОЛТ С ШЕСТИГР. ГОЛ. 1/4-20 x 1 | |
26 | 85089 | 8 | ШАЙБА 1/4 | |
| 27 | 85023 | 8 | СТОПОРНАЯ ГАЙКА- NYLOCK COARSE 1/4-20 | |
| 28 | 620638 | 1 | МОДУЛЬ-2017 МОДУЛЬ ЭЛЕКТРИЧЕСКОГО ЦЕНТРА АВТОМОБИЛЯ КАБИНЫ 1 | |
| 29 | 620639 | 1 | МОДУЛЬ-2017 МОДУЛЬ ЭЛЕКТРИЧЕСКОГО ЦЕНТРА АВТОМОБИЛЯ КАБИНЫ 2 | |
| 30 | 82371 | 8 | БОЛТ С ШЕСТИГР. ГОЛ. 5/16-18x 1 | |
| 31 | 85090 | 16 | ШАЙБА ПЛОСКАЯ 5/16″ SAE GRD 8 ЦИНК PLT | |
| 32 | 85024 | 8 | КОНТРГАЙКА NYLOCK COARSE 5/16-18 GRD 8 | |
| НР | 1 | ШПИЛЬКА СКВОЗНАЯ 5/16-18 ЧЕРНАЯ УДЛИНЕННАЯ | ||
| НР | 3 | ШПИЛЬКА СКВОЗНАЯ 3/8-16 КРАСНАЯ УДЛИНЕННАЯ | ||
| НР | 6 | КРЫШКА-СТОЙКА АККУМУЛЯТОРА (КРАСНАЯ) | ||
| НР | 80195 | 8 | ВИНТОВАЯ ПОДДОН HD 10-32 x 1/2 Lg | |
| НР | 80232 | 8 | ШАЙБА ПЛОСКАЯ SAE #10 SS | |
| НР | 800424 | 8 | ГАЙКА ШЕСТИГРАННАЯ NYLOCK #10-32 SS | |
| NS | 0 | 1 | КАБЕЛЬ — 6 КАМЕРА КРАСНЫЙ 3/8″ x 5/16″ x 12″ LG | |
| НР | 1 | КАБЕЛЬ- 6 КАМЕР КРАСНЫЙ 3/8″ x 5/16″ x 14″ LG | ||
| НР | 1 | КАБЕЛЬ- 6 КАМЕРА КРАСНЫЙ 5/16″ x 5/16″ x 12-1/2″ LG | ||
| НР | 1 | КАБЕЛЬ- 2 КАМЕРА КРАСНЫЙ 3/8″ x 3/8″ x 32″ LG | ||
| НР | 1 | КАБЕЛЬ- 6 КАМЕРА КРАСНЫЙ 5/16″ x 5/16″ x 12-1/2″ LG | ||
| НР | 1 | КАБЕЛЬ- 6 МЕТР, ЧЕРНЫЙ 5/16″ x 5/16″ x 21-1/2″ LG | ||
| НР | 2 | КАБЕЛЬ-6, ЧЕРНЫЙ, 5/16″ x 5/16″ x 18-1/2″ LG | ||
| НР | ||||
| 1 | КАБЕЛЬ — 2 МЕТРА, ЧЕРНЫЙ, 5/16″ x 3/8″ x 182″ LG | |||
| НР | 0 | 1 | КАБЕЛЬ — 2 КАМЕРА КРАСНЫЙ 5/16″ x 3/8″ x 103″ LG | |
| НР | 1 | 1 | КАБЕЛЬ — 2/0 КРАСНЫЙ 5/16″ x 3/8″ x 106″ LG | |
| НР | 620477 | 1 | СТОЙКА КРОНШТЕЙНА 1 X 1 3/4 X 5″ LG (КРОНШТЕЙН К ПЕРЕДНЕЙ ПОПЕРЕЧИНЕ) | |
| НР | 82394 | 1 | БОЛТ С ШЕСТИГР.![]() |



1/4-20 X 1-1/4
Д.
(2 ВЕНТИЛЯТОРА/КУПОЛ LGT)
5/16″-18 x 1″ Lg
тока
3/8″-16 x 1-1/2″ Lg GRD 8 (КРОНШТЕЙН К РАМЕ)
ГОЛ. 1/4-20 x 3/4
(2 ВЕНТИЛЯТОРА/КУПОЛ LGT)
ЭЛЕКТРИЧЕСКИЙ ЛЕВЫЙ ПЕРЕД. ВЕРХНИЙ 2017-II