Как устроена система подачи топлива дизельного ДВС
Категория: Полезная информация.
В дизельном двигателе предусмотрен целый комплекс узлов и деталей, задача которого состоит в подаче топлива на форсунки под высоким давлением.
Система питания дизельного ДВС выполняет следующие функции:
- фильтрует топливо перед подачей его на форсунки
- гарантирует точное дозирование и впрыск в нужный момент топлива в камеру сгорания, в зависимости от режима и нагрузки на двигатель
- обеспечивает распыление и равномерное распределение горючего по стенкам камеры сгорания в цилиндре.
Работу системы питания дизельного двигателя вкратце можно описать так: хорошо очищенное ДТ подается к цилиндрам, топливный насос высокого давления (ТНВД) сжимает горючее и передает его на форсунку под высоким давлением.
Форсунка распыляет и впрыскивает топливо в камеру сгорания, где оно смешивается с горячим (нагретым от высокого сжатия внутри цилиндра до 700-900 градусов по Цельсию) воздухом и самовоспламеняется.
Это и есть основное отличие работы дизельного ДВС от бензинового: воспламенение рабочей смеси происходит самостоятельно, не требуя поджигания отдельным устройством.
Общая схема системы питания дизельного ДВС
Базовые элементы системы питания дизельного ДВС:
- топливный бак
- фильтры грубой очистки топлива
- фильтры тонкой очистки топлива
- топливоподкачивающий насос
- ТНВД
- форсунки
- трубопровод низкого давления
- магистраль высокого давления
Помимо базовых элементов, в зависимости от специфики двигателя, в система может дополняться электронасосами, механизмом выпуска отработанных газов, сажевыми фильтрами и т.
п.
Специалисты выделяют в системе питания дизельную аппаратуру:
- для подвода топлива (топливоподводящая аппаратура)
- для подвода воздуха (воздухопроводящая)
Топливоподводящая аппаратура имеет разные варианты устройства. Самый распространенный вариант — ТНВД и форсунки разделены как самостоятельные устройства, топливо подводится к двигателю по магистралям высокого и низкого давления.
Магистраль низкого давления хранит, фильтрует и подает горючее к ТНВД. Задача же магистрали высокого давления — поднять давление, необходимое для точной подачи и дозированного впрыска горючего в цилиндр.
Что касается насосов в системе питания, их два.
Топливоподкачивающий подает топливо из бака, очищает его с помощью фильтров грубой и тонкой очистки (прогоняя через них), а затем под давлением подает горючее к ТНВД.
Задача ТНВД — распределить топливо по секциям (каждая соответствует конкретному цилиндру) и подать его на форсунки под высоким давлением соответственно циклу работы двигателя (очередности работы цилиндров).
Расположенные в головке блока цилиндров форсунки отвечают за точный дозированный впрыск и распыление горючего по стенкам камеры сгорания. Лишнее горючее вместе с воздухом отводится обратно в бак по дренажным трубопроводам.
Дизельные форсунки бывают закрытого и открытого типа. Рядовые четырехтактные дизельные ДВС оснащены форсунками закрытого типа, то есть их сопла (отверстие) закрываются запорной иглой, обеспечивая герметичность. То есть сообщение внутренней полости форсунок и камеры сгорания происходит только в момент открытия форсунки (впрыска топлива в камеру).
Важно: встречается нераздельная система питания дизеля, где ТНВД и форсунка объединены в единый узел — насос-форсунку. Но из-за специфики работы таких устройств (жесткая шумная работа двигателя), это решение не получило широкого распространения.
Чем отличается система питания турбированного дизельного мотора
Предназначение турбонаддува — повысить мощность двигателя без его конструктивных изменений вроде увеличения объема камеры сгорания и пр.
Топливопроводящая система в дизельном двигателе с турбиной почти не отличается от атмосферного дизеля. А вот алгоритм и принцип подачи воздуха в цилиндр другой.
Турбокомпрессор задействует энергию отработавших газов. Воздух поступает в турбину, сжимается там, охлаждается и нагнетается под высоким давлением в камеру сгорания. Турбины делятся на категории в зависимости от величины давления, которое они создают:
- турбокомпрессоры с низким наддувом — давление не выше 0,15 МПа
- среднего наддува — давление 0,2 МПа
- высокого наддува — давление свыше 0,2 МПа
Система турбонаддува улучшает наполнение цилиндров воздухом и тем самым повышает эффективность сгорания топлива. Так удается увеличить мощность турбированного дизельного ДВС на 30% и более, по сравнению с атмосферным.
К негативным последствиям наличия турбокомпрессора на дизельном ДВС относят увеличение температуры в камере сгорания. Это происходит из-за более интенсивного сгорания топливной смеси.
Как следствие, возрастает механическая нагрузка на детали кривошипно-шатунного механизма и механизма газораспределения, что снижает ресурс турбированного двигателя в целом, по сравнению с атмосферным.
О том, какие существуют системы подачи топлива в дизельных двигателях, мы писали здесь.
Если вы в поиске качественных запчастей для своего дизельного двигателя, проверьте наш каталог
ПЕРЕЙТИ В КАТАЛОГ
Китайские автомобили — Страница не найдена
Китайские автомобили- Форумы
- Выбор
- Отзывы владельцев
- Статьи, краш-тесты
- Фото автомобилей
- Видеообзоры, тест-драйвы
- Дилеры
- Обслуживание
- Магазины запчастей
- Сервисы
- Документация
- Wiki
- Каталог
- Все
- Легковые
- Кроссоверы
- Внедорожники
- Автобусы
- Грузовики
- Электромобили
- Марки
- Все
- Chery
- Geely
- Lifan
- Dongfeng
- Changan
- Brilliance
- Haval
- FAW
- Zotye
- Другие
-
Chery
- Tiggo 8
- Tiggo 7
- Tiggo 5
- Tiggo 4
- Tiggo 3
- Tiggo 2
- CheryExeed TXL
- Другие
-
Geely
- Geely Atlas
- Geely Coolray
- Emgrand X7
- Emgrand EC7
- Emgrand GT
- Другие
-
Haval
- Haval F7
- Haval F7x
- Haval h3
- Haval H6
- Haval H6 Coupe
- Haval H9
- Haval H5
- Другие
-
Lifan
- X70
- X60
- X50
- Murman
- Myway
- Solano II
- Другие
-
Changan
- Changan CS35
- Changan CS55
- Changan CS75
- Другие
-
Dongfeng
- DongFeng AX7
- DongFeng 580
- DongFeng h40 Cross
- DongFeng S30
- DongFeng AX3
- DFSK V21/V22
- DFSK V25
- Другие
- Грузовики Dongfeng
-
FAW
- Besturn X80
- Besturn X40
- Besturn B50
- D60
- Другие
- Грузовики FAW
-
Great Wall
- Pao
- Wingle 7
- Другие
-
Zotye
- Zotye T600
- Zotye T600 Coupe
- Zotye Z300
- Другие
-
Brilliance
- Brilliance V5
- Brilliance V3
- Brilliance H530
- Brilliance h330
- Другие
-
Другие
-
Автобусы
- DongFeng
- Golden Dragon
- Higer
- King Long
- Mudan
- SHEN LONG
- Shuchi
- Yutong
-
Грузовики
- BAW
- Beifang
- CAMC
- DongFeng
- FAW
- Foton
- JAC
- Jinbei
- JMC
- Howo
- Shaanxi
- Yuejin
- BAIC
- BYD
- Changfeng
- Foton
- GAC
- Hafei
- Haima
- Hawtai
- JAC
- JMC
- Landwind
- Luxgen
- MG
- Qoros
- Roewe
- ZX Auto
- Другие.
..
-
Автобусы
- Главная
- Форумы
- Отзывы владельцев
- Статьи, краш-тесты
- Фото, Видео
- Дилеры
- Документация, Wiki
- Запчасти, сервис
- Каталог автомобилей
- Легковые
- Кроссоверы
- Внедорожники
- Автобусы, грузовики
- Электромобили
- Статистика продаж
- Иностранные бренды
У нас нет такой страницы :((
E-mail: [email protected]
Реклама на сайте
О нас
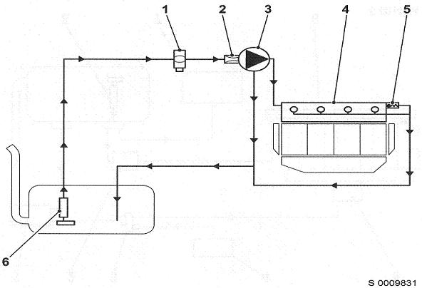
Система топливоподачи бензиновых двигателей.
Принципиальная схема системы топливоподачи бензинового двигателя представлена на рис. 2. В общем случае она может включать топливный бак 1 ,Фильтр-отстой ник 2 ,бензонасос 3, фильтр тонкой очистки топлива 4, карбюратор или система впуска.
Специальными приборами, присущими только рассматриваемой системе топливоподачи, являются карбюратор (система впрыска) и бензонасос.
| Рис 2 Схема системы топливоподачи: 1-топливный бак; 2 — фильтр грубой очистки топлива; 3-бензонаос; 4- фильтр тонкой очистки топлива; 5- карбюратор. |
Назначение, основные элементы работа карбюратора (системы впрыска) были рассмотрены в модуле 2. Поэтому в данном модуле рассмотрим лишь бензонасос.
Наиболее распространенными в бензиновых двигателях являются диафрагмальные насосы с механическими и электромагнитным приводом и центробежные насосы с электрическим приводом (рис 3)
Рис 3 Бензиновые насосы:
А-диафрагменный с механическим приводом; б-диафрагменный с электромагнитным приводом: В- центробежный с электрическим приводом;
1-рычаг: 2-шток; 3-тарелкадиафрагмы; 4-диафрагма;5-впускной клапан; 6-сетчатый фильтр; 7-головка; 8-выпускной клапан; 9-корпус; 10 и 11 -пружины;12- стальной диск; 13-корпус соленоида; 14-электродвигатель:15-магнитные диски; 16 и 18 — фильтры грубой очистки топлива; 17 — крыльчатка; 19 — спирать пая камера; 20 — выходная трубка;
В диафрагменных насосах кинематическая связь диафрагмы с механизмом привода во время хода нагнетания разрывается.
Поэтому давление нагнетания топлива в таких насосах определяется лишь характеристикой пружины 10 и не зависит от режимов работы двигателя.
Характеристика пружины насоса выбирается такой, чтобы она не могла преодолеть противодавления в топливопроводе между насосом и поплавковой камерой карбюратора при закрытом игольчатом клапане и нормальном уровне топлива в поплавковой камере. В этом случае обеспечивается автоматическое регулирование подачи топлива к карбюратору в зависимости от его расхода.
Максимальная подача бензина в насосах диафрагменного типа определяется величиной хода диафрагмы и ее рабочей площадью. Обычно производительность насоса должна превышать в 2,5—3,5 раза максимально возможный расход топлива двигателем.
С учетом необходимой производительности размеры диафрагменного насоса могут быть определены из следующего уравнения:
(3)
где — число цилиндров двигателя;
— коэффициент, учитывающий необходимый запас производительности; ;
— цикловая подача топлива в цилиндр,
— ход диафрагмы,
— рабочая площадь диафрагмы,
— удельный вес топлива,
Для четырехтактных двигателей подача топлива за цикл на режиме номинальной мощности:
где — число оборотов коленчатого вала двигателя в минуту.
Величина хода h диафрагмы в бензиновых насосах существующих двигателей обычно колеблется в пределах 5—7 мм. При известных и h размер диафрагмы насоса может быть определен на основании уравнения (3):
(4)
Для изготовления бензиновых насосов используются следующие материалы.
Корпус 9 и головка 7 (рис. 3) отливаются под давлением из цинкового сплава. Пружины 10 и 11 навиваются из марганцовистой пружинной проволоки 65Г. Пружины клапанов изготовляются из фосфористой бронзы. Для изготовления диафрагмы используются бензостойкие прорезиненные ткани, для изготовления клапанов — бензомаслостойкая резина. Остальные детали штампуются из малоуглеродистой стали.
При сравнительной простоте конструкции и принципа действия бензиновые диафрагменные насосы обладают рядом существенных недостатков, основными из которых являются:
-невозможность размещения насоса на удалении от двигателя;
-недостаточная надежность работы, особенно при высокой температуре окружающего воздуха;
-невозможность автоматической прокачки топлива в предпусковой период двигателя.
В связи с отмеченными недостатками на некоторых моделях двигателей зарубежных фирм бензиновые диафрагменные насосы с приводом от распределительного вал а двигателя начинают заменяться диафрагменными или центробежными бензиновыми насосами с приводом от автономного электродвигателя.Такие насосы обычно располагаются непосредственно в топливном баке, благодаря чему значительно повышается надежность работы системы топливоподачи, особенно в жарких условиях эксплуатации.
На рис. 3 б показана конструктивная схема диафрагменного топливного насосаанглийской фирмы «Лукас». В отличие от обычных диафрагменных насосов в рассматриваемом насосе диафрагма 4 приводится в действие электромагнитом, перемещающим в период включения диск 12 вниз. Ход нагнетания, как и в обычных насосах, осуществляется пружиной 10. Выключение и включение электромагнита достигается замыканием и размыканием контактов, которыми управляет шток 2 диска 12,
Схема центробежного бензинового насоса с электрическим приводом показана на рис.
3 в. Бензин здесь подается крыльчаткой 17, приводимой в действие электродвигателем 14.
В отличие от диафрагменных насосов центробежные насосы создают в системе постоянное давление нагнетания независимо от расхода топлива, что обеспечивает более надежную работу двигателя
Похожие статьи:
Дизельные двигатели – Основные средства
А. Дмитриевский, канд. техн. наук
(Окончание. Начало см. «ОС» № 11, 1998 г.)
Система топливоподачи сильнее всего влияет на экономичность и легкость пуска
Эксплуатационные характеристики дизелей, как и любых других ДВС, зависят от их конструктивных особенностей и технического состояния главных механизмов – кривошипно-шатунного и газораспределительного. Однако в еще большей степени экономичность и легкость пуска определяются состоянием системы топливоподачи, более требовательной к обслуживанию.
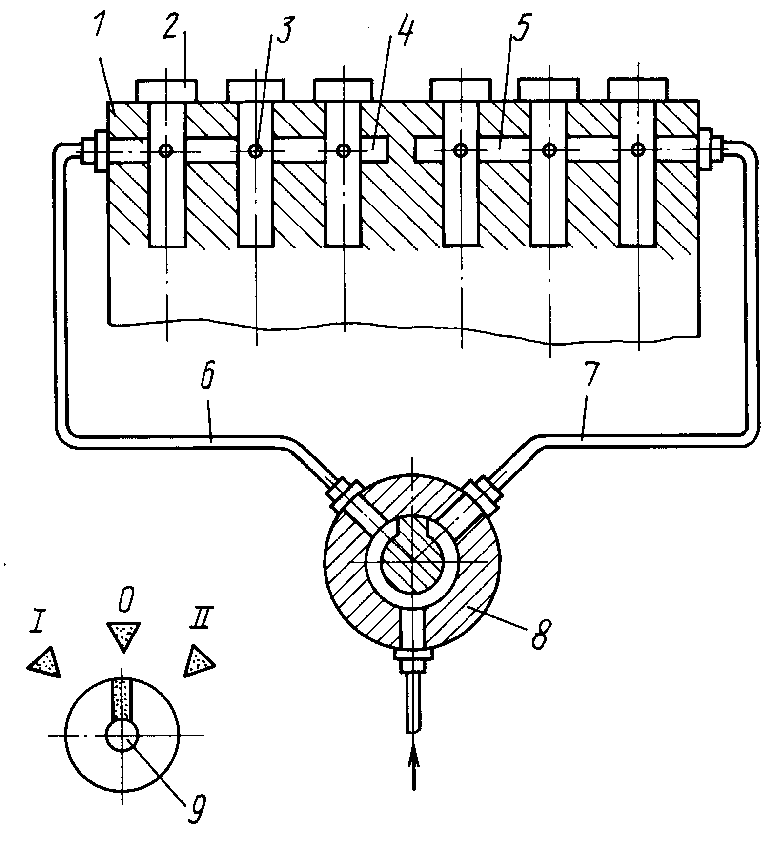
| Схема топливоподачи дизеля с разделенной системой впрыскивания: 1– форсунка; 2 – ТНВД; 3 – регулятор частоты вращения; 4 – муфта привода ТНВД; 5 – подкачивающий насос; 6 – топливные фильтры; 7 – топливный бак |
Эта система включает в себя топливный бак или баки, подсистему фильтрации топлива, подкачивающий насос или насосы, топливный насос высокого давления (ТНВД), форсунки и топливопроводы. Подсистема фильтрации обычно содержит фильтры грубой и тонкой очистки. Для эксплуатации при низких температурах они, а также трубопроводы оборудуются подогревателями.
Для предотвращения замерзания воды в системе следует систематически сливать отстой из фильтра грубой очистки. Кроме того, необходимо пери-одически промывать его растворителем (например, ацетоном) и продувать воздухом. В фильтрах тонкой очистки расположен редукционный клапан, поддерживающий перед ТНВД давление 0,12 МПа, которое регулируют подбором шайб под пружиной клапана.
При замене фильтрующих элементов в фильтрах тонкой очистки меняют также и прокладки. Если это не представляется возможным, то для обеспечения герметичности стыка крышку при сборке следует установить в первоначальное положение, для чего на ней делают соответствующие метки.
Подкачивающий насос используется для забора топлива из бака, прокачивания его через фильтры и подачи под давлением 0,08…0,12 МПа в ТНВД, а также для обеспечения циркуляции горючего. Производительность этого насоса примерно вдвое превышает максимальный расход топлива двигателем. Таким образом обеспечивается удаление пузырьков воздуха и паров топлива при его отсечке в ТНВД. Подкачивающий насос устанавливается, как правило, на корпусе ТНВД и приводится в действие от эксцентрика на его кулачковом валу. Давление подаваемого топлива определяется усилием расположенной в поршне пружины.
| Система с модульным элементом плунжерного насоса с электронным управлением: 1 – плунжерная пара; 2 – электромагнитный клапан; 3 – распылитель; 4 – трубка высокого давления; 5 – форсунка |
Для заполнения топливом фильтра, удаления воздуха из системы питания после длительной стоянки или ремонта некоторые двигатели оборудуются дополнительными подкачивающими насосами с ручным приводом.
Системы подачи топлива под высоким давлением делятся на две основные группы – аккумуляторные и непосредственного впрыскивания. Чаще всего используются последние. Они в свою очередь могут быть разделенного типа (ТНВД и форсунки – самостоятельные узлы, соединенные топливопроводами), с насосами-форсунками (без топливопроводов высокого давления) или с отдельными плунжерными парами для каждого цилиндра, соединенными с форсунками короткими топливопроводами.
Наиболее распространены системы разделенного типа. Их основные достоинства – относительная простота, возможность проверки и регулировки плунжерных пар на специальном стенде или мотор-тестером. ТНВД для этих систем выпускаются Ярославским заводом топливной аппаратуры. Между собой модели насосов различаются числом секций, диаметром и ходом плунжера, а также цикловой подачей.
Для проверки ТНВД снимают с двигателя и устанавливают его на стенде с эталонными форсунками или форсунками с проверяемого двигателя. Цикловая подача определяется активным ходом плунжера – от момента отсечки его верхней кромкой впускного отверстия до совмещения спиральной канавки на поверхности плунжера с перепускным отверстием в гильзе.
В процессе эксплуатации вследствие износа плунжерной пары увеличиваются утечки топлива, изменяются условия впрыскивания. Поэтому необходимо периодически регулировать цикловую подачу, чтобы обеспечить равномерное впрыскивание топлива по цилиндрам и обеспечить максимальную подачу топлива для получения максимальной мощности.
| Стенд для испытания ТНВД |
Настройку подачи топлива плунжерными парами производят поворотом регулирующей втулки с двумя пазами, в которые входят выступы плунжера, относительно связанного с управляющей рейкой зубчатого сектора. При этом изменяется активный ход плунжера, момент окончания впрыска топлива и соответственно цикловая подача.
Кроме названных весьма распространены и насосы распределительного типа. Среди них различают плунжерные и роторные. Привод плунжеров может осуществляться от кулачка на торце вала, с внешним или внутренним профилем. При поступательно-вращательном движении плунжера во втулке с несколькими отверстиями происходит подача топлива в каждый цилиндр.
Достоинство таких насосов – их сравнительная простота и компактность, недостаток – повышенный износ плунжерной пары.
На двигателях с неразделенной камерой сгорания, в которых требуется особо высокое давление впрыска (до 120…160 МПа), часто применяются насосы-форсунки. В этом случае плунжерная пара и собственно форсунка объединены в одном устройстве, что избавляет конструкцию от топливопроводов высокого давления. Соответственно не возникает и колебаний в них, нарушающих процесс впрыскивания. Однако при этом значительно усложняется двигатель и возникают серьезные трудности с его обслуживанием и регулировкой системы питания.
| Насос-форсунка с электронным управлением: 1 – обойма; 2 – плунжер; 3 – корпус соленоида; 4 – игла клапана соленоида; 5 – упор клапана |
В последние годы все большее распространение получает электронное регулирование топливоподачи. Один из вариантов системы подобного рода содержит отдельный для каждого цилиндра модульный элемент, в который входит плунжерная пара, приводимая от основного распределительного вала, быстродействующий электромагнитный клапан, форсунки и сравнительно короткие топливопроводы высокого давления.
Объем над плунжером заполняется при открытом клапане. Затем клапан закрывается, в системе возникает давление (до 160..180 МПа) и происходит впрыскивание.
Другим вариантом системы с электронным управлением является насос-форсунка с электромагнитным клапаном, перекрывающим канал слива топлива на время впрыска. Применение электронного управления позволяет с высокой точностью задавать угол опережения начала впрыска и его продолжительность, обеспечивает очень точное дозирование топлива и соответственно очень высокие экологические и энергетические показатели. Кроме того, такие системы сохраняют стабильные показатели в процессе эксплуатации.
Форсунки впрыскивают топливо в камеру сгорания. Их параметры подбираются изготовителями так, чтобы обеспечить оптимальные условия сгорания с учетом конструктивных особенностей двигателя. Различают форсунки открытого и закрытого типов. Для автомобильных дизелей обычно применяются вторые. Волна давления от насоса проходит по топливопроводу примерно со скоростью звука (1400 м/с), приподнимает запорную иглу, после чего топливо попадает в камеру сгорания.
Для формирования факела распыленного топлива в виде пустотелого конуса применяют запорные иглы со штифтом. Для неразделенных камер сгорания используются многоструйные форсунки с подыгольным объемом (между посадочным местом иглы и распылительными отверстиями). Наличие объема способствует появлению капель в камере сгорания и закоксовыванию отверстий, поэтому его величина – это один из параметров, характеризующих форсунку.
| Многоструйная форсунка практически с нулевым подыгольным объемом |
Обычно она составляет 0,5…0,8 мм3. Существуют форсунки, у которых седло иглы расположено непосредственно у отверстий, то есть практически с нулевым подыгольным объемом.
Для обеспечения стабильной работы дизеля на холостом ходу, а также для уменьшения шума некоторые форсунки снабжаются двумя пружинами. Благодаря этому подъем иглы носит ступенчатый характер: сначала она приподнимается на величину 0,03.
..0,06 мм, а затем полностью. В некоторых случаях такие форсунки используются и на двигателях с разделенной камерой сгорания.
Проверка форсунок производится на двигателе максиметром или же на специальном стенде. Давление начала впрыска регулируют поджатием пружины иглы (обычно с помощью регулировочного винта). Для проверки герметичности конуса иглы в форсунку подают топливо под давлением, на 1,0…1,5 МПа меньшим давления начала впрыска. Закоксованные распылительные отверстия прочищают стальной проволокой, диаметр которой на несколько сотых миллиметра меньше диаметра отверстий.
| Подкачивающий насос: 1 – поршень; 2 – шток; 3 – выпускной клапан; 4 – впускной клапан; 5 – корпус впускного клапана |
Для проведения наиболее эффективной диагностики используют комплексный тестер, позволяющий осуществлять проверку непосредственно на работающем двигателе. Один из наиболее совершенных приборов такого типа – мотор-тестер DiTime 873 фирмы АВЛ (Австрия).
Он позволяет определить относительную величину компрессии (по току, потребляемому стартером при прокрутке двигателя), внутренние потери (по кривым «выбега»), измерить крутящий момент (по времени свободного разгона), выявить неисправности топливоподающей аппаратуры. В последнем случае применяются датчики, устанавливаемые на трубки высокого давления. Прибор комплектуется набором датчиков для установки на трубки диаметром 4,5; 5; 6; 7; 8; 9,8; 10 и 14 миллиметров. По кривым на экране осциллоскопа определяются неисправности нагнетательного клапана, герметичность форсунки, углы опережения начала впрыска топлива, колебания частоты вращения коленчатого вала и другие параметры. Точность измерения – 0,5 градуса поворота коленчатого вала.
Автомобильные дизели оборудуются двухрежимными или всережимными регуляторами частоты вращения. Двухрежимный регулятор обеспечивает стабильную работу двигателя на холостом ходу и ограничивает максимальную частоту вращения. В сравнении со всережимным этот регулятор позволяет при езде по городу экономить 5.
..7 % топлива и предотвращает дымление при разгоне, поскольку водитель избегает резких нажатий на педаль «газа» до упора. Всережимный же регулятор во время разгона переводит рейку в положение полной подачи топлива и поддерживает заданную частоту вращения коленчатого вала. Это особенно важно при работе вспомогательных агрегатов на автопогрузчиках, самосвалах, дорожных машинах и тракторах.
Техническое обслуживание регулятора частоты вращения и ТНВД рекомендуется проводить совместно. Независимо от типа при сервисе проверяются, а при необходимости регулируются частота вращения коленчатого вала двигателя на холостом ходу и максимальная частота вращения, а также момент прекращения подачи топлива при переводе рычага управления регулятором из любого скоростного режима в положение «стоп».
Как работает система впрыска топлива?
Как работает система впрыска топлива?C годами, системы подачи топлива, которые используются в современных автомобилях, претерпели значительные изменения для того, чтобы соответствовать стандартам топливной и эмиссионной эффективности.
В этой статье мы узнаем о том, как топливо попадает в цилиндр двигателя, а также, что означают такие термины, как «впрыск топлива во впускной тракт» и «впрыск топлива в корпусе дроссельных заслонок».
Отказ от карбюраторов
В течение долгого времени, карбюратор был устройством подачи топлива в двигатели внутреннего сгорания. Он до сих пор используется в таких устройствах, как газонокосилки и бензопилы. Однако с развитием автомобилей, конструкция карбюраторов становилась все сложнее в попытке соответствовать всем техническим требованиям.
Например, для того, чтобы справиться с некоторыми задачами, карбюраторы имели пять различных узлов:— Главная дозирующая система — Обеспечивает подачу топлива, достаточного при движении автомобиля со средними скоростями
— Система холостого хода — Обеспечивает подачу топлива, необходимого для работы двигателя на низких оборотах
— Ускорительный насос — Обеспечивает впрыск дополнительного топлива при нажатии на педаль газа для предотвращения остановки двигателя и перебоев в его работе при разгоне автомобиля
— Система обогащения смеси — Обеспечивает подачу дополнительного топлива при движении автомобиля в гору или использовании прицепа
— Воздушная заслонка — Обеспечивает подачу дополнительного топлива для запуска холодного двигателя
Для соответствия ужесточающимся требованиям к качеству выхлопных газов, стали применять каталитический конвертер.
Для эффективной работы каталитического конвертера необходим тщательный контроль состава топливно-воздушной смеси. Кислородные датчики отслеживают количество кислорода в выхлопе, и блок управления двигателем (ECU) использует данную информацию для корректировки состава топливно-воздушной смеси в реальном времени. Это называется регулирование с обратной связью — данный метод невозможно было применять при использовании карбюраторов. Время карбюраторов с электронным управлением было недолгим, после чего стали использоваться системы впрыска топлива, однако устройство электронных карбюраторов было намного сложнее механических.Вначале, карбюраторы заменили на систему впрыска топлива в корпусе дроссельных заслонок (также известная как система одноточечного или центрального впрыска топлива), которая объединяла в себе клапаны инжектора с электрическим управлением и дроссельную заслонку. Такие системы стали простым решением для замены карбюраторов, при этом производителям автомобилей не пришлось значительно изменять конструкции двигателей.
Постепенно, с разработкой новых двигателей, система впрыска топлива в корпусе дроссельных заслонок была заменена на систему впрыска топлива во впускной тракт (также известную как точечный, многоточечный или последовательный впрыск топлива). В этих системах для каждого цилиндра установлен свой инжектор, обычно расположенный таким образом, чтобы впрыск происходил непосредственно во впускной клапан. Такие системы обеспечивают более точный замер расхода топлива и являются более чувствительными.
Когда Вы нажимаете на педаль газа
Педаль газа Вашего автомобиля соединяется с дроссельной заслонкой — клапаном, который регулирует количество воздуха, поступающего в двигатель. Таким образом, педаль газа — это педаль подачи воздуха.
Когда Вы нажимаете на педаль газа, дроссельная заслонка открывается больше, подавая больше воздуха. Блок управления двигателем (ECU, компьютер, контролирующий все электронные компоненты двигателя) «видит», что дроссельная заслонка открылась, и увеличивает подачу топлива в связи с увеличением подачи воздуха.
Необходимо увеличивать подачу топлива при открытии дроссельной заслонки; в противном случае, при нажатии на педаль газа может произойти задержка, т.к. воздух поступает в цилиндры без топлива.
Датчики отслеживают массу воздуха, поступающую в двигатель, а также количество кислорода в выхлопе. Блок управления двигателем использует данную информацию для точной регулировки подачи топлива, чтобы обеспечить необходимый состав топливно-воздушной смеси.
Инжектор
При подаче питания на инжектор, электромагнит перемещает плунжер, который открывает клапан, который распыляет топливо под давлением через небольшую форсунку. Форсунка предназначена для распыления топлива — чем мельче распыление, тем легче сгорает топливо.
Срабатывание инжектора
Количество топлива, подаваемого на двигатель, определяется временем, в течение которого форсунка остается открытой. Это называется длительность импульса и контролируется блоком управления двигателем.
Инжекторы устанавливаются на впускном коллекторе для распыления топлива непосредственно во впускные клапаны. Труба, которая называется топливная рампа, осуществляет подачу топлива на все инжекторы.
Для обеспечения подачи необходимого количества топлива, блок управления двигателем оснащен множеством датчиков. Давайте рассмотрим некоторые из них.
Датчики двигателя
Для обеспечения подачи необходимого количества топлива для всех условий езды, блок управления двигателем (ECU) оснащен множеством датчиков. Ниже представлены некоторые из них:
· Датчик массового расхода воздуха — Передает на блок управления двигателем массу воздуха, поступающего в двигатель
· Датчик(и) кислорода — Отслеживает количество кислорода в выхлопе для того, чтобы блок управления определил, насколько богатой или бедной является топливная смесь, и произвел необходимые корректировки
· Датчик положения дроссельной заслонки — Отслеживает положение дроссельной заслонки (которое определяет количество воздуха, поступающего в двигатель) для того, чтобы блок управления произвел корректировку, понижая или повышая количество поступающего топлива
· Датчик температуры охлаждающей жидкости — Позволяет блоку управления определить, что двигатель разогрелся до нужной рабочей температуры
· Датчик напряжения — Отслеживает напряжение бортовой сети для того, чтобы блок управления мог увеличить скорость холостого хода при падении напряжения (что является показателем высокой электрической нагрузки)
· Коллекторный датчик абсолютного давления — Отслеживает давления воздуха во впускном коллекторе
· Количество поступающего в двигатель воздуха является хорошим показателем производимой мощности; чем больше воздуха поступает в двигатель, тем ниже давление в коллекторе, эти данные используются для определения производимой мощности.
· Датчик скорости вращения коленчатого вала — Отслеживает число оборотов двигателя, что является одним из показателей для расчета длительности импульса
Существует два основных типа контроля многоточечных систем: Все инжекторы могут срабатывать одновременно, либо каждый срабатывает отдельно перед открытием соответствующего впускного клапана цилиндра (такой тип называется последовательный многоточечный впрыск топлива).
Преимущество последовательного впрыска топлива заключается в том, что если при езде происходят резкие изменения, то система более быстро реагирует на них, т.к. для изменения необходимо дождаться лишь пока не откроется следующий впускной клапан, вместо того, чтобы дожидаться начала следующего оборота двигателя.
Управление двигателем и Модули увеличения мощности
Алгоритмы, контролирующие двигатель, являются довольно сложными.
Программное обеспечение должно позволять автомобилю соответствовать требованиям по выхлопу на каждые 100.000 км, требованиям Управления по охране окружающей среды, а также препятствовать раннему износу двигателя. Помимо этого, существует множество требований, которым необходимо соответствовать.
Блок управления двигателем использует формулу и большое количество поисковых таблиц для определения длительности импульса для заданных условий работы. Формула представляет собой ряд показателей, умноженных друг на друга. Большая часть показателей берется из поисковых таблиц. Давайте рассмотрим упрощенную формулу вычисления длительности импульса инжектора. В данном примере уравнение будет содержать всего три показателя, в то время как система управления может использовать несколько сотен или даже больше.
Длительность импульса = (Начальная длительность импульса) х (Показатель А) х (Показатель В)
Для вычисления длительности импульса, блок управления двигателем в первую очередь определяет длительность опорного импульса в поисковой таблице.
Начальная длительность импульса представляет собой функцию частоты вращения двигателя (об/мин) и нагрузки (которая вычисляется по абсолютному давлению во впускном коллекторе). Допустим, что частота вращения двигателя составляет 2.000 об/мин при нагрузке 4. Нужное значение мы найдем на пересечении 2.000 и 4, что составляет 8 мс.
об/минНагрузка
12345
1.00012345
2.000246810
3.0003691215
4.00048121620
В следующих примерах, A и B являются показателями, которые поступают с датчиков. Предположим, что A — это температура охлаждающей жидкости, а B — это уровень кислорода. Если температура охлаждающей жидкости равна 100, а уровень кислорода равен 3, то, исходя из данных таблицы, мы получаем, что Показатель А = 0,8, а Показатель В = 1,0.
AПоказатель А
BПоказатель B
01,2
01,0
251,1
11,0
501,0
21,0
750,9
31,0
1000,8
40,75
Итак, теперь мы знаем, что начальная длительность импульса является функцией нагрузки и частоты вращения, и что длительность импульса = (начальная длительность импульса) x (Показатель A) x (Показатель B), общая длительность импульса в нашем примере равна:
8 x 0,8 x 1,0 = 6,4 мс
Исходя из этого примера, Вы теперь понимаете, как система управления совершает корректировки. Если показатель В — это уровень кислорода в выхлопе, в таблице указано, что значение показателя В соответствует (согласно данным конструкторов двигателя) повешенному содержанию кислорода в выхлопе; при этом блок управления двигателем сокращает подачу топлива.
Настоящие системы управления используют более 100 показателей, для каждого из которых имеется соответствующая таблица. Некоторые показатели меняются со временем с учетом поправки на изменения эффективности работы некоторых компонентов двигателя, например, каталитического конвертера. И, в зависимости от частоты вращения двигателя, блок управления двигателем выполняет данные вычисления более 100 раз в секунду.
Модули увеличения мощности
Далее логично будет перейти к модулям увеличения мощности. Теперь, когда мы немного разобрались в том, как работают алгоритмы управления, мы можем понять, что же делают производители модулей увеличения мощности для повышения мощности двигателя.
Модули увеличения мощности изготавливаются компаниями, работающими на послегарантийном рынке, и используются для повышения мощности двигателя. В блоке управления двигателем находится модуль, в котором хранятся все поисковые таблицы; модуль увеличения мощности заменяет его.
Таблицы в модуле увеличения мощности содержат данные, которые позволяют увеличить подачу топлива в определенных условиях езды. Например, может подаваться больше топлива при полном дросселе на любых оборотах двигателя. Также может быть изменена установка момента зажигания (для этого также существуют таблицы). В связи с тем, что производители модулей увеличения мощности, в отличие от производителей автомобилей, не связаны такими обязательствами, как надежность, пробег и контроль выхлопа, они могут использовать более высокие значения в поисковых таблицах.
Для получения большей информации по системам впрыска топлива, рекомендуем ознакомиться с ссылками на следующей странице.
Источник: https://auto.howstuffworks.com/fuel-injection.htm
Обслуживание системы подачи топлива
Типовая топливная система
Единственная топливная труба проходит от бака под полом автомобиля к механическому насосу на двигателе.
Насос подает топливо в карбюратор.топливо система подачи в целом надежна, и любые возникающие проблемы обычно связаны с насос , топливо фильтр или танк. Однако иногда ошибка кроется в топливопровод между танком и двигатель .
Трубы могут иметь две основные неисправности: течь или засорение. Вероятно, первое, что вы заметите об утечке, — это запах бензина, попадающий в машину. Не откладывайте обнаружение проблемы, так как пары бензина могут легко воспламениться.
Двойная топливная система
Двойные топливопроводы проверяются на герметичность так же, как и одиночные.Забитые трубы обычно очень очевидны — автомобиль останавливается или страдает от нехватки топлива.К счастью, сейчас это случается редко, потому что для удаления грязи установлены топливные фильтры.
Типы трубы
Топливопровод обычно состоит из жестких металлических трубок с гибкой резиной или пластиком.
шланги
от труб к резервуару и
топливный насос
, а от насоса к
карбюратор
. Гибкость шлангов позволяет перемещаться между этими различными компонентами. На некоторых автомобилях жесткие трубы изготовлены из армированного пластика, а не из металла.
Типы трубных соединений
Зажим юбилейный
Металлическое трубное соединение
Есть два типа обычных соединений топливопровода.Один из них — гибкое трубное соединение с помощью зажима Jubilee. Другой — соединение металл-металл. Металлическая труба имеет конический под отбортовку в конце которого подходит оливка. Две трубы стянуты вместе вокруг оливы, которая уплотнения суставОсмотр
Неисправность труб и шлангов или их соединений представляет собой потенциальную опасность возгорания, поэтому вы должны проверять систему каждый год.
Отключите
аккумулятор
в качестве меры предосторожности против любых возможных
искры
.
Поднимите машину и поддержите ее.
ось
стоит. Внимательно осмотрите трубу по всей длине. Особенно внимательно смотрите на стыки, проверяя, нет ли темных пятен, указывающих на протечку. Используйте гаечный ключ, чтобы проверить затяжку всех соединений соединительной трубы.
Также проверьте каждую металлическую трубу на предмет ржавчины — используйте проволоку. щетка удалить ржавчину с труб. Если труба сильно изъедена под ней, ее следует заменить.
Осмотрите также гибкий шланг и соединения. Сгибайте и скручивайте их, ищите любые трещины.Если труба затвердела из-за старости или стала мягкой из-за загрязнения маслом, ее следует заменить. Гибкие трубы используют несколько типов зажимов; убедитесь, что они плотно прилегают и не проржавели.
Проверьте прокладку труб, они не должны проходить слишком близко к горячим частям двигателя, таким как выхлопная труба или же многообразие . Убедитесь, что труба надежно закреплена в зажимах и ничего не трется.
Если вы обнаружили сильно поврежденную трубу или шланг, их необходимо заменить.
Перед началом работы слейте топливо из бака в подходящую емкость и храните его в надежном месте.
Замена гибкого топливопровода
Освободите зажим, удерживающий один конец трубы. Это может быть зажим Jubilee (как здесь) или зажим для провода. Если используется зажим для проволоки, всегда заменяйте его зажимом Jubilee. Снимите трубку с заглушки (здесь на карбюраторе). Если он застрял, аккуратно покрутите его из стороны в сторону.Не пытайтесь его оторвать — заглушку можно выбить. Переместитесь к другому концу трубы и отпустите зажим, удерживающий его. Здесь он прикреплен к пластиковому прямому одноразовому топливному фильтру. Снова осторожно вытяните трубу. У фильтра есть пластиковые заглушки, поэтому при установке гибкой трубы будьте очень осторожны, чтобы не затянуть зажим слишком сильно. Если затянуть слишком сильно, заглушка сломается.
Замена жесткого топливопровода
Отсоедините патрубок от топливного бака.Прижмите зажим, чтобы снять трубу. Вытащите трубку. Будьте осторожны — в нем все еще может содержаться бензин.Освободите стыки на обоих концах жесткой трубы. Снимите или отогните фиксирующие зажимы с трубы, чтобы освободить трубу от пола.
Извлечь трубу из автомобиля. Помните, что трубы часто бывают довольно длинными и внутри них может оставаться изрядное количество топлива.
Замена оливы
Многие металлические трубы имеют соединение оливкового типа (см. Боковую линию на противоположной странице).Оливка работает, сидя между двумя конус Эд, развальцовка, концы труб. Форма оливы соответствует каждому конусу. Когда трубы стянуты вместе, олива вдавливается и закрывает конусы. Оливки следует заменить при обнаружении утечки и всегда при установке новой трубы.
Ослабьте соединение труб двумя ключами (вверху) и полностью открутите их. Вы увидите оливку в одной из трубок. Вытяните его рукой (вверху). Установите новый в порядке, обратном снятию, но следите за тем, чтобы не перетягивать соединение, так как это может привести к повреждению оливы или соединительной резьбы.Новые шланги
Концы гибких шлангов обычно фиксируются небольшими зажимами типа Jubilee. Ослабьте их отверткой и проведите по шлангу. Если шланги оснащены пружинными зажимами, возьмитесь за них плоскогубцами, чтобы растянуть и снять. Замените все пружинные зажимы на новые Юбилейные.
Скрутите и потяните шланг, чтобы освободить его. Если шланг не сдвигается с места, залейте его горячей водой, чтобы он расширился. Никогда не нагревайте шланг открытым пламенем.Если шланг по-прежнему не двигается, в крайнем случае срежьте его боковыми ножами (плоскогубцы с острым концом) или ножовкой.
При покупке нового шланга убедитесь, что он имеет такой же внутренний диаметр, как и старый.
Вставьте шланг на место так, чтобы он перекрывал трубу или патрубок примерно на 25 мм. Вставьте зажимы немного дальше от концов нового шланга и затяните их. Не перетягивайте их.
Новые трубы
Чтобы заменить жесткую трубу, сначала слейте воду из топливный бак или, если слив затруднен, отсоедините топливопровод от бака и быстро закройте открытый конец.
Начиная с задней части автомобиля, открутите накидные гайки или зажимы, которыми труба крепится к топливному баку и полу автомобиля, или шасси . Зажимы откручиваются, отгибаются или выскакивают. Отсоедините переднюю трубу, затем снимите с машины.
Новые секции обычно поставляются дилером в уже готовом виде. Если соединения труб представляют собой муфты, их следует заменить одновременно. Установите новую трубу на место. Затяните соединения на каждом конце и установите фиксирующие зажимы, снова убедившись, что новая труба не может задеть другие компоненты и расположена вдали от горячего двигателя и выхлопных деталей.
Ремонт труб
Вы можете отремонтировать небольшой участок металлической трубы, вырезав поврежденный участок и вставив на его место небольшой кусок гибкого шланга. Сначала аккуратно вырежьте участок ножовкой. Обязательно очистите концы труб от стружки, образовавшейся в результате резки. Используйте кусок гибкого шланга правильного внутреннего диаметра, чтобы обернуть его вокруг трубы, и закрепите его зажимами.
Этот ремонт следует проводить только в том случае, если длина поврежденной трубы меньше 6 дюймов (15 см), в противном случае существует опасность того, что гибкий шланг провиснет и станет уязвимым для повреждения.
Аварийный ремонт
Если во время путешествия вы обнаружите протекающую трубу, вы можете выполнить аварийный ремонт, чтобы добраться домой или в гараж.
Если шланг протекает, вы можете разрезать его на месте утечки и вставить в него кусок жесткого трубопровода. Закрепите трубу, обвив ее тонкой проволокой, например садовой.
Аналогичный ремонт может быть произведен на трубе, на этот раз поместив отрезок шланга на трубу и закрепив таким же образом, как описано выше.
Вы также можете уменьшить утечку топлива, сначала как можно тщательнее высушив участок, а затем быстро обернув его полиэтиленом, закрепив изолентой и проволокой.
Фильтры
Многие проблемы с топливопроводом вызваны засорением фильтров. Существуют различные типы фильтров, одним из самых распространенных является линейный пластиковый фильтр. Проверяйте топливные трубы, пока не увидите фильтр, который обычно имеет форму бочонка.Часто он прозрачен, и вы можете увидеть, заблокирован ли он.
Обслуживание топливного фильтра на линии
Встроенный топливный фильтр
Одноразовый линейный топливный фильтр обычно устанавливается под крышкой в топливных трубопроводах между топливным насосом и карбюратором. Некоторые модели прозрачны, поэтому вы можете видеть, когда они заблокированы.
Если есть сомнения относительно состояния фильтра, замените его. Новые дешево купить.
Сначала ослабьте крепления, удерживающие фильтр на топливных трубках. В одних конструкциях используются зажимы Jubilee, в других — накидные гайки. Снимите фильтр, затем установите новый на место. Убедитесь, что стрелка указывает в направлении потока топлива.
Пластиковые топливные фильтры, расположенные на линии, обычно крепятся на каждом конце зажимом Jubilee. Открутите их отверткой. Встроенный фильтр может иметь металлический корпус и фиксироваться накидной гайкой на каждом конце.Открутите их гаечным ключом.Обслуживание фильтра со стеклянной чашей
Рукой открутите гайку. Другой тип топливного фильтра, который вы можете найти, обычно находится в моторном отсеке и состоит из фильтра.
элемент
установлен внутри стеклянной чаши. Чаша свисает с металлического крепления, которое крепится к внутреннему крылу болтами или винтами.
Перед тем как начать, узнайте у своего дилера, является ли фильтрующий элемент одноразовым или можно ли его очистить.Если он одноразовый, купите новый.
Поставьте емкость под стакан фильтра для сбора бензина, затем отверните гайку с накаткой под стеклянной емкостью. Опустите таз и слейте бензин. Если он застрял, осторожно освободите его ладонью. Снимите фильтрующий элемент и либо выбросьте его, либо очистите бензином и мягкой кистью. Очистите стакан фильтра и замените фильтр — убедитесь, что гайка с накаткой затянута.
Вытяните фильтрующий элемент из корпуса фильтра.Снимите чашу с корпуса фильтра.fuel supply system — Перевод на немецкий — примеры английский
Предложения: система подачи топлива согласноЭти примеры могут содержать грубые слова на основании вашего поиска.
Эти примеры могут содержать разговорные слова, основанные на вашем поиске.
Раскрыта система (1) подачи топлива двигателя внутреннего сгорания, в частности, для автомобиля.
Топливный насос с плунжером и система подачи топлива с использованием того же
Поворотное дросселирование системы подачи топлива двигателя внутреннего сгорания.
Изобретение относится к клапану давления, особенно регулятор давления, системы подачи топлива в .
Система подачи топлива по п.2, отличающаяся тем, что насос низкого давления является насосом лопастного типа.
Kraftstoffzufuhrsystem nach Anspruch 2, dadurch gekennzeichnet, daß die Niederdruckpumpe eine Flügelpumpe ist.
Система подачи топлива по п.4, в которой упомянутое сопло (20) пилотного инжектора представляет собой игольчатое сопло.
Аппарат управления топливным насосом переменной производительности и системой подачи топлива
Система подачи топлива (1) по п.1, в которой рубашка (19) непроницаема для водорода.
Система подачи топлива для двигателя по п.1 или 2, в которой упомянутый регулирующий клапан открывается во время запуска двигателя.
Kraftstoffzufuhrsystem für einen Motor gemäß Anspruch 1 или 2, wobei das Steuerventil während des Anlassens des Motors geöffnet wird. Система подачи топлива по п.
2, в которой упомянутое сопло (18) главного инжектора включает в себя множество отверстий (42, 43), через которые топливо поступает в двигатель.
Устройство представляет собой, например, нагнетательный клапан, и используется для воздействия на давление в топливной системе автомобиля.
Die Vorrichtung ist beispielsweise ein Druckventil und dient zum Beeinflussen eines Drucks einer Kraftstoffversorgungsanlage eines Kraftfahrzeugs.Целью настоящего изобретения является создание системы подачи топлива , которая может изготавливаться с низкими затратами и работать без каких-либо сбоев.
Der Erfindung liegt daher das Problem zugrunde, eine Kraftstoffversorgungsanlage bereitzustellen, die kostengünstig hergestellt werden kann und störungsfrei arbeitet.
Устройство контроля для определения состояния клапана в системе подачи топлива
Система подачи топлива (10) двигателя внутреннего сгорания по п.1, дополнительно отличающаяся камерой (32) смешения после камеры (30) испарения для смешивания испарившегося топлива с воздухом из средств всасывания (72).
Kraftstoffversorgungssystem (10) nach Anspruch 1, weiterhin gekennzeichnet durch eine zur Verdampfungskammer (30) unterstromige Mischkammer (32) zum Mischen des verdampften Kraftstoffs mit Luft aus der Einlaßvorricht (72).Система подачи топлива для двигателя по п.3, в которой открытие указанного регулирующего клапана продолжается до истечения заданного времени после запуска двигателя.
Kraftstoffzufuhrsystem für einen Motor gemäß Anspruch 3, wobei das Öffnen des Steuerventils fortgesetzt wird, bis eine gegebene Zeit nach Anlassen des Motors verstrichen ist.
Система подачи топлива , для двигателя по п.4, в которой, когда двигатель или его атмосфера находится в высокотемпературном состоянии в течение указанного заданного времени, открытие указанного регулирующего клапана продолжается.
Kraftstoffzufuhrsystem für einen Motor gemäß Anspruch 4, wobei das Öffnen des Steuerventils fortgesetzt wird, wenn der Motor oder seine Umgebung innerhalb der gegebenen Zeit in einem Hochtemperaturzust.Система подачи топлива для двигателя по пп.1, 2, 4, 5, 6 или 7, в которой второе выпускное отверстие расположено в верхней части камеры насоса.
Kraftstoffzufuhrsystem für einen Motor gemäß Anspruch 1, 2, 4, 5, 6 или 7, wobei die zweite Ausstoßöffnung in einem oberen Bereich der Pumpenkammer angeordnet ist. Способ по п.
1, в котором горелка с предварительным смешиванием и диффузионная горелка (1, C 1) снабжаются топливом из одной и той же системы подачи топлива .
В указанной системе подачи топлива (1) топливо может перекачиваться насосом (6, 10) в аккумулятор давления (2).
Конец клапана (14) выступает в камеру (18) низкого давления, соединенную с системой (58) подачи топлива .
Das Ventilglied (14) ragt mit einem Ende in den einen Niederdruckraum (18), der mit einem Kraftstoffzufuhrsystem (58) verbunden ist.Система подачи топлива Wärtsilä LPG
Wärtsilä Online Область Wärtsilä Global Глобальная контактная информация- Аргентина
- Австралия
- Азербайджан
- Бангладеш
- Бразилия
- Болгария
- Канада
- Чили
- Китай
- Колумбия
- Кипр
- Дания
- Доминиканская Республика
- Эквадор
- Эстония / Прибалтика
- Финляндия
- Франция
- Германия
- Греция
- Венгрия
- Индия
- Индонезия
- Италия
- Япония
- Кения / Восточная Африка
- Корея
- Малайзия
- Мексика
- Марокко
- Нидерланды
- Норвегия
- Пакистан
- Панама
- Папуа-Новая Гвинея
- Перу
- Филиппины
- Польша
- Португалия
- Пуэрто-Рико / Карибские острова
- Румыния
- Россия
- Саудовская Аравия
- Сенегал / Западная Африка
- Сингапур
- Южная Африка
- Испания
- Шри-Ланка
- Швеция
- Швейцария
- Тайвань
- Турция
- ОАЭ / Ближний Восток
- Соединенное Королевство
- США
- Венесуэла
- Вьетнам
- английский
- Около
- Карьера
- Инвесторам
- СМИ
- Устойчивость
- Связаться с нами
- Главная
- морской
- Потребительские сегменты
- Морское путешествие
- Паром
- Паромы с нулевым выбросом
- Рыбалка
- Торговец
- Контейнеровозы
- Газовозы
- Танкеры
- Балкеры
- Грузовые суда
- Суда РО-РО PCTC
- Флот
- Офшор
- Специальные суда
- Буксиры
- Яхты
- Рекомендации
- Морское путешествие
- AIDAvita
- AIDAvita — Техническое обслуживание турбокомпрессора
- Карнавальная гордость
- Гармония морей
- Оазис морей
- Королева Мэри II
- Тренинг для RCCL
- Паром
- Балеария на СПГ
- Балтикборг и Ботниаборг
- BC Ferries
- Пункт назначения Готланд
- Экспресс 4
- Finnlines
- MF Folgefonn
- Франциско
- Hammershus
- MS Helgoland
- Святой Иоанн Павел II
- СуперСкорость 2
- Tallink
- Линия Викинга
- Гибридный автомобиль Finnlines RoRo
- Хейлз Трофи
- Два парома Hankyu
- Натчан Рера
- Скоростной паром Экспресс 5
- Рыбалка
- Торговец
- Арклоу Шиппинг
- М.
В. Арвика - Атлантическая Контейнерная Линия
- Контейнеровозы VII
- Даная К.
- Быстрый Джеф
- Гашем Белуга
- Хапаг Ллойд
- Промышленный шкипер
- Халид Фарадж Шиппинг
- Ла Манча
- MSC Париж
- MV Pontica
- Пак Алкайд
- Газовый журнал с соглашениями о жизненном цикле
- Флот
- Саад Субахи Класс
- HSV2 Swift
- Офшор
- Харви залив
- Гигант Северного моря
- Быстрое бурение
- Вестланд Лебедь
- Принцесса викингов
- Специальные суда
- Rolldock Storm
- UKD Marlin
- Буксиры
- Яхты
- Балтийские Яхты
- Суперяхта ЯС
- Морское путешествие
- Построить
- Автоматизация
- Автоматизация
- Wärtsilä NACOS VALMATIC Platinum
- Wärtsilä NACOS MCS Platinum
- Wärtsilä NACOS PCS Platinum
- Технологии измерения и контроля
- Блок управления двигателем Wärtsilä
- Уровень Wärtsilä Smart EP
- Светофоры Wärtsilä
- Уровень Wärtsilä Smart VS
- Система дистанционного управления клапанами Wärtsilä
- Пилотная система флота Wärtsilä
- Контроль и мониторинг земснаряда
- Системы контроля и мониторинга земснаряда
- Автоматизация
- Управление балластными водами
- Wärtsilä Aquarius EC BWMS
- Wärtsilä Aquarius UV BWMS
- DP и интеллектуальные датчики
- SmartPredict
- Джойстик Wärtsilä с контролем направления
- Wärtsilä NACOS DP Platinum
- Управление подруливающим устройством Wärtsilä
- Артемида
- CyScan AS
- Эталонный блок движения
- РадаСкан
- Просмотр RadaScan
- RangeGuard
- SceneScan
- Двигатели и генераторные установки
- Гибридные решения
- Гибридный
- Wärtsilä HY
- Гибридный
- Дизельные двигатели
- Wärtsilä 14
- Wärtsilä 20
- Wärtsilä 26
- Wärtsilä 31
- Wärtsilä 32
- Wärtsilä 46F
- Двухтопливные двигатели
- Wärtsilä 20DF
- Wärtsilä 31DF
- Wärtsilä 34DF
- Wärtsilä 46DF
- Wärtsilä 50DF
- Двигатели на чистом газе
- Wärtsilä 31SG
- Генераторные установки
- Wärtsilä Auxpac 20
- Электрогенераторы Wärtsilä
- Тихоходные двигатели RTA и RT-flex
- Вспомогательные системы двигателей Wärtsilä
- Снижение выбросов NOx
- Редуктор NOx Wärtsilä (NOR)
- Гибридные решения
- Развлекательные и световые решения
- Аудио
- Wärtsilä Audio
- Освещение
- Архитектурное освещение Wärtsilä
- Система динамического освещения Wärtsilä
- видео
- Wärtsilä Broadcast
- Светодиодные экраны Wärtsilä
- Wärtsilä Digital Signage
- Аудио
- Выхлопная обработка
- Снижение выбросов SOx
- Конструкции скрубберных систем
- Снижение выбросов SOx
- Производство пресной воды
- Многоступенчатые испарители мгновенного действия Wärtsilä
- Одноступенчатые системы опреснения воды Wärtsilä
- Горизонтальные испарители с внутренней трубкой Wärtsilä
- Обратный осмос Wärtsilä
- Газовые решения
- Системы обработки газовых грузов
- Wärtsilä Cargo Handling для малых газовозов
- Система обработки грузов Wärtsilä для газовозов / этиленовозов
- Система обработки грузов Wärtsilä для газовозов с полным давлением
- Система обработки грузов Wärtsilä для полностью рефрижераторных газовозов
- Система обработки грузов Wärtsilä для полурефрижераторных газовозов
- Проект судов и грузовых танков Wärtsilä
- Система восстановления ЛОС
- Системы инертного газа
- Дымовой газ Wärtsilä
- Генераторы инертного газа Wärtsilä для газовозов
- Генераторы инертного газа Wärtsilä для танкеров
- Системы Wärtsilä Mult-Inert ™
- Генераторы азота Wärtsilä
- Морские установки инертного газа Wärtsilä
- Система подачи топливного газа
- Блок газовых клапанов
- LNGPac
- Сжижение и повторное сжижение BOG
- Установки СПГ — технология сжижения в миниатюрном масштабе
- Заводы СПГ — технология сжижения малых объемов
- Wärtsilä BOG Повторное ожижение
- Регазификация СПГ Wärtsilä
- Системы управления танками
- Wärtsilä Whessoe Система измерения СПГ и СПГ в резервуарах
- Гидравлическая система аварийного отключения
- Биогазовые решения
- Обновление биогаза
- Инновации в модернизации биогаза
- Биогаз процветает в Дании
- Европе нужно больше биогаза
- ЕГЭ Биогаз
- Биокрафт ЛБГ
- VEAS
- Tekniska Verken
- Обновление биогаза
- Модернизированный газовоз LFSS
- Грузовая система СПГ для бункеровочной баржи
- Система подачи топлива Wärtsilä LPG
- Системы обработки газовых грузов
- Навигация и общение
- Коммуникационные системы для решений связи
- Системы связи для решения связи
- Доступные продукты
- Услуги по добавлению стоимости
- Глобальное покрытие
- Системы безопасности
- Системы безопасности
- Информационно-развлекательная система
- Системы связи для решения связи
- Коммуникационные системы для решений связи
- Автоматизация
- Потребительские сегменты
PPT — СИСТЕМЫ ПОДАЧИ ТОПЛИВА PowerPoint Presentation, free download
СИСТЕМЫ ПОДАЧИ ТОПЛИВА • Топливо проходит несколько стадий, прежде чем попасть в камеру сгорания.
• Включает фильтрацию и распыление топлива на мелкие частицы. • Необходимо распылить топливо перед подачей в камеру сгорания, чтобы могло произойти полное сгорание топлива. • Существуют разные системы подачи топлива для двигателей с искровым зажиганием (бензин) и с воспламенением от сжатия (дизель).
Система подачи топлива двигателя СИ
В бензиновом двигателе горючая смесь топлива подготавливается вне камеры сгорания.• Соответствующее соотношение воздух-топливо поддерживается с помощью устройства, известного как карбюратор, и эта смесь вводится в камеру сгорания. • Соотношение воздух-топливо зависит от различных условий. Двигателю требуется более богатая смесь при запуске и более бедная смесь при нормальных условиях работы. • Такие условия должны быть выполнены перед входом в камеру сгорания. • Топливо из бака подается в поплавковую камеру, прикрепленную к карбюратору, с помощью топливного насоса.
• Топливный насос поддерживает постоянное давление.В карбюраторе топливо смешивается с воздухом в необходимой пропорции. • После этого смесь топлива и воздуха вводится в камеру сгорания.
Система подачи топлива двигателя CI
В дизельном двигателе только воздух впрыскивается во время такта всасывания и сжимается во время такта сжатия. • Топливо впрыскивается в камеру сгорания в виде мелких брызг в конце такта сжатия. • Система впрыска топлива в дизельном двигателе должна удовлетворять следующим требованиям: 1.Чтобы впрыснуть топливо в нужный момент цикла. 2. Топливо должно быть правильно распылено. 3. Необходимо впрыснуть правильное количество топлива в зависимости от нагрузки.
Топливный насос забирает топливо из топливного бака и подает его на топливный фильтр. • Когда в ТНВД создается давление, топливо течет от ТНВД к топливной форсунке под давлением.
• Топливная форсунка представляет собой форсунку с одним или несколькими отверстиями.
Требования к смеси для двигателя SI
В нормальных условиях желательно запускать двигатель на смеси с максимальной экономичностью, а именно с соотношением воздух-топливо около 16: 1. • Для быстрого разгона и максимальной мощности требуется богатая смесь, а именно соотношение воздух-топливо 12: 1.
Двигатель SI работает с топливовоздушной смесью в диапазоне от 8: 1 до 18,5: 1. Но идеальным соотношением будет такое соотношение, которое обеспечивает максимальную мощность и максимальную экономию при минимальных выбросах.• Но такого отношения не существует, потому что потребности двигателя в топливе сильно различаются в зависимости от температуры, нагрузки и скорости. • Для полного сгорания необходимо тщательное перемешивание топлива с избытком воздуха. • Бедные смеси необходимы для максимальной экономии, а богатые смеси необходимы для подавления детонации при горении.
• Обогащенная смесь требуется для высоких нагрузок, высоких оборотов и холостого хода. • Наилучшая экономия ожидается при частичной дроссельной заслонке. • Карбюратор должен обеспечивать соотношение смеси в соответствии с требованиями двигателя.
КАРБЮРАТОР • Карбюратор — это устройство, которое смешивает бензин и воздух в правильных пропорциях и подает в камеру сгорания в нужном количестве.• Карбюретторатомизирует, испаряет и смешивает бензин в правильных пропорциях с воздухом, как того требует двигатель, и подает нужное количество смеси в двигатель.
ВОЗДУХООЧИСТИТЕЛЬ ДРОССЕЛЬ VENTURI Поплавковый клапан Поплавковый рычаг Поплавковая камера ДРОССЕЛЬНЫЙ КЛАПАН с поплавком
Простой карбюратор
Давление на входе в вентури выше, чем давление на 1 0002 на уровне 2 «Давление в воздуховыпускном отверстии «.
скорость на «1» ниже, чем на «2».
Конструкция и работа простого карбюратора • Простой карбюратор состоит из трубки Вентури и топливного жиклера. • Для поддержания уровня топлива в жиклере обычно требуется поплавковая камера. • Дроссельная заслонка в виде плоского круглого металлического диска, установленного на шпинделе, предназначена для управления потоком топливовоздушной смеси во впускной коллектор. Клапан поворотного типа также может использоваться вместо дискового.
Уровень топлива просто поддерживается немного ниже верхней части жиклера , чтобы предотвратить утечку, когда он не используется.• Обычно сохраняется разница в 1,5 мм между верхом жиклера и поверхностью топлива в поплавковой камере. • Игольчатый клапан контролирует прохождение топлива от топливного насоса, когда воздух начинает проходить мимо жиклера, в трубке Вентури создается зона низкого давления из-за повышенной скорости воздуха.
Топливо начинает подниматься из-за разницы в давлении воздуха на топливо, которое равно давлению атмосферы и на топливе в жиклере в трубке Вентури и выходит из жиклера в виде мелкого спрея.Мельчайшие частицы бензина имеют большую площадь поверхности, подверженной воздействию воздушного потока. Топливо не полностью испаряется в карбюраторе, и некоторые шарики топлива все еще попадают во впускной коллектор и испаряются во время такта сжатия в цилиндре двигателя. Дроссельная заслонка контролирует поток воздуха в карбюратор. Между карбюратором и впускным коллектором предусмотрено газонепроницаемое соединение. • Когда предусмотрены два концентрических сопла, выпускной конец внутренней трубки Вентури называется «Prim
PPT — СИСТЕМА ПОДАЧИ ТОПЛИВА Презентация PowerPoint, бесплатная загрузка
СИСТЕМА ПОДАЧИ ТОПЛИВА
Цели системы подачи топлива » • Храните достаточное количество топлива для разумного запаса хода автомобиля.
• Отфильтруйте топливо и воздух. • Подайте топливо в карбюратор двигателя, корпус дроссельной заслонки или топливные форсунки. • Не допускайте испарения топлива в топливных магистралях. (паровая пробка) • Не допускайте попадания паров топлива в атмосферу.
Детали системы подачи топлива • Топливный бак в сборе. • Система улавливания паров топлива. • Топливный насос. • Топливные магистрали. • Система регулирования давления. • Топливный фильтр. • Воздушный фильтр.
Топливный бак • Изготовлен из пластика или металла • Шланги • Электрический насос • Изоляция • Ремни • Заливка
Утилизация паров топлива • Пары топлива не могут быть выброшены в атмосферу.• Пар улавливается и хранится в канистре с древесным углем. • Пар направляется во впускной коллектор двигателя и сжигается в камере сгорания.
Топливный насос • Большинство насосов представляют собой электрические насосы, установленные внутри бензобака.
• Компьютер контролирует мощность для прокачки через устройство, называемое реле. • Когда двигатель работает, компьютер включает насос. • Когда двигатель выключен, компьютер выключает насос.
Топливопроводы • Могут быть изготовлены из стали или различных гибких материалов, таких как резина neopreme и различные типы пластика.
Топливный фильтр • Удаляет любые частицы в бензине. • В большинстве случаев используется картридж с микропористой бумагой внутри. • Используются другие типы систем фильтрации, но они не распространены.
Воздухозаборник • Состоит из воздухозаборника, воздушного фильтра, шлангов, датчика массового расхода воздуха (MAF), корпуса дроссельной заслонки, регулятора холостого хода (IAC) и датчика температуры воздуха на впуске (IAT).
Воздушный фильтр • Самый популярный фильтр бумажного типа.
• Меняйте либо в случае загрязнения, либо каждые 30 000 миль или 3 года. • Поднесите фонарь за элементом, чтобы проверить его на загрязнение.
Регулятор давления • Регулировка вакуума • На топливной рампе
Датчики и реле
Выбросы
0003 000 000 000 000 Карбюраторы 000 000 Карбюраторы
Карбюраторы
Впрыск дроссельной заслонки
EFI Электронный впрыск топлива
03 EFI
одна группа EFI одна группа время • Банда • Пожар парами • Последовательный • Возгорание непосредственно перед тактом впуска
Топливная система
Топливная система
Судовые дизельные двигатели предназначен для сжигания тяжелого остаточного топлива. Это состоит из остатки более легких и дорогих видов топлива и газов была извлечена из сырой нефти на НПЗ. Графический ниже показан процесс На схеме ниже показан Система подачи топлива для большого двухтактного крейцкопфа.Однако настройка типична для любой топливной системы для морского транспорта. дизельный двигатель, работающий на тяжелом остаточном топливе. Для объяснения
каждый из компонентов, поместите стрелку мыши на компонент
и щелкните. 17 июня 2016 Представляем вам 10 самых популярных натуральных ароматов для авто, которые влияют на состояние и самочувствие водителя. Наша статья поможет вам выбрать нужный аромат ароматизатора, исходя из ваших потребностей. В каждой машине создается свой микроклимат, на который влияет температура и запахи. При этом каждый знает, что если нужно взбодриться, то необходимо приоткрыть окно и пустить свежий воздух, понизив температуру в салоне. При этом мало кто задумывается, как те или иные запахи отражаются на настроении, концентрации и общем самочувствии водителя. Из статьи вы узнаете, какой из десяти самых популярных ароматизаторов для авто поможет вам взбодриться, поднять настроение избавиться от неприятных запахов и просто насладиться поездкой. Корица – один из наиболее популярных запахов, которому часто отдают предпочтение мужчины и женщины, выбирая ароматизаторы для авто. Ароматы лимона, апельсина или грейпфрута оказываются возбуждающее действие и помогают сконцентрироваться на дороге. Цитрусовые ароматизаторы помогут легче перенести ночное путешествие и повысить внимательность при частой езде по трассе. Запахи морской соли и морской волны расслабляют водителя, помогают справиться с раздражительностью, улучшают эмоциональный настрой и благотворно влияют на дыхательные пути. Такой ароматизатор для авто незаменим во время езды по городу и помогает расслабиться в пробках. Приобрести ароматизатор для авто с таким запахом можно в компании «АЕР». Ароматы соснового леса пробуждают благоприятный ассоциативный ряд и помогают сохранять ясное сознание во время ночных путешествий на автомобиле. Мята – лучшее средство борьбы со сном. Ее аромат поможет водителю взбодриться и настроиться на дорогу – особенно полезен такой ароматизатор в утреннее время, когда нужно быстро проснуться и отправиться в путь. Если же вы выберете аромат перечной мяты, то он гарантированно снимет раздражительность и улучшит ваше настроение. Аромат розы, в отличие от других цветочных ароматизаторов для авто, не расслабляет водителя, а напротив, стимулирует его память и приводит в состояние повышенной сосредоточенности. Несмотря на нежность этого аромата, ему часто отдают предпочтение как женщины, так и мужчины. Ванильная эссенция поможет не только справиться с запахом сигарет, но и повышает внимательность водителя, не оказывая при этом чересчур сильного возбуждающего действия. Усталость и беспокойство быстро исчезают, если в машине есть ароматизатор с запахом ванили. Аромат кофе благотворно влияет как на водителя, так и на пассажиров – он успокаивает, при этом делая водителя более осторожным. Такой ароматизатор придаст уверенности начинающим автолюбителям, а также поможет ликвидировать неприятные запахи. Яблочный ароматизатор обладает стойким и сильным ароматом. Он абсолютно незаменим, если нужно устранить запах табачного дыма. Помимо этого, он создает комфортную и благоприятную для вождения атмосферу. Аромат клубничного ароматизатора помогает поднять тонус и придать водителю сил, а также повысить его сосредоточенность. О приобретении такого ароматизатора стоит задуматься перед автопутешествием или поездкой на большие расстояния. Каждый из десяти ароматов по-своему влияет на водителя и атмосферу в салоне автомобиля. Выбирайте тот, который больше подходит для вас и наслаждайтесь вождением автомобиля, независимо от времени суток и внешних факторов. Наша сенсорная система состоит из нескольких органов чувств: зрения, обоняния, слуха, осязания и вкуса. Обоняние отличается высокой чувствительностью в сравнении с другими сенсорами человека и в значительной мере влияет на наше восприятие окружающей действительности. Более того, с помощью запахов можно подсознательно управлять своим настроением, поведением, концентрацией внимания и, как оказалось, даже попробовать повысить уровень собственной безопасности на дорогах. Как же выбрать парфюм для автомобиля, чтобы получить не только удовлетворение от приятного аромата, но и добиться более впечатляющих результатов? Согласно исследованию C. Castro (Human Factors of Visual and Cognitive Performance in Driving: CRC Press, 2008) запахи могут оказывать положительное и отрицательное влияние на выполнение заданий со спортивным уклоном, в том числе, и при вождении машины. В этой работе показано, что духи являются более действенным средством, нежели прослушивание громкой музыки. Ароматизатор для автомобиля Niki Mr & Mrs Fragrance Как проводятся исследования? Техника постановки эксперимента для определения влияния аромата на поведение водителя достаточно проста. В частности, в работе Masria Mustafaa с соавторами (The Impact of Vehicle Fragrance on Driving Performance: What do we know? Procedia — Social and Behavioral Sciences 222 ( 2016 ) 807 – 815) описан процесс изучения влияния ольфактивных реакций на скорость автомобиля. Конечно, никто не садится в реальную машину и не гоняет по городским улицам. Для экспериментов используется специальный симулятор, который позволяет выполнять исследования без риска для жизни водителя и других участников дорожного движения. В ходе эксперимента в комнате с симулятором распыляется эссенция с каким-либо ароматом. Например, в указанном исследовании изучались три варианта воздействия: ваниль, лаванда и контрольная группа без ольфактивного воздействия. Как выбрать личный парфюм или ароматизатор для автомобиля? Использование «тревожных» ароматов поможет поддержать бдительность сонных водителей и рекомендуется тем, кому предстоит дальняя поездка за рулем, а также профессионалам (дальнобойщикам, таксистам и пр.). В работе T. Fruhata с соавторами (Doze Sleepy Driving Prevention System (Finger Massage, High Density Oxygen Spray, Grapefruit Fragrance) with that Involves Chewing Dried Shredded Squid. Procedia Computer Science, 22(0), 790-799, 2013), для этих целей предлагается парфюм или ароматизатор с грейпфрутом. В целом, для создания подходящей атмосферы подойдут и другие духи с доминированием цитрусовых. Кроме того, для поддержания бодрости водителя B. Raudenbush и соавторы (Effects of Peppermint and Cinnamon Odor Administration on Simulated Driving Alertness, Mood and Workload. Вместе с тем, во многих случаях из салона авто лучше убрать внешние раздражители. Это особенно касается лихачей, которые любят притопить педаль газа там, где это делать опасно: в городской застройке, на оживленных магистралях или даже в проездах и дворах домов. При этом поможет спокойный, нейтральный запах. В уже упомянутом исследовании B. Raudenbush показано, что с этой задачей прекрасно справляются композиции на основе лаванды. Они успокаивают, повышают бдительность, способствуют ощущениям комфорта, расслабленности и свежести. Вместе с тем, следует учесть, что аромат с ванильными акцентами не только увеличивают чувство спокойствия, концентрацию на дорожной обстановке, внимание к деталям комфорта, но и вызывают некоторую депрессию. Когда не хочется тратить время на ежедневный выбор аромата, на выручку приходят универсальные композиции! Среди и без того дорогой премиальной парфюмерии есть свои уникумы экстра-класса, перед которыми меркнет обычный люкс. Надеть такой аромат ― словно пронестись на великолепном спорткаре, оставляя позади даже автомобили представительского класса, или выйти в море под парусами собственной яхты. В последние десятилетия ароматы какао и шоколада завоевали парфюмерную индустрию и не спешат выходить из моды. Аромат ― это часть индивидуальности, стиля и статуса, отличительная черта, как безупречные люксовые туфли или дорогие часы. Мы можем получать комиссию за ссылки на этой странице, но мы рекомендуем только те продукты, которые мы поддерживаем. Почему стоит доверять нам? Реклама — Продолжить чтение ниже 1 Лучший общий общий автомобильный воздух. Pros Не зря мы назвали эти освежители воздуха лучшими в нашем обзоре лучших освежителей воздуха для каждой комнаты в твой дом. Минималистичный дизайн отлично смотрится на приборной панели вашего автомобиля, они начинают работать мгновенно, когда в автомобиле циркулирует горячий или холодный воздух, и могут работать до месяца. Один из испытателей был особенно в восторге от дизайна, сказав: «Он красивый и маленький, а черный цвет идеально сочетается с моими вентиляционными отверстиями и кожаной приборной панелью». В ходе нашего тестирования мы заметили, что ароматы могут быть немного властными после первой установки, но эти зажимы оснащены регулятором на задней панели, который позволяет регулировать количество выпускаемого аромата , чтобы вы могли легко настроить их в соответствии со своими предпочтениями. . 2 Лучший освежитель воздуха для автомобиля 2 Лучший освежитель воздуха для автомобиля освежители воздуха в нашем списке. Хотя он не так удобен, как многие другие освежители воздуха, более 20 000 5-звездочных обзоров на Amazon подтверждают его эффективность . У нас не было возможности проверить это в лаборатории, но восторженные отзывы и инновационный метод рассеивания сделали его бесспорно привлекательным. 3 Лучший подвесной освежитель воздуха для автомобиля 3 Лучший подвесной освежитель воздуха для автомобиля Сейчас 18% скидка $ 20 по адресу Amazon В то время как некоторым водителям может не нравиться то, что их взгляд отвлекает болтающийся предмет, мы не можем не восхищаться простотой, которую они предлагают. Если вы не хотите вешать его на зеркало, вы можете проявить творческий подход и привязать его к регулятору вентиляционных отверстий, дверной ручке или даже к подголовнику. И кто сказал, что вы должны держать их в машине? Они достаточно универсальны, чтобы повесить их в любом месте, где вы хотите получить свежий импульс. Реклама — Продолжить чтение ниже 4 Лучший автомобильный освежитель воздуха с уникальным ароматом 4 Лучший уникальный аромат автомобильного воздуха. представить Air Spencer CS-X3. Этот многоразовый освежитель воздуха расположен на приборной панели, чтобы устранить неприятные автомобильные запахи. Название немного неправильное, поскольку этот освежитель воздуха на самом деле не пахнет тыквой — у него сладкий цитрусовый аромат, который многие рецензенты сравнивают с Ramune, популярным японским безалкогольным напитком. Поскольку это продукт, импортируемый из Японии, получение заправок может быть не таким удобным, как некоторые другие наши варианты, но как круто вы прозвучите, когда скажете пассажирам, что импортируете свой освежитель воздуха? 5 Самый эстетичный автомобильный освежитель воздуха 5 Наиболее эстетически приятный автомобильный воздух освежитель $ 8 на Drift. Нам нравится, насколько красив этот автомобильный освежитель воздуха. Деревянный блок, пропитанный эфирным маслом, выглядит органично и минималистично. Он крепится к солнцезащитному козырьку автомобиля с помощью прилагаемого зажима. Drift предлагает модель подписки, поэтому, когда ваш старый освежитель начнет исчезать, у вас будет новый, готовый к использованию. Хотя нам не удалось попробовать эту модель в лаборатории, мы были поражены ее дизайном и в равной степени впечатлены ароматами, предлагаемыми Drift, многие из которых, такие как кофе и тик, мы никогда раньше не видели для автомобильного воздуха. освежители. Нам также понравился вариант «аромат месяца», в котором представлены сезонные ароматы ограниченного выпуска, созданные для определенного времени года. 6 Автомобильный освежитель воздуха Best Spray 6 Best Spray Car Air Freshener $11 at Amazon Если вам не нравится ощущение вентиляционного зажима, выдувающего ароматизированный воздух на ваше лицо во время вождения, возможно, лучше использовать более тонкий подход. Chemical Guys производит ароматный освежитель воздуха в 9Формат спрея 0039, который позволяет лучше контролировать процесс освежения воздуха. Тестеры были довольны уникальным сладким и кожаным ароматом спрея, который некоторые обозреватели Amazon сравнивали с Air Spencer CS-X3, что означает, что это может быть более доступная подделка. Реклама – Продолжить чтение ниже Работает Если вы ищете множество вариантов и широкий выбор как знакомых, так и сезонных ароматов, обратите внимание на Bath & Body Works. Основной продукт торгового центра предлагает множество различных стилей вентиляционных зажимов, поэтому вы можете настроить свою приборную панель, а множество ароматов понравится тем, кто любит менять ее. Один из тестеров-потребителей отметил, что они сильно пахнут, и поэтому могут не подойти тем, кого легко вывести из себя. 8 Самый универсальный автомобильный воздух освежитель 8 Самый универсальный автомобиль Air Fushener теперь 14% at Amain Amain Alce Clip Clip .0003 Credit: Yankee Candle Так как решение о том, какой автомобиль использовать всегда впечатляют продукты, которые предоставляют потребителю как можно больше возможностей. Yankee Candle Sidekick имеет диспенсеров в виде зажимов для вентиляционных отверстий, зажимов для визора и подвесных форм, которые используют один и тот же сменный блок. Стартовый набор содержит один дозатор и две сменных насадки, каждая из которых рассчитана на 30 дней. Хотя у нас не было возможности протестировать Sidekick в лаборатории, мы оценили новизну использования одних и тех же наполнителей для различных форм автомобильных освежителей воздуха. Это кажется таким очевидным, но это так необычно! Нам также понравилось, что есть ароматы, которые имитируют некоторые из самых любимых ароматов свечей Yankee Candle, такие как Pink Sands и Clean Cotton. Если вы уже являетесь поклонником свечей этой марки, вы легко найдете идеальный освежитель для своего автомобиля. Освежители воздуха трудно тестировать регламентированным и контролируемым способом, особенно в рамках Института надлежащего ведения хозяйства, а воссоздание атмосферы автомобиля для таких испытаний — еще больший подвиг. Поскольку у нас нет обонятельных камер, необходимых для проведения самых детальных испытаний, мы оцениваем освежители воздуха так же, как это делают потребители — используя их в наших автомобилях и наблюдая, как они противостоят друг другу в реальных сценариях. Advertisement — Продолжить чтение ниже Хотя практически невозможно, чтобы ваш автомобиль всегда пах как новый, есть несколько шагов, которые вы можете предпринять, чтобы уменьшить неприятные запахи в вашем автомобиле и сохранить свежий запах дольше. Прежде всего, важно предотвратить возникновение неприятного запаха. Использование таких предметов, как чехлы для автомобильных сидений, может предотвратить проникновение вонючих жидкостей в обивку вашего автомобиля, и многие из них можно стирать в машине, что делает уборку очень легкой. Во-вторых, вам нужно регулярно чистить салон автомобиля с помощью ручного пылесоса и использовать спрей для деталей или кожаные салфетки для чистки обивки. ✔ Тип : Автомобильные освежители воздуха бывают разных форматов, каждый из которых имеет свои преимущества. Подвесные освежители проще всего установить. Вентиляционные зажимы не будут загораживать поле зрения во время вождения и сразу же начнут работать, как только воздух начнет циркулировать. Спреи дают вам более точный контроль над тем, сколько дезодоранта вам нужно, а формат «ароматной бомбы» позволяет вам убедиться, что каждый уголок вашего автомобиля наполняется приятным ароматом. Принимая решение, подумайте, как вам удобнее управлять автомобилем, и какие риски присущи этому типу (подробнее об этом ниже). ✔ Аромат : Как и бытовые освежители воздуха, автомобильные освежители воздуха доступны практически со всеми ароматами, которые вы только можете себе представить. Это скорее личный вкус, чем объективная истина, поэтому вам нужно выбрать что-то, что, как вы знаете, нравится вам и любым постоянным пассажирам. Если у вас или у кого-либо из пассажиров есть чувствительность к запахам, более тщательная и регулярная чистка автомобиля может быть лучшим путем, чем установка освежителя воздуха. ✔ Безопасность : При выборе автомобильного освежителя воздуха учитывайте безопасность водителя и пассажиров. Если водитель может отвлечься на качающийся предмет, свисающий с зеркала заднего вида, рассмотрите вентиляционные зажимы или спрей. Если у вас есть дети, убедитесь, что они не могут получить доступ к вашему освежителю воздуха, так как многие ароматы вызывают раздражение и могут нанести вред при проглатывании. Соблюдайте осторожность и не оставайтесь в автомобиле во время использования освежителя воздуха типа «арома-бомба». Николас Гринвальд имеет степень бакалавра наук в области химического машиностроения Северо-восточного университета. Он не новичок в анализе паспортов безопасности и использует свои знания в области химии рецептур и химической безопасности, чтобы взглянуть на продукты, которые проверяются в Институте надлежащего ведения домашнего хозяйства. Он также помогает совершенствовать протоколы испытаний и системы данных в Институте на основе отраслевых стандартов и своих знаний в области термодинамики, гидродинамики и науки о данных. Николас Гринвальд Лаборант В качестве лаборанта в Good Housekeeping Institute Ник (он/он) работает со всеми нашими лабораториями, разрабатывая протоколы испытаний и управляя сбором и анализом данных. До прихода в Good Housekeeping в 2022 году , Ник работал в лабораториях Массачусетского технологического института и Regeneron, работая над проектами, начиная от инвентаризации химических веществ и составления отчетов и заканчивая разработкой биотестов. Вы можете привыкнуть к запаху своего автомобиля, но ваши пассажиры могут предпочесть автомобильный освежитель воздуха. В то время как самые пахнущие автомобильные освежители воздуха могут быть вопросом мнения, лучшие автомобильные освежители воздуха в целом служат долго, эффективно маскируют запахи и продаются по отличной цене. Ниже вы найдете рекомендации для нескольких различных типов автомобильных освежителей воздуха, каждый из которых имеет свои преимущества в зависимости от ваших потребностей. В качестве лучших автомобильных освежителей воздуха мы рекомендуем следующие, но их запахи являются предметом спора. Мы постараемся описать продукты, но вам нужно будет понюхать их самостоятельно, чтобы понять, подходят ли они вам. Тем не менее, это руководство должно помочь сфокусировать ваш поиск, поскольку вы рассматриваете лучшие автомобильные освежители воздуха на рынке. Проверить цену Air Spencer — японский автомобильный освежитель воздуха, популярный в США благодаря приятному запаху и стойкости. Это один из самых долговечных освежителей воздуха, которые мы тестировали, и его дизайн не требует, чтобы вы что-либо свешивали с зеркала или занимали место в подстаканнике. Air Spencer состоит из двух компонентов: пластикового футляра с запахом и сменного геля. Скользящий рычаг изменяет экспозицию гелевой вставки и, следовательно, силу запаха. Вы можете разместить CS-X3 в любом месте вашего автомобиля. Нижняя часть имеет липкий клей, который позволяет легко прикрепить его к приборной панели, но вы можете разместить маленькое тонкое устройство в любом месте вашего автомобиля. Когда запах окончательно выветрится, вы сможете приобрести наполнители со вкусами тыквы, лайма, цитрусовых и хрусталя. Они стоят около 8 долларов за пополнение. Из лучших автомобильных освежителей воздуха у нас был лучший опыт с этим. Нашим тестерам понравился запах, но больше всего их впечатлил стиль устройства, а также его долговечность. Запах также распространился по всему салону автомобиля. Долговечность: 5 из 5 Это ароматизированный освежитель воздуха для автомобиля с самым длительным действием, протестированный нашей командой. Маскировка запаха: 4 из 5 Запах Air Spencer может быть довольно сильным, когда устройство полностью открыто. Мы оставили его только наполовину открытым, так как подумали, что он слишком мощный. Этот запах также хорошо маскировал запах спортивной одежды, и это был единственный запах, который мы смогли обнаружить в нашем тестовом автомобиле. Стоимость: 4 из 5 Запасные части Air Spencer немного дороже, чем другие лучшие освежители воздуха для автомобилей. Тем не менее, долговечность каждого геля с запахом делает этот освежитель воздуха достойной ценностью, поскольку вам не нужно будет его часто заменять. Air Spencer имеет оценку клиентов Amazon 4,4 из 5,0 звезд на основе более чем 1600 отзывов. Полные 83 процента отзывов покупателей дают продукту 4,0 звезды или более. Некоторые клиенты утверждали, что Air Spencer не продержался достаточно долго. Возможно, эти пользователи купили аромат с более короткой стойкостью, чем у тыквы, или, возможно, продукт заканчивается быстрее, когда он полностью открыт. Другая проблема заключается в том, что Air Spencer плохо переносит жару. Один человек сказал, что устройство расплавилось и деформировалось в 100-градусную погоду. Мы рекомендуем автомобильный освежитель воздуха Air Spencer CS-X3, если вам нужен приятный аромат, который покрывает ваш автомобиль и остается неизменно сильным. Это также отличный вариант, если вы не хотите, чтобы что-то висело на зеркале или закрывало подстаканник. Air Spencer можно легко разместить практически в любом месте вашего автомобиля. Нам также нравится механизм регулировки, который позволяет легко установить желаемую потенцию. Проверить цену Мешки для очистки воздуха Moso Natural содержат активированный бамбуковый уголь и предназначены для поглощения неприятных запахов и очистки воздуха. В отличие от большинства других лучших автомобильных освежителей воздуха, сумка Moso Natural на самом деле не содержит ароматизаторов. Moso Natural прекрасно поглощает запахи в вашем салоне площадью около 90,0 квадратных футов. Бамбуковый уголь очень пористый и имеет большую площадь поверхности. Частицы запаха задерживаются в угле, когда воздух проходит через мешок. Мешки для очистки воздуха Moso Natural могут эффективно дезодорировать помещение в течение примерно двух лет, после чего древесный уголь можно использовать в качестве натурального удобрения в вашем саду. Мы использовали мешки для очистки воздуха Moso Natural в основном салоне нашего автомобиля, а также в багажнике, набитом вонючей спортивной одеждой. После пары часов в багажнике неприятный запах почти полностью исчез. Хотя устранение запаха происходит не так быстро, как с помощью спрея, оно остается эффективным. Долговечность: 5 из 5 Автомобильный очиститель воздуха Moso Natural рассчитан примерно на два года, что намного дольше, чем у большинства ароматизированных освежителей воздуха. Даже самые лучшие автомобильные освежители воздуха обычно служат не более шести месяцев, прежде чем потребуется замена или заправка. Маскировка запаха: 4 из 5 Этот пакет не действует так быстро, как спрей, так как тонкому аромату требуется время, чтобы распространиться и отфильтровать запахи. Тем не менее, оставив мешки для очистки воздуха Moso Natural в автомобиле, вы, как правило, избавитесь от нежелательных запахов. Стоимость: 4 из 5 Одна сумка Moso Natural обычно стоит около 10 долларов. Учитывая, что он может работать более двух лет, это отличная цена для автомобильного освежителя воздуха. Сумки для очистки воздуха Moso Natural имеют средний рейтинг Amazon 4,3 из 5,0 звезд. Примерно 80% рецензентов ставят продукту 4,0 или более звезд. Большинство клиентов были впечатлены способностью мешка устранять запахи, а некоторые отметили эффективность этих мешков в отношении сигаретного дыма и запахов домашних животных. «У нас в подвале живут невестка и зять. Пока они не курят в доме, запах дыма на их одежде очень сильный. Я положил два пакета Moso в их квартиру в подвале, и запах сигаретного дыма исчез». – MaryLou P. через Amazon Есть несколько рецензентов, которые утверждают, что не заметили никакой разницы при использовании этих сумок, но таких сообщений меньшинство. Мешки для очистки воздуха Moso Natural — хороший выбор для тех, кто не любит химические освежители воздуха и предпочитает их избегать. Мы бы порекомендовали мешки для очистки воздуха Moso Natural тем, кто хочет один из лучших автомобильных освежителей воздуха, но имеет аллергию или чувствительность к более сильным ароматам. Проверить цену Ozium Smoke & Odors Eliminator поглощает и эффективно устраняет неприятные запахи. Он особенно эффективен при удалении сигаретного дыма и других сильных запахов из вашего автомобиля. | ||||||||||||||
| Стоимость | 3,5 |
Как это работает
Чтобы использовать Ozium Smoke & Odors Eliminator, просто поместите его в любом месте вашего автомобиля. Гель Ozium со временем поглощает неприятные запахи, создавая при этом собственный приятный запах.
Наш опыт
Мы обнаружили, что Ozium работает так, как рекламируется, и особенно хорошо устраняет неприятные запахи. Даже по сравнению с лучшими автомобильными освежителями воздуха Ozium Smoke & Odors Eliminator чрезвычайно эффективен и обеспечивает сильный запах.
Долговечность: 3,5 из 5
Одного баллона с Озиумом должно хватить как минимум на месяц, но при относительно умеренном использовании его может хватить до четырех месяцев.
Маскировка запаха: 4,5 из 5
Это один из самых эффективных освежителей воздуха для маскировки запаха, которые мы использовали. Хотя Ozium Smoke & Odors Eliminator может не подействовать сразу, он отлично справляется с удалением неприятных запахов и не имеет особенно резкого запаха. Этот автомобильный освежитель воздуха особенно эффективен при удалении запаха дыма.
Стоимость: 3,5 из 5
Баночка Ozium стоит около 10 долларов, и ее хватит как минимум на один месяц.
Это не так экономично, как некоторые другие освежители воздуха в этом списке, но не особенно дорого по сравнению с премиальными освежителями воздуха и диффузорами эфирных масел.
Что говорят клиенты
Ozium Smoke & Odors Eliminator имеет средний рейтинг Amazon 4,3 из 5,0 звезд на основе почти 1900 отзывов. Около 79 процентов рецензентов дают продукту 4,0 или более звезд.
Многие положительные отзывы исходят от курильщиков сигарет или тех, кто пытается избавиться от запаха в своих машинах и домах. Довольные рецензенты чрезвычайно впечатлены эффективностью Ozium.
«Я купил подержанную машину, в которой так сильно пахло сигаретным дымом, как человек передо мной дышал день и ночь… В моей машине [Ozium] уже почти два месяца, и я больше не чувствую запаха сигарет вообще курить».
— Мисси Г. через Amazon
Как и большинство автомобильных освежителей воздуха, некоторые из них сильно не любят запах. Некоторые люди жалуются, что запах очень сильный, по крайней мере, когда банка открыта.
Для чего это нужно?
Озиум – хороший выбор для курильщиков и тех, кто пытается избавиться от сигаретного дыма или других сильных запахов. Это один из наименее экономичных автомобильных освежителей воздуха, которые мы тестировали, поскольку он не длится долго по сравнению с некоторыми другими вариантами.
#4 Самое быстродействующее: Chemical Guys Запах новой машины
Проверить цену
The Chemical Guys New Car Smell пытается имитировать запах нового автомобиля. Аромат не подавляющий, но автомобильный освежитель воздуха превосходно маскирует неприятные запахи.
| Our Rating | 4 out of 5 |
|---|---|
| Longevity | 4 |
| Odor Masking | 4.5 |
| Value | 4 |
How It Works
Этот освежитель воздуха от Chemical Guys содержит энзимы, устраняющие запахи, а также ароматизатор, благодаря которому ваш автомобиль будет пахнуть как новый.
Согласно инструкции, одного распыления достаточно, чтобы ароматизировать ваш автомобиль, и наш процесс тестирования подтвердил это.
Продукт является концентрированным и может использоваться в чистом виде или в разбавленном виде до двух галлонов дистиллированной воды.
Наш опыт
Хотя он не совсем соответствует запаху новой машины, Chemical Guys New Car Smell подходит близко и обеспечивает чрезвычайно приятный запах. Мы использовали продукт в неразбавленном виде и обнаружили, что он эффективно маскирует неприятные запахи.
Стойкость: 4 из 5
The Chemical Guys Запах новой машины не держится долго после распыления в машине, но одного флакона хватит надолго, особенно если разбавлять.
Маскировка запаха: 4,5 из 5
Это может быть один из лучших автомобильных освежителей воздуха для устранения запахов, если вам нужно нейтрализовать вонючий автомобиль. Другие автомобильные освежители воздуха постепенно ароматизируют ваш автомобиль с течением времени, но спрей-распылитель New Car Smell от Chemical Guys можно использовать для немедленного улучшения особенно грязного автомобиля.
Стоимость: 4 из 5
Вы заплатите около 10 долларов за 16,0 жидких унций Chemical Guys New Car Smell, отличная цена, поскольку ее можно разбавлять, чтобы она сохранялась дольше. Вы можете быстро иссякнуть, если будете опрыскивать свой автомобиль каждый день, но в этом почти никогда не бывает необходимости. Несколько спреев должны сохранить свежий аромат в вашем автомобиле почти на неделю.
Что говорят клиенты
Chemical Guys New Car Smell имеет средний рейтинг отзывов Amazon 4,2 из 5,0 звезд на основе более 32 000 оценок. Продукт получает 4,0 звезды или выше от 77 процентов рецензентов на Amazon.
Многие покупатели отмечают, насколько хорошо продукт маскирует неприятные запахи, особенно запах сигарет. Несколько обозревателей упомянули, что они были впечатлены тем, насколько хорошо Chemical Guys New Car Smell действует после разбавления.
Один рецензент упомянул, что автомобильный освежитель воздуха повредил пластиковую крышку на дисплее его приборной панели.
Других отталкивает запах New Car Smell от Chemical Guys.
Для чего это нужно?
В то время как ваша машина не будет пахнуть как новая, запах новой машины от Chemical Guys может быть почти самым близким, что вы получите. Если вы чистите свой автомобиль или пытаетесь устранить очень резкий запах, это один из лучших автомобильных освежителей воздуха на рынке.
Подержанный автомобиль с неприятным запахом или неприятно пахнущее транспортное средство можно легко исправить с помощью нескольких спреев средства Chemical Guys New Car Smell.
#5 Самый удобный: Febreze Unstopables Car Air Vent Clip
Проверить цену
Febreze Unstopables – популярный выбор среди лучших автомобильных освежителей воздуха. Они бывают разных запахов и легко крепятся к вентиляционному отверстию вашего автомобиля. Это делает их низкопрофильным вариантом, который начинает работать почти сразу.
| Our Rating | 4 out of 5 |
|---|---|
| Longevity | 4 |
| Odor Masking | 4 |
| Value | 3. |
How It Works
Febreze Unstopables крепятся прямо к вентиляционному отверстию вашего автомобиля и медленно рассеивают запахи по мере выхода воздуха. Эти автомобильные освежители воздуха помогают устранить неприятные запахи и заменить их одним из множества приятных запахов.
Наш опыт
Нам понравился вентиляционный зажим Febreze Unstopables, и мы обнаружили, что он служит относительно долго. Запах не слишком сильный и отлично справляется с маскировкой неприятных запахов. Это был один из самых быстродействующих освежителей воздуха, устраняющий неприятные запахи почти сразу после использования. Устройство находится в стороне и не будет мешать вашему обзору во время вождения.
Из протестированных нами автомобильных освежителей воздуха наиболее удобно расположен продукт Febreze, который не занимает места в подстаканнике или на половице.
Долговечность: 4 из 5
По словам производителя, срок службы каждой капсулы Febreze составляет около месяца.
Мы обнаружили, что это утверждение верно, а затем и некоторые другие, поскольку два месяца использования были довольно легкими. Однако сила этого освежителя воздуха начинает уменьшаться примерно через месяц использования.
Маскировка запаха: 4 из 5
Клипсы для освежителя воздуха Febreze Unstopables отлично маскируют неприятные запахи. Этот автомобильный освежитель эффективно заменил вонь грязной одежды в нашем тестовом автомобиле на приятный тропический аромат.
Стоимость: 3,5 из 5
Это не самые экономичные из лучших автомобильных освежителей воздуха. Хотя вы можете купить упаковку из четырех штук в Febreze примерно за 15 долларов, вам придется заменять ее не реже одного раза в два месяца.
Что говорят клиенты
Автомобильные вентиляционные зажимы Febreze Unstopables получили оценку Amazon 4,6 из 5,0 звезд на основе более 2500 оценок. Около 88 процентов рецензентов дали продукту 4,0 звезды или выше.
Большинство рецензентов отмечают, что автомобильные освежители воздуха работают хорошо, и многие довольны тем, как долго они действуют.
Очень немногие обнаружили, что капсулы Febreze можно использовать менее месяца. Те, кто оставляет негативные отзывы, делают это прежде всего потому, что им не нравятся доступные ароматы.
Для чего это нужно?
Автомобильные вентиляционные зажимы Febreze Unstopables — отличный вариант для тех, кто не хочет ничего свисать с ветрового стекла или терять место в подстаканниках. Они также являются хорошим выбором, если вам нужно быстро устранить неприятные запахи в вашем автомобиле.
Типы автомобильных освежителей воздуха
Автомобильные освежители воздуха бывают разных типов, которые выделяют аромат и прикрепляются к вашему автомобилю различными способами. Разумно узнать о каждом типе, чтобы понять, какой из них вы предпочитаете.
Картон
Это самая доступная версия освежителя воздуха, но вы, вероятно, получите то, за что платите, поскольку картонные модели служат недолго. Чаще всего они представляют собой маленькие деревья, которые подвешиваются к зеркалу заднего вида.
Plug-In
Сменный освежитель воздуха обычно имеет конец прикуривателя с прикрепленным контейнером для жидкости. Он работает аналогично домашнему освежителю воздуха, который подключается к розетке. Как только он подключен к прикуривателю во время движения автомобиля, жидкость нагревается и высвобождается ее запах.
Банка
Этот тип освежителя воздуха выпускается в пластиковой или металлической канистре с гелеобразным веществом внутри. В крышке канистры есть отверстия, и обычно вы можете повернуть крышку, чтобы решить, сколько отверстий вы хотите открыть. Чем больше отверстий открыто, тем больше аромата будет выделять гель. Автомобильные освежители воздуха в форме банки обычно помещаются в подстаканник.
Vent Clip
Vent clip Автомобильные освежители воздуха очень похожи на плагины для прикуривателя из-за контейнера с жидкостью. Эти модели отличаются тем, что вы прикрепляете их к вентиляционным отверстиям, которые выпускают аромат, когда воздух выходит.
Спрей
Спрей-освежитель воздуха не похож на другие, которые выделяют аромат в течение определенного периода времени. Эта версия поставляется в баллончике, который вы распыляете всякий раз, когда есть запах, который вы хотите замаскировать. С этим типом у вас есть возможность непосредственно опрыскивать область, которая плохо пахнет.
Путеводитель покупателя по лучшим автомобильным освежителям воздуха
Каждый человек имеет разные предпочтения в отношении того, что должны предлагать лучшие автомобильные освежители воздуха. Вот некоторые факторы, которые стоит учитывать при выборе автомобильного освежителя воздуха для ваших личных нужд.
Аромат
Аромат, пожалуй, самый важный фактор при выборе автомобильного освежителя воздуха, поскольку он будет определять, как будет пахнуть ваш автомобиль в обозримом будущем. Тем, кто занимается ароматерапией и ищет эфирные масла, есть еще кое-что, что следует учитывать перед выбором аромата.
Эстетика
Это связано с различными типами автомобильных освежителей воздуха, поскольку каждый из них выглядит по-разному.
Некоторые, например спрей, предназначены только для устранения запахов по мере их появления. Другие, такие как подключаемый модуль, специально созданы для эстетического удовольствия. Вам нужно решить, насколько важен для вас внешний вид, прежде чем выбирать между лучшими автомобильными освежителями воздуха.
Space
Банка может занять один из ваших подстаканников — большая жертва, если у вас седан только с двумя. Плагин может быть не таким большим, но он занимает прикуриватель, который можно использовать для зарядки электроники. Если вам нужен автомобильный освежитель воздуха, который будет относительно ненавязчивым, лучше всего подойдет зеркало заднего вида или автомобильный вентиляционный зажим.
Разнообразие
Вы должны выбрать марку, которая предлагает множество ароматов, чтобы вы могли найти тот, который вам нравится. Еще лучше разнообразный пакет, который позволяет вам попробовать их все подряд. Это также позволяет водителям легко переключаться между ароматами, если они через некоторое время устанут от одного из них.
Продолжительность
Продолжительность запаха определяет, как часто вам придется покупать новые автомобильные освежители воздуха. Более дорогие, такие как вентиляционные зажимы и зажимы, обычно служат дольше.
Маскировка запаха по сравнению с Устранение
Высококачественные освежители воздуха полностью устраняют неприятные запахи, но, как правило, стоят дороже. Вам придется решить, готовы ли вы согласиться на автомобильный парфюм, который просто маскирует неприятные запахи своим собственным ароматом по сниженной цене.
Наши стандарты обзора
Автомобильные освежители воздуха, описанные в этой статье, прошли два обширных обзора. Мы начали с изучения отзывов клиентов на таких сайтах, как Amazon, Walmart и Target. Затем мы выбрали некоторых из лучших на этих сайтах и проверили их посредством личного тестирования.
Процесс тестирования автомобильных освежителей воздуха
Чтобы протестировать каждый из лучших автомобильных освежителей воздуха, мы установили их на передние сиденья автомобилей, а затем в багажник, заполненный потной спортивной одеждой.
Мы отметили силу запаха с передних и задних сидений, а также то, насколько хорошо каждый автомобильный освежитель воздуха маскирует неприятные запахи.
Каждый кандидат на звание лучшего освежителя воздуха оставался в машине до тех пор, пока она не перестала работать. Некоторые освежители воздуха продолжают работать, и нам пришлось изучить отзывы покупателей, чтобы определить, как долго они обычно служат.
Мы оценили каждый из лучших автомобильных освежителей воздуха по трем основным критериям: долговечность, способность маскировать запах и общая стоимость.
- Долговечность : Долговечность чрезвычайно важна при выборе лучших автомобильных освежителей воздуха. В конце концов, даже самые пахнущие продукты не стоят того, чтобы их можно было использовать только один день. Некоторых автомобильных освежителей воздуха хватает на несколько месяцев подряд.
- Маскировка запаха : автомобильные освежители воздуха обычно используются для маскировки неприятных запахов в вашем автомобиле, от запахов домашних животных и сигарет до грязной одежды и пролитой пищи.
Мы отметили, насколько хорошо каждый из лучших автомобильных освежителей воздуха смог замаскировать запах вонючей одежды в багажнике нашего тестового автомобиля. - Значение : Мы определили стоимость каждого освежителя воздуха, сравнив его стоимость с тем, как долго он обычно служит.
Почему нам можно доверять
Каждый год мы тестируем более 350 автомобильных продуктов на автомобилях и в нашей испытательной лаборатории. Наша команда тестировщиков продуктов тщательно изучает лучшие продукты, распаковывает и проверяет каждый компонент, а также тестирует элементы на реальных автомобилях, прежде чем давать рекомендации читателям.
Мы публикуем сотни обзоров продуктов и услуг, чтобы предоставить автолюбителям подробные руководства по автомобильным инструментам, комплектам деталей, автокреслам, товарам для животных и многому другому. Для получения дополнительной информации о нашей методологии тестирования и о том, как мы оцениваем каждый продукт, ознакомьтесь с нашей страницей методологии здесь.

..
В. Арвика
(OpenCube Inc. — http://www.opencube.com) ****
Помимо этого, ароматизаторы с запахом сосны эффективно борются с застарелыми неприятными запахами в салоне машины.


По результатам тест-драйва, а также по данным опросника выясняется общее состояние, ощущения водителя, которые сопоставляются с его поведением на сложных трассах.
North American Journal of Psychology, 11 (2), 245, 2009) рекомендуют использовать ароматы с мятой и корицей, которые повышают бдительность. Вероятно, для этих целей также подойдут все свежие композиции.
Некоторые обозреватели Amazon также отметили, что дизайн вентиляционного зажима предпочтительнее, чем качающийся или подвешенный освежитель воздуха, который может отвлекать во время вождения.
В то время как большинство освежителей воздуха в аэрозольных баллончиках просто распыляют в незаметном месте в автомобиле, этот освежитель воздуха представляет собой «ароматическую бомбу», которая, как утверждается, устраняет запах за счет циркуляции воздуха в автомобиле. Просто закройте все окна и двери, включите кондиционер на полную мощность и активируйте спусковой крючок блокировки канистры. Оставьте машину на 15 минут, затем откройте все двери и дайте автомобилю проветриться еще 10–15 минут, прежде чем отправиться в путь.
очень популярный выбор для поддержания приятного запаха в машине круглый год. Они просты, легки в установке и делают именно то, о чем заявляют — заменяют менее приятные автомобильные запахи более предпочтительными. Мы особенно впечатлены огромным количеством доступных ароматов (более 32 на Amazon!). 
co
Несмотря на то, что нам понравился формат спрея, мы заметили, что при первом использовании сопло может немного забиваться и выделять больше жидкости, чем настоящий туман, поэтому вы можете сделать пару пробных спреев перед нанесением, чтобы избежать откладывая слишком много сразу.
Они также подчеркнули, насколько велик выбор ароматов и как им нравится возможность выбирают свои любимые ароматы Bath & Body Works для использования в своем автомобиле . В настоящее время в сети доступно более 25 ароматов, поэтому даже самый придирчивый ценитель ароматов обязательно найдет что-то приятное.
Мы также оцениваем автомобильные освежители воздуха на основе их привлекательного дизайна, простоты использования и разнообразия доступных ароматов. Мы оцениваем заявления, сделанные различными освежителями воздуха, и проверяем их составы и паспорта безопасности.
Мы собрали лучшие продукты для чистки автомобилей, чтобы помочь вам найти именно то, что вам нужно. Как только ваш автомобиль станет блестящим, подумайте об использовании освежителя воздуха для автомобиля, чтобы замаскировать или устранить запахи между чистками, гарантируя, что автомобиль будет пахнуть свежим круглый год.
Он имеет степень в области химического машиностроения Северо-восточного университета.
Доступно несколько различных ароматов, но мы выбрали тыкву, у которой был приятный запах, который на самом деле напоминал жевательную резинку.
Отзывы Amazon, похоже, подтверждают наш опыт: несколько рецензентов утверждают, что одной пополнения хватает на более чем месяц.
Большинство клиентов согласны с нашей оценкой, обнаружив, что CS-X3 служит долго, выглядит элегантно и издает приятный запах.



Мы отметили, насколько хорошо каждый из лучших автомобильных освежителей воздуха смог замаскировать запах вонючей одежды в багажнике нашего тестового автомобиля.

ШРУС-4 очень экономичный в этом плане, я использую её, советую друзьям.
2022 и могут быть изменены производителем в рамках работ по улучшению эксплуатационных свойств продукта. ООО «смазка.ру» настоятельно рекомендует обращаться за технической консультацией перед принятием решения о применении выпускаемой продукции. ООО «смазка.ру» гарантирует только соответствие свойств выпускаемых продуктов текущим спецификациям при изготовлении.
Эта смазка содержит 1% молибдена, который действует как твердая смазочная пленка, даже когда смазка вытесняется.

Может использоваться во всех узлах трения. Отрицательных отзывов об этой смазке нет. По отзывам пользователей, он хорошо справляется со всеми нагрузками и стоит совсем не дорого. Его цена 150 рублей. По праву считается одним из лучших вариантов ШРУСов. Его можно использовать даже на иномарках.
Поэтому в процессе ремонта или при общении со специалистами сервиса могут возникнуть трудности. ШРУС — это шарнир угловых скоростей.



Стоит провернуть узел на месте, пока автомобиль подвешен на домкратах. Это необходимо для равномерного распределения смазки по деталям.



Смазка создана на минеральной основе, в качестве загустителя используется литиевое комплексное мыло, для повышения несущей способности часто добавляют противозадирные присадки. Ресурс такого шарнира и самой смазки очень большой и приближается к ресурсу самого автомобиля, если бы не резиновые чехлы. Довольно часто чехлы рвутся из-за механических воздействий. Если разрыв крышки можно быстро определить, то достаточно просто поменять крышку и смазку, если нет, то под замену попадает сам шарнир. Большинство производителей поставляют чехлы на запчасти вместе со смазкой ШРУСа в обезличенном целлофановом пакете, часто в недостаточном количестве. В ШРУСе может понадобиться от 40 до 90 грамм смазки. Смазки для ШРУСов разных производителей могут существенно отличаться друг от друга, как по цене, так и по свойствам, и не стоит думать, что в комплекте с запчастями поставляется продукция самого высокого качества. Именно поэтому Liqui Moly предлагает специальную смазку для ШРУСов LM47 Langzeitfett + MoS2 в отдельных упаковках по 100 и 400 гр.
LM47 значительно превосходит стандартные смазки и подходит для самых высоких нагрузок и скоростей, содержит дополнительные (кроме дисульфида молибдена) противозадирные присадки на основе цинк-фосфорных соединений.
Тогда грязь и вода неизбежно попадут в шарнир. Если вовремя не выявить проблему, то дорогостоящий шарнир придется заменить и, соответственно, в новую деталь залить свежую смазку. Если регулярно следить за крышками ШРУСа, то достаточно просто заменить саму крышку и, конечно же, смазку.
За это время появилось множество разновидностей смазок для ШРУСов. В целом каждый состав достаточно эффективно выполняет свои функции. Но некоторые из предлагаемых смазок обладают агрессивными свойствами по отношению к резине или пластику. Многие составы также не обладают должными свойствами для борьбы с коррозией, а это едва ли не самая важная характеристика смазки ШРУС.
Специалисты рекомендуют автомобилистам регулярно проверять состояние системы привода и всех компонентов. Периодичность таких проверок составляет 50-60 тысяч километров.
Состав должен быть идеальным для всех автомобилей. В результате были созданы композиции нового поколения. их особенностью является дисульфид молибдена. Это позволило повысить устойчивость к коррозии. Как показали ресурсные испытания, даже после 100 000 км серьезного износа ШРУСов обнаружено не было. Но даже этот уникальный состав отнюдь не вечен – через сотню километров потребуется замена.



Hyundai Solaris
д.)
Изменения коснулись лишь экстерьера машины, не затронув «внутренностей» авто.
На суд покупателей разработчики представили 9 независимых гамм, которые подойдут даже самым изысканным автовладельцам.
Удивительно смотрится Солярис в голубой расцветке. Глубокий синий создает ощущение голубого неба. Более агрессивное и яркое ощущение создает цвет синий перламутр . Он хорошо подходит для людей с активной жизненной позицией.



Обратите внимание на очевидную вещь – изображение цвета в точности не совпадает с оригиналом и дает лишь лишь близкое к оригиналу представление об оттенке и принадлежности к определнной цветовой гамме.
Кроме того, у нас обширный ассортимент автохимии, автокосметики, материалов и инструментов для кузовного ремонта – алкидные и акриловые краски для авто, краски металлик, краски в балончиках, готовые автоэмали, автолаки, грунты, шпаклевки, краскопульты и пр. всех известных иностранных и отечественных брендов – Mobihel, Vika, HB Body, Novol, Reoflex и пр.
Черный выбран еще и потому, что все представительные автомобили окрашены в черный цвет. Но у черного есть свои недостатки:



Если говорить о silver metallic , то это создает ощущение солидности и надежности.
Недостатком такой расцветки будет повышенный нагрев на солнце. Потрясающе смотрится Солярис в синих тонах. Deep blue создает ощущение голубого неба.Более агрессивные и яркие ощущения создает цвет синий перламутр . Он хорошо подходит для людей, ведущих активный образ жизни.
Отправка заказа курьером за МКАД рассчитывается согласно тарифам Московской области. Данная услуга является платной в любом случае, независимо от того, купил ли покупатель товар или отказался от него.
В частности, от наших клиентов требуются данные документа, удостоверяющего личность (паспорт РФ, водительские права).
Недостатком этого цвета будет повышенный нагрев под лучами солнца. Солярис потрясающе смотрится в синем цвете. Deep blue создает ощущение голубого неба.Более агрессивные и яркие ощущения создает цвет синий перламутр … Он хорошо подходит людям, ведущим активный образ жизни.
Но у черного есть и недостатки:
Автомобиль такого цвета после стирки будет просто сиять. К тому же этот цвет не требует частой стирки.
Hyundai Solaris в синем цвете подойдет не только девушкам, но и мужчинам. Выбирая синий, нужно забыть о практичности, но остановит ли вас этот)
Лучше всего то, что Accent никогда не заставит вас чувствовать себя или выглядеть дешево благодаря взрослому стилю и непринужденному интерьеру, которые помогли ему занять место в нашем списке выбора редакции.
Несмотря на кузов седан и меньшее количество грузового пространства при использовании задних сидений, у Accent было место для большего количества ручной клади, чем у его более практичного хэтчбека Rio.Фактически, со сложенными задними сиденьями Accent вмещал всего на два чемодана меньше, чем особенно просторный Fit.

6 дюймов 
Оба они оснащены передними ковшеобразными сиденьями с подогревом в комплектации Limited и многоместными сиденьями со складывающейся спинкой 60-40, которые делают поездку удобной и уютной. Каналы HVAC под сиденьем также добавляют элемент роскоши в ваше вождение. Оба этих седана вмещают пять человек и оснащены системой удаленного доступа без ключа.
Оба седана были разработаны как функциональные, так и стильные, поэтому они оснащены светодиодными дневными ходовыми огнями и светодиодными задними фонарями для улучшения обзора на темных дорогах.Комплектация для 2020 года такая же, как и для 2019, поэтому независимо от того, выберете ли вы Accent SE, SEL или Limited, вы не будете разочарованы.
Хотя Accent 2020 года также оснащен рядным четырехцилиндровым двигателем объемом 1,6 л, он может похвастаться 120 лошадиными силами по сравнению с 130 лошадиными силами Accent 2019 года. Однако важным отличием нового двигателя от модели 2019 года является повышенная топливная эффективность.Модель 2020 года имеет улучшенную экономию топлива — 39 миль на галлон на шоссе, а в сочетании с бесступенчатой трансмиссией (CVT) Accent 2020 достигает феноменальной экономии топлива на шоссе — 41 милю на галлон. Более продвинутая и экономичная трансмиссия внесла наибольший вклад в небольшое повышение цен на Accent 2020 года.
Мы хотим, чтобы вы были уверены в своем новом или подержанном автомобиле и были уверены, что покупаете лучшее. Если вы находитесь в городах Уорнер Робинс, Мейкон, Дублин или Перри, приходите к нам сегодня же!
Ручки для ретуши E.M? Ручки Hyundai Solaris 