ΠΠ΅ ΡΠ°Π±ΠΎΡΠ°Π΅Ρ ΠΏΡΠΈΠΊΡΡΠΈΠ²Π°ΡΠ΅Π»Ρ Π½Π° ΠΠΠ 2110: ΠΏΡΠΈΡΠΈΠ½Ρ Π½Π΅ΠΈΡΠΏΡΠ°Π²Π½ΠΎΡΡΠΈ, ΠΊΠ°ΠΊ Π΅Π³ΠΎ ΡΠ½ΡΡΡ ΠΈ Π·Π°ΠΌΠ΅Π½ΠΈΡΡ ΡΠ²ΠΎΠΈΠΌΠΈ ΡΡΠΊΠ°ΠΌΠΈ
Π‘ΠΎΠ΄Π΅ΡΠΆΠ°Π½ΠΈΠ΅:
- ΠΡΠΈΠ½ΡΠΈΠΏ ΡΠ°Π±ΠΎΡΡ
- ΠΠΈΠ°Π³Π½ΠΎΡΡΠΈΠΊΠ° Π½Π΅ΠΈΡΠΏΡΠ°Π²Π½ΠΎΡΡΠΈ
- ΠΠ°ΠΌΠ΅Π½Π° ΠΏΡΠ΅Π΄ΠΎΡ
ΡΠ°Π½ΠΈΡΠ΅Π»Ρ
- ΠΠ°ΠΌΠ΅Π½Π° ΠΏΠΎΠ΄ΡΠ²Π΅ΡΠΊΠΈ
- ΠΠ°ΠΌΠ΅Π½Π° Π²ΡΠ΅Π³ΠΎ ΡΠ»Π΅ΠΌΠ΅Π½ΡΠ°
- Π£ΡΡΠ°Π½ΠΎΠ²ΠΊΠ° Π΄ΠΎΠΏΠΎΠ»Π½ΠΈΡΠ΅Π»ΡΠ½ΠΎΠ³ΠΎ
ΠΠΎΠΆΠ°Π»ΡΠΉ, ΡΠ»ΠΎΠΆΠ½ΠΎ Π½Π°ΠΉΡΠΈ Π°Π²ΡΠΎΠΌΠΎΠ±ΠΈΠ»Ρ, Π½Π° ΠΊΠΎΡΠΎΡΠΎΠΌ Π±Ρ Π½Π΅ Π±ΡΠ»ΠΎ ΠΏΡΠΈΠΊΡΡΠΈΠ²Π°ΡΠ΅Π»Ρ. ΠΠΎ ΠΏΠΎΡΠ²Π»Π΅Π½ΠΈΡ ΠΌΠ½ΠΎΠΆΠ΅ΡΡΠ²Π΅Π½Π½ΡΡ
Π³Π°Π΄ΠΆΠ΅ΡΠΎΠ² ΠΈ ΡΡΡΡΠΎΠΉΡΡΠ², ΠΊΠΎΡΠΎΡΡΠ΅ ΠΌΠΎΠΆΠ½ΠΎ ΠΏΠΎΠ΄ΠΊΠ»ΡΡΠ°ΡΡ ΡΠ΅ΡΠ΅Π· Π΄Π°Π½Π½ΡΠΉ Π΄Π΅Π²Π°ΠΉΡ, ΠΎΠ½ ΠΈΡΠΏΠΎΠ»ΡΠ·ΠΎΠ²Π°Π»ΡΡ ΠΏΠΎ ΡΠ²ΠΎΠ΅ΠΌΡ ΠΏΡΡΠΌΠΎΠΌΡ Π½Π°Π·Π½Π°ΡΠ΅Π½ΠΈΡ. Π’ΠΎ Π΅ΡΡΡ ΠΏΠΎΠ·Π²ΠΎΠ»ΡΠ» ΠΊΡΡΡΡΠΈΠΌ Π»ΡΠ΄ΡΠΌ ΠΏΡΠΈΠΊΡΡΠΈΡΡ ΠΎΡ ΡΠ°ΡΠΊΠ°Π»Π΅Π½Π½ΠΎΠ³ΠΎ ΠΌΠ΅ΡΠ°Π»Π»ΠΈΡΠ΅ΡΠΊΠΎΠ³ΠΎ ΡΠ»Π΅ΠΌΠ΅Π½ΡΠ°.
ΠΠ°ΠΊ ΠΎΠ½ ΡΠ°Π±ΠΎΡΠ°Π΅Ρ?
ΠΡΠΈΠΊΡΡΠΈΠ²Π°ΡΠ΅Π»Ρ ΠΏΠΎΠ΄ΠΊΠ»ΡΡΠ°Π΅ΡΡΡ ΠΊ Π°ΠΊΠΊΡΠΌΡΠ»ΡΡΠΎΡΠ½ΠΎΠΉ Π±Π°ΡΠ°ΡΠ΅Π΅ ΠΏΠΎ ΡΡΠ΅Π΄ΡΡΠ²Π°ΠΌ ΠΌΠΎΠ½ΡΠ°ΠΆΠ½ΠΎΠ³ΠΎ Π±Π»ΠΎΠΊΠ°. ΠΠΎΠ³Π΄Π° ΠΏΡΠΈΠΊΡΡΠΊΡ Π²ΠΊΠ»ΡΡΠ°ΡΡ Π² ΡΠ°Π±ΠΎΡΡ, ΡΠ΅ΡΠ΅Π· Π½Π΅Π³ΠΎ ΠΈΠ΄Π΅Ρ ΡΠΈΠ»ΡΠ½ΡΠΉ ΡΠΎΠΊ.
Π‘ΠΎΠ±ΡΡΠ²Π΅Π½Π½ΠΎ, ΡΡΠΎΡ ΡΠΎΠΊ ΡΠ°Π·ΠΎΠ³ΡΠ΅Π²Π°Π΅Ρ ΡΠ»Π΅ΠΌΠ΅Π½Ρ, Π»ΠΈΠ±ΠΎ ΠΏΠΎΠ·Π²ΠΎΠ»ΡΠ΅Ρ ΠΏΠΎΠ΄ΠΊΠ»ΡΡΠΈΡΡ ΡΠ½Π΅ΡΠ³ΠΎΠ·Π°Π²ΠΈΡΠΈΠΌΠΎΠ΅ ΡΡΡΡΠΎΠΉΡΡΠ²ΠΎ. ΠΠ½ΠΎΠ³ΠΈΠ΅ Π°Π²ΡΠΎΠΌΠΎΠ±ΠΈΠ»ΠΈΡΡΡ ΠΈΡΠΏΠΎΠ»ΡΠ·ΡΡΡ ΡΡΠΎΡ ΡΠ°Π·ΡΠ΅ΠΌ Π΄Π»Ρ Π·Π°ΡΡΠ΄ΠΊΠΈ ΠΌΠΎΠ±ΠΈΠ»ΡΠ½ΠΎΠ³ΠΎ ΡΠ΅Π»Π΅ΡΠΎΠ½Π°, ΠΏΠΎΠ΄ΠΊΠ»ΡΡΠ΅Π½ΠΈΡ Π½Π°Π²ΠΈΠ³Π°ΡΠΎΡΠ°, ΠΏΠ»Π°Π½ΡΠ΅ΡΠ°.
ΠΠΎ ΡΠ°ΡΠ΅ Π²ΡΠ΅Π³ΠΎ ΠΏΡΠΈΠΊΡΡΠΊΡ ΠΏΡΠΈΠΌΠ΅Π½ΡΡΡ Π΄Π»Ρ ΠΏΠΎΠ΄ΠΊΠ»ΡΡΠ΅Π½ΠΈΡ ΠΏΠ΅ΡΠ΅Π½ΠΎΡΠ½ΠΎΠ³ΠΎ ΡΠ»Π΅ΠΊΡΡΠΈΡΠ΅ΡΠΊΠΎΠ³ΠΎ Π½Π°ΡΠΎΡΠ°. ΠΠ½ ΠΏΠΎΠ·Π²ΠΎΠ»ΡΠ΅Ρ Π±Π΅Π· ΡΠΈΠ·ΠΈΡΠ΅ΡΠΊΠΈΡ
ΡΡΠΈΠ»ΠΈΠΉ ΠΏΠΎΠ΄ΠΊΠ°ΡΠ°ΡΡ ΠΊΠΎΠ»Π΅ΡΠ° Π² Π΄ΠΎΡΠΎΠ³Π΅, ΠΊΠΎΠ³Π΄Π° ΡΡΠ΄ΠΎΠΌ ΠΎΠ±ΡΡΠ½ΠΎΠΉ Π±ΡΡΠΎΠ²ΠΎΠΉ ΡΠΎΠ·Π΅ΡΠΊΠΈ Π½Π΅Ρ.
ΠΡΠΈΠΊΡΡΠΊΠ° ΠΎΡ Π΄Π΅ΡΡΡΠΊΠΈ
ΠΠΎ ΠΌΠ΅ΡΠ΅ ΡΠΊΡΠΏΠ»ΡΠ°ΡΠ°ΡΠΈΠΈ ΠΈ ΠΏΠΎΠ΄ΠΊΠ»ΡΡΠ΅Π½ΠΈΡ Π²ΡΠ΅Π²ΠΎΠ·ΠΌΠΎΠΆΠ½ΡΡ
Π³Π°Π΄ΠΆΠ΅ΡΠΎΠ², Π² ΠΈΡΠΎΠ³Π΅ ΠΏΡΠΈΠΊΡΡΠΈΠ²Π°ΡΠ΅Π»Ρ ΠΌΠΎΠΆΠ΅Ρ ΠΏΠ΅ΡΠ΅ΡΡΠ°ΡΡ ΡΠ°Π±ΠΎΡΠ°ΡΡ. ΠΡΠΈΡΠΈΠ½ΠΎΠΉ ΡΠΎΠΌΡ ΡΠ°ΡΡΠΎ ΡΠ»ΡΠΆΠΈΡ Π²ΡΡΠ΅Π΄ΡΠΈΠΉ ΠΈΠ· ΡΡΡΠΎΡ ΠΏΡΠ΅Π΄ΠΎΡ
ΡΠ°Π½ΠΈΡΠ΅Π»Ρ.
Π ΡΡΠΊΠΎΠ²ΠΎΠ΄ΡΡΠ²Π΅ ΠΏΠΎ ΡΠΊΡΠΏΠ»ΡΠ°ΡΠ°ΡΠΈΠΈ ΠΊ ΠΠΠ 2110 ΠΏΡΠΈΠ»Π°Π³Π°Π΅ΡΡΡ ΠΌΠΎΠ½ΡΠ°ΠΆΠ½Π°Ρ ΡΡ
Π΅ΠΌΠ°. ΠΠ° Π½Π΅ΠΉ ΡΡΠΎΡ ΡΠ°ΠΌΡΠΉ ΠΏΡΠ΅Π΄ΠΎΡ
ΡΠ°Π½ΠΈΡΠ΅Π»Ρ ΠΎΠ±ΠΎΠ·Π½Π°ΡΠ°Π΅ΡΡΡ ΠΌΠ°ΡΠΊΠΈΡΠΎΠ²ΠΊΠΎΠΉ F18. ΠΠ°ΠΉΠ΄Π΅ΡΠ΅ Π²Ρ Π΅Π³ΠΎ Π² ΠΌΠΎΠ½ΡΠ°ΠΆΠ½ΠΎΠΌ Π±Π»ΠΎΠΊΠ΅ ΡΠ»Π΅Π²Π° ΠΎΡ ΡΡΠ»Ρ Π½Π° ΠΏΠ΅ΡΠ΅Π΄Π½Π΅ΠΉ ΠΏΠ°Π½Π΅Π»ΠΈ. Π£ΡΡΠΈΡΠ΅, ΡΠ΅ΡΠ΅Π· ΡΡΠΎΡ ΠΏΡΠ΅Π΄ΠΎΡ
ΡΠ°Π½ΠΈΡΠ΅Π»Ρ Π½Π΅ Π΄ΠΎΠ»ΠΆΠ΅Π½ ΠΏΡΠΎΡ
ΠΎΠ΄ΠΈΡΡ ΡΠΎΠΊ ΡΠΈΠ»ΠΎΠΉ Π±ΠΎΠ»Π΅Π΅ 25 ΠΠΌΠΏΠ΅Ρ.
ΠΠΎΠΈΡΠΊ ΠΏΠΎΠ»ΠΎΠΌΠΎΠΊ
Π‘Π°ΠΌΡΠΉ ΠΏΡΠΎΡΡΠΎΠΉ ΡΠΏΠΎΡΠΎΠ± ΡΠ΅ΡΠ΅Π½ΠΈΡ ΠΏΡΠΎΠ±Π»Π΅ΠΌΡ Π½Π΅ΠΈΡΠΏΡΠ°Π²Π½ΠΎΠ³ΠΎ ΠΏΡΠΈΠΊΡΡΠΈΠ²Π°ΡΠ΅Π»Ρ β ΡΡΠΎ ΡΠ΄Π°ΡΠ° Π°Π²ΡΠΎΠΌΠΎΠ±ΠΈΠ»Ρ Π² ΡΠ΅ΠΌΠΎΠ½Ρ Π½Π° ΡΡΠ°Π½ΡΠΈΡ ΡΠ΅Ρ
Π½ΠΈΡΠ΅ΡΠΊΠΎΠ³ΠΎ ΠΎΠ±ΡΠ»ΡΠΆΠΈΠ²Π°Π½ΠΈΡ. ΠΠΎ ΡΡΠΎΠΈΡ Π»ΠΈ ΡΡΠΎ Π΄Π΅Π»Π°ΡΡ, Π΅ΡΠ»ΠΈ ΡΠ°ΠΌΠ° ΡΠ°Π±ΠΎΡΠ° Π½Π΅ ΠΏΡΠ΅Π΄ΡΡΠ°Π²Π»ΡΠ΅Ρ ΡΠΎΠ±ΠΎΠΉ Π½ΠΈΡΠ΅Π³ΠΎ ΡΠ»ΠΎΠΆΠ½ΠΎΠ³ΠΎ, Π° Π·Π°ΡΡΠ°ΡΡ Π½Π° ΡΡΠ»ΡΠ³ΠΈ ΠΌΠ°ΡΡΠ΅ΡΠΎΠ² ΠΌΠΎΠ³ΡΡ ΠΎΠΊΠ°Π·Π°ΡΡΡΡ ΡΡΡΠ΅ΡΡΠ²Π΅Π½Π½ΡΠΌΠΈ?
ΠΠΎΡΠΎΠΉ Π»ΡΡΡΠ΅ Π²ΡΠ΅ ΡΠ΄Π΅Π»Π°ΡΡ ΡΠ°ΠΌΠΎΡΡΠΎΡΡΠ΅Π»ΡΠ½ΠΎ.
ΠΡΠΈΡΠΈΠ½Π° ΠΏΠΎΠ»ΠΎΠΌΠΊΠΈ | ΠΠ°ΡΠΈ Π΄Π΅ΠΉΡΡΠ²ΠΈΡ |
Π‘Π³ΠΎΡΠ΅Π» ΠΏΡΠ΅Π΄ΠΎΡ
ΡΠ°Π½ΠΈΡΠ΅Π»Ρ ΠΏΡΠΈΠΊΡΡΠΈΠ²Π°ΡΠ΅Π»Ρ | ΠΠ»Π΅ΠΌΠ΅Π½Ρ Π½Π΅ΠΎΠ±Ρ
ΠΎΠ΄ΠΈΠΌΠΎ Π·Π°ΠΌΠ΅Π½ΠΈΡΡ |
ΠΡΡΠ»Π° ΠΈΠ· ΡΡΡΠΎΡ Π»Π°ΠΌΠΏΠ° ΠΏΠΎΠ΄ΡΠ²Π΅ΡΠΊΠΈ | Π£ΡΡΡΠΎΠΉΡΡΠ²ΠΎ Π½ΡΠΆΠ΄Π°Π΅ΡΡΡ Π² Π·Π°ΠΌΠ΅Π½Π΅ |
ΠΠΎΠ²ΡΠ΅ΠΆΠ΄Π΅Π½Π° ΠΏΡΠΎΠ²ΠΎΠ΄ΠΊΠ° | ΠΡΠΎΠ²ΠΎΠ΄ΠΈΡΡΡ ΠΏΡΠΎΠ²Π΅ΡΠΊΠ°, ΠΌΠ΅Π½ΡΡΡΡΡ ΠΏΠ΅ΡΠ΅Π³ΠΎΡΠ΅Π²ΡΠΈΠ΅, ΠΎΠ±ΠΎΡΠ²Π°Π²ΡΠΈΠ΅ΡΡ ΠΈΠ»ΠΈ ΠΎΠΊΠΈΡΠ»ΠΈΠ²ΡΠΈΠ΅ΡΡ ΠΏΡΠΎΠ²ΠΎΠ΄Π° |
ΠΠ΅ ΡΠ°Π±ΠΎΡΠ°Π΅Ρ ΡΠ°ΠΌ ΠΏΡΠΈΠΊΡΡΠΈΠ²Π°ΡΠ΅Π»Ρ | Π Π΅ΠΌΠΎΠ½ΡΡ Π΄Π΅Π²Π°ΠΉΡ Π½Π΅ ΠΏΠΎΠ΄Π»Π΅ΠΆΠΈΡ, ΠΏΠΎΡΠΎΠΌΡ ΠΏΡΠΈΠ΄Π΅ΡΡΡ ΠΌΠ΅Π½ΡΡΡ. |
Π’Π΅ΠΏΠ΅ΡΡ Π΄Π°Π²Π°ΠΉΡΠ΅ ΡΠ°ΡΡΠΌΠΎΡΡΠΈΠΌ ΠΊΠ°ΠΆΠ΄ΡΡ ΠΈΠ· ΠΏΡΠ΅Π΄ΡΡΠ°Π²Π»Π΅Π½Π½ΡΡ
ΠΏΠΎΠ»ΠΎΠΌΠΎΠΊ ΠΈ ΡΠΏΠΎΡΠΎΠ±Π½Ρ Π·Π°ΠΌΠ΅Π½Ρ ΡΠ»Π΅ΠΌΠ΅Π½ΡΠΎΠ² Π±ΠΎΠ»Π΅Π΅ ΠΏΠΎΠ΄ΡΠΎΠ±Π½ΠΎ.
ΠΠ°ΠΌΠ΅Π½Π° ΠΏΡΠ΅Π΄ΠΎΡ
ΡΠ°Π½ΠΈΡΠ΅Π»Ρ
ΠΡΠΎΠ²Π΅ΡΠΊΠ° ΡΠ°Π±ΠΎΡΠΎΡΠΏΠΎΡΠΎΠ±Π½ΠΎΡΡΠΈ ΠΏΡΠ΅Π΄ΠΎΡ
ΡΠ°Π½ΠΈΡΠ΅Π»Ρ Π²ΡΠΏΠΎΠ»Π½ΡΠ΅ΡΡΡ Π΄ΠΎΡΡΠ°ΡΠΎΡΠ½ΠΎ Π»Π΅Π³ΠΊΠΎ.
ΠΠ»Ρ ΡΡΠΎΠ³ΠΎ Π²Π°ΠΌ Π½Π΅ΠΎΠ±Ρ
ΠΎΠ΄ΠΈΠΌΠΎ Π²ΠΊΠ»ΡΡΠΈΡΡ Π²Π΅Π½ΡΠΈΠ»ΡΡΠΎΡ ΠΎΡΠΎΠΏΠΈΡΠ΅Π»ΡΠ½ΠΎΠ³ΠΎ ΠΎΠ±ΠΎΡΡΠ΄ΠΎΠ²Π°Π½ΠΈΡ. ΠΡΠ»ΠΈ ΠΎΠ½ Π½Π΅ ΡΠ°Π±ΠΎΡΠ°Π΅Ρ, ΡΠΎΠ³Π΄Π° ΠΈ ΠΏΡΠΈΠΊΡΡΠΊΠ° ΡΠ°Π±ΠΎΡΠ°ΡΡ Π½Π΅ ΡΠΌΠΎΠΆΠ΅Ρ. ΠΡΠΎ ΠΎΠ±ΡΡΡΠ½ΡΠ΅ΡΡΡ ΡΠ΅ΠΌ, ΡΡΠΎ ΠΎΠ±Π° ΡΡΡΡΠΎΠΉΡΡΠ²Π° ΠΏΠΎΠ΄ΠΊΠ»ΡΡΠ΅Π½Ρ ΠΊ ΠΎΠ΄Π½ΠΎΠΌΡ ΠΏΡΠ΅Π΄ΠΎΡ
ΡΠ°Π½ΠΈΡΠ΅Π»Ρ.
ΠΠ°ΠΌΠ΅Π½Π° ΡΠ»Π΅ΠΌΠ΅Π½ΡΠ° Π²ΡΠΏΠΎΠ»Π½ΡΠ΅ΡΡΡ ΡΠ»Π΅Π΄ΡΡΡΠΈΠΌ ΠΎΠ±ΡΠ°Π·ΠΎΠΌ:
- ΠΠ΅ΠΌΠΎΠ½ΡΠΈΡΡΠΉΡΠ΅ ΠΊΡΡΡΠΊΡ ΠΌΠΎΠ½ΡΠ°ΠΆΠ½ΠΎΠ³ΠΎ Π±Π»ΠΎΠΊΠ°. ΠΠ»Ρ ΡΡΠΎΠ³ΠΎ ΠΏΡΠΎΡΡΠΎ Π½Π°ΠΆΠΌΠΈΡΠ΅ ΠΏΠ°Π»ΡΡΠ°ΠΌΠΈ Π½Π° ΡΠΏΠ΅ΡΠΈΠ°Π»ΡΠ½ΡΡ Π·Π°ΡΠ΅Π»ΠΊΡ;
- Π‘ ΠΏΠΎΠΌΠΎΡΡΡ ΠΏΠΈΠ½ΡΠ΅ΡΠ° ΠΈΠ·Π²Π»Π΅ΠΊΠΈΡΠ΅ ΠΏΠ΅ΡΠ΅Π³ΠΎΡΠ΅Π²ΡΠΈΠΉ ΠΏΡΠ΅Π΄ΠΎΡ
ΡΠ°Π½ΠΈΡΠ΅Π»Ρ;
- ΠΠ½Π°Π»ΠΎΠ³ΠΈΡΠ½ΡΠΌ ΠΎΠ±ΡΠ°Π·ΠΎΠΌ ΠΏΠΎΡΡΠ°Π²ΡΡΠ΅ Π½Π° ΠΌΠ΅ΡΡΠΎ Π½ΠΎΠ²ΡΠΉ ΡΠ»Π΅ΠΌΠ΅Π½Ρ. ΠΡΠ΅Π΄Π²Π°ΡΠΈΡΠ΅Π»ΡΠ½ΠΎ ΡΠ±Π΅Π΄ΠΈΡΠ΅ΡΡ, ΡΡΠΎ Π²Ρ ΠΊΡΠΏΠΈΠ»ΠΈ ΠΏΡΠ°Π²ΠΈΠ»ΡΠ½ΡΡ Π΄Π΅ΡΠ°Π»Ρ, ΠΊΠΎΡΠΎΡΠ°Ρ ΡΠΎΠΎΡΠ²Π΅ΡΡΡΠ²ΡΠ΅Ρ Ρ
Π°ΡΠ°ΠΊΡΠ΅ΡΠΈΡΡΠΈΠΊΠ°ΠΌ Π²Π°ΡΠ΅Π³ΠΎ ΠΠΠ 2110.
ΠΡΠΎΠ²ΠΎΠ΄ΠΊΠ°
ΠΡΠΈ ΠΈΡΠΏΡΠ°Π²Π½ΠΎΠΌ Π²Π΅Π½ΡΠΈΠ»ΡΡΠΎΡΠ΅, ΠΎΡΠ΅Π²ΠΈΠ΄Π½ΠΎ, ΡΡΠΎ ΠΏΡΠ΅Π΄ΠΎΡ
ΡΠ°Π½ΠΈΡΠ΅Π»Ρ ΡΠ°ΠΊΠΆΠ΅ ΡΠ΅Π». Π‘Π»Π΅Π΄ΠΎΠ²Π°ΡΠ΅Π»ΡΠ½ΠΎ, Π²ΡΠΏΠΎΠ»Π½ΡΡΡ Π΅Π³ΠΎ Π·Π°ΠΌΠ΅Π½Ρ Π½Π΅ Π½ΡΠΆΠ½ΠΎ.
ΠΠΌΠ΅ΡΡΠΎ ΡΡΠΎΠ³ΠΎ ΠΏΠΎΠΈΡΠΈΡΠ΅ ΠΏΡΠΈΡΠΈΠ½Ρ Π½Π΅ΠΈΡΠΏΡΠ°Π²Π½ΠΎΡΡΠΈ Π² ΠΏΡΠΎΠ²ΠΎΠ΄ΠΊΠ΅, ΠΊΠΎΡΠΎΡΠ°Ρ ΡΠΎΠ΅Π΄ΠΈΠ½ΡΠ΅Ρ ΠΌΠΎΠ½ΡΠ°ΠΆΠ½ΡΠΉ Π±Π»ΠΎΠΊ ΠΈ Π²Π°Ρ ΠΏΡΠΈΠΊΡΡΠΈΠ²Π°ΡΠ΅Π»Ρ.
ΠΠ΄Π΅ΡΡ Π½ΡΠΆΠ½Π° ΡΡΠ°ΡΠ΅Π»ΡΠ½Π°Ρ ΠΏΡΠΎΠ²Π΅ΡΠΊΠ° ΠΏΡΠΎΠ²ΠΎΠ΄ΠΎΠ², ΠΊΠΎΠ½ΡΠ°ΠΊΡΠΎΠ², ΡΠΎ Π΅ΡΡΡ Π²ΡΠ΅ΠΉ ΡΠ΅ΠΏΠΈ. ΠΠΎΠ·ΠΌΠΎΠΆΠ½ΠΎ, Π³Π΄Π΅-ΡΠΎ ΠΈΠΌΠ΅Π΅Ρ ΠΌΠ΅ΡΡΠΎ ΠΊΠΎΡΠΎΡΠΊΠΎΠ΅ Π·Π°ΠΌΡΠΊΠ°Π½ΠΈΠ΅, Π»ΠΈΠ±ΠΎ ΠΎΠ±ΡΡΠ².
ΠΠ±ΡΠ·Π°ΡΠ΅Π»ΡΠ½ΠΎ Π² ΠΏΡΠΎΡΠ΅ΡΡΠ΅ ΠΏΡΠΎΠ²Π΅ΡΠΊΠΈ ΡΠ»Π΅ΠΊΡΡΠΈΡΠ΅ΡΠΊΠΎΠΉ ΡΠ΅ΠΏΠΈ Π½Π°Π΄Π΅Π²Π°ΠΉΡΠ΅ Π·Π°ΡΠΈΡΠ½ΡΠ΅ ΠΏΠ΅ΡΡΠ°ΡΠΊΠΈ ΠΈΠ· ΡΠ΅Π·ΠΈΠ½Ρ, ΠΏΠΎΡΠΊΠΎΠ»ΡΠΊΡ ΠΏΠΎ Ρ
ΠΎΠ΄Ρ Π΄ΠΈΠ°Π³Π½ΠΎΡΡΠΈΠΊΠΈ Π²Π°ΠΌ ΠΌΠΎΠΆΠ΅Ρ ΠΏΠΎΡΡΠ΅Π±ΠΎΠ²Π°ΡΡΡΡ Π²ΠΎΡΠΏΠΎΠ»ΡΠ·ΠΎΠ²Π°ΡΡΡΡ ΠΌΠ΅ΡΠ°Π»Π»ΠΈΡΠ΅ΡΠΊΠΈΠΌΠΈ ΠΈΠ½ΡΡΡΡΠΌΠ΅Π½ΡΠ°ΠΌΠΈ.
ΠΡΠΎΠ²ΠΎΠ΄ΠΊΠ° ΡΡΡΡΠΎΠΉΡΡΠ²Π°
ΠΠ°ΠΌΠΏΠ°
ΠΠ°ΠΌΠΏΠΎΡΠΊΠ° ΠΏΡΠΈΠΊΡΡΠΊΠΈ Π½Π° ΠΠΠ 2110 β ΡΡΠΎ ΡΠΎΠΆΠ΅ Π½Π΅ ΡΠ΅Π΄ΠΊΠ°Ρ ΠΏΡΠΎΠ±Π»Π΅ΠΌΠ° Π½Π΅ΠΈΡΠΏΡΠ°Π²Π½ΠΎΡΡΠΈ ΡΡΡΡΠΎΠΉΡΡΠ²Π°. Π§ΡΠΎΠ±Ρ Π΅Π΅ Π·Π°ΠΌΠ΅Π½ΠΈΡΡ, ΠΎΡΠΎΠ±ΡΡ
Π½Π°Π²ΡΠΊΠΎΠ² ΠΈΠΌΠ΅ΡΡ Π²ΠΎΠ²ΡΠ΅ Π½Π΅ ΠΎΠ±ΡΠ·Π°ΡΠ΅Π»ΡΠ½ΠΎ. ΠΡΠΎΡΡΠΎ Π²ΡΠΏΠΎΠ»Π½ΠΈΡΠ΅ ΡΠ°Π±ΠΎΡΡ Π² ΡΡΡΠΎΠ³ΠΎΠΉ ΠΏΠΎΡΠ»Π΅Π΄ΠΎΠ²Π°ΡΠ΅Π»ΡΠ½ΠΎΡΡΠΈ ΠΎΠΏΠ΅ΡΠ°ΡΠΈΠΉ, ΠΌΠΎΠΆΠ΅ΡΠ΅ Π΄Π»Ρ Π½Π°Π³Π»ΡΠ΄Π½ΠΎΡΡΠΈ ΠΏΠΎΡΠΌΠΎΡΡΠ΅ΡΡ ΠΎΠ±ΡΡΠ°ΡΡΠ΅Π΅ Π²ΠΈΠ΄Π΅ΠΎ.
- ΠΡΠΊΠ»ΡΡΠΈΡΠ΅ ΠΌΠΈΠ½ΡΡΠΎΠ²ΡΡ ΠΊΠ»Π΅ΠΌΠΌΡ ΠΎΡ Π°ΠΊΠΊΡΠΌΡΠ»ΡΡΠΎΡΠ½ΠΎΠΉ Π±Π°ΡΠ°ΡΠ΅ΠΈ, ΡΠ°ΡΠΏΠΎΠ»ΠΎΠΆΠ΅Π½Π½ΠΎΠΉ Π² ΠΏΠΎΠ΄ΠΊΠ°ΠΏΠΎΡΠ½ΠΎΠΌ ΠΏΡΠΎΡΡΡΠ°Π½ΡΡΠ²Π΅ Π²Π°ΡΠ΅Π³ΠΎ Π°Π²ΡΠΎΠΌΠΎΠ±ΠΈΠ»Ρ.
- Π‘Π½ΠΈΠΌΠΈΡΠ΅ ΠΎΠ±Π»ΠΈΡΠΎΠ²ΠΊΡ.
- Π‘ΠΎΠΆΠΌΠΈΡΠ΅ ΡΠΊΡΠ°Π½ Π»Π°ΠΌΠΏΠΎΡΠΊΠΈ, ΡΡΠΎΠ±Ρ Π»Π°ΠΏΠΊΠΈ ΡΠΌΠΎΠ³Π»ΠΈ Π²ΡΠΉΡΠΈ ΠΈΠ· ΠΏΡΠΎΡΠ΅Π·ΠΈ.
- Π’Π΅ΠΏΠ΅ΡΡ ΡΠ»Π΅ΠΌΠ΅Π½Ρ Π½Π΅ΠΌΠ½ΠΎΠ³ΠΎ ΡΠ°Π·ΠΆΠΈΠΌΠ°Π΅ΡΡΡ, ΡΠ΅ΠΌ ΡΠ°ΠΌΡΠΌ ΠΎΠ½ ΡΠ½ΠΈΠΌΠ°Π΅ΡΡΡ Π²ΠΌΠ΅ΡΡΠ΅ Ρ ΠΏΠ°ΡΡΠΎΠ½ΠΎΠΌ.
- ΠΠ°ΠΌΠΏΠΎΡΠΊΠ° ΠΏΠΎΠ²ΠΎΡΠ°ΡΠΈΠ²Π°Π΅ΡΡΡ Π½Π° 90 Π³ΡΠ°Π΄ΡΡΠΎΠ², ΠΏΠΎΡΠ»Π΅ ΡΠ΅Π³ΠΎ ΠΈΠ·Π²Π»Π΅ΠΊΠ°Π΅ΡΡΡ ΠΈΠ· ΠΏΠ°ΡΡΠΎΠ½Π°.
- ΠΠΎΠΎΡΡΠΆΠΈΡΠ΅ΡΡ Π½ΠΎΠ²ΠΎΠΉ Π»Π°ΠΌΠΏΠΎΠΉ, Π²ΡΡΠ°Π²ΡΡΠ΅ Π΅Π΅ Π² ΠΏΠ°ΡΡΠΎΠ½, Π° Π·Π°ΡΠ΅ΠΌ Π²ΡΠΏΠΎΠ»Π½ΠΈΡΠ΅ ΠΏΡΠΎΡΠ΅Π΄ΡΡΡ ΡΠ±ΠΎΡΠΊΠΈ.
ΠΠ½Π° ΠΏΠΎΠ»Π½ΠΎΡΡΡΡ ΡΠΎΠΎΡΠ²Π΅ΡΡΡΠ²ΡΠ΅Ρ ΠΎΠ±ΡΠ°ΡΠ½ΠΎΠΉ ΠΏΠΎΡΠ»Π΅Π΄ΠΎΠ²Π°ΡΠ΅Π»ΡΠ½ΠΎΡΡΠΈ Π΄Π΅ΠΌΠΎΠ½ΡΠ°ΠΆΠ°. - ΠΠ»Ρ Π·Π°ΠΌΠ΅Π½Ρ Π»Π°ΠΌΠΏΠΎΡΠΊΠΈ ΠΏΠΎΠ΄ΡΠ²Π΅ΡΠΊΠΈ Π² ΠΏΡΠΈΠΊΡΡΠΊΠ΅ ΠΠΠ 2110, ΠΎΠ±ΡΠ·Π°ΡΠ΅Π»ΡΠ½ΠΎ ΠΏΡΠΈΠΌΠ΅Π½ΡΡΡΡΡ ΡΡΡΡΠΎΠΉΡΡΠ²Π° Π 12-4.
ΠΠ°ΠΌΠΏΠ° ΠΏΡΠΈΠΊΡΡΠΊΠΈ
ΠΠ°ΠΌΠ΅Π½Π° ΠΏΡΠΈΠΊΡΡΠΊΠΈ
ΠΡΠ»ΠΈ Π²ΡΠ΅ ΠΏΡΠ΅Π΄ΡΠ΄ΡΡΠΈΠ΅ ΠΌΠ΅ΡΡ ΠΏΠΎ ΡΡΡΡΠ°Π½Π΅Π½ΠΈΡ Π½Π΅ΠΈΡΠΏΡΠ°Π²Π½ΠΎΡΡΠ΅ΠΉ Π½Π΅ Π΄Π°Π»ΠΈ ΠΏΠΎΠ»ΠΎΠΆΠΈΡΠ΅Π»ΡΠ½ΠΎΠ³ΠΎ ΡΠ΅Π·ΡΠ»ΡΡΠ°ΡΠ°, Π½Π΅ ΠΎΡΡΠ°Π΅ΡΡΡ Π½ΠΈΡΠ΅Π³ΠΎ Π΄ΡΡΠ³ΠΎΠ³ΠΎ, ΠΊΡΠΎΠΌΠ΅ ΠΊΠ°ΠΊ ΠΏΠΎΠ»Π½ΠΎΡΡΡΡ ΡΠ½ΡΡΡ ΠΈ Π·Π°ΠΌΠ΅Π½ΠΈΡΡ ΡΡΠ°ΡΡΠΉ ΠΏΡΠΈΠΊΡΡΠΈΠ²Π°ΡΠ΅Π»Ρ Π½Π° Π½ΠΎΠ²ΡΠΉ.
ΠΠ΄Π΅ΡΡ ΡΠΎΡΠ½ΠΎ ΡΠΎΠ²Π΅ΡΡΠ΅ΠΌ ΠΏΠΎΡΠΌΠΎΡΡΠ΅ΡΡ Π²ΠΈΠ΄Π΅ΠΎ ΡΡΠΎΠΊ, ΡΡΠΎΠ±Ρ ΡΠ°Π·ΠΎΠ±ΡΠ°ΡΡΡΡ Π²ΠΎ Π²ΡΠ΅Ρ
Π΄Π΅ΡΠ°Π»ΡΡ
ΠΎΠΏΠ΅ΡΠ°ΡΠΈΠΈ. Π‘Π°ΠΌ ΠΆΠ΅ ΠΏΡΠΎΡΠ΅ΡΡ Π·Π°ΠΌΠ΅Π½Ρ Π²ΡΠ³Π»ΡΠ΄ΠΈΡ ΡΠ»Π΅Π΄ΡΡΡΠΈΠΌ ΠΎΠ±ΡΠ°Π·ΠΎΠΌ:
- ΠΡΠΊΠ»ΡΡΠΈΡΠ΅ ΠΌΠΈΠ½ΡΡΠΎΠ²ΡΡ ΠΊΠ»Π΅ΠΌΠΌΡ ΠΎΡ Π°ΠΊΠΊΡΠΌΡΠ»ΡΡΠΎΡΠ½ΠΎΠΉ Π±Π°ΡΠ°ΡΠ΅ΠΈ.
- Π‘Π½ΠΈΠΌΠΈΡΠ΅ ΠΎΠ±Π»ΠΈΡΠΎΠ²ΠΊΡ.
- ΠΠ·Π²Π»Π΅ΠΊΠΈΡΠ΅ ΠΏΠ°ΡΡΠΎΠ½.
- Π ΠΎΠ±Π»ΠΈΡΠΎΠ²ΠΊΠ΅ ΠΎΠ±ΡΠ°Π·ΡΠ΅ΡΡΡ ΠΏΡΠΎΠ΅ΠΌ, ΡΠ΅ΡΠ΅Π· ΠΊΠΎΡΠΎΡΡΠΉ Π²ΡΠ²ΠΎΠ΄ΠΈΡΡΡ ΠΊΠΎΠ»ΠΎΠ΄ΠΊΠ° Ρ ΠΏΡΠΎΠ²ΠΎΠ΄Π°ΠΌΠΈ.
- Π‘ΠΎΠΆΠΌΠΈΡΠ΅ ΡΠΊΡΠ°Π½ ΡΠ°ΠΊΠΈΠΌ ΠΎΠ±ΡΠ°Π·ΠΎΠΌ, ΡΡΠΎΠ±Ρ Π»Π°ΠΏΠΊΠΈ ΡΠΌΠΎΠ³Π»ΠΈ Π²ΡΠ»Π΅Π·ΡΠΈ ΠΈΠ· ΠΎΡΠ²Π΅ΡΡΡΠΈΠΉ ΡΠ²Π΅ΡΠΎΠ²ΠΎΠ΄Π°. ΠΡΡΠΎΠ΅Π΄ΠΈΠ½ΠΈΡΠ΅ ΡΠ»Π΅ΠΌΠ΅Π½Ρ.
- Π’Π΅ΠΏΠ΅ΡΡ Π½ΡΠΆΠ½ΠΎ Π²ΡΠ²Π΅ΡΡΠΈ ΡΡΡΡΠΎΠΉΡΡΠ²ΠΎ ΠΈΠ· ΡΠΎΠ΅Π΄ΠΈΠ½Π΅Π½ΠΈΡ ΡΠΎ ΡΠ²Π΅ΡΠΎΠ²ΠΎΠ΄ΠΎΠΌ. ΠΠ»Ρ ΡΡΠΎΠ³ΠΎ Π½Π΅ΠΎΠ±Ρ
ΠΎΠ΄ΠΈΠΌΠΎ ΠΏΡΠΎΡΡΠΎ Π½Π°ΠΆΠ°ΡΡ Π½Π° Π·Π°ΡΠ΅Π»ΠΊΠΈ Π³Π½Π΅Π·Π΄Π°.

- ΠΠ°Π»Π΅Π΅ ΠΈΠ·Π²Π»Π΅ΠΊΠ°Π΅ΠΌ Π³Π½Π΅Π·Π΄ΠΎ ΠΏΡΡΠ΅ΠΌ Π΅Π³ΠΎ Π²ΡΡΠ°Π»ΠΊΠΈΠ²Π°Π½ΠΈΡ ΠΈΠ· ΠΎΠ±Π»ΠΈΡΠΎΠ²ΠΊΠΈ ΡΠΎΠ½Π½Π΅Π»Ρ ΠΏΠΎΠ»Π°. Π’Π°ΠΊ Π²Ρ ΡΠΌΠΎΠΆΠ΅ΡΠ΅ ΡΠ½ΡΡΡ ΡΡΡΡΠΎΠΉΡΡΠ²ΠΎ.
- Π‘Π»Π΅Π΄ΡΡΡΠΈΠΉ ΡΠ°Π³ β ΠΈΠ·Π²Π»Π΅ΡΠ΅Π½ΠΈΠ΅ Π³Π½Π΅Π·Π΄Π°. ΠΠ»Ρ ΡΡΠΎΠ³ΠΎ Π΅Π³ΠΎ ΠΏΡΠΎΠ²ΠΎΠ΄ΡΡ ΡΠ΅ΡΠ΅Π· ΠΏΡΠΎΠ΅ΠΌ Ρ ΠΊΠΎΠ»ΠΎΠ΄ΠΊΠΎΠΉ ΠΏΡΠΎΠ²ΠΎΠ΄ΠΎΠ².
- Π Π½ΠΎΡΠΌΠ°Π»ΡΠ½ΠΎΠΌ ΡΠΎΡΡΠΎΡΠ½ΠΈΠΈ ΡΠΏΠΈΡΠ°ΡΡ Π΄ΠΎΠ»ΠΆΠ½Π° Π³ΡΠ΅ΡΡΡΡ 20 ΡΠ΅ΠΊΡΠ½Π΄. ΠΠΎΡΠ»Π΅ ΡΡΠΎΠ³ΠΎ ΠΎΠ½Π° ΡΠ΅Π»ΠΊΠ°Π΅Ρ ΠΈ ΠΏΠ°ΡΡΠΎΠ½ Π²ΠΎΠ·Π²ΡΠ°ΡΠ°Π΅ΡΡΡ Π½Π° ΠΌΠ΅ΡΡΠΎ. ΠΡΠ»ΠΈ Π½Π° Π΄Π°Π½Π½ΡΠΉ ΠΏΡΠΎΡΠ΅ΡΡ Π·Π°ΡΡΠ°ΡΠΈΠ²Π°Π΅ΡΡΡ Π±ΠΎΠ»ΡΡΠ΅ ΠΈΠ»ΠΈ ΠΌΠ΅Π½ΡΡΠ΅ Π²ΡΠ΅ΠΌΠ΅Π½ΠΈ, ΠΎΠ±ΡΠ·Π°ΡΠ΅Π»ΡΠ½ΠΎ ΠΎΡΡΠ΅Π³ΡΠ»ΠΈΡΡΠΉΡΠ΅ ΡΠ°Π±ΠΎΡΡ ΠΏΡΠΈΠΊΡΡΠΈΠ²Π°ΡΠ΅Π»Ρ.
- Π Π΅Π³ΡΠ»ΠΈΡΠΎΠ²ΠΊΠ° Π²ΡΠΏΠΎΠ»Π½ΡΠ΅ΡΡΡ Π΄ΠΎΠ²ΠΎΠ»ΡΠ½ΠΎ ΠΏΡΠΎΡΡΠΎ. ΠΠ°ΠΌ Π»ΠΈΡΡ Π½Π΅ΠΎΠ±Ρ
ΠΎΠ΄ΠΈΠΌΠΎ ΠΏΠΎΠ΄ΠΎΠ³Π½ΡΡΡ ΠΈΠ»ΠΈ ΡΠΈΠ»ΡΠ½Π΅Π΅ ΡΠ°Π·ΠΎΠ³Π½ΡΡΡ ΠΊΠΎΠ½ΡΠ°ΠΊΡΡ.
- Π’Π΅ΠΏΠ΅ΡΡ ΠΌΠΎΠΆΠ½ΠΎ ΠΈΠ·Π²Π»Π΅ΠΊΠ°ΡΡ ΠΈΠ· ΠΎΠ±Π»ΠΈΡΠΎΠ²ΠΊΠΈ ΡΠ²Π΅ΡΠΎΠ²ΠΎΠ΄.
- ΠΠ°ΠΌ ΠΎΡΡΠ°Π΅ΡΡΡ ΡΠΎΠ»ΡΠΊΠΎ Π²ΡΠΏΠΎΠ»Π½ΠΈΡΡ ΠΏΡΠΎΡΠ΅Π΄ΡΡΡ ΠΎΠ±ΡΠ°ΡΠ½ΠΎΠΉ ΡΠ±ΠΎΡΠΊΠΈ, ΠΏΡΠΈΠΌΠ΅Π½ΠΈΠ² Π½Π° ΡΡΠΎΡ ΡΠ°Π· ΡΠΆΠ΅ Π½ΠΎΠ²ΡΠΉ ΠΏΡΠΈΠΊΡΡΠΈΠ²Π°ΡΠ΅Π»Ρ. ΠΡ ΡΠΆΠ΅ Π·Π½Π°Π΅ΡΠ΅, ΠΊΠ°ΠΊ Π΅Π³ΠΎ ΡΠ½ΡΡΡ, ΠΏΠΎΡΠΎΠΌΡ Ρ ΠΎΠ±ΡΠ°ΡΠ½ΠΎΠΉ ΡΡΡΠ°Π½ΠΎΠ²ΠΊΠΎΠΉ ΠΏΡΠΎΠ±Π»Π΅ΠΌ Π²ΠΎΠ·Π½ΠΈΠΊΠ½ΡΡΡ Π½Π΅ Π΄ΠΎΠ»ΠΆΠ½ΠΎ.
ΠΡΠΎΡΠ΅Π΄ΡΡΠ° Π·Π°ΠΌΠ΅Π½Π° Π½Π΅ Π·Π°Π½ΠΈΠΌΠ°Π΅Ρ ΠΌΠ½ΠΎΠ³ΠΎ Π²ΡΠ΅ΠΌΠ΅Π½ΠΈ, Π½Π΅ ΠΎΡΠ½ΠΈΠΌΠ°Π΅Ρ ΠΌΠ½ΠΎΠ³ΠΎ ΡΠΈΠ». ΠΡΠ΅ ΡΡΠΎ Π»Π΅Π³ΠΊΠΎ ΠΌΠΎΠΆΠ½ΠΎ Π²ΡΠΏΠΎΠ»Π½ΠΈΡΡ ΡΠ²ΠΎΠΈΠΌΠΈ ΡΡΠΊΠ°ΠΌΠΈ, Π΅ΡΠ»ΠΈ Π·Π½Π°ΡΡ ΡΡ
Π΅ΠΌΡ ΠΏΠΎΠ΄ΠΊΠ»ΡΡΠ΅Π½ΠΈΡ, ΡΠ°ΡΠΏΠΎΠ»ΠΎΠΆΠ΅Π½ΠΈΠ΅ ΠΌΠΎΠ½ΡΠ°ΠΆΠ½ΠΎΠ³ΠΎ Π±Π»ΠΎΠΊΠ° ΠΈ ΡΠ»Π΅ΠΌΠ΅Π½ΡΠ°ΡΠ½ΡΡ ΡΠ΅Ρ
Π½ΠΈΠΊΡ Π±Π΅Π·ΠΎΠΏΠ°ΡΠ½ΠΎΡΡΠΈ ΠΏΡΠΈ ΡΠ°Π±ΠΎΡΠ΅ Ρ ΡΠ»Π΅ΠΊΡΡΠΈΡΠ΅ΡΠΊΠΈΠΌΠΈ ΡΡΡΡΠΎΠΉΡΡΠ²Π°ΠΌΠΈ.
ΠΠ·Π²Π»Π΅ΡΠ΅Π½ΠΈΠ΅ ΡΡΡΡΠΎΠΉΡΡΠ²Π°
ΠΠΎΠΏΠΎΠ»Π½ΠΈΡΠ΅Π»ΡΠ½Π°Ρ ΠΏΡΠΈΠΊΡΡΠΊΠ°
ΠΠ½ΠΎΠ³ΠΈΠ΅ ΡΠΎΠ²ΡΠ΅ΠΌΠ΅Π½Π½ΡΠ΅ Π°Π²ΡΠΎΠΌΠΎΠ±ΠΈΠ»ΠΈΡΡΡ ΡΡΡΠ΅ΠΌΡΡΡΡ ΡΡΠΎΠ²Π΅ΡΡΠ΅Π½ΡΡΠ²ΠΎΠ²Π°ΡΡ ΡΠΎΠ±ΡΡΠ²Π΅Π½Π½ΡΡ ΠΌΠ°ΡΠΈΠ½Ρ, ΡΠ΄Π΅Π»Π°ΡΡ Π΅Π΅ ΡΡΠ½ΠΊΡΠΈΠΎΠ½Π°Π»ΡΠ½Π΅Π΅, ΠΌΡΠ»ΡΡΠΈΠ·Π°Π΄Π°ΡΠ½Π΅Π΅.
ΠΠ»Ρ ΡΡΠΎΠ³ΠΎ ΡΡΠ΅Π±ΡΠ΅ΡΡΡ ΠΏΠΎΠ΄ΠΊΠ»ΡΡΠ΅Π½ΠΈΠ΅ Π΄ΠΎΠΏΠΎΠ»Π½ΠΈΡΠ΅Π»ΡΠ½ΠΎΠ³ΠΎ ΡΠ½Π΅ΡΠ³ΠΎΠ·Π°Π²ΠΈΡΠΈΠΌΠΎΠ³ΠΎ ΠΎΠ±ΠΎΡΡΠ΄ΠΎΠ²Π°Π½ΠΈΡ. ΠΠ½ΠΎ ΠΏΠΈΡΠ°Π½ΠΈΠ΅ ΠΈΠΌΠ΅Π½Π½ΠΎ ΠΎΡ ΠΏΡΠΈΠΊΡΡΠΊΠΈ, ΠΏΠΎΡΠΎΠΌΡ ΠΌΠ½ΠΎΠ³ΠΈΠ΅ ΡΠ΅ΡΠ°ΡΡΡΡ Π½Π° Π΄ΠΎΡΠ°Π±ΠΎΡΠΊΡ Π΄Π°Π½Π½ΠΎΠ³ΠΎ ΡΠ·Π»Π°.
Π§Π°ΡΡΠΎ ΠΌΠΎΠΆΠ½ΠΎ Π²ΡΡΡΠ΅ΡΠΈΡΡ ΡΠ΅ΠΊΠΎΠΌΠ΅Π½Π΄Π°ΡΠΈΠΈ, ΡΠΎΠ³Π»Π°ΡΠ½ΠΎ ΠΊΠΎΡΠΎΡΡΠΌ Π΄Π»Ρ ΠΏΠΎΠ²ΡΡΠ΅Π½ΠΈΡ ΡΡΠ½ΠΊΡΠΈΠΎΠ½Π°Π»ΡΠ½ΠΎΡΡΠΈ, ΠΊ ΠΏΡΠΈΠΊΡΡΠΈΠ²Π°ΡΠ΅Π»Ρ ΠΏΠΎΠ΄ΠΊΠ»ΡΡΠ°ΡΡ ΡΡΠΎΠΉΠ½ΠΈΠΊ. ΠΠΎ ΡΠ°ΡΠΏΠΎΠ»ΠΎΠΆΠ΅Π½ΠΈΠ΅ ΠΏΡΠΈΠΊΡΡΠΊΠΈ Π½Π° ΠΠΠ 2110 Π΄ΠΎΡΡΠ°ΡΠΎΡΠ½ΠΎ Π½Π΅ΡΠ΄ΠΎΠ±Π½ΠΎΠ΅, ΠΏΠΎΡΠΎΠΌΡ Π΄Π°Π½Π½ΠΎΠ΅ ΡΠ΅ΡΠ΅Π½ΠΈΠ΅ ΠΎΠΏΡΠΈΠΌΠ°Π»ΡΠ½ΡΠΌ Π½Π΅ Π½Π°Π·ΠΎΠ²Π΅ΡΡ.
ΠΠΎΡΠ°Π·Π΄ΠΎ Π»ΡΡΡΠ΅ ΠΏΠΎΠ΄ΠΊΠ»ΡΡΠΈΡΡ Π²ΡΠΎΡΠΎΠ΅ ΡΡΡΡΠΎΠΉΡΡΠ²ΠΎ. ΠΠ΄Π΅ΡΡ ΠΌΠΎΠΆΠ½ΠΎ Π΄Π΅ΠΉΡΡΠ²ΠΎΠ²Π°ΡΡ Π΄Π²ΡΠΌΡ ΠΏΡΡΡΠΌΠΈ:
- ΠΠΎΠ΄ΠΊΠ»ΡΡΠΈΡΡ Π΅Π²ΡΠΎ ΠΏΡΠΈΠΊΡΡΠΊΡ ΠΏΠ°ΡΠ°Π»Π»Π΅Π»ΡΠ½ΠΎ Π·Π°Π²ΠΎΠ΄ΡΠΊΠΎΠΌΡ;
- ΠΡΠΏΠΎΠ»Π½ΡΡΡ ΠΏΠΎΠ΄ΠΊΠ»ΡΡΠ΅Π½ΠΈΠ΅ Π½Π΅ΠΏΠΎΡΡΠ΅Π΄ΡΡΠ²Π΅Π½Π½ΠΎ ΠΎΡ Π°ΠΊΠΊΡΠΌΡΠ»ΡΡΠΎΡΠ½ΠΎΠΉ Π±Π°ΡΠ°ΡΠ΅ΠΈ Ρ ΠΏΠΎΠΌΠΎΡΡΡ ΠΎΡΠ΄Π΅Π»ΡΠ½ΠΎΠ³ΠΎ ΠΏΡΠΎΠ²ΠΎΠ΄Π° ΠΈ ΠΏΡΠ΅Π΄ΠΎΡ
ΡΠ°Π½ΠΈΡΠ΅Π»Ρ Π½Π° 15 ΠΠΌΠΏΠ΅Ρ.
ΠΡΠ±ΠΎΡ Π·Π° Π²Π°ΠΌΠΈ. ΠΡΠΌΠ΅ΡΠΈΠΌ ΡΠΎΠ»ΡΠΊΠΎ, ΡΡΠΎ Π΄Π°ΠΆΠ΅ ΠΏΡΠΈ Π½Π°Π»ΠΈΡΠΈΠΈ Ρ Π²Π°Ρ Π΄Π²ΡΡ
ΡΡΡΡΠΎΠΉΡΡΠ², Π·Π°ΠΌΠ΅Π½Π° Π²ΡΠ΅ ΡΠ°Π²Π½ΠΎ Π²ΡΠΏΠΎΠ»Π½ΡΠ΅ΡΡΡ ΡΠΎΠ³Π»Π°ΡΠ½ΠΎ ΠΏΡΠΈΠ²Π΅Π΄Π΅Π½Π½ΠΎΠΌΡ Π²ΡΡΠ΅ Π°Π»Π³ΠΎΡΠΈΡΠΌΡ.
Β ΠΠ°Π³ΡΡΠ·ΠΊΠ° …
ΠΠ°ΠΌΠ΅Π½Π° ΠΏΡΠΈΠΊΡΡΠΈΠ²Π°ΡΠ΅Π»Ρ Π½Π° ΠΠΠ-2112: ΡΠΎΡΠΎ ΠΈ Π²ΠΈΠ΄Π΅ΠΎ ΡΠ½ΡΡΠΈΡ
ΠΠΎ ΠΈΠ΄Π΅Π΅, Π·Π°ΠΌΠ΅Π½ΠΈΡΡ ΠΏΡΠΈΠΊΡΡΠΈΠ²Π°ΡΠ΅Π»Ρ β Π½Π΅ ΡΠ°ΠΊ ΠΏΡΠΎΡΡΠΎ. ΠΡΠΆΠ½ΠΎ ΠΎΡΠΊΠ»ΡΡΠ°ΡΡ ΠΌΠ½ΠΎΠ³ΠΎ ΡΠ°Π·ΡΡΠΌΠΎΠ². Π¦ΠΈΡΡΡ 2108-3725010 ΠΎΠ±ΠΎΠ·Π½Π°ΡΠ°ΡΡ ΡΠ·Π΅Π» ΠΏΡΠΈΠΊΡΡΠΈΠ²Π°ΡΠ΅Π»Ρ Π² ΡΠ±ΠΎΡΠ΅. Π―ΡΠ½ΠΎ, ΡΡΠΎ Π΅Π³ΠΎ Π·Π°ΠΈΠΌΡΡΠ²ΠΎΠ²Π°Π»ΠΈ ΠΈΠ· ΡΠ΅ΠΌΠ΅ΠΉΡΡΠ²Π° Β«ΠΠΎΡΡΠΌΡΡΠΎΠΊΒ». ΠΡ ΡΠ°ΡΡΠΌΠΎΡΡΠΈΠΌ, ΠΊΠ°ΠΊ Π²ΡΠΏΠΎΠ»Π½ΠΈΡΡ Π·Π°ΠΌΠ΅Π½Ρ ΠΏΡΠΈΠΊΡΡΠΈΠ²Π°ΡΠ΅Π»Ρ Π½Π° ΠΠΠ-2112, ΠΈ Π½Π°ΡΠ½ΡΠΌ Ρ ΠΈΠ·ΡΡΠ΅Π½ΠΈΡ ΡΠ»Π΅ΠΊΡΡΠΎΡΡ
Π΅ΠΌΡ.
ΠΠ΅ΠΌΠΎΠ½ΡΠ°ΠΆ ΠΌΠΎΠΆΠ½ΠΎ Π²ΡΠΏΠΎΠ»Π½ΠΈΡΡ, Π½Π΅ ΡΠ½ΠΈΠΌΠ°Ρ ΠΎΠ±ΡΠΈΠ²ΠΊΡ ΡΠΎΠ½Π½Π΅Π»Ρ. Π‘ΠΌΠΎΡΡΠΈΠΌ Π²ΠΈΠ΄Π΅ΠΎ Ρ ΠΏΡΠΈΠΌΠ΅ΡΠΎΠΌ:
Π‘Ρ
Π΅ΠΌΠ° Π±ΠΎΡΡΡΠ΅ΡΠΈ ΠΈ ΠΏΡΠ΅Π΄ΠΎΡ
ΡΠ°Π½ΠΈΡΠ΅Π»Ρ ΠΏΡΠΈΠΊΡΡΠΈΠ²Π°ΡΠ΅Π»Ρ
ΠΠ° ΡΠΎΡΠΎ ΠΏΠΎΠΊΠ°Π·Π°Π½ΠΎ, ΠΊΠ°ΠΊ Π²ΡΠ³Π»ΡΠ΄ΠΈΡ ΡΠ·Π΅Π» ΠΏΡΠΈΠΊΡΡΠΈΠ²Π°ΡΠ΅Π»Ρ 2108-3725010.
ΠΡΠ»ΡΡΠΉ ΠΏΡΠΎΠ²ΠΎΠ΄ β ΡΡΠΎ ΠΏΠΈΡΠ°Π½ΠΈΠ΅ ΠΏΠΎΠ΄ΡΠ²Π΅ΡΠΊΠΈ, Π° ΠΊΡΠ°ΡΠ½ΡΠΉ ΠΈ ΡΡΡΠ½ΡΠΉ ΠΏΡΠΎΠ²ΠΎΠ΄Π° ΠΏΠΎΠ΄ΠΊΠ»ΡΡΠ΅Π½Ρ ΠΊ Π½Π°Π³ΡΠ΅Π²Π°ΡΠ΅Π»Ρ.
Π£Π·Π΅Π» ΠΏΡΠΈΠΊΡΡΠΈΠ²Π°ΡΠ΅Π»Ρ Π² ΡΠ±ΠΎΡΠ΅
ΠΠ°ΠΊ Π²ΠΈΠ΄ΠΈΡΠ΅, ΠΏΡΠΎΠ²ΠΎΠ΄ Β«ΠΌΠ°ΡΡΡΒ» Ρ ΠΎΠ±Π΅ΠΈΡ
ΡΠ΅ΠΏΠ΅ΠΉ β ΠΎΠ±ΡΠΈΠΉ (ΡΡΡΠ½ΡΠΉ). ΠΠ°ΡΠΈ ΡΠ»ΠΎΠ²Π° ΠΏΠΎΡΡΠ½ΡΡΡΡΡ ΡΡ
Π΅ΠΌΠΎΠΉ.
Π¨ΡΠ°ΡΠ½ΡΠΉ Π²Π°ΡΠΈΠ°Π½Ρ ΡΠ»Π΅ΠΊΡΡΠΎΡΡ
Π΅ΠΌΡ
ΠΠ°ΠΌΠ΅ΡΠΈΠΌ, ΡΡΠΎ Π·Π° ΡΠ°Π±ΠΎΡΡ ΠΏΡΠΈΠΊΡΡΠΈΠ²Π°ΡΠ΅Π»Ρ ΠΎΡΠ²Π΅ΡΠ°ΡΡ Π΄Π²Π° ΠΏΡΠ΅Π΄ΠΎΡ
ΡΠ°Π½ΠΈΡΠ΅Π»Ρ β F18 ΠΈ F9. Π ΡΠ΅ΠΏΡ ΠΏΠ΅ΡΠ²ΠΎΠ³ΠΎ ΠΈΠ· Π½ΠΈΡ
Π²ΠΊΠ»ΡΡΠ΅Π½Π° ΠΏΠΎΠ΄ΡΠ²Π΅ΡΠΊΠ° Π±Π°ΡΠ΄Π°ΡΠΊΠ°.Β
ΠΡΠ»ΠΈ ΠΏΡΠΈΠΊΡΡΠΈΠ²Π°ΡΠ΅Π»Ρ Π½Π΅ ΡΠ°Π±ΠΎΡΠ°Π΅Ρ, ΠΏΠ΅ΡΠ²ΡΠΌ Π΄Π΅Π»ΠΎΠΌ Π½ΡΠΆΠ½ΠΎ ΠΎΡΠΊΡΡΡΡ Π±Π°ΡΠ΄Π°ΡΠΎΠΊ. ΠΠΎΠ΄ΡΠ²Π΅ΡΠΊΠΈ Π½Π΅Ρ β Π·Π½Π°ΡΠΈΡ, ΠΏΡΠΎΠ²Π΅ΡΡΠ΅ΠΌ ΠΏΡΠ΅Π΄ΠΎΡ
ΡΠ°Π½ΠΈΡΠ΅Π»Ρ F18. ΠΠ°ΡΠ΅ΠΌ ΠΈΡΠ΅ΠΌ Π·Π°ΠΌΡΠΊΠ°Π½ΠΈΠ΅ Π² ΡΠ΅ΠΏΠΈ.
Π§ΡΠΎ ΡΠ΄Π΅Π»Π°ΡΡ ΡΠ½Π°ΡΠ°Π»Π°
ΠΠ±ΡΠ·Π°ΡΠ΅Π»ΡΠ½ΠΎ ΠΎΡΠΊΠ»ΡΡΠΈΡΠ΅ ΠΌΠΈΠ½ΡΡΠΎΠ²ΡΡ ΠΊΠ»Π΅ΠΌΠΌΡ ΠΠΠ (ΠΊΠ»ΡΡ Β«Π½Π° 10Β»). ΠΠ°ΡΠ΅ΠΌ, ΡΠ½ΡΠ² Π½Π°ΠΊΠ»Π°Π΄ΠΊΡ Π²ΠΎΠ·Π»Π΅ Π½ΠΎΠ³ ΠΏΠ°ΡΡΠ°ΠΆΠΈΡΠ°, Π½Π°ΠΉΠ΄ΠΈΡΠ΅ ΡΠ°Π·ΡΡΠΌ Ρ ΡΡΡΠ½ΡΠΌ ΠΈ ΠΊΡΠ°ΡΠ½ΡΠΌ ΠΏΡΠΎΠ²ΠΎΠ΄ΠΎΠΌ (ΡΠΌ. ΡΠΎΡΠΎ). ΠΠ³ΠΎ ΡΠ°Π·ΡΠ΅Π΄ΠΈΠ½ΡΡΡ, ΡΠ°ΠΊ ΠΆΠ΅, ΠΊΠ°ΠΊ ΡΠ°Π·ΡΡΠΌ Ρ ΠΆΡΠ»ΡΡΠΌ ΡΠ½ΡΡΠΎΠΌ.
Π Π°Π·ΡΡΠΌ Π½Π°Π³ΡΠ΅Π²Π°ΡΠ΅Π»ΡΠ½ΠΎΠ³ΠΎ ΡΠ»Π΅ΠΌΠ΅Π½ΡΠ°
ΠΠ° ΡΡΠΎΠΌ Π²ΡΠ΅ ΠΎΠΏΠ΅ΡΠ°ΡΠΈΠΈ Ρ ΡΠ»Π΅ΠΊΡΡΠΈΡΠ΅ΡΡΠ²ΠΎΠΌ ΠΌΠΎΠΆΠ½ΠΎ ΡΡΠΈΡΠ°ΡΡ Π·Π°Π²Π΅ΡΡΡΠ½Π½ΡΠΌΠΈ.
ΠΡ Π»Π°ΠΌΠΏΡ ΠΌΠΎΠΆΠ΅Ρ ΠΈΠ΄ΡΠΈ ΡΠ½ΡΡ Π»ΡΠ±ΠΎΠ³ΠΎ ΡΠ²Π΅ΡΠ°.
ΠΠ°ΠΉΠ΄ΠΈΡΠ΅ ΡΠ°Π·ΡΡΠΌ Ρ ΠΎΠ΄Π½ΠΎΠΉ ΠΊΠ»Π΅ΠΌΠΌΠΎΠΉ β ΡΡΠΎ ΠΈ Π΅ΡΡΡ ΡΠΎ, ΡΡΠΎ Π½ΡΠΆΠ½ΠΎ.
ΠΠ΅ΠΌΠΎΠ½ΡΠ°ΠΆ Π½Π° ΠΠΠ-2112
ΠΡΠΈΠΊΡΡΠΈΠ²Π°ΡΠ΅Π»Ρ Π½Π°Ρ
ΠΎΠ΄ΠΈΡΡΡ ΡΡΠ΄ΠΎΠΌ Ρ ΠΏΠ΅ΠΏΠ΅Π»ΡΠ½ΠΈΡΠ΅ΠΉ. ΠΡ Π½Π΅ ΠΊΡΡΠΈΠΌ, ΠΠ°ΠΌ Π½Π΅ ΡΠΎΠ²Π΅ΡΡΠ΅ΠΌ, ΠΏΠΎΡΡΠΎΠΌΡ Π²ΠΌΠ΅ΡΡΠΎ ΠΏΠ΅ΠΏΠ΅Π»ΡΠ½ΠΈΡΡ Ρ Π½Π°Ρ Β«ΠΌΠΎΠ½Π΅ΡΠ½ΠΈΡΠ°Β»!
ΠΠΎΡΠΏΡΡ ΠΏΡΠΈΠΊΡΡΠΈΠ²Π°ΡΠ΅Π»Ρ Π·Π°ΠΊΡΠ΅ΠΏΠ»ΡΠ½ Π½Π° ΠΎΠ±ΡΠΈΠ²ΠΊΠ΅ ΡΠΎΠ½Π½Π΅Π»Ρ. ΠΡΡ ΠΎΠ±ΡΠΈΠ²ΠΊΡ Π½ΡΠΆΠ½ΠΎ ΡΠ½ΡΡΡ. ΠΠ°ΠΊΠ»Π°Π΄ΠΊΠ° Π²ΠΎΠ·Π»Π΅ Π½ΠΎΠ³ ΠΏΠ°ΡΡΠ°ΠΆΠΈΡΠ° ΠΎΡΡΡΡΡΡΠ²ΡΠ΅Ρ, Π° ΡΠ΅ΠΏΠ΅ΡΡ Π½Π°Π΄ΠΎ ΡΠ΄Π°Π»ΠΈΡΡ ΡΠ°ΠΊΡΡ ΠΆΠ΅ Π½Π°ΠΊΠ»Π°Π΄ΠΊΡ ΡΠ»Π΅Π²Π° (Π²ΠΎΠ·Π»Π΅ Π²ΠΎΠ΄ΠΈΡΠ΅Π»Ρ). Π’Π°ΠΊΠΆΠ΅ ΠΎΡΠ²ΡΡΡΠΊΠΎΠΉ ΠΏΠΎΠ΄Π΄Π΅Π²Π°ΡΡ ΠΏΠ»Π°ΡΡΠΈΠΊ ΠΏΠΎΠ΄ ΡΡΡΠ½ΠΈΠΊΠΎΠΌ ΠΈ ΡΠ΄Π°Π»ΡΡΡ Π΄Π΅ΠΊΠΎΡΠ°ΡΠΈΠ²Π½ΡΡ ΠΏΠ»Π°ΡΡΠΈΠ½Ρ (ΡΠΌ. ΡΠΎΡΠΎ).
ΠΠ΅ΡΠ²Π°Ρ ΠΎΠΏΠ΅ΡΠ°ΡΠΈΡ ΠΏΠΎ Π΄Π΅ΠΌΠΎΠ½ΡΠ°ΠΆΡ
ΠΡΠΎΠΉ ΠΆΠ΅ ΠΏΠ»ΠΎΡΠΊΠΎΠΉ ΠΎΡΠ²ΡΡΡΠΊΠΎΠΉ ΠΏΠΎΠ΄Π΄Π΅Π²Π°ΡΡ ΡΠ΅Ρ
ΠΎΠ», ΠΎΠ΄Π΅ΡΡΠΉ Π½Π° ΡΡΡΠΊΡ ΠΠΠ. Π§Π΅Ρ
ΠΎΠ» ΡΠ½ΠΈΠΌΠ°ΡΡ.
ΠΠ°ΠΊ ΡΠ½ΡΡΡ ΡΠΎΠ½Π½Π΅Π»Ρ
- ΠΡΠ²ΠΎΡΠ°ΡΠΈΠ²Π°Π΅ΠΌ ΡΠ°ΠΌΠΎΡΠ΅Π· ΠΏΠΎΠ΄ ΡΠ΅Ρ
Π»ΠΎΠΌ ΠΠΠ;
ΠΡΠ° Π΄Π΅ΡΠ°Π»Ρ ΠΏΡΠΈΠΆΠΈΠΌΠ°Π΅Ρ ΠΎΠ±ΡΠΈΠ²ΠΊΡ ΠΊ ΠΊΡΠ·ΠΎΠ²Ρ
- ΠΡΠΊΡΡΡΠΈΠ²Π°Π΅ΠΌ Π΄Π²Π° ΡΠ°ΠΌΠΎΡΠ΅Π·Π° Ρ ΠΏΠ΅ΡΠ΅Π΄Π½Π΅ΠΉ ΡΡΠΎΡΠΎΠ½Ρ ΠΎΠ±ΡΠΈΠ²ΠΊΠΈ ΠΈ Π΅ΡΡ Π΄Π²Π° β Ρ Π·Π°Π΄Π½Π΅ΠΉ;
Π§Π΅ΡΡΡΠ΅ ΠΊΡΠ΅ΠΏΡΠΆΠ½ΡΡ
ΡΠ°ΠΌΠΎΡΠ΅Π·Π°
- Π ΡΡΠΌΠΌΠ΅ Π±ΡΠ»ΠΎ ΠΎΡΠΊΡΡΡΠ΅Π½ΠΎ ΠΏΡΡΡ ΡΠ°ΠΌΠΎΡΠ΅Π·ΠΎΠ². Π’Π΅ΠΏΠ΅ΡΡ ΠΎΠ±ΡΠΈΠ²ΠΊΡ ΠΌΠΎΠΆΠ½ΠΎ ΡΠ½ΡΡΡ ΠΏΠΎΠ»Π½ΠΎΡΡΡΡ.
ΠΡΠΊΡΠ΅ΠΏΠ»ΡΠ΅ΠΌ ΠΏΡΠΈΠΊΡΡΠΈΠ²Π°ΡΠ΅Π»Ρ ΠΎΡ ΠΎΠ±ΡΠΈΠ²ΠΊΠΈ
ΠΡΠΈ Π·Π°ΠΌΠ΅Π½Π΅ ΠΏΡΠΈΠΊΡΡΠΈΠ²Π°ΡΠ΅Π»Ρ Π½Π° ΠΠΠ-2112 ΡΠ°ΠΌ ΡΠ·Π΅Π» Π²ΡΠ΅Π³Π΄Π° ΡΠ°Π·Π±ΠΈΡΠ°ΡΡ.
ΠΡΠΆΠ½ΠΎ ΡΠ΄Π΅Π»Π°ΡΡ ΡΠ°ΠΊ:
- Π‘ΠΆΠ°ΡΡ ΠΊΡΠΎΠ½ΡΡΠ΅ΠΉΠ½ Π»Π°ΠΌΠΏΡ Ρ Π΄Π²ΡΡ
ΡΡΠΎΡΠΎΠ½ ΠΈ ΠΏΠΎΠ»Π½ΠΎΡΡΡΡ ΡΠ½ΡΡΡ Π΅Π³ΠΎ. ΠΠ°ΡΠ΅ΠΌ ΠΎΡΠ²ΡΡΡΠΊΠΎΠΉ ΠΏΡΠΈΠΆΠΈΠΌΠ°ΡΡ Π·Π°ΡΡΠ»ΠΊΡ Π³Π½Π΅Π·Π΄Π°, ΡΡΠΎΠ±Ρ ΠΎΠ½Π° Π½Π΅ ΡΠ΅ΠΏΠ»ΡΠ»Π°ΡΡ Π·Π° ΠΊΠΎΡΠΏΡΡ ΡΠ²Π΅ΡΠΎΠ²ΠΎΠ΄Π°;
ΠΡΡ Π³ΠΎΡΠΎΠ²ΠΎ ΠΊ Π΄Π΅ΠΌΠΎΠ½ΡΠ°ΠΆΡ
- ΠΠ½Π΅Π·Π΄ΠΎ ΠΏΡΠΈΠΊΡΡΠΈΠ²Π°ΡΠ΅Π»Ρ Π²ΡΠ΄Π°Π²Π»ΠΈΠ²Π°ΡΡ Π½Π°ΡΡΠΆΡ. ΠΡΠ»ΠΈ Π±ΡΠ΄Π΅Ρ ΠΌΠ΅Π½ΡΡΡΡΡ ΠΈ ΡΠ²Π΅ΡΠΎΠ²ΠΎΠ΄, Π΅Π³ΠΎ ΠΌΠΎΠΆΠ½ΠΎ Π²ΡΠ΄Π°Π²ΠΈΡΡ, ΡΠΆΠ°Π² Π΄Π²Π° ΡΠ·ΡΡΠΊΠ° Π½Π° ΠΊΠΎΡΠΏΡΡΠ΅.
ΠΠ°Π²Π΅ΡΡΠ°ΡΡΠΈΠΉ ΡΠ°Π³ ΠΏΡΠΈ ΡΠ°Π·Π±ΠΎΡΠΊΠ΅
Π£ΡΡΠ°Π½Π°Π²Π»ΠΈΠ²Π°Ρ Π½ΠΎΠ²ΡΠΉ ΡΠ²Π΅ΡΠΎΠ²ΠΎΠ΄, ΡΠΎΠ±Π»ΡΠ΄Π°ΠΉΡΠ΅ ΡΡΠ΅Π±ΠΎΠ²Π°Π½ΠΈΠ΅: Π²ΡΡΡΡΠΏ Π½Π° ΠΊΠΎΡΠΏΡΡΠ΅ ΡΠ²Π΅ΡΠΎΠ²ΠΎΠ΄Π° Π΄ΠΎΠ»ΠΆΠ΅Π½ ΡΠΎΠ²ΠΏΠ°ΡΡΡ Ρ ΠΏΡΠΎΡΠ΅Π·ΡΡ Π² ΠΎΠ±ΡΠΈΠ²ΠΊΠ΅. ΠΠ° ΡΡΠΎΠΌ β Π²ΡΡ.
ΠΠΎΠ΅-ΠΊΡΠΎ ΡΠΌΡΠ΄ΡΡΠ»ΡΡ Π²ΡΠΏΠΎΠ»Π½ΡΡΡ Π΄Π΅ΠΌΠΎΠ½ΡΠ°ΠΆ, ΠΏΠΎΠ΄Π΄Π΅Π² Π³Π½Π΅Π·Π΄ΠΎ ΡΠ½Π°ΡΡΠΆΠΈ ΠΈ Π½Π΅ ΡΠ½ΠΈΠΌΠ°Ρ ΠΎΠ±ΡΠΈΠ²ΠΊΡ. ΠΠΎΡ
ΠΎΠΆΠ΅, Π΄Π»Ρ ΡΡΠΎΠ³ΠΎ Π½ΡΠΆΠ½ΠΎ ΡΠΏΠ΅ΡΠΎΠ±ΠΎΡΡΠ΄ΠΎΠ²Π°Π½ΠΈΠ΅.
ΠΡΡΠΈΠΊΡΠ»Ρ ΠΏΡΠΈΠΊΡΡΠΈΠ²Π°ΡΠ΅Π»Ρ (Π²Π΅ΡΡ ΡΠ·Π΅Π» Π² ΡΠ±ΠΎΡΠ΅)
- 2108-3725010-10 β ΡΠ·Π΅Π» Π² ΡΠ±ΠΎΡΠ΅;
- 2108-3725100-10 β Π³Π½Π΅Π·Π΄ΠΎ ΠΏΡΠΈΠΊΡΡΠΈΠ²Π°ΡΠ΅Π»Ρ;
- 2108-3725200 β ΠΏΠΎΠ΄Π²ΠΈΠΆΠ½Π°Ρ ΡΠ°ΡΡΡ;
- 10858390 β Π»Π°ΠΌΠΏΠ° 12V.
ΠΠΎΡΠ»Π΅Π΄Π½ΠΈΠΉ ΡΡΡΠΈΡ
Π‘ΡΠ°Π½Π΄Π°ΡΡΠ½ΡΠΉ ΠΏΠ΅ΡΠΈΠΎΠ΄ ΠΏΡΠΎΠ³ΡΠ΅Π²Π° ΡΠΎΡΡΠ°Π²Π»ΡΠ΅Ρ 20 ΡΠ΅ΠΊΡΠ½Π΄.
ΠΡ, ΠΈΠ»ΠΈ 15-25 ΡΠ΅ΠΊΡΠ½Π΄ (Π½Π΅ Π±ΠΎΠ»ΡΡΠ΅). ΠΠΎΡΡΠΎΠΌΡ ΠΏΠ΅ΡΠ΅Π΄ ΡΠ±ΠΎΡΠΊΠΎΠΉ ΠΏΡΠΎΠ²ΠΎΠ΄ΡΡ ΡΠ΅Π³ΡΠ»ΠΈΡΠΎΠ²ΠΊΡ:
- ΠΡΠ΅ΠΌΠ΅Π½Π½ΠΎ ΠΏΠΎΠ΄ΠΊΠ»ΡΡΠ°ΡΡ ΠΠΠ;
- ΠΠΎΠ΄Π°ΡΡ ΠΏΠΈΡΠ°Π½ΠΈΠ΅ Π½Π° ΡΠ°Π·ΡΡΠΌ ΠΏΡΠΈΠΊΡΡΠΈΠ²Π°ΡΠ΅Π»Ρ. Π£ΡΡΠ°Π½Π°Π²Π»ΠΈΠ²Π°ΡΡ ΠΏΠΎΠ΄Π²ΠΈΠΆΠ½ΡΡ ΡΠ°ΡΡΡ.
- ΠΡΠΎΠ³ΡΠ΅Π² ΠΈΠ΄ΡΡ Ρ ΠΏΠΎΡΡΠΎΡΠ½Π½ΠΎΠΉ ΡΠΊΠΎΡΠΎΡΡΡΡ, Π½ΠΎ Β«Π°Π²ΡΠΎΠΌΠ°ΡΒ» ΠΌΠΎΠΆΠ½ΠΎ Π½Π°ΡΡΡΠΎΠΈΡΡ ΠΏΠΎ-ΡΠ°Π·Π½ΠΎΠΌΡ. Π§ΡΠΎΠ±Ρ ΠΈΠ·ΠΌΠ΅Π½ΠΈΡΡ ΠΏΠΎΡΠΎΠ³ ΡΡΠ°Π±Π°ΡΡΠ²Π°Π½ΠΈΡ, ΡΠΎΠΆΠΌΠΈΡΠ΅ ΠΈΠ»ΠΈ ΠΎΡΠΎΠ³Π½ΠΈΡΠ΅ Π΄Π²Π΅ Π»Π°ΠΏΠΊΠΈ Π½Π° ΠΊΠΎΡΠΏΡΡΠ΅. ΠΡΠΎΠ²Π΅Π΄ΠΈΡΠ΅ ΡΠ΅ΡΡ.
ΠΠΎΡΠΏΡΡ Π³Π½Π΅Π·Π΄Π° ΠΏΡΠΈΠΊΡΡΠΈΠ²Π°ΡΠ΅Π»Ρ
ΠΠΎΠ΄ΡΠΎΠ±Π½Π°Ρ ΠΈΠ½ΡΡΡΡΠΊΡΠΈΡ Π½Π° Π²ΠΈΠ΄Π΅ΠΎ β ΠΎΡΠΊΠ»ΡΡΠ΅Π½ΠΈΠ΅ ΡΠ°Π·ΡΡΠΌΠΎΠ² ΠΈ Π΄Π΅ΠΌΠΎΠ½ΡΠ°ΠΆ
ΠΠ΄Π΅ Π½Π°Ρ
ΠΎΠ΄ΠΈΡΡΡ ΠΏΡΠ΅Π΄ΠΎΡ
ΡΠ°Π½ΠΈΡΠ΅Π»Ρ ΠΏΡΠΈΠΊΡΡΠΈΠ²Π°ΡΠ΅Π»Ρ ΠΠΠ 2110 2112
ΠΠ°ΠΆΠ΄ΡΠΉ ΡΠΎΠ²ΡΠ΅ΠΌΠ΅Π½Π½ΡΠΉ Π°Π²ΡΠΎΠΌΠΎΠ±ΠΈΠ»Ρ ΠΎΡΠ½Π°ΡΠ΅Π½ ΠΏΡΠΈΠΊΡΡΠΈΠ²Π°ΡΠ΅Π»Π΅ΠΌ. ΠΠΎΠ»ΡΡΠΈΠ½ΡΡΠ²ΠΎ Π²ΠΎΠ΄ΠΈΡΠ΅Π»Π΅ΠΉ ΠΈΡΠΏΠΎΠ»ΡΠ·ΡΠ΅Ρ Π΅Π³ΠΎ Π½Π΅ ΠΏΠΎ ΠΏΡΡΠΌΠΎΠΌΡ Π½Π°Π·Π½Π°ΡΠ΅Π½ΠΈΡ, Π° ΠΊΠ°ΠΊ 12-Π²ΠΎΠ»ΡΡΠΎΠ²ΡΡ ΡΠΎΠ·Π΅ΡΠΊΡ Π΄Π»Ρ ΠΏΠΎΠ΄ΠΊΠ»ΡΡΠ΅Π½ΠΈΡ ΡΠ»Π΅ΠΊΡΡΠΎΠ½Π½ΡΡ
ΠΏΡΠΈΠ±ΠΎΡΠΎΠ². Π‘ΡΠ΅Π΄ΠΈ ΡΠ°ΠΌΡΡ
ΡΠ°ΡΠΏΡΠΎΡΡΡΠ°Π½Π΅Π½Π½ΡΡ
:
- Π½Π°ΡΠΎΡ Π΄Π»Ρ ΡΠΈΠ½;
- Π²Π΅Π½ΡΠΈΠ»ΡΡΠΎΡ;
- Π΄ΠΎΠΏΠΎΠ»Π½ΠΈΡΠ΅Π»ΡΠ½Π°Ρ Π·Π°ΡΡΠ΄ΠΊΠ° Π΄Π»Ρ ΠΌΠΎΠ±ΠΈΠ»ΡΠ½ΡΡ
ΡΠ΅Π»Π΅ΡΠΎΠ½ΠΎΠ² ΠΈΠ»ΠΈ Π½ΠΎΡΡΠ±ΡΠΊΠΎΠ²;
- ΠΏΠΎΠ΄ΠΊΠ»ΡΡΠ΅Π½ΠΈΠ΅ ΠΏΠ΅ΡΠ΅Π½ΠΎΡΠ½ΠΎΠΉ Π»Π°ΠΌΠΏΠΎΡΠΊΠΈ;
- GPS-Π½Π°Π²ΠΈΠ³Π°ΡΠΎΡ;
- Π²ΠΈΠ΄Π΅ΠΎΡΠ΅Π³ΠΈΡΡΡΠ°ΡΠΎΡ.

Π‘ΠΎ Π²ΡΠ΅ΠΌΠ΅Π½Π΅ΠΌ ΠΏΡΠΈΠΊΡΡΠΈΠ²Π°ΡΠ΅Π»Ρ ΠΌΠΎΠΆΠ΅Ρ ΠΏΠ΅ΡΠ΅Π³ΠΎΡΠ°ΡΡ. ΠΠ΄Π½Π° ΠΈΠ· ΡΠ°ΠΌΡΡ
ΡΠ°ΡΠΏΡΠΎΡΡΡΠ°Π½Π΅Π½Π½ΡΡ
ΠΏΠΎΠ»ΠΎΠΌΠΎΠΊ β Π²ΡΠ³ΠΎΡΠ°Π½ΠΈΠ΅ Π·Π°ΡΠΈΡΠ½ΠΎΠ³ΠΎ ΡΠ»Π΅ΠΌΠ΅Π½ΡΠ°. ΠΠ»Ρ Π³ΡΠ°ΠΌΠΎΡΠ½ΠΎΠ³ΠΎ ΡΠ΅ΠΌΠΎΠ½ΡΠ° ΠΏΡΠΈΠΊΡΡΠΈΠ²Π°ΡΠ΅Π»Ρ Π½ΡΠΆΠ½ΠΎ Π·Π½Π°ΡΡ, Π³Π΄Π΅ Π½Π°Ρ
ΠΎΠ΄ΠΈΡΡΡ ΠΌΠΎΠ½ΡΠ°ΠΆΠ½ΡΠΉ Π±Π»ΠΎΠΊ ΠΠΠ 2110 ΠΈ ΠΊΠ°ΠΊΠΎΠΉ ΠΏΡΠ΅Π΄ΠΎΡ
ΡΠ°Π½ΠΈΡΠ΅Π»Ρ Π·Π° ΡΡΠΎ ΠΎΡΠ²Π΅ΡΠ°Π΅Ρ. ΠΠ°Π»Π΅Π΅ β ΠΎΡΠ½ΠΎΠ²Π½Π°Ρ ΠΈΠ½ΡΠΎΡΠΌΠ°ΡΠΈΡ ΠΏΠΎ ΡΡΠΎΠΌΡ ΠΏΠΎΠ²ΠΎΠ΄Ρ.
Π‘ΠΎΠ΄Π΅ΡΠΆΠ°Π½ΠΈΠ΅
- ΠΠ΄Π΅ Π½Π°Ρ
ΠΎΠ΄ΠΈΡΡΡ Π±Π»ΠΎΠΊ ΠΏΡΠ΅Π΄ΠΎΡ
ΡΠ°Π½ΠΈΡΠ΅Π»Π΅ΠΉ
- Π Π°ΡΠΏΠΎΠ»ΠΎΠΆΠ΅Π½ΠΈΠ΅ ΠΏΡΠ΅Π΄ΠΎΡ
ΡΠ°Π½ΠΈΡΠ΅Π»Π΅ΠΉ Π½Π° ΡΡ
Π΅ΠΌΠ΅
- Π‘Ρ
Π΅ΠΌΠ° ΠΏΠΎΠ΄ΠΊΠ»ΡΡΠ΅Π½ΠΈΡ ΠΏΡΠΈΠΊΡΡΠΈΠ²Π°ΡΠ΅Π»Ρ Π² ΠΠΠ 2110
- ΠΠ΅ΡΠ΅Π³ΠΎΡΠ΅Π» ΠΏΠ»Π°Π²ΠΊΠΈΠΉ ΠΏΡΠ΅Π΄ΠΎΡ
ΡΠ°Π½ΠΈΡΠ΅Π»Ρ
- ΠΠ°ΠΌΠ΅Π½Π° ΠΏΡΠ΅Π΄ΠΎΡ
ΡΠ°Π½ΠΈΡΠ΅Π»Ρ
- ΠΡΠΌΠΎΡΡ ΠΏΡΠΎΠ²ΠΎΠ΄ΠΊΠΈ ΠΏΡΠΈΠΊΡΡΠΈΠ²Π°ΡΠ΅Π»Ρ
- ΠΠΈΠ΄Π΅ΠΎ Ρ ΠΏΡΠΈΡΠΈΠ½Π°ΠΌΠΈ Π²ΡΡ
ΠΎΠ΄Π° ΠΈΠ· ΡΡΡΠΎΡ ΠΏΡΠ΅Π΄ΠΎΡ
ΡΠ°Π½ΠΈΡΠ΅Π»Ρ
ΠΠ΄Π΅ Π½Π°Ρ
ΠΎΠ΄ΠΈΡΡΡ Π±Π»ΠΎΠΊ ΠΏΡΠ΅Π΄ΠΎΡ
ΡΠ°Π½ΠΈΡΠ΅Π»Π΅ΠΉ
ΠΡΠ΄Π΅Π»ΡΠ½ΡΠΉ ΡΡΠ°ΡΡΠΎΠΊ ΡΠ΅ΠΏΠΈ Π·Π°ΡΠΈΡΠ΅Π½ ΡΠΏΠ΅ΡΠΈΠ°Π»ΡΠ½ΡΠΌ ΡΠ»Π΅ΠΌΠ΅Π½ΡΠΎΠΌ. Π‘ΠΈΠ»Π° ΡΠΎΠΊΠ° ΡΠ°ΡΡΡΠΈΡΠ°Π½Π° ΠΏΠΎΠ΄ ΠΎΠΏΡΠ΅Π΄Π΅Π»Π΅Π½Π½ΡΠ΅ Π·Π½Π°ΡΠ΅Π½ΠΈΡ. ΠΠ·-Π·Π° ΠΊΠΎΡΠΎΡΠΊΠΎΠ³ΠΎ Π·Π°ΠΌΡΠΊΠ°Π½ΠΈΡ Π½Π° ΠΏΡΠΈΠΊΡΡΠΈΠ²Π°ΡΠ΅Π»Π΅ ΡΡΠΎΡ ΠΏΠ°ΡΠ°ΠΌΠ΅ΡΡ ΠΌΠΎΠΆΠ΅Ρ Π²ΡΡ
ΠΎΠ΄ΠΈΡΡ Π·Π° ΠΏΡΠ΅Π΄Π΅Π»Ρ Π΄ΠΎΠΏΡΡΡΠΈΠΌΠΎΠ³ΠΎ. Π§ΡΠΎΠ±Ρ ΠΏΡΠ΅Π΄ΠΎΡΠ²ΡΠ°ΡΠΈΡΡ ΠΎΠΏΠ»Π°Π²Π»Π΅Π½ΠΈΠ΅ ΠΏΡΠΎΠ²ΠΎΠ΄ΠΎΠ² ΠΈΠ»ΠΈ ΠΏΠΎΠΆΠ°Ρ, ΠΏΠ΅ΡΠ΅Π³ΠΎΡΠ°Π΅Ρ ΡΠΎΠ½ΠΊΠ°Ρ ΠΌΠ΅ΡΠ°Π»Π»ΠΈΡΠ΅ΡΠΊΠ°Ρ ΠΏΠ΅ΡΠ΅ΠΌΡΡΠΊΠ° Π² ΠΏΡΠ΅Π΄ΠΎΡ
ΡΠ°Π½ΠΈΡΠ΅Π»Π΅.
ΠΠΎΡΡΠΎΠΌΡ ΡΡΠ΅Π±ΡΠ΅ΡΡΡ Π·Π°ΠΌΠ΅Π½Π° ΠΈΡΠΏΡΠ°Π²Π½ΡΠΌ ΡΠ»Π΅ΠΌΠ΅Π½ΡΠΎΠΌ.
Π‘Π²ΠΈΠ΄Π΅ΡΠ΅Π»ΡΡΡΠ²ΠΎΠΌ ΡΠΎΠ³ΠΎ, ΡΡΠΎ ΠΏΠ΅ΡΠ΅Π³ΠΎΡΠ΅Π» ΠΈΠΌΠ΅Π½Π½ΠΎ ΠΏΡΠ΅Π΄ΠΎΡ
ΡΠ°Π½ΠΈΡΠ΅Π»Ρ Π½Π° ΠΠΠ, ΡΡΠ°Π½Π΅Ρ Π²ΡΡ
ΠΎΠ΄ ΠΈΠ· ΡΡΡΠΎΡ Π½Π΅ ΡΠΎΠ»ΡΠΊΠΎ ΠΏΡΠΈΠΊΡΡΠΈΠ²Π°ΡΠ΅Π»Ρ, Π½ΠΎ ΠΈ Π΄ΠΎΠΏΠΎΠ»Π½ΠΈΡΠ΅Π»ΡΠ½ΡΡ
ΠΏΡΠΈΠ±ΠΎΡΠΎΠ². ΠΡΠΎΡ ΡΠ»Π΅ΠΌΠ΅Π½Ρ Π²Ρ
ΠΎΠ΄ΠΈΡ Π² ΡΠ΅ΠΏΡ, ΠΈΠ΄ΡΡΡΡ ΠΊ ΠΏΠ΅ΡΠΊΠ΅, ΠΌΠ°Π³Π½ΠΈΡΠΎΠ»Π΅ ΠΈ Π»Π°ΠΌΠΏΠ΅ Π±Π°ΡΠ΄Π°ΡΠΊΠ°. ΠΡΠ»ΠΈ ΠΈΠ· ΡΡΡΠΎΡ Π²ΡΡΠ»ΠΈ Π²ΡΠ΅ ΡΡΠΈ ΡΡΡΡΠΎΠΉΡΡΠ²Π°, ΡΠ»Π΅Π΄ΡΠ΅Ρ Π΄ΠΎΠ±ΡΠ°ΡΡΡΡ Π΄ΠΎ ΠΌΠΎΠ½ΡΠ°ΠΆΠ½ΠΎΠ³ΠΎ Π±Π»ΠΎΠΊΠ° ΠΈ ΠΏΡΠΎΠ²Π΅ΡΡΠΈ Π·Π°ΠΌΠ΅Π½Ρ.
Π Π°ΡΠΏΠΎΠ»ΠΎΠΆΠ΅Π½ΠΈΠ΅ ΠΏΡΠ΅Π΄ΠΎΡ
ΡΠ°Π½ΠΈΡΠ΅Π»Π΅ΠΉ Π½Π° ΡΡ
Π΅ΠΌΠ΅ Π΄Π»Ρ ΠΠΠ 2110, 2112
ΠΠΎΠ½ΡΠ°ΠΆΠ½ΡΠΉ Π±Π»ΠΎΠΊ ΡΡΡΠ°Π½ΠΎΠ²Π»Π΅Π½ Π² ΠΏΠ΅ΡΠ΅Π΄Π½Π΅ΠΉ ΠΏΠ°Π½Π΅Π»ΠΈ, ΡΠ»Π΅Π²Π° ΠΎΡ ΡΡΠ»Ρ. ΠΠΎΠ±ΡΠ°ΡΡΡΡ ΠΏΡΠΎΡΡΠΎ β ΡΠ»Π΅Π΄ΡΠ΅Ρ Π½Π°ΠΆΠ°ΡΡ ΡΠΎΠΎΡΠ²Π΅ΡΡΡΠ²ΡΡΡΡΡ ΠΊΠ½ΠΎΠΏΠΊΡ (ΡΠΌ. ΡΠΎΡΠΎ). ΠΠ° ΠΎΠ±ΡΠ°ΡΠ½ΠΎΠΉ ΠΊΡΡΡΠΊΠ΅ ΡΠ°ΡΠΏΠΎΠ»ΠΎΠΆΠ΅Π½Π° ΡΡ
Π΅ΠΌΠ° ΡΠ°ΡΠΏΠΎΠ»ΠΎΠΆΠ΅Π½ΠΈΡ ΠΏΡΠ΅Π΄ΠΎΡ
ΡΠ°Π½ΠΈΡΠ΅Π»Π΅ΠΉ. ΠΠ°ΠΆΠ΄ΡΠΉ ΠΈΠ· Π½ΠΈΡ
Π·Π°ΡΠΈΡΠ°Π΅Ρ ΠΎΡΠ΄Π΅Π»ΡΠ½ΡΠΉ ΠΏΡΠΈΠ±ΠΎΡ ΠΈΠ»ΠΈ ΡΡΠ°ΡΡΠΎΠΊ ΡΠ΅ΠΏΠΈ.
| ΠΠΎΠΌΠ΅Ρ, F | ΠΠΎΠΊΠ°Π·Π°ΡΠ΅Π»Ρ ΡΠΈΠ»Ρ ΡΠΎΠΊΠ°, Π°ΠΌΠΏΠ΅Ρ | ΠΠ°Π·Π½Π°ΡΠ΅Π½ΠΈΠ΅ |
| 1 | 5 | ΠΠΎΠ΄ΡΠ²Π΅ΡΠΊΠ° Π½ΠΎΠΌΠ΅ΡΠ°, ΠΏΡΠΈΠ±ΠΎΡΠΊΠΈ, Π»Π°ΠΌΠΏΡ Π±Π°Π³Π°ΠΆΠ½ΠΈΠΊΠ° ΠΈ Π³Π°Π±Π°ΡΠΈΡΠΎΠ² |
| 2 | 7,5 | ΠΠ»ΠΈΠΆΠ½ΠΈΠΉ ΡΠ²Π΅Ρ Π»Π΅Π²ΠΎΠΉ ΡΠ°ΡΡ |
| 3 | 10 | ΠΠ°Π»ΡΠ½ΠΈΠΉ ΡΠ²Π΅Ρ ΡΠ»Π΅Π²Π° |
| 4 | 10 | ΠΡΠ°Π²Π°Ρ ΠΏΡΠΎΡΠΈΠ²ΠΎΡΡΠΌΠ°Π½ΠΊΠ° |
| 5 | 30 | ΠΡΠΈΠ²ΠΎΠ΄ ΡΠ»Π΅ΠΊΡΡΠΎΡΡΠ΅ΠΊΠ»ΠΎΠΏΠΎΡΠ΅ΠΌΠ½ΠΈΠΊΠΎΠ² |
| 6 | 15 | ΠΠ΅ΡΠ΅Π½ΠΎΡΠ½Π°Ρ Π»Π°ΠΌΠΏΠ° |
| 7 | 20 | ΠΠ»Π΅ΠΊΡΡΠΎΠ΄Π²ΠΈΠ³Π°ΡΠ΅Π»ΠΈ Π²Π΅Π½ΡΠΈΠ»ΡΡΠΎΡΠ° ΡΠΈΡΡΠ΅ΠΌΡ ΠΎΡ
Π»Π°ΠΆΠ΄Π΅Π½ΠΈΡ, Π·Π²ΡΠΊΠΎΠ²ΠΎΠΉ ΡΠΈΠ³Π½Π°Π» |
| 8 | 20 | ΠΠ»Π΅ΠΌΠ΅Π½ΡΡ ΠΎΠ±ΠΎΠ³ΡΠ΅Π²Π° Π·Π°Π΄Π½Π΅Π³ΠΎ ΡΡΠ΅ΠΊΠ»Π° |
| 9 | 20 | Π Π΅ΡΠΈΡΠΊΡΠ»ΡΡΠΈΠΎΠ½Π½ΡΠΉ ΠΊΠ»Π°ΠΏΠ°Π½, ΠΎΠΌΡΠ²Π°ΡΠ΅Π»Ρ Π»ΠΎΠ±ΠΎΠ²ΠΎΠ³ΠΎ ΡΡΠ΅ΠΊΠ»Π° ΠΈ ΠΏΠ΅ΡΠ΅Π΄Π½ΠΈΡ
ΡΠ°Ρ |
| 10 | 20 | Π Π΅Π·Π΅ΡΠ²Π½ΡΠΉ ΠΏΡΠ΅Π΄ΠΎΡ
ΡΠ°Π½ΠΈΡΠ΅Π»Ρ |
| 11 | 5 | ΠΡΠ°Π²ΡΠΉ Π³Π°Π±Π°ΡΠΈΡ |
| 12 | 10 | ΠΠ»ΠΈΠΆΠ½ΠΈΠΉ ΡΠ²Π΅Ρ ΠΏΡΠ°Π²ΠΎΠΉ ΡΠ°ΡΡ |
| 13 | 10 | ΠΠ°Π»ΡΠ½ΠΈΠΉ ΡΠ²Π΅Ρ ΠΏΡΠ°Π²ΠΎΠΉ ΡΠ°ΡΡ |
| 14 | 10 | ΠΠ΅Π²Π°Ρ ΠΏΡΠΎΡΠΈΠ²ΠΎΡΡΠΌΠ°Π½ΠΊΠ° |
| 15 | 20 | ΠΠ»Π΅ΠΊΡΡΠΎΠΎΠΎΠ±ΠΎΠ³ΡΠ΅Π² ΡΠΈΠ΄Π΅Π½ΡΡ ΠΏΠ΅ΡΠ΅Π΄Π½Π΅Π³ΠΎ ΠΏΠ°ΡΡΠ°ΠΆΠΈΡΠ° ΠΈ Π²ΠΎΠ΄ΠΈΡΠ΅Π»Ρ |
| 16 | 10 | ΠΡΠ°Π²ΡΠΉ-Π»Π΅Π²ΡΠΉ ΡΠΈΠ³Π½Π°Π»Ρ ΠΏΠΎΠ²ΠΎΡΠΎΡΠ°, Π°Π²Π°ΡΠΈΠΉΠΊΠ° |
| 17 | 7,5 | ΠΠ°ΠΌΠΏΠ° ΠΎΡΠ²Π΅ΡΠ΅Π½ΠΈΡ ΡΠ°Π»ΠΎΠ½Π°, ΡΠΈΠ³Π½Π°Π»Ρ ΡΡΠΎΠΏΠ°, ΠΏΠΎΠ΄ΡΠ²Π΅ΡΠΊΠ° ΠΊΠ½ΠΎΠΏΠΎΠΊ ΠΈ ΠΌΠ°ΡΡΡΡΡΠ½ΡΠΉ ΠΊΠΎΠΌΠΏΡΡΡΠ΅Ρ |
| 18 | 25 | ΠΡΠ΅Π΄ΠΎΡ
ΡΠ°Π½ΠΈΡΠ΅Π»Ρ ΠΏΠΎΠ΄ΡΠ²Π΅ΡΠΊΠΈ Π²Π΅ΡΠ΅Π²ΠΎΠ³ΠΎ ΡΡΠΈΠΊΠ°, ΠΌΠ°Π³Π½ΠΈΡΠΎΠ»Ρ, ΠΎΠ±ΠΎΠ³ΡΠ΅Π²Π°ΡΠ΅Π»Ρ ΡΠ°Π»ΠΎΠ½Π° ΠΈ ΠΏΡΠΈΠΊΡΡΠΈΠ²Π°ΡΠ΅Π»Ρ ΠΠΠ 2112 |
| 19 | 10 | ΠΠ»ΠΎΠΊΠΈΡΠΎΠ²ΠΊΠ° Π·Π°ΠΌΠΊΠΎΠ² Π² Π΄Π²Π΅ΡΡΡ
, ΠΊΠΎΠ½ΡΡΠΎΠ»ΡΠ½ΡΠ΅ Π»Π°ΠΌΠΏΡ ΠΏΠ°Π½Π΅Π»ΠΈ ΠΎ Π½Π΅ΠΈΡΠΏΡΠ°Π²Π½ΠΎΡΡΠΈ ΡΡΠΎΠΏ-ΡΠΈΠ³Π½Π°Π»ΠΎΠ² ΠΈΠ»ΠΈ Π³Π°Π±Π°ΡΠΈΡΠΎΠ² |
| 20 | 7,5 | ΠΠ°Π΄Π½ΡΡ ΡΠ°ΡΠ° ΠΏΡΠΎΡΠΈΠ²ΠΎΡΡΠΌΠ°Π½Π½ΡΡ
ΡΠΎΠ½Π°ΡΠ΅ΠΉ |
ΠΡΡΡ Π΄ΠΎΠΏΠΎΠ»Π½ΠΈΡΠ΅Π»ΡΠ½ΡΠΉ Π±Π»ΠΎΠΊ Ρ ΠΎΡΠ½ΠΎΠ²Π½ΡΠΌΠΈ ΡΠ΅Π»Π΅.
ΠΠ³ΠΎ ΡΠ°ΡΠΏΠΎΠ»ΠΎΠΆΠ΅Π½ΠΈΠ΅ β Π½Π° ΠΎΠ΄Π½ΠΎΠΉ Π»ΠΈΠ½ΠΈΠΈ Ρ ΠΈΠ½ΠΆΠ΅ΠΊΡΠΎΡΠΎΠΌ, Π·Π° ΠΏΡΠ°Π²ΠΎΠΉ Π΄Π΅ΠΊΠΎΡΠ°ΡΠΈΠ²Π½ΠΎΠΉ ΠΏΠ°Π½Π΅Π»ΡΡ, Π²Π±Π»ΠΈΠ·ΠΈ Π½ΠΎΠ³ ΠΏΠ°ΡΡΠ°ΠΆΠΈΡΠ°. Π§ΡΠΎΠ±Ρ Π΄ΠΎΠ±ΡΠ°ΡΡΡΡ Π΄ΠΎ Π½Π΅Π³ΠΎ, ΡΠ»Π΅Π΄ΡΠ΅Ρ ΠΎΡΠΊΡΡΡΠΈΡΡ ΡΡΠΈ ΡΠ°ΠΌΠΎΡΠ΅Π·Π° ΠΊΡΠ΅ΠΏΠ»Π΅Π½ΠΈΡ. ΠΠ΄Π΅ΡΡ ΡΠ°ΡΠΏΠΎΠ»ΠΎΠΆΠ΅Π½ΠΎ ΡΠ΅ΡΡΡ ΠΏΡΠ΅Π΄ΠΎΡ
ΡΠ°Π½ΠΈΡΠ΅Π»Π΅ΠΉ (ΡΠΌ. ΡΠΎΡΠΎ), ΠΊΠ°ΠΆΠ΄ΡΠΉ ΠΈΠ· ΠΊΠΎΡΠΎΡΡΡ
Π²ΡΠΏΠΎΠ»Π½ΡΠ΅Ρ ΡΠΎΠ±ΡΡΠ²Π΅Π½Π½ΡΡ ΡΡΠ½ΠΊΡΠΈΡ.
- Π Π°Π±ΠΎΡΠ° ΠΏΡΠΎΠ³ΡΠ°ΠΌΠΌΠ½ΠΎΠ³ΠΎ ΠΊΠΎΠ½ΡΡΠΎΠ»Π΅ΡΠ° ΡΠΈΡΡΠ΅ΠΌΡ Π·Π°ΠΆΠΈΠ³Π°Π½ΠΈΡ.
- Π Π΅Π³ΡΠ»ΡΡΠΎΡ ΡΠ°ΡΡ
ΠΎΠ΄ΠΎΠΌΠ΅ΡΠ° Π²ΠΎΠ·Π΄ΡΡ
Π°, ΠΏΡΠΈΠ²ΠΎΠ΄Π° ΡΠΏΠΈΠ΄ΠΎΠΌΠ΅ΡΡΠ°.
- Π’ΠΎΠΏΠ»ΠΈΠ²Π½ΡΠ΅ ΡΠΎΡΡΡΠ½ΠΊΠΈ.
- ΠΠ΅Π½ΡΠΈΠ»ΡΡΠΎΡ ΠΎΡ
Π»Π°ΠΆΠ΄Π΅Π½ΠΈΡ ΡΠ°Π΄ΠΈΠ°ΡΠΎΡΠ°.
- ΠΠ΅Π½Π·ΠΎΠ½Π°ΡΠΎΡ.
- Π‘ΠΈΡΡΠ΅ΠΌΠ° Π·Π°ΠΆΠΈΠ³Π°Π½ΠΈΡ.
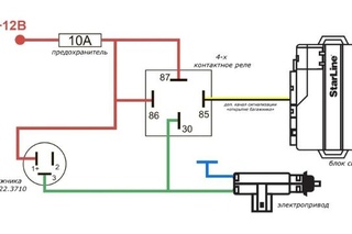
Π‘Ρ
Π΅ΠΌΠ° ΠΏΠΎΠ΄ΠΊΠ»ΡΡΠ΅Π½ΠΈΡ ΠΏΡΠΈΠΊΡΡΠΈΠ²Π°ΡΠ΅Π»Ρ Π² ΠΠΠ 2110
Π£ΡΡΡΠΎΠΉΡΡΠ²ΠΎ Π½Π° ΠΠΠ ΡΠΎΡΡΠΎΠΈΡ ΠΈΠ· Π΄Π²ΡΡ
Π΄Π΅ΡΠ°Π»Π΅ΠΉ: ΡΠ°Π·ΡΠ΅ΠΌ Π΄Π»Ρ ΠΏΠΎΠ΄ΠΊΠ»ΡΡΠ΅Π½ΠΈΡ ΠΈ ΠΌΠ΅ΡΠ°Π»Π»ΠΈΡΠ΅ΡΠΊΠ°Ρ ΡΠ°ΡΡΡ. ΠΠ½ΡΡΡΠΈ ΠΏΠΎΡΠ»Π΅Π΄Π½Π΅ΠΉ Π² ΠΏΡΠΈΠΊΡΡΠΈΠ²Π°ΡΠ΅Π»Π΅ β ΡΠΎΠ½ΠΊΠ°Ρ ΡΠΏΠΈΡΠ°Π»Ρ. ΠΠΎΡΠ»Π΅ Π½Π°ΠΆΠ°ΡΠΈΡ Π½Π° ΠΊΠ½ΠΎΠΏΠΊΡ ΡΠ΅ΠΏΡ Π·Π°ΠΌΡΠΊΠ°Π΅ΡΡΡ ΠΈ Π½Π°ΡΠΈΠ½Π°Π΅Ρ ΠΏΡΠΎΠΏΡΡΠΊΠ°ΡΡ ΡΠΎΠΊ, Π° Π·Π°ΡΠ΅ΠΌ ΡΠΏΠΈΡΠ°Π»Ρ ΡΠ°Π·ΠΎΠ³ΡΠ΅Π²Π°Π΅ΡΡΡ. ΠΠΎ Π΄ΠΎΡΡΠΈΠΆΠ΅Π½ΠΈΡ ΠΌΠ°ΠΊΡΠΈΠΌΠ°Π»ΡΠ½ΠΎΠΉ ΡΠ΅ΠΌΠΏΠ΅ΡΠ°ΡΡΡΡ ΡΡΠ°Π±Π°ΡΡΠ²Π°Π΅Ρ ΡΠ΅Π»Π΅, ΠΊΠΎΡΠΎΡΠΎΠ΅ Π΄Π°Π΅Ρ ΠΊΠΎΠΌΠ°Π½Π΄Ρ ΠΎΡΡΠ΅Π»ΠΊΠ½ΡΡΡ ΠΏΡΠΈΠΊΡΡΠΈΠ²Π°ΡΠ΅Π»Ρ Π² ΠΈΡΡ
ΠΎΠ΄Π½ΠΎΠ΅ ΠΏΠΎΠ»ΠΎΠΆΠ΅Π½ΠΈΠ΅.
ΠΡΠΈ ΡΠΊΡΠΏΠ»ΡΠ°ΡΠ°ΡΠΈΠΈ ΡΡΡΡΠΎΠΉΡΡΠ²Π° Π½Π΅ΠΎΠ±Ρ
ΠΎΠ΄ΠΈΠΌΠΎ ΡΠΎΠ±Π»ΡΠ΄Π°ΡΡ ΠΏΡΠ°Π²ΠΈΠ»Π°:
- Π½Π΅ ΠΏΠΎΠ΄ΠΊΠ»ΡΡΠ°ΡΡ Π½Π΅ΡΠΊΠΎΠ»ΡΠΊΠΎ ΠΌΠΎΡΠ½ΡΡ
ΠΏΡΠΈΠ±ΠΎΡΠΎΠ² ΠΎΠ΄Π½ΠΎΠ²ΡΠ΅ΠΌΠ΅Π½Π½ΠΎ (ΡΠ΅ΡΠ΅Π· ΡΠ°Π·Π²Π΅ΡΠ²ΠΈΡΠ΅Π»Ρ), ΠΈΠ½Π°ΡΠ΅ ΠΌΠΎΠΆΠ΅Ρ ΡΠ³ΠΎΡΠ°ΡΡ ΠΏΡΠ΅Π΄ΠΎΡ
ΡΠ°Π½ΠΈΡΠ΅Π»Ρ;
- Π½Π΅ ΡΡΡΠ°Π½Π°Π²Π»ΠΈΠ²Π°ΡΡ Π·Π°ΡΠΈΡΠ½ΡΠΉ ΡΠ»Π΅ΠΌΠ΅Π½Ρ, ΡΠ°ΡΡΡΠΈΡΠ°Π½Π½ΡΠΉ Π½Π° Π±ΠΎΠ»ΡΡΡΡ ΡΠΈΠ»Ρ ΡΠΎΠΊΠ°, ΡΠ΅ΠΌ ΡΠ΅ΠΊΠΎΠΌΠ΅Π½Π΄ΠΎΠ²Π°Π½Π½ΡΠΉ ΠΏΡΠΎΠΈΠ·Π²ΠΎΠ΄ΠΈΡΠ΅Π»Π΅ΠΌ;
- Π½Π΅ Π΄ΠΎΠΏΡΡΠΊΠ°ΡΡ ΡΠ°Π·Π±Π°Π»ΡΡΠ²Π°Π½ΠΈΡ Π³Π½Π΅Π·Π΄Π° ΠΈΠ»ΠΈ ΠΏΠ»ΠΎΡ
ΠΎΠ³ΠΎ ΠΊΠΎΠ½ΡΠ°ΠΊΡΠ° Ρ ΠΏΠ°ΡΡΠΎΠ½ΠΎΠΌ β ΡΡΠΎ ΠΌΠΎΠΆΠ΅Ρ ΠΏΡΠΈΠ²Π΅ΡΡΠΈ ΠΊ ΠΊΠΎΡΠΎΡΠΊΠΎΠΌΡ Π·Π°ΠΌΡΠΊΠ°Π½ΠΈΡ.

ΠΠ° ΠΏΡΠΈΠΊΡΡΠΈΠ²Π°ΡΠ΅Π»Ρ ΠΠΠ 2110, 2112 ΠΈΠ΄Π΅Ρ ΡΡΠΈ ΠΏΡΠΎΠ²ΠΎΠ΄Π°.
- ΠΡΠ½ΠΎΠ²Π½ΠΎΠΉ ΠΏΠ»ΡΡ (ΠΊΡΠ°ΡΠ½ΡΠΉ). ΠΡΠΈΡ
ΠΎΠ΄ΠΈΡ ΠΊ Π°ΠΊΠΊΡΠΌΡΠ»ΡΡΠΎΡΠ½ΠΎΠΉ Π±Π°ΡΠ°ΡΠ΅Π΅ ΡΠ΅ΡΠ΅Π· ΠΏΡΠ΅Π΄ΠΎΡ
ΡΠ°Π½ΠΈΡΠ΅Π»Ρ. ΠΠ»Π΅ΠΌΠ΅Π½Ρ, ΠΊΠ°ΠΊΠΎΠΉ ΠΎΡΠ²Π΅ΡΠ°Π΅Ρ Π·Π° Π½Π°Π³ΡΠ΅Π² Π²Π½ΡΡΡΠ΅Π½Π½Π΅ΠΉ ΡΠΏΠΈΡΠ°Π»ΠΈ.
- ΠΠΎΡΡΠΎΡΠ½Π½ΡΠΉ ΠΏΠ»ΡΡ (ΠΆΠ΅Π»ΡΡΠΉ). ΠΠΎΠ΄ΠΊΠ»ΡΡΠ΅Π½ ΠΊ ΡΠ²Π΅ΡΠΎΡΠΈΠ»ΡΡΡΡ. ΠΡΠ²Π΅ΡΠ°Π΅Ρ Π·Π° ΠΊΠΎΡΡΠ΅ΠΊΡΠ½ΡΡ ΡΠ°Π±ΠΎΡΡ Π»Π°ΠΌΠΏΠΎΡΠΊΠΈ ΠΏΠΎΠ΄ΡΠ²Π΅ΡΠΊΠΈ.
- ΠΠΎΡΡΠΎΡΠ½Π½ΡΠΉ ΠΌΠΈΠ½ΡΡ (ΡΠ΅ΡΠ½ΡΠΉ). ΠΠ°ΡΡΠ°, ΠΎΠ΄Π½ΠΈΠΌ ΠΊΠΎΠ½ΡΠΎΠΌ ΠΏΡΠΈΡ
ΠΎΠ΄ΡΡΠ°Ρ Π½Π° ΠΊΠΎΡΠΏΡΡ ΠΏΡΠΈΠ±ΠΎΡΠ°, Π° Π²ΡΠΎΡΡΠΌ β ΠΊ ΠΊΡΠ·ΠΎΠ²Ρ Π°Π²ΡΠΎΠΌΠΎΠ±ΠΈΠ»Ρ.
Π’Π°ΠΊΠΆΠ΅ Π²ΡΡ
ΠΎΠ΄ΡΡ Π½Π΅ΡΠΊΠΎΠ»ΡΠΊΠΎ ΠΊΠ°Π±Π΅Π»Π΅ΠΉ. Π‘ΡΠ΅Π΄ΠΈ Π½ΠΈΡ
:
- ΠΏΡΠΎΠ²ΠΎΠ΄ ΠΊ ΡΠ΅Π³ΡΠ»ΡΡΠΎΡΡ ΠΎΡΠ²Π΅ΡΠ΅Π½ΠΈΡ ΠΏΠ°Π½Π΅Π»ΠΈ ΠΏΡΠΈΠ±ΠΎΡΠΎΠ²;
- ΠΏΡΠΎΠ²ΠΎΠ΄ ΠΊ Π»Π°ΠΌΠΏΠ΅ Π²Π΅ΡΠ΅Π²ΠΎΠ³ΠΎ ΡΡΠΈΠΊΠ°.
ΠΠ΅ΡΠ΅Π³ΠΎΡΠ΅Π» ΠΏΠ»Π°Π²ΠΊΠΈΠΉ ΠΏΡΠ΅Π΄ΠΎΡ
ΡΠ°Π½ΠΈΡΠ΅Π»Ρ
ΠΠ½ΠΎΠ³Π΄Π° Π½Π΅ ΡΡΠ΅Π±ΡΠ΅ΡΡΡ Π·Π°ΠΌΠ΅Π½Π° ΠΏΡΠΈΠ±ΠΎΡΠ°. ΠΠΎΡΡΠ°ΡΠΎΡΠ½ΠΎ ΠΏΠΎΠΌΠ΅Π½ΡΡΡ ΠΏΠ»Π°Π²ΠΊΠΈΠΉ ΠΏΡΠ΅Π΄ΠΎΡ
ΡΠ°Π½ΠΈΡΠ΅Π»Ρ, ΡΠ°ΡΠΏΠΎΠ»ΠΎΠΆΠ΅Π½Π½ΡΠΉ Π²Π½ΡΡΡΠΈ ΡΠ°ΠΌΠΎΠ³ΠΎ ΡΡΡΡΠΎΠΉΡΡΠ²Π°. ΠΡΠΎΡΠ΅Π΄ΡΡΠ° ΠΎΡΡΡΠ΅ΡΡΠ²Π»ΡΠ΅ΡΡΡ ΡΠ°ΠΊ.
- ΠΡΠΊΡΡΠ²Π°Π΅ΠΌ ΠΊΠ°ΠΏΠΎΡ, ΡΠ½ΠΈΠΌΠ°Π΅ΠΌ ΠΌΠΈΠ½ΡΡΠΎΠ²ΡΡ ΠΊΠ»Π΅ΠΌΠΌΡ Ρ Π°ΠΊΠΊΡΠΌΡΠ»ΡΡΠΎΡΠ°. ΠΠΎΠΆΠ½ΠΎ ΡΠ°ΠΊΠΆΠ΅ Π²ΡΠ½ΡΡΡ ΠΏΡΠ΅Π΄ΠΎΡ
ΡΠ°Π½ΠΈΡΠ΅Π»Ρ ΠΈΠ· ΠΌΠΎΠ½ΡΠ°ΠΆΠ½ΠΎΠ³ΠΎ Π±Π»ΠΎΠΊΠ°, ΠΎΡΠ²Π΅ΡΠ°ΡΡΠΈΠΉ Π·Π° ΠΏΡΠΈΠΊΡΡΠΈΠ²Π°ΡΠ΅Π»Ρ ΠΠ°Π· 2110.

- ΠΡΠΊΡΡΡΠΈΠ²Π°Π΅ΠΌ ΡΠ΅ΡΡΡΠ΅ ΠΊΡΠ΅ΠΏΠ»Π΅Π½ΠΈΡ ΠΏΠΎΠΊΡΡΡΠΈΡ ΡΠΎΠ½Π½Π΅Π»Ρ, ΡΠ½ΠΈΠΌΠ°Π΅ΠΌ ΠΎΠ±Π΅ ΡΠ°ΡΡΠΈ ΠΎΠ±Π»ΠΈΡΠΎΠ²ΠΊΠΈ.
- ΠΡΡΠΎΠ΅Π΄ΠΈΠ½ΡΠ΅ΠΌ ΡΡΠ΅Ρ
ΠΊΠΎΠ½ΡΠ°ΠΊΡΠ½ΡΠΉ ΡΡΠ΅ΠΊΠ΅Ρ, ΠΈΠ΄ΡΡΠΈΠΉ ΠΊ ΠΏΡΠΈΠΊΡΡΠΈΠ²Π°ΡΠ΅Π»Ρ.
- ΠΠ΅ΠΌΠΎΠ½ΡΠΈΡΡΠ΅ΠΌ Π½Π°ΠΊΠ»Π°Π΄ΠΊΡ ΠΏΠΎΠ΄ ΡΡΡΠ°Π³ΠΎΠΌ ΡΡΡΠ½ΠΎΠ³ΠΎ ΡΠΎΡΠΌΠΎΠ·Π°.
- Π‘Π½ΠΈΠΌΠ°Π΅ΠΌ ΡΠ΅Ρ
ΠΎΠ» ΡΡΡΠ°Π³Π° ΠΠΠ.
- Π‘Π΄Π²ΠΈΠ³Π°Π΅ΠΌ ΡΠΈΠ΄Π΅Π½ΡΡ Π½Π°Π·Π°Π΄, Π° Π·Π°ΡΠ΅ΠΌ Π²ΡΠΊΡΡΡΠΈΠ²Π°Π΅ΠΌ ΡΡΠΈ ΠΊΡΠ΅ΠΏΠ»Π΅Π½ΠΈΡ Π²Π΅ΡΡ
Π½Π΅ΠΉ ΡΠ°ΡΡΠΈ ΡΠΎΠ½Π½Π΅Π»Ρ ΠΈ ΡΠ½ΠΈΠΌΠ°Π΅ΠΌ Π΅Π³ΠΎ.
- ΠΡΡΡΠ³ΠΈΠ²Π°Π΅ΠΌ ΠΏΠ°ΡΡΠΎΠ½.
- ΠΠ»ΠΎΡΠΊΠΎΠΉ ΠΎΡΠ²Π΅ΡΡΠΊΠΎΠΉ ΠΏΠΎΠ΄Π΄Π΅Π²Π°Π΅ΠΌ Π·Π°ΡΠ΅Π»ΠΊΡ ΠΏΡΠΈΠΊΡΡΠΈΠ²Π°ΡΠ΅Π»Ρ ΡΠ°ΠΊ, ΡΡΠΎΠ±Ρ ΠΎΠ½Π° Π²ΡΡΠ»Π° ΠΈΠ· ΠΏΠΎΡΠ°Π΄ΠΎΡΠ½ΠΎΠ³ΠΎ ΠΌΠ΅ΡΡΠ°.
- ΠΠ΅ΠΌΠΎΠ½ΡΠΈΡΡΠ΅ΠΌ Π³Π½Π΅Π·Π΄ΠΎ ΠΈΠ· ΠΎΠ±Π»ΠΈΡΠΎΠ²ΠΊΠΈ Π΄Π»Ρ ΠΏΠΎΡΠ»Π΅Π΄ΡΡΡΠ΅Π³ΠΎ ΡΠ΅ΠΌΠΎΠ½ΡΠ°.
ΠΠ½ΡΡΡΠΈ ΠΏΡΠΈΠΊΡΡΠΈΠ²Π°ΡΠ΅Π»Ρ ΠΌΠΈΠ½ΠΈΠ°ΡΡΡΠ½Π°Ρ ΡΠ»ΡΠ΄ΡΠ½Π°Ρ ΠΏΠ»Π°ΡΡΠΈΠ½Π°. ΠΡΠΎ ΠΏΠΎΠ»ΡΠΏΡΠΎΠ²ΠΎΠ΄Π½ΠΈΠΊ, ΠΊΠΎΡΠΎΡΡΠΉ ΠΈΠ½ΠΎΠ³Π΄Π° Π»ΠΎΠΌΠ°Π΅ΡΡΡ ΠΈ ΠΏΠ»Π°Π²ΠΈΡΡΡ. ΠΠ³ΠΎ Π½Π΅ΠΎΠ±Ρ
ΠΎΠ΄ΠΈΠΌΠΎ ΠΈΠ·Π²Π»Π΅ΡΡ. ΠΠΎΡΠ»Π΅ ΡΡΠΎΠ³ΠΎ ΡΡΠΎΠΈΡ ΡΠΎΠ±ΡΠ°ΡΡ ΡΠ·Π΅Π», Π° Π·Π°ΡΠ΅ΠΌ ΠΏΡΠΎΠ²Π΅ΡΠΈΡΡ ΡΡΠ½ΠΊΡΠΈΠΎΠ½Π°Π»ΡΠ½ΠΎΡΡΡ ΡΡΡΡΠΎΠΉΡΡΠ²Π°.
ΠΠ°ΠΌΠ΅Π½Π° ΠΏΡΠ΅Π΄ΠΎΡ
ΡΠ°Π½ΠΈΡΠ΅Π»Ρ
ΠΠ΄Π½Π° ΠΈΠ· Π½Π°ΠΈΠ±ΠΎΠ»Π΅Π΅ ΡΠ°ΡΡΡΡ
ΠΏΡΠΈΡΠΈΠ½ ΠΏΠΎΠ»ΠΎΠΌΠΊΠΈ β Π²ΡΡ
ΠΎΠ΄ ΠΈΠ· ΡΡΡΠΎΡ Π·Π°ΡΠΈΡΠ½ΠΎΠ³ΠΎ ΡΠ»Π΅ΠΌΠ΅Π½ΡΠ°. ΠΠΎΠ΄ΡΠΊΠ°Π·ΠΊΠΎΠΉ, ΡΡΠΎ ΠΏΡΠ΅Π΄ΠΎΡ
ΡΠ°Π½ΠΈΡΠ΅Π»Ρ Π½Π° ΠΏΡΠΈΠΊΡΡΠΈΠ²Π°ΡΠ΅Π»Ρ ΠΏΠ΅ΡΠ΅Π³ΠΎΡΠ΅Π», ΡΡΠ°Π½Π΅Ρ Π½Π΅ΡΠ°Π±ΠΎΡΠ°ΡΡΠ°Ρ ΠΏΠ΅ΡΠΊΠ° ΠΠΠ 2110 ΠΈΠ»ΠΈ Π½Π΅ΠΈΡΠΏΡΠ°Π²Π½Π°Ρ Π»Π°ΠΌΠΏΠ° ΠΏΠΎΠ΄ΡΠ²Π΅ΡΠΊΠΈ ΠΏΠ΅ΡΡΠ°ΡΠΎΡΠ½ΠΎΠ³ΠΎ ΠΎΡΠ΄Π΅Π»Π΅Π½ΠΈΡ.
Π§ΡΠΎΠ±Ρ ΠΏΡΠΎΠ²Π΅ΡΡΠΈ ΡΠ΅ΠΌΠΎΠ½Ρ, Π½Π΅ΠΎΠ±Ρ
ΠΎΠ΄ΠΈΠΌΠΎ Π·Π°ΠΌΠ΅Π½ΠΈΡΡ ΠΏΠ΅ΡΠ΅Π³ΠΎΡΠ΅Π²ΡΠΈΠΉ ΠΏΡΠ΅Π΄ΠΎΡ
ΡΠ°Π½ΠΈΡΠ΅Π»Ρ Π² ΠΌΠΎΠ½ΡΠ°ΠΆΠ½ΠΎΠΌ Π±Π»ΠΎΠΊΠ΅.
Π§ΡΠΎΠ±Ρ Π΄ΠΎΠ±ΡΠ°ΡΡΡΡ Π΄ΠΎ ΠΊΠΎΡΠΎΠ±ΠΊΠΈ, ΡΠ»Π΅Π΄ΡΠ΅Ρ Π½Π°ΠΆΠ°ΡΡ ΠΊΠ½ΠΎΠΏΠΊΡ Π² ΠΏΠ΅ΡΠ΅Π΄Π½Π΅ΠΉ ΠΏΠ°Π½Π΅Π»ΠΈ ΡΠ»Π΅Π²Π° ΠΎΡ ΡΡΠ»Ρ. ΠΡΠΎΠ²Π΅ΡΠΊΠ΅ ΠΏΠΎΠ΄Π»Π΅ΠΆΠΈΡ ΠΏΡΠ΅Π΄ΠΎΡ
ΡΠ°Π½ΠΈΡΠ΅Π»Ρ Π·Π° Π½ΠΎΠΌΠ΅ΡΠΎΠΌ F18, ΡΠ°ΡΡΡΠΈΡΠ°Π½Π½ΡΠΉ Π½Π° ΡΠΈΠ»Ρ ΡΠΎΠΊΠ° 25 Π°ΠΌΠΏΠ΅Ρ. ΠΠ»Ρ Π·Π°ΠΌΠ΅Π½Ρ ΡΠ΄ΠΎΠ±Π½ΠΎ ΠΈΡΠΏΠΎΠ»ΡΠ·ΠΎΠ²Π°ΡΡ ΠΏΠΈΠ½ΡΠ΅Ρ.
Π‘Π»Π΅Π΄ΡΠ΅Ρ ΡΡΡΠ°Π½Π°Π²Π»ΠΈΠ²Π°ΡΡ ΠΏΡΠ΅Π΄ΠΎΡ
ΡΠ°Π½ΠΈΡΠ΅Π»Ρ Ρ ΡΠ΅ΠΊΠΎΠΌΠ΅Π½Π΄ΠΎΠ²Π°Π½Π½ΡΠΌ Π½ΠΎΠΌΠΈΠ½Π°Π»ΠΎΠΌ. ΠΠ½Π°ΡΠ΅ Π²Π΅Π»ΠΈΠΊ ΡΠΈΡΠΊ ΠΎΠΏΠ»Π°Π²Π»Π΅Π½ΠΈΡ ΠΈΠ·ΠΎΠ»ΡΡΠΈΠΈ, ΠΊΠΎΡΠΎΡΠΊΠΎΠ³ΠΎ Π·Π°ΠΌΡΠΊΠ°Π½ΠΈΡ, ΠΏΠΎΠΆΠ°ΡΠ°. ΠΠΎΡΠ»Π΅ ΡΠ΅ΠΌΠΎΠ½ΡΠ° Π½Π΅Π»ΡΠ·Ρ ΠΏΠΎΠ΄ΠΊΠ»ΡΡΠ°ΡΡ ΠΌΠΎΡΠ½ΡΠ΅ ΠΏΡΠΈΠ±ΠΎΡΡ Π² Π³Π½Π΅Π·Π΄ΠΎ ΠΏΡΠΈΠΊΡΡΠΈΠ²Π°ΡΠ΅Π»Ρ. ΠΠ°ΠΊΡΠΈΠΌΠ°Π»ΡΠ½Π°Ρ ΠΌΠΎΡΠ½ΠΎΡΡΡ ΡΠΎΡΡΠ°Π²Π»ΡΠ΅Ρ 300 ΠΠ°ΡΡ. Π Π°ΡΡΡΠΈΡΠ°Π½Π° ΠΏΠΎ ΡΠΎΡΠΌΡΠ»Π΅ P=I*A, Π³Π΄Π΅ I β Π½Π°ΠΏΡΡΠΆΠ΅Π½ΠΈΠ΅ ΡΠ΅ΡΠΈ (12 Π²ΠΎΠ»ΡΡ), Π° A β Π°ΠΌΠΏΠ΅ΡΠ°ΠΆ (25 Π°ΠΌΠΏΠ΅Ρ).
ΠΡΠΌΠΎΡΡ ΠΏΡΠΎΠ²ΠΎΠ΄ΠΊΠΈ ΠΏΡΠΈΠΊΡΡΠΈΠ²Π°ΡΠ΅Π»Ρ
ΠΡΠ»ΠΈ ΠΏΠΎΡΠ»Π΅ Π·Π°ΠΌΠ΅Π½Ρ Π·Π°ΡΠΈΡΠ½ΡΠΉ ΡΠ»Π΅ΠΌΠ΅Π½Ρ ΡΠ½ΠΎΠ²Π° ΠΏΠ΅ΡΠ΅Π³ΠΎΡΠ΅Π», ΡΠΎ ΡΠ»Π΅Π΄ΡΠ΅Ρ ΠΈΡΠΊΠ°ΡΡ ΠΏΡΠΈΡΠΈΠ½Ρ Π² Π΄ΡΡΠ³ΠΎΠΌ ΠΌΠ΅ΡΡΠ΅. ΠΠ½Π° ΠΊΡΠΎΠ΅ΡΡΡ Π½Π΅ Π² ΠΏΡΠ΅Π΄ΠΎΡ
ΡΠ°Π½ΠΈΡΠ΅Π»Π΅ ΠΏΡΠΈΠΊΡΡΠΈΠ²Π°ΡΠ΅Π»Ρ ΠΠΠ, Π° Π² Π½Π΅ΠΈΡΠΏΡΠ°Π²Π½ΠΎΠΉ ΠΏΡΠΎΠ²ΠΎΠ΄ΠΊΠ΅.
ΠΡΠΈ ΡΠΎΠ»ΠΈΠ΄Π½ΠΎΠΌ Π²ΠΎΠ·ΡΠ°ΡΡΠ΅ Π°Π²ΡΠΎΠΌΠΎΠ±ΠΈΠ»Ρ ΠΈΠ»ΠΈ Π²ΡΠ»Π΅Π΄ΡΡΠ²ΠΈΠ΅ Π½Π΅Π³ΡΠ°ΠΌΠΎΡΠ½ΡΡ
ΠΌΠ°Π½ΠΈΠΏΡΠ»ΡΡΠΈΠΉ Ρ ΡΠ»Π΅ΠΊΡΡΠΈΠΊΠΎΠΉ, ΠΏΡΠΎΠ²ΠΎΠ΄Π° ΠΌΠΎΠ³ΡΡ ΠΊΠΎΡΠΎΡΠ½ΡΡΡ ΠΈ Π²ΡΠ³ΠΎΡΠ΅ΡΡ ΠΈΠ»ΠΈ Π² ΡΠ°ΠΌΠΎΠΉ ΡΠ΅ΠΏΠΈ Π²ΠΎΠ·Π½ΠΈΠΊΠ½Π΅Ρ ΠΎΠ±ΡΡΠ², ΡΡΠ°Π±Π°ΡΡΠ²Π°Π΅Ρ ΠΏΡΠ΅Π΄ΠΎΡ
ΡΠ°Π½ΠΈΡΠ΅Π»Ρ ΠΏΡΠΈΠΊΡΡΠΈΠ²Π°ΡΠ΅Π»Ρ.
ΠΠ΅Π»Π°ΡΠ΅Π»ΡΠ½ΠΎ ΠΎΡΠΌΠΎΡΡΠ΅ΡΡ ΠΊΠ°Π±Π΅Π»ΠΈ Π½Π° ΠΏΡΠ΅Π΄ΠΌΠ΅Ρ Π·Π°Π»ΠΎΠΌΠΎΠ² ΠΈΠ»ΠΈ ΠΏΠΎΡΠ΅ΡΡΠΎΡΡΠ΅ΠΉ. ΠΠΈΠ°Π³Π½ΠΎΡΡΠΈΡΠΎΠ²Π°ΡΡ ΡΡΡ ΠΏΠΎΠ»ΠΎΠΌΠΊΡ ΡΠ»Π΅Π΄ΡΠ΅Ρ ΠΏΡΠΈ ΠΏΠΎΠΌΠΎΡΠΈ ΠΌΡΠ»ΡΡΠΈΡΠ΅ΡΡΠ΅ΡΠ°. ΠΡΠΎΠ²ΠΎΠ΄Π°, ΠΏΡΠΈΡ
ΠΎΠ΄ΡΡΠΈΠ΅ ΠΊ ΠΏΡΠΈΠΊΡΡΠΈΠ²Π°ΡΠ΅Π»Ρ ΠΏΡΠΎΠ·Π²Π°Π½ΠΈΠ²Π°ΡΡΡΡ Π½Π° ΠΏΡΠ΅Π΄ΠΌΠ΅Ρ ΡΠΎΠΏΡΠΎΡΠΈΠ²Π»Π΅Π½ΠΈΡ. ΠΡΠ»ΠΈ Π½Π΅Ρ ΠΏΠΈΡΠ°Π½ΠΈΡ, ΡΠΎ ΠΎΠ΄ΠΈΠ½ ΠΈΠ· ΠΊΠ°Π±Π΅Π»Π΅ΠΉ ΠΎΠ±ΠΎΡΠ²Π°Π½.
ΠΠ»Ρ ΡΠ΅ΠΌΠΎΠ½ΡΠ° ΠΏΡΠΈΠΊΡΡΠΈΠ²Π°ΡΠ΅Π»Ρ Π½Π° ΠΠΠ ΠΏΠΎΡΡΠ΅Π±ΡΠ΅ΡΡΡ ΠΏΠ°ΡΠ»ΡΠ½ΠΈΠΊ Ρ ΠΊΠ°Π½ΠΈΡΠΎΠ»ΡΡ ΠΈ ΠΎΠ»ΠΎΠ²ΠΎΠΌ, ΠΈΡΠΏΡΠ°Π²Π½ΡΠ΅ ΠΊΠ°Π±Π΅Π»ΠΈ ΠΈ ΠΈΠ·ΠΎΠ»ΡΡΠΈΠΎΠ½Π½Π°Ρ Π»Π΅Π½ΡΠ°.
ΠΠΈΠ΄Π΅ΠΎ Ρ ΠΏΡΠΈΡΠΈΠ½Π°ΠΌΠΈ Π²ΡΡ
ΠΎΠ΄Π° ΠΈΠ· ΡΡΡΠΎΡ ΠΏΡΠ΅Π΄ΠΎΡ
ΡΠ°Π½ΠΈΡΠ΅Π»Ρ
ΠΡΡΡ Π΄ΠΎΠΏΠΎΠ»Π½ΠΈΡΠ΅Π»ΡΠ½ΡΠ΅ Π½Π΅ΠΈΡΠΏΡΠ°Π²Π½ΠΎΡΡΠΈ, ΠΈΠ·-Π·Π° ΠΊΠΎΡΠΎΡΡΡ
ΡΡΡΡΠΎΠΉΡΡΠ²ΠΎ ΠΌΠΎΠΆΠ΅Ρ ΠΏΠΎΠ»ΠΎΠΌΠ°ΡΡΡΡ. Π Π½ΠΈΠΌ ΠΎΡΠ½ΠΎΡΡΡΡΡ.
- ΠΠ»ΠΎΡ
ΠΈΠ΅ ΠΊΠΎΠ½ΡΠ°ΠΊΡΡ. Π‘ΠΎ Π²ΡΠ΅ΠΌΠ΅Π½Π΅ΠΌ ΠΈΠ»ΠΈ ΠΎΡ ΠΈΠ½ΡΠ΅Π½ΡΠΈΠ²Π½ΠΎΠ³ΠΎ ΠΈΡΠΏΠΎΠ»ΡΠ·ΠΎΠ²Π°Π½ΠΈΡ ΡΠΎΠ΅Π΄ΠΈΠ½Π΅Π½ΠΈΠ΅ Π²Π½ΡΡΡΠΈ ΠΏΡΠΈΠΊΡΡΠΈΠ²Π°ΡΠ΅Π»Ρ ΠΌΠΎΠΆΠ΅Ρ Π½Π°ΡΡΡΠ°ΡΡΡΡ. ΠΠ΅ΠΏΡΠ°Π²ΠΈΠ»ΡΠ½ΠΎΠ΅ ΠΏΠΎΠ΄ΠΊΠ»ΡΡΠ΅Π½ΠΈΠ΅ Π΄Π΅Π²Π°ΠΉΡΠΎΠ² ΠΏΡΠΈΠ²ΠΎΠ΄ΠΈΡ ΠΊ ΡΠ°Π·Π±Π°Π»ΡΡΠ²Π°Π½ΠΈΡ Π³Π½Π΅Π·Π΄Π° ΠΈ ΠΏΠ»ΠΎΡ
ΠΎΠΌΡ ΠΊΠΎΠ½ΡΠ°ΠΊΡΡ. ΠΡΠΎ Π»Π΅ΡΠΈΡΡΡ ΠΏΠΎΠ΄Π³ΠΈΠ±Π°Π½ΠΈΠ΅ΠΌ ΠΌΠ΅ΡΠ°Π»Π»ΠΈΡΠ΅ΡΠΊΠΈΡ
ΡΡΠΈΠΊΠΎΠ² Π½Π° ΠΏΠ°ΡΡΠΎΠ½Π΅ ΠΈΠ»ΠΈ ΠΏΠ΅ΡΠ΅ΠΏΠ°ΠΉΠΊΠΎΠΉ.
- Π‘ Π²ΠΎΠ·ΡΠ°ΡΡΠΎΠΌ Π½Π° ΠΏΡΠΈΠΊΡΡΠΈΠ²Π°ΡΠ΅Π»Π΅ ΠΏΠΎΡΠ²Π»ΡΡΡΡΡ ΠΎΠΊΠΈΡΠ»Ρ ΠΈΠ»ΠΈ ΡΠΆΠ°Π²ΡΠΈΠ½Π°, ΡΡΠΎ ΠΏΠ»ΠΎΡ
ΠΎ ΡΠΊΠ°Π·ΡΠ²Π°Π΅ΡΡΡ Π½Π° Π΅Π³ΠΎ ΡΠ°Π±ΠΎΡΠ΅. ΠΡΠΏΡΠ°Π²ΠΈΡΡ ΡΠΈΡΡΠ°ΡΠΈΡ ΠΌΠΎΠΆΠ½ΠΎ, ΠΎΠ±ΡΠ°Π±ΠΎΡΠ°Π² ΠΊΠΎΠ½ΡΠ°ΠΊΡΠ½ΡΠ΅ ΠΌΠ΅ΡΡΠ° Π½Π°Π΄ΡΠΈΠ»Π΅ΠΌ.
ΠΠ΅ΠΎΠ±Ρ
ΠΎΠ΄ΠΈΠΌΠΎ Π·Π°ΡΠΈΡΡΠΈΡΡ ΠΈΡ
ΠΈ ΡΠ΄Π°Π»ΠΈΡΡ Π²ΡΠ΅ ΡΠ»Π΅Π΄Ρ ΠΊΠΎΡΡΠΎΠ·ΠΈΠΈ Π½Π° ΠΏΡΠΈΠΊΡΡΠΈΠ²Π°ΡΠ΅Π»Π΅. ΠΡΠ΅ ΠΎΠ΄Π½ΠΎΠΉ Π½Π΅ΠΈΡΠΏΡΠ°Π²Π½ΠΎΡΡΡΡ ΠΏΡΠΈΠΊΡΡΠΈΠ²Π°ΡΠ΅Π»Ρ Π½Π° ΠΠΠ ΡΡΠ°Π½ΠΎΠ²ΠΈΡΡΡ ΠΏΠ΅ΡΠ΅Π³ΠΎΡΠ΅Π²ΡΠ°Ρ Π½ΠΈΡ
ΡΠΎΠΌΠΎΠ²Π°Ρ ΡΠΏΠΈΡΠ°Π»Ρ. ΠΠ΄Π΅ΡΡ ΡΠ΅ΠΊΠΎΠΌΠ΅Π½Π΄ΠΎΠ²Π°Π½Π° Π·Π°ΠΌΠ΅Π½Π° ΠΏΡΠΈΠ±ΠΎΡΠ°.
ΠΠ·-Π·Π° ΡΡΠΈΡ
ΡΠ°ΠΊΡΠΎΡΠΎΠ² Π·Π°ΡΠΈΡΠ½ΡΠΉ ΡΠ»Π΅ΠΌΠ΅Π½Ρ ΡΠΎΠΆΠ΅ ΡΠΏΠΎΡΠΎΠ±Π΅Π½ ΠΏΠ΅ΡΠ΅Π³ΠΎΡΠ΅ΡΡ. ΠΠΈΠ΄Π΅ΠΎ, ΡΠ°ΡΠΏΠΎΠ»ΠΎΠΆΠ΅Π½Π½ΠΎΠ΅ Π½ΠΈΠΆΠ΅, ΠΏΠΎΠΌΠΎΠΆΠ΅Ρ ΡΠ°Π·ΠΎΠ±ΡΠ°ΡΡΡΡ, Π³Π΄Π΅ Π½Π°Ρ
ΠΎΠ΄ΠΈΡΡΡ ΠΏΡΠ΅Π΄ΠΎΡ
ΡΠ°Π½ΠΈΡΠ΅Π»Ρ, ΠΊΠ°ΠΊ ΠΏΡΠΎΠ²Π΅ΡΡΠΈ ΡΠ΅ΠΌΠΎΠ½Ρ ΠΏΡΠΈΠΊΡΡΠΈΠ²Π°ΡΠ΅Π»Ρ ΠΠΠ 2110.
ΠΠ΅Π½ΡΠ΅ΠΌ ΠΏΡΠΈΠΊΡΡΠΈΠ²Π°ΡΠ΅Π»Ρ ΠΠΠ 2110 ΡΠ²ΠΎΠΈΠΌΠΈ ΡΡΠΊΠ°ΠΌΠΈ
ΠΠ²ΡΠΎΡ ΠΠ»Π΅ΠΊΡΠ΅ΠΉ Π‘ΡΠ΅ΠΏΠ°Π½ΠΎΠ² ΠΠ° ΡΡΠ΅Π½ΠΈΠ΅ 5 ΠΌΠΈΠ½. ΠΡΠΎΡΠΌΠΎΡΡΠΎΠ² 2.7k. ΠΠΏΡΠ±Π»ΠΈΠΊΠΎΠ²Π°Π½ΠΎ
ΠΡΠ΅Π΄ΡΡΠ°Π²ΠΈΡΡ ΡΠΎΠ²ΡΠ΅ΠΌΠ΅Π½Π½ΡΠΉ Π»Π΅Π³ΠΊΠΎΠ²ΠΎΠΉ Π°Π²ΡΠΎΠΌΠΎΠ±ΠΈΠ»Ρ Π±Π΅Π· ΠΏΡΠΈΠΊΡΡΠΈΠ²Π°ΡΠ΅Π»Ρ Π΄ΠΎΠ²ΠΎΠ»ΡΠ½ΠΎ ΡΠ»ΠΎΠΆΠ½ΠΎ. ΠΠΎΠ³Π΄Π°-ΡΠΎ ΡΡΠΈΠΌ ΡΡΡΡΠΎΠΉΡΡΠ²ΠΎΠΌ ΠΏΠΎΠ»ΡΠ·ΠΎΠ²Π°Π»ΠΈΡΡ ΡΠΎΠ»ΡΠΊΠΎ ΠΊΡΡΠΈΠ»ΡΡΠΈΠΊΠΈ, Π½ΠΎ ΡΠ΅Π³ΠΎΠ΄Π½Ρ ΠΎΠ½ΠΎ Π²ΡΠΏΠΎΠ»Π½ΡΠ΅Ρ ΠΌΠ½ΠΎΠΆΠ΅ΡΡΠ²ΠΎ Π΄ΡΡΠ³ΠΈΡ
ΡΡΠ½ΠΊΡΠΈΠΉ. ΠΡ ΠΏΡΠΈΠΊΡΡΠΈΠ²Π°ΡΠ΅Π»Ρ ΠΌΠΎΠΆΠ½ΠΎ Π·Π°ΠΏΠΈΡΠ°ΡΡ Π²ΠΈΠ΄Π΅ΠΎΡΠ΅Π³ΠΈΡΡΡΠ°ΡΠΎΡ, ΡΠ°ΠΊΠΆΠ΅ ΠΎΠ½ ΠΌΠΎΠΆΠ΅Ρ ΡΠ»ΡΠΆΠΈΡΡ ΡΠΎΠ·Π΅ΡΠΊΠΎΠΉ Π΄Π»Ρ Π·Π°ΡΡΠ΄ΠΊΠΈ ΠΌΠΎΠ±ΠΈΠ»ΡΠ½ΠΎΠ³ΠΎ ΡΠ΅Π»Π΅ΡΠΎΠ½Π°, Π΅ΡΡΒ ΠΌΠΎΠΆΠ½ΠΎ ΠΏΠΎΠ΄ΠΊΠ»ΡΡΠΈΡΡ Π°Π²ΡΠΎΠΌΠΎΠ±ΠΈΠ»ΡΠ½ΡΠΉ ΠΊΠΎΠΌΠΏΡΠ΅ΡΡΠΎΡ, ΠΏΠ΅ΡΠ΅Π½ΠΎΡΠ½ΠΎΠΉ Ρ
ΠΎΠ»ΠΎΠ΄ΠΈΠ»ΡΠ½ΠΈΠΊ ΠΈ ΠΌΠ½ΠΎΠ³ΠΎΠ΅ Π΄ΡΡΠ³ΠΎΠ΅.
ΠΠΎ ΠΏΡΠΈΠΊΡΡΠΈΠ²Π°ΡΠ΅Π»Ρ, ΠΊΠ°ΠΊ ΠΈ Π»ΡΠ±ΠΎΠ΅ Π΄ΡΡΠ³ΠΎΠ΅ ΡΡΡΡΠΎΠΉΡΡΠ²ΠΎ, ΠΌΠΎΠΆΠ΅Ρ Π²ΡΠΉΡΠΈ ΠΈΠ· ΡΡΡΠΎΡ. ΠΠ»Π°Π΄Π΅Π»ΡΡΡ Π°Π²ΡΠΎΠΌΠΎΠ±ΠΈΠ»Π΅ΠΉ ΠΠΠ 2110 ΡΠΎΠΆΠ΅ ΡΡΠ°Π»ΠΊΠΈΠ²Π°ΡΡΡΡ Ρ ΡΡΠΎΠΉ Π½Π΅ΠΏΡΠΈΡΡΠ½ΠΎΡΡΡΡ. Π ΡΠΎΠΌ, ΠΊΠ°ΠΊ ΠΏΡΠΎΠΈΠ·Π²Π΅ΡΡΠΈ Π·Π°ΠΌΠ΅Π½ΡΒ ΠΏΡΠΈΠΊΡΡΠΈΠ²Π°ΡΠ΅Π»Ρ ΡΠ°ΠΌΠΎΡΡΠΎΡΡΠ΅Π»ΡΠ½ΠΎ, ΠΌΡ ΠΈ ΡΠ°ΡΡΠΊΠ°ΠΆΠ΅ΠΌ Π² Π΄Π°Π½Π½ΠΎΠΉ ΡΡΠ°ΡΡΠ΅.
ΠΡΠΈΡΠΈΠ½Ρ Π½Π΅ΠΈΡΠΏΡΠ°Π²Π½ΠΎΡΡΠΈ ΠΏΡΠΈΠΊΡΡΠΈΠ²Π°ΡΠ΅Π»Ρ ΠΈ ΡΡ
Π΅ΠΌΠ° ΠΏΡΠ΅Π΄ΠΎΡ
ΡΠ°Π½ΠΈΡΠ΅Π»Π΅ΠΉ
ΠΡΠΈΠΊΡΡΠΈΠ²Π°ΡΠ΅Π»Ρ Π°Π²ΡΠΎΠΌΠΎΠ±ΠΈΠ»Ρ ΠΠΠ 2110
ΠΡΠΈΠΊΡΡΠΈΠ²Π°ΡΠ΅Π»Ρ Π½Π° ΠΠΠ 2110 ΡΠ°ΡΠ΅ Π²ΡΠ΅Π³ΠΎ Π²ΡΡ
ΠΎΠ΄ΠΈΡ ΠΈΠ· ΡΡΡΠΎΡ, ΠΏΠΎΡΠΎΠΌΡ ΡΡΠΎ Π΅Π³ΠΎ ΠΏΡΡΠ°ΡΡΡΡ ΠΈΡΠΏΠΎΠ»ΡΠ·ΠΎΠ²Π°ΡΡ Π½Π΅ ΠΏΠΎ Π½Π°Π·Π½Π°ΡΠ΅Π½ΠΈΡ ΠΈ ΠΏΠΎΠ΄ΠΊΠ»ΡΡΠ°ΡΡ ΠΊ Π½Π΅ΠΌΡ ΡΡΠ°Π·Ρ Π½Π΅ΡΠΊΠΎΠ»ΡΠΊΠΎ ΠΏΡΠΈΠ±ΠΎΡΠΎΠ², ΠΏΠΎΡΡΠ΅Π±Π»ΡΡΡΠΈΡ
Π±ΠΎΠ»ΡΡΠΎΠΉ ΡΠΎΠΊ. ΠΠΌΠ΅Π½Π½ΠΎ Π² ΡΡΠΎΠΌ ΡΠ»ΡΡΠ°Π΅ ΠΌΠΎΠΆΠ΅Ρ ΡΠ³ΠΎΡΠ΅ΡΡ ΠΎΠ΄ΠΈΠ½ ΠΈΠ· ΠΏΡΠ΅Π΄ΠΎΡ
ΡΠ°Π½ΠΈΡΠ΅Π»Π΅ΠΉ, ΠΊΠΎΡΠΎΡΡΠΉ Π² ΠΠΠ 2110 ΠΌΠ°ΡΠΊΠΈΡΡΠ΅ΡΡΡ ΠΊΠ°ΠΊ F18.
ΠΠ»ΠΎΠΊ ΠΏΡΠ΅Π΄ΠΎΡ
ΡΠ°Π½ΠΈΡΠ΅Π»Π΅ΠΉ Π°Π²ΡΠΎΠΌΠΎΠ±ΠΈΠ»Ρ ΠΠΠ 2110
ΠΠ°Π½Π½ΡΠΉ ΠΏΡΠ΅Π΄ΠΎΡ
ΡΠ°Π½ΠΈΡΠ΅Π»Ρ ΠΌΠΎΠΆΠ΅Ρ ΠΏΡΠΎΠΏΡΡΠΊΠ°ΡΡ ΡΠ΅ΡΠ΅Π· ΡΠ΅Π±Ρ ΡΠΎΠΊ Π² 25 Π°ΠΌΠΏΠ΅Ρ. ΠΡΠ»ΠΈ ΡΡΠΎΡ ΠΏΡΠ΅Π΄Π΅Π» ΠΏΡΠ΅Π²ΡΡΠ΅Π½ β ΡΡΡΡΠΎΠΉΡΡΠ²ΠΎ ΠΏΠ΅ΡΠ΅Π³ΠΎΡΠ°Π΅Ρ. Π’ΠΎ Π΅ΡΡΡ, ΡΡΠΎΠ±Ρ ΡΠ·Π½Π°ΡΡ, ΠΈΡΠΏΡΠ°Π²Π΅Π½ Π»ΠΈ ΠΏΡΠΈΠΊΡΡΠΈΠ²Π°ΡΠ΅Π»Ρ, Π½ΡΠΆΠ½ΠΎ ΠΏΠ΅ΡΠ²ΡΠΌ Π΄Π΅Π»ΠΎΠΌ Π·Π°Π³Π»ΡΠ½ΡΡΡ Π² Π±Π»ΠΎΠΊ ΠΏΡΠ΅Π΄ΠΎΡ
ΡΠ°Π½ΠΈΡΠ΅Π»Π΅ΠΉ ΠΈ ΠΏΡΠΎΠ²Π΅ΡΠΈΡΡ ΡΠ΅Π»ΠΎΡΡΠ½ΠΎΡΡΡ F18.
ΠΡΡΡ Π΅ΡΡ ΠΎΠ΄ΠΈΠ½ ΡΠΏΠΎΡΠΎΠ± ΠΏΡΠΎΠ²Π΅ΡΠΊΠΈ ΠΈΡΠΏΡΠ°Π²Π½ΠΎΡΡΠΈ ΠΏΡΠΈΠΊΡΡΠΈΠ²Π°ΡΠ΅Π»Ρ.
ΠΠ°Π΄ΠΎ ΠΏΠΎΠΏΡΠΎΠ±ΠΎΠ²Π°ΡΡ Π²ΠΊΠ»ΡΡΠΈΡΡ Π²Π΅Π½ΡΠΈΠ»ΡΡΠΎΡ ΠΏΠ΅ΡΠΊΠΈ.
ΠΠ° ΠΏΠ΅ΡΠ²ΡΠΉ Π²Π·Π³Π»ΡΠ΄, ΡΠ²ΡΠ·ΠΈ ΠΌΠ΅ΠΆΠ΄Ρ ΡΡΠΈΠΌΠΈ ΡΡΡΡΠΎΠΉΡΡΠ²Π°ΠΌΠΈ Π½Π΅Ρ Π½ΠΈΠΊΠ°ΠΊΠΎΠΉ. ΠΠΎ Π΄Π΅Π»ΠΎ Π² ΡΠΎΠΌ, ΡΡΠΎ ΠΈ Π²Π΅Π½ΡΠΈΠ»ΡΡΠΎΡ, ΠΈ ΠΏΡΠΈΠΊΡΡΠΈΠ²Π°ΡΠ΅Π»Ρ Π²ΠΈΡΡΡ Π½Π° ΠΎΠ΄Π½ΠΎΠΌ ΠΏΡΠ΅Π΄ΠΎΡ
ΡΠ°Π½ΠΈΡΠ΅Π»Π΅ β F18. Π Π΅ΡΠ»ΠΈ ΠΎΠΊΠ°ΠΆΠ΅ΡΡΡ, ΡΡΠΎ Π½Π΅ ΡΠ°Π±ΠΎΡΠ°ΡΡ ΠΎΠ±Π° ΡΡΡΡΠΎΠΉΡΡΠ²Π°, ΡΠΎ ΠΏΡΠΎΠ±Π»Π΅ΠΌΠ° ΠΎΠ΄Π½ΠΎΠ·Π½Π°ΡΠ½ΠΎ Π² ΠΏΡΠ΅Π΄ΠΎΡ
ΡΠ°Π½ΠΈΡΠ΅Π»Π΅. Π Π΅ΡΠ»ΠΈ ΠΏΠ΅ΡΠΊΠ° ΡΠ°Π±ΠΎΡΠ°Π΅Ρ Π½ΠΎΡΠΌΠ°Π»ΡΠ½ΠΎ, Π·Π½Π°ΡΠΈΡ, ΠΏΡΠΎΠ±Π»Π΅ΠΌΠ° Π½Π΅ Π² F18, Π° Π² ΡΠ°ΠΌΠΎΠΌ ΠΏΡΠΈΠΊΡΡΠΈΠ²Π°ΡΠ΅Π»Π΅.
ΠΠΎ ΠΈ Π² ΡΡΠΎΠΌ ΡΠ»ΡΡΠ°Π΅ Π½Π΅ ΡΡΠΎΠΈΡ ΡΠΎΡΠΎΠΏΠΈΡΡΡΡ ΡΠ½ΠΈΠΌΠ°ΡΡ ΡΡΠΎ ΡΡΡΡΠΎΠΉΡΡΠ²ΠΎ. ΠΡΡΡΠ΅ Π΅ΡΡ ΡΠ°Π· Π·Π°Π³Π»ΡΠ½ΡΡΡ Π² ΠΏΡΠ΅Π΄ΠΎΡ
ΡΠ°Π½ΠΈΡΠ΅Π»ΡΠ½ΡΠΉ Π±Π»ΠΎΠΊ ΠΈ ΠΏΡΠΎΠ²Π΅ΡΠΈΡΡ ΡΠ΅Π»ΠΎΡΡΠ½ΠΎΡΡΡ ΠΏΡΠ΅Π΄ΠΎΡ
ΡΠ°Π½ΠΈΡΠ΅Π»Ρ F6. ΠΠ½ΠΎΠ³Π΄Π° (ΠΎΡΠ΅Π½Ρ ΡΠ΅Π΄ΠΊΠΎ) ΠΏΡΠΈΠΊΡΡΠΈΠ²Π°ΡΠ΅Π»Ρ Π½Π΅ ΡΠ°Π±ΠΎΡΠ°Π΅Ρ ΠΈΠΌΠ΅Π½Π½ΠΎ ΠΈΠ·-Π·Π° F6, ΠΈ Ρ Π΅Π³ΠΎ Π·Π°ΠΌΠ΅Π½ΠΎΠΉ ΠΏΡΠΎΠ±Π»Π΅ΠΌΠ° ΡΡ
ΠΎΠ΄ΠΈΡ.
ΠΠ΅ΠΎΠ±Ρ
ΠΎΠ΄ΠΈΠΌΡΠ΅ Π΄Π»Ρ Π·Π°ΠΌΠ΅Π½Ρ ΠΈΠ½ΡΡΡΡΠΌΠ΅Π½ΡΡ
- ΠΡΠ²ΡΡΡΠΊΠ° Ρ ΠΏΠ»ΠΎΡΠΊΠΈΠΌ ΠΆΠ°Π»ΠΎΠΌ (ΡΡΠ΅Π΄Π½ΠΈΡ
ΡΠ°Π·ΠΌΠ΅ΡΠΎΠ²).
- ΠΡΠ²ΡΡΡΠΊΠ° ΠΊΡΠ΅ΡΡΠΎΠ²Π°Ρ (ΡΡΠ΅Π΄Π½ΠΈΡ
ΡΠ°Π·ΠΌΠ΅ΡΠΎΠ²).
ΠΠ°ΠΊ ΠΏΠΎΠΌΠ΅Π½ΡΡΡ ΡΠ²ΠΎΠΈΠΌΠΈ ΡΡΠΊΠ°ΠΌΠΈ: ΠΈΠ½ΡΡΡΡΠΊΡΠΈΡ Ρ ΡΠΎΡΠΎ
- Π‘ Π°ΠΊΠΊΡΠΌΡΠ»ΡΡΠΎΡΠ° Π°Π²ΡΠΎΠΌΠΎΠ±ΠΈΠ»Ρ ΡΠ½ΠΈΠΌΠ°Π΅ΡΡΡ ΠΌΠΈΠ½ΡΡΠΎΠ²Π°Ρ ΠΊΠ»Π΅ΠΌΠΌΠ°.
- Π§ΡΠΎΠ±Ρ Π΄ΠΎΠ±ΡΠ°ΡΡΡΡ ΠΏΠΎΠ±Π»ΠΈΠΆΠ΅ ΠΊ ΠΌΠ΅Ρ
Π°Π½ΠΈΠ·ΠΌΡ, Ρ ΠΊΠ°ΠΆΠ΄ΠΎΠΉ ΡΡΠΎΡΠΎΠ½Ρ ΠΏΡΠΈΠ±ΠΎΡΠ½ΠΎΠ³ΠΎ ΡΡΠ½Π½Π΅Π»Ρ ΠΎΡΠΊΡΡΡΠΈΠ²Π°Π΅ΡΡΡ ΠΏΠΎ 2 Π±ΠΎΠ»ΡΠ°, ΠΏΠΎΡΠ»Π΅ ΡΠ΅Π³ΠΎ Π»Π΅Π²Π°Ρ ΠΈ ΠΏΡΠ°Π²Π°Ρ ΠΎΠ±Π»ΠΈΡΠΎΠ²ΠΎΡΠ½ΡΠ΅ ΠΏΠ»Π°ΡΡΠΈΠ½Ρ ΡΠ½ΠΈΠΌΠ°ΡΡΡΡ.

ΠΠ΅ΠΌΠΎΠ½ΡΠ°ΠΆ ΠΊΡΡΡΠΊΠΈ ΠΏΡΠΈΠ±ΠΎΡΠ½ΠΎΠ³ΠΎ ΡΡΠ½Π½Π΅Π»Ρ
- Π Π°Π·ΡΠ΅Π΄ΠΈΠ½ΡΡΡΡΡ ΠΊΠΎΠ»ΠΎΠ΄ΠΊΠΈ ΠΏΡΠΈΠΊΡΡΠΈΠ²Π°ΡΠ΅Π»Ρ ΠΈ ΠΏΠΎΠ΄ΡΠ²Π΅ΡΠΊΠΈ (ΠΎΠ½ΠΈ Π½Π°Ρ
ΠΎΠ΄ΡΡΡΡ Π² ΠΏΡΠ°Π²ΠΎΠΉ ΠΏΠΎΠ»ΠΎΠ²ΠΈΠ½Π΅ ΡΡΠ½Π½Π΅Π»Ρ).
Π Π°Π·ΡΠ΅Π΄ΠΈΠ½Π΅Π½ΠΈΠ΅ ΠΊΠΎΠ»ΠΎΠ΄ΠΎΠΊ ΠΏΡΠΈΠΊΡΡΠΈΠ²Π°ΡΠ΅Π»Ρ
- ΠΠΎΠ΄ ΡΡΡΠ°Π³ΠΎΠΌ ΡΡΡΠ½ΠΎΠ³ΠΎ ΡΠΎΡΠΌΠΎΠ·Π° Π΅ΡΡΡ ΠΎΠ±Π»ΠΈΡΠΎΠ²ΠΎΡΠ½Π°Ρ Π½Π°ΠΊΠ»Π°Π΄ΠΊΠ°. ΠΠ½Π° ΡΠΎΠΆΠ΅ ΡΠ½ΠΈΠΌΠ°Π΅ΡΡΡ (Π»ΡΡΡΠΈΠΉ Π²Π°ΡΠΈΠ°Π½Ρ β ΠΏΠΎΠ΄ΡΠ΅ΠΏΠΈΡΡ Π΅Ρ ΠΎΡΠ²ΡΡΡΠΊΠΎΠΉ Ρ ΠΏΠ»ΠΎΡΠΊΠΈΠΌ ΠΆΠ°Π»ΠΎΠΌ ΠΈ Π²ΡΡΠ°ΡΠΈΡΡ).
Π‘Π½ΡΡΠΈΠ΅ Π½Π°ΠΊΠ»Π°Π΄ΠΊΠΈ ΠΏΠΎΠ΄ ΡΡΡΠ½ΠΈΠΊΠΎΠΌ
- ΠΠΎΡΠ»Π΅ ΡΠ΄Π°Π»Π΅Π½ΠΈΡ Π½Π°ΠΊΠ»Π°Π΄ΠΊΠΈ Π½Π΅ΠΎΠ±Ρ
ΠΎΠ΄ΠΈΠΌΠΎ ΡΠ½ΡΡΡΒ ΡΠ΅Ρ
ΠΎΠ» ΡΡΡΠ°Π³Π° ΠΏΠ΅ΡΠ΅ΠΊΠ»ΡΡΠ΅Π½ΠΈΡ ΠΏΠ΅ΡΠ΅Π΄Π°Ρ (ΠΎΠ½ ΡΠΎΠΆΠ΅ Π»Π΅Π³ΠΊΠΎ ΠΏΠΎΠ΄Π΄Π΅Π²Π°Π΅ΡΡΡ ΠΎΡΠ²ΡΡΡΠΊΠΎΠΉ Ρ ΠΏΠ»ΠΎΡΠΊΠΈΠΌ ΠΆΠ°Π»ΠΎΠΌ).
Π‘Π½ΡΡΠΈΠ΅ ΠΊΠΎΠΆΡΡ
Π° ΡΡΡΠ°Π³Π° ΠΊΠΎΡΠΎΠ±ΠΊΠΈ ΠΏΠ΅ΡΠ΅Π΄Π°Ρ
- ΠΠΎΠ΄ ΡΠ΅Ρ
Π»ΠΎΠΌ ΡΡΡΠ°Π³Π° ΠΏΠ΅ΡΠ΅ΠΊΠ»ΡΡΠ΅Π½ΠΈΡ ΡΠΊΠΎΡΠΎΡΡΠ΅ΠΉ Π΅ΡΡΡ Π²ΠΈΠ½Ρ, ΠΊΠΎΡΠΎΡΡΠΉ ΠΎΡΠΊΡΡΡΠΈΠ²Π°Π΅ΡΡΡ Ρ ΠΏΠΎΠΌΠΎΡΡΡ ΠΊΡΠ΅ΡΡΠΎΠ²ΠΎΠΉ ΠΎΡΠ²ΡΡΡΠΊΠΈ.
- Π’Π΅ΠΏΠ΅ΡΡ ΠΏΠ΅ΡΠ΅Π΄Π½ΠΈΠ΅ ΡΠΈΠ΄Π΅Π½ΠΈΡ ΠΎΡΠΎΠ΄Π²ΠΈΠ³Π°ΡΡΡΡ Π½Π°Π·Π°Π΄, ΠΏΠΎΡΠ»Π΅ ΡΠ΅Π³ΠΎ ΠΎΡΠΊΡΡΡΠΈΠ²Π°ΡΡΡΡ Π²ΠΈΠ½ΡΡ Ρ ΡΡΠ½Π½Π΅Π»Ρ Π²ΠΎΠ·Π»Π΅ ΡΡΡΠ°Π³Π° ΠΠΠ (Π²ΠΈΠ½ΡΠΎΠ² ΡΠ°ΠΌ 2).
ΠΡΠΊΡΡΡΠΈΠ²Π°Π½ΠΈΠ΅ Π²ΠΈΠ½ΡΠΎΠ² ΠΏΠΎΠ΄ ΠΏΠ΅ΡΠ΅Π΄Π½ΠΈΠΌΠΈ ΡΠΈΠ΄Π΅Π½ΠΈΡΠΌΠΈ
- Π‘Π½ΠΈΠΌΠ°Π΅ΡΡΡ Π²Π΅ΡΡ
Π½ΡΡ Π·Π°ΡΠΈΡΠ½Π°Ρ ΠΊΡΡΡΠΊΠ° ΡΡΠ½Π½Π΅Π»Ρ.
- Π’Π΅ΠΏΠ΅ΡΡ ΡΠ½ΠΈΠΌΠ°Π΅ΡΡΡ ΠΏΠ°ΡΡΠΎΠ½ ΠΏΡΠΈΠΊΡΡΠΈΠ²Π°ΡΠ΅Π»Ρ, Π° Π²ΠΌΠ΅ΡΡΠ΅ Ρ Π½ΠΈΠΌ ΠΈΒ ΡΠΊΡΠ°Π½ Π΄Π»Ρ Π»Π°ΠΌΠΏΠΎΡΠΊΠΈ. ΠΠΊΡΠ°Π½ ΡΠΆΠΈΠΌΠ°Π΅ΡΡΡ ΡΠ°ΠΊΠΈΠΌ ΠΎΠ±ΡΠ°Π·ΠΎΠΌ, ΡΡΠΎΠ±Ρ Π΅Π³ΠΎ Π»Π°ΠΏΠΊΠΈ Π²ΡΠ΄Π²ΠΈΠ½ΡΠ»ΠΈΡΡ ΠΈΠ· ΠΏΠ°Π·ΠΎΠ² Π½Π° ΡΠ²Π΅ΡΠΎΠ²ΠΎΠ΄Π΅.

- ΠΠΎΡΠ»Π΅ ΡΡΠΎΠ³ΠΎ Π½ΡΠΆΠ½ΠΎ Π½Π°Π΄Π°Π²ΠΈΡΡ Π½Π° Π·Π°ΡΡΠ»ΠΊΡ ΠΎΠΊΠΎΠ»ΠΎ Π³Π½Π΅Π·Π΄Π° ΠΏΡΠΈΠΊΡΡΠΈΠ²Π°ΡΠ΅Π»Ρ. ΠΡΠΎ Π΄Π΅Π»Π°Π΅ΡΡΡ ΠΏΠ»ΠΎΡΠΊΠΎΠΉ ΠΎΡΠ²ΡΡΡΠΊΠΎΠΉ. ΠΠ°ΡΡΠ»ΠΊΠ° ΠΏΠΎΡΠ»Π΅ ΡΡΠΎΠ³ΠΎ Π²ΡΠ΄Π²ΠΈΠ³Π°Π΅ΡΡΡ ΠΈ Π±ΠΎΠ»ΡΡΠ΅ Π½Π΅ ΡΠ΄Π΅ΡΠΆΠΈΠ²Π°Π΅ΡΡΡ ΡΠ²Π΅ΡΠΎΠ²ΠΎΠ΄ΠΎΠΌ.
- ΠΡΠΈΠΊΡΡΠΈΠ²Π°ΡΠ΅Π»Ρ (Π²ΠΌΠ΅ΡΡΠ΅ Ρ Π³Π½Π΅Π·Π΄ΠΎΠΌ ΠΈ ΡΠ²Π΅ΡΠΎΠ²ΠΎΠ΄ΠΎΠΌ) ΠΈΠ·Π²Π»Π΅ΠΊΠ°Π΅ΡΡΡ ΠΈΠ· ΠΏΠ°Π½Π΅Π»ΠΈ.
ΠΠ·Π²Π»Π΅ΡΠ΅Π½ΠΈΠ΅ ΠΏΡΠΈΠΊΡΡΠΈΠ²Π°ΡΠ΅Π»Ρ ΠΈ ΡΠ²Π΅ΡΠΎΠ²ΠΎΠ΄Π°
- ΠΠ°ΡΡΠ»ΠΊΠΈ Π½Π° ΡΠ²Π΅ΡΠΎΠ²ΠΎΠ΄Π΅ ΡΠΆΠΈΠΌΠ°ΡΡΡΡ, ΠΈ ΠΎΠ½ Π»Π΅Π³ΠΊΠΎ ΠΎΡΡΠΎΠ΅Π΄ΠΈΠ½ΡΠ΅ΡΡΡ ΠΎΡ ΠΏΡΠΈΠΊΡΡΠΈΠ²Π°ΡΠ΅Π»Ρ.
- ΠΠ°ΡΠ΅ΠΌ ΠΊ ΡΠ²Π΅ΡΠΎΠ²ΠΎΠ΄Ρ ΠΏΡΠΎΠΈΠ·Π²ΠΎΠ΄ΠΈΡΡΡ ΠΏΠΎΠ΄ΠΊΠ»ΡΡΠ΅Π½ΠΈΠ΅Β Π½ΠΎΠ²ΠΎΠ³ΠΎ ΠΏΡΠΈΠΊΡΡΠΈΠ²Π°ΡΠ΅Π»Ρ ΠΈ ΡΠ±ΠΎΡΠΊΠ° ΠΏΡΠΎΠΈΡΡ
ΠΎΠ΄ΠΈΡΒ Π² ΠΎΠ±ΡΠ°ΡΠ½ΠΎΠΌ ΠΏΠΎΡΡΠ΄ΠΊΠ΅.
ΠΠ°ΠΊ Π·Π°ΠΌΠ΅Π½ΠΈΡΡ ΡΡΡΡΠΎΠΉΡΡΠ²ΠΎ Π½Π° ΠΠΠ 2110: Π²ΠΈΠ΄Π΅ΠΎ
ΠΠ°ΠΆΠ½ΡΠ΅ ΠΌΠΎΠΌΠ΅Π½ΡΡ
- ΠΠ°ΠΌΠ΅Π½Π° ΠΏΡΠΈΠΊΡΡΠΈΠ²Π°ΡΠ΅Π»Ρ β ΡΡΠΎ Ρ
ΠΎΡΠΎΡΠΎ, ΠΎΠ΄Π½Π°ΠΊΠΎ Π½ΠΎΠ²ΠΎΠ΅ ΡΡΡΡΠΎΠΉΡΡΠ²ΠΎ Π²ΡΡΠ΄ Π»ΠΈ ΠΏΡΠΎΡΠ»ΡΠΆΠΈΡ Π΄ΠΎΠ»Π³ΠΎ, Π΅ΡΠ»ΠΈ Π°Π²ΡΠΎΠ²Π»Π°Π΄Π΅Π»Π΅Ρ Π½Π΅ ΡΠΎΠ±Π»ΡΠ΄Π°Π΅Ρ ΠΏΡΠΎΡΡΠΎΠ΅ ΠΏΡΠ°Π²ΠΈΠ»ΠΎ: Π½Π΅ Π΄ΠΎΠΏΡΡΠΊΠ°ΡΡ ΠΏΡΠ΅Π²ΡΡΠ΅Π½ΠΈΡ ΠΏΠΎΡΡΠ΅Π±Π»ΡΠ΅ΠΌΠΎΠ³ΠΎ ΡΠΎΠΊΠ° Π²ΡΡΠ΅ 25 Π°ΠΌΠΏΠ΅Ρ. ΠΠ°ΠΊ ΡΠΎΠ»ΡΠΊΠΎ ΡΠΎΠΊ ΠΏΡΠ΅Π²ΡΡΠΈΡ ΡΡΠΎΡ ΠΏΡΠ΅Π΄Π΅Π», Π²ΡΡ ΡΠΊΠ°Π·Π°Π½Π½ΡΡ Π²ΡΡΠ΅ ΠΏΡΠΎΡΠ΅Π΄ΡΡΡ ΠΏΡΠΈΠ΄ΡΡΡΡ ΠΏΡΠΎΠ²ΠΎΠ΄ΠΈΡΡ Π·Π°Π½ΠΎΠ²ΠΎ, ΠΏΠΎΡΠΎΠΌΡ ΡΡΠΎ ΠΏΡΠΈΠΊΡΡΠΈΠ²Π°ΡΠ΅Π»Ρ (ΠΈΠ»ΠΈ ΠΏΡΠ΅Π΄ΠΎΡ
ΡΠ°Π½ΠΈΡΠ΅Π»Ρ) Π½Π΅ΠΈΠ·Π±Π΅ΠΆΠ½ΠΎ ΠΏΠΎΡΡΡΠ°Π΄Π°Π΅Ρ.
Π§Π°ΡΠ΅ Π²ΡΠ΅Π³ΠΎ ΡΡΠΎ ΠΏΡΠΎΠΈΡΡ
ΠΎΠ΄ΠΈΡ ΡΠΎΠ³Π΄Π°, ΠΊΠΎΠ³Π΄Π° Π²ΠΎΠ΄ΠΈΡΠ΅Π»Ρ ΠΏΠΎΠ»ΡΠ·ΡΠ΅ΡΡΡ ΡΠ°Π·Π»ΠΈΡΠ½ΡΠΌΠΈ ΡΡΠΎΠΉΠ½ΠΈΠΊΠ°ΠΌΠΈ, ΡΠΎ Π΅ΡΡΡ ΠΏΠΎΠ΄ΠΊΠ»ΡΡΠ°Π΅Ρ ΠΊ Π³Π½Π΅Π·Π΄Ρ ΠΏΡΠΈΠΊΡΡΠΈΠ²Π°ΡΠ΅Π»Ρ ΡΡΠ°Π·Ρ Π½Π΅ΡΠΊΠΎΠ»ΡΠΊΠΎ ΡΡΡΡΠΎΠΉΡΡΠ². ΠΡΠΎΠ³ΠΎ ΡΠ»Π΅Π΄ΡΠ΅Ρ Π²ΡΡΡΠ΅ΡΠΊΠΈ ΠΈΠ·Π±Π΅Π³Π°ΡΡ. - ΠΡΠ»ΠΈ ΠΏΡΠΈΠΊΡΡΠΈΠ²Π°ΡΠ΅Π»Ρ ΠΎΡΡΠ°Π»ΡΡ ΡΠ΅Π», Π° Π·Π°ΠΌΠ΅Π½ΡΡΡ ΠΏΡΠΈΡΠ»ΠΎΡΡ Π»ΠΈΡΡ ΠΏΡΠ΅Π΄ΠΎΡ
ΡΠ°Π½ΠΈΡΠ΅Π»Ρ, Π΅Π³ΠΎ ΠΎΠ±ΡΠ·Π°ΡΠ΅Π»ΡΠ½ΠΎ Π½ΡΠΆΠ½ΠΎ Π·Π°ΠΌΠ΅Π½ΠΈΡΡ Π½Π° ΡΡΡΡΠΎΠΉΡΡΠ²ΠΎ ΡΠ°ΠΊΠΎΠΉ ΠΆΠ΅ ΠΌΠ°ΡΠΊΠΈ. Π ΠΌΠ°Π³Π°Π·ΠΈΠ½Π°Ρ
Π°Π²ΡΠΎΠ·Π°ΠΏΡΠ°ΡΡΠ΅ΠΉ ΡΠ΅Π³ΠΎΠ΄Π½Ρ Π΅ΡΡΡ ΠΌΠ°ΡΡΠ° ΠΏΡΠ΅Π΄ΠΎΡ
ΡΠ°Π½ΠΈΡΠ΅Π»Π΅ΠΉ ΠΎΡ ΡΠ°Π·Π»ΠΈΡΠ½ΡΡ
ΡΠΈΡΠΌ. ΠΠ΅ΡΠΌΠΎΡΡΡ Π½Π° ΡΠΎ, ΡΡΠΎ ΠΈΡ
ΠΏΠ°ΡΠΏΠΎΡΡΠ½ΡΠ΅ Ρ
Π°ΡΠ°ΠΊΡΠ΅ΡΠΈΡΡΠΈΠΊΠΈ ΠΎΠ΄ΠΈΠ½Π°ΠΊΠΎΠ²Ρ, Π½Π° ΠΏΡΠ°ΠΊΡΠΈΠΊΠ΅ ΡΡΠΎ ΡΠ°ΡΡΠΎ ΠΎΠΊΠ°Π·ΡΠ²Π°Π΅ΡΡΡ Π½Π΅ ΡΠ°ΠΊ. Π Π² ΡΠ»ΡΡΠ°Π΅ Ρ ΠΏΡΠΈΠΊΡΡΠΈΠ²Π°ΡΠ΅Π»Π΅ΠΌ ΠΏΠΎΠ³ΡΠ΅ΡΠ½ΠΎΡΡΡ Π΄Π°ΠΆΠ΅ Π² ΠΏΠΎΠ»ΠΎΠ²ΠΈΠ½Ρ Π°ΠΌΠΏΠ΅ΡΠ° ΠΌΠΎΠΆΠ΅Ρ Π±ΡΡΡ ΠΊΡΠΈΡΠΈΡΠ½Π°, ΠΈ ΠΎΠ½ ΠΎΡΠ΅Π½Ρ Π±ΡΡΡΡΠΎ Π²ΡΠΉΠ΄Π΅Ρ ΠΈΠ· ΡΡΡΠΎΡ.
ΠΠ°ΠΊ Π²ΠΈΠ΄Π½ΠΎ ΠΈΠ· ΠΏΡΠΈΠ²Π΅Π΄ΡΠ½Π½ΠΎΠΉ ΡΡΠ°ΡΡΠΈ, Π΄Π»Ρ Π·Π°ΠΌΠ΅Π½Ρ ΠΏΡΠΈΠΊΡΡΠΈΠ²Π°ΡΠ΅Π»Ρ Π½Π΅ Π½Π°Π΄ΠΎ Π³Π½Π°ΡΡ ΠΌΠ°ΡΠΈΠ½Ρ Π² Π°Π²ΡΠΎΡΠ΅ΡΠ²ΠΈΡ ΠΈ Π²ΡΠΏΠΎΠ»Π½ΠΈΡΡ ΡΡΡ ΠΎΠΏΠ΅ΡΠ°ΡΠΈΡ ΠΌΠΎΠΆΠ΅Ρ Π΄Π°ΠΆΠ΅ Π½Π°ΡΠΈΠ½Π°ΡΡΠΈΠΉ Π°Π²ΡΠΎΠ»ΡΠ±ΠΈΡΠ΅Π»Ρ. ΠΠΎ Π²Π°ΠΆΠ½ΠΎ ΠΏΠΎΠΌΠ½ΠΈΡΡ, ΡΡΠΎ Π΄Π°ΠΆΠ΅ ΡΠ°ΠΌΡΠΉ ΠΊΠ°ΡΠ΅ΡΡΠ²Π΅Π½Π½ΡΠΉ ΠΏΡΠΈΠΊΡΡΠΈΠ²Π°ΡΠ΅Π»Ρ Π²ΡΡΠ΄ Π»ΠΈ ΠΏΡΠΎΡΠ»ΡΠΆΠΈΡ Π΄ΠΎΠ»Π³ΠΎ, Π΅ΡΠ»ΠΈ Π²Π»Π°Π΄Π΅Π»Π΅Ρ ΠΈΠΌΠ΅Π΅Ρ ΠΏΡΠΈΠ²ΡΡΠΊΡ ΠΏΠΎΠ΄ΠΊΠ»ΡΡΠ°ΡΡ ΠΊ Π½Π΅ΠΌΡ Π²ΡΡ ΠΈ ΡΡΠ°Π·Ρ. ΠΡΡΡΠΈΠΉ Π²Π°ΡΠΈΠ°Π½Ρ Π·Π΄Π΅ΡΡ β ΡΠΎΡΠ½ΠΎ Π·Π½Π°ΡΡ, ΠΊΠ°ΠΊΠΎΠΉ ΡΠΎΠΊ ΠΏΠΎΡΡΠ΅Π±Π»ΡΠ΅Ρ ΡΠΎΡ ΠΈΠ»ΠΈ ΠΈΠ½ΠΎΠΉ ΠΏΡΠΈΠ±ΠΎΡ, ΠΏΠΎΠ΄ΠΊΠ»ΡΡΠ°Π΅ΠΌΡΠΉ ΠΊ ΠΏΡΠΈΠΊΡΡΠΈΠ²Π°ΡΠ΅Π»Ρ.
ΠΡΠΎ Π·Π½Π°Π½ΠΈΠ΅ Π·Π½Π°ΡΠΈΡΠ΅Π»ΡΠ½ΠΎ ΠΏΡΠΎΠ΄Π»ΠΈΡ ΠΆΠΈΠ·Π½Ρ ΠΊΠ°ΠΊ ΠΏΡΠ΅Π΄ΠΎΡ
ΡΠ°Π½ΠΈΡΠ΅Π»ΡΠΌ, ΡΠ°ΠΊ ΠΈ ΡΠ°ΠΌΠΎΠΌΡ ΡΡΡΡΠΎΠΉΡΡΠ²Ρ.
ΠΠΎΠΏΠΈΡΠ°ΠΉΡΠ΅Ρ Ρ ΠΏΡΡΠΈΠ»Π΅ΡΠ½ΠΈΠΌ ΡΡΠ°ΠΆΠ΅ΠΌ.
ΠΡΠ΅Π½ΠΈΡΠ΅ ΡΡΠ°ΡΡΡ:
ΠΠΎΠ΄Π΅Π»ΠΈΡΠ΅ΡΡ Ρ Π΄ΡΡΠ·ΡΡΠΌΠΈ!
Π‘Ρ
Π΅ΠΌΠ° ΠΏΠΎΠ΄ΠΊΠ»ΡΡΠ΅Π½ΠΈΡ ΠΏΡΠΈΠΊΡΡΠΈΠ²Π°ΡΠ΅Π»Ρ Π²Π°Π· 2110. ΠΠ΅ ΡΠ°Π±ΠΎΡΠ°Π΅Ρ ΠΏΡΠΈΠΊΡΡΠΈΠ²Π°ΡΠ΅Π»Ρ. ΠΠΎΠ·ΠΌΠΎΠΆΠ½ΡΠ΅ ΠΏΡΠΈΡΠΈΠ½Ρ ΠΈ ΠΈΡ
ΡΡΡΡΠ°Π½Π΅Π½ΠΈΠ΅. ΠΠ²ΡΠΎΠΌΠΎΠ±ΠΈΠ»ΡΠ½Π°Ρ ΡΠΎΠ·Π΅ΡΠΊΠ° Π΄Π»Ρ ΡΠ»Π΅ΠΊΡΡΠΎΠΏΡΠΈΠ±ΠΎΡΠΎΠ²
ΠΠΎΠ³Π΄Π° ΠΈΠ½ΠΆΠ΅Π½Π΅ΡΡ Π²ΠΏΠ΅ΡΠ²ΡΠ΅ ΠΎΡΠ½Π°ΡΡΠΈΠ»ΠΈ Π°Π²ΡΠΎΠΌΠΎΠ±ΠΈΠ»Ρ ΡΡΠΈΠΌ ΡΡΡΡΠΎΠΉΡΡΠ²ΠΎΠΌ, ΠΎΠ½ΠΈ Π½Π°Π΄Π΅ΡΠ»ΠΈΡΡ, ΡΡΠΎ Π²ΠΎΠ΄ΠΈΡΠ΅Π»ΠΈ ΡΡΠ°Π½ΡΡ ΠΏΠΎΠ»ΡΠ·ΠΎΠ²Π°ΡΡΡΡ ΠΈΠΌ ΠΏΠΎ ΠΏΡΡΠΌΠΎΠΌΡ Π½Π°Π·Π½Π°ΡΠ΅Π½ΠΈΡ, ΡΠΎ Π΅ΡΡΡ ΠΏΡΠΈΠΊΡΡΠΈΠ²Π°ΡΡ ΡΠΈΠ³Π°ΡΠ΅ΡΡ. ΠΠΎ ΠΏΡΠΈΠ±ΠΎΡ Π½Π΅ ΡΡΠ°Π» ΠΎΡΠΎΠ±Π΅Π½Π½ΠΎ ΠΏΠΎΠΏΡΠ»ΡΡΠ½ΡΠΌ. ΠΠ½ΠΎΠ³ΠΈΠ΅ ΠΈΠ· ΡΠ΅Ρ
, ΠΊΡΠΎ ΠΊΡΡΠΈΡ, ΠΏΡΠ΅Π΄ΠΏΠΎΡΠΈΡΠ°ΡΡ ΠΈΡΠΏΠΎΠ»ΡΠ·ΠΎΠ²Π°ΡΡ Π΄Π»Ρ ΡΡΠΎΠ³ΠΎ ΡΠΏΠΈΡΠΊΠΈ Π»ΠΈΠ±ΠΎ Π»ΡΠ±ΠΈΠΌΡΡ Π·Π°ΠΆΠΈΠ³Π°Π»ΠΊΡ.
ΠΠΎΠ½ΡΡΡΡΠΊΡΠΎΡΡ ΡΠΆΠ΅ Π½Π°ΡΠ°Π»ΠΈ ΠΏΠΎΠ΄ΡΠΌΡΠ²Π°ΡΡ Π½Π°Π΄ ΡΠ΅ΠΌ, ΡΡΠΎΠ±Ρ ΠΈ Π²ΠΎΠ²ΡΠ΅ ΡΠ±ΡΠ°ΡΡ ΡΡΡΡΠΎΠΉΡΡΠ²ΠΎ.
ΠΠΎ Π²ΡΠΊΠΎΡΠ΅ ΠΏΡΠΈΠΊΡΡΠΈΠ²Π°ΡΠ΅Π»Ρ ΠΎΠ±ΡΠ΅Π» Π²ΡΠΎΡΡΡ ΠΆΠΈΠ·Π½Ρ. Π‘ΠΎ Π²ΡΠ΅ΠΌΠ΅Π½Π΅ΠΌ Ρ ΠΊΠ°ΠΆΠ΄ΠΎΠ³ΠΎ ΡΡΠ°Π»ΠΎ ΠΏΠΎΡΠ²Π»ΡΡΡΡΡ Π±ΠΎΠ»ΡΡΠΎΠ΅ ΠΊΠΎΠ»ΠΈΡΠ΅ΡΡΠ²ΠΎ ΡΠ°Π·Π»ΠΈΡΠ½ΡΡ
ΡΠ»Π΅ΠΊΡΡΠΎΠ½Π½ΡΡ
ΠΈ ΡΠ»Π΅ΠΊΡΡΠΈΡΠ΅ΡΠΊΠΈΡ
ΠΏΡΠΈΠ±ΠΎΡΠΎΠ². ΠΡΡΠ΅ΡΡΠ²Π΅Π½Π½ΠΎ, Π΄Π»Ρ ΡΠ°Π±ΠΎΡΡ ΡΠ»Π΅ΠΊΡΡΠΎΠ½ΠΈΠΊΠ΅ ΡΡΠ΅Π±ΠΎΠ²Π°Π»ΠΎΡΡ ΡΠ»Π΅ΠΊΡΡΠΈΡΠ΅ΡΡΠ²ΠΎ.
ΠΠ· ΠΈΡΡΠΎΡΠΈΠΈ ΠΏΡΠΈΠΊΡΡΠΈΠ²Π°ΡΠ΅Π»Ρ
Π‘Π΅Π³ΠΎΠ΄Π½Ρ ΡΠΆΠ΅ ΡΡΡΠ΄Π½ΠΎ ΠΏΡΠΈΠΏΠΎΠΌΠ½ΠΈΡΡ ΠΏΠ΅ΡΠ²ΡΡ ΠΌΠ°ΡΠΊΡ Π°Π²ΡΠΎ, Π² ΠΊΠΎΡΠΎΡΠΎΠΉ Π² ΡΡΠ°Π½Π΄Π°ΡΡΠ½ΠΎΠΉ ΠΊΠΎΠΌΠΏΠ»Π΅ΠΊΡΠ°ΡΠΈΠΈ Π±ΡΠ»Π° ΡΡΠ° ΠΎΠΏΡΠΈΡ. ΠΡΡΡ ΠΈΠ½ΡΠΎΡΠΌΠ°ΡΠΈΡ, ΡΡΠΎ ΡΡΠΎ Π±ΡΠ»ΠΎ Π² 20-Ρ
Π³ΠΎΠ΄Π°Ρ
. ΠΠΎΠ½ΡΡΡΡΠΊΡΠΈΡ ΡΡΠΎΠ³ΠΎ ΠΏΠ΅ΡΠ²ΠΎΠ³ΠΎ ΠΏΡΠΈΠ±ΠΎΡΠ° Π±ΡΠ»Π° Π΄ΠΎΡΡΠ°ΡΠΎΡΠ½ΠΎ ΠΏΡΠΈΠΌΠΈΡΠΈΠ²Π½ΠΎΠΉ. ΠΠ°ΡΡΠΎΠ½ Π½Π°Ρ
ΠΎΠ΄ΠΈΠ»ΡΡ Π²Π½ΡΡΡΠΈ ΠΊΠ°ΡΡΡΠΊΠΈ. ΠΠΎΠ³Π΄Π° ΠΆΠ΅ Π΅Π³ΠΎ Π²ΡΡΠ°ΡΠΊΠΈΠ²Π°Π»ΠΈ ΠΈΠ· Π³Π½Π΅Π·Π΄Π°, ΡΡΠΎ Π·Π°ΠΌΡΠΊΠ°Π»ΠΎ ΡΠ΅ΠΏΡ, ΠΈ ΠΏΠ°ΡΡΠΎΠ½ ΡΠ°ΡΠΊΠ°Π»ΡΠ»ΡΡ. Π£ΠΆΠ΅ ΡΠΎΠ³Π΄Π° Π²ΠΎΠ΄ΠΈΡΠ΅Π»ΠΈ ΡΡΠΎΠ»ΠΊΠ½ΡΠ»ΠΈΡΡ Ρ ΡΠ΅ΠΌ, ΡΡΠΎ Π½Π° Π°Π²ΡΠΎΠΌΠΎΠ±ΠΈΠ»ΡΡ
ΠΏΠΎΡΠ»Π΅ Π΄Π»ΠΈΡΠ΅Π»ΡΠ½ΠΎΠ³ΠΎ ΠΈΠ»ΠΈ Π½Π΅Π°ΠΊΠΊΡΡΠ°ΡΠ½ΠΎΠ³ΠΎ ΠΈΡΠΏΠΎΠ»ΡΠ·ΠΎΠ²Π°Π½ΠΈΡ Π½Π΅ ΡΠ°Π±ΠΎΡΠ°Π΅Ρ ΠΏΡΠΈΠΊΡΡΠΈΠ²Π°ΡΠ΅Π»Ρ.
1924 Π³ΠΎΠ΄ ΡΡΠ°Π» Π·Π½Π°ΠΊΠΎΠ²ΡΠΌ Π΄Π»Ρ ΡΡΠΎΠ³ΠΎ Π½Π΅Π±ΠΎΠ»ΡΡΠΎΠ³ΠΎ, Π½ΠΎ ΡΠ°ΠΊΠΎΠ³ΠΎ ΠΏΠΎΠ»Π΅Π·Π½ΠΎΠ³ΠΎ ΠΏΡΠΈΠ±ΠΎΡΠ°. Π ΡΡΠΎΠΌ Π³ΠΎΠ΄Ρ ΠΏΡΠΈΠΊΡΡΠΈΠ²Π°ΡΠ΅Π»Ρ ΠΏΠΎΠ»ΡΡΠΈΠ» ΠΊΠΎΠ½ΡΡΡΡΠΊΡΠΈΡ, ΠΊΠΎΡΠΎΡΡΡ ΡΠ΅Π³ΠΎΠ΄Π½Ρ Π·Π½Π°Π΅Ρ ΠΊΠ°ΠΆΠ΄ΡΠΉ. Π’Π°ΠΊΠΆΠ΅ Π² ΡΡΠΎΠΌ Π³ΠΎΠ΄Ρ Π΅Π΅ Π·Π°ΠΏΠ°ΡΠ΅Π½ΡΠΎΠ²Π°Π»ΠΈ. ΠΠΎ Π² Π°Π²ΡΠΎΠΌΠΎΠ±ΠΈΠ»ΡΡ
ΡΡΡΡΠΎΠΉΡΡΠ²ΠΎ ΠΏΠΎΠ»ΡΡΠΈΠ»ΠΎ ΡΠ²ΠΎΠ΅ ΠΌΠ΅ΡΡΠΎ Π»ΠΈΡΡ Π² 50-Ρ
Π³ΠΎΠ΄Π°Ρ
. ΠΡΠΎ ΡΠΎΡ ΠΎΠ΄ΠΈΠ½ ΠΏΡΠΈΠ±ΠΎΡ, ΠΊΠΎΡΠΎΡΡΠΉ Π½Π΅ ΠΈΡΠΏΡΡΠ°Π» Π½Π° ΡΠ΅Π±Π΅ Π²Π»ΠΈΡΠ½ΠΈΡ ΡΠΎΠ²ΡΠ΅ΠΌΠ΅Π½Π½ΡΡ
ΡΠ΅Ρ
Π½ΠΎΠ»ΠΎΠ³ΠΈΠΉ.
ΠΠ°ΠΊ ΡΡΡΡΠΎΠ΅Π½ ΠΈ ΡΠ°Π±ΠΎΡΠ°Π΅Ρ ΠΏΡΠΈΠΊΡΡΠΈΠ²Π°ΡΠ΅Π»Ρ?
ΠΡΠΎ ΠΏΠ°ΡΡΠΎΠ½ ΠΈΠ· ΠΌΠ΅ΡΠ°Π»Π»Π° Ρ ΡΠ΄ΠΎΠ±Π½ΠΎΠΉ ΡΡΠΊΠΎΡΡΠΊΠΎΠΉ Π² ΡΠΎΡΠΌΠ΅ ΠΊΠ½ΠΎΠΏΠΊΠΈ. Π ΠΏΠ°ΡΡΠΎΠ½Π΅ ΡΡΡΠ°Π½ΠΎΠ²Π»Π΅Π½Π° ΡΠΏΠ΅ΡΠΈΠ°Π»ΡΠ½Π°Ρ ΡΠΏΠΈΡΠ°Π»Ρ ΠΈΠ· Π½ΠΈΡ
ΡΠΎΠΌΠ°. ΠΠ° ΠΏΠ°Π½Π΅Π»ΡΡ
ΠΏΡΠΈΠ±ΠΎΡΠΎΠ² ΡΠ°ΡΠΏΠΎΠ»ΠΎΠΆΠ΅Π½Π° ΡΠΏΠ΅ΡΠΈΠ°Π»ΡΠ½Π°Ρ ΡΠΎΠ·Π΅ΡΠΊΠ°. ΠΡΠ»ΠΈ Π²ΡΡΠ°Π²ΠΈΡΡ ΠΏΡΠΈΠΊΡΡΠΈΠ²Π°ΡΠ΅Π»Ρ Π² ΡΡΠΎ Π³Π½Π΅Π·Π΄ΠΎ ΠΈ Π·Π°ΡΠΈΠΊΡΠΈΡΠΎΠ²Π°ΡΡ Π΅Π³ΠΎ ΡΠ°ΠΌ, ΡΠΎΠ³Π΄Π° ΠΎΠ½ Π±ΡΠ΄Π΅Ρ ΠΏΠΎΠ΄ΠΊΠ»ΡΡΠ΅Π½ ΠΊ ΡΠ»Π΅ΠΊΡΡΠΈΡΠ΅ΡΠΊΠΎΠΉ ΡΠ΅ΡΠΈ ΠΌΠ°ΡΠΈΠ½Ρ.
ΠΠ»ΡΡΠΎΠ²ΠΎΠΉ ΠΊΠΎΠ½ΡΠ°ΠΊΡ ΡΠΎΠ΅Π΄ΠΈΠ½Π΅Π½ Ρ ΡΠ΅Π½ΡΡΠ°Π»ΡΠ½ΡΠΌ ΠΊΠΎΠ½ΡΠ°ΠΊΡΠΎΠΌ Π³Π½Π΅Π·Π΄Π° ΠΈ ΡΠΏΠΈΡΠ°Π»ΡΡ. Β«ΠΠ°ΡΡΠ°Β» ΠΏΠΎΠ΄Π°Π΅ΡΡΡ Π½Π° ΡΠΎΠΊΠΎΠ»Ρ Π³Π½Π΅Π·Π΄Π°.
Π§Π΅ΡΠ΅Π· Π½ΠΈΡ
ΡΠΎΠΌΠΎΠ²ΡΡ ΡΠΏΠΈΡΠ°Π»Ρ ΠΏΡΠΎΡ
ΠΎΠ΄ΠΈΡ ΡΠ»Π΅ΠΊΡΡΠΈΡΠ΅ΡΡΠ²ΠΎ, Π²ΡΠ»Π΅Π΄ΡΡΠ²ΠΈΠ΅ ΡΠ΅Π³ΠΎ ΠΎΠ½Π° Π½Π°Π³ΡΠ΅Π²Π°Π΅ΡΡΡ Π΄ΠΎ ΠΊΡΠ°ΡΠ½ΠΎΠ³ΠΎ ΡΠ²Π΅ΡΠ°. Π ΡΠΎΡ ΠΌΠΎΠΌΠ΅Π½Ρ, ΠΊΠΎΠ³Π΄Π° Π±ΡΠ΄Π΅Ρ ΠΏΡΠ΅Π²ΡΡΠ΅Π½ ΡΠ΅ΠΌΠΏΠ΅ΡΠ°ΡΡΡΠ½ΡΠΉ ΠΏΠΎΡΠΎΠΊ, ΠΏΡΠΈΠ±ΠΎΡ ΠΏΡΠΈ ΠΏΠΎΠΌΠΎΡΠΈ ΡΠ΅ΡΠΌΠΎΡΠ΅Π»Π΅ ΠΎΡΠΊΠ»ΡΡΠΈΡΡΡ. ΠΡΠΈ ΡΡΠΎΠΌ Π²ΠΎΠ΄ΠΈΡΠ΅Π»Ρ ΡΡΠ»ΡΡΠΈΡ ΡΠΏΠ΅ΡΠΈΠ°Π»ΡΠ½ΡΠΉ Π·Π²ΡΠΊΠΎΠ²ΠΎΠΉ ΡΠΈΠ³Π½Π°Π».
ΠΠ°Π·Π°Π»ΠΎΡΡ Π±Ρ, ΠΏΠΎΡΠ΅ΠΌΡ Π½Π΅ ΡΠ°Π±ΠΎΡΠ°Π΅Ρ ΠΏΡΠΈΠΊΡΡΠΈΠ²Π°ΡΠ΅Π»Ρ? ΠΠ΅Π΄Ρ ΠΊΠΎΠ½ΡΡΡΡΠΊΡΠΈΡ Π΅Π³ΠΎ ΠΏΡΠ΅Π΄Π΅Π»ΡΠ½ΠΎ ΠΏΠΎΠ½ΡΡΠ½Π° ΠΈ ΠΏΡΠΎΡΡΠ°.
ΠΠ° Π³Π½Π΅Π·Π΄Π΅ ΡΡΡΠ°Π½ΠΎΠ²Π»Π΅Π½Π° Π·Π°ΡΠΈΡΠ° Π² Π²ΠΈΠ΄Π΅ ΠΏΡΠ΅Π΄ΠΎΡ
ΡΠ°Π½ΠΈΡΠ΅Π»Ρ Π½Π° 10 Π, Π° ΡΠ°ΡΠΏΠΎΠ»Π°Π³Π°Π΅ΡΡΡ ΠΎΠ½ Π² Π±Π»ΠΎΠΊΠ΅ ΠΏΡΠ΅Π΄ΠΎΡ
ΡΠ°Π½ΠΈΡΠ΅Π»Π΅ΠΉ. ΠΠ»ΠΎΠΊ ΠΌΠΎΠΆΠ½ΠΎ Π½Π°ΠΉΡΠΈ Π² ΡΠ°Π·Π½ΡΡ
ΠΌΠ΅ΡΡΠ°Ρ
. ΠΡΠΎ Π·Π°Π²ΠΈΡΠΈΡ ΠΎΡ ΠΌΠ°ΡΠΊΠΈ ΠΈ ΠΌΠΎΠ΄Π΅Π»ΠΈ Π°Π²ΡΠΎΠΌΠΎΠ±ΠΈΠ»Ρ.
ΠΠ»ΡΡΡ ΠΈ ΠΌΠΈΠ½ΡΡΡ ΡΡΡΡΠΎΠΉΡΡΠ²Π°
ΠΠ»Π°Π²Π½ΡΠΉ ΠΈ ΡΠ°ΠΌΡΠΉ Β«ΠΆΠΈΡΠ½ΡΠΉΒ» ΠΏΠ»ΡΡ Π² ΡΠΎΠΌ, ΡΡΠΎ ΠΊ Π³Π½Π΅Π·Π΄Ρ ΠΌΠΎΠΆΠ½ΠΎ ΠΏΠΎΠ΄ΠΊΠ»ΡΡΠ°ΡΡ ΠΌΠ°ΡΡΡ ΡΠ»Π΅ΠΊΡΡΠΎΠ½ΠΈΠΊΠΈ, Π΄Π°ΠΆΠ΅ ΠΌΠΈΠ½ΠΈ-ΡΠ°ΠΉΠ½ΠΈΠΊΠΈ, ΠΊΠΎΠΌΠΏΡΠ΅ΡΡΠΎΡΡ ΠΈ ΠΌΠ½ΠΎΠ³ΠΎΠ΅ Π΄ΡΡΠ³ΠΎΠ΅.
Π ΠΌΠΈΠ½ΡΡ, ΠΊΠ°ΠΊ ΡΡΠΈΡΠ°ΡΡ ΠΌΠ½ΠΎΠ³ΠΈΠ΅, — ΡΡΠΎ Π½Π΅Π½Π°Π΄Π΅ΠΆΠ½Π°Ρ ΠΊΠΎΠΌΠΌΡΡΠ°ΡΠΈΡ Π±ΠΎΠ»ΡΡΠΈΡ
ΡΠΎΠΊΠΎΠ². Π‘ΠΎΠ²ΡΠ΅ΠΌΠ΅Π½Π½ΡΠ΅ ΡΡΡΡΠΎΠΉΡΡΠ²Π° ΠΈΠΌΠ΅ΡΡ ΡΠΈΠ»Ρ ΡΠΎΠΊΠ° Π±ΠΎΠ»Π΅Π΅ 40 Π. ΠΠ΄Π΅ΡΡ Π½Π°Π±Π»ΡΠ΄Π°Π΅ΡΡΡ Π·Π°Π²ΠΈΡΠΈΠΌΠΎΡΡΡ: ΡΠ΅ΠΌ Π±ΠΎΠ»ΡΡΠΈΠΉ ΡΠΎΠΊ Π² ΡΠ΅ΠΏΠΈ, ΡΠ΅ΠΌ Π±ΠΎΠ»ΡΡΠ΅ΠΉ Π½Π°Π΄Π΅ΠΆΠ½ΠΎΡΡΡΡ Π΄ΠΎΠ»ΠΆΠ½Ρ ΠΎΠ±Π»Π°Π΄Π°ΡΡ ΡΠ»Π΅ΠΊΡΡΠΈΡΠ΅ΡΠΊΠΈΠ΅ ΡΠΎΠ΅Π΄ΠΈΠ½Π΅Π½ΠΈΡ. ΠΡΠΎ ΠΎΠ΄Π½Π° ΠΈΠ· ΠΏΡΠΈΡΠΈΠ½, ΠΏΠΎ ΠΊΠΎΡΠΎΡΠΎΠΉ Π½Π΅ ΡΠ°Π±ΠΎΡΠ°Π΅Ρ ΠΏΡΠΈΠΊΡΡΠΈΠ²Π°ΡΠ΅Π»Ρ.
ΠΠ΄Π΅ΡΡ Π±ΡΠ»ΠΎ Π±Ρ Π·Π΄ΠΎΡΠΎΠ²ΠΎ ΡΠ²Π΅Π»ΠΈΡΠΈΡΡ Π½Π°Π΄Π΅ΠΆΠ½ΠΎΡΡΡ ΡΠΈΠΊΡΠ°ΡΠΈΠΈ Π²ΠΈΠ»ΠΎΠΊ Π² Π³Π½Π΅Π·Π΄Π΅, Π½ΠΎ ΡΡΠ°Π½Π΄Π°ΡΡ Π½Π° ΡΡΠΎΡ Π²ΠΈΠ΄ ΡΠΎΠ΅Π΄ΠΈΠ½Π΅Π½ΠΈΠΉ Π½Π΅ Π²ΡΡΠ°Π±ΠΎΡΠ°Π½. Π Π²ΠΈΠ»ΠΊΠ΅ ΠΌΠΎΠΆΠ½ΠΎ ΠΎΠ±Π½Π°ΡΡΠΆΠΈΡΡ Π»ΠΈΡΡ ΠΎΠ΄ΠΈΠ½ ΡΠ΅Π½ΡΡΠ°Π»ΡΠ½ΡΠΉ ΠΊΠΎΠ½ΡΠ°ΠΊΡ, ΠΊΠΎΡΠΎΡΡΠΉ ΡΠΈΠΊΡΠΈΡΡΠ΅ΡΡΡ ΠΏΡΠΈ ΠΏΠΎΠΌΠΎΡΠΈ ΠΏΡΡΠΆΠΈΠ½Ρ, Π° ΡΠ°ΠΊΠΆΠ΅ Π΄Π²Π΅ Π»Π°ΠΏΠΊΠΈ, ΠΊΠΎΡΠΎΡΡΠ΅ ΠΎΡΡΡΠ΅ΡΡΠ²Π»ΡΡΡ ΠΏΡΠΈΠΆΠΈΠΌ. ΠΠ»ΠΎΡΠ°Π΄ΠΊΠ° ΠΏΠ»ΡΡΠΎΠ²ΠΎΠ³ΠΎ ΠΊΠΎΠ½ΡΠ°ΠΊΡΠ° ΠΌΠΎΠΆΠ΅Ρ Π±ΡΡΡ Π·Π°ΠΏΡΡΡΠ°Π½Π° ΠΎΡΠ΅Π½Ρ Π³Π»ΡΠ±ΠΎΠΊΠΎ. ΠΠ·-Π·Π° ΠΊΠ°ΡΠ΅ΡΡΠ²Π° Π½Π°ΡΠΈΡ
Π΄ΠΎΡΠΎΠ³ Π²ΠΎ Π²ΡΠ΅ΠΌΡ ΠΏΡΠΎΠ΅Π·Π΄Π° ΠΏΠΎ ΡΡ
Π°Π±Π°ΠΌ ΠΈ ΡΠΌΠ°ΠΌ ΠΌΠΎΠΆΠ΅Ρ ΡΠ΅ΡΡΡΡΡΡ ΡΠ»Π΅ΠΊΡΡΠΈΡΠ΅ΡΠΊΠΈΠΉ ΠΊΠΎΠ½ΡΠ°ΠΊΡ ΠΌΠ΅ΠΆΠ΄Ρ Π²ΠΈΠ»ΠΊΠΎΠΉ ΠΈ Π³Π½Π΅Π·Π΄ΠΎΠΌ. ΠΠ΅ΠΊΠΎΡΠΎΡΡΠ΅ Π²ΠΎΠ΄ΠΈΡΠ΅Π»ΠΈ Π΄Π°ΠΆΠ΅ Π½Π°Π±Π»ΡΠ΄Π°Π»ΠΈ ΠΈΡΠΊΡΠ΅Π½ΠΈΠ΅ ΠΌΠ΅ΠΆΠ΄Ρ ΠΊΠΎΠ½ΡΠ°ΠΊΡΠ°ΠΌΠΈ. ΠΡΠΎ ΡΠΈΡΠΊ ΠΊΠΎΡΠΎΡΠΊΠΎΠ³ΠΎ Π·Π°ΠΌΡΠΊΠ°Π½ΠΈΡ ΠΈ Π΄Π°ΠΆΠ΅ Π²ΠΎΠ·Π³ΠΎΡΠ°Π½ΠΈΡ.
ΠΠ΅ ΡΠ°Π±ΠΎΡΠ°Π΅Ρ ΠΏΡΠΈΠΊΡΡΠΈΠ²Π°ΡΠ΅Π»Ρ: ΠΏΡΠΈΡΠΈΠ½Ρ
ΠΠ½ΠΎΠ³Π΄Π° ΡΡΠΎΡ Π²Π°ΠΆΠ½ΡΠΉ ΠΈ Π½ΡΠΆΠ½ΡΠΉ ΠΏΡΠΈΠ±ΠΎΡ ΠΎΡΠΊΠ°Π·ΡΠ²Π°Π΅Ρ. ΠΡΠΎ ΠΌΠΎΠΆΠ΅Ρ Π±ΡΡΡ ΡΠ²ΡΠ·Π°Π½ΠΎ ΠΈ Ρ ΠΊΠΎΠ½ΡΡΡΡΠΊΡΠΈΠ΅ΠΉ, ΠΈ Ρ Π±Π»ΠΎΠΊΠΎΠΌ ΠΏΡΠ΅Π΄ΠΎΡ
ΡΠ°Π½ΠΈΡΠ΅Π»Π΅ΠΉ, ΠΈ Π΄Π°ΠΆΠ΅ Ρ ΠΏΠ΅ΡΠ΅Π³ΠΎΡΠ°Π½ΠΈΠ΅ΠΌ Π»Π°ΠΌΠΏΡ ΠΏΠΎΠ΄ΡΠ²Π΅ΡΠΊΠΈ.
ΠΠ°ΡΠ°ΡΡΡΡ ΠΏΡΠΈΠΊΡΡΠΈΠ²Π°ΡΠ΅Π»Ρ Π²ΡΡ
ΠΎΠ΄ΠΈΡ ΠΈΠ· ΡΡΡΠΎΡ ΠΈΠΌΠ΅Π½Π½ΠΎ ΠΈΠ·-Π·Π° ΠΏΡΠ΅Π΄ΠΎΡ
ΡΠ°Π½ΠΈΡΠ΅Π»Ρ. ΠΡΠΈΡΠΈΠ½Π° ΡΡΠΎΠ³ΠΎ — Π² ΡΠ»Π΅ΠΊΡΡΠΎΠΏΡΠΈΠ±ΠΎΡΠ°Ρ
, ΠΊΠΎΡΠΎΡΡΠ΅ ΠΏΠΎΠ΄ΠΊΠ»ΡΡΠ°ΡΡΡΡ ΠΊ Π³Π½Π΅Π·Π΄Ρ. ΠΠ΄Π΅ΡΡ Π΄Π΅Π»ΠΎ Π² ΡΠΎΠΌ, ΡΡΠΎ ΡΡΠΎ Π³Π½Π΅Π·Π΄ΠΎ Π½Π΅ ΡΠ°ΡΡΡΠΈΡΡΠ²Π°Π»ΠΎΡΡ Π½Π° Π΄ΠΎΠ»Π³ΠΎΠ²ΡΠ΅ΠΌΠ΅Π½Π½ΠΎΠ΅ ΠΈΡΠΏΠΎΠ»ΡΠ·ΠΎΠ²Π°Π½ΠΈΠ΅. ΠΠ½ΠΆΠ΅Π½Π΅ΡΡ ΡΠΎΠ·Π΄Π°Π»ΠΈ ΡΡΡΡΠΎΠΉΡΡΠ²ΠΎ Π΄Π»Ρ Π²ΡΠ΄Π°ΡΠΈ ΠΊΡΠ°ΡΠΊΠΎΠ²ΡΠ΅ΠΌΠ΅Π½Π½ΠΎΠΉ ΠΌΠΎΡΠ½ΠΎΡΡΠΈ.
Π§Π°ΡΡΠΎ Π½Π΅ ΡΠ°Π±ΠΎΡΠ°Π΅Ρ ΠΏΡΠΈΠΊΡΡΠΈΠ²Π°ΡΠ΅Π»Ρ ΠΈΠ·-Π·Π° ΡΠΎΠ³ΠΎ, ΡΡΠΎ ΠΊ Π½Π΅ΠΌΡ ΠΏΠΎΠ΄ΠΊΠ»ΡΡΠ°Π»ΠΈ ΠΏΠΎΡΡΠ°ΡΠΈΠ²Π½ΡΠ΅ ΠΊΠΎΠΌΠΏΡΠ΅ΡΡΠΎΡΡ. ΠΡΠΎ ΠΏΡΠΈΠ²ΠΎΠ΄ΠΈΡ ΠΊ Π½Π°Π³ΡΠ΅Π²Ρ ΠΏΡΠΎΠ²ΠΎΠ΄ΠΊΠΈ. ΠΠ΅ΡΠΊΠΎΠ»ΡΠΊΠΎ ΠΏΡΠΈΠ±ΠΎΡΠΎΠ² ΠΌΠ°Π»ΠΎΠΉ ΠΌΠΎΡΠ½ΠΎΡΡΠΈ, ΠΏΠΎΠ΄ΠΊΠ»ΡΡΠ΅Π½Π½ΡΡ
ΠΊ ΠΎΠ΄Π½ΠΎΠΌΡ Π³Π½Π΅Π·Π΄Ρ, Π²Π΅Π΄ΡΡ ΡΠΎΠΆΠ΅ ΠΊ ΠΏΠΎΠ»ΠΎΠΌΠΊΠ΅.
ΠΡΠ΅ ΠΌΠΎΠΆΠ½ΠΎ Π²ΡΠ΄Π΅Π»ΠΈΡΡ ΠΌΠ΅Ρ
Π°Π½ΠΈΡΠ΅ΡΠΊΡΡ ΠΏΡΠΈΡΠΈΠ½Ρ. ΠΡΠΎ ΡΠ°ΡΡΠ°ΡΠ°Π²ΡΠΈΠ΅ΡΡ ΠΈ ΡΠ°Π·Π½ΠΎΡΠΈΠ²ΡΠΈΠ΅ΡΡ ΡΡΠΈΠΊΠΈ Π² Π³Π½Π΅Π·Π΄Π΅. ΠΠ½ΠΈ ΠΏΡΠΎΡΡΠΎ ΠΏΠ΅ΡΠ΅ΡΡΠ°ΡΡ Π΄Π΅ΡΠΆΠ°ΡΡ ΡΡΠ΅ΠΊΠ΅Ρ. Π ΡΡΠΎΠΌ ΡΠ»ΡΡΠ°Π΅ ΡΠ΅ΠΌΠΎΠ½Ρ ΠΎΡΠ΅Π½Ρ ΠΏΡΠΎΡΡΠΎΠΉ.
ΠΡΠΈΠΊΡΡΠΈΠ²Π°ΡΠ΅Π»Ρ Π½Π° ΠΠΠ
ΠΠ»Π°Π΄Π΅Π»ΡΡΡ ΡΡΠΈΡ
Π°Π²ΡΠΎΠΌΠΎΠ±ΠΈΠ»Π΅ΠΉ ΡΠ°ΡΡΠΎ ΡΡΠ°Π»ΠΊΠΈΠ²Π°ΡΡΡΡ Ρ ΠΏΠΎΠ΄ΠΎΠ±Π½ΠΎΠΉ ΡΠΈΡΡΠ°ΡΠΈΠ΅ΠΉ. Π§ΡΠΎΠ±Ρ Π½Π΅ ΡΡΠΎΠ»ΠΊΠ½ΡΡΡΡΡ Ρ ΡΡΠΎΠΉ Π±Π΅Π΄ΠΎΠΉ, Π½Π΅ ΡΡΠΎΠΈΡ Π·Π°ΠΏΠΈΡΡΠ²Π°ΡΡ ΠΎΡ ΠΏΡΠΈΠΊΡΡΠΈΠ²Π°ΡΠ΅Π»Ρ ΠΊΠΎΠΌΠΏΡΠ΅ΡΡΠΎΡΡ. Π’Π°ΠΊΠΆΠ΅ Π½Π΅ ΡΠ΅ΠΊΠΎΠΌΠ΅Π½Π΄ΡΠ΅ΡΡΡ ΡΠΎΠ²Π°ΡΡ Π² Π³Π½Π΅Π·Π΄ΠΎ Π΄Π΅Π²Π°ΠΉΡΡ, ΠΊΠΎΡΠΎΡΡΠ΅ Π½Π΅ ΠΏΠΎΠ΄Ρ
ΠΎΠ΄ΡΡ ΠΏΠΎΠ΄ ΡΡΠ°Π½Π΄Π°ΡΡ ΡΠ°Π·ΡΠ΅ΠΌΠ°. ΠΡΠΎΠΌΠ΅ ΡΡΠΎΠ³ΠΎ, Π΅ΡΠ»ΠΈ Π½Π΅ ΡΠ°Π±ΠΎΡΠ°Π΅Ρ ΠΏΡΠΈΠΊΡΡΠΈΠ²Π°ΡΠ΅Π»Ρ Π½Π° ΠΠΠΠ΅, ΡΠΎ ΡΠ»Π΅Π΄ΡΠ΅Ρ ΠΏΡΠΎΠ²Π΅ΡΠΈΡΡ, Π½Π΅ Π·Π°ΡΡΠ½ΡΠ» Π»ΠΈ ΠΊΡΠΎ-Π½ΠΈΠ±ΡΠ΄Ρ ΠΊΠ°ΠΊΠΎΠΉ-Π»ΠΈΠ±ΠΎ ΠΆΠ΅Π»Π΅Π·Π½ΡΠΉ ΠΏΡΠ΅Π΄ΠΌΠ΅Ρ Π² Π³Π½Π΅Π·Π΄ΠΎ.
ΠΠ΅ ΡΠ»Π΅Π΄ΡΠ΅Ρ Π²ΠΌΠ΅ΡΡΠ΅ Ρ ΡΡΠΎΠΉ ΡΠ½ΠΈΠ²Π΅ΡΡΠ°Π»ΡΠ½ΠΎΠΉ ΡΠΎΠ·Π΅ΡΠΊΠΎΠΉ ΠΏΡΠΈΠΌΠ΅Π½ΡΡΡ ΡΡΡΡΠΎΠΉΡΡΠ²Π°, ΠΊΠΎΡΠΎΡΡΠ΅ ΠΎΡΠ½Π°ΡΠ΅Π½Ρ ΠΌΠ΅ΡΠ°Π»Π»ΠΈΡΠ΅ΡΠΊΠΈΠΌΠΈ ΠΊΠΎΠ»ΡΡΠ°ΠΌΠΈ. ΠΠ½ΠΈ ΡΠ°ΡΡΠΎ Π²ΡΠ»Π΅ΡΠ°ΡΡ ΠΈΠ· ΡΠ²ΠΎΠΈΡ
ΠΏΠΎΡΠ°Π΄ΠΎΡΠ½ΡΡ
ΠΌΠ΅ΡΡ. ΠΡΠΎ ΠΌΠΎΠΆΠ΅Ρ ΠΏΡΠΈΠ²Π΅ΡΡΠΈ ΠΊ Π·Π°ΠΌΡΠΊΠ°Π½ΠΈΡ.
Π Π΅ΠΌΠΎΠ½Ρ ΠΏΡΠΈΠΊΡΡΠΈΠ²Π°ΡΠ΅Π»Ρ ΠΠΠ
ΠΠ΅ΡΠ²ΡΠΌ Π΄Π΅Π»ΠΎΠΌ, Π΅ΡΠ»ΠΈ Π½Π΅ ΡΠ°Π±ΠΎΡΠ°Π΅Ρ ΠΏΡΠΈΠΊΡΡΠΈΠ²Π°ΡΠ΅Π»Ρ, ΠΏΡΠΎΠ²Π΅ΡΡΡΠ΅ Π±Π»ΠΎΠΊ ΠΏΡΠ΅Π΄ΠΎΡ
ΡΠ°Π½ΠΈΡΠ΅Π»Π΅ΠΉ.
ΠΡΠ»ΠΈ Π²Ρ Π½Π°ΠΉΠ΄Π΅ΡΠ΅ ΡΠ³ΠΎΡΠ΅Π²ΡΠΈΠΉ, ΡΠ»Π΅Π΄ΡΠ΅Ρ Π΅Π³ΠΎ Π·Π°ΠΌΠ΅Π½ΠΈΡΡ. ΠΠ΄Π½Π°ΠΊΠΎ ΠΈΠ½ΠΎΠ³Π΄Π° Π΄Π°ΠΆΠ΅ ΠΏΠΎΡΠ»Π΅ ΡΡΠΎΠΉ ΠΏΡΠΎΡΠ΅Π΄ΡΡΡ Π½Π°ΠΏΡΡΠΆΠ΅Π½ΠΈΠ΅ ΠΌΠΎΠΆΠ΅Ρ ΠΈ Π½Π΅ ΠΏΠΎΡΠ²ΠΈΡΡΡΡ. Π§ΡΠΎ Π΄Π΅Π»Π°ΡΡ? Π Π°Π·Π±ΠΈΡΠ°ΡΡ Π³Π½Π΅Π·Π΄ΠΎ.
ΠΠ°ΠΊ ΠΏΡΠΎΠ²Π΅ΡΠΈΡΡ Π½Π°Π»ΠΈΡΠΈΠ΅ Π½Π°ΠΏΡΡΠΆΠ΅Π½ΠΈΡ?
ΠΡΠΆΠ½ΠΎ ΠΏΠΎΠ»Π½ΠΎΡΡΡΡ ΡΠ½ΡΡΡ ΠΏΡΠΈΠΊΡΡΠΈΠ²Π°ΡΠ΅Π»Ρ. Π Π·Π°Π΄Π½Π΅ΠΉ ΡΠ°ΡΡΠΈ Π³Π½Π΅Π·Π΄Π° ΠΏΡΠΈΡΠΎΠ΅Π΄ΠΈΠ½ΠΈΡΠ΅ ΠΎΠ±ΡΡΠ½ΡΡ Π»Π°ΠΌΠΏΠΎΡΠΊΡ ΠΈ Π²ΠΊΠ»ΡΡΠ°ΠΉΡΠ΅ Π·Π°ΠΆΠΈΠ³Π°Π½ΠΈΠ΅. ΠΠ°ΠΌΠΏΠ° Π³ΠΎΡΠΈΡ? ΠΠΎΠΆΠ½ΠΎ ΠΏΡΠΈΡΡΡΠΏΠ°ΡΡ ΠΊ ΡΠ°Π·Π±ΠΎΡΠΊΠ΅ — ΠΏΡΠΈΡΠΈΠ½Π° Π² Π³Π½Π΅Π·Π΄Π΅.
ΠΠ°ΠΊ ΡΠ°Π·ΠΎΠ±ΡΠ°ΡΡ ΠΏΡΠΈΠΊΡΡΠΈΠ²Π°ΡΠ΅Π»Ρ Π½Π° ΠΠΠΠ΅?
ΠΠ΅ΡΠ΅Π΄ ΡΠ΅ΠΌ ΠΊΠ°ΠΊ ΠΎΡΠΊΡΡΡΠΈΠ²Π°ΡΡ Π³Π°ΠΉΠΊΡ Π½Π° Π·Π°Π΄Π½Π΅ΠΉ ΡΠ°ΡΡΠΈ ΠΈ ΠΏΡΠΈΡΡΡΠΏΠ°ΡΡ ΠΊ ΠΏΠΎΠ»Π½ΠΎΠΉ ΡΠ°Π·Π±ΠΎΡΠΊΠ΅, Π·Π°ΠΏΠΎΠΌΠ½ΠΈΡΠ΅, Π° Π»ΡΡΡΠ΅ ΡΡΠΎΡΠΎΠ³ΡΠ°ΡΠΈΡΡΠΉΡΠ΅ ΠΏΠΎΠ»ΠΎΠΆΠ΅Π½ΠΈΠ΅ ΠΊΠΎΠ½ΡΠ°ΠΊΡΠΎΠ². ΠΡΠΎ Π·Π½Π°ΡΠΈΡΠ΅Π»ΡΠ½ΠΎ ΠΎΠ±Π»Π΅Π³ΡΠΈΡ Π²ΠΎΠ·ΠΌΠΎΠΆΠ½ΡΠ΅ ΡΡΡΠ΄Π½ΠΎΡΡΠΈ ΠΏΡΠΈ ΡΠ±ΠΎΡΠΊΠ΅.
Π ΡΠ΅ΠΏΠ΅ΡΡ ΠΌΠΎΠΆΠ½ΠΎ ΠΏΡΠΈΡΡΡΠΏΠΈΡΡ ΠΊ ΠΏΠΎΠ»Π½ΠΎΠΉ ΡΠ°Π·Π±ΠΎΡΠΊΠ΅ ΡΡΡΡΠΎΠΉΡΡΠ²Π°. ΠΠ°ΠΌ ΠΏΠΎΡΡΠ΅Π±ΡΠ΅ΡΡΡ Π²ΡΠΊΡΡΡΠΈΡΡ Π³Π°ΠΉΠΊΡ, Π·Π°ΡΠ΅ΠΌ ΠΎΡΠΎΠ³Π½ΡΡΡ ΠΌΠ΅ΡΠ°Π»Π»ΠΈΡΠ΅ΡΠΊΠΈΠ΅ Π΄Π΅ΡΠ°Π»ΠΈ ΠΎΡ ΠΏΠ»Π°ΡΡΠΈΠΊΠ°.
ΠΠ°Π»ΡΡΠ΅ — ΠΎΡΡΠΎΠ΅Π΄ΠΈΠ½ΡΠΉΡΠ΅ ΠΌΠ΅ΡΠ°Π»Π»ΠΈΡΠ΅ΡΠΊΠΈΠ΅ Π΄Π΅ΡΠ°Π»ΠΈ. ΠΡ ΠΎΠ±ΡΠ·Π°ΡΠ΅Π»ΡΠ½ΠΎ ΡΠ²ΠΈΠ΄ΠΈΡΠ΅ ΠΏΠ»Π°ΡΡΠΈΠ½ΠΊΡ ΠΈΠ· ΡΠ»ΡΠ΄Ρ. ΠΡΠΎ ΠΏΠΎΠ»ΡΠΏΡΠΎΠ²ΠΎΠ΄Π½ΠΈΠΊ. ΠΠ³ΠΎ Π½ΡΠΆΠ½ΠΎ ΡΠ΄Π°Π»ΠΈΡΡ.
ΠΠ°ΡΠ΅ΠΌ ΠΏΡΠΈΡΡΡΠΏΠ°ΠΉΡΠ΅ ΠΊ ΡΠ±ΠΎΡΠΊΠ΅. ΠΠ°ΠΏΠΈΠ»ΡΠ½ΠΈΠΊ ΠΏΠΎΠΌΠΎΠΆΠ΅Ρ Π²Π°ΠΌ ΡΠ½ΡΡΡ Π»ΠΈΡΠ½ΠΈΠΉ ΠΌΠ΅ΡΠ°Π»Π», ΠΊΠΎΡΠΎΡΡΠΉ ΠΌΠ΅ΡΠ°Π΅Ρ Π½Π°Π΄Π΅ΠΆΠ½ΠΎ ΡΡΡΠ°Π½ΠΎΠ²ΠΈΡΡ ΠΏΡΠΈΠΊΡΡΠΈΠ²Π°ΡΠ΅Π»Ρ Π½Π° ΡΠ²ΠΎΠ΅ ΠΌΠ΅ΡΡΠΎ.
ΠΡΠ»ΠΈ ΠΈΠ· ΡΡΠΎΠ³ΠΎ Π½ΠΈΡΠ΅Π³ΠΎ Π½Π΅ Π²ΡΡΠ»ΠΎ, ΡΠΎΠ³Π΄Π° ΠΌΠΎΠΆΠ½ΠΎ ΠΏΠΎΠΏΡΠΎΠ±ΠΎΠ²Π°ΡΡ ΠΏΡΠΎΠ²Π΅ΡΠΈΡΡ ΠΏΡΠΎΠ²ΠΎΠ΄Π° Π½Π° ΡΠ΅Π»ΠΎΡΡΠ½ΠΎΡΡΡ. ΠΠ΅ Π»Π΅Π½ΠΈΡΠ΅ΡΡ Π΅ΡΠ΅ ΡΠ°Π· ΡΠ°Π·ΠΎΠ±ΡΠ°ΡΡ Π³Π½Π΅Π·Π΄ΠΎ, Π²ΠΎΠ·ΠΌΠΎΠΆΠ½ΠΎ, Π²Ρ Π³Π΄Π΅-ΡΠΎ ΡΡΠΎ-ΡΠΎ ΡΠΏΡΡΡΠΈΠ»ΠΈ. Π’Π°ΠΊΠΆΠ΅ Π½Π΅ Π·Π°Π±ΡΠ²Π°ΠΉΡΠ΅, ΡΡΠΎ, Π·Π°ΠΌΠ΅Π½ΡΡ ΡΠ»Π΅ΠΌΠ΅Π½Ρ, Π½ΡΠΆΠ½ΠΎ ΡΠ½ΡΡΡ Β«ΠΌΠΈΠ½ΡΡΒ» Π°ΠΊΠΊΡΠΌΡΠ»ΡΡΠΎΡΠ°.
Β«Π€ΠΎΡΠ΄ Π€ΠΎΠΊΡΡΒ»
ΠΠ΅ ΡΠΎΠ»ΡΠΊΠΎ Π² Π°Π²ΡΠΎΠΌΠΎΠ±ΠΈΠ»ΡΡ
ΠΎΡ ΠΠΠ, Π½ΠΎ ΠΈ Π² ΡΠ°ΠΊΠΈΡ
ΠΈΠ½ΠΎΠΌΠ°ΡΠΊΠ°Ρ
, ΠΊΠ°ΠΊ «Π€ΠΎΡΠ΄», ΠΌΠΎΠΆΠ½ΠΎ Π½Π°Π±Π»ΡΠ΄Π°ΡΡ Π½Π΅ΡΠ°Π±ΠΎΡΠ°ΡΡΠΈΠΉ ΠΏΡΠΈΠΊΡΡΠΈΠ²Π°ΡΠ΅Π»Ρ. Π§Π°ΡΠ΅ Π²ΡΠ΅Π³ΠΎ ΠΏΠ΅ΡΠ΅Π³ΠΎΡΠ°Π΅Ρ ΠΏΡΠ΅Π΄ΠΎΡ
ΡΠ°Π½ΠΈΡΠ΅Π»Ρ Π² ΡΠ΅ΡΠΈ. ΠΠ½ ΠΌΠ°ΡΠΊΠΈΡΡΠ΅ΡΡΡ ΠΊΠ°ΠΊ F109 ΠΈ ΠΎΠΊΡΠ°ΡΠ΅Π½ Π² ΠΆΠ΅Π»ΡΡΠΉ ΡΠ²Π΅Ρ. Π Π°ΡΡΡΠΈΡΠ°Π½ ΠΎΠ½ Π½Π° ΡΠΎΠΊ Π΄ΠΎ 20 Π.
ΠΠ΅ ΡΠ°Π±ΠΎΡΠ°Π΅Ρ ΠΏΡΠΈΠΊΡΡΠΈΠ²Π°ΡΠ΅Π»Ρ «Π€ΠΎΡΠ΄ Π€ΠΎΠΊΡΡ» ΡΠ°ΡΠ΅ Π²ΡΠ΅Π³ΠΎ ΠΈΠ·-Π·Π° ΠΊΠΎΡΠΎΡΠΊΠΎΠ³ΠΎ Π·Π°ΠΌΡΠΊΠ°Π½ΠΈΡ Π² Π³Π½Π΅Π·Π΄Π΅ ΠΈΠ»ΠΈ ΠΆΠ΅ ΠΈΠ·-Π·Π° ΠΏΠΎΡΡΠ΅Π±ΠΈΡΠ΅Π»Π΅ΠΉ, ΡΠ°ΡΡΡΠΈΡΠ°Π½Π½ΡΡ
Π½Π° ΡΠΎΠΊ, ΠΊΠΎΡΠΎΡΡΠΉ Π·Π½Π°ΡΠΈΡΠ΅Π»ΡΠ½ΠΎ Π±ΠΎΠ»ΡΡΠ΅ Π΄ΠΎΠΏΡΡΡΠΈΠΌΠΎΠ³ΠΎ.
ΠΠ°ΠΌΡΠΊΠ°Π½ΠΈΡ ΡΠ»ΡΡΠ°ΡΡΡΡ ΠΏΠΎΡΠΎΠΌΡ, ΡΡΠΎ Π±ΠΎΠ»ΡΡΠΈΠ½ΡΡΠ²ΠΎ Π²ΠΎΠ΄ΠΈΡΠ΅Π»Π΅ΠΉ Π½Π΅ Π·Π½Π°ΡΡ ΠΈ Π½ΠΈΠΊΠΎΠ³Π΄Π° Π½Π΅ Π·Π°Π΄ΡΠΌΡΠ²Π°ΡΡΡΡ, ΡΡΠΎ Π² ΠΌΠΈΡΠ΅ Π½Π΅ ΡΡΡΠ΅ΡΡΠ²ΡΠ΅Ρ ΡΡΠ°Π½Π΄Π°ΡΡΠΎΠ² Π½Π° Π³Π΅ΠΎΠΌΠ΅ΡΡΠΈΡΠ΅ΡΠΊΠΈΠ΅ ΡΠ°Π·ΠΌΠ΅ΡΡ Π³Π½Π΅Π·Π΄Π°.
ΠΡΠΎΠΈΠ·Π²ΠΎΠ΄ΠΈΡΠ΅Π»ΠΈ Π·Π°ΡΡΠ΄Π½ΡΡ
ΡΡΡΡΠΎΠΉΡΡΠ² ΠΈ Π²ΡΠ΅Π³ΠΎ ΡΠΎΠ³ΠΎ, ΡΡΠΎ Π²ΡΡΠ°Π²Π»ΡΠ΅ΡΡΡ Π² Π³Π½Π΅Π·Π΄ΠΎ, Π΄Π΅Π»Π°ΡΡ ΡΡΠ΅ΠΊΠ΅ΡΡ ΡΠ°Π·Π½ΠΎΠΉ Π΄Π»ΠΈΠ½Ρ ΠΈ Π΄ΠΈΠ°ΠΌΠ΅ΡΡΠΎΠ².
ΠΡΠ΅ΠΆΠ΄Π΅ ΡΠ΅ΠΌ ΡΡΠΎ-ΡΠΎ Π²ΡΡΠ°Π²Π»ΡΡΡ Π² Π³Π½Π΅Π·Π΄ΠΎ, Π»ΠΈΡΠ½ΠΈΠΉ ΡΠ°Π· ΡΠ±Π΅Π΄ΠΈΡΠ΅ΡΡ, ΡΡΠΎ ΡΠ°Π·ΡΠ΅ΠΌ ΠΏΠΎΠ΄Ρ
ΠΎΠ΄ΠΈΡ ΠΈΠ΄Π΅Π°Π»ΡΠ½ΠΎ. Π§ΡΡΡ ΠΌΠ΅Π½ΡΡΠΈΠΉ Π΄ΠΈΠ°ΠΌΠ΅ΡΡ — ΡΠΈΡΠΊ ΠΏΠΎΠ»ΡΡΠΈΡΡ Π·Π°ΠΌΡΠΊΠ°Π½ΠΈΠ΅.
ΠΠ°ΠΊ Π·Π°ΠΌΠ΅Π½ΠΈΡΡ ΠΏΡΠ΅Π΄ΠΎΡ
ΡΠ°Π½ΠΈΡΠ΅Π»Ρ Π² Π°Π²ΡΠΎΠΌΠΎΠ±ΠΈΠ»ΡΡ
Β«Π€ΠΎΡΠ΄Β»?
ΠΡΠ»ΠΈ Π½Π΅ ΡΠ°Π±ΠΎΡΠ°Π΅Ρ ΠΏΡΠΈΠΊΡΡΠΈΠ²Π°ΡΠ΅Π»Ρ Β«Π€ΠΎΡΠ΄Β», ΠΈ Π²Ρ ΡΠ΅ΡΠΈΠ»ΠΈ Π·Π°ΠΌΠ΅Π½ΠΈΡΡ ΠΏΡΠ΅Π΄ΠΎΡ
ΡΠ°Π½ΠΈΡΠ΅Π»Ρ, ΡΠΎ ΡΠ°Π΄ΠΈΡΠ΅ΡΡ Π½Π° ΠΏΠ°ΡΡΠ°ΠΆΠΈΡΡΠΊΠΎΠ΅ ΠΊΡΠ΅ΡΠ»ΠΎ ΠΈ ΡΠ½ΠΈΠΌΠΈΡΠ΅ Π·Π°ΡΠΈΡΠ½ΡΡ ΠΏΠΎΠ»ΠΊΡ. ΠΠ½Π° Π½Π°Ρ
ΠΎΠ΄ΠΈΡΡΡ Π½ΠΈΠΆΠ΅ Π±Π°ΡΠ΄Π°ΡΠΊΠ°. ΠΠΎΠ²Π΅ΡΠ½ΠΈΡΠ΅ Π·Π°ΡΠ΅Π»ΠΊΠΈ ΠΈ ΠΏΠΎΡΡΠ½ΠΈΡΠ΅ Π±Π»ΠΎΠΊ Π²Π½ΠΈΠ·. ΠΡΠΆΠ½ΡΠΉ ΠΏΡΠ΅Π΄ΠΎΡ
ΡΠ°Π½ΠΈΡΠ΅Π»Ρ Π²Ρ ΡΠ²ΠΈΠ΄ΠΈΡΠ΅ Π² Π»Π΅Π²ΠΎΠΌ ΡΡΠ΄Ρ.
ΠΠ½ Π²ΡΠΎΡΠΎΠΉ ΡΠ½ΠΈΠ·Ρ. ΠΡΡΡΠ΅, Π΅ΡΠ»ΠΈ Π²Ρ ΠΎΡΡΡΠ΅ΡΠ΅ ΡΡ
Π΅ΠΌΡ Π²Π°ΡΠ΅Π³ΠΎ Β«Π€ΠΎΡΠ΄Π°Β». ΠΠ°, Π²ΡΡΡΠ½ΡΡ ΠΏΡΠ΅Π΄ΠΎΡ
ΡΠ°Π½ΠΈΡΠ΅Π»Ρ Π΄ΠΎΡΡΠ°ΡΡ Π½Π΅ΠΏΡΠΎΡΡΠΎ, ΠΏΠΎΡΡΠΎΠΌΡ ΠΏΡΠΈΠ³ΠΎΡΠΎΠ²ΡΡΠ΅ ΠΊΡΡΠ³Π»ΠΎΠ³ΡΠ±ΡΡ.
ΠΠ°ΠΊ Π·Π°ΠΌΠ΅Π½ΠΈΡΡ ΠΏΡΠΈΠΊΡΡΠΈΠ²Π°ΡΠ΅Π»Ρ?
ΠΠ»Ρ Π·Π°ΠΌΠ΅Π½Ρ ΡΡΠ΅Π±ΡΠ΅ΡΡΡ ΡΠ΄Π°Π»ΠΈΡΡ ΠΏΡΠ°Π²ΡΡ ΠΊΡΡΡΠΊΡ ΡΠΎΠ½Π½Π΅Π»Ρ. Π Π½ΠΎΠ³Π°Ρ
ΠΌΠ΅ΡΡΠ° Π΄Π»Ρ ΠΏΠ°ΡΡΠ°ΠΆΠΈΡΠ° Π½ΡΠΆΠ½ΠΎ ΡΠ½ΡΡΡ Π·Π°ΡΠ΅Π»ΠΊΡ ΠΈ Π²ΡΠΊΡΡΡΠΈΡΡ ΡΠ°ΠΌΠΎΡΠ΅Π·. ΠΠ°ΡΠ΅ΠΌ ΡΠ½ΠΈΠΌΠΈΡΠ΅ Π·Π°Π³Π»ΡΡΠΊΡ. ΠΡ ΡΠ²ΠΈΠ΄ΠΈΡΠ΅ ΠΎΡΠ²Π΅ΡΡΡΠΈΠ΅. ΠΠ°ΡΡΠ½ΡΡΠ΅ ΡΡΠ΄Π° ΡΡΠΊΡ ΠΈ ΠΎΡΡΠΎΠ΅Π΄ΠΈΠ½ΠΈΡΠ΅ ΠΏΡΠΎΠ²ΠΎΠ΄Π° ΠΎΡ Π³Π½Π΅Π·Π΄Π°. ΠΡ
Π²ΡΠ΅Π³ΠΎ ΡΡΠΈ.
Π’Π΅ΠΏΠ΅ΡΡ ΠΎΡΡΠ°Π΅ΡΡΡ ΡΠΎΠ»ΡΠΊΠΎ Π²ΡΠ΄Π΅ΡΠ½ΡΡΡ ΡΡΠ°ΠΊΠ°Π½ ΠΈΠ· ΡΠ²ΠΎΠ΅Π³ΠΎ ΠΏΠΎΡΠ°Π΄ΠΎΡΠ½ΠΎΠ³ΠΎ ΠΌΠ΅ΡΡΠ°.
ΠΡΠ»ΠΈ ΠΏΡΠΎΡΡΠΎ ΡΠ°ΠΊ ΡΡΠ°ΠΊΠ°Π½ Π²ΡΡΠ°ΡΠΈΡΡ Π½Π΅ ΡΠ΄Π°Π»ΠΎΡΡ, ΡΠΎΠ³Π΄Π° Π΅ΡΡΡ Π²Π°ΡΠΈΠ°Π½Ρ ΡΠ°Π·Π»ΠΎΠΌΠ°ΡΡ ΠΊΠ°ΠΊΠΈΠΌ-Π½ΠΈΠ±ΡΠ΄Ρ ΠΈΠ½ΡΡΡΡΠΌΠ΅Π½ΡΠΎΠΌ ΠΏΠ»Π°ΡΡΠΈΠΊ, Π° ΡΡΠ°ΠΊΠ°Π½ ΠΏΡΠΈ ΡΡΠΎΠΌ Π΄ΠΎΡΡΠ°Π²Π°ΡΡ ΠΏΠΎ ΡΠ°ΡΡΡΠΌ.
«Π’ΠΎΠΉΠΎΡΠ°»
Π ΡΠΎΠΌ ΡΠ»ΡΡΠ°Π΅, Π΅ΡΠ»ΠΈ Π½Π΅ ΡΠ°Π±ΠΎΡΠ°Π΅Ρ ΠΏΡΠΈΠΊΡΡΠΈΠ²Π°ΡΠ΅Π»Ρ Β«Π’ΠΎΠΉΠΎΡΠ°Β», Π½ΡΠΆΠ½ΠΎ Π½Π°ΡΠ°ΡΡ Ρ ΠΏΡΠΎΠ²Π΅ΡΠΊΠΈ ΠΏΡΠ΅Π΄ΠΎΡ
ΡΠ°Π½ΠΈΡΠ΅Π»Π΅ΠΉ. ΠΠ²ΡΠΎΠ»ΡΠ±ΠΈΡΠ΅Π»ΠΈ ΡΡΠ²Π΅ΡΠΆΠ΄Π°ΡΡ, ΡΡΠΎ Π² ΠΈΠ½ΡΡΡΡΠΊΡΠΈΡΡ
ΠΏΠΎ ΡΡΠΎΠΉ ΠΌΠ°ΡΠΊΠ΅ Π°Π²ΡΠΎΠΌΠΎΠ±ΠΈΠ»Π΅ΠΉ Π½Π΅ ΡΠΊΠ°Π·Π°Π½ΠΎ Π½ΠΈΡΠ΅Π³ΠΎ ΠΎ Π½ΠΈΡ
.
Π Π±ΠΎΠ»ΡΡΠΈΠ½ΡΡΠ²Π΅ ΠΌΠΎΠ΄Π΅Π»Π΅ΠΉ Π½ΡΠΆΠ½ΡΠΉ Π±Π»ΠΎΠΊ ΠΏΡΠ΅Π΄ΠΎΡ
ΡΠ°Π½ΠΈΡΠ΅Π»Π΅ΠΉ ΡΠ°ΡΠΏΠΎΠ»Π°Π³Π°Π΅ΡΡΡ ΠΏΠΎΠ΄ ΡΡΠ»Π΅Π²ΠΎΠΉ ΠΊΠΎΠ»ΠΎΠ½ΠΊΠΎΠΉ.
ΠΠ° Π½Π΅ΠΊΠΎΡΠΎΡΡΡ
ΠΌΠΎΠ΄Π΅Π»ΡΡ
— ΠΏΠΎΠ΄ Π±Π°ΡΠ΄Π°ΡΠΊΠΎΠΌ. ΠΡΠ΅Π΄ΠΎΡ
ΡΠ°Π½ΠΈΡΠ΅Π»Ρ ΡΠ°ΡΡΡΠΈΡΠ°Π½ Π½Π° 15 Π. ΠΠ½ΠΎΠ³ΠΈΠ΅ ΠΏΡΡΠ°ΡΡΡΡ ΡΡΡΠ°Π½Π°Π²Π»ΠΈΠ²Π°ΡΡ ΠΏΡΠ΅Π΄ΠΎΡ
ΡΠ°Π½ΠΈΡΠ΅Π»ΠΈ Π½Π° 20 Π ΠΈ ΡΡΠ°Π»ΠΊΠΈΠ²Π°ΡΡΡΡ Ρ ΡΠ΅ΠΌ, ΡΡΠΎ ΡΠΈΡΡΠ΅ΠΌΠ° Π½Π΅ ΡΠ°Π±ΠΎΡΠ°Π΅Ρ.
Π’Π°ΠΊΠΆΠ΅ ΠΌΠ½ΠΎΠ³ΠΈΠ΅ Π²Π»Π°Π΄Π΅Π»ΡΡΡ Π·Π°ΠΌΠ΅Π½ΡΡΡ ΡΠ΅Π»ΡΠΉ ΡΡΠ°ΠΊΠ°Π½. ΠΠ° ΡΡΠ°ΠΊΠ°Π½Π΅ Π΅ΡΡΡ Π°Π»ΡΠΌΠΈΠ½ΠΈΠ΅Π²Π°Ρ Π²ΡΡΠ°Π²ΠΊΠ°. Π§Π°ΡΡΠΎ ΠΎΠ½Π° ΠΏΠ΅ΡΠ΅Π³ΠΎΡΠ°Π΅Ρ.
ΠΡΠ»ΠΈ Π½ΠΈΡΠ΅Π³ΠΎ Π½Π΅ ΡΠ°Π±ΠΎΡΠ°Π΅Ρ
ΠΡΠ΅ ΡΠ»ΡΡΠ°Π΅ΡΡΡ ΡΠ°ΠΊ, ΡΡΠΎ Π½Π΅ ΡΠ°Π±ΠΎΡΠ°Π΅Ρ ΠΏΡΠΈΠΊΡΡΠΈΠ²Π°ΡΠ΅Π»Ρ ΠΈ ΠΌΠ°Π³Π½ΠΈΡΠΎΠ»Π°, Π² ΡΡΠΎΠΌ ΡΠ»ΡΡΠ°Π΅ ΡΠ΅ΠΊΠΎΠΌΠ΅Π½Π΄ΡΠ΅ΡΡΡ ΠΏΡΠΎΠ²Π΅ΡΠΈΡΡ ΠΌΠΎΠ½ΡΠ°ΠΆΠ½ΡΠΉ Π±Π»ΠΎΠΊ. Π’ΡΠ°ΡΠ΅Π»ΡΠ½ΠΎ ΠΏΡΠΎΠ²Π΅ΡΡΡΠ΅ Π²ΡΠ΅ ΠΏΡΠ΅Π΄ΠΎΡ
ΡΠ°Π½ΠΈΡΠ΅Π»ΠΈ.
ΠΡΠ»ΠΈ Π²Ρ Π½ΠΈΡΠ΅Π³ΠΎ Π½Π΅ Π½Π°ΡΠ»ΠΈ, ΡΠΎΠ³Π΄Π° ΡΠ°ΠΊΠΆΠ΅ ΡΡΠ°ΡΠ΅Π»ΡΠ½ΠΎ ΠΏΡΠΎΠ²Π΅ΡΡΡΠ΅ ΡΠ΅Π»Π΅. ΠΠ°ΡΠ°ΡΡΡΡ Π²ΠΈΠ½ΠΎΠΉ Π²ΡΠ΅ΠΌΡ Π·Π°ΠΊΠΈΡΡΠΈΠΉ ΠΊΠΎΠ½ΡΠ°ΠΊΡ. ΠΠΎΡΠ»Π΅ ΠΏΡΠΎΠΌΡΠ²ΠΊΠΈ ΠΈΠ»ΠΈ ΠΏΡΠΎΠΏΠ°ΠΉΠΊΠΈ ΠΌΠΎΠ½ΡΠ°ΠΆΠ½ΠΎΠ³ΠΎ Π±Π»ΠΎΠΊΠ° Π²ΡΠ΅ ΡΡΠ°Π½ΠΎΠ²ΠΈΡΡΡ Π½Π° ΡΠ²ΠΎΠΈ ΠΌΠ΅ΡΡΠ°.
ΠΠ»Π΅ΠΊΡΡΠΈΡΠ΅ΡΠΊΠ°Ρ ΡΡ
Π΅ΠΌΠ° ΠΏΡΠΈΠΊΡΡΠΈΠ²Π°ΡΠ΅Π»Ρ ΡΠ°ΠΊΠΆΠ΅ Π΄ΠΎΠ²ΠΎΠ»ΡΠ½ΠΎ ΠΏΡΠΎΡΡΠ°Ρ. ΠΠΎ ΡΡΡΠΈ, ΠΎΠ½ ΡΠΎΠ΅Π΄ΠΈΠ½ΡΠ΅ΡΡΡ Π½Π°ΠΏΡΡΠΌΡΡ Ρ Π°ΠΊΠΊΡΠΌΡΠ»ΡΡΠΎΡΠ½ΠΎΠΉ Π±Π°ΡΠ°ΡΠ΅Π΅ΠΉ, Π° Π΅ΡΠ»ΠΈ Π³ΠΎΠ²ΠΎΡΠΈΡΡ ΡΠΎΡΠ½Π΅Π΅, ΡΠΎ ΡΠ΅ΡΠ΅Π· ΠΌΠΎΠ½ΡΠ°ΠΆΠ½ΡΠΉ Π±Π»ΠΎΠΊ.
Π’Π°ΠΊΠ°Ρ ΠΊΠΎΠ½ΡΡΡΡΠΊΡΠΈΡ Π²ΠΏΠΎΠ»Π½Π΅ ΠΎΠ±ΠΎΡΠ½ΠΎΠ²Π°Π½Π°, ΠΈ ΠΎΠ½Π° ΡΡΠΈΡΡΠ²Π°Π΅Ρ ΠΎΡΠΎΠ±Π΅Π½Π½ΠΎΡΡΠΈ ΡΠΊΡΠΏΠ»ΡΠ°ΡΠ°ΡΠΈΠΈ Π΄Π°Π½Π½ΠΎΠ³ΠΎ ΡΡΡΡΠΎΠΉΡΡΠ²Π°. ΠΡΠ΅ Π΄Π΅Π»ΠΎ Π² ΡΠΎΠΌ, ΡΡΠΎ ΠΊΠΎΠ³Π΄Π° ΠΏΡΠΈΠΊΡΡΠΈΠ²Π°ΡΠ΅Π»Ρ Π²ΠΊΠ»ΡΡΠ°Π΅ΡΡΡ Π² ΡΠ°Π±ΠΎΡΡ, ΡΠΎ ΡΠ΅ΡΠ΅Π· Π½Π΅Π³ΠΎ ΠΈΠ΄Π΅Ρ ΡΠΎΠΊ Π΄ΠΎΡΡΠ°ΡΠΎΡΠ½ΠΎ Π±ΠΎΠ»ΡΡΠΎΠΉ ΡΠΈΠ»Ρ. ΠΠ΄Π΅ΡΡ Π²ΠΏΠΎΡΡ ΠΏΡΠΈΠ²Π΅ΡΡΠΈ Π°Π½Π°Π»ΠΎΠ³ΠΈΡ ΡΠΎ ΡΡΠ°ΡΡΠ΅ΡΠΎΠΌ.
ΠΡΠ»ΠΈ ΠΏΡΠΈΠΊΡΡΠΈΠ²Π°ΡΠ΅Π»Ρ ΠΏΠ΅ΡΠ΅ΡΡΠ°Π» ΡΠ°Π±ΠΎΡΠ°ΡΡ, ΡΠΎ ΠΏΡΠΈΡΠΈΠ½ΠΎΠΉ ΡΡΠΎΠΌΡ ΠΌΠΎΠ³ΡΡ Π±ΡΡΡ Π½Π΅ΡΠΊΠΎΠ»ΡΠΊΠΎ ΠΏΡΠΈΡΠΈΠ½:
- ΠΏΡΠ΅Π΄ΠΎΡ
ΡΠ°Π½ΠΈΡΠ΅Π»Ρ;
- ΠΏΡΠΎΠ²ΠΎΠ΄Π°;
- Π½Π΅ΠΈΡΠΏΡΠ°Π²Π½ΠΎΡΡΡ ΡΠ°ΠΌΠΎΠ³ΠΎ ΡΡΡΡΠΎΠΉΡΡΠ²Π°.
ΠΠ°Π²Π°ΠΉΡΠ΅ ΡΠ°ΡΡΠΌΠΎΡΡΠΈΠΌ ΠΈΡ
Π½Π΅ΠΌΠ½ΠΎΠ³ΠΎ Π΄Π΅ΡΠ°Π»ΡΠ½Π΅Π΅. ΠΠ΅ΡΠ²ΡΠΌ Π΄Π΅Π»ΠΎΠΌ ΠΏΡΠΈ Π½Π΅ΠΈΡΠΏΡΠ°Π²Π½ΠΎΡΡΠΈ ΠΏΡΠΈΠΊΡΡΠΈΠ²Π°ΡΠ΅Π»Ρ ΡΠ»Π΅Π΄ΡΠ΅Ρ ΠΏΡΠΎΠ²Π΅ΡΠΈΡΡ ΡΠ΅Π»ΠΎΡΡΠ½ΠΎΡΡΡ ΠΏΡΠ΅Π΄ΠΎΡ
ΡΠ°Π½ΠΈΡΠ΅Π»Ρ. ΠΠΎΠΎΠ±ΡΠ΅, ΠΏΡΠΈ ΠΏΠΎΠΈΡΠΊΠ΅ ΠΏΡΠΈΡΠΈΠ½ Π»ΡΡΡΠ΅ Π²ΡΠ΅Π³ΠΎ ΠΈΠ΄ΡΠΈ ΠΏΠΎ ΠΏΡΡΠΈ ΠΎΡ ΠΏΡΠΎΡΡΠΎΠ³ΠΎ ΠΊ ΡΠ»ΠΎΠΆΠ½ΠΎΠΌΡ.
ΠΡΠΆΠ½ΡΠΉ Π½Π°ΠΌ Π² Π΄Π°Π½Π½ΠΎΠΌ ΡΠ»ΡΡΠ°Π΅ ΠΏΡΠ΅Π΄ΠΎΡ
ΡΠ°Π½ΠΈΡΠ΅Π»Ρ Π½Π°Ρ
ΠΎΠ΄ΠΈΡΡΡ Π² ΠΌΠΎΠ½ΡΠ°ΠΆΠ½ΠΎΠΌ Π±Π»ΠΎΠΊΠ΅. Π£Π·Π½Π°ΡΡ Π΅Π³ΠΎ ΠΌΠΎΠΆΠ½ΠΎ ΠΏΠΎ ΠΌΠ°ΡΠΊΠΈΡΠΎΠ²ΠΊΠ΅ β ΡΠΎΠΎΡΠ²Π΅ΡΡΡΠ²ΡΡΡΠ΅ΠΌΡ ΠΈΠ·ΠΎΠ±ΡΠ°ΠΆΠ΅Π½ΠΈΡ F18. ΠΡΡΠ°ΡΠΈ, Π½Π° ΡΠ»Π΅ΠΊΡΡΠΈΡΠ΅ΡΠΊΠΎΠΉ ΡΡ
Π΅ΠΌΠ΅ Β«Π΄Π΅ΡΡΡΠΊΠΈΒ» ΠΎΠ½ ΠΎΠ±ΠΎΠ·Π½Π°ΡΠ΅Π½ ΡΠΎΡΠ½ΠΎ ΡΠ°ΠΊ ΠΆΠ΅. Π‘ΠΈΠ»Π° ΡΠΎΠΊΠ°, ΠΊΠΎΡΠΎΡΡΠΉ ΠΏΡΠΎΡ
ΠΎΠ΄ΠΈΡ ΡΠ΅ΡΠ΅Π· Π΄Π°Π½Π½ΡΠΉ ΠΏΡΠ΅Π΄ΠΎΡ
ΡΠ°Π½ΠΈΡΠ΅Π»Ρ, Π½Π΅ Π΄ΠΎΠ»ΠΆΠ½Π° ΠΏΡΠ΅Π²ΡΡΠ°ΡΡ ΠΎΡΠΌΠ΅ΡΠΊΡ 25 Π°ΠΌΠΏΠ΅Ρ.
ΠΠΏΡΠΎΡΠ΅ΠΌ, Π΅ΡΡΡ Π΅ΡΠ΅ Π±ΠΎΠ»Π΅Π΅ ΠΏΡΠΎΡΡΠΎΠΉ ΡΠΏΠΎΡΠΎΠ±. Π Π΄Π°Π½Π½ΠΎΠΌ ΡΠ»ΡΡΠ°Π΅ Π΄Π°ΠΆΠ΅ Π½Π΅ ΠΏΠΎΡΡΠ΅Π±ΡΠ΅ΡΡΡ ΠΎΡΠΊΡΡΠ²Π°ΡΡ ΠΌΠΎΠ½ΡΠ°ΠΆΠ½ΡΠΉ Π±Π»ΠΎΠΊ ΠΈ ΠΎΡΠΌΠ°ΡΡΠΈΠ²Π°ΡΡ ΠΏΡΠ΅Π΄ΠΎΡ
ΡΠ°Π½ΠΈΡΠ΅Π»Ρ. ΠΠΎΡΡΠ°ΡΠΎΡΠ½ΠΎ Π±ΡΠ΄Π΅Ρ ΠΎΠ±ΡΠΊΠ½ΠΎΠ²Π΅Π½Π½ΠΎ ΠΏΠΎΠΏΡΠΎΠ±ΠΎΠ²Π°ΡΡ Π²ΠΊΠ»ΡΡΠΈΡΡ Π·Π°ΠΆΠΈΠ³Π°Π½ΠΈΠ΅ ΠΈ Π·Π°ΠΏΡΡΡΠΈΡΡ Π²Π΅Π½ΡΠΈΠ»ΡΡΠΎΡ ΠΎΡΠΎΠΏΠΈΡΠ΅Π»ΡΠ½ΠΎΠΉ ΡΠΈΡΡΠ΅ΠΌΡ. ΠΡΠΎ Π΄Π΅ΠΉΡΡΠ²ΠΈΡΠ΅Π»ΡΠ½ΠΎ Π½Π°ΠΈΠ±ΠΎΠ»Π΅Π΅ ΠΏΡΠΎΡΡΠΎΠΉ Π²Π°ΡΠΈΠ°Π½Ρ ΠΏΡΠΎΠ²Π΅ΡΠΊΠΈ. ΠΡΠ΅ Π΄Π΅Π»ΠΎ Π² ΡΠΎΠΌ, ΡΡΠΎ Π²Π΅Π½ΡΠΈΠ»ΡΡΠΎΡ ΠΈ ΠΏΡΠΈΠΊΡΡΠΈΠ²Π°ΡΠ΅Π»Ρ Β«ΠΏΠΎΡΠ°ΠΆΠ΅Π½ΡΒ» Π½Π° ΠΎΠ΄ΠΈΠ½ ΠΈ ΡΠΎΡ ΠΆΠ΅ ΠΏΡΠ΅Π΄ΠΎΡ
ΡΠ°Π½ΠΈΡΠ΅Π»Ρ β Π²ΡΡΠ΅ΡΠΏΠΎΠΌΡΠ½ΡΡΡΠΉ F18. Π‘ΠΎΠΎΡΠ²Π΅ΡΡΡΠ²Π΅Π½Π½ΠΎ, ΠΏΡΠΈ Π²ΡΡ
ΠΎΠ΄Π΅ Π΅Π³ΠΎ ΠΈΠ· ΡΡΡΠΎΡ Π½ΠΈ ΠΎΠ΄Π½ΠΎ ΠΈΠ· ΡΡΠΈΡ
ΡΡΡΡΠΎΠΉΡΡΠ² ΡΠ°Π±ΠΎΡΠ°ΡΡ Π½Π΅ Π±ΡΠ΄Π΅Ρ.
Π Π΅ΡΠ°Π΅ΡΡΡ ΠΏΡΠΎΠ±Π»Π΅ΠΌΠ° ΠΏΡΠΎΡΡΠΎ. ΠΡΠΊΡΡΠ²Π°Π΅ΠΌ ΠΌΠΎΠ½ΡΠ°ΠΆΠ½ΡΠΉ Π±Π»ΠΎΠΊ ΠΈ ΠΌΠ΅Π½ΡΠ΅ΠΌ Π½Π΅ΠΈΡΠΏΡΠ°Π²Π½ΡΠΉ ΠΏΡΠ΅Π΄ΠΎΡ
ΡΠ°Π½ΠΈΡΠ΅Π»Ρ. ΠΠ»Ρ ΡΠΎΠ³ΠΎ ΡΡΠΎΠ±Ρ Π±ΡΠ»ΠΎ Π±ΠΎΠ»Π΅Π΅ ΡΠ΄ΠΎΠ±Π½ΠΎ ΠΏΡΠΎΠ΄Π΅Π»ΡΠ²Π°ΡΡ Π΄Π°Π½Π½ΡΡ ΠΎΠΏΠ΅ΡΠ°ΡΠΈΡ, ΠΊΠΎΠ½ΡΡΡΡΠΊΡΠΎΡΡ ΠΏΡΠ΅Π΄ΡΡΠΌΠΎΡΡΠ΅Π»ΠΈ ΠΏΠΈΠ½ΡΠ΅Ρ. ΠΠ½ Π½Π°Ρ
ΠΎΠ΄ΠΈΡΡΡ Π²Π½ΡΡΡΠΈ ΠΌΠΎΠ½ΡΠ°ΠΆΠ½ΠΎΠ³ΠΎ Π±Π»ΠΎΠΊΠ°, ΠΈ Ρ Π΅Π³ΠΎ ΠΏΠΎΠΌΠΎΡΡΡ Π΄Π΅ΠΉΡΡΠ²ΠΈΡΠ΅Π»ΡΠ½ΠΎ Π³ΠΎΡΠ°Π·Π΄ΠΎ ΡΠ΄ΠΎΠ±Π½Π΅Π΅ ΠΌΠ°Π½ΠΈΠΏΡΠ»ΠΈΡΠΎΠ²Π°ΡΡ ΡΡΠΎΠ»Ρ ΡΠΎΠ½ΠΊΠΈΠΌ ΠΏΡΠ΅Π΄ΠΌΠ΅ΡΠΎΠΌ, ΠΊΠ°ΠΊ ΠΏΡΠ΅Π΄ΠΎΡ
ΡΠ°Π½ΠΈΡΠ΅Π»Ρ.
ΠΡΡΠ°Π»ΠΎΡΡ ΡΠΎΠ»ΡΠΊΠΎ Π»ΠΈΡΡ ΠΏΡΠΎΠ²Π΅ΡΠΈΡΡ ΡΠ°Π±ΠΎΡΡ ΠΏΡΠΈΠΊΡΡΠΈΠ²Π°ΡΠ΅Π»Ρ, ΠΈ, Π΅ΡΠ»ΠΈ Π²ΡΠ΅ Π² ΠΏΠΎΡΡΠ΄ΠΊΠ΅, Π·Π°ΠΊΡΡΡΡ ΠΌΠΎΠ½ΡΠ°ΠΆΠ½ΡΠΉ Π±Π»ΠΎΠΊ.
ΠΠ΄Π½Π°ΠΊΠΎ ΠΏΡΠ΅Π΄ΠΎΡ
ΡΠ°Π½ΠΈΡΠ΅Π»Ρ Π΄Π°Π»Π΅ΠΊΠΎ Π½Π΅ Π²ΡΠ΅Π³Π΄Π° ΡΠ²Π»ΡΠ΅ΡΡΡ ΠΏΡΠΈΡΠΈΠ½ΠΎΠΉ Π½Π΅ΠΈΡΠΏΡΠ°Π²Π½ΠΎΡΡΠΈ. ΠΡΠ»ΠΈ ΠΎΠ½ Π² ΠΏΠΎΠ»Π½ΠΎΠΌ ΠΏΠΎΡΡΠ΄ΠΊΠ΅, Π·Π½Π°ΡΠΈΡ, ΠΏΡΠΎΠ±Π»Π΅ΠΌΡ ΡΠ»Π΅Π΄ΡΠ΅Ρ ΠΏΠΎΠΈΡΠΊΠ°ΡΡ Π² ΠΏΡΠΎΠ²ΠΎΠ΄Π°Ρ
, ΠΊΠΎΡΠΎΡΡΠ΅ ΡΠΎΠ΅Π΄ΠΈΠ½ΡΡΡ ΠΌΠΎΠ½ΡΠ°ΠΆΠ½ΡΠΉ Π±Π»ΠΎΠΊ ΠΈ ΠΏΡΠΈΠΊΡΡΠΈΠ²Π°ΡΠ΅Π»Ρ. ΠΠΎΠ·ΠΌΠΎΠΆΠ½ΠΎ, Π³Π΄Π΅-ΡΠΎ ΠΏΡΠΎΠΈΠ·ΠΎΡΠ΅Π» ΠΎΠ±ΡΡΠ². ΠΠ°ΠΊ ΡΡΡΡΠ°Π½ΠΈΡΡ Π΄Π°Π½Π½ΡΡ ΠΏΡΠΎΠ±Π»Π΅ΠΌΡ, ΠΎΠ±ΡΡΡΠ½ΡΡΡ, Π½Π°Π²Π΅ΡΠ½ΠΎΠ΅, Π½Π΅ Π½ΡΠΆΠ½ΠΎ. Π’ΠΎΠ»ΡΠΊΠΎ Π½Π΅ Π·Π°Π±ΡΠ΄ΡΡΠ΅ ΠΏΠΎΡΠΎΠΌ ΡΡΠ°ΡΠ΅Π»ΡΠ½ΠΎ Π·Π°ΠΈΠ·ΠΎΠ»ΠΈΡΠΎΠ²Π°ΡΡ Π²ΠΎΡΡΡΠ°Π½ΠΎΠ²Π»Π΅Π½Π½ΡΠΉ ΠΏΡΠΎΠ²ΠΎΠ΄.
ΠΠ΄Π½Π°ΠΊΠΎ ΠΏΡΠΈΡΠΈΠ½Π° ΠΌΠΎΠΆΠ΅Ρ Π±ΡΡΡ Π΅ΡΠ΅ Π±ΠΎΠ»Π΅Π΅ ΡΠ΅ΡΡΠ΅Π·Π½ΠΎΠΉ β ΡΠ΅ΡΡ ΠΈΠ΄Π΅Ρ ΠΎ ΠΏΠΎΠ»ΠΎΠΌΠΊΠ΅ ΡΠ°ΠΌΠΎΠ³ΠΎ ΠΏΡΠΈΠΊΡΡΠΈΠ²Π°ΡΠ΅Π»Ρ. ΠΠΏΡΠΎΡΠ΅ΠΌ, ΠΏΠ΅ΡΠ΅Π΄ ΡΠ΅ΠΌ ΠΊΠ°ΠΊ Π½Π°ΡΠΈΠ½Π°ΡΡ ΡΠ°Π·Π±ΠΈΡΠ°ΡΡ ΡΡΡΡΠΎΠΉΡΡΠ²ΠΎ, ΠΎΡΠΌΠΎΡΡΠΈΡΠ΅ Π΅ΡΠ΅ ΠΈ ΠΏΡΠ΅Π΄ΠΎΡ
ΡΠ°Π½ΠΈΡΠ΅Π»Ρ F6. ΠΡΠ΅ Π΄Π΅Π»ΠΎ Π² ΡΠΎΠΌ, ΡΡΠΎ ΠΎΠ½ ΠΏΡΠΈ ΠΏΠ΅ΡΠ΅Π³ΠΎΡΠ°Π½ΠΈΠΈ ΡΠ°ΠΊΠΆΠ΅ ΠΌΠΎΠΆΠ΅Ρ ΡΠΏΡΠΎΠ²ΠΎΡΠΈΡΠΎΠ²Π°ΡΡ ΠΎΡΠΊΠ°Π· Π² ΡΠ°Π±ΠΎΡΠ΅ ΠΏΡΠΈΠΊΡΡΠΈΠ²Π°ΡΠ΅Π»Ρ. ΠΡΠ»ΠΈ ΠΆΠ΅ ΠΏΡΠ΅Π΄ΠΎΡ
ΡΠ°Π½ΠΈΡΠ΅Π»Ρ Π² ΠΏΠΎΡΡΠ΄ΠΊΠ΅, ΡΠΎ ΠΈΠ½ΠΎΠ³ΠΎ Π²ΡΡ
ΠΎΠ΄Π°, ΠΊΡΠΎΠΌΠ΅ ΠΊΠ°ΠΊ ΡΠ°Π·Π±ΠΎΡΠΊΠ° ΠΏΡΠΈΠΊΡΡΠΈΠ²Π°ΡΠ΅Π»Ρ, ΡΠΆΠ΅ Π½Π΅ Π±ΡΠ΄Π΅Ρ.
ΠΠΈ Π΄Π»Ρ ΠΊΠΎΠ³ΠΎ Π½Π΅ ΡΠ΅ΠΊΡΠ΅Ρ, ΡΡΠΎ Π·Π° ΠΏΠΎΡΠ»Π΅Π΄Π½ΠΈΠ΅ Π³ΠΎΠ΄Ρ ΡΡΠ½ΠΊΡΠΈΠΈ ΠΏΡΠΈΠΊΡΡΠΈΠ²Π°ΡΠ΅Π»Ρ Π² Π°Π²ΡΠΎΠΌΠΎΠ±ΠΈΠ»Π΅ ΠΊΠ°ΡΠ΄ΠΈΠ½Π°Π»ΡΠ½ΠΎ ΠΈΠ·ΠΌΠ΅Π½ΠΈΠ»ΠΈΡΡ. ΠΡΠ»ΠΈ ΡΠ°Π½ΡΡΠ΅ ΠΎΠ½ Π±ΡΠ» Π²ΠΌΠ΅ΡΡΠΎ ΡΠΏΠΈΡΠ΅ΠΊ ΠΈΠ»ΠΈ Π·Π°ΠΆΠΈΠ³Π°Π»ΠΊΠΈ, ΡΠΎ ΡΠ΅ΠΉΡΠ°Ρ ΡΠ²Π»ΡΠ΅ΡΡΡ Π½Π΅Π·Π°ΠΌΠ΅Π½ΠΈΠΌΡΠΌ Π°ΡΡΠΈΠ±ΡΡΠΎΠΌ Π² ΠΆΠΈΠ·Π½ΠΈ ΠΊΠ°ΠΆΠ΄ΠΎΠ³ΠΎ Π°Π²ΡΠΎΠ²Π»Π°Π΄Π΅Π»ΡΡΠ°.
Π‘ ΠΏΠΎΠΌΠΎΡΡΡ ΠΏΡΠΈΠΊΡΡΠΈΠ²Π°ΡΠ΅Π»Ρ, Π° ΡΠΎΡΠ½Π΅Π΅ Π΅Π³ΠΎ Π³Π½Π΅Π·Π΄Π°, ΠΌΠΎΠΆΠ½ΠΎ ΠΏΠΎΠ΄Π·Π°ΡΡΠ΄ΠΈΡΡ ΠΌΠΎΠ±ΠΈΠ»ΡΠ½ΡΠΉ ΡΠ΅Π»Π΅ΡΠΎΠ½, ΠΏΠΎΠ΄ΠΊΠ»ΡΡΠΈΡΡ ΠΌΠ½ΠΎΠΆΠ΅ΡΡΠ²ΠΎ Π°Π²ΡΠΎΠΌΠΎΠ±ΠΈΠ»ΡΠ½ΡΡ
Π°ΠΊΡΠ΅ΡΡΡΠ°ΡΠΎΠ², ΠΊΠΎΡΠΎΡΡΠ΅ Π½Π°ΠΏΡΡΠΌΡΡ Π·Π°Π²ΠΈΡΡΡ ΠΎΡ ΡΠ»Π΅ΠΊΡΡΠΈΡΠ΅ΡΡΠ²Π°. ΠΠΎΠ»ΠΎΠΌΠΊΠ° ΠΏΡΠΈΠΊΡΡΠΈΠ²Π°ΡΠ΅Π»Ρ Π² ΠΌΠ°ΡΠΈΠ½Π΅ ΡΠ²Π»ΡΠ΅ΡΡΡ Π΄ΠΎΡΡΠ°ΡΠΎΡΠ½ΠΎ ΡΠ°ΡΠΏΡΠΎΡΡΡΠ°Π½Π΅Π½Π½ΠΎΠΉ ΠΈ Π²Π°ΠΆΠ½ΠΎΠΉ ΠΏΡΠΎΠ±Π»Π΅ΠΌΠΎΠΉ Π΄Π»Ρ ΠΊΠΎΠΌΡΠΎΡΡΠ½ΠΎΠΉ ΡΠΊΡΠΏΠ»ΡΠ°ΡΠ°ΡΠΈΠΈ ΡΡΠ°Π½ΡΠΏΠΎΡΡΠ½ΠΎΠ³ΠΎ ΡΡΠ΅Π΄ΡΡΠ²Π°.
Π€ΡΠ½ΠΊΡΠΈΠΈ
Π ΡΠΎΠ²ΡΠ΅ΠΌΠ΅Π½Π½ΠΎΠΌ ΠΎΠ±ΡΠ΅ΡΡΠ²Π΅ Π²Π°ΠΆΠ΅Π½ Π½Π΅ ΡΡΠΎΠ»ΡΠΊΠΎ ΠΏΡΠΈΠΊΡΡΠΈΠ²Π°ΡΠ΅Π»Ρ, ΡΠΊΠΎΠ»ΡΠΊΠΎ ΡΠ°ΠΌΠΎ Π΅Π³ΠΎ Π³Π½Π΅Π·Π΄ΠΎ. ΠΠΌΠ΅Π½Π½ΠΎ Π² ΡΡΠΎ ΠΎΡΠ²Π΅ΡΡΡΠΈΠ΅ Π²ΡΡΠ°Π²Π»ΡΡΡΡΡ Π΄ΡΡΠ³ΠΈΠ΅ ΡΠ»Π΅ΠΊΡΡΠΈΡΠ΅ΡΠΊΠΈΠ΅ ΠΏΡΠΈΠ±ΠΎΡΡ, Π±Π΅Π· ΠΊΠΎΡΠΎΡΡΡ
ΠΌΠ½ΠΎΠ³ΠΈΠΌ Π°Π²ΡΠΎΠ»ΡΠ±ΠΈΡΠ΅Π»ΡΠΌ ΠΏΡΠΎΡΡΠΎ Π½Π΅ ΠΎΠ±ΠΎΠΉΡΠΈΡΡ. ΠΠΎΠ²ΠΎΡΡ ΠΏΡΠΎΡΡΡΠΌ ΡΠ·ΡΠΊΠΎΠΌ, Π³Π½Π΅Π·Π΄ΠΎ — ΡΡΠΎ ΡΠ°ΠΊ Π½Π°Π·ΡΠ²Π°Π΅ΠΌΠ°Ρ ΡΠΎΠ·Π΅ΡΠΊΠ°, ΡΠΎΠ»ΡΠΊΠΎ Π½Π΅ Π² Π΄ΠΎΠΌΠ΅, Π° Π² ΠΌΠ°ΡΠΈΠ½Π΅. Π‘ Π΅Π³ΠΎ ΠΏΠΎΠΌΠΎΡΡΡ ΠΌΠΎΠΆΠ½ΠΎ Π·Π°ΡΡΠΆΠ°ΡΡ ΡΠ²ΠΎΠΉ ΡΠΎΡΠΎΠ²ΡΠΉ, ΠΏΠΎΠ΄ΠΊΠ»ΡΡΠ°ΡΡ Π½Π°Π²ΠΈΠ³Π°ΡΠΎΡΡ ΠΈ ΡΠ°Π΄Π°ΡΡ, Π° ΡΠ°ΠΊΠΆΠ΅ ΠΏΠΎΠ»ΡΠ·ΠΎΠ²Π°ΡΡΡΡ ΠΌΠΎΠ±ΠΈΠ»ΡΠ½ΠΎΠΉ Π°Π²ΡΠΎΠΌΠΎΠΉΠΊΠΎΠΉ. Π‘ ΠΊΠ°ΠΆΠ΄ΡΠΌ Π³ΠΎΠ΄ΠΎΠΌ ΡΡΠ½ΠΎΠΊ ΠΏΠΎΠΏΠΎΠ»Π½ΡΠ΅ΡΡΡ Π±ΠΎΠ»Π΅Π΅ Π½ΠΎΠ²ΡΠΌΠΈ, ΡΠ°Π·Π½ΠΎΠΎΠ±ΡΠ°Π·Π½ΡΠΌΠΈ Π°Π²ΡΠΎΠΌΠΎΠ±ΠΈΠ»ΡΠ½ΡΠΌΠΈ Π°ΠΊΡΠ΅ΡΡΡΠ°ΡΠ°ΠΌΠΈ ΠΈ Π³Π°Π΄ΠΆΠ΅ΡΠ°ΠΌΠΈ, ΠΊΠΎΡΠΎΡΡΠ΅ ΡΠ°Π±ΠΎΡΠ°ΡΡ ΠΎΡ ΡΠ»Π΅ΠΊΡΡΠΈΡΠ΅ΡΡΠ²Π°.
ΠΡΠΈΠΊΡΡΠΈΠ²Π°ΡΠ΅Π»Ρ — ΠΏΡΠΎΡΡΠΎΠ΅ ΡΡΡΡΠΎΠΉΡΡΠ²ΠΎ, Π½ΠΎ Π΄Π°ΠΆΠ΅ Π² Π΅Π³ΠΎ ΡΠ°Π±ΠΎΡΠ΅ ΠΌΠΎΠ³ΡΡ ΡΠ»ΡΡΠ°ΡΡΡΡ ΠΊΠ°Π·ΡΡΡ ΠΈ Π½Π΅ΠΏΠΎΠ»Π°Π΄ΠΊΠΈ. Π ΡΡΠΎΠΉ ΡΡΠ°ΡΡΠ΅ ΠΎΠΏΠΈΡΠ°Π½Ρ Π²ΡΠ΅ Π²ΠΎΠ·ΠΌΠΎΠΆΠ½ΡΠ΅ Π²Π°ΡΠΈΠ°Π½ΡΡ Π½Π΅ΠΈΡΠΏΡΠ°Π²Π½ΠΎΡΡΠΈ Π² ΡΠ°Π±ΠΎΡΠ΅ ΠΏΡΠΈΠΊΡΡΠΈΠ²Π°ΡΠ΅Π»Ρ, Π° ΡΠ°ΠΊΠΆΠ΅ ΡΠΏΠΎΡΠΎΠ±Ρ ΡΡΡΡΠ°Π½Π΅Π½ΠΈΡ Π½Π΅ΠΏΠΎΠ»Π°Π΄ΠΎΠΊ Π΄Π»Ρ ΡΠ°Π·Π½ΡΡ
Π°Π²ΡΠΎΠΌΠΎΠ±ΠΈΠ»ΡΠ½ΡΡ
ΠΌΠ°ΡΠΎΠΊ.
ΠΡΠΈΠ½ΡΠΈΠΏ ΡΠ°Π±ΠΎΡΡ
ΠΠ½Π΅ΡΠ½Π΅ ΠΎΠ½ Π²ΡΠ³Π»ΡΠ΄ΠΈΡ ΠΊΠ°ΠΊ ΠΌΠ΅ΡΠ°Π»Π»ΠΈΡΠ΅ΡΠΊΠΈΠΉ ΠΏΠ°ΡΡΠΎΠ½, Π½Π° ΠΊΠΎΡΠΎΡΠΎΠΌ Π΅ΡΡΡ ΠΏΠ»Π°ΡΡΠΈΠΊΠΎΠ²Π°Ρ ΠΊΠ½ΠΎΠΏΠΊΠ° Ρ ΠΈΠ·ΠΎΠ±ΡΠ°ΠΆΠ΅Π½ΠΈΠ΅ΠΌ ΡΠΈΠ³Π°ΡΠ΅ΡΡ. ΠΠ½ΡΡΡΠΈ ΠΏΠ°ΡΡΠΎΠ½Π° Π²ΠΎ Π²ΡΠ΅ΠΌΡ ΠΈΡΠΏΠΎΠ»ΡΠ·ΠΎΠ²Π°Π½ΠΈΡ Π½Π°Π³ΡΠ΅Π²Π°Π΅ΡΡΡ Π½ΠΈΡ
ΡΠΎΠΌΠΎΠ²Π°Ρ ΡΠΏΠΈΡΠ°Π»Ρ, ΠΎΡ ΠΊΠΎΡΠΎΡΠΎΠΉ ΠΈ ΠΏΡΠΎΡ
ΠΎΠ΄ΠΈΡ ΠΏΡΠΎΡΠ΅ΡΡ ΠΏΡΠΈΠΊΡΡΠΈΠ²Π°Π½ΠΈΡ. ΠΠ»ΡΡ ΠΏΠΎΠ΄Π°Π΅ΡΡΡ Π½Π° Β«ΠΆΠ°Π»ΠΎΒ» ΡΡΠ΅ΠΊΠ΅ΡΠΎΠ², Π²ΠΊΠ»ΡΡΠ°Π΅ΠΌΡΡ
Π² Π³Π½Π΅Π·Π΄ΠΎ ΠΏΡΠΈΠ±ΠΎΡΠΎΠ². ΠΠΎΡΠ»Π΅ Π½Π°Π³ΡΠ΅Π²Π°Π½ΠΈΡ ΡΠΏΠΈΡΠ°Π»ΠΈ Π΄ΠΎ ΠΎΠΏΡΠ΅Π΄Π΅Π»Π΅Π½Π½ΠΎΠΉ ΡΠ΅ΠΌΠΏΠ΅ΡΠ°ΡΡΡΡ — ΡΡΠ°Π±Π°ΡΡΠ²Π°Π΅Ρ ΡΠ΅ΡΠΌΠΎΡΠ΅Π»Π΅, ΠΈ ΠΊΠ½ΠΎΠΏΠΊΠ° ΠΎΡΡΠΊΠ°ΠΊΠΈΠ²Π°Π΅Ρ Π² ΠΈΡΡ
ΠΎΠ΄Π½ΠΎΠ΅ ΠΏΠΎΠ»ΠΎΠΆΠ΅Π½ΠΈΠ΅. ΠΠ»Ρ Π·Π°ΡΠΈΡΡ ΠΏΡΠΈΠΊΡΡΠΈΠ²Π°ΡΠ΅Π»Ρ ΠΈΡΠΏΠΎΠ»ΡΠ·ΡΠ΅ΡΡΡ ΠΏΡΠ΅Π΄ΠΎΡ
ΡΠ°Π½ΠΈΡΠ΅Π»Ρ Π½Π° 10ΠΠΌ. ΠΡΠ΅ ΠΏΡΠ΅Π΄ΠΎΡ
ΡΠ°Π½ΠΈΡΠ΅Π»ΠΈ ΡΠ°Π·ΠΌΠ΅ΡΠ΅Π½Ρ Π² Π±Π»ΠΎΠΊΠ΅, ΠΊΠΎΡΠΎΡΡΠΉ ΠΌΠΎΠΆΠ΅Ρ Π½Π°Ρ
ΠΎΠ΄ΠΈΡΡΡΡ ΠΏΠΎΠ΄ ΡΠΎΡΠΏΠ΅Π΄ΠΎΠΉ, ΡΠΈΠ΄Π΅Π½ΡΠ΅ΠΌ ΠΈ Π΄Π°ΠΆΠ΅ Π² Π±Π°Π³Π°ΠΆΠ½ΠΈΠΊΠ΅. ΠΠ΅ΡΡΠΎΡΠ°ΡΠΏΠΎΠ»ΠΎΠΆΠ΅Π½ΠΈΠ΅ Π±Π»ΠΎΠΊΠ° ΠΏΡΠ΅Π΄ΠΎΡ
ΡΠ°Π½ΠΈΡΠ΅Π»Π΅ΠΉ Π·Π°Π²ΠΈΡΠΈΡ ΠΎΡ ΠΌΠ°ΡΠΊΠΈ Π°Π²ΡΠΎΠΌΠΎΠ±ΠΈΠ»Ρ.
ΠΠ°ΠΆΠ½ΠΎ!
Π Π³Π½Π΅Π·Π΄ΠΎ ΠΏΡΠΈΠΊΡΡΠΈΠ²Π°ΡΠ΅Π»Ρ ΠΏΠΎΠ΄ΠΊΠ»ΡΡΠ°ΡΡΡΡ ΠΏΡΠΈΠ±ΠΎΡΡ Ρ Π½Π°ΠΏΡΡΠΆΠ΅Π½ΠΈΠ΅ΠΌ 12 Π²ΠΎΠ»ΡΡ. ΠΠΌΠ΅Π½Π½ΠΎ ΠΏΠΎΡΡΠΎΠΌΡ Π½Π΅ ΡΡΠΎΠΈΡ ΠΏΠΎΠ΄ΠΊΠ»ΡΡΠ°ΡΡ ΠΈΡ
Ρ Π±ΠΎΠ»Π΅Π΅ ΠΌΠΎΡΠ½ΡΠΌ Π½Π°ΠΏΡΡΠΆΠ΅Π½ΠΈΠ΅ΠΌ — ΡΡΠΎ Π³ΡΠΎΠ·ΠΈΡ Π·Π°ΠΌΡΠΊΠ°Π½ΠΈΠ΅ΠΌ Π² ΡΠ΅ΠΏΠΈ ΠΏΡΠΈΠΊΡΡΠΈΠ²Π°Π½ΠΈΡ.
Π Π°ΡΠΏΠΎΠ»ΠΎΠΆΠ΅Π½ΠΈΠ΅ ΠΏΡΠΈΠΊΡΡΠΈΠ²Π°ΡΠ΅Π»Ρ ΠΌΠΎΠΆΠ΅Ρ Π±ΡΡΡ ΡΠ°Π·Π½ΠΎΠΎΠ±ΡΠ°Π·Π½ΡΠΌ. Π Π±ΠΎΠ»ΡΡΠΈΠ½ΡΡΠ²Π΅ Π°Π²ΡΠΎΠΌΠΎΠ±ΠΈΠ»Π΅ΠΉ ΠΎΠ½ Π½Π°Ρ
ΠΎΠ΄ΠΈΡΡΡ ΠΏΠΎΠ΄ Π°Π²ΡΠΎΠΌΠ°Π³Π½ΠΈΡΠΎΠ»ΠΎΠΉ. ΠΠ»Ρ ΡΠ΄ΠΎΠ±ΡΡΠ²Π° ΠΏΠΎΠ»ΡΠ·ΠΎΠ²Π°Π½ΠΈΡ Π²ΠΎΠ·ΠΌΠΎΠΆΠ΅Π½ ΠΏΠ΅ΡΠ΅Π½ΠΎΡ ΠΌΠ΅ΡΡΠΎΡΠ°ΡΠΏΠΎΠ»ΠΎΠΆΠ΅Π½ΠΈΡ ΠΏΡΠΈΠΊΡΡΠΈΠ²Π°ΡΠ΅Π»Ρ ΠΈΠ»ΠΈ ΡΡΡΠ°Π½ΠΎΠ²ΠΊΠ° Π΄ΠΎΠΏΠΎΠ»Π½ΠΈΡΠ΅Π»ΡΠ½ΠΎΠ³ΠΎ Π³Π½Π΅Π·Π΄Π°.
Π Π½ΠΎΠ²ΡΡ
ΠΌΠ°ΡΠΊΠ°Ρ
ΠΌΠ°ΡΠΈΠ½ Ρ Π·Π°Π²ΠΎΠ΄Π° ΠΏΡΠ΅Π΄ΡΡΠΌΠΎΡΡΠ΅Π½Ρ Π½Π΅ΡΠΊΠΎΠ»ΡΠΊΠΎ Π³Π½Π΅Π·Π΄ ΠΏΡΠΈΠΊΡΡΠΈΠ²Π°ΡΠ΅Π»Π΅ΠΉ.
ΠΡΠΈΡΠΈΠ½Ρ ΠΏΠΎΠ»ΠΎΠΌΠΊΠΈ
- ΡΠ³ΠΎΡΠ΅Π²ΡΠΈΠΉ ΠΏΡΠ΅Π΄ΠΎΡ
ΡΠ°Π½ΠΈΡΠ΅Π»Ρ;
- ΡΠ³ΠΎΡΠ΅Π²ΡΠ΅Π΅ Π³Π½Π΅Π·Π΄ΠΎ ΠΏΡΠΈΠΊΡΡΠΈΠ²Π°ΡΠ΅Π»Ρ;
- ΡΠ°Π·ΡΡΠ² ΠΏΡΠΎΠ²ΠΎΠ΄ΠΊΠΈ.
Π§Π°ΡΠ΅ Π²ΡΠ΅Π³ΠΎ, Π»ΡΠ΄ΠΈ ΡΡΠ°Π»ΠΊΠΈΠ²Π°ΡΡΡΡ Ρ ΠΏΡΠΎΠ±Π»Π΅ΠΌΠΎΠΉ ΠΏΠ΅ΡΠ΅Π³ΠΎΡΠ°Π½ΠΈΡ ΠΏΡΠ΅Π΄ΠΎΡ
ΡΠ°Π½ΠΈΡΠ΅Π»Ρ. ΠΡΠΎΠΈΡΡ
ΠΎΠ΄ΠΈΡ ΡΡΠΎΡ ΠΊΠ°Π·ΡΡ ΠΊΠ°ΠΊ Π² ΠΎΡΠ΅ΡΠ΅ΡΡΠ²Π΅Π½Π½ΡΡ
Π°Π²ΡΠΎΠΌΠΎΠ±ΠΈΠ»ΡΡ
, ΡΠ°ΠΊ ΠΈ Π² ΠΈΠ½ΠΎΠΌΠ°ΡΠΊΠ°Ρ
. ΠΠΈΠ½ΠΎΠ²Π½ΠΈΠΊΠ°ΠΌΠΈ ΡΠ°ΡΠ΅ Π²ΡΠ΅Π³ΠΎ ΡΠ²Π»ΡΡΡΡΡ Π°Π²ΡΠΎΠΌΠΎΠ±ΠΈΠ»ΡΠ½ΡΠ΅ Π³Π°Π΄ΠΆΠ΅ΡΡ. Π Π°Π±ΠΎΡΠ° ΠΏΡΠΈΠΊΡΡΠΈΠ²Π°ΡΠ΅Π»Ρ ΡΠ°ΡΡΡΠΈΡΠ°Π½Π° Π½Π° ΠΎΠΏΡΠ΅Π΄Π΅Π»Π΅Π½Π½ΡΡ ΠΌΠΎΡΠ½ΠΎΡΡΡ, Π° ΠΎΡΠ΅Π½Ρ ΡΠ°ΡΡΠΎ Π°Π²ΡΠΎΠ²Π»Π°Π΄Π΅Π»ΡΡΡ ΠΏΠΎΠ΄ΠΊΠ»ΡΡΠ°ΡΡ Π² ΠΎΡΠ²Π΅ΡΡΡΠΈΠ΅ ΠΏΡΠ΅Π²ΡΡΠ°ΡΡΠΈΠ΅ ΡΠ°Π·ΡΠ΅ΡΠ΅Π½Π½ΠΎΠ΅ Π·Π½Π°ΡΠ΅Π½ΠΈΠ΅ ΠΏΡΠΈΠ±ΠΎΡΡ, ΠΎΡΡΠ΅Π³ΠΎ ΠΏΡΠΎΠΈΡΡ
ΠΎΠ΄ΠΈΡ ΠΏΠ΅ΡΠ΅Π³ΠΎΡΠ°Π½ΠΈΠ΅ ΠΏΡΠ΅Π΄ΠΎΡ
ΡΠ°Π½ΠΈΡΠ΅Π»Ρ.
Π Π΅ΡΠ΅Π½ΠΈΠ΅ Π΄ΠΎΡΡΠ°ΡΠΎΡΠ½ΠΎ ΠΏΡΠΎΡΡΠΎΠ΅ — ΡΠ»Π΅Π΄ΡΠ΅Ρ Π·Π°ΠΌΠ΅Π½ΠΈΡΡ ΡΠ³ΠΎΡΠ΅Π²ΡΠΈΠΉ ΠΏΡΠ΅Π΄ΠΎΡ
ΡΠ°Π½ΠΈΡΠ΅Π»Ρ ΠΈ Π²ΠΏΡΠ΅Π΄Ρ ΠΈΡΠΏΠΎΠ»ΡΠ·ΠΎΠ²Π°ΡΡ ΡΠ°Π·ΡΠ΅ΠΌ ΡΠΎΠ»ΡΠΊΠΎ Π΄Π»Ρ ΡΠ»Π°Π±ΠΎΡΠΎΡΠ½ΡΡ
ΠΏΡΠΈΠ±ΠΎΡΠΎΠ². ΠΠΎΠ΄ΠΊΠ»ΡΡΠ°ΡΡ ΠΌΠΎΡΠ½ΡΠ΅ ΠΏΡΠΈΠ±ΠΎΡΡ ΡΠ»Π΅Π΄ΡΠ΅Ρ Π½Π°ΠΏΡΡΠΌΡΡ ΠΊ Π°ΠΊΠΊΡΠΌΡΠ»ΡΡΠΎΡΡ. Π₯ΠΎΡΡ ΡΡΠΎ Π½Π΅ΡΠ΄ΠΎΠ±Π½ΠΎ ΠΈ ΠΈΠ½ΠΎΠ³Π΄Π° Π½Π΅ ΡΠ°ΠΊ ΠΏΡΠΎΡΡΠΎ, Π½ΠΎ Π³ΠΎΡΠ°Π·Π΄ΠΎ Π±Π΅Π·ΠΎΠΏΠ°ΡΠ½Π΅Π΅ ΠΈ ΡΡΡΠ΅ΠΊΡΠΈΠ²Π½Π΅Π΅.
Π‘ΠΎΠ²Π΅Ρ! ΠΡΠ»ΠΈ Π²Ρ ΡΠ°ΡΡΠΎ ΠΈΡΠΏΠΎΠ»ΡΠ·ΡΠ΅ΡΠ΅ ΠΌΠΎΡΠ½ΡΠ΅ ΠΏΡΠΈΠ±ΠΎΡΡ, Π° ΠΏΠΎΠ΄ΠΊΠ»ΡΡΠ°ΡΡΡΡ ΠΊ Π°ΠΊΠΊΡΠΌΡΠ»ΡΡΠΎΡΡ Π²ΡΠ΅ΠΌΠ΅Π½ΠΈ Π½Π΅Ρ, ΡΠΎ ΠΌΠΎΠΆΠ½ΠΎ Π²ΡΠ²Π΅ΡΡΠΈ Π΄ΠΎΠΏΠΎΠ»Π½ΠΈΡΠ΅Π»ΡΠ½ΡΠΉ ΡΠ°Π·ΡΠ΅ΠΌ Ρ ΡΠΈΠ»ΠΎΠ²ΡΠΌ Π³Π½Π΅Π·Π΄ΠΎΠΌ, ΠΊΠΎΡΠΎΡΠΎΠ΅ ΠΏΠΎΠ΄ΠΊΠ»ΡΡΠ°Π΅ΡΡΡ ΠΊ Π½Π΅ΠΌΡ Π½Π°ΠΏΡΡΠΌΡΡ.
ΠΡΠ΅ ΠΎΠ΄Π½ΠΎΠΉ ΠΏΡΠΈΡΠΈΠ½ΠΎΠΉ, ΠΏΠΎΡΠ΅ΠΌΡ Π½Π΅ ΡΠ°Π±ΠΎΡΠ°Π΅Ρ ΠΏΡΠΈΠΊΡΡΠΈΠ²Π°ΡΠ΅Π»Ρ — ΡΠ²Π»ΡΠ΅ΡΡΡ Π·Π°ΠΌΡΠΊΠ°Π½ΠΈΠ΅ Π² Π³Π½Π΅Π·Π΄Π΅ ΡΡΡΡΠΎΠΉΡΡΠ²Π°. ΠΡΠΎΠΈΡΡ
ΠΎΠ΄ΠΈΡ ΡΡΠΎ Π² ΡΠ»ΡΡΠ°Π΅, ΠΊΠΎΠ³Π΄Π° Π² Π³Π½Π΅Π·Π΄ΠΎ Π²ΡΡΠ°Π²Π»ΡΡΡΡΡ Π±ΠΎΠ»ΡΠ°ΡΡΠΈΠ΅ΡΡ ΠΈΠ»ΠΈ Π½Π΅ΡΡΠ°Π½Π΄Π°ΡΡΠ½ΡΠ΅ ΡΡΠ΅ΠΊΠ΅ΡΡ. ΠΠ΅ ΡΡΠΎΠΈΡ ΡΠ°ΠΊΠΆΠ΅ ΡΡΠ°Π²ΠΈΡΡ Π±ΠΎΠ»Π΅Π΅ ΠΌΠΎΡΠ½ΡΠ΅ ΠΏΡΠ΅Π΄ΠΎΡ
ΡΠ°Π½ΠΈΡΠ΅Π»ΠΈ — ΡΡΠΎ ΠΎΠ΄Π½ΠΎΠ·Π½Π°ΡΠ½ΠΎ ΠΏΡΠΈΠ²Π΅Π΄Π΅Ρ ΠΊ Π·Π°ΠΌΡΠΊΠ°Π½ΠΈΡ. ΠΡΠ»ΠΈ Π²ΡΠ΅ ΠΆΠ΅ Ρ Π²Π°ΠΌΠΈ ΠΏΡΠΈΠΊΠ»ΡΡΠΈΠ»Π°ΡΡ ΡΠ°ΠΊΠ°Ρ Π±Π΅Π΄Π°, ΡΠΎ Π΅Π΄ΠΈΠ½ΡΡΠ²Π΅Π½Π½ΡΠΌ Π²Π΅ΡΠ½ΡΠΌ ΡΠ΅ΡΠ΅Π½ΠΈΠ΅ΠΌ ΠΏΡΠΎΠ±Π»Π΅ΠΌΡ, ΡΡΠ°Π½Π΅Ρ Π·Π°ΠΌΠ΅Π½Π° Π³Π½Π΅Π·Π΄Π°.
ΠΡΠ»ΠΈ ΠΏΡΠΈΡΠΈΠ½Π° ΠΏΠΎΠ»ΠΎΠΌΠΊΠΈ Π½Π΅ Π² ΡΠ³ΠΎΡΠ΅Π²ΡΠ΅ΠΌ ΠΏΡΠ΅Π΄ΠΎΡ
ΡΠ°Π½ΠΈΡΠ΅Π»Π΅ ΠΈΠ»ΠΈ Π³Π½Π΅Π·Π΄Π΅, ΡΠΎ ΡΡΠΎΠΈΡ ΠΏΡΠΎΠ²Π΅ΡΠΈΡΡ ΠΏΡΠΎΠ²ΠΎΠ΄ΠΊΡ ΠΏΡΠΈΠΊΡΡΠΈΠ²Π°ΡΠ΅Π»Ρ Π½Π° ΡΠ΅Π»ΠΎΡΡΠ½ΠΎΡΡΡ. ΠΠΎΠ·ΠΌΠΎΠΆΠ½ΠΎ, ΡΠΎΠΊ ΠΎΡΡΡΡΡΡΠ²ΡΠ΅Ρ ΠΈΠ·-Π·Π° ΡΠ°ΡΠΏΠ°ΡΠ²ΡΠ΅Π³ΠΎΡΡ ΠΏΡΠΎΠ²ΠΎΠ΄Π°. ΠΠ³ΠΎ ΡΠ»Π΅Π΄ΡΠ΅Ρ ΠΏΡΠΈΠΏΠ°ΡΡΡ ΠΈ ΠΏΡΠΎΠ²Π΅ΡΠΈΡΡ Π²ΡΠ΅ ΡΠ°Π·ΡΠ΅ΠΌΡ — ΠΎΠ½ΠΈ Π΄ΠΎΠ»ΠΆΠ½Ρ Π±ΡΡΡ ΠΏΠ»ΠΎΡΠ½ΠΎ Π²ΡΡΠ°Π²Π»Π΅Π½Ρ.
ΠΠ°ΠΆΠ΄ΡΠΉ Π²ΡΠΎΡΠΎΠΉ Π²ΠΎΠ΄ΠΈΡΠ΅Π»Ρ Ρ
ΠΎΡΡ ΡΠ°Π· Π² ΠΆΠΈΠ·Π½ΠΈ Π·Π°Π΄Π°Π²Π°Π»ΡΡ Π²ΠΎΠΏΡΠΎΡΠΎΠΌ, ΠΏΠΎΡΠ΅ΠΌΡ ΠΏΠ΅ΡΠ΅ΡΡΠ°Π» ΡΠ°Π±ΠΎΡΠ°ΡΡ ΠΏΡΠΈΠΊΡΡΠΈΠ²Π°ΡΠ΅Π»Ρ. ΠΠΎΡΡΠΎΠΌΡ Π²ΠΎΠΏΡΠΎΡ ΠΎ ΡΠ°ΠΌΠΎΡΡΠΎΡΡΠ΅Π»ΡΠ½ΠΎΠΌ ΡΠ΅ΠΌΠΎΠ½ΡΠ΅ ΠΏΠΎΠ»ΠΎΠΌΠΊΠΈ ΠΎΡΠ΅Π½Ρ Π°ΠΊΡΡΠ°Π»Π΅Π½.
ΠΠΎΡΠ°Π³ΠΎΠ²ΡΠΉ ΡΠ΅ΠΌΠΎΠ½Ρ ΡΠ²ΠΎΠΈΠΌΠΈ ΡΡΠΊΠ°ΠΌΠΈ
ΠΡΠ»ΠΈ Π²Ρ ΡΠ΅ΡΠΈΠ»ΠΈ ΡΠ°ΠΌΠΈ ΡΠ°Π·ΠΎΠ±ΡΠ°ΡΡΡΡ, ΠΏΠΎΡΠ΅ΠΌΡ Π½Π΅ ΡΠ°Π±ΠΎΡΠ°Π΅Ρ ΠΏΡΠΈΠΊΡΡΠΈΠ²Π°ΡΠ΅Π»Ρ ΠΈ ΠΎΡΡΠ΅ΠΌΠΎΠ½ΡΠΈΡΠΎΠ²Π°ΡΡ ΠΏΠΎΠ»ΠΎΠΌΠΊΡ ΡΠ²ΠΎΠ΅Π³ΠΎ Π°Π²ΡΠΎΠΌΠΎΠ±ΠΈΠ»Ρ, ΡΠΎ Π½ΠΈΠΆΠ΅ ΠΏΡΠΈΠ²Π΅Π΄Π΅Π½Π° ΠΈΠ½ΡΡΡΡΠΊΡΠΈΡ ΠΏΠΎ ΡΠ΅ΠΌΠΎΠ½ΡΡ.
ΠΠ»Ρ ΡΡΠΎΠ³ΠΎ Π²Π°ΠΌ ΠΏΠΎΡΡΠ΅Π±ΡΡΡΡΡ:
- ΠΏΠ΅ΡΡΠ°ΡΠΊΠΈ;
- Π½ΠΎΠ²ΡΠΉ ΠΏΡΠ΅Π΄ΠΎΡ
ΡΠ°Π½ΠΈΡΠ΅Π»Ρ;
- ΠΏΠ°ΡΠ»ΡΠ½ΠΈΠΊ;
- Π½Π°Π±ΠΎΡ ΠΎΡΠ²Π΅ΡΡΠΎΠΊ;
- ΠΏΠΈΠ½ΡΠ΅Ρ.
Π‘ΠΎΠ²Π΅Ρ!
ΠΠ΅ Π²ΡΠ΅Π³Π΄Π° ΠΎΠ±ΡΠ·Π°ΡΠ΅Π»ΡΠ½ΠΎ Π΅Ρ
Π°ΡΡ Π² Π°Π²ΡΠΎΡΠ΅ΡΠ²ΠΈΡ. ΠΡΠ»ΠΈ Π²Ρ Ρ
ΠΎΡΡ Π½Π΅ΠΌΠ½ΠΎΠ³ΠΎ ΡΠ°Π·Π±ΠΈΡΠ°Π΅ΡΠ΅ΡΡ Π² ΡΠ²ΠΎΠ΅ΠΉ ΠΌΠ°ΡΠΈΠ½Π΅, ΡΠΎ Ρ ΠΏΠΎΠΌΠΎΡΡΡ ΠΏΠΎΠ΄ΡΠΊΠ°Π·ΠΎΠΊ ΡΠ°Π·Π±Π΅ΡΠ΅ΡΠ΅ΡΡ, ΠΏΠΎΡΠ΅ΠΌΡ Π² ΠΌΠ°ΡΠΈΠ½Π΅ Π½Π΅ ΡΠ°Π±ΠΎΡΠ°Π΅Ρ ΡΠ° ΠΈΠ»ΠΈ ΠΈΠ½Π°Ρ Π΄Π΅ΡΠ°Π»Ρ.
Π₯ΠΎΠ΄ Π΄Π΅ΠΉΡΡΠ²ΠΈΠΉ:
- ΠΏΠ΅ΡΠ²ΡΠΌ Π΄Π΅Π»ΠΎΠΌ Π½ΡΠΆΠ½ΠΎ ΠΎΠ±Π΅ΡΡΠΎΡΠΈΡΡ Π°Π²ΡΠΎΠΌΠΎΠ±ΠΈΠ»Ρ Π²ΠΎ ΠΈΠ·Π±Π΅ΠΆΠ°Π½ΠΈΠ΅ ΠΊΠΎΡΠΎΡΠΊΠΎΠ³ΠΎ Π·Π°ΠΌΡΠΊΠ°Π½ΠΈΡ. ΠΠ»Ρ ΡΡΠΎΠ³ΠΎ ΡΠ½ΠΈΠΌΠ°Π΅ΡΡΡ ΠΌΠΈΠ½ΡΡΠΎΠ²Π°Ρ ΠΊΠ»Π΅ΠΌΠΌΠ° Ρ Π°ΠΊΠΊΡΠΌΡΠ»ΡΡΠΎΡΠ°;
- Π·Π°ΡΠ°ΡΡΡΡ ΠΏΡΠΈΠΊΡΡΠΈΠ²Π°ΡΠ΅Π»Ρ ΡΠ°Π·ΠΌΠ΅ΡΠ°Π΅ΡΡΡ Π½Π° ΡΠ΅Π½ΡΡΠ°Π»ΡΠ½ΠΎΠΉ ΠΊΠΎΠ½ΡΠΎΠ»ΠΈ. ΠΡΠΎΠ΄Π²ΠΈΠ½ΡΡΠ΅ Π²ΠΎΠ΄ΠΈΡΠ΅Π»ΡΡΠΊΠΎΠ΅ ΠΊΡΠ΅ΡΠ»ΠΎ, ΡΡΠΎΠ± ΠΏΠΎΠ΄ΠΎΠ±ΡΠ°ΡΡΡΡ ΠΊ Π½Π΅ΡΠ°Π±ΠΎΡΠ°ΡΡΠ΅ΠΌΡ ΠΏΡΠΈΠ±ΠΎΡΡ;
- Ρ ΠΏΠΎΠΌΠΎΡΡΡ ΡΠΎΠ½Π°ΡΠΈΠΊΠ° Π½ΡΠΆΠ½ΠΎ ΠΎΡΠΌΠΎΡΡΠ΅ΡΡ Π³Π½Π΅Π·Π΄ΠΎ ΡΡΡΡΠΎΠΉΡΡΠ²Π° Π½Π° ΠΏΡΠΈΡΡΡΡΡΠ²ΠΈΠ΅ ΠΏΠΎΡΡΠΎΡΠΎΠ½Π½ΠΈΡ
ΠΏΡΠ΅Π΄ΠΌΠ΅ΡΠΎΠ². ΠΡΠ»ΠΈ ΡΠ°ΠΊΠΈΠ΅ ΠΈΠΌΠ΅ΡΡΡΡ, ΡΠΎ Ρ ΠΏΠΎΠΌΠΎΡΡΡ ΠΏΠΈΠ½ΡΠ΅ΡΠ° ΠΈΠ·Π²Π»Π΅ΠΊΠΈΡΠ΅ ΠΈΡ
ΠΈΠ· Π³Π½Π΅Π·Π΄Π°;
- Π΅ΡΠ»ΠΈ ΡΡΡΡΠΎΠΉΡΡΠ²ΠΎ Π½Π΅ ΡΠ°Π±ΠΎΡΠ°Π΅Ρ, ΡΠΎ ΠΏΠ΅ΡΠ²ΡΠΌ Π΄Π΅Π»ΠΎΠΌ Π½ΡΠΆΠ½ΠΎ ΠΏΡΠΎΠ²Π΅ΡΠΈΡΡ ΠΏΡΠ΅Π΄ΠΎΡ
ΡΠ°Π½ΠΈΡΠ΅Π»Ρ. ΠΠ·-Π·Π° Π΅Π³ΠΎ ΠΏΠ΅ΡΠ΅Π³ΠΎΡΠ°Π½ΠΈΡ ΡΠΎΠΊ ΠΏΠ΅ΡΠ΅ΡΡΠ°Π΅Ρ ΠΏΠΎΠ΄Π°Π²Π°ΡΡΡΡ Π½Π° ΡΡΡΡΠΎΠΉΡΡΠ²ΠΎ. Π ΠΏΠΎΠΈΡΠΊΠ΅ Π²Π°ΠΌ ΠΏΠΎΠΌΠΎΠΆΠ΅Ρ ΠΊΠ½ΠΈΠ³Π° ΠΏΠΎ ΡΠΊΡΠΏΠ»ΡΠ°ΡΠ°ΡΠΈΠΈ.
ΠΡΠΈ Π½Π΅ΠΎΠ±Ρ
ΠΎΠ΄ΠΈΠΌΠΎΡΡΠΈ Π·Π°ΠΌΠ΅Π½ΠΈΡΠ΅ Π΅Π³ΠΎ ΠΈ ΠΎΠΏΡΡΡ ΠΏΡΠΎΠ²Π΅ΡΡΡΠ΅, ΡΠ°Π±ΠΎΡΠ°Π΅Ρ Π»ΠΈ ΡΡΡΡΠΎΠΉΡΡΠ²ΠΎ; - Π΅ΡΠ»ΠΈ ΠΏΡΠΎΠ±Π»Π΅ΠΌΠ° Π½Π΅ ΡΠ΅ΡΠΈΠ»Π°ΡΡ, ΡΠΎ ΡΠ»Π΅Π΄ΡΠ΅Ρ ΠΈΠ·Π²Π»Π΅ΡΡ ΠΏΡΠΈΠΊΡΡΠΈΠ²Π°ΡΠ΅Π»Ρ Ρ ΠΏΠΎΠΌΠΎΡΡΡ ΠΏΠ»ΠΎΡΠΊΠΎΠ³ΡΠ±ΡΠ΅Π². ΠΠ±ΡΡΠ½ΠΎ ΠΎΠ½ ΡΠΈΠ΄ΠΈΡ ΠΊΡΠ΅ΠΏΠΊΠΎ, ΠΏΠΎΡΡΠΎΠΌΡ Π½ΡΠΆΠ½ΠΎ ΠΏΡΠΈΠ»ΠΎΠΆΠΈΡΡ Π½Π΅Π±ΠΎΠ»ΡΡΠΈΠ΅ ΡΡΠΈΠ»ΠΈΡ, Π½ΠΎ Π΄Π΅Π»Π°ΡΡ Π²ΡΠ΅ Π°ΠΊΠΊΡΡΠ°ΡΠ½ΠΎ ΠΈ Π½Π΅ ΡΠ΅Π·ΠΊΠΎ, ΡΡΠΎΠ± Π½Π΅ ΠΏΠΎΠ²ΡΠ΅Π΄ΠΈΡΡ ΠΎΠ±ΠΎΠ΄ΠΎΠΊ ΠΈ ΠΏΡΠΎΠ²ΠΎΠ΄Π°;
- ΠΎΠ±ΡΠ°ΡΠΈΡΠ΅ Π²Π½ΠΈΠΌΠ°Π½ΠΈΠ΅ Π½Π° Π²Π½Π΅ΡΠ½ΠΈΠΉ Π²ΠΈΠ΄ ΠΏΡΠΈΠ±ΠΎΡΠ°. ΠΠ° Π½Π΅ΠΌ Π½Π΅ Π΄ΠΎΠ»ΠΆΠ½ΠΎ Π±ΡΡΡ ΡΠ΅ΠΌΠ½ΠΎΠ³ΠΎ Π½Π°Π³Π°ΡΠ°. ΠΡΠΎΠ²Π΅ΡΡΡΠ΅ ΠΏΡΠΎΠ²ΠΎΠ΄Π° Π½Π° ΡΠ΅Π»ΠΎΡΡΠ½ΠΎΡΡΡ, Π²ΡΠ΅ ΡΠ°Π·ΡΠ΅ΠΌΡ Π΄ΠΎΠ»ΠΆΠ½Ρ ΡΠΈΠ΄Π΅ΡΡ ΠΏΠ»ΠΎΡΠ½ΠΎ;
- Π΅ΡΠ»ΠΈ Π²Ρ ΠΎΠ±Π½Π°ΡΡΠΆΠΈΠ»ΠΈ ΡΠ°ΡΠΏΠ°ΡΠ½Π½ΡΠΉ ΠΏΡΠΎΠ²ΠΎΠ΄, ΡΠΎ Ρ ΠΏΠΎΠΌΠΎΡΡΡ ΠΏΠ°ΡΠ»ΡΠ½ΠΈΠΊΠ° ΠΏΡΠΈΠΏΠ°ΡΠΉΡΠ΅ ΠΈΡ
ΠΈ Π½Π΅ Π·Π°Π±ΡΠ΄ΡΡΠ΅ ΠΏΡΠΎ Ρ
ΠΎΡΠΎΡΡΡ ΠΈΠ·ΠΎΠ»ΡΡΠΈΡ;
- Π·Π°ΡΠ΅ΠΌ ΡΠΎΠ±Π΅ΡΠΈΡΠ΅ ΡΡΡΡΠΎΠΉΡΡΠ²ΠΎ ΠΈ ΠΏΡΠΎΠ²Π΅ΡΡΡΠ΅ Π΅Π³ΠΎ Π½Π° ΡΠ°Π±ΠΎΡΠΎΡΠΏΠΎΡΠΎΠ±Π½ΠΎΡΡΡ.
ΠΡΡΠ³ΠΈΠ΅ ΠΏΡΠΎΠ±Π»Π΅ΠΌΡ Π² ΡΠ°Π±ΠΎΡΠ΅
Π ΡΠΎΠΆΠ°Π»Π΅Π½ΠΈΡ, ΡΡΡΠ΅ΡΡΠ²ΡΠ΅Ρ Π΅ΡΠ΅ ΡΡΠ΄ ΠΏΡΠΈΡΠΈΠ½, ΠΏΠΎΡΠ΅ΠΌΡ Π½Π΅ ΡΠ°Π±ΠΎΡΠ°Π΅Ρ ΠΏΡΠΈΠΊΡΡΠΈΠ²Π°ΡΠ΅Π»Ρ Π² Π°Π²ΡΠΎΠΌΠΎΠ±ΠΈΠ»Π΅. ΠΡΠ΅ ΠΎΠ½ΠΈ ΡΠ°Π·Π½ΡΠ΅ ΠΈ Ρ ΠΊΠ°ΠΆΠ΄ΠΎΠΉ ΠΌΠ°ΡΠΊΠΈ Π°Π²ΡΠΎΠΌΠΎΠ±ΠΈΠ»Ρ ΠΌΠΎΠΆΠ΅Ρ Π±ΡΡΡ ΡΠ²ΠΎΡ.
ΠΠ½ΠΎΠ³ΠΈΠ΅ Π²Π»Π°Π΄Π΅Π»ΡΡΡ Dodge Caliber ΡΠ°ΠΊΠΆΠ΅ ΡΡΠ°Π»ΠΊΠΈΠ²Π°ΡΡΡΡ Ρ ΠΏΡΠΎΠ±Π»Π΅ΠΌΠΎΠΉ Π½Π΅ΡΠ°Π±ΠΎΡΠ°ΡΡΠ΅Π³ΠΎ ΠΏΡΠΈΠΊΡΡΠΈΠ²Π°ΡΠ΅Π»Ρ. Π§Π°ΡΠ΅ Π²ΡΠ΅Π³ΠΎ Π»ΠΎΠΌΠ°Π΅ΡΡΡ ΡΡΡΡΠΎΠΉΡΡΠ²ΠΎ Π²ΠΎ Π²ΡΠ΅ΠΌΡ ΡΠ°Π±ΠΎΡΡ Π² Π½Π΅ΠΌ Π΄ΡΡΠ³ΠΎΠ³ΠΎ Π΄Π΅Π²Π°ΠΉΡΠ°, Π° Ρ ΠΏΠ°Π½Π΅Π»ΠΈ Π½Π°ΡΠΈΠ½Π°Π΅Ρ ΠΏΠΎΡΠ²Π»ΡΡΡΡΡ Π΄ΡΠΌ.
ΠΡΠΎΠΈΡΡ
ΠΎΠ΄ΠΈΡ ΡΡΠΎ ΠΈΠ·-Π·Π° ΠΏΠ΅ΡΠ΅Π½Π°ΠΏΡΡΠΆΠ΅Π½ΠΈΡ, ΠΊΠΎΡΠΎΡΠΎΠ΅ Π΄Π°ΡΡ Π±ΠΎΠ»Π΅Π΅ ΠΌΠΎΡΠ½ΡΠ΅ ΠΏΡΠΈΠ±ΠΎΡΡ, ΠΏΠΎΠ΄ΠΊΠ»ΡΡΠ΅Π½Π½ΡΠ΅ ΠΊ ΡΠ°Π·ΡΠ΅ΠΌΡ. Π Π΄Π°Π½Π½ΠΎΠΉ ΠΌΠΎΠ΄Π΅Π»ΠΈ ΡΠ°ΠΊΠ°Ρ ΠΏΠΎΠ»ΠΎΠΌΠΊΠ° ΠΌΠΎΠΆΠ΅Ρ ΠΏΡΠΈΠ²Π΅ΡΡΠΈ ΠΊ ΠΏΡΠΎΠ±Π»Π΅ΠΌΠ°ΠΌ Π² ΡΠ°Π±ΠΎΡΠ΅ Π΄ΡΡΠ³ΠΈΡ
ΡΡΡΡΠΎΠΉΡΡΠ², ΡΠ°ΠΊ ΠΊΠ°ΠΊ ΡΠ³ΠΎΡΠ΅Π²ΡΠΈΠΉ ΠΏΡΠΎΠ²ΠΎΠ΄ Π½Π°Ρ
ΠΎΠ΄ΠΈΡΡΡ Π² ΠΎΠ±ΡΠ΅ΠΌ ΠΆΠ³ΡΡΠ΅ Π΄ΡΡΠ³ΠΈΡ
. Π‘ ΡΠ΅ΡΠ΅Π½ΠΈΠ΅ΠΌ ΡΡΠΎΠΉ ΠΏΠΎΠ»ΠΎΠΌΠΊΠΈ Π½Π΅ ΠΏΠΎΠ»ΡΡΠΈΡΡΡ ΡΠΏΡΠ°Π²ΠΈΡΡΡΡ ΡΠ°ΠΌΠΎΡΡΠΎΡΡΠ΅Π»ΡΠ½ΠΎ, Π²Π΅Π΄Ρ ΡΠ½ΠΈΠΌΠ°ΡΡ ΠΏΡΠΈΠ΄Π΅ΡΡΡ Π²ΡΡ ΠΏΠ΅ΡΠ΅Π΄Π½ΡΡ ΠΊΠΎΠ½ΡΠΎΠ»Ρ. Π’Π°ΠΊΠ°Ρ ΠΏΠΎΠ»ΠΎΠΌΠΊΠ° ΠΌΠΎΠΆΠ΅Ρ Π±ΡΡΡ Π½Π΅ΠΎΠ΄Π½ΠΎΠΊΡΠ°ΡΠ½ΠΎΠΉ, ΠΏΠΎΡΡΠΎΠΌΡ Π»ΡΡΡΠ΅ Π²ΡΠ΅Π³ΠΎ Π±ΡΠ΄Π΅Ρ ΡΡΡΠ°Π½ΠΎΠ²ΠΈΡΡ ΠΏΡΠ΅Π΄ΠΎΡ
ΡΠ°Π½ΠΈΡΠ΅Π»Ρ Π² ΡΠ°ΠΌΠΎΠΌ ΠΏΡΠΈΠΊΡΡΠΈΠ²Π°ΡΠ΅Π»Π΅.
ΠΠ° ΠΎΡΠ΅ΡΠ΅ΡΡΠ²Π΅Π½Π½ΡΡ
ΠΌΠ°ΡΠΊΠ°Ρ
ΠΌΠ°ΡΠΈΠ½ ΡΠΎΠΆΠ΅ ΡΠ°ΡΡΠΎ ΡΠ»ΡΡΠ°ΡΡΡΡ ΠΊΠ°Π·ΡΡΡ Π² ΡΠ°Π±ΠΎΡΠ΅ ΠΏΡΠΈΠΊΡΡΠΈΠ²Π°ΡΠ΅Π»Ρ. ΠΠΎΠ½Π΅ΡΠ½ΠΎ, ΡΠ°ΡΠ΅ Π²ΡΠ΅Π³ΠΎ ΠΏΠ΅ΡΠ΅Π³ΠΎΡΠ°ΡΡ ΠΏΡΠ΅Π΄ΠΎΡ
ΡΠ°Π½ΠΈΡΠ΅Π»ΠΈ ΠΈΠ·-Π·Π° Π½Π΅ΠΏΡΠ°Π²ΠΈΠ»ΡΠ½ΠΎΠ³ΠΎ ΠΈΡΠΏΠΎΠ»ΡΠ·ΠΎΠ²Π°Π½ΠΈΡ ΡΠ°Π·ΡΠ΅ΠΌΠ° ΠΏΡΠΈΠ±ΠΎΡΠ°. ΠΡΠΎΠ²Π΅ΡΠΈΡΡ, ΠΏΠΎΡΠ΅ΠΌΡ Π½Π΅ ΡΠ°Π±ΠΎΡΠ°Π΅Ρ ΠΏΡΠΈΠΊΡΡΠΈΠ²Π°ΡΠ΅Π»Ρ Π½Π° ΠΠΠ 2110 Π΄ΠΎΡΡΠ°ΡΠΎΡΠ½ΠΎ ΠΏΡΠΎΡΡΠΎ. ΠΠΊΠ»ΡΡΠΈΡΠ΅ Π²Π΅Π½ΡΠΈΠ»ΡΡΠΎΡ ΠΏΠ΅ΡΠΊΠΈ — Π΅ΡΠ»ΠΈ ΠΎΠ½ Π½Π΅ ΡΠ°Π±ΠΎΡΠ°Π΅Ρ, ΡΠΎ ΠΏΡΠΈΡΠΈΠ½Π° Π² ΠΏΡΠ΅Π΄ΠΎΡ
ΡΠ°Π½ΠΈΡΠ΅Π»Π΅ F18. ΠΠ΅Π»ΠΎ Π² ΡΠΎΠΌ, ΡΡΠΎ ΡΡΠΈ Π΄Π²Π° ΡΡΡΡΠΎΠΉΡΡΠ²Π° ΡΠ°Π±ΠΎΡΠ°ΡΡ ΠΎΡ ΠΎΠ΄Π½ΠΎΠ³ΠΎ ΠΏΡΠ΅Π΄ΠΎΡ
ΡΠ°Π½ΠΈΡΠ΅Π»Ρ ΠΈ Π΅Π³ΠΎ ΠΏΠ΅ΡΠ΅Π³ΠΎΡΠ°Π½ΠΈΠ΅ Π²Π΅Π΄Π΅Ρ ΠΊ Π²ΡΡ
ΠΎΠ΄Ρ ΠΈΠ· ΡΡΡΠΎΡ ΡΡΠ°Π·Ρ Π΄Π²ΡΡ
ΠΏΡΠΈΠ±ΠΎΡΠΎΠ². ΠΠ»Ρ Π΅Π³ΠΎ Π·Π°ΠΌΠ΅Π½Ρ Π½Π΅ Π½ΡΠΆΠ½ΠΎ Π»Π΅Π·ΡΡ ΠΏΠΎΠ΄ ΠΊΠ°ΠΏΠΎΡ, ΠΎΠ½ Π½Π°Ρ
ΠΎΠ΄ΠΈΡΡΡ ΡΠ»Π΅Π²Π° ΠΎΡ ΡΡΠ»Ρ Π² Π±Π»ΠΎΠΊΠ΅ ΠΏΡΠ΅Π΄ΠΎΡ
ΡΠ°Π½ΠΈΡΠ΅Π»Π΅ΠΉ.
ΠΠ΄Π½Π°ΠΊΠΎ Π΅ΡΠ»ΠΈ Π²Π΅Π½ΡΠΈΠ»ΡΡΠΎΡ ΡΠ°Π±ΠΎΡΠ°Π΅Ρ, ΡΠΎ Π½Π΅ ΡΡΠΎΠΈΡ ΡΡΠ°Π·Ρ Π³ΡΠ΅ΡΠΈΡΡ Π½Π° ΠΏΡΠΎΠ²ΠΎΠ΄ΠΊΡ. ΠΡΠΆΠ½ΠΎ ΠΏΡΠΎΠ²Π΅ΡΠΈΡΡ ΠΏΡΠ΅Π΄ΠΎΡ
ΡΠ°Π½ΠΈΡΠ΅Π»Ρ, ΠΊΠΎΡΠΎΡΡΠΉ ΠΎΠ±ΠΎΠ·Π½Π°ΡΠ°Π΅ΡΡΡ, ΠΊΠ°ΠΊ F6. ΠΠ°Π»ΠΎ ΠΊΠΎΠΌΡ ΠΈΠ·Π²Π΅ΡΡΠ½ΠΎ, Π½ΠΎ ΠΎΠ½ ΡΠΎΠΆΠ΅ Π²Π»ΠΈΡΠ΅Ρ Π½Π° ΡΠ°Π±ΠΎΡΡ ΡΡΡΡΠΎΠΉΡΡΠ²Π° ΠΈ Π²ΠΎΠ·ΠΌΠΎΠΆΠ½ΠΎ, ΠΏΡΠΈΡΠΈΠ½Π° ΠΈΠΌΠ΅Π½Π½ΠΎ Π² Π΅Π³ΠΎ ΠΏΠ΅ΡΠ΅Π³ΠΎΡΠ°Π½ΠΈΠΈ.
ΠΡΠΎΠ³ΠΈ
ΠΠΎΠ½Π΅ΡΠ½ΠΎ, ΡΠΎΠ»Ρ ΠΏΡΠΈΠΊΡΡΠΈΠ²Π°ΡΠ΅Π»Ρ ΡΡΠ°Π»Π° ΠΈΠ³ΡΠ°ΡΡ Π²Π°ΠΆΠ½ΡΡ ΡΠΎΠ»Ρ Π² ΠΆΠΈΠ·Π½ΠΈ ΠΌΠ½ΠΎΠ³ΠΈΡ
Π°Π²ΡΠΎΠ»ΡΠ±ΠΈΡΠ΅Π»Π΅ΠΉ. Π‘Π»ΡΡΠ°Π΅ΡΡΡ, ΡΡΠΎ, ΠΏΠ΅ΡΠ΅ΠΏΡΠΎΠ±ΠΎΠ²Π°Π² Π²ΡΠ΅ Π²ΠΎΠ·ΠΌΠΎΠΆΠ½ΡΠ΅ Π²Π°ΡΠΈΠ°Π½ΡΡ ΠΏΠΎΠ»ΠΎΠΌΠΎΠΊ ΡΡΡΡΠΎΠΉΡΡΠ²Π°, ΠΎΠΊΠ°Π·ΡΠ²Π°Π΅ΡΡΡ, ΠΏΡΠΈΡΠΈΠ½Π° ΠΊΡΠΎΠ΅ΡΡΡ Π² ΡΠ°ΡΡΠ°ΡΠ°Π½Π½ΡΡ
ΡΡΠΈΠΊΠ°Ρ
, ΠΊΠΎΡΠΎΡΡΠ΅ Π½Π°Ρ
ΠΎΠ΄ΡΡΡΡ Π² Π³Π½Π΅Π·Π΄Π΅. ΠΠ·-Π·Π° ΡΡΠΎΠ³ΠΎ ΠΏΡΠΈΠΊΡΡΠΈΠ²Π°ΡΠ΅Π»Ρ Π½Π΅ ΡΠΈΠΊΡΠΈΡΡΠ΅ΡΡΡ ΠΈ ΠΏΠ΅ΡΠ΅ΡΡΠ°Π΅Ρ ΡΠ°Π±ΠΎΡΠ°ΡΡ. Π£ΡΠΈΠΊΠΈ ΠΏΠΎΡΠ»Π΅ Π΄Π»ΠΈΡΠ΅Π»ΡΠ½ΠΎΠ³ΠΎ ΠΈ ΡΠ°ΡΡΠΎΠ³ΠΎ ΠΈΡΠΏΠΎΠ»ΡΠ·ΠΎΠ²Π°Π½ΠΈΡ Β«ΡΠ°Π·Π½Π°ΡΠΈΠ²Π°ΡΡΡΡΒ» ΠΈ ΠΊΠΎ Π²ΡΠ΅ΠΌ ΠΏΡΠΈΠ±ΠΎΡΠ°ΠΌ, ΠΊΠΎΡΠΎΡΡΠ΅ Π²ΡΡΠ°Π²Π»ΡΡΡΡΡ Π² ΠΎΡΠ²Π΅ΡΡΡΠΈΠ΅, Π½Π΅ ΠΏΠΎΡΡΡΠΏΠ°Π΅Ρ ΡΠΎΠΊ. Π£ΡΡΡΠ°Π½ΠΈΡΡ ΡΡΡ Π½Π΅ΠΏΠΎΠ»Π°Π΄ΠΊΡ ΠΌΠΎΠΆΠ½ΠΎ ΡΠΎΠ±ΡΡΠ²Π΅Π½Π½ΡΠΌΠΈ ΡΡΠΊΠ°ΠΌΠΈ. ΠΠΎΡΡΠ°ΡΠΎΡΠ½ΠΎ Π½Π΅ΠΌΠ½ΠΎΠ³ΠΎ ΠΏΠΎΠ΄ΠΎΠ³Π½ΡΡΡ ΡΡΠΈΠΊΠΈ ΠΈ ΠΏΠΎΡΠ»Π΅ ΡΡΠΎΠ³ΠΎ ΠΏΡΠΎΠ²Π΅ΡΠΈΡΡ ΡΠ°Π±ΠΎΡΡ ΠΏΡΠΈΠΊΡΡΠΈΠ²Π°ΡΠ΅Π»Ρ ΠΈΠ»ΠΈ Π΄ΡΡΠ³ΠΎΠ³ΠΎ Π΄Π΅Π²Π°ΠΉΡΠ°.
ΠΠ΄Π½ΠΎΠ·Π½Π°ΡΠ½ΠΎ ΠΈΡΠΏΠΎΠ»ΡΠ·ΠΎΠ²Π°ΡΡ Π²ΡΠ΅ ΠΏΡΠΈΠ±ΠΎΡΡ Π°Π²ΡΠΎΠΌΠΎΠ±ΠΈΠ»Ρ Π½ΡΠΆΠ½ΠΎ ΡΡΡΠΎΠ³ΠΎ ΠΏΠΎ Π½Π°Π·Π½Π°ΡΠ΅Π½ΠΈΡ, Π½ΠΎ, ΠΊΠΎΠ³Π΄Π° Π°Π²ΡΠΎΠΏΡΠΎΠΈΠ·Π²ΠΎΠ΄ΠΈΡΠ΅Π»Ρ Π½Π΅ ΡΡΠ΅Π» Π²ΡΠ΅Ρ
ΠΏΠΎΡΡΠ΅Π±Π½ΠΎΡΡΠ΅ΠΉ Π² ΠΈΡΠΏΠΎΠ»ΡΠ·ΠΎΠ²Π°Π½ΠΈΠΈ Π΄ΠΎΠΏΠΎΠ»Π½ΠΈΡΠ΅Π»ΡΠ½ΡΡ
Π³Π°Π΄ΠΆΠ΅ΡΠΎΠ² — Π±Π΅Π· Π³Π½Π΅Π·Π΄Π° ΠΏΡΠΈΠΊΡΡΠΈΠ²Π°ΡΠ΅Π»Ρ Π½ΠΈΠΊΡΠ΄Π°.
Π ΡΠΊΡΠΏΠ»ΡΠ°ΡΠ°ΡΠΈΠΈ Π΅Π³ΠΎ Π΄Π»Ρ Π΄ΡΡΠ³ΠΈΡ
ΠΏΡΠΈΠ±ΠΎΡΠΎΠ² Π΄ΠΎΡΡΠ°ΡΠΎΡΠ½ΠΎ ΠΏΠΎΠΌΠ½ΠΈΡΡ ΠΎ ΡΠΎΠΌ, ΡΡΠΎ Π½Π΅ ΡΠ»Π΅Π΄ΡΠ΅Ρ ΠΏΠΎΠ΄ΠΊΠ»ΡΡΠ°ΡΡ Π±ΠΎΠ»Π΅Π΅ ΠΌΠΎΡΠ½ΡΠ΅ ΡΡΡΡΠΎΠΉΡΡΠ²Π°, Π²ΡΡΠ°Π²Π»ΡΡΡ Π±ΠΎΠ»ΡΠ°ΡΡΠΈΠ΅ΡΡ ΡΡΠ΅ΠΊΠ΅ΡΡ ΠΈ Π΄ΡΡΠ³ΠΈΠ΅ Π½Π΅ΠΏΠΎΠ΄Ρ
ΠΎΠ΄ΡΡΠΈΠ΅ ΠΏΡΠ΅Π΄ΠΌΠ΅ΡΡ. Π ΡΠ°ΠΊΠΎΠΌ ΡΠ»ΡΡΠ°Π΅ Π²Π°Ρ Π½Π΅ Π·Π°ΡΠ΅ΠΏΠΈΡ ΠΏΡΠΎΠ±Π»Π΅ΠΌΠ° ΡΠ³ΠΎΡΠ΅Π²ΡΠΈΡ
ΠΏΡΠ΅Π΄ΠΎΡ
ΡΠ°Π½ΠΈΡΠ΅Π»Π΅ΠΉ ΠΈ Π½Π΅ ΡΠ°Π±ΠΎΡΠ°ΡΡΠ΅Π³ΠΎ ΠΏΡΠΈΠΊΡΡΠΈΠ²Π°ΡΠ΅Π»Ρ, Π² ΡΠ°ΠΌΡΠΉ Π½Π΅ΠΏΠΎΠ΄Ρ
ΠΎΠ΄ΡΡΠΈΠΉ ΠΌΠΎΠΌΠ΅Π½Ρ.
Π Π°Π½ΡΡΠ΅ ΠΏΡΠΈΠΊΡΡΠΈΠ²Π°ΡΠ΅Π»Ρ ΠΈΡΠΏΠΎΠ»ΡΠ·ΠΎΠ²Π°Π»ΡΡ Π² Π°Π²ΡΠΎΠΌΠΎΠ±ΠΈΠ»ΡΡ
Π΄Π»Ρ ΠΏΡΠΈΠΊΡΡΠΈΠ²Π°Π½ΠΈΡ ΡΠΈΠ³Π°ΡΠ΅ΡΡ. Π’Π΅ΠΏΠ΅ΡΡ ΡΡΠΎ ΡΠ²ΠΎΠ΅ΠΎΠ±ΡΠ°Π·Π½Π°Ρ ΡΠΎΠ·Π΅ΡΠΊΠ° Π½Π° 12 Π, Π² ΠΊΠΎΡΠΎΡΡΡ ΠΏΠΎΠ΄ΠΊΠ»ΡΡΠ°ΡΡ ΠΌΠΎΠΆΠ½ΠΎ ΡΠ°Π·Π»ΠΈΡΠ½ΡΠ΅ Π΄Π΅Π²Π°ΠΉΡΡ. ΠΠΎΡΡΠΎΠΌΡ, Π΅ΡΠ»ΠΈ Π½Π΅ ΡΠ°Π±ΠΎΡΠ°Π΅Ρ 2107, ΡΡΠΎ ΠΏΠΎΡΠΎΠΉ Π±ΠΎΠ»ΡΡΠ°Ρ ΠΏΡΠΎΠ±Π»Π΅ΠΌΠ°. Π§ΡΠΎ ΡΠΎΠ±ΠΎΠΉ ΠΏΡΠ΅Π΄ΡΡΠ°Π²Π»ΡΠ΅Ρ ΡΡΡΡΠΎΠΉΡΡΠ²ΠΎ, ΠΊΠ°ΠΊΠΈΠ΅ Π²ΡΡΡΠ΅ΡΠ°ΡΡΡΡ ΠΎΡΠ½ΠΎΠ²Π½ΡΠ΅ Π½Π΅ΠΈΡΠΏΡΠ°Π²Π½ΠΎΡΡΠΈ, ΠΊΠ°ΠΊ Π·Π°ΠΌΠ΅Π½ΠΈΡΡ ΠΈ ΠΎΡΡΠ΅ΠΌΠΎΠ½ΡΠΈΡΠΎΠ²Π°ΡΡ ΠΏΡΠΈΠΊΡΡΠΈΠ²Π°ΡΠ΅Π»Ρ, ΡΠ°ΡΠΊΡΡΠ²Π°Π΅ΡΡΡ Π² Π΄Π°Π½Π½ΠΎΠΉ ΡΡΠ°ΡΡΠ΅.
[ Π‘ΠΊΡΡΡΡ
]
Π£ΡΡΡΠΎΠΉΡΡΠ²ΠΎ ΠΈ ΠΏΡΠ΅Π΄Π½Π°Π·Π½Π°ΡΠ΅Π½ΠΈΠ΅ ΠΏΡΠΈΠΊΡΡΠΈΠ²Π°ΡΠ΅Π»Ρ
ΠΠ΅ΡΠ²ΠΎΠ½Π°ΡΠ°Π»ΡΠ½ΠΎ Π°Π²ΡΠΎΠΌΠΎΠ±ΠΈΠ»ΡΠ½ΡΠΉ ΠΏΡΠΈΠΊΡΡΠΈΠ²Π°ΡΠ΅Π»Ρ (ΠΠ) Π±ΡΠ» Π·Π°Π΄ΡΠΌΠ°Π½, ΡΡΠΎΠ±Ρ Π²ΠΎΠ΄ΠΈΡΠ΅Π»Ρ ΠΌΠΎΠ³ ΠΏΡΠΈΠΊΡΡΠΈΡΡ ΡΠΈΠ³Π°ΡΠ΅ΡΡ, ΠΊΠ°ΠΊ ΠΎΡ ΡΠ³ΠΎΠ»ΡΠΊΠ° ΠΈΠ· ΠΊΠΎΡΡΡΠ°. Π£ΡΡΡΠΎΠΉΡΡΠ²ΠΎ ΠΏΡΠΈΠ±ΠΎΡΠ° Π½Π΅ ΠΈΠ·ΠΌΠ΅Π½ΠΈΠ»ΠΎΡΡ Ρ ΠΌΠΎΠΌΠ΅Π½ΡΠ° ΡΠΎΠ·Π΄Π°Π½ΠΈΡ, Ρ
ΠΎΡΡ ΠΎΠ½ ΠΏΡΠΈΡΡΡΡΡΠ²ΡΠ΅Ρ Π² ΡΠ°Π»ΠΎΠ½Π°Ρ
Π΄Π°ΠΆΠ΅ ΠΏΠ΅ΡΠ²ΡΡ
ΠΎΡΠ΅ΡΠ΅ΡΡΠ²Π΅Π½Π½ΡΡ
ΠΌΠ°ΡΠΈΠ½Π°Ρ
.
ΠΡΠΈΠΊΡΡΠΈΠ²Π°ΡΠ΅Π»Ρ ΠΠΠ 2106 ΠΏΡΠ΅Π΄ΡΡΠ°Π²Π»ΡΠ΅Ρ ΡΠΎΠ±ΠΎΠΉ ΡΡΡΡΠΎΠΉΡΡΠ²ΠΎ, ΡΠΎΡΡΠΎΡΡΠ΅Π΅ ΠΈΠ· Π΄Π²ΡΡ
ΡΠ°ΡΡΠ΅ΠΉ: Π³Π½Π΅Π·Π΄Π° ΠΈ ΠΏΠ°ΡΡΠΎΠ½Π°. ΠΠ΅ΡΠ°Π»Π»ΠΈΡΠ΅ΡΠΊΠΈΠΉ ΠΏΠ°ΡΡΠΎΠ½ ΠΈΠΌΠ΅Π΅Ρ ΠΏΠ»Π°ΡΡΠΌΠ°ΡΡΠΎΠ²ΡΡ ΡΡΠΊΠΎΡΡΠΊΡ Π² Π²ΠΈΠ΄Π΅ ΠΊΠ½ΠΎΠΏΠΊΠΈ. Π ΡΠ΅Π½ΡΡΠ΅ Π³Π½Π΅Π·Π΄Π° Π²ΠΌΠΎΠ½ΡΠΈΡΠΎΠ²Π°Π½ ΠΌΠ΅ΡΠ°Π»Π»ΠΈΡΠ΅ΡΠΊΠΈΠΉ ΡΡΠ΅ΡΠΆΠ΅Π½Ρ, ΠΈΠ³ΡΠ°ΡΡΠΈΠΉ ΡΠΎΠ»Ρ ΠΏΠΎΠ»ΠΎΠΆΠΈΡΠ΅Π»ΡΠ½ΠΎΠ³ΠΎ ΠΏΠΎΠ»ΡΡΠ°.
Π ΠΎΠ»Ρ ΠΌΠΈΠ½ΡΡΠ° Π²ΡΠΏΠΎΠ»Π½ΡΠ΅Ρ ΠΌΠ΅ΡΠ°Π»Π»ΠΈΡΠ΅ΡΠΊΠΈΠΉ ΠΊΠΎΡΠΏΡΡ ΠΏΠ°ΡΡΠΎΠ½Π°. ΠΠ΅ΠΆΠ΄Ρ ΠΊΠΎΡΠΏΡΡΠΎΠΌ ΠΈ ΠΌΠ΅ΡΠ°Π»Π»ΠΈΡΠ΅ΡΠΊΠΈΠΌ ΡΡΠ΅ΡΠΆΠ½Π΅ΠΌ Π½Π°Ρ
ΠΎΠ΄ΠΈΡΡΡ ΠΈΠ·ΠΎΠ»ΡΡΠΎΡ, ΠΈΡΠΊΠ»ΡΡΠ°ΡΡΠΈΠΉ ΠΊΠΎΠ½ΡΠ°ΠΊΡ ΠΌΠ΅ΠΆΠ΄Ρ ΠΏΠ»ΡΡΠΎΠΌ ΠΈ ΠΌΠΈΠ½ΡΡΠΎΠΌ. Π‘ΠΎΠ΅Π΄ΠΈΠ½Π΅Π½ΠΈΠ΅ ΠΏΠ»ΡΡΠΎΠ²ΠΎΠ³ΠΎ ΠΈ ΠΌΠΈΠ½ΡΡΠΎΠ²ΠΎΠ³ΠΎ ΠΊΠΎΠ½ΡΠ°ΠΊΡΠ° ΠΏΡΠΎΠΈΡΡ
ΠΎΠ΄ΠΈΡ ΡΠ΅ΡΠ΅Π· Π½ΠΈΡ
ΡΠΎΠΌΡΠ²ΡΡ ΡΠΏΠΈΡΠ°Π»Ρ, ΠΊΠΎΡΠΎΡΠ°Ρ Π²ΡΡΡΡΠΏΠ°Π΅Ρ Π² ΡΠΎΠ»ΠΈ Π½Π°Π³ΡΠ΅Π²Π°ΡΠ΅Π»ΡΠ½ΠΎΠ³ΠΎ ΡΠ»Π΅ΠΌΠ΅Π½ΡΠ°.
ΠΠΎΠ³Π΄Π° ΡΠΎΠΊ ΠΏΠΎΡΡΡΠΏΠ°Π΅Ρ Π½Π° Π½Π°Π³ΡΠ΅Π²Π°ΡΠ΅Π»ΡΠ½ΡΠΉ ΡΠ»Π΅ΠΌΠ΅Π½Ρ, ΠΎΠ½ Π½Π°ΡΠΈΠ½Π°Π΅Ρ Π½Π°Π³ΡΠ΅Π²Π°ΡΡΡΡ Π΄ΠΎ Π²ΡΡΠΎΠΊΠΎΠΉ ΡΠ΅ΠΌΠΏΠ΅ΡΠ°ΡΡΡΡ. ΠΡΠΈ Π½Π°Π³ΡΠ΅Π²Π°Π½ΠΈΠΈ ΡΠΏΠΈΡΠ°Π»ΠΈ Π΄ΠΎ Π½Π΅ΠΎΠ±Ρ
ΠΎΠ΄ΠΈΠΌΠΎΠΉ ΡΠ΅ΠΌΠΏΠ΅ΡΠ°ΡΡΡΡ ΡΠΎΠΊ ΠΏΠ΅ΡΠ΅ΡΡΠ°Π΅Ρ ΠΏΠΎΡΡΡΠΏΠ°ΡΡ, Π±Π»Π°Π³ΠΎΠ΄Π°ΡΡ ΡΠ΅ΠΏΠ»ΠΎΠ²ΠΎΠΌΡ ΡΠ΅Π»Π΅. ΠΠ½Π΅Π·Π΄ΠΎ Π΄Π»Ρ ΡΡΡΡΠΎΠΉΡΡΠ²Π° ΡΠ°ΡΠΏΠΎΠ»ΠΎΠΆΠ΅Π½ΠΎ Π½Π° ΠΏΡΠΈΠ±ΠΎΡΠ½ΠΎΠΉ ΠΏΠ°Π½Π΅Π»ΠΈ, Π² Π·ΠΎΠ½Π΅ ΠΊΠΎΠΌΡΠΎΡΡΠ½ΠΎΠ³ΠΎ Π΄ΠΎΡΡΡΠΏΠ° Π΄Π»Ρ Π²ΠΎΠ΄ΠΈΡΠ΅Π»Ρ. ΠΠ½ΠΎ Π²ΡΠΏΠΎΠ»Π½Π΅Π½ΠΎ Π² Π²ΠΈΠ΄Π΅ ΠΏΡΠΎΠ΄ΠΎΠ»Π³ΠΎΠ²Π°ΡΠΎΠ³ΠΎ ΡΠ³Π»ΡΠ±Π»Π΅Π½ΠΈΡ Ρ ΠΌΠ΅ΡΠ°Π»Π»ΠΈΡΠ΅ΡΠΊΠΎΠΉ ΠΎΠ±ΠΎΠ»ΠΎΡΠΊΠΎΠΉ, ΠΊΠΎΡΠΎΡΠ°Ρ ΠΈΠ³ΡΠ°Π΅Ρ ΡΠΎΠ»Ρ ΠΌΠΈΠ½ΡΡΠ°.
ΠΠ½ΡΡΡΠΈ Π½Π°Ρ
ΠΎΠ΄ΠΈΡΡΡ ΡΠ΅Π½ΡΡΠ°Π»ΡΠ½ΡΠΉ ΠΊΠΎΠ½ΡΠ°ΠΊΡ, Π½Π° ΠΊΠΎΡΠΎΡΡΠΉ ΠΏΠΎΠ΄Π°Π΅ΡΡΡ ΠΏΠ»ΡΡ Ρ Π°ΠΊΠΊΡΠΌΡΠ»ΡΡΠΎΡΠ½ΠΎΠΉ Π±Π°ΡΠ°ΡΠ΅ΠΈ.
ΠΠΎΡΠΏΡΡ ΠΠ ΠΎΡΠ½Π°ΡΠ΅Π½ Π»Π°ΠΌΠΏΠΎΡΠΊΠΎΠΉ ΠΏΠΎΠ΄ΡΠ²Π΅ΡΠΊΠΈ, ΠΊΠΎΡΠΎΡΠ°Ρ Π°Π²ΡΠΎΠΌΠ°ΡΠΈΡΠ΅ΡΠΊΠΈ Π²ΠΊΠ»ΡΡΠ°Π΅ΡΡΡ Π²ΠΌΠ΅ΡΡΠ΅ Ρ Π²Π½Π΅ΡΠ½ΠΈΠΌ ΠΎΡΠ²Π΅ΡΠ΅Π½ΠΈΠ΅ΠΌ.
ΠΠ»Ρ Π²ΠΊΠ»ΡΡΠ΅Π½ΠΈΡ ΡΠ΅ΠΆΠΈΠΌΠ° Π½Π°Π³ΡΠ΅Π²Π° Π½Π°ΠΆΠΈΠΌΠ°Π΅ΡΡΡ ΡΡΡΠΊΠ°, ΡΡΠΎΠ±Ρ ΠΏΠ°ΡΡΠΎΠ½ ΠΏΠΎΠ³ΡΡΠ·ΠΈΠ»ΡΡ Π² Π³Π½Π΅Π·Π΄ΠΎ ΠΈ Π·Π°ΡΠΈΠΊΡΠΈΡΠΎΠ²Π°Π»ΡΡ Π² Π½Π°ΠΆΠ°ΡΠΎΠΌ ΡΠΎΡΡΠΎΡΠ½ΠΈΠΈ. Π£Π΄Π΅ΡΠΆΠΈΠ²Π°ΡΡ Π΅Π³ΠΎ Π±ΠΈΠΌΠ΅ΡΠ°Π»Π»ΠΈΡΠ΅ΡΠΊΠΈΠ΅ ΠΏΠ»Π°ΡΡΠΈΠ½Ρ. Π ΡΡΠΎΠΌ ΠΌΠΎΠΌΠ΅Π½Ρ ΠΏΡΠΎΠΈΡΡ
ΠΎΠ΄ΠΈΡ ΡΠΎΠ΅Π΄ΠΈΠ½Π΅Π½ΠΈΠ΅ ΠΏΠΎΠ»ΠΎΠΆΠΈΡΠ΅Π»ΡΠ½ΠΎΠ³ΠΎ ΠΊΠΎΠ½ΡΠ°ΠΊΡΠ° ΠΏΠ°ΡΡΠΎΠ½Π° Ρ ΠΏΠ»ΡΡΠΎΠΌ Π³Π½Π΅Π·Π΄Π°, ΠΈ ΠΎΡΡΠΈΡΠ°ΡΠ΅Π»ΡΠ½ΠΎΠ³ΠΎ ΠΊΠΎΠ½ΡΠ°ΠΊΡΠ° Π³Π½Π΅Π·Π΄Π° Ρ ΠΎΡΡΠΈΡΠ°ΡΠ΅Π»ΡΠ½ΠΎΠΉ ΠΊΠ»Π΅ΠΌΠΌΠΎΠΉ ΠΏΠ°ΡΡΠΎΠ½Π°. Π’ΠΎΠΊ, ΠΏΡΠΎΡΠ΅ΠΊΠ°Ρ ΠΏΠΎ ΡΠΏΠΈΡΠ°Π»ΠΈ, Π½Π°Π³ΡΠ΅Π²Π°Π΅Ρ Π΅Π΅. ΠΠ°Π³ΡΠ΅Π²Π°ΡΠ΅Π»ΡΠ½ΡΠΉ ΡΠ»Π΅ΠΌΠ΅Π½Ρ Π΄ΠΎΡΡΠΈΠ³Π°Π΅Ρ Π½ΡΠΆΠ½ΠΎΠΉ ΡΠ΅ΠΌΠΏΠ΅ΡΠ°ΡΡΡΡ Π² ΡΠ΅ΡΠ΅Π½ΠΈΠ΅ 15-20 ΡΠ΅ΠΊΡΠ½Π΄.
ΠΠ°ΡΠ΅ΠΌ ΠΏΠΎΠ΄ Π²ΠΎΠ·Π΄Π΅ΠΉΡΡΠ²ΠΈΠ΅ΠΌ Π²ΡΡΠΎΠΊΠΎΠΉ ΡΠ΅ΠΌΠΏΠ΅ΡΠ°ΡΡΡΡ Π±ΠΈΠΌΠ΅ΡΠ°Π»Π»ΠΈΡΠ΅ΡΠΊΠΈΠ΅ ΠΏΠ»Π°ΡΡΠΈΠ½Ρ Π½Π°ΡΠΈΠ½Π°ΡΡ ΡΠ°ΡΡ
ΠΎΠ΄ΠΈΡΡΡΡ, ΡΠ°Π·Π΄Π°Π΅ΡΡΡ Ρ
Π°ΡΠ°ΠΊΡΠ΅ΡΠ½ΡΠΉ ΡΠ΅Π»ΡΠΎΠΊ, ΠΈ ΠΏΠ°ΡΡΠΎΠ½ Π·Π°Π½ΠΈΠΌΠ°Π΅Ρ ΡΠ²ΠΎΠ΅ ΠΏΡΠ΅ΠΆΠ½Π΅Π΅ ΠΏΠΎΠ»ΠΎΠΆΠ΅Π½ΠΈΠ΅ Π±Π»Π°Π³ΠΎΠ΄Π°ΡΡ Π²Π½ΡΡΡΠ΅Π½Π½Π΅ΠΉ ΠΏΡΡΠΆΠΈΠ½Π΅.
ΠΡΠ»ΠΈ Π² Π±ΠΎΡΡΠΎΠ²ΠΎΠΉ ΡΠ΅ΡΠΈ Π½ΠΈΠ·ΠΊΠΎΠ΅ Π½Π°ΠΏΡΡΠΆΠ΅Π½ΠΈΠ΅, ΠΏΠ°ΡΡΠΎΠ½ Π±ΡΠ΄Π΅Ρ Π΄ΠΎΠ»ΡΡΠ΅ Π½Π°Ρ
ΠΎΠ΄ΠΈΡΡΡΡ Π² Π³Π½Π΅Π·Π΄Π΅, ΡΠ°ΠΊ ΠΊΠ°ΠΊ ΡΠ²Π΅Π»ΠΈΡΠΈΡΡΡ Π²ΡΠ΅ΠΌΡ Π½Π°Π³ΡΠ΅Π²Π°.
Π‘ΠΎ Π²ΡΠ΅ΠΌΠ΅Π½Π΅ΠΌ ΠΊ ΠΏΡΡΠΌΠΎΠΌΡ Π½Π°Π·Π½Π°ΡΠ΅Π½ΠΈΡ ΠΏΡΠΈΠΊΡΡΠΈΠ²Π°ΡΠ΅Π»Ρ Π΄ΠΎΠ±Π°Π²ΠΈΠ»Π°ΡΡ Π΄ΠΎΠΏΠΎΠ»Π½ΠΈΡΠ΅Π»ΡΠ½Π°Ρ ΡΡΠ½ΠΊΡΠΈΡ β ΠΎΠ½ ΡΡΠ°Π» ΠΈΡΠΏΠΎΠ»ΡΠ·ΠΎΠ²Π°ΡΡΡΡ Π² ΠΊΠ°ΡΠ΅ΡΡΠ²Π΅ ΡΠΎΠ·Π΅ΡΠΊΠΈ Π΄Π»Ρ ΠΏΠΎΠ΄ΠΊΠ»ΡΡΠ΅Π½ΠΈΡ ΡΠ°Π·Π»ΠΈΡΠ½ΡΡ
ΡΠ»Π΅ΠΊΡΡΠΎΠ½Π½ΡΡ
ΡΡΡΡΠΎΠΉΡΡΠ². Π ΡΠΎΠ·Π΅ΡΠΊΡ ΠΠ ΠΏΠΎΠ΄ΠΊΠ»ΡΡΠ°ΡΡΡΡ ΡΠ»Π΅ΠΊΡΡΠΈΡΠ΅ΡΠΊΠΈΠ΅ ΠΏΡΠΈΠ±ΠΎΡΡ, ΠΊΠΎΡΠΎΡΡΠΌ Π΄Π»Ρ ΠΏΠΈΡΠ°Π½ΠΈΡ Π΄ΠΎΡΡΠ°ΡΠΎΡΠ½ΠΎ 12 Π Π±ΠΎΡΡΠΎΠ²ΠΎΠΉ ΡΠ΅ΡΠΈ.
ΠΡΠΎΠΈΠ·Π²ΠΎΠ΄ΠΈΡΠ΅Π»ΠΈ ΡΠ»Π΅ΠΊΡΡΠΎΡΠ΅Ρ
Π½ΠΈΠΊΠΈ Π²ΡΠΏΡΡΠΊΠ°ΡΡ Π±ΠΎΠ»ΡΡΠΎΠ΅ ΠΊΠΎΠ»ΠΈΡΠ΅ΡΡΠ²ΠΎ ΠΏΡΠΈΠ±ΠΎΡΠΎΠ², ΠΊΠΎΡΠΎΡΡΠ΅ ΠΌΠΎΠ³ΡΡ Π±ΡΡΡ ΠΈΡΠΏΠΎΠ»ΡΠ·ΠΎΠ²Π°ΡΡΡΡ Π² Π°Π²ΡΠΎΠΌΠΎΠ±ΠΈΠ»Π΅:
- Π²Π΅Π½ΡΠΈΠ»ΡΡΠΎΡ;
- ΠΎΠ±ΠΎΠ³ΡΠ΅Π²Π°ΡΠ΅Π»Ρ;
- ΠΏΡΠ»Π΅ΡΠΎΡ;
- Π·Π°ΡΡΠ΄Π½ΠΎΠ΅ ΡΡΡΡΠΎΠΉΡΡΠ²ΠΎ Π΄Π»Ρ ΡΠ΅Π»Π΅ΡΠΎΠ½ΠΎΠ² ΠΈ Π΄ΡΡΠ³ΠΈΡ
Π΄Π΅Π²Π°ΠΉΡΠΎΠ²;
- ΠΏΡΠΈΠ±ΠΎΡΡ Π΄Π»Ρ ΠΎΡΠ²Π΅ΡΠ΅Π½ΠΈΡ ΡΠ°Π»ΠΎΠ½Π° ΠΈ Ρ.Π΄.
ΠΡΠ΅ Π΄ΠΎΠΏΠΎΠ»Π½ΠΈΡΠ΅Π»ΡΠ½ΡΠ΅ ΡΠ»Π΅ΠΊΡΡΠΎΠΏΡΠΈΠ±ΠΎΡΡ ΠΎΡΠ½Π°ΡΠ΅Π½Ρ ΡΠΏΠ΅ΡΠΈΠ°Π»ΡΠ½ΡΠΌ Π²Ρ
ΠΎΠ΄ΠΎΠΌ Π΄Π»Ρ ΠΏΠΎΠ΄ΠΊΠ»ΡΡΠ΅Π½ΠΈΡ ΠΊ ΠΠ. ΠΠΎΡΠ²ΠΈΠ»ΠΈΡΡ ΡΠΏΠ΅ΡΠΈΠ°Π»ΡΠ½ΡΠ΅ ΡΠ°Π·Π²Π΅ΡΠ²ΠΈΡΠ΅Π»ΠΈ, ΠΊΠΎΡΠΎΡΡΠ΅ ΠΏΠΎΠ·Π²ΠΎΠ»ΡΡΡ ΠΏΠΎΠ΄ΠΊΠ»ΡΡΠ°ΡΡ Π² Π³Π½Π΅Π·Π΄ΠΎ ΡΡΠ°Π·Ρ Π½Π΅ΡΠΊΠΎΠ»ΡΠΊΠΎ ΡΡΡΡΠΎΠΉΡΡΠ² ΠΎΠ΄Π½ΠΎΠ²ΡΠ΅ΠΌΠ΅Π½Π½ΠΎ.
ΠΠΈΡΠ°Π½ΠΈΠ΅ ΠΠ ΠΏΠΎΠ»ΡΡΠ°Π΅Ρ ΠΎΡ ΡΠ»Π΅ΠΊΡΡΠΎΡΠ΅ΡΠΈ Π°Π²ΡΠΎΠΌΠΎΠ±ΠΈΠ»Ρ. ΠΠΎΠ΄ΠΊΠ»ΡΡΠ΅Π½ΠΈΠ΅ ΠΏΡΠΈΠΊΡΡΠΈΠ²Π°ΡΠ΅Π»Ρ ΠΠΠ 2107, ΠΊΠ°ΠΊ ΠΈ Π΄ΡΡΠ³ΠΈΡ
ΠΎΡΠ΅ΡΠ΅ΡΡΠ²Π΅Π½Π½ΡΡ
ΠΌΠ°ΡΠΈΠ½, ΠΎΡΡΡΠ΅ΡΡΠ²Π»ΡΠ΅ΡΡΡ ΡΠ΅ΡΠ΅Π· ΠΌΠΎΠ½ΡΠ°ΠΆΠ½ΡΠΉ Π±Π»ΠΎΠΊ Π½Π°ΠΏΡΡΠΌΡΡ ΠΎΡ Π°ΠΊΠΊΡΠΌΡΠ»ΡΡΠΎΡΠ° Π±Π΅Π· ΠΈΡΠΏΠΎΠ»ΡΠ·ΠΎΠ²Π°Π½ΠΈΡ ΡΠ΅Π»Π΅. Π·Π°ΡΠΈΡΠ΅Π½ ΡΠΏΠ΅ΡΠΈΠ°Π»ΡΠ½ΡΠΌ ΠΏΠ»Π°Π²ΠΊΠΈΠΌ ΠΏΡΠ΅Π΄ΠΎΡ
ΡΠ°Π½ΠΈΡΠ΅Π»Π΅ΠΌ Π½Π° 10 Π, ΠΊΠΎΡΠΎΡΡΠΉ Π½Π°Ρ
ΠΎΠ΄ΠΈΡΡΡ Π² ΠΌΠΎΠ½ΡΠ°ΠΆΠ½ΠΎΠΌ Π±Π»ΠΎΠΊΠ΅. ΠΡΠΈ Π²ΡΡΠΎΠΊΠΎΠΌ ΡΠΎΠΊΠ΅ Π½ΠΈΡΡ Π² ΠΏΡΠ΅Π΄ΠΎΡ
ΡΠ°Π½ΠΈΡΠ΅Π»Π΅ ΡΠ°ΡΠΏΠ»Π°Π²Π»ΡΠ΅ΡΡΡ ΠΈ ΡΠ°Π·ΠΌΡΠΊΠ°Π΅Ρ ΡΠ»Π΅ΠΊΡΡΠΈΡΠ΅ΡΠΊΡΡ ΡΠ΅ΡΡ, ΠΏΡΠ΅Π΄ΠΎΡΠ²ΡΠ°ΡΠ°Ρ Π²ΠΎΡΠΏΠ»Π°ΠΌΠ΅Π½Π΅Π½ΠΈΠ΅.
Π‘Ρ
Π΅ΠΌΠ° ΠΏΠΎΠ΄ΠΊΠ»ΡΡΠ΅Π½ΠΈΡ ΠΏΡΠΈΠΊΡΡΠΈΠ²Π°ΡΠ΅Π»Ρ
Π Π³Π½Π΅Π·Π΄Ρ ΠΠ ΠΏΠΎΠ΄ΠΊΠ»ΡΡΠ΅Π½Ρ ΡΡΠΈ ΠΏΡΠΎΠ²ΠΎΠ΄Π°:
- Β«ΠΌΠΈΠ½ΡΡΒ» β ΠΌΠ°ΡΡΠ°;
- Β«ΠΏΠ»ΡΡΒ» β ΠΏΠΎΠ΄ΠΊΠ»ΡΡΠ°Π΅ΡΡΡ ΡΠ΅ΡΠ΅Π· ΠΏΡΠ΅Π΄ΠΎΡ
ΡΠ°Π½ΠΈΡΠ΅Π»Ρ Ρ ΠΠΠ;
- Β«ΠΏΠ»ΡΡΒ» β ΠΏΠΎΠ΄ΠΊΠ»ΡΡΠ΅Π½ ΠΊ Π»Π°ΠΌΠΏΠ΅ ΠΏΠΎΠ΄ΡΠ²Π΅ΡΠΊΠΈ ΠΏΡΠΈΠ±ΠΎΡΠ° ΠΎΡ Π³Π°Π±Π°ΡΠΈΡΠ½ΡΡ
ΠΎΠ³Π½Π΅ΠΉ, ΡΠ°Π±ΠΎΡΠ°Π΅Ρ ΡΠΎΠ»ΡΠΊΠΎ ΠΏΡΠΈ Π²ΠΊΠ»ΡΡΠ΅Π½ΠΈΠΈ Π²Π½Π΅ΡΠ½Π΅Π³ΠΎ ΠΎΡΠ²Π΅ΡΠ΅Π½ΠΈΡ.
ΠΠ»Ρ ΠΈΡΠΊΠ»ΡΡΠ΅Π½ΠΈΡ ΡΠΈΡΡΠ°ΡΠΈΠΈ, ΠΊΠΎΠ³Π΄Π° ΠΏΠ°ΡΡΠΎΠ½ ΠΌΠΎΠΆΠ΅Ρ Π·Π°ΠΊΠ»ΠΈΠ½ΠΈΡΡ Π² Π³Π½Π΅Π·Π΄Π΅, ΠΠ ΠΎΡΠ½Π°ΡΠ΅Π½ ΡΠΏΠ΅ΡΠΈΠ°Π»ΡΠ½ΡΠΌ ΠΏΡΠ΅Π΄ΠΎΡ
ΡΠ°Π½ΠΈΡΠ΅Π»ΡΠ½ΡΠΌ ΡΡΡΡΠΎΠΉΡΡΠ²ΠΎΠΌ, Π·Π°ΡΠΈΡΠ°ΡΡΠΈΠΌ Π΅Π³ΠΎ ΠΎΡ ΠΏΠ΅ΡΠ΅Π³ΡΠ΅Π²Π° ΠΈ Π²ΠΎΠ·Π³ΠΎΡΠ°Π½ΠΈΡ. Π‘Π°ΠΌΠΎΠ΅ ΠΏΡΠΎΡΡΠΎΠ΅ ΡΠ°ΠΊΠΎΠ΅ ΡΡΡΡΠΎΠΉΡΡΠ²ΠΎ Π²ΡΠΏΠΎΠ»Π½Π΅Π½ΠΎ Π² Π²ΠΈΠ΄Π΅ Π»Π΅Π³ΠΊΠΎΠΏΠ»Π°Π²ΠΊΠΎΠΉ ΠΌΠ΅ΡΠ°Π»Π»ΠΈΡΠ΅ΡΠΊΠΎΠΉ ΡΠ°ΠΉΠ±Ρ. ΠΡΠ»ΠΈ ΡΠ΅ΠΌΠΏΠ΅ΡΠ°ΡΡΡΠ° ΡΠ»ΠΈΡΠΊΠΎΠΌ Π²ΡΡΠΎΠΊΠ°Ρ, ΠΎΠ½Π° ΡΠ°ΡΠΏΠ»Π°Π²Π»ΡΠ΅ΡΡΡ ΠΈ ΠΏΠ΅ΡΠ΅ΠΌΡΠΊΠ°Π΅Ρ Π½Π° ΠΊΠΎΡΠΎΡΠΊΠΎΠ΅ Π²ΡΠ΅ΠΌΡ ΠΏΠΈΡΠ°Π½ΠΈΠ΅ ΠΠ, Π° Π² ΠΌΠΎΠ½ΡΠ°ΠΆΠ½ΠΎΠΌ Π±Π»ΠΎΠΊΠ΅ ΠΏΠ΅ΡΠ΅Π³ΠΎΡΠ°Π΅Ρ ΠΏΡΠ΅Π΄ΠΎΡ
ΡΠ°Π½ΠΈΡΠ΅Π»Ρ, ΠΎΠ±Π΅ΡΡΠΎΡΠΈΠ²Π°Ρ ΡΡΡΡΠΎΠΉΡΡΠ²ΠΎ Π΄Π»Ρ ΠΏΡΠΈΠΊΡΡΠΈΠ²Π°Π½ΠΈΡ.
ΠΠ΅ΠΊΠΎΡΠΎΡΡΠ΅ ΠΏΡΠΈΠΊΡΡΠΈΠ²Π°ΡΠ΅Π»ΠΈ ΠΈΠΌΠ΅ΡΡ Π²ΡΡΡΠΎΠ΅Π½Π½ΡΠΉ ΠΏΡΠ΅Π΄ΠΎΡ
ΡΠ°Π½ΠΈΡΠ΅Π»Ρ, ΠΊΠΎΡΠΎΡΡΠΉ ΡΠ°ΡΠΏΠΎΠ»ΠΎΠΆΠ΅Π½ Π² ΡΠ°ΠΌΠΎΠΌ Π³Π½Π΅Π·Π΄Π΅. ΠΡΠ»ΠΈ ΡΠ°ΡΠΏΠ»Π°Π²Π»ΡΠ΅ΡΡΡ ΡΠ°ΠΉΠ±Π° ΠΈΠ»ΠΈ ΠΏΠ΅ΡΠ΅Π³ΠΎΡΠ°Π΅Ρ ΠΏΠΎΠ΄Π»Π΅ΠΆΠΈΡ Π·Π°ΠΌΠ΅Π½Π΅. Π ΠΏΠΎΡΠ»Π΅Π΄Π½Π΅Π΅ Π²ΡΠ΅ΠΌΡ Π² ΠΊΠ°ΡΠ΅ΡΡΠ²Π΅ ΠΏΡΠ΅Π΄ΠΎΡ
ΡΠ°Π½ΠΈΡΠ΅Π»Ρ ΡΡΠ°Π»ΠΈ ΡΡΡΠ°Π½Π°Π²Π»ΠΈΠ²Π°ΡΡ ΡΠ΅ΠΏΠ»ΠΎΠ²ΠΎΠΉ Π±ΠΈΠΌΠ΅ΡΠ°Π»Π»ΠΈΡΠ΅ΡΠΊΠΈΠΉ ΠΏΡΠ΅Π΄ΠΎΡ
ΡΠ°Π½ΠΈΡΠ΅Π»Ρ ΠΌΠ½ΠΎΠ³ΠΎΡΠ°Π·ΠΎΠ²ΠΎΠ³ΠΎ ΠΈΡΠΏΠΎΠ»ΡΠ·ΠΎΠ²Π°Π½ΠΈΡ. ΠΡΠΈ ΠΏΠ΅ΡΠ΅Π³ΡΠ΅Π²Π΅ ΠΎΠ½ ΠΏΠ΅ΡΠ΅ΠΌΡΠΊΠ°Π΅Ρ ΠΊΠΎΠ½ΡΠ°ΠΊΡΡ ΠΏΠΈΡΠ°Π½ΠΈΡ, ΠΏΡΠ΅Π΄ΠΎΡΠ²ΡΠ°ΡΠ°Ρ ΠΏΠ΅ΡΠ΅Π³ΠΎΡΠ°Π½ΠΈΠ΅ ΠΏΡΠ΅Π΄ΠΎΡ
ΡΠ°Π½ΠΈΡΠ΅Π»Ρ, Π½ΠΎ ΡΠΏΡΡΡΡ Π²ΡΠ΅ΠΌΡ Π±ΠΈΠΌΠ΅ΡΠ°Π»Π»ΠΈΡΠ΅ΡΠΊΠΈΠΉ ΠΏΡΠ΅Π΄ΠΎΡ
ΡΠ°Π½ΠΈΡΠ΅Π»Ρ ΠΎΡΡΡΠ²Π°Π΅Ρ ΠΈ Π²Π½ΠΎΠ²Ρ ΡΠ°Π·ΠΌΡΠΊΠ°Π΅Ρ ΠΊΠΎΠ½ΡΠ°ΠΊΡΡ.
ΠΠΎΠ·ΠΌΠΎΠΆΠ½ΡΠ΅ Π½Π΅ΠΈΡΠΏΡΠ°Π²Π½ΠΎΡΡΠΈ: ΠΏΡΠΈΠ·Π½Π°ΠΊΠΈ ΠΈ ΠΏΡΠΈΡΠΈΠ½Ρ
ΠΠ Π½Π΅ ΠΎΡΠ½ΠΎΡΠΈΡΡΡ ΠΊ Π½Π°Π΄Π΅ΠΆΠ½ΡΠΌ ΡΠΎΠ΅Π΄ΠΈΠ½ΠΈΡΠ΅Π»ΡΠ½ΡΠΌ ΡΡΡΡΠΎΠΉΡΡΠ²Π°ΠΌ, ΠΊΠΎΡΠΎΡΡΠ΅ ΡΠ»ΡΠΆΠ°Ρ Π΄ΠΎΠ»Π³ΠΎΠ΅ Π²ΡΠ΅ΠΌΡ. ΠΡΠΎΠ³ΠΎ Π½Π΅ ΠΏΡΠ΅Π΄ΡΡΠΌΠ°ΡΡΠΈΠ²Π°Π΅Ρ Π΅Π³ΠΎ ΠΊΠΎΠ½ΡΡΡΡΠΊΡΠΈΡ. Π₯ΠΎΡΠΎΡΡΡ ΡΠΈΠΊΡΠ°ΡΠΈΡ ΠΌΠΎΠΆΠ½ΠΎ ΠΎΠ±Π΅ΡΠΏΠ΅ΡΠΈΡΡ ΡΠ²Π΅Π»ΠΈΡΠ΅Π½ΠΈΠ΅ΠΌ ΠΊΠΎΠ»ΠΈΡΠ΅ΡΡΠ²Π° ΠΏΡΠΈΠΆΠΈΠΌΠ½ΡΡ
Π»Π°ΠΏΠΎΠΊ, Π½ΠΎ ΠΏΠΎΠΊΠ° ΡΠ½ΠΈΠ²Π΅ΡΡΠ°Π»ΡΠ½ΠΎΠ³ΠΎ ΡΡΡΡΠΎΠΉΡΡΠ²Π° Π½Π΅ ΠΈΠ·ΠΎΠ±ΡΠ΅Π»ΠΈ. ΠΠ° ΡΠ°ΠΌΠΎΠΌ Π΄Π΅Π»Π΅ ΠΠ ΠΈΠΌΠ΅Π΅Ρ Π»ΠΈΡΡ ΡΠ΅Π½ΡΡΠ°Π»ΡΠ½ΡΠΉ ΠΏΠΎΠ΄ΠΏΡΡΠΆΠΈΠ½Π΅Π½Π½ΡΠΉ ΠΊΠΎΠ½ΡΠ°ΠΊΡ ΠΈ Π΄Π²Π΅ ΠΏΡΠΈΠΆΠΈΠΌΠ½ΡΠ΅ Π»Π°ΠΏΠΊΠΈ. Π¦Π΅Π½ΡΡΠ°Π»ΡΠ½ΡΠΉ ΠΊΠΎΠ½ΡΠ°ΠΊΡ ΠΌΠΎΠΆΠ΅Ρ ΡΠ°ΡΠΏΠΎΠ»Π°Π³Π°ΡΡΡΡ Π³Π»ΡΠ±ΠΎΠΊΠΎ, Π° ΠΌΠΎΠΆΠ΅Ρ Π±Π»ΠΈΠ·ΠΊΠΎ.
ΠΠ°Π·Ρ Π΄Π»Ρ Π»Π°ΠΏΠΎΠΊ Π½Π° Π²ΠΈΠ»ΠΊΠ΅ ΠΌΠΎΠ³ΡΡ Π½Π΅ ΡΠΎΠ²ΠΏΠ°Π΄Π°ΡΡ Ρ ΡΠ°ΡΠΏΠΎΠ»ΠΎΠΆΠ΅Π½ΠΈΠ΅ΠΌ ΡΠ°ΠΌΠΈΡ
Π»Π°ΠΏΠΎΠΊ. Π ΡΠ΅ΡΠ΅Π½ΠΈΠ΅ ΡΠΊΡΠΏΠ»ΡΠ°ΡΠ°ΡΠΈΠΈ ΠΌΠ΅ΠΆΠ΄Ρ Π²ΠΈΠ»ΠΊΠΎΠΉ ΠΈ Π³Π½Π΅Π·Π΄ΠΎΠΌ ΡΡΡΡΠΎΠΉΡΡΠ²Π° ΡΡ
ΡΠ΄ΡΠ°Π΅ΡΡΡ ΠΊΠΎΠ½ΡΠ°ΠΊΡ, ΠΏΠΎΡΠ²Π»ΡΠ΅ΡΡΡ ΠΈΡΠΊΡΠ΅Π½ΠΈΠ΅ Π² ΠΌΠ΅ΡΡΠ΅ ΡΠΎΠ΅Π΄ΠΈΠ½Π΅Π½ΠΈΡ, Π² ΡΠ΅Π·ΡΠ»ΡΡΠ°ΡΠ΅ Π²ΠΎΠ·ΠΌΠΎΠΆΠ½ΠΎ ΠΊΠΎΡΠΎΡΠΊΠΎΠ΅ Π·Π°ΠΌΡΠΊΠ°Π½ΠΈΠ΅.
ΠΠΈΠΆΠ΅ ΠΏΠ΅ΡΠ΅ΡΠΈΡΠ»Π΅Π½Ρ Π²ΠΎΠ·ΠΌΠΎΠΆΠ½ΡΠ΅ Π½Π΅ΠΈΡΠΏΡΠ°Π²Π½ΠΎΡΡΠΈ ΠΠ:
- ΠΠ»ΠΎΡ
ΠΎ ΡΠΈΠΊΡΠΈΡΡΠ΅ΡΡΡ Π²ΠΈΠ»ΠΊΠ° Π² Π³Π½Π΅Π·Π΄Π΅. Π ΡΠ°ΠΊΠΎΠΉ ΡΠΈΡΡΠ°ΡΠΈΠΈ Π²ΠΎΠ΄ΠΈΡΠ΅Π»Ρ ΠΏΡΠΈΡ
ΠΎΠ΄ΠΈΡΡΡ ΠΏΡΠΈΠ΄Π΅ΡΠΆΠΈΠ²Π°ΡΡ Π³ΠΎΠ»ΠΎΠ²ΠΊΡ Π² Π³Π½Π΅Π·Π΄Π΅ Π΄ΠΎ ΠΏΠΎΠ»Π½ΠΎΠ³ΠΎ ΡΠ°Π·ΠΎΠ³ΡΠ΅Π²Π°, ΡΡΠΎ Π½Π΅ΡΠ΄ΠΎΠ±Π½ΠΎ ΠΈ Π½Π΅Π±Π΅Π·ΠΎΠΏΠ°ΡΠ½ΠΎ ΠΏΡΠΈ ΡΠΏΡΠ°Π²Π»Π΅Π½ΠΈΠΈ Π°Π²ΡΠΎΠΌΠΎΠ±ΠΈΠ»Π΅ΠΌ. ΠΡΠΈΡΠΈΠ½ΠΎΠΉ Π½Π΅ΠΈΡΠΏΡΠ°Π²Π½ΠΎΡΡΠΈ ΡΠ²Π»ΡΡΡΡΡ ΡΡΠΈΠΊΠΈ, Π½Π°Ρ
ΠΎΠ΄ΡΡΠΈΠ΅ΡΡ Π² Π³Π½Π΅Π·Π΄Π΅. Π‘ ΡΠ΅ΡΠ΅Π½ΠΈΠ΅ΠΌ Π²ΡΠ΅ΠΌΠ΅Π½ΠΈ ΠΎΠ½ΠΈ ΠΈΠ·Π½Π°ΡΠΈΠ²Π°ΡΡΡΡ ΠΈ ΠΏΠ΅ΡΠ΅ΡΡΠ°ΡΡ ΡΠ΄Π΅ΡΠΆΠΈΠ²Π°ΡΡ ΠΏΠ°ΡΡΠΎΠ½. ΠΠ»Ρ ΡΡΡΡΠ°Π½Π΅Π½ΠΈΡ Π΄Π°Π½Π½ΠΎΠΉ ΠΏΠΎΠ»ΠΎΠΌΠΊΠΈ Π½ΡΠΆΠ½ΠΎ ΠΏΡΠΎΡΡΠΎ ΠΏΠΎΠ΄ΠΎΠ³Π½ΡΡΡ ΡΡΠΈΠΊΠΈ (Π°Π²ΡΠΎΡ Π²ΠΈΠ΄Π΅ΠΎ β Π Π½Π΅ ΡΠΎΠ»ΡΠΊΠΎ Π ΡΡΠ±Π°Π»ΠΊΠ΅).
- ΠΠ΅ΡΠ΅Π³ΠΎΡΠ°Π½ΠΈΠ΅ ΡΠΏΠΈΡΠ°Π»ΠΈ Π² ΠΏΠ°ΡΡΠΎΠ½Π΅. Π ΡΡΠΎΠΌ ΡΠ»ΡΡΠ°Π΅ ΡΠ΅ΡΠΈΡΡ ΠΏΡΠΎΠ±Π»Π΅ΠΌΡ ΠΌΠΎΠΆΠ½ΠΎ ΠΏΡΡΠ΅ΠΌ Π·Π°ΠΌΠ΅Π½Ρ Π³ΠΎΠ»ΠΎΠ²ΠΊΠΈ ΠΏΡΠΈΠΊΡΡΠΈΠ²Π°ΡΠ΅Π»Ρ. ΠΠΎΠΆΠ½ΠΎ Π²ΠΎΡΡΡΠ°Π½ΠΎΠ²ΠΈΡΡ ΡΠ°Π±ΠΎΡΠΎΡΠΏΠΎΡΠΎΠ±Π½ΠΎΡΡΡ ΡΡΠ°ΡΠΎΠΉ ΡΠΏΠΈΡΠ°Π»ΠΈ, ΠΎΡΠΈΡΡΠΈΠ² Π΅Π΅ ΠΎΡ ΠΊΠΎΠΏΠΎΡΠΈ ΠΈ Π½Π°Π³Π°ΡΠ°. ΠΠΎ ΠΏΡΠ°Π²ΠΈΠ»Π°ΠΌ, ΡΠΏΠΈΡΠ°Π»Ρ Π½Π°Π³ΡΠ΅Π²Π°Π΅ΡΡΡ Π΄ΠΎΠΊΡΠ°ΡΠ½Π° Π² ΡΠ΅ΡΠ΅Π½ΠΈΠ΅ 20 ΡΠ΅ΠΊΡΠ½Π΄ ΠΏΠΎΡΠ»Π΅ Π²ΠΊΠ»ΡΡΠ΅Π½ΠΈΡ. ΠΠ°ΡΠ΅ΠΌ Π³ΠΎΠ»ΠΎΠ²ΠΊΠ° Π΄ΠΎΠ»ΠΆΠ½Π° Π²ΡΡΠΊΠ°ΠΊΠΈΠ²Π°ΡΡ. ΠΠΎΠ³Π΄Π° ΡΡΠΎ ΠΏΡΠΎΠΈΡΡ
ΠΎΠ΄ΠΈΡ ΡΠ°Π½ΡΡΠ΅ ΠΈΠ»ΠΈ ΠΏΠΎΠ·ΠΆΠ΅, ΠΌΠΎΠΆΠ½ΠΎ ΠΎΡΡΠ΅Π³ΡΠ»ΠΈΡΠΎΠ²Π°ΡΡ Π²ΡΠ΅ΠΌΡ Π½Π°Π³ΡΠ΅Π²Π°, ΠΏΠΎΠ΄ΠΎΠ³Π½ΡΠ² ΠΈΠ»ΠΈ ΡΠ°Π·ΠΎΠ³Π½ΡΠ² ΠΊΠΎΠ½ΡΠ°ΠΊΡΡ ΡΡΡΡΠΎΠΉΡΡΠ²Π°. ΠΡΠ»ΠΈ ΠΏΡΠΈΠ½ΡΡΡΠ΅ ΠΌΠ΅ΡΡ Π½Π΅ ΠΏΠΎΠΌΠΎΠ³Π»ΠΈ, Π³ΠΎΠ»ΠΎΠ²ΠΊΡ Π½ΡΠΆΠ½ΠΎ Π·Π°ΠΌΠ΅Π½ΠΈΡΡ.
- ΠΠ΅ΡΠ΅Π³ΠΎΡΠ°Π½ΠΈΠ΅ ΠΏΡΠ΅Π΄ΠΎΡ
ΡΠ°Π½ΠΈΡΠ΅Π»Ρ. ΠΠ±ΡΡΠ½ΠΎ Π² ΡΠΈΡΡΠ°ΡΠΈΠΈ ΠΏΠ΅ΡΠ΅Π³ΠΎΡΠ°Π½ΠΈΡ ΠΏΡΠ΅Π΄ΠΎΡ
ΡΠ°Π½ΠΈΡΠ΅Π»Ρ Π²ΠΈΠ½ΠΎΠ²Π°Ρ Π²ΠΎΠ΄ΠΈΡΠ΅Π»Ρ ΠΏΡΠΈ ΠΏΠΎΠ΄ΠΊΠ»ΡΡΠ΅Π½ΠΈΠΈ Ρ ΠΏΠΎΠΌΠΎΡΡΡ ΡΠ°Π·Π²Π΅ΡΠ²ΠΈΡΠ΅Π»Ρ Π½Π΅ΡΠΊΠΎΠ»ΡΠΊΠΈΡ
Π΄ΠΎΠΏΠΎΠ»Π½ΠΈΡΠ΅Π»ΡΠ½ΡΡ
ΡΡΡΡΠΎΠΉΡΡΠ². Π’Π°ΠΊΠΈΠΌ ΠΎΠ±ΡΠ°Π·ΠΎΠΌ, ΠΏΠΎΠ²ΡΡΠ°Π΅ΡΡΡ Π½Π°Π³ΡΡΠ·ΠΊΠ° Π½Π° ΠΏΡΠΈΠΊΡΡΠΈΠ²Π°ΡΠ΅Π»Ρ, ΠΊΠΎΡΠΎΡΡΠΉ ΡΠ°ΡΡΡΠΈΡΠ°Π½ Π½Π° ΠΎΠΏΡΠ΅Π΄Π΅Π»Π΅Π½Π½ΡΡ ΠΌΠΎΡΠ½ΠΎΡΡΡ. ΠΡΠΎΠΌΠ΅ ΡΠΎΠ³ΠΎ, ΠΏΡΠ΅Π΄ΡΡΠΌΠ°ΡΡΠΈΠ²Π°Π΅ΡΡΡ ΠΊΡΠ°ΡΠΊΠΎΠ²ΡΠ΅ΠΌΠ΅Π½Π½ΠΎΠ΅ ΠΈΡΠΏΠΎΠ»ΡΠ·ΠΎΠ²Π°Π½ΠΈΠ΅ Π³Π½Π΅Π·Π΄Π°. ΠΠΎΡΡΠΎΠΌΡ ΠΏΡΠΈ ΠΏΡΠ΅Π²ΡΡΠ΅Π½ΠΈΠΈ Π½Π°Π³ΡΡΠ·ΠΊΠ΅ ΠΈ ΠΏΠΎΡΡΠΎΡΠ½Π½ΠΎΠΌ ΠΈΡΠΏΠΎΠ»ΡΠ·ΠΎΠ²Π°Π½ΠΈΠΈ ΠΏΡΠ΅Π΄ΠΎΡ
ΡΠ°Π½ΠΈΡΠ΅Π»Ρ ΠΏΠ΅ΡΠ΅Π³ΠΎΡΠ°Π΅Ρ. Π Π΅ΡΠ°Π΅ΡΡΡ ΠΏΡΠΎΠ±Π»Π΅ΠΌΠ° ΠΏΡΡΠ΅ΠΌ Π·Π°ΠΌΠ΅Π½Ρ Π΄Π΅ΡΠ°Π»ΠΈ, ΠΊΠΎΡΠΎΡΠ°Ρ Π½Π°Ρ
ΠΎΠ΄ΠΈΡΡΡ Π² ΠΏΡΠ΅Π΄ΠΎΡ
ΡΠ°Π½ΠΈΡΠ΅Π»ΡΠ½ΠΎΠΌ Π±Π»ΠΎΠΊΠ΅. ΠΡΠ΅Π΄ΠΎΡ
ΡΠ°Π½ΠΈΡΠ΅Π»Ρ ΡΠ°ΡΡΡΠΈΡΠ°Π½ Π½Π° 10 Π. ΠΠ΅ ΡΡΠΎΠΈΡ ΡΡΡΠ°Π½Π°Π²Π»ΠΈΠ²Π°ΡΡ Π΄Π΅ΡΠ°Π»Ρ Ρ Π±ΠΎΠ»ΡΡΠΈΠΌ Π½ΠΎΠΌΠΈΠ½Π°Π»ΠΎΠΌ, ΡΠ°ΠΊ ΠΊΠ°ΠΊ ΡΡΠΎ Π³ΡΠΎΠ·ΠΈΡ Π²ΡΠ³ΠΎΡΠ°Π½ΠΈΠ΅ΠΌ Π³Π½Π΅Π·Π΄Π° ΠΠ.
- ΠΠ±ΡΡΠ² ΠΏΡΠΎΠ²ΠΎΠ΄ΠΊΠΈ. Π Π°Π±ΠΎΡΠ° ΡΡΡΡΠΎΠΉΡΡΠ²Π° ΠΌΠΎΠΆΠ΅Ρ Π±ΡΡΡ Π½Π°ΡΡΡΠ΅Π½Π° ΠΏΡΠΈ ΠΎΠ±ΡΡΠ²Π΅ ΠΏΡΠΎΠ²ΠΎΠ΄ΠΊΠΈ. ΠΡΠΎΠ²ΠΎΠ΄Π° ΠΌΠΎΠ³ΡΡ Π·Π°ΡΠ΅ΠΌΠ»ΡΡΡΡΡ ΠΈΠ»ΠΈ ΠΏΠ΅ΡΠ΅ΡΠΈΡΠ°ΡΡΡΡ Π²ΠΎ Π²ΡΠ΅ΠΌΡ ΡΠΊΡΠΏΠ»ΡΠ°ΡΠ°ΡΠΈΠΈ, ΡΡΠΎ ΠΏΡΠΈΠ²ΠΎΠ΄ΠΈΡ ΠΊ ΠΈΡΡΠ΅Π·Π½ΠΎΠ²Π΅Π½ΠΈΡ ΠΊΠΎΠ½ΡΠ°ΠΊΡΠ°. ΠΠ±Π½Π°ΡΡΠΆΠΈΡΡ ΡΠ°Π·ΡΡΠ² ΠΌΠΎΠΆΠ½ΠΎ Ρ ΠΏΠΎΠΌΠΎΡΡΡ ΠΌΡΠ»ΡΡΠΈΠΌΠ΅ΡΡΠ°, ΠΏΡΠΎΠ·Π²ΠΎΠ½ΠΈΠ² ΡΠ΅ΠΏΡ. ΠΠ°ΠΉΠ΄Ρ ΠΌΠ΅ΡΡΠΎ ΠΎΠ±ΡΡΠ²Π°, Π½ΡΠΆΠ½ΠΎ Π·Π°ΠΌΠ΅Π½ΠΈΡΡ ΠΎΠ±ΠΎΡΠ²Π°Π½Π½ΡΠΉ ΠΊΡΡΠΎΠΊ ΡΠ΅Π»ΡΠΌ. ΠΡΠΎΠ²ΠΎΠ΄Π° ΡΠ»Π΅Π΄ΡΠ΅Ρ ΠΊΠ°ΡΠ΅ΡΡΠ²Π΅Π½Π½ΠΎ Π·Π°ΠΈΠ·ΠΎΠ»ΠΈΡΠΎΠ²Π°ΡΡ, ΡΡΠΎΠ±Ρ ΠΈΠ·Π±Π΅ΠΆΠ°ΡΡ Π²ΠΎΠ·Π³ΠΎΡΠ°Π½ΠΈΡ.
ΠΠ½ΡΡΡΡΠΊΡΠΈΡ ΠΏΠΎ ΡΠ΅ΠΌΠΎΠ½ΡΡ ΠΈ Π·Π°ΠΌΠ΅Π½Π΅ ΠΌΠ΅Ρ
Π°Π½ΠΈΠ·ΠΌΠ°
Π Π΅ΠΌΠΎΠ½Ρ ΠΈ Π·Π°ΠΌΠ΅Π½Π° ΠΏΡΠΈΠΊΡΡΠΈΠ²Π°ΡΠ΅Π»Ρ ΠΠΠ 2107 Π°Π½Π°Π»ΠΎΠ³ΠΈΡΠ½Ρ Π΄Π»Ρ Β«Π²Π°Π·ΠΎΠ²ΡΠΊΠΎΠΉ ΠΊΠ»Π°ΡΡΠΈΠΊΠΈΒ», ΠΏΠΎΡΡΠΎΠΌΡ ΠΈΡ
ΠΌΠΎΠΆΠ½ΠΎ ΡΠ°ΡΡΠΌΠΎΡΡΠ΅ΡΡ Π² ΠΊΠ°ΡΠ΅ΡΡΠ²Π΅ ΠΏΡΠΈΠΌΠ΅ΡΠ°.
ΠΠ»Ρ Π²ΡΠΏΠΎΠ»Π½Π΅Π½ΠΈΡ Π΄Π°Π½Π½ΡΡ
ΠΏΡΠΎΡΠ΅Π΄ΡΡ Π½ΡΠΆΠ½ΠΎ ΠΏΡΠΈΠ³ΠΎΡΠΎΠ²ΠΈΡΡ ΡΠ»Π΅Π΄ΡΡΡΠΈΠΉ ΠΈΠ½ΡΡΡΡΠΌΠ΅Π½ΡΠ°ΡΠΈΠΉ:
- Π½Π°Π±ΠΎΡ ΠΎΡΠ²Π΅ΡΡΠΎΠΊ;
- ΠΏΠ»ΠΎΡΠΊΠΎΠ³ΡΠ±ΡΡ;
- Π½Π΅Π±ΠΎΠ»ΡΡΠΈΠ΅ ΡΠΈΠΏΡΡ ΠΈΠ»ΠΈ ΠΏΠΈΠ½ΡΠ΅Ρ;
- ΠΏΠ°ΡΠ»ΡΠ½ΠΈΠΊ Ρ ΠΏΡΠΈΠΏΠΎΠ΅ΠΌ;
- ΠΏΠ΅ΡΠ΅Π½ΠΎΡΠ½ΡΡ Π»Π°ΠΌΠΏΡ ΠΈΠ»ΠΈ ΡΠΎΠ½Π°ΡΠΈΠΊ;
- ΠΈΠ·ΠΎΠ»Π΅Π½ΡΡ;
- Ρ
Π»ΠΎΠΏΡΠ°ΡΠΎΠ±ΡΠΌΠ°ΠΆΠ½ΡΠ΅ ΠΏΠ΅ΡΡΠ°ΡΠΊΠΈ.
Π Π΅ΠΌΠΎΠ½Ρ ΡΠΎΡΡΠΎΠΈΡ ΠΈΠ· ΠΏΠΎΡΠ»Π΅Π΄ΠΎΠ²Π°ΡΠ΅Π»ΡΠ½ΠΎΡΡΠΈ ΡΠ°Π³ΠΎΠ²:
- ΠΠ±Π΅ΡΡΠΎΡΠΈΠ²Π°Π΅ΡΡΡ Π°Π²ΡΠΎ ΠΏΡΡΠ΅ΠΌ ΡΠ½ΡΡΠΈΡ ΠΎΡΡΠΈΡΠ°ΡΠ΅Π»ΡΠ½ΠΎΠΉ ΠΊΠ»Π΅ΠΌΠΌΡ Ρ ΠΠΠ.
- Π ΡΠ°Π»ΠΎΠ½Π΅ Π½Π°Ρ
ΠΎΠ΄ΠΈΠΌ, Π³Π΄Π΅ Π½Π°Ρ
ΠΎΠ΄ΠΈΡΡΡ Π³Π½Π΅Π·Π΄ΠΎ ΠΠ ΠΈ ΠΎΠ±Π΅ΡΠΏΠ΅ΡΠΈΠ²Π°Π΅ΠΌ ΡΠ΄ΠΎΠ±Π½ΡΠΉ Π΄ΠΎΡΡΡΠΏ ΠΊ Π½Π΅ΠΌΡ. ΠΠ±ΡΡΠ½ΠΎ ΠΎΠ½ Π½Π°Ρ
ΠΎΠ΄ΠΈΡΡΡ Π½Π° ΡΠ΅Π½ΡΡΠ°Π»ΡΠ½ΠΎΠΉ ΠΊΠΎΠ½ΡΠΎΠ»ΠΈ, ΠΏΠΎΡΡΠΎΠΌΡ ΠΎΡΠΎΠ΄Π²ΠΈΠ³Π°Π΅ΠΌ Π²ΠΎΠ΄ΠΈΡΠ΅Π»ΡΡΠΊΠΎΠ΅ ΠΊΡΠ΅ΡΠ»ΠΎ ΠΌΠ°ΠΊΡΠΈΠΌΠ°Π»ΡΠ½ΠΎ Π½Π°Π·Π°Π΄.
- Π’Π΅ΠΏΠ΅ΡΡ Π²ΡΠ½ΠΈΠΌΠ°Π΅ΠΌ ΠΏΠ°ΡΡΠΎΠ½ ΠΈΠ· Π³Π½Π΅Π·Π΄Π°. ΠΠΎΠ΄ΡΠ²Π΅ΡΠΈΠ² Π²Π½ΡΡΡΠ΅Π½Π½ΠΎΡΡΡ Π³Π½Π΅Π·Π΄Π°, Π½ΡΠΆΠ½ΠΎ ΡΠ΄Π°Π»ΠΈΡΡ Π²ΡΠ΅ ΠΏΠΎΡΡΠΎΡΠΎΠ½Π½ΠΈΠ΅ ΠΏΡΠ΅Π΄ΠΌΠ΅ΡΡ ΠΈΠ»ΠΈ ΠΎΡΠΊΠΎΠ»ΠΊΠΈ, Π²ΠΎΡΠΏΠΎΠ»ΡΠ·ΠΎΠ²Π°Π²ΡΠΈΡΡ ΠΏΠΈΠ½ΡΠ΅ΡΠΎΠΌ.
- ΠΠ°Π»ΡΡΠ΅ ΡΠ»Π΅Π΄ΡΠ΅Ρ ΠΏΡΠΎΠ²Π΅ΡΠΈΡΡ ΠΏΡΠ΅Π΄ΠΎΡ
ΡΠ°Π½ΠΈΡΠ΅Π»Ρ, Π½Π°Ρ
ΠΎΠ΄ΡΡΠΈΠΉΡΡ Π² ΠΌΠΎΠ½ΡΠ°ΠΆΠ½ΠΎΠΌ Π±Π»ΠΎΠΊΠ΅. ΠΠ±ΡΡΠ½ΠΎ ΠΎΠ½ ΡΠ°ΡΠΏΠΎΠ»ΠΎΠΆΠ΅Π½ ΠΏΠΎΠ΄ ΠΊΠ°ΠΏΠΎΡΠΎΠΌ, ΠΏΡΠΈΠ±ΠΎΡΠ½ΠΎΠΉ ΠΏΠ°Π½Π΅Π»ΡΡ ΠΈΠ»ΠΈ ΡΠΈΠ΄Π΅Π½ΡΠ΅ΠΌ Π²ΠΎΠ΄ΠΈΡΠ΅Π»Ρ. ΠΡΠΊΡΡΠ² ΠΏΡΠ΅Π΄ΠΎΡ
ΡΠ°Π½ΠΈΡΠ΅Π»ΡΠ½ΡΠΉ Π±Π»ΠΎΠΊ, Π½Π°Ρ
ΠΎΠ΄ΠΈΠΌ Π½ΡΠΆΠ½ΡΠΉ ΠΏΡΠ΅Π΄ΠΎΡ
ΡΠ°Π½ΠΈΡΠ΅Π»Ρ. ΠΠ³ΠΎ ΡΠ°ΡΠΏΠΎΠ»ΠΎΠΆΠ΅Π½ΠΈΠ΅ ΠΌΠΎΠΆΠ½ΠΎ ΠΎΠΏΡΠ΅Π΄Π΅Π»ΠΈΡΡ ΠΏΠΎ ΡΡ
Π΅ΠΌΠ΅ Π½Π° Π²Π½ΡΡΡΠ΅Π½Π½Π΅ΠΉ ΡΡΠΎΡΠΎΠ½Π΅ ΠΊΡΡΡΠΊΠΈ ΠΈΠ»ΠΈ Π² ΠΈΠ½ΡΡΡΡΠΊΡΠΈΠΈ ΠΏΠΎ ΡΠΊΡΠΏΠ»ΡΠ°ΡΠ°ΡΠΈΠΈ. ΠΡΠ½ΠΈΠΌΠ°Π΅ΠΌ Π½ΡΠΆΠ½ΡΠΉ ΠΏΡΠ΅Π΄ΠΎΡ
ΡΠ°Π½ΠΈΡΠ΅Π»Ρ ΠΈ ΠΏΡΠΎΠ²Π΅ΡΡΠ΅ΠΌ Π΅Π³ΠΎ ΠΏΠ΅ΡΠ΅ΠΌΡΡΠΊΡ. ΠΡΠ»ΠΈ ΠΎΠ½Π° ΠΏΠ΅ΡΠ΅Π³ΠΎΡΠ΅Π»Π°, Π΄Π΅ΡΠ°Π»Ρ Π½Π΅ΠΎΠ±Ρ
ΠΎΠ΄ΠΈΠΌΠΎ Π·Π°ΠΌΠ΅Π½ΠΈΡΡ.
- ΠΡΠ»ΠΈ Π·Π°ΠΌΠ΅Π½Π° ΠΏΡΠ΅Π΄ΠΎΡ
ΡΠ°Π½ΠΈΡΠ΅Π»Ρ Π½Π΅ ΠΏΠΎΠΌΠΎΠ³Π»Π°, ΠΏΠ΅ΡΠ΅Ρ
ΠΎΠ΄ΠΈΠΌ ΠΊ ΡΠ»Π΅Π΄ΡΡΡΠ΅ΠΌΡ ΡΡΠ°ΠΏΡ. ΠΡΠ½ΠΈΠΌΠ°Π΅ΠΌ ΠΏΡΠΈΠΊΡΡΠΈΠ²Π°ΡΠ΅Π»Ρ. ΠΠ°ΡΠ΅ΠΌ ΠΏΠ»ΠΎΡΠΊΠΎΠ³ΡΠ±ΡΠ°ΠΌΠΈ Π±Π΅ΡΠ΅ΠΌ Π°ΠΊΠΊΡΡΠ°ΡΠ½ΠΎ Π·Π° ΠΎΠ±ΠΎΠ΄ΠΎΠΊ ΠΈ, Π½Π΅ ΠΏΡΠΈΠ»Π°Π³Π°Ρ ΡΡΠΈΠ»ΠΈΠΉ, ΡΡΠ½Π΅ΠΌ Π΅Π³ΠΎ ΠΊ ΡΠ΅Π±Π΅, ΡΡΠΎΠ±Ρ Π½Π΅ ΠΏΠΎΠ²ΡΠ΅Π΄ΠΈΡΡ ΠΏΡΠΎΠ²ΠΎΠ΄ΠΊΡ.
- ΠΠ° Π²ΡΡΠ°ΡΠ΅Π½Π½ΠΎΠΌ ΡΠ»Π΅ΠΌΠ΅Π½ΡΠ΅ ΠΎΡΠΌΠ°ΡΡΠΈΠ²Π°Π΅ΠΌ ΠΌΠ΅ΡΡΠΎ, Π³Π΄Π΅ ΠΎΠ½ ΠΏΡΠΈΠΏΠ°ΠΈΠ²Π°Π΅ΡΡΡ ΠΊ ΠΠ. ΠΡΠΈ ΠΎΠ±Π½Π°ΡΡΠΆΠ΅Π½ΠΈΠΈ Π½Π΅ΠΊΠ°ΡΠ΅ΡΡΠ²Π΅Π½Π½ΠΎΠ³ΠΎ ΡΠΎΠ΅Π΄ΠΈΠ½Π΅Π½ΠΈΡ ΠΈΠ»ΠΈ ΡΠ°Π·ΡΡΠ²Π°, Π½ΡΠΆΠ½ΠΎ ΠΏΡΠΈΠΏΠ°ΡΡΡ ΠΏΡΠΎΠ²ΠΎΠ΄. ΠΡΠΈ ΠΎΡΠΌΠΎΡΡΠ΅ ΡΠ»Π΅Π΄ΡΠ΅Ρ ΠΎΠ±ΡΠ°ΡΠΈΡΡ Π²Π½ΠΈΠΌΠ°Π½ΠΈΠ΅ Π½Π° ΠΏΡΠΎΠ²ΠΎΠ΄Π° ΠΈ ΠΈΠ·ΠΎΠ»ΡΡΠΈΡ. ΠΡΠ»ΠΈ Π΅ΡΡΡ ΠΏΠΎΡΠ΅ΡΡΠΎΡΡΠΈ, ΠΏΡΠΎΠ²ΠΎΠ΄ ΡΠ»Π΅Π΄ΡΠ΅Ρ Π·Π°ΠΈΠ·ΠΎΠ»ΠΈΡΠΎΠ²Π°ΡΡ.
- ΠΡΠΎΠ²Π΅ΡΠΈΠ² ΡΡΡΡΠΎΠΉΡΡΠ²ΠΎ Π½Π° ΡΠ°Π±ΠΎΡΠΎΡΠΏΠΎΡΠΎΠ±Π½ΠΎΡΡΡ, Π²ΠΎΠ·Π²ΡΠ°ΡΠ°Π΅ΠΌ ΠΎΠ±ΠΎΠ΄ΠΎΠΊ Π½Π° ΠΏΡΠ΅ΠΆΠ½Π΅Π΅ ΠΌΠ΅ΡΡΠΎ.
Π€ΠΎΡΠΎΠ³Π°Π»Π΅ΡΠ΅Ρ Β«ΠΠ°ΠΌΠ΅Π½Π° ΠΠΒ»
ΠΠ»Ρ Π·Π°ΠΌΠ΅Π½Ρ ΠΠ, Π½ΡΠΆΠ½ΠΎ Π·Π½Π°ΡΡ, ΠΊΠ°ΠΊ ΠΏΠΎΠ΄ΠΊΠ»ΡΡΠΈΡΡ ΠΏΡΠΈΠΊΡΡΠΈΠ²Π°ΡΠ΅Π»Ρ. ΠΠ½ΡΠΎΡΠΌΠ°ΡΠΈΡ ΠΌΠΎΠΆΠ½ΠΎ Π½Π°ΠΉΡΠΈ Π² ΡΡΠΊΠΎΠ²ΠΎΠ΄ΡΡΠ²Π΅ ΠΏΠΎ ΡΠΊΡΠΏΠ»ΡΠ°ΡΠ°ΡΠΈΠΈ.
ΠΠ»Ρ Π·Π°ΠΌΠ΅Π½Ρ ΡΠΎΠ·Π΅ΡΠΊΠΈ Π½ΡΠΆΠ½ΠΎ Π²ΡΠΏΠΎΠ»Π½ΠΈΡΡ ΡΠ»Π΅Π΄ΡΡΡΠΈΠ΅ Π΄Π΅ΠΉΡΡΠ²ΠΈΡ:
- ΠΡΡΠΎΠ΅Π΄ΠΈΠ½ΠΈΡΡ ΠΌΠΈΠ½ΡΡΠΎΠ²ΡΡ ΠΊΠ»Π΅ΠΌΠΌΡ Π°ΠΊΠΊΡΠΌΡΠ»ΡΡΠΎΡΠ°.
- ΠΠ΅ΠΌΠΎΠ½ΡΠΈΡΡΠ΅ΠΌ ΠΏΠ°ΡΡΠΎΠ½ ΠΈΠ· ΡΠΎΠ·Π΅ΡΠΊΠΈ.
- Π‘ ΠΏΠΎΠΌΠΎΡΡΡ ΡΠΎΠ½ΠΊΠΎΠΉ ΠΎΡΠ²Π΅ΡΡΠΊΠΈ ΠΎΡΠ³ΠΈΠ±Π°Π΅ΠΌ ΡΠΈΠΊΡΠΈΡΡΡΡΠΈΠ΅ Π»Π°ΠΏΠΊΠΈ.
- ΠΠΎΠ΄Π΄Π΅Π² Π°ΠΊΠΊΡΡΠ°ΡΠ½ΠΎ Π²Π½ΡΡΡΠ΅Π½Π½ΡΡ ΡΠ°ΡΡΡ ΡΠΎΠ·Π΅ΡΠΊΠΈ, ΠΎΡΡΠΎΠ΅Π΄ΠΈΠ½ΡΠ΅ΠΌ ΡΠ°Π·ΡΠ΅ΠΌ.
- ΠΠ΅Π½ΡΠ΅ΠΌ ΡΠΎΠ·Π΅ΡΠΊΡ ΠΈ ΡΡΡΠ°Π½Π°Π²Π»ΠΈΠ²Π°Π΅ΠΌ Π²ΡΠ΅ Π² ΠΎΠ±ΡΠ°ΡΠ½ΠΎΠΌ ΠΏΠΎΡΡΠ΄ΠΊΠ΅.
ΠΡΠΈ Π·Π°ΠΌΠ΅Π½Π΅ Π»Π°ΠΌΠΏΠΎΡΠΊΠΈ ΠΏΡΠΈΠΊΡΡΠΈΠ²Π°ΡΠ΅Π»Ρ, ΡΠ»Π΅Π΄ΡΠ΅Ρ Π²ΡΠ½ΡΡΡ ΠΎΠ±ΠΎΠΉΠΌΡ ΠΈΠ· ΡΠΎΠ·Π΅ΡΠΊΠΈ. ΠΠ°ΠΌΠ΅Π½ΠΈΡΡ Π»Π°ΠΌΠΏΡ ΠΈ Π²ΡΡΠ°Π²ΠΈΡΡ ΠΎΠ±ΠΎΠΉΠΌΡ ΠΎΠ±ΡΠ°ΡΠ½ΠΎ.
ΠΠ°ΠΊΠ»ΡΡΠ΅Π½ΠΈΠ΅
ΠΠ΄Π΅Π°Π»ΡΠ½ΡΠΌ Π²Π°ΡΠΈΠ°Π½ΡΠΎΠΌ ΠΈΡΠΏΠΎΠ»ΡΠ·ΠΎΠ²Π°Π½ΠΈΡ ΠΏΡΠΈΠΊΡΡΠΈΠ²Π°ΡΠ΅Π»Ρ ΡΠ²Π»ΡΠ΅ΡΡΡ Π΅Π³ΠΎ ΠΏΡΡΠΌΠΎΠ΅ Π½Π°Π·Π½Π°ΡΠ΅Π½ΠΈΠ΅ β ΠΏΠΎΠ΄ΠΊΡΡΠΈΠ²Π°ΡΡ ΡΠΈΠ³Π°ΡΠ΅ΡΡ. ΠΡΠΈ ΠΈΡΠΏΠΎΠ»ΡΠ·ΠΎΠ²Π°Π½ΠΈΠΈ Π΄Π΅Π²Π°ΠΉΡΠΎΠ² Π½ΡΠΆΠ½ΠΎ ΡΠΊΠ»Π°Π΄ΡΠ²Π°ΡΡ ΠΈΡ
ΠΌΠΎΡΠ½ΠΎΡΡΡ ΠΈ ΡΠ»Π΅Π΄ΠΈΡΡ Π·Π° ΡΠ΅ΠΌ, ΡΡΠΎΠ±Ρ ΠΎΠ±ΡΠ°Ρ Π½Π°Π³ΡΡΠ·ΠΊΠ° ΠΈ Π½Π΅ ΠΏΡΠ΅Π²ΡΡΠ°Π»Π° ΡΠ°Π·ΡΠ΅ΡΠ΅Π½Π½ΡΡ. ΠΡΠΈ ΡΠΊΡΠΏΠ»ΡΠ°ΡΠ°ΡΠΈΠΈ ΠΠ ΡΠ»Π΅Π΄ΡΠ΅Ρ ΠΏΠΎΠΌΠ½ΠΈΡΡ, ΡΡΠΎ Π΄Π°ΠΆΠ΅ ΠΏΡΠΈ ΠΎΡΠΊΠ»ΡΡΠ΅Π½Π½ΠΎΠΌ Π·Π°ΠΆΠΈΠ³Π°Π½ΠΈΠΈ ΠΏΠΎΠ΄ΠΊΠ»ΡΡΠ΅Π½Π½ΡΠ΅ Π² Π΅Π³ΠΎ Π³Π½Π΅Π·Π΄ΠΎ ΡΡΡΡΠΎΠΉΡΡΠ²Π° Π±ΡΠ΄ΡΡ ΠΏΠΎΡΡΠ΅Π±Π»ΡΡΡ ΡΠ»Π΅ΠΊΡΡΠΎΡΠ½Π΅ΡΠ³ΠΈΡ. ΠΡΠΎ ΠΌΠΎΠΆΠ΅Ρ ΠΏΡΠΈΠ²Π΅ΡΡΠΈ ΠΊ ΠΏΠΎΠ»Π½ΠΎΠΉ ΡΠ°Π·ΡΡΠ΄ΠΊΠ΅ Π°ΠΊΠΊΡΠΌΡΠ»ΡΡΠΎΡΠ½ΠΎΠΉ Π±Π°ΡΠ°ΡΠ΅ΠΈ. ΠΠ΅Π»ΡΠ·Ρ Π²ΡΡΠ°Π²Π»ΡΡΡ Π² Π³Π½Π΅Π·Π΄ΠΎ ΠΠ ΡΠ°Π·Π±ΠΎΠ»ΡΠ°Π½Π½ΡΠ΅ ΡΡΠ΅ΠΊΠ΅ΡΡ ΠΈΠ»ΠΈ ΠΏΠ»ΠΎΡ
ΠΎΠΉ ΡΠ±ΠΎΡΠΊΠΈ, ΠΌΠΎΠ³ΡΡ ΡΡΠ°ΡΡ ΠΏΡΠΈΡΠΈΠ½ΠΎΠΉ ΠΊΠΎΡΠΎΡΠΊΠΎΠ³ΠΎ Π·Π°ΠΌΡΠΊΠ°Π½ΠΈΡ.
ΠΡΠ»ΠΈ , Π½ΡΠΆΠ½ΠΎ Π²ΡΡΠ²ΠΈΡΡ ΠΏΡΠΈΡΠΈΠ½Ρ ΠΈ ΡΡΡΡΠ°Π½ΠΈΡΡ Π΅Π΅. ΠΠΎΠΊΠ° ΠΏΡΠΎΠ±Π»Π΅ΠΌΠ° Π½Π΅ ΡΡΡΡΠ°Π½Π΅Π½Π°, ΡΡΡΡΠΎΠΉΡΡΠ²ΠΎΠΌ Π»ΡΡΡΠ΅ Π½Π΅ ΠΏΠΎΠ»ΡΠ·ΠΎΠ²Π°ΡΡΡΡ, ΡΡΠΎΠ±Ρ ΠΈΠ·Π±Π΅ΠΆΠ°ΡΡ ΠΏΠΎΠΆΠ°ΡΠ° ΠΈΠ»ΠΈ ΠΊΠΎΡΠΎΡΠΊΠΎΠ³ΠΎ Π·Π°ΠΌΡΠΊΠ°Π½ΠΈΡ. ΠΡΠ»ΠΈ ΡΡΡΡΠ°Π½ΠΈΡΡ Π½Π΅ΠΈΡΠΏΡΠ°Π²Π½ΠΎΡΡΡ Π½Π΅ ΡΠ΄Π°Π»ΠΎΡΡ, Π»ΡΡΡΠ΅ ΡΡΡΡΠΎΠΉΡΡΠ²ΠΎ Π·Π°ΠΌΠ΅Π½ΠΈΡΡ.
ΠΠΠ 2110, ΡΠΎ ΡΠΏΠ΅ΡΠΈΠ°Π»ΡΠ½ΠΎ Π΄Π»Ρ ΠΏΠΎΠ΄ΡΠ²Π΅ΡΠΊΠΈ ΠΏΡΠΈΠΊΡΡΠΈΠ²Π°ΡΠ΅Π»Ρ ΠΏΡΠΈΠΌΠ΅Π½ΡΠ΅ΡΡΡ Π»Π°ΠΌΠΏΠ° Π12-4. ΠΠ°ΠΌΠ΅Π½Π° Π»Π°ΠΌΠΏΡ ΠΏΡΠΈΠΊΡΡΠΈΠ²Π°ΡΠ΅Π»Ρ, ΠΊΠ°ΠΊ ΠΈ ΡΠ°ΠΌ ΠΏΡΠΈΠΊΡΡΠΈΠ²Π°ΡΠ΅Π»Ρ, ΠΎΡΡΡΠ΅ΡΡΠ²Π»ΡΠ΅ΡΡΡ ΡΠ°ΠΊΠΈΠΌ ΠΎΠ±ΡΠ°Π·ΠΎΠΌ:
ΠΠΎΡΡΠ΄ΠΎΠΊ ΠΎΡΡΡΠ΅ΡΡΠ²Π»Π΅Π½ΠΈΡ Π·Π°ΠΌΠ΅Π½Ρ Π»Π°ΠΌΠΏΡ ΠΏΠΎΠ΄ΡΠ²Π΅ΡΠΊΠΈ Π² ΠΏΡΠΈΠΊΡΡΠΈΠ²Π°ΡΠ΅Π»Π΅.
- ΠΡΠΎΡΡΠΎ ΠΎΡΡΠΎΠ΅Π΄ΠΈΠ½ΠΈΡΠ΅ ΠΏΡΠΎΠ²ΠΎΠ΄ Π½Π΅ΠΏΠΎΡΡΠ΅Π΄ΡΡΠ²Π΅Π½Π½ΠΎ ΠΎΡ ΠΊΠ»Π΅ΠΌΠΌΡ β ΡΡΠΎ ΡΠΏΠ΅ΡΠΈΠ°Π»ΡΠ½ΠΎΠ΅ ΡΡΡΡΠΎΠΉΡΡΠ²ΠΎ ΠΏΡΠΈΡΠΎΠ΅Π΄ΠΈΠ½Π΅Π½ΠΈΡ ΠΊ Π°ΠΊΠΊΡΠΌΡΠ»ΡΡΠΎΡΠ½ΠΎΠΉ Π±Π°ΡΠ°ΡΠ΅ΠΈ.
- ΠΠ°ΡΠ΅ΠΌ Π½ΡΠΆΠ½ΠΎ ΡΠ½ΡΡΡ ΠΎΠ±Π»ΠΈΡΠΎΠ²ΠΊΡ Ρ ΡΡΠ½Π½Π΅Π»Ρ ΡΠ°ΡΠΏΠΎΠ»ΠΎΠΆΠ΅Π½Π½ΠΎΠ³ΠΎ Π½Π° ΠΏΠΎΠ»Ρ.
- ΠΠΎΡΠ»Π΅ ΡΡΠΎΠ³ΠΎ ΡΠΎΠΆΠΌΠΈΡΠ΅ ΡΠΊΡΠ°Π½ Π»Π°ΠΌΠΏΡ ΡΠ°ΠΊΠΈΠΌ ΠΎΠ±ΡΠ°Π·ΠΎΠΌ, ΡΡΠΎΠ±Ρ Π»Π°ΠΏΠΊΠΈ ΡΠΊΡΠ°Π½Π° ΡΠ²ΠΎΠ±ΠΎΠ΄Π½ΠΎ ΠΏΡΠΎΡΠ»ΠΈ ΡΠΊΠ²ΠΎΠ·Ρ ΠΏΡΠΎΡΠ΅Π·ΠΈ Π² ΡΠ²Π΅ΡΠΎΠ²ΠΎΠ΄Π΅ ΠΏΡΠΈΠΊΡΡΠΈΠ²Π°ΡΠ΅Π»Ρ.
- ΠΠ°ΡΠ΅ΠΌ ΡΠ°Π·ΠΆΠ°Π² Π½Π΅ΠΌΠ½ΠΎΠ³ΠΎ ΡΠΊΡΠ°Π½, Π½ΡΠΆΠ½ΠΎ Π²ΡΠ½ΡΡΡ ΠΈΠ· Π½Π΅Π³ΠΎ ΡΠΆΠ΅ ΠΏΠ°ΡΡΠΎΠ½ Ρ Π»Π°ΠΌΠΏΠΎΠΉ.
- ΠΠ°Π»ΡΡΠ΅ ΠΏΡΠΎΡΡΠΎ Π½Π°ΠΆΠΌΠΈΡΠ΅ Π½Π° Π»Π°ΠΌΠΏΡ, ΠΏΠΎΠ²Π΅ΡΠ½ΡΠ² Π΅Π΅ Π½Π° 90Β°, ΠΈ ΠΈΠ·Π²Π»Π΅ΠΊΠΈΡΠ΅ Π΅Π΅ ΠΈΠ· ΠΏΠ°ΡΡΠΎΠ½Π°.
- Π£ΡΡΠ°Π½ΠΎΠ²ΠΈΡΡ Π½ΠΎΠ²ΡΡ Π»Π°ΠΌΠΏΡ Π½ΡΠΆΠ½ΠΎ Π² ΡΠΎΠΌ ΠΆΠ΅ ΠΏΠΎΡΡΠ΄ΠΊΠ΅, ΡΠΎΠ»ΡΠΊΠΎ ΠΎΠ±ΡΠ°ΡΠ½ΠΎ ΡΠ½ΡΡΠΈΡ. Π‘Π»Π΅Π΄ΡΠ΅Ρ ΠΎΠ±ΡΠ°ΡΠΈΡΡ ΠΎΡΠΎΠ±ΠΎΠ΅ Π²Π½ΠΈΠΌΠ°Π½ΠΈΠ΅, Π½Π° ΡΠΎ ΡΡΠΎ, ΡΡΡΠ°Π½Π°Π²Π»ΠΈΠ²Π°Ρ ΠΏΠ°ΡΡΠΎΠ½ Ρ Π»Π°ΠΌΠΏΠΎΠΉ Π½Π΅ΠΏΠΎΡΡΠ΅Π΄ΡΡΠ²Π΅Π½Π½ΠΎ Π² ΡΠΊΡΠ°Π½ Π² ΡΡΠΎΠΌ ΡΠ»ΡΡΠ°Π΅ ΠΊΠΎΠ»ΡΡΠ΅Π²ΠΎΠΉ Π²ΡΡΡΡΠΏ, ΡΠ°ΡΠΏΠΎΠ»ΠΎΠΆΠ΅Π½Π½ΡΠΉ Π½Π° ΠΏΠ°ΡΡΠΎΠ½Π΅ ΠΎΠ±ΡΠ·Π°ΡΠ΅Π»ΡΠ½ΠΎ Π΄ΠΎΠ»ΠΆΠ΅Π½ Π²ΠΎΠΉΡΠΈ Π² ΡΠΊΠ°Π·Π°Π½Π½ΡΠ΅ ΠΏΡΠΎΡΠ΅Π·ΠΈ ΡΠΊΡΠ°Π½Π°.
ΠΠΎΡΡΠ΄ΠΎΠΊ ΠΎΡΡΡΠ΅ΡΡΠ²Π»Π΅Π½ΠΈΡ Π·Π°ΠΌΠ΅Π½Ρ ΠΏΡΠΈΠΊΡΡΠΈΠ²Π°ΡΠ΅Π»Ρ, Π΅ΡΠ»ΠΈ Π½Π΅ ΡΠ°Π±ΠΎΡΠ°Π΅Ρ ΠΏΡΠΈΠΊΡΡΠΈΠ²Π°ΡΠ΅Π»Ρ ΠΠΠ 2110
- ΠΡΠΎΡΡΠΎ ΠΎΡΡΠΎΠ΅Π΄ΠΈΠ½ΠΈΡΠ΅ ΠΏΡΠΎΠ²ΠΎΠ΄ ΠΎΡ ΠΊΠ»Π΅ΠΌΠΌΡ — ΡΡΠΎ ΡΡΡΡΠΎΠΉΡΡΠ²ΠΎ ΡΠΏΠ΅ΡΠΈΠ°Π»ΡΠ½ΠΎ ΠΏΡΠ΅Π΄Π½Π°Π·Π½Π°ΡΠ΅Π½Π½ΠΎΠ΅ Π΄Π»Ρ ΠΏΡΠΈΡΠΎΠ΅Π΄ΠΈΠ½Π΅Π½ΠΈΡ Π°ΠΊΠΊΡΠΌΡΠ»ΡΡΠΎΡΠ½ΠΎΠΉ Π±Π°ΡΠ°ΡΠ΅ΠΈ. ΠΠ°ΡΠ΅ΠΌ Π½ΡΠΆΠ½ΠΎ ΡΠ½ΡΡΡ ΠΎΠ±Π»ΠΈΡΠΎΠ²ΠΊΡ Ρ ΠΏΠΎΠ»Π°.
- Π‘Π½ΠΈΠΌΠΈΡΠ΅ ΠΏΠ°ΡΡΠΎΠ½ .
- ΠΠΎΡΠ»Π΅ ΡΡΠΎΠ³ΠΎ ΠΏΡΠΎΠ΄Π΅Π½ΡΡΠ΅ ΠΊΠΎΠ»ΠΎΠ΄ΠΊΠΈ Π²ΠΌΠ΅ΡΡΠ΅ Ρ ΠΏΡΠΎΠ²ΠΎΠ΄Π°ΠΌΠΈ ΠΏΡΠΈΠΊΡΡΠΈΠ²Π°ΡΠ΅Π»Ρ, Π° ΡΠ°ΠΊΠΆΠ΅ Π»Π°ΠΌΠΏΡ ΠΏΠΎΠ΄ΡΠ²Π΅ΡΠΊΠΈ ΡΠΊΠ²ΠΎΠ·Ρ ΠΎΡΠ²Π΅ΡΡΡΠΈΠ΅ Π² ΠΎΠ±Π»ΠΈΡΠΎΠ²ΠΊΠ΅ ΡΠ°ΡΠΏΠΎΠ»ΠΎΠΆΠ΅Π½Π½ΠΎΠ³ΠΎ Π² ΡΡΠ½Π½Π΅Π»Π΅ ΠΏΠΎΠ»Π°.
- ΠΠ°ΡΠ΅ΠΌ ΡΠΎΠΆΠΌΠΈΡΠ΅ ΡΠΊΡΠ°Π½ Π»Π°ΠΌΠΏΡ ΡΠ°ΠΊΠΈΠΌ ΠΎΠ±ΡΠ°Π·ΠΎΠΌ, ΡΡΠΎΠ±Ρ Π»Π°ΠΏΠΊΠΈ ΡΠΊΡΠ°Π½Π° ΠΏΡΠΎΡΠ»ΠΈ ΠΈΠ· ΠΏΡΠΎΡΠ΅Π·Π΅ΠΉ Π½Π°Ρ
ΠΎΠ΄ΡΡΠΈΡ
ΡΡ Π² ΡΠ²Π΅ΡΠΎΠ²ΠΎΠ΄Π΅ ΠΏΡΠΈΠΊΡΡΠΈΠ²Π°ΡΠ΅Π»Ρ, ΠΏΠΎΡΠ»Π΅, ΡΠ½ΠΈΠΌΠΈΡΠ΅ Π΅Π³ΠΎ.
- ΠΠ°ΠΆΠΈΠΌΠ°ΠΉΡΠ΅ ΠΎΡΠ²Π΅ΡΡΠΊΠΎΠΉ Π½Π΅ΠΏΠΎΡΡΠ΅Π΄ΡΡΠ²Π΅Π½Π½ΠΎ Π½Π° Π·Π°ΡΠ΅Π»ΠΊΡ Π³Π½Π΅Π·Π΄Π° ΠΏΡΠΈΠΊΡΡΠΈΠ²Π°ΡΠ΅Π»Ρ ΡΠ°ΠΊΠΈΠΌ ΠΎΠ±ΡΠ°Π·ΠΎΠΌ, ΡΡΠΎΠ±Ρ ΠΎΠ½Π° ΠΏΡΠΎΡΠ»Π° ΠΈΠ· Π·Π°ΡΠ΅ΠΏΠ»Π΅Π½ΠΈΡ ΡΠΎ ΡΠ²Π΅ΡΠΎΠ²ΠΎΠ΄ΠΎΠΌ.
- ΠΡΠΎΡΠ°Π»ΠΊΠΈΠ²Π°ΠΉΡΠ΅ Π³Π½Π΅Π·Π΄ΠΎ ΠΈΠ· ΠΎΠ±Π»ΠΈΡΠΎΠ²ΠΊΠΈ Π½Π°ΡΡΠΆΡ.
- ΠΠΎΡΡΠ°Π½ΡΡΠ΅ Π³Π½Π΅Π·Π΄ΠΎ ΠΏΡΠΈΠΊΡΡΠΈΠ²Π°ΡΠ΅Π»Ρ ΠΏΡΡΠΌΠΎ ΠΈΠ· ΠΎΠ±Π»ΠΈΡΠΎΠ²ΠΊΠΈ, ΠΏΡΠΎΠΏΡΡΡΠΈΠ² ΠΊΠΎΠ»ΠΎΠ΄ΠΊΡ Ρ ΠΏΡΠΎΠ²ΠΎΠ΄Π°ΠΌΠΈ ΡΠΊΠ²ΠΎΠ·Ρ ΠΎΡΠ²Π΅ΡΡΡΠΈΠ΅.
- Π‘ΠΏΠΈΡΠ°Π»Ρ ΠΎΠ±ΡΠ·Π°Π½Π° Π½Π°Π³ΡΠ΅Π²Π°ΡΡΡΡ Π½Π° ΠΏΡΠΎΡΡΠΆΠ΅Π½ΠΈΠΈ Π΄Π²Π°Π΄ΡΠ°ΡΠΈ ΡΠ΅ΠΊΡΠ½Π΄. ΠΠ°ΡΠ΅ΠΌ, ΠΏΠ°ΡΡΠΎΠ½ ΠΏΡΠΈΠΊΡΡΠΈΠ²Π°ΡΠ΅Π»Ρ ΠΎΠ΄Π½ΠΎΠ²ΡΠ΅ΠΌΠ΅Π½Π½ΠΎ ΡΠΎ ΡΠ΅Π»ΡΠΊΠΎΠΌ, Π΄ΠΎΠ»ΠΆΠ΅Π½ Π²ΠΎΠ·Π²ΡΠ°ΡΠΈΡΡΡΡ Π² ΠΏΠ΅ΡΠ²ΠΎΠ½Π°ΡΠ°Π»ΡΠ½ΠΎΠ΅ ΡΠ²ΠΎΠ΅ ΠΏΠΎΠ»ΠΎΠΆΠ΅Π½ΠΈΠ΅. Π ΡΠΎΠΌ ΡΠ»ΡΡΠ°Π΅, Π΅ΡΠ»ΠΈ ΠΏΠ°ΡΡΠΎΠ½ Π±ΡΠ΄Π΅Ρ Π²ΠΎΠ·Π²ΡΠ°ΡΠ°ΡΡΡΡ Π² ΠΏΠ΅ΡΠ²ΠΎΠ½Π°ΡΠ°Π»ΡΠ½ΠΎΠ΅ ΠΏΠΎΠ»ΠΎΠΆΠ΅Π½ΠΈΠ΅ Π·Π½Π°ΡΠΈΡΠ΅Π»ΡΠ½ΠΎ ΡΠ°Π½ΡΡΠ΅, Π»ΠΈΠ±ΠΎ ΠΏΠΎΠ·Π΄Π½Π΅Π΅ Π΄Π²Π°Π΄ΡΠ°ΡΠΈ ΡΠ΅ΠΊΡΠ½Π΄, ΡΠΎ Π½ΡΠΆΠ½ΠΎ ΠΎΡΡΠ΅Π³ΡΠ»ΠΈΡΠΎΠ²Π°ΡΡ ΠΏΡΠΈΠΊΡΡΠΈΠ²Π°ΡΠ΅Π»Ρ. Π‘ΠΏΠ΅ΡΠΈΠ°Π»ΡΠ½ΠΎ Π΄Π»Ρ ΡΡΠΎΠ³ΠΎ ΡΠΎΠΎΡΠ²Π΅ΡΡΡΠ²ΡΡΡΠΈΠ΅ ΠΏΠΎΠ΄ΠΎΠ³Π½ΠΈΡΠ΅, Π»ΠΈΠ±ΠΎ ΡΠ°Π·ΠΎΠ³Π½ΠΈΡΠ΅ ΠΊΠΎΠ½ΡΠ°ΠΊΡΡ, ΠΊΠΎΡΠΎΡΡΠ΅ ΡΠΊΠ°Π·Π°Π½Π½Ρ ΡΡΡΠ΅Π»ΠΊΠ°ΠΌΠΈ.
- ΠΠ°Π»ΡΡΠ΅ Π½ΡΠΆΠ½ΠΎ ΡΠΆΠ°ΡΡ ΠΏΠ»Π°ΡΡΠΌΠ°ΡΡΠΎΠ²ΡΠ΅ Π·Π°ΡΠ΅Π»ΠΊΠΈ ΠΎΡ ΡΠ²Π΅ΡΠΎΠ²ΠΎΠ΄Π° ΠΈ, Π²ΡΡΠΎΠ»ΠΊΠ½ΡΠ² ΡΠ²Π΅ΡΠΎΠ²ΠΎΠ΄ Π½Π°ΡΡΠΆΡ, ΠΏΡΠΎΡΡΠΎ Π²ΡΠ½ΡΡΡ Π΅Π³ΠΎ ΠΈΠ· ΠΎΠ±Π»ΠΈΡΠΎΠ²ΠΊΠΈ.
- Π£ΡΡΠ°Π½Π°Π²Π»ΠΈΠ²Π°ΡΡ ΠΏΡΠΈΠΊΡΡΠΈΠ²Π°ΡΠ΅Π»Ρ Π½ΡΠΆΠ½ΠΎ Π² ΠΎΠ±ΡΠ°ΡΠ½ΠΎΠΌ ΠΏΠΎΡΡΠ΄ΠΊΠ΅. ΠΡΠΈ ΠΎΡΡΡΠ΅ΡΡΠ²Π»Π΅Π½ΠΈΠΈ ΡΡΡΠ°Π½ΠΎΠ²ΠΊΠΈ ΡΠ²Π΅ΡΠΎΠ²ΠΎΠ΄Π°, Π²ΡΡΡΡΠΏ Π½Π° Π½Π΅ΠΌ ΠΎΠ±ΡΠ·Π°ΡΠ΅Π»ΡΠ½ΠΎ Π΄ΠΎΠ»ΠΆΠ΅Π½ ΠΏΡΠΎΡΠΈΡΠ½ΡΡΡΡΡ Π² ΠΏΡΠΎΡΠ΅Π·Ρ Π½Π° ΠΎΠ±Π»ΠΈΡΠΎΠ²ΠΊΠ΅.
ΠΠ°ΠΊ ΠΠΎΠ΄ΠΊΠ»ΡΡΠΈΡΡ ΠΡΠΈΠΊΡΡΠΈΠ²Π°ΡΠ΅Π»Ρ ΠΠ°Π· 2101 ~ VIVAUTO.RU
ΠΠ²ΡΠΎΠΌΠΎΠ±ΠΈΠ»ΡΠ½ΡΠΉ ΠΏΡΠΈΠΊΡΡΠΈΠ²Π°ΡΠ΅Π»Ρ β ΠΎΠ±ΡΠ·Π°ΡΠ΅Π»ΡΠ½ΡΠΉ Π°ΠΊΡΠ΅ΡΡΡΠ°Ρ ΡΡΠ°Π½ΡΠΏΠΎΡΡΠ½ΠΎΠ³ΠΎ ΡΡΠ΅Π΄ΡΡΠ²Π°. Π ΠΏΠΎΡΠ»Π΅Π΄Π½Π΅Π΅ Π²ΡΠ΅ΠΌΡ Π½Π΅ΠΈΡΠΏΡΠ°Π²Π½ΠΎΡΡΡ ΡΠ°Π·ΡΠ΅ΠΌΠ° ΠΏΡΠΈΠΊΡΡΠΈΠ²Π°ΡΠ΅Π»Ρ ΠΎΡΠΎΠ±Π΅Π½Π½ΠΎ ΠΎΡΡΡΠΈΠΌΠ°, ΡΠ°ΠΊ ΠΊΠ°ΠΊ ΠΎΠ½ ΡΠ°ΡΡΠΎ Π½Π°Π³ΡΡΠΆΠ°Π΅ΡΡΡ Π΄ΠΎΠΏΠΎΠ»Π½ΠΈΡΠ΅Π»ΡΠ½ΡΠΌΠΈ ΡΡΠ½ΠΊΡΠΈΡΠΌΠΈ ΠΏΠΈΡΠ°Π½ΠΈΡ ΠΈ Π·Π°ΡΡΠ΄ΠΊΠΈ Π²ΡΠ΅Π²ΠΎΠ·ΠΌΠΎΠΆΠ½ΡΡ
Π³Π°Π΄ΠΆΠ΅ΡΠΎΠ².
ΠΠ½ΠΈ ΠΆΠ΅ ΡΠ²Π»ΡΡΡΡΡ Π²ΠΎΠ·ΠΌΠΎΠΆΠ½ΠΎΠΉ ΠΏΡΠΈΡΠΈΠ½ΠΎΠΉ ΠΏΠ΅ΡΠ΅Π³ΠΎΡΠ°Π½ΠΈΡ ΠΏΡΠ΅Π΄ΠΎΡ
ΡΠ°Π½ΠΈΡΠ΅Π»Π΅ΠΉ ΠΏΠΈΡΠ°Π½ΠΈΡ ΡΠΎΠ·Π΅ΡΠΊΠΈ ΠΏΡΠΈΠΊΡΡΠΈΠ²Π°ΡΠ΅Π»Ρ ΠΈ Π½Π΅ΠΈΡΠΏΡΠ°Π²Π½ΠΎΡΡΠΈ ΡΠ°Π·ΡΠ΅ΠΌΠ°.
Π£ΡΡΡΠΎΠΉΡΡΠ²ΠΎ ΠΏΡΠΈΠΊΡΡΠΈΠ²Π°ΡΠ΅Π»Ρ Π°Π²ΡΠΎΠΌΠΎΠ±ΠΈΠ»Ρ
ΠΠ΅ΡΠΌΠΎΡΡΡ Π½Π° Π²Π½Π΅ΡΠ½ΡΡ ΠΏΡΠΎΡΡΠΎΡΡ, ΡΡΡΡΠΎΠΉΡΡΠ²ΠΎ Π°Π²ΡΠΎΠΏΡΠΈΠΊΡΡΠΈΠ²Π°ΡΠ΅Π»Ρ ΠΏΡΠ΅Π΄ΡΡΠ°Π²Π»ΡΠ΅Ρ Π΄ΠΎΠ²ΠΎΠ»ΡΠ½ΠΎ ΡΠ»ΠΎΠΆΠ½ΡΡ ΡΠ΅Ρ
Π½ΠΈΡΠ΅ΡΠΊΡΡ ΠΊΠΎΠ½ΡΡΡΡΠΊΡΠΈΡ:
ΠΠ° ΡΠ΅Π½ΡΡΠ°Π»ΡΠ½ΡΠΉ ΠΊΠΎΠ½ΡΠ°ΠΊΡ 1 ΠΏΠΎΠ΄Π°ΡΡ Π½Π°ΠΏΡΡΠΆΠ΅Π½ΠΈΠ΅ ΠΏΠΈΡΠ°Π½ΠΈΡ + 12 ΠΠΎΠ»ΡΡ ΡΠ΅ΡΠ΅Π· ΠΏΡΠ΅Π΄ΠΎΡ
ΡΠ°Π½ΠΈΡΠ΅Π»Ρ Π½ΠΎΠΌΠΈΠ½Π°Π»ΠΎΠΌ 10 β 30 ΠΠΌΠΏΠ΅Ρ (Π·Π°Π²ΠΈΡΠΈΡ ΠΎΡ ΡΠΈΠΏΠ° ΠΏΡΠΈΠΊΡΡΠΈΠ²Π°ΡΠ΅Π»Ρ ΠΈ ΠΌΠ°ΡΠΊΠΈ Π°Π²ΡΠΎΠΌΠΎΠ±ΠΈΠ»Ρ). Π Π°Π±ΠΎΡΠΈΠΉ ΡΠ»Π΅ΠΌΠ΅Π½Ρ 9 ΠΎΠ±ΡΡΠ½ΠΎ Π²ΡΠΏΠΎΠ»Π½Π΅Π½ ΠΈΠ· ΡΠΏΠΈΡΠ°Π»ΡΠ½ΠΎΠΉ Π½Π°Π³ΡΠ΅Π²Π°ΡΠ΅Π»ΡΠ½ΠΎΠΉ Π½ΠΈΡ
ΡΠΎΠΌΠΎΠ²ΠΎΠΉ ΠΏΠ»Π°ΡΡΠΈΠ½Ρ. ΠΠ³ΠΎ ΡΠ΅Π½ΡΡΠ°Π»ΡΠ½ΡΠΉ ΠΊΠΎΠ½ΡΠ°ΠΊΡ ΡΠΎΠ΅Π΄ΠΈΠ½ΡΠ΅ΡΡΡ Ρ ΠΊΠΎΠ½ΡΠ°ΠΊΡΠΎΠΌ 1 (Π½Π°ΠΏΡΡΠΆΠ΅Π½ΠΈΠ΅ ΠΏΠΈΡΠ°Π½ΠΈΡ) ΠΏΠΎΡΠ»Π΅ Π½Π°ΠΆΠ°ΡΠΈΡ Π½Π° ΠΊΠ½ΠΎΠΏΠΊΡ 6 ΡΡΠ΅ΠΌΠ½ΠΎΠ³ΠΎ ΡΠ»Π΅ΠΌΠ΅Π½ΡΠ° ΠΏΡΠΈΠΊΡΡΠΈΠ²Π°ΡΠ΅Π»Ρ 5.
ΠΠΈΠΌΠ΅ΡΠ°Π»Π»ΠΈΡΠ΅ΡΠΊΠΈΠ΅ ΠΏΠ»Π°ΡΡΠΈΠ½Ρ 10 ΡΠΈΠΊΡΠΈΡΡΡΡ ΠΌΠΎΠΌΠ΅Π½Ρ ΠΏΡΠΈΠΆΠ°ΡΠΈΡ ΡΡΠ΅ΠΌΠ½ΠΎΠ³ΠΎ ΡΠ»Π΅ΠΌΠ΅Π½ΡΠ° ΠΊ ΠΊΠΎΠ½ΡΠ°ΠΊΡΡ ΠΏΡΠΈΠΊΡΡΠΈΠ²Π°ΡΠ΅Π»Ρ. ΠΠΎ ΠΌΠ΅ΡΠ΅ Π½Π°Π³ΡΠ΅Π²Π°Π½ΠΈΡ ΡΠ»Π΅ΠΊΡΡΠΈΡΠ΅ΡΠΊΠΎΠ³ΠΎ ΡΠ»Π΅ΠΌΠ΅Π½ΡΠ° 9 ΡΠ΅ΠΌΠΏΠ΅ΡΠ°ΡΡΡΠ° Π±ΠΈΠΌΠ΅ΡΠ°Π»Π»ΠΈΡΠ΅ΡΠΊΠΈΡ
ΠΏΠ»Π°ΡΡΠΈΠ½ ΡΠ²Π΅Π»ΠΈΡΠΈΠ²Π°Π΅ΡΡΡ, ΠΎΠ½ΠΈ ΠΈΠ·ΠΌΠ΅Π½ΡΡΡ Π³Π΅ΠΎΠΌΠ΅ΡΡΠΈΡΠ΅ΡΠΊΠΈΠ΅ ΡΠ°Π·ΠΌΠ΅ΡΡ, ΠΊΡΠ΅ΠΏΠ»Π΅Π½ΠΈΠ΅ ΡΠΈΠΊΡΠ°ΡΠΎΡΠΎΠ² ΠΎΡΠ»Π°Π±Π»ΡΠ΅ΡΡΡ, ΠΈ ΠΏΡΡΠΆΠΈΠ½Π° 3 Π²ΡΡΠ°Π»ΠΊΠΈΠ²Π°Π΅Ρ ΡΡΠ΅ΠΌΠ½ΡΡ ΡΠ°ΡΡΡ ΠΈΠ· Π³Π½Π΅Π·Π΄Π°, ΡΠ΅ΠΌ ΡΠ°ΠΌΡΠΌ ΡΠΎΠΎΠ±ΡΠ°Ρ ΠΎ ΠΌΠΎΠΌΠ΅Π½ΡΠ΅ ΠΏΠΎΠ»Π½ΠΎΠ³ΠΎ ΡΠ°Π·ΠΎΠ³ΡΠ΅Π²Π°.
Π Π±ΠΎΠ»ΡΡΠΈΠ½ΡΡΠ²Π΅ ΡΠΎΠ²ΡΠ΅ΠΌΠ΅Π½Π½ΡΡ
ΠΏΡΠΈΠΊΡΡΠΈΠ²Π°ΡΠ΅Π»Π΅ΠΉ ΠΈΠΌΠ΅Π΅ΡΡΡ Π»Π°ΠΌΠΏΠΎΡΠΊΠ° ΠΈΠ»ΠΈ ΡΠ²Π΅ΡΠΎΠ΄ΠΈΠΎΠ΄Π½ΡΠ΅ ΡΠ»Π΅ΠΌΠ΅Π½ΡΡ Π΄Π»Ρ ΠΏΠΎΠ΄ΡΠ²Π΅ΡΠΊΠΈ Π³Π½Π΅Π·Π΄Π° Π² ΡΠ΅ΠΌΠ½ΠΎΠ΅ Π²ΡΠ΅ΠΌΡ ΡΡΡΠΎΠΊ.
ΠΠΎΡΠ΅ΠΌΡ Π½Π΅ ΡΠ°Π±ΠΎΡΠ°Π΅Ρ ΠΏΡΠΈΠΊΡΡΠΈΠ²Π°ΡΠ΅Π»Ρ Π² ΠΌΠ°ΡΠΈΠ½Π΅ β ΠΎΡΠ½ΠΎΠ²Π½ΡΠ΅ Π½Π΅ΠΈΡΠΏΡΠ°Π²Π½ΠΎΡΡΠΈ, ΠΏΡΠΈΡΠΈΠ½Ρ ΠΈ ΡΠΏΠΎΡΠΎΠ±Ρ ΠΈΡ
ΡΡΡΡΠ°Π½Π΅Π½ΠΈΡ
ΠΡΠ½ΠΎΠ²Π½ΡΠΌΠΈ Π½Π΅ΠΈΡΠΏΡΠ°Π²Π½ΠΎΡΡΡΠΌΠΈ Π°Π²ΡΠΎΠΌΠΎΠ±ΠΈΠ»ΡΠ½ΡΡ
ΠΏΡΠΈΠΊΡΡΠΈΠ²Π°ΡΠ΅Π»Π΅ΠΉ ΡΠ²Π»ΡΡΡΡΡ:
- ΠΏΠ΅ΡΠ΅Π³ΠΎΡΠ°Π½ΠΈΠ΅ Π½Π°Π³ΡΠ΅Π²Π°ΡΠ΅Π»ΡΠ½ΠΎΠ³ΠΎ ΡΠ»Π΅ΠΌΠ΅Π½ΡΠ° ΡΡΠ΅ΠΌΠ½ΠΎΠΉ ΡΠ°ΡΡΠΈ;
- ΠΏΠΎΠ΄Π³ΠΎΡΠ°Π½ΠΈΠ΅ ΠΊΠΎΠ½ΡΠ°ΠΊΡΠ½ΡΡ
Π·ΠΎΠ½ ΡΡΠ°ΡΠΈΠΎΠ½Π°ΡΠ½ΠΎΠΉ ΠΈ ΡΡΠ΅ΠΌΠ½ΠΎΠΉ ΡΠ°ΡΡΠΈ;
- Π½Π΅ΡΠ²ΠΎΠ΅Π²ΡΠ΅ΠΌΠ΅Π½Π½ΡΠΉ Π²ΡΠ±ΡΠΎΡ ΡΡΠ΅ΠΌΠ½ΠΎΠΉ ΡΠ°ΡΡΠΈ ΠΏΡΠΈ ΠΏΠΎΠ½ΠΈΠΆΠ΅Π½Π½ΠΎΠΉ ΡΠ΅ΠΌΠΏΠ΅ΡΠ°ΡΡΡΠ΅;
- ΠΎΡΡΡΡΡΡΠ²ΠΈΠ΅ ΡΠΈΠΊΡΠ°ΡΠΈΠΈ ΡΡΠ΅ΠΌΠ½ΠΎΠ³ΠΎ ΡΠ»Π΅ΠΌΠ΅Π½ΡΠ°;
- Π½Π΅ΠΈΡΠΏΡΠ°Π²Π½ΠΎΡΡΡ Π»Π°ΠΌΠΏΡ ΠΏΠΎΠ΄ΡΠ²Π΅ΡΠΊΠΈ;
- ΠΎΡΡΡΡΡΡΠ²ΠΈΠ΅ Π½Π°ΠΏΡΡΠΆΠ΅Π½ΠΈΡ Π½Π° ΠΏΠ»ΡΡΠΎΠ²ΠΎΠΌ ΡΠ΅Π½ΡΡΠ°Π»ΡΠ½ΠΎΠΌ ΠΊΠΎΠ½ΡΠ°ΠΊΡΠ΅ ΠΏΡΠΈΠΊΡΡΠΈΠ²Π°ΡΠ΅Π»Ρ;
- ΠΏΠ»ΠΎΡ
Π°Ρ Β«ΠΌΠ°ΡΡΠ°Β».
ΠΠ΅ΡΠ΅Π³ΠΎΡΠ°Π½ΠΈΠ΅ Π½Π°Π³ΡΠ΅Π²Π°ΡΠ΅Π»ΡΠ½ΠΎΠ³ΠΎ ΡΠ»Π΅ΠΌΠ΅Π½ΡΠ°
Π² Π½Π°ΡΡΠΎΡΡΠ΅Π΅ Π²ΡΠ΅ΠΌΡ Π²ΡΡΡΠ΅ΡΠ°Π΅ΡΡΡ Π³ΠΎΡΠ°Π·Π΄ΠΎ ΡΠ΅ΠΆΠ΅, ΡΠ΅ΠΌ Π΄ΡΡΠ³ΠΈΠ΅ Π½Π΅ΠΈΡΠΏΡΠ°Π²Π½ΠΎΡΡΠΈ. ΠΡΠΎ ΡΠ²ΡΠ·Π°Π½ΠΎ ΠΈ Ρ ΠΏΡΠΎΠΏΠ°Π³Π°Π½Π΄ΠΎΠΉ Π·Π΄ΠΎΡΠΎΠ²ΠΎΠ³ΠΎ ΠΎΠ±ΡΠ°Π·Π° ΠΆΠΈΠ·Π½ΠΈ, Π² ΡΠΎΠΌ ΡΠΈΡΠ»Π΅, Π½ΠΎ, Π² Π±ΠΎΠ»ΡΡΠ΅ΠΉ ΠΌΠ΅ΡΠ΅ Ρ ΡΠ΅ΠΌ, ΡΡΠΎ Π³ΠΎΡΠ°Π·Π΄ΠΎ ΡΠ°ΡΠ΅ Π³Π½Π΅Π·Π΄ΠΎ ΠΏΡΠΈΠΊΡΡΠΈΠ²Π°ΡΠ΅Π»Ρ ΠΏΠΈΡΠ°Π΅Ρ ΠΈ Π·Π°ΡΡΠΆΠ°Π΅Ρ ΡΠ°Π·Π»ΠΈΡΠ½ΡΠ΅ Π³Π°Π΄ΠΆΠ΅ΡΡ, ΡΠ΅ΠΌ ΡΠ»ΡΠΆΠΈΡ Π΄Π»Ρ Π½Π΅ΠΏΠΎΡΡΠ΅Π΄ΡΡΠ²Π΅Π½Π½ΠΎΠ³ΠΎ ΠΈΡΠΏΠΎΠ»Π½Π΅Π½ΠΈΡ ΡΠ²ΠΎΠΈΡ
ΠΏΡΡΠΌΡΡ
ΠΎΠ±ΡΠ·Π°Π½Π½ΠΎΡΡΠ΅ΠΉ.
ΠΠ°Π³ΡΠ΅Π²Π°ΡΠ΅Π»ΡΠ½ΡΠΉ ΡΠ»Π΅ΠΌΠ΅Π½Ρ, Π² ΠΏΡΠΈΠ½ΡΠΈΠΏΠ΅, ΠΌΠΎΠΆΠ½ΠΎ Π·Π°ΠΌΠ΅Π½ΠΈΡΡ β ΡΠ°Π½ΡΡΠ΅ Π½Π° ΠΠΈΠ³ΡΠ»ΡΡ
ΡΠ°ΠΊ ΠΈ Π΄Π΅Π»Π°Π»ΠΈ. ΠΠΎ ΡΠ΅ΠΉΡΠ°Ρ ΠΏΡΠΈ Π²ΡΠ΅ΠΌ ΠΌΠ½ΠΎΠ³ΠΎΠΎΠ±ΡΠ°Π·ΠΈΠΈ Π°Π²ΡΠΎΠΏΡΠΈΠΊΡΡΠΈΠ²Π°ΡΠ΅Π»Π΅ΠΉ, Π»Π΅Π³ΡΠ΅ ΠΈ Π΄Π΅ΡΠ΅Π²Π»Π΅ ΠΏΠΎΠΌΠ΅Π½ΡΡΡ ΠΊΠΎΠ½ΡΡΡΡΠΊΡΠΈΡ, ΠΏΡΠΈΡΠ΅ΠΌ, ΡΠ΅Π»ΠΈΠΊΠΎΠΌ Π² ΡΠ±ΠΎΡΠ΅, ΡΠ°ΠΊ ΠΊΠ°ΠΊ ΠΏΠΎΠ΄ΠΎΠ±ΡΠ°ΡΡ Π² ΡΠΎΡΠ½ΠΎΡΡΠΈ ΡΠ»Π΅ΠΌΠ΅Π½ΡΡ ΡΡΠ°ΡΠΈΠΎΠ½Π°ΡΠ½ΠΎΠΉ ΠΈ ΡΡΠ΅ΠΌΠ½ΡΡ
ΡΠ°ΡΡΠ΅ΠΉ ΠΎΡΠ΅Π½Ρ ΡΠ»ΠΎΠΆΠ½ΠΎ.
ΠΠΈΠ΄Π΅ΠΎ β Π·Π°ΠΌΠ΅Π½Π° ΠΏΡΠΈΠΊΡΡΠΈΠ²Π°ΡΠ΅Π»Ρ Π½Π° ΠΡΠΈΠΎΡΠ΅:
ΠΠΎΠ΄Π³ΠΎΡΠ°Π½ΠΈΠ΅ ΠΊΠΎΠ½ΡΠ°ΠΊΡΠ½ΡΡ
Π·ΠΎΠ½
β ΡΠ°ΡΡΠ°Ρ Π½Π΅ΠΈΡΠΏΡΠ°Π²Π½ΠΎΡΡΡ. ΠΠ½Π° ΡΠ²ΡΠ·Π°Π½Π° Ρ Π±ΠΎΠ»ΡΡΠΈΠΌΠΈ ΡΠΎΠΊΠ°ΠΌΠΈ (Π΄ΠΎ 25 ΠΠΌΠΏΠ΅Ρ), ΠΊΠΎΡΠΎΡΡΠ΅ ΠΏΡΠΎΡΠ΅ΠΊΠ°ΡΡ, ΠΎΡΠΎΠ±Π΅Π½Π½ΠΎ Π² ΠΌΠΎΠΌΠ΅Π½Ρ ΠΊΠΎΠΌΠΌΡΡΠ°ΡΠΈΠΈ.
ΠΠΎΠ»ΡΡΠ°Ρ ΠΎΡΠΈΠ±ΠΊΠ° β ΠΏΡΠΎΠ±ΠΎΠ²Π°ΡΡ ΠΏΠΎΠ΄ΡΠΈΡΡΠΈΡΡ ΠΊΠΎΠ½ΡΠ°ΠΊΡΡ Ρ ΠΏΠΎΠΌΠΎΡΡΡ Π½ΠΎΠΆΠ° ΠΈΠ»ΠΈ ΠΎΡΠ²Π΅ΡΡΠΊΠΈ. Π Π±ΠΎΠ»ΡΡΠΈΠ½ΡΡΠ²Π΅ ΡΠ»ΡΡΠ°Π΅Π² ΠΏΠΈΡΠ°Π½ΠΈΠ΅ Π½Π° ΠΏΡΠΈΠΊΡΡΠΈΠ²Π°ΡΠ΅Π»Ρ ΠΏΠΎΠ΄Π°Π΅ΡΡΡ ΠΏΠΎΡΡΠΎΡΠ½Π½ΠΎ (ΠΈΠ½ΠΎΠ³Π΄Π° Π² ΠΏΠ΅ΡΠ²ΠΎΠΌ ΠΏΠΎΠ»ΠΎΠΆΠ΅Π½ΠΈΠΈ ΠΊΠ»ΡΡΠ° Π·Π°ΠΆΠΈΠ³Π°Π½ΠΈΡ). ΠΡΠΎΠΈΠ·Π²ΠΎΠ΄Ρ ΠΎΡΠΈΡΡΠΊΡ Π½Π΅ΠΈΠ·ΠΎΠ»ΠΈΡΠΎΠ²Π°Π½Π½ΡΠΌ ΠΌΠ΅ΡΠ°Π»Π»ΠΈΡΠ΅ΡΠΊΠΈΠΌ ΠΏΡΠ΅Π΄ΠΌΠ΅ΡΠΎΠΌ, ΠΌΠΎΠΆΠ½ΠΎ Π·Π°ΠΊΠΎΡΠΎΡΠΈΡΡ ΠΏΠΈΡΠ°ΡΡΠ΅Π΅ Π½Π°ΠΏΡΡΠΆΠ΅Π½ΠΈΠ΅ Π½Π° ΠΌΠ°ΡΡΡ, ΠΈ, Π² Π»ΡΡΡΠ΅ΠΌ ΡΠ»ΡΡΠ°Π΅, ΠΏΠ΅ΡΠ΅Π³ΠΎΡΠ°Π½ΠΈΠ΅ ΠΏΡΠ΅Π΄ΠΎΡ
ΡΠ°Π½ΠΈΡΠ΅Π»Ρ Π½Π΅ΠΈΠ·Π±Π΅ΠΆΠ½ΠΎ.
Π§ΠΈΡΡΠΊΡ ΠΊΠΎΠ½ΡΠ°ΠΊΡΠ½ΡΡ
Π·ΠΎΠ½ ΠΆΠ΅Π»Π°ΡΠ΅Π»ΡΠ½ΠΎ ΠΏΡΠΎΠΈΠ·Π²ΠΎΠ΄ΠΈΡΡ ΠΏΡΠΈ ΠΎΠ±Π΅ΡΡΠΎΡΠΈΠ²Π°Π½ΠΈΠΈ ΡΠ°ΠΌΠΎΠ³ΠΎ ΠΏΡΠΈΠΊΡΡΠΈΠ²Π°ΡΠ΅Π»Ρ (Π½Π°ΠΏΡΠΈΠΌΠ΅Ρ Π²ΡΠ½ΡΠ² ΡΠΎΠΎΡΠ²Π΅ΡΡΡΠ²ΡΡΡΠΈΠΉ ΠΏΡΠ΅Π΄ΠΎΡ
ΡΠ°Π½ΠΈΡΠ΅Π»Ρ). ΠΡΠΈΡΡΠΊΡ ΠΌΠΎΠΆΠ½ΠΎ ΠΏΡΠΎΠΈΠ·Π²Π΅ΡΡΠΈ ΠΎΡΠ²Π΅ΡΡΠΊΠΎΠΉ, Π½Π°Π΄Π΅ΠΆΠ½ΠΎ ΠΎΠ±ΡΡΠ½ΡΡΠΎΠΉ Π½Π°ΠΆΠ΄Π°ΡΠ½ΠΎΠΉ Π±ΡΠΌΠ°Π³ΠΎΠΉ ΠΈΠ»ΠΈ ΠΏΡΠΎΡΠ΅ΡΠ΅ΡΡ ΠΊΠΎΠ½ΡΠ°ΠΊΡΡ ΡΠΈΡΡΡΠΌ ΡΠΏΠΈΡΡΠΎΠΌ Ρ ΠΏΠΎΠΌΠΎΡΡΡ ΠΆΠ΅ΡΡΠΊΠΎΠΉ ΠΊΠΈΡΡΠΎΡΠΊΠΈ, ΠΏΠΎΡΠ»Π΅ ΡΡΠΎΠ³ΠΎ Π΄Π°ΡΡ ΠΏΡΠΎΡΠΎΡ
Π½ΡΡΡ Π²ΠΎ ΠΈΠ·Π±Π΅ΠΆΠ°Π½ΠΈΠ΅ Π²ΠΎΠ·Π³ΠΎΡΠ°Π½ΠΈΡ.
ΠΠΈΠ΄Π΅ΠΎ β ΠΊΠ°ΠΊ ΠΎΡΡΠ΅ΠΌΠΎΠ½ΡΠΈΡΠΎΠ²Π°ΡΡ ΠΏΡΠΈΠΊΡΡΠΈΠ²Π°ΡΠ΅Π»Ρ Π² ΠΌΠ°ΡΠΈΠ½Π΅:
ΠΠ΅ΡΠ²ΠΎΠ΅Π²ΡΠ΅ΠΌΠ΅Π½Π½ΡΠΉ Π²ΡΠ±ΡΠΎΡ ΡΡΠ΅ΠΌΠ½ΠΎΠ³ΠΎ ΡΠ»Π΅ΠΌΠ΅Π½ΡΠ°
Ρ Π½Π΅Π΄ΠΎΡΡΠΈΠ³Π½ΡΡΠΎΠΉ Π΄ΠΎ ΡΠ°Π±ΠΎΡΠ΅ΠΉ ΡΠ΅ΠΌΠΏΠ΅ΡΠ°ΡΡΡΡ Π½Π°Π³ΡΠ΅Π²Π°ΡΠ΅Π»ΡΠ½ΠΎΠ³ΠΎ ΡΠ»Π΅ΠΌΠ΅Π½ΡΠ° Π²ΠΎΠ·ΠΌΠΎΠΆΠ΅Π½ ΠΏΡΠΈ ΠΈΠ·Π½ΠΎΡΠ΅ Π±ΠΈΠΌΠ΅ΡΠ°Π»Π»ΠΈΡΠ΅ΡΠΊΠΈΡ
ΠΏΠ»Π°ΡΡΠΈΠ½ ΡΠΈΠΊΡΠ°ΡΠΎΡΠ°.
ΠΡΠ΅Π½Ρ ΡΠ°ΡΡΠΎ ΡΡΠΎ ΡΠ»ΡΡΠ°Π΅ΡΡΡ ΠΏΠΎ ΠΏΡΠΈΡΠΈΠ½Π΅ Π½Π°ΡΡΡΠ΅Π½ΠΈΡ Π³Π΅ΠΎΠΌΠ΅ΡΡΠΈΠΈ ΠΏΠ»Π°ΡΡΠΈΠ½ ΠΏΡΠΈ ΡΡΡΠ°Π½ΠΎΠ²ΠΊΠ΅ Β«Π»Π΅Π²ΡΡ
Β» Π³Π°Π΄ΠΆΠ΅ΡΠΎΠ² ΠΈ ΠΏΠ΅ΡΠ΅Ρ
ΠΎΠ΄Π½ΠΈΠΊΠΎΠ². ΠΠ»Π°ΡΡΠΈΠ½Ρ ΡΠΎ Π²ΡΠ΅ΠΌΠ΅Π½Π΅ΠΌ ΡΠ°Π·Π³ΠΈΠ±Π°ΡΡΡΡ ΠΈ Π½Π΅ΠΏΡΠ°Π²ΠΈΠ»ΡΠ½ΠΎ ΡΠΈΠΊΡΠΈΡΡΡΡ ΠΏΡΠΈΠΊΡΡΠΈΠ²Π°ΡΠ΅Π»ΡΠ½ΡΠΉ ΡΠ»Π΅ΠΌΠ΅Π½Ρ, ΠΏΡΠΎΠΈΠ·Π²ΠΎΠ΄ΡΡ ΠΏΡΠ΅ΠΆΠ΄Π΅Π²ΡΠ΅ΠΌΠ΅Π½Π½ΡΠΉ Π²ΡΠ±ΡΠΎΡ.
ΠΠΈΠ΄Π΅ΠΎ β ΡΠ΅ΡΠ΅Π½ΠΈΠ΅ ΠΏΡΠΎΠ±Π»Π΅ΠΌΡ Ρ ΠΏΡΠΈΠΊΡΡΠΈΠ²Π°ΡΠ΅Π»Π΅ΠΌ ΠΠ°Π»ΠΈΠ½Ρ ΠΏΡΠΈ ΠΏΠΎΠ΄ΠΊΠ»ΡΡΠ΅Π½ΠΈΠΈ ΠΊΠΎΠΌΠΏΡΠ΅ΡΡΠΎΡΠ°:
ΠΠ°ΠΈΠ±ΠΎΠ»Π΅Π΅ ΠΎΠΏΠ°ΡΠ½Π°
ΡΠΈΡΡΠ°ΡΠΈΡ ΠΎΡΡΡΡΡΡΠ²ΠΈΡ Π²ΡΠ±ΡΠΎΡΠ° ΡΡΠ΅ΠΌΠ½ΠΎΠ³ΠΎ ΡΠ»Π΅ΠΌΠ΅Π½ΡΠ°, ΡΠΎ Π΅ΡΡΡ ΡΡΠ΅Π·ΠΌΠ΅ΡΠ½Π°Ρ ΡΠΈΠΊΡΠ°ΡΠΈΡ. ΠΡΠΎ ΠΌΠΎΠΆΠ΅Ρ ΠΏΡΠΈΠ²Π΅ΡΡΠΈ ΠΊ ΡΠ°ΠΌΠΎΠ²ΠΎΠ·Π³ΠΎΡΠ°Π½ΠΈΡ ΠΏΠ»Π°ΡΡΠΌΠ°ΡΡΠΎΠ²ΡΡ
ΡΠ»Π΅ΠΌΠ΅Π½ΡΠΎΠ² ΠΊΠΎΠ½ΡΡΡΡΠΊΡΠΈΠΈ ΠΈ Π°Π²ΡΠΎΠΌΠΎΠ±ΠΈΠ»Ρ Π² ΡΠ΅Π»ΠΎΠΌ. Π’Π°ΠΊΠΈΠ΅ ΡΠ»ΡΡΠ°ΠΈ ΠΈΠΌΠ΅Π»ΠΈ ΠΌΠ΅ΡΡΠΎ. ΠΠΎΡΡΠΎΠΌΡ Π½Π΅ΠΊΠΎΡΠΎΡΡΠ΅ Π½Π΅ΠΊΡΡΡΡΠΈΠ΅ Π°Π²ΡΠΎΠ»ΡΠ±ΠΈΡΠ΅Π»ΠΈ Π΄ΠΎΡΡΠ°ΡΡ ΡΡΠ΅ΠΌΠ½ΡΡ ΡΠ°ΡΡΡ ΠΈΠ· Π³Π½Π΅Π·Π΄Π° Π²ΠΎ ΠΈΠ·Π±Π΅ΠΆΠ°Π½ΠΈΠ΅ ΡΠ»ΡΡΠ°ΠΉΠ½ΠΎΠΉ ΡΠΈΠΊΡΠ°ΡΠΈΠΈ (Π½Π°ΠΏΡΠΈΠΌΠ΅Ρ, ΠΏΡΠΈΡΠ»ΠΎΠ½ΠΈΠ² ΡΡΠ΄Π° ΡΡΠΌΠΊΡ).
ΠΠ΄Π½Π°ΠΊΠΎ ΠΈ Π² ΡΡΠΎΠΌ ΡΠ»ΡΡΠ°Π΅ Π³Π½Π΅Π·Π΄ΠΎ ΠΊΠΎΠ½ΡΡΡΡΠΊΡΠΈΠΈ Π»ΡΡΡΠ΅ ΡΠ΅ΠΌ-Π½ΠΈΠ±ΡΠ΄Ρ Π·Π°ΠΏΠΎΠ»Π½ΠΈΡΡ Π²ΠΎ ΠΈΠ·Π±Π΅ΠΆΠ°Π½ΠΈΠ΅ ΡΠ»ΡΡΠ°ΠΉΠ½ΠΎΠ³ΠΎ ΠΏΠΎΠΏΠ°Π΄Π°Π½ΠΈΡ Π² Π½Π΅Π³ΠΎ Π½Π΅Π±ΠΎΠ»ΡΡΠΈΡ
ΠΌΠ΅ΡΠ°Π»Π»ΠΈΡΠ΅ΡΠΊΠΈΡ
ΠΏΡΠ΅Π΄ΠΌΠ΅ΡΠΎΠ² ΠΈ Π·Π°ΠΊΠΎΡΠ°ΡΠΈΠ²Π°Π½ΠΈΡ ΠΊΠΎΠ½ΡΠ°ΠΊΡΠΎΠ².
ΠΠ΅ ΡΠ»Π΅Π΄ΡΠ΅Ρ ΠΎΡΡΠ°Π²Π»ΡΡΡ Π½Π° Π΄Π»ΠΈΡΠ΅Π»ΡΠ½ΠΎΠ΅ Π²ΡΠ΅ΠΌΡ, ΠΎΡΠΎΠ±Π΅Π½Π½ΠΎ ΠΏΡΠΈ ΠΎΡΡΡΡΡΡΠ²ΠΈΠΈ ΠΏΠ°ΡΡΠ°ΠΆΠΈΡΠΎΠ² ΠΈ Π²ΠΎΠ΄ΠΈΡΠ΅Π»Ρ Π² ΡΠ°Π»ΠΎΠ½Π΅, Π²ΠΊΠ»ΡΡΠ΅Π½Π½ΡΠ΅ Π² ΡΠ°Π·ΡΠ΅ΠΌ ΠΏΠ΅ΡΠ΅Ρ
ΠΎΠ΄Π½ΠΈΠΊΠΈ ΠΏΠΈΡΠ°Π½ΠΈΡ Π³Π°Π΄ΠΆΠ΅ΡΠΎΠ², ΡΠ°Π·Π²Π΅ΡΠ²ΠΈΡΠ΅Π»ΠΈ ΠΈ ΡΡΠΎΠΉΠ½ΠΈΠΊΠΈ, Π΄ΠΎΠΏΠΎΠ»Π½ΠΈΡΠ΅Π»ΡΠ½ΠΎΠ΅ ΠΎΠ±ΠΎΡΡΠ΄ΠΎΠ²Π°Π½ΠΈΠ΅.
ΠΡΠΎΠ±Π΅Π½Π½ΠΎ ΠΎΠΏΠ°ΡΠ½Ρ ΡΡΠ°Π²Π½ΠΈΡΠ΅Π»ΡΠ½ΠΎ Π½Π΅Π΄Π°Π²Π½ΠΎ ΠΏΠΎΡΠ²ΠΈΠ²ΡΠΈΠ΅ΡΡ Π½Π° ΡΡΠ½ΠΊΠ΅ Π΄ΠΎΠΏΠΎΠ»Π½ΠΈΡΠ΅Π»ΡΠ½ΡΠ΅ ΠΎΠ±ΠΎΠ³ΡΠ΅Π²Π°ΡΠ΅Π»ΠΈ ΡΠ°Π»ΠΎΠ½Π° Ρ ΠΏΠΈΡΠ°Π½ΠΈΠ΅ΠΌ ΠΎΡ ΠΏΡΠΈΠΊΡΡΠΈΠ²Π°ΡΠ΅Π»Ρ.
ΠΠ½ΠΈ ΠΏΠΎΡΡΠ΅Π±Π»ΡΡΡ Π±ΠΎΠ»ΡΡΠΈΠ΅ ΡΠΎΠΊΠΈ Π² Π½Π΅ΠΏΡΠ΅ΡΡΠ²Π½ΠΎΠΌ ΡΠ΅ΠΆΠΈΠΌΠ΅. ΠΡΠ»ΠΈ ΠΏΡΠΈΠΊΡΡΠΈΠ²Π°ΡΠ΅Π»Ρ Π½Π°Π³ΡΠ΅Π²Π°Π΅ΡΡΡ Π·Π° ΠΌΠΈΠ½ΡΡΡ, ΡΠΎ ΠΎΠ½ΠΈ ΠΌΠΎΠ³ΡΡ ΠΎΡΡΠ°Π²Π°ΡΡΡΡ Π²ΠΊΠ»ΡΡΠ΅Π½Π½ΡΠΌΠΈ ΡΠ°ΡΡ. ΠΡΠ΅Π΄ΠΎΡ
ΡΠ°Π½ΠΈΡΠ΅Π»Ρ 30 ΠΠΌΠΏΠ΅Ρ (ΠΈΠ½ΠΎΠ³Π΄Π° Π΅Π³ΠΎ Π½ΠΎΠΌΠΈΠ½Π°Π» ΠΏΡΠΈΠ½ΡΠ΄ΠΈΡΠ΅Π»ΡΠ½ΠΎ ΡΠ²Π΅Π»ΠΈΡΠ΅Π½) ΠΌΠΎΠΆΠ΅Ρ Π²ΡΠ΄Π΅ΡΠΆΠ°ΡΡ Π±ΠΎΠ»ΡΡΠΎΠΉ ΠΏΠΎΡΡΠΎΡΠ½Π½ΡΠΉ ΡΠΎΠΊ Π² ΡΠ΅ΡΠ΅Π½ΠΈΠ΅ Π΄Π»ΠΈΡΠ΅Π»ΡΠ½ΠΎΠ³ΠΎ ΠΏΠ΅ΡΠΈΠΎΠ΄Π°. Π Π²ΠΎΡ ΠΈΠ΄ΡΡΠΈΠ΅ ΠΊ ΡΠ°Π·ΡΠ΅ΠΌΡ ΠΏΡΠΎΠ²ΠΎΠ΄Π½ΠΈΠΊΠΈ Π½Π°ΡΠΈΠ½Π°ΡΡ ΡΠ°Π·ΠΎΠ³ΡΠ΅Π²Π°ΡΡΡΡ, ΠΈΠ·ΠΎΠ»ΡΡΠΈΡ ΡΠ°Π·ΠΌΡΠ³ΡΠ°ΡΡΡΡ. ΠΠΎΠ·ΠΌΠΎΠΆΠ½Π° ΡΠΈΡΡΠ°ΡΠΈΡ ΠΌΠ΅ΠΆΠΏΡΠΎΠ²ΠΎΠ΄Π½ΠΈΠΊΠΎΠ²ΡΡ
Π·Π°ΠΌΡΠΊΠ°Π½ΠΈΠΉ, ΠΊΠΎΡΠΎΡΠ°Ρ ΠΌΠΎΠΆΠ΅Ρ ΠΏΡΠΈΠ²Π΅ΡΡΠΈ ΠΊ Π²ΠΎΠ·Π³ΠΎΡΠ°Π½ΠΈΡ ΠΏΡΠΎΠ²ΠΎΠ΄ΠΊΠΈ.
ΠΠΈΠ΄Π΅ΠΎ β ΠΊΠ°ΠΊ ΡΠ°Π·ΠΎΠ±ΡΠ°ΡΡ ΠΏΡΠΈΠΊΡΡΠΈΠ²Π°ΡΠ΅Π»Ρ ΠΏΡΠΈ Π΅Π³ΠΎ Π·Π°ΠΌΠ΅Π½Π΅ Π½Π° ΠΠΠ 2110, 2111, 2112:
ΠΡΠ΅Π½Ρ ΡΠ°ΡΡΠΎ, Π² ΠΎΡΠ½ΠΎΠ²Π½ΠΎΠΌ Π°Π²ΡΠΎΠ»ΡΠ±ΠΈΡΠ΅Π»ΠΈ, ΠΏΠ°ΡΠ°Π»Π»Π΅Π»ΡΠ½ΠΎ ΠΏΡΠΈΠΊΡΡΠΈΠ²Π°ΡΠ΅Π»Ρ ΠΏΠΎΠ΄ΠΊΠ»ΡΡΠ°ΡΡ ΠΏΠΈΡΠ°Π½ΠΈΠ΅ ΠΌΠ°Π³Π½ΠΈΡΠΎΠ», Π΄ΠΎΠΏΠΎΠ»Π½ΠΈΡΠ΅Π»ΡΠ½ΠΎΠ΅ ΠΎΠ±ΠΎΡΡΠ΄ΠΎΠ²Π°Π½ΠΈΠ΅. ΠΠ΅ΠΉΡΡΠ²ΠΈΡΠ΅Π»ΡΠ½ΠΎ, ΠΎΠ±ΡΡΠ½ΠΎ ΡΡΠΎΡ ΡΠΏΠΎΡΠΎΠ± ΠΏΠΎΠ΄ΠΊΠ»ΡΡΠ΅Π½ΠΈΡ Π½Π°ΠΈΠ±ΠΎΠ»Π΅Π΅ ΠΏΡΠΎΡΡ. ΠΠΎ, Π²ΠΌΠ΅ΡΡΠ΅ Ρ ΡΠ΅ΠΌ, ΠΈ Π½Π°ΠΈΠ±ΠΎΠ»Π΅Π΅ ΠΎΠΏΠ°ΡΠ΅Π½.
ΠΡΠΎΠ²ΠΎΠ΄ΠΊΠ° ΠΏΡΠΈΠΊΡΡΠΈΠ²Π°ΡΠ΅Π»Ρ Π·Π°ΡΠ°ΡΡΡΡ Π½Π΅ ΡΠ°ΡΡΡΠΈΡΠ°Π½Π° Π½Π° Π±ΠΎΠ»ΡΡΠΈΠ΅ ΠΏΠΎΡΡΠΎΡΠ½Π½ΡΠ΅ ΡΠΎΠΊΠΈ, Π° ΡΠΎΠ²ΡΠ΅ΠΌΠ΅Π½Π½ΡΠ΅ ΠΌΠ°Π³Π½ΠΈΡΠΎΠ»Ρ Ρ Π²ΡΡ
ΠΎΠ΄Π½ΠΎΠΉ ΠΌΠΎΡΠ½ΠΎΡΡΡΡ 4 Ρ
50 ΠΠ°ΡΡ ΠΏΠΎΡΡΠ΅Π±Π»ΡΡΡ ΡΠΎΠΊΠΈ Π΄ΠΎ 50 ΠΠΌΠΏΠ΅Ρ Π² ΠΏΠΈΠΊΠΎΠ²ΠΎΠΌ ΡΠ΅ΠΆΠΈΠΌΠ΅.
ΠΡΠΈ Π²ΡΡ
ΠΎΠ΄Π΅ ΠΈΠ· ΡΡΡΠΎΡ ΠΏΡΠ΅Π΄ΠΎΡ
ΡΠ°Π½ΠΈΡΠ΅Π»Ρ ΠΏΡΠΈΠΊΡΡΠΈΠ²Π°ΡΠ΅Π»Ρ (ΠΎΠ±ΡΡΠ½ΠΎ ΠΎΠ½ ΡΡΡΠ°Π½ΠΎΠ²Π»Π΅Π½ Π² Π³ΡΡΠΏΠΏΠ΅ ΠΏΡΠ΅Π΄ΠΎΡ
ΡΠ°Π½ΠΈΡΠ΅Π»Π΅ΠΉ Π² ΡΠ°Π»ΠΎΠ½Π΅), ΡΠ»Π΅Π΄ΡΠ΅Ρ ΠΈΡΡΠ»Π΅Π΄ΠΎΠ²Π°ΡΡ ΠΏΡΠΈΡΠΈΠ½Ρ Π΅Π³ΠΎ ΠΏΠ΅ΡΠ΅Π³ΠΎΡΠ°Π½ΠΈΡ. ΠΡΠ΅Π½Ρ ΡΠ°ΡΡΠ°Ρ ΠΏΡΠΈΡΠΈΠ½Π° β Π½Π΅ΠΈΡΠΏΡΠ°Π²Π½ΠΎΡΡΡ Π·Π°ΡΡΠ΄Π½ΠΎΠ³ΠΎ ΡΡΡΡΠΎΠΉΡΡΠ²Π° Π³Π°Π΄ΠΆΠ΅ΡΠ° Π»ΠΈΠ±ΠΎ Π·Π°ΠΌΡΠΊΠ°Π½ΠΈΠ΅ ΠΊΠΎΠ½ΡΠ°ΠΊΡΠΎΠ² Π² ΠΌΠΎΠΌΠ΅Π½Ρ ΠΊΠΎΠΌΠΌΡΡΠ°ΡΠΈΠΈ.
ΠΡΠΎ Π½Π΅ ΡΠ°ΠΊ ΡΡΡΠ°ΡΠ½ΠΎ, ΠΊΠ°ΠΊ Π·Π°ΠΌΡΠΊΠ°Π½ΠΈΠ΅ ΡΠ»Π΅ΠΊΡΡΠΎΠΏΡΠΎΠ²ΠΎΠ΄ΠΊΠΈ ΠΈΠ»ΠΈ ΠΏΠ΅ΡΠ΅Π³ΠΎΡΠ°Π½ΠΈΠ΅ Π²ΡΡ
ΠΎΠ΄Π½ΡΡ
ΠΊΠ°ΡΠΊΠ°Π΄ΠΎΠ² Π°Π²ΡΠΎΠΌΠ°Π³Π½ΠΈΡΠΎΠ»Ρ ΠΏΡΠΈ Π΅Π΅ ΠΏΠΎΠ΄ΠΊΠ»ΡΡΠ΅Π½ΠΈΡ ΠΊ ΠΏΡΠΈΠΊΡΡΠΈΠ²Π°ΡΠ΅Π»Ρ.
Π Π»ΡΠ±ΠΎΠΌ ΡΠ»ΡΡΠ°Π΅, Π½Π΅Π΄ΠΎΠΏΡΡΡΠΈΠΌΠ° ΡΡΡΠ°Π½ΠΎΠ²ΠΊΠ° Π½Π° ΠΌΠ΅ΡΡΠΎ ΠΏΡΠ΅Π΄ΠΎΡ
ΡΠ°Π½ΠΈΡΠ΅Π»Ρ Β«ΠΆΡΡΠΊΠ°Β», Π΄Π°ΠΆΠ΅ Π½Π° Π½Π΅ΠΏΡΠΎΠ΄ΠΎΠ»ΠΆΠΈΡΠ΅Π»ΡΠ½ΠΎΠ΅ Π²ΡΠ΅ΠΌΡ.
ΠΠΈΠ½ΡΡΠΎΠ²ΠΎΠΉ (ΠΌΠ°ΡΡΠΎΠ²ΡΠΉ) Π²ΡΠ²ΠΎΠ΄ ΠΏΡΠΈΠΊΡΡΠΈΠ²Π°ΡΠ΅Π»Ρ ΡΠΎΠ΅Π΄ΠΈΠ½Π΅Π½ Ρ Π²Π½ΡΡΡΠ΅Π½Π½Π΅ΠΉ ΠΏΠΎΠ²Π΅ΡΡ
Π½ΠΎΡΡΡΡ Π³Π½Π΅Π·Π΄Π°. ΠΠΎ ΠΌΠ½ΠΎΠ³ΠΈΡ
Π°Π²ΡΠΎΠΌΠΎΠ±ΠΈΠ»ΡΡ
ΠΎΠ½ ΠΏΠΎΠ΄ΠΊΠ»ΡΡΠ°Π΅ΡΡΡ Π½Π΅ΠΏΠΎΡΡΠ΅Π΄ΡΡΠ²Π΅Π½Π½ΠΎ ΠΏΠΎΠ΄ Π±ΠΎΠ»Ρ Π½Π° Β«ΠΌΠ°ΡΡΡΒ» ΠΊΡΠ·ΠΎΠ²Π°. Π ΠΏΡΠΎΡΠ΅ΡΡΠ΅ Π΄Π»ΠΈΡΠ΅Π»ΡΠ½ΠΎΠΉ ΡΠΊΡΠΏΠ»ΡΠ°ΡΠ°ΡΠΈΠΈ ΠΌΠ΅ΡΡΠΎ ΡΠΎΠ΅Π΄ΠΈΠ½Π΅Π½ΠΈΡ ΠΌΠΎΠΆΠ΅Ρ ΠΎΠΊΠΈΡΠ»ΠΈΡΡΡΡ, ΠΊΠΎΠ½ΡΠ°ΠΊΡ Π½Π°ΡΡΡΠΈΡΡΡΡ. ΠΡΠΎ ΠΏΡΠΈΠ²ΠΎΠ΄ΠΈΡ ΠΊ Π½Π°ΡΡΡΠ΅Π½ΠΈΡ ΡΠ°Π±ΠΎΡΡ ΠΏΡΠΈΠΊΡΡΠΈΠ²Π°ΡΠ΅Π»Ρ. Π§ΡΠΎΠ±Ρ Π²ΠΎΡΡΡΠ°Π½ΠΎΠ²ΠΈΡΡ ΡΠ°Π±ΠΎΡΠΎΡΠΏΠΎΡΠΎΠ±Π½ΠΎΡΡΡ, Π½Π΅ΠΎΠ±Ρ
ΠΎΠ΄ΠΈΠΌΠΎ ΠΎΡΠΈΡΡΠΈΡΡ ΠΊΠΎΠ½ΡΠ°ΠΊΡΡ ΠΌΠ°ΡΡΠΎΠ²ΠΎΠ³ΠΎ ΠΏΡΠΎΠ²ΠΎΠ΄Π°.
ΠΠ°ΠΊ ΠΠΎΠ΄ΠΊΠ»ΡΡΠΈΡΡ ΠΡΠΈΠΊΡΡΠΈΠ²Π°ΡΠ΅Π»Ρ ΠΠ°Π· 2101
ΠΠ°ΠΆΠΈΠ³Π°Π»ΠΊΠ° Π΄Π»Ρ Π²Π°Π· 2106
ΠΠ»Ρ ΠΌΠ½ΠΎΠ³ΠΈΡ
Π°Π²ΡΠΎΠ²Π»Π°Π΄Π΅Π»ΡΡΠ΅Π² ΠΏΡΠΈΠΊΡΡΠΈΠ²Π°ΡΠ΅Π»Ρ ΡΠ²Π»ΡΠ΅ΡΡΡ Π½Π΅ΠΎΠ±Ρ
ΠΎΠ΄ΠΈΠΌΡΠΌ ΡΡΡΡΠΎΠΉΡΡΠ²ΠΎΠΌ, ΠΏΠΎΡΠΎΠΌΡ ΡΡΠΎ ΠΏΡΠΈΠΊΡΡΠΈΠ²Π°ΡΠ΅Π»Ρ Π½ΡΠΆΠ΅Π½ Π½Π΅ ΡΠΎΠ»ΡΠΊΠΎ ΠΊΠ°ΠΊ ΠΏΡΠΈΠΊΡΡΠΈΠ²Π°ΡΠ΅Π»Ρ. Π² Π΄ΠΎΠΏΠΎΠ»Π½Π΅Π½ΠΈΠ΅ ΠΊ Π΅Π³ΠΎ ΠΈΡΠΏΠΎΠ»ΡΠ·ΠΎΠ²Π°Π½ΠΈΡ Π΄Π»Ρ ΡΡΠΎΠΉ ΡΠ΅Π»ΠΈ. ΠΏΠΎΡΡΠ°ΡΠΈΠ²Π½ΡΠΉ Π°Π²ΡΠΎΠΌΠΎΠ±ΠΈΠ»ΡΠ½ΡΠΉ Ρ
ΠΎΠ»ΠΎΠ΄ΠΈΠ»ΡΠ½ΠΈΠΊ, ΠΊΠΎΠΌΠΏΡΠ΅ΡΡΠΎΡ, ΡΠ΅Π»Π΅Π²ΠΈΠ·ΠΎΡ, Π΄ΠΎΡΠΎΠΆΠ½Π°Ρ Π±ΡΠΈΡΠ²Π° ΠΈΠ»ΠΈ ΠΊΠΎΡΠ΅Π²Π°ΡΠΊΠ°, ΠΌΠΎΠ±ΠΈΠ»ΡΠ½ΡΠΉ ΠΠ°ΡΡΠ΄Π½ΠΎΠ΅ ΡΡΡΡΠΎΠΉΡΡΠ²ΠΎ ΡΠ΅Π»Π΅ΡΠΎΠ½Π° ΠΏΠΎΠ΄ΠΊΠ»ΡΡΠ°Π΅ΡΡΡ ΠΊ ΠΈΡΡΠΎΡΠ½ΠΈΠΊΠ°ΠΌ ΠΏΠΈΡΠ°Π½ΠΈΡ ΡΠ΅ΡΠ΅Π· Π³Π½Π΅Π·Π΄ΠΎ ΠΏΡΠΈΠΊΡΡΠΈΠ²Π°ΡΠ΅Π»Ρ. ΠΡΠ»ΠΈ ΠΏΡΠΈΠΊΡΡΠΈΠ²Π°ΡΠ΅Π»Ρ ΡΠ»ΠΎΠΌΠ°Π΅ΡΡΡ, Π΅Π³ΠΎ Π½Π΅ΠΎΠ±Ρ
ΠΎΠ΄ΠΈΠΌΠΎ ΡΠ°Π·ΠΎΠ±ΡΠ°ΡΡ ΠΈ ΠΎΡΡΠ΅ΠΌΠΎΠ½ΡΠΈΡΠΎΠ²Π°ΡΡ. ΠΡΠ»ΠΈ ΠΏΡΠΈΠΊΡΡΠΈΠ²Π°ΡΠ΅Π»Ρ ΠΏΠΎΠ»Π½ΠΎΡΡΡΡ Π²ΡΡ
ΠΎΠ΄ΠΈΡ ΠΈΠ· ΡΡΡΠΎΡ, Π΅Π³ΠΎ Π½Π΅ΠΎΠ±Ρ
ΠΎΠ΄ΠΈΠΌΠΎ Π·Π°ΠΌΠ΅Π½ΠΈΡΡ. ΠΠΎΠ³ΠΎΠ²ΠΎΡΠΈΠΌ ΠΎ ΡΠΎΠΌ, ΠΊΠ°ΠΊ Π·Π°ΠΌΠ΅Π½ΠΈΡΡ Π·Π°ΠΆΠΈΠ³Π°Π»ΠΊΡ.
ΠΠ΅ ΡΠ°Π±ΠΎΡΠ°Π΅Ρ
ΠΎΡΠ²Π΅ΡΡΠΎΠΊ; ΠΏΠ°ΡΠ»ΡΠ½ΠΈΠΊ; ΠΏΠΈΠ½ΡΠ΅Ρ; Ρ
Π»ΠΎΠΏΡΠ°ΡΠΎΠ±ΡΠΌΠ°ΠΆΠ½ΡΠ΅ ΠΏΠ΅ΡΡΠ°ΡΠΊΠΈ.
ΠΡΠ°ΡΠΊΠΎΠ΅ ΡΠΎΠ΄Π΅ΡΠΆΠ°Π½ΠΈΠ΅ ΡΠ΅ΠΌΠΎΠ½ΡΠ°:
ΠΡΠΊΡΠΎΠΉΡΠ΅ ΠΊΡΡΡΠΊΡ, Π° Π·Π°ΡΠ΅ΠΌ ΡΠ½ΠΈΠΌΠΈΡΠ΅ ΠΎΡΡΠΈΡΠ°ΡΠ΅Π»ΡΠ½ΡΡ ΠΊΠ»Π΅ΠΌΠΌΡ Ρ Π°ΠΊΠΊΡΠΌΡΠ»ΡΡΠΎΡΠ°. ΠΡΠΎ ΠΎΡΠΊΠ»ΡΡΠΈΡ ΠΏΠΈΡΠ°Π½ΠΈΠ΅ ΠΌΠ°ΡΠΈΠ½Ρ ΠΈ Π·Π½Π°ΡΠΈΡΠ΅Π»ΡΠ½ΠΎ ΡΠΌΠ΅Π½ΡΡΠΈΡ ΡΠΈΡΠΊ ΠΊΠΎΡΠΎΡΠΊΠΎΠ³ΠΎ Π·Π°ΠΌΡΠΊΠ°Π½ΠΈΡ.
ΠΠ°ΡΠ΅ΠΌ ΠΎΡΠΎΠ΄Π²ΠΈΠ½ΡΡΠ΅ ΡΠΈΠ΄Π΅Π½ΡΠ΅ Π²ΠΎΠ΄ΠΈΡΠ΅Π»Ρ ΡΠ»ΠΈΡΠΊΠΎΠΌ Π΄Π°Π»Π΅ΠΊΠΎ, ΡΡΠΎΠ±Ρ ΠΏΠΎΠ»ΡΡΠΈΡΡ Π΄ΠΎΡΡΡΠΏ ΠΊ ΠΏΡΠΈΠΊΡΡΠΈΠ²Π°ΡΠ΅Π»Ρ, ΠΊΠΎΡΠΎΡΡΠΉ Π² Π±ΠΎΠ»ΡΡΠΈΠ½ΡΡΠ²Π΅ ΡΠ»ΡΡΠ°Π΅Π² Π½Π°Ρ
ΠΎΠ΄ΠΈΡΡΡ Π² ΡΠ΅Π½ΡΡΠ°Π»ΡΠ½ΠΎΠΉ ΠΊΠΎΠ½ΡΠΎΠ»ΠΈ.
Π’Π΅ΠΏΠ΅ΡΡ Π²ΠΎΠ·ΡΠΌΠΈΡΠ΅ ΡΠΎΠ½Π°ΡΠΈΠΊ ΠΈ ΠΎΡΠΌΠΎΡΡΠΈΡΠ΅ Π²Π½ΡΡΡΠ΅Π½Π½ΡΡ ΡΠ°ΡΡΡ Π·Π°ΠΆΠΈΠ³Π°Π»ΠΊΠΈ. ΠΠ΅ Π΄ΠΎΠ»ΠΆΠ½ΠΎ Π±ΡΡΡ ΠΏΠΎΡΡΠΎΡΠΎΠ½Π½ΠΈΡ
ΡΡΠ°Π³ΠΌΠ΅Π½ΡΠΎΠ² ΠΈ ΠΏΡΠ΅Π΄ΠΌΠ΅ΡΠΎΠ². ΠΡΠ»ΠΈ ΠΎΠ½ΠΈ Π²ΡΠ΅ Π΅ΡΡΡ, Π²Ρ Π΄ΠΎΠ»ΠΆΠ½Ρ ΠΎΡΡΠΎΡΠΎΠΆΠ½ΠΎ ΡΠ΄Π°Π»ΠΈΡΡ ΠΏΠΈΠ½ΡΠ΅Ρ Ρ ΠΏΡΠΎΡΠ΅Π·ΠΈΠ½Π΅Π½Π½ΡΠΌΠΈ ΠΊΠΎΠ½ΡΠ°ΠΌΠΈ ΠΈΠ»ΠΈ 2 ΡΠΏΠΈΡΠΊΠ°ΠΌΠΈ.
ΠΡΠΎΠ²Π΅ΡΡΡΠ΅ ΠΏΡΠ΅Π΄ΠΎΡ
ΡΠ°Π½ΠΈΡΠ΅Π»Ρ, ΠΎΡΠ²Π΅ΡΡΡΠ²Π΅Π½Π½ΡΠΉ Π·Π° ΠΏΡΠΈΠΊΡΡΠΈΠ²Π°ΡΠ΅Π»Ρ. Π ΡΠ»ΡΡΠ°Π΅ ΠΊΠΎΡΠΎΡΠΊΠΎΠ³ΠΎ Π·Π°ΠΌΡΠΊΠ°Π½ΠΈΡ ΠΏΡΠ΅Π΄ΠΎΡ
ΡΠ°Π½ΠΈΡΠ΅Π»Ρ ΠΏΠ΅ΡΠ΅Π³ΠΎΡΠ°Π΅Ρ ΡΠ΅ΡΠ΅Π· ΡΡΡΡΠΎΠΉΡΡΠ²ΠΎ, ΠΏΠΎΠ΄ΠΊΠ»ΡΡΠ΅Π½Π½ΠΎΠ΅ ΠΊ ΠΏΡΠΈΠΊΡΡΠΈΠ²Π°ΡΠ΅Π»Ρ, ΠΈ ΡΠΎΠΊ Π½Π΅ ΠΏΠΎΠ΄Π°Π΅ΡΡΡ. ΠΠ»Ρ Π²ΠΎΠ·ΠΎΠ±Π½ΠΎΠ²Π»Π΅Π½ΠΈΡ Π΄ΠΎΡΡΠ°Π²ΠΊΠΈ Π½Π΅ΠΎΠ±Ρ
ΠΎΠ΄ΠΈΠΌΠΎ ΡΡΡΠ°Π½ΠΎΠ²ΠΈΡΡ Π½ΠΎΠ²ΡΠΉ ΡΠ°Π±ΠΎΡΠΈΠΉ ΠΏΡΠ΅Π΄ΠΎΡ
ΡΠ°Π½ΠΈΡΠ΅Π»Ρ. ΠΠ΄Π΅ΡΡ Π΄ΠΎΠ»ΠΆΠ½Π° ΠΏΠΎΠΌΠΎΡΡ ΠΊΠ½ΠΈΠ³Π° ΠΏΠΎ ΡΠΊΡΠΏΠ»ΡΠ°ΡΠ°ΡΠΈΠΈ, Π² ΠΊΠΎΡΠΎΡΠΎΠΉ Π±ΡΠ΄Π΅Ρ ΡΠΊΠ°Π·Π°Π½ΠΎ, ΠΊΠ°ΠΊΠΎΠΉ ΠΊΠΎΠ½ΠΊΡΠ΅ΡΠ½ΡΠΉ ΠΏΡΠ΅Π΄ΠΎΡ
ΡΠ°Π½ΠΈΡΠ΅Π»Ρ Π·Π°ΠΌΠ΅Π½ΠΈΡΡ. ΠΡΠΎΠΌΠ΅ ΡΠΎΠ³ΠΎ, ΡΠ°Π±Π»ΠΈΡΠ° Π²ΡΠ΅Ρ
ΠΏΡΠ΅Π΄ΠΎΡ
ΡΠ°Π½ΠΈΡΠ΅Π»Π΅ΠΉ Π½Π°Ρ
ΠΎΠ΄ΠΈΡΡΡ Π½Π° Π·Π°Π΄Π½Π΅ΠΉ ΠΏΠ°Π½Π΅Π»ΠΈ Π±Π»ΠΎΠΊΠ° ΠΏΡΠ΅Π΄ΠΎΡ
ΡΠ°Π½ΠΈΡΠ΅Π»Π΅ΠΉ.
ΠΡΠ»ΠΈ Π²ΡΡΠ΅ΡΠΊΠ°Π·Π°Π½Π½ΡΠ΅ ΠΌΠ΅ΡΠΎΠ΄Ρ Π±Π΅ΡΠΏΠΎΠ»Π΅Π·Π½Ρ ΠΈ ΠΏΡΠΈΠΊΡΡΠΈΠ²Π°ΡΠ΅Π»Ρ Π½Π΅ ΡΠ°Π±ΠΎΡΠ°Π΅Ρ, ΠΎΡΡΠΎΠ΅Π΄ΠΈΠ½ΠΈΡΠ΅ Π΅Π³ΠΎ. ΠΠ»Ρ ΡΡΠΎΠ³ΠΎ Π°ΠΊΠΊΡΡΠ°ΡΠ½ΠΎ ΠΏΠΎΡΡΠ½ΠΈΡΠ΅ ΠΆΠ΅Π»Π΅Π·Π½ΡΡ ΠΏΠ°Π½Π΅Π»Ρ Ρ ΠΏΠΎΠΌΠΎΡΡΡ ΠΏΠ»ΠΎΡΠΊΠΎΠ³ΡΠ±ΡΠ΅Π². Π ΡΠΎ ΠΆΠ΅ Π²ΡΠ΅ΠΌΡ ΠΏΠΎΠ΄ Π·ΡΠ±ΡΠ°ΠΌΠΈ ΠΏΠ»ΠΎΡΠΊΠΎΠ³ΡΠ±ΡΠ΅Π² Π½Π΅ΠΎΠ±Ρ
ΠΎΠ΄ΠΈΠΌΠΎ ΠΏΡΠΎΡΠΊΠΎΠ»ΡΠ·Π½ΡΡΡ ΡΠΊΠ°Π½ΡΡ, ΡΡΠΎΠ±Ρ Π½Π° ΠΎΠ±ΠΎΠ΄ΠΊΠ΅ Π½Π΅ ΠΎΡΡΠ°Π»ΠΎΡΡ ΡΠ»Π΅Π΄ΠΎΠ².
ΠΠΎΠΏΡΠΎΠ±ΡΠΉΡΠ΅ ΠΎΡΠΊΠ»ΡΡΠΈΡΡ Π·Π°ΠΆΠΈΠ³Π°Π»ΠΊΡ. ΠΡΠ»ΠΈ ΡΠ΅Π»ΠΎ ΡΠ²Π΅ΡΠ΄ΠΎΠ΅, ΠΏΠΎΠΏΡΠΎΠ±ΡΠΉΡΠ΅ ΠΏΠΎΠΎΡΠ΅ΡΠ΅Π΄Π½ΠΎ ΠΏΠΎΡΡΠ½ΡΡΡ Π΅Π³ΠΎ Ρ ΠΊΠ°ΠΆΠ΄ΠΎΠΉ ΡΡΠΎΡΠΎΠ½Ρ. ΠΠΎ Π½Π΅ ΡΡΠ½ΠΈΡΠ΅ ΡΠ»ΠΈΡΠΊΠΎΠΌ ΡΠΈΠ»ΡΠ½ΠΎ, ΡΡΠΎΠ±Ρ ΠΏΡΠΎΠ²ΠΎΠ΄Π° Π½Π΅ Π»ΠΎΠΌΠ°Π»ΠΈΡΡ.
You may also like
- ΠΠ°ΠΌΠ΅Π½Π° ΠΠΈΡΠΊΠ° Π‘ΡΠ΅ΠΏΠ»Π΅Π½ΠΈΡ ΠΠΎΠ»ΡΡ 3
Π·Π°ΠΌΠ΅Π½Π° ΡΡΠ΅ΠΏΠ»Π΅Π½ΠΈΠ΅, ΡΠ΅ΠΌΠΎΠ½Ρ ΠΊΠΎΡΠΎΠ±ΠΊΠΈ Volkswagen Vento / Golf 3ΠΠ²ΡΠΎΠΌΠΎΠ±ΠΈΠ»Ρ Π·Π°Π³Π½Π°Π» Π² Π³Π°ΡΠ°ΠΆ Ρ ΡΠΌΠΎΠΉ ΠΈ Π·Π°ΠΏΠΎΠ»Π½Π΅Π½ ΡΠ΅ΠΊΠ²ΠΈΠ·ΠΈΡΠΎΠΌ.ΠΠΎΡΠΎΠΌΡ ΡΡΠΎ, Π²ΡΠ½ΠΈΠΌΠ°Ρ ΠΊΠΎΡΠΎΠ±ΠΊΡ, Π½ΡΠΆΠ½ΠΎ ΠΎΡΠ»Π°Π±ΠΈΡΡ Π΄Π²Π΅ ΠΎΠΏΠΎΡΡ ΠΎΡ 3 Π΄Π²ΠΈΠ³Π°ΡΠ΅Π»β¦ - Bentley ΠΏΠΎΠ΄Π³ΠΎΡΠΎΠ²ΠΈΠ»Π° Π΄Π»Ρ Β«ΠΠΎΠ½ΠΊΠΈ ΠΊ ΠΎΠ±Π»Π°ΠΊΠ°ΠΌΒ» Π²Π½Π΅Π΄ΠΎΡΠΎΠΆΠ½ΠΈΠΊ Bentayga
ΠΠΎΠΌΠΏΠ°Π½ΠΈΡ Bentley ΡΠ°ΡΠΊΡΡΠ» ΠΌΠΎΠ΄ΠΈΡΠΈΡΠΈΡΠΎΠ²Π°Π½Π½ΡΠΉ Π²Π½Π΅Π΄ΠΎΡΠΎΠΆΠ½ΠΈΠΊ Bentayga, ΠΊΠΎΡΠΎΡΡΠΉ ΠΏΡΠΈΠΌΠ΅Ρ ΡΡΠ°ΡΡΠΈΠ΅ Π² Π³ΠΎΠ½ΠΊΠ΅ Β«Pikes PeakΒ», Π½Π΅ΠΎΡΠΈΡΠΈΠ°Π»ΡΠ½ΠΎ Π½Π°Π·Π²Π°Π½Π½ΠΎΠΉ Β«Race to ΠΎΠ±Π»Π°ΠΊΠ°Β«Π ΠΈΡ ΠΠΈΠ»Π»Π΅Π½ Π±ΡΠ΄Π΅Ρ Π²Π΅ΡΡΠΈ ΠΌΠ°ΡΠΈΠ½Ρ. ΠΎβ¦
- ΠΠ°ΠΌΠ΅Π½Π° Π’ΡΠΎΡΠ° Π ΡΡΠ½ΠΈΠΊΠ° Renault Sandero
ΠΠ»Π°Π΄Π΅Π»ΡΡΠ°ΠΌ Renault Sandero Π½Π΅ΠΎΠ±Ρ
ΠΎΠ΄ΠΈΠΌΠΎ ΠΏΠ΅ΡΠΈΠΎΠ΄ΠΈΡΠ΅ΡΠΊΠΈ Π·Π°ΡΡΠ³ΠΈΠ²Π°ΡΡ ΡΡΡΠ½ΠΈΠΊΠΈ. ΠΡΠΎ ΡΠ²ΡΠ·Π°Π½ΠΎ Ρ ΡΠ΅ΠΌ, ΡΡΠΎ ΠΏΡΠΈ ΡΠ°ΡΡΠΎΠΌ ΠΈΡΠΏΠΎΠ»ΡΠ·ΠΎΠ²Π°Π½ΠΈΠΈ ΠΈ ΠΏΠΎΡΡΠ΅ΠΏΠ΅Π½Π½ΠΎΠΌ ΠΈΠ·Π½ΠΎΡΠ΅ ΠΊΠΎΠ»ΠΎΠ΄ΠΎΠΊ Π½Π°ΡΡΠ½ΡΡΡΠΉ ΡΠΎΡΠΌΠΎΠ·Π½ΠΎΠΉ ΡΡΠΎΡ ΡΡΠ°Π½ΠΎΠ²ΠΈβ¦
- ΠΠ°ΠΊ Π‘Π½ΡΡΡ ΠΡΠΈΠΊΡΡΠΈΠ²Π°ΡΠ΅Π»Ρ ΠΠ° Π€ΠΎΡΠ΄ Π€ΠΎΠΊΡΡ 2
ΠΡΠΎ ΡΡΡΡΠΎΠΉΡΡΠ²ΠΎ Π΄Π°Π²Π½ΠΎ ΠΏΡΠΎΡΠ½ΠΎ Π²ΠΎΡΠ»ΠΎ Π² ΠΏΠΎΠ²ΡΠ΅Π΄Π½Π΅Π²Π½ΡΡ ΠΆΠΈΠ·Π½Ρ ΠΏΡΠ°ΠΊΡΠΈΡΠ΅ΡΠΊΠΈ ΠΊΠ°ΠΆΠ΄ΠΎΠ³ΠΎ Π²ΠΎΠ΄ΠΈΡΠ΅Π»Ρ. ΠΠ°ΠΆΠ΅ Π½Π΅ΠΊΡΡΡΡΠΈΠ΅ ΠΈΡΠΏΠΎΠ»ΡΠ·ΡΡΡ Π·Π°ΠΆΠΈΠ³Π°Π»ΠΊΡ. Π Π°Π·Π»ΠΈΡΠ½ΡΠ΅ ΡΡΡΡΠΎΠΉΡΡΠ²Π° ΠΏΠΎΠ΄ΠΊΠ»ΡΡΠ΅Π½Ρ ΠΊ ΡΠΎΠ·Π΅ΡΠΊΠ΅. Π‘ΡΠ΅Π΄ΠΈ Π½Π°ΠΈΠ±ΠΎΠ»Π΅Π΅ β¦
- ΠΠ°ΠΌΠ΅Π½Π° Π Π΅ΠΌΠ½Ρ ΠΠ΅Π½Π΅ΡΠ°ΡΠΎΡΠ° Audi A4 B8
ΠΡΠ° ΠΎΠΏΠ΅ΡΠ°ΡΠΈΡ Π²Π΄ΠΎΡ
Π½ΠΎΠ²ΠΈΠ»Π° ΠΌΠ΅Π½Ρ Π½Π΅ ΡΡΠΎΠ»ΡΠΊΠΎ Π½Π° ΠΆΠ΅Π»Π°Π½ΠΈΠ΅ ΡΡΠΊΠΎΠ½ΠΎΠΌΠΈΡΡ, ΡΠΊΠΎΠ»ΡΠΊΠΎ Π½Π° ΠΆΠ΅Π»Π°Π½ΠΈΠ΅ Π²ΡΠ΅ ΡΠ΄Π΅Π»Π°ΡΡ ΠΏΡΠ°Π²ΠΈΠ»ΡΠ½ΠΎ ΠΈ Π²ΡΠ΅ ΠΏΡΠΎΠ²Π΅ΡΠΈΡΡ ΡΠ°ΠΌΠΎΠΌΡ. ΠΠ°Π±Π΅Π³Π°Ρ Π²ΠΏΠ΅ΡΠ΅Π΄, ΡΠΊΠ°ΠΆΡ, ΡΡΠΎ ΡΡΠΎ ΠΎΠΊΡΠΏΠΈΠ»ΠΎΡΡ.ΠΡ, ΠΊΠ°ΠΊΠΎΠΉ Ρβ¦
- Π‘Π½ΡΡΠΈΠ΅ ΠΠΏΠΏ Renault Megane 2
Π‘Π½ΡΡΠΈΠ΅ ΠΈ ΡΡΡΠ°Π½ΠΎΠ²ΠΊΠ° ΠΊΠΎΡΠΎΠ±ΠΊΠΈ ΠΏΠ΅ΡΠ΅Π΄Π°ΡΠ§ΡΠΎΠ±Ρ ΠΏΠΎΠ΄Π½ΡΡΡ ΠΊΠΎΡΠΎΠ±ΠΊΡ ΠΏΠ΅ΡΠ΅Π΄Π°Ρ, ΠΏΠΎΠ΄Π½ΠΈΠΌΠΈΡΠ΅ Π°Π²ΡΠΎΠΌΠΎΠ±ΠΈΠ»Ρ ΠΊΠ°ΠΊ ΠΌΠΎΠΆΠ½ΠΎ Π²ΡΡΠ΅. Π‘Π½ΡΡΠΈΠ΅ ΠΊΠΎΡΠΎΠ±ΠΊΠΈ ΠΏΠ΅ΡΠ΅Π΄Π°Ρ ΡΡΠ΅Π±ΡΠ΅Ρ ΠΎΠΏΡΠ΅Π΄Π΅Π»Π΅Π½Π½ΠΎΠ³ΠΎ ΠΎΠΏΡΡΠ°. ΠΠΎΡΡΠΎΠΌΡ Π·Π΄Π΅ΡΡ ΠΏΡΠΈΠ²Π΅Π΄Π΅Π½ΠΎ ΠΎΠΏβ¦
ΠΡΠΌΠΎΡΡΠΈΡΠ΅ ΠΏΡΠΈΠΊΡΡΠΈΠ²Π°ΡΠ΅Π»Ρ. Π‘ΡΠΎΠΈΡ ΠΎΠ±ΡΠ°ΡΠΈΡΡ Π²Π½ΠΈΠΌΠ°Π½ΠΈΠ΅ Π½Π° Π½Π°Π»ΠΈΡΠΈΠ΅ ΡΠ΅ΠΌΠ½ΠΎΠΉ ΡΠ°ΠΆΠΈ. Π’Π°ΠΊΠΆΠ΅ ΠΏΡΠΎΠ²Π΅ΡΡΡΠ΅ Π½Π° ΠΏΠ°ΠΉΠΊΡ ΠΈ ΠΈΠ·ΠΎΠ»ΡΡΠΈΡ ΠΏΡΠΎΠ²ΠΎΠ΄Π°. ΠΡΠΈΠΏΠΎΠΉ ΠΏΡΠΎΠ²ΠΎΠ΄Π° ΡΠ°ΡΡΠΎ ΡΠ²Π»ΡΠ΅ΡΡΡ ΠΎΠ±ΡΠ·Π°ΡΠ΅Π»ΡΠ½ΡΠΌ ΡΡΠ»ΠΎΠ²ΠΈΠ΅ΠΌ ΠΎΡΡΡΡΡΡΠ²ΠΈΡ ΡΠΎΠΊΠ° Π² Π°Π²ΡΠΎΠΌΠΎΠ±ΠΈΠ»ΡΠ½ΠΎΠΌ ΠΏΡΠΈΠΊΡΡΠΈΠ²Π°ΡΠ΅Π»Π΅. ΠΠ°ΡΠ΅ΠΌ Π°ΠΊΠΊΡΡΠ°ΡΠ½ΠΎ ΠΏΡΠΈΠΏΠ°ΡΠΉΡΠ΅ ΡΡΠΎΡ ΠΏΡΠΎΠ²ΠΎΠ΄ Π½Π° ΠΌΠ΅ΡΡΠΎ.
ΠΡΡΠ°Π²ΡΡΠ΅ ΠΏΠΎΡΠ»Π΅Π΄Π½ΡΡ Π³ΠΎΠ»ΠΎΠ²ΠΊΡ ΠΏΡΠΈΠΊΡΡΠΈΠ²Π°ΡΠ΅Π»Ρ, Π΅ΡΠ»ΠΈ ΡΠΎΠΊ ΠΏΡΠΈΡΡΡΡΡΠ²ΡΠ΅Ρ ΠΈ ΠΊΠ°ΡΡΡΠΊΠ° Ρ
ΠΎΠ»ΠΎΠ΄Π½Π°Ρ. ΠΠ»Π°Π³ΠΎΠ΄Π°ΡΡ ΡΠ°ΡΡΠΎΠΌΡ ΠΈΡΠΏΠΎΠ»ΡΠ·ΠΎΠ²Π°Π½ΠΈΡ Π½Π°Π³ΡΠ΅Π²Π°ΡΠ΅Π»ΡΠ½ΡΠΉ ΡΠ»Π΅ΠΌΠ΅Π½Ρ Π³ΠΎΡΠΈΡ Π΄ΠΎΠ²ΠΎΠ»ΡΠ½ΠΎ Π±ΡΡΡΡΠΎ. ΠΡΠ΅Π³Π΄Π° ΠΏΠΎΠΊΡΠΏΠ°ΠΉΡΠ΅ Π³ΠΎΠ»ΠΎΠ²ΠΊΡ, ΡΠΏΠ΅ΡΠΈΠ°Π»ΡΠ½ΠΎ ΠΏΡΠ΅Π΄Π½Π°Π·Π½Π°ΡΠ΅Π½Π½ΡΡ Π΄Π»Ρ ΠΏΡΠΈΠΊΡΡΠΈΠ²Π°ΡΠ΅Π»Ρ.
ΠΠ°ΠΊ ΠΏΠΎΠΌΠ΅Π½ΡΡΡ Π΄Π²Π΅ΡΠ½ΠΎΠΉ Π·Π°ΠΌΠΎΠΊ Ρ ΠΏΠΎΠΌΠΎΡΡΡ ΡΡΡΠ»ΠΊΠΈ.
ΠΠ°ΠΊ ΠΏΠΎΠ΄ΠΊΠ»ΡΡΠΈΡΡΡΡ
ΠΡΡΡΠ΅ Π²ΡΠ΅Π³ΠΎ ΡΠΎΠ·Π΄Π°Π²Π°ΡΡ Π½Π΅Π·Π°Π²ΠΈΡΠΈΠΌΡΠ΅ ΠΎΡ ΡΠΈΠ³Π°ΡΠ΅Ρ ΠΈΡΡΠΎΡΠ½ΠΈΠΊΠΈ 5 Π Π΄Π»Ρ ΠΊΠ°ΠΆΠ΄ΠΎΠ³ΠΎ Π°ΠΊΡΠ΅ΡΡΡΠ°ΡΠ° ΠΈ ΠΏΠΎΠ΄Π°Π²Π°ΡΡ ΠΈΡ
ΠΈΠ· ΡΠ΅ΠΏΠΈ Π·Π°ΠΆΠΈΠ³Π°Π½ΠΈΡ (ΠΏΠΎΡΠ»Π΅ Π²ΡΠΊΠ»ΡΡΠ°ΡΠ΅Π»Ρ Π·Π°ΠΆΠΈΠ³Π°Π½ΠΈΡ). Π ΡΠΎΠ³Π΄Π° ΡΠ΅ΠΊΠΎΡΠ΄Π΅Ρ ΠΈ Π½Π°Π²ΠΈΠ³Π°ΡΠΎΡ Π±ΡΠ΄ΡΡ ΠΏΠΎΠ΄ΠΊΠ»ΡΡΠ΅Π½Ρ ΡΠΎΠ»ΡΠΊΠΎ ΠΏΡΠΈ ΡΠ°Π±ΠΎΡΠ°ΡΡΠ΅ΠΌ Π΄Π²ΠΈΠ³Π°ΡΠ΅Π»Π΅ (Π΄Π»Ρ Π·Π°ΠΏΠΈΡΠΈ Π² Π΄Π²Π° ΡΠ°Π·Π° Π»ΡΡΡΠ΅, Ρ Π½Π΅Π³ΠΎ Π΅ΡΡΡ ΡΡΠ½ΠΊΡΠΈΡ Π°Π²ΡΠΎΠ·Π°ΠΏΡΡΠΊΠ°. ΠΎΡΠΊΠ»ΡΡΠ΅Π½ΠΈΠ΅ ΠΎΡ Π²Π½Π΅ΡΠ½Π΅Π³ΠΎ ΠΈΡΡΠΎΡΠ½ΠΈΠΊΠ° ΠΏΠΈΡΠ°Π½ΠΈΡ)
Π‘Ρ
Π΅ΠΌΠ° ΠΏΠΎΠ΄ΠΊΠ»ΡΡΠ΅Π½ΠΈΡ
Π‘ΡΡΠ΅ΡΡΠ²ΡΡΡ Π½Π΅Π±ΠΎΠ»ΡΡΠΈΠ΅ ΡΠ°Π·Π»ΠΈΡΠΈΡ Π² Π·Π°Π²ΠΈΡΠΈΠΌΠΎΡΡΠΈ ΠΎΡ ΡΠΎΠ³ΠΎ, ΠΊΠ°ΠΊΠ°Ρ ΠΌΠΎΠ΄Π΅Π»Ρ ΡΠ΅Π½ΡΡΠ°Π»ΡΠ½ΠΎΠΉ ΠΊΠΎΠ½ΡΠΎΠ»ΠΈ ΡΡΡΠ°Π½ΠΎΠ²Π»Π΅Π½Π° ββΠ½Π° ΠΌΠ°ΡΠΈΠ½Π΅.
ΠΡΠ»ΠΈ Π²Ρ Π²Π½Π΅ΡΠ»ΠΈ ΠΈΠ·ΠΌΠ΅Π½Π΅Π½ΠΈΡ ΠΈ Ρ Π²Π°Ρ Π΅ΡΡΡ Β«ΠΏΡΡΠΈΡΡΠΎΡΠΎΠ½Π½ΡΡ ΠΊΠΎΠ½ΡΠΎΠ»ΡΒ», ΡΡ
Π΅ΠΌΠ° ΠΏΠΎΠ΄ΠΊΠ»ΡΡΠ΅Π½ΠΈΡ Π±ΡΠ΄Π΅Ρ ΡΠ»Π΅Π΄ΡΡΡΠ΅ΠΉ:
Π¦Π²Π΅Ρ ΠΏΠΈΡΠΈ ΡΠΈΠ½ΠΈΠΉ. ΠΊΡΠ°ΡΠ½ΠΎΠ²Π°ΡΡΠΉ, ΡΠΎΠ²Π½ΡΠΉ, ΡΠ²Π΅Ρ ΠΌΠΈΠ½ΡΡ Β«ΠΌΠ°ΡΡΠ°Β». ΡΠΎΠ²Π½ΡΠΉ, ΡΠ΅ΠΌΠ½ΡΠΉ Ρ Π±Π΅Π»ΡΠΌ. ΠΠ°ΡΡΠ° ΡΠΈΠΊΡΠΈΡΡΠ΅ΡΡΡ Π²ΠΎΠ·Π»Π΅ ΡΠ΅Π»Π΅ Π·Π°ΠΆΠΈΠ³Π°Π½ΠΈΡ. ΠΠ΄Π½Π° Π²Π΅ΡΠ²Ρ Π΄Π°Π΅Ρ ΡΠ²Π΅Ρ ΠΏΠ΅ΡΡΠ°ΡΠΊΠ΅.
ΠΡΡΡΠΎΠ΅Π½Π½Π°Ρ ΠΊΠΎΠ½ΡΠΎΠ»Ρ (ΡΠ΅Π½ΡΡΠ°Π»ΡΠ½Π°Ρ) ΠΠΠ 2107, ΠΏΡΠΈΠ½ΡΠΈΠΏ ΠΏΠΎΠ΄ΠΊΠ»ΡΡΠ΅Π½ΠΈΡ ΡΠ»Π΅Π΄ΡΡΡΠΈΠΉ:
Β«ΠΠ°ΡΡΠ°Β». ΠΈΠΌΠ΅Π΅Ρ ΡΠ΅ΠΌΠ½ΡΠΉ ΡΠ²Π΅Ρ, ΠΏΡΠΎΠ²ΠΎΠ΄Π° ΠΈΠ΄ΡΡΠΈΠ΅ Π½Π° ΠΎΡΠ²Π΅ΡΠ΅Π½ΠΈΠ΅ Π±Π΅Π»ΡΠ΅, ΠΈΡ
Π΄Π²Π°. Π‘Ρ
Π΅ΠΌΠ° ΠΏΡΠ΅Π΄ΠΏΠΎΠ»Π°Π³Π°Π΅Ρ, ΡΡΠΎ ΠΎΠ΄ΠΈΠ½ ΠΏΡΠΎΠ²ΠΎΠ΄ Π΄Π΅Π»Π°Π΅Ρ ΠΏΠ°Π½Π΅Π»Ρ ΠΎΡΠ²Π΅ΡΠ΅Π½Π½ΠΎΠΉ.
Π¨Π½ΡΡ ΠΏΠΈΡΠ°Π½ΠΈΡ ΡΠΈΠ½ΠΈΠΉ Ρ ΠΊΡΠ°ΡΠ½ΠΎΠ²Π°ΡΡΠΌ, Π΄Π°ΠΆΠ΅ ΠΎΠ΄Π½Π° ΡΠ°ΡΡΡ ΠΏΠΎΠ΄Ρ
ΠΎΠ΄ΠΈΡ ΠΈ ΠΏΡΠΈΠ½ΠΎΡΠΈΡ ΡΠ½Π΅ΡΠ³ΠΈΡ Π½Π° Π±ΠΎΡΡΠΎΠ²ΡΠ΅ ΡΠ°ΡΡ.
Π’Π°ΠΊΠΆΠ΅ Π²Π°ΠΆΠ½ΠΎ Π·Π½Π°ΡΡ, ΡΡΠΎ ΡΡ
Π΅ΠΌΠ°, ΠΏΠΎΠΌΠΈΠΌΠΎ ΠΏΡΠΎΠ²ΠΎΠ΄ΠΎΠ², ΡΠΎΠ΄Π΅ΡΠΆΠΈΡ:
ΠΠ»ΠΎΠΊ ΠΏΡΠ΅Π΄ΠΎΡ
ΡΠ°Π½ΠΈΡΠ΅Π»Π΅ΠΉ ΡΠΎΠ΄Π΅ΡΠΆΠΈΡ ΠΏΡΠ΅Π΄ΠΎΡ
ΡΠ°Π½ΠΈΡΠ΅Π»Ρ Π½Π° 10 Π Ρ ΠΌΠ°ΡΠΊΠΈΡΠΎΠ²ΠΊΠΎΠΉ F 6.
ΠΏΠΎΠ΄ΡΠ²Π΅ΡΠΊΠ°
ΠΠ°ΠΌΠ΅Π½ΠΈΡΠ΅ Π»Π°ΠΌΠΏΠΎΡΠΊΡ Π΄Π²ΠΈΠ³Π°ΡΠ΅Π»Ρ ΠΈ Π°ΠΊΠΊΡΠΌΡΠ»ΡΡΠΎΡΠ°.
You may also like
- ΠΠ½ΠΎΠΏΠΊΠ° ΠΠΊΠ»ΡΡΠ΅Π½ΠΈΡ ΠΡΠΎΡΠΈΠ²ΠΎΡΡΠΌΠ°Π½Π½ΡΡ
Π€Π°Ρ Π’ΠΎΠΉΠΎΡΠ° ΠΠΎΡΠΎΠ»Π»Π° 150
Π’ΡΠΌΠ°Π½. ΡΡΠΎ, ΠΏΠΎ ΡΡΡΠΈ, ΠΌΠ°Π»Π΅Π½ΡΠΊΠΈΠ΅ ΠΊΠ°ΠΏΠ΅Π»ΡΠΊΠΈ Π²ΠΎΠ΄Ρ Π² Π²ΠΎΠ·Π΄ΡΡ
Π΅, ΠΊΠΎΡΠΎΡΡΠ΅ ΠΎΡΡΠ°ΠΆΠ°ΡΡ ΡΠ²Π΅Ρ ΠΎΡ Π²Π°ΡΠ΅Π³ΠΎ Π°Π²ΡΠΎΠΌΠΎΠ±ΠΈΠ»Ρ. ΠΠ»ΠΈΠΆΠ΅ ΠΊ Π·Π΅ΠΌΠ»Π΅, ΠΎΠ½ ΠΈΠΌΠ΅Π΅Ρ ΡΠ°ΠΌΡΡ Π½ΠΈΠ·ΠΊΡΡ ΠΏΠ»ΠΎΡΠ½ΠΎΡΡΡ, ΠΏΠΎΡΠΎΠΌΡ ΡΡΠΎ ΠΏΡΠΎΡΠΈΠ²ΠΎΡΡΠΌΠ°Π½Π½ΡΠ΅ ΡΠ°ΡΡ β¦ - ΠΠ°ΠΊΠΎΠΉ ΠΠ°ΡΠ±ΡΡΠ°ΡΠΎΡ ΠΡΡΡΠ΅ ΠΠΎΡΡΠ°Π²ΠΈΡΡ ΠΠ° ΠΠ°Π· 24
ΠΠ°ΠΊΠΎΠΉ ΠΊΠ°ΡΠ±ΡΡΠ°ΡΠΎΡ ΠΏΠΎΡΡΠ°Π²ΠΈΡΡ Π½Π° Π΄Π²ΠΈΠ³Π°ΡΠ΅Π»Ρ ΠΠΎΠ»Π³Π° 402? ΠΠ±Π·ΠΎΡ Π²ΠΎΠΏΡΠΎΡΠΎΠ² ΠΠΈΡΠΊΡΡΡΠΈΡ ΠΎ ΡΠΎΠΌ, ΠΊΠ°ΠΊΠΎΠΉ ΠΊΠ°ΡΠ±ΡΡΠ°ΡΠΎΡ ΠΏΠΎΡΡΠ°Π²ΠΈΡΡ Π½Π° Π΄Π²ΠΈΠ³Π°ΡΠ΅Π»Ρ Β«ΠΠΎΠ»Π³Π° 402Β», ΠΏΡΠΈΠ²Π΅Π΄Π΅Ρ Π»ΡΠ±ΠΈΡΠ΅Π»Π΅ΠΉ ΠΊ ΡΠΎΠ²Π΅ΡΡΠ΅Π½ΡΡΠ²ΠΎΠ²Π°Π½ΠΈΡ ΡΠ²ΠΎΠ΅ΠΉβ¦
- ΠΠ°ΠΌΠ΅Π½Π° Π‘Π°Π»ΠΎΠ½Π½ΠΎΠ³ΠΎ Π€ΠΈΠ»ΡΡΡΠ° ΠΡΠ°Π½ΡΠ° Π‘ ΠΠΎΠ½Π΄ΠΈΡΠΈΠΎΠ½Π΅ΡΠΎΠΌ
Π€ΠΈΠ»ΡΡΡ ΡΠ°Π»ΠΎΠ½Π° Π½Π° Lada Grant ΠΎΡΠ½ΠΎΡΠΈΡΡΡ ΠΊ ΡΠΈΡΡΠ΅ΠΌΠ΅ ΠΎΡΠΎΠΏΠ»Π΅Π½ΠΈΡ ΠΈ Π²Π΅Π½ΡΠΈΠ»ΡΡΠΈΠΈ Π°Π²ΡΠΎΠΌΠΎΠ±ΠΈΠ»Ρ. Π’Π΅ΠΏΠ΅ΡΡ ΠΏΠΎΠ³ΠΎΠ²ΠΎΡΠΈΠΌ ΠΎΠ± ΠΎΡΠΎΠ±Π΅Π½Π½ΠΎΡΡΡΡ
Π·Π°ΠΌΠ΅Π½Ρ ΡΡΠΎΠ³ΠΎ ΡΠΈΠ»ΡΡΡΠ°, ΡΠ΄Π΅Π»ΠΈΠ² Π΄ΠΎΠΏΠΎΠ»Π½ΠΈΡΠ΅Π»ΡΠ½ΠΎΠ΅ Π²Π½ΠΈΠΌΠ°Π½ΠΈΠ΅ ΠΊΠΎΠ½ΡΠΈΠ³ΡΡΠ°ΡΠΈβ¦
- ΠΠ°ΠΊ ΠΠΎΠΌΠ΅Π½ΡΡΡ ΠΠ΅ΡΠΊΡ ΠΠ° ΠΠ°Π· 2105
ΠΡΠ°ΠΊ, Π΄ΠΎΡΠΎΠ³ΠΈΠ΅ Π΄ΡΡΠ·ΡΡ, ΡΠ΅Π³ΠΎΠ΄Π½Ρ ΠΌΡ ΡΠ°ΡΡΠΊΠ°ΠΆΠ΅ΠΌ Π²Π°ΠΌ Π½Π° Π΄ΠΎΡΡΡΠΏΠ½ΠΎΠΌ ΡΠ·ΡΠΊΠ΅, ΠΊΠ°ΠΊ Π΄ΠΎΠ±ΡΠ°ΡΡΡΡ Π΄ΠΎ ΠΏΠ΅ΡΠ½ΠΎΠ³ΠΎ Π΄Π²ΠΈΠ³Π°ΡΠ΅Π»Ρ ΠΠΠ-2107, ΡΡΠΎΠ±Ρ Π·Π°ΠΌΠ΅Π½ΠΈΡΡ ΠΈΠ»ΠΈ ΠΎΡΡΠ΅ΠΌΠΎΠ½ΡΠΈΡΠΎΠ²Π°ΡΡ Π΅Π³ΠΎ, Π² Π·Π°Π²ΠΈΡΠΈΠΌΠΎΡΡΠΈ ΠΎΡ ΡΠΎΠ³ΠΎ, ΡΡΠΎ Π·β¦
- ΠΠ΄Π΅ ΠΠ°Ρ
ΠΎΠ΄ΠΈΡΡΡ Π Π΅Π»Π΅ ΠΠ°ΡΡΠ΄ΠΊΠΈ ΠΠ° ΠΠ°Π· 2109
ΠΠ°ΠΌΠ΅Π½Π° ΡΠ΅Π»Π΅ ΡΡΠ°ΡΡΠ΅ΡΠ° Π½Π° ΠΠΠ 2108, ΠΠΠ 2109, ΠΠΠ 21099ΠΠΎΠ±ΡΠΎ ΠΏΠΎΠΆΠ°Π»ΠΎΠ²Π°ΡΡ! Π Π΅Π»Π΅ Π΄Π»Ρ Π·Π°ΠΏΡΡΠΊΠ° ΡΡΠ°ΡΡΠ΅ΡΠ°. Π½Π΅ΠΊΠΎΡΠΎΡΡΠ΅ ΠΏΠΎΠ΄ΡΠΌΠ°ΡΡ, ΡΡΠΎ Π² Π΄Π°Π½Π½ΡΠΉ ΠΌΠΎΠΌΠ΅Π½Ρ ΠΌΡ Π³ΠΎΠ²ΠΎΡΠΈΠΌ ΠΎΠ± ΡΠ»Π΅ΠΊΡΡΠΎΠΌΠ°Π³Π½ΠΈΡΠ½ΠΎΠΌ ΡΠ΅Π»Π΅, Π° ΠΎ Ρβ¦
- ΠΠ°ΠΌΠ΅Π½Π° ΠΠ²ΠΈΠ³Π°ΡΠ΅Π»Ρ ΠΠ° ΠΠ°Π· 24
ΠΠ²ΡΠΎΠΌΠΎΠ±ΠΈΠ»Ρ ΠΠΠ 24 Π±ΡΠ» ΡΠ°Π·ΡΠ°Π±ΠΎΡΠ°Π½ Π² ΡΠ΅ΡΠ΅Π΄ΠΈΠ½Π΅ 1960-Ρ
Π³ΠΎΠ΄ΠΎΠ², Π° Π² ΠΈΡΠ»Π΅ 1970 Π³ΠΎΠ΄Π° ΠΎΠ½ ΠΏΠΎΠ»Π½ΠΎΡΡΡΡ ΡΠΌΠ΅Π½ΠΈΠ» ΠΏΡΠ΅Π΄ΡΠ΅ΡΡΠ²Π΅Π½Π½ΠΈΠΊΠ° ΠΠΠ 21. Π‘ΠΎΠΎΡΠ²Π΅ΡΡΡΠ²Π΅Π½Π½ΠΎ, ΡΠΎΠ²Π΅ΡΡΠ΅Π½Π½ΠΎ Π½ΠΎΠ²ΡΠΉ Π±Π΅Π½Π·ΠΈΠ½ΠΎΠ²ΡΠΉ Π΄Π²ΠΈΠ³Π°ΡΠ΅Π»Ρ Π±ΡΠ» Ρβ¦
Π‘Π½ΠΈΠΌΠΈΡΠ΅ ΠΏΠ»Π°ΡΡΠΈΠΊΠΎΠ²ΡΡ ΠΏΠ°Π½Π΅Π»Ρ ΠΏΠΎΠ΄ ΠΏΡΠΈΠ±ΠΎΡΠ½ΠΎΠΉ ΠΏΠ°Π½Π΅Π»ΡΡ. Π Π΄ΠΎΠΏΠΎΠ»Π½Π΅Π½ΠΈΠ΅ ΠΊ ΠΏΡΠΈΠΊΡΡΠΈΠ²Π°ΡΠ΅Π»Ρ, ΠΊΠ½ΠΎΠΏΠΊΠ° Π°Π²Π°ΡΠΈΠΉΠ½ΠΎΠΉ ΡΠΈΠ³Π½Π°Π»ΠΈΠ·Π°ΡΠΈΠΈ ΠΈ Π²ΡΠΊΠ»ΡΡΠ°ΡΠ΅Π»ΠΈ ΡΠ²Π΅ΡΠ° ΠΈ Π²Π΅Π½ΡΠΈΠ»ΡΡΠΎΡΠ° ΠΏΡΠΈΠΊΡΠ΅ΠΏΠ»Π΅Π½Ρ ΠΊ Π½Π΅ΠΌΡ. ΠΠ»Ρ ΡΡΠΎΠ³ΠΎ Ρ ΠΏΠΎΠΌΠΎΡΡΡ ΠΎΡΠ²Π΅ΡΡΠΊΠΈ ΡΠ΄Π²ΠΈΠ½ΡΡΠ΅ ΠΊΠΎΠ½ΡΠΎΠ»Ρ Π² ΡΡΠΎΡΠΎΠ½Ρ ΠΈ ΠΎΡΡΠΎΡΠΎΠΆΠ½ΠΎ Π½Π°Π΄Π°Π²ΠΈΡΠ΅ Π½Π° ΡΠΈΠΊΡΠ°ΡΠΎΡ.
ΠΠ°ΡΠΊΠΈΡΡΠΉΡΠ΅ ΠΏΡΠΎΠ²ΠΎΠ΄Π°, ΠΏΠΎΠ΄Ρ
ΠΎΠ΄ΡΡΠΈΠ΅ Π΄Π»Ρ ΠΏΡΠΈΠΊΡΡΠΈΠ²Π°ΡΠ΅Π»Ρ, ΠΌΠ°ΡΠΊΠ΅ΡΠΎΠΌ ΠΈΠ»ΠΈ Π½Π°ΡΠΈΡΡΠΉΡΠ΅ ΡΡ
Π΅ΠΌΡ ΠΈΡ
ΡΠΎΠ΅Π΄ΠΈΠ½Π΅Π½ΠΈΡ.
ΠΠΎΡΠΏΡΡ ΠΏΡΠΈΠΊΡΡΠΈΠ²Π°ΡΠ΅Π»Ρ Π΄Π΅ΡΠΆΠΈΡΡΡ Π½Π° Π±ΠΎΠ»ΡΡΠΎΠΉ Π³Π°ΠΉΠΊΠ΅. ΠΎΡΠΊΡΡΡΠΈΠ²Π°Π΅ΠΌ Π΅Π΅.
ΠΡΠ½ΡΡΠ΅ ΠΊΠ°ΡΡΡΠΈΠ΄ΠΆ ΠΈΠ· Π³Π½Π΅Π·Π΄Π° ΠΏΡΠΈΠΊΡΡΠΈΠ²Π°ΡΠ΅Π»Ρ.
ΠΠΎΡΠΏΡΡ Π»Π°ΠΌΠΏΡ ΠΏΡΠΈΠΊΡΠ΅ΠΏΠ»Π΅Π½ ΠΊ ΠΊΠΎΡΠΏΡΡΡ ΠΏΡΠΈΠΊΡΡΠΈΠ²Π°ΡΠ΅Π»Ρ. ΠΎΡΡΠΎΠ΅Π΄ΠΈΠ½ΠΈΡΠ΅ Π΅Π³ΠΎ, Π½Π°ΠΆΠ°Π² Π½Π° Π·Π°ΡΠ΅Π»ΠΊΡ.
Π‘Π»Π΅Π³ΠΊΠ° ΠΎΡΠΊΡΡΡΠΈΡΠ΅ ΠΊΠΎΡΠΏΡΡ Π»Π°ΠΌΠΏΡ Ρ ΠΏΠΎΠΌΠΎΡΡΡ ΠΎΡΠ²Π΅ΡΡΠΊΠΈ.
ΠΠ·Π²Π»Π΅ΠΊΠΈΡΠ΅ ΠΊΠ°ΡΡΡΠΈΠ΄ΠΆ ΡΠΎ Π²ΡΡΠ°Π²Π»Π΅Π½Π½ΠΎΠΉ Π² Π½Π΅Π³ΠΎ Π»Π°ΠΌΠΏΠΎΠΉ.
ΠΠ°ΠΌΠ΅Π½ΠΈΡΠ΅ Π»Π°ΠΌΠΏΡ ΠΈ Π·Π°ΠΌΠ΅Π½ΠΈΡΠ΅ ΠΏΡΠΈΠΊΡΡΠΈΠ²Π°ΡΠ΅Π»Ρ Π² ΠΎΠ±ΡΠ°ΡΠ½ΠΎΠΌ ΠΏΠΎΡΡΠ΄ΠΊΠ΅.
ΠΡΠ»ΠΈ Π·Π°ΠΌΠ΅Π½Π° Π»Π°ΠΌΠΏΡ ΠΈ ΠΏΡΠ΅Π΄ΠΎΡ
ΡΠ°Π½ΠΈΡΠ΅Π»Ρ Π½Π΅ ΠΏΠΎΠΌΠΎΠ³Π»Π°, ΡΡΠΎΠ±Ρ Π·Π°ΠΆΠ΅ΡΡ Π·Π°ΠΆΠΈΠ³Π°Π»ΠΊΡ Π΄Π»Ρ Π½ΠΎΡΠΌΠ°Π»ΡΠ½ΠΎΠΉ ΡΠ°Π±ΠΎΡΡ, Π΅Π΅ Π½Π΅ΠΎΠ±Ρ
ΠΎΠ΄ΠΈΠΌΠΎ ΠΏΠΎΠ»Π½ΠΎΡΡΡΡ Π·Π°ΠΌΠ΅Π½ΠΈΡΡ.
ΠΡΡΠΎΡΠ½ΠΈΠΊ
Π‘Ρ
Π΅ΠΌΠ° ΠΠΠ 2110 | 2 Π‘Ρ
Π΅ΠΌΡ
ΠΡΠΈΠ²ΠΎΠ΄ΡΡΡΡ ΡΠ²Π΅ΡΠ½ΡΠ΅ ΡΡ
Π΅ΠΌΡ ΡΠ»Π΅ΠΊΡΡΠΎΠΏΡΠΎΠ²ΠΎΠ΄ΠΊΠΈ ΠΠΠ 2110 (ΠΈΠ½ΠΆΠ΅ΠΊΡΠΎΡ ΠΈ Ρ ΠΊΠ°ΡΠ±ΡΡΠ°ΡΠΎΡΠ½ΡΠΌ Π΄Π²ΠΈΠ³Π°ΡΠ΅Π»Π΅ΠΌ) Ρ ΠΎΠΏΠΈΡΠ°Π½ΠΈΠ΅ΠΌ Π²ΡΠ΅Ρ
ΡΠ»Π΅ΠΌΠ΅Π½ΡΠΎΠ² Π΄Π»Ρ ΡΠ°Π·Π»ΠΈΡΠ½ΡΡ
ΠΌΠΎΠ΄ΠΈΡΠΈΠΊΠ°ΡΠΈΠΉ. ΠΠ½ΡΠΎΡΠΌΠ°ΡΠΈΡ ΠΏΡΠ΅Π΄Π½Π°Π·Π½Π°ΡΠ΅Π½Π° Π΄Π»Ρ ΡΠ°ΠΌΠΎΡΡΠΎΡΡΠ΅Π»ΡΠ½ΠΎΠ³ΠΎ ΡΠ΅ΠΌΠΎΠ½ΡΠ° Π°Π²ΡΠΎΠΌΠΎΠ±ΠΈΠ»Ρ. ΠΠ»Π΅ΠΊΡΡΠΈΡΠ΅ΡΠΊΠΈΠ΅ ΡΡ
Π΅ΠΌΡ ΡΠ°Π·Π΄Π΅Π»Π΅Π½Ρ Π΄Π»Ρ ΡΠ΄ΠΎΠ±ΡΡΠ²Π° ΠΏΡΠΎΡΠΌΠΎΡΡΠ° ΡΠ΅ΡΠ΅Π· ΠΊΠΎΠΌΠΏΡΡΡΠ΅Ρ ΠΈΠ»ΠΈ ΡΠΌΠ°ΡΡΡΠΎΠ½ Π½Π° Π½Π΅ΡΠΊΠΎΠ»ΡΠΊΠΎ Π±Π»ΠΎΠΊΠΎΠ², ΡΠ°ΠΊΠΆΠ΅ ΠΈΠΌΠ΅ΡΡΡΡ ΡΡ
Π΅ΠΌΡ Π² Π²ΠΈΠ΄Π΅ Π΅Π΄ΠΈΠ½ΠΎΠΉ ΠΊΠ°ΡΡΠΈΠ½ΠΊΠΈ Ρ ΠΎΠΏΠΈΡΠ°Π½ΠΈΠ΅ΠΌ ΡΠ»Π΅ΠΌΠ΅Π½ΡΠΎΠ² β Π΄Π»Ρ ΡΠ°ΡΠΏΠ΅ΡΠ°ΡΠΊΠΈ Π½Π° ΠΏΡΠΈΠ½ΡΠ΅ΡΠ΅ ΠΎΠ΄Π½ΠΈΠΌ Π»ΠΈΡΡΠΎΠΌ.
ΠΠ»Π΅ΠΊΡΡΠΎΠΏΡΠΎΠ²ΠΎΠ΄ΠΊΠ° ΠΠΠ-2110 Π΅ΡΡΡ Π΄Π²ΡΡ
ΡΠΈΠΏΠΎΠ²: ΠΊΠ°ΡΠ±ΡΡΠ°ΡΠΎΡ ΠΈ ΠΈΠ½ΠΆΠ΅ΠΊΡΠΎΡ. Π Π½ΠΈΡ
Π½Π΅Π±ΠΎΠ»ΡΡΠΈΠ΅ ΠΎΡΠ»ΠΈΡΠΈΡ, Π½ΠΎ ΠΎΡΠ½ΠΎΠ²Π½ΡΠ΅ ΠΏΡΠΈΠ½ΡΠΈΠΏΡ Π² ΡΠ°Π±ΠΎΡΠ΅ ΠΈ ΠΏΡΠΎΠΊΠ»Π°Π΄ΡΠ²Π°Π½ΠΈΠΈ ΠΏΡΠΎΠ²ΠΎΠ΄ΠΊΠΈ ΠΎΠ΄ΠΈΠ½Π°ΠΊΠΎΠ²ΡΠ΅. ΠΠΎ ΠΌΠ΅ΡΡΡ ΡΠ°ΡΠΏΠΎΠ»ΠΎΠΆΠ΅Π½ΠΈΡ ΠΏΡΠΎΠ²ΠΎΠ΄ΠΊΠ° ΡΠ°Π·Π»ΠΈΡΠ°Π΅ΡΡΡ Π½Π°: ΠΏΠΎΠ΄ΠΊΠ°ΠΏΠΎΡΠ½ΡΡ ΠΈ ΡΠ°Π»ΠΎΠ½Π½ΡΡ. ΠΡΠ΅ ΡΠ»Π΅ΠΊΡΡΠΎΠΎΠ±ΠΎΡΡΠ΄ΠΎΠ²Π°Π½ΠΈΠ΅ Π°Π²ΡΠΎΠΌΠΎΠ±ΠΈΠ»Ρ ΡΠΎΠ΅Π΄ΠΈΠ½Π΅Π½ΠΎ Ρ ΠΏΠΎΠΌΠΎΡΡΡ ΠΏΡΠΎΠ²ΠΎΠ΄ΠΎΠ² ΠΎΠΏΡΠ΅Π΄Π΅Π»ΡΠ½Π½ΠΎΠ³ΠΎ ΡΠ²Π΅ΡΠ°. Π ΠΊΠ°ΠΆΠ΄ΠΎΠΌΡ ΡΠ»Π΅ΠΌΠ΅Π½ΡΡ ΡΠ΅ΡΠ΅Π· ΠΊΠΎΠ»ΠΎΠ΄ΠΊΠΈ, ΠΏΡΠ΅Π΄ΠΎΡ
ΡΠ°Π½ΠΈΡΠ΅Π»ΠΈ ΠΈΠ΄Π΅Ρ ΡΠ²ΠΎΠΉ ΠΆΠ³ΡΡ ΠΏΡΠΎΠ²ΠΎΠ΄ΠΎΠ².
ΠΠΠ 2110 β ΠΌΠΎΠ΄ΠΈΡΠΈΠΊΠ°ΡΠΈΠΈ
ΠΠΠ-21100. ΠΠ°Π·ΠΎΠ²Π°Ρ ΠΌΠΎΠ΄Π΅Π»Ρ ΠΊΠΎΡΠΎΡΠ°Ρ Π²ΡΠΏΡΡΠΊΠ°Π»Π°ΡΡ Ρ 1996 ΠΏΠΎ 2000 Π³ΠΎΠ΄. ΠΠ° Π°Π²ΡΠΎΠΌΠΎΠ±ΠΈΠ»Ρ ΡΡΡΠ°Π½Π°Π²Π»ΠΈΠ²Π°Π»ΡΡ 8-ΠΊΠ»Π°ΠΏΠ°Π½Π½ΡΠΉ ΠΊΠ°ΡΠ±ΡΡΠ°ΡΠΎΡΠ½ΡΠΉ Π΄Π²ΠΈΠ³Π°ΡΠ΅Π»Ρ ΠΠΠ-21083 ΡΠ°Π±ΠΎΡΠΈΠΌ ΠΎΠ±ΡΡΠΌΠΎΠΌ 1,5 Π»ΠΈΡΡΠ° ΠΈ ΠΌΠΎΡΠ½ΠΎΡΡΡΡ 69 Π»ΠΎΡΠ°Π΄ΠΈΠ½ΡΡ
ΡΠΈΠ».
ΠΠΠ-21101. ΠΠ°Π½Π½Π°Ρ ΠΌΠΎΠ΄ΠΈΡΠΈΠΊΠ°ΡΠΈΡ Π²ΡΠΏΡΡΠΊΠ°Π»Π°ΡΡ Ρ 2004 Π³ΠΎΠ΄Π°, ΠΎΡΠ½Π°ΡΠ°Π»Π°ΡΡ 8-ΠΊΠ»Π°ΠΏΠ°Π½Π½ΡΠΉ Π±Π΅Π½Π·ΠΈΠ½ΠΎΠ²ΡΠΉ ΠΈΠ½ΠΆΠ΅ΠΊΡΠΎΡΠ½ΡΠΉ Π΄Π²ΠΈΠ³Π°ΡΠ΅Π»Ρ ΡΠ°Π±ΠΎΡΠΈΠΌ ΠΎΠ±ΡΡΠΌΠΎΠΌ 1,6 Π»ΠΈΡΡΠ°.
ΠΠΠ-21102. ΠΠ°ΠΊ ΠΈ ΠΏΡΠ΅Π΄ΡΠ΄ΡΡΠ°Ρ ΠΌΠΎΠ΄ΠΈΡΠΈΠΊΠ°ΡΠΈΡ Ρ 8-ΠΊΠ»Π°ΠΏΠ°Π½Π½ΡΠΌ ΠΈΠ½ΠΆΠ΅ΠΊΡΠΎΡΠ½ΡΠΌ Π΄Π²ΠΈΠ³Π°ΡΠ΅Π»Π΅ΠΌ, Π½ΠΎ Ρ ΠΎΠ±ΡΠ΅ΠΌΠΎΠΌ 1,5 Π»ΠΈΡΡΠ°.
ΠΠΠ-21103. ΠΠΎΠ΄ΠΈΡΠΈΠΊΠ°ΡΠΈΡ Β«Π΄Π΅ΡΡΡΠΊΠΈΒ» Ρ 16-ΠΊΠ»Π°ΠΏΠ°Π½Π½ΡΠΌ ΠΈΠ½ΠΆΠ΅ΠΊΡΠΎΡΠ½ΡΠΌ Π΄Π²ΠΈΠ³Π°ΡΠ΅Π»Ρ ΡΠ°Π±ΠΎΡΠΈΠΌ ΠΎΠ±ΡΡΠΌΠΎΠΌ 1,5 Π»ΠΈΡΡΠ°.
ΠΠΠ-21103Π. Π Π΅ΡΡΠ°ΠΉΠ»ΠΈΠ½Π³ΠΎΠ²Π°Ρ ΠΌΠΎΠ΄ΠΈΡΠΈΠΊΠ°ΡΠΈΡ ΠΠΠ-21103, ΠΎΡΠ½Π°ΡΠ΅Π½Π½Π°Ρ 16-ΠΊΠ»Π°ΠΏΠ°Π½Π½ΡΠΌ Π±Π΅Π½Π·ΠΈΠ½ΠΎΠ²ΡΠΌ ΠΈΠ½ΠΆΠ΅ΠΊΡΠΎΡΠ½ΡΠΌ Π΄Π²ΠΈΠ³Π°ΡΠ΅Π»Π΅ΠΌ ΡΠ°Π±ΠΎΡΠΈΠΌ ΠΎΠ±ΡΡΠΌΠΎΠΌ 1,5 Π»ΠΈΡΡΠ° ΠΈ ΠΌΠΎΡΠ½ΠΎΡΡΡΡ 92 Π»ΠΎΡΠ°Π΄ΠΈΠ½ΡΠ΅ ΡΠΈΠ»Ρ. ΠΡΠΏΡΡΠΊΠ°Π»Π°ΡΡ Ρ 2002 Π³ΠΎΠ΄Π°.
ΠΠΠ-21104. ΠΠΎΠ΄ΠΈΡΠΈΠΊΠ°ΡΠΈΡ ΠΎΡΠ½Π°ΡΠ΅Π½Π½Π°Ρ 16-ΠΊΠ»Π°ΠΏΠ°Π½Π½ΡΠΌ Π±Π΅Π½Π·ΠΈΠ½ΠΎΠ²ΡΠΌ ΠΈΠ½ΠΆΠ΅ΠΊΡΠΎΡΠ½ΡΠΌ Π΄Π²ΠΈΠ³Π°ΡΠ΅Π»Π΅ΠΌ ΡΠ°Π±ΠΎΡΠΈΠΌ ΠΎΠ±ΡΡΠΌΠΎΠΌ 1,6 Π»ΠΈΡΡΠ°.
ΠΠΠ-21104Π. Π Π΅ΡΡΠ°ΠΉΠ»ΠΈΠ½Π³ΠΎΠ²Π°Ρ ΠΌΠΎΠ΄ΠΈΡΠΈΠΊΠ°ΡΠΈΡ ΠΠΠ-21104, ΠΎΡΠ½Π°ΡΠ΅Π½Π½Π°Ρ 16-ΠΊΠ»Π°ΠΏΠ°Π½Π½ΡΠΌ Π±Π΅Π½Π·ΠΈΠ½ΠΎΠ²ΡΠΌ ΠΈΠ½ΠΆΠ΅ΠΊΡΠΎΡΠ½ΡΠΌ Π΄Π²ΠΈΠ³Π°ΡΠ΅Π»Π΅ΠΌ ΡΠ°Π±ΠΎΡΠΈΠΌ ΠΎΠ±ΡΡΠΌΠΎΠΌ 1,6 Π»ΠΈΡΡΠ°. ΠΡΠΏΡΡΠΊΠ°Π»Π°ΡΡ Ρ 2004 Π³ΠΎΠ΄Π°.
ΠΠΠ-21106 GTI. ΠΠ²ΠΈΠ³Π°ΡΠ΅Π»Ρ Π°Π²ΡΠΎΠΌΠΎΠ±ΠΈΠ»Ρ ΠΠΠ-21106 GTI β ΡΠ°ΠΌΠ°Ρ ΠΌΠΎΡΠ½Π°Ρ ΠΈ Π΄ΠΎΡΠΎΠ³Π°Ρ ΠΌΠΎΠ΄ΠΈΡΠΈΠΊΠ°ΡΠΈΡ, ΠΊΠΎΡΠΎΡΠ°Ρ Π²ΡΠΏΡΡΠΊΠ°Π»Π°ΡΡ Ρ 2000 Π³ΠΎΠ΄Π°. ΠΠ²ΡΠΎΠΌΠΎΠ±ΠΈΠ»Ρ ΠΎΡΠ½Π°ΡΠ°Π»ΡΡ 2-Π»ΠΈΡΡΠΎΠ²ΡΠΌ 16-ΠΊΠ»Π°ΠΏΠ°Π½Π½ΡΠΌ Π±Π΅Π½Π·ΠΈΠ½ΠΎΠ²ΡΠΌ Π΄Π²ΠΈΠ³Π°ΡΠ΅Π»Π΅ΠΌ Opel C20XE, ΠΌΠΎΡΠ½ΠΎΡΡΡΡ 150 Π»ΠΎΡΠ°Π΄ΠΈΠ½ΡΡ
ΡΠΈΠ». ΠΠ° Π°Π²ΡΠΎΠΌΠΎΠ±ΠΈΠ»Ρ ΡΡΡΠ°Π½Π°Π²Π»ΠΈΠ²Π°Π»ΡΡ ΠΎΠ±Π²Π΅Ρ Ρ ΡΠ°Π·Π΄ΡΡΡΠΌΠΈ Π°ΡΠΊΠ°ΠΌΠΈ, ΠΊΠΎΠ»Π΅Ρ Π±ΡΠ»Π° ΡΠ°ΡΡΠΈΡΠ΅Π½Π° Π½Π° 76 ΠΌΠΈΠ»Π»ΠΈΠΌΠ΅ΡΡΠΎΠ². ΠΠ° Π½Π΅Π³ΠΎ ΡΡΡΠ°Π½Π°Π²Π»ΠΈΠ²Π°Π»ΠΈΡΡ ΠΊΠΎΠ»Π΅ΡΠ° R15 Ρ Π½ΠΈΠ·ΠΊΠΎΠΏΡΠΎΡΠΈΠ»ΡΠ½ΠΎΠΉ ΡΠ΅Π·ΠΈΠ½ΠΎΠΉ.
ΠΠΠ-21106 Coupe. ΠΡΠΏΠ΅ ΠΠΠ-21106 Π² ΠΊΡΠ·ΠΎΠ²Π΅ ΠΊΡΠΏΠ΅. ΠΡΠ»ΠΈΡΠΈΡΠ΅Π»ΡΠ½ΠΎΠΉ ΠΎΡΠΎΠ±Π΅Π½Π½ΠΎΡΡΡΡ Π°Π²ΡΠΎΠΌΠΎΠ±ΠΈΠ»Ρ ΡΡΠ°Π»ΠΎ Π½Π°Π»ΠΈΡΠΈΠ΅ ΡΠΎΠ»ΡΠΊΠΎ Π΄Π²ΡΡ
Π΄Π²Π΅ΡΠ΅ΠΉ, ΠΊΠΎΡΠΎΡΡΠ΅ Π±ΡΠ»ΠΈ ΡΠ΄Π»ΠΈΠ½Π΅Π½Ρ Π½Π° 250 ΠΌΠΈΠ»Π»ΠΈΠΌΠ΅ΡΡΠΎΠ², ΠΏΡΠΈ ΡΡΠΎΠΌ ΠΊΡΠ·ΠΎΠ² Π±ΡΠ» ΡΠΊΠΎΡΠΎΡΠ΅Π½ Π½Π° 170 ΠΌΠΈΠ»Π»ΠΈΠΌΠ΅ΡΡΠΎΠ². ΠΠ²ΠΈΠ³Π°ΡΠ΅Π»Ρ ΡΡΡΠ°Π½Π°Π²Π»ΠΈΠ²Π°Π»ΡΡ ΡΠ°ΠΊΠΎΠΉ ΠΆΠ΅, ΠΊΠ°ΠΊ ΠΈ Ρ ΠΏΡΠ΅Π΄ΡΠ΄ΡΡΠ΅ΠΉ ΠΌΠΎΠ΄Π΅Π»ΠΈ ΠΠΠ-21106 GTI.
ΠΠΠ 21106 WTCC. Π‘ΠΏΠΎΡΡΠΈΠ²Π½Π°Ρ ΠΌΠΎΠ΄ΠΈΡΠΈΠΊΠ°ΡΠΈΡ 106 ΠΌΠΎΠ΄Π΅Π»ΠΈ, ΡΡΠ°ΡΡΠ²ΠΎΠ²Π°Π»Π° Π² ΠΌΠ΅ΠΆΠ΄ΡΠ½Π°ΡΠΎΠ΄Π½ΠΎΠΌ ΡΠ΅ΠΌΠΏΠΈΠΎΠ½Π°ΡΠ΅ FIA WTCC 2008 Π³ΠΎΠ΄Π°.
ΠΠΠ 21107. ΠΠΎΠ΄ΠΈΡΠΈΠΊΠ°ΡΠΈΡ Π°Π²ΡΠΎΠΌΠΎΠ±ΠΈΠ»Ρ Π΄Π»Ρ ΡΠ°Π»Π»ΠΈΠΉΠ½ΡΡ
ΡΠΎΡΠ΅Π²Π½ΠΎΠ²Π°Π½ΠΈΠΉ. ΠΡΠ½Π°ΡΠ°Π»ΡΡ Π²Π²Π°ΡΠ½ΡΠΌ ΠΊΠ°ΡΠΊΠ°ΡΠΎΠΌ Π±Π΅Π·ΠΎΠΏΠ°ΡΠ½ΠΎΡΡΠΈ ΠΈ ΠΈΠ½ΠΎΠΉ ΠΊΠΎΠ½ΡΡΡΡΠΊΡΠΈΡ ΠΏΠΎΠ΄Π²Π΅ΡΠΊΠΈ.
ΠΠΠ 21108 Β«ΠΡΠ΅ΠΌΡΠ΅ΡΒ». ΠΠΎΠ΄ΠΈΡΠΈΠΊΠ°ΡΠΈΡ Ρ ΡΠ΄Π»ΠΈΠ½Π΅Π½Π½ΡΠΌ Π½Π° 170 ΠΌΠΈΠ»Π»ΠΈΠΌΠ΅ΡΡΠΎΠ² ΠΊΡΠ·ΠΎΠ²ΠΎΠΌ Π² ΡΠ°ΠΉΠΎΠ½Π΅ Π·Π°Π΄Π½Π΅ΠΉ Π΄Π²Π΅ΡΠΈ, ΡΡΠΎ ΠΎΠ±Π΅ΡΠΏΠ΅ΡΠΈΠ²Π°Π»ΠΎ Π±ΠΎΠ»Π΅Π΅ ΡΠ΄ΠΎΠ±Π½ΡΡ ΠΏΠΎΡΠ°Π΄ΠΊΡ ΠΈ Π²ΡΡΠ°Π΄ΠΊΡ ΠΏΠ°ΡΡΠ°ΠΆΠΈΡΠΎΠ². ΠΡΠ½Π°ΡΠ°Π»ΡΡ ΠΈΠ½ΠΆΠ΅ΠΊΡΠΎΡΠ½ΡΠΌ 16-ΠΊΠ»Π°ΠΏΠ°Π½Π½ΡΠΌ Π΄Π²ΠΈΠ³Π°ΡΠ΅Π»Π΅ΠΌ ΠΎΠ±ΡΠ΅ΠΌΠΎΠΌ 1,5 Π»ΠΈΡΡΠ°.
ΠΠΠ 21109 Β«ΠΠΎΠ½ΡΡΠ»Β». 4-Ρ
ΠΌΠ΅ΡΡΠ½ΡΠΉ Π»ΠΈΠΌΡΠ·ΠΈΠ½ ΠΏΠΎΠ²ΡΡΠ΅Π½Π½ΠΎΠΉ ΠΊΠΎΠΌΡΠΎΡΡΠ½ΠΎΡΡΠΈ Π½Π° ΠΎΡΠ½ΠΎΠ²Π΅ Π°Π²ΡΠΎΠΌΠΎΠ±ΠΈΠ»Ρ ΠΠΠ-2110. ΠΡΠΎΠΌΠ΅ Π΄Π»ΠΈΠ½Ρ ΠΊΡΠ·ΠΎΠ²Π° ΡΠ°ΠΊ ΠΆΠ΅ Π±ΡΠ»ΠΈ ΡΠ²Π΅Π»ΠΈΡΠ΅Π½Ρ ΡΠ°Π·ΠΌΠ΅ΡΡ Π·Π°Π΄Π½Π΅ΠΉ Π΄Π²Π΅ΡΠΈ, Π΄Π»Ρ Π±ΠΎΠ»Π΅Π΅ ΡΠ΄ΠΎΠ±Π½ΠΎΠΉ ΠΏΠΎΡΠ°Π΄ΠΊΠΈ ΠΈ Π²ΡΡΠ°Π΄ΠΊΠΈ ΠΏΠ°ΡΡΠ°ΠΆΠΈΡΠΎΠ². ΠΡΠ½Π°ΡΠ°Π»ΡΡ 1.5 Π»ΠΈΡΡΠΎΠ²ΡΠΌ Π΄Π²ΠΈΠ³Π°ΡΠ΅Π»Π΅ΠΌ ΠΈ ΠΊΠΎΠ»Π΅ΡΠ°ΠΌΠΈ R14 ΠΈΠ»ΠΈ R15. ΠΠ°Π±Π°ΡΠΈΡΠ½ΡΠ΅ ΡΠ°Π·ΠΌΠ΅ΡΡ: Π΄Π»ΠΈΠ½Π° β 4950 ΠΌΠΌ, ΡΠΈΡΠΈΠ½Π° β 1700 ΠΌΠΌ, Π²ΡΡΠΎΡΠ° β 1440 ΠΌΠΌ. Π Π°ΡΡ
ΠΎΠ΄ ΡΠΎΠΏΠ»ΠΈΠ²Π° Π² Π³ΠΎΡΠΎΠ΄ΡΠΊΠΎΠΌ ΡΠΈΠΊΠ»Π΅ 9,5 Π»ΠΈΡΡΠΎΠ² Π½Π° 100 ΠΊΠΈΠ»ΠΎΠΌΠ΅ΡΡΠΎΠ² ΠΏΡΡΠΈ.
ΠΠΠ 2110-91. ΠΠΎΠ΄ΠΈΡΠΈΠΊΠ°ΡΠΈΡ ΠΠΠ-2110 Ρ ΡΠΎΡΠΎΡΠ½ΠΎ-ΠΏΠΎΡΡΠ½Π΅Π²ΡΠΌ Π΄Π²ΠΈΠ³Π°ΡΠ΅Π»Π΅ΠΌ ΠΎΠ±ΡΠ΅ΠΌΠΎΠΌ 1308 ΡΠΌ3. ΠΠ²ΡΠΎΠΌΠΎΠ±ΠΈΠ»Ρ ΠΌΠΎΠ³ ΡΠ°Π·Π²ΠΈΠ²Π°ΡΡ ΡΠΊΠΎΡΠΎΡΡΡ Π΄ΠΎ 240 ΠΊΠΌ/Ρ, Π° ΡΠ°Π·Π³ΠΎΠ½ ΠΎΡ 0 Π΄ΠΎ 100 ΠΊΠΌ/Ρ Π·Π°Π½ΠΈΠΌΠ°Π» 6 ΡΠ΅ΠΊΡΠ½Π΄.
ΠΠ²ΡΠΎΠΌΠΎΠ±ΠΈΠ»Ρ Ρ 16-ΠΊΠ»Π°ΠΏΠ°Π½Π½ΡΠΌ ΠΈΠ½ΠΆΠ΅ΠΊΡΠΎΡΠ½ΡΠΌ Π΄Π²ΠΈΠ³Π°ΡΠ΅Π»Π΅ΠΌ Π² ΠΊΠΎΠΌΠΏΠ»Π΅ΠΊΡΠ°ΡΠΈΠΈ Β«ΠΡΠ°Π½-ΠΡΠΊΡΒ» Π²ΠΊΠ»ΡΡΠ°Π΅Ρ:
- ΠΠ»Π΅ΠΊΡΡΠΎΡΡΠ΅ΠΊΠ»ΠΎΠΏΠΎΠ΄ΡΠ΅ΠΌΠ½ΠΈΠΊΠΈ;
- ΠΠ»ΠΎΠΊΠΈΡΠΎΠ²ΠΊΠ° Π·Π°ΠΌΠΊΠΎΠ² Π΄Π²Π΅ΡΠ΅ΠΉ;
- ΠΠ»ΠΎΠΊΠΈΡΠΎΠ²ΠΊΠ° Π·Π°ΠΌΠΊΠ° Π±Π°Π³Π°ΠΆΠ½ΠΈΠΊΠ°;
- ΠΠ±ΠΈΠ²ΠΊΠ° ΡΠΈΠ΄Π΅Π½ΠΈΠΉ ΠΈΠ· Π±Π°ΡΡ
Π°ΡΠ°;
- ΠΠΌΠΌΠΎΠ±ΠΈΠ»Π°ΠΉΠ·Π΅Ρ;
- ΠΠ΅ΡΠ΅Π΄Π½ΠΈΠ΅ ΡΠΈΠ΄Π΅Π½ΡΡ Ρ ΠΎΠ±ΠΎΠ³ΡΠ΅Π²ΠΎΠΌ;
- ΠΠ΅Π½ΡΠΈΠ»ΠΈΡΡΠ΅ΠΌΡΠ΅ 14-Π΄ΡΠΉΠΌΠΎΠ²ΡΠ΅ ΡΠΎΡΠΌΠΎΠ·Π½ΡΠ΅ Π΄ΠΈΡΠΊΠΈ;
- Π‘ΠΏΠΎΠΉΠ»Π΅Ρ Π·Π°Π΄ΠΊΠ° Ρ Π΄ΠΎΠΏΠΎΠ»Π½ΠΈΡΠ΅Π»ΡΠ½ΡΠΌ ΡΡΠΎΠΏ-ΡΠΈΠ³Π½Π°Π»ΠΎΠΌ;
- ΠΡΠΎΡΠΈΠ²ΠΎΡΡΠΌΠ°Π½Π½ΡΠ΅ ΡΠ°ΡΡ.
ΠΠ»Π΅ΠΊΡΡΠΎΡΡ
Π΅ΠΌΠ° ΠΏΡΠΎΠ²ΠΎΠ΄ΠΊΠΈ ΠΠΠ 2110 ΠΊΠ°ΡΠ±ΡΡΠ°ΡΠΎΡ
Π ΠΆΠ³ΡΡΠ΅ ΠΏΡΠΎΠ²ΠΎΠ΄ΠΎΠ² ΠΏΠ°Π½Π΅Π»ΠΈ ΠΏΡΠΈΠ±ΠΎΡΠΎΠ² Π²ΡΠΎΡΡΠ΅ ΠΊΠΎΠ½ΡΡ ΠΏΡΠΎΠ²ΠΎΠ΄ΠΎΠ² Π±Π΅Π»ΠΎΠ³ΠΎ, ΡΠ΅ΡΠ½ΠΎΠ³ΠΎ, ΠΎΡΠ°Π½ΠΆΠ΅Π²ΠΎΠ³ΠΎ ΡΠ²Π΅ΡΠΎΠ², Π±Π΅Π»ΠΎΠ³ΠΎ Ρ ΠΊΡΠ°ΡΠ½ΠΎΠΉ ΠΏΠΎΠ»ΠΎΡΠΊΠΎΠΉ ΠΈ ΠΆΠ΅Π»ΡΠΎΠ³ΠΎ Ρ Π³ΠΎΠ»ΡΠ±ΠΎΠΉ ΠΏΠΎΠ»ΠΎΡΠΊΠΎΠΉ ΡΠΎΠ΅Π΄ΠΈΠ½Π΅Π½Ρ ΠΌΠ΅ΠΆΠ΄Ρ ΡΠΎΠ±ΠΎΠΉ Π² ΠΎΠ΄Π½ΠΈΡ
ΡΠΎΡΠΊΠ°Ρ
. ΠΠ·Π³ΠΈΠ±Ρ ΠΏΡΠΎΠ²ΠΎΠ΄ΠΎΠ² Π² ΠΌΠ΅ΡΡΠ°Ρ
Π²Ρ
ΠΎΠ΄Π° Π² ΠΆΠ³ΡΡ ΠΏΠΎΠΊΠ°Π·ΡΠ²Π°ΡΡ Π½Π°ΠΏΡΠ°Π²Π»Π΅Π½ΠΈΡ ΠΈΡ
ΠΏΡΠΎΠΊΠ»Π°Π΄ΠΊΠΈ Π² ΠΆΠ³ΡΡΠ΅.
ΠΠΎΠ»Π½ΡΡ ΡΡ
Π΅ΠΌΡ ΠΎΠ΄Π½ΠΈΠΌ ΡΠ°ΠΉΠ»ΠΎΠΌ ΡΠΌΠΎΡΡΠΈΡΠ΅ Π΄Π°Π»Π΅Π΅ (ΠΊΠ»ΠΈΠΊ Π΄Π»Ρ ΡΠ²Π΅Π»ΠΈΡΠ΅Π½ΠΈΡ):
1 β Π±Π»ΠΎΠΊ-ΡΠ°ΡΠ° 37 β ΠΊΠΎΠΌΠ±ΠΈΠ½Π°ΡΠΈΡ ΠΏΡΠΈΠ±ΠΎΡΠΎΠ²
2 β Π΄Π°ΡΡΠΈΠΊ ΠΈΠ·Π½ΠΎΡΠ° ΠΊΠΎΠ»ΠΎΠ΄ΠΎΠΊ ΠΏΠ΅ΡΠ΅Π΄Π½ΠΈΡ
ΡΠΎΡΠΌΠΎΠ·ΠΎΠ² 38 β Π²ΡΠΊΠ»ΡΡΠ°ΡΠ΅Π»Ρ Π·Π°Π΄Π½Π΅Π³ΠΎ ΠΏΡΠΎΡΠΈΠ²ΠΎΡΡΠΌΠ°Π½Π½ΠΎΠ³ΠΎ ΡΠ²Π΅ΡΠ°
3 β Π΄Π°ΡΡΠΈΠΊ Π²ΠΊΠ»ΡΡΠ΅Π½ΠΈΡ ΡΠ»Π΅ΠΊΡΡΠΎΠ΄Π²ΠΈΠ³Π°ΡΠ΅Π»Ρ Π²Π΅Π½ΡΠΈΠ»ΡΡΠΎΡΠ° 39 β ΠΊΠΎΠ½ΡΡΠΎΠ»ΡΠ½Π°Ρ Π»Π°ΠΌΠΏΠ° ΠΏΡΠΎΡΠΈΠ²ΠΎΡΡΠΌΠ°Π½Π½ΠΎΠ³ΠΎ ΡΠ²Π΅ΡΠ°
4 β ΡΠ»Π΅ΠΊΡΡΠΎΠ΄Π²ΠΈΠ³Π°ΡΠ΅Π»Ρ Π²Π΅Π½ΡΠΈΠ»ΡΡΠΎΡΠ° ΡΠΈΡΡΠ΅ΠΌΡ ΠΎΡ
Π»Π°ΠΆΠ΄Π΅Π½ΠΈΡ Π΄Π²ΠΈΠ³Π°ΡΠ΅Π»Ρ 40 β ΠΊΠΎΠ½ΡΡΠΎΠ»ΡΠ½Π°Ρ Π»Π°ΠΌΠΏΠ° ΠΎΠ±ΠΎΠ³ΡΠ΅Π²Π° Π·Π°Π΄Π½Π΅Π³ΠΎ ΡΡΠ΅ΠΊΠ»Π°
5 β Π·Π²ΡΠΊΠΎΠ²ΠΎΠΉ ΡΠΈΠ³Π½Π°Π» 41 β ΡΠ°ΡΡ
6 β Π³Π΅Π½Π΅ΡΠ°ΡΠΎΡ 42 β Π²ΡΠΊΠ»ΡΡΠ°ΡΠ΅Π»Ρ ΠΎΠ±ΠΎΠ³ΡΠ΅Π²Π° Π·Π°Π΄Π½Π΅Π³ΠΎ ΡΡΠ΅ΠΊΠ»Π°
7 β Π΄Π°ΡΡΠΈΠΊ ΡΡΠΎΠ²Π½Ρ ΠΌΠ°ΡΠ»Π° 43 β ΠΏΠΎΠ΄ΡΡΠ»Π΅Π²ΠΎΠΉ ΠΏΠ΅ΡΠ΅ΠΊΠ»ΡΡΠ°ΡΠ΅Π»Ρ
8 β Π±Π»ΠΎΠΊ ΡΠΏΡΠ°Π²Π»Π΅Π½ΠΈΡ ΡΠ»Π΅ΠΊΡΡΠΎΠΌΠ°Π³Π½ΠΈΡΠ½ΡΠΌ ΠΊΠ»Π°ΠΏΠ°Π½ΠΎΠΌ ΠΊΠ°ΡΠ±ΡΡΠ°ΡΠΎΡΠ° 44 β ΠΊΠΎΠ»ΠΎΠ΄ΠΊΠ° Π΄Π»Ρ ΠΏΠ΅ΡΠ΅ΠΊΠ»ΡΡΠ΅Π½ΠΈΡ ΠΏΡΠΎΠ²ΠΎΠ΄ΠΎΠ² ΠΏΡΠΈ ΡΡΡΠ°Π½ΠΎΠ²ΠΊΠ΅ Π±Π»ΠΎΠΊ-ΡΠ°Ρ Π΄ΡΡΠ³ΠΎΠ³ΠΎ ΡΠΈΠΏΠ°
9 β ΠΊΠΎΠ½ΡΡΠΎΠ»Π»Π΅Ρ ΠΎΡΠΎΠΏΠΈΡΠ΅Π»Ρ 45 β Π²ΡΠΊΠ»ΡΡΠ°ΡΠ΅Π»Ρ ΠΎΡΠ²Π΅ΡΠ΅Π½ΠΈΡ ΠΏΡΠΈΠ±ΠΎΡΠΎΠ²
10 β Π²ΡΠΊΠ»ΡΡΠ°ΡΠ΅Π»Ρ ΠΊΠ»Π°ΠΏΠ°Π½Π° ΡΠ΅ΡΠΈΡΠΊΡΠ»ΡΡΠΈΠΈ 46 β Π²ΡΠΊΠ»ΡΡΠ°ΡΠ΅Π»Ρ Π·Π°ΠΆΠΈΠ³Π°Π½ΠΈΡ
11 β Π»Π°ΠΌΠΏΠ° ΠΏΠΎΠ΄ΡΠ²Π΅ΡΠΊΠΈ ΡΡΡΠ°Π³ΠΎΠ² ΡΠΏΡΠ°Π²Π»Π΅Π½ΠΈΡ ΠΎΡΠΎΠΏΠΈΡΠ΅Π»Π΅ΠΌ 47 β ΠΊΠΎΠ»ΠΎΠ΄ΠΊΠΈ Π΄Π»Ρ ΠΏΠΎΠ΄ΠΊΠ»ΡΡΠ΅Π½ΠΈΡ ΠΆΠ³ΡΡΠ° ΠΏΡΠΎΠ²ΠΎΠ΄ΠΎΠ² ΠΎΡΠΈΡΡΠΈΡΠ΅Π»Π΅ΠΉ ΡΠ°Ρ
12 β ΠΊΠΎΠΌΠΌΡΡΠ°ΡΠΎΡ 48 β ΡΠΎΠ·Π΅ΡΠΊΠ° Π΄Π»Ρ ΠΏΠ΅ΡΠ΅Π½ΠΎΡΠ½ΠΎΠΉ Π»Π°ΠΌΠΏΡ
13 β ΠΊΠΎΠ½ΡΠ΅Π²ΠΎΠΉ Π²ΡΠΊΠ»ΡΡΠ°ΡΠ΅Π»Ρ ΠΊΠ°ΡΠ±ΡΡΠ°ΡΠΎΡΠ° 49 β ΠΏΠ»Π°ΡΠΎΠ½ Π½Π°ΠΏΡΠ°Π²Π»Π΅Π½Π½ΠΎΠ³ΠΎ ΡΠ²Π΅ΡΠ°
14 β Π΄Π°ΡΡΠΈΠΊ ΠΊΠΎΠ½ΡΡΠΎΠ»ΡΠ½ΠΎΠΉ Π»Π°ΠΌΠΏΡ Π΄Π°Π²Π»Π΅Π½ΠΈΡ ΠΌΠ°ΡΠ»Π° 50 β Π²ΡΠΊΠ»ΡΡΠ°ΡΠ΅Π»Ρ ΡΠΈΠ³Π½Π°Π»Π° ΡΠΎΡΠΌΠΎΠΆΠ΅Π½ΠΈΡ
15 β ΡΠ²Π΅ΡΠΈ Π·Π°ΠΆΠΈΠ³Π°Π½ΠΈΡ 51 β ΠΏΠ»Π°ΡΠΎΠ½ ΠΎΡΠ²Π΅ΡΠ΅Π½ΠΈΡ ΡΠ°Π»ΠΎΠ½Π°
16 β ΡΠ»Π΅ΠΊΡΡΠΎΠΌΠ°Π³Π½ΠΈΡΠ½ΡΠΉ ΠΊΠ»Π°ΠΏΠ°Π½ ΠΊΠ°ΡΠ±ΡΡΠ°ΡΠΎΡΠ° 52 β Π±Π»ΠΎΠΊ Π±ΠΎΡΡΠΎΠ²ΠΎΠΉ ΡΠΈΡΡΠ΅ΠΌΡ ΠΊΠΎΠ½ΡΡΠΎΠ»Ρ
17 β Π΄Π°ΡΡΠΈΠΊ ΡΠΊΠ°Π·Π°ΡΠ΅Π»Ρ ΡΠ΅ΠΌΠΏΠ΅ΡΠ°ΡΡΡΡ ΠΎΡ
Π»Π°ΠΆΠ΄Π°ΡΡΠ΅ΠΉ ΠΆΠΈΠ΄ΠΊΠΎΡΡΠΈ 53 β Π΄Π°ΡΡΠΈΠΊ ΡΠΊΠ°Π·Π°ΡΠ΅Π»Ρ ΡΡΠΎΠ²Π½Ρ ΡΠΎΠΏΠ»ΠΈΠ²Π°
18 β ΡΠ°ΡΠΏΡΠ΅Π΄Π΅Π»ΠΈΡΠ΅Π»Ρ Π·Π°ΠΆΠΈΠ³Π°Π½ΠΈΡ 54 β Π²ΡΠΊΠ»ΡΡΠ°ΡΠ΅Π»Ρ Π°Π²Π°ΡΠΈΠΉΠ½ΠΎΠΉ ΡΠΈΠ³Π½Π°Π»ΠΈΠ·Π°ΡΠΈΠΈ
19 β ΠΊΠ°ΡΡΡΠΊΠ° Π·Π°ΠΆΠΈΠ³Π°Π½ΠΈΡ 55 β Π΄Π°ΡΡΠΈΠΊ ΡΠ΅ΠΌΠ½Ρ Π±Π΅Π·ΠΎΠΏΠ°ΡΠ½ΠΎΡΡΠΈ Π²ΠΎΠ΄ΠΈΡΠ΅Π»Ρ
20 β ΡΡΠ°ΡΡΠ΅Ρ 56 β ΠΏΡΠΈΠΊΡΡΠΈΠ²Π°ΡΠ΅Π»Ρ
21 β ΡΠ»Π΅ΠΊΡΡΠΎΠ΄Π²ΠΈΠ³Π°ΡΠ΅Π»Ρ Π²Π΅Π½ΡΠΈΠ»ΡΡΠΎΡΠ° ΠΎΡΠΎΠΏΠΈΡΠ΅Π»Ρ 57 β Π»Π°ΠΌΠΏΠ° ΠΏΠΎΠ΄ΡΠ²Π΅ΡΠΊΠΈ ΠΏΠ΅ΠΏΠ΅Π»ΡΠ½ΠΈΡΡ
22 β Π΄ΠΎΠΏΠΎΠ»Π½ΠΈΡΠ΅Π»ΡΠ½ΡΠΉ ΡΠ΅Π·ΠΈΡΡΠΎΡ ΡΠ»Π΅ΠΊΡΡΠΎΠ΄Π²ΠΈΠ³Π°ΡΠ΅Π»Ρ ΠΎΡΠΎΠΏΠΈΡΠ΅Π»Ρ 58 β Π²ΡΠΊΠ»ΡΡΠ°ΡΠ΅Π»Ρ Π»Π°ΠΌΠΏΡ ΠΎΡΠ²Π΅ΡΠ΅Π½ΠΈΡ Π²Π΅ΡΠ΅Π²ΠΎΠ³ΠΎ ΡΡΠΈΠΊΠ°
23 β Π΄Π°ΡΡΠΈΠΊ ΡΠΊΠΎΡΠΎΡΡΠΈ 59 β ΠΊΠΎΠ»ΠΎΠ΄ΠΊΠ° Π΄Π»Ρ ΠΏΠΎΠ΄ΠΊΠ»ΡΡΠ΅Π½ΠΈΡ Π±ΠΎΡΡΠΎΠ²ΠΎΠ³ΠΎ ΠΊΠΎΠΌΠΏΡΡΡΠ΅ΡΠ°
24 β Π²ΡΠΊΠ»ΡΡΠ°ΡΠ΅Π»Ρ ΡΠ²Π΅ΡΠ° Π·Π°Π΄Π½Π΅Π³ΠΎ Ρ
ΠΎΠ΄Π° 60 β Π»Π°ΠΌΠΏΠ° ΠΎΡΠ²Π΅ΡΠ΅Π½ΠΈΡ Π²Π΅ΡΠ΅Π²ΠΎΠ³ΠΎ ΡΡΠΈΠΊΠ°
25 β ΠΌΠΈΠΊΡΠΎΠΌΠΎΡΠΎΡΠ΅Π΄ΡΠΊΡΠΎΡ ΠΏΡΠΈΠ²ΠΎΠ΄Π° Π·Π°ΡΠ»ΠΎΠ½ΠΊΠΈ ΠΎΡΠΎΠΏΠΈΡΠ΅Π»Ρ 61 β Π±ΠΎΠΊΠΎΠ²ΠΎΠΉ ΡΠΊΠ°Π·Π°ΡΠ΅Π»Ρ ΠΏΠΎΠ²ΠΎΡΠΎΡΠ°
26 β ΠΊΠ»Π°ΠΏΠ°Π½ ΡΠ΅ΡΠΈΡΠΊΡΠ»ΡΡΠΈΠΈ 62 β Π²ΡΠΊΠ»ΡΡΠ°ΡΠ΅Π»Ρ Π² ΡΡΠΎΠΉΠΊΠ΅ ΠΏΠ΅ΡΠ΅Π΄Π½Π΅ΠΉ Π΄Π²Π΅ΡΠΈ
27 β Π΄Π°ΡΡΠΈΠΊ ΡΡΠΎΠ²Π½Ρ ΡΠΎΡΠΌΠΎΠ·Π½ΠΎΠΉ ΠΆΠΈΠ΄ΠΊΠΎΡΡΠΈ 63 β Π²ΡΠΊΠ»ΡΡΠ°ΡΠ΅Π»Ρ Π² ΡΡΠΎΠΉΠΊΠ΅ Π·Π°Π΄Π½Π΅ΠΉ Π΄Π²Π΅ΡΠΈ
28 β ΠΊΠΎΠ»ΠΎΠ΄ΠΊΠΈ Π΄Π»Ρ ΠΏΠΎΠ΄ΠΊΠ»ΡΡΠ΅Π½ΠΈΡ ΡΠ»Π΅ΠΊΡΡΠΎΠ΄Π²ΠΈΠ³Π°ΡΠ΅Π»Ρ ΠΎΠΌΡΠ²Π°ΡΠ΅Π»Ρ Π·Π°Π΄Π½Π΅Π³ΠΎ ΡΡΠ΅ΠΊΠ»Π° 64 β Π²ΡΠΊΠ»ΡΡΠ°ΡΠ΅Π»Ρ ΠΊΠΎΠ½ΡΡΠΎΠ»ΡΠ½ΠΎΠΉ Π»Π°ΠΌΠΏΡ ΡΡΠΎΡΠ½ΠΎΡΠ½ΠΎΠ³ΠΎ ΡΠΎΡΠΌΠΎΠ·Π°
29 β Π°ΠΊΠΊΡΠΌΡΠ»ΡΡΠΎΡΠ½Π°Ρ Π±Π°ΡΠ°ΡΠ΅Ρ 65 β ΡΠΎΠ½Π°ΡΡ ΠΎΡΠ²Π΅ΡΠ΅Π½ΠΈΡ Π±Π°Π³Π°ΠΆΠ½ΠΈΠΊΠ°
30 β ΡΠ»Π΅ΠΊΡΡΠΎΠ΄Π²ΠΈΠ³Π°ΡΠ΅Π»Ρ ΠΎΠΌΡΠ²Π°ΡΠ΅Π»Ρ Π²Π΅ΡΡΠΎΠ²ΠΎΠ³ΠΎ ΡΡΠ΅ΠΊΠ»Π° 66 β Π΄Π°ΡΡΠΈΠΊ ΡΠ΅ΠΌΠΏΠ΅ΡΠ°ΡΡΡΡ Π²ΠΎΠ·Π΄ΡΡ
Π° Π² ΡΠ°Π»ΠΎΠ½Π΅
31 β Π΄Π°ΡΡΠΈΠΊ ΡΡΠΎΠ²Π½Ρ ΠΎΠΌΡΠ²Π°ΡΡΠ΅ΠΉ ΠΆΠΈΠ΄ΠΊΠΎΡΡΠΈ 67 β Π½Π°ΡΡΠΆΠ½ΡΠΉ Π·Π°Π΄Π½ΠΈΠΉ ΡΠΎΠ½Π°ΡΡ
32 β Π΄Π°ΡΡΠΈΠΊ ΡΡΠΎΠ²Π½Ρ ΠΎΡ
Π»Π°ΠΆΠ΄Π°ΡΡΠ΅ΠΉ ΠΆΠΈΠ΄ΠΊΠΎΡΡΠΈ 68 β Π²Π½ΡΡΡΠ΅Π½Π½ΠΈΠΉ Π·Π°Π΄Π½ΠΈΠΉ ΡΠΎΠ½Π°ΡΡ
33 β ΡΠ»Π΅ΠΊΡΡΠΎΠ΄Π²ΠΈΠ³Π°ΡΠ΅Π»Ρ ΠΎΡΠΈΡΡΠΈΡΠ΅Π»Ρ Π²Π΅ΡΡΠΎΠ²ΠΎΠ³ΠΎ ΡΡΠ΅ΠΊΠ»Π° 69 β ΡΠΎΠ½Π°ΡΡ ΠΎΡΠ²Π΅ΡΠ΅Π½ΠΈΡ Π½ΠΎΠΌΠ΅ΡΠ½ΠΎΠ³ΠΎ Π·Π½Π°ΠΊΠ°
34 β ΠΌΠΎΠ½ΡΠ°ΠΆΠ½ΡΠΉ Π±Π»ΠΎΠΊ 70 β ΠΊΠΎΠ»ΠΎΠ΄ΠΊΠ° Π΄Π»Ρ ΠΏΠΎΠ΄ΠΊΠ»ΡΡΠ΅Π½ΠΈΡ ΡΠ»Π΅ΠΌΠ΅Π½ΡΠ° ΠΎΠ±ΠΎΠ³ΡΠ΅Π²Π° Π·Π°Π΄Π½Π΅Π³ΠΎ ΡΡΠ΅ΠΊΠ»Π°
35 β ΠΊΠΎΠ»ΠΎΠ΄ΠΊΠΈ Π΄Π»Ρ ΠΏΠΎΠ΄ΠΊΠ»ΡΡΠ΅Π½ΠΈΡ ΠΆΠ³ΡΡΠ° ΠΏΡΠ΅Π΄ΡΠΏΡΠ΅Π΄ΠΈΡΠ΅Π»ΡΠ½ΠΎΠ³ΠΎ ΡΠ²Π΅ΡΠ° 71 β ΠΊΠΎΠ»ΠΎΠ΄ΠΊΠ° Π΄Π»Ρ ΠΏΠΎΠ΄ΠΊΠ»ΡΡΠ΅Π½ΠΈΡ Π΄ΠΎΠΏΠΎΠ»Π½ΠΈΡΠ΅Π»ΡΠ½ΠΎΠ³ΠΎ ΡΠΈΠ³Π½Π°Π»Π° ΡΠΎΡΠΌΠΎΠΆΠ΅Π½ΠΈΡ
36 β ΠΏΠ΅ΡΠ΅ΠΊΠ»ΡΡΠ°ΡΠ΅Π»Ρ Π½Π°ΡΡΠΆΠ½ΠΎΠ³ΠΎ ΠΎΡΠ²Π΅ΡΠ΅Π½ΠΈΡ
Π‘Ρ
Π΅ΠΌΠ° ΠΠΠ 2110 ΠΈΠ½ΠΆΠ΅ΠΊΡΠΎΡ 8 ΠΊΠ»Π°ΠΏΠ°Π½ΠΎΠ²
1 β Π±Π»ΠΎΠΊ-ΡΠ°ΡΠ°
2 β Π΄Π°ΡΡΠΈΠΊΠΈ ΠΈΠ·Π½ΠΎΡΠ° ΠΊΠΎΠ»ΠΎΠ΄ΠΎΠΊ ΠΏΠ΅ΡΠ΅Π΄Π½ΠΈΡ
ΡΠΎΡΠΌΠΎΠ·ΠΎΠ²
3 β Π·Π²ΡΠΊΠΎΠ²ΠΎΠΉ ΡΠΈΠ³Π½Π°Π»
4 β Π²Π΅Π½ΡΠΈΠ»ΡΡΠΎΡ ΡΠΈΡΡΠ΅ΠΌΡ ΠΎΡ
Π»Π°ΠΆΠ΄Π΅Π½ΠΈΡ
5 β Π²ΡΠΊΠ»ΡΡΠ°ΡΠ΅Π»Ρ ΡΠ²Π΅ΡΠ° Π·Π°Π΄Π½Π΅Π³ΠΎ Ρ
ΠΎΠ΄Π°
6 β Π°ΠΊΠΊΡΠΌΡΠ»ΡΡΠΎΡΠ½Π°Ρ Π±Π°ΡΠ°ΡΠ΅Ρ
7 β Π³Π΅Π½Π΅ΡΠ°ΡΠΎΡ
8 β Π΄Π°ΡΡΠΈΠΊ ΠΊΠΎΠ½ΡΡΠΎΠ»ΡΠ½ΠΎΠΉ Π»Π°ΠΌΠΏΡ Π΄Π°Π²Π»Π΅Π½ΠΈΡ ΠΌΠ°ΡΠ»Π°
9 β Π΄Π°ΡΡΠΈΠΊ ΡΡΠΎΠ²Π½Ρ ΠΌΠ°ΡΠ»Π°
10 β ΡΠ²Π΅ΡΠΈ Π·Π°ΠΆΠΈΠ³Π°Π½ΠΈΡ
11 β ΡΠΎΡΡΡΠ½ΠΊΠΈ
12 β ΡΠ΅Π³ΡΠ»ΡΡΠΎΡ Ρ
ΠΎΠ»ΠΎΡΡΠΎΠ³ΠΎ Ρ
ΠΎΠ΄Π°
13 β ΠΊΠΎΠ»ΠΎΠ΄ΠΊΠΈ ΡΠ»Π΅ΠΊΡΡΠΎΠ½Π½ΠΎΠ³ΠΎ Π±Π»ΠΎΠΊΠ° ΡΠΏΡΠ°Π²Π»Π΅Π½ΠΈΡ
14 β Π΄Π°ΡΡΠΈΠΊ ΠΏΠΎΠ»ΠΎΠΆΠ΅Π½ΠΈΡ Π΄ΡΠΎΡΡΠ΅Π»ΡΠ½ΠΎΠΉ Π·Π°ΡΠ»ΠΎΠ½ΠΊΠΈ
15 β Π΄Π°ΡΡΠΈΠΊ ΠΏΠΎΠ»ΠΎΠΆΠ΅Π½ΠΈΡ ΠΊΠΎΠ»Π΅Π½ΡΠ°ΡΠΎΠ³ΠΎ Π²Π°Π»Π°
16 β ΠΌΠΎΠ΄ΡΠ»Ρ Π·Π°ΠΆΠΈΠ³Π°Π½ΠΈΡ
17 β Π΄Π°ΡΡΠΈΠΊ ΡΠΊΠ°Π·Π°ΡΠ΅Π»Ρ ΡΠ΅ΠΌΠΏΠ΅ΡΠ°ΡΡΡΡ ΠΎΡ
Π»Π°ΠΆΠ΄Π°ΡΡΠ΅ΠΉ ΠΆΠΈΠ΄ΠΊΠΎΡΡΠΈ (Π΄Π»Ρ ΠΊΠΎΠΌΠ±ΠΈΠ½Π°ΡΠΈΠΈ ΠΏΡΠΈΠ±ΠΎΡΠΎΠ²)
18 β ΡΡΠ°ΡΡΠ΅Ρ
19 β ΠΊΠΎΠ»ΠΎΠ΄ΠΊΠ° Π΄ΠΈΠ°Π³Π½ΠΎΡΡΠΈΠΊΠΈ
20 β Π΄Π°ΡΡΠΈΠΊ ΡΠ΅ΠΌΠΏΠ΅ΡΠ°ΡΡΡΡ ΠΎΡ
Π»Π°ΠΆΠ΄Π°ΡΡΠ΅ΠΉ ΠΆΠΈΠ΄ΠΊΠΎΡΡΠΈ (Π΄Π»Ρ ΡΠΈΡΡΠ΅ΠΌΡ ΡΠΏΡΠ°Π²Π»Π΅Π½ΠΈΡ Π΄Π²ΠΈΠ³Π°ΡΠ΅Π»Π΅ΠΌ)
21 β Π΄Π°ΡΡΠΈΠΊ ΡΠΊΠΎΡΠΎΡΡΠΈ
22 β ΡΠ΅Π»Π΅ Π²ΠΊΠ»ΡΡΠ΅Π½ΠΈΡ Π±Π΅Π½Π·ΠΎΠ½Π°ΡΠΎΡΠ°
23, 35, 39 β ΠΏΠ»Π°Π²ΠΊΠΈΠ΅ ΠΏΡΠ΅Π΄ΠΎΡ
ΡΠ°Π½ΠΈΡΠ΅Π»ΠΈ
24 β ΡΠ»Π΅ΠΊΡΡΠΎΠ±Π΅Π½Π·ΠΎΠ½Π°ΡΠΎΡ
25 β ΠΌΠΈΠΊΡΠΎΠΌΠΎΡΠΎΡΠ΅Π΄ΡΠΊΡΠΎΡ ΠΏΡΠΈΠ²ΠΎΠ΄Π° Π·Π°ΡΠ»ΠΎΠ½ΠΊΠΈ ΠΎΡΠΎΠΏΠΈΡΠ΅Π»Ρ
26 β ΠΊΠ»Π°ΠΏΠ°Π½ ΡΠ΅ΡΠΈΡΠΊΡΠ»ΡΡΠΈΠΈ
27 β Π²Π΅Π½ΡΠΈΠ»ΡΡΠΎΡ ΠΎΡΠΎΠΏΠΈΡΠ΅Π»Ρ
28 β Π½Π°ΡΠΎΡ ΠΎΠΌΡΠ²Π°ΡΠ΅Π»Ρ Π²Π΅ΡΡΠΎΠ²ΠΎΠ³ΠΎ ΡΡΠ΅ΠΊΠ»Π°
29 β Π΄Π°ΡΡΠΈΠΊ ΡΡΠΎΠ²Π½Ρ ΠΎΠΌΡΠ²Π°ΡΡΠ΅ΠΉ ΠΆΠΈΠ΄ΠΊΠΎΡΡΠΈ
30 β Π΄Π°ΡΡΠΈΠΊ ΡΡΠΎΠ²Π½Ρ ΡΠΎΡΠΌΠΎΠ·Π½ΠΎΠΉ ΠΆΠΈΠ΄ΠΊΠΎΡΡΠΈ
31 β Π΄Π°ΡΡΠΈΠΊ ΡΡΠΎΠ²Π½Ρ ΠΎΡ
Π»Π°ΠΆΠ΄Π°ΡΡΠ΅ΠΉ ΠΆΠΈΠ΄ΠΊΠΎΡΡΠΈ
32 β ΠΌΠΎΡΠΎΡΠ΅Π΄ΡΠΊΡΠΎΡ ΡΡΠ΅ΠΊΠ»ΠΎΠΎΡΠΈΡΡΠΈΡΠ΅Π»Ρ
33 β Π΄ΠΎΠΏΠΎΠ»Π½ΠΈΡΠ΅Π»ΡΠ½ΡΠΉ ΡΠ΅Π·ΠΈΡΡΠΎΡ Π²Π΅Π½ΡΠΈΠ»ΡΡΠΎΡΠ° ΠΎΡΠΎΠΏΠΈΡΠ΅Π»Ρ
34 β ΡΠ΅Π»Π΅ Π²ΠΊΠ»ΡΡΠ΅Π½ΠΈΡ ΠΏΠΈΡΠ°Π½ΠΈΡ ΡΠΈΡΡΠ΅ΠΌΡ Π²ΠΏΡΡΡΠΊΠ°
36 β ΠΊΠ»Π°ΠΏΠ°Π½ ΠΏΡΠΎΠ΄ΡΠ²ΠΊΠΈ Π°Π΄ΡΠΎΡΠ±Π΅ΡΠ°
37 β Π΄Π°ΡΡΠΈΠΊ ΠΌΠ°ΡΡΠΎΠ²ΠΎΠ³ΠΎ ΡΠ°ΡΡ
ΠΎΠ΄Π° Π²ΠΎΠ·Π΄ΡΡ
Π°
38 β ΡΠ΅Π»Π΅ Π²ΠΊΠ»ΡΡΠ΅Π½ΠΈΡ Π²Π΅Π½ΡΠΈΠ»ΡΡΠΎΡΠ° ΡΠΈΡΡΠ΅ΠΌΡ ΠΎΡ
Π»Π°ΠΆΠ΄Π΅Π½ΠΈΡ
40 β ΠΏΠ΅ΡΠ΅ΠΊΠ»ΡΡΠ°ΡΠ΅Π»Ρ Π½Π°ΡΡΠΆΠ½ΠΎΠ³ΠΎ ΠΎΡΠ²Π΅ΡΠ΅Π½ΠΈΡ
41 β Π΄Π°ΡΡΠΈΠΊ Π΄Π΅ΡΠΎΠ½Π°ΡΠΈΠΈ ΠΠΠ-2110 ΠΈΠ½ΠΆΠ΅ΠΊΡΠΎΡ
42 β Π΄Π°ΡΡΠΈΠΊ ΠΊΠΎΠ½ΡΠ΅Π½ΡΡΠ°ΡΠΈΠΈ ΠΊΠΈΡΠ»ΠΎΡΠΎΠ΄Π° (ΠΏΠΎΠ΄ΠΎΠ³ΡΠ΅Π²Π°Π΅ΠΌΡΠΉ Π»ΡΠΌΠ±Π΄Π°-Π·ΠΎΠ½Π΄)
42* β Π‘Π-ΠΏΠΎΡΠ΅Π½ΡΠΈΠΎΠΌΠ΅ΡΡ (ΡΡΠ°Π²ΠΈΡΡΡ Π½Π° ΠΌΠ°ΡΠΈΠ½Π°Ρ
, ΡΠΊΡΠΏΠ»ΡΠ°ΡΠΈΡΡΠ΅ΠΌΡΡ
Π½Π° ΡΡΠΈΠ»ΠΈΡΠΎΠ²Π°Π½Π½ΠΎΠΌ Π±Π΅Π½Π·ΠΈΠ½Π΅; Π² ΡΡΠΎΠΌ ΡΠ»ΡΡΠ°Π΅ Π΄Π°ΡΡΠΈΠΊ ΠΊΠΎΠ½ΡΠ΅Π½ΡΡΠ°ΡΠΈΠΈ ΠΊΠΈΡΠ»ΠΎΡΠΎΠ΄Π° Π½Π΅ ΡΡΡΠ°Π½Π°Π²Π»ΠΈΠ²Π°Π΅ΡΡΡ)
43 β ΠΊΠΎΠ½ΡΡΠΎΠ»ΡΠ½Π°Ρ Π»Π°ΠΌΠΏΠ° ΠΏΡΠΎΡΠΈΠ²ΠΎΡΡΠΌΠ°Π½Π½ΠΎΠ³ΠΎ ΡΠ²Π΅ΡΠ°
44 β ΠΊΠΎΠ½ΡΡΠΎΠ»ΡΠ½Π°Ρ Π»Π°ΠΌΠΏΠ° ΠΎΠ±ΠΎΠ³ΡΠ΅Π²Π° Π·Π°Π΄Π½Π΅Π³ΠΎ ΡΡΠ΅ΠΊΠ»Π°
45 β Π²ΡΠΊΠ»ΡΡΠ°ΡΠ΅Π»Ρ ΠΏΡΠΎΡΠΈΠ²ΠΎΡΡΠΌΠ°Π½Π½ΠΎΠ³ΠΎ ΡΠ²Π΅ΡΠ°
46 β Π²ΡΠΊΠ»ΡΡΠ°ΡΠ΅Π»Ρ ΠΎΠ±ΠΎΠ³ΡΠ΅Π²Π° Π·Π°Π΄Π½Π΅Π³ΠΎ ΡΡΠ΅ΠΊΠ»Π°
47 β ΠΊΠΎΠΌΠ±ΠΈΠ½Π°ΡΠΈΡ ΠΏΡΠΈΠ±ΠΎΡΠΎΠ²
48 β ΠΌΠΎΠ½ΡΠ°ΠΆΠ½ΡΠΉ Π±Π»ΠΎΠΊ
49 β Π΄Π°ΡΡΠΈΠΊ ΡΡΠΎΠ²Π½Ρ ΡΠΎΠΏΠ»ΠΈΠ²Π°
50 β Π²ΡΠΊΠ»ΡΡΠ°ΡΠ΅Π»Ρ Π·Π°ΠΆΠΈΠ³Π°Π½ΠΈΡ
51 β ΡΠ΅Π³ΡΠ»ΡΡΠΎΡ ΡΡΠΊΠΎΡΡΠΈ ΠΏΠΎΠ΄ΡΠ²Π΅ΡΠΊΠΈ ΠΏΡΠΈΠ±ΠΎΡΠΎΠ²
52 β ΠΏΠΎΠ΄ΡΡΠ»Π΅Π²ΠΎΠΉ ΠΏΠ΅ΡΠ΅ΠΊΠ»ΡΡΠ°ΡΠ΅Π»Ρ
53 β Π»Π°ΠΌΠΏΠ° ΠΏΠΎΠ΄ΡΠ²Π΅ΡΠΊΠΈ ΡΡΡΠ°Π³ΠΎΠ² ΡΠΏΡΠ°Π²Π»Π΅Π½ΠΈΡ ΠΎΡΠΎΠΏΠΈΡΠ΅Π»Π΅ΠΌ
54 β Π²ΡΠΊΠ»ΡΡΠ°ΡΠ΅Π»Ρ Π°Π²Π°ΡΠΈΠΉΠ½ΠΎΠΉ ΡΠΈΠ³Π½Π°Π»ΠΈΠ·Π°ΡΠΈΠΈ
55 β ΡΠ»Π΅ΠΊΡΡΠΎΠ½Π½ΡΠΉ Π±Π»ΠΎΠΊ ΡΠΏΡΠ°Π²Π»Π΅Π½ΠΈΡ ΠΎΡΠΎΠΏΠΈΡΠ΅Π»Π΅ΠΌ; 56 β Π²ΡΠΊΠ»ΡΡΠ°ΡΠ΅Π»Ρ ΠΊΠ»Π°ΠΏΠ°Π½Π° ΡΠ΅ΡΠΈΡΠΊΡΠ»ΡΡΠΈΠΈ
57 β Π±Π»ΠΎΠΊ ΠΈΠ½Π΄ΠΈΠΊΠ°ΡΠΈΠΈ Π±ΠΎΡΡΠΎΠ²ΠΎΠΉ ΡΠΈΡΡΠ΅ΠΌΡ ΠΊΠΎΠ½ΡΡΠΎΠ»Ρ
58 β Π±ΠΎΠΊΠΎΠ²ΡΠ΅ ΡΠΊΠ°Π·Π°ΡΠ΅Π»ΠΈ ΠΏΠΎΠ²ΠΎΡΠΎΡΠ°
59 β Π΄Π°ΡΡΠΈΠΊ ΡΠ΅ΠΌΠΏΠ΅ΡΠ°ΡΡΡΡ Π΄Π»Ρ ΡΠΈΡΡΠ΅ΠΌΡ ΠΎΡΠΎΠΏΠ»Π΅Π½ΠΈΡ
60 β ΠΏΠ»Π°ΡΠΎΠ½ ΠΎΡΠ²Π΅ΡΠ΅Π½ΠΈΡ ΡΠ°Π»ΠΎΠ½Π°
61 β ΠΏΠ΅ΡΠ΅Π΄Π½ΠΈΠΉ ΠΏΠ»Π°ΡΠΎΠ½ ΠΎΡΠ²Π΅ΡΠ΅Π½ΠΈΡ ΡΠ°Π»ΠΎΠ½Π°
62 β ΡΠΎΠ·Π΅ΡΠΊΠ° Π΄Π»Ρ ΠΏΠ΅ΡΠ΅Π½ΠΎΡΠ½ΠΎΠΉ Π»Π°ΠΌΠΏΡ
63 β ΡΠ»Π΅ΠΊΡΡΠΎΠ½Π½ΡΠ΅ ΡΠ°ΡΡ
64 β Π²ΡΠΊΠ»ΡΡΠ°ΡΠ΅Π»ΠΈ Π² ΡΡΠΎΠΉΠΊΠ°Ρ
ΠΏΠ΅ΡΠ΅Π΄Π½ΠΈΡ
Π΄Π²Π΅ΡΠ΅ΠΉ
65 β Π²ΡΠΊΠ»ΡΡΠ°ΡΠ΅Π»ΠΈ Π² ΡΡΠΎΠΉΠΊΠ°Ρ
Π·Π°Π΄Π½ΠΈΡ
Π΄Π²Π΅ΡΠ΅ΠΉ
66 β Π»Π°ΠΌΠΏΠ° ΠΎΡΠ²Π΅ΡΠ΅Π½ΠΈΡ Π²Π΅ΡΠ΅Π²ΠΎΠ³ΠΎ ΡΡΠΈΠΊΠ°
67 β Π²ΡΠΊΠ»ΡΡΠ°ΡΠ΅Π»Ρ ΠΎΡΠ²Π΅ΡΠ΅Π½ΠΈΡ Π²Π΅ΡΠ΅Π²ΠΎΠ³ΠΎ ΡΡΠΈΠΊΠ°
68 β ΠΏΡΠΈΠΊΡΡΠΈΠ²Π°ΡΠ΅Π»Ρ
69 β Π»Π°ΠΌΠΏΠ° ΠΎΡΠ²Π΅ΡΠ΅Π½ΠΈΡ ΠΏΠ΅ΠΏΠ΅Π»ΡΠ½ΠΈΡΡ
70 β Π²ΡΠΊΠ»ΡΡΠ°ΡΠ΅Π»Ρ ΡΡΠΎΠΏ-ΡΠΈΠ³Π½Π°Π»Π°
71 β ΡΠ»Π΅ΠΌΠ΅Π½Ρ ΠΎΠ±ΠΎΠ³ΡΠ΅Π²Π° Π·Π°Π΄Π½Π΅Π³ΠΎ ΡΡΠ΅ΠΊΠ»Π°
72 β Π½Π°ΡΡΠΆΠ½ΡΠ΅ Π·Π°Π΄Π½ΠΈΠ΅ ΡΠΎΠ½Π°ΡΠΈ
73 β Π²Π½ΡΡΡΠ΅Π½Π½ΠΈΠ΅ Π·Π°Π΄Π½ΠΈΠ΅ ΡΠΎΠ½Π°ΡΠΈ
74 β Π»Π°ΠΌΠΏΡ ΠΎΡΠ²Π΅ΡΠ΅Π½ΠΈΡ Π½ΠΎΠΌΠ΅ΡΠ½ΠΎΠ³ΠΎ Π·Π½Π°ΠΊΠ°
75 β Π»Π°ΠΌΠΏΠ° ΠΎΡΠ²Π΅ΡΠ΅Π½ΠΈΡ Π±Π°Π³Π°ΠΆΠ½ΠΈΠΊΠ°
ΠΠΎΠ»Π½ΡΡ ΡΡ
Π΅ΠΌΡ ΠΎΠ΄Π½ΠΈΠΌ ΡΠ°ΠΉΠ»ΠΎΠΌ ΡΠΌΠΎΡΡΠΈΡΠ΅ Π΄Π°Π»Π΅Π΅ (ΠΊΠ»ΠΈΠΊ Π΄Π»Ρ ΡΠ²Π΅Π»ΠΈΡΠ΅Π½ΠΈΡ):
Π‘Ρ
Π΅ΠΌΠ° ΠΠΠ 2110 ΠΈΠ½ΠΆΠ΅ΠΊΡΠΎΡ 16 ΠΊΠ»Π°ΠΏΠ°Π½ΠΎΠ²
1 β Π±Π»ΠΎΠΊ-ΡΠ°ΡΠ° 35 β Π²ΡΠΊΠ»ΡΡΠ°ΡΠ΅Π»Ρ ΠΎΡΠ²Π΅ΡΠ΅Π½ΠΈΡ ΠΏΡΠΈΠ±ΠΎΡΠΎΠ²
2 β Π΄Π°ΡΡΠΈΠΊΠΈ ΠΈΠ·Π½ΠΎΡΠ° ΠΊΠΎΠ»ΠΎΠ΄ΠΎΠΊ ΠΏΠ΅ΡΠ΅Π΄Π½ΠΈΡ
ΡΠΎΡΠΌΠΎΠ·ΠΎΠ² 36 β Π²ΡΠΊΠ»ΡΡΠ°ΡΠ΅Π»Ρ Π·Π°ΠΆΠΈΠ³Π°Π½ΠΈΡ
3 β Π²ΡΠΊΠ»ΡΡΠ°ΡΠ΅Π»Ρ ΡΠ²Π΅ΡΠ° Π·Π°Π΄Π½Π΅Π³ΠΎ Ρ
ΠΎΠ΄Π° 37 β ΠΌΠΎΠ½ΡΠ°ΠΆΠ½ΡΠΉ Π±Π»ΠΎΠΊ
4 β ΡΠ»Π΅ΠΊΡΡΠΎΠ΄Π²ΠΈΠ³Π°ΡΠ΅Π»Ρ Π²Π΅Π½ΡΠΈΠ»ΡΡΠΎΡΠ° ΡΠΈΡΡΠ΅ΠΌΡ ΠΎΡ
Π»Π°ΠΆΠ΄Π΅Π½ΠΈΡ Π΄Π²ΠΈΠ³Π°ΡΠ΅Π»Ρ 38 β Π²ΡΠΊΠ»ΡΡΠ°ΡΠ΅Π»Ρ ΠΊΠ»Π°ΠΏΠ°Π½Π° ΡΠ΅ΡΠΈΡΠΊΡΠ»ΡΡΠΈΠΈ
5 β Π·Π²ΡΠΊΠΎΠ²ΠΎΠΉ ΡΠΈΠ³Π½Π°Π» 39 β ΠΊΠΎΠ½ΡΡΠΎΠ»Π»Π΅Ρ ΠΎΡΠΎΠΏΠΈΡΠ΅Π»Ρ
6 β ΠΌΠΎΡΠΎΡΠ΅Π΄ΡΠΊΡΠΎΡ Π±Π»ΠΎΠΊΠΈΡΠΎΠ²ΠΊΠΈ Π·Π°ΠΌΠΊΠ° ΠΏΡΠ°Π²ΠΎΠΉ ΠΏΠ΅ΡΠ΅Π΄Π½Π΅ΠΉ Π΄Π²Π΅ΡΠΈ 40 β Π²ΡΠΊΠ»ΡΡΠ°ΡΠ΅Π»Ρ Π°Π²Π°ΡΠΈΠΉΠ½ΠΎΠΉ ΡΠΈΠ³Π½Π°Π»ΠΈΠ·Π°ΡΠΈΠΈ
7 β ΡΠ΅Π»Π΅ Π²ΠΊΠ»ΡΡΠ΅Π½ΠΈΡ ΡΠ»Π΅ΠΊΡΡΠΎΡΡΠ΅ΠΊΠ»ΠΎΠΏΠΎΠ΄ΡΠ΅ΠΌΠ½ΠΈΠΊΠΎΠ² 41 β Π»Π°ΠΌΠΏΠ° ΠΎΡΠ²Π΅ΡΠ΅Π½ΠΈΡ ΡΡΡΠ°Π³ΠΎΠ² ΡΠΏΡΠ°Π²Π»Π΅Π½ΠΈΡ ΠΎΡΠΎΠΏΠΈΡΠ΅Π»Π΅ΠΌ
8 β ΠΏΡΠ΅Π΄ΠΎΡ
ΡΠ°Π½ΠΈΡΠ΅Π»Ρ Π½Π° 8 Π 42 β Π»Π°ΠΌΠΏΠ° ΠΎΡΠ²Π΅ΡΠ΅Π½ΠΈΡ Π²Π΅ΡΠ΅Π²ΠΎΠ³ΠΎ ΡΡΠΈΠΊΠ°
9 β ΡΡΠ°ΡΡΠ΅Ρ 43 β Π²ΡΠΊΠ»ΡΡΠ°ΡΠ΅Π»Ρ Π»Π°ΠΌΠΏΡ ΠΎΡΠ²Π΅ΡΠ΅Π½ΠΈΡ Π²Π΅ΡΠ΅Π²ΠΎΠ³ΠΎ ΡΡΠΈΠΊΠ°
10 β Π°ΠΊΠΊΡΠΌΡΠ»ΡΡΠΎΡΠ½Π°Ρ Π±Π°ΡΠ°ΡΠ΅Ρ 44 β ΠΏΡΠΈΠΊΡΡΠΈΠ²Π°ΡΠ΅Π»Ρ
11 β Π³Π΅Π½Π΅ΡΠ°ΡΠΎΡ 45 β Π±Π»ΠΎΠΊ ΠΈΠ½Π΄ΠΈΠΊΠ°ΡΠΈΠΈ Π±ΠΎΡΡΠΎΠ²ΠΎΠΉ ΡΠΈΡΡΠ΅ΠΌΡ ΠΊΠΎΠ½ΡΡΠΎΠ»Ρ
12 β ΡΠ»Π΅ΠΊΡΡΠΎΠ΄Π²ΠΈΠ³Π°ΡΠ΅Π»Ρ ΠΎΠΌΡΠ²Π°ΡΠ΅Π»Ρ Π²Π΅ΡΡΠΎΠ²ΠΎΠ³ΠΎ ΡΡΠ΅ΠΊΠ»Π° 46 β Π»Π°ΠΌΠΏΠ° ΠΎΡΠ²Π΅ΡΠ΅Π½ΠΈΡ ΠΏΠ΅ΠΏΠ΅Π»ΡΠ½ΠΈΡΡ
13 β Π΄Π°ΡΡΠΈΠΊ ΡΡΠΎΠ²Π½Ρ ΠΎΠΌΡΠ²Π°ΡΡΠ΅ΠΉ ΠΆΠΈΠ΄ΠΊΠΎΡΡΠΈ 47 β Π²ΡΠΊΠ»ΡΡΠ°ΡΠ΅Π»Ρ ΡΠΈΠ³Π½Π°Π»Π° ΡΠΎΡΠΌΠΎΠΆΠ΅Π½ΠΈΡ
14 β ΠΌΠΎΡΠΎΡΠ΅Π΄ΡΠΊΡΠΎΡ Π±Π»ΠΎΠΊΠΈΡΠΎΠ²ΠΊΠΈ Π·Π°ΠΌΠΊΠ° Π»Π΅Π²ΠΎΠΉ ΠΏΠ΅ΡΠ΅Π΄Π½Π΅ΠΉ Π΄Π²Π΅ΡΠΈ 48 β ΠΌΠΎΡΠΎΡΠ΅Π΄ΡΠΊΡΠΎΡ Π±Π»ΠΎΠΊΠΈΡΠΎΠ²ΠΊΠΈ Π·Π°ΠΌΠΊΠ° Π»Π΅Π²ΠΎΠΉ Π·Π°Π΄Π½Π΅ΠΉ Π΄Π²Π΅ΡΠΈ
15 β ΠΏΠ΅ΡΠ΅ΠΊΠ»ΡΡΠ°ΡΠ΅Π»Ρ ΡΠ»Π΅ΠΊΡΡΠΎΡΡΠ΅ΠΊΠ»ΠΎΠΏΠΎΠ΄ΡΠ΅ΠΌΠ½ΠΈΠΊΠ° Π»Π΅Π²ΠΎΠΉ ΠΏΠ΅ΡΠ΅Π΄Π½Π΅ΠΉ Π΄Π²Π΅ΡΠΈ 49 β ΠΏΠ΅ΡΠ΅ΠΊΠ»ΡΡΠ°ΡΠ΅Π»Ρ ΡΠ»Π΅ΠΊΡΡΠΎΡΡΠ΅ΠΊΠ»ΠΎΠΏΠΎΠ΄ΡΠ΅ΠΌΠ½ΠΈΠΊΠ° Π»Π΅Π²ΠΎΠΉ Π·Π°Π΄Π½Π΅ΠΉ Π΄Π²Π΅ΡΠΈ
16 β Π΄Π°ΡΡΠΈΠΊ ΡΡΠΎΠ²Π½Ρ ΠΎΡ
Π»Π°ΠΆΠ΄Π°ΡΡΠ΅ΠΉ ΠΆΠΈΠ΄ΠΊΠΎΡΡΠΈ 50 β ΠΌΠΎΡΠΎΡΠ΅Π΄ΡΠΊΡΠΎΡ ΡΠ»Π΅ΠΊΡΡΠΎΡΡΠ΅ΠΊΠ»ΠΎΠΏΠΎΠ΄ΡΠ΅ΠΌΠ½ΠΈΠΊΠ° Π»Π΅Π²ΠΎΠΉ Π·Π°Π΄Π½Π΅ΠΉ Π΄Π²Π΅ΡΠΈ
17 β ΠΌΠΎΡΠΎΡΠ΅Π΄ΡΠΊΡΠΎΡ ΠΎΡΠΈΡΡΠΈΡΠ΅Π»Ρ Π²Π΅ΡΡΠΎΠ²ΠΎΠ³ΠΎ ΡΡΠ΅ΠΊΠ»Π° 51 β ΡΠΎΠ·Π΅ΡΠΊΠ° Π΄Π»Ρ ΠΏΠ΅ΡΠ΅Π½ΠΎΡΠ½ΠΎΠΉ Π»Π°ΠΌΠΏΡ
18 β ΠΊΠ»Π°ΠΏΠ°Π½ ΡΠ΅ΡΠΈΡΠΊΡΠ»ΡΡΠΈΠΈ 52 β ΡΠ°ΡΡ
19 β ΠΌΠΈΠΊΡΠΎΠΌΠΎΡΠΎΡΠ΅Π΄ΡΠΊΡΠΎΡ ΠΏΡΠΈΠ²ΠΎΠ΄Π° Π·Π°ΡΠ»ΠΎΠ½ΠΊΠΈ ΠΎΡΠΎΠΏΠΈΡΠ΅Π»Ρ 53 β ΠΌΠΎΡΠΎΡΠ΅Π΄ΡΠΊΡΠΎΡ ΡΠ»Π΅ΠΊΡΡΠΎΡΡΠ΅ΠΊΠ»ΠΎΠΏΠΎΠ΄ΡΠ΅ΠΌΠ½ΠΈΠΊΠ° ΠΏΡΠ°Π²ΠΎΠΉ Π·Π°Π΄Π½Π΅ΠΉ Π΄Π²Π΅ΡΠΈ
20 β ΡΠ»Π΅ΠΊΡΡΠΎΠ΄Π²ΠΈΠ³Π°ΡΠ΅Π»Ρ ΠΎΡΠΎΠΏΠΈΡΠ΅Π»Ρ 54 β ΠΏΠ΅ΡΠ΅ΠΊΠ»ΡΡΠ°ΡΠ΅Π»Ρ ΡΠ»Π΅ΠΊΡΡΠΎΡΡΠ΅ΠΊΠ»ΠΎΠΏΠΎΠ΄ΡΠ΅ΠΌΠ½ΠΈΠΊΠ° ΠΏΡΠ°Π²ΠΎΠΉ Π·Π°Π΄Π½Π΅ΠΉ Π΄Π²Π΅ΡΠΈ
21 β Π²ΡΠΊΠ»ΡΡΠ°ΡΠ΅Π»Ρ Π·Π°ΠΌΠΊΠ° Π±Π°Π³Π°ΠΆΠ½ΠΈΠΊΠ° 55 β ΠΌΠΎΡΠΎΡΠ΅Π΄ΡΠΊΡΠΎΡ Π±Π»ΠΎΠΊΠΈΡΠΎΠ²ΠΊΠΈ Π·Π°ΠΌΠΊΠ° ΠΏΡΠ°Π²ΠΎΠΉ Π·Π°Π΄Π½Π΅ΠΉ Π΄Π²Π΅ΡΠΈ
22 β ΠΏΠ΅ΡΠ΅ΠΊΠ»ΡΡΠ°ΡΠ΅Π»Ρ ΡΠ»Π΅ΠΊΡΡΠΎΡΡΠ΅ΠΊΠ»ΠΎΠΏΠΎΠ΄ΡΠ΅ΠΌΠ½ΠΈΠΊΠ° ΠΏΡΠ°Π²ΠΎΠΉ ΠΏΠ΅ΡΠ΅Π΄Π½Π΅ΠΉ Π΄Π²Π΅ΡΠΈ 56 β Π±ΠΎΠΊΠΎΠ²ΠΎΠΉ ΡΠΊΠ°Π·Π°ΡΠ΅Π»Ρ ΠΏΠΎΠ²ΠΎΡΠΎΡΠ°
23 β ΠΌΠΎΡΠΎΡΠ΅Π΄ΡΠΊΡΠΎΡ ΡΠ»Π΅ΠΊΡΡΠΎΡΡΠ΅ΠΊΠ»ΠΎΠΏΠΎΠ΄ΡΠ΅ΠΌΠ½ΠΈΠΊΠ° ΠΏΡΠ°Π²ΠΎΠΉ ΠΏΠ΅ΡΠ΅Π΄Π½Π΅ΠΉ Π΄Π²Π΅ΡΠΈ 57 β Π²ΡΠΊΠ»ΡΡΠ°ΡΠ΅Π»Ρ ΠΊΠΎΠ½ΡΡΠΎΠ»ΡΠ½ΠΎΠΉ Π»Π°ΠΌΠΏΡ ΡΡΠΎΡΠ½ΠΎΡΠ½ΠΎΠ³ΠΎ ΡΠΎΡΠΌΠΎΠ·Π°
24 β Π±Π»ΠΎΠΊ ΡΠΏΡΠ°Π²Π»Π΅Π½ΠΈΡ ΡΠΈΡΡΠ΅ΠΌΡ Π±Π»ΠΎΠΊΠΈΡΠΎΠ²ΠΊΠΈ Π·Π°ΠΌΠΊΠΎΠ² Π΄Π²Π΅ΡΠ΅ΠΉ 58 β Π΄Π°ΡΡΠΈΠΊ ΡΠ΅ΠΌΠ½Ρ Π±Π΅Π·ΠΎΠΏΠ°ΡΠ½ΠΎΡΡΠΈ Π²ΠΎΠ΄ΠΈΡΠ΅Π»Ρ
25 β Π΄ΠΎΠΏΠΎΠ»Π½ΠΈΡΠ΅Π»ΡΠ½ΡΠΉ ΡΠ΅Π·ΠΈΡΡΠΎΡ ΡΠ»Π΅ΠΊΡΡΠΎΠ΄Π²ΠΈΠ³Π°ΡΠ΅Π»Ρ ΠΎΡΠΎΠΏΠΈΡΠ΅Π»Ρ 59 β ΠΏΠ»Π°ΡΠΎΠ½ Π½Π°ΠΏΡΠ°Π²Π»Π΅Π½Π½ΠΎΠ³ΠΎ ΡΠ²Π΅ΡΠ°
26 β Π΄Π°ΡΡΠΈΠΊ ΡΡΠΎΠ²Π½Ρ ΡΠΎΡΠΌΠΎΠ·Π½ΠΎΠΉ ΠΆΠΈΠ΄ΠΊΠΎΡΡΠΈ 60 β ΠΏΠ»Π°ΡΠΎΠ½ ΠΎΡΠ²Π΅ΡΠ΅Π½ΠΈΡ ΡΠ°Π»ΠΎΠ½Π°
27 β ΠΌΠΎΡΠΎΡΠ΅Π΄ΡΠΊΡΠΎΡ ΡΠ»Π΅ΠΊΡΡΠΎΡΡΠ΅ΠΊΠ»ΠΎΠΏΠΎΠ΄ΡΠ΅ΠΌΠ½ΠΈΠΊΠ° Π»Π΅Π²ΠΎΠΉ ΠΏΠ΅ΡΠ΅Π΄Π½Π΅ΠΉ Π΄Π²Π΅ΡΠΈ 61 β Π΄Π°ΡΡΠΈΠΊ ΡΠ΅ΠΌΠΏΠ΅ΡΠ°ΡΡΡΡ Π²ΠΎΠ·Π΄ΡΡ
Π° Π² ΡΠ°Π»ΠΎΠ½Π΅
28 β ΠΏΠ΅ΡΠ΅ΠΊΠ»ΡΡΠ°ΡΠ΅Π»Ρ Π½Π°ΡΡΠΆΠ½ΠΎΠ³ΠΎ ΠΎΡΠ²Π΅ΡΠ΅Π½ΠΈΡ 62 β Π²ΡΠΊΠ»ΡΡΠ°ΡΠ΅Π»Ρ Π² ΡΡΠΎΠΉΠΊΠ΅ ΠΏΠ΅ΡΠ΅Π΄Π½Π΅ΠΉ Π΄Π²Π΅ΡΠΈ
29 β ΠΊΠΎΠΌΠ±ΠΈΠ½Π°ΡΠΈΡ ΠΏΡΠΈΠ±ΠΎΡΠΎΠ² 63 β Π²ΡΠΊΠ»ΡΡΠ°ΡΠ΅Π»Ρ Π² ΡΡΠΎΠΉΠΊΠ΅ Π·Π°Π΄Π½Π΅ΠΉ Π΄Π²Π΅ΡΠΈ
30 β Π²ΡΠΊΠ»ΡΡΠ°ΡΠ΅Π»Ρ Π·Π°Π΄Π½Π΅Π³ΠΎ ΠΏΡΠΎΡΠΈΠ²ΠΎΡΡΠΌΠ°Π½Π½ΠΎΠ³ΠΎ ΡΠ²Π΅ΡΠ° 64 β Π½Π°ΡΡΠΆΠ½ΡΠΉ Π·Π°Π΄Π½ΠΈΠΉ ΡΠΎΠ½Π°ΡΡ
31 β ΠΊΠΎΠ½ΡΡΠΎΠ»ΡΠ½Π°Ρ Π»Π°ΠΌΠΏΠ° ΠΏΡΠΎΡΠΈΠ²ΠΎΡΡΠΌΠ°Π½Π½ΠΎΠ³ΠΎ ΡΠ²Π΅ΡΠ° 65 β Π²Π½ΡΡΡΠ΅Π½Π½ΠΈΠΉ Π·Π°Π΄Π½ΠΈΠΉ ΡΠΎΠ½Π°ΡΡ
32 β ΠΊΠΎΠ½ΡΡΠΎΠ»ΡΠ½Π°Ρ Π»Π°ΠΌΠΏΠ° ΠΎΠ±ΠΎΠ³ΡΠ΅Π²Π° Π·Π°Π΄Π½Π΅Π³ΠΎ ΡΡΠ΅ΠΊΠ»Π° 66 β ΡΠΎΠ½Π°ΡΠΈ ΠΎΡΠ²Π΅ΡΠ΅Π½ΠΈΡ Π½ΠΎΠΌΠ΅ΡΠ½ΠΎΠ³ΠΎ Π·Π½Π°ΠΊΠ°
33 β Π²ΡΠΊΠ»ΡΡΠ°ΡΠ΅Π»Ρ ΠΎΠ±ΠΎΠ³ΡΠ΅Π²Π° Π·Π°Π΄Π½Π΅Π³ΠΎ ΡΡΠ΅ΠΊΠ»Π° 67 β ΡΠΎΠ½Π°ΡΡ ΠΎΡΠ²Π΅ΡΠ΅Π½ΠΈΡ Π±Π°Π³Π°ΠΆΠ½ΠΈΠΊΠ°
34 β ΠΏΠΎΠ΄ΡΡΠ»Π΅Π²ΠΎΠΉ ΠΏΠ΅ΡΠ΅ΠΊΠ»ΡΡΠ°ΡΠ΅Π»Ρ
Π β ΠΊΠΎΠ»ΠΎΠ΄ΠΊΠΈ Π΄Π»Ρ ΠΏΠΎΠ΄ΠΊΠ»ΡΡΠ΅Π½ΠΈΡ ΡΠ»Π΅ΠΊΡΡΠΎΠ΄Π²ΠΈΠ³Π°ΡΠ΅Π»Ρ ΠΎΠΌΡΠ²Π°ΡΠ΅Π»Ρ Π·Π°Π΄Π½Π΅Π³ΠΎ ΡΡΠ΅ΠΊΠ»Π°
Π β ΠΊΠΎΠ»ΠΎΠ΄ΠΊΠΈ Π΄Π»Ρ ΠΏΠΎΠ΄ΠΊΠ»ΡΡΠ΅Π½ΠΈΡ ΠΆΠ³ΡΡΠ° ΡΠΈΡΡΠ΅ΠΌΡ Π²ΠΏΡΡΡΠΊΠ°
Π‘ β ΠΊ ΠΊΠΎΠ»ΠΎΠ΄ΠΊΠ΅ ΠΆΠ³ΡΡΠ° ΠΏΡΠ΅Π΄ΡΠΏΡΠ΅Π΄ΠΈΡΠ΅Π»ΡΠ½ΠΎΠ³ΠΎ ΡΠ²Π΅ΡΠ°
D β ΠΊΠΎΠ»ΠΎΠ΄ΠΊΠ° Π΄Π»Ρ ΠΏΠΎΠ΄ΠΊΠ»ΡΡΠ΅Π½ΠΈΡ ΠΊ Π±ΠΎΡΡΠΎΠ²ΠΎΠΌΡ ΠΊΠΎΠΌΠΏΡΡΡΠ΅ΡΡ
Π β ΠΊ ΠΊΠΎΠ»ΠΎΠ΄ΠΊΠ΅ ΠΆΠ³ΡΡΠ° ΠΎΡΠΈΡΡΠΈΡΠ΅Π»Π΅ΠΉ ΡΠ°Ρ
F β ΠΊΠΎΠ»ΠΎΠ΄ΠΊΠ° Π΄Π»Ρ ΠΏΠΎΠ΄ΠΊΠ»ΡΡΠ΅Π½ΠΈΡ ΠΊ Π΄Π°ΡΡΠΈΠΊΡ ΡΡΠΎΠ²Π½Ρ ΡΠΎΠΏΠ»ΠΈΠ²Π° Π² ΠΌΠΎΠ΄ΡΠ»Π΅ ΡΠ»Π΅ΠΊΡΡΠΎΠ±Π΅Π½Π·ΠΎΠ½Π°ΡΠΎΡΠ°
G β ΠΊ ΡΠ»Π΅ΠΌΠ΅Π½ΡΡ ΠΎΠ±ΠΎΠ³ΡΠ΅Π²Π° Π·Π°Π΄Π½Π΅Π³ΠΎ ΡΡΠ΅ΠΊΠ»Π°
H β ΠΊΠΎΠ»ΠΎΠ΄ΠΊΠ° Π΄Π»Ρ ΠΏΠΎΠ΄ΠΊΠ»ΡΡΠ΅Π½ΠΈΡ Π΄ΠΎΠΏΠΎΠ»Π½ΠΈΡΠ΅Π»ΡΠ½ΠΎΠ³ΠΎ ΡΠΈΠ³Π½Π°Π»Π° ΡΠΎΡΠΌΠΎΠΆΠ΅Π½ΠΈΡ
J β ΠΊ ΠΌΠΎΡΠΎΡΠ΅Π΄ΡΠΊΡΠΎΡΡ Π·Π°ΠΌΠΊΠ° Π±Π°Π³Π°ΠΆΠ½ΠΈΠΊΠ°
ΠΠΎΠ»Π½ΡΡ ΡΡ
Π΅ΠΌΡ ΠΎΠ΄Π½ΠΈΠΌ ΡΠ°ΠΉΠ»ΠΎΠΌ ΡΠΌΠΎΡΡΠΈΡΠ΅ Π΄Π°Π»Π΅Π΅ (ΠΊΠ»ΠΈΠΊ Π΄Π»Ρ ΡΠ²Π΅Π»ΠΈΡΠ΅Π½ΠΈΡ):
ΠΠ»Π΅ΠΊΡΡΠΈΡΠ΅ΡΠΊΠ°Ρ ΡΡ
Π΅ΠΌΠ° ΠΠ‘Π£Π ΠΠΠ-21101
1 β ΠΊΠΎΠ½ΡΡΠΎΠ»Π»Π΅Ρ ΠΠΠ-21101;
2 β ΠΊΠΎΠ»ΠΎΠ΄ΠΊΠ° ΠΆΠ³ΡΡΠ° ΡΠΈΡΡΠ΅ΠΌΡ Π·Π°ΠΆΠΈΠ³Π°Π½ΠΈΡ ΠΊ ΠΆΠ³ΡΡΡ ΡΠ°Π»ΠΎΠ½Π½ΠΎΠΉ Π³ΡΡΠΏΠΏΡ ΠΠΠ‘ ;
3 β ΠΊΠΎΠ»ΠΎΠ΄ΠΊΠ° Π΄ΠΈΠ°Π³Π½ΠΎΡΡΠΈΠΊΠΈ;
4 β Π΄Π°ΡΡΠΈΠΊ ΡΠΈΠ³Π½Π°Π»ΠΈΠ·Π°ΡΠΎΡ ΠΈΠΌΠΌΠΎΠ±ΠΈΠ»ΠΈΠ·Π°ΡΠΎΡΠ°;
5 β Π±Π»ΠΎΠΊ ΡΠΏΡΠ°Π²Π»Π΅Π½ΠΈΡ ΠΈΠΌΠΌΠΎΠ±ΠΈΠ»ΠΈΠ·Π°ΡΠΎΡΠ°;
6 β ΠΊΠ°ΡΡΡΠΊΠ° Π·Π°ΠΆΠΈΠ³Π°Π½ΠΈΡ;
7 β ΡΠ²Π΅ΡΠΈ Π·Π°ΠΆΠΈΠ³Π°Π½ΠΈΡ;
8 β ΡΠΎΡΡΡΠ½ΠΊΠΈ;
9 β ΡΠ»Π΅ΠΊΡΡΠΎΠ±Π΅Π½Π·ΠΎΠ½Π°ΡΠΎΡ;
10 β ΠΊΠΎΠ»ΠΎΠ΄ΠΊΠ° ΠΆΠ³ΡΡΠ° ΡΠΈΡΡΠ΅ΠΌΡ Π·Π°ΠΆΠΈΠ³Π°Π½ΠΈΡ ΠΊ ΠΆΠ³ΡΡΡ Π΄Π°ΡΡΠΈΠΊΠ° ΡΡΠΎΠ²Π½Ρ ΡΠΎΠΏΠ»ΠΈΠ²Π°;
11 β ΠΊΠΎΠ»ΠΎΠ΄ΠΊΠ° ΠΆΠ³ΡΡΠ° Π΄Π°ΡΡΠΈΠΊΠ° ΡΡΠΎΠ²Π½Ρ ΡΠΎΠΏΠ»ΠΈΠ²Π° ΠΊ ΠΆΠ³ΡΡΡ ΡΠΈΡΡΠ΅ΠΌΡ Π·Π°ΠΆΠΈΠ³Π°Π½ΠΈΡ;
12 β ΠΊΠΎΠ»ΠΎΠ΄ΠΊΠ° ΠΆΠ³ΡΡΠ° ΡΠΈΡΡΠ΅ΠΌΡ Π·Π°ΠΆΠΈΠ³Π°Π½ΠΈΡ ΠΊ ΠΆΠ³ΡΡΡ ΡΠΎΡΡΡΠ½ΠΎΠΊ;
13 β ΠΊΠΎΠ»ΠΎΠ΄ΠΊΠ° ΠΆΠ³ΡΡΠ° ΡΠΎΡΡΡΠ½ΠΎΠΊ ΠΊ ΠΆΠ³ΡΡΡ ΡΠΈΡΡΠ΅ΠΌΡ Π·Π°ΠΆΠΈΠ³Π°Π½ΠΈΡ;
14 β Π΄Π°ΡΡΠΈΠΊ ΡΠΊΠΎΡΠΎΡΡΠΈ;
15 β ΡΠ΅Π³ΡΠ»ΡΡΠΎΡ Ρ
ΠΎΠ»ΠΎΡΡΠΎΠ³ΠΎ Ρ
ΠΎΠ΄Π°;
16 β Π΄Π°ΡΡΠΈΠΊ ΠΏΠΎΠ»ΠΎΠΆΠ΅Π½ΠΈΡ Π΄ΡΠΎΡΡΠ΅Π»ΡΠ½ΠΎΠΉ Π·Π°ΡΠ»ΠΎΠ½ΠΊΠΈ;
17 β Π΄Π°ΡΡΠΈΠΊ ΡΠ΅ΠΌΠΏΠ΅ΡΠ°ΡΡΡΡ ΠΎΡ
Π»Π°ΠΆΠ΄Π°ΡΡΠ΅ΠΉ ΠΆΠΈΠ΄ΠΊΠΎΡΡΠΈ;
18 β Π΄Π°ΡΡΠΈΠΊ ΠΌΠ°ΡΡΠΎΠ²ΠΎΠ³ΠΎ ΡΠ°ΡΡ
ΠΎΠ΄Π° Π²ΠΎΠ·Π΄ΡΡ
Π°;
19 β Π΄Π°ΡΡΠΈΠΊ ΠΊΠΎΠ½ΡΡΠΎΠ»ΡΠ½ΠΎΠΉ Π»Π°ΠΌΠΏΡ Π΄Π°Π²Π»Π΅Π½ΠΈΡ ΠΌΠ°ΡΠ»Π°;
20 β Π΄Π°ΡΡΠΈΠΊ ΡΠ°Π·;
21 β Π΄Π°ΡΡΠΈΠΊ ΠΊΠΈΡΠ»ΠΎΡΠΎΠ΄Π°;
22 β Π΄Π°ΡΡΠΈΠΊ ΠΏΠΎΠ»ΠΎΠΆΠ΅Π½ΠΈΡ ΠΊΠΎΠ»Π΅Π½ΡΠ°ΡΠΎΠ³ΠΎ Π²Π°Π»Π°;
23 β Π΄Π°ΡΡΠΈΠΊ Π΄Π΅ΡΠΎΠ½Π°ΡΠΈΠΈ;
24 β ΡΠ»Π΅ΠΊΡΡΠΎΠΌΠ°Π³Π½ΠΈΡΠ½ΡΠΉ ΠΊΠ»Π°ΠΏΠ°Π½ ΠΏΡΠΎΠ΄ΡΠ²ΠΊΠΈ Π°Π΄ΡΠΎΡΠ±Π΅ΡΠ°;
26 β Π΄Π°ΡΡΠΈΠΊ ΡΠΊΠ°Π·Π°ΡΠ΅Π»Ρ ΡΠ΅ΠΌΠΏΠ΅ΡΠ°ΡΡΡΡ ΠΎΡ
Π»Π°ΠΆΠ΄Π°ΡΡΠ΅ΠΉ ΠΆΠΈΠ΄ΠΊΠΎΡΡΠΈ;
27 β ΠΊΠΎΠ»ΠΎΠ΄ΠΊΠ° ΠΆΠ³ΡΡΠ° ΡΠΈΡΡΠ΅ΠΌΡ Π·Π°ΠΆΠΈΠ³Π°Π½ΠΈΡ ΠΊ ΠΆΠ³ΡΡΡ ΠΏΠ°Π½Π΅Π»ΠΈ ΠΏΡΠΈΠ±ΠΎΡΠΎΠ²;
28 β ΠΊΠΎΠ»ΠΎΠ΄ΠΊΠ° ΠΆΠ³ΡΡΠ° ΠΏΠ°Π½Π΅Π»ΠΈ ΠΏΡΠΈΠ±ΠΎΡΠΎΠ² ΠΊ ΠΆΠ³ΡΡΡ ΡΠΈΡΡΠ΅ΠΌΡ Π·Π°ΠΆΠΈΠ³Π°Π½ΠΈΡ;
29 β ΠΏΡΠ΅Π΄ΠΎΡ
ΡΠ°Π½ΠΈΡΠ΅Π»Ρ ΡΠ΅ΠΏΠΈ ΠΏΠΈΡΠ°Π½ΠΈΡ ΠΊΠΎΠ½ΡΡΠΎΠ»Π»Π΅ΡΠ°;
30 β ΡΠ΅Π»Π΅ Π·Π°ΠΆΠΈΠ³Π°Π½ΠΈΡ;
31 β ΠΏΡΠ΅Π΄ΠΎΡ
ΡΠ°Π½ΠΈΡΠ΅Π»Ρ ΡΠ΅Π»Π΅ Π·Π°ΠΆΠΈΠ³Π°Π½ΠΈΡ;
32 β ΠΏΡΠ΅Π΄ΠΎΡ
ΡΠ°Π½ΠΈΡΠ΅Π»Ρ ΡΠ΅ΠΏΠΈ ΠΏΠΈΡΠ°Π½ΠΈΡ ΡΠ»Π΅ΠΊΡΡΠΎΠ±Π΅Π½Π·ΠΎΠ½Π°ΡΠΎΡΠ°;
33 β ΡΠ΅Π»Π΅ ΡΠ»Π΅ΠΊΡΡΠΎΠ±Π΅Π½Π·ΠΎΠ½Π°ΡΠΎΡΠ°;
34 β ΡΠ΅Π»Π΅ ΡΠ»Π΅ΠΊΡΡΠΎΠ²Π΅Π½ΡΠΈΠ»ΡΡΠΎΡΠ°;
35 β ΠΊΠΎΠ»ΠΎΠ΄ΠΊΠ° ΠΆΠ³ΡΡΠ° ΡΠΈΡΡΠ΅ΠΌΡ Π·Π°ΠΆΠΈΠ³Π°Π½ΠΈΡ ΠΊ ΡΠΎΠ΅Π΄ΠΈΠ½ΠΈΡΠ΅Π»Ρ ΠΊΠΎΠ½Π΄ΠΈΡΠΈΠΎΠ½Π΅ΡΠ°;
36 β ΠΊΠΎΠ»ΠΎΠ΄ΠΊΠ° ΠΆΠ³ΡΡΠ° ΡΠΈΡΡΠ΅ΠΌΡ Π·Π°ΠΆΠΈΠ³Π°Π½ΠΈΡ ΠΊ ΠΆΠ³ΡΡΡ Π±ΠΎΠΊΠΎΠ²ΡΡ
Π΄Π²Π΅ΡΠ΅ΠΉ.
37 β ΡΠ»Π΅ΠΊΡΡΠΎΠ²Π΅Π½ΡΠΈΠ»ΡΡΠΎΡ ΡΠΈΡΡΠ΅ΠΌΡ ΠΎΡ
Π»Π°ΠΆΠ΄Π΅Π½ΠΈΡ;
38 β Π΄ΠΈΠ°Π³Π½ΠΎΡΡΠΈΡΠ΅ΡΠΊΠΈΠΉ ΡΠ°Π·ΡΠ΅ΠΌ;
39 β Π²ΡΠΊΠ»ΡΡΠ°ΡΠ΅Π»Ρ Π·Π°ΠΆΠΈΠ³Π°Π½ΠΈΡ;
40 β ΠΊΠΎΠΌΠ±ΠΈΠ½Π°ΡΠΈΡ ΠΏΡΠΈΠ±ΠΎΡΠΎΠ²;
41 β Π±Π»ΠΎΠΊ Π±ΠΎΡΡΠΎΠ²ΠΎΠΉ ΡΠΈΡΡΠ΅ΠΌΡ ΠΊΠΎΠ½ΡΡΠΎΠ»Ρ;
42 β ΡΠ΅Π»Π΅ ΡΡΠ°ΡΡΠ΅ΡΠ°;
43 β ΠΊΠΎΠ½ΡΠ°ΠΊΡΡ 8-ΠΊΠ»Π΅ΠΌΠΌΠ½ΡΡ
ΠΊΠΎΠ»ΠΎΠ΄ΠΎΠΊ ΠΆΠ³ΡΡΠ° ΠΏΠ°Π½Π΅Π»ΠΈ ΠΏΡΠΈΠ±ΠΎΡΠΎΠ² ΠΈ ΠΆΠ³ΡΡΠ° ΠΏΠ΅ΡΠ΅Π΄Π½Π΅Π³ΠΎ;
44 β ΠΊΠΎΠ½ΡΠ°ΠΊΡΡ 21-ΠΊΠ»Π΅ΠΌΠΌΠ½ΡΡ
ΠΊΠΎΠ»ΠΎΠ΄ΠΎΠΊ ΠΆΠ³ΡΡΠ° ΠΏΠ°Π½Π΅Π»ΠΈ ΠΏΡΠΈΠ±ΠΎΡΠΎΠ² ΠΈ ΠΆΠ³ΡΡΠ° Π·Π°Π΄Π½Π΅Π³ΠΎ;
45 β ΠΌΠ°ΡΡΡΡΡΠ½ΡΠΉ ΠΊΠΎΠΌΠΏΡΡΡΠ΅Ρ.
- A β ΠΊ ΠΊΠ»Π΅ΠΌΠΌΠ΅ Β«ΠΏΠ»ΡΡΒ» Π°ΠΊΠΊΡΠΌΡΠ»ΡΡΠΎΡΠ½ΠΎΠΉ Π±Π°ΡΠ°ΡΠ΅ΠΈ;
- Π1 β ΡΠΎΡΠΊΠ° Π·Π°Π·Π΅ΠΌΠ»Π΅Π½ΠΈΡ ΠΆΠ³ΡΡΠ° Π΄Π°ΡΡΠΈΠΊΠ° ΡΡΠΎΠ²Π½Ρ ΡΠΎΠΏΠ»ΠΈΠ²Π°;
- Π2, Π3 β ΡΠΎΡΠΊΠΈ Π·Π°Π·Π΅ΠΌΠ»Π΅Π½ΠΈΡ ΠΆΠ³ΡΡΠ° ΡΠΈΡΡΠ΅ΠΌΡ Π·Π°ΠΆΠΈΠ³Π°Π½ΠΈΡ;
- Π‘ β ΠΊ ΡΡΠ°ΡΡΠ΅ΡΡ;
- D β ΠΊ Π²ΡΠΊΠ»ΡΡΠ°ΡΠ΅Π»Ρ ΠΏΠ»Π°ΡΠΎΠ½Π° ΠΎΡΠ²Π΅ΡΠ΅Π½ΠΈΡ ΡΠ°Π»ΠΎΠ½Π° Π΄Π²Π΅ΡΠΈ Π²ΠΎΠ΄ΠΈΡΠ΅Π»Ρ.
Π‘Ρ
Π΅ΠΌΠ° ΡΠΏΡΠ°Π²Π»Π΅Π½ΠΈΡ Π΄Π²ΠΈΠ³Π°ΡΠ΅Π»Π΅ΠΌ ΠΠΠ-21102, 21103
Π‘Ρ
Π΅ΠΌΠ° ΡΠΏΡΠ°Π²Π»Π΅Π½ΠΈΡ Π΄Π²ΠΈΠ³Π°ΡΠ΅Π»ΡΠΌΠΈ ΠΠΠ-21102, ΠΠΠ-21103 (ΠΊΠΎΠ½ΡΡΠΎΠ»Π»Π΅Ρ Π1.5.4N, Β«Π―Π½Π²Π°ΡΡ-5.1Β»).
1 β ΡΠΎΡΡΡΠ½ΠΊΠΈ 2 β ΡΠ²Π΅ΡΠΈ Π·Π°ΠΆΠΈΠ³Π°Π½ΠΈΡ 3 β ΠΌΠΎΠ΄ΡΠ»Ρ Π·Π°ΠΆΠΈΠ³Π°Π½ΠΈΡ 4 β ΠΊΠΎΠ»ΠΎΠ΄ΠΊΠ° Π΄ΠΈΠ°Π³Π½ΠΎΡΡΠΈΠΊΠΈ 5 β ΠΊΠΎΠ½ΡΡΠΎΠ»Π»Π΅Ρ 6 β ΠΊΠΎΠ»ΠΎΠ΄ΠΊΠ°, ΠΏΡΠΈΡΠΎΠ΅Π΄ΠΈΠ½ΡΠ΅ΠΌΠ°Ρ ΠΊ ΠΆΠ³ΡΡΡ ΠΏΡΠΎΠ²ΠΎΠ΄ΠΎΠ² ΠΏΠ°Π½Π΅Π»ΠΈ ΠΏΡΠΈΠ±ΠΎΡΠΎΠ² 7 β Π³Π»Π°Π²Π½ΠΎΠ΅ ΡΠ΅Π»Π΅ 8 β ΠΏΡΠ΅Π΄ΠΎΡ
ΡΠ°Π½ΠΈΡΠ΅Π»Ρ, ΡΠΎΠ΅Π΄ΠΈΠ½Π΅Π½Π½ΡΠΉ Ρ Π³Π»Π°Π²Π½ΡΠΌ ΡΠ΅Π»Π΅ 9 β ΡΠ΅Π»Π΅ ΡΠ»Π΅ΠΊΡΡΠΎΠ²Π΅Π½ΡΠΈΠ»ΡΡΠΎΡΠ° 10 β ΠΏΡΠ΅Π΄ΠΎΡ
ΡΠ°Π½ΠΈΡΠ΅Π»Ρ, ΡΠΎΠ΅Π΄ΠΈΠ½Π΅Π½Π½ΡΠΉ Ρ ΡΠ΅Π»Π΅ ΡΠ»Π΅ΠΊΡΡΠΎΠ²Π΅Π½ΡΠΈΠ»ΡΡΠΎΡΠ° 11 β ΡΠ΅Π»Π΅ ΡΠ»Π΅ΠΊΡΡΠΎΠ±Π΅Π½Π·ΠΎΠ½Π°ΡΠΎΡΠ° 12 β ΠΏΡΠ΅Π΄ΠΎΡ
ΡΠ°Π½ΠΈΡΠ΅Π»Ρ, ΡΠΎΠ΅Π΄ΠΈΠ½Π΅Π½Π½ΡΠΉ Ρ ΡΠ΅Π»Π΅ ΡΠ»Π΅ΠΊΡΡΠΎΠ±Π΅Π½Π·ΠΎΠ½Π°ΡΠΎΡΠ° 13 β Π΄Π°ΡΡΠΈΠΊ ΠΌΠ°ΡΡΠΎΠ²ΠΎΠ³ΠΎ ΡΠ°ΡΡ
ΠΎΠ΄Π° Π²ΠΎΠ·Π΄ΡΡ
Π° 14 β Π΄Π°ΡΡΠΈΠΊ ΠΏΠΎΠ»ΠΎΠΆΠ΅Π½ΠΈΡ Π΄ΡΠΎΡΡΠ΅Π»ΡΠ½ΠΎΠΉ Π·Π°ΡΠ»ΠΎΠ½ΠΊΠΈ 15 β Π΄Π°ΡΡΠΈΠΊ ΡΠ΅ΠΌΠΏΠ΅ΡΠ°ΡΡΡΡ ΠΎΡ
Π»Π°ΠΆΠ΄Π°ΡΡΠ΅ΠΉ ΠΆΠΈΠ΄ΠΊΠΎΡΡΠΈ 16 β ΡΠ΅Π³ΡΠ»ΡΡΠΎΡ Ρ
ΠΎΠ»ΠΎΡΡΠΎΠ³ΠΎ Ρ
ΠΎΠ΄Π° 17 β Π΄Π°ΡΡΠΈΠΊ ΠΊΠΈΡΠ»ΠΎΡΠΎΠ΄Π° ΠΠΠ-21102 18 β Π΄Π°ΡΡΠΈΠΊ Π΄Π΅ΡΠΎΠ½Π°ΡΠΈΠΈ 19 β Π΄Π°ΡΡΠΈΠΊ ΠΏΠΎΠ»ΠΎΠΆΠ΅Π½ΠΈΡ ΠΊΠΎΠ»Π΅Π½ΡΠ°ΡΠΎΠ³ΠΎ Π²Π°Π»Π° 20 β ΡΠ»Π΅ΠΊΡΡΠΎΠΌΠ°Π³Π½ΠΈΡΠ½ΡΠΉ ΠΊΠ»Π°ΠΏΠ°Π½ ΠΏΡΠΎΠ΄ΡΠ²ΠΊΠΈ Π°Π΄ΡΠΎΡΠ±Π΅ΡΠ° 21 β Π±Π»ΠΎΠΊ ΡΠΏΡΠ°Π²Π»Π΅Π½ΠΈΡ ΠΈΠΌΠΌΠΎΠ±ΠΈΠ»Π°ΠΉΠ·Π΅ΡΠ° 22 β ΠΈΠ½Π΄ΠΈΠΊΠ°ΡΠΎΡ ΡΠΎΡΡΠΎΡΠ½ΠΈΡ ΠΈΠΌΠΌΠΎΠ±ΠΈΠ»Π°ΠΉΠ·Π΅ΡΠ° 23 β Π΄Π°ΡΡΠΈΠΊ ΡΠΊΠΎΡΠΎΡΡΠΈ Π°Π²ΡΠΎΠΌΠΎΠ±ΠΈΠ»Ρ 24 β ΡΠ»Π΅ΠΊΡΡΠΎΠ±Π΅Π½Π·ΠΎΠ½Π°ΡΠΎΡ Ρ Π΄Π°ΡΡΠΈΠΊΠΎΠΌ ΡΡΠΎΠ²Π½Ρ ΡΠΎΠΏΠ»ΠΈΠ²Π° 25 β Π΄Π°ΡΡΠΈΠΊ ΠΊΠΎΠ½ΡΡΠΎΠ»ΡΠ½ΠΎΠΉ Π»Π°ΠΌΠΏΡ Π΄Π°Π²Π»Π΅Π½ΠΈΡ ΠΌΠ°ΡΠ»Π° 26 β Π΄Π°ΡΡΠΈΠΊ ΡΠΊΠ°Π·Π°ΡΠ΅Π»Ρ ΡΠ΅ΠΌΠΏΠ΅ΡΠ°ΡΡΡΡ ΠΎΡ
Π»Π°ΠΆΠ΄Π°ΡΡΠ΅ΠΉ ΠΆΠΈΠ΄ΠΊΠΎΡΡΠΈ 27 β Π΄Π°ΡΡΠΈΠΊ ΡΡΠΎΠ²Π½Ρ ΠΌΠ°ΡΠ»Π° 28 β Π΄Π°ΡΡΠΈΠΊ ΡΠ°Π· (ΡΡΡΠ°Π½Π°Π²Π»ΠΈΠ²Π°Π΅ΡΡΡ Π½Π° Π°Π²ΡΠΎΠΌΠΎΠ±ΠΈΠ»Π΅ Ρ 16-ΠΊΠ»Π°ΠΏΠ°Π½Π½ΡΠΌ Π΄Π²ΠΈΠ³Π°ΡΠ΅Π»Π΅ΠΌ) Π β ΠΊΠΎΠ»ΠΎΠ΄ΠΊΠ°, ΠΏΡΠΈΡΠΎΠ΅Π΄ΠΈΠ½ΡΠ΅ΠΌΠ°Ρ ΠΊ ΠΆΠ³ΡΡΡ ΠΏΡΠΎΠ²ΠΎΠ΄ΠΎΠ² Π°Π½ΡΠΈΠ±Π»ΠΎΠΊΠΈΡΠΎΠ²ΠΎΡΠ½ΠΎΠΉ ΡΠΈΡΡΠ΅ΠΌΡ ΡΠΎΡΠΌΠΎΠ·ΠΎΠ² (ΠΠΠ‘) Π β ΠΊΠΎΠ»ΠΎΠ΄ΠΊΠ°, ΠΏΡΠΈΡΠΎΠ΅Π΄ΠΈΠ½ΡΠ΅ΠΌΠ°Ρ ΠΊ ΠΆΠ³ΡΡΡ ΠΏΡΠΎΠ²ΠΎΠ΄ΠΎΠ² ΠΊΠΎΠ½Π΄ΠΈΡΠΈΠΎΠ½Π΅ΡΠ° Π‘ β ΠΊΠΎΠ»ΠΎΠ΄ΠΊΠ°, ΠΏΡΠΈΡΠΎΠ΅Π΄ΠΈΠ½ΡΠ΅ΠΌΠ°Ρ ΠΊ ΠΆΠ³ΡΡΡ ΠΏΡΠΎΠ²ΠΎΠ΄ΠΎΠ² ΡΠ»Π΅ΠΊΡΡΠΎΠ²Π΅Π½ΡΠΈΠ»ΡΡΠΎΡΠ° D β ΠΏΡΠΎΠ²ΠΎΠ΄Π°, ΠΏΡΠΈΡΠΎΠ΅Π΄ΠΈΠ½ΡΠ΅ΠΌΡΠ΅ ΠΊ Π²ΡΠΊΠ»ΡΡΠ°ΡΠ΅Π»Ρ Π·Π°ΠΆΠΈΠ³Π°Π½ΠΈΡ (Π»Π°ΠΌΠΏΠ° ΠΏΠΎΠ΄ΡΠ²Π΅ΡΠΊΠΈ) Π β ΠΊΠΎΠ»ΠΎΠ΄ΠΊΠ°, ΠΏΠΎΠ΄ΠΊΠ»ΡΡΠ°Π΅ΠΌΠ°Ρ ΠΊ Π³ΠΎΠ»ΡΠ±ΠΎ-Π±Π΅Π»ΡΠΌ ΠΏΡΠΎΠ²ΠΎΠ΄Π°ΠΌ, ΠΎΡΡΠΎΠ΅Π΄ΠΈΠ½Π΅Π½Π½ΡΠΌ ΠΎΡ Π²ΡΠΊΠ»ΡΡΠ°ΡΠ΅Π»Ρ Π·Π°ΠΆΠΈΠ³Π°Π½ΠΈΡ (ΠΏΡΠΈ ΡΡΡΠ°Π½ΠΎΠ²ΠΊΠ΅ ΠΈΠΌΠΌΠΎΠ±ΠΈΠ»Π°ΠΉΠ·Π΅ΡΠ°) F β ΠΊ ΠΊΠ»Π΅ΠΌΠΌΠ΅ Β«+Β» Π°ΠΊΠΊΡΠΌΡΠ»ΡΡΠΎΡΠ½ΠΎΠΉ Π±Π°ΡΠ°ΡΠ΅ΠΈ G1, G2 β ΡΠΎΡΠΊΠΈ Π·Π°Π·Π΅ΠΌΠ»Π΅Π½ΠΈΡ ΠΠ° ΡΡ
Π΅ΠΌΠ΅ ΠΏΡΠΈΠΌΠ΅Π½ΡΠ΅ΡΡΡ ΠΎΠ±ΠΎΠ·Π½Π°ΡΠ΅Π½ΠΈΠ΅ Π½ΠΎΠΌΠ΅ΡΠ° ΡΠ»Π΅ΠΌΠ΅Π½ΡΠ° ΡΡ
Π΅ΠΌΡ, ΠΊ ΠΊΠΎΡΠΎΡΠΎΠΌΡ ΠΏΡΠΈΡΠΎΠ΅Π΄ΠΈΠ½ΡΠ΅ΡΡΡ Π΄Π°Π½Π½ΡΠΉ ΠΏΡΠΎΠ²ΠΎΠ΄, Π½Π°ΠΏΡΠΈΠΌΠ΅Ρ Β«-4-Β». Π Π½Π΅ΠΊΠΎΡΠΎΡΡΡ
ΡΠ»ΡΡΠ°ΡΡ
ΠΊΡΠΎΠΌΠ΅ ΠΎΠ±ΠΎΠ·Π½Π°ΡΠ΅Π½ΠΈΡ Π½ΠΎΠΌΠ΅ΡΠ° ΡΠ»Π΅ΠΌΠ΅Π½ΡΠ° ΠΏΡΠΈΠ²ΠΎΠ΄ΠΈΡΡΡ ΡΠ΅ΡΠ΅Π· ΠΊΠΎΡΡΡ Π΄ΡΠΎΠ±Ρ ΠΈ Π½ΠΎΠΌΠ΅Ρ ΠΊΠΎΠ½ΡΠ°ΠΊΡΠ°, Π½Π°ΠΏΡΠΈΠΌΠ΅Ρ Β«-5/15-Β». ΠΠ° ΡΡ
Π΅ΠΌΠ΅ Π½Π΅ ΠΏΠΎΠΊΠ°Π·Π°Π½Ρ ΡΠΎΡΠΊΠΈ ΡΠΎΠ΅Π΄ΠΈΠ½Π΅Π½ΠΈΡ ΡΠΎΠ·ΠΎΠ²ΠΎ-ΡΠ΅ΡΠ½ΡΡ
, ΠΊΡΠ°ΡΠ½ΡΡ
ΠΈ Π·Π΅Π»Π΅Π½ΠΎΠ³ΠΎ Ρ ΠΊΡΠ°ΡΠ½ΠΎΠΉ ΠΏΠΎΠ»ΠΎΡΠΊΠΎΠΉ ΠΏΡΠΎΠ²ΠΎΠ΄ΠΎΠ².
Π Π°ΡΠΏΠΈΠ½ΠΎΠ²ΠΊΠ° 8-ΠΌΠΈ ΠΊΠΎΠ½ΡΠ°ΠΊΠ½ΠΎΠ³ΠΎ ΡΠ°Π·ΡΠ΅ΠΌΠ°
- ΠΏΠΎΠ΄Π°ΡΠ° ΠΏΠΈΡΠ°Π½ΠΈΡ
- Π΄Π°ΡΡΠΈΠΊ ΡΠΊΠΎΡΠΎΡΡΠΈ (ΡΠ».ΡΠΏΠΈΠ΄ΠΎΠΌΠ΅ΡΡ)
- ΡΠ°ΡΡ
ΠΎΠ΄ ΡΠΎΠΏΠ»ΠΈΠ²Π° (Π΄Π»Ρ ΠΠ)
- Π΄Π°ΡΡΠΈΠΊ ΠΠ
- Π°Π²Π°ΡΠΈΠΉΠ½ΠΎΠ΅ Π΄Π°Π²Π»Π΅Π½ΠΈΠ΅ ΠΌΠ°ΡΠ»Π°
- Π»Π°ΠΌΠΏΠ° Β«ΡΠ΅ΠΊΒ»
- Π΄Π°ΡΡΠΈΠΊ ΡΡΠΎΠ²Π½Ρ ΠΌΠ°ΡΠ»Π°
- ΡΠΈΠ³Π½Π°Π» ΡΠ°Ρ
ΠΎΠΌΠ΅ΡΡΠ°
ΠΠ»Π΅ΠΊΡΡΠΈΡΠ΅ΡΠΊΠ°Ρ ΡΡ
Π΅ΠΌΠ° ΠΠ‘Π£Π ΠΠΠ-21104
1 β ΠΊΠΎΠ»ΠΎΠ΄ΠΊΠ° ΠΆΠ³ΡΡΠ° ΠΏΡΠΎΠ²ΠΎΠ΄ΠΎΠ² ΠΊΠ°ΡΡΡΠ΅ΠΊ Π·Π°ΠΆΠΈΠ³Π°Π½ΠΈΡ ΠΊ ΠΆΠ³ΡΡΡ ΡΠΈΡΡΠ΅ΠΌΡ Π·Π°ΠΆΠΈΠ³Π°Π½ΠΈΡ;
2 β ΠΊΠΎΠ»ΠΎΠ΄ΠΊΠ° ΠΆΠ³ΡΡΠ° ΡΠΈΡΡΠ΅ΠΌΡ Π·Π°ΠΆΠΈΠ³Π°Π½ΠΈΡ ΠΊ ΠΆΠ³ΡΡΡ ΠΏΡΠΎΠ²ΠΎΠ΄ΠΎΠ² ΠΊΠ°ΡΡΡΠ΅ΠΊ Π·Π°ΠΆΠΈΠ³Π°Π½ΠΈΡ;
3 β ΠΊΠ°ΡΡΡΠΊΠΈ Π·Π°ΠΆΠΈΠ³Π°Π½ΠΈΡ ΠΠΠ-21104;
4 β Π΄Π°ΡΡΠΈΠΊ ΡΠΈΠ³Π½Π°Π»ΠΈΠ·Π°ΡΠΎΡ ΠΈΠΌΠΌΠΎΠ±ΠΈΠ»ΠΈΠ·Π°ΡΠΎΡΠ°;
5 β Π±Π»ΠΎΠΊ ΡΠΏΡΠ°Π²Π»Π΅Π½ΠΈΡ ΠΈΠΌΠΌΠΎΠ±ΠΈΠ»ΠΈΠ·Π°ΡΠΎΡΠ°;
6 β ΡΠ²Π΅ΡΠΈ Π·Π°ΠΆΠΈΠ³Π°Π½ΠΈΡ;
7 β ΡΠΎΡΡΡΠ½ΠΊΠΈ;
8 β ΠΊΠΎΠ»ΠΎΠ΄ΠΊΠ° Π΄ΠΈΠ°Π³Π½ΠΎΡΡΠΈΠΊΠΈ;
9 β ΠΊΠΎΠ»ΠΎΠ΄ΠΊΠ° ΠΆΠ³ΡΡΠ° ΡΠΈΡΡΠ΅ΠΌΡ Π·Π°ΠΆΠΈΠ³Π°Π½ΠΈΡ ΠΊ ΠΆΠ³ΡΡΡ ΡΠ°Π»ΠΎΠ½Π½ΠΎΠΉ Π³ΡΡΠΏΠΏΡ ΠΠΠ‘;
10 β ΠΊΠΎΠ½ΡΡΠΎΠ»Π»Π΅Ρ;
11 β ΡΠ»Π΅ΠΊΡΡΠΎΠ±Π΅Π½Π·ΠΎΠ½Π°ΡΠΎΡ;
12 β ΠΊΠΎΠ»ΠΎΠ΄ΠΊΠ° ΠΆΠ³ΡΡΠ° ΡΠΈΡΡΠ΅ΠΌΡ Π·Π°ΠΆΠΈΠ³Π°Π½ΠΈΡ ΠΊ ΠΆΠ³ΡΡΡ Π΄Π°ΡΡΠΈΠΊΠ° ΡΡΠΎΠ²Π½Ρ ΡΠΎΠΏΠ»ΠΈΠ²Π°;
13 β ΠΊΠΎΠ»ΠΎΠ΄ΠΊΠ° ΠΆΠ³ΡΡΠ° Π΄Π°ΡΡΠΈΠΊΠ° ΡΡΠΎΠ²Π½Ρ ΡΠΎΠΏΠ»ΠΈΠ²Π° ΠΊ ΠΆΠ³ΡΡΡ ΡΠΈΡΡΠ΅ΠΌΡ Π·Π°ΠΆΠΈΠ³Π°Π½ΠΈΡ;
14 β ΠΊΠΎΠ»ΠΎΠ΄ΠΊΠ° ΠΆΠ³ΡΡΠ° ΡΠΈΡΡΠ΅ΠΌΡ Π·Π°ΠΆΠΈΠ³Π°Π½ΠΈΡ ΠΊ ΠΆΠ³ΡΡΡ ΡΠΎΡΡΡΠ½ΠΎΠΊ;
15 β ΠΊΠΎΠ»ΠΎΠ΄ΠΊΠ° ΠΆΠ³ΡΡΠ° ΡΠΎΡΡΡΠ½ΠΎΠΊ ΠΊ ΠΆΠ³ΡΡΡ ΡΠΈΡΡΠ΅ΠΌΡ Π·Π°ΠΆΠΈΠ³Π°Π½ΠΈΡ;
16 β ΠΊΠΎΠ»ΠΎΠ΄ΠΊΠ° ΠΆΠ³ΡΡΠ° ΡΠΈΡΡΠ΅ΠΌΡ Π·Π°ΠΆΠΈΠ³Π°Π½ΠΈΡ ΠΊ ΠΆΠ³ΡΡΡ Π±ΠΎΠΊΠΎΠ²ΡΡ
Π΄Π²Π΅ΡΠ΅ΠΉ;
17 β Π΄Π°ΡΡΠΈΠΊ ΡΠΊΠΎΡΠΎΡΡΠΈ;
18 β ΡΠ΅Π³ΡΠ»ΡΡΠΎΡ Ρ
ΠΎΠ»ΠΎΡΡΠΎΠ³ΠΎ Ρ
ΠΎΠ΄Π°;
19 β Π΄Π°ΡΡΠΈΠΊ ΠΏΠΎΠ»ΠΎΠΆΠ΅Π½ΠΈΡ Π΄ΡΠΎΡΡΠ΅Π»ΡΠ½ΠΎΠΉ Π·Π°ΡΠ»ΠΎΠ½ΠΊΠΈ;
20 β Π΄Π°ΡΡΠΈΠΊ ΡΠ΅ΠΌΠΏΠ΅ΡΠ°ΡΡΡΡ ΠΎΡ
Π»Π°ΠΆΠ΄Π°ΡΡΠ΅ΠΉ ΠΆΠΈΠ΄ΠΊΠΎΡΡΠΈ;
21 β Π΄Π°ΡΡΠΈΠΊ ΠΌΠ°ΡΡΠΎΠ²ΠΎΠ³ΠΎ ΡΠ°ΡΡ
ΠΎΠ΄Π° Π²ΠΎΠ·Π΄ΡΡ
Π°;
22 β Π΄Π°ΡΡΠΈΠΊ ΠΊΠΎΠ½ΡΡΠΎΠ»ΡΠ½ΠΎΠΉ Π»Π°ΠΌΠΏΡ Π΄Π°Π²Π»Π΅Π½ΠΈΡ ΠΌΠ°ΡΠ»Π°;
23 β Π΄Π°ΡΡΠΈΠΊ ΡΠ°Π·;
24 β Π΄Π°ΡΡΠΈΠΊ ΠΊΠΈΡΠ»ΠΎΡΠΎΠ΄Π°;
25 β Π΄Π°ΡΡΠΈΠΊ ΠΏΠΎΠ»ΠΎΠΆΠ΅Π½ΠΈΡ ΠΊΠΎΠ»Π΅Π½ΡΠ°ΡΠΎΠ³ΠΎ Π²Π°Π»Π°;
26 β Π΄Π°ΡΡΠΈΠΊ Π΄Π΅ΡΠΎΠ½Π°ΡΠΈΠΈ;
27 β ΡΠ»Π΅ΠΊΡΡΠΎΠΌΠ°Π³Π½ΠΈΡΠ½ΡΠΉ ΠΊΠ»Π°ΠΏΠ°Π½ ΠΏΡΠΎΠ΄ΡΠ²ΠΊΠΈ Π°Π΄ΡΠΎΡΠ±Π΅ΡΠ°;
28 β Π΄Π°ΡΡΠΈΠΊ ΡΡΠΎΠ²Π½Ρ ΠΌΠ°ΡΠ»Π°;
29 β Π΄Π°ΡΡΠΈΠΊ ΡΠΊΠ°Π·Π°ΡΠ΅Π»Ρ ΡΠ΅ΠΌΠΏΠ΅ΡΠ°ΡΡΡΡ ΠΎΡ
Π»Π°ΠΆΠ΄Π°ΡΡΠ΅ΠΉ ΠΆΠΈΠ΄ΠΊΠΎΡΡΠΈ;
30 β ΠΊΠΎΠ»ΠΎΠ΄ΠΊΠ° ΠΆΠ³ΡΡΠ° ΡΠΈΡΡΠ΅ΠΌΡ Π·Π°ΠΆΠΈΠ³Π°Π½ΠΈΡ ΠΊ ΠΆΠ³ΡΡΡ ΠΏΠ°Π½Π΅Π»ΠΈ ΠΏΡΠΈΠ±ΠΎΡΠΎΠ²;
31 β ΠΊΠΎΠ»ΠΎΠ΄ΠΊΠ° ΠΆΠ³ΡΡΠ° ΠΏΠ°Π½Π΅Π»ΠΈ ΠΏΡΠΈΠ±ΠΎΡΠΎΠ² ΠΊ ΠΆΠ³ΡΡΡ ΡΠΈΡΡΠ΅ΠΌΡ Π·Π°ΠΆΠΈΠ³Π°Π½ΠΈΡ;
32 β ΡΠ΅Π»Π΅ Π·Π°ΠΆΠΈΠ³Π°Π½ΠΈΡ;
33 β ΠΏΡΠ΅Π΄ΠΎΡ
ΡΠ°Π½ΠΈΡΠ΅Π»Ρ ΡΠ΅Π»Π΅ Π·Π°ΠΆΠΈΠ³Π°Π½ΠΈΡ;
34 β ΠΏΡΠ΅Π΄ΠΎΡ
ΡΠ°Π½ΠΈΡΠ΅Π»Ρ ΡΠ΅ΠΏΠΈ ΠΏΠΈΡΠ°Π½ΠΈΡ ΡΠ»Π΅ΠΊΡΡΠΎΠ±Π΅Π½Π·ΠΎΠ½Π°ΡΠΎΡΠ°;
35 β ΡΠ΅Π»Π΅ ΡΠ»Π΅ΠΊΡΡΠΎΠ±Π΅Π½Π·ΠΎΠ½Π°ΡΠΎΡΠ°;
36 β ΡΠ΅Π»Π΅ ΡΠ»Π΅ΠΊΡΡΠΎΠ²Π΅Π½ΡΠΈΠ»ΡΡΠΎΡΠ°;
37 β ΠΏΡΠ΅Π΄ΠΎΡ
ΡΠ°Π½ΠΈΡΠ΅Π»Ρ ΡΠ΅ΠΏΠΈ ΠΏΠΈΡΠ°Π½ΠΈΡ ΠΊΠΎΠ½ΡΡΠΎΠ»Π»Π΅ΡΠ°;
38 β ΠΊΠΎΠ»ΠΎΠ΄ΠΊΠ° ΠΆΠ³ΡΡΠ° ΡΠΈΡΡΠ΅ΠΌΡ Π·Π°ΠΆΠΈΠ³Π°Π½ΠΈΡ ΠΊ ΡΠΎΠ΅Π΄ΠΈΠ½ΠΈΡΠ΅Π»Ρ ΠΊΠΎΠ½Π΄ΠΈΡΠΈΠΎΠ½Π΅ΡΠ°;
39 β ΠΊΠΎΠΌΠ±ΠΈΠ½Π°ΡΠΈΡ ΠΏΡΠΈΠ±ΠΎΡΠΎΠ²;
40 β Π²ΡΠΊΠ»ΡΡΠ°ΡΠ΅Π»Ρ Π·Π°ΠΆΠΈΠ³Π°Π½ΠΈΡ;
41 β ΡΠ»Π΅ΠΊΡΡΠΎΠ²Π΅Π½ΡΠΈΠ»ΡΡΠΎΡ ΡΠΈΡΡΠ΅ΠΌΡ ΠΎΡ
Π»Π°ΠΆΠ΄Π΅Π½ΠΈΡ;
42 β Π±Π»ΠΎΠΊ Π±ΠΎΡΡΠΎΠ²ΠΎΠΉ ΡΠΈΡΡΠ΅ΠΌΡ ΠΊΠΎΠ½ΡΡΠΎΠ»Ρ;
43 β ΡΠ΅Π»Π΅ ΡΡΠ°ΡΡΠ΅ΡΠ°;
44 β ΠΊΠΎΠ½ΡΠ°ΠΊΡΡ 8-ΠΊΠ»Π΅ΠΌΠΌΠ½ΡΡ
ΠΊΠΎΠ»ΠΎΠ΄ΠΎΠΊ ΠΆΠ³ΡΡΠ° ΠΏΠ°Π½Π΅Π»ΠΈ ΠΏΡΠΈΠ±ΠΎΡΠΎΠ² ΠΈ ΠΆΠ³ΡΡΠ° ΠΏΠ΅ΡΠ΅Π΄Π½Π΅Π³ΠΎ;
45 β ΠΊΠΎΠ½ΡΠ°ΠΊΡΡ 21-ΠΊΠ»Π΅ΠΌΠΌΠ½ΡΡ
ΠΊΠΎΠ»ΠΎΠ΄ΠΎΠΊ ΠΆΠ³ΡΡΠ° ΠΏΠ°Π½Π΅Π»ΠΈ ΠΏΡΠΈΠ±ΠΎΡΠΎΠ² ΠΈ ΠΆΠ³ΡΡΠ° Π·Π°Π΄Π½Π΅Π³ΠΎ;
46 β ΠΌΠ°ΡΡΡΡΡΠ½ΡΠΉ ΠΊΠΎΠΌΠΏΡΡΡΠ΅Ρ;
47 β Π΄ΠΈΠ°Π³Π½ΠΎΡΡΠΈΡΠ΅ΡΠΊΠΈΠΉ ΡΠ°Π·ΡΠ΅ΠΌ.
- A β ΠΊ ΠΊΠ»Π΅ΠΌΠΌΠ΅ Β«ΠΏΠ»ΡΡΒ» Π°ΠΊΠΊΡΠΌΡΠ»ΡΡΠΎΡΠ½ΠΎΠΉ Π±Π°ΡΠ°ΡΠ΅ΠΈ;
- Π1 β ΡΠΎΡΠΊΠ° Π·Π°Π·Π΅ΠΌΠ»Π΅Π½ΠΈΡ ΠΆΠ³ΡΡΠ° ΠΏΡΠΎΠ²ΠΎΠ΄ΠΎΠ² ΠΊΠ°ΡΡΡΠ΅ΠΊ Π·Π°ΠΆΠΈΠ³Π°Π½ΠΈΡ;
- Π2 β ΡΠΎΡΠΊΠ° Π·Π°Π·Π΅ΠΌΠ»Π΅Π½ΠΈΡ ΠΆΠ³ΡΡΠ° Π΄Π°ΡΡΠΈΠΊΠ° ΡΡΠΎΠ²Π½Ρ ΡΠΎΠΏΠ»ΠΈΠ²Π°;
- Π3, Π4 β ΡΠΎΡΠΊΠΈ Π·Π°Π·Π΅ΠΌΠ»Π΅Π½ΠΈΡ ΠΆΠ³ΡΡΠ° ΡΠΈΡΡΠ΅ΠΌΡ Π·Π°ΠΆΠΈΠ³Π°Π½ΠΈΡ;
- Π‘ β ΠΊ ΡΡΠ°ΡΡΠ΅ΡΡ;
- D β ΠΊ Π²ΡΠΊΠ»ΡΡΠ°ΡΠ΅Π»Ρ ΠΏΠ»Π°ΡΠΎΠ½Π° ΠΎΡΠ²Π΅ΡΠ΅Π½ΠΈΡ ΡΠ°Π»ΠΎΠ½Π° Π΄Π²Π΅ΡΠΈ Π²ΠΎΠ΄ΠΈΡΠ΅Π»Ρ.
ΠΠΎ ΠΎΠΏΠΈΡΠ°Π½Π½ΠΎΠΉ Π²ΡΡΠ΅ ΡΡ
Π΅ΠΌΠ΅ ΠΏΡΠΎΠΈΠ·Π²ΠΎΠ΄ΠΈΡΡΡ ΡΠΎΠΏΠ»ΠΈΠ²Π½Π°Ρ ΡΠ΅Π³ΡΠ»ΡΡΠΈΡ Π² Π°Π²ΡΠΎΠΌΠΎΠ±ΠΈΠ»Π΅. ΠΡΠΈ ΡΡΠΎΠΌ ΠΎΠ½Π° Π·Π°Π²ΠΈΡΠΈΡ Π½Π΅ ΡΠΎΠ»ΡΠΊΠΎ ΠΎΡ Π½Π°Π³ΡΡΠ·ΠΊΠΈ ΠΊΠ»Π°ΠΏΠ°Π½ΠΎΠ² Π² Π΄Π²ΠΈΠ³Π°ΡΠ΅Π»Π΅, Π½ΠΎ ΠΈ ΠΎΡ ΡΠΎΠΎΡΠ²Π΅ΡΡΡΠ²ΡΡΡΠ΅Π³ΠΎ ΠΏΠΎΠ»ΠΎΠΆΠ΅Π½ΠΈΡ ΠΎΡΠ½ΠΎΡΠΈΡΠ΅Π»ΡΠ½ΠΎ ΠΊΠ»Π°ΠΏΠ°Π½Π° Π΄ΡΠΎΡΡΠ΅Π»ΡΠ½ΠΎΠΉ Π·Π°ΡΠ»ΠΎΠ½ΠΊΠΈ. Π‘ ΠΏΠΎΠΌΠΎΡΡΡ ΡΡ
Π΅ΠΌΡ ΡΠ»Π΅ΠΊΡΡΠΈΡΠ΅ΡΠΊΠΈΡ
ΠΏΡΠΎΠ²ΠΎΠ΄ΠΊΠΎΠ² ΠΈ ΠΊΠ»Π°ΠΏΠ°Π½ΠΎΠ² ΡΠ΄Π°Π΅ΡΡΡ ΠΏΠΎΠ½ΡΡΡ, ΠΊΠ°ΠΊΠΎΠΉ ΠΈΠ· ΡΠ΅Π»Π΅ ΠΈΠ»ΠΈ ΠΏΡΠ΅Π΄ΠΎΡ
ΡΠ°Π½ΠΈΡΠ΅Π»Π΅ΠΉ ΡΠ°Π±ΠΎΡΠ°Π΅Ρ Ρ Π½Π΅ΠΈΡΠΏΡΠ°Π²Π½ΠΎΡΡΡΡ, ΠΈ Π²ΠΎΠ²ΡΠ΅ΠΌΡ Π΅Π³ΠΎ Π·Π°ΠΌΠ΅Π½ΠΈΡΡ. ΠΡΠΈ ΡΡΠΎΠΌ ΠΎΠ΄Π½Ρ ΠΈΠ· Π³Π»Π°Π²Π½ΡΡ
ΡΠΎΠ»Π΅ΠΉ ΠΏΡΠΈ ΠΏΠΎΠ΄Π°ΡΠ΅ ΡΠΎΠΏΠ»ΠΈΠ²Π° Π²ΡΠΏΠΎΠ»Π½ΡΠ΅Ρ ΡΠ»Π΅ΠΊΡΡΠΎΠΎΠ±ΠΎΡΡΠ΄ΠΎΠ²Π°Π½ΠΈΠ΅ (ΠΊΠΎΠ½ΡΡΠΎΠ»Π»Π΅ΡΡ), ΡΠ΅Π³ΡΠ»ΠΈΡΡΡΡΠ΅Π΅ ΡΠ°Π±ΠΎΡΡ ΡΠΎΡΡΡΠ½ΠΊΠΈ.
ΠΠΎΠ²ΡΠΉ Π²Π°ΡΠΈΠ°Π½Ρ ΡΡ
Π΅ΠΌΡ ΠΠΠ-2110
ΠΠΎΠΏΠΎΠ»Π½ΠΈΡΠ΅Π»ΡΠ½ΡΠ΅ ΡΡ
Π΅ΠΌΡ
ΠΡΠ΅Π΄ΠΎΡ
ΡΠ°Π½ΠΈΡΠ΅Π»ΠΈ ΠΏΡΠΈΠΊΡΡΠΈΠ²Π°ΡΠ΅Π»Ρ ΠΠΠ 2110. ΠΡΠΈΠΊΡΡΠΈΠ²Π°ΡΠ΅Π»Ρ Π½Π΅ ΡΠ°Π±ΠΎΡΠ°Π΅Ρ. ΠΠΎΠ·ΠΌΠΎΠΆΠ½ΡΠ΅ ΠΏΡΠΈΡΠΈΠ½Ρ ΠΈ ΠΈΡ
ΡΡΡΡΠ°Π½Π΅Π½ΠΈΠ΅. ΠΠ· ΡΠ΅Π³ΠΎ ΡΠΎΡΡΠΎΠΈΡ ΠΏΡΠΈΠΊΡΡΠΈΠ²Π°ΡΠ΅Π»Ρ ΠΈ ΠΊΠ°ΠΊ ΠΎΠ½ ΡΠ°Π±ΠΎΡΠ°Π΅Ρ
ΠΠ½ΠΎΠ³Π΄Π° Π±ΡΠ²Π°Π΅Ρ, ΡΡΠΎ ΠΏΠΎΡΠ»Π΅ Π½Π΅ΡΠ΄Π°ΡΠ½ΠΎ Π²ΡΡΠ°ΡΠ΅Π½Π½ΠΎΠ³ΠΎ ΠΏΡΠΈΠΊΡΡΠΈΠ²Π°ΡΠ΅Π»Ρ Π²ΡΡ ΡΠ΅Π½ΡΡΠ°Π»ΡΠ½Π°Ρ Π²ΡΡΠ°Π²ΠΊΠ° ΠΏΠΎΠ΄Π°ΡΡΡΡ Π½Π° ΠΠΠ 2107 Π·Π° Π½ΠΈΠΌ, ΠΏΠΎΡΠΎΠΌ — Π·Π°ΡΡΠΆΠΊΠ°! — ΠΈΡΠΊΡΠ° ΠΌΠ΅Π»ΡΠΊΠ°Π΅Ρ Ρ ΡΡΠ΅ΡΠΊΠΎΠΌ, ΠΈ Π²ΡΠ΅. ΠΡΠΈΠΊΡΡΠΈΠ²Π°ΡΠ΅Π»Ρ Π½Π΅ ΡΠ°Π±ΠΎΡΠ°Π΅Ρ.
ΠΠ΅ΠΊΡΡΡΡΠΈΠΉ Π²ΠΎΠ΄ΠΈΡΠ΅Π»Ρ Π²ΡΠΎΠ΄Π΅ Π½Π΅ΠΌΠ½ΠΎΠ³ΠΎ ΠΎΠ³ΠΎΡΡΠΈΠ»ΡΡ, Π΄Π°ΠΉ Π±ΠΎΠ³ Π΅ΠΌΡ Π·Π΄ΠΎΡΠΎΠ²ΡΡ, ΡΠ΅ΠΌΠΎΠ½Ρ ΠΏΠΎΠ΄ΠΎΠΆΠ΄Π΅Ρ.ΠΠΎ Π²ΡΡ Π·Π°Π³Π²ΠΎΠ·Π΄ΠΊΠ° Π² ΡΠΎΠΌ, ΡΡΠΎ ΠΈΠ·-Π·Π° ΠΎΡΠΎΠ±Π΅Π½Π½ΠΎΡΡΠ΅ΠΉ ΡΡ
Π΅ΠΌΡ ΠΏΠΎΠ΄ΠΊΠ»ΡΡΠ΅Π½ΠΈΡ ΠΏΡΠΈΠΊΡΡΠΈΠ²Π°ΡΠ΅Π»Ρ Π½Π° ΠΠΠ 2107 Π°Π²ΡΠΎΠΌΠ°Π³Π½ΠΈΡΠΎΠ»Π° (ΠΈΠ»ΠΈ ΠΌΠ°Π³Π½ΠΈΡΠΎΠ»Π°), Π° ΡΠ°ΠΊΠΆΠ΅ Π°Π²ΡΠΎΠΌΠΎΠ±ΠΈΠ»ΡΠ½ΡΠ΅ ΡΠ°ΡΡ Π²ΠΌΠ΅ΡΡΠ΅ Ρ ΠΈΡ
ΠΏΠΎΠ΄ΡΠ²Π΅ΡΠΊΠΎΠΉ Π²ΡΡ
ΠΎΠ΄ΡΡ ΠΈΠ· ΡΡΡΠΎΡ ΠΈ Π½Π΅ ΡΠ°Π±ΠΎΡΠ°ΡΡ.
Π Π½Π°ΡΠ°Π»Π΅ ΡΡΠ΅ΡΡΠ΅Π³ΠΎ ΡΡΡΡΡΠ΅Π»Π΅ΡΠΈΡ ΠΏΡΠΎΠ±Π»Π΅ΠΌ ΡΡΠ°Π»ΠΎ Π΅ΡΠ΅ Π±ΠΎΠ»ΡΡΠ΅: ΠΊ ΡΡΠΎΠΉ ΡΠΎΠ·Π΅ΡΠΊΠ΅ ΠΏΠΎΠ΄ΠΊΠ»ΡΡΠ°Π΅ΡΡΡ Π·Π°ΡΡΠ΄ΠΊΠ° ΡΠΎΡΠΎΠ²ΠΎΠ³ΠΎ ΡΠ΅Π»Π΅ΡΠΎΠ½Π°, Π²ΠΊΠ»ΡΡΠ°Π΅ΡΡΡ Π²ΠΈΠ΄Π΅ΠΎΡΠ΅Π³ΠΈΡΡΡΠ°ΡΠΎΡ, ΠΌΠΈΠ½ΠΈ-ΡΠ΅Π»Π΅Π²ΠΈΠ·ΠΎΡ ΠΈ Π΄Π°ΠΆΠ΅ Π½Π΅Π±ΠΎΠ»ΡΡΠΎΠΉ Ρ
ΠΎΠ»ΠΎΠ΄ΠΈΠ»ΡΠ½ΠΈΠΊ. ΠΡΠ΅ ΡΡΠΎ ΡΠΎΠ²Π΅ΡΡΠ΅Π½Π½ΠΎ Π½Π΅ ΡΡΡΠ°ΡΠ½ΠΎ, Π½ΠΎ Π½Π΅ΠΊΠΎΡΠΎΡΡΠ΅ Π»Π΅Π½ΠΈΠ²ΡΠ΅ Π°Π²ΡΠΎΠΌΠΎΠ±ΠΈΠ»ΠΈΡΡΡ ΠΏΠ΅ΡΠ΅ΡΡΠ°Π»ΠΈ Π½ΠΎΡΠΈΡΡ Ρ ΡΠΎΠ±ΠΎΠΉ ΡΡΡΠ½ΠΎΠΉ ΠΈΠ»ΠΈ Π½ΠΎΠΆΠ½ΠΎΠΉ Π½Π°ΡΠΎΡ, Π° ΠΈΡΠΏΠΎΠ»ΡΠ·ΡΡΡ ΠΈΡΠΊΠ»ΡΡΠΈΡΠ΅Π»ΡΠ½ΠΎ ΡΠ»Π΅ΠΊΡΡΠΈΡΠ΅ΡΠΊΠΈΠΉ, ΠΈΠ· ΡΠΎΠ³ΠΎ ΠΆΠ΅ ΠΈΡΡΠΎΡΠ½ΠΈΠΊΠ°.ΠΠΎΡ ΡΡΡ-ΡΠΎ ΠΈ Π½Π°ΡΠΈΠ½Π°ΡΡΡΡ ΠΏΡΠΎΠ±Π»Π΅ΠΌΡ Π½Π° ΡΡΠ°ΡΡΠ΅, Π² ΡΠ»ΡΡΠ°Π΅ ΠΏΡΠΎΠΊΠΎΠ»Π°. ΠΡΠΆΠ½ΠΎ ΠΏΡΠΎΠ³ΠΎΠ»ΠΎΡΠΎΠ²Π°ΡΡ Β«ΠΏΠΎΠΏΡΠΎΡΠΈΡΡ ΠΏΠΎΠΌΠΏΡΒ».
ΠΠ° ΡΠΌ ΠΏΡΠΈΡ
ΠΎΠ΄ΠΈΡ Π·Π°ΠΌΠ΅Π½Π° ΠΏΡΠΈΠΊΡΡΠΈΠ²Π°ΡΠ΅Π»Ρ Π² Π»ΡΠ±ΠΈΠΌΠΎΠΌ ΠΠΠ 2107, ΠΈΠ»ΠΈ, Π½Π° ΠΊΡΠ°ΠΉΠ½ΠΈΠΉ ΡΠ»ΡΡΠ°ΠΉ, ΡΠ΅ΠΌΠΎΠ½Ρ. ΠΠΎ Π΄Π°Π²Π°ΠΉΡΠ΅ ΡΠ½Π°ΡΠ°Π»Π° ΡΠ°Π·Π±Π΅ΡΠ΅ΠΌΡΡ ΠΈ ΠΏΠΎΡΠΌΠΎΡΡΠΈΠΌ, ΡΡΠΎ ΡΠΎΠ±ΠΎΠΉ ΠΏΡΠ΅Π΄ΡΡΠ°Π²Π»ΡΠ΅Ρ ΡΡ
Π΅ΠΌΠ° ΠΏΠΎΠ΄ΠΊΠ»ΡΡΠ΅Π½ΠΈΡ ΠΏΡΠΈΠΊΡΡΠΈΠ²Π°ΡΠ΅Π»Ρ.
Π‘Ρ
Π΅ΠΌΠ° ΠΏΠΎΠ΄ΠΊΠ»ΡΡΠ΅Π½ΠΈΡ ΠΏΡΠΈΠΊΡΡΠΈΠ²Π°ΡΠ΅Π»Ρ Π°Π²ΡΠΎΠΌΠΎΠ±ΠΈΠ»Ρ ΠΠΠ 2107
ΠΡΡΡ Π½Π΅Π±ΠΎΠ»ΡΡΠΈΠ΅ ΠΎΡΠ»ΠΈΡΠΈΡ Π² Π·Π°Π²ΠΈΡΠΈΠΌΠΎΡΡΠΈ ΠΎΡ ΡΠΎΠ³ΠΎ, ΠΊΠ°ΠΊΠ°Ρ ΠΌΠΎΠ΄Π΅Π»Ρ ΡΠ΅Π½ΡΡΠ°Π»ΡΠ½ΠΎΠΉ ΠΊΠΎΠ½ΡΠΎΠ»ΠΈ ΡΡΡΠ°Π½ΠΎΠ²Π»Π΅Π½Π° ββΠ² Π°Π²ΡΠΎΠΌΠΎΠ±ΠΈΠ»Π΅.
ΠΡΠ»ΠΈ ΠΏΡΠΎΠΈΠ·Π²Π΅Π΄Π΅Π½Π° Π·Π°ΠΌΠ΅Π½Π° ΠΈ Ρ Π²Π°Ρ Β«ΠΏΡΡΡ ΠΏΡΠΈΡΡΠ°Π²ΠΎΠΊΒ», ΡΠΎ ΡΡ
Π΅ΠΌΠ° ΠΏΠΎΠ΄ΠΊΠ»ΡΡΠ΅Π½ΠΈΡ Π±ΡΠ΄Π΅Ρ ΡΠ»Π΅Π΄ΡΡΡΠ°Ρ:
- ΠΠΈΡΠ΅Π²ΠΎΠΉ ΠΊΡΠ°ΡΠΈΡΠ΅Π»Ρ ΡΠΈΠ½Π΅-ΠΊΡΠ°ΡΠ½ΡΠΉ, ΠΏΠ°ΡΠ½ΡΠΉ, Π° ΡΠ²Π΅Ρ ΠΎΡΡΠΈΡΠ°ΡΠ΅Π»ΡΠ½ΠΎΠΉ Β«ΠΌΠ°ΡΡΡΒ» ΠΏΠ°ΡΠ½ΡΠΉ, ΡΠ΅ΡΠ½ΡΠΉ ΠΈ Π±Π΅Π»ΡΠΉ. ΠΠ°ΡΡΠ° Π·Π°ΠΊΡΠ΅ΠΏΠ»Π΅Π½Π° Π²ΠΎΠ·Π»Π΅ ΡΠ΅Π»Π΅ Π·Π°ΠΆΠΈΠ³Π°Π½ΠΈΡ. ΠΠ΄Π½Π° Π²Π΅ΡΠΊΠ° ΠΏΠΎΠ΄Π°Π΅Ρ ΡΠ²Π΅Ρ Π² Π±Π°ΡΠ΄Π°ΡΠΎΠΊ.
Π¨ΡΠ°ΡΠ½Π°Ρ ΠΊΠΎΠ½ΡΠΎΠ»Ρ (ΡΠ΅Π½ΡΡΠ°Π»ΡΠ½Π°Ρ) ΠΠΠ 2107, ΠΏΡΠΈΠ½ΡΠΈΠΏ ΠΏΠΎΠ΄ΠΊΠ»ΡΡΠ΅Π½ΠΈΡ ΡΠ»Π΅Π΄ΡΡΡΠΈΠΉ:
- Β«ΠΠ°ΡΡΠ°Β» ΡΠ΅ΡΠ½Π°Ρ, ΠΏΡΠΎΠ²ΠΎΠ΄Π° ΠΈΠ΄ΡΡΠΈΠ΅ Π½Π° ΠΎΡΠ²Π΅ΡΠ΅Π½ΠΈΠ΅ Π±Π΅Π»ΡΠ΅, ΠΈΡ
Π΄Π²Π°.Π ΡΡ
Π΅ΠΌΠ΅ ΠΏΡΠ΅Π΄ΡΡΠΌΠΎΡΡΠ΅Π½ ΠΎΠ΄ΠΈΠ½ ΠΏΡΠΎΠ²ΠΎΠ΄ Π΄Π»Ρ ΠΎΡΠ²Π΅ΡΠ΅Π½ΠΈΡ ΠΏΠ°Π½Π΅Π»ΠΈ.
ΠΡΠΎΠ²ΠΎΠ΄ ΠΏΠΈΡΠ°Π½ΠΈΡ — ΡΠΈΠ½ΠΈΠΉ ΠΈ ΠΊΡΠ°ΡΠ½ΡΠΉ, ΠΏΠ°ΡΠ½ΡΠ΅, ΠΎΠ΄Π½Π° ΡΠ°ΡΡΡ ΠΏΠΎΠ΄Ρ
ΠΎΠ΄ΠΈΡ Π΄Π»Ρ ΠΏΠΈΡΠ°Π½ΠΈΡ Π±ΠΎΡΡΠΎΠ²ΡΡ
ΡΠ°ΡΠΎΠ².
Π’Π°ΠΊΠΆΠ΅ Π²Π°ΠΆΠ½ΠΎ Π·Π½Π°ΡΡ, ΡΡΠΎ ΠΊΡΠΎΠΌΠ΅ ΠΏΡΠΎΠ²ΠΎΠ΄ΠΎΠ², Π² ΡΡ
Π΅ΠΌΠ΅ Π½Π°Ρ
ΠΎΠ΄ΡΡΡΡ:
- Π‘Π°ΠΌ ΠΏΡΠΈΠΊΡΡΠΈΠ²Π°ΡΠ΅Π»Ρ;
- ΠΡΠ΅Π΄ΠΎΡ
ΡΠ°Π½ΠΈΡΠ΅Π»Ρ Π½Π° 10 Π°ΠΌΠΏΠ΅Ρ, ΠΌΠ°ΡΠΊΠΈΡΠΎΠ²ΠΊΠ° F 6, Π½Π°Ρ
ΠΎΠ΄ΠΈΡΡΡ Π² ΠΌΠΎΠ½ΡΠ°ΠΆΠ½ΠΎΠΌ Π±Π»ΠΎΠΊΠ΅.
ΠΡΠΈΡΠΈΠ½Ρ Π½Π΅ΠΈΡΠΏΡΠ°Π²Π½ΠΎΡΡΠΈ
- Π§Π°ΡΡΠΎ Π±ΡΠ²Π°Π΅Ρ, ΡΡΠΎ ΡΠΎΠ·Π΅ΡΠΊΠ° ΠΏΡΠΈΠΊΡΡΠΈΠ²Π°ΡΠ΅Π»Ρ ΠΠΠ 2107 ΡΠ²Π»ΡΠ΅ΡΡΡ ΡΠΎΠ·Π΅ΡΠΊΠΎΠΉ, ΠΊΠ°ΠΊ ΠΎΠΏΠΈΡΠ°Π½ΠΎ Π²ΡΡΠ΅.Π‘Ρ
Π΅ΠΌΠ° ΡΠ°ΡΡΠ΅ΡΠ° ΠΏΡΠΎΡΡΠ°: ΡΠΌΠ½ΠΎΠΆΠΈΠ² ΠΌΠ°ΠΊΡΠΈΠΌΠ°Π»ΡΠ½ΡΠΉ ΡΠΎΠΊ, Π½Π° ΠΊΠΎΡΠΎΡΡΠΉ ΡΠ°ΡΡΡΠΈΡΠ°Π½ ΠΏΡΠ΅Π΄ΠΎΡ
ΡΠ°Π½ΠΈΡΠ΅Π»Ρ (10 Π), Π½Π° Π½Π°ΠΏΡΡΠΆΠ΅Π½ΠΈΠ΅ Π±ΠΎΡΡΠΎΠ²ΠΎΠΉ ΡΠ΅ΠΏΠΈ (Π½Π°ΠΏΡΡΠΆΠ΅Π½ΠΈΠ΅ 12 Π), ΠΏΠΎΠ»ΡΡΠΈΠΌ 120 ΠΡ. ΠΡΠ»ΠΈ ΡΡΠΎ Π½Π΅ ΡΠΎΠ»ΡΠΊΠΎ ΡΠΎΠ·Π΅ΡΠΊΠ°, Π½ΠΎ ΠΈ ΡΠΏΠ»ΠΈΡΡΠ΅Ρ, ΠΎΠ± ΡΡΠΎΠΌ Π½ΡΠΆΠ½ΠΎ ΠΏΠΎΠΌΠ½ΠΈΡΡ. ΠΡΠ΅Π΄ΠΎΡ
ΡΠ°Π½ΠΈΡΠ΅Π»Ρ ΡΠ³ΠΎΡΠΈΡ ΠΊΠ°ΠΊ ΡΠΏΠΈΡΠΊΠ° (Π² Π»ΡΡΡΠ΅ΠΌ ΡΠ»ΡΡΠ°Π΅), ΠΈ ΡΠ΅ΠΌΠΎΠ½Ρ ΡΡΠ°Π½Π΅Ρ ΡΡΡΠΈΠ½Π½ΡΠΌ. Π₯ΠΎΡΠΎΡΠΎ ΡΠ°Π±ΠΎΡΠ°Π΅Ρ Π½Π°Π³ΡΡΠ·ΠΊΠ° Π½Π΅ Π±ΠΎΠ»Π΅Π΅ 100 ΠΡ.
- ΠΠ½ΠΎΠ³Π΄Π° ΠΎΠΊΠΈΡΠ»ΡΡΡΡΡ ΠΊΠΎΠ½ΡΠ°ΠΊΡΡ ΡΠ°ΠΌΠΎΠ³ΠΎ ΠΏΡΠΈΠΊΡΡΠΈΠ²Π°ΡΠ΅Π»Ρ ΠΈΠ»ΠΈ Π΅Π³ΠΎ ΡΠ°Π·ΡΠ΅ΠΌΠ°. ΠΠ°ΡΠ΅ΠΌ ΠΈΡ
ΠΎΡΠΈΡΠ°ΡΡ, ΠΏΡΠ΅Π΄Π²Π°ΡΠΈΡΠ΅Π»ΡΠ½ΠΎ ΡΠ±ΡΠΎΡΠΈΠ² Β«Π·Π΅ΠΌΠ»ΡΒ», Π²ΠΎ ΠΈΠ·Π±Π΅ΠΆΠ°Π½ΠΈΠ΅ ΠΊΠΎΡΠΎΡΠΊΠΎΠ³ΠΎ Π·Π°ΠΌΡΠΊΠ°Π½ΠΈΡ.ΠΠ°ΠΌΠ΅Π½Π° Π²ΠΎΠ²ΡΠ΅ Π½Π΅ Π½ΡΠΆΠ½Π°, ΠΊΠ°ΠΆΠ΄ΡΠΉ ΠΌΠΎΠΆΠ΅Ρ ΡΠ΄Π΅Π»Π°ΡΡ ΡΠ°ΠΌ.
- Π‘Π»Π΅Π΄ΡΡΡΠΈΠΉ Π²Π°ΡΠΈΠ°Π½Ρ ΠΏΠΎΠ»ΠΎΠΌΠΊΠΈ Π·Π°ΠΊΠ»ΡΡΠ°Π΅ΡΡΡ Π² ΡΠΎΠΌ, ΡΡΠΎ ΠΌΠ½ΠΎΠ³ΠΈΠ΅ Π΄ΠΎΠΏΠΎΠ»Π½ΠΈΡΠ΅Π»ΡΠ½ΡΠ΅ ΡΡΡΡΠΎΠΉΡΡΠ²Π° Π½Π΅ Π²Ρ
ΠΎΠ΄ΡΡ ΠΏΠ»ΠΎΡΠ½ΠΎ Π² Π³Π½Π΅Π·Π΄ΠΎ ΠΏΡΠΈΠΊΡΡΠΈΠ²Π°ΡΠ΅Π»Ρ, ΠΏΠ»ΠΎΡ
ΠΎΠΉ ΠΊΠΎΠ½ΡΠ°ΠΊΡ ΡΠΎ ΡΡΠ΅Π½ΠΊΠ°ΠΌΠΈ, Π½Π°ΡΠΈΠ½Π°Π΅ΡΡΡ Β«Π½Π΅ΡΠΎΠ²Π½ΠΎΡΡΡΒ», ΠΏΡΠΎΠΈΡΡ
ΠΎΠ΄ΠΈΡ ΠΊΠΎΡΠΎΡΠΊΠΎΠ΅ Π·Π°ΠΌΡΠΊΠ°Π½ΠΈΠ΅. ΠΠΎΡΠ»Π΅ ΡΡΠΎΠ³ΠΎ ΠΊΠΎΠ½ΡΠ°ΠΊΡΡ ΠΎΠΏΠ»Π°Π²Π»ΡΡΡΡΡ, ΠΈ ΠΏΡΠΈΠΊΡΡΠΈΠ²Π°ΡΠ΅Π»Ρ Π½Π΅ ΡΠ°Π±ΠΎΡΠ°Π΅Ρ. ΠΡΠ»ΠΈ ΠΊΠΎΠ½ΡΠ°ΠΊΡΡ ΠΎΠΏΠ»Π°Π²ΠΈΠ»ΠΈΡΡ, ΡΠΎ ΡΠ΅ΠΌΠΎΠ½Ρ ΠΌΠΎΠΆΠ½ΠΎ ΠΏΡΠΎΠ²Π΅ΡΡΠΈ ΠΏΡΡΠ΅ΠΌ ΠΈΡ
ΡΠΈΡΡΠΊΠΈ ΠΈ ΠΏΠ΅ΡΠ΅ΠΏΠ°ΠΉΠΊΠΈ, Π»ΠΈΠ±ΠΎ ΠΏΠΎΡΡΠ΅Π±ΡΠ΅ΡΡΡ Π·Π°ΠΌΠ΅Π½Π°. Π ΡΡΠΎΠΌ ΡΠ»ΡΡΠ°Π΅ ΠΏΡΠ΅Π΄ΠΎΡ
ΡΠ°Π½ΠΈΡΠ΅Π»Ρ ΡΠ°ΠΊΠΆΠ΅ ΠΈΠΌΠ΅Π΅Ρ Π²ΡΡΠΎΠΊΠΈΠ΅ ΠΏΠΈΠΊΠΎΠ²ΡΠ΅ Π½Π°Π³ΡΡΠ·ΠΊΠΈ.
- ΠΠ°ΠΊΠΎΠ½Π΅Ρ, ΠΈΠ½ΠΎΠ³Π΄Π° ΠΌΠΎΠΆΠ΅Ρ ΠΏΡΠΎΡΡΠΎ ΠΏΠ΅ΡΠ΅Π³ΠΎΡΠ΅ΡΡ ΠΊΠ°ΡΡΡΠΊΠ° Π½Π° ΡΠ°ΠΌΠΎΠΌ ΠΏΡΠΈΠΊΡΡΠΈΠ²Π°ΡΠ΅Π»Π΅. Π ΡΡΠΎΠΌ ΡΠ»ΡΡΠ°Π΅ Π²Π°ΠΌ ΠΏΡΠΎΡΡΠΎ Π½ΡΠΆΠ½ΠΎ Π·Π°ΠΌΠ΅Π½ΠΈΡΡ Π΅Π³ΠΎ Π³ΠΎΠ»ΠΎΠ²ΠΊΡ Π½Π° Π½ΠΎΠ²ΡΡ. ΠΡΠ»ΠΈ Π·Π°ΠΏΡΠ°ΡΡΡ Π½Π°ΠΉΡΠΈ Π½Π΅ ΡΠ΄Π°Π»ΠΎΡΡ, ΡΠΎ ΠΌΠΎΠΆΠ½ΠΎ ΠΏΡΠΎΠ²Π΅ΡΡΠΈ ΠΏΡΠΎΡΡΠΎΠΉ ΡΠ΅ΠΌΠΎΠ½Ρ — ΠΎΡΠΈΡΡΠΈΡΡ ΡΠΏΠΈΡΠ°Π»Ρ ΠΏΡΠΈΠΊΡΡΠΈΠ²Π°ΡΠ΅Π»Ρ ΠΎΡ ΠΊΠΎΠΏΠΎΡΠΈ ΠΈ Π½Π°Π³Π°ΡΠ°.
ΠΠΎ ΠΏΡΠ°Π²ΠΈΠ»Π°ΠΌ, Π½Π° ΠΏΡΠΈΠΊΡΡΠΈΠ²Π°ΡΠ΅Π»Π΅ ΠΠΠ 2107 ΡΠΏΠΈΡΠ°Π»Ρ Π΄ΠΎΠ»ΠΆΠ½Π° Π±ΡΡΡ ΡΠ°ΡΠΊΠ°Π»Π΅Π½Π° Π΄ΠΎΠΊΡΠ°ΡΠ½Π° ΠΈ ΠΎΡΠΏΡΡΠ΅Π½Π° Π² ΡΠ΅ΡΠ΅Π½ΠΈΠΈ 20 ΡΠ΅ΠΊΡΠ½Π΄. Π ΡΠΎΠΌ ΡΠ»ΡΡΠ°Π΅, Π΅ΡΠ»ΠΈ Π²ΡΠ΅ΠΌΡ ΠΎΡΠ»ΠΈΡΠ°Π΅ΡΡΡ Π² ΡΡ ΠΈΠ»ΠΈ ΠΈΠ½ΡΡ ΡΡΠΎΡΠΎΠ½Ρ, ΡΠΎ Π²ΡΠ΅ΠΌΠ΅Π½Π½ΡΡ ΡΡ
Π΅ΠΌΡ ΠΌΠΎΠΆΠ½ΠΎ ΠΎΡΡΠ΅Π³ΡΠ»ΠΈΡΠΎΠ²Π°ΡΡ, ΡΠ°Π·ΠΎΠ³Π½ΡΠ² ΠΈΠ»ΠΈ ΡΠΎΠ³Π½ΡΠ² ΠΊΠΎΠ½ΡΠ°ΠΊΡΡ ΠΏΡΠΈΠΊΡΡΠΈΠ²Π°ΡΠ΅Π»Ρ.ΠΡΠ»ΠΈ ΡΠ΅Π³ΡΠ»ΠΈΡΠΎΠ²ΠΊΠ° Π½Π΅ ΠΏΠΎΠΌΠΎΠ³Π»Π°, ΡΠΎ ΡΠ΅ΡΠΈΡΡ ΠΏΡΠΎΠ±Π»Π΅ΠΌΡ ΠΏΠΎΠΌΠΎΠΆΠ΅Ρ Π·Π°ΠΌΠ΅Π½Π° Π΄Π΅ΡΠ°Π»ΠΈ.
Π‘Π½ΠΈΠΌΠ°Π΅ΠΌ ΠΏΡΠΈΠΊΡΡΠΈΠ²Π°ΡΠ΅Π»Ρ
ΠΠ½Π΅Π·Π΄ΠΎ ΠΏΡΠΈΠΊΡΡΠΈΠ²Π°ΡΠ΅Π»Ρ ΠΠΠ-2115, Π² ΡΠΎΠ²ΡΠ΅ΠΌΠ΅Π½Π½ΡΡ
ΡΡΠ»ΠΎΠ²ΠΈΡΡ
ΡΠΊΡΠΏΠ»ΡΠ°ΡΠ°ΡΠΈΠΈ Π°Π²ΡΠΎΠΌΠΎΠ±ΠΈΠ»Ρ Π²ΠΎΠ΄ΠΈΡΠ΅Π»ΠΈ Π² Π±ΠΎΠ»ΡΡΠΈΠ½ΡΡΠ²Π΅ ΡΠ»ΡΡΠ°Π΅Π² ΠΈΡΠΏΠΎΠ»ΡΠ·ΡΡΡ Π½Π΅ ΠΏΠΎ ΠΏΡΡΠΌΠΎΠΌΡ Π½Π°Π·Π½Π°ΡΠ΅Π½ΠΈΡ, Π° ΠΊΠ°ΠΊ ΡΠΎΠ·Π΅ΡΠΊΡ Π΄Π»Ρ ΠΏΠΎΠ΄ΠΊΠ»ΡΡΠ΅Π½ΠΈΡ ΠΊ Π½Π΅ΠΉ, Π² ΠΊΠ°ΡΠ΅ΡΡΠ²Π΅ ΠΈΡΡΠΎΡΠ½ΠΈΠΊΠ° ΠΏΠΈΡΠ°Π½ΠΈΡ, Π΄ΠΎΠΏΠΎΠ»Π½ΠΈΡΠ΅Π»ΡΠ½ΡΡ
ΡΡΡΡΠΎΠΉΡΡΠ², ΠΊΠΎΡΠΎΡΡΠ΅ ΡΠ΅ΠΉΡΠ°Ρ Π΅ΡΡΡ. ΠΎΠ±ΠΈΠ»ΡΠ½ΠΎ ΠΏΡΠΎΠ΄Π°ΡΡΡΡ Π² ΡΠΎΡΡΠΈΠΉΡΠΊΠΈΡ
ΠΌΠ°Π³Π°Π·ΠΈΠ½Π°Ρ
Π°Π²ΡΠΎΠ·Π°ΠΏΡΠ°ΡΡΠ΅ΠΉ … ΠΠΎ ΡΠ΅ Π²ΠΎΠ΄ΠΈΡΠ΅Π»ΠΈ, ΠΊΠΎΡΠΎΡΡΠ΅ Π½Π΅ Π·Π°Π΄ΡΠΌΡΠ²Π°ΡΡΡΡ ΠΎ ΠΏΠΎΡΠ»Π΅Π΄ΡΡΠ²ΠΈΡΡ
ΠΏΠΎΠ΄ΠΎΠ±Π½ΡΡ
Π΄Π΅ΠΉΡΡΠ²ΠΈΠΉ, ΡΠ°ΡΡΠΎ ΡΠ°ΡΠΏΠ»Π°ΡΠΈΠ²Π°ΡΡΡΡ Π·Π° ΡΡΠΎ ΡΠ΅ΠΌΠΎΠ½ΡΠΎΠΌ, ΡΠ²ΡΠ·Π°Π½Π½ΡΠΌ Ρ Π·Π°ΠΌΠ΅Π½ΠΎΠΉ Π³Π½Π΅Π·Π΄Π° ΠΏΡΠΈΠΊΡΡΠΈΠ²Π°ΡΠ΅Π»Ρ ΠΈΠ»ΠΈ Π΄Π°ΠΆΠ΅ ΡΠ΅ΠΌΠΎΠ½ΡΠΎΠΌ ΠΌΠΎΠ½ΡΠ°ΠΆΠ½ΠΎΠ³ΠΎ Π±Π»ΠΎΠΊΠ°.
ΠΡΠ½ΠΎΠ²Π½Π°Ρ ΠΏΡΠΈΡΠΈΠ½Π° Π²ΡΡ
ΠΎΠ΄Π° ΠΈΠ· ΡΡΡΠΎΡ ΠΏΡΠΈΠΊΡΡΠΈΠ²Π°ΡΠ΅Π»Ρ Π·Π°ΠΊΠ»ΡΡΠ°Π΅ΡΡΡ Π² ΡΠΎΠΌ, ΡΡΠΎ Π²ΠΈΠ»ΠΊΠΈ Π΄ΠΎΠΏΠΎΠ»Π½ΠΈΡΠ΅Π»ΡΠ½ΡΡ
ΡΡΡΡΠΎΠΉΡΡΠ², ΠΎΡΠΎΠ±Π΅Π½Π½ΠΎ ΠΈΠΌΠΏΠΎΡΡΠ½ΡΡ
, ΡΠ΅ΡΠ΅Π· ΠΊΠΎΡΠΎΡΡΠ΅ ΠΎΠ½ΠΈ ΠΏΠΎΠ»ΡΡΠ°ΡΡ ΠΏΠΈΡΠ°Π½ΠΈΠ΅, Ρ
ΠΎΡΡ ΠΈ Π½Π΅Π·Π½Π°ΡΠΈΡΠ΅Π»ΡΠ½ΠΎ, Π½ΠΎ Π²ΡΠ΅ ΠΆΠ΅ ΠΎΡΠ»ΠΈΡΠ°ΡΡΡΡ Π΄ΠΈΠ°ΠΌΠ΅ΡΡΠΎΠΌ ΠΈ Π΄Π»ΠΈΠ½ΠΎΠΉ Π²ΡΡΡΡΠΏΠ° ΡΠ΅Π½ΡΡΠ°Π»ΡΠ½ΠΎΠ³ΠΎ ΠΊΠΎΠ½ΡΠ°ΠΊΡΠ°, Π½Π° ΠΊΠΎΡΠΎΡΡΠΉ ΠΏΠΎΠ΄Π°Π΅ΡΡΡ ΠΏΠΈΡΠ°Π½ΠΈΠ΅. ΠΏΠ»ΡΡ ΠΎΡ ΡΠ΅ΠΊΡΡΠ΅Π³ΠΎ ΠΈΡΡΠΎΡΠ½ΠΈΠΊΠ° Π΄ΠΎΠ»ΠΆΠ΅Π½ Π±ΡΡΡ ΠΏΠΎΡΡΠ°Π²Π»Π΅Π½.
ΠΡΠ»ΠΈ ΡΠ΅Π½ΡΡΠ°Π»ΡΠ½ΡΠΉ ΠΊΠΎΠ½ΡΠ°ΠΊΡ Π²ΠΈΠ»ΠΊΠΈ Π½Π΅ΠΌΠ½ΠΎΠ³ΠΎ ΡΠΊΠΎΡΠΎΡΠ΅Π½, ΡΠΎ, ΠΊΠΎΠ³Π΄Π° Π²ΠΈΠ»ΠΊΠ° Π²ΡΡΠ°Π²Π»ΡΠ΅ΡΡΡ Π² Π³Π½Π΅Π·Π΄ΠΎ ΠΏΡΠΈΠΊΡΡΠΈΠ²Π°ΡΠ΅Π»Ρ, Π°Π½ΡΠ΅Π½Π½Ρ, ΠΏΡΠΈΠΊΡΠ΅ΠΏΠ»Π΅Π½Π½ΡΠ΅ ΠΊ ΠΏΠΎΠ»ΠΎΠΆΠΈΡΠ΅Π»ΡΠ½ΠΎΠΌΡ ΠΊΠΎΠ½ΡΠ°ΠΊΡΡ Π³Π½Π΅Π·Π΄Π° ΠΏΡΠΈΠΊΡΡΠΈΠ²Π°ΡΠ΅Π»Ρ, ΡΠ°Π·Π΄Π²ΠΈΠ³Π°ΡΡΡΡ.ΠΡΠΎ ΠΌΠΎΠΆΠ΅Ρ ΠΏΡΠΈΠ²Π΅ΡΡΠΈ ΠΊ ΡΠΎΠΌΡ, ΡΡΠΎ ΡΡΠΈ ΡΡΠΈΠΊΠΈ ΠΊΠΎΡΠ½ΡΡΡΡ ΠΊΠΎΡΠΏΡΡΠ° Π³Π½Π΅Π·Π΄Π° ΠΏΡΠΈΠΊΡΡΠΈΠ²Π°ΡΠ΅Π»Ρ, ΠΊ ΠΊΠΎΡΠΎΡΠΎΠΌΡ ΠΏΠΎΠ΄ΠΊΠ»ΡΡΠ΅Π½ ΠΏΡΠΎΠ²ΠΎΠ΄, ΠΈΠ΄ΡΡΠΈΠΉ Π½Π° Β«ΠΌΠ°ΡΡΡΒ» Π°Π²ΡΠΎΠΌΠΎΠ±ΠΈΠ»Ρ. Π ΡΠ΅Π·ΡΠ»ΡΡΠ°ΡΠ΅ ΠΏΡΠΎΠΈΡΡ
ΠΎΠ΄ΠΈΡ ΠΊΠΎΡΠΎΡΠΊΠΎΠ΅ Π·Π°ΠΌΡΠΊΠ°Π½ΠΈΠ΅ ΠΈ ΠΏΠ΅ΡΠ΅Π³ΠΎΡΠ°Π΅Ρ ΠΏΡΠ΅Π΄ΠΎΡ
ΡΠ°Π½ΠΈΡΠ΅Π»Ρ, Π·Π°ΡΠΈΡΠ°ΡΡΠΈΠΉ ΡΡΡ ΡΠ»Π΅ΠΊΡΡΠΈΡΠ΅ΡΠΊΡΡ ΡΠ΅ΠΏΡ.
ΠΠΎΠ΄ΠΈΡΠ΅Π»Ρ, Π²ΠΊΠ»ΡΡΠΈΠ² ΡΠ°ΡΡ, Π²ΠΈΠ΄ΠΈΡ, ΡΡΠΎ ΠΏΠΎΠ΄ΡΠ²Π΅ΡΠΊΠ° Π³Π½Π΅Π·Π΄Π° ΠΏΡΠΈΠΊΡΡΠΈΠ²Π°ΡΠ΅Π»Ρ ΠΈΡΠΏΡΠ°Π²Π½Π°, ΠΈ ΡΡΠΈΡΠ°Π΅Ρ, ΡΡΠΎ ΠΏΠΎΡΠ»Π΅ Π΅Π³ΠΎ ΠΏΡΠ΅Π΄ΡΠ΄ΡΡΠΈΡ
Π΄Π΅ΠΉΡΡΠ²ΠΈΠΉ Ρ ΡΠ»Π΅ΠΊΡΡΠΈΡΠ΅ΡΠΊΠΎΠΉ ΡΠ΅ΠΏΡΡ ΠΏΡΠΈΠΊΡΡΠΈΠ²Π°ΡΠ΅Π»Ρ Π½ΠΈΡΠ΅Π³ΠΎ Π½Π΅ ΠΏΡΠΎΠΈΠ·ΠΎΡΠ»ΠΎ, ΠΈ ΠΏΡΡΠ°Π΅ΡΡΡ ΠΏΠΎΠ²ΡΠΎΡΠ½ΠΎ ΠΏΠΎΠ΄ΠΊΠ»ΡΡΠΈΡΡ ΠΊ ΡΡΠΎΠΉ ΡΠΎΠ·Π΅ΡΠΊΠ΅ Π΄ΠΎΠΏΠΎΠ»Π½ΠΈΡΠ΅Π»ΡΠ½ΠΎΠ΅ ΡΡΡΡΠΎΠΉΡΡΠ²ΠΎ, Π½ΠΎ ΠΎΠ½ ΠΎΡΠΊΠ°Π·ΡΠ²Π°Π΅ΡΡΡ ΡΠ°Π±ΠΎΡΠ°ΡΡ.ΠΠ΅ΡΠ²Π°Ρ ΠΌΡΡΠ»Ρ Π²ΠΎΠ΄ΠΈΡΠ΅Π»Ρ — Π²ΡΡΠ»ΠΎ ΠΈΠ· ΡΡΡΠΎΡ Π΄Π°Π½Π½ΠΎΠ΅ ΡΡΡΡΠΎΠΉΡΡΠ²ΠΎ. ΠΠΎ Π΅Π³ΠΎ Π²Π²ΠΎΠ΄ΠΈΡ Π² Π·Π°Π±Π»ΡΠΆΠ΄Π΅Π½ΠΈΠ΅ ΠΏΠΎΠ΄ΡΠ²Π΅ΡΠΊΠ° Π³Π½Π΅Π·Π΄Π° ΠΏΡΠΈΠΊΡΡΠΈΠ²Π°ΡΠ΅Π»Ρ, ΠΊΠΎΡΠΎΡΡΠΉ Π·Π°ΠΏΠΈΡΠ°Π½ ΡΠ΅ΡΠ΅Π· Π΄ΡΡΠ³ΠΎΠΉ ΠΏΡΠ΅Π΄ΠΎΡ
ΡΠ°Π½ΠΈΡΠ΅Π»Ρ F10 (7,5 Π), ΡΠ»Π΅Π΄ΠΎΠ²Π°ΡΠ΅Π»ΡΠ½ΠΎ, ΡΡΠ° Π»Π°ΠΌΠΏΠ° Π³ΠΎΡΠΈΡ, Ρ
ΠΎΡΡ ΠΏΡΠ΅Π΄ΠΎΡ
ΡΠ°Π½ΠΈΡΠ΅Π»Ρ ΠΏΡΠΈΠΊΡΡΠΈΠ²Π°ΡΠ΅Π»Ρ ΡΠΆΠ΅ ΠΏΠ΅ΡΠ΅Π³ΠΎΡΠ΅Π».
ΠΠ»Ρ Π·Π°ΠΌΠ΅Π½Ρ ΠΏΠ΅ΡΠ΅Π³ΠΎΡΠ΅Π²ΡΠ΅Π³ΠΎ ΠΏΡΠ΅Π΄ΠΎΡ
ΡΠ°Π½ΠΈΡΠ΅Π»Ρ Π½Π΅ΠΎΠ±Ρ
ΠΎΠ΄ΠΈΠΌΠΎ ΠΎΡΠΊΡΡΡΡ ΠΊΡΡΡΠΊΡ ΠΌΠΎΠ½ΡΠ°ΠΆΠ½ΠΎΠ³ΠΎ Π±Π»ΠΎΠΊΠ°, Π½Π° ΠΊΠΎΡΠΎΡΠΎΠΉ Π΅ΡΡΡ ΡΠΈΠΌΠ²ΠΎΠ»Ρ, ΠΏΠΎΠΌΠΎΠ³Π°ΡΡΠΈΠ΅ Π²ΠΎΠ΄ΠΈΡΠ΅Π»Ρ Π±ΡΡΡΡΠΎ Π½Π°ΠΉΡΠΈ Π½ΡΠΆΠ½ΡΠΉ Π΅ΠΌΡ ΠΏΡΠ΅Π΄ΠΎΡ
ΡΠ°Π½ΠΈΡΠ΅Π»Ρ. ΠΠΎ ΠΏΡΠΎΠ±Π»Π΅ΠΌΠ° Π² ΡΠΎΠΌ, ΡΡΠΎ Π½Π° Π½Π΅ΠΌ Π½Π΅Ρ ΡΠΈΠΌΠ²ΠΎΠ»Π° ΠΏΡΠΈΠΊΡΡΠΈΠ²Π°ΡΠ΅Π»Ρ ΠΈ Π²ΠΎΠ΄ΠΈΡΠ΅Π»Ρ ΠΏΡΠΈΠ΄Π΅ΡΡΡ ΠΈΡΠΊΠ°ΡΡ ΡΡ
Π΅ΠΌΡ ΡΠ°ΡΠΏΠΎΠ»ΠΎΠΆΠ΅Π½ΠΈΡ ΠΏΡΠ΅Π΄ΠΎΡ
ΡΠ°Π½ΠΈΡΠ΅Π»Π΅ΠΉ Π² ΠΌΠΎΠ½ΡΠ°ΠΆΠ½ΠΎΠΌ Π±Π»ΠΎΠΊΠ΅, ΠΈΠ· ΡΠ΅Π³ΠΎ ΡΡΠ°Π½Π΅Ρ ΠΏΠΎΠ½ΡΡΠ½ΠΎ, ΡΡΠΎ ΡΡΠ° ΡΠ»Π΅ΠΊΡΡΠΈΡΠ΅ΡΠΊΠ°Ρ ΡΠ΅ΠΏΡ Π·Π°ΡΠΈΡΠ΅Π½Π° ΠΏΡΠ΅Π΄ΠΎΡ
ΡΠ°Π½ΠΈΡΠ΅Π»Π΅ΠΌ F7 (30Π).ΠΡΠ»ΠΈ ΠΏΡΠΈ ΠΏΡΠΎΠ²Π΅ΡΠΊΠ΅ ΡΡΠΎΠ³ΠΎ ΠΏΡΠ΅Π΄ΠΎΡ
ΡΠ°Π½ΠΈΡΠ΅Π»Ρ ΠΎΠΊΠ°ΠΆΠ΅ΡΡΡ, ΡΡΠΎ ΠΎΠ½ ΡΠ΅Π» ΠΈ Π½Π΅Π²ΡΠ΅Π΄ΠΈΠΌ, ΡΠΎ Π²ΠΎΠ΄ΠΈΡΠ΅Π»Ρ Π½ΡΠΆΠ½ΠΎ Π±ΡΠ΄Π΅Ρ ΠΏΠΎΡΠΌΠΎΡΡΠ΅ΡΡ Π½Π° Π΄ΡΡΠ³ΠΎΠΉ ΠΏΡΠ΅Π΄ΠΎΡ
ΡΠ°Π½ΠΈΡΠ΅Π»Ρ F4 (20Π), ΠΊΠΎΡΠΎΡΡΠΉ Π½Π°Π²Π΅ΡΠ½ΡΠΊΠ° ΠΏΠ΅ΡΠ΅Π³ΠΎΡΠΈΡ. Π’Π°ΠΊ ΡΡΠΎ Π²Π°ΠΌ ΠΏΡΠΈΠ΄Π΅ΡΡΡ Π΅Π³ΠΎ Π·Π°ΠΌΠ΅Π½ΠΈΡΡ. ΠΠΎ ΠΏΠΎΡΠ΅ΠΌΡ ΡΠ³ΠΎΡΠ΅Π» F4, Π° Π½Π΅ F7, Π½ΡΠΆΠ½ΠΎ ΡΠΏΡΠΎΡΠΈΡΡ Ρ Π°Π²ΡΠΎΡΠ»Π΅ΠΊΡΡΠΈΠΊΠΎΠ².
ΠΠ°ΠΆΠ΅ Π½Π΅ΠΊΡΡΡΡΠΈΠ΅ Π°Π²ΡΠΎΠ²Π»Π°Π΄Π΅Π»ΡΡΡ ΠΏΠΎΠ»ΡΠ·ΡΡΡΡΡ ΠΏΡΠΈΠΊΡΡΠΈΠ²Π°ΡΠ΅Π»Π΅ΠΌ. Π‘ ΠΏΠΎΠΌΠΎΡΡΡ ΡΠ°ΠΊΠΎΠ³ΠΎ ΡΡΡΡΠΎΠΉΡΡΠ²Π° Π²Ρ Π»Π΅Π³ΠΊΠΎ ΡΠΌΠΎΠΆΠ΅ΡΠ΅ Π·Π°ΡΡΠ΄ΠΈΡΡ ΡΠ°Π·ΡΡΠΆΠ΅Π½Π½ΡΠΉ Π°ΠΊΠΊΡΠΌΡΠ»ΡΡΠΎΡ ΡΠΎΡΠΎΠ²ΠΎΠ³ΠΎ ΡΠ΅Π»Π΅ΡΠΎΠ½Π°. Π§ΡΠΎ, Π΅ΡΠ»ΠΈ? ΠΠ΄ΡΠΈ Π² ΡΠ΅ΡΠ²ΠΈΡΠ½ΡΠΉ ΡΠ΅Π½ΡΡ Π·Π° ΡΠ°ΠΊΠΎΠΉ ΠΌΠ΅Π»ΠΎΡΡΡ Π½Π΅ΡΠ΅Π»Π΅ΡΠΎΠΎΠ±ΡΠ°Π·Π½ΠΎ, ΡΠ°ΠΊ ΠΊΠ°ΠΊ Π²Ρ ΠΌΠΎΠΆΠ΅ΡΠ΅ ΡΠ΅ΡΠΈΡΡ ΡΡΡ ΠΏΡΠΎΠ±Π»Π΅ΠΌΡ ΡΠ°ΠΌΠΎΡΡΠΎΡΡΠ΅Π»ΡΠ½ΠΎ.
ΠΠ°ΠΌ ΠΏΠΎΠ½Π°Π΄ΠΎΠ±ΠΈΡΡΡ:
- ΠΎΡΠ²Π΅ΡΡΠΊΠΈ; ΠΠ°ΡΠ»ΡΠ½ΠΈΠΊ
- ;
- ΠΏΠΈΠ½ΡΠ΅Ρ;
- ΠΠ΅ΡΡΠ°ΡΠΊΠΈ Ρ
Π»ΠΎΠΏΠΊΠΎΠ²ΡΠ΅.
Π ΡΠΊΠΎΠ²ΠΎΠ΄ΡΡΠ²ΠΎ ΠΏΠΎ ΡΠ΅ΠΌΠΎΠ½ΡΡ:
- ΠΡΠΊΡΠΎΠΉΡΠ΅ ΠΊΠ°ΠΏΠΎΡ ΠΈ ΡΠ½ΠΈΠΌΠΈΡΠ΅ ΠΎΡΡΠΈΡΠ°ΡΠ΅Π»ΡΠ½ΡΡ ΠΊΠ»Π΅ΠΌΠΌΡ Ρ Π°ΠΊΠΊΡΠΌΡΠ»ΡΡΠΎΡΠ½ΠΎΠΉ Π±Π°ΡΠ°ΡΠ΅ΠΈ. ΠΡΠΎ ΠΎΠ±Π΅ΡΡΠΎΡΠΈΡ ΠΌΠ°ΡΠΈΠ½Ρ ΠΈ Π·Π½Π°ΡΠΈΡΠ΅Π»ΡΠ½ΠΎ ΡΠ½ΠΈΠ·ΠΈΡ ΡΠΈΡΠΊ ΠΊΠΎΡΠΎΡΠΊΠΎΠ³ΠΎ Π·Π°ΠΌΡΠΊΠ°Π½ΠΈΡ.
- ΠΠ°ΡΠ΅ΠΌ ΠΎΡΠΎΠ΄Π²ΠΈΠ½ΡΡΠ΅ Π²ΠΎΠ΄ΠΈΡΠ΅Π»ΡΡΠΊΠΎΠ΅ ΡΠΈΠ΄Π΅Π½ΡΠ΅ ΠΊΠ°ΠΊ ΠΌΠΎΠΆΠ½ΠΎ Π΄Π°Π»ΡΡΠ΅ Π½Π°Π·Π°Π΄, ΡΡΠΎΠ±Ρ ΠΏΠΎΠ»ΡΡΠΈΡΡ Π΄ΠΎΡΡΡΠΏ ΠΊ ΠΏΡΠΈΠΊΡΡΠΈΠ²Π°ΡΠ΅Π»Ρ, ΠΊΠΎΡΠΎΡΡΠΉ ΡΠ°ΡΠ΅ Π²ΡΠ΅Π³ΠΎ Π½Π°Ρ
ΠΎΠ΄ΠΈΡΡΡ Π½Π° ΡΠ΅Π½ΡΡΠ°Π»ΡΠ½ΠΎΠΉ ΠΊΠΎΠ½ΡΠΎΠ»ΠΈ.
- Π’Π΅ΠΏΠ΅ΡΡ Π²ΠΎΠ·ΡΠΌΠΈΡΠ΅ ΡΡΠΊΠΈΠΉ ΡΠΎΠ½Π°ΡΠΈΠΊ ΠΈ ΠΎΡΠΌΠΎΡΡΠΈΡΠ΅ Π΅Π³ΠΎ. ΠΠ΅ Π΄ΠΎΠ»ΠΆΠ½ΠΎ Π±ΡΡΡ ΠΏΠΎΡΡΠΎΡΠΎΠ½Π½ΠΈΡ
ΠΎΡΠΊΠΎΠ»ΠΊΠΎΠ² ΠΈ ΠΏΡΠ΅Π΄ΠΌΠ΅ΡΠΎΠ². ΠΡΠ»ΠΈ ΠΎΠ½ΠΈ Π΅ΡΡΡ, Π½Π΅ΠΎΠ±Ρ
ΠΎΠ΄ΠΈΠΌΠΎ Π°ΠΊΠΊΡΡΠ°ΡΠ½ΠΎ ΡΠ΄Π°Π»ΠΈΡΡ ΠΈΡ
Ρ ΠΏΠΎΠΌΠΎΡΡΡ ΠΏΠΈΠ½ΡΠ΅ΡΠ° Ρ ΠΏΡΠΎΡΠ΅Π·ΠΈΠ½Π΅Π½Π½ΡΠΌΠΈ ΠΊΠΎΠ½ΡΠ°ΠΌΠΈ ΠΈΠ»ΠΈ 2 ΡΠΏΠΈΡΠ΅ΠΊ.
- ΠΡΠΎΠ²Π΅ΡΠΈΡΡ ΠΏΡΠ΅Π΄ΠΎΡ
ΡΠ°Π½ΠΈΡΠ΅Π»Ρ, ΠΎΡΠ²Π΅ΡΠ°ΡΡΠΈΠΉ Π·Π° ΠΏΡΠΈΠΊΡΡΠΈΠ²Π°ΡΠ΅Π»Ρ. Π ΡΠ»ΡΡΠ°Π΅ ΠΊΠΎΡΠΎΡΠΊΠΎΠ³ΠΎ Π·Π°ΠΌΡΠΊΠ°Π½ΠΈΡ ΠΈΠ·-Π·Π° ΡΡΡΡΠΎΠΉΡΡΠ²Π°, ΠΏΠΎΠ΄ΠΊΠ»ΡΡΠ΅Π½Π½ΠΎΠ³ΠΎ ΠΊ ΠΏΡΠΈΠΊΡΡΠΈΠ²Π°ΡΠ΅Π»Ρ, ΠΏΡΠ΅Π΄ΠΎΡ
ΡΠ°Π½ΠΈΡΠ΅Π»Ρ ΠΏΠ΅ΡΠ΅Π³ΠΎΡΠ°Π΅Ρ, ΠΈ ΡΠΎΠΊ Π½Π΅ ΠΏΠΎΠ΄Π°Π΅ΡΡΡ. ΠΠ»Ρ Π²ΠΎΠ·ΠΎΠ±Π½ΠΎΠ²Π»Π΅Π½ΠΈΡ Π΅Π³ΠΎ ΠΏΠΎΠ΄Π°ΡΠΈ Π½Π΅ΠΎΠ±Ρ
ΠΎΠ΄ΠΈΠΌΠΎ ΡΡΡΠ°Π½ΠΎΠ²ΠΈΡΡ Π½ΠΎΠ²ΡΠΉ ΠΈΡΠΏΡΠ°Π²Π½ΡΠΉ ΠΏΡΠ΅Π΄ΠΎΡ
ΡΠ°Π½ΠΈΡΠ΅Π»Ρ. ΠΠ΄Π΅ΡΡ Π΄ΠΎΠ»ΠΆΠ½Π° ΠΏΠΎΠΌΠΎΡΡ ΡΠΊΡΠΏΠ»ΡΠ°ΡΠ°ΡΠΈΠΎΠ½Π½Π°Ρ ΠΊΠ½ΠΈΠΆΠΊΠ°, Π² ΠΊΠΎΡΠΎΡΠΎΠΉ Π±ΡΠ΄Π΅Ρ Π½Π°ΠΏΠΈΡΠ°Π½ΠΎ, ΠΊΠ°ΠΊΠΎΠΉ ΠΏΡΠ΅Π΄ΠΎΡ
ΡΠ°Π½ΠΈΡΠ΅Π»Ρ Π½Π΅ΠΎΠ±Ρ
ΠΎΠ΄ΠΈΠΌΠΎ Π·Π°ΠΌΠ΅Π½ΠΈΡΡ.ΠΡΠΎΠΌΠ΅ ΡΠΎΠ³ΠΎ, Π½Π° Π·Π°Π΄Π½Π΅ΠΉ ΡΠ°ΡΡΠΈ Π±Π»ΠΎΠΊΠ° ΠΏΡΠ΅Π΄ΠΎΡ
ΡΠ°Π½ΠΈΡΠ΅Π»Π΅ΠΉ ΠΌΠΎΠΆΠ½ΠΎ Π½Π°ΠΉΡΠΈ ΡΠ°Π±Π»ΠΈΡΡ Π²ΡΠ΅Ρ
ΠΏΡΠ΅Π΄ΠΎΡ
ΡΠ°Π½ΠΈΡΠ΅Π»Π΅ΠΉ.
- ΠΡΠ»ΠΈ ΠΈ Π²ΡΡΠ΅ΠΏΠ΅ΡΠ΅ΡΠΈΡΠ»Π΅Π½Π½ΡΠ΅ ΠΌΠ΅ΡΠΎΠ΄Ρ ΠΎΠΊΠ°Π·Π°Π»ΠΈΡΡ Π±Π΅ΡΠΏΠΎΠ»Π΅Π·Π½ΡΠΌΠΈ, Π²ΡΠ½ΡΡΠ΅ Π΅Π³ΠΎ ΠΈΠ· ΡΠΎΠ·Π΅ΡΠΊΠΈ. ΠΠ»Ρ ΡΡΠΎΠ³ΠΎ Π°ΠΊΠΊΡΡΠ°ΡΠ½ΠΎ ΠΏΠΎΡΡΠ½ΠΈΡΠ΅ Π·Π° ΠΌΠ΅ΡΠ°Π»Π»ΠΈΡΠ΅ΡΠΊΠΈΠΉ ΠΎΠ±ΠΎΠ΄ΠΎΠΊ ΠΏΠ»ΠΎΡΠΊΠΎΠ³ΡΠ±ΡΠ°ΠΌΠΈ. ΠΡΠΈΡΠ΅ΠΌ Π½Π΅ΠΎΠ±Ρ
ΠΎΠ΄ΠΈΠΌΠΎ ΠΏΠΎΠ΄ΠΊΠ»Π°Π΄ΡΠ²Π°ΡΡ ΡΡΡΠΏΠΎΡΠΊΡ ΠΏΠΎΠ΄ Π·ΡΠ±ΡΡ ΠΏΠ»ΠΎΡΠΊΠΎΠ³ΡΠ±ΡΠ΅Π², ΡΡΠΎΠ±Ρ Π½Π° ΠΎΠ±ΠΎΠ΄Π΅ Π½Π΅ ΠΎΡΡΠ°Π»ΠΎΡΡ ΡΠ»Π΅Π΄ΠΎΠ².
- ΠΠΎΠΏΡΠΎΠ±ΡΠΉΡΠ΅ Π²ΡΠ½ΡΡΡ ΠΏΡΠΈΠΊΡΡΠΈΠ²Π°ΡΠ΅Π»Ρ ΠΈΠ· ΡΠΎΠ·Π΅ΡΠΊΠΈ. ΠΡΠ»ΠΈ ΡΠ΅Ρ
ΠΎΠ» ΠΏΠ»ΠΎΡΠ½ΡΠΉ, ΠΏΠΎΠΏΡΠΎΠ±ΡΠΉΡΠ΅ ΠΏΠΎΠΎΡΠ΅ΡΠ΅Π΄Π½ΠΎ ΡΡΠ½ΡΡΡ Ρ ΠΊΠ°ΠΆΠ΄ΠΎΠΉ ΡΡΠΎΡΠΎΠ½Ρ. ΠΠ΄Π½Π°ΠΊΠΎ Π½Π΅ Π΄Π΅ΡΠ³Π°ΠΉΡΠ΅ ΡΠ»ΠΈΡΠΊΠΎΠΌ ΡΠΈΠ»ΡΠ½ΠΎ, ΠΈΠ½Π°ΡΠ΅ ΠΏΡΠΎΠ²ΠΎΠ΄Π° ΠΎΠ±ΠΎΡΠ²ΡΡΡΡ.
- ΠΡΠΌΠΎΡΡΠΈΡΠ΅ Π²ΡΠ½ΡΡΡΠΉ.Π‘ΡΠΎΠΈΡ ΠΎΠ±ΡΠ°ΡΠΈΡΡ Π²Π½ΠΈΠΌΠ°Π½ΠΈΠ΅ Π½Π° Π½Π°Π»ΠΈΡΠΈΠ΅ ΡΠ΅ΠΌΠ½ΠΎΠ³ΠΎ Π½Π°Π³Π°ΡΠ°. Π’Π°ΠΊΠΆΠ΅ ΠΏΡΠΎΠ²Π΅ΡΡΡΠ΅ Π½Π°Π΄Π΅ΠΆΠ½ΠΎΡΡΡ ΠΏΠ°ΠΉΠΊΠΈ ΠΈ ΡΠ΅Π»ΠΎΡΡΠ½ΠΎΡΡΡ ΠΈΠ·ΠΎΠ»ΡΡΠΈΠΈ ΠΏΡΠΎΠ²ΠΎΠ΄ΠΎΠ². ΠΠ΅ΠΏΠ°ΡΠ½Π½ΡΠΉ ΠΏΡΠΎΠ²ΠΎΠ΄ ΡΠ°ΡΡΠΎ ΡΠ²Π»ΡΠ΅ΡΡΡ ΠΏΡΠΈΡΠΈΠ½ΠΎΠΉ ΠΎΡΡΡΡΡΡΠ²ΠΈΡ ΡΠΎΠΊΠ° Π² Π°Π²ΡΠΎΠΌΠΎΠ±ΠΈΠ»ΡΠ½ΠΎΠΌ ΠΏΡΠΈΠΊΡΡΠΈΠ²Π°ΡΠ΅Π»Π΅ … ΠΠ°ΡΠ΅ΠΌ Π°ΠΊΠΊΡΡΠ°ΡΠ½ΠΎ ΠΏΡΠΈΠΏΠ°ΡΠΉΡΠ΅ ΡΡΠΎΡ ΠΏΡΠΎΠ²ΠΎΠ΄ ΠΎΠ±ΡΠ°ΡΠ½ΠΎ Π½Π° ΠΌΠ΅ΡΡΠΎ.
- Π£ΡΡΠ°Π½ΠΎΠ²ΠΈΡΠ΅ Π½ΠΎΠ²ΡΡ Π³ΠΎΠ»ΠΎΠ²ΠΊΡ ΠΏΡΠΈΠΊΡΡΠΈΠ²Π°ΡΠ΅Π»Ρ, Π΅ΡΠ»ΠΈ Π΅ΡΡΡ ΡΠΎΠΊ ΠΈ ΠΊΠ°ΡΡΡΠΊΠ° Ρ
ΠΎΠ»ΠΎΠ΄Π½Π°Ρ. ΠΠ·-Π·Π° ΡΠ°ΡΡΠΎΠ³ΠΎ ΠΈΡΠΏΠΎΠ»ΡΠ·ΠΎΠ²Π°Π½ΠΈΡ Π’ΠΠ Π΄ΠΎΡΡΠ°ΡΠΎΡΠ½ΠΎ Π±ΡΡΡΡΠΎ ΠΏΠ΅ΡΠ΅Π³ΠΎΡΠ°Π΅Ρ. ΠΡΠ΅Π³Π΄Π° ΠΏΠΎΠΊΡΠΏΠ°ΠΉΡΠ΅ Π³ΠΎΠ»ΠΎΠ²ΠΊΡ, ΡΠ°Π·ΡΠ°Π±ΠΎΡΠ°Π½Π½ΡΡ ΡΠΏΠ΅ΡΠΈΠ°Π»ΡΠ½ΠΎ Π΄Π»Ρ Π²Π°ΡΠ΅Π³ΠΎ ΠΏΡΠΈΠΊΡΡΠΈΠ²Π°ΡΠ΅Π»Ρ.
ΠΡΠΈΠΊΡΡΠΈΠ²Π°ΡΠ΅Π»Ρ Π½Π° Π°Π²ΡΠΎΠΌΠΎΠ±ΠΈΠ»Π΅ ΠΠΠ 2110 ΠΎΡΠ΅Π½Ρ ΡΠ°ΡΡΠΎ Π²ΡΡ
ΠΎΠ΄ΠΈΡ ΠΈΠ· ΡΡΡΠΎΡ ΠΏΠΎ ΠΎΡΠ΅Π½Ρ ΠΏΡΠΎΡΡΠΎΠΉ ΠΏΡΠΈΡΠΈΠ½Π΅ — ΠΏΠ΅ΡΠ΅Π³ΠΎΡΠ°Π΅Ρ ΠΏΡΠ΅Π΄ΠΎΡ
ΡΠ°Π½ΠΈΡΠ΅Π»Ρ! Π ΡΠ΅Π³ΠΎΠ΄Π½ΡΡΠ½Π΅ΠΉ ΡΡΠ°ΡΡΠ΅ Ρ ΠΏΠΎΠ΄ΡΠΎΠ±Π½ΠΎ ΡΠ°ΡΡΠΊΠ°ΠΆΡ ΠΎ ΡΠΎΠΌ, Π³Π΄Π΅ Π½Π°Ρ
ΠΎΠ΄ΠΈΡΡΡ ΠΏΡΠ΅Π΄ΠΎΡ
ΡΠ°Π½ΠΈΡΠ΅Π»Ρ Π½Π° ΠΠΠ 2110, ΠΎΡΠ²Π΅ΡΠ°ΡΡΠΈΠΉ Π·Π° ΡΠ°Π±ΠΎΡΡ ΠΏΡΠΈΠΊΡΡΠΈΠ²Π°ΡΠ΅Π»Ρ, Π΄Π°ΠΌ ΡΡ
Π΅ΠΌΡ ΠΈ ΠΏΠΎΡΠ°Π³ΠΎΠ²ΡΠ΅ ΠΈΠ½ΡΡΡΡΠΊΡΠΈΠΈ ΠΏΠΎ Π·Π°ΠΌΠ΅Π½Π΅ ΡΡΠΎΠ³ΠΎ ΠΏΡΠ΅Π΄ΠΎΡ
ΡΠ°Π½ΠΈΡΠ΅Π»Ρ.
ΠΡΠ΅Π΄ΠΎΡ
ΡΠ°Π½ΠΈΡΠ΅Π»Ρ ΠΏΡΠΈΠΊΡΡΠΈΠ²Π°ΡΠ΅Π»Ρ ΠΠΠ 2110 — Π³Π΄Π΅ Π½Π°Ρ
ΠΎΠ΄ΠΈΡΡΡ ΠΡΠ»ΠΈ Π²Ρ ΠΏΠΎΡΠΌΠΎΡΡΠΈΡΠ΅ ΡΡ
Π΅ΠΌΡ Π±Π»ΠΎΠΊΠ° ΠΏΡΠ΅Π΄ΠΎΡ
ΡΠ°Π½ΠΈΡΠ΅Π»Π΅ΠΉ Π°Π²ΡΠΎΠΌΠΎΠ±ΠΈΠ»Ρ ΠΠΠ 2110, ΡΠΎ ΡΠ²ΠΈΠ΄ΠΈΡΠ΅, ΡΡΠΎ ΡΡΡΠ΅Π»ΠΊΠ°ΠΌΠΈ Ρ ΠΎΠ±ΠΎΠ·Π½Π°ΡΠΈΠ» F16 — ΠΈΠΌΠ΅Π½Π½ΠΎ ΠΎΠ½ ΠΎΡΠ²Π΅ΡΠ°Π΅Ρ Π·Π° ΡΠ°Π±ΠΎΡΠΎΡΠΏΠΎΡΠΎΠ±Π½ΠΎΡΡΡ ΠΏΡΠΈΠΊΡΡΠΈΠ²Π°ΡΠ΅Π»Ρ.
ΠΡΠ΅Π΄ΠΎΡ
ΡΠ°Π½ΠΈΡΠ΅Π»Ρ, ΠΈΠ΄ΡΡΠΈΠΉ ΠΊ ΠΏΡΠΈΠΊΡΡΠΈΠ²Π°ΡΠ΅Π»Ρ Π°Π²ΡΠΎΠΌΠΎΠ±ΠΈΠ»Ρ ΠΠΠ 2110, Π½Π°Ρ
ΠΎΠ΄ΠΈΡΡΡ Π² Π±Π»ΠΎΠΊΠ΅ ΠΏΡΠ΅Π΄ΠΎΡ
ΡΠ°Π½ΠΈΡΠ΅Π»Π΅ΠΉ
ΠΠΈΠ΄Π΅ΠΎ: ΠΡΠ΅Π΄ΠΎΡ
ΡΠ°Π½ΠΈΡΠ΅Π»ΠΈ ΠΠΠ 2110 — Π³Π΄Π΅ ΠΎΠ½ΠΈ ΠΠ°ΠΊ Π·Π°ΠΌΠ΅Π½ΠΈΡΡ ΠΏΡΠ΅Π΄ΠΎΡ
ΡΠ°Π½ΠΈΡΠ΅Π»Ρ ΠΏΡΠΈΠΊΡΡΠΈΠ²Π°ΡΠ΅Π»Ρ Π½Π° ΠΠΠ 2110 ΡΠ²ΠΎΠΈΠΌΠΈ ΡΡΠΊΠ°ΠΌΠΈ ΠΠ°Π΄Π½ΠΎ, Π° ΡΠ΅ΠΏΠ΅ΡΡ ΠΏΠ΅ΡΠ΅ΠΉΠ΄Π΅ΠΌ ΠΊ ΠΏΠΎΡΠ°Π³ΠΎΠ²ΠΎΠΉ ΠΈΠ½ΡΡΡΡΠΊΡΠΈΠΈ ΠΏΠΎ Π·Π°ΠΌΠ΅Π½Π΅ ΠΏΡΠ΅Π΄ΠΎΡ
ΡΠ°Π½ΠΈΡΠ΅Π»Π΅ΠΉ Π½Π° ΠΠΠ 2110 ΡΠ²ΠΎΠΈΠΌΠΈ ΡΡΠΊΠ°ΠΌΠΈ:
- ΠΠ°ΠΆΠΌΠΈΡΠ΅ Π²ΡΠΊΠ»ΡΡΠ°ΡΠ΅Π»Ρ Π½Π° ΠΊΡΡΡΠΊΠ΅ Π±Π»ΠΎΠΊΠ° ΠΏΡΠ΅Π΄ΠΎΡ
ΡΠ°Π½ΠΈΡΠ΅Π»Π΅ΠΉ ΠΈ ΠΎΠΏΡΡΡΠΈΡΠ΅ Π΅Π³ΠΎ Π²Π½ΠΈΠ·.
- ΠΠ΅ΡΠ΅ΠΌ ΠΊΡΠ΅ΡΡΠΎΠ²ΡΡ ΠΎΡΠ²Π΅ΡΡΠΊΡ ΠΈ Π²ΡΠΊΡΡΡΠΈΠ²Π°Π΅ΠΌ Π²ΠΈΠ½Ρ ΠΊΡΠ΅ΠΏΠ»Π΅Π½ΠΈΡ Π·Π°ΡΠ΅Π»ΠΊΠΈ ΠΈ Π²ΡΡΠ°ΡΠΊΠΈΠ²Π°Π΅ΠΌ.
- Π’Π΅ΠΏΠ΅ΡΡ Π²ΡΠ½ΠΈΠΌΠ°Π΅ΠΌ Π±Π»ΠΎΠΊ ΠΏΡΠ΅Π΄ΠΎΡ
ΡΠ°Π½ΠΈΡΠ΅Π»Π΅ΠΉ ΠΈΠ· ΠΊΡΡΡΠΊΠΈ ΠΈ ΠΏΠ΅ΡΠ΅Π²ΠΎΡΠ°ΡΠΈΠ²Π°Π΅ΠΌ
- Π’Π΅ΠΏΠ΅ΡΡ ΠΎΡΡΠΎΠ΅Π΄ΠΈΠ½ΡΠ΅ΠΌ Π²ΡΠ΅ Π²ΠΈΠ»ΠΊΠΈ Ρ ΠΏΡΠΎΠ²ΠΎΠ΄Π°ΠΌΠΈ ΠΈ Π²ΡΠ½ΠΈΠΌΠ°Π΅ΠΌ Π±Π»ΠΎΠΊ ΠΏΡΠ΅Π΄ΠΎΡ
ΡΠ°Π½ΠΈΡΠ΅Π»Π΅ΠΉ.
- Π©ΠΈΠΏΡΠ°ΠΌΠΈ Π²ΡΠ½ΠΈΠΌΠ°Π΅ΠΌ Π²ΡΡΠ΅Π΄ΡΠΈΠΉ ΠΈΠ· ΡΡΡΠΎΡ ΠΏΡΠ΅Π΄ΠΎΡ
ΡΠ°Π½ΠΈΡΠ΅Π»Ρ, ΠΎΡΠ²Π΅ΡΠ°ΡΡΠΈΠΉ Π·Π° ΠΏΡΠΈΠΊΡΡΠΈΠ²Π°ΡΠ΅Π»Ρ, Π½Π°ΠΏΠΎΠΌΠΈΠ½Π°Π΅ΠΌ Π΅Π³ΠΎ ΠΎΠ±ΠΎΠ·Π½Π°ΡΠ΅Π½ΠΈΠ΅ Π½Π° ΡΡ
Π΅ΠΌΠ΅ F16 ΠΈ Π·Π°ΠΌΠ΅Π½ΡΠ΅ΠΌ Π½Π° Π½ΠΎΠ²ΡΠΉ.
- Π‘ΠΎΠ±ΠΈΡΠ°Π΅ΠΌ Π²ΡΠ΅ Π² ΠΎΠ±ΡΠ°ΡΠ½ΠΎΠΉ ΠΏΠΎΡΠ»Π΅Π΄ΠΎΠ²Π°ΡΠ΅Π»ΡΠ½ΠΎΡΡΠΈ.
ΠΠΈΠ΄Π΅ΠΎ: ΠΠΎΡΡΡ ΠΏΡΠ΅Π΄ΠΎΡ
ΡΠ°Π½ΠΈΡΠ΅Π»ΠΈ Π² ΡΠ΅ΠΌ Π΄Π΅Π»ΠΎ ΠΠ²ΡΠΎΠΌΠΎΠ±ΠΈΠ»ΡΠ½ΡΠΉ ΠΏΡΠΈΠΊΡΡΠΈΠ²Π°ΡΠ΅Π»Ρ Π΄Π°Π²Π½ΠΎ ΠΏΠ΅ΡΠ΅ΡΡΠ°Π»ΠΈ ΠΈΡΠΏΠΎΠ»ΡΠ·ΠΎΠ²Π°ΡΡ ΡΠΎΠ»ΡΠΊΠΎ ΠΏΠΎ ΠΏΡΡΠΌΠΎΠΌΡ Π½Π°Π·Π½Π°ΡΠ΅Π½ΠΈΡ. Π‘Π΅Π³ΠΎΠ΄Π½Ρ Π΅Π³ΠΎ ΡΠΎΠ·Π΅ΡΠΊΠ° Π°ΠΊΡΠΈΠ²Π½ΠΎ ΠΈΡΠΏΠΎΠ»ΡΠ·ΡΠ΅ΡΡΡ Π²ΠΎΠ΄ΠΈΡΠ΅Π»ΡΠΌΠΈ ΠΊΠ°ΠΊ Π±ΠΎΡΡΠΎΠ²Π°Ρ ΡΠΎΠ·Π΅ΡΠΊΠ°, ΠΎΡ ΠΊΠΎΡΠΎΡΠΎΠΉ ΡΠ°Π±ΠΎΡΠ°ΡΡ Π΄ΠΎΠΏΠΎΠ»Π½ΠΈΡΠ΅Π»ΡΠ½ΡΠ΅ ΡΠ»Π΅ΠΊΡΡΠΎΠΏΡΠΈΠ±ΠΎΡΡ. ΠΠ·-Π·Π° ΡΠ°ΠΊΠΎΠΉ Β«ΠΏΠΎΠΏΡΠ»ΡΡΠ½ΠΎΡΡΠΈΒ» ΠΏΡΠΈΠΊΡΡΠΈΠ²Π°ΡΠ΅Π»Ρ ΡΠ°ΡΡΠΎ Π»ΠΎΠΌΠ°Π΅ΡΡΡ. Π Π²ΠΎΠ·ΠΌΠΎΠΆΠ½ΡΡ
ΠΏΡΠΈΡΠΈΠ½Π°Ρ
Π΅Π³ΠΎ Π²ΡΡ
ΠΎΠ΄Π° ΠΈΠ· ΡΡΡΠΎΡ ΠΌΡ ΠΏΠΎΠ³ΠΎΠ²ΠΎΡΠΈΠΌ Π² ΡΡΠΎΠΉ ΡΡΠ°ΡΡΠ΅.
Π§ΡΠΎ ΡΠ°ΠΊΠΎΠ΅ ΠΏΡΠΈΠΊΡΡΠΈΠ²Π°ΡΠ΅Π»Ρ
ΠΠΎΠ½ΡΡΡΡΠΊΡΠΈΠ²Π½ΠΎ ΠΏΡΠΈΠΊΡΡΠΈΠ²Π°ΡΠ΅Π»Ρ ΡΠΎΡΡΠΎΠΈΡ ΠΈΠ· Π΄Π²ΡΡ
ΠΎΡΠ½ΠΎΠ²Π½ΡΡ
ΡΠ°ΡΡΠ΅ΠΉ: ΡΡΠ°ΠΊΠ°Π½Π° ΠΈ Π²ΡΡΠ°Π²ΠΊΠΈ.ΠΠ΅ΡΠ²ΡΠΉ ΡΠ»Π΅ΠΌΠ΅Π½Ρ Π²ΡΠΏΠΎΠ»Π½Π΅Π½ ΠΈΠ· ΠΌΠ΅ΡΠ°Π»Π»Π° ΠΈ ΠΈΠΌΠ΅Π΅Ρ ΡΠΈΠ»ΠΈΠ½Π΄ΡΠΈΡΠ΅ΡΠΊΡΡ ΡΠΎΡΠΌΡ. Π Π΅Π³ΠΎ Π½ΠΈΠΆΠ½Π΅ΠΉ ΡΠ°ΡΡΠΈ Π½Π°Ρ
ΠΎΠ΄ΠΈΡΡΡ ΠΊΠΎΠ½ΡΠ°ΠΊΡ, Π½Π° ΠΊΠΎΡΠΎΡΡΠΉ ΠΏΠΎΠ΄Π°Π΅ΡΡΡ Π½Π°ΠΏΡΡΠΆΠ΅Π½ΠΈΠ΅ Ρ ΠΏΠ»ΡΡΠΎΠ²ΠΎΠΉ ΠΊΠ»Π΅ΠΌΠΌΡ Π°ΠΊΠΊΡΠΌΡΠ»ΡΡΠΎΡΠ½ΠΎΠΉ Π±Π°ΡΠ°ΡΠ΅ΠΈ. Π‘ΡΠ΅ΠΊΠ»ΠΎ ΠΊΡΠ·ΠΎΠ²Π° ΡΠΎΠ΅Π΄ΠΈΠ½Π΅Π½ΠΎ Ρ Β«ΠΌΠ°ΡΡΠΎΠΉΒ» Π°Π²ΡΠΎΠΌΠΎΠ±ΠΈΠ»Ρ.
ΠΡΡΠ°Π²ΠΊΠ° ΡΠ°ΠΊΠΆΠ΅ ΠΌΠ΅ΡΠ°Π»Π»ΠΈΡΠ΅ΡΠΊΠ°Ρ ΠΈ ΠΈΠΌΠ΅Π΅Ρ ΡΠΈΠ»ΠΈΠ½Π΄ΡΠΈΡΠ΅ΡΠΊΡΡ ΡΠΎΡΠΌΡ. ΠΠ½ΡΡΡΠΈ Π½Π΅Π³ΠΎ ΠΏΠΎΠΌΠ΅ΡΠ΅Π½Π° ΡΠΏΠ΅ΡΠΈΠ°Π»ΡΠ½Π°Ρ ΡΠΏΠΈΡΠ°Π»Ρ, ΠΊΠΎΡΠΎΡΠ°Ρ Π½Π°Π³ΡΠ΅Π²Π°Π΅ΡΡΡ ΠΏΡΠΈ ΠΏΡΠΎΡ
ΠΎΠΆΠ΄Π΅Π½ΠΈΠΈ ΡΠ΅ΡΠ΅Π· Π½Π΅Π΅ ΡΠΎΠΊΠ°. ΠΠ΅ΡΡ
Π½ΡΡ ΡΠ°ΡΡΡ Π²ΡΡΠ°Π²ΠΊΠΈ ΡΠ½Π°Π±ΠΆΠ΅Π½Π° ΠΏΠ»Π°ΡΡΠΈΠΊΠΎΠ²ΡΠΌ ΠΊΠΎΠ»ΠΏΠ°ΡΠΊΠΎΠΌ.
ΠΠ»Ρ ΡΠΎΠ³ΠΎ, ΡΡΠΎΠ±Ρ ΠΏΡΠΈΠΊΡΡΠΈΠ²Π°ΡΠ΅Π»Ρ ΠΌΠΎΠΆΠ½ΠΎ Π±ΡΠ»ΠΎ Π»Π΅Π³ΠΊΠΎ Π½Π°ΠΉΡΠΈ Π² ΡΠ΅ΠΌΠ½ΠΎΠ΅ Π²ΡΠ΅ΠΌΡ ΡΡΡΠΎΠΊ, ΡΡΠ΅ΠΊΠ»ΠΎ ΠΎΡΠ½Π°ΡΠ΅Π½ΠΎ ΠΏΡΠΎΠ·ΡΠ°ΡΠ½ΡΠΌ ΠΏΠ»Π°ΡΡΠΈΠΊΠΎΠ²ΡΠΌ ΠΎΠ±ΠΎΠ΄ΠΊΠΎΠΌ, ΠΏΠΎΠ΄ ΠΊΠΎΡΠΎΡΡΠΌ ΡΠ°ΡΠΏΠΎΠ»ΠΎΠΆΠ΅Π½Π° Π»Π°ΠΌΠΏΠ° ΠΏΠΎΠ΄ΡΠ²Π΅ΡΠΊΠΈ.ΠΠ°Π³ΠΎΡΠ°Π΅ΡΡΡ ΠΏΡΠΈ Π²ΠΊΠ»ΡΡΠ΅Π½ΠΈΠΈ Π³Π°Π±Π°ΡΠΈΡΠ½ΡΡ
ΠΎΠ³Π½Π΅ΠΉ.
ΠΠ°ΠΊ ΡΠ°Π±ΠΎΡΠ°Π΅Ρ ΠΏΡΠΈΠΊΡΡΠΈΠ²Π°ΡΠ΅Π»Ρ
ΠΡΠΈΠ½ΡΠΈΠΏ ΡΠ°Π±ΠΎΡΡ ΠΏΡΠΈΠΊΡΡΠΈΠ²Π°ΡΠ΅Π»Ρ Π΄ΠΎΠ²ΠΎΠ»ΡΠ½ΠΎ ΠΏΡΠΎΡΡ. ΠΠΎΠ³Π΄Π° ΠΌΡ Π½Π°ΠΆΠΈΠΌΠ°Π΅ΠΌ Π½Π° Π²ΡΡΠ°Π²ΠΊΡ, ΠΎΠ½Π° Π³Π»ΡΠ±ΠΎΠΊΠΎ Π²Ρ
ΠΎΠ΄ΠΈΡ Π² ΡΡΠ΅ΠΊΠ»ΠΎ ΠΈ ΡΠΈΠΊΡΠΈΡΡΠ΅ΡΡΡ Π²Π½ΡΡΡΠΈ Ρ ΠΏΠΎΠΌΠΎΡΡΡ ΡΠΏΠ΅ΡΠΈΠ°Π»ΡΠ½ΠΎ ΠΏΡΠ΅Π΄ΡΡΠΌΠΎΡΡΠ΅Π½Π½ΡΡ
Π±ΠΈΠΌΠ΅ΡΠ°Π»Π»ΠΈΡΠ΅ΡΠΊΠΈΡ
ΠΏΠ»Π°ΡΡΠΈΠ½. ΠΠ»Π΅ΠΊΡΡΠΈΡΠ΅ΡΠΊΠΈΠΉ ΡΠΎΠΊ Π½Π°ΡΠΈΠ½Π°Π΅Ρ ΡΠ΅ΡΡ ΠΏΠΎ ΡΠΏΠΈΡΠ°Π»ΠΈ, Π½Π°Π³ΡΠ΅Π²Π°Ρ Π΅Π΅. ΠΠΎΠ³Π΄Π° ΡΠ΅ΠΌΠΏΠ΅ΡΠ°ΡΡΡΠ° Π΄ΠΎΡΡΠΈΠ³Π°Π΅Ρ ΠΎΠΏΡΠ΅Π΄Π΅Π»Π΅Π½Π½ΠΎΠ³ΠΎ Π·Π½Π°ΡΠ΅Π½ΠΈΡ, ΠΏΠ»Π°ΡΡΠΈΠ½Ρ ΡΠ°ΡΡΠΈΡΡΡΡΡΡ ΠΏΠΎΠ΄ Π΄Π΅ΠΉΡΡΠ²ΠΈΠ΅ΠΌ ΡΠ΅ΠΏΠ»Π° ΠΈ Π²ΡΡΠ°Π²ΠΊΠ° Π²ΠΎΠ·Π²ΡΠ°ΡΠ°Π΅ΡΡΡ Π² ΠΈΡΡ
ΠΎΠ΄Π½ΠΎΠ΅ ΠΏΠΎΠ»ΠΎΠΆΠ΅Π½ΠΈΠ΅.ΠΡΠ½ΡΠ² Π΅Π΅ ΠΈΠ· ΡΡΠ΅ΠΊΠ»Π°, ΠΌΡ ΠΈΠΌΠ΅Π΅ΠΌ Π²ΠΎΠ·ΠΌΠΎΠΆΠ½ΠΎΡΡΡ Π·Π°ΠΆΠ΅ΡΡ ΡΠΈΠ³Π°ΡΠ΅ΡΡ ΠΎΡ ΡΠ°ΡΠΊΠ°Π»Π΅Π½Π½ΠΎΠ³ΠΎ Π·ΠΌΠ΅Π΅Π²ΠΈΠΊΠ°. ΠΠΎ ΡΡΠΎ Π΄Π»Ρ ΡΠ΅Ρ
, ΠΊΡΠΎ ΠΊΡΡΠΈΡ. Π Π΄Π»Ρ ΡΠ΅Ρ
, ΠΊΡΠΎ ΠΈΡΠΏΠΎΠ»ΡΠ·ΡΠ΅Ρ ΡΡΡΡΠΎΠΉΡΡΠ²ΠΎ ΠΊΠ°ΠΊ ΡΠΎΠ·Π΅ΡΠΊΡ, Π΄ΠΎΡΡΠ°ΡΠΎΡΠ½ΠΎ Π²ΡΡΠ°Π²ΠΈΡΡ Π²ΠΈΠ»ΠΊΡ Π»ΡΠ±ΠΎΠ³ΠΎ ΠΈΠ· Π΄ΠΎΠΏΠΎΠ»Π½ΠΈΡΠ΅Π»ΡΠ½ΡΡ
ΡΠ»Π΅ΠΊΡΡΠΎΠΏΡΠΈΠ±ΠΎΡΠΎΠ² Π² ΡΡΠ΅ΠΊΠ»ΠΎ, ΠΈ Π²ΠΎ Π²ΡΠ΅ΠΌΡ ΡΠ°Π±ΠΎΡΡ ΠΎΠ½ Π±ΡΠ΄Π΅Ρ ΠΏΠΈΡΠ°ΡΡΡΡ ΠΎΡ Π°ΠΊΠΊΡΠΌΡΠ»ΡΡΠΎΡΠ° (Π³Π΅Π½Π΅ΡΠ°ΡΠΎΡΠ°).
Π§ΡΠΎ ΠΌΠΎΠΆΠ΅Ρ ΡΠ»ΡΡΠΈΡΡΡΡ Ρ ΠΏΡΠΈΠΊΡΡΠΈΠ²Π°ΡΠ΅Π»Π΅ΠΌ
ΠΡΠΈΡΠΈΠ½ ΡΠ°ΠΊΠΎΠ³ΠΎ ΡΠ²Π»Π΅Π½ΠΈΡ ΠΌΠΎΠΆΠ΅Ρ Π±ΡΡΡ Π½Π΅ΡΠΊΠΎΠ»ΡΠΊΠΎ:
Π Π°ΡΡΠΌΠΎΡΡΠΈΠΌ ΠΏΠ΅ΡΠ΅ΡΠΈΡΠ»Π΅Π½Π½ΡΠ΅ ΠΏΡΠΎΠ±Π»Π΅ΠΌΡ Π±ΠΎΠ»Π΅Π΅ ΠΏΠΎΠ΄ΡΠΎΠ±Π½ΠΎ.
ΠΡΠ΅Π΄ΠΎΡ
ΡΠ°Π½ΠΈΡΠ΅Π»Ρ
Π ΡΠΈΡΡΠ°ΡΠΈΠΈ, ΠΊΠΎΠ³Π΄Π° Π½Π΅ ΡΠ°Π±ΠΎΡΠ°Π΅Ρ ΠΏΡΠΈΠΊΡΡΠΈΠ²Π°ΡΠ΅Π»Ρ ΠΠΠ-2110, ΠΏΠ΅ΡΠ²ΡΠΌ Π΄Π΅Π»ΠΎΠΌ Π½Π΅ΠΎΠ±Ρ
ΠΎΠ΄ΠΈΠΌΠΎ ΠΏΡΠΎΠ²Π΅ΡΠΈΡΡ ΠΏΡΠ΅Π΄ΠΎΡ
ΡΠ°Π½ΠΈΡΠ΅Π»Ρ. ΠΠΌΠ΅Π½Π½ΠΎ ΡΡΠΎΡ ΠΏΡΠΈΠ±ΠΎΡ ΡΠ°ΡΠ΅ Π²ΡΠ΅Π³ΠΎ Π²ΡΡ
ΠΎΠ΄ΠΈΡ ΠΈΠ· ΡΡΡΠΎΡ. ΠΠΠ-2110 ΡΠ°ΡΠΏΠΎΠ»Π°Π³Π°Π΅ΡΡΡ Π² ΠΎΡΠ½ΠΎΠ²Π½ΠΎΠΌ Π² ΠΌΠΎΡΠΎΡΠ½ΠΎΠΌ ΠΎΡΡΠ΅ΠΊΠ΅ … ΠΠ° ΡΠ»Π΅ΠΊΡΡΠΈΡΠ΅ΡΠΊΠΎΠΉ ΡΡ
Π΅ΠΌΠ΅ ΠΎΠ½ ΠΎΠ±ΠΎΠ·Π½Π°ΡΠ°Π΅ΡΡΡ ΠΊΠ°ΠΊ Π€-18 ΠΈ ΠΎΠ±ΡΡΠ½ΠΎ ΠΈΠΌΠ΅Π΅Ρ Π½ΠΎΠΌΠΈΠ½Π°Π» 25 Π.
ΠΡΡΠ°ΡΠΈ, ΡΠΎΠ²ΡΠ΅ΠΌ Π½Π΅ ΠΎΠ±ΡΠ·Π°ΡΠ΅Π»ΡΠ½ΠΎ ΡΡΠ°Π·Ρ Π»Π΅Π·ΡΡ ΠΏΠΎΠ΄ ΠΊΠ°ΠΏΠΎΡ. ΠΡΠ»ΠΈ ΠΏΡΠΈΠΊΡΡΠΈΠ²Π°ΡΠ΅Π»Ρ ΠΠΠ-2110 Π½Π΅ ΡΠ°Π±ΠΎΡΠ°Π΅Ρ, ΠΈΡΠΏΡΠ°Π²Π½ΠΎΡΡΡ ΠΏΡΠ΅Π΄ΠΎΡ
ΡΠ°Π½ΠΈΡΠ΅Π»Ρ ΠΌΠΎΠΆΠ½ΠΎ ΠΏΡΠΎΠ²Π΅ΡΠΈΡΡ, Π²ΠΊΠ»ΡΡΠΈΠ² Π²Π΅Π½ΡΠΈΠ»ΡΡΠΎΡ ΠΎΡΠΎΠΏΠΈΡΠ΅Π»Ρ.ΠΡΠΎΡΡΠΎ Π½Π°ΠΆΠΌΠΈΡΠ΅ ΠΊΠ½ΠΎΠΏΠΊΡ, ΡΡΠΎΠ±Ρ Π·Π°ΠΏΡΡΡΠΈΡΡ Π΅Π³ΠΎ Π² Π»ΡΠ±ΠΎΠΌ ΡΠ΅ΠΆΠΈΠΌΠ΅. ΠΠ°ΡΠ°Π±ΠΎΡΠ°Π»ΠΎ — ΠΏΡΠ΅Π΄ΠΎΡ
ΡΠ°Π½ΠΈΡΠ΅Π»Ρ ΠΏΡΠΈΠΊΡΡΠΈΠ²Π°ΡΠ΅Π»Ρ ΠΠΠ-2110 ΠΈΡΠΏΡΠ°Π²Π΅Π½, Π½Π΅ ΡΡΠ°Π±ΠΎΡΠ°Π» — ΠΎΡΠΊΡΡΠ²Π°Ρ ΠΊΠ°ΠΏΠΎΡ.
ΠΡ ΡΠΏΡΠΎΡΠΈΡΠ΅: Β«ΠΡΠΈΡΠ΅ΠΌ ΡΡΡ Π²Π΅Π½ΡΠΈΠ»ΡΡΠΎΡ?Β» ΠΠ΅Π»ΠΎ Π² ΡΠΎΠΌ, ΡΡΠΎ Π·Π° Π·Π°ΡΠΈΡΡ Π΅Π³ΠΎ ΡΠ»Π΅ΠΊΡΡΠΈΡΠ΅ΡΠΊΠΎΠΉ ΡΠ΅ΠΏΠΈ ΡΠ°ΠΊΠΆΠ΅ ΠΎΡΠ²Π΅ΡΠ°Π΅Ρ ΠΏΡΠ΅Π΄ΠΎΡ
ΡΠ°Π½ΠΈΡΠ΅Π»Ρ Π€-18, Π° ΡΠ°ΠΊΠΆΠ΅ Π·Π° ΠΏΠΎΠ΄ΡΠ²Π΅ΡΠΊΡ ΠΏΠ΅ΡΡΠ°ΡΠΎΡΠ½ΠΎΠ³ΠΎ ΡΡΠΈΠΊΠ°. Π§ΡΠΎΠ±Ρ Π² ΡΡΠΎΠΌ ΡΠ±Π΅Π΄ΠΈΡΡΡΡ, Π²ΠΊΠ»ΡΡΠΈΡΠ΅ Π³Π°Π±Π°ΡΠΈΡΡ ΠΈ ΠΎΡΠΊΡΠΎΠΉΡΠ΅ Π±Π°ΡΠ΄Π°ΡΠΎΠΊ. Π‘Π²Π΅Ρ Π½Π΅ Π³ΠΎΡΠΈΡ — ΠΈΠ΄Π΅ΠΌ ΠΈΡΠΊΠ°ΡΡ ΠΏΡΠ΅Π΄ΠΎΡ
ΡΠ°Π½ΠΈΡΠ΅Π»Ρ!
ΠΡΠΎΠ²Π΅ΡΠΈΡΡ ΠΏΠ»Π°Π²ΠΊΡΡ ΠΏΠ΅ΡΠ΅ΠΌΡΡΠΊΡ F-18 ΠΌΠΎΠΆΠ½ΠΎ ΡΠ΄Π΅Π»Π°ΡΡ Ρ ΠΏΠΎΠΌΠΎΡΡΡ ΠΌΡΠ»ΡΡΠΈΠΌΠ΅ΡΡΠ° Π² ΡΠ΅ΠΆΠΈΠΌΠ΅ ΡΠ΅ΡΡΠ΅ΡΠ°.ΠΡΠ½ΡΡΡ ΠΏΡΠ΅Π΄ΠΎΡ
ΡΠ°Π½ΠΈΡΠ΅Π»Ρ ΠΈΠ· Π³Π½Π΅Π·Π΄Π° ΠΈ ΠΏΡΠΎΠ·Π²ΠΎΠ½ΠΈΡΡ. ΠΡΠΈ ΠΎΠ±Π½Π°ΡΡΠΆΠ΅Π½ΠΈΠΈ Π½Π΅ΠΈΡΠΏΡΠ°Π²Π½ΠΎΡΡΠΈ Π·Π°ΠΌΠ΅Π½ΠΈΡΠ΅ Π²ΡΡΠ°Π²ΠΊΡ, ΡΠΎΠ±Π»ΡΠ΄Π°Ρ Π½ΠΎΠΌΠΈΠ½Π°Π».
Π Π°Π·Π±ΠΈΡΠ°Π΅ΠΌ ΡΠ΅Π½ΡΡΠ°Π»ΡΠ½ΡΡ ΠΊΠΎΠ½ΡΠΎΠ»Ρ
ΠΠ°Π»ΡΠ½Π΅ΠΉΡΠ°Ρ Π΄ΠΈΠ°Π³Π½ΠΎΡΡΠΈΠΊΠ° ΠΏΡΠΈΠ±ΠΎΡΠ° ΡΡΠ΅Π±ΡΠ΅Ρ Π΅Π³ΠΎ ΡΠ½ΡΡΠΈΡ. ΠΠΎ ΠΊΠ°ΠΊ Π²ΡΡΠ°ΡΠΈΡΡ ΠΏΡΠΈΠΊΡΡΠΈΠ²Π°ΡΠ΅Π»Ρ ΠΠΠ-2110? ΠΠ΅ΠΊΠΎΡΠΎΡΡΠΌ ΡΠΏΠ΅ΡΠΈΠ°Π»ΠΈΡΡΠ°ΠΌ ΡΠ΄Π°Π΅ΡΡΡ ΡΠ½ΡΡΡ Π΅Π³ΠΎ Ρ ΠΎΠ±Π»ΠΈΡΠΎΠ²ΠΎΡΠ½ΠΎΠΉ ΠΏΠ°Π½Π΅Π»ΠΈ, Π½Π΅ ΡΠ°Π·Π±ΠΈΡΠ°Ρ, Π²ΡΠΊΠΎΠ²ΡΡΠΈΠ²Π°Ρ ΠΎΡΠ²Π΅ΡΡΠΊΠΎΠΉ, Π½ΠΎ Π·Π°ΡΠ΅ΠΌ Π΄Π΅ΡΠΎΡΠΌΠΈΡΠΎΠ²Π°ΡΡ ΠΏΠ»Π°ΡΡΠΈΠΊ, Π΅ΡΠ»ΠΈ Π΅Π³ΠΎ ΡΠ½ΠΈΠΌΠ°ΡΡ Π½Π΅ Π±ΠΎΠ»Π΅Π΅ ΠΏΡΡΠΈ ΠΌΠΈΠ½ΡΡ? Π Π΄Π»Ρ ΡΡΠΎΠ³ΠΎ Π²Π°ΠΌ ΠΏΠΎΠ½Π°Π΄ΠΎΠ±ΠΈΡΡΡ Π²ΡΠ΅Π³ΠΎ Π»ΠΈΡΡ ΠΊΡΠ΅ΡΡΠΎΠ²Π°Ρ ΠΎΡΠ²Π΅ΡΡΠΊΠ°.
ΠΠΎΡΡΠ΄ΠΎΠΊ ΡΠ°Π±ΠΎΡΡ ΡΠ»Π΅Π΄ΡΡΡΠΈΠΉ:
- ΠΡΠΊΡΡΡΠΈΠ²Π°Π΅ΠΌ Π²ΠΈΠ½ΡΡ ΠΊΡΠ΅ΠΏΠ»Π΅Π½ΠΈΡ Π»Π΅Π²ΠΎΠΉ ΠΈ ΠΏΡΠ°Π²ΠΎΠΉ ΠΎΠ±Π»ΠΈΡΠΎΠ²ΠΊΠΈ ΡΠ΅Π½ΡΡΠ°Π»ΡΠ½ΠΎΠΉ ΠΊΠΎΠ½ΡΠΎΠ»ΠΈ.
- ΠΡΡΠΎΠ΅Π΄ΠΈΠ½ΠΈΡΠ΅ ΡΠΎΠ΅Π΄ΠΈΠ½ΠΈΡΠ΅Π»ΡΠ½ΡΠ΅ ΠΊΠΎΠ»ΠΎΠ΄ΠΊΠΈ ΠΏΡΠΎΠ²ΠΎΠ΄ΠΎΠ² ΠΎΡ ΠΏΡΠΈΠΊΡΡΠΈΠ²Π°ΡΠ΅Π»Ρ ΠΈ Π΅Π³ΠΎ ΠΏΠΎΠ΄ΡΠ²Π΅ΡΠΊΠΈ (ΠΌΠΈΠ½ΡΡΠΎΠ²ΡΡ ΠΊΠ»Π΅ΠΌΠΌΡ ΡΠ΅ΠΊΠΎΠΌΠ΅Π½Π΄ΡΠ΅ΡΡΡ ΠΎΡΡΠΎΠ΅Π΄ΠΈΠ½ΠΈΡΡ ΠΎΡ ΠΠΠ Π·Π°ΡΠ°Π½Π΅Π΅).
- ΠΡΠ΄Π°Π²ΠΈΡΡ ΠΏΠ΅ΡΠ΅Π΄Π½ΡΡ ΠΊΠΎΠ»ΠΎΠ΄ΠΊΡ (ΠΏΠΎΠ΄ ΡΡΡΠ°Π³ΠΎΠΌ ΡΡΠΎΡΠ½ΠΎΡΠ½ΠΎΠ³ΠΎ ΡΠΎΡΠΌΠΎΠ·Π°). Π‘Π½ΠΈΠΌΠΈΡΠ΅ ΠΊΡΡΡΠΊΡ.
- Π‘Π½ΠΈΠΌΠΈΡΠ΅ ΡΡΡΠΊΡ ΡΡΡΠ°Π³Π° ΠΏΠ΅ΡΠ΅ΠΊΠ»ΡΡΠ΅Π½ΠΈΡ ΠΏΠ΅ΡΠ΅Π΄Π°Ρ, Π° Π·Π°ΡΠ΅ΠΌ Π΅Π΅ ΠΊΡΡΡΠΊΡ.
- ΠΡΠΊΡΡΡΠΈΡΡ ΡΠ΅Π½ΡΡΠ°Π»ΡΠ½ΡΠΉ Π²ΠΈΠ½Ρ ΠΊΡΠ΅ΠΏΠ»Π΅Π½ΠΈΡ ΠΎΠ±Π»ΠΈΡΠΎΠ²ΠΊΠΈ ΡΠΎΠ½Π½Π΅Π»Ρ.
- Π‘Π΄Π²ΠΈΠ½ΡΡΠ΅ ΠΏΠ΅ΡΠ΅Π΄Π½ΠΈΠ΅ ΡΠΈΠ΄Π΅Π½ΡΡ ΠΏΠΎΠ»Π½ΠΎΡΡΡΡ Π²ΠΏΠ΅ΡΠ΅Π΄.
- ΠΡΠΊΡΡΡΠΈΠ²Π°Π΅ΠΌ Π²ΠΈΠ½ΡΡ Π·Π°Π΄Π½Π΅Π³ΠΎ ΠΊΡΠ΅ΠΏΠ»Π΅Π½ΠΈΡ Π²Π΅ΡΡ
Π½Π΅ΠΉ Π½Π°ΠΊΠ»Π°Π΄ΠΊΠΈ ΠΈ Π΄Π΅ΠΌΠΎΠ½ΡΠΈΡΡΠ΅ΠΌ Π΅Π΅.
ΠΡΠΎΠ²Π΅ΡΡΠ΅ΠΌ ΡΠΎΡΡΠΎΡΠ½ΠΈΠ΅ ΠΏΡΠΎΠ²ΠΎΠ΄ΠΊΠΈ ΠΈ ΠΊΠΎΠ½ΡΠ°ΠΊΡΠΎΠ²
ΠΠΎΡΠ»Π΅ ΡΠ½ΡΡΠΈΡ ΠΏΠ°Π½Π΅Π»ΠΈ ΡΠ΅Π½ΡΡΠ°Π»ΡΠ½ΠΎΠΉ ΠΊΠΎΠ½ΡΠΎΠ»ΠΈ ΠΏΠ΅ΡΠ²ΡΠΌ Π΄Π΅Π»ΠΎΠΌ ΠΎΡΠΌΠ°ΡΡΠΈΠ²Π°Π΅ΠΌ ΠΊΠΎΠ½ΡΠ°ΠΊΡΡ ΠΊΠΎΠ»ΠΎΠ΄ΠΎΠΊ, ΡΠΎΠ΅Π΄ΠΈΠ½ΡΡΡΠΈΡ
ΠΏΡΠΎΠ²ΠΎΠ΄Π° ΠΏΠΈΡΠ°Π½ΠΈΡ ΠΏΡΠΈΠΊΡΡΠΈΠ²Π°ΡΠ΅Π»Ρ ΠΈ Π΅Π³ΠΎ ΠΏΠΎΠ΄ΡΠ²Π΅ΡΠΊΠΈ. ΠΡΠ»ΠΈ Ρ Π½ΠΈΠΌΠΈ Π²ΡΠ΅ Π² ΠΏΠΎΡΡΠ΄ΠΊΠ΅, Π½Π°Π΄Π΅Π½ΡΡΠ΅ ΠΊΠ»Π΅ΠΌΠΌΡ Π½Π° Π°ΠΊΠΊΡΠΌΡΠ»ΡΡΠΎΡ, Π²ΠΊΠ»ΡΡΠΈΡΠ΅ Π·Π°ΠΆΠΈΠ³Π°Π½ΠΈΠ΅ ΠΈ ΠΏΡΠΎΠ²Π΅ΡΡΡΠ΅, Π΅ΡΡΡ Π»ΠΈ Π½Π° Π½ΠΈΡ
Π½Π°ΠΏΡΡΠΆΠ΅Π½ΠΈΠ΅.ΠΠ³ΠΎ ΠΎΡΡΡΡΡΡΠ²ΠΈΠ΅ ΠΌΠΎΠΆΠ΅Ρ ΡΠΊΠ°Π·ΡΠ²Π°ΡΡ Π½Π° ΠΎΠ±ΡΡΠ² Π² ΡΠ΅ΠΏΠΈ ΠΏΡΠΈΠΊΡΡΠΈΠ²Π°ΡΠ΅Π»Ρ. Π ΡΡΠΎΠΌ ΡΠ»ΡΡΠ°Π΅ ΠΏΡΠΈΠ΄Π΅ΡΡΡ ΠΏΡΠΎΠ²Π΅ΡΠΈΡΡ ΠΏΡΠΎΠ²ΠΎΠ΄ΠΊΡ ΠΎΡ ΠΊΠΎΠ»ΠΎΠ΄ΠΎΠΊ Π΄ΠΎ ΠΌΠΎΠ½ΡΠ°ΠΆΠ½ΠΎΠ³ΠΎ Π±Π»ΠΎΠΊΠ°. ΠΡΠΎ ΠΌΠΎΠΆΠ½ΠΎ ΡΠ΄Π΅Π»Π°ΡΡ, ΠΏΡΠΎΠ·Π²ΠΎΠ½ΠΈΠ² ΠΏΡΠΎΠ²ΠΎΠ΄Π½ΠΈΠΊΠΈ.
ΠΠ±Π½Π°ΡΡΠΆΠΈΠ², ΡΡΠΎ ΠΊΠΎΠ½ΡΠ°ΠΊΡΡ Π² ΠΊΠΎΠ»ΠΎΠ΄ΠΊΠ°Ρ
ΠΎΠΊΠΈΡΠ»ΠΈΠ»ΠΈΡΡ ΠΈΠ»ΠΈ ΠΏΠΎΠ΄Π³ΠΎΡΠ΅Π»ΠΈ, ΠΎΡΠΈΡΡΠΈΡΠ΅ ΠΈΡ
ΠΌΠ΅Π»ΠΊΠΎΠΉ Π½Π°ΠΆΠ΄Π°ΡΠ½ΠΎΠΉ Π±ΡΠΌΠ°Π³ΠΎΠΉ, Π° Π·Π°ΡΠ΅ΠΌ ΠΏΡΠΎΠ²Π΅ΡΡΡΠ΅ ΠΏΡΠΈΠΊΡΡΠΈΠ²Π°ΡΠ΅Π»Ρ. ΠΡΠ»ΠΈ Ρ Π½ΠΈΠΌΠΈ Π²ΡΠ΅ Π² ΠΏΠΎΡΡΠ΄ΠΊΠ΅, ΠΎΡΠΌΠΎΡΡΠΈΡΠ΅ ΡΠ°Π·ΡΠ΅ΠΌΡ Π½Π° ΡΠ°ΠΌΠΎΠΌ ΡΡΡΡΠΎΠΉΡΡΠ²Π΅. ΠΠΌΠ΅Π΅Ρ ΡΡΠΈ ΠΊΠΎΠ½ΡΠ°ΠΊΡΠ°: Π΄Π²Π° Β«ΠΏΠ»ΡΡΠ°Β» (Π΄Π»Ρ Π»Π°ΠΌΠΏΡ ΠΈ ΡΡΠ΅ΠΊΠ»Π°) ΠΈ ΠΎΠ΄ΠΈΠ½ ΠΎΠ±ΡΠΈΠΉ Β«ΠΌΠΈΠ½ΡΡΒ».ΠΡΠΈ Π½Π΅ΠΎΠ±Ρ
ΠΎΠ΄ΠΈΠΌΠΎΡΡΠΈ Π·Π°ΡΠΈΡΡΠΈΡΡ ΠΊΠΎΠ½ΡΠ°ΠΊΡΡ Π½Π°ΠΆΠ΄Π°ΡΠ½ΠΎΠΉ Π±ΡΠΌΠ°Π³ΠΎΠΉ.
Π‘ΠΏΠΈΡΠ°Π»Ρ
ΠΡΠ»ΠΈ Π½Π΅ ΡΠ°Π±ΠΎΡΠ°Π΅Ρ ΠΏΡΠΈΠΊΡΡΠΈΠ²Π°ΡΠ΅Π»Ρ ΠΠΠ-2110, ΠΏΡΠΈΡΠΈΠ½Π° ΠΌΠΎΠΆΠ΅Ρ Π·Π°ΠΊΠ»ΡΡΠ°ΡΡΡΡ Π² ΡΠΏΠΈΡΠ°Π»ΠΈ Π²ΡΡΠ°Π²ΠΊΠΈ. ΠΠ³ΠΎ Π²ΡΠ³ΠΎΡΠ°Π½ΠΈΠ΅ ΡΠ°ΡΠ΅ Π²ΡΠ΅Π³ΠΎ Π²ΡΠ·Π²Π°Π½ΠΎ Π½Π΅ΠΈΡΠΏΡΠ°Π²Π½ΠΎΡΡΡΡ. Π‘ΠΎ Π²ΡΠ΅ΠΌΠ΅Π½Π΅ΠΌ ΠΎΠ½ΠΈ ΡΠ΅ΡΡΡΡ ΡΠ²ΠΎΠΈ ΡΠ²ΠΎΠΉΡΡΠ²Π° (Π³Π½ΡΡΡΡΡ ΠΈ ΡΠ°Π·Π³ΠΈΠ±Π°ΡΡΡΡ ΠΏΠΎΠ΄ Π²ΠΎΠ·Π΄Π΅ΠΉΡΡΠ²ΠΈΠ΅ΠΌ ΡΠ΅ΠΌΠΏΠ΅ΡΠ°ΡΡΡ), ΡΡΠΎ ΠΏΡΠΈΠ²ΠΎΠ΄ΠΈΡ ΠΊ ΡΠΎΠΌΡ, ΡΡΠΎ Π²ΡΡΠ°Π²ΠΊΠ° ΡΠ²ΠΎΠ΅Π²ΡΠ΅ΠΌΠ΅Π½Π½ΠΎ Π½Π΅ Β«Π²ΡΡΠΊΠ°ΠΊΠΈΠ²Π°Π΅ΡΒ» ΠΈΠ· ΡΡΠ΅ΠΊΠ»Π°. ΠΡΡΠ΅ΡΡΠ²Π΅Π½Π½ΠΎ, ΡΡΠΎ ΠΏΡΠΈΠ²ΠΎΠ΄ΠΈΡ ΠΊ ΠΏΠ΅ΡΠ΅Π³ΡΠ΅Π²Ρ ΠΊΠ°ΡΡΡΠΊΠΈ ΠΈ Π΅Π΅ Π²ΡΠ³ΠΎΡΠ°Π½ΠΈΡ.
ΠΡΠΎΠ²Π΅ΡΠΈΡΡ ΠΈΡΠΏΡΠ°Π²Π½ΠΎΡΡΡ ΡΡΠΎΠ³ΠΎ ΡΠ»Π΅ΠΌΠ΅Π½ΡΠ° Π΄ΠΎΡΡΠ°ΡΠΎΡΠ½ΠΎ ΡΠ»ΠΎΠΆΠ½ΠΎ, ΡΠ°ΠΊ ΠΊΠ°ΠΊ ΠΎΠ±ΠΎΡΠ²Π°Π½Π½Π°Ρ ΡΠ΅Π·ΡΠ±Π° ΠΌΠΎΠΆΠ΅Ρ Π·Π°ΠΌΡΠΊΠ°ΡΡ Π½Π° ΠΌΠ°ΡΡΡ.ΠΡΡΠ°ΡΡΡΡ Π²ΠΎΡΡΡΠ°Π½ΠΎΠ²ΠΈΡΡ ΡΠΏΠΈΡΠ°Π»Ρ — ΡΠΎΠΆΠ΅ Π΄Π΅Π»ΠΎ Π½Π΅Π±Π»Π°Π³ΠΎΠ΄Π°ΡΠ½ΠΎΠ΅. ΠΡΡΡΠ΅ ΠΊΡΠΏΠΈΡΡ Π½ΠΎΠ²ΡΠΉ ΠΏΡΠΈΠΊΡΡΠΈΠ²Π°ΡΠ΅Π»Ρ. ΠΡΠΈΡΠ΅ΠΌ ΡΡΠΎΠΈΡ Π² ΠΏΡΠ΅Π΄Π΅Π»Π°Ρ
300 ΡΡΠ±Π»Π΅ΠΉ.
ΠΠ°ΠΌΠ΅Π½Π° ΠΏΡΠΈΠΊΡΡΠΈΠ²Π°ΡΠ΅Π»Ρ ΠΠΠ-2110
ΠΡΠ»ΠΈ Π²Ρ ΡΠ΅ΡΠΈΠ»ΠΈ Π·Π°ΠΌΠ΅Π½ΠΈΡΡ ΠΏΡΠΈΠΊΡΡΠΈΠ²Π°ΡΠ΅Π»Ρ, Π²Π°ΠΌ ΠΏΡΠΈΠ΄Π΅ΡΡΡ Π²ΡΠΏΠΎΠ»Π½ΠΈΡΡ ΡΠΊΠ°Π·Π°Π½Π½ΡΠ΅ Π²ΡΡΠ΅ Π΄Π΅ΠΉΡΡΠ²ΠΈΡ ΠΏΠΎ Π΄Π΅ΠΌΠΎΠ½ΡΠ°ΠΆΡ Π²Π΅ΡΡ
Π½Π΅ΠΉ ΠΏΠ°Π½Π΅Π»ΠΈ ΠΎΠ±Π»ΠΈΡΠΎΠ²ΠΊΠΈ ΡΠ΅Π½ΡΡΠ°Π»ΡΠ½ΠΎΠ³ΠΎ ΡΠΎΠ½Π½Π΅Π»Ρ. ΠΠ΅ΡΠ΅Π΄ ΡΠ΅ΠΌ, ΠΊΠ°ΠΊ ΠΏΠΎΠ΄ΠΊΠ»ΡΡΠΈΡΡ ΠΏΡΠΈΠΊΡΡΠΈΠ²Π°ΡΠ΅Π»Ρ Π½Π° ΠΠΠ-2110 ΠΈ ΡΡΡΠ°Π½ΠΎΠ²ΠΈΡΡ Π΅Π³ΠΎ Π½Π° ΠΌΠ΅ΡΡΠΎ ΡΡΠ°ΡΠΎΠ³ΠΎ, ΡΡΠΎΠΈΡ ΡΠ±Π΅Π΄ΠΈΡΡΡΡ, ΡΡΠΎ ΠΎΠ½ ΡΠ°Π±ΠΎΡΠ°Π΅Ρ. ΠΠ»Ρ ΡΡΠΎΠ³ΠΎ Π΄ΠΎΡΡΠ°ΡΠΎΡΠ½ΠΎ ΡΠΎΠ΅Π΄ΠΈΠ½ΠΈΡΡ ΠΈΡ
ΠΊΠΎΠ½ΡΠ°ΠΊΡΠ°ΠΌΠΈ ΡΠ°Π·ΡΠ΅ΠΌΡ ΠΏΡΠΎΠ²ΠΎΠ΄ΠΎΠ² ΠΏΠΈΡΠ°Π½ΠΈΡ ΡΡΡΡΠΎΠΉΡΡΠ²Π° ΠΈ Π»Π°ΠΌΠΏΡ ΠΏΠΎΠ΄ΡΠ²Π΅ΡΠΊΠΈ, Π²ΠΊΠ»ΡΡΠΈΡΡ Π·Π°ΠΆΠΈΠ³Π°Π½ΠΈΠ΅ ΠΈ Π°ΠΊΠΊΡΡΠ°ΡΠ½ΠΎ ΡΡΠΎΠΏΠΈΡΡ Π²ΡΡΠ°Π²ΠΊΡ Π² ΡΡΠ΅ΠΊΠ»ΠΎ.ΠΠΎΠ΄ΠΎΠΆΠ΄ΠΈΡΠ΅ Π½Π΅ΠΌΠ½ΠΎΠ³ΠΎ, ΠΏΠΎΠΊΠ° ΠΊΠ°ΡΡΡΠΊΠ° Π½Π°Π³ΡΠ΅Π΅ΡΡΡ. ΠΡΠ»ΠΈ Π²ΡΡΠ°Π²ΠΊΠ° «Π²ΡΡΠΊΠΎΡΠΈΠ»Π°», Π·Π½Π°ΡΠΈΡ ΠΏΡΠΈΠ±ΠΎΡ ΠΈΡΠΏΡΠ°Π²Π΅Π½.
ΠΠ°ΠΌΠ΅Π½Π° ΠΏΡΠΈΠΊΡΡΠΈΠ²Π°ΡΠ΅Π»Ρ ΠΠΠ-2110 Π΄ΠΎΠ»ΠΆΠ½Π° ΠΏΡΠΎΠΈΠ·Π²ΠΎΠ΄ΠΈΡΡΡΡ ΠΏΡΠΈ ΠΎΡΠΊΠ»ΡΡΠ΅Π½Π½ΠΎΠΌ ΠΌΠΈΠ½ΡΡΠ΅ Π°ΠΊΠΊΡΠΌΡΠ»ΡΡΠΎΡΠ½ΠΎΠΉ Π±Π°ΡΠ°ΡΠ΅ΠΈ! ΠΠ»Ρ Π΅Π³ΠΎ ΡΠ΅Π°Π»ΠΈΠ·Π°ΡΠΈΠΈ ΠΎΡΠΊΠ»ΡΡΠΈΡΠ΅ Π½Π΅ΡΠ°Π±ΠΎΡΠ°ΡΡΠΈΠΉ ΠΏΡΠΈΠ±ΠΎΡ ΠΎΡ ΠΏΡΠΎΠ²ΠΎΠ΄ΠΎΠ² ΠΏΠΈΡΠ°Π½ΠΈΡ. ΠΠ°ΡΠ΅ΠΌ Ρ ΠΏΠΎΠΌΠΎΡΡΡ ΠΎΡΠ²Π΅ΡΡΠΊΠΈ Π½Π°ΠΆΠΌΠΈΡΠ΅ Π½Π° Π·Π°ΡΠ΅Π»ΠΊΡ Π³Π½Π΅Π·Π΄Π° ΠΏΡΠΈΠΊΡΡΠΈΠ²Π°ΡΠ΅Π»Ρ Ρ Π·Π°Π΄Π½Π΅ΠΉ Π±ΠΎΠΊΠΎΠ²ΠΎΠΉ ΠΏΠ°Π½Π΅Π»ΡΡ ΠΊΡΡΡΠΊΠΈ ΠΈ ΡΠ΄Π²ΠΈΠ½ΡΡΠ΅ ΡΡΠ΅ΠΊΠ»ΠΎ Π²ΠΏΠ΅ΡΠ΅Π΄. Π£ΡΡΠ°Π½ΠΎΠ²ΠΈΡΠ΅ Π½ΠΎΠ²ΡΠΉ ΠΏΡΠΈΠΊΡΡΠΈΠ²Π°ΡΠ΅Π»Ρ Π² ΠΎΠ±ΡΠ°ΡΠ½ΠΎΠΌ ΠΏΠΎΡΡΠ΄ΠΊΠ΅.
ΠΠ΅ ΡΠ°Π±ΠΎΡΠ°Π΅Ρ ΠΏΡΠΈΠΊΡΡΠΈΠ²Π°ΡΠ΅Π»Ρ 2111.ΠΠ΅ΡΠ΅ΡΡΠ°Π» ΡΠ°Π±ΠΎΡΠ°ΡΡ ΠΏΡΠΈΠΊΡΡΠΈΠ²Π°ΡΠ΅Π»Ρ Π² ΠΌΠ°ΡΠΈΠ½Π΅. Π Π°ΡΠΏΠΎΠ»ΠΎΠΆΠ΅Π½ΠΈΠ΅ ΠΈ ΡΡΡΡΠ°Π½Π΅Π½ΠΈΠ΅ Π½Π΅ΠΏΠΎΠ»Π°Π΄ΠΎΠΊ
ΠΡΠΎ ΡΡΡΡΠΎΠΉΡΡΠ²ΠΎ ΡΠ΅Π΄ΠΊΠΎ ΠΈΡΠΏΠΎΠ»ΡΠ·ΡΠ΅ΡΡΡ Π² Π°Π²ΡΠΎΠΌΠΎΠ±ΠΈΠ»Π΅ ΠΏΠΎ ΠΏΡΡΠΌΠΎΠΌΡ Π½Π°Π·Π½Π°ΡΠ΅Π½ΠΈΡ, Π΄Π»Ρ ΠΏΡΠΈΠΊΡΡΠΈΠ²Π°Π½ΠΈΡ ΡΠΈΠ³Π°ΡΠ΅Ρ. ΠΠ΄Π½Π°ΠΊΠΎ ΠΎΠ½ ΠΏΠΎΠΏΡΠ»ΡΡΠ΅Π½ Π΄Π°ΠΆΠ΅ Ρ Π½Π΅ΠΊΡΡΡΡΠΈΡ
Π²ΠΎΠ΄ΠΈΡΠ΅Π»Π΅ΠΉ. ΠΡΡΠ³ΠΈΠ΅ ΡΡΡΡΠΎΠΉΡΡΠ²Π° ΠΌΠΎΠ³ΡΡ ΡΠ°Π±ΠΎΡΠ°ΡΡ ΠΎΡ ΡΠΎΠ·Π΅ΡΠΊΠΈ ΠΏΡΠΈΠΊΡΡΠΈΠ²Π°ΡΠ΅Π»Ρ. Π§Π°ΡΠ΅ Π²ΡΠ΅Π³ΠΎ ΠΏΠΎΠ΄ΠΊΠ»ΡΡΠ°ΡΡΡΡ ΠΊ ΡΠΎΠ·Π΅ΡΠΊΠ΅:
- Π²ΠΈΠ΄Π΅ΠΎΡΠ΅Π³ΠΈΡΡΡΠ°ΡΠΎΡ Π΄Π»Ρ Π·Π°ΠΏΠΈΡΠΈ Π΄Π²ΠΈΠΆΠ΅Π½ΠΈΡ;
- Π²Π΅Π½ΡΠΈΠ»ΡΡΠΎΡ;
- Π΄ΠΎΠΏΠΎΠ»Π½ΠΈΡΠ΅Π»ΡΠ½ΡΠΉ power bank Π΄Π»Ρ ΠΏΠΈΡΠ°Π½ΠΈΡ ΡΠ΅Π»Π΅ΡΠΎΠ½Π°, ΠΏΠ»Π°Π½ΡΠ΅ΡΠ° ΠΈΠ»ΠΈ Π½ΠΎΡΡΠ±ΡΠΊΠ°, Π·Π°ΡΡΠ΄Π½ΠΎΠ΅ ΡΡΡΡΠΎΠΉΡΡΠ²ΠΎ Π΄Π»Ρ ΡΡΠΈΡ
ΡΡΡΡΠΎΠΉΡΡΠ²;
ΠΠ°Π²ΠΈΠ³Π°ΡΠΈΠΎΠ½Π½Π°Ρ ΡΠΈΡΡΠ΅ΠΌΠ°- ;
- ΠΊΠΎΠΌΠΏΡΠ΅ΡΡΠΎΡ Π΄Π»Ρ Π½Π°ΠΊΠ°ΡΠΊΠΈ ΡΠΈΠ½.
ΠΠΎΡΡΠΎΠΌΡ Π²ΡΡ
ΠΎΠ΄ ΠΈΠ· ΡΡΡΠΎΡ Π΄Π΅ΡΠ°Π»ΠΈ ΠΈΠ»ΠΈ ΠΏΡΠ΅Π΄ΠΎΡ
ΡΠ°Π½ΠΈΡΠ΅Π»Ρ ΡΡΠ΅Π²Π°Ρ ΠΌΠ°ΡΡΠΎΠΉ Π½Π΅ΡΠ΄ΠΎΠ±ΡΡΠ² Π΄Π»Ρ Π²Π»Π°Π΄Π΅Π»ΡΡΠ° Π°Π²ΡΠΎΠΌΠ°ΡΠ°. Π ΡΠΎΠΌ, ΠΏΠΎΡΠ΅ΠΌΡ Π² ΠΌΠΎΠ΄Π΅Π»ΠΈ ΠΠΠ 2110 Π½Π΅ ΡΠ°Π±ΠΎΡΠ°Π΅Ρ ΠΏΡΠΈΠΊΡΡΠΈΠ²Π°ΡΠ΅Π»Ρ, ΠΊΠ°ΠΊ ΡΡΠΎ ΠΏΡΠΎΠ²Π΅ΡΠΈΡΡ, Π²ΡΡΡΠ½ΠΈΡΡ ΠΏΡΠΈΡΠΈΠ½Ρ ΠΏΠΎΠ»ΠΎΠΌΠΊΠΈ ΠΈ ΠΏΡΠΎΠ²Π΅ΡΡΠΈ ΡΠ΅ΠΌΠΎΠ½Ρ — ΡΠΈΡΠ°ΠΉΡΠ΅ Π² ΡΡΠ°ΡΡΠ΅.
Π‘Ρ
Π΅ΠΌΠ° ΠΏΡΠΈΠΊΡΡΠΈΠ²Π°ΡΠ΅Π»Ρ ΠΠΠ 2110
ΠΠΈΡΠ°Π½ΠΈΠ΅ ΡΡΡΡΠΎΠΉΡΡΠ²Π° ΠΎΡΡΡΠ΅ΡΡΠ²Π»ΡΠ΅ΡΡΡ ΠΎΡ Π°Π²ΡΠΎΠΌΠΎΠ±ΠΈΠ»ΡΠ½ΠΎΠΉ ΠΏΡΠΎΠ²ΠΎΠ΄ΠΊΠΈ. Π‘Ρ
Π΅ΠΌΠ° ΠΏΠΎΠ΄ΠΊΠ»ΡΡΠ΅Π½ΠΈΡ ΠΏΡΠΈΠΊΡΡΠΈΠ²Π°ΡΠ΅Π»Ρ ΠΠΠ 2110 ΠΏΡΠ΅Π΄ΡΡΠ°Π²Π»Π΅Π½Π° ββΠ½Π° ΡΠΎΡΠΎ. Π Π°ΡΠΏΠΈΠ½ΠΎΠ²ΠΊΠ° ΡΡΡΡΠΎΠΉΡΡΠ²Π° ΡΠ»Π΅Π΄ΡΡΡΠ°Ρ: ΠΊ ΡΡΡΡΠΎΠΉΡΡΠ²Ρ ΠΈΠ΄ΡΡ ΡΡΠΈ ΠΏΡΠΎΠ²ΠΎΠ΄Π° — Π΄Π²Π° ΠΏΠΎΠ»ΠΎΠΆΠΈΡΠ΅Π»ΡΠ½ΡΡ
ΠΈ ΠΎΠ΄ΠΈΠ½ ΠΎΡΡΠΈΡΠ°ΡΠ΅Π»ΡΠ½ΡΠΉ.
- ΠΡΠ°ΡΠ½ΡΠΉ, ΠΏΠ»ΡΡ — ΠΏΠΎΠ΄ΠΊΠ»ΡΡΠ΅Π½ ΠΊ Π°ΠΊΠΊΡΠΌΡΠ»ΡΡΠΎΡΡ ΠΏΡΠΈΠΊΡΡΠΈΠ²Π°ΡΠ΅Π»Ρ ΡΠ΅ΡΠ΅Π· ΠΏΡΠ΅Π΄ΠΎΡ
ΡΠ°Π½ΠΈΡΠ΅Π»Ρ F18. Π‘ΠΈΠ»Π° ΡΠΎΠΊΠ° ΡΡ
Π΅ΠΌΡ ΡΠΎΡΡΠ°Π²Π»ΡΠ΅Ρ 25 Π°ΠΌΠΏΠ΅Ρ, ΠΈ ΠΏΡΠΈ ΠΏΡΠ΅Π²ΡΡΠ΅Π½ΠΈΠΈ ΡΡΠΎΠ³ΠΎ ΠΏΠ°ΡΠ°ΠΌΠ΅ΡΡΠ° ΠΏΡΠΎΠΈΡΡ
ΠΎΠ΄ΠΈΡ ΡΠ³ΠΎΡΠ°Π½ΠΈΠ΅ Π·Π°ΡΠΈΡΠ½ΠΎΠ³ΠΎ ΡΠ»Π΅ΠΌΠ΅Π½ΡΠ°.
- ΠΠ΅Π»ΡΡΠΉ. ΠΠ»ΡΡΠΎΠ²ΠΎΠΉ ΠΏΡΠΎΠ²ΠΎΠ΄ ΠΎΡΠ²Π΅ΡΠ°ΡΡΠΈΠΉ Π·Π° Π»Π°ΠΌΠΏΡ ΠΏΠΎΠ΄ΡΠ²Π΅ΡΠΊΠΈ ΠΏΡΠΈΠΊΡΡΠΈΠ²Π°ΡΠ΅Π»Ρ.
- Π§Π΅ΡΠ½ΡΠΉ, ΠΎΡΡΠΈΡΠ°ΡΠ΅Π»ΡΠ½ΡΠΉ. ΠΠΎΡ
ΠΎΠ΄ΠΈΡ Π΄ΠΎ ΠΊΠΎΡΠΏΡΡΠ° ΠΏΡΠΈΠΊΡΡΠΈΠ²Π°ΡΠ΅Π»Ρ, Π° Π²ΡΠΎΡΡΠΌ ΠΊΠΎΠ½ΡΠΎΠΌ ΠΈΠ΄Π΅Ρ ΠΌΠ°ΡΡΠ°, ΠΏΡΠΎΡ
ΠΎΠ΄ΡΡΠ°Ρ ΡΠ΅ΡΠ΅Π· ΠΊΡΠ·ΠΎΠ² Π°Π²ΡΠΎΠΌΠΎΠ±ΠΈΠ»Ρ.
ΠΡΠΈΠ½ΡΠΈΠΏ ΡΠ°Π±ΠΎΡΡ ΠΏΡΠΈΠ±ΠΎΡΠ°
ΠΠΎΠ½ΡΡΡΡΠΊΡΠΈΡ ΡΡΡΡΠΎΠΉΡΡΠ²Π° Π½Π° ΠΠΠ 2110 ΠΏΡΠΎΡΡΠ°.ΠΠ½ΡΡΡΠΈ ΠΌΠ΅ΡΠ°Π»Π»ΠΈΡΠ΅ΡΠΊΠΎΠ³ΠΎ ΠΊΠ°ΡΡΡΠΈΠ΄ΠΆΠ° Π½Π°Ρ
ΠΎΠ΄ΠΈΡΡΡ Π½ΠΈΡ
ΡΠΎΠΌΠΎΠ²Π°Ρ ΡΠΏΠΈΡΠ°Π»Ρ, ΠΊΠΎΡΠΎΡΠ°Ρ ΠΌΠΎΠΆΠ΅Ρ Π½Π°Π³ΡΠ΅Π²Π°ΡΡΡΡ, ΠΈ ΠΏΠΎΠ΄ΡΠ²Π΅ΡΠΊΠ°. ΠΠ°ΡΡΡΠΈΠ΄ΠΆ Π²ΡΡΠ°Π²Π»ΡΠ΅ΡΡΡ Π² Π³Π½Π΅Π·Π΄ΠΎ ΠΏΡΠΈΠΊΡΡΠΈΠ²Π°ΡΠ΅Π»Ρ, ΡΠ°ΡΠΏΠΎΠ»ΠΎΠΆΠ΅Π½Π½ΠΎΠ΅ Π² ΡΠ°Π·Π½ΡΡ
ΠΌΠ΅ΡΡΠ°Ρ
ΡΠ°Π»ΠΎΠ½Π°. ΠΡΠΈ Π½Π°ΠΆΠ°ΡΠΈΠΈ Π½Π° ΡΡΡΠΊΡ ΠΊΠΎΠ½ΡΠ°ΠΊΡΡ Π·Π°ΠΌΡΠΊΠ°ΡΡΡΡ, Π² ΡΠ΅Π·ΡΠ»ΡΡΠ°ΡΠ΅ ΡΠ΅Π³ΠΎ ΡΠΏΠΈΡΠ°Π»Ρ Π½Π°ΡΠΈΠ½Π°Π΅Ρ Π½Π°Π³ΡΠ΅Π²Π°ΡΡΡΡ. ΠΠΎΡΠ»Π΅ ΡΠΎΠ³ΠΎ, ΠΊΠ°ΠΊ Π½Π°Π³ΡΠ΅Π² Π΄ΠΎΡΡΠΈΠ³Π½Π΅Ρ ΠΌΠ°ΠΊΡΠΈΠΌΠ°Π»ΡΠ½ΠΎΠΉ ΡΠΎΡΠΊΠΈ, ΡΡΠ°Π±Π°ΡΡΠ²Π°Π΅Ρ ΡΠ΅ΠΏΠ»ΠΎΠ²ΠΎΠ΅ ΡΠ΅Π»Π΅, ΠΈ ΡΡΡΡΠΎΠΉΡΡΠ²ΠΎ Π²ΠΎΠ·Π²ΡΠ°ΡΠ°Π΅ΡΡΡ Π² ΠΈΡΡ
ΠΎΠ΄Π½ΠΎΠ΅ ΠΏΠΎΠ»ΠΎΠΆΠ΅Π½ΠΈΠ΅.
ΠΠ΅ ΡΠ°Π±ΠΎΡΠ°Π΅Ρ ΠΏΡΠΈΠΊΡΡΠΈΠ²Π°ΡΠ΅Π»Ρ ΠΠΠ 2110: ΠΏΡΠΈΡΠΈΠ½Ρ
Π‘ΠΎ Π²ΡΠ΅ΠΌΠ΅Π½Π΅ΠΌ Π»ΡΠ±Π°Ρ Π΄Π΅ΡΠ°Π»Ρ ΠΌΠΎΠΆΠ΅Ρ Π²ΡΠΉΡΠΈ ΠΈΠ· ΡΡΡΠΎΡ.ΠΠ΅ΡΠ΅Π΄ ΡΠ΅ΠΌ ΠΊΠ°ΠΊ ΠΏΠΎΠΌΠ΅Π½ΡΡΡ Π΅Π³ΠΎ Π½Π° Π½ΠΎΠ²ΡΠΉ ΠΈΠ»ΠΈ ΠΎΡΡΠ΅ΠΌΠΎΠ½ΡΠΈΡΠΎΠ²Π°ΡΡ ΡΠ°ΠΌΠΎΡΡΠΎΡΡΠ΅Π»ΡΠ½ΠΎ, ΡΠ»Π΅Π΄ΡΠ΅Ρ ΡΠ°Π·ΠΎΠ±ΡΠ°ΡΡΡΡ Π² ΠΏΡΠΈΡΠΈΠ½Π°Ρ
, ΠΏΠΎ ΠΊΠΎΡΠΎΡΡΠΌ Π½Π΅ ΡΠ°Π±ΠΎΡΠ°Π΅Ρ ΠΏΡΠΈΠΊΡΡΠΈΠ²Π°ΡΠ΅Π»Ρ ΠΠΠ 2110 ΠΈΠ»ΠΈ Π΅Π³ΠΎ ΠΏΠΎΠ΄ΡΠ²Π΅ΡΠΊΠ°. Π‘ΠΏΠΈΡΠΎΠΊ Π½Π°ΠΈΠ±ΠΎΠ»Π΅Π΅ ΡΠ°ΡΡΡΡ
Π½Π΅ΠΈΡΠΏΡΠ°Π²Π½ΠΎΡΡΠ΅ΠΉ Ρ ΠΌΠ΅ΡΠΎΠ΄Π°ΠΌΠΈ ΠΈΡ
ΡΡΡΡΠ°Π½Π΅Π½ΠΈΡ ΠΏΡΠ΅Π΄ΡΡΠ°Π²Π»Π΅Π½ Π½ΠΈΠΆΠ΅.
ΠΠ΅ΡΠ΅Π³ΠΎΡΠ΅Π» ΠΏΡΠ΅Π΄ΠΎΡ
ΡΠ°Π½ΠΈΡΠ΅Π»Ρ
ΠΠ΄Π½Π° ΠΈΠ· ΡΠ°ΡΡΡΡ
Π½Π΅ΠΈΡΠΏΡΠ°Π²Π½ΠΎΡΡΠ΅ΠΉ ΠΏΡΠΈΠΊΡΡΠΈΠ²Π°ΡΠ΅Π»Ρ — ΡΡΠΎ ΠΈΡΠΏΠΎΠ»ΡΠ·ΠΎΠ²Π°Π½Π½ΡΠΉ Π·Π°ΡΠΈΡΠ½ΡΠΉ ΡΠ»Π΅ΠΌΠ΅Π½Ρ. Π‘ΠΈΠ»Π° ΡΠΎΠΊΠ° ΡΠ΅ΠΏΠΈ Π΄Π»Ρ Π½ΠΎΡΠΌΠ°Π»ΡΠ½ΠΎΠΉ ΡΠ°Π±ΠΎΡΡ ΠΏΡΠ΅Π΄ΠΎΡ
ΡΠ°Π½ΠΈΡΠ΅Π»Ρ Π½Π΅ Π΄ΠΎΠ»ΠΆΠ½Π° ΠΏΡΠ΅Π²ΡΡΠ°ΡΡ 25 Π°ΠΌΠΏΠ΅Ρ. Π’Π°ΠΊΠΎΠΉ ΠΏΡΠ΅Π΄ΠΎΡ
ΡΠ°Π½ΠΈΡΠ΅Π»Ρ Π΅ΡΡΡ Π² ΠΌΠΎΠ½ΡΠ°ΠΆΠ½ΠΎΠΌ Π±Π»ΠΎΠΊΠ΅.
ΠΡΠΈ ΠΏΠΎΠ΄ΠΊΠ»ΡΡΠ΅Π½ΠΈΠΈ ΠΎΠ΄Π½ΠΎΠ³ΠΎ ΠΈΠ»ΠΈ Π½Π΅ΡΠΊΠΎΠ»ΡΠΊΠΈΡ
ΠΌΠΎΡΠ½ΡΡ
ΡΡΡΡΠΎΠΉΡΡΠ² ΠΊ ΡΠΎΠ·Π΅ΡΠΊΠ΅ ΠΏΡΠΈΠΊΡΡΠΈΠ²Π°ΡΠ΅Π»Ρ ΡΡΠΎΡ ΠΏΠ°ΡΠ°ΠΌΠ΅ΡΡ ΠΌΠΎΠΆΠ΅Ρ ΠΏΡΠ΅Π²ΡΡΠΈΡΡ ΡΠΊΠ°Π·Π°Π½Π½ΠΎΠ΅ Π·Π½Π°ΡΠ΅Π½ΠΈΠ΅ ΠΈ ΡΠ³ΠΎΡΠ΅ΡΡ. ΠΡΠΈ ΡΡΠΎΠΌ Π²ΠΌΠ΅ΡΡΠ΅ Ρ ΠΏΡΠ΅Π΄ΠΎΡ
ΡΠ°Π½ΠΈΡΠ΅Π»Π΅ΠΌ ΠΏΠ΅ΡΠ΅ΡΡΠ°Π½ΡΡ ΡΠ°Π±ΠΎΡΠ°ΡΡ Π»Π°ΠΌΠΏΠ° ΠΏΠΎΠ΄ΡΠ²Π΅ΡΠΊΠΈ ΠΏΠ΅ΡΡΠ°ΡΠΎΡΠ½ΠΎΠ³ΠΎ ΡΡΠΈΠΊΠ° ΠΈ Π²Π΅Π½ΡΠΈΠ»ΡΡΠΎΡ ΠΎΡΠΎΠΏΠΈΡΠ΅Π»Ρ. ΠΠ»Ρ ΡΠ΅ΠΌΠΎΠ½ΡΠ° Π½Π΅ΠΎΠ±Ρ
ΠΎΠ΄ΠΈΠΌΠΎ ΠΎΡΠΊΡΡΡΡ ΠΊΠ°ΠΏΠΎΡ, Π² ΠΊΠΎΡΠΎΡΠΎΠΌ ΡΠ°ΡΠΏΠΎΠ»ΠΎΠΆΠ΅Π½ ΠΌΠΎΠ½ΡΠ°ΠΆΠ½ΡΠΉ Π±Π»ΠΎΠΊ, ΠΏΡΠΎΠ²Π΅ΡΠΈΡΡ ΠΏΡΠ΅Π΄ΠΎΡ
ΡΠ°Π½ΠΈΡΠ΅Π»Ρ Π½Π° ΠΈΡΠΏΡΠ°Π²Π½ΠΎΡΡΡ ΠΈ Π·Π°ΠΌΠ΅Π½ΠΈΡΡ ΡΠ»Π΅ΠΌΠ΅Π½Ρ Ρ Π½ΠΎΠΌΠ΅ΡΠΎΠΌ F18.
ΠΠ°Π»Π΅Π·Π°Π΅ΠΌ Π² ΡΠ΅Π½ΡΡΠ°Π»ΡΠ½ΡΡ ΠΊΠΎΠ½ΡΠΎΠ»Ρ
ΠΡΠ΅ ΠΎΠ΄Π½Π° ΠΏΡΠΈΡΠΈΠ½Π°, ΠΏΠΎ ΠΊΠΎΡΠΎΡΠΎΠΉ Π½Π΅ ΡΠ°Π±ΠΎΡΠ°Π΅Ρ ΠΏΡΠΈΠΊΡΡΠΈΠ²Π°ΡΠ΅Π»Ρ ΠΠΠ, — ΡΡΠΎ ΠΏΠ»ΠΎΡ
ΠΈΠ΅ ΠΊΠΎΠ½ΡΠ°ΠΊΡΡ ΠΏΡΠΎΠ²ΠΎΠ΄ΠΊΠΈ ΠΈΠ»ΠΈ Ρ
ΠΎΠ΄ΡΡΠ΅Π΅ ΠΊΠΎΡΠΎΡΠΊΠΎΠ΅ Π·Π°ΠΌΡΠΊΠ°Π½ΠΈΠ΅.ΠΡΠ»ΠΈ ΠΏΡΠ΅Π΄ΠΎΡ
ΡΠ°Π½ΠΈΡΠ΅Π»Ρ ΡΠ°ΡΡΠΎ ΠΏΠ΅ΡΠ΅Π³ΠΎΡΠ°Π» ΠΈ Π΅Π³ΠΎ ΠΏΡΠΈΡ
ΠΎΠ΄ΠΈΡΡΡ ΠΌΠ΅Π½ΡΡΡ, ΡΡΠΎ ΡΠΎΠΆΠ΅ ΠΊΠΎΡΠ²Π΅Π½Π½ΡΠΉ ΠΏΡΠΈΠ·Π½Π°ΠΊ ΡΠ°ΠΊΠΎΠΉ ΠΏΠΎΠ»ΠΎΠΌΠΊΠΈ.
ΠΠ°ΠΌ Π½ΡΠΆΠ½ΠΎ Π±ΡΠ΄Π΅Ρ ΡΠ½ΡΡΡ ΠΎΠ±Π»ΠΈΡΠΎΠ²ΠΎΡΠ½ΡΡ ΠΏΠ°Π½Π΅Π»Ρ ΠΈ ΠΏΡΠΎΠ²Π΅ΡΠΈΡΡ ΡΠΎΡ
ΡΠ°Π½Π½ΠΎΡΡΡ ΠΊΠΎΠ½ΡΠ°ΠΊΡΠΎΠ² ΠΈ ΠΏΡΠΎΠ²ΠΎΠ΄ΠΎΠ² ΠΏΡΠΈΠΊΡΡΠΈΠ²Π°ΡΠ΅Π»Ρ. ΠΠ΄Π΅ΡΡ Π½ΡΠΆΠ½ΠΎ ΠΏΡΠΎΠ²Π΅ΡΠΈΡΡ ΡΡΠ΅Ρ
ΠΊΠΎΠ½ΡΠ°ΠΊΡΠ½ΡΠΉ ΡΠ°Π·ΡΠ΅ΠΌ. Π£Π±Π΅Π΄ΠΈΡΠ΅ΡΡ, ΡΡΠΎ ΡΠΎΠ΅Π΄ΠΈΠ½Π΅Π½ΠΈΠ΅ ΠΏΠ»ΠΎΡΠ½ΠΎΠ΅. ΠΠ°ΡΠ΅ΠΌ Π½ΡΠΆΠ½ΠΎ ΠΏΠΎΡΠΌΠΎΡΡΠ΅ΡΡ Π½Π° ΡΠΎΡ
ΡΠ°Π½Π½ΠΎΡΡΡ ΠΏΡΠΎΠ²ΠΎΠ΄ΠΎΠ². ΠΠ΅ Π΄ΠΎΠ»ΠΆΠ½ΠΎ Π±ΡΡΡ ΠΎΠ±ΡΠ³Π»Π΅Π½Π½ΠΎΠΉ ΠΎΠ±ΠΌΠΎΡΠΊΠΈ ΠΈΠ»ΠΈ ΡΠΊΠ»Π°Π΄ΠΎΠΊ, ΡΠ°Π·ΠΎΠΌΠΊΠ½ΡΡΡΡ
ΡΠ΅ΠΏΠ΅ΠΉ, Π²ΡΠ·ΡΠ²Π°ΡΡΠΈΡ
ΡΡΠ°Π±Π°ΡΡΠ²Π°Π½ΠΈΠ΅ ΠΏΡΠ΅Π΄ΠΎΡ
ΡΠ°Π½ΠΈΡΠ΅Π»Ρ.
ΠΡΠΌΠ°ΡΡΠΈΠ²Π°Π΅ΠΌ ΠΏΡΠΎΠ²ΠΎΠ΄ΠΊΡ ΠΈ ΠΊΠΎΠ½ΡΠ°ΠΊΡΡ ΠΏΡΠΈΠΊΡΡΠΈΠ²Π°ΡΠ΅Π»Ρ
ΠΡΠΈΡΠΈΠ½Π°, ΠΏΠΎ ΠΊΠΎΡΠΎΡΠΎΠΉ ΡΡΡΡΠΎΠΉΡΡΠ²ΠΎ ΠΏΠ΅ΡΠ΅ΡΡΠ°Π»ΠΎ ΡΠ°Π±ΠΎΡΠ°ΡΡ, — ΠΏΠΎΡΠ²Π»Π΅Π½ΠΈΠ΅ ΠΎΠΊΡΠΈΠ΄ΠΎΠ² ΠΈΠ»ΠΈ ΡΠΆΠ°Π²ΡΠΈΠ½Ρ.ΠΠ½ΡΡΡΠΈ ΠΏΡΠΈΠΊΡΡΠΈΠ²Π°ΡΠ΅Π»Ρ Π΅ΡΡΡ ΠΊΠΎΠ½ΡΠ°ΠΊΡΡ, ΠΊΠΎΡΠΎΡΡΠ΅ ΡΠΎ Π²ΡΠ΅ΠΌΠ΅Π½Π΅ΠΌ ΠΌΠΎΠ³ΡΡ ΠΎΠΊΠΈΡΠ»ΡΡΡΡΡ ΠΈΠ»ΠΈ ΡΠ°Π·ΡΠ΅Π΄Π°ΡΡΡΡ. ΠΠ·-Π·Π° Π½Π΅ΠΏΠ»ΠΎΡΠ½ΠΎΠ³ΠΎ ΠΊΠΎΠ½ΡΠ°ΠΊΡΠ° ΡΡΡΡΠΎΠΉΡΡΠ²ΠΎ Π½Π΅ Π±ΡΠ΄Π΅Ρ ΡΠ°Π±ΠΎΡΠ°ΡΡ ΠΏΡΠ°Π²ΠΈΠ»ΡΠ½ΠΎ. Π ΡΡΠΎΠΌ ΡΠ»ΡΡΠ°Π΅ Π·Π°ΠΌΠ΅Π½Π° ΠΏΡΠΈΠΊΡΡΠΈΠ²Π°ΡΠ΅Π»Ρ Π½Π΅ ΡΡΠ΅Π±ΡΠ΅ΡΡΡ. ΠΠΎΡΡΠ°ΡΠΎΡΠ½ΠΎ Π²ΡΡΠ°ΡΠΈΡΡ ΠΏΡΠΈΠ±ΠΎΡ, ΠΏΠΎΡΠΈΡΡΠΈΡΡ ΠΈ Π·Π°Π³Π½ΡΡΡ ΠΌΠ΅ΡΠ°Π»Π»ΠΈΡΠ΅ΡΠΊΠΈΠ΅ ΡΡΠΈΠΊΠΈ ΠΊΠΎΠ½ΡΠ°ΠΊΡΠΎΠ².
ΠΠΎΠ·ΠΌΠΎΠΆΠ½ΠΎΠ΅ Π²ΡΠ³ΠΎΡΠ°Π½ΠΈΠ΅ ΡΠΏΠΈΡΠ°Π»ΠΈ
ΠΠ½ΡΡΡΠΈ ΠΏΡΠΈΠΊΡΡΠΈΠ²Π°ΡΠ΅Π»Ρ ΠΠΠ 2110 Π½Π°Ρ
ΠΎΠ΄ΠΈΡΡΡ ΠΌΠ΅ΡΠ°Π»Π»ΠΈΡΠ΅ΡΠΊΠΈΠΉ ΡΠ»Π΅ΠΌΠ΅Π½Ρ, ΠΊΠΎΡΠΎΡΡΠΉ Ρ Π²ΠΎΠ·ΡΠ°ΡΡΠΎΠΌ ΠΈΠ»ΠΈ ΠΈΠ·-Π·Π° ΠΏΠΎΠ²ΡΡΠ΅Π½Π½ΠΎΠΉ Π½Π°Π³ΡΡΠ·ΠΊΠΈ ΠΌΠΎΠΆΠ΅Ρ Π²ΡΠΉΡΠΈ ΠΈΠ· ΡΡΡΠΎΡ. ΠΡΠ»ΠΈ ΠΏΠ΅ΡΠ΅Π³ΠΎΡΠ΅Π»Π° ΡΠΏΠΈΡΠ°Π»Ρ ΠΈ ΠΏΠ΅ΡΠ΅Π³ΠΎΡΠ΅Π» ΠΏΡΠ΅Π΄ΠΎΡ
ΡΠ°Π½ΠΈΡΠ΅Π»Ρ, ΡΠΎ ΡΠ΅ΠΌΠΎΠ½Ρ ΠΏΡΠΎΠ²ΠΎΠ΄ΠΈΡΡΡ ΡΠΎΠ»ΡΠΊΠΎ ΠΏΡΡΠ΅ΠΌ ΡΡΡΠ°Π½ΠΎΠ²ΠΊΠΈ Π½ΠΎΠ²ΠΎΠΉ Π΄Π΅ΡΠ°Π»ΠΈ.
ΠΠ°ΠΌΠ΅Π½Π° ΠΏΡΠΈΠΊΡΡΠΈΠ²Π°ΡΠ΅Π»Ρ ΠΠΠ 2110
ΠΠ»Ρ ΠΏΡΠΎΠ²Π΅Π΄Π΅Π½ΠΈΡ ΡΠ°Π±ΠΎΡ Π½ΡΠΆΠ½ΠΎ Π·Π°ΠΏΠ°ΡΡΠΈΡΡ ΠΏΠΎΠ΄Ρ
ΠΎΠ΄ΡΡΠΈΠΌ ΠΈΠ½ΡΡΡΡΠΌΠ΅Π½ΡΠΎΠΌ. ΠΠ°ΠΌ ΠΏΠΎΠ½Π°Π΄ΠΎΠ±ΠΈΡΡΡ:
- ΠΠ°Π±ΠΎΡ ΠΎΡΠ²Π΅ΡΡΠΎΠΊ;
- ΠΏΠ°ΡΠ»ΡΠ½Π°Ρ Π»Π°ΠΌΠΏΠ° Ρ ΠΏΡΠΈΠΏΠΎΠ΅ΠΌ;
- ΠΏΠ΅ΡΡΠ°ΡΠΊΠΈ Π·Π°ΡΠΈΡΠ½ΡΠ΅;
- ΠΌΡΠ»ΡΡΠΈΠΌΠ΅ΡΡ ΠΈΠ»ΠΈ Π»Π°ΠΌΠΏΠ° 12 Π²ΠΎΠ»ΡΡ;
ΠΠ΅Π½ΡΠ° ΠΈΠ·ΠΎΠ»ΡΡΠΈΠΎΠ½Π½Π°Ρ- .
ΠΠ΅ΡΠ΅Π΄ Π·Π°ΠΌΠ΅Π½ΠΎΠΉ Π½Π΅ΡΠ°Π±ΠΎΡΠ°ΡΡΠ΅Π³ΠΎ ΠΏΡΠΈΠΊΡΡΠΈΠ²Π°ΡΠ΅Π»Ρ ΠΠΠ 2110 Π½ΡΠΆΠ½ΠΎ ΠΊΡΠΏΠΈΡΡ ΡΠ°Π±ΠΎΡΡΡ Π΄Π΅ΡΠ°Π»Ρ. ΠΡΡΡ ΡΠ°Π·Π½ΡΠ΅ Π²Π°ΡΠΈΠ°Π½ΡΡ Π°Π²ΡΠΎ. Π‘ΡΠ°Π½Π΄Π°ΡΡΠ½ΠΎΠ΅ Π΄Π»ΠΈΠ½Π½ΠΎΠ΅ ΡΡΡΡΠΎΠΉΡΡΠ²ΠΎ ΠΈΠΌΠ΅Π΅Ρ ΡΡΠ΄ Π½Π΅Π΄ΠΎΡΡΠ°ΡΠΊΠΎΠ²: ΠΏΠ»ΠΎΡ
ΠΈΠ΅ ΠΊΠΎΠ½ΡΠ°ΠΊΡΡ, Π½Π΅ΠΊΡΠ°ΡΠΈΠ²ΡΠΉ Π²Π½Π΅ΡΠ½ΠΈΠΉ Π²ΠΈΠ΄.
ΠΠΎΡΡΠΎΠΌΡ Π²ΠΎΠ΄ΠΈΡΠ΅Π»ΠΈ ΠΏΡΠ΅Π΄ΠΏΠΎΡΠΈΡΠ°ΡΡ ΠΊΠΎΡΠΎΡΠΊΠΈΠ΅ Π΅Π²ΡΠΎ ΠΌΠΎΠ΄Π΅Π»ΠΈ. Π¦Π΅Π½Π° ΠΈΡ
ΠΊΠΎΠ»Π΅Π±Π»Π΅ΡΡΡ Π² ΠΏΡΠ΅Π΄Π΅Π»Π°Ρ
400-800 ΡΡΠ±Π»Π΅ΠΉ Π² Π·Π°Π²ΠΈΡΠΈΠΌΠΎΡΡΠΈ ΠΎΡ ΠΏΡΠΎΠΈΠ·Π²ΠΎΠ΄ΠΈΡΠ΅Π»Ρ. ΠΠ΅Π»Π°ΡΠ΅Π»ΡΠ½ΠΎ Π²ΡΠ±ΠΈΡΠ°ΡΡ ΠΎΡΠΈΠ³ΠΈΠ½Π°Π»ΡΠ½ΡΡ Π΄Π΅ΡΠ°Π»Ρ. Π£ΡΡΠ°Π½ΠΎΠ²ΠΈΡΡ ΡΠ°ΠΊΠΎΠΉ ΠΏΡΠΈΠΊΡΡΠΈΠ²Π°ΡΠ΅Π»Ρ ΡΠ²ΠΎΠΈΠΌΠΈ ΡΡΠΊΠ°ΠΌΠΈ Π½Π΅ ΡΠΎΡΡΠ°Π²ΠΈΡ ΡΡΡΠ΄Π° — ΠΏΠΎΠ΄ΡΠΎΠ±Π½Π°Ρ ΠΈΠ½ΡΡΡΡΠΊΡΠΈΡ ΠΏΠΎΠΊΠ°Π·Π°Π½Π° Π½Π° Π²ΠΈΠ΄Π΅ΠΎ.
ΠΠ°ΠΊ ΡΠ½ΡΡΡ ΠΏΡΠΈΠΊΡΡΠΈΠ²Π°ΡΠ΅Π»Ρ Π½Π° ΠΠΠ 2110
ΠΡΠΎΡΠ΅ΡΡ ΡΠ°Π·Π±ΠΎΡΠΊΠΈ Π²ΡΠ³Π»ΡΠ΄ΠΈΡ ΡΠ»Π΅Π΄ΡΡΡΠΈΠΌ ΠΎΠ±ΡΠ°Π·ΠΎΠΌ:
- ΠΡΠΊΡΡΡΡ ΠΊΠ°ΠΏΠΎΡ, ΡΠ½ΡΡΡ ΠΌΠΈΠ½ΡΡΠΎΠ²ΡΡ ΠΊΠ»Π΅ΠΌΠΌΡ Ρ Π°Π²ΡΠΎΠΌΠΎΠ±ΠΈΠ»ΡΠ½ΠΎΠ³ΠΎ Π°ΠΊΠΊΡΠΌΡΠ»ΡΡΠΎΡΠ°.ΠΡΠΎ ΠΎΠ±Π΅ΡΡΠΎΡΠΈΡ ΡΠΈΡΡΠ΅ΠΌΡ, ΠΈΡΠΊΠ»ΡΡΠΈΡ Π²ΠΎΠ·ΠΌΠΎΠΆΠ½ΠΎΡΡΡ ΠΊΠΎΡΠΎΡΠΊΠΎΠ³ΠΎ Π·Π°ΠΌΡΠΊΠ°Π½ΠΈΡ ΠΏΡΠΈ ΡΠ΅ΠΌΠΎΠ½ΡΠ΅.
- ΠΠ΅ΠΎΠ±Ρ
ΠΎΠ΄ΠΈΠΌΠΎ Π΄Π΅ΠΌΠΎΠ½ΡΠΈΡΠΎΠ²Π°ΡΡ ΠΏΠ»Π°ΡΡΠΈΠΊΠΎΠ²ΡΡ ΠΎΠ±Π»ΠΈΡΠΎΠ²ΠΊΡ ΡΠ΅Π½ΡΡΠ°Π»ΡΠ½ΠΎΠΉ ΠΊΠΎΠ½ΡΠΎΠ»ΠΈ. ΠΠ»Ρ ΡΡΠΎΠ³ΠΎ ΠΎΡΠΊΡΡΡΠΈΠ²Π°Π΅ΠΌ Π±ΠΎΠ»ΡΡ ΠΊΡΠ΅ΠΏΠ»Π΅Π½ΠΈΡ.
- ΠΠΎΡΠ»Π΅ ΠΏΠΎΠ»ΡΡΠ°Π΅ΠΌ Π΄ΠΎΡΡΡΠΏ ΠΊ ΠΊΠΎΠ»ΠΎΠ΄ΠΊΠ°ΠΌ ΠΏΡΠΎΠ²ΠΎΠ΄ΠΊΠΈ. ΠΡΡΠΎΠ΅Π΄ΠΈΠ½ΠΈΡΠ΅ ΡΡΠ΅Ρ
ΠΊΠΎΠ½ΡΠ°ΠΊΡΠ½ΡΠΉ ΠΊΠΎΠ½ΡΠ°ΠΊΡ ΠΎΡ ΠΏΡΠΈΠΊΡΡΠΈΠ²Π°ΡΠ΅Π»Ρ.
- ΠΠ΅ΠΌΠΎΠ½ΡΠΈΡΠΎΠ²Π°ΡΡ Π½Π°ΠΊΠ»Π°Π΄ΠΊΡ ΠΏΠΎΠ΄ ΡΡΠΎΡΠ½ΠΎΡΠ½ΡΠΉ ΡΠΎΡΠΌΠΎΠ·, ΠΏΠΎΠ»ΡΡΠΈΠ² Π΄ΠΎΡΡΡΠΏ ΠΊ Π±ΠΎΠ»ΡΠ°ΠΌ ΠΊΡΠ΅ΠΏΠ»Π΅Π½ΠΈΡ ΡΠΎΠ½Π½Π΅Π»Ρ.
- ΠΡΠΊΡΡΡΠΈΠ²Π°Π΅ΠΌ ΠΈΡ
, ΠΏΠΎΡΠ»Π΅ ΡΠ΅Π³ΠΎ ΡΠ½ΠΈΠΌΠ°Π΅ΠΌ ΠΏΠ»Π°ΡΡΠΈΠΊΠΎΠ²ΡΠΉ ΠΊΠΎΠΆΡΡ
.
- ΠΡΡΠ°ΡΠΊΠΈΠ²Π°Π΅ΠΌ ΠΏΠ°ΡΡΠΎΠ½ ΠΊΡΠ΅ΠΏΠ»Π΅Π½ΠΈΡ ΠΏΡΠΈΠΊΡΡΠΈΠ²Π°ΡΠ΅Π»Ρ, ΡΡΠΎΠ±Ρ Π΅Π³ΠΎ ΡΠ°Π·ΠΎΠ±ΡΠ°ΡΡ. ΠΠ»Ρ ΡΡΠΎΠ³ΠΎ ΠΏΠΎΡΡΠ΅Π±ΡΠ΅ΡΡΡ ΠΏΠΎΠ΄ΡΡΠ½ΡΡΡ Π·Π°ΡΠ΅Π»ΠΊΠΈ ΠΈ Π°ΠΊΠΊΡΡΠ°ΡΠ½ΠΎ ΠΈΠ·Π²Π»Π΅ΡΡ ΠΌΠ΅ΡΠ°Π»Π»ΠΈΡΠ΅ΡΠΊΠΈΠΉ ΠΊΠ°ΡΡΡΠΈΠ΄ΠΆ.
Π‘Π½ΡΡΠΈΠ΅ Π³Π½Π΅Π·Π΄Π° ΠΏΡΠΈΠΊΡΡΠΈΠ²Π°ΡΠ΅Π»Ρ
ΠΠ½Π°Π»ΠΎΠ³ΠΈΡΠ½ΠΎ ΠΏΡΠΎΠΈΠ·Π²ΠΎΠ΄ΠΈΡΡΡ Π΄Π΅ΠΌΠΎΠ½ΡΠ°ΠΆ ΡΠΈΠ΄Π΅Π½ΡΡ.
- ΠΠ±Π΅ΡΡΠΎΡΠΈΠ²Π°Π΅ΠΌ ΡΠΈΡΡΠ΅ΠΌΡ ΡΠ½ΡΡΠΈΠ΅ΠΌ ΠΌΠΈΠ½ΡΡΠΎΠ²ΠΎΠΉ ΠΊΠ»Π΅ΠΌΠΌΡ Ρ ΠΠΠ.
- ΠΠ»Ρ ΠΎΡΡΠΎΠ΅Π΄ΠΈΠ½Π΅Π½ΠΈΡ ΠΌΠΈΠΊΡΠΎΡΡ
Π΅ΠΌΡ ΠΏΡΠΎΠ²ΠΎΠ΄ΠΊΠΈ Π½Π΅ΠΎΠ±Ρ
ΠΎΠ΄ΠΈΠΌΠΎ ΡΠ°Π·ΠΎΠ±ΡΠ°ΡΡ Π±ΠΎΠΊΠΎΠ²ΡΡ ΠΊΡΡΡΠΊΡ.
- Π‘Π½ΠΈΠΌΠΈΡΠ΅ ΠΊΡΡΡΠΊΡ ΠΊΠΎΡΠΎΠ±ΠΊΠΈ ΠΏΠ΅ΡΠ΅Π΄Π°Ρ ΠΈ ΡΡΠ½Π½Π΅Π»Ρ ΡΡΠΎΡΠ½ΠΎΡΠ½ΠΎΠ³ΠΎ ΡΠΎΡΠΌΠΎΠ·Π°.
- Π‘Π³ΠΈΠ±Π°Π΅ΠΌ ΠΏΠ»Π°ΡΡΠΈΠΊΠΎΠ²ΡΠΉ ΡΠΊΡΠ°Π½ ΡΠ°ΠΊ, ΡΡΠΎΠ±Ρ ΠΎΡΠΎΡΠ²Π°ΡΡ ΡΠΈΠΊΡΠΈΡΡΡΡΠΈΠ΅ Π²ΡΡΡΡΠΏΡ.
- Π‘Π½ΠΈΠΌΠ°Π΅ΠΌ Π³Π½Π΅Π·Π΄ΠΎ ΠΏΡΠΈΠΊΡΡΠΈΠ²Π°ΡΠ΅Π»Ρ ΡΠ΅ΡΠ΅Π· ΠΎΡΠ²Π΅ΡΡΡΠΈΠ΅ Ρ ΠΊΠΎΠ»ΠΎΠ΄ΠΊΠΎΠΉ ΠΏΡΠΎΠ²ΠΎΠ΄ΠΎΠ².
- ΠΡΠΌΠ°ΡΡΠΈΠ²Π°Π΅ΠΌ ΡΡΡΡΠΎΠΉΡΡΠ²ΠΎ ΠΈ ΠΏΡΠΈΡΡΡΠΏΠ°Π΅ΠΌ ΠΊ Π·Π°ΠΌΠ΅Π½Π΅.
Π Π΅ΠΌΠΎΠ½Ρ ΡΠ»ΠΎΠΌΠ°Π½Π½ΠΎΠ³ΠΎ ΠΏΡΠΈΠΊΡΡΠΈΠ²Π°ΡΠ΅Π»Ρ
ΠΠ½ΠΎΠ³Π΄Π° Π·Π°ΠΌΠ΅Π½Π° Π½Π΅ ΡΡΠ΅Π±ΡΠ΅ΡΡΡ. Π Π½Π΅ΠΊΠΎΡΠΎΡΡΡ
ΡΠΈΡΡΠ°ΡΠΈΡΡ
ΡΡΠΎ ΠΌΠΎΠΆΠ½ΠΎ ΡΠ΄Π΅Π»Π°ΡΡ ΡΠ°ΠΌΠΎΡΡΠΎΡΡΠ΅Π»ΡΠ½ΠΎ. ΠΠ½ΡΡΡΠΈ ΡΠ°ΠΌΠΎΠ³ΠΎ ΠΏΡΠΈΠΊΡΡΠΈΠ²Π°ΡΠ΅Π»Ρ Π½Π°Ρ
ΠΎΠ΄ΠΈΡΡΡ Π½Π΅Π±ΠΎΠ»ΡΡΠ°Ρ ΡΠ»ΡΠ΄ΡΠ½Π°Ρ ΠΏΠ»Π°ΡΡΠΈΠ½ΠΊΠ°.ΠΡΠΎ ΠΏΠΎΠ»ΡΠΏΡΠΎΠ²ΠΎΠ΄Π½ΠΈΠΊ, ΠΊΠΎΡΠΎΡΡΠΉ ΡΠ°ΡΡΠΎ Π²ΡΡ
ΠΎΠ΄ΠΈΡ ΠΈΠ· ΡΡΡΠΎΡ. ΠΠ³ΠΎ Π½Π°Π΄ΠΎ ΡΠ΄Π°Π»ΠΈΡΡ. ΠΠΎΡΠ»Π΅ ΡΡΠΎΠ³ΠΎ ΡΡΠΎΠΈΡ ΡΠΎΠ±ΡΠ°ΡΡ ΡΡΡΡΠΎΠΉΡΡΠ²ΠΎ, Π° Π·Π°ΡΠ΅ΠΌ ΠΏΡΠΎΠ²Π΅ΡΠΈΡΡ ΠΈΡΠΏΡΠ°Π²Π½ΠΎΡΡΡ Π΅Π³ΠΎ ΡΠ°Π±ΠΎΡΡ.
Π§Π°ΡΡΠΎ Π½ΡΠΆΠ½ΠΎ ΠΏΡΠΎΡΡΠΎ ΠΎΠ±ΡΠ°Π±ΠΎΡΠ°ΡΡ ΠΎΠΊΠΈΡΠ»Π΅Π½Π½ΡΠ΅ ΠΊΠΎΠ½ΡΠ°ΠΊΡΡ ΠΈΠ»ΠΈ ΠΏΡΠΈΠΏΠ°ΡΡΡ Π²ΡΠΏΠ°Π²ΡΠΈΠ΅ ΠΏΡΠΎΠ²ΠΎΠ΄Π°.
ΠΠ½ΡΡΡΡΠΊΡΠΈΡ ΠΏΠΎ Π·Π°ΠΌΠ΅Π½Π΅ ΠΏΠΎΠ΄ΡΠ²Π΅ΡΠΊΠΈ
ΠΡΠ»ΠΈ Π½ΡΠΆΠ½ΠΎ ΠΏΡΠΎΠ²Π΅ΡΡΠΈ ΡΡΡ ΠΏΡΠΎΡΠ΅Π΄ΡΡΡ, ΡΠΎ ΡΡΠΎΠΈΡ Π΄Π΅ΠΉΡΡΠ²ΠΎΠ²Π°ΡΡ ΠΏΠΎ ΠΎΠΏΡΠ΅Π΄Π΅Π»Π΅Π½Π½ΠΎΠΉ ΡΡ
Π΅ΠΌΠ΅.
- ΠΡΠΊΠ»ΡΡΠΈΡΠ΅ Π·Π°ΠΆΠΈΠ³Π°Π½ΠΈΠ΅, Π·Π°ΡΠ΅ΠΌ ΡΠ½ΠΈΠΌΠΈΡΠ΅ ΠΏΡΠΎΠ²ΠΎΠ΄Π° Ρ ΠΠΠ.
- Π§ΡΠΎΠ±Ρ Π΄ΠΎΠ±ΡΠ°ΡΡΡΡ Π΄ΠΎ Π»Π°ΠΌΠΏΡ, Π΄Π΅ΠΌΠΎΠ½ΡΠΈΡΡΠΉΡΠ΅ ΠΏΠ»Π°ΡΡΠΈΠΊΠΎΠ²ΡΡ Π½Π°ΠΊΠ»Π°Π΄ΠΊΡ Π²Π½ΡΡΡΠΈ ΡΠ°Π»ΠΎΠ½Π°.
- ΠΡΡΠΎΠ΅Π΄ΠΈΠ½ΠΈΡΠ΅ ΠΊΠ°ΡΡΠ΅Ρ ΠΏΠ΅ΡΠ΅ΠΊΠ»ΡΡΠ΅Π½ΠΈΡ ΠΏΠ΅ΡΠ΅Π΄Π°Ρ ΠΈ ΡΡΠΎΡΠ½ΠΎΡΠ½ΡΠΉ ΡΠΎΡΠΌΠΎΠ·.
- ΠΡΡΠ°ΡΠΊΠΈΠ²Π°Π΅ΠΌ ΠΏΡΠΈΠΊΡΡΠΈΠ²Π°ΡΠ΅Π»Ρ Ρ ΠΏΠΎΠ΄ΡΠ²Π΅ΡΠΊΠΎΠΉ.
- Π‘ΠΎΠΆΠΌΠΈΡΠ΅ ΡΠΊΡΠ°Π½, ΡΡΠΎΠ±Ρ ΡΠ΄Π°Π»ΠΈΡΡ ΠΌΠ΅ΡΠ°Π»Π»ΠΈΡΠ΅ΡΠΊΠΈΠ΅ ΡΡΠΈΠΊΠΈ.
- ΠΠΎΠ²ΠΎΡΠ°ΡΠΈΠ²Π°Π΅ΠΌ ΠΈΡ
Π½Π° 90 Π³ΡΠ°Π΄ΡΡΠΎΠ², Π° Π·Π°ΡΠ΅ΠΌ ΡΠ½ΠΈΠΌΠ°Π΅ΠΌ Π»Π°ΠΌΠΏΡ Ρ ΠΌΠ΅ΡΡΠ°.
- Π£ΡΡΠ°Π½Π°Π²Π»ΠΈΠ²Π°Π΅ΠΌ Π½ΠΎΠ²ΡΠΉ ΡΠ»Π΅ΠΌΠ΅Π½Ρ, ΠΏΠΎΡΠ»Π΅ ΡΠ΅Π³ΠΎ ΠΏΡΠΎΠ²ΠΎΠ΄ΠΈΠΌ ΡΠ±ΠΎΡΠΊΡ. ΠΡΠΈ ΠΏΠΎΠ΄ΠΊΠ»ΡΡΠ΅Π½ΠΈΠΈ ΡΡΠΎΠΈΡ ΠΈΡΠΏΠΎΠ»ΡΠ·ΠΎΠ²Π°ΡΡ Π»Π°ΠΌΠΏΡ Π 12-4.
ΠΠΎΠ΄ΡΠΎΠ±Π½ΠΎΠ΅ Π²ΠΈΠ΄Π΅ΠΎ ΠΎ ΡΠΎΠΌ, ΠΊΠ°ΠΊ ΡΠ½ΡΡΡ ΡΡΡΡΠΎΠΉΡΡΠ²ΠΎ ΠΌΠΎΠ΄Π΅Π»ΠΈ ΠΠΠ 2110 ΡΠ²ΠΎΠΈΠΌΠΈ ΡΡΠΊΠ°ΠΌΠΈ, ΠΏΡΠ΅Π΄ΡΡΠ°Π²Π»Π΅Π½ΠΎ Π²ΡΡΠ΅.
ΠΠ°ΠΊ ΠΏΠΎΠ΄ΠΊΠ»ΡΡΠΈΡΡ ΠΏΡΠΈΠΊΡΡΠΈΠ²Π°ΡΠ΅Π»Ρ ΠΊ ΠΠΠ 2110
ΠΠΎΡΠ»Π΅ ΡΡΡΠ°Π½ΠΎΠ²ΠΊΠΈ Π½ΠΎΠ²ΠΎΠ³ΠΎ ΡΡΡΡΠΎΠΉΡΡΠ²Π° Π½Π΅ΠΎΠ±Ρ
ΠΎΠ΄ΠΈΠΌΠΎ Π΅Π³ΠΎ ΡΠΎΠ±ΡΠ°ΡΡ. ΠΡΠΎΡΠ΅ΡΡ Π²ΡΠ³Π»ΡΠ΄ΠΈΡ ΡΠ»Π΅Π΄ΡΡΡΠΈΠΌ ΠΎΠ±ΡΠ°Π·ΠΎΠΌ.
- Π£ΡΡΠ°Π½ΠΎΠ²ΠΈΡΠ΅ ΠΏΡΠΈΠΊΡΡΠΈΠ²Π°ΡΠ΅Π»Ρ Π½Π° ΠΌΠ΅ΡΡΠΎ.
- ΠΠΎΠ½ΡΠΈΡΡΠ΅ΠΌ ΠΎΠ±ΡΠ°ΡΠ½ΠΎ ΠΊΠΎΠΆΡΡ
ΡΡΡΠ°Π³Π° ΠΠΠ ΠΈ ΡΡΠΎΡΠ½ΠΎΡΠ½ΠΎΠ³ΠΎ ΡΠΎΡΠΌΠΎΠ·Π°.
- ΠΠΎΠ΄ΠΊΠ»ΡΡΠ°Π΅ΠΌ ΡΡΠ΅Ρ
ΠΊΠΎΠ½ΡΠ°ΠΊΡΠ½ΡΠΉ ΡΠ°Π·ΡΠ΅ΠΌ.
- ΠΠ°ΠΊΡΡΡΠΈΠ²Π°Π΅ΠΌ Π±ΠΎΠ»ΡΡ ΠΎΠ±Π»ΠΈΡΠΎΠ²ΠΊΠΈ ΠΏΠ΅ΡΠ΅Π΄Π½Π΅ΠΉ ΠΏΠ°Π½Π΅Π»ΠΈ.
- ΠΠΎΠ΄Π°Π΅ΠΌ ΠΏΠΈΡΠ°Π½ΠΈΠ΅ Π² ΡΠ΅ΡΡ.
- ΠΡΠΎΠ²Π΅ΡΡΠ΅ΠΌ ΠΈΡΠΏΡΠ°Π²Π½ΠΎΡΡΡ ΡΠ²ΡΠ·ΠΈ ΠΈ ΡΠ°Π±ΠΎΡΠΎΡΠΏΠΎΡΠΎΠ±Π½ΠΎΡΡΡ ΡΡΡΡΠΎΠΉΡΡΠ²Π°.
Π‘ΡΠΎΠΈΡ Π»ΠΈ ΡΠ΄Π΅Π»Π°ΡΡ Π΄ΠΎΠΏΠΎΠ»Π½ΠΈΡΠ΅Π»ΡΠ½ΡΠΉ ΠΏΡΠΈΠΊΡΡΠΈΠ²Π°ΡΠ΅Π»Ρ?
ΠΠ½ΠΎΠ³ΠΈΠ΅ Π²ΠΎΠ΄ΠΈΡΠ΅Π»ΠΈ ΡΡΡΠ°Π½Π°Π²Π»ΠΈΠ²Π°ΡΡ Π½Π° Π°Π²ΡΠΎΠΌΠΎΠ±ΠΈΠ»Ρ Π²ΡΠΎΡΡΡ ΡΠΎΠ·Π΅ΡΠΊΡ. ΠΡΠΎ ΡΠ²Π΅Π»ΠΈΡΠΈΡ ΠΊΠΎΠ»ΠΈΡΠ΅ΡΡΠ²ΠΎ ΠΏΠΎΡΠ΅Π½ΡΠΈΠ°Π»ΡΠ½ΠΎ ΠΏΠΎΠ΄ΠΊΠ»ΡΡΠ΅Π½Π½ΡΡ
ΡΡΡΡΠΎΠΉΡΡΠ². ΠΠΎ ΠΌΡ Π΄ΠΎΠ»ΠΆΠ½Ρ ΠΏΠΎΠΌΠ½ΠΈΡΡ, ΡΡΠΎ ΡΠ»Π΅ΠΊΡΡΠΈΡΠ΅ΡΠΊΠ°Ρ ΡΠΈΡΡΠ΅ΠΌΠ° Π±ΡΠ΄Π΅Ρ ΠΈΡΠΏΡΡΡΠ²Π°ΡΡ Π±ΠΎΠ»ΡΡΠΈΠ΅ Π½Π°Π³ΡΡΠ·ΠΊΠΈ ΠΈ ΠΌΠΎΠΆΠ΅Ρ ΡΡΠ°Π±ΠΎΡΠ°ΡΡ ΠΏΡΠ΅Π΄ΠΎΡ
ΡΠ°Π½ΠΈΡΠ΅Π»Ρ. ΠΠΎΡΡΠΎΠΌΡ Π²Π°ΠΆΠ½ΠΎ ΠΏΡΠ°Π²ΠΈΠ»ΡΠ½ΠΎ ΠΏΠΎΠ΄ΠΊΠ»ΡΡΠΈΡΡ Π²ΡΠ΅ ΠΏΡΠΎΠ²ΠΎΠ΄Π°.
ΠΠ΅ΠΎΠ±Ρ
ΠΎΠ΄ΠΈΠΌΠΎ ΠΏΠΎΠ΄ΠΊΠ»ΡΡΠΈΡΡ Π½ΠΎΠ²ΡΠΉ ΡΠ°Π·ΡΠ΅ΠΌ ΡΠ΅ΡΠ΅Π· ΠΏΡΠ΅Π΄ΠΎΡ
ΡΠ°Π½ΠΈΡΠ΅Π»Ρ Π²ΠΎ ΠΈΠ·Π±Π΅ΠΆΠ°Π½ΠΈΠ΅ ΠΎΠΏΠ»Π°Π²Π»Π΅Π½ΠΈΡ ΠΏΡΠΎΠ²ΠΎΠ΄ΠΎΠ².ΠΠ°ΠΌ Π½ΡΠΆΠ½ΠΎ Π±ΡΠ΄Π΅Ρ Π²ΡΡΠ΅Π·Π°ΡΡ ΠΎΡΠ΄Π΅Π»ΡΠ½ΠΎΠ΅ ΠΎΡΠ²Π΅ΡΡΡΠΈΠ΅ Π² ΡΠ°Π»ΠΎΠ½Π΅ ΠΈΠ»ΠΈ Π±Π°Π³Π°ΠΆΠ½ΠΈΠΊΠ΅. ΠΠ»ΡΡΠ΅ΡΠ½Π°ΡΠΈΠ²ΠΎΠΉ ΡΡΠΎΠΌΡ ΠΌΠ΅ΡΠΎΠ΄Ρ ΡΠ²Π»ΡΠ΅ΡΡΡ ΠΏΠΎΠΊΡΠΏΠΊΠ° ΡΠ°Π·Π²Π΅ΡΠ²ΠΈΡΠ΅Π»Ρ, ΠΊΠΎΡΠΎΡΡΠΉ ΠΏΠΎΠ΄ΠΊΠ»ΡΡΠ°Π΅ΡΡΡ ΠΊ ΡΡΠ°Π½Π΄Π°ΡΡΠ½ΠΎΠΉ ΡΠΎΠ·Π΅ΡΠΊΠ΅.
ΠΠ°ΠΊ ΠΏΠΎΠ΄ΠΊΠ»ΡΡΠΈΡΡ ΠΏΡΠΈΠ±ΠΎΡ ΠΊ ΠΏΡΠΈΠΊΡΡΠΈΠ²Π°ΡΠ΅Π»Ρ Π±Π΅Π· Π²ΠΈΠ»ΠΊΠΈ
ΠΠ½ΠΎΠ³Π΄Π° Π΄ΡΠ°ΠΉΠ²Π΅Ρ ΡΡΠ°Π»ΠΊΠΈΠ²Π°Π΅ΡΡΡ Ρ ΠΏΠΎΠ΄ΠΎΠ±Π½ΡΠΌΠΈ ΠΏΡΠΎΠ±Π»Π΅ΠΌΠ°ΠΌΠΈ. ΠΠ°ΠΏΡΠΈΠΌΠ΅Ρ, ΠΏΠΎΠ΄ΠΊΠ»ΡΡΠ΅Π½ΠΈΠ΅ Π²ΠΈΠ΄Π΅ΠΎΡΠ΅Π³ΠΈΡΡΡΠ°ΡΠΎΡΠ° Π½Π΅ Π²ΡΠ΅Π³Π΄Π° Π²ΠΎΠ·ΠΌΠΎΠΆΠ½ΠΎ ΠΏΡΠΈ ΠΎΡΡΡΡΡΡΠ²ΠΈΠΈ Π²ΠΈΠ»ΠΊΠΈ. Π‘Π»Π΅Π΄ΠΎΠ²Π°ΡΠ΅Π»ΡΠ½ΠΎ, Π΅ΡΡΡ Π²ΠΎΠ·ΠΌΠΎΠΆΠ½ΠΎΡΡΡ ΠΏΠΎΠ΄ΠΊΠ»ΡΡΠΈΡΡΡΡ ΠΊ ΡΠ΅ΡΠΈ Π½Π°ΠΏΡΡΠΌΡΡ, ΡΠ΅ΡΠ΅Π· Π²Π½ΡΡΡΠ΅Π½Π½Π΅Π΅ ΠΎΡΠ²Π΅ΡΠ΅Π½ΠΈΠ΅. ΠΡΠΎ ΡΠ΅ΡΠ΅Π½ΠΈΠ΅ ΠΏΠΎΠ·Π²ΠΎΠ»ΠΈΡ ΠΈΠ·Π±Π΅ΠΆΠ°ΡΡ ΡΠ²ΠΈΡΠ°Π½ΠΈΡ ΠΏΡΠΎΠ²ΠΎΠ΄ΠΎΠ².ΠΡΡΡΠ΅ΡΡΠ²Π»ΡΠ΅ΡΡΡ ΠΎΠ½ ΠΏΡΠΎΡΡΠΎ, Π²Π΅Π΄Ρ Π½Π° Π»Π°ΠΌΠΏΡ ΡΠ°ΠΊΠΆΠ΅ ΠΏΠΎΠ΄Π°ΡΡΡΡ Π½Π΅ΠΎΠ±Ρ
ΠΎΠ΄ΠΈΠΌΡΠ΅ 12 Π²ΠΎΠ»ΡΡ. ΠΠΈΠ΄Π΅ΠΎ ΠΏΠΎ ΡΡΠΎΠΌΡ ΠΏΠΎΠ²ΠΎΠ΄Ρ Π½ΠΈΠΆΠ΅.
ΠΠΈΠ΄Π΅ΠΎ ΠΎ ΠΏΠΎΠ»ΠΎΠΌΠΊΠ°Ρ
ΠΏΡΠΈΠΊΡΡΠΈΠ²Π°ΡΠ΅Π»Ρ
ΠΡΠΈΠΊΡΡΠΈΠ²Π°ΡΠ΅Π»Ρ (ΠΠ) — ΡΡΠΎ ΡΡΡΡΠΎΠΉΡΡΠ²ΠΎ, ΠΈΡΠΏΠΎΠ»ΡΠ·ΡΠ΅ΠΌΠΎΠ΅ Π΄Π»Ρ Π²ΡΠΊΡΡΠΈΠ²Π°Π½ΠΈΡ ΡΠΈΠ³Π°ΡΠ΅Ρ Π²ΠΎΠ΄ΠΈΡΠ΅Π»Π΅ΠΌ. ΠΠ΅ΡΠΌΠΎΡΡΡ Π½Π° ΡΡΠΎ, ΡΠΎΡΠΊΠΈ Π΄ΠΎΡΡΡΠΏΠ° ΠΌΠΎΠΆΠ½ΠΎ ΠΈΡΠΏΠΎΠ»ΡΠ·ΠΎΠ²Π°ΡΡ Π΄Π»Ρ ΡΠ°Π·Π½ΡΡ
ΡΠ΅Π»Π΅ΠΉ. ΠΡΠ»ΠΈ ΠΌΠ°ΡΠΈΠ½Π° ΠΠΠ 2110, ΡΡΠΎ ΠΌΠΎΠΆΠ΅Ρ Π²ΡΠ·Π²Π°ΡΡ Π΄ΠΈΡΠΊΠΎΠΌΡΠΎΡΡ ΠΏΡΠΈ Π΄Π²ΠΈΠΆΠ΅Π½ΠΈΠΈ. ΠΠΎΠ΄ΡΠΎΠ±Π½Π΅Π΅ ΠΎΠ± ΡΡΡΡΠΎΠΉΡΡΠ²Π΅, Π½Π΅ΠΈΡΠΏΡΠ°Π²Π½ΠΎΡΡΡΡ
ΠΈ Π·Π°ΠΌΠ΅Π½Π΅ ΡΠ»Π΅ΠΌΠ΅Π½ΡΠ° Π½Π° Β«Π΄Π΅ΡΡΡΠΊΠΈΒ» Π²Ρ ΠΌΠΎΠΆΠ΅ΡΠ΅ ΡΠ·Π½Π°ΡΡ ΠΈΠ· ΡΡΠΎΠΉ ΡΡΠ°ΡΡΠΈ.
[Π‘ΠΊΡΡΡΡ]
ΠΠΎΠ½ΡΡΡΡΠΊΡΠΈΡ ΠΈ Π½Π°Π·Π½Π°ΡΠ΅Π½ΠΈΠ΅ ΠΏΡΠΈΠΊΡΡΠΈΠ²Π°ΡΠ΅Π»Ρ
ΠΠΎ ΡΠ²ΠΎΠ΅ΠΉ ΠΊΠΎΠ½ΡΡΡΡΠΊΡΠΈΠΈ AP ΠΏΡΠ΅Π΄ΡΡΠ°Π²Π»ΡΠ΅Ρ ΡΠΎΠ±ΠΎΠΉ ΠΌΠ΅ΡΠ°Π»Π»ΠΈΡΠ΅ΡΠΊΡΡ ΡΠΏΠΈΡΠ°Π»Ρ, ΡΡΡΠ°Π½ΠΎΠ²Π»Π΅Π½Π½ΡΡ Π² ΠΏΠ»Π°ΡΡΠΈΠΊΠΎΠ²ΠΎΠΌ ΠΊΠΎΡΠΏΡΡΠ΅, ΡΠ°ΡΠΏΠΎΠ»ΠΎΠΆΠ΅Π½Π½ΠΎΠΌ Π² ΡΠΏΠ΅ΡΠΈΠ°Π»ΡΠ½ΠΎ ΠΎΡΠ²Π΅Π΄Π΅Π½Π½ΠΎΠΌ Π΄Π»Ρ ΡΡΠΎΠ³ΠΎ Π³Π½Π΅Π·Π΄Π΅ Π½Π° ΡΠ΅Π½ΡΡΠ°Π»ΡΠ½ΠΎΠΉ ΠΊΠΎΠ½ΡΠΎΠ»ΠΈ. ΠΠΎΠ³Π΄Π° Π²ΠΎΠ΄ΠΈΡΠ΅Π»Ρ Π½Π°ΠΆΠΈΠΌΠ°Π΅Ρ Π½Π° AP, ΡΡΡΡΠΎΠΉΡΡΠ²ΠΎ ΠΏΠΎΠ΄ΠΊΠ»ΡΡΠ°Π΅ΡΡΡ ΠΊ ΡΠ»Π΅ΠΊΡΡΠΈΡΠ΅ΡΠΊΠΎΠΉ ΡΠ΅ΠΏΠΈ ΡΡΠ°Π½ΠΊΠ° ΠΈ ΡΠΈΠΊΡΠΈΡΡΠ΅ΡΡΡ Π² ΡΡΠΎΠΌ ΠΏΠΎΠ»ΠΎΠΆΠ΅Π½ΠΈΠΈ Π±Π»Π°Π³ΠΎΠ΄Π°ΡΡ Π±ΠΈΠΌΠ΅ΡΠ°Π»Π»ΠΈΡΠ΅ΡΠΊΠΈΠΌ ΠΏΠ»Π°ΡΡΠΌΠ°ΡΡΠ°ΠΌ. Π ΡΠ΅Π·ΡΠ»ΡΡΠ°ΡΠ΅ Π²ΠΎΠ·Π½ΠΈΠΊΠ°Π΅Ρ ΡΡΡΠ΅ΠΊΡ Π½Π°Π³ΡΠ΅Π²Π° ΡΠ°ΠΌΠΎΠΉ ΡΠΏΠΈΡΠ°Π»ΠΈ Π·Π° ΡΡΠ΅Ρ ΠΏΡΠΎΡ
ΠΎΠΆΠ΄Π΅Π½ΠΈΡ ΡΠ΅ΡΠ΅Π· Π½Π΅Π΅ Π½Π°ΠΏΡΡΠΆΠ΅Π½ΠΈΡ. ΠΠΎΠ³Π΄Π° ΡΠ΅ΠΌΠΏΠ΅ΡΠ°ΡΡΡΠ° ΡΡΡΡΠΎΠΉΡΡΠ²Π° Π΄ΠΎΡΡΠΈΠ³Π½Π΅Ρ ΠΎΠΏΡΠ΅Π΄Π΅Π»Π΅Π½Π½ΠΎΠ³ΠΎ Π·Π½Π°ΡΠ΅Π½ΠΈΡ, ΠΏΠ»Π°ΡΡΠΈΠ½Ρ Π°Π²ΡΠΎΠΌΠ°ΡΠΈΡΠ΅ΡΠΊΠΈ ΠΎΡΠΊΡΠΎΡΡΡΡ, ΠΈ ΡΠΎΡΠΊΠ° Π΄ΠΎΡΡΡΠΏΠ° Π²Π΅ΡΠ½Π΅ΡΡΡ Π² ΡΠ²ΠΎΠ΅ ΡΡΠ°Π½Π΄Π°ΡΡΠ½ΠΎΠ΅ ΠΏΠΎΠ»ΠΎΠΆΠ΅Π½ΠΈΠ΅.
Π’Π ΡΠ°ΠΊΠΆΠ΅ ΠΎΡΠ½Π°ΡΠ΅Π½Π° ΠΎΡΠ΄Π΅Π»ΡΠ½ΡΠΌ ΠΏΡΠ΅Π΄ΠΎΡ
ΡΠ°Π½ΠΈΡΠ΅Π»Π΅ΠΌ, ΡΡΠΎ ΠΏΠΎΠ·Π²ΠΎΠ»ΡΠ΅Ρ Π·Π°ΡΠΈΡΠΈΡΡ Π΅Π΅ ΠΎΡ Π²ΠΎΠ·ΠΌΠΎΠΆΠ½ΠΎΠ³ΠΎ ΠΏΠ΅ΡΠ΅Π³ΡΠ΅Π²Π° ΠΈ Π΄Π°ΠΆΠ΅ Π²ΠΎΠ·Π³ΠΎΡΠ°Π½ΠΈΡ, Π΅ΡΠ»ΠΈ ΡΡΡΡΠΎΠΉΡΡΠ²ΠΎ ΠΏΠΎ ΠΊΠ°ΠΊΠΎΠΉ-Π»ΠΈΠ±ΠΎ ΠΏΡΠΈΡΠΈΠ½Π΅ Π·Π°ΡΡΡΡΠ½Π΅Ρ Π² ΡΠΎΠ·Π΅ΡΠΊΠ΅. Π§ΡΠΎ ΠΊΠ°ΡΠ°Π΅ΡΡΡ ΡΠ°ΠΌΠΎΠ³ΠΎ Π½Π°Π·Π½Π°ΡΠ΅Π½ΠΈΡ, ΡΠΎ ΠΏΠΎΠΌΠΈΠΌΠΎ ΡΠΎΠ³ΠΎ, ΡΡΠΎ AP ΠΏΠΎΠ·Π²ΠΎΠ»ΡΠ΅Ρ ΠΊΡΡΠΈΡΡ ΡΠΈΠ³Π°ΡΠ΅ΡΡ, Π΅Π³ΠΎ ΡΠ°ΠΊΠΆΠ΅ ΠΌΠΎΠΆΠ½ΠΎ ΠΈΡΠΏΠΎΠ»ΡΠ·ΠΎΠ²Π°ΡΡ Π΄Π»Ρ ΠΏΠΈΡΠ°Π½ΠΈΡ ΡΠ°Π·Π»ΠΈΡΠ½ΡΡ
ΡΡΡΡΠΎΠΉΡΡΠ². ΠΠ°ΠΏΡΠΈΠΌΠ΅Ρ, Π² AP ΠΌΠΎΠΆΠ½ΠΎ ΠΏΠΎΠ΄ΠΊΠ»ΡΡΠΈΡΡ Π²ΠΈΠ΄Π΅ΠΎΡΠ΅Π³ΠΈΡΡΡΠ°ΡΠΎΡ ΠΈΠ»ΠΈ GPS-Π½Π°Π²ΠΈΠ³Π°ΡΠΎΡ. Π’Π°ΠΊΠΆΠ΅ ΠΎΠ½Π° ΠΏΠΎΠ·Π²ΠΎΠ»ΡΠ΅Ρ Π·Π°ΠΏΠΈΡΠ°ΡΡ ΠΌΠ½ΠΎΠ³ΠΈΠ΅ Π΄ΡΡΠ³ΠΈΠ΅ ΡΡΡΡΠΎΠΉΡΡΠ²Π°, Π½Π°ΠΏΡΠΈΠΌΠ΅Ρ, Π°Π²ΡΠΎΠΌΠΎΠ±ΠΈΠ»ΡΠ½ΡΠ΅ ΡΠ°ΠΉΠ½ΠΈΠΊΠΈ ΠΈ Ρ. Π. Π ΡΠ»ΡΡΠ°Π΅ Π½Π΅ΠΎΠ±Ρ
ΠΎΠ΄ΠΈΠΌΠΎΡΡΠΈ ΡΡΡ ΡΠΎΠ·Π΅ΡΠΊΡ ΠΌΠΎΠΆΠ½ΠΎ ΠΈΡΠΏΠΎΠ»ΡΠ·ΠΎΠ²Π°ΡΡ Π΄Π»Ρ Π·Π°ΡΡΠ΄ΠΊΠΈ ΠΌΠΎΠ±ΠΈΠ»ΡΠ½ΡΡ
ΡΡΡΡΠΎΠΉΡΡΠ², Π΅ΡΠ»ΠΈ Ρ Π²Π°Ρ Π΅ΡΡΡ ΡΠΏΠ΅ΡΠΈΠ°Π»ΡΠ½ΡΠΉ Π°Π΄Π°ΠΏΡΠ΅Ρ.
Π’ΠΈΠΏΠΈΡΠ½ΡΠ΅ Π½Π΅ΠΈΡΠΏΡΠ°Π²Π½ΠΎΡΡΠΈ
ΠΡΠ»ΠΈ Π²Ρ ΡΡΠΎΠ»ΠΊΠ½Π΅ΡΠ΅ΡΡ Ρ ΡΠ°ΠΊΠΎΠΉ ΠΏΡΠΎΠ±Π»Π΅ΠΌΠΎΠΉ, ΠΊΠΎΡΠΎΡΠ°Ρ Π½Π΅ ΡΠ°Π±ΠΎΡΠ°Π΅Ρ, ΡΠΎ Π²Π°ΠΌ Π½Π°Π²Π΅ΡΠ½ΡΠΊΠ° Π±ΡΠ΄Π΅Ρ ΠΈΠ½ΡΠ΅ΡΠ΅ΡΠ½ΠΎ ΡΠ·Π½Π°ΡΡ ΠΎ Π½Π΅ΠΈΡΠΏΡΠ°Π²Π½ΠΎΡΡΡΡ
ΡΡΡΡΠΎΠΉΡΡΠ²Π°. ΠΠ°ΠΊ ΠΏΡΠ°Π²ΠΈΠ»ΠΎ, AP Π²ΡΡ
ΠΎΠ΄ΠΈΡ ΠΈΠ· ΡΡΡΠΎΡ ΠΈΠ·-Π·Π° ΡΠΎΠ³ΠΎ, ΡΡΠΎ Π΅Π³ΠΎ ΡΠΎΠΊΠ΅Ρ ΠΈΡΠΏΠΎΠ»ΡΠ·ΡΠ΅ΡΡΡ Π΄Π»Ρ Π΄ΡΡΠ³ΠΈΡ
ΡΠ΅Π»Π΅ΠΉ. Π ΡΠ°ΡΡΠ½ΠΎΡΡΠΈ, ΠΈΠ·-Π·Π° ΠΎΠ΄Π½ΠΎΠ²ΡΠ΅ΠΌΠ΅Π½Π½ΠΎΠ³ΠΎ ΠΏΠΎΠ΄ΠΊΠ»ΡΡΠ΅Π½ΠΈΡ ΠΊ Π½Π΅ΠΌΡ Π½Π΅ΡΠΊΠΎΠ»ΡΠΊΠΈΡ
ΡΡΡΡΠΎΠΉΡΡΠ² ΡΠ΅ΡΠ΅Π· ΡΠ°Π·Π²Π΅ΡΠ²ΠΈΡΠ΅Π»Ρ, ΠΊΠΎΡΠΎΡΡΠ΅ ΠΏΠΈΡΠ°ΡΡ Π±ΠΎΠ»ΡΡΠΎΠΉ ΡΠΎΠΊ. ΠΡΠ»ΠΈ Π²Ρ ΠΏΠΎΡΡΠ΅Π½ΠΈΡΡΠ΅ΡΠ΅ΡΡ ΠΏΠΎΠ΄ΠΊΠ»ΡΡΠ°ΡΡ Π½Π΅ΡΠΊΠΎΠ»ΡΠΊΠΎ ΡΡΡΡΠΎΠΉΡΡΠ² ΠΊ, ΡΡΠΎ ΠΌΠΎΠΆΠ΅Ρ ΠΏΡΠΈΠ²Π΅ΡΡΠΈ ΠΊ ΡΡΡΠ²Ρ ΠΏΡΠ΅Π΄ΠΎΡ
ΡΠ°Π½ΠΈΡΠ΅Π»ΡΠ½ΠΎΠ³ΠΎ ΡΠ»Π΅ΠΌΠ΅Π½ΡΠ°, ΠΎΠ±ΠΎΠ·Π½Π°ΡΠ΅Π½Π½ΠΎΠ³ΠΎ Π½Π° ΠΌΠΎΠ½ΡΠ°ΠΆΠ½ΠΎΠΌ Π±Π»ΠΎΠΊΠ΅ ΠΊΠ°ΠΊ F18.
Π‘ΡΠΎΠΈΡ ΠΎΡΠΌΠ΅ΡΠΈΡΡ, ΡΡΠΎ Π΄Π°Π½Π½ΡΠΉ ΡΠ»Π΅ΠΌΠ΅Π½Ρ ΠΏΠΎΠ·Π²ΠΎΠ»ΡΠ΅Ρ ΠΏΡΠΎΠΏΡΡΠΊΠ°ΡΡ ΡΠ΅ΡΠ΅Π· ΡΠ΅Π±Ρ ΡΠΎΠΊ 25 Π°ΠΌΠΏΠ΅Ρ, Π½ΠΎ Π΅ΡΠ»ΠΈ ΡΡΠΎΡ ΠΏΠ°ΡΠ°ΠΌΠ΅ΡΡ ΠΏΡΠ΅Π²ΡΡΠ΅Π½, ΡΠΎ Π΄Π΅ΡΠ°Π»Ρ ΠΏΡΠΎΡΡΠΎ ΠΏΠ΅ΡΠ΅Π³ΠΎΡΠ°Π΅Ρ. ΠΡΠΈ ΠΎΠ±Π½Π°ΡΡΠΆΠ΅Π½ΠΈΠΈ Π½Π΅ΠΈΡΠΏΡΠ°Π²Π½ΠΎΡΡΠΈ Π² ΡΠ°Π±ΠΎΡΠ΅ Π’Π Π² ΠΏΠ΅ΡΠ²ΡΡ ΠΎΡΠ΅ΡΠ΅Π΄Ρ ΡΠ»Π΅Π΄ΡΠ΅Ρ ΠΏΡΠΎΠ²Π΅ΡΠΈΡΡ ΠΏΡΠ΅Π΄ΠΎΡ
ΡΠ°Π½ΠΈΡΠ΅Π»Ρ. Π§ΡΠΎΠ±Ρ ΠΎΠΏΡΠ΅Π΄Π΅Π»ΠΈΡΡ Π½Π΅ΠΈΡΠΏΡΠ°Π²Π½ΠΎΡΡΡ ΡΡΡΡΠΎΠΉΡΡΠ²Π°, ΠΏΠΎΠΏΡΠΎΠ±ΡΠΉΡΠ΅ Π²ΠΊΠ»ΡΡΠΈΡΡ Π²Π΅Π½ΡΠΈΠ»ΡΡΠΎΡ ΠΏΠ΅ΡΠΊΠΈ. ΠΡ ΠΌΠΎΠΆΠ΅ΡΠ΅ ΠΏΠΎΠ΄ΡΠΌΠ°ΡΡ, ΡΡΠΎ ΡΡΠΈ ΠΊΠΎΠΌΠΏΠΎΠ½Π΅Π½ΡΡ Π½ΠΈΠΊΠ°ΠΊ Π½Π΅ ΡΠ²ΡΠ·Π°Π½Ρ ΠΌΠ΅ΠΆΠ΄Ρ ΡΠΎΠ±ΠΎΠΉ, Π½ΠΎ ΡΡΠΎ Π½Π΅ ΡΠΎΠ²ΡΠ΅ΠΌ ΡΠ°ΠΊ, ΠΏΠΎΡΠΎΠΌΡ ΡΡΠΎ Π²Π΅Π½ΡΠΈΠ»ΡΡΠΎΡ ΠΎΡΠΎΠΏΠ»Π΅Π½ΠΈΡ ΡΠ°ΠΊΠΆΠ΅ Π·Π°ΡΠΈΡΠ΅Π½ ΠΏΡΠ΅Π΄ΠΎΡ
ΡΠ°Π½ΠΈΡΠ΅Π»Π΅ΠΌ F18. Π’Π°ΠΊ ΡΡΠΎ Π΅ΡΠ»ΠΈ Π½ΠΈ AP, Π½ΠΈ Π²Π΅Π½ΡΠΈΠ»ΡΡΠΎΡ Π½Π΅ Π±ΡΠ΄ΡΡ ΡΠ°Π±ΠΎΡΠ°ΡΡ, ΡΠΎ ΠΏΡΠΎΠ±Π»Π΅ΠΌΠ° ΠΈΠΌΠ΅Π½Π½ΠΎ Π² ΠΏΡΠ΅Π΄ΠΎΡ
ΡΠ°Π½ΠΈΡΠ΅Π»Π΅, Π° Π΅ΡΠ»ΠΈ Π²Π΅Π½ΡΠΈΠ»ΡΡΠΎΡ ΡΠ°Π±ΠΎΡΠ°Π΅Ρ, ΡΠΎ Π½Π΅ΠΎΠ±Ρ
ΠΎΠ΄ΠΈΠΌΠΎ ΠΏΡΠΎΠ²Π΅ΡΠΈΡΡ ΡΠ°Π±ΠΎΡΡ AP (Π°Π²ΡΠΎΡ Π²ΠΈΠ΄Π΅ΠΎ ΠΎ Π΄ΠΎΡΠ°Π±ΠΎΡΠΊΠ΅ ΠΏΡΠΈΠΊΡΡΠΈΠ²Π°ΡΠ΅Π»Ρ Π΄ΠΎΠΌΠ° Π½Π°Ρ
ΠΎΠ΄ΠΈΡΡΡ Π‘Π΅ΡΠ³Π΅ΠΉ Π).
ΠΠΎ ΡΡΠΎ Π½Π΅ Π·Π½Π°ΡΠΈΡ, ΡΡΠΎ ΠΏΠΎΡΠ»Π΅ ΡΡΠΈΡ
Π΄Π΅ΠΉΡΡΠ²ΠΈΠΉ ΠΏΡΠΈΠΊΡΡΠΈΠ²Π°ΡΠ΅Π»Ρ ΠΠΠ 2110 Π½ΡΠΆΠ½ΠΎ ΡΡΠ°Π·Ρ ΠΌΠ΅Π½ΡΡΡ. Π₯ΠΎΡΡ ΡΡΠΎ ΠΎΡΠ΅Π½Ρ ΡΠ΅Π΄ΠΊΠΎ, Π½ΠΎ Π²ΡΠ΅ ΠΆΠ΅ Π±ΡΠ²Π°Π΅Ρ, ΡΡΠΎ ΠΌΠ΅Ρ
Π°Π½ΠΈΠ·ΠΌ ΠΏΠ΅ΡΠ΅ΡΡΠ°Π΅Ρ ΡΠ°Π±ΠΎΡΠ°ΡΡ ΠΈΠ·-Π·Π° ΡΠ³ΠΎΡΠ΅Π²ΡΠ΅Π³ΠΎ ΠΏΡΠ΅Π΄ΠΎΡ
ΡΠ°Π½ΠΈΡΠ΅Π»Ρ F6. ΠΡΠ»ΠΈ ΡΡΠΎΡ ΡΠ»Π΅ΠΌΠ΅Π½Ρ ΠΏΠ΅ΡΠ΅Π³ΠΎΡΠ΅Π», ΡΠΎ Π΅Π³ΠΎ ΡΠΎΠΆΠ΅ Π½ΡΠΆΠ½ΠΎ ΠΏΠΎΠΌΠ΅Π½ΡΡΡ, Π° Π·Π°ΡΠ΅ΠΌ ΠΏΡΠΎΠ²Π΅ΡΠΈΡΡ ΡΠ°Π±ΠΎΡΠΎΡΠΏΠΎΡΠΎΠ±Π½ΠΎΡΡΡ Π’Π.
Π ΡΠΊΠΎΠ²ΠΎΠ΄ΡΡΠ²ΠΎ ΠΏΠΎ ΡΠ΅ΠΌΠΎΠ½ΡΡ ΠΈ Π·Π°ΠΌΠ΅Π½Π΅
ΠΠ΅ΡΠ΅Π΄ ΡΠ½ΡΡΠΈΠ΅ΠΌ ΠΏΡΠΈΠΊΡΡΠΈΠ²Π°ΡΠ΅Π»Ρ ΠΠΠ 2110 Π½Π΅ΠΎΠ±Ρ
ΠΎΠ΄ΠΈΠΌΠΎ ΠΎΡΠΊΠ»ΡΡΠΈΡΡ ΡΠ΅ΡΡ, Π΄Π»Ρ ΡΡΠΎΠ³ΠΎ ΠΎΡΡΠΎΠ΅Π΄ΠΈΠ½ΠΈΡΡ Π°ΠΊΠΊΡΠΌΡΠ»ΡΡΠΎΡ.
ΠΠΎΠ΄ΡΠΎΠ±Π½Π°Ρ ΠΈΠ½ΡΡΡΡΠΊΡΠΈΡ ΠΏΠΎ Π·Π°ΠΌΠ΅Π½Π΅ ΠΏΡΠΈΠΊΡΡΠΈΠ²Π°ΡΠ΅Π»Ρ Π² Β«Π΄Π΅ΡΡΡΠΊΠ΅Β» ΠΏΡΠΈΠ²Π΅Π΄Π΅Π½Π° Π½ΠΈΠΆΠ΅:
- Π ΠΏΠ΅ΡΠ²ΡΡ ΠΎΡΠ΅ΡΠ΅Π΄Ρ Π½Π΅ΠΎΠ±Ρ
ΠΎΠ΄ΠΈΠΌΠΎ ΡΠ½ΡΡΡ ΠΊΠ»Π΅ΠΌΠΌΡ Ρ Π°ΠΊΠΊΡΠΌΡΠ»ΡΡΠΎΡΠ°.
- ΠΠ»Ρ Π±ΠΎΠ»Π΅Π΅ ΡΠ΄ΠΎΠ±Π½ΠΎΠ³ΠΎ Π΄ΠΎΡΡΡΠΏΠ° ΠΊ ΡΡΡΡΠΎΠΉΡΡΠ²Ρ Π½Π΅ΠΎΠ±Ρ
ΠΎΠ΄ΠΈΠΌΠΎ ΠΎΡΠΊΡΡΡΠΈΡΡ Π΄Π²Π° Π²ΠΈΠ½ΡΠ° ΠΏΠΎ Π±ΠΎΠΊΠ°ΠΌ ΡΠ΅Π½ΡΡΠ°Π»ΡΠ½ΠΎΠΉ ΠΊΠΎΠ½ΡΠΎΠ»ΠΈ, ΠΏΠΎΡΠ»Π΅ ΡΠ΅Π³ΠΎ ΠΏΠ»Π°ΡΡΠΈΠΊΠΎΠ²ΡΡ ΠΎΠ±Π»ΠΈΡΠΎΠ²ΠΊΡ ΠΌΠΎΠΆΠ½ΠΎ Π±ΡΠ΄Π΅Ρ ΡΠ½ΡΡΡ.
- ΠΠ°Π»Π΅Π΅ ΡΠ»Π΅Π΄ΡΠ΅Ρ ΠΎΡΠΊΠ»ΡΡΠΈΡΡ ΠΊΠΎΠ»ΠΎΠ΄ΠΊΠΈ ΠΈ ΠΏΠΎΠ΄ΡΠ²Π΅ΡΠΊΡ, ΠΊΠΎΡΠΎΡΡΠ΅ ΡΠ°ΡΠΏΠΎΠ»ΠΎΠΆΠ΅Π½Ρ ΡΠΏΡΠ°Π²Π°.
- ΠΠΎΠ΄ ΡΡΠΎΡΠ½ΠΎΡΠ½ΡΠΌ ΡΠΎΡΠΌΠΎΠ·ΠΎΠΌ Π²ΠΈΠ΄Π½Π° ΠΎΠ±Π»ΠΈΡΠΎΠ²ΠΊΠ°, ΠΊΠΎΡΠΎΡΡΡ ΡΠΎΠΆΠ΅ Π½ΡΠΆΠ½ΠΎ ΡΠ½ΡΡΡ.ΠΡΠΈ ΡΠ½ΡΡΠΈΠΈ ΠΎΠ±Π»ΠΈΡΠΎΠ²ΠΊΠΈ Π½Π΅ΠΎΠ±Ρ
ΠΎΠ΄ΠΈΠΌΠΎ ΡΠ½ΡΡΡ ΠΈ ΠΊΡΡΡΠΊΡ ΡΡΡΠ°Π³Π° ΠΠΠ, Π΄Π»Ρ ΡΡΠΎΠ³ΠΎ ΠΏΠΎΠ΄Π΄Π΅Π½ΡΡΠ΅ Π΅Π΅ ΠΎΡΠ²Π΅ΡΡΠΊΠΎΠΉ. Π‘Π΄Π΅Π»Π°Π² ΡΡΠΎ, ΠΌΠΎΠΆΠ½ΠΎ ΡΠ²ΠΈΠ΄Π΅ΡΡ Π±ΠΎΠ»Ρ — ΠΎΠ½ ΡΠ½ΠΈΠΌΠ°Π΅ΡΡΡ Ρ ΠΏΠΎΠΌΠΎΡΡΡ ΠΎΡΠ²Π΅ΡΡΠΊΠΈ Ρ ΠΊΡΠ΅ΡΡΠΎΠΎΠ±ΡΠ°Π·Π½ΡΠΌ Π½Π°ΠΊΠΎΠ½Π΅ΡΠ½ΠΈΠΊΠΎΠΌ.
- ΠΠΎΡΠ»Π΅ Π²ΡΠΏΠΎΠ»Π½Π΅Π½ΠΈΡ Π²ΡΠ΅Ρ
ΡΡΠΈΡ
ΡΠ°Π³ΠΎΠ² ΠΏΠ΅ΡΠ΅Π΄Π½ΠΈΠ΅ ΡΠΈΠ΄Π΅Π½ΡΡ Π½Π΅ΠΎΠ±Ρ
ΠΎΠ΄ΠΈΠΌΠΎ ΠΎΡΠΎΠ΄Π²ΠΈΠ½ΡΡΡ Π½Π°Π·Π°Π΄ ΠΈ Π²ΡΠ²Π΅ΡΠ½ΡΡΡ Π±ΠΎΠ»ΡΡ ΠΈΠ· ΠΏΠ»Π°ΡΡΠΈΠΊΠΎΠ²ΠΎΠ³ΠΎ ΡΡΠ½Π½Π΅Π»Ρ ΡΡΠ΄ΠΎΠΌ Ρ ΡΡΡΠ°Π³ΠΎΠΌ ΠΏΠ΅ΡΠ΅ΠΊΠ»ΡΡΠ΅Π½ΠΈΡ ΠΏΠ΅ΡΠ΅Π΄Π°Ρ. Π‘Π½ΠΈΠΌΠ°Π΅ΠΌ Π±ΠΎΠ»ΡΡ ΠΏΠΎΠ΄ ΠΏΠ΅ΡΠ΅Π΄Π½ΠΈΠΌΠΈ ΡΠΈΠ΄Π΅Π½ΡΡΠΌΠΈ ΠΈ ΡΠ½ΠΈΠΌΠ°Π΅ΠΌ Π²Π΅ΡΡ
Π½ΡΡ ΡΠ°ΡΡΡ ΡΠ°ΠΊ Π½Π°Π·ΡΠ²Π°Π΅ΠΌΠΎΠ³ΠΎ ΡΠΎΠ½Π½Π΅Π»Ρ.
- ΠΠ° ΡΡΠΎΠΌ ΡΡΠ°ΠΏΠ΅ ΠΌΠΎΠΆΠ½ΠΎ ΠΏΡΠΈΡΡΡΠΏΠΈΡΡ ΠΊ Π΄Π΅ΠΌΠΎΠ½ΡΠ°ΠΆΡ ΠΏΠ°ΡΡΠΎΠ½Π° AP, Π° ΡΠ°ΠΊΠΆΠ΅ ΡΠΊΡΠ°Π½Π° Π΄Π»Ρ Π»Π°ΠΌΠΏΡ.Π‘Π°ΠΌ ΡΠΊΡΠ°Π½ Π½ΡΠΆΠ½ΠΎ ΠΏΡΠΈΠΆΠ°ΡΡ, ΡΠΎΠ³Π΄Π° Π΅Π³ΠΎ Π½ΠΎΠΆΠΊΠΈ Π±ΡΠ΄ΡΡ Π²ΡΡΡΡΠΏΠ°ΡΡ ΠΈΠ· ΠΏΠ°Π·ΠΎΠ² Π½Π° Π΄ΠΈΠΎΠ΄Π΅. Π‘ ΠΏΠΎΠΌΠΎΡΡΡ ΠΎΡΠ²Π΅ΡΡΠΊΠΈ Π½Π°ΠΆΠΌΠΈΡΠ΅ Π·Π°ΡΠ΅Π»ΠΊΡ, ΡΠ°ΡΠΏΠΎΠ»ΠΎΠΆΠ΅Π½Π½ΡΡ ΡΡΠ΄ΠΎΠΌ Ρ ΡΠΎΠ·Π΅ΡΠΊΠΎΠΉ AP. ΠΠΎΡΠ»Π΅ Π²ΡΠΏΠΎΠ»Π½Π΅Π½ΠΈΡ ΡΡΠΈΡ
Π΄Π΅ΠΉΡΡΠ²ΠΈΠΉ ΡΠΎΡΠΊΡ Π΄ΠΎΡΡΡΠΏΠ° ΠΌΠΎΠΆΠ½ΠΎ Π±ΡΠ΄Π΅Ρ ΡΠ½ΡΡΡ Ρ ΡΠ΅Π½ΡΡΠ°Π»ΡΠ½ΠΎΠΉ ΠΊΠΎΠ½ΡΠΎΠ»ΠΈ. Π’Π΅ΠΏΠ΅ΡΡ Π·Π°ΡΠ΅Π»ΠΊΠΈ Π½Π° Π΄ΠΈΠΎΠ΄Π΅ ΠΌΠΎΠΆΠ½ΠΎ ΡΠΆΠ°ΡΡ, ΠΏΠΎΡΠ»Π΅ ΡΠ΅Π³ΠΎ Π΄ΠΈΠΎΠ΄Π½ΡΠΉ ΡΠ»Π΅ΠΌΠ΅Π½Ρ ΠΌΠΎΠΆΠ½ΠΎ Π±Π΅Π· ΠΏΡΠΎΠ±Π»Π΅ΠΌ ΠΎΡΠΊΠ»ΡΡΠΈΡΡ. ΠΠ°ΡΠ΅ΠΌ ΠΊ Π΄ΠΈΠΎΠ΄Π½ΠΎΠΌΡ ΡΡΡΡΠΎΠΉΡΡΠ²Ρ Π½Π΅ΠΎΠ±Ρ
ΠΎΠ΄ΠΈΠΌΠΎ ΠΏΠΎΠ΄ΠΊΠ»ΡΡΠΈΡΡ Π½ΠΎΠ²ΡΡ Π’Π. ΠΡΠ΅ Π΄Π°Π»ΡΠ½Π΅ΠΉΡΠΈΠ΅ Π΄Π΅ΠΉΡΡΠ²ΠΈΡ ΠΏΡΠΎΠΈΠ·Π²ΠΎΠ΄ΡΡΡΡ Π² ΠΎΠ±ΡΠ°ΡΠ½ΠΎΠΌ ΠΏΠΎΡΡΠ΄ΠΊΠ΅.
ΠΠΈΠ΄Π΅ΠΎ Β«ΠΠΈΠ·ΡΠ°Π»ΡΠ½Π°Ρ ΠΈΠ½ΡΡΡΡΠΊΡΠΈΡ ΠΏΠΎ Π·Π°ΠΌΠ΅Π½Π΅ ΡΡΡΡΠΎΠΉΡΡΠ²Π°Β»
ΠΠΎΠ»Π΅Π΅ ΠΏΠΎΠ΄ΡΠΎΠ±Π½Π°Ρ ΠΈ ΠΈΠ½ΡΡΠΈΡΠΈΠ²Π½ΠΎ ΠΏΠΎΠ½ΡΡΠ½Π°Ρ ΠΈΠ½ΡΡΡΡΠΊΡΠΈΡ ΠΏΠΎ ΡΠ°ΠΌΠΎΡΡΠΎΡΡΠ΅Π»ΡΠ½ΠΎΠΉ Π·Π°ΠΌΠ΅Π½Π΅ Π±Π»ΠΎΠΊΠ° ΠΏΠΈΡΠ°Π½ΠΈΡ Π±Π΅Π· Π΄Π΅ΠΌΠΎΠ½ΡΠ°ΠΆΠ° ΡΠ»Π΅ΠΌΠ΅Π½ΡΠΎΠ² ΡΠ΅Π½ΡΡΠ°Π»ΡΠ½ΠΎΠΉ ΠΊΠΎΠ½ΡΠΎΠ»ΠΈ ΠΏΠΎΠΊΠ°Π·Π°Π½Π° Π½Π° Π²ΠΈΠ΄Π΅ΠΎ (Π°Π²ΡΠΎΡ ΠΠ½Π΄ΡΠ΅ΠΉ Π¨ΡΠ±ΠΈΠ½).
ΠΠ²ΡΠΎΠΌΠΎΠ±ΠΈΠ»ΡΠ½ΡΠΉ ΠΏΡΠΈΠΊΡΡΠΈΠ²Π°ΡΠ΅Π»Ρ Π΄Π°Π²Π½ΠΎ ΠΏΠ΅ΡΠ΅ΡΡΠ°Π» ΠΈΡΠΏΠΎΠ»ΡΠ·ΠΎΠ²Π°ΡΡΡΡ ΡΠΎΠ»ΡΠΊΠΎ ΠΏΠΎ ΠΏΡΡΠΌΠΎΠΌΡ Π½Π°Π·Π½Π°ΡΠ΅Π½ΠΈΡ. Π‘Π΅Π³ΠΎΠ΄Π½Ρ Π΅Π³ΠΎ Π³Π½Π΅Π·Π΄ΠΎ Π°ΠΊΡΠΈΠ²Π½ΠΎ ΠΈΡΠΏΠΎΠ»ΡΠ·ΡΠ΅ΡΡΡ Π²ΠΎΠ΄ΠΈΡΠ΅Π»ΡΠΌΠΈ ΠΊΠ°ΠΊ Π±ΠΎΡΡΠΎΠ²Π°Ρ ΡΠΎΠ·Π΅ΡΠΊΠ°, ΠΎΡ ΠΊΠΎΡΠΎΡΠΎΠΉ ΡΠ°Π±ΠΎΡΠ°ΡΡ Π΄ΠΎΠΏΠΎΠ»Π½ΠΈΡΠ΅Π»ΡΠ½ΡΠ΅ ΡΠ»Π΅ΠΊΡΡΠΎΠΏΡΠΈΠ±ΠΎΡΡ. ΠΠ·-Π·Π° ΡΡΠΎΠΉ Β«ΠΏΠΎΠΏΡΠ»ΡΡΠ½ΠΎΡΡΠΈΒ» ΠΏΡΠΈΠΊΡΡΠΈΠ²Π°ΡΠ΅Π»Ρ ΡΠ°ΡΡΠΎ Π»ΠΎΠΌΠ°Π΅ΡΡΡ. Π Π²ΠΎΠ·ΠΌΠΎΠΆΠ½ΡΡ
ΠΏΡΠΈΡΠΈΠ½Π°Ρ
Π΅Π³ΠΎ Π²ΡΡ
ΠΎΠ΄Π° ΠΈΠ· ΡΡΡΠΎΡ ΠΌΡ ΠΏΠΎΠ³ΠΎΠ²ΠΎΡΠΈΠΌ Π² ΡΡΠΎΠΉ ΡΡΠ°ΡΡΠ΅.
Π§ΡΠΎ ΡΠ°ΠΊΠΎΠ΅ ΠΏΡΠΈΠΊΡΡΠΈΠ²Π°ΡΠ΅Π»Ρ
ΠΠΎΠ½ΡΡΡΡΠΊΡΠΈΠ²Π½ΠΎ ΠΏΡΠΈΠΊΡΡΠΈΠ²Π°ΡΠ΅Π»Ρ ΡΠΎΡΡΠΎΠΈΡ ΠΈΠ· Π΄Π²ΡΡ
ΠΎΡΠ½ΠΎΠ²Π½ΡΡ
ΡΠ°ΡΡΠ΅ΠΉ: ΡΡΠ°ΠΊΠ°Π½Π° ΠΈ Π²ΡΡΠ°Π²ΠΊΠΈ. ΠΠ΅ΡΠ²ΡΠΉ ΡΠ»Π΅ΠΌΠ΅Π½Ρ Π²ΡΠΏΠΎΠ»Π½Π΅Π½ ΠΈΠ· ΠΌΠ΅ΡΠ°Π»Π»Π° ΠΈ ΠΈΠΌΠ΅Π΅Ρ ΡΠΎΡΠΌΡ ΡΠΈΠ»ΠΈΠ½Π΄ΡΠ°.Π Π΅Π³ΠΎ Π½ΠΈΠΆΠ½Π΅ΠΉ ΡΠ°ΡΡΠΈ Π½Π°Ρ
ΠΎΠ΄ΠΈΡΡΡ ΠΊΠΎΠ½ΡΠ°ΠΊΡ, Π½Π° ΠΊΠΎΡΠΎΡΡΠΉ ΠΏΠΎΠ΄Π°Π΅ΡΡΡ Π½Π°ΠΏΡΡΠΆΠ΅Π½ΠΈΠ΅ Ρ ΠΏΠ»ΡΡΠΎΠ²ΠΎΠΉ ΠΊΠ»Π΅ΠΌΠΌΡ Π°ΠΊΠΊΡΠΌΡΠ»ΡΡΠΎΡΠ½ΠΎΠΉ Π±Π°ΡΠ°ΡΠ΅ΠΈ. Π‘ΡΠ΅ΠΊΠ»ΠΎ ΠΊΡΠ·ΠΎΠ²Π° ΡΠΎΠ΅Π΄ΠΈΠ½Π΅Π½ΠΎ Ρ Β«ΠΌΠ°ΡΡΠΎΠΉΒ» Π°Π²ΡΠΎΠΌΠΎΠ±ΠΈΠ»Ρ.
ΠΡΡΠ°Π²ΠΊΠ° ΡΠ°ΠΊΠΆΠ΅ ΠΌΠ΅ΡΠ°Π»Π»ΠΈΡΠ΅ΡΠΊΠ°Ρ ΠΈ ΠΈΠΌΠ΅Π΅Ρ ΡΠΈΠ»ΠΈΠ½Π΄ΡΠΈΡΠ΅ΡΠΊΡΡ ΡΠΎΡΠΌΡ. ΠΠ½ΡΡΡΠΈ Π½Π΅Π³ΠΎ ΠΏΠΎΠΌΠ΅ΡΠ΅Π½Π° ΡΠΏΠ΅ΡΠΈΠ°Π»ΡΠ½Π°Ρ ΡΠΏΠΈΡΠ°Π»Ρ, ΠΊΠΎΡΠΎΡΠ°Ρ Π½Π°Π³ΡΠ΅Π²Π°Π΅ΡΡΡ ΠΏΡΠΈ ΠΏΡΠΎΡ
ΠΎΠΆΠ΄Π΅Π½ΠΈΠΈ ΡΠ΅ΡΠ΅Π· Π½Π΅Π΅ ΡΠΎΠΊΠ°. ΠΠ΅ΡΡ
Π½ΡΡ ΡΠ°ΡΡΡ Π²ΡΡΠ°Π²ΠΊΠΈ ΡΠ½Π°Π±ΠΆΠ΅Π½Π° ΠΏΠ»Π°ΡΡΠΈΠΊΠΎΠ²ΠΎΠΉ ΡΠ»ΡΠΏΠΊΠΎΠΉ.
ΠΠ»Ρ ΡΠΎΠ³ΠΎ, ΡΡΠΎΠ±Ρ ΠΏΡΠΈΠΊΡΡΠΈΠ²Π°ΡΠ΅Π»Ρ ΠΌΠΎΠΆΠ½ΠΎ Π±ΡΠ»ΠΎ Π»Π΅Π³ΠΊΠΎ ΠΎΠ±Π½Π°ΡΡΠΆΠΈΡΡ Π² ΡΠ΅ΠΌΠ½ΠΎΡΠ΅, ΡΡΠ΅ΠΊΠ»ΠΎ ΠΎΡΠ½Π°ΡΠ΅Π½ΠΎ ΠΏΡΠΎΠ·ΡΠ°ΡΠ½ΡΠΌ ΠΏΠ»Π°ΡΡΠΈΠΊΠΎΠ²ΡΠΌ ΠΎΠ±ΠΎΠ΄ΠΊΠΎΠΌ, ΠΏΠΎΠ΄ ΠΊΠΎΡΠΎΡΡΠΌ ΡΠ°ΡΠΏΠΎΠ»ΠΎΠΆΠ΅Π½Π° ΠΏΠΎΠ΄ΡΠ²Π΅ΡΠΊΠ°.ΠΠ°Π³ΠΎΡΠ°Π΅ΡΡΡ ΠΏΡΠΈ Π²ΠΊΠ»ΡΡΠ΅Π½ΠΈΠΈ Π³Π°Π±Π°ΡΠΈΡΠ½ΡΡ
ΠΎΠ³Π½Π΅ΠΉ.
ΠΠ°ΠΊ ΡΠ°Π±ΠΎΡΠ°Π΅Ρ ΠΏΡΠΈΠΊΡΡΠΈΠ²Π°ΡΠ΅Π»Ρ
ΠΡΠΈΠ½ΡΠΈΠΏ ΡΠ°Π±ΠΎΡΡ ΠΏΡΠΈΠΊΡΡΠΈΠ²Π°ΡΠ΅Π»Ρ Π΄ΠΎΠ²ΠΎΠ»ΡΠ½ΠΎ ΠΏΡΠΎΡΡ. ΠΠΎΠ³Π΄Π° ΠΌΡ Π½Π°ΠΆΠΈΠΌΠ°Π΅ΠΌ Π½Π° Π²ΡΡΠ°Π²ΠΊΡ, ΠΎΠ½Π° Π³Π»ΡΠ±ΠΎΠΊΠΎ Π²Ρ
ΠΎΠ΄ΠΈΡ Π² ΡΡΠ΅ΠΊΠ»ΠΎ ΠΈ ΡΠΈΠΊΡΠΈΡΡΠ΅ΡΡΡ Π²Π½ΡΡΡΠΈ Ρ ΠΏΠΎΠΌΠΎΡΡΡ ΡΠΏΠ΅ΡΠΈΠ°Π»ΡΠ½ΠΎ ΠΏΡΠ΅Π΄ΡΡΠΌΠΎΡΡΠ΅Π½Π½ΡΡ
Π±ΠΈΠΌΠ΅ΡΠ°Π»Π»ΠΈΡΠ΅ΡΠΊΠΈΡ
ΠΏΠ»Π°ΡΡΠΈΠ½. ΠΠ»Π΅ΠΊΡΡΠΈΡΠ΅ΡΠΊΠΈΠΉ ΡΠΎΠΊ Π½Π°ΡΠΈΠ½Π°Π΅Ρ ΡΠ΅ΡΡ ΠΏΠΎ ΡΠΏΠΈΡΠ°Π»ΠΈ, Π½Π°Π³ΡΠ΅Π²Π°Ρ Π΅Π΅. ΠΠΎΠ³Π΄Π° ΡΠ΅ΠΌΠΏΠ΅ΡΠ°ΡΡΡΠ° Π΄ΠΎΡΡΠΈΠ³Π°Π΅Ρ ΠΎΠΏΡΠ΅Π΄Π΅Π»Π΅Π½Π½ΠΎΠ³ΠΎ Π·Π½Π°ΡΠ΅Π½ΠΈΡ, ΠΏΠ»Π°ΡΡΠΈΠ½Ρ ΠΎΡΠΊΡΡΠ²Π°ΡΡΡΡ ΠΏΠΎΠ΄ Π΄Π΅ΠΉΡΡΠ²ΠΈΠ΅ΠΌ ΡΠ΅ΠΏΠ»Π°, ΠΈ Π²ΡΡΠ°Π²ΠΊΠ° Π²ΠΎΠ·Π²ΡΠ°ΡΠ°Π΅ΡΡΡ Π² ΠΈΡΡ
ΠΎΠ΄Π½ΠΎΠ΅ ΠΏΠΎΠ»ΠΎΠΆΠ΅Π½ΠΈΠ΅.ΠΡΠ½ΠΈΠΌΠ°Ρ Π΅Π΅ ΠΈΠ· ΡΡΠ΅ΠΊΠ»Π°, ΠΌΡ ΠΈΠΌΠ΅Π΅ΠΌ Π²ΠΎΠ·ΠΌΠΎΠΆΠ½ΠΎΡΡΡ Π·Π°ΠΆΠ΅ΡΡ ΡΠΈΠ³Π°ΡΠ΅ΡΡ ΠΈΠ· ΡΠ°ΡΠΊΠ°Π»Π΅Π½Π½ΠΎΠΉ ΡΠΏΠΈΡΠ°Π»ΠΈ. ΠΠΎ ΡΡΠΎ Π΄Π»Ρ ΡΠ΅Ρ
, ΠΊΡΠΎ ΠΊΡΡΠΈΡ. Π Π΄Π»Ρ ΡΠ΅Ρ
, ΠΊΡΠΎ ΠΈΡΠΏΠΎΠ»ΡΠ·ΡΠ΅Ρ ΡΡΡΡΠΎΠΉΡΡΠ²ΠΎ ΠΊΠ°ΠΊ ΡΠΎΠ·Π΅ΡΠΊΡ, Π΄ΠΎΡΡΠ°ΡΠΎΡΠ½ΠΎ Π²ΡΡΠ°Π²ΠΈΡΡ Π²ΠΈΠ»ΠΊΡ Π»ΡΠ±ΠΎΠ³ΠΎ ΠΈΠ· Π΄ΠΎΠΏΠΎΠ»Π½ΠΈΡΠ΅Π»ΡΠ½ΡΡ
ΡΠ»Π΅ΠΊΡΡΠΎΠΏΡΠΈΠ±ΠΎΡΠΎΠ² Π² ΡΡΠ΅ΠΊΠ»ΠΎ, ΠΈ ΠΎΠ½, ΡΠ°Π±ΠΎΡΠ°Ρ, Π±ΡΠ΄Π΅Ρ ΠΏΠΈΡΠ°ΡΡΡΡ ΠΎΡ Π°ΠΊΠΊΡΠΌΡΠ»ΡΡΠΎΡΠ½ΠΎΠΉ Π±Π°ΡΠ°ΡΠ΅ΠΈ (Π³Π΅Π½Π΅ΡΠ°ΡΠΎΡΠ°).
Π§ΡΠΎ ΠΌΠΎΠΆΠ΅Ρ ΡΠ»ΡΡΠΈΡΡΡΡ Ρ ΠΏΡΠΈΠΊΡΡΠΈΠ²Π°ΡΠ΅Π»Π΅ΠΌ
ΠΡΠΈΡΠΈΠ½ ΡΡΠΎΠ³ΠΎ ΡΠ²Π»Π΅Π½ΠΈΡ ΠΌΠΎΠΆΠ΅Ρ Π±ΡΡΡ Π½Π΅ΡΠΊΠΎΠ»ΡΠΊΠΎ:
Π Π°ΡΡΠΌΠΎΡΡΠΈΠΌ ΡΡΠΈ ΠΏΡΠΎΠ±Π»Π΅ΠΌΡ Π±ΠΎΠ»Π΅Π΅ ΠΏΠΎΠ΄ΡΠΎΠ±Π½ΠΎ.
ΠΡΠ΅Π΄ΠΎΡ
ΡΠ°Π½ΠΈΡΠ΅Π»Ρ
Π ΡΠΈΡΡΠ°ΡΠΈΠΈ, ΠΊΠΎΠ³Π΄Π° Π½Π΅ ΡΠ°Π±ΠΎΡΠ°Π΅Ρ ΠΏΡΠΈΠΊΡΡΠΈΠ²Π°ΡΠ΅Π»Ρ ΠΠΠ-2110 ΠΠ΅ΡΠ²ΡΠΌ Π΄Π΅Π»ΠΎΠΌ Π½Π΅ΠΎΠ±Ρ
ΠΎΠ΄ΠΈΠΌΠΎ ΠΏΡΠΎΠ²Π΅ΡΠΈΡΡ ΠΏΡΠ΅Π΄ΠΎΡ
ΡΠ°Π½ΠΈΡΠ΅Π»Ρ. ΠΠΌΠ΅Π½Π½ΠΎ ΡΡΠΎΡ ΠΏΡΠΈΠ±ΠΎΡ ΡΠ°ΡΠ΅ Π²ΡΠ΅Π³ΠΎ Π²ΡΡ
ΠΎΠ΄ΠΈΡ ΠΈΠ· ΡΡΡΠΎΡ. ΠΠΠ-2110 ΡΠ°ΡΠΏΠΎΠ»Π°Π³Π°Π΅ΡΡΡ Π² ΠΎΡΠ½ΠΎΠ²Π½ΠΎΠΌ Π² ΠΌΠΎΡΠΎΡΠ½ΠΎΠΌ ΠΎΡΡΠ΅ΠΊΠ΅. ΠΠ° ΡΠ»Π΅ΠΊΡΡΠΈΡΠ΅ΡΠΊΠΎΠΉ ΡΡ
Π΅ΠΌΠ΅ ΠΎΠ½ ΠΎΠ±ΠΎΠ·Π½Π°ΡΠ°Π΅ΡΡΡ ΠΊΠ°ΠΊ F-18 ΠΈ ΠΎΠ±ΡΡΠ½ΠΎ ΠΈΠΌΠ΅Π΅Ρ Π½ΠΎΠΌΠΈΠ½Π°Π» 25 Π.
ΠΡΡΠ°ΡΠΈ, ΡΡΠ°Π·Ρ ΠΏΠΎΠ΄ ΠΊΠ°ΠΏΠΎΡ Π»Π΅Π·ΡΡ Π½Π΅ Π½Π°Π΄ΠΎ. ΠΡΠ»ΠΈ ΠΏΡΠΈΠΊΡΡΠΈΠ²Π°ΡΠ΅Π»Ρ ΠΠΠ-2110 Π½Π΅ ΡΠ°Π±ΠΎΡΠ°Π΅Ρ, ΠΏΡΠ΅Π΄ΠΎΡ
ΡΠ°Π½ΠΈΡΠ΅Π»Ρ ΠΌΠΎΠΆΠ½ΠΎ ΠΏΡΠΎΠ²Π΅ΡΠΈΡΡ, Π²ΠΊΠ»ΡΡΠΈΠ² Π²Π΅Π½ΡΠΈΠ»ΡΡΠΎΡ ΠΎΡΠΎΠΏΠΈΡΠ΅Π»Ρ.ΠΡΠΎΡΡΠΎ Π½Π°ΠΆΠΌΠΈΡΠ΅ ΠΊΠ»Π°Π²ΠΈΡΡ Π·Π°ΠΏΡΡΠΊΠ° Π² Π»ΡΠ±ΠΎΠΌ ΡΠ΅ΠΆΠΈΠΌΠ΅. ΠΠ°ΡΠ°Π±ΠΎΡΠ°Π»ΠΎ — ΠΏΡΠ΅Π΄ΠΎΡ
ΡΠ°Π½ΠΈΡΠ΅Π»Ρ ΠΏΡΠΈΠΊΡΡΠΈΠ²Π°ΡΠ΅Π»Ρ ΠΠΠ-2110 ΠΈΡΠΏΡΠ°Π²Π΅Π½, Π½Π΅ ΡΡΠ°Π±ΠΎΡΠ°Π» — ΠΎΡΠΊΡΡΠ²Π°Ρ ΠΊΠ°ΠΏΠΎΡ.
ΠΡ ΡΠΏΡΠΎΡΠΈΡΠ΅: «Π ΠΊΠ°ΠΊ ΠΆΠ΅ Π²Π΅Π½ΡΠΈΠ»ΡΡΠΎΡ?» ΠΠ΅Π»ΠΎ Π² ΡΠΎΠΌ, ΡΡΠΎ ΠΏΡΠ΅Π΄ΠΎΡ
ΡΠ°Π½ΠΈΡΠ΅Π»Ρ Π€-18 ΠΎΡΠ²Π΅ΡΠ°Π΅Ρ Π΅ΡΠ΅ ΠΈ Π·Π° Π·Π°ΡΠΈΡΡ Π΅Π³ΠΎ ΡΠ»Π΅ΠΊΡΡΠΈΡΠ΅ΡΠΊΠΎΠΉ ΡΠ΅ΠΏΠΈ, Π° ΡΠ°ΠΊΠΆΠ΅ Π·Π° ΠΎΡΠ²Π΅ΡΠ΅Π½ΠΈΠ΅ Π±Π°ΡΠ΄Π°ΡΠΊΠ°. Π§ΡΠΎΠ±Ρ Π² ΡΡΠΎΠΌ ΡΠ±Π΅Π΄ΠΈΡΡΡΡ, Π²ΠΊΠ»ΡΡΠΈΡΠ΅ Π³Π°Π±Π°ΡΠΈΡΡ ΠΈ ΠΎΡΠΊΡΠΎΠΉΡΠ΅ Π±Π°ΡΠ΄Π°ΡΠΎΠΊ. Π‘Π²Π΅Ρ Π½Π΅ Π³ΠΎΡΠΈΡ — ΠΈΠ΄Π΅ΠΌ ΠΈΡΠΊΠ°ΡΡ ΠΏΡΠ΅Π΄ΠΎΡ
ΡΠ°Π½ΠΈΡΠ΅Π»Ρ!
ΠΡΠΎΠ²Π΅ΡΠΈΡΡ ΠΏΠ»Π°Π²ΠΊΡΡ Π²ΡΡΠ°Π²ΠΊΡ Π€-18 ΠΌΠΎΠΆΠ½ΠΎ Ρ ΠΏΠΎΠΌΠΎΡΡΡ ΠΌΡΠ»ΡΡΠΈΠΌΠ΅ΡΡΠ°, ΠΊΠΎΡΠΎΡΡΠΉ Π²ΠΊΠ»ΡΡΠ°Π΅ΡΡΡ Π² ΡΠ΅ΠΆΠΈΠΌΠ΅ ΡΠ΅ΡΡΠ΅ΡΠ°.ΠΡΠ½ΡΡΠ΅ ΠΏΡΠ΅Π΄ΠΎΡ
ΡΠ°Π½ΠΈΡΠ΅Π»Ρ ΠΈΠ· Π³Π½Π΅Π·Π΄Π° ΠΈ Π·Π°ΠΊΡΡΡΠΈΡΠ΅ Π΅Π³ΠΎ. ΠΡΠΈ ΠΎΠ±Π½Π°ΡΡΠΆΠ΅Π½ΠΈΠΈ Π½Π΅ΠΈΡΠΏΡΠ°Π²Π½ΠΎΡΡΠΈ Π·Π°ΠΌΠ΅Π½ΠΈΡΠ΅ Π²ΡΡΠ°Π²ΠΊΡ, ΡΠΎΠ±Π»ΡΠ΄Π°Ρ Π½ΠΎΠΌΠΈΠ½Π°Π».
Π Π°Π·Π±ΠΈΡΠ°Π΅ΠΌ ΡΠ΅Π½ΡΡΠ°Π»ΡΠ½ΡΡ ΠΊΠΎΠ½ΡΠΎΠ»Ρ
ΠΠ°Π»ΡΠ½Π΅ΠΉΡΠ°Ρ Π΄ΠΈΠ°Π³Π½ΠΎΡΡΠΈΠΊΠ° ΠΏΡΠΈΠ±ΠΎΡΠ° ΡΡΠ΅Π±ΡΠ΅Ρ Π΅Π³ΠΎ ΡΠ½ΡΡΠΈΡ. ΠΠΎ ΠΊΠ°ΠΊ Π²ΡΡΠ°ΡΠΈΡΡ ΠΏΡΠΈΠΊΡΡΠΈΠ²Π°ΡΠ΅Π»Ρ ΠΠΠ-2110? ΠΠ΅ΠΊΠΎΡΠΎΡΡΠΌ ΡΠΏΠ΅ΡΠΈΠ°Π»ΠΈΡΡΠ°ΠΌ ΡΠ΄Π°Π΅ΡΡΡ ΡΠ½ΡΡΡ Π΅Π³ΠΎ Ρ ΠΎΠ±Π»ΠΈΡΠΎΠ²ΠΎΡΠ½ΠΎΠΉ ΠΏΠ°Π½Π΅Π»ΠΈ, Π½Π΅ ΡΠ°Π·Π±ΠΈΡΠ°Ρ, Π²ΡΠΊΠΎΠ²ΡΡΠΈΠ²Π°Ρ ΠΎΡΠ²Π΅ΡΡΠΊΠΎΠΉ, Π½ΠΎ Π·Π°ΡΠ΅ΠΌ Π΄Π΅ΡΠΎΡΠΌΠΈΡΠΎΠ²Π°ΡΡ ΠΏΠ»Π°ΡΡΠΈΠΊ, Π΅ΡΠ»ΠΈ Π½Π° Π΅Π³ΠΎ ΡΠ½ΡΡΠΈΠ΅ ΡΡ
ΠΎΠ΄ΠΈΡ Π½Π΅ Π±ΠΎΠ»Π΅Π΅ ΠΏΡΡΠΈ ΠΌΠΈΠ½ΡΡ? ΠΠ°, ΠΈ Π΄Π»Ρ ΡΡΠΎΠ³ΠΎ ΠΏΠΎΠ½Π°Π΄ΠΎΠ±ΠΈΡΡΡ ΡΠΎΠ»ΡΠΊΠΎ ΠΊΡΠ΅ΡΡΠΎΠ²Π°Ρ ΠΎΡΠ²Π΅ΡΡΠΊΠ°.
ΠΠΎΡΡΠ΄ΠΎΠΊ Π΄Π΅ΠΉΡΡΠ²ΠΈΠΉ ΡΠ»Π΅Π΄ΡΡΡΠΈΠΉ:
- ΠΡΠΊΡΡΡΠΈΠ²Π°Π΅ΠΌ Π²ΠΈΠ½ΡΡ ΠΊΡΠ΅ΠΏΠ»Π΅Π½ΠΈΡ Π»Π΅Π²ΠΎΠΉ ΠΈ ΠΏΡΠ°Π²ΠΎΠΉ ΡΡΠΎΡΠΎΠ½Ρ ΡΠ΅Π½ΡΡΠ°Π»ΡΠ½ΠΎΠΉ ΠΊΠΎΠ½ΡΠΎΠ»ΠΈ.
- ΠΡΡΠΎΠ΅Π΄ΠΈΠ½ΡΠ΅ΠΌ ΠΊΠΎΠ»ΠΎΠ΄ΠΊΠΈ ΠΏΠΎΠ΄ΠΊΠ»ΡΡΠ΅Π½ΠΈΡ ΠΏΡΠΎΠ²ΠΎΠ΄ΠΎΠ² ΠΎΡ ΠΏΡΠΈΠΊΡΡΠΈΠ²Π°ΡΠ΅Π»Ρ ΠΈ Π΅Π³ΠΎ ΠΏΠΎΠ΄ΡΠ²Π΅ΡΠΊΠΈ (ΡΠ΅ΠΊΠΎΠΌΠ΅Π½Π΄ΡΠ΅ΡΡΡ Π·Π°ΡΠ°Π½Π΅Π΅ ΠΎΡΡΠΎΠ΅Π΄ΠΈΠ½ΠΈΡΡ ΠΌΠΈΠ½ΡΡΠΎΠ²ΡΡ ΠΊΠ»Π΅ΠΌΠΌΡ ΠΎΡ ΠΠΠ).
- ΠΠ°ΠΆΠΌΠΈΡΠ΅ Π½Π° ΠΏΠ΅ΡΠ΅Π΄Π½ΡΡ ΠΊΡΡΡΠΊΡ (ΠΏΠΎΠ΄ ΡΡΡΠ°Π³ΠΎΠΌ ΡΡΠΎΡΠ½ΠΎΡΠ½ΠΎΠ³ΠΎ ΡΠΎΡΠΌΠΎΠ·Π°). Π‘Π½ΠΈΠΌΠΈΡΠ΅ ΠΏΠΎΠ΄ΡΡΠΊΡ.
- Π‘Π½ΠΈΠΌΠΈΡΠ΅ ΡΡΡΠΊΡ ΡΡΡΠ°Π³Π° ΠΏΠ΅ΡΠ΅ΠΊΠ»ΡΡΠ΅Π½ΠΈΡ ΠΏΠ΅ΡΠ΅Π΄Π°Ρ, Π° Π·Π°ΡΠ΅ΠΌ Π΅Π΅ ΠΊΡΡΡΠΊΡ.
- ΠΡΠΊΡΡΡΠΈΠ²Π°Π΅ΠΌ ΡΠ΅Π½ΡΡΠ°Π»ΡΠ½ΡΠΉ Π²ΠΈΠ½Ρ ΠΊΡΠ΅ΠΏΠ»Π΅Π½ΠΈΡ ΡΡΡΠ΅ΡΠΎΠ²ΠΊΠΈ ΡΠΎΠ½Π½Π΅Π»Ρ.
- Π‘Π΄Π²ΠΈΠ³Π°Π΅ΠΌ ΠΏΠ΅ΡΠ΅Π΄Π½ΠΈΠ΅ ΡΠΈΠ΄Π΅Π½ΡΡ Π΄ΠΎ ΡΠΏΠΎΡΠ° Π²ΠΏΠ΅ΡΠ΅Π΄.
- ΠΡΠΊΡΡΡΠΈΡΠ΅ Π²ΠΈΠ½ΡΡ Π·Π°Π΄Π½Π΅Π³ΠΎ ΠΊΡΠ΅ΠΏΠ»Π΅Π½ΠΈΡ Π²Π΅ΡΡ
Π½Π΅ΠΉ Π½Π°ΠΊΠ»Π°Π΄ΠΊΠΈ ΠΈ ΡΠ½ΠΈΠΌΠΈΡΠ΅ Π΅Π΅.
ΠΡΠΎΠ²Π΅ΡΠΊΠ° ΠΏΡΠΎΠ²ΠΎΠ΄ΠΊΠΈ ΠΈ ΠΊΠΎΠ½ΡΠ°ΠΊΡΠΎΠ²
Π‘Π½ΡΠ² ΠΏΠ°Π½Π΅Π»Ρ ΡΠ΅Π½ΡΡΠ°Π»ΡΠ½ΠΎΠΉ ΠΊΠΎΠ½ΡΠΎΠ»ΠΈ, ΠΏΠ΅ΡΠ²ΡΠΌ Π΄Π΅Π»ΠΎΠΌ Π½ΡΠΆΠ½ΠΎ ΠΎΡΠΌΠΎΡΡΠ΅ΡΡ ΠΊΠΎΠ½ΡΠ°ΠΊΡΡ ΠΊΠΎΠ»ΠΎΠ΄ΠΎΠΊ, ΡΠΎΠ΅Π΄ΠΈΠ½ΡΡΡΠΈΡ
ΠΏΡΠΎΠ²ΠΎΠ΄Π° ΠΏΠΈΡΠ°Π½ΠΈΡ ΠΏΡΠΈΠΊΡΡΠΈΠ²Π°ΡΠ΅Π»Ρ ΠΈ Π΅Π³ΠΎ ΡΠΎΠ½Π°ΡΠ΅ΠΉ. ΠΡΠ»ΠΈ Ρ Π½ΠΈΠΌΠΈ Π²ΡΠ΅ Π² ΠΏΠΎΡΡΠ΄ΠΊΠ΅, Π½Π°Π΄Π΅Π½ΡΡΠ΅ ΠΊΠ»Π΅ΠΌΠΌΡ Π½Π° Π°ΠΊΠΊΡΠΌΡΠ»ΡΡΠΎΡ, Π²ΠΊΠ»ΡΡΠΈΡΠ΅ Π·Π°ΠΆΠΈΠ³Π°Π½ΠΈΠ΅ ΠΈ ΠΏΡΠΎΠ²Π΅ΡΡΡΠ΅, Π΅ΡΡΡ Π»ΠΈ Π½Π° Π½ΠΈΡ
Π½Π°ΠΏΡΡΠΆΠ΅Π½ΠΈΠ΅.ΠΠ³ΠΎ ΠΎΡΡΡΡΡΡΠ²ΠΈΠ΅ ΠΌΠΎΠΆΠ΅Ρ ΡΠ²ΠΈΠ΄Π΅ΡΠ΅Π»ΡΡΡΠ²ΠΎΠ²Π°ΡΡ ΠΎ ΡΠ°Π·ΡΡΠ²Π΅ ΡΠ΅ΠΏΠΈ ΠΏΡΠΈΠΊΡΡΠΈΠ²Π°ΡΠ΅Π»Ρ. Π ΡΡΠΎΠΌ ΡΠ»ΡΡΠ°Π΅ ΠΏΡΠΈΠ΄Π΅ΡΡΡ ΠΏΡΠΎΠ²Π΅ΡΠΈΡΡ ΡΠ°Π·Π²ΠΎΠ΄ΠΊΡ ΠΎΡ ΠΊΠΎΠ»ΠΎΠ΄ΠΎΠΊ ΠΊ ΠΌΠΎΠ½ΡΠ°ΠΆΠ½ΠΎΠΌΡ Π±Π»ΠΎΠΊΡ. ΠΡΠΎ ΠΌΠΎΠΆΠ½ΠΎ ΡΠ΄Π΅Π»Π°ΡΡ, ΠΏΡΠΎΠ·Π²ΠΎΠ½ΠΈΠ² ΠΏΡΠΎΠ²ΠΎΠ΄Π½ΠΈΠΊΠΈ.
ΠΡΠ»ΠΈ Π²Ρ ΠΎΠ±Π½Π°ΡΡΠΆΠΈΡΠ΅, ΡΡΠΎ ΠΊΠΎΠ½ΡΠ°ΠΊΡΡ Π² ΠΊΠΎΠ»ΠΎΠ΄ΠΊΠ°Ρ
ΠΎΠΊΠΈΡΠ»ΠΈΠ»ΠΈΡΡ ΠΈΠ»ΠΈ ΠΏΠΎΠ΄Π³ΠΎΡΠ΅Π»ΠΈ, ΠΎΡΠΈΡΡΠΈΡΠ΅ ΠΈΡ
ΡΠΎΠ½ΠΊΠΎΠΉ Π½Π°ΠΆΠ΄Π°ΡΠ½ΠΎΠΉ Π±ΡΠΌΠ°Π³ΠΎΠΉ, Π° Π·Π°ΡΠ΅ΠΌ ΠΏΡΠΎΠ²Π΅ΡΡΡΠ΅ ΠΏΡΠΈΠΊΡΡΠΈΠ²Π°ΡΠ΅Π»Ρ. ΠΡΠ»ΠΈ Ρ Π½ΠΈΠΌΠΈ Π²ΡΠ΅ Π² ΠΏΠΎΡΡΠ΄ΠΊΠ΅, ΠΎΡΠΌΠΎΡΡΠΈΡΠ΅ ΡΠ°Π·ΡΠ΅ΠΌΡ Π½Π° ΡΠ°ΠΌΠΎΠΌ ΡΡΡΡΠΎΠΉΡΡΠ²Π΅. ΠΠΌΠ΅Π΅Ρ ΡΡΠΈ ΠΊΠΎΠ½ΡΠ°ΠΊΡΠ°: Π΄Π²Π° Β«ΠΏΠ»ΡΡΠ°Β» (Π½Π° Π»Π°ΠΌΠΏΡ ΠΈ ΡΡΠ΅ΠΊΠ»ΠΎ) ΠΈ ΠΎΠ΄ΠΈΠ½ ΠΎΠ±ΡΠΈΠΉ Β«ΠΌΠΈΠ½ΡΡΒ».ΠΡΠΈ Π½Π΅ΠΎΠ±Ρ
ΠΎΠ΄ΠΈΠΌΠΎΡΡΠΈ ΠΎΡΡΠ»ΠΈΡΡΠΉΡΠ΅ ΠΊΠΎΠ½ΡΠ°ΠΊΡΡ Π½Π°ΠΆΠ΄Π°ΡΠ½ΠΎΠΉ Π±ΡΠΌΠ°Π³ΠΎΠΉ.
Π‘ΠΏΠΈΡΠ°Π»Ρ
ΠΡΠ»ΠΈ ΠΏΡΠΈΠΊΡΡΠΈΠ²Π°ΡΠ΅Π»Ρ ΠΠΠ-2110 Π½Π΅ ΡΠ°Π±ΠΎΡΠ°Π΅Ρ, ΠΏΡΠΈΡΠΈΠ½Π° ΠΌΠΎΠΆΠ΅Ρ Π±ΡΡΡ ΠΊΡΠΎΠ΅ΡΡΡ Π² ΡΠΏΠΈΡΠ°Π»ΠΈ Π²ΡΡΠ°Π²ΠΊΠΈ. ΠΠ³ΠΎ Π²ΡΠ³ΠΎΡΠ°Π½ΠΈΠ΅ ΡΠ°ΡΠ΅ Π²ΡΠ΅Π³ΠΎ Π²ΡΠ·Π²Π°Π½ΠΎ Π½Π΅ΠΈΡΠΏΡΠ°Π²Π½ΠΎΡΡΡΡ. Π‘ΠΎ Π²ΡΠ΅ΠΌΠ΅Π½Π΅ΠΌ ΠΎΠ½ΠΈ ΡΠ΅ΡΡΡΡ ΡΠ²ΠΎΠΈ ΡΠ²ΠΎΠΉΡΡΠ²Π° (Π³Π½ΡΡΡΡΡ ΠΈ ΡΠ°Π·Π³ΠΈΠ±Π°ΡΡΡΡ ΠΏΠΎΠ΄ Π²ΠΎΠ·Π΄Π΅ΠΉΡΡΠ²ΠΈΠ΅ΠΌ ΡΠ΅ΠΌΠΏΠ΅ΡΠ°ΡΡΡ), ΡΡΠΎ ΠΏΡΠΈΠ²ΠΎΠ΄ΠΈΡ ΠΊ ΡΠΎΠΌΡ, ΡΡΠΎ Π²ΡΡΠ°Π²ΠΊΠ° ΡΠ²ΠΎΠ΅Π²ΡΠ΅ΠΌΠ΅Π½Π½ΠΎ Π½Π΅ Β«Π²ΡΡΠΊΠ°ΠΊΠΈΠ²Π°Π΅ΡΒ» ΠΈΠ· ΡΡΠ΅ΠΊΠ»Π°. ΠΡΡΠ΅ΡΡΠ²Π΅Π½Π½ΠΎ, ΡΡΠΎ ΠΏΡΠΈΠ²ΠΎΠ΄ΠΈΡ ΠΊ ΠΏΠ΅ΡΠ΅Π³ΡΠ΅Π²Ρ ΡΠΏΠΈΡΠ°Π»ΠΈ ΠΈ Π΅Π΅ Π²ΡΠ³ΠΎΡΠ°Π½ΠΈΡ.
ΠΡΠΎΠ²Π΅ΡΠΈΡΡ ΠΈΡΠΏΡΠ°Π²Π½ΠΎΡΡΡ ΡΡΠΎΠ³ΠΎ ΡΠ»Π΅ΠΌΠ΅Π½ΡΠ° Π΄ΠΎΠ²ΠΎΠ»ΡΠ½ΠΎ ΡΠ»ΠΎΠΆΠ½ΠΎ, ΡΠ°ΠΊ ΠΊΠ°ΠΊ ΠΎΠ±ΠΎΡΠ²Π°Π½Π½Π°Ρ ΡΠ΅Π·ΡΠ±Π° ΠΌΠΎΠΆΠ΅Ρ Π·Π°ΠΌΡΠΊΠ°ΡΡ Π½Π° ΠΌΠ°ΡΡΡ.ΠΡΡΠ°ΡΡΡΡ Π²ΠΎΡΡΡΠ°Π½ΠΎΠ²ΠΈΡΡ ΡΠΏΠΈΡΠ°Π»Ρ — ΡΠΎΠΆΠ΅ Π΄Π΅Π»ΠΎ Π½Π΅Π±Π»Π°Π³ΠΎΠ΄Π°ΡΠ½ΠΎΠ΅. ΠΡΡΡΠ΅ ΠΊΡΠΏΠΈΡΡ Π½ΠΎΠ²ΡΠΉ ΠΏΡΠΈΠΊΡΡΠΈΠ²Π°ΡΠ΅Π»Ρ. ΠΡΠΈΡΠ΅ΠΌ ΡΡΠΎΠΈΡ Π² ΠΏΡΠ΅Π΄Π΅Π»Π°Ρ
300 ΡΡΠ±Π»Π΅ΠΉ.
ΠΠ°ΠΌΠ΅Π½Π° ΠΏΡΠΈΠΊΡΡΠΈΠ²Π°ΡΠ΅Π»Ρ ΠΠΠ-2110
ΠΡΠ»ΠΈ Π²Ρ ΡΠ΅ΡΠΈΠ»ΠΈ Π·Π°ΠΌΠ΅Π½ΠΈΡΡ ΠΏΡΠΈΠΊΡΡΠΈΠ²Π°ΡΠ΅Π»Ρ, Π²Π°ΠΌ ΠΏΡΠΈΠ΄Π΅ΡΡΡ Π²ΡΠΏΠΎΠ»Π½ΠΈΡΡ Π²ΡΡΠ΅ΡΠΊΠ°Π·Π°Π½Π½ΡΠ΅ Π΄Π΅ΠΉΡΡΠ²ΠΈΡ ΠΏΠΎ Π΄Π΅ΠΌΠΎΠ½ΡΠ°ΠΆΡ Π²Π΅ΡΡ
Π½Π΅ΠΉ ΠΏΠ°Π½Π΅Π»ΠΈ ΠΎΠ±Π»ΠΈΡΠΎΠ²ΠΊΠΈ ΡΠ΅Π½ΡΡΠ°Π»ΡΠ½ΠΎΠ³ΠΎ ΡΠΎΠ½Π½Π΅Π»Ρ. ΠΠ΅ΡΠ΅Π΄ ΡΠ΅ΠΌ, ΠΊΠ°ΠΊ ΠΏΠΎΠ΄ΠΊΠ»ΡΡΠΈΡΡ ΠΏΡΠΈΠΊΡΡΠΈΠ²Π°ΡΠ΅Π»Ρ ΠΊ ΠΠΠ-2110 ΠΈ ΡΡΡΠ°Π½ΠΎΠ²ΠΈΡΡ Π½Π° ΠΌΠ΅ΡΡΠΎ ΡΡΠ°ΡΠΎΠ³ΠΎ, ΡΠ»Π΅Π΄ΡΠ΅Ρ ΡΠ±Π΅Π΄ΠΈΡΡΡΡ, ΡΡΠΎ ΠΎΠ½ ΠΈΡΠΏΡΠ°Π²Π΅Π½.ΠΠ»Ρ ΡΡΠΎΠ³ΠΎ Π΄ΠΎΡΡΠ°ΡΠΎΡΠ½ΠΎ ΠΏΡΠΎΡΡΠΎ ΠΏΠΎΠ΄ΠΊΠ»ΡΡΠΈΡΡ ΠΊ ΠΈΡ
ΠΊΠΎΠ½ΡΠ°ΠΊΡΠ°ΠΌ ΡΠ°Π·ΡΠ΅ΠΌΡ ΠΏΡΠΎΠ²ΠΎΠ΄ΠΎΠ² ΠΏΠΈΡΠ°Π½ΠΈΡ ΡΡΡΡΠΎΠΉΡΡΠ²Π° ΠΈ ΠΏΠΎΠ΄ΡΠ²Π΅ΡΠΊΠΈ, Π²ΠΊΠ»ΡΡΠΈΡΡ Π·Π°ΠΆΠΈΠ³Π°Π½ΠΈΠ΅ ΠΈ Π°ΠΊΠΊΡΡΠ°ΡΠ½ΠΎ ΡΡΠΎΠΏΠΈΡΡ Π²ΡΡΠ°Π²ΠΊΡ Π² ΡΡΠ΅ΠΊΠ»ΠΎ. ΠΠΎΠ΄ΠΎΠΆΠ΄ΠΈΡΠ΅ Π½Π΅ΠΌΠ½ΠΎΠ³ΠΎ, ΠΏΠΎΠΊΠ° ΡΠΏΠΈΡΠ°Π»Ρ Π½Π°Π³ΡΠ΅Π΅ΡΡΡ. ΠΡΠ»ΠΈ Π²ΡΡΠ°Π²ΠΊΠ° «Π²ΡΡΠΊΠΎΡΠΈΠ»Π°», Π·Π½Π°ΡΠΈΡ ΠΏΡΠΈΠ±ΠΎΡ ΠΈΡΠΏΡΠ°Π²Π΅Π½.
ΠΠ°ΠΌΠ΅Π½Π° ΠΏΡΠΈΠΊΡΡΠΈΠ²Π°ΡΠ΅Π»Ρ ΠΠΠ-2110 Π΄ΠΎΠ»ΠΆΠ½Π° ΠΏΡΠΎΠΈΠ·Π²ΠΎΠ΄ΠΈΡΡΡΡ ΠΏΡΠΈ ΠΎΡΠΊΠ»ΡΡΠ΅Π½Π½ΠΎΠΉ ΠΌΠΈΠ½ΡΡΠΎΠ²ΠΎΠΉ ΠΊΠ»Π΅ΠΌΠΌΠ΅ Π°ΠΊΠΊΡΠΌΡΠ»ΡΡΠΎΡΠ½ΠΎΠΉ Π±Π°ΡΠ°ΡΠ΅ΠΈ! ΠΠ»Ρ Π΅Π΅ ΡΠ΅Π°Π»ΠΈΠ·Π°ΡΠΈΠΈ ΠΎΡΠΊΠ»ΡΡΠΈΡΠ΅ Π½Π΅ΡΠ°Π±ΠΎΡΠ°ΡΡΠΈΠΉ ΠΏΡΠΈΠ±ΠΎΡ ΠΎΡ ΠΏΡΠΎΠ²ΠΎΠ΄ΠΎΠ² ΠΏΠΈΡΠ°Π½ΠΈΡ. ΠΠ°ΡΠ΅ΠΌ Ρ ΠΏΠΎΠΌΠΎΡΡΡ ΠΎΡΠ²Π΅ΡΡΠΊΠΈ Π½Π°ΠΆΠΌΠΈΡΠ΅ Π½Π° Π·Π°ΡΠ΅Π»ΠΊΡ Π³Π½Π΅Π·Π΄Π° ΠΏΡΠΈΠΊΡΡΠΈΠ²Π°ΡΠ΅Π»Ρ Π½Π° Π·Π°Π΄Π½Π΅ΠΉ ΡΡΠΎΡΠΎΠ½Π΅ ΠΊΡΡΡΠΊΠΈ ΠΈ ΠΏΡΠΎΡΠΎΠ»ΠΊΠ½ΠΈΡΠ΅ ΡΡΠ΅ΠΊΠ»ΠΎ Π²ΠΏΠ΅ΡΠ΅Π΄.Π£ΡΡΠ°Π½ΠΎΠ²ΠΈΡΠ΅ Π½ΠΎΠ²ΡΠΉ ΠΏΡΠΈΠΊΡΡΠΈΠ²Π°ΡΠ΅Π»Ρ Π² ΠΎΠ±ΡΠ°ΡΠ½ΠΎΠΌ ΠΏΠΎΡΡΠ΄ΠΊΠ΅.
ΠΡΠ±ΠΎΠΉ Π°Π²ΡΠΎΠΌΠΎΠ±ΠΈΠ»ΡΠ½ΡΠΉ ΠΏΡΠΈΠΊΡΡΠΈΠ²Π°ΡΠ΅Π»Ρ, Π² ΡΠΎΠΌ ΡΠΈΡΠ»Π΅ ΠΠΠ-2110, ΠΈΠ·Π½Π°ΡΠ°Π»ΡΠ½ΠΎ ΠΏΡΠΎΠ΅ΠΊΡΠΈΡΠΎΠ²Π°Π»ΡΡ ΡΠΎΠ»ΡΠΊΠΎ Π΄Π»Ρ ΠΈΡΠΏΠΎΠ»ΡΠ·ΠΎΠ²Π°Π½ΠΈΡ ΠΏΠΎ ΠΏΡΡΠΌΠΎΠΌΡ Π½Π°Π·Π½Π°ΡΠ΅Π½ΠΈΡ. ΠΠ΄Π½Π°ΠΊΠΎ ΡΠΎ Π²ΡΠ΅ΠΌΠ΅Π½Π΅ΠΌ ΡΡΠ°Π»ΠΈ ΠΏΠΎΡΠ²Π»ΡΡΡΡΡ Β«Π½ΡΠΆΠ½ΡΠ΅Β» Π°Π²ΡΠΎΠΌΠΎΠ±ΠΈΠ»ΡΠ½ΡΠ΅ Π³Π°Π΄ΠΆΠ΅ΡΡ, ΠΊΠΎΡΠΎΡΡΠ΅ Π½ΡΠΆΠ½ΠΎ ΠΊΡΠ΄Π°-ΡΠΎ ΠΏΠΎΠ΄ΠΊΠ»ΡΡΠ°ΡΡ. ΠΠΎΡΠΊΠΎΠ»ΡΠΊΡ Π·Π°Π²ΠΎΠ΄ Π½Π΅ ΠΏΡΠ΅Π΄ΡΡΠΌΠ°ΡΡΠΈΠ²Π°Π» ΡΡΡΠ°Π½ΠΎΠ²ΠΊΡ Π² Π°Π²ΡΠΎΠΌΠΎΠ±ΠΈΠ»Π΅ ΡΠΎΠ·Π΅ΡΠΊΠΈ Π½Π° 12 Π²ΠΎΠ»ΡΡ, ΠΏΡΠΈΠΊΡΡΠΈΠ²Π°ΡΠ΅Π»Ρ ΡΠ²Π»ΡΠ΅ΡΡΡ ΠΈΡΡΠΎΡΠ½ΠΈΠΊΠΎΠΌ ΠΏΠΈΡΠ°Π½ΠΈΡ ΠΏΡΠ»Π΅ΡΠΎΡΠΎΠ², Ρ
ΠΎΠ»ΠΎΠ΄ΠΈΠ»ΡΠ½ΠΈΠΊΠΎΠ², ΡΠ΅Π»Π΅Π²ΠΈΠ·ΠΎΡΠΎΠ², Π²ΠΈΠ΄Π΅ΠΎΠΌΠ°Π³Π½ΠΈΡΠΎΡΠΎΠ½ΠΎΠ², ΠΊΠΎΠΌΠΏΡΠ΅ΡΡΠΎΡΠΎΠ² ΠΈ Π·Π°ΡΡΠ΄Π½ΡΡ
ΡΡΡΡΠΎΠΉΡΡΠ² Π΄Π»Ρ ΡΠ΅Π»Π΅ΡΠΎΠ½ΠΎΠ².ΠΡΠΎ Π½Π΅ ΠΏΡΠΈΠ½ΠΎΡΠΈΡ Π΅ΠΌΡ ΠΏΠΎΠ»ΡΠ·Ρ, ΠΈ Π΄ΠΎΠ²ΠΎΠ»ΡΠ½ΠΎ ΡΠ°ΡΡΠΎ ΠΎΠ½ Π² Π»ΡΡΡΠ΅ΠΌ ΡΠ»ΡΡΠ°Π΅ ΡΠ΅ΡΠΏΠΈΡ Π½Π΅ΡΠ΄Π°ΡΡ.
Π Ρ
ΡΠ΄ΡΠ΅ΠΌ ΡΠ»ΡΡΠ°Π΅ ΠΏΠΎΠ΄ΠΊΠ»ΡΡΠ΅Π½Π½ΡΠΉ Π±Π΅Π· ΠΏΡΠΈΡΠΌΠΎΡΡΠ° Π³Π°Π΄ΠΆΠ΅Ρ ΠΌΠΎΠΆΠ΅Ρ Π²ΡΠ·Π²Π°ΡΡ ΠΏΠΎΠΆΠ°Ρ.
Π‘Ρ
Π΅ΠΌΠ° ΠΏΡΠΈΠΊΡΡΠΈΠ²Π°ΡΠ΅Π»Ρ Π½Π° ΠΠΠ-2110
Π‘Ρ
Π΅ΠΌΠ° ΠΏΠΎΠ΄ΠΊΠ»ΡΡΠ΅Π½ΠΈΡ ΠΏΡΠΈΠΊΡΡΠΈΠ²Π°ΡΠ΅Π»Ρ.
ΠΡΠΈΡΡΡΠΏΠ°Ρ ΠΊ ΠΏΠΎΠΈΡΠΊΡ ΠΊΠ°ΠΊΠΎΠΉ-Π»ΠΈΠ±ΠΎ Π½Π΅ΠΈΡΠΏΡΠ°Π²Π½ΠΎΡΡΠΈ, Π΄Π»Ρ Π½Π°ΡΠ°Π»Π° Π½Π΅ΠΎΠ±Ρ
ΠΎΠ΄ΠΈΠΌΠΎ ΡΠ°Π·ΠΎΠ±ΡΠ°ΡΡΡΡ Π² ΠΏΡΠΈΠ½ΡΠΈΠΏΠ΅ ΡΠ°Π±ΠΎΡΡ ΠΈ ΠΊΠΎΠ½ΡΡΡΡΠΊΡΠΈΠΈ ΠΌΠ΅Ρ
Π°Π½ΠΈΠ·ΠΌΠ° ΠΈΠ»ΠΈ ΡΡ
Π΅ΠΌΡ. Π‘ ΠΏΡΠΈΠΊΡΡΠΈΠ²Π°ΡΠ΅Π»Π΅ΠΌ Π²ΡΠ΅ ΠΎΡΠ½ΠΎΡΠΈΡΠ΅Π»ΡΠ½ΠΎ ΠΏΡΠΎΡΡΠΎ. Π‘ΠΌΠΎΡΡΠΈΠΌ ΡΡ
Π΅ΠΌΡ ΠΏΠΎΠ΄ΠΊΠ»ΡΡΠ΅Π½ΠΈΡ ΡΡΡΡΠΎΠΉΡΡΠ²Π° ΠΈ ΠΈΡΠ΅ΠΌ ΡΠ»Π°Π±ΠΎΠ΅ Π·Π²Π΅Π½ΠΎ.
ΠΠΎΠΈΡΠΊ ΠΏΠΎΠ»ΠΎΠΌΠΊΠΈ
Π Π»ΡΠ±ΠΎΠΌ ΡΠ»ΡΡΠ°Π΅ ΠΏΡΠΎΠ±ΠΎΠΉ ΠΌΠΎΠΆΠ΅Ρ Π±ΡΡΡ ΠΊΠ°ΠΊ ΠΌΠ΅Ρ
Π°Π½ΠΈΡΠ΅ΡΠΊΠΎΠΉ, ΡΠ°ΠΊ ΠΈ ΡΠ»Π΅ΠΊΡΡΠΈΡΠ΅ΡΠΊΠΎΠΉ.
ΠΠ΅Ρ
Π°Π½ΠΈΡΠ΅ΡΠΊΠΎΠ΅ ΠΏΠΎΠ²ΡΠ΅ΠΆΠ΄Π΅Π½ΠΈΠ΅ Π³Π½Π΅Π·Π΄Π° ΠΏΡΠΈΠΊΡΡΠΈΠ²Π°ΡΠ΅Π»Ρ Π²ΡΡΡΠ΅ΡΠ°Π΅ΡΡΡ Π΄ΠΎΠ²ΠΎΠ»ΡΠ½ΠΎ ΡΠ΅Π΄ΠΊΠΎ, Ρ
ΠΎΡΡ ΠΌΠΎΠΆΠ΅Ρ Π±ΡΡΡ ΠΈΡΠΏΠΎΡΡΠ΅Π½ΠΎ Π½Π΅ΠΊΠ°ΡΠ΅ΡΡΠ²Π΅Π½Π½ΠΎΠΉ ΠΈΠ»ΠΈ Π½Π΅ΠΏΡΠ°Π²ΠΈΠ»ΡΠ½ΠΎ ΠΏΠΎΠ΄ΠΎΠ±ΡΠ°Π½Π½ΠΎΠΉ Π²ΠΈΠ»ΠΊΠΎΠΉ. ΠΡΡ
ΠΎΠ΄Ρ ΠΈΠ· ΡΡ
Π΅ΠΌΡ, ΠΏΡΠ΅Π΄ΡΡΠ°Π²Π»Π΅Π½Π½ΠΎΠΉ Π²ΡΡΠ΅, ΠΏΡΠΈΠΊΡΡΠΈΠ²Π°ΡΠ΅Π»Ρ ΡΡΠ°Π½Π΄Π°ΡΡΠ½ΠΎ ΠΏΠΎΠ΄ΠΊΠ»ΡΡΠ°Π΅ΡΡΡ ΠΊ ΠΎΠ΄Π½ΠΎΠΌΡ Π²ΡΡ
ΠΎΠ΄Ρ ΠΏΠΈΡΠ°Π½ΠΈΡ ΠΎΡ ΠΌΠΎΠ½ΡΠ°ΠΆΠ½ΠΎΠ³ΠΎ Π±Π»ΠΎΠΊΠ° Ρ Π»Π°ΠΌΠΏΠΎΠΉ Π±Π°ΡΠ΄Π°ΡΠΊΠ°.
ΠΡΠΎ ΠΏΠ΅ΡΠ²Π°Ρ ΠΏΠΎΠ΄ΡΠΊΠ°Π·ΠΊΠ° — Π΅ΡΠ»ΠΈ ΠΏΡΠΈΠΊΡΡΠΈΠ²Π°ΡΠ΅Π»Ρ Π½Π΅ ΡΠ°Π±ΠΎΡΠ°Π΅Ρ, Π½ΠΎ Π³ΠΎΡΠΈΡ Π»Π°ΠΌΠΏΠ° Π² Π±Π°ΡΠ΄Π°ΡΠΊΠ΅, ΡΡΠΎ Π»ΠΈΠ±ΠΎ ΡΠ°ΠΌ ΠΌΠ΅Ρ
Π°Π½ΠΈΠ·ΠΌ ΠΏΡΠΈΠΊΡΡΠΈΠ²Π°ΡΠ΅Π»Ρ (ΠΊΠ°ΡΡΡΠΊΠ° , ΠΊΠΎΠ½ΡΠ°ΠΊΡΡ, ΡΠ΅Π·ΠΈΡΡΠΎΡ ), Π»ΠΈΠ±ΠΎ Π² ΠΎΠ±ΡΡΠ²Π΅ ΠΏΡΠΎΠ²ΠΎΠ΄Π° Π² Π·ΠΎΠ½Π΅ ΠΎΡ Π²ΡΠ²ΠΎΠ΄Π° ΠΏΠΈΡΠ°Π½ΠΈΡ Π΄ΠΎ Π²ΡΠ²ΠΎΠ΄Π° 25 ΠΌΠΎΠ½ΡΠ°ΠΆΠ½ΠΎΠ³ΠΎ Π±Π»ΠΎΠΊΠ°.
ΠΠ²ΡΠΎΠΌΠ°ΡΠΈΡΠ΅ΡΠΊΠΈΠ΅ Π²ΡΠΊΠ»ΡΡΠ°ΡΠ΅Π»ΠΈ
ΠΡΠ΅Π΄ΠΎΡ
ΡΠ°Π½ΠΈΡΠ΅Π»Ρ ΠΏΡΠΈΠΊΡΡΠΈΠ²Π°ΡΠ΅Π»Ρ 25Π, ΠΎΡΠΌΠ΅ΡΠ΅Π½ ΡΡΡΠ΅Π»ΠΊΠΎΠΉ
ΠΠ΄Π½Π°ΠΊΠΎ Π² ΠΏΠ΅ΡΠ²ΡΡ ΠΎΡΠ΅ΡΠ΅Π΄Ρ ΡΠ»Π΅Π΄ΡΠ΅Ρ ΠΏΠΎΠ΄ΠΎΠ·ΡΠ΅Π²Π°ΡΡ ΠΏΡΠ΅Π΄ΠΎΡ
ΡΠ°Π½ΠΈΡΠ΅Π»ΠΈ. ΠΡΠ»ΠΈ ΠΏΡΠΈΠΊΡΡΠΈΠ²Π°ΡΠ΅Π»Ρ Π½Π΅ ΠΏΡΠΎΠ³ΡΠ΅Π²Π°Π΅ΡΡΡ Π² ΡΠ΅ΡΠ΅Π½ΠΈΠ΅ 20 ΡΠ΅ΠΊΡΠ½Π΄ ΠΈ Π½Π΅ Π³ΠΎΡΠΈΡ Π»Π°ΠΌΠΏΠ° Π±Π°ΡΠ΄Π°ΡΠΊΠ°, ΡΠΊΠΎΡΠ΅Π΅ Π²ΡΠ΅Π³ΠΎ ΠΏΠ΅ΡΠ΅Π³ΠΎΡΠ΅Π» ΠΏΡΠ΅Π΄ΠΎΡ
ΡΠ°Π½ΠΈΡΠ΅Π»Ρ F18 Π½ΠΎΠΌΠΈΠ½Π°Π»ΠΎΠΌ 25A . ΠΠ½ Π½Π°Ρ
ΠΎΠ΄ΠΈΡΡΡ Π² ΠΌΠΎΠ½ΡΠ°ΠΆΠ½ΠΎΠΌ Π±Π»ΠΎΠΊΠ΅ ΡΠ»Π΅Π²Π° ΠΎΡ Π²ΠΎΠ΄ΠΈΡΠ΅Π»Ρ.
ΠΡΡΡ Π΅ΡΠ΅ ΠΎΠ΄ΠΈΠ½ ΠΏΡΠ΅Π΄ΠΎΡ
ΡΠ°Π½ΠΈΡΠ΅Π»Ρ. 15 , ΠΊΠΎΡΠΎΡΡΠΉ ΠΏΠΎΠ΄ΠΊΠ»ΡΡΠ΅Π½ ΠΊ ΡΠ΅ΠΏΠΈ ΠΏΡΠΈΠΊΡΡΠΈΠ²Π°ΡΠ΅Π»Ρ.ΠΠ° Π½Π΅ΠΌ ΡΡΡΠ°Π½ΠΎΠ²Π»Π΅Π½Π° ββΡΠΎΠ·Π΅ΡΠΊΠ° ΠΈ ΡΡΠΎ ΡΠΎΠΆΠ΅ ΠΌΠΎΠΆΠ΅Ρ Π±ΡΡΡ ΠΏΡΠΈΡΠΈΠ½ΠΎΠΉ Π½Π΅ΠΈΡΠΏΡΠ°Π²Π½ΠΎΡΡΠΈ. ΠΡΠΎΡ ΠΏΡΠ΅Π΄ΠΎΡ
ΡΠ°Π½ΠΈΡΠ΅Π»Ρ ΠΎΡΠΌΠ΅ΡΠ΅Π½ ΡΠΈΠΌΠ²ΠΎΠ»ΠΎΠΌ F6. Π Π½Π΅ΠΊΠΎΡΠΎΡΡΡ
ΠΌΠΎΠ΄ΠΈΡΠΈΠΊΠ°ΡΠΈΡΡ
ΠΠΠ-2110, Π² Π·Π°Π²ΠΈΡΠΈΠΌΠΎΡΡΠΈ ΠΎΡ Π³ΠΎΠ΄Π° Π²ΡΠΏΡΡΠΊΠ°, ΠΈ ΠΏΡΠΈΠΊΡΡΠΈΠ²Π°ΡΠ΅Π»Ρ, ΠΈ Π΄Π²ΠΈΠ³Π°ΡΠ΅Π»Ρ ΠΎΡΠΎΠΏΠΈΡΠ΅Π»Ρ ΡΡΡΠ°Π½Π°Π²Π»ΠΈΠ²Π°ΡΡΡΡ Π½Π° ΠΎΠ΄Π½Ρ ΡΠ΅ΠΏΡ ΠΏΡΠ΅Π΄ΠΎΡ
ΡΠ°Π½ΠΈΡΠ΅Π»Ρ F18.
Π‘Π»Π΅Π΄ΠΎΠ²Π°ΡΠ΅Π»ΡΠ½ΠΎ, ΠΏΡΠΎΠ²Π΅ΡΠΈΡΡ ΡΠ΅Π»ΠΎΡΡΠ½ΠΎΡΡΡ ΠΏΡΠ΅Π΄ΠΎΡ
ΡΠ°Π½ΠΈΡΠ΅Π»Ρ Π² ΡΡΠΈΡ
ΡΠ»ΡΡΠ°ΡΡ
ΡΠΎΠΆΠ΅ ΠΏΡΠΎΡΡΠΎ — ΠΌΠΎΡΠΎΡ Π½Π΅ ΠΊΡΡΡΠΈΡΡΡ, Π·Π½Π°ΡΠΈΡ, ΠΏΡΠ΅Π΄ΠΎΡ
ΡΠ°Π½ΠΈΡΠ΅Π»Ρ ΠΏΠ΅ΡΠ΅Π³ΠΎΡΠ΅Π».
ΠΠΎΡΠ΅ΠΌΡ Π³ΠΎΡΡΡ ΠΏΡΠ΅Π΄ΠΎΡ
ΡΠ°Π½ΠΈΡΠ΅Π»ΠΈ?
ΠΠ°ΠΆΠ΄ΡΠΉ ΠΏΠΎΡΡΠ΅Π±ΠΈΡΠ΅Π»Ρ ΡΠ»Π΅ΠΊΡΡΠΎΡΠ½Π΅ΡΠ³ΠΈΠΈ Π½Π° Π±ΠΎΡΡΡ Π°Π²ΡΠΎΠΌΠΎΠ±ΠΈΠ»Ρ ΡΠ°ΡΡΡΠΈΡΠ°Π½ Π½Π° ΡΠ΄Π΅Π»ΡΠ½ΡΡ ΠΌΠΎΡΠ½ΠΎΡΡΡ ΠΈ ΡΠ΄Π΅Π»ΡΠ½ΡΠΉ ΡΠΎΠΊ ΠΏΠΎΡΡΠ΅Π±Π»Π΅Π½ΠΈΡ, ΠΈΠ·ΠΌΠ΅ΡΡΠ΅ΠΌΡΠΉ Π² Π°ΠΌΠΏΠ΅ΡΠ°Ρ
.ΠΡΠ»ΠΈ ΠΏΠΎΠ΄ΠΊΠ»ΡΡΠΈΡΡ ΠΏΡΠΈΠΊΡΡΠΈΠ²Π°ΡΠ΅Π»Ρ ΡΠ΅ΡΠ΅Π· ΡΠ°Π·Π²Π΅ΡΠ²ΠΈΡΠ΅Π»Ρ Π²ΠΈΠ΄Π΅ΠΎΠΌΠ°Π³Π½ΠΈΡΠΎΡΠΎΠ½Π°, Π½Π°Π²ΠΈΠ³Π°ΡΠΎΡ, Π·Π°ΡΡΠ΄ΠΈΡΡ ΡΠ΅Π»Π΅ΡΠΎΠ½, Π½Π΅ΡΠ΄ΠΈΠ²ΠΈΡΠ΅Π»ΡΠ½ΠΎ, ΡΡΠΎ ΠΏΡΠ΅Π΄ΠΎΡ
ΡΠ°Π½ΠΈΡΠ΅Π»Ρ ΠΏΡΠΎΡΡΠΎ Π½Π΅ Π²ΡΠ΄Π΅ΡΠΆΠΈΡ. Π‘ΠΏΠ°ΡΠ°Ρ Π½Π°ΡΡ ΠΏΡΠΎΠ²ΠΎΠ΄ΠΊΡ ΠΎΡ ΠΏΠ΅ΡΠ΅Π³ΡΠ΅Π²Π° ΠΈ ΠΊΠΎΡΠΎΡΠΊΠΎΠ³ΠΎ Π·Π°ΠΌΡΠΊΠ°Π½ΠΈΡ, ΠΎΠ½Π° ΠΏΠ»Π°Π²ΠΈΡΡΡ, ΡΠ°Π·ΡΡΠ²Π°Ρ ΡΠ΅ΠΏΡ.
ΠΠΎΡΡΠΎΠΌΡ Π²Π°ΠΆΠ½ΠΎ ΡΡΠΈΡΡΠ²Π°ΡΡ ΠΏΠΎΡΡΠ΅Π±Π»Π΅Π½ΠΈΠ΅ ΡΠΎΠΊΠ° Π΄ΠΎΠΏΠΎΠ»Π½ΠΈΡΠ΅Π»ΡΠ½ΡΠΌΠΈ ΡΡΡΡΠΎΠΉΡΡΠ²Π°ΠΌΠΈ — ΠΊΠΎΠΌΠΏΡΠ΅ΡΡΠΎΡΠΎΠΌ, Ρ
ΠΎΠ»ΠΎΠ΄ΠΈΠ»ΡΠ½ΠΈΠΊΠΎΠΌ ΠΈ Π΄ΡΡΠ³ΠΈΠΌΠΈ Π°ΡΡ
ΠΈΡΠ΅ΠΊΡΡΡΠ½ΡΠΌΠΈ ΠΈΠ·Π»ΠΈΡΠ΅ΡΡΠ²Π°ΠΌΠΈ. ΠΠ° ΠΊΠΎΡΠΏΡΡΠ΅ ΡΡΡΡΠΎΠΉΡΡΠ²Π° Π² ΠΎΠ±ΡΠ·Π°ΡΠ΅Π»ΡΠ½ΠΎΠΌ ΠΏΠΎΡΡΠ΄ΠΊΠ΅ ΡΠΊΠ°Π·ΡΠ²Π°Π΅ΡΡΡ ΠΊΠ°ΠΊ ΠΌΠΎΡΠ½ΠΎΡΡΡ, ΡΠ°ΠΊ ΠΈ ΠΏΠΎΡΡΠ΅Π±Π»ΡΠ΅ΠΌΡΠΉ ΠΈΠΌ ΡΠΎΠΊ.ΠΡΠ°ΠΉΠ½Π΅ Π½Π΅ΠΆΠ΅Π»Π°ΡΠ΅Π»ΡΠ½ΠΎ Π²ΠΊΠ»ΡΡΠ°ΡΡ Π² ΡΡ
Π΅ΠΌΡ ΠΏΡΠΈΠΊΡΡΠΈΠ²Π°ΡΠ΅Π»Ρ ΠΌΠΎΡΠ½ΡΠ΅ ΡΡΡΡΠΎΠΉΡΡΠ²Π°, Π° ΡΠ°ΠΊΠΆΠ΅ ΠΈΡΠΏΠΎΠ»ΡΠ·ΠΎΠ²Π°ΡΡ ΡΠ°Π·Π²Π΅ΡΠ²ΠΈΡΠ΅Π»ΠΈ ΠΈ Π²ΠΈΠ»ΠΊΠΈ ΡΠΎΠΌΠ½ΠΈΡΠ΅Π»ΡΠ½ΠΎΠ³ΠΎ ΠΊΠ°ΡΠ΅ΡΡΠ²Π°.
Π ΡΠ΅Π·ΡΠ»ΡΡΠ°ΡΠ΅ ΡΡΠΎ ΠΌΠΎΠΆΠ΅Ρ ΠΏΡΠΈΠ²Π΅ΡΡΠΈ ΠΊ Π²ΠΎΠ·Π³ΠΎΡΠ°Π½ΠΈΡ ΠΏΡΠΎΠ²ΠΎΠ΄ΠΊΠΈ.
ΠΠΏΠ»Π°Π²Π»Π΅Π½Π½ΡΠ΅ ΠΏΡΠΎΠ²ΠΎΠ΄Π° ΠΎΡ ΠΏΡΠΈΠΊΡΡΠΈΠ²Π°ΡΠ΅Π»Ρ.
ΠΠ΅Π΄Π°ΡΠΎΠΌ Π²ΠΎ ΠΌΠ½ΠΎΠ³ΠΈΡ
ΠΈΠΌΠΏΠΎΡΡΠ½ΡΡ
Π°Π²ΡΠΎΠΌΠΎΠ±ΠΈΠ»ΡΡ
ΠΏΡΠΎΠΈΠ·Π²ΠΎΠ΄ΠΈΡΠ΅Π»Ρ ΠΏΠΎΠ»Π½ΠΎΡΡΡΡ ΠΎΡΠΊΠ°Π·Π°Π»ΡΡ ΠΎΡ ΠΏΡΠΈΠΊΡΡΠΈΠ²Π°ΡΠ΅Π»Ρ, Π° Π²ΠΌΠ΅ΡΡΠΎ Π½Π΅Π³ΠΎ ΡΡΡΠ°Π½Π°Π²Π»ΠΈΠ²Π°Π΅Ρ 12-Π²ΠΎΠ»ΡΡΠΎΠ²ΡΠ΅ ΡΠΎΠ·Π΅ΡΠΊΠΈ Π² ΠΏΠ΅ΡΠ΅Π΄Π½Π΅ΠΉ ΡΠ°ΡΡΠΈ ΡΠ°Π»ΠΎΠ½Π° (ΠΊΠ°ΠΊ Π² ΡΠΎΠΌ ΠΆΠ΅ Ford Focus Π²ΡΠΎΡΠΎΠ³ΠΎ ΠΏΠΎΠΊΠΎΠ»Π΅Π½ΠΈΡ).
ΠΡΠΎΠ²Π΅ΡΠΈΡΡ ΠΏΡΠΎΠ²ΠΎΠ΄ΠΊΡ
ΠΡΠ»ΠΈ ΠΏΡΠ΅Π΄ΠΎΡ
ΡΠ°Π½ΠΈΡΠ΅Π»Ρ ΡΠ΅Π» ΠΈ Π½Π΅Π²ΡΠ΅Π΄ΠΈΠΌ, ΠΈ ΠΌΡ Π½Π΅ Π²ΠΊΠ»ΡΡΠΈΠ»ΠΈ ΠΏΡΠ»Π΅ΡΠΎΡΡ Π² ΠΏΡΠΈΠΊΡΡΠΈΠ²Π°ΡΠ΅Π»Ρ, ΡΠΊΠΎΡΠ΅Π΅ Π²ΡΠ΅Π³ΠΎ, Π΄Π΅Π»ΠΎ Π² ΠΊΠΎΠ½ΡΠ°ΠΊΡΠ°Ρ
ΠΈΠ»ΠΈ ΠΏΡΠΎΠ²ΠΎΠ΄ΠΊΠ΅.
Π§ΡΠΎΠ±Ρ ΠΏΡΠΎΠ²Π΅ΡΠΈΡΡ ΠΏΡΠΎΠ²ΠΎΠ΄ΠΊΡ ΠΏΠΈΡΠ°Π½ΠΈΡ ΠΎΡ ΠΏΡΠΈΠΊΡΡΠΈΠ²Π°ΡΠ΅Π»Ρ, Π½Π°ΠΌ Π½ΡΠΆΠ½ΠΎ ΡΠ½ΡΡΡ ΡΠ΅Π½ΡΡΠ°Π»ΡΠ½ΡΡ ΠΊΠΎΠ½ΡΠΎΠ»Ρ, ΠΎΡΠΊΡΡΡΠΈΠ² Π½Π΅ΡΠΊΠΎΠ»ΡΠΊΠΎ Π²ΠΈΠ½ΡΠΎΠ². Π§Π°ΡΠ΅ Π²ΡΠ΅Π³ΠΎ ΠΊΠΎΠ½ΡΠ°ΠΊΡ ΠΏΡΠΎΠΏΠ°Π΄Π°Π΅Ρ Π² ΠΊΠΎΠ½ΡΠ°ΠΊΡΠ½ΡΡ
ΡΠΈΡΠΊΠ°Ρ
, ΠΊΠΎΡΠΎΡΡΠ΅ Π½Π°Ρ
ΠΎΠ΄ΡΡΡΡ ΡΠ»Π΅Π²Π° ΠΎΡ ΠΏΠ°ΡΡΠ°ΠΆΠΈΡΠ° Π·Π° ΠΊΡΡΡΠΊΠΎΠΉ ΠΊΠΎΠ½ΡΠΎΠ»ΠΈ:
ΠΡΠΎΠ²Π΅ΡΠΊΠ° ΠΏΡΠΈΠΊΡΡΠΈΠ²Π°ΡΠ΅Π»Ρ
Π ΠΏΠΎΡΠ»Π΅Π΄Π½ΡΡ ΠΎΡΠ΅ΡΠ΅Π΄Ρ ΠΎΡΠΌΠΎΡΡΠΈΡΠ΅ ΡΠ°ΠΌ ΠΏΡΠΈΠΊΡΡΠΈΠ²Π°ΡΠ΅Π»Ρ.
ΠΡΡ
ΠΎΠ΄ΠΈΡ ΡΠ΅Π΄ΠΊΠΎ, Π½ΠΎ Π΅ΡΠ»ΠΈ ΠΈ Π±ΡΠ΄Π΅Ρ, ΡΠ°Π·Π±ΠΈΡΠ°ΡΡ Π½Π΅ Π±ΡΠ΄Π΅ΠΌ, ΡΡΠΎ Π½Π΅ ΠΊΠΎΡΠΎΠ»Π΅Π²ΡΠΊΠΎΠ΅ Π΄Π΅Π»ΠΎ. ΠΠΎΠΊΡΠΏΠ°Π΅ΠΌ Π½ΠΎΠ²ΡΠΉ.
ΠΠΎΠ²ΡΠΉ ΠΏΡΠΈΠΊΡΡΠΈΠ²Π°ΡΠ΅Π»Ρ Π² ΡΠ±ΠΎΡΠ΅.
- ΠΠ³ΠΎ ΡΠ΅Π½Π° ΠΏΡΠΈΠΌΠ΅ΡΠ½ΠΎ 400-500 ΡΡΠ±Π»Π΅ΠΉ , Π° ΠΊΠ°ΡΠ°Π»ΠΎΠΆΠ½ΡΠΉ Π½ΠΎΠΌΠ΅Ρ 2123-3725010 ΠΈΠ»ΠΈ 2123-3725 / 111.3725 , ΠΏΡΠΎΠΈΠ·Π²ΠΎΠ΄ΠΈΡΠ΅Π»Ρ, ΠΊΠ°ΠΊ ΠΏΡΠ°Π²ΠΈΠ»ΠΎ, SOTE.
Π£Π΄Π°ΡΠΈ Π²ΡΠ΅ΠΌ ΠΏΠΎΠΈΡΠΊΠ°ΠΌ ΠΈ ΡΡΠ°Π±ΠΈΠ»ΡΠ½ΠΎΠΉ ΡΠ°Π±ΠΎΡΠ΅ ΡΠ»Π΅ΠΊΡΡΠΎΠΎΠ±ΠΎΡΡΠ΄ΠΎΠ²Π°Π½ΠΈΡ!
ΠΠΈΠ΄Π΅ΠΎ ΠΎ Π½Π΅ΠΈΡΠΏΡΠ°Π²Π½ΠΎΡΡΡΡ
ΠΏΡΠΈΠΊΡΡΠΈΠ²Π°ΡΠ΅Π»Ρ
ΠΠ°Π²Π΅ΡΠ½ΠΎΠ΅, ΡΠ»ΠΎΠΆΠ½ΠΎ Π½Π°ΠΉΡΠΈ ΠΌΠ°ΡΠΈΠ½Ρ Π±Π΅Π· ΠΏΡΠΈΠΊΡΡΠΈΠ²Π°ΡΠ΅Π»Ρ.ΠΠΎ ΠΏΠΎΡΠ²Π»Π΅Π½ΠΈΡ ΠΌΠ½ΠΎΠΆΠ΅ΡΡΠ²Π° Π³Π°Π΄ΠΆΠ΅ΡΠΎΠ² ΠΈ ΡΡΡΡΠΎΠΉΡΡΠ², ΠΊΠΎΡΠΎΡΡΠ΅ ΠΌΠΎΠΆΠ½ΠΎ Π±ΡΠ»ΠΎ ΠΏΠΎΠ΄ΠΊΠ»ΡΡΠ°ΡΡ ΡΠ΅ΡΠ΅Π· ΡΡΠΎ ΡΡΡΡΠΎΠΉΡΡΠ²ΠΎ, ΠΎΠ½ΠΎ ΠΈΡΠΏΠΎΠ»ΡΠ·ΠΎΠ²Π°Π»ΠΎΡΡ ΠΏΠΎ ΠΏΡΡΠΌΠΎΠΌΡ Π½Π°Π·Π½Π°ΡΠ΅Π½ΠΈΡ. Π’ΠΎ Π΅ΡΡΡ ΠΎΠ½ ΠΏΠΎΠ·Π²ΠΎΠ»ΡΠ» Π»ΡΠ΄ΡΠΌ ΠΊΡΡΠΈΡΡ ΠΎΡ Π³ΠΎΡΡΡΠ΅Π³ΠΎ ΠΌΠ΅ΡΠ°Π»Π»ΠΈΡΠ΅ΡΠΊΠΎΠ³ΠΎ ΡΠ»Π΅ΠΌΠ΅Π½ΡΠ°.
ΠΠ°ΠΊ ΠΎΠ½ ΡΠ°Π±ΠΎΡΠ°Π΅Ρ?
ΠΡΠΈΠΊΡΡΠΈΠ²Π°ΡΠ΅Π»Ρ ΠΏΠΎΠ΄ΠΊΠ»ΡΡΠ°Π΅ΡΡΡ ΠΊ Π°ΠΊΠΊΡΠΌΡΠ»ΡΡΠΎΡΠ½ΠΎΠΉ Π±Π°ΡΠ°ΡΠ΅Π΅ Ρ ΠΏΠΎΠΌΠΎΡΡΡ ΠΌΠΎΠ½ΡΠ°ΠΆΠ½ΠΎΠ³ΠΎ Π±Π»ΠΎΠΊΠ°. ΠΠΎΠ³Π΄Π° ΠΏΡΠΈΠΊΡΡΠΈΠ²Π°ΡΠ΅Π»Ρ Π²ΠΊΠ»ΡΡΠ΅Π½, ΡΠ΅ΡΠ΅Π· Π½Π΅Π³ΠΎ ΠΏΡΠΎΡ
ΠΎΠ΄ΠΈΡ ΡΠΈΠ»ΡΠ½ΡΠΉ ΡΠΎΠΊ.
Π€Π°ΠΊΡΠΈΡΠ΅ΡΠΊΠΈ, ΡΡΠΎΡ ΡΠΎΠΊ Π½Π°Π³ΡΠ΅Π²Π°Π΅Ρ ΡΠ»Π΅ΠΌΠ΅Π½Ρ ΠΈΠ»ΠΈ ΠΏΠΎΠ·Π²ΠΎΠ»ΡΠ΅Ρ ΠΏΠΎΠ΄ΠΊΠ»ΡΡΠΈΡΡ ΡΠ½Π΅ΡΠ³ΠΎΠ·Π°Π²ΠΈΡΠΈΠΌΠΎΠ΅ ΡΡΡΡΠΎΠΉΡΡΠ²ΠΎ.ΠΠ½ΠΎΠ³ΠΈΠ΅ Π°Π²ΡΠΎΠΌΠΎΠ±ΠΈΠ»ΠΈΡΡΡ ΠΈΡΠΏΠΎΠ»ΡΠ·ΡΡΡ ΡΡΠΎΡ ΡΠ°Π·ΡΠ΅ΠΌ Π΄Π»Ρ Π·Π°ΡΡΠ΄ΠΊΠΈ ΠΌΠΎΠ±ΠΈΠ»ΡΠ½ΠΎΠ³ΠΎ ΡΠ΅Π»Π΅ΡΠΎΠ½Π°, ΠΏΠΎΠ΄ΠΊΠ»ΡΡΠ΅Π½ΠΈΡ Π½Π°Π²ΠΈΠ³Π°ΡΠΎΡΠ°, ΠΏΠ»Π°Π½ΡΠ΅ΡΠ°.
ΠΠΎ ΡΠ°ΡΠ΅ Π²ΡΠ΅Π³ΠΎ ΠΊ ΠΏΡΠΈΠΊΡΡΠΈΠ²Π°ΡΠ΅Π»Ρ ΠΏΠΎΠ΄ΠΊΠ»ΡΡΠ°ΡΡ ΠΏΠ΅ΡΠ΅Π½ΠΎΡΠ½ΡΡ ΡΠ»Π΅ΠΊΡΡΠΈΡΠ΅ΡΠΊΡΡ ΠΏΠΎΠΌΠΏΡ. ΠΠ½ ΠΏΠΎΠ·Π²ΠΎΠ»ΡΠ΅Ρ Π±Π΅Π· ΡΠΈΠ·ΠΈΡΠ΅ΡΠΊΠΈΡ
ΡΡΠΈΠ»ΠΈΠΉ Π½Π°ΠΊΠ°ΡΠΈΠ²Π°ΡΡ ΠΊΠΎΠ»Π΅ΡΠ° Π² Π΄ΠΎΡΠΎΠ³Π΅, ΠΊΠΎΠ³Π΄Π° ΡΡΠ΄ΠΎΠΌ Π½Π΅Ρ ΠΎΠ±ΡΡΠ½ΠΎΠΉ Π±ΡΡΠΎΠ²ΠΎΠΉ ΡΠΎΠ·Π΅ΡΠΊΠΈ.
ΠΠΎ ΠΌΠ΅ΡΠ΅ ΡΠΎΠ³ΠΎ, ΠΊΠ°ΠΊ Π²Ρ ΠΈΡΠΏΠΎΠ»ΡΠ·ΡΠ΅ΡΠ΅ ΠΈ ΠΏΠΎΠ΄ΠΊΠ»ΡΡΠ°Π΅ΡΠ΅ Π²ΡΠ΅Π²ΠΎΠ·ΠΌΠΎΠΆΠ½ΡΠ΅ Π³Π°Π΄ΠΆΠ΅ΡΡ, Π² ΡΠ΅Π·ΡΠ»ΡΡΠ°ΡΠ΅ ΠΌΠΎΠΆΠ΅Ρ ΠΏΠ΅ΡΠ΅ΡΡΠ°ΡΡ ΡΠ°Π±ΠΎΡΠ°ΡΡ ΠΏΡΠΈΠΊΡΡΠΈΠ²Π°ΡΠ΅Π»Ρ. ΠΡΠΈΡΠΈΠ½Π° ΡΡΠΎΠ³ΠΎ ΡΠ°ΡΡΠΎ — Π²ΡΡΠ΅Π΄ΡΠΈΠΉ ΠΈΠ· ΡΡΡΠΎΡ ΠΏΡΠ΅Π΄ΠΎΡ
ΡΠ°Π½ΠΈΡΠ΅Π»Ρ.
Π ΠΈΠ½ΡΡΡΡΠΊΡΠΈΠΈ ΠΏΠΎ ΡΠΊΡΠΏΠ»ΡΠ°ΡΠ°ΡΠΈΠΈ ΠΠΠ 2110 ΠΏΡΠΈΠ»Π°Π³Π°Π΅ΡΡΡ ΡΡ
Π΅ΠΌΠ° ΡΡΡΠ°Π½ΠΎΠ²ΠΊΠΈ.ΠΠ° Π½Π΅ΠΌ ΡΡΠΎΡ ΡΠ°ΠΌΡΠΉ ΠΏΡΠ΅Π΄ΠΎΡ
ΡΠ°Π½ΠΈΡΠ΅Π»Ρ ΠΎΠ±ΠΎΠ·Π½Π°ΡΠ΅Π½ ΠΌΠ°ΡΠΊΠΈΡΠΎΠ²ΠΊΠΎΠΉ F18. ΠΡ Π½Π°ΠΉΠ΄Π΅ΡΠ΅ Π΅Π³ΠΎ Π² ΠΌΠΎΠ½ΡΠ°ΠΆΠ½ΠΎΠΌ Π±Π»ΠΎΠΊΠ΅ ΡΠ»Π΅Π²Π° ΠΎΡ ΡΡΠ»Π΅Π²ΠΎΠ³ΠΎ ΠΊΠΎΠ»Π΅ΡΠ° Π½Π° ΠΏΠ΅ΡΠ΅Π΄Π½Π΅ΠΉ ΠΏΠ°Π½Π΅Π»ΠΈ. ΠΠ±ΡΠ°ΡΠΈΡΠ΅ Π²Π½ΠΈΠΌΠ°Π½ΠΈΠ΅, ΡΡΠΎ ΡΠ΅ΡΠ΅Π· ΡΡΠΎΡ ΠΏΡΠ΅Π΄ΠΎΡ
ΡΠ°Π½ΠΈΡΠ΅Π»Ρ Π½Π΅ Π΄ΠΎΠ»ΠΆΠ΅Π½ ΠΏΡΠΎΡ
ΠΎΠ΄ΠΈΡΡ ΡΠΎΠΊ Π±ΠΎΠ»Π΅Π΅ 25 Π°ΠΌΠΏΠ΅Ρ.
ΠΠΎΠΈΡΠΊ ΡΠ±ΠΎΠ΅Π²
Π‘Π°ΠΌΡΠΉ ΠΏΡΠΎΡΡΠΎΠΉ ΡΠΏΠΎΡΠΎΠ± ΡΠ΅ΡΠΈΡΡ ΠΏΡΠΎΠ±Π»Π΅ΠΌΡ Π½Π΅ΠΈΡΠΏΡΠ°Π²Π½ΠΎΠ³ΠΎ ΠΏΡΠΈΠΊΡΡΠΈΠ²Π°ΡΠ΅Π»Ρ — ΡΠ΄Π°ΡΡ Π°Π²ΡΠΎΠΌΠΎΠ±ΠΈΠ»Ρ Π² ΡΠ΅ΠΌΠΎΠ½Ρ Π½Π° Π‘Π’Π. ΠΠΎ ΡΡΠΎΠΈΡ Π»ΠΈ ΠΎΠ½ΠΎ ΡΠΎΠ³ΠΎ, Π΅ΡΠ»ΠΈ ΡΠ°ΠΌΠ° ΡΠ°Π±ΠΎΡΠ° Π½Π΅ ΡΠ»ΠΎΠΆΠ½Π°Ρ, Π° Π·Π°ΡΡΠ°ΡΡ Π½Π° ΡΡΠ»ΡΠ³ΠΈ ΠΌΠ°ΡΡΠ΅ΡΠΎΠ² ΠΌΠΎΠ³ΡΡ Π±ΡΡΡ Π·Π½Π°ΡΠΈΡΠ΅Π»ΡΠ½ΡΠΌΠΈ?
ΠΠ½ΠΎΠ³Π΄Π° Π»ΡΡΡΠ΅ Π²ΡΠ΅ Π΄Π΅Π»Π°ΡΡ ΡΠ°ΠΌΠΎΠΌΡ.
ΠΡΠΈΡΠΈΠ½Π° ΠΏΠΎΠ»ΠΎΠΌΠΊΠΈ | ΠΠ°ΡΠΈ Π΄Π΅ΠΉΡΡΠ²ΠΈΡ |
ΠΠ΅ΡΠ΅Π³ΠΎΡΠ΅Π» ΠΏΡΠ΅Π΄ΠΎΡ
ΡΠ°Π½ΠΈΡΠ΅Π»Ρ ΠΏΡΠΈΠΊΡΡΠΈΠ²Π°ΡΠ΅Π»Ρ | Π’ΠΎΠ²Π°Ρ ΠΏΠΎΠ΄Π»Π΅ΠΆΠΈΡ Π·Π°ΠΌΠ΅Π½Π΅. |
ΠΠ°ΠΌΠΏΠ° ΠΏΠΎΠ΄ΡΠ²Π΅ΡΠΊΠΈ Π²ΡΡΠ»Π° ΠΈΠ· ΡΡΡΠΎΡ | Π’ΡΠ΅Π±ΡΠ΅ΡΡΡ Π·Π°ΠΌΠ΅Π½Π° ΡΡΡΡΠΎΠΉΡΡΠ²Π°. |
ΠΠΎΠ²ΡΠ΅ΠΆΠ΄Π΅Π½Π° ΠΏΡΠΎΠ²ΠΎΠ΄ΠΊΠ° | ΠΡΠΎΠ²Π΅ΡΠΊΠΈ ΠΏΡΠΎΠ²ΠΎΠ΄ΡΡΡΡ, ΠΎΠ±ΡΡΠ², ΠΎΠ±ΡΡΠ² ΠΈΠ»ΠΈ ΠΎΠΊΠΈΡΠ»Π΅Π½ΠΈΠ΅ ΠΏΡΠΎΠ²ΠΎΠ΄ΠΎΠ² Π·Π°ΠΌΠ΅Π½Π° |
ΠΠ΅ ΡΠ°Π±ΠΎΡΠ°Π΅Ρ ΡΠ°ΠΌ ΠΏΡΠΈΠΊΡΡΠΈΠ²Π°ΡΠ΅Π»Ρ | Π£ΡΡΡΠΎΠΉΡΡΠ²ΠΎ ΡΠ΅ΠΌΠΎΠ½ΡΡ Π½Π΅ ΠΏΠΎΠ΄Π»Π΅ΠΆΠΈΡ, Π½Π΅ΠΎΠ±Ρ
ΠΎΠ΄ΠΈΠΌΠΎ Π΅Π³ΠΎ Π·Π°ΠΌΠ΅Π½ΠΈΡΡ. |
Π’Π΅ΠΏΠ΅ΡΡ ΡΠ°ΡΡΠΌΠΎΡΡΠΈΠΌ ΠΊΠ°ΠΆΠ΄ΡΡ ΠΈΠ· ΠΏΡΠ΅Π΄ΡΡΠ°Π²Π»Π΅Π½Π½ΡΡ
Π½Π΅ΠΈΡΠΏΡΠ°Π²Π½ΠΎΡΡΠ΅ΠΉ ΠΈ ΡΠΏΠΎΡΠΎΠ±Π½ΡΠ΅ ΠΊ Π·Π°ΠΌΠ΅Π½Π΅ ΡΠ»Π΅ΠΌΠ΅Π½ΡΡ Π±ΠΎΠ»Π΅Π΅ ΠΏΠΎΠ΄ΡΠΎΠ±Π½ΠΎ.
ΠΠ°ΠΌΠ΅Π½Π° ΠΏΡΠ΅Π΄ΠΎΡ
ΡΠ°Π½ΠΈΡΠ΅Π»Ρ
ΠΡΠΎΠ²Π΅ΡΠΈΡΡ ΡΠ°Π±ΠΎΡΡ ΠΏΡΠ΅Π΄ΠΎΡ
ΡΠ°Π½ΠΈΡΠ΅Π»Ρ Π΄ΠΎΠ²ΠΎΠ»ΡΠ½ΠΎ ΠΏΡΠΎΡΡΠΎ. ΠΠ»Ρ ΡΡΠΎΠ³ΠΎ Π½ΡΠΆΠ½ΠΎ Π²ΠΊΠ»ΡΡΠΈΡΡ Π²Π΅Π½ΡΠΈΠ»ΡΡΠΎΡ ΠΎΡΠΎΠΏΠΈΡΠ΅Π»ΡΠ½ΠΎΠ³ΠΎ ΠΎΠ±ΠΎΡΡΠ΄ΠΎΠ²Π°Π½ΠΈΡ. ΠΡΠ»ΠΈ ΠΎΠ½ Π½Π΅ ΡΠ°Π±ΠΎΡΠ°Π΅Ρ, Π·Π½Π°ΡΠΈΡ, ΠΏΡΠΈΠΊΡΡΠΈΠ²Π°ΡΠ΅Π»Ρ Π½Π΅ ΡΠ°Π±ΠΎΡΠ°Π΅Ρ. ΠΡΠΎ ΠΏΠΎΡΠΎΠΌΡ, ΡΡΠΎ ΠΎΠ±Π° ΡΡΡΡΠΎΠΉΡΡΠ²Π° ΠΏΠΎΠ΄ΠΊΠ»ΡΡΠ΅Π½Ρ ΠΊ ΠΎΠ΄Π½ΠΎΠΌΡ ΠΏΡΠ΅Π΄ΠΎΡ
ΡΠ°Π½ΠΈΡΠ΅Π»Ρ.
ΠΠ»Π΅ΠΌΠ΅Π½Ρ Π·Π°ΠΌΠ΅Π½ΡΠ΅ΡΡΡ ΡΠ»Π΅Π΄ΡΡΡΠΈΠΌ ΠΎΠ±ΡΠ°Π·ΠΎΠΌ:
- Π‘Π½ΠΈΠΌΠΈΡΠ΅ ΠΊΡΡΡΠΊΡ ΠΌΠΎΠ½ΡΠ°ΠΆΠ½ΠΎΠ³ΠΎ Π±Π»ΠΎΠΊΠ°.ΠΠ»Ρ ΡΡΠΎΠ³ΠΎ Π΄ΠΎΡΡΠ°ΡΠΎΡΠ½ΠΎ Π½Π°ΠΆΠ°ΡΡ ΠΏΠ°Π»ΡΡΠ°ΠΌΠΈ Π½Π° ΡΠΏΠ΅ΡΠΈΠ°Π»ΡΠ½ΡΡ Π·Π°ΡΠ΅Π»ΠΊΡ;
- ΠΡΠΏΠΎΠ»ΡΠ·ΡΠΉΡΠ΅ ΠΏΠΈΠ½ΡΠ΅Ρ Π΄Π»Ρ ΡΠ΄Π°Π»Π΅Π½ΠΈΡ ΠΏΠ΅ΡΠ΅Π³ΠΎΡΠ΅Π²ΡΠ΅Π³ΠΎ ΠΏΡΠ΅Π΄ΠΎΡ
ΡΠ°Π½ΠΈΡΠ΅Π»Ρ;
- ΠΠ°ΠΌΠ΅Π½ΠΈΡΠ΅ Π½ΠΎΠ²ΡΠΉ ΡΠ»Π΅ΠΌΠ΅Π½Ρ ΡΠ°ΠΊΠΈΠΌ ΠΆΠ΅ ΠΎΠ±ΡΠ°Π·ΠΎΠΌ. Π‘Π½Π°ΡΠ°Π»Π° ΡΠ±Π΅Π΄ΠΈΡΠ΅ΡΡ, ΡΡΠΎ Π²Ρ ΠΊΡΠΏΠΈΠ»ΠΈ Π½ΡΠΆΠ½ΡΡ Π·Π°ΠΏΡΠ°ΡΡΡ, ΠΊΠΎΡΠΎΡΠ°Ρ ΡΠΎΠΎΡΠ²Π΅ΡΡΡΠ²ΡΠ΅Ρ ΡΠ΅Ρ
Π½ΠΈΡΠ΅ΡΠΊΠΈΠΌ Ρ
Π°ΡΠ°ΠΊΡΠ΅ΡΠΈΡΡΠΈΠΊΠ°ΠΌ Π²Π°ΡΠ΅Π³ΠΎ ΠΠΠ 2110.
ΠΠ»Π΅ΠΊΡΡΠΎΠΏΡΠΎΠ²ΠΎΠ΄ΠΊΠ°
ΠΡΠΈ ΠΈΡΠΏΡΠ°Π²Π½ΠΎΠΌ Π²Π΅Π½ΡΠΈΠ»ΡΡΠΎΡΠ΅ Π²ΠΈΠ΄Π½ΠΎ, ΡΡΠΎ ΠΏΡΠ΅Π΄ΠΎΡ
ΡΠ°Π½ΠΈΡΠ΅Π»Ρ ΡΠΎΠΆΠ΅ ΡΠ΅Π». ΠΠΎΡΡΠΎΠΌΡ Π·Π°ΠΌΠ΅Π½ΡΡΡ Π΅Π³ΠΎ Π½Π΅ Π½ΡΠΆΠ½ΠΎ.
ΠΠΌΠ΅ΡΡΠΎ ΡΡΠΎΠ³ΠΎ ΠΏΠΎΠΈΡΠΈΡΠ΅ ΠΏΡΠΈΡΠΈΠ½Ρ Π½Π΅ΠΈΡΠΏΡΠ°Π²Π½ΠΎΡΡΠΈ Π² ΠΏΡΠΎΠ²ΠΎΠ΄ΠΊΠ΅, ΡΠΎΠ΅Π΄ΠΈΠ½ΡΡΡΠ΅ΠΉ ΠΌΠΎΠ½ΡΠ°ΠΆΠ½ΡΠΉ Π±Π»ΠΎΠΊ ΠΈ ΠΏΡΠΈΠΊΡΡΠΈΠ²Π°ΡΠ΅Π»Ρ.
ΠΠ±ΡΠ·Π°ΡΠ΅Π»ΡΠ½ΠΎ Π½Π°Π΄Π΅Π½ΡΡΠ΅ ΡΠ΅Π·ΠΈΠ½ΠΎΠ²ΡΠ΅ ΠΏΠ΅ΡΡΠ°ΡΠΊΠΈ ΠΏΡΠΈ ΠΏΡΠΎΠ²Π΅ΡΠΊΠ΅ ΡΠ»Π΅ΠΊΡΡΠΈΡΠ΅ΡΠΊΠΎΠΉ ΡΠ΅ΠΏΠΈ, ΡΠ°ΠΊ ΠΊΠ°ΠΊ ΠΏΡΠΈ Π΄ΠΈΠ°Π³Π½ΠΎΡΡΠΈΠΊΠ΅ ΠΌΠΎΠΆΠ΅Ρ ΠΏΠΎΡΡΠ΅Π±ΠΎΠ²Π°ΡΡΡΡ ΠΈΡΠΏΠΎΠ»ΡΠ·ΠΎΠ²Π°Π½ΠΈΠ΅ ΠΌΠ΅ΡΠ°Π»Π»ΠΈΡΠ΅ΡΠΊΠΈΡ
ΠΈΠ½ΡΡΡΡΠΌΠ΅Π½ΡΠΎΠ².
ΠΠ°ΠΌΠΏΠ°
ΠΠ°ΠΌΠΏΠΎΡΠΊΠ° Π½Π° ΠΠΠ 2110 — ΡΡΠΎ ΡΠΎΠΆΠ΅ Π½Π΅ ΡΠ΅Π΄ΠΊΠ°Ρ ΠΏΡΠΎΠ±Π»Π΅ΠΌΠ° Π½Π΅ΠΈΡΠΏΡΠ°Π²Π½ΠΎΡΡΠΈ ΠΏΡΠΈΠ±ΠΎΡΠ°. ΠΠ»Ρ Π΅Π³ΠΎ Π·Π°ΠΌΠ΅Π½Ρ Π½Π΅ ΡΡΠ΅Π±ΡΠ΅ΡΡΡ ΡΠΏΠ΅ΡΠΈΠ°Π»ΡΠ½ΡΡ
Π½Π°Π²ΡΠΊΠΎΠ². ΠΡΠΎΡΡΠΎ Π²ΡΠΏΠΎΠ»Π½ΡΠΉΡΠ΅ ΡΠ°Π±ΠΎΡΡ Π² ΡΡΡΠΎΠ³ΠΎΠΉ ΠΏΠΎΡΠ»Π΅Π΄ΠΎΠ²Π°ΡΠ΅Π»ΡΠ½ΠΎΡΡΠΈ ΠΎΠΏΠ΅ΡΠ°ΡΠΈΠΉ, Π΄Π»Ρ Π½Π°Π³Π»ΡΠ΄Π½ΠΎΡΡΠΈ Π²Ρ ΠΌΠΎΠΆΠ΅ΡΠ΅ ΠΏΠΎΡΠΌΠΎΡΡΠ΅ΡΡ ΠΎΠ±ΡΡΠ°ΡΡΠ΅Π΅ Π²ΠΈΠ΄Π΅ΠΎ.
- ΠΡΡΠΎΠ΅Π΄ΠΈΠ½ΠΈΡΠ΅ ΠΎΡΡΠΈΡΠ°ΡΠ΅Π»ΡΠ½ΡΡ ΠΊΠ»Π΅ΠΌΠΌΡ ΠΎΡ Π°ΠΊΠΊΡΠΌΡΠ»ΡΡΠΎΡΠ½ΠΎΠΉ Π±Π°ΡΠ°ΡΠ΅ΠΈ, Π½Π°Ρ
ΠΎΠ΄ΡΡΠ΅ΠΉΡΡ Π² ΠΌΠΎΡΠΎΡΠ½ΠΎΠΌ ΠΎΡΡΠ΅ΠΊΠ΅ Π²Π°ΡΠ΅Π³ΠΎ Π°Π²ΡΠΎΠΌΠΎΠ±ΠΈΠ»Ρ.
- Π‘Π½ΡΡΡ Π½Π°ΠΊΠ»Π°Π΄ΠΊΡ.
- Π‘ΠΎΠΆΠΌΠΈΡΠ΅ ΡΠΊΡΠ°Π½ Π»Π°ΠΌΠΏΠΎΡΠΊΠΈ, ΡΡΠΎΠ±Ρ Π²ΡΡΡΡΠΏΡ Π²ΡΡΠ»ΠΈ ΠΈΠ· ΠΏΠ°Π·Π°.
- Π’Π΅ΠΏΠ΅ΡΡ ΡΠ»Π΅ΠΌΠ΅Π½Ρ Π½Π΅ΠΌΠ½ΠΎΠ³ΠΎ ΡΠ°Π·ΠΆΠΈΠΌΠ°Π΅ΡΡΡ, ΡΠ΅ΠΌ ΡΠ°ΠΌΡΠΌ ΡΠ΄Π°Π»ΡΠ΅ΡΡΡ Π²ΠΌΠ΅ΡΡΠ΅ Ρ ΠΊΠ°ΡΡΡΠΈΠ΄ΠΆΠ΅ΠΌ.
- ΠΠ°ΠΌΠΏΠ° ΠΏΠΎΠ²ΠΎΡΠ°ΡΠΈΠ²Π°Π΅ΡΡΡ Π½Π° 90 Π³ΡΠ°Π΄ΡΡΠΎΠ², ΠΏΠΎΡΠ»Π΅ ΡΠ΅Π³ΠΎ Π²ΡΠ½ΠΈΠΌΠ°Π΅ΡΡΡ ΠΈΠ· ΠΏΠ°ΡΡΠΎΠ½Π°.
- ΠΠΎΠΎΡΡΠΆΠΈΡΠ΅ΡΡ Π½ΠΎΠ²ΠΎΠΉ Π»Π°ΠΌΠΏΠΎΠΉ, Π²ΡΡΠ°Π²ΡΡΠ΅ Π΅Π΅ Π² ΠΏΠ°ΡΡΠΎΠ½ ΠΈ ΡΠ»Π΅Π΄ΡΠΉΡΠ΅ ΠΏΡΠΎΡΠ΅Π΄ΡΡΠ΅ ΡΠ±ΠΎΡΠΊΠΈ. ΠΠ½ ΠΏΠΎΠ»Π½ΠΎΡΡΡΡ ΡΠΎΠΎΡΠ²Π΅ΡΡΡΠ²ΡΠ΅Ρ ΠΎΠ±ΡΠ°ΡΠ½ΠΎΠΉ ΠΏΠΎΡΠ»Π΅Π΄ΠΎΠ²Π°ΡΠ΅Π»ΡΠ½ΠΎΡΡΠΈ Π΄Π΅ΠΌΠΎΠ½ΡΠ°ΠΆΠ°.
- ΠΠ»Ρ Π·Π°ΠΌΠ΅Π½Ρ ΠΏΠΎΠ΄ΡΠ²Π΅ΡΠΊΠΈ Π² ΡΠ²Π΅ΡΠ΅ ΠΠΠ 2110 ΠΎΠ±ΡΠ·Π°ΡΠ΅Π»ΡΠ½ΠΎ ΠΈΡΠΏΠΎΠ»ΡΠ·ΡΡΡΡΡ ΠΏΡΠΈΠ±ΠΎΡΡ Π 12-4.
ΠΠ°ΠΌΠ΅Π½Π° ΠΏΡΠΈΠΊΡΡΠΈΠ²Π°ΡΠ΅Π»Ρ
ΠΡΠ»ΠΈ Π²ΡΠ΅ ΠΏΡΠ΅Π΄ΡΠ΄ΡΡΠΈΠ΅ ΡΠ°Π³ΠΈ ΠΏΠΎ ΡΡΡΡΠ°Π½Π΅Π½ΠΈΡ Π½Π΅ΠΏΠΎΠ»Π°Π΄ΠΎΠΊ Π½Π΅ Π΄Π°Π»ΠΈ ΠΏΠΎΠ»ΠΎΠΆΠΈΡΠ΅Π»ΡΠ½ΠΎΠ³ΠΎ ΡΠ΅Π·ΡΠ»ΡΡΠ°ΡΠ°, Π½ΠΈΡΠ΅Π³ΠΎ Π½Π΅ ΠΎΡΡΠ°Π΅ΡΡΡ, ΠΊΡΠΎΠΌΠ΅ ΠΊΠ°ΠΊ ΠΏΠΎΠ»Π½ΠΎΡΡΡΡ ΡΠ΄Π°Π»ΠΈΡΡ ΠΈ Π·Π°ΠΌΠ΅Π½ΠΈΡΡ ΡΡΠ°ΡΡΠΉ ΠΏΡΠΈΠΊΡΡΠΈΠ²Π°ΡΠ΅Π»Ρ Π½Π° Π½ΠΎΠ²ΡΠΉ.
- ΠΡΡΠΎΠ΅Π΄ΠΈΠ½ΠΈΡΠ΅ ΠΎΡΡΠΈΡΠ°ΡΠ΅Π»ΡΠ½ΡΡ ΠΊΠ»Π΅ΠΌΠΌΡ ΠΎΡ Π°ΠΊΠΊΡΠΌΡΠ»ΡΡΠΎΡΠ½ΠΎΠΉ Π±Π°ΡΠ°ΡΠ΅ΠΈ.
- Π‘Π½ΡΡΡ Π½Π°ΠΊΠ»Π°Π΄ΠΊΡ.
- Π‘Π½ΠΈΠΌΠΈΡΠ΅ ΠΊΠ°ΡΡΡΠΈΠ΄ΠΆ.
- Π ΠΎΠ±Π»ΠΈΡΠΎΠ²ΠΊΠ΅ ΠΎΠ±ΡΠ°Π·ΠΎΠ²Π°Π½ΠΎ ΠΎΡΠ²Π΅ΡΡΡΠΈΠ΅, ΡΠ΅ΡΠ΅Π· ΠΊΠΎΡΠΎΡΠΎΠ΅ Π²ΡΠ²ΠΎΠ΄ΠΈΡΡΡ ΠΊΠΎΠ»ΠΎΠ΄ΠΊΠ° Ρ ΠΏΡΠΎΠ²ΠΎΠ΄Π°ΠΌΠΈ.
- Π‘ΠΎΠΆΠΌΠΈΡΠ΅ ΡΠΊΡΠ°Π½ ΡΠ°ΠΊ, ΡΡΠΎΠ±Ρ Π²ΡΡΡΡΠΏΡ Π²ΡΡΠ»ΠΈ ΠΈΠ· ΠΎΡΠ²Π΅ΡΡΡΠΈΠΉ Π² Π²ΠΎΠ»ΠΎΠΊΠ½Π΅.ΠΡΠΊΠ»ΡΡΠΈΡΠ΅ ΡΠ»Π΅ΠΌΠ΅Π½Ρ.
- Π’Π΅ΠΏΠ΅ΡΡ Π²Π°ΠΌ Π½ΡΠΆΠ½ΠΎ ΠΎΡΠΊΠ»ΡΡΠΈΡΡ ΡΡΡΡΠΎΠΉΡΡΠ²ΠΎ ΠΎΡ ΡΠΎΠ΅Π΄ΠΈΠ½Π΅Π½ΠΈΡ Ρ ΠΎΠΏΡΠΎΠ²ΠΎΠ»ΠΎΠΊΠ½ΠΎΠΌ. ΠΠ»Ρ ΡΡΠΎΠ³ΠΎ Π΄ΠΎΡΡΠ°ΡΠΎΡΠ½ΠΎ Π½Π°ΠΆΠ°ΡΡ Π½Π° Π·Π°ΡΠ΅Π»ΠΊΠΈ ΡΠΎΠ·Π΅ΡΠΊΠΈ.
- ΠΠ°Π»Π΅Π΅ ΡΠ½ΠΈΠΌΠ°Π΅ΠΌ Π³Π½Π΅Π·Π΄ΠΎ, Π²ΡΡΠ°Π»ΠΊΠΈΠ²Π°Ρ Π΅Π³ΠΎ ΠΈΠ· ΠΎΠ±Π»ΠΈΡΠΎΠ²ΠΊΠΈ ΡΡΠ½Π½Π΅Π»Ρ ΠΏΠΎΠ»Π°. Π’Π°ΠΊΠΈΠΌ ΠΎΠ±ΡΠ°Π·ΠΎΠΌ, Π²Ρ ΠΌΠΎΠΆΠ΅ΡΠ΅ ΡΠ΄Π°Π»ΠΈΡΡ ΡΡΡΡΠΎΠΉΡΡΠ²ΠΎ.
- Π‘Π»Π΅Π΄ΡΡΡΠΈΠΌ ΡΠ°Π³ΠΎΠΌ Π±ΡΠ΄Π΅Ρ ΡΠ½ΡΡΠΈΠ΅ Π³Π½Π΅Π·Π΄Π°. ΠΠ»Ρ ΡΡΠΎΠ³ΠΎ Π΅Π³ΠΎ ΠΏΡΠΎΠ²ΠΎΠ΄ΡΡ ΡΠ΅ΡΠ΅Π· ΠΏΡΠΎΠ΅ΠΌ Ρ Π±Π»ΠΎΠΊΠΎΠΌ ΠΏΡΠΎΠ²ΠΎΠ΄ΠΎΠ².
- Π Π½ΠΎΡΠΌΠ°Π»ΡΠ½ΠΎΠΌ ΡΠΎΡΡΠΎΡΠ½ΠΈΠΈ Π·ΠΌΠ΅Π΅Π²ΠΈΠΊ Π΄ΠΎΠ»ΠΆΠ΅Π½ ΠΏΡΠΎΠ³ΡΠ΅ΡΡΡΡ Π² ΡΠ΅ΡΠ΅Π½ΠΈΠ΅ 20 ΡΠ΅ΠΊΡΠ½Π΄. ΠΠΎΡΠ»Π΅ ΡΡΠΎΠ³ΠΎ ΠΎΠ½Π° ΡΠ΅Π»ΠΊΠ°Π΅Ρ ΠΈ ΠΊΠ°ΡΡΡΠΈΠ΄ΠΆ Π²ΠΎΠ·Π²ΡΠ°ΡΠ°Π΅ΡΡΡ Π½Π° ΠΌΠ΅ΡΡΠΎ.ΠΡΠ»ΠΈ ΡΡΠΎΡ ΠΏΡΠΎΡΠ΅ΡΡ Π·Π°Π½ΠΈΠΌΠ°Π΅Ρ Π±ΠΎΠ»ΡΡΠ΅ ΠΈΠ»ΠΈ ΠΌΠ΅Π½ΡΡΠ΅ Π²ΡΠ΅ΠΌΠ΅Π½ΠΈ, ΠΎΠ±ΡΠ·Π°ΡΠ΅Π»ΡΠ½ΠΎ ΠΎΡΡΠ΅Π³ΡΠ»ΠΈΡΡΠΉΡΠ΅ ΠΏΡΠΈΠΊΡΡΠΈΠ²Π°ΡΠ΅Π»Ρ.
- Π Π΅Π³ΡΠ»ΠΈΡΠΎΠ²ΠΊΠ° Π΄ΠΎΠ²ΠΎΠ»ΡΠ½ΠΎ ΠΏΡΠΎΡΡΠ°. ΠΡΠΎΡΡΠΎ Π½ΡΠΆΠ½ΠΎ Π±ΠΎΠ»ΡΡΠ΅ Π³Π½ΡΡΡ ΠΈΠ»ΠΈ ΡΠ°Π·Π³ΠΈΠ±Π°ΡΡ ΠΊΠΎΠ½ΡΠ°ΠΊΡΡ.
- Π’Π΅ΠΏΠ΅ΡΡ Π²Ρ ΠΌΠΎΠΆΠ΅ΡΠ΅ ΡΠ½ΡΡΡ ΡΠ²Π΅ΡΠΎΠ²ΠΎΠ΄ Ρ Π½Π°ΠΊΠ»Π°Π΄ΠΊΠΈ.
- ΠΠ°ΠΌ ΠΏΡΠΎΡΡΠΎ Π½ΡΠΆΠ½ΠΎ Π²ΡΠΏΠΎΠ»Π½ΠΈΡΡ ΠΏΡΠΎΡΠ΅Π΄ΡΡΡ ΠΏΠΎΠ²ΡΠΎΡΠ½ΠΎΠΉ ΡΠ±ΠΎΡΠΊΠΈ, ΠΏΡΠΈΠΌΠ΅Π½ΠΈΠ² Π½Π° ΡΡΠΎΡ ΡΠ°Π· Π½ΠΎΠ²ΡΠΉ ΠΏΡΠΈΠΊΡΡΠΈΠ²Π°ΡΠ΅Π»Ρ. ΠΡ ΡΠΆΠ΅ Π·Π½Π°Π΅ΡΠ΅, ΠΊΠ°ΠΊ Π΅Π³ΠΎ ΡΠ΄Π°Π»ΠΈΡΡ, ΠΏΠΎΡΡΠΎΠΌΡ ΠΏΡΠΎΠ±Π»Π΅ΠΌ Ρ ΠΎΠ±ΡΠ°ΡΠ½ΠΎΠΉ ΡΡΡΠ°Π½ΠΎΠ²ΠΊΠΎΠΉ Π±ΡΡΡ Π½Π΅ Π΄ΠΎΠ»ΠΆΠ½ΠΎ.
ΠΡΠΎΡΠ΅Π΄ΡΡΠ° Π·Π°ΠΌΠ΅Π½Ρ Π½Π΅ Π·Π°Π½ΠΈΠΌΠ°Π΅Ρ ΠΌΠ½ΠΎΠ³ΠΎ Π²ΡΠ΅ΠΌΠ΅Π½ΠΈ, Π½Π΅ ΡΡΠ΅Π±ΡΠ΅Ρ Π±ΠΎΠ»ΡΡΠΈΡ
ΡΡΠΈΠ»ΠΈΠΉ.ΠΡΠ΅ ΡΡΠΎ Π»Π΅Π³ΠΊΠΎ ΡΠ΄Π΅Π»Π°ΡΡ ΡΠ²ΠΎΠΈΠΌΠΈ ΡΡΠΊΠ°ΠΌΠΈ, Π΅ΡΠ»ΠΈ Π·Π½Π°ΡΡ ΡΡ
Π΅ΠΌΡ ΠΏΠΎΠ΄ΠΊΠ»ΡΡΠ΅Π½ΠΈΡ, ΡΠ°ΡΠΏΠΎΠ»ΠΎΠΆΠ΅Π½ΠΈΠ΅ ΠΌΠΎΠ½ΡΠ°ΠΆΠ½ΠΎΠ³ΠΎ Π±Π»ΠΎΠΊΠ° ΠΈ ΡΠ»Π΅ΠΌΠ΅Π½ΡΠ°ΡΠ½ΡΠ΅ ΠΌΠ΅ΡΡ Π±Π΅Π·ΠΎΠΏΠ°ΡΠ½ΠΎΡΡΠΈ ΠΏΡΠΈ ΡΠ°Π±ΠΎΡΠ΅ Ρ ΡΠ»Π΅ΠΊΡΡΠΈΡΠ΅ΡΠΊΠΈΠΌΠΈ ΠΏΡΠΈΠ±ΠΎΡΠ°ΠΌΠΈ.
ΠΠΎΠΏΠΎΠ»Π½ΠΈΡΠ΅Π»ΡΠ½ΡΠΉ ΡΠ²Π΅Ρ
ΠΠ½ΠΎΠ³ΠΈΠ΅ ΡΠΎΠ²ΡΠ΅ΠΌΠ΅Π½Π½ΡΠ΅ Π°Π²ΡΠΎΠΌΠΎΠ±ΠΈΠ»ΠΈΡΡΡ ΡΡΡΠ΅ΠΌΡΡΡΡ ΡΠ»ΡΡΡΠΈΡΡ ΡΠΎΠ±ΡΡΠ²Π΅Π½Π½ΡΡ ΠΌΠ°ΡΠΈΠ½Ρ, ΡΠ΄Π΅Π»Π°ΡΡ Π΅Π΅ Π±ΠΎΠ»Π΅Π΅ ΡΡΠ½ΠΊΡΠΈΠΎΠ½Π°Π»ΡΠ½ΠΎΠΉ, ΠΌΠ½ΠΎΠ³ΠΎΠ·Π°Π΄Π°ΡΠ½ΠΎΠΉ.
ΠΡΠΎ ΡΡΠ΅Π±ΡΠ΅Ρ ΠΏΠΎΠ΄ΠΊΠ»ΡΡΠ΅Π½ΠΈΡ Π΄ΠΎΠΏΠΎΠ»Π½ΠΈΡΠ΅Π»ΡΠ½ΠΎΠ³ΠΎ ΡΠ½Π΅ΡΠ³ΠΎΠ·Π°Π²ΠΈΡΠΈΠΌΠΎΠ³ΠΎ ΠΎΠ±ΠΎΡΡΠ΄ΠΎΠ²Π°Π½ΠΈΡ. ΠΠΈΡΠ°Π΅ΡΡΡ ΠΎΠ½ ΠΈΠΌΠ΅Π½Π½ΠΎ ΠΎΡ ΡΠ²Π΅ΡΠ°, ΠΏΠΎΡΡΠΎΠΌΡ ΠΌΠ½ΠΎΠ³ΠΈΠ΅ ΡΠ΅ΡΠ°ΡΡ Π΄ΠΎΡΠ°Π±ΠΎΡΠ°ΡΡ ΡΡΠΎΡ ΡΠ·Π΅Π».
ΠΠ°ΠΌΠ½ΠΎΠ³ΠΎ Π»ΡΡΡΠ΅ ΠΏΠΎΠ΄ΠΊΠ»ΡΡΠΈΡΡ Π²ΡΠΎΡΠΎΠ΅ ΡΡΡΡΠΎΠΉΡΡΠ²ΠΎ.ΠΠ΄Π΅ΡΡ ΠΌΠΎΠΆΠ½ΠΎ Π΄Π΅ΠΉΡΡΠ²ΠΎΠ²Π°ΡΡ Π΄Π²ΡΠΌΡ ΡΠΏΠΎΡΠΎΠ±Π°ΠΌΠΈ:
- ΠΠΎΠ΄ΠΊΠ»ΡΡΠΈΡΡ Π΅Π²ΡΠΎ ΠΏΡΠΈΠΊΡΡΠΈΠ²Π°ΡΠ΅Π»Ρ ΠΏΠ°ΡΠ°Π»Π»Π΅Π»ΡΠ½ΠΎ ΡΠ°Π±ΡΠΈΠΊΠ΅;
- ΠΠΎΠ΄ΠΊΠ»ΡΡΠΈΡΡ Π½Π°ΠΏΡΡΠΌΡΡ ΠΎΡ Π°ΠΊΠΊΡΠΌΡΠ»ΡΡΠΎΡΠ° Ρ ΠΏΠΎΠΌΠΎΡΡΡ ΠΎΡΠ΄Π΅Π»ΡΠ½ΠΎΠ³ΠΎ ΠΏΡΠΎΠ²ΠΎΠ΄Π° ΠΈ ΠΏΡΠ΅Π΄ΠΎΡ
ΡΠ°Π½ΠΈΡΠ΅Π»Ρ Π½Π° 15 Π°ΠΌΠΏΠ΅Ρ.
ΠΠ΅ ΡΠ°Π±ΠΎΡΠ°Π΅Ρ ΠΏΡΠΈΠΊΡΡΠΈΠ²Π°ΡΠ΅Π»Ρ. ΠΠΎΠ·ΠΌΠΎΠΆΠ½ΡΠ΅ ΠΏΡΠΈΡΠΈΠ½Ρ ΠΈ ΠΈΡ
ΡΡΡΡΠ°Π½Π΅Π½ΠΈΠ΅. ΠΠ΅ΡΠ΅ΡΡΠ°Π» ΡΠ°Π±ΠΎΡΠ°ΡΡ ΠΏΡΠΈΠΊΡΡΠΈΠ²Π°ΡΠ΅Π»Ρ Π² ΠΌΠ°ΡΠΈΠ½Π΅
ΠΡΠΎ ΡΡΡΡΠΎΠΉΡΡΠ²ΠΎ ΡΠ΅Π΄ΠΊΠΎ ΠΈΡΠΏΠΎΠ»ΡΠ·ΡΠ΅ΡΡΡ Π² Π°Π²ΡΠΎΠΌΠΎΠ±ΠΈΠ»Π΅ ΠΏΠΎ ΠΏΡΡΠΌΠΎΠΌΡ Π½Π°Π·Π½Π°ΡΠ΅Π½ΠΈΡ, Π΄Π»Ρ ΠΏΡΠΈΠΊΡΡΠΈΠ²Π°Π½ΠΈΡ ΡΠΈΠ³Π°ΡΠ΅Ρ. ΠΠ΄Π½Π°ΠΊΠΎ ΠΎΠ½ ΠΏΠΎΠΏΡΠ»ΡΡΠ΅Π½ Π΄Π°ΠΆΠ΅ Ρ Π½Π΅ΠΊΡΡΡΡΠΈΡ
Π²ΠΎΠ΄ΠΈΡΠ΅Π»Π΅ΠΉ.ΠΡΡΠ³ΠΈΠ΅ ΡΡΡΡΠΎΠΉΡΡΠ²Π° ΠΌΠΎΠ³ΡΡ ΡΠ°Π±ΠΎΡΠ°ΡΡ ΠΎΡ ΡΠΎΠ·Π΅ΡΠΊΠΈ ΠΏΡΠΈΠΊΡΡΠΈΠ²Π°ΡΠ΅Π»Ρ. Π§Π°ΡΠ΅ Π²ΡΠ΅Π³ΠΎ ΠΏΠΎΠ΄ΠΊΠ»ΡΡΠ°ΡΡΡΡ ΠΊ ΡΠΎΠ·Π΅ΡΠΊΠ΅:
- Π²ΠΈΠ΄Π΅ΠΎΡΠ΅Π³ΠΈΡΡΡΠ°ΡΠΎΡ Π΄Π»Ρ Π·Π°ΠΏΠΈΡΠΈ Π΄Π²ΠΈΠΆΠ΅Π½ΠΈΡ;
- Π²Π΅Π½ΡΠΈΠ»ΡΡΠΎΡ;
- Π΄ΠΎΠΏΠΎΠ»Π½ΠΈΡΠ΅Π»ΡΠ½ΡΠΉ power bank Π΄Π»Ρ ΠΏΠΈΡΠ°Π½ΠΈΡ ΡΠ΅Π»Π΅ΡΠΎΠ½Π°, ΠΏΠ»Π°Π½ΡΠ΅ΡΠ° ΠΈΠ»ΠΈ Π½ΠΎΡΡΠ±ΡΠΊΠ°, Π·Π°ΡΡΠ΄Π½ΠΎΠ΅ ΡΡΡΡΠΎΠΉΡΡΠ²ΠΎ Π΄Π»Ρ ΡΡΠΈΡ
ΡΡΡΡΠΎΠΉΡΡΠ²;
ΠΠ°Π²ΠΈΠ³Π°ΡΠΈΠΎΠ½Π½Π°Ρ ΡΠΈΡΡΠ΅ΠΌΠ°- ;
- ΠΊΠΎΠΌΠΏΡΠ΅ΡΡΠΎΡ Π΄Π»Ρ Π½Π°ΠΊΠ°ΡΠΊΠΈ ΡΠΈΠ½.
ΠΠΎΡΡΠΎΠΌΡ Π²ΡΡ
ΠΎΠ΄ ΠΈΠ· ΡΡΡΠΎΡ Π΄Π΅ΡΠ°Π»ΠΈ ΠΈΠ»ΠΈ ΠΏΡΠ΅Π΄ΠΎΡ
ΡΠ°Π½ΠΈΡΠ΅Π»Ρ ΡΡΠ΅Π²Π°Ρ ΠΌΠ°ΡΡΠΎΠΉ Π½Π΅ΡΠ΄ΠΎΠ±ΡΡΠ² Π΄Π»Ρ Π²Π»Π°Π΄Π΅Π»ΡΡΠ° Π°Π²ΡΠΎΠΌΠ°ΡΠ°.Π ΡΠΎΠΌ, ΠΏΠΎΡΠ΅ΠΌΡ Π² ΠΌΠΎΠ΄Π΅Π»ΠΈ ΠΠΠ 2110 Π½Π΅ ΡΠ°Π±ΠΎΡΠ°Π΅Ρ ΠΏΡΠΈΠΊΡΡΠΈΠ²Π°ΡΠ΅Π»Ρ, ΠΊΠ°ΠΊ ΡΡΠΎ ΠΏΡΠΎΠ²Π΅ΡΠΈΡΡ, Π²ΡΡΡΠ½ΠΈΡΡ ΠΏΡΠΈΡΠΈΠ½Ρ ΠΏΠΎΠ»ΠΎΠΌΠΊΠΈ ΠΈ ΠΏΡΠΎΠ²Π΅ΡΡΠΈ ΡΠ΅ΠΌΠΎΠ½Ρ — ΡΠΈΡΠ°ΠΉΡΠ΅ Π² ΡΡΠ°ΡΡΠ΅.
Π‘Ρ
Π΅ΠΌΠ° ΠΏΡΠΈΠΊΡΡΠΈΠ²Π°ΡΠ΅Π»Ρ ΠΠΠ 2110
ΠΠΈΡΠ°Π½ΠΈΠ΅ ΡΡΡΡΠΎΠΉΡΡΠ²Π° ΠΎΡΡΡΠ΅ΡΡΠ²Π»ΡΠ΅ΡΡΡ ΠΎΡ Π°Π²ΡΠΎΠΌΠΎΠ±ΠΈΠ»ΡΠ½ΠΎΠΉ ΠΏΡΠΎΠ²ΠΎΠ΄ΠΊΠΈ. Π‘Ρ
Π΅ΠΌΠ° ΠΏΠΎΠ΄ΠΊΠ»ΡΡΠ΅Π½ΠΈΡ ΠΏΡΠΈΠΊΡΡΠΈΠ²Π°ΡΠ΅Π»Ρ ΠΠΠ 2110 ΠΏΡΠ΅Π΄ΡΡΠ°Π²Π»Π΅Π½Π° ββΠ½Π° ΡΠΎΡΠΎ. Π Π°ΡΠΏΠΈΠ½ΠΎΠ²ΠΊΠ° ΡΡΡΡΠΎΠΉΡΡΠ²Π° ΡΠ»Π΅Π΄ΡΡΡΠ°Ρ: ΠΊ ΡΡΡΡΠΎΠΉΡΡΠ²Ρ ΠΈΠ΄ΡΡ ΡΡΠΈ ΠΏΡΠΎΠ²ΠΎΠ΄Π° — Π΄Π²Π° ΠΏΠΎΠ»ΠΎΠΆΠΈΡΠ΅Π»ΡΠ½ΡΡ
ΠΈ ΠΎΠ΄ΠΈΠ½ ΠΎΡΡΠΈΡΠ°ΡΠ΅Π»ΡΠ½ΡΠΉ.
- ΠΡΠ°ΡΠ½ΡΠΉ, ΠΏΠ»ΡΡ — ΠΏΠΎΠ΄ΠΊΠ»ΡΡΠ΅Π½ ΠΊ Π°ΠΊΠΊΡΠΌΡΠ»ΡΡΠΎΡΡ ΠΏΡΠΈΠΊΡΡΠΈΠ²Π°ΡΠ΅Π»Ρ ΡΠ΅ΡΠ΅Π· ΠΏΡΠ΅Π΄ΠΎΡ
ΡΠ°Π½ΠΈΡΠ΅Π»Ρ F18.Π‘ΠΈΠ»Π° ΡΠΎΠΊΠ° ΡΡ
Π΅ΠΌΡ ΡΠΎΡΡΠ°Π²Π»ΡΠ΅Ρ 25 Π°ΠΌΠΏΠ΅Ρ, ΠΈ ΠΏΡΠΈ ΠΏΡΠ΅Π²ΡΡΠ΅Π½ΠΈΠΈ ΡΡΠΎΠ³ΠΎ ΠΏΠ°ΡΠ°ΠΌΠ΅ΡΡΠ° ΠΏΡΠΎΠΈΡΡ
ΠΎΠ΄ΠΈΡ ΡΠ³ΠΎΡΠ°Π½ΠΈΠ΅ Π·Π°ΡΠΈΡΠ½ΠΎΠ³ΠΎ ΡΠ»Π΅ΠΌΠ΅Π½ΡΠ°.
- ΠΠ΅Π»ΡΡΠΉ. ΠΠ»ΡΡΠΎΠ²ΠΎΠΉ ΠΏΡΠΎΠ²ΠΎΠ΄ ΠΎΡΠ²Π΅ΡΠ°ΡΡΠΈΠΉ Π·Π° Π»Π°ΠΌΠΏΡ ΠΏΠΎΠ΄ΡΠ²Π΅ΡΠΊΠΈ ΠΏΡΠΈΠΊΡΡΠΈΠ²Π°ΡΠ΅Π»Ρ.
- Π§Π΅ΡΠ½ΡΠΉ, ΠΎΡΡΠΈΡΠ°ΡΠ΅Π»ΡΠ½ΡΠΉ. ΠΠΎΡ
ΠΎΠ΄ΠΈΡ Π΄ΠΎ ΠΊΠΎΡΠΏΡΡΠ° ΠΏΡΠΈΠΊΡΡΠΈΠ²Π°ΡΠ΅Π»Ρ, Π° Π²ΡΠΎΡΡΠΌ ΠΊΠΎΠ½ΡΠΎΠΌ ΠΈΠ΄Π΅Ρ ΠΌΠ°ΡΡΠ°, ΠΏΡΠΎΡ
ΠΎΠ΄ΡΡΠ°Ρ ΡΠ΅ΡΠ΅Π· ΠΊΡΠ·ΠΎΠ² Π°Π²ΡΠΎΠΌΠΎΠ±ΠΈΠ»Ρ.
ΠΡΠΈΠ½ΡΠΈΠΏ ΡΠ°Π±ΠΎΡΡ ΠΏΡΠΈΠ±ΠΎΡΠ°
ΠΠΎΠ½ΡΡΡΡΠΊΡΠΈΡ ΡΡΡΡΠΎΠΉΡΡΠ²Π° Π½Π° ΠΠΠ 2110 ΠΏΡΠΎΡΡΠ°. ΠΠ½ΡΡΡΠΈ ΠΌΠ΅ΡΠ°Π»Π»ΠΈΡΠ΅ΡΠΊΠΎΠ³ΠΎ ΠΊΠ°ΡΡΡΠΈΠ΄ΠΆΠ° Π½Π°Ρ
ΠΎΠ΄ΠΈΡΡΡ Π½ΠΈΡ
ΡΠΎΠΌΠΎΠ²Π°Ρ ΡΠΏΠΈΡΠ°Π»Ρ, ΠΊΠΎΡΠΎΡΠ°Ρ ΠΌΠΎΠΆΠ΅Ρ Π½Π°Π³ΡΠ΅Π²Π°ΡΡΡΡ, ΠΈ ΠΏΠΎΠ΄ΡΠ²Π΅ΡΠΊΠ°.ΠΠ°ΡΡΡΠΈΠ΄ΠΆ Π²ΡΡΠ°Π²Π»ΡΠ΅ΡΡΡ Π² Π³Π½Π΅Π·Π΄ΠΎ ΠΏΡΠΈΠΊΡΡΠΈΠ²Π°ΡΠ΅Π»Ρ, ΡΠ°ΡΠΏΠΎΠ»ΠΎΠΆΠ΅Π½Π½ΠΎΠ΅ Π² ΡΠ°Π·Π½ΡΡ
ΠΌΠ΅ΡΡΠ°Ρ
ΡΠ°Π»ΠΎΠ½Π°. ΠΡΠΈ Π½Π°ΠΆΠ°ΡΠΈΠΈ Π½Π° ΡΡΡΠΊΡ ΠΊΠΎΠ½ΡΠ°ΠΊΡΡ Π·Π°ΠΌΡΠΊΠ°ΡΡΡΡ, Π² ΡΠ΅Π·ΡΠ»ΡΡΠ°ΡΠ΅ ΡΠ΅Π³ΠΎ ΡΠΏΠΈΡΠ°Π»Ρ Π½Π°ΡΠΈΠ½Π°Π΅Ρ Π½Π°Π³ΡΠ΅Π²Π°ΡΡΡΡ. ΠΠΎΡΠ»Π΅ ΡΠΎΠ³ΠΎ, ΠΊΠ°ΠΊ Π½Π°Π³ΡΠ΅Π² Π΄ΠΎΡΡΠΈΠ³Π½Π΅Ρ ΠΌΠ°ΠΊΡΠΈΠΌΠ°Π»ΡΠ½ΠΎΠΉ ΡΠΎΡΠΊΠΈ, ΡΡΠ°Π±Π°ΡΡΠ²Π°Π΅Ρ ΡΠ΅ΠΏΠ»ΠΎΠ²ΠΎΠ΅ ΡΠ΅Π»Π΅, ΠΈ ΡΡΡΡΠΎΠΉΡΡΠ²ΠΎ Π²ΠΎΠ·Π²ΡΠ°ΡΠ°Π΅ΡΡΡ Π² ΠΈΡΡ
ΠΎΠ΄Π½ΠΎΠ΅ ΠΏΠΎΠ»ΠΎΠΆΠ΅Π½ΠΈΠ΅.
ΠΠ΅ ΡΠ°Π±ΠΎΡΠ°Π΅Ρ ΠΏΡΠΈΠΊΡΡΠΈΠ²Π°ΡΠ΅Π»Ρ ΠΠΠ 2110: ΠΏΡΠΈΡΠΈΠ½Ρ
Π‘ΠΎ Π²ΡΠ΅ΠΌΠ΅Π½Π΅ΠΌ Π»ΡΠ±Π°Ρ Π΄Π΅ΡΠ°Π»Ρ ΠΌΠΎΠΆΠ΅Ρ Π²ΡΠΉΡΠΈ ΠΈΠ· ΡΡΡΠΎΡ. ΠΠ΅ΡΠ΅Π΄ ΡΠ΅ΠΌ ΠΊΠ°ΠΊ ΠΏΠΎΠΌΠ΅Π½ΡΡΡ Π΅Π³ΠΎ Π½Π° Π½ΠΎΠ²ΡΠΉ ΠΈΠ»ΠΈ ΠΎΡΡΠ΅ΠΌΠΎΠ½ΡΠΈΡΠΎΠ²Π°ΡΡ ΡΠ°ΠΌΠΎΡΡΠΎΡΡΠ΅Π»ΡΠ½ΠΎ, ΡΠ»Π΅Π΄ΡΠ΅Ρ ΡΠ°Π·ΠΎΠ±ΡΠ°ΡΡΡΡ Π² ΠΏΡΠΈΡΠΈΠ½Π°Ρ
, ΠΏΠΎ ΠΊΠΎΡΠΎΡΡΠΌ Π½Π΅ ΡΠ°Π±ΠΎΡΠ°Π΅Ρ ΠΏΡΠΈΠΊΡΡΠΈΠ²Π°ΡΠ΅Π»Ρ ΠΠΠ 2110 ΠΈΠ»ΠΈ Π΅Π³ΠΎ ΠΏΠΎΠ΄ΡΠ²Π΅ΡΠΊΠ°.Π‘ΠΏΠΈΡΠΎΠΊ Π½Π°ΠΈΠ±ΠΎΠ»Π΅Π΅ ΡΠ°ΡΡΡΡ
Π½Π΅ΠΈΡΠΏΡΠ°Π²Π½ΠΎΡΡΠ΅ΠΉ Ρ ΠΌΠ΅ΡΠΎΠ΄Π°ΠΌΠΈ ΠΈΡ
ΡΡΡΡΠ°Π½Π΅Π½ΠΈΡ ΠΏΡΠ΅Π΄ΡΡΠ°Π²Π»Π΅Π½ Π½ΠΈΠΆΠ΅.
ΠΠ΅ΡΠ΅Π³ΠΎΡΠ΅Π» ΠΏΡΠ΅Π΄ΠΎΡ
ΡΠ°Π½ΠΈΡΠ΅Π»Ρ
ΠΠ΄Π½Π° ΠΈΠ· ΡΠ°ΡΡΡΡ
Π½Π΅ΠΈΡΠΏΡΠ°Π²Π½ΠΎΡΡΠ΅ΠΉ ΠΏΡΠΈΠΊΡΡΠΈΠ²Π°ΡΠ΅Π»Ρ — ΡΡΠΎ ΠΈΡΠΏΠΎΠ»ΡΠ·ΠΎΠ²Π°Π½Π½ΡΠΉ Π·Π°ΡΠΈΡΠ½ΡΠΉ ΡΠ»Π΅ΠΌΠ΅Π½Ρ. Π‘ΠΈΠ»Π° ΡΠΎΠΊΠ° ΡΠ΅ΠΏΠΈ Π΄Π»Ρ Π½ΠΎΡΠΌΠ°Π»ΡΠ½ΠΎΠΉ ΡΠ°Π±ΠΎΡΡ ΠΏΡΠ΅Π΄ΠΎΡ
ΡΠ°Π½ΠΈΡΠ΅Π»Ρ Π½Π΅ Π΄ΠΎΠ»ΠΆΠ½Π° ΠΏΡΠ΅Π²ΡΡΠ°ΡΡ 25 Π°ΠΌΠΏΠ΅Ρ. Π’Π°ΠΊΠΎΠΉ ΠΏΡΠ΅Π΄ΠΎΡ
ΡΠ°Π½ΠΈΡΠ΅Π»Ρ Π΅ΡΡΡ Π² ΠΌΠΎΠ½ΡΠ°ΠΆΠ½ΠΎΠΌ Π±Π»ΠΎΠΊΠ΅.
ΠΡΠΈ ΠΏΠΎΠ΄ΠΊΠ»ΡΡΠ΅Π½ΠΈΠΈ ΠΎΠ΄Π½ΠΎΠ³ΠΎ ΠΈΠ»ΠΈ Π½Π΅ΡΠΊΠΎΠ»ΡΠΊΠΈΡ
ΠΌΠΎΡΠ½ΡΡ
ΡΡΡΡΠΎΠΉΡΡΠ² ΠΊ ΡΠΎΠ·Π΅ΡΠΊΠ΅ ΠΏΡΠΈΠΊΡΡΠΈΠ²Π°ΡΠ΅Π»Ρ ΡΡΠΎΡ ΠΏΠ°ΡΠ°ΠΌΠ΅ΡΡ ΠΌΠΎΠΆΠ΅Ρ ΠΏΡΠ΅Π²ΡΡΠΈΡΡ ΡΠΊΠ°Π·Π°Π½Π½ΠΎΠ΅ Π·Π½Π°ΡΠ΅Π½ΠΈΠ΅ ΠΈ ΡΠ³ΠΎΡΠ΅ΡΡ.ΠΡΠΈ ΡΡΠΎΠΌ Π²ΠΌΠ΅ΡΡΠ΅ Ρ ΠΏΡΠ΅Π΄ΠΎΡ
ΡΠ°Π½ΠΈΡΠ΅Π»Π΅ΠΌ ΠΏΠ΅ΡΠ΅ΡΡΠ°Π½ΡΡ ΡΠ°Π±ΠΎΡΠ°ΡΡ Π»Π°ΠΌΠΏΠ° ΠΏΠΎΠ΄ΡΠ²Π΅ΡΠΊΠΈ ΠΏΠ΅ΡΡΠ°ΡΠΎΡΠ½ΠΎΠ³ΠΎ ΡΡΠΈΠΊΠ° ΠΈ Π²Π΅Π½ΡΠΈΠ»ΡΡΠΎΡ ΠΎΡΠΎΠΏΠΈΡΠ΅Π»Ρ. ΠΠ»Ρ ΡΠ΅ΠΌΠΎΠ½ΡΠ° Π½Π΅ΠΎΠ±Ρ
ΠΎΠ΄ΠΈΠΌΠΎ ΠΎΡΠΊΡΡΡΡ ΠΊΠ°ΠΏΠΎΡ, Π² ΠΊΠΎΡΠΎΡΠΎΠΌ ΡΠ°ΡΠΏΠΎΠ»ΠΎΠΆΠ΅Π½ ΠΌΠΎΠ½ΡΠ°ΠΆΠ½ΡΠΉ Π±Π»ΠΎΠΊ, ΠΏΡΠΎΠ²Π΅ΡΠΈΡΡ ΠΏΡΠ΅Π΄ΠΎΡ
ΡΠ°Π½ΠΈΡΠ΅Π»Ρ Π½Π° ΠΈΡΠΏΡΠ°Π²Π½ΠΎΡΡΡ ΠΈ Π·Π°ΠΌΠ΅Π½ΠΈΡΡ ΡΠ»Π΅ΠΌΠ΅Π½Ρ Ρ Π½ΠΎΠΌΠ΅ΡΠΎΠΌ F18.
ΠΠ°Π»Π΅Π·Π°Π΅ΠΌ Π² ΡΠ΅Π½ΡΡΠ°Π»ΡΠ½ΡΡ ΠΊΠΎΠ½ΡΠΎΠ»Ρ
ΠΡΠ΅ ΠΎΠ΄Π½Π° ΠΏΡΠΈΡΠΈΠ½Π°, ΠΏΠΎ ΠΊΠΎΡΠΎΡΠΎΠΉ Π½Π΅ ΡΠ°Π±ΠΎΡΠ°Π΅Ρ ΠΏΡΠΈΠΊΡΡΠΈΠ²Π°ΡΠ΅Π»Ρ ΠΠΠ, — ΡΡΠΎ ΠΏΠ»ΠΎΡ
ΠΈΠ΅ ΠΊΠΎΠ½ΡΠ°ΠΊΡΡ ΠΏΡΠΎΠ²ΠΎΠ΄ΠΊΠΈ ΠΈΠ»ΠΈ Ρ
ΠΎΠ΄ΡΡΠ΅Π΅ ΠΊΠΎΡΠΎΡΠΊΠΎΠ΅ Π·Π°ΠΌΡΠΊΠ°Π½ΠΈΠ΅. ΠΡΠ»ΠΈ ΠΏΡΠ΅Π΄ΠΎΡ
ΡΠ°Π½ΠΈΡΠ΅Π»Ρ ΡΠ°ΡΡΠΎ ΠΏΠ΅ΡΠ΅Π³ΠΎΡΠ°Π» ΠΈ Π΅Π³ΠΎ ΠΏΡΠΈΡ
ΠΎΠ΄ΠΈΡΡΡ ΠΌΠ΅Π½ΡΡΡ, ΡΡΠΎ ΡΠΎΠΆΠ΅ ΠΊΠΎΡΠ²Π΅Π½Π½ΡΠΉ ΠΏΡΠΈΠ·Π½Π°ΠΊ ΡΠ°ΠΊΠΎΠΉ ΠΏΠΎΠ»ΠΎΠΌΠΊΠΈ.
ΠΠ°ΠΌ Π½ΡΠΆΠ½ΠΎ Π±ΡΠ΄Π΅Ρ ΡΠ½ΡΡΡ ΠΎΠ±Π»ΠΈΡΠΎΠ²ΠΎΡΠ½ΡΡ ΠΏΠ°Π½Π΅Π»Ρ ΠΈ ΠΏΡΠΎΠ²Π΅ΡΠΈΡΡ ΡΠΎΡ
ΡΠ°Π½Π½ΠΎΡΡΡ ΠΊΠΎΠ½ΡΠ°ΠΊΡΠΎΠ² ΠΈ ΠΏΡΠΎΠ²ΠΎΠ΄ΠΎΠ² ΠΏΡΠΈΠΊΡΡΠΈΠ²Π°ΡΠ΅Π»Ρ. ΠΠ΄Π΅ΡΡ Π½ΡΠΆΠ½ΠΎ ΠΏΡΠΎΠ²Π΅ΡΠΈΡΡ ΡΡΠ΅Ρ
ΠΊΠΎΠ½ΡΠ°ΠΊΡΠ½ΡΠΉ ΡΠ°Π·ΡΠ΅ΠΌ. Π£Π±Π΅Π΄ΠΈΡΠ΅ΡΡ, ΡΡΠΎ ΡΠΎΠ΅Π΄ΠΈΠ½Π΅Π½ΠΈΠ΅ ΠΏΠ»ΠΎΡΠ½ΠΎΠ΅. ΠΠ°ΡΠ΅ΠΌ Π½ΡΠΆΠ½ΠΎ ΠΏΠΎΡΠΌΠΎΡΡΠ΅ΡΡ Π½Π° ΡΠΎΡ
ΡΠ°Π½Π½ΠΎΡΡΡ ΠΏΡΠΎΠ²ΠΎΠ΄ΠΎΠ². ΠΠ΅ Π΄ΠΎΠ»ΠΆΠ½ΠΎ Π±ΡΡΡ ΠΎΠ±ΡΠ³Π»Π΅Π½Π½ΠΎΠΉ ΠΎΠ±ΠΌΠΎΡΠΊΠΈ ΠΈΠ»ΠΈ ΡΠΊΠ»Π°Π΄ΠΎΠΊ, ΡΠ°Π·ΠΎΠΌΠΊΠ½ΡΡΡΡ
ΡΠ΅ΠΏΠ΅ΠΉ, Π²ΡΠ·ΡΠ²Π°ΡΡΠΈΡ
ΡΡΠ°Π±Π°ΡΡΠ²Π°Π½ΠΈΠ΅ ΠΏΡΠ΅Π΄ΠΎΡ
ΡΠ°Π½ΠΈΡΠ΅Π»Ρ.
ΠΡΠΌΠ°ΡΡΠΈΠ²Π°Π΅ΠΌ ΠΏΡΠΎΠ²ΠΎΠ΄ΠΊΡ ΠΈ ΠΊΠΎΠ½ΡΠ°ΠΊΡΡ ΠΏΡΠΈΠΊΡΡΠΈΠ²Π°ΡΠ΅Π»Ρ
ΠΡΠΈΡΠΈΠ½Π°, ΠΏΠΎ ΠΊΠΎΡΠΎΡΠΎΠΉ ΡΡΡΡΠΎΠΉΡΡΠ²ΠΎ ΠΏΠ΅ΡΠ΅ΡΡΠ°Π»ΠΎ ΡΠ°Π±ΠΎΡΠ°ΡΡ, — ΠΏΠΎΡΠ²Π»Π΅Π½ΠΈΠ΅ ΠΎΠΊΡΠΈΠ΄ΠΎΠ² ΠΈΠ»ΠΈ ΡΠΆΠ°Π²ΡΠΈΠ½Ρ.ΠΠ½ΡΡΡΠΈ ΠΏΡΠΈΠΊΡΡΠΈΠ²Π°ΡΠ΅Π»Ρ Π΅ΡΡΡ ΠΊΠΎΠ½ΡΠ°ΠΊΡΡ, ΠΊΠΎΡΠΎΡΡΠ΅ ΡΠΎ Π²ΡΠ΅ΠΌΠ΅Π½Π΅ΠΌ ΠΌΠΎΠ³ΡΡ ΠΎΠΊΠΈΡΠ»ΡΡΡΡΡ ΠΈΠ»ΠΈ ΡΠ°Π·ΡΠ΅Π΄Π°ΡΡΡΡ. ΠΠ·-Π·Π° Π½Π΅ΠΏΠ»ΠΎΡΠ½ΠΎΠ³ΠΎ ΠΊΠΎΠ½ΡΠ°ΠΊΡΠ° ΡΡΡΡΠΎΠΉΡΡΠ²ΠΎ Π½Π΅ Π±ΡΠ΄Π΅Ρ ΡΠ°Π±ΠΎΡΠ°ΡΡ ΠΏΡΠ°Π²ΠΈΠ»ΡΠ½ΠΎ. Π ΡΡΠΎΠΌ ΡΠ»ΡΡΠ°Π΅ Π·Π°ΠΌΠ΅Π½Π° ΠΏΡΠΈΠΊΡΡΠΈΠ²Π°ΡΠ΅Π»Ρ Π½Π΅ ΡΡΠ΅Π±ΡΠ΅ΡΡΡ. ΠΠΎΡΡΠ°ΡΠΎΡΠ½ΠΎ Π²ΡΡΠ°ΡΠΈΡΡ ΠΏΡΠΈΠ±ΠΎΡ, ΠΏΠΎΡΠΈΡΡΠΈΡΡ ΠΈ Π·Π°Π³Π½ΡΡΡ ΠΌΠ΅ΡΠ°Π»Π»ΠΈΡΠ΅ΡΠΊΠΈΠ΅ ΡΡΠΈΠΊΠΈ ΠΊΠΎΠ½ΡΠ°ΠΊΡΠΎΠ².
ΠΠΎΠ·ΠΌΠΎΠΆΠ½ΠΎΠ΅ Π²ΡΠ³ΠΎΡΠ°Π½ΠΈΠ΅ ΡΠΏΠΈΡΠ°Π»ΠΈ
ΠΠ½ΡΡΡΠΈ ΠΏΡΠΈΠΊΡΡΠΈΠ²Π°ΡΠ΅Π»Ρ ΠΠΠ 2110 Π½Π°Ρ
ΠΎΠ΄ΠΈΡΡΡ ΠΌΠ΅ΡΠ°Π»Π»ΠΈΡΠ΅ΡΠΊΠΈΠΉ ΡΠ»Π΅ΠΌΠ΅Π½Ρ, ΠΊΠΎΡΠΎΡΡΠΉ Ρ Π²ΠΎΠ·ΡΠ°ΡΡΠΎΠΌ ΠΈΠ»ΠΈ ΠΈΠ·-Π·Π° ΠΏΠΎΠ²ΡΡΠ΅Π½Π½ΠΎΠΉ Π½Π°Π³ΡΡΠ·ΠΊΠΈ ΠΌΠΎΠΆΠ΅Ρ Π²ΡΠΉΡΠΈ ΠΈΠ· ΡΡΡΠΎΡ. ΠΡΠ»ΠΈ ΠΏΠ΅ΡΠ΅Π³ΠΎΡΠ΅Π»Π° ΡΠΏΠΈΡΠ°Π»Ρ ΠΈ ΠΏΠ΅ΡΠ΅Π³ΠΎΡΠ΅Π» ΠΏΡΠ΅Π΄ΠΎΡ
ΡΠ°Π½ΠΈΡΠ΅Π»Ρ, ΡΠΎ ΡΠ΅ΠΌΠΎΠ½Ρ ΠΏΡΠΎΠ²ΠΎΠ΄ΠΈΡΡΡ ΡΠΎΠ»ΡΠΊΠΎ ΠΏΡΡΠ΅ΠΌ ΡΡΡΠ°Π½ΠΎΠ²ΠΊΠΈ Π½ΠΎΠ²ΠΎΠΉ Π΄Π΅ΡΠ°Π»ΠΈ.
ΠΠ°ΠΌΠ΅Π½Π° ΠΏΡΠΈΠΊΡΡΠΈΠ²Π°ΡΠ΅Π»Ρ ΠΠΠ 2110
ΠΠ»Ρ ΠΏΡΠΎΠ²Π΅Π΄Π΅Π½ΠΈΡ ΡΠ°Π±ΠΎΡ Π½ΡΠΆΠ½ΠΎ Π·Π°ΠΏΠ°ΡΡΠΈΡΡ ΠΏΠΎΠ΄Ρ
ΠΎΠ΄ΡΡΠΈΠΌ ΠΈΠ½ΡΡΡΡΠΌΠ΅Π½ΡΠΎΠΌ. ΠΠ°ΠΌ ΠΏΠΎΠ½Π°Π΄ΠΎΠ±ΠΈΡΡΡ:
- ΠΠ°Π±ΠΎΡ ΠΎΡΠ²Π΅ΡΡΠΎΠΊ;
- ΠΏΠ°ΡΠ»ΡΠ½Π°Ρ Π»Π°ΠΌΠΏΠ° Ρ ΠΏΡΠΈΠΏΠΎΠ΅ΠΌ;
- ΠΏΠ΅ΡΡΠ°ΡΠΊΠΈ Π·Π°ΡΠΈΡΠ½ΡΠ΅;
- ΠΌΡΠ»ΡΡΠΈΠΌΠ΅ΡΡ ΠΈΠ»ΠΈ Π»Π°ΠΌΠΏΠ° 12 Π²ΠΎΠ»ΡΡ;
ΠΠ΅Π½ΡΠ° ΠΈΠ·ΠΎΠ»ΡΡΠΈΠΎΠ½Π½Π°Ρ- .
ΠΠ΅ΡΠ΅Π΄ Π·Π°ΠΌΠ΅Π½ΠΎΠΉ Π½Π΅ΡΠ°Π±ΠΎΡΠ°ΡΡΠ΅Π³ΠΎ ΠΏΡΠΈΠΊΡΡΠΈΠ²Π°ΡΠ΅Π»Ρ ΠΠΠ 2110 Π½ΡΠΆΠ½ΠΎ ΠΊΡΠΏΠΈΡΡ ΡΠ°Π±ΠΎΡΡΡ Π΄Π΅ΡΠ°Π»Ρ. ΠΡΡΡ ΡΠ°Π·Π½ΡΠ΅ Π²Π°ΡΠΈΠ°Π½ΡΡ Π°Π²ΡΠΎ. Π‘ΡΠ°Π½Π΄Π°ΡΡΠ½ΠΎΠ΅ Π΄Π»ΠΈΠ½Π½ΠΎΠ΅ ΡΡΡΡΠΎΠΉΡΡΠ²ΠΎ ΠΈΠΌΠ΅Π΅Ρ ΡΡΠ΄ Π½Π΅Π΄ΠΎΡΡΠ°ΡΠΊΠΎΠ²: ΠΏΠ»ΠΎΡ
ΠΈΠ΅ ΠΊΠΎΠ½ΡΠ°ΠΊΡΡ, Π½Π΅ΠΊΡΠ°ΡΠΈΠ²ΡΠΉ Π²Π½Π΅ΡΠ½ΠΈΠΉ Π²ΠΈΠ΄.
ΠΠΎΡΡΠΎΠΌΡ Π²ΠΎΠ΄ΠΈΡΠ΅Π»ΠΈ ΠΏΡΠ΅Π΄ΠΏΠΎΡΠΈΡΠ°ΡΡ ΠΊΠΎΡΠΎΡΠΊΠΈΠ΅ Π΅Π²ΡΠΎ ΠΌΠΎΠ΄Π΅Π»ΠΈ. Π¦Π΅Π½Π° ΠΈΡ
ΠΊΠΎΠ»Π΅Π±Π»Π΅ΡΡΡ Π² ΠΏΡΠ΅Π΄Π΅Π»Π°Ρ
400-800 ΡΡΠ±Π»Π΅ΠΉ Π² Π·Π°Π²ΠΈΡΠΈΠΌΠΎΡΡΠΈ ΠΎΡ ΠΏΡΠΎΠΈΠ·Π²ΠΎΠ΄ΠΈΡΠ΅Π»Ρ. ΠΠ΅Π»Π°ΡΠ΅Π»ΡΠ½ΠΎ Π²ΡΠ±ΠΈΡΠ°ΡΡ ΠΎΡΠΈΠ³ΠΈΠ½Π°Π»ΡΠ½ΡΡ Π΄Π΅ΡΠ°Π»Ρ. Π£ΡΡΠ°Π½ΠΎΠ²ΠΈΡΡ ΡΠ°ΠΊΠΎΠΉ ΠΏΡΠΈΠΊΡΡΠΈΠ²Π°ΡΠ΅Π»Ρ ΡΠ²ΠΎΠΈΠΌΠΈ ΡΡΠΊΠ°ΠΌΠΈ Π½Π΅ ΡΠΎΡΡΠ°Π²ΠΈΡ ΡΡΡΠ΄Π° — ΠΏΠΎΠ΄ΡΠΎΠ±Π½Π°Ρ ΠΈΠ½ΡΡΡΡΠΊΡΠΈΡ ΠΏΠΎΠΊΠ°Π·Π°Π½Π° Π½Π° Π²ΠΈΠ΄Π΅ΠΎ.
ΠΠ°ΠΊ ΡΠ½ΡΡΡ ΠΏΡΠΈΠΊΡΡΠΈΠ²Π°ΡΠ΅Π»Ρ Π½Π° ΠΠΠ 2110
ΠΡΠΎΡΠ΅ΡΡ ΡΠ°Π·Π±ΠΎΡΠΊΠΈ Π²ΡΠ³Π»ΡΠ΄ΠΈΡ ΡΠ»Π΅Π΄ΡΡΡΠΈΠΌ ΠΎΠ±ΡΠ°Π·ΠΎΠΌ:
- ΠΡΠΊΡΡΡΡ ΠΊΠ°ΠΏΠΎΡ, ΡΠ½ΡΡΡ ΠΌΠΈΠ½ΡΡΠΎΠ²ΡΡ ΠΊΠ»Π΅ΠΌΠΌΡ Ρ Π°Π²ΡΠΎΠΌΠΎΠ±ΠΈΠ»ΡΠ½ΠΎΠ³ΠΎ Π°ΠΊΠΊΡΠΌΡΠ»ΡΡΠΎΡΠ°.ΠΡΠΎ ΠΎΠ±Π΅ΡΡΠΎΡΠΈΡ ΡΠΈΡΡΠ΅ΠΌΡ, ΠΈΡΠΊΠ»ΡΡΠΈΡ Π²ΠΎΠ·ΠΌΠΎΠΆΠ½ΠΎΡΡΡ ΠΊΠΎΡΠΎΡΠΊΠΎΠ³ΠΎ Π·Π°ΠΌΡΠΊΠ°Π½ΠΈΡ ΠΏΡΠΈ ΡΠ΅ΠΌΠΎΠ½ΡΠ΅.
- ΠΠ΅ΠΎΠ±Ρ
ΠΎΠ΄ΠΈΠΌΠΎ Π΄Π΅ΠΌΠΎΠ½ΡΠΈΡΠΎΠ²Π°ΡΡ ΠΏΠ»Π°ΡΡΠΈΠΊΠΎΠ²ΡΡ ΠΎΠ±Π»ΠΈΡΠΎΠ²ΠΊΡ ΡΠ΅Π½ΡΡΠ°Π»ΡΠ½ΠΎΠΉ ΠΊΠΎΠ½ΡΠΎΠ»ΠΈ. ΠΠ»Ρ ΡΡΠΎΠ³ΠΎ ΠΎΡΠΊΡΡΡΠΈΠ²Π°Π΅ΠΌ Π±ΠΎΠ»ΡΡ ΠΊΡΠ΅ΠΏΠ»Π΅Π½ΠΈΡ.
- ΠΠΎΡΠ»Π΅ ΠΏΠΎΠ»ΡΡΠ°Π΅ΠΌ Π΄ΠΎΡΡΡΠΏ ΠΊ ΠΊΠΎΠ»ΠΎΠ΄ΠΊΠ°ΠΌ ΠΏΡΠΎΠ²ΠΎΠ΄ΠΊΠΈ. ΠΡΡΠΎΠ΅Π΄ΠΈΠ½ΠΈΡΠ΅ ΡΡΠ΅Ρ
ΠΊΠΎΠ½ΡΠ°ΠΊΡΠ½ΡΠΉ ΠΊΠΎΠ½ΡΠ°ΠΊΡ ΠΎΡ ΠΏΡΠΈΠΊΡΡΠΈΠ²Π°ΡΠ΅Π»Ρ.
- ΠΠ΅ΠΌΠΎΠ½ΡΠΈΡΠΎΠ²Π°ΡΡ Π½Π°ΠΊΠ»Π°Π΄ΠΊΡ ΠΏΠΎΠ΄ ΡΡΠΎΡΠ½ΠΎΡΠ½ΡΠΉ ΡΠΎΡΠΌΠΎΠ·, ΠΏΠΎΠ»ΡΡΠΈΠ² Π΄ΠΎΡΡΡΠΏ ΠΊ Π±ΠΎΠ»ΡΠ°ΠΌ ΠΊΡΠ΅ΠΏΠ»Π΅Π½ΠΈΡ ΡΠΎΠ½Π½Π΅Π»Ρ.
- ΠΡΠΊΡΡΡΠΈΠ²Π°Π΅ΠΌ ΠΈΡ
, ΠΏΠΎΡΠ»Π΅ ΡΠ΅Π³ΠΎ ΡΠ½ΠΈΠΌΠ°Π΅ΠΌ ΠΏΠ»Π°ΡΡΠΈΠΊΠΎΠ²ΡΠΉ ΠΊΠΎΠΆΡΡ
.
- ΠΡΡΠ°ΡΠΊΠΈΠ²Π°Π΅ΠΌ ΠΏΠ°ΡΡΠΎΠ½ ΠΊΡΠ΅ΠΏΠ»Π΅Π½ΠΈΡ ΠΏΡΠΈΠΊΡΡΠΈΠ²Π°ΡΠ΅Π»Ρ, ΡΡΠΎΠ±Ρ Π΅Π³ΠΎ ΡΠ°Π·ΠΎΠ±ΡΠ°ΡΡ. ΠΠ»Ρ ΡΡΠΎΠ³ΠΎ ΠΏΠΎΡΡΠ΅Π±ΡΠ΅ΡΡΡ ΠΏΠΎΠ΄ΡΡΠ½ΡΡΡ Π·Π°ΡΠ΅Π»ΠΊΠΈ ΠΈ Π°ΠΊΠΊΡΡΠ°ΡΠ½ΠΎ ΠΈΠ·Π²Π»Π΅ΡΡ ΠΌΠ΅ΡΠ°Π»Π»ΠΈΡΠ΅ΡΠΊΠΈΠΉ ΠΊΠ°ΡΡΡΠΈΠ΄ΠΆ.
Π‘Π½ΡΡΠΈΠ΅ Π³Π½Π΅Π·Π΄Π° ΠΏΡΠΈΠΊΡΡΠΈΠ²Π°ΡΠ΅Π»Ρ
ΠΠ½Π°Π»ΠΎΠ³ΠΈΡΠ½ΠΎ ΠΏΡΠΎΠΈΠ·Π²ΠΎΠ΄ΠΈΡΡΡ Π΄Π΅ΠΌΠΎΠ½ΡΠ°ΠΆ ΡΠΈΠ΄Π΅Π½ΡΡ.
- ΠΠ±Π΅ΡΡΠΎΡΠΈΠ²Π°Π΅ΠΌ ΡΠΈΡΡΠ΅ΠΌΡ ΡΠ½ΡΡΠΈΠ΅ΠΌ ΠΌΠΈΠ½ΡΡΠΎΠ²ΠΎΠΉ ΠΊΠ»Π΅ΠΌΠΌΡ Ρ ΠΠΠ.
- ΠΠ»Ρ ΠΎΡΡΠΎΠ΅Π΄ΠΈΠ½Π΅Π½ΠΈΡ ΠΌΠΈΠΊΡΠΎΡΡ
Π΅ΠΌΡ ΠΏΡΠΎΠ²ΠΎΠ΄ΠΊΠΈ Π½Π΅ΠΎΠ±Ρ
ΠΎΠ΄ΠΈΠΌΠΎ ΡΠ°Π·ΠΎΠ±ΡΠ°ΡΡ Π±ΠΎΠΊΠΎΠ²ΡΡ ΠΊΡΡΡΠΊΡ.
- Π‘Π½ΠΈΠΌΠΈΡΠ΅ ΠΊΡΡΡΠΊΡ ΠΊΠΎΡΠΎΠ±ΠΊΠΈ ΠΏΠ΅ΡΠ΅Π΄Π°Ρ ΠΈ ΡΡΠ½Π½Π΅Π»Ρ ΡΡΠΎΡΠ½ΠΎΡΠ½ΠΎΠ³ΠΎ ΡΠΎΡΠΌΠΎΠ·Π°.
- Π‘Π³ΠΈΠ±Π°Π΅ΠΌ ΠΏΠ»Π°ΡΡΠΈΠΊΠΎΠ²ΡΠΉ ΡΠΊΡΠ°Π½ ΡΠ°ΠΊ, ΡΡΠΎΠ±Ρ ΠΎΡΠΎΡΠ²Π°ΡΡ ΡΠΈΠΊΡΠΈΡΡΡΡΠΈΠ΅ Π²ΡΡΡΡΠΏΡ.
- Π‘Π½ΠΈΠΌΠ°Π΅ΠΌ Π³Π½Π΅Π·Π΄ΠΎ ΠΏΡΠΈΠΊΡΡΠΈΠ²Π°ΡΠ΅Π»Ρ ΡΠ΅ΡΠ΅Π· ΠΎΡΠ²Π΅ΡΡΡΠΈΠ΅ Ρ ΠΊΠΎΠ»ΠΎΠ΄ΠΊΠΎΠΉ ΠΏΡΠΎΠ²ΠΎΠ΄ΠΎΠ².
- ΠΡΠΌΠ°ΡΡΠΈΠ²Π°Π΅ΠΌ ΡΡΡΡΠΎΠΉΡΡΠ²ΠΎ ΠΈ ΠΏΡΠΈΡΡΡΠΏΠ°Π΅ΠΌ ΠΊ Π·Π°ΠΌΠ΅Π½Π΅.
Π Π΅ΠΌΠΎΠ½Ρ ΡΠ»ΠΎΠΌΠ°Π½Π½ΠΎΠ³ΠΎ ΠΏΡΠΈΠΊΡΡΠΈΠ²Π°ΡΠ΅Π»Ρ
ΠΠ½ΠΎΠ³Π΄Π° Π·Π°ΠΌΠ΅Π½Π° Π½Π΅ ΡΡΠ΅Π±ΡΠ΅ΡΡΡ. Π Π½Π΅ΠΊΠΎΡΠΎΡΡΡ
ΡΠΈΡΡΠ°ΡΠΈΡΡ
ΡΡΠΎ ΠΌΠΎΠΆΠ½ΠΎ ΡΠ΄Π΅Π»Π°ΡΡ ΡΠ°ΠΌΠΎΡΡΠΎΡΡΠ΅Π»ΡΠ½ΠΎ. ΠΠ½ΡΡΡΠΈ ΡΠ°ΠΌΠΎΠ³ΠΎ ΠΏΡΠΈΠΊΡΡΠΈΠ²Π°ΡΠ΅Π»Ρ Π½Π°Ρ
ΠΎΠ΄ΠΈΡΡΡ Π½Π΅Π±ΠΎΠ»ΡΡΠ°Ρ ΡΠ»ΡΠ΄ΡΠ½Π°Ρ ΠΏΠ»Π°ΡΡΠΈΠ½ΠΊΠ°.ΠΡΠΎ ΠΏΠΎΠ»ΡΠΏΡΠΎΠ²ΠΎΠ΄Π½ΠΈΠΊ, ΠΊΠΎΡΠΎΡΡΠΉ ΡΠ°ΡΡΠΎ Π²ΡΡ
ΠΎΠ΄ΠΈΡ ΠΈΠ· ΡΡΡΠΎΡ. ΠΠ³ΠΎ Π½Π°Π΄ΠΎ ΡΠ΄Π°Π»ΠΈΡΡ. ΠΠΎΡΠ»Π΅ ΡΡΠΎΠ³ΠΎ ΡΡΠΎΠΈΡ ΡΠΎΠ±ΡΠ°ΡΡ ΡΡΡΡΠΎΠΉΡΡΠ²ΠΎ, Π° Π·Π°ΡΠ΅ΠΌ ΠΏΡΠΎΠ²Π΅ΡΠΈΡΡ ΠΈΡΠΏΡΠ°Π²Π½ΠΎΡΡΡ Π΅Π³ΠΎ ΡΠ°Π±ΠΎΡΡ.
Π§Π°ΡΡΠΎ Π½ΡΠΆΠ½ΠΎ ΠΏΡΠΎΡΡΠΎ ΠΎΠ±ΡΠ°Π±ΠΎΡΠ°ΡΡ ΠΎΠΊΠΈΡΠ»Π΅Π½Π½ΡΠ΅ ΠΊΠΎΠ½ΡΠ°ΠΊΡΡ ΠΈΠ»ΠΈ ΠΏΡΠΈΠΏΠ°ΡΡΡ Π²ΡΠΏΠ°Π²ΡΠΈΠ΅ ΠΏΡΠΎΠ²ΠΎΠ΄Π°.
ΠΠ½ΡΡΡΡΠΊΡΠΈΡ ΠΏΠΎ Π·Π°ΠΌΠ΅Π½Π΅ ΠΏΠΎΠ΄ΡΠ²Π΅ΡΠΊΠΈ
ΠΡΠ»ΠΈ Π½ΡΠΆΠ½ΠΎ ΠΏΡΠΎΠ²Π΅ΡΡΠΈ ΡΡΡ ΠΏΡΠΎΡΠ΅Π΄ΡΡΡ, ΡΠΎ ΡΡΠΎΠΈΡ Π΄Π΅ΠΉΡΡΠ²ΠΎΠ²Π°ΡΡ ΠΏΠΎ ΠΎΠΏΡΠ΅Π΄Π΅Π»Π΅Π½Π½ΠΎΠΉ ΡΡ
Π΅ΠΌΠ΅.
- ΠΡΠΊΠ»ΡΡΠΈΡΠ΅ Π·Π°ΠΆΠΈΠ³Π°Π½ΠΈΠ΅, Π·Π°ΡΠ΅ΠΌ ΡΠ½ΠΈΠΌΠΈΡΠ΅ ΠΏΡΠΎΠ²ΠΎΠ΄Π° Ρ ΠΠΠ.
- Π§ΡΠΎΠ±Ρ Π΄ΠΎΠ±ΡΠ°ΡΡΡΡ Π΄ΠΎ Π»Π°ΠΌΠΏΡ, Π΄Π΅ΠΌΠΎΠ½ΡΠΈΡΡΠΉΡΠ΅ ΠΏΠ»Π°ΡΡΠΈΠΊΠΎΠ²ΡΡ Π½Π°ΠΊΠ»Π°Π΄ΠΊΡ Π²Π½ΡΡΡΠΈ ΡΠ°Π»ΠΎΠ½Π°.
- ΠΡΡΠΎΠ΅Π΄ΠΈΠ½ΠΈΡΠ΅ ΠΊΠ°ΡΡΠ΅Ρ ΠΏΠ΅ΡΠ΅ΠΊΠ»ΡΡΠ΅Π½ΠΈΡ ΠΏΠ΅ΡΠ΅Π΄Π°Ρ ΠΈ ΡΡΠΎΡΠ½ΠΎΡΠ½ΡΠΉ ΡΠΎΡΠΌΠΎΠ·.
- ΠΡΡΠ°ΡΠΊΠΈΠ²Π°Π΅ΠΌ ΠΏΡΠΈΠΊΡΡΠΈΠ²Π°ΡΠ΅Π»Ρ Ρ ΠΏΠΎΠ΄ΡΠ²Π΅ΡΠΊΠΎΠΉ.
- Π‘ΠΎΠΆΠΌΠΈΡΠ΅ ΡΠΊΡΠ°Π½, ΡΡΠΎΠ±Ρ ΡΠ΄Π°Π»ΠΈΡΡ ΠΌΠ΅ΡΠ°Π»Π»ΠΈΡΠ΅ΡΠΊΠΈΠ΅ ΡΡΠΈΠΊΠΈ.
- ΠΠΎΠ²ΠΎΡΠ°ΡΠΈΠ²Π°Π΅ΠΌ ΠΈΡ
Π½Π° 90 Π³ΡΠ°Π΄ΡΡΠΎΠ², Π° Π·Π°ΡΠ΅ΠΌ ΡΠ½ΠΈΠΌΠ°Π΅ΠΌ Π»Π°ΠΌΠΏΡ Ρ ΠΌΠ΅ΡΡΠ°.
- Π£ΡΡΠ°Π½Π°Π²Π»ΠΈΠ²Π°Π΅ΠΌ Π½ΠΎΠ²ΡΠΉ ΡΠ»Π΅ΠΌΠ΅Π½Ρ, ΠΏΠΎΡΠ»Π΅ ΡΠ΅Π³ΠΎ ΠΏΡΠΎΠ²ΠΎΠ΄ΠΈΠΌ ΡΠ±ΠΎΡΠΊΡ. ΠΡΠΈ ΠΏΠΎΠ΄ΠΊΠ»ΡΡΠ΅Π½ΠΈΠΈ ΡΡΠΎΠΈΡ ΠΈΡΠΏΠΎΠ»ΡΠ·ΠΎΠ²Π°ΡΡ Π»Π°ΠΌΠΏΡ Π 12-4.
ΠΠΎΠ΄ΡΠΎΠ±Π½ΠΎΠ΅ Π²ΠΈΠ΄Π΅ΠΎ ΠΎ ΡΠΎΠΌ, ΠΊΠ°ΠΊ ΡΠ½ΡΡΡ ΡΡΡΡΠΎΠΉΡΡΠ²ΠΎ ΠΌΠΎΠ΄Π΅Π»ΠΈ ΠΠΠ 2110 ΡΠ²ΠΎΠΈΠΌΠΈ ΡΡΠΊΠ°ΠΌΠΈ, ΠΏΡΠ΅Π΄ΡΡΠ°Π²Π»Π΅Π½ΠΎ Π²ΡΡΠ΅.
ΠΠ°ΠΊ ΠΏΠΎΠ΄ΠΊΠ»ΡΡΠΈΡΡ ΠΏΡΠΈΠΊΡΡΠΈΠ²Π°ΡΠ΅Π»Ρ ΠΊ ΠΠΠ 2110
ΠΠΎΡΠ»Π΅ ΡΡΡΠ°Π½ΠΎΠ²ΠΊΠΈ Π½ΠΎΠ²ΠΎΠ³ΠΎ ΡΡΡΡΠΎΠΉΡΡΠ²Π° Π½Π΅ΠΎΠ±Ρ
ΠΎΠ΄ΠΈΠΌΠΎ Π΅Π³ΠΎ ΡΠΎΠ±ΡΠ°ΡΡ. ΠΡΠΎΡΠ΅ΡΡ Π²ΡΠ³Π»ΡΠ΄ΠΈΡ ΡΠ»Π΅Π΄ΡΡΡΠΈΠΌ ΠΎΠ±ΡΠ°Π·ΠΎΠΌ.
- Π£ΡΡΠ°Π½ΠΎΠ²ΠΈΡΠ΅ ΠΏΡΠΈΠΊΡΡΠΈΠ²Π°ΡΠ΅Π»Ρ Π½Π° ΠΌΠ΅ΡΡΠΎ.
- ΠΠΎΠ½ΡΠΈΡΡΠ΅ΠΌ ΠΎΠ±ΡΠ°ΡΠ½ΠΎ ΠΊΠΎΠΆΡΡ
ΡΡΡΠ°Π³Π° ΠΠΠ ΠΈ ΡΡΠΎΡΠ½ΠΎΡΠ½ΠΎΠ³ΠΎ ΡΠΎΡΠΌΠΎΠ·Π°.
- ΠΠΎΠ΄ΠΊΠ»ΡΡΠ°Π΅ΠΌ ΡΡΠ΅Ρ
ΠΊΠΎΠ½ΡΠ°ΠΊΡΠ½ΡΠΉ ΡΠ°Π·ΡΠ΅ΠΌ.
- ΠΠ°ΠΊΡΡΡΠΈΠ²Π°Π΅ΠΌ Π±ΠΎΠ»ΡΡ ΠΎΠ±Π»ΠΈΡΠΎΠ²ΠΊΠΈ ΠΏΠ΅ΡΠ΅Π΄Π½Π΅ΠΉ ΠΏΠ°Π½Π΅Π»ΠΈ.
- ΠΠΎΠ΄Π°Π΅ΠΌ ΠΏΠΈΡΠ°Π½ΠΈΠ΅ Π² ΡΠ΅ΡΡ.
- ΠΡΠΎΠ²Π΅ΡΡΠ΅ΠΌ ΠΈΡΠΏΡΠ°Π²Π½ΠΎΡΡΡ ΡΠ²ΡΠ·ΠΈ ΠΈ ΡΠ°Π±ΠΎΡΠΎΡΠΏΠΎΡΠΎΠ±Π½ΠΎΡΡΡ ΡΡΡΡΠΎΠΉΡΡΠ²Π°.
Π‘ΡΠΎΠΈΡ Π»ΠΈ ΡΠ΄Π΅Π»Π°ΡΡ Π΄ΠΎΠΏΠΎΠ»Π½ΠΈΡΠ΅Π»ΡΠ½ΡΠΉ ΠΏΡΠΈΠΊΡΡΠΈΠ²Π°ΡΠ΅Π»Ρ?
ΠΠ½ΠΎΠ³ΠΈΠ΅ Π²ΠΎΠ΄ΠΈΡΠ΅Π»ΠΈ ΡΡΡΠ°Π½Π°Π²Π»ΠΈΠ²Π°ΡΡ Π½Π° Π°Π²ΡΠΎΠΌΠΎΠ±ΠΈΠ»Ρ Π²ΡΠΎΡΡΡ ΡΠΎΠ·Π΅ΡΠΊΡ. ΠΡΠΎ ΡΠ²Π΅Π»ΠΈΡΠΈΡ ΠΊΠΎΠ»ΠΈΡΠ΅ΡΡΠ²ΠΎ ΠΏΠΎΡΠ΅Π½ΡΠΈΠ°Π»ΡΠ½ΠΎ ΠΏΠΎΠ΄ΠΊΠ»ΡΡΠ΅Π½Π½ΡΡ
ΡΡΡΡΠΎΠΉΡΡΠ². ΠΠΎ ΠΌΡ Π΄ΠΎΠ»ΠΆΠ½Ρ ΠΏΠΎΠΌΠ½ΠΈΡΡ, ΡΡΠΎ ΡΠ»Π΅ΠΊΡΡΠΈΡΠ΅ΡΠΊΠ°Ρ ΡΠΈΡΡΠ΅ΠΌΠ° Π±ΡΠ΄Π΅Ρ ΠΈΡΠΏΡΡΡΠ²Π°ΡΡ Π±ΠΎΠ»ΡΡΠΈΠ΅ Π½Π°Π³ΡΡΠ·ΠΊΠΈ ΠΈ ΠΌΠΎΠΆΠ΅Ρ ΡΡΠ°Π±ΠΎΡΠ°ΡΡ ΠΏΡΠ΅Π΄ΠΎΡ
ΡΠ°Π½ΠΈΡΠ΅Π»Ρ. ΠΠΎΡΡΠΎΠΌΡ Π²Π°ΠΆΠ½ΠΎ ΠΏΡΠ°Π²ΠΈΠ»ΡΠ½ΠΎ ΠΏΠΎΠ΄ΠΊΠ»ΡΡΠΈΡΡ Π²ΡΠ΅ ΠΏΡΠΎΠ²ΠΎΠ΄Π°.
ΠΠ΅ΠΎΠ±Ρ
ΠΎΠ΄ΠΈΠΌΠΎ ΠΏΠΎΠ΄ΠΊΠ»ΡΡΠΈΡΡ Π½ΠΎΠ²ΡΠΉ ΡΠ°Π·ΡΠ΅ΠΌ ΡΠ΅ΡΠ΅Π· ΠΏΡΠ΅Π΄ΠΎΡ
ΡΠ°Π½ΠΈΡΠ΅Π»Ρ Π²ΠΎ ΠΈΠ·Π±Π΅ΠΆΠ°Π½ΠΈΠ΅ ΠΎΠΏΠ»Π°Π²Π»Π΅Π½ΠΈΡ ΠΏΡΠΎΠ²ΠΎΠ΄ΠΎΠ².ΠΠ°ΠΌ Π½ΡΠΆΠ½ΠΎ Π±ΡΠ΄Π΅Ρ Π²ΡΡΠ΅Π·Π°ΡΡ ΠΎΡΠ΄Π΅Π»ΡΠ½ΠΎΠ΅ ΠΎΡΠ²Π΅ΡΡΡΠΈΠ΅ Π² ΡΠ°Π»ΠΎΠ½Π΅ ΠΈΠ»ΠΈ Π±Π°Π³Π°ΠΆΠ½ΠΈΠΊΠ΅. ΠΠ»ΡΡΠ΅ΡΠ½Π°ΡΠΈΠ²ΠΎΠΉ ΡΡΠΎΠΌΡ ΠΌΠ΅ΡΠΎΠ΄Ρ ΡΠ²Π»ΡΠ΅ΡΡΡ ΠΏΠΎΠΊΡΠΏΠΊΠ° ΡΠ°Π·Π²Π΅ΡΠ²ΠΈΡΠ΅Π»Ρ, ΠΊΠΎΡΠΎΡΡΠΉ ΠΏΠΎΠ΄ΠΊΠ»ΡΡΠ°Π΅ΡΡΡ ΠΊ ΡΡΠ°Π½Π΄Π°ΡΡΠ½ΠΎΠΉ ΡΠΎΠ·Π΅ΡΠΊΠ΅.
ΠΠ°ΠΊ ΠΏΠΎΠ΄ΠΊΠ»ΡΡΠΈΡΡ ΠΏΡΠΈΠ±ΠΎΡ ΠΊ ΠΏΡΠΈΠΊΡΡΠΈΠ²Π°ΡΠ΅Π»Ρ Π±Π΅Π· Π²ΠΈΠ»ΠΊΠΈ
ΠΠ½ΠΎΠ³Π΄Π° Π΄ΡΠ°ΠΉΠ²Π΅Ρ ΡΡΠ°Π»ΠΊΠΈΠ²Π°Π΅ΡΡΡ Ρ ΠΏΠΎΠ΄ΠΎΠ±Π½ΡΠΌΠΈ ΠΏΡΠΎΠ±Π»Π΅ΠΌΠ°ΠΌΠΈ. ΠΠ°ΠΏΡΠΈΠΌΠ΅Ρ, ΠΏΠΎΠ΄ΠΊΠ»ΡΡΠ΅Π½ΠΈΠ΅ Π²ΠΈΠ΄Π΅ΠΎΡΠ΅Π³ΠΈΡΡΡΠ°ΡΠΎΡΠ° Π½Π΅ Π²ΡΠ΅Π³Π΄Π° Π²ΠΎΠ·ΠΌΠΎΠΆΠ½ΠΎ ΠΏΡΠΈ ΠΎΡΡΡΡΡΡΠ²ΠΈΠΈ Π²ΠΈΠ»ΠΊΠΈ. Π‘Π»Π΅Π΄ΠΎΠ²Π°ΡΠ΅Π»ΡΠ½ΠΎ, Π΅ΡΡΡ Π²ΠΎΠ·ΠΌΠΎΠΆΠ½ΠΎΡΡΡ ΠΏΠΎΠ΄ΠΊΠ»ΡΡΠΈΡΡΡΡ ΠΊ ΡΠ΅ΡΠΈ Π½Π°ΠΏΡΡΠΌΡΡ, ΡΠ΅ΡΠ΅Π· Π²Π½ΡΡΡΠ΅Π½Π½Π΅Π΅ ΠΎΡΠ²Π΅ΡΠ΅Π½ΠΈΠ΅. ΠΡΠΎ ΡΠ΅ΡΠ΅Π½ΠΈΠ΅ ΠΏΠΎΠ·Π²ΠΎΠ»ΠΈΡ ΠΈΠ·Π±Π΅ΠΆΠ°ΡΡ ΡΠ²ΠΈΡΠ°Π½ΠΈΡ ΠΏΡΠΎΠ²ΠΎΠ΄ΠΎΠ².ΠΡΡΡΠ΅ΡΡΠ²Π»ΡΠ΅ΡΡΡ ΠΎΠ½ ΠΏΡΠΎΡΡΠΎ, Π²Π΅Π΄Ρ Π½Π° Π»Π°ΠΌΠΏΡ ΡΠ°ΠΊΠΆΠ΅ ΠΏΠΎΠ΄Π°ΡΡΡΡ Π½Π΅ΠΎΠ±Ρ
ΠΎΠ΄ΠΈΠΌΡΠ΅ 12 Π²ΠΎΠ»ΡΡ. ΠΠΈΠ΄Π΅ΠΎ ΠΏΠΎ ΡΡΠΎΠΌΡ ΠΏΠΎΠ²ΠΎΠ΄Ρ Π½ΠΈΠΆΠ΅.
ΠΠΈΠ΄Π΅ΠΎ ΠΎ ΠΏΠΎΠ»ΠΎΠΌΠΊΠ°Ρ
ΠΏΡΠΈΠΊΡΡΠΈΠ²Π°ΡΠ΅Π»Ρ
ΠΠ°Π²Π΅ΡΠ½ΠΎΠ΅, ΡΠ»ΠΎΠΆΠ½ΠΎ Π½Π°ΠΉΡΠΈ ΠΌΠ°ΡΠΈΠ½Ρ Π±Π΅Π· ΠΏΡΠΈΠΊΡΡΠΈΠ²Π°ΡΠ΅Π»Ρ. ΠΠΎ ΠΏΠΎΡΠ²Π»Π΅Π½ΠΈΡ ΠΌΠ½ΠΎΠΆΠ΅ΡΡΠ²Π° Π³Π°Π΄ΠΆΠ΅ΡΠΎΠ² ΠΈ ΡΡΡΡΠΎΠΉΡΡΠ², ΠΊΠΎΡΠΎΡΡΠ΅ ΠΌΠΎΠΆΠ½ΠΎ Π±ΡΠ»ΠΎ ΠΏΠΎΠ΄ΠΊΠ»ΡΡΠ°ΡΡ ΡΠ΅ΡΠ΅Π· ΡΡΠΎ ΡΡΡΡΠΎΠΉΡΡΠ²ΠΎ, ΠΎΠ½ΠΎ ΠΈΡΠΏΠΎΠ»ΡΠ·ΠΎΠ²Π°Π»ΠΎΡΡ ΠΏΠΎ ΠΏΡΡΠΌΠΎΠΌΡ Π½Π°Π·Π½Π°ΡΠ΅Π½ΠΈΡ. Π’ΠΎ Π΅ΡΡΡ ΠΎΠ½ ΠΏΠΎΠ·Π²ΠΎΠ»ΡΠ» Π»ΡΠ΄ΡΠΌ ΠΊΡΡΠΈΡΡ ΠΎΡ Π³ΠΎΡΡΡΠ΅Π³ΠΎ ΠΌΠ΅ΡΠ°Π»Π»ΠΈΡΠ΅ΡΠΊΠΎΠ³ΠΎ ΡΠ»Π΅ΠΌΠ΅Π½ΡΠ°.
ΠΠ°ΠΊ ΠΎΠ½ ΡΠ°Π±ΠΎΡΠ°Π΅Ρ?
ΠΡΠΈΠΊΡΡΠΈΠ²Π°ΡΠ΅Π»Ρ ΠΏΠΎΠ΄ΠΊΠ»ΡΡΠ°Π΅ΡΡΡ ΠΊ Π°ΠΊΠΊΡΠΌΡΠ»ΡΡΠΎΡΠ½ΠΎΠΉ Π±Π°ΡΠ°ΡΠ΅Π΅ Ρ ΠΏΠΎΠΌΠΎΡΡΡ ΠΌΠΎΠ½ΡΠ°ΠΆΠ½ΠΎΠ³ΠΎ Π±Π»ΠΎΠΊΠ°.ΠΠΎΠ³Π΄Π° ΠΏΡΠΈΠΊΡΡΠΈΠ²Π°ΡΠ΅Π»Ρ Π²ΠΊΠ»ΡΡΠ΅Π½, ΡΠ΅ΡΠ΅Π· Π½Π΅Π³ΠΎ ΠΏΡΠΎΡ
ΠΎΠ΄ΠΈΡ ΡΠΈΠ»ΡΠ½ΡΠΉ ΡΠΎΠΊ.
Π€Π°ΠΊΡΠΈΡΠ΅ΡΠΊΠΈ, ΡΡΠΎΡ ΡΠΎΠΊ Π½Π°Π³ΡΠ΅Π²Π°Π΅Ρ ΡΠ»Π΅ΠΌΠ΅Π½Ρ ΠΈΠ»ΠΈ ΠΏΠΎΠ·Π²ΠΎΠ»ΡΠ΅Ρ ΠΏΠΎΠ΄ΠΊΠ»ΡΡΠΈΡΡ ΡΠ½Π΅ΡΠ³ΠΎΠ·Π°Π²ΠΈΡΠΈΠΌΠΎΠ΅ ΡΡΡΡΠΎΠΉΡΡΠ²ΠΎ. ΠΠ½ΠΎΠ³ΠΈΠ΅ Π°Π²ΡΠΎΠΌΠΎΠ±ΠΈΠ»ΠΈΡΡΡ ΠΈΡΠΏΠΎΠ»ΡΠ·ΡΡΡ ΡΡΠΎΡ ΡΠ°Π·ΡΠ΅ΠΌ Π΄Π»Ρ Π·Π°ΡΡΠ΄ΠΊΠΈ ΠΌΠΎΠ±ΠΈΠ»ΡΠ½ΠΎΠ³ΠΎ ΡΠ΅Π»Π΅ΡΠΎΠ½Π°, ΠΏΠΎΠ΄ΠΊΠ»ΡΡΠ΅Π½ΠΈΡ Π½Π°Π²ΠΈΠ³Π°ΡΠΎΡΠ°, ΠΏΠ»Π°Π½ΡΠ΅ΡΠ°.
ΠΠΎ ΡΠ°ΡΠ΅ Π²ΡΠ΅Π³ΠΎ ΠΊ ΠΏΡΠΈΠΊΡΡΠΈΠ²Π°ΡΠ΅Π»Ρ ΠΏΠΎΠ΄ΠΊΠ»ΡΡΠ°ΡΡ ΠΏΠ΅ΡΠ΅Π½ΠΎΡΠ½ΡΡ ΡΠ»Π΅ΠΊΡΡΠΈΡΠ΅ΡΠΊΡΡ ΠΏΠΎΠΌΠΏΡ. ΠΠ½ ΠΏΠΎΠ·Π²ΠΎΠ»ΡΠ΅Ρ Π±Π΅Π· ΡΠΈΠ·ΠΈΡΠ΅ΡΠΊΠΈΡ
ΡΡΠΈΠ»ΠΈΠΉ Π½Π°ΠΊΠ°ΡΠΈΠ²Π°ΡΡ ΠΊΠΎΠ»Π΅ΡΠ° Π² Π΄ΠΎΡΠΎΠ³Π΅, ΠΊΠΎΠ³Π΄Π° ΡΡΠ΄ΠΎΠΌ Π½Π΅Ρ ΠΎΠ±ΡΡΠ½ΠΎΠΉ Π±ΡΡΠΎΠ²ΠΎΠΉ ΡΠΎΠ·Π΅ΡΠΊΠΈ.
ΠΠΎ ΠΌΠ΅ΡΠ΅ ΡΠΎΠ³ΠΎ, ΠΊΠ°ΠΊ Π²Ρ ΠΈΡΠΏΠΎΠ»ΡΠ·ΡΠ΅ΡΠ΅ ΠΈ ΠΏΠΎΠ΄ΠΊΠ»ΡΡΠ°Π΅ΡΠ΅ Π²ΡΠ΅Π²ΠΎΠ·ΠΌΠΎΠΆΠ½ΡΠ΅ Π³Π°Π΄ΠΆΠ΅ΡΡ, Π² ΡΠ΅Π·ΡΠ»ΡΡΠ°ΡΠ΅ ΠΌΠΎΠΆΠ΅Ρ ΠΏΠ΅ΡΠ΅ΡΡΠ°ΡΡ ΡΠ°Π±ΠΎΡΠ°ΡΡ ΠΏΡΠΈΠΊΡΡΠΈΠ²Π°ΡΠ΅Π»Ρ.ΠΡΠΈΡΠΈΠ½Π° ΡΡΠΎΠ³ΠΎ ΡΠ°ΡΡΠΎ — Π²ΡΡΠ΅Π΄ΡΠΈΠΉ ΠΈΠ· ΡΡΡΠΎΡ ΠΏΡΠ΅Π΄ΠΎΡ
ΡΠ°Π½ΠΈΡΠ΅Π»Ρ.
Π ΠΈΠ½ΡΡΡΡΠΊΡΠΈΠΈ ΠΏΠΎ ΡΠΊΡΠΏΠ»ΡΠ°ΡΠ°ΡΠΈΠΈ ΠΠΠ 2110 ΠΏΡΠΈΠ»Π°Π³Π°Π΅ΡΡΡ ΡΡ
Π΅ΠΌΠ° ΡΡΡΠ°Π½ΠΎΠ²ΠΊΠΈ. ΠΠ° Π½Π΅ΠΌ ΡΡΠΎΡ ΡΠ°ΠΌΡΠΉ ΠΏΡΠ΅Π΄ΠΎΡ
ΡΠ°Π½ΠΈΡΠ΅Π»Ρ ΠΎΠ±ΠΎΠ·Π½Π°ΡΠ΅Π½ ΠΌΠ°ΡΠΊΠΈΡΠΎΠ²ΠΊΠΎΠΉ F18. ΠΡ Π½Π°ΠΉΠ΄Π΅ΡΠ΅ Π΅Π³ΠΎ Π² ΠΌΠΎΠ½ΡΠ°ΠΆΠ½ΠΎΠΌ Π±Π»ΠΎΠΊΠ΅ ΡΠ»Π΅Π²Π° ΠΎΡ ΡΡΠ»Π΅Π²ΠΎΠ³ΠΎ ΠΊΠΎΠ»Π΅ΡΠ° Π½Π° ΠΏΠ΅ΡΠ΅Π΄Π½Π΅ΠΉ ΠΏΠ°Π½Π΅Π»ΠΈ. ΠΠ±ΡΠ°ΡΠΈΡΠ΅ Π²Π½ΠΈΠΌΠ°Π½ΠΈΠ΅, ΡΡΠΎ ΡΠ΅ΡΠ΅Π· ΡΡΠΎΡ ΠΏΡΠ΅Π΄ΠΎΡ
ΡΠ°Π½ΠΈΡΠ΅Π»Ρ Π½Π΅ Π΄ΠΎΠ»ΠΆΠ΅Π½ ΠΏΡΠΎΡ
ΠΎΠ΄ΠΈΡΡ ΡΠΎΠΊ Π±ΠΎΠ»Π΅Π΅ 25 Π°ΠΌΠΏΠ΅Ρ.
ΠΠΎΠΈΡΠΊ ΡΠ±ΠΎΠ΅Π²
Π‘Π°ΠΌΡΠΉ ΠΏΡΠΎΡΡΠΎΠΉ ΡΠΏΠΎΡΠΎΠ± ΡΠ΅ΡΠΈΡΡ ΠΏΡΠΎΠ±Π»Π΅ΠΌΡ Π½Π΅ΠΈΡΠΏΡΠ°Π²Π½ΠΎΠ³ΠΎ ΠΏΡΠΈΠΊΡΡΠΈΠ²Π°ΡΠ΅Π»Ρ — ΡΠ΄Π°ΡΡ Π°Π²ΡΠΎΠΌΠΎΠ±ΠΈΠ»Ρ Π² ΡΠ΅ΠΌΠΎΠ½Ρ Π½Π° Π‘Π’Π.ΠΠΎ ΡΡΠΎΠΈΡ Π»ΠΈ ΠΎΠ½ΠΎ ΡΠΎΠ³ΠΎ, Π΅ΡΠ»ΠΈ ΡΠ°ΠΌΠ° ΡΠ°Π±ΠΎΡΠ° Π½Π΅ ΡΠ»ΠΎΠΆΠ½Π°Ρ, Π° Π·Π°ΡΡΠ°ΡΡ Π½Π° ΡΡΠ»ΡΠ³ΠΈ ΠΌΠ°ΡΡΠ΅ΡΠΎΠ² ΠΌΠΎΠ³ΡΡ Π±ΡΡΡ Π·Π½Π°ΡΠΈΡΠ΅Π»ΡΠ½ΡΠΌΠΈ?
ΠΠ½ΠΎΠ³Π΄Π° Π»ΡΡΡΠ΅ Π²ΡΠ΅ Π΄Π΅Π»Π°ΡΡ ΡΠ°ΠΌΠΎΠΌΡ.
ΠΡΠΈΡΠΈΠ½Π° ΠΏΠΎΠ»ΠΎΠΌΠΊΠΈ | ΠΠ°ΡΠΈ Π΄Π΅ΠΉΡΡΠ²ΠΈΡ |
ΠΠ΅ΡΠ΅Π³ΠΎΡΠ΅Π» ΠΏΡΠ΅Π΄ΠΎΡ
ΡΠ°Π½ΠΈΡΠ΅Π»Ρ ΠΏΡΠΈΠΊΡΡΠΈΠ²Π°ΡΠ΅Π»Ρ | Π’ΠΎΠ²Π°Ρ ΠΏΠΎΠ΄Π»Π΅ΠΆΠΈΡ Π·Π°ΠΌΠ΅Π½Π΅. |
ΠΠ°ΠΌΠΏΠ° ΠΏΠΎΠ΄ΡΠ²Π΅ΡΠΊΠΈ Π²ΡΡΠ»Π° ΠΈΠ· ΡΡΡΠΎΡ | Π’ΡΠ΅Π±ΡΠ΅ΡΡΡ Π·Π°ΠΌΠ΅Π½Π° ΡΡΡΡΠΎΠΉΡΡΠ²Π°. |
ΠΠΎΠ²ΡΠ΅ΠΆΠ΄Π΅Π½Π° ΠΏΡΠΎΠ²ΠΎΠ΄ΠΊΠ° | ΠΡΠΎΠ²Π΅ΡΠΊΠΈ ΠΏΡΠΎΠ²ΠΎΠ΄ΡΡΡΡ, ΠΎΠ±ΡΡΠ², ΠΎΠ±ΡΡΠ² ΠΈΠ»ΠΈ ΠΎΠΊΠΈΡΠ»Π΅Π½ΠΈΠ΅ ΠΏΡΠΎΠ²ΠΎΠ΄ΠΎΠ² Π·Π°ΠΌΠ΅Π½Π° |
ΠΠ΅ ΡΠ°Π±ΠΎΡΠ°Π΅Ρ ΡΠ°ΠΌ ΠΏΡΠΈΠΊΡΡΠΈΠ²Π°ΡΠ΅Π»Ρ | Π£ΡΡΡΠΎΠΉΡΡΠ²ΠΎ ΡΠ΅ΠΌΠΎΠ½ΡΡ Π½Π΅ ΠΏΠΎΠ΄Π»Π΅ΠΆΠΈΡ, Π½Π΅ΠΎΠ±Ρ
ΠΎΠ΄ΠΈΠΌΠΎ Π΅Π³ΠΎ Π·Π°ΠΌΠ΅Π½ΠΈΡΡ. |
Π’Π΅ΠΏΠ΅ΡΡ ΡΠ°ΡΡΠΌΠΎΡΡΠΈΠΌ ΠΊΠ°ΠΆΠ΄ΡΡ ΠΈΠ· ΠΏΡΠ΅Π΄ΡΡΠ°Π²Π»Π΅Π½Π½ΡΡ
Π½Π΅ΠΈΡΠΏΡΠ°Π²Π½ΠΎΡΡΠ΅ΠΉ ΠΈ ΡΠΏΠΎΡΠΎΠ±Π½ΡΠ΅ ΠΊ Π·Π°ΠΌΠ΅Π½Π΅ ΡΠ»Π΅ΠΌΠ΅Π½ΡΡ Π±ΠΎΠ»Π΅Π΅ ΠΏΠΎΠ΄ΡΠΎΠ±Π½ΠΎ.
ΠΠ°ΠΌΠ΅Π½Π° ΠΏΡΠ΅Π΄ΠΎΡ
ΡΠ°Π½ΠΈΡΠ΅Π»Ρ
ΠΡΠΎΠ²Π΅ΡΠΈΡΡ ΡΠ°Π±ΠΎΡΡ ΠΏΡΠ΅Π΄ΠΎΡ
ΡΠ°Π½ΠΈΡΠ΅Π»Ρ Π΄ΠΎΠ²ΠΎΠ»ΡΠ½ΠΎ ΠΏΡΠΎΡΡΠΎ.ΠΠ»Ρ ΡΡΠΎΠ³ΠΎ Π½ΡΠΆΠ½ΠΎ Π²ΠΊΠ»ΡΡΠΈΡΡ Π²Π΅Π½ΡΠΈΠ»ΡΡΠΎΡ ΠΎΡΠΎΠΏΠΈΡΠ΅Π»ΡΠ½ΠΎΠ³ΠΎ ΠΎΠ±ΠΎΡΡΠ΄ΠΎΠ²Π°Π½ΠΈΡ. ΠΡΠ»ΠΈ ΠΎΠ½ Π½Π΅ ΡΠ°Π±ΠΎΡΠ°Π΅Ρ, Π·Π½Π°ΡΠΈΡ, ΠΏΡΠΈΠΊΡΡΠΈΠ²Π°ΡΠ΅Π»Ρ Π½Π΅ ΡΠ°Π±ΠΎΡΠ°Π΅Ρ. ΠΡΠΎ ΠΏΠΎΡΠΎΠΌΡ, ΡΡΠΎ ΠΎΠ±Π° ΡΡΡΡΠΎΠΉΡΡΠ²Π° ΠΏΠΎΠ΄ΠΊΠ»ΡΡΠ΅Π½Ρ ΠΊ ΠΎΠ΄Π½ΠΎΠΌΡ ΠΏΡΠ΅Π΄ΠΎΡ
ΡΠ°Π½ΠΈΡΠ΅Π»Ρ.
ΠΠ»Π΅ΠΌΠ΅Π½Ρ Π·Π°ΠΌΠ΅Π½ΡΠ΅ΡΡΡ ΡΠ»Π΅Π΄ΡΡΡΠΈΠΌ ΠΎΠ±ΡΠ°Π·ΠΎΠΌ:
- Π‘Π½ΠΈΠΌΠΈΡΠ΅ ΠΊΡΡΡΠΊΡ ΠΌΠΎΠ½ΡΠ°ΠΆΠ½ΠΎΠ³ΠΎ Π±Π»ΠΎΠΊΠ°. ΠΠ»Ρ ΡΡΠΎΠ³ΠΎ Π΄ΠΎΡΡΠ°ΡΠΎΡΠ½ΠΎ Π½Π°ΠΆΠ°ΡΡ ΠΏΠ°Π»ΡΡΠ°ΠΌΠΈ Π½Π° ΡΠΏΠ΅ΡΠΈΠ°Π»ΡΠ½ΡΡ Π·Π°ΡΠ΅Π»ΠΊΡ;
- ΠΡΠΏΠΎΠ»ΡΠ·ΡΠΉΡΠ΅ ΠΏΠΈΠ½ΡΠ΅Ρ Π΄Π»Ρ ΡΠ΄Π°Π»Π΅Π½ΠΈΡ ΠΏΠ΅ΡΠ΅Π³ΠΎΡΠ΅Π²ΡΠ΅Π³ΠΎ ΠΏΡΠ΅Π΄ΠΎΡ
ΡΠ°Π½ΠΈΡΠ΅Π»Ρ;
- ΠΠ°ΠΌΠ΅Π½ΠΈΡΠ΅ Π½ΠΎΠ²ΡΠΉ ΡΠ»Π΅ΠΌΠ΅Π½Ρ ΡΠ°ΠΊΠΈΠΌ ΠΆΠ΅ ΠΎΠ±ΡΠ°Π·ΠΎΠΌ. Π‘Π½Π°ΡΠ°Π»Π° ΡΠ±Π΅Π΄ΠΈΡΠ΅ΡΡ, ΡΡΠΎ Π²Ρ ΠΊΡΠΏΠΈΠ»ΠΈ Π½ΡΠΆΠ½ΡΡ Π·Π°ΠΏΡΠ°ΡΡΡ, ΡΠΎΠΎΡΠ²Π΅ΡΡΡΠ²ΡΡΡΡΡ ΡΠ΅Ρ
Π½ΠΈΡΠ΅ΡΠΊΠΈΠΌ Ρ
Π°ΡΠ°ΠΊΡΠ΅ΡΠΈΡΡΠΈΠΊΠ°ΠΌ Π²Π°ΡΠ΅Π³ΠΎ ΠΠΠ 2110.
ΠΠ»Π΅ΠΊΡΡΠΎΠΏΡΠΎΠ²ΠΎΠ΄ΠΊΠ°
ΠΡΠΈ ΠΈΡΠΏΡΠ°Π²Π½ΠΎΠΌ Π²Π΅Π½ΡΠΈΠ»ΡΡΠΎΡΠ΅ Π²ΠΈΠ΄Π½ΠΎ, ΡΡΠΎ ΠΏΡΠ΅Π΄ΠΎΡ
ΡΠ°Π½ΠΈΡΠ΅Π»Ρ ΡΠΎΠΆΠ΅ ΡΠ΅Π». ΠΠΎΡΡΠΎΠΌΡ Π·Π°ΠΌΠ΅Π½ΡΡΡ Π΅Π³ΠΎ Π½Π΅ Π½ΡΠΆΠ½ΠΎ.
ΠΠΌΠ΅ΡΡΠΎ ΡΡΠΎΠ³ΠΎ ΠΏΠΎΠΈΡΠΈΡΠ΅ ΠΏΡΠΈΡΠΈΠ½Ρ Π½Π΅ΠΈΡΠΏΡΠ°Π²Π½ΠΎΡΡΠΈ Π² ΠΏΡΠΎΠ²ΠΎΠ΄ΠΊΠ΅, ΡΠΎΠ΅Π΄ΠΈΠ½ΡΡΡΠ΅ΠΉ ΠΌΠΎΠ½ΡΠ°ΠΆΠ½ΡΠΉ Π±Π»ΠΎΠΊ ΠΈ ΠΏΡΠΈΠΊΡΡΠΈΠ²Π°ΡΠ΅Π»Ρ.
ΠΠ±ΡΠ·Π°ΡΠ΅Π»ΡΠ½ΠΎ Π½Π°Π΄Π΅Π½ΡΡΠ΅ ΡΠ΅Π·ΠΈΠ½ΠΎΠ²ΡΠ΅ ΠΏΠ΅ΡΡΠ°ΡΠΊΠΈ ΠΏΡΠΈ ΠΏΡΠΎΠ²Π΅ΡΠΊΠ΅ ΡΠ»Π΅ΠΊΡΡΠΈΡΠ΅ΡΠΊΠΎΠΉ ΡΠ΅ΠΏΠΈ, ΡΠ°ΠΊ ΠΊΠ°ΠΊ ΠΏΡΠΈ Π΄ΠΈΠ°Π³Π½ΠΎΡΡΠΈΠΊΠ΅ ΠΌΠΎΠΆΠ΅Ρ ΠΏΠΎΡΡΠ΅Π±ΠΎΠ²Π°ΡΡΡΡ ΠΈΡΠΏΠΎΠ»ΡΠ·ΠΎΠ²Π°Π½ΠΈΠ΅ ΠΌΠ΅ΡΠ°Π»Π»ΠΈΡΠ΅ΡΠΊΠΈΡ
ΠΈΠ½ΡΡΡΡΠΌΠ΅Π½ΡΠΎΠ².
ΠΠ°ΠΌΠΏΠ°
ΠΠ°ΠΌΠΏΠΎΡΠΊΠ° Π½Π° ΠΠΠ 2110 — ΡΡΠΎ ΡΠΎΠΆΠ΅ Π½Π΅ ΡΠ΅Π΄ΠΊΠ°Ρ ΠΏΡΠΎΠ±Π»Π΅ΠΌΠ° Π½Π΅ΠΈΡΠΏΡΠ°Π²Π½ΠΎΡΡΠΈ ΠΏΡΠΈΠ±ΠΎΡΠ°.ΠΠ»Ρ Π΅Π³ΠΎ Π·Π°ΠΌΠ΅Π½Ρ Π½Π΅ ΡΡΠ΅Π±ΡΠ΅ΡΡΡ ΡΠΏΠ΅ΡΠΈΠ°Π»ΡΠ½ΡΡ
Π½Π°Π²ΡΠΊΠΎΠ². ΠΡΠΎΡΡΠΎ Π²ΡΠΏΠΎΠ»Π½ΡΠΉΡΠ΅ ΡΠ°Π±ΠΎΡΡ Π² ΡΡΡΠΎΠ³ΠΎΠΉ ΠΏΠΎΡΠ»Π΅Π΄ΠΎΠ²Π°ΡΠ΅Π»ΡΠ½ΠΎΡΡΠΈ ΠΎΠΏΠ΅ΡΠ°ΡΠΈΠΉ, Π΄Π»Ρ Π½Π°Π³Π»ΡΠ΄Π½ΠΎΡΡΠΈ Π²Ρ ΠΌΠΎΠΆΠ΅ΡΠ΅ ΠΏΠΎΡΠΌΠΎΡΡΠ΅ΡΡ ΠΎΠ±ΡΡΠ°ΡΡΠ΅Π΅ Π²ΠΈΠ΄Π΅ΠΎ.
- ΠΡΡΠΎΠ΅Π΄ΠΈΠ½ΠΈΡΠ΅ ΠΎΡΡΠΈΡΠ°ΡΠ΅Π»ΡΠ½ΡΡ ΠΊΠ»Π΅ΠΌΠΌΡ ΠΎΡ Π°ΠΊΠΊΡΠΌΡΠ»ΡΡΠΎΡΠ½ΠΎΠΉ Π±Π°ΡΠ°ΡΠ΅ΠΈ, Π½Π°Ρ
ΠΎΠ΄ΡΡΠ΅ΠΉΡΡ Π² ΠΌΠΎΡΠΎΡΠ½ΠΎΠΌ ΠΎΡΡΠ΅ΠΊΠ΅ Π²Π°ΡΠ΅Π³ΠΎ Π°Π²ΡΠΎΠΌΠΎΠ±ΠΈΠ»Ρ.
- Π‘Π½ΡΡΡ Π½Π°ΠΊΠ»Π°Π΄ΠΊΡ.
- Π‘ΠΎΠΆΠΌΠΈΡΠ΅ ΡΠΊΡΠ°Π½ Π»Π°ΠΌΠΏΠΎΡΠΊΠΈ, ΡΡΠΎΠ±Ρ Π²ΡΡΡΡΠΏΡ Π²ΡΡΠ»ΠΈ ΠΈΠ· ΠΏΠ°Π·Π°.
- Π’Π΅ΠΏΠ΅ΡΡ ΡΠ»Π΅ΠΌΠ΅Π½Ρ Π½Π΅ΠΌΠ½ΠΎΠ³ΠΎ ΡΠ°Π·ΠΆΠΈΠΌΠ°Π΅ΡΡΡ, ΡΠ΅ΠΌ ΡΠ°ΠΌΡΠΌ ΡΠ΄Π°Π»ΡΠ΅ΡΡΡ Π²ΠΌΠ΅ΡΡΠ΅ Ρ ΠΊΠ°ΡΡΡΠΈΠ΄ΠΆΠ΅ΠΌ.
- ΠΠ°ΠΌΠΏΠ° ΠΏΠΎΠ²ΠΎΡΠ°ΡΠΈΠ²Π°Π΅ΡΡΡ Π½Π° 90 Π³ΡΠ°Π΄ΡΡΠΎΠ², ΠΏΠΎΡΠ»Π΅ ΡΠ΅Π³ΠΎ Π²ΡΠ½ΠΈΠΌΠ°Π΅ΡΡΡ ΠΈΠ· ΠΏΠ°ΡΡΠΎΠ½Π°.
- ΠΠΎΠΎΡΡΠΆΠΈΡΠ΅ΡΡ Π½ΠΎΠ²ΠΎΠΉ Π»Π°ΠΌΠΏΠΎΠΉ, Π²ΡΡΠ°Π²ΡΡΠ΅ Π΅Π΅ Π² ΠΏΠ°ΡΡΠΎΠ½ ΠΈ ΡΠ»Π΅Π΄ΡΠΉΡΠ΅ ΠΏΡΠΎΡΠ΅Π΄ΡΡΠ΅ ΡΠ±ΠΎΡΠΊΠΈ. ΠΠ½ ΠΏΠΎΠ»Π½ΠΎΡΡΡΡ ΡΠΎΠΎΡΠ²Π΅ΡΡΡΠ²ΡΠ΅Ρ ΠΎΠ±ΡΠ°ΡΠ½ΠΎΠΉ ΠΏΠΎΡΠ»Π΅Π΄ΠΎΠ²Π°ΡΠ΅Π»ΡΠ½ΠΎΡΡΠΈ Π΄Π΅ΠΌΠΎΠ½ΡΠ°ΠΆΠ°.
- ΠΠ»Ρ Π·Π°ΠΌΠ΅Π½Ρ ΠΏΠΎΠ΄ΡΠ²Π΅ΡΠΊΠΈ Π² ΡΠ²Π΅ΡΠ΅ ΠΠΠ 2110 ΠΎΠ±ΡΠ·Π°ΡΠ΅Π»ΡΠ½ΠΎ ΠΈΡΠΏΠΎΠ»ΡΠ·ΡΡΡΡΡ ΠΏΡΠΈΠ±ΠΎΡΡ Π 12-4.
ΠΠ°ΠΌΠ΅Π½Π° ΠΏΡΠΈΠΊΡΡΠΈΠ²Π°ΡΠ΅Π»Ρ
ΠΡΠ»ΠΈ Π²ΡΠ΅ ΠΏΡΠ΅Π΄ΡΠ΄ΡΡΠΈΠ΅ ΡΠ°Π³ΠΈ ΠΏΠΎ ΡΡΡΡΠ°Π½Π΅Π½ΠΈΡ Π½Π΅ΠΏΠΎΠ»Π°Π΄ΠΎΠΊ Π½Π΅ Π΄Π°Π»ΠΈ ΠΏΠΎΠ»ΠΎΠΆΠΈΡΠ΅Π»ΡΠ½ΠΎΠ³ΠΎ ΡΠ΅Π·ΡΠ»ΡΡΠ°ΡΠ°, Π½ΠΈΡΠ΅Π³ΠΎ Π½Π΅ ΠΎΡΡΠ°Π΅ΡΡΡ, ΠΊΡΠΎΠΌΠ΅ ΠΊΠ°ΠΊ ΠΏΠΎΠ»Π½ΠΎΡΡΡΡ ΡΠ΄Π°Π»ΠΈΡΡ ΠΈ Π·Π°ΠΌΠ΅Π½ΠΈΡΡ ΡΡΠ°ΡΡΠΉ ΠΏΡΠΈΠΊΡΡΠΈΠ²Π°ΡΠ΅Π»Ρ Π½Π° Π½ΠΎΠ²ΡΠΉ.
- ΠΡΡΠΎΠ΅Π΄ΠΈΠ½ΠΈΡΠ΅ ΠΎΡΡΠΈΡΠ°ΡΠ΅Π»ΡΠ½ΡΡ ΠΊΠ»Π΅ΠΌΠΌΡ ΠΎΡ Π°ΠΊΠΊΡΠΌΡΠ»ΡΡΠΎΡΠ½ΠΎΠΉ Π±Π°ΡΠ°ΡΠ΅ΠΈ.
- Π‘Π½ΡΡΡ Π½Π°ΠΊΠ»Π°Π΄ΠΊΡ.
- Π‘Π½ΠΈΠΌΠΈΡΠ΅ ΠΊΠ°ΡΡΡΠΈΠ΄ΠΆ.
- Π ΠΎΠ±Π»ΠΈΡΠΎΠ²ΠΊΠ΅ ΠΎΠ±ΡΠ°Π·ΠΎΠ²Π°Π½ΠΎ ΠΎΡΠ²Π΅ΡΡΡΠΈΠ΅, ΡΠ΅ΡΠ΅Π· ΠΊΠΎΡΠΎΡΠΎΠ΅ Π²ΡΠ²ΠΎΠ΄ΠΈΡΡΡ ΠΊΠΎΠ»ΠΎΠ΄ΠΊΠ° Ρ ΠΏΡΠΎΠ²ΠΎΠ΄Π°ΠΌΠΈ.
- Π‘ΠΎΠΆΠΌΠΈΡΠ΅ ΡΠΊΡΠ°Π½ ΡΠ°ΠΊ, ΡΡΠΎΠ±Ρ Π²ΡΡΡΡΠΏΡ Π²ΡΡΠ»ΠΈ ΠΈΠ· ΠΎΡΠ²Π΅ΡΡΡΠΈΠΉ Π² Π²ΠΎΠ»ΠΎΠΊΠ½Π΅. ΠΡΠΊΠ»ΡΡΠΈΡΠ΅ ΡΠ»Π΅ΠΌΠ΅Π½Ρ.
- Π’Π΅ΠΏΠ΅ΡΡ Π²Π°ΠΌ Π½ΡΠΆΠ½ΠΎ ΠΎΡΠΊΠ»ΡΡΠΈΡΡ ΡΡΡΡΠΎΠΉΡΡΠ²ΠΎ ΠΎΡ ΡΠΎΠ΅Π΄ΠΈΠ½Π΅Π½ΠΈΡ Ρ ΠΎΠΏΡΠΎΠ²ΠΎΠ»ΠΎΠΊΠ½ΠΎΠΌ. ΠΠ»Ρ ΡΡΠΎΠ³ΠΎ Π΄ΠΎΡΡΠ°ΡΠΎΡΠ½ΠΎ Π½Π°ΠΆΠ°ΡΡ Π½Π° Π·Π°ΡΠ΅Π»ΠΊΠΈ ΡΠΎΠ·Π΅ΡΠΊΠΈ.
- ΠΠ°Π»Π΅Π΅ ΡΠ½ΠΈΠΌΠ°Π΅ΠΌ Π³Π½Π΅Π·Π΄ΠΎ, Π²ΡΡΠ°Π»ΠΊΠΈΠ²Π°Ρ Π΅Π³ΠΎ ΠΈΠ· ΠΎΠ±Π»ΠΈΡΠΎΠ²ΠΊΠΈ ΡΡΠ½Π½Π΅Π»Ρ ΠΏΠΎΠ»Π°.Π’Π°ΠΊΠΈΠΌ ΠΎΠ±ΡΠ°Π·ΠΎΠΌ, Π²Ρ ΠΌΠΎΠΆΠ΅ΡΠ΅ ΡΠ΄Π°Π»ΠΈΡΡ ΡΡΡΡΠΎΠΉΡΡΠ²ΠΎ.
- Π‘Π»Π΅Π΄ΡΡΡΠΈΠΌ ΡΠ°Π³ΠΎΠΌ Π±ΡΠ΄Π΅Ρ ΡΠ½ΡΡΠΈΠ΅ Π³Π½Π΅Π·Π΄Π°. ΠΠ»Ρ ΡΡΠΎΠ³ΠΎ Π΅Π³ΠΎ ΠΏΡΠΎΠ²ΠΎΠ΄ΡΡ ΡΠ΅ΡΠ΅Π· ΠΏΡΠΎΠ΅ΠΌ Ρ Π±Π»ΠΎΠΊΠΎΠΌ ΠΏΡΠΎΠ²ΠΎΠ΄ΠΎΠ².
- Π Π½ΠΎΡΠΌΠ°Π»ΡΠ½ΠΎΠΌ ΡΠΎΡΡΠΎΡΠ½ΠΈΠΈ Π·ΠΌΠ΅Π΅Π²ΠΈΠΊ Π΄ΠΎΠ»ΠΆΠ΅Π½ ΠΏΡΠΎΠ³ΡΠ΅ΡΡΡΡ Π² ΡΠ΅ΡΠ΅Π½ΠΈΠ΅ 20 ΡΠ΅ΠΊΡΠ½Π΄. ΠΠΎΡΠ»Π΅ ΡΡΠΎΠ³ΠΎ ΠΎΠ½Π° ΡΠ΅Π»ΠΊΠ°Π΅Ρ ΠΈ ΠΊΠ°ΡΡΡΠΈΠ΄ΠΆ Π²ΠΎΠ·Π²ΡΠ°ΡΠ°Π΅ΡΡΡ Π½Π° ΠΌΠ΅ΡΡΠΎ. ΠΡΠ»ΠΈ ΡΡΠΎΡ ΠΏΡΠΎΡΠ΅ΡΡ Π·Π°Π½ΠΈΠΌΠ°Π΅Ρ Π±ΠΎΠ»ΡΡΠ΅ ΠΈΠ»ΠΈ ΠΌΠ΅Π½ΡΡΠ΅ Π²ΡΠ΅ΠΌΠ΅Π½ΠΈ, ΠΎΠ±ΡΠ·Π°ΡΠ΅Π»ΡΠ½ΠΎ ΠΎΡΡΠ΅Π³ΡΠ»ΠΈΡΡΠΉΡΠ΅ ΠΏΡΠΈΠΊΡΡΠΈΠ²Π°ΡΠ΅Π»Ρ.
- Π Π΅Π³ΡΠ»ΠΈΡΠΎΠ²ΠΊΠ° Π΄ΠΎΠ²ΠΎΠ»ΡΠ½ΠΎ ΠΏΡΠΎΡΡΠ°. ΠΡΠΎΡΡΠΎ Π½ΡΠΆΠ½ΠΎ Π±ΠΎΠ»ΡΡΠ΅ Π³Π½ΡΡΡ ΠΈΠ»ΠΈ ΡΠ°Π·Π³ΠΈΠ±Π°ΡΡ ΠΊΠΎΠ½ΡΠ°ΠΊΡΡ.
- Π’Π΅ΠΏΠ΅ΡΡ Π²Ρ ΠΌΠΎΠΆΠ΅ΡΠ΅ ΡΠ½ΡΡΡ ΡΠ²Π΅ΡΠΎΠ²ΠΎΠ΄ Ρ Π½Π°ΠΊΠ»Π°Π΄ΠΊΠΈ.
- ΠΠ°ΠΌ ΠΏΡΠΎΡΡΠΎ Π½ΡΠΆΠ½ΠΎ Π²ΡΠΏΠΎΠ»Π½ΠΈΡΡ ΠΏΡΠΎΡΠ΅Π΄ΡΡΡ ΠΏΠΎΠ²ΡΠΎΡΠ½ΠΎΠΉ ΡΠ±ΠΎΡΠΊΠΈ, ΠΏΡΠΈΠΌΠ΅Π½ΠΈΠ² Π½Π° ΡΡΠΎΡ ΡΠ°Π· Π½ΠΎΠ²ΡΠΉ ΠΏΡΠΈΠΊΡΡΠΈΠ²Π°ΡΠ΅Π»Ρ. ΠΡ ΡΠΆΠ΅ Π·Π½Π°Π΅ΡΠ΅, ΠΊΠ°ΠΊ Π΅Π³ΠΎ ΡΠ΄Π°Π»ΠΈΡΡ, ΠΏΠΎΡΡΠΎΠΌΡ ΠΏΡΠΎΠ±Π»Π΅ΠΌ Ρ ΠΎΠ±ΡΠ°ΡΠ½ΠΎΠΉ ΡΡΡΠ°Π½ΠΎΠ²ΠΊΠΎΠΉ Π±ΡΡΡ Π½Π΅ Π΄ΠΎΠ»ΠΆΠ½ΠΎ.
ΠΡΠΎΡΠ΅Π΄ΡΡΠ° Π·Π°ΠΌΠ΅Π½Ρ Π½Π΅ Π·Π°Π½ΠΈΠΌΠ°Π΅Ρ ΠΌΠ½ΠΎΠ³ΠΎ Π²ΡΠ΅ΠΌΠ΅Π½ΠΈ, Π½Π΅ ΡΡΠ΅Π±ΡΠ΅Ρ Π±ΠΎΠ»ΡΡΠΈΡ
ΡΡΠΈΠ»ΠΈΠΉ. ΠΡΠ΅ ΡΡΠΎ Π»Π΅Π³ΠΊΠΎ ΡΠ΄Π΅Π»Π°ΡΡ ΡΠ²ΠΎΠΈΠΌΠΈ ΡΡΠΊΠ°ΠΌΠΈ, Π΅ΡΠ»ΠΈ Π·Π½Π°ΡΡ ΡΡ
Π΅ΠΌΡ ΠΏΠΎΠ΄ΠΊΠ»ΡΡΠ΅Π½ΠΈΡ, ΡΠ°ΡΠΏΠΎΠ»ΠΎΠΆΠ΅Π½ΠΈΠ΅ ΠΌΠΎΠ½ΡΠ°ΠΆΠ½ΠΎΠ³ΠΎ Π±Π»ΠΎΠΊΠ° ΠΈ ΡΠ»Π΅ΠΌΠ΅Π½ΡΠ°ΡΠ½ΡΠ΅ ΠΌΠ΅ΡΡ Π±Π΅Π·ΠΎΠΏΠ°ΡΠ½ΠΎΡΡΠΈ ΠΏΡΠΈ ΡΠ°Π±ΠΎΡΠ΅ Ρ ΡΠ»Π΅ΠΊΡΡΠΈΡΠ΅ΡΠΊΠΈΠΌΠΈ ΠΏΡΠΈΠ±ΠΎΡΠ°ΠΌΠΈ.
ΠΠΎΠΏΠΎΠ»Π½ΠΈΡΠ΅Π»ΡΠ½ΡΠΉ ΡΠ²Π΅Ρ
ΠΠ½ΠΎΠ³ΠΈΠ΅ ΡΠΎΠ²ΡΠ΅ΠΌΠ΅Π½Π½ΡΠ΅ Π°Π²ΡΠΎΠΌΠΎΠ±ΠΈΠ»ΠΈΡΡΡ ΡΡΡΠ΅ΠΌΡΡΡΡ ΡΠ»ΡΡΡΠΈΡΡ ΡΠΎΠ±ΡΡΠ²Π΅Π½Π½ΡΡ ΠΌΠ°ΡΠΈΠ½Ρ, ΡΠ΄Π΅Π»Π°ΡΡ Π΅Π΅ Π±ΠΎΠ»Π΅Π΅ ΡΡΠ½ΠΊΡΠΈΠΎΠ½Π°Π»ΡΠ½ΠΎΠΉ, ΠΌΠ½ΠΎΠ³ΠΎΠ·Π°Π΄Π°ΡΠ½ΠΎΠΉ.
ΠΡΠΎ ΡΡΠ΅Π±ΡΠ΅Ρ ΠΏΠΎΠ΄ΠΊΠ»ΡΡΠ΅Π½ΠΈΡ Π΄ΠΎΠΏΠΎΠ»Π½ΠΈΡΠ΅Π»ΡΠ½ΠΎΠ³ΠΎ ΡΠ½Π΅ΡΠ³ΠΎΠ·Π°Π²ΠΈΡΠΈΠΌΠΎΠ³ΠΎ ΠΎΠ±ΠΎΡΡΠ΄ΠΎΠ²Π°Π½ΠΈΡ. ΠΠΈΡΠ°Π΅ΡΡΡ ΠΎΠ½ ΠΈΠΌΠ΅Π½Π½ΠΎ ΠΎΡ ΡΠ²Π΅ΡΠ°, ΠΏΠΎΡΡΠΎΠΌΡ ΠΌΠ½ΠΎΠ³ΠΈΠ΅ ΡΠ΅ΡΠ°ΡΡ Π΄ΠΎΡΠ°Π±ΠΎΡΠ°ΡΡ ΡΡΠΎΡ ΡΠ·Π΅Π».
ΠΠ°ΠΌΠ½ΠΎΠ³ΠΎ Π»ΡΡΡΠ΅ ΠΏΠΎΠ΄ΠΊΠ»ΡΡΠΈΡΡ Π²ΡΠΎΡΠΎΠ΅ ΡΡΡΡΠΎΠΉΡΡΠ²ΠΎ. ΠΠ΄Π΅ΡΡ ΠΌΠΎΠΆΠ½ΠΎ Π΄Π΅ΠΉΡΡΠ²ΠΎΠ²Π°ΡΡ Π΄Π²ΡΠΌΡ ΡΠΏΠΎΡΠΎΠ±Π°ΠΌΠΈ:
- ΠΠΎΠ΄ΠΊΠ»ΡΡΠΈΡΡ Π΅Π²ΡΠΎ ΠΏΡΠΈΠΊΡΡΠΈΠ²Π°ΡΠ΅Π»Ρ ΠΏΠ°ΡΠ°Π»Π»Π΅Π»ΡΠ½ΠΎ ΡΠ°Π±ΡΠΈΠΊΠ΅;
- ΠΠΎΠ΄ΠΊΠ»ΡΡΠΈΡΡ Π½Π°ΠΏΡΡΠΌΡΡ ΠΎΡ Π°ΠΊΠΊΡΠΌΡΠ»ΡΡΠΎΡΠ° Ρ ΠΏΠΎΠΌΠΎΡΡΡ ΠΎΡΠ΄Π΅Π»ΡΠ½ΠΎΠ³ΠΎ ΠΏΡΠΎΠ²ΠΎΠ΄Π° ΠΈ ΠΏΡΠ΅Π΄ΠΎΡ
ΡΠ°Π½ΠΈΡΠ΅Π»Ρ Π½Π° 15 Π°ΠΌΠΏΠ΅Ρ.
ΠΠ²ΡΠΎΠΌΠΎΠ±ΠΈΠ»ΡΠ½ΡΠΉ ΠΏΡΠΈΠΊΡΡΠΈΠ²Π°ΡΠ΅Π»Ρ Π΅ΡΡΡ ΠΏΡΠ°ΠΊΡΠΈΡΠ΅ΡΠΊΠΈ Π² ΠΊΠ°ΠΆΠ΄ΠΎΠΉ ΠΌΠ°ΡΠΈΠ½Π΅, Π² ΡΠΎΠΌ ΡΠΈΡΠ»Π΅ ΠΈ Π² ΠΠΠ-2110. Π’Π°ΠΊΠΆΠ΅ ΡΠ°ΡΡΠΎ, ΠΊΠ°ΠΊ ΠΈ Π½Π° Π΄ΡΡΠ³ΠΈΡ
Π°Π²ΡΠΎΠΌΠΎΠ±ΠΈΠ»ΡΡ
, ΠΎΠ½ Π²ΡΡ
ΠΎΠ΄ΠΈΡ ΠΈΠ· ΡΡΡΠΎΡ ΠΈΠ»ΠΈ, ΠΊΠ°ΠΊ Π³ΠΎΠ²ΠΎΡΡΡ Π²ΠΎΠ΄ΠΈΡΠ΅Π»ΠΈ, Β«Π½Π°ΠΊΡΡΠ²Π°Π΅ΡΡΡΒ».Π‘Π°ΠΌΠΎ ΡΡΡΡΠΎΠΉΡΡΠ²ΠΎ ΠΏΡΠΈΠΊΡΡΠΈΠ²Π°ΡΠ΅Π»Ρ Π½Π΅ Π½Π°ΡΡΠΎΠ»ΡΠΊΠΎ ΡΠ»ΠΎΠΆΠ½ΠΎΠ΅, ΡΡΠΎΠ±Ρ Π²ΠΎΠ΄ΠΈΡΠ΅Π»Ρ Π½Π΅ ΠΌΠΎΠ³ ΡΠ°Π·ΠΎΠ±ΡΠ°ΡΡΡΡ ΡΠ°ΠΌΠΎΡΡΠΎΡΡΠ΅Π»ΡΠ½ΠΎ. ΠΠ° ΠΈ ΡΠ»Π΅ΠΊΡΡΠΈΡΠ΅ΡΠΊΠ°Ρ ΡΡ
Π΅ΠΌΠ° Ρ Π½Π΅Π³ΠΎ Π΄ΠΎΠ²ΠΎΠ»ΡΠ½ΠΎ ΠΏΡΠΎΡΡΠ°Ρ, ΠΏΠΎ ΡΡΡΠΈ ΠΎΠ½ ΠΏΠΎΠ΄ΠΊΠ»ΡΡΠ°Π΅ΡΡΡ Π½Π°ΠΏΡΡΠΌΡΡ ΠΊ Π°ΠΊΠΊΡΠΌΡΠ»ΡΡΠΎΡΡ (AB) ΡΠ΅ΡΠ΅Π· ΠΌΠΎΠ½ΡΠ°ΠΆΠ½ΡΠΉ Π±Π»ΠΎΠΊ. ΠΡΠΎ ΡΠ΄Π΅Π»Π°Π½ΠΎ ΠΏΠΎΡΠΎΠΌΡ, ΡΡΠΎ ΡΠ΅ΡΠ΅Π· Π½Π΅Π³ΠΎ, ΠΊΠΎΠ³Π΄Π° ΠΎΠ½ Π²ΠΊΠ»ΡΡΠ°Π΅ΡΡΡ Π² ΡΠ°Π±ΠΎΡΡ, ΠΏΡΠΎΡΠ΅ΠΊΠ°Π΅Ρ Π±ΠΎΠ»ΡΡΠΎΠΉ ΡΠΎΠΊ. ΠΠ½Π°Π»ΠΎΠ³ΠΈΡΠ½Π°Ρ ΠΊΠ°ΡΡΠΈΠ½Π° ΡΠΎ ΡΡΠ°ΡΡΠ΅ΡΠΎΠΌ, ΡΠ°ΠΌ ΡΠΎΠΆΠ΅ ΡΠΎΠΊ ΠΈΠ΄Π΅Ρ Π½Π° Π½Π΅Π³ΠΎ Π½Π°ΠΏΡΡΠΌΡΡ ΠΎΡ ΠΠΠ, ΠΏΠΎ ΡΠΎΠΉ ΠΆΠ΅ ΠΏΡΠΈΡΠΈΠ½Π΅.
ΠΡΠΈ Π²ΡΡ
ΠΎΠ΄Π΅ ΠΈΠ· ΡΡΡΠΎΡ ΠΏΡΠΈΠΊΡΡΠΈΠ²Π°ΡΠ΅Π»Ρ Π² ΠΏΠ΅ΡΠ²ΡΡ ΠΎΡΠ΅ΡΠ΅Π΄Ρ Π½Π΅ΠΎΠ±Ρ
ΠΎΠ΄ΠΈΠΌΠΎ ΠΏΡΠΎΠ²Π΅ΡΠΈΡΡ Π΅Π³ΠΎ ΠΏΡΠ΅Π΄ΠΎΡ
ΡΠ°Π½ΠΈΡΠ΅Π»Ρ.ΠΠ½ Π½Π°Ρ
ΠΎΠ΄ΠΈΡΡΡ Π² ΠΌΠΎΠ½ΡΠ°ΠΆΠ½ΠΎΠΌ Π±Π»ΠΎΠΊΠ΅, ΠΌΠΎΠΆΠ΅Ρ Π±ΡΡΡ ΠΎΡΠΌΠ΅ΡΠ΅Π½ ΡΠΎΠΎΡΠ²Π΅ΡΡΡΠ²ΡΡΡΠΈΠΌ ΠΈΠ·ΠΎΠ±ΡΠ°ΠΆΠ΅Π½ΠΈΠ΅ΠΌ ΠΈΠ»ΠΈ ΡΠΎΠΏΡΠΎΠ²ΠΎΠΆΠ΄Π°ΡΡΡΡ Π½Π°Π΄ΠΏΠΈΡΡΡ F18. ΠΠ° ΡΠ»Π΅ΠΊΡΡΠΈΡΠ΅ΡΠΊΠΎΠΉ ΡΡ
Π΅ΠΌΠ΅ ΠΠΠ-2110 ΠΎΠ½ ΡΠ°ΠΊΠΆΠ΅ ΠΎΠ±ΠΎΠ·Π½Π°ΡΠ΅Π½ ΠΊΠ°ΠΊ F18, Π΄ΠΎΠΏΡΡΡΠΈΠΌΠ°Ρ ΡΠΈΠ»Π° ΡΠΎΠΊΠ°, ΠΏΡΠΎΡ
ΠΎΠ΄ΡΡΠ΅Π³ΠΎ ΠΏΠΎ Π½Π΅ΠΌΡ, Π½Π΅ Π΄ΠΎΠ»ΠΆΠ½Π° ΠΏΡΠ΅Π²ΡΡΠ°ΡΡ 25 Π°ΠΌΠΏΠ΅Ρ. ΠΠ°ΠΉΡΠΈ ΠΌΠΎΠ½ΡΠ°ΠΆΠ½ΡΠΉ Π±Π»ΠΎΠΊ ΡΠ°ΠΌ, Π³Π΄Π΅ ΠΎΠ½ ΡΡΠΎΠΈΡ, Π½Π΅ΡΠ»ΠΎΠΆΠ½ΠΎ. ΠΠ»Ρ ΡΡΠΎΠ³ΠΎ Π΄Π°ΠΆΠ΅ Π½Π΅ Π½ΡΠΆΠ½ΠΎ ΠΎΡΠΊΡΡΠ²Π°ΡΡ ΠΊΠ°ΠΏΠΎΡ, ΠΎΠ½ Π½Π°Ρ
ΠΎΠ΄ΠΈΡΡΡ Π½Π° ΠΏΠ΅ΡΠ΅Π΄Π½Π΅ΠΉ ΠΏΠ°Π½Π΅Π»ΠΈ, ΡΠ»Π΅Π²Π° ΠΎΡ ΡΡΠ»Ρ.
Π₯ΠΎΡΡ Π² ΠΏΡΠΈΠ½ΡΠΈΠΏΠ΅ ΠΏΡΠΎΠ²Π΅ΡΠΈΡΡ ΠΏΡΠ΅Π΄ΠΎΡ
ΡΠ°Π½ΠΈΡΠ΅Π»Ρ Π΅ΡΠ΅ ΠΏΡΠΎΡΠ΅.ΠΠ°Π΄ΠΎ ΠΏΠΎΠΏΡΠΎΠ±ΠΎΠ²Π°ΡΡ Π²ΠΊΠ»ΡΡΠΈΡΡ Π²Π΅Π½ΡΠΈΠ»ΡΡΠΎΡ ΠΎΡΠΎΠΏΠΈΡΠ΅Π»Ρ. Π£ΡΠΈΡΡΠ²Π°Ρ, ΡΡΠΎ ΠΏΡΠΈΠΊΡΡΠΈΠ²Π°ΡΠ΅Π»Ρ ΠΈ Π²Π΅Π½ΡΠΈΠ»ΡΡΠΎΡ Β«ΡΠΈΠ΄ΡΡΒ» Π½Π° ΠΎΠ΄Π½ΠΎΠΌ ΠΏΡΠ΅Π΄ΠΎΡ
ΡΠ°Π½ΠΈΡΠ΅Π»Π΅, ΡΠΎ Π΅ΡΠ»ΠΈ ΠΎΠ½ ΠΏΠ΅ΡΠ΅Π³ΠΎΡΠ΅Π» ΠΈ Π²Π΅Π½ΡΠΈΠ»ΡΡΠΎΡ Π½Π΅ ΡΠ°Π±ΠΎΡΠ°Π΅Ρ, ΡΠΎ Π½ΡΠΆΠ½ΠΎ ΠΎΡΠΊΡΡΡΡ ΠΌΠΎΠ½ΡΠ°ΠΆΠ½ΡΠΉ Π±Π»ΠΎΠΊ. ΠΡΠΎ Π΄Π΅Π»Π°Π΅ΡΡΡ Π½Π°ΠΆΠ°ΡΠΈΠ΅ΠΌ Π½Π° Π·Π°ΡΠ΅Π»ΠΊΡ, ΠΏΠΎΡΠ»Π΅ ΡΠ΅Π³ΠΎ ΠΎΡΠΊΡΡΠ²Π°Π΅ΡΡΡ ΠΊΡΡΡΠΊΠ° ΠΌΠΎΠ½ΡΠ°ΠΆΠ½ΠΎΠ³ΠΎ Π±Π»ΠΎΠΊΠ°. ΠΠ»Ρ ΡΠ΄ΠΎΠ±ΡΡΠ²Π° ΡΠ°Π±ΠΎΡΡ Ρ ΠΏΡΠ΅Π΄ΠΎΡ
ΡΠ°Π½ΠΈΡΠ΅Π»ΡΠΌΠΈ Π²Π½ΡΡΡΠΈ Π±Π»ΠΎΠΊΠ° Π΅ΡΡΡ ΠΏΠΈΠ½ΡΠ΅Ρ, Ρ ΠΏΠΎΠΌΠΎΡΡΡ ΠΊΠΎΡΠΎΡΠΎΠ³ΠΎ ΠΌΡ Π΄ΠΎΡΡΠ°Π½Π΅ΠΌ ΡΡΠΎΡ ΠΏΡΠ΅Π΄ΠΎΡ
ΡΠ°Π½ΠΈΡΠ΅Π»Ρ.
ΠΠΎ Π΅ΡΠ»ΠΈ Π²Π΅Π½ΡΠΈΠ»ΡΡΠΎΡ ΡΠ°Π±ΠΎΡΠ°Π΅Ρ, Π·Π½Π°ΡΠΈΡ, ΠΏΡΠ΅Π΄ΠΎΡ
ΡΠ°Π½ΠΈΡΠ΅Π»Ρ F18 ΠΈΡΠΏΡΠ°Π²Π΅Π½ ΠΈ Π½Π΅ΠΈΡΠΏΡΠ°Π²Π½ΠΎΡΡΡ Π½ΡΠΆΠ½ΠΎ ΠΈΡΠΊΠ°ΡΡ Π² ΠΏΡΠΎΠ²ΠΎΠ΄Π°Ρ
, ΠΈΠ΄ΡΡΠΈΡ
ΠΎΡ ΠΌΠΎΠ½ΡΠ°ΠΆΠ½ΠΎΠ³ΠΎ Π±Π»ΠΎΠΊΠ° ΠΊ ΠΏΡΠΈΠΊΡΡΠΈΠ²Π°ΡΠ΅Π»Ρ, Π»ΠΈΠ±ΠΎ ΠΎΠ½ Π½Π΅ΠΈΡΠΏΡΠ°Π²Π΅Π½ ΡΠ°ΠΌ.ΠΠΎ, ΠΏΡΠ΅ΠΆΠ΄Π΅ ΡΠ΅ΠΌ Π²Ρ Π½Π°ΡΠ½Π΅ΡΠ΅ ΡΠ½ΠΈΠΌΠ°ΡΡ ΠΏΡΠΈΠΊΡΡΠΈΠ²Π°ΡΠ΅Π»Ρ Ρ ΠΏΠ΅ΡΠ΅Π΄Π½Π΅ΠΉ ΠΏΠ°Π½Π΅Π»ΠΈ, ΠΏΠΎΡΠΌΠΎΡΡΠΈΡΠ΅ ΡΠ°ΠΊΠΆΠ΅ Π½Π° ΠΏΡΠ΅Π΄ΠΎΡ
ΡΠ°Π½ΠΈΡΠ΅Π»Ρ, ΠΎΠ±ΠΎΠ·Π½Π°ΡΠ΅Π½Π½ΡΠΉ ΠΊΠ°ΠΊ F6. Π’Π°ΠΊΠΆΠ΅ ΡΡΠΎ ΠΌΠΎΠΆΠ΅Ρ ΠΏΠΎΠ²Π»ΠΈΡΡΡ Π½Π° ΡΠ°Π±ΠΎΡΡ ΠΏΡΠΈΠΊΡΡΠΈΠ²Π°ΡΠ΅Π»Ρ, Π΅ΡΠ»ΠΈ ΠΎΠ½ ΠΏΠ΅ΡΠ΅Π³ΠΎΡΠΈΡ. Π‘Π»Π΅Π΄ΠΎΠ²Π°ΡΠ΅Π»ΡΠ½ΠΎ, Π΅ΡΠ»ΠΈ Π΅ΡΠ΅ ΠΏΡΠΎΠ²Π΅ΡΠΈΡΡ Π½Π°ΠΏΡΡΠΆΠ΅Π½ΠΈΠ΅ Π½Π° ΠΊΠΎΠ»ΠΎΠ΄ΠΊΠ΅ ΠΏΡΠΎΠ²ΠΎΠ΄ΠΎΠ², ΠΏΠΎΠ΄Ρ
ΠΎΠ΄ΡΡΠ΅ΠΉ ΠΊ ΠΏΡΠΈΠΊΡΡΠΈΠ²Π°ΡΠ΅Π»Ρ, ΡΠΎ ΠΎΠ½ΠΎ Π±ΡΠ΄Π΅Ρ 0.
ΠΡΠΊΠ»ΡΡΠ΅Π½ ΡΠ°ΠΌ ΠΏΡΠΈΠΊΡΡΠΈΠ²Π°ΡΠ΅Π»Ρ, ΠΎΠ±ΡΡΠ½ΠΎ ΡΡΠΎ ΡΠ΅ Π΄ΡΠ°ΠΉΠ²Π΅ΡΡ, ΠΊΠΎΡΠΎΡΡΠ΅ ΠΏΠΎΠ΄ΠΊΠ»ΡΡΠ°ΡΡ Π΄ΠΎΠΏΠΎΠ»Π½ΠΈΡΠ΅Π»ΡΠ½ΡΠ΅ ΡΡΡΡΠΎΠΉΡΡΠ²Π°, ΠΏΠΎΡΡΠ΅Π±Π»ΡΡΡΠΈΠ΅ Π±ΠΎΠ»ΡΡΠΎΠΉ ΡΠΎΠΊ Π² Π΅Π³ΠΎ ΡΠΎΠ·Π΅ΡΠΊΡ. ΠΡΠΈΠΌΠ΅ΡΠΎΠΌ ΠΌΠΎΠΆΠ΅Ρ ΡΠ»ΡΠΆΠΈΡΡ Π½Π°ΠΊΠ°ΡΠΊΠ° Π°Π²ΡΠΎΠΌΠΎΠ±ΠΈΠ»ΡΠ½ΠΎΠΉ ΡΠΈΠ½Ρ ΠΈΠ»ΠΈ Π²ΡΡΠΊΠΎΡΠΈΡΡ Π² Π΅Π³ΠΎ Π³Π½Π΅Π·Π΄ΠΎ, Π½Π΅ ΠΏΠΎΠ΄Ρ
ΠΎΠ΄ΡΡΠ΅Π΅ ΠΏΠΎ Π΄ΠΈΠ°ΠΌΠ΅ΡΡΡ Π²ΠΈΠ»ΠΊΠ΅.
ΠΠ½ΠΎΠ³Π΄Π° Π±ΡΠ²Π°Π΅Ρ, ΡΡΠΎ ΠΏΠΎΡΠ»Π΅ Π½Π΅ΡΠ΄Π°ΡΠ½ΠΎ Π²ΡΠ΄Π΅ΡΠ½ΡΡΠΎΠ³ΠΎ ΠΏΡΠΈΠΊΡΡΠΈΠ²Π°ΡΠ΅Π»Ρ Π½Π° ΠΠΠ 2107 Π²ΡΡ ΡΠ΅Π½ΡΡΠ°Π»ΡΠ½Π°Ρ Π²ΡΡΠ°Π²ΠΊΠ° Π·Π°ΠΏΠΈΡΡΠ²Π°Π΅ΡΡΡ Π·Π° Π½ΠΈΠΌ, ΠΏΠΎΡΠΎΠΌ — Π·Π°ΡΡΠΆΠΊΠ°! — ΠΈΡΠΊΠΎΡΠΊΠ° ΠΌΠ΅ΡΡΠ°Π΅Ρ Ρ ΡΡΠ΅ΡΠΊΠΎΠΌ, ΠΈ Π²ΡΠ΅. ΠΡΠΈΠΊΡΡΠΈΠ²Π°ΡΠ΅Π»Ρ Π½Π΅ ΡΠ°Π±ΠΎΡΠ°Π΅Ρ.
ΠΠ΅ΠΊΡΡΡΡΠΈΠΉ Π²ΠΎΠ΄ΠΈΡΠ΅Π»Ρ Π²ΡΠΎΠ΄Π΅ Π½Π΅ΠΌΠ½ΠΎΠ³ΠΎ ΠΎΠ³ΠΎΡΡΠΈΠ»ΡΡ, Π΄Π°ΠΉ Π±ΠΎΠ³ Π΅ΠΌΡ Π·Π΄ΠΎΡΠΎΠ²ΡΡ, ΡΠ΅ΠΌΠΎΠ½Ρ ΠΏΠΎΠ΄ΠΎΠΆΠ΄Π΅Ρ. ΠΠΎ Π²ΡΡ Π·Π°Π³Π²ΠΎΠ·Π΄ΠΊΠ° Π² ΡΠΎΠΌ, ΡΡΠΎ ΠΈΠ·-Π·Π° ΠΎΡΠΎΠ±Π΅Π½Π½ΠΎΡΡΠ΅ΠΉ ΡΡ
Π΅ΠΌΡ ΠΏΠΎΠ΄ΠΊΠ»ΡΡΠ΅Π½ΠΈΡ ΠΏΡΠΈΠΊΡΡΠΈΠ²Π°ΡΠ΅Π»Ρ Π½Π° ΠΠΠ 2107 Π°Π²ΡΠΎΠΌΠ°Π³Π½ΠΈΡΠΎΠ»Π° (ΠΈΠ»ΠΈ ΠΌΠ°Π³Π½ΠΈΡΠΎΠ»Π°) Π³Π°ΡΠ½Π΅Ρ ΠΈ Ρ Π½Π΅ΠΉ Π½Π΅ ΡΠ°Π±ΠΎΡΠ°Π΅Ρ, ΠΊΠ°ΠΊ ΠΈ Π°Π²ΡΠΎΠΌΠΎΠ±ΠΈΠ»ΡΠ½ΡΠ΅ ΡΠ°ΡΡ Ρ Π΅Π΅ ΠΏΠΎΠ΄ΡΠ²Π΅ΡΠΊΠΎΠΉ.
Π‘ ΠΏΡΠΈΡ
ΠΎΠ΄ΠΎΠΌ ΡΡΠ΅ΡΡΠ΅Π³ΠΎ ΡΡΡΡΡΠ΅Π»Π΅ΡΠΈΡ ΠΏΡΠΎΠ±Π»Π΅ΠΌ ΡΡΠ°Π»ΠΎ Π΅ΡΠ΅ Π±ΠΎΠ»ΡΡΠ΅: ΠΊ ΡΡΠΎΠΌΡ ΡΠ°Π·ΡΠ΅ΠΌΡ ΠΏΠΎΠ΄ΠΊΠ»ΡΡΠ°ΡΡΡΡ Π·Π°ΡΡΠ΄ΠΊΠ° ΡΠΎΡΠΎΠ²ΠΎΠ³ΠΎ ΡΠ΅Π»Π΅ΡΠΎΠ½Π°, Π²ΠΈΠ΄Π΅ΠΎΡΠ΅Π³ΠΈΡΡΡΠ°ΡΠΎΡΠ°, ΠΌΠΈΠ½ΠΈ-ΡΠ΅Π»Π΅Π²ΠΈΠ·ΠΎΡΠ° ΠΈ Π΄Π°ΠΆΠ΅ Π½Π΅Π±ΠΎΠ»ΡΡΠΎΠ³ΠΎ Ρ
ΠΎΠ»ΠΎΠ΄ΠΈΠ»ΡΠ½ΠΈΠΊΠ°. ΠΡΠ΅ ΡΡΠΎ ΡΠΎΠ²Π΅ΡΡΠ΅Π½Π½ΠΎ Π½Π΅ ΡΡΡΠ°ΡΠ½ΠΎ, Π½ΠΎ Π²ΠΎΡ ΠΊΠ°ΠΊΠΈΠ΅-ΡΠΎ Π»Π΅Π½ΠΈΠ²ΡΠ΅ Π°Π²ΡΠΎΠΌΠΎΠ±ΠΈΠ»ΠΈΡΡΡ ΠΏΠ΅ΡΠ΅ΡΡΠ°Π»ΠΈ ΡΠ°ΡΠΊΠ°ΡΡ Ρ ΡΠΎΠ±ΠΎΠΉ ΡΡΡΠ½ΠΎΠΉ ΠΈΠ»ΠΈ Π½ΠΎΠΆΠ½ΠΎΠΉ Π½Π°ΡΠΎΡ, ΠΈ ΠΈΡΠΏΠΎΠ»ΡΠ·ΡΡΡ ΠΈΡΠΊΠ»ΡΡΠΈΡΠ΅Π»ΡΠ½ΠΎ ΡΠ»Π΅ΠΊΡΡΠΎΡΠ½Π΅ΡΠ³ΠΈΡ ΠΎΡ ΡΠΎΠ³ΠΎ ΠΆΠ΅ ΠΈΡΡΠΎΡΠ½ΠΈΠΊΠ°. ΠΠΎΡ ΡΡΡ-ΡΠΎ ΠΈ Π½Π°ΡΠΈΠ½Π°ΡΡΡΡ ΠΏΡΠΎΠ±Π»Π΅ΠΌΡ Π½Π° ΡΡΠ°ΡΡΠ΅, Π² ΡΠ»ΡΡΠ°Π΅ ΠΏΡΠΎΠΊΠΎΠ»Π°. ΠΡΠΆΠ½ΠΎ ΠΏΡΠΎΠ³ΠΎΠ»ΠΎΡΠΎΠ²Π°ΡΡ Β«ΠΏΠΎΠΏΡΠΎΡΠΈΡΡ ΠΏΠΎΠΌΠΏΡΒ».
ΠΠ° ΡΠΌ ΠΏΡΠΈΡ
ΠΎΠ΄ΠΈΡ Π·Π°ΠΌΠ΅Π½Π° ΠΏΡΠΈΠΊΡΡΠΈΠ²Π°ΡΠ΅Π»Ρ Π² Π»ΡΠ±ΠΈΠΌΠΎΠΌ ΠΠΠ 2107 ΠΈΠ»ΠΈ, Π½Π° ΠΊΡΠ°ΠΉΠ½ΠΈΠΉ ΡΠ»ΡΡΠ°ΠΉ, ΡΠ΅ΠΌΠΎΠ½Ρ.ΠΠΎ Π΄Π»Ρ Π½Π°ΡΠ°Π»Π° Π΄Π°Π²Π°ΠΉΡΠ΅ ΡΠ°Π·Π±Π΅ΡΠ΅ΠΌΡΡ ΠΈ ΠΏΠΎΡΠΌΠΎΡΡΠΈΠΌ, ΠΊΠ°ΠΊΠ°Ρ ΡΡ
Π΅ΠΌΠ° ΠΏΠΎΠ΄ΠΊΠ»ΡΡΠ΅Π½ΠΈΡ ΠΏΡΠΈΠΊΡΡΠΈΠ²Π°ΡΠ΅Π»Ρ.
Π‘Ρ
Π΅ΠΌΠ° ΠΏΠΎΠ΄ΠΊΠ»ΡΡΠ΅Π½ΠΈΡ ΠΏΡΠΈΠΊΡΡΠΈΠ²Π°ΡΠ΅Π»Ρ Π°Π²ΡΠΎΠΌΠΎΠ±ΠΈΠ»Ρ ΠΠΠ 2107
ΠΡΡΡ Π½Π΅Π±ΠΎΠ»ΡΡΠΈΠ΅ ΠΎΡΠ»ΠΈΡΠΈΡ Π² Π·Π°Π²ΠΈΡΠΈΠΌΠΎΡΡΠΈ ΠΎΡ ΡΠΎΠ³ΠΎ, ΠΊΠ°ΠΊΠ°Ρ ΠΌΠΎΠ΄Π΅Π»Ρ ΡΠ΅Π½ΡΡΠ°Π»ΡΠ½ΠΎΠΉ ΠΊΠΎΠ½ΡΠΎΠ»ΠΈ ΡΡΡΠ°Π½ΠΎΠ²Π»Π΅Π½Π° ββΠ² Π°Π²ΡΠΎΠΌΠΎΠ±ΠΈΠ»Π΅.
ΠΡΠ»ΠΈ ΠΏΡΠΎΠΈΠ·Π²ΠΎΠ΄ΠΈΡΡΡ Π·Π°ΠΌΠ΅Π½Π° ΠΈ Ρ Π²Π°Ρ Β«ΠΏΡΡΠΈΡΡΠΎΡΠΎΠ½Π½ΡΡ ΠΊΠΎΠ½ΡΠΎΠ»ΡΒ», ΡΡ
Π΅ΠΌΠ° ΠΏΠΎΠ΄ΠΊΠ»ΡΡΠ΅Π½ΠΈΡ ΡΠ»Π΅Π΄ΡΡΡΠ°Ρ:
- Π¦Π²Π΅Ρ Π΅Π΄Ρ ΡΠΈΠ½ΠΈΠΉ — ΠΊΡΠ°ΡΠ½ΡΠΉ, ΠΏΠ°ΡΠ½ΡΠΉ, ΡΠ²Π΅Ρ ΠΎΡΡΠΈΡΠ°ΡΠ΅Π»ΡΠ½ΠΎΠΉ Β«ΠΌΠ°ΡΡΡΒ» ΠΏΠ°ΡΠ½ΡΠΉ, ΡΠ΅ΡΠ½ΠΎΠ΅ ΠΈ Π±Π΅Π»ΠΎΠ΅.ΠΠ°ΡΡΠ° Π·Π°ΠΊΡΠ΅ΠΏΠ»Π΅Π½Π° Π²ΠΎΠ·Π»Π΅ ΡΠ΅Π»Π΅ Π·Π°ΠΆΠΈΠ³Π°Π½ΠΈΡ. ΠΠ΄Π½Π° Π²Π΅ΡΠΊΠ° ΠΏΠΈΡΠ°Π΅Ρ ΡΠ²Π΅Ρ Π² Π±Π°ΡΠ΄Π°ΡΠΊΠ΅.
Π¨ΡΠ°ΡΠ½Π°Ρ ΠΊΠΎΠ½ΡΠΎΠ»Ρ (ΡΠ΅Π½ΡΡΠ°Π»ΡΠ½Π°Ρ) ΠΠΠ 2107, ΠΏΡΠΈΠ½ΡΠΈΠΏ ΠΏΠΎΠ΄ΠΊΠ»ΡΡΠ΅Π½ΠΈΡ ΡΠ°ΠΊΠΎΠΉ:
- Β«ΠΠ°ΡΡΠ°Β» — ΠΈΠΌΠ΅Π΅Ρ ΡΠ΅ΡΠ½ΡΠΉ ΡΠ²Π΅Ρ, ΠΏΡΠΎΠ²ΠΎΠ΄Π° ΠΈΠ΄ΡΡΠΈΠ΅ Π½Π° ΠΎΡΠ²Π΅ΡΠ΅Π½ΠΈΠ΅ Π±Π΅Π»ΡΠ΅, ΠΈΡ
Π΄Π²Π°. Π‘Ρ
Π΅ΠΌΠ° ΠΏΡΠ΅Π΄ΡΡΠΌΠ°ΡΡΠΈΠ²Π°Π΅Ρ, ΡΡΠΎ ΠΏΠΎΠ΄ΡΠ²Π΅ΡΠΊΡ ΠΏΠ°Π½Π΅Π»ΠΈ ΠΎΡΡΡΠ΅ΡΡΠ²Π»ΡΠ΅Ρ ΠΎΠ΄ΠΈΠ½ ΠΏΡΠΎΠ²ΠΎΠ΄.
ΠΡΠΎΠ²ΠΎΠ΄ ΠΏΠΈΡΠ°Π½ΠΈΡ ΡΠΈΠ½ΠΈΠΉ Ρ ΠΊΡΠ°ΡΠ½ΡΠΌ, ΡΠΏΠ°ΡΠ΅Π½Π½ΡΠΉ, ΠΎΠ΄Π½Π° ΡΠ°ΡΡΡ ΠΏΠΎΠ΄Ρ
ΠΎΠ΄ΠΈΡ ΠΈ ΠΏΠΈΡΠ°Π΅Ρ Π±ΠΎΡΡΠΎΠ²ΡΠ΅ ΡΠ°ΡΡ.
Π’Π°ΠΊΠΆΠ΅ Π²Π°ΠΆΠ½ΠΎ Π·Π½Π°ΡΡ, ΡΡΠΎ ΠΊΡΠΎΠΌΠ΅ ΠΏΡΠΎΠ²ΠΎΠ΄ΠΎΠ², Π² ΡΡ
Π΅ΠΌΠ΅ Π½Π°Ρ
ΠΎΠ΄ΡΡΡΡ:
- Π‘Π°ΠΌ ΠΏΡΠΈΠΊΡΡΠΈΠ²Π°ΡΠ΅Π»Ρ;
- ΠΡΠ΅Π΄ΠΎΡ
ΡΠ°Π½ΠΈΡΠ΅Π»Ρ 10 Π Ρ ΠΌΠ°ΡΠΊΠΈΡΠΎΠ²ΠΊΠΎΠΉ F 6, ΡΠ°ΡΠΏΠΎΠ»ΠΎΠΆΠ΅Π½Π½ΡΠΉ Π² ΠΌΠΎΠ½ΡΠ°ΠΆΠ½ΠΎΠΌ Π±Π»ΠΎΠΊΠ΅.
ΠΡΠΈΡΠΈΠ½Ρ Π½Π΅ΠΈΡΠΏΡΠ°Π²Π½ΠΎΡΡΠΈ
- Π§Π°ΡΡΠΎ Π±ΡΠ²Π°Π΅Ρ, ΡΡΠΎ Π³Π½Π΅Π·Π΄ΠΎ ΠΏΡΠΈΠΊΡΡΠΈΠ²Π°ΡΠ΅Π»Ρ ΠΠΠ 2107 — ΡΡΠΎ ΡΠΎΠ·Π΅ΡΠΊΠ°, ΠΊΠ°ΠΊ ΠΎΠΏΠΈΡΠ°Π½ΠΎ Π²ΡΡΠ΅. Π‘Ρ
Π΅ΠΌΠ° ΡΠ°ΡΡΠ΅ΡΠ° ΠΏΡΠΎΡΡΠ°: ΠΏΡΠΈ ΡΠΌΠ½ΠΎΠΆΠ΅Π½ΠΈΠΈ ΠΌΠ°ΠΊΡΠΈΠΌΠ°Π»ΡΠ½ΠΎΠΉ ΡΠΈΠ»Ρ ΡΠΎΠΊΠ°, Π½Π° ΠΊΠΎΡΠΎΡΡΡ ΡΠ°ΡΡΡΠΈΡΠ°Π½ ΠΏΡΠ΅Π΄ΠΎΡ
ΡΠ°Π½ΠΈΡΠ΅Π»Ρ (10 Π), Π½Π° Π½Π°ΠΏΡΡΠΆΠ΅Π½ΠΈΠ΅ Π±ΠΎΡΡΠΎΠ²ΠΎΠΉ ΡΠ΅ΠΏΠΈ (Π½Π°ΠΏΡΡΠΆΠ΅Π½ΠΈΠ΅ 12 Π) ΠΏΠΎΠ»ΡΡΠ°Π΅ΠΌ 120 ΠΡ. ΠΡΠ»ΠΈ ΡΡΠΎ Π½Π΅ ΡΠΎΠ»ΡΠΊΠΎ ΡΠΎΠ·Π΅ΡΠΊΠ°, Π½ΠΎ ΠΈ ΡΠ°Π·Π²Π΅ΡΠ²ΠΈΡΠ΅Π»Ρ, ΡΡΠΎ Π½ΡΠΆΠ½ΠΎ ΠΏΠΎΠΌΠ½ΠΈΡΡ. ΠΡΠ΅Π΄ΠΎΡ
ΡΠ°Π½ΠΈΡΠ΅Π»Ρ ΡΠ³ΠΎΡΠΈΡ ΠΊΠ°ΠΊ ΡΠΏΠΈΡΠΊΠ° (Π² Π»ΡΡΡΠ΅ΠΌ ΡΠ»ΡΡΠ°Π΅), ΠΈ ΡΠ΅ΠΌΠΎΠ½Ρ ΡΡΠ°Π½Π΅Ρ ΠΎΠ±ΡΡΠ½ΡΠΌ Π΄Π΅Π»ΠΎΠΌ.ΠΠ°Π³ΡΡΠ·ΠΊΠ° Ρ
ΠΎΡΠΎΡΠΎ ΡΠ°Π±ΠΎΡΠ°Π΅Ρ Π½Π΅ Π±ΠΎΠ»Π΅Π΅ 100 ΠΡ.
- ΠΠ½ΠΎΠ³Π΄Π° ΠΎΠΊΠΈΡΠ»ΡΡΡΡΡ ΠΊΠΎΠ½ΡΠ°ΠΊΡΡ ΡΠ°ΠΌΠΎΠ³ΠΎ ΠΏΡΠΈΠΊΡΡΠΈΠ²Π°ΡΠ΅Π»Ρ ΠΈΠ»ΠΈ Π΅Π³ΠΎ ΡΠ°Π·ΡΠ΅ΠΌΠ°. ΠΠ°ΡΠ΅ΠΌ ΠΎΠ½ΠΈ ΠΎΡΠΈΡΠ°ΡΡΡΡ, ΡΠ½Π°ΡΠ°Π»Π° ΡΠ±ΡΠ°ΡΡΠ²Π°Ρ Β«ΠΌΠ°ΡΡΡΒ», ΡΡΠΎΠ±Ρ ΠΈΠ·Π±Π΅ΠΆΠ°ΡΡ ΠΊΠΎΡΠΎΡΠΊΠΎΠ³ΠΎ Π·Π°ΠΌΡΠΊΠ°Π½ΠΈΡ. Π Π·Π°ΠΌΠ΅Π½Π΅ Π²ΠΎΠΎΠ±ΡΠ΅ Π½Π΅Ρ Π½Π΅ΠΎΠ±Ρ
ΠΎΠ΄ΠΈΠΌΠΎΡΡΠΈ, ΡΠ΅ΠΌΠΎΠ½Ρ ΡΠ²ΠΎΠΈΠΌΠΈ ΡΡΠΊΠ°ΠΌΠΈ ΠΌΠΎΠΆΠ΅Ρ ΡΠ΄Π΅Π»Π°ΡΡ ΠΊΠ°ΠΆΠ΄ΡΠΉ.
- Π‘Π»Π΅Π΄ΡΡΡΠΈΠΉ Π²Π°ΡΠΈΠ°Π½Ρ Π²ΡΡ
ΠΎΠ΄Π° ΠΈΠ· ΡΡΡΠΎΡ — ΠΌΠ½ΠΎΠ³ΠΈΠ΅ Π΄ΠΎΠΏΠΎΠ»Π½ΠΈΡΠ΅Π»ΡΠ½ΡΠ΅ ΡΡΡΡΠΎΠΉΡΡΠ²Π° Π½Π΅ Π²Ρ
ΠΎΠ΄ΡΡ ΠΏΠ»ΠΎΡΠ½ΠΎ Π² Π³Π½Π΅Π·Π΄ΠΎ ΠΏΡΠΈΠΊΡΡΠΈΠ²Π°ΡΠ΅Π»Ρ, ΠΏΠ»ΠΎΡ
ΠΎΠΉ ΠΊΠΎΠ½ΡΠ°ΠΊΡ ΡΠΎ ΡΡΠ΅Π½ΠΊΠ°ΠΌΠΈ, Π½Π°ΡΠΈΠ½Π°Π΅ΡΡΡ Β«Π΄ΡΠ΅Π±Π΅Π·ΠΆΠ°Π½ΠΈΠ΅Β», ΠΏΡΠΎΠΈΡΡ
ΠΎΠ΄ΠΈΡ ΠΊΠΎΡΠΎΡΠΊΠΎΠ΅ Π·Π°ΠΌΡΠΊΠ°Π½ΠΈΠ΅.ΠΠΎΡΠ»Π΅ ΡΡΠΎΠ³ΠΎ ΠΏΡΠΎΠΈΡΡ
ΠΎΠ΄ΠΈΡ ΠΌΠΈΠ³Π°Π½ΠΈΠ΅ ΠΊΠΎΠ½ΡΠ°ΠΊΡΠΎΠ², Π° ΠΏΡΠΈΠΊΡΡΠΈΠ²Π°ΡΠ΅Π»Ρ Π½Π΅ ΡΠ°Π±ΠΎΡΠ°Π΅Ρ. ΠΡΠ»ΠΈ ΠΊΠΎΠ½ΡΠ°ΠΊΡΡ ΠΎΠΏΠ»Π°Π²ΠΈΠ»ΠΈΡΡ, ΡΠΎ ΠΈΡ
ΠΌΠΎΠΆΠ½ΠΎ ΠΎΡΡΠ΅ΠΌΠΎΠ½ΡΠΈΡΠΎΠ²Π°ΡΡ, ΡΠ½ΡΠ² ΠΈ ΠΏΠ΅ΡΠ΅ΠΏΠ°ΡΠ² ΠΈΡ
, Π»ΠΈΠ±ΠΎ ΠΏΠΎΡΡΠ΅Π±ΡΠ΅ΡΡΡ Π·Π°ΠΌΠ΅Π½Π°. Π ΡΡΠΎΠΌ ΡΠ»ΡΡΠ°Π΅ Π½Π° ΠΏΡΠ΅Π΄ΠΎΡ
ΡΠ°Π½ΠΈΡΠ΅Π»Ρ ΠΏΡΠΈΡ
ΠΎΠ΄ΠΈΡΡΡ Π±ΠΎΠ»ΡΡΠ°Ρ ΠΏΠΈΠΊΠΎΠ²Π°Ρ Π½Π°Π³ΡΡΠ·ΠΊΠ°.
- ΠΠ°ΠΊΠΎΠ½Π΅Ρ, ΠΈΠ½ΠΎΠ³Π΄Π° ΠΌΠΎΠΆΠ΅Ρ ΠΏΡΠΎΡΡΠΎ ΠΏΠ΅ΡΠ΅Π³ΠΎΡΠ΅ΡΡ ΡΠΏΠΈΡΠ°Π»Ρ Π½Π° ΡΠ°ΠΌΠΎΠΌ ΠΏΡΠΈΠΊΡΡΠΈΠ²Π°ΡΠ΅Π»Π΅. Π ΡΡΠΎΠΌ ΡΠ»ΡΡΠ°Π΅ Π²Π°ΠΌ ΠΏΡΠΎΡΡΠΎ Π½ΡΠΆΠ½ΠΎ Π·Π°ΠΌΠ΅Π½ΠΈΡΡ Π΅Π³ΠΎ Π³ΠΎΠ»ΠΎΠ²ΠΊΡ Π½Π° Π½ΠΎΠ²ΡΡ. ΠΡΠ»ΠΈ Π½Π΅Ρ Π²ΠΎΠ·ΠΌΠΎΠΆΠ½ΠΎΡΡΠΈ Π½Π°ΠΉΡΠΈ Π·Π°ΠΏΡΠ°ΡΡΡ, ΡΠΎ ΠΌΠΎΠΆΠ½ΠΎ ΠΏΡΠΎΠ²Π΅ΡΡΠΈ ΠΏΡΠΎΡΡΠΎΠΉ ΡΠ΅ΠΌΠΎΠ½Ρ — ΠΎΡΠΈΡΡΠΈΡΡ ΠΊΠ°ΡΡΡΠΊΡ ΠΏΡΠΈΠΊΡΡΠΈΠ²Π°ΡΠ΅Π»Ρ ΠΎΡ ΠΊΠΎΠΏΠΎΡΠΈ ΠΈ ΠΊΠΎΠΏΠΎΡΠΈ.
ΠΠΎ ΠΏΡΠ°Π²ΠΈΠ»Π°ΠΌ, Π½Π° ΠΏΡΠΈΠΊΡΡΠΈΠ²Π°ΡΠ΅Π»Π΅ ΠΠΠ 2107 ΡΠΏΠΈΡΠ°Π»Ρ Π΄ΠΎΠ»ΠΆΠ½Π° ΡΠ°ΡΠΊΠ°Π»ΠΈΡΡΡΡ Π΄ΠΎΠΊΡΠ°ΡΠ½Π° ΠΈ Π² ΡΠ΅ΡΠ΅Π½ΠΈΠ΅ 20 ΡΠ΅ΠΊΡΠ½Π΄ Π»ΠΎΠΏΠ½ΡΡΡ. Π ΡΠ»ΡΡΠ°Π΅, Π΅ΡΠ»ΠΈ Π²ΡΠ΅ΠΌΡ ΡΠ°Π·Π»ΠΈΡΠ°Π΅ΡΡΡ Π² ΡΡ ΠΈΠ»ΠΈ ΠΈΠ½ΡΡ ΡΡΠΎΡΠΎΠ½Ρ, ΡΠΎ Π²ΡΠ΅ΠΌΠ΅Π½Π½ΡΡ Π΄ΠΈΠ°Π³ΡΠ°ΠΌΠΌΡ ΠΌΠΎΠΆΠ½ΠΎ ΠΎΡΡΠ΅Π³ΡΠ»ΠΈΡΠΎΠ²Π°ΡΡ Ρ ΠΏΠΎΠΌΠΎΡΡΡ ΡΠ΄Π»ΠΈΠ½Π΅Π½ΠΈΡ ΠΈΠ»ΠΈ ΠΈΠ·Π³ΠΈΠ±Π° ΠΊΠΎΠ½ΡΠ°ΠΊΡΠΎΠ² ΠΏΡΠΈΠΊΡΡΠΈΠ²Π°ΡΠ΅Π»Ρ. ΠΡΠ»ΠΈ ΡΠ΅Π³ΡΠ»ΠΈΡΠΎΠ²ΠΊΠ° Π½Π΅ ΠΏΠΎΠΌΠΎΠ³Π°Π΅Ρ, ΡΠΎ ΡΠ΅ΡΠΈΡΡ ΠΏΡΠΎΠ±Π»Π΅ΠΌΡ ΠΏΠΎΠΌΠΎΠΆΠ΅Ρ Π·Π°ΠΌΠ΅Π½Π° Π΄Π΅ΡΠ°Π»ΠΈ.
Π‘Π½ΠΈΠΌΠΈΡΠ΅ ΠΏΡΠΈΠΊΡΡΠΈΠ²Π°ΡΠ΅Π»Ρ
ΠΠΎΠ³Π΄Π° ΠΈΠ½ΠΆΠ΅Π½Π΅ΡΡ Π²ΠΏΠ΅ΡΠ²ΡΠ΅ ΠΎΡΠ½Π°ΡΡΠΈΠ»ΠΈ Π°Π²ΡΠΎΠΌΠΎΠ±ΠΈΠ»Ρ ΡΡΠΈΠΌ ΡΡΡΡΠΎΠΉΡΡΠ²ΠΎΠΌ, ΠΎΠ½ΠΈ Π½Π°Π΄Π΅ΡΠ»ΠΈΡΡ, ΡΡΠΎ Π²ΠΎΠ΄ΠΈΡΠ΅Π»ΠΈ Π±ΡΠ΄ΡΡ ΠΈΡΠΏΠΎΠ»ΡΠ·ΠΎΠ²Π°ΡΡ Π΅Π³ΠΎ ΠΏΠΎ ΠΏΡΡΠΌΠΎΠΌΡ Π½Π°Π·Π½Π°ΡΠ΅Π½ΠΈΡ, ΡΠΎ Π΅ΡΡΡ ΠΏΡΠΈΠΊΡΡΠΈΡΡ ΡΠΈΠ³Π°ΡΠ΅ΡΡ.ΠΠΎ ΠΎΡΠΎΠ±ΠΎΠΉ ΠΏΠΎΠΏΡΠ»ΡΡΠ½ΠΎΡΡΡΡ Π°ΠΏΠΏΠ°ΡΠ°Ρ Π½Π΅ ΡΡΠ°Π». ΠΠ½ΠΎΠ³ΠΈΠ΅ ΠΈΠ· ΡΠ΅Ρ
, ΠΊΡΠΎ ΠΊΡΡΠΈΡ, ΠΏΡΠ΅Π΄ΠΏΠΎΡΠΈΡΠ°ΡΡ ΠΈΡΠΏΠΎΠ»ΡΠ·ΠΎΠ²Π°ΡΡ Π΄Π»Ρ ΡΡΠΎΠ³ΠΎ ΡΠΏΠΈΡΠΊΠΈ ΠΈΠ»ΠΈ ΡΠ²ΠΎΡ Π»ΡΠ±ΠΈΠΌΡΡ Π·Π°ΠΆΠΈΠ³Π°Π»ΠΊΡ.
ΠΠΈΠ·Π°ΠΉΠ½Π΅ΡΡ ΡΠΆΠ΅ Π½Π°ΡΠ°Π»ΠΈ Π΄ΡΠΌΠ°ΡΡ ΠΎ ΠΏΠΎΠ»Π½ΠΎΠΌ ΡΠ΄Π°Π»Π΅Π½ΠΈΠΈ ΡΡΡΡΠΎΠΉΡΡΠ²Π°.
ΠΠΎ Π²ΡΠΊΠΎΡΠ΅ ΠΏΡΠΈΠΊΡΡΠΈΠ²Π°ΡΠ΅Π»Ρ ΠΎΠ±ΡΠ΅Π» Π²ΡΠΎΡΡΡ ΠΆΠΈΠ·Π½Ρ. Π‘ΠΎ Π²ΡΠ΅ΠΌΠ΅Π½Π΅ΠΌ Ρ ΠΊΠ°ΠΆΠ΄ΠΎΠ³ΠΎ ΡΡΠ°Π»ΠΎ ΠΏΠΎΡΠ²Π»ΡΡΡΡΡ Π±ΠΎΠ»ΡΡΠΎΠ΅ ΠΊΠΎΠ»ΠΈΡΠ΅ΡΡΠ²ΠΎ ΡΠ°Π·Π»ΠΈΡΠ½ΡΡ
ΡΠ»Π΅ΠΊΡΡΠΎΠ½Π½ΡΡ
ΠΈ ΡΠ»Π΅ΠΊΡΡΠΈΡΠ΅ΡΠΊΠΈΡ
ΡΡΡΡΠΎΠΉΡΡΠ². ΠΡΡΠ΅ΡΡΠ²Π΅Π½Π½ΠΎ, ΡΠ»Π΅ΠΊΡΡΠΎΠ½ΠΈΠΊΠ΅ Π΄Π»Ρ ΡΠ°Π±ΠΎΡΡ ΡΡΠ΅Π±ΠΎΠ²Π°Π»ΠΎΡΡ ΡΠ»Π΅ΠΊΡΡΠΈΡΠ΅ΡΡΠ²ΠΎ.
ΠΠ· ΠΈΡΡΠΎΡΠΈΠΈ ΠΏΡΠΈΠΊΡΡΠΈΠ²Π°ΡΠ΅Π»Ρ
Π‘Π΅Π³ΠΎΠ΄Π½Ρ ΡΡΡΠ΄Π½ΠΎ Π²ΡΠΏΠΎΠΌΠ½ΠΈΡΡ ΠΏΠ΅ΡΠ²ΡΡ Π°Π²ΡΠΎΠΌΠΎΠ±ΠΈΠ»ΡΠ½ΡΡ ΠΌΠ°ΡΠΊΡ, Π² ΠΊΠΎΡΠΎΡΠΎΠΉ ΡΡΠ° ΠΎΠΏΡΠΈΡ Π±ΡΠ»Π° ΡΡΠ°Π½Π΄Π°ΡΡΠ½ΠΎΠΉ.ΠΡΡΡ ΠΈΠ½ΡΠΎΡΠΌΠ°ΡΠΈΡ, ΡΡΠΎ ΡΡΠΎ Π±ΡΠ»ΠΎ Π² 20-Π΅ Π³ΠΎΠ΄Ρ. ΠΠΈΠ·Π°ΠΉΠ½ ΡΡΠΎΠ³ΠΎ ΠΏΠ΅ΡΠ²ΠΎΠ³ΠΎ ΡΡΡΡΠΎΠΉΡΡΠ²Π° Π±ΡΠ» Π΄ΠΎΠ²ΠΎΠ»ΡΠ½ΠΎ ΠΏΡΠΈΠΌΠΈΡΠΈΠ²Π½ΡΠΌ. ΠΠ°ΡΡΠΎΠ½ Π½Π°Ρ
ΠΎΠ΄ΠΈΠ»ΡΡ Π²Π½ΡΡΡΠΈ ΠΊΠ°ΡΡΡΠΊΠΈ. ΠΠΎΠ³Π΄Π° Π΅Π³ΠΎ Π²ΡΡΠ°ΡΠΈΠ»ΠΈ ΠΈΠ· Π³Π½Π΅Π·Π΄Π°, ΡΡΠΎ Π·Π°ΠΌΠΊΠ½ΡΠ»ΠΎ ΡΠ΅ΠΏΡ, ΠΈ ΠΊΠ°ΡΡΡΠΈΠ΄ΠΆ Π½Π°Π³ΡΠ΅Π»ΡΡ. Π£ΠΆΠ΅ ΡΠΎΠ³Π΄Π° Π²ΠΎΠ΄ΠΈΡΠ΅Π»ΠΈ ΡΡΠ°Π»ΠΊΠΈΠ²Π°Π»ΠΈΡΡ Ρ ΡΠ΅ΠΌ, ΡΡΠΎ ΠΏΡΠΈΠΊΡΡΠΈΠ²Π°ΡΠ΅Π»Ρ Π½Π΅ ΡΠ°Π±ΠΎΡΠ°Π΅Ρ Π½Π° Π°Π²ΡΠΎΠΌΠΎΠ±ΠΈΠ»ΡΡ
ΠΏΠΎΡΠ»Π΅ Π΄Π»ΠΈΡΠ΅Π»ΡΠ½ΠΎΠ³ΠΎ ΠΈΠ»ΠΈ Π½Π΅ΠΎΡΡΠΎΡΠΎΠΆΠ½ΠΎΠ³ΠΎ ΠΈΡΠΏΠΎΠ»ΡΠ·ΠΎΠ²Π°Π½ΠΈΡ.
1924 Π³ΠΎΠ΄ ΡΡΠ°Π» Π·Π½Π°ΠΊΠΎΠ²ΡΠΌ Π΄Π»Ρ ΡΡΠΎΠ³ΠΎ Π½Π΅Π±ΠΎΠ»ΡΡΠΎΠ³ΠΎ, Π½ΠΎ ΡΠ°ΠΊΠΎΠ³ΠΎ ΠΏΠΎΠ»Π΅Π·Π½ΠΎΠ³ΠΎ ΡΡΡΡΠΎΠΉΡΡΠ²Π°. Π ΡΡΠΎΠΌ Π³ΠΎΠ΄Ρ ΠΏΡΠΈΠΊΡΡΠΈΠ²Π°ΡΠ΅Π»Ρ ΠΏΠΎΠ»ΡΡΠΈΠ» Π΄ΠΈΠ·Π°ΠΉΠ½, ΠΊΠΎΡΠΎΡΡΠΉ ΡΠ΅Π³ΠΎΠ΄Π½Ρ Π·Π½Π°ΡΡ Π²ΡΠ΅.Π’Π°ΠΊΠΆΠ΅ Π² ΡΡΠΎΠΌ Π³ΠΎΠ΄Ρ ΠΎΠ½ Π±ΡΠ» Π·Π°ΠΏΠ°ΡΠ΅Π½ΡΠΎΠ²Π°Π½. ΠΠΎ Π² Π°Π²ΡΠΎΠΌΠΎΠ±ΠΈΠ»ΡΡ
ΠΏΡΠΈΠ±ΠΎΡ ΠΏΠΎΠ»ΡΡΠΈΠ» ΡΠ²ΠΎΠ΅ ΠΌΠ΅ΡΡΠΎ ΡΠΎΠ»ΡΠΊΠΎ Π² 50-Ρ
Π³ΠΎΠ΄Π°Ρ
. ΠΡΠΎ ΡΠΎΡ ΠΏΡΠΈΠ±ΠΎΡ, ΠΊΠΎΡΠΎΡΡΠΉ Π½Π΅ ΠΈΡΠΏΡΡΠ°Π» Π²Π»ΠΈΡΠ½ΠΈΡ ΡΠΎΠ²ΡΠ΅ΠΌΠ΅Π½Π½ΡΡ
ΡΠ΅Ρ
Π½ΠΎΠ»ΠΎΠ³ΠΈΠΉ.
ΠΠ°ΠΊ ΡΡΡΡΠΎΠ΅Π½ ΠΈ ΡΠ°Π±ΠΎΡΠ°Π΅Ρ ΠΏΡΠΈΠΊΡΡΠΈΠ²Π°ΡΠ΅Π»Ρ?
ΠΠ΅ΡΠ°Π»Π»ΠΈΡΠ΅ΡΠΊΠΈΠΉ ΠΊΠ°ΡΡΡΠΈΠ΄ΠΆ Ρ ΡΠ΄ΠΎΠ±Π½ΠΎΠΉ ΡΡΡΠΊΠΎΠΉ Π² ββΠ²ΠΈΠ΄Π΅ ΠΏΡΠ³ΠΎΠ²ΠΈΡΡ. Π ΠΏΠ°ΡΡΠΎΠ½Π΅ ΡΡΡΠ°Π½ΠΎΠ²Π»Π΅Π½Π° ββΡΠΏΠ΅ΡΠΈΠ°Π»ΡΠ½Π°Ρ Π½ΠΈΡ
ΡΠΎΠΌΠΎΠ²Π°Ρ ΡΠΏΠΈΡΠ°Π»Ρ. ΠΠ° ΠΏΡΠΈΠ±ΠΎΡΠ½ΡΡ
ΠΏΠ°Π½Π΅Π»ΡΡ
Π΅ΡΡΡ ΡΠΏΠ΅ΡΠΈΠ°Π»ΡΠ½Π°Ρ ΡΠΎΠ·Π΅ΡΠΊΠ°. ΠΡΠ»ΠΈ Π²ΡΡΠ°Π²ΠΈΡΡ Π² ΡΡΠΎ Π³Π½Π΅Π·Π΄ΠΎ ΠΏΡΠΈΠΊΡΡΠΈΠ²Π°ΡΠ΅Π»Ρ ΠΈ Π·Π°ΠΊΡΠ΅ΠΏΠΈΡΡ Π΅Π³ΠΎ ΡΠ°ΠΌ, ΡΠΎ ΠΎΠ½ Π±ΡΠ΄Π΅Ρ ΠΏΠΎΠ΄ΠΊΠ»ΡΡΠ΅Π½ ΠΊ ΡΠ»Π΅ΠΊΡΡΠΈΡΠ΅ΡΠΊΠΎΠΉ ΡΠ΅ΡΠΈ Π°Π²ΡΠΎΠΌΠ°ΡΠ°.
ΠΠΎΠ»ΠΎΠΆΠΈΡΠ΅Π»ΡΠ½ΡΠΉ ΠΊΠΎΠ½ΡΠ°ΠΊΡ ΠΏΠΎΠ΄ΠΊΠ»ΡΡΠ°Π΅ΡΡΡ ΠΊ ΡΠ΅Π½ΡΡΠ°Π»ΡΠ½ΠΎΠΌΡ ΠΊΠΎΠ½ΡΠ°ΠΊΡΡ ΡΠΎΠ·Π΅ΡΠΊΠΈ ΠΈ ΡΠΏΠΈΡΠ°Π»ΠΈ. Β«ΠΠ°ΡΡΠ°Β» ΠΏΠΎΠ΄Π°Π΅ΡΡΡ Π½Π° ΠΎΡΠ½ΠΎΠ²Π°Π½ΠΈΠ΅ ΡΠΎΠ·Π΅ΡΠΊΠΈ.
ΠΠ»Π΅ΠΊΡΡΠΈΡΠ΅ΡΡΠ²ΠΎ ΠΏΡΠΎΡ
ΠΎΠ΄ΠΈΡ ΠΏΠΎ Π½ΠΈΡ
ΡΠΎΠΌΠΎΠ²ΠΎΠΉ ΡΠΏΠΈΡΠ°Π»ΠΈ, Π² ΡΠ΅Π·ΡΠ»ΡΡΠ°ΡΠ΅ ΡΠ΅Π³ΠΎ Π½Π°Π³ΡΠ΅Π²Π°Π΅ΡΡΡ Π΄ΠΎ ΠΊΡΠ°ΡΠ½ΠΎΠ³ΠΎ ΡΠ²Π΅ΡΠ°. Π ΡΠΎΡ ΠΌΠΎΠΌΠ΅Π½Ρ, ΠΊΠΎΠ³Π΄Π° Π±ΡΠ΄Π΅Ρ ΠΏΡΠ΅Π²ΡΡΠ΅Π½ ΡΠ΅ΠΌΠΏΠ΅ΡΠ°ΡΡΡΠ½ΡΠΉ Π΄Π΅ΡΠ΅ΠΊΡ, ΡΡΡΡΠΎΠΉΡΡΠ²ΠΎ ΠΎΡΠΊΠ»ΡΡΠΈΡΡΡ Ρ ΠΏΠΎΠΌΠΎΡΡΡ ΡΠ΅ΠΏΠ»ΠΎΠ²ΠΎΠ³ΠΎ ΡΠ΅Π»Π΅. Π ΡΡΠΎΠΌ ΡΠ»ΡΡΠ°Π΅ Π²ΠΎΠ΄ΠΈΡΠ΅Π»Ρ ΡΡΠ»ΡΡΠΈΡ ΡΠΏΠ΅ΡΠΈΠ°Π»ΡΠ½ΡΠΉ Π·Π²ΡΠΊΠΎΠ²ΠΎΠΉ ΡΠΈΠ³Π½Π°Π».
ΠΠ°Π·Π°Π»ΠΎΡΡ Π±Ρ, ΠΏΠΎΡΠ΅ΠΌΡ Π½Π΅ ΡΠ°Π±ΠΎΡΠ°Π΅Ρ ΠΏΡΠΈΠΊΡΡΠΈΠ²Π°ΡΠ΅Π»Ρ? ΠΠ΅Π΄Ρ Π΅Π³ΠΎ ΠΊΠΎΠ½ΡΡΡΡΠΊΡΠΈΡ ΠΏΡΠ΅Π΄Π΅Π»ΡΠ½ΠΎ ΡΡΠ½Π° ΠΈ ΠΏΡΠΎΡΡΠ°.
ΠΠ° ΡΠΎΠ·Π΅ΡΠΊΠ΅ ΡΡΡΠ°Π½ΠΎΠ²Π»Π΅Π½Π° ββΠ·Π°ΡΠΈΡΠ° Π² Π²ΠΈΠ΄Π΅ ΠΏΡΠ΅Π΄ΠΎΡ
ΡΠ°Π½ΠΈΡΠ΅Π»Ρ Π½Π° 10 Π, ΠΊΠΎΡΠΎΡΡΠΉ Π½Π°Ρ
ΠΎΠ΄ΠΈΡΡΡ Π² Π±Π»ΠΎΠΊΠ΅ ΠΏΡΠ΅Π΄ΠΎΡ
ΡΠ°Π½ΠΈΡΠ΅Π»Π΅ΠΉ. ΠΠ»ΠΎΠΊ ΠΌΠΎΠΆΠ½ΠΎ Π½Π°ΠΉΡΠΈ Π² ΡΠ°Π·Π½ΡΡ
ΠΌΠ΅ΡΡΠ°Ρ
. ΠΡΠΎ Π·Π°Π²ΠΈΡΠΈΡ ΠΎΡ ΠΌΠ°ΡΠΊΠΈ ΠΈ ΠΌΠΎΠ΄Π΅Π»ΠΈ Π°Π²ΡΠΎΠΌΠΎΠ±ΠΈΠ»Ρ.
ΠΠ»ΡΡΡ ΠΈ ΠΌΠΈΠ½ΡΡΡ ΡΡΡΡΠΎΠΉΡΡΠ²Π°
ΠΠ»Π°Π²Π½ΡΠΉ ΠΈ ΡΠ°ΠΌΡΠΉ Β«ΠΆΠΈΡΠ½ΡΠΉΒ» ΠΏΠ»ΡΡ — ΠΊ ΡΠΎΠ·Π΅ΡΠΊΠ΅ ΠΌΠΎΠΆΠ½ΠΎ ΠΏΠΎΠ΄ΠΊΠ»ΡΡΠΈΡΡ ΠΌΠ½ΠΎΠ³ΠΎ ΡΠ»Π΅ΠΊΡΡΠΎΠ½ΠΈΠΊΠΈ, Π΄Π°ΠΆΠ΅ ΠΌΠΈΠ½ΠΈ-ΡΠ°ΠΉΠ½ΠΈΠΊΠΈ, ΠΊΠΎΠΌΠΏΡΠ΅ΡΡΠΎΡΡ ΠΈ ΠΌΠ½ΠΎΠ³ΠΎΠ΅ Π΄ΡΡΠ³ΠΎΠ΅.
Π ΠΌΠΈΠ½ΡΡ, ΠΏΠΎ ΠΌΠ½Π΅Π½ΠΈΡ ΠΌΠ½ΠΎΠ³ΠΈΡ
, — Π½Π΅Π½Π°Π΄Π΅ΠΆΠ½Π°Ρ ΠΊΠΎΠΌΠΌΡΡΠ°ΡΠΈΡ Π±ΠΎΠ»ΡΡΠΈΡ
ΡΠΎΠΊΠΎΠ². Π‘ΠΎΠ²ΡΠ΅ΠΌΠ΅Π½Π½ΡΠ΅ ΡΡΡΡΠΎΠΉΡΡΠ²Π° ΠΈΠΌΠ΅ΡΡ ΡΠΈΠ»Ρ ΡΠΎΠΊΠ° Π±ΠΎΠ»Π΅Π΅ 40 Π.ΠΡΡΡ Π·Π°Π²ΠΈΡΠΈΠΌΠΎΡΡΡ: ΡΠ΅ΠΌ Π±ΠΎΠ»ΡΡΠ΅ ΡΠΎΠΊ Π² ΡΠ΅ΠΏΠΈ, ΡΠ΅ΠΌ Π²ΡΡΠ΅ Π½Π°Π΄Π΅ΠΆΠ½ΠΎΡΡΡ ΡΠ»Π΅ΠΊΡΡΠΈΡΠ΅ΡΠΊΠΈΡ
ΡΠΎΠ΅Π΄ΠΈΠ½Π΅Π½ΠΈΠΉ. ΠΡΠΎ ΠΎΠ΄Π½Π° ΠΈΠ· ΠΏΡΠΈΡΠΈΠ½, ΠΏΠΎ ΠΊΠΎΡΠΎΡΠΎΠΉ Π½Π΅ ΡΠ°Π±ΠΎΡΠ°Π΅Ρ ΠΏΡΠΈΠΊΡΡΠΈΠ²Π°ΡΠ΅Π»Ρ.
ΠΡΠ»ΠΎ Π±Ρ Π·Π΄ΠΎΡΠΎΠ²ΠΎ ΠΏΠΎΠ²ΡΡΠΈΡΡ Π½Π°Π΄Π΅ΠΆΠ½ΠΎΡΡΡ ΡΠΈΠΊΡΠ°ΡΠΈΠΈ Π²ΠΈΠ»ΠΎΠΊ Π² ΡΠΎΠ·Π΅ΡΠΊΠ΅, Π½ΠΎ ΡΡΠ°Π½Π΄Π°ΡΡ Π½Π° ΡΡΠΎΡ ΡΠΈΠΏ ΠΏΠΎΠ΄ΠΊΠ»ΡΡΠ΅Π½ΠΈΡ Π½Π΅ ΡΠ°Π·ΡΠ°Π±ΠΎΡΠ°Π½. Π Π²ΠΈΠ»ΠΊΠ΅ ΠΌΠΎΠΆΠ½ΠΎ Π½Π°ΠΉΡΠΈ ΡΠΎΠ»ΡΠΊΠΎ ΠΎΠ΄ΠΈΠ½ ΡΠ΅Π½ΡΡΠ°Π»ΡΠ½ΡΠΉ ΠΊΠΎΠ½ΡΠ°ΠΊΡ, ΠΊΠΎΡΠΎΡΡΠΉ ΡΠΈΠΊΡΠΈΡΡΠ΅ΡΡΡ ΠΏΡΡΠΆΠΈΠ½ΠΎΠΉ, Π° ΡΠ°ΠΊΠΆΠ΅ Π΄Π²Π΅ Π½ΠΎΠΆΠΊΠΈ, ΠΎΡΡΡΠ΅ΡΡΠ²Π»ΡΡΡΠΈΠ΅ Π·Π°ΠΆΠΈΠΌ. ΠΠΎΠ½Π° ΠΏΠΎΠ»ΠΎΠΆΠΈΡΠ΅Π»ΡΠ½ΠΎΠ³ΠΎ ΠΊΠΎΠ½ΡΠ°ΠΊΡΠ° ΠΌΠΎΠΆΠ΅Ρ Π±ΡΡΡ ΡΠΊΡΡΡΠ° ΠΎΡΠ΅Π½Ρ Π³Π»ΡΠ±ΠΎΠΊΠΎ.ΠΠ·-Π·Π° ΠΊΠ°ΡΠ΅ΡΡΠ²Π° Π½Π°ΡΠΈΡ
Π΄ΠΎΡΠΎΠ³ ΠΏΡΠΈ Π΄Π²ΠΈΠΆΠ΅Π½ΠΈΠΈ ΠΏΠΎ Π½Π΅ΡΠΎΠ²Π½ΠΎΡΡΡΠΌ ΠΈ ΡΠΌΠ°ΠΌ ΡΠ»Π΅ΠΊΡΡΠΈΡΠ΅ΡΠΊΠΈΠΉ ΠΊΠΎΠ½ΡΠ°ΠΊΡ ΠΌΠ΅ΠΆΠ΄Ρ Π²ΠΈΠ»ΠΊΠΎΠΉ ΠΈ ΡΠΎΠ·Π΅ΡΠΊΠΎΠΉ ΠΌΠΎΠΆΠ΅Ρ Π±ΡΡΡ ΠΏΠΎΡΠ΅ΡΡΠ½. ΠΠ΅ΠΊΠΎΡΠΎΡΡΠ΅ Π²ΠΎΠ΄ΠΈΡΠ΅Π»ΠΈ Π΄Π°ΠΆΠ΅ Π½Π°Π±Π»ΡΠ΄Π°Π»ΠΈ ΠΈΡΠΊΡΡ ΠΌΠ΅ΠΆΠ΄Ρ ΠΊΠΎΠ½ΡΠ°ΠΊΡΠ°ΠΌΠΈ. ΠΡΠΎ ΡΠΈΡΠΊ ΠΊΠΎΡΠΎΡΠΊΠΎΠ³ΠΎ Π·Π°ΠΌΡΠΊΠ°Π½ΠΈΡ ΠΈ Π΄Π°ΠΆΠ΅ Π²ΠΎΠ·Π³ΠΎΡΠ°Π½ΠΈΡ.
ΠΠ΅ ΡΠ°Π±ΠΎΡΠ°Π΅Ρ ΠΏΡΠΈΠΊΡΡΠΈΠ²Π°ΡΠ΅Π»Ρ: ΠΏΡΠΈΡΠΈΠ½Ρ
ΠΠ½ΠΎΠ³Π΄Π° Π²ΡΡ
ΠΎΠ΄ΠΈΡ ΠΈΠ· ΡΡΡΠΎΡ ΡΡΠΎ Π²Π°ΠΆΠ½ΠΎΠ΅ ΠΈ Π½ΡΠΆΠ½ΠΎΠ΅ ΡΡΡΡΠΎΠΉΡΡΠ²ΠΎ. Π‘Π²ΡΠ·Π°Π½ΠΎ ΡΡΠΎ ΠΌΠΎΠΆΠ΅Ρ ΠΈ Ρ ΠΊΠΎΠ½ΡΡΡΡΠΊΡΠΈΠ΅ΠΉ, ΠΈ Ρ Π±Π»ΠΎΠΊΠΎΠΌ ΠΏΡΠ΅Π΄ΠΎΡ
ΡΠ°Π½ΠΈΡΠ΅Π»Π΅ΠΉ, ΠΈ Π΄Π°ΠΆΠ΅ Ρ ΠΏΠ΅ΡΠ΅Π³ΠΎΡΠ΅Π²Π°Π½ΠΈΠ΅ΠΌ ΠΏΠΎΠ΄ΡΠ²Π΅ΡΠΊΠΈ.
Π§Π°ΡΡΠΎ ΠΏΡΠΈΠΊΡΡΠΈΠ²Π°ΡΠ΅Π»Ρ Π²ΡΡ
ΠΎΠ΄ΠΈΡ ΠΈΠ· ΡΡΡΠΎΡ ΠΈΠΌΠ΅Π½Π½ΠΎ ΠΈΠ·-Π·Π° ΠΏΡΠ΅Π΄ΠΎΡ
ΡΠ°Π½ΠΈΡΠ΅Π»Ρ.ΠΡΠΈΡΠΈΠ½Π° ΡΡΠΎΠ³ΠΎ ΠΊΡΠΎΠ΅ΡΡΡ Π² ΡΠ»Π΅ΠΊΡΡΠΎΠΏΡΠΈΠ±ΠΎΡΠ°Ρ
, ΠΊΠΎΡΠΎΡΡΠ΅ ΠΏΠΎΠ΄ΠΊΠ»ΡΡΠ°ΡΡΡΡ ΠΊ ΡΠΎΠ·Π΅ΡΠΊΠ΅. Π’ΡΡ Π΄Π΅Π»ΠΎ Π² ΡΠΎΠΌ, ΡΡΠΎ ΡΡΠΎ Π³Π½Π΅Π·Π΄ΠΎ Π½Π΅ Π±ΡΠ»ΠΎ ΡΠ°ΡΡΡΠΈΡΠ°Π½ΠΎ Π½Π° Π΄Π»ΠΈΡΠ΅Π»ΡΠ½ΠΎΠ΅ ΠΈΡΠΏΠΎΠ»ΡΠ·ΠΎΠ²Π°Π½ΠΈΠ΅. ΠΠ½ΠΆΠ΅Π½Π΅ΡΡ ΡΠΎΠ·Π΄Π°Π»ΠΈ ΡΡΡΡΠΎΠΉΡΡΠ²ΠΎ Π΄Π»Ρ ΠΊΡΠ°ΡΠΊΠΎΠ²ΡΠ΅ΠΌΠ΅Π½Π½ΠΎΠΉ ΠΏΠΎΠ΄Π°ΡΠΈ ΡΠ½Π΅ΡΠ³ΠΈΠΈ.
ΠΡΠΈΠΊΡΡΠΈΠ²Π°ΡΠ΅Π»Ρ ΡΠ°ΡΡΠΎ Π½Π΅ ΡΠ°Π±ΠΎΡΠ°Π΅Ρ ΠΈΠ·-Π·Π° ΡΠΎΠ³ΠΎ, ΡΡΠΎ ΠΊ Π½Π΅ΠΌΡ Π±ΡΠ»ΠΈ ΠΏΠΎΠ΄ΠΊΠ»ΡΡΠ΅Π½Ρ ΠΏΠ΅ΡΠ΅Π½ΠΎΡΠ½ΡΠ΅ ΠΊΠΎΠΌΠΏΡΠ΅ΡΡΠΎΡΡ. ΠΡΠΎ ΠΏΡΠΈΠ²ΠΎΠ΄ΠΈΡ ΠΊ Π½Π°Π³ΡΠ΅Π²Ρ ΠΏΡΠΎΠ²ΠΎΠ΄ΠΊΠΈ. ΠΠ΅ΡΠΊΠΎΠ»ΡΠΊΠΎ ΠΌΠ°Π»ΠΎΠΌΠΎΡΠ½ΡΡ
ΡΡΡΡΠΎΠΉΡΡΠ², ΠΏΠΎΠ΄ΠΊΠ»ΡΡΠ΅Π½Π½ΡΡ
ΠΊ ΠΎΠ΄Π½ΠΎΠΉ ΡΠΎΠ·Π΅ΡΠΊΠ΅, ΡΠ°ΠΊΠΆΠ΅ ΠΏΡΠΈΠ²ΠΎΠ΄ΡΡ ΠΊ ΠΏΠΎΠ»ΠΎΠΌΠΊΠ΅.
ΠΡ Π²ΡΠ΅ Π΅ΡΠ΅ ΠΌΠΎΠΆΠ΅ΡΠ΅ Π²ΡΠ΄Π΅Π»ΠΈΡΡ ΠΌΠ΅Ρ
Π°Π½ΠΈΡΠ΅ΡΠΊΡΡ ΠΏΡΠΈΡΠΈΠ½Ρ. ΠΡΠΎ ΡΠ°ΡΠΊΠΈΠ΅ ΠΈ ΡΠ°ΡΠΊΠΈΠ΄ΠΈΡΡΡΠ΅ ΡΡΠΈΠΊΠΈ Π² Π³Π½Π΅Π·Π΄Π΅.ΠΠ½ΠΈ ΠΏΡΠΎΡΡΠΎ ΠΏΠ΅ΡΠ΅ΡΡΠ°ΡΡ Π΄Π΅ΡΠΆΠ°ΡΡ Π²ΠΈΠ»ΠΊΡ. Π ΡΡΠΎΠΌ ΡΠ»ΡΡΠ°Π΅ ΡΠ΅ΠΌΠΎΠ½Ρ Π²ΡΠΏΠΎΠ»Π½ΡΠ΅ΡΡΡ ΠΎΡΠ΅Π½Ρ ΠΏΡΠΎΡΡΠΎ.
ΠΠΠ ΠΏΡΠΈΠΊΡΡΠΈΠ²Π°ΡΠ΅Π»Ρ
ΠΠ»Π°Π΄Π΅Π»ΡΡΡ ΡΡΠΈΡ
Π°Π²ΡΠΎΠΌΠΎΠ±ΠΈΠ»Π΅ΠΉ ΡΠ°ΡΡΠΎ ΡΡΠ°Π»ΠΊΠΈΠ²Π°ΡΡΡΡ Ρ ΠΏΠΎΠ΄ΠΎΠ±Π½ΠΎΠΉ ΡΠΈΡΡΠ°ΡΠΈΠ΅ΠΉ. Π§ΡΠΎΠ±Ρ Π½Π΅ ΡΡΠΎΠ»ΠΊΠ½ΡΡΡΡΡ Ρ ΡΡΠΎΠΉ ΠΊΠ°ΡΠ°ΡΡΡΠΎΡΠΎΠΉ, Π½Π΅ ΡΡΠΎΠΈΡ Π·Π°ΠΏΠΈΠ²Π°ΡΡ ΠΊΠΎΠΌΠΏΡΠ΅ΡΡΠΎΡΡ ΠΎΡ ΠΏΡΠΈΠΊΡΡΠΈΠ²Π°ΡΠ΅Π»Ρ. Π’Π°ΠΊΠΆΠ΅ Π½Π΅ ΡΠ΅ΠΊΠΎΠΌΠ΅Π½Π΄ΡΠ΅ΡΡΡ Π²ΡΡΠ°Π²Π»ΡΡΡ Π² ΡΠΎΠ·Π΅ΡΠΊΡ ΡΡΡΡΠΎΠΉΡΡΠ²Π°, Π½Π΅ ΠΏΠΎΠ΄Ρ
ΠΎΠ΄ΡΡΠΈΠ΅ ΠΏΠΎΠ΄ ΡΡΠ°Π½Π΄Π°ΡΡ ΡΠ°Π·ΡΠ΅ΠΌΠ°. ΠΡΠΎΠΌΠ΅ ΡΠΎΠ³ΠΎ, Π΅ΡΠ»ΠΈ Π½Π° ΠΠΠΠ΅ Π½Π΅ ΡΠ°Π±ΠΎΡΠ°Π΅Ρ ΠΏΡΠΈΠΊΡΡΠΈΠ²Π°ΡΠ΅Π»Ρ, ΡΠΎ ΡΠ»Π΅Π΄ΡΠ΅Ρ ΠΏΡΠΎΠ²Π΅ΡΠΈΡΡ, Π½Π΅ Π·Π°ΡΡΠ½ΡΠ» Π»ΠΈ ΠΊΡΠΎ-Π½ΠΈΠ±ΡΠ΄Ρ Π² ΡΠΎΠ·Π΅ΡΠΊΡ ΠΊΠ°ΠΊΠΎΠΉ-Π»ΠΈΠ±ΠΎ ΠΆΠ΅Π»Π΅Π·Π½ΡΠΉ ΠΏΡΠ΅Π΄ΠΌΠ΅Ρ.ΠΠ΅ ΠΈΡΠΏΠΎΠ»ΡΠ·ΡΠΉΡΠ΅ Ρ ΡΡΠΎΠΉ ΡΠ½ΠΈΠ²Π΅ΡΡΠ°Π»ΡΠ½ΠΎΠΉ ΡΠΎΠ·Π΅ΡΠΊΠΎΠΉ ΡΡΡΡΠΎΠΉΡΡΠ²Π°, ΠΎΡΠ½Π°ΡΠ΅Π½Π½ΡΠ΅ ΠΌΠ΅ΡΠ°Π»Π»ΠΈΡΠ΅ΡΠΊΠΈΠΌΠΈ ΠΊΠΎΠ»ΡΡΠ°ΠΌΠΈ. ΠΠ½ΠΈ ΡΠ°ΡΡΠΎ Π²ΡΠ»Π΅ΡΠ°ΡΡ ΡΠΎ ΡΠ²ΠΎΠΈΡ
ΠΌΠ΅ΡΡ. ΠΡΠΎ ΠΌΠΎΠΆΠ΅Ρ Π²ΡΠ·Π²Π°ΡΡ ΠΊΠΎΡΠΎΡΠΊΠΎΠ΅ Π·Π°ΠΌΡΠΊΠ°Π½ΠΈΠ΅.
ΠΠΠ ΡΠ΅ΠΌΠΎΠ½Ρ ΠΏΡΠΈΠΊΡΡΠΈΠ²Π°ΡΠ΅Π»Ρ
Π ΠΏΠ΅ΡΠ²ΡΡ ΠΎΡΠ΅ΡΠ΅Π΄Ρ, Π΅ΡΠ»ΠΈ Π½Π΅ ΡΠ°Π±ΠΎΡΠ°Π΅Ρ ΠΏΡΠΈΠΊΡΡΠΈΠ²Π°ΡΠ΅Π»Ρ, ΠΏΡΠΎΠ²Π΅ΡΡΡΠ΅ Π±Π»ΠΎΠΊ ΠΏΡΠ΅Π΄ΠΎΡ
ΡΠ°Π½ΠΈΡΠ΅Π»Π΅ΠΉ.
ΠΡΠ»ΠΈ Π²Ρ ΠΎΠ±Π½Π°ΡΡΠΆΠΈΡΠ΅, ΡΡΠΎ ΠΎΠ½ ΡΠ³ΠΎΡΠ΅Π», Π·Π°ΠΌΠ΅Π½ΠΈΡΠ΅ Π΅Π³ΠΎ. ΠΠ΄Π½Π°ΠΊΠΎ ΠΈΠ½ΠΎΠ³Π΄Π° Π΄Π°ΠΆΠ΅ ΠΏΠΎΡΠ»Π΅ ΡΡΠΎΠΉ ΠΏΡΠΎΡΠ΅Π΄ΡΡΡ Π½Π°ΠΏΡΡΠΆΠ΅Π½ΠΈΠ΅ ΠΌΠΎΠΆΠ΅Ρ Π½Π΅ ΠΏΠΎΡΠ²ΠΈΡΡΡΡ. Π§ΡΠΎ Π΄Π΅Π»Π°ΡΡ? Π Π°Π·Π±Π΅ΡΠΈΡΠ΅ Π³Π½Π΅Π·Π΄ΠΎ.
ΠΠ°ΠΊ ΠΏΡΠΎΠ²Π΅ΡΠΈΡΡ Π½Π°ΠΏΡΡΠΆΠ΅Π½ΠΈΠ΅?
ΠΠ΅ΠΎΠ±Ρ
ΠΎΠ΄ΠΈΠΌΠΎ ΠΏΠΎΠ»Π½ΠΎΡΡΡΡ Π²ΡΠ½ΡΡΡ ΠΏΡΠΈΠΊΡΡΠΈΠ²Π°ΡΠ΅Π»Ρ.Π Π·Π°Π΄Π½Π΅ΠΉ ΡΠ°ΡΡΠΈ ΡΠΎΠ·Π΅ΡΠΊΠΈ ΠΏΡΠΈΠΊΡΠ΅ΠΏΠΈΡΠ΅ ΠΎΠ±ΡΡΠ½ΡΡ Π»Π°ΠΌΠΏΠΎΡΠΊΡ ΠΈ Π²ΠΊΠ»ΡΡΠΈΡΠ΅ Π·Π°ΠΆΠΈΠ³Π°Π½ΠΈΠ΅. ΠΠ°ΠΌΠΏΠ° Π³ΠΎΡΠΈΡ? ΠΠΎΠΆΠ½ΠΎ ΠΏΡΠΈΡΡΡΠΏΠ°ΡΡ ΠΊ ΡΠ°Π·Π±ΠΎΡΠΊΠ΅ — ΠΏΡΠΈΡΠΈΠ½Π° Π² Π³Π½Π΅Π·Π΄Π΅.
ΠΠ°ΠΊ ΡΠ°Π·ΠΎΠ±ΡΠ°ΡΡ ΠΏΡΠΈΠΊΡΡΠΈΠ²Π°ΡΠ΅Π»Ρ Π² ΠΠΠΠ΅?
ΠΠ΅ΡΠ΅Π΄ ΡΠ΅ΠΌ, ΠΊΠ°ΠΊ ΠΎΡΠΊΡΡΡΠΈΡΡ Π³Π°ΠΉΠΊΡ Ρ ΠΎΠ±ΡΠ°ΡΠ½ΠΎΠΉ ΡΡΠΎΡΠΎΠ½Ρ ΠΈ ΠΏΡΠΈΡΡΡΠΏΠΈΡΡ ΠΊ ΠΏΠΎΠ»Π½ΠΎΠΉ ΡΠ°Π·Π±ΠΎΡΠΊΠ΅, Π·Π°ΠΏΠΎΠΌΠ½ΠΈΡΠ΅, Π° ΡΠΎΡΠ½Π΅Π΅ ΡΡΠΎΡΠΎΠ³ΡΠ°ΡΠΈΡΡΠΉΡΠ΅ ΠΏΠΎΠ»ΠΎΠΆΠ΅Π½ΠΈΠ΅ ΠΊΠΎΠ½ΡΠ°ΠΊΡΠΎΠ². ΠΡΠΎ Π·Π½Π°ΡΠΈΡΠ΅Π»ΡΠ½ΠΎ ΠΎΠ±Π»Π΅Π³ΡΠΈΡ Π²ΠΎΠ·ΠΌΠΎΠΆΠ½ΡΠ΅ ΡΡΡΠ΄Π½ΠΎΡΡΠΈ ΡΠ±ΠΎΡΠΊΠΈ.
Π ΡΠ΅ΠΏΠ΅ΡΡ ΠΌΠΎΠΆΠ½ΠΎ ΠΏΡΠΈΡΡΡΠΏΠ°ΡΡ ΠΊ ΠΏΠΎΠ»Π½ΠΎΠΉ ΡΠ°Π·Π±ΠΎΡΠΊΠ΅ ΡΡΡΡΠΎΠΉΡΡΠ²Π°.ΠΠ°ΠΌ Π½ΡΠΆΠ½ΠΎ Π±ΡΠ΄Π΅Ρ ΠΎΡΠΊΡΡΡΠΈΡΡ Π³Π°ΠΉΠΊΡ, Π·Π°ΡΠ΅ΠΌ ΡΠΎΠ³Π½ΡΡΡ ΠΌΠ΅ΡΠ°Π»Π»ΠΈΡΠ΅ΡΠΊΠΈΠ΅ Π΄Π΅ΡΠ°Π»ΠΈ ΠΈΠ· ΠΏΠ»Π°ΡΡΠΈΠΊΠ°. ΠΠ°Π»Π΅Π΅ — ΠΎΡΡΠΎΠ΅Π΄ΠΈΠ½ΡΠ΅ΠΌ ΠΌΠ΅ΡΠ°Π»Π»ΠΈΡΠ΅ΡΠΊΠΈΠ΅ Π΄Π΅ΡΠ°Π»ΠΈ. ΠΡ ΠΎΠ±ΡΠ·Π°ΡΠ΅Π»ΡΠ½ΠΎ ΡΠ²ΠΈΠ΄ΠΈΡΠ΅ ΡΠ°ΡΠ΅Π»ΠΊΡ ΡΠ»ΡΠ΄Ρ. ΠΡΠΎ ΠΏΠΎΠ»ΡΠΏΡΠΎΠ²ΠΎΠ΄Π½ΠΈΠΊ. ΠΠ³ΠΎ Π½ΡΠΆΠ½ΠΎ ΡΠ΄Π°Π»ΠΈΡΡ.
ΠΠ°ΡΠ΅ΠΌ ΠΏΡΠΈΡΡΡΠΏΠ°ΠΉΡΠ΅ ΠΊ ΡΠ±ΠΎΡΠΊΠ΅. Π£Π΄Π°Π»ΠΈΡΡ Π»ΠΈΡΠ½ΠΈΠΉ ΠΌΠ΅ΡΠ°Π»Π», ΠΌΠ΅ΡΠ°ΡΡΠΈΠΉ Π½Π°Π΄Π΅ΠΆΠ½ΠΎ ΡΡΡΠ°Π½ΠΎΠ²ΠΈΡΡ ΠΏΡΠΈΠΊΡΡΠΈΠ²Π°ΡΠ΅Π»Ρ Π½Π° ΠΌΠ΅ΡΡΠΎ, ΠΏΠΎΠΌΠΎΠΆΠ΅Ρ Π½Π°ΠΏΠΈΠ»ΡΠ½ΠΈΠΊ.
ΠΡΠ»ΠΈ Π½ΠΈΡΠ΅Π³ΠΎ Π½Π΅ Π²ΡΡΠ»ΠΎ, ΡΠΎ ΠΌΠΎΠΆΠ½ΠΎ ΠΏΠΎΠΏΡΠΎΠ±ΠΎΠ²Π°ΡΡ ΠΏΡΠΎΠ²Π΅ΡΠΈΡΡ ΠΏΡΠΎΠ²ΠΎΠ΄Π° Π½Π° ΡΠ΅Π»ΠΎΡΡΠ½ΠΎΡΡΡ. ΠΠ΅ ΠΏΠΎΠ»Π΅Π½ΠΈΡΠ΅ΡΡ Π»ΠΈΡΠ½ΠΈΠΉ ΡΠ°Π· ΡΠ°Π·ΠΎΠ±ΡΠ°ΡΡ Π³Π½Π΅Π·Π΄ΠΎ, Π²ΠΎΠ·ΠΌΠΎΠΆΠ½ΠΎ, Π²Ρ Π³Π΄Π΅-ΡΠΎ ΡΡΠΎ-ΡΠΎ ΡΠΏΡΡΡΠΈΠ»ΠΈ.Π’Π°ΠΊΠΆΠ΅ Π½Π΅ Π·Π°Π±ΡΠ²Π°ΠΉΡΠ΅, ΡΡΠΎ ΠΏΡΠΈ Π·Π°ΠΌΠ΅Π½Π΅ ΡΠ»Π΅ΠΌΠ΅Π½ΡΠ° Π½ΡΠΆΠ½ΠΎ ΡΠ±ΡΠ°ΡΡ Β«ΠΌΠΈΠ½ΡΡΒ» Π°ΠΊΠΊΡΠΌΡΠ»ΡΡΠΎΡΠ°.
Β«Π€ΠΎΡΠ΄ Π€ΠΎΠΊΡΡΒ»
ΠΠ΅ ΡΠΎΠ»ΡΠΊΠΎ Π² Π°Π²ΡΠΎΠΌΠΎΠ±ΠΈΠ»ΡΡ
ΠΎΡ ΠΠΠΠ°, Π½ΠΎ ΠΈ Π² ΡΠ°ΠΊΠΈΡ
ΠΈΠ½ΠΎΠΌΠ°ΡΠΊΠ°Ρ
, ΠΊΠ°ΠΊ Π€ΠΎΡΠ΄, ΠΌΠΎΠΆΠ½ΠΎ Π½Π°Π±Π»ΡΠ΄Π°ΡΡ Π½Π΅ΡΠ°Π±ΠΎΡΠ°ΡΡΠΈΠΉ ΠΏΡΠΈΠΊΡΡΠΈΠ²Π°ΡΠ΅Π»Ρ. Π§Π°ΡΠ΅ Π²ΡΠ΅Π³ΠΎ ΠΏΠ΅ΡΠ΅Π³ΠΎΡΠ°Π΅Ρ ΠΏΡΠ΅Π΄ΠΎΡ
ΡΠ°Π½ΠΈΡΠ΅Π»Ρ Π² ΡΠ΅ΡΠΈ. ΠΠ½ ΠΈΠΌΠ΅Π΅Ρ ΠΌΠ°ΡΠΊΠΈΡΠΎΠ²ΠΊΡ F109 ΠΈ ΠΎΠΊΡΠ°ΡΠ΅Π½ Π² ΠΆΠ΅Π»ΡΡΠΉ ΡΠ²Π΅Ρ. ΠΠ½ ΡΠ°ΡΡΡΠΈΡΠ°Π½ Π½Π° ΡΠΎΠΊ Π΄ΠΎ 20 Π.
ΠΡΠΈΠΊΡΡΠΈΠ²Π°ΡΠ΅Π»Ρ Ford Focus ΡΠ°ΡΠ΅ Π²ΡΠ΅Π³ΠΎ Π½Π΅ ΡΠ°Π±ΠΎΡΠ°Π΅Ρ ΠΈΠ·-Π·Π° ΠΊΠΎΡΠΎΡΠΊΠΎΠ³ΠΎ Π·Π°ΠΌΡΠΊΠ°Π½ΠΈΡ Π² ΡΠΎΠ·Π΅ΡΠΊΠ΅ ΠΈΠ»ΠΈ ΠΈΠ·-Π·Π° ΠΏΠΎΡΡΠ΅Π±ΠΈΡΠ΅Π»Π΅ΠΉ, ΡΠ°ΡΡΡΠΈΡΠ°Π½Π½ΡΡ
Π½Π° ΡΠΎΠΊ, Π·Π½Π°ΡΠΈΡΠ΅Π»ΡΠ½ΠΎ ΠΏΡΠ΅Π²ΡΡΠ°ΡΡΠΈΠΉ Π΄ΠΎΠΏΡΡΡΠΈΠΌΠΎΠ΅ Π·Π½Π°ΡΠ΅Π½ΠΈΠ΅.
ΠΠ°ΠΌΡΠΊΠ°Π½ΠΈΡ ΡΠ»ΡΡΠ°ΡΡΡΡ ΠΏΠΎΡΠΎΠΌΡ, ΡΡΠΎ Π±ΠΎΠ»ΡΡΠΈΠ½ΡΡΠ²ΠΎ Π²ΠΎΠ΄ΠΈΡΠ΅Π»Π΅ΠΉ Π½Π΅ Π·Π½Π°ΡΡ ΠΈ Π½ΠΈΠΊΠΎΠ³Π΄Π° Π½Π΅ Π·Π°Π΄ΡΠΌΡΠ²Π°ΡΡΡΡ ΠΎ ΡΠΎΠΌ, ΡΡΠΎ Π² ΠΌΠΈΡΠ΅ Π½Π΅Ρ ΡΡΠ°Π½Π΄Π°ΡΡΠΎΠ² Π³Π΅ΠΎΠΌΠ΅ΡΡΠΈΡΠ΅ΡΠΊΠΈΡ
ΡΠ°Π·ΠΌΠ΅ΡΠΎΠ² Π³Π½Π΅Π·Π΄Π°. ΠΡΠΎΠΈΠ·Π²ΠΎΠ΄ΠΈΡΠ΅Π»ΠΈ Π·Π°ΡΡΠ΄Π½ΡΡ
ΡΡΡΡΠΎΠΉΡΡΠ² ΠΈ Π²ΡΠ΅Π³ΠΎ, ΡΡΠΎ Π²ΡΡΠ°Π²Π»ΡΠ΅ΡΡΡ Π² ΡΠΎΠ·Π΅ΡΠΊΡ, ΠΈΠ·Π³ΠΎΡΠ°Π²Π»ΠΈΠ²Π°ΡΡ Π²ΠΈΠ»ΠΊΠΈ ΡΠ°Π·Π½ΠΎΠΉ Π΄Π»ΠΈΠ½Ρ ΠΈ Π΄ΠΈΠ°ΠΌΠ΅ΡΡΠ°.
ΠΠ΅ΡΠ΅Π΄ ΡΠ΅ΠΌ, ΠΊΠ°ΠΊ ΡΡΠΎ-Π»ΠΈΠ±ΠΎ Π²ΡΡΠ°Π²Π»ΡΡΡ Π² ΡΠΎΠ·Π΅ΡΠΊΡ, Π΅ΡΠ΅ ΡΠ°Π· ΡΠ±Π΅Π΄ΠΈΡΠ΅ΡΡ, ΡΡΠΎ ΡΠ°Π·ΡΠ΅ΠΌ ΠΈΠ΄Π΅Π°Π»ΡΠ½ΠΎ ΠΏΠΎΠ΄Ρ
ΠΎΠ΄ΠΈΡ. ΠΠ΅ΠΌΠ½ΠΎΠ³ΠΎ ΠΌΠ΅Π½ΡΡΠΈΠΉ Π΄ΠΈΠ°ΠΌΠ΅ΡΡ — ΡΠΈΡΠΊ ΠΊΠΎΡΠΎΡΠΊΠΎΠ³ΠΎ Π·Π°ΠΌΡΠΊΠ°Π½ΠΈΡ.
ΠΠ°ΠΊ Π·Π°ΠΌΠ΅Π½ΠΈΡΡ ΠΏΡΠ΅Π΄ΠΎΡ
ΡΠ°Π½ΠΈΡΠ΅Π»Ρ Π² Π°Π²ΡΠΎΠΌΠΎΠ±ΠΈΠ»ΡΡ
Π€ΠΎΡΠ΄?
ΠΡΠ»ΠΈ ΠΏΡΠΈΠΊΡΡΠΈΠ²Π°ΡΠ΅Π»Ρ Ford Π½Π΅ ΡΠ°Π±ΠΎΡΠ°Π΅Ρ, ΠΈ Π²Ρ ΡΠ΅ΡΠΈΠ»ΠΈ Π·Π°ΠΌΠ΅Π½ΠΈΡΡ ΠΏΡΠ΅Π΄ΠΎΡ
ΡΠ°Π½ΠΈΡΠ΅Π»Ρ, ΡΠΎ ΡΡΠ΄ΡΡΠ΅ Π½Π° ΠΏΠ°ΡΡΠ°ΠΆΠΈΡΡΠΊΠΎΠ΅ ΡΠΈΠ΄Π΅Π½ΡΠ΅ ΠΈ ΡΠ½ΠΈΠΌΠΈΡΠ΅ Π·Π°ΡΠΈΡΠ½ΡΡ ΠΏΠΎΠ»ΠΊΡ.ΠΠ½Π° Π½ΠΈΠΆΠ΅ Π±Π°ΡΠ΄Π°ΡΠΊΠ°. ΠΠΎΠ²Π΅ΡΠ½ΠΈΡΠ΅ Π·Π°ΡΠ΅Π»ΠΊΠΈ ΠΈ ΠΏΠΎΡΡΠ½ΠΈΡΠ΅ Π±Π»ΠΎΠΊ Π²Π½ΠΈΠ·. Π Π»Π΅Π²ΠΎΠΌ ΡΡΠ΄Ρ Π²Ρ ΡΠ²ΠΈΠ΄ΠΈΡΠ΅ Π½ΡΠΆΠ½ΡΠΉ ΠΏΡΠ΅Π΄ΠΎΡ
ΡΠ°Π½ΠΈΡΠ΅Π»Ρ.
ΠΠ½ Π²ΡΠΎΡΠΎΠΉ ΡΠ½ΠΈΠ·Ρ. ΠΡΡΡΠ΅, Π΅ΡΠ»ΠΈ Π²Ρ Π½Π°ΠΉΠ΄Π΅ΡΠ΅ ΡΡ
Π΅ΠΌΡ ΡΠ²ΠΎΠ΅Π³ΠΎ Π€ΠΎΡΠ΄Π°. ΠΠ°, Π·Π°ΠΏΠ°Π» Π²ΡΡΡΠ½ΡΡ Π΄ΠΎΡΡΠ°ΡΡ Π½Π΅ΠΏΡΠΎΡΡΠΎ, ΠΏΠΎΡΡΠΎΠΌΡ ΠΏΡΠΈΠ³ΠΎΡΠΎΠ²ΡΡΠ΅ ΠΏΠ»ΠΎΡΠΊΠΎΠ³ΡΠ±ΡΡ.
ΠΠ°ΠΊ Π·Π°ΠΌΠ΅Π½ΠΈΡΡ ΠΏΡΠΈΠΊΡΡΠΈΠ²Π°ΡΠ΅Π»Ρ?
ΠΠ»Ρ Π·Π°ΠΌΠ΅Π½Ρ ΡΠ½ΠΈΠΌΠ°Π΅ΠΌ ΠΏΡΠ°Π²ΡΡ ΠΊΡΡΡΠΊΡ ΡΠΎΠ½Π½Π΅Π»Ρ. Π Π½ΠΎΠ³Π°Ρ
ΠΏΠ°ΡΡΠ°ΠΆΠΈΡΡΠΊΠΎΠ³ΠΎ ΡΠΈΠ΄Π΅Π½ΡΡ Π½ΡΠΆΠ½ΠΎ ΡΠ½ΡΡΡ Π·Π°ΡΠ΅Π»ΠΊΡ ΠΈ ΠΎΡΠΊΡΡΡΠΈΡΡ Π²ΠΈΠ½Ρ. ΠΠ°ΡΠ΅ΠΌ ΡΠ½ΠΈΠΌΠΈΡΠ΅ ΠΊΠΎΠ»ΠΏΠ°ΡΠΎΠΊ.ΠΡ ΡΠ²ΠΈΠ΄ΠΈΡΠ΅ Π΄ΡΡΡ. ΠΠΎΠ»ΠΎΠΆΠΈΡΠ΅ ΡΡΠ΄Π° ΡΡΠΊΡ ΠΈ ΠΎΡΡΠΎΠ΅Π΄ΠΈΠ½ΠΈΡΠ΅ ΠΏΡΠΎΠ²ΠΎΠ΄Π° ΠΎΡ ΡΠΎΠ·Π΅ΡΠΊΠΈ. ΠΡ
Π²ΡΠ΅Π³ΠΎ ΡΡΠΈ.
Π’Π΅ΠΏΠ΅ΡΡ ΠΎΡΡΠ°Π»ΠΎΡΡ ΡΠΎΠ»ΡΠΊΠΎ Π²ΡΡΠ°ΡΠΈΡΡ ΡΡΠ΅ΠΊΠ»ΠΎ ΠΈΠ· Π³Π½Π΅Π·Π΄Π°.
ΠΡΠ»ΠΈ ΠΏΡΠΎΡΡΠΎ Π½Π΅ Π±ΡΠ»ΠΎ Π²ΠΎΠ·ΠΌΠΎΠΆΠ½ΠΎΡΡΠΈ Π²ΡΡΠ°ΡΠΈΡΡ ΡΡΠ΅ΠΊΠ»ΠΎ, ΡΠΎ Π΅ΡΡΡ Π²Π°ΡΠΈΠ°Π½Ρ ΡΠ»ΠΎΠΌΠ°ΡΡ ΠΏΠ»Π°ΡΡΠΈΠΊ ΠΊΠ°ΠΊΠΈΠΌ-Π½ΠΈΠ±ΡΠ΄Ρ ΠΈΠ½ΡΡΡΡΠΌΠ΅Π½ΡΠΎΠΌ, Π° Π·Π°ΠΎΠ΄Π½ΠΎ ΡΠ½ΡΡΡ ΡΡΠ΅ΠΊΠ»ΠΎ ΠΏΠΎ ΡΠ°ΡΡΡΠΌ.
Β«Π’ΠΎΠΉΠΎΡΠ°Β»
Π ΡΠΎΠΌ ΡΠ»ΡΡΠ°Π΅, Π΅ΡΠ»ΠΈ ΠΏΡΠΈΠΊΡΡΠΈΠ²Π°ΡΠ΅Π»Ρ Π’ΠΎΠΉΠΎΡΠ° Π½Π΅ ΡΠ°Π±ΠΎΡΠ°Π΅Ρ, Π΄Π»Ρ Π½Π°ΡΠ°Π»Π° Π½ΡΠΆΠ½ΠΎ ΠΏΡΠΎΠ²Π΅ΡΠΈΡΡ ΠΏΡΠ΅Π΄ΠΎΡ
ΡΠ°Π½ΠΈΡΠ΅Π»ΠΈ.ΠΠ²ΡΠΎΠ»ΡΠ±ΠΈΡΠ΅Π»ΠΈ ΡΡΠ²Π΅ΡΠΆΠ΄Π°ΡΡ, ΡΡΠΎ Π² ΠΈΠ½ΡΡΡΡΠΊΡΠΈΠΈ ΠΊ ΡΡΠΎΠΉ ΠΌΠ°ΡΠΊΠ΅ Π°Π²ΡΠΎ ΠΎ Π½ΠΈΡ
Π½ΠΈΡΠ΅Π³ΠΎ Π½Π΅ ΡΠΊΠ°Π·Π°Π½ΠΎ.
Π Π±ΠΎΠ»ΡΡΠΈΠ½ΡΡΠ²Π΅ ΠΌΠΎΠ΄Π΅Π»Π΅ΠΉ Π½ΡΠΆΠ½ΡΠΉ Π±Π»ΠΎΠΊ ΠΏΡΠ΅Π΄ΠΎΡ
ΡΠ°Π½ΠΈΡΠ΅Π»Π΅ΠΉ ΡΠ°ΡΠΏΠΎΠ»ΠΎΠΆΠ΅Π½ ΠΏΠΎΠ΄ ΡΡΠ»Π΅Π²ΠΎΠΉ ΠΊΠΎΠ»ΠΎΠ½ΠΊΠΎΠΉ.
ΠΠ° Π½Π΅ΠΊΠΎΡΠΎΡΡΡ
ΠΌΠΎΠ΄Π΅Π»ΡΡ
— ΠΏΠΎΠ΄ Π±Π°ΡΠ΄Π°ΡΠΊΠΎΠΌ. ΠΡΠ΅Π΄ΠΎΡ
ΡΠ°Π½ΠΈΡΠ΅Π»Ρ ΡΠ°ΡΡΡΠΈΡΠ°Π½ Π½Π° 15 Π. ΠΠ½ΠΎΠ³ΠΈΠ΅ ΠΏΡΡΠ°ΡΡΡΡ ΡΡΡΠ°Π½ΠΎΠ²ΠΈΡΡ ΠΏΡΠ΅Π΄ΠΎΡ
ΡΠ°Π½ΠΈΡΠ΅Π»ΠΈ Π½Π° 20 Π ΠΈ ΡΡΠ°Π»ΠΊΠΈΠ²Π°ΡΡΡΡ Ρ ΡΠ΅ΠΌ, ΡΡΠΎ ΡΠΈΡΡΠ΅ΠΌΠ° Π½Π΅ ΡΠ°Π±ΠΎΡΠ°Π΅Ρ.
Π’Π°ΠΊΠΆΠ΅ ΠΌΠ½ΠΎΠ³ΠΈΠ΅ Π²Π»Π°Π΄Π΅Π»ΡΡΡ Π·Π°ΠΌΠ΅Π½ΡΡΡ ΡΠ΅Π»ΠΎΠ΅ ΡΡΠ΅ΠΊΠ»ΠΎ. ΠΠ° ΡΡΠ΅ΠΊΠ»Π΅ Π΅ΡΡΡ Π°Π»ΡΠΌΠΈΠ½ΠΈΠ΅Π²Π°Ρ Π²ΡΡΠ°Π²ΠΊΠ°. Π§Π°ΡΡΠΎ Π²ΡΠ³ΠΎΡΠ°Π΅Ρ.
ΠΡΠ»ΠΈ Π½ΠΈΡΠ΅Π³ΠΎ Π½Π΅ ΡΠ°Π±ΠΎΡΠ°Π΅Ρ
ΠΡΠ΅ Π±ΡΠ²Π°Π΅Ρ, ΡΡΠΎ ΠΏΡΠΈΠΊΡΡΠΈΠ²Π°ΡΠ΅Π»Ρ ΠΈ ΠΌΠ°Π³Π½ΠΈΡΠΎΠ»Π° Π½Π΅ ΡΠ°Π±ΠΎΡΠ°ΡΡ, Π² ΡΡΠΎΠΌ ΡΠ»ΡΡΠ°Π΅ ΡΠ΅ΠΊΠΎΠΌΠ΅Π½Π΄ΡΠ΅ΡΡΡ ΠΏΡΠΎΠ²Π΅ΡΠΈΡΡ ΠΌΠΎΠ½ΡΠ°ΠΆΠ½ΡΠΉ Π±Π»ΠΎΠΊ.Π’ΡΠ°ΡΠ΅Π»ΡΠ½ΠΎ ΠΏΡΠΎΠ²Π΅ΡΡΡΠ΅ Π²ΡΠ΅ ΠΏΡΠ΅Π΄ΠΎΡ
ΡΠ°Π½ΠΈΡΠ΅Π»ΠΈ. ΠΡΠ»ΠΈ Π½ΠΈΡΠ΅Π³ΠΎ Π½Π΅ Π½Π°ΡΠ»ΠΈ, ΡΠΎ ΡΠ°ΠΊΠΆΠ΅ Π²Π½ΠΈΠΌΠ°ΡΠ΅Π»ΡΠ½ΠΎ ΠΏΡΠΎΠ²Π΅ΡΡΡΠ΅ ΡΠ΅Π»Π΅. Π§Π°ΡΡΠΎ Π²ΠΈΠ½ΠΎΠΉ Π²ΡΠ΅ΠΌΡ ΠΊΠΈΡΠ»ΡΠΉ ΠΊΠΎΠ½ΡΠ°ΠΊΡ. ΠΠΎΡΠ»Π΅ ΠΏΡΠΎΠΌΡΠ²ΠΊΠΈ ΠΈΠ»ΠΈ ΠΏΠ°ΠΉΠΊΠΈ ΠΌΠΎΠ½ΡΠ°ΠΆΠ½ΠΎΠ³ΠΎ Π±Π»ΠΎΠΊΠ° Π²ΡΠ΅ ΡΡΠ°Π½ΠΎΠ²ΠΈΡΡΡ Π½Π° ΡΠ²ΠΎΠΈ ΠΌΠ΅ΡΡΠ°.
ΠΠ»Π΅ΠΊΡΡΠΎΡΡ
Π΅ΠΌΠ° Π°Π²ΡΠΎΠΌΠΎΠ±ΠΈΠ»Ρ ΠΠΠ-2110
(Π½Π°ΠΆΠΌΠΈΡΠ΅, ΡΡΠΎΠ±Ρ ΡΠ²Π΅Π»ΠΈΡΠΈΡΡ)
1. ΠΠ»ΠΎΠΊ ΡΠ²Π΅ΡΠ°
2. ΠΠ°ΡΡΠΈΠΊΠΈ ΠΈΠ·Π½ΠΎΡΠ° ΠΏΠ΅ΡΠ΅Π΄Π½ΠΈΡ
ΡΠΎΡΠΌΠΎΠ·Π½ΡΡ
ΠΊΠΎΠ»ΠΎΠ΄ΠΎΠΊ
3. ΠΡΠΊΠ»ΡΡΠ°ΡΠ΅Π»Ρ, ΡΠ»Π΅ΠΊΡΡΠΎΠ΄Π²ΠΈΠ³Π°ΡΠ΅Π»Ρ Π½Π°Π³Π½Π΅ΡΠ°ΡΠ΅Π»Ρ
4. ΠΠ»Π΅ΠΊΡΡΠΎΠ΄Π²ΠΈΠ³Π°ΡΠ΅Π»Ρ Π²Π΅Π½ΡΠΈΠ»ΡΡΠΎΡΠ° ΡΠΈΡΡΠ΅ΠΌΡ ΠΎΡ
Π»Π°ΠΆΠ΄Π΅Π½ΠΈΡ Π΄Π²ΠΈΠ³Π°ΡΠ΅Π»Ρ
5.Π³ΡΠ΄ΠΎΠΊ
6. ΠΠ΅Π½Π΅ΡΠ°ΡΠΎΡ: 7. ΠΠ°ΡΡΠΈΠΊ ΡΡΠΎΠ²Π½Ρ ΠΌΠ°ΡΠ»Π°
8. ΠΠ»ΠΎΠΊ ΡΠΏΡΠ°Π²Π»Π΅Π½ΠΈΡ ΡΠ»Π΅ΠΊΡΡΠΎΠΌΠ°Π³Π½ΠΈΡΠ½ΡΠΌ ΠΊΠ»Π°ΠΏΠ°Π½ΠΎΠΌ ΠΊΠ°ΡΠ±ΡΡΠ°ΡΠΎΡΠ°
9. ΠΠΎΠ½ΡΡΠΎΠ»Π»Π΅Ρ ΠΎΡΠΎΠΏΠΈΡΠ΅Π»Ρ
10. ΠΠ΅ΡΠ΅ΠΊΠ»ΡΡΠ°ΡΠ΅Π»Ρ ΠΊΠ»Π°ΠΏΠ°Π½Π° ΡΠ΅ΡΠΈΡΠΊΡΠ»ΡΡΠΈΠΈ
11. ΠΠΎΠ΄ΡΠ²Π΅ΡΠΊΠ° ΡΡΡΠ°Π³ΠΎΠ² ΡΠΏΡΠ°Π²Π»Π΅Π½ΠΈΡ Π’ΠΠΠΎΠΌ
12. ΠΠ΅ΡΠ΅ΠΊΠ»ΡΡΠ°ΡΠ΅Π»Ρ
13. ΠΡΠ΅Π΄Π΅Π» ΠΏΠ΅ΡΠ΅ΠΊΠ»ΡΡΠ°ΡΠ΅Π»Ρ ΠΊΠ°ΡΠ±ΡΡΠ°ΡΠΎΡΠ°
14. Π΄Π°ΡΡΠΈΠΊ ΠΊΠΎΠ½ΡΡΠΎΠ»ΡΠ½ΠΎΠΉ Π»Π°ΠΌΠΏΡ Π΄Π°Π²Π»Π΅Π½ΠΈΡ ΠΌΠ°ΡΠ»Π°
15. ΡΠ²Π΅ΡΠΈ Π·Π°ΠΆΠΈΠ³Π°Π½ΠΈΡ
16. ΡΠ»Π΅ΠΊΡΡΠΎΠΌΠ°Π³Π½ΠΈΡΠ½ΡΠΉ ΠΊΠ»Π°ΠΏΠ°Π½ ΠΊΠ°ΡΠ±ΡΡΠ°ΡΠΎΡΠ°
17. Π΄Π°ΡΡΠΈΠΊ ΡΠ΅ΠΌΠΏΠ΅ΡΠ°ΡΡΡΡ ΠΎΡ
Π»Π°ΠΆΠ΄Π°ΡΡΠ΅ΠΉ ΠΆΠΈΠ΄ΠΊΠΎΡΡΠΈ
18. Π΄Π°ΡΡΠΈΠΊ-ΡΠ°ΡΠΏΡΠ΅Π΄Π΅Π»ΠΈΡΠ΅Π»Ρ Π·Π°ΠΆΠΈΠ³Π°Π½ΠΈΡ
19. ΠΊΠ°ΡΡΡΠΊΠ° Π·Π°ΠΆΠΈΠ³Π°Π½ΠΈΡ.
20.ΡΡΠ°ΡΡΠ΅Ρ
21. ΡΠ»Π΅ΠΊΡΡΠΎΠ΄Π²ΠΈΠ³Π°ΡΠ΅Π»Ρ Π²Π΅Π½ΡΠΈΠ»ΡΡΠΎΡΠ° ΠΎΡΠΎΠΏΠΈΡΠ΅Π»Ρ
22. Π΄ΠΎΠΏΠΎΠ»Π½ΠΈΡΠ΅Π»ΡΠ½ΡΠΉ ΡΠ΅Π·ΠΈΡΡΠΎΡ ΡΠ»Π΅ΠΊΡΡΠΎΠ΄Π²ΠΈΠ³Π°ΡΠ΅Π»Ρ Π²Π΅Π½ΡΠΈΠ»ΡΡΠΎΡΠ°
23. Π΄Π°ΡΡΠΈΠΊ ΡΠΊΠΎΡΠΎΡΡΠΈ
24. ΠΏΠ΅ΡΠ΅ΠΊΠ»ΡΡΠ°ΡΠ΅Π»Ρ ΡΠ²Π΅ΡΠ° Π·Π°Π΄Π½Π΅Π³ΠΎ Ρ
ΠΎΠ΄Π°
25. Π½Π°Π³ΡΠ΅Π²Π°ΡΠ΅Π»Ρ Π·Π°ΡΠ»ΠΎΠ½ΠΊΠΈ ΠΌΠΈΠΊΡΠΎΠ±ΠΈΠΎΡΠ΅Π°ΠΊΡΠΎΡΠ°
26. ΡΠ΅ΡΠΈΡΠΊΡΠ»ΡΡΠΈΠΎΠ½Π½ΡΠΉ ΠΊΠ»Π°ΠΏΠ°Π½
27. Π΄Π°ΡΡΠΈΠΊ ΡΡΠΎΠ²Π½Ρ ΡΠΎΡΠΌΠΎΠ·Π½ΠΎΠΉ ΠΆΠΈΠ΄ΠΊΠΎΡΡΠΈ
28. ΠΊΠΎΠ»ΠΎΠ΄ΠΊΠΈ Π΄Π»Ρ ΠΏΠΎΠ΄ΠΊΠ»ΡΡΠ΅Π½ΠΈΡ ΠΌΠΎΡΠΎΡΠ° ΠΎΠΌΡΠ²Π°ΡΠ΅Π»Ρ Π·Π°Π΄Π½Π΅Π³ΠΎ ΡΡΠ΅ΠΊΠ»Π°
29. Π°ΠΊΠΊΡΠΌΡΠ»ΡΡΠΎΡ
30. ΠΌΠΎΡΠΎΡ cΠΌΡΡΠΈΡΡΡ Π²Π΅ΡΡΠΎΠ²ΠΎΠ΅ ΡΡΠ΅ΠΊΠ»ΠΎ
31. Π΄Π°ΡΡΠΈΠΊ ΡΡΠΎΠ²Π½Ρ ΠΎΠΌΡΠ²Π°ΡΡΠ΅ΠΉ ΠΆΠΈΠ΄ΠΊΠΎΡΡΠΈ
32. Π΄Π°ΡΡΠΈΠΊ ΡΡΠΎΠ²Π½Ρ ΠΎΡ
Π»Π°ΠΆΠ΄Π°ΡΡΠ΅ΠΉ ΠΆΠΈΠ΄ΠΊΠΎΡΡΠΈ
33. ΡΠ΅Π΄ΡΠΊΡΠΎΡ ΠΌΠΎΡΠΎΡΠ° Π΄Π²ΠΎΡΠ½ΠΈΠΊΠΎΠ²
34.ΠΌΠΎΠ½ΡΠ°ΠΆΠ½ΡΠΉ Π±Π»ΠΎΠΊ 35. ΠΊΠΎΠ»ΠΎΠ΄ΠΊΠΈ Π΄Π»Ρ ΠΏΠΎΠ΄ΠΊΠ»ΡΡΠ΅Π½ΠΈΡ ΠΆΠ³ΡΡΠ° ΡΠΈΠ³Π½Π°Π»ΡΠ½ΠΎΠΉ Π»Π°ΠΌΠΏΡ
36. Π²ΡΠΊΠ»ΡΡΠ°ΡΠ΅Π»Ρ ΠΎΡΠ²Π΅ΡΠ΅Π½ΠΈΡ
37. ΠΊΠΎΠΌΠ±ΠΈΠ½Π°ΡΠΈΡ ΠΏΡΠΈΠ±ΠΎΡΠΎΠ²
38. Π²ΡΠΊΠ»ΡΡΠ°ΡΠ΅Π»Ρ Π·Π°Π΄Π½Π΅Π³ΠΎ ΠΏΡΠΎΡΠΈΠ²ΠΎΡΡΠΌΠ°Π½Π½ΠΎΠ³ΠΎ ΡΠ²Π΅ΡΠ°
39. ΡΠΈΠ³Π½Π°Π»ΡΠ½Π°Ρ Π»Π°ΠΌΠΏΠ° ΠΏΡΠΎΡΠΈΠ²ΠΎΡΡΠΌΠ°Π½Π½ΠΎΠ³ΠΎ ΡΠ²Π΅ΡΠ°
40. ΡΠΈΠ³Π½Π°Π»ΡΠ½Π°Ρ Π»Π°ΠΌΠΏΠ° ΠΎΠ±ΠΎΠ³ΡΠ΅Π²Π° Π·Π°Π΄Π½Π΅Π³ΠΎ ΡΡΠ΅ΠΊΠ»Π°
41. ΡΠ°ΡΡ
42. ΠΏΠ΅ΡΠ΅ΠΊΠ»ΡΡΠ°ΡΠ΅Π»Ρ ΠΎΠ±ΠΎΠ³ΡΠ΅Π²Π° Π·Π°Π΄Π½Π΅Π³ΠΎ ΡΡΠ΅ΠΊΠ»Π°
43. ΠΏΠΎΠ΄ΡΡΠ»Π΅Π²ΡΠ΅ ΠΏΠ΅ΡΠ΅ΠΊΠ»ΡΡΠ°ΡΠ΅Π»ΠΈ
44. ΠΊΠΎΠ»ΠΎΠ΄ΠΊΠ° Π΄Π»Ρ ΠΏΠ΅ΡΠ΅ΠΊΠ»ΡΡΠ΅Π½ΠΈΡ ΠΏΡΠΎΠ²ΠΎΠ΄ΠΎΠ² ΠΏΡΠΈ ΡΡΡΠ°Π½ΠΎΠ²ΠΊΠ΅ Π±Π»ΠΎΠΊ-ΡΠΎΠ½Π°ΡΠ΅ΠΉ Π΄ΡΡΠ³ΠΎΠ³ΠΎ ΡΠΈΠΏΠ°
45. ΡΠ΅Π³ΡΠ»ΡΡΠΎΡΡ ΠΎΡΠ²Π΅ΡΠ΅Π½ΠΈΡ ΠΏΡΠΈΠ±ΠΎΡΠΎΠ²
46. ΠΏΠ΅ΡΠ΅ΠΊΠ»ΡΡΠ°ΡΠ΅Π»Ρ Π·Π°ΠΆΠΈΠ³Π°Π½ΠΈΡ
47. ΠΊΠΎΠ»ΠΎΠ΄ΠΊΠΈ Π΄Π»Ρ ΠΏΠΎΠ΄ΠΊΠ»ΡΡΠ΅Π½ΠΈΡ ΠΆΠ³ΡΡ ΠΏΡΠΎΠ²ΠΎΠ΄ΠΎΠ² ΠΎΡΠΈΡΡΠΈΡΠ΅Π»Ρ ΡΠ°Ρ
48.ΠΏΠ°ΡΡΠΎΠ½ Π΄Π»Ρ ΠΏΠ΅ΡΠ΅Π½ΠΎΡΠ½ΠΎΠΉ Π»Π°ΠΌΠΏΡ
49. ΠΏΠ»Π°ΡΠΎΠ½ ΠΎΡΠ²Π΅ΡΠ΅Π½ΠΈΡ ΠΈΠ½Π΄ΠΈΠ²ΠΈΠ΄ΡΠ°Π»ΡΠ½ΠΎΠ³ΠΎ ΡΠ°Π»ΠΎΠ½Π°
50. Π²ΡΠΊΠ»ΡΡΠ°ΡΠ΅Π»Ρ ΡΡΠΎΠΏ-ΡΠΈΠ³Π½Π°Π»Π°
51. ΠΎΡΠ²Π΅ΡΠ΅Π½ΠΈΠ΅ ΡΠ°Π»ΠΎΠ½Π°
52. Π±Π»ΠΎΠΊ Π±ΠΎΡΡΠΎΠ²ΠΎΠΉ ΡΠΈΡΡΠ΅ΠΌΡ ΡΠΏΡΠ°Π²Π»Π΅Π½ΠΈΡ
53. Π΄Π°ΡΡΠΈΠΊ ΡΡΠΎΠ²Π½Ρ ΡΠΎΠΏΠ»ΠΈΠ²Π°
54. ΡΠΈΠ³Π½Π°Π»ΡΠ½ΡΠΉ Π²ΡΠΊΠ»ΡΡΠ°ΡΠ΅Π»Ρ
55. Π΄Π°ΡΡΠΈΠΊ ΡΠ΅ΠΌΠ½Ρ Π±Π΅Π·ΠΎΠΏΠ°ΡΠ½ΠΎΡΡΠΈ Π²ΠΎΠ΄ΠΈΡΠ΅Π»Ρ
56. ΠΏΡΠΈΠΊΡΡΠΈΠ²Π°ΡΠ΅Π»Ρ
57. Π»Π°ΠΌΠΏΠ° ΠΏΠΎΠ΄ΡΠ²Π΅ΡΠΊΠΈ ΠΏΠ΅ΠΏΠ΅Π»ΡΠ½ΠΈΡΡ
58. Π²ΡΠΊΠ»ΡΡΠ°ΡΠ΅Π»Ρ Π»Π°ΠΌΠΏΡ ΠΎΡΠ²Π΅ΡΠ΅Π½ΠΈΡ Π±Π°ΡΠ΄Π°ΡΠΊΠ°
59. ΠΊΠΎΠ»ΠΎΠ΄ΠΊΠ° ΠΏΠΎΠ΄ΠΊΠ»ΡΡΠ΅Π½ΠΈΡ Π±ΠΎΡΡΠΎΠ²ΠΎΠ³ΠΎ ΠΊΠΎΠΌΠΏΡΡΡΠ΅ΡΠ°
60. Π»Π°ΠΌΠΏΠ° Π±Π°ΡΠ΄Π°ΡΠΊΠ°
61. Π±ΠΎΠΊΠΎΠ²ΠΎΠΉ ΠΏΠΎΠ²ΠΎΡΠΎΡ Π‘ΠΈΠ³Π½Π°Π»Ρ
62.Π²ΡΠΊΠ»ΡΡΠ°ΡΠ΅Π»ΠΈ Π² ΡΡΠΎΠΉΠΊΠ°Ρ
ΠΏΠ΅ΡΠ΅Π΄Π½ΠΈΡ
Π΄Π²Π΅ΡΠ΅ΠΉ
63. Π²ΡΠΊΠ»ΡΡΠ°ΡΠ΅Π»ΠΈ Π² ΡΡΠΎΠΉΠΊΠ°Ρ
Π² Π·Π°Π΄Π½ΠΈΡ
Π΄Π²Π΅ΡΡΡ
64. Π²ΡΠΊΠ»ΡΡΠ°ΡΠ΅Π»Ρ ΠΊΠΎΠ½ΡΡΠΎΠ»ΡΠ½ΠΎΠΉ Π»Π°ΠΌΠΏΡ ΡΡΠΎΡΠ½ΠΎΡΠ½ΠΎΠ³ΠΎ ΡΠΎΡΠΌΠΎΠ·Π°
65. Π»Π°ΠΌΠΏΠ° ΠΎΡΠ²Π΅ΡΠ΅Π½ΠΈΡ Π±Π°Π³Π°ΠΆΠ½ΠΎΠ³ΠΎ ΠΎΡΠ΄Π΅Π»Π΅Π½ΠΈΡ
66. Π΄Π°ΡΡΠΈΠΊ ΡΠ΅ΠΌΠΏΠ΅ΡΠ°ΡΡΡΡ ΡΠΈΡΡΠ΅ΠΌΡ ΠΎΠ±ΠΎΠ³ΡΠ΅Π²Π°
67. Π½Π°ΡΡΠΆΠ½ΡΠΉ Ρ
Π²ΠΎΡΡ ΡΠΎΠ½Π°ΡΠΈ
68. Π²Π½ΡΡΡΠ΅Π½Π½ΠΈΠ΅ Π·Π°Π΄Π½ΠΈΠ΅ ΡΠΎΠ½Π°ΡΠΈ
69. ΡΠΎΠ½Π°ΡΠΈ ΠΎΡΠ²Π΅ΡΠ΅Π½ΠΈΡ Π½ΠΎΠΌΠ΅ΡΠ½ΠΎΠ³ΠΎ Π·Π½Π°ΠΊΠ°
70. ΡΠ»Π΅ΠΌΠ΅Π½Ρ ΠΎΠ±ΠΎΠ³ΡΠ΅Π²Π° Π·Π°Π΄Π½Π΅Π³ΠΎ ΡΡΠ΅ΠΊΠ»Π°
71. ΠΊΠΎΠ»ΠΎΠ΄ΠΊΠ° Π΄Π»Ρ ΠΏΠΎΠ΄ΠΊΠ»ΡΡΠ΅Π½ΠΈΡ Π΄ΠΎΠΏΠΎΠ»Π½ΠΈΡΠ΅Π»ΡΠ½ΠΎΠ³ΠΎ ΡΠΎΡΠΌΠΎΠ·Π°
Π ΠΆΠ³ΡΡΠ΅ ΠΏΡΠΎΠ²ΠΎΠ΄ΠΎΠ², ΡΠΈΡΠΎΠΊ ΠΏΡΠΈΠ±ΠΎΡΠΎΠ², Π²ΡΠΎΡΡΠ΅ ΠΊΠΎΠ½ΡΡ ΠΏΡΠΎΠ²ΠΎΠ΄ΠΎΠ² Π±Π΅Π»ΡΠ΅, ΡΠ΅ΡΠ½ΡΠΉ, ΠΎΡΠ°Π½ΠΆΠ΅Π²ΡΠΉ, Π±Π΅Π»ΡΠΉ Ρ ΠΊΡΠ°ΡΠ½ΠΎΠΉ ΠΏΠΎΠ»ΠΎΡΠΎΠΉ ΠΈ ΠΆΠ΅Π»ΡΡΠΉ Ρ ΡΠΈΠ½Π΅ΠΉ ΠΏΠΎΠ»ΠΎΡΠΎΠΉ, ΡΠΎΠ΅Π΄ΠΈΠ½Π΅Π½Π½ΡΠ΅ Π² Π½Π΅ΠΊΠΎΡΠΎΡΡΡ
ΡΠΎΡΠΊΠ°Ρ
.
Π‘Ρ
Π΅ΠΌΠ° ΡΡΡΡΠΎΠΉΡΡΠ² Π°Π²ΡΠΎ ΠΠΠ-2111 ΠΈ ΠΠΠ-2112 ΠΎΡΠ»ΠΈΡΠ°Π΅ΡΡΡ (ΠΊΡΠΎΠΌΠ΅ ΡΠΈΡΡΠ΅ΠΌΡ ΡΠΏΡΠ°Π²Π»Π΅Π½ΠΈΡ Π΄Π²ΠΈΠ³Π°ΡΠ΅Π»Π΅ΠΌ) ΡΠΎΠ»ΡΠΊΠΎ ΠΎΠΌΡΠ²Π°ΡΠ΅Π»Π΅ΠΌ ΠΈ ΡΡΠ΅ΠΊΠ»ΠΎΠΎΡΠΈΡΡΠΈΡΠ΅Π»Π΅ΠΌ Π·Π°Π΄Π½Π΅ΠΉ Π΄Π²Π΅ΡΠΈ.
ΠΡΠ±Π»ΠΈΠΊΠ°ΡΠΈΡ: www.cxem.net
ΠΠ»Π΅ΠΊΡΠ΅ΠΉ
ΠΠ°ΡΠ° ΡΠΎΠ·Π΄Π°Π½ΠΈΡ
ΠΠ°ΡΠ° ΠΈΠ·ΠΌΠ΅Π½Π΅Π½ΠΈΡ
- ΠΠ½ΡΠ΅ΡΠ΅ΡΠ½ΠΎ
- ΠΠ΅ ΠΈΠ½ΡΠ΅ΡΠ΅ΡΡΠ΅Ρ
Π Π΅Π»Π΅ Π³Π΅Π½Π΅ΡΠ°ΡΠΎΡΠ° Π²Π°Π· 2110 ΡΠΎΡΡΡΠ½ΠΊΠ°
ΠΠ»Π°Π΄Π΅Π»ΡΡΡ ΠΠΠ 2110 Π΄ΠΎΠ²ΠΎΠ»ΡΠ½ΠΎ ΡΠ°ΡΡΠΎ ΠΆΠ°Π»ΡΡΡΡΡ Π² ΠΈΠ½ΡΠ΅ΡΠ½Π΅ΡΠ΅ Π½Π° ΡΠΎΡΡΠΌΠ°Ρ
, ΡΡΠΎ Π°ΠΊΠΊΡΠΌΡΠ»ΡΡΠΎΡ Π°Π²ΡΠΎΠΌΠΎΠ±ΠΈΠ»Ρ ΡΠ°Π·ΡΡΠΆΠ°Π΅ΡΡΡ ΠΏΡΠΈ ΠΏΠ°ΡΠΊΠΎΠ²ΠΊΠ΅ ΠΈ Π½Π΅ ΠΌΠΎΠΆΠ΅Ρ ΠΏΡΠΎΠΊΡΡΡΠΈΡΡ ΡΡΠ°ΡΡΠ΅Ρ.ΠΠΎ ΡΡΠ° ΠΏΡΠΎΠ±Π»Π΅ΠΌΠ° ΠΌΠΎΠΆΠ΅Ρ Π²ΠΎΠ·Π½ΠΈΠΊΠ½ΡΡΡ Π½Π° Π»ΡΠ±ΠΎΠΉ Π΄ΡΡΠ³ΠΎΠΉ ΠΌΠ°ΡΠΈΠ½Π΅. ΠΠ°ΠΊΠΈΠ΅ ΠΏΡΠΈΡΠΈΠ½Ρ ΠΏΡΠΈΠ²ΠΎΠ΄ΡΡ ΠΊ ΡΡΠΎΠ»Ρ ΠΏΠ΅ΡΠ°Π»ΡΠ½ΠΎΠΌΡ ΡΠ΅Π·ΡΠ»ΡΡΠ°ΡΡ?
ΠΠΎΡΠ΅ΠΌΡ Π½Π΅ ΠΊΡΡΡΠΈΡΡΡ ΡΡΠ°ΡΡΠ΅Ρ
ΠΠΎΠ½ΡΠ°ΠΊΡΡ
ΠΠ»Π΅ΠΌΠΌΡ ΠΠΠ ΠΠΠ 2110 Π½Π΅ΠΎΠ±Ρ
ΠΎΠ΄ΠΈΠΌΠΎ ΡΠ½ΡΡΡ, ΠΎΡΠΈΡΡΠΈΡΡ ΠΎΡ Π³ΡΡΠ·ΠΈ, ΠΎΠ±ΡΠ°Π±ΠΎΡΠ°ΡΡ ΠΊΠΎΠ½ΡΠ°ΠΊΡΠ½ΡΡ ΠΏΠΎΠ²Π΅ΡΡ
Π½ΠΎΡΡΡ ΠΌΠ΅Π»ΠΊΠΎΠΉ Π½Π°ΠΆΠ΄Π°ΡΠ½ΠΎΠΉ Π±ΡΠΌΠ°Π³ΠΎΠΉ, Π°ΠΊΠΊΡΡΠ°ΡΠ½ΠΎ Π½Π°Π΄Π΅ΡΡ ΠΊΠΎΠ½ΡΠ°ΠΊΡΡ ΠΠΠ Π±Π΅Π· ΠΏΠ΅ΡΠ΅ΠΊΠΎΡΠΎΠ² ΠΈ Π·Π°ΡΡΠ½ΡΡΡ ΠΊΠ»ΡΡΠΎΠΌ. ΠΡΠΎΠ²Π΅ΡΡΠ΅Ρ ΠΏΡΠΎΠ²ΠΎΠ΄Π° ΠΎΡ ΠΠΠ ΠΊ ΠΊΠΎΡΠΏΡΡΡ, Π³Π΅Π½Π΅ΡΠ°ΡΠΎΡΡ, ΡΡΠ°ΡΡΠ΅ΡΡ, Π° ΡΠ°ΠΊΠΆΠ΅ ΡΠΎΠ΅Π΄ΠΈΠ½Π΅Π½ΠΈΠ΅ Ρ Β«ΠΌΠ°ΡΡΠΎΠΉΒ» Π³Π΅Π½Π΅ΡΠ°ΡΠΎΡΠ° ΠΈ ΡΡΠ°ΡΡΠ΅ΡΠ°.ΠΠΎΠ½ΡΠ°ΠΊΡΡ Π·Π°ΡΠΈΡΠ΅Π½Ρ, Π³Π°ΠΉΠΊΠΈ ΠΈ Π±ΠΎΠ»ΡΡ ΠΈΡ
ΠΊΡΠ΅ΠΏΠ»Π΅Π½ΠΈΡ Π·Π°ΡΡΠ½ΡΡΡ.
ΠΠΊΠΊΡΠΌΡΠ»ΡΡΠΎΡ
Π‘Π°ΠΌΠ°Ρ ΠΎΡΠ΅Π²ΠΈΠ΄Π½Π°Ρ ΠΏΡΠΈΡΠΈΠ½Π° — Π²ΡΡ
ΠΎΠ΄ ΠΈΠ· ΡΡΡΠΎΡ Π°ΠΊΠΊΡΠΌΡΠ»ΡΡΠΎΡΠ°.
ΠΡΠ»ΠΈ Π΅ΠΌΡ Π±ΠΎΠ»ΡΡΠ΅ ΠΏΡΡΠΈ Π»Π΅Ρ ΠΈΠ»ΠΈ ΠΏΠ°ΡΡ ΡΠ°Π· ΠΏΠΎΠ»Π½ΠΎΡΡΡΡ ΡΠ°Π·ΡΡΠΆΠ°Π»ΠΈ (Π½Π°ΠΏΡΠΈΠΌΠ΅Ρ, Π² ΡΠ°Π»ΠΎΠ½Π΅ Π·Π°Π±ΡΠ»ΠΈ Π²ΡΠΊΠ»ΡΡΠΈΡΡ Π³Π°Π±Π°ΡΠΈΡΡ ΠΈΠ»ΠΈ Π»Π°ΠΌΠΏΠΎΡΠΊΠΈ, ΠΎΡΡΠ°Π²ΠΈΠ² ΠΌΠ°ΡΠΈΠ½Ρ Π½Π°Π΄ΠΎΠ»Π³ΠΎ), ΡΠΎ ΡΡΠΎ Π²ΠΏΠΎΠ»Π½Π΅ Π΅ΡΡΠ΅ΡΡΠ²Π΅Π½Π½ΠΎ.
Π’Π°ΠΊΠ°Ρ Π±Π°ΡΠ°ΡΠ΅Ρ Π±ΡΠ΄Π΅Ρ Π·Π°ΡΡΠΆΠ°ΡΡΡΡ ΠΈΠ·Π²Π½Π΅ (Π±ΡΡΡΡΠΎ ΠΈΠ·-Π·Π° ΡΠ΅Π·ΠΊΠΎ ΡΠΌΠ΅Π½ΡΡΠ΅Π½Π½ΠΎΠΉ Π΅ΠΌΠΊΠΎΡΡΠΈ), Π½ΠΎ Π½Π΅ ΡΠΌΠΎΠΆΠ΅Ρ Π΄Π°ΡΡ Π½Π΅ΠΎΠ±Ρ
ΠΎΠ΄ΠΈΠΌΡΠΉ Π΄Π»Ρ ΠΎΠ±ΠΌΠΎΡΠΊΠΈ ΠΏΡΡΠΊΠΎΠ²ΠΎΠΉ ΡΠΎΠΊ.Π‘ Π½ΠΈΠΌ ΠΌΠΎΠΆΠ½ΠΎ ΠΊΠ°ΡΠ°ΡΡΡΡ, Π·Π°Π²ΠΎΠ΄ΠΈΡΡ Ρ
ΠΎΠ»ΠΎΠ΄Π½ΡΡ ΠΌΠ°ΡΠΈΠ½Ρ, ΠΎΡΠΎΠ±Π΅Π½Π½ΠΎ ΠΏΡΠΈ ΠΏΠΎΠ½ΠΈΠΆΠ΅Π½ΠΈΠΈ ΡΠ΅ΠΌΠΏΠ΅ΡΠ°ΡΡΡΡ, Π½Π΅Π²ΠΎΠ·ΠΌΠΎΠΆΠ½ΠΎ.
ΠΡΠΈ Π²ΡΡ
ΠΎΠ΄Π΅ ΠΈΠ· ΡΡΡΠΎΡ Π±Π°Π½ΠΊΠ° ΠΈΠ»ΠΈ Π²Π½ΡΡΡΠ΅Π½Π½Π΅ΠΉ ΡΠ΅ΠΏΠΈ Π²ΡΡ
ΠΎΠ΄Π½ΠΎΠ΅ Π½Π°ΠΏΡΡΠΆΠ΅Π½ΠΈΠ΅ ΡΠΌΠ΅Π½ΡΡΠ°Π΅ΡΡΡ, ΡΡΠΎ Π»Π΅Π³ΠΊΠΎ ΠΎΠΏΡΠ΅Π΄Π΅Π»ΡΠ΅ΡΡΡ ΠΌΡΠ»ΡΡΠΈΠΌΠ΅ΡΡΠΎΠΌ. ΠΡΡ
ΠΎΠ΄ ΠΎΠ΄ΠΈΠ½ — Π·Π°ΠΌΠ΅Π½Π° ΠΠΠ.
Π£ΡΠ΅ΡΠΊΠ° ΡΠΎΠΊΠ°
Π‘Π°ΠΌΠ°Ρ ΡΠΊΡΡΡΠ°Ρ ΠΏΡΠΈΡΠΈΠ½Π° — Π±ΠΎΠ»ΡΡΠΎΠΉ ΡΠΎΠΊ ΡΡΠ΅ΡΠΊΠΈ. ΠΠΎΠ³Π΄Π° Π² ΠΌΠ°ΡΠΈΠ½Π΅ Π²ΡΠΊΠ»ΡΡΠ΅Π½Ρ Π²ΡΠ΅ ΠΏΠΎΡΡΠ΅Π±ΠΈΡΠ΅Π»ΠΈ, Π°ΠΊΠΊΡΠΌΡΠ»ΡΡΠΎΡ Π΅ΡΠ΅ ΠΌΠ΅Π΄Π»Π΅Π½Π½ΠΎ ΡΠ°Π·ΡΡΠΆΠ°Π΅ΡΡΡ, ΡΡΠΎ ΡΠΎΠΊ ΡΠ°ΠΌΠΎΡΠ°Π·ΡΡΠ΄Π°, ΡΡΠΎ ΠΎΠ±ΡΡΠ»ΠΎΠ²Π»Π΅Π½ΠΎ ΠΊΠΎΠ½ΡΡΡΡΠΊΡΠΈΠ΅ΠΉ ΠΈ ΠΏΡΠΈΠ½ΡΠΈΠΏΠΎΠΌ ΡΠ°Π±ΠΎΡΡ Π°ΠΊΠΊΡΠΌΡΠ»ΡΡΠΎΡΠ°.
ΠΠΎΠΏΠΎΠ»Π½ΠΈΡΠ΅Π»ΡΠ½Π°Ρ ΡΡΠ΅ΡΠΊΠ° ΡΠΎΠΊΠ° Π²ΡΠ·Π²Π°Π½Π° Π½Π΅ΠΏΡΠ°Π²ΠΈΠ»ΡΠ½ΠΎ ΠΏΠΎΠ΄ΠΊΠ»ΡΡΠ΅Π½Π½ΡΠΌΠΈ ΡΡΡΡΠΎΠΉΡΡΠ²Π°ΠΌΠΈ, ΠΏΠΎΠ²ΡΠ΅ΠΆΠ΄Π΅Π½Π½ΠΎΠΉ ΠΏΡΠΎΠ²ΠΎΠ΄ΠΊΠΎΠΉ ΠΈ, ΠΊΠ°ΠΊ Π½ΠΈ ΡΡΡΠ°Π½Π½ΠΎ, Π³ΡΡΠ·ΡΡ Π½Π° ΠΊΠΎΡΠΏΡΡΠ΅ Π°ΠΊΠΊΡΠΌΡΠ»ΡΡΠΎΡΠ°. ΠΠ°ΡΠΈΡΠ°Π΅ΠΌ Π°ΠΊΠΊΡΠΌ ΡΠ½Π°ΡΡΠΆΠΈ ΡΡΡΠΏΠΊΠΎΠΉ, ΠΎΡΠΎΠ±Π΅Π½Π½ΠΎ Π²Π΅ΡΡ
Π½ΡΡ ΠΏΠ»ΠΎΡΠΊΠΎΡΡΡ ΠΈ Π²ΠΎΠ·Π»Π΅ ΠΊΠ»Π΅ΠΌΠΌ, ΠΎΡΡΠΎΠ΅Π΄ΠΈΠ½ΡΠ΅ΠΌ ΠΌΠΈΠ½ΡΡΠΎΠ²ΠΎΠΉ ΠΏΡΠΎΠ²ΠΎΠ΄, Π²ΡΡΠ°Π²Π»ΡΠ΅ΠΌ ΠΌΡΠ»ΡΡΠΈΠΌΠ΅ΡΡ Π² ΡΠ°Π·ΡΡΠ² Π² ΡΠ΅ΠΆΠΈΠΌΠ΅ ΠΈΠ·ΠΌΠ΅ΡΠ΅Π½ΠΈΡ ΡΠΎΠΊΠ° Π΄ΠΎ ΠΏΡΠ΅Π΄Π΅Π»Π°.
ΠΠΎΠ½ΠΈΠΆΠ°Ρ ΠΏΡΠ΅Π΄Π΅Π» ΠΈΠ·ΠΌΠ΅ΡΠ΅Π½ΠΈΠΉ, ΠΏΠΎΠ»ΡΡΠ°Π΅ΠΌ ΠΏΠ΅ΡΠ²ΡΠ΅ Π·Π½Π°ΡΠ΅Π½ΠΈΡ. ΠΠ»Ρ ΠΠΠ 2110 ΠΎΡΠ»ΠΈΡΠ½ΡΠΌ ΠΏΠΎΠΊΠ°Π·Π°ΡΠ΅Π»Π΅ΠΌ Π±ΡΠ΄Π΅Ρ ΡΠΎΠΊ 3-5 ΠΌΠ (ΠΌΠ), Π΄ΠΎ 15 ΠΌΠ Π² Π½ΠΎΡΠΌΠ΅ (ΠΎΡΠΎΠ±Π΅Π½Π½ΠΎ ΠΏΡΠΈ Π²ΠΊΠ»ΡΡΠ΅Π½Π½ΠΎΠΉ ΡΡΠ΅Π²ΠΎΠ³Π΅), ΠΏΡΠΈ Π·Π½Π°ΡΠ΅Π½ΠΈΠΈ Π±ΠΎΠ»Π΅Π΅ 30 ΠΌΠ (Π΄Π»Ρ ΡΠΎΡΡΡΠ½ΠΊΠΈ 50 ΠΌΠ) , Π½Π°Π΄ΠΎ ΠΈΡΠΊΠ°ΡΡ Β«Π·Π»ΠΎΡΡΠ½ΡΡΒ» ΡΡΠ°ΡΡ ΡΠ»Π΅ΠΊΡΡΠΎΡΠ½Π΅ΡΠ³ΠΈΠΈ.
ΠΡΠΎΡΠ΅ Π²ΡΠ΅Π³ΠΎ ΡΡΠΎ ΡΠ΄Π΅Π»Π°ΡΡ, ΡΠ΄Π°Π»ΠΈΠ² ΠΏΡΠ΅Π΄ΠΎΡ
ΡΠ°Π½ΠΈΡΠ΅Π»ΠΈ ΠΏΠΎ ΠΎΠ΄Π½ΠΎΠΌΡ, ΡΡΠΎΠ±Ρ Π½Π°ΠΉΡΠΈ ΡΠ΅ΠΏΡ, Π² ΠΊΠΎΡΠΎΡΠΎΠΉ ΠΏΡΡΡΠ΅ΡΡΡ Π½Π΅ΠΈΡΠΏΡΠ°Π²Π½ΡΠΉ ΠΏΠΎΡΡΠ΅Π±ΠΈΡΠ΅Π»Ρ. ΠΡΠΈ ΠΎΡΡΡΡΡΡΠ²ΠΈΠΈ ΠΌΡΠ»ΡΡΠΈΠΌΠ΅ΡΡΠ° ΠΌΠΎΠΆΠ½ΠΎ Π²ΠΌΠ΅ΡΡΠΎ Π½Π΅Π³ΠΎ Π²ΠΊΠ»ΡΡΠΈΡΡ ΠΊΠΎΠ½ΡΡΠΎΠ»ΡΠ½ΡΡ Π»Π°ΠΌΠΏΡ Π½Π° 12 Π²ΠΎΠ»ΡΡ, ΠΏΡΠΈ Π±ΠΎΠ»ΡΡΠΎΠΌ ΡΠΎΠΊΠ΅ ΡΡΠ΅ΡΠΊΠΈ ΠΎΠ½Π° ΡΠ³ΠΎΡΠΈΡ. ΠΡΠΈΠΊΡΡΠΈΠ²Π°ΡΠ΅Π»Ρ, ΡΡΠ°ΡΡΠ΅Ρ ΠΈ Π³Π΅Π½Π΅ΡΠ°ΡΠΎΡ Π½Π° ΠΈΠ½ΠΆΠ΅ΠΊΡΠΎΡΠ½ΠΎΠΌ Π΄Π²ΠΈΠ³Π°ΡΠ΅Π»Π΅ ΠΏΡΠ΅Π΄ΠΎΡ
ΡΠ°Π½ΠΈΡΠ΅Π»ΡΠΌΠΈ Π½Π΅ Π·Π°ΡΠΈΡΠ΅Π½Ρ, ΠΈΡ
ΠΏΡΠΎΠ²Π΅ΡΡΡΡ ΠΎΡΠΊΠ»ΡΡΠ΅Π½ΠΈΠ΅ΠΌ ΡΠ°ΠΌΠΈΡ
ΠΏΡΠΎΠ²ΠΎΠ΄ΠΎΠ².
ΠΠ°Π½ΠΈΠΆΠ΅Π½Π½Π°Ρ
ΠΠ°Π²Π΅ΡΠ½ΠΎΠ΅, ΡΠ°ΠΌΠΎΠΉ ΡΠ°ΡΡΠΎΠΉ ΠΏΡΠΈΡΠΈΠ½ΠΎΠΉ ΠΠΠ 2110 Π±ΡΠ΄Π΅Ρ Π½Π΅Π΄ΠΎΠ·Π°ΡΡΠ΄ Π°ΠΊΠΊΡΠΌΡΠ»ΡΡΠΎΡΠ°.ΠΠ°ΡΠ΅ΠΌ ΡΠ»Π΅Π΄ΡΠ΅Ρ Π²ΠΎΡΠΏΠΎΠ»Π½ΠΈΡΡ ΡΠ½Π΅ΡΠ³ΠΈΡ, Π·Π°ΡΡΠ°ΡΠ΅Π½Π½ΡΡ Π½Π° Π·Π°ΠΏΡΡΠΊ Π΄Π²ΠΈΠ³Π°ΡΠ΅Π»Ρ.
ΠΠ΅Π½Π΅ΡΠΈΡΡΠ΅ΠΌΡΠΉ Π³Π΅Π½Π΅ΡΠ°ΡΠΎΡΠΎΠΌ ΡΠΎΠΊ, Π²Π΅Π»ΠΈΡΠΈΠ½Π° ΠΊΠΎΡΠΎΡΠΎΠ³ΠΎ ΡΠ²Π΅Π»ΠΈΡΠΈΠ²Π°Π΅ΡΡΡ Ρ ΡΠ²Π΅Π»ΠΈΡΠ΅Π½ΠΈΠ΅ΠΌ ΠΎΠ±ΠΎΡΠΎΡΠΎΠ² Π΄Π²ΠΈΠ³Π°ΡΠ΅Π»Ρ, ΠΏΠΈΡΠ°Π΅Ρ ΡΠΈΡΡΠ΅ΠΌΡ Π·Π°ΠΆΠΈΠ³Π°Π½ΠΈΡ ΠΈ Π΄ΡΡΠ³ΠΈΡ
ΠΏΠΎΡΡΠ΅Π±ΠΈΡΠ΅Π»Π΅ΠΉ (ΡΠ°ΡΡ, Π²Π΅Π½ΡΠΈΠ»ΡΡΠΎΡΡ ΠΏΠ΅ΡΠΊΠΈ ΠΈ ΡΠ°Π΄ΠΈΠ°ΡΠΎΡΠ°, ΠΊΠΎΠ½Π΄ΠΈΡΠΈΠΎΠ½Π΅Ρ, ΠΎΡΠ²Π΅ΡΠ΅Π½ΠΈΠ΅ ΡΠ°Π»ΠΎΠ½Π° ΠΈ Π±Π°Π³Π°ΠΆΠ½ΠΈΠΊΠ°, ΠΌΡΠ·ΡΠΊΡ, ΠΎΠ±ΠΎΠ³ΡΠ΅Π² ΡΠΈΠ΄Π΅Π½ΠΈΠΉ, ΠΏΡΠΈΠΊΡΡΠΈΠ²Π°ΡΠ΅Π»Ρ, ΠΈ Ρ. Π΄.), Π° ΠΎΡΡΠ°Π»ΡΠ½ΠΎΠ΅ ΠΈΠ΄Π΅Ρ Π½Π° Π·Π°ΡΡΠ΄ΠΊΡ Π°ΠΊΠΊΡΠΌΡΠ»ΡΡΠΎΡΠ½ΠΎΠΉ Π±Π°ΡΠ°ΡΠ΅ΠΈ.
Π ΡΠ»ΡΡΠ°Π΅ Π²ΡΡ
ΠΎΠ΄Π° ΠΈΠ· ΡΡΡΠΎΡ Π³Π΅Π½Π΅ΡΠ°ΡΠΎΡΠ° ΠΈΠ»ΠΈ ΡΠ΅Π»Π΅-ΠΊΠΎΠ½ΡΡΠΎΠ»Π»Π΅ΡΠ° ΡΠΎΠΊΠ° Π΄Π»Ρ Π·Π°ΡΡΠ΄ΠΊΠΈ Π±ΡΠ΄Π΅Ρ Π½Π΅Π΄ΠΎΡΡΠ°ΡΠΎΡΠ½ΠΎ, ΠΎΠ± ΡΡΠΎΠΉ Π½Π΅ΠΈΡΠΏΡΠ°Π²Π½ΠΎΡΡΠΈ ΡΠΎΠΎΠ±ΡΠΈΡ Π»Π°ΠΌΠΏΠ° Π½Π° ΠΏΠ°Π½Π΅Π»ΠΈ ΠΏΡΠΈΠ±ΠΎΡΠΎΠ².
ΠΠ΅ΡΠΏΠ»Π°ΡΠ½ΠΎ
ΠΠ½Π΄ΠΈΠΊΠ°ΡΠΎΡ
ΠΠ° ΠΊΠ°ΡΠ±ΡΡΠ°ΡΠΎΡΠ½ΡΡ
ΠΈ ΠΈΠ½ΠΆΠ΅ΠΊΡΠΎΡΠ½ΡΡ
Π²Π°Π· ΠΠ°ΠΌΠΏΠΎΡΠΊΠ° 2110 Π½Π° ΠΏΠ°Π½Π΅Π»ΠΈ ΠΏΡΠΈΠ±ΠΎΡΠΎΠ², ΡΠΈΠ³Π½Π°Π»ΠΈΠ·ΠΈΡΡΡΡΠ°Ρ ΠΎ Π½Π΅ΠΈΡΠΏΡΠ°Π²Π½ΠΎΡΡΠΈ Π² ΡΠ΅ΠΏΠΈ Π·Π°ΡΡΠ΄ΠΊΠΈ Π°ΠΊΠΊΡΠΌΡΠ»ΡΡΠΎΡΠ°, ΡΠ΅ΡΠ΅Π· ΡΠ΅Π»Π΅ ΠΏΠΎΠ΄ΠΊΠ»ΡΡΠ΅Π½Π° ΠΊ Π²ΡΡ
ΠΎΠ΄Ρ Π³Π΅Π½Π΅ΡΠ°ΡΠΎΡΠ°.
Π ΡΡΠ°ΡΠ½ΠΎΠΌ ΡΠ΅ΠΆΠΈΠΌΠ΅ Π·Π°Π³ΠΎΡΠ°Π΅ΡΡΡ ΠΏΡΠΈ Π²ΠΊΠ»ΡΡΠ΅Π½ΠΈΠΈ Π·Π°ΠΆΠΈΠ³Π°Π½ΠΈΡ, ΠΏΠΎΡΠ»Π΅ ΠΏΡΡΠΊΠ° Π΄Π²ΠΈΠ³Π°ΡΠ΅Π»Ρ Π³Π°ΡΠ½Π΅Ρ ΠΏΡΠΈ ΠΈΡΠΏΡΠ°Π²Π½ΠΎΠΌ Π³Π΅Π½Π΅ΡΠ°ΡΠΎΡΠ΅.
ΠΡΠ»ΠΈ Π»Π°ΠΌΠΏΠ° Π³ΠΎΡΠΈΡ ΠΏΠΎΡΡΠΎΡΠ½Π½ΠΎ, Π½ΠΎ Ρ Π°ΠΊΠΊΡΠΌΡΠ»ΡΡΠΎΡΠΎΠΌ ΠΏΡΠΎΠ±Π»Π΅ΠΌ Π½Π΅Ρ, ΡΠΎ ΠΏΡΠΎΠ²Π΅ΡΡΡΡ ΡΠ΅Π»Π΅ ΠΊΠΎΠ½ΡΡΠΎΠ»ΡΠ½ΠΎΠΉ Π»Π°ΠΌΠΏΡ ΠΈ ΠΏΡΠΎΠ²ΠΎΠ΄ΠΊΡ Π³Π΅Π½Π΅ΡΠ°ΡΠΎΡΠ° — ΡΠ΅Π»Π΅ ΠΏΡΠΈΠ±ΠΎΡΠ½ΠΎΠΉ ΠΏΠ°Π½Π΅Π»ΠΈ.ΠΡΠ»ΠΈ Π»Π°ΠΌΠΏΠΎΡΠΊΠ° Π½Π΅ Π³ΠΎΡΠΈΡ ΠΏΡΠΈ Π²ΠΊΠ»ΡΡΠ΅Π½ΠΈΠΈ Π·Π°ΠΆΠΈΠ³Π°Π½ΠΈΡ, ΡΠΎ, ΡΠΊΠΎΡΠ΅Π΅ Π²ΡΠ΅Π³ΠΎ, Π²ΡΡΠ»Π° ΠΈΠ· ΡΡΡΠΎΡ.
ΠΡΠΈ ΠΎΠ΄Π½ΠΎΠ²ΡΠ΅ΠΌΠ΅Π½Π½ΠΎΠΉ ΠΈΠ½Π΄ΠΈΠΊΠ°ΡΠΈΠΈ Π½Π΅ΠΈΡΠΏΡΠ°Π²Π½ΠΎΡΡΠΈ ΠΈ Π½Π΅Π΄ΠΎΠ·Π°ΡΡΠ΄ΠΊΠΈ ΠΠΠ ΠΏΡΠΈΡΠΈΠ½Ρ Π½ΡΠΆΠ½ΠΎ ΠΈΡΠΊΠ°ΡΡ Π² Π³Π΅Π½Π΅ΡΠ°ΡΠΎΡΠ΅ ΠΈ ΡΠ΅Π»Π΅-ΡΠ΅Π³ΡΠ»ΡΡΠΎΡΠ΅, Ρ
ΠΎΡΡ Π²ΠΎΠ·ΠΌΠΎΠΆΠ½ΠΎ ΠΏΡΠΎΡΡΠΎ ΠΏΡΠΎΡΠΊΠ°Π»ΡΠ·ΡΠ²Π°Π½ΠΈΠ΅ ΠΏΡΠΈΠ²ΠΎΠ΄Π½ΠΎΠ³ΠΎ ΡΠ΅ΠΌΠ½Ρ ΠΈΠ·-Π·Π° ΠΎΡΠ»Π°Π±Π»Π΅Π½ΠΈΡ ΠΊΡΠ΅ΠΏΠ»Π΅Π½ΠΈΡ.
Π Π΅Π³ΡΠ»ΡΡΠΎΡ Π½Π°ΠΏΡΡΠΆΠ΅Π½ΠΈΡ
ΠΠ° Π΄Π²ΠΈΠΆΡΡΠ΅ΠΌΡΡ Π°Π²ΡΠΎΠΌΠΎΠ±ΠΈΠ»Π΅ ΠΎΡΠΊΠ»ΡΡΠ΅Π½ΠΈΠ΅ ΠΌΠΈΠ½ΡΡΠΎΠ²ΠΎΠΉ Π±Π°ΡΠ°ΡΠ΅ΠΈ ΠΏΡΠΈ Π½Π΅ΠΈΡΠΏΡΠ°Π²Π½ΠΎΡΡΠΈ Π³Π΅Π½Π΅ΡΠ°ΡΠΎΡΠ° ΠΏΡΠΈΠ²Π΅Π΄Π΅Ρ ΠΊ ΠΎΡΡΠ°Π½ΠΎΠ²ΠΊΠ΅ Π΄Π²ΠΈΠ³Π°ΡΠ΅Π»Ρ. Π’Π°ΠΊΠΎΠΉ ΠΎΡΠΌΠΎΡΡ ΡΠΎΡΡΡΠ½ΠΊΠΈ ΠΏΡΠΎΠ²ΠΎΠ΄ΠΈΡΡ Π½Π΅Π»ΡΠ·Ρ, ΡΠΎΠ»ΡΠΊΠΎ Β«ΡΡΠ°ΡΡΠ΅Β» Π²ΠΎΡΡΠΌΠΈΠΊΠ»Π°ΠΏΠ°Π½Π½ΡΠ΅.Π Π΅Π»Π΅-ΡΠ΅Π³ΡΠ»ΡΡΠΎΡ (Β«ΡΠ°Π±Π»Π΅ΡΠΊΠ°Β») ΠΎΠ±Π΅ΡΠΏΠ΅ΡΠΈΠ²Π°Π΅Ρ ΠΏΠΎΠ΄Π΄Π΅ΡΠΆΠ°Π½ΠΈΠ΅ Π²ΡΡ
ΠΎΠ΄Π½ΠΎΠ³ΠΎ Π½Π°ΠΏΡΡΠΆΠ΅Π½ΠΈΡ Π³Π΅Π½Π΅ΡΠ°ΡΠΎΡΠ° Π² Π΄ΠΈΠ°ΠΏΠ°Π·ΠΎΠ½Π΅ 13,2-14,7 Π²ΠΎΠ»ΡΡ.
ΠΠ°ΠΏΡΡΠΆΠ΅Π½ΠΈΠ΅ Π½Π° Π²ΡΠ²ΠΎΠ΄Π°Ρ
Π°ΠΊΠΊΡΠΌΡΠ»ΡΡΠΎΡΠ½ΠΎΠΉ Π±Π°ΡΠ°ΡΠ΅ΠΈ ΠΏΡΠΈ ΡΠ°Π±ΠΎΡΠ΅ Π΄Π²ΠΈΠ³Π°ΡΠ΅Π»Ρ Π½Π° ΡΠ°Π·Π½ΡΡ
ΠΎΠ±ΠΎΡΠΎΡΠ°Ρ
Π½Π΅ Π΄ΠΎΠ»ΠΆΠ½ΠΎ Π²ΡΡ
ΠΎΠ΄ΠΈΡΡ Π·Π° ΠΏΡΠ΅Π΄Π΅Π»Ρ ΡΡΠΎΠ³ΠΎ Π΄ΠΈΠ°ΠΏΠ°Π·ΠΎΠ½Π° (Π΄ΠΎΠΏΡΡΡΠΈΠΌΠΎ ΠΏΡΠΎΡΠ΅Π΄Π°Π½ΠΈΠ΅ ΠΏΡΠΈ Π·Π°ΠΏΡΡΠΊΠ΅). ΠΠΎΠ½ΡΡΡΡΠΊΡΠΈΠ²Π½ΠΎ Π² Π΄Π²ΠΈΠ³Π°ΡΠ΅Π»ΡΡ
ΠΊΠ°ΠΊ Ρ ΠΊΠ°ΡΠ±ΡΡΠ°ΡΠΎΡΠΎΠΌ, ΡΠ°ΠΊ ΠΈ Ρ ΠΈΠ½ΠΆΠ΅ΠΊΡΠΎΡΠΎΠΌ ΡΠ΅Π³ΡΠ»ΡΡΠΎΡ Π½Π°Ρ
ΠΎΠ΄ΠΈΡΡΡ Π² Π³Π΅Π½Π΅ΡΠ°ΡΠΎΡΠ΅; Π² ΡΠ»ΡΡΠ°Π΅ Π½Π΅ΠΈΡΠΏΡΠ°Π²Π½ΠΎΡΡΠΈ ΠΎΠ½ ΠΏΠΎΠ»Π½ΠΎΡΡΡΡ Π·Π°ΠΌΠ΅Π½ΡΠ΅ΡΡΡ.
ΠΠΈΠΎΠ΄Π½ΡΠΉ ΠΌΠΎΡΡ
ΠΡΠΎΠ±ΠΎΠΉ Π΄ΠΈΠΎΠ΄Π° ΡΠ°ΠΊΠΆΠ΅ ΠΏΡΠΈΠ²ΠΎΠ΄ΠΈΡ ΠΊ Π½Π΅Π΄ΠΎΡΡΠ°ΡΠΊΡ Π²ΡΡ
ΠΎΠ΄Π½ΠΎΠ³ΠΎ ΡΠΎΠΊΠ° Π½Π° Π·Π°ΡΡΠ΄ΠΊΡ, ΡΠ°ΡΡΠΎ ΡΠ°ΠΊΠΎΠΉ Π΄Π΅ΡΠ΅ΠΊΡ Π²ΠΎΠ·Π½ΠΈΠΊΠ°Π΅Ρ ΠΏΠΎΡΠ»Π΅ ΠΊΠΎΡΠΎΡΠΊΠΎΠ³ΠΎ Π·Π°ΠΌΡΠΊΠ°Π½ΠΈΡ Π² Π³Π½Π΅Π·Π΄Π΅ ΠΏΡΠΈΠΊΡΡΠΈΠ²Π°ΡΠ΅Π»Ρ, ΠΏΡΠΈ ΠΏΠΎΠ΄ΠΊΠ»ΡΡΠ΅Π½ΠΈΠΈ Β«Π»Π΅Π²ΡΡ
Β» ΡΠ»Π΅ΠΊΡΡΠΎΠ½Π½ΡΡ
Π°Π²ΡΠΎΠΌΠΎΠ±ΠΈΠ»ΡΠ½ΡΡ
Π°ΠΊΡΠ΅ΡΡΡΠ°ΡΠΎΠ², Π»ΠΈΠ±ΠΎ ΠΏΠΎΡΠ»Π΅ Π½Π΅ΠΏΡΠ°Π²ΠΈΠ»ΡΠ½ΠΎΠ³ΠΎ ΠΏΠΎΠ΄ΠΊΠ»ΡΡΠ΅Π½ΠΈΡ ΠΏΠΎΠ»ΡΡΠ½ΠΎΡΡΠΈ Π°ΠΊΠΊΡΠΌΡΠ»ΡΡΠΎΡΠ° ΡΠ΅ΡΠΌΠΈΠ½Π°Π»Ρ.
ΠΠ°ΠΌΠ΅Π½Π° Π΄ΠΈΠΎΠ΄Π½ΠΎΠ³ΠΎ ΠΌΠΎΡΡΠ°
ΠΠ»Ρ Π·Π°ΠΌΠ΅Π½Ρ ΡΠ΅Π»Π΅-ΠΊΠΎΠ½ΡΡΠΎΠ»Π»Π΅ΡΠ° ΠΈ Π²ΡΠΏΡΡΠΌΠΈΡΠ΅Π»ΡΠ½ΠΎΠ³ΠΎ Π±Π»ΠΎΠΊΠ° (Π΄ΡΡΠ³ΠΎΠ΅ Π½Π°Π·Π²Π°Π½ΠΈΠ΅ — Π΄ΠΈΠΎΠ΄Π½ΡΠΉ ΠΌΠΎΡΡ) Π½Π΅ΠΎΠ±Ρ
ΠΎΠ΄ΠΈΠΌΠΎ ΡΠ°Π·ΠΎΠ±ΡΠ°ΡΡ Π³Π΅Π½Π΅ΡΠ°ΡΠΎΡ, ΠΏΡΠ΅Π΄Π²Π°ΡΠΈΡΠ΅Π»ΡΠ½ΠΎ ΡΠ½ΡΠ² Π΅Π³ΠΎ Ρ ΠΠΠ 2110, Π΄Π»Ρ ΡΠ΅Π³ΠΎ ΠΏΠΎΡΡΠ΅Π±ΡΡΡΡΡ ΠΊΠ»ΡΡΠΈ 13, 10 ΠΈ ΠΊΡΠ΅ΡΡΠΎΠ²Π°Ρ ΠΎΡΠ²Π΅ΡΡΠΊΠ°.
ΠΠ»Ρ ΡΠ½ΡΡΠΈΡ Π³Π΅Π½Π΅ΡΠ°ΡΠΎΡΠ° Π½Π΅ΠΎΠ±Ρ
ΠΎΠ΄ΠΈΠΌΠΎ:
- ΠΡΡΠΎΠ΅Π΄ΠΈΠ½ΠΈΡΡ ΠΊΠ»Π΅ΠΌΠΌΡ ΠΠΠ;
- ΠΠ° Π³Π΅Π½Π΅ΡΠ°ΡΠΎΡΠ΅ ΡΠ½ΠΈΠΌΠ°Π΅ΠΌ ΡΠ΅Π·ΠΈΠ½ΠΎΠ²ΡΡ Π·Π°Π³Π»ΡΡΠΊΡ ΠΈ ΠΎΡΠΊΡΡΡΠΈΠ²Π°Π΅ΠΌ ΠΊΠ»ΡΡΠΎΠΌ Π½Π° 10 Π³Π°ΠΉΠΊΡ ΠΊΡΠ΅ΠΏΠ»Π΅Π½ΠΈΡ ΠΏΡΠΎΠ²ΠΎΠ΄ΠΎΠ² ΠΊΠ»ΡΡΠΎΠΌ;
- ΠΡΡΠ°ΡΠΈΡΡ ΡΠ°Π·ΡΠ΅ΠΌ;
- ΠΡΠ»Π°Π±ΡΡΠ΅ Π³Π°ΠΉΠΊΡ Π½Π°ΡΡΠΆΠ½ΠΎΠ³ΠΎ ΠΌΠ΅Ρ
Π°Π½ΠΈΠ·ΠΌΠ°, ΠΎΡΠ²Π΅ΡΠ½ΠΈΡΠ΅ Π½Π°ΡΡΠΆΠ½ΠΎΠΉ Π±ΠΎΠ»Ρ ΠΈ ΡΠ½ΠΈΠΌΠΈΡΠ΅ ΡΠΊΠΎΠ±Ρ;
- Π‘Π΄Π²ΠΈΠ½ΡΠ² Π³Π΅Π½Π΅ΡΠ°ΡΠΎΡ, ΠΎΡΠ»Π°Π±ΡΡΠ΅ ΡΠ΅ΠΌΠ΅Π½Ρ ΠΈ ΡΠ½ΠΈΠΌΠΈΡΠ΅ Π΅Π³ΠΎ;
- ΠΡΠΊΡΡΡΠΈΠ²Π°Π΅ΠΌ 3 Π±ΠΎΠ»ΡΠ° Ρ Π³ΠΎΠ»ΠΎΠ²ΠΊΠΎΠΉ 13 ΡΠ½ΠΈΠ·Ρ ΠΈ ΡΠ½ΠΈΠΌΠ°Π΅ΠΌ Π³Π΅Π½Π΅ΡΠ°ΡΠΎΡ Π²ΠΌΠ΅ΡΡΠ΅ Ρ Π½ΠΈΠΆΠ½ΠΈΠΌ ΠΊΡΠΎΠ½ΡΡΠ΅ΠΉΠ½ΠΎΠΌ.
ΠΠ»Ρ Π΄Π°Π»ΡΠ½Π΅ΠΉΡΠ΅ΠΉ ΡΠ°Π±ΠΎΡΡ ΡΠ½ΠΈΠΌΠ°Π΅ΡΡΡ Π·Π°Π΄Π½ΡΡ ΠΊΡΡΡΠΊΠ°, Π΄Π΅ΡΠΆΠΈΡΡΡ Π½Π° 3 ΠΏΠ»Π°ΡΡΠΈΠΊΠΎΠ²ΡΡ
Π·Π°ΡΠ΅Π»ΠΊΠ°Ρ
. ΠΠ²Π° Π²ΠΈΠ½ΡΠ° ΠΎΡΠΊΡΡΡΠΈΠ²Π°ΡΡΡΡ ΠΎΡΠ²Π΅ΡΡΠΊΠΎΠΉ Phillips, ΠΈ ΡΠ΅Π»Π΅, ΡΠΎΠ²ΠΌΠ΅ΡΠ΅Π½Π½ΠΎΠ΅ ΡΠΎ ΡΠ΅ΡΠΎΡΠ½ΡΠΌ ΡΠ·Π»ΠΎΠΌ, ΡΠ½ΠΈΠΌΠ°Π΅ΡΡΡ. Π§ΡΠΎΠ±Ρ ΡΠ½ΡΡΡ Π±Π»ΠΎΠΊ Π²ΡΠΏΡΡΠΌΠΈΡΠ΅Π»Ρ, ΠΎΡΠΊΡΡΡΠΈΡΠ΅ 4 Π²ΠΈΠ½ΡΠ°, ΡΠΈΠΊΡΠΈΡΡΡΡΠΈΠ΅ Π΅Π³ΠΎ ΠΈ ΠΊΠΎΠ½Π΄Π΅Π½ΡΠ°ΡΠΎΡ, Π° ΡΠ°ΠΊΠΆΠ΅ ΠΊΠΎΠ½ΡΡ ΠΎΠ±ΠΌΠΎΡΠΎΠΊ.
Π Π΅Π»Π΅ ΠΌΠΎΠΆΠ½ΠΎ Π·Π°ΠΌΠ΅Π½ΠΈΡΡ ΡΠΎΠ»ΡΠΊΠΎ ΠΏΠΎΠ»Π½ΠΎΡΡΡΡ; Π ΠΏΡΠΎΠ΄Π°ΠΆΠ΅ Π΅ΡΡΡ Π½Π΅ΡΠΊΠΎΠ»ΡΠΊΠΎ ΠΌΠΎΠ΄Π΅Π»Π΅ΠΉ, Π΄Π°ΠΆΠ΅ Ρ ΠΏΠ΅ΡΠ΅ΠΊΠ»ΡΡΠ°ΡΠ΅Π»Π΅ΠΌ Π»Π΅ΡΠΎ-Π·ΠΈΠΌΠ° Π΄Π»Ρ Π²ΡΠ±ΠΎΡΠ° Π²ΡΡ
ΠΎΠ΄Π½ΠΎΠ³ΠΎ Π½Π°ΠΏΡΡΠΆΠ΅Π½ΠΈΡ. Π’Π°ΠΊΠΆΠ΅ Π»ΡΡΡΠ΅ Π·Π°ΠΌΠ΅Π½ΠΈΡΡ Π΄ΠΈΠΎΠ΄Π½ΡΠΉ ΠΌΠΎΡΡ Π² ΡΠ±ΠΎΡΠ΅.
ΠΠΎΠ΄ΡΠΈΠΏΠ½ΠΈΠΊΠΈ, ΡΠ΅ΡΠΊΠΈ ΠΈ ΠΎΠ±ΠΌΠΎΡΠΊΠΈ ΡΡΠ°ΡΠΎΡΠ° ΠΈ ΡΠΎΡΠΎΡΠ° ΡΠ°ΠΊΠΆΠ΅ ΠΏΡΠΎΠ²Π΅ΡΡΡΡΡΡ Π½Π° ΠΎΠ±ΡΡΠ² ΠΈ ΠΊΠΎΡΠΎΡΠΊΠΎΠ΅ Π·Π°ΠΌΡΠΊΠ°Π½ΠΈΠ΅. ΠΠ΅ΡΠ΅ΠΌΠΎΡΠΊΡ Π³Π΅Π½Π΅ΡΠ°ΡΠΎΡΠ° ΠΏΡΠΈ Π½Π΅ΠΎΠ±Ρ
ΠΎΠ΄ΠΈΠΌΠΎΡΡΠΈ Π»ΡΡΡΠ΅ Π΄ΠΎΠ²Π΅ΡΠΈΡΡ ΠΏΡΠΎΡΠ΅ΡΡΠΈΠΎΠ½Π°Π»ΡΠ½ΠΎΠΌΡ ΡΠ΅ΡΠ²ΠΈΡΡ. Π‘Π±ΠΎΡΠΊΠ° ΠΏΡΠΎΠΈΠ·Π²ΠΎΠ΄ΠΈΡΡΡ Π² ΠΎΠ±ΡΠ°ΡΠ½ΠΎΠΉ ΠΏΠΎΡΠ»Π΅Π΄ΠΎΠ²Π°ΡΠ΅Π»ΡΠ½ΠΎΡΡΠΈ.
ΠΡΠ»ΠΈ Π½Π° ΡΠΎΡΡΡΠ½ΠΊΡ ΠΠΠ 2110 ΡΠ°Π΄ΠΈΡΡΡ Π°ΠΊΠΊΡΠΌΡΠ»ΡΡΠΎΡ, Π΄Π°ΠΆΠ΅ ΠΏΠΎΡΠ»Π΅ Π½Π΅ΠΏΡΠΎΠ΄ΠΎΠ»ΠΆΠΈΡΠ΅Π»ΡΠ½ΠΎΠΉ ΠΎΡΡΠ°Π½ΠΎΠ²ΠΊΠΈ Π½Π΅ ΡΠΏΠ΅ΡΠΈΡΠ΅ Π΅Π³ΠΎ Π²ΡΠ±ΡΠ°ΡΡΠ²Π°ΡΡ. ΠΡΠΈΡΡΠΊΠ° ΠΊΠΎΠ½ΡΠ°ΠΊΡΠΎΠ², ΠΎΡΠΊΠ»ΡΡΠ΅Π½ΠΈΠ΅ Β«Π½Π΅ΠΏΡΠ°Π²ΠΈΠ»ΡΠ½ΡΡ
Β» ΠΏΠΎΡΡΠ΅Π±ΠΈΡΠ΅Π»Π΅ΠΉ ΠΌΠΎΠΆΠ΅Ρ ΡΠ΅ΡΠΈΡΡ ΡΡΡ ΠΏΡΠΎΠ±Π»Π΅ΠΌΡ.
Π Π΅ΡΠ»ΠΈ Π΄ΠΎΠΏΠΎΠ»Π½ΠΈΡΠ΅Π»ΡΠ½ΠΎ Π³ΠΎΡΠΈΡ Π»Π°ΠΌΠΏΠ° ΠΊΠΎΠ½ΡΡΠΎΠ»Ρ Π·Π°ΡΡΠ΄Π°, ΡΠΎ Π½Π΅ΠΈΡΠΏΡΠ°Π²Π½ΠΎΡΡΡ Π½ΡΠΆΠ½ΠΎ ΠΈΡΠΊΠ°ΡΡ Π² Π³Π΅Π½Π΅ΡΠ°ΡΠΎΡΠ΅.Π‘Π»Π΅Π΄ΠΈΡΠ΅ Π·Π° ΡΠ²ΠΎΠ΅ΠΉ ΠΌΠ°ΡΠΈΠ½ΠΎΠΉ, ΠΈ ΠΎΠ½Π° Π²Π°Ρ Π½Π΅ ΠΏΠΎΠ΄Π²Π΅Π΄Π΅Ρ.
ΠΠ°ΠΌΠ΅Π½Π° ΡΠ΅Π»Π΅ Π³Π΅Π½Π΅ΡΠ°ΡΠΎΡΠ° ΠΠΠ 2110 ΠΌΠΎΠΆΠ΅Ρ Π±ΡΡΡ Π²ΠΎΡΠΏΡΠΎΠΈΠ·Π²Π΅Π΄Π΅Π½Π° Π΄Π²ΡΠΌΡ ΡΠΏΠΎΡΠΎΠ±Π°ΠΌΠΈ: ΡΠΎ ΡΠ½ΡΡΠΈΠ΅ΠΌ Π³Π΅Π½Π΅ΡΠ°ΡΠΎΡΠ° ΠΈ Π±Π΅Π· Π΅Π³ΠΎ ΡΠ½ΡΡΠΈΡ. ΠΠ±Π° Π²Π°ΡΠΈΠ°Π½ΡΠ° ΠΌΠΎΠΆΠ½ΠΎ Π²ΡΠΏΠΎΠ»Π½ΠΈΡΡ Π² Π΄ΠΎΠΌΠ°ΡΠ½ΠΈΡ
ΡΡΠ»ΠΎΠ²ΠΈΡΡ
, Ρ
ΠΎΡΡ Π²ΡΠΎΡΠΎΠΉ ΡΠΎΠΏΡΠΎΠ²ΠΎΠΆΠ΄Π°Π΅ΡΡΡ ΠΌΠ΅Π½ΡΡΠΈΠΌ ΠΊΠΎΠ»ΠΈΡΠ΅ΡΡΠ²ΠΎΠΌ ΠΌΠ°Π½ΠΈΠΏΡΠ»ΡΡΠΈΠΉ Ρ Π°Π²ΡΠΎΠΌΠΎΠ±ΠΈΠ»Π΅ΠΌ.
ΠΠΎ, Π½Π΅ΡΠΌΠΎΡΡΡ Π½Π° ΡΡΠΎ, ΠΏΠ΅ΡΠ²ΡΠΉ Π²Π°ΡΠΈΠ°Π½Ρ Π΄Π»Ρ Π½Π΅ΠΊΠΎΡΠΎΡΡΡ
ΠΌΠΎΠΆΠ΅Ρ ΠΎΠΊΠ°Π·Π°ΡΡΡΡ ΠΏΡΠΎΡΠ΅. ΠΠ°ΠΌΠ΅Π½ΠΈΡΡ ΡΠ΅Π»Π΅ΠΉΠ½ΡΠΉ ΡΠ΅Π³ΡΠ»ΡΡΠΎΡ Π³Π΅Π½Π΅ΡΠ°ΡΠΎΡΠ° ΠΠΠ 2110 ΠΌΠΎΠΆΠ΅Ρ ΠΊΠ°ΠΆΠ΄ΡΠΉ ΠΆΠ΅Π»Π°ΡΡΠΈΠΉ, Π΅ΡΠ»ΠΈ ΠΏΡΠΎΡΠΈΡΠ°Π΅Ρ ΠΈ ΠΈΠ·ΡΡΠΈΡ ΠΏΡΠΈΠ²Π΅Π΄Π΅Π½Π½ΡΡ Π½ΠΈΠΆΠ΅ ΠΈΠ½ΡΡΡΡΠΊΡΠΈΡ.
ΠΡΠΎΠ²Π΅ΡΠΊΠ° ΡΠ΅Π»Π΅ Π³Π΅Π½Π΅ΡΠ°ΡΠΎΡΠ° Π² Π°Π²ΡΠΎΠΌΠΎΠ±ΠΈΠ»Π΅
ΠΠ΄Π½Π°ΠΊΠΎ, ΠΏΡΠ΅ΠΆΠ΄Π΅ ΡΠ΅ΠΌ ΠΏΡΠΈΡΡΡΠΏΠΈΡΡ ΠΊ Π·Π°ΠΌΠ΅Π½Π΅, Π½Π΅ΠΎΠ±Ρ
ΠΎΠ΄ΠΈΠΌΠΎ ΠΏΡΠΎΠ²Π΅ΡΠΈΡΡ, Π½Π΅ ΡΠ²ΡΠ·Π°Π½Π° Π»ΠΈ ΠΏΡΠΎΠ±Π»Π΅ΠΌΠ° Ρ Π½Π΅ΠΈΡΠΏΡΠ°Π²Π½ΡΠΌ ΡΠ΅Π»Π΅.Π ΡΡΠΎΠΌ ΡΠ»ΡΡΠ°Π΅ ΠΎΠ½ Π±ΡΠ΄Π΅Ρ ΠΏΡΠΎΠ²Π΅ΡΠ΅Π½ ΠΏΡΡΠΌΠΎ Π½Π° ΠΌΠ°ΡΠΈΠ½Π΅.
ΠΠ»Ρ ΡΡΠΎΠ³ΠΎ Π½Π΅ΠΎΠ±Ρ
ΠΎΠ΄ΠΈΠΌΠΎ:
- ΠΠΎΠ·ΡΠΌΠΈΡΠ΅ Π²ΠΎΠ»ΡΡΠΌΠ΅ΡΡ ΡΠΎ ΡΠΊΠ°Π»ΠΎΠΉ 15-30.
- ΠΠΊΠ»ΡΡΠΈΡΠ΅ Π΄Π²ΠΈΠ³Π°ΡΠ΅Π»Ρ.
- ΠΠΊΠ»ΡΡΠΈΡΠ΅ ΡΠ°ΡΡ (ΡΠΌ.).
- ΠΠ²ΠΈΠ³Π°ΡΠ΅Π»Ρ Π΄ΠΎΠ»ΠΆΠ΅Π½ ΡΠ°Π±ΠΎΡΠ°ΡΡ Π½Π΅ ΠΌΠ΅Π½Π΅Π΅ 15 ΠΌΠΈΠ½ΡΡ.
ΠΡΠΈΠΌΠ΅ΡΠ°Π½ΠΈΠ΅: Π²Ρ ΠΌΠΎΠΆΠ΅ΡΠ΅ Π²ΠΊΠ»ΡΡΠΈΡΡ 2 ΡΠΊΠΎΡΠΎΡΡΠΈ, Π½ΠΎ Π»ΡΡΡΠ΅ Π²ΡΠ΅Π³ΠΎ Π²ΠΊΠ»ΡΡΠΈΡΡ 3 ΡΠΊΠΎΡΠΎΡΡΠΈ, ΡΠ°ΠΊ ΠΊΠ°ΠΊ ΠΏΡΠΈ ΡΡΠΎΠΌ ΠΎΡΡΠ°Π½Π΅ΡΡΡ Π½Π΅ΠΌΠ½ΠΎΠ³ΠΎ ΠΌΠ΅Π½ΡΡΠ΅ Π±Π΅Π½Π·ΠΈΠ½Π°. Π ΡΠ΅Π·ΡΠ»ΡΡΠ°Ρ Π±ΡΠ΄Π΅Ρ Π΄ΠΎΡΡΠΈΠ³Π½ΡΡ Π½Π°ΠΌΠ½ΠΎΠ³ΠΎ Π±ΡΡΡΡΠ΅Π΅.
- ΠΠ°ΠΏΡΡΠΆΠ΅Π½ΠΈΠ΅ Π½Π΅ΠΎΠ±Ρ
ΠΎΠ΄ΠΈΠΌΠΎ ΠΈΠ·ΠΌΠ΅ΡΡΡΡ ΠΌΠ΅ΠΆΠ΄Ρ ΠΊΠ»Π΅ΠΌΠΌΠΎΠΉ Β«B +Β» ΠΈ ΠΌΠ°ΡΡΠΎΠΉ Π³Π΅Π½Π΅ΡΠ°ΡΠΎΡΠ°.ΠΡΠΈΡΠ΅ΠΌ ΠΎΠ½ΠΎ Π½Π΅ Π΄ΠΎΠ»ΠΆΠ½ΠΎ Π±ΡΡΡ ΠΌΠ΅Π½ΡΡΠ΅ ΠΈΠ»ΠΈ Π±ΠΎΠ»ΡΡΠ΅ 13,2-14,7 Π.
- ΠΠ°ΠΌΠ΅Π½Π° ΡΠ΅Π»Π΅ Π½Π΅ΠΎΠ±Ρ
ΠΎΠ΄ΠΈΠΌΠ°, Π΅ΡΠ»ΠΈ Π½Π°Π±Π»ΡΠ΄Π°Π΅ΡΡΡ ΠΊΠ°ΠΊ Π½Π΅Π΄ΠΎΠ·Π°ΡΡΠ΄, ΡΠ°ΠΊ ΠΈ ΠΏΠ΅ΡΠ΅Π·Π°ΡΡΠ΄.
ΠΡΠΎΠ²Π΅ΡΠΊΠ° ΡΠ½ΡΡΠΎΠ³ΠΎ ΡΠ΅Π»Π΅
Π Π΅Π»Π΅ ΡΠ΅ΠΊΠΎΠΌΠ΅Π½Π΄ΡΠ΅ΡΡΡ ΠΏΡΠΎΠ²Π΅ΡΡΡΡ Π²ΠΌΠ΅ΡΡΠ΅ Ρ ΡΠ΅ΡΠΊΠΎΠ΄Π΅ΡΠΆΠ°ΡΠ΅Π»Π΅ΠΌ, ΡΠ°ΠΊ ΠΊΠ°ΠΊ Π² Π½Π΅ΠΊΠΎΡΠΎΡΡΡ
ΡΠ»ΡΡΠ°ΡΡ
ΠΏΡΠΎΠ±Π»Π΅ΠΌΡ Π²ΠΎΠ·Π½ΠΈΠΊΠ°ΡΡ ΠΈΠ·-Π·Π° ΠΏΠ»ΠΎΡ
ΠΎΠ³ΠΎ ΠΊΠΎΠ½ΡΠ°ΠΊΡΠ° ΠΌΠ΅ΠΆΠ΄Ρ ΡΠ΅Π»Π΅ ΠΈ ΡΠ΅ΡΠΊΠ°ΠΌΠΈ.
ΠΠ»Ρ ΠΏΡΠΎΠ²Π΅ΡΠΊΠΈ ΡΠ΅Π³ΡΠ»ΡΡΠΎΡΠ° ΠΏΠΎΡΠ»Π΅ Π΅Π³ΠΎ ΡΠ½ΡΡΠΈΡ Π½Π΅ΠΎΠ±Ρ
ΠΎΠ΄ΠΈΠΌΠΎ:
- ΠΠΊΠ»ΡΡΠΈΡΠ΅ Π»Π°ΠΌΠΏΡ Π½Π° 12 Π ΠΌΠ΅ΠΆΠ΄Ρ Π΅Π΅ ΡΠ΅ΡΠΊΠ°ΠΌΠΈ.
- Π‘Π½Π°ΡΠ°Π»Π° ΠΏΠΎΠ΄ΠΊΠ»ΡΡΠΈΡΠ΅ ΠΈΡΡΠΎΡΠ½ΠΈΠΊ ΠΏΠΈΡΠ°Π½ΠΈΡ 12 Π ΠΊ ΡΠ΅Π»Π΅ΠΉΠ½ΠΎΠΌΡ Π²ΡΡ
ΠΎΠ΄Ρ Β«D +Β». ΠΡΠ»ΠΈ ΡΠ΅Π»Π΅ Π²ΡΠΉΠ΄Π΅Ρ ΠΈΠ· ΡΡΡΠΎΡ, Π·Π°Π³ΠΎΡΠΈΡΡΡ Π»Π°ΠΌΠΏΠ°.
- Π’ΠΎΠ³Π΄Π° Π½ΡΠΆΠ½ΠΎ Π²Π·ΡΡΡ Π±ΠΎΠ»Π΅Π΅ ΠΌΠΎΡΠ½ΡΠΉ ΠΈΡΡΠΎΡΠ½ΠΈΠΊ ΡΠΎΠΊΠ° — 15-16 Π. ΠΡΠ»ΠΈ ΡΠ΅Π»Π΅ ΡΠ°Π±ΠΎΡΠ°Π΅Ρ Π½Π΅ΠΊΠΎΡΡΠ΅ΠΊΡΠ½ΠΎ, ΡΠΎ Π»Π°ΠΌΠΏΠΎΡΠΊΠ° Π³Π°ΡΠ½Π΅Ρ.
ΠΡΠΈΠΌΠ΅ΡΠ°Π½ΠΈΠ΅: Π»Π°ΠΌΠΏΠ° ΠΌΠΎΠΆΠ΅Ρ Π±ΡΡΡ Π²ΠΊΠ»ΡΡΠ΅Π½Π° ΠΈΠ»ΠΈ Π²ΡΠΊΠ»ΡΡΠ΅Π½Π° Π² ΠΎΠ±ΠΎΠΈΡ
ΡΠ»ΡΡΠ°ΡΡ
. ΠΡΠ»ΠΈ Π³ΠΎΡΠΈΡ ΡΠ°ΠΌ-ΡΠΎ ΡΠ°ΠΌ, Π·Π½Π°ΡΠΈΡ Π² ΠΊΠΎΠ½ΡΡΠΎΠ»Π»Π΅ΡΠ΅ ΠΏΠΎΠ»ΠΎΠΌΠΊΠΈ. ΠΡΠΈ ΡΡΠΎΠΌ, Π΅ΡΠ»ΠΈ Π»Π°ΠΌΠΏΠΎΡΠΊΠ° Π½Π΅ Π³ΠΎΡΠΈΡ, Π·Π½Π°ΡΠΈΡ, ΠΌΠ΅ΠΆΠ΄Ρ ΡΠ΅ΡΠΊΠ°ΠΌΠΈ Π½Π΅Ρ ΠΊΠΎΠ½ΡΠ°ΠΊΡΠ°, ΡΡΠΎ ΠΌΠΎΠΆΠ΅Ρ ΠΏΡΠΈΠ²Π΅ΡΡΠΈ ΠΊ ΠΎΠ±ΡΡΠ²Ρ ΠΏΡΠΎΠ²ΠΎΠ΄Π°.
ΠΡΠΎΠ²Π΅ΡΠΊΠ° ΠΊΠΎΠ½Π΄Π΅Π½ΡΠ°ΡΠΎΡΠ°
ΠΡΡΠ°ΡΠΈ, ΠΌΠ½ΠΎΠ³ΠΈΠ΅ ΠΏΡΡΠ°ΡΡ Π½Π΅ΠΈΡΠΏΡΠ°Π²Π½ΠΎΠ΅ ΡΠ΅Π»Π΅ Ρ Π½Π΅ΠΈΡΠΏΡΠ°Π²Π½ΡΠΌ ΠΊΠΎΠ½Π΄Π΅Π½ΡΠ°ΡΠΎΡΠΎΠΌ (ΡΠΌ.), Π’Π°ΠΊ ΠΊΠ°ΠΊ Β«ΡΠΈΠΌΠΏΡΠΎΠΌΡΒ» Π΄ΠΎΠ²ΠΎΠ»ΡΠ½ΠΎ ΡΡ
ΠΎΠΆΠΈ. Π’Π°ΠΊΠΈΠΌ ΠΎΠ±ΡΠ°Π·ΠΎΠΌ, Π΅ΡΠ»ΠΈ ΠΏΡΠΎΠ²Π΅ΡΠΈΡΡ ΡΠ΅Π»Π΅, Π²ΠΈΠ΄Π½ΠΎ, ΡΡΠΎ ΠΎΠ½ΠΎ ΠΏΠΎΠ»Π½ΠΎΡΡΡΡ ΠΈΡΠΏΡΠ°Π²Π½ΠΎ, Π° Π³Π΅Π½Π΅ΡΠ°ΡΠΎΡ Π½Π°ΠΏΡΡΠΆΠ΅Π½ΠΈΡ ΡΠ°Π±ΠΎΡΠ°Π΅Ρ ΠΏΠ»ΠΎΡ
ΠΎ, ΡΠΎ Π½ΡΠΆΠ½ΠΎ ΠΏΡΠΎΠ²Π΅ΡΠΈΡΡ ΠΊΠΎΠ½Π΄Π΅Π½ΡΠ°ΡΠΎΡ. ΠΠ½ Π·Π°ΡΠΈΡΠ°Π΅Ρ Π²ΡΠ΅ ΡΠ»Π΅ΠΊΡΡΠΎΠ½Π½ΠΎΠ΅ ΠΎΠ±ΠΎΡΡΠ΄ΠΎΠ²Π°Π½ΠΈΠ΅ ΠΎΡ ΡΠΊΠ°ΡΠΊΠΎΠ² Π½Π°ΠΏΡΡΠΆΠ΅Π½ΠΈΡ.
ΠΠ»Ρ ΠΏΡΠΎΠ²Π΅ΡΠΊΠΈ Π΅Π³ΠΎ ΡΠ°Π±ΠΎΡΡ Π²Π°ΠΌ Π½Π΅ΠΎΠ±Ρ
ΠΎΠ΄ΠΈΠΌΠΎ:
- ΠΠΊΠ»ΡΡΠΈΡΠ΅ ΡΠ°Π΄ΠΈΠΎ. ΠΡΠ»ΠΈ Π² Π΅Π³ΠΎ ΡΠ°Π±ΠΎΡΠ΅ Π½Π°Π±Π»ΡΠ΄Π°ΡΡΡΡ ΠΏΠΎΠΌΠ΅Ρ
ΠΈ, Π·Π½Π°ΡΠΈΡ Ρ ΠΊΠΎΠ½Π΄Π΅Π½ΡΠ°ΡΠΎΡΠΎΠΌ Π½Π΅ Π²ΡΠ΅ Π² ΠΏΠΎΡΡΠ΄ΠΊΠ΅.ΠΠ²ΠΈΠ³Π°ΡΠ΅Π»Ρ ΡΠΎΠΆΠ΅ Π΄ΠΎΠ»ΠΆΠ΅Π½ Π±ΡΡΡ Π²ΠΊΠ»ΡΡΠ΅Π½.
- ΠΡΠΎΠ²Π΅ΡΠΈΡΡ Π΅Π³ΠΎ ΠΈΡΠΏΡΠ°Π²Π½ΠΎΡΡΡ ΠΌΠΎΠΆΠ½ΠΎ Ρ ΠΏΠΎΠΌΠΎΡΡΡ ΠΌΠ΅Π³ΠΎΠΌΠΌΠ΅ΡΡΠ° ΠΈΠ»ΠΈ ΡΠ΅ΡΡΠ΅ΡΠ°. ΠΡΠΈ ΠΏΠΎΠ΄ΠΊΠ»ΡΡΠ΅Π½ΠΈΠΈ ΠΊ ΠΊΠΎΠ½Π΄Π΅Π½ΡΠ°ΡΠΎΡΡ ΡΡΡΠ΅Π»ΠΊΠ° Π΄ΠΎΠ»ΠΆΠ½Π° Π±ΡΡΡΡΠΎ ΠΎΡΠΊΠ»ΠΎΠ½ΠΈΡΡΡΡ Π² ΡΡΠΎΡΠΎΠ½Ρ, Π° Π·Π°ΡΠ΅ΠΌ ΠΌΠ΅Π΄Π»Π΅Π½Π½ΠΎ Π²Π΅ΡΠ½ΡΡΡΡΡ Π² ΠΈΡΡ
ΠΎΠ΄Π½ΠΎΠ΅ ΠΏΠΎΠ»ΠΎΠΆΠ΅Π½ΠΈΠ΅.
ΠΠ°ΠΊ ΡΠ·Π½Π°ΡΡ, ΡΡΠΎ ΠΈΠΌΠ΅Π½Π½ΠΎ ΡΠ»ΠΎΠΌΠ°Π½ΠΎ ΡΠ΅Π»Π΅, Π° Π½Π΅ ΡΠ°ΠΌ Π³Π΅Π½Π΅ΡΠ°ΡΠΎΡ
ΠΠ½ΠΎΠ³ΠΈΠ΅ Π΄ΡΠΌΠ°ΡΡ, ΡΡΠΎ Π΅ΡΠ»ΠΈ Π°ΠΊΠΊΡΠΌΡΠ»ΡΡΠΎΡ Π½Π΅ Π΄Π΅ΡΠΆΠΈΡ Π·Π°ΡΡΠ΄, Π·Π½Π°ΡΠΈΡ ΠΏΡΠΎΠ±Π»Π΅ΠΌΠ° Π² Π³Π΅Π½Π΅ΡΠ°ΡΠΎΡΠ΅. ΠΠ΄Π½Π°ΠΊΠΎ ΠΈΠ½ΠΎΠ³Π΄Π° ΠΏΡΠΈΡΠΈΠ½ΠΎΠΉ ΡΡΠΎΠ³ΠΎ ΠΌΠΎΠΆΠ΅Ρ Π±ΡΡΡ Π½Π΅ΠΈΡΠΏΡΠ°Π²Π½ΠΎΠ΅ ΡΠ΅Π»Π΅-ΡΠ΅Π³ΡΠ»ΡΡΠΎΡ.
Π§ΡΠΎΠ±Ρ ΠΏΡΠΎΠ²Π΅ΡΠΈΡΡ, ΡΡΠΎ ΠΈΠΌΠ΅Π½Π½ΠΎ Π½Π΅ ΡΠ°Π±ΠΎΡΠ°Π΅Ρ, Π½ΡΠΆΠ½ΠΎ ΡΠ΄Π΅Π»Π°ΡΡ ΡΠ»Π΅Π΄ΡΡΡΠ΅Π΅:
- ΠΡΠΊΡΡΡΡ ΠΊΠ°ΠΏΠΎΡ Π°Π²ΡΠΎΠΌΠΎΠ±ΠΈΠ»Ρ.
- ΠΠ°ΠΏΡΡΡΠΈΡΡ Π΄Π²ΠΈΠ³Π°ΡΠ΅Π»Ρ. Π‘ΡΠ°Π²ΠΈΠΌ Π½Π° ΠΊΠΎΡΠΎΠ±ΠΊΡ 2 ΠΈΠ»ΠΈ 3 ΡΠΊΠΎΡΠΎΡΡΠΈ.
- Π‘Π½ΠΈΠΌΠΈΡΠ΅ ΠΊΠ»Π΅ΠΌΠΌΡ Π°ΠΊΠΊΡΠΌΡΠ»ΡΡΠΎΡΠ°.
ΠΡΠΈΠΌΠ΅ΡΠ°Π½ΠΈΠ΅: ΡΡΠΎ Π½Π΅ΠΎΠ±Ρ
ΠΎΠ΄ΠΈΠΌΠΎ Π΄Π»Ρ ΡΠΎΠ³ΠΎ, ΡΡΠΎΠ±Ρ Π² ΡΠΈΡΡΠ΅ΠΌΠ΅ Π½Π΅ ΠΏΡΠΎΠΈΠ·ΠΎΡΠ»ΠΎ Π·Π°ΠΌΡΠΊΠ°Π½ΠΈΠ΅.
- ΠΡΠ»ΠΈ ΠΏΠΎΡΠ»Π΅ ΡΡΠΎΠ³ΠΎ ΠΌΠ°ΡΠΈΠ½Π° Π²ΡΠ΅ Π΅ΡΠ΅ ΡΠ°Π±ΠΎΡΠ°Π΅Ρ, Π·Π½Π°ΡΠΈΡ ΡΠ΅Π»Π΅ Π½Π΅ΠΈΡΠΏΡΠ°Π²Π½ΠΎ. ΠΠΎ Π΅ΡΠ»ΠΈ ΠΌΠ°ΡΠΈΠ½Π° Π·Π°Π³Π»ΠΎΡ
Π»Π°, ΡΠΎ ΠΏΡΠΈΡΠΈΠ½Π° Π²ΡΠ΅-ΡΠ°ΠΊΠΈ Π² Π³Π΅Π½Π΅ΡΠ°ΡΠΎΡΠ΅.
ΠΡΠ΅ΠΈΠΌΡΡΠ΅ΡΡΠ²Π° ΡΡΠ΅Ρ
ΡΡΠΎΠ²Π½Π΅Π²ΠΎΠ³ΠΎ ΡΠ΅Π»Π΅
Π Π΅Π³ΡΠ»ΡΡΠΎΡ Π½Π°ΠΏΡΡΠΆΠ΅Π½ΠΈΡ ΡΡΡΠ°Π½ΠΎΠ²Π»Π΅Π½ Π½Π° ΠΌΠ°ΡΠΈΠ½Π΅, Π° ΠΏΠ°Π½Π΅Π»Ρ — Π½Π΅ΠΏΠΎΡΡΠ΅Π΄ΡΡΠ²Π΅Π½Π½ΠΎ Π² Π³Π΅Π½Π΅ΡΠ°ΡΠΎΡΠ΅.ΠΠ»Π°Π³ΠΎΠ΄Π°ΡΡ ΡΡΠΈΠΌ ΡΡΠ΅ΠΌ ΡΡΠΎΠ²Π½ΡΠΌ Π°ΠΊΠΊΡΠΌΡΠ»ΡΡΠΎΡ Π±ΡΠ΄Π΅Ρ Π΄ΠΎΠ»Π³ΠΎΠ΅ Π²ΡΠ΅ΠΌΡ Π½Π°Ρ
ΠΎΠ΄ΠΈΡΡΡΡ Π² Π·Π°ΡΡΠΆΠ΅Π½Π½ΠΎΠΌ ΡΠΎΡΡΠΎΡΠ½ΠΈΠΈ, Π° ΡΡΠΎΠΊ Π΅Π³ΠΎ ΠΏΠΎΠ»Π΅Π·Π½ΠΎΠ³ΠΎ ΠΈΡΠΏΠΎΠ»ΡΠ·ΠΎΠ²Π°Π½ΠΈΡ Π·Π½Π°ΡΠΈΡΠ΅Π»ΡΠ½ΠΎ ΡΠ²Π΅Π»ΠΈΡΠΈΡΡΡ.
ΠΡΠΎ ΡΠ»Π΅Π΄ΡΡΡΠΈΠ΅ ΡΡΠΎΠ²Π½ΠΈ:
- ΠΠΈΠ½ΠΈΠΌΠ°Π»ΡΠ½ΡΠΉ ΡΡΠΎΠ²Π΅Π½Ρ. ΠΡΠΎ Π½Π΅ΠΎΠ±Ρ
ΠΎΠ΄ΠΈΠΌΠΎ, ΡΡΠΎΠ±Ρ ΠΌΠ°ΡΠΈΠ½Π° ΡΠ°Π±ΠΎΡΠ°Π»Π° Π΄Π°ΠΆΠ΅ Π² ΡΠ°ΠΌΡΡ
ΠΆΠ°ΡΠΊΠΈΡ
ΡΡΠ»ΠΎΠ²ΠΈΡΡ
.
Π’ΠΎ Π΅ΡΡΡ Π½Π΅ Π·Π°Π³Π»ΠΎΡ
Π½Π΅Ρ Π΄Π°ΠΆΠ΅ ΡΠ°ΠΌ, Π³Π΄Π΅ ΡΠ΅ΠΌΠΏΠ΅ΡΠ°ΡΡΡΠ° Π²ΠΎΠ·Π΄ΡΡ
Π° ΠΏΡΠ΅Π²ΡΡΠ°Π΅Ρ +20 Π³ΡΠ°Π΄ΡΡΠΎΠ². Π ΡΠΎΠΌΡ ΠΆΠ΅ ΠΌΠ°ΡΠΈΠ½Π° Π²ΡΠ΄Π΅ΡΠΆΠΈΠ²Π°Π΅Ρ Π΄Π°ΠΆΠ΅ ΡΠ°ΠΌΡΠ΅ Π²ΡΡΠΎΠΊΠΈΠ΅ ΡΠΊΠ»ΠΎΠ½Ρ.
ΠΡΠΈΠΌΠ΅ΡΠ°Π½ΠΈΠ΅: ΡΡΠΎΡ ΡΡΠΎΠ²Π΅Π½Ρ ΡΡΠ΅Π±ΡΠ΅ΡΡΡ Π»Π΅ΡΠΎΠΌ.
- Π£ΡΠΎΠ²Π΅Π½Ρ Β«Π½ΠΎΡΠΌΠ°Β».ΠΠΎΠ·Π²ΠΎΠ»ΡΠ΅Ρ ΠΌΠ°ΡΠΈΠ½Π΅ ΡΠ°Π±ΠΎΡΠ°ΡΡ Π² Π½ΠΎΡΠΌΠ°Π»ΡΠ½ΡΡ
ΡΡΠ»ΠΎΠ²ΠΈΡΡ
.
- ΠΠ°ΠΊΡΠΈΠΌΠ°Π»ΡΠ½ΡΠΉ ΡΡΠΎΠ²Π΅Π½Ρ. ΠΠ°ΡΠΈΠ½Ρ Π½ΡΠΆΠ½ΠΎ ΠΈΡΠΏΠΎΠ»ΡΠ·ΠΎΠ²Π°ΡΡ Π΄Π°ΠΆΠ΅ ΠΏΡΠΈ Π½ΠΈΠ·ΠΊΠΈΡ
ΡΠ΅ΠΌΠΏΠ΅ΡΠ°ΡΡΡΠ°Ρ
. ΠΡΠΈ ΡΡΠΎΠΌ Π°Π²ΡΠΎΠΌΠΎΠ±ΠΈΠ»Ρ ΡΠΌΠΎΠΆΠ΅Ρ Π·Π°Π²Π΅ΡΡΠΈΡΡ Π΄Π°ΠΆΠ΅ Ρ ΡΠ°Π·ΡΡΠΆΠ΅Π½Π½ΡΠΌ Π°ΠΊΠΊΡΠΌΡΠ»ΡΡΠΎΡΠΎΠΌ.
ΠΡΠΈΡΠΈΠ½Ρ Π·Π°ΠΌΠ΅Π½Ρ
ΠΠ°ΠΌΠ΅Π½Π° ΡΠ΅Π»Π΅ Π½Π΅ΠΎΠ±Ρ
ΠΎΠ΄ΠΈΠΌΠ° Π² ΡΠ°ΠΊΠΈΡ
ΡΠ»ΡΡΠ°ΡΡ
:
- Π©Π΅ΡΠΊΠΈ ΠΈΠ·Π½ΠΎΡΠ΅Π½Ρ. ΠΡΡΠ°ΡΠΈ, ΡΡΠΎ ΠΎΡΠ½ΠΎΠ²Π½Π°Ρ ΠΏΡΠΈΡΠΈΠ½Π°. ΠΠ΅Π»ΠΎ Π² ΡΠΎΠΌ, ΡΡΠΎ ΠΈΠ·-Π·Π° ΠΈΡ
ΠΈΠ·Π½ΠΎΡΠ° ΠΏΡΠΎΠΏΠ°Π΄Π°Π΅Ρ ΠΊΠΎΠ½ΡΠ°ΠΊΡ Ρ ΡΠ΅Π»Π΅, ΡΠ»Π΅Π΄ΠΎΠ²Π°ΡΠ΅Π»ΡΠ½ΠΎ, ΠΈΠ·-Π·Π° Π½Π΅Π΄ΠΎΡΡΠ°ΡΠΊΠ° ΠΌΠΎΡΠ½ΠΎΡΡΠΈ Π³Π΅Π½Π΅ΡΠ°ΡΠΎΡ ΠΏΠ΅ΡΠ΅ΡΡΠ°Π½Π΅Ρ ΡΠ°Π±ΠΎΡΠ°ΡΡ.
- Π ΡΠ΅ΠΏΠΈ Π½Π°Π±Π»ΡΠ΄Π°Π΅ΡΡΡ ΠΏΡΠΎΠ±ΠΎΠΉ, ΡΡΠΎ ΠΏΡΠΈΠ²ΠΎΠ΄ΠΈΡ ΠΊ ΡΠ²Π΅Π»ΠΈΡΠ΅Π½ΠΈΡ Π½Π°ΠΏΡΡΠΆΠ΅Π½ΠΈΡ Π² ΡΠΈΡΡΠ΅ΠΌΠ΅.
- ΠΠ±ΡΡΠ²Ρ ΠΏΡΠΎΠ²ΠΎΠ΄ΠΎΠ², ΠΈΠ·-Π·Π° ΠΊΠΎΡΠΎΡΡΡ
ΠΎΡΠ»Π°Π±Π»ΠΈ ΠΊΠΎΠ½ΡΠ°ΠΊΡΡ.
- ΠΠΎΠ²ΡΠ΅ΠΆΠ΄Π΅Π½ΠΈΠ΅ ΠΊΠΎΡΠΏΡΡΠ° ΠΈΠ»ΠΈ ΠΎΠΏΠΎΡ. Π‘ ΡΡΠΈΠΌ ΡΡΡΠΊΠΈ ΠΏΠ»ΠΎΡ
ΠΈ, ΡΠ°ΠΊ ΠΊΠ°ΠΊ ΡΡΠΎ ΠΌΠΎΠΆΠ΅Ρ ΠΏΡΠΈΠ²Π΅ΡΡΠΈ ΠΊ Π½Π΅ΠΆΠ΅Π»Π°ΡΠ΅Π»ΡΠ½ΠΎΠΌΡ Π·Π°ΠΊΡΡΡΠΈΡ.
ΠΠ°ΠΌΠ΅Π½Π° ΡΠ΅Π»Π΅
Π§ΡΠΎΠ±Ρ ΡΠ½ΡΡΡ ΡΠ΅Π»Π΅, Π΄Π΅ΠΌΠΎΠ½ΡΠΈΡΠΎΠ²Π°ΡΡ Π³Π΅Π½Π΅ΡΠ°ΡΠΎΡ Π½Π΅ Π½ΡΠΆΠ½ΠΎ.
ΠΠ»Ρ ΡΡΠΎΠ³ΠΎ Π²Π°ΠΌ ΠΏΠΎΠ½Π°Π΄ΠΎΠ±ΠΈΡΡΡ:
ΠΡΠΈΠΌΠ΅ΡΠ°Π½ΠΈΠ΅: ΠΎΠ±ΡΡΠ½ΠΎ ΠΎΠ½ ΡΠ΅ΡΠ½ΡΠΉ ΠΈ ΠΊΡΠ΅ΠΏΠΈΡΡΡ ΠΊ Π³Π΅Π½Π΅ΡΠ°ΡΠΎΡΡ Ρ ΠΏΠΎΠΌΠΎΡΡΡ ΠΆΠ΅Π»ΡΠΎΠ³ΠΎ ΠΏΡΠΎΠ²ΠΎΠ΄Π°.
- ΠΡΡΠΎΠ΅Π΄ΠΈΠ½ΠΈΡΡ ΠΎΡΡΠΈΡΠ°ΡΠ΅Π»ΡΠ½ΡΡ ΠΊΠ»Π΅ΠΌΠΌΡ Π°ΠΊΠΊΡΠΌΡΠ»ΡΡΠΎΡΠ½ΠΎΠΉ Π±Π°ΡΠ°ΡΠ΅ΠΈ.
- ΠΡΠ²Π΅ΡΠ½ΠΈΡΠ΅ Π΄Π²Π° Π±ΠΎΠ»ΡΠ° ΠΊΡΠ΅ΠΏΠ»Π΅Π½ΠΈΡ Π³Π΅Π½Π΅ΡΠ°ΡΠΎΡΠ°.
- ΠΡΡΠΎΠ΅Π΄ΠΈΠ½ΠΈΡΠ΅ ΠΆΠ΅Π»ΡΡΠΉ ΠΏΡΠΎΠ²ΠΎΠ΄ ΠΈΠ΄ΡΡΠΈΠΉ ΠΊ ΡΠ΅Π»Π΅ ΠΎΡ Π³Π΅Π½Π΅ΡΠ°ΡΠΎΡΠ°.
- Π‘Π½ΠΈΠΌΠΈΡΠ΅ ΡΠ΅Π»Π΅. ΠΠ½ΠΈΠΌΠ°ΡΠ΅Π»ΡΠ½ΠΎ ΠΎΡΠΌΠΎΡΡΠΈΡΠ΅ Π΅Π³ΠΎ. ΠΡΠ»ΠΈ ΡΠ΅ΡΠΊΠΈ ΠΈΠ·Π½ΠΎΡΠ΅Π½Ρ, Π·Π°ΠΌΠ΅Π½Ρ Π½Π΅ ΠΈΠ·Π±Π΅ΠΆΠ°ΡΡ.
- ΠΡΠ»ΠΈ ΠΊΠ°ΠΊΠΎΠΉ-Π»ΠΈΠ±ΠΎ ΠΈΠ· ΠΏΡΠΎΠ²ΠΎΠ΄ΠΎΠ² ΡΠ»ΠΎΠΌΠ°Π½ ΠΈΠ»ΠΈ Π½Π° Π΅Π³ΠΎ ΠΏΠΎΠ²Π΅ΡΡ
Π½ΠΎΡΡΠΈ Π΅ΡΡΡ Π΄ΡΡΡ, ΡΠΎ ΡΠ΄Π΅Π»Π°ΡΡ ΠΌΠΎΠΆΠ½ΠΎ, ΡΠΎΠ»ΡΠΊΠΎ Π·Π°ΠΌΠ΅Π½ΠΈΠ² ΠΈΡ
.
ΠΡΠΈΠΌΠ΅ΡΠ°Π½ΠΈΠ΅: ΠΈΡ
ΠΌΠΎΠΆΠ½ΠΎ ΠΏΡΠΎΡΡΠΎ Π·Π°ΠΈΠ·ΠΎΠ»ΠΈΡΠΎΠ²Π°ΡΡ, Π΄Π°ΠΆΠ΅ Π½Π΅ ΠΌΠ΅Π½ΡΡ Π½Π° Π½ΠΎΠ²ΡΠ΅.Π₯ΠΎΡΡ ΡΠ΅Π»Π΅ Π½Π΅Π΄ΠΎΡΠΎΠ³ΠΎΠ΅ — Π²ΡΠ΅Π³ΠΎ 70 ΡΡΠ±.
- ΠΡΠΎΠ²Π΅ΡΡΡΠ΅ Π½ΠΎΠ²ΡΠΉ ΡΠ΅Π³ΡΠ»ΡΡΠΎΡ Π½Π°ΠΏΡΡΠΆΠ΅Π½ΠΈΡ, Π° Π·Π°ΡΠ΅ΠΌ Π·Π°ΠΊΡΠ΅ΠΏΠΈΡΠ΅ Π΅Π³ΠΎ Π½Π° Π³Π΅Π½Π΅ΡΠ°ΡΠΎΡΠ΅.
- ΠΠΎΠ΄ΡΠΎΠ΅Π΄ΠΈΠ½ΠΈΡΠ΅ ΠΆΠ΅Π»ΡΡΠΉ ΠΏΡΠΎΠ²ΠΎΠ΄ ΠΊ ΠΊΠ»Π΅ΠΌΠΌΠ΅ Π°ΠΊΠΊΡΠΌΡΠ»ΡΡΠΎΡΠ°.
ΠΠ°ΠΊ ΡΠΆΠ΅ Π±ΡΠ»ΠΎ ΠΎΡΠΌΠ΅ΡΠ΅Π½ΠΎ ΡΠ°Π½Π΅Π΅, ΡΠ΅Π»Π΅ ΠΌΠΎΠΆΠ½ΠΎ Π·Π°ΠΌΠ΅Π½ΠΈΡΡ ΡΠ²ΠΎΠΈΠΌΠΈ ΡΡΠΊΠ°ΠΌΠΈ. ΠΠ»Π°Π²Π½ΠΎΠ΅, Π·Π°ΡΠ°Π½Π΅Π΅ ΠΎΠ·Π½Π°ΠΊΠΎΠΌΠΈΡΡΡΡ Ρ ΡΠ°Π±ΠΎΡΠΈΠΌ ΠΏΡΠΎΡΠ΅ΡΡΠΎΠΌ, ΡΡΠΎΠ±Ρ ΠΏΠΎΡΠΎΠΌ Π½Π΅ Π²ΠΎΠ·Π½ΠΈΠΊΠ°Π»ΠΎ Π²ΠΎΠΏΡΠΎΡΠΎΠ².
ΠΠ»Ρ ΡΡΠΎΠ³ΠΎ Π²Ρ ΠΌΠΎΠΆΠ΅ΡΠ΅ Π½Π°ΠΉΡΠΈ ΡΠΎΡΠΎΠ³ΡΠ°ΡΠΈΠΈ Π² ΡΠ°Π·Π»ΠΈΡΠ½ΡΡ
ΠΆΡΡΠ½Π°Π»Π°Ρ
ΠΏΠΎ ΡΠ΅ΠΌΠΎΠ½ΡΡ Π°Π²ΡΠΎΠΌΠΎΠ±ΠΈΠ»Π΅ΠΉ.ΠΠΎΡΠ°Π·Π΄ΠΎ ΠΏΡΠΎΡΠ΅ ΠΈΡΠΏΠΎΠ»ΡΠ·ΠΎΠ²Π°ΡΡ Π²ΠΈΠ΄Π΅ΠΎ, ΠΊΠΎΡΠΎΡΡΡ
ΠΌΠ½ΠΎΠ³ΠΎ Π² ΠΠ½ΡΠ΅ΡΠ½Π΅ΡΠ΅.
ΠΠ°ΡΠ° ΠΈΠ½ΡΡΡΡΠΊΡΠΈΡ ΡΠΎΠΆΠ΅ ΠΏΠΎΠΌΠΎΠΆΠ΅Ρ Π² ΡΡΠΎΠΌ Π½Π΅Π»Π΅Π³ΠΊΠΎΠΌ Π΄Π΅Π»Π΅. ΠΠΎ ΡΠ΅Π½Π° ΡΠ΅ΠΌΠΎΠ½ΡΠ° Π΄ΠΎΠΌΠ° Π½Π΅ ΠΏΡΠ΅Π²ΡΡΠ°Π΅Ρ 100 ΡΡΠ±Π»Π΅ΠΉ.
Π’Π΅Π½Π΄Π΅Π½ΡΠΈΠΈ Π² Π°Π²ΡΠΎΠΌΠΎΠ±ΠΈΠ»Π΅ΡΡΡΠΎΠ΅Π½ΠΈΠΈ Π²ΡΠ°ΡΠ°ΡΡΡΡ Π²ΠΎΠΊΡΡΠ³ ΡΠ»Π΅ΠΊΡΡΠΈΡΠ΅ΡΠΊΠΎΠΉ ΡΡΠ³ΠΈ: Π°Π²ΡΠΎΠΌΠΎΠ±ΠΈΠ»ΠΈ, ΡΠ°Π±ΠΎΡΠ°ΡΡΠΈΠ΅ Π½Π° ΡΠ»Π΅ΠΊΡΡΠΈΡΠ΅ΡΡΠ²Π΅, ΡΡΠ°Π½ΠΎΠ²ΡΡΡΡ Π²ΡΠ΅ Π±ΠΎΠ»Π΅Π΅ Π°ΠΊΡΠΈΠ²Π½ΡΠΌΠΈ. Π ΡΠΎΠΌ, ΡΡΠΎ ΠΌΡ Π²ΡΠ΅ ΠΎΠ΄Π½ΠΈΠΌ ΠΌΠ°Ρ
ΠΎΠΌ ΠΏΠ΅ΡΠ΅ΠΉΠ΄Π΅ΠΌ Π½Π° ΡΠ»Π΅ΠΊΡΡΠΎΠΌΠΎΠ±ΠΈΠ»ΠΈ, ΠΏΠΎΠΊΠ° Π½Π΅ Π²Π΅ΡΠΈΡΡΡ. Π’Π°ΠΌ Π²ΡΠ΅ ΡΠΏΠΈΡΠ°Π΅ΡΡΡ Π² Π°ΠΊΠΊΡΠΌΡΠ»ΡΡΠΎΡ, Π° Π²ΠΎΡ ΡΠΎ ΡΡΠ°ΡΡΠ΅ΡΠ½ΡΠΌ Π°ΠΊΠΊΡΠΌΡΠ»ΡΡΠΎΡΠΎΠΌ ΠΏΠΎΠΊΠ° Π½Π΅ ΡΠ°Π·ΠΎΠ±ΡΠ°ΡΡΡΡ.ΠΠ»Ρ ΡΡΠΎΠ³ΠΎ ΠΏΡΠΈΠ΄ΡΠΌΡΠ²Π°ΡΡ Π²ΡΠ΅ Π½ΠΎΠ²ΡΠ΅ ΡΡΡΡΠΎΠΉΡΡΠ²Π°, ΠΏΡΠΎΠ΄Π»Π΅Π²Π°ΡΡΠΈΠ΅ Π΅ΠΉ ΠΆΠΈΠ·Π½Ρ. ΠΠ΄Π½ΠΎΠΉ ΠΈΠ· ΡΠ°ΠΊΠΈΡ
ΡΡΡΠΏΠ΅Π½Π΅ΠΉ Π±ΡΠ»ΠΎ ΡΠ΅Π»Π΅ Π·Π°ΡΡΠ΄Π½ΠΎΠ³ΠΎ Π½Π°ΠΏΡΡΠΆΠ΅Π½ΠΈΡ Ρ ΡΡΠ΅ΠΌΡ ΡΡΡΠΏΠ΅Π½ΡΠΌΠΈ.
ΠΠ΅Π΄ΠΎΡΡΠ°ΡΠΊΠΈ ΡΠ»Π΅ΠΊΡΡΠΎΠΎΠ±ΠΎΡΡΠ΄ΠΎΠ²Π°Π½ΠΈΡ ΠΠΠ 2110
ΠΡΠΊΡΠ΄Π° ΡΠΎΠ±ΡΡΠ²Π΅Π½Π½ΠΎ Π²ΡΠ΅ ΠΏΡΠ΅ΡΠ΅Π½Π·ΠΈΠΈ ΠΊ Π°ΠΊΠΊΡΠΌΡΠ»ΡΡΠΎΡΡ? Π₯ΠΎΡΠΎΡΠ°Ρ, Π² Ρ
ΠΎΡΠΎΡΠ΅ΠΌ ΡΠΎΡΡΠΎΡΠ½ΠΈΠΈ Π±Π°ΡΠ°ΡΠ΅Ρ ΠΏΡΠΎΡΠ»ΡΠΆΠΈΡ ΠΎΡ ΠΏΡΡΠΈ Π΄ΠΎ ΡΠ΅ΠΌΠΈ Π΄ΠΎΠ»Π³ΠΈΡ
Π·ΠΈΠΌ, ΠΈ Π½ΠΈΠΊΠ°ΠΊΠΈΡ
Π²ΠΎΠΏΡΠΎΡΠΎΠ² Π½Π΅ Π²ΠΎΠ·Π½ΠΈΠΊΠ½Π΅Ρ, Π΅ΡΠ»ΠΈ ΠΎΠ½Π° ΠΏΡΠ°Π²ΠΈΠ»ΡΠ½ΠΎ Π·Π°ΡΡΠΆΠ΅Π½Π°, ΠΏΡΠ°Π²ΠΈΠ»ΡΠ½ΠΎ ΡΠ°Π·ΡΡΠΆΠ΅Π½Π° ΠΈ Ρ
ΠΎΡΡ Π±Ρ Π½Π΅ΠΌΠ½ΠΎΠ³ΠΎ ΠΊΠΎΠ½ΡΡΠΎΠ»ΠΈΡΡΠ΅ΡΡΡ. Π ΡΠΎΠΌ ΡΠ»ΡΡΠ°Π΅, ΠΊΠΎΠ³Π΄Π° Π°ΠΊΠΊΡΠΌΡΠ»ΡΡΠΎΡ Π·Π°ΡΡΠΆΠ°Π΅ΡΡΡ ΠΏΡΡΠΌΠΎ Π½Π° Π±ΠΎΡΡΡ Π°Π²ΡΠΎΠΌΠΎΠ±ΠΈΠ»Ρ, ΡΡΠΎ ΡΠ°ΡΠ΅ Π²ΡΠ΅Π³ΠΎ ΡΠ»ΡΡΠ°Π΅ΡΡΡ, ΡΠΎΠΊ Π·Π°ΡΡΠ΄ΠΊΠΈ ΡΠΈΠ»ΡΠ½ΠΎ Π·Π°Π²ΠΈΡΠΈΡ ΠΎΡ ΠΊΠΎΠ»ΠΈΡΠ΅ΡΡΠ²Π° ΠΏΠΎΡΡΠ΅Π±ΠΈΡΠ΅Π»Π΅ΠΉ Π½Π° Π±ΠΎΡΡΡ.
Π§Π΅ΠΌ ΠΈΡ
Π±ΠΎΠ»ΡΡΠ΅, ΡΠ΅ΠΌ ΡΠΊΡΠΏΠ΅Π΅ ΡΡΠ°Π½ΠΎΠ²ΠΈΡΡΡ Π³Π΅Π½Π΅ΡΠ°ΡΠΎΡ ΠΈ Π²ΡΠ΅ ΠΌΠ΅Π½ΡΡΠ΅ ΠΈ ΠΌΠ΅Π½ΡΡΠ΅ Π²Π½ΠΈΠΌΠ°Π½ΠΈΡ ΡΠ΄Π΅Π»ΡΠ΅ΡΡΡ Π±Π°ΡΠ°ΡΠ΅Π΅. ΠΡΠ΅ Π΅ΠΌΡ Π½ΡΠΆΠ½ΠΎ ΠΊΠΎΡΠΌΠΈΡΡ ΠΏΡΠΎΠΆΠΎΡΠ»ΠΈΠ²ΡΠ΅ ΠΏΡΠΎΡΠΈΠ²ΠΎΡΡΠΌΠ°Π½ΠΊΠΈ, ΠΌΠΎΡΠ½ΡΡ Π°ΡΠ΄ΠΈΠΎΡΠΈΡΡΠ΅ΠΌΡ, Π΄ΠΎΠΏΠΎΠ»Π½ΠΈΡΠ΅Π»ΡΠ½ΡΠ΅ ΡΡΠ΅Π΄ΡΡΠ²Π° ΠΊΠΎΠΌΡΠΎΡΡΠ°, Ρ
ΠΎΠ»ΠΎΠ΄ΠΈΠ»ΡΠ½ΠΈΠΊΠΈ, ΠΎΠ±ΠΎΠ³ΡΠ΅Π²Π°ΡΠ΅Π»ΠΈ ΡΡΠ΅ΠΊΠΎΠ», Π·Π΅ΡΠΊΠ°Π» ΠΈ ΡΠΈΠ΄Π΅Π½ΠΈΠΉ, Π½Ρ Π° ΡΡΠΎ Π΅ΡΠ΅ ΡΡΠ½Π΅ΡΡ ΠΏΡΠΈΠ΄ΡΠΌΠ°Π»ΠΈ. Π Π³Π΅Π½Π΅ΡΠ°ΡΠΎΡ ΡΠΏΡΠΎΠ΅ΠΊΡΠΈΡΠΎΠ²Π°Π½ Ρ ΡΡΠ΅ΡΠΎΠΌ Π½ΠΎΠΌΠΈΠ½Π°Π»ΡΠ½ΠΎΠ³ΠΎ Π·Π°ΡΡΠ΄Π½ΠΎΠ³ΠΎ ΡΠΎΠΊΠ°, Π±Π΅Π· ΡΡΠ΅ΡΠ° Π΄ΠΎΠΏΠΎΠ»Π½ΠΈΡΠ΅Π»ΡΠ½ΠΎΠΉ Π½Π°Π³ΡΡΠ·ΠΊΠΈ. Π ΡΠ΅Π·ΡΠ»ΡΡΠ°ΡΠ΅ Π°ΠΊΠΊΡΠΌΡΠ»ΡΡΠΎΡ ΡΠΈΠ΄ΠΈΡ Π½Π° Π³ΠΎΠ»ΠΎΠ΄Π½ΠΎΠΌ ΡΠ°ΡΠΈΠΎΠ½Π΅, ΠΏΠΎΡΡΠΎΡΠ½Π½ΠΎ Π½Π΅Π΄ΠΎΠ·Π°ΡΡΠΆΠ°Π΅ΡΡΡ, ΠΎΡΠΎΠ±Π΅Π½Π½ΠΎ Π·ΠΈΠΌΠΎΠΉ, ΠΏΠ»Π°ΡΡΠΈΠ½Ρ ΠΊΡΠΎΡΠ°ΡΡΡ ΠΈ ΠΏΠΎΡΠ»Π΅ Π΄Π²ΡΡ
Π»Π΅Ρ ΠΈΠ·Π½ΡΡΠΈΡΠ΅Π»ΡΠ½ΠΎΠΉ ΡΠ°Π±ΠΎΡΡ ΠΏΡΠΎΡΡΡΡΡ Π½Π° ΡΠ²Π°Π»ΠΊΡ.ΠΠΈΠ½ΠΎΠ²Π°Ρ, ΠΊΠΎΠ½Π΅ΡΠ½ΠΎ, Π°ΠΊΠΊΡΠΌΡΠ»ΡΡΠΎΡ. Π’ΠΎΠ»ΡΠΊΠΎ Π½Π°ΠΏΡΠ°ΡΠ½ΠΎ.
ΠΠ°ΠΊ ΡΡΠ°Π±ΠΈΠ»ΠΈΠ·ΠΈΡΠΎΠ²Π°ΡΡ Π½Π°ΠΏΡΡΠΆΠ΅Π½ΠΈΠ΅
ΠΠΈΠ½ΠΎΠ²Π°ΡΡ ΠΌΡ ΡΠ°ΠΌΠΈ, Π½ΠΎ ΠΊ ΡΡΠ°ΡΠ½ΠΎΠΌΡ ΡΠ΅Π³ΡΠ»ΡΡΠΎΡΡ Π½Π°ΠΏΡΡΠΆΠ΅Π½ΠΈΡ Π΅ΡΡΡ ΠΎΠΏΡΠ΅Π΄Π΅Π»Π΅Π½Π½ΡΠ΅ ΠΏΡΠ΅ΡΠ΅Π½Π·ΠΈΠΈ. ΠΠ½, Π±Π΅Π΄Π½ΡΠΉ, Π½Π΅ ΠΌΠΎΠΆΠ΅Ρ ΡΡΠ΅ΡΡΡ ΡΡ ΠΌΠ°ΡΡΡ Π·Π°Π΄Π°Ρ, ΠΊΠΎΡΠΎΡΡΠ΅ ΠΌΡ Π²ΠΎΠ·Π»Π°Π³Π°Π΅ΠΌ Π½Π° Π΅Π³ΠΎ ΠΌΠ°Π»Π΅Π½ΡΠΊΡΡ Π³ΠΎΠ»ΠΎΠ²Ρ Π² ΠΏΡΠΎΡΠ΅ΡΡΠ΅ ΡΠ»ΡΡΡΠ΅Π½ΠΈΡ ΠΌΠ°ΡΠΈΠ½Ρ ΠΈ Π΄ΠΎΠ±Π°Π²Π»Π΅Π½ΠΈΡ ΡΠ°Π·Π»ΠΈΡΠ½ΡΡ
ΡΡΡΡΠΎΠΉΡΡΠ². ΠΠΎΡΠ²ΠΈΠ»ΠΎΡΡ ΡΠ²Π΅ΠΆΠ΅Π΅ ΡΠ΅ΡΠ΅Π½ΠΈΠ΅, ΠΎΡΠΎΠ±Π΅Π½Π½ΠΎ Π°ΠΊΡΡΠ°Π»ΡΠ½ΠΎΠ΅ Π² Π°Π²ΡΠΎΠΌΠΎΠ±ΠΈΠ»ΡΡ
ΠΠΠ Π΄Π΅ΡΡΡΠΎΠ³ΠΎ ΡΠ΅ΠΌΠ΅ΠΉΡΡΠ²Π° ΠΈ Π²ΡΡΠ΅. ΠΠ΅ ΠΏΠΎΡΠΎΠΌΡ, ΡΡΠΎ ΡΡΠΈ ΡΠ°ΠΌΡΠ΅ Π°Π²ΡΠΎΠΌΠΎΠ±ΠΈΠ»ΠΈ ΡΠ°ΡΠ΅ Π²ΡΠ΅Π³ΠΎ Π·Π°Π±ΠΈΡΡ Π΄ΠΎΠΏΠΎΠ»Π½ΠΈΡΠ΅Π»ΡΠ½ΡΠΌΠΈ ΡΡΡΡΠΎΠΉΡΡΠ²Π°ΠΌΠΈ, Π° ΠΏΠΎΡΠΎΠΌΡ, ΡΡΠΎ Π³Π΅Π½Π΅ΡΠ°ΡΠΎΡ ΠΈ ΡΠ΅Π»Π΅-ΡΠ΅Π³ΡΠ»ΡΡΠΎΡ ΡΠΊΠΎΠ½ΡΡΡΡΠΈΡΠΎΠ²Π°Π½Ρ Π±Π»ΠΈΠ·ΠΊΠΈΠΌΠΈ ΠΊ Π½ΠΎΠΌΠΈΠ½Π°Π»ΡΠ½ΠΎΠΌΡ ΠΏΠΎΡΡΠ΅Π±Π»Π΅Π½ΠΈΡ ΡΠΎΠΊΠ°.
Π’ΡΠ΅Ρ
ΡΡΡΠΏΠ΅Π½ΡΠ°ΡΡΠΉ ΡΠ΅Π³ΡΠ»ΡΡΠΎΡ Π½Π°ΠΏΡΡΠΆΠ΅Π½ΠΈΡ ΠΠΠ 2110 ΡΠ°Π±ΠΎΡΠ°Π΅Ρ Π² ΡΠ΅ΡΠ½ΠΎΠΉ ΡΠ²ΡΠ·ΠΊΠ΅ Ρ Π³Π΅Π½Π΅ΡΠ°ΡΠΎΡΠΎΠΌ. ΠΠ΅ Π½ΡΠΆΠ½ΠΎ Π½Π°ΠΏΠΎΠΌΠΈΠ½Π°ΡΡ, ΡΡΠΎ Π³Π΅Π½Π΅ΡΠ°ΡΠΎΡ Π²ΡΡΠ°Π±Π°ΡΡΠ²Π°Π΅Ρ ΡΠ»Π΅ΠΊΡΡΠΈΡΠ΅ΡΠΊΠΈΠΉ ΠΏΠΎΡΡΠΎΡΠ½Π½ΡΠΉ ΡΠΎΠΊ. Π·Π½Π°ΡΠ΅Π½ΠΈΠ΅ ΠΏΠ΅ΡΠ΅ΠΌΠ΅Π½Π½ΠΎΠΉ. Π’ΠΎ Π΅ΡΡΡ ΡΠ΅ΠΌ Π²ΡΡΠ΅ ΡΠ°ΡΡΠΎΡΠ° Π²ΡΠ°ΡΠ΅Π½ΠΈΡ Π΄Π²ΠΈΠ³Π°ΡΠ΅Π»Ρ, ΡΠ΅ΠΌ Π±ΠΎΠ»ΡΡΠ΅Π΅ Π²ΡΡ
ΠΎΠ΄Π½ΠΎΠ΅ Π½Π°ΠΏΡΡΠΆΠ΅Π½ΠΈΠ΅ Π±ΡΠ΄Π΅Ρ Π²ΡΠ΄Π°Π²Π°ΡΡ Π³Π΅Π½Π΅ΡΠ°ΡΠΎΡ, Π° ΡΡΠΎ ΠΏΠΎΠ»Π΅Π·Π½ΠΎ Π½Π΅ Π΄Π»Ρ Π²ΡΠ΅Ρ
ΡΡΡΡΠΎΠΉΡΡΠ². ΠΠ΅ Π±ΡΠ»ΠΎ Π±Ρ ΡΠ΅Π³ΡΠ»ΡΡΠΎΡΠ° Π½Π°ΠΏΡΡΠΆΠ΅Π½ΠΈΡ, ΠΎΠ½ Π±Ρ Π² Π±ΠΎΡΡΠΎΠ²ΠΎΠΉ ΡΠ΅ΡΠΈ ΡΠΊΠ°ΠΊΠ°Π» Ρ 10 Π΄ΠΎ 16 Π²ΠΎΠ»ΡΡ ΠΈ Π²ΡΡΠ΅, Π° ΡΡΠΎ Π΄Π»Ρ Π±ΠΎΠ»ΡΡΠΈΠ½ΡΡΠ²Π° ΠΏΡΠΈΠ±ΠΎΡΠΎΠ² ΠΈ ΡΡΡΡΠΎΠΉΡΡΠ² Π½Π΅ΠΏΡΠΈΠ΅ΠΌΠ»Π΅ΠΌΠΎ.
ΠΠ»Ρ ΡΡΠΎΠ³ΠΎ ΡΡΡΠ°Π½ΠΎΠ²Π»Π΅Π½ ΡΠ΅Π³ΡΠ»ΡΡΠΎΡ Π½Π°ΠΏΡΡΠΆΠ΅Π½ΠΈΡ. ΠΠ΅ Π±ΡΠ΄Π΅ΠΌ Π²Π΄Π°Π²Π°ΡΡΡΡ Π² ΡΠΎΠ½ΠΊΠΎΡΡΠΈ, Π½ΠΎ ΡΠ΅Π»Π΅ ΠΏΡΠΈΠ²ΡΠ·Π°Π½ΠΎ ΠΊ ΡΠ΅ΡΠΎΡΠ½ΠΎΠΌΡ ΡΠ·Π»Ρ ΠΈ ΡΠ΅Π³ΡΠ»ΠΈΡΡΠ΅Ρ Π²ΡΡ
ΠΎΠ΄Π½ΠΎΠ΅ Π½Π°ΠΏΡΡΠΆΠ΅Π½ΠΈΠ΅ ΠΏΡΡΠ΅ΠΌ ΠΎΠ³ΡΠ°Π½ΠΈΡΠ΅Π½ΠΈΡ ΠΈ ΡΡΠ°Π±ΠΈΠ»ΠΈΠ·Π°ΡΠΈΠΈ ΡΠΎΠΊΠΎΠ² ΠΎΠ±ΠΌΠΎΡΠΎΠΊ Π³Π΅Π½Π΅ΡΠ°ΡΠΎΡΠ°. ΠΠΎΡΠΌΠ°Π»ΡΠ½Π°Ρ ΡΠ°Π±ΠΎΡΠ° ΡΠ΅Π»Π΅-ΠΊΠΎΠ½ΡΡΠΎΠ»Π»Π΅ΡΠ° Π½Π° ΠΠΠ 2110 ΠΏΠΎΠ΄ΡΠ°Π·ΡΠΌΠ΅Π²Π°Π΅Ρ Π½Π°Π»ΠΈΡΠΈΠ΅ Π½Π° Π²ΡΡ
ΠΎΠ΄Π΅ 13-14 Π²ΠΎΠ»ΡΡ, Π° ΡΡΠΎΠ³ΠΎ Π΄ΠΎΡΡΠ°ΡΠΎΡΠ½ΠΎ ΠΠΠ Π΄Π»Ρ Π½ΠΎΡΠΌΠ°Π»ΡΠ½ΠΎΠΉ ΠΏΠΎΠ΄Π·Π°ΡΡΠ΄ΠΊΠΈ Π² ΡΠ°Π±ΠΎΡΠ΅ΠΌ ΡΠ΅ΠΆΠΈΠΌΠ΅.
ΠΠΎΡΡΠ°ΡΠΎΡΠ½ΠΎ, Π΅ΡΠ»ΠΈ Π½Π΅ Π΄ΠΎΠ±Π°Π²Π»ΡΡΡ Π΄ΠΎΠΏΠΎΠ»Π½ΠΈΡΠ΅Π»ΡΠ½ΡΡ
ΠΏΠΎΡΡΠ΅Π±ΠΈΡΠ΅Π»Π΅ΠΉ ΡΠ»Π΅ΠΊΡΡΠΎΡΠ½Π΅ΡΠ³ΠΈΠΈ.ΠΡΠΎ Π³ΡΡΠ±Π°Ρ ΠΎΡΠΈΠ±ΠΊΠ° ΠΈΠ½ΠΆΠ΅Π½Π΅ΡΠΎΠ², Ρ
ΠΎΡΡ, ΡΠΊΠΎΡΠ΅Π΅ Π²ΡΠ΅Π³ΠΎ, ΠΎΠ½ΠΈ ΠΈΡΠΏΠΎΠ»ΡΠ·ΡΡΡ ΠΊΠΎΠ½ΡΡΡΡΠΊΡΠΈΡ Π³Π΅Π½Π΅ΡΠ°ΡΠΎΡΠ° ΠΏΠΎΠ»ΡΠ²Π΅ΠΊΠΎΠ²ΠΎΠΉ Π΄Π°Π²Π½ΠΎΡΡΠΈ, ΠΊΠΎΠ³Π΄Π° ΡΠ°ΠΌΡΠΌ ΠΌΠΎΡΠ½ΡΠΌ ΠΏΠΎΡΡΠ΅Π±ΠΈΡΠ΅Π»Π΅ΠΌ Π½Π° Π±ΠΎΡΡΡ ΠΌΠΎΠ³ Π±Ρ Π±ΡΡΡ ΠΌΠ°Π³Π½ΠΈΡΠΎΡΠΎΠ½ Ρ ΠΊΠ°ΡΡΠ΅ΡΠ°ΠΌΠΈ. ΠΠΌΠ΅Π½Π½ΠΎ Π² ΡΡΠΎΡ ΠΌΠΎΠΌΠ΅Π½Ρ Π½Π° ΡΡΠ΅Π½Ρ Π΄ΠΎΠ»ΠΆΠ½Ρ Π²ΡΠΉΡΠΈ ΡΡΠ΅Ρ
ΡΡΠΎΠ²Π½Π΅Π²ΡΠ΅ ΡΠ΅Π³ΡΠ»ΡΡΠΎΡΡ Π½Π°ΠΏΡΡΠΆΠ΅Π½ΠΈΡ ΠΈ ΠΏΡΠ΅Π΄Π»ΠΎΠΆΠΈΡΡ ΡΠ²ΠΎΡ ΠΏΠΎΠΌΠΎΡΡ.
Π’ΡΠ΅Ρ
ΡΡΠΎΠ²Π½Π΅Π²ΡΠ΅ ΡΠ΅Π³ΡΠ»ΡΡΠΎΡΡ ΡΠΏΠΎΡΠΎΠ±Π½Ρ Π²ΡΠΏΠΎΠ»Π½ΠΈΡΡ ΠΏΡΠ°ΠΊΡΠΈΡΠ΅ΡΠΊΠΈ Π»ΡΠ±ΡΠ΅ ΡΡΠ»ΠΎΠ²ΠΈΡ, ΠΊΠΎΡΠΎΡΡΠ΅ Π½Π΅ΠΎΠ±Ρ
ΠΎΠ΄ΠΈΠΌΡ ΠΠΠ Π΄Π»Ρ ΠΊΠ°ΡΠ΅ΡΡΠ²Π΅Π½Π½ΠΎΠΉ Π·Π°ΡΡΠ΄ΠΊΠΈ, ΠΏΡΠΈ ΡΡΠΎΠΌ ΠΎΠ±ΡΠ΅Π΅ ΡΠ΅ΡΠ΅Π²ΠΎΠ΅ Π½Π°ΠΏΡΡΠΆΠ΅Π½ΠΈΠ΅ Π½Π΅ ΠΏΠ°Π΄Π°Π΅Ρ, Π° ΡΠΎΠ»ΡΠΊΠΎ ΡΡΠ°Π±ΠΈΠ»ΠΈΠ·ΠΈΡΡΠ΅ΡΡΡ.Π Π΅Π³ΠΎ ΡΡΡΡΠΎΠΉΡΡΠ²Π΅ Π½Π΅Ρ Π½ΠΈΡΠ΅Π³ΠΎ ΡΠ»ΠΎΠΆΠ½ΠΎΠ³ΠΎ, ΡΠ°ΠΊ ΠΊΠ°ΠΊ ΡΡΠΎ ΡΠΎΡ ΠΆΠ΅ ΡΠ΅Π³ΡΠ»ΡΡΠΎΡ, Π²ΡΠ΅Π³ΠΎ ΡΡΠΈ ΡΡΡΠΊΠΈ, ΡΠΎ ΡΠΏΠ΅ΡΠΈΠ°Π»ΡΠ½ΡΠΌ ΡΠ»Π΅ΠΊΡΡΠΎΠ½Π½ΡΠΌ ΠΌΠ΅Ρ
Π°Π½ΠΈΠ·ΠΌΠΎΠΌ ΡΠΏΡΠ°Π²Π»Π΅Π½ΠΈΡ, ΠΊΠΎΡΠΎΡΡΠΉ ΠΌΠΎΠΆΠ΅Ρ ΡΡΠΈΡΡΠ²Π°ΡΡ ΠΎΡΠ΅Π½Ρ Π²Π°ΠΆΠ½ΡΠ΅ Π²Π΅ΡΠΈ:
- Π‘ΠΎΡΡΠΎΡΠ½ΠΈΠ΅ Π±Π°ΡΠ°ΡΠ΅ΠΈ
- Π£ΡΠΎΠ²Π΅Π½Ρ Π·Π°ΡΡΠ΄Π°.
- ΠΠΊΠΊΡΠΌΡΠ»ΡΡΠΎΡΠ½Π°Ρ Π½Π°Π³ΡΡΠ·ΠΊΠ°.
- Π’Π΅ΠΌΠΏΠ΅ΡΠ°ΡΡΡΠ° ΠΎΠΊΡΡΠΆΠ°ΡΡΠ΅ΠΉ ΡΡΠ΅Π΄Ρ.
- Π§ΠΈΡΠ»ΠΎ ΠΎΠ±ΠΎΡΠΎΡΠΎΠ² Π΄Π²ΠΈΠ³Π°ΡΠ΅Π»Ρ.
ΠΠ° ΠΎΡΠ½ΠΎΠ²Π°Π½ΠΈΠΈ ΡΡΠΈΡ
Π΄Π°Π½Π½ΡΡ
ΡΡΡΡΠΎΠΉΡΡΠ²ΠΎ ΠΌΠΎΠΆΠ΅Ρ ΡΠ°ΠΌΠΎΡΡΠΎΡΡΠ΅Π»ΡΠ½ΠΎ ΠΎΠΏΡΠ΅Π΄Π΅Π»ΠΈΡΡ ΠΎΠΏΡΠΈΠΌΠ°Π»ΡΠ½ΠΎΠ΅ Π½Π°ΠΏΡΡΠΆΠ΅Π½ΠΈΠ΅ Π·Π°ΡΡΠ΄ΠΊΠΈ Π°ΠΊΠΊΡΠΌΡΠ»ΡΡΠΎΡΠΎΠ², Π½Π΅ ΠΎΠ±Π΄Π΅Π»ΡΡ Π΄ΡΡΠ³ΠΈΡ
ΠΏΠΎΡΡΠ΅Π±ΠΈΡΠ΅Π»Π΅ΠΉ, ΡΡΠΎ ΠΎΡΠ΅Π½Ρ Π²Π°ΠΆΠ½ΠΎ Π·ΠΈΠΌΠΎΠΉ ΠΈ Π² ΡΠ΅ΠΌΠ½ΠΎΠ΅ Π²ΡΠ΅ΠΌΡ ΡΡΡΠΎΠΊ.
Π Π΅ΠΆΠΈΠΌΡ ΡΠ°Π±ΠΎΡΡ ΡΠ΅Π³ΡΠ»ΡΡΠΎΡΠ° ΠΠΠ 2110
Π£Π²Π΅Π»ΠΈΡΠΈΡΡ ΡΠ΅ΡΡΡΡ Π°ΠΊΠΊΡΠΌΡΠ»ΡΡΠΎΡΠ° ΠΏΡΠΈ ΡΠΎΡ
ΡΠ°Π½Π΅Π½ΠΈΠΈ Π΅Π³ΠΎ Π½Π°Π΄Π΅ΠΆΠ½ΠΎΡΡΠΈ — Π·Π°Π²Π΅ΡΠ½Π°Ρ ΠΌΠ΅ΡΡΠ° ΠΊΠ°ΠΆΠ΄ΠΎΠ³ΠΎ Π°Π²ΡΠΎΠΌΠΎΠ±ΠΈΠ»ΠΈΡΡΠ°. ΠΡ
ΠΌΠΎΠΆΠ½ΠΎ ΠΏΠΎΠ½ΡΡΡ — ΡΡΠΎ Π΄ΠΎΡΠΎΠ³Π°Ρ Π²Π΅ΡΡ, ΠΈ ΠΏΡΠΈ ΠΎΡΡΡΡΡΡΠ²ΠΈΠΈ Π΄ΠΎΠ»ΠΆΠ½ΠΎΠ³ΠΎ ΡΡ
ΠΎΠ΄Π° Π±ΡΡΡΡΠΎ Π²ΡΡ
ΠΎΠ΄ΠΈΡ ΠΈΠ· ΡΡΡΠΎΡ. ΠΠΎ Π΄Π΅Π»ΠΎ Π½Π΅ ΡΠΎΠ»ΡΠΊΠΎ Π² ΠΏΡΠ°Π²ΠΈΠ»ΡΠ½ΠΎΠΉ ΡΠΊΡΠΏΠ»ΡΠ°ΡΠ°ΡΠΈΠΈ. ΠΠ°ΡΠ°ΡΠ΅Ρ ΡΠ΅ΡΡΠ΅Ρ Π±ΠΎΠ»ΡΡΡΡ ΡΠ°ΡΡΡ Β«Π·Π΄ΠΎΡΠΎΠ²ΡΡΒ» ΠΏΠΎ ΠΏΡΠΈΡΠΈΠ½Π΅, ΠΊΠΎΡΠΎΡΠ°Ρ, ΠΊΠ°Π·Π°Π»ΠΎΡΡ Π±Ρ, Π½Π°ΠΌ Π½Π΅ ΠΏΠΎΠ΄Π²Π»Π°ΡΡΠ½Π°, ΠΌΡ ΠΎΠ±ΡΡΡΠ½ΠΈΠΌ.ΠΠ΅Π»ΠΎ Π² ΡΠΎΠΌ, ΡΡΠΎ Π² ΡΠ°Π·Π½ΡΡ
ΡΠ΅ΠΆΠΈΠΌΠ°Ρ
ΡΠ°Π±ΠΎΡΡ Π°Π²ΡΠΎΠΌΠΎΠ±ΠΈΠ»Ρ Π°ΠΊΠΊΡΠΌΡΠ»ΡΡΠΎΡ ΡΡΠ΅Π±ΡΠ΅Ρ Π΄Π»Ρ Π·Π°ΡΡΠ΄ΠΊΠΈ ΡΠ°Π·Π½ΠΎΠ΅ Π½Π°ΠΏΡΡΠΆΠ΅Π½ΠΈΠ΅. Π¨ΡΠ°ΡΠ½ΡΠΉ ΡΠ΅Π³ΡΠ»ΡΡΠΎΡ Π½Π°ΠΏΡΡΠΆΠ΅Π½ΠΈΡ ΠΏΠΎΡΡΠΈ Π²ΡΠ΅Π³Π΄Π° ΠΏΠΎΠ΄Π΄Π΅ΡΠΆΠΈΠ²Π°Π΅Ρ ΠΏΠΎΡΡΠΎΡΠ½Π½ΠΎΠ΅ Π½Π°ΠΏΡΡΠΆΠ΅Π½ΠΈΠ΅ Π² Π±ΠΎΡΡΠΎΠ²ΠΎΠΉ ΡΠ΅ΡΠΈ, Π° ΠΏΡΠΈ ΡΡΠΎΠΌ ΡΠ΅ΠΌΠΏΠ΅ΡΠ°ΡΡΡΠ° Π²ΠΎΠ·Π΄ΡΡ
Π°, ΡΠΊΠΎΡΠΎΡΡΡ ΠΈ ΠΊΠΎΠ»ΠΈΡΠ΅ΡΡΠ²ΠΎ ΠΏΠΎΡΡΠ΅Π±ΠΈΡΠ΅Π»Π΅ΠΉ ΠΏΠΎΡΡΠΎΡΠ½Π½ΠΎ ΠΌΠ΅Π½ΡΡΡΡΡ. ΠΠ΄Π΅ΡΡ Π΄Π»Ρ ΠΊΠΎΡΡΠ΅ΠΊΡΠΈΠΈ Π½Π°ΠΏΡΡΠΆΠ΅Π½ΠΈΡ, Π° Π·Π½Π°ΡΠΈΡ, ΠΎΠΏΡΠΈΠΌΠΈΠ·Π°ΡΠΈΠΈ ΡΠ΅ΠΆΠΈΠΌΠ° Π·Π°ΡΡΠ΄Π° ΡΠ°ΠΊΠΆΠ΅ ΡΠ»ΡΠΆΠΈΡ ΡΡΠ΅Ρ
ΡΡΡΠΏΠ΅Π½ΡΠ°ΡΡΠΉ ΡΠ΅Π³ΡΠ»ΡΡΠΎΡ Π½Π°ΠΏΡΡΠΆΠ΅Π½ΠΈΡ ΠΠΠ 2110, 2114.
Π Π°ΡΡΠΌΠΎΡΡΠΈΠΌ ΠΏΡΠΎΡΡΠΎΠΉ ΠΈ Π΄ΠΎΡΡΠ°ΡΠΎΡΠ½ΠΎ ΡΠ°ΡΠΏΡΠΎΡΡΡΠ°Π½Π΅Π½Π½ΡΠΉ ΠΏΡΠΈΠΌΠ΅Ρ: Π·Π°ΠΏΡΡΠΊ Π΄Π²ΠΈΠ³Π°ΡΠ΅Π»Ρ Π² ΡΠΈΠ»ΡΠ½ΡΠΉ ΠΌΠΎΡΠΎΠ·.ΠΠ΅Ρ ΡΠΎΠΌΠ½Π΅Π½ΠΈΠΉ, ΡΡΠΎ Π°ΠΊΠΊΡΠΌΡΠ»ΡΡΠΎΡ Π² ΡΡΠΎΠΌ ΡΠ»ΡΡΠ°Π΅ ΡΠ΅ΡΡΠ΅Ρ Π³ΠΎΡΠ°Π·Π΄ΠΎ Π±ΠΎΠ»ΡΡΠ΅ Π·Π°ΡΡΠ΄Π°, ΡΠ΅ΠΌ Π»Π΅ΡΠΎΠΌ, Π΄Π° ΠΈ Π½Π°ΠΏΡΡΠΆΠ΅Π½ΠΈΠ΅ Π² Π±ΠΎΡΡΠΎΠ²ΠΎΠΉ ΡΠ΅ΡΠΈ ΡΠΎΠΆΠ΅ ΠΏΠΎΡΡΠΈ ΡΠ°ΠΊΠΎΠ΅ ΠΆΠ΅. ΠΡ Π³ΠΎΠ²ΠΎΡΠΈΠΌ ΠΏΠΎΡΡΠΈ, ΠΏΠΎΡΠΎΠΌΡ ΡΡΠΎ ΡΠΏΡΠ°Π²Π΅Π΄Π»ΠΈΠ²ΠΎΡΡΠΈ ΡΠ°Π΄ΠΈ ΡΡΠΎΠΈΡ ΠΎΡΠΌΠ΅ΡΠΈΡΡ, ΡΡΠΎ Π² ΡΡΠ°ΡΠ½ΠΎΠΌ ΡΡΠ°Π±ΠΈΠ»ΠΈΠ·Π°ΡΠΎΡΠ΅ Π½Π°ΠΏΡΡΠΆΠ΅Π½ΠΈΡ Π΅ΡΡΡ ΡΠ΅ΡΠΌΠΎΠΊΠΎΠΌΠΏΠ΅Π½ΡΠ°ΡΠΈΡ ΠΈ ΡΠ°Π±ΠΎΡΠ°Π΅Ρ ΠΎΠ½ Π΄ΠΎΠ²ΠΎΠ»ΡΠ½ΠΎ Π½Π΅ΠΏΠ»ΠΎΡ
ΠΎ. Π’ΠΎΠ»ΡΠΊΠΎ Ρ Π½Π΅Π³ΠΎ Π΅ΡΡΡ ΠΎΠ΄ΠΈΠ½ ΡΡΡΠ΅ΡΡΠ²Π΅Π½Π½ΡΠΉ Π½Π΅Π΄ΠΎΡΡΠ°ΡΠΎΠΊ — ΠΎΠ½ Π½Π°Ρ
ΠΎΠ΄ΠΈΡΡΡ Π² Π³Π΅Π½Π΅ΡΠ°ΡΠΎΡΠ΅. ΠΠ°Π³ΡΠ΅Π²Π°Π΅ΡΡΡ ΠΎΠ½ ΠΎΠ΄Π½ΠΈΠΌ ΠΈΠ· ΠΏΠ΅ΡΠ²ΡΡ
ΠΈ Π΄ΠΎ Π΄ΠΎΠ²ΠΎΠ»ΡΠ½ΠΎ ΠΏΡΠΈΠ»ΠΈΡΠ½ΠΎΠΉ ΡΠ΅ΠΌΠΏΠ΅ΡΠ°ΡΡΡΡ. Π’ΠΎ Π΅ΡΡΡ Π² Π³Π΅Π½Π΅ΡΠ°ΡΠΎΡΠ΅ ΡΠΆΠ΅ ΡΠ΅ΠΏΠ»ΡΠΉ ΡΠ΅ΡΠΌΠΎΠΊΠΎΠΌΠΏΠ΅Π½ΡΠ°ΡΠΈΠΎΠ½Π½ΡΠΉ ΠΏΡΠΈΠ±ΠΎΡ ΡΠ½ΠΈΠ·ΠΈΠ» Π½Π°ΠΏΡΡΠΆΠ΅Π½ΠΈΠ΅, Π° Π°ΠΊΠΊΡΠΌΡΠ»ΡΡΠΎΡ ΠΊΠ°ΠΊ Π±ΡΠ» Ρ
ΠΎΠ»ΠΎΠ΄Π½ΡΠΌ, ΡΠ°ΠΊ ΠΈ ΠΎΡΡΠ°Π»ΡΡ.ΠΡΠ»ΠΈ Π²Ρ ΠΈΡΠΏΠΎΠ»ΡΠ·ΡΠ΅ΡΠ΅ ΡΡΠ΅Ρ
ΡΡΡΠΏΠ΅Π½ΡΠ°ΡΡΠΉ ΡΠ΅Π³ΡΠ»ΡΡΠΎΡ Π½Π°ΠΏΡΡΠΆΠ΅Π½ΠΈΡ ΠΠΠ 2110, 2114, ΡΠΎ ΡΡΠΎ Π΄ΠΎΠ²ΠΎΠ»ΡΠ½ΠΎ ΠΏΡΠΎΡΡΠΎ, ΡΡΡΠ°Π½ΠΎΠ²ΠΈΡΠ΅ ΠΏΠ΅ΡΠ΅ΠΊΠ»ΡΡΠ°ΡΠ΅Π»Ρ Π² ΡΠΎΠΎΡΠ²Π΅ΡΡΡΠ²ΡΡΡΠ΅Π΅ ΠΏΠΎΠ»ΠΎΠΆΠ΅Π½ΠΈΠ΅ ΠΈ Π±ΠΎΡΡΠΎΠ²ΠΎΠΉ ΠΊΠΎΠΌΠΏΡΡΡΠ΅Ρ Π·Π°ΡΠΈΠΊΡΠΈΡΡΠ΅Ρ ΠΏΠΎΠ²ΡΡΠ΅Π½ΠΈΠ΅ ΡΠ΅ΡΠ΅Π²ΠΎΠ³ΠΎ Π½Π°ΠΏΡΡΠΆΠ΅Π½ΠΈΡ, Π½Π΅Π±ΠΎΠ»ΡΡΠΎΠ΅, Π½ΠΎ Π²ΠΏΠΎΠ»Π½Π΅ Π΄ΠΎΡΡΠ°ΡΠΎΡΠ½ΠΎΠ΅ Π΄Π»Ρ ΠΊΠΎΠΌΠΏΠ΅Π½ΡΠ°ΡΠΈΠΈ Ρ
ΠΎΠ»ΠΎΠ΄Π°. ΠΠ°ΡΠ½ΠΈΡΠ΅. ΠΡΠΎ Π»ΠΈΡΡ ΠΎΠ΄ΠΈΠ½ ΠΈΠ· Π΄Π΅ΡΡΡΠΊΠΎΠ² Π²ΠΎΠ·ΠΌΠΎΠΆΠ½ΡΡ
ΠΏΡΠΈ ΡΠΊΡΠΏΠ»ΡΠ°ΡΠ°ΡΠΈΠΈ Π°Π²ΡΠΎΠΌΠΎΠ±ΠΈΠ»Ρ.
ΠΠ°ΠΊ ΠΏΠΎΠ΄ΠΊΠ»ΡΡΠΈΡΡ ΡΡΠ΅Ρ
ΡΡΠΎΠ²Π½Π΅Π²ΡΠΉ ΡΠ΅Π³ΡΠ»ΡΡΠΎΡ Π½Π°ΠΏΡΡΠΆΠ΅Π½ΠΈΡ ΠΊ Π³Π΅Π½Π΅ΡΠ°ΡΠΎΡΡ ΠΠΠ
ΠΠ°ΠΊ ΡΠ»Π΅Π΄ΡΠ΅Ρ ΠΈΠ· Π½Π°Π·Π²Π°Π½ΠΈΡ, ΡΡΠΎ ΡΡΡΡΠΎΠΉΡΡΠ²ΠΎ ΠΈΠΌΠ΅Π΅Ρ ΡΡΠΈ ΠΏΠΎΠ»ΠΎΠΆΠ΅Π½ΠΈΡ ΠΏΠ΅ΡΠ΅ΠΊΠ»ΡΡΠ°ΡΠ΅Π»Ρ. ΠΡΠΎΠ³ΠΎ Π²ΠΏΠΎΠ»Π½Π΅ Π΄ΠΎΡΡΠ°ΡΠΎΡΠ½ΠΎ Π΄Π»Ρ Π±ΠΎΠ»ΡΡΠΈΠ½ΡΡΠ²Π° ΡΠ΅ΠΆΠΈΠΌΠΎΠ² ΡΠ°Π±ΠΎΡΡ Π΄Π²ΠΈΠ³Π°ΡΠ΅Π»Ρ, ΡΠ°ΠΊ ΠΊΠ°ΠΊ Π½Π°ΠΏΡΡΠΆΠ΅Π½ΠΈΠ΅ ΠΊΠΎΠ»Π΅Π±Π»Π΅ΡΡΡ Π² ΠΏΡΠ΅Π΄Π΅Π»Π°Ρ
13.6 -14,7 Π. Π‘ΠΎΡΡΠΎΠΈΡ ΠΈΠ· ΡΠ΅ΡΠΎΡΠ½ΠΎΠ³ΠΎ ΡΠ·Π»Π° ΠΈ Π²ΡΡΡΠΎΠ΅Π½Π½ΠΎΠ³ΠΎ ΡΠ΅Π³ΡΠ»ΡΡΠΎΡΠ° Π½Π°ΠΏΡΡΠΆΠ΅Π½ΠΈΡ. ΠΠ΅ΡΠ²ΡΠΉ ΡΡΡΠ°Π½Π°Π²Π»ΠΈΠ²Π°Π΅ΡΡΡ Π½Π° Π³Π΅Π½Π΅ΡΠ°ΡΠΎΡΠ΅, Π° ΡΠ°ΠΌ ΡΠ΅Π³ΡΠ»ΡΡΠΎΡ Π² ΡΠ΄ΠΎΠ±Π½ΠΎΠΌ Π΄Π»Ρ Π²Π°Ρ ΠΌΠ΅ΡΡΠ΅. ΠΡΠΎ Π½Π΅Π±ΠΎΠ»ΡΡΠ°Ρ (67Ρ
41Ρ
23) ΠΏΡΡΠΌΠΎΡΠ³ΠΎΠ»ΡΠ½Π°Ρ ΠΊΠΎΡΠΎΠ±ΠΊΠ° Ρ Π²ΡΠΊΠ»ΡΡΠ°ΡΠ΅Π»Π΅ΠΌ ΠΈ ΡΠΎΠ΅Π΄ΠΈΠ½ΠΈΡΠ΅Π»ΡΠ½ΡΠΌΠΈ ΠΏΡΠΎΠ²ΠΎΠ΄Π°ΠΌΠΈ.
Π£ΡΡΠ°Π½ΠΎΠ²ΠΈΡΡ ΡΡΠ΅Ρ
ΡΡΡΠΏΠ΅Π½ΡΠ°ΡΡΠΉ ΡΠ΅Π³ΡΠ»ΡΡΠΎΡ Π½Π°ΠΏΡΡΠΆΠ΅Π½ΠΈΡ ΠΠΠ 2110, 2114 Π½Π° Π°Π²ΡΠΎΠΌΠΎΠ±ΠΈΠ»Ρ Π½Π΅ΡΠ»ΠΎΠΆΠ½ΠΎ, Π΄ΠΎΡΡΠ°ΡΠΎΡΠ½ΠΎ ΠΈΠΌΠ΅ΡΡ ΠΌΠΈΠ½ΠΈΠΌΠ°Π»ΡΠ½ΡΠ΅ Π½Π°Π²ΡΠΊΠΈ. Π’Π°ΠΊΠΈΠΌ ΠΎΠ±ΡΠ°Π·ΠΎΠΌ Π²Ρ Π½Π΅ ΡΠΎΠ»ΡΠΊΠΎ Ρ ΠΌΠ΅Π½ΡΡΠ΅ΠΉ Π²Π΅ΡΠΎΡΡΠ½ΠΎΡΡΡΡ Π±ΡΠ΄Π΅ΡΠ΅ ΠΏΠΎΡΠ΅ΡΠ°ΡΡ ΠΏΡΠ½ΠΊΡ ΡΠ±ΠΎΡΠ° ΡΡΠ°ΡΡΡ
Π°ΠΊΠΊΡΠΌΡΠ»ΡΡΠΎΡΠΎΠ², Π½ΠΎ ΠΈ ΠΈΠ·Π±Π΅ΠΆΠΈΡΠ΅ ΠΌΠ½ΠΎΠ³ΠΈΡ
Π½Π΅ΠΏΡΠΈΡΡΠ½ΠΎΡΡΠ΅ΠΉ, ΡΠ²ΡΠ·Π°Π½Π½ΡΡ
Ρ Π²Π½Π΅Π·Π°ΠΏΠ½ΠΎΠΉ ΡΠ°Π·ΡΡΠ΄ΠΊΠΎΠΉ Π°ΠΊΠΊΡΠΌΡΠ»ΡΡΠΎΡΠ°, ΠΈ Π½Π΅ ΠΎΡΠ΅Π½ΠΈΡΠ΅ ΡΡΠΎ Π΄Π΅Π½ΡΠ³Π°ΠΌΠΈ.
ΠΠ΅Π»ΠΈΡΠΈΠ½Π° ΡΠ»Π΅ΠΊΡΡΠΈΡΠ΅ΡΠΊΠΎΠ³ΠΎ Π½Π°ΠΏΡΡΠΆΠ΅Π½ΠΈΡ, ΡΠΎΠ·Π΄Π°Π²Π°Π΅ΠΌΠΎΠ³ΠΎ Π°Π²ΡΠΎΠΌΠΎΠ±ΠΈΠ»ΡΠ½ΡΠΌ Π³Π΅Π½Π΅ΡΠ°ΡΠΎΡΠΎΠΌ, Π½Π΅ΠΏΠΎΡΡΠΎΡΠ½Π½Π° ΠΈ Π·Π°Π²ΠΈΡΠΈΡ ΠΎΡ ΡΠΈΡΠ»Π° ΠΎΠ±ΠΎΡΠΎΡΠΎΠ² ΠΊΠΎΠ»Π΅Π½ΡΠ°ΡΠΎΠ³ΠΎ Π²Π°Π»Π°. ΠΠ»Ρ Π΅Π³ΠΎ ΡΡΠ°Π±ΠΈΠ»ΠΈΠ·Π°ΡΠΈΠΈ ΡΠ°Π·ΡΠ°Π±ΠΎΡΠ°Π½ ΡΠΏΠ΅ΡΠΈΠ°Π»ΡΠ½ΡΠΉ ΡΠ΅Π³ΡΠ»ΡΡΠΎΡ. Π Π½Π΅ΠΌ ΠΌΡ ΠΏΠΎΠ³ΠΎΠ²ΠΎΡΠΈΠΌ Π² ΡΡΠΎΠΉ ΡΡΠ°ΡΡΠ΅ Π½Π° ΠΏΡΠΈΠΌΠ΅ΡΠ΅ Π°Π²ΡΠΎΠΌΠΎΠ±ΠΈΠ»Ρ ΠΠΠ-2110.
ΠΠ»Ρ ΡΠ΅Π³ΠΎ Π½ΡΠΆΠ΅Π½ ΡΠ΅Π³ΡΠ»ΡΡΠΎΡ Π½Π°ΠΏΡΡΠΆΠ΅Π½ΠΈΡ?
Π Π΅Π³ΡΠ»ΡΡΠΎΡ ΡΠ»ΡΠΆΠΈΡ Π΄Π»Ρ ΠΏΠΎΠ΄Π΄Π΅ΡΠΆΠ°Π½ΠΈΡ Π½Π°ΠΏΡΡΠΆΠ΅Π½ΠΈΡ Π² ΡΠ΅ΡΠΈ ΠΌΠ°ΡΠΈΠ½Ρ Π² Π·Π°Π΄Π°Π½Π½ΡΡ
ΠΏΡΠ΅Π΄Π΅Π»Π°Ρ
, Π²Π½Π΅ Π·Π°Π²ΠΈΡΠΈΠΌΠΎΡΡΠΈ ΠΎΡ ΡΠΊΠΎΡΠΎΡΡΠΈ Π²ΡΠ°ΡΠ΅Π½ΠΈΡ Π²Π°Π»Π° Π³Π΅Π½Π΅ΡΠ°ΡΠΎΡΠ°, Π½Π°Π³ΡΡΠ·ΠΊΠΈ, Π° ΡΠ°ΠΊΠΆΠ΅ ΡΠ΅ΠΌΠΏΠ΅ΡΠ°ΡΡΡΡ Π²ΠΎΠ·Π΄ΡΡ
Π°.ΠΡΠΎΠΌΠ΅ ΡΠΎΠ³ΠΎ, ΠΎΠ½ ΠΎΠ±Π΅ΡΠΏΠ΅ΡΠΈΠ²Π°Π΅Ρ ΡΡΠ°Π±ΠΈΠ»ΡΠ½ΡΡ Π·Π°ΡΡΠ΄ΠΊΡ Π°Π²ΡΠΎΠΌΠΎΠ±ΠΈΠ»ΡΠ½ΠΎΠ³ΠΎ Π°ΠΊΠΊΡΠΌΡΠ»ΡΡΠΎΡΠ°.
Π‘Ρ
Π΅ΠΌΠ° ΠΏΠΎΠ΄ΠΊΠ»ΡΡΠ΅Π½ΠΈΡ ΠΈ ΠΏΡΠΈΠ½ΡΠΈΠΏ ΡΠ°Π±ΠΎΡΡ
Π Π΅Π³ΡΠ»ΡΡΠΎΡ Π½Π°ΠΏΡΡΠΆΠ΅Π½ΠΈΡ Π½Π° Π±ΠΎΠ»ΡΡΠΈΠ½ΡΡΠ²Π΅ Π°Π²ΡΠΎΠΌΠΎΠ±ΠΈΠ»Π΅ΠΉ ΠΏΠΎΠ΄ΠΊΠ»ΡΡΠ°Π΅ΡΡΡ ΠΊ Π±ΠΎΡΡΠΎΠ²ΠΎΠΉ ΡΠ΅ΡΠΈ ΠΏΠΎ ΡΡ
Π΅ΠΌΠ΅ Π½ΠΈΠΆΠ΅.
ΠΡΠΈΠ½ΡΠΈΠΏ ΡΠ°Π±ΠΎΡΡ ΡΠ΅Π³ΡΠ»ΡΡΠΎΡΠ° Π½Π°ΠΏΡΡΠΆΠ΅Π½ΠΈΡ (Π Π) ΡΠ°ΠΊΠΎΠΉ ΠΆΠ΅, ΠΊΠ°ΠΊ ΠΈ Ρ ΡΠ΅Π»Π΅. ΠΡΡΠ³ΠΈΠΌΠΈ ΡΠ»ΠΎΠ²Π°ΠΌΠΈ, ΠΎΠ½ ΡΠ°Π·ΠΌΡΠΊΠ°Π΅Ρ ΠΈ Π·Π°ΠΌΡΠΊΠ°Π΅Ρ ΡΠ»Π΅ΠΊΡΡΠΈΡΠ΅ΡΠΊΡΡ ΡΠ΅ΠΏΡ. ΠΠΌΠ΅Π½Π½ΠΎ ΠΏΠΎΡΡΠΎΠΌΡ ΡΡΡΡΠΎΠΉΡΡΠ²ΠΎ Π΅ΡΠ΅ Π½Π°Π·ΡΠ²Π°ΡΡ ΡΠ΅Π»Π΅ΠΉΠ½ΡΠΌ ΡΠ΅Π³ΡΠ»ΡΡΠΎΡΠΎΠΌ. ΠΠ½ ΡΡΠ°Π±Π°ΡΡΠ²Π°Π΅Ρ ΠΏΡΠΈ ΠΈΠ·ΠΌΠ΅Π½Π΅Π½ΠΈΠΈ ΡΡΡΠ°Π½ΠΎΠ²Π»Π΅Π½Π½ΠΎΠ³ΠΎ Π·Π½Π°ΡΠ΅Π½ΠΈΡ Π½Π°ΠΏΡΡΠΆΠ΅Π½ΠΈΡ, ΠΏΠΎΡΡΡΠΏΠ°ΡΡΠ΅Π³ΠΎ ΠΎΡ Π³Π΅Π½Π΅ΡΠ°ΡΠΎΡΠ°.
ΠΠ΅ΡΠ²ΡΠ΅ ΡΠ΅Π³ΡΠ»ΡΡΠΎΡΡ ΠΈΠΌΠ΅Π»ΠΈ ΡΠ»Π΅ΠΊΡΡΠΎΠΌΠ°Π³Π½ΠΈΡΠ½ΡΡ ΠΊΠΎΠ½ΡΡΡΡΠΊΡΠΈΡ. ΠΡΠΎ Π±ΡΠ»ΠΈ Π½Π°ΡΡΠΎΡΡΠΈΠ΅ ΡΠ΅Π»Π΅. Π‘ΠΎΠ²ΡΠ΅ΠΌΠ΅Π½Π½ΡΠ΅ ΡΡΡΡΠΎΠΉΡΡΠ²Π° ΡΠ΄Π΅Π»Π°Π½Ρ Π½Π° ΠΎΡΠ½ΠΎΠ²Π΅ ΠΏΠΎΠ»ΡΠΏΡΠΎΠ²ΠΎΠ΄Π½ΠΈΠΊΠΎΠ². ΠΠ½ΠΈ ΠΎΡΠ»ΠΈΡΠ°ΡΡΡΡ Π½Π΅Π±ΠΎΠ»ΡΡΠΈΠΌΠΈ Π³Π°Π±Π°ΡΠΈΡΠ°ΠΌΠΈ, ΠΊ ΡΠΎΠΌΡ ΠΆΠ΅ ΡΠ°Π±ΠΎΡΠ°ΡΡ Π½Π°ΠΌΠ½ΠΎΠ³ΠΎ ΡΠΎΡΠ½Π΅Π΅ ΠΈ ΡΡΡΠ΅ΠΊΡΠΈΠ²Π½Π΅Π΅. ΠΠ΅ΠΊΠΎΡΠΎΡΡΠ΅ ΠΈΠ· Π½ΠΈΡ
Π΄Π°ΠΆΠ΅ ΠΎΡΠ½Π°ΡΠ΅Π½Ρ ΡΠΏΠ΅ΡΠΈΠ°Π»ΡΠ½ΡΠΌΠΈ ΡΠΈΠ³Π½Π°Π»ΡΠ½ΡΠΌΠΈ ΡΡΡΡΠΎΠΉΡΡΠ²Π°ΠΌΠΈ, ΠΊΠΎΡΠΎΡΡΠ΅ ΠΏΠΎΠ·Π²ΠΎΠ»ΡΡΡ Π²ΠΎΠ΄ΠΈΡΠ΅Π»Ρ ΠΊΠΎΠ½ΡΡΠΎΠ»ΠΈΡΠΎΠ²Π°ΡΡ ΠΈΡ
ΡΠ°Π±ΠΎΡΡ.
Π Π΅Π³ΡΠ»ΡΡΠΎΡ Π½Π°ΠΏΡΡΠΆΠ΅Π½ΠΈΡ ΠΠΠ-2110
Π Π Β«ΠΠ΅ΡΡΡΠΊΠΈΒ» ΡΠ°ΠΊΠΆΠ΅ ΠΈΠΌΠ΅Π΅Ρ ΠΏΠΎΠ»ΡΠΏΡΠΎΠ²ΠΎΠ΄Π½ΠΈΠΊΠΎΠ²ΡΡ ΠΊΠΎΠ½ΡΡΡΡΠΊΡΠΈΡ. ΠΠ½ ΠΈΠ½ΡΠ΅Π³ΡΠΈΡΠΎΠ²Π°Π½ Π² Π³Π΅Π½Π΅ΡΠ°ΡΠΎΡ, ΡΡΠΎ ΠΏΠΎΠ·Π²ΠΎΠ»ΡΠ΅Ρ ΠΏΠΎΠ΄Π΄Π΅ΡΠΆΠΈΠ²Π°ΡΡ Π½Π΅ΠΎΠ±Ρ
ΠΎΠ΄ΠΈΠΌΠΎΠ΅ Π½Π°ΠΏΡΡΠΆΠ΅Π½ΠΈΠ΅ ΠΏΡΡΠΌΠΎ Π½Π° Π²ΡΡ
ΠΎΠ΄Π΅ ΡΡΡΡΠΎΠΉΡΡΠ²Π°.
ΠΠΎΠ½ΡΡΠΎΠ»Π»Π΅Ρ Π°ΠΊΡΠΈΠΉ Β«ΠΠ΅ΡΡΡΠΊΠΈΒ» Π²ΡΠΏΡΡΠΊΠ°Π΅ΡΡΡ ΠΏΠΎΠ΄ ΠΊΠ°ΡΠ°Π»ΠΎΠΆΠ½ΡΠΌ Π½ΠΎΠΌΠ΅ΡΠΎΠΌ 1702.3702. Π’Π°ΠΊΠΆΠ΅ ΠΌΠΎΠΆΠ΅Ρ ΠΈΡΠΏΠΎΠ»ΡΠ·ΠΎΠ²Π°ΡΡΡΡ Π² Π³Π΅Π½Π΅ΡΠ°ΡΠΎΡΠ°Ρ
Π²ΡΠ΅Ρ
ΠΌΠΎΠ΄Π΅Π»Π΅ΠΉ Samar.
ΠΠ° Π½ΠΎΠ²ΡΡ
ΠΌΠΎΠ΄ΠΈΡΠΈΠΊΠ°ΡΠΈΡΡ
ΠΠΠ-2110 ΡΠ΅Π³ΡΠ»ΡΡΠΎΡ Π½Π°ΠΏΡΡΠΆΠ΅Π½ΠΈΡ ΠΌΠΎΠΆΠ΅Ρ ΠΈΠΌΠ΅ΡΡ ΠΌΠ°ΡΠΊΠΈΡΠΎΠ²ΠΊΡ 1702.3702-01. ΠΡΠΎ ΡΠ΅Π»Π΅ Π½ΠΎΠ²ΠΎΠ³ΠΎ ΠΏΠΎΠΊΠΎΠ»Π΅Π½ΠΈΡ, ΠΊΠΎΡΠΎΡΡΠ΅ ΠΏΡΠΎΠΈΠ·Π²ΠΎΠ΄ΡΡΡΡ Ρ ΠΈΡΠΏΠΎΠ»ΡΠ·ΠΎΠ²Π°Π½ΠΈΠ΅ΠΌ ΡΠ΅Ρ
Π½ΠΎΠ»ΠΎΠ³ΠΈΠΈ MOSFET, ΡΡΠΎ ΠΏΠΎΠ·Π²ΠΎΠ»ΡΠ΅Ρ Π·Π½Π°ΡΠΈΡΠ΅Π»ΡΠ½ΠΎ ΡΠ½ΠΈΠ·ΠΈΡΡ ΠΏΠΎΡΠ΅ΡΠΈ Π²ΡΡ
ΠΎΠ΄Π½ΠΎΠΉ ΠΌΠΎΡΠ½ΠΎΡΡΠΈ. ΠΡΠΎΠΌΠ΅ ΡΠΎΠ³ΠΎ, ΡΡΠΈ ΡΡΡΡΠΎΠΉΡΡΠ²Π° ΠΎΡΠ»ΠΈΡΠ°ΡΡΡΡ ΠΏΠΎΠ²ΡΡΠ΅Π½Π½ΠΎΠΉ Π½Π°Π΄Π΅ΠΆΠ½ΠΎΡΡΡΡ ΠΈ ΡΡΡΠΎΠΉΡΠΈΠ²ΠΎΡΡΡΡ ΠΊ ΠΏΠ΅ΡΠ΅Π³ΡΠ΅Π²Ρ.
Π’Π΅Ρ
Π½ΠΈΡΠ΅ΡΠΊΠΈΠ΅ Ρ
Π°ΡΠ°ΠΊΡΠ΅ΡΠΈΡΡΠΈΠΊΠΈ ΠΠΠ-2110
Π Π΅Π»Π΅ΠΉΠ½ΡΠΉ ΡΠ΅Π³ΡΠ»ΡΡΠΎΡ Π½Π°ΠΏΡΡΠΆΠ΅Π½ΠΈΡ Π³Π΅Π½Π΅ΡΠ°ΡΠΎΡΠ° ΠΠΠ-2110 ΠΈΠΌΠ΅Π΅Ρ ΡΠ»Π΅Π΄ΡΡΡΠΈΠ΅ Ρ
Π°ΡΠ°ΠΊΡΠ΅ΡΠΈΡΡΠΈΠΊΠΈ.
ΠΠ°ΠΏΡΡΠΆΠ΅Π½ΠΈΠ΅ ΡΡΠ°Π±ΠΈΠ»ΠΈΠ·Π°ΡΠΈΠΈ Ρ Π°ΠΊΠΊΡΠΌΡΠ»ΡΡΠΎΡΠΎΠΌ ΠΏΡΠΈ ΡΠ΅ΠΌΠΏΠ΅ΡΠ°ΡΡΡΠ΅ 25 Β° C ΠΈ Π½Π°Π³ΡΡΠ·ΠΊΠ΅ Π΄ΠΎ 3Π, Π | |
ΠΠ°ΠΏΡΡΠΆΠ΅Π½ΠΈΠ΅ ΡΠ΅Π³ΡΠ»ΠΈΡΠΎΠ²Π°Π½ΠΈΡ Ρ Π°ΠΊΠΊΡΠΌΡΠ»ΡΡΠΎΡΠΎΠΌ ΠΏΡΠΈ ΡΠ΅ΠΌΠΏΠ΅ΡΠ°ΡΡΡΠ΅ 25 Β° C ΠΈ Π½Π°Π³ΡΡΠ·ΠΊΠ΅ Π±ΠΎΠ»Π΅Π΅ 3 A, Π | |
ΠΠΈΠ°ΠΏΠ°Π·ΠΎΠ½ ΡΠ°Π±ΠΎΡΠΈΡ
ΡΠ΅ΠΌΠΏΠ΅ΡΠ°ΡΡΡ, ΠΎ Π‘ | |
ΠΠ°ΠΊΡΠΈΠΌΠ°Π»ΡΠ½ΠΎΠ΅ Π·Π½Π°ΡΠ΅Π½ΠΈΠ΅ ΡΠΎΠΊΠ° Π²ΡΡ
ΠΎΠ΄Π½ΠΎΠΉ ΡΠ΅ΠΏΠΈ: ΡΡΠ°Π½Π΄Π°ΡΡΠ½ΠΎΠ΅ / ΡΠΎΠ³Π»Π°ΡΠΎΠ²Π°Π½Π½ΠΎΠ΅ Ρ ΠΏΡΠΎΠΈΠ·Π²ΠΎΠ΄ΠΈΡΠ΅Π»Π΅ΠΌ, Π | |
ΠΠΎΠΏΡΡΡΠΈΠΌΠΎΠ΅ Π΄Π»ΠΈΡΠ΅Π»ΡΠ½ΠΎΠ΅ Π²ΠΎΠ·Π΄Π΅ΠΉΡΡΠ²ΠΈΠ΅ Π²ΡΡΠΎΠΊΠΎΠ³ΠΎ Π½Π°ΠΏΡΡΠΆΠ΅Π½ΠΈΡ, Π | |
ΠΠΎΠΏΡΡΡΠΈΠΌΠΎΠ΅ Π²ΠΎΠ·Π΄Π΅ΠΉΡΡΠ²ΠΈΠ΅ Π²ΡΡΠΎΠΊΠΎΠ³ΠΎ Π½Π°ΠΏΡΡΠΆΠ΅Π½ΠΈΡ Π΄ΠΎ 5 ΠΌΠΈΠ½., Π | |
ΠΡΠΈΠ·Π½Π°ΠΊΠΈ Π½Π΅ΠΈΡΠΏΡΠ°Π²Π½ΠΎΡΡΠΈ pH
Π Π°Π²ΡΠΎΠΌΠΎΠ±ΠΈΠ»ΡΡ
ΠΠΠ-2110 ΡΠ΅Π³ΡΠ»ΡΡΠΎΡ Π½Π°ΠΏΡΡΠΆΠ΅Π½ΠΈΡ Π²ΡΡ
ΠΎΠ΄ΠΈΡ ΠΈΠ· ΡΡΡΠΎΡ Π΄ΠΎΠ²ΠΎΠ»ΡΠ½ΠΎ ΡΠ΅Π΄ΠΊΠΎ, Π½ΠΎ Π΅ΡΠ»ΠΈ ΡΡΠΎ ΠΏΡΠΎΠΈΠ·ΠΎΠΉΠ΄Π΅Ρ, ΡΠΎ ΠΏΡΠΈΠ·Π½Π°ΠΊΠ°ΠΌΠΈ Π΅Π³ΠΎ Π½Π΅ΠΈΡΠΏΡΠ°Π²Π½ΠΎΡΡΠΈ ΠΌΠΎΠ³ΡΡ Π±ΡΡΡ:
- ΠΡΠΊΠ°Π· ΠΏΠΎΠ΄ΡΠ²Π΅ΡΠΊΠΈ ΠΏΠ°Π½Π΅Π»ΠΈ ΡΠΏΡΠ°Π²Π»Π΅Π½ΠΈΡ.
- Π§ΡΠ΅Π·ΠΌΠ΅ΡΠ½ΠΎΠ΅ Π½Π°ΠΏΡΡΠΆΠ΅Π½ΠΈΠ΅ Π·Π°ΡΡΠ΄Π° Π°ΠΊΠΊΡΠΌΡΠ»ΡΡΠΎΡΠ°.
- ΠΠ΅Π΄ΠΎΡΡΠ°ΡΠΎΡΠ½ΠΎΠ΅ Π½Π°ΠΏΡΡΠΆΠ΅Π½ΠΈΠ΅ Π°ΠΊΠΊΡΠΌΡΠ»ΡΡΠΎΡΠ°.
ΠΡΠΈ Π²ΡΡ
ΠΎΠ΄Π΅ ΠΈΠ· ΡΡΡΠΎΡ ΡΠ΅Π³ΡΠ»ΡΡΠΎΡΠ° Π½Π°ΠΏΡΡΠΆΠ΅Π½ΠΈΡ ΠΠΠ-2110 ΠΌΠΎΠ³ΡΡ ΠΏΠ΅ΡΠ΅Π³ΠΎΡΠ΅ΡΡ ΠΏΡΠ΅Π΄ΠΎΡ
ΡΠ°Π½ΠΈΡΠ΅Π»ΠΈ, ΠΎΡΠ²Π΅ΡΠ°ΡΡΠΈΠ΅ Π·Π° Π±Π΅Π·ΠΎΠΏΠ°ΡΠ½ΠΎΡΡΡ ΡΠ΅ΠΏΠΈ ΠΏΠΈΡΠ°Π½ΠΈΡ ΠΏΠ°Π½Π΅Π»ΠΈ ΠΏΡΠΈΠ±ΠΎΡΠΎΠ².ΠΡΠ»ΠΈ ΠΏΠΎΠ΄ΡΠ²Π΅ΡΠΊΠ° Π½Π΅ Π·Π°Π³ΠΎΡΠ°Π΅ΡΡΡ ΠΏΡΠΈ Π²ΠΊΠ»ΡΡΠ΅Π½ΠΈΠΈ Π·Π°ΠΆΠΈΠ³Π°Π½ΠΈΡ, Π΅ΡΡΡ Π²Π΅ΡΠΎΡΡΠ½ΠΎΡΡΡ, ΡΡΠΎ Π² ΡΡΠΎΠΌ Π²ΠΈΠ½ΠΎΠ²Π°Ρ Π Π.
Π’ΠΎ ΠΆΠ΅ ΠΌΠΎΠΆΠ½ΠΎ ΠΏΡΠ΅Π΄ΠΏΠΎΠ»ΠΎΠΆΠΈΡΡ ΠΈ ΠΊΠΎΠ³Π΄Π° ΡΡΡΠ΅Π»ΠΊΠ° Π²ΠΎΠ»ΡΡΠΌΠ΅ΡΡΠ°, ΠΏΠΎΠΊΠ°Π·ΡΠ²Π°ΡΡΠ°Ρ ΡΡΠΎΠ²Π΅Π½Ρ Π·Π°ΡΡΠ΄Π° Π°ΠΊΠΊΡΠΌΡΠ»ΡΡΠΎΡΠ°, ΠΎΡΠΊΠ»ΠΎΠ½ΡΠ΅ΡΡΡ ΠΎΡ ΡΠ²ΠΎΠ΅Π³ΠΎ ΠΎΠ±ΡΡΠ½ΠΎΠ³ΠΎ ΠΏΠΎΠ»ΠΎΠΆΠ΅Π½ΠΈΡ, ΡΠΎ Π΅ΡΡΡ ΠΏΠΎΠΊΠ°Π·ΡΠ²Π°Π΅Ρ Π±ΠΎΠ»ΡΡΠ΅Π΅ ΠΈΠ»ΠΈ ΠΌΠ΅Π½ΡΡΠ΅Π΅ Π½Π°ΠΏΡΡΠΆΠ΅Π½ΠΈΠ΅.
ΠΠΌΠ΅Π½Π½ΠΎ ΡΡΠΎΡ ΡΠΈΠΌΠΏΡΠΎΠΌ ΡΠ°ΡΠ΅ Π²ΡΠ΅Π³ΠΎ ΠΏΡΠΎΡΠ²Π»ΡΠ΅ΡΡΡ ΠΏΡΠΈ Π²ΡΡ
ΠΎΠ΄Π΅ ΠΈΠ· ΡΡΡΠΎΡ ΡΠ΅Π»Π΅ ΡΠ΅Π³ΡΠ»ΠΈΡΠΎΠ²Π°Π½ΠΈΡ Π½Π°ΠΏΡΡΠΆΠ΅Π½ΠΈΡ Π³Π΅Π½Π΅ΡΠ°ΡΠΎΡΠ° ΠΠΠ-2110. Π Π΅ΡΠ»ΠΈ Π²ΠΎ Π²ΡΠΎΡΠΎΠΌ ΡΠ»ΡΡΠ°Π΅ ΡΡΠΎ ΠΌΠΎΠΆΠ΅Ρ Π²ΡΠ·Π²Π°ΡΡ ΡΠΎΠ»ΡΠΊΠΎ ΡΠ°Π·ΡΡΠ΄ Π°ΠΊΠΊΡΠΌΡΠ»ΡΡΠΎΡΠ°, ΡΠΎ Π² ΠΏΠ΅ΡΠ²ΠΎΠΌ Π³ΡΠΎΠ·ΠΈΡ Π²ΡΠΊΠΈΠΏΠ°Π½ΠΈΠ΅ ΡΠ»Π΅ΠΊΡΡΠΎΠ»ΠΈΡΠ° ΠΈ ΡΠ°Π·ΡΡΡΠ΅Π½ΠΈΠ΅ ΠΏΠ»Π°ΡΡΠΈΠ½ Π°ΠΊΠΊΡΠΌΡΠ»ΡΡΠΎΡΠ°.
ΠΠ°ΠΊ ΠΏΡΠΎΠ²Π΅ΡΠΈΡΡ ΡΠ°ΠΊΠ΅ΡΡ-Π½ΠΎΡΠΈΡΠ΅Π»Ρ Π½Π° ΠΠΠ-2110, Π½Π΅ ΡΠ½ΠΈΠΌΠ°Ρ Π΅Π΅
ΠΡΠ»ΠΈ Π²Ρ ΠΎΠ±Π½Π°ΡΡΠΆΠΈΡΠ΅ Ρ
ΠΎΡΡ Π±Ρ ΠΎΠ΄ΠΈΠ½ ΠΈΠ· ΠΏΠ΅ΡΠ΅ΡΠΈΡΠ»Π΅Π½Π½ΡΡ
ΠΏΡΠΈΠ·Π½Π°ΠΊΠΎΠ², Π½Π΅ ΠΏΠΎΠ»Π΅Π½ΠΈΡΠ΅ΡΡ ΠΏΡΠΎΠ²Π΅ΡΠΈΡΡ ΡΠ΅Π³ΡΠ»ΡΡΠΎΡ Π½Π°ΠΏΡΡΠΆΠ΅Π½ΠΈΡ Π½Π° Π²Π°ΡΠ΅ΠΌ ΠΠΠ-2110. ΠΡΠ° ΠΏΡΠΎΡΠ΅Π΄ΡΡΠ° Π·Π°Π½ΠΈΠΌΠ°Π΅Ρ Π½Π΅ Π±ΠΎΠ»Π΅Π΅ 10 ΠΌΠΈΠ½ΡΡ. ΠΠ»Ρ ΡΡΠΎΠ³ΠΎ ΠΏΠΎΠ½Π°Π΄ΠΎΠ±ΠΈΡΡΡ Π²ΠΊΠ»ΡΡΠ΅Π½Π½ΡΠΉ Π² Π΅Π³ΠΎ ΡΠ΅ΠΆΠΈΠΌ Π²ΠΎΠ»ΡΡΠΌΠ΅ΡΡ ΠΈΠ»ΠΈ ΠΌΡΠ»ΡΡΠΈΠΌΠ΅ΡΡ, Π° ΡΠ°ΠΊΠΆΠ΅ ΠΏΠΎΠΌΠΎΡΠ½ΠΈΠΊ. ΠΠΎΡΡΠ΄ΠΎΠΊ ΠΏΡΠΎΠ²Π΅ΡΠΊΠΈ ΡΠ»Π΅Π΄ΡΡΡΠΈΠΉ:
- ΠΠ°ΠΏΡΡΠΊΠ°Π΅ΠΌ Π΄Π²ΠΈΠ³Π°ΡΠ΅Π»Ρ ΡΡΠ°Π½ΠΊΠ° ΠΈ ΠΏΡΠΎΠ³ΡΠ΅Π²Π°Π΅ΠΌ Π΅Π³ΠΎ Π΄ΠΎ ΡΠ°Π±ΠΎΡΠ΅ΠΉ ΡΠ΅ΠΌΠΏΠ΅ΡΠ°ΡΡΡΡ.
- ΠΠ΅ Π²ΡΠΊΠ»ΡΡΠ°Ρ ΠΌΠΎΡΠΎΡ, ΠΏΠΎΠ΄ΠΊΠ»ΡΡΠ°Π΅ΠΌ ΠΎΠ΄ΠΈΠ½ ΡΡΠΏ Π²ΠΎΠ»ΡΡΠΌΠ΅ΡΡΠ° ΠΊ Π²ΡΠ²ΠΎΠ΄Ρ Β«B +Β» Π³Π΅Π½Π΅ΡΠ°ΡΠΎΡΠ°, Π° Π²ΡΠΎΡΠΎΠΉ ΠΊ Β«ΠΌΠ°ΡΡΠ΅Β» ΠΏΡΠΈΠ±ΠΎΡΠ°.
- ΠΡΠΎΡΠΈΠΌ ΠΏΠΎΠΌΠΎΡΠ½ΠΈΠΊΠ° Π²ΠΊΠ»ΡΡΠΈΡΡ Π±Π»ΠΈΠΆΠ½ΠΈΠΉ ΡΠ²Π΅Ρ ΡΠ°Ρ ΠΈ Π½Π°ΠΆΠ°ΡΡ Π½Π° ΠΏΠ΅Π΄Π°Π»Ρ Π°ΠΊΡΠ΅Π»Π΅ΡΠ°ΡΠΎΡΠ°, ΡΠ΄Π΅ΡΠΆΠΈΠ²Π°Ρ ΠΎΠ±ΠΎΡΠΎΡΡ Π½Π° ΡΡΠΎΠ²Π½Π΅ 2000-2500 ΡΡΡΡΡ ΠΎΠ± / ΠΌΠΈΠ½.
- ΠΠ·ΠΌΠ΅ΡΡΠ΅ΠΌ Π½Π°ΠΏΡΡΠΆΠ΅Π½ΠΈΠ΅ ΠΏΡΠΈΠ±ΠΎΡΠΎΠΌ.
Π Π΅Π³ΡΠ»ΡΡΠΎΡ Π½Π°ΠΏΡΡΠΆΠ΅Π½ΠΈΡ ΠΠΠ-2110 Π΄ΠΎΠ»ΠΆΠ΅Π½ Π²ΡΠ΄Π°Π²Π°ΡΡ 13,2-14,7 Π. ΠΡΠΎ Π½ΠΎΡΠΌΠ°. ΠΡΠ»ΠΈ ΠΏΠΎΠΊΠ°Π·Π°Π½ΠΈΡ Π²ΠΎΠ»ΡΡΠΌΠ΅ΡΡΠ° ΠΎΡΠ»ΠΈΡΠ°ΡΡΡΡ ΠΎΡ ΠΏΠΎΠΊΠ°Π·Π°Π½Π½ΡΡ
, Π΄ΠΈΠ°Π³Π½ΠΎΡΡΠΈΡΠ΅ΡΠΊΠΈΠ΅ ΠΌΠ΅ΡΠΎΠΏΡΠΈΡΡΠΈΡ ΡΠ»Π΅Π΄ΡΠ΅Ρ ΠΏΡΠΎΠ΄ΠΎΠ»ΠΆΠΈΡΡ.
ΠΡΠΎΠ²Π΅ΡΠΊΠ° ΡΠ½ΡΡΠΎΠ³ΠΎ ΡΠ΅Π³ΡΠ»ΡΡΠΎΡΠ° Π½Π°ΠΏΡΡΠΆΠ΅Π½ΠΈΡ
Π§ΡΠΎΠ±Ρ ΡΠ±Π΅Π΄ΠΈΡΡΡΡ, ΡΡΠΎ ΠΎΡΠΊΠ°Π·Π°Π» ΠΈΠΌΠ΅Π½Π½ΠΎ ΠΠ, Π° Π½Π΅ ΡΠ°ΠΌ Π³Π΅Π½Π΅ΡΠ°ΡΠΎΡ, Π΅Π³ΠΎ ΡΠ»Π΅Π΄ΡΠ΅Ρ ΠΏΡΠΎΠ²Π΅ΡΠΈΡΡ ΠΎΡΠ΄Π΅Π»ΡΠ½ΠΎ.ΠΠ»Ρ ΡΡΠΎΠ³ΠΎ Π²Π°ΠΌ Π½ΡΠΆΠ½ΠΎ Π±ΡΠ΄Π΅Ρ ΠΎΡΠΊΠ»ΡΡΠΈΡΡ Π΅Π³ΠΎ ΠΎΡ ΠΎΡΠ½ΠΎΠ²Π½ΠΎΠ³ΠΎ ΡΡΡΡΠΎΠΉΡΡΠ²Π°. ΠΠΎΡΡΠ΄ΠΎΠΊ Π΄Π΅ΠΉΡΡΠ²ΠΈΠΉ ΡΠ»Π΅Π΄ΡΡΡΠΈΠΉ:
- Π‘Π½ΠΈΠΌΠΈΡΠ΅ ΠΎΡΡΠΈΡΠ°ΡΠ΅Π»ΡΠ½ΡΡ ΠΊΠ»Π΅ΠΌΠΌΡ Ρ Π°ΠΊΠΊΡΠΌΡΠ»ΡΡΠΎΡΠ½ΠΎΠΉ Π±Π°ΡΠ°ΡΠ΅ΠΈ.
- ΠΠ°ΠΉΠ΄ΠΈΡΠ΅ ΠΌΠ΅ΡΡΠΎ ΠΊΡΠ΅ΠΏΠ»Π΅Π½ΠΈΡ pH ΠΊ Π³Π΅Π½Π΅ΡΠ°ΡΠΎΡΡ. ΠΡΠΊΡΡΡΠΈΠ²Π°Π΅ΠΌ 2 Π²ΠΈΠ½ΡΠ° Π΅Π³ΠΎ ΠΊΡΠ΅ΠΏΠ»Π΅Π½ΠΈΡ.
- ΠΡΡΠΎΠ΅Π΄ΠΈΠ½ΠΈΡΠ΅ ΠΆΠ΅Π»ΡΡΠΉ ΠΏΡΠΎΠ²ΠΎΠ΄ ΠΎΡ ΡΠ΅Π³ΡΠ»ΡΡΠΎΡΠ° ΠΊ Π³Π΅Π½Π΅ΡΠ°ΡΠΎΡΡ.
- ΠΠ΅ΠΌΠΎΠ½ΡΠΈΡΠΎΠ²Π°ΡΡ pH.
ΠΠ»Ρ Π΄ΠΈΠ°Π³Π½ΠΎΡΡΠΈΠΊΠΈ ΠΏΡΠΈΠ±ΠΎΡΠ° Π²Π°ΠΌ ΠΏΠΎΠ½Π°Π΄ΠΎΠ±ΠΈΡΡΡ Π±Π»ΠΎΠΊ ΠΏΠΈΡΠ°Π½ΠΈΡ Ρ Π²ΠΎΠ·ΠΌΠΎΠΆΠ½ΠΎΡΡΡΡ ΡΠ΅Π³ΡΠ»ΠΈΡΠΎΠ²ΠΊΠΈ Π²ΡΡ
ΠΎΠ΄Π½ΠΎΠ³ΠΎ Π½Π°ΠΏΡΡΠΆΠ΅Π½ΠΈΡ, Π»Π°ΠΌΠΏΠΎΡΠΊΠ° (12 Π) Ρ ΠΏΠ°ΡΡΠΎΠ½ΠΎΠΌ ΠΈ ΠΏΠ°ΡΠ° ΠΏΡΠΎΠ²ΠΎΠ΄ΠΎΠ².ΠΠ»Π³ΠΎΡΠΈΡΠΌ ΠΏΡΠΎΠ²Π΅ΡΠΊΠΈ ΡΠ»Π΅Π΄ΡΡΡΠΈΠΉ:
- Π‘ΠΎΠ±ΠΈΡΠ°Π΅ΠΌ Β«ΠΊΠΎΠ½ΡΡΠΎΠ»ΡΠ½ΡΡΒ» ΠΈΠ· Π»Π°ΠΌΠΏΡ ΠΈ ΠΏΡΠΎΠ²ΠΎΠ΄ΠΎΠ² ΠΈ ΠΏΠΎΠ΄ΠΊΠ»ΡΡΠ°Π΅ΠΌ ΠΊ ΡΠ΅ΡΠΊΠ°ΠΌ ΡΠ΅Π³ΡΠ»ΡΡΠΎΡΠ°.
- Π£ΡΡΠ°Π½Π°Π²Π»ΠΈΠ²Π°Π΅ΠΌ Π½Π°ΠΏΡΡΠΆΠ΅Π½ΠΈΠ΅ Π½Π° Π±Π»ΠΎΠΊΠ΅ ΠΏΠΈΡΠ°Π½ΠΈΡ 12 Π.
- Π Π²ΡΠ²ΠΎΠ΄Ρ Β«D +Β» ΠΊΠΎΠ½ΡΡΠΎΠ»Π»Π΅ΡΠ° ΠΏΠΎΠ΄Π½ΠΎΡΠΈΠΌ Β«ΠΏΠ»ΡΡΒ» ΠΎΡ Π±Π»ΠΎΠΊΠ° ΠΏΠΈΡΠ°Π½ΠΈΡ, Π° ΠΊ Π΅Π³ΠΎ Β«ΠΌΠ°ΡΡΠ΅Β» — Β«ΠΌΠΈΠ½ΡΡΒ».
- Π‘ΠΌΠΎΡΡΠΈΠΌ Π½Π° Π»Π°ΠΌΠΏΡ: ΠΎΠ½Π° Π΄ΠΎΠ»ΠΆΠ½Π° Π³ΠΎΡΠ΅ΡΡ.
- ΠΠΎΠ²ΡΡΠ°Π΅ΠΌ Π½Π°ΠΏΡΡΠΆΠ΅Π½ΠΈΠ΅ Π½Π° Π±Π»ΠΎΠΊΠ΅ ΠΏΠΈΡΠ°Π½ΠΈΡ Π΄ΠΎ 15-16 Π. ΠΡΠΈ ΠΈΡΠΏΡΠ°Π²Π½ΠΎΠΌ ΠΊΠΎΠ½ΡΡΠΎΠ»Π»Π΅ΡΠ΅ Π»Π°ΠΌΠΏΠ° Π΄ΠΎΠ»ΠΆΠ½Π° ΠΏΠΎΠ³Π°ΡΠ½ΡΡΡ.ΠΡΠ»ΠΈ ΡΡΠΎΠ³ΠΎ Π½Π΅ ΠΏΡΠΎΠΈΠ·ΠΎΡΠ»ΠΎ, Π½Π΅ΠΎΠ±Ρ
ΠΎΠ΄ΠΈΠΌΠΎ Π·Π°ΠΌΠ΅Π½ΠΈΡΡ pH.
PH Π·Π°ΠΌΠ΅Π½Π°
ΠΡΠΎΡΠ΅ΡΡ Π·Π°ΠΌΠ΅Π½Ρ ΡΠ΅Π³ΡΠ»ΡΡΠΎΡΠ° Π½Π°ΠΏΡΡΠΆΠ΅Π½ΠΈΡ Π½Π΅ ΠΏΡΠ΅Π΄ΡΡΠ°Π²Π»ΡΠ΅Ρ ΠΎΡΠΎΠ±ΠΎΠΉ ΡΠ»ΠΎΠΆΠ½ΠΎΡΡΠΈ. ΠΡΠ΅, ΡΡΠΎ Π²Π°ΠΌ Π½ΡΠΆΠ½ΠΎ ΡΠ΄Π΅Π»Π°ΡΡ, ΡΡΠΎ ΠΏΡΠΈΠΎΠ±ΡΠ΅ΡΡΠΈ Π½ΠΎΠ²ΠΎΠ΅ ΡΡΡΡΠΎΠΉΡΡΠ²ΠΎ, ΠΏΡΠΎΠ²Π΅ΡΠΈΡΡ Π΅Π³ΠΎ ΠΎΠΏΠΈΡΠ°Π½Π½ΡΠΌ Π²ΡΡΠ΅ ΡΠΏΠΎΡΠΎΠ±ΠΎΠΌ ΠΈ ΡΡΡΠ°Π½ΠΎΠ²ΠΈΡΡ Π½Π° Π³Π΅Π½Π΅ΡΠ°ΡΠΎΡ, Π·Π°ΡΡΠ½ΡΠ² Π΄Π²ΡΠΌΡ Π²ΠΈΠ½ΡΠ°ΠΌΠΈ. Π Π½Π΅ Π·Π°Π±ΡΠ΄ΡΡΠ΅ ΠΏΠΎΠ΄ΠΊΠ»ΡΡΠΈΡΡ ΠΆΠ΅Π»ΡΡΠΉ ΠΏΡΠΎΠ²ΠΎΠ΄!
Π’ΡΠ΅Ρ
ΡΡΡΠΏΠ΅Π½ΡΠ°ΡΡΠΉ ΡΠ΅Π³ΡΠ»ΡΡΠΎΡ Π½Π°ΠΏΡΡΠΆΠ΅Π½ΠΈΡ ΠΠΠ-2110
Π ΡΠ΅ΠΏΠ΅ΡΡ Π²Π΅ΡΠ½Π΅ΠΌΡΡ Π½Π΅ΠΌΠ½ΠΎΠ³ΠΎ Π½Π°Π·Π°Π΄. ΠΠ±Π½Π°ΡΡΠΆΠΈΠ² Π½Π΅ΠΈΡΠΏΡΠ°Π²Π½ΠΎΡΡΡ pH ΠΈ ΡΠ΅ΡΠΈΠ² Π΅Π΅ Π·Π°ΠΌΠ΅Π½ΠΈΡΡ, Π½Π΅ ΡΠΎΡΠΎΠΏΠΈΡΠ΅ΡΡ ΠΏΠΎΠΊΡΠΏΠ°ΡΡ ΡΡΠ°ΡΠ½ΡΠΉ ΠΏΡΠΈΠ±ΠΎΡ.ΠΠ»Ρ Π½Π΅Π³ΠΎ Π΅ΡΡΡ Ρ
ΠΎΡΠΎΡΠ°Ρ Π°Π»ΡΡΠ΅ΡΠ½Π°ΡΠΈΠ²Π° — ΡΡΠ΅Ρ
ΡΡΡΠΏΠ΅Π½ΡΠ°ΡΡΠΉ ΡΠ΅Π³ΡΠ»ΡΡΠΎΡ. Π§Π΅ΠΌ ΠΎΠ½ ΠΎΡΠ»ΠΈΡΠ°Π΅ΡΡΡ ΠΎΡ ΠΎΠ±ΡΡΠ½ΠΎΠ³ΠΎ? ΠΠ½ ΠΏΠΎΠ·Π²ΠΎΠ»ΡΠ΅Ρ ΡΠ΅Π³ΡΠ»ΠΈΡΠΎΠ²Π°ΡΡ Π²ΡΡ
ΠΎΠ΄Π½ΠΎΠ΅ Π½Π°ΠΏΡΡΠΆΠ΅Π½ΠΈΠ΅ Π² Π·Π°Π²ΠΈΡΠΈΠΌΠΎΡΡΠΈ ΠΎΡ ΡΠ΅ΠΌΠΏΠ΅ΡΠ°ΡΡΡΡ Π²ΠΎΠ·Π΄ΡΡ
Π°, ΡΠ΅ΠΌ ΡΠ°ΠΌΡΠΌ ΠΎΠΏΡΠΈΠΌΠΈΠ·ΠΈΡΡΡ Π½Π°Π³ΡΡΠ·ΠΊΡ Π½Π° Π°ΠΊΠΊΡΠΌΡΠ»ΡΡΠΎΡ.
ΠΠ΅ΡΠ΅ΠΊΠ»ΡΡΠ΅Π½ΠΈΠ΅ ΡΠ΅ΠΆΠΈΠΌΠΎΠ² ΠΎΡΡΡΠ΅ΡΡΠ²Π»ΡΠ΅ΡΡΡ ΡΡΠΌΠ±Π»Π΅ΡΠΎΠΌ Π² ΡΠ»Π΅Π΄ΡΡΡΠΈΡ
Π΄ΠΈΠ°ΠΏΠ°Π·ΠΎΠ½Π°Ρ
:
- 13,6 Π (ΠΌΠΈΠ½ΠΈΠΌΡΠΌ) — Π΄Π»Ρ ΡΠ°Π±ΠΎΡΡ ΠΏΡΠΈ ΡΠ΅ΠΌΠΏΠ΅ΡΠ°ΡΡΡΠ°Ρ
Π²ΡΡΠ΅ +20 ΠΎ Π‘;
- 14,2 Π (Π½ΠΎΡΠΌΠ°Π»ΡΠ½ΠΎΠ΅) — ΠΎΡ 0 Β° Π‘ Π΄ΠΎ +20 Β° Π‘;
- 14,7 Π (ΠΌΠ°ΠΊΡΠΈΠΌΡΠΌ) — Π΄Π»Ρ ΡΠ°Π±ΠΎΡΡ ΠΏΡΠΈ ΡΠ΅ΠΌΠΏΠ΅ΡΠ°ΡΡΡΠ΅ Π½ΠΈΠΆΠ΅ 0 Β° Π‘.
Π’ΡΠ΅Ρ
ΡΡΠΎΠ²Π½Π΅Π²ΡΠΉ ΡΠ΅Π³ΡΠ»ΡΡΠΎΡ Π½Π°ΠΏΡΡΠΆΠ΅Π½ΠΈΡ ΠΠΠ-2110 ΡΠΎΡΡΠΎΠΈΡ ΠΈΠ· Π΄Π²ΡΡ
ΡΠ°ΡΡΠ΅ΠΉ: ΡΠΎΠ±ΡΡΠ²Π΅Π½Π½ΠΎ pH ΠΈ ΡΠ΅ΡΠΊΠΎΠ΄Π΅ΡΠΆΠ°ΡΠ΅Π»Ρ. ΠΠΎΡΠ»Π΅Π΄Π½ΠΈΠΉ ΡΡΡΠ°Π½Π°Π²Π»ΠΈΠ²Π°Π΅ΡΡΡ ΠΏΡΡΠΌΠΎ Π½Π° Π³Π΅Π½Π΅ΡΠ°ΡΠΎΡ ΠΈ ΡΠΎΠ΅Π΄ΠΈΠ½ΡΠ΅ΡΡΡ Ρ ΠΏΠ΅ΡΠ²ΡΠΌ ΠΏΡΠΎΠ²ΠΎΠ΄ΠΎΠΌ. Π Π΅Π³ΡΠ»ΡΡΠΎΡ, ΠΎΡΠ½Π°ΡΠ΅Π½Π½ΡΠΉ ΡΡΠΌΠ±Π»Π΅ΡΠΎΠΌ, ΠΊΡΠ΅ΠΏΠΈΡΡΡ ΠΊ ΠΊΡΠ·ΠΎΠ²Ρ Π°Π²ΡΠΎΠΌΠΎΠ±ΠΈΠ»Ρ Π² ΠΌΠΎΡΠΎΡΠ½ΠΎΠΌ ΠΎΡΡΠ΅ΠΊΠ΅ Π² ΡΠ΄ΠΎΠ±Π½ΠΎΠΌ ΠΌΠ΅ΡΡΠ΅. ΠΡ ΠΌΠΎΠΆΠ΅ΡΠ΅ ΡΡΡΠ°Π½ΠΎΠ²ΠΈΡΡ pH ΡΠ°ΠΌΠΎΡΡΠΎΡΡΠ΅Π»ΡΠ½ΠΎ, ΡΠ»Π΅Π΄ΡΡ ΠΏΡΠΈΠ»Π°Π³Π°Π΅ΠΌΠΎΠΉ ΠΊ Π½Π΅ΠΌΡ ΠΈΠ½ΡΡΡΡΠΊΡΠΈΠΈ.
ΠΠΎΡΠ°Π±ΠΎΡΠΊΠ° ΠΈ ΡΠ»ΡΡΡΠ΅Π½ΠΈΠ΅ ΠΊΠΎΠ½ΡΡΡΡΠΊΡΠΈΠΈ ΠΎΡΠΎΠΏΠΈΡΠ΅Π»Ρ Π£ΠΠ Π₯Π°Π½ΡΠ΅Ρ, ΠΏΠΎΠ΄Π±ΠΎΡ ΠΈ Π·Π°ΠΌΠ΅Π½Π° ΡΠ»Π΅ΠΊΡΡΠΎΠ΄Π²ΠΈΠ³Π°ΡΠ΅Π»Ρ, ΡΠ΅Π·ΠΎΠ½Π½ΠΎΠ΅ ΠΎΠ±ΡΠ»ΡΠΆΠΈΠ²Π°Π½ΠΈΠ΅.Π‘Π°Π»ΠΎΠ½ Π°Π²ΡΠΎΠΌΠΎΠ±ΠΈΠ»Ρ Π£ΠΠ. ΠΡΠΎΠΏΠ»Π΅Π½ΠΈΠ΅ ΠΈ Π²Π΅Π½ΡΠΈΠ»ΡΡΠΈΡ ΠΠΎΠ½ΡΠ°ΠΆ ΠΏΠ΅ΡΠΊΠΈ ΡΠ°Π· 469
Π― ΡΠΆΠ΅ ΡΠ°ΡΡΠΊΠ°Π·ΡΠ²Π°Π», ΠΊΠ°ΠΊ ΠΏΠΎΠ΄Π³ΠΎΡΠΎΠ²ΠΈΠ» ΡΠ²ΠΎΠΉ Π£ΠΠ ΠΊ ΠΏΠ΅ΡΠ΅Π΅Π·Π΄Ρ Ρ ΡΠ³Π° Π² Π‘ΠΈΠ±ΠΈΡΡ ΠΈ ΠΏΠΎΠΎΠ±Π΅ΡΠ°Π», ΡΡΠΎ ΠΈ Π΄Π°Π»ΡΡΠ΅ Π±ΡΠ΄Ρ ΡΠ°ΡΡΠΊΠ°Π·ΡΠ²Π°ΡΡ ΠΎ Π΅Π³ΠΎ ΠΏΠ΅ΡΠ΅Π΄Π΅Π»ΠΊΠ΅ ΡΠ²ΠΎΠΈΠΌΠΈ ΡΡΠΊΠ°ΠΌΠΈ, Π° ΡΠ°ΠΊ …
ΠΠΊΡΠΏΠ»ΡΠ°ΡΠ°ΡΠΈΡ ΠΌΠ°ΡΠΈΠ½Ρ Π·ΠΈΠΌΠΎΠΉ Π²ΡΡΠ²ΠΈΠ»Π° ΠΏΡΠΎΠ±Π»Π΅ΠΌΡ . ΠΡΠ»ΠΈ Π·Π° Π±ΠΎΡΡΠΎΠΌ Π½ΠΈΠΆΠ΅ 30 ΠΏΠΎ Π¦Π΅Π»ΡΡΠΈΡ, ΡΠΎ ΠΏΠ΅ΡΠ΅Π΄Π½ΡΡ ΠΏΠ΅ΡΠΊΠ° ΠΏΠ΅ΡΠ΅ΡΡΠ°Π΅Ρ Π³ΡΠ΅ΡΡ ΠΈ ΠΎΠ±Π΄ΡΠ²Π°ΡΡ ΡΡΠ΅ΠΊΠ»Π° — Π½Π° Π»ΠΎΠ±ΠΎΠ²ΠΎΠΉ Π΅ΡΡΡ 2 Β«Π°ΠΌΠ±ΡΠ°Π·ΡΡΡΒ», Π±ΠΎΠΊΠΎΠ²ΡΠ΅ ΠΈΠ·Π½ΡΡΡΠΈ ΠΏΠΎΠ»Π½ΠΎΡΡΡΡ ΠΏΠΎΠΊΡΡΡΡ Π»ΡΠ΄ΠΎΠΌ, Π½Π΅ΡΠΌΠΎΡΡΡ Π½Π° ΡΠΎ, ΡΡΠΎ ΠΌΠ°ΡΠΈΠ½Π° Ρ
ΠΎΡΠΎΡΠΎ ΡΡΠ΅ΠΏΠ»Π΅Π½Π° .ΠΠΎΠΈΡΠΊ Π² ΠΠ½ΡΠ΅ΡΠ½Π΅ΡΠ΅ ΠΏΠΎΠΊΠ°Π·Π°Π», ΡΡΠΎ ΠΏΡΠΎΠ±Π»Π΅ΠΌΠ° Π½Π΅ Π½ΠΎΠ²Π°, ΡΠ΅ΡΠ΅Π½ΠΈΠΉ (ΠΈ ΡΠ΅Π·ΡΠ»ΡΡΠ°ΡΠΎΠ²) ΠΌΠ½ΠΎΠ³ΠΎ. ΠΠΎ ΠΏΠΎΡΠΊΠΎΠ»ΡΠΊΡ ΠΌΠ΅Π½Ρ Β«ΡΠ΄Π΅Π»Π°Π»ΠΈΒ» Π² Π‘Π‘Π‘Π , Ρ ΠΌΠ΅Π½Ρ ΡΠ΅Ρ
Π½ΠΈΡΠ΅ΡΠΊΠΎΠ΅ ΠΎΠ±ΡΠ°Π·ΠΎΠ²Π°Π½ΠΈΠ΅, ΡΠ΅Ρ
Π½ΠΈΡΠ΅ΡΠΊΠΈΠΉ ΡΠΊΠ»Π°Π΄ ΡΠΌΠ° ΠΈ, ΠΊΠ°ΠΆΠ΅ΡΡΡ, Π½Π΅ ΠΊΡΠΈΠ²ΡΠ΅ ΡΡΠΊΠΈ, Ρ ΠΏΠΎΡΠ΅Π» ΡΠ²ΠΎΠΈΠΌ ΠΏΡΡΠ΅ΠΌ. Π’Π°ΠΊ ΡΡΠΎ ΠΏΡΠΎΠ±Π»Π΅ΠΌΠ° ΠΏΠ΅ΡΠΊΠΈ — ΠΏΠ»ΠΎΡ
ΠΎΠΉ Π½Π°Π³ΡΠ΅Π² (Π±ΡΡΡΡΠΎΠ΅ ΠΎΡ
Π»Π°ΠΆΠ΄Π΅Π½ΠΈΠ΅) ΠΈ ΠΌΠ°Π»ΡΠΉ ΡΠ°ΡΡ
ΠΎΠ΄ Π²ΠΎΠ·Π΄ΡΡ
Π° Π² ΠΏΠ»ΠΈΡΠ΅; ΠΏΡΠΈΡΠ»ΠΎΡΡ ΡΠ΅ΡΠ°ΡΡ ΡΠ°Π΄ΠΈΠΊΠ°Π»ΡΠ½ΠΎ …
Π― Π²Π»ΠΎΠΆΠΈΠ» ΡΡΡ ΠΌΡΡΠ»Ρ Π² Π³ΠΎΠ»ΠΎΠ²Ρ ΠΈ ΠΆΠ΄Π°Π», ΠΏΠΎΠΊΠ° Π² ΠΌΠΎΠΈ ΡΡΠΊΠΈ Π½Π΅ ΠΏΠΎΠΏΠ°Π΄Π΅Ρ ΡΡΠΎ-Π½ΠΈΠ±ΡΠ΄Ρ, ΡΡΠΎ ΠΌΠ½Π΅ ΠΏΡΠΈΠ³ΠΎΠ΄ΠΈΡΡΡ. Π Π²ΠΎΡ ΡΠΎΡΠ΅Π΄ (ΠΎΠ½ Π΄Π΅ΡΠΆΠΈΡ ΠΊΠΈΠΎΡΠΊ ΠΊΠΎΠ½ΡΡΠ°ΠΊΡΠ½ΡΡ
Π·Π°ΠΏΡΠ°ΡΡΠ΅ΠΉ ΡΡΠ΄ΠΎΠΌ Ρ Π‘Π’Π, Π³Π΄Π΅ Ρ ΡΠ°Π±ΠΎΡΠ°Ρ) ΠΏΡΠΈΠ²Π΅Π»… ΠΡΠΎ Π±ΡΠ»Π° ΠΏΠ΅ΡΠΊΠ° (ΡΠΎΡΠ½Π΅Π΅, ΠΊΠ°ΠΊ Π²ΡΡΡΠ½ΠΈΠ»ΠΎΡΡ, ΠΏΠΎΠ»ΠΎΠ²ΠΈΠ½ΠΊΠ° — ΠΌΠΎΡΠΎΡΠ½ΡΠΉ ΠΊΠΎΡΠΏΡΡ Ρ ΠΌΠΎΡΠΎΡΡΠΈΠΊΠΎΠΌ ΠΏΠ΅ΡΠΊΠΈ ΠΈ Π·Π°ΡΠ»ΠΎΠ½ΠΊΠ°ΠΌΠΈ) ΠΎΡ Toyota (Π½Π΅ Π·Π½Π°Ρ ΠΊΠ°ΠΊΠ°Ρ) Ρ Π½Π°Π΄ΠΏΠΈΡΡΡ Π½Π° Π½Π΅ΠΉ ST-215 ΠΈ ΡΠ°Π±ΠΎΡΠ° ΠΏΠΎΡΠ»Π°. Π‘Π½ΡΠ»ΠΈ ΠΈ ΡΠ°Π·ΠΎΠ±ΡΠ°Π»ΠΈ ΠΏΠ΅ΡΠΊΡ Π£ΠΠ, Π²ΡΠ΅ ΡΠ°Π·Π»ΠΎΠΆΠΈΠ»ΠΈ Π½Π° ΠΏΠΎΠ»Ρ …
ΠΠ΅ΡΠΊΡ Π£ΠΠ ΡΠ°Π·ΠΎΠ±ΡΠ°Π»ΠΈ ΠΏΠΎΠΏΠΎΠ»Π°ΠΌ (ΠΏΠΎ Π·Π°Π²ΠΎΠ΄ΡΠΊΠΎΠΌΡ ΠΏΠΎΠ΄ΠΊΠ»ΡΡΠ΅Π½ΠΈΡ), ΡΠ½ΡΠ»ΠΈ ΡΠ°Π΄ΠΈΠ°ΡΠΎΡ ΠΈ ΠΏΠ΅ΡΠ΅Π΄Π°Π»ΠΈ Π½Π° ΠΏΠ°ΠΉΠΊΡ ΡΠΏΠ΅ΡΠΈΠ°Π»ΡΠ½ΠΎ ΠΎΠ±ΡΡΠ΅Π½Π½ΠΎΠΌΡ ΡΠ΅Π»ΠΎΠ²Π΅ΠΊΡ -ΠΏΡΠΎΠ²Π΅ΡΠΊΠ°))). ΠΡΠΈΡΠ»Π° Π½ΠΎΠ²Π°Ρ ΠΏΠ΅ΡΠΊΠ° ΠΊΠ°ΠΊ ΡΠΎΠ΄Π½Π°Ρ Π²Π·Π°ΠΌΠ΅Π½ Π·Π°Π΄Π½Π΅ΠΉ (Π½Π°ΠΏΠΎΠ»ΠΎΠ²ΠΈΠ½Ρ ΡΠ½ΡΡΠΎΠΉ) ΡΠΎΠ΄Π½ΠΎΠΉ, Π½ΠΎ ΡΠ°Π΄ΠΈΠ°ΡΠΎΡΠ° ΠΌΠ΅ΡΡΠ° Π½Π΅ Π±ΡΠ»ΠΎ.ΠΡΠ»ΠΎ ΡΠ΅ΡΠ΅Π½ΠΎ Π΄Π²ΠΈΠ½ΡΡΡ Π΅Π΅ Π²ΠΏΠ΅ΡΠ΅Π΄ — Π±ΠΎΠ»Π³Π°ΡΠΊΠ°, ΠΏΠΈΠ»ΠΈΠ½Π³, Π³Π½ΡΡΠΈΠ½Π³ ΠΈ … ΠΎΠΊΠ°Π·Π°Π»ΠΎΡΡ ΡΠΎΠΆΠ΅ ΡΠ°ΠΌΠΎΠ΅))). ΠΡΠΈΠΊΡΠ΅ΠΏΠ»ΡΠ΅ΠΌ ΡΠ°Π΄ΠΈΠ°ΡΠΎΡ ΠΊ Π± / Ρ ΡΠ΅ΠΌΠ½ΡΠΌ ΠΠ Π, ΠΊΠΎΠ½Π΅ΡΠ½ΠΎ Π²ΡΠ΅ ΡΠ΅ΡΠ΅Π· ΡΠ΅Π·ΠΈΠ½Ρ (Π²Π΅Π·Π΄Π΅ ΡΡΠ°Π²ΠΈΠΌ Π²ΡΠ΅ ΠΌΠ΅ΠΆΠ΄Ρ ΠΌΠ΅ΡΠ°Π»Π»ΠΎΠΌ).
Π‘ΠΎΠ±ΠΈΡΠ°Π΅ΠΌ Π²ΡΠ΅ Π² Π΅Π΄ΠΈΠ½ΡΠΉ ΡΡΡΠ»ΡΡ, Π½Π΅ Π·Π°Π±ΡΠ²Π°Ρ Π²ΡΠ΅ ΡΡΠΎ ΠΌΠΎΠΆΠ½ΠΎ ΡΠΊΠ»Π΅ΠΈΡΡ Ρ ΡΠ΅ΡΠΌΠΎΠ·Π°ΡΠΈΡΠΎΠΉ ΠΈ Π²ΡΠ΅ ΡΡΠ΅ΡΠΈΠ½Ρ Π·Π°Π»ΠΈΠ» ΠΎΠ±ΡΡΠ½ΡΠΌ ΡΠΈΠ»ΠΈΠΊΠΎΠ½ΠΎΠ²ΡΠΌ Π³Π΅ΡΠΌΠ΅ΡΠΈΠΊΠΎΠΌ
ΠΡΠ΅ ΠΏΡΠΎΠ²Π΅ΡΡΠ΅ΠΌ Π΅ΡΠ΅ ΡΠ°Π· ΠΈ ΠΏΠΎΡΡΠ°Π²ΠΈΠ» Π½Π° ΠΌΠ΅ΡΡΠΎ ΠΈ ΡΠ½ΠΎΠ²Π° Π·Π°ΡΠ°Π΄Π° — Π½Π΅ΠΌΠ½ΠΎΠ³ΠΎ ΠΌΠ΅ΡΠ°Π΅Ρ ΠΏΠ΅ΡΠ΅Π΄Π½ΡΡ ΠΏΠ°Π½Π΅Π»Ρ… ΠΠΎΠ»Π³Π°ΡΠΊΠ° ΡΡΠΎ ΡΠ΅ΡΠΈΡ))), ΡΠ°ΠΊ ΠΆΠ΅ Π½Π΅ΠΌΠ½ΠΎΠ³ΠΎ Π·Π°Π³ΠΈΠ±Π°Π΅ΠΌ ΡΡΡΠ°Π³ΠΈ Π²ΠΊΠ»ΡΡΠ΅Π½ΠΈΡ ΠΌΠΎΡΡΠ° ΠΈ ΠΎΠΏΡΡΠ΅Π½Π½ΠΎΠ³ΠΎ. ΠΠΊΠ½Π° Β«Π»Π΅ΡΠ½Π΅Π³ΠΎΒ» Π΄ΡΡΡΡ ΠΈΠ· ΡΡΠ°ΡΠΎΠΉ ΠΏΠ΅ΡΠΈ ΠΎΡΡΠ°Π»ΠΈΡΡ ΡΠ°Π±ΠΎΡΠΎΡΠΏΠΎΡΠΎΠ±Π½ΡΠΌΠΈ.
Π Π΅ΡΠ΅ ΡΠ°Π· ΠΏΠΎΠ΄ΡΠΌΠ°ΡΡ … ΠΠΎΠ·Π΄ΡΡ
ΠΎΠ²ΠΎΠ΄Ρ Π½Π΅ Π½Π°ΡΠ΅Π» — ΠΏΡΠΎΠ±ΠΎΠ²Π°Π» ΠΏΠΎΠ΄ΠΎΠ±ΡΠ°ΡΡ … ΠΠΊΠ°Π·Π°Π»ΠΎΡΡ, ΡΡΠΎ ΡΡΡΠ± Π΄Π»Ρ ΡΠ°Π½ΡΠ΅Ρ
Π½ΠΈΠΊΠΈ 50 — ΡΠ°ΠΌΠΎΠ΅ ΡΠΎ))). Π‘Ρ
Π΅ΠΌΠ° ΠΏΠΎΠ΄ΠΊΠ»ΡΡΠ΅Π½ΠΈΡ Π±ΡΠ»Π° Π²Π·ΡΡΠ° Π² ΠΈΠ½ΡΠ΅ΡΠ½Π΅ΡΠ΅ — ΡΠ΅ΠΏΠ΅ΡΡ Ρ ΠΌΠ΅Π½Ρ 3 ΡΠΊΠΎΡΠΎΡΡΠΈ Π²Π΅Π½ΡΠΈΠ»ΡΡΠΎΡΠ° Π±Π»Π°Π³ΠΎΠ΄Π°ΡΡ ΡΠ΅Π·ΠΈΡΡΠΎΡΡ ΠΏΠ΅ΡΠΊΠΈ ΠΠΠ 2110.
Π‘Π½ΠΎΠ²Π° Π·Π°Π΄Π΅Π»ΡΠ²Π°Π΅ΠΌ Π²ΡΠ΅ ΡΠ΅Π»ΠΈ Π³Π΅ΡΠΌΠ΅ΡΠΈΠΊΠΎΠΌ, ΠΆΠ΄Π΅ΠΌ ΠΎΠΊΠΎΠ»ΠΎ ΡΡΡΠΎΠΊ, ΠΏΠΎΠ΄ΠΊΠ»ΡΡΠ°Π΅ΠΌ. ΠΠ°Π΄Π΅Π²Π°Π΅ΠΌ Π΄ΠΎΠΏΠΎΠ»Π½ΠΈΡΠ΅Π»ΡΠ½ΡΠΉ Π½Π° ΠΎΡΠ²ΠΎΠ΄Π½ΠΎΠΉ ΡΠ»Π°Π½Π³ ΠΎΡ Π³ΠΎΠ»ΠΎΠ²ΠΊΠΈ Π±Π»ΠΎΠΊΠ° ΠΎΡ
Π»Π°ΠΆΠ΄Π΅Π½ΠΈΡ. ΡΠ»Π΅ΠΊΡΡΠΎΠ½Π°ΡΠΎΡ (Π±Π΅ΡΠΈ ΡΠΎΠ»ΡΠΊΠΎ Bosch — Π½Π°ΡΠ΅Π³ΠΎ Π½Π΅Ρ) ΠΈ ΡΠΎΡΠΆΠ΅ΡΡΠ²Π΅Π½Π½ΡΠΉ Π·Π°ΠΏΡΡΠΊ …)))
ΠΠ°Π΄Π΅ΠΆΠ΄Ρ ΠΎΠΏΡΠ°Π²Π΄Π°Π»ΠΈΡΡ — Π·ΠΈΠΌΠ° Π΅ΡΠ΅ Π½Π΅ Π½Π°ΡΡΡΠΏΠΈΠ»Π°, Π½ΠΎ Β«Ρ
ΠΎΠ΄ΠΎΠ²ΡΠ΅ ΠΈΡΠΏΡΡΠ°Π½ΠΈΡΒ» ΠΏΠΎΠΊΠ°Π·Π°Π»ΠΈ: Π½Π° 1 ΡΠΊΠΎΡΠΎΡΡΠΈ ΠΏΠ΅ΡΠΊΠ° Π΄ΡΠ΅Ρ Π² ΡΠ°Π·Ρ ΡΠΈΠ»ΡΠ½Π΅Π΅ ΡΠ΅ΠΌ ΡΡΠ°ΡΡΠΉ; Π½Π° 3 ΡΠΊΠΎΡΠΎΡΡΠΈ — ΠΏΠΎΠ΄Π½ΠΈΠΌΠ°Π΅Ρ Π·Π°Π³Π»ΡΡΠΊΡ Ρ Π³ΠΎΠ»ΠΎΠ²Ρ Π·Π° ΠΊΠΎΠ·ΡΡΠ΅ΠΊ))) ΡΠ°Π΄ΠΈΠ°ΡΠΎΡ Π³ΠΎΡΡΡΠΈΠΉ — ΡΡΠΊΠ° Π½Π΅ ΡΠ΅ΡΠΏΠΈΡ.ΠΠ½Π΅ΡΠ½ΡΡ ΡΡΡΠ΅ΡΠΈΠΊΡ ΡΠ΅Π·ΡΠ»ΡΡΠ°ΡΠ° ΠΎΡΡΠ°Π²ΠΈΠ» Π½Π° ΠΏΠΎΡΠΎΠΌ — ΠΏΡΠΎΡΡΠΎ ΠΏΠΎΡΡΠ°Π²Π»Ρ ΡΠ²Π΅ΡΡ
Ρ ΡΠ·ΠΊΡΡ ΠΏΠΎΠ»ΠΎΡΠΊΡ ΠΈ Π·Π°ΠΊΡΠΎΡ Π²ΠΈΠ΄ Π½Π° ΠΌΠΎΡΠΎΡΡΠΈΠΊ ΠΏΠ΅ΡΠΊΠΈ ΠΈΠ·Π½ΡΡΡΠΈ. ΠΡΠ΅ ΡΠ΄Π΅Π»Π°Ρ Π½ΠΎΠ²ΡΠ΅ Π°ΠΌΠΎΡΡΠΈΠ·Π°ΡΠΎΡΡ ΡΠ΅ΡΠ΅Π· ΠΌΠ΅Ρ
Π°Π½ΠΈΡΠ΅ΡΠΊΡΡ ΡΡΠ³Ρ — ΡΡΡΠ°Π³ ΠΏΠΎΠ΄Π½ΡΠ» ΠΈ ΠΎΡΠΊΡΡΠ», ΠΎΠΏΡΡΡΠΈΠ» — Π·Π°ΠΊΡΡΠ», Π½ΠΈΡΠ΅Π³ΠΎ ΠΈΠ½ΡΠ΅ΡΠ΅ΡΠ½ΠΎΠ³ΠΎ. Π’Π΅ΠΏΠ΅ΡΡ ΠΎ Π·Π°ΡΡΠ°ΡΠ°Ρ
:
ΠΠ»Π΅ΠΊΡΡΠΎΠ½Π°ΡΠΎΡ Π±ΡΠ» Π² Π½Π°Π»ΠΈΡΠΈΠΈ, Π² ΠΌΠ°Π³Π°Π·ΠΈΠ½Π΅ ΡΡΠΎΠΈΡ ΠΎΡ 2500 ΡΡΠ±.
ΡΠ΅Π·ΠΈΡΡΠΎΡ
, ΠΏΡΠΎΠ²ΠΎΠ΄Π°, ΠΏΠ΅ΡΠ΅ΠΊΠ»ΡΡΠ°ΡΠ΅Π»Ρ 3-Ρ
ΠΏΠΎΠ·ΠΈΡΠΈΠΎΠ½Π½ΡΠΉ — 800Ρ
ΡΠ΅ΠΌΠΎΠ½Ρ ΡΠ°Π΄ΠΈΠ°ΡΠΎΡΠ° ΠΏΠ΅ΡΠΊΠΈ, ΠΏΠ°ΠΉΠΊΠ° ΠΈ ΠΏΡΠΎΠ²Π΅ΡΠΊΠ° — 500Ρ
, Π³Π΅ΡΠΌΠ΅ΡΠΈΠΊ
, Π²ΠΈΠ½ΡΡ, Π±ΠΎΠ»ΡΡ, ΠΏΠ»Π°ΡΡΠΈΠΊΠΎΠ²ΡΠ΅ Ρ
ΠΎΠΌΡΡΡ ΠΈ Π΄Ρ.- 300Ρ
ΡΡΡΠ±Π° Π²ΠΎΠ·Π΄ΡΡ
ΠΎΠ²ΠΎΠ΄Π°
, 2 ΡΡΠΎΠΉΠ½ΠΈΠΊΠ°, 4 ΡΠ³ΠΎΠ»ΠΊΠ°, ΠΏΠ΅ΡΠ΅Ρ
ΠΎΠ΄ 100 Π½Π° 50 — 400Ρ
ΡΡΠ΅ΠΏΠ»ΠΈΡΠ΅Π»Ρ (ΠΏΠΎΡΠΎΠ»ΠΎΠ½ Π½Π° 10 ΠΌΠΌ) — 200Ρ
ΠΡΠΎΠ³ΠΎ — 2200Ρ (Π±Π΅Π· ΡΡΠ΅ΡΠ° Π΄ΠΎΠΏ.ΡΠ»Π΅ΠΊΡΡΠΎΠ½Π°ΡΠΎΡΠ°)
ΠΠΎΡ ΠΈ Π²ΡΠ΅, ΠΠ°ΡΠ΅Π½ΡΠΎΠ²Π°ΡΡ Π½Π΅ Π±ΡΠ΄Ρ — ΠΏΠΎΠ»ΡΠ·ΡΠΉΡΠ΅ΡΡ)))
ΠΡΠΎΠΏΠΈΡΠ΅Π»Ρ Π£Π°Π· Π₯Π°Π½ΡΠ΅Ρ — ΡΡΠΎ Π΅Π³ΠΎ Π·Π°ΠΌΠ΅Π½Π° Π±ΠΎΠ»Π΅Π΅ ΡΠΎΠ²Π΅ΡΡΠ΅Π½Π½ΠΎΠΌΡ ΠΈ ΡΡΡΠ΅ΠΊΡΠΈΠ²Π½ΠΎΠΌΡ ΠΎΡΠΎΠΏΠΈΡΠ΅Π»Ρ ΠΏΡΠΎΠΈΠ·Π²ΠΎΠ΄ΡΡΠ²Π° ΠΠΠΠ. Π£ Π½Π΅Π³ΠΎ Π±ΠΎΠ»ΡΡΠ΅ ΠΏΡΠ΅ΠΈΠΌΡΡΠ΅ΡΡΠ², ΡΠ΅ΠΌ Π½Π΅Π΄ΠΎΡΡΠ°ΡΠΊΠΎΠ², Π³Π»Π°Π²Π½ΡΠΉ ΠΈΠ· ΠΊΠΎΡΠΎΡΡΡ
— Π²ΡΡΠΎΠΊΠ°Ρ ΡΠ΅Π½Π°. ΠΡΠ»ΠΈ Π²Ρ Ρ
ΠΎΡΠΈΡΠ΅ ΡΡΠΊΠΎΠ½ΠΎΠΌΠΈΡΡ, ΡΠΎ ΠΏΠΎΠ²ΡΡΠΈΡΡ ΠΠΠ ΡΡΠ°ΡΠ½ΠΎΠ³ΠΎ ΠΎΠ±ΠΎΠ³ΡΠ΅Π²Π°ΡΠ΅Π»Ρ ΠΌΠΎΠΆΠ½ΠΎ Ρ ΠΏΠΎΠΌΠΎΡΡΡ Π½Π΅ΠΊΠΎΡΠΎΡΡΡ
ΠΏΡΠΎΡΡΡΡ
ΠΌΠΎΠ΄ΠΈΡΠΈΠΊΠ°ΡΠΈΠΉ, ΠΎ ΠΊΠΎΡΠΎΡΡΡ
ΠΏΠΎΠΉΠ΄Π΅Ρ ΡΠ΅ΡΡ Π½ΠΈΠΆΠ΅.
ΠΠΎΡΠ°Π±ΠΎΡΠΊΠ° ΠΈ Π΄ΠΎΡΠ°Π±ΠΎΡΠΊΠ° ΠΊΠΎΠ½ΡΡΡΡΠΊΡΠΈΠΈ ΠΎΡΠΎΠΏΠΈΡΠ΅Π»Ρ Π£ΠΠ Π₯Π°Π½ΡΠ΅Ρ.
ΠΠ°ΡΠ°ΡΡ ΡΡΠΎΠΈΡ Ρ Π³Π΅ΡΠΌΠ΅ΡΠΈΠ·Π°ΡΠΈΠΈ ΠΊΠΎΡΠΏΡΡΠ° Π’ΠΠΠ°. ΠΠ»Ρ ΡΡΠΎΠ³ΠΎ Π΅Π³ΠΎ Π½Π΅ΠΎΠ±Ρ
ΠΎΠ΄ΠΈΠΌΠΎ ΡΠ½ΡΡΡ Ρ Π°Π²ΡΠΎΠΌΠΎΠ±ΠΈΠ»Ρ ΠΈ Π·Π°Π³Π΅ΡΠΌΠ΅ΡΠΈΠ·ΠΈΡΠΎΠ²Π°ΡΡ ΠΈΠ·Π½ΡΡΡΠΈ Π°Π²ΡΠΎΠΌΠΎΠ±ΠΈΠ»ΡΠ½ΡΠΌ Π³Π΅ΡΠΌΠ΅ΡΠΈΠΊΠΎΠΌ Π²ΡΠ΅ ΡΠ³Π»Ρ ΠΈ ΠΌΠ΅ΡΡΠ° ΡΠΎΠΏΡΡΠΆΠ΅Π½ΠΈΡ Π΄Π΅ΡΠ°Π»Π΅ΠΉ ΠΊΡΠ·ΠΎΠ²Π°. Π ΠΏΠΎΡΠΎΠΌ, ΠΆΠ΅Π»Π°ΡΠ΅Π»ΡΠ½ΠΎ, ΡΠΎΠΆΠ΅ ΠΈΠ·Π½ΡΡΡΠΈ, ΡΡΠ΅Π½ΠΊΠΈ ΡΡΠΈΠΊΠ° ΠΎΠ±ΠΊΠ»Π΅ΠΈΡΡ ΡΠΎΠ½ΠΊΠΈΠΌΠΈ, 2-3 ΠΌΠΌ, Π»ΠΈΡΡΠ°ΠΌΠΈ Π°Π²ΡΠΎΠΌΠΎΠ±ΠΈΠ»ΡΠ½ΠΎΠΉ ΡΡΠΌΠΎ- ΠΈ Π²ΠΈΠ±ΡΠΎΠΈΠ·ΠΎΠ»ΡΡΠΈΠΈ. ΠΡΠ΅ ΡΡΠΎ Π²ΠΌΠ΅ΡΡΠ΅ ΡΡΡΡΠ°Π½ΠΈΡ ΡΡΠ΅ΡΠΊΠΈ Π²ΠΎΠ·Π΄ΡΡ
Π°, Π½Π΅ΠΌΠ½ΠΎΠ³ΠΎ ΡΠ²Π΅Π»ΠΈΡΠΈΡ ΡΠ΅ΠΏΠ»ΠΎΠΎΡΠ΄Π°ΡΡ ΠΈ Π½Π΅ΡΠΊΠΎΠ»ΡΠΊΠΎ ΡΠ½ΠΈΠ·ΠΈΡ ΠΎΠ±ΡΠΈΠΉ ΡΡΠΌ Π’ΠΠΠ° ΠΏΡΠΈ ΡΠ°Π±ΠΎΡΠ΅ ΡΠ»Π΅ΠΊΡΡΠΎΠ΄Π²ΠΈΠ³Π°ΡΠ΅Π»Ρ.
Π‘Π»Π΅Π΄ΡΡΡΠΈΠΉ ΡΠ°Π³ — ΠΏΠΎΠΏΡΡΠ°ΡΡΡΡ Π»ΡΠ±ΡΠΌ Π΄ΠΎΡΡΡΠΏΠ½ΡΠΌ ΡΠΏΠΎΡΠΎΠ±ΠΎΠΌ, Π½Π°ΠΏΡΠΈΠΌΠ΅Ρ, ΠΎΠΊΠ»Π΅ΠΈΠ² ΡΠΏΠ»ΠΎΡΠ½ΠΈΡΠ΅Π»Π΅ΠΌ ΠΎΠΊΠ½Π° ΠΏΠΎ ΠΏΠ΅ΡΠΈΠΌΠ΅ΡΡΡ, Π·Π°Π΄Π΅Π»Π°ΡΡ Π½ΠΈΠΆΠ½ΠΈΠΉ ΠΏΡΡΠΌΠΎΡΠ³ΠΎΠ»ΡΠ½ΡΠΉ Π²ΡΡ
ΠΎΠ΄Π½ΠΎΠΉ Π»ΡΠΊ ΠΊΠΎΡΠΏΡΡΠ° ΠΎΠ±ΠΎΠ³ΡΠ΅Π²Π°ΡΠ΅Π»Ρ. ΠΡΠΎ ΡΠ΄Π΅Π»Π°Π½ΠΎ Π΄Π»Ρ ΡΠΎΠ³ΠΎ, ΡΡΠΎΠ±Ρ ΠΈΡΠΊΠ»ΡΡΠΈΡΡ ΡΡΠ΅ΡΠΊΡ Π²ΠΎΠ·Π΄ΡΡ
Π° ΠΏΡΠΈ Π·Π°ΠΊΡΡΡΠΎΠΉ ΠΊΡΡΡΠΊΠ΅ Π»ΡΠΊΠ°, ΡΠ΅ΠΌ ΡΠ°ΠΌΡΠΌ ΡΠ²Π΅Π»ΠΈΡΠΈΠ²Π°Ρ ΡΠΈΠ»Ρ Π²ΠΎΠ·Π΄ΡΡΠ½ΠΎΠ³ΠΎ ΠΏΠΎΡΠΎΠΊΠ°, ΠΊΠΎΡΠΎΡΡΠΉ Π±ΡΠ΄Π΅Ρ ΠΏΡΠΎΡ
ΠΎΠ΄ΠΈΡΡ ΡΠ΅ΡΠ΅Π· Π³ΠΎΡΡΠΈΡΠΎΠ²Π°Π½Π½ΡΠ΅ ΡΠ»Π°Π½Π³ΠΈ ΠΊ Π»ΠΎΠ±ΠΎΠ²ΠΎΠΌΡ ΡΡΠ΅ΠΊΠ»Ρ ΠΈΠ»ΠΈ ΡΠ΅ΡΠ΅Π· Π½ΠΈΠΆΠ½ΠΈΠ΅ Π±ΠΎΠΊΠΎΠ²ΡΠ΅ Π²ΠΎΠ·Π΄ΡΡ
ΠΎΡΠ°ΡΠΏΡΠ΅Π΄Π΅Π»ΠΈΡΠ΅Π»ΠΈ.
ΠΡ ΠΈ Π² Π·Π°ΠΊΠ»ΡΡΠ΅Π½ΠΈΠ΅ Π½Π΅ΠΎΠ±Ρ
ΠΎΠ΄ΠΈΠΌΠΎ ΡΠ½ΡΡΡ ΠΈΠ»ΠΈ ΠΏΡΠΎΡΡΠΎ ΠΎΡΠΎΠ³Π½ΡΡΡ Π²Π»Π΅Π²ΠΎ ΠΏΡΡΠΌΠΎΡΠ³ΠΎΠ»ΡΠ½ΡΠΉ Π²ΡΡΡΡΠΏ, ΡΠ°ΡΠΏΠΎΠ»ΠΎΠΆΠ΅Π½Π½ΡΠΉ Ρ Π²Π½ΡΡΡΠ΅Π½Π½Π΅ΠΉ ΡΡΠΎΡΠΎΠ½Ρ ΠΎΡΠΎΠΏΠΈΡΠ΅Π»Ρ ΠΈ ΡΠ°ΡΡΠΈΡΠ½ΠΎ Π·Π°ΠΊΡΡΠ²Π°ΡΡΠΈΠΉ Π»Π΅Π²ΡΠΉ ΠΏΠ°ΡΡΡΠ±ΠΎΠΊ ΠΏΠΎΠ΄Π°ΡΠΈ Π²ΠΎΠ·Π΄ΡΡ
Π° Π½Π° Π»ΠΎΠ±ΠΎΠ²ΠΎΠ΅ ΡΡΠ΅ΠΊΠ»ΠΎ.ΠΠ±ΡΠ΅Π΅ Π½Π°Π·Π½Π°ΡΠ΅Π½ΠΈΠ΅ ΠΈ ΡΡΠ½ΠΊΡΠΈΠΎΠ½Π°Π»ΡΠ½ΠΎΡΡΡ ΡΡΠΎΠ³ΠΎ Π²ΡΡΡΡΠΏΠ° Π² ΠΊΠΎΠ½ΡΡΡΡΠΊΡΠΈΠΈ Π½Π΅ ΡΠΎΠ²ΡΠ΅ΠΌ ΠΏΠΎΠ½ΡΡΠ½Ρ, Π½ΠΎ ΡΠΎ, ΡΡΠΎ Π±Π΅Π· Π½Π΅Π³ΠΎ ΡΠ²Π΅Π»ΠΈΡΠΈΠ²Π°Π΅ΡΡΡ ΡΠΈΠ»Π° ΠΏΠΎΠ΄Π°ΡΠΈ Π²ΠΎΠ·Π΄ΡΡ
Π° Π² Π»Π΅Π²ΡΠΉ Π³ΠΎΡΡΠΈΡΠΎΠ²Π°Π½Π½ΡΠΉ ΡΠ»Π°Π½Π³, Π° Π·Π½Π°ΡΠΈΡ, ΡΠ²Π΅Π»ΠΈΡΠΈΠ²Π°Π΅ΡΡΡ ΡΠΈΠ»Π° ΠΎΠ±Π΄ΡΠ²Π° Π»ΠΎΠ±ΠΎΠ²ΠΎΠ³ΠΎ ΡΡΠ΅ΠΊΠ»Π° ΡΠΎ ΡΡΠΎΡΠΎΠ½Ρ Π²ΠΎΠ΄ΠΈΡΠ΅Π»Ρ — ΠΎΠ½ ΡΡΠΎ ΡΠ°ΠΊΡ.
ΠΠ΅ΡΠΌΠΎΡΡΡ Π½Π° ΡΡΡΠ°Π½ΠΎΠ²Π»Π΅Π½Π½ΡΠΉ ΠΏΠ»Π°ΡΡΠΈΠΊΠΎΠ²ΡΠΉ Π±ΠΎΠΊΡ ΠΏΠΎΠ΄ Π»ΡΠΊΠΎΠΌ Π²ΠΎΠ·Π΄ΡΡ
ΠΎΠ·Π°Π±ΠΎΡΠ½ΠΈΠΊΠ°, ΡΠ°ΡΡΡ Π΄ΠΎΠΆΠ΄Π΅Π²ΠΎΠΉ Π²ΠΎΠ΄Ρ ΠΏΡΠΈ Π·Π°ΠΊΡΡΡΠΎΠΉ ΠΊΡΡΡΠΊΠ΅ Π»ΡΠΊΠ° Π²ΡΠ΅ ΠΆΠ΅ ΠΌΠΎΠΆΠ΅Ρ ΠΏΠΎΠΏΠ°ΡΡΡ Π² ΡΠ°Π»ΠΎΠ½ Π£ΠΠ Π₯Π°Π½ΡΠ΅Ρ ΠΏΡΠΈ ΠΏΠ°ΡΠΊΠΎΠ²ΠΊΠ΅. ΠΠ·Π½Π°ΡΠ°Π»ΡΠ½ΠΎ Π² ΡΠ΅Π·ΡΠ»ΡΡΠ°ΡΠ΅ ΠΎΡΠΌΠΎΡΡΠ° ΠΈ ΠΊΠΎΠ½ΡΡΠΎΠ»Ρ Π²ΠΎ Π²ΡΠ΅ΠΌΡ Π΄ΠΎΠΆΠ΄Ρ ΠΊΠ°Π·Π°Π»ΠΎΡΡ, ΡΡΠΎ ΠΏΠ΅ΡΠ΅ΡΠ΅ΠΊΠ°Π½ΠΈΠ΅ ΠΊΠ°ΠΏΠ΅Π»Ρ Π²ΠΎΠ΄Ρ Π² ΡΠ°Π»ΠΎΠ½ ΠΊΠ°ΠΊΠΈΠΌ-ΡΠΎ ΠΎΠ±ΡΠ°Π·ΠΎΠΌ ΠΏΡΠΎΠΈΡΡ
ΠΎΠ΄ΠΈΡ ΡΠ΅ΡΠ΅Π· ΡΠ»ΠΈΠ²Π½ΠΎΠΉ ΡΠ»Π°Π½Π³ ΠΊΠΎΡΠΎΠ±ΠΊΠΈ.
Π’ΠΎΠ³Π΄Π° ΠΏΡΠ΅Π΄ΠΏΠΎΠ»Π°Π³Π°Π»ΠΎΡΡ, ΡΡΠΎ ΠΏΠΎΠ²ΡΠ΅ΠΆΠ΄Π΅Π½ ΡΠ°ΠΌ ΠΏΠ»Π°ΡΡΠΈΠΊΠΎΠ²ΡΠΉ ΡΡΠΈΠΊ. Π€Π°ΠΊΡΠΈΡΠ΅ΡΠΊΠΈ Π±ΡΠ»ΠΎ ΡΠΎΡΠ½ΠΎ ΡΡΡΠ°Π½ΠΎΠ²Π»Π΅Π½ΠΎ, ΡΡΠΎ Π²ΠΎΠ΄Π° ΠΏΠΎΡΡΡΠΏΠ°Π΅Ρ Π²Π½ΡΡΡΡ ΡΠ΅ΡΠ΅Π· ΡΡΡΠΊ Π²Π΅ΡΡ
Π½Π΅Π³ΠΎ Π²Π½ΡΡΡΠ΅Π½Π½Π΅Π³ΠΎ ΠΆΠ΅Π»Π΅Π·Π½ΠΎΠ³ΠΎ ΡΡΠΈΠΊΠ° ΠΎΠ±ΠΎΠ³ΡΠ΅Π²Π°ΡΠ΅Π»Ρ, Π²ΡΡ
ΠΎΠ΄ΡΡΠ΅Π³ΠΎ Π·Π° ΠΏΡΠ΅Π΄Π΅Π»Ρ ΠΊΠΎΡΠΏΡΡΠ°. Π’Π°ΠΌ ΠΎΠ½ ΠΎΠ±ΡΠ°Π·ΡΠ΅Ρ Π½Π΅Π±ΠΎΠ»ΡΡΡΡ Π³ΡΠ°Π½Ρ, Π½Π° ΠΊΠΎΡΠΎΡΡΡ ΡΡΡΠ°Π½Π°Π²Π»ΠΈΠ²Π°Π΅ΡΡΡ Π½ΠΈΠΆΠ½ΠΈΠΉ ΡΠΏΠ»ΠΎΡΠ½ΠΈΡΠ΅Π»Ρ Π»ΡΠΊΠ°.
ΠΠΎΠΆΠ΄Π΅Π²Π°Ρ Π²ΠΎΠ΄Π° ΠΏΡΠΎΡΠ΅ΠΊΠ°Π΅Ρ ΠΏΠΎΠ΄ ΡΡΠΈΠΌ ΡΠΏΠ»ΠΎΡΠ½Π΅Π½ΠΈΠ΅ΠΌ, Π·Π°ΡΠ΅ΠΌ ΠΏΠΎΠΏΠ°Π΄Π°Π΅Ρ Π² Π·Π°Π·ΠΎΡ ΠΌΠ΅ΠΆΠ΄Ρ Π²ΡΡΡΡΠΏΠ°ΡΡΠ΅ΠΉ ΡΡΠΎΡΠΎΠ½ΠΎΠΉ ΠΊΠΎΡΠΎΠ±ΠΊΠΈ ΠΈ ΡΠ°ΠΌΠΈΠΌ ΠΊΠΎΡΠΏΡΡΠΎΠΌ. Π ΠΎΡΡΡΠ΄Π° ΡΡΠ°Π·Ρ ΠΏΠΎΠΏΠ°Π΄Π°Π΅Ρ Π²Π½ΡΡΡΡ ΠΊΠΎΡΠΏΡΡΠ° ΠΎΡΠΎΠΏΠΈΡΠ΅Π»Ρ, Π° Π·Π°ΡΠ΅ΠΌ ΠΏΡΠΎΡΠ΅ΠΊΠ°Π΅Ρ ΡΠ΅ΡΠ΅Π· ΠΏΡΠΎΡΠ΅ΡΠΊΠΈ ΠΏΠΎΠ΄ Π½ΠΎΠ³Π°ΠΌΠΈ Π²ΠΎΠ΄ΠΈΡΠ΅Π»Ρ ΠΈΠ»ΠΈ ΠΏΠ΅ΡΠ΅Π΄Π½Π΅Π³ΠΎ ΠΏΠ°ΡΡΠ°ΠΆΠΈΡΠ°.Π’ΠΎ Π΅ΡΡΡ Π² ΠΏΠ»Π°ΡΡΠΈΠΊΠΎΠ²ΡΠΉ ΡΡΠΈΠΊ ΠΈΠ·Π½Π°ΡΠ°Π»ΡΠ½ΠΎ Π½Π΅ Π²Ρ
ΠΎΠ΄ΠΈΡ, Π° ΠΎΠ±Ρ
ΠΎΠ΄ΠΈΡ Π΅Π³ΠΎ.
Π‘Π»Π΅Π΄ΠΎΠ²Π°ΡΠ΅Π»ΡΠ½ΠΎ, Π½ΠΈΠΆΠ½Π΅Π΅ ΡΠ΅Π·ΠΈΠ½ΠΎΠ²ΠΎΠ΅ ΡΠΏΠ»ΠΎΡΠ½Π΅Π½ΠΈΠ΅ Π»ΡΠΊΠ° Π½Π΅ΠΎΠ±Ρ
ΠΎΠ΄ΠΈΠΌΠΎ ΡΠ½ΡΡΡ, Ρ
ΠΎΡΠΎΡΠΎ ΠΎΠ±ΡΠ°Π±ΠΎΡΠ°ΡΡ Π³Π΅ΡΠΌΠ΅ΡΠΈΠΊΠΎΠΌ ΠΊΠΎΡΠΏΡΡΠ° Π²ΠΎΠΊΡΡΠ³ Π²ΠΈΠ΄ΠΈΠΌΠΎΠ³ΠΎ ΡΡΡΠΊΠΎΠ²ΠΎΠ³ΠΎ ΡΠΎΠ΅Π΄ΠΈΠ½Π΅Π½ΠΈΡ, Π° Π·Π°ΡΠ΅ΠΌ ΡΠ½ΠΎΠ²Π° ΡΡΡΠ°Π½ΠΎΠ²ΠΈΡΡ ΡΠΏΠ»ΠΎΡΠ½Π΅Π½ΠΈΠ΅. ΠΠΎΠ»ΡΡΠ΅ Π²ΠΎΠ΄Ρ ΡΠ΅ΡΠ΅Π· ΠΎΠ±ΠΎΠ³ΡΠ΅Π²Π°ΡΠ΅Π»Ρ Π² ΡΠ°Π»ΠΎΠ½ Π½Π΅ ΠΏΠΎΡΠ΅ΡΠ΅Ρ.
Π£ΡΡΠ°Π½ΠΎΠ²ΠΊΠ° ΡΠΏΠ»ΠΎΡΠ½ΠΈΡΠ΅Π»Ρ Π΄Π²Π΅ΡΠΈ Π½Π° ΠΊΡΡΡΠΊΡ Π·Π°ΡΠ»ΠΎΠ½ΠΊΠΈ Π²ΠΎΠ·Π΄ΡΡ
ΠΎΠ·Π°Π±ΠΎΡΠ½ΠΈΠΊΠ° Π£ΠΠ Π₯Π°Π½ΡΠ΅Ρ.
Π Π»ΡΠ±ΠΎΠΌ ΡΠ»ΡΡΠ°Π΅, Π²Π½Π΅ Π·Π°Π²ΠΈΡΠΈΠΌΠΎΡΡΠΈ ΠΎΡ ΡΠΎΠ³ΠΎ, ΡΡΡΠ°Π½ΠΎΠ²Π»Π΅Π½ Π»ΠΈ Π½Π° Π°Π²ΡΠΎΠΌΠΎΠ±ΠΈΠ»Π΅ ΠΏΠ»Π°ΡΡΠΈΠΊΠΎΠ²ΡΠΉ ΡΡΠΈΠΊ Π½Π°Π΄ ΡΠ°Π΄ΠΈΠ°ΡΠΎΡΠΎΠΌ ΠΎΡΠΎΠΏΠΈΡΠ΅Π»Ρ, Π½Π΅ΠΎΠ±Ρ
ΠΎΠ΄ΠΈΠΌΠΎ ΠΈΡΠΊΠ»ΡΡΠΈΡΡ Π΅ΡΡΠ΅ΡΡΠ²Π΅Π½Π½ΠΎΠ΅ ΠΏΠΎΠΏΠ°Π΄Π°Π½ΠΈΠ΅ Π²ΠΎΠ΄Ρ ΠΈ ΠΏΡΠ»ΠΈ Π² ΠΎΡΠΎΠΏΠΈΡΠ΅Π»Ρ, Π° Π·Π°ΡΠ΅ΠΌ Π² ΡΠ°Π»ΠΎΠ½ ΠΏΡΠΈ Π·Π°ΠΊΡΡΡΠΎΠΉ Π·Π°ΡΠ»ΠΎΠ½ΠΊΠ΅ Π²ΠΎΠ·Π΄ΡΡ
ΠΎΠ·Π°Π±ΠΎΡΠ½ΠΈΠΊΠ°.ΠΡΡΡΠ΅ Π²ΡΠ΅Π³ΠΎ Ρ ΡΡΠΎΠΉ Π·Π°Π΄Π°ΡΠ΅ΠΉ ΡΠΏΡΠ°Π²ΠΈΡΡΡ ΠΏΠ»Π°ΡΡΠΈΠΊΠΎΠ²Π°Ρ ΠΊΡΡΡΠΊΠ°, ΡΡΡΠ°Π½ΠΎΠ²Π»Π΅Π½Π½Π°Ρ ΡΠ²Π΅ΡΡ
Ρ Π»ΡΠΊΠ°. ΠΡΠΎΡΡΠΎ Π½ΡΠΆΠ½ΠΎ Π·Π°ΡΠ°Π½Π΅Π΅ ΡΠ·Π½Π°ΡΡ, ΠΏΠΎΠ΄Ρ
ΠΎΠ΄ΠΈΡ Π»ΠΈ ΠΎΠ½ Π΄Π»Ρ Oise Hunter Ρ Π½ΠΈΠΆΠ½ΠΈΠΌ ΡΠ°ΡΠΏΠΎΠ»ΠΎΠΆΠ΅Π½ΠΈΠ΅ΠΌ ΠΏΠΎΠ²ΠΎΠ΄ΠΊΠ° ΠΈΠ»ΠΈ Π½Π΅Ρ.
ΠΡΠ»ΠΈ Π½Π΅Ρ ΠΆΠ΅Π»Π°Π½ΠΈΡ ΡΠ²Π΅ΡΠ»ΠΈΡΡ Π΄ΠΎΠΏΠΎΠ»Π½ΠΈΡΠ΅Π»ΡΠ½ΡΠ΅ ΠΎΡΠ²Π΅ΡΡΡΠΈΡ Π² ΠΊΡΠ·ΠΎΠ²Π΅ Π°Π²ΡΠΎΠΌΠΎΠ±ΠΈΠ»Ρ Π΄Π»Ρ ΡΡΡΠ°Π½ΠΎΠ²ΠΊΠΈ ΡΠ°ΠΊΠΎΠΉ Π½Π°ΠΊΠ»Π°Π΄ΠΊΠΈ, ΡΠΎ Π΅ΡΡΡ Π±ΠΎΠ»Π΅Π΅ ΠΏΡΠΎΡΡΠΎΠΉ ΠΈ Π±ΡΠ΄ΠΆΠ΅ΡΠ½ΡΠΉ ΡΠΏΠΎΡΠΎΠ±. ΠΠ½ Π·Π°ΠΊΠ»ΡΡΠ°Π΅ΡΡΡ Π² Π·Π°ΠΌΠ΅Π½Π΅ ΡΡΠ°ΡΠ½ΠΎΠ³ΠΎ ΡΠ΅Π·ΠΈΠ½ΠΎΠ²ΠΎΠ³ΠΎ ΡΠΏΠ»ΠΎΡΠ½ΠΈΡΠ΅Π»Ρ ΠΊΡΡΡΠΊΠΈ Π·Π°ΡΠ»ΠΎΠ½ΠΊΠΈ Π²ΠΎΠ·Π΄ΡΡ
ΠΎΠ·Π°Π±ΠΎΡΠ½ΠΈΠΊΠ° Π½Π° ΡΠΏΠ»ΠΎΡΠ½ΠΈΡΠ΅Π»Ρ, ΠΊΠΎΡΠΎΡΡΠΉ Ρ Π·Π°Π²ΠΎΠ΄Π° ΡΡΡΠ°Π½Π°Π²Π»ΠΈΠ²Π°Π΅ΡΡΡ Π½Π° Π²Π½ΡΡΡΠ΅Π½Π½ΠΈΠΉ ΠΏΡΠΎΠ΅ΠΌ Π΄Π²Π΅ΡΠ΅ΠΉ Π£ΠΠ Π₯Π°Π½ΡΠ΅Ρ, Π΅Π³ΠΎ ΠΊΠ°ΡΠ°Π»ΠΎΠΆΠ½ΡΠΉ Π½ΠΎΠΌΠ΅Ρ 3153-6107018 ΠΈΠ»ΠΈ 3153-6107019.Π Π½Π° ΡΠ°ΠΌΠΎΠΌ Π΄Π΅Π»Π΅ ΡΡΠΎ ΠΎΠ±ΡΡΠ½ΡΠΉ ΡΠΏΠ»ΠΎΡΠ½ΠΈΡΠ΅Π»Ρ Π΄Π²Π΅ΡΠΈ ΠΎΡ ΠΠΠ 2101, 2102, 2103, 2104, 2105, 2106, 2107, ΠΊΠΎΡΠΎΡΡΠΉ ΠΈΠ΄Π΅Ρ ΠΏΠΎΠ΄ Π½ΠΎΠΌΠ΅ΡΠ°ΠΌΠΈ 2101-6107018, 2101-6207024, 2101-6207025.
ΠΡΠΎΠ±ΡΡ
ΡΠ»ΠΎΠΆΠ½ΠΎΡΡΠ΅ΠΉ ΠΏΡΠΈ ΡΡΡΠ°Π½ΠΎΠ²ΠΊΠ΅ ΡΠ°ΠΊΠΎΠΉ ΠΏΠ»ΠΎΠΌΠ±Ρ Π½Π΅Ρ. ΠΠ΄ΠΈΠ½ΡΡΠ²Π΅Π½Π½ΠΎΠ΅, Π½Π° ΡΡΠΎ Π½ΡΠΆΠ½ΠΎ ΠΎΠ±ΡΠ°ΡΠ°ΡΡ Π²Π½ΠΈΠΌΠ°Π½ΠΈΠ΅, ΡΡΠΎ Π½Π° ΡΠΎ, ΡΡΠΎΠ±Ρ ΠΏΡΠΈ ΡΡΡΠ°Π½ΠΎΠ²ΠΊΠ΅ ΠΊΡΡΡΠΊΠ° ΠΏΠΎΠ΄Π½ΠΈΠΌΠ°Π»Π°ΡΡ ΠΊΠ°ΠΊ ΠΌΠΎΠΆΠ½ΠΎ Π²ΡΡΠ΅, Π½Π°ΡΠΊΠΎΠ»ΡΠΊΠΎ ΡΡΠΎ ΠΏΠΎΠ·Π²ΠΎΠ»ΡΡΡ Π΅Π΅ ΡΠ΅Π³ΡΠ»ΠΈΡΠΎΠ²ΠΎΡΠ½ΡΠ΅ ΠΎΡΠ²Π΅ΡΡΡΠΈΡ. Π’Π΅ΠΏΠ΅ΡΡ Π² Π·Π°ΠΊΡΡΡΠΎΠΌ ΡΠΎΡΡΠΎΡΠ½ΠΈΠΈ ΠΊΡΡΡΠΊΠ° Π·Π°ΡΠ»ΠΎΠ½ΠΊΠΈ Π²ΠΎΠ·Π΄ΡΡ
ΠΎΠ·Π°Π±ΠΎΡΠ½ΠΈΠΊΠ° ΠΌΠ°ΠΊΡΠΈΠΌΠ°Π»ΡΠ½ΠΎ Π³Π΅ΡΠΌΠ΅ΡΠΈΡΠ½Π° ΠΏΠΎ Π²ΡΠ΅ΠΌΡ ΠΏΠ΅ΡΠΈΠΌΠ΅ΡΡΡ ΠΈ ΠΏΠΎΠΏΠ°Π΄Π°Π½ΠΈΠ΅ Π²ΠΎΠ΄Ρ ΠΏΡΠ°ΠΊΡΠΈΡΠ΅ΡΠΊΠΈ ΠΈΡΠΊΠ»ΡΡΠ΅Π½ΠΎ Π΄Π°ΠΆΠ΅ Π²ΠΎ Π²ΡΠ΅ΠΌΡ ΠΎΡΠ΅Π½Ρ ΡΠΈΠ»ΡΠ½ΠΎΠ³ΠΎ Π΄ΠΎΠΆΠ΄Ρ.
ΠΡΠ±ΠΎΡ ΠΈ Π·Π°ΠΌΠ΅Π½Π° ΡΠ»Π΅ΠΊΡΡΠΎΠ΄Π²ΠΈΠ³Π°ΡΠ΅Π»Ρ ΠΎΡΠΎΠΏΠΈΡΠ΅Π»Ρ Π£ΠΠ Π₯Π°Π½ΡΠ΅Ρ.
ΠΠ±ΡΡΠ½ΠΎ Π² ΠΎΡΠΎΠΏΠΈΡΠ΅Π»Ρ Π£ΠΠ Π₯Π°Π½ΡΠ΅Ρ ΡΡΡΠ°Π½Π°Π²Π»ΠΈΠ²Π°Π΅ΡΡΡ ΡΠ»Π΅ΠΊΡΡΠΎΠ΄Π²ΠΈΠ³Π°ΡΠ΅Π»Ρ ΠΠ236 ΠΌΠΎΡΠ½ΠΎΡΡΡΡ 25 ΠΡ. ΠΠ³ΠΎ Π²ΠΎΠ·ΠΌΠΎΠΆΠ½ΠΎΡΡΠ΅ΠΉ ΠΎΡΠΊΡΠΎΠ²Π΅Π½Π½ΠΎ Π½Π΅ Ρ
Π²Π°ΡΠΈΠ»ΠΎ, ΡΡΠΎΠ±Ρ ΠΏΡΠ°Π²ΠΈΠ»ΡΠ½ΠΎ ΠΏΡΠΎΡΡΠ½ΡΡΡ Π²ΠΎΠ·Π΄ΡΡ
ΡΠ΅ΡΠ΅Π· ΡΠ°Π΄ΠΈΠ°ΡΠΎΡ. ΠΠ°ΠΆΠ΅ ΠΎΡ Π½Π΅Π²ΡΡΠΎΠΊΠΎΠΉ ΠΏΡΠΎΠΈΠ·Π²ΠΎΠ΄ΠΈΡΠ΅Π»ΡΠ½ΠΎΡΡΠΈ ME236 ΡΠΈΠ»ΡΠ½ΠΎ ΡΡΡΠ°Π΄Π°Π΅Ρ ΠΊΠ°ΡΠ΅ΡΡΠ²ΠΎ ΠΎΠ±Π΄ΡΠ²Π° Π»ΠΎΠ±ΠΎΠ²ΠΎΠ³ΠΎ ΡΡΠ΅ΠΊΠ»Π°.
ΠΡΠ±ΡΠ°ΡΡ Π±ΠΎΠ»Π΅Π΅ ΠΌΠΎΡΠ½ΡΠΉ ΡΠ»Π΅ΠΊΡΡΠΎΠ΄Π²ΠΈΠ³Π°ΡΠ΅Π»Ρ Π½Π° Π·Π°ΠΌΠ΅Π½Ρ ΠΠ236 Π½Π΅ΡΠ»ΠΎΠΆΠ½ΠΎ. ΠΠ°ΠΏΡΠΈΠΌΠ΅Ρ, ΡΡΠΎ ΠΌΠΎΠ³ΡΡ Π±ΡΡΡ ΡΠ»Π΅ΠΊΡΡΠΎΠ΄Π²ΠΈΠ³Π°ΡΠ΅Π»ΠΈ 19.3730, 191.3730, 192.3730 ΠΈ 194.3730 ΠΌΠΎΡΠ½ΠΎΡΡΡΡ 40 ΠΡ, ΠΈΠ»ΠΈ 197.3730 ΠΌΠΎΡΠ½ΠΎΡΡΡΡ 60 ΠΡ, ΠΈΠ»ΠΈ 51,3730 ΠΈ 511.3730 ΠΌΠΎΡΠ½ΠΎΡΡΡΡ 90 ΠΡ. ΠΠ»Π°Π²Π½ΠΎΠ΅, ΡΡΠΎΠ±Ρ Π΄ΠΈΠ°ΠΌΠ΅ΡΡ Π²ΡΡ
ΠΎΠ΄Π½ΠΎΠ³ΠΎ Π²Π°Π»Π° ΡΠ»Π΅ΠΊΡΡΠΎΠ΄Π²ΠΈΠ³Π°ΡΠ΅Π»Ρ ΡΠΎΡΡΠ°Π²Π»ΡΠ» 8 ΠΌΠΌ, ΡΡΠΎΠ±Ρ ΠΌΠΎΠΆΠ½ΠΎ Π±ΡΠ»ΠΎ ΡΡΡΠ°Π½ΠΎΠ²ΠΈΡΡ ΡΡΠ°Π½Π΄Π°ΡΡΠ½ΠΎΠ΅ ΡΠ°Π±ΠΎΡΠ΅Π΅ ΠΊΠΎΠ»Π΅ΡΠΎ Π±Π΅Π· ΠΏΠ΅ΡΠ΅Π΄Π΅Π»ΠΎΠΊ, Π° ΡΠ°ΠΊΠΆΠ΅ ΡΡΠΎΠ±Ρ ΠΎΠ½ ΠΈΠΌΠ΅Π» Π½Π° ΠΊΠΎΡΠΏΡΡΠ΅ ΠΏΠΎΠ΄Ρ
ΠΎΠ΄ΡΡΠΈΠ΅ ΡΠΏΠΈΠ»ΡΠΊΠΈ ΠΈΠ»ΠΈ ΡΠ΅Π·ΡΠ±ΠΎΠ²ΡΠ΅ ΠΎΡΠ²Π΅ΡΡΡΠΈΡ Π΄Π»Ρ ΠΊΡΠ΅ΠΏΠ»Π΅Π½ΠΈΡ Π΅Π³ΠΎ ΠΊ Π΄Π²ΠΈΠ³Π°ΡΠ΅Π»Ρ. ΠΎΠ±ΠΎΠ³ΡΠ΅Π²Π°ΡΠ΅Π»Ρ.
ΠΡΠΎΠΌΠ΅ ΡΠΎΠ³ΠΎ, Π½Π΅ Π»ΠΈΡΠ½ΠΈΠΌ Π±ΡΠ΄Π΅Ρ ΡΡΠ΅ΡΡΡ Π½Π°Π³ΡΡΠ·ΠΊΡ, ΠΊΠΎΡΠΎΡΡΡ ΡΡΠΎΡ ΡΠ»Π΅ΠΊΡΡΠΎΠ΄Π²ΠΈΠ³Π°ΡΠ΅Π»Ρ Π±ΡΠ΄Π΅Ρ ΡΠΎΠ·Π΄Π°Π²Π°ΡΡ Π² Π±ΠΎΡΡΠΎΠ²ΠΎΠΉ ΡΠ΅ΡΠΈ ΠΏΡΠΈ ΡΠ°Π±ΠΎΡΠ΅ ΠΈ ΡΠΎΠΎΡΠ²Π΅ΡΡΡΠ²Π΅Π½Π½ΠΎ.Π’Π°ΠΊ, ΠΏΠΎΡΡΠ΅Π±Π»ΡΠ΅ΠΌΡΠΉ ΡΠΎΠΊ Π΄Π»Ρ ΡΠ»Π΅ΠΊΡΡΠΎΠ΄Π²ΠΈΠ³Π°ΡΠ΅Π»Ρ 511.3730 ΠΌΠΎΡΠ½ΠΎΡΡΡΡ 90 ΠΡ ΡΠΎΡΡΠ°Π²Π»ΡΠ΅Ρ 15 ΠΠΌΠΏΠ΅Ρ ΠΏΡΠΎΡΠΈΠ² 5 ΠΠΌΠΏΠ΅Ρ Ρ ΡΡΠ°Π½Π΄Π°ΡΡΠ½ΠΎΠ³ΠΎ ME236. ΠΠΎΡΡΠΎΠΌΡ, ΠΏΠΎΠΆΠ°Π»ΡΠΉ, Π·ΠΎΠ»ΠΎΡΠΎΠΉ ΡΠ΅ΡΠ΅Π΄ΠΈΠ½ΠΎΠΉ ΡΡΠ°Π½Π΅Ρ ΡΡΡΠ°Π½ΠΎΠ²ΠΊΠ° ΡΠ»Π΅ΠΊΡΡΠΎΠ΄Π²ΠΈΠ³Π°ΡΠ΅Π»Ρ 197.3730 ΠΌΠΎΡΠ½ΠΎΡΡΡΡ 60 ΠΡ ΠΈ ΠΏΠΎΡΡΠ΅Π±Π»ΡΠ΅ΠΌΡΠΌ ΡΠΎΠΊΠΎΠΌ 8 Π°ΠΌΠΏΠ΅Ρ.
ΠΡΠ»ΠΈ Π½Π΅ ΡΡΠΈΡΡΠ²Π°ΡΡ Π³Π»ΠΎΠ±Π°Π»ΡΠ½ΡΠ΅ ΠΏΠ΅ΡΠ΅Π΄Π΅Π»ΠΊΠΈ, ΡΠΎ Π»Π΅Π³ΠΊΠΎΠ΄ΠΎΡΡΡΠΏΠ½ΡΡ
Π°Π»ΡΡΠ΅ΡΠ½Π°ΡΠΈΠ² ΡΡΠ°Π½Π΄Π°ΡΡΠ½ΠΎΠΉ ΠΊΡΡΠ»ΡΡΠ°ΡΠΊΠ΅ Π½Π΅ ΡΡΡΠ΅ΡΡΠ²ΡΠ΅Ρ. ΠΠ° ΠΠΠ ΠΊΡΡΠ»ΡΡΠ°ΡΠΊΠΈ ΡΠΈΠ»ΡΠ½ΠΎ Π²Π»ΠΈΡΠ΅Ρ Π²ΡΡΠΎΡΠ° Π΅Π΅ ΡΡΡΠ°Π½ΠΎΠ²ΠΊΠΈ Π½Π° Π²Π°Π»Ρ ΡΠ»Π΅ΠΊΡΡΠΎΠ΄Π²ΠΈΠ³Π°ΡΠ΅Π»Ρ.
ΠΡΠ»ΠΈ ΠΊΡΡΠ»ΡΡΠ°ΡΠΊΠ° ΡΡΡΠ°Π½ΠΎΠ²Π»Π΅Π½Π° ββΠ²ΡΡΠΎΠΊΠΎ ΠΈ Π΅Π΅ Π»ΠΎΠΏΠ°ΡΡΠΈ ΠΏΠΎΡΡΠΈ ΠΏΠΎΠ»Π½ΠΎΡΡΡΡ ΡΠΊΡΡΡΡ Π² Π΄ΠΈΡΡΡΠ·ΠΎΡΠ΅, ΡΠΎ ΠΏΡΠΈ ΠΏΡΠΎΡΠΈΡ
ΡΠ°Π²Π½ΡΡ
ΠΏΠΎΡΠΎΠΊ Π²ΠΎΠ·Π΄ΡΡ
Π° ΠΎΡ ΠΎΡΠΎΠΏΠΈΡΠ΅Π»Ρ Π±ΡΠ΄Π΅Ρ Π±ΠΎΠ»Π΅Π΅ Π³ΠΎΡΡΡΠΈΠΌ ΠΈ, ΡΠΎΠΎΡΠ²Π΅ΡΡΡΠ²Π΅Π½Π½ΠΎ, Π±ΡΠ΄Π΅Ρ Π±ΡΡΡΡΠ΅Π΅ ΠΏΡΠΎΠ³ΡΠ΅Π²Π°ΡΡΡΡ ΡΠ°Π»ΠΎΠ½. Π Π΅ΡΠ»ΠΈ ΠΊΡΡΠ»ΡΡΠ°ΡΠΊΡ Π²ΡΡΡΠ°Π²ΠΈΡΡ Π½ΠΈΠ·ΠΊΠΎ, ΡΠΎ ΡΡΡΠ΅ΠΊΡΠΈΠ²Π½ΠΎΡΡΡ ΠΎΠ±Π΄ΡΠ²Π° Π»ΠΎΠ±ΠΎΠ²ΠΎΠ³ΠΎ ΡΡΠ΅ΠΊΠ»Π° ΡΠ²Π΅Π»ΠΈΡΠΈΡΡΡ ΠΈ, ΡΠΎΠΎΡΠ²Π΅ΡΡΡΠ²Π΅Π½Π½ΠΎ, ΡΡΡΡΠ°Π½ΠΈΡΡΡ Π±ΡΡΡΡΠ΅Π΅. ΠΡΠ°ΠΊ, Π·Π΄Π΅ΡΡ Π½Π΅ΠΎΠ±Ρ
ΠΎΠ΄ΠΈΠΌΠΎ ΠΏΠΎΠ΄Π±ΠΈΡΠ°ΡΡ Π²ΡΡΠΎΡΡ Π΅Π³ΠΎ ΡΡΡΠ°Π½ΠΎΠ²ΠΊΠΈ ΠΈΡΡ
ΠΎΠ΄Ρ ΠΈΠ· Π»ΠΈΡΠ½ΡΡ
ΠΏΡΠ΅Π΄ΠΏΠΎΡΡΠ΅Π½ΠΈΠΉ.
Π£ΡΡΠ°Π½ΠΎΠ²ΠΊΠ° Π΄ΠΈΡΡΠ°Π½ΡΠΈΠΎΠ½Π½ΠΎΠ³ΠΎ ΡΠΏΡΠ°Π²Π»Π΅Π½ΠΈΡ ΠΊΠ»Π°ΠΏΠ°Π½ΠΎΠΌ ΠΎΡΠΎΠΏΠΈΡΠ΅Π»Ρ Π£ΠΠ Π₯Π°Π½ΡΠ΅Ρ.
ΠΠ»Π°ΠΏΠ°Π½ Π²ΠΊΠ»ΡΡΠ΅Π½ΠΈΡ ΠΎΡΠΎΠΏΠΈΡΠ΅Π»Ρ, ΡΡΡΠ°Π½ΠΎΠ²Π»Π΅Π½Π½ΡΠΉ Π½Π° Π£ΠΠ Π₯Π°Π½ΡΠ΅Ρ, ΠΏΠΎΠ·Π²ΠΎΠ»ΡΠ΅Ρ Π΄ΠΈΡΡΠ°Π½ΡΠΈΠΎΠ½Π½ΠΎ ΡΠ΅Π³ΡΠ»ΠΈΡΠΎΠ²Π°ΡΡ ΠΏΠΎΠ΄Π°ΡΡ ΠΎΡ
Π»Π°ΠΆΠ΄Π°ΡΡΠ΅ΠΉ ΠΆΠΈΠ΄ΠΊΠΎΡΡΠΈ Π² ΡΠ°Π΄ΠΈΠ°ΡΠΎΡ ΠΎΡΠΎΠΏΠΈΡΠ΅Π»Ρ, Π½ΠΎ ΡΡΡ Π²ΠΎΠ·ΠΌΠΎΠΆΠ½ΠΎΡΡΡ ΠΈΠ½ΠΆΠ΅Π½Π΅ΡΡ Π°Π²ΡΠΎΠ·Π°Π²ΠΎΠ΄Π° ΠΏΠΎΡΠ΅ΠΌΡ-ΡΠΎ Π½Π΅ ΡΠ΅Π°Π»ΠΈΠ·ΠΎΠ²Π°Π»ΠΈ.
ΠΠ»Ρ ΠΈΡΠΏΡΠ°Π²Π»Π΅Π½ΠΈΡ ΡΡΠΎΠ³ΠΎ Π½Π΅Π΄ΠΎΡΡΠ°ΡΠΊΠ° ΠΌΠΎΠΆΠ½ΠΎ ΡΠ°ΠΌΠΎΡΡΠΎΡΡΠ΅Π»ΡΠ½ΠΎ ΡΡΡΠ°Π½ΠΎΠ²ΠΈΡΡ Π² ΡΠ°Π»ΠΎΠ½Π΅ Π°Π²ΡΠΎΠΌΠΎΠ±ΠΈΠ»Ρ ΠΏΡΠΈΠ²ΠΎΠ΄ ΡΠΏΡΠ°Π²Π»Π΅Π½ΠΈΡ ΠΎΡΠΎΠΏΠΈΡΠ΅Π»Π΅ΠΌ ΠΎΡ ΠΊΠ°ΠΊΠΎΠΉ-Π½ΠΈΠ±ΡΠ΄Ρ ΠΌΠΎΠ΄Π΅Π»ΠΈ ΠΠΠ ΠΈΠ»ΠΈ ΠΠΠ. ΠΠΎΠ΄ΡΠΎΠ±Π½Π΅Π΅ ΠΎΠ± ΡΡΠΎΠΌ Π² ΠΎΡΠ΄Π΅Π»ΡΠ½ΠΎΠΌ.
Π ΠΎΠΏΡΡΠΊΠ°Π½ΠΈΠ΅ Π»ΡΠΊΠ° ΡΡΠΈΠΊΠΎΠ². ΠΡΠ»ΠΈ Π°Π²ΡΠΎΠΌΠΎΠ±ΠΈΠ»Ρ Π½Π΅ ΠΏΠΎΠ΄Π½ΠΈΠΌΠ°ΡΡ ΠΈ Π΄Π²Π΅ΡΡ Π½Π΅ ΠΎΠΏΡΡΠΊΠ°ΡΡ, ΠΊΠΎΠ½ΡΡΡΡΠΊΡΠΈΡ Π½Π΅ ΠΏΠΎΠΌΠ΅ΡΡΠΈΡΡΡ! ΠΠ½Π΅ Π½ΡΠΆΠ½ΠΎ Π±ΡΠ»ΠΎ ΡΠ΅ΡΡΠ΅Π·Π½ΠΎ ΠΏΠ΅ΡΠ΅ΡΠ°Π±ΠΎΡΠ°ΡΡ Π½ΠΈΠ· ΠΏΠ»ΠΈΡΡ.
ΠΡΠ΅Π΄ΡΠΏΡΠ΅ΠΆΠ΄Π΅Π½ΠΈΠ΅ Π‘. Π¨Π΅Π»ΠΈΡ
ΠΎΠ²ΡΠΊΠΎΠ³ΠΎ
ΠΠΎΠ½ΡΡΡΡΠΊΡΠΈΠ²Π½ΠΎ Π²Π΅Π½ΡΠΈΠ»ΡΡΠΈΠΎΠ½Π½ΠΎ-ΠΎΡΠΎΠΏΠΈΡΠ΅Π»ΡΠ½ΡΠΉ Π°Π³ΡΠ΅Π³Π°Ρ (Π΄Π°Π»Π΅Π΅ — ΠΏΠ΅ΡΡ) ΡΠΎΡΡΠΎΠΈΡ ΠΈΠ· Π΄Π²ΡΡ
ΡΠ°ΡΡΠ΅ΠΉ: Π²Π΅ΡΡ
Π½Π΅ΠΉ ΠΈ Π½ΠΈΠΆΠ½Π΅ΠΉ. Π’Π°ΠΊΠΎΠ΅ ΡΠ°Π·Π΄Π΅Π»Π΅Π½ΠΈΠ΅ Π½Π΅ΠΎΠ±Ρ
ΠΎΠ΄ΠΈΠΌΠΎ Π΄Π»Ρ ΡΠ΄ΠΎΠ±ΡΡΠ²Π° ΡΡΡΠ°Π½ΠΎΠ²ΠΊΠΈ ΠΏΠ΅ΡΠΊΠΈ Π½Π° Π°Π²ΡΠΎΠΌΠΎΠ±ΠΈΠ»Ρ.
Π Π²Π΅ΡΡ
Π½Π΅ΠΉ ΡΠ°ΡΡΠΈ ΡΠ°ΡΠΏΠΎΠ»ΠΎΠΆΠ΅Π½Ρ: Π΄Π²Π° Π½Π°Π³Π½Π΅ΡΠ°ΡΠ΅Π»ΡΠ½ΡΡ
Π²Π΅Π½ΡΠΈΠ»ΡΡΠΎΡΠ° ΠΎΡ ΠΠΠ-2108, Π° ΡΠ°ΠΊΠΆΠ΅ Π²Π΅ΡΡ
Π½ΡΡ ΡΠ°ΡΠΏΡΠ΅Π΄Π΅Π»ΠΈΡΠ΅Π»ΡΠ½Π°Ρ Π·Π°ΡΠ»ΠΎΠ½ΠΊΠ°, ΠΊΠΎΡΠΎΡΠ°Ρ Π½Π°ΠΏΡΠ°Π²Π»ΡΠ΅Ρ Π²ΠΎΠ·Π΄ΡΡ
Π»ΠΈΠ±ΠΎ Π½Π° ΡΠ°Π΄ΠΈΠ°ΡΠΎΡ ΠΎΡΠΎΠΏΠΈΡΠ΅Π»Ρ, Π»ΠΈΠ±ΠΎ ΠΏΡΡΠΌΠΎ Π² ΡΠ°Π»ΠΎΠ½. Π’Π°ΠΊΠΆΠ΅ Π² Π²Π΅ΡΡ
Π½Π΅ΠΉ ΡΠ°ΡΡΠΈ Π΅ΡΡΡ ΠΎΡΡΠ°ΠΆΠ°ΡΠ΅Π»ΠΈ Π΄Π»Ρ ΠΎΠ±Π΄ΡΠ²Π° Π²ΠΎΠ΄ΠΈΡΠ΅Π»Ρ ΠΈ ΠΏΠ°ΡΡΠ°ΠΆΠΈΡΠ°, Π° ΡΠ°ΠΊΠΆΠ΅ Β«Π²ΡΡ
ΠΎΠ΄ΡΒ» Π΄Π»Ρ ΠΎΠ±Π΄ΡΠ²Π° Π»ΠΎΠ±ΠΎΠ²ΠΎΠ³ΠΎ ΡΡΠ΅ΠΊΠ»Π°.
Π Π½ΠΈΠΆΠ½Π΅ΠΉ ΡΠ°ΡΡΠΈ ΡΠ°Π΄ΠΈΠ°ΡΠΎΡ ΠΏΠ΅ΡΠΊΠΈ ΠΠΠΠ-2141 (Π»ΡΡΡΠ΅ ΠΏΠΎΠΊΡΠΏΠ°ΡΡ ΠΈΡΠ°Π½ΡΠΊΠΈΠ΅ — ΡΠ΄Π΅Π»Π°Π½Ρ ΡΠΎΡΠ½Π΅Π΅, ΠΏΠΎ ΠΠΠΠ (Terra Incognito) ΠΏΡΠΎΠΏΡΡΠΊΠ°ΡΡ ΠΌΠ΅Π½ΡΡΠ΅, ΡΠ΅ΠΌ Π½Π°ΡΠΈ, ΠΈ ΠΈΠ· 4 ΡΡΠΎΡΡΠΈΡ
Π½Π° ΠΌΠΎΠ΅ΠΌ ΠΌΠ°ΡΠΈΠ½ Π½ΠΈ ΠΎΠ΄Π½Π° ΠΈΠ· Π½ΠΈΡ
Π½Π΅ ΠΏΠΎΡΠ΅ΠΊΠ»Π° (Π½Π°ΡΠΈ 3 ΠΏΠΎΡΠ΅ΠΊΠ»ΠΈ — Π·Π°ΠΌΠ΅Π½ΠΈΠ»ΠΈ Π½Π° ΠΈΡΠ°Π½ΡΠΊΠΈΠ΅). ΠΠΎ ΠΏΡΠΈ ΠΏΠΎΠΊΡΠΏΠΊΠ΅ Π½ΡΠΆΠ½ΠΎ Π±ΡΡΡ Π²Π½ΠΈΠΌΠ°ΡΠ΅Π»ΡΠ½Π΅Π΅ — Π΅ΡΡΡ ΡΡΡΠ΅ΡΠΊΠΈΠ΅ — ΠΎΠ½ΠΈ ΡΠΎΠ½ΡΡΠ΅ ΠΈ ΡΠΎΠΎΡΠ²Π΅ΡΡΡΠ²Π΅Π½Π½ΠΎ ΠΌΠ΅Π½ΡΡΠ΅ ΡΠ΅ΠΏΠ»ΠΎΠΎΡΠ΄Π°ΡΠ°.Π ΠΏΠΎ ΠΈΡΠ°Π½ΡΠΊΠΈ ΠΎΡΠ·ΡΠ²Ρ ΡΠΎΠ»ΡΠΊΠΎ ΠΏΠΎΠ»ΠΎΠΆΠΈΡΠ΅Π»ΡΠ½ΡΠ΅. ) Π²ΠΎΠ·Π΄ΡΡ
Π»ΠΈΠ±ΠΎ ΠΊ Π½ΠΎΠ³Π°ΠΌ, Π»ΠΈΠ±ΠΎ ΠΊ ΠΎΠ±Π΄ΡΠ²Π° Π»ΠΎΠ±ΠΎΠ²ΠΎΠ³ΠΎ ΡΡΠ΅ΠΊΠ»Π°, Π»ΠΈΠ±ΠΎ ΠΊ ΠΎΠ±ΠΎΠ³ΡΠ΅Π²Ρ Π²ΠΎΠ΄ΠΈΡΠ΅Π»Ρ ΠΈ ΠΏΠ°ΡΡΠ°ΠΆΠΈΡΠ° (Π²Π΅ΡΡ
Π½ΡΡ ΡΠ°ΡΡΡ ΡΠ΅Π»Π°).
ΠΠ° ΡΠ΅ΡΡΠ΅ΠΆΠ°Ρ
ΠΏΡΠ΅Π΄ΡΡΠ°Π²Π»Π΅Π½Ρ (30-40 ΠΠ±): Π²ΠΈΠ΄ ΡΠ±ΠΎΠΊΡ (Ρ ΡΠ°Π·ΡΠ΅Π·ΠΎΠΌ), Π²ΠΈΠ΄ ΠΈΠ· ΡΠ°Π»ΠΎΠ½Π° (Ρ ΡΠ°Π·ΡΠ΅Π·ΠΎΠΌ ΠΏΠΎ ΡΠ΅ΡΠ΅Π½ΠΈΡ Π-Π), Π° ΡΠ°ΠΊΠΆΠ΅ Π²Π½Π΅ΡΠ½ΠΈΠΉ Π²ΠΈΠ΄ ΠΈΠ· ΡΠ°Π»ΠΎΠ½Π°. ΠΡΠ΅ ΡΠ°Π·ΠΌΠ΅ΡΡ, ΡΠΊΠ°Π·Π°Π½Π½ΡΠ΅ Π½Π° ΡΠ΅ΡΡΠ΅ΠΆΠ°Ρ
, ΡΠ²Π»ΡΡΡΡΡ Π²Π½Π΅ΡΠ½ΠΈΠΌΠΈ. Π£Π²Π΅Π»ΠΈΡΠΈΠ²Π°ΡΡ ΡΡΠΈ ΡΠ°Π·ΠΌΠ΅ΡΡ Π½Π΅ ΡΠ΅ΠΊΠΎΠΌΠ΅Π½Π΄ΡΡ, ΡΠ°ΠΊ ΠΊΠ°ΠΊ ΡΡΡΠ°Π½ΠΎΠ²ΠΊΠ° ΠΏΠ΅ΡΠΊΠΈ Π½Π° Π°Π²ΡΠΎΠΌΠΎΠ±ΠΈΠ»Ρ ΠΌΠΎΠΆΠ΅Ρ Π²ΡΠ·Π²Π°ΡΡ Π·Π°ΡΡΡΠ΄Π½Π΅Π½ΠΈΡ. ΠΡΠΈ ΡΠΎΠ±Π»ΡΠ΄Π΅Π½ΠΈΠΈ ΡΠΊΠ°Π·Π°Π½Π½ΡΡ
ΡΠ°Π·ΠΌΠ΅ΡΠΎΠ² ΠΏΠ΅ΡΡ ΠΏΠΎΠ΄Π½ΠΈΠΌΠ°Π΅ΡΡΡ Π±Π΅Π· Π΄ΠΎΠΏΠΎΠ»Π½ΠΈΡΠ΅Π»ΡΠ½ΡΡ
ΠΎΠΏΠ΅ΡΠ°ΡΠΈΠΉ. Π’ΠΎΠ»ΡΠΈΠ½Π° ΡΡΠ΅Π½ΠΊΠΈ ΠΏΡΠΈΠΌΠ΅ΡΠ½ΠΎ 5 ΠΌΠΌ.
Π ΠΊΠ°ΡΠ΅ΡΡΠ²Π΅ ΡΠΈΠ»ΠΎΠ²ΠΎΠ³ΠΎ ΠΊΠ°ΡΠΊΠ°ΡΠ° ΠΏΠ΅ΡΠΊΠΈ Ρ ΠΈΡΠΏΠΎΠ»ΡΠ·ΠΎΠ²Π°Π» ΠΊΠ°ΡΠΊΠ°Ρ, ΡΠΊΠ»Π΅ΠΏΠ°Π½Π½ΡΠΉ ΠΈΠ· Π°Π»ΡΠΌΠΈΠ½ΠΈΠ΅Π²ΡΡ
ΡΠ³ΠΎΠ»ΠΊΠΎΠ².ΠΠ° ΡΠ΅ΡΡΠ΅ΠΆΠ°Ρ
ΡΠ³Π»Ρ ΠΏΠΎΠΊΠ°Π·Π°Π½Ρ ΠΊΡΠ°ΡΠ½ΡΠΌ ΡΠ²Π΅ΡΠΎΠΌ. ΠΠΎΡΠ»Π΅ ΠΈΠ·Π³ΠΎΡΠΎΠ²Π»Π΅Π½ΠΈΡ ΠΊΠ°ΡΠΊΠ°ΡΠ° ΠΊ Π½Π΅ΠΌΡ ΠΏΡΠΈΠΊΠ»Π΅ΠΏΠ°Π»ΠΈ ΠΠΠ (ΠΌΠΎΠΆΠ½ΠΎ ΠΈΡΠΏΠΎΠ»ΡΠ·ΠΎΠ²Π°ΡΡ ΡΠ°Π½Π΅ΡΡ). ΠΠ»Ρ ΠΏΡΠΎΡΠ½ΠΎΡΡΠΈ ΡΠ²Π° ΠΌΠ΅ΠΆΠ΄Ρ ΠΠΠ ΠΈ ΠΊΠ°ΡΠΊΠ°ΡΠΎΠΌ Π½Π°Π½Π΅Ρ ΠΊΠ»Π΅ΠΉ-Π³Π΅ΡΠΌΠ΅ΡΠΈΠΊ. ΠΠΎΡΠ»Π΅ ΠΎΠ±ΡΠΈΠ²ΠΊΠΈ ΠΠΠ ΠΏΡΠΎΠΏΠΈΡΡΠ²Π°Π»ΠΈ Π²ΠΎΠ΄ΠΎΡΡΠΎΠΉΠΊΠΈΠΌ Π»Π°ΠΊΠΎΠΌ, ΠΎΠΊΠ»Π΅ΠΈΠ²Π°Π»ΠΈ ΡΠ½Π°ΡΡΠΆΠΈ ΠΊΠΎΠ²ΡΠΎΠ»ΠΈΠ½ΠΎΠΌ, Π° ΠΏΠΎΠ»ΠΎΡΡΡ Π²Π΅Π½ΡΠΈΠ»ΡΡΠΎΡΠΎΠ² ΠΎΠΊΠ»Π΅ΠΈΠ²Π°Π»ΠΈ ΠΏΠ΅Π½ΠΎΠΏΠΎΠ»ΠΈΡΡΠΈΠ»Π΅Π½ΠΎΠΌ Π΄Π»Ρ ΡΠ΅ΠΏΠ»ΠΎ- ΠΈ ΡΡΠΌΠΎΠΈΠ·ΠΎΠ»ΡΡΠΈΠΈ. ΠΡΠΈΠ²Π΅Π΄Ρ ΠΏΡΠΈΠΌΠ΅ΡΠ½ΡΠΉ ΠΏΠ΅ΡΠ΅ΡΠ΅Π½Ρ Π΄Π΅ΡΠ°Π»Π΅ΠΉ ΠΈ ΠΈΠ½ΡΡΡΡΠΌΠ΅Π½ΡΠΎΠ², Π½Π΅ΠΎΠ±Ρ
ΠΎΠ΄ΠΈΠΌΡΡ
Π΄Π»Ρ ΠΈΠ·Π³ΠΎΡΠΎΠ²Π»Π΅Π½ΠΈΡ ΠΏΠ΅ΡΠΈ.
- Π²Π΅Π½ΡΠΈΠ»ΡΡΠΎΡ ΠΎΡΠΎΠΏΠΈΡΠ΅Π»Ρ ΠΠΠ-2108 — 2 ΡΡ.,
- ΡΠ°Π΄ΠΈΠ°ΡΠΎΡ ΠΏΠ΅ΡΠΊΠΈ ΠΠΠΠ-2141 (Π»ΡΡΡΠ΅ Π±ΡΠ°ΡΡ ΠΈΡΠ°Π½ΡΠΊΠΈΠΉ) — 1 ΡΡ.,
- Π±ΠΎΠΊΠΎΠ²ΡΠ΅ Π΄Π΅ΡΠ»Π΅ΠΊΡΠΎΡΡ ΠΠΠΠ-2141, ΠΏΡΠ°Π²ΡΠΉ — 2 ΡΡ., ΠΠ΅Π²ΡΠΉ — 2 ΡΡ.,
- ΠΏΠ΅ΡΠ½ΠΎΠΉ ΡΠ΅Π·ΠΈΡΡΠΎΡ ΠΠΠΠ-2141 ΠΈΠ»ΠΈ ΠΠΠ-2108 — 2 ΡΡ.,
- ΡΡΠΎΡΠ° ΡΠΏΡΠ°Π²Π»Π΅Π½ΠΈΡ Π°ΡΠΌΠ°ΡΡΡΠΎΠΉ ΠΠΠΠ-2141 ΠΈΠ»ΠΈ Π°Π½Π°Π»ΠΎΠ³ΠΈΡΠ½ΡΡ
— 4 ΡΡ.,
- ΠΎΠ»ΠΎΠ²ΠΎ (ΠΎΡΠΈΠ½ΠΊΠΎΠ²Π°Π½Π½ΠΎΠ΅ ΠΈΠ»ΠΈ Π³Π»Π°Π΄ΠΊΠΎΠ΅),
- ΡΠ³ΠΎΠ»ΠΊΠΈ Π°Π»ΡΠΌΠΈΠ½ΠΈΠ΅Π²ΡΠ΅ 10Ρ
10, 25Ρ
25, 30Ρ
30, ΡΠΎΠ»ΡΠΈΠ½Π° 1,5 — 2 ΠΌΠΌ.,
- ΠΎΡΠ³Π°Π»ΠΈΡ,
- ΠΊΠΎΠ²ΡΠΎΠ»ΠΈΠ½,
- ΠΊΠ»Π΅ΠΉ-Π³Π΅ΡΠΌΠ΅ΡΠΈΠΊ ΡΠΈΠΏΠ° ΠΆΠΈΠ΄ΠΊΠΈΡ
Π³Π²ΠΎΠ·Π΄Π΅ΠΉ,
- Π·Π°ΠΊΠ»Π΅ΠΏΠΊΠΈ Π΄Π»Ρ ΠΏΠΈΡΡΠΎΠ»Π΅ΡΠ° Π΄ΠΈΠ°ΠΌΠ΅ΡΡΠΎΠΌ 3.5 ΠΈΠ»ΠΈ 4,0 ΠΌΠΌ ΠΈ Π΄Π»ΠΈΠ½ΠΎΠΉ 6 ΠΈ 8-10 ΠΌΠΌ.
- ΠΊΡΠ΅ΠΏΠ΅ΠΆΠ½ΡΠ΅ ΠΈΠ·Π΄Π΅Π»ΠΈΡ (Π±ΠΎΠ»ΡΡ, Π³Π°ΠΉΠΊΠΈ, ΡΠ°ΠΉΠ±Ρ Π4-Π6).
ΠΠ½ΡΡΡΡΠΌΠ΅Π½Ρ:
- ΡΠ²Π΅ΡΠ»ΠΎ ΡΠΎ ΡΠ²Π΅ΡΠ»Π°ΠΌΠΈ,
- ΡΠ»ΠΈΡΠΎΠ²Π°Π»ΡΠ½ΡΠΉ ΡΡΠ°Π½ΠΎΠΊ ΠΈΠ»ΠΈ Π½ΠΎΠΆΠΎΠ²ΠΊΠ°,
- Π½ΠΎΠΆΠ½ΠΈΡΡ ΠΏΠΎ ΠΌΠ΅ΡΠ°Π»Π»Ρ,
- ΠΏΠΈΡΡΠΎΠ»Π΅Ρ Π΄Π»Ρ Π·Π°ΠΊΠ»Π΅ΠΏΠΎΠΊ.
ΠΡΠΈΠΌΠ΅ΠΌ ΡΠ»Π΅Π΄ΡΡΡΠΈΠ΅ ΡΡΠ»ΠΎΠ²Π½ΡΠ΅ ΡΠ΅ΡΠΌΠΈΠ½Ρ: ΠΏΠ΅ΡΠ΅Π΄Π½ΡΡ ΡΠ°ΡΡΡ ΠΏΠ΅ΡΠΊΠΈ — Π±Π»ΠΈΠΆΠ°ΠΉΡΠ°Ρ ΠΊ Π΄Π²ΠΈΠ³Π°ΡΠ΅Π»Ρ ΡΡΠΎΡΠΎΠ½Π° ΠΏΠ΅ΡΠΊΠΈ; Π·Π°Π΄Π½ΡΡ ΡΡΠΎΡΠΎΠ½Π° — ΡΡΠΎΡΠΎΠ½Π° ΠΏΠ΅ΡΠΊΠΈ, Π½Π°ΠΏΡΠ°Π²Π»Π΅Π½Π½Π°Ρ Π² ΡΡΠΎΡΠΎΠ½Ρ ΡΠ°Π»ΠΎΠ½Π°. ΠΡΠ°Π²Π°Ρ ΠΈ Π»Π΅Π²Π°Ρ ΡΡΠΎΡΠΎΠ½Ρ ΠΏΠ΅ΡΠΊΠΈ ΡΠ°ΡΠΏΠΎΠ»ΠΎΠΆΠ΅Π½Ρ ΡΠΎΠΎΡΠ²Π΅ΡΡΡΠ²Π΅Π½Π½ΠΎ ΠΏΠΎ Π½Π°ΠΏΡΠ°Π²Π»Π΅Π½ΠΈΡ Π΄Π²ΠΈΠΆΠ΅Π½ΠΈΡ Π°Π²ΡΠΎΠΌΠΎΠ±ΠΈΠ»Ρ.
ΠΠ°ΡΠΈΠ½Π°Π΅ΠΌ ΠΈΠ·Π³ΠΎΡΠΎΠ²Π»Π΅Π½ΠΈΠ΅ Ρ ΠΊΠ°ΡΠΊΠ°ΡΠ° Π²Π΅ΡΡ
Π½Π΅ΠΉ ΡΠ°ΡΡΠΈ. ΠΠ· ΡΠ³ΠΎΠ»ΠΊΠ° 25Ρ
25 Π²ΡΡΠ΅Π·Π°Π΅ΠΌ 4 ΡΡΡΠΊΠΈ ΠΏΠΎ 190 ΠΌΠΌ. ΠΠ½ΠΈ ΠΎΠ±ΡΠ°Π·ΡΡΡ Π²Π΅ΡΡΠΈΠΊΠ°Π»ΡΠ½ΡΠ΅ ΡΡΠΎΠΉΠΊΠΈ Π²Π΅ΡΡ
Π½Π΅ΠΉ ΡΠ°ΠΌΡ. ΠΡΠ°Π²ΡΡ ΠΈ Π»Π΅Π²ΡΡ ΡΡΠΎΡΠΎΠ½Ρ (ΠΏΠΎΠΏΠ°ΡΠ½ΠΎ) ΡΠΎΠ΅Π΄ΠΈΠ½ΡΠ΅ΠΌ Π² Π½ΠΈΠΆΠ½Π΅ΠΉ ΡΠ°ΡΡΠΈ ΡΠ³ΠΎΠ»ΠΊΠΎΠΌ 30Ρ
30 (ΡΠ°ΡΠΏΠΎΠ»ΠΎΠΆΠ΅Π½ ΡΠ³ΠΎΠ»: ΠΎΠ΄ΠΈΠ½ Π²Π΅ΡΡΠΈΠΊΠ°Π»ΡΠ½ΠΎ Π²Π²Π΅ΡΡ
, ΠΎΠ΄ΠΈΠ½ Π³ΠΎΡΠΈΠ·ΠΎΠ½ΡΠ°Π»ΡΠ½ΠΎ Π½Π°ΡΡΠΆΡ) ΠΈ Π΄Π»ΠΈΠ½ΠΎΠΉ 175 ΠΌΠΌ (ΡΡΠΎΡ ΡΠ³ΠΎΠ»ΠΎΠΊ Π±ΡΠ΄Π΅Ρ ΠΎΠ±ΡΠ°Π·ΠΎΠ²ΡΠ²Π°ΡΡ ΠΏΠ»ΠΎΡΠΊΠΎΡΡΡ Π΄Π»Ρ ΡΠΎΠ΅Π΄ΠΈΠ½Π΅Π½ΠΈΡ Ρ Π½ΠΈΠΆΠ½Π΅ΠΉ ΡΠ°ΡΡΡΡ. , ΠΏΠΎΡΡΠΎΠΌΡ Π½Π° Π½Π΅ΠΌ Π΄ΠΎΠ»ΠΆΠ½ΠΎ Π±ΡΡΡ Π½Π΅ ΠΌΠ΅Π½Π΅Π΅ 3-4 Π·Π°ΠΊΠ»Π΅ΠΏΠΎΠΊ). ΠΠ΅ΠΆΠ΄Ρ ΡΠΎΠ±ΠΎΠΉ ΠΏΡΠ°Π²Π°Ρ ΠΈ Π»Π΅Π²Π°Ρ ΡΠ°ΡΡΠΈ ΡΠΊΡΠ΅ΠΏΠ»ΡΡΡΡΡ ΡΠ½ΠΈΠ·Ρ ΡΠ³ΠΎΠ»ΠΊΠΎΠΌ 10Ρ
10, Π΄Π»ΠΈΠ½ΠΎΠΉ 310 ΠΌΠΌ (ΡΡΠΎΡΠΎΠ½Π° Π²Π΅ΡΡΠΈΠΊΠ°Π»ΡΠ½ΠΎ ΠΈ Π³ΠΎΡΠΈΠ·ΠΎΠ½ΡΠ°Π»ΡΠ½ΠΎ Π²Π½ΡΡΡΡ).
ΠΠ° Π²ΡΡΠΎΡΠ΅ 55 ΠΌΠΌ ΠΏΡΠ°Π²Π°Ρ ΠΈ Π»Π΅Π²Π°Ρ ΡΠ°ΡΡΠΈ ΡΠΎΠ΅Π΄ΠΈΠ½ΡΡΡΡΡ ΡΠ³ΠΎΠ»ΠΊΠΎΠΌ 25×25 (ΡΡΠΎΡΠΎΠ½Π° Π²Π΅ΡΡΠΈΠΊΠ°Π»ΡΠ½ΠΎ Π²Π²Π΅ΡΡ
ΠΈ Π²Π½ΡΡΡΡ). ΠΠ° ΡΠ°ΠΊΠΎΠΉ ΠΆΠ΅ Π²ΡΡΠΎΡΠ΅ Ρ Π±ΠΎΠΊΠΎΠ² ΠΏΡΠΈΠΊΡΠ΅ΠΏΠ»ΡΠ΅ΡΡΡ ΡΠ³ΠΎΠ»ΠΎΠΊ 25Ρ
25 (ΡΡΠΎΡΠΎΠ½ΠΎΠΉ Π²Π΅ΡΡΠΈΠΊΠ°Π»ΡΠ½ΠΎ Π²Π½ΠΈΠ· ΠΈ Π³ΠΎΡΠΈΠ·ΠΎΠ½ΡΠ°Π»ΡΠ½ΠΎ Π½Π°ΡΡΠΆΡ).
ΠΠ°Π»Π΅Π΅ ΠΈΠ· ΠΠΠ Π²ΡΡΠ΅Π·Π°Π΅ΡΡΡ Π΄Π½ΠΎ Π²Π΅Π½ΡΠΈΠ»ΡΡΠΎΡΠ½ΠΎΠΉ ΠΏΠΎΠ»ΠΎΡΡΠΈ ΡΠ°Π·ΠΌΠ΅ΡΠΎΠΌ 405Ρ
175 ΠΌΠΌ. ΠΠΈΠΆΠ½ΡΡ ΡΠ°ΡΡΡ Π΄ΠΎΠ»ΠΆΠ½Π° Π²ΡΡΡΡΠΏΠ°ΡΡ Π½Π° 45 ΠΌΠΌ ΡΠ»Π΅Π²Π° ΠΎΡ ΡΡΠ΅Π΄Π½ΠΈΡ
ΡΡΠΎΠ΅ΠΊ ΠΈ Π½Π° 50 ΠΌΠΌ ΡΠΏΡΠ°Π²Π°. ΠΠ½ΠΈΠ·Ρ ΠΎΡΠΌΠ΅ΡΡΡΠ΅ ΠΎΠΊΠΎΡΠΊΠΎ Π΄Π»Ρ Π²ΡΡΠ°Π²ΠΊΠΈ ΠΎΡΠ²ΠΎΠ΄Π° Π²Π΅Π½ΡΠΈΠ»ΡΡΠΎΡΠ°. ΠΠ΅Π½ΡΠΈΠ»ΡΡΠΎΡΡ Π΄ΠΎΠ»ΠΆΠ½Ρ ΡΠ°ΡΠΏΠΎΠ»Π°Π³Π°ΡΡΡΡ Π²Π½ΡΡΡΠΈ ΡΠΈΠ»ΠΎΠ²ΠΎΠ³ΠΎ ΠΎΡΡΠ΅ΠΊΠ°.
ΠΠΎΠΊΠΎΠ²ΡΠ΅ ΠΏΠΎΠ»ΠΎΡΡΠΈ (45 ΠΌΠΌ ΡΠ»Π΅Π²Π°, 50 ΠΌΠΌ ΡΠΏΡΠ°Π²Π°) Π΄Π΅ΠΉΡΡΠ²ΡΡΡ ΠΊΠ°ΠΊ Π²ΠΎΠ·Π΄ΡΡ
ΠΎΠ²ΠΎΠ΄Ρ ΠΈ Π½Π΅ Π½Π΅ΡΡΡ ΡΠΈΠ»ΠΎΠ²ΡΠ΅ Π½Π°Π³ΡΡΠ·ΠΊΠΈ. ΠΠ°Π΄Π½ΡΡ ΡΡΠ΅Π½ΠΊΠ° Π²Π΅Π½ΡΠΈΠ»ΡΡΠΎΡΠ½ΠΎΠΉ ΠΏΠΎΠ»ΠΎΡΡΠΈ 420Ρ
130 ΠΌΠΌ. ΠΠ΅ΡΠ΅Π΄Π½ΡΡ ΡΡΠ΅Π½ΠΊΠ° ΠΏΠΎΠ»ΠΎΡΡΠΈ Π²Π΅Π½ΡΠΈΠ»ΡΡΠΎΡΠ° ΠΈΠΌΠ΅Π΅Ρ Π’-ΠΎΠ±ΡΠ°Π·Π½ΡΡ ΡΠΎΡΠΌΡ, ΡΠΈΡΠΈΠ½Ρ 310 ΠΌΠΌ ΠΏΡΠΈ 60 ΠΌΠΌ ΠΈ 420 ΠΌΠΌ ΠΏΡΠΈ 130 ΠΌΠΌ (ΠΎΠ±ΡΠ°Ρ Π²ΡΡΠΎΡΠ° 190). ΠΠΎΠΊΠΎΠ²ΡΠ΅ ΡΡΠ΅Π½ΠΊΠΈ ΠΏΠΎΠ»ΠΎΡΡΠΈ ΠΈΠΌΠ΅ΡΡ ΡΠ°Π·ΠΌΠ΅Ρ 175Ρ
130 ΠΌΠΌ. ΠΠΎ ΡΠ³Π»Π°ΠΌ Π»ΠΈΡΡΡ ΠΠΠ ΠΊΡΠ΅ΠΏΡΡΡΡ Ρ ΠΏΠΎΠΌΠΎΡΡΡ ΡΠ³ΠΎΠ»ΠΊΠ° 10Ρ
10 ΠΈ Π·Π°ΠΊΠ»Π΅ΠΏΠΎΠΊ.
ΠΡΠ²Π΅ΡΡΡΠΈΡ, Π²ΡΡΠ΅Π·Π°Π½Π½ΡΠ΅ Π² Π½ΠΈΠΆΠ½Π΅ΠΉ ΡΠ°ΡΡΠΈ ΠΏΠΎΠ»ΠΎΡΡΠΈ Π²Π΅Π½ΡΠΈΠ»ΡΡΠΎΡΠ° Π΄Π»Ρ Π²ΠΎΠ·Π΄ΡΡ
ΠΎΠ²ΠΎΠ΄Π° Π²Π΅Π½ΡΠΈΠ»ΡΡΠΎΡΠ°, Π½Π΅ΠΎΠ±Ρ
ΠΎΠ΄ΠΈΠΌΠΎ ΡΡΠ°ΡΠ΅Π»ΡΠ½ΠΎ ΠΎΡΡΠ΅Π³ΡΠ»ΠΈΡΠΎΠ²Π°ΡΡ ΠΏΠΎ ΠΏΠ΅ΡΠΈΠΌΠ΅ΡΡΡ.Π€ΠΎΡΡΡΠ½ΠΊΠ° Π²Π΅Π½ΡΠΈΠ»ΡΡΠΎΡΠ° Π΄ΠΎΠ»ΠΆΠ½Π° Π²Ρ
ΠΎΠ΄ΠΈΡΡ Π² ΡΡΠΎ ΠΎΠΊΠ½ΠΎ ΠΏΠ»ΠΎΡΠ½ΠΎ ΠΈ Π±Π΅Π· Π΄Π΅ΡΠΎΡΠΌΠ°ΡΠΈΠΈ. ΠΡΠΈ ΡΡΡΠ°Π½ΠΎΠ²ΠΊΠ΅ Π²Π΅Π½ΡΠΈΠ»ΡΡΠΎΡΠ° ΠΏΠΎΡΡΠ΅Π±ΡΠ΅ΡΡΡ ΠΎΡΡΠ΅Π·Π°ΡΡ ΡΡΠ°Π½Π΄Π°ΡΡΠ½ΡΠ΅ Β«ΡΡΠΊΠΈΒ» ΠΊΡΠ΅ΠΏΠ»Π΅Π½ΠΈΡ, Π° ΡΠ°ΠΊΠΆΠ΅ Π½Π΅Π±ΠΎΠ»ΡΡΠΎΠΉ Β«ΠΊΠ»ΡΠ²Β» ΡΠ°ΡΡΡΡΠ±Π° Π²ΠΎΠ·Π΄ΡΡ
ΠΎΠ²ΠΎΠ΄Π°. (ΠΈΠ½Π°ΡΠ΅ Π±ΡΠ΄Π΅Ρ ΡΠ»ΠΎΠΆΠ½ΠΎ Π²ΡΡΠ°Π²ΠΈΡΡ Π²Π΅Π½ΡΠΈΠ»ΡΡΠΎΡ Π² ΠΎΠΊΠ½ΠΎ). ΠΠΎΡΠ»Π΅ ΠΊΡΠ΅ΠΏΠ»Π΅Π½ΠΈΡ ΠΏΠΎΠ»ΠΎΡΡΡ Π²Π΅Π½ΡΠΈΠ»ΡΡΠΎΡΠΎΠ² ΡΠ»Π΅Π΄ΡΠ΅Ρ ΠΏΡΠΎΠΏΠΈΡΠ°ΡΡ ΠΊΡΠ°ΡΠΊΠΎΠΉ ΠΈΠ»ΠΈ Π»Π°ΠΊΠΎΠΌ, ΠΏΠΎΠΊΡΡΡΡ Π³Π΅ΡΠΌΠ΅ΡΠΈΠΊΠΎΠΌ, ΠΈΠ·Π±Π΅Π³Π°Ρ ΡΡΠ΅ΡΠΈΠ½ ΠΈ ΠΏΡΠΎΡΠ΅ΡΠ΅ΠΊ. ΠΠΏΠΎΠΊΡΠΈΠ΄Π½ΡΡ ΡΠΌΠΎΠ»Ρ ΠΌΠΎΠΆΠ½ΠΎ ΠΈΡΠΏΠΎΠ»ΡΠ·ΠΎΠ²Π°ΡΡ Π΄Π»Ρ ΡΠ²Π΅Π»ΠΈΡΠ΅Π½ΠΈΡ ΠΆΠ΅ΡΡΠΊΠΎΡΡΠΈ ΠΊΠΎΠ½ΡΡΡΡΠΊΡΠΈΠΈ. ΠΡΠ²Π΅ΡΡΡΠΈΡ Π΄Π»Ρ Π²ΡΡΠ°Π²ΠΊΠΈ Π²Π΅Π½ΡΠΈΠ»ΡΡΠΎΡΠ° ΡΠ»Π΅Π΄ΡΠ΅Ρ Π·Π°ΠΊΡΡΡΡ ΠΏΠ΅Π½ΠΎΠΏΠΎΠ»ΠΈΡΡΠΈΠ»Π΅Π½ΠΎΠΌ ΠΈΠ»ΠΈ ΠΏΠΎΡΠΎΠ»ΠΎΠ½ΠΎΠΌ ΡΠ°ΠΊ, ΡΡΠΎΠ±Ρ ΠΎΠ±Π΅ΡΠΏΠ΅ΡΠΈΡΡ Π³Π΅ΡΠΌΠ΅ΡΠΈΡΠ½ΠΎΡΡΡ.ΠΠ»Ρ ΠΏΠΎΠ²ΡΡΠ΅Π½ΠΈΡ ΡΠ΅ΠΏΠ»ΠΎ- ΠΈ ΡΡΠΌΠΎΠΈΠ·ΠΎΠ»ΡΡΠΈΠΈ ΡΠ»Π΅Π΄ΡΠ΅Ρ ΡΠ°ΠΊΠΆΠ΅ ΠΏΡΠΎΠΊΠ»Π΅ΠΈΡΡ ΠΏΠΎΠ»ΠΎΡΡΡ Π²Π΅Π½ΡΠΈΠ»ΡΡΠΎΡΠΎΠ² ΠΈΠ·Π½ΡΡΡΠΈ ΠΏΠ΅Π½ΠΎΠΏΠΎΠ»ΠΈΡΡΠΈΠ»Π΅Π½ΠΎΠΌ ΡΠΎΠ»ΡΠΈΠ½ΠΎΠΉ 4-6 ΠΌΠΌ, Π° ΡΠ½Π°ΡΡΠΆΠΈ ΡΠ°ΠΊΠΈΠΌ ΠΌΠ°ΡΠ΅ΡΠΈΠ°Π»ΠΎΠΌ, ΠΊΠ°ΠΊ ΠΊΠΎΠ²ΡΠΎΠ»ΠΈΠ½. ΠΡΠ΅ ΡΠ°Π· ΠΏΡΠΎΠ²Π΅ΡΡΡΠ΅, Π½Π°ΡΠΊΠΎΠ»ΡΠΊΠΎ Π²Π΅Π½ΡΠΈΠ»ΡΡΠΎΡΡ Π²ΡΡΠ°Π»ΠΈ Π½Π° ΡΠ²ΠΎΠΈ ΠΌΠ΅ΡΡΠ°. ΠΠΎΡΠΏΡΡ Π²Π΅Π½ΡΠΈΠ»ΡΡΠΎΡΠ° Π΄ΠΎΠ»ΠΆΠ΅Π½ Π±ΡΡΡ ΠΏΠ»ΠΎΡΠ½ΠΎ Π²ΡΡΠ°Π²Π»Π΅Π½ ΠΌΠ΅ΠΆΠ΄Ρ Π²Π΅ΡΡΠΈΠΊΠ°Π»ΡΠ½ΡΠΌΠΈ ΡΡΠ΅Π½ΠΊΠ°ΠΌΠΈ, Π° ΡΠΎΠΏΠ»ΠΎ Π΄ΠΎΠ»ΠΆΠ½ΠΎ ΠΏΠ»ΠΎΡΠ½ΠΎ Π²Ρ
ΠΎΠ΄ΠΈΡΡ Π² ΠΎΡΠ²Π΅ΡΡΡΠΈΠ΅ Π²Π½ΠΈΠ·Ρ. Π Π΄Π°Π»ΡΠ½Π΅ΠΉΡΠ΅ΠΌ Π²Π΅Π½ΡΠΈΠ»ΡΡΠΎΡΡ Π±ΡΠ΄ΡΡ ΡΠ΄Π΅ΡΠΆΠΈΠ²Π°ΡΡΡΡ Π½Π° ΡΠ²ΠΎΠΈΡ
ΠΌΠ΅ΡΡΠ°Ρ
ΡΠ°ΠΌΠΎΠΉ ΠΈΠ· ΡΠ³ΠΎΠ»ΠΊΠ° 30Ρ
30 ΠΌΠΌ, ΠΎΠ±ΡΠ°Π·ΡΡΡΠ΅ΠΉ Π²Π΅ΡΡ
Π½ΡΡ ΠΊΡΠ΅ΠΏΠ΅ΠΆΠ½ΡΡ ΡΠ°ΠΌΠΊΡ (ΠΊΠΎΡΠΎΡΠ°Ρ ΠΏΡΠΈΠΆΠΈΠΌΠ°Π΅ΡΡΡ ΠΊ ΠΏΠ»ΠΎΡΠΊΠΎΡΡΠΈ ΡΡΠ°ΡΠ½ΠΎΠ³ΠΎ Π²ΠΎΠ·Π΄ΡΡ
ΠΎΠ²ΠΎΠ΄Π° Π°Π²ΡΠΎΠΌΠΎΠ±ΠΈΠ»Ρ).ΠΡΠΎΡΡΡΠ°Π½ΡΡΠ²ΠΎ Π²ΡΡ
ΠΎΠ΄Π° Π²Π΅Π΅ΡΠ½ΠΎΠ³ΠΎ ΡΠΎΠΏΠ»Π° ΡΡΠ»ΠΎΠ²Π½ΠΎ Π½Π°Π·ΠΎΠ²Π΅ΠΌ Π½Π°Π΄ΡΠ°Π΄ΠΈΠ°ΡΠΎΡΠ½ΠΎΠΉ ΠΏΠΎΠ»ΠΎΡΡΡΡ.
ΠΠ»Ρ ΡΠ°Π²Π½ΠΎΠΌΠ΅ΡΠ½ΠΎΠ³ΠΎ ΡΠ°ΡΠΏΡΠ΅Π΄Π΅Π»Π΅Π½ΠΈΡ Π²ΠΎΠ·Π΄ΡΡΠ½ΠΎΠ³ΠΎ ΠΏΠΎΡΠΎΠΊΠ° ΠΏΠΎ ΡΠ°Π΄ΠΈΠ°ΡΠΎΡΡ ΠΏΡΠΈΠΊΡΠ΅ΠΏΠΈΡΠ΅ Π½Π°ΠΊΠ»ΠΎΠ½Π½ΡΡ ΠΏΠ°Π½Π΅Π»Ρ ΠΎΡ Π±Π»ΠΈΠΆΠ°ΠΉΡΠ΅Π³ΠΎ ΠΊ Π΄Π²ΠΈΠ³Π°ΡΠ΅Π»Ρ ΠΎΠΊΠ½Π° Π²Π΅Π½ΡΠΈΠ»ΡΡΠΎΡΠ° ΠΊ ΠΏΠ΅ΡΠ΅Π΄Π½Π΅ΠΌΡ Π½ΠΈΠΆΠ½Π΅ΠΌΡ ΡΠ³Π»Ρ ΡΠ°ΠΌΡ. ΠΠΎΠ»ΠΎΡΡΡ ΠΌΠ΅ΠΆΠ΄Ρ Π½Π°ΠΊΠ»ΠΎΠ½Π½ΠΎΠΉ ΠΏΠ°Π½Π΅Π»ΡΡ ΠΈ ΠΏΠ»ΠΎΡΠΊΠΈΠΌ Π΄Π½ΠΎΠΌ Π²Π΅Π½ΡΠΈΠ»ΡΡΠΎΡΠ½ΠΎΠΉ ΠΏΠΎΠ»ΠΎΡΡΠΈ ΠΆΠ΅Π»Π°ΡΠ΅Π»ΡΠ½ΠΎ Π·Π°ΠΏΠΎΠ»Π½ΠΈΡΡ ΡΡΡΠΎΠΈΡΠ΅Π»ΡΠ½ΠΎΠΉ ΠΏΠ΅Π½ΠΎΠΉ.
Π ΡΠ»ΡΡΠ°Π΅ ΠΈΡΠΏΠΎΠ»ΡΠ·ΠΎΠ²Π°Π½ΠΈΡ ΡΠ°Π·Π΄Π΅Π»ΡΠ½ΠΎΠΉ ΡΠΈΡΡΠ΅ΠΌΡ ΡΠΏΡΠ°Π²Π»Π΅Π½ΠΈΡ Π²Π΅Π½ΡΠΈΠ»ΡΡΠΈΠ΅ΠΉ ΠΈ ΠΎΠ±ΠΎΠ³ΡΠ΅Π²ΠΎΠΌ Π΄Π»Ρ Π²ΠΎΠ΄ΠΈΡΠ΅Π»Ρ ΠΈ ΠΏΠ°ΡΡΠ°ΠΆΠΈΡΠ°, ΠΏΠΎΠ»ΠΎΡΡΡ Π½Π°Π΄ΡΠ°Π΄ΠΈΠ°ΡΠΎΡΠ° Π΄ΠΎΠ»ΠΆΠ½Π° Π±ΡΡΡ ΡΠ°Π·Π΄Π΅Π»Π΅Π½Π° ΠΏΠΎΡΠ΅ΡΠ΅Π΄ΠΈΠ½Π΅ ΠΏΠ΅ΡΠ΅Π³ΠΎΡΠΎΠ΄ΠΊΠΎΠΉ.ΠΠ΅ΡΠ΅Π³ΠΎΡΠΎΠ΄ΠΊΠ° ΠΊΡΠ΅ΠΏΠΈΡΡΡ ΠΊ Π΄Π½Ρ Π²Π΅Π½ΡΠΈΠ»ΡΡΠΎΡΠ½ΠΎΠΉ ΠΏΠΎΠ»ΠΎΡΡΠΈ ΡΠ³ΠΎΠ»ΠΊΠ°ΠΌΠΈ ΠΈΠ»ΠΈ ΠΏΡΠΈΠΊΠ»Π΅ΠΈΠ²Π°Π΅ΡΡΡ ΡΠΏΠΎΠΊΡΠΈΠ΄Π½ΡΠΌ ΠΊΠ»Π΅Π΅ΠΌ.
ΠΠΎΠΊΠΎΠ²ΡΠ΅ ΡΠ°ΡΡΠΈ ΠΏΠΎΠ»ΠΎΡΡΠΈ Π½Π°Π΄ΡΠ°Π΄ΠΈΠ°ΡΠΎΡΠ° Π΄ΠΎΠ»ΠΆΠ½Ρ Π±ΡΡΡ Π·Π°ΠΊΡΡΡΡ ΠΏΡΡΠΌΠΎΡΠ³ΠΎΠ»ΡΠ½ΡΠΌΠΈ ΠΏΠ»Π°ΡΡΠΈΠ½Π°ΠΌΠΈ ΠΈΠ· ΠΎΡΠ³Π°Π»ΠΈΡΠ°, Π½ΠΎ ΠΏΡΠ΅Π΄Π²Π°ΡΠΈΡΠ΅Π»ΡΠ½ΠΎ Π² Π½ΠΈΡ
Π΄ΠΎΠ»ΠΆΠ½Ρ Π±ΡΡΡ ΡΠ΄Π΅Π»Π°Π½Ρ ΠΎΠΊΠ½Π° Π΄Π»Ρ ΡΠ°Π·ΠΌΠ΅ΡΠ΅Π½ΠΈΡ ΡΠ΅Π·ΠΈΡΡΠΎΡΠ° ΡΠ»Π΅ΠΊΡΡΠΈΡΠ΅ΡΠΊΠΎΠ³ΠΎ Π²Π΅Π½ΡΠΈΠ»ΡΡΠΎΡΠ°. ΠΠ½ Π΄ΠΎΠ»ΠΆΠ΅Π½ Π±ΡΡΡ ΡΠ°ΡΠΏΠΎΠ»ΠΎΠΆΠ΅Π½ ΡΠ°ΠΊ, ΡΡΠΎΠ±Ρ Π²ΠΎΠ·Π΄ΡΡΠ½ΡΠΉ ΠΏΠΎΡΠΎΠΊ ΠΎΡ Π²Π΅Π½ΡΠΈΠ»ΡΡΠΎΡΠ° ΠΏΠΎΡΡΠΎΡΠ½Π½ΠΎ ΠΎΠ±Π΄ΡΠ²Π°Π» Π΅Π³ΠΎ.
ΠΠ°Π»Π΅Π΅ ΡΠ»Π΅Π΄ΡΠ΅Ρ ΡΠ΄Π΅Π»Π°ΡΡ Π²Π΅ΡΡ
Π½ΠΈΠ΅ ΠΎΡΠ²ΠΎΡΠΎΡΡ. Π ΠΊΡΠ°ΠΉΠ½ΠΈΡ
ΠΏΠΎΠ»ΠΎΠΆΠ΅Π½ΠΈΡΡ
Π·Π°ΡΠ»ΠΎΠ½ΠΊΠ° ΡΠ°ΡΠΏΡΠ΅Π΄Π΅Π»ΡΠ΅Ρ Π²ΠΎΠ·Π΄ΡΡΠ½ΡΠΉ ΠΏΠΎΡΠΎΠΊ Π² Π΄Π²ΡΡ
Π½Π°ΠΏΡΠ°Π²Π»Π΅Π½ΠΈΡΡ
: 1) Π²ΡΠ΅ Π΄Π°Π²Π»Π΅Π½ΠΈΠ΅ Π²ΠΎΠ·Π΄ΡΡ
Π° ΠΏΡΠΎΡ
ΠΎΠ΄ΠΈΡ ΡΠ΅ΡΠ΅Π· ΡΠ°Π΄ΠΈΠ°ΡΠΎΡ, 2) Π±ΠΎΠ»ΡΡΠ°Ρ ΡΠ°ΡΡΡ, ΠΏΡΠΈΠΌΠ΅ΡΠ½ΠΎ 90% Π²ΠΎΠ·Π΄ΡΡ
Π° ΠΈΠ΄Π΅Ρ Π²Π²Π΅ΡΡ
Π² Π²ΠΎΠ·Π΄ΡΡΠ½ΡΠΉ ΠΏΠΎΡΠΎΠΊ, ΠΌΠΈΠ½ΡΡ ΡΠ°Π΄ΠΈΠ°ΡΠΎΡ, Π° 10% ΠΈΠ΄Π΅Ρ Π²Π²Π΅ΡΡ
. ΡΠ΅ΡΠ΅Π· ΡΠ°Π΄ΠΈΠ°ΡΠΎΡ.Π ΠΏΡΠΎΠΌΠ΅ΠΆΡΡΠΎΡΠ½ΡΡ
ΠΏΠΎΠ»ΠΎΠΆΠ΅Π½ΠΈΡΡ
ΡΡΠΎ ΡΠΎΠΎΡΠ½ΠΎΡΠ΅Π½ΠΈΠ΅ ΠΈΠ·ΠΌΠ΅Π½ΡΠ΅ΡΡΡ ΠΏΠ»Π°Π²Π½ΠΎ, Π±Π»Π°Π³ΠΎΠ΄Π°ΡΡ ΡΠ΅ΠΌΡ ΠΌΠΎΠΆΠ½ΠΎ Π½Π°ΠΏΡΠ°Π²Π»ΡΡΡ Π²ΠΎΠ·Π΄ΡΡ
ΡΠ°Π·Π½ΠΎΠΉ ΡΠ΅ΠΌΠΏΠ΅ΡΠ°ΡΡΡΡ ΠΊ Π½ΠΎΠ³Π°ΠΌ ΠΈ ΠΊ Π»ΠΈΡΡ — Π³ΠΎΡΡΡΠΈΠΉ Π²Π½ΠΈΠ·, Π±ΠΎΠ»Π΅Π΅ ΠΏΡΠΎΡ
Π»Π°Π΄Π½ΡΠΉ Π²Π²Π΅ΡΡ
. ΠΡΠ»ΠΈ ΡΠ°ΠΊΠΎΠΉ ΡΠ΅ΠΆΠΈΠΌ ΡΠ°Π±ΠΎΡΡ ΠΎΡΠΎΠΏΠΈΡΠ΅Π»Ρ Π½Π΅ Π½ΡΠΆΠ΅Π½, ΡΠΎ ΠΌΠΎΠΆΠ½ΠΎ ΠΈΡΠΊΠ»ΡΡΠΈΡΡ Π²Π΅ΡΡ
Π½ΠΈΠ΅ Π·Π°ΡΠ»ΠΎΠ½ΠΊΠΈ, Π·Π°ΠΊΡΡΠ² Π·Π°Π΄Π½ΡΡ ΡΡΠ΅Π½ΠΊΡ Π½Π°Π΄ΡΠ°Π΄ΠΈΠ°ΡΠΎΡΠ½ΠΎΠΉ ΠΏΠΎΠ»ΠΎΡΡΠΈ. ΠΠΌΠΎΡΡΠΈΠ·Π°ΡΠΎΡ ΠΈΠ· ΠΆΠ΅ΡΡΠΈ, Π° Π΅Π³ΠΎ ΠΎΡΡ — ΠΈΠ· ΡΡΠ°Π»ΡΠ½ΠΎΠ³ΠΎ ΠΏΡΡΡΠΊΠ° ΡΠΎΠ»ΡΠΈΠ½ΠΎΠΉ 3-4 ΠΌΠΌ (Ρ ΠΈΡΠΏΠΎΠ»ΡΠ·ΠΎΠ²Π°Π» ΡΡΠ³Ρ ΡΡΡΠΊΠΈ Π΄Π²Π΅ΡΠΈ ΡΠ°Π»ΠΎΠ½Π° ΠΎΡ ΠΠΠΠ°).
ΠΠ΅Π²Π°Ρ ΠΈ ΠΏΡΠ°Π²Π°Ρ Π·Π°ΡΠ»ΠΎΠ½ΠΊΠΈ ΡΠΈΠΌΠΌΠ΅ΡΡΠΈΡΠ½Ρ.ΠΡΠΈΠΌΠ΅ΡΠ½ΡΠΉ ΠΏΡΠΎΡΠΈΠ»Ρ Π΄Π΅ΠΌΠΏΡΠ΅ΡΠ° ΠΏΠΎΠΊΠ°Π·Π°Π½ Π½Π° ΡΠ΅ΡΡΠ΅ΠΆΠ΅ (Π²ΠΈΠ΄ ΡΠ±ΠΎΠΊΡ). ΠΡΠΎΡΠ΅Π·Ρ A ΡΠ΄Π΅Π»Π°Π½Π° ΡΠ°ΠΊ, ΡΡΠΎΠ±Ρ Β«ΠΏΡΠΎΠΏΡΡΡΠΈΡΡΒ» Π΄Π΅ΠΌΠΏΡΠ΅Ρ ΠΌΠΈΠΌΠΎ ΡΠ΅Π·ΠΈΡΡΠΎΡΠ° Π²Π΅Π½ΡΠΈΠ»ΡΡΠΎΡΠ°, Π²ΡΡΡΡΠΏ AB ΠΏΡΠΎΡ
ΠΎΠ΄ΠΈΡ Π²Π½ΡΡΡΡ ΡΠΎΠΏΠ»Π° Π²Π΅Π½ΡΠΈΠ»ΡΡΠΎΡΠ°, ΡΠ°Π·ΡΠ΅Π· B Π΄Π΅Π»Π°Π΅ΡΡΡ Π½Π° ΠΌΠ΅ΡΡΠ΅ ΠΈΠ· ΡΠ»Π΅Π΄ΡΡΡΠ΅Π³ΠΎ ΡΡΠ»ΠΎΠ²ΠΈΡ — Π² Π²Π΅ΡΡ
Π½Π΅ΠΌ ΠΏΠΎΠ»ΠΎΠΆΠ΅Π½ΠΈΠΈ ΡΡΠ° ΡΠ°ΡΡΡ Π΄Π΅ΠΌΠΏΡΠ΅ΡΠ° Π΄ΠΎΠ»ΠΆΠ½Π° ΡΠΏΠΈΡΠ°ΡΡΡΡ Π² Π½ΠΈΠΆΠ½ΡΡ. ΠΏΠΎΠ»ΠΎΡΡΠΈ Π²Π΅Π½ΡΠΈΠ»ΡΡΠΎΡΠ°. ΠΡΠΎΡΡΠΈΠ½Ρ C ΠΏΡΠ΅Π΄Π½Π°Π·Π½Π°ΡΠ΅Π½Ρ Π΄Π»Ρ ΠΈΠ·Π³ΠΎΡΠΎΠ²Π»Π΅Π½ΠΈΡ Β«ΠΏΠ΅ΡΠ΅Π»ΡΒ» — ΠΈΡ
Π½ΡΠΆΠ½ΠΎ Π·Π°Π³Π½ΡΡΡ Π²ΠΎΠΊΡΡΠ³ ΠΎΡΠΈ Π΄Π΅ΠΌΠΏΡΠ΅ΡΠ° ΠΈ Π·Π°ΠΊΠ»Π΅ΠΏΠ°ΡΡ Π² ΡΡΠΎΠΌ ΠΏΠΎΠ»ΠΎΠΆΠ΅Π½ΠΈΠΈ. ΠΠ΅ΠΌΠΏΡΠ΅Ρ Π΄ΠΎΠ»ΠΆΠ΅Π½ Π²ΡΠ°ΡΠ°ΡΡΡΡ Π½Π° ΠΎΡΠΈ ΡΠ²ΠΎΠ±ΠΎΠ΄Π½ΠΎ ΠΈ Π±Π΅Π· Π»ΡΡΡΠ°. ΠΡΡΡΡΠΏ B ΠΏΡΠ΅Π΄Π½Π°Π·Π½Π°ΡΠ΅Π½ Π΄Π»Ρ ΠΊΡΠ΅ΠΏΠ»Π΅Π½ΠΈΡ ΡΡΠΎΡΠ° ΡΠΏΡΠ°Π²Π»Π΅Π½ΠΈΡ Π·Π°ΡΠ»ΠΎΠ½ΠΊΠΎΠΉ.Π§ΡΠΎΠ±Ρ ΠΈΡΠΊΠ»ΡΡΠΈΡΡ Β«Π·Π²ΠΎΠ½Β» Π΄Π΅ΠΌΠΏΡΠ΅ΡΠ°, ΠΊΡΠ°ΠΉ Π΄Π΅ΠΌΠΏΡΠ΅ΡΠ° (ΠΈΠ»ΠΈ Π²Π΅ΡΡ) ΠΆΠ΅Π»Π°ΡΠ΅Π»ΡΠ½ΠΎ ΠΏΡΠΎΠΊΠ»Π΅ΠΈΡΡ ΡΠ΅Π·ΠΈΠ½ΠΎΠΉ.
ΠΠ°Π»Π΅Π΅ Π΄Π΅Π»Π°ΡΡΡΡ Π²ΠΎΠ·Π΄ΡΡ
ΠΎΠ²ΠΎΠ΄Ρ Π²Π΅ΡΡ
Π½Π΅ΠΉ ΡΠ°ΡΡΠΈ — ΠΏΠΎΠ΄ Π΄Π΅ΡΠ»Π΅ΠΊΡΠΎΡ Β«Π² Π»ΠΈΡΠΎΒ» ΠΈ Π±ΠΎΠΊΠΎΠ²ΠΎΠΉ Π²ΡΡ
ΠΎΠ΄ Π΄Π»Ρ ΠΎΠ±Π΄ΡΠ²Π° Π»ΠΎΠ±ΠΎΠ²ΠΎΠ³ΠΎ ΠΈΠ»ΠΈ Π±ΠΎΠΊΠΎΠ²ΠΎΠ³ΠΎ ΡΡΠ΅ΠΊΠ»Π°. Π‘Π΄Π΅Π»Π°Π» ΠΈΡ
ΠΈΠ· ΠΎΡΠΈΠ½ΠΊΠΎΠ²Π°Π½Π½ΠΎΠ³ΠΎ Π»ΠΈΡΡΠ° (ΡΡΠΎΡ ΠΌΠ°ΡΠ΅ΡΠΈΠ°Π» Π±ΡΠ» ΠΏΠΎΠ΄ ΡΡΠΊΠΎΠΉ). Π’Π°ΠΊΠΆΠ΅ Π²ΠΎΠ·ΠΌΠΎΠΆΠ½ΠΎ ΠΈΡ
ΠΈΠ·Π³ΠΎΡΠΎΠ²Π»Π΅Π½ΠΈΠ΅ ΠΈΠ· ΡΠΏΠΎΠΊΡΠΈΠ΄Π½ΠΎΠΉ ΡΠΌΠΎΠ»Ρ ΠΈ ΡΡΠ΅ΠΊΠ»ΠΎΠ²ΠΎΠ»ΠΎΠΊΠ½Π°.
ΠΠ»Ρ ΠΈΠ·Π³ΠΎΡΠΎΠ²Π»Π΅Π½ΠΈΡ Π²ΠΎΠ·Π΄ΡΡ
ΠΎΠ²ΠΎΠ΄Π° Π² Π·Π°Π±ΠΎΠΉ ΠΈΠ·ΠΌΠ΅ΡΡΠ΅ΠΌ ΡΠ°Π·ΠΌΠ΅ΡΡ ΠΊΠΎΡΠΏΡΡΠ° Π΄Π΅ΡΠ»Π΅ΠΊΡΠΎΡΠ° ΠΠΠΠ-2141 ΠΈ ΠΈΠ· ΠΆΠ΅ΡΡΠΈ ΠΈΠ·Π³ΠΎΡΠ°Π²Π»ΠΈΠ²Π°Π΅ΠΌ Π΄Π΅ΡΠ°Π»Ρ ΡΠ»Π΅Π΄ΡΡΡΠ΅Π³ΠΎ ΡΠΈΠΏΠ° (ΡΠΈΡ.) ΠΠΎΡΠΏΡΡ Π΄Π΅ΡΠ»Π΅ΠΊΡΠΎΡΠ° Π΄ΠΎΠ»ΠΆΠ΅Π½ ΠΏΠ»ΠΎΡΠ½ΠΎ Π²Ρ
ΠΎΠ΄ΠΈΡΡ Π² ΠΎΡΠ²Π΅ΡΡΡΠΈΠ΅. ΠΠ° ΠΊΠΎΡΠΏΡΡΠ΅ Π΄Π΅ΡΠ»Π΅ΠΊΡΠΎΡΠ° Π΅ΡΡΡ Π·Π°ΡΠ»ΠΎΠ½ΠΊΠ°, ΠΏΡΠΈ Π·Π°ΠΊΡΡΡΠΈΠΈ ΠΏΡΠΎΠΈΡΡ
ΠΎΠ΄ΠΈΡ ΠΏΠ΅ΡΠ΅ΡΠ°ΡΠΏΡΠ΅Π΄Π΅Π»Π΅Π½ΠΈΠ΅ Π²ΠΎΠ·Π΄ΡΡ
Π° (ΠΏΠΎΡΠΎΠΊ Β«Π² Π»ΠΈΡΠΎΒ» ΠΏΡΠ΅ΠΊΡΠ°ΡΠ°Π΅ΡΡΡ ΠΈ Π½Π°ΠΏΡΠ°Π²Π»ΡΠ΅ΡΡΡ Π½Π° ΠΎΠ±Π΄ΡΠ² ΡΡΠ΅ΠΊΠ»Π°). ΠΠΎ ΠΈΠ·Π±Π΅ΠΆΠ°Π½ΠΈΠ΅ Π½Π΅Π½ΡΠΆΠ½ΡΡ
Π²ΡΡΡΡΠΏΠΎΠ² Π²Π½ΡΡΡΠ΅Π½Π½ΡΡ ΡΠ°ΡΡΡ ΠΊΠΎΡΠΏΡΡΠ° Π΄Π΅ΡΠ»Π΅ΠΊΡΠΎΡΠ° ΡΠ»Π΅Π΄ΡΠ΅Ρ ΡΠ»Π΅Π³ΠΊΠ° ΠΏΠΎΠ΄ΠΏΠΈΠ»ΠΈΡΡ.
ΠΠ°Π»Π΅Π΅ ΡΠ»Π΅Π΄ΡΠ΅Ρ ΡΠ΄Π΅Π»Π°ΡΡ Π±ΠΎΠΊΠΎΠ²ΠΎΠΉ Π²ΡΡ
ΠΎΠ΄ Π΄Π»Ρ Π²ΡΠ΄ΡΠ²Π°Π½ΠΈΡ ΡΡΠ΅ΠΊΠ»Π°. Π‘Π΄Π΅Π»Π°Π» ΡΡΠΎ ΡΠ°ΠΊ: ΡΠΎΠ³Π½ΡΠ» ΠΊΠ²Π°Π΄ΡΠ°ΡΠ½ΡΡ Β«ΡΡΡΠ±ΡΒ» ΠΈΠ· ΠΆΠ΅ΡΡΠΈ, Π° Π·Π°ΡΠ΅ΠΌ ΠΏΠ»ΠΎΡΠΊΠΎΠ³ΡΠ±ΡΠ°ΠΌΠΈ ΠΏΡΠ΅Π²ΡΠ°ΡΠΈΠ» Π΅Π΅ ΠΊΡΠ°ΠΉ ΠΏΠΎΠ΄ ΡΠ»Π°Π½Π³ Π² ΡΡΡΠ±Ρ ΠΊΡΡΠ³Π»ΠΎΠ³ΠΎ ΡΠ΅ΡΠ΅Π½ΠΈΡ.Π’Π°ΠΊΠΈΠΌ ΠΎΠ±ΡΠ°Π·ΠΎΠΌ, ΠΌΡ ΠΏΠΎΠ»ΡΡΠΈΠ»ΠΈ ΠΏΠ΅ΡΠ΅Ρ
ΠΎΠ΄Π½ΠΈΠΊ Ρ ΠΊΠ²Π°Π΄ΡΠ°ΡΠ½ΠΎΠ³ΠΎ ΡΠ΅ΡΠ΅Π½ΠΈΡ Π½Π° ΠΊΡΡΠ³Π»ΠΎΠ΅ (Π΄Π»Ρ ΡΡΠ°Π½Π΄Π°ΡΡΠ½ΠΎΠ³ΠΎ ΡΠ»Π°Π½Π³Π° Π΄Π»Ρ Π²ΡΠ΄ΡΠ²Π°Π½ΠΈΡ ΡΡΠ΅ΠΊΠ»Π°).
ΠΠ²Π΅ ΡΠ°ΡΡΠΈ ΡΠΊΠ»Π΅ΠΏΡΠ²Π°ΡΡΡΡ Π²ΠΌΠ΅ΡΡΠ΅, Π° Π·Π°ΡΠ΅ΠΌ ΡΠ°ΠΊΠΈΠΌ ΠΆΠ΅ ΠΎΠ±ΡΠ°Π·ΠΎΠΌ ΠΏΡΠΈΡΠΎΠ΅Π΄ΠΈΠ½ΡΡΡΡΡ ΠΊ Π²Π΅ΡΡ
Π½Π΅ΠΉ ΡΠ°ΡΡΠΈ ΠΏΠ»ΠΈΡΡ. Π©Π΅Π»ΠΈ ΠΈ Π½Π΅Π³Π΅ΡΠΌΠ΅ΡΠΈΠΊΠΈ ΡΡΡΠΊΠΎΠ² ΡΠ»Π΅Π΄ΡΠ΅Ρ Π·Π°ΠΌΠ°Π·Π°ΡΡ ΠΊΠ»Π΅Π΅ΠΌ-Π³Π΅ΡΠΌΠ΅ΡΠΈΠΊΠΎΠΌ. ΠΠΎ ΠΆΠ΅Π»Π°Π½ΠΈΡ Π²Π½Π΅ΡΠ½ΡΡ ΠΏΠΎΠ²Π΅ΡΡ
Π½ΠΎΡΡΡ Π²ΠΎΠ·Π΄ΡΡ
ΠΎΠ²ΠΎΠ΄ΠΎΠ² ΠΌΠΎΠΆΠ½ΠΎ ΠΎΠΊΠ»Π΅ΠΈΡΡ ΠΊΠΎΠ²ΡΠΎΠ»ΠΈΠ½ΠΎΠΌ.
Π ΠΏΠ΅ΡΠ΅Π΄Π½Π΅ΠΉ ΡΠ°ΡΡΠΈ Π²Π΅Π½ΡΠΈΠ»ΡΡΠΎΡΠ½ΠΎΠΉ ΠΏΠΎΠ»ΠΎΡΡΠΈ ΡΠ»Π΅Π΄ΡΠ΅Ρ ΠΏΡΠ΅Π΄ΡΡΠΌΠΎΡΡΠ΅ΡΡ ΠΎΡΠ²Π΅ΡΡΡΠΈΠ΅ Π΄Π»Ρ ΡΠ»ΠΈΠ²Π° Π²ΠΎΠ΄Ρ — Π΄Π»Ρ ΡΡΠΎΠ³ΠΎ ΠΏΡΠΎΡΠ²Π΅ΡΠ»ΠΈΠ²Π°Π΅ΠΌ ΠΊΠ°Π½Π°Π» Π½Π°ΠΈΡΠΊΠΎΡΡ Ρ ΠΏΡΠ°Π²ΠΎΠΉ ΡΡΠΎΡΠΎΠ½Ρ, ΠΈ Π²ΠΊΠ»Π΅ΠΈΠ²Π°Π΅ΠΌ Π² Π½Π΅Π³ΠΎ ΡΠ»Π°Π½Π³ Π΄ΠΈΠ°ΠΌΠ΅ΡΡΠΎΠΌ 8-10 ΠΌΠΌ.ΠΡΡΠ΅Π·Π°ΡΡ ΡΠ»Π°Π½Π³ ΠΎΡ ΠΏΠΎΠ»ΠΎΡΡΠΈ Π²Π΅Π½ΡΠΈΠ»ΡΡΠΎΡΠ° Π·Π°ΠΏΠΎΠ΄Π»ΠΈΡΠΎ. ΠΠ°ΡΠ΅ΠΌ ΠΊΠΎΠ½Π΅Ρ ΡΠ»Π°Π½Π³Π° Π²ΡΠ²ΠΎΠ΄ΠΈΡΡΡ Π² ΡΡΠ°Π½Π΄Π°ΡΡΠ½ΠΎΠ΅ ΠΎΡΠ²Π΅ΡΡΡΠΈΠ΅ ΠΊΠΎΡΠΏΡΡΠ°.
ΠΠ°Π»Π΅Π΅ ΠΏΡΠΈΡΡΡΠΏΠ°Π΅ΠΌ ΠΊ ΠΈΠ·Π³ΠΎΡΠΎΠ²Π»Π΅Π½ΠΈΡ Π΄Π½Π° ΠΏΠ΅ΡΠΊΠΈ. ΠΠ»Ρ ΡΡΠΎΠ³ΠΎ Π΄Π΅Π»Π°Π΅ΠΌ ΠΊΠ°ΡΠΊΠ°Ρ ΠΏΠΎΠ΄ ΡΠ°Π΄ΠΈΠ°ΡΠΎΡ. ΠΠΎΠΊΠΎΠ²Π°Ρ ΡΠ°ΡΡΡ ΠΏΠ΅ΡΠΈ ΠΏΠΎΠΊΠ°Π·ΡΠ²Π°Π΅Ρ ΠΏΡΠΎΡΠΈΠ»Ρ Π½ΠΈΠΆΠ½Π΅ΠΉ ΡΠ°ΡΡΠΈ. ΠΠ»Ρ ΡΠ΄ΠΎΠ±ΡΡΠ²Π° ΠΈΠ·Π³ΠΎΡΠΎΠ²Π»Π΅Π½ΠΈΡ ΠΊΠ°ΡΠΊΠ°ΡΠ° Ρ ΠΈΡΠΏΠΎΠ»ΡΠ·ΠΎΠ²Π°Π» ΡΠ³ΠΎΠ»ΠΎΠΊ 25Ρ
25 ΠΌΠΌ, Π·Π°Π³Π½ΡΡΡΠΉ Π² Π΄Π²ΡΡ
ΠΌΠ΅ΡΡΠ°Ρ
. ΠΠ»Ρ ΡΡΠΎΠ³ΠΎ Π½Π° ΡΠ°ΡΡΡΠΎΡΠ½ΠΈΠΈ 60 ΠΌΠΌ ΠΎΡ ΠΊΡΠ°Ρ Π΄Π΅Π»Π°Π΅ΡΡΡ Π½Π°Π΄ΡΠ΅Π· Ρ ΠΎΠ΄Π½ΠΎΠΉ ΠΈΠ· ΡΡΠΎΡΠΎΠ½ ΡΠ³ΠΎΠ»ΠΊΠ° ΠΈ Π² ΡΡΠΎΠΌ ΠΌΠ΅ΡΡΠ΅ ΡΠ³ΠΎΠ» Π½Π°Π³ΡΠ΅Π²Π°Π΅ΡΡΡ ΠΏΡΠΈΠΌΠ΅ΡΠ½ΠΎ Π΄ΠΎ 400 Π³ΡΠ°Π΄ΡΡΠΎΠ².ΠΠΎΠ½ΡΡΠΎΠ»ΠΈΡΠΎΠ²Π°ΡΡ Π΄ΠΎΡΡΠΈΠΆΠ΅Π½ΠΈΠ΅ ΡΡΠΎΠΉ ΡΠ΅ΠΌΠΏΠ΅ΡΠ°ΡΡΡΡ ΠΌΠΎΠΆΠ½ΠΎ Π΄Π΅ΡΠ΅Π²ΡΠ½Π½ΠΎΠΉ ΠΏΠ°Π»ΠΊΠΎΠΉ (Π½Π°ΠΏΡΠΈΠΌΠ΅Ρ, ΡΠΏΠΈΡΠΊΠΎΠΉ), ΠΊΠΎΡΠΎΡΠ°Ρ ΠΏΡΠΈ Π·Π°Π΄Π°Π½Π½ΠΎΠΉ ΡΠ΅ΠΌΠΏΠ΅ΡΠ°ΡΡΡΠ΅ Π½Π°ΡΠΈΠ½Π°Π΅Ρ ΠΎΡΡΠ°Π²Π»ΡΡΡ ΡΠ΅ΠΌΠ½ΡΠΉ ΡΠ»Π΅Π΄ Π½Π° ΠΌΠ΅ΡΠ°Π»Π»Π΅. ΠΠΎΡΠ»Π΅ Π½Π°Π³ΡΠ΅Π²Π° Π΄ΠΎ Π·Π°Π΄Π°Π½Π½ΠΎΠΉ ΡΠ΅ΠΌΠΏΠ΅ΡΠ°ΡΡΡΡ ΡΠ³ΠΎΠ»ΠΎΠΊ ΡΠ»Π΅Π΄ΡΠ΅Ρ ΠΎΡ
Π»Π°Π΄ΠΈΡΡ Π² Ρ
ΠΎΠ»ΠΎΠ΄Π½ΠΎΠΉ Π²ΠΎΠ΄Π΅. ΠΡΠΈΠΌΠ΅ΡΠ½ΠΎ Π·Π° ΡΡΡΠΊΠΈ ΠΌΠ°ΡΠ΅ΡΠΈΠ°Π» ΠΏΡΠΈΠΎΠ±ΡΠ΅ΡΠ°Π΅Ρ ΠΏΠ»Π°ΡΡΠΈΡΠ½ΠΎΡΡΡ, Π·Π°ΡΠ΅ΠΌ ΠΌΠ΅ΡΡΠΎ Π½Π°Π³ΡΠ΅Π²Π° ΡΡΠ°Π½ΠΎΠ²ΠΈΡΡΡ ΡΠ²Π΅ΡΠ΄ΡΠΌ. ΠΠ°Π»Π΅Π΅ Π½Π° ΡΠ°ΡΡΡΠΎΡΠ½ΠΈΠΈ 95 ΠΌΠΌ ΡΠ³ΠΎΠ» ΡΠ½ΠΎΠ²Π° Π·Π°Π³ΠΈΠ±Π°Π΅ΡΡΡ ΠΈ ΠΎΠ±ΡΠ΅Π·Π°Π΅ΡΡΡ Π΅ΡΠ΅ ΡΠ΅ΡΠ΅Π· 120 ΠΌΠΌ. Π’Π°ΠΊΠΈΠΌ ΠΎΠ±ΡΠ°Π·ΠΎΠΌ ΠΈΠ·Π³ΠΎΡΠ°Π²Π»ΠΈΠ²Π°ΡΡΡΡ ΠΏΡΠ°Π²Π°Ρ ΠΈ Π»Π΅Π²Π°Ρ Π±ΠΎΠΊΠΎΠ²ΡΠ΅ ΡΠ°ΡΡΠΈ ΡΠ°ΠΌΡ.
ΠΠ°Π»Π΅Π΅ ΡΠ»Π΅Π΄ΡΠ΅Ρ ΠΎΡΡΠ΅Π·Π°ΡΡ ΠΎΡ ΡΠ³Π»Π° Π΄Π²Π΅ ΡΠ°ΡΡΠΈ Π΄Π»ΠΈΠ½ΠΎΠΉ 180 ΠΌΠΌ. ΠΠ½ΠΈ ΠΎΠ±ΡΠ°Π·ΡΡΡ ΠΏΠ»ΠΎΡΠΊΠΎΡΡΡ ΡΠ°Π·Π΄Π΅Π»Π΅Π½ΠΈΡ Ρ Π²Π΅ΡΡ
Π½Π΅ΠΉ ΡΠ°ΡΡΡΡ ΠΏΠ΅ΡΠΈ ΠΈ Π·Π°ΠΊΡΠ΅ΠΏΠ»ΡΡΡΡΡ ΠΏΠ΅ΡΠΏΠ΅Π½Π΄ΠΈΠΊΡΠ»ΡΡΠ½ΠΎ ΡΡΠΎΡΠΎΠ½Π΅ 60 ΠΌΠΌ Π»Π΅Π²ΠΎΠΉ ΠΈ ΠΏΡΠ°Π²ΠΎΠΉ ΡΠ°ΡΡΠ΅ΠΉ ΡΠΎΠΎΡΠ²Π΅ΡΡΡΠ²Π΅Π½Π½ΠΎ.
ΠΠ°Π»Π΅Π΅ ΠΎΡΡΠ΅Π·Π°ΡΡΡΡ Π΄Π²Π° ΠΊΡΡΠΊΠ° ΡΠ³ΠΎΠ»ΠΊΠ° 118 ΠΌΠΌ (ΠΎΠ±ΡΠ°Ρ Π²ΡΡΠΎΡΠ° 60 + 60 = 120 — ΡΠΎΠ»ΡΠΈΠ½Π° ΡΠ³ΠΎΠ»ΠΊΠ° 2 ΠΌΠΌ). Π£Π³Π»Ρ ΡΠΊΡΠ΅ΠΏΠ»ΡΡΡΡΡ ΠΌΠ΅ΠΆΠ΄Ρ ΡΠΎΠ±ΠΎΠΉ, ΠΎΠ±ΡΠ°Π·ΡΡ Π±ΠΎΠΊΠΎΠ²ΠΎΠΉ ΠΊΠ°ΡΠΊΠ°Ρ. Π Π°Π΄ΠΈΠ°ΡΠΎΡ Π΄ΠΎΠ»ΠΆΠ΅Π½ ΡΠ²ΠΎΠ±ΠΎΠ΄Π½ΠΎ ΠΏΡΠΎΡ
ΠΎΠ΄ΠΈΡΡ ΠΏΠΎ ΡΠΈΡΠΈΠ½Π΅ ΠΌΠ΅ΠΆΠ΄Ρ Π±ΠΎΠΊΠΎΠ²ΡΠΌΠΈ ΡΠ΅Π±ΡΠ°ΠΌΠΈ. ΠΠ° ΡΠΈΡΡΠ½ΠΊΠ΅ ΠΈΠ·ΠΎΠ±ΡΠ°ΠΆΠ΅Π½Π° Π»Π΅Π²Π°Ρ ΡΡΠΎΡΠΎΠ½Π°.ΠΡΠ°Π²ΡΠΉ — ΡΠΈΠΌΠΌΠ΅ΡΡΠΈΡΠ½ΡΠΉ.
ΠΠ°Π»Π΅Π΅ ΠΌΠ΅ΡΡΠ΅ΡΡΡ Π΄Π»ΠΈΠ½Π° ΡΠ°Π΄ΠΈΠ°ΡΠΎΡΠ° ΠΈ Ρ Π·Π°ΠΏΠ°ΡΠΎΠΌ 20 ΠΌΠΌ Π²ΡΡΠ΅Π·Π°ΡΡΡΡ Π΄Π²Π΅ ΡΠ°ΡΡΠΈ ΠΈΠ· ΡΠ³ΠΎΠ»ΠΊΠ° 10 * 10 ΠΌΠΌ. Π ΠΌΠΎΠ΅ΠΌ ΡΠ»ΡΡΠ°Π΅ ΡΠ°Π·ΠΌΠ΅Ρ Π±ΡΠ» 310 ΠΌΠΌ. ΠΠ° Π²ΡΡΠΎΡΠ΅ 60 ΠΌΠΌ ΠΎΡ Π²Π΅ΡΡ
Π½Π΅ΠΉ ΠΏΠ»ΠΎΡΠΊΠΎΡΡΠΈ ΡΡΠΈΠΌΠΈ ΡΠ³ΠΎΠ»ΠΊΠ°ΠΌΠΈ ΡΠΊΡΠ΅ΠΏΠ»ΡΡΡΡΡ ΠΏΡΠ°Π²Π°Ρ ΠΈ Π»Π΅Π²Π°Ρ ΡΠ°ΡΡΠΈ ΡΠ°ΠΌΡ. Π£Π³Π»Ρ ΡΠ°ΡΠΏΠΎΠ»ΠΎΠΆΠ΅Π½Ρ Β«ΠΏΠΎΠ»ΠΎΡΠΊΠΎΠΉΒ» Π²Π½ΡΡΡΡ — ΠΈΠΌΠ΅Π½Π½ΠΎ Π½Π° Π½ΠΈΡ
ΡΠ°Π΄ΠΈΠ°ΡΠΎΡ Π±ΡΠ΄Π΅Ρ Β«Π»Π΅ΠΆΠ°ΡΡΒ».
ΠΠΎΠΊΠΎΠ²ΡΠ΅ Π²Π΅ΡΡΠΈΠΊΠ°Π»ΡΠ½ΡΠ΅ ΡΡΠ΅Π½ΠΊΠΈ ΡΠ°ΡΠΏΠΎΠ»ΠΎΠΆΠ΅Π½Ρ Β«Π²Π½ΡΡΡΠΈΒ» ΠΊΠ°Π΄ΡΠ°, ΠΈ Π½Π° ΡΠ°ΡΡΡΠΎΡΠ½ΠΈΠΈ 25 ΠΌΠΌ ΠΌΠ΅ΠΆΠ΄Ρ Π½ΠΈΠΌΠΈ ΠΈ Π²Π½Π΅ΡΠ½Π΅ΠΉ ΡΠ°ΡΡΠΈ Π·Π°ΡΠ΅ΠΌ Π·Π°ΠΏΠΎΠ»Π½ΡΡΡ ΠΏΠ΅Π½ΠΎΠΉ ΠΈ ΡΠ»ΡΠΆΠΈΡ Π² ΠΊΠ°ΡΠ΅ΡΡΠ²Π΅ ΠΎΠΏΠΎΡΠ½ΠΎΠΉ ΠΏΠ»Π°ΡΡΠΎΡΠΌΡ Π΄Π»Ρ ΡΠ°Π½ΠΊΠΎΠ² ΡΠ°Π΄ΠΈΠ°ΡΠΎΡΠ°.
ΠΠ°Π»Π΅Π΅ Β«Π²ΡΡ
ΠΎΠ΄ΡΒ» ΡΡΠ΅Π½ ΡΠΊΡΠ΅ΠΏΠ»ΡΡΡΡΡ ΡΠ³ΠΎΠ»ΠΊΠΎΠΌ. ΠΠ±ΡΠ°ΡΠΈΡΠ΅ Π²Π½ΠΈΠΌΠ°Π½ΠΈΠ΅ — Π΅Π³ΠΎ ΠΊΠΎΠ½ΡΡ ΡΡΠ΅Π·Π°Π½Ρ Ρ ΠΎΠ΄Π½ΠΎΠΉ ΡΡΠΎΡΠΎΠ½Ρ ΠΈ Π·Π°Π³Π½ΡΡΡ Π²Π½ΠΈΠ·. Π Π΄Π°Π»ΡΠ½Π΅ΠΉΡΠ΅ΠΌ ΡΠ΅ΡΠ΅Π· Π½ΠΈΡ
Π±ΡΠ΄Π΅Ρ ΠΏΡΠΎΡ
ΠΎΠ΄ΠΈΡΡ ΠΎΡΡ Π½ΠΈΠΆΠ½ΠΈΡ
Π·Π°ΠΊΡΡΠ»ΠΊΠΎΠ².
ΠΠ΅Π»Π°Π΅ΠΌ ΡΠ°ΡΠ°Π΄Π½ΡΡ ΡΡΠ΅Π½ΠΊΡ.
ΠΠ°ΠΏΠΎΠ»Π½ΠΈΡΠ΅ ΠΏΡΠΎΡΡΡΠ°Π½ΡΡΠ²ΠΎ ΠΌΠ΅ΠΆΠ΄Ρ Π±ΠΎΠΊΠΎΠ²ΠΎΠΉ ΡΡΠ΅Π½ΠΊΠΎΠΉ ΠΈ Π²Π½Π΅ΡΠ½Π΅ΠΉ ΡΠ°ΠΌΠΎΠΉ Β«ΠΏΠ΅Π½ΠΎΠΉΒ». ΠΠΎΡΠ»Π΅ Π·Π°ΡΡΡΠ²Π°Π½ΠΈΡ ΠΏΠ»ΠΎΡΠΊΠΎΡΡΡ Π²ΡΡΠ°Π²Π½ΠΈΠ²Π°Π΅ΠΌ Π½ΠΎΠΆΠΎΠΌ.
ΠΠ°Π»Π΅Π΅ ΠΎΠ±ΠΊΠ»Π΅ΠΈΠ²Π°Π΅ΠΌ Π±ΠΎΠΊΠΎΠ²ΡΠ΅ ΡΡΠ΅Π½ΠΊΠΈ ΠΊΠΎΠ²ΡΠΎΠ»ΠΈΠ½ΠΎΠΌ, Π½Π΅ Π·Π°Π±ΡΠ²Π°Ρ ΠΏΡΠΎΠ΄Π΅Π»ΡΠ²Π°ΡΡ ΠΎΡΠ²Π΅ΡΡΡΠΈΡ ΠΏΠΎΠ΄ ΠΏΠ°ΡΡΡΠ±ΠΊΠΈ ΡΠ°Π΄ΠΈΠ°ΡΠΎΡΠ°.
ΠΠ΅Π»Π°Π΅ΠΌ ΠΈ ΠΏΡΠΈΠΊΡΡΡΠΈΠ²Π°Π΅ΠΌ Π²ΠΎΠ·Π΄ΡΡ
ΠΎΠ²ΠΎΠ΄ ΠΊ Π½ΠΎΠ³Π°ΠΌ Π·Π°Π΄Π½ΠΈΡ
ΠΏΠ°ΡΡΠ°ΠΆΠΈΡΠΎΠ². ΠΡΠ΅Π΄ΡΡΠ°Π²Π»ΡΠ΅Ρ ΡΠΎΠ±ΠΎΠΉ ΠΏΡΡΠΌΠΎΡΠ³ΠΎΠ»ΡΠ½ΡΡ ΠΆΠ΅ΡΡΡΠ½ΡΡ ΡΡΡΠ±Ρ 135 * 55 Ρ ΡΠ΅Π½ΡΡΠ°Π»ΡΠ½ΠΎΠΉ ΠΏΠ΅ΡΠ΅Π³ΠΎΡΠΎΠ΄ΠΊΠΎΠΉ. ΠΠ°Π½Π½ΡΠΉ ΡΠ°Π·ΠΌΠ΅Ρ ΡΠ°ΡΡΡΠΈΡΠ°Π½ Π½Π° ΡΠ»Π°Π½Π³ Π±ΠΎΠΊΠΎΠ²ΠΎΠ³ΠΎ Π²ΠΎΠ·Π΄ΡΡ
ΠΎΠ²ΠΎΠ΄Π° ΠΎΡ ΠΠΠΠ-2141.
ΠΠ°Π»Π΅Π΅ Π² Π±ΠΎΠΊΠΎΠ²ΡΡ
ΡΡΠ΅Π½ΠΊΠ°Ρ
Π΄Π΅Π»Π°Π΅ΠΌ Π·Π°Π³ΠΈΠ±Ρ Π΄Π»Ρ ΠΎΠ±ΠΎΠ³ΡΠ΅Π²Π° Π±ΠΎΠΊΠΎΠ²ΡΡ
ΠΎΠΊΠΎΠ½. ΠΡ
ΠΈΠ·Π³ΠΎΡΠΎΠ²Π»Π΅Π½ΠΈΠ΅ Π°Π½Π°Π»ΠΎΠ³ΠΈΡΠ½ΠΎ ΠΈΠ·Π³ΠΎΡΠΎΠ²Π»Π΅Π½ΠΈΡ ΡΡΡΠ± Π΄Π»Ρ Π²Π΅ΡΡ
Π½Π΅ΠΉ ΠΏΠΎΠ»ΠΎΠ²ΠΈΠ½Ρ ΠΏΠ΅ΡΠΊΠΈ.
ΠΠ°Π»Π΅Π΅ Π΄Π΅Π»Π°Π΅ΠΌ Π½ΠΈΠΆΠ½ΠΈΠ΅ ΠΎΡΠ²ΠΎΡΠΎΡΡ. ΠΠ°ΠΆΠ΄ΡΠΉ ΠΈΠ· Π·Π°ΡΠ»ΠΎΠ½ΠΎΠΊ ΠΏΠΎΡΠ΅ΡΠ΅Π΄ΠΈΠ½Π΅ ΠΈΠΌΠ΅Π΅Ρ ΡΠ΅ΠΊΡΠΎΡ — ΠΎΠ½ ΡΠ°Π·Π΄Π΅Π»ΡΠ΅Ρ ΠΏΠΎΡΠΎΠΊΠΈ Π½Π° Π΄Π²Π° Π½Π°ΠΏΡΠ°Π²Π»Π΅Π½ΠΈΡ — Β«Π½ΠΎΠ³Π°ΠΌΠΈ Π½Π°Π·Π°Π΄Β» ΠΈ Β«Π½ΠΎΠ³Π°ΠΌΠΈ Π²ΠΏΠ΅ΡΠ΅Π΄Β».ΠΠ»Ρ ΡΠΌΠ΅Π½ΡΡΠ΅Π½ΠΈΡ ΠΏΠΎΡΠ΅ΡΡ Π²ΠΎΠ·Π΄ΡΡΠ½ΠΎΠ³ΠΎ ΠΏΠΎΡΠΎΠΊΠ° Π½Π° ΡΠΎΠΉ ΠΏΠΎΠ»ΠΎΠ²ΠΈΠ½Π΅ Π΄Π΅ΠΌΠΏΡΠ΅ΡΠ° ΡΠ΄Π΅Π»Π°Π½Π° ΠΏΠΎΠ»ΡΠΊΡΡΠ³Π»Π°Ρ Π½Π°ΠΏΡΠ°Π²Π»ΡΡΡΠ°Ρ ΠΏΠΎΡΠΎΠΊΠ°, ΠΊΠΎΡΠΎΡΠ°Ρ Π½Π°ΠΏΡΠ°Π²Π»ΡΠ΅Ρ Π²ΠΎΠ·Π΄ΡΡ
ΠΊ Π½ΠΎΠ³Π°ΠΌ ΠΏΠ΅ΡΠ΅Π΄Π½ΠΈΡ
ΡΠ΅Π΄ΠΎΠΊΠΎΠ² (ΡΠΎΠΎΡΠ²Π΅ΡΡΡΠ²Π΅Π½Π½ΠΎ, Β«Π½Π°ΡΡΠΆΠ½ΡΠΌΒ» ΠΏΠΎΠ»ΠΎΠ²ΠΈΠ½ΠΊΠ°ΠΌ Π΄Π΅ΠΌΠΏΡΠ΅ΡΠΎΠ²). ΠΡΠΎΡΠ΅ΡΡ ΠΈΠ·Π³ΠΎΡΠΎΠ²Π»Π΅Π½ΠΈΡ Π½ΠΈΠΆΠ½ΠΈΡ
Π΄Π΅ΠΌΠΏΡΠ΅ΡΠΎΠ² Π°Π½Π°Π»ΠΎΠ³ΠΈΡΠ΅Π½ ΠΏΡΠΎΡΠ΅ΡΡΠ°ΠΌ ΠΈΠ·Π³ΠΎΡΠΎΠ²Π»Π΅Π½ΠΈΡ Π²Π΅ΡΡ
Π½ΠΈΡ
Π΄Π΅ΠΌΠΏΡΠ΅ΡΠΎΠ², ΡΠΎΠ»ΡΠΊΠΎ ΠΊΡΠ°ΠΉ Π΄Π΅ΠΌΠΏΡΠ΅ΡΠ° ΠΏΡΡΠΌΠΎΠΉ, Π±Π΅Π· Ρ
ΠΈΡΡΡΡ
Π²ΡΡΡΡΠΏΠΎΠ² ΠΠ° Π±ΠΎΠΊΠΎΠ²ΠΎΠΉ (Π²Π½ΡΡΡΠ΅Π½Π½Π΅ΠΉ) ΡΡΠΎΡΠΎΠ½Π΅ Π΄Π΅ΠΌΠΏΡΠ΅ΡΠ° Π΅ΡΡΡ Π·Π°Π³ΠΈΠ±, Π² ΠΎΡΠ²Π΅ΡΡΡΠΈΠ΅ ΠΊΠΎΡΠΎΡΠΎΠ³ΠΎ ΡΠ΅Π³ΡΠ»ΠΈΡΡΠ΅ΡΡΡ ΠΊΠ°Π±Π΅Π»Ρ Π²ΡΡΠ°Π²Π»Π΅Π½. Π‘Π°ΠΌ ΠΊΠ°Π±Π΅Π»Ρ ΠΏΡΠΎΡ
ΠΎΠ΄ΠΈΡ ΡΠ΅ΡΠ΅Π· Β«Π΄Π½ΠΎΒ», Π³Π΄Π΅ ΠΊΡΠ΅ΠΏΠΈΡΡΡ Π΅Π³ΠΎ ΠΎΠ±ΠΎΠ»ΠΎΡΠΊΠ°.
Π’Π°ΠΊΠΆΠ΅ ΠΈΠ· ΠΆΠ΅ΡΡΠΈ ΠΈΠ·Π³ΠΎΡΠ°Π²Π»ΠΈΠ²Π°Π΅ΠΌ ΠΊΠΎΡΠΏΡΡ Π΄Π΅ΡΠ»Π΅ΠΊΡΠΎΡΠ° ΠΊ Π½ΠΎΠ³Π°ΠΌ ΠΏΠ΅ΡΠ΅Π΄Π½ΠΈΡ
ΡΠ΅Π΄ΠΎΠΊΠΎΠ² (ΡΠΏΡΠ°Π²Π° Π½Π° ΡΠΎΡΠΎ). ΠΠΎΡΠΏΡΡ Π΄Π΅ΡΠ»Π΅ΠΊΡΠΎΡΠ° ΠΠΠΠ 2141 Π²ΡΡΠ°Π²Π»ΡΠ΅ΡΡΡ Π²Π½ΡΡΡΡ ΠΏΠΎΡΠ»Π΅ Β«ΠΎΠΏΠΈΠ»ΠΎΠ²ΠΊΠΈΒ». Π’Π°ΠΊΠΈΠΌ ΠΎΠ±ΡΠ°Π·ΠΎΠΌ, ΠΌΠΎΠΆΠ½ΠΎ Π½Π°ΠΏΡΠ°Π²ΠΈΡΡ Π²ΠΎΠ·Π΄ΡΡΠ½ΡΠΉ ΠΏΠΎΡΠΎΠΊ Β«ΠΊ Π½ΠΎΠ³Π°ΠΌΒ» Π² Π½ΡΠΆΠ½ΠΎΠΌ Π½Π°ΠΏΡΠ°Π²Π»Π΅Π½ΠΈΠΈ. Π‘Π°ΠΌ ΠΊΠΎΡΠΏΡΡ Π΄Π΅ΡΠ»Π΅ΠΊΡΠΎΡΠ° ΠΊΡΠ΅ΠΏΠΈΡΡΡ ΠΊ ΠΊΠΎΡΠΏΡΡΡ ΠΏΠ΅ΡΠΈ ΡΠ°ΠΌΠΎΡΠ΅Π·Π°ΠΌΠΈ, ΠΎΠ±ΡΠ°Π·ΡΡ Π²ΠΏΠΎΡΠ»Π΅Π΄ΡΡΠ²ΠΈΠΈ ΠΎΠ΄Π½Ρ ΠΈΠ· ΡΠΎΡΠ΅ΠΊ ΠΎΠΏΠΎΡΡ ΠΏΠ΅ΡΠΈ.
ΠΠΎΡΠ»Π΅ ΡΠ±ΠΎΡΠΊΠΈ Π½ΠΈΠΆΠ½ΡΡ ΡΠ°ΡΡΡ ΠΏΠ΅ΡΠΊΠΈ ΠΏΡΠΈΠ½ΠΈΠΌΠ°Π΅Ρ ΡΠ»Π΅Π΄ΡΡΡΠΈΠΉ Π²ΠΈΠ΄:
ΠΠ°Π»Π΅Π΅ ΠΏΠΎ ΡΠ΅Π½ΡΡΠ°Π»ΡΠ½ΠΎΠΉ ΠΏΠ΅ΡΠ΅Π³ΠΎΡΠΎΠ΄ΠΊΠ΅ ΡΠΊΠ»Π°Π΄ΡΠ²Π°Π΅ΠΌ ΡΠΏΠ»ΠΎΡΠ½ΠΈΡΠ΅Π»Ρ ΠΈ Π²ΡΡΠ°Π²Π»ΡΠ΅ΠΌ ΡΠ°Π΄ΠΈΠ°ΡΠΎΡ ΠΏΠ΅ΡΠΊΠΈ.ΠΠ°ΡΠ΅ΠΌ ΡΠΎΠ²ΠΌΠ΅ΡΠ°Π΅ΠΌ Π²Π΅ΡΡ
Π½ΡΡ ΠΈ Π½ΠΈΠΆΠ½ΡΡ ΡΠ°ΡΡΠΈ ΠΏΠ΅ΡΠΊΠΈ, Π²ΡΡΠ°Π²Π½ΠΈΠ²Π°Π΅ΠΌ ΠΈ ΠΏΡΠΎΡΠ²Π΅ΡΠ»ΠΈΠ²Π°Π΅ΠΌ 6 ΠΎΡΠ²Π΅ΡΡΡΠΈΠΉ Π΄ΠΈΠ°ΠΌΠ΅ΡΡΠΎΠΌ 7 ΠΌΠΌ (ΠΏΠΎ 3 Ρ ΠΊΠ°ΠΆΠ΄ΠΎΠΉ ΡΡΠΎΡΠΎΠ½Ρ) Π² ΡΠ³Π»Π°Ρ
Β«ΡΠΎΠ΅Π΄ΠΈΠ½ΠΈΡΠ΅Π»ΡΠ½ΠΎΠΉ ΠΏΠ»ΠΎΡΠΊΠΎΡΡΠΈΒ». ΠΠΎ Π±ΠΎΠΊΠ°ΠΌ ΡΠ°Π΄ΠΈΠ°ΡΠΎΡΠ° Π·Π°Π΄Π΅Π»ΡΠ²Π°Π΅ΠΌ ΡΠ΅Π»ΠΈ Π³Π΅ΡΠΌΠ΅ΡΠΈΠΊΠΎΠΌ ΠΈ ΡΠΎΠ±ΠΈΡΠ°Π΅ΠΌ ΠΏΠ΅ΡΠΊΡ.
ΠΡΠΎΠ²Π΅ΡΡΠ΅ΠΌ Π΅Π³ΠΎ ΡΠ°Π±ΠΎΡΡ — ΠΎΠ±Π΄ΡΠ², Π·Π°ΡΠ»ΠΎΠ½ΠΊΠΈ ΠΈ Ρ.Π΄. ΠΠΎΡΠ»Π΅ ΠΏΡΠΎΠ²Π΅ΡΠΊΠΈ Π²Π΅ΡΡ
Π½Π΅ΠΉ ΠΈ Π½ΠΈΠΆΠ½Π΅ΠΉ ΡΠ°ΡΡΠ΅ΠΉ ΡΠ½ΠΎΠ²Π° ΡΠ°Π·Π±ΠΈΡΠ°Π΅ΠΌ.
ΠΠ°Π»Π΅Π΅ ΠΎΡΡΠ°Π»ΠΎΡΡ ΠΏΠΎ Π²Π΅ΡΡ
Π½Π΅ΠΌΡ ΠΊΡΠ°Ρ Π²Π΅Π½ΡΠΈΠ»ΡΡΠΎΡΠ½ΠΎΠΉ ΠΏΠΎΠ»ΠΎΡΡΠΈ ΠΏΠΎΡΡΠ°Π²ΠΈΡΡ Π΄Π²Π° ΡΠ³ΠΎΠ»ΠΊΠ° 30 * 30 (ΠΏΡΠΈΠΊΡΠ΅ΠΏΠΈΠ² ΠΈΡ
ΠΊ Π²Π΅ΡΡΠΈΠΊΠ°Π»ΡΠ½ΡΠΌ ΡΠ³ΠΎΠ»ΠΊΠ°ΠΌ Π±ΠΎΠ»ΡΠ°ΠΌΠΈ Π6), ΡΠΊΡΠ΅ΠΏΠΈΡΡ ΠΏΠ΅ΡΠ΅ΠΊΠ»Π°Π΄ΠΈΠ½Π°ΠΌΠΈ ΠΈ ΡΠ°Π·ΠΌΠ΅ΡΠΈΡΡ ΠΎΡΠ²Π΅ΡΡΡΠΈΡ Π΄Π»Ρ ΠΊΡΠ΅ΠΏΠ»Π΅Π½ΠΈΡ ΠΊ ΠΊΠΎΡΠΏΡΡΡ.ΠΡΠΈΠΊΡΠ΅ΠΏΠΈΠ» ΠΏΠ΅ΡΠΊΡ ΠΊ ΡΡΠ°ΡΠ½ΡΠΌ Β«ΡΡΠΊΠ°ΠΌΒ» Π΄Π²ΡΠΌΡ ΡΠ°ΠΌΠΎΡΠ΅Π·Π°ΠΌΠΈ ΠΎΡ ΠΏΠΎΡΡΡΠ½Ρ ΠΠΠ-2108 Π΄Π»Ρ ΠΊΡΠ΅ΠΏΠ»Π΅Π½ΠΈΡ (Π²ΠΈΠ½ΡΡ Π6 Π΄Π»ΠΈΠ½ΠΎΠΉ ΠΎΠΊΠΎΠ»ΠΎ 80 ΠΌΠΌ). ΠΠΎΠ΄ Π½ΠΈΡ
Π½ΡΠΆΠ½ΠΎ ΠΏΡΠΎΠ»ΠΎΠΆΠΈΡΡ ΡΠ°ΠΉΠ±Ρ. Π‘ ΠΏΡΠ°Π²ΠΎΠΉ ΡΡΠΎΡΠΎΠ½Ρ ΡΠ°ΠΌΠΊΠΈ ΠΎΠ±ΡΠ°Π·ΡΠ΅ΡΡΡ Β«ΠΎΠΊΠ½ΠΎΒ» ΡΠ°Π·ΠΌΠ΅ΡΠΎΠΌ ΠΏΡΠΈΠΌΠ΅ΡΠ½ΠΎ 100 * 125 ΠΌΠΌ. Π‘Π²Π΅ΡΡ
Ρ Π΅Π΅ ΡΠ»Π΅Π΄ΡΠ΅Ρ Π½Π°ΠΊΡΡΡΡ Π»ΠΈΡΡΠΎΠΌ Π³ΠΈΠ±ΠΊΠΎΠ³ΠΎ ΠΌΠ°ΡΠ΅ΡΠΈΠ°Π»Π° (Π½Π°ΠΏΡΠΈΠΌΠ΅Ρ, ΠΏΠ΅Π½ΠΎΠΏΠΎΠ»ΠΈΡΡΠΈΠ»Π΅Π½ΠΎΠΌ), ΠΏΡΠΈΠΊΡΠ΅ΠΏΠ»Π΅Π½Π½ΡΠΌ Ρ ΠΎΠ΄Π½ΠΎΠΉ ΡΡΠΎΡΠΎΠ½Ρ ΠΊ ΠΏΠΎΠΏΠ΅ΡΠ΅ΡΠΈΠ½Π΅ ΡΠ°ΠΌΡ. Π’Π°ΠΊΠΈΠΌ ΠΎΠ±ΡΠ°Π·ΠΎΠΌ ΠΏΠΎΠ»ΡΡΠ°Π΅ΡΡΡ ΠΊΠ»Π°ΠΏΠ°Π½ ΡΠ΅ΡΠΈΡΠΊΡΠ»ΡΡΠΈΠΈ — ΠΏΡΠΈ Π²ΠΊΠ»ΡΡΠ΅Π½ΠΈΠΈ ΠΎΡΠΎΠΏΠΈΡΠ΅Π»Ρ Π½Π° ΠΏΠΎΠ»Π½ΡΡ ΠΌΠΎΡΠ½ΠΎΡΡΡ ΡΡΠΎΡ ΠΊΠ»Π°ΠΏΠ°Π½ ΠΏΡΠΈΠΎΡΠΊΡΡΠ²Π°Π΅ΡΡΡ ΠΈ Π²ΠΎΠ·Π΄ΡΡ
ΠΈΠ· ΡΠ°Π»ΠΎΠ½Π° ΡΠ°ΡΡΠΈΡΠ½ΠΎ Π·Π°ΡΠ°ΡΡΠ²Π°Π΅ΡΡΡ Π² ΠΏΠ΅ΡΠΊΡ, ΡΡΠΊΠΎΡΡΡ Π½Π°Π³ΡΠ΅Π².
ΠΠΎ Π²Π΅ΡΡ
Π½Π΅ΠΉ ΠΏΠ»ΠΎΡΠΊΠΎΡΡΠΈ ΠΌΠΎΠ½ΡΠ°ΠΆΠ½ΠΎΠΉ ΡΠ°ΠΌΠΊΠΈ ΡΠ»Π΅Π΄ΡΠ΅Ρ ΠΏΡΠΈΠΊΠ»Π΅ΠΈΡΡ ΡΠΏΠ»ΠΎΡΠ½ΠΈΡΠ΅Π»Ρ Π²ΡΡΠΎΡΠΎΠΉ 5-15 ΠΌΠΌ (Π² Π·Π°Π²ΠΈΡΠΈΠΌΠΎΡΡΠΈ ΠΎΡ ΡΠΎΠ²Π½ΠΎΡΡΠΈ ΠΏΠΎΠ»ΠΊΠΈ ΠΊΠΎΡΠΏΡΡΠ° ΠΏΠΎΠ΄ ΠΊΠ°ΠΌΠ΅Π½ΠΊΠΎΠΉ).
Π‘Π½Π°ΡΠ°Π»Π° ΡΡΡΠ°Π½Π°Π²Π»ΠΈΠ²Π°Π΅ΡΡΡ Π²Π΅ΡΡ
Π½ΡΡ ΡΠ°ΡΡΡ (Π½Π΅ Π·Π°Π±ΡΠ΄ΡΡΠ΅ ΠΏΡΠΎΠ²Π΅ΡΠΈΡΡ ΠΎΡΠΊΡΡΡΠΎΡΡΡ ΠΊΠ»Π°ΠΏΠ°Π½Π° ΡΠ΅ΡΠΈΡΠΊΡΠ»ΡΡΠΈΠΈ), Π·Π°ΡΠ΅ΠΌ Π½ΠΈΠΆΠ½ΡΡ ΡΠ°ΡΡΡ ΡΠ΄Π²ΠΈΠ³Π°ΡΡ ΡΠ±ΠΎΠΊΡ Π²ΠΏΡΠ°Π²ΠΎ ΠΈ ΠΏΡΠΈΠΊΡΠ΅ΠΏΠ»ΡΡΡ ΠΊ Π²Π΅ΡΡ
Π½Π΅ΠΉ.
Π Π°Π΄ΠΈΠ°ΡΠΎΡ ΠΏΠΎΠ΄ΠΊΠ»ΡΡΠ°Π΅ΡΡΡ ΡΠ»Π΅Π΄ΡΡΡΠΈΠΌ ΠΎΠ±ΡΠ°Π·ΠΎΠΌ — ΠΏΠ΅ΡΠ΅Π΄Π½ΠΈΠΉ Π½ΠΈΠΆΠ½ΠΈΠΉ ΠΏΠ°ΡΡΡΠ±ΠΎΠΊ — Π²Ρ
ΠΎΠ΄Π½ΠΎΠΉ, Π·Π°Π΄Π½ΠΈΠΉ Π²Π΅ΡΡ
Π½ΠΈΠΉ — Π²ΡΡ
ΠΎΠ΄ ΠΎΡ
Π»Π°ΠΆΠ΄Π°ΡΡΠ΅ΠΉ ΠΆΠΈΠ΄ΠΊΠΎΡΡΠΈ. ΠΠ»Ρ ΠΏΠΎΠ΄ΠΊΠ»ΡΡΠ΅Π½ΠΈΡ Π²Π΅Π½ΡΠΈΠ»ΡΡΠΎΡΠΎΠ² ΠΌΠΎΠΆΠ½ΠΎ ΠΈΡΠΏΠΎΠ»ΡΠ·ΠΎΠ²Π°ΡΡ ΡΡΠ°ΡΠ½ΡΠΉ ΠΆΠ³ΡΡ ΠΎΠ±ΠΎΠ³ΡΠ΅Π²Π°ΡΠ΅Π»Ρ ΠΠΠΠ-2141, Π»ΠΈΠ±ΠΎ ΡΠ΄Π΅Π»Π°ΡΡ Π΅Π³ΠΎ ΡΠ°ΠΌΠΎΡΡΠΎΡΡΠ΅Π»ΡΠ½ΠΎ.ΠΠΎΡΠΊΠΎΠ»ΡΠΊΡ Π²Π΅Π½ΡΠΈΠ»ΡΡΠΎΡΡ ΠΎΡΠΎΠΏΠΈΡΠ΅Π»Ρ Π½Π°ΠΌΠ½ΠΎΠ³ΠΎ ΠΌΠΎΡΠ½Π΅Π΅ ΡΡΠ°ΡΠ½ΡΡ
, ΠΆΠ΅Π»Π°ΡΠ΅Π»ΡΠ½ΠΎ ΡΠ΄Π΅Π»Π°ΡΡ Π½Π° Π½ΠΈΡ
ΠΎΡΠ΄Π΅Π»ΡΠ½ΠΎΠ΅ ΠΏΠΈΡΠ°Π½ΠΈΠ΅ ΡΠ΅ΡΠ΅Π· ΠΏΡΠ΅Π΄ΠΎΡ
ΡΠ°Π½ΠΈΡΠ΅Π»Ρ Π½Π° 30 Π ΠΈ ΡΠ΅Π»Π΅.
Π ΡΡΠΊΠΈ ΡΠΏΡΠ°Π²Π»Π΅Π½ΠΈΡ ΠΎΡ ΠΠΠ-2105 (07) ΡΠ΄ΠΎΠ±Π½ΠΎ ΠΈΡΠΏΠΎΠ»ΡΠ·ΠΎΠ²Π°ΡΡ ΠΊΠ°ΠΊ ΡΡΡΠΊΠΈ ΡΠΏΡΠ°Π²Π»Π΅Π½ΠΈΡ Π·Π°ΡΠ»ΠΎΠ½ΠΊΠ°ΠΌΠΈ. ΠΠ΄ΠΈΠ½ ΡΡΡΠ°Π³ ΡΠ°ΠΌ Π»ΠΈΡΠ½ΠΈΠΉ ΠΈ ΠΌΡ Π΅Π³ΠΎ ΠΏΡΠΎΡΡΠΎ ΡΠ½ΠΈΠΌΠ°Π΅ΠΌ …
ΠΠΈΠ΄ ΡΠ±ΠΎΠΊΡ | ΠΠΈΠ΄ ΡΠ²Π΅ΡΡ
Ρ | ΠΠΎΠ΄ΡΠ²Π΅ΡΠΊΠ° | ΠΠ°Π΄Π½ΠΈΠΉ ΠΎΠ±Π΄ΡΠ² |
Π Π΅Π·ΡΠ»ΡΡΠ°Ρ ΠΏΡΠ΅Π²Π·ΠΎΡΠ΅Π» Π²ΡΠ΅ ΠΎΠΆΠΈΠ΄Π°Π½ΠΈΡ — ΠΏΡΠΈ ΠΌΠ°Π»ΠΎΠΉ ΡΠΊΠΎΡΠΎΡΡΠΈ Π²Π΅Π½ΡΠΈΠ»ΡΡΠΈΠΈ ΠΎΠΊΠ½Π° ΠΎΡΠΊΡΡΠ²Π°ΡΡ Π½Π΅ Π½ΡΠΆΠ½ΠΎ.ΠΠΎΠ³Π΄Π° Π²Π΅Π½ΡΠΈΠ»ΡΡΠΎΡ Π²ΠΊΠ»ΡΡΠ΅Π½ Β«Π½Π° ΠΏΠΎΠ»Π½ΡΡΒ», ΡΠΎΠ·Π΄Π°Π΅ΡΡΡ ΡΡΡΠ΅ΠΊΡ ΠΎΡΡΡΡΡΡΠ²ΠΈΡ Π»ΠΎΠ±ΠΎΠ²ΠΎΠ³ΠΎ ΡΡΠ΅ΠΊΠ»Π° ΠΏΡΠΈ Π΄Π²ΠΈΠΆΠ΅Π½ΠΈΠΈ Π½Π° ΡΠΊΠΎΡΠΎΡΡΠΈ. Π ΡΡΠΎΠΌ ΡΠ»ΡΡΠ°Π΅ Π²ΠΎΠ·Π΄ΡΡΠ½ΡΠΉ ΠΏΠΎΡΠΎΠΊ ΠΌΠΎΠΆΠ½ΠΎ ΡΠ΅Π³ΡΠ»ΠΈΡΠΎΠ²Π°ΡΡ ΠΏΠΎ Π½Π°ΠΏΡΠ°Π²Π»Π΅Π½ΠΈΡ ΠΈ ΠΈΠ½ΡΠ΅Π½ΡΠΈΠ²Π½ΠΎΡΡΠΈ. ΠΠ°ΡΡΠ°ΠΆΠΈΡ ΠΊΠΎΠ½ΡΡΠΎΠ»ΠΈΡΡΠ΅Ρ ΡΠ²ΠΎΡ ΡΡΠΎΡΠΎΠ½Ρ. ΠΠ°ΠΏΡΠΈΠΌΠ΅Ρ, ΠΎΠ½ ΠΌΠΎΠΆΠ΅Ρ Π²ΠΊΠ»ΡΡΠΈΡΡ ΠΎΠ±ΠΎΠ³ΡΠ΅Π² ΡΠΎΠ»ΡΠΊΠΎ Π½ΠΎΠ³, Π° Π²ΠΎΠ΄ΠΈΡΠ΅Π»Ρ ΠΌΠΎΠΆΠ΅Ρ Π²ΠΊΠ»ΡΡΠΈΡΡ ΠΎΠ±ΠΎΠ³ΡΠ΅Π² Π½ΠΎΠ³ ΠΈ Π΄ΡΡΡ Β«Ρ
ΠΎΠ»ΠΎΠ΄ΠΎΠΌΒ» Π΅ΠΌΡ Π² Π»ΠΈΡΠΎ, Π° ΠΌΠΎΠΆΠ½ΠΎ Π²ΠΎΠΎΠ±ΡΠ΅ ΠΎΡΠΊΠ»ΡΡΠΈΡΡ ΠΏΠ°ΡΡΠ°ΠΆΠΈΡΠ°. Π ΡΠΊΠ° ΠΏΠ»ΠΎΡ
ΠΎ ΠΏΠ΅ΡΠ΅Π½ΠΎΡΠΈΡ ΡΠ΅ΠΌΠΏΠ΅ΡΠ°ΡΡΡΡ Π²ΡΡ
ΠΎΠ΄ΡΡΠ΅Π³ΠΎ Π²ΠΎΠ·Π΄ΡΡΠ½ΠΎΠ³ΠΎ ΠΏΠΎΡΠΎΠΊΠ°, Π° ΡΠ°ΠΌ Π΄Π²ΠΈΠ³Π°ΡΠ΅Π»Ρ, Π½Π΅ΡΠΌΠΎΡΡΡ Π½Π° ΡΠ°Π±ΠΎΡΠΈΠΉ ΡΠ΅ΡΠΌΠΎΡΡΠ°Ρ Π½Π° 80 Π³, ΠΎΡΡΡΠ²Π°Π΅Ρ Π΄ΠΎ 70…
ΠΠΊΡΠΏΠ»ΡΠ°ΡΠ°ΡΠΈΡ Π²ΡΡΠ²ΠΈΠ»Π° ΠΎΠ΄ΠΈΠ½ Π½ΡΠ°Π½Ρ — ΠΊ ΡΠΎΠΆΠ°Π»Π΅Π½ΠΈΡ, ΡΠ°ΡΡ
ΠΎΠ΄ ΠΎΡ
Π»Π°ΠΆΠ΄Π°ΡΡΠ΅ΠΉ ΠΆΠΈΠ΄ΠΊΠΎΡΡΠΈ Π² ΡΡΠ°ΡΠ½ΠΎΠΌ ΠΈΡΠΏΠΎΠ»Π½Π΅Π½ΠΈΠΈ Π½Π΅ ΠΎΡΠ΅Π½Ρ Π±ΠΎΠ»ΡΡΠΎΠΉ ΠΈ ΡΠ°Π΄ΠΈΠ°ΡΠΎΡ ΠΠΠΠ-2141, ΠΈΠΌΠ΅ΡΡΠΈΠΉ ΠΎΡΠ΅Π½Ρ Π²ΡΡΠΎΠΊΡΡ ΡΠ΅ΠΏΠ»ΠΎΠΎΡΠ΄Π°ΡΡ, ΠΎΡΠ΅Π½Ρ ΡΠΈΠ»ΡΠ½ΠΎ Π΅Π³ΠΎ ΠΎΡ
Π»Π°ΠΆΠ΄Π°Π΅Ρ. Π ΡΠ΅Π·ΡΠ»ΡΡΠ°ΡΠ΅ Π²ΠΎΠ·ΠΌΠΎΠΆΠ½ΠΎΡΡΠΈ ΠΏΠ΅ΡΠΈ ΠΈΡΠΏΠΎΠ»ΡΠ·ΡΡΡΡΡ Π½Π΅ ΠΏΠΎΠ»Π½ΠΎΡΡΡΡ. ΠΠ»Ρ ΡΡΡΡΠ°Π½Π΅Π½ΠΈΡ ΡΡΠΎΠ³ΠΎ ΠΆΠ΅Π»Π°ΡΠ΅Π»ΡΠ½ΠΎ Π² ΠΌΠ°Π³ΠΈΡΡΡΠ°Π»Ρ ΠΎΡΠΎΠΏΠΈΡΠ΅Π»Ρ Π²ΡΡΡΠΎΠΈΡΡ ΡΠ»Π΅ΠΊΡΡΠΎΠ½Π°ΡΠΎΡ ΠΎΡ ΠΠ°Π·Π΅Π»ΠΈ. ΠΡ ΠΌΠΎΠΆΠ΅ΡΠ΅ Π²ΠΊΠ»ΡΡΠΈΡΡ Π΅Π³ΠΎ Π΄Π»Ρ ΡΠ²Π΅Π»ΠΈΡΠ΅Π½ΠΈΡ ΡΠ΅ΠΏΠ»ΠΎΠΏΠ΅ΡΠ΅Π΄Π°ΡΠΈ Ρ ΠΏΠΎΠΌΠΎΡΡΡ ΠΎΡΠ΄Π΅Π»ΡΠ½ΠΎΠ³ΠΎ ΡΡΠΌΠ±Π»Π΅ΡΠ°.
Π₯ΠΎΡΡ ΠΊΠΎΠΌΡΠΎΡΡΠ°, Ρ
ΠΎΠ»ΠΎΠ΄Π½ΠΎΠ΅ — ΠΎΡΠΊΡΡΡΠΎΠ΅, Π³ΠΎΡΡΡΠ΅Π΅ — Π·Π°ΠΊΡΡΡΠΎΠ΅, ΠΈ Π²ΡΠ΅ ΡΡΠΎ Π±Π΅Π· ΠΎΡΡΠ°Π½ΠΎΠ²ΠΊΠΈ ΠΈ Π½Π΅ Π²ΡΡ
ΠΎΠ΄Ρ ΠΈΠ· ΠΌΠ°ΡΠΈΠ½Ρ.ΠΡΠΏΠΈΠ» — ΠΊΡΠ°Π½ ΠΏΠ΅ΡΠΊΠΈ ΠΎΡ ΠΠ°Π· 08. ΠΡΠ» — ΡΡΠΎΡΠΈΠΊ Π²ΠΎΠ·Π΄ΡΡΠ½ΠΎΠΉ Π·Π°ΡΠ»ΠΎΠ½ΠΊΠΈ ΠΎΡ ΡΠΎΠΉ ΠΆΠ΅ ΠΠΠ 08 ΠΈ Π±Π»ΠΎΠΊ ΡΡΡΠ°Π³ΠΎΠ² ΡΠΏΡΠ°Π²Π»Π΅Π½ΠΈΡ ΠΎΡ ΠΠ-ΠΊΠΎΠΌΠ±ΠΈ.
ΠΡΠ΅ ΡΠ°Π·ΠΎΠ±ΡΠ°Π» — Π»ΡΠ±Π»Ρ ΠΊΠΎΡΠΌΠΎΡ
Π’Π°ΠΊ ΠΊΠ°ΠΊ ΡΡΠΎΡ ΡΡΡΠ½ΠΎΠ³ΠΎ ΡΠΏΡΠ°Π²Π»Π΅Π½ΠΈΡ Π΄ΡΠΎΡΡΠ΅Π»ΡΠ½ΠΎΠΉ Π·Π°ΡΠ»ΠΎΠ½ΠΊΠΎΠΉ ΡΡΠ°Π» Π½Π΅Π½ΡΠΆΠ½ΡΠΌ, Ρ Π΅Π³ΠΎ Π²ΡΠΊΠΈΠ½ΡΠ», Π° Π½Π° Π΅Π³ΠΎ ΠΌΠ΅ΡΡΠΎ Π²ΠΎΡΠΊΠ½ΡΠ» ΡΡΠΎΡ Π² ΠΎΠ±ΠΎΠ»ΠΎΡΠΊΠ΅ ΠΎΡ ΠΠ°Π· 08, ΠΏΠΎΡΠ΅ΠΌΡ Π² Π½ΠΎΠΆΠ½Π°Ρ
? ΠΠ΅Π»ΠΎ Π² ΡΠΎΠΌ, ΡΡΠΎ ΠΊΠ°Π±Π΅Π»ΠΈ ΠΏΡΠΎΡ
ΠΎΠ΄ΡΡ ΠΏΠΎ Π²ΠΎΠ·Π΄ΡΡ
ΠΎΠ²ΠΎΠ΄Ρ ΠΏΠ΅ΡΠΊΠΈ ΠΈ Π½Π° Π½ΠΈΡ
ΠΎΡΠ΅Π΄Π°Π΅Ρ Π²ΡΡ Π²Π»Π°Π³Π°, Π° ΡΡΠΎ ΡΠΆΠ°Π²ΡΠΈΠ½Π° ΠΈ ΠΊΠ»ΠΈΠ½ …
Π‘ΠΌΠ΅ΡΠΈΡΠ΅Π»Ρ ΡΠΎΠ±ΡΠ°Π½ ΠΈ Π³ΠΎΡΠΎΠ² ΠΊ ΡΡΡΠ°Π½ΠΎΠ²ΠΊΠ΅.ΠΠ°Π΄ΠΎ ΠΊΡΠΏΠΈΡΡ ΡΠΏΠ»ΠΎΡΠ½ΠΈΡΠ΅Π»ΡΠ½ΡΡ ΡΠ΅Π·ΠΈΠ½ΠΊΡ Π² ΠΊΡΠ·ΠΎΠ²Π΅
ΠΠ»ΠΎΠΊ ΡΠΏΡΠ°Π²Π»Π΅Π½ΠΈΡβ¦
ΠΠ° ΠΌΠΎΠΉ Π²Π·Π³Π»ΡΠ΄, ΠΎΡΠ΅Π½Ρ Ρ
ΠΎΡΠΎΡΠΎ Π²ΠΏΠΈΡΡΠ²Π°Π΅ΡΡΡ Π² ΠΎΠ±ΡΡΡ ΡΠΈΡΡΠ°ΡΠΈΡ. ΠΡΠΊΠΈΠ½ΡΠ» Π·Π° Π½Π΅Π½Π°Π΄ΠΎΠ±Π½ΠΎΡΡΡΡ Π½ΠΈΠΆΠ½ΠΈΠΉ ΡΡΡΠ°Π³, Π΄ΡΠΌΠ°Ρ ΠΏΠ΅ΡΠ΅Π΄Π°ΡΡ ΡΠΏΡΠ°Π²Π»Π΅Π½ΠΈΠ΅ ΡΠ»Π΅ΠΊΡΡΠΎΠ΄Π²ΠΈΠ³Π°ΡΠ΅Π»Π΅ΠΌ ΠΎΡΠΎΠΏΠΈΡΠ΅Π»Ρ Π½Π° ΠΏΡΠ°Π²ΡΠΉ ΡΡΠΌΠ±Π»Π΅Ρ, Π° Π½Π° ΠΏΡΡΡΠΎΠΌ ΠΌΠ΅ΡΡΠ΅ ΡΠ»Π΅Π²Π° ΡΡΡΠ°Π½ΠΎΠ²ΠΈΡΡ ΠΏΡΠΈΠΊΡΡΠΈΠ²Π°ΡΠ΅Π»Ρ Π²ΠΌΠ΅ΡΡΠΎ ΡΡΠ°ΡΠΈΠΎΠ½Π°ΡΠ½ΠΎΠΉ Π°Π²Π°ΡΠΈΠΉΠΊΠΈ …
Π’ΡΠΎΡ Π½ΠΎΠΆΠ½Ρ Π½Π°Π΄ΠΎ Π·Π°ΠΊΡΠ΅ΠΏΠΈΡΡ Π½Π° ΠΊΠΎΡΠΏΡΡΠ΅ ΠΊΡΠ°Π½Π°, ΡΠ°ΠΌ Π΄Π°ΠΆΠ΅ Π΅ΡΡΡ ΡΠΏΠ΅ΡΠΈΠ°Π»ΡΠ½ΠΎΠ΅ ΠΌΠ΅ΡΡΠΎ, Π½ΠΎ ΠΌΠ΅Π½Ρ ΡΡΠΎ Π½Π΅ ΡΡΡΡΠ°ΠΈΠ²Π°Π΅Ρ.ΠΠΎΠ΄ΡΠΌΠ°Π» ΡΠ΄Π΅Π»Π°ΡΡ ΠΊΡΠ΅ΠΏΠ΅ΠΆ ΡΠ²ΠΎΠΈΠΌΠΈ ΡΡΠΊΠ°ΠΌΠΈ. Π§Π΅ΡΡΠ½ΠΎ Π³ΠΎΠ²ΠΎΡΡ, ΠΌΠ΅ΡΠΎΠ΄ΠΎΠΌ ΠΏΡΠΎΠ± ΠΈ ΠΎΡΠΈΠ±ΠΎΠΊ ΠΏΡΠΈΠ΄ΡΠΌΡΠ²Π°Π» ΠΊΡΠ΅ΠΏΠ»Π΅Π½ΠΈΠ΅ ΡΡΠΈΠΆΠ΄Ρ ΠΈ Π²ΡΠ΅ Ρ ΠΈΡΠΏΠΎΠ»ΡΠ·ΠΎΠ²Π°Π½ΠΈΠ΅ΠΌ Π΄Π²ΡΡ
ΡΡΠΈΡΡΠΎΠ², Π½ΠΎ ΠΎΠ½ΠΈ ΠΈΡΡΠ΅Π·Π»ΠΈ, ΡΠ°ΠΊ ΠΊΠ°ΠΊ ΡΡΠ΅Π±ΠΎΠ²Π°Π»ΠΈ Π±ΠΎΠ»ΡΡΠΈΡ
ΠΌΠ°Π½ΠΈΠΏΡΠ»ΡΡΠΈΠΉ Ρ ΠΌΠ΅ΡΠ°Π»Π»ΠΎΠΌ.
ΠΠ΄ΠΎΡ
Π½ΠΎΠ²Π»ΡΡΡΠ΅Π΅ ΡΠ΅ΡΠ΅Π½ΠΈΠ΅ — ΡΠ΅ΠΌ ΠΏΡΠΎΡΠ΅, ΡΠ΅ΠΌ Π½Π°Π΄Π΅ΠΆΠ½Π΅Π΅!
Π― ΡΠ΄Π΅Π»Π°Π» ΡΠ°Π±Π»ΠΎΠ½ ΠΈΠ· Π±ΡΠΌΠ°Π³ΠΈ, Π° Π·Π°ΡΠ΅ΠΌ ΠΈΠ· ΠΊΠ°ΡΡΠΎΠ½Π°, ΠΊΠΎΡΠΎΡΡΠΉ ΠΏΠ΅ΡΠ΅Π²Π΅Π» Π½Π° ΠΌΠ΅ΡΠ°Π»Π» ΠΈ Ρ ΠΏΠΎΠΌΠΎΡΡΡ Π±ΠΎΠ»Π³Π°ΡΠΊΠΈ Π²ΡΠ»Π΅ΠΏΠΈΠ» ΠΊΡΠ΅ΠΏΠ»Π΅Π½ΠΈΠ΅!
ΠΡΠΎΡΠ²Π΅ΡΠ»ΠΈΠ» ΠΎΡΠ²Π΅ΡΡΡΠΈΡ Π² ΠΊΠΎΡΠΏΡΡΠ΅ ΠΊΡΠ°Π½Π° Π»ΠΎΠΊΠ°Π»ΡΠ½ΠΎ
Π Π²ΠΎΡ ΡΡΠΎ ΠΏΠΎΠ»ΡΡΠΈΠ»ΠΎΡΡ
ΠΊΠ»Π΅ΠΏΠ°Π»ΡΡΠΈΠΊ Π² ΠΏΠΎΠΌΠΎΡΡ
Π Ρ ΠΏΠΎΡΠ΅Π» Π² Π³Π°ΡΠ°ΠΆ ΡΡΡΠ°Π½ΠΎΠ²ΠΈΡΡ ΡΡΠΎ ΡΡΠ΄ΠΎ ΡΡΠΊΠΎΡΠ²ΠΎΡΠ½ΡΡ
.
Π° ΡΡΠΎ ΠΈΠ· ΡΠ°Π»ΠΎΠ½Π°
Π ΠΌΠ°Π³Π°Π·ΠΈΠ½Π΅ ΡΠ΅Π·ΠΈΠ½ΠΎΠ²ΡΡ
ΡΠΏΠ»ΠΎΡΠ½ΠΈΡΠ΅Π»Π΅ΠΉ Π² ΠΊΠΎΡΠΏΡΡΠ΅ Π΄Π»Ρ ΡΠ»Π°Π½Π³ΠΎΠ² Π½Π΅ Π½Π°ΡΠ΅Π», Π΅ΡΠ»ΠΈ Π½Π΅ Π½Π°ΠΉΠ΄Ρ, ΡΠΎ ΠΊΠ°ΠΊ Π±ΡΠ»ΠΎ Ρ Π·Π°ΡΠΈΠ³Π°Ρ Π½Π° ΠΏΠ΅Π½ΠΎΠΏΠΎΠ»ΠΈΡΡΠΈΡΠ°Π½ … ΠΏΠ΅Π½Π° Π½ΠΎΡΠΌ!
Π‘ΠΎΠ΅Π΄ΠΈΠ½Π΅Π½ΠΈΠ΅ ΠΊΡΠ°Π½Π°-ΠΏΠΎΠΌΠΏΡ ΠΎΡΡΠ°Π²ΠΈΠ» Π½Π° ΠΏΠΎΡΠΎΠΌ … ΠΠΎΠ΄ΠΊΠ»ΡΡΡ Π»ΠΎΠΊΠ°Π»ΡΠ½ΠΎ, ΠΌΠΈΠ½ΡΡ ΠΊΠ°ΡΠ±, ΠΊΡΠΏΠΈΠ² ΠΌΠ΅ΡΡ ΡΠ»Π°Π½Π³Π° 16Ρ
24
2. Π£ΡΡΠ°Π½ΠΎΠ²ΠΊΠ° ΠΎΡΠΎΠΏΠΈΡΠ΅Π»Ρ ΡΠ°Π»ΠΎΠ½Π° Β«ΠΠΠΠ-4Β» Π² Π£ΠΠ Hunter
Π‘ΡΠ΅ΠΊΠ»ΡΠ½Π½ΡΠΉ ΠΏΠΎΡ Π² Π₯Π°Π½ΡΠ΅ΡΠ΅ — ΡΡΠΎ Π°ΠΊΡΠΈΠΎΠΌΠ°.ΠΠ΄Π½Π° ΠΈΠ· ΠΎΡΠ½ΠΎΠ²Π½ΡΡ
ΠΏΡΠΈΡΠΈΠ½ ΡΡΠΎΠ³ΠΎ Π½Π΅Π΄ΡΠ³Π° — Π½Π΅ΡΠΎΠ²Π΅ΡΡΠ΅Π½ΡΡΠ²ΠΎ ΠΊΠΎΠ½ΡΡΡΡΠΊΡΠΈΠΈ Π²ΠΎΠ·Π΄ΡΡ
ΠΎΠ·Π°Π±ΠΎΡΠ½ΠΈΠΊΠ° ΠΈ ΠΎΡΠΎΠΏΠΈΡΠ΅Π»Ρ ΡΠ°Π»ΠΎΠ½Π° (ΠΏΠ΅ΡΠΊΠ° ΠΊΠ°Π±ΠΈΠ½Ρ).
ΠΡΠΊ Π²ΠΎΠ·Π΄ΡΡ
ΠΎΠ·Π°Π±ΠΎΡΠ½ΠΈΠΊΠ° Π½Π΅ΠΌΠ½ΠΎΠ³ΠΎ Β«ΡΡΠΎΠΏΠ»Π΅Π½Β» ΠΎΡΠ½ΠΎΡΠΈΡΠ΅Π»ΡΠ½ΠΎ ΠΏΠ»ΠΎΡΠΊΠΎΡΡΠΈ ΠΏΠ΅ΡΠ΅Π΄ΠΊΠ°, ΠΏΠΎΡΡΠΎΠΌΡ Π²ΠΎΠ΄Π°, Π½Π΅ Π²ΡΡΡΠ΅ΡΠ°Ρ Π±ΠΎΠ»ΡΡΠΎΠ³ΠΎ ΡΠΎΠΏΡΠΎΡΠΈΠ²Π»Π΅Π½ΠΈΡ ΡΠΎ ΡΡΠΎΡΠΎΠ½Ρ ΡΠ΅Π·ΠΈΠ½ΠΎΠ²ΠΎΠ³ΠΎ ΡΠΏΠ»ΠΎΡΠ½ΠΈΡΠ΅Π»Ρ Π»ΡΠΊΠ°, ΠΏΠΎΠΏΠ°Π΄Π°Π΅Ρ Π² ΡΠ°Π»ΠΎΠ½. ΠΡΠΎ ΠΏΡΠΎΠΈΡΡ
ΠΎΠ΄ΠΈΡ Π΄Π°ΠΆΠ΅ ΠΏΡΠΈ Π·Π°ΠΊΡΡΡΠΎΠΌ Π»ΡΠΊΠ΅, ΡΠ°ΠΊ ΠΊΠ°ΠΊ ΠΊΠΎΠ½ΡΡΡΡΠΊΡΠΈΡ Π½Π΅ ΠΏΠΎΠ·Π²ΠΎΠ»ΡΠ΅Ρ ΠΏΠ»ΠΎΡΠ½ΠΎ ΠΏΡΠΈΠΆΠ°ΡΡ ΠΊΡΡΡΠΊΡ.
ΠΡΠΈ ΠΎΡΠΊΡΡΡΠΎΠΌ Π»ΡΠΊΠ΅ Π΄ΠΎΠΆΠ΄Ρ, ΡΠ½Π΅Π³ ΠΈ Π±ΡΡΠ·Π³ΠΈ Π² Π²ΠΎΠ·Π΄ΡΡ
ΠΎΠ·Π°Π±ΠΎΡΠ½ΠΈΠΊ Π½Π΅ΡΠΊΠΎΠ½ΡΠ°Π΅ΠΌΡΠΌ ΠΏΠΎΡΠΎΠΊΠΎΠΌ.Π‘Π°ΠΌΠΎΠ΅ ΠΈΠ½ΡΠ΅ΡΠ΅ΡΠ½ΠΎΠ΅ Π²ΠΏΠ΅ΡΠ΅Π΄ΠΈ ΡΠΎ, ΡΡΠΎ ΡΡΠ° ΡΡΡΡΡ Π²ΠΎΠ΄Ρ ΠΈ ΡΠ½Π΅Π³Π° ΠΏΠ°Π΄Π°Π΅Ρ ΠΏΡΡΠΌΠΎ Π½Π° ΡΠ°Π΄ΠΈΠ°ΡΠΎΡ ΠΏΠ΅ΡΠΊΠΈ. ΠΡΡΠ΅ΠΊΡ ΠΊΠ°ΠΊ Π² ΠΏΠ°ΡΠΈΠ»ΠΊΠ΅, ΠΊΠΎΠ³Π΄Π° ΠΏΠΎΠ»ΠΈΠ²Π°ΡΡ Π³ΠΎΡΡΡΠΈΠΌΠΈ ΠΊΠ°ΠΌΠ½ΡΠΌΠΈ, ΡΡΠΎΠ±Ρ Β«Π΄ΠΎΠ±Π°Π²ΠΈΡΡ Π² ΠΏΠ°ΡΠΊΒ».
ΠΠ°ΡΡΡΠ΅Π½Π½ΡΠΉ Π²Π»Π°Π³ΠΎΠΉ Π²ΠΎΠ·Π΄ΡΡ
Π·Π°ΡΠ°ΡΡΠ²Π°Π΅ΡΡΡ Π²Π΅Π½ΡΠΈΠ»ΡΡΠΎΡΠΎΠΌ ΠΏΠ΅ΡΠΊΠΈ ΠΈ ΡΠ°Π²Π½ΠΎΠΌΠ΅ΡΠ½ΠΎ ΡΠ°ΡΠΏΡΠ΅Π΄Π΅Π»ΡΠ΅ΡΡΡ ΠΏΠΎ ΡΠ°Π»ΠΎΠ½Ρ Π°Π²ΡΠΎΠΌΠΎΠ±ΠΈΠ»Ρ. Π ΡΠ°ΠΊΠΈΠ΅ Π΄Π½ΠΈ Π£ΠΠΠΎΠ²ΠΎΠ΄ ΡΡΠ°Π½ΠΎΠ²ΠΈΡΡΡ ΠΈΠ»Π»ΡΠ·ΠΈΠΎΠ½ΠΈΡΡΠΎΠΌ ΠΈΠ»ΠΈ ΡΠΎΠΊΡΡΠ½ΠΈΠΊΠΎΠΌ, Π»ΠΎΠ²ΠΊΠΎ Π²ΡΠΏΠΎΠ»Π½ΡΡ ΠΌΠ°Π½ΠΈΠΏΡΠ»ΡΡΠΈΠΈ Ρ ΡΡΠ»Π΅ΠΌ, ΡΡΡΠΊΠΎΠΉ ΠΠΠ ΠΈ ΡΡΡΠΏΠΊΠΎΠΉ Π΄Π»Ρ ΠΌΡΡΡΡ ΡΡΠ΅ΠΊΠΎΠ».
Π ΡΡΠ°ΡΠ½Π°Ρ ΠΏΠ΅ΡΠΊΠ° ΠΎΡΠ΅Π½Ρ Π»ΡΠ±ΠΈΡ ΠΏΡΠΎΠ³ΡΠ΅Π²Π°ΡΡ ΠΏΠ°ΡΡΠ°ΠΆΠΈΡΠ°, ΠΏΡΠΈ ΡΡΠΎΠΌ Π·Π°ΠΌΠΎΡΠ°ΠΆΠΈΠ²Π°Ρ Π²ΠΎΠ΄ΠΈΡΠ΅Π»Ρ.ΠΠΎΠ·Π΄ΡΡΠ½ΡΠΉ ΠΏΠΎΡΠΎΠΊ ΠΎΡ Π²Π΅Π½ΡΠΈΠ»ΡΡΠΎΡΠ° ΡΠ°ΡΠΏΡΠ΅Π΄Π΅Π»ΡΠ΅ΡΡΡ Π½Π΅ΡΠ°Π²Π½ΠΎΠΌΠ΅ΡΠ½ΠΎ, ΠΏΠΎΡΡΠΎΠΌΡ ΠΏΠ°ΡΡΠ°ΠΆΠΈΡ ΠΏΠΎΠ»ΡΡΠ°Π΅Ρ Π·Π½Π°ΡΠΈΡΠ΅Π»ΡΠ½ΠΎ Π±ΠΎΠ»ΡΡΠ΅ ΡΠ΅ΠΏΠ»Π°, ΡΠ΅ΠΌ Π²ΠΎΠ΄ΠΈΡΠ΅Π»Ρ.
ΠΠ΅ΡΡ ΡΡΠΎΡ Π΄ΡΡΠ΄ΠΎΠΌ Ρ ΠΏΠ΅ΡΠΊΠΎΠΉ ΠΎΡΠ΅Π½Ρ Π½Π°ΠΏΡΡΠ³Π°Π΅Ρ, ΠΏΠΎΡΡΠΎΠΌΡ Π²Π»Π°Π΄Π΅Π»ΡΡΡ Π£ΠΠΠΎΠ² Π²ΡΡΡΠ΅ΡΠΊΠΈ ΡΡΠ°ΡΠ°ΡΡΡΡ ΡΡΡΡΠ°Π½ΠΈΡΡ Π½Π΅Π΄ΠΎΡΡΠ°ΡΠΊΠΈ ΠΊΠΎΠ½ΡΡΡΡΠΊΡΠΈΠΈ. ΠΠ΄Π½ΠΈ ΠΏΠ΅ΡΠ΅Π΄Π΅Π»ΡΠ²Π°ΡΡ ΡΠ°ΠΌΡ ΠΏΠ΅ΡΠΊΡ, Π΄ΡΡΠ³ΠΈΠ΅ ΠΌΠΎΠ΄Π΅ΡΠ½ΠΈΠ·ΠΈΡΡΡΡ Π»ΡΠΊ Π²ΠΎΠ·Π΄ΡΡ
ΠΎΠ·Π°Π±ΠΎΡΠ½ΠΈΠΊΠ°, Π° ΡΡΠ΅ΡΡΠΈ ΠΏΡΠΎΡΡΠΎ ΠΏΠΎΠΊΡΠΏΠ°ΡΡ ΠΏΠ»Π°ΡΡΠΈΠΊΠΎΠ²ΡΡ Β«Π½ΠΎΠ·Π΄ΡΡΒ» Π΄Π»Ρ Π·Π°Π±ΠΎΡΠ° Π²ΠΎΠ·Π΄ΡΡ
Π°. ΠΡΠ΅Π³Π΄Π° ΠΌΠ΅ΡΡΠ°Π» ΠΎ ΠΏΠ΅ΡΠΊΠ΅ Β«ΠΠΠΠΒ», ΠΎ ΠΊΠΎΡΠΎΡΠΎΠΉ ΠΏΡΠΎΡΠΈΡΠ°Π» ΠΌΠ½ΠΎΠ³ΠΎ ΠΏΠΎΠ»ΠΎΠΆΠΈΡΠ΅Π»ΡΠ½ΡΡ
ΠΎΡΠ·ΡΠ²ΠΎΠ² Π½Π° ΡΡΡΠ°Π½ΠΈΡΠ°Ρ
Drive.
ΠΠ΅ΡΠΊΠ° Β«ΠΠΠΠΒ» — ΡΠ°Π·ΡΠ°Π±ΠΎΡΠΊΠ° ΠΈΠ½ΠΆΠ΅Π½Π΅ΡΠΎΠ² ΠΈΠ· Β«Π¦ΠΠΠΠΒ« ΠΠΠΠ Β».
Π ΠΌΠ°Π³Π°Π·ΠΈΠ½Π΅ Π°Π²ΡΠΎΠ·Π°ΠΏΡΠ°ΡΡΠ΅ΠΉ ΡΠ°ΠΊΡΡ ββΠΏΠ΅ΡΠΊΡ Π½Π΅ Π½Π°ΠΉΠ΄Π΅ΡΡ — ΠΏΡΠΎΠΈΠ·Π²ΠΎΠ΄ΡΡΠ²ΠΎ Π΅Π΄ΠΈΠ½ΠΈΡΠ½ΠΎΠ΅, Π½Ρ ΠΌΠ°ΠΊΡΠΈΠΌΡΠΌ ΠΌΠ°Π»Π΅Π½ΡΠΊΠΈΠΉ -ΠΌΠ°ΡΡΡΠ°Π±. ΠΠ΅ΡΡ Β«ΠΠΠΠΒ» ΡΠΆΠ΅ ΠΏΡΠΎΡΠ»Π° ΡΠ΅ΡΡΡΠ΅ ΠΌΠΎΠ΄Π΅ΡΠ½ΠΈΠ·Π°ΡΠΈΠΈ, ΡΠ»ΡΡΡΠ°ΡΡΠΈΡ
Π΅Π΅ ΡΡΠ½ΠΊΡΠΈΠΎΠ½Π°Π»ΡΠ½ΠΎΡΡΡ ΠΈ ΠΌΠΎΡΠ½ΠΎΡΡΡ.
ΠΡΠ΅Π»Π΅ΡΡΡ ΡΡΠΎΠΉ ΠΏΠ΅ΡΠΈ Π² ΡΠΎΠΌ, ΡΡΠΎ ΠΎΠ½Π° Π»ΠΈΡΠ΅Π½Π° Π²ΡΠ΅Ρ
Π½Π΅Π΄ΠΎΡΡΠ°ΡΠΊΠΎΠ² ΡΡΠ°ΡΠ½ΠΎΠ³ΠΎ ΠΎΠ±ΠΎΠ³ΡΠ΅Π²Π°ΡΠ΅Π»Ρ Π£ΠΠ, Π½ΠΎ ΠΏΡΠΈ ΡΡΠΎΠΌ ΠΈΠΌΠ΅Π΅Ρ ΡΡΠ΄ Π΄ΠΈΠ·Π°ΠΉΠ½Π΅ΡΡΠΊΠΈΡ
ΡΠ΅ΡΠ΅Π½ΠΈΠΉ. ΠΏΠΎΠ²ΡΡΠ°ΡΡΠΈΠ΅ ΠΊΠΎΠΌΡΠΎΡΡ ΠΈ ΡΡΠ³ΠΎΠ½ΠΎΠΌΠΈΡΠ½ΠΎΡΡΡ.ΠΠ΄ΠΈΠ½ΡΡΠ²Π΅Π½Π½ΡΠΉ Π±ΠΎΠ»ΡΡΠΎΠΉ Π½Π΅Π΄ΠΎΡΡΠ°ΡΠΎΠΊ ΡΡΠ΅ΠΏΠ»ΠΈΡΠ΅Π»Ρ Β«ΠΠΠΠΒ» — Π΅Π³ΠΎ Π²ΡΡΠΎΠΊΠ°Ρ ΡΠ΅Π½Π°.
ΠΡ ΡΡΠΎ ΠΏΠΎΠ΄Π΅Π»Π°Π΅ΡΡ, Π·Π° ΠΊΠΎΠΌΡΠΎΡΡ Π½Π°Π΄ΠΎ ΠΏΠ»Π°ΡΠΈΡΡ … ΠΠ·Π²Π΅ΡΠΈΠ² Π²ΡΠ΅ Π·Π° ΠΈ ΠΏΡΠΎΡΠΈΠ², Ρ ΡΠ΅ΡΠΈΠ» Π½Π΅ ΠΌΠΎΠ΄Π΅ΡΠ½ΠΈΠ·ΠΈΡΠΎΠ²Π°ΡΡ Β«ΡΠΎΠ΄Π½ΠΎΠΉΒ» ΠΎΡΠΎΠΏΠΈΡΠ΅Π»Ρ, Π° ΠΊΡΠΏΠΈΡΡ Π³ΠΎΡΠΎΠ²ΡΡ ΠΏΠ΅ΡΠΊΡ Β«ΠΠΠΠ-4Β».
ΠΠ°ΡΠ΅Π» Π½Π° ΡΡΠ°ΡΡΠΎΠΊ, ΠΏΠΎΠ·Π²ΠΎΠ½ΠΈΠ» ΠΏΠΎ ΡΠΊΠ°Π·Π°Π½Π½ΠΎΠΌΡ ΡΠ°ΠΌ Π½ΠΎΠΌΠ΅ΡΡ ΡΠ΅Π»Π΅ΡΠΎΠ½Π°, Π΄ΠΎΠ³ΠΎΠ²ΠΎΡΠΈΠ»ΡΡ ΠΎ Π²ΡΡΡΠ΅ΡΠ΅ ΠΏΡΡΠΌΠΎ Ρ Π²ΠΎΡΠΎΡ ΠΈΠ½ΡΡΠΈΡΡΡΠ° ΠΠΠΠ. Π Π½Π°Π·Π½Π°ΡΠ΅Π½Π½ΡΠΉ Π΄Π΅Π½Ρ Ρ ΡΠ΅Π» Π² ΡΡΡΠ΅Π½Π½ΠΈΠΉ ΠΏΠΎΠ΅Π·Π΄ ΠΈ ΠΎΡΠΏΡΠ°Π²ΠΈΠ»ΡΡ Π² ΠΠΎΡΠΊΠ²Ρ. Π ΠΎΠ³ΠΎΠ²ΠΎΡΠ΅Π½Π½ΠΎΠ΅ Π²ΡΠ΅ΠΌΡ ΠΊ Π±Π»ΠΎΠΊΠΏΠΎΡΡΠ°ΠΌ ΠΈΠ½ΡΡΠΈΡΡΡΠ° ΠΏΠΎΠ΄ΡΠ΅Ρ
Π°Π» Π£ΠΠ Π²Π΅ΡΠ΅Π»ΠΎΠ³ΠΎ Π·Π΅Π»Π΅Π½ΠΎ-ΠΎΡΠ°Π½ΠΆΠ΅Π²ΠΎΠ³ΠΎ ΡΠ²Π΅ΡΠ°.ΠΠ· ΠΌΠ°ΡΠΈΠ½Ρ Π²ΡΡΠ΅Π» ΠΏΡΠΈΡΡΠ½ΡΠΉ ΡΡΠ°ΡΠΈΡΠΎΠΊ, ΠΊΠΎΡΠΎΡΡΠΉ ΠΎΠΊΠ°Π·Π°Π»ΡΡ ΠΎΠ΄Π½ΠΈΠΌ ΠΈΠ· ΡΠ°Π·ΡΠ°Π±ΠΎΡΡΠΈΠΊΠΎΠ² ΠΎΡΠΎΠΏΠΈΡΠ΅Π»Ρ ΠΠΠΠ. ΠΠ½ ΠΌΠ½Π΅ ΡΠΊΠ°Π·Π°Π», ΡΡΠΎ ΠΏΠΎΠ΄ΠΎΠ³ΡΠ΅Π²Π°ΡΠ΅Π»Ρ ΡΠΎΠ±ΠΈΡΠ°Π΅ΡΡΡ ΠΈΠ· ΠΈΠΌΠ΅ΡΡΠΈΡ
ΡΡ Π² Π°Π²ΡΠΎΡΠ°Π»ΠΎΠ½Π°Ρ
Π·Π°ΠΏΡΠ°ΡΡΠ΅ΠΉ (ΠΌΠΎΡΠΎΡ, ΠΊΡΡΠ»ΡΡΠ°ΡΠΊΠ°, ΡΠ°Π΄ΠΈΠ°ΡΠΎΡ, ΡΠΈΠ»ΡΡΡΡ ΡΠ°Π»ΠΎΠ½Π°), Π½ΠΎ ΠΊΠΎΡΠΏΡΡ ΠΏΠ΅ΡΠΊΠΈ ΠΈ Β«Π½ΠΎΠ·Π΄ΡΡΒ» Π²ΠΎΠ·Π΄ΡΡ
ΠΎΠ·Π°Π±ΠΎΡΠ½ΠΈΠΊΠ° Π΄Π΅Π»Π°ΡΡ ΠΏΠΎ ΡΠΎΠ±ΡΡΠ²Π΅Π½Π½ΡΠΌ ΠΌΠ°ΡΡΠΈΡΠ°ΠΌ. ΠΠ΅ΡΠΊΠ° ΡΠΎΠ±ΠΈΡΠ°Π΅ΡΡΡ Π²ΡΡΡΠ½ΡΡ, Π²ΡΠ΅ ΡΡΡΠΊΠΈ ΡΡΠ°ΡΠ΅Π»ΡΠ½ΠΎ Π·Π°Π΄Π΅Π»Π°Π½Ρ. ΠΡ ΡΠ°ΠΊΠΆΠ΅ ΠΎΠ±ΡΡΠ΄ΠΈΠ»ΠΈ ΡΠ΅ΠΎΡΠ΅ΡΠΈΡΠ΅ΡΠΊΠΈΠ΅ ΠΏΠ΅ΡΡΠΏΠ΅ΠΊΡΠΈΠ²Ρ ΡΠ²Π΅Π»ΠΈΡΠ΅Π½ΠΈΡ ΠΎΠ±ΡΠ΅ΠΌΠΎΠ² ΠΏΡΠΎΠΈΠ·Π²ΠΎΠ΄ΡΡΠ²Π° ΠΈ ΡΠ½ΠΈΠΆΠ΅Π½ΠΈΡ ΡΠ΅Π½, Π²Π΅Π΄Ρ ΠΏΡΠΈ Π±ΠΎΠ»Π΅Π΅ Π½ΠΈΠ·ΠΊΠΎΠΉ ΡΡΠΎΠΈΠΌΠΎΡΡΠΈ ΠΏΠΎΠΏΡΠ»ΡΡΠ½ΠΎΡΡΡ ΡΡΠΎΠΉ ΠΏΠ΅ΡΠΈ Π·Π½Π°ΡΠΈΡΠ΅Π»ΡΠ½ΠΎ Π²ΠΎΠ·ΡΠ°ΡΡΠ΅Ρ.ΠΠΎ, ΠΏΠΎ ΡΠ»ΠΎΠ²Π°ΠΌ ΠΈΠ½ΠΆΠ΅Π½Π΅ΡΠ°-ΡΠ°Π·ΡΠ°Π±ΠΎΡΡΠΈΠΊΠ°, ΠΈΠ·-Π·Π° Π²ΡΡΠΎΠΊΠΎΠΉ ΡΡΠΎΠΈΠΌΠΎΡΡΠΈ ΠΊΠΎΠΌΠΏΠ»Π΅ΠΊΡΡΡΡΠΈΡ
ΠΈ ΠΌΠ°ΡΠ΅ΡΠΈΠ°Π»ΠΎΠ² ΡΠ»ΡΡΡΠΈΡΡ ΡΠ΅Π½ΠΎΠ²ΡΡ ΠΏΠΎΠ»ΠΈΡΠΈΠΊΡ Π½Π΅ ΠΏΡΠ΅Π΄ΡΡΠ°Π²Π»ΡΠ΅ΡΡΡ Π²ΠΎΠ·ΠΌΠΎΠΆΠ½ΡΠΌ. Π Π°ΡΠΏΠ»Π°ΡΠΈΠ²ΡΠΈΡΡ, Π²Π·ΡΠ» ΠΏΠ΅ΡΠΊΡ ΠΈ ΠΏΠΎΠ΅Ρ
Π°Π» Π΄ΠΎΠΌΠΎΠΉ.
Π£ΡΡΠ°Π½ΠΎΠ²ΠΊΠ° ΠΏΠΎΠ΄ΠΎΠ³ΡΠ΅Π²Π°ΡΠ΅Π»Ρ Β«ΠΠΠΠ-4Β»
ΠΠΎΠΌΠΏΠ»Π΅ΠΊΡ ΠΏΠΎΠ΄ΠΎΠ³ΡΠ΅Π²Π°ΡΠ΅Π»Ρ Β«ΠΠΠΠ-4Β» ΡΠΎΡΡΠΎΠΈΡ ΠΈΠ·:
1. ΠΠ°Π³ΡΠ΅Π²Π°ΡΠ΅Π»Ρ Ρ Π±Π»ΠΎΠΊΠΎΠΌ ΡΠΏΡΠ°Π²Π»Π΅Π½ΠΈΡ — 1 ΡΡ.
2. ΠΠ»Π°ΡΡΠΈΠΊΠΎΠ²Π°Ρ ΠΊΠΎΠ½ΡΠΎΠ»Ρ Π±Π»ΠΎΠΊΠ° ΡΠΏΡΠ°Π²Π»Π΅Π½ΠΈΡ — 1 ΡΡ.
3. Π¨Π»Π°Π½Π³ Π΄Π»Ρ ΠΏΠΎΠ΄Π°ΡΠΈ ΠΎΡ
Π»Π°ΠΆΠ΄Π°ΡΡΠ΅ΠΉ ΠΆΠΈΠ΄ΠΊΠΎΡΡΠΈ — 2 ΡΡ.
4. Π£Π΄Π»ΠΈΠ½Π΅Π½Π½ΡΠΉ ΡΠ»Π°Π½Π³ ΠΎΠ±Π΄ΡΠ²Π° Π»ΠΎΠ±ΠΎΠ²ΠΎΠ³ΠΎ ΡΡΠ΅ΠΊΠ»Π° — 1 ΡΡ.
5. ΠΠΎΡΠΏΡΡ Π²ΠΎΠ·Π΄ΡΡΠ½ΠΎΠ³ΠΎ ΡΠΈΠ»ΡΡΡΠ° — 1 ΡΡ.
6. ΠΡΡΡΠΊΠ° ΠΊΠΎΡΠΏΡΡΠ° Π²ΠΎΠ·Π΄ΡΡΠ½ΠΎΠ³ΠΎ ΡΠΈΠ»ΡΡΡΠ° — 1 ΡΡ.
7. Π€ΠΈΠ»ΡΡΡ Π²ΠΎΠ·Π΄ΡΡΠ½ΡΠΉ — 2 ΡΡ.
8. ΠΠΎΠΌΠΏΠ»Π΅ΠΊΡ ΠΊΡΠ΅ΠΏΠ΅ΠΆΠ°.
9. ΠΠ½ΡΡΡΡΠΊΡΠΈΡ ΠΏΠΎ ΡΡΡΠ°Π½ΠΎΠ²ΠΊΠ΅.
Π£ΡΡΠ°Π½ΠΎΠ²ΠΊΠ° ΠΏΠΎΠ΄ΠΎΠ³ΡΠ΅Π²Π°ΡΠ΅Π»Ρ Β«ΠΠΠΠ-4Β» ΠΏΠΎΠ΄ΡΠΎΠ±Π½ΠΎ ΠΎΠΏΠΈΡΠ°Π½Π° Π² ΠΏΡΠΈΠ»Π°Π³Π°Π΅ΠΌΠΎΠΉ ΠΈΠ½ΡΡΡΡΠΊΡΠΈΠΈ, Π½ΠΎ Ρ ΠΏΠΎΡΡΠ°ΡΠ°ΡΡΡ Π² ΠΎΠ±ΡΠΈΡ
ΡΠ΅ΡΡΠ°Ρ
ΠΎΠ±ΡΠΈΡΠΎΠ²Π°ΡΡ ΠΎΠ±ΡΠ΅ΠΌ ΡΠ°Π±ΠΎΡ.
ΠΠ΅ΡΠΊΡ Π½Π°ΡΠ°Π» ΡΡΡΠ°Π½Π°Π²Π»ΠΈΠ²Π°ΡΡ ΠΏΠΎΠ·Π΄Π½ΠΎ Π½ΠΎΡΡΡ, ΡΠ°ΠΊ ΡΡΠΎ Π½Π΅ ΡΡΠ΄ΠΈΡΠ΅ ΡΡΡΠΎΠ³ΠΎ ΠΏΠΎ ΡΠΎΡΠΎΠ³ΡΠ°ΡΠΈΡΠΌ ΡΠ΅ΡΠ½ΠΎΠ³ΠΎ Π£ΠΠΠΈΠΊΠ° Π² ΡΠ΅ΠΌΠ½ΠΎΡΠ΅.)))
ΠΠ΅ΡΠ²ΡΠΌ Π΄Π΅Π»ΠΎΠΌ Π½ΡΠΆΠ½ΠΎ ΡΠ»ΠΈΡΡ ΠΎΡ
Π»Π°ΠΆΠ΄Π°ΡΡΡΡ ΠΆΠΈΠ΄ΠΊΠΎΡΡΡ. Π‘ΠΎΠ³Π»Π°ΡΠ½ΠΎ Π ΡΠΊΠΎΠ²ΠΎΠ΄ΡΡΠ²Ρ ΠΏΠΎ ΡΠΊΡΠΏΠ»ΡΠ°ΡΠ°ΡΠΈΠΈ Π°Π²ΡΠΎΠΌΠΎΠ±ΠΈΠ»Ρ Π£ΠΠ 315195 Π Π 05808600.133-2012 (Edition 2, Rev. 2013) Π·Π°ΠΏΡΠ°Π²ΠΎΡΠ½Π°Ρ Π΅ΠΌΠΊΠΎΡΡΡ ΡΠΈΡΡΠ΅ΠΌΡ ΠΎΡ
Π»Π°ΠΆΠ΄Π΅Π½ΠΈΡ Π΄Π²ΠΈΠ³Π°ΡΠ΅Π»Ρ ΡΠΎΡΡΠ°Π²Π»ΡΠ΅Ρ 12,5 Π». Π‘ΠΎΠ²ΠΌΠ΅ΡΡΠΈΠ» Π·Π°ΠΌΠ΅Π½Ρ ΠΏΠ΅ΡΠΊΠΈ Ρ Π·Π°ΠΌΠ΅Π½ΠΎΠΉ ΠΎΡ
Π»Π°ΠΆΠ΄Π°ΡΡΠ΅ΠΉ ΠΆΠΈΠ΄ΠΊΠΎΡΡΠΈ, ΠΊΡΠΏΠΈΠ² Π΄Π²Π° Π±Π°Π»Π»ΠΎΠ½Π° Π·Π΅Π»Π΅Π½ΠΎΠ³ΠΎ Π°Π½ΡΠΈΡΡΠΈΠ·Π° NORD ΠΎΠ±ΡΠ΅ΠΌΠΎΠΌ 10 Π»ΠΈΡΡΠΎΠ² ΠΈ 4 Π»ΠΈΡΡΠ°.
ΠΡΡΠΎΠ΅Π΄ΠΈΠ½ΠΈΡΡ ΡΠ»Π°Π½Π³ΠΈ ΠΏΠΎΠ΄Π°ΡΠΈ ΠΎΡ
Π»Π°ΠΆΠ΄Π°ΡΡΠ΅ΠΉ ΠΆΠΈΠ΄ΠΊΠΎΡΡΠΈ ΠΈ ΠΎΠ±Π΄ΡΠ²Π° Π²Π΅ΡΡΠΎΠ²ΠΎΠ³ΠΎ ΡΡΠ΅ΠΊΠ»Π° ΠΎΡ ΡΡΠ°ΡΠ½ΠΎΠ³ΠΎ ΠΎΡΠΎΠΏΠΈΡΠ΅Π»Ρ, ΠΎΡΡΠΎΠ΅Π΄ΠΈΠ½ΠΈΡΡ ΡΠ»Π΅ΠΊΡΡΠΈΡΠ΅ΡΠΊΠΈΠ΅ ΠΏΡΠΎΠ²ΠΎΠ΄Π°. ΠΡΠΊΡΡΡΠΈΠ²Π°Π΅ΠΌ ΡΡΠ°ΡΠ½ΡΡ ΠΊΠΎΠ½ΡΠΎΠ»Ρ ΠΎΡ ΠΏΠ°Π½Π΅Π»ΠΈ ΠΏΡΠΈΠ±ΠΎΡΠΎΠ². Π‘Π½ΠΈΠΌΠ°Π΅ΠΌ ΡΡΠ°ΡΠ½ΡΠΉ ΠΎΡΠΎΠΏΠΈΡΠ΅Π»Ρ, Π»ΡΠΊ Π²ΠΎΠ·Π΄ΡΡ
ΠΎΠ·Π°Π±ΠΎΡΠ½ΠΈΠΊΠ°, ΡΠ΅Π·ΠΈΠ½ΠΎΠ²ΡΠΉ ΡΠΏΠ»ΠΎΡΠ½ΠΈΡΠ΅Π»Ρ Π»ΡΠΊΠ°, ΠΌΠ΅Ρ
Π°Π½ΠΈΠ·ΠΌ ΡΠΏΡΠ°Π²Π»Π΅Π½ΠΈΡ Π»ΡΠΊΠΎΠΌ.
ΠΠ΅ΡΡ ΡΡΠ°Π½Π΄Π°ΡΡΠ½Π°Ρ Π² ΡΠ°Π·ΠΎΠ±ΡΠ°Π½Π½ΠΎΠΌ Π²ΠΈΠ΄Π΅
ΠΠ΅ΡΠΊΠ° ΡΡΠ°Π½Π΄Π°ΡΡΠ½Π°Ρ Hunter ΠΈ ΠΏΠ΅ΡΡ ΠΠΠΠ-4
ΠΡΠ²Π΅ΡΡΡΠΈΡ Π²Π½ΡΡΡΠΈ ΠΊΠΎΡΠΎΠ±Π° Π²ΠΎΠ·Π΄ΡΡ
ΠΎΠ·Π°Π±ΠΎΡΠ½ΠΈΠΊΠ°, ΠΎΡΡΠ°Π²ΡΠΈΠ΅ΡΡ ΠΏΠΎΡΠ»Π΅ Π΄Π΅ΠΌΠΎΠ½ΡΠ°ΠΆΠ° ΠΌΠ΅Ρ
Π°Π½ΠΈΠ·ΠΌΠ° ΡΠΏΡΠ°Π²Π»Π΅Π½ΠΈΡ Π»ΡΠΊΠΎΠΌ, ΠΆΠ΅Π»Π°ΡΠ΅Π»ΡΠ½ΠΎ Π·Π°ΠΊΡΡΡΡ.
Π’ΡΠ°ΡΠ΅Π»ΡΠ½ΠΎ Π·Π°ΡΠΈΡΠ°Π΅ΠΌ ΠΈ ΠΎΠ±Π΅Π·ΠΆΠΈΡΠΈΠ²Π°Π΅ΠΌ ΠΏΠ°Π·, Π² ΠΊΠΎΡΠΎΡΠΎΠΌ ΡΠ°ΡΠΏΠΎΠ»Π°Π³Π°Π»Π°ΡΡ ΡΠ΅Π·ΠΈΠ½ΠΎΠ²Π°Ρ ΠΏΡΠΎΠΊΠ»Π°Π΄ΠΊΠ° Π»ΡΠΊΠ°.
ΠΡΠΈΡΠ°Π΅ΠΌ ΠΈ ΠΎΠ±Π΅Π·ΠΆΠΈΡΠΈΠ²Π°Π΅ΠΌ ΠΊΠ°Π½Π°Π²ΠΊΡ
ΠΡΠΈΠΌΠ΅ΡΡΠ΅ΠΌ ΠΊΠΎΡΠΏΡΡ Π²ΠΎΠ·Π΄ΡΡΠ½ΠΎΠ³ΠΎ ΡΠΈΠ»ΡΡΡΠ° Π½Π° Π²ΠΎΠ·Π΄ΡΡ
ΠΎΠ·Π°Π±ΠΎΡΠ½ΠΈΠΊ ΠΈ ΠΏΡΠΎΡΠ²Π΅ΡΠ»ΠΈΠ²Π°Π΅ΠΌ Π²ΠΎΡΠ΅ΠΌΡ ΠΎΡΠ²Π΅ΡΡΡΠΈΠΉ Π΄ΠΈΠ°ΠΌΠ΅ΡΡΠΎΠΌ 3.2 ΠΌΠΌ Π² ΠΌΠ΅ΡΠ°Π»Π»Π΅ ΡΠ΅ΡΠ΅Π· ΠΎΡΠ²Π΅ΡΡΡΠΈΡ Π² ΠΊΠΎΡΠΏΡΡΠ΅.
ΠΠ°Π²Π΅ΡΠ½ΠΎΠ΅, ΠΊΠ°ΠΆΠ΄ΡΠΉ Π£ΠΠ ΡΠ½ΠΈΠΊΠ°Π»Π΅Π½, ΠΏΠΎΡΡΠΎΠΌΡ ΡΠΎΡΠΌΠ° ΠΏΠΎΡΠ°Π΄ΠΎΡΠ½ΠΎΠΉ ΠΏΠΎΠ²Π΅ΡΡ
Π½ΠΎΡΡΠΈ Π²ΠΎΠ·Π΄ΡΡΠ½ΠΎΠ³ΠΎ ΡΠΈΠ»ΡΡΡΠ° Π½Π΅ΠΌΠ½ΠΎΠ³ΠΎ ΠΎΡΠ»ΠΈΡΠ°Π΅ΡΡΡ ΠΎΡ ΡΠΎΡΠΌΡ ΠΏΠΎΡΠ°Π΄ΠΎΡΠ½ΠΎΠΉ ΠΏΠΎΠ²Π΅ΡΡ
Π½ΠΎΡΡΠΈ Π²ΠΎΠ·Π΄ΡΡ
ΠΎΠ·Π°Π±ΠΎΡΠ½ΠΈΠΊΠ°. Π‘Π»Π΅Π΄ΡΠ΅Ρ Π²Π½ΠΈΠΌΠ°ΡΠ΅Π»ΡΠ½ΠΎ ΠΎΡΡΠ΅Π½ΡΡΠΈΡΠΎΠ²Π°ΡΡ ΡΡΠΈ ΡΠΎΠ΅Π΄ΠΈΠ½ΡΠ΅ΠΌΡΠ΅ Π΄Π΅ΡΠ°Π»ΠΈ.
ΠΠΎΡΠ»Π΅ ΡΠΎΠ³ΠΎ, ΠΊΠ°ΠΊ ΠΎΡΠ²Π΅ΡΡΡΠΈΡ Π±ΡΠ΄ΡΡ ΠΏΡΠΎΡΠ²Π΅ΡΠ»Π΅Π½Ρ, ΠΎΡΠ»ΠΎΠΆΠΈΡΠ΅ ΠΊΠΎΡΠΏΡΡ Π²ΠΎΠ·Π΄ΡΡΠ½ΠΎΠ³ΠΎ ΡΠΈΠ»ΡΡΡΠ° Π² ΡΡΠΎΡΠΎΠ½Ρ, ΡΠ΄Π°Π»ΠΈΡΠ΅ ΠΌΠ΅ΡΠ°Π»Π»ΠΈΡΠ΅ΡΠΊΡΡ ΡΡΡΡΠΆΠΊΡ ΠΈ Π½Π°Π½Π΅ΡΠΈΡΠ΅ Π³Π΅ΡΠΌΠ΅ΡΠΈΠΊ Π½Π° ΠΏΠΎΡΠ°Π΄ΠΎΡΠ½ΡΡ ΠΏΠΎΠ²Π΅ΡΡ
Π½ΠΎΡΡΡ Π²ΠΎΠ·Π΄ΡΡ
ΠΎΠ·Π°Π±ΠΎΡΠ½ΠΈΠΊΠ°. ΠΠ° ΡΠΎΠ»ΡΠ΅, ΡΠΎΠ»ΡΠ΅! ΠΠΎΠ΄Π° Π½Π΅ Π΄ΠΎΠ»ΠΆΠ½Π° ΠΏΠΎΠΏΠ°Π΄Π°ΡΡ Π² ΡΠ°Π»ΠΎΠ½ Π°Π²ΡΠΎΠΌΠΎΠ±ΠΈΠ»Ρ ΡΠ΅ΡΠ΅Π· ΡΡΡΠΊ ΠΌΠ΅ΠΆΠ΄Ρ ΠΊΠΎΡΠΏΡΡΠΎΠΌ Π²ΠΎΠ·Π΄ΡΡΠ½ΠΎΠ³ΠΎ ΡΠΈΠ»ΡΡΡΠ° ΠΈ Π²ΠΎΠ·Π΄ΡΡ
ΠΎΠ·Π°Π±ΠΎΡΠ½ΠΈΠΊΠΎΠΌ.
Π― ΠΈΡΠΏΠΎΠ»ΡΠ·ΠΎΠ²Π°Π» ΡΠ΅ΡΠ½ΡΠΉ ΡΠΈΠ»ΠΈΠΊΠΎΠ½ΠΎΠ²ΡΠΉ Π³Π΅ΡΠΌΠ΅ΡΠΈΠΊ ABRO. ΠΠ·ΡΠ°ΡΡ
ΠΎΠ΄ΠΎΠ²Π°Π½Π° ΠΏΠΎΠ»ΠΎΠ²ΠΈΠ½Π° ΡΡΡΠ±ΠΊΠΈ. ΠΠΎΡΠ»Π΅ Π½Π°Π½Π΅ΡΠ΅Π½ΠΈΡ Π³Π΅ΡΠΌΠ΅ΡΠΈΠΊΠ° ΡΡΡΠ°Π½Π°Π²Π»ΠΈΠ²Π°Π΅ΠΌ ΠΊΠΎΡΠΏΡΡ Π²ΠΎΠ·Π΄ΡΡΠ½ΠΎΠ³ΠΎ ΡΠΈΠ»ΡΡΡΠ° Π½Π° ΠΌΠ΅ΡΡΠΎ ΠΈ ΡΡΡΠ³ΠΈΠ²Π°Π΅ΠΌ Π²ΠΎΡΠ΅ΠΌΡΡ ΡΠ°ΠΌΠΎΡΠ΅Π·Π°ΠΌΠΈ.
Π£Π΄Π°Π»ΠΈΡΡ ΠΈΠ·Π»ΠΈΡΠΊΠΈ Π³Π΅ΡΠΌΠ΅ΡΠΈΠΊΠ°.
ΠΠΎΡΠΏΡΡ Π²ΠΎΠ·Π΄ΡΡΠ½ΠΎΠ³ΠΎ ΡΠΈΠ»ΡΡΡΠ° ΡΡΡΠ°Π½ΠΎΠ²Π»Π΅Π½
Π‘ΡΡΠΊ ΡΠΏΠ»ΠΎΡΠ½Π΅Π½
Π£ΡΡΠ°Π½Π°Π²Π»ΠΈΠ²Π°Π΅ΠΌ Π½Π° ΠΌΠ΅ΡΡΠΎ ΡΠΈΠ»ΡΡΡΡ ΡΠ°Π»ΠΎΠ½Π½ΡΠ΅ ΠΈ Π·Π°ΠΊΡΡΠ²Π°Π΅ΠΌ ΠΊΡΡΡΠΊΡ ΠΊΠΎΡΠΏΡΡΠ° Π²ΠΎΠ·Π΄ΡΡΠ½ΠΎΠ³ΠΎ ΡΠΈΠ»ΡΡΡΠ°, ΠΊΠΎΡΠΎΡΡΡ ΠΊΡΠ΅ΠΏΠΈΠΌ ΡΠ΅ΡΡΡΡΠΌΡ ΡΠ°ΠΌΠΎΡΠ΅Π·Π°ΠΌΠΈ. Π ΠΊΠΎΠΌΠΏΠ»Π΅ΠΊΡΠ΅ ΠΈΠ΄ΡΡ ΡΠ΅ΡΠ½ΡΠ΅ ΡΠ°ΠΌΠΎΡΠ΅Π·Ρ, Π½ΠΎ Ρ Π±Π»Π°Π³ΠΎΠΏΠΎΠ»ΡΡΠ½ΠΎ ΠΏΠΎΡΠ΅ΡΡΠ» ΠΈΡ
Π² Π½Π΅Π΄ΡΠ°Ρ
Π³Π°ΡΠ°ΠΆΠ°.ΠΡΡΠ°ΡΠΈ, ΡΠ°Π»ΠΎΠ½Π½ΡΠ΅ ΡΠΈΠ»ΡΡΡΡ ΠΎΡ ΠΊΠ°ΠΊΠΎΠΉ-ΡΠΎ ΠΌΠΎΠ΄Π΅Π»ΠΈ ΠΠΠ.
Π€ΠΈΠ»ΡΡΡ ΡΠ°Π»ΠΎΠ½Π½ΡΠΉ ΠΎΡ ΠΠΠ
Π€ΠΈΠ»ΡΡΡΡ Π½Π° ΠΌΠ΅ΡΡΠ΅
ΠΠΎ ΠΏΠΎΠ²ΠΎΠ΄Ρ ΠΊΡΡΡΠΊΠΈ Ρ ΠΌΠ΅Π½Ρ Π΅ΡΡΡ Π½Π΅ΡΠΊΠΎΠ»ΡΠΊΠΎ Π·Π°ΠΌΠ΅ΡΠ°Π½ΠΈΠΉ / ΠΏΡΠ΅Π΄Π»ΠΎΠΆΠ΅Π½ΠΈΠΉ Π΄Π»Ρ ΠΊΠΎΠ½ΡΡΡΡΠΊΡΠΎΡΠΎΠ² ΡΡΠΎΠ³ΠΎ ΠΎΡΠΎΠΏΠΈΡΠ΅Π»Ρ.
1. Π€ΠΎΡΠΌΠ° Π½ΠΈΠΆΠ½Π΅Π³ΠΎ ΠΊΡΠ°Ρ ΠΊΡΡΡΠΊΠΈ Π½Π΅ ΡΠΎΠΎΡΠ²Π΅ΡΡΡΠ²ΡΠ΅Ρ ΡΠΎΡΠΌΠ΅ ΠΏΠ΅ΡΠ΅Π΄Π½Π΅ΠΉ ΡΠ°ΡΡΠΈ ΠΌΠ°ΡΠΈΠ½Ρ. ΠΠ±ΡΠ°Π·ΡΠ΅ΡΡΡ Π½Π΅ΡΡΡΠ΅ΡΠΈΡΠ½ΡΠΉ Π·Π°Π·ΠΎΡ, Π² ΠΊΠΎΡΠΎΡΡΠΉ Π·Π°Π±ΠΈΠ²Π°Π΅ΡΡΡ ΠΌΠ½ΠΎΠ³ΠΎ Π³ΡΡΠ·ΠΈ. Π‘ΠΊΠΎΡΠ΅Π΅ Π²ΡΠ΅Π³ΠΎ ΠΏΡΠΈΠ΄ΡΡΡΡ ΠΏΠΎΠ΄ΠΏΠΈΠ»ΠΈΡΡ ΠΊΡΠ°ΠΉ Π½Π°ΠΏΠΈΠ»ΡΠ½ΠΈΠΊΠΎΠΌ.)))
ΠΡΡ ΠΊΠ°ΠΊΠ°Ρ ΠΆΡΡΠΊΠ°Ρ ΡΠ΅Π»Ρ
2.ΠΡΠ°Π²ΡΠΉ Π΄Π²ΠΎΡΠ½ΠΈΠΊ ΠΏΡΠΈ ΡΠ°Π±ΠΎΡΠ΅ ΡΠ»Π΅Π³ΠΊΠ° Π·Π°Π΄Π΅Π²Π°Π΅Ρ ΠΊΡΡΡΠΊΡ. ΠΠΎΠ·ΠΌΠΎΠΆΠ½ΠΎ, ΡΡΠΎ Π²ΡΠ»Π΅ΡΠΈΡΡΡ ΠΏΠΎΡΠ»Π΅ ΠΎΠ±ΡΠ°Π±ΠΎΡΠΊΠΈ Π½ΠΈΠΆΠ½Π΅Π³ΠΎ ΠΊΡΠ°Ρ Π½Π°ΠΏΠΈΠ»ΡΠ½ΠΈΠΊΠΎΠΌ, Π½ΠΎ Π΅ΡΡΡ Π²Π΅ΡΠΎΡΡΠ½ΠΎΡΡΡ, ΡΡΠΎ ΠΏΡΠΈΠ΄Π΅ΡΡΡ ΠΏΡΠΎΠ³ΡΠ΅ΡΡ ΡΠ΅Π½ΠΎΠΌ ΠΈ ΡΠ΄Π΅Π»Π°ΡΡ Β«Π²ΠΌΡΡΠΈΠ½ΡΒ», ΡΡΠΎΠ±Ρ Π΄Π²ΠΎΡΠ½ΠΈΠΊ ΠΌΠΎΠ³ Π±Π΅ΡΠΏΡΠ΅ΠΏΡΡΡΡΠ²Π΅Π½Π½ΠΎ ΡΠ°Π±ΠΎΡΠ°ΡΡ.
ΠΠ΅ΡΡΠΎ ΡΠΎΠΏΡΠΈΠΊΠΎΡΠ½ΠΎΠ²Π΅Π½ΠΈΡ Π³ΡΡΠ·Π΅ΡΡΠ΅ΠΌΠ½ΠΈΠΊΠ° ΠΈ ΠΊΡΡΡΠΊΠΈ
3. ΠΡΡΡΠΊΡ Π½Π΅ΠΎΠ±Ρ
ΠΎΠ΄ΠΈΠΌΠΎ ΠΏΠ΅ΡΠΈΠΎΠ΄ΠΈΡΠ΅ΡΠΊΠΈ ΡΠ½ΠΈΠΌΠ°ΡΡ Π΄Π»Ρ ΠΎΡΠΈΡΡΠΊΠΈ ΠΈΠ»ΠΈ Π·Π°ΠΌΠ΅Π½Ρ Π²ΠΎΠ·Π΄ΡΡΠ½ΡΡ
ΡΠΈΠ»ΡΡΡΠΎΠ² ΠΈ ΡΠ΄Π°Π»Π΅Π½ΠΈΡ Π³ΡΡΠ·ΠΈ, ΡΠΊΠΎΠΏΠΈΠ²ΡΠ΅ΠΉΡΡ ΠΏΠΎΠ΄ ΠΊΡΡΡΠΊΠΎΠΉ. ΠΡΠ΅ΠΏΠ»Π΅Π½ΠΈΠ΅ ΠΊΡΡΡΠΊΠΈ Π½Π° ΡΠ°ΠΌΠΎΡΠ΅Π·Ρ ΡΠΎ Π²ΡΠ΅ΠΌΠ΅Π½Π΅ΠΌ Π½Π°ΡΠΈΠ½Π°Π΅Ρ ΡΠ°ΡΡΠ°ΡΡΠ²Π°ΡΡ.ΠΠΎΠ³ΠΈΡΠ½Π΅Π΅ Π±ΡΠ»ΠΎ Π±Ρ ΠΈΡΠΏΠΎΠ»ΡΠ·ΠΎΠ²Π°ΡΡ ΡΠ΅Π·ΡΠ±ΠΎΠ²ΡΠ΅ Π²ΡΡΠ»ΠΊΠΈ ΠΊΠ°ΠΊ Π±ΠΎΠ»Π΅Π΅ Π½Π°Π΄Π΅ΠΆΠ½ΡΠΉ ΠΈ Π΄ΠΎΠ»Π³ΠΎΠ²Π΅ΡΠ½ΡΠΉ ΡΠΏΠΎΡΠΎΠ± ΡΠΎΠ΅Π΄ΠΈΠ½Π΅Π½ΠΈΡ.
ΠΠΎΠ²Π°Ρ ΡΠΎΡΠΌΠ° Π²ΠΎΠ·Π΄ΡΡ
ΠΎΠ·Π°Π±ΠΎΡΠ½ΠΈΠΊΠ°
ΠΡΡΡΠΊΠ° Π²ΠΎΠ·Π΄ΡΡ
ΠΎΠ·Π°Π±ΠΎΡΠ½ΠΈΠΊΠ°. ΠΠΈΠ΄ ΡΠΏΠ΅ΡΠ΅Π΄ΠΈ
Π’Π΅ΠΏΠ΅ΡΡ ΠΏΠ΅ΡΠ΅Ρ
ΠΎΠ΄ΠΈΠΌ ΠΊ ΡΠ°Π±ΠΎΡΠ΅ Π² ΠΌΠ°ΡΠΈΠ½Π΅. Π£ΡΡΠ°Π½Π°Π²Π»ΠΈΠ²Π°Π΅ΠΌ Π½ΠΎΠ²ΡΠΉ Π’ΠΠ Π½Π° ΠΏΡΠ΅ΠΆΠ½Π΅Π΅ ΠΌΠ΅ΡΡΠΎ Ρ ΠΏΠΎΠΌΠΎΡΡΡ Π΄Π²ΡΡ
ΡΠΏΠΈΠ»Π΅ΠΊ ΠΈ Π³Π°Π΅ΠΊ Π6 ΠΈΠ· ΠΊΠΎΠΌΠΏΠ»Π΅ΠΊΡΠ° ΠΊΡΠ΅ΠΏΠ΅ΠΆΠ°. ΠΡΠΈ ΡΡΡΠ°Π½ΠΎΠ²ΠΊΠ΅ Ρ ΠΌΠ΅Π½Ρ ΠΏΡΠΎΠ±Π»Π΅ΠΌ Π½Π΅ Π²ΠΎΠ·Π½ΠΈΠΊΠ»ΠΎ — Π’ΠΠ Π²ΡΡΠ°Π» Π½Π° ΠΌΠ΅ΡΡΠΎ, ΠΊΠ°ΠΊ Π±ΡΠ΄ΡΠΎ ΠΎΠ½ ΡΠ°ΠΌ Π²ΡΠ΅Π³Π΄Π° ΠΆΠΈΠ».
ΠΠ°Π»Π΅Π΅ ΡΡΡΠ°Π½ΠΎΠ²ΠΈΠΌ ΠΏΠ»Π°ΡΡΠΈΠΊΠΎΠ²ΡΡ ΠΊΠΎΠ½ΡΠΎΠ»Ρ Π±Π»ΠΎΠΊΠ° ΡΠΏΡΠ°Π²Π»Π΅Π½ΠΈΡ.ΠΠ»Ρ ΡΡΠΎΠ³ΠΎ Π½Π°ΠΌ Π½ΡΠΆΠ½ΠΎ ΠΏΡΠΎΡΠ²Π΅ΡΠ»ΠΈΡΡ Π΄Π²Π° ΠΎΡΠ²Π΅ΡΡΡΠΈΡ Π΄ΠΈΠ°ΠΌΠ΅ΡΡΠΎΠΌ 3,2 ΠΌΠΌ Π² ΠΏΡΠΈΠ±ΠΎΡΠ½ΠΎΠΉ ΠΏΠ°Π½Π΅Π»ΠΈ ΡΠ΅ΡΠ΅Π· ΠΎΡΠ²Π΅ΡΡΡΠΈΡ Π² ΠΊΠΎΠ½ΡΠΎΠ»ΠΈ. ΠΠΎΠ½ΡΠΎΠ»Ρ Π΄ΠΎΠ»ΠΆΠ½Π° Π½Π°Ρ
ΠΎΠ΄ΠΈΡΡΡΡ Π² ΠΎΠ΄Π½ΠΎΠΉ ΠΏΠ»ΠΎΡΠΊΠΎΡΡΠΈ Ρ ΠΏΠ°Π½Π΅Π»ΡΡ ΠΏΡΠΈΠ±ΠΎΡΠΎΠ². ΠΡΠ΅ΠΏΠΈΠΌ ΠΊΠΎΠ½ΡΠΎΠ»Ρ Π±Π»ΠΎΠΊΠ° ΡΠΏΡΠ°Π²Π»Π΅Π½ΠΈΡ ΠΊ ΠΏΠ°Π½Π΅Π»ΠΈ ΠΏΡΠΈΠ±ΠΎΡΠΎΠ² Π΄Π²ΡΠΌΡ ΡΠ°ΠΌΠΎΡΠ΅Π·Π°ΠΌΠΈ ΠΈ ΡΠΆΠ΅ ΠΊ Π½Π΅ΠΉ, Ρ ΠΏΠΎΠΌΠΎΡΡΡ Π΄Π²ΡΡ
ΡΠ°ΠΌΠΎΡΠ΅Π·ΠΎΠ², ΠΊΡΠ΅ΠΏΠΈΡΡΡ ΡΡΠ°ΡΠ½Π°Ρ ΠΊΠΎΠ½ΡΠΎΠ»Ρ Ρ ΠΊΠ½ΠΎΠΏΠΊΠ°ΠΌΠΈ. ΠΡΠ»ΠΈ ΡΠ΅ΡΡΠ½ΠΎ, ΡΠΎ ΠΊΠΎΠ½ΡΡΡΡΠΊΡΠΈΡ Π½Π΅ ΠΎΡΠ΅Π½Ρ ΠΏΡΠΎΡΠ½Π°Ρ, Π΄Π° ΠΈ Π½Π°ΠΊΠ»Π°Π΄ΠΊΠΈ ΠΆΠ³ΡΡΠ° ΠΏΡΠΎΠ²ΠΎΠ΄ΠΎΠ² Π΅Π΄Π²Π° Π΄ΠΎΡ
ΠΎΠ΄ΡΡ Π΄ΠΎ ΠΊΠ½ΠΎΠΏΠΎΠΊ ΡΡΠ°ΡΠ½ΠΎΠΉ ΠΊΠΎΠ½ΡΠΎΠ»ΠΈ.
ΠΠΎΠ½ΡΠΎΠ»Ρ Π±Π»ΠΎΠΊΠ° ΡΠΏΡΠ°Π²Π»Π΅Π½ΠΈΡ ΠΏΠ΅ΡΡΡ ΠΈ ΡΡΠ°Π½Π΄Π°ΡΡΠ½Π°Ρ ΠΊΠΎΠ½ΡΠΎΠ»Ρ
ΠΠΎΡΠΎΠ΄Π°. ΠΠΈΠ΄ ΡΠ±ΠΎΠΊΡ
ΠΠΎΠ΄ΠΊΠ»ΡΡΠ°Π΅ΠΌ ΡΡΠ΅ΡΠΆΠ΅Π½Ρ ΡΠΏΡΠ°Π²Π»Π΅Π½ΠΈΡ ΠΊΡΠ°Π½ΠΎΠΌ Π’ΠΠΠ° ΠΈ ΡΠΈΠΊΡΠΈΡΡΠ΅ΠΌ ΡΠΏΠ΅ΡΠΈΠ°Π»ΡΠ½ΡΠΌ ΠΊΡΠΎΠ½ΡΡΠ΅ΠΉΠ½ΠΎΠΌ ΠΈΠ· ΠΌΠΎΠ½ΡΠ°ΠΆΠ½ΠΎΠ³ΠΎ ΠΊΠΎΠΌΠΏΠ»Π΅ΠΊΡΠ°.
ΠΠΎΠ΄ΠΊΠ»ΡΡΠ°Π΅ΠΌ ΡΠ»Π°Π½Π³ΠΈ ΠΏΠΎΠ΄Π°ΡΠΈ ΠΎΡ
Π»Π°ΠΆΠ΄Π°ΡΡΠ΅ΠΉ ΠΆΠΈΠ΄ΠΊΠΎΡΡΠΈ ΠΊ Π’ΠΠΡ ΠΈ ΠΊΡΠ°Π½Ρ Π’ΠΠΠ°, Π·Π°ΡΡΠ³ΠΈΠ²Π°Ρ ΡΠΎΠ΅Π΄ΠΈΠ½Π΅Π½ΠΈΡ Ρ
ΠΎΠΌΡΡΠ°ΠΌΠΈ. Π£ΡΡΠ°Π½Π°Π²Π»ΠΈΠ²Π°Π΅ΠΌ ΡΠ»Π°Π½Π³ΠΈ ΠΎΠ±Π΄ΡΠ²Π° Π»ΠΎΠ±ΠΎΠ²ΠΎΠ³ΠΎ ΡΡΠ΅ΠΊΠ»Π°. ΠΠ΄Π΅ΡΡ Ρ
ΠΎΡΡ ΠΎΠ±ΡΠ°ΡΠΈΡΡ Π²Π°ΡΠ΅ Π²Π½ΠΈΠΌΠ°Π½ΠΈΠ΅ Π΅ΡΠ΅ Π½Π° ΠΎΠ΄ΠΈΠ½ Π½Π΅Π΄ΠΎΡΡΠ°ΡΠΎΠΊ Π΄ΠΈΠ·Π°ΠΉΠ½Π°. Π¨Π»Π°Π½Π³ΠΈ ΠΏΠΎΠ΄Π°ΡΠΈ ΠΎΡ
Π»Π°ΠΆΠ΄Π°ΡΡΠ΅ΠΉ ΠΆΠΈΠ΄ΠΊΠΎΡΡΠΈ ΠΈΠ·Π½Π°ΡΠ°Π»ΡΠ½ΠΎ Π½Π΅ ΠΏΡΡΠΌΡΠ΅, Π° ΠΊΠ°ΠΊ-ΡΠΎ Ρ
ΠΈΡΡΠΎ ΠΈΠ·ΠΎΠ³Π½ΡΡΡ.ΠΠΎΡ
ΠΎΠΆΠ΅, ΡΠ°ΠΊΡΡ ββΡΠΎΡΠΌΡ ΡΠ»Π°Π½Π³Π°ΠΌ ΠΏΡΠΈΠ΄Π°Π²Π°Π»ΠΈ Ρ ΡΡΠ΅ΡΠΎΠΌ ΠΈΡ
Π±ΡΠ΄ΡΡΠ΅Π³ΠΎ ΡΠ°ΡΠΏΠΎΠ»ΠΎΠΆΠ΅Π½ΠΈΡ Π² ΠΏΡΠΎΡΡΡΠ°Π½ΡΡΠ²Π΅ ΠΌΠ΅ΠΆΠ΄Ρ ΠΊΡΠ°Π½ΠΎΠΌ ΠΈ Π’ΠΠΠΎΠΌ. ΠΠ° ΡΠ°ΠΌΠΎΠΌ Π΄Π΅Π»Π΅ ΠΎΠΊΠ°Π·Π°Π»ΠΎΡΡ, ΡΡΠΎ ΡΠΎΠ»ΡΠΊΠΎ ΠΎΠ΄ΠΈΠ½ ΠΈΠ· ΡΠ»Π°Π½Π³ΠΎΠ² ΠΏΡΠ°Π²ΠΈΠ»ΡΠ½ΠΎ ΡΠΎΠ³Π½ΡΡ ΠΈ Π²ΡΡΠ°Π΅Ρ Π½Π° ΠΌΠ΅ΡΡΠΎ ΠΊΠ°ΠΊ Π½Π°Π΄ΠΎ. ΠΡΠΎΡΠΎΠΉ ΡΠ»Π°Π½Π³ Π½Π΅ ΠΏΠΎΠ΄Π΄Π°Π΅ΡΡΡ ΠΏΡΠ°Π²ΠΈΠ»ΡΠ½ΠΎΠΉ ΡΠΊΠ»Π°Π΄ΠΊΠ΅. ΠΠ°Π½ΠΈΠΏΡΠ»ΡΡΠΈΠΈ ΠΏΠΎ ΠΏΠ΅ΡΠ΅Π²ΠΎΡΠ°ΡΠΈΠ²Π°Π½ΠΈΡ, ΡΠ°ΡΠΊΠ»Π°Π΄ΡΠ²Π°Π½ΠΈΡ ΠΈ Π·Π°ΠΌΠ΅Π½Π΅ ΡΠ»Π°Π½Π³ΠΎΠ² Π½Π΅ ΠΏΡΠΈΠ²Π΅Π»ΠΈ ΠΊ ΡΠ΅ΡΠ΅Π½ΠΈΡ ΡΡΠΎΠΉ Π·Π°Π³Π°Π΄ΠΊΠΈ. Π Π»ΡΠ±ΠΎΠΌ ΡΠ»ΡΡΠ°Π΅ ΡΠ»Π°Π½Π³, ΠΊΠΎΡΠΎΡΡΠΉ Π½Π°Π΄Π΅Π²Π°Π΅ΡΡΡ Π½Π° Π½ΠΈΠΆΠ½ΠΈΠΉ ΠΏΠ°ΡΡΡΠ±ΠΎΠΊ ΠΊΡΠ°Π½Π°, ΡΠΏΠΈΡΠ°Π΅ΡΡΡ Π² ΠΊΠΎΡΠΏΡΡ ΠΎΡΠΎΠΏΠΈΡΠ΅Π»Ρ ΠΈ, Π»ΠΎΠΌΠ°ΡΡΡ, ΠΏΡΡΠ°Π΅ΡΡΡ ΡΠΎΡΠΊΠΎΡΠΈΡΡ.ΠΠ·ΠΌΡΡΠ΅Π½Π½ΡΠΉ, Ρ ΠΏΡΠΎΠ»ΠΎΠΆΠΈΠ» ΡΠ»Π°Π½Π³ ΡΠ°ΠΊ:
ΠΡΠΎΠΊΠ»Π°Π΄ΠΊΠ° ΡΠ»Π°Π½Π³ΠΎΠ² ΠΎΡ
Π»Π°ΠΆΠ΄Π°ΡΡΠ΅ΠΉ ΠΆΠΈΠ΄ΠΊΠΎΡΡΠΈ
ΠΠΎΠ΄ΡΠΎΠ΅Π΄ΠΈΠ½Π΅Π½ΠΈΠ΅ ΡΠ»Π°Π½Π³ΠΎΠ² ΠΊ ΠΊΡΠ°Π½Ρ ΠΎΡΠΎΠΏΠΈΡΠ΅Π»Ρ
ΠΠΈΠΆΠ½ΠΈΠΉ ΡΠ»Π°Π½Π³ ΠΏΠ»ΠΎΡ
ΠΎ ΠΏΡΠΎΠ»ΠΎΠΆΠ΅Π½
ΠΡΠΌΠ°Ρ, ΠΌΠ½Π΅ ΠΏΡΠΈΠ΄Π΅ΡΡΡ Π²Π΅ΡΠ½ΡΡΡΡΡ ΠΊ ΡΡΠΎΠΌΡ Π²ΠΎΠΏΡΠΎΡΡ ΠΊΠΎΠ³Π΄Π° Π½Π°ΡΠΈΠ½Π°Ρ ΡΡΡΠ°Π½ΠΎΠ²ΠΊΡ ΡΠ»Π΅ΠΊΡΡΠΎΠ½Π°ΡΠΎΡΠ°.
ΠΠ°Π»Π΅Π΅ ΠΏΠΎΠ΄ΠΊΠ»ΡΡΠ°Π΅ΠΌ ΡΠ»Π΅ΠΊΡΡΠΈΠΊΡ. ΠΠΌΠ΅Ρ ΠΏΡΠΎΠ²ΠΎΠ΄ 4 ΠΌΠΌ2 ΠΎΡ ΡΠ΅Π»Π΅ Π·Π°ΠΌΠΊΠ° Π·Π°ΠΆΠΈΠ³Π°Π½ΠΈΡ Π΄Π»Ρ ΠΏΠΈΡΠ°Π½ΠΈΡ Π΄ΠΎΠΏΠΎΠ»Π½ΠΈΡΠ΅Π»ΡΠ½ΡΡ
ΠΏΠΎΡΡΠ΅Π±ΠΈΡΠ΅Π»Π΅ΠΉ. Π ΠΊΠΎΠ»ΠΎΠ΄ΠΊΠ΅ ΡΡΠΎΠ³ΠΎ ΠΏΡΠΎΠ²ΠΎΠ΄Π° ΠΏΠΎΠ΄ΠΊΠ»ΡΡΠΈΠ» ΠΏΡΠΎΠ²ΠΎΠ΄ ΠΏΠΈΡΠ°Π½ΠΈΡ Π½Π°Π³ΡΠ΅Π²Π°ΡΠ΅Π»Ρ. ΠΡΠΎΠ²ΠΎΠ΄ Π·Π°Π·Π΅ΠΌΠ»Π΅Π½ΠΈΡ Π±ΡΠ» ΠΏΡΠΈΠΊΡΠ΅ΠΏΠ»Π΅Π½ ΠΊ Π±ΠΎΠ»ΡΡ ΠΏΡΠ΅ΡΡΠ²Π°ΡΠ΅Π»Ρ Π·Π°Π·Π΅ΠΌΠ»Π΅Π½ΠΈΡ.ΠΠ°ΡΡΠΎΠ²Π°Ρ ΠΌΠ°ΡΡΠ°, Π±Π»ΠΈΠ½. ΠΡΡΠ°ΡΠΈ, Π²ΡΡ ΠΏΡΠΎΠ²ΠΎΠ΄ΠΊΠ° Π² ΠΎΠ±ΠΎΠ³ΡΠ΅Π²Π°ΡΠ΅Π»Π΅ Β«ΠΠΠΠ-4Β» ΠΈΠΌΠ΅Π΅Ρ ΡΠ΅ΡΠ΅Π½ΠΈΠ΅ 2,5 ΠΌΠΌ2, Π° ΠΏΡΠΎΠ²ΠΎΠ΄ ΠΏΠΈΡΠ°Π½ΠΈΡ — 4 ΠΌΠΌ2. Π ΠΊΠΎΡΠΏΡΡΡ ΠΎΠ±ΠΎΠ³ΡΠ΅Π²Π°ΡΠ΅Π»Ρ ΠΏΡΠΈΠΊΡΠ΅ΠΏΠ»Π΅Π½ ΡΠΈΠ»ΠΎΠ²ΠΎΠΉ ΠΏΡΠ΅Π΄ΠΎΡ
ΡΠ°Π½ΠΈΡΠ΅Π»Ρ Π½Π° 30 Π.
Π§ΡΠΎ ΠΆ, ΠΌΡ ΠΏΠΎΡΡΠΈ Π·Π°ΠΊΠΎΠ½ΡΠΈΠ»ΠΈ, ΠΎΡΡΠ°Π»ΠΎΡΡ Π·Π°Π»ΠΈΡΡ ΠΎΡ
Π»Π°ΠΆΠ΄Π°ΡΡΡΡ ΠΆΠΈΠ΄ΠΊΠΎΡΡΡ ΠΈ, ΡΠΊΡΠ΅ΡΡΠΈΠ² ΠΏΠ°Π»ΡΡΡ, ΠΏΡΠΎΠ²Π΅ΡΠΈΡΡ ΡΠ°Π±ΠΎΡΠΎΡΠΏΠΎΡΠΎΠ±Π½ΠΎΡΡΡ ΡΠΈΡΡΠ΅ΠΌΡ …
ΠΡΠ΅ Π½Π΅ΠΌΠ½ΠΎΠ³ΠΎ, ΡΡ
, Π΅ΡΠ΅ Π½Π΅ΠΌΠ½ΠΎΠ³ΠΎ …
ΠΠ΅ΠΌΠ½ΠΎΠ³ΠΎ ΠΎ Π²ΠΏΠ΅ΡΠ°ΡΠ»Π΅Π½ΠΈΡΡ
:
Π’Π΅ΠΏΠ»ΠΎΠΎΡΠ΄Π°ΡΠ° ΠΎΡ ΠΏΠ΅ΡΠΊΠΈ Ρ
ΠΎΡΠΎΡΠ°Ρ, Π½ΠΎ Π² ΡΡΠΎΠΌ ΠΏΠ»Π°Π½Π΅ Ρ Π΄Π°ΠΆΠ΅ Π½Π΅ ΠΆΠ°Π»ΠΎΠ²Π°Π»ΡΡ Π½Π° ΡΡΠ°Π½Π΄Π°ΡΡΠ½ΡΡ ΠΏΠ΅ΡΠΊΡ, ΠΏΠΎΡΠΎΠΌΡ ΡΡΠΎ ΡΠ°Π΄ΠΈΠ°ΡΠΎΡ ΡΡΠ°ΡΠ½ΠΎΠΉ ΠΏΠ΅ΡΠΊΠΈ Π²Π΄Π²ΠΎΠ΅ Π±ΠΎΠ»ΡΡΠ΅, ΡΠ΅ΠΌ Ρ Β«ΠΠΠΠ-4Β».ΠΠΎΡΠΎΠΊ ΡΠ΅ΠΏΠ»ΠΎΠ³ΠΎ Π²ΠΎΠ·Π΄ΡΡ
Π° ΡΠ°ΡΠΏΡΠ΅Π΄Π΅Π»ΡΠ΅ΡΡΡ ΠΌΠ΅ΠΆΠ΄Ρ Π²ΠΎΠ΄ΠΈΡΠ΅Π»Π΅ΠΌ ΠΈ ΠΏΠ°ΡΡΠ°ΠΆΠΈΡΠΎΠΌ Π±ΠΎΠ»Π΅Π΅ ΡΠ°Π²Π½ΠΎΠΌΠ΅ΡΠ½ΠΎ, Π½ΠΎ Π²ΡΠΎΡΠΎΠΉ ΡΠ½ΠΎΠ²Π° ΠΏΠΎΠ»ΡΡΠ°Π΅Ρ Π½Π΅ΠΌΠ½ΠΎΠ³ΠΎ Π±ΠΎΠ»ΡΡΠ΅. Π ΠΌΠΎΠΆΠ΅Ρ ΠΌΠ½Π΅ ΡΠ°ΠΊ Ρ
ΠΎΠ»ΠΎΠ΄Π½ΠΎ? ΠΠΎΠ³Π° Π½Π° ΠΏΠ΅Π΄Π°Π»ΠΈ Π³Π°Π·Π° Ρ
ΠΎΡΠΎΡΠΎ ΠΏΡΠΎΠ³ΡΠ΅Π²Π°Π΅ΡΡΡ, Π½ΠΎ Π»Π΅Π²Π°Ρ ΡΡΠΎΠΏΠ° Π·Π°ΠΌΠ΅ΡΠ½ΠΎ Ρ
ΠΎΠ»ΠΎΠ΄Π½Π΅Π΅ ΠΈΠ·-Π·Π° Π½Π°Π±Π΅Π³Π°ΡΡΠ΅Π³ΠΎ ΠΏΠΎΡΠΎΠΊΠ° Π²ΠΎΠ·Π΄ΡΡ
Π° ΡΠΎ ΡΡΠΎΡΠΎΠ½Ρ Π΄Π²Π΅ΡΠΈ. ΠΠ΅ΠΆΠ΄Ρ ΠΏΠ΅ΡΠ΅Π΄Π½ΠΈΠΌΠΈ ΡΠΈΠ΄Π΅Π½ΡΡΠΌΠΈ ΠΏΠΎ Π½Π°ΠΏΡΠ°Π²Π»Π΅Π½ΠΈΡ ΠΊ Π·Π°Π΄Π½ΠΈΠΌ ΡΠΈΠ΄Π΅Π½ΡΡΠΌ ΠΏΡΠΎΡ
ΠΎΠ΄ΠΈΡ ΡΠΈΠ»ΡΠ½ΡΠΉ ΠΏΠΎΡΠΎΠΊ Π³ΠΎΡΡΡΠ΅Π³ΠΎ Π²ΠΎΠ·Π΄ΡΡ
Π°. Π ΠΌΠΎΠ΅ΠΌ ΡΠ»ΡΡΠ°Π΅ ΠΌΠ΅ΠΆΠ΄Ρ ΡΠΈΠ΄Π΅Π½ΡΡΠΌΠΈ Π½Π°Ρ
ΠΎΠ΄ΠΈΡΡΡ ΠΏΠΎΠ΄Π»ΠΎΠΊΠΎΡΠ½ΠΈΠΊ, ΠΏΠΎΡΡΠΎΠΌΡ Π½ΡΠΆΠ½ΠΎ Π»ΠΈΠ±ΠΎ ΠΈΡΠΏΠΎΠ»ΡΠ·ΠΎΠ²Π°ΡΡ Π΄ΠΎΠΏΠΎΠ»Π½ΠΈΡΠ΅Π»ΡΠ½ΡΠΉ ΠΊΠΎΠΌΠΏΠ»Π΅ΠΊΡ Π²ΠΎΠ·Π΄ΡΡ
ΠΎΠ²ΠΎΠ΄ΠΎΠ² (ΠΏΡΠΎΠ΄Π°Π΅ΡΡΡ ΠΊΠ°ΠΊ Π΄ΠΎΠΏΠΎΠ»Π½ΠΈΡΠ΅Π»ΡΠ½Π°Ρ ΠΎΠΏΡΠΈΡ ΠΊ ΠΏΠ΅ΡΠΊΠ΅), Π»ΠΈΠ±ΠΎ ΡΡΡΠ°Π½ΠΎΠ²ΠΈΡΡ Π²ΡΠΎΡΡΡ ΠΏΠ΅ΡΠΊΡ ΠΊΠ°Π±ΠΈΠ½Ρ.Π₯ΠΎΡΡ Π΄Π°ΠΆΠ΅ Π±Π΅Π· ΡΡΠΈΡ
Π΄ΠΎΡΠ°Π±ΠΎΡΠΎΠΊ Π½ΠΈ ΠΎΠ΄ΠΈΠ½ ΠΏΠ°ΡΡΠ°ΠΆΠΈΡ, ΡΠΈΠ΄ΡΡΠΈΠΉ ΡΠ·Π°Π΄ΠΈ, Π½ΠΈ ΡΠ°Π·Ρ Π½Π΅ ΠΏΠΎΠΆΠ°Π»ΠΎΠ²Π°Π»ΡΡ Π½Π° Ρ
ΠΎΠ»ΠΎΠ΄. β
ΠΠ΅Π½ΡΠΈΠ»ΡΡΠΎΡ ΠΠΠΠ-4 ΠΈΠΌΠ΅Π΅Ρ ΡΡΠΈ ΡΠΊΠΎΡΠΎΡΡΠΈ Π²ΡΠ°ΡΠ΅Π½ΠΈΡ ΠΈ ΡΠ°Π±ΠΎΡΠ°Π΅Ρ Π½Π°ΠΌΠ½ΠΎΠ³ΠΎ ΡΠΈΡΠ΅, ΡΠ΅ΠΌ Ρ ΡΡΠ°ΡΠ½ΠΎΠΉ ΠΏΠ΅ΡΠΈ. ΠΡΠΎΡΡΡ ΡΠΊΠΎΡΠΎΡΡΡ Π²ΠΊΠ»ΡΡΠ°Ρ ΡΠΎΠ»ΡΠΊΠΎ Π΄Π»Ρ Π±ΡΡΡΡΠΎΠ³ΠΎ ΠΏΡΠΎΠ³ΡΠ΅Π²Π° ΡΠ°Π»ΠΎΠ½Π°, ΡΡΠ΅ΡΡΡ Π²ΠΎΠΎΠ±ΡΠ΅ Π½Π΅ ΠΈΡΠΏΠΎΠ»ΡΠ·ΡΡ.
ΠΡΠΎ Π·Π°ΠΏΠΎΡΠ΅Π²Π°Π½ΠΈΠ΅ ΠΎΠΊΠΎΠ½ Π²ΠΎ Π²ΡΠ΅ΠΌΡ Π΄ΠΎΠΆΠ΄Ρ ΠΈΠ»ΠΈ ΡΠ½Π΅Π³Π° Π·Π°Π±ΡΠ»Π°, ΠΊΠ°ΠΊ Π² ΡΡΡΠ°ΡΠ½ΠΎΠΌ ΡΠ½Π΅. ΠΠΎΠ΄Π° Π½Π΅ ΠΏΠΎΠΏΠ°Π΄Π°Π΅Ρ Π² ΡΠ°Π»ΠΎΠ½ ΡΠ΅ΡΠ΅Π· Π²ΠΎΠ·Π΄ΡΡ
ΠΎΠ·Π°Π±ΠΎΡΠ½ΠΈΠΊ. Π ΡΠ΅ΠΆΠΈΠΌΠ΅ ΠΎΠ±Π΄ΡΠ²Π° Π»ΠΎΠ±ΠΎΠ²ΠΎΠ³ΠΎ ΡΡΠ΅ΠΊΠ»Π° Π²ΠΎΠ·Π΄ΡΡΠ½ΡΠΉ ΠΏΠΎΡΠΎΠΊ Π½Π°ΠΌΠ½ΠΎΠ³ΠΎ ΡΠΈΠ»ΡΠ½Π΅Π΅, ΡΠ΅ΠΌ Ρ ΡΡΠ°ΡΠ½ΠΎΠ³ΠΎ ΠΎΡΠΎΠΏΠΈΡΠ΅Π»Ρ.
Π ΡΠΎΠΆΠ°Π»Π΅Π½ΠΈΡ, ΠΈΠ·-Π·Π° ΠΊΠΎΠ½ΡΡΡΡΠΊΡΠΈΠΈ Π²ΠΎΠ·Π΄ΡΡΠ½ΠΎΠ³ΠΎ ΡΠΈΠ»ΡΡΡΠ° ΠΏΠΎΡΠΎΠΊ Π½Π°Π³Π½Π΅ΡΠ°Π΅ΠΌΠΎΠ³ΠΎ Π²ΠΎΠ·Π΄ΡΡ
Π° ΠΏΡΠΈ Π΄Π²ΠΈΠΆΠ΅Π½ΠΈΠΈ Π°Π²ΡΠΎΠΌΠΎΠ±ΠΈΠ»Ρ ΡΠΌΠ΅Π½ΡΡΠΈΠ»ΡΡ, ΠΏΠΎΡΡΠΎΠΌΡ Π² Π³ΠΎΡΠΎΠ΄Π΅ Π½Π΅ΠΌΠ½ΠΎΠ³ΠΎ ΡΠ°ΡΠ΅ Π²ΠΊΠ»ΡΡΠ°ΡΡ Π²Π΅Π½ΡΠΈΠ»ΡΡΠΎΡ Π² ΡΠ΅ΠΆΠΈΠΌΠ΅ ΠΏΠ΅ΡΠ²ΠΎΠΉ ΡΠΊΠΎΡΠΎΡΡΠΈ.
ΠΠΎ ΠΏΡΠ»Ρ ΡΠ΅ΠΏΠ΅ΡΡ Π½Π΅ Π»Π΅ΡΠΈΡ ΠΏΡΡΠΌΠΎ Π² ΡΠ°Π»ΠΎΠ½, Π° ΠΎΡΠ΅Π΄Π°Π΅Ρ Π½Π° ΡΠΈΠ»ΡΡΡΠ°Ρ
.
Π ΡΠ΅Π»ΠΎΠΌ Π²ΠΏΠ΅ΡΠ°ΡΠ»Π΅Π½ΠΈΡ ΠΎΡ ΠΎΠ±ΠΎΠ³ΡΠ΅Π²Π°ΡΠ΅Π»Ρ Β«ΠΠΠΠ-4Β» ΠΏΠΎΠ»ΠΎΠΆΠΈΡΠ΅Π»ΡΠ½ΡΠ΅, ΠΏΠΎΡΡΠ°ΡΠ΅Π½Π½ΡΡ
Π΄Π΅Π½Π΅Π³ Π½Π΅ ΠΆΠ°Π»Π΅Ρ.
Π Π΅ΡΠΈΠ» ΠΏΠΎΡΡΠ°Π²ΠΈΡΡ Π² ΡΠ²ΠΎΠΉ Π£ΠΠ Π²ΡΠΎΡΡΡ ΠΏΠ΅ΡΠΊΡ. Π Π²ΠΎΡ, Π²ΠΎΠΎΡΡΠΆΠΈΠ²ΡΠΈΡΡ ΡΠΎΠ²Π΅ΡΠ°ΠΌΠΈ ΠΈ ΠΏΠΎΠ΄ΡΠΊΠ°Π·ΠΊΠ°ΠΌΠΈ, Ρ Π½Π°ΡΠ°Π» ΡΠ΅Π°Π»ΠΈΠ·ΠΎΠ²ΡΠ²Π°ΡΡ ΠΈΠ΄Π΅Ρ ΡΡΡΠ°Π½ΠΎΠ²ΠΊΠΈ Π²ΡΠΎΡΠΎΠΉ ΠΏΠ΅ΡΠΊΠΈ.ΠΡΠ΅ Π½Π°ΡΠ°Π»ΠΎΡΡ Ρ ΠΏΠΎΠΈΡΠΊΠ° ΡΠ°ΠΌΠΎΠΉ ΠΏΠ΅ΡΠΊΠΈ.
ΠΠ½ΠΎΠ³ΠΈΠ΅ Ρ
Π²Π°Π»ΡΡ ΠΌΠ΅ΠΆΠΊΠΎΠΌΠ½Π°ΡΠ½ΡΠ΅ ΠΏΠ΅ΡΠΈ ΠΠ°ΡΡΠΈΠΎΡΠ°. ΠΠΎΠ²ΠΎΡΡΡ, Π³ΠΎΡΡΡΠΈΠ΅, Π½Π΅ΠΏΡΠΈΡ
ΠΎΡΠ»ΠΈΠ²ΡΠ΅, Π½Π° ΡΠ°Π±ΠΎΡΠ΅ ΡΠΈΡ
ΠΈΠ΅. ΠΠ°ΠΊ Ρ Π²ΡΡΡΠ½ΠΈΠ», ΠΎΡΠ½ΠΎΠ²Π½ΡΡ
ΠΏΠ΅ΡΠ΅ΠΉ Ρ ΠΠ°ΡΡΠΈΠΊΠ° Π±ΡΠ²Π°Π΅Ρ 2 ΡΠΈΠΏΠ°: ΠΠ‘-4 ΠΈ ΠΠ‘-7. Π Π°Π·Π½ΠΈΡΠ° Π² ΠΌΠΎΡΠ½ΠΎΡΡΠΈ: ΠΠ‘-4 — 4000 ΠΡ, ΠΠ‘-7 — 9000 ΠΡ. ΠΡΡΡ ΠΈ ΠΌΠΎΠ΄ΠΈΡΠΈΠΊΠ°ΡΠΈΠΈ, Π½ΠΎ Π² Π±ΠΎΠ»ΡΡΠΈΠ½ΡΡΠ²Π΅ ΡΠ²ΠΎΠ΅ΠΌ ΡΡΠΎ ΡΠ΅ ΠΆΠ΅ ΠΏΠ΅ΡΠΈ Ρ ΡΠ°Π·Π½ΡΠΌΠΈ ΠΊΠΎΠ½ΡΡΡΡΠΊΡΠΈΠ²Π½ΡΠΌΠΈ ΠΈΠ·ΠΌΠ΅Π½Π΅Π½ΠΈΡΠΌΠΈ. Π Π½ΠΈΡ
Π²ΡΠ΅ Ρ
ΠΎΡΠΎΡΠΎ, Π½ΠΎ Π΅ΡΡΡ ΡΠ°ΠΊΠΎΠΉ ΠΏΠ»ΠΎΡ
ΠΎΠΉ ΡΠ°ΠΊΡΠΎΡ, ΠΊΠ°ΠΊ ΡΠ΅Π½Π°. Π¦Π΅Π½Π° Π½Π° Π½ΠΈΡ
ΡΠ°ΠΊΠ°Ρ, ΡΡΠΎ Π²ΡΡΠ΅ ΡΠΎΠ»ΡΠΊΠΎ ΡΠΎΠ»Π½ΡΡΠΊΠΎ.Π Π·Π°Π²ΠΈΡΠΈΠΌΠΎΡΡΠΈ ΠΎΡ ΠΌΠΎΠ΄Π΅Π»ΠΈ ΠΎΡ 4900 Π΄ΠΎ 8900. Π ΡΡΡΠΈΡΠ΅, ΡΡΠΎ ΡΡΠΎ ΡΠ΅Π½Ρ ΠΈΠ· ΠΈΠ½ΡΠ΅ΡΠ½Π΅ΡΠ°, Π±Π΅Π· Π΄ΠΎΡΡΠ°Π²ΠΊΠΈ ΠΏΠΎ ΠΡΡΡΠΊΡ. (Π₯ΠΎΡΡ Π½Π΅Ρ, Π½Π°ΡΠ΅Π» Π²ΠΎ ΠΠ»Π°Π΄ΠΈΠ²ΠΎΡΡΠΎΠΊΠ΅ Π·Π° 3950 ΡΡΠ±Π»Π΅ΠΉ …)
Π ΠΎΠ±ΡΠ΅ΠΌ, Π½Π°ΡΠ°Π» ΠΈΡΠΊΠ°ΡΡ ΡΡΠΎ-ΡΠΎ ΠΏΠΎΠ΄Π΅ΡΠ΅Π²Π»Π΅, Π½ΠΎ ΠΏΠΎΡΠΎΠΌ ΠΌΠ½Π΅ ΠΏΠΎΠ·Π²ΠΎΠ½ΠΈΠ»ΠΈ ΠΈ ΠΏΡΠ΅Π΄Π»ΠΎΠΆΠΈΠ»ΠΈ Π½ΠΎΠ²ΡΡ ΠΏΠ΅ΡΠΊΡ ΠΠ‘-4 Π² ΠΌΠ΅ΡΠ°Π»Π»ΠΈΡΠ΅ΡΠΊΠΎΠΌ ΡΡΠΈΠΊΠ΅ Π·Π° 4000 ΡΡΠ±. ΠΈ ΠΏΠΎΠΌΠΏΠ° Π³Π°Π·Π΅Π»Ρ Π·Π° 500 ΡΡΠ±.
ΠΡΠ»ΠΈΡΠ½ΠΎ, ΠΏΠΎΠ»ΠΎΠ²ΠΈΠ½Π° Π΄Π΅Π»Π° ΡΠ΄Π΅Π»Π°Π½Π° — ΡΠ°ΠΌΡΠ΅ ΠΎΡΠ½ΠΎΠ²Π½ΡΠ΅ Π΄Π΅ΡΠ°Π»ΠΈ Π·Π°ΠΊΡΠΏΠ»Π΅Π½Ρ. Π’Π΅ΠΏΠ΅ΡΡ Π½Π°ΠΌ Π½ΡΠΆΠ½ΠΎ Π²ΡΠ΅ ΡΡΠΎ ΡΠΎΠ΅Π΄ΠΈΠ½ΠΈΡΡ. Π ΠΈΠΌΠ΅Π½Π½ΠΎ: ΠΏΠΎΠ΄ΡΠΎΠ΅Π΄ΠΈΠ½ΠΈΡΡ ΡΠ»Π°Π½Π³ΠΈ ΠΊ ΡΠ°Π΄ΠΈΠ°ΡΠΎΡΡ ΠΏΠ΅ΡΠΊΠΈ ΠΈ ΠΏΠΎΠΌΠΏΠ΅, ΠΏΡΠΈΠΊΡΠ΅ΠΏΠΈΡΡ ΠΏΠΎΠΌΠΏΡ ΠΈ ΡΠ½ΡΡΡ ΠΏΡΠΎΠ²ΠΎΠ΄ΠΊΡ.Π Π΅ΡΠ»ΠΈ ΡΠΎΠ΅Π΄ΠΈΠ½Π΅Π½ΠΈΠ΅ ΡΠ»Π°Π½Π³ΠΎΠ² Π΅ΡΠ΅ Π±ΠΎΠ»Π΅Π΅-ΠΌΠ΅Π½Π΅Π΅ ΠΏΠΎΠ½ΡΡΠ½ΠΎ, ΡΠΎ Π²ΠΎΠ·Π½Ρ Ρ ΠΏΡΠΎΠ²ΠΎΠ΄ΠΊΠΎΠΉ Π΄Π»Ρ ΠΌΠ΅Π½Ρ ΡΠ΅ΠΌΠ½ΡΠΉ Π»Π΅Ρ Ρ Π²ΠΎΠ»ΠΊΠ°ΠΌΠΈ. Π‘ ΡΠ»Π΅ΠΊΡΡΠΈΡΠ΅ΡΠΊΠΈΠΌΠΈ ΡΡ
Π΅ΠΌΠ°ΠΌΠΈ Π½Π΅ Π΄ΡΡΠΆΡ ΠΈ ΠΌΠ½Π΅ Π½ΡΠΆΠ½Π° Π½Π΅ ΠΏΡΠΎΡΡΠΎ ΡΡ
Π΅ΠΌΠ°, ΠΊΠ°ΠΊ ΠΈΠ· ΠΊΠ½ΠΈΠΆΠΊΠΈ, Π° ΠΆΠ΅Π»Π°ΡΠ΅Π»ΡΠ½ΠΎ ΠΏΠΎΠ΄ΡΠΎΠ±Π½Π°Ρ ΠΈ ΠΏΠΎΠ½ΡΡΠ½Π°Ρ.
ΠΠ°ΡΠΈΡΠΎΠ²Π°Π»ΠΈ ΠΌΠ½Π΅ ΠΏΠΎΠ΄ΡΠΎΠ±Π½ΡΡ ΡΡ
Π΅ΠΌΡ ΠΏΠΎΠ΄ΠΊΠ»ΡΡΠ΅Π½ΠΈΡ ΠΏΠΎΠΌΠΏΡ ΠΈ ΠΏΠ΅ΡΠΊΠΈ Π½Π° 2 ΡΠΊΠΎΡΠΎΡΡΠΈ. ΠΠ΄ΠΈΠ½ΡΡΠ²Π΅Π½Π½ΠΎΠ΅, ΡΡΠΎ Ρ ΠΈΠ·ΠΌΠ΅Π½ΠΈΠ» Π² ΡΡ
Π΅ΠΌΠ΅, ΡΡΠΎ ΠΏΡΠ΅Π΄ΠΎΡ
ΡΠ°Π½ΠΈΡΠ΅Π»Ρ «+». ΠΠΌΠ΅ΡΡΠΎ ΠΎΠ΄Π½ΠΎΠ³ΠΎ Π½Π° 15 Π ΠΏΠΎΡΡΠ°Π²ΠΈΠ» Π΄Π²Π°. ΠΡΠ΄Π΅Π»ΡΠ½ΠΎ Π΄Π»Ρ ΠΏΠ΅ΡΠΊΠΈ-10 Π ΠΈ ΠΎΡΠ΄Π΅Π»ΡΠ½ΠΎ Π΄Π»Ρ ΠΏΠΎΠΌΠΏΡ-7.5 Π.
Π― Π½Π΅ ΡΠΌΠΎΠ³ Π½Π°ΠΉΡΠΈ Π΅Π³ΠΎ ΠΈΠΌΠ΅Π½ΠΈ, Π½ΠΎ Π²ΡΠ΅ ΠΆΠ΅ Π±ΠΎΠ»ΡΡΠΎΠ΅ ΡΠΏΠ°ΡΠΈΠ±ΠΎ.
ΠΡΠ° ΡΡ
Π΅ΠΌΠ° Π²ΡΠ³Π»ΡΠ΄ΠΈΡ ΡΠ°ΠΊ:
Π‘Ρ
Π΅ΠΌΠ° ΠΏΠΎΠ΄ΠΊΠ»ΡΡΠ΅Π½ΠΈΡ ΠΏΠ»ΠΈΡΡ ΠΈ Π½Π°ΡΠΎΡΠ°.
ΠΡΠΏΠΈΠ² Π΄ΠΎΠΏΠΎΠ»Π½ΠΈΡΠ΅Π»ΡΠ½ΠΎ Π²ΡΠ΅ ΠΌΠ΅Π»ΠΎΡΠ΅Π²ΠΊΠΈ Π² ΠΌΠ°Π³Π°Π·ΠΈΠ½Π°Ρ
ΡΠ°ΠΊΠΈΠ΅ ΠΊΠ°ΠΊ: 3 ΡΠ΅Π»Π΅ ΠΠΈΠ³ΡΠ»Π΅Π²ΡΠΊΠΎΠ³ΠΎ, 6 ΠΌΠ΅ΡΡΠΎΠ² 16 ΡΠ»Π°Π½Π³Π° ΡΠΎΡΠΎΠ»Π°, 6 ΠΌΠ΅ΡΡΠΎΠ² ΠΏΡΠΎΠ²ΠΎΠ΄Π° ΡΠ΅ΡΠ΅Π½ΠΈΠ΅ΠΌ 2,5, 3 ΠΌΠ΅ΡΡΠ° ΠΏΡΠΎΠ²ΠΎΠ΄Π° ΡΠ΅ΡΠ΅Π½ΠΈΠ΅ΠΌ 0,75, 20 ΠΊΠΎΠ½ΡΠ°ΠΊΡΠΎΠ² (ΠΌΠ°ΠΌΠ° ΠΈ ΠΏΠ°ΠΏΠ°), ΠΊΠ½ΠΎΠΏΠΊΡ ΠΏΠ΅ΡΠΊΠΈ 82.3709-04.09, ΡΠ΅ΡΠΌΠΎΡΡΠ°Π΄ΠΊΡ ΡΠ°Π·Π½ΡΡ
ΡΠ°Π·ΠΌΠ΅ΡΠΎΠ² (Π² ΠΊΠΎΠΌΠΏΠ»Π΅ΠΊΡΠ΅) ΠΈ ΡΠ°Π·Π²Π΅ΡΠ²ΠΈΡΠ΅Π»Ρ ΠΏΡΠΎΠ²ΠΎΠ΄ΠΊΠΈ, Π½Π°ΡΠ°Π» ΡΡΡΠ°Π½ΠΎΠ²ΠΊΡ ΠΏΠ΅ΡΠΊΠΈ Π² Π°Π²ΡΠΎ.
Π’Π΅ΠΎΡΠ΅ΡΠΈΡΠ΅ΡΠΊΠΈ ΠΏΡΠ΅Π΄ΠΏΠΎΠ»Π°Π³Π°Π» ΠΏΠΎΡΡΠ°Π²ΠΈΡΡ ΠΏΠ΅ΡΠΊΡ ΠΌΠ΅ΠΆΠ΄Ρ ΠΏΠ΅ΡΠ΅Π΄Π½ΠΈΠΌΠΈ ΡΠΈΠ΄Π΅Π½ΡΡΠΌΠΈ, Π½ΠΎ Π² ΠΌΠ΅ΡΠ°Π»Π»ΠΈΡΠ΅ΡΠΊΠΎΠΌ ΠΊΠΎΡΠΏΡΡΠ΅ ΠΎΠ½Π° ΡΡΠ΄Π° Π½Π΅ ΠΏΠΎΠΌΠ΅ΡΡΠΈΠ»Π°ΡΡ. ΠΠΎΠΌΠ΅ΡΠ°Π» ΡΡΡΠ½ΠΈΠΊ ΠΈ ΠΏΠ°ΡΡΠ°ΠΆΠΈΡΡΠΊΠΎΠ΅ ΡΠΈΠ΄Π΅Π½ΡΠ΅. Π‘Π½ΡΠ» ΠΏΠ΅ΡΠΊΡ Ρ Π·Π°ΡΠΈΡΡ ΠΈ ΠΏΡΠΈΠΌΠ΅ΡΠΈΠ» Π² ΠΌΠ°ΡΠΈΠ½Π΅. ΠΠΎΠ΄Ρ
ΠΎΠ΄ΡΡΠΈΠΉ. Π Π·Π° ΡΡΠ΅Ρ Y-ΠΎΠ±ΡΠ°Π·Π½ΠΎΠΉ ΡΠΎΡΠΌΡ Π½Π΅ ΡΠΏΠΈΡΠ°Π΅ΡΡΡ Π² ΡΡΡΠ½ΠΈΠΊ, ΠΠ … Π‘ΠΈΠ»ΡΠ½ΠΎ Π²ΡΡΡΡΠΏΠ°Π΅Ρ ΡΠ·Π°Π΄ΠΈ. ΠΡΠΎ-ΡΠΎ ΠΈΠ· Π·Π°Π΄Π½ΠΈΡ
ΠΏΠ°ΡΡΠ°ΠΆΠΈΡΠΎΠ² Π΄ΠΎΠ»ΠΆΠ΅Π½ Π·Π°Π΄Π΅ΡΡ Π½ΠΎΠ³ΠΎΠΉ ΡΠ°Π΄ΠΈΠ°ΡΠΎΡ. Π ΡΡΠΎ Π·Π½Π°ΡΠΈΡ, ΡΡΠΎ Π² ΡΠ°ΠΌΠΎΠ΄Π΅Π»ΡΠ½ΠΎΠΌ Π±Π°ΡΠ΅, ΠΊΠ°ΠΊ ΠΈ Π² ΠΠ°ΡΡΠΈΠΎΡΠ°Ρ
, ΡΠΎΠΆΠ΅ ΠΈΡΡΠ΅Π· Π²Π°ΡΠΈΠ°Π½Ρ ΡΡΡΠ°Π½ΠΎΠ²ΠΊΠΈ ΠΏΠ΅ΡΠΈ Π±Π΅Π· ΡΡΡΠ»ΡΡΠ°.ΠΠ°ΡΠΈΠ°Π½Ρ — Β«ΠΏΠΎΠ΄ ΡΠΈΠ΄Π΅Π½ΡΠ΅Β» ΠΎΡΠΌΠ΅ΡΠ΅Π½ ΡΡΠ°Π·Ρ ΠΈΠ·-Π·Π° ΡΠ·ΠΊΠΎΠ³ΠΎ ΡΠ°Π½ΠΎΡΠ½ΠΎΠ³ΠΎ ΡΠΈΠ΄Π΅Π½ΡΡ.
Π ΡΠ΅Π·ΡΠ»ΡΡΠ°ΡΠ΅ Ρ ΠΌΠ΅Π½Ρ Π½Π΅ Π±ΡΠ»ΠΎ Π²ΡΠ±ΠΎΡΠ°, ΠΊΡΠΎΠΌΠ΅ ΠΊΠ°ΠΊ Π½Π°ΡΠ°ΡΡ Π΄Π΅Π»Π°ΡΡ ΡΡΠΎ ΡΠ°ΠΌΠΎΠΌΡ. ΠΡΠ»ΠΎ ΡΠ΅ΡΠ΅Π½ΠΎ ΠΏΠΎΠ΄Π½ΡΡΡ ΠΏΠ°ΡΡΠ°ΠΆΠΈΡΡΠΊΠΎΠ΅ ΡΠΈΠ΄Π΅Π½ΡΠ΅ ΠΈ ΠΏΠΎΡΡΠ°Π²ΠΈΡΡ ΠΏΠ΅ΡΠΊΡ Π² ΠΊΡΠ·ΠΎΠ² ΠΊΠ°ΠΊ ΠΌΠΎΠΆΠ½ΠΎ Π±Π»ΠΈΠΆΠ΅ ΠΊ ΡΡΡΠ½ΠΈΠΊΡ. ΠΠ½Π° Π·Π°Π±ΡΠ°Π»Π°ΡΡ ΠΏΠΎΠ΄ ΡΠΈΠ΄Π΅Π½ΡΠ΅ ΠΏΡΡΠΌΠΎ ΠΏΠ΅ΡΠ΅Π΄ ΡΠ°Π½ΡΠΌΠΈ. ΠΠ°ΠΊΡΠ΅ΠΏΠΈΠ» ΠΏΠ΅ΡΠΊΡ ΡΠ°ΠΊ: ΡΠ»Π΅Π²Π°
— Π±ΠΎΠ»Ρ ΡΡΠΎΡΠ½ΠΎΡΠ½ΠΎΠ³ΠΎ ΡΠΎΡΠΌΠΎΠ·Π° (ΡΡΠ΄Π° ΠΆΠ΅ Π²ΡΠ²Π΅Π» ΠΏΡΠΎΠ²ΠΎΠ΄ ΠΌΠ°ΡΡΡ), ΡΠΏΡΠ°Π²Π°
— 2 ΡΠ°ΠΌΠΎΡΠ΅Π·Π° Ρ Π½Π°ΠΆΠΈΠΌΠ½ΠΎΠΉ ΡΠ°ΠΉΠ±ΠΎΠΉ.
ΠΡΠΈΡΠ»ΠΎΡΡ ΠΏΠΎΠ΄Π½ΡΡΡ ΠΏΠ΅ΡΠ΅Π΄Π½Π΅Π΅ ΠΏΠ°ΡΡΠ°ΠΆΠΈΡΡΠΊΠΎΠ΅ ΡΠΈΠ΄Π΅Π½ΡΠ΅ Π½Π° 1.5 ΡΠΌ. ΠΠΎΠ΄Π½ΠΈΠΌΠ°Π» ΠΏΠΎ 5 ΡΠ°ΠΉΠ± ΠΏΠΎΠ΄ ΠΊΠ°ΠΆΠ΄ΡΠΉ Π±ΠΎΠ»Ρ Ρ Π½Π°ΠΊΠ»Π°Π΄ΠΊΠΎΠΉ. Π¨Π°ΠΉΠ±Ρ ΡΠΈΡΠΎΠΊΠΈΠ΅, Π΄Π°Π²Π½ΠΎ Π²Π°Π»ΡΡΡΡΡ, ΠΏΠΎΡΡΠΎΠΌΡ ΠΏΡΠΈΠ³ΠΎΠ΄ΠΈΠ»ΠΈΡΡ. Π― Π΄Π°ΠΆΠ΅ Π½Π΅ Π·Π½Π°Ρ, ΠΎΡΠΊΡΠ΄Π° ΠΎΠ½ΠΈ.
ΠΠΎΠ»ΡΡ ΠΊΡΠ΅ΠΏΠ»Π΅Π½ΠΈΡ ΡΠΈΠ΄Π΅Π½ΡΡ ΠΊ ΠΏΠΎΠ»Ρ ΠΏΡΠΈΡΠ»ΠΎΡΡ Π·Π°ΠΌΠ΅Π½ΠΈΡΡ Π½Π° Π±ΠΎΠ»Π΅Π΅ Π΄Π»ΠΈΠ½Π½ΡΠ΅, Π° ΠΈΠΌΠ΅Π½Π½ΠΎ Π½Π° 50 ΠΌΠΌ. (ΡΠΎΠ΄ΡΡΠ²Π΅Π½Π½ΠΈΠΊΠΈ — 35 ΠΌΠΌ).
Π‘ΡΠ°Π» Π΄ΡΠΌΠ°ΡΡ ΠΊΡΠ΄Π° ΠΏΠΎΡΡΠ°Π²ΠΈΡΡ Π΄ΠΎΠΏ ΠΏΠΎΠΌΠΏΡ. ΠΡΡΠΈΡΠ°Π» Π² ΡΠ΅ΡΠΈ ΡΡΠΎ Π΅ΡΡΡ Π΄Π²Π° ΠΎΡΠ½ΠΎΠ²Π½ΡΡ
Π²Π°ΡΠΈΠ°Π½ΡΠ°:
1 — ΠΏΠΎΡΠ»Π΅ Π±Π»ΠΎΠΊΠ° ΠΠΠ‘. (Π² ΠΏΠΎΠ΄ΡΠ΅Π·Π΄Π΅)
2 — Π ΠΎΠ±ΡΠ°ΡΠΊΠ΅ ΡΠΈΡΡΠ΅ΠΌΡ, ΠΏΠΎΡΠ»Π΅ ΡΠ°Π»ΠΎΠ½Π½ΠΎΠΉ ΠΏΠ΅ΡΠΊΠΈ.
ΠΡΠ°ΠΊ, Π²Π΅Π΄ΡΡΡΡ ΡΠ΅Π»ΡΠ΅ Π±ΠΈΡΠ²Ρ ΠΈΠ·-Π·Π° ΡΠΎΠ³ΠΎ, Π³Π΄Π΅ ΠΏΠΎΡΡΠ°Π²ΠΈΡΡ ΠΏΠΎΠΌΠΏΡ Π² ΠΠ½ΡΠ΅ΡΠ½Π΅ΡΠ΅. ΠΠ°ΡΠΎΠ΄ ΠΏΡΠΈΠ²ΠΎΠ΄ΠΈΡ ΠΊΡΡΡ Π°ΡΠ³ΡΠΌΠ΅Π½ΡΠΎΠ² Π² ΡΠ²ΠΎΡ ΠΏΠΎΠ»ΡΠ·Ρ, Π² ΠΏΠ΅ΡΠ΅ΡΡΠ²Π°Ρ
ΠΊΠΈΠ΄Π°Ρ ΡΠ»Π΅Π½Ρ Π² ΠΎΠΏΠΏΠΎΠ½Π΅Π½ΡΠΎΠ². ΠΡΡΡ ΠΈ Π·Π°ΠΊΠΎΠ½Ρ ΡΠΈΠ·ΠΈΠΊΠΈ, ΠΈ Π΅ΡΡΠ΅ΡΡΠ²Π΅Π½Π½ΠΎΠ΅ ΡΠΎΠΏΡΠΎΡΠΈΠ²Π»Π΅Π½ΠΈΠ΅ ΠΆΠΈΠ΄ΠΊΠΎΡΡΠ΅ΠΉ ΠΈ Ρ.Π΄. ΠΈ Ρ.ΠΏ.
Π ΠΎΠ±ΡΠ΅ΠΌ, Π½ΠΈΡΠ΅Π³ΠΎ ΡΠΎΠ»ΠΊΠΎΠΌ Π½Π΅ ΠΏΠΎΠ½ΠΈΠΌΠ°Ρ, ΡΠ΅ΡΠΈΠ» ΠΏΠΎΡΡΠ°Π²ΠΈΡΡ ΠΏΠΎΠΌΠΏΡ ΠΏΠΎΡΠ»Π΅ Π±Π»ΠΎΠΊΠ° Π΄Π²ΠΈΠ³Π°ΡΠ΅Π»Ρ. Π‘Π½ΡΠ» Π°ΠΊΠΊΡΠΌΡΠ»ΡΡΠΎΡ, ΡΠ½ΡΠ» Π²ΠΎΠ·Π΄ΡΡΠ½ΡΠΉ ΡΠΈΠ»ΡΡΡ ΠΈ Π½Π°ΡΠ°Π» ΠΏΡΠΈΠΌΠ΅ΡΡΡΡ ΠΏΠΎΠΌΠΏΡ. ΠΡΠΈΠΌΠ΅ΡΠΈΠ» Ρ ΡΡΠ΅ΡΠΎΠΌ ΡΠΎΠ³ΠΎ, ΡΡΠΎ ΡΠ»Π°Π½Π³ΠΈ Π°Π½ΡΠΈΡΡΠΈΠ·Π° Π½Π΅ Π³Π½ΡΡΡΡ ΠΏΡΠΈ ΠΏΠ΅ΡΠ΅Ρ
ΠΎΠ΄Π΅ ΠΎΡ ΠΏΠΎΠΌΠΏΡ ΠΊ ΡΠ°Π΄ΠΈΠ°ΡΠΎΡΡ ΠΏΠ΅ΡΠΊΠΈ.Π ΠΎΠ±ΡΠ΅ΠΌ ΠΏΠΎΡΠ»Π΅ 4 ΡΠ°ΡΠΎΠ² ΡΠ°Π·ΠΌΡΡΠ»Π΅Π½ΠΈΠΉ ΠΈ ΠΏΡΠΈΠΌΠ΅ΡΠΊΠΈ Π½Π°ΡΠ΅Π» Π½Π° ΠΊΠΎΡΠΏΡΡΠ΅ ΠΌΠ΅ΡΡΠΎ Π³Π½Π΅Π·Π΄Π° Π°ΠΊΠΊΡΠΌΡΠ»ΡΡΠΎΡΠ°.
ΠΡΡΠ°Π²ΠΈΠ» ΠΊΠ½ΠΎΠΏΠΊΡ ΠΎΡΠΎΠΏΠΈΡΠ΅Π»Ρ Π²ΠΌΠ΅ΡΡΠΎ ΠΊΠ½ΠΎΠΏΠΎΠΊ Π·Π°Π΄Π½Π΅Π³ΠΎ ΡΠ°Π·ΠΌΠ΅ΡΠ°, Π½Π΅ΠΌΠ½ΠΎΠ³ΠΎ ΡΠ°ΡΡΠΈΡΠΈΠ² ΠΎΡΠ²Π΅ΡΡΡΠΈΠ΅ Π² ΠΏΠ°Π½Π΅Π»ΠΈ ΠΏΡΠΈΠ±ΠΎΡΠΎΠ². ΠΡΠ΅ ΡΠ°Π²Π½ΠΎ Π΄Π²Π΅ΡΠΈ Π±Π°Π³Π°ΠΆΠ½ΠΈΠΊΠ° Ρ ΠΌΠ΅Π½Ρ Π½Π΅Ρ ΠΈ ΠΏΡΠΎΠ²ΠΎΠ΄ΠΊΠ° ΠΎΡ Π½Π΅Π΅ ΠΈΠ·ΠΎΠ»ΠΈΡΠΎΠ²Π°Π½Π° ΠΈ ΡΠ»ΠΎΠΆΠ΅Π½Π°.
ΠΠΎΠ΄ΠΊΠ»ΡΡΠΈΠ» ΠΏΠ΅ΡΠΊΠΈ ΠΏΠΎΡΠ»Π΅Π΄ΠΎΠ²Π°ΡΠ΅Π»ΡΠ½ΠΎ:
ΠΠ»ΠΎΠΊ Π΄Π²ΠΈΠ³Π°ΡΠ΅Π»Ρ — ΠΏΠΎΠΌΠΏΠ° — ΠΏΠ΅ΡΠΊΠ° ΠΎΡΠ½ΠΎΠ²Π½Π°Ρ — ΠΏΠ΅ΡΠΊΠ° Π΄ΠΎΠΏ — ΠΏΠΎΠΌΠΏΠ° Π΄Π²ΠΈΠ³Π°ΡΠ΅Π»Ρ. (Π¨Π»Π°Π½Π³ΠΈ Π°Π½ΡΠΈΡΡΠΈΠ·Π° Π·Π°Ρ
ΠΎΠ΄ΡΡ Π² ΠΏΠ΅ΡΠΊΠΈ ΡΠ½ΠΈΠ·Ρ ΠΈ Π²ΡΡ
ΠΎΠ΄ΡΡ ΡΠ²Π΅ΡΡ
Ρ.) ΠΠ°Π²Π΅Π», ΠΏΡΠΎΠ³ΡΠ΅Π» ΠΌΠ°ΡΠΈΠ½Ρ, Π²ΡΠ΅ Π½ΠΎΡΠΌΠ°Π»ΡΠ½ΠΎ, Π½Π° ΡΡΡΠΊΠ°Ρ
ΠΏΡΠΎΡΠ΅ΡΠ΅ΠΊ Π½Π΅Ρ.Π¨Π»Π°Π½Π³ΠΈ Π²ΡΠΎΡΠΎΠΉ ΠΏΠ΅ΡΠΊΠΈ Π½Π°Π³ΡΠ΅Π»ΠΈΡΡ, Π·Π½Π°ΡΠΈΡ, ΠΏΠ΅ΡΡ ΡΠΎΠΆΠ΅ Π±ΡΠ΄Π΅Ρ ΡΠΎΠΏΠΈΡΡΡΡ. ΠΠ°Π»ΠΈΠ» Π°Π½ΡΠΈΡΡΠΈΠ· Π² ΡΠΈΡΡΠ΅ΠΌΡ, ΠΏΡΠΈΠΌΠ΅ΡΠ½ΠΎ 3 Π»ΠΈΡΡΠ°.
ΠΠΎΡΠ»Π΅ ΡΡΠΎΠ³ΠΎ Π·Π°ΠΊΠΎΠ½ΡΠΈΠ» ΠΏΡΠΎΠ²ΠΎΠ΄ΠΊΡ ΠΈ ΠΏΠΎΠ΄ΠΊΠ»ΡΡΠΈΠ» Π²ΡΠ΅ ΠΊ Π°ΠΊΠΊΡΠΌΡ. ΠΠ΅ΡΠΊΠ° Π΄ΡΠ΅Ρ ΠΎΡΠ»ΠΈΡΠ½ΠΎ. ΠΠ° Π²ΡΠΎΡΠΎΠΉ ΡΠΊΠΎΡΠΎΡΡΠΈ ΠΎΡ Π³ΠΎΡΡΡΠ΅Π³ΠΎ Π²ΠΎΠ·Π΄ΡΡ
Π° Π±ΠΎΡΠΈΠ½ΠΊΠΈ ΡΠ°ΡΠΊΠ°ΡΠΈΠ²Π°ΡΡΡΡ Π½Π° ΠΏΠΎΠ»Ρ Π²ΠΎΠ·Π»Π΅ Π·Π°Π΄Π½ΠΈΡ
ΡΠΈΠ΄Π΅Π½ΠΈΠΉ Π² ΡΠ»ΡΡΠ°Π΅ Π·Π°Π³ΡΡΠ·Π½Π΅Π½ΠΈΡ.
ΠΠ°ΠΊ ΡΠ°Π±ΠΎΡΠ°Π΅Ρ ΠΏΠΎΠΌΠΏΠ° Ρ Π½ΠΈ ΡΠ°Π·Ρ Π½Π΅ ΡΠ»ΡΡΠ°Π», ΠΎΠ½Π° Π½Π΅ ΡΡΠΌΠΈΡ Π΄Π²ΠΈΠ³Π°ΡΠ΅Π»Π΅ΠΌ. ΠΡ Π΄Π° Π»Π°Π΄Π½ΠΎ, ΡΡΠΎ ΠΌΠ΅Π»ΠΎΡΠΈ. ΠΡΠΌΠ°Ρ, Ρ Π²ΡΡΠ»ΡΡΠ°Ρ, Π΅ΡΠ»ΠΈ ΠΏΠΎΠ½Π°Π΄ΠΎΠ±ΠΈΡΡΡ.
ΠΠΎΡΠ»Π΅ ΡΠ°Π±ΠΎΡΡ ΠΎΡΡΠ°Π»ΡΡ ΠΌΠ΅ΡΡ ΡΠ΅Π·ΠΈΠ½ΠΎΠ²ΠΎΠ³ΠΎ ΡΠ»Π°Π½Π³Π°. Β«ΠΠ°ΠΌΡΒ» ΠΏΡΠΈΡΠ»ΠΎΡΡ ΠΏΠΎΠΊΡΠΏΠ°ΡΡ, 5 ΡΡΡΠΊ ΠΌΠ°Π»ΠΎΠ²Π°ΡΠΎ. Π Π΅Π»Π΅ Π±ΡΠ»ΠΎ ΠΏΡΠΎΠΌΠ°ΡΠΊΠΈΡΠΎΠ²Π°Π½ΠΎ ΡΠ²Π΅ΡΠ½ΠΎΠΉ Π»Π΅Π½ΡΠΎΠΉ. ΠΠ΅Π»ΡΡΠΉ-Π½Π°ΡΠΎΡ, Π·Π΅Π»Π΅Π½ΡΠΉ-ΠΏΠ΅ΡΠΊΠ°.
ΠΡ ΠΈ ΡΠΎΡΠΎ ΠΏΡΠΎΡΠ΅ΡΡΠ°:
P.S. ΠΡΠΎΠ΄ΠΎΠ»ΠΆΠ΅Π½ΠΈΠ΅:
ΠΠ·ΠΆΡ ΡΠ΅Π³ΠΎΠ΄Π½Ρ, Π½Π°ΠΌΠΎΡΠ°Π» 87 ΠΊΠΌ. Π― Ρ
ΠΎΠ΄ΠΈΠ» Ρ ΠΎΠ΄Π½ΠΎΠΉ ΠΈ Π΄Π²ΡΠΌΡ ΠΏΠ»ΠΈΡΠ°ΠΌΠΈ. Π ΡΠ°Π»ΠΎΠ½Π΅ ΡΠ΅Π°Π»ΡΠ½ΠΎ ΠΆΠ°ΡΠΊΠΎ! ΠΠ°ΠΆΠ΅ ΠΏΡΠΈ ΡΠΊΡΠΏΠ»ΡΠ°ΡΠ°ΡΠΈΠΈ ΡΠΎΠ»ΡΠΊΠΎ ΠΏΠ΅ΡΠ΅Π΄Π½ΡΡ (ΡΠΎΠ΄Π½Π°Ρ) ΠΏΠ΅ΡΠΊΠ° Π½Π° ΠΏΠ΅ΡΠ²ΡΡ
ΠΎΠ±ΠΎΡΠΎΡΠ°Ρ
. ΠΡΠ»ΠΈ Π²ΠΊΠ»ΡΡΠ°Π»ΠΈ Π΄Π²Π΅ ΠΏΠ΅ΡΠΈ, ΡΡΠ½ ΡΠ·Π°Π΄ΠΈ Π½Π°ΡΠΈΠ½Π°Π» ΠΊΡΠΈΡΠ°ΡΡ, ΡΡΠΎ Π΅ΠΌΡ ΠΆΠ°ΡΠΊΠΎ.
ΠΡΠ»ΠΈ Π²Ρ Π΅Π΄Π΅ΡΠ΅ Ρ Π²ΡΠΊΠ»ΡΡΠ΅Π½Π½ΡΠΌΠΈ ΠΏΠ»ΠΈΡΠ°ΠΌΠΈ, ΠΎΠΊΠ½Π° Π½Π°ΡΠΈΠ½Π°ΡΡ ΠΏΠΎΡΠ΅ΡΡ.Π‘ΡΠ΅ΠΊΠ»ΠΎ ΡΠΎΠΆΠ΅ ΠΏΠΎΡΠ΅Π΅Ρ ΠΏΡΠΈ Π΅Π·Π΄Π΅ Ρ Π²ΠΊΠ»ΡΡΠ΅Π½Π½ΡΠΌ Π²ΡΠΎΡΡΠΌ ΠΎΠ±ΠΎΠ³ΡΠ΅Π²Π°ΡΠ΅Π»Π΅ΠΌ.
Π ΡΠ΅Π»ΠΎΠΌ Π΄ΠΎΠ²ΠΎΠ»Π΅Π½.
ΠΏΠ»ΠΈΡΠ° Π±Π΅Π· ΠΊΠΎΠΆΡΡ
Π°
4
ΡΡΡΠ°Π½ΠΎΠ²ΠΊΠ° ΠΏΠ΅ΡΠΊΠΈ Π² ΡΠ°Π»ΠΎΠ½Π΅
7
8
ΡΡΡΠ°Π½ΠΎΠ²ΠΊΠ° Π½Π°ΡΠΎΡΠ°
ΡΠ»Π°Π½Π³ΠΎΠ²ΠΎΠ΅ ΡΠΎΠ΅Π΄ΠΈΠ½Π΅Π½ΠΈΠ΅
2-ΡΠΊΠΎΡΠΎΡΡΠ½Π°Ρ ΠΊΠ½ΠΎΠΏΠΊΠ° ΠΏΠΈΡΠ°Π½ΠΈΡ
ΠΠ»ΠΎΠΊ ΡΠ΅Π»Π΅ ΠΈ ΠΏΡΠ΅Π΄ΠΎΡ
ΡΠ°Π½ΠΈΡΠ΅Π»ΠΈ
ΠΠ»Ρ ΡΡΡΠ°Π½ΠΎΠ²ΠΊΠΈ ΠΏΠ΅ΡΠΊΠΈ ΠΏΡΠΈΡΠ»ΠΎΡΡ ΠΊΡΠΏΠΈΡΡ ΠΊΠΎΠ½ΡΡΠ½ΡΡ Π΄ΡΠ΅Π»Ρ, ΡΡΠΎΠ±Ρ ΠΏΡΠΎΠ΄Π΅Π»Π°ΡΡ Π² ΠΏΠΎΠ»Ρ 2 Π²Ρ
ΠΎΠ΄Π½ΡΡ
ΠΈ Π²ΡΡ
ΠΎΠ΄Π½ΡΡ
ΠΎΡΠ²Π΅ΡΡΡΠΈΡ.
Π― ΠΎΡΠΌΠ΅ΡΠΈΠ» Π±ΠΎΠ»ΡΡΠΈΠ΅ ΠΎΡΠ²Π΅ΡΡΡΠΈΡ Π½Π° ΡΠΏΠ»ΠΎΡΠ½ΠΈΡΠ΅Π»ΡΠ½ΠΎΠΉ ΡΠ΅Π·ΠΈΠ½ΠΊΠ΅ ΠΈ ΠΎΡΠ²Π΅ΡΡΡΠΈΡ Π΄Π»Ρ ΠΊΡΠ΅ΠΏΠ»Π΅Π½ΠΈΡ Π½Π° ΠΊΡΡΠΊΠ΅ ΠΏΠ°ΡΠ°Π·ΠΈΡΠ°. ΠΠΎΠΆΠ½ΠΎ Π±ΡΠ»ΠΎ Π±Ρ ΠΏΠ°ΡΡΠ°Π½ΠΈΡΠΎΠΌ Π²ΡΠ΅ ΡΠ°Π·ΠΌΠ΅ΡΠΈΡΡ, Π½ΠΎ Π½Π΅ ΡΡΠ°Π·Ρ Π½Π°ΡΠ΅Π». Π‘ΡΡΡ ΡΠ°Π·ΠΌΠ΅ΡΠΊΠΈ ΠΎΡΠ²Π΅ΡΡΡΠΈΠΉ — Π½Π°ΠΏΠ΅ΡΠ°ΡΠ°ΡΡ Π½Π° ΠΏΠ°ΡΠ°Π½ΠΈΡΠ΅ Π²ΡΡΡΡΠΏΠ°ΡΡΠΈΠ΅ ΡΠ°ΡΡΠΈ ΠΏΠ΅ΡΠΊΠΈ. ΠΠ°ΡΠ΅ΠΌ ΠΏΡΠΎΡΡΠΎ Π½Π°Π½Π΅ΡΠΈΡΠ΅ Π΅Π³ΠΎ Π½Π° ΠΏΠΎΠ» ΠΈ ΠΏΡΠΎΡΠ²Π΅ΡΠ»ΠΈΡΠ΅ ΠΎΡΠ²Π΅ΡΡΡΠΈΡ. ΠΠ»Π°Π²Π½ΠΎΠ΅, Π½Π΅ ΠΏΠ΅ΡΠ΅ΠΏΡΡΠ°ΡΡ Π½Π°ΠΏΡΠ°Π²Π»Π΅Π½ΠΈΠ΅ ΠΏΠ΅ΡΠΊΠΈ.
ΠΠ΅ ΡΠ΄Π°Π»ΠΎΡΡ ΠΌΡΡΡ ΠΏΠΎΠ», Π²ΠΎΠ΄Π° ΠΈ Π³ΡΡΠ·Ρ ΡΠΈΠ»ΡΠ½ΠΎ Π·Π°ΠΌΠ΅ΡΠ·Π»ΠΈ. ΠΠ° ΡΠΎΡΠΎ Π²ΠΈΠ΄Π½ΠΎ, ΠΊΠ°ΠΊ Ρ ΠΏΡΠΎΠ»ΠΎΠΆΠΈΠ» ΠΏΡΠΎΠ²ΠΎΠ΄Π° ΠΊ ΠΏΡΠ»ΡΡΡ ΠΈ Π·Π°ΠΏΠΈΡΠ°Π» ΠΏΠ΅ΡΠΊΡ Π½Π°ΡΠΎΡΠΎΠΌ
ΠΠ° ΠΌΠΎΠ΅ΠΉ ΡΠΎΠΏΠ»ΠΈΠ²Π½ΠΎΠΉ ΡΡ
Π΅ΠΌΠ΅ Π²ΠΈΠ΄Π½ΠΎ, ΡΡΠΎ Π΅ΡΡΡ 2 ΠΏΠ΅ΡΠ΅ΠΊΠ»ΡΡΠ°ΡΠ΅Π»Ρ Π±Π°ΠΊΠ°.ΠΠ΄ΠΈΠ½ Π΄Π»Ρ ΠΊΠΎΡΠΌΠ»Π΅Π½ΠΈΡ ΠΈΠ· Π»Π΅Π²ΠΎΠ³ΠΎ ΠΈΠ»ΠΈ ΠΏΡΠ°Π²ΠΎΠ³ΠΎ ΡΠ΅Π·Π΅ΡΠ²ΡΠ°ΡΠ°, Π΄ΡΡΠ³ΠΎΠΉ ΡΠ°ΠΊΠΆΠ΅ Π΄Π»Ρ Π²ΠΎΠ·Π²ΡΠ°ΡΠ°. ΠΠΎΡΡΠ°Π²ΠΈΠ» ΡΡΠΎΠΉΠ½ΠΈΠΊ Π½Π° ΠΏΠΎΠ΄Π°ΡΡ, ΠΈΠ΄ΡΡΡΡ ΠΊ ΡΠΈΠ»ΡΡΡΡ, ΠΏΠΎΠ΄ΠΊΠ»ΡΡΠΈΠ» ΠΏΠΎΠΌΠΏΡ ΠΈ ΠΏΡΠΎΠ³Π½Π°Π» Π²ΡΠ΅ ΡΡΡΠ±ΠΊΠΈ.
ΠΠΎΠ»Π½ΠΎΡΡΡΡ Π²ΡΠ΅ ΠΏΠΎΠ΄ΠΊΠ»ΡΡΠΈΠ» ΠΈ ΠΏΡΠΎΠ²Π΅ΡΠΈΠ» ΡΠ°Π±ΠΎΡΡ. Π’Π΅ΠΏΠ΅ΡΡ Π² ΠΌΠ°ΡΠΈΠ½Π΅ ΡΠ°ΠΊ ΠΆΠ°ΡΠΊΠΎ, ΡΡΠΎ Π΄Π°ΠΆΠ΅ ΡΡΡΠ±ΠΎΠ»ΠΊΡ ΠΈ ΡΠΎΡΡΡ ΠΌΠΎΠΆΠ½ΠΎ Π½Π°Π΄Π΅ΡΡ.
ΠΠΎ ΡΠ΅ΡΠ΅Π· 3 Π΄Π½Ρ ΠΏΠ΅ΡΠ΅ΡΡΠ°Π» Π·Π°ΠΏΡΡΠΊΠ°ΡΡΡΡ, ΠΈΠ· Π²ΡΡ
Π»ΠΎΠΏΠ° ΠΈΠ΄Π΅Ρ Π±Π΅Π»ΡΠΉ Π΄ΡΠΌ, ΡΠ»ΡΡΠ½ΠΎ Π·Π°ΠΆΠΈΠ³Π°Π½ΠΈΠ΅ ΡΠΎΠΏΠ»ΠΈΠ²Π°, Π½ΠΎ ΠΏΠΎΡΠ»Π΅ Π΄Π²ΡΡ
ΠΏΠΎΠΏΡΡΠΎΠΊ Π·Π°ΠΏΡΡΠΊΠ° ΡΡΠ°Π» Π²ΡΠ΄Π°Π²Π°ΡΡ ΠΎΡΠΈΠ±ΠΊΡ 13.ΠΡΠΈΡΠ»ΠΎΡΡ ΠΏΡΠΎΠ²Π΅ΡΠΈΡΡ ΡΠ²Π΅ΡΡ Π½Π°ΠΊΠ°Π»ΠΈΠ²Π°Π½ΠΈΡ, Π½ΠΎ Π²ΡΠ΅ Π±ΡΠ»ΠΎ Π½ΠΎΡΠΌΠ°Π»ΡΠ½ΠΎ. ΠΠΎΡΠΎΠΌ ΡΠ°Π·ΠΎΠ±ΡΠ°Π» ΠΏΠ΅ΡΠΊΡ, ΠΈ Π² Π½Π΅ΠΉ, ΠΊΠ°ΠΊ ΠΈ Π² ΡΠΈΡΡΠ΅ΠΌΠ΅ ΡΠ΅ΡΠΈΡΠΊΡΠ»ΡΡΠΈΠΈ ΠΎΡΡΠ°Π±ΠΎΡΠ°Π²ΡΠΈΡ
Π³Π°Π·ΠΎΠ², Π½Π΅ΡΠ³ΠΎΡΠ΅Π²ΡΠ΅Π΅ ΡΠΎΠΏΠ»ΠΈΠ²ΠΎ Ρ Ρ
Π»ΠΎΠΏΡΡΠΌΠΈ Π²ΡΡ
Π»ΠΎΠΏΠ° ΠΎΡ Π΄ΠΈΠ·Π΅Π»Ρ ΠΏΡΠ΅Π²ΡΠ°ΡΠΈΠ»ΠΎΡΡ Π² ΠΊΠΎΠΌΡΡ ΠΊΡΠ΅ΠΌΠ° Π΄Π»Ρ ΠΎΠ±ΡΠ²ΠΈ. ΠΡΠΈΡΠ»ΠΎΡΡ Π²ΡΠ΅ Π²ΡΡΠΈΡΡΠΈΡΡ ΠΈ ΡΠΎΠ±ΡΠ°ΡΡ ΠΎΠ±ΡΠ°ΡΠ½ΠΎ.
ΠΡΠΈ ΡΠ±ΠΎΡΠΊΠ΅ ΠΊΠ°ΠΌΠ΅ΡΡ ΡΠ³ΠΎΡΠ°Π½ΠΈΡ ΠΏΠΎΠ»Π½ΠΎΡΡΡΡ ΠΎΡΠΎΡΠ²Π°Π½Ρ Π±ΠΎΠ»ΡΡ Π΅Π΅ ΠΊΡΠ΅ΠΏΠ»Π΅Π½ΠΈΡ. Π‘ΡΠ°Π½Π΄Π°ΡΡΠ½ΠΎ — M5x10 ΠΏΠΎΠ΄ Π·Π²Π΅Π·Π΄ΠΎΡΠΊΠΎΠΉ. Π‘Ρ
ΠΎΠ΄ΠΈΠ» Π² ΠΌΠ°Π³Π°Π·ΠΈΠ½, ΠΊΡΠΏΠΈΠ» 6 Π±ΠΎΠ»ΡΠΎΠ² Ρ ΡΠ΅ΡΡΠΈΠ³ΡΠ°Π½Π½ΠΎΠΉ Π³ΠΎΠ»ΠΎΠ²ΠΊΠΎΠΉ Π6Ρ
10, Π½Π°ΡΠ΅Π·Π°Π» ΡΠ΅Π·ΡΠ±Ρ Π½Π° 6 ΠΈ ΡΠΎΠ±ΡΠ°Π».
ΠΠΎΡΠ»Π΅ Π½Π΅ΡΠΊΠΎΠ»ΡΠΊΠΈΡ
Π½Π΅Π΄Π΅Π»Ρ ΡΠ΅ΡΡΠΈΡΠΎΠ²Π°Π½ΠΈΡ ΠΏΠ΅ΡΡ Π²ΡΠ΅ Π΅ΡΠ΅ ΡΠ°Π±ΠΎΡΠ°Π΅Ρ Π½ΠΎΡΠΌΠ°Π»ΡΠ½ΠΎ.Π Π²ΠΈΠ΄ΠΈΠΌΠΎ ΠΎΠ±Π»Π°ΠΆΠ°Π»ΡΡ ΠΈΠ·-Π·Π° ΡΠΎΠΏΠ»ΠΈΠ²Π°, ΠΊΠΎΠ³Π΄Π° Ρ Π΅Π³ΠΎ ΡΠ΅ΡΡΠΈΡΠΎΠ²Π°Π». ΠΡΠ» Π½Π΅ΠΏΡΠ°Π². ΠΠ°Π±ΠΈΠ²Π°Π΅ΡΡΡ ΠΈΠ·-Π·Π° Π΄ΠΎΠ±Π°Π²Π»Π΅Π½ΠΈΡ Π°Π½ΡΠΈΠ³Π΅Π»Ρ. ΠΠ°ΠΊ Ρ ΠΏΠ΅ΡΠ΅ΡΡΠ°Π» Π΄ΠΎΠ±Π°Π²Π»ΡΡΡ, ΠΏΡΠΎΠ±Π»Π΅ΠΌΠ° ΡΡΠ»Π°.
ΠΠΎΠΊΠ° 514-ΠΉ Π΄ΠΈΠ·Π΅Π»Ρ ΡΡΠΎΠΈΡ Π·Π° ΠΌΠΎΡΠΎΡΠ½ΡΠΌ ΠΎΡΡΠ΅ΠΊΠΎΠΌ, ΡΠ΅ΡΠΈΠ»ΠΈ Π·Π°Π½ΡΡΡΡΡ Π΄ΠΎΡΠ°Π±ΠΎΡΠΊΠΎΠΉ ΠΏΠ΅ΡΠΊΠΈ Β«Π₯Π°Π½ΡΠ΅ΡΒ».
ΠΠ΅ ΡΠ΅ΠΊΡΠ΅Ρ, ΡΡΠΎ Π² Π΄ΠΎΠΌΠ°ΡΠ½Π΅ΠΉ ΠΏΠ΅ΡΠΈ Π½Π΅ ΡΠ°Π±ΠΎΡΠ°Π΅Ρ Π»Π΅Π΄. ΠΠΎΠΆΠ½ΠΎ ΠΊΠΎΠ½Π΅ΡΠ½ΠΎ Π·Π°ΠΌΠ΅Π½ΠΈΡΡ Π½Π° ΠΏΠ΅ΡΠΊΡ ΠΠΠΠ, Π½ΠΎ Π΄ΠΎΠ»Π³ΠΎ ΠΈΡΠΊΠ°ΡΡ ΠΈ ΡΠ΄ΠΎΠ²ΠΎΠ»ΡΡΡΠ²ΠΈΠ΅ Π½Π΅Π΄Π΅ΡΠ΅Π²ΠΎΠ΅. ΠΠΎΡΡΠΎΠΌΡ Π² ΠΈΠ½ΡΠ΅ΡΠ½Π΅ΡΠ΅ Π±ΡΠ» Π½Π°ΠΉΠ΄Π΅Π½ Π²Π°ΡΠΈΠ°Π½Ρ Π΄ΠΎΡΠ°Π±ΠΎΡΠΊΠΈ ΡΠΎΠ΄Π½ΠΎΠΉ ΠΏΠ΅ΡΠΊΠΈ Ρ ΠΏΠΎΠΌΠΎΡΡΡ Π΄Π²ΡΡ
ΡΠ»ΠΈΡΠΎΠΊ ΠΎΡ ΠΠΠΠΠΠ° (Π»Π΅Π²ΡΠΉ 5320-8118027, ΠΏΡΠ°Π²ΡΠΉ 5320-8118026) ΠΈ Π±Π΅Π»ΠΈΡΡΠΈΡ
ΠΊΠΎΠ»Π΅Ρ ΠΎΡ ΠΠΠΠ΅Π»ΠΈ Π² ΡΠ±ΠΎΡΠ΅ (3307-8101178).ΠΠ°ΠΎΠ΄Π½ΠΎ ΡΠ΅ΡΠΈΠ»ΠΈ Π·Π°ΠΌΠ΅Π½ΠΈΡΡ ΠΊΡΠ°Π½ ΠΏΠ΅ΡΠΊΠΈ, Ρ. Π. Π‘Π΅ΠΌΡΡ ΠΏΡΠΎΡΠ΅ΠΊΠ°Π»Π°, Π° Π΅ΡΠ΅ Ρ
ΠΎΡΠ΅Π»ΠΎΡΡ ΡΠ΅Π³ΡΠ»ΠΈΡΠΎΠ²Π°ΡΡ ΡΠ΅ΠΌΠΏΠ΅ΡΠ°ΡΡΡΡ ΠΏΠΎ ΠΏΠ΅ΡΠ΅Π΄Π½Π΅ΠΉ ΠΏΠ°Π½Π΅Π»ΠΈ, Π° Π½Π΅ Π·Π°Π»Π΅Π·Π°ΡΡ Π² Π½ΠΎΠ³ΠΈ ΠΏΠ΅ΡΠ΅Π΄Π½Π΅ΠΌΡ ΠΏΠ°ΡΡΠ°ΠΆΠΈΡΡ. ΠΠ»Ρ ΡΡΠΎΠ³ΠΎ Π±ΡΠ» ΠΏΡΠΈΠΎΠ±ΡΠ΅ΡΠ΅Π½ ΠΊΠΎΠΌΠΏΠ»Π΅ΠΊΡ ΠΈΠ· ΠΊΡΠ°Π½Π° ΠΈ ΡΡΠΎΡΠ°. Π‘ΠΌΠ΅ΡΠΈΡΠ΅Π»Ρ ΠΈΠ· ΡΠΈΠ»ΡΠΌΠΈΠ½Π° Ρ ΠΊΠ΅ΡΠ°ΠΌΠΈΡΠ΅ΡΠΊΠΈΠΌ ΡΠ»Π΅ΠΌΠ΅Π½ΡΠΎΠΌ (ΠΊΠ°ΠΊ Π½Π°ΠΏΠΈΡΠ°Π½ΠΎ Π½Π° ΡΠΏΠ°ΠΊΠΎΠ²ΠΊΠ΅). ΠΠΎΠ½Π΅ΡΠ½ΠΎ, ΠΎΠ½ Π½Π΅ ΡΡΠ°Π» ΠΎΠ΄ΠΈΠ½ Π½Π° ΠΎΠ΄ΠΈΠ½ ΠΈ Π΅Π³ΠΎ Π½ΡΠΆΠ½ΠΎ Π±ΡΠ»ΠΎ Π΄ΠΎΡΠ°Π±ΠΎΡΠ°ΡΡ. ΠΡΠ½ΠΎΠ²Π°Π½ΠΈΠ΅ Π΄Π»Ρ Π²ΡΠΎΡΠΎΠΉ ΡΡΡΠ±ΠΊΠΈ Π±ΡΠ»ΠΎ ΡΠ΄Π΅Π»Π°Π½ΠΎ ΠΈΠ· ΡΡΡΠΎΠΈΡΠ΅Π»ΡΠ½ΠΎΠΉ ΠΏΠ»ΠΈΡΡ (ΠΎΡΡΠ΅Π·Π°Π½Π½ΠΎΠΉ ΠΎΡ ΡΡΠ°ΡΠΎΠ³ΠΎ ΠΊΡΠ°Π½Π°), Π° Π±ΠΎΠ»ΡΡ Π²Π²Π΅ΡΠ½ΡΡΡ ΠΊΠ°ΠΊ ΡΠΏΠΈΠ»ΡΠΊΠΈ.ΠΠΎΡ ΡΠ°ΠΊΠ°Ρ ΡΡΡΡΠΊΡΡΡΠ° ΠΊΠΎΠ»Ρ
ΠΎΠ·Π° ΠΏΠΎΠ»ΡΡΠΈΠ»Π°ΡΡ. ΠΠ½Π° ΡΡΠΎΡΠ»Π° Π½Π° ΡΡΠ°ΡΠ½ΠΎΠΌ ΠΌΠ΅ΡΡΠ΅:
ΠΠ΅ΡΠ΅Ρ
ΠΎΠ΄Π½Π°Ρ ΠΏΠ»Π°ΡΡΠΈΠ½Π°
ΠΠΎΡΠΎΠΌ Π»ΠΎΠ±Π·ΠΈΠΊΠΎΠΌ ΠΎΡΡΠ΅Π·Π°Π»ΠΈ Π»ΠΈΡΠ½Π΅Π΅. Π Π΅ΡΠ΅ ΡΠ°Π·ΠΎΠ±ΡΠ°Π»ΠΈ Π½ΠΈΠΆΠ½ΠΈΠΉ ΡΠ»Π΅ΠΌΠ΅Π½Ρ ΡΡΠ°ΡΠ½ΠΎΠΉ ΠΏΠ΅ΡΠΊΠΈ ΠΈ Π²ΡΡΠ΅Π·Π°Π»ΠΈ Π΄Π½ΠΎ ΠΊΠΎΡΡΡΠΎ ΠΏΠ΅ΡΠΊΠΈ. ΠΠΎΡ ΠΊΠΎΠΌΠΏΠ»Π΅ΠΊΡ Π΄Π»Ρ ΡΠ±ΠΎΡΠΊΠΈ:
ΠΠΎΠΌΠΏΠ»Π΅ΠΊΡ Π΄Π»Ρ ΡΠ±ΠΎΡΠΊΠΈ
ΠΠΎΡΠΎΠΌ ΡΠ»ΠΈΡΠΊΠΈ ΡΡΡΠ°Π½ΠΎΠ²ΠΈΠ»ΠΈ Π½Π° ΠΏΠ»Π°ΡΡΠΈΠ½Ρ, Π° Π΄Π»Ρ Π³Π΅ΡΠΌΠ΅ΡΠΈΠ·Π°ΡΠΈΠΈ ΠΏΡΠΈΠΊΠ»Π΅ΠΈΠ»ΠΈ ΡΡΠΌΠΊΡ, ΡΠ°ΠΊ ΠΊΠ°ΠΊ ΡΠΈΡΠΈΠ½Π° ΠΏΠ»Π°ΡΡΠΈΠ½Ρ Π±ΠΎΠ»ΡΡΠ΅ ΡΠΈΡΠΈΠ½Ρ ΠΏΠ»ΠΎΡΠΊΠΎΠΉ ΡΠ°ΡΡΠΈ ΠΊΠΎΡΠΏΡΡΠ° ΠΏΠ΅ΡΠΊΠΈ :
ΠΠ΅ΡΡ Π² ΡΠ±ΠΎΡΠ΅ — Π²ΠΈΠ΄ ΡΠ²Π΅ΡΡ
Ρ
Π Π²ΠΈΠ΄ ΡΠΏΠ΅ΡΠ΅Π΄ΠΈ:
ΠΠ»ΠΈΡΠ° — Π²ΠΈΠ΄ ΡΠΏΠ΅ΡΠ΅Π΄ΠΈ
ΠΠΎΠΊΠ° ΡΠ½ΠΈΠΌΠ°Π»ΠΈ ΠΏΠ΅ΡΠΊΡ, ΡΡΠΌΠΊΠΎΠ²ΠΊΠ° Π·Π°ΡΡΡΡΠ»Π° Π½Π° ΠΌΠΎΡΠΎΡΠ½ΠΎΠΌ ΡΠΈΡΠ΅ Π·Π° ΠΏΠ΅ΡΠΊΠΎΠΉ.Π‘ΠΌΡΡΠ»Π° Π½Π°Π²Π΅ΡΠ½ΠΎΠ΅ Π±ΡΠ΄Π΅Ρ ΠΌΠ°Π»ΠΎ, Π½ΠΎ ΡΡΠΌΠΊΠ° ΠΎΡΡΠ°Π»Π°ΡΡ :). ΠΠ° ΡΡΠΎΠΌ ΡΠΎΡΠΎ ΠΌΠΎΠ΄ΠΈΡΠΈΡΠΈΡΠΎΠ²Π°Π½Π½ΡΠΉ ΡΠΌΠ΅ΡΠΈΡΠ΅Π»Ρ ΡΠΆΠ΅ ΡΡΡΠ°Π½ΠΎΠ²Π»Π΅Π½ Π½Π° ΡΡΠ°ΡΠ½ΠΎΠ΅ ΠΌΠ΅ΡΡΠΎ. Π Π² ΠΏΠ°Π½Π΅Π»ΠΈ ΠΏΠ΅ΡΠ΅Π΄ ΡΠ΅ΡΠ΅ΠΏΠ°Ρ
ΠΎΠΉ ΠΏΡΠΎΠ΄Π΅Π»Π°Π»ΠΈ Π΄Π²Π° ΡΠ΅Ρ
Π½ΠΎΠ»ΠΎΠ³ΠΈΡΠ΅ΡΠΊΠΈΡ
ΠΎΡΠ²Π΅ΡΡΡΠΈΡ, ΡΡΠΎΠ±Ρ Π²Π΅ΡΡ
Π½ΠΈΠ΅ Π±ΠΎΠ»ΡΡ ΠΠΠ ΠΊ Π΄Π²ΠΈΠ³Π°ΡΠ΅Π»Ρ ΠΌΠΎΠΆΠ½ΠΎ Π±ΡΠ»ΠΎ Π½ΠΎΡΠΌΠ°Π»ΡΠ½ΠΎ Π·Π°ΡΡΠ½ΡΡΡ:
Π¨ΡΠΌ Π·Π° ΠΏΠ΅ΡΠΊΠΎΠΉ.
Π‘ΡΠ°Π²ΠΈΠ»ΠΈ Π΄ΠΎΡΠ°Π±ΠΎΡΠ°Π½Π½ΡΡ ΠΏΠ΅ΡΠΊΡ Π½Π° ΠΌΠ΅ΡΡΠΎ:
ΠΠ΅ΡΡ Π½Π° ΠΌΠ΅ΡΡΠΎ
ΠΠΎ ΠΎΠΊΠ°Π·Π°Π»ΠΎΡΡ, ΡΡΠΎ ΡΠ»ΠΈΡΠΊΠΈ ΠΏΠΎΡΡΠ°Π²ΠΈΠ»ΠΈ Π½Π΅ ΡΠΎΠ²ΡΠ΅ΠΌ ΠΏΡΠ°Π²ΠΈΠ»ΡΠ½ΠΎ.ΠΠ½ΠΈ ΠΌΠΎΠ³ΡΡ ΠΌΠ΅ΡΠ°ΡΡ Π²Π°ΡΠΈΠΌ Π½ΠΎΠ³Π°ΠΌ. ΠΡΠΈΠ΄Π΅ΡΡΡ ΡΠ½ΡΡΡ Π΅Π³ΠΎ ΠΎΠ±ΡΠ°ΡΠ½ΠΎ ΠΈ ΠΏΠΎΠ²Π΅ΡΠ½ΡΡΡ ΡΠ»ΠΈΡΠΊΠΈ Π² ΡΡΠΎΡΠΎΠ½Ρ ΠΌΠΎΡΠΎΡΠ½ΠΎΠ³ΠΎ ΠΎΡΡΠ΅ΠΊΠ° Π½Π° 45 Π³ΡΠ°Π΄ΡΡΠΎΠ², ΡΠ΅ΠΌ Π±ΠΎΠ»Π΅Π΅ ΡΡΠΎ ΡΠ°ΠΌ Π΅ΡΡΡ ΠΌΠ΅ΡΡΠΎ:
Π£Π»ΠΈΡΠΊΠΈ Π½ΡΠΆΠ½ΠΎ ΠΏΠΎΠ²Π΅ΡΠ½ΡΡΡ
ΠΠΎΡΠ»Π΅ ΡΡΡΠ°Π½ΠΎΠ²ΠΊΠΈ ΡΠ»ΠΈΡΠΎΠΊ Π² ΠΏΡΠ°Π²ΠΈΠ»ΡΠ½ΠΎΠ΅ ΠΏΠΎΠ»ΠΎΠΆΠ΅Π½ΠΈΠ΅, ΠΌΠΎΠΆΠ½ΠΎ Π±ΡΠ΄Π΅Ρ ΡΡΡΠ°Π½ΠΎΠ²ΠΈΡΡ ΡΡΠΎΡΠΈΠΊ ΠΊΡΠ°Π½Π°, ΡΠΌΠΎΠ½ΡΠΈΡΠΎΠ²Π°ΡΡ ΡΠ»Π΅ΠΊΡΡΠΈΡΠ΅ΡΠΊΡΡ ΡΠ°ΡΡΡ ΠΈ ΡΠ°ΡΡΡΠ½ΡΡΡ ΠΎΠ±Π΄ΡΠ² ΡΡΠ΅ΠΊΠ»Π°.
Π ΠΈΡΠΎΠ³Π΅ ΡΡΡΠ°Π½ΠΎΠ²ΠΊΠ° ΠΏΠ°ΡΠ°Π»Π»Π΅Π»ΡΠ½ΠΎΠΉ ΡΠ»ΠΈΡΠΊΠΈ Π½Π΅ ΡΠ΄Π°Π»Π°ΡΡ.Π£Π»ΠΈΡΠΊΠΈ ΠΌΠ΅ΡΠ°Π»ΠΈ Π½ΠΎΠ³Π°ΠΌ ΡΡΡΡΠΌΠ°Π½Π°:
Π£Π»ΠΈΡΠΊΠΈ ΠΌΠ΅ΡΠ°Π»ΠΈ Π½ΠΎΠ³Π°ΠΌ ΡΡΡΡΠΌΠ°Π½Π°
ΠΠ΅ΡΡ ΡΠ½ΡΠ»ΠΈ, ΡΠ»ΠΈΡΠΎΠΊ ΠΎΡΠΊΡΡΡΠΈΠ»ΠΈ, ΠΊΠΎΡΠΏΡΡ ΠΏΠ΅ΡΠΈ ΠΏΠΎΡΡΠ°Π²ΠΈΠ»ΠΈ Π½Π° ΠΌΠ΅ΡΡΠΎ ΠΈ ΠΎΡΠΌΠ΅ΡΠΈΠ»ΠΈ ΠΏΠΎΠ»ΠΎΠΆΠ΅Π½ΠΈΠ΅ ΡΠ»ΠΈΡΠΎΠΊ. ΠΠ»Ρ ΠΏΠΈΠ»ΠΎΡΠ° ΠΈ ΡΡΡΡΠΌΠ°Π½Π° ΡΠ³ΠΎΠ» ΠΏΠΎΠ²ΠΎΡΠΎΡΠ° ΡΠ»ΠΈΡΠΊΠΈ ΠΎΠΊΠ°Π·Π°Π»ΡΡ ΡΠ°Π·Π½ΡΠΌ ΠΈΠ·-Π·Π° ΡΠΌΠ΅ΡΠ΅Π½ΠΈΡ ΠΊΠΎΡΠΏΡΡΠ° ΠΏΠ΅ΡΠΊΠΈ ΠΎΡΠ½ΠΎΡΠΈΡΠ΅Π»ΡΠ½ΠΎ ΡΠ΅Π½ΡΡΠ°Π»ΡΠ½ΠΎΠΉ ΠΎΡΠΈ Π£ΠΠΠ°. ΠΠΎΡΠ»Π΅ Π½ΠΎΠ²ΠΎΠΉ ΡΠ°Π·ΠΌΠ΅ΡΠΊΠΈ ΠΎΡΠ²Π΅ΡΡΡΠΈΡ Π² ΠΏΠ΅ΡΠ΅Ρ
ΠΎΠ΄Π½ΠΎΠΉ ΠΏΠ»ΠΈΡΠ΅ Π±ΡΠ»ΠΈ ΠΏΠΎΠ²ΡΠΎΡΠ½ΠΎ ΠΏΡΠΎΡΠ²Π΅ΡΠ»Π΅Π½Ρ, ΠΈ ΡΠ»ΠΈΡΠΊΠΈ Π±ΡΠ»ΠΈ ΠΏΠΎΠ²ΡΠΎΡΠ½ΠΎ Π·Π°ΠΊΡΠ΅ΠΏΠ»Π΅Π½Ρ:
ΠΠΎΠ²ΠΎΠ΅ ΠΏΠΎΠ»ΠΎΠΆΠ΅Π½ΠΈΠ΅ ΡΠ»ΠΈΡΠΎΠΊ ΠΏΠ΅ΡΠΈ.
Π’Π΅ΠΏΠ΅ΡΡ ΠΏΠ΅ΡΠΊΠ° ΡΡΠ°Π»Π° «ΠΊΠ°ΠΊ ΡΠΎΠ΄Π½Π°Ρ». ΠΠΎΠ³ΠΈ Π±ΠΎΠ»ΡΡΠ΅ Π½Π΅ ΠΌΠ΅ΡΠ°ΡΡ:
ΠΠΎΠ²ΠΎΠ΅ ΠΏΠΎΠ»ΠΎΠΆΠ΅Π½ΠΈΠ΅ ΡΠ»ΠΈΡΠΎΠΊ Π² ΡΠ°Π»ΠΎΠ½Π΅
Π ΠΏΡΠΎ ΠΠ°ΡΠ»ΡΠΎΠ½Ρ ΠΈ ΡΠ°Π΄ΠΈΠ°ΡΠΎΡ:
ΠΠ°Π²Π½ΠΎ Ρ
ΠΎΡΠ΅Π»ΠΈ Π°ΠΌΠΏΡΡΠΈΡΠΎΠ²Π°ΡΡ Π±ΠΎΠ»ΡΡΡΡ Π²ΠΈΡΠΊΠΎΠΌΡΡΡΡ ΠΈ ΠΏΠ΅ΡΠ΅ΠΉΡΠΈ Π½Π° ΡΠ»Π΅ΠΊΡΡΠΈΡΠ΅ΡΠΊΠΈΠ΅ ΠΠ°ΡΠ»ΡΠΎΠ½Ρ. ΠΡΠΈΡΠ΅ΠΌ ΠΏΡΠΈ ΠΏΡΠ΅ΠΎΠ΄ΠΎΠ»Π΅Π½ΠΈΠΈ Π±ΡΠΎΠ΄ΠΎΠ² ΡΡΠ΅Π±ΡΠ΅ΡΡΡ ΡΠΌΠ΅ΡΡ ΠΎΡΡΠ°Π½Π°Π²Π»ΠΈΠ²Π°ΡΡ Π²Π΅Π½ΡΠΈΠ»ΡΡΠΎΡΡ, ΡΡΠΎΠ±Ρ Π½Π΅ ΡΠ»ΠΎΠΌΠ°Π»ΠΈΡΡ Π»ΠΎΠΏΠ°ΡΡΠΈ. ΠΠ΅Π½ΡΠΈΠ»ΡΡΠΎΡΡ ΠΎΡ ΠΠΠ 2108 Π±ΡΠ»ΠΈ Π²ΡΠ±ΡΠ°Π½Ρ Π² ΠΊΠ°ΡΠ΅ΡΡΠ²Π΅ ΡΠ»Π΅ΡΡΠΎΠΠ°ΡΠ»ΡΠΎΠ½ΠΎΠ². Π‘ΡΠ°Π·Ρ ΡΠ΅ΡΠΈΠ»ΠΈ ΡΡΡΠ°Π½ΠΎΠ²ΠΈΡΡ Π΄Π²Π° Π΄Π»Ρ ΠΎΠ±Π΅ΡΠΏΠ΅ΡΠ΅Π½ΠΈΡ Π½Π°Π΄Π΅ΠΆΠ½ΠΎΡΡΠΈ ΠΊΠΎΠ½ΡΡΡΡΠΊΡΠΈΠΈ ΠΈ ΡΠ΅Π·Π΅ΡΠ²ΠΈΡΠΎΠ²Π°Π½ΠΈΡ.ΠΠ·Π½Π°ΡΠ°Π»ΡΠ½ΠΎ ΠΏΡΠΈΠΌΠ΅ΡΠΊΠ° Π²ΡΠ³Π»ΡΠ΄Π΅Π»Π° ΡΠ°ΠΊ:
ΠΡΠΈΠΌΠ΅ΡΠΊΠ° Carlsons
ΠΠΎ ΠΏΡΠ°Π²Π΄Π° ΠΆΠΈΠ·Π½ΠΈ ΡΠ°ΡΡΡΠ°Π²ΠΈΠ»Π° Π²ΡΠ΅ ΠΏΠΎ ΡΠ²ΠΎΠΈΠΌ ΠΌΠ΅ΡΡΠ°ΠΌ. ΠΠΎΠ³Π΄Π° Π±ΡΠ»Π° ΠΏΡΠΎΠ²Π΅Π΄Π΅Π½Π° ΠΏΠΎΠ΄Π³ΠΎΠ½ΠΊΠ° ΠΊΠΎΡΠΏΡΡΠΎΠ², ΡΡΠ°Π»ΠΎ ΡΡΠ½ΠΎ, ΡΡΠΎ ΡΠ°ΠΊΠ°Ρ ΠΊΠΎΠΌΠΏΠΎΠ½ΠΎΠ²ΠΊΠ° Π½Π΅ ΠΏΠΎΠ΄ΠΎΠΉΠ΄Π΅Ρ. ΠΠΎΡΠ»Π΅ ΠΆΠ°ΡΠΊΠΈΡ
Π΄ΠΈΡΠΊΡΡΡΠΈΠΉ ΠΌΠ΅ΠΆΠ΄Ρ ΠΏΠΈΠ»ΠΎΡΠΎΠΌ ΠΈ ΡΡΡΡΠΌΠ°Π½ΠΎΠΌ Π±ΡΠ»ΠΎ ΡΠ΅ΡΠ΅Π½ΠΎ ΡΠΎΠ΅Π΄ΠΈΠ½ΠΈΡΡ ΠΊΠΎΡΠΏΡΡΠ° Calson Π½Π° ΠΎΠ΄Π½ΠΎΠΌ ΡΡΠΎΠ²Π½Π΅, Π° ΡΡΠΈ ΡΠ°Π΄ΠΈΠ°ΡΠΎΡΠ° ΡΠ΄Π΅Π»Π°ΡΡ. ΠΠΎΡΠΏΡΡΠ° Π±ΡΠ»ΠΈ ΡΠΎΠ΅Π΄ΠΈΠ½Π΅Π½Ρ Ρ ΠΎΡΡΠ°Π»ΡΠ½ΠΎΠΉ ΡΠ°ΡΡΡΡ U-ΠΎΠ±ΡΠ°Π·Π½ΠΎΠ³ΠΎ Π°Π»ΡΠΌΠΈΠ½ΠΈΠ΅Π²ΠΎΠ³ΠΎ ΠΏΡΠΎΡΠΈΠ»Ρ. ΠΡΠΎΠΌΠ΅ ΡΠΎΠ³ΠΎ, Π² Π²Π΅ΡΡ
Π½ΡΡ Π±ΡΠ»Π° Π²ΠΊΡΡΡΠ΅Π½Π° ΡΠΏΠΈΠ»ΡΠΊΠ° Π΄Π»Ρ Π΄Π°Π»ΡΠ½Π΅ΠΉΡΠ΅Π³ΠΎ Π·Π°ΠΊΡΠ΅ΠΏΠ»Π΅Π½ΠΈΡ Π·Π°ΠΆΠΈΠΌΠ° ΠΏΡΠΎΠ²ΠΎΠ΄ΠΊΠΈ (Ρ
ΠΎΡΠΈΠΌ ΠΏΠΎΠ΄Π½ΡΡΡ):
ΠΠΎΡΠΏΡΡΠ° ΠΊΠ°ΡΠ»ΡΠΎΠ½ΠΎΠ² ΡΠΎΠ΅Π΄ΠΈΠ½Π΅Π½Π½ΡΠ΅
ΠΠ»ΡΠΌΠΈΠ½ΠΈΠ΅Π²ΡΠ΅ ΡΡΠΊΠΈ ΡΠ°Π΄ΠΈΠ°ΡΠΎΡΠ°
Π§ΡΠΎΠ±Ρ ΠΠ°ΡΠ»ΡΠΎΠ½Ρ Π½Π΅ ΠΏΡΠΎΡΠΈΡΠ°Π»ΠΈ ΡΠ°Π΄ΠΈΠ°ΡΠΎΡ , ΠΎΡΡΡΡΠ΅ ΠΊΡΠ°Ρ ΠΊΠΎΡΠΏΡΡΠΎΠ² Π±ΡΠ»ΠΈ ΠΎΠ±ΠΊΠ»Π΅Π΅Π½Ρ Π-ΠΎΠ±ΡΠ°Π·Π½ΠΎΠΉ ΡΠ΅Π·ΠΈΠ½ΠΊΠΎΠΉ:
Π Π΅Π·ΠΈΠ½ΠΊΠ° Π½Π° ΠΊΠΎΡΠΏΡΡΠ΅ ΠΠ°ΡΠ»ΡΠΎΠ½Π°
ΠΠΎΡΠΎΠΌ Π²ΡΠ΅ ΡΡΠΎ ΠΏΡΠΈΠΊΡΡΡΠΈΠ»ΠΈ Π±ΠΎΠ»ΡΠ°ΠΌΠΈ ΠΈ Π²ΠΎΡ ΡΠ°ΠΊ ΡΠ°Π΄ΠΈΠ°ΡΠΎΡ Ρ ΠΠ°ΡΠ»ΡΠΎΠ½Π°ΠΌΠΈ Π²ΡΠ³Π»ΡΠ΄ΠΈΡ:
Π Π°Π΄ΠΈΠ°ΡΠΎΡ Π² ΡΠ±ΠΎΡΠ΅
ΠΡΠ° ΠΊΠΎΠ½ΡΡΡΡΠΊΡΠΈΡ ΠΈΠ΄Π΅Π°Π»ΡΠ½ΠΎ Π²ΠΏΠΈΡΡΠ²Π°Π΅ΡΡΡ Π² ΠΌΠΎΡΠΎΡΠ½ΡΠΉ ΠΎΡΡΠ΅ΠΊ:
Π Π΅ΠΉΡΠΈΠ½Π³ 0.00
Π½Π° Π·Π°ΠΌΠ΅ΡΠΊΡ Π΄Π»Ρ Π½Π°ΡΠΈΠ½Π°ΡΡΠ΅Π³ΠΎ Π°Π²ΡΠΎΠ»ΡΠ±ΠΈΡΠ΅Π»Ρ
ΠΡΠ΅ΡΠ΅ΡΡΠ²Π΅Π½Π½ΡΠΉ Π°Π²ΡΠΎΠΏΡΠΎΠΌ Π²ΡΠ΅Π³Π΄Π° Π½Π΅ΡΠΊΠΎΠ»ΡΠΊΠΎ ΠΎΡΡΡΠ°Π²Π°Π» ΠΎΡ ΡΠ²ΠΎΠΈΡ
Π·Π°ΠΏΠ°Π΄Π½ΡΡ
ΡΠΎΡΠ΅Π΄Π΅ΠΉ, Π½ΠΎ ΡΡΠΎ, ΠΊΠΎΠ½Π΅ΡΠ½ΠΎ, Π½Π΅Π»ΡΠ·Ρ ΠΎΡΠ½ΡΡΡ ΠΎΡ Π΅Π³ΠΎ ΡΡΠ½Π΄Π°ΠΌΠ΅Π½ΡΠ°Π»ΡΠ½ΠΎΡΡΠΈ ΠΈ ΠΏΡΠΎΡΠ½ΠΎΡΡΠΈ. Β«ΠΠΎΡΡΠΌΠ΅ΡΠΊΠ°Β», Π²ΡΡΠ΅Π΄ΡΠ°Ρ Π² 84-ΠΌ Π³ΠΎΠ΄Ρ ΠΏΡΠΎΡΠ»ΠΎΠ³ΠΎ Π²Π΅ΠΊΠ°, ΡΠΌΠ΅Π½ΠΈΠ»Π°ΡΡ Π½Π° ΡΠ²ΠΎΠ΅Π³ΠΎ ΠΏΡΡΠΈΠ΄Π²Π΅ΡΠ½ΠΎΠ³ΠΎ Β«ΡΠΎΠ΄ΡΡΠ²Π΅Π½Π½ΠΈΠΊΠ°Β» Β«ΠΠ΅Π²ΡΡΠΊΡΒ» Π²ΡΠ΅Π³ΠΎ ΡΠ΅ΡΠ΅Π· ΡΡΠΈ Π³ΠΎΠ΄Π°, ΡΠΎ Π΅ΡΡΡ Π² 1987 Π³ΠΎΠ΄Ρ. ΠΡΠ»ΠΈΡΠ°Π»Π°ΡΡ ΠΎΠ½Π° Π½Π΅ ΡΠΎΠ»ΡΠΊΠΎ Π½Π°Π»ΠΈΡΠΈΠ΅ΠΌ Π΄ΠΎΠΏΠΎΠ»Π½ΠΈΡΠ΅Π»ΡΠ½Π°Ρ ΠΏΠ°ΡΠ° Π΄Π²Π΅ΡΠ΅ΠΉ, Π½ΠΎ ΠΈ Π² Π΄ΡΡΠ³ΠΈΡ
Π΄ΠΈΠ·Π°ΠΉΠ½Π΅ΡΡΠΊΠΈΡ
ΡΠ΅ΡΠ΅Π½ΠΈΡΡ
. ΠΡΠΈΠ±ΠΎΡΠ½Π°Ρ ΠΏΠ°Π½Π΅Π»Ρ Π°Π²ΡΠΎΠΌΠΎΠ±ΠΈΠ»Ρ ΠΠΠ 2109 ΡΠ°ΠΊΠΆΠ΅ Π±ΡΠ»Π° Π·Π½Π°ΡΠΈΡΠ΅Π»ΡΠ½ΠΎ Π΄ΠΎΡΠ°Π±ΠΎΡΠ°Π½Π° ΠΈΠ½ΠΆΠ΅Π½Π΅ΡΠ°ΠΌΠΈ-ΡΠ°Π·ΡΠ°Π±ΠΎΡΡΠΈΠΊΠ°ΠΌΠΈ ΠΠ ΠΠ²ΡΠΎΠΠΠ, ΡΡΠΎ ΡΡΠ°Π·Ρ Π±ΡΠΎΡΠ°Π΅ΡΡΡ Π² Π³Π»Π°Π·Π° ΠΈΡΠΊΡΡΠ΅Π½Π½ΠΎΠΌΡ ΠΎΡΠ΅ΡΠ΅ΡΡΠ²Π΅Π½Π½ΠΎΠΌΡ Π°Π²ΡΠΎΠΌΠΎΠ±ΠΈΠ»ΠΈΡΡΡ.
ΠΠΈΠ·Π°ΠΉΠ½Π΅ΡΡ ΡΠ΅ΡΠΈΠ»ΠΈ, ΡΡΠΎ Π²ΡΠ΅ ΠΆΠ΅ Π΄Π°Π»Π΅ΠΊΠΎ Ρ
ΠΎΠ΄ΠΈΡΡ Π½Π΅ ΡΡΠΎΠΈΡ, ΠΈ Π½Π΅ ΠΏΠΎΡΠ»ΠΈ ΠΏΠΎ ΠΏΡΡΠΈ ΡΠ²ΠΎΠΈΡ
Π·Π°ΡΡΠ±Π΅ΠΆΠ½ΡΡ
ΠΊΠΎΠ»Π»Π΅Π³. Π’Π΅ΠΌ Π±ΠΎΠ»Π΅Π΅, ΡΡΠΎ ΡΠ°ΠΌ Π°Π²ΡΠΎΠΌΠΎΠ±ΠΈΠ»Ρ ΠΠΠ 2109 Π²ΠΎΠ²ΡΠ΅ Π½Π΅ Π΄ΠΎΠ»ΠΆΠ΅Π½ Π±ΡΠ» ΡΡΠ°ΡΡ ΡΠ΅ΠΌ-ΡΠΎ Π²ΡΠ΄Π°ΡΡΠΈΠΌΡΡ. ΠΠ°ΠΊ ΠΈ ΠΏΠΎΡΡΠΈ Π²ΡΠ΅ ΡΠ°Π·ΡΠ°Π±ΠΎΡΠΊΠΈ ΠΠ²ΡΠΎΠΠΠΠ°, Π΄Π΅Π²ΡΡΠ°Ρ ΠΌΠΎΠ΄Π΅Π»Ρ Π΄ΠΎΠ»ΠΆΠ½Π° Π±ΡΠ»Π° Π·Π°Π½ΡΡΡ Π½ΠΈΡΡ Β«ΡΠ°Π±ΠΎΡΠΈΡ
Π»ΠΎΡΠ°Π΄ΠΎΠΊΒ», ΠΏΠΎΡΡΠΎΠΌΡ ΠΎΡΠΎΠ±ΠΎΠ³ΠΎ ΡΠΈΠΊΠ° ΠΎΡ Π½Π΅Π΅ Π½ΠΈΠΊΡΠΎ Π½Π΅ ΠΎΠΆΠΈΠ΄Π°Π». ΠΠ·-Π·Π° ΡΡΠΎΠ³ΠΎ Π΄Π°ΡΠ±ΠΎΡΠ΄ Π±ΡΠ» ΡΠ°Π·ΡΠ°Π±ΠΎΡΠ°Π½ Π΄ΠΎΠ²ΠΎΠ»ΡΠ½ΠΎ ΠΏΡΠΎΡΡΠΎ ΠΈ Π½Π΅Π·Π°ΠΌΡΡΠ»ΠΎΠ²Π°ΡΠΎ. ΠΠΎ ΡΠΏΡΠ°Π²ΠΈΡΡΡΡ Ρ ΡΡΠΈΠΌ ΠΌΠΎΠ³ Π΄Π°ΠΆΠ΅ ΡΠ΅Π±Π΅Π½ΠΎΠΊ, ΠΈ ΡΡΠΎ, Π½Π΅ΡΠΎΠΌΠ½Π΅Π½Π½ΠΎ, ΠΎΠ±ΡΠ°Π΄ΠΎΠ²Π°Π»ΠΎ ΠΏΠΎΡΡΠ΅Π±ΠΈΡΠ΅Π»Π΅ΠΉ.
ΠΠ°Π½Π΅Π»Ρ ΠΏΡΠΈΠ±ΠΎΡΠΎΠ² Β«ΠΠ΅Π²ΡΡΠΊΠ°Β» ΠΈΠΌΠ΅Π»Π° ΠΏΡΡΠΌΠΎΡΠ³ΠΎΠ»ΡΠ½ΡΡ, ΡΡΠ°Π½Π΄Π°ΡΡΠ½ΡΡ ΡΠΎΡΠΌΡ, ΡΠ³Π»Π°ΠΆΠ΅Π½Π½ΡΠ΅ ΡΠ³Π»Ρ, Π° ΡΠ°ΠΊΠΆΠ΅ ΡΡΠΈΠ»ΡΠ½ΡΠ΅ ΠΊΠΎΠ·ΡΡΡΠΊΠΈ, ΠΠΎΠ»ΠΆΡΠΊΠΈΠΉ Π°Π²ΡΠΎΠ·Π°Π²ΠΎΠ΄ ΠΏΠΎΡΠ²ΠΈΡΡΡ ΡΡΡΡ ΠΏΠΎΠ·ΠΆΠ΅, Π° ΠΏΠΎΠΊΠ° Π²ΡΠ΅ ΠΈΠΌΠ΅Π»ΠΎ ΠΊΠ»Π°ΡΡΠΈΡΠ΅ΡΠΊΠΈΠΉ Π²ΠΈΠ΄, Π±Π΅Π·ΡΠΏΡΠ΅ΡΠ½ΡΡ ΠΊΠΎΠΌΠΏΠΎΠ½ΠΎΠ²ΠΊΡ ΠΈ ΡΠ΄ΠΎΠ±Π½ΠΎΠ΅ ΡΠ°ΡΠΏΠΎΠ»ΠΎΠΆΠ΅Π½ΠΈΠ΅ ΠΏΡΠΈΠ±ΠΎΡΠΎΠ². Π‘ΡΠ°Π·Ρ Π²ΠΈΠ΄Π½ΠΎ, ΡΡΠΎ Π½Π°Π΄ΠΎ Π±ΡΠ»ΠΎ ΡΠ΅ΡΡΠ΅Π·Π½ΠΎ ΠΏΠΎΡΠ°Π±ΠΎΡΠ°ΡΡ Π½Π°Π΄ ΡΠ°ΡΠΏΠΎΠ»ΠΎΠΆΠ΅Π½ΠΈΠ΅ΠΌ ΠΏΡΠΈΠ±ΠΎΡΠΎΠ² Π½Π° ΠΏΠ°Π½Π΅Π»ΠΈ, Π²Π΅Π΄Ρ ΠΎΠ½ΠΈ Π΄ΠΎΠ»ΠΆΠ½Ρ ΡΠ°ΡΠΏΠΎΠ»Π°Π³Π°ΡΡΡΡ Π² ΠΎΠΏΡΠΈΠΌΠ°Π»ΡΠ½ΠΎΠΌ ΡΠΎΡΠ΅ΡΠ°Π½ΠΈΠΈ, Π½Π΅ ΠΌΠ΅ΡΠ°ΡΡ ΡΡΠΈΡΡΠ²Π°Π½ΠΈΡ ΠΈΠ½Π΄ΠΈΠΊΠ°ΡΠΎΡΠΎΠ² Π΄ΡΡΠ³ Π΄ΡΡΠ³Π°, Π½Π΅ ΠΏΠ΅ΡΠ΅ΠΊΡΡΠ²Π°ΡΡ Π΄ΡΡΠ³ Π΄ΡΡΠ³Π°.
ΠΠΈΠΆΠ½ΡΡ ΠΈ Π²Π΅ΡΡ
Π½ΡΡ ΠΏΠ»Π°Π½ΠΊΠΈ
ΠΠ·Π½Π°ΡΠ°Π»ΡΠ½ΠΎ ΠΠΠ 2109 Π²ΡΠΏΡΡΠΊΠ°Π»ΡΡ Ρ ΠΏΡΠΈΠ±ΠΎΡΠ½ΠΎΠΉ ΠΏΠ°Π½Π΅Π»ΡΡ, ΠΊΠΎΡΠΎΡΡΡ ΡΡΠ»ΠΎΠ²Π½ΠΎ Π½Π°Π·ΡΠ²Π°Π»ΠΈ Β«Π½ΠΈΠ·ΠΊΠΎΠΉΒ», Π° ΠΌΠΎΠ΄Π΅Π»ΠΈ Ρ ΡΡΡΠ°Π½ΠΎΠ²Π»Π΅Π½Π½ΠΎΠΉ Β«Π²ΡΡΠΎΠΊΠΎΠΉΒ» ΠΏΠ°Π½Π΅Π»ΡΡ ΠΏΠΎΡΠ²ΠΈΠ»ΠΈΡΡ Π³ΠΎΡΠ°Π·Π΄ΠΎ ΠΏΠΎΠ·ΠΆΠ΅, ΠΈ ΠΏΠΎ ΡΡΠ΄Ρ ΠΏΡΠΈΡΠΈΠ½ Π±ΡΠ»ΠΈ ΠΌΠ΅Π½Π΅Π΅ ΡΠ΄Π°ΡΠ½ΡΠΌΠΈ. ΠΠ½ΠΈ ΡΠ°ΠΊΠΆΠ΅ ΡΠ°Π·Π»ΠΈΡΠ°Π»ΠΈΡΡ, Π½Π°ΡΠΈΠ½Π°Ρ Ρ Π²ΡΠΏΡΡΠΊΠ° 87 Π³ΠΎΠ΄Π° ΠΈ ΠΏΠΎΡΠ»Π΅Π΄ΡΡΡΠΈΡ
ΠΌΠΎΠ΄ΠΈΡΠΈΠΊΠ°ΡΠΈΠΉ. ΠΡΠ½ΠΎΠ²Π½ΡΠΌ ΠΎΡΠ»ΠΈΡΠΈΠ΅ΠΌ ΡΡΠ°Π» ΠΏΠ΅ΡΠ΅Ρ
ΠΎΠ΄ Ρ ΠΊΠ°ΡΠ±ΡΡΠ°ΡΠΎΡΠ½ΠΎΠ³ΠΎ ΡΠΈΠΏΠ° Π½Π° ΠΈΠ½ΠΆΠ΅ΠΊΡΠΎΡΠ½ΡΠΉ, ΠΎΠ΄Π½Π°ΠΊΠΎ Π²Π½Π΅ΡΠ½ΠΈΠΉ Π΄ΠΈΠ·Π°ΠΉΠ½ ΡΠ°ΠΊΠΆΠ΅ ΠΏΡΠ΅ΡΠ΅ΡΠΏΠ΅Π» Π½Π΅Π·Π½Π°ΡΠΈΡΠ΅Π»ΡΠ½ΡΠ΅ ΠΈΠ·ΠΌΠ΅Π½Π΅Π½ΠΈΡ, Π² ΠΎΡΠ½ΠΎΠ²Π½ΠΎΠΌ ΠΏΠ΅ΡΠ΅Π΄Π½ΠΈΠΉ.
ΠΠ° Π½ΠΈΠΆΠ½Π΅ΠΉ ΠΏΠ°Π½Π΅Π»ΠΈ ΠΏΡΠΈΠ±ΠΎΡΠΎΠ² Π±ΡΠ»Π° ΡΠΎΠ»ΡΠΊΠΎ ΠΎΠ΄Π½Π° ΡΠΈΡΠ΅ΡΠ±Π»Π°ΡΠ°, Π½Π° ΠΊΠ»Π°ΡΡΠΈΡΠ΅ΡΠΊΠΎΠΉ — ΡΠΏΠΈΠ΄ΠΎΠΌΠ΅ΡΡ, Π° Π½Π° Π²ΡΡΠΎΠΊΠΎΠΉ — Π΄Π²Π° ΠΎΡΠ½ΠΎΠ²Π½ΡΡ
, Π±ΠΎΠ»ΡΡΠΈΡ
ΡΡΡΠ΅Π»ΠΎΡΠ½ΡΡ
ΠΈΠ½Π΄ΠΈΠΊΠ°ΡΠΎΡΠ° (ΡΠ°ΠΊΠΎΠΉ ΠΆΠ΅ ΡΠΏΠΈΠ΄ΠΎΠΌΠ΅ΡΡ, ΠΊΠ°ΠΊ ΠΈ ΡΠ°Ρ
ΠΎΠΌΠ΅ΡΡ). ΠΡΠΎΠΌΠ΅ ΡΠΎΠ³ΠΎ, ΡΠΊΠ°Π·Π°ΡΠ΅Π»Ρ ΡΡΠΎΠ²Π½Ρ Π±Π΅Π½Π·ΠΈΠ½Π° Π² Π±Π°ΠΊΠ΅, Π° ΡΠ°ΠΊΠΆΠ΅ ΡΠ΅ΠΌΠΏΠ΅ΡΠ°ΡΡΡΡ ΠΎΡ
Π»Π°ΠΆΠ΄Π°ΡΡΠ΅ΠΉ ΠΆΠΈΠ΄ΠΊΠΎΡΡΠΈ ΡΠ°ΠΊΠΆΠ΅ ΠΈΠΌΠ΅Π» ΡΡΡΠ΅Π»ΠΊΠΈ-ΡΠΊΠ°Π·Π°ΡΠ΅Π»ΠΈ, ΠΊΠ°ΠΊ Π² ΡΠΎΠΉ, ΡΠ°ΠΊ ΠΈ Π² Π΄ΡΡΠ³ΠΎΠΉ Π²Π΅ΡΡΠΈΠΈ.
ΠΡΠ΅ Π±ΡΠ» Π²ΠΎΠ»ΡΡΠΌΠ΅ΡΡ Π½Π° «Π½ΠΈΠ·ΠΊΠΎΠΉ» ΠΏΠ°Π½Π΅Π»ΠΈ, ΠΊΠΎΡΠΎΡΡΠΉ ΠΏΠΎΡΠΎΠΌ ΡΠ±ΡΠ°Π»ΠΈ Π·Π° Π½Π΅Π½Π°Π΄ΠΎΠ±Π½ΠΎΡΡΡΡ. Π‘ΠΏΠΈΠ΄ΠΎΠΌΠ΅ΡΡ ΡΠ°Π·ΠΌΠ΅ΡΠ΅Π½ Π΄ΠΎ ΡΠΊΠΎΡΠΎΡΡΠΈ 180 ΠΊΠΈΠ»ΠΎΠΌΠ΅ΡΡΠΎΠ² Π² ΡΠ°Ρ, ΡΡΠΎ Π½Π΅ΠΏΠ»ΠΎΡ
ΠΎ, ΠΊΠ°ΠΊ Π΄Π»Ρ Β«Π½Π°ΡΠΎΠ΄Π½ΠΎΠΉΒ» ΠΌΠ°ΡΠΈΠ½Ρ, ΠΎΠ΄Π½Π°ΠΊΠΎ Β«Π΄Π΅Π²ΡΡΠΊΠ°Β» ΡΠ°ΠΊΠΎΠ²ΠΎΠΉ Π½Π΅ ΡΡΠ°Π»Π°.
Π‘ΡΠ°Π·Ρ Π½Π°Π΄ ΡΡΡΠ΅Π»ΠΊΠΎΠΉ ΡΠΏΠΈΠ΄ΠΎΠΌΠ΅ΡΡΠ° Π½Π°Ρ
ΠΎΠ΄ΠΈΠ»ΡΡ ΠΏΠΎΠΊΠ°Π·Π°ΡΠ΅Π»Ρ ΡΡΡΠΎΡΠ½ΠΎΠ³ΠΎ ΠΏΡΠΎΠ±Π΅Π³Π° Π°Π²ΡΠΎΠΌΠΎΠ±ΠΈΠ»Ρ, Π° ΠΏΠΎΠ΄ Π½ΠΈΠΌ — ΠΎΠ±ΡΠΈΠΉ ΠΏΡΠΎΠ±Π΅Π³ Π°Π²ΡΠΎΠΌΠΎΠ±ΠΈΠ»Ρ. ΠΡΠ΅ ΠΏΡΠ΅Π΄Π΅Π»ΡΠ½ΠΎ ΠΏΡΠΎΡΡΠΎ ΠΈ ΠΏΠΎΠ½ΡΡΠ½ΠΎ. ΠΠ° Β«Π²ΡΡΠΎΠΊΠΎΠΉΒ» ΠΏΠ°Π½Π΅Π»ΠΈ ΡΠΏΠΈΠ΄ΠΎΠΌΠ΅ΡΡ ΡΠ°ΡΠΏΠΎΠ»Π°Π³Π°Π»ΡΡ ΡΠ»Π΅Π²Π°, Π° Π½Π° Π½ΠΈΠΆΠ½Π΅ΠΉ — ΠΏΠΎ ΡΠ΅Π½ΡΡΡ.
ΠΡΠ΅ ΠΎΡΡΠ°Π»ΡΠ½ΡΠ΅ ΠΈΠ½Π΄ΠΈΠΊΠ°ΡΠΎΡΡ ΡΠΈΡΡΠ΅ΠΌ Π°Π²ΡΠΎΠΌΠΎΠ±ΠΈΠ»Ρ Π½Π° Β«Π½ΠΈΠ·ΠΊΠΎΠΌΒ» ΠΏΡΠ»ΡΡΠ΅ ΡΠΎΠ±ΡΠ°Π½Ρ Π² ΡΠΏΠ΅ΡΠΈΠ°Π»ΡΠ½ΠΎΠΌ Π±Π»ΠΎΠΊΠ΅ Ρ Π»Π΅Π²ΠΎΠΉ ΡΡΠΎΡΠΎΠ½Ρ Π² Π²ΠΈΠ΄Π΅ ΡΠΏΠ΅ΡΠΈΠ°Π»ΡΠ½ΡΡ
ΠΊΠΎΠ½ΡΡΠΎΠ»ΡΠ½ΡΡ
Π»Π°ΠΌΠΏ.
ΠΠ°ΠΏΡΠΈΠΌΠ΅Ρ, Π΄Π°ΡΡΠΈΠΊ Π΄Π°Π²Π»Π΅Π½ΠΈΡ ΠΌΠ°ΡΠ»Π°, ΡΠ΅Π³ΡΠ»ΠΈΡΠΎΠ²ΠΊΠ° Π·Π°ΡΠ»ΠΎΠ½ΠΊΠΈ ΠΊΠ°ΡΠ±ΡΡΠ°ΡΠΎΡΠ°, Π·Π½Π°ΠΊ ΡΡΠ½ΠΊΡΠΈΠΈ Β«Π‘Π’ΠΠΒ», Π³Π°Π±Π°ΡΠΈΡΡ Π²ΠΊΠ»ΡΡΠ΅Π½ΠΈΡ-Π²ΡΠΊΠ»ΡΡΠ΅Π½ΠΈΡ ΠΈ ΡΠ°ΠΊ Π΄Π°Π»Π΅Π΅.ΠΡΡΠΎΠΊΠ°Ρ ΠΏΠ°Π½Π΅Π»Ρ Π±ΡΠ»Π° ΡΡΡΡΠΎΠ΅Π½Π° ΠΈΠ½Π°ΡΠ΅, ΡΠΏΠΈΠ΄ΠΎΠΌΠ΅ΡΡ ΠΈ ΡΠ°Ρ
ΠΎΠΌΠ΅ΡΡ ΡΠ°Π·ΠΌΠ΅ΡΡΠΈΠ»ΠΈ ΠΏΠΎ Π±ΠΎΠΊΠ°ΠΌ, Π° Π² ΡΡΠ΅Π΄Π½Π΅ΠΉ ΡΠ°ΡΡΠΈ — Π²ΡΠ΅ ΠΎΡΡΠ°Π»ΡΠ½ΡΠ΅ Π΄Π°ΡΡΠΈΠΊΠΈ ΠΈ ΠΊΠΎΠ½ΡΡΠΎΠ»ΡΠ½ΡΠ΅ Π»Π°ΠΌΠΏΡ, Π²ΡΠΏΠΎΠ»Π½ΡΡΡΠΈΠ΅ ΡΠ²ΠΎΠΈ ΡΡΠ½ΠΊΡΠΈΠΈ.
Π’Π°ΠΊΠΆΠ΅ Π² Π½ΠΈΠΆΠ½Π΅ΠΉ ΡΠ°ΡΡΠΈ ΠΏΡΠΈΠ±ΠΎΡΠ½ΠΎΠΉ ΠΏΠ°Π½Π΅Π»ΠΈ ΡΠ°ΡΠΏΠΎΠ»ΠΎΠΆΠ΅Π½Π° Π΄ΠΎΠΏΠΎΠ»Π½ΠΈΡΠ΅Π»ΡΠ½Π°Ρ ΠΈΠ½Π΄ΠΈΠΊΠ°ΡΠΎΡΠ½Π°Ρ ΠΏΠΎΠ»ΠΎΡΠΊΠ°. ΠΠ΄Π½Π°ΠΊΠΎ Π°Π²ΡΠΎΠΌΠΎΠ±ΠΈΠ»ΠΈΡΡΠ°ΠΌ Π½Π΅ ΠΎΡΠ΅Π½Ρ ΠΏΠΎΠ½ΡΠ°Π²ΠΈΠ»Π°ΡΡ Β«Π²ΡΡΠΎΠΊΠ°ΡΒ» ΠΏΠ°Π½Π΅Π»Ρ, ΡΠ°ΠΊ ΠΊΠ°ΠΊ Π² Ρ
ΠΎΠ»ΠΎΠ΄Π½ΡΡ ΠΏΠΎΠ³ΠΎΠ΄Ρ ΠΎΠ½Π° Π½Π°ΡΠΈΠ½Π°Π»Π° Π΄ΡΠ΅Π±Π΅Π·ΠΆΠ°ΡΡ, ΠΈ ΠΏΠ΅ΡΠΊΠ° Ρ Π½Π΅ΠΉ ΡΠ°Π±ΠΎΡΠ°Π»Π° Π½Π°ΠΌΠ½ΠΎΠ³ΠΎ Ρ
ΡΠΆΠ΅, ΡΠ΅ΠΌ Ρ Β«Π½ΠΈΠ·ΠΊΠΎΠΉΒ».
Β«ΠΠ²ΡΠΎΠΏΠ°Π½Π΅Π»ΡΒ» Π΄Π»Ρ ΠΠΠ 2109
ΠΡΠΎΠΌΠ΅ ΡΠΎΠ³ΠΎ, Ρ 1996 Π³ΠΎΠ΄Π° ΡΠΏΠ΅ΡΠΈΠ°Π»ΡΠ½ΠΎ Π΄Π»Ρ ΠΌΠΎΠ΄Π΅Π»ΠΈ ΠΠΠ 2108 Π±ΡΠ»Π° ΡΠ°Π·ΡΠ°Π±ΠΎΡΠ°Π½Π° Π±ΠΎΠ»Π΅Π΅ ΡΠΎΠ²ΡΠ΅ΠΌΠ΅Π½Π½Π°Ρ ΠΏΠ°Π½Π΅Π»Ρ ΠΏΡΠΈΠ±ΠΎΡΠΎΠ², ΠΊΠΎΡΠΎΡΠ°Ρ ΠΏΠΎΠ»ΡΡΠΈΠ»Π° Π½Π°Π·Π²Π°Π½ΠΈΠ΅ Β«Π΅Π²ΡΠΎΠΏΠ°Π½Π΅Π»ΡΒ».ΠΡΡΠ΅ΡΡΠ²Π΅Π½Π½ΠΎ, Π΄Π»Ρ ΡΡΡΠ°Π½ΠΎΠ²ΠΊΠΈ Π΅Π³ΠΎ, Ρ
ΠΎΡΡ Π±Ρ ΠΊΠ°ΠΊ Π²Π°ΡΠΈΠ°Π½Ρ, ΡΡΠ°Π»ΠΈ ΠΈ ΠΏΠΎ. ΠΡΠΎΡ Π²Π°ΡΠΈΠ°Π½Ρ ΠΏΠ°Π½Π΅Π»ΠΈ ΠΈΠΌΠ΅Π» ΡΡΠ°ΠΏΠ΅ΡΠΈΠ΅Π²ΠΈΠ΄Π½ΡΡ ΡΠΎΡΠΌΡ, Ρ Π·Π°ΠΊΡΡΠ³Π»Π΅Π½Π½ΡΠΌΠΈ ΠΊΡΠ°ΡΠΌΠΈ, Π²ΡΠ³Π»ΡΠ΄Π΅Π» Π±ΠΎΠ»Π΅Π΅ ΡΡΠ³ΠΎΠ½ΠΎΠΌΠΈΡΠ½ΡΠΌ ΠΈ ΠΎΠ±ΡΠ΅ΠΊΠ°Π΅ΠΌΡΠΌ, Π° ΠΏΠΎΡΠΎΠΌΡ Π±ΠΎΠ»Π΅Π΅ ΠΏΡΠΈΠ²Π»Π΅ΠΊΠ°ΡΠ΅Π»ΡΠ½ΡΠΌ.
ΠΠΎΠΌΠΈΠ½ΠΈΡΡΡΡΠ΅Π΅ ΠΌΠ΅ΡΡΠΎ Π½Π° Β«Π΅Π²ΡΠΎΠΏΠ°Π½Π΅Π»ΠΈΒ» Π·Π°Π½ΡΠ»ΠΈ ΡΠ°Ρ
ΠΎΠΌΠ΅ΡΡ ΠΈ ΡΠΏΠΈΠ΄ΠΎΠΌΠ΅ΡΡ, Π° Π²ΡΠ΅ ΠΎΡΡΠ°Π»ΡΠ½ΡΠ΅ ΠΈΠ½Π΄ΠΈΠΊΠ°ΡΠΎΡΡ ΠΈ ΠΈΠ½Π΄ΠΈΠΊΠ°ΡΠΎΡΡ Π±ΡΠ»ΠΈ ΡΠ°Π·ΠΌΠ΅ΡΠ΅Π½Ρ Π²ΠΎΠΊΡΡΠ³, ΠΈΠ³ΡΠ°Ρ Π²ΡΠΎΡΠΎΡΡΠ΅ΠΏΠ΅Π½Π½ΡΡ ΡΠΎΠ»Ρ, ΠΏΡΠ°Π²Π΄Π°, Π½Π΅ ΠΌΠ΅ΡΠ°Ρ Π²ΠΎΠ΄ΠΈΡΠ΅Π»Ρ, ΡΡΠΈΡΡΠ²Π°ΡΡ ΠΈΠ½ΡΠΎΡΠΌΠ°ΡΠΈΡ Π΄ΡΡΠ³ ΠΎΡ Π΄ΡΡΠ³Π°. ΠΠΎΠ»Π΅Π΅ ΡΠΎΠ³ΠΎ, Π΄Π°ΡΡΠΈΠΊΠΈ ΠΏΡΠΎΠΉΠ΄Π΅Π½Π½ΠΎΠ³ΠΎ ΡΠ°ΡΡΡΠΎΡΠ½ΠΈΡ, Π·Π° Π΄Π΅Π½Ρ, ΠΈ Π²ΠΎΠΎΠ±ΡΠ΅ Π² ΡΡΠΎΠΉ Π²Π΅ΡΡΠΈΠΈ, Π±ΡΠ»ΠΈ ΡΠΆΠ΅ ΡΠΈΡΡΠΎΠ²ΡΠΌΠΈ, ΠΊΠ°ΠΊ Π΄Π°Π½Ρ Π²ΡΠ΅ Π±ΠΎΠ»Π΅Π΅ ΡΠ°Π·Π²ΠΈΠ²Π°ΡΡΠ΅ΠΌΡΡΡ Π½Π°ΡΡΠ½ΠΎ-ΡΠ΅Ρ
Π½ΠΈΡΠ΅ΡΠΊΠΎΠΌΡ ΠΏΡΠΎΠ³ΡΠ΅ΡΡΡ.
ΠΠ»Π°ΡΡΠΈΠΊΠΎΠ²Π°Ρ ΠΏΠ°Π½Π΅Π»Ρ ΠΠΠ 2109 ΠΎΡΠ½Π°ΡΠ΅Π½Π° ΠΏΡΠΈΠ±ΠΎΡΠ½ΡΠΌ Π±Π»ΠΎΠΊΠΎΠΌ, ΡΡΡΠ°Π³Π°ΠΌΠΈ ΠΈ ΡΠ΅ΡΠ΅ΡΠΊΠ°ΠΌΠΈ ΡΠ΅Π³ΡΠ»ΠΈΡΠΎΠ²ΠΊΠΈ ΠΎΠ±Π΄ΡΠ²Π°, ΡΠΎΠ·Π΅ΡΠΊΠΎΠΉ Π΄Π»Ρ ΠΏΡΠΈΠΊΡΡΠΈΠ²Π°Π½ΠΈΡ ΡΠΈΠ³Π°ΡΠ΅Ρ ΠΈ Π΄ΡΡΠ³ΠΈΠΌΠΈ Π½Π΅ΠΎΠ±Ρ
ΠΎΠ΄ΠΈΠΌΡΠΌΠΈ ΠΊΠ½ΠΎΠΏΠΊΠ°ΠΌΠΈ. ΠΠ»Ρ ΡΠ»ΡΡΡΠ΅Π½ΠΈΡ ΡΡΠ½ΠΈΠ½Π³Π° ΠΏΠ°Π½Π΅Π»ΠΈ ΠΏΡΠΈΠ±ΠΎΡΠΎΠ² ΠΠΠ 2109 Π½Π΅ΠΊΠΎΡΠΎΡΡΠ΅ Π°Π²ΡΠΎΠ»ΡΠ±ΠΈΡΠ΅Π»ΠΈ ΡΡΡΠ°Π½Π°Π²Π»ΠΈΠ²Π°ΡΡ ΡΠ²Π΅ΡΠΎΠ΄ΠΈΠΎΠ΄Π½ΡΡ ΠΏΠΎΠ΄ΡΠ²Π΅ΡΠΊΡ … ΠΠ»Ρ ΡΡΠΎΠ³ΠΎ Π½Π΅ ΡΡΠ΅Π±ΡΠ΅ΡΡΡ ΡΠ΅ΡΡΠ΅Π·Π½ΠΎΠ³ΠΎ Π²ΠΌΠ΅ΡΠ°ΡΠ΅Π»ΡΡΡΠ²Π° Π² ΠΊΠΎΠΌΠ±ΠΈΠ½Π°ΡΠΈΡ ΠΏΡΠΈΠ±ΠΎΡΠΎΠ² … ΠΡΠΎΡΡΠΎ ΠΌΠ΅Π½ΡΠ΅ΡΡΡ ΠΊΠΎΠΌΠ±ΠΈΠ½Π°ΡΠΈΡ ΠΏΡΠΈΠ±ΠΎΡΠΎΠ² ΠΠΠ 2109, ΠΊΠΎΡΠΎΡΠ°Ρ ΠΈΠ΄Π΅Ρ Ρ Π²ΡΡΠΎΠΊΠΎΠΉ ΠΏΠ°Π½Π΅Π»ΡΡ.
Π£Π»ΡΡΡΠ΅Π½ΠΈΠ΅ ΡΠ°Π±ΠΎΡΡ ΠΏΠΎΠ΄ΡΠ²Π΅ΡΠΊΠΈ
ΠΠ°Π²ΠΎΠ΄ΡΠΊΠ°Ρ Π½Π°ΡΡΡΠΎΠΉΠΊΠ° ΡΠΎΡΠΏΠ΅Π΄Ρ ΠΠΠ 2109 ΡΠ΄Π΅Π»Π°Π½Π° ΡΠ°ΠΊ, ΡΡΠΎΠ±Ρ Π»Π°ΠΌΠΏΡ ΠΌΠΎΠ³Π»ΠΈ ΠΎΡΠ²Π΅ΡΠ°ΡΡ Π²ΡΠ΅ Π²ΡΠ²Π΅ΡΠΊΠΈ ΡΠ½Π°ΡΡΠΆΠΈ.ΠΠ°ΡΠ΅ΡΡΠ²ΠΎ ΡΠ°ΠΊΠΎΠ³ΠΎ ΠΎΡΠ²Π΅ΡΠ΅Π½ΠΈΡ ΠΎΡΡΠ°Π²Π»ΡΠ΅Ρ ΠΆΠ΅Π»Π°ΡΡ Π»ΡΡΡΠ΅Π³ΠΎ. ΠΠ»Ρ ΡΠΎΠ³ΠΎ, ΡΡΠΎΠ±Ρ ΠΏΡΠΈΠ±ΠΎΡΠ½Π°Ρ ΠΏΠ°Π½Π΅Π»Ρ Π°Π²ΡΠΎΠΌΠΎΠ±ΠΈΠ»Ρ ΠΠΠ 2109 ΠΈΠΌΠ΅Π»Π° Π²Π½ΡΡΡΠ΅Π½Π½ΡΡ ΠΏΠΎΠ΄ΡΠ²Π΅ΡΠΊΡ, Π½Π΅ΠΎΠ±Ρ
ΠΎΠ΄ΠΈΠΌΠΎ ΠΏΡΠΎΠΈΠ·Π²Π΅ΡΡΠΈ ΠΎΠΏΡΠ΅Π΄Π΅Π»Π΅Π½Π½ΡΡ Π΄ΠΎΡΠ°Π±ΠΎΡΠΊΡ. ΠΠ±ΡΡΠ½ΠΎ Π·Π΄Π΅ΡΡ ΠΈΡΠΏΠΎΠ»ΡΠ·ΡΠ΅ΡΡΡ ΠΏΡΠΎΠ·ΡΠ°ΡΠ½Π°Ρ Π½Π°ΠΊΠ»Π°Π΄ΠΊΠ°. Π‘Ρ
Π΅ΠΌΠ° Π²ΡΠΏΠΎΠ»Π½Π΅Π½ΠΈΡ ΡΠ°ΠΊΠΎΠΉ ΠΎΠΏΠ΅ΡΠ°ΡΠΈΠΈ Π΄ΠΎΠ²ΠΎΠ»ΡΠ½ΠΎ ΠΏΡΠΎΡΡΠ°.
Π‘Π½Π°ΡΠ°Π»Π° ΠΏΠΎΠ»Π½ΠΎΡΡΡΡ ΡΠ°Π·Π±ΠΈΡΠ°Π΅ΡΡΡ Π²ΡΡΠΎΠΊΠ°Ρ ΠΏΡΠΈΠ±ΠΎΡΠ½Π°Ρ ΠΏΠ°Π½Π΅Π»Ρ Π°Π²ΡΠΎΠΌΠΎΠ±ΠΈΠ»Ρ ΠΠΠ 2109. ΠΠ½Π΄ΠΈΠΊΠ°ΡΠΎΡΠ½ΡΠ΅ ΡΡΡΠ΅Π»ΠΊΠΈ ΠΈ ΡΠΎΠ΄Π½ΡΠ΅ Π½Π°ΠΊΠ»Π°Π΄ΠΊΠΈ ΡΠ½ΡΡΡ. ΠΠ»Ρ ΠΏΠΎΠ΄ΡΠ²Π΅ΡΠΊΠΈ Π½ΠΎΠ²ΠΎΠΉ ΠΏΠ»ΠΎΡΠ°Π΄ΠΊΠΈ ΠΈΠ·Π½ΡΡΡΠΈ ΡΠ΄Π΅Π»Π°Π½Ρ ΡΠΏΠ΅ΡΠΈΠ°Π»ΡΠ½ΡΠ΅ ΠΏΡΠΎΡΠ΅Π·ΠΈ. ΠΡΠΎ Π»Π΅Π³ΠΊΠΎ ΡΠ΄Π΅Π»Π°ΡΡ Π½Π°Π³ΡΠ΅ΡΡΠΌ Π½ΠΎΠΆΠΎΠΌ ΠΈΠ»ΠΈ ΠΏΠ°ΡΠ»ΡΠ½ΠΈΠΊΠΎΠΌ.ΠΠ»Ρ Π½ΠΎΠ²ΠΎΠΉ ΠΏΠΎΠ΄ΡΠ²Π΅ΡΠΊΠΈ ΠΏΡΠ»ΡΡΠ° ΠΠΠ 2109 Π½Π΅ΠΎΠ±Ρ
ΠΎΠ΄ΠΈΠΌΠΎ ΠΈΡΠΏΠΎΠ»ΡΠ·ΠΎΠ²Π°ΡΡ Π»Π΅Π½ΡΡ ΡΠΎ ΡΠ²Π΅ΡΠΎΠ΄ΠΈΠΎΠ΄Π°ΠΌΠΈ. ΠΠ³ΠΎ ΡΠ»Π΅Π΄ΡΠ΅Ρ ΡΠ°Π·ΡΠ΅Π·Π°ΡΡ Π½Π° ΠΎΡΠ΄Π΅Π»ΡΠ½ΡΠ΅ ΡΠ°ΡΡΠΈ, ΡΠΎΡΡΠΎΡΡΠΈΠ΅ ΠΈΠ· ΡΡΠ΅Ρ
Π΄ΠΈΠΎΠ΄ΠΎΠ². Π§ΡΠΎΠ±Ρ ΡΠ²Π΅ΡΠ΅Π½ΠΈΠ΅ Π±ΡΠ»ΠΎ Π±ΠΎΠ»Π΅Π΅ ΡΠ°Π²Π½ΠΎΠΌΠ΅ΡΠ½ΡΠΌ, ΡΡΡΠ°Π½Π°Π²Π»ΠΈΠ²Π°Π΅ΡΡΡ ΡΠ²Π΅ΡΠΎΠ²ΠΎΠ·Π²ΡΠ°ΡΠ°ΡΡΠΈΠΉ Π»ΠΈΡΡ ΠΈΠ· Π³Π»Π°Π΄ΠΊΠΎΠΉ ΡΠΎΠ»ΡΠ³ΠΈ.
Π‘Ρ
Π΅ΠΌΠ° ΡΡΡΠ°Π½ΠΎΠ²ΠΊΠΈ Π΄ΠΈΠΎΠ΄Π° ΡΠ»Π΅Π΄ΡΡΡΠ°Ρ.
ΠΠΎ ΠΎΠΊΠΎΠ½ΡΠ°Π½ΠΈΠΈ ΠΏΡΠΈΠΊΠ»Π΅ΠΈΠ²Π°Π½ΠΈΡ Π΄ΠΈΠΎΠ΄Π½ΠΎΠΉ Π»Π΅Π½ΡΡ Π²ΡΠΏΠΎΠ»Π½ΡΠ΅ΡΡΡ ΡΡ
Π΅ΠΌΠ° Π΅Π΅ ΠΏΠΎΠ΄ΠΊΠ»ΡΡΠ΅Π½ΠΈΡ ΠΊ ΠΊΠΎΠ½ΡΠ°ΠΊΡΠ½ΡΠΌ ΠΏΠ»Π°ΡΡΠΈΠ½Π°ΠΌ ΡΡΠ°ΡΠ½ΠΎΠΉ ΠΏΠΎΠ΄ΡΠ²Π΅ΡΠΊΠΈ. ΠΡΠΈ ΠΏΡΠΎΠ²Π΅Π΄Π΅Π½ΠΈΠΈ Π΄Π°Π½Π½ΠΎΠ³ΠΎ ΡΠ΅ΠΌΠΎΠ½ΡΠ° Π½Π΅ΠΎΠ±Ρ
ΠΎΠ΄ΠΈΠΌΠΎ ΡΠΎΠ±Π»ΡΠ΄Π°ΡΡ ΠΏΡΠ°Π²ΠΈΠ»ΡΠ½ΡΡ ΠΏΠΎΠ»ΡΡΠ½ΠΎΡΡΡ Π΄ΠΈΠΎΠ΄ΠΎΠ².
ΠΠΎΡΠ°Π±ΠΎΡΠΊΠ° ΡΠΎΡΠΏΠ΅Π΄Ρ Π½Π° ΠΎΡΠ΅ΡΠ΅ΡΡΠ²Π΅Π½Π½ΡΡ Β«ΠΠΈΠ³ΡΠ»ΠΈΒ»
ΠΠ½ΠΎΠ³ΠΈΠ΅ Π°Π²ΡΠΎΠ»ΡΠ±ΠΈΡΠ΅Π»ΠΈ, ΠΌΠΎΠ΄Π΅ΡΠ½ΠΈΠ·ΠΈΡΡΡ ΠΠΠ 2109 ΡΠ²ΠΎΠΈΠΌΠΈ ΡΡΠΊΠ°ΠΌΠΈ, ΡΡΠ½ΠΈΠ½Π³ΡΡΡ ΠΏΠ΅ΡΠ΅Π΄Π½ΡΡ ΠΏΠ°Π½Π΅Π»Ρ. Π§Π°ΡΠ΅ Π²ΡΠ΅Π³ΠΎ ΠΏΠ»Π°ΡΡΠΈΠΊ ΠΎΠ±ΡΡΠ³ΠΈΠ²Π°ΡΡ ΠΊΠΎΠΆΠ΅ΠΉ ΠΈΠ»ΠΈ ΠΊΡΠ°ΡΡΡ. ΠΠ»Ρ ΡΡΠΎΠ³ΠΎ ΡΠ½Π°ΡΠ°Π»Π° ΡΠ½ΠΈΠΌΠ°Π΅ΡΡΡ ΡΡΠ°ΡΠ½Π°Ρ ΡΠΎΡΠΏΠ΅Π΄Π°, ΠΏΠΎΡΠ»Π΅ ΡΠ΅Π³ΠΎ ΠΏΡΠΎΠΈΠ·Π²ΠΎΠ΄ΡΡΡΡ Π΄ΠΎΠΏΠΎΠ»Π½ΠΈΡΠ΅Π»ΡΠ½ΡΠ΅ ΡΠ°Π±ΠΎΡΡ. Π₯ΠΎΡΡ ΡΠ°ΠΊΠΎΠΉ ΡΠ΅ΠΌΠΎΠ½Ρ ΠΎΡΠ΅Π½Ρ Ρ
Π»ΠΎΠΏΠΎΡΠ½ΡΠΉ, ΡΠ΅Π·ΡΠ»ΡΡΠ°Ρ ΡΡΠΎΠΈΡ ΠΏΠΎΡΡΠ°ΡΠΈΡΡ Π²ΡΠ΅ΠΌΡ. ΠΠΎΡΠ»Π΅ ΡΠ΅ΠΌΠΎΠ½ΡΠ° ΠΏΠ΅ΡΠ΅Π΄Π½ΡΡ ΡΠ°ΡΡΡ ΡΠ°Π»ΠΎΠ½Π° Π±ΡΠ΄Π΅Ρ Π²ΡΠ³Π»ΡΠ΄Π΅ΡΡ Π±ΠΎΠ»Π΅Π΅ ΡΡΡΠ΅ΠΊΡΠ½ΠΎ ΠΈ ΠΏΡΠΈΠ²Π»Π΅ΠΊΠ°ΡΠ΅Π»ΡΠ½ΠΎ.
ΠΡΠ»ΠΈ Π²ΠΎ Π²ΡΠ΅ΠΌΡ Π΄Π²ΠΈΠΆΠ΅Π½ΠΈΡ Π°Π²ΡΠΎΠΌΠΎΠ±ΠΈΠ»Ρ ΡΠΎΡΠΏΠ΅Π΄Π° Π½Π°ΡΠΈΠ½Π°Π΅Ρ ΠΈΠ·Π΄Π°Π²Π°ΡΡ Π½Π΅ΠΏΡΠΈΡΡΠ½ΡΠ΅ ΡΠΊΡΠΈΠΏΡ, Π½Π΅ΠΎΠ±Ρ
ΠΎΠ΄ΠΈΠΌΠΎ ΠΏΡΠΈΠΊΠ»Π΅ΠΈΡΡ ΠΏΠ°Π½Π΅Π»Ρ.Π§ΡΠΎΠ±Ρ Π±ΡΡΡΡΠΎ ΠΈ ΠΊΠ°ΡΠ΅ΡΡΠ²Π΅Π½Π½ΠΎ ΠΏΡΠΎΠ²Π΅ΡΡΠΈ ΡΠ°ΠΊΠΎΠΉ ΡΠ΅ΠΌΠΎΠ½Ρ, Π²Π°ΠΌ ΠΏΠΎΡΡΠ΅Π±ΡΡΡΡΡ ΡΠ»Π΅Π΄ΡΡΡΠΈΠ΅ ΠΈΠ½ΡΡΡΡΠΌΠ΅Π½ΡΡ ΠΈ ΠΌΠ°ΡΠ΅ΡΠΈΠ°Π»Ρ: ΡΠ½ΠΈΠ²Π΅ΡΡΠ°Π»ΡΠ½Π°Ρ ΠΎΡΠ²Π΅ΡΡΠΊΠ°
- ;
- ΡΠΎΠΆΠΊΠΎΠ²ΡΠ΅ ΠΊΠ»ΡΡΠΈ;
- ΠΊΠΎΠΌΠΏΠ»Π΅ΠΊΡ ΡΠΎΡΡΠΎΠ²ΡΡ
Π³ΠΎΠ»ΠΎΠ²ΠΎΠΊ;
- ΠΏΠ»ΠΎΡΠΊΠΎΠ³ΡΠ±ΡΡ;
- Π½ΠΎΠΆΠ½ΠΈΡΡ;
- ΠΏΠΎΡΠΎΠ»ΠΎΠ½;
- ΠΠ»ΠΎΡΠ½ΡΠΉ ΠΌΠ°ΡΠ΅ΡΠΈΠ°Π» Π½Π° Π»ΠΈΠΏΡΡΠΊΠ΅ (Guerlain).
ΠΠ΅ΡΠ΅Π΄ ΡΠ½ΡΡΠΈΠ΅ΠΌ ΠΏΠ°Π½Π΅Π»ΠΈ Π½Π΅ΠΎΠ±Ρ
ΠΎΠ΄ΠΈΠΌΠΎ ΠΎΡΡΠΎΠ΅Π΄ΠΈΠ½ΠΈΡΡ ΠΊΠ°Π±Π΅Π»ΠΈ ΠΎΡ Π°ΠΊΠΊΡΠΌΡΠ»ΡΡΠΎΡΠ°. ΠΠ°Π»Π΅Π΅ ΡΠ½ΠΈΠΌΠ°ΡΡΡΡ ΡΡΡΠ°Π³ΠΈ ΡΠ΅Π³ΡΠ»ΠΈΡΠΎΠ²ΠΊΠΈ Π½Π°Π³ΡΠ΅Π²Π°, Π° ΡΠ°ΠΊΠΆΠ΅ ΠΎΡΠΊΡΡΡΠΈΠ²Π°ΡΡΡΡ ΠΊΠΎΠ½ΡΠΎΠ»ΠΈ.ΠΠ»Ρ ΡΡΠΎΠ³ΠΎ Π²ΠΎΡΠΏΠΎΠ»ΡΠ·ΡΠΉΡΠ΅ΡΡ ΠΊΡΠ΅ΡΡΠΎΠ²ΠΎΠΉ Π³ΠΎΠ»ΠΎΠ²ΠΊΠΎΠΉ ΡΠ½ΠΈΠ²Π΅ΡΡΠ°Π»ΡΠ½ΠΎΠΉ ΠΎΡΠ²Π΅ΡΡΠΊΠΈ. Π ΡΠ°Π·ΠΎΠ±ΡΠ°Π½Π½ΠΎΠΌ Π°Π³ΡΠ΅Π³Π°ΡΠ΅ ΠΎΡΡΠΎΠ΅Π΄ΠΈΠ½Π΅Π½Ρ Π²ΡΠ΅ ΠΆΠ³ΡΡΡ ΠΏΡΠΎΠ²ΠΎΠ΄ΠΎΠ². ΠΠ΅ΡΠ΅Π΄ ΡΠ΅ΠΌ, ΠΊΠ°ΠΊ ΡΠ½ΡΡΡ ΠΊΠΎΠΆΡΡ
ΡΡΠ»Π΅Π²ΠΎΠ³ΠΎ ΠΌΠ΅Ρ
Π°Π½ΠΈΠ·ΠΌΠ°, ΠΎΡΠ²Π΅ΡΠ½ΠΈΡΠ΅ ΡΠ΅ΡΡΡ ΠΊΡΠ΅ΠΏΠ΅ΠΆΠ½ΡΡ
Π²ΠΈΠ½ΡΠΎΠ².
Π§ΡΠΎΠ±Ρ Π΄ΠΎΠ±ΡΠ°ΡΡΡΡ Π΄ΠΎ ΠΏΡΠΈΠ²ΠΎΠ΄Π° ΡΠΏΠΈΠ΄ΠΎΠΌΠ΅ΡΡΠ° Π½Π° ΠΠΠ 2109, Π½Π΅ΠΎΠ±Ρ
ΠΎΠ΄ΠΈΠΌΠΎ ΠΎΡΡΠΎΠ΅Π΄ΠΈΠ½ΠΈΡΡ ΡΡΠΎΡ ΠΎΡ ΡΡΠ°Π½ΡΠΌΠΈΡΡΠΈΠΈ. ΠΠ»Ρ ΡΡΠΎΠ³ΠΎ ΡΠ½Π°ΡΠ°Π»Π° Π½ΡΠΆΠ½ΠΎ ΡΠ°Π·ΠΎΠ±ΡΠ°ΡΡ ΠΊΡΠ΅ΠΏΠ»Π΅Π½ΠΈΠ΅ ΠΊΠΎΡΠΏΡΡΠ°. ΠΠ°ΡΠ΅ΠΌ ΡΠΎ ΡΠΏΠΈΠ΄ΠΎΠΌΠ΅ΡΡΠ° ΠΎΡΠΊΡΡΡΠΈΠ²Π°Π΅ΡΡΡ ΠΊΡΠ΅ΠΏΠ΅ΠΆΠ½Π°Ρ Π³Π°ΠΉΠΊΠ°. ΠΠ°ΡΠ΅ΠΌ ΡΠ΄Π΅ΡΠΆΠΈΠ²Π°ΡΡΠΈΠΉ ΠΊΡΠΎΠ½ΡΡΠ΅ΠΉΠ½ ΠΎΡΠ²ΠΎΡΠ°ΡΠΈΠ²Π°Π΅ΡΡΡ, ΠΈ ΡΡΠΎΡ ΡΠΏΠΎΠΊΠΎΠΉΠ½ΠΎ ΡΠ½ΠΈΠΌΠ°Π΅ΡΡΡ.ΠΠ° ΡΠ»Π΅Π΄ΡΡΡΠ΅ΠΌ ΡΡΠ°ΠΏΠ΅ ΡΠ°Π±ΠΎΡΡ ΡΠ½ΠΈΠΌΠ°Π΅ΡΡΡ ΠΊΡΠ΅ΠΏΠ»Π΅Π½ΠΈΠ΅ Π·Π°ΠΌΠΊΠ° Π·Π°ΠΆΠΈΠ³Π°Π½ΠΈΡ, ΠΏΠΎΡΠ»Π΅ ΡΠ΅Π³ΠΎ ΡΡΡΡΠΎΠΉΡΡΠ²ΠΎ ΡΠ½ΠΈΠΌΠ°Π΅ΡΡΡ.
ΠΠ°Π»ΡΠ½Π΅ΠΉΡΠ°Ρ ΡΡ
Π΅ΠΌΠ° ΡΠ°Π·Π±ΠΎΡΠΊΠΈ ΠΊΠ°ΡΠ°Π΅ΡΡΡ ΡΡΠ»Π΅Π²ΠΎΠ³ΠΎ ΡΠΏΡΠ°Π²Π»Π΅Π½ΠΈΡ. Π‘ΠΈΠ³Π½Π°Π»ΡΠ½Π°Ρ ΡΠ°Π±Π»ΠΈΡΠΊΠ° ΡΠ½ΠΈΠΌΠ°Π΅ΡΡΡ Ρ ΡΡΠ»Ρ. ΠΠ°ΡΠ΅ΠΌ Ρ ΠΏΠΎΠΌΠΎΡΡΡ Π½Π°Π±ΠΎΡΠ° ΡΠΎΡΡΠ΅Π²ΡΡ
Π³ΠΎΠ»ΠΎΠ²ΠΎΠΊ ΡΠ°Π·Π±ΠΈΡΠ°Π΅ΡΡΡ ΡΠ·Π΅Π» ΡΠΎΠ΅Π΄ΠΈΠ½Π΅Π½ΠΈΡ ΡΡΠ»Ρ Ρ Π²Π°Π»ΠΎΠΌ ΠΈ ΡΠ½ΠΈΠΌΠ°Π΅ΡΡΡ ΡΡΡΡΠ²Π°Π». ΠΠ°ΡΠ΅ΠΌ ΠΎΡΠΊΡΡΡΠΈΠ²Π°ΡΡΡΡ ΠΎΡΡΠ°Π»ΡΠ½ΡΠ΅ Π²ΠΈΠ½ΡΡ ΠΊΡΠ΅ΠΏΠ»Π΅Π½ΠΈΡ, ΠΏΠΎΡΠ»Π΅ ΡΠ΅Π³ΠΎ ΠΎΡΠ²ΠΎΠ±ΠΎΠΆΠ΄Π΅Π½Π½Π°Ρ ΡΠΎΡΠΏΠ΅Π΄Π° ΡΠ½ΠΈΠΌΠ°Π΅ΡΡΡ. ΠΠ° Π΄Π°Π½Π½ΠΎΠΌ ΡΡΠ°ΠΏΠ΅ ΠΌΠΎΠΆΠ½ΠΎ ΡΡΠΈΡΠ°ΡΡ, ΡΡΠΎ ΡΡ
Π΅ΠΌΠ° Π΄Π΅ΠΌΠΎΠ½ΡΠ°ΠΆΠ° Π²ΡΡΠΎΠΊΠΈΡ
ΠΏΠ°Π½Π΅Π»Π΅ΠΉ ΡΡΠΏΠ΅ΡΠ½ΠΎ ΡΠ΅Π°Π»ΠΈΠ·ΠΎΠ²Π°Π½Π°.
Π Π°Π·ΠΎΠ±ΡΠ°Π½Π½Π°Ρ ΡΠΎΡΠΏΠ΅Π΄Π° ΠΎΠ±Π΅ΡΠΏΠ΅ΡΠΈΠ²Π°Π΅Ρ Π΄ΠΎΡΡΡΠΏ ΠΊ ΠΎΡΡΠ°ΠΆΠ°ΡΠ΅Π»ΡΠΌ ΡΠΈΡΡΠ΅ΠΌΡ Π²Π΅Π½ΡΠΈΠ»ΡΡΠΈΠΈ, Π½Π° ΠΊΠΎΡΠΎΡΡΠ΅ ΠΌΠΎΠΆΠ½ΠΎ ΡΡΡΠ°Π½ΠΎΠ²ΠΈΡΡ Π΄ΠΎΠΏΠΎΠ»Π½ΠΈΡΠ΅Π»ΡΠ½ΡΡ ΡΠ²Π΅ΡΠΎΠ΄ΠΈΠΎΠ΄Π½ΡΡ ΠΏΠΎΠ΄ΡΠ²Π΅ΡΠΊΡ.
ΠΡΠ»ΠΈ Ρ ΠΎΠ΄Π½ΠΈΡ
Π°Π²ΡΠΎΠΌΠΎΠ±ΠΈΠ»Π΅ΠΉ ΠΠΠ 2109 ΠΏΠ°Π½Π΅Π»Ρ Π²ΡΡΠΎΠΊΠ°Ρ, ΡΠΎ Ρ Π΄ΡΡΠ³ΠΎΠΉ — Π½ΠΈΠ·ΠΊΠ°Ρ. ΠΡΠΈ ΡΡΠΎΠΌ ΡΡ
Π΅ΠΌΡ Π½Π΅ΡΠΊΠΎΠ»ΡΠΊΠΎ ΠΎΡΠ»ΠΈΡΠ°ΡΡΡΡ, ΠΏΠΎΡΡΠΎΠΌΡ ΠΏΡΠ΅Π΄Π»Π°Π³Π°Π΅ΠΌ Π²Π°ΡΠ΅ΠΌΡ Π²Π½ΠΈΠΌΠ°Π½ΠΈΡ ΠΏΠΎΠ΄ΡΠΎΠ±Π½ΠΎΠ΅ ΠΎΠΏΠΈΡΠ°Π½ΠΈΠ΅ Π΄Π°ΡΠ±ΠΎΡΠ΄ΠΎΠ² ΠΈ Π΄Π°ΡΠ±ΠΎΡΠ΄Π° Π΄Π»Ρ Π΄Π΅Π²ΡΡΠΎΠΊ Ρ Π½ΠΈΠ·ΠΊΠΎΠΉ ΠΏΠ°Π½Π΅Π»ΡΡ.
ΠΠ·Π½Π°ΠΊΠΎΠΌΠΈΠΌΡΡ ΡΠΎ ΡΡ
Π΅ΠΌΠΎΠΉ ΠΏΡΠΈΠ±ΠΎΡΠ½ΠΎΠΉ ΠΏΠ°Π½Π΅Π»ΠΈ ΠΈ Π΅Π΅ ΠΊΠΎΠΌΠΏΠΎΠ½Π΅Π½ΡΠ°ΠΌΠΈ Π½Π° ΠΎΡΠ½ΠΎΠ²Π΅ ΠΈΠ·ΠΎΠ±ΡΠ°ΠΆΠ΅Π½ΠΈΡ Π½ΠΈΠΆΠ΅.
ΠΡΠ° Π΄ΠΈΠ°Π³ΡΠ°ΠΌΠΌΠ° ΡΠΎΠ΄Π΅ΡΠΆΠΈΡ ΡΠ»Π΅Π΄ΡΡΡΠΈΠ΅ ΡΠ»Π΅ΠΌΠ΅Π½ΡΡ.
ΠΊΠΎΠΌΠ½. | Π§ΡΠΎ ΡΡΠΎ ΡΠ°ΠΊΠΎΠ΅ |
| ΠΠΎΠΌΠ±ΠΈΠ½Π°ΡΠΈΡ ΠΏΡΠΈΠ±ΠΎΡΠΎΠ² |
| ΠΠ°ΠΌΠΎΠΊ Π·Π°ΠΆΠΈΠ³Π°Π½ΠΈΡ |
| |
| Π¦Π΅Π½ΡΡΠ°Π»ΡΠ½ΡΠ΅ ΡΠΎΡΡΡΠ½ΠΊΠΈ ΠΎΡΠΎΠΏΠ»Π΅Π½ΠΈΡ ΠΈ Π²Π΅Π½ΡΠΈΠ»ΡΡΠΈΠΈ ΡΠ°Π»ΠΎΠ½Π° |
| ΠΠΎΠΊΠΎΠ²ΡΠ΅ ΡΠΎΡΡΡΠ½ΠΊΠΈ ΠΎΡΠΎΠΏΠ»Π΅Π½ΠΈΡ ΠΈ Π²Π΅Π½ΡΠΈΠ»ΡΡΠΈΠΈ ΡΠ°Π»ΠΎΠ½Π° |
| ΠΡΡΡΠΊΠ° Π±Π°ΡΠ΄Π°ΡΠΊΠ° |
| |
| ΠΠ°Π³Π»ΡΡΠΊΠ° |
| ΠΡΠΊΠ»ΡΡΠ°ΡΠ΅Π»Ρ ΠΎΠ±ΠΎΠ³ΡΠ΅Π²Π° ΡΡΠ΅ΠΊΠ»Π° Π½Π° Π΄Π²Π΅ΡΠΈ Π±Π°Π³Π°ΠΆΠ½ΠΈΠΊΠ° |
| ΠΡΠΊΠ»ΡΡΠ°ΡΠ΅Π»Ρ Π·Π°Π΄Π½Π΅ΠΉ ΠΏΡΠΎΡΠΈΠ²ΠΎΡΡΠΌΠ°Π½Π½ΠΎΠΉ ΠΎΠΏΡΠΈΠΊΠΈ |
| ΠΡΠΊΠ»ΡΡΠ°ΡΠ΅Π»Ρ Π°Π²Π°ΡΠΈΠΉΠ½ΠΎΠΉ ΡΠΈΠ³Π½Π°Π»ΠΈΠ·Π°ΡΠΈΠΈ |
| Π¦Π΅Π½ΡΡΠ°Π»ΡΠ½ΡΠΉ Π²ΡΠΊΠ»ΡΡΠ°ΡΠ΅Π»Ρ Π½Π°ΡΡΠΆΠ½ΠΎΠ³ΠΎ ΠΎΡΠ²Π΅ΡΠ΅Π½ΠΈΡ |
| ΠΡΠ»ΡΡ ΡΠΏΡΠ°Π²Π»Π΅Π½ΠΈΡ ΡΠΈΡΡΠ΅ΠΌΠΎΠΉ ΠΎΡΠΎΠΏΠ»Π΅Π½ΠΈΡ ΠΈ Π²Π΅Π½ΡΠΈΠ»ΡΡΠΈΠΈ |
| Π Π°Π΄ΠΈΠΎΡΠΎΠ·Π΅ΡΠΊΠ° |
| Π ΡΡΠ°Π³ ΠΏΠ΅ΡΠ΅ΠΊΠ»ΡΡΠ΅Π½ΠΈΡ ΠΏΠ΅ΡΠ΅Π΄Π°Ρ |
| Π ΡΡΠ°Π³ ΡΡΡΠ½ΠΎΠ³ΠΎ ΡΠΎΡΠΌΠΎΠ·Π° |
| ΠΠ΅ΠΏΠ΅Π»ΡΠ½ΠΈΡΠ° |
| ΠΡΠΈΠΊΡΡΠΈΠ²Π°ΡΠ΅Π»Ρ |
| Π ΡΡΠ°Π³ ΡΠΏΡΠ°Π²Π»Π΅Π½ΠΈΡ ΠΎΠΌΡΠ²Π°ΡΠ΅Π»Π΅ΠΌ Π»ΠΎΠ±ΠΎΠ²ΠΎΠ³ΠΎ ΡΡΠ΅ΠΊΠ»Π° ΠΈ ΡΡΠ΅ΠΊΠ»ΠΎΠΎΡΠΈΡΡΠΈΡΠ΅Π»Ρ |
| ΠΠ΅Π΄Π°Π»Ρ Π³Π°Π·Π° |
| ΠΠ΅Π΄Π°Π»Ρ ΡΠΎΡΠΌΠΎΠ·Π° |
| Π‘ΡΠ΅ΠΏΠ»Π΅Π½ΠΈΠ΅ |
| Π ΡΡΠΊΠ° Π·Π°ΠΊΡΡΡΠΈΡ Π²ΠΎΠ·Π΄ΡΡΠ½ΠΎΠΉ Π·Π°ΡΠ»ΠΎΠ½ΠΊΠΈ |
| ΠΡΠΊΠ»ΡΡΠ°ΡΠ΅Π»Ρ Π·Π²ΡΠΊΠΎΠ²ΠΎΠ³ΠΎ ΡΠΈΠ³Π½Π°Π»Π° |
| Π ΡΡΠΊΠ° ΠΎΠ±Π½ΡΠ»Π΅Π½ΠΈΡ ΡΡΠ΅ΡΡΠΈΠΊΠ° ΡΡΡΠΎΡΠ½ΠΎΠ³ΠΎ ΠΏΡΠΎΠ±Π΅Π³Π° |
| ΠΡΠΊΠ»ΡΡΠ°ΡΠ΅Π»Ρ ΠΎΡΠ²Π΅ΡΠ΅Π½ΠΈΡ ΠΏΠ°Π½Π΅Π»ΠΈ ΠΏΡΠΈΠ±ΠΎΡΠΎΠ² |
| Π ΡΡΠΊΠ° ΡΠΏΡΠ°Π²Π»Π΅Π½ΠΈΡ Π³ΠΈΠ΄ΡΠΎΠΊΠΎΡΡΠ΅ΠΊΡΠΎΡΠΎΠΌ ΡΠ°Ρ |
| Π ΡΡΠ°Π³ ΠΏΡΠΈΠ²ΠΎΠ΄Π° Π·Π°ΠΌΠΊΠ° ΠΊΠ°ΠΏΠΎΡΠ° |
| Π ΡΡΠ°Π³ ΡΠΏΡΠ°Π²Π»Π΅Π½ΠΈΡ ΡΠ°ΡΠ°ΠΌΠΈ ΠΈ ΠΏΠΎΠ²ΠΎΡΠΎΡΠ½ΠΈΠΊΠ°ΠΌΠΈ |
ΠΠΎΠΌΠ±ΠΈΠ½Π°ΡΠΈΡ ΠΏΡΠΈΠ±ΠΎΡΠΎΠ²
Π§ΡΠΎ ΠΊΠ°ΡΠ°Π΅ΡΡΡ ΠΊΠΎΠΌΠ±ΠΈΠ½Π°ΡΠΈΠΈ ΠΏΡΠΈΠ±ΠΎΡΠΎΠ² Π² ΠΠΠ 2109 Ρ Π½Π΅Π²ΡΡΠΎΠΊΠΎΠΉ ΠΏΠ°Π½Π΅Π»ΡΡ, ΡΠΎ ΠΎΠ½Π° ΠΈΠΌΠ΅Π΅Ρ ΡΠ»Π΅Π΄ΡΡΡΡΡ ΡΡ
Π΅ΠΌΡ.
ΠΠ°ΠΊ ΠΏΠΎΠΊΠ°Π·Π°Π½ΠΎ Π½Π° ΡΠΈΡΡΠ½ΠΊΠ΅, ΠΊΠΎΠΌΠΏΠΎΠ½Π΅Π½ΡΡ ΠΊΠΎΠΌΠ±ΠΈΠ½Π°ΡΠΈΠΈ ΠΏΡΠΈΠ±ΠΎΡΠΎΠ² ΡΠ»Π΅Π΄ΡΡΡΠΈΠ΅.
ΠΊΠΎΠΌΠ½. | Π§ΡΠΎ ΡΡΠΎ ΡΠ°ΠΊΠΎΠ΅ |
| Π‘ΠΏΠΈΠ΄ΠΎΠΌΠ΅ΡΡ |
| Π£ΠΊΠ°Π·Π°ΡΠ΅Π»Ρ ΡΠ΅ΠΌΠΏΠ΅ΡΠ°ΡΡΡΡ ΠΎΡ
Π»Π°ΠΆΠ΄Π°ΡΡΠ΅ΠΉ ΠΆΠΈΠ΄ΠΊΠΎΡΡΠΈ |
| ΠΠΎΠ»ΡΡΠΌΠ΅ΡΡ |
| Π£ΠΊΠ°Π·Π°ΡΠ΅Π»Ρ ΡΡΠΎΠ²Π½Ρ ΡΠΎΠΏΠ»ΠΈΠ²Π° Π² Π±Π°ΠΊΠ΅ |
| ΠΠΎΠ½ΡΡΠΎΠ»ΡΠ½Π°Ρ Π»Π°ΠΌΠΏΠ° ΡΠ΅Π·Π΅ΡΠ²Π° ΡΠΎΠΏΠ»ΠΈΠ²Π° |
| ΠΠΊΠΎΠ½ΠΎΠΌΠ΅ΡΡ |
| Π‘ΡΠ΅ΡΡΠΈΠΊ ΡΡΡΠΎΡΠ½ΠΎΠ³ΠΎ ΠΏΡΠΎΠ±Π΅Π³Π° Π°Π²ΡΠΎΠΌΠΎΠ±ΠΈΠ»Π΅ΠΉ |
| Π‘ΡΠ΅ΡΡΠΈΠΊ ΠΎΠ±ΡΠ΅Π³ΠΎ ΠΏΡΠΎΠ±Π΅Π³Π° |
| |
| ΠΠΎΠ½ΡΡΠΎΠ»ΡΠ½Π°Ρ Π»Π°ΠΌΠΏΠ° ΡΡΠΎΠ²Π½Ρ Π·Π°ΡΡΠ΄Π° Π°ΠΊΠΊΡΠΌΡΠ»ΡΡΠΎΡΠ° |
| ΠΠΎΠ½ΡΡΠΎΠ»ΡΠ½Π°Ρ Π»Π°ΠΌΠΏΠ° Π²ΠΎΠ·Π΄ΡΡΠ½ΠΎΠΉ Π·Π°ΡΠ»ΠΎΠ½ΠΊΠΈ |
| ΠΠΎΠ½ΡΡΠΎΠ»ΡΠ½Π°Ρ Π»Π°ΠΌΠΏΠ° Π²ΠΊΠ»ΡΡΠ΅Π½ΠΈΡ Π°Π²Π°ΡΠΈΠΉΠΊΠΈ |
| ΠΠΎΠ½ΡΡΠΎΠ»ΡΠ½Π°Ρ Π»Π°ΠΌΠΏΠ° Π½ΠΈΠ·ΠΊΠΎΠ³ΠΎ ΡΡΠΎΠ²Π½Ρ ΡΠΎΡΠΌΠΎΠ·Π½ΠΎΠΉ ΠΆΠΈΠ΄ΠΊΠΎΡΡΠΈ |
| ΠΠΎΠ½ΡΡΠΎΠ»ΡΠ½Π°Ρ Π»Π°ΠΌΠΏΠ° Π²ΠΊΠ»ΡΡΠ΅Π½ΠΈΡ ΡΡΡΠ½ΠΎΠ³ΠΎ ΡΠΎΡΠΌΠΎΠ·Π° |
| ΠΠΎΠ½ΡΡΠΎΠ»ΡΠ½Π°Ρ Π»Π°ΠΌΠΏΠ° Π°Π²Π°ΡΠΈΠΉΠ½ΠΎΠ³ΠΎ Π½ΠΈΠ·ΠΊΠΎΠ³ΠΎ Π΄Π°Π²Π»Π΅Π½ΠΈΡ ΠΌΠ°ΡΠ»Π° |
| ΠΠΎΠ½ΡΡΠΎΠ»ΡΠ½Π°Ρ Π»Π°ΠΌΠΏΠ° ΡΠΊΠ°Π·Π°ΡΠ΅Π»Π΅ΠΉ ΠΏΠΎΠ²ΠΎΡΠΎΡΠ° |
| ΠΠΎΠ½ΡΡΠΎΠ»ΡΠ½Π°Ρ Π»Π°ΠΌΠΏΠ° Π²ΠΊΠ»ΡΡΠ΅Π½ΠΈΡ Π±ΠΎΠΊΠΎΠ²ΠΎΠΉ ΠΎΠΏΡΠΈΠΊΠΈ |
| ΠΠΎΠ½ΡΡΠΎΠ»ΡΠ½Π°Ρ Π»Π°ΠΌΠΏΠ° Π²ΠΊΠ»ΡΡΠ΅Π½ΠΈΡ Π·Π°Π΄Π½Π΅ΠΉ ΠΏΡΠΎΡΠΈΠ²ΠΎΡΡΠΌΠ°Π½Π½ΠΎΠΉ ΠΎΠΏΡΠΈΠΊΠΈ |
| ΠΠΎΠ½ΡΡΠΎΠ»ΡΠ½Π°Ρ Π»Π°ΠΌΠΏΠ° Π΄Π°Π»ΡΠ½Π΅Π³ΠΎ ΡΠ²Π΅ΡΠ° |
| ΠΠΎΠ½ΡΡΠΎΠ»ΡΠ½Π°Ρ Π»Π°ΠΌΠΏΠ° Π²ΠΊΠ»ΡΡΠ΅Π½ΠΈΡ Π·Π°Π΄Π½Π΅Π³ΠΎ ΠΎΠ±ΠΎΠ³ΡΠ΅Π²Π° ΡΡΠ΅ΠΊΠ»Π° |
Π Π°Π·Π±ΠΎΡΠΊΠ°
ΠΡΠΈΡΠΈΠ½ Π΄Π»Ρ Π΄Π΅ΠΌΠΎΠ½ΡΠ°ΠΆΠ° Π½ΠΈΠΆΠ½Π΅ΠΉ ΠΏΠ°Π½Π΅Π»ΠΈ ΠΠΠ 2109 ΠΌΠΎΠΆΠ΅Ρ Π±ΡΡΡ Π½Π΅ΡΠΊΠΎΠ»ΡΠΊΠΎ:
- ΠΡΠ·ΠΎΠ²Π½ΠΎΠΉ ΡΠ΅ΠΌΠΎΠ½Ρ;
- Π Π΅ΠΌΠΎΠ½Ρ ΠΏΠ°Π½Π΅Π»ΡΠ½ΡΡ
ΡΠ»Π΅ΠΌΠ΅Π½ΡΠΎΠ²;
- ΠΠ²ΡΠΊΠΎΠΈΠ·ΠΎΠ»ΡΡΠΈΡ Π°Π²ΡΠΎΠΌΠΎΠ±ΠΈΠ»Ρ;
- ΠΠ΅Π»Π°Π½ΠΈΠ΅ ΠΏΠΎΠΌΠ΅Π½ΡΡΡ ΡΡΠ°ΡΡΡ ΡΠΎΡΠΏΠ΅Π΄Ρ Π½Π° Π½ΠΎΠ²ΡΡ ΠΈ Ρ. Π.
ΠΠ΅Π·Π°Π²ΠΈΡΠΈΠΌΠΎ ΠΎΡ ΠΏΡΠΈΡΠΈΠ½, ΠΊΠΎΡΠΎΡΡΠ΅ Π·Π°ΡΡΠ°Π²ΠΈΠ»ΠΈ Π²Π°Ρ ΡΠ½ΡΡΡ ΠΏΠ°Π½Π΅Π»Ρ ΡΠ²ΠΎΠΈΠΌΠΈ ΡΡΠΊΠ°ΠΌΠΈ, ΡΠ°Π±ΠΎΡΡ ΡΠ»Π΅Π΄ΡΠ΅Ρ ΠΏΡΠΎΠ²ΠΎΠ΄ΠΈΡΡ ΡΡΡΠΎΠ³ΠΎ ΠΏΠΎ ΠΈΠ½ΡΡΡΡΠΊΡΠΈΠΈ.
ΠΡΠ΅Π΄Π»Π°Π³Π°Π΅ΠΌ Π²Π°ΠΌ ΠΏΠΎΡΠ°Π³ΠΎΠ²ΡΡ ΠΈΠ½ΡΡΡΡΠΊΡΠΈΡ, ΠΊΠΎΡΠΎΡΠ°Ρ ΠΏΠΎΠ·Π²ΠΎΠ»ΠΈΡ Π²Π°ΠΌ ΡΠ°ΠΌΠΎΡΡΠΎΡΡΠ΅Π»ΡΠ½ΠΎ ΡΠ½ΡΡΡ Π½ΠΈΠΆΠ½ΠΈΠΉ ΡΠΈΠΏ ΠΏΠ°Π½Π΅Π»ΠΈ, ΡΡΡΠ°Π½ΠΎΠ²Π»Π΅Π½Π½ΠΎΠΉ Π½Π° ΠΠΠ 2109.
- Π‘Π½ΠΈΠΌΠΈΡΠ΅ ΡΡΡΠΊΠΈ ΡΠΏΡΠ°Π²Π»Π΅Π½ΠΈΡ ΠΏΠ΅ΡΠΊΠΎΠΉ. ΠΡΠ΅Π³ΠΎ ΡΡΠΈ.
- Π‘Π½ΠΈΠΌΠΈΡΠ΅ ΡΡΡΠΊΡ ΠΏΠ΅ΡΠ΅ΠΊΠ»ΡΡΠ°ΡΠ΅Π»Ρ Π²Π΅Π½ΡΠΈΠ»ΡΡΠΎΡΠ° ΠΏΠ΅ΡΠΊΠΈ. ΠΠ»Ρ ΡΡΠΎΠ³ΠΎ Π½ΡΠΆΠ½ΠΎ ΠΏΠΎΡΡΠ½ΡΡΡ Π΅Π΅ Π½Π° ΡΠ΅Π±Ρ.
- ΠΡΠΊΡΡΡΠΈΠ²Π°Π΅ΠΌ 2 ΠΊΡΠ΅ΠΏΠ»Π΅Π½ΠΈΡ Π½Π°ΠΊΠ»Π°Π΄ΠΎΠΊ ΠΏΠ°Π½Π΅Π»ΠΈ ΠΏΡΠΈΠ±ΠΎΡΠΎΠ² Ρ ΠΎΠ±Π΅ΠΈΡ
ΡΡΠΎΡΠΎΠ½ ΠΊΠΎΠ½ΡΠΎΠ»ΠΈ. ΠΡΡΡΠΊΡ Π½ΡΠΆΠ½ΠΎ ΠΏΡΠΈΠ΄Π²ΠΈΠ½ΡΡΡ ΠΊ Π²Π°ΠΌ.
- ΠΡΡΠΎΠ΅Π΄ΠΈΠ½ΠΈΡΡ ΠΊΠΎΠ»ΠΎΠ΄ΠΊΡ ΠΏΡΠΎΠ²ΠΎΠ΄ΠΎΠ² ΠΎΡ ΠΏΠ΅ΡΠ΅ΠΊΠ»ΡΡΠ°ΡΠ΅Π»Ρ Π·Π°Π΄Π½Π΅ΠΉ ΠΏΡΠΎΡΠΈΠ²ΠΎΡΡΠΌΠ°Π½Π½ΠΎΠΉ ΠΎΠΏΡΠΈΠΊΠΈ.
- ΠΡΡΠΎΠ΅Π΄ΠΈΠ½ΠΈΡΠ΅ ΠΏΠ°ΡΡ ΡΠΈΠ»ΠΎΠ²ΡΡ
Π±Π»ΠΎΠΊΠΎΠ² ΠΈ ΠΎΠ΄ΠΈΠ½ ΠΏΡΠΎΠ²ΠΎΠ΄ ΠΏΠΈΡΠ°Π½ΠΈΡ ΠΎΡ ΠΏΠ΅ΡΠ΅ΠΊΠ»ΡΡΠ°ΡΠ΅Π»Ρ ΠΎΠ±ΠΎΠ³ΡΠ΅Π²Π° Π·Π°Π΄Π½Π΅Π³ΠΎ ΡΡΠ΅ΠΊΠ»Π°.
- ΠΡΡΠΎΠ΅Π΄ΠΈΠ½ΠΈΡΡ ΠΊΠΎΠ»ΠΎΠ΄ΠΊΡ ΠΏΡΠΎΠ²ΠΎΠ΄ΠΎΠ² ΠΎΡ Π²ΡΠΊΠ»ΡΡΠ°ΡΠ΅Π»Ρ Π°Π²Π°ΡΠΈΠΉΠΊΠΈ.
- Π‘Π½ΠΈΠΌΠΈΡΠ΅ ΠΊΠΎΠ»ΠΎΠ΄ΠΊΡ Ρ ΠΏΡΠΎΠ²ΠΎΠ΄ΠΊΠΎΠΉ Ρ Π²ΡΠΊΠ»ΡΡΠ°ΡΠ΅Π»Ρ Π½Π°ΡΡΠΆΠ½ΠΎΠ³ΠΎ ΠΎΡΠ²Π΅ΡΠ΅Π½ΠΈΡ.
- ΠΡΡΠΎΠ΅Π΄ΠΈΠ½ΠΈΡΡ ΡΠΎΠ·Π΅ΡΠΊΡ ΠΎΡ ΠΏΡΠΈΠΊΡΡΠΈΠ²Π°ΡΠ΅Π»Ρ.
- ΠΡΡΠΎΠ΅Π΄ΠΈΠ½ΠΈΡΡ ΡΠ°Π·ΡΠ΅ΠΌ ΠΏΡΠΎΠ²ΠΎΠ΄ΠΊΠΈ ΠΏΡΠΈΠΊΡΡΠΈΠ²Π°ΡΠ΅Π»Ρ ΠΈ ΡΠ½ΡΡΡ ΠΎΠ±Π»ΠΈΡΠΎΠ²ΠΊΡ ΠΏΠ°Π½Π΅Π»ΠΈ.
- Π‘Π½ΠΈΠΌΠΈΡΠ΅ 4 ΡΠΈΠΊΡΠ°ΡΠΎΡΠ° ΠΏΠ°Π½Π΅Π»ΠΈ ΡΠΏΡΠ°Π²Π»Π΅Π½ΠΈΡ ΡΠ΅ΡΠΌΠΎΡΠ»Π΅ΠΌΠ΅Π½ΡΠ°.
- ΠΡΠΊΡΡΡΠΈΡΡ 2 ΠΊΡΠ΅ΠΏΠ»Π΅Π½ΠΈΡ ΠΊΠΎΠ·ΡΡΡΠΊΠ° ΠΏΠ°Π½Π΅Π»ΠΈ ΠΏΡΠΈΠ±ΠΎΡΠΎΠ².
- Π‘Π½ΠΈΠΌΠΈΡΠ΅ Π½Π΅ΠΏΠΎΡΡΠ΅Π΄ΡΡΠ²Π΅Π½Π½ΠΎ ΠΊΠΎΠ·ΡΡΠ΅ΠΊ ΡΠ°ΠΌΠΎΠΉ ΠΊΠΎΠΌΠ±ΠΈΠ½Π°ΡΠΈΠΈ ΠΏΡΠΈΠ±ΠΎΡΠΎΠ².
- ΠΡΡΠΆΠΈΠ½Π½ΡΠ΅ Π·Π°ΠΆΠΈΠΌΡ Π΄ΠΎΠ»ΠΆΠ½Ρ Π±ΡΡΡ ΡΠΆΠ°ΡΡ.
- Π‘Π½ΠΈΠΌΠΈΡΠ΅ ΠΊΠΎΡΠΏΡΡ ΠΊΠΎΠΌΠ±ΠΈΠ½Π°ΡΠΈΠΈ ΠΏΡΠΈΠ±ΠΎΡΠΎΠ² Ρ ΠΏΠ°Π½Π΅Π»ΠΈ.
- ΠΡΠΊΡΡΡΠΈΠ²Π°Π΅ΠΌ Π³Π°ΠΉΠΊΡ ΠΊΡΠ΅ΠΏΠ»Π΅Π½ΠΈΡ ΡΠΏΠΈΠ΄ΠΎΠΌΠ΅ΡΡΠ°, Π·Π°ΡΠ΅ΠΌ ΠΎΡΡΠΎΠ΅Π΄ΠΈΠ½ΡΠ΅ΠΌ Π΅Π³ΠΎ ΡΡΠΎΡ.
- ΠΡΡΠΎΠ΅Π΄ΠΈΠ½ΠΈΡΠ΅ ΠΊΠΎΠ»ΠΎΠ΄ΠΊΡ Ρ ΠΏΡΠΎΠ²ΠΎΠ΄Π°ΠΌΠΈ (ΠΎΠ½ Π±Π΅Π»ΡΠΉ) ΠΎΡ ΠΏΠ°Π½Π΅Π»ΠΈ ΠΏΡΠΈΠ±ΠΎΡΠΎΠ².
- Π‘Π½ΠΈΠΌΠΈΡΠ΅ ΡΠ»Π°Π½Π³ Ρ ΡΠΊΠΎΠ½ΠΎΠΌΠ΅ΡΡΠΈΡΠ΅ΡΠΊΠΎΠ³ΠΎ ΡΠΈΡΠΈΠ½Π³Π°, Π° Π·Π°ΡΠ΅ΠΌ ΡΠ½ΠΈΠΌΠΈΡΠ΅ ΡΠΏΠ»ΠΈΠ½Ρ.
- ΠΡΡΠΎΠ΅Π΄ΠΈΠ½ΠΈΡΠ΅ ΡΡΠΎΡ ΠΎΡ ΡΠΏΠΈΠ΄ΠΎΠΌΠ΅ΡΡΠ°, ΡΠ±ΡΠ°ΡΡΠ²Π°ΡΡΠΈΠΉ ΡΡΠ΅ΡΡΠΈΠΊ ΠΏΡΠΎΠ±Π΅Π³Π° Π·Π° ΡΡΡΠΊΠΈ.
- Π’Π΅ΠΏΠ΅ΡΡ Π½Π΅ΠΎΠ±Ρ
ΠΎΠ΄ΠΈΠΌΠΎ ΠΎΡΡΠΎΠ΅Π΄ΠΈΠ½ΠΈΡΡ ΠΊΡΠ°ΡΠ½ΡΠΉ Π±Π»ΠΎΠΊ ΠΎΡ ΠΊΠΎΠΌΠ±ΠΈΠ½Π°ΡΠΈΠΈ ΠΏΡΠΈΠ±ΠΎΡΠΎΠ².
- Π‘Π½ΡΡΡ ΡΡΡΠΊΡ ΠΏΠ΅ΡΠ΅ΠΊΠ»ΡΡΠ°ΡΠ΅Π»Ρ ΠΎΡΠ²Π΅ΡΠ΅Π½ΠΈΡ ΠΏΠ°Π½Π΅Π»ΠΈ ΠΏΡΠΈΠ±ΠΎΡΠΎΠ² ΠΈ ΡΡΡΠΊΡ Π³ΠΈΠ΄ΡΠΎΠΊΠΎΡΡΠ΅ΠΊΡΠΎΡΠ° ΡΠ°Ρ. ΠΡ
Π½ΡΠΆΠ½ΠΎ ΡΡΠ½ΡΡΡ ΠΊ ΡΠ΅Π±Π΅.
- ΠΡΠ²Π΅ΡΠ½ΠΈΡΠ΅ ΡΠΈΠΊΡΠΈΡΡΡΡΡΡ Π³Π°ΠΉΠΊΡ ΠΏΠ΅ΡΠ΅ΠΊΠ»ΡΡΠ°ΡΠ΅Π»Ρ ΠΎΡΠ²Π΅ΡΠ΅Π½ΠΈΡ ΠΏΡΠΈΠ±ΠΎΡΠΎΠ².
- ΠΡΠ²Π΅ΡΠ½ΠΈΡΠ΅ Π³Π°ΠΉΠΊΡ ΠΊΡΠ΅ΠΏΠ»Π΅Π½ΠΈΡ ΠΏΠ°ΡΡΡΠ±ΠΊΠ° Π³ΠΈΠ΄ΡΠΎΠΊΠΎΡΡΠ΅ΠΊΡΠΎΡΠ° ΡΠ°ΡΡ.
- Π‘Π½ΠΈΠΌΠΈΡΠ΅ ΡΡΠ»Π΅Π²ΠΎΠ΅ ΠΊΠΎΠ»Π΅ΡΠΎ ΠΈ Π΅Π³ΠΎ ΠΏΠ΅ΡΠ΅ΠΊΠ»ΡΡΠ°ΡΠ΅Π»ΠΈ Π½Π° ΡΡΠ»Π΅Π²ΠΎΠΉ ΠΊΠΎΠ»ΠΎΠ½ΠΊΠ΅.
- ΠΡΡΠ°Π²ΡΡΠ΅ ΠΊΠ»ΡΡ Π² Π·Π°ΠΌΠΎΠΊ Π·Π°ΠΆΠΈΠ³Π°Π½ΠΈΡ, ΠΏΠΎΠ²Π΅ΡΠ½ΠΈΡΠ΅ Π΅Π³ΠΎ Π² ΠΏΠΎΠ»ΠΎΠΆΠ΅Π½ΠΈΠ΅ 1. ΠΡΠΎ ΠΎΡΠΊΠ»ΡΡΠΈΡ ΠΏΡΠΎΡΠΈΠ²ΠΎΡΠ³ΠΎΠ½Π½ΠΎΠ΅ ΡΡΡΡΠΎΠΉΡΡΠ²ΠΎ. Π’ΠΎΠ»ΡΠΊΠΎ ΠΏΠΎΡΠ»Π΅ ΡΡΠΎΠ³ΠΎ ΠΌΠΎΠΆΠ½ΠΎ ΠΎΡΠΊΠ»ΡΡΠΈΡΡ Π±Π»ΠΎΠΊ ΠΏΠΈΡΠ°Π½ΠΈΡ Π·Π°ΠΌΠΊΠ° Π·Π°ΠΆΠΈΠ³Π°Π½ΠΈΡ.
- Π‘Π½ΠΈΠΌΠΈΡΠ΅ 2 Π±ΠΎΠ»ΡΠ° ΠΊΡΠ΅ΠΏΠ»Π΅Π½ΠΈΡ ΠΈ 2 Π³Π°ΠΉΠΊΠΈ ΡΡΡΠ±ΠΊΠΈ ΡΡΠ»Π΅Π²ΠΎΠΉ ΠΊΠΎΠ»ΠΎΠ½ΠΊΠΈ.
- ΠΠ΅ΠΌΠΎΠ½ΡΠΈΡΠΎΠ²Π°ΡΡ ΡΡΡ ΡΡΡΠ±ΠΊΡ, Π²Π·ΡΠ² Ρ ΡΠΎΠ±ΠΎΠΉ Π²ΡΠΊΠ»ΡΡΠ°ΡΠ΅Π»Ρ Π·Π°ΠΆΠΈΠ³Π°Π½ΠΈΡ.
- ΠΠΎΡΡΠ½ΠΈΡΠ΅ ΡΡΡΠΊΡ Π²ΠΎΠ·Π΄ΡΡΠ½ΠΎΠΉ Π·Π°ΡΠ»ΠΎΠ½ΠΊΠΈ Π½Π° ΡΠ΅Π±Ρ (ΡΡΠΎ Π²ΡΠ°ΡΡΠ²Π°Π½ΠΈΠ΅ ΠΊΠ°ΡΠ±ΡΡΠ°ΡΠΎΡΠ°).ΠΠΎΠ»ΠΆΠ½ΠΎ ΠΏΠΎΡΠ²ΠΈΡΡΡΡ ΡΡΠ³Π°. ΠΠΎΡΠ»Π΅ ΡΡΠΎΠ³ΠΎ ΡΡΡΠΊΠ° ΡΠ½ΠΈΠΌΠ°Π΅ΡΡΡ ΡΠΎ ΡΡΠ΅ΡΠΆΠ½Ρ.
- ΠΡΠΊΡΡΡΠΈΡΠ΅ 2 ΡΠΈΠΊΡΠ°ΡΠΎΡΠ° Π½Π°ΠΏΡΠ°Π²Π»ΡΡΡΠ΅ΠΉ ΡΡΠ°Π½Π³ΠΈ Π²ΠΎΠ·Π΄ΡΡΠ½ΠΎΠΉ Π·Π°ΡΠ»ΠΎΠ½ΠΊΠΈ, ΡΠ΄Π΅ΡΠΆΠΈΠ²Π°ΡΡΠΈΠ΅ Π΅Π΅ Π½Π° ΠΏΡΠΈΠ±ΠΎΡΠ½ΠΎΠΉ ΠΏΠ°Π½Π΅Π»ΠΈ.
- ΠΡΠΊΡΡΡΠΈΡΠ΅ ΠΊΡΠ΅ΠΏΠ΅ΠΆΠ½ΡΠΉ Π²ΠΈΠ½Ρ Ρ Π»Π΅Π²ΠΎΠΉ ΡΡΠΎΡΠΎΠ½Ρ ΠΏΠ°Π½Π΅Π»ΠΈ ΠΏΡΠΈΠ±ΠΎΡΠΎΠ².
- ΠΡΠΊΡΡΡΠΈΡΡ ΠΊΡΠ΅ΠΏΠ»Π΅Π½ΠΈΡ Π»Π΅Π²ΠΎΠΉ Π½ΠΈΠΆΠ½Π΅ΠΉ ΠΏΠ°Π½Π΅Π»ΠΈ ΠΊΡΠ΅ΠΏΠ»Π΅Π½ΠΈΡ.
- Π’Π°ΠΊΠΈΠΌ ΠΆΠ΅ ΠΎΠ±ΡΠ°Π·ΠΎΠΌ ΡΠ½ΠΈΠΌΠΈΡΠ΅ ΠΊΡΠ΅ΠΏΠ»Π΅Π½ΠΈΡ ΡΠ±ΠΎΠΊΡ ΠΈ ΡΠ½ΠΈΠ·Ρ Ρ ΠΏΡΠ°Π²ΠΎΠΉ ΡΡΠΎΡΠΎΠ½Ρ ΠΏΡΠΈΠ±ΠΎΡΠ½ΠΎΠΉ ΠΏΠ°Π½Π΅Π»ΠΈ.
- ΠΡΠΊΡΡΡΠΈΡΠ΅ Π²ΠΈΠ½Ρ ΠΊΡΠ΅ΠΏΠ»Π΅Π½ΠΈΡ ΠΏΠ°Π½Π΅Π»ΠΈ, ΠΊΠΎΡΠΎΡΡΠΉ Π½Π°Ρ
ΠΎΠ΄ΠΈΡΡΡ Π²Π½ΡΡΡΠΈ ΠΏΠ΅ΡΡΠ°ΡΠΎΡΠ½ΠΎΠ³ΠΎ ΡΡΠΈΠΊΠ°.
- Π‘ ΠΎΠ±Π΅ΠΈΡ
ΡΡΠΎΡΠΎΠ½ ΠΏΠ°Π½Π΅Π»ΠΈ ΠΎΡΡΠ°Π΅ΡΡΡ ΠΏΠΎ ΠΎΠ΄Π½ΠΎΠΌΡ ΠΊΡΠ΅ΠΏΠ΅ΠΆΡ, ΠΊΠΎΡΠΎΡΡΠΉ ΡΠ»Π΅Π΄ΡΠ΅Ρ ΠΎΡΠΊΡΡΡΠΈΡΡ, ΡΡΠΎΠ±Ρ Π² ΡΠ΅Π·ΡΠ»ΡΡΠ°ΡΠ΅ ΡΠ½ΡΡΡ ΠΏΡΠΈΠ±ΠΎΡΠΊΡ.
Π‘Π±ΠΎΡΠΊΠ° Π½ΠΈΠΆΠ½Π΅ΠΉ ΠΏΠ°Π½Π΅Π»ΠΈ ΠΎΡΡΡΠ΅ΡΡΠ²Π»ΡΠ΅ΡΡΡ Π² ΠΎΠ±ΡΠ°ΡΠ½ΠΎΠΌ ΠΏΠΎΡΡΠ΄ΠΊΠ΅, Π΅ΡΠ»ΠΈ Π½Π΅ ΠΏΠ»Π°Π½ΠΈΡΡΠ΅ΡΡΡ Π΅Π΅ Π·Π°ΠΌΠ΅Π½Π° Π½Π° Π±ΠΎΠ»Π΅Π΅ ΡΠΎΠ²ΡΠ΅ΠΌΠ΅Π½Π½ΡΡ ΠΈΠ»ΠΈ ΠΌΠΎΠ΄ΠΈΡΠΈΡΠΈΡΠΎΠ²Π°Π½Π½ΡΡ ΠΊΠΎΠ½ΡΡΡΡΠΊΡΠΈΡ. Π’ΠΎΠ³Π΄Π° ΡΠ±ΠΎΡΠΊΠ° Π·Π°Π²ΠΈΡΠΈΡ ΠΊΠΎΠ½ΠΊΡΠ΅ΡΠ½ΠΎ ΠΎΡ ΠΏΠ°Π½Π΅Π»ΠΈ, ΠΊΠΎΡΠΎΡΡΡ Π²Ρ Π²ΡΠ±ΡΠ°Π»ΠΈ Π΄Π»Ρ ΡΠ²ΠΎΠ΅Π³ΠΎ ΠΠΠ 2109.
ΠΠ΅ Π·Π°Π±ΡΠ²Π°ΠΉΡΠ΅, ΡΡΠΎ ΡΠ±ΠΎΡΠΊΠ° Π½Π΅ ΡΠ»ΠΎΠΆΠ½Π΅Π΅ ΠΈ Π½Π΅ ΠΏΡΠΎΡΠ΅ ΡΠ°Π·Π±ΠΎΡΠΊΠΈ. ΠΠΎΡΡΠΎΠΌΡ Π½Π΅ ΡΡΠΎΠΈΡ ΡΠ°ΡΡΠ»Π°Π±Π»ΡΡΡΡΡ, Π²ΡΠΏΠΎΠ»Π½ΠΈΠ² ΡΠΎΠ»ΡΠΊΠΎ ΠΏΠΎΠ»ΠΎΠ²ΠΈΠ½Ρ Π·Π°Π΄Π°Π½ΠΈΡ.
ΠΠ°Π½Π΅Π»Ρ ΠΏΡΠΈΠ±ΠΎΡΠΎΠ² Π½Π° Π°Π²ΡΠΎΠΌΠΎΠ±ΠΈΠ»ΡΡ
ΠΠΠ 2109 ΠΎΡΠ½Π°ΡΠ΅Π½Π° ΠΌΠ½ΠΎΠΆΠ΅ΡΡΠ²ΠΎΠΌ Π·Π½Π°ΡΠΊΠΎΠ² ΠΈ ΠΈΠ½Π΄ΠΈΠΊΠ°ΡΠΎΡΠΎΠ², ΠΎΡΠΎΠ±ΡΠ°ΠΆΠ°ΡΡΠΈΡ
ΡΠΎΡΡΠΎΡΠ½ΠΈΠ΅ ΡΠ°Π·Π»ΠΈΡΠ½ΡΡ
Π°Π²ΡΠΎΡΠΈΡΡΠ΅ΠΌ. ΠΠΎ Π²Π»Π°Π΄Π΅Π»ΡΡΡ Β«Π΄Π΅Π²ΡΡΠΎΠΊΒ» Π½Π΅ Π²ΡΠ΅Π³Π΄Π° Π·Π½Π°ΡΡ, ΠΊΠ°ΠΊ ΡΠ°ΡΡΠΈΡΡΠΎΠ²ΡΠ²Π°ΡΡΡΡ Π²ΡΠ΅ ΡΡΠΈ ΠΈΠ½Π΄ΠΈΠΊΠ°ΡΠΎΡΡ ΠΈ ΠΊΠ°ΠΊΠΈΠ΅ ΡΡΠ½ΠΊΡΠΈΠΈ ΠΎΠ½ΠΈ Π²ΡΠΏΠΎΠ»Π½ΡΡΡ. Π ΡΡΠΎΠΌ ΠΌΠ°ΡΠ΅ΡΠΈΠ°Π»Π΅ ΠΌΡ ΡΠ°ΡΡΠΊΠ°ΠΆΠ΅ΠΌ Π²ΡΠ΅, ΡΡΠΎ Π½ΡΠΆΠ½ΠΎ Π·Π½Π°ΡΡ Π°Π²ΡΠΎΠ²Π»Π°Π΄Π΅Π»ΡΡΡ 2109 ΠΎ ΠΏΡΠΈΠ±ΠΎΡΠ½ΠΎΠΉ ΠΏΠ°Π½Π΅Π»ΠΈ ΡΠ²ΠΎΠ΅ΠΉ ΠΌΠ°ΡΠΈΠ½Ρ.
ΠΠΎΠΌΠ±ΠΈΠ½Π°ΡΠΈΡ ΠΏΡΠΈΠ±ΠΎΡΠΎΠ²
ΠΠ° ΡΠ΅Π³ΠΎΠ΄Π½ΡΡΠ½ΠΈΠΉ Π΄Π΅Π½Ρ Π°Π²ΡΠΎΠΌΠΎΠ±ΠΈΠ»ΠΈ ΠΠΠ 2109, ΠΊΠΎΡΠΎΡΡΠ΅ ΠΌΠΎΠΆΠ½ΠΎ Π²ΡΡΡΠ΅ΡΠΈΡΡ Π½Π° ΠΎΡΠ΅ΡΠ΅ΡΡΠ²Π΅Π½Π½ΡΡ
Π΄ΠΎΡΠΎΠ³Π°Ρ
, Π±ΡΠ΄Ρ ΡΠΎ ΠΊΠ°ΡΠ±ΡΡΠ°ΡΠΎΡΡ ΠΈΠ»ΠΈ ΠΈΠ½ΠΆΠ΅ΠΊΡΠΎΡΡ, ΠΎΡΠ½Π°ΡΠ΅Π½Ρ ΡΡΠ΅ΠΌΡ Π²ΠΈΠ΄Π°ΠΌΠΈ ΡΠ»Π΅ΠΊΡΡΠΎΠ½Π½ΡΡ
Β«ΡΡΡΡΠΎΠΉΡΡΠ²Β».ΠΡΠΎ ΠΌΠΎΠΆΠ΅Ρ Π±ΡΡΡ Π½ΠΈΠ·ΠΊΠ°Ρ ΠΏΠ°Π½Π΅Π»Ρ, Π²ΡΡΠΎΠΊΠ°Ρ ΠΈΠ»ΠΈ Π΅Π²ΡΠΎΠΏΠ°Π½Π΅Π»Ρ. Π Π°ΡΡΠΌΠΎΡΡΠΈΠΌ ΠΎΠΏΠΈΡΠ°Π½ΠΈΠ΅ ΠΊΠ°ΠΆΠ΄ΠΎΠ³ΠΎ Π²ΠΈΠ΄Π° ΠΎΡΠ΄Π΅Π»ΡΠ½ΠΎ.
ΠΠ°Π½Π΅Π»Ρ «ΠΠΈΠ·ΠΊΠ°Ρ»
ΠΠ°ΡΠ½Π΅ΠΌ Ρ Π½ΠΈΠΆΠ½Π΅Π³ΠΎ Π²Π°ΡΠΈΠ°Π½ΡΠ°. ΠΠΎΠ΄ΡΠΎΠ±Π½ΠΎΠ΅ ΠΎΠ±ΡΡΡΠ½Π΅Π½ΠΈΠ΅ ΡΡ
Π΅ΠΌΡ Π΄Π°Π½ΠΎ Π² ΡΠ°Π±Π»ΠΈΡΠ΅.
| ΠΠ½Π°ΡΠΎΠΊ | ΠΠ°ΠΏΠΈΡΡ |
| 32 | Π£ΠΊΠ°Π·ΡΠ²Π°Π΅Ρ, ΠΊΠ°ΠΊΠΎΠΉ. ΠΠ½Π΄ΠΈΠΊΠ°ΡΠΎΡ ΠΏΠ΅ΡΠ΅ΡΡΠ°Π΅Ρ ΡΠ°Π±ΠΎΡΠ°ΡΡ ΠΏΠΎΡΠ»Π΅ ΠΏΠΎΠ²ΠΎΡΠΎΡΠ° ΡΡΠ»Ρ. |
| 33 | Π‘Π²Π΅ΡΠΎΠ²Π°Ρ Π»Π°ΠΌΠΏΠ°, ΠΊΠΎΡΠΎΡΠ°Ρ Π²ΠΊΠ»ΡΡΠ°Π΅ΡΡΡ ΠΏΡΠΈ Π²ΠΊΠ»ΡΡΠ΅Π½ΠΈΠΈ Π±Π»ΠΈΠΆΠ½Π΅Π³ΠΎ ΡΠ²Π΅ΡΠ°. |
| 34 | ΠΠ°Π³ΠΎΡΠ°Π΅ΡΡΡ ΠΏΡΠΈ Π²ΠΊΠ»ΡΡΠ΅Π½ΠΈΠΈ ΠΠ’Π€ — ΠΏΡΠΎΡΠΈΠ²ΠΎΡΡΠΌΠ°Π½Π½ΡΠ΅ ΡΠ°ΡΡ. |
| 35 | Π€Π°ΡΠ° Π΄Π°Π»ΡΠ½Π΅Π³ΠΎ ΡΠ²Π΅ΡΠ°. |
| 36 | ΠΡΠ΅Π΄ΡΠΏΡΠ΅ΠΆΠ΄Π°Π΅Ρ Π²ΠΎΠ΄ΠΈΡΠ΅Π»Ρ, ΠΊΠΎΠ³Π΄Π° ΡΠ°Π±ΠΎΡΠ°Π΅Ρ ΠΎΠ±ΠΎΠ³ΡΠ΅Π²Π°ΡΠ΅Π»Ρ Π·Π°Π΄Π½Π΅Π³ΠΎ ΡΡΠ΅ΠΊΠ»Π°. |
| 37 | |
| 38 | Π‘ΠΏΠΈΠ΄ΠΎΠΌΠ΅ΡΡ. |
| 39 | |
| 40 | ΠΠ°ΡΡΠΈΠΊ, ΡΠ²Π΅Π΄ΠΎΠΌΠ»ΡΡΡΠΈΠΉ Π²ΠΎΠ΄ΠΈΡΠ΅Π»Ρ ΠΎ ΡΠ΅ΠΌΠΏΠ΅ΡΠ°ΡΡΡΠ΅ Π°Π½ΡΠΈΡΡΠΈΠ·Π° Π² ΡΠΈΡΡΠ΅ΠΌΠ΅ ΠΎΡ
Π»Π°ΠΆΠ΄Π΅Π½ΠΈΡ. |
| 41 | ΠΠ°ΡΡΠΈΠΊ ΡΡΠΎΠ²Π½Ρ Π½Π°ΠΏΡΡΠΆΠ΅Π½ΠΈΡ Π±ΠΎΡΡΠΎΠ²ΠΎΠΉ ΡΠ΅ΡΠΈ Π’Π‘. |
| 42 | |
| 43 | Π»Π°ΠΌΠΏΠΎΡΠΊΠ° Π²ΠΊΠ»ΡΡΠ΅Π½ΠΈΡ ΡΠΈΠ³Π½Π°Π»ΠΈΠ·Π°ΡΠΈΠΈ. |
| 44 | ΠΠΈΠΎΠ΄ Π·Π°Π³ΠΎΡΠ°Π΅ΡΡΡ ΠΏΡΠΈ Π°Π²Π°ΡΠΈΠΉΠ½ΠΎΠΌ ΡΠΎΡΡΠΎΡΠ½ΠΈΠΈ ΡΠΎΡΠΌΠΎΠ·Π½ΠΎΠΉ ΡΠΈΡΡΠ΅ΠΌΡ. |
| 45 | ΠΠ½Π°ΡΠΎΠΊ Π²ΠΎΠ·Π΄ΡΡΠ½ΠΎΠΉ Π·Π°ΡΠ»ΠΎΠ½ΠΊΠΈ ΠΈΠ»ΠΈ Π²ΠΎΠ·Π΄ΡΡΠ½ΠΎΠΉ Π·Π°ΡΠ»ΠΎΠ½ΠΊΠΈ ΠΊΠ°ΡΠ±ΡΡΠ°ΡΠΎΡΠ°. |
| 46 | ΠΠΊΠ»ΡΡΠ΅Π½ΠΈΠ΅ ΡΡΡΠ½ΠΎΠ³ΠΎ ΡΠΎΡΠΌΠΎΠ·Π°. |
| 47 | ΠΡΠΎΡ ΡΠ»Π΅ΠΌΠ΅Π½Ρ ΠΏΠΎΡΠ²Π»ΡΠ΅ΡΡΡ ΠΏΡΠΈ Π½ΠΈΠ·ΠΊΠΎΠΌ Π·Π°ΡΡΠ΄Π΅ Π°ΠΊΠΊΡΠΌΡΠ»ΡΡΠΎΡΠ° Π°Π²ΡΠΎΠΌΠΎΠ±ΠΈΠ»Ρ. |
| 48 | Π‘ΡΠ΅ΡΡΠΈΠΊ ΠΎΠ±ΡΠ΅Π³ΠΎ ΠΏΡΠΎΠ±Π΅Π³Π° Π°Π²ΡΠΎΠΌΠΎΠ±ΠΈΠ»Ρ. |
| 49 | ΠΠΊΠΎΠ½ΠΎΠΌΠΎΠΌΠ΅ΡΡ, ΡΡΡΠ΅Π»ΠΊΠ° Π½Π° ΠΊΠΎΡΠΎΡΠΎΠΌ ΠΏΠΎΠ΄Π½ΠΈΠΌΠ°Π΅ΡΡΡ Π²Π²Π΅ΡΡ
ΠΏΡΠΈ Π½Π°ΠΆΠ°ΡΠΈΠΈ Π½Π° ΠΏΠ΅Π΄Π°Π»Ρ Π³Π°Π·Π°. |
| 50 | ΠΡΠ°Π½ΠΈΡΠ°, Π΄Π°Π»ΡΡΠ΅ ΠΊΠΎΡΠΎΡΠΎΠΉ Π²ΡΡ
ΠΎΠ΄ΠΈΡΡ Π½Π΅ ΡΠ΅ΠΊΠΎΠΌΠ΅Π½Π΄ΡΠ΅ΡΡΡ — Π»Π°ΠΌΠΏΠΎΡΠΊΠ° Π½Π°ΡΠΈΠ½Π°Π΅Ρ Π³ΠΎΡΠ΅ΡΡ ΠΏΡΠΈ ΠΊΡΠΈΡΠΈΡΠ΅ΡΠΊΠΈ Π½ΠΈΠ·ΠΊΠΎΠΌ ΡΡΠΎΠ²Π½Π΅ Π±Π΅Π½Π·ΠΈΠ½Π°. |
| 51 | . |
ΠΠ°Π½Π΅Π»Ρ «ΠΡΡΠΎΠΊΠ°Ρ»
ΠΠΈΠΆΠ΅ ΠΏΡΠ΅Π΄ΡΡΠ°Π²Π»Π΅Π½Π° ββΠ²ΡΡΠΎΠΊΠΎΠΊΠ»Π°ΡΡΠ½Π°Ρ ΠΏΠ°Π½Π΅Π»Ρ ΠΏΡΠΈΠ±ΠΎΡΠΎΠ² ΠΠΠ 2109 Ρ ΡΠ»Π΅ΠΊΡΡΠΎΠ½Π½ΠΎΠΉ ΠΏΠΎΠ΄ΡΠ²Π΅ΡΠΊΠΎΠΉ.ΠΠΊΡΡΠ°Π»ΡΠ½ΠΎ ΠΊΠ°ΠΊ Π΄Π»Ρ ΡΠΎΡΡΡΠ½ΠΎΠΊ, ΡΠ°ΠΊ ΠΈ Π΄Π»Ρ ΠΊΠ°ΡΠ±ΡΡΠ°ΡΠΎΡΠΎΠ². Π Π°ΡΡΠΈΡΡΠΎΠ²ΠΊΡ ΡΡ
Π΅ΠΌΡ ΠΈ ΠΊΠΎΠΌΠ±ΠΈΠ½Π°ΡΠΈΠΈ Π½Π°ΠΉΠ΄Π΅ΡΠ΅ ΠΏΠΎ ΠΈΠ½ΡΡΡΡΠΊΡΠΈΠΈ Π½ΠΈΠΆΠ΅.
| ΠΠ½Π°ΡΠΎΠΊ | ΠΠ±ΠΎΠ·Π½Π°ΡΠ΅Π½ΠΈΠ΅ |
| 42 | Π‘ΠΏΠΈΠ΄ΠΎΠΌΠ΅ΡΡ, ΠΏΠΎΠΊΠ°Π·ΡΠ²Π°ΡΡΠΈΠΉ ΡΠΊΠΎΡΠΎΡΡΡ Π°Π²ΡΠΎΠΌΠΎΠ±ΠΈΠ»Ρ. |
| 43 | ΠΠ΄ΠΎΠΌΠ΅ΡΡ, ΡΠ΅Π³ΠΈΡΡΡΠΈΡΡΡΡΠΈΠΉ ΠΏΡΠΎΠ±Π΅Π³ Π°Π²ΡΠΎΠΌΠΎΠ±ΠΈΠ»Ρ. |
| 44 | |
| 45 | Π‘ΠΈΠ³Π½Π°Π», ΠΏΡΠ΅Π΄ΡΠΏΡΠ΅ΠΆΠ΄Π°ΡΡΠΈΠΉ Π°Π²ΡΠΎΠΌΠΎΠ±ΠΈΠ»ΠΈΡΡΠ° ΠΎ Π½Π΅ΠΎΠ±Ρ
ΠΎΠ΄ΠΈΠΌΠΎΡΡΠΈ ΠΎΡΡΠ°Π½ΠΎΠ²ΠΈΡΡΡΡ ΠΈ ΡΡΡΡΠ°Π½ΠΈΡΡ Π½Π΅ΠΈΡΠΏΡΠ°Π²Π½ΠΎΡΡΡ. |
| 46 | ΠΠΎΠ½ΡΡΠΎΠ»ΡΠ½Π°Ρ Π»Π°ΠΌΠΏΠ°. |
| 47 | Π‘ΠΈΠ³Π½Π°Π», ΠΏΡΠ΅Π΄ΡΠΏΡΠ΅ΠΆΠ΄Π°ΡΡΠΈΠΉ Π°Π²ΡΠΎΠΌΠΎΠ±ΠΈΠ»ΠΈΡΡΠ° ΠΎ Π½Π΅ΠΎΠ±Ρ
ΠΎΠ΄ΠΈΠΌΠΎΡΡΠΈ ΠΎΡΡΠ°Π½ΠΎΠ²ΠΈΡΡΡΡ ΠΈ ΡΡΡΡΠ°Π½ΠΈΡΡ Π½Π΅ΠΈΡΠΏΡΠ°Π²Π½ΠΎΡΡΡ. |
| 48 | ΠΠΎΠ½ΡΡΠΎΠ»ΡΠ½Π°Ρ Π»Π°ΠΌΠΏΠ° Π²ΠΎΠ΄ΠΈΡΠ΅Π»Ρ, ΡΠΊΠ°Π·ΡΠ²Π°ΡΡΠ°Ρ Π½Π° Π½Π΅ΠΈΡΠΏΡΠ°Π²Π½ΠΎΡΡΡ ΡΠΈΠ³Π½Π°Π»ΡΠ½ΡΡ
Π»Π°ΠΌΠΏ. |
| 49 | ΠΠ°ΡΡΠΈΠΊ, ΠΎΠΏΠΎΠ²Π΅ΡΠ°ΡΡΠΈΠΉ Π²ΠΎΠ΄ΠΈΡΠ΅Π»Ρ ΠΎΠ± ΠΎΡΡΡΡΡΡΠ²ΠΈΠΈ Π°Π½ΡΠΈΡΡΠΈΠ·Π° Π² ΡΠΈΡΡΠ΅ΠΌΠ΅ ΠΎΡ
Π»Π°ΠΆΠ΄Π΅Π½ΠΈΡ. |
| 50 | ΠΠ½Π΄ΠΈΠΊΠ°ΡΠΎΡ ΠΈΠ·Π½ΠΎΡΠ° ΡΠΎΡΠΌΠΎΠ·Π½ΡΡ
ΠΊΠΎΠ»ΠΎΠ΄ΠΎΠΊ Π½Π° ΠΏΠ΅ΡΠ΅Π΄Π½ΠΈΡ
ΠΊΠΎΠ»Π΅ΡΠ°Ρ
. |
| 51 | ΠΠ°ΠΌΠΏΠ° Π·Π°Π³ΠΎΡΠ°Π΅ΡΡΡ, ΡΡΠΎΠ±Ρ ΠΏΡΠ΅Π΄ΡΠΏΡΠ΅Π΄ΠΈΡΡ Π°Π²ΡΠΎΠΌΠΎΠ±ΠΈΠ»ΠΈΡΡΠ° ΠΎ Π½Π΅Ρ
Π²Π°ΡΠΊΠ΅ ΠΆΠΈΠ΄ΠΊΠΎΡΡΠΈ Π² Π±Π°ΡΠΊΠ΅ ΠΎΠΌΡΠ²Π°ΡΠ΅Π»Ρ Π»ΠΎΠ±ΠΎΠ²ΠΎΠ³ΠΎ ΠΈ Π·Π°Π΄Π½Π΅Π³ΠΎ ΡΡΠ΅ΠΊΠ»Π°. |
| 52 | ΠΠ½Π΄ΠΈΠΊΠ°ΡΠΎΡ Π½Π΅Π΄ΠΎΡΡΠ°ΡΠΎΡΠ½ΠΎΠ³ΠΎ Π΄Π°Π²Π»Π΅Π½ΠΈΡ ΠΌΠΎΡΠΎΡΠ½ΠΎΠΉ ΠΆΠΈΠ΄ΠΊΠΎΡΡΠΈ Π² ΠΊΠ°ΡΡΠ΅ΡΠ΅. |
| 53 | Π Π΅Π³ΡΠ»ΡΡΠΎΡ ΠΈΠ·ΠΌΠ΅ΡΡΠ΅Ρ ΡΡΠΎΠ²Π΅Π½Ρ ΡΠ΅ΠΌΠΏΠ΅ΡΠ°ΡΡΡΡ Π°Π½ΡΠΈΡΡΠΈΠ·Π° Π² ΡΠΈΡΡΠ΅ΠΌΠ΅ ΠΎΡ
Π»Π°ΠΆΠ΄Π΅Π½ΠΈΡ ΠΈ ΠΎΡΠΏΡΠ°Π²Π»ΡΠ΅Ρ ΡΡΠΈ Π΄Π°Π½Π½ΡΠ΅ Π½Π° ΡΠ»Π΅ΠΊΡΡΠΎΠ½Π½ΡΡ ΠΏΠ°Π½Π΅Π»Ρ Ρ ΠΏΠΎΠ΄ΡΠ²Π΅ΡΠΊΠΎΠΉ. |
| 54 | ΠΡΠΎΡ Π·Π½Π°ΡΠΎΠΊ Π½Π° ΠΊΠΎΠΌΠ±ΠΈΠ½Π°ΡΠΈΠΈ Π²ΡΡΠΎΠΊΠΎΠ³ΠΎ ΡΠΈΡΠ° ΠΏΡΠ΅Π΄ΡΡΠ°Π²Π»ΡΠ΅Ρ ΡΠΎΠ±ΠΎΠΉ ΡΠ°Ρ
ΠΎΠΌΠ΅ΡΡ, ΠΏΠΎΠΊΠ°Π·ΡΠ²Π°ΡΡΠΈΠΉ ΡΡΠΎΠ²Π΅Π½Ρ ΠΎΠ±ΠΎΡΠΎΡΠΎΠ² Π΄Π²ΠΈΠ³Π°ΡΠ΅Π»Ρ Π°Π²ΡΠΎΠΌΠΎΠ±ΠΈΠ»Ρ. |
| 55 | ΠΠΎΠΏΠΎΠ»Π½ΠΈΡΠ΅Π»ΡΠ½Π°Ρ ΡΠΎΠ·Π΅ΡΠΊΠ°. |
| 56 | ΠΠ½ΠΎΠΏΠΊΠ° ΠΏΡΠ΅Π΄Π½Π°Π·Π½Π°ΡΠ΅Π½Π° Π΄Π»Ρ ΡΠ±ΡΠΎΡΠ° ΡΡΡΠΎΡΠ½ΠΎΠ³ΠΎ ΠΏΡΠΎΠ±Π΅Π³Π°. |
| 57 | ΠΠ°ΠΌΠΏΠ°, ΠΊΠΎΡΠΎΡΠ°Ρ Π·Π°Π³ΠΎΡΠ°Π΅ΡΡΡ ΠΏΡΠΈ Π²ΠΊΠ»ΡΡΠ΅Π½ΠΈΠΈ ΡΠ°Ρ. |
| 58 | ΠΠ°ΡΡΠΈΠΊ ΡΠΈΠΊΡΠ°ΡΠΈΠΈ ΡΡΡΠΎΡΠ½ΠΎΠ³ΠΎ ΠΏΡΠΎΠ±Π΅Π³Π°. |
| 59 | ΠΠΈΠΎΠ΄Π½Π°Ρ Π»Π°ΠΌΠΏΠ°, Π²ΠΊΠ»ΡΡΠ°ΡΡΠ°ΡΡΡ ΠΏΡΠΈ Π²ΠΊΠ»ΡΡΠ΅Π½ΠΈΠΈ Π³Π°Π±Π°ΡΠΈΡΠ½ΡΡ
ΠΎΠ³Π½Π΅ΠΉ. |
| 60 | ΠΠ°ΡΡΠΈΠΊ, ΠΏΡΠ΅Π΄ΡΠΏΡΠ΅ΠΆΠ΄Π°ΡΡΠΈΠΉ Π²ΠΎΠ΄ΠΈΡΠ΅Π»Ρ ΠΎΠ± ΠΎΡΠΊΡΡΡΠΎΠΉ Π΄Π²Π΅ΡΠΈ. |
| 61 | ΠΡΠ΅Π΄ΡΠΏΡΠ΅ΠΆΠ΄Π°ΡΡΠ°Ρ Π»Π°ΠΌΠΏΠ° Π²ΠΎΠ΄ΠΈΡΠ΅Π»Ρ ΠΎ ΡΠΎΠΌ, ΡΡΠΎ ΠΎΠ½ ΡΠΏΡΠ°Π²Π»ΡΠ΅Ρ Π°Π²ΡΠΎΠΌΠΎΠ±ΠΈΠ»Π΅ΠΌ Π±Π΅Π· ΡΠ΅ΠΌΠ½Π΅ΠΉ Π±Π΅Π·ΠΎΠΏΠ°ΡΠ½ΠΎΡΡΠΈ. |
| 62 | ΠΠΈΠΎΠ΄ ΠΈΠ½Π΄ΠΈΠΊΠ°ΡΠΈΠΈ Π²ΠΊΠ»ΡΡΠ΅Π½ΠΈΡ Π»Π΅Π²ΠΎΠ³ΠΎ ΠΏΠΎΠ²ΠΎΡΠΎΡΠ½ΠΈΠΊΠ°. |
| 63 | ΠΡΠΎΡ ΡΠ»Π΅ΠΌΠ΅Π½Ρ ΠΊΠΎΠΌΠ±ΠΈΠ½Π°ΡΠΈΠΈ ΡΠ»Π΅ΠΊΡΡΠΎΠ½Π½ΠΎΠΉ ΠΏΠ°Π½Π΅Π»ΠΈ Ρ ΠΏΠΎΠ΄ΡΠ²Π΅ΡΠΊΠΎΠΉ ΡΠΊΠ°Π·ΡΠ²Π°Π΅Ρ ΡΡΠΎΠ²Π΅Π½Ρ Π·Π°ΡΡΠ΄Π° Π² ΡΠΈΡΡΠ΅ΠΌΠ΅. |
| 64 | ΠΠΈΠΎΠ΄ ΠΈΠ½Π΄ΠΈΠΊΠ°ΡΠΈΠΈ Π²ΠΊΠ»ΡΡΠ΅Π½ΠΈΡ ΠΏΡΠ°Π²ΠΎΠ³ΠΎ ΡΠΊΠ°Π·Π°ΡΠ΅Π»Ρ ΠΏΠΎΠ²ΠΎΡΠΎΡΠ°. |
| 65 | ΠΠ°ΠΌΠΏΠ° Π·Π°Π³ΠΎΡΠ°Π΅ΡΡΡ ΠΏΡΠΈ Π½Π΅Π΄ΠΎΡΡΠ°ΡΠΎΡΠ½ΠΎΠΌ Π΄Π°Π²Π»Π΅Π½ΠΈΠΈ ΠΌΠΎΡΠΎΡΠ½ΠΎΠΉ ΠΆΠΈΠ΄ΠΊΠΎΡΡΠΈ Π² ΡΠΈΡΡΠ΅ΠΌΠ΅. |
| 66 | ΠΠΈΠΎΠ΄ Π·Π°Π³ΠΎΡΠ°Π΅ΡΡΡ, Π΅ΡΠ»ΠΈ ΡΡΠΎΠ²Π΅Π½Ρ ΡΠΎΠΏΠ»ΠΈΠ²Π° Π² Π±Π°ΠΊΠ΅ ΠΊΡΠΈΡΠΈΡΠ΅ΡΠΊΠΈΠΉ. |
| 67 | ΠΡΠ°ΡΡΠ²Π°ΡΡΠ°Ρ Π»Π°ΠΌΠΏΠ°, ΡΠΎΠ»ΡΠΊΠΎ Π² ΠΊΠ°ΡΠ±ΡΡΠ°ΡΠΎΡΠ½ΡΡ
Π°Π²ΡΠΎΠΌΠΎΠ±ΠΈΠ»ΡΡ
. |
| 68 | ΠΡΠΎΡ ΡΠ»Π΅ΠΌΠ΅Π½Ρ Π°ΠΊΡΠΈΠ²ΠΈΡΡΠ΅ΡΡΡ, ΠΊΠΎΠ³Π΄Π° Π½Π΅ΠΎΠ±Ρ
ΠΎΠ΄ΠΈΠΌΠΎ ΠΏΡΠΎΠ²Π΅ΡΡΠΈ Π΄ΠΈΠ°Π³Π½ΠΎΡΡΠΈΠΊΡ ΠΌΠΎΡΠΎΡΠ° Π°Π²ΡΠΎΠΌΠΎΠ±ΠΈΠ»Ρ. |
| 69 | Π ΡΡΠ½ΠΎΠΉ ΡΡΠΎΠΏ-ΡΠΈΠ³Π½Π°Π». |
Β«ΠΠ²ΡΠΎΠΏΠ°Π½Π΅Π»ΡΒ»
Π ΡΠ΅ΠΏΠ΅ΡΡ ΠΏΠ΅ΡΠ΅ΠΉΠ΄Π΅ΠΌ ΠΊ ΠΊΠΎΠΌΠ±ΠΈΠ½Π°ΡΠΈΠΈ Ρ ΠΏΠΎΠ΄ΡΠ²Π΅ΡΠΊΠΎΠΉ.Π‘ΡΠ°Π·Ρ ΠΎΡΠΌΠ΅ΡΠΈΠΌ, ΡΡΠΎ ΠΎΠΏΠΈΡΠ°Π½ΠΈΠ΅ ΠΊΠΎΠΌΠΏΠΎΠ½Π΅Π½ΡΠΎΠ² Π½ΠΈΠΆΠ΅ ΠΏΡΠ°ΠΊΡΠΈΡΠ΅ΡΠΊΠΈ Π½Π΅ ΠΎΡΠ»ΠΈΡΠ°Π΅ΡΡΡ ΠΎΡ Π½ΠΈΠ·ΠΊΠΎΠΏΡΠΎΡΠΈΠ»ΡΠ½ΠΎΠ³ΠΎ ΡΠ»Π΅ΠΊΡΡΠΎΠ½Π½ΠΎΠ³ΠΎ ΠΊΠΎΡΠΏΡΡΠ°.
| ΠΠ½Π°ΡΠΎΠΊ | ΠΠ°ΠΏΠΈΡΡ |
| 42 | Π£ΠΊΠ°Π·ΡΠ²Π°Π΅Ρ, ΠΊΠ°ΠΊΠΎΠΉ ΡΠΊΠ°Π·Π°ΡΠ΅Π»Ρ ΠΏΠΎΠ²ΠΎΡΠΎΡΠ° Π²ΠΊΠ»ΡΡΠ΅Π½. ΠΠ½Π΄ΠΈΠΊΠ°ΡΠΎΡ ΠΏΠ΅ΡΠ΅ΡΡΠ°Π΅Ρ ΡΠ°Π±ΠΎΡΠ°ΡΡ ΠΏΠΎΡΠ»Π΅ ΠΏΠΎΠ²ΠΎΡΠΎΡΠ° ΡΡΠ»Π΅Π²ΠΎΠ³ΠΎ ΠΊΠΎΠ»Π΅ΡΠ° Π² Π½ΡΠΆΠ½ΠΎΠΌ Π½Π°ΠΏΡΠ°Π²Π»Π΅Π½ΠΈΠΈ. |
| 43 | Π‘Π²Π΅ΡΠΎΠ²Π°Ρ Π»Π°ΠΌΠΏΠ° Π΅Π²ΡΠΎΠΏΠ°Π½Π΅Π»ΠΈ, Π²ΠΊΠ»ΡΡΠ°ΡΡΠ°ΡΡΡ ΠΏΡΠΈ Π²ΠΊΠ»ΡΡΠ΅Π½ΠΈΠΈ Π³Π°Π±Π°ΡΠΈΡΠ½ΡΡ
ΠΎΠ³Π½Π΅ΠΉ. |
| 44 | ΠΠ°Π³ΠΎΡΠ°Π΅ΡΡΡ ΠΏΡΠΈ Π²ΠΊΠ»ΡΡΠ΅Π½ΠΈΠΈ Π·Π°Π΄Π½ΠΈΡ
ΠΠ’Π€ — ΠΏΡΠΎΡΠΈΠ²ΠΎΡΡΠΌΠ°Π½Π½ΡΡ
ΡΠ°Ρ. |
| 45 | ΠΠ°ΠΌΠΏΠ° Π²ΠΊΠ»ΡΡΠ΅Π½ΠΈΡ ΡΠ°Ρ Π΄Π°Π»ΡΠ½Π΅Π³ΠΎ ΡΠ²Π΅ΡΠ°. |
| 46 | ΠΠ°Π½Π½ΡΠΉ ΡΠ»Π΅ΠΌΠ΅Π½Ρ ΡΡ
Π΅ΠΌΡ ΠΈΠ·Π²Π΅ΡΠ°Π΅Ρ Π°Π²ΡΠΎΠΌΠΎΠ±ΠΈΠ»ΠΈΡΡΠ° ΠΎ. |
| 47 | Π‘ΠΈΠ³Π½Π°Π», ΠΏΡΠ΅Π΄ΡΠΏΡΠ΅ΠΆΠ΄Π°ΡΡΠΈΠΉ Π°Π²ΡΠΎΠΌΠΎΠ±ΠΈΠ»ΠΈΡΡΠ° ΠΎ Π½Π΅ΠΎΠ±Ρ
ΠΎΠ΄ΠΈΠΌΠΎΡΡΠΈ ΠΎΡΡΠ°Π½ΠΎΠ²ΠΈΡΡΡΡ ΠΈ ΡΡΡΡΠ°Π½ΠΈΡΡ Π½Π΅ΠΈΡΠΏΡΠ°Π²Π½ΠΎΡΡΡ. |
| 48 | Π‘ΠΏΠΈΠ΄ΠΎΠΌΠ΅ΡΡ, ΠΏΠΎΠΊΠ°Π·ΡΠ²Π°ΡΡΠΈΠΉ ΡΠΊΠΎΡΠΎΡΡΡ Π°Π²ΡΠΎΠΌΠΎΠ±ΠΈΠ»Ρ Π²ΠΎ Π²ΡΠ΅ΠΌΡ Π΄Π²ΠΈΠΆΠ΅Π½ΠΈΡ. |
| 49 | Π‘ΡΠ΅ΡΡΠΈΠΊ, ΡΠΈΠΊΡΠΈΡΡΡΡΠΈΠΉ ΡΡΡΠΎΡΠ½ΡΠΉ ΠΏΡΠΎΠ±Π΅Π³ Π°Π²ΡΠΎΠΌΠΎΠ±ΠΈΠ»Ρ. |
| 50 | ΠΡΠΎΡ ΠΊΠΎΠΌΠΏΠΎΠ½Π΅Π½Ρ ΡΠ΅ΠΏΠΈ ΠΏΡΠ΅Π΄Π½Π°Π·Π½Π°ΡΠ΅Π½ Π΄Π»Ρ ΠΎΠΏΠΎΠ²Π΅ΡΠ΅Π½ΠΈΡ Π°Π²ΡΠΎΠΌΠΎΠ±ΠΈΠ»ΠΈΡΡΠ° ΠΎΠ± ΡΡΠΎΠ²Π½Π΅ ΡΠ΅ΠΌΠΏΠ΅ΡΠ°ΡΡΡΡ Π°Π½ΡΠΈΡΡΠΈΠ·Π° Π² ΡΠΈΡΡΠ΅ΠΌΠ΅ ΠΎΡ
Π»Π°ΠΆΠ΄Π΅Π½ΠΈΡ. |
| 51 | ΠΠ°ΡΡΠΈΠΊ ΡΠ΅ΠΏΠΈ, ΠΎΠΏΡΠ΅Π΄Π΅Π»ΡΡΡΠΈΠΉ ΡΡΠΎΠ²Π΅Π½Ρ Π½Π°ΠΏΡΡΠΆΠ΅Π½ΠΈΡ Π² Π±ΠΎΡΡΠΎΠ²ΠΎΠΉ ΡΠ΅ΡΠΈ Π°Π²ΡΠΎΠΌΠΎΠ±ΠΈΠ»Ρ. |
| 52 | ΠΠ½Π°ΡΠΎΠΊ, ΠΊΠΎΡΠΎΡΡΠΉ Π·Π°Π³ΠΎΡΠ°Π΅ΡΡΡ ΠΏΡΠΈ ΡΠ»ΠΈΡΠΊΠΎΠΌ Π½ΠΈΠ·ΠΊΠΎΠΌ Π΄Π°Π²Π»Π΅Π½ΠΈΠΈ ΠΌΠΎΡΠΎΡΠ½ΠΎΠΉ ΠΆΠΈΠ΄ΠΊΠΎΡΡΠΈ Π² ΡΠΈΡΡΠ΅ΠΌΠ΅. |
| 53 | ΠΠ°ΠΌΠΏΠ° Π²ΠΊΠ»ΡΡΠ΅Π½ΠΈΡ Π°Π²Π°ΡΠΈΠΉΠ½ΠΎΠΉ ΡΠΈΠ³Π½Π°Π»ΠΈΠ·Π°ΡΠΈΠΈ. |
| 54 | ΠΠΈΠΎΠ΄ Π·Π°Π³ΠΎΡΠ°Π΅ΡΡΡ, Π΅ΡΠ»ΠΈ ΡΠΎΡΡΠΎΡΠ½ΠΈΠ΅ ΡΠΎΡΠΌΠΎΠ·Π½ΠΎΠΉ ΡΠΈΡΡΠ΅ΠΌΡ Π°Π²Π°ΡΠΈΠΉΠ½ΠΎΠ΅ ΠΈ Π½Π΅ΠΎΠ±Ρ
ΠΎΠ΄ΠΈΠΌΠΎ ΡΠ΄Π΅Π»ΠΈΡΡ Π²Π½ΠΈΠΌΠ°Π½ΠΈΠ΅ Π΅Π³ΠΎ Π΄ΠΈΠ°Π³Π½ΠΎΡΡΠΈΠΊΠ΅. |
| 55 | ΠΠ½Π°ΡΠΎΠΊ Π²ΠΎΠ·Π΄ΡΡΠ½ΠΎΠΉ Π·Π°ΡΠ»ΠΎΠ½ΠΊΠΈ ΠΊΠ°ΡΠ±ΡΡΠ°ΡΠΎΡΠ½ΠΎΠ³ΠΎ Π΄Π²ΠΈΠ³Π°ΡΠ΅Π»Ρ. |
| 56 | ΠΠΊΠ»ΡΡΠ΅Π½ΠΈΠ΅ ΡΡΡΠ½ΠΎΠ³ΠΎ ΡΠΎΡΠΌΠΎΠ·Π°. |
| 57 | ΠΡΠΎΡ ΡΠ»Π΅ΠΌΠ΅Π½Ρ Π½Π° ΡΡ
Π΅ΠΌΠ΅ Π·Π°Π³ΠΎΡΠ°Π΅ΡΡΡ ΠΏΡΠΈ ΡΠ»ΠΈΡΠΊΠΎΠΌ Π½ΠΈΠ·ΠΊΠΎΠΌ Π·Π°ΡΡΠ΄Π΅ Π°ΠΊΠΊΡΠΌΡΠ»ΡΡΠΎΡΠ° Π°Π²ΡΠΎΠΌΠΎΠ±ΠΈΠ»Ρ. Π§ΡΠΎΠ±Ρ Π½Π΅ Π±ΡΠ»ΠΎ ΠΏΡΠΎΠ±Π»Π΅ΠΌ Ρ Π·Π°ΠΏΡΡΠΊΠΎΠΌ Π΄Π²ΠΈΠ³Π°ΡΠ΅Π»Ρ, Π»ΡΡΡΠ΅ ΠΏΠΎΠ΄Π·Π°ΡΡΠ΄ΠΈΡΡ Π°ΠΊΠΊΡΠΌΡΠ»ΡΡΠΎΡ. |
| 58 | Π‘ΡΠ΅ΡΡΠΈΠΊ ΠΎΠ±ΡΠ΅Π³ΠΎ ΠΏΡΠΎΠ±Π΅Π³Π° Π°Π²ΡΠΎΠΌΠΎΠ±ΠΈΠ»Ρ Π² ΠΊΠΈΠ»ΠΎΠΌΠ΅ΡΡΠ°Ρ
. |
| 59 | ΠΠΊΠΎΠ½ΠΎΠΌΠΎΠΌΠ΅ΡΡ, ΡΡΡΠ΅Π»ΠΊΠ° Π½Π° ΠΊΠΎΡΠΎΡΠΎΠΌ ΠΏΠΎΠ΄Π½ΠΈΠΌΠ°Π΅ΡΡΡ Π²Π²Π΅ΡΡ
ΠΏΡΠΈ Π½Π°ΠΆΠ°ΡΠΈΠΈ Π½Π° ΠΏΠ΅Π΄Π°Π»Ρ Π³Π°Π·Π°. ΠΠΊΠΎΠ½ΠΎΠΌΠ΅ΡΡΠΈΡΠ΅ΡΠΊΠΈΠΉ ΡΡΠ΅ΡΡΠΈΠΊ ΡΠΊΠΎΠ½ΠΎΠΌΠΈΡ Π½Π΅ΠΌΠ½ΠΎΠ³ΠΎ Π°Π²ΡΠΎΠΌΠΎΠ±ΠΈΠ»ΡΠ½ΠΎΠ³ΠΎ ΡΠΎΠΏΠ»ΠΈΠ²Π°. |
| 60 | ΠΠΈΠ½ΠΈΡ Π½Π° ΡΡ
Π΅ΠΌΠ΅, Π·Π° ΠΊΠΎΡΠΎΡΡΡ Π½Π΅ ΡΠ΅ΠΊΠΎΠΌΠ΅Π½Π΄ΡΠ΅ΡΡΡ Π²ΡΡ
ΠΎΠ΄ΠΈΡΡ. ΠΠΈΠΎΠ΄Π½Π°Ρ Π»Π°ΠΌΠΏΠ° Π·Π°Π³ΠΎΡΠ°Π΅ΡΡΡ ΠΏΡΠΈ ΠΊΡΠΈΡΠΈΡΠ΅ΡΠΊΠΈ Π½ΠΈΠ·ΠΊΠΎΠΌ ΡΡΠΎΠ²Π½Π΅ Π±Π΅Π½Π·ΠΈΠ½Π° Π² Π±Π°ΠΊΠ΅. Π§ΡΠΎΠ±Ρ Π½Π΅ ΠΎΡΡΠ°Π½Π°Π²Π»ΠΈΠ²Π°ΡΡΡΡ Π½Π° Π΄ΠΎΡΠΎΠ³Π΅, ΡΠ»Π΅Π΄ΡΠ΅Ρ Π΄ΠΎΠ»ΠΈΡΡ ΡΠΎΠΏΠ»ΠΈΠ²Π°. |
| 61 | ΠΠ°ΡΡΠΈΠΊ ΡΡΠΎΠ²Π½Ρ ΡΠΎΠΏΠ»ΠΈΠ²Π° Π² Π±Π°ΠΊΠ΅. |
ΠΠΎΠ·ΠΌΠΎΠΆΠ½ΡΠ΅ Π½Π΅ΠΈΡΠΏΡΠ°Π²Π½ΠΎΡΡΠΈ
ΠΠ°ΠΊΠΈΠ΅ Π½Π΅ΠΈΡΠΏΡΠ°Π²Π½ΠΎΡΡΠΈ Ρ
Π°ΡΠ°ΠΊΡΠ΅ΡΠ½Ρ Π΄Π»Ρ ΠΏΡΠΈΠ±ΠΎΡΠ½ΡΡ
ΠΏΠ°Π½Π΅Π»Π΅ΠΉ Π°Π²ΡΠΎΠΌΠΎΠ±ΠΈΠ»Π΅ΠΉ ΠΠΠ? ΠΠ·Π½Π°ΠΊΠΎΠΌΡΡΠ΅ΡΡ Ρ ΠΎΡΠ½ΠΎΠ²Π½ΡΠΌ ΡΠΏΠΈΡΠΊΠΎΠΌ ΠΏΠΎΡΠ»Π΅ ΠΏΡΠΎΡΠΌΠΎΡΡΠ° Π²ΠΈΠ΄Π΅ΠΎ ΠΎ ΠΏΠΎΠ΄ΠΊΠ»ΡΡΠ΅Π½ΠΈΠΈ ΡΠΈΡΠ° ΠΎΡ ΠΠΠ 2110 ΠΊ Β«Π΄Π΅Π²ΡΡΠΊΠ΅Β» (Π²ΠΈΠ΄Π΅ΠΎ Garage B.F.S).
- ΠΠ΅ ΡΠ°Π±ΠΎΡΠ°Π΅Ρ ΡΠΏΠΈΠ΄ΠΎΠΌΠ΅ΡΡ. ΠΡΠΈΡΠΈΠ½ ΡΡΠΎΠΌΡ ΠΌΠΎΠΆΠ΅Ρ Π±ΡΡΡ Π½Π΅ΡΠΊΠΎΠ»ΡΠΊΠΎ — ΠΎΠ±ΡΡΠ² ΠΊΠ°Π±Π΅Π»Ρ, Π½Π΅ΠΏΡΠ°Π²ΠΈΠ»ΡΠ½Π°Ρ Π΅Π³ΠΎ ΡΡΡΠ°Π½ΠΎΠ²ΠΊΠ° ΠΈΠ»ΠΈ ΠΈΠ·Π½ΠΎΡ ΡΠΎΠ·Π΅ΡΠΊΠΈ.ΠΡ Π΄ΠΎΠ»ΠΆΠ½Ρ ΠΏΠΎΠΏΡΠΎΠ±ΠΎΠ²Π°ΡΡ ΠΎΡΠΊΠ»ΡΡΠΈΡΡ ΠΊΠ°Π±Π΅Π»Ρ ΠΈ ΡΠ½ΠΎΠ²Π° ΠΏΠΎΠ΄ΠΊΠ»ΡΡΠΈΡΡ.
- ΠΠ΅ ΡΠΈΠΊΡΠΈΡΡΠ΅Ρ ΠΏΡΠΎΠ±Π΅Π³ Π°Π²ΡΠΎΠΌΠΎΠ±ΠΈΠ»Ρ. ΠΠ±ΡΡΠ½ΠΎ ΡΡΠ° ΠΏΡΠΎΠ±Π»Π΅ΠΌΠ° ΡΠ΅ΡΠ°Π΅ΡΡΡ Π·Π°ΠΌΠ΅Π½ΠΎΠΉ ΡΡΡΡΠΎΠΉΡΡΠ²Π°.
- ΠΠ΅ Π·Π°Π³ΠΎΡΠ°Π΅ΡΡΡ ΡΠΎΡ ΠΈΠ»ΠΈ ΠΈΠ½ΠΎΠΉ ΠΈΠ½Π΄ΠΈΠΊΠ°ΡΠΎΡ. ΠΠΎΠ·ΠΌΠΎΠΆΠ½ΠΎ, Π²ΡΡΠ΅Π» ΠΈΠ· ΡΡΡΠΎΡ ΡΠ°ΠΌ Π΄Π°ΡΡΠΈΠΊ ΠΈΠ»ΠΈ ΠΏΠ΅ΡΠ΅Π³ΠΎΡΠ΅Π»Π° Π»Π°ΠΌΠΏΠΎΡΠΊΠ°.
- ΠΠ΅ ΡΠ°Π±ΠΎΡΠ°Π΅Ρ ΠΏΠΎΠ΄ΡΠ²Π΅ΡΠΊΠ° ΠΏΠ°Π½Π΅Π»ΠΈ ΠΏΡΠΈΠ±ΠΎΡΠΎΠ². ΠΠ±ΡΡΠ½ΠΎ ΡΡΠΎ ΠΏΡΠΎΠΈΡΡ
ΠΎΠ΄ΠΈΡ ΠΈΠ·-Π·Π° ΠΏΠ΅ΡΠ΅Π³ΠΎΡΠ΅Π²ΡΠΈΡ
Π»Π°ΠΌΠΏΠΎΡΠ΅ΠΊ ΠΈΠ»ΠΈ ΠΏΠ»ΠΎΡ
ΠΈΡ
ΠΊΠΎΠ½ΡΠ°ΠΊΡΠΎΠ². Π’Π°ΠΊΠΆΠ΅ ΠΌΠΎΠ³ΡΡ Π±ΡΡΡ ΠΏΡΠΎΠ±Π»Π΅ΠΌΡ Π² ΡΠ»Π΅ΠΊΡΡΠΈΡΠ΅ΡΠΊΠΎΠΉ ΡΠ΅ΠΏΠΈ, Π½ΠΎ ΡΡΠΎ ΡΠ»ΡΡΠ°Π΅ΡΡΡ ΡΠ΅Π΄ΠΊΠΎ.
- ΠΠ°ΡΡΠΈΠΊ ΡΡΠΎΠ²Π½Ρ ΠΎΡ
Π»Π°ΠΆΠ΄Π°ΡΡΠ΅ΠΉ ΠΆΠΈΠ΄ΠΊΠΎΡΡΠΈ ΠΈΠ»ΠΈ ΠΌΠ°ΡΠ»Π° Π²ΡΠ΄Π°Π΅Ρ Π½Π΅Π²Π΅ΡΠ½ΡΡ ΠΈΠ½ΡΠΎΡΠΌΠ°ΡΠΈΡ.ΠΠ°ΠΏΡΠΈΠΌΠ΅Ρ, Π²ΠΎΠ΄ΠΈΡΠ΅Π»Ρ ΠΏΡΠ΅Π΄ΡΠΏΡΠ΅ΠΆΠ΄Π°ΡΡ ΠΎ Π½Π΅Π΄ΠΎΡΡΠ°ΡΠΎΡΠ½ΠΎΠΌ ΡΡΠΎΠ²Π½Π΅ ΠΌΠΎΡΠΎΡΠ½ΠΎΠΉ ΠΆΠΈΠ΄ΠΊΠΎΡΡΠΈ ΠΈΠ»ΠΈ Π·Π°ΠΊΠΈΠΏΠ°Π½ΠΈΠΈ Ρ
Π»Π°Π΄Π°Π³Π΅Π½ΡΠ° Π² ΡΠ°ΡΡΠΈΡΠΈΡΠ΅Π»ΡΠ½ΠΎΠΌ Π±Π°ΡΠΊΠ΅, Π½ΠΎ Π½Π° ΡΠ°ΠΌΠΎΠΌ Π΄Π΅Π»Π΅ Ρ ΡΡΠΈΠΌΠΈ ΠΏΠ°ΡΠ°ΠΌΠ΅ΡΡΠ°ΠΌΠΈ Π²ΡΠ΅ Π² Π½ΠΎΡΠΌΠ΅. ΠΡΠΎΠ±Π»Π΅ΠΌΠ° ΠΎΠ±ΡΡΠ½ΠΎ ΡΠ΅ΡΠ°Π΅ΡΡΡ Π·Π°ΠΌΠ΅Π½ΠΎΠΉ Π΄Π°ΡΡΠΈΠΊΠΎΠ².
ΠΠ½ΡΡΡΡΠΊΡΠΈΡ ΠΏΠΎ ΡΡΡΠ°Π½ΠΎΠ²ΠΊΠ΅ ΠΈ ΡΠ΅ΠΌΠΎΠ½ΡΡ
ΠΡΠ»ΠΈ Π²Ρ ΡΡΠΎΠ»ΠΊΠ½ΡΠ»ΠΈΡΡ Ρ ΠΏΡΠΎΠ±Π»Π΅ΠΌΠΎΠΉ Π²ΡΡ
ΠΎΠ΄Π° ΠΈΠ· ΡΡΡΠΎΡ ΠΏΡΠΈΠ±ΠΎΡΠ½ΠΎΠΉ ΠΏΠ°Π½Π΅Π»ΠΈ Π°Π²ΡΠΎΠΌΠΎΠ±ΠΈΠ»Ρ ΠΠΠ 2109, ΡΠΎ ΡΠ°ΠΌΡΠΌ ΠΎΠΏΡΠΈΠΌΠ°Π»ΡΠ½ΡΠΌ Π²Π°ΡΠΈΠ°Π½ΡΠΎΠΌ Π±ΡΠ΄Π΅Ρ Π·Π°ΠΌΠ΅Π½Π° ΡΠΈΡΠ° ΡΠ²ΠΎΠΈΠΌΠΈ ΡΡΠΊΠ°ΠΌΠΈ. ΠΠ»Ρ ΠΏΡΠ°Π²ΠΈΠ»ΡΠ½ΠΎΠΉ Π·Π°ΠΌΠ΅Π½Ρ Π²Π°ΠΌ ΠΏΠΎΡΡΠ΅Π±ΡΡΡΡΡ ΠΈΠ½ΡΡΡΡΠΊΡΠΈΠΈ ΠΏΠΎ Π΄Π΅ΠΌΠΎΠ½ΡΠ°ΠΆΡ ΠΈ ΡΡΡΠ°Π½ΠΎΠ²ΠΊΠ΅ ΡΠΈΡΠ°, ΠΊΠΎΡΠΎΡΡΠ΅ ΠΏΡΠΈΠ²Π΅Π΄Π΅Π½Ρ Π½ΠΈΠΆΠ΅.ΠΠ»Ρ Π²ΡΠΏΠΎΠ»Π½Π΅Π½ΠΈΡ ΡΡΠΈΡ
Π΄Π΅ΠΉΡΡΠ²ΠΈΠΉ Π²Π°ΠΌ ΠΏΠΎΡΡΠ΅Π±ΡΡΡΡΡ ΡΠΎΠ»ΡΠΊΠΎ ΠΏΠ»ΠΎΡΠΊΠ°Ρ ΠΎΡΠ²Π΅ΡΡΠΊΠ° ΠΈ ΠΎΡΠ²Π΅ΡΡΠΊΠ° Phillips. ΠΠ½ΡΡΡΡΠΊΡΠΈΠΈ Π΄Π°Π½Ρ Π½Π° ΠΏΡΠΈΠΌΠ΅ΡΠ΅ Π½ΠΈΠΆΠ½Π΅ΠΉ ΠΏΡΠΈΠ±ΠΎΡΠ½ΠΎΠΉ ΠΏΠ°Π½Π΅Π»ΠΈ, Π½ΠΎ Π² ΡΠ΅Π»ΠΎΠΌ ΠΎΠ½Π° ΠΈΠ΄Π΅Π½ΡΠΈΡΠ½Π° Π΄Π»Ρ ΠΎΡΡΠ°Π»ΡΠ½ΡΡ
ΠΏΡΠΈΠ±ΠΎΡΠ½ΡΡ
ΠΏΠ°Π½Π΅Π»Π΅ΠΉ. H Π½Π΅ Π·Π°Π±ΡΠ΄ΡΡΠ΅ ΠΎΡΠΊΠ»ΡΡΠΈΡΡ Π°ΠΊΠΊΡΠΌΡΠ»ΡΡΠΎΡ!
- ΠΡΠ΅ΠΆΠ΄Π΅ Π²ΡΠ΅Π³ΠΎ, Π½Π΅ΠΎΠ±Ρ
ΠΎΠ΄ΠΈΠΌΠΎ ΠΎΠ±Π΅ΡΡΠΎΡΠΈΡΡ ΡΠΈΡΡΠ΅ΠΌΡ; Π΄Π»Ρ ΡΡΠΎΠ³ΠΎ ΠΎΡΡΠΎΠ΅Π΄ΠΈΠ½ΠΈΡΠ΅ ΠΊΠ»Π΅ΠΌΠΌΡ ΠΎΡ ΠΠΠ.
- Π‘ ΠΏΠΎΠΌΠΎΡΡΡ ΠΎΡΠ²Π΅ΡΡΠΊΠΈ Phillips ΠΎΡΠΊΡΡΡΠΈΡΠ΅ ΠΏΠ»Π°ΡΡΠΈΠΊΠΎΠ²ΡΡ Π½Π°ΠΊΠ»Π°Π΄ΠΊΡ Π²ΠΎΠΊΡΡΠ³ ΡΡΠ»Π΅Π²ΠΎΠ³ΠΎ ΠΊΠΎΠ»Π΅ΡΠ°.ΠΠΎΠ·ΠΌΠΎΠΆΠ½ΠΎ, Π²Π°ΠΌ Π½Π΅ Π½ΡΠΆΠ½ΠΎ Π΅Π³ΠΎ ΡΠ΄Π°Π»ΡΡΡ, Π½ΠΎ Π΄Π»Ρ Π±ΠΎΠ»ΡΡΠ΅Π³ΠΎ ΡΠ΄ΠΎΠ±ΡΡΠ²Π° ΠΆΠ΅Π»Π°ΡΠ΅Π»ΡΠ½ΠΎ ΡΠ΄Π΅Π»Π°ΡΡ ΡΡΠΎ.
- Π’Π°ΠΊΠΆΠ΅ ΠΌΠΎΠΆΠ½ΠΎ ΠΎΡΠΊΠ»ΡΡΠΈΡΡ ΠΏΠ΅ΡΠ΅ΠΊΠ»ΡΡΠ°ΡΠ΅Π»ΠΈ Π½Π° ΡΡΠ»Π΅Π²ΠΎΠΉ ΠΊΠΎΠ»ΠΎΠ½ΠΊΠ΅, ΠΏΡΠΎΡΡΠΎ ΠΎΡΡΠΎΠ΅Π΄ΠΈΠ½ΠΈΠ² ΠΆΠ³ΡΡ ΠΏΡΠΎΠ²ΠΎΠ΄ΠΎΠ².
- ΠΡΠ΅ΡΡΠΎΠ²ΠΎΠΉ ΠΎΡΠ²Π΅ΡΡΠΊΠΎΠΉ ΠΎΡΠΊΡΡΡΠΈΠ²Π°Π΅ΠΌ Π΄Π²Π° Π²ΠΈΠ½ΡΠ° ΠΊΡΠ΅ΠΏΠ»Π΅Π½ΠΈΡ ΠΊΠΎΠ·ΡΡΡΠΊΠ° ΠΏΡΠΈΠ±ΠΎΡΠ½ΠΎΠΉ ΠΏΠ°Π½Π΅Π»ΠΈ, ΡΠ½ΠΈΠΌΠ°Π΅ΠΌ ΡΡΠΎΡ ΡΠ»Π΅ΠΌΠ΅Π½Ρ.
- ΠΠΎΡΠ»Π΅ ΡΡΠΈΡ
Π΄Π΅ΠΉΡΡΠ²ΠΈΠΉ ΠΌΠΎΠΆΠ½ΠΎ ΡΠΆΠ°ΡΡ ΠΏΡΡΠΆΠΈΠ½Ρ ΠΈ ΡΠ½ΡΡΡ ΡΠ»Π΅ΠΊΡΡΠΎΠ½Π½ΡΠΉ ΡΠΈΡΠΎΠΊ Ρ ΡΠ΅Π½ΡΡΠ°Π»ΡΠ½ΠΎΠΉ ΠΊΠΎΠ½ΡΠΎΠ»ΠΈ.
- Π‘Π»Π΅Π΄ΡΡΡΠΈΠΉ ΡΠ°Π³ — ΠΎΡΠΊΠ»ΡΡΠ΅Π½ΠΈΠ΅. ΠΡΠΈ Π΄Π΅ΠΌΠΎΠ½ΡΠ°ΠΆΠ΅ Π½ΡΠΆΠ½ΠΎ Π±ΡΡΡ ΠΌΠ°ΠΊΡΠΈΠΌΠ°Π»ΡΠ½ΠΎ ΠΎΡΡΠΎΡΠΎΠΆΠ½ΡΠΌ, ΡΡΠΎΠ±Ρ Π½Π΅ ΠΏΠΎΠ²ΡΠ΅Π΄ΠΈΡΡ ΠΊΠ°Π±Π΅Π»Ρ, ΠΎΡΠΎΠ±Π΅Π½Π½ΠΎ Π΅ΡΠ»ΠΈ ΠΎΠ½ ΡΡΠ°ΡΡΠΉ.Π ΠΏΡΠΎΡΠΈΠ²Π½ΠΎΠΌ ΡΠ»ΡΡΠ°Π΅ Π΅Π³ΠΎ Π½ΡΠΆΠ½ΠΎ Π±ΡΠ΄Π΅Ρ Π·Π°ΠΌΠ΅Π½ΠΈΡΡ.
- ΠΠ°ΡΠ΅ΠΌ Π²ΡΠΊΠ»ΡΡΠΈΡΠ΅ Π±Π΅Π»ΡΠΉ Π²ΡΡ
ΠΎΠ΄ ΠΈ ΡΠ½ΠΈΠΌΠΈΡΠ΅ ΡΠΊΠΎΠ½ΠΎΠΌΠ΅ΡΡΠΈΡΠ΅ΡΠΊΠΈΠΉ ΡΠ»Π°Π½Π³.
- ΠΠ°ΡΠ΅ΠΌ ΡΠ»Π΅Π΄ΡΠ΅Ρ ΠΎΡΡΠΎΠ΅Π΄ΠΈΠ½ΠΈΡΡ ΠΊΠ°Π±Π΅Π»Ρ ΡΠ±ΡΠΎΡΠ° Π΄Π°Π½Π½ΡΡ
ΡΡΡΠΎΡΠ½ΠΎΠ³ΠΎ ΠΏΡΠΎΠ±Π΅Π³Π° ΠΎΡ ΡΠΏΠΈΠ΄ΠΎΠΌΠ΅ΡΡΠ°.
- ΠΠΎΡΠ»Π΅Π΄Π½ΠΈΠΌ ΡΡΠ°ΠΏΠΎΠΌ Π±ΡΠ΄Π΅Ρ ΠΎΡΠΊΠ»ΡΡΠ΅Π½ΠΈΠ΅ ΠΊΡΠ°ΡΠ½ΠΎΠ³ΠΎ ΡΠ°Π·ΡΠ΅ΠΌΠ° ΠΈ Π΄Π΅ΠΌΠΎΠ½ΡΠ°ΠΆ ΡΠ°ΠΌΠΎΠ³ΠΎ ΡΠΈΡΠ°. ΠΠ°ΠΌΠ΅Π½ΡΠ΅ΡΡΡ ΠΈ ΡΡΡΠ°Π½Π°Π²Π»ΠΈΠ²Π°Π΅ΡΡΡ Π½ΠΎΠ²Π°Ρ ΠΏΠ°Π½Π΅Π»Ρ, ΠΏΠΎΡΠ»Π΅ ΡΠ΅Π³ΠΎ Π΄Π°Π»ΡΠ½Π΅ΠΉΡΠ°Ρ ΡΠ±ΠΎΡΠΊΠ° ΠΏΡΠΎΠ²ΠΎΠ΄ΠΈΡΡΡ Π² ΠΎΠ±ΡΠ°ΡΠ½ΠΎΠΉ ΠΏΠΎΡΠ»Π΅Π΄ΠΎΠ²Π°ΡΠ΅Π»ΡΠ½ΠΎΡΡΠΈ.
ΠΠ°ΠΊ Π²ΠΈΠ΄ΠΈΡΠ΅, ΠΏΡΠΎΡΠ΅Π΄ΡΡΠ° Π½Π΅ ΠΎΡΠΎΠ±ΠΎ ΡΠ»ΠΎΠΆΠ½Π°Ρ — Π΄ΠΎΡΡΠ°ΡΠΎΡΠ½ΠΎ ΡΠ΄Π΅Π»Π°ΡΡ Π²ΡΠ΅ Π² ΡΠΎΠΎΡΠ²Π΅ΡΡΡΠ²ΠΈΠΈ Ρ ΠΈΠ½ΡΡΡΡΠΊΡΠΈΠ΅ΠΉ ΠΈ ΠΏΡΠΎΠ±Π»Π΅ΠΌ Π² Π΄Π°Π»ΡΠ½Π΅ΠΉΡΠ΅ΠΉ ΡΠΊΡΠΏΠ»ΡΠ°ΡΠ°ΡΠΈΠΈ ΡΡΡΡΠΎΠΉΡΡΠ²Π° Π½Π΅ Π²ΠΎΠ·Π½ΠΈΠΊΠ½Π΅Ρ.
ΠΠΈΠ΄Π΅ΠΎ Β«ΠΠ°ΠΊ Π΄Π΅ΠΌΠΎΠ½ΡΠΈΡΠΎΠ²Π°ΡΡ ΠΏΠ°Π½Π΅Π»Ρ ΠΏΡΠΈΠ±ΠΎΡΠΎΠ² Π½Π° ΠΠΠ 2109 ΡΠ²ΠΎΠΈΠΌΠΈ ΡΡΠΊΠ°ΠΌΠΈΒ»
Π£Π·Π½Π°ΠΉΡΠ΅, ΠΊΠ°ΠΊ Π·Π°ΠΌΠ΅Π½ΡΡΡΡΡ Π΄Π°ΡΠ±ΠΎΡΠ΄Ρ Π½Π° Π΄Π΅Π²ΡΡΠΊΡ, ΠΈΠ· Π²ΠΈΠ΄Π΅ΠΎ Π½ΠΈΠΆΠ΅ (Π°Π²ΡΠΎΡ ΡΠΎΠ»ΠΈΠΊΠ° — Π‘Π΄Π΅Π»Π°ΠΉ Π‘ΡΠΌ! ΠΠ»ΡΡ ΠΈΠ½ΡΠ΅ΡΠ΅ΡΠ½ΠΎΠ΅!).
Π‘Π½ΡΡΠΈΠ΅ Π½Π΅Π²ΡΡΠΎΠΊΠΎΠΉ ΠΏΡΠΈΠ±ΠΎΡΠ½ΠΎΠΉ ΠΏΠ°Π½Π΅Π»ΠΈ Π½Π° Π°Π²ΡΠΎΠΌΠΎΠ±ΠΈΠ»Π΅ ΠΠΠ 2109 ΠΏΡΠΎΠ²ΠΎΠ΄ΠΈΡΡΡ Ρ ΡΠ΅Π»ΡΡ Π΅Π΅ Π·Π°ΠΌΠ΅Π½Ρ ΠΈΠ»ΠΈ ΠΏΡΠΎΠ²Π΅Π΄Π΅Π½ΠΈΡ ΡΠ°Π·Π»ΠΈΡΠ½ΡΡ
ΡΠ΅ΠΌΠΎΠ½ΡΠΎΠ², ΠΏΡΠΈ ΠΊΠΎΡΠΎΡΡΡ
Π΅Π΅ Π½Π°Π»ΠΈΡΠΈΠ΅ Π±ΡΠ΄Π΅Ρ ΠΌΠ΅ΡΠ°ΡΡ ΡΠ°Π±ΠΎΡΠ΅. ΠΠ»Ρ Π΄Π΅ΠΌΠΎΠ½ΡΠ°ΠΆΠ° ΠΏΠΎΠ΄Π³ΠΎΡΠΎΠ²ΡΡΠ΅ ΡΡΠ°Π½Π΄Π°ΡΡΠ½ΡΠΉ Π½Π°Π±ΠΎΡ ΠΈΠ½ΡΡΡΡΠΌΠ΅Π½ΡΠΎΠ², ΡΠ½ΠΈΠΌΠΈΡΠ΅ ΡΡΠ»Ρ ΠΈ ΠΌΠΎΠΆΠ½ΠΎ ΠΏΡΠΈΡΡΡΠΏΠ°ΡΡ.
ΠΠΎΡΡΠ΄ΠΎΠΊ ΡΠ°Π±ΠΎΡΡ ΡΠ»Π΅Π΄ΡΡΡΠΈΠΉ:
- Π ΠΏΠ΅ΡΠ²ΡΡ ΠΎΡΠ΅ΡΠ΅Π΄Ρ ΡΠ½ΠΈΠΌΠ°Π΅ΠΌ Π΄Π΅ΠΊΠΎΡΠ°ΡΠΈΠ²Π½ΡΠ΅ ΡΡΡΠΊΠΈ ΡΠΏΡΠ°Π²Π»Π΅Π½ΠΈΡ ΠΎΡΠΎΠΏΠΈΡΠ΅Π»Π΅ΠΌ ΡΠ°Π»ΠΎΠ½Π° ΠΈ ΠΏΠ΅ΡΠ΅ΠΊΠ»ΡΡΠ°ΡΠ΅Π»Ρ ΡΠ΅ΠΆΠΈΠΌΠΎΠ² ΡΠ°Π±ΠΎΡΡ ΡΠ»Π΅ΠΊΡΡΠΎΠ΄Π²ΠΈΠ³Π°ΡΠ΅Π»Ρ ΠΎΠ±ΠΎΠ³ΡΠ΅Π²Π°.
- ΠΠ°Π»Π΅Π΅ Π½Π΅ΠΎΠ±Ρ
ΠΎΠ΄ΠΈΠΌΠΎ ΠΎΡΠΊΡΡΡΠΈΡΡ Π²ΠΈΠ½ΡΡ ΠΊΡΠ΅ΠΏΠ»Π΅Π½ΠΈΡ Π΄Π΅ΠΊΠΎΡΠ°ΡΠΈΠ²Π½ΠΎΠΉ ΠΊΡΡΡΠΊΠΈ ΠΊΠΎΠ½ΡΠΎΠ»ΠΈ. ΠΠΈΠ½ΡΡ ΡΠ°ΡΠΏΠΎΠ»ΠΎΠΆΠ΅Π½Ρ ΠΏΠΎ Π±ΠΎΠΊΠ°ΠΌ. ΠΠΎΡΠ»Π΅ ΡΡΠΎΠ³ΠΎ ΠΎΡΠ²Π΅Π΄ΠΈΡΠ΅ ΠΊΡΡΡΠΊΡ Π½Π΅ΠΌΠ½ΠΎΠ³ΠΎ Π½Π°Π·Π°Π΄, Π½Π°ΡΠΊΠΎΠ»ΡΠΊΠΎ ΠΏΠΎΠ·Π²ΠΎΠ»ΡΠ΅Ρ Π²Π½ΡΡΡΠ΅Π½Π½ΡΡ ΠΏΡΠΎΠ²ΠΎΠ΄ΠΊΠ°.
- Π’Π΅ΠΏΠ΅ΡΡ ΠΎΡΡΠΎΠ΅Π΄ΠΈΠ½ΡΠ΅ΠΌ ΠΎΡ ΠΊΡΡΡΠΊΠΈ Π²ΡΠ΅ ΠΏΠ°ΠΊΠ΅ΡΡ Ρ ΠΏΡΠΎΠ²ΠΎΠ΄Π°ΠΌΠΈ.ΠΡ
ΡΠ»Π΅Π΄ΡΠ΅Ρ ΠΏΡΠ΅Π΄Π²Π°ΡΠΈΡΠ΅Π»ΡΠ½ΠΎ ΠΏΡΠΎΠΌΠ°ΡΠΊΠΈΡΠΎΠ²Π°ΡΡ, ΡΡΠΎΠ±Ρ ΠΎΠ½ΠΈ Π½Π΅ ΠΏΠ΅ΡΠ΅ΠΏΡΡΠ°Π»ΠΈΡΡ ΠΌΠ΅ΡΡΠ°ΠΌΠΈ ΠΏΡΠΈ ΠΏΠΎΡΠ»Π΅Π΄ΡΡΡΠ΅ΠΉ ΡΠ±ΠΎΡΠΊΠ΅. Π‘ΡΠ΄Π° Π²Ρ
ΠΎΠ΄ΡΡ — Π²ΡΠΊΠ»ΡΡΠ°ΡΠ΅Π»Ρ Π½Π°ΡΡΠΆΠ½ΠΎΠ³ΠΎ ΠΎΡΠ²Π΅ΡΠ΅Π½ΠΈΡ, ΠΏΡΠΎΡΠΈΠ²ΠΎΡΡΠΌΠ°Π½Π½ΡΠ΅ ΡΠ°ΡΡ, Π°Π²Π°ΡΠΈΠΉΠ½ΡΠ΅ ΠΎΠ³Π½ΠΈ, ΠΎΠ±ΠΎΠ³ΡΠ΅Π² Π·Π°Π΄Π½Π΅Π³ΠΎ ΡΡΠ΅ΠΊΠ»Π°.
- Π‘ΡΠ°Π·Ρ ΠΎΡΠΊΠ»ΡΡΠ°Π΅ΠΌ ΠΏΡΠΎΠ²ΠΎΠ΄Π° ΠΏΠΈΡΠ°Π½ΠΈΡ ΠΏΡΠΈΠΊΡΡΠΈΠ²Π°ΡΠ΅Π»Ρ ΠΈ Π΅Π³ΠΎ ΠΏΠΎΠ΄ΡΠ²Π΅ΡΠΊΠΈ.
- ΠΠ°Π»Π΅Π΅ ΠΎΡΠΊΡΡΡΠΈΠ²Π°Π΅ΠΌ Π²ΠΈΠ½ΡΡ ΠΊΡΠ΅ΠΏΠ»Π΅Π½ΠΈΡ ΠΏΠ°Π½Π΅Π»ΠΈ ΡΠΏΡΠ°Π²Π»Π΅Π½ΠΈΡ ΠΎΡΠΎΠΏΠ»Π΅Π½ΠΈΠ΅ΠΌ ΡΠ°Π»ΠΎΠ½Π°, Π²ΡΠ΅Π³ΠΎ ΡΠ΅ΡΡΡΠ΅ Π²ΠΈΠ½ΡΠ°.
- ΠΡΠ²Π΅ΡΠ½ΠΈΡΠ΅ Π²ΠΈΠ½ΡΡ, ΠΊΠΎΡΠΎΡΡΠΌΠΈ ΠΊΡΠ΅ΠΏΠΈΡΡΡ ΠΊΠΎΠ·ΡΡΠ΅ΠΊ ΠΊΠΎΠΌΠ±ΠΈΠ½Π°ΡΠΈΠΈ ΠΏΡΠΈΠ±ΠΎΡΠΎΠ².
- Π‘Π½ΡΠ² ΠΊΠΎΠ·ΡΡΠ΅ΠΊ, ΠΎΡΠΎΠΆΠΌΠΈΡΠ΅ ΠΏΡΡΠΆΠΈΠ½Π½ΡΠ΅ ΡΠΈΠΊΡΠ°ΡΠΎΡΡ ΠΈ ΡΠ½ΠΈΠΌΠΈΡΠ΅ ΡΠ°ΠΌΡ ΠΊΠΎΠΌΠ±ΠΈΠ½Π°ΡΠΈΡ ΠΏΡΠΈΠ±ΠΎΡΠΎΠ² Ρ ΠΏΠ°Π½Π΅Π»ΠΈ.
- ΠΡΠ²ΠΈΠ½ΡΠΈΡΠ΅ ΡΡΠΎΠΏΠΎΡΠ½ΡΡ Π³Π°ΠΉΠΊΡ ΠΏΡΠΈΠ²ΠΎΠ΄Π° ΡΠΏΠΈΠ΄ΠΎΠΌΠ΅ΡΡΠ° ΠΈ ΠΎΡΡΠΎΠ΅Π΄ΠΈΠ½ΠΈΡΠ΅ ΡΡΠΎΡ.
- ΠΠ΅ΠΌΠ΅Π΄Π»Π΅Π½Π½ΠΎ ΡΠ½ΠΈΠΌΠΈΡΠ΅ ΡΠ»Π°Π½Π³ ΡΠΊΠΎΠ½ΠΎΠΌΠ°ΠΉΠ·Π΅ΡΠ° Ρ ΡΡΡΡΠ΅ΡΠ°, ΡΠ½ΠΈΠΌΠΈΡΠ΅ Π±Π»ΠΎΠΊ Ρ ΠΏΡΠΎΠ²ΠΎΠ΄Π°ΠΌΠΈ ΠΏΠΈΡΠ°Π½ΠΈΡ (Π±Π΅Π»ΡΠΉ ΠΈ ΠΊΡΠ°ΡΠ½ΡΠΉ) ΠΈ ΠΎΡΡΠΎΠ΅Π΄ΠΈΠ½ΠΈΡΠ΅ ΡΡΠΎΡ ΡΠ±ΡΠΎΡΠ° ΡΡΡΠΎΡΠ½ΠΎΠ³ΠΎ ΠΏΡΠΎΠ±Π΅Π³Π° ΡΠΏΠΈΠ΄ΠΎΠΌΠ΅ΡΡΠ°. ΠΡΠ»ΠΎΠΆΠΈΡΠ΅ ΠΊΠΎΠΌΠ±ΠΈΠ½Π°ΡΠΈΡ Π² ΡΡΠΎΡΠΎΠ½Ρ, ΡΡΠΎΠ±Ρ ΠΎΠ½Π° Π½Π΅ ΠΌΠ΅ΡΠ°Π»Π°.
- ΠΠ°Π»Π΅Π΅ ΡΠ½ΠΈΠΌΠ°Π΅ΠΌ ΠΏΠ»Π°ΡΡΠΈΠΊΠΎΠ²ΡΠ΅ ΡΡΡΠΊΠΈ Π²ΠΊΠ»ΡΡΠ΅Π½ΠΈΡ ΠΈ ΡΠ΅Π³ΡΠ»ΠΈΡΠΎΠ²ΠΊΠΈ ΡΡΠΊΠΎΡΡΠΈ ΠΊΠΎΠΌΠ±ΠΈΠ½ΠΈΡΠΎΠ²Π°Π½Π½ΠΎΠΉ ΠΏΠΎΠ΄ΡΠ²Π΅ΡΠΊΠΈ ΠΈ Π³ΠΈΠ΄ΡΠΎΠΊΠΎΡΡΠ΅ΠΊΡΠΎΡΠ° ΡΠ°Ρ. ΠΠΎΡΠ»Π΅ ΡΡΠΎΠ³ΠΎ ΡΠΎΡΡΠ΅Π²ΡΠΌ ΠΊΠ»ΡΡΠΎΠΌ ΠΎΡΠ²Π΅ΡΠ½ΠΈΡΠ΅ Π³Π°ΠΉΠΊΠΈ ΠΊΡΠ΅ΠΏΠ»Π΅Π½ΠΈΡ ΡΠ΅Π³ΡΠ»ΡΡΠΎΡΠΎΠ² ΠΊ ΠΊΠΎΡΠΏΡΡΡ ΠΏΠ°Π½Π΅Π»ΠΈ ΠΈ, ΡΠ½ΡΠ² Π³Π°ΠΉΠΊΠΈ, ΠΏΡΠΎΡΠΎΠ»ΠΊΠ½ΠΈΡΠ΅ ΠΈΡ
Π²Π½ΡΡΡΡ.
- ΠΠ΅ΡΠ΅Ρ
ΠΎΠ΄ΠΈΠΌ ΠΊ Π·Π°ΠΌΠΊΡ Π·Π°ΠΆΠΈΠ³Π°Π½ΠΈΡ. ΠΡΡΠΎΠ΅Π΄ΠΈΠ½ΠΈΡΠ΅ ΡΡΠΌΠΊΡ Ρ ΠΏΡΠΎΠ²ΠΎΠ΄Π°ΠΌΠΈ ΠΏΠΈΡΠ°Π½ΠΈΡ, Π·Π°ΡΠ΅ΠΌ Π²ΡΡΠ°Π²ΡΡΠ΅ ΠΊΠ»ΡΡ Π² Π·Π°ΠΌΠΎΠΊ ΠΈ ΠΏΠΎΠ²Π΅ΡΠ½ΠΈΡΠ΅ Π΅Π³ΠΎ Π² Π½ΡΠ»Π΅Π²ΠΎΠ΅ ΠΏΠΎΠ»ΠΎΠΆΠ΅Π½ΠΈΠ΅, ΡΡΠΎΠ±Ρ Π·Π°ΡΠ΅Π»ΠΊΠ° Π·Π°ΠΌΠΊΠ° ΡΡΠ»Π΅Π²ΠΎΠ³ΠΎ ΠΊΠΎΠ»Π΅ΡΠ° ΡΠ°Π·Π±Π»ΠΎΠΊΠΈΡΠΎΠ²Π°Π»Π°ΡΡ.
- Π‘Π½ΡΡΡ ΡΡΡΠ±ΠΊΡ ΡΡΠ»Π΅Π²ΠΎΠΉ ΠΊΠΎΠ»ΠΎΠ½ΠΊΠΈ Ρ ΡΠΈΠΊΡΠ°ΡΠΎΡΠΎΠΌ.
- Π‘Π»Π΅Π³ΠΊΠ° Π²ΡΡΡΠ½ΠΈΡΠ΅ ΡΡΠ³Ρ ΠΏΡΠΈΠ²ΠΎΠ΄Π° Π²ΠΎΠ·Π΄ΡΡΠ½ΠΎΠΉ Π·Π°ΡΠ»ΠΎΠ½ΠΊΠΈ Π½Π° ΡΠ΅Π±Ρ ΠΈ ΡΠ½ΠΈΠΌΠΈΡΠ΅ Π΄Π΅ΠΊΠΎΡΠ°ΡΠΈΠ²Π½ΡΡ ΡΡΡΠΊΡ. ΠΠ°ΡΠ΅ΠΌ ΠΎΡΠΊΡΡΡΠΈΠ²Π°Π΅ΠΌ Π΄Π²Π° Π²ΠΈΠ½ΡΠ° ΠΈ ΡΠ½ΠΈΠΌΠ°Π΅ΠΌ Π½Π°ΠΏΡΠ°Π²Π»ΡΡΡΡΡ ΡΡΠ°Π½Π³ΠΈ.
- Π Π½Π° Π·Π°Π²Π΅ΡΡΠ°ΡΡΠ΅ΠΌ ΡΡΠ°ΠΏΠ΅ ΠΎΡΡΠ°Π»ΠΎΡΡ ΠΎΡΠΊΡΡΡΠΈΡΡ Π²ΡΠ΅ Π²ΠΈΠ½ΡΡ ΠΊΡΠ΅ΠΏΠ»Π΅Π½ΠΈΡ ΠΏΠ°Π½Π΅Π»ΠΈ ΠΊ ΠΊΡΠ·ΠΎΠ²Ρ.