30Авг

Клапан давления – Редукционный клапан давления: принцип работы, устройство, назначение

Редукционный клапан давления: принцип работы, устройство, назначение

Газ или жидкость в магистральном трубопроводе часто находится под более высоким давлением, чем это нужно для того или иного потребителя. Для того, чтобы снизить его до требуемой величины, применяют редукционный клапан. Такие устройства используют также стабилизации напора в гидравлических системах различных приводов на транспорте и в технологических установках.

Назначение

Устройства предназначены для понижения высокого напора жидкости или газа, подаваемого из магистрали, до значений, необходимых для работы устройства-потребителя. Еще одно назначение редукционного клапана — поддержание постоянного давления на входе таких устройств.

Основные области применения гидравлических редукционных клапанов следующие:

  • Водопроводные распределительные сети.
  • Насосные установки.
  • Оросительные системы.
  • Противопожарные комплексы.

Правильно подобранный редукционный клапан дает следующие преимущества:

  • Защита от резких перепадов напора, гидравлических ударов.
  • Оптимизация расхода ресурсов, снижение издержек.
  • Снижение уровня вибрации, нежелательных акустических эффектов (так называемое «гудение труб»).

Специалисты рекомендуют устанавливать редукционный клапан в следующих случаях:

  • При давлении в магистрали выше 5 атм. (бар)
  • Защита от бросков.
  • Сложные распределительные системы в многоэтажных зданиях.
  • Потребность в секциях водопроводной сети с разным напором.

Чтобы стабилизировать давление в отопительных контурах, применяется подпиточный клапан.

Виды регулировочных клапанов

Устройства разделяют на две подгруппы. Они различаются конструкцией и принципом действия. Это:

  • Редукторы прямого действия. Давление в магистрали непосредственно действует на чувствительные элементы, управляющие регулировкой. Работает за счет энергии напора в магистрали.
  • Редукторы непрямого действия. Давление воспринимается чувствительным элементом и предается на механизм, сравнивающий значение с заданным и управляющий исполнительными органами. Этот механизм может использовать электронные компоненты и требовать дополнительного питания.

Редукторы разделяются также по виду рабочей среды:

  • Воздух.
  • Газ (углекислый, ацетилен, аргон, кислород и т.п.).
  • Масло в системах смазки и гидравлики.
  • Вода в сетях водоснабжения и канализации.
  • Теплоноситель в системах отопления.

Рабочая среда влияет на выбор конструкции, материалов, диапазонов регулировки.

Гидравлические редукторы, в свою очередь, бывают поршневые и мембранные. Поршневые отличаются тем, что изменения входного давления не влияет на стабильность параметров на выходе. Однако устройства такого типа намного более чувствительны к загрязнениям и посторонним включениям в потоке рабочей среды и требую установки фильтров. В мембранных редукторах перепады на входе сказываются на постоянстве напора на выходе, они неприхотливы и допускают значительные загрязнения жидкости. Для срабатывания им не требуется существенный перепад входного давления.

Клапан редукционный пружинного типа применяется для управления напором при подаче газов, воды, пара, растворов теплоносителей.

Функции редукционного клапана

Для чего нужен водный или газовый редукционный клапан? Редуктора выполняют следующие основные функции:

  • Понижение давления в отводе от главной магистрали.
  • Стабилизация выходного давления на заданном уровне.
  • Ограничение выходного давления до заданной величины.

Сложные современные устройства выполняют и другие функции, такие, как передача данных в централизованную систему управления, доочистка рабочей среды от механических загрязнений и других посторонних включений.

Как работает редукционный клапан

Рассмотрим принцип работы прямых и непрямых редукционных клапанов.

Для этого будет рассмотрены схемы простейших редукционных клапанов.

Редукционный клапан прямого действия

Основные элементы конструкции редуктора прямого действия следующие:

  • Цилиндрический корпус имеет входной и выходной патрубок.
  • По корпусу изнутри двигается золотник переменного сечения. Он может перекрывать входной и выходные патрубки.
  • Сверху золотник поджат пружиной.
  • Сила прижима задается регулировочным винтом.

Давление на входе (Рн) не вызывает перемещения золотника. Когда давление на выходе (Рред) падает ниже заданной величины, пружина отжимает сердечник вниз, открывая выходной патрубок и соединяя его с центральной камерой. Рн начинает действовать и на нижний срез золотника, отжимая его вверх, сжимая пружину и перекрывая выходной патрубок. По мере расхода жидкости потребителем в выходном патрубке Рред снижается, и пружина снова отжимает поршень вниз. Рабочий цикл повторяется.

Рн воздействует на обе поверхности камеры золотника с равной силой и не вызывает его продольного перемещения. Рред и сила пружины действуют на поршень в противоположных направлениях. Сила воздействия пружины задается регулировочным винтом. Чем сильнее он завернут, тем больше эта сила и тем большее давление воды требуется, чтобы ее уравновесить.

При росте Рред поршень будет двигаться вверх, постепенно перекрывая просвет входного патрубка, при этом будет снижаться и подача рабочей среды, снижая, таким образом, Рред.

Как только Рред снизится до заданной величины, пружина начнет отжимать поршень вниз, увеличивая просвет и поступление рабочей среды. Рн начнет увеличиваться.  Одновременно этот механизм выполняет и функции обратного клапана.

При большом расходе клапан прямого действия будет вызывать большие колебания расходы продукта.

В этом случае разумно применить редукционный клапан давления непрямого действия.

Редукционный клапан непрямого действия

Применение таких устройств дает возможность снизить зависимость колебаний давления от расхода.

Устройство редуктора непрямого действия заметно сложнее, чем прямого.

Входной поток проходит чрез просвет между конической частью поршня золотника и седлом, и далее- в отводной канал. Сила давления в этом канале действует на нижний срез поршня золотника, отжимая его вверх. Это давление уравновешивается силой сжатия главной пружины и давлением на верхнюю часть поршня, куда рабочая среда поступает через дросселирующую заслонку. Далее отводной канал подходит к подпружиненному шарику, перекрывающему выход в дренажный патрубок. Сила сжатия этой пружины изменяется с помощью регулировочного винта.

Позиция золотника определяется равнодействующей Рред и давления в верхней камере.

Если давление в отводном канале превышает заданный регулировочным винтом уровень, шарик отжимается вправо, открывая путь рабочей среде в дренаж. Возрастает расход, и благодаря потерям в дросселирующей заслонке давление в верхней камере начинает снижаться. После сброса в дренаж некоторого ее количества давление падает до заданного, и пружина отжимает шарик к седлу, перекрывая клапан.  Золотник перемещается в сторону меньшего давления, перекрывая входной патрубок, и Рред также снижается до установленной величины.

Отличие редуктора от предохранительного клапана

Конструктивно эти два вида запорных устройств имеют очень много общего. Они походи внешним видом корпусов, рабочее давление и там, и там задается регулировочными винтами, изменяющими степень сжатия пружин, подпирающих клапаны. Много общего и в их схемах с точки зрения гидравлики.

Различия заключаются в назначении, принципе действия и особенностях внутреннего устройства.

Предохранительный клапан выполняет единственную функцию — он не должен допустить повышение давления в системе выше заданной предельной величины.

Управляется он входным давлением (Рн). Для него не имеет значения расход рабочей среды, проходящей через клапан. Это устройство эпизодического действия.

Редуктор же должен независимо от Рн поддерживать постоянное давление на выходе. Он управляется выходным Рред. Постоянный расход имеет большое значение для функционирования этого типа устройств. Действуют они не эпизодически, ка предохранителя, а постоянно.

Различие в управляющих параметрах нашли свое отражение и на гидравлических схемах. У редуктора пунктир, символизирующий управление, подходит ко входу, а у предохранителя — к выходу.

Ремонт и неисправности масляного клапана

Конструкция редуктора достаточно простая, это обуславливает его высокую отказоустойчивость и долгий срок эксплуатации. Обычно это бывает связано с износом деталей устройства.

Специалисты выделяют следующие основные неисправности редукторов:

  • Не создается необходимое давление на выходе. Чаще всего причиной неисправности служит пружина. По мере использования и естественного старения пружина теряет упругость. Из-за меньшей силы сжатия клапан никогда до конца не закрывается, и заданный напор не достигается. То же самое может произойти, если при ремонте или обслуживании поставить похожую по размерам пружину, обладающую меньшей упругостью. Неопытные или недобросовестные мастера часто допускают такую оплошность.
  • На выходе получается слишком высокое давление. Это бывает вызвано наличием посторонних предметов внутри механизма, мешающих ему своевременно отсекать подачу. Это могут быть частицы стружки, других механических загрязнений или отложения отработавшего свой срок и загустевшего масла. Такие загрязнения могут привести к заклиниванию деталей клапана и к полному выходу механизма из строя.

Ремонт и обслуживание можно проводить только при полностью отключенных насосах, двигателях и сбрасывании давления в магистрали до нуля. Нарушение этого правила может привести к выбросу масла и деталей клапана, травмированию персонала и повреждению оборудования.

Ремонт заключается в демонтаже клапана и его полной разборке для дефектации.

Все детали, включая корпус, надо тщательно промыть в растворителе от остатков масла и других загрязнений и осмотреть. Поврежденные детали следует заменить. Если нет уверенности в упругости пружины, лучше заменить и ее, не дожидаясь сбоев в работе.

Такое обслуживание обычно приурочивают к плановому ремонту двигателя, связанному с частичной разборкой. Если на внутренних поверхностях корпуса или на поверхности золотника обнаружены царапины или задиры, лучше заменить весь клапан.

Как устанавливать и регулировать

В разветвленных сетях водоснабжения редукционная арматура ставится на входе в квартиру. Они позволяют компенсировать перепады напора, связанные с неравномерным расходом воды на разных этажах здания и стабилизировать напор для конечных потребителей.

При планировании и монтаже рекомендуется учитывать следующее:

  • При отсутствии специальных предписаний изготовителя клапан монтируется в разрыве любой трубы, как вертикальной, так и горизонтальной.
  • Если контрольные манометры не входят в конструкцию устройства, то их следует установить до редуктора и сразу после него. Это позволит визуально контролировать параметры на входе и исправность прибора.
  • Если отрезок трубопровода, оснащенный редуктором, имеет строгие ограничения по максимальному давлению, то следом за редукционным предусматривают предохранительный клапан, сбрасывающий избыток давления в нестандартной ситуации.
  • Если выбрана поршневая конструкция редуктора- перед ним обязательно должен стоять фильтр механической очистки. Он защитит высокоточные детали механизма от повреждения частичками ржавчины, песка и минеральных отложений.
  • Если вода сильно загрязнена, например, в случае старой и изношенной водораспределительной сети, могут потребоваться дополнительные фильтры, снижающие минерализацию воды.
  • При выборе типа присоединения на стороне низкого давления (до 5 атм) предпочтительным является резьбовой.

Фланцевые соединения более надежны, но в бытовой сети их преимущества проявляются слабо. Сварные соединения обладают максимальной надежностью, но низкой ремонтопригодностью. Для требующего периодического обслуживания и замены оборудования — это не лучший выбор.

Обслуживание и ремонт

Обслуживание редукторов требуется минимальное. Если изготовитель указал периодичность осмотра, то лучше соблюдать ее и в указанное время разбирать клапан проверять состояние его деталей и при необходимости заменять изношенные. Если на водопроводном редукторе стоят два манометра- до и после, то по их показаниям можно точнее определить время внепланового обслуживания устройства. Своевременное плановое обслуживание позволяет избежать внепланового, экстренного ремонта, вызванного поломкой.

Если вы нашли ошибку, пожалуйста, выделите фрагмент текста и нажмите Ctrl+Enter.

stankiexpert.ru

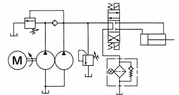
Клапаны гидравлические (самоучитель по чтению гидросхем)

<<< Чтение гидросхем — самоучитель


Один и тот же клапан может служить нескольким целям в зависимости от своего расположения в гидросхеме, а также от расположения выхода и входа пилотной линии, схемы реализации слива утечек (дренажа) — зависимой или независимой.

Предохранительные клапаны

Предохранительные клапаны, как показано на рисунке выше (a, b, c), ограничивают максимальное давление в системе. Предохранительные клапаны — это нормально закрытые клапаны, которые воспринимают давление перед клапаном. Когда давление достигает установки (уставки или отсечки) клапана, клапан открывается для того, чтобы сбросить излишки жидкости (давления) к резервуар (гидробак). На рисунке выше (a) показан клапан прямого действия. Пунктирная пилотная линия указывает на то, что давление «снимается» непосредственно перед клапаном и запорный элемент клапана, непосредственно, воспринимает давление подаваемое на него.  Пружинная полость клапана напрямую соединена со вторичным портом, хотя данная функция не отображается текущими символами ISO 1219-1. Обратное давление в линии слива действует со стороны пружины и добавляет (приплюсовывает) к установленному давлению настройки своё давление. Это означает, например, что в случае давления в 10 бар в линии слива (давление подпора в линии слива), клапан откроется при давлении на 10 бар большем, чем было установлено, хотя перепад давлений через клапан не изменяется.

На рисунке выше (b) показан упрощенный символ предохранительного клапана с пилотным управлением или, по-другому, двухступенчатый клапан, а на рисунке (c) показан детализированный символ для двухступенчатого предохранительного клапана. Благодаря своей конструкции пилот предохранительного клапана может быть удалён и находиться в кабине оператора.

После неурегулированного гидронасоса обязательно должен быть установлен предохранительный клапан.

Несмотря на то, что регулируемые гидронасосы имеют компенсаторы по давлению, после них в гидроцепи желательно также устанавливать предохранительный клапан. Клапаны, стоящие после гидронасоса, обычно называются главными клапанами и защищают всю гидросистему. Также для защиты отдельных узлов (гидромоторов, гидроцилиндров) предохранительные клапаны могут устанавливаться в ответвлениях гидроцепи.

На рисунке выше (d) показан нормально открытый редукционный клапан, который используются для ограничения максимального давления приводов в ответвлениях гидролинии. Эти клапаны контролируют давление за счёт контроля давления на вторичном выходе клапана. Данная функция показывается пунктирной пилотной линией на выходе клапана. Так как давление определяется как сопротивление потоку, то регулируя расход масла (РГЖ) через клапан возможно изменять перепад давления на клапане, тем самым регулируя вторичное давление. Так как клапан «снимает» давление непосредственно на выходе, то данный клапан априори является клапаном с внешним дренажом.

На рисунке выше (е) показан символ редукционного клапана, который, помимо давления, понижает поток масла через клапан.

Клапаны разгрузки  используются с насосами постоянного объёма или в линии аккумулятора для сохранения энергии привода. Некоторые производители изготавливают клапаны с внешней разгрузкой — такой клапан показан на рисунке выше (f). В данных клапанах разгрузка осуществляется по команде пилотного давления из другой гидролинии или гидролинии оператора.

На данной гидросхеме ограничение давления происходит как от внешнего, так и от внутреннего пилотного давления. При увеличении любого пилотного давления сверх показания установленного — происходит открытие клапана:

На рисунке ниже показана типичная гидросхема с насосами высокого давления (малого объёма) и низкого давления (большого объёма). Разгрузка насоса низкого давления происходит от пилотного давления, подаваемого после обратного клапана. Для защиты линии высокого давления после закрытия обратного клапана, за насосом высокого давления устанавливается предохранительный клапан.

В данной гидросхеме клапаны S1 и S2 являются клапанами последовательности:

В начале цикла происходит подъём бура и только после достижения давления уставки клапана S2 происходит разжим струбцины — система приводится в исходное положение и теперь можно начинать рабочий цикл. При подаче напряжения на катушку произойдёт зажим струбцины и по достижению уставки давления клапана S1 начнется рабочий ход бура. Особенностью клапана последовательности является наличие независимого слива, так как со стороны слива действует противодавление, которое будет менять уставку давления при отсутствии независимого слива. Такие клапаны могут дополняться обратными клапанами для свободного движения масла в обратном направлении.

На рисунке ниже изображён клапан подпора:

Цель клапана подпора — удержание штока гидроцилиндра от свободного падения под действием силы тяжести при опускании или в промежуточном положении. Клапан настраивается приблизительно на давление 10 бар и благодаря этому шток гидроцилиндра опускается равномерно, без рывков. Недостатком этого клапана является понижение КПД гидроцилиндра, так как требуется преодолевать дополнительное противодавление клапана в 10 бар. Для исправления этого недостатка некоторые производители выпускают клапаны подпора с внешней пилотной линией.

На гидросхеме ниже при опускании штока вниз клапан полностью открывается под воздействием внешнего пилотного давления:

В случаях работы гидравлики с переменной нагрузкой, применение клапана подпора с внешней пилотной линией (клапана контрбаланса) однозначно необходимо. В случае, когда в гидроцилиндре создаётся «тянущая» нагрузка, имеется вероятность неравномерного опускания штока.

Такой режим работы, например, у стрелы автокрана, где нагрузка изменяется во время движения стрелы по вертикальной плоскости.

Клапаны контроля движения изготавливаются двух типов: тарельчатого и золотникового.

Преимуществом тарельчатого клапана перед золотниковым является меньшие внутренние утечки. В случае если большее время удержания нагрузки происходит на вытянутом штоке гидроцилиндра — должен применяться тарельчатый клапан.

Подпорный клапан необходим для установки в линию гидромотора в качестве предупреждения неконтролируемой «раскрутки» гидромотора под воздействием веса груза. Когда подача насоса меньше скорости вращения гидромотора, то есть гидромотор раскручивается под собственным весом груза, торможение производится за счёт внутренней пилотной линии. Если вращение происходит за счёт нагнетания РГЖ насосом, внешняя пилотная линия приоткрывает клапан подпора, тем самым уменьшая сопротивление линии подпора. В случае применения реверсивного гидромотора в конструкции клапана подпора необходимо наличие обратного клапана. Так как клапан подпора из-из внутренних утечек не препятствует медленному вращению гидромотора, то в некоторых конструкциях гидромотора предусмотрен внутренний тормоз.

Ещё одним видом клапана для удерживания нагрузи является гидрозамок.  Клапан свободно пропускает масло в одном направлении и жёстко запирает поток в обратном направлении. Открытие клапана в обратную сторону происходит только под воздействием пилотного давления. В отличие от клапана подпора, гидрозамок не имеет внутренних утечек, благодаря чему не происходит «сползания» груза под нагрузкой.

Гидрозамки используют в случаях необходимости удерживания статической нагрузки, а клапаны подпора требуются при динамической нагрузке.

hydro-test.ru

Редукционный клапан — Википедия

Материал из Википедии — свободной энциклопедии

Текущая версия страницы пока не проверялась опытными участниками и может значительно отличаться от версии, проверенной 19 марта 2015; проверки требуют 2 правки. Текущая версия страницы пока не проверялась опытными участниками и может значительно отличаться от версии, проверенной 19 марта 2015; проверки требуют 2 правки. Рис. 1. Конструктивная схема простейшего редукционного клапана Рис. 2. Условное графическое обозначение редукционного клапана У этого термина существуют и другие значения, см. Клапан.

Редукционный клапан — это автоматически действующий пневматический или гидравлический дроссель, предназначенный для поддержания на постоянном уровне давления на выходе. Сопротивление редукционного клапана в каждый момент пропорционально разности между переменным давлением на входе и постоянным (редуцированным) давлением на выходе.

Виды редукционных клапанов:

  • Редукционный клапан прямого действия (не требует внешнего источника питания).
  • Клапаны, управляемые пневмо- или электроприводом.

Эти клапаны применяются в гидроприводе в том случае, когда от одного источника гидравлической энергии (насоса) необходимо запитать несколько потребителей гидравлической энергии (гидродвигателей), работающих одновременно и имеющих разный характер нагрузки. Необходимость применения редукционного клапана обусловлена тем, что включение в работу одного из гидродвигателей приводит (при отсутствии данного редукционного клапана) к изменению давления на входе в остальные гидродвигатели, а следовательно, и к падению усилий на выходных звеньях гидродвигателей. Если гидродвигатели включаются в работу не одновременно или имеют одинаковые нагрузочные характеристики, то использование редукционных клапанов, как правило, не является обязательным. Например, отвал бульдозера приводится в движение обычно двумя гидроцилиндрами. Но поскольку оба гидроцилиндра приводят в движение один и тот же рабочий орган (то есть, отвал), то их характер нагрузки является одинаковым, и в гидросистемах бульдозеров редукционные клапаны, как правило, не применяются.

В пневмоприводах применение редукционных клапанов является обязательным, поскольку, вследствие сжимаемости воздуха, пневмосистемы склонны к значительным колебаниям давления.

На рис. 1 показана конструктивная схема простейшего редукционного клапана. При увеличении входного давления Рн возрастает давление в полости Б, а также давление в полости В (редуцированное давление Рред). Под действием возросшего редуцированного давления плунжер смещается влево, тем самым уменьшая размер дроссельной щели у. При этом возрастает сопротивление потоку жидкости при прохождении её через дроссельную щель, а значит, возрастают и потери давления. Как следствие уменьшается значение редуцированного (выходного) давления Рред. Таким образом обеспечивается устойчивость значения выходного давления при изменении входного давления. Следует отметить, что в описанном процессе возросшее давление в полости Б не мешает перемещению плунжеров влево, так как это возросшее давление действует не только на дросселирующую конусную головку, но и на уравновешивающий поршень, и эти силовые воздействия уравновешивают друг друга.

Существует заблуждения что в ДВС применяется редукционный клапан , на самом деле это простой предохранительный клапан, Дело в том что рабочее давление в редукционном клапане берется после него ,а в любом ДВС клапан соединен со сливом.

  • Башта Т.М. Гидропривод и гидропневмоавтоматика. — Москва: Машиностроение, 1972. — С. 320.
  • Схиртладзе А. Г., Иванов В. И., Кареев В. Н. Гидравлические и пневматические системы. — Издание 2-е, дополненное. М.: ИЦ МГТУ «Станкин», «Янус-К», 2003 г. — 544 с.

ru.wikipedia.org

Клапан сброса давления воздуха для компрессора: виды, принцип работы

Клапан сброса избыточного давления воздуха — несложное, но надежное устройство, обеспечивающее безопасность компрессоров. В случае превышения допустимого давления в системе он произведет аварийный сброс воздуха в атмосферу. Предохранительную арматуру нужно правильно устанавливать и эксплуатировать — только тогда она сможет защитить вас от аварии.

Зачем нужен клапан сброса избыточного давления

Устройство предназначено для защиты системы от превышения рабочего давления. Аварийная арматура срабатывает при превышении порогового значения давления, открывается и выпускает в атмосферу часть воздуха. Напор при этом понижается до нормального, и клапан сброса давления воздуха закрывается.

При остановке компрессора в его цилиндрах остается сжатый воздух. Разгрузочный клапан срабатывает при выключении двигателя, производя сброс воздуха в атмосферу.

Если этого не сделать, последующий запуск агрегата будет затруднен или даже невозможен.

Кроме того, хранение компрессора без повышенного давления в цилиндрах повышает его ресурс.

Аварийная арматура сброса воздуха обязательно должна быть установлена на компрессоре на случай выхода из строя реле прессостата.

Из чего состоит и как работает устройство

Конструкция состоит из следующих основных деталей:

  • корпус, отлитый из стальных сплавов или латуни;
  • входной и выходной патрубки, отлитые заодно с корпусом;
  • седло, к которому прижат запорный элемент;
  • запорный элемент-диск или шарик, присоединенный к штоку;
  • пружина, размешенная в корпусе вокруг штока.

При нормальном или пониженном напоре воздуха сила сжатия пружины плотно прижимает запорный элемент к седлу. Просвет для прохода воздуха закрыт.

Как только напор начинает превышать значение срабатывания, он преодолевает силу пружины и начинает отжимать запорный элемент от седла. Открывается просвет для прохода воздуха. Происходит сброс воздуха в атмосферу, напор его внутри системы снижается. Сила пружины снова преодолевает силу напора и отжимает запорный элемент обратно к седлу. Затвор закрывается и готов к следующему рабочему циклу сброса воздуха.

Разновидности клапанов сброса избыточного давления

По способу прижатия запорного элемента к седлу устройства подразделяются на следующие виды:

  • Пружинные. Сила упругой деформации металла пружины удерживает затвор в закрытом состоянии. Она подбирается таким образом, чтобы напор, превышающий заданный уровень, отжимал запорный элемент от седла. Пружинные модели выпускаются как на постоянное давление срабатывания, так и с возможностью его регулировки. Для этого в конструкцию добавляют регулировочный винт, предварительно сжимающий или ослабляющий пружину. В ходе эксплуатации пружина понемногу теряет свою упругость, и значение срабатывания может измениться.
  • Рычажно грузовые. Для прижатия используется сила земного притяжения, воздействующая на груз, подвешенный на конце рычага. Такая система обладает широкими возможностями для регулировки значения срабатывания. Для его увеличения груз передвигают к концу рычага, для уменьшения- ближе к корпусу. Кроме возможностей для точной регулировки, эта конструкция обладает еще одним достоинством: стабильностью значения давления сброса на длительных промежутках времени. Рычажные устройства отличаются большими габаритами и массой. Они применяются в качестве предохранительного клапана для компрессоров большой производительности, установленных стационарно.
  • Электромагнитные. В этих передовых устройствах для прижатия запорного элемента используется электромагнитный привод- соленоид. Такие устройства работают в качестве исполнительного элемента централизованной автоматизированной системы управления. Датчик давления может размещаться рядом с затвором, а можем находиться в совсем другой части системы. Большинство из них снабжаются дополнительно рабочей пружиной. При пропадании электропитания или связи с управляющей системой клапан сброса превращается в обычный механический.

По способу присоединения арматура сброса делится на следующие типы:

  • Резьбовые. Наиболее распространяемый тип для устройств сброса малого давления. Легки в монтаже и демонтаже даже для неподготовленного персонала- для этого достаточно гаечного ключа. Чаще всего используются как аварийный клапан мобильного компрессора небольшой мощности.
  • Фланцевые. Сложнее в монтаже и дороже, обеспечивают высокую герметичность. применяются в системах среднего и высокого давления.
  • Сварные. Обеспечивают максимальную герметичность и надежность. Сложны в монтаже/демонтаже, требуется специальное оборудование и подготовленный персонал.

По материалу, из которого изготовлено устройство, различают:

  • Стальные. Обладают высокой прочностью и большим ресурсом. Выдерживают большое давление.
  • Латунные. Отличаются высокой коррозионной стойкостью и большим ресурсом.
  • Пластмассовые. Дешевы, но рассчитаны на невысокие значения напора.

Правила установки

Клапан сброса избыточного давления должен устанавливаться как можно ближе к компрессору. На мобильных агрегатах малой мощности место установки предусмотрено заводом изготовителем. При монтаже распределенных стационарных систем расстояние от выхода компрессора до затвора не должно превышать 1,5 метра. Недопустимо устанавливать аварийное устройство сброса после запорной арматуры. Если вентиль по каким-либо причинам окажется закрыт, клапан не сможет выполнить своей защитной функции, и повышенный напор может серьезно повредить оборудование или даже вызвать аварию с угрозой для жизни и здоровья работающих рядом людей.

Перед установкой или заменой клапана необходимо провести полный сброс напора в системе и обесточить двигатель компрессора. Резьбовое соединение следует обмотать уплотнителем-лентой ФУМ или сантехнической нитью. Вначале резьбовое соединение закручивают вручную, и только убедившись в том, что резьба зашла ровно, можно прикладывать значительные физические усилия по ее затяжке ключом.

После установки клапана нужно провести его испытания, повысив давление в системе до порогового значения. Он должен сработать и провести сброс. Если этого не произошло, установку эксплуатировать недопустимо, пока не будет выяснена и устранена причина сбоя. Если клапан регулируемый, необходимо регулировочным ключом-шестигранником выставить его рабочее значение сброса, пользуясь встроенным в блок управления компрессором манометром.

Рекомендации по эксплуатации

В ходе эксплуатации клапана сброса давления воздуха следует соблюдать правила, изложенные в руководстве пользователя от завода- изготовителя.

Клапан нужно содержать в чистоте, не допускать попадания на него пыли, влаги и других загрязнений. Недопустимо также закрашивать клапан кистью или из краскопульта. Это может привести к загрязнению выходного патрубка и выходу устройства из строя.

Периодически, не реже раза в месяц, следует проводить испытания клапана на предельное давление. Если клапан по каким-либо причинам не срабатывает на испытаниях, эксплуатацию агрегата следует прекратить до их выяснения и устранения.

Проводить такие испытания следует и после любого снятия клапана с агрегата, даже если демонтаж не был связан с его ремонтом или заменой.

Если вы нашли ошибку, пожалуйста, выделите фрагмент текста и нажмите Ctrl+Enter.

stankiexpert.ru

Предохранительный клапан — Википедия

Предохранительный клапан в дежурстве.

Предохранительный клапан — трубопроводная арматура, предназначенная для защиты от механического разрушения оборудования и трубопроводов избыточным давлением путём автоматического выпуска избытка жидкой, паро- и газообразной среды из систем и сосудов с давлением сверх установленного. Клапан также должен обеспечивать прекращение сброса среды при восстановлении рабочего давления. Предохранительный клапан является арматурой прямого действия, работающей непосредственно от рабочей среды, наряду с большинством конструкций защитной арматуры и регуляторами давления прямого действия.

Опасное избыточное давление может возникнуть в системе как в результате сторонних факторов (неправильная работа оборудования, передача тепла от сторонних источников, неправильно собранная тепломеханическая схема и т. д.), так и в результате внутренних физических процессов, обусловленных неким исходным событием, не предусмотренным нормальной эксплуатацией. ПК устанавливаются везде, где может это произойти, то есть практически на любом оборудовании, но в особенности они важны в сфере эксплуатации промышленных и бытовых сосудов, работающих под давлением.

Существуют и другие виды предохранительной арматуры, но клапаны используются наиболее широко вследствие простоты своей конструкции, лёгкости настройки, разнообразия видов, размеров и конструктивных исполнений[1][2][3].

На поясняющем рисунке справа — чертёж типичного пружинного клапана прямого действия. На его примере рассмотрим типичную конструкцию. Обязательными компонентами конструкции предохранительного клапана прямого действия являются запорный орган и задатчик, обеспечивающий силовое воздействие на чувствительный элемент, связанный с запорным органом клапана. Запорный орган состоит из затвора и седла. Если рассматривать поясняющий рисунок, то в этом простейшем случае затвором является золотник, а задатчиком выступает пружина. С помощью задатчика клапан настраивается таким образом, чтобы усилие на золотнике обеспечивало его прижатие к седлу запорного органа и препятствовало пропуску рабочей среды, в данном случае настройку производят специальным винтом.

Когда предохранительный клапан закрыт, на его чувствительный элемент воздействует сила от рабочего давления в защищаемой системе, стремящаяся открыть клапан и сила от задатчика, препятствующая открытию. С возникновением в системе возмущений, вызывающих повышение давления свыше рабочего, уменьшается величина силы прижатия золотника к седлу. В тот момент, когда эта сила станет равной нулю, наступает равновесие активных сил от воздействия давления в системе и задатчика на чувствительный элемент клапана. Запорный орган начинает открываться, если давление в системе не перестанет возрастать, происходит сброс рабочей среды через клапан.

С понижением давления в защищаемой системе, вызываемом сбросом среды, исчезают возмущающие воздействия. Запорный орган клапана под действием усилия от задатчика закрывается.

Давление закрытия в ряде случаев оказывается на 10-15 % ниже рабочего давления, это связано с тем, что для создания герметичности запорного органа после срабатывания требуется усилие, значительно большее, чем, то, которого было достаточно для поддержания герметичности клапана перед открытием. Это объясняется необходимостью преодолеть при посадке силу сцепления молекул среды, проходящей через щель между уплотнительными поверхностями золотника и седла, вытеснить эту среду. Также понижению давления способствует запаздывание закрытия запорного органа, связанное с воздействием на него динамических усилий от проходящего потока среды, и наличие сил трения, требующих дополнительного усилия для его полного закрытия[2].

Классификация предохранительных клапанов[править | править код]

По принципу действия
  • клапаны прямого действия — обычно именно эти устройства имеют в виду, когда используют словосочетание предохранительный клапан, они открываются непосредственно под действием давления рабочей среды;
  • клапаны непрямого действия — клапаны с управлением путём использования постороннего источника давления или электроэнергии, общепринятое название таких устройств импульсные предохранительные устройства;
По характеру подъёма замыкающего органа
  • клапаны пропорционального действия (используются на несжимаемых средах)
  • клапаны двухпозиционного действия
По высоте подъёма замыкающего органа
  • малоподъёмные
  • среднеподъёмные
  • полноподъёмные
По виду нагрузки на золотник
  • грузовые или рычажно-грузовые
  • пружинные
  • рычажно-пружинные
  • магнито-пружинные
Двухсёдельная конструкция.

Предохранительные клапаны как правило имеют угловой корпус, но могут иметь и проходной, независимо от этого клапаны устанавливаются вертикально так, чтобы при закрывании шток опускался вниз.

Большинство предохранительных клапанов изготавливаются с одним седлом в корпусе, но встречаются конструкции и с двумя сёдлами, установленными параллельно[4].

Малоподъемными называются предохранительные клапаны, у которых высота подъема запирающего элемента (золотника, тарелки) не превышает 1/20 диаметра седла, полноподъемными — клапаны, у которых высота подъема составляет 1/4 диаметра седла и более[3]. Существуют также клапаны с высотой подъема тарелки от 1/20 до 1/4, их обычно называют среднеподъемными. В малоподъемных и среднеподъемных клапанах подъем золотника над седлом зависит от давления среды, поэтому условно их называют клапанами пропорционального действия, хотя подъем не пропорционален давлению рабочей среды. Такие клапаны используются, как правило, для жидкостей, когда не требуется большая пропускная способность. В полноподъемных клапанах открытие происходит сразу на полный ход тарелки, поэтому их называют клапанами двухпозиционного действия. Такие клапаны высокопроизводительны и применяются как на жидких, так и на газообразных средах[4][5].

Наибольшие различия в конструкциях предохранительных клапанов заключаются в видах нагрузки на золотник.

Пружинные клапаны[править | править код]

Хорошо видны рычаг и пружина.

В них давлению среды на золотник противодействует сила сжатия пружины. Один и тот же пружинный клапан может быть использован для различных пределов настройки давления срабатывания путём комплектации различными пружинами. Многие клапаны изготавливаются со специальным механизмом (рычагом, грибком и др.) ручного подрыва для контрольной продувки клапана. Это делается с целью проверки работоспособности клапана, так как во время эксплуатации могут возникнуть различные проблемы, например прикипание, примерзание, прилипание золотника к седлу. Однако в некоторых производствах в условиях агрессивных и токсичных сред, высоких температур и давлений, контрольная продувка может быть очень опасной, поэтому для таких клапанов возможность ручной продувки не предусматривается и даже запрещается[6].

Чаще всего пружины подвергаются воздействию рабочей среды, которая сбрасывается из трубопровода или ёмкости при срабатывании, для защиты от слабоагрессивных сред применяют специальные покрытия пружин. Уплотнение по штоку в таких клапанах отсутствует. В случаях же работы с агрессивными средами в химических и некоторых других установках пружину изолируют от рабочей среды при помощи уплотнения по штоку сальниковым устройством, сильфоном или эластичной мембраной. Сильфонное уплотнение применяется также в тех случаях, когда утечка среды в атмосферу не допускается, например на АЭС[5][7].

Рычажно-грузовые клапаны[править | править код]

Конструкция рычажного-грузового клапана.

В таких клапанах усилию на золотник от давления рабочей среды противодействует сила от груза, передаваемая через рычаг на шток клапана. Настройка таких клапанов на давление открытия производится фиксацией груза определённой массы на плече рычага. Рычаги также используют для ручной продувки клапана. Такие устройства запрещено использовать на передвижных сосудах[8].

Для герметизации сёдел больших диаметров требуются значительные массы грузов на длинных рычагах, что может вызвать сильную вибрацию устройства, в этих случаях применяются корпуса, внутри которых сечение сброса среды образовано двумя параллельно расположенными сёдлами, которые перекрываются двумя золотниками при помощи двух рычагов с грузами. Таким образом, в одном корпусе монтируются два параллельно работающих затвора, что позволяет уменьшить массы груза и длины рычагов, обеспечивая нормальную работу клапана[5].

Магнито-пружинные клапаны[править | править код]

В этих устройствах используется электромагнитный привод, то есть они не являются арматурой прямого действия. Электромагниты в них могут обеспечивать дополнительное прижатие золотника к седлу, в этом случае при достижении давления срабатывания по сигналу от датчиков электромагнит отключается и давлению противодействует лишь пружина, клапан начинает работать как обычный пружинный. Также электромагнит может создавать усилие открытия, то есть противодействовать пружине и принудительно открывать клапан. Существуют клапаны, в которых электромагнитный привод осуществляет и дополнительное прижатие, и усилие открытия, в этом случае пружина служит для подстраховки на случай прекращения электропитания, при обесточении такие устройства начинают работать как пружинные клапаны прямого действия.

Магнито-пружинные клапаны применяются чаще всего в сложных импульсных предохранительных устройствах в качестве управляющих или импульсных клапанов[6][7].

Технические требования к предохранительным клапанам[править | править код]

Главным и наиболее ответственным требованием, предъявляемым к предохранительным клапанам, является высокая надёжность, включающая в себя:

  • безотказное и своевременное открытие клапана при заданном превышении рабочего давления в системе;
  • обеспечение клапаном в открытом положении требуемой пропускной способности;
  • осуществление своевременной обратной посадки (закрытия) с требуемой степенью герметичности при заданной величине падения давления в системе после аварийного срабатывания и сохранения установленной степени герметичности при последующем возрастании давления до величины рабочего;
  • обеспечение стабильности работы, то есть сохранение в течение всего срока эксплуатации и заданного числа циклов срабатывания параметров настройки и требуемой степени герметичности запорного органа при рабочем давлении.

Предохранительные клапаны подлежат периодической проверке в специализированной организации или испытанию в действии. Все клапаны должны быть испытаны на прочность, плотность, а также герметичность сальниковых соединений и уплотнительных поверхностей[2][8]

В связи с широчайшим распространением предохранительных клапанов стандарты и правила, применяемые к ним, находятся во всех документах, которые регулируют использование всего оборудования, защищаемого ими. Например «Правила устройства и безопасной эксплуатации сосудов, работающих под давлением (ПБ 03-576-03)» в России или «Boiler & Pressure Vessel Code» в США. Также существуют отраслевые документы, посвящённые исключительно предохранительным клапанам в применении к какому-либо оборудованию, например «Клапаны предохранительные паровых и водогрейных котлов. Технические требования (ГОСТ 24570-81)»

В связи с особой ответственностью предохранительных клапанов в обеспечении безопасности систем, которые ими обслуживаются, надзор за их использованием и утверждение правил и стандартов производят организации, специально уполномоченные государством, например в России это Ростехнадзор[5][8].

  1. Д. Ф. Гуревич. Трубопроводная арматура.Справочное пособие. — Москва: ЛКИ, 2008. — С. 368. — ISBN 978 5 382 00409 9.
  2. 1 2 3 Под общей редакцией С. И. Косых. Трубопроводная арматура с автоматическим управлением.Справочник. — Ленинград: Машиностроение, 1982.
  3. 1 2 Арматура трубопроводная.Термины и определения (неопр.). ГОСТ Р 52720-2007. Федеральное агентство по техническому регулированию и метрологии. Дата обращения 10 июня 2010. Архивировано 2 марта 2012 года.
  4. 1 2 А. И. Гошко. Арматура промышленная общего и специального назначения. Справочник. — Москва: Мелго, 2007.
  5. 1 2 3 4 Р. Ф. Усватов—Усыскин. Поговорим об арматуре. — Москва: Vitex, 2005.
  6. 1 2 Правила устройства и безопасной эксплуатации оборудования и трубопроводов атомных энергетических установок (ПНАЭ Г-7-008-89)
  7. 1 2 Технологические системы реакторного отделения. БАЭС: ЦПП, 2000.
  8. 1 2 3 Правила устройства и безопасной эксплуатации сосудов, работающих под давлением (ПБ 03-576-03)

ru.wikipedia.org

виды, устройство, принцип работы и монтаж аварийного клапана для воды

Добрый день, уважаемый читатель! Современное жилище невозможно уже представить без таких благ цивилизации, как теплоснабжение, электричество, газоснабжение, постоянной подачи холодной и горячей воды. Для обеспечения такого комфорта работает много приборов, одним из которых является клапан сброса избыточного давления.

Что это такое и для чего он нужен

Данное устройство представляет собой особую разновидность предохранительной арматуры, устанавливаемой в трубопроводных системах для защиты от разрушения, которое возникает при избыточном давлении в них.

Внешне он не отличается от перепускных клапанов,  поддерживающих постоянное давление в системе путём непрерывного отвода лишней среды. Но в отличие от них срабатывает в системе периодически, только в моменты  повышения давления сверх установленной нормы.

Назначение и сферы применения

Клапан используется для защиты помещений и оборудования от избыточного давления среды, транспортируемой по трубам:

  • систем отопления — для вывода из нагревательных приборов излишнего объёма теплоносителя, образующегося вследствие теплового расширения;
  • водоснабжения — для снижения риска возникновения гидравлических ударов;
  • вентиляции — обеспечивает движение воздуха только в заданном направлении;
  • газоснабжения, подачи сжатого воздуха, пожаротушения и других видах трубопроводных сооружений — в случае возникновения аварийных ситуаций.

Управление и технические характеристики

Простейшие модели подрывных клапанов малого расхода, используемые в основном для бытовых инженерных систем, управляются вручную механическим путём. Изделия, устанавливаемые на производственных трубопроводах большого сечения могут управляться дистанционно.

В зависимости от материала изготовления, особенностей конструкции приборы наделены разными техническими характеристиками.

Характеристики нескольких моделей клапанов экстренного сброса давления, предназначенных для работы с газообразными веществами, представлены в таблице.

Тип подключения

По типу подключения или соединения с трубопроводом клапаны подразделяются на:

  • фланцевые изделия — оборудованы фланцевыми пластинами на каждом выходе и подключаются к ответным фланцам на концах труб с помощью болтов;
  • резьбовые — подразумевают наличие выходных патрубков с наружной резьбой;
  • приварные — крепятся к газовому трубопроводу с помощью сварки и обеспечивают стопроцентную герметичность.

Устройство

В стандартную конструкцию клапана сброса избыточного давления входит:

  • литой корпус из нержавейки, латуни или бронзы;
  • тарель — основного запорного элемента, блокирующего поток среды;
  • рычаг тарели — используется для управления этой деталью;
  • предохранительный рычаг — выполняет защитные функции, если основной элемент блокировки не сработал;
  • ручка настройки;
  • пружины;
  • дополнительные детали (кнопки для управления, счётчики, циферблаты, барометр и др.).

Принцип работы

Перемещающаяся по замкнутому контуру системы рабочая среда оказывает давление на запирающий орган устройства, который срабатывает при превышении настроечного давления и часть её сбрасывается через отводящий патрубок.

После того, как уровень давления снижается до заданных значений, происходит закрытие клапана и прекращение спуска рабочего вещества.

Виды и конструкции

Клапаны сбросного типа подразделяются на две основные группы:

  • прямого действия, открывающиеся только под воздействием на него давления внутренней среды. К ним относятся устройства, используемые для предотвращения образования чрезмерного давления в масляных и топливных системах;
  • непрямого действия, использующие посторонний источник давления Они более подходят для жидкостных и воздушных систем.

В зависимости от особенностей конструкции и принципа действия делятся на четыре вида.

С выносным датчиком

Прибор оборудован пружинным механизмом и штоком, приводящимся в движение основными или резервными мехами. На них в момент перегрева воды оказывает воздействие термочуствительная жидкость, поднимающаяся по капиллярной трубке из колбы датчика.

При срабатывании устройства шток открывает тарелку для движения теплоносителя. К подающей магистрали и к канализации для сброса лишней воды в корпусе клапана предусмотрены два патрубка.

Комбинированные с подпиткой системы

Представляют собой тип предохранительной арматуры в системах отопления, которая способна выполнять сразу 3 функции:

  • сбрасывать перегретый теплоноситель из бака котла по сигналу выносного датчика;
  • эффективно охлаждать теплогенератор;
  • автоматически подпитывать систему отопления холодной водой.

Шток подобного изделия оснащён двумя тарелями, которые могут одновременно открывать 2 прохода: один для сброса закипающего теплоносителя, другой для подачи холодной воды.

Модели представленные на следующем фото имеют тройной выход. Они встраиваются в трубопровод перед отопительным прибором или бойлером. Для сброса среды используется нижний патрубок, для присоединения водопровода и магистрали подпитки предназначены два верхних патрубка.

Пружинные

В подобных устройствах золотник приводится в движение под действием силы сжатия рабочей пружины. Настройки одного и того же клапана можно откорректировать при замене пружины разного типа, которые входят в его комплект.

Ряд моделей имеют дополнительно вмонтированный в корпус рычаг, осуществляющий ручной подрыв. С его помощью можно вручную продувать клапан для проверки его общего технического состояния или выпускать часть рабочей среды.

Так как пружина в большинстве случаев находится под воздействием внутренней рабочей среды, то для устройств, которые работают с агрессивными веществами, её покрывают защитным слоем полимера. Такие модели изделий имеют уплотнения по штоку по типу сальникового или сильфонного устройства.

Рычажно-грузовые

Основной узел механизма клапана данного типа составляет рычаг с подвешенным на нём утяжелителем. На срабатывание устройства влияет вес груза и длина плеча рычага до места, где он размещён. Чем он массивнее и чем дальше находиться от штока, тем при более высоком давлении срабатывает сбросник.

Чтобы обеспечить полную герметизацию седел большого размера потребуется использование более тяжёлого груза, а это может привести к достаточно сильному уровню вибрации всего устройства. В таких случаях применяют клапаны, у кот

vseotrube.ru

Клапан сброса избыточного давления: устройство, назначение, применение

Любая система, в которой жидкость или газ находятся под давлением, нуждается в аварийной защите. Если что-то пошло не так и давление начало расти существенно выше проектных значений — возникает опасная ситуация. При этом отдельные элементы системы, соединения трубопроводы могут выйти из строя или даже разрушиться, вызвав серьезную аварию. Чтобы этого не произошло, устанавливают специальное устройство — предохранительный клапан, предназначенный для сброса рабочего давления до заданных значений. Конструкторы разработали много вариантов прибора. Его четкая работа зависит от правильной установки.

Что это такое и для чего он нужен

Клапан аварийного сброса избыточного давления — механическое устройство, реагирующее на давление в одном из контуров. Он имеет чувствительный элемент и запорный орган. После того, как давление превысит заданный уровень, чувствительный элемент воздействует на запорный орган и открывает его. Излишки рабочей среды стравливаются в дренаж или просто в окружающую среду.

Такие клапана широко применяются в системах отопления и водоснабжения, в которых давление превышает атмосферное. Клапан обеспечивает сохранение уровня напора в контуре на заданном значении. После того, как часть рабочей среды стравливается из контура, давление в нем падает, и клапан закрывается. Клапаны бывают многоразовые, готовые к новому рабочему циклу сразу после закрывания, и одноразовые, требующие специального обслуживания или замены после срабатывания

Назначение и сферы применения

Устройство предназначено для защиты систем, находящихся под избыточным (относительно атмосферного) давлением от его превышения. Оно применяется в таких областях, как:

  • Отопительные системы разного уровня. В бытовых системах обогрева отдельного дома и в сложных сетях распределения централизованного теплоснабжения используют разные типы предохранительных приборов.
  • Водоснабжение и водораспределение. Используется для защиты от возникающих в трубопроводах скачкообразных изменений давления- гидравлических ударов.
  • Принудительная вентиляция. Применяется в качестве обратного клапана, позволяющего воздуху проходить лишь в заданную строну.
  • Трубопроводный транспорт, системы производства и распределения сжатого воздуха и других газов- для предотвращения аварий.

Широко используется аварийная арматура и на производственных технологических установках в химической, металлургической, пищевой и других отраслях промышленности.

Управление и технические характеристики

Наиболее широко применяемые аварийные клапаны, устанавливаемые на бытовых системах отопления и водоснабжения, имеют механическое автономное управление. Они срабатывают самостоятельно по достижении предельного давления и регулируются вручную. В сложных производственных установках и трубопроводных системах используется предохранительная арматура с дистанционным управлением и настройкой. Как правило, при пропадании связи с центром управления такой клапан превращается в обычный механический.

Клапаны сброса избыточного давления, исходя из назначения, конструкции, материала изготовления имеют различные наборы характеристик.

Главными из них являются:

  • Давление срабатывания.
  • Давление возврата в исходное состояние.
  • Производительность канала сброса рабочей среды.
  • Скорость срабатывания.
  • Время возвращения в исходное состояние (если клапан делает это автоматически).

Конкретный аварийный клапан сброса избыточного давления характеризуется также типом конструкции, массогабаритными параметрами, присоединительными размерами

Подключение

По типу подключения выделяют следующие разновидности устройств:

  • Резьбовое. Используется для трубопроводов малого диаметра и небольших давлений, характерных для бытовых систем. Наиболее удобно в монтаже и демонтаже для возможного ремонта и обслуживание.
  • Фланцевое. Применяется в средних и больших по диаметру трубопроводах, способно выдерживать большое давление. Сложнее в монтаже/демонтаже.
  • Сварное. Наиболее прочное и герметичное соединение. Применяется на магистральных трубопроводах и особо ответственных системах высокого давления. Наиболее сложно в монтаже и демонтаже.

Фланцевые и сварные соединения редко используются в бытовых системах.

Устройство

В обычную конфигурацию аварийной арматуры включают:

  • Корпус с входным и выходным патрубком. В литом корпусе отформована рабочая камера и седло клапана.
  • Запорный элемент- диск, шар или конус, в нормальном положении прижатый к седлу и закрывающий проход для рабочей среды.
  • Шток- стержень, к которому прикреплен запорный элемент.
  • Упругий элемент- пружина или (реже) мембрана, реагирующая на давление среды и в зависимости от него изменяющая свое положение в пространстве. Оказывает давление на запорный элемент.
  • Элемент регулировки. Чаще всего- регулировочный винт, изменяющий упругость пружины и силу ее давления.

Устройство может содержать и дополнительные элементы, такие, как электромагнитный или пневматический привод, датчики, манометры, панели управления и т.п.

Выбор предохранительного устройства для конкретного применения происходит с учетом его конструкции и параметров.

Принцип работы

Пока не достигнуто максимальное рабочее давление, на которое настроен клапан, сила пружины (или рычажно-противовесного механизма) прижимает запорный элемент к седлу. Когда напор рабочей среды продолжает расти, он становится способным преодолеть сопротивление пружины и сжать ее, отжимая одновременно запорный элемент от седла.

При этом открывается просвет для движения рабочей среды в сторону выходного патрубка. После выхода части среды давление в системе падает, и силы сжатия пружины снова хватает для прижатия запорной тарелки к седлу.

Клапан закрывается. Многоразовые устройства, чаще всего используемые в бытовых системах, становятся готовы к следующему рабочему циклу.

В особо ответственных контурах устанавливают одноразовые клапаны, требующие вмешательства сервисной службы для возобновления работы. Это делается для того, чтобы система, в которой случился выброс давления рабочего вещества, была обязательно осмотрена и продиагностирована для определения и устранения причины сбоя.

Виды и конструкции

По принципу действия на запорный элемент клапаны сброса избыточного давления (сокращенно КСИД) делят на два типа:

  • Прямого действия. Срабатывают под действием напора рабочей среды. Часто используются в топливопроводах и масляных контурах.
  • Непрямого действия. Используется сторонний источник давления. Их применяют в качестве клапанов аварийного сброса избыточного давления воды или газа.

В зависимости от внутреннего устройства клапаны КСИД подразделяются на следующие виды:

С выносным датчиком

Арматура укомплектована подпружиненным штоком. Они срабатывают от основных или дополнительных мехов. В датчике находится чувствительный к температуре состав. В случае перегрева он расширяется и попадает в меха по капилляру. Увеличившиеся в размерах меха толкают шток, отжимая запорный элемент от седла. Так открывается просвет для сброса рабочей среды в окружающее пространство или в дренаж.

Комбинированные с подпиткой системы

Продвинутая конструкция разработана для того, чтобы одновременно выполнять несколько операций:

  • Сброс рабочей среды по сигналу внешнего сенсора.
  • Быстрое снижение температуры теплоносителя.
  • Подпитка отопительного контура свежей водой.

Для этого на едином штоке, проходящем через две независимые рабочие камеры, установлены два запорных тарельчатых элемента. Один из них открывает путь перегретому теплоносителю в канал сброса, второй одновременно подает в систему свежий его запас, чтобы компенсировать потери.

Похожие клапана используются и для выпуска избыточного давления воздуха, с одновременным добавлением новой порции из ресивера.

Пружинные

Здесь запорный элемент удерживается силой деформированной пружины. Клапан перестраивается в ограниченном диапазоне напора. Для этого достаточно вращать регулировочный винт, предварительно сжимающий или ослабляющий пружину.

Клапан можно настраивать и в больших пределах, меняя пружину на более или менее жесткую.

Многие пружинные клапаны снабжают рычагом для сброса давления вручную и для проверки работоспособности устройства.

Если прибор предназначен для функционирования в активных средах, на пружину наносят защитное полимерное покрытие.

Рычажно-грузовые

В такой арматуре вместо силы сжатия пружины используется сила земного тяготения. Давление рабочей среды уравновешивается весом тщательно подобранного груза, подвешенного на рычажном механизме. Тонкую настройку момента срабатывания можно добиться, перемещая груз ближе или дальше от штока вдоль по рычагу, снижая или повышая таким образом силу прижима и пороговое значение срабатывания.

Такие конструкции могут устанавливаться только в одном, строго определенном положении относительно горизонта. Как правило, они работают на горизонтальных участках трубопроводов.

Для обеспечения высокой пропускной способности приходится увеличивать диаметр тарельчатых запорных элементов. Чтобы избежать значительного роста габаритов изделия и массы груза, часто в одной рабочей камере размещают два клапана меньшего сечения.

Конструкция отличается высокой стабильностью параметров.

Отличия

Пружинные конструкции используются для малых диаметром трубопроводом и сравнительно небольших давлений. Они регулируются поворотом винта, сжимающего или ослабляющего пружину. Их выпускают как под резьбу, так и под фланец.

Рычажно-грузовые приборы используются для труб диаметром выше 2 дюймов и более высоких значений напора. Они обходятся дороже, и производятся преимущественно под фланец.

Надежность двух видов арматуры примерно одинаковая, но у рычажных выше стабильность параметров и точнее регулировка.

Преимущества и недостатки

Аварийная арматура позволяет сохранить защищаемые ею установки и трубопровода от повреждения или разрушения в случае непредвиденных скачков напора рабочей среды. Кроме того, они обладают следующими достоинствами:

  • Надежность.
  • Несложное устройство.
  • Легкая установка и периодическое обслуживание.
  • Малое гидравлическое (аэродинамическое) сопротивление.
  • Большая пропускная способность.

Есть у описываемых приборов и свои минусы

  • Малый срок службы уплотнений, защищающих герметичность штока.
  • Невозможность использования в средах, содержащих посторонние включения.

Советы по выбору

Обычный пружинный клапан обходится существенно дешевле температурных прибором непрямого действия. Он прекрасно справится с контуром, отапливаемым жидкотопливным, газовым или электрическим бойлером. В случае нештатной ситуации автоматика мгновенно останавливает их. Иная ситуация наблюдается для бойлеров на твердом топливе. Здесь даже после прекращения горения топка будет остывать значительное время.

Специалисты сформулировали ряд правил для правильного подбора аварийной арматуры:

  • При использовании твердотопливных котлов следует остановить выбор на температурных конструкциях непрямого действия. Кроме того, имеет смысл потратится и на комбинированное устройство с клапаном теплового сброса. Они работают до 10 атм.
  • Нужно тщательно изучить паспорт бойлера и установить предельно допустимое значение рабочего давления. Современная продукция, как правило, выдерживает до 3 атм., но некоторые прибалтийские модели имеют ограничение до 2 атм. Самые дешевые устройства могут работать только до 1,5 атм. По этому параметру надо подбирать и клапан.
  • Отопительные контуры, построенные по открытому принципу (так называемые ТТ-бойлеры) не будут защищены арматурой, сбрасывающей теплоноситель по давлению, поскольку избыточное давление в контуре минимально. Здесь также понадобится температурная защитная арматура.

Изделия с возможностью регулировок имеет смысл приобретать, если вы хорошо разбираетесь в предмете. Обычно для бытовых применений выбирают защитные устройства с фиксированным давлением. К тому же они заметно дешевле.

Кроме указанных обстоятельств, следует проверить также:

  • Тип присоединения и присоединительные размеры.
  • Допустимую рабочую температуру.
  • Пропускную способность канала сброса.
  • Тип рабочей среды.

Также важно уточнить способ сброса — проводится ли он в окружающую атмосферу (это подходит для воздушных контуров) или в дренаж чрез соответствующий патрубок.

Правила монтажа и эксплуатации прибора

Монтаж изделия следует проводить с максимальной аккуратностью, чтобы избежать неплотностей или перекашивания. Если в составе рабочей среды возможно появление механических включений- следует предусмотреть фильтр грубой очистки. Если на корпусе есть маркировка в виде стрелочки- устанавливать его необходимо этой стрелочкой вверх. Если изделие снабжено рычажком ручного срабатывания, надо обеспечить достаточно свободного пространства для его движения.

Для слива отводимой жидкости в дренаж на носик клапана нужно надеть гибки шланг малого диаметра и направить его в дренажное отверстие. Если это невозможно, можно подставить бак достаточной емкости.

Нужно периодически проверять работоспособность клапана, нажимая на рычаг. Это позволит избежать прилипания тарелки к седлу или стенкам рабочей камеры.

Специалисты советуют соблюдать такие правила:

  • Устанавливать арматуру следует ближе к выходу выходе бойлера по возможности более высокой точке, чтобы возможно меньшая часть системы подвергалась воздействию аварийного напора.
  • Следить за соответствием диаметров присоединительных патрубков сечению основного трубопровода. Снижение просвета недопустимо.
  • Перед клапаном нельзя размещать вентили и другую запорную арматуру.

При неправильном монтаже повышается вероятность некорректного функционирования клапана и снижение защищенности всей системы.

Что подготовить для установки

Чтобы смонтировать защитную арматуру бытового класса потребуется:

  • Газовый ключ. Также подойдет набор рожковых ключей или переставные клещи.
  • Уплотнитель- лента ФУМ или сантехническая нить.

Клапан необходимо устанавливать, только когда бойлер выключен и в системе нет давления, а температура близка к комнатной.

Схема подключения

Если необходимо установить защитную арматуру на накопительный водонагреватель, подключенный к общедомовой магистрали, потребуется защитить бойлер от перепадов давления

Для этого клапан ставят перед входным патрубком водонагревателя. В случае возможного гидроудара от сможет сбросить воду в дренаж и не допустить высокое давление внутрь прибора.

Ход работ

Прежде чем приступать к работе, следует внимательно изучить руководство пользователя, особенно тот раздел, в котором описана его установка. Следует также отключить квартирную разводку от стояка и слить воду из бойлера.

Далее установка идет в следующей последовательности

  • Разметить точку монтажа.
  • Обрезать лишнюю часть подводящего патрубка. Она должна быть равна длине корпуса устанавливаемой защитной арматуры.
  • Нарезать резьбу (для стальной трубы) или навинтить зажимную муфту (для металлопластиковых).
  • Обмотать резьбу подготовленным уплотнителем.
  • Накрутить клапан на резьбу вручную. Убедиться в отсутствии перекосов.
  • Затянуть резьбу ключом.

Далее нужно пустить на пробу воду и убедиться в герметичности соединений.

Ошибки установки и возможные неполадки

По данным сервисных служб, приходящих исправлять огрехи домашних мастеров, наиболее часто допускают следующие оплошности

  • Монтаж запорной арматуры между защитным устройством и бойлером.
  • Расположение клапана слишком далеко от бойлера (более метра).
  • Перекос, недотянутая или перетянутая резьба.

Ряд советов профессионалов по устранению возможных неполадок:

  • Клапан пропускает жидкость при нормальном давлении. Причина чаще всего в его засорении частицами ржавчины или минеральными осадками. Устраняется промыванием устройства в сильном уксусном растворе в течении нескольких часов. Строго рекомендуется установка фильтра механической очистки.
  • Если подтекание продолжается, то возможно повреждение ил деформация прокладки. В этом случае придется заменить все устройство.
  • Если вам досталась квартира с пластиковыми аварийными приборами, лучше при первой возможности заменить их на целиком сделанные из металла. Разница в цене многократно окупится увеличившимся ресурсом.

Категорически запрещено заглушать подтекающий клапан сброса давления воды, рассчитывая починить его как-нибудь потом. Авария может произойти в любой момент и вывести из строя дорогостоящее оборудование и трубопроводы.

Если вы нашли ошибку, пожалуйста, выделите фрагмент текста и нажмите Ctrl+Enter.

stankiexpert.ru

30Авг

Аппарат для вытягивания вмятин на автомобиле: Выпрямление вмятин на автомобиле без покраски своими руками

Оборудование для беспокрасочного удаления вмятин на автомобиле

Беспокрасочная рихтовка кузова изначально применялась для выправления вмятин, образующихся при падении на металл града или полученных во время парковки. Сегодня эта технология успешно используется для удаления вмятин, имеющих различное происхождение. Но применима она только тогда, когда сохранено заводское лакокрасочное покрытие, металл не был подвергнут растяжению, и нет сильных изломов. Еще одним условием является наличие специального оборудования: вам обязательно потребуется инструмент для удаления вмятин без покраски.

Стандартный комплект инструментов для устранения вмятин без покраски

В стандартный набор инструментов, предназначенный для беспокрасочного удаления вмятин, включает в себя десятки наименований различных приспособлений. Готовый профессиональный набор для рихтовки кузова автомобиля содержит в себе почти сотню единиц специальных приборов. Однако для начинающего рихтовщика достаточно приобрести стартовый набор, который включает в себя:

  • Клеевую систему;
  • Комплект рычагов, которые имеют форму крючков;
  • Оборудование для качественного освещения рабочего места;
  • Дополнительный инструмент удаление вмятин без покраски, аксессуары.

Для рихтовки кузова своими руками не обязательно приобретать целый набор инструментов. Достаточно собрать его самостоятельно, подбирая инструмент с нужными только вам характеристиками. Нет необходимости в покупке специализированных и профессиональных наборов для рихтовки, так как для них необходимо наличие специальных знаний и навыков работы. Так как их стоимость высока, то расходы на них не оправдают себя так, как это сделает базовый набор для удаления вмятин без покраски.

Материал инструмента для беспокрасочного удаления вмятин

Когда вы выбираете инструмент для рихтовки, обратите внимание на материал, из которого он изготовлен. Встречаются наборы инструментов, изготовленные из:

  • Нержавеющей стали;
  • Обычной стали;
  • Хромированной стали.

Обычно автолюбители для беспокрасочного удаления вмятин выбирают хромированный набор инструментов. Свой выбор они объясняют тем, что качественный инструмент всегда должен быть дорогим. Однако набор приспособлений для рихтовки кузова без покраски, выполненный из нержавейки, нисколько не уступает по своим рабочим характеристикам хромированному оборудованию. Зато его стоимость примерно на треть ниже. Не стоит выбирать инструмент, изготовленный из обычной стали: со временем он начнет ржаветь, и его рабочие характеристики испортятся.

Признаки качественного оборудования для беспокрасочной рихтовки

Инструмент для беспокрасочного удаления вмятин должен обладать высоким качеством. В противном случае рихтовка автомобиля превратится в долгий и сложный процесс. А результат ее может быть неудовлетворительным. Качественное оборудование для правки геометрии автомобильного кузова без покраски может быть определено по следующим признакам:

  • Прочная сталь, у которой наблюдается пружинистый эффект. Крючки из такого материала не ломаются и не гнутся. Если инструмент изготовлен из нержавеющей стали, то коррозия не начнет разрушать его даже спустя несколько недель хранения;
  • Материал ручки не должен скользить. Для беспокрасочного удаления вмятин важно, чтобы инструмент надежно сидел в руке. Это позволяет очень точно воздействовать на неровности;
  • Эргономичная форма у ручек. Если держать в руке приспособление будет неудобно, то для качественной рихтовки кузова без покраски уйдет в 2-3 раза больше времени, чем для вытягивания такой же вмятины, но удобным инструментом;
  • Отличный внешний вид без неровностей и прочих дефектов поверхности.

При выборе марки оборудования для рихтовки кузова авто без покраски обратите внимание на несколько факторов. Во-первых, производитель должен быть известным. Во-вторых, у производителя качественного инструментария всегда должны быть положительные отзывы от клиентов. В-третьих, у производителя, который реализует оборудование для беспокрасочного выправления вмятин, должен быть широкий ассортимент предлагаемой продукции. Это поможет вам выбрать хороший набор инструментов или собрать его самостоятельно.

Применение инструмента для беспокрасочного удаления вмятин

Так как инструмент удаление вмятин без покраски разделяется на несколько групп, то и способы его использования отличаются друг от друга. Так, для клеевого вытягивания вмятин необходимо специальная клеевая система, позволяющая выровнять поверхность кузова в случаях, если с внутренней стороны подобраться к дефекту невозможно. Речь идет о пистоне, вытягивающем вмятину, сцепившись с поверхностью с помощью клея. Однако в гаражных условиях автомобилисты часто пользуются альтернативой – присоской с термоклеем. Присоску, которая соответствует размеру вмятины, приклеивают к кузову, а затем выравнивают поверхность, потянув за нее после того, как клей затвердеет.

Оборудование в виде крючков используется в случае, когда под обшивкой кузова имеется деталь, которая призвана усиливать конструкцию (подштамповка, короб или полка жесткости). Рычаг в виде крюка при этом вставляют между обшивкой и скрытой деталью, опираясь на кузовную силовую часть с внутренней стороны. Для выравнивания поверхности кузова ручку поворачивают так, чтобы вмятина вытягивалась клювиком участок за участком. Выбрать крюк для вытягивания вмятины просто: достаточно соотнести размеры неровности, толщины металла с размерами и толщиной рычага.

Иногда для исправления геометрии кузова беспокрасочным способом требуется дополнительный инструмент в виде молоточков, наковален или аксессуаров. Наковальни берут на себя часть нагрузки во время простукивания детали молотком в целях выравнивания поверхности. А различные аксессуары помогают оценить состояние лакокрасочного покрытия. Так, если инструмент для определения толщины краски показывает, что слой очень тонок, то избежать его повреждения во время удаления вмятины без покраски будет очень трудно.

Для удаления вмятин без покраски важно не только уметь правильно обращаться с инструментами, но и выполнять работу при хорошем освещении. Если оно недостаточное, то часто результат работы при дневном свете не удовлетворит автомобилиста: солнце обнажит все оставшиеся дефекты. Поэтому оборудуйте свой гараж специальными лампами, которые позволят точно контролировать действия во время рихтовки кузова. Если позволяют погодные условия, то удаление вмятин без покраски можно производить на улице под солнцем.

Устал платить штрафы? Выход есть!

100% ЗАЩИТА ОТ КАМЕР ГИБДД — НАНОПЛЕНКА! Подробнее по ссылке

  • Скрывает номер от камер и радаров.
  • Начинает действовать сразу после установки.
  • Быстро и легко приклеивается.
  • Защита номеров до 2-х лет.

ЧТО ВЫ ПОЛУЧИТЕ БЛАГОДАРЯ НАНОПЛЕНКЕ

  • На 100% скрывает номер от камер ГИБДД в любую погоду.
  • Невозможно обнаружить защиту глазом.
  • Прочно держится в любую погоду и после мытья автомобиля.

НАНОПЛЕНКА является полностью незаметной для человеческого глаза.

pdr технология ремонта на автомобиле

При беспокрасочном ремонте кузова используются особые технологии, при которых специальным требованиям должен отвечать инструмент для удаления вмятин. Это набор крючков разного размера и конфигурации; специальные приспособления и аксессуары, помогающие мастеру в работе достигнуть лучшего эффекта.


В специализированных магазинах можно купить набор для удаления вмятин, в котором инструмент должен использоваться строго по назначению. Каждый производитель по-разному компонует наборы, включающие инструмент для беспокрасочного удаления вмятин. Рассмотрим некоторые варианты.

PDR набор для ремонта повреждений на авто: особенности

Покупая оборудование для удаления вмятин без покраски, следует внимательно изучить комплектацию набора. В комплектах немецкого и американского производства включено излишне большое количество тонких длинных крючков. Получается, что покупая большой дорогостоящий набор для удаления вмятин, можно стать обладателем большого количества мало или никогда не используемых крючков.


Инструменты для удаления вмятин без покраски отечественного производства больше рассчитаны на силовые работы. Именно такой инструмент наиболее часто оказывается необходим. Не менее важна комплектация дверного инструмента. В наборах американских производителей дверной инструмент для устранения вмятин часто представлен со стандартной ручкой.

В результате, вы становитесь обладателем большого количества рычагов с разным направлением рукоятки: вперед, назад, вправо, влево. Намного удобнее использовать элемент с поворотной ручкой, применяя которую не надо постоянно менять инструмент. Помимо прочего, в этом случае вы ещё и сэкономите деньги.

Информация! Не забудьте пройти специальный курс обучения технологии pdr ремонта вмятин на автомобиле в специализированном сервисе

Для работы с кромкой переднего крыла в наборе должен присутствовать арочник. В случае его отсутствия, арочник придётся покупать отдельно. В американских наборах такого инструмента нет, и его нужно будет докупать дополнительно.

Материал PDR инструмента и его виды

Важным фактором, влияющим на качество оборудования для удаления вмятин без покраски, считается и материал изготовления. Для производства подобных инструментов используют сталь разных видов:

  • инструментальную;
  • инструментальную хромированную;
  • инструментальную нержавеющую.

Инструмент из обычной инструментальной стали – самый недорогой. Изготовленные из стали, покрытой несколькими слоями хрома инструменты более твёрдые и износостойкие. Они имеют больший срок эксплуатации, но и стоят дороже.


Инструмент для устранения вмятин премиум класса сделан из нержавеющей стали. Он не подлежит коррозии, влажность на него не оказывает отрицательного воздействия. Этот инструмент не деформируется и не ломается. Прочная и надёжная нержавеющая сталь обеспечивает долгий срок эксплуатации и всегда безупречный внешний облик инструмента.

По своему предназначению, инструмент для исправления вмятин делится на основной и специальный. Основной инструмент бывает таких видов:

  • брассовый – для применения в полостях;
  • дверной – используется при необходимости работы сквозь дверной проём;
  • плоский – для любых рабочих процессов;
  • флаги – для действий в полостях.

Что же касается специального инструмента, то его подразделяют на такие виды.

  1. Китовые хвосты с разной шириной кончика: узкие, средние, широкие. Их применяют для работы под усилителями: узкие – с плотно прилегающими усилителями и по краям узлов; средние – универсальные; широкие кончики применяются для работы под неплотными усилителями.
  2. Тонкий и супертонкий инструмент применяется для доводки в узких полостях.

Каждый мастер при выборе инструмента руководствуется своими целями и задачами, в зависимости от которых и приобретает инструменты для удаления вмятин.

Технология pdr ремонта и выпрямления дефекта своими руками


Чтобы удалить вмятину без покраски своими руками существуют разные методы. Рассмотрим некоторые из них.
  1. Механическое воздействие изнутри. Эта технология позволяет править повреждения, которые сложно выпрямить снаружи. Процесс правки осуществляется с применением крючков, вакуумных вытяжек и фторопластовых отбойников. Механическое выравнивание вмятин изнутри происходит за счёт давления. В отверстие помещается крючок подходящего размера, к которому поступательно прилагается сила, приводящая деталь в изначальное положение. Выравнивание сопровождается легким щелчком. При превышении давления могут появиться грани и пики, удалить которые будет сложно.
  2. Внешнее выравнивание своими руками специальным оборудованием. Если к кузову нет доступа изнутри, то применяется эта технология. Для работы понадобятся клеевые аппликаторы и клей. Аппликаторы клеятся на повреждённом участке, и после полного высыхания центральная точка повреждения вытягивается мини-лифтером. После окончания работы клеящий состав просто очищается с восстановленного элемента.
  3. Восстановление магнитом. Для правки вмятин своими руками этим способом потребуются мощный магнит и ветошь. Магнит надо медленно перемещать от края вмятины к центру, сопровождая натяжением на себя. В результате повреждение постепенно выравнивается. Ветошь подкладывают под магнит, чтобы не возникли царапины в процессе выправления кузова своими руками.

Мнение эксперта

Илья Вячеславович

Консультант сайта krasymavto.ru по кузовному ремонту

Задать вопрос

Обязательно перед применением минилифтера провести измерение толщины краски кузова (этот нюанс должен учитывать любой мастер, прошедший соответствующее обучение prd технологии и автолюбитель, такового не имеющий). Клей на поверхности не остается, поскольку легко с нее удаляется.

Выпрямить вмятину можно также:

  • при помощи строительного фена, используя высокотемпературное воздействие;
  • методом выстукивания повреждённого участка изнутри;
  • с применением специального прибора, о чём расскажем подробнее.

Использование современных технологий  и приспособлений для вытягивания деформаций на кузове


Результатом применения инновации в области ремонта авто стало появление аппарата для удаления вмятин. На рынке специального оборудования появились аппараты для вытягивания вмятин без последующей покраски. Такое оборудование позволяет легко устранять подобные изъяны небольших размеров на авто.

Прибор для удаления вмятин можно использовать для выправления кузова после небольших ударов или повреждений от падения сосулек, града. С помощью него можно отремонтировать пологие повреждения, полученные при парковке или транспортировке машины, а также устранить «хлопуны» (растянутый металл).

Принцип действия аппарата основан на индукционном излучении, воздействие которого направлено на разогрев исключительно металла. Краска и прочие полимерные материалы, находящиеся на металлическом основании, при этом не нагреваются. При нагреве металлическое основание стягивается, а за счёт того, что напряжение металла на месте повреждения направлено вверх, происходит восстановление прежней конфигурации профиля.

Если этого не произошло с первого раза, следует повторить процедуру после полного остывания поверхности. Использование такого прибора, несомненно, облегчит работу по кузовному ремонту благодаря многим моментам:

  • лёгкости и простоте эксплуатации;
  • нет необходимости разбирать автомобиль;
  • отсутствию окрасочных работ;
  • не нужны расходники при эксплуатации прибора.

Мнение эксперта

Илья Вячеславович

Консультант сайта krasymavto.ru по кузовному ремонту

Задать вопрос

Ремонт автомобиля при помощи прибора для выпрямления вмятин становится возможным без повреждения краски, что экономит время и расходные материалы для зачистки, шпаклёвки, покраски.


Из процесса ремонта исключается также и сушка, что экономит время и электроэнергию.

Когда инструмент применять неэффективно


Если пройти обучение основам технологии pdr, то можно будет сделать все своими руками. Но перед тем, как приступать к работе, осмотрите авто, внимательно оцените повреждения. Это позволит самому правильно выбрать, каким образом придется делать ремонт, если его можно сделать своими руками. Pdr инструмент не следует использовать, если:
  • нарушена целостность лакокрасочного покрытия;
  • есть существенные деформации;
  • окрасочный слой оказался низкокачественным;
  • машине больше 15 лет;
  • ремонт кузова ранее производился с несоблюдением технологий, технология pdr будет невозможна или затруднена.

Невозможно исправить без покраски:

  • кромки элементов дверей, капота, багажника;
  • любые детали при наличии на них острых заломов;
  • дефекты панели в результате непрямых ударов, при перекрашивании.

Полезное видео

Предыдущая

ОборудованиеИдеи как сделать краскопульт своими руками в домашних условиях

Следующая

ОборудованиеСамый необходимый инструмент для тонировки стекол своими руками

Инструмент для удаления вмятин своими руками

Полезные приспособления /27-фев,2018,13;22 / 9993
Исправлять вмятину на кузове машины мастерам приходится чаще, чем делать другие рихтовочные операции. Небольшая деформация на металлическом корпусе может появиться даже если вы водитель с огромным опытом – это может случиться по причинам, которые не зависят от вас, и никто не может быть застрахованным от таких случаев.

Как работает инструмент


Данный инструмент отличается главной особенностью – способностью обеспечить механические нагрузки и в то же время не разрушать поверхность кузова. Говоря иначе, работа молотками, кувалдами, другими инструментами с ударным эффектом не подходит. С этим условием мастера становятся несколько ограниченными в своих действиях, но тем не менее существуют доступные рядовым пользователям абсолютно действенные инструменты, которые позволяют удалять вмятины без покрасочных работ.
Это делается с помощью вакуумных присосок, которые отличает способ захвата и конструкционная конфигурация. Популярны также крючкообразные приспособления, которые отличаются своими особенностями в действии. Инструменты этих обеих категорий объединяет то, что они обеспечивают предельно щадящее воздействие на лакокрасочную поверхность корпуса и тем самым позволяют снизить цену ремонта. Но вместе с преимуществами у таких неразрушающих методов есть и некоторые недостатки.

Инструмент своими руками


Когда на кузове автомобиля появляются небольшие вмятины, нужно прибегать к услугам жестянщика. Однако можно самому создать такой простой инструмент, с которым можно в простой способ своими руками вытянуть вмятину, и при этом кузов не нужно будет красить.

Из чего состоит приспособление


Для изготовления каркаса использована фанера, которая крепится саморезами и уголками.
Для адаптера для грибков применен воздушный фитинг «байонет».
В быстросъем 6 мм елочка вставляем шпильку крышки карбюратора ремонтную (одна сторона м5, другая – м6) м5 вовнутрь быстросъема, и закручиваем гайкой м5, у которой чуть спилены грани.
Для штока использована шпилька м6, для соединения с адаптером взят соединитель м6 (в моем населенном пункте не было, поэтому сварил гайки), нужно чтобы было с барашком м6 в верхней части.

В качестве мягкого основания использована часть, срезанная с ненужной строительной терки. Также это может быть любая резина либо изолон 8 мм.



Грибки, фиксирующие пенопласт лучше брать жестче и так, чтобы было поменьше отверстий. Их обрезаем, получив нужную форму. Винт 5м*40, шайбы, гайки.

Кроме того, нужно взять:
— Пистолет и термоклей.
— Спирт.
— Ветошь.
С помощью этого действенного приспособления на самом деле можно удалять вмятины. Оно подходит для больших, маленьких вмятин, ребер – все отлично поднимается! Тестировал с крашенным и не крашенным кузовом, но там, где было крашенное баллончиком крыло – клеем оторвалась краска.

Далее будет показано принцип работы, как вытягивается вмятина на кузове машины.

На обезжиренную вмятину с помощью термоклея фиксируем грибок.
Устанавливаем инструмент.
Вращаем барашек и тянем грибок – с ним потянется и металл.
Вот что вышло в результате.

Видео с демонстрацией вытягивания вмятин своими силами.

Инструмент для удаления вмятин без покраски своими руками

Самодельное приспособление для удаления вмятин без покраски на кузове автомобиля: фото приспособления, описание изготовления, а также видео, где показано как вытягивать вмятины своими руками.

При повреждениях кузова автомобиля небольшими вмятинами, приходится обращаться к жестянщику, но если сделать вот такое простое приспособление, то можно вытягивать вмятины без покраски самостоятельно.

Конструкция инструмента самая простая:

Каркас — сделан из фанеры, крепления на саморезах и уголках.

Адаптер для грибков — воздушный фитинг типа «байонет».

Быстросъем 6мм елочка, в него вставлена шпилька крышки карбюратора ремонтная (с одной стороны м5 с другой м6) м5 во внутрь быстросъема и закручена гайка м5 со спиленными не много гранями.

Шток сделан из шпильки м6, соединяется с адаптером соединителем м6 (я не нашел у себя в деревне, пришлось сварить гайки) с верху должен быть барашек м6.

Мягкое основание — срезано со старой строительной терки (шлифка), но может быль любой резиной или изолон 8 мм
Грибки — грибки крепления пенопласта (желательно как можно меньше отверстий и тверже) обрезаны по нужной форме, винт 5м*40 шайбы, гайки.

Также для работы понадобится:

  • Пистолет с термоклеем.
  • Спирт.
  • Ветошь.

Приспособление реально работает и удаляет вмятины, пробовал большие и маленькие вмятины, ребра все можно поднять! Пробовал на крашенном и не крашенном, но на крыле крашенном из баллончика, клей оторвал краску!

 

Термоклей.

На фото показан процесс вытягивания вмятин на кузове авто.

 

На обезжиренную поверхность вмятины термоклеем клеится грибок.

Устанавливается приспособление.

Вращая барашек тянем приклеенный грибок вместе с металлом.

Результат работы.

Смотрим видео, где автор подробно показывает как пользоваться самодельным приспособлением для удаления вмятин на кузове автомобиля.

Автор самоделки: K-Nemec. источник

Приспособление для вытягивания вмятин на машине Pops-A-Dent

Иногда незначительные аварии, столкновения или тяжелые градины, упавшие на кузов автомобиля, оставляют после себя заметные вмятины, но не затрагивают лакокрасочное покрытие. В подобной ситуации поездка в автосервис может быть лишней, так как устранить мелкие повреждения можно и своими руками: купить приспособление для вытягивания вмятин на машин Pops-A-Dent и самостоятельно проводить ремонт без лишних затрат.
 
В набор входят такие инструменты: мостик с винтом для устранения вмятин, палочки термоклея и специальный термопистолет, несколько присосок разного размера и лопатка для соскабливания клея.
 
Этих несложных орудий будет достаточно, чтобы исправить вмятину без следа, но при условии, что лакокрасочное покрытие не было повреждено во время аварии. Использовать прибор очень легко, принцип его действия основывается на обычном вытягивании вмятин с помощью термоклея и присоски. Порядок действий при этом должен быть таким:
 
1. Деформированный участок кузова необходимо очистить от пыли и грязи, обезжирить растворителем, а затем просушить.
 
2. В ложе термопистолета установите клеевой стержень и нагревайте устройство в течение 5 минут.
 
3. Нанесите небольшое количество термоклея на присоску нужного диаметра, приложите её к центру вмятины, слегка прижмите и подождите от трёх до пяти минут, ожидая высыхания клея. Не позволяйте клею сохнуть дольше, чем 7-8 минут, иначе он затвердеет настолько, что удалить его с поверхности кузова будет довольно тяжело.
 
4. На присоску установите мостик с винтом, наденьте гайку и медленно затягивайте её, наблюдая, как металл вытягивается, а деформация выравнивается.
 
5. Когда сила натяжения достигнет необходимого уровня, присоска автоматически отстегнется от поверхности, а вам останется лишь удалить остатки термоклея с помощью специальной лопатки, входящей в набор.
 
6. В том случае, если в результате этих действий, деформация не была исправлена полностью, необходимо повторить их снова от начала до конца в такой же последовательности.
 
Отзывы про приспособление для вытягивания вмятин на машин Pops-A-Dent свидетельствуют, что лучше всего поддаются выравниванию широкие и не слишком глубокие вмятины, которые не нарушают целостность структуры металла, но в некоторых и более сложных ситуациях применение Pops-A-Dent может обеспечить положительный результат.
 
Если произошла деформация кузова автомобиля и вмятина имеет острые грани, но при этом целостность лакокрасочного покрытия не затронута, приспособление для вытягивания вмятин действует достаточно эффективно. Подобные повреждения остаются вследствие попадания камней, больших градин или других предметов. В этом случае устройство поможет выправить неровности, однако, потребуется приложить чуть больше усилий и дополнительно применить другие приспособления.
 
Если вмятина соответствует описанию, используйте Pops-A-Dent как указано выше. В результате этой последовательности действий, деформация будет устранена, но по краям могут остаться выпуклости, а центре — незначительное углубление. Легко исправить такие недостатки можно с помощью отбойника, изготовленного из фторопласта или тефлона. Мягко постукивая по месту выпуклости, проведите её осаживание, а оставшиеся мелкие неровности вытяните всё тем же прибором Pops-A-Dent, используя присоски нужного диаметра.
 
В автосервисе ремонт вмятин происходит по аналогичной методике, но с использованием более дорогого инструмента. Наш магазин предлагает купить приспособление для вытягивания вмятин на машин Pops-A-Dent и проводить ремонт своими руками, быстро и без лишних затрат.

Работающий инструмент для удаления вмятин на автомобиле

Alexander Polulyakh.

Попробуем сделать интересный и простой инструмент, который может помочь отрихтовать несложную вмятину в машине, удалить досадные вмятины. При создании этого инструмента понадобится простые и доступные материалы. Для начала нужно обзавестись длинной шпилькой М8 или М10. Вообще, подойдет и обычный кругляк, на котором нужно сделать резьбу.
Кусок полдюймовой трубки длиной приблизительно 10 см, в которой нужно просверлить по центру сквозное отверстие.Теперь ручку нужно прикрепить к шпильке. Это может сделать двумя способами. 1. при помощи гаек.
Второй способ. Ручку можно приварить сваркой.Таким образом нет никаких выступов, которые во время работы могут мешать.

Нужно взять кусок кругляка длиной как ручка. Просверлить сквозное центральное отверстие, чтобы надеть шпильку. Можно подобрать какую-нибудь толстостенную трубку и эффект будет тот же самый. Теперь остаётся срезать кругляк. Получился увесистый кругляшок с центральным отверстием, которое свободно одевается на шпильку и перемещается по ней. В этой конструкции кругляк будет выполнять роль молотка. Последний, что нужно сделать в этой простейшие конструкции, присоски, которые можно изготовить из одной шайбы и одной барашковой гайки путем сварки. Сваривать между собой удобно помощью простого способа. Берем кусок шпильки, вворачиваем в барашковую гайку. Теперь одеваем шайбу и фиксируем гайкой. Теперь останется поставить сварочные прихватки. Таких присосок можно наделать по несколько штук разных диаметров, подбирая по величине вмятины. В принципе, инструмент для быстрого удаления вмятин готов. Будем тестировать. Чтобы приклеить присоску к вмятине, необходимо палочка термоклея и какой-нибудь источник огня. Попробуем для начала убрать вмятину при помощи этого приспособления на жестяной бочке.

Товары для изобретателей. Предновогодние скидки до 60%🔥Перейти в магазин Ссылка.

Для начала нужно сделать эту вмятину. Попробуем этот дефект вытянуть обратно. Немного разогреваем присоску на огне. Затем наносим термоклей. Теперь присоска нужно быстро приклеить к вмятине и подождать, пока застынет клей. Подсоединяем инструмент к присоске. При помощи этого молотка выбиваем вмятину обратно. Как видите, большая часть исчезла. Осталось только по краям. Отсоединил присоску и переставим её.

Продолжение на видеоролике с 6 минуты. Очень простой инструмент для удаления вмятин придумал ведущий канала youtube Александр Полулях. Его можно использовать для различных жестяных изделий, и, что особенно важно, для автомобилей.

Лучший экстрактор автомобильных вмятин — Выгодные предложения на экстракторы автомобильных вмятин от мировых продавцов экстракторов автомобильных вмятин

Отличные новости !!! Вы попали в нужное место для удаления автомобильных вмятин. К настоящему времени вы уже знаете, что что бы вы ни искали, вы обязательно найдете это на AliExpress. У нас буквально тысячи отличных продуктов во всех товарных категориях. Ищете ли вы товары высокого класса или дешевые и недорогие оптовые закупки, мы гарантируем, что он есть на AliExpress.

Вы найдете официальные магазины торговых марок наряду с небольшими независимыми продавцами со скидками, каждый из которых предлагает быструю доставку и надежные, а также удобные и безопасные способы оплаты, независимо от того, сколько вы решите потратить.

AliExpress никогда не уступит по выбору, качеству и цене.Каждый день вы найдете новые онлайн-предложения, скидки в магазинах и возможность сэкономить еще больше, собирая купоны. Но вам, возможно, придется действовать быстро, так как этот лучший инструмент для удаления вмятин на автомобиле вскоре станет одним из самых востребованных бестселлеров. Подумайте, как вам будут завидовать друзья, когда вы скажете им, что приобрели средство для удаления вмятин от машины на AliExpress. Благодаря самым низким ценам в Интернете, дешевым тарифам на доставку и возможности получения на месте вы можете еще больше сэкономить.

Если вы все еще не уверены в экстракторе вмятин от машины и думаете о выборе аналогичного товара, AliExpress — отличное место для сравнения цен и продавцов.Мы поможем вам разобраться, стоит ли доплачивать за высококачественную версию или вы получаете столь же выгодную сделку, приобретая более дешевую вещь. И, если вы просто хотите побаловать себя и потратиться на самую дорогую версию, AliExpress всегда позаботится о том, чтобы вы могли получить лучшую цену за свои деньги, даже сообщая вам, когда вам будет лучше дождаться начала рекламной акции. и ожидаемая экономия.AliExpress гордится тем, что у вас всегда есть осознанный выбор при покупке в одном из сотен магазинов и продавцов на нашей платформе.Реальные покупатели оценивают качество обслуживания, цену и качество каждого магазина и продавца. Кроме того, вы можете узнать рейтинги магазина или отдельных продавцов, а также сравнить цены, доставку и скидки на один и тот же продукт, прочитав комментарии и отзывы, оставленные пользователями. Каждая покупка имеет звездный рейтинг и часто имеет комментарии, оставленные предыдущими клиентами, описывающими их опыт транзакций, поэтому вы можете покупать с уверенностью каждый раз. Короче говоря, вам не нужно верить нам на слово — просто слушайте миллионы наших довольных клиентов.

А если вы новичок на AliExpress, мы откроем вам секрет. Непосредственно перед тем, как вы нажмете «купить сейчас» в процессе транзакции, найдите время, чтобы проверить купоны — и вы сэкономите еще больше. Вы можете найти купоны магазина, купоны AliExpress или собирать купоны каждый день, играя в игры в приложении AliExpress. Вместе с бесплатной доставкой, которую предлагают большинство продавцов на нашем сайте, вы сможете приобрести экстрактор вмятин для машины по самой выгодной цене.

У нас всегда есть новейшие технологии, новейшие тенденции и самые обсуждаемые лейблы. На AliExpress отличное качество, цена и сервис всегда в стандартной комплектации. Начните самый лучший шоппинг прямо здесь.

Лучший набор инструментов для удаления автомобильных вмятин — Отличные предложения на набор инструментов для удаления автомобильных вмятин от глобальных продавцов наборов инструментов для удаления автомобильных вмятин

Отличные новости !!! Вы попали в нужное место, чтобы купить набор инструментов для удаления автомобильных вмятин.К настоящему времени вы уже знаете, что что бы вы ни искали, вы обязательно найдете это на AliExpress. У нас буквально тысячи отличных продуктов во всех товарных категориях. Ищете ли вы товары высокого класса или дешевые и недорогие оптовые закупки, мы гарантируем, что он есть на AliExpress.

Вы найдете официальные магазины торговых марок наряду с небольшими независимыми продавцами со скидками, каждый из которых предлагает быструю доставку и надежные, а также удобные и безопасные способы оплаты, независимо от того, сколько вы решите потратить.

AliExpress никогда не уступит по выбору, качеству и цене. Каждый день вы найдете новые онлайн-предложения, скидки в магазинах и возможность сэкономить еще больше, собирая купоны. Но вам, возможно, придется действовать быстро, так как этот лучший набор инструментов для удаления вмятин станет одним из самых востребованных бестселлеров в кратчайшие сроки. Подумайте, как вам будут завидовать друзья, когда вы скажете им, что приобрели набор инструментов для удаления вмятин от машины на AliExpress.Благодаря самым низким ценам в Интернете, дешевым тарифам на доставку и возможности получения на месте вы можете еще больше сэкономить.

Если вы все еще не уверены в наборе инструментов для удаления вмятин от машины и думаете о выборе аналогичного товара, AliExpress — отличное место для сравнения цен и продавцов. Мы поможем вам разобраться, стоит ли доплачивать за высококачественную версию или вы получаете столь же выгодную сделку, приобретая более дешевую вещь.И, если вы просто хотите побаловать себя и потратиться на самую дорогую версию, AliExpress всегда позаботится о том, чтобы вы могли получить лучшую цену за свои деньги, даже сообщая вам, когда вам будет лучше дождаться начала рекламной акции. и ожидаемая экономия.AliExpress гордится тем, что у вас всегда есть осознанный выбор при покупке в одном из сотен магазинов и продавцов на нашей платформе. Реальные покупатели оценивают качество обслуживания, цену и качество каждого магазина и продавца.Кроме того, вы можете узнать рейтинги магазина или отдельных продавцов, а также сравнить цены, доставку и скидки на один и тот же продукт, прочитав комментарии и отзывы, оставленные пользователями. Каждая покупка имеет звездный рейтинг и часто имеет комментарии, оставленные предыдущими клиентами, описывающими их опыт транзакций, поэтому вы можете покупать с уверенностью каждый раз. Короче говоря, вам не нужно верить нам на слово — просто слушайте миллионы наших довольных клиентов.

А если вы новичок на AliExpress, мы откроем вам секрет.Непосредственно перед тем, как вы нажмете «купить сейчас» в процессе транзакции, найдите время, чтобы проверить купоны — и вы сэкономите еще больше. Вы можете найти купоны магазина, купоны AliExpress или собирать купоны каждый день, играя в игры в приложении AliExpress. Вместе с бесплатной доставкой, которую предлагают большинство продавцов на нашем сайте, вы сможете приобрести набор инструментов для удаления вмятин от машины по самой выгодной цене.

У нас всегда есть новейшие технологии, новейшие тенденции и самые обсуждаемые лейблы.На AliExpress отличное качество, цена и сервис всегда в стандартной комплектации. Начните самый лучший шоппинг прямо здесь.

Удаление вмятин с помощью всасывания Инструмент для ремонта автомобилей

Фильтр

Инструменты для ремонта автомобилей

696 Матчи

Гибкий Инструмент для ремонта вмятин , Средство для удаления вмятин своими руками…

【С сильным магнитным патроном】 Съемник diy dent имеет точно спроектированную структуру … 【С сильным магнитным зажимным приспособлением Съемник вмятин своими руками имеет точно спроектированную структуру, прочный магнитный патрон, простой в эксплуатации, быстрый запуск даже для зеленых рук. 【Конструкция карданного вала】 Гибкий ремонт вмятин имеет конструкцию карданного вала, более эффективную … Больше

Продан Amazon Marketplace

MENQANG Auto Paintless Dent Удаление Инструменты, 39…

Perfect Kits: Auto Body Dent Repair Kit включает золото вмятина подъемник, термоклей … Идеальный комплект: Комплект для ремонта Auto Body Dent Repair Kit включает в себя подъемник для золотых вмятин, термоклеевой пистолет, клеевые стержни, язычки для съемника клея, пластиковую лопату и полотенце. С помощью этого набора вы можете удалить вмятины самостоятельно. Широко используется: комплект для безболезненного удаления вмятин с … Больше

Продан Amazon Marketplace

Eastwood 5 дюймовБез краски Вмятина Удаление Всасывание

Вакуумная чашка Eastwood 5 дюймов — отличное решение для извлечения мелких д … Вакуумная чашка Eastwood 5 дюймов — отличное решение для удаления мелких вмятин на листовом металле кузова автомобиля или для работы с такими предметами, которые трудно удерживать, такими как панели кузова и стекло. Для извлечения автомобильного града и повреждения дверного звонка, предназначенного для удаления вмятин … Больше

Продан Amazon Marketplace

ihreesy Air Pump Dent Repair Tool, Car Dent Re…

Экономичный инструмент: по сравнению с автомастерскими этот гибкий ремонтный инструмент может … Экономичный инструмент: по сравнению с автомастерскими этот гибкий ремонтный инструмент может сэкономить вам много денег. Вы можете многократно использовать его для ремонта автомобилей. Сохраните красоту поверхности автомобиля: с помощью этого ремонтного инструмента можно быстро удалить вмятины с автомобиля … Больше

Продан Amazon Marketplace

Стекло Присоска Чашки, Автомобиль Вмятина Удаление Инструменты, H…

【Высокое качество】 Этот подъемник чашек на присоске — отличный съемник вмятины . Наше стекло на присоске … 【Высокое качество】 Эта присоска отлично подходит для удаления вмятин. Корпус ручки наших стеклянных присосок изготовлен из алюминиевого сплава и прочного высокопрочного натурального каучука. Мягкая резиновая прокладка бережно относится к поверхностям и не поцарапает краску. 【Уникальный … Больше

Продан Amazon Marketplace

Пневматический пневматический съемник Dent , пневматический воздухозаборник…

【Безкрасочный ремонтный комплект Dent 】 Безкрасочный инструмент для ремонта dent не требует сварки, … 【Комплект для безкрашивания вмятин】 Инструмент для безкрашивания вмятин не требует сварки, сверления или шлифовки автомобиля, устраняет вмятины, не повреждая оригинальную краску. 【Применение】 Профессиональный комплект для удаления вмятин на кузове может вытаскивать большие и глубокие вмятины, идеально подходит для … Больше

Продан Amazon Marketplace

Стекло Присоска Чашки, Автомобиль Вмятина Удаление Инструменты wi…

Стекло Всасывание Чашки присоски чашка Максимальная грузоподъемность 50 кг (110 фунтов) в … Стеклянные присоски. Максимальная грузоподъемность присоски: 50 кг (110 фунтов) в горизонтальном положении и 35 кг (77 фунтов) в вертикальном положении. Съемник для удаления вмятин, сделанный из высококачественного алюминиевого сплава и резины, эта присоска долговечна и проста в использовании. Удаление вмятин на автомобиле … Больше

Продан Amazon Marketplace

WFPOWER Присоска Чашка Вмятина Съемник Удаление Инструмент…

Хороший материал — WFPOWER Suction Cup Dent Съемник, специализирующийся на рабочей среде … Хороший материал — Съемник вмятин на присоске WFPOWER, специализирующийся на рабочей среде, изготовленный из высококачественного алюминиевого материала. Благодаря горизонтальному всасыванию до 80 кг и вертикальному всасыванию также получается сверхмощная резиновая присоска 60 кг. Большой… Больше

Продан Amazon Marketplace

Набор инструментов Bala Auto79 Инструменты для ремонта авто Клей…

100% абсолютно новый и качественный! Работа с вкладками размера 5 шт. Для род … 100% абсолютно новый и качественный! Работа с вкладками размером 5 шт. На предмет повреждений вмятин от града. Изготовлен из специального высокопрочного пластика. Вытягивающий язычок профессионального уровня для без покраски автомобилей. Спиральная конструкция, более легкое удаление вмятин … Больше

Продан Amazon Marketplace

Набор инструментов Bala Auto79 Инструменты для ремонта авто Клей…

100% абсолютно новый и качественный! Работа с вкладками размера 5 шт. Для род … 100% абсолютно новый и качественный! Работа с вкладками размером 5 шт. На предмет повреждений вмятин от града. Изготовлен из специального высокопрочного пластика. Вытягивающий язычок профессионального уровня для без покраски автомобилей. Спиральная конструкция, более легкое удаление вмятин … Больше

Продан Amazon Marketplace

Набор инструментов Bala Auto79 Инструменты для ремонта авто Клей…

100% абсолютно новый и качественный! Работа с вкладками размера 5 шт. Для род … 100% абсолютно новый и качественный! Работа с вкладками размером 5 шт. На предмет повреждений вмятин от града. Изготовлен из специального высокопрочного пластика. Вытягивающий язычок профессионального уровня для без покраски автомобилей. Спиральная конструкция, более легкое удаление вмятин … Больше

Продан Amazon Marketplace

HiYi 26pcs AUTO Paintless Dent Repair Puller…

DENT Ножки LIFTER с мягкой подкладкой для поддержки максимальной силы тяги. С HIYI PDR … Мягкие ножки DENT LIFTER для поддержки максимальной силы тяги. С HIYI PDR познакомьтесь. Профессиональный ручной подъемник, разработанный для дверных звонков и повреждений от града. Экономьте энергию, ручной блок позволяет контролировать усилия при удалении вмятин. Высокое качество… Больше

Продан Amazon Marketplace

Вмятина Съемник Автомобиль Вмятина Ремонт Удаление Вмятин Фикс…

Он прост в использовании, вам просто нужно закрыть или отпустить ручку при открытии … Он прост в использовании, вам просто нужно закрыть или отпустить ручку при запуске. При сильном всасывании он может сыграть хорошую роль в депрессии автомобиля. Большая площадь контакта, лучший эффект. Эта пластиковая присоска очень полезна и практична, имеет мощный … Больше

Продан Amazon Marketplace

WonVon Auto Body Paintless Dent Удаление инструментов…

Инструмент для ремонта провисания автомобиля помогает устранить вмятины на автомобилях. Сделай сам может удалить вмятины и … Инструмент для ремонта провисания автомобиля помогает ремонтировать вмятины на автомобилях. Сделай сам может удалить вмятины, подходит для любого человека. Используйте высококачественные сплавы. Дно изготовлено из нескользящих резиновых прокладок, которые могут защитить автомобиль, когда оно подходит к кузову автомобиля, и оно … Больше

Продан Amazon Marketplace

Dent Съемник Автомобильный ремонтный комплект Автоаксессуары C…

Среди популярных применений — удаление вмятин удаление на автомобилях. Он прост в использовании, вам просто нужно … Популярное использование включает удаление вмятин на автомобилях. Он прост в использовании, вам просто нужно закрыть или отпустить ручку при запуске. Корпус ручки наших присосок изготовлен из алюминиевого сплава High ABS, который имеет более высокую твердость, его нелегко сломать и … Больше

Продан Amazon Marketplace

Ejoyous Dent Съемник, пневматический воздушный Всасывающий De…

【Сильное всасывание 】: Подушка всасывания , приводимая в действие воздухом, надежно удерживает панель, … 【Сильное всасывание】: Присоска с пневматическим приводом надежно удерживает панель, присоски съемника вмятин изготовлены из мягкого резинового материала премиум-класса, не повреждают оригинальную поверхность окраски автомобиля. … Больше

Продан Amazon Marketplace

GOTOTOP Dent Съемник, пневматический отбойный молоток D…

【Удаление вмятин в автомобиле】: Обладает сильной способностью ремонтировать пневматические провисания, пневмо … 【Удаление автомобильных вмятин】: Обладает сильной способностью восстанавливать пневматические провисания, пневматический съемник вмятин предназначен для ремонта большой площади вмятин в автомобиле, является важным инструментом для удаления вмятин с транспортных средств 【Простота использования】: Вмятины на автомобилях возможно… Больше

Продан Amazon Marketplace

Dent Съемник Автомобильный ремонтный комплект Автоаксессуары C…

Среди популярных применений — удаление вмятин удаление на автомобилях. Он прост в использовании, вам просто нужно … Популярное использование включает удаление вмятин на автомобилях. Он прост в использовании, вам просто нужно закрыть или отпустить ручку при запуске. Корпус ручки наших присосок изготовлен из алюминиевого сплава High ABS, который имеет более высокую твердость, его нелегко сломать и … Больше

Продан Amazon Marketplace

Авто Body Paintless Dent Удаление Набор инструментов -…

Эффективно и безопасно выскакивает вмятины, устраняет звон двери и повреждения от града на м … Эффективно и безопасно для удаления вмятин, ремонта дверных звонков и повреждений от града на металлических поверхностях, таких как автомобиль, мотоцикл, холодильник, стиральная машина и т. Д. Без повреждений оригинальной краски. Подъемник золотых вмятин на дне из силикона, мягкий и не вредный для … Больше

Продан Amazon Marketplace

Super PDR Paintless Вмятина Ремонт Удаление Вмятина

ВЫСОКОКАЧЕСТВЕННЫЙ ПРОФЕССИОНАЛЬНЫЙ ДИЗАЙН — Профессиональный превосходный дизайн и гладкая … ВЫСОКОЕ КАЧЕСТВО ПРОФЕССИОНАЛЬНЫЙ ДИЗАЙН — Профессиональный отличный дизайн и гладкая поверхность, изготовленная из высококачественных материалов, дно из силикона, а не из обычной резины. Материалы очень мягкие, не повреждают краску, которая может порваться … Больше

Продан Amazon Marketplace

пункты на странице 10 20 40 80

Покупки по лучшему предложению на удаление вмятин с помощью всасывания Инструменты для ремонта автомобилей — прочтите обзоры продуктов, сравните цены и рейтинги магазинов.

безболезненных инструментов для ремонта вмятин — Набор для удаления вмятин в машине Съемник вмятин в автомобиле Безопасные клеевые стержни выскакивает инструмент вмятин для удаления вмятин на двери автомобиля Ding Hail Dent Remover — Walmart.com

«,» tooltipToggleOffText «:» Нажмите на переключатель, чтобы получить

БЕСПЛАТНАЯ доставка на следующий день!

«,» tooltipDuration «:» 5 «,» tempUnavailableMessage «:» Скоро вернусь! «,» TempUnavailableTooltipText «:»

Мы прилагаем все усилия, чтобы снова начать работу.

  • Временно приостановлено в связи с высоким спросом.
  • Продолжайте проверять наличие.
«,» hightlightTwoDayDelivery «:» false «,» locationAlwaysElposed «:» false «,» implicitOptin «:» false «,» highlightTwoDayDelivery «:» false «,» isTwoDayDeliveryTextEnabled «:» true «,» useTesting » «,» ndCookieExpirationTime «:» 30 «},» typeahead «: {» debounceTime «:» 100 «,» isHighlightTypeahead «:» true «,» shouldApplyBiggerFontSizeAndCursorWithPadding «:» true «,» isBackgroundGreyoutEnabled} «:» false » locationApi «: {» locationUrl «:» https://www.walmart.com/account/api/location «,» hubStorePages «:» home, search, browse «,» enableHubStore «:» false «},» oneApp » : {«drop2»: «true», «hfdrop2»: «true», «heartingCacheDuration»: «60000», «hearting»: «true»}, «feedback»: {«showFeedbackSuccessSnackbar»: «true», «feedbackSnackbarDuration «:» 3000 «},» webWorker «: {» enableGetAll «:» false «,» getAllTtl «:»

0 «},» search «: {» searchUrl «:» / search / «,» enabled «:» false «,» tooltipText «:»

Скажите нам, что вам нужно

«,» tooltipDuration «: 5000,» nudgeTimePeriod «: 10000}}},» uiConfig «: {» webappPrefix «:» «,» artifactId «:» header- footer-app «,» applicationVersion » : «20.0,40 «,» applicationSha «:» 41ed8468826085770503056bd2c9bc8be5b55386 «,» applicationName «:» верхний колонтитул «,» узел «:» aba3788b-eb4e-4fef-9a19-3c429277e86a «,» облако «:» scus «-pro oneOpsEnv «:» prod-a «,» profile «:» PROD «,» basePath «:» / globalnav «,» origin «:» https://www.walmart.com «,» apiPath «:» / header- нижний колонтитул / электрод / api «,» loggerUrl «:» / заголовок-нижний колонтитул / электрод / api / logger «,» storeFinderApi «: {» storeFinderUrl «:» / store / ajax / primary-flyout «},» searchTypeAheadApi «: { «searchTypeAheadUrl»: «/ search / autocomplete / v1 /», «enableUpdate»: false, «typeaheadApiUrl»: «/ typeahead / v2 / complete», «taSkipProxy»: false}, «emailSignupApi»: {«emailSignupUrl»: » / account / electro / account / api / subscribe «},» feedbackApi «: {» fixedFeedbackSubmitUrl «:» / customer-survey / submit «},» logging «: {» logInterval «: 1000,» isLoggingAPIEnabled «: true,» isQuimbyLoggingFetchEnabled «: true,» isLoggingFetchEnabled «: true,» isLoggingCacheStatsEnabled «: true},» env «:» production «},» envInfo «: {» APP_SHA «:» 41ed8468826085770503056ERSbe2c9b «,» APP38 «:» APP «:0.40-41ed84 «},» expoCookies «: {}}

Автодетейлеры

Комплекты оборудования для автообработки

Нет лучшего места, чем Detail King, чтобы получить необходимое оборудование для автообработки, необходимое для производства великолепного продукта. Каждый профессионал в области детализации автомобилей и автолюбитель хочет, чтобы их фирменный вид был безупречным, ярким и сияющим. От Random Orbital и Rotary Buffing Pads до парового отпаривателя и всего, что находится между ними, мы можем предоставить вам комплекты оборудования для автоматической детализации высочайшего качества в отрасли по самой лучшей цене.Если вы ищете полировальную машину с регулируемой скоростью или буферную полировальную машину , Detail King предлагает широкий выбор, включая Flex, Rupes, Porter Cable, Makita, De Walt, Cyclo и Gem.

У нас есть самые инновационные и узнаваемые в отрасли автомобильные детали оборудования , включая пистолет для чистки автомобилей Tornador и машины для чистки ковров Mytee & Thermax , и это лишь некоторые из них. Мы гордимся тем, что можем предоставить вам оборудование для автоматической обработки деталей , необходимое для быстрого и легкого выполнения даже самых сложных работ.Если вы ищете быстрый и эффективный способ высушить автомобиль как внутри, так и снаружи, обратите внимание на наши автомобильные сушилки и Air Mover . Как вы знаете, детализация автомобиля требует времени и может быть очень трудоемкой. Наличие правильного арсенала оборудования для детализации не только сэкономит время, но и отделит вас от конкурентов, предоставив вашим клиентам необычные детали для автомобилей.

Когда дело доходит до чистки салона автомобиля, у Detail King есть все, что нужно профессиональному автодетейлеру и автолюбителю, от чего-то столь же простого, как автомобильный пылесос , до более специализированного оборудования для детализации, такого как Генераторы озона . Если вы управляете бизнесом по детализации мобильных автомобилей или думаете о том, чтобы начать его, у нас также есть огромный выбор оборудования для мобильной автообработки. Не можете найти то, что ищете? Не стесняйтесь позвонить нам или написать нам по электронной почте. Члены команды Detail King являются одними из лучших в своем деле и готовы помочь вам!

Detail King с гордостью сообщает, что мы являемся официальным дистрибьютором новой системы орбитальной полировальной машины Rupes! Эта новая очень инновационная система полировки, разработанная Rupes, представляет собой революционно новый метод полировки, который сокращает время полировки и создает поверхность без завихрений. По сравнению с традиционными системами полировки и полировки краски, которые включают несколько этапов смешивания, полировки и удаления завихрений, Rupes BigFoot® упрощает процесс выравнивания и полировки краски, объединяя все три действия в один этап. Не забудьте проверить все наши полировальные машины Rupes сегодня!

Что такое безболезненное восстановление вмятин?

Как работает ремонт вмятин без покраски?

Процессы и методы PDR

Каждый день сотни технических специалистов Dent Wizard PDR по всей стране безопасно восстанавливают автомобили до их первоначального заводского состояния без ущерба для оригинальной окрашенной отделки автомобиля или кошелька потребителя.

Читайте дальше, чтобы узнать, как неокрашенный процесс ремонта вмятин Dent Wizard, который мы впервые применили более 32 лет назад, помогает восстановить транспортные средства до их состояния до повреждений.

Оценить ущерб

Первым шагом к любому процессу ремонта является оценка ущерба. Где вмятина? Насколько велика вмятина? Как добраться до вмятины? После оценки повреждений и определения того, можно ли их эффективно удалить с помощью PDR (как это происходит в 80-90% всех вмятин), мы подготавливаем область вокруг вмятины для ремонта.

Попадание в вмятину

В большинстве случаев PDR требует доступа к задней стороне вмятины, что означает осторожное снятие панелей кузова, задних фонарей или, в некоторых случаях, внутренних панелей. Чтобы выполнить PDR, вам нужен путь к вмятине.

Как только у нас появится доступ к вмятине, пора выполнить ремонт PDR. Именно здесь в игру вступают точность и опыт наших обученных технических специалистов.

Посмотрите на вмятину получше

Dent Wizard использует специальную световую доску, чтобы наш техник мог лучше рассмотреть проблемную вмятину с его или ее точки зрения.На доске отображается тень вмятины, указывающая технику, где именно разместить инструменты на заднем конце вмятины, чтобы массировать тело до его исходного состояния.

Приложите медленное давление, чтобы проработать вмятину

Затем используются специальные инструменты, чтобы тщательно массировать внешнюю поверхность в исходное положение.

Процесс PDR может быть завершен с обслуживанием в тот же день, в зависимости от серьезности вмятины, и результаты потрясающие; тем более, учитывая, насколько неинвазивным и быстрым на самом деле является этот процесс.

Хотите своими глазами увидеть, как происходит удаление вмятин без покраски? Просмотрите весь процесс PDR, шаг за шагом, выполняемый мастером вмятины, в этом видеоролике Как выполняется безболезненное восстановление вмятин:


КАКИЕ ПОВРЕЖДЕНИЯ МОЖНО ВОССТАНОВИТЬ С ПОМОЩЬЮ PDR?

Paintless Dent Repair может удалить различные вмятины, вмятины и складки на теле. PDR — это специализированный метод, используемый для быстрого и экономичного восстановления автомобилей до заводского состояния.Кроме того, если краска не повреждена, вмятину, вмятину или складку, скорее всего, можно исправить с помощью PDR. Кроме того, PDR — отличное решение для восстановления исходного состояния вашего автомобиля от вмятин любого размера, в том числе от небольших повреждений градом до крупных складок.

КАК ДЛИТЕЛЬНЫЙ РЕМОНТ ВМЯТИНЫ БЕЗ ОКРАСКИ?

Стандартный ремонт вмятин без покраски очень эффективен по времени и в большинстве случаев может быть завершен в тот же день. Однако время PDR может варьироваться в зависимости от серьезности повреждения, такого как размер, расположение на транспортном средстве и количество вмятин, вмятин или складок.В частности, для полного удаления всех повреждений на поверхности транспортного средства может потребоваться несколько дней.

В ЧЕМ РАЗЛИЧИЯ МЕЖДУ БЕСКРАСНЫМ РЕМОНТОМ ВМЯТИН И ТРАДИЦИОННЫМ РЕМОНТОМ ВМЯТИНЫ?

При традиционном ремонте вмятин вмятины на кузове автомобиля заполняются краской или наполнителем для кузова, которые затем окрашиваются в тон остальной части экстерьера автомобиля. Хотя этот процесс может придать автомобилю вид как новый, он не устраняет фактическую вмятину, что является устойчивым долгосрочным решением.Это также занимает много времени, дорого и может повлиять на стоимость перепродажи вашего автомобиля.

С другой стороны,

Paintless Dent Repair не требует применения шпатлевки и шлифовки. Все больше и больше потребителей находят PDR эффективной и недорогой альтернативой мелкому ремонту в автомастерской. PDR предлагает больше «окупаемости», чем традиционные методы ремонта вмятин, и является отличным недорогим способом ухода за внешним видом вашего автомобиля.

Почему Dent Wizard?

Dent Wizard сделал технику восстановления вмятин без покраски популярной в начале 1980-х, представив PDR в Северной Америке.С тех пор несколько местных конкурентов добились определенных успехов на рынке, но Dent Wizard остается оригинальным и ведущим решением для ремонта вмятин без покраски.

Процесс PDR

Dent Wizard часто имитируется, но никогда не дублируется. Все наши технические специалисты по всей стране проходят строгий курс обучения, проводимый в нашем головном офисе в Сент-Луисе, прежде чем стать официальными Dent Wizards. Выбирая без покраску вмятин от Dent Wizard, вы знаете, что сотрудничаете с оригинальным, наиболее надежным источником PDR.

КАК Я МОГУ СТАТЬ ТЕХНИКОМ DENT WIZARD?

Dent Wizard предлагает самую полную бесплатную программу обучения PDR в отрасли. Он состоит из восьми недель в нашем учебном центре в Сент-Луисе, в ходе которых вы изучаете тонкости процесса Dent Wizard как в классе, так и на практике. На протяжении всей карьеры техника Dent Wizard предлагается постоянное обучение передовым методам и дополнительные возможности сертификации. Узнайте больше о программе обучения и карьеры автомобильного техника или подайте заявку онлайн.

Посетите раздел PDR на нашем веб-сайте и просмотрите нашу страницу в Facebook, где мы регулярно публикуем потрясающие фотографии до и после, предоставленные настоящими техническими специалистами Dent Wizard на работе.

Нужен PDR? Свяжитесь с нами сегодня или найдите место рядом с вами.

.
30Авг

Процесс зарядки аккумулятора автомобиля – Зарядка автомобильного аккумулятора: методы и правила зарядки

правила, процесс + 4 совета

Аккумулятор автомобиляАккумулятор автомобиля

Содержание статьи

Зарядка автомобильного аккумулятора производится с использованием специальных зарядных устройств. Чтобы правильно осуществить данный процесс необходимо знать тип автомобильного аккумулятора, его характеристики, а так же правильно подобрать тип зарядного устройства.

Устройство автомобильного аккумулятора

Устройство аккумулятора

Устройство аккумулятора

В большинстве автомобилей установлены кислотно-свинцовые аккумуляторные батареи. Конструкция представляет собой шесть баночек, которые помещены в изолирующий корпус, изготовленный из материала. Для корпуса выбирается специальный пластик, устойчивый к воздействию серной кислоты.

Баночки соединены последовательно. В них находятся положительные и отрицательные электроды, представляющие по конструкции свинцовые решётки, покрытые активной массой. Электроды помещены в электролит. Со временем, в процессе эксплуатации пластины выходят со строя, что приводит к уменьшению ёмкости аккумулятора. Чем меньше ёмкость, тем быстрее происходит разрядка АКБ.

Типы аккумуляторных батарей

Выделяют два типа аккумуляторов.

  1. Обслуживаемые.
  2. Необслуживаемые.

В обслуживаемых аккумуляторах на баночках есть крышки, которые можно самостоятельно открутить. В таких батареях есть возможность проверить уровень электролита, его качество и, в случае необходимости, есть возможность его долить. Но самостоятельно, не имея опыта данной процедуры, этого делать не рекомендуется. Все операции по проверке качества электролита, его уровня и доливки следует доверить специалисту. Эта работа по цене не дорогая, но в некоторых случаях способна оживить аккумулятор.

В необслуживаемых аккумуляторных батареях нет крышечек, он полностью цельный. Его ремонт и реанимация не возможны.

Так же, часто автомобилисты добавляют в АКБ дистиллированную воду, этим самым разбавляя электролит. Это делать можно, но только в случае необходимости. Если открутить крышечки на баночках, будет виден уровень электролита, если он ниже электродов, то нужна доливка. Уровень должен быть во всех шести баночках одинаковым.

Не доливайте в аккумулятор воду или же электролит самостоятельно. Прежде чем это делать, следует специальным прибором померить качество электролита. Но если вы всё же решили добавит воду, то доливайте только дистиллированную и небольшими порциями.

Типы зарядных устройств

По типу заряда устройства делятся на:

  1. Зарядное с неизменным напряжением. В этих зарядных устройствах напряжение заряда постоянное, а силу тока можно регулировать с помощью регулятора.
  2. Зарядное с неизменным током. В таких устройствах сила тока постоянная, а напряжение меняется регулятором. С помощью такой зарядки можно зарядить аккумулятор полностью, однако нужно внимательно следить за процессом. При длительном использовании электролит может закипеть, а это может стать причиной замыкания аккумулятора и даже его возгорания.
  3. Автоматические (комбинированные). Эти современные зарядные устройства сначала заряжают аккумулятор неизменным постоянным током при меняющемся напряжении, но потом, с постепенной зарядкой аккумулятора, напряжение фиксируется, а ток плавно уменьшается. При достижении полного заряда аккумулятора устройство автоматически выключается.

Проверка автомобильного аккумулятора

Проверка автомобильного аккумулятора

Проверка автомобильного аккумулятора

Проверить состояние аккумуляторной батареи можно несколькими способами.

  1. С помощью обычного тестера. Тестер ставиться в режим вольтметра и при выключенном автомобиле замеряется напряжение. Если эту процедуру сделать при включенном двигателе, вы узнаете идёт ли заряд с генератора. Напряжение при выключенном автомобиле должно быть близким к 12 В.
  2. Нагрузочной катушкой. По конструкции она представляет собой сопротивление 0,018 – 0,020 Ом с вольтметром, подсоединенным параллельно. Этот агрегат подсоединяется на 5 – 7 секунд и затем снимаются показания с вольтметра.
  3. По индикатору на батарее. На некоторых типах аккумуляторов установлен гидрометрический индикатор, который представляет собой маленький глазок. В этом глазке меняются цвета индикатора. Если цвет зелёный, то аккумулятор заряжен. Если белый, требуется зарядка аккумулятора, а если тёмный, заряд на минимуме и возможно требуется доливка электролита.

Когда необходима зарядка АКБ

Так как автомобильный генератор не способен полностью зарядить батарею, а лишь на 60%, заряжать аккумуляторную батарею рекомендуется хотя бы раз в сезон, перед холодами.  Так же следует следить за показаниями гидрометрического индикатора, если он есть.

Первым признаком того, что АКБ нуждается в зарядке, является пуск автомобиля. Если стартер крутится быстро, то всё в норме. Если же медленно и скорость вращения идёт как бы на затухание, это свидетельствует о малом заряде.

Процесс зарядки аккумулятора

На что следует обратить внимание и меры предосторожности

Процесс зарядки аккумулятора

Процесс зарядки аккумулятора

Поскольку в АКБ используется серная кислота, нужно быть аккуратным и соблюдать технику безопасности. Зарядку следует производить в проветриваемом нежилом помещении при температуре окружающей среды от +10 градусов Цельсия.

Часто задают вопрос, можно ли заряжать аккумулятор не снимая? Да, можно. Но при плюсовой температуре. Если заряжать при минусовой, КПД зарядки уменьшается. Кроме того, когда АКБ долгое время находится на морозе, электролит может подмерзать. Именно поэтому аккумулятор следует заносить в тёплое помещение, где он «разморозиться» и только тогда начинать зарядку.

Подготовка АКБ к зарядке, снятие с автомобиля

Перед зарядкой желательно протереть АКБ содовым раствором, это даст возможность убрать остатки кислоты с поверхности. Раствор приготовить прост: одна столовая ложка соды на стакан воды. Если при протирании раствор начнёт шипеть, значит остатки кислоты присутствуют.

После снятия с автомобиля аккумулятора, нужно открутить крышечки с баночек и положить их сверху. Это даст возможность электролиту испарятся при нагревании и не выплескиваться из баночек. Так же следует проверить уровень электролита.

Его можно определить на глаз. Если все пластины полностью погружены в электролит на 0,5 см, значит уровень в норме. Так же стоит обращать внимание на уровни в соседних баночках, они должны быть везде одинаковыми. Если уровень меньше нужного, можно долить дистиллированной воды.

Если же АКБ необслуживаемый (то есть, нет крышечек), эту процедуру игнорируем.

Подключение зарядного устройства

При подключении зарядного устройства соблюдайте полярность. На плюсовую клемму («+») на АКБ нужно подсоединять плюсовую клемму зарядного устройства. К минусовой («-») подсоединяем именно минусовую зарядного устройства. Если перепутать полярность, это приведёт к короткому замыканию и выходу из строя зарядного устройства и аккумулятора. Поэтому стоит быть внимательными. Клеммы промаркированы и на АКБ, и на зарядном устройстве.

На большинстве зарядных плюсовая клемма окрашивается в красный цвет, а минусовая в чёрный.

Продолжительность зарядки, контроль за процессом

Заряжать АКБ рекомендуется малыми токами, это даст возможность всем пластинам равномерно распределить заряд, а электролиту не перегреться. Использовать силу тока следует не более 1/10 ёмкости батареи. Она указана на корпусе и обозначается «А/час».

Если зарядное устройство автоматическое и не имеет регуляторных рычагов, значит свои настройки внести невозможно. Обычно такие приборы оснащены индикаторными лампами, обозначающими на каком этапе зарядка АКБ. И при полном заряде загорается зелёная лампочка.

Если в зарядное устройство встроен амперметр, то зарядка будет считается выполненной, когда стрелка прибора установится на нуле.

Время напрямую зависит от силы тока зарядки. Если аккумулятор нужно зарядить срочно, можно осуществить процесс, используя высокие токи, но это уменьшает запас работы батареи. Если спешки нет, то заряжайте малыми токами. При такой зарядке, обычно, процесс не занимает более 8 часов.

Следите за электролитом, если он начал закипать уменьшите силу тока.

Окончание зарядки, установка АКБ на автомобиль

Окончание зарядки

Окончание зарядки

По окончании зарядки отсоедините зарядные провода, закрутите крышечки на баночках и протрите АКБ  содовым раствором снова. При зарядке капельки электролита испаряются из баночек и оседают на корпусе. Если не убрать электролит с поверхности, может произойти утечка тока по корпусу и аккумулятор быстро разрядится. Эта проблема очень распространенная, так как 80 % автолюбителей этого попросту не знают. Электролит на корпусе особо не видно, он лежит тонкой плёнкой, но этого достаточно чтобы ток проходил по корпусу устройства.

При подключении обратите внимание на состояние клемм и их плотное прижатие к клеммам АКБ. Они не должны быть окисленными и должны плотно прилегать.

Как зарядить автомобильный АКБ при отсутствии зарядки

Если зарядное устройство отсутствует, а зарядить срочно требуется, можно воспользоваться следующими способами:

  1. Использование переносного пуско-зарядного устройства. Оно напоминает небольшой аккумулятор, заряда которого хватает на пуск двигателя.
  2. Собрать самодельное зарядное устройство, если есть под рукой нужные элементы. Для этого требуется диодный мост, резистор, мультиметр и лампочка, а так же некоторые познания в электротехнике и навык работы с паяльником.
  3. Если на морозе АКБ не показывает признаков жизни, следует его снять и занести в тёплое помещение на 30 минут. Электролит нагреется, и вы сможете завести автомобиль.
  4. Использовать устройство для зарядки ноутбука. На выходе она выдаёт 18 В. В схему последовательно нужно вставить лампочку от фары, она будет играть роль резистора. Тогда ток не будет превышать 2 А, но для полного заряда АКБ таким способом потребуется около 20 часов.

Заключение

При зарядке АКБ используйте все те советы, которые были даны выше и не забывайте про технику безопасности. Берегите глаза от попадания туда кислоты с аккумуляторной батареи, тщательно мойте руки после контакта с крышечками и баночками на АКБ. Заряжать следует в тёплом помещении с хорошей вентиляцией, в отсутствие детей. Выбирайте зарядное устройство только проверенных брендов, исходя из характеристик вашего аккумулятора, и тогда он верно прослужит вам долгое время.

Пожалуйста, оцените этот материал!

Окончание зарядки Загрузка…

Если Вам понравилась статья, поделитесь ею с друзьями!

motorsguide.ru

Как правильно зарядить аккумулятор автомобиля зарядным устройством

Аккумуляторные батареи в автомобиле предназначаются для запуска двигателя и работы электроприборов. Большинство их них свинцово-кислотного типа, выдающие напряжение 12 В, и способные служить 4-6 лет благодаря использованию современных материалов и технологий изготовления. Часто зимний период в сочетании с отсутствием эксплуатации и возрастом батареи выступает для нее «испытанием на прочность». В такие моменты аккумулятору потребуется правильная зарядка, которая максимально продлит срок его службы.

Особенности АКБ

Аккумулятор выполняет функцию хранения электроэнергии, которую отдает при необходимости, после чего восстанавливается от автомобильного генератора. Каждый последующий цикл заряда-разряда постепенно уменьшает способность батареи удерживать требуемое количество энергии, и в определенный момент ее не хватит, чтобы запустить двигатель. Для правильной зарядки АКБ нужно знать особенности устройства и главные параметры, которые при этом учитываются.

zaryadnoe_ustroistvo

Зарядные устройства для аккумулятора автомобиля

По устройству все аккумуляторы сходны. Они состоят из набора пластин, выполняющих функции электродов различной полярности. Электричество выделяется в результате химической реакции при участии электролита, заполняющего пространство между пластинами. В зависимости от типа аккумулятора, роль электролита выполняет раствор кислоты или щелочи с водой. В кислотных батареях пластины изготовлены из свинца, а в щелочных на основе никель-кадмиевого или никель-железного сплава.

Какие бывают зарядные устройства

Автомобильные зарядные устройства представлены огромным ассортиментом – от дешевых продуктов китайских производителей до дорогих качественных изделий известных фирм. Главное их различие – режим работы:

  • С постоянным значением тока. Заряжают батарею полностью, но часто перегревают электролит и снижают срок службы АКБ;
  • С постоянным напряжением. Исключают перегрев электролита, но не заполняет емкость на 100%, так как в конце цикла сила тока падает;
  • С комбинированным циклом. Вначале процесс происходит при постоянном значении тока, после чего при стабилизации напряжения сила тока падает. Весь процесс осуществляется в автоматическом режиме.

По способу преобразования энергии ЗУ делятся на импульсные и трансформаторные. Первый тип отличается легкостью, компактностью и относительно невысокой ценой, второй тип – надежностью, но имеет большие габариты и вес. Любое ЗУ выполняет одну и ту же функцию – преобразует 220 В в 14-16 В с необходимыми параметрами .

Особенности зарядки аккумулятора

uyjxtvk9be4a2wf1l3hn0r7ig65qpsocmd8z

Правильная зарядка автомобильного аккумулятора

Перед зарядкой автомобильной АКБ нужно учесть некоторые параметры:

  • Оптимальный ток равен 10% от номинала энергоемкости батареи. Так, если этот показатель равен 55 Ач, то силу тока не следует подавать больше 5,5 А;
  • Оптимальным напряжением на клеммах устройства будет превышенное на 10% значение от номинальной величины заряженного аккумулятора. К примеру, если при полностью заряженной АКБ напряжение равно 12,6 В, то 10% от него – это 1,26 В, а оптимальным напряжением будет 12,6+1,26=13,86 В;
  • При необходимости возможна быстрая подзарядка аккумулятора, которая проводится повышенными значениями тока – 20-30 А. Но она повреждает батарею, а потому нежелательна.

Проверка аккумулятора

4ffbdf9047d2c_

Продажа автомобильных аккумуляторов

Первым делом нужно убедиться в том, что батарея действительно разряжена. Для этого она извлекается из автомобиля, очищается от грязи и внимательно осматривается. Причиной разряда помимо естественного процесса бывает утечка электролита через трещину корпуса, из-за чего дальнейшее его использование становится невозможным. Состояние проверяется замером показателя на клеммах тестером, которое при разряженном аккумуляторе будет ниже номинала.

Перед зарядкой проверяется качество электролита. Он должен быть прозрачным, без примесей, и покрывать пластины. Также проверяется его плотность при помощи ареометра. Для замера отбираются пробы из каждой банки. Если плотность выше – электролит доводят до нормы добавлением дистиллированной воды, если ниже – добавлением концентрированного электролита.

Методы правильной зарядки аккумулятора

Зарядка аккумулятора в зависимости от типа ЗУ производится двумя основными методами:

  • При постоянном напряжении и изменяемой силе тока. Сначала подается большая сила тока, достигающая 25-30 А, которая со временем снижается. Для этого при помощи регулятора выставляется сила тока на уровне 10% от емкости аккумулятора. В процессе работы устройства показатель будет падать, а признаком завершения процесса (продолжается 10-13 ч.) будет стрелка амперметра на отметке «ноль»;
  • При постоянной силе тока, но изменяемом напряжении. Метод более сложный, требует контроля процесса и специальных знаний. Вначале задают силу тока, равную 10% от энергоемкости, при которой идет зарядка до показателя 14 В, после чего сила тока снижается наполовину, и зарядка идет до 15 В, затем ток снова понижается вдвое. О завершении процесса будет свидетельствовать неизменное напряжение на индикаторе в течение часа.

Процесс зарядки аккумулятора

Технологический процесс зарядки аккумулятора представляет собой следующие действия:

  • проверка уровня и плотности электролита и доведение данного показателя до нормы;
  • подсоединение клемм устройства к аккумулятору с соблюдением полярности и подключение его к электросети;
  • запуск устройства и ожидание;
  • отключение устройства и отсоединение клемм;
  • повторный контроль уровня и плотности электролита.

Обслуживая батарею, следует учитывать правила техники безопасности.

В банках АКБ находится электролит, который при воздействии на кожу оставляет ожоги, а в процессе зарядки при химической реакции выделяет ядовитый и взрывоопасный газ. Все работы должны осуществляться в специальном проветриваемом помещении с соблюдением необходимых мер предосторожности.

voditelauto.ru

Особенности зарядки аккумулятора автомобиля. Рекомендации по эксплуатации :: SYL.ru

В процессе движения транспортного средства, для питания бортовой сети служит генератор. Однако при остановке работы двигателя, вся нагрузка переходит на другое устройство, именуемое как аккумулятор (АКБ). И чтобы такой источник электрической энергии прослужил как можно дольше, необходима правильная зарядка аккумулятора автомобиля.

Автомобильный аккумулятор

В рамках данной статьи разберем такие моменты как: необходимость правильной зарядки аккумулятора, какие его виды существуют, а также затронем, собственно, сами правила зарядки.

Немножко теории не помешает

Автомобильный аккумулятор служит основным источником энергии для запуска стартера, который, в свою очередь, «включает» двигатель. Также он поддерживает работоспособность бортовой сети при неработающем генераторе.

В летнее время запуск силового агрегата возможен и с заряженным на 50% АКБ. Однако зимой емкость батареи вдвое ниже в силу того, что смазка загустевает, а это приводит к возрастанию пусковых токов.

Поэтому такая аккумуляторная батарея вряд ли способна запустить двигатель, разве что воспользоваться методом прикуривания от другого транспортного средства. По этой причине зарядка аккумулятора автомобиля зарядным устройством должна производиться до того, как наступят холода. Но чем, собственно, обусловлена необходимость в правильной зарядке? Об этом далее и пойдет речь.

В чем необходимость правильной зарядки АКБ?

Аккумулятор при исправном автомобиле может прослужить 2 или 3 года, что обычно составляет от 70 до 100 тыс. км пробега. Поддерживая АКБ в заряженном состоянии, можно повысить срок его службы. При этом заряжать батарею рекомендуется, когда она разряжена наполовину или более.

Стоит помнить, что аккумуляторная батарея сама по себе не вырабатывает электрическую энергию, а накапливает ее и впоследствии питает бортовую сеть автомобиля. Во время движения транспортного средства заряд восстанавливается, а источником для подзаряда АКБ служит генератор, приводимый во вращение коленчатым валом двигателя.

Слишком частые циклы разрядки и зарядки аккумулятора автомобиля отрицательным образом сказываются на его техническом состоянии. Не только понижается уровень заряда, но и АКБ постепенно разряжается. И с течением времени этой зарядки уже недостаточно для запуска двигателя. Тогда и возникает необходимость зарядки батареи, благодаря чему работоспособность источника питания восстанавливается. Для этого применяется зарядное устройство (ЗУ).

Устройство аккумулятора

Однако перед тем, как перейти к ознакомлению со всеми тонкостями, стоит изучить, какие виды АКБ существуют, какие главные характеристики они имеют, в чем особенность и работа зарядных устройств. Также коснемся некоторых не менее важных моментов и того, чего делать не рекомендуется.

Разновидности АКБ

В настоящее время выпускаются следующие аккумуляторы:

  • Щелочные.
  • Кислотные.
  • Гелевые.

При этом каждому из них присущи свои особенности зарядки аккумулятора автомобиля. У щелочных устройств она заключается в использовании тандема никель-железо либо никель-кадмий, что идет на производство пластин. Полость корпуса АКБ заполняет едкий калий. Но в силу более низкой силы тока, такие батареи практически не используются, в отличие от других аналогов.

Электроды кислотных аккумуляторов изготавливаются из свинца и ряда примесей. Такое решение имеет под собой веский повод – данный металл может выдавать больший ток в течение малого промежутка времени. К тому же, у него отличная энергоемкость. Электролитом здесь выступает раствор кислоты. Как показывает практика, такие аккумуляторы популярны среди большого количества владельцев транспортных средств.

Гелевые АКБ можно считать своего рода инновацией. Если по сути, то это тот же самый кислотный вариант, только электролит тут находится в желеобразном состоянии. И по сути, зарядка аккумулятора автомобиля в домашних условиях подобного типа практически ничем не отличается от процедуры с кислотными аналогами.

Зарядка аккумулятора автомобиля

Такое ноу-хау автомобильной промышленности обладает куда большими перспективами. В то же время его широкое применение ограничено рядом факторов. И главным образом это обусловлено технологическими особенностями. К тому же, не каждому автолюбителю по нраву их стоимость, которая слишком высока для большинства потребителей.

Обслуживаемые и необслуживаемые АКБ

Помимо этого, аккумуляторные батареи разделяются еще на два вида:

  • Необслуживаемые – к ним относятся АКБ закрытого типа, а их корпуса отличаются полной герметичностью. В силу этого, доступа к внутренним частям нет: что-либо выкрутить или просто посмотреть не получится. В то же время, если в ходе эксплуатации или при зарядке аккумулятора автомобиля в домашних условиях случайно перевернуть его, электролит не вытечет из него. Как правило, это гелевые АКБ.
  • Обслуживаемые – как можно уже догадаться, это те батареи, у которых есть доступ к содержимому банок. Для этого у каждой из них имеется откручивающаяся пробка. В эту категорию входят кислотные аккумуляторы.

С того времени, как появился самый первый АКБ, прошло уже более века (около 140 лет), и в нашем современном мире невозможно себе представить, как обойтись без подобных источников питания. Ведь помимо автомобилей, подобного вида батареи питают самые разные устройства: от телефонов и гаджетов до сложных систем в самых различных сферах человеческой деятельности, включая и космос.

Кое-что о зарядном устройстве

Какая зарядка аккумулятора автомобиля? Когда перед нами встает необходимость в покупке зарядного устройства для мобильного телефона, такого вопроса у нас обычно не возникает. Казалось бы, с автомобильными аналогами то же самое, и проблемы выбора как таковой просто не существует. Однако это было актуально 2 десятилетия назад. Тогда зарядники отличались друг от друга разве что брендом и корпусом.

Правильная зарядка аккумулятора

Теперь же все иначе, и различия современных устройств более выражены. И первое, что хочется отметить, — это способ зарядки автомобильного аккумулятора. Согласно этому признаку, АКБ могут быть:

  • С ручной регулировкой.
  • Автоматические.

Несмотря на тот факт, что ручные зарядные устройства — это уже классика, многие автолюбители все же отдают им предпочтение. В этом случае всегда есть возможность контролировать весь процесс и при необходимости вмешаться, корректируя ток, исходя из состояния АКБ. Но, помимо зарядки аккумулятора автомобиля зарядным устройством, есть возможность выполнить восстановление от сульфатации.

Про автоматические зарядные устройства и так все должно быть понятно. Восстановление емкости АКБ происходит без участия человека. Самые простые и, соответственно, недорогие зарядники даже лишены измерительных приборов, а об окончании процедуры сигнализирует светодиод. Для тех владельцев автомобилей, которые предпочитают редко заглядывать под капот, это лучшее решение. Но тут стоит понимать, что работая в соответствии с заданным алгоритмом, состояние АКБ не учитывается. К тому же, стоимость таких устройств может быть не всем по карману.

Также зарядники могут разделяться в зависимости от конструкции:

  • Трансформаторные – изготовлены на базе привычного трансформатора напряжения с минимальным количеством активных элементов. Это позволило достичь высокой надежности и увеличения габаритов.
  • Импульсные – за счет переменного тока зарядки аккумулятора автомобиля с высокой частотой стало возможно существенно уменьшить габариты устройств. С одной стороны, это несомненное достоинство, но с другой – высокая стоимость и сложность всей конструкции.

Простейшее зарядное устройство состоит из понижающегося трансформатора и диодного моста. Понять принцип действия не составит труда: первичная обмотка принимает на себя переменное напряжение номиналом 220 В, после этого оно понижается (преобразуется) и направляет на диодный мост.

Зарядное устройство

На выходе получаем необходимые 14-16 Вольт, что достаточно для зарядки АКБ.

Элементарные, но важные правила

Чтобы зарядка аккумулятора автомобиля увенчалась успехом, необходимо всегда помнить о важных моментах:

  • В целях определения уровня зарядного тока можно руководствоваться емкостью аккумулятора. Как правило, хватает 10% от номинального параметра батареи. К примеру, если емкость АКБ составляет 55 А·ч, следовательно, 5,5 Ампер – зарядка аккумулятора автомобиля.
  • На полноценную зарядку батареи уходит определенное количество времени. Однако не стоит прибегать к быстрым вариантам с использованием тока номиналом 20-30 Ампер. В конечном счете, это приводит лишь к разрушению АКБ.
  • Для гелевых аккумуляторов предел – это 14,2 Вольта, крайне не рекомендуется его превышать.
  • Перед подключением ЗУ оно должно быть отключено.
  • При подключении соблюдать полярность (плюс к плюсу, минус к минусу), в противном случае оба устройства (аккумулятор и ЗУ) могут выйти из строя.

Также необходимо следить за тем, чтобы на клеммах ЗУ напряжение превышало номинал АКБ на 10%. Для лучшего понимания приведем пример: если у вывода батареи напряжение составляет 12,8 Вольт, то поддерживать его нужно в пределах 14,08 В, что и составляет эти 10% (12,8+ 1,28).

Зная эти элементарные правила, можно избежать многих ошибок в ходе зарядки аккумулятора автомобиля в домашних условиях. Не стоит также забывать про технику безопасности, ведь данное мероприятие представляет собой химический процесс, в ходе которого выделяется взрывоопасная смесь газов (водород и кислород). В связи с этим необходимо быть осторожным.

Проверка батареи

Прежде чем переходить к зарядке аккумуляторной батареи, нужно убедиться в том, что она полностью разряжена. Для этого существует несколько способов. В большинстве аккумуляторов присутствует специальный индикатор, который, по сути, является ареометром. Он самостоятельно замеряет плотность электролита и, в зависимости от этого, всплывает тот или иной шарик. Его-то мы и видим, ошибочно принимая за лампочку. И когда все в норме, виден зеленый «свет», в противном случае будет красный.

Проверка автомобильного аккумулятора

Еще один способ проверить батарею перед зарядкой аккумулятора автомобиля – это воспользоваться мультиметром. У полностью заряженной батареи напряжение на клеммах порядка 12,6 Вольт и больше. Другие значения соответствуют:

  • 12,5 – 90%;
  • 12,42 – 80%;
  • 12,32 – 70%.
  • 12,2 – 60%;
  • 12,06 – 50%.
  • 11,9 – 40%;
  • 11,75 – 30%.
  • 11,58 – 20%;
  • 11,31 – 10%.
  • 10,5 – 0%.

Но более надежный метод – это нагрузочная вилка, которая покажет падение напряжения под воздействием нагрузки. Иными словами, можно увидеть реальный показатель уровня заряда АКБ.

Прибор этот найдется у каждого автоэлектрика, либо в любом магазине, торгующим аккумуляторами. Скорее всего, такую проверку могут сделать за спасибо, не более того.

От теории к практике или подготовка аккумулятора к зарядке

После того, как была определена полная разрядка АКБ, стоит переходить непосредственно к практике. Но перед этим нужен небольшой подготовительный этап. Первым делом аккумулятор стоит снять с автомобиля, но если времени на зарядку аккумулятора автомобиля не так много, тогда следует отключить его от бортовой сети.

Заодно можно провести его диагностику, хорошо осматривая его состояние, попутно очищая его от пыли и прочих загрязнений. При этом стоит обратить внимание, есть ли трещины и течь электролита. Если таковые имеются, дальнейшая эксплуатация такого АКБ крайне не рекомендована.

Если все в норме, стоит почистить клеммы для обеспечения хорошего контакта. Также можно протереть корпус батареи тряпкой, смоченной в растворе нашатырного спирта (10%) либо кальцинированной соды. После этого нужно открутить пробки либо снять заглушки. Пары электролита будут беспрепятственно выходить наружу, что позволит избежать избыточного давления.

Далее стоит проверить уровень электролита и, при необходимости, добавить дистиллированную воду, чтобы она полностью закрыла пластины. Вот теперь можно переходить непосредственно к зарядке АКБ.

Правильная зарядка аккумулятора автомобиля

В самой процедуре зарядки аккумулятора нет ничего сложного, однако не каждый знает, как это делается правильным образом. Проводить ее желательно в помещении с хорошей вентиляцией вдали от открытого огня.

Вариант зарядки аккумулятора

При этом можно пойти двумя путями:

  • Постоянное напряжение (14-16 Вольт) с переменным током. Сначала его величина составляет 25-30 Ампер, но впоследствии постепенно снижается, по мере заряда АКБ.
  • Меняется напряжение, а ток остается неизменным. Только такой подход довольно-таки сложен, ведь тут важна точность.

Первый способ очень легок в реализации и все, что нужно – это выставить необходимое значение тока, что составляет 10% от емкости аккумулятора. Как правило, данный параметр указан в паспорте либо в табличке на корпусе. По мере того как батарея будет заряжаться, ток станет понижаться. В среднем, время зарядки аккумулятора автомобиля в полном объеме составляет от 10 до 13 часов.

Второй способ уже сложнее, и необходимо четко понимать, как все делается. Первым делом задается значение тока (10% от емкости аккумулятора). Его стоит придерживаться, пока напряжение не достигнет 14 Вольт. При достижении этого, следует уменьшить ток вдвое, пока не будет уже 15 Вольт. А как только установится и это напряжение, ток нужно снизить раза в три. О полной зарядке аккумулятора будет свидетельствовать неизменный уровень напряжения на индикаторе.

По завершении процедуры желательно проверить АКБ нагрузочной вилкой. При ее отсутствии убедиться в работоспособности батареи можно, установив ее на место и подключив к бортовой сети. Успехом будет запуск двигателя.

Вопросы обслуживания и ухода

Чтобы аккумулятор служил долгое время, его не только необходимо правильно заряжать, еще важен бережный уход за ним. А для этого нужно регулярное обслуживание. Первым делом стоит уяснить один проверенный факт: в летнее время жидкость из банок испаряется интенсивнее. И если корпус аккумулятора полупрозрачный, то понижение уровня электролита ниже пределов нормы будет хорошо заметно. Конечно, если водитель заинтересован не только в том, каким должно быть напряжение зарядки аккумулятора автомобиля, но и хоть изредка заглядывает под капот.

Как правило, на автомобильном аккумуляторе есть специальные метки: «MIN» и «MAX», которые позволяют контролировать количество жидкости. Однако есть батареи, где их нет, либо по каким-нибудь причинам невозможно определить визуально уровень электролита. Тогда стоит воспользоваться простым способом:

  • Вывернуть пробки с каждой банки и по очереди в каждую из них опустить стеклянную трубку. Ее длина должна составлять не менее 10 см.
  • После того, как трубка упрется в сетку, стоит зажать ее конец пальцем и вынуть наружу.
  • Замерить получившееся расстояние. В норме оно должно составлять от 10 до 15 мм. Если оно меньше — значит, нужно добавить дистиллированную воду до нужного уровня.

Помимо этого, следует замерить плотность электролита, для чего используется ареометр. Прибор этот выглядит как большая пипетка с делениями. Внутри находится поплавок, который может свободно перемещаться. На одном из ее концов закреплена резиновая груша.

Обслуживание аккумулятора автомобиля

Для замера плотности электролита нужно, для начала, сжать грушу – из нее удалится весь воздух. Другой конец погружается в банку с жидкостью, после чего грушу можно отпускать не торопясь. Начнет всплывать поплавок, и то деление, на котором он остановится, и будет значением искомой плотности. Помимо этой, существуют и прочие конструкции ареометра.

Теперь что касается непосредственно значений плотности электролита. Для каждой климатической зоны оно свое. В летнее время для центральных регионов оптимальное значение плотности должно находиться в пределах 1,27-1,19 г/см3. Для южных и северных – 1,25-1,17 г/см3 и 1,2-1,21 г/см3 соответственно. Меньшие значения плотности указывают на необходимость зарядить аккумулятор автомобиля зарядкой. Если же они выше — значит, нужно добавить дистиллированную воду.

www.syl.ru

Как самостоятельно зарядить аккумулятор автомобиля

Пока силовая установка автомобиля бездействует, питание бортовой сети осуществляется от внешнего источника питания – автомобильной аккумуляторной батареи. Также посредством электроэнергии аккумулятора производится и сам запуск силовой установки.

Любой автомобилист должен знать как и чем зарядить аккумулятор своего автомобиля

Необходимость правильной зарядки автомобильного аккумулятора

Содержание статьи

Но аккумуляторная батарея энергию для запитывания сети не вырабатывает, она лишь хранит ее в себе, при надобности отдает, после чего восстанавливает свой заряд от генератора автомобиля.

Цикличность заряда-разряда идет не на пользу самой батарее, со временем ее заряд уменьшается, то есть батарея потихоньку разряжается, полностью восстановить количество энергии от генератора не удается, в конечном итоге заряда батареи уже не будет хватать для запуска мотора. В таком случае остро встает вопрос:  как зарядить аккумулятор автомобиля. Производится данная операция зарядными устройствами. Но перед описанием процесса зарядки аккумулятор, разберемся, какие бывают аккумуляторы на машинах, их основные параметры, которые учитываются при подзарядке, виды зарядных устройств, принцип их функционирования, правила зарядки автомобильного аккумулятора и что не следует делать при выполнении операции.

Видео: Взрыв аккумулятора

Все АКБ конструктивно схожи. Имеется набор пластин, которые играют роль электродов, одни – положительных, другие — отрицательных. Чтобы между пластинами происходила химическая  реакция, в результате которой выделяется электроэнергия, пространство между пластинами заполняется электролитом. В зависимости от вида АКБ  в качестве электролита выступает либо раствор кислоты с водой, либо раствор щелочи с водой.

Виды аккумуляторных батарей

На автомобилях применяются аккумуляторы следующих видов: кислотные, щелочные и гелевые. Есть еще один вид батареи – литий-ионных, но в силу своих особенностей данные АКБ не могут запустить двигатель, поэтому в авто они применяются пока только, как дополнительный элемент питания.

Так устроен аккумулятор автомобиля

У кислотных батарей электроды выполнены из свинца, в котором имеются дополнительные примеси. Свинец, как материал электродов, используется потому, что этот материал имеет хорошую энергоемкость и может за малый промежуток времени выдать токи больших значений. Электролитом у этих АКБ выступает раствор кислоты. Это самые распространенные батареи, которые применяются на автомобиле.

У щелочных батарей установлены не свинцовые, а никель-кадмиевые или никель-железные пластины. А пространство между ними заполнено раствором едкого калия. Эти АКБ на легковых авто применяются не часто, поскольку сила тока у них ниже, чем у кислотных.

Гелевые аккумуляторы появились сравнительно недавно. По сути, этот тот же кислотный аккумулятор, только у него электролит приведен в желеобразное состояние. Эти АКБ являются перспективными, но ряд технологических особенностей данных батарей не позволяет их широко использовать, да и стоят они не солидно.

Помимо этого АКБ делятся еще на обслуживаемые и необслуживаемые. Кислотные аккумуляторы бывают только обслуживаемыми. А все потому, что при химической реакции часть воды из раствора испаряется. Для того чтобы электролит имел соответствующую плотность, периодически нужно проверять состояние электролита и при надобности доливать воду.

Вода для доливки в аккумулятор используется только дистиллированная.

Необслуживаемыми являются гелевые АКБ. Они имеют герметичный корпус. При химической реакции вода у них не испаряется. Поэтому и доливки не требует.

Читайте также: Какой аккумулятор лучше для автомобиля. Рейтинг аккумуляторов.

Виды зарядных устройств для зарядки аккумулятора

В дальнейшем будем рассматривать правильную зарядку аккумулятора на примере распространенных кислотных АКБ. Но пока пройдемся по зарядным устройствам.

Зарядное устройство для аккумулятора

Любое зарядное устройство – это преобразователь электроенергии. Самая простая схема зарядного устройства (ЗУ) – это трансформатор понижающий и диодный мост. Принцип работы таков: переменное напряжение сети 220 В, проходя через трансформатор и диодный мост, преобразуется в постоянное напряжение в 14-15 В, которое требуется для зарядки АКБ.

Часто в конструкцию зарядного устройства включают дополнительные контрольные датчики – амперметры и вольтметры, регуляторы напряжения и силы тока, предохранители. Хотя есть и ЗУ, у которых сила тока и напряжение для каждого АКБ подбираются в автоматическом режиме.

Ещё кое-что полезное для Вас:

Особенности зарядки аккумулятора автомобиля

Перед тем как зарядить аккумулятор автомобиля, следует учесть несколько параметров для зарядки аккумулятора.

  • Самой оптимальной силой тока для зарядки аккумулятора является показатель в 10% от номинальной энергоемкости АКБ. То есть, при показателе энергоемкости батареи в 60 Ач сила тока должна не превышать 6 А.
  • Оптимальное напряжение на клеммах ЗУ — это +10% от номинального напряжения полностью заряженной батареи. Для примера, у полностью заряженного аккумулятора напряжение на клеммах составляет 12,6 В. 10% от номинального напряжения — это 1,26 В, добавляем его к 12,6 В и получаем оптимальное напряжение в 13,86 В.
  • Провести быструю зарядку батареи возможно. Выполняется такая зарядка токами больших значений – 20-30 А. Но такая зарядка повреждает батарею, поэтому от такой зарядки лучше воздержаться.
  • При зарядке гелевого аккумулятора важно не превышать критического для такого АКБ напряжения, которое обычно составляет 14,2 В.

Это основные критерии, учитывающиеся для того, чтобы правильно заряжать автомобильный аккумулятор. Перейдем непосредственно к тому, как зарядить аккумулятор автомобиля.

Подготовительные работы

Вначале нужно убедиться, что аккумулятор действительно разряжен. Для этого его нужно извлечь из ниши в автомобиле. Помимо естественного разряда батареи из-за его эксплуатации, причиной разряда может быть повреждение корпуса АКБ, в результате чего электролит вытек и химическая реакция в нем не проходит. Поэтому после извлечения его нужно отчистить от пыли, грязи и следует внимательно осмотреть корпус аккумулятора. Если трещина имеется и через нее вытек электролит – такой АКБ дальше использовать нельзя.

Определить, разряжена ли аккумуляторная батарея, можно по цветовому индикатору, который часто устанавливают на крышке корпуса. Цвета в индикаторе могут быть разные, поэтому следует обратить внимание на наклейку с пояснением, которая обычно наклеена рядом с индикатором.

Проверить состояние заряда батареи можно и по напряжению на клеммах. Для этого можно воспользоваться обычным тестером. При разряженной батарее напряжение будет ниже номинального.

Перед тем как зарядить аккумулятор автомобиля, следует также проверить электролит. Через заливные пробки можно проследить за состоянием и количеством электролита, в нормальном состоянии электролит должен быть чистым, прозрачным и не иметь примесей, а уровень его должен быть выше пластин. При меньшем уровне – нужно долить дистиллята.

Следует проверить и вентиляционное отверстие в крышке АКБ. Оно не должно быть забито, иначе испарениям не будет выхода.

Как зарядить аккумулятор автомобиля? Процесс зарядки

Далее можно выполнить непосредственно зарядку батареи. Важным моментом является испарение электролита при подзарядке, поэтому не стоит это делать в жилом здании. Также сначала подключают зарядное устройство к батарее, а уже потом в сеть. Внимательно нужно отнестись к правильности подключения ЗУ к батарее, иначе при неправильном подключении выйдут из строя предохранители зарядного устройства.

Видео: Как зарядить автомобильный аккумулятор

Процесс зарядки аккумулятора зарядным устройством производится двумя методами:

  1. при первом методе зарядка производится при постоянном значении напряжения, обычно это значение 14-16 В. А сила тока – величина изменяемая. В начале зарядки сила тока большая, может достигать 25-30 А, но по мере зарядки сила тока снижается.
  2. при втором методе сила тока является постоянной, а напряжение меняется. Данный метод более сложный, и нужно полностью знать, как правильно заряжать автомобильный аккумулятор таким зарядом.

Заряжать автомобильный аккумулятор зарядным устройством, у которого используется метод постоянного напряжения – несложно. Достаточно выставить регулятором силу тока на уровне 10% от энергоемкости батарей. По мере подзарядки сила тока будет падать. Сигналом того, что батарея полностью восстановила заряд, будет опускание стрелки амперметра до «0». Обычно на полную подзарядку с такой силой тока уходит 10-13 часов.

Подзарядка устройством методом постоянного тока сложнее, и нужно знать, как подзарядить аккумулятор автомобиля таким ЗУ. Поскольку у данного устройства задается параметр силы тока, то вначале зарядки задается сила тока в размере 10% от энергоемкости. При такой силе тока АКБ заряжается до показателя напряжения в 14 В, после чего следует понизить силу тока наполовину и заряжать таким током до показателя напряжения в 15 В, после чего еще следует понизить вдвое ток. Сигналом полной зарядки АКБ будет удержание показателя напряжения на одном уровне в индикаторе на протяжении часа.

Читайте также: Как заряжать необслуживаемый аккумулятор

Проверка напряжения аккумулятора

После зарядки, если есть возможность, проверить напряжение на клеммах АКБ путем применения нагрузочной вилки. Если же ее нет, убедиться в полном заряде аккумулятора можно, установив ее на автомобиль. Заряженная батарея должна «бодро» крутить стартер и запускать силовую установку. В принципе, вот и все, что нужно и важно знать для зарядки аккумулятора своего автомобиля.

avtomotoprof.ru

Как заряжать аккумулятор автоматическим зарядным устройством

Как заряжать аккумулятор автоматическим зарядным устройствомАвтомобильный аккумулятор обеспечивает электропитание элементов машины. Во время ее движения происходит зарядка с помощью генератора. Однако он не сможет полностью восполнить энергию. Поэтому периодически необходимо обслуживание АКБ. Для этого следует знать, как правильно заряжать аккумулятор автомобиля зарядным устройством в домашних условиях.

Выбор зарядного устройства

Определяющими параметрами являются характеристики АКБ – напряжение (6, 12 или 4 В), тип батареи (залитые, сухозаряженные, гелевые и свинцово-кислотные ). По последнему качеству рекомендуется выбирать универсальные модели, подходящие для всех типов аккумуляторов. Дополнительно учитывается номинальный показатель емкости – Ач .Как заряжать аккумулятор автоматическим зарядным устройством

По функциональным возможностям ЗУ разделяются на два класса:

  • Зарядные. Рассчитаны только для восстановления работоспособности АКБ, возможно поддержание текущего заряда на требуемом уровне.
  • Пуско-зарядные . Для запуска систем автомобиля требуется значительный заряд тока. Если аккумулятор к этому времени не успел зарядиться – пуско-зарядное устройство может заменить его на этом этапе.

Для новичков рекомендуется покупать простые модели зарядного устройства, без дополнительных функций регулировки параметров. Если же у автолюбителя есть большой опыт – ему потребуется профессиональное ЗУ с индикацией, возможностью регулировки тока и напряжения. Любая модель должна иметь опцию защиты от перегрева, неправильного подключения.

Как часто нужно заряжать аккумулятор

Частота зарядки аккумулятора определяет срок его эксплуатации. В идеале он должен подключаться к ЗУ не чаще одного раза в год. Но фактически это зависит от множества внешних факторов. При неправильно выбранной периодичности и отсутствии контроля за текущим состоянием батареи будет наблюдаться обратный эффект — быстрое снижение емкости.Как заряжать аккумулятор автоматическим зарядным устройством

Факты, влияющие на частоту зарядки АКБ:

  • Температура за бортом. Она не влияет, если показатель более +5С. Как только происходит снижение – емкость батареи может упасть в 1,5-2 раза.
  • Возможные неисправности силовой установки. К ним относятся проблемы с компрессией, некорректное функционирование топливной аппаратуры.
  • Частота полной нагрузки аккумулятора при выключенном моторе.

Минимальный заряд АКБ для запуска силовой установки индивидуален. Но обычно он не должен быть менее 12,3 Вольт. Если это значение меньше – заряда будет недостаточно, потребуется подключение к ЗУ. В среднем для нормальной работы аккумулятора достаточно 70-75% от максимальной зарядки. Восстанавливать ее до 100% рекомендуется один раз в год, перед началом зимнего периода.

Методы зарядки аккумулятора автомобиля

Существует два основных способа зарядки АКБ – путем изменения постоянного тока или напряжения. Выбор зависит от функциональных возможностей ЗУ, необходимости контроля за процессом, его скоростью и степени заряжания.Как заряжать аккумулятор автоматическим зарядным устройством

Перед началом необходимо выполнить такие условия:

  • Предварительная проверка фактической емкости аккумулятора.
  • Правильное подключение клемм по полярности – «плюс» к «плюсу», так же как и «минус». В противном случае будет обратный процесс – разрядка.
  • Минимальное сечение жилы провода – 1 мм2. В оплетке диаметр должен составлять около 1,3 мм.
  • Очистка поверхности АКБ от остатков кислоты, грязи.
  • Открутить пробки отверстий, предназначенных для заливки кислоты.
  • Проверка уровня электролита. Если его мало – добавляется дистиллированная вода.

После этого можно приступать к процессу зарядки. Делать это рекомендуется в помещении с комнатной температурой и хорошей вентиляцией. В процессе повышения заряда будут выделяться пары электролита.

Регулировка постоянного тока

Суть этого метода заключается в контроле значения тока, путем регулирования его в зависимости от текущего заряда аккумулятора. Для начинающих автомобилистов он сложен, так как изменения показателя зависят от фактического состояния АКБ. Рекомендуется применять, если есть возможность постоянного контроля процесса.Как заряжать аккумулятор автоматическим зарядным устройством

Лучше всего суть этого метода рассмотреть на примере АКБ, емкость которой составляет 60А*ч. Рекомендуемый порядок действий.

  1. Установить значение тока в 6А, из отношения 0,1 к номинальной емкости.
  2. После начала выделения газов электролита необходимо снизить показатель в два раза. При значении заряда аккумулятора 14,4 В сила тока должна составлять 3 А.
  3. Как только показатель заряда достигнет 15 В – ток снижается до 1,5 А.

Таким способом можно зарядить АКБ до уровня от 70% до 100%. В последнем случае необходимо контролировать значение уровня заряда аккумулятора и силы тока. Если первый останется неизменным в течение двух часов – это признак полной зарядки.

Изменение постоянного напряжения

Оптимальный способ, если нет возможности постоянно контролировать процесс. Нужно учитывать, что значение заряда АКБ в этом случае пропорционально подаваемому напряжению. Для предварительного расчета времени необходимо подаваемое напряжение разделить на 1,11.Как заряжать аккумулятор автоматическим зарядным устройством

Рассмотрим этот процесс на примере стандартного 12 В аккумулятора в зависимости от требуемой степени зарядки при длительности 24 часа:

  • 75-80%. В этом случае подаваемое напряжение должно быть 14,4 В;
  • 85-90%. Оптимальное значение — 15 В;
  • 100%. Параметр напряжения должен быть не менее 16,3 В.

По такой схеме можно рассчитать условия зарядки АКБ любого типа. Процесс завершится после того, как значение напряжения на клеммах аккумулятора и подаваемое будут одинаковы. После этого можно отключать ЗУ.

Важно – значение зарядного тока не должно превышать 25 А. Для этого ЗУ должно быть укомплектовано схемой, ограничивающей данный параметр. Она есть во всех заводских моделях, если же используется самодельное устройство – этот момент нужно отследить.

Проверка уровня заряда аккумулятора

Помимо значений параметров на зарядном устройстве и клеммах АКБ рекомендуется дополнительно контролировать плотность электролита. Это делается с помощью специального прибора – ареометра.Как заряжать аккумулятор автоматическим зарядным устройством

Для стандартного аккумулятора приняты следующие значения плотности электролита в зависимости от степени зарядки:

  • 100% — 1,28 г/м3;
  • 75% — 1,25г/м3;
  • 50% — 1,20 г/м3.

Важно проверять этот показатель во всех банках. Если по какой-либо причине в одной из них произошло замыкание – значение плотности электролита будет значительно меньше остальных. Также необходимо учитывать погрешность ареометра, степень его пригодности для поверки, диапазон измеряемых значений. Дополнительно этот прибор можно использовать для контроля состояния охлаждающей жидкости.

Альтернативные способы

Проверенный метод восстановления работоспособности АКБ без использования специального устройства – «прикуривание» от другого аккумулятора. Важно, чтобы значения силы тока у них было одинаково. В противном случае выйдут из строя предохранители или часть электропроводки автомобиля.Как заряжать аккумулятор автоматическим зарядным устройством

Выполнить это можно по следующему алгоритму.

  1. Прямое подключение к АКБ другого автомобиля с соблюдением полярности, как при использовании ЗУ.
  2. После запуска двигателя необходимо подождать 3-5 минут и только после этого можно отключать клеммы. Сначала от «донора», а затем от АКБ своей машины.
  3. Поездка в течение 20-30 минут. Лучшая зарядка будет при активировании повышенных или пониженных передач. Рекомендуемое число оборотов коленвала — от 2900 до 3200 .

Этот метод будет действенен, если в АКБ уровень зарядки не ниже критического. В противном случае запуск двигателя и бортовых систем будет невозможен.

Также не рекомендуется применение самодельных ЗУ, изготовленных на основе бытовых зарядных блоков от ноутбука или мобильного телефона. Практически невозможно контролировать основные значения тока и напряжения во время процесса зарядки. Это может привести к негативным последствиям. Лучше всего приобрести дешевую, но надежную заводскую модель ЗУ.

Как заряжать аккумулятор автоматическим зарядным устройством

Главная задача аккумуляторной батареи заключается в обеспечении запуска силовой установки. В зимний период или после простоя возрастает вероятность саморазряда, ведь при понижении температур накопитель хуже держит заряд. Допускать полного разряда не стоит, это сказывается на ресурсе батареи.

Важно вовремя подзаряжать накопитель, для чего используют специальное внешнее устройство. Примечательно, что нарушение рекомендаций по зарядке также сказывается на сроке службы. Поэтому нужно знать, как правильно зарядить аккумулятор автомобиля зарядным устройством.

Как подготовить накопитель к зарядке

Потеря заряда АКБ происходит и из-за понижения температур. Не исключаются проблемы с электропроводкой, плохо закрытые двери, электрооборудование, оставленное включенным. Для нормальной эксплуатации накопителя важно поддерживать оптимальные температурные рамки.

В процессе зарядки важна подготовка:

  1. Перед началом процедуры батарею очищают от загрязнений, удаляют следы окисления, что исключает замыкание, образование искр.
  2. Выбирают хорошо проветриваемое помещение, чтобы уменьшить концентрацию взрывоопасного водорода, сернистого газа в воздухе. Вещества образуются в результате зарядки и могут нанести вред человеку.
  3. Батарею оставляют как можно дальше от электрооборудования.

Как заряжать аккумулятор автоматическим зарядным устройством

Когда на улице холодно, может возникнуть вопрос, при какой температуре заряжать аккумулятор автомобиля. Если батарея полностью разрядилась, и есть вероятность, что электролит превратился в лед, АКБ нужно занести в теплое помещение. Для начала зарядки температура самой батареи должна быть 15–20 градусов.

Здесь важно учесть, что во время подзарядки температура электролита повышается.

Сколько заряжается батарея

Для зарядки аккумулятора допускается использование разных устройств – автоматических и с ручным управлением. Автоматические модели не требуют контроля. Здесь система следит за данными выходного тока. А при завершении зарядки отключается. Процесс происходит с использованием постоянной силы тока, постоянного напряжения, есть и комбинированный метод.

Перед началом процедуры зарядки рассчитывают, сколько нужно заряжать аккумулятор автомобиля зарядным устройством. Согласно рекомендациям производителей АКБ, величина тока составляет десятую часть емкости накопителя. Для более современных устройств, со специальным покрытием электродов, применяют и большие показатели, если это допускается производителем. При этом выбор меньших токов не нарушит процедуру, обеспечит мягкую, безопасную зарядку. Но процесс займет больше времени.

Чтобы определить, сколько нужно заряжать аккумулятор автомобиля 60 Ампер, сначала рассчитывают оптимальный ток заряда. Для такого накопителя он составляет 6 А, хотя лучше выбрать меньший ток.

При полном разряде процесс зарядки включает несколько этапов:

  • на зарядном выставляют нужный показатель тока;
  • зарядка проводится на протяжении 20 часов;
  • по истечении основного этапа подаваемый ток уменьшается в 2 раза;
  • зарядка проводится еще на протяжении 2 часов.

Как заряжать аккумулятор автоматическим зарядным устройством

В процессе важно следить за температурой накопителя. Повышение до 40 градусов должно насторожить. При достижении 50 градусов зарядку прекращают – это опасно. Если изначально батарея разряжена на половину, время зарядки сокращается.

Тонкости процесса подзарядки

Для зарядки накопитель нужно демонтировать, если поблизости нет розетки для зарядного устройства. Сначала отсоединяются клеммы, при этом двигатель не должен работать. Манипуляции по изъятию АКБ желательно выполнять в перчатках. Дальнейшая схема действий определяется типом накопителя.

Если устройство обслуживаемое, демонтируют верхнюю крышку, выкручивают защитную пробку. Это нужно, чтобы в процессе зарядки батарея «дышала», не происходило чрезмерного скопления газов в конструкции. Также рекомендуется определить уровень электролита, при необходимости долить жидкость, чтобы не испортить пластины и не потерять характеристики устройства.

Тонкости процесса зарядки:

  • подсоединяются плюсовые, минусовые клеммы, их нельзя путать;
  • перед подключением нужно убедиться, что зарядное не подключено к сети;
  • когда накопитель заряжен, сначала отсоединяют провод зарядного;
  • в процессе зарядки в АКБ могут быть слышны звуки, как при кипении воды;
  • температура батареи будет подниматься, при сильном повышении зарядное на время отключают, а когда аккумулятор остынет, продолжают процедуру.

Как заряжать аккумулятор автоматическим зарядным устройством

Точно определить, какое время заряжать аккумулятор автомобиля сложно. Все зависит от степени разряда. Задача упрощается, если на батарее есть индикатор заряда. Используется и индикатор, амперметр зарядного.

Как заряжать необслуживаемую АКБ

Для необслуживаемых моделей процесс отличается. Здесь нет возможности измерять уровень электролита. Важные показатели – уровень остаточного напряжения и ситуация, в которой накопитель перестал работать.

Чтобы определить, сколько времени заряжать необслуживаемый аккумулятор автомобиля, нужно знать, батарея разряжена частично или полностью.

При частичной разрядке:

  • заряжают в режиме непрерывной подачи напряжения;
  • ЗУ контролирует лишь силу подаваемого тока, где вначале используется 25 А;
  • оптимальное напряжение – не более 14,5 В.

При таких условиях заряд должен восполниться в течение 3 часов или когда ток заряда снизится до 0,2 А.

При полной разрядке процесс не отличается от зарядки обслуживаемого накопителя, но требуется повышенное внимание:

  • задается оптимальное напряжение, соответствующее десятой части емкости;
  • при полной зарядке начинается образование газа на пластинах, если электролит переходит в газовое состояние – это опасно, так как отверстий в конструкции нет.

Как заряжать аккумулятор автоматическим зарядным устройством

После завершения процедуры проверяют напряжение. Делают это по истечении 6 часов с момента подзарядки. Если нет времени ждать, измерить напряжение полностью заряженного аккумулятора автомобиля можно, используя нагрузочные вилки. Подключив вилку, через 5 секунд получают данные, определяющие степень заряда. Здесь оптимальный показатель составляет 12,65 В.

Нужно ли подзаряжать новый аккумулятор

Приобретая новую батарею, ее рекомендуется предварительно проверить, определить уровень заряда. Нередко даже у новых накопителей частично теряется емкость из-за простоя. Здесь рекомендуется уточнить дату производства. Если АКБ изготовлена год назад и за это время не выполнялась подзарядка, показатели падают. Если возникает вопрос, как зарядить новый аккумулятор автомобиля зарядным устройством, используют обычное зарядное, соблюдая некоторые правила.

Важные моменты:

  • подзарядка проводится недолго, не более 2 часов;
  • используется небольшой ток;
  • для моделей с индикатором заряда нужно подождать загорания лампочки.

Как заряжать аккумулятор автоматическим зарядным устройством

Не стоит забывать о правилах безопасности во время выполнения манипуляций.

Как определить состояние накопителя

Состояние батареи напрямую влияет на характеристики, способность держать заряд, обеспечивая нормальный старт мотора. Есть несколько вариантов, как определить состояние аккумулятора автомобиля. Но начать стоит с внешнего осмотра устройства. Здесь не должно быть никаких механических повреждений, иных дефектов, грязи, окисей. Температура накопителя также важна.

Если показатели повышены, есть вероятность того, что некоторые секции внутри замкнуты.

Когда внешние характеристики в норме:

  1. Проверяют напряжение на клеммах. Процедуру лучше проводить после длительной стоянки, не запуская мотор. Выставляя показатели на приборе, мультиметре, выполняют проверку. Оптимальный параметр напряжения – 12,6 В, при его снижении необходима подзарядка.
  2. Чтобы проверить плотность аккумулятор автомобиля, используют ареометр. Устройство представляет собой поплавок, определяющий плотность вещества. Из банки накопителя в стеклянную колбу набирают электролит, опуская ареометр, определяют плотность. Этот показатель иногда отличается для разных моделей. Средние данные заряженного накопителя составляют 1,27 – 1,29 единиц.

Как заряжать аккумулятор автоматическим зарядным устройством

Если поблизости нет приборов для проведения измерений, применяют другой метод. Для этого создают такой источник нагрузки, чтобы он использовал половину емкости накопителя. Для аккумулятора потенциалом 60 А/ч нужна нагрузка в 30 А. Ее создают при помощи лампочек ближнего света, достаточно 6 штук мощностью 55 Вт. Нужно их подключить параллельно и оставить на 5 минут.

Если за это время свечение стало хуже, устройство утратило необходимые характеристики.

Как заряжать аккумулятор автоматическим зарядным устройством

Всем известно, что любой автомобильный аккумулятор время от времени нуждается в зарядке. Необходимость срочной подзарядки батарей с помощью подходящего им устройства часто возникает в холодное время года, когда АКБ тратит больше своих внутренних ресурсов на стартовые пуски. В связи с этим нужно всегда точно знать, как правильно заряжать аккумулятор автомобиля зарядным устройством, чтобы батарея работала как можно дольше и не произошла ее разрядка раньше положенного времени по причине неправильной эксплуатации.

Причины скорой разрядки АКБ

Водителям-новичкам не помешает знать о нескольких популярных причинах того, почему аккумулятор может быстро разрядиться:

  • Как уже было сказано, в холодное время года батарее приходится тратить гораздо больше энергии на пусковые токи при старте .
  • В условиях коротких поездок по городу генератор автомобиля не успевает подпитывать батарею.
  • Любой автомобилист не застрахован от забывчивости. К сожалению, достаточно один раз не выключить на ночь фары для того, чтобы почти полностью разрядитьАКБ (за этим рекомендуется тщательно следить во избежание быстрой разрядки аккумулятора). Подробнее о том, почему аккумулятор садится за ночь →
  • С тарые, «бывалые» батареи, безусловно, держат уровень емкости слабее . У них она намного меньше, чем у новых и более мощных аналогов, и разряжаются они быстрее — порой независимо от условий поездок.

Как заряжать аккумулятор автоматическим зарядным устройством

Общие рекомендации по подготовке автомобильного аккумулятора к зарядке

Сейчас в продаже можно встретить разные виды автомобильных батарей. Есть средний по цене и удобный в использовании свинцово-кислотный аккумулятор усовершенствованного плана типа EFB. Наиболее популярными в последнее время становятся AGM-аккумуляторы с электролитом, заключенным в пластины из стекловолокна. Ну и конечно, самыми дорогими, но при этом наиболее безопасными и долгими в эксплуатации считаются гелевые аккумуляторы.

Однако форма, в которую помещен электролитический состав батареи автомобиля, не является главным критерием того, каким образом следует правильно заряжать аккумулятор автомобиля зарядным устройством. Процесс зарядки АКБ обычно выстраивается по определенной схеме, стандартной для автомобильных аккумуляторов любой разновидности. Главное — знать точный алгоритм действий и соблюдать определенную технику безопасности в случае, если вы имеете дело с батареями и с наиболее подходящими для них зарядными устройствами.

Вынимаем батарею

Если возникает необходимость, допускается заряжать батарею без снятия ее с автомобиля. Но лучше всего поставить аккумулятор на зарядку, предварительно вынув его из машины. Заодно не будет лишним, если вы проведете «генеральную уборку» подкапотного пространства и проверите, нет ли утечки жидкости из батареи (если речь идет о свинцово-кислотной АКБ).

Перед тем как начать отсоединять аккумулятор от электроцепи вашей машины, отключите всю ее бортовую сеть и выньте ключ зажигания. Не лишним будет узнать, какую клемму снимать первой с аккумулятора.

Как заряжать аккумулятор автоматическим зарядным устройством

Вынимая из машины аккумулятор, внутри которого находится опасная химическая жидкость, и проверяя подкапотное пространство, не забудьте надеть на руки резиновые перчатки во избежание попадания кислоты на открытые участки тела. Если это все же произойдет, обработайте кожу щелочным содовым раствором. Вспомните школьный курс химии: щелочь — это лучший антидот кислоты .

Обращаем внимание на клеммы

Также перед снятием батареи из машины проверьте и состояние клемм автомобиля, насколько сильное имеется окисление. Если на клеммах вы увидите налет белого цвета, это и есть окисление, бороться с которым на современном этапе можно уже не дедовскими способами, а с помощью применения специальных смазок.

Кстати, если вам кажется, что емкость аккумулятора падает, а видимых причин именно в батарее для этого нет, проверьте автомобильные клеммы. Скорее всего, вы обнаружите на них тот самый толстый слой белого налета, из-за которого контакт между аккумулятором и бортовым электрообеспечением автомобиля становится слабым. Часто именно окисленные клеммы мешают полноценной подаче тока. О том, почему окисляются клеммы аккумулятора, читайте здесь →

Техника безопасности

Перед тем как правильно заряжать аккумулятор автомобиля зарядным устройством, позаботьтесь о его хорошей очистке. Не допускайте случайного попадания пылевых и грязевых частиц внутрь электролитической жидкости батареи. В помещении, где будет проводиться зарядка аккумулятора (неважно, гараж, жилая комната, либо иное место) не должно быть газовых плит и повышенной огнеопасности. Проветривание следует обеспечить наиболее оптимальное.

Даже при условиях зарядки максимально безопасной гелевой батареи старайтесь соблюдать одни и те же правила и подстраховывайте себя лишний раз. Безусловно, гелевые батареи считаются вариантом с минимальным риском. Но если, например, в корпусе такой АКБ будет хотя бы небольшой дефект, незаметный простому глазу, «утечка» опасных химических веществ тоже возможна.

Как заряжать аккумулятор автоматическим зарядным устройством

Каким образом нужно проводить правильную зарядку автомобильного аккумулятора

На практике имеется два ведущих способа для того, чтобы зарядить аккумулятор автомобиля 60 Ач, а также батареи другой емкости:

  1. Есть метод, когда напряжение всегда является неизменной величиной , а показатели тока при этом нужно регулировать вручную . Каким напряжением при этом нужно заряжать автомобильный аккумулятор? Безопасный показатель — 14,4 В.
  2. Также имеется и метод, когда постоянной величиной , наоборот, является ток . Этот способ более сложен и отличается «многоступенчатостью» — уровень напряжения нужно менять, как минимум, два раза во время всего процесса зарядки .

Оба метода одинаково хороши, если всегда быть в курсе того, как правильно зарядить автомобильный аккумулятор.

Перед осуществлением процесса зарядки важно понимать, какого вида ваш аккумулятор. Если он свинцово-кислотный, не забудьте перед началом его зарядки выкрутить защитные пробки с «банок», чтобы дать воде и прочим химическим веществам свободно испаряться .

Если вы — обладатель гелевого аккумулятора, перед зарядкой осмотрите его вентиляционные отверстия и проверьте, нет ли в них грязи или пыли . После этого можете приступать к процессу зарядки.

Метод регулировки показателей тока является наиболее простым. Поэтому его мы и рассмотрим наиболее подробно, в качестве наиболее подходящего примера.

Правильная зарядка автомобильного аккумулятора устройством с регулятором показателей тока должна проводиться следующим образом:

  • Наденьте резиновые или другие технические перчатки . Если даже аккумулятор не кислотный, а гелевый, остерегаться следует не столько кислоты, сколько удара током.
  • Подключите к аккумуляторной батарее подходящее к ней ЗУ .
  • Одним из главных условий того, как правильно заряжать автомобильный аккумулятор, является четкое знание принципа полярности : подведите «крокодилы» зарядника к батарее, строго ее соблюдая. Обычно красный провод означает плюсовой полюс , который надевается на плюсовую сторону АКБ, а черныйминус , и надеваем его на клемму со знаком «минус».
  • Получив питание от батареи, устройство загорается и начинает работать . Теперь выставляем уровень тока заряда. Важно знать, что уровень тока , поступаемого к АКБ, должен всегда составлять 10% от емкости батареи , обозначенной на ее корпусе. К примеру: на корпусе батареи указана емкость 60 Ач ( 60 ампер -часов). В данном случае, нужные 10 процентов будут равняться 6 амперам.
  • Выставляем параметры тока и только теперь, когда все параметры выставлены, подключаем электрическую цепь к сети.
  • Если требуется зарядить полностью разряженныйаккумулятор , может понадобиться до 24 ч асов .
  • Внимательно следите за процессом , заряжать АКБ не следует, оставляя ее надолго без должного присмотра.
  • Ближе к концу зарядки батарея начинает кипеть. Это нормально и не должно вызывать опасений.
  • Когда процесс зарядки будет близиться к концу, показатели тока будут уменьшаться и, в конечном итоге, опустятся до нуля.
  • После окончания зарядки дождитесь, пока аккумулятор перестанет кипеть , и только потом закрывайте пробки «банок» обратно. Но это относится только к кислотным АКБ. У гелевого аккумулятора никаких манипуляций с пробками на «банках» проводить не нужно.
  • В машину устанавливайте только «остывший» аккумулятор . Не торопитесь, дайте ему время «отстояться».

Как заряжать аккумулятор автоматическим зарядным устройством

Если зарядить аккумулятор автомобиля зарядным устройством, в котором установлен индикатор, сигнализирующий об уровне зарядки аккумуляторной батареи, в конце процесса ЗУ обязательно должно дать сигнал об окончании изменением индикаторного цвета. Если речь идет, например, об отечественных ЗУ типа «Орион», оснащенных светодиодными лампочками, все источники света должны погаснуть, когда зарядка аккумулятора будет полностью завершена.

Несколько дополнительных рекомендаций

Если речь идет о том, как правильно зарядить автомобильный аккумулятор с наполнителем в виде геля, немаловажно знать о том, что потенциально опасный порог цифр U при процессе зарядки будет составлять 14,2 В . Гелевые аккумуляторы заряжаются только с помощью устройств, где можно выставить соответствующие показатели уровня U — не больше указанной цифры.

Также «между делом» никогда не помешает время от времени проверять уровень напряжения на аккумуляторных клеммах для того, чтобы точно знать о том, нуждается ли он в зарядке. Проверка проводится очень просто: мультиметром, вольтметром или тестером.

Если напряжение находится в пределах 12,4-12,8 В — это показатель U нормально заряженной батареи . Если U при замерах ниже 12 В , батарея заряжена на 70% , что тоже является еще неплохим показателем. О 50% разрядке говорят в том случае, если U около 11,8 В . Если же напряжение меньше 11,6 вольт , аккумулятор разряжен почти полностью , и его придется подзарядить в ближайшее время.

Чтобы не разрядить аккумулятор преждевременно, не забывайте выключать фары и магнитолу, следите за состоянием бортовой системы вашей машины.

Если соблюдать определенные правила техники безопасности и знать элементарные основы о том, что такое напряжение и ток, можно быстро научиться правильной зарядке аккумулятора автомобиля самостоятельно. Кроме этого, внимательное и бережное отношение к ресурсам батареи поможет водителю как можно реже попадать в такие ситуации, когда АКБ разрядится быстро и внезапно.

morflot.su

Как правильно зарядить аккумулятор автомобиля — Интернет-журнал «Электрон» Выпуск №5

В настоящее время существует много методов заряда аккумуляторов. Есть более современные, требующие специальных зарядных устройств, а есть и простые, классические методы заряда, известные еще с момента создания аккумуляторных батарей и пользующие популярностью по сей день.

Сегодня рассмотрим два классических метода заряда аккумуляторной батареи.

1. Заряд аккумулятора при постоянстве зарядного тока. I=const.

2. Заряд аккумулятор при постоянстве зарядного напряжения. U=const.

Сегодня нам потребуются следующие приборы:

1. Уровнемерная трубка (если есть)

2. Ареометр.

3. Вольтметр (мультиметр или встроенный прибор зарядного устройства).

4. Зарядное устройство.

 

Перед началом зарядки аккумулятора нужно убедиться в необходимости этого, то есть произвести проверку аккумулятора и подготовить его к зарядке, для этого нам необходимо:

 

1. Очистить корпус батареи, клеммы от окислов, вывернуть заливные пробки

2. Проверить уровень электролита с помощью уровнемерной трубки и если наблюдается пониженный уровень (менее 10-12 мм)необходимо долить дистиллированной воды.

3. Измерить плотность электролита с помощью ареометра

4. Измерить напряжение (ЭДС) аккумулятора с помощью вольтметра или мультиметра.

…и желательно записать или запомнить эти значения они нам понадобятся для контроля конца заряда аккумулятора.

По измеренным значениям плотности и напряжения аккумулятора оценить нуждается ли он все-таки в зарядке или нет.

Плотность электролита в полностью заряженной батареи измеренная при температуре +25°С в зависимости от климатической зоны должна соответствовать значениям указанным в таблице.

Напряжение на полностью заряженной батареи должно быть не менее 12,6 вольта.

Как проверить аккумулятор я уже подробно рассказывал во втором выпуске журнала ЭЛЕКТРОН.

Не заряжайте аккумулятор если в этом нет необходимости, так как это приведет к сокращению его срока службы в результате перезаряда батареи.

Принцип заряда аккумулятора состоит в том, что к аккумулятору подключается напряжение с зарядного устройства, причем для возникновения зарядного тока, то есть начала процесса заряда аккумулятора, зарядное напряжение должно быть всегда больше напряжения на аккумуляторной батареи.

 

 

Если зарядное напряжение будет меньше напряжения на аккумуляторе, то направление тока в цепи поменяется и батарея начнет отдавать свою энергию зарядному устройству, то есть разряжаться на него.

Итак, рассмотрим первый метод заряда аккумуляторной батареи.

Заряд аккумулятора при постоянстве зарядного тока.

Заряд аккумулятора постоянным значением зарядного тока является основным универсальным методом заряда. Необходимо знать, что при использовании этого метода, в отличие от некоторых других, аккумуляторная батарея заряжается до 100% своей емкости.

При данном методе величина зарядного тока на протяжении всего заряда поддерживается неизменной.

Это достигается либо применением специальных зарядных устройств с функцией установки заданного значения зарядного тока, либо включением в цепь заряда реостата, однако в последнем случае изменять значения сопротивления реостата для достижения постоянства зарядного тока в процессе заряда необходимо самостоятельно.

Смысл в том, что в процессе заряда сопротивление аккумулятора и напряжение на нем изменяются, что приводит к уменьшению зарядного тока. Для поддержания зарядного тока на постоянном уровне необходимо увеличивать значение зарядного напряжения с помощью вышеупомянутого реостата.

Еще раз скажу, что в современных зарядных устройствах значение зарядного тока может поддерживается автоматически.

Сила зарядного тока обычно выбирается равной 10% от емкости аккумулятора, той, что указана на корпусе батарей. В литературе эта емкость обозначается как С20, что является емкостью при 20 часовом режиме разряда. Просто запомните это.

Время заряда аккумулятора при этом зависит от степени его разряженности перед началом заряда. Если аккумулятор был разряжен полностью но не ниже 10 вольт, то ориентировочное время его заряда будет в пределах 10 часов.

Если вас не лимитирует время заряда, то лучше заряжать аккумулятор током 5% от емкости АКБ, при этом процесс заряда происходит более качественно и батарея заряжается на 100% от своей емкости, при этом увеличивается время заряда.

Заряд аккумуляторной батареи производится до достижения обильного газовыделения, постоянства напряжения и плотности электролита на протяжении 2 часов.

Напряжение зарядного устройства, подключенного к аккумуляторной батареи, обычно в конце заряда достигает величины 16-16,2 вольта.

Следует сказать, что в конце заряда аккумулятора методом постоянства зарядного тока происходит значительное увеличение температуры электролита в нем. Поэтому при достижении температуры 45 градусов, следует уменьшить зарядный ток в 2 раза, либо вообще прервать заряд для снижения температуры до 30-35 градусов.

Итак, берем зарядное устройство, подключаем плюсовой и минусовой зажим к клеммам аккумулятора, ручку установки зарядного тока ставим на минимум, то есть в крайнее левое положение, подключаем зарядное устройство в сеть.

Далее устанавливаем зарядный ток, равный 10% от емкости аккумулятора и через каждые 2 часа контролируем плотность электролита, напряжение на аккумуляторе, которые в процессе заряда аккумулятора будут увеличиваться и если есть возможность температуру электролита, либо хотя бы косвенно, трогая корпус АКБ рукой.

Если зарядное устройство не имеет функцию поддержания постоянства зарядного тока, то поддерживаем его в ручную, изменяя зарядное напряжение и контролируя зарядный ток через каждые полчаса по амперметру зарядного устройства, либо амперметру, включенному последовательно в зарядную цепь.

При достижении напряжения примерно 14 вольт, производим контроль плотности и напряжения через каждый час.

При наблюдении признаков заряда (кипение, постоянство плотности и напряжения), отключаем зарядное устройство от сети, отключаем зажимы от аккумулятора.

Наш аккумулятор заряжен.

Недостатки метода заряда:

1. Длительное время заряда аккумулятора (при заряде током 10% от емкости порядка 10 часов, при заряде током 5% от емкости – около 20 часов, при условии, что аккумулятор был полностью разряжен).

2. Необходимость частого контроля процесса заряда (зарядного тока, напряжения, плотности и температуры электролита).

3. Существует вероятность перезаряда аккумулятора.

Заряд аккумулятора при постоянстве зарядного напряжения.

Заряд аккумулятора при поддержании постоянного значения напряжения на нем является более ускоренным и простым методом введения батареи в строй.

Суть этого метода заряда заключается в следующем.

Зарядное устройство непосредственно подключается к аккумуляторной батареи и в процессе всего заряда поддерживается постоянное значение зарядного напряжения. При этом напряжение устанавливается в пределах 14,4-15 вольт (для 12-ти вольтового аккумулятора).

При таком методе заряда величина зарядного тока устанавливается, можно сказать, автоматически, в зависимости от степени разряда, плотности электролита, температуры и других факторов.

В начале заряда аккумулятора зарядный ток может достигать больших значений, даже 100% от емкости аккумулятора, так как ЭДС батарей имеет наименьшее значение, а разница между этой ЭДС и напряжением заряда наибольшее. Однако в процессе заряда ЭДС аккумулятора увеличивается, разность между ЭДС аккумулятора и зарядным напряжением уменьшается, тем самым уменьшается зарядный ток, который через 2-4 часа может достичь порядка 5-10% от емкости АКБ. Опять же все зависит от степени разряженности батареи.

Такие большие токи заряда и являются причиной более быстрого заряда аккумуляторной батарей.

В конце процесса заряда аккумулятора зарядный ток уменьшается почти до нуля, поэтому считается, что при заряде методом поддержания постоянного значения зарядного напряжения аккумулятор зарядится только до 90-95% от своей емкости.

Таким образом, при значении зарядного тока близкого к нулю, заряд можно прекратить, батарею привести в исходное состояние и установить на автомобиль.

Кстати заряд аккумулятора при постоянной величине зарядного напряжения реализован в автомобиле.

Если напряжение на аккумуляторе меньше 12,6-12,7 вольт (в зависимости от марки автомобиля), то реле регулятор подключает генератор к аккумулятору для его подзарядки. Причем напряжение с генератора соответствует величине 13,8-14,4 вольта (стандартное значение, в иномарках встречается напряжение генератора немного больше указанного значения).

Итак

1. Подключаем зарядное устройство к аккумулятору,

2. Устанавливаем зарядное напряжение пределах 14,4-15 вольт,

3. Контролируем зарядный ток аккумулятора

4. Снимаем аккумулятор с зарядки при значение ток близкого к нулю.

Недостатки метода:

1. Заряд аккумуляторной батареи производится не до полной ее емкости, а в среднем до 90-95% от ее значения.

2. Большая перегрузка источника зарядного напряжения в начале заряда, в следствие большого зарядного тока (актуально при заряде аккумулятора от генератора автомобиля).

По завершении заряда аккумуляторной батарей любым из методов необходимо:

1. Убедиться что напряжение на нем имеет значение не менее 12,6 вольта,

2. Плотность электролита в пределах 1.27 г/см3

3. Уровень электролита 10-12 мм над пластинами

4. Устранить возможные потеки электролита и установить аккумулятор на автомобиль.

А теперь вопрос. В некоторых видео на ютуб и в статьях на сайтах я встречал такой совет по подключению зарядного устройства к аккумулятору: сначала подключаем плюс, потом минус. Так вот я хотел бы узнать ваше мнение правильно ли это утверждение или последовательность подключения проводов зарядного устройства не имеет значения?

Пишите свои мнения в комментариях.

Предлагаю посмотреть подробное видео в котором я поясняю как зарядить аккумулятор используя два классических метода заряда:

www.sxemotehnika.ru

Как правильно заряжать автомобильный аккумулятор?

Срок службы автомобильного аккумулятора (далее АКБ) напрямую зависит от соблюдения режима его эксплуатации (нельзя допускать полного разряда). Поэтому периодически требуется делать подзарядку, используя внешнее зарядное устройство (ЗУ). Расскажем подробно, как выбрать оптимальный ток заряда в зависимости от емкости батареи, сколько времени необходимо на процесс, а также дадим другие полезные рекомендации по данной теме.

Зачем необходима подзарядка от внешнего ЗУ?

Зарядка АКБ в авто производится от электрогенератора. Но с целью защиты электрооборудования, напряжение, поступающее с этого устройства, ограничивается специальным реле-регулятором. В то время как для обеспечения полного заряда напряжение должно быть несколько выше. То есть, произвести 100% зарядку от электрогенератора не представляется возможным, что вынуждает время от времени использовать внешнее ЗУ.

Внешнее зарядное устройство для АКБВнешнее зарядное устройство для АКБ

В теплое время года такое положение некритично, завести авто можно даже от аккумулятора заряженного всего на четверть. Зимой ситуация резко меняется. Минусовая температура снижает емкость устройства (при сильных морозах может даже в половину), но кроме этого увеличится потребление тока из-за увеличения вязкости смазки в моторе. Эти факторы могут привести к тому, что двигатель не запустится, если заряд будет не полным.

Оценка степени зарядки

Это важный этап, позволяющий установить оптимальный ток зарядки и определить необходимое для процесса время. Проблема заключается в том, что произвести точное измерение остаточного заряда доступными способами практически невозможно. Но существуют методики, позволяющие произвести косвенную оценку состояния АКБ, перечислим их:

  • Измерение напряжение на аккумуляторе, не подключенном к нагрузке.
  • Измерение напряжения при помощи нагрузочной вилки.
  • Снятие показаний напряжения с подключенной в сеть автомобиля АКБ.
  • Определение заряда при помощи гидрометрического индикатора (при условии, что он имеется в оборудовании).

Кратко расскажем о каждой методике.

Измерение напряжения неподключенного аккумулятора

Снимать показания напряжения с батареи необходимо, когда она находится в состоянии покоя. Для этого необходимо выждать не менее 7 часов после демонтажа устройства с машины или отключения от ЗУ. Для установления уровня заряженности батареи производим сверку с  соответствующей таблицей.

Таблица для определения степени заряда ненагруженного аккумулятора по напряжениюТаблица для определения степени заряда ненагруженного аккумулятора по напряжению

Приведенные данные подходят для кислотных устройств на 24, 12 и 6 В любого типа, при условии соблюдения температурного режима в диапазоне 20°С – 25°С.

Измерение напряжения при помощи нагрузочной вилки

Чтобы не ждать шесть часов, можно снять показания напряжения воспользовавшись специальным прибором – нагрузочной вилкой. Как видно из схемы, это обычный вольтметр, зашунтированный резистором.

Внешний вид и упрощенная схема прибораВнешний вид и упрощенная схема прибора

Номинал сопротивления R1 зависит от емкости батареи, например, для 60 А*ч это 0,02 Ом. Такие приборы, как правило, универсальны, что позволяет проводить измерения на аккумуляторах различной емкости. К прибору прилагается таблица, позволяющая определить степень заряда, пример ее приведен ниже.

Таблица для определения степени заряда при помощи загрузочной вилкиТаблица для определения степени заряда при помощи загрузочной вилки

После подключения прибора показания можно снимать через 6-8 секунд.

Измерение напряжения с не отключенной АКБ

В том случае, когда нагрузочная вилка отсутствует, быстро оценить состояние батареи можно измерив на ней напряжение без отключения от внутренней сети машины. Для обеспечения необходимого уровня нагрузки потребуется включить фары дальнего света и зажечь габаритные огни (при выключенном моторе). В этом случае величина тока нагрузки будет около 10 Ампер. Заряд можно считать достаточным, если в процессе проверки напряжение не опустится ниже 11,2 Вольт (для устройств на 12 В).

В качестве альтернативы, используется метод снятия показаний в процессе запуска мотора. В этом случае при нормальном заряде прибор покажет 9,5 Вольт или больше. Если показания окажутся ниже, это говорит о критичной разрядке. Следовательно, требуется зарядка от внешнего ЗУ.

Заметим, что в последнем варианте низкие показания напряжения возможны при неисправном стартере.

Завершая тему об измерении напряжения на контактах батареи, следует обратить внимание на точность измерительного прибора. При определении уровня заряда мы оперируем десятыми долями вольта, следовательно, погрешность даже в один процент вызовет ошибку на порядок выше, то есть около 10%. Погрешностью в 5% увеличит такую ошибку до 50%, что делает оценку заряда вообще бессмысленной. Исходя из этого, желательно использовать приборы, у которых погрешность будет на уровне 0,1%.

Определение заряда при помощи гидрометрического индикатора

У некоторых батарей имеется специальный глазок, который называют гидрометрическим индикатором, с помощью которого можно оценить уровень заряда.

Аккумулятор ISTA c гидрометрическим индикаторомАккумулятор ISTA c гидрометрическим индикатором

Благодаря таким устройствам можно определить состояние заряда, не используя для этой цели никакие измерительные приборы, что довольно удобно и практично.

Внешний вид гидрометрических индикаторовВнешний вид гидрометрических индикаторов

Данное устройство устанавливается в одну из банок. Конструктивно оно представляет собой прозрачную трубку, именуемую световодом, в конце которой закреплена пластиковая втулка с негерметичной трубкой V – образной формы. Внутри последней располагается поплавок, окрашенный в зеленый цвет. Материал поплавка подобран так, чтобы он приобретал плавучесть при плотности 1,226 г/см3 и температуре 22°С. При таких условиях он виден через глазок, что говорит о заряде, превышающем 60% (А на рис. 7).

Рисунок 7. Устройство и принцип работы индикаторов зарядаРисунок 7. Устройство и принцип работы индикаторов заряда

При снижении заряда плотность электролита уменьшается, и поплавок тонет, скатываясь в одну из ножек. В этом случае глазок будет оставаться темным (В на рис.7). Это сигнализирует о том, что требуется подзарядка.

В том случае, когда уровень электролита опускается ниже допустимого (С на рис.7) наблюдатель в глазок увидит отраженный свет. Это означает, что необходимо добавить дистиллят.

У данного способа определения заряда есть два существенных недостатка:

  1. При морозе плотность электролита возрастает, соответственно, индикатор может отобразить нормальный уровень заряда, когда фактически он будет меньше нормы.
  2. Индикатор установлен в одну банку, поэтому отображает только ее состояние.

Ток и время зарядки

Чтобы определить время зарядки необходимо воспользоваться следующей формулой: .

При этом емкость должна указываться фактическая, а не полная, например, при 50% заряде устройства с емкостью 40 А*ч, в формулу следует вставлять значение 20 А*ч.

Производители рекомендуют производить зарядку током величиной на порядок меньшим полной емкости батареи. То есть, если эта величина составляет 40 А*ч, то Iзарядки должен быть 4 А (40*0,1).

Приведем пример расчета для АКБ 40 А*ч с зарядом 0%(менее 25%) и 50%. В первом случае мы получим (40/4)*1,4 = 14 часов. Во втором варианте – (20/4) * 1,4 = 7 часов.

Заметим, что на сильно разраженную батарею желательно подавать меньший ток, что соответственно приведет к увеличению времени процесса.

Напряжение выставлять нет необходимости, в ЗУ оно устанавливается автоматически в соответствии с типом устройства.

Как производить зарядку автомобильного аккумулятора?

Кратко распишем алгоритм действий:

  1. Подготовительный этап. Он начинается с чистки снятого АКБ, чтобы удалить с него грязь и кислотные остатки. Сделать это можно ветошью, смоченной в растворе соды.

Если устройство снабжено пробками, то выкручиваем их, это обеспечит выход для газов, образующихся в процессе.

Проверяем уровень заполнения электролитом, в том случае, если он ниже нормы, добавляем дистиллят.

  1. Подключение к внешнему ЗУ. Делать это необходимо в соответствии с маркировкой прибора и аккумулятора. Изменение полярности приведет к полной разрядке и может вывести ЗУ из строя. Соединительные провода должны быть, как минимум, Ø 1,3 мм, что соответствует сечению 1,0 мм2. Нельзя нарушать полярность при зарядке АКБНельзя нарушать полярность при зарядке АКБ
  2. Процесс зарядки. Распишем его подробно. Теоретически зарядка может производиться током, величина которого соответствует не достающей емкости. Например, если составляет 50% от 40 А*ч, то ток устанавливается величиной 20 А, после чего постепенно снижается вплоть до полной зарядки. На этом принципе работают автоматические ЗУ. Плюс таких устройств снижение времени процесса, серьезный минус – высокая стоимость.

Ручной режим требует большего времени. Принцип его расчета, как и тока зарядки, был расписан выше.

После расчетного времени, можно понизить ток до величины 0,6 А и оставить батарею заряжаться в этом режиме еще несколько часов. Такой способ гарантирует полную зарядку.

  1. По окончанию процесса, устанавливаем заряженную батарею на место и подключаем ее к внутренней сети машины.

Калькулятор времени зарядки аккумулятора

Советы и рекомендации от специалиста

Допускается производить зарядку, без  демонтажа батареи. Но в этом случае необходимо предварительно отключить от нее массу.

Необходимо использовать только соответствующие ЗУ, зарядки от телефонов и ноутбуков для этого не подходят. Правда последние теоретически можно использовать, если у них соответствует напряжение, но для этого во избежание КЗ потребуется установить ограничитель тока. Его роль может играть лампочка от фары, подключенная последовательно ЗУ. Сколько уйдет времени на зарядку несложно рассчитать, с учетом, что у таких устройств ток зарядки не превышает 2 А.

Производить зарядку на морозе нельзя, предварительно АКБ необходимо вынуть из машины и оставить на несколько часов в теплом помещении.

www.asutpp.ru

30Авг

Изготовление шаблона: Изготовление шаблона | Штукатурные работы

Изготовление шаблона | Штукатурные работы

Каждый шаблон для вытягивания тяг состоит из профильной доски, салазок, подкосов и полозка. Профильная доска является основной частью шаблона. Ее изготовляют из прямослойной, не сучковатой, остроганной сосновой или еловой доски. На профильную доску переносят контуры чертежа тяги перекалыванием или вычерчивают его, после чего вырезают контур профиля доски (рис. 163). Вырезание контура тяги начинают с того, что профильную доску в нескольких местах надпиливают и скалывают ненужные части. После этого ножом вырезают профиль точно по контуру, а затем срезают одну из сторон профильной доски «на лоск», т. е. под углом 30—40°.


Рис. 163. Тяга и профильная доска

Изготовив  затем шаблон, сначала продвигают его  вперед несрезанной стороной профильной доски, которая сдирает раствор (обработка поверхности «иссера»), а затем продвигают срезанной стороной вперед, заглаживающей раствор (обработка поверхности «избела»).

При изготовлении профильной доски как внизу, так и вверху ее оставляют ровные удлиненные части, называемые отмазками. Длина отмазок у малых шаблонов должна быть не менее 10 см. Отмазки создают большие удобства во время накрывки и затирки штукатурки.

Чтобы профильная доска при вытягивании тяг не нарушала четкости очертания контура из-за трения о раствор (не истиралась), ее необходимо оковать кровельной сталью (железом).

Оковывание профильных досок производят двояко. В первом случае вырезают точно по контуру металлический профиль, обтачивают его и прибивают к несрезанной стороне профильной доски. В другом случае металлический профиль вырезают, притачивают и прибивают к профильной доске так, чтобы он выступал из-за деревянного профиля на 1—2 мм. Прибивают металлические профили штукатурными гвоздями, забивая их через 2—2,5 см по контуру профиля.

Затем изготовляют салазки, подкосы и полозок шаблона. Салазки делают из строганой доски шириной 10 см и более. Длина салазок должна быть в 1,5 раза больше высоты профильной доски. Более длинные салазки увеличивают устойчивость шаблона, но в то же время затрудняют дотягивание тяги до угла, вследствие чего требуется дополнительное время на разделку углов. Длина полозка равняется длине салазок.

Шаблон собирают в следующем порядке. В центре салазок под углом 90° к ним устанавливают профильную доску и прибивают ее гвоздями. Пробив салазки, гвозди входят в профильную доску. Затем профильную доску укрепляют подкосами, которые прибивают к профильной доске и салазкам гвоздями. Подкосы служат также ручками, за которые держат шаблон при вытягивании тяг. Полозок прибивают с нижней стороны салазок — он точно направляет шаблон по правилам. Обычно при изготовлении шаблона полозок прибивают слегка, а точную установку его производят только по навешанным нижним правилам.

На рис. 164 показана последовательность изготовления шаблона.


Рис. 164. Последовательное изготовление шаблона

Изготовление шаблонов, разметка, наметка — Сборка металлоконструкций


Изготовление шаблонов, разметка, наметка

Категория:

Сборка металлоконструкций



Изготовление шаблонов, разметка, наметка

Для изготовления сборочной детали на поверхность металла наносят контур детали, центры отверстий, линии гибов.

Процесс вычерчивания детали в натуральную величину на поверхности металла называется разметкой. Центры отверстий делают на линиях (рисках), нанесенных на поверхность металла чертилкой. Чертилки изготавливают из стальной проволоки диаметром 5…7 мм. Рабочую часть чертилки (острие) выполняют из победита или другого сверхтвердого сплава.

Процесс переноса контуров детали, центров отверстий, вырезов с помощью шаблона на металлопрокат называется наметкой.

Для изготовления одинаковых деталей пользуются шаблоном. Он представляет собой деталь в натуральную величину, изготовленную из картона, фанеры, жести, рубероида, дерева. Для наметки детали шаблон накладывают на поверхность металла, прочерчивают чертилкой или мелом по периметру шаблона линии контура детали, набивают кернером центры отверстий.

Шаблоны изготовляют в разметочной мастерской, которая входит в состав цеха обработки.

Разметочная мастерская включает производственное помещение, склад материалов, склад шаблонов, конторку начальника мастерской, раздевалку. Площадь основного производственного помещения определяется из расчета 16…20 м2 на каждого разметчика. Помещение должно иметь отопление, обеспечивающее температуру 16…18 °С, а также хорошее естественное и искусственное освещение.

Для изготовления деревянных шаблонов в мастерской устанавливают фуговальный станок, циркульную и ленточную пилы. Так как работа деревообрабатывающих станков сопровождается шумом, то они должны быть изолированы от основного производственного помещения, в противном случае деревянные шаблоны заготавливают в отдельной столярной мастерской.

Для резки картона, фанеры и жести в производственном помещении устанавливают ножницы; для образования отверстий в шаблонах — дыропробивной пресс; для заточки инструмента — нажда-ный точильный станок.

Основное обрудование мастерской — разметочные столы, на которых изготовляют шаблоны, а также размещают чертежи к инструменты: стальной нож и ножницы для резки картона, рубероида и толя; ножницы для резки кровельного железа; пилу для резки деревянных реек; молотки массой 200. . .600 г; отвесы и стальные струны диаметром 0,5.. .1 мм; графитные и цветные карандаши для вычерчивания и маркировки шаблонов; шнуры для нанесения меловых линий на поверхность металла.

Разметочный стол может быть обрудован на одно или два рабочих места. Поверхность стола представляет собой стальной лист 1 толщиной 12…16 мм, шириной 1800.. .2000 мм, который уложен на деревянные козелки 2 высотой 1200 мм, установленные через 2000 мм. На поверхности стального листа нанесена координатная сетка с размерами сторон квадрата 100 мм.

В разметочных мастерских изготовляют шаблоны, которые различают по видам применяемых материалов (толстолистовая сталь, дерево, фанера, картон, рубероид или толь, листовая сталь толщиной 0,4…1,75 мм), по размерам и форме деталей (мелкие, большие, листовые, линейные, фасонные), по видам технологических операций (наметка, сверление, кислородная резка, холодная и горячая гибка, вальцовка,сборочные работы).

Шаблоны из листовой стали, изготовляемые из того же металла, что и деталь, называют натуральными. Натуральные шаблоны предназначаются для пакетного сверления отверстий без наметки в фа-сонках массой не более 20 кг. Во избежание разработки отверстий натуральный шаблон рекомендуется использовать не более 5 раз. При сверлении большего количества деталей следует использовать в качестве шаблонов детали, просверленные в первых пакетах. Шаблоны в этом случае могут служить как обычные детали.

Рис. 1. Разметочный стол на два рабочих места: 1 — стальной лист, 2 — козелки, 3, 5 — продольный и поперечный уголки, 4 — деревянная планка, 6, 7 — угольники

Контурные линии листовых деталей наносят чертилкой и по ним набивают керны глубиной 2 … 3 мм через 200…300 мм, что обеспечивает контроль за качеством резки деталей.

Реечные шаблоны из дерева служат для наметки деталей длиной больше 1000 мм из уголков, швеллеров и двутавровых балок. На шаблонах карандашом наносят обрезы, центры отверстий, вырезы и т. д. При наметке рейку укладывают рядом с деталью и с помощью угольника переносят размеры с реечного шаблона на детали. Для наметки нескольких деталей риски и знаки на рейки наносят разными цветными карандашами.

Шаблоны из картона, толя, рубероида и фанеры служат для наметки мелких листовых деталей площадью не больше 0,5… 1 м2, массой до 20… 30 кг и деталей длиной до 1000 … 1500 мм из уголков и швеллеров. Шаблоны изготовляют из плотного картона толщиной 1,5…3 мм, рубероида или толя и трехслойной фанеры.

На выбранном материале размечают контур детали и центры отверстий и вырезают по вычерченному контуру шаблон. Пробойником делают в шаблоне отверстия диаметром на 1 мм больше диаметра отверстий в детали. В шаблонах из фанеры отверстия просверливают. Вокруг центров отверстия, размеченных кернением и не требующих последующей пробивки, окружности наносят карандашом в картонных шаблонах и мелом в толевых и рубероидных.

Листовые шаблоны для мелких листовых деталей могут быть использованы как для наметки, так и для резки деталей на гильотинных ножницах и продавливания отверстий прессами без наметки.

Шаблоны для коротких деталей из уголков и швеллеров изготовляют так же, как и шаблоны для мелких листовых деталей. Только дополнительно по граням уголков и швеллеров делают надрез глубиной 0,5 мм для перегиба шаблона при наметке деталей.

Шаблоны из картона, толя или рубероида применяют также для наметки фасонных листовых деталей трубопроводов (разверток). Линии резов по этим шаблонам намечают как на плоских листах, так и на сваренных трубах.

Для сохранения проектных размеров трубопроводов после изгиба листов при изготовлении шаблонов размеры рассчитывают по нейтральной поверхности деталей.

Комбинированные шаблоны предназначены для наметки длинных деталей из уголков, швеллеров, двутавровых балок и универсальной листовой стали при групповом расположении отверстий. Комбинированные шаблоны состоят из деревянных реек и планок с отверстиями. Планки делают из фанеры и жести.

Рис. 2. Шаблон для мелких листовых деталей: а — сборочная деталь, б — шаблон

Рис. 3. Шаблон для контроля гнутых деталей: а — смалковки, б — размалковкн. в — поперечного сечения гнутых профилей

Шаблоны для контроля гнутых деталей предназначены для проверки гнутых цилиндрических и конических поверхностей, смалкованных и размалкованных уголков, холодногнутых элементов, а также для наметки отверстий в гнутых деталях после их гибки. Шаблон для проверки углов смалковки и размалковки, а также правильности поперечного сечения холодногнутых элементов изготовляют из тонколистовой стали, шаблоны для контроля цилиндрических поверхностей — из досок длиной по дуге не менее 1,5 м.

Готовые картонные и деревянные шаблоны маркируют химическим карандашом, металлические — чертилкой или масляной краской. Маркировка включает номера заказа и чертежа, обозначение сборочной марки детали, размер и количество деталей, диаметр и количество отверстий. Шаблон может быть выдан в работу только после того, как на нем распишется исполнитель разметки и бригадир разметчиков (контролер).

Маркировку деталей и полуфабриката наносят кистью без трафарета белилами или карандашом. Марку стали и номер плавки (если требует чертеж) выбивают буквенно-цифровыми клеймами, обводят белилами и также ставят клеймо разметчика. Правильность нанесения маркировки удостоверяется клеймом работников ОТК.


Реклама:

Читать далее:
Механическая резка

Статьи по теме:

Шаблоны — Изготовление — Энциклопедия по машиностроению XXL

Рассмотренный чертеж значительно отличается от встречающихся ранее оформлением. На нем дана развертка с размерами для уточнения формы элемента детали —поз. 1, полностью отображены форма и размеры всех деталей. По такому чертежу на производстве делают шаблоны для изготовления самих деталей. На сложную листовую деталь должен быть составлен отдельный чертеж.  [c.256]

Рекомендуемые типы шаблонов для изготовления деталей стальных конструкций  [c. 237]

Сборка по разметке применяется при производстве единичных изделий, а также в случаях, когда первый экземпляр изделия, собранный по разметке, служит затем шаблоном для изготовления остальных однотипных конструкций.  [c.244]


Шаблоны для изготовления секторов св р-ных отводов 338 Шайбы 66  [c.400]

Построение (для шаблона, контролирующего изготовление ручья штампа) контура горячей поковки по контуру холодной поковки с учетом теплового расширения.  [c.387]

Фаолитовые трубы диаметром свыше 200 мм формуют из сырых листов фаолита на разъемных деревянных или металлических шаблонах. Способ изготовления подробно описан в литературе. .  [c.208]

Снятые листы облицовки используют в качестве шаблона при изготовлении листов для замены. Рекомендуется изготавливать сразу два комплекта сменной облицовки, тогда один из них устанавливают на турбину, а второй остается в запасе для последующей замены.[c.173]

При проверке шаблоном правильность изготовления крышки устанавливается и проверяется вкладыванием выступов одного шаблона  [c.131]

Размеры ручья проверяют по шаблонам. Правильность изготовления окончательного ручья и совпадение ручьев в верхней и нижней половине проверяют контрольной заливкой. С этой целью штампы выставляют по контрольному углу, скрепляют струбциной, наклоняют под углом 45° и заливают расплавленной селитрой или свинцом через клещевую выемку и литниковую канавку. После затвердевания селитры контролируют отливки.  [c.184]

В массовом и серийном производстве заготовки выгодно получать штамповкой, так как значительные затраты на изготовление штампа быстро окупаются. Для изготовления небольшого количества изделий может оказаться выгодным другой способ получения заготовок (например, вырезка по шаблону при изготовлении деталей из листа).  [c.7]

Шаблоны после изготовления закаливают для повышения стойкости износу и затем доводят на размер.[c.95]

ПОНЯТИЕ О ШАБЛОНАХ И ИЗГОТОВЛЕНИЕ МОДЕЛЬНОЙ Ё ОСНАСТКИ 1  [c.268]

Контршаблоны служат для исправления профиля изношенных шаблонов и изготовления  [c.121]

Этим требованиям удовлетворяют шаблоны элементов, изготовленные из окрашенной стальной ленты толщиной 0,1…0,15 мм (сталь 10 нагартованная). Указанная толщина ленты позволяет обходиться без специальной оснастки и разрезать шаблоны после офсетной печати обычными ножницами непосредственно на рабо-  [c.37]

Модели и шаблоны для изготовления штампов  [c.51]

По рассчитанным точкам проектируются профили верхнего и нижнего копиров и профили шаблонов для изготовления копиров.  [c.408]

Изготовление ремонтных деталей начинают с изготовления шаблонов для раскроя заготовок. Эти шаблоны могут быть изготовлены по чертежам основной детали (завода-изготовителя) или по развернутой детали, вырезанной из утильного кузова (кабины). Затем шаблоны проверяют изготовлением опытных образцов детали.  [c.125]

Полученные экспериментами заготовки корректируют с целью обеспечения большей плавности или симметричности их очертаний. Откорректированные заготовки являются шаблонами для изготовления вырезных штампов.  [c.69]

Таким образом, применение указанной рамки в лекальном деле позволяет производить обработку различных по типу шаблонов без изготовления необходимых выработок, что в значительной степени упрощает изготовление шаблонов.  [c.9]


Для шлифования плоскостей, образованных углами 15 и 30°, в шаблон устанавливают изготовленную оправку (фиг. 42,в), в которой выступ диаметром 10 мм и сквозной паз шириной 3 мм (паз симметричен диаметру 10 мм) подгоняют по доведенному отверстию и шпоночному пазу шаблона с учетом плотной посадки.  [c.78]

В сварочном производстве шаблоны используются для контроля качества подготовки кромок изделия под сварку, а после образования сварного соединения—для контроля некоторых размеров сварного шва. Наличие шаблонов значительно упрощает приемку изделия под сварку. Некоторые предприятия и строительно-монтажные организации применяют шаблоны собственного изготовления. На заводе нефтяного машиностроения им, Петрова в Волгограде используют в качестве шаблона несколько переделанный обычный штангенциркуль (добавлены еще одна подвижная губка и направляющая с опорными ножками). Это позволяет измерять высоту усиления и ширину шва, а также смещение свариваемых кромок (при сварке стыковых соединений) при сварке нахлесточных и тавровых соединений можно контролировать толщину свариваемых элементов и катет шва.  [c.257]

При изготовлении вырубных штампов, у которых пуансон имеет утолщение, матрицу изготовляют вырезанием рабочего контура на станке с проволочным электродом, а пуансон методом обратного копирования (рис. 125). В качестве шаблона для изготовления матрицы (при достаточно широких допусках на деталь 0,2 мм) может быть использована вырубка при штамповке детали, а в качестве электрода для обратного копирования пуансона может быть использована готовая деталь. В тех случаях, когда штамп изготовляется впервые или требуется более высокая точность, в качестве копира применяют специальный шаблон, по которому вырезают матрицу и электрод для обратного копирования пуансона. Использование одного шаблона обеспечивает точное совпадение размеров пуансона и матрицы. Размер шаблона (рис. 126, а) для изготовления матрицы рассчитывают по формуле (для охватывающего контура шаблона берется знак—, для охватываемого знак — -)  [c.213]

При ручной резке труб на секторы применяют приспособления или шаблоны. При изготовлении секторов из листового металла заготовки размечают по шаблонам, затем их вырезают и вальцуют.  [c.301]

Обечайка вальцуется до соприкосновения кромок. Вальцовка корыта считается законченной, когда раствор его кромок примет заданный диаметр D, а кривизна — заданный радиус R (фиг. 50). Раствор кромок — диаметр D — проверяется специальным раздвижным измерительным инструментом 1, напоминающим штангенциркуль, а радиус гибки проверяется внутренним плоским шаблоном 2, изготовленным из трехмиллиметрового листового железа.[c.98]

Определение конфигурации и размеров заготовок для штампуемых облицовочных деталей является также сложной задачей. Аналитические расчеты размеров заготовок основаны на положении, что длина развертки сечений вытяжного перехода больше длины разверток соответствующих сечений заготовок на 5—15 % и обычно является ориентировочной. Окончательную форму заготовки уточняют при отладке вытяжного и других штампов, входящих в комплект оснастки для изготовления этой детали. Технология и последовательность изготовления комплекта штампов строятся таким образом, чтобы осуществлялась полная согласованность между иими. Основной формоизменяющий (обычно вытяжной) штамп изготавливают первым. Уточненная конфигурация заготовки в этом штампе служит шаблоном при изготовлении рабочих частей вырубного штампа. Небольшая партия облицовочных деталей, полученных в первом штампе, направляется для проведения анализа их собираемости в оснащаемом объекте. Как указывалось выше, оборудованием для операции вытяжки облицовочных деталей обычно служат прессы двойного или тр йного действия. Однако при вытяжке более простых относительно неглубоких деталей нередко применяют и прессы одинарного (простого) действия, оснащенные пневмогидрав-лическим буфером. Для вытяжки кузовных облицовочных деталей выпускают также специальные быстровытяжные прессы с пиевмогидравличе-ским буфером. Кинематикой работы привода ползуна пресса предусматриваются замедленный его ход во время вытяжки детали и высокая скорость движения на участках свободного хода.  [c.434]

По плазовой разбивке. Все сборочные приспособления стыкуемых агрегатов и узлов изготовляются по чертежам, а фиксаторы устанавливают по шаблонам arpefaTOB, изготовленных и — увязанных по плазу.  [c.341]

Диаметр шаблона для изготовления тороида составляет 50 мм, наружный диаметр тороида равен 68—70 мм. Ширина тороида 10 мм. Нарум4ный диаметр ленточного тороида определяется в трех местах микрометром или штангенциркулем. Внутренний диаметр тороида определяется путем измерения шаблона, на который наматывается тороид. Сечение тороида определяется весовым методом, причем плотность стали нриниматся 7650 кг/м . Образцы (тороиды) отжигаются вместе с садкой.  [c.309]

Модельный комплект состоит из модели отливки (или шаблонов для изготовления формы), моделей элементов литниковой системы, одного или нескольких стержневых яш,иков, модельных или подмо-дельных плит, шаблонов, кондукторов, драйеров и т. д.  [c.183]

Важнейшими характеристиками фотошаблона (как реального, так и виртуального) являются параметры имеющихся на нем линий, особенно минимальное значение ширины линии и максимальное значение кривизны линии. Легче всего описать эти параметры для линий, имеющихся на бинарных шаблонах. При изготовлении бинарного ДОЭ фотошаблон является аь-тлитудной зонной пластинкой, разные виды которых подробно описаны в разделе 1.1, там же на простейших примерах охарактеризовано понятие зоны оптического элемента. Линии на фотошаблоне повторяют формы зон, занимая для бинарного ДОЭ около половины площади зоны. В частности, для изготовления фазовой дифракционной решетки в качестве фотошаблона используется амплитудная дифракционная решетка, темные полосы на которой образуют линии фотошаблона (см. рис. 1.1). В случае изготовления более сложных типов ДОЭ линии на фотошаблоне могут быть разной толщины и иметь значительную кривизну (см., например, рис. 1.5 и 1.9).  [c.241]

На заводах рекомендуется сортировать плитки на две группы с водопоглощеиием до 2% и с водопоглошением от 2 до 4%. Сортировка может производиться опытными рабочими с достаточной точностью по интенсивности окраски и размеру усадки, измеряемой шаблонами. Плитки, изготовленные нз одного и того же сырья и обожженные в одинаковых условиях, имеющие более темную окраску и давшие наибольшую усадку, оказываются наименее пористыми.  [c.153]

Пуск и остановка электродвигателя производится реверсивным магнитным пускателем с трехкнопочным постом. Станок снабжается набором шаблонов для изготовления отводов различных диаметров.[c.187]

Если нет готовых ремонтных деталей или шаблонов для изготовления новых частей деталей, ремонт начинают с изготовления шабл нов для заготовок, оставляя соответствующие припуски на  [c.133]

С целью ненарушення податливости каркасы Фиг. 77. Шаблоны для изготовления карка-укладывают в ящике на определенном расстоянии  [c.213]

Лрежде чем приступить к изготовлению шаблона с таким профилем, необходимо произвести технологическую подготовку, в которую входят 1) математический расчет, необходимый для изготовления и измерения профиля шаблона 2) изготовление специальных напильников и притиров 3) изготовление вспомогательных приспособлений.  [c.37]

Для разметки размеров, заданных в другой плоскости, обе половинки поворачивают на 90 » и устанавливают их аналогично первой установке. При совмещении контрольных углов обеих половин штзхмпа ручьи должны тоже совпадать. При разметке на плоскости разъема вычерчивают контур фигуры с учетом штамповочного уклона. На плоскость разъема наносят также линии пересечения всех вертикальных и наклонных поверхностей полости с плоскостью разъема, даже если эти поверхности не доходят до плоскости разъема. На плоскости разъема проводят осевые линии и линии сечений, в которых производится контроль профильными шаблонами. При обработке ручья на копировально-фрезерном станке линии сечений наносят по модели. Осевые линии служат для ориентации контурного шаблона при изготовлении ручья и при разметке с помощью шаблона. В ряде случаев для ориентации шаблона относительно базовых поверхностей используют контрольные штифты или базовые выступы в виде угольников на шаблонах.  [c.244]

Существуют кольцевые и плоские шаблоны для изготовления отводов круглого сечения двумя способами (рис. 52). Эти способы резко отличаются друг от друга своей технологией. По первому способу предварительно изготавливают на фальцевых или сварных соединениях воздуховод необходимого диаметра. Затем при помощи кольцевого шаблона (копир-кольцо) на приводной зигмашине разрезают его на отдельные составляющие отводы, т. е. звенья и стаканы. Одновременно с отрезкой производится зиговка места разреза, необходимого для соединения элементов отвода друг с другом. Соединение срезов производят путем вставки звеньев между собой с последующим уплотнением шва обжимочными роликами зигмашины.  [c.77]

Шаблон для изготовления отводов из сегментов. Число сегментов, из которых изготовляется отвод, зависит от угла отвода и требований к плавности закругления. На рис. У.19 показан отвод 90°, у которого угол разделен на восемь равных частей по 11°15 каждая отвод компонуется из трех сегментов по 22°30 и двух полусегментов по 11°15.  [c.267]


Изготовление хирургического шаблона — что это и сколько стоит

Хирургический шаблон — это объемный прототип челюсти пациента с  отверстиями для будущих имплантов. Внешне он похож на боксерскую капу или на пластиковый съемный протез. Шаблон плотно закрепляется на челюсти пациента во время проведения операции, и хирург выполняет вживление штифтов через отверстия в макете. Благодаря шаблону искусственные корни устанавливаются в точно рассчитанные места, под нужным углом и на оптимальную глубину. Таким образом, применение шаблона оптимизирует работу хирурга и на порядок повышает ее точность и эффективность. Сама операция проходит менее травматично, так как пропадает необходимость в иссечении десны – врач выполняет всего лишь точечные проколы.

Изготовление хирургического шаблона: показания

Необходимость в хирургическом шаблоне возникает не в каждом случае. Если требуется протезировать один или два жевательных зуба, без него вполне можно обойтись — врач может установить имплант «на глаз». В этом случае он будет ориентироваться на расположение близлежащих зубов.Но при сложном протезировании, например, при наличии больших пустот в челюсти пациента или при восстановлении зоны улыбки – шаблон необходим.

Изготовление хирургического шаблона обязательно в следующих случаях:

  • Имплантация при адентии (полном отсутствии зубов) или при установке больше 3-х имплантов в одном ряду.
  • Восстановление переднего зубного ряда. Повышенные требования к эстетике.
  •  Атрофические изменения кости. Применение шаблона позволит отказаться от операции по наращиванию костной ткани, так как доктор имеет возможность выбрать для установки импланта область челюсти, которая сможет выдержать нагрузку.
  • Дефекты строения челюсти пациента, вызывающие необходимость сверлить лунку под большим углом
  • Необходимость в уменьшении инвазивности вмешательства, если  применяется безлоскутный метод.
  • Применение несъемной или условно-съемной балочной конструкции.

Изготовление хирургического шаблона для имплантации: виды

Хирургические шаблоны различаются по способу изготовления и материалу.

Применяются шаблоны следующих видов:

  • Изготовление акриловых хирургических шаблонов.  Выполняются в зуботехнической лаборатории по слепку челюсти пациента.   По виду похожи на обычный съемный протез с десневой основой и отверстиями.
  • Изготовление полимерных хирургических шаблонов.  Прозрачные, гибкие, прочные. Выполняются в вакуумформере.
  • Изготовление пластмассовых хирургических шаблонов. Отливаются из медицинского полимерного пластика, который имеет высокий коэффициент прочности и гибкости.
  • Выполненные по технологии CAD/CAM  — методом цифрового 3D проектирования. Сверхточная модель, идеально повторяющая изгибы челюсти пациента. Имеет повышенную жесткость, выдерживает высокие температуры, а значит отлично подлежит стерилизации. Отверстия-тоннели позволяют устанавливать импланты под необходимыми углами. Единственный минус этой конструкции – высокая цена.

Хирургический шаблон должен обладать такими характеристиками:

  • Достаточная жесткость.
  • Высокий коэффициент прочности.
  • Возможность стерилизации
  • Повторение анатомического строения челюсти пациента и плотная фиксация на ней.
  • Отверстия должны иметь специальную форму, позволяющую задавать необходимый угол наклона штифта

Процесс изготовления хирургического шаблона

Процессу изготовления шаблона предшествует диагностика у стоматолога-ортопеда и хирурга. Пациент проходит полное обследование и компьютерную томограмму челюсти. Ортопед, хирург и техник совместно подбирают оптимальную методику протезирования, вид  имплантов и их позиционирование,  с учетом нюансов строения челюсти и особенностей организма пациента.

Следующий этап зависит от того, каким способом будет выполнен шаблон – лабораторным или компьютерным. Если необходимо возмещение до 3 зубов при неосложненном протезировании – вполне может быть достаточно лабораторного выполнения. Врач-ортопед делает слепки обеих челюстей пациента, а затем по ним отливают шаблон. Так изготавливают акриловые конструкции. Этот способ хорош своей дешевизной.

Однако при сложном протезировании, полной адентии, атрофии костной ткани у пациента, идеальным выбором будет цифровое моделирование. Слепки сканируются, и в компьютерной программе создается виртуальная модель челюстей пациента. Затем программа выполняет проектирование шаблона, выбирая оптимальные места для имплантов и углы их наклона. На этом этапе пациент может видеть планируемый результат процедуры. Затем реальный прототип может быть выполнен вручную зубным техником в лаборатории или напечатан на объемном принтере.

Ограничения при применении хирургического шаблона

Прямых противопоказаний для применения шаблона нет, однако есть ряд косвенных противопоказаний. Применению шаблона может препятствовать:

  • Макроглоссия (увеличенный язык), сопровождающаяся тошнотой и слабым открытием ротовой полости.
  • Большой угол вживления импланта.
  • Высокая плотность слизистой оболочки в месте крепления опоры.
  • Возникновение проблем с креплением шаблона.

Плюсы и минусы применения хирургических шаблонов

Полезные функции шаблона при проведении дентальной имплантации трудно переоценить.

  • Высокая точность проведения операции.
  • Лучшая приживляемость имплатов.
  • Значительное сокращение времени операции.
  • Уменьшение степени инвазивности при проведении имлантации — нет необходимости в препарировании десны.
  • Ускорение процесса реабилитации пациента.
  • Минимизация послеоперационных отеков, воспалений, минимизация риска перфорации гайморовых пазух.
  • Возможность одновременной установки сразу нескольких имплантов.

Единственный недостаток метода – удорожание всей процедуры проведения имплантации.

Конструкции шаблонов и их изготовление

Категория: Штукатурные работы


Конструкции шаблонов и их изготовление

Тяги — это профилированные прямолинейные или криволинейные полосы штукатурного раствора. Прямолинейные — карнизы,пояски, наличники —вытягиваются поступательным движением, а криволинейные — круги, эллипсы, овалы, арки — вращательным движением шаблона.

Профили любых тяг состоят из набора различных архитектурных обломов, соединенных друг с другом переходами и переломами, острыми лузгами или усеиками. В зависимости от количества обломов и их формы тяги подразделяются на простые, средней сложности и сложные. Тяги бывают малыми, средними и большими, что определяется их развернутым профилем. Чем мельче обломы криволинейного очертания, тем сложнее вытягивать тягу, разделывать углы и раскреповки.

Тяги любой формы вытягивают шаблонами, которые состоят из профильной доски (иногда двух), салазок, подкосов и полозка. Профильная доска представляет собой обратное (зеркальное) изображение тяги. Изготовляют ее из досок разной толщины, а чтобы она меньше истиралась и не изменяла свою форму, ее оковывают, т.е. прибивают к одной стороне профиль, вырезанный из кровельной стали.

Собирают шаблоны так. Профильную доску крепят к салазкам гвоздями, а затем дополнительно подкосами, которые ставят между профильной доской и салазками, а внизу салазок крепят полозок для направления шаблона по правилу.

Салазки имеют два назначения: во-первых, они движутся по правилу и держат на себе профильную доску, во-вторых, во время вытягивания на них падает срезаемый профильной доской раствор, который легко собирать. Гвозди, применяемые для монтажа шаблона, не должны выступать ни шляпками, ни концами. Все детали шаблона должны быть строгаными.

Простой шаблон (рис. 1, а) устойчив, удобен, но не дотягивает тягу до самого угла или другого пересечения на половину длины салазок.

Рис. 1. Шаблоны: a — простой, б — угловой с одной профильной доской, в — угловой с двумя профильными досками, г-на роликах; 1 — подкосы, 2 — профильная доска, 3 — оковка, 4 — салазки, 5 — полозок, 6 — распорки, 7 — правила, 8 — сокол, 9 — ролики

Недотянутые места приходится разделывать от руки или дотягивать шаблоном другой конструкции. Длина салазок берется в 1,5 раза длиннее высоты профильной доски.

Узловой шаблон с одной профильной доской (рис. 1, б) имеет салазки треугольной формы. Профильная доска ставится в салазки под углом 45°, поэтому та часть тяги, которая находится на потолке, делается на 40% длиннее, чем у профильной доски простого шаблона. Профильная доска этого шаблона состоит из двух деревянных профилей, срезанных “на лоск” в разные стороны с поставленным между ними стальным профилем. Тягу дотягивает почти до самого угла, но недостаточно чисто. Лузги в углах исправляются вручную.

Угловой шаблон с двумя профильными досками, расположенными на салазках одна к другой под углом 90° (рис. 1, в), вытягивает тягу более чисто. Требуется тщательная установка профильных досок и их изготовление. Лузги исправляют вручную.

Угловые шаблоны лучше всего применять для дотягивания углов и раскреповок, что сокращает время на их разделку. Но для этого необходимо, чтобы все простые шаблоны имели совершенно одинаковые профильные доски для одного вида тяг.

Шаблон на роликах (рис. 1, г) позволяет одновременно с вытягиванием карниза вытягивать часть потолка и стены. Шаблон большой и ведут его по правилам двое или трое рабочих. Правила систематически очищают от раствора, который прикатывается роликами. При вытягивании на потолке остаются широкие отмазки, которые служат маяками при дальнейшем оштукатуривании.

Для изготовления простого шаблона (рис. 2) применяют доски толщиной 15—30 мм, для оковки — кровельную сталь.

Прежде всего рекомендуется изготовить стальной профиль. Для этого контуры чертежа переносят через копировальную бумагу на стальную пластинку или бумагу, из которой затем вырезают профиль и наклеивают на пластинку.

Рис. 2. Изготовление простого шаблона: а — заготовка для профильной доски, б — перенос контура тяги на профильную доску, в — вырезанная профильная доска, г — профильная доска, срезанная “на лоск”, д — профильная доска, окованная сталью, е — детали шаблона, ж — собранный шаблон; 1 — нижняя отмазка, 2 — верхняя отмазка, 3 — стальной профиль, 4 — салазки, 5 — полозок, 6 — подкосы

Стальной профиль вырезают кровельными ножницами, вырубают зубилом, вытачивают напильниками разной формы.

Затем строгают заготовку для профильной деревянной доски, обрезают под углом 90°. Ее размеры должны быть больше размеров тяги как по длине, так и по ширине на 50—100 мм (рис. 2, а). Эти припуски необходимы для образования отмазок на стене и потолке (рис. 2, б). Минимальная ширина отмазок 50 мм, что удобно при оштукатуривании стен и потолка, так как раствор не будет доходить до самой тяги на указанную величину, а остановится у отмазки.

К заготовке приставляют стальной профиль, обводят карандашом и срезают излишки древесины (пилой, ножом) под прямым углом (рис. 2, в). Затем одну сторону доски (справа или слева) срезают под углом 20—30°, т.е. “на лоск” (рис. 2, г) Ко второй несрезанной стороне “на сдир” прибивают стальной профиль на одном уровне с деревянным или с выступом из-за деревянного на 1 мм (рис. 2, д).

Крепят стальной профиль штукатурными гвоздями такой длины, чтобы их концы можно было загнуть. Гвозди располагают от кромки профиля на расстоянии 3—5 мм, забивая их под углом с интервалом 10—20 мм. Остальная часть профиля крепится гвоздями через 20—50 мм. Из строганой древесины изготовляют салазки, полозок и подкосы, последним придают круглую или овальную форму (рис. 2, е). Длина салазок должна быть в 1,5 раза больше длины профильной доски. Чем они длиннее, тем устойчивее шаблон при вытягивании, но увеличивается длина разделываемого угла.

Профильную доску можно прямо прибить гвоздями через низ салазок, но лучше в салазках устроить паз, поставить в Него доску и прибить двумя-тремя гвоздями. Нижняя отмазка профильной доски должна быть на одном уровне с кромкой салазок. Профильную доску ставят к салазкам строго перпендикулярно. Полозок крепят временно (рис. 2, ж). Правильно устроенный шаблон с вырезанной по угольнику заготовкой для профильной доски дает возможность устанавливать его строго вертикально по отношению к стене, т.е. не заваливать тягу (карниз) внутрь или, наоборот, не отводить его наружу.

При вытягивании всеми звеньями бригады карнизов или другой тяги одного и того же профиля необходимо изготовить профильные доски шаблонов совершенно одинаковыми.

Рис. 3. Изготовление большого шаблона: а — заготовка, б — шаблон; 1 — профильная доска, 2 — подкосы, 3 — салазки, 4 — полозок

Для этого сначала изготовляют полностью один стальной профиль, затем переносят на другие заготовки из кровельной стали его контуры, вырубают и вырезают их, складывают все профили вместе, скрепляют и вытачивают (обтачивают) их строго по первому изготовленному профилю. Шаблоны с такими профилями будут совершенно одинаковыми. Для этих шаблонов можно изготовить один угловой шаблон для дотягивания тяг до углов.

Шаблоны для вытягивания тяг с большим развернутым профилем изготовляют так, как показано на рис. 3, а, б. Для удержания падающего раствора под подкосами крепят ткань или мешковину. Такой шаблон водят несколько человек, привязывая к нему веревки.



Штукатурные работы — Конструкции шаблонов и их изготовление

Хирургический шаблон для имплантации: цена, виды, технология установки имплантатов по шаблону

Хирургический шаблон для имплантации внешне напоминает каппы или слепок челюсти. Изготавливается зубным техником с применением технологий компьютерного моделирования.

Навигационный шаблон незаменим при проведении имплантации у пациентов с частичной и полной адентией. Используется для точной установки имплантов и правильного протезирования в дальнейшем. В конструкцию шаблона входят металлические направляющие, через которые вкручиваются импланты.

Для чего нужен хирургический шаблон?


От того, насколько правильно установлен имплант в челюсти, зависит послеоперационное восстановление пациента и успешное приживление винта. Чтобы рассчитать место установки имплантата, врачу нужны ориентиры. Поэтому чем больше зубов в челюсти отсутствует, тем больше оправдано использование шаблона.

В большинстве случаев хирургические шаблоны используют при протезировании Все-на-4 или Все-на-6 имплантатах.

Использование компьютерной 3D технологии имеет важные преимущества:

  • позволяет точно оценить анатомические особенности пациента, такие как размер верхнечелюстной пазухи или расположение альвеолярного нерва в нижней челюсти;
  • предоставляет информацию о размере, направлении и расположении кости для точного позиционирования имплантатов.

Еще одна цель навигационного шаблона – планирование протезирования. Сначала врач определяет цели протезирования: материалы, форму зубов, тип абатмента. В согласии с намеченными целями при помощи компьютерной программы выбирается наилучшее положение имплантов. И только после этого изготавливается шаблон.

Одно и тоже изделие служит вспомогательным инструментом и для протезирования, и для имплантации.

Преимущества имплантации по шаблону

  • Размещение имплантатов с точностью до 0.1 мм
  • Сохранение анатомических структур
  • Отсутствие ошибок при имплантации
  • Сокращение времени операции
  • Менее инвазивная, безлоскутная операция и, следовательно, меньшая вероятность отека
  • Быстрое послеоперационное восстановление
  • Прозрачность материала, позволяющая видеть сквозь модель
  • Возможность изготовить коронку на имплантат еще до операции, что позволит произвести протезирование сразу после имплантации.

Виды

Шаблоны можно условно разделить на несколько групп, в зависимости от материалов и способов изготовления:

  • Из акрила
  • Из полимерного пластика
  • Изготовленные по слепку
  • Изготовленные по технологии CAD/CAM
  • Изготовленные в вакуумформере
  • С опорой на челюстную кость
  • С опорой на соседние зубы

Какой именно шаблон использовать, стоматолог решает в зависимости от клинической ситуации, а также пожеланий пациента.

Процесс изготовления изделия

  • Проводится 3D томография челюсти
  • Снимаются слепки челюсти
  • Компьютерная программа проектирует идеальное место для имплантов, их размер, наклон и форму протеза
  • На основе полученных результатов в шаблоне проделываются отверстия для имплантов. В каждом отверстии устанавливается металлическая направляющая

Как используются хирургические шаблоны при имплантации в клинике НоваДент

Пациент приходит в любую нашу клинику в Москве и МО на консультацию. Врач проводит осмотр и направляет на компьютерную томографию. Собираются все данные, необходимые для изготовления шаблона.

Срок изготовления хирургического шаблона: 3-7 дней.

Перед началом имплантации стоматолог устанавливает навигационный шаблон на челюсть пациента. Чтобы конструкция хорошо держалась, в ней существуют специальные крепления.

Следующий шаг — установка имплантов через заранее проделанные отверстия. Далее шаблон используется для создания протезов на импланты.

Цена

В стоматологии НоваДент цена хирургического шаблона на одну челюсть — 14 150 ₽. Стоимость компьютерной томографии челюсти — 3900 р. 

Цены на имплантацию и другие стоматологические услуги клиники, вы можете посмотреть здесь.


План занятия теоретического обучения по ПМ.01. «Изготовление шаблонов и приспособлений» Тема урока № 21: «Основные понятия конструирования шаблонов»

2. 4. Вопросы или задания для закрепления и обобщения изученного учебного материала:

2.5. Сообщить учащимся оценки за ответы (выполненное задание) и прокомментировать их.

3. Домашнее задание учить по конспекту и повторить пройденный учебный материал.

Конспект к уроку

Основные понятия конструирования шаблонов

Виды и технология изготовления шаблонов.

На предприятиях по производству столярно-мебельных изделий применяют, в основном, следующие шаблоны, изготавливаемые из древесины и древесных материалов:

шаблоны для разметки шиповых соединений, гнёзд под установку фурнитуры и сверления отверстий;

шаблоны (лекала) для разметки профилей криволинейных деталей и раскроя тканей;

шаблоны для склеивания заготовок с одновременным гнутьём;

шаблоны для обработки на деревообрабатывающих станках заготовок и сборочных единиц.

Применение шаблонов сокращает время на изготовление изделий, повышает точность обработки до требований технической документации, способствует снижению себестоимости изделий и повышению производительности труда.

Шаблоны для разметки соединений на двойной шип изготавливают в виде гребёнки (рис. 200, а), на рабочей поверхности которой установлены шпильки (гвозди без шляпок) на расстояниях от упора гребенки в соответствии с размерами шипового соединения. Гре­бенка позволяет сразу нанести нужное количество рисок и применяется при разметке вместо рейсмуса. Гребенку изготавливают из древесины лиственных пород (береза, бук, дуб).

Накладные шаблоны для разметки шиповых соединений «лас­точкин хвост» (рис. 200, б), гнезд под установку петель (рис. 200, в) состоят из основания 1 и опорных брусков 2. На основании из фанеры или твердой древесноволокнистой плиты делаются прорези по форме шипа-проушины или гнезда. Опорные бруски крепят к основанию клеем или гвоздям и с двух сторон, что исключает изготовление шаблонов правого и левого исполнений.

Размер гнезда h равен ширине карты петли, 1 — длине карты петли, L = 1 ÷ 1,21. При разметке шаблон накладывается на размеча­емую деталь и прижимается к ней опорными брусками. Затем карандашом обводят контур размечаемых шипа-проушины или гнезда под петли.

Для разметки гнезд под карточные петли применяют шаблон (рис. 200, г) с переставными ножами. На основание 1 из древесины лиственных пород устанавливается упор 2, параллельно которому делают прорези для вставных ножей 4. Нож и из стальных заточенных с одной стороны полос выступают над поверхностью основа­ния на толщину карты петли (1 — 2 мм). Разметка гнезд производится следующим образом: размечаемую деталь 3 кладут на нож и вплот­ную к упору. Затем по предварительно подложенному бруску уда­ром молотка на размечаемой детали выбивают риски от ножей. Разметка на шаблонах со вставными ножами возможна только при условии, когда ширина карты врезаемой петли равна толщине раз­мечаемой детали. Если ширина карты петли меньше толщины раз­мечаемой детали, на её кромке после выборки гнезда под петлю остаются риски от ножей глубиной 1 – 2 мм.

Рис. 200. Шаблоны для разметки: а — на двойной шип; б — шип «ласточкин хвост»; в, д — гнезд под установку карточных петель; г, е — гнезд для установки замков; ж, з — гнезд под сверле­ние отверстий; 1 — основание; 2 — опорные бруски; 3 — размечаемая деталь; 4 — вставные ножи; 5 — скобы; 6 — щёчки

При разметке гнезд под петли, у которых ширина карты петли меньше толщины размечаемой детали, в которую врезается петля, применяются шаблоны со стальными скобами (рис. 200, д). Заподлицо к кромке основания 1 из древесины лиственных пород врезаются скобы и крепятся к основанию шурупами. Размеры скобы h и 1, а также форма скобы, должны соответствовать размерам и форме карты петли. Скобы изготавливаются из стальных полос, заточенных с одной или двух сторон.

При разметке гнезд скобы накладываются на размечаемую деталь, которую прижимают к кромке основания и опорному бруску 2. Затем по подложенному на скобу бруску ударом молотка на размечаемой детали выбивают риску сначала от одной, затем от другой скобы.

Шаблон для разметки гнезд под замки (рис. 200, е) состоит из основания 1 из древесины лиственных пород, щечек 6 из фанеры или древесноволокнистой плиты. Размеры и формы основания щечек должны соответствовать размерам и формам замка. При разметке шаблон вставляется в дверное полотно и обводится карандашом.

Шаблон для разметки гнезд под сверление отверстий (рис. 200, ж) состоит из основания 1 и опорных брусков 2. В основание, на расстояниях от опорных брусков и центров отверстий согласно технической документации на размечаемую деталь, ввинчивают шурупы. Затем у шурупов откусывают головы и затачивают напильником.

Размечаемый брусок прижимают к опорным брускам и нажимом на размечаемый брусок делают наколки в местах сверления отверстий. Шаблоны изготавливают из древесины хвойных пород.

При разметке небольших партий деталей для разметки гнезд под сверление отверстий изготавливают шаблоны (рис. 200, з) в основании 1 которых сделаны отверстия. Шаблон накладывают на размеча­емый брусок и прижимают его к опорным брускам 2. Затем через отверстия, просверленные в основании шаблона, шилом делают наколки на размечаемом бруске. Недостаток таких шаблонов — быстрый износ отверстий в основании, что снижает точность разметки.

Шаблоны (лекала) для разметки профилей криволинейных деталей изготавливают в точном соответствии с конструкторской документацией на размечаемую деталь (без припуска на обработку). Лекало из фанеры или твердой древесноволокнистой плиты выпиливают лобзиком и до разметочной линии зачищают (доводят) шкуркой. При разметке детали (рис. 201, а) лекало 1 накладывают на заготовку 2 и обводят карандашом контур лекала.

На лекале могут указываться направления волокон древесины. На рис. 201, б показан кронштейн из древесины, на фасадной поверхности которого выполнена резьба. Чтобы резьба была качественной, нижняя поверхность кронштейна должна иметь долевое направление волокон древесины. Направление волокон древесины на лекале указывается двойной стрелкой и соответствующей надписью (рис. 201, в).


Рис. 201. Лекала для разметки профилей криволинейных деталей:

а — разметка по лекалу;

б — кронштейн;

в — пример указания направления волокон древесины на лекале;

1 — лекало;

2 — заготовка.

Шаблоны (лекала) для раскроя тканей размечают в соответствии с документацией на деталь (выкройка из ткани) или картам раскроя ткани. Лекала из твердой древесноволокнистой плиты выпиливают до разметочной линии лобзиком и зачищают шкуркой. На лекало наносится направление нити ткани с надписью «основа» или «уток» * ― основой (основными) называются нити, идущие вдоль ткани, уточными поперек ткани, наименование детали, площадь детали в квадратных метрах или сантиметрах.

При разметке лекало накладывается на ткань и обводится по контуру мелком. При этом направление нити «основы» или «утка» указанное на лекалах, должно соответствовать нитям на тканях.

Шаблоны для склеивания заготовок с одновременным гнутьем (гнутоклееные заготовки) изготавливают незамкнутого и замкнутого контуров. Ниже рассмотрены некоторые конструкции шаблонов и способы склеивания гнутоклееных заготовок без применения высоких давлений в прессах.

Шаблон (рис. 202, а) для склеивания заготовок незамкнутого контура из планок древесины толщиной 8—10 мм можно изготовить из древесностружечных плит. Для этого древесностружечные плиты склеивают в одну плиту (показана пунктиром). Толщина плиты В должна быть равна ширине планок ± 5 мм. Затем радиусам R и R1 очерчивают наружный и внутренний контуры шаблона, выпиливают на ленточнопильном станке заготовку шаблона и зачищают наружный контур шаблона рубанком, напильником и шкуркой под углом 90° к пласти. Толщина шаблона b должна обеспечивать его жесткость при склеивании планок. Обычно она составляет 80—100 мм. Гнутоклееные заготовки изготавливают следующим образом.

Рис. 202. Шаблон для склеивания заготовок незамкнутого контура (а), склеивание планок (б): 1 — планки; 2 — шаблон; 3 — струбцина.

На пласти планок 1 (рис. 202, б) наносят клей, затем накладывают на шаблон 2 и запрессовывают струбцинами 3. После выдержки в запрессованном состоянии до полного схватывания клея заготовку снимают с шаблона. Допускаемые соотношения толщины заготовки h к радиусу изгиба R при гнутье тонких планок из древесины с одновременным склеиванием те же, что и при склеивании в пресс-формах.

На рис. 203 показан шаблон с гибкой стальной лентой. Шаблон состоит из основания 1, опоры 2 и гибкой стальной ленты 3. Основание шаблона выклеивается из древесностружечных плит. Толщина основания должна быть больше ширины склеиваемых заготовок на 5—10 мм, а рабочая поверхность шаблона параллельна поверх­ности стальной ленты. К опоре шаблона из древесины твердых лиственных пород крепят стальные пластины для поворота ленты и крепления винтовой струбцины. Для обеспечения равномерного давления запрессовки стальная лента должна быть гибкой, а внутренняя поверхность гладкой (не иметь заусенцев).

В шаблонах с гибкой лентой склеивают гнутоклееные заготовки из фанеры, шпона и тонких (не более 4 мм) планок древесины. Если при гнутье древесины наружные слои фанеры остаются прямолинейными (изгиб поперек волокон), то гнутье трехслойной фанеры возможно приблизительно до следующих радиусов кривизны:

толщина трехслойной фанеры, мм 2,5 3 4

допустимый радиус R кривизны, мм 30 37 50

Рис. 203. Шаблон с гибкой лентой: 1 — основание; 2 — опора; 3 — гибкая лента

Рис. 204. Шаблон для склеивания заготовки незамкнутого контура: 1 — шаблон; 2 — стальная пластина; 3 — клин; 4, 5 — делянки; 6 — струбцина; 7 — шпильки

Если при гнутье фанеры волокна наружных слоев и сгибаются (изгиб вдоль волокон), то допустимые радиусы кривизны трехслойной фанеры, а также шпона, те же, что и при гнутье планок из массивной древесины.

Гнутоклееные заготовки замкнутого контура склеивают с использованием жестких разъемных шаблонов, имеющих форму заготовки (круг, эллипс, овал). Шаблон 1 (рис. 204) изготавливают из древесностружечных плит. Очертив циркулем наружный диаметр шаблона, равный внутреннему диаметру заготовки, выпиливают круг и обрабатывают кромку шаблона под углом 90° к пласти. Затем очерчивают внутренний диаметр шаблона и на ленточнопильном станке выпиливают внутренний круг. Стальные пластины 2 толщиной 3—5 мм при ввинчивают к шаблону винтами, завернув в шаблон гайки-втулки от мебельных стяжек.

Выпилив по диаметру шаблона секторы шириной 20 мм, забивают клинья 3 для придания шаблону большей жесткости.

Гнутоклееную заготовку склеивают путем наслоения делянок на шаблон. Сначала наслаивают внутреннюю делянку 4 из фанеры, длина которой L = πD. Направление волокон наружного слоя делянки — изгиб поперек волокон. Концы делянки на стыке крепят шпильками 7 (гвозди без шляпок). Затем на делянку наносят клеевой раствор, наслаивают вторую делянку 5 и прессуют струбцина­ми 6. После выдержки в запрессованном состоянии до полного схватывания клея наслаивают третью делянку и т. д. Длина любого последующего слоя Ln = π (D + 2tn), где tn — толщина предыдущих слоев. Места стыков делянок перекрывают соседними слоями.



Рис. 205. Торцевание заготовок под углами 45° и 90° на круглопильных станках: а — шаблон; б — схема торцевания; 1 — основание; 2 — ходовой брусок; 3, 4 — опорные бруски

Рис. 206. Фрезерование заготовок криволинейных деталей на фрезерных станках в шаблоне: а — шаблон; б, в — схемы фрезерования; 1 ,2 — обрабатываемые детали; 3 — основание шаблона; 4 — опорный брусок; 5 — винт; 6 — ручка; 7 — прижимная пластина; 8 — фреза; 9 — упорное кольцо

Склеенную заготовку снимают с шаблона, выбив клинья и отвернув стальные пластины. Аналогичным образом изготавливают заготовки эллипсной и овальной формы.

Шаблоны для обработки заготовок на деревообрабатывающих станках применяют, в основном, при торцевании заготовок под углами и 45° и 90° на круглопильных станках и фрезеровании профилей по кольцу на фрезерных станках.

Торцевание заготовок под углами и 45° и 90° производят на круг­лопильных станках с применением специального шаблона. Шаблон (рис. 205) состоит из основания, ходового бруска и опорных брусков.

Основание 1 изготавливают из древесностружечных или фанерных плит, толщина основания 19—25 мм. Ширина основания В обычно составляет 900 мм, длина основания L зависит от ширины обрабатываемых заготовок b. При b ≤ 200 L = 700 мм. Если ширина обрабатываемых заготовок более 200 мм, целесообразно изготовить два раздельных шаблона: шаблон для торцевания под углом 45° и шаблон для торцевания под углом 90°.

Опорные бруски 3 из древесины хвойных пород придают жесткость основанию, их толщина не менее 40 мм. Через бруски проходит пропил, ширина бруска над пропилом не менее 50 мм, что обеспечивает достаточную жесткость шаблона. Опорные бруски 4 из древесины хвойных пород для торцевания под углом 45° изготавливается сечением 50×25 мм. Опорные бруски крепят к основанию шурупами. Ходовой брусок 2 передвигается в пазе стола круглопильного станка, поэтому боковые поверхности бруска будут изменяться в результате их износа. Ходовой брусок изготавливают из древесины твердых лиственных пород: бук, дуб, клён. К основанию ходовой брусок крепят шурупами.

Торцевание (рис. 205, б) заготовок на шаблоне производят следующим образом. Шаблон кладут на стол круглопильного станка, ходовой брусок шаблона вставляется в паз стола. Обрабатываемую заготовку прижимают к опорному бруску и надвигают шаблон на диск пилы. Затем шаблон возвращают в исходное положение и обработанную заготовку снимают с шаблона.

Криволинейные кромки деталей незамкнутого контура плоские и фигурные фрезеруют на фрезерных станках при помощи упорного кольца (шарикоподшипника) и специального шаблона.

Шаблон (рис. 206, а) состоит из основания 3, опорных брусков 4, прижимного приспособления 5—7. Цулаг изготавливают из фа­нерной плиты толщиной 19—25 мм. Криволинейную кромку цула­ги размечают по лекалу (см. рис. 201, а), при этом учитываются размеры упорного кольца и фрезы. При фрезеровании диаметр упорного кольца может быть больше или меньше диаметра фрезы. Если диаметр упорного кольца больше диаметра фрезы (рис. 206, б), обрабатываемая деталь будет выступать над криволинейной кромкой шаблона на размер В = (Dк/2) — (Dф/2), где Dк и Dф — диаметры упорного кольца и фрезы, мм. Если диаметр упорного кольца меньше диаметра фрезы (рис. 206, в), обрабатываемая деталь будет западать над криволинейной кромкой шаблона на размер В1 = (Dф/2) — (Dк/2). Размеры В и В1 учитываются при разметке по лекалу криволинейной кромки основания шаблона. После разметки криволинейную кромку шаблона выпиливают лобзиком или на ленточнопильном станке, зачищают напильником и шкуркой.

Опорные бруски изготавливают из древесины хвойных или лиственных пород. Крепят опорные бруски к основанию шурупами.

Прижимное приспособление состоит из винта 5, прижимной пластины 7 и ручки 6. Прижимная пластина изготавливается из стали или древесины твердых лиственных пород толщиной не ме­нее 25 мм. Через отверстие в пластине проходит винт. Ход пластины «вверх-вниз» не более 5 мм. С целью предохранения обрабатываемой детали от вмятин при зажиме к пластине приклеивают резиновые прокладки.

Порядок обработки деталей в шаблоне следующий. Обрабатываемую деталь 1 помещают с правой стороны шаблона, а с левой стороны помещают обрабатываемую деталь 2, уже имеющую одну обработанную кромку, прижимаемую к опорному бруску. Обе детали зажимают винтовым прижимом, затем, прижимая кромку основания шаблона к упорном кольцу, продвигают шаблон на фрезу. Причем кромка цулаги основания шаблона должна быть прижа­та к упорному кольцу до того, как фреза коснется обрабатываемой детали, а при окончании фрезерования кромка цулаги должна быть также прижата к кольцу (см. рис. 7, а). Для этого длина цулаги с каждой стороны обрабатываемой детали должна быть больше длины детали на величину 1, равную не менее 80 мм.

Затем деталь 2, обработанную с двух сторон, снимают с шаблона, а на ее место помещают деталь 1, а на место детали 1 — новую необработанную деталь. Этот порядок обработки повторяется.

Точность изготовления основания опорных брусков и размеры фрезы определяют точность обработки деталей. Изменение размера любого из них неизменно должно отражаться на размерах детали. Чтобы размер детали не изменялся при уменьшении диаметра фрезы в результате переточек, необходимо изменять размеры опорных брусков. Размер детали может изменяться в результате износа рабочей кромки основания. Для уменьшения износа рабочую кромку основания рекомендуется обтягивать стальной лентой. Расстояния В и В1 необходимо периодически проверять.

Технологическая последовательность изготовления шаблона такова:

1. Изготовить лекало обрабатываемой детали для разметки цулаги.

2. Замерить диаметры упорного кольца и фрезы с учетом размера В или В1, разметить основание шаблона, выпилить криволинейную кромку основания лобзиком или на ленточнопильном станке и зачистить.

3. Заготовить опорные бруски и прикрепить их шурупами к основанию.

4. Рабочую кромку основания обтянуть стальной лентой.

5. Установить зажимное приспособление.

Шаблоны для обработки на деревообрабатывающих станках сборочных единиц (рамы оконные и др.) применяют, в основном, при фрезеровании по контуру фальцев, пазов и др. на фрезерных станках. Конструкция шаблона для фрезерования фальцев оконных рам показана на рис. 207, а.

Шаблон состоит из основания 1, опорных брусков 2, прижимного приспособления 3. Основание шаблона рамочной конструкции изготавливают из древесины хвойных пород. Бруски рамки сечением не менее 100×19 мм соединяются на шип одинарный. Опорные бруски 2 крепят к основанию шурупами. Опорные бруски располагаются на основании таким образом, чтобы обрабатываемая оконная рама (показана пунктиром) входила в проем, образованный опорными брусками. Прижимное приспособление 3 может быть винтовым или эксцентриковым.

Порядок обработки оконных рам в шаблоне следующий (рис. 207, б). Обрабатываемую раму 4 помещают в шаблон и зажимают прижимом. Затем прижимая кромку основания шаблона к упорному бруску 7 продвигают шаблон на фрезу 6. Отобрав фальц на одной кромке рамы шаблон поворачивают и отбирают фальц на сле­дующих кромках. Упорный брусок крепят к направляющей линейке 5 станка гвоздями.

При фрезеровании фальцев на кромках рам с трех сторон (форточки) в шаблон помещают правую и левую форточку. Конструкция шаблонов аналогична приведенной, имеет два прижимных приспособления: для левой и правой форточек.

Шаблоны для внутреннего использования изготавливаются непосредственно столярно-мебельными предприятиями или учебными мастерскими по конструкторской документации изготовителя. При поставке шаблонов по кооперации шаблоны изготавливаются по конструкторской документации изготовителя или потребителя. На сложные виды шаблонов, например, для фрезерования криволинейных деталей по кольцу на фрезерных станках, могут разрабатываться технические условия, утверждаемые изготовителем и согласовываемые с потребителем.

Технические условия должны включать следующие основные технические показатели:

1. Наименование конструкторской документации для изготовления шаблонов.

2. Материалы, применяемые для изготовления шаблонов.

3. Отделка шаблонов. Она определяется допусками, предусмотренными конструкторской документацией на обрабатываемую деталь и шаблоны.

4. Методы испытания шаблонов.


Рис. 207. Фрезерование оконных рам по контуру на фрезерных станках в шаблоне:

а — шаблон; б — схема фрезерования;

1 — основание; 2 — опорные бруски;

3 — прижимное приспособление;

4 — рама; 5 — направляющая линейка;

6 — фреза; 7 — упорный брусок

При испытании шаблонов изготавливаются не менее трех деталей, для обработки которых предусмотрены шаблоны. Точность изготовления деталей должна соответствовать конструкторской документации на деталь.

Для изготовления шаблонов используются деревообрабатывающие станки (круглопильные, рейсмусовые, фуговальные, фрезерные), а также ручной инструмент, в том числе механизированный.

Отделка, хранение и ремонт шаблонов

Поверхности шаблонов, как правило, покрывают олифой. Рабочие поверхности шаблонов для склеивания гнутоклееных заготовок окрашивают масляными красками, что облегчает последующую очистку поверхностей от потеков клея.

Шаблоны для разметки шиповых соединений, шаблоны-лекала, изготовленные из фанеры или твердой древесноволокнистой плиты, следует хранить в вертикальном подвешенном положении, это уменьшает коробление шаблонов. Шаблоны для склеивания гнутоклееных заготовок, шаблоны для обработки на деревообрабатывающих станках заготовок и сборочных единиц хранят на стеллажах. Чтобы уменьшить вероятность коробления шаблонов, стеллажи должны быть установлены в местах, удалённых от источников тепла.

Основные виды повреждений и ремонта шаблонов приведены в таблице 17.

Таблица 17

Основные виды повреждений и ремонта шаблонов

Назначение шаблонов

Рисунок шаблона

Основные повреждения

Виды ремонта

Шаблоны для разметки щитовых соединений, гнезд под установку фурнитуры и сверления отверстий

Шаблоны лекала

Шаблоны для склеивания заготовок с одновременным гнутьем

Шаблоны для обработки за­ готовок на деревообрабатывающих стан­ках

Рис. 200, а

Рис. 200, б, в

Рис. 200, г

Рис. 200, д

Рис. 200, е

Рис. 200, ж

Рис. 200, з

Рис. 200. а, в

Рис. 203, 204

Рис. 205

Рис. 206

Рис. 207

Затупление шпилек

Износ шаблона из фанеры или твердой древесноволокнистой плиты

Расшатывание и затупление вставных ножей

Затупление скоб

Коробление щечек

Затупление шпилек

Износ отверстий

Износ кромок лекала

Наслаивание потеков клея на рабочих поверхностях

1. То же

2. Ослабление креплений стальных пластин

1. Износ ходового бруска

2. Коробление основания

1. Износ кромок цулаги

2. Сколы на кромках цулаги

3. Износ опорных брусков

4. Коробление цулаги

1. Износ кромок основания и опорного бруска

2. Разрушение шипового клеевого соединения

3. Выход на поверхность кромок основания торцев шипов и проушен из-за усушки древесины

Заточить шпильки напильником

Ремонту не подлежат, заменяются новыми

Сделать новые прорези для ножей, снять и передвинуть упор. Заточить ножи

Заточить скобы

Заменить щечки

Заточить шпильки напильником

Ремонту не подлежит, заменяется новыми

Ремонту не подлежит, заменяется новыми

Очистить рабочие поверхности от клея и покрасить

1. То же

2. Вывернуть гайки-втулки, заделать отверстия пробками клеем и вновь завернуть гайки-втулки.

  1. Заменить ходовой брусок

  2. Ремонту не подлежит, шаблон изготавливается заново

1. Заменить опорные бруски увеличив их размеры с учетом износа кромок

2. Вклеить вставки в кромки и зачистить вставки заподлицо с кромкой

3. Заменить опорные бруски

4. Ремонту не подлежит, шаблон изготавливается заново

1. Заменить упорный брусок, увеличив его ширину с учетом износа кромок

2. Очистить шиповое клеевое соединение от клея и склеить вновь

3. Снять ручным инструментом выходящие торцы шипов проушин

При фрезеровании кромок на фрезерных станках при помощи упорного кольца и специального шаблона необходимо тщательно зачищать кромку цулаги шаблона, которая прижимается к упорному кольцу. Неровности на кромке цулаги (волнистость и д р.) будут передаваться через упорное кольцо на фрезу и затем на обрабатываемую заготовку.

Правильное хранение и своевременный ремонт шаблонов значительно продлевают срок их службы.

Условные обозначения используемой литературы

Технология

«Технология плотничных, столярных, стекольных и паркетных работ»

  1. П.Д. Бобиков

ИС-МИ

«Изготовление столярно-мебельных изделий»

  1. Б.А. Степанов

МВ

«Материаловедение для профессий, связанных с обработкой дерева»

  1. В.Н. Обливин, Л.Н. Никитин, Н.В. Гренц

ОТнД-ОП

«Охрана труда на деревообрабатывающих предприятиях»

  1. Б.А. Степанов

СПиС

«Справочник плотника и столяра»

  1. Л. Н. Крейндлин

СПСиПР

«Столярные, плотничные, стекольные и паркетные работы»

  1. Г.И. Клюев

СПР

«Столярно-плотничные, стекольные и паркетные работы повышенной сложности»

  1. Ф.В. Буйвидович

ТС-ПиПР

«Технология столярно-плотничных и паркетных работ»

  1. М.А. Григорьев

М-С

«Мастер – столяр»

  1. А.О. Гурвич

СР

«Столярные работы»

  1. В.В. Амалицкий, В.В. Амалицкий,

ДСиИ

« Деревообрабатывающие станки и инструменты»

  1. Ю.Ф. Подольский

ССР

«Современные столярные работы · Окна · Полы · Двери · Перегородки · Лестницы · Веранды · Мансарды»

Список используемой литературы

п/п

Название

Автор

Издательство

Год издания

1

Деревообрабатывающие станки и инструменты

В. В. Амалицкий, В.В. Амалицкий

М.: «Академия»

2009

2

Столярные, плотничные, стекольные и паркетные работы

Л.Н. Крейндлин

М.: «Академия»

1999

3

Материаловедение для профессий, связанных с обработкой дерева

Б.А. Степанов

М.: «Академия»

2000

4

Безопасность жизнедеятельности

Ю.Г. Сапронов

М.: «Академия»

2008

5

Охрана труда на деревообрабатывающих предприятиях

В.Н. Обливин, Л.И. Никитин, Н.В. Гренц

М.: ПрофОбрИздат

2002

6

Справочник плотника и столяра

Б.А. Степанов

М.: «Академия»

2004

7

Мастер-столяр

М. А. Григорьев

М.: Цитадель

1999

8

Технология плотничных, столярных, стекольных и паркетных работ

Б.А. Степанов

М.: «Академия»

2003

9

Изготовление столярно-мебельных изделий

П.Д. Бобиков

М.: «Академия»

2006

10

Плотничные работы

Л.Н. Крейндлин

М.:

«Высшая школа»

1972

11

Технология столярно-плотничных и паркетных работ

Ф.В. Буйвидович

Мн.:

«Высшая школа»

2000

12

Столярные работы

А.О. Гурвич

М.:

«Высшая школа»

1964

13

Материалы для облицовывания и отделки столярно-мебельных изделий

В. Ф. Савченко

М.: «Академия»

1999

14

Современные столярные работы

Ю.Ф. Подольский

«Клуб сем. досуга» г. Белгород

2012

15

Электробезопасность при эксплуатации электроустановок промышленных потребителей

Сибикин Ю.Д.

М.: «Академия»

2000

16

Охрана труда

Сиднеев Ю.Г.

«Феникс»

2004

17

Правила противопожарного режима в Российской Федерации

Постановление Правительства РФ 

от 25.04.2012 № 390 (с изм. на 21.03.17)

2017

18

Первая медицинская помощь

Буянов В.М., Нестеренко Ю.А.

«Медицина»

2000

19

Инструкция по оказанию первой доврачебной неотложной помощи пострадавшим.

http://ihelpers.narod.ru/

2017

Конспект к уроку

Порядок и правила проведения технологических испытаний

шаблонов и приспособлений

Виды и технология изготовления шаблонов.

На предприятиях по производству столярно-мебельных изделий применяют, в основном, следующие шаблоны, изготавливаемые из древесины и древесных материалов:

шаблоны для разметки шиповых соединений, гнёзд под установку фурнитуры и сверления отверстий;

шаблоны (лекала) для разметки профилей криволинейных деталей и раскроя тканей;

шаблоны для склеивания заготовок с одновременным гнутьём;

шаблоны для обработки на деревообрабатывающих станках заготовок и сборочных единиц.

Применение шаблонов сокращает время на изготовление изделий, повышает точность обработки до требований технической документации, способствует снижению себестоимости изделий и повышению производительности труда.

Шаблоны для разметки соединений на двойной шип изготавливают в виде гребёнки (рис. 200, а), на рабочей поверхности которой установлены шпильки (гвозди без шляпок) на расстояниях от упора гребенки в соответствии с размерами шипового соединения. Гре­бенка позволяет сразу нанести нужное количество рисок и применяется при разметке вместо рейсмуса. Гребенку изготавливают из древесины лиственных пород (береза, бук, дуб).

Накладные шаблоны для разметки шиповых соединений «лас­точкин хвост» (рис. 200, б), гнезд под установку петель (рис. 200, в) состоят из основания 1 и опорных брусков 2. На основании из фанеры или твердой древесноволокнистой плиты делаются прорези по форме шипа-проушины или гнезда. Опорные бруски крепят к основанию клеем или гвоздям и с двух сторон, что исключает изготовление шаблонов правого и левого исполнений.

Размер гнезда h равен ширине карты петли, 1 — длине карты петли, L = 1 ÷ 1,21. При разметке шаблон накладывается на размеча­емую деталь и прижимается к ней опорными брусками. Затем карандашом обводят контур размечаемых шипа-проушины или гнезда под петли.

Для разметки гнезд под карточные петли применяют шаблон (рис. 200, г) с переставными ножами. На основание 1 из древесины лиственных пород устанавливается упор 2, параллельно которому делают прорези для вставных ножей 4. Нож и из стальных заточенных с одной стороны полос выступают над поверхностью основа­ния на толщину карты петли (1 — 2 мм). Разметка гнезд производится следующим образом: размечаемую деталь 3 кладут на нож и вплот­ную к упору. Затем по предварительно подложенному бруску уда­ром молотка на размечаемой детали выбивают риски от ножей. Разметка на шаблонах со вставными ножами возможна только при условии, когда ширина карты врезаемой петли равна толщине раз­мечаемой детали. Если ширина карты петли меньше толщины раз­мечаемой детали, на её кромке после выборки гнезда под петлю остаются риски от ножей глубиной 1 – 2 мм.

Рис. 200. Шаблоны для разметки: а — на двойной шип; б — шип «ласточкин хвост»; в, д — гнезд под установку карточных петель; г, е — гнезд для установки замков; ж, з — гнезд под сверле­ние отверстий; 1 — основание; 2 — опорные бруски; 3 — размечаемая деталь; 4 — вставные ножи; 5 — скобы; 6 — щёчки

При разметке гнезд под петли, у которых ширина карты петли меньше толщины размечаемой детали, в которую врезается петля, применяются шаблоны со стальными скобами (рис. 200, д). Заподлицо к кромке основания 1 из древесины лиственных пород врезаются скобы и крепятся к основанию шурупами. Размеры скобы h и 1, а также форма скобы, должны соответствовать размерам и форме карты петли. Скобы изготавливаются из стальных полос, заточенных с одной или двух сторон.

При разметке гнезд скобы накладываются на размечаемую деталь, которую прижимают к кромке основания и опорному бруску 2. Затем по подложенному на скобу бруску ударом молотка на размечаемой детали выбивают риску сначала от одной, затем от другой скобы.

Шаблон для разметки гнезд под замки (рис. 200, е) состоит из основания 1 из древесины лиственных пород, щечек 6 из фанеры или древесноволокнистой плиты. Размеры и формы основания щечек должны соответствовать размерам и формам замка. При разметке шаблон вставляется в дверное полотно и обводится карандашом.

Шаблон для разметки гнезд под сверление отверстий (рис. 200, ж) состоит из основания 1 и опорных брусков 2. В основание, на расстояниях от опорных брусков и центров отверстий согласно технической документации на размечаемую деталь, ввинчивают шурупы. Затем у шурупов откусывают головы и затачивают напильником.

Размечаемый брусок прижимают к опорным брускам и нажимом на размечаемый брусок делают наколки в местах сверления отверстий. Шаблоны изготавливают из древесины хвойных пород.

При разметке небольших партий деталей для разметки гнезд под сверление отверстий изготавливают шаблоны (рис. 200, з) в основании 1 которых сделаны отверстия. Шаблон накладывают на размеча­емый брусок и прижимают его к опорным брускам 2. Затем через отверстия, просверленные в основании шаблона, шилом делают наколки на размечаемом бруске. Недостаток таких шаблонов — быстрый износ отверстий в основании, что снижает точность разметки.

Шаблоны (лекала) для разметки профилей криволинейных деталей изготавливают в точном соответствии с конструкторской документацией на размечаемую деталь (без припуска на обработку). Лекало из фанеры или твердой древесноволокнистой плиты выпиливают лобзиком и до разметочной линии зачищают (доводят) шкуркой. При разметке детали (рис. 201, а) лекало 1 накладывают на заготовку 2 и обводят карандашом контур лекала.

На лекале могут указываться направления волокон древесины. На рис. 201, б показан кронштейн из древесины, на фасадной поверхности которого выполнена резьба. Чтобы резьба была качественной, нижняя поверхность кронштейна должна иметь долевое направление волокон древесины. Направление волокон древесины на лекале указывается двойной стрелкой и соответствующей надписью (рис. 201, в).


Рис. 201. Лекала для разметки профилей криволинейных деталей:

а — разметка по лекалу;

б — кронштейн;

в — пример указания направления волокон древесины на лекале;

1 — лекало;

2 — заготовка.

Шаблоны (лекала) для раскроя тканей размечают в соответствии с документацией на деталь (выкройка из ткани) или картам раскроя ткани. Лекала из твердой древесноволокнистой плиты выпиливают до разметочной линии лобзиком и зачищают шкуркой. На лекало наносится направление нити ткани с надписью «основа» или «уток» * ― основой (основными) называются нити, идущие вдоль ткани, уточными поперек ткани, наименование детали, площадь детали в квадратных метрах или сантиметрах.

При разметке лекало накладывается на ткань и обводится по контуру мелком. При этом направление нити «основы» или «утка» указанное на лекалах, должно соответствовать нитям на тканях.

Шаблоны для склеивания заготовок с одновременным гнутьем (гнутоклееные заготовки) изготавливают незамкнутого и замкнутого контуров. Ниже рассмотрены некоторые конструкции шаблонов и способы склеивания гнутоклееных заготовок без применения высоких давлений в прессах.

Шаблон (рис. 202, а) для склеивания заготовок незамкнутого контура из планок древесины толщиной 8—10 мм можно изготовить из древесностружечных плит. Для этого древесностружечные плиты склеивают в одну плиту (показана пунктиром). Толщина плиты В должна быть равна ширине планок ± 5 мм. Затем радиусам R и R1 очерчивают наружный и внутренний контуры шаблона, выпиливают на ленточнопильном станке заготовку шаблона и зачищают наружный контур шаблона рубанком, напильником и шкуркой под углом 90° к пласти. Толщина шаблона b должна обеспечивать его жесткость при склеивании планок. Обычно она составляет 80—100 мм. Гнутоклееные заготовки изготавливают следующим образом.

Рис. 202. Шаблон для склеивания заготовок незамкнутого контура (а), склеивание планок (б): 1 — планки; 2 — шаблон; 3 — струбцина.

На пласти планок 1 (рис. 202, б) наносят клей, затем накладывают на шаблон 2 и запрессовывают струбцинами 3. После выдержки в запрессованном состоянии до полного схватывания клея заготовку снимают с шаблона. Допускаемые соотношения толщины заготовки h к радиусу изгиба R при гнутье тонких планок из древесины с одновременным склеиванием те же, что и при склеивании в пресс-формах.

На рис. 203 показан шаблон с гибкой стальной лентой. Шаблон состоит из основания 1, опоры 2 и гибкой стальной ленты 3. Основание шаблона выклеивается из древесностружечных плит. Толщина основания должна быть больше ширины склеиваемых заготовок на 5—10 мм, а рабочая поверхность шаблона параллельна поверх­ности стальной ленты. К опоре шаблона из древесины твердых лиственных пород крепят стальные пластины для поворота ленты и крепления винтовой струбцины. Для обеспечения равномерного давления запрессовки стальная лента должна быть гибкой, а внутренняя поверхность гладкой (не иметь заусенцев).

В шаблонах с гибкой лентой склеивают гнутоклееные заготовки из фанеры, шпона и тонких (не более 4 мм) планок древесины. Если при гнутье древесины наружные слои фанеры остаются прямолинейными (изгиб поперек волокон), то гнутье трехслойной фанеры возможно приблизительно до следующих радиусов кривизны:

толщина трехслойной фанеры, мм 2,5 3 4

допустимый радиус R кривизны, мм 30 37 50

Рис. 203. Шаблон с гибкой лентой: 1 — основание; 2 — опора; 3 — гибкая лента

Рис. 204. Шаблон для склеивания заготовки незамкнутого контура: 1 — шаблон; 2 — стальная пластина; 3 — клин; 4, 5 — делянки; 6 — струбцина; 7 — шпильки

Если при гнутье фанеры волокна наружных слоев и сгибаются (изгиб вдоль волокон), то допустимые радиусы кривизны трехслойной фанеры, а также шпона, те же, что и при гнутье планок из массивной древесины.

Гнутоклееные заготовки замкнутого контура склеивают с использованием жестких разъемных шаблонов, имеющих форму заготовки (круг, эллипс, овал). Шаблон 1 (рис. 204) изготавливают из древесностружечных плит. Очертив циркулем наружный диаметр шаблона, равный внутреннему диаметру заготовки, выпиливают круг и обрабатывают кромку шаблона под углом 90° к пласти. Затем очерчивают внутренний диаметр шаблона и на ленточнопильном станке выпиливают внутренний круг. Стальные пластины 2 толщиной 3—5 мм при ввинчивают к шаблону винтами, завернув в шаблон гайки-втулки от мебельных стяжек.

Выпилив по диаметру шаблона секторы шириной 20 мм, забивают клинья 3 для придания шаблону большей жесткости.

Гнутоклееную заготовку склеивают путем наслоения делянок на шаблон. Сначала наслаивают внутреннюю делянку 4 из фанеры, длина которой L = πD. Направление волокон наружного слоя делянки — изгиб поперек волокон. Концы делянки на стыке крепят шпильками 7 (гвозди без шляпок). Затем на делянку наносят клеевой раствор, наслаивают вторую делянку 5 и прессуют струбцина­ми 6. После выдержки в запрессованном состоянии до полного схватывания клея наслаивают третью делянку и т. д. Длина любого последующего слоя Ln = π (D + 2tn), где tn — толщина предыдущих слоев. Места стыков делянок перекрывают соседними слоями.



Рис. 205. Торцевание заготовок под углами 45° и 90° на круглопильных станках: а — шаблон; б — схема торцевания; 1 — основание; 2 — ходовой брусок; 3, 4 — опорные бруски

Рис. 206. Фрезерование заготовок криволинейных деталей на фрезерных станках в шаблоне: а — шаблон; б, в — схемы фрезерования; 1 ,2 — обрабатываемые детали; 3 — основание шаблона; 4 — опорный брусок; 5 — винт; 6 — ручка; 7 — прижимная пластина; 8 — фреза; 9 — упорное кольцо

Склеенную заготовку снимают с шаблона, выбив клинья и отвернув стальные пластины. Аналогичным образом изготавливают заготовки эллипсной и овальной формы.

Шаблоны для обработки заготовок на деревообрабатывающих станках применяют, в основном, при торцевании заготовок под углами и 45° и 90° на круглопильных станках и фрезеровании профилей по кольцу на фрезерных станках.

Торцевание заготовок под углами и 45° и 90° производят на круг­лопильных станках с применением специального шаблона. Шаблон (рис. 205) состоит из основания, ходового бруска и опорных брусков.

Основание 1 изготавливают из древесностружечных или фанерных плит, толщина основания 19—25 мм. Ширина основания В обычно составляет 900 мм, длина основания L зависит от ширины обрабатываемых заготовок b. При b ≤ 200 L = 700 мм. Если ширина обрабатываемых заготовок более 200 мм, целесообразно изготовить два раздельных шаблона: шаблон для торцевания под углом 45° и шаблон для торцевания под углом 90°.

Опорные бруски 3 из древесины хвойных пород придают жесткость основанию, их толщина не менее 40 мм. Через бруски проходит пропил, ширина бруска над пропилом не менее 50 мм, что обеспечивает достаточную жесткость шаблона. Опорные бруски 4 из древесины хвойных пород для торцевания под углом 45° изготавливается сечением 50×25 мм. Опорные бруски крепят к основанию шурупами. Ходовой брусок 2 передвигается в пазе стола круглопильного станка, поэтому боковые поверхности бруска будут изменяться в результате их износа. Ходовой брусок изготавливают из древесины твердых лиственных пород: бук, дуб, клён. К основанию ходовой брусок крепят шурупами.

Торцевание (рис. 205, б) заготовок на шаблоне производят следующим образом. Шаблон кладут на стол круглопильного станка, ходовой брусок шаблона вставляется в паз стола. Обрабатываемую заготовку прижимают к опорному бруску и надвигают шаблон на диск пилы. Затем шаблон возвращают в исходное положение и обработанную заготовку снимают с шаблона.

Криволинейные кромки деталей незамкнутого контура плоские и фигурные фрезеруют на фрезерных станках при помощи упорного кольца (шарикоподшипника) и специального шаблона.

Шаблон (рис. 206, а) состоит из основания 3, опорных брусков 4, прижимного приспособления 5—7. Цулаг изготавливают из фа­нерной плиты толщиной 19—25 мм. Криволинейную кромку цула­ги размечают по лекалу (см. рис. 201, а), при этом учитываются размеры упорного кольца и фрезы. При фрезеровании диаметр упорного кольца может быть больше или меньше диаметра фрезы. Если диаметр упорного кольца больше диаметра фрезы (рис. 206, б), обрабатываемая деталь будет выступать над криволинейной кромкой шаблона на размер В = (Dк/2) — (Dф/2), где Dк и Dф — диаметры упорного кольца и фрезы, мм. Если диаметр упорного кольца меньше диаметра фрезы (рис. 206, в), обрабатываемая деталь будет западать над криволинейной кромкой шаблона на размер В1 = (Dф/2) — (Dк/2). Размеры В и В1 учитываются при разметке по лекалу криволинейной кромки основания шаблона. После разметки криволинейную кромку шаблона выпиливают лобзиком или на ленточнопильном станке, зачищают напильником и шкуркой.

Опорные бруски изготавливают из древесины хвойных или лиственных пород. Крепят опорные бруски к основанию шурупами.

Прижимное приспособление состоит из винта 5, прижимной пластины 7 и ручки 6. Прижимная пластина изготавливается из стали или древесины твердых лиственных пород толщиной не ме­нее 25 мм. Через отверстие в пластине проходит винт. Ход пластины «вверх-вниз» не более 5 мм. С целью предохранения обрабатываемой детали от вмятин при зажиме к пластине приклеивают резиновые прокладки.

Порядок обработки деталей в шаблоне следующий. Обрабатываемую деталь 1 помещают с правой стороны шаблона, а с левой стороны помещают обрабатываемую деталь 2, уже имеющую одну обработанную кромку, прижимаемую к опорному бруску. Обе детали зажимают винтовым прижимом, затем, прижимая кромку основания шаблона к упорном кольцу, продвигают шаблон на фрезу. Причем кромка цулаги основания шаблона должна быть прижа­та к упорному кольцу до того, как фреза коснется обрабатываемой детали, а при окончании фрезерования кромка цулаги должна быть также прижата к кольцу (см. рис. 7, а). Для этого длина цулаги с каждой стороны обрабатываемой детали должна быть больше длины детали на величину 1, равную не менее 80 мм.

Затем деталь 2, обработанную с двух сторон, снимают с шаблона, а на ее место помещают деталь 1, а на место детали 1 — новую необработанную деталь. Этот порядок обработки повторяется.

Точность изготовления основания опорных брусков и размеры фрезы определяют точность обработки деталей. Изменение размера любого из них неизменно должно отражаться на размерах детали. Чтобы размер детали не изменялся при уменьшении диаметра фрезы в результате переточек, необходимо изменять размеры опорных брусков. Размер детали может изменяться в результате износа рабочей кромки основания. Для уменьшения износа рабочую кромку основания рекомендуется обтягивать стальной лентой. Расстояния В и В1 необходимо периодически проверять.

Технологическая последовательность изготовления шаблона такова:

1. Изготовить лекало обрабатываемой детали для разметки цулаги.

2. Замерить диаметры упорного кольца и фрезы с учетом размера В или В1, разметить основание шаблона, выпилить криволинейную кромку основания лобзиком или на ленточнопильном станке и зачистить.

3. Заготовить опорные бруски и прикрепить их шурупами к основанию.

4. Рабочую кромку основания обтянуть стальной лентой.

5. Установить зажимное приспособление.

Шаблоны для обработки на деревообрабатывающих станках сборочных единиц (рамы оконные и др.) применяют, в основном, при фрезеровании по контуру фальцев, пазов и др. на фрезерных станках. Конструкция шаблона для фрезерования фальцев оконных рам показана на рис. 207, а.

Шаблон состоит из основания 1, опорных брусков 2, прижимного приспособления 3. Основание шаблона рамочной конструкции изготавливают из древесины хвойных пород. Бруски рамки сечением не менее 100×19 мм соединяются на шип одинарный. Опорные бруски 2 крепят к основанию шурупами. Опорные бруски располагаются на основании таким образом, чтобы обрабатываемая оконная рама (показана пунктиром) входила в проем, образованный опорными брусками. Прижимное приспособление 3 может быть винтовым или эксцентриковым.

Порядок обработки оконных рам в шаблоне следующий (рис. 207, б). Обрабатываемую раму 4 помещают в шаблон и зажимают прижимом. Затем прижимая кромку основания шаблона к упорному бруску 7 продвигают шаблон на фрезу 6. Отобрав фальц на одной кромке рамы шаблон поворачивают и отбирают фальц на сле­дующих кромках. Упорный брусок крепят к направляющей линейке 5 станка гвоздями.

При фрезеровании фальцев на кромках рам с трех сторон (форточки) в шаблон помещают правую и левую форточку. Конструкция шаблонов аналогична приведенной, имеет два прижимных приспособления: для левой и правой форточек.

Шаблоны для внутреннего использования изготавливаются непосредственно столярно-мебельными предприятиями или учебными мастерскими по конструкторской документации изготовителя. При поставке шаблонов по кооперации шаблоны изготавливаются по конструкторской документации изготовителя или потребителя. На сложные виды шаблонов, например, для фрезерования криволинейных деталей по кольцу на фрезерных станках, могут разрабатываться технические условия, утверждаемые изготовителем и согласовываемые с потребителем.

Технические условия должны включать следующие основные технические показатели:

1. Наименование конструкторской документации для изготовления шаблонов.

2. Материалы, применяемые для изготовления шаблонов.

3. Отделка шаблонов. Она определяется допусками, предусмотренными конструкторской документацией на обрабатываемую деталь и шаблоны.

4. Методы испытания шаблонов.


Рис. 207. Фрезерование оконных рам по контуру на фрезерных станках в шаблоне:

а — шаблон; б — схема фрезерования;

1 — основание; 2 — опорные бруски;

3 — прижимное приспособление;

4 — рама; 5 — направляющая линейка;

6 — фреза; 7 — упорный брусок

При испытании шаблонов изготавливаются не менее трех деталей, для обработки которых предусмотрены шаблоны. Точность изготовления деталей должна соответствовать конструкторской документации на деталь.

Для изготовления шаблонов используются деревообрабатывающие станки (круглопильные, рейсмусовые, фуговальные, фрезерные), а также ручной инструмент, в том числе механизированный.

Отделка, хранение и ремонт шаблонов

Поверхности шаблонов, как правило, покрывают олифой. Рабочие поверхности шаблонов для склеивания гнутоклееных заготовок окрашивают масляными красками, что облегчает последующую очистку поверхностей от потеков клея.

Шаблоны для разметки шиповых соединений, шаблоны-лекала, изготовленные из фанеры или твердой древесноволокнистой плиты, следует хранить в вертикальном подвешенном положении, это уменьшает коробление шаблонов. Шаблоны для склеивания гнутоклееных заготовок, шаблоны для обработки на деревообрабатывающих станках заготовок и сборочных единиц хранят на стеллажах. Чтобы уменьшить вероятность коробления шаблонов, стеллажи должны быть установлены в местах, удалённых от источников тепла.

Основные виды повреждений и ремонта шаблонов приведены в таблице 17.

Таблица 17

Основные виды повреждений и ремонта шаблонов

Назначение шаблонов

Рисунок шаблона

Основные повреждения

Виды ремонта

Шаблоны для разметки щитовых соединений, гнезд под установку фурнитуры и сверления отверстий

Шаблоны лекала

Шаблоны для склеивания заготовок с одновременным гнутьем

Шаблоны для обработки за­ готовок на деревообрабатывающих стан­ках

Рис. 200, а

Рис. 200, б, в

Рис. 200, г

Рис. 200, д

Рис. 200, е

Рис. 200, ж

Рис. 200, з

Рис. 200. а, в

Рис. 203, 204

Рис. 205

Рис. 206

Рис. 207

Затупление шпилек

Износ шаблона из фанеры или твердой древесноволокнистой плиты

Расшатывание и затупление вставных ножей

Затупление скоб

Коробление щечек

Затупление шпилек

Износ отверстий

Износ кромок лекала

Наслаивание потеков клея на рабочих поверхностях

1. То же

2. Ослабление креплений стальных пластин

1. Износ ходового бруска

2. Коробление основания

1. Износ кромок цулаги

2. Сколы на кромках цулаги

3. Износ опорных брусков

4. Коробление цулаги

1. Износ кромок основания и опорного бруска

2. Разрушение шипового клеевого соединения

3. Выход на поверхность кромок основания торцов шипов и проушин из-за усушки древесины

Заточить шпильки напильником

Ремонту не подлежат, заменяются новыми

Сделать новые прорези для ножей, снять и передвинуть упор. Заточить ножи

Заточить скобы

Заменить щечки

Заточить шпильки напильником

Ремонту не подлежит, заменяется новыми

Ремонту не подлежит, заменяется новыми

Очистить рабочие поверхности от клея и покрасить

1. То же

2. Вывернуть гайки-втулки, заделать отверстия пробками клеем и вновь завернуть гайки-втулки.

  1. Заменить ходовой брусок

  2. Ремонту не подлежит, шаблон изготавливается заново

1. Заменить опорные бруски увеличив их размеры с учетом износа кромок

2. Вклеить вставки в кромки и зачистить вставки заподлицо с кромкой

3. Заменить опорные бруски

4. Ремонту не подлежит, шаблон изготавливается заново

1. Заменить упорный брусок, увеличив его ширину с учетом износа кромок

2. Очистить шиповое клеевое соединение от клея и склеить вновь

3. Снять ручным инструментом выходящие торцы шипов проушин

При фрезеровании кромок на фрезерных станках при помощи упорного кольца и специального шаблона необходимо тщательно зачищать кромку цулаги шаблона, которая прижимается к упорному кольцу. Неровности на кромке цулаги (волнистость и д р.) будут передаваться через упорное кольцо на фрезу и затем на обрабатываемую заготовку.

Правильное хранение и своевременный ремонт шаблонов значительно продлевают срок их службы.

Условные обозначения используемой литературы

Технология

«Технология плотничных, столярных, стекольных и паркетных работ»

  1. П.Д. Бобиков

ИС-МИ

«Изготовление столярно-мебельных изделий»

  1. Б.А. Степанов

МВ

«Материаловедение для профессий, связанных с обработкой дерева»

  1. В.Н. Обливин, Л.Н. Никитин, Н.В. Гренц

ОТнД-ОП

«Охрана труда на деревообрабатывающих предприятиях»

  1. Б.А. Степанов

СПиС

«Справочник плотника и столяра»

  1. Л. Н. Крейндлин

СПСиПР

«Столярные, плотничные, стекольные и паркетные работы»

  1. Г.И. Клюев

СПР

«Столярно-плотничные, стекольные и паркетные работы повышенной сложности»

  1. Ф.В. Буйвидович

ТС-ПиПР

«Технология столярно-плотничных и паркетных работ»

  1. М.А. Григорьев

М-С

«Мастер – столяр»

  1. А.О. Гурвич

СР

«Столярные работы»

  1. В.В. Амалицкий, В.В. Амалицкий,

ДСиИ

« Деревообрабатывающие станки и инструменты»

  1. Ю.Ф. Подольский

ССР

«Современные столярные работы · Окна · Полы · Двери · Перегородки · Лестницы · Веранды · Мансарды»

Список используемой литературы

п/п

Название

Автор

Издательство

Год издания

1

Деревообрабатывающие станки и инструменты

В. В. Амалицкий, В.В. Амалицкий

М.: «Академия»

2009

2

Столярные, плотничные, стекольные и паркетные работы

Л.Н. Крейндлин

М.: «Академия»

1999

3

Материаловедение для профессий, связанных с обработкой дерева

Б.А. Степанов

М.: «Академия»

2000

4

Безопасность жизнедеятельности

Ю.Г. Сапронов

М.: «Академия»

2008

5

Охрана труда на деревообрабатывающих предприятиях

В.Н. Обливин, Л.И. Никитин, Н.В. Гренц

М.: ПрофОбрИздат

2002

6

Справочник плотника и столяра

Б.А. Степанов

М.: «Академия»

2004

7

Мастер-столяр

М. А. Григорьев

М.: Цитадель

1999

8

Технология плотничных, столярных, стекольных и паркетных работ

Б.А. Степанов

М.: «Академия»

2003

9

Изготовление столярно-мебельных изделий

П.Д. Бобиков

М.: «Академия»

2006

10

Плотничные работы

Л.Н. Крейндлин

М.:

«Высшая школа»

1972

11

Технология столярно-плотничных и паркетных работ

Ф.В. Буйвидович

Мн.:

«Высшая школа»

2000

12

Столярные работы

А.О. Гурвич

М.:

«Высшая школа»

1964

13

Материалы для облицовывания и отделки столярно-мебельных изделий

В. Ф. Савченко

М.: «Академия»

1999

14

Современные столярные работы

Ю.Ф. Подольский

«Клуб сем. досуга» г. Белгород

2012

15

Электробезопасность при эксплуатации электроустановок промышленных потребителей

Сибикин Ю.Д.

М.: «Академия»

2000

16

Охрана труда

Сиднеев Ю.Г.

«Феникс»

2004

17

Правила противопожарного режима в Российской Федерации

Постановление Правительства РФ 

от 25.04.2012 № 390 (с изм. на 21.03.17)

2017

18

Первая медицинская помощь

Буянов В.М., Нестеренко Ю.А.

«Медицина»

2000

19

Инструкция по оказанию первой доврачебной неотложной помощи пострадавшим.

http://ihelpers.narod.ru/

2017

Сохранить документ Word как шаблон

Вы можете предложить гибкость любому, кто может использовать ваш шаблон, добавив и настроив элементы управления содержимым, такие как элементы управления форматированным текстом, изображения, раскрывающиеся списки или средства выбора даты.

Например, вы можете предоставить коллеге шаблон, который включает раскрывающийся список, но ваш коллега хочет использовать другой набор параметров в раскрывающемся списке в документе, который он распространяет на основе вашего шаблона.Поскольку вы разрешили редактирование раскрывающегося списка при добавлении элемента управления содержимым в шаблон, ваш коллега может быстро и легко изменить шаблон в соответствии со своими потребностями.

Примечание. Если элементы управления содержимым недоступны, возможно, вы открыли документ или шаблон, созданный в более ранней версии Word. Чтобы использовать элементы управления содержимым, необходимо преобразовать документ в формат файла Word 2010, щелкнув вкладку Файл , щелкнув Информация , щелкнув Конвертировать , а затем щелкнув ОК .После преобразования документа или шаблона сохраните его.

Чтобы добавить элементы управления содержимым, необходимо открыть вкладку «Разработчик».

Показать вкладку разработчика

  1. Щелкните вкладку Файл .

  2. Щелкните Параметры .

  3. org/ListItem»>

    Щелкните Настроить ленту .

  4. Менее Настроить ленту , щелкните Основные вкладки .

  5. В списке установите флажок Developer , а затем щелкните OK .

Добавить элементы управления содержимым

На вкладке Developer в группе Controls щелкните Design Mode , а затем вставьте нужные элементы управления.

Вставить текстовый элемент управления, в который пользователи могут вводить текст

В элементе управления содержимым с форматированным текстом пользователи могут форматировать текст как полужирный или курсив, а также вводить несколько абзацев. Если вы хотите ограничить то, что добавляют пользователи, вставьте элемент управления содержимым в виде обычного текста.

  1. Щелкните в том месте, куда вы хотите вставить элемент управления.

  2. На вкладке Developer в группе Controls щелкните Rich Text Content Control или Plain Text Content Control .

Вставить элемент управления изображением

  1. org/ListItem»>

    Щелкните в том месте, куда вы хотите вставить элемент управления.

  2. На вкладке Developer в группе Controls щелкните Picture Control .

Вставить поле со списком или раскрывающийся список

В поле со списком пользователи могут выбрать из списка вариантов, который вы предоставили, или они могут ввести свою собственную информацию.В раскрывающемся списке пользователи могут выбирать только из списка вариантов.

  1. На вкладке Developer в группе Controls щелкните Combo Box Content Control или Управление содержимым раскрывающегося списка .

  2. Выберите элемент управления содержимым, а затем на вкладке Developer в группе Controls щелкните Properties .

  3. Чтобы создать список вариантов, нажмите Добавить под Свойства поля со списком или Свойства раскрывающегося списка .

  4. Введите значение в поле Отображаемое имя , например Да , Нет или Возможно .

    Повторяйте этот шаг, пока все варианты не появятся в раскрывающемся списке.

  5. Введите любые другие свойства, которые хотите.

    Примечание. Если вы установите флажок Содержимое не редактируется , пользователи не смогут нажимать на нужный вариант.

Вставить указатель даты

  1. Щелкните то место, куда вы хотите вставить элемент управления выбора даты.

  2. org/ListItem»>

    На вкладке Developer в группе Controls нажмите Date Picker Content Control .

Установите флажок

  1. Щелкните то место, где вы хотите вставить элемент управления флажком.

  2. На вкладке Developer в группе Controls щелкните Check Box Content Control .

Вставить элемент управления галереи строительных блоков

Вы можете использовать элементы управления стандартными блоками, когда хотите, чтобы люди выбирали определенный блок текста.

Например, элементы управления стандартными блоками полезны, если вы настраиваете шаблон контракта, и вам нужно добавить другой шаблонный текст в зависимости от конкретных требований контракта. Вы можете создать элементы управления содержимым форматированного текста для каждой версии шаблонного текста, а затем использовать элемент управления галереи стандартных блоков в качестве контейнера для элементов управления содержимым форматированного текста.

В форме также можно использовать элемент управления стандартным блоком.

  1. Щелкните в том месте, куда вы хотите вставить элемент управления.

  2. На вкладке Разработчик в группе Controls щелкните Building Block Gallery Content Control .

  3. Щелкните элемент управления содержимым, чтобы выбрать его.

  4. На вкладке Developer в группе Controls щелкните Properties .

  5. Щелкните галерею и категорию для строительных блоков, которые вы хотите сделать доступными в элементе управления Building Block.

Установить или изменить свойства для элементов управления содержимым

    org/ItemList»>
  1. Выберите элемент управления содержимым и щелкните Свойства в группе Элементы управления .

  2. В диалоговом окне Content Control Properties выберите, можно ли удалять или редактировать элемент управления содержимым, когда кто-то использует ваш шаблон.

  3. Чтобы сохранить несколько элементов управления содержимым или даже несколько абзацев текста вместе, выберите элементы управления или текст, а затем щелкните Group в группе Controls .

    Например, возможно, у вас есть отказ от ответственности из трех абзацев. Если вы используете команду Group для группировки трех абзацев, заявление об отказе от ответственности из трех абзацев нельзя будет редактировать и его можно удалить только как группу.

Добавить обучающий текст в шаблон

Текст с инструкциями может повысить удобство использования создаваемого вами шаблона.Вы можете изменить текст инструкции по умолчанию в элементах управления содержимым.

Чтобы настроить текст инструкции по умолчанию для пользователей вашего шаблона, выполните следующие действия:

  1. На вкладке Developer в группе Controls щелкните Design Mode .

  2. org/ListItem»>

    Щелкните элемент управления содержимым, в котором вы хотите изменить текст инструкции-заполнителя.

  3. Измените текст заполнителя и отформатируйте его как хотите.

  4. На вкладке Developer в группе Controls щелкните Design Mode , чтобы отключить конструктивную функцию и сохранить текст инструкции.

Создание шаблона — служба поддержки Office

Сохранить шаблон

  1. org/ListItem»>

    Чтобы сохранить файл в качестве шаблона, щелкните Файл > Сохранить как .

  2. Дважды щелкните Компьютер или в программах Office 2016 дважды щелкните Этот компьютер .

  3. Введите имя шаблона в поле Имя файла .

  4. Для базового шаблона щелкните элемент шаблона в списке Сохранить как тип .Например, в Word щелкните Шаблон Word .

    Если документ содержит макросы, щелкните Word Macro-Enabled Template .

    Office автоматически переходит в папку Custom Office Templates.

  5. Нажмите Сохранить .

Совет: Чтобы изменить место автоматического сохранения шаблонов приложением, щелкните Файл > Параметры > Сохранить и введите папку и путь, который вы хотите использовать, в поле Местоположение личных шаблонов по умолчанию .Все новые шаблоны, которые вы сохраняете, будут храниться в этой папке, и когда вы нажмете File > New > Personal , вы увидите шаблоны в этой папке.

Измените свой шаблон

Чтобы обновить шаблон, откройте файл, внесите нужные изменения и затем сохраните шаблон.

    org/ItemList»>
  1. Щелкните Файл > Откройте .

  2. Дважды щелкните Компьютер или Этот компьютер .

  3. Перейдите в папку Custom Office Templates , которая находится в Мои документы .

  4. Щелкните свой шаблон и щелкните Открыть .

  5. Внесите нужные изменения, затем сохраните и закройте шаблон.

Используйте свой шаблон, чтобы создать новый документ

Чтобы создать новый файл на основе вашего шаблона, щелкните Файл > Новый > Пользовательский и щелкните свой шаблон.

Примечание: Если вы используете Office 2013, на этой кнопке может отображаться Personal вместо Custom .

Используйте шаблоны из более ранних версий Office

Если вы создали шаблоны в более ранней версии Office, вы все равно можете использовать их в Office 2013 и 2016. Первый шаг — переместить их в папку Custom Office Templates, чтобы ваше приложение могло их найти.Чтобы быстро переместить шаблоны, используйте инструмент Fix it.

Слово

    org/ItemList»>
  1. Откройте документ Word, который вы хотите сохранить как шаблон.

  2. В меню Файл щелкните Сохранить как шаблон .

  3. В поле Сохранить как введите имя, которое вы хотите использовать для нового шаблона.

  4. (Необязательно) В поле Где выберите место, где будет сохранен шаблон.

  5. org/ListItem»>

    Рядом с Формат файла щелкните Шаблон Microsoft Word (.dotx) или, если документ содержит макросы, щелкните Шаблон Microsoft Word с поддержкой макросов (.dotm) .

  6. Нажмите Сохранить .

    Если вы не выберете другое расположение, шаблон будет сохранен в / Users / имя пользователя / Library / Group Containers / UBF8T346G9.Office / User Content / Templates.

    Чтобы изменить место автоматического сохранения шаблонов Word, в меню Word щелкните Preferences , а затем в Personal Settings щелкните File Locations .В разделе Расположение файлов выберите Шаблоны пользователей из списка, а затем щелкните Изменить . Введите новую папку и путь, который вы хотите использовать, и Word сохранит все новые шаблоны в этой папке.

Вы можете настроить существующий шаблон, чтобы сделать его еще более полезным. Добавьте статическую информацию в существующий шаблон, а затем снова сохраните файл (как шаблон).

  1. В меню Файл щелкните Создать из шаблона .

  2. Щелкните шаблон, похожий на тот, который вы хотите создать, а затем щелкните Create .

    Примечание: Если вы не можете найти шаблон, вы можете выполнить поиск по ключевым словам в поле Search All Templates .

  3. Добавьте, удалите или измените любой текст, графику или форматирование, а также внесите любые другие изменения, которые должны отображаться во всех новых документах, основанных на шаблоне.

  4. В меню Файл щелкните Сохранить как шаблон .

  5. В поле Сохранить как введите имя, которое вы хотите использовать для нового шаблона.

  6. org/ListItem»>

    (Необязательно) В поле Где выберите место, где будет сохранен шаблон.

  7. Рядом с File Format щелкните Microsoft Word template (.dotx) , или, если ваш шаблон содержит макросы, щелкните Microsoft Word Macro-Enabled template .

  8. Нажмите Сохранить .

    Если вы не выберете другое расположение, шаблон будет сохранен в / Users / имя пользователя / Library / Group Containers / UBF8T346G9.Office / User Content / Templates.

    Чтобы изменить место автоматического сохранения шаблонов Word, в меню Word щелкните Preferences , а затем в Personal Settings щелкните File Locations . В разделе Расположение файлов выберите Шаблоны пользователей из списка, а затем щелкните Изменить .Введите новую папку и путь, который вы хотите использовать, и Word сохранит все новые шаблоны в этой папке.

Чтобы создать новый документ на основе вашего шаблона, в меню Файл щелкните Новый из шаблона , а затем выберите шаблон, который хотите использовать.

  1. В Finder откройте / Users / имя пользователя / Library / Group Containers / UBF8T346G9.Офис / Пользовательский контент / Шаблоны.

  2. org/ListItem»>

    Перетащите шаблоны, которые вы хотите удалить, в корзину.

PowerPoint

  1. Откройте пустую презентацию, а затем на вкладке View щелкните Slide Master .

    Образец слайдов — это самое большое изображение слайда в верхней части списка эскизов слайдов. Связанные макеты расположены под ним.

  2. Чтобы внести изменения в образец слайдов или макеты, на вкладке Образец слайдов выполните одно из следующих действий:

    • Чтобы добавить красочную тему со специальными шрифтами и эффектами, щелкните Темы и выберите тему.

    • Чтобы изменить фон, щелкните Стили фона и выберите фон.

    • Чтобы добавить заполнитель для текста, рисунка, диаграммы и других объектов, на панели эскизов щелкните макет слайда, который вы хотите сохранить в качестве заполнителя. Из Insert Placeholder выберите тип заполнителя, который вы хотите добавить, и перетащите его, чтобы нарисовать размер заполнителя.

  1. Откройте презентацию, которую вы хотите сохранить как шаблон.

  2. На вкладке Файл щелкните Сохранить как шаблон .

  3. В поле Сохранить как введите имя, которое вы хотите использовать для нового шаблона.

  4. (Необязательно) В поле Где выберите место, где будет сохранен шаблон.

  5. Рядом с Формат файла щелкните Шаблон PowerPoint (. potx) или, если ваша презентация содержит макросы, щелкните Шаблон PowerPoint с поддержкой макросов (.potm) .

  6. Нажмите Сохранить .

    Если вы не выберете другое расположение, шаблон будет сохранен в / Users / имя пользователя / Library / Group Containers / UBF8T346G9.Office / User Content / Templates.

Вы можете настроить существующий шаблон, чтобы сделать его еще более полезным.Добавьте статическую информацию в существующий шаблон, а затем снова сохраните файл (как шаблон).

  1. org/ListItem»>

    В меню Файл щелкните Создать из шаблона .

  2. Щелкните шаблон, похожий на тот, который вы хотите создать, а затем щелкните Create .

    Примечание: Если вы не можете найти шаблон, вы можете выполнить поиск по ключевым словам в поле Search All Templates .

  3. Добавьте, удалите или измените любой текст, графику или форматирование, а также внесите любые другие изменения, которые должны отображаться во всех новых презентациях, основанных на шаблоне.

  4. В меню Файл щелкните Сохранить как шаблон .

  5. В поле Сохранить как введите имя, которое вы хотите использовать для нового шаблона.

  6. (Необязательно) В поле Где выберите место, где будет сохранен шаблон.

  7. Рядом с File Format щелкните Шаблон PowerPoint (. potx) или, если ваш шаблон содержит макросы, щелкните PowerPoint Macro-Enabled Template (.potm) .

  8. Нажмите Сохранить .

    Если вы не выберете другое расположение, шаблон будет сохранен в / Users / имя пользователя / Library / Group Containers / UBF8T346G9.Office / User Content / Templates.

Чтобы начать новую презентацию на основе шаблона, в меню Файл щелкните Создать из шаблона , а затем выберите шаблон, который хотите использовать.

  1. org/ListItem»>

    В Finder откройте / Users / имя пользователя / Library / Group Containers / UBF8T346G9.Office / User Content / Templates.

  2. Перетащите шаблоны, которые вы хотите удалить, в корзину.

Excel

  1. Откройте книгу, которую вы хотите сохранить как шаблон.

  2. В меню Файл щелкните Сохранить как шаблон .

  3. В поле Сохранить как введите имя, которое вы хотите использовать для нового шаблона.

  4. (Необязательно) В поле Где выберите место, где будет сохранен шаблон.

  5. Рядом с File Format щелкните Excel Template (.xltx) , или, если ваша книга содержит макросы, щелкните Excel Macro-Enabled Template (.xltm) .

  6. org/ListItem»>

    Нажмите Сохранить .

    Если вы не выберете другое расположение, шаблон будет сохранен в / Users / имя пользователя / Library / Group Containers / UBF8T346G9.Офис / Пользовательский контент / Шаблоны.

Вы можете настроить существующий шаблон, чтобы сделать его еще более полезным. Добавьте статическую информацию в существующий шаблон, а затем снова сохраните файл (как шаблон).

  1. В меню Файл щелкните Создать из шаблона .

  2. org/ListItem»>

    Щелкните шаблон, похожий на тот, который вы хотите создать, а затем щелкните Create .

    Примечание: Если вы не можете найти шаблон, вы можете выполнить поиск по ключевым словам в поле Search All Templates .

  3. Добавьте, удалите или измените любое содержимое, графику или форматирование, а также внесите любые другие изменения, которые должны появиться во всех новых книгах, созданных на основе шаблона.

  4. В меню Файл щелкните Сохранить как шаблон .

  5. В поле Сохранить как введите имя, которое вы хотите использовать для нового шаблона.

  6. (Необязательно) В поле Где выберите место, где будет сохранен шаблон.

  7. Рядом с File Format щелкните Excel Template (.xltx) , или, если ваш шаблон содержит макросы, щелкните Excel Macro-Enabled Template (.xltm) .

  8. org/ListItem»>

    Нажмите Сохранить .

    Если вы не выберете другое расположение, шаблон будет сохранен в / Users / имя пользователя / Library / Group Containers / UBF8T346G9.Офис / Пользовательский контент / Шаблоны.

Чтобы создать новую книгу на основе шаблона, в меню Файл щелкните Создать из шаблона , а затем выберите шаблон, который хотите использовать.

  1. В Finder откройте / Users / имя пользователя / Library / Group Containers / UBF8T346G9. Офис / Пользовательский контент / Шаблоны.

  2. Перетащите шаблоны, которые вы хотите удалить, в корзину.

См. Также

Различия между шаблонами, темами и стилями Word

Слово

  1. Откройте документ.

  2. Добавьте, удалите или измените любой текст, графику или форматирование, а также внесите любые другие изменения, которые должны отображаться во всех новых документах, основанных на шаблоне.

  3. В меню Файл щелкните Сохранить как .

  4. Во всплывающем меню Format щелкните Word Template (.dotx) .

  5. В поле Сохранить как введите имя, которое вы хотите использовать для нового шаблона, а затем нажмите Сохранить .

    Если вы не выберете другое расположение, шаблон будет сохранен в / Users / имя пользователя / Library / Application Support / Microsoft / Office / User Templates / My Templates.

  6. В меню Файл щелкните Закрыть.

    Для систематизации шаблонов используйте Finder для создания новой папки в / Users / имя пользователя / Library / Application Support / Microsoft / Office / User Templates / My Templates, а затем сохраните свой шаблон в новой папке.

    Примечание: Если вы используете Mac OS X 7 (Lion), папка библиотеки по умолчанию скрыта. Чтобы отобразить папку библиотеки, в Finder щелкните меню Go , а затем удерживайте OPTION.

Вы можете настроить существующий шаблон, чтобы сделать его еще более полезным. Добавьте статическую информацию в существующий шаблон, а затем снова сохраните файл (как шаблон).

  1. На панели инструментов Standard щелкните New из шаблона . .

  2. На левой панели навигации в разделе ШАБЛОНЫ щелкните Все .

    Примечание: Если вы не можете найти шаблон, вы можете найти его по ключевым словам в поле Search .

  3. org/ListItem»>

    Щелкните шаблон, похожий на тот, который вы хотите создать, а затем щелкните Выберите .

  4. Добавьте, удалите или измените любой текст, графику или форматирование, а также внесите любые другие изменения, которые должны отображаться во всех новых документах, основанных на шаблоне.

  5. В меню Файл щелкните Сохранить как .

  6. Во всплывающем меню Format щелкните Word Template (. dotx) .

  7. В поле Сохранить как введите имя, которое вы хотите использовать для нового шаблона, а затем нажмите Сохранить .

    Если вы не выберете другое расположение, шаблон будет сохранен в / Users / имя пользователя / Library / Application Support / Microsoft / Office / User Templates / My Templates.

    Для систематизации шаблонов используйте Finder для создания новой папки в / Users / имя пользователя / Library / Application Support / Microsoft / Office / User Templates / My Templates, а затем сохраните свой шаблон в новой папке.

    Примечание: Если вы используете Mac OS X 7 (Lion), папка библиотеки по умолчанию скрыта. Чтобы отобразить папку библиотеки, в Finder щелкните меню Go , а затем удерживайте OPTION.

  1. На панели инструментов Standard щелкните New из шаблона . .

  2. На левой панели навигации в разделе ШАБЛОНЫ щелкните Мои шаблоны .

    Примечание: Если вы создали папки для организации своих шаблонов, папки отображаются в Мои шаблоны . Вам нужно щелкнуть папку, чтобы увидеть шаблоны.

  3. Щелкните созданный шаблон, а затем щелкните Выберите .

  1. В Finder откройте / Пользователи / имя пользователя / Библиотека / Поддержка приложений / Microsoft / Office / Пользовательские шаблоны / Мои шаблоны.

    Примечание: Если вы используете Mac OS X 7 (Lion), папка библиотеки по умолчанию скрыта. Чтобы отобразить папку библиотеки, в Finder щелкните меню Go , а затем удерживайте OPTION.

  2. Перетащите шаблоны, которые вы хотите удалить, в корзину.

PowerPoint

  1. Откройте презентацию, из которой вы хотите создать новый шаблон.

  2. Добавьте, удалите или измените любой текст, графику или форматирование, а также внесите любые другие изменения, которые должны отображаться во всех новых презентациях, основанных на шаблоне.

  3. В меню Файл щелкните Сохранить как .

  4. Во всплывающем меню Format щелкните Шаблон PowerPoint (.potx) .

  5. В поле Сохранить как введите имя, которое вы хотите использовать для нового шаблона, а затем нажмите Сохранить .

    Если вы не выберете другое расположение, шаблон будет сохранен в / Users / имя пользователя / Library / Application Support / Microsoft / Office / User Templates / My Templates.

    Для систематизации шаблонов используйте Finder для создания новой папки в / Users / имя пользователя / Library / Application Support / Microsoft / Office / User Templates / My Templates, а затем сохраните свой шаблон в новой папке.

    Примечание: Если вы используете Mac OS X 7 (Lion), папка библиотеки по умолчанию скрыта. Чтобы отобразить папку библиотеки, в Finder щелкните меню Go , а затем удерживайте OPTION.

Вы можете настроить существующий шаблон, чтобы сделать его еще более полезным.Добавьте статическую информацию в существующий шаблон, а затем снова сохраните файл (как шаблон).

  1. org/ListItem»>

    На панели инструментов Standard щелкните New из шаблона . .

  2. На левой панели навигации в разделе ШАБЛОНЫ щелкните Все .

    Примечание: Если вы не можете найти шаблон, вы можете выполнить поиск шаблона по ключевым словам в поле Search .

  3. Щелкните шаблон, похожий на тот, который вы хотите создать, а затем щелкните Выберите .

  4. org/ListItem»>

    Добавьте, удалите или измените любой текст, графику или форматирование, а также внесите любые другие изменения, которые должны отображаться во всех новых документах, основанных на шаблоне.

    Если вы хотите внести одно изменение, чтобы воспроизвести его в нескольких макетах слайдов, а не изменять каждый макет или слайд по отдельности, вы можете редактировать образцы слайдов.

  5. В меню Файл щелкните Сохранить как .

  6. Во всплывающем меню Format щелкните Шаблон PowerPoint (.potx) .

  7. org/ListItem»>

    В поле Сохранить как введите имя, которое вы хотите использовать для нового шаблона, а затем нажмите Сохранить .

    Если вы не выберете другое расположение, шаблон будет сохранен в / Users / имя пользователя / Library / Application Support / Microsoft / Office / User Templates / My Templates.

    Для систематизации шаблонов используйте Finder для создания новой папки в / Users / имя пользователя / Library / Application Support / Microsoft / Office / User Templates / My Templates, а затем сохраните свой шаблон в новой папке.

    Примечание: Если вы используете Mac OS X 7 (Lion), папка библиотеки по умолчанию скрыта. Чтобы отобразить папку библиотеки, в Finder щелкните меню Go , а затем удерживайте OPTION.

    org/ItemList»>
  1. На панели инструментов Standard щелкните New из шаблона . .

  2. На левой панели навигации в разделе ШАБЛОНЫ щелкните Мои шаблоны .

    Примечание: Если вы создали папки для организации своих шаблонов, папки отображаются в Мои шаблоны . Вам нужно щелкнуть папку, чтобы увидеть шаблоны.

  3. На правой панели навигации вы можете выбрать цвета, шрифт и размер слайда для шаблона.

  4. Щелкните созданный шаблон, а затем щелкните Выберите .

  1. В Finder откройте / Пользователи / имя пользователя / Библиотека / Поддержка приложений / Microsoft / Office / Пользовательские шаблоны / Мои шаблоны.

    Примечание: Если вы используете Mac OS X 7 (Lion), папка библиотеки по умолчанию скрыта. Чтобы отобразить папку библиотеки, в Finder щелкните меню Go , а затем удерживайте OPTION.

  2. Перетащите шаблоны, которые вы хотите удалить, в корзину.

Excel

  1. Откройте книгу, из которой вы хотите создать новый шаблон.

  2. Добавьте, удалите или измените любой текст, графику или форматирование, а также внесите любые другие изменения, которые должны отображаться во всех новых документах, основанных на шаблоне.

  3. В меню Файл щелкните Сохранить как .

  4. Во всплывающем меню Формат щелкните Шаблон Excel (.xltx) .

  5. В поле Сохранить как введите имя, которое вы хотите использовать для нового шаблона, а затем нажмите Сохранить .

    Если вы не выберете другое расположение, шаблон будет сохранен в / Users / имя пользователя / Library / Application Support / Microsoft / Office / User Templates / My Templates.

    Для систематизации шаблонов используйте Finder для создания новой папки в / Users / имя пользователя / Library / Application Support / Microsoft / Office / User Templates / My Templates, а затем сохраните свой шаблон в новой папке.

    Примечание: Если вы используете Mac OS X 7 (Lion), папка библиотеки по умолчанию скрыта. Чтобы отобразить папку библиотеки, в Finder щелкните меню Go , а затем удерживайте OPTION.

Вы можете настроить существующий шаблон, чтобы сделать его еще более полезным.Добавьте статическую информацию в существующий шаблон, а затем снова сохраните файл (как шаблон).

  1. org/ListItem»>

    На панели инструментов Standard щелкните New из шаблона . .

  2. На левой панели навигации в разделе ШАБЛОНЫ щелкните Все .

    Примечание: Если вы не можете найти шаблон, вы можете выполнить поиск шаблона по ключевым словам в поле Search .

  3. Щелкните шаблон, похожий на тот, который вы хотите создать, а затем щелкните Выберите .

  4. org/ListItem»>

    Добавьте, удалите или измените любой текст, графику или форматирование, а также внесите любые другие изменения, которые должны отображаться во всех новых документах, основанных на шаблоне.

  5. В меню Файл щелкните Сохранить как .

  6. Во всплывающем меню Format щелкните Excel Template (.xltx) .

  7. В поле Сохранить как введите имя, которое вы хотите использовать для нового шаблона, а затем нажмите Сохранить .

    Если вы не выберете другое расположение, шаблон будет сохранен в / Users / имя пользователя / Library / Application Support / Microsoft / Office / User Templates / My Templates.

    Для систематизации шаблонов используйте Finder для создания новой папки в / Users / имя пользователя / Library / Application Support / Microsoft / Office / User Templates / My Templates, а затем сохраните свой шаблон в новой папке.

    Примечание: Если вы используете Mac OS X 7 (Lion), папка библиотеки по умолчанию скрыта.Чтобы отобразить папку библиотеки, в Finder щелкните меню Go , а затем удерживайте OPTION.

  1. org/ListItem»>

    На панели инструментов Standard щелкните New из шаблона . .

  2. На левой панели навигации в разделе ШАБЛОНЫ щелкните Мои шаблоны .

    Примечание: Если вы создали папки для организации своих шаблонов, папки отображаются в Мои шаблоны . Вам нужно щелкнуть папку, чтобы увидеть шаблоны.

  3. Щелкните созданный шаблон, а затем щелкните Выберите .

    org/ItemList»>
  1. В Finder откройте / Пользователи / имя пользователя / Библиотека / Поддержка приложений / Microsoft / Office / Пользовательские шаблоны / Мои шаблоны.

    Примечание: Если вы используете Mac OS X 7 (Lion), папка библиотеки по умолчанию скрыта. Чтобы отобразить папку библиотеки, в Finder щелкните меню Go , а затем удерживайте OPTION.

  2. Перетащите шаблоны, которые вы хотите удалить, в корзину.

См. Также

Изменить мастер слайдов

Настройте запуск Excel в Excel для Mac

Различия между шаблонами, темами и стилями Word

Если вы думаете о своем текущем документе как о шаблоне, вы можете сохранить его под другим именем, чтобы создать новый документ, основанный на текущем. Всякий раз, когда вы хотите создать такой документ, вы откроете его в Word для Интернета, перейдите к Файл > Сохранить как и создайте документ, являющийся копией того, с которого вы начали.

С другой стороны, если вы думаете о типах шаблонов, которые вы видите, перейдя к Файл > Новый , то нет: вы не можете создавать их в Word для Интернета.

Вместо этого сделайте это:

Если у вас есть настольное приложение Word, используйте команду Открыть в Word в Word для Интернета, чтобы открыть документ в Word на рабочем столе.

Оттуда создайте шаблон. Когда вы перейдете к File > New в настольном приложении Word, вы сможете использовать свой шаблон для новых документов. А если вы храните документы в Интернете, вы можете редактировать их в Word в Интернете.

Как использовать, изменять и создавать шаблоны в Word

В Microsoft Word шаблоны — это предварительно разработанные документы, которые вы или кто-то другой (например, Microsoft) создаете для использования в качестве шаблона для проекта. Шаблон может быть для визитной карточки, брошюры, резюме, презентации … список можно продолжить. Независимо от цели шаблоны обеспечивают единообразие дизайна, необходимое любой организации (или отдельному лицу), чтобы выглядеть профессионально. (Вы также можете найти шаблоны для Excel, PowerPoint и других приложений, но в этой статье мы сосредоточимся на Microsoft Word.)

Шаблон содержит определенный макет, стиль, дизайн и, иногда, общие поля и текст. для каждого использования этого шаблона.Некоторые шаблоны настолько полны (например, визитки), что вам нужно только изменить имя человека, номер телефона и адрес электронной почты. Другие, такие как бизнес-отчеты или брошюры, могут потребовать изменения всего, кроме макета и дизайна.

После создания шаблона вы можете использовать его снова и снова. Помните, что при открытии шаблона для запуска проекта вы сохраняете проект как файл другого типа, например, в базовом формате Word .docx, для редактирования, совместного использования, печати и т. Д.Файл шаблона остается прежним, пока вы не захотите его изменить (подробнее об этом позже).

JD Sartain / IDG Worldwide

Это образец шаблона в Microsoft Word.

Как получить доступ к стандартным шаблонам Microsoft Word

К счастью для нас, Microsoft предоставляет сотни шаблонов для всех своих программ. Обратите внимание, что большинство шаблонов Microsoft доступны в Интернете, а это значит, что вы не сможете получить к ним доступ, если не подключены к Интернету.

Чтобы открыть один из системных шаблонов в Word:

1.Откройте Microsoft Word и выберите Новый .

2. Просмотрите предлагаемые категории поиска: Бизнес, Личное, Промышленность, Дизайнерские наборы, События, Образование или Письма. Для этого упражнения выберите Business .

3. Word отображает сообщение «Поиск в тысячах онлайн-шаблонов».

4. Word отображает результаты поиска по шаблону на экране, а также полный список категорий на прокручиваемой панели справа.

5. Прокрутите страницу вниз или выберите другую категорию, затем выберите шаблон, подходящий для вашего текущего проекта.

JD Sartain / IDG Worldwide

Выберите шаблон из категории, затем начните вводить свои собственные данные и изображения.

Мы выбрали шаблон Интернет-кафе. Обратите внимание, что фотографии, графика и основная информация, такая как часы, уже созданы в шаблоне. Вам нужно только ввести вместо существующих данных данные вашей компании, и брошюра готова.

Как изменить шаблон Microsoft Word

Вы можете изменить цвета, шрифт, фотографии, логотип и все остальное в этом шаблоне.Если вы еще не выбрали брошюру «Интернет-кафе», сделайте это сейчас. Прежде чем вносить какие-либо изменения, сохраните этот шаблон с новым именем файла.

1. Если вы следуете обычным процедурам сохранения документа (и можете здесь), вы выберите Файл> Сохранить как> Компьютер> Обзор . Затем перейдите в соответствующую папку и дайте шаблону новое имя.

2. Помните, что, щелкнув стрелку вниз рядом с Сохранить как тип в поле ввода, выберите Word Template (*.dotx) из списка (и, конечно, измените имя в поле ввода File Name ), Microsoft автоматически помещает файл в свою собственную папку шаблона.

3. После сохранения в качестве шаблона закройте файл.

4. Теперь откройте его снова. Обратите внимание, что его нет в указанной вами папке. Не паникуйте. Перейдите в C: \ Users \ owner \ Documents \ Custom Office Templates, и там будут ваши настраиваемые шаблоны. Выберите из списка тот, который вы только что сохранили, и откройте его.

JD Sartain / IDG Worldwide

Сохраните документ как шаблон.

5. Измените разделы в новом шаблоне, которые будут в каждой брошюре, например логотип или контактную информацию. Затем снова сохраните его как шаблон, нажав Ctrl + S . Он сохранится в том же месте.

6. Затем введите всю остальную информацию и сохраните ее — на этот раз как документ, чтобы вы могли распечатать ее или поделиться ею с другими.

Когда вы будете готовы создать новую брошюру, просто откройте шаблон, введите новые данные и сохраните заполненную брошюру как документ.

JD Sartain / IDG Worldwide

Этот шаблон Интернет-кафе был изменен и сохранен в виде брошюры.

Как создавать собственные шаблоны в Word

Пользовательские шаблоны могут быть как простыми, так и сложными по мере необходимости. Например, вы можете создать шаблон для информационного бюллетеня вашей компании, плакатов для семинара или приглашений на корпоративные мероприятия. Вы также можете создавать интерактивные шаблоны для загрузки в интрасеть, чтобы другие могли заполнить пробелы, например, для печати своих конвертов и фирменных бланков.

Сначала создайте документ — спроектируйте и отформатируйте его, добавьте графику и фотографии. Если он интерактивный, выберите Controls на вкладке «Разработчик» и создайте настраиваемые поля ввода для взаимодействия с пользователем.

Для этого упражнения создайте рекламную листовку для конференции Meet & Greet, включающей обед, коктейли и ужин для высшего руководства компании и ее новых стажеров.

1. Начните с пустого документа.

2. Создайте два столбца: левый — 4,5 дюйма, а правый — 2.5 дюймов, а расстояние между столбцами составляет около 3/8 дюйма. Эти измерения являются только предположениями. Отрегулируйте по мере необходимости для вашего проекта и выбранных изображений и графики.

3. Добавьте заголовок.

4. Выберите шрифт (мы выбираем Century Gothic), стиль (без засечек) и цвет (белый) для этого заголовка.

5. Повторите этот процесс для субтитров. В нашем примере мы меняем цвет шрифта на темно-бирюзовый.

6. Создайте несколько графических блоков для заголовка (темно-бирюзовый) и подзаголовка (светло-бирюзовый).Выберите Вставить > Фигуры и выберите прямоугольник из списка значков.

7. Вставьте подходящую фотографию в оба столбца. Выберите «Вставка»> «Рисунки» и выберите фотографии из библиотеки изображений. Добавление изображений дает вам возможность оценить размеры изображений и ширину столбцов и настроить их по мере необходимости.

8. Введите расписание и повестку дня в первой колонке. Используйте Century Gothic 14 (черного цвета) для основного текста и Century Gothic 18 (темно-бирюзового цвета) для заголовков.

9. Введите время и место плюс организаторов конференции во втором столбце с одинаковыми шрифтами и цветами для основного текста и заголовков.

JD Sartain / IDG Worldwide

Создайте собственный шаблон события.

10. Если конечный продукт вас устроит, щелкните Сохранить как> Meet + Greet.docx (обычный документ Word), чтобы вы могли поделиться им или распечатать.

11. Перед выходом также сохраните этот документ как шаблон. Щелкните «Сохранить как»> «Сохранить как тип» , выберите «Шаблон Word » [*.dotx] из списка и сохраните как Meet + Greet.dotx. На следующей конференции шаблон готов, чтобы вы начали.

Если у вас есть несколько настраиваемых шаблонов в папке Custom Office Templates, когда вы открываете Word и выбираете New , Word предоставляет новую категорию в меню Backstage под названием Personal . Щелкните эту категорию, чтобы просмотреть и открыть сохраненные шаблоны.

JD Sartain / IDG Worldwide

Откройте свой собственный шаблон в Новый > Персональный .

Как добавить интерактивный компонент в шаблон

Некоторые шаблоны используют интерактивные элементы управления для пользовательского ввода. Например, представьте, что раз в месяц руководители филиалов, помощники менеджеров и кредиторы крупного банковского учреждения встречаются в одном из 12 отделений. Ваш ассистент должен отправить каждому участнику по электронной почте дату, время, место, выступающих, темы и повестку дня. Вместо того, чтобы заставлять этого человека повторно вводить данные в обычном шаблоне, вы можете создать шаблон, в котором параметры могут быть выбраны из списка.Например:

1. Сначала создайте шаблон, затем решите, какие поля (дата, время и т. Д.) Можно выбрать из списка.

2. Щелкните вкладку Developer .

3. Поместите курсор на шаблоне, где идет дата.

4. Выберите Вставить > Текст > Быстрые части > Поле , затем выберите Дата на панели «Категории» и выберите формат даты на панели Свойства .Нажмите ОК . Теперь дата обновится автоматически.

JD Sartain / IDG Worldwide

Вставьте поле даты, которое обновляется автоматически.

5. Затем поместите курсор на шаблон в том месте, где оно находится.

6. Выберите Developer > Controls > Combo Box Content Control . Word помещает этот элемент в ваш шаблон.

7. Не снимая выделения с вкладки «Разработчик», щелкните Controls > Properties , откроется диалоговое окно Content Control Properties .

8. Нажмите кнопку Добавить , введите имя ветви в диалоговом окне Добавить вариант , затем нажмите ОК . Повторяйте этот процесс до тех пор, пока не будут введены все местоположения ответвлений, затем снова нажмите OK , чтобы закрыть это диалоговое окно.

JD Sartain / IDG Worldwide

Создайте элемент управления Combo Box, чтобы пользователи могли выбирать параметры из списка.

9. Если вы хотите изменить, удалить или переместить запись вверх или вниз, выделите запись, а затем нажмите соответствующую кнопку.

10. Вы можете изменить цвет рамки поля со списком и изменить или создать собственный стиль (шрифты, цвет, атрибуты и т. Д.) Для гарнитуры, используемой внутри поля со списком.

11. Повторите шаги с 5 по 8 выше, чтобы создать элементы управления содержимым поля со списком для оставшихся полей: дата и время собрания, докладчики и темы.

12. По завершении сохраните документ как шаблон Word (* .dotx).

Советы по шаблонам: как создавать собственные таблицы стилей

Таблица стилей по умолчанию в MS Word называется нормальной.dotx. Не рекомендуется изменять эту таблицу стилей, потому что в дальнейшем это может привести к нежелательным эффектам. Лучше всего создавать собственные таблицы стилей для каждого настраиваемого шаблона. Например, шрифт normal.dotx — Calibri, абзацы выровнены по левому краю, интервал — 1,15 и т. Д. Заголовок 1 — это 16 пунктов Cambria и т. Д. Вы можете изменить эти настройки вручную во всем документе, не сохраняя их в обычной таблице стилей и до этого. вы сохраняете документ как шаблон.

Когда вы будете удовлетворены, используйте эти пользовательские настройки для вашей новой таблицы стилей, которую можно назвать чем-то похожим на имя шаблона.Например, если вы создаете собственный шаблон брошюры, вы можете назвать его и таблицу стилей Brochure1. Тогда будет намного проще создавать будущие буклеты.

1. Выберите вкладку «Главная», затем щелкните маленькую стрелку в правом нижнем углу группы под названием Стили . В раскрывающемся меню нажмите кнопку Новые стили (внизу слева).

2. Во всплывающем диалоговом окне Создать новый стиль из форматирования введите имя стиля, например Brochure1.

3. Затем выберите Paragraph из списка полей Style Type , который влияет на весь абзац, в отличие от стиля символов, который влияет только на символы внутри абзаца.

4. Вы можете создать стиль на основе другого стиля, такого как обычный стиль, один из стилей заголовка или стиль без стиля. Если вы планируете использовать большинство функций форматирования в стиле «Обычный», за исключением нескольких отличий, используйте его в качестве основы для стиля «Обычный». Если пользовательский стиль будет совершенно другим, выберите вариант «Нет стиля».

5. В разделе «Форматирование» выберите шрифт и размер, затем выберите цвет шрифта, например коричневый, выравнивание, например выравнивание, интервал, например 1,15, и отступы. Обратите внимание, что поле в центре диалогового окна показывает, как выглядит абзац с выбранными вами параметрами формата.

JD Sartain / IDG

Как создать собственную таблицу стилей

6. В нижнем левом углу нажмите кнопку Формат . Обратите внимание на девять вариантов в раскрывающемся списке. В диалоговом окне «Шрифт» можно дополнительно настроить параметры шрифта, такие как стиль шрифта (полужирный, курсив и т. Д.), Стиль подчеркивания; Нижний и верхний индекс, маленькие заглавные буквы и т. Д.

7. В диалоговом окне Параграф вы можете настроить отступы и интервалы, а также разрывы строк и страниц. Используйте диалоговое окно «Вкладки» для настройки выравнивания и выноски вкладок, например точек между названием главы и номером страницы главы в оглавлении.

8. Диалоговое окно «Границы и затенение» предоставляет такие параметры границы, как прямоугольник, тень, 3D и т. Д .; и параметры затенения включают цвета и узоры. Функция «Язык» — это, конечно же, язык абзаца, например французский или итальянский.Обратите внимание: если вам нужны только определенные слова на другом языке, например c’est la vie в середине абзаца, создайте стиль символов под названием French.

9. Параметр «Рамка» на самом деле является функцией обтекания текстом, которая включает в себя то, как текст обтекает графику в абзаце, интервал вокруг изображения и его расположение на странице. Выберите Нумерация , чтобы определить, как должны отображаться числа, например стандартные арабские цифры, римские цифры или символы; как они расположены; и обозначены, например, точкой после или круглыми скобками и т. д.Маркеры также определяются в этом списке, который предоставляет стандартные и настраиваемые маркеры.

10. Далее идут параметры сочетания клавиш, которые позволяют выбрать настраиваемую клавишу быстрого доступа для стиля абзаца или символа, например, Ctrl + B для жирного шрифта (который используется в Word по умолчанию) или определить свою собственную. Последним в списке идут текстовые эффекты, которые позволяют вам определять цвет, градиент, узор, контур и прозрачность абзаца, такого как заголовок на титульной странице книги или руководства. Дополнительные текстовые эффекты включают тень, отражение, свечение, мягкие края и 3D-формат.

JD Sartain / IDG

Как отформатировать собственную таблицу стилей

Где найти файлы шаблонов на вашем компьютере

Пользовательские шаблоны, которые вы создаете или изменяете из одного из стандартных шаблонов Microsoft, хранятся в папке C: \ Users \ Owner \ Documents \ Custom Office Templates, где — ваше имя для входа . Когда вы откроете папку Users , вы увидите свое имя для входа в список папок. Если нет, то он должен находиться в папке, которая на самом деле называется «Владелец».

JD Sartain / IDG Worldwide

Где находятся персональные пользовательские шаблоны и стандартные шаблоны

Microsoft хранит свои шаблоны по адресу:

C: \ Users \ <ваше имя для входа> \ AppData \ Roaming \ Microsoft \ Templates

Как создавать собственные шаблоны Microsoft Word в Office

Если вы используете Microsoft Word, вы, вероятно, знакомы с шаблонами, которые представляют собой документы с предопределенными настройками (такими как образец содержимого, стиль, форматирование, макет, изображения, логотипы и т. Д.), который можно использовать для создания новых документов без необходимости каждый раз начинать с нуля.

Хотя Office включает в себя множество шаблонов, из которых вы можете выбирать, если вам нужен шаблон, адаптированный к вашим потребностям, Microsoft Word включает возможность сохранить документ как шаблон с использованием формата «.dotx». Затем вы можете использовать сохраненный шаблон снова и снова, чтобы сэкономить время на создании новых документов. Это также полезно, когда вы хотите упростить и стандартизировать процесс создания определенных документов (например, стандартных контрактов, коммерческих предложений, резюме, брошюр, презентаций и т. Д.) В вашей организации.

VPN-предложения: пожизненная лицензия за 16 долларов, ежемесячные планы за 1 доллар и более

В этом руководстве по Windows 10 мы расскажем, как создать собственный шаблон документа Word с использованием практически любой поддерживаемой версии Office.

Как создать шаблон Word в Office 2019

Возможность создания шаблона доступна в Word, входящем в состав Microsoft 365, Word 2019, Word 2016 и более ранних версий.

Чтобы создать собственный шаблон Microsoft Word, выполните следующие действия:

  1. Открыть Word .
  2. Щелкните Home .
  3. Щелкните Пустой документ .

    Источник: Windows Central
  4. Создайте документ, который будет служить шаблоном.

    Источник: Windows Central

    Краткое примечание: На этом этапе вы хотите создать структуру документа с образцом содержимого, настраиваемым форматированием, стилями, макетом страницы, темами дизайна, специальными настройками и т. Д.

  5. Щелкните Файл .
  6. Щелкните Сохранить как .
  7. В разделе «Другие местоположения» нажмите Обзор .

    Источник: Windows Central
  8. Перейдите по следующему пути:

    % HOMEPATH% \ Documents \ Custom Office Templates

    Совет: Вы можете сохранить шаблон в любом месте, но лучше всего хранить файл в папке «Custom Office Templates», чтобы Word мог отображать файл на вкладке «Personal» при использовании «New». .

  9. В поле «Имя файла» укажите имя для шаблона, например my_resume_template .
  10. Используйте раскрывающееся меню «Сохранить как тип» и выберите вариант Word Template (.dotx) .

    Источник: Windows Central
  11. Нажмите кнопку Сохранить .

После выполнения этих шагов документ будет сохранен как шаблон, который затем можно будет использовать для быстрого создания новых документов на основе указанных вами параметров.

Кроме того, вы также можете изменить один из шаблонов, свободно доступных в Word, и сохранить его как документ «.dotx», чтобы создать новый шаблон на основе другого шаблона для другой или более конкретной цели.

Если вы используете старую версию Office, сейчас отличное время для перехода на Microsoft 365. Используя службу на основе подписки, вы всегда можете перейти на новейшую версию самых популярных офисных приложений в мире, чтобы получить доступ к новейшие функции без дополнительной платы, и вы получаете множество других преимуществ, таких как совместное использование приложений с другими пользователями, Microsoft Teams, семейная безопасность, редактор Microsoft и 1 ТБ хранилища OneDrive.

Как использовать шаблон Word в Office 2019

Чтобы использовать созданный вами настраиваемый шаблон Microsoft Word, выполните следующие действия:

  1. Открыть Word .
  2. Щелкните New .
  3. Щелкните вкладку Personal .

    Источник: Windows Central
  4. Выберите имя настраиваемого шаблона.
  5. Создайте документ по шаблону.
  6. Щелкните Файл .
  7. Нажмите Сохранить .
  8. Выберите место для сохранения документа.
  9. Укажите имя файла.

    Источник: Windows Central
  10. Нажмите кнопку Сохранить .

После выполнения этих шагов документ будет сохранен как любой другой документ Word без изменения исходного шаблона.

Инструкции, представленные в этом руководстве, работают только с настольной версией Word. Веб-версия приложения не включает эту функцию.При использовании Word в Интернете вы можете работать только с документами, созданными с использованием определенного шаблона, или вы можете создавать новые документы на основе шаблонов, предлагаемых Office.

Дополнительные ресурсы по Windows 10

Дополнительные полезные статьи, статьи и ответы на распространенные вопросы о Windows 10 см. На следующих ресурсах:

Мы можем получать комиссию за покупки, используя наши ссылки. Узнать больше.

Создание защищенного заполняемого шаблона в Microsoft Word для использования в автоматизации документов — Clio Help Center

В этой статье предлагаются расширенные методы Microsoft Word (2010-2013) для создания защищенного шаблона с заполняемыми полями (или «Элементы управления содержимым» в терминологии Microsoft) для данных, которые не могут быть заполнены тегами полей слияния Clio.Эти методы могут быть полезны для создания защищенных доверительных квитанций с помощью Document Automation.

Статья по теме: Учебное пособие — Использование автоматизации документооборота для создания доверенности

Если вы не знакомы с автоматизацией документов, см. Следующие статьи поддержки:

Использование Clio Document Automation
Как создать шаблон документа

Содержание

Отображение вкладки разработчика
Добавление элементов управления формы
Свойства элемента управления
Форматирование элементов управления формы
Добавление ограничений редактирования / защиты в шаблон
Веб-семинар по расширенной автоматизации документов

Отображение вкладки разработчика

Инструменты, которые вам понадобятся для добавления элементов управления формы в ваш шаблон, можно найти на вкладке «Разработчик», которая по умолчанию скрыта.

Чтобы открыть вкладку «Разработчик», щелкните «Файл».

Затем нажмите «Параметры».

В окне параметров Word

  1. Щелкните «Настроить ленту» на левой боковой панели.
  2. В области вкладок справа установите флажок рядом с «Разработчик».
  3. Нажмите ОК.

Добавление элементов управления формы

На вкладке 1 «Разработчик» в группе 2 «Элементы управления» находится ряд доступных полей управления формой.

Вот некоторые полезные элементы управления формой:

Элемент управления Rich Text Content — конечный пользователь сможет форматировать текст, введенный в эту текстовую область.
Элемент управления содержимым обычного текста — Конечный пользователь НЕ сможет форматировать текст, введенный в эту текстовую область.
Комбинированный / раскрывающийся элемент управления выбором — В этот элемент управления можно добавлять параметры, из которых пользователи могут выбирать.
Date Picker — Вызывает мини-календарь для выбора даты.

Чтобы добавить элемент управления формы в свой шаблон, щелкните документ, куда вы хотите поместить элемент управления, затем щелкните значок элемента управления, который вы хотите добавить.

Чтобы изменить текст заполнителя по умолчанию на элементе управления («Щелкните здесь, чтобы ввести текст» в приведенном выше примере) нажмите «Режим разработки».
Чтобы изменить свойства элемента управления, щелкните «Свойства».

Свойства управления

У каждого элемента управления есть параметры, к которым можно получить доступ, щелкнув «Свойства» с выбранным элементом управления, который нужно изменить.

Например, таким образом вы добавите параметры к элементу управления «Выбор в раскрывающемся списке» или укажете формат даты, отображаемый при использовании элемента управления «Выбор даты».

Пример № 1 — Свойства элемента управления содержимым RTF

В примере слева показаны основные параметры свойств, доступные для формирования элементов управления содержимым.

Пример № 2 — Свойства элемента управления выбором комбинированного / раскрывающегося списка

В дополнение к свойствам, описанным выше, Свойства элемента управления раскрывающимся списком дают вам возможность добавлять параметры, которые пользователь может выбирать при заполнении формы.

Чтобы добавить новую опцию в раскрывающийся список, нажмите кнопку «Добавить». Чтобы отредактировать существующий параметр, щелкните его, затем нажмите кнопку «Изменить».Чтобы удалить параметр, щелкните его, затем нажмите «Удалить».

Пример № 3 — Свойства элемента управления «Выбор даты»

Свойства элемента управления «Выбор даты» позволяют выбрать формат даты, которая отображается, когда пользователь выбирает день в мини-календаре.

Щелкните формат даты в области выбора, чтобы выбрать его, затем щелкните OK.

Элементы управления форматированием формы

По умолчанию текст, вводимый в элемент управления, будет иметь то же форматирование, что и строка, в которую он был добавлен.Чтобы изменить форматирование текста, вводимого в элемент управления, выделите элемент управления с ВЫКЛЮЧЕННЫМ «Режимом дизайна» и внесите изменения в форматирование, как и для любого другого текста.

Чтобы изменить формулировку или форматирование текста заполнителя элемента управления:

  1. Включите «Режим дизайна».
  2. Выделите замещающий текст и внесите необходимые изменения форматирования.
  3. Выключите «Режим дизайна».
Элемент управления формой с текстом заполнителя по умолчанию и без форматирования — режим разработки включен
Элемент управления формы, отформатированный с пользовательским текстом-заполнителем — режим разработки на
Элемент управления формы, отформатированный с пользовательским текстом-заполнителем — режим разработки отключен

При форматировании текста-заполнителя элемента управления имейте в виду, что стиль по умолчанию для этого заполнителя может не облегчить немедленную идентификацию как элемент управления формы.Добавление выделения или отличительного стиля к заполнителю сделает его более заметным в вашем документе. Когда конечный пользователь вводит или выбирает содержимое в элементе управления, форматирование заполнителя исчезает, и содержимое принимает стиль этой строки в документе.

Добавление ограничений редактирования / защиты к вашему шаблону

Защита вашего шаблона может гарантировать, что любой пользователь или контакт, который может заполнять ваши объединенные документы, сможет изменять только информацию, содержащуюся в элементах управления формы, которые вы добавляете в свой шаблон.

Чтобы ограничить редактирование вашего шаблона:

  1. Перейдите на вкладку Разработчик.
  2. Щелкните «Ограничить редактирование»
  3. На боковой панели «Ограничить редактирование» справа установите флажок под шагом « 2. Ограничения редактирования » и измените раскрывающийся список на «Заполнение форм».
  4. Нажмите «Да, начать принудительную защиту» на шаге « 3. Начать принудительную защиту ».

  5. Во всплывающем окне «Начать принудительную защиту» введите необязательный пароль, если вы хотите, чтобы документ был защищен паролем, или нажмите «ОК», если вы не хотите добавлять защиту паролем.

  6. Сохраните защищенный шаблон как новую версию, чтобы не перезаписать исходный документ.

После загрузки в Clio защищенный шаблон создаст новые защищенные документы Word, по-прежнему получая информацию из Clio.

Дополнительная информация доступна на Microsoft.com


Вебинар по расширенной автоматизации документооборота

Менее чем за час мы продемонстрируем передовые методы MS Word для добавления условных полей и элементов управления формы в ваш шаблон Word.Мы также демонстрируем, как добавить ограничения на редактирование в ваш шаблон. Этот расширенный веб-семинар предназначен для пользователей, которые уже знакомы с созданием шаблонов Word для использования в Document Automation.

Щелкните ЗДЕСЬ, чтобы просмотреть запись.

Создание настраиваемого шаблона в Pages на Mac

При создании нового шаблона вы начинаете с существующего шаблона (пустого или любого другого шаблона), вносите изменения, а затем сохраняете его как настраиваемый шаблон. Исходный шаблон остается без изменений.Пользовательские шаблоны отображаются в категории «Мои шаблоны» в средстве выбора шаблонов.

Примечание: Для создания новых шаблонов можно использовать только те шаблоны, которые отображаются в средстве выбора шаблонов. Если вы хотите использовать собственный шаблон, которого нет в средстве выбора шаблона, сначала установите его.

  1. В Pages выберите «Файл»> «Создать» (в меню «Файл» вверху экрана), затем дважды щелкните шаблон, с которого хотите начать.

  2. Выполните любое из следующих действий:

    • Удалите существующий заполнитель или фоновое изображение: Выберите объект, который нужно удалить, и нажмите «Удалить» на клавиатуре.Если объект по-прежнему не может быть удален, возможно, вам сначала придется его разблокировать. Если объект находится на образце раздела в текстовом документе, выберите «Упорядочить»> «Образцы разделов»> «Сделать главные объекты доступными для выбора» (в меню «Упорядочить» в верхней части экрана).

    • Создайте заполнитель мультимедиа: Выберите изображение или видео, затем выберите «Формат»> «Дополнительно»> «Определить как заполнитель мультимедиа» (в меню «Формат» в верхней части экрана).

    • Создайте заполнитель текста: Выделите текст, затем выберите «Формат»> «Дополнительно»> «Определить как заполнитель текста» (в меню «Формат» в верхней части экрана).

    • Добавьте водяной знак или фоновый объект: В текстовом документе выделите текст или объект, который вы хотите разместить на фоне, затем выберите «Упорядочить»> «Мастера разделов»> «Переместить объект в мастер раздела» (из меню «Упорядочить»). вверху экрана). В документе с макетом страницы вы можете добавлять водяные знаки и фоновые объекты на главные страницы, которые сохраняются с шаблоном.

    • Добавьте цвет фона (только для документов с макетом страницы): На боковой панели «Формат» щелкните «Фон» и выберите параметр заливки.

  3. Выберите «Файл»> «Сохранить как шаблон» (в меню «Файл» в верхней части экрана), затем выберите один из вариантов:

    • Добавить в средство выбора шаблона: Введите имя шаблона, затем нажмите Вернуть. Ваш шаблон появится в категории «Мои шаблоны» в средстве выбора шаблона.

    • Сохранить: Введите имя шаблона, затем выберите, где вы хотите его сохранить.

      Если вы сохраните его в iCloud, шаблон появится как загружаемый файл в диспетчере документов при следующем открытии Pages на iPhone или iPad.

Если вы не хотите сохранять новый шаблон, вы можете удалить его из средства выбора шаблона (см. Задачу ниже). Вы не можете удалить шаблоны, поставляемые со страницами.

Как создать собственный шаблон в Microsoft Word

Умный с полуслова понимает. Сразу после колледжа превратите свое резюме в шаблон Microsoft Word. На протяжении многих лет вы будете использовать множество шаблонов Word, но этот единственный шаблон резюме будет вам всегда полезен.

Большинство из нас, кто работает с любым программным обеспечением для обработки текстов, знают ценность шаблонов документов.Но чистая лень заставляет нас скачивать их с найденных в Интернете сайтов шаблонов. Вы уже создали свой собственный многоразовый шаблон Word?

Вы можете создать собственный шаблон Word для общих документов, бизнес-планов, запросов предложений, форм, сопроводительных писем, информационных бюллетеней компании или чего-либо еще.Это так просто.

Все о шаблонах в Word

Шаблон Microsoft Word позволяет переносить один и тот же дизайн и макет из одного документа в другой.Вот что нужно знать о них:

  • Вы можете создать файл шаблона Word, содержащий шаблонный текст, макросы, логотипы, а также верхние и нижние колонтитулы.
  • В шаблонах Word могут быть элементы управления отформатированным текстом, изображения, раскрывающиеся списки, средства выбора даты и даже настраиваемые словари и панели инструментов.
  • Вы можете добавить текст с инструкциями в шаблон, чтобы любой, кто его использует, знал, что делать.
  • Вы можете защитить части шаблона и предотвратить их изменение.
  • Обычный документ Word и шаблон сохраняются с разными типами файлов.
  • Вы можете использовать шаблон столько раз, сколько захотите.

Откройте шаблон и используйте его как точку перехода для нового документа. Вы можете скачать бесплатные и платные шаблоны Word в Интернете. Но они могут и не выделяться. Создайте шаблон в Microsoft Word и сделайте его своим.

Как сохранить документ Word в виде шаблона

Самый быстрый способ создать шаблон — из существующего документа Word.Скажем, бизнес-план или юридический документ, который вы хотите использовать повторно. Откройте документ в Word.

1.Выберите Лента> Файл> Сохранить как .

2.В диалоговом окне Сохранить как введите описательное имя файла, чтобы распознать его как шаблон.

3.Щелкните стрелку раскрывающегося списка типа файла и выберите Word Template . Если в каком-либо документе есть макросы, вместо этого щелкните Word Macro-Enabled Template .

4.Обратите внимание, что путь для сохранения изменился на папку Custom Office Templates . Эта папка по умолчанию появляется в диалоговом окне «Шаблоны», когда вы хотите использовать шаблон для нового документа.

5.Вы также можете выбрать любое другое место на рабочем столе. Щелкните Дополнительные параметры и перейдите к месту, которое вы хотите использовать. Выберите Сохранить .

Как отредактировать существующий шаблон в Word

Чтобы обновить любой шаблон, откройте файл в Word, внесите необходимые изменения и затем сохраните шаблон.Начнем с одного из собственных шаблонов Word.

1.Щелкните файл File , чтобы перейти на экран Backstage.

2.Выберите Новый и вместо пустого документа выберите шаблон (например, шаблон резюме).

3.Щелкните Create , чтобы загрузить шаблон из галереи в новый документ Word.

4.Поскольку это шаблон резюме, может открыться помощник по резюме. Вы можете прочитать простые инструкции в шаблоне. Например, проследите, как изменить фото профиля в шаблоне.

5.В зависимости от характера шаблона вы можете внести радикальные изменения или просто настроить несколько частей шаблона. Заполните всю информацию и сохраните его как документ (с типом файла DOC или DOCX), чтобы вы могли распечатать его или поделиться с другими.

Всякий раз, когда вы хотите обновить свое резюме, просто откройте шаблон, введите свежую информацию и сохраните окончательное резюме как документ.

Как создать собственный шаблон в Word

Создание собственного шаблона похоже на создание любого документа Word.Вы можете сделать их максимально простыми или сложными в зависимости от ваших потребностей.

Давайте создадим новый шаблон Word с простым бланком.

1.Откройте пустой документ Word.

2.Как видите, я использовал Shapes для стилизации простого бланка. У документа также есть нижний колонтитул внизу страницы.

Вы можете настроить любое свойство документа перед сохранением файла в качестве шаблона.Например, вы можете изменить поля, шрифты или стиль.

3.Перейдите в меню Файл и выберите Сохранить как…

4.В диалоговом окне «Сохранить как » измените тип «Сохранить как»: на Шаблон документа (* .dotx) .

5.Дайте вашему шаблону описательное имя и нажмите Сохранить .

Microsoft Word хранит его в папке шаблонов.Обычно путь такой:

  C: \ Users \ [Имя пользователя] \ AppData \ Roaming \ Microsoft \ Templates  

Чтобы использовать этот шаблон: Откройте Microsoft Word и выберите Новый в меню «Файл».Щелкните Personal , чтобы просмотреть свой шаблон.

Как сделать интерактивный шаблон в Word

Помните фото профиля в приведенном выше примере шаблона резюме? Это интерактивный элемент управления содержимым, который может сделать наш шаблон более настраиваемым.Например, вы можете создать заполняемый шаблон формы с элементами управления содержимым, такими как средства выбора даты, поля со списком, раскрывающиеся списки, поля форматированного текста и т. Д.

Это экономит много времени, потому что вам не нужно изменять одну и ту же информацию каждый раз, когда вы повторно используете шаблон.

1.Создайте шаблон, а затем выберите элементы управления содержимым, которые вы хотите добавить.

2.Элементы управления содержимым настраиваются на вкладке Developer в Word. Включите, если не видно.

  • Перейдите в Файл> Параметры> Настроить ленту .
  • В разделе «Настроить ленту» выберите Основные вкладки в списке справа.
  • В списке установите флажок Developer и нажмите OK.

3.Отобразите вкладку Разработчик на ленте. Перейдите в группу Controls и щелкните Design Mode . Теперь вставьте нужные элементы управления в свой шаблон.

Пример шаблона с элементом управления выбора даты

В следующем примере вы можете увидеть простой шаблон, представляющий собой журнал для протокола собрания.Вам нужно менять дату каждый раз, когда вы ее используете.

  1. Поместите курсор в то место, куда вы хотите вставить элемент управления.Вы также можете использовать текстовое поле, чтобы разместить элемент управления в нужном месте.
  2. На вкладке Developer в группе Controls щелкните Design Mode .
  3. Выберите элемент управления содержимым Date Picker , чтобы вставить его в документ.
  4. Щелкните Свойства в группе элементов управления, чтобы ввести текст-заполнитель и отформатировать его в любом стиле.Панель «Свойства» будет отличаться в зависимости от типа используемого элемента управления.
  5. Теперь нажмите Режим дизайна , чтобы отключить функцию дизайна и сохранить текст инструкции.

6.Вы можете открыть этот шаблон, изменить дату, чтобы повторно использовать его каждый раз, и сохранить для печати или публикации.

Шаблоны Word сделают вашу работу за вас

Это было простое руководство по шаблонам документов Word.Вы можете сделать с ними гораздо больше. Например, вы можете защитить разделы шаблона от изменения кем-либо еще, а также заблокировать все это паролем, чтобы только проверяющие, знающие пароль, могли открыть файл.

Хотите начать свой проект с правильного дизайна? Посмотрите на эти шаблоны титульных страниц и лучшие шаблоны содержания Word для вашего нового документа.

Почему плохо заряжать телефон за ночь

Зарядка смартфона на ночь может повредить аккумулятор и сократить срок его службы.Вот все, что вам нужно знать.

Об авторе Сайкат Басу (Опубликовано 1539 статей)

Сайкат Басу — заместитель редактора по Интернету, Windows и производительности.После того, как он избавился от грязи MBA и десятилетней маркетинговой карьеры, он теперь увлечен тем, что помогает другим улучшить свои навыки рассказывания историй. Он следит за пропавшей оксфордской запятой и ненавидит плохие скриншоты. Но идеи фотографии, фотошопа и производительности успокаивают его душу.

Больше От Сайката Басу
Подпишитесь на нашу рассылку новостей

Подпишитесь на нашу рассылку, чтобы получать технические советы, обзоры, бесплатные электронные книги и эксклюзивные предложения!

Еще один шаг…!

Подтвердите свой адрес электронной почты в только что отправленном вам электронном письме.